Скачать ГОСТ Р 58462-2019 Автоматизированные системы управления освещением автомобильных дорог и тоннелей. Общие требования

Дата актуализации: 01.01.2021

ГОСТ Р 58462-2019

Автоматизированные системы управления освещением автомобильных дорог и тоннелей. Общие требования

Обозначение: ГОСТ Р 58462-2019
Обозначение англ: GOST R 58462-2019
Статус:введен впервые
Название рус.:Автоматизированные системы управления освещением автомобильных дорог и тоннелей. Общие требования
Название англ.:Roads and tunnels lighting automatic control systems. General requirements
Дата добавления в базу:01.02.2020
Дата актуализации:01.01.2021
Дата введения:01.01.2020
Область применения:Стандарт распространяется на автоматизированные системы управления освещением автомобильных дорог и тоннелей и устанавливает общие требования к ним. Стандарт не распространяется на аварийное освещение тоннелей, а также на системы мониторинга освещения дорог и тоннелей.
Оглавление:1 Область применения
2 Нормативные ссылки
3 Термины, определения и сокращения
4 Общие требования к АСУ освещением
   4.1 Назначение и функции АСУ освещением
   4.2 Требования к АСУ освещением
   4.3 Требования к видам обеспечения АСУ освещением
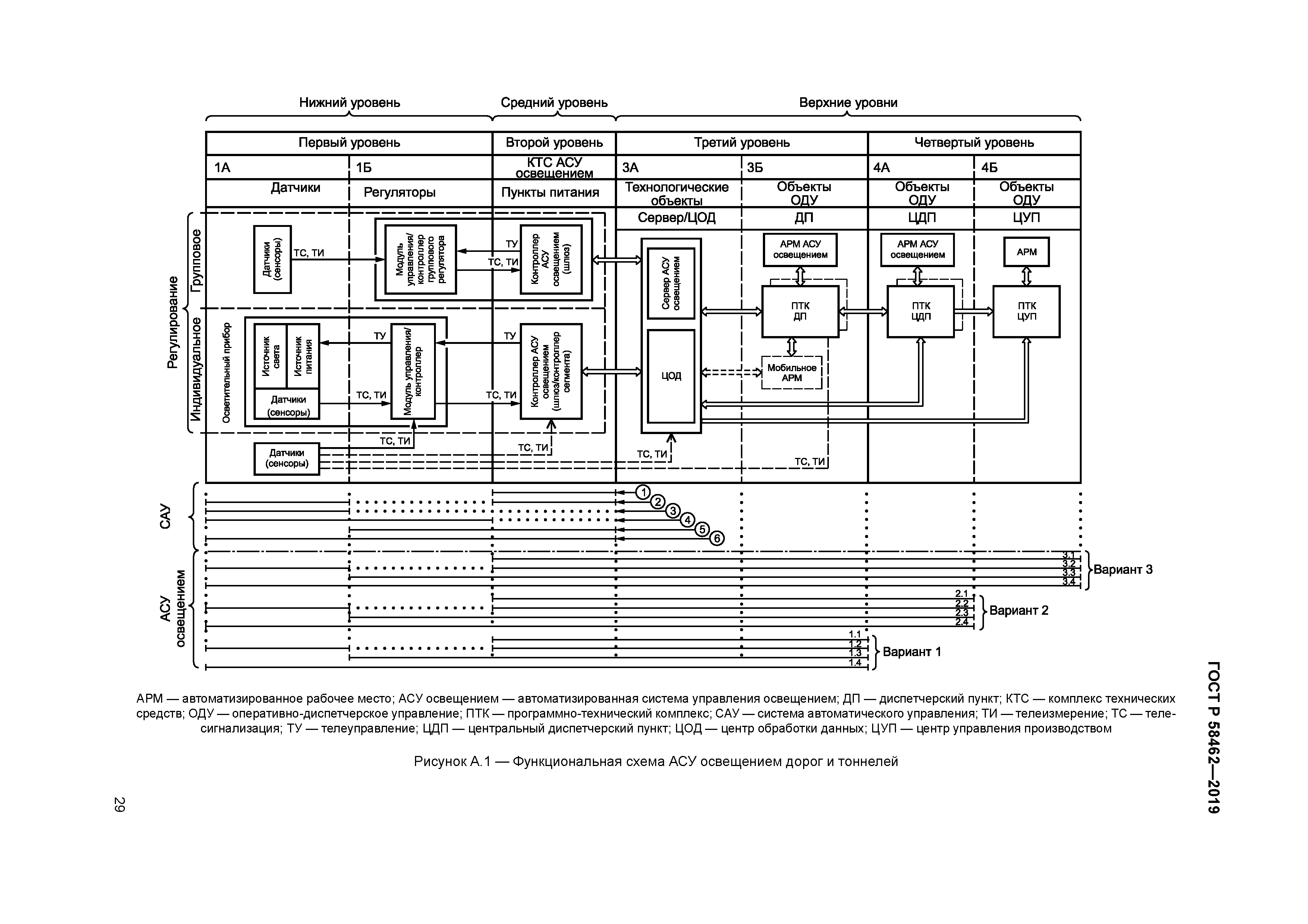
Приложение А (справочное) Функциональная схема АСУ освещением
Приложение Б (справочное) Примеры структур организации связи для различных способов информационного взаимодействия уровней АСУ освещением
Приложение В (справочное) Пример схемы информационного обмена АСУ освещением в составе комплексной автоматизированной системы управления жизнеобеспечением тоннеля
Приложение Г (справочное) Объекты и подсистемы диспетчеризации, входящие в АСУ освещением
Приложение Д (справочное) Рекомендации для учета особенностей информационного обеспечения разных уровней АСУ освещением
Приложение Е (справочное) Примеры значимых элементов и параметров ОУ
Разработан: ООО ВНИСИ
Утверждён:31.07.2019 Федеральное агентство по техническому регулированию и метрологии (437-ст)
Издан: Стандартинформ (2019 г. )
Нормативные ссылки:
ГОСТ Р 58462-2019ГОСТ Р 58462-2019ГОСТ Р 58462-2019ГОСТ Р 58462-2019ГОСТ Р 58462-2019ГОСТ Р 58462-2019ГОСТ Р 58462-2019ГОСТ Р 58462-2019ГОСТ Р 58462-2019ГОСТ Р 58462-2019ГОСТ Р 58462-2019ГОСТ Р 58462-2019ГОСТ Р 58462-2019ГОСТ Р 58462-2019ГОСТ Р 58462-2019ГОСТ Р 58462-2019ГОСТ Р 58462-2019ГОСТ Р 58462-2019ГОСТ Р 58462-2019ГОСТ Р 58462-2019ГОСТ Р 58462-2019ГОСТ Р 58462-2019ГОСТ Р 58462-2019ГОСТ Р 58462-2019ГОСТ Р 58462-2019ГОСТ Р 58462-2019ГОСТ Р 58462-2019ГОСТ Р 58462-2019ГОСТ Р 58462-2019ГОСТ Р 58462-2019ГОСТ Р 58462-2019ГОСТ Р 58462-2019ГОСТ Р 58462-2019ГОСТ Р 58462-2019ГОСТ Р 58462-2019ГОСТ Р 58462-2019ГОСТ Р 58462-2019ГОСТ Р 58462-2019ГОСТ Р 58462-2019ГОСТ Р 58462-2019ГОСТ Р 58462-2019ГОСТ Р 58462-2019ГОСТ Р 58462-2019ГОСТ Р 58462-2019ГОСТ Р 58462-2019ГОСТ Р 58462-2019ГОСТ Р 58462-2019ГОСТ Р 58462-2019