Главная // Актуальные документы // Актуальные документы (обновление 2025.03.29-2025.04.26) // НормыСПРАВКА
Источник публикации
В данном виде документ опубликован не был.
Первоначальный текст документа опубликован в издании
М., 2018.
Информацию о публикации документов, создающих данную редакцию, см. в справке к этим документам.
Примечание к документу
Документ включен в
Перечень документов в области стандартизации, в результате применения которых на добровольной основе обеспечивается соблюдение требований Федерального
закона от 30.12.2009 N 384-ФЗ "Технический регламент о безопасности зданий и сооружений" (
Приказ Росстандарта от 02.04.2020 N 687).
Название документа
"СП 396.1325800.2018. Свод правил. Улицы и дороги населенных пунктов. Правила градостроительного проектирования"
(утв. Приказом Минстроя России от 01.08.2018 N 474/пр)
(ред. от 26.12.2024)
"СП 396.1325800.2018. Свод правил. Улицы и дороги населенных пунктов. Правила градостроительного проектирования"
(утв. Приказом Минстроя России от 01.08.2018 N 474/пр)
(ред. от 26.12.2024)
и жилищно-коммунального хозяйства
Российской Федерации
от 1 августа 2018 г. N 474/пр
СВОД ПРАВИЛ
УЛИЦЫ И ДОРОГИ НАСЕЛЕННЫХ ПУНКТОВ
ПРАВИЛА ГРАДОСТРОИТЕЛЬНОГО ПРОЕКТИРОВАНИЯ
Streets and roads of settlements.
Regulation of urban planning
СП 396.1325800.2018
| | Список изменяющих документов Минстроя России от 24.12.2019 N 852/пр, Минстроя России от 27.12.2021 N 1017/пр, Минстроя России от 26.12.2024 N 927/пр) | |
Дата введения
2 февраля 2019 года
Сведения о своде правил
1 ИСПОЛНИТЕЛИ - Проектно-изыскательский и научно-исследовательский институт промышленного транспорта ЗАО "ПРОМТРАНСНИИПРОЕКТ" (ЗАО "ПРОМТРАНСНИИПРОЕКТ"), Государственное автономное учреждение города Москвы "Научно-исследовательский и проектный институт Генерального плана города Москвы" (ГАУ Институт Генплана Москвы), Федеральное государственное бюджетное образовательное учреждение высшего профессионального образования "Московский автомобильно-дорожный государственный технический университет" (ФГБОУ ВПО "МАДИ")
2 ВНЕСЕН Техническим комитетом по стандартизации ТК 465 "Строительство"
3 ПОДГОТОВЛЕН к утверждению Департаментом градостроительной деятельности и архитектуры Министерства строительства и жилищно-коммунального хозяйства Российской Федерации (Минстрой России)
4 УТВЕРЖДЕН
приказом Министерства строительства и жилищно-коммунального хозяйства Российской Федерации от 1 августа 2018 г. N 474/пр и введен в действие с 2 февраля 2019 г.
5 ЗАРЕГИСТРИРОВАН Федеральным агентством по техническому регулированию и метрологии (Росстандарт)
6 ВВЕДЕН ВПЕРВЫЕ
В случае пересмотра (замены) или отмены настоящего свода правил соответствующее уведомление будет опубликовано в установленном порядке. Соответствующая информация, уведомление и тексты размещаются также в информационной системе общего пользования - на официальном сайте разработчика (Минстрой России) в сети Интернет
Настоящий свод правил разработан в целях повышения уровня безопасности людей в зданиях и сооружениях в соответствии с требованиями федеральных законов от 30 декабря 2009 г.
N 384-ФЗ "Технический регламент о безопасности зданий и сооружений"
[1] и от 23 ноября 2009 г.
N 261-ФЗ "Об энергосбережении и повышении энергетической эффективности и о внесении изменений в отдельные законодательные акты Российской Федерации"
[2].
Настоящий свод правил разработан в развитие
СП 42.13330.2016 "СНиП 2.07.01-89* Градостроительство. Планировка и застройка городских и сельских поселений" с учетом
СП 34.13330.2012 "СНиП 2.05.02-85* Автомобильные дороги".
Свод правил разработан авторским коллективом: ЗАО "ПРОМТРАНСНИИПРОЕКТ" (руководитель темы - академик РАТ В.А. Сидяков, д-р техн. наук Л.А. Андреева, И.П. Потапов, И.В. Музыкин); ГАУ города Москвы "Научно-исследовательский и проектный институт Генерального плана города Москвы" (канд. техн. наук М.Г. Крестмейн, канд. техн. наук И.А. Бахирев, канд. техн. наук Е.Н. Боровик, В.В. Давыдов, канд. техн. наук А.А. Карасев, канд. техн. наук Н.К. Кирюшина, Г.А. Новиков, канд. техн. наук В.Н. Попов, Т.В. Сигаева); ФГБОУ ВПО "Московский автомобильно-дорожный государственный технический университет" (МАДИ) (д-р техн. наук П.И. Поспелов, канд. техн. наук В.П. Залуга, канд. техн. наук А.В. Косцов, канд. техн. наук Д.С. Мартяхин, д-р техн. наук Ю.В. Трофименко, канд. техн. наук Б.А. Щит); при участии Комитета по архитектуре и строительству города Москвы (С.В. Костин); ГБУ "Московский городской трест геолого-геодезических и картографических работ" (канд. техн. наук Д.М. Немчинов); Иркутского национального исследовательского технического университета (д-р техн. наук А.Ю. Михайлов); ФГБОУ ВО "Санкт-Петербургский государственный архитектурно-строительный университет" (д-р экон. наук А.И. Солодкий); АО "Моспроект-3" (Г.А. Эдельман); ФАУ "Российский дорожный научно-исследовательский институт" (канд. техн. наук И.Ф. Живописцев); ФГБОУ ВПО "Саратовский государственный технический университет имени Ю.А. Гагарина" (д-р техн. наук В.В. Столяров); а также при участии М.Б. Гофштейна, А.В. Егорова, Д.В. Енина, Е.И. Ениной, Ю.В. Короткова, М.А. Мешалкина, А.В. Муравьева, О.В. Скворцова.
Изменение N 1 к СП 396.1325800.2018 разработано авторским коллективом: АО "ЦНИИПромзданий" (д-р техн. наук В.В. Гранев, канд. архитектуры Д.К. Лейкина); ГАУ "Институт Генплана Москвы" (канд. техн. наук М.Г. Крестмейн, канд. техн. наук И.А. Бахирев, канд. техн. наук Е.Н. Боровик, В.В. Давыдов, канд. техн. наук В.Н. Попов, Н.А. Ожерельева, М.Г. Ивановский).
(абзац введен
Изменением N 1, утв. Приказом Минстроя России от 24.12.2019 N 852/пр)
Изменение N 2 к СП 396.1325800.2018 разработано авторским коллективом: АО "ЦНИИПромзданий" (д-р техн. наук В.В. Гранев, канд. архитектуры Д.К. Лейкина, канд. техн. наук Д.М. Немчинов); Московский автомобильно-дорожный государственный технический университет (МАДИ) (канд. техн. наук А.В. Косцов, канд. техн. наук С.С. Мордвин); ГК "Моспроект-3" (д-р техн. наук М.Г. Горячев, канд. техн. наук С.В. Лугов, канд. техн. наук Е.В. Каленова).
(абзац введен
Изменением N 2, утв. Приказом Минстроя России от 27.12.2021 N 1017/пр)
Изменение N 3 к СП 396.1325800.2018 разработано авторским коллективом: АО "ЦНИИПромзданий" (канд. техн. наук Н.Г. Келасьев, канд. архитектуры Д.К. Лейкина, канд. техн. наук Д.М. Немчинов); МАДИ (д-р техн. наук П.И. Поспелов, д-р техн. наук М.Г. Горячев, канд. техн. наук А.В. Косцов, канд. техн. наук Д.С. Мартяхин, канд. техн. наук С.В. Лугов, канд. техн. наук Е.В. Каленова, канд. техн. наук Т.К. Комарова, С.В. Яркин, А.А. Ретюнский, А.С. Набатчиков); ГАУ "Институт Генплана Москвы" (канд. техн. наук М.Г. Крестмейн, канд. техн. наук И.А. Бахирев, канд. техн. наук Е.Н. Боровик, С.Э. Канеп, М.А. Мигалева, А.П. Етрухин, А.Л. Дергачев, А.А. Чернышов, Л.Я. Гришков); НИУ МГСУ (д-р техн. наук Н.В. Данилина), РУТ МИИТ (канд. техн. наук С.Н. Карасевич).
(абзац введен
Изменением N 3, утв. Приказом Минстроя России от 26.12.2024 N 927/пр)
Настоящий свод правил распространяется на проектирование новых и реконструкцию существующих улиц и дорог населенных пунктов, а также на капитальный ремонт существующих улиц и дорог населенных пунктов.
(в ред.
Изменения N 2, утв. Приказом Минстроя России от 27.12.2021 N 1017/пр)
В настоящем своде правил использованы нормативные ссылки на следующие документы:
(в ред.
Изменения N 2, утв. Приказом Минстроя России от 27.12.2021 N 1017/пр)
ГОСТ 24451-80 Тоннели автодорожные. Габариты приближения строений и оборудования
(ссылка введена
Изменением N 2, утв. Приказом Минстроя России от 27.12.2021 N 1017/пр)
ГОСТ 32753-2014 Дороги автомобильные общего пользования. Покрытия противоскольжения цветные. Технические требования
(ссылка введена
Изменением N 3, утв. Приказом Минстроя России от 26.12.2024 N 927/пр)
ГОСТ 32953-2014 Дороги автомобильные общего пользования. Разметка дорожная. Технические требования
(ссылка введена
Изменением N 2, утв. Приказом Минстроя России от 27.12.2021 N 1017/пр)
ГОСТ 32957-2014 Дороги автомобильные общего пользования. Экраны акустические. Технические требования
ГОСТ 32960-2014 Дороги автомобильные общего пользования. Нормативные нагрузки, расчетные схемы нагружения
(ссылка введена
Изменением N 2, утв. Приказом Минстроя России от 27.12.2021 N 1017/пр)
ГОСТ 33150-2014 Дороги автомобильные общего пользования. Проектирование пешеходных и велосипедных дорожек. Общие требования
ГОСТ 33181-2014 Дороги автомобильные общего пользования. Требования к уровню зимнего содержания
(ссылка введена
Изменением N 2, утв. Приказом Минстроя России от 27.12.2021 N 1017/пр)
ГОСТ 33220-2015 Дороги автомобильные общего пользования. Требования к эксплуатационному состоянию
(ссылка введена
Изменением N 2, утв. Приказом Минстроя России от 27.12.2021 N 1017/пр)
ГОСТ Р 50597-2017 Дороги автомобильные и улицы. Требования к эксплуатационному состоянию, допустимому по условиям обеспечения безопасности дорожного движения. Методы контроля
(ссылка введена
Изменением N 2, утв. Приказом Минстроя России от 27.12.2021 N 1017/пр)
ГОСТ Р 51256-2018 Технические средства организации дорожного движения. Разметка дорожная. Классификация. Технические требования
ГОСТ Р 52131-2019 Средства отображения информации знаковые для инвалидов. Технические требования
(в ред.
Изменения N 2, утв. Приказом Минстроя России от 27.12.2021 N 1017/пр)
ГОСТ Р 52282-2004 Технические средства организации дорожного движения. Светофоры дорожные. Типы и основные параметры. Общие технические требования. Методы испытаний
ГОСТ Р 52289-2019 Технические средства организации дорожного движения. Правила применения дорожных знаков, разметки, светофоров, дорожных ограждений и направляющих устройств
(в ред.
Изменения N 2, утв. Приказом Минстроя России от 27.12.2021 N 1017/пр)
ГОСТ Р 52290-2004 Технические средства организации дорожного движения. Знаки дорожные. Общие технические требования
ГОСТ Р 52605-2006 Технические средства организации дорожного движения. Искусственные неровности. Общие технические требования. Правила применения
Ссылка исключена с 27.01.2025. -
Изменение N 3, утв. Приказом Минстроя России от 26.12.2024 N 927/пр.
ГОСТ Р 52765-2007 Дороги автомобильные общего пользования. Элементы обустройства. Классификация
ГОСТ Р 52766-2007 Дороги автомобильные общего пользования. Элементы обустройства. Общие требования
ГОСТ Р 52875-2018 Указатели тактильные наземные для инвалидов по зрению. Технические требования
(ссылка введена
Изменением N 1, утв. Приказом Минстроя России от 24.12.2019 N 852/пр)
ГОСТ Р 55029-2020 Дороги автомобильные общего пользования. Материалы геосинтетические для армирования асфальтобетонных слоев дорожной одежды. Технические требования
(ссылка введена
Изменением N 2, утв. Приказом Минстроя России от 27.12.2021 N 1017/пр)
(ссылка введена
Изменением N 3, утв. Приказом Минстроя России от 26.12.2024 N 927/пр)
Ссылка исключена с 27.01.2025. -
Изменение N 3, утв. Приказом Минстроя России от 26.12.2024 N 927/пр.
ГОСТ Р 56162-2019 Выбросы загрязняющих веществ в атмосферу. Метод расчета количества выбросов загрязняющих веществ в атмосферу потоками автотранспортных средств на автомобильных дорогах разной категории
(в ред.
Изменения N 2, утв. Приказом Минстроя России от 27.12.2021 N 1017/пр)
ГОСТ Р 58861-2020 Дороги автомобильные общего пользования. Капитальный ремонт и ремонт. Планирование межремонтных сроков
(ссылка введена
Изменением N 3, утв. Приказом Минстроя России от 26.12.2024 N 927/пр)
ГОСТ Р 70716-2023 Дороги автомобильные и улицы. Безопасность движения пешеходов. Общие требования
(ссылка введена
Изменением N 3, утв. Приказом Минстроя России от 26.12.2024 N 927/пр)
ГОСТ Р 71092-2023 Интеллектуальные транспортные системы. Требования к функциональной архитектуре интеграционной платформы интеллектуальных транспортных систем
(ссылка введена
Изменением N 3, утв. Приказом Минстроя России от 26.12.2024 N 927/пр)
ГОСТ Р 71093-2023 Дороги автомобильные общего пользования. Требования к информированию пользователей платных автомобильных дорог
(ссылка введена
Изменением N 3, утв. Приказом Минстроя России от 26.12.2024 N 927/пр)
| | ИС МЕГАНОРМ: примечание. В официальном тексте документа, видимо, допущена опечатка: имеется в виду ГОСТ Р 71094-2024, а не ГОСТ Р 71094-2023. | |
ГОСТ Р 71094-2023 Интеллектуальные транспортные системы. Подсистема метеомониторинга. Общие требования
(ссылка введена
Изменением N 3, утв. Приказом Минстроя России от 26.12.2024 N 927/пр)
ГОСТ Р 71095-2023 Интеллектуальные транспортные системы. Подсистема обеспечения приоритетного проезда транспортных средств. Общие требования
(ссылка введена
Изменением N 3, утв. Приказом Минстроя России от 26.12.2024 N 927/пр)
ГОСТ Р 71096-2023 Интеллектуальные транспортные системы. Подсистема светофорного управления. Общие требования
(ссылка введена
Изменением N 3, утв. Приказом Минстроя России от 26.12.2024 N 927/пр)
ГОСТ Р 71158-2023 Интеллектуальные транспортные системы. Подсистема диспетчеризации управления службы содержания дорог. Общие требования
(ссылка введена
Изменением N 3, утв. Приказом Минстроя России от 26.12.2024 N 927/пр)
ГОСТ Р 71159-2023 Интеллектуальные транспортные системы. Подсистема выявления дорожных инцидентов. Общие требования
(ссылка введена
Изменением N 3, утв. Приказом Минстроя России от 26.12.2024 N 927/пр)
ГОСТ Р 71404-2024 Дороги автомобильные общего пользования. Нежесткие дорожные одежды. Правила проектирования
(ссылка введена
Изменением N 3, утв. Приказом Минстроя России от 26.12.2024 N 927/пр)
СП 4.13130.2013 Системы противопожарной защиты. Ограничение распространения пожара на объектах защиты. Требования к объемно-планировочным и конструктивным решениям
(ссылка введена
Изменением N 3, утв. Приказом Минстроя России от 26.12.2024 N 927/пр)
СП 14.13330.2018 "СНиП II-7-81* Строительство в сейсмических районах" (с изменениями N 2, N 3, N 4)
(в ред.
Изменения N 3, утв. Приказом Минстроя России от 26.12.2024 N 927/пр)
(в ред.
Изменения N 3, утв. Приказом Минстроя России от 26.12.2024 N 927/пр)
СП 32.13330.2018 "СНиП 2.04.03-85 Канализация. Наружные сети и сооружения" (с изменениями N 1, N 2, N 3)
(в ред.
Изменения N 2, утв. Приказом Минстроя России от 27.12.2021 N 1017/пр,
Изменения N 3, утв. Приказом Минстроя России от 26.12.2024 N 927/пр)
(в ред.
Изменения N 2, утв. Приказом Минстроя России от 27.12.2021 N 1017/пр)
СП 35.13330.2011 "СНиП 2.05.03-84* Мосты и трубы" (с изменениями N 1, N 2, N 3, N 4, N 5)
(в ред.
Изменения N 2, утв. Приказом Минстроя России от 27.12.2021 N 1017/пр,
Изменения N 3, утв. Приказом Минстроя России от 26.12.2024 N 927/пр)
СП 42.13330.2016 "СНиП 2.07.01-89* Градостроительство. Планировка и застройка городских и сельских поселений" (с изменениями N 1, N 2, N 3, N 4)
(в ред.
Изменения N 2, утв. Приказом Минстроя России от 27.12.2021 N 1017/пр,
Изменения N 3, утв. Приказом Минстроя России от 26.12.2024 N 927/пр)
СП 51.13330.2011 "СНиП 23-03-2003 Защита от шума" (с изменениями N 1, N 2, N 3, N 4)
(в ред.
Изменения N 3, утв. Приказом Минстроя России от 26.12.2024 N 927/пр)
СП 52.13330.2016 "СНиП 23-05-95* Естественное и искусственное освещение" (с изменением N 1)
(в ред.
Изменения N 2, утв. Приказом Минстроя России от 27.12.2021 N 1017/пр)
СП 59.13330.2020 "СНиП 35-01-2001 Доступность зданий и сооружений для маломобильных групп населения" (с изменениями N 1, N 2, N 3)
(в ред.
Изменения N 2, утв. Приказом Минстроя России от 27.12.2021 N 1017/пр,
Изменения N 3, утв. Приказом Минстроя России от 26.12.2024 N 927/пр)
СП 82.13330.2016 "СНиП III-10-75 Благоустройство территорий" (с изменениями N 1, N 2)
(в ред.
Изменения N 2, утв. Приказом Минстроя России от 27.12.2021 N 1017/пр)
СП 98.13330.2018 "СНиП 2.05.09-90 Трамвайные и троллейбусные линии" (с изменениями N 1, N 2)
(ссылка введена
Изменением N 2, утв. Приказом Минстроя России от 27.12.2021 N 1017/пр; в ред.
Изменения N 3, утв. Приказом Минстроя России от 26.12.2024 N 927/пр)
(в ред.
Изменения N 3, утв. Приказом Минстроя России от 26.12.2024 N 927/пр)
СП 116.13330.2012 "СНиП 22-02-2003 Инженерная защита территорий, зданий и сооружений от опасных геологических процессов. Основные положения" (с изменениями N 1, N 2)
(в ред.
Изменения N 3, утв. Приказом Минстроя России от 26.12.2024 N 927/пр)
(в ред.
Изменения N 3, утв. Приказом Минстроя России от 26.12.2024 N 927/пр)
СП 131.13330.2020 "СНиП 23-01-99* Строительная климатология" (с изменениями N 1, N 2)
(в ред.
Изменения N 2, утв. Приказом Минстроя России от 27.12.2021 N 1017/пр,
Изменения N 3, утв. Приказом Минстроя России от 26.12.2024 N 927/пр)
СП 140.13330.2012 Городская среда. Правила проектирования для маломобильных групп населения (с изменениями N 1, N 2)
(в ред.
Изменения N 3, утв. Приказом Минстроя России от 26.12.2024 N 927/пр)
СП 156.13130.2014 Станции автомобильные заправочные. Требования пожарной безопасности
(ссылка введена
Изменением N 3, утв. Приказом Минстроя России от 26.12.2024 N 927/пр)
СП 227.1326000.2014 Пересечения железнодорожных линий с линиями транспорта и инженерными сетями
(ссылка введена
Изменением N 3, утв. Приказом Минстроя России от 26.12.2024 N 927/пр)
СП 249.1325800.2016 Коммуникации подземные. Проектирование и строительство закрытым и открытым способами (с изменением N 1)
(в ред.
Изменения N 2, утв. Приказом Минстроя России от 27.12.2021 N 1017/пр)
СП 276.1325800.2016 Здания и территории. Правила проектирования защиты от шума транспортных потоков (с изменениями N 1, N 2)
(в ред.
Изменения N 3, утв. Приказом Минстроя России от 26.12.2024 N 927/пр)
СП 399.1325800.2018 Системы водоснабжения и канализации наружные из полимерных материалов. Правила проектирования и монтажа (с изменением N 1)
(ссылка введена
Изменением N 2, утв. Приказом Минстроя России от 27.12.2021 N 1017/пр; в ред.
Изменения N 3, утв. Приказом Минстроя России от 26.12.2024 N 927/пр)
СП 508.1325800.2022 Мощение с применением бетонных вибропрессованных изделий. Правила проектирования, строительства и эксплуатации
(ссылка введена
Изменением N 3, утв. Приказом Минстроя России от 26.12.2024 N 927/пр)
СанПиН 1.2.3685-21 Гигиенические нормативы и требования к обеспечению безопасности и (или) безвредности для человека факторов среды обитания
(ссылка введена
Изменением N 2, утв. Приказом Минстроя России от 27.12.2021 N 1017/пр)
СанПиН 2.1.3684-21 Санитарно-эпидемиологические требования к содержанию территорий городских и сельских поселений, к водным объектам, питьевой воде и питьевому водоснабжению, атмосферному воздуху, почвам, жилым помещениям, эксплуатации производственных, общественных помещений, организации и проведению санитарно-противоэпидемических (профилактических) мероприятий
(ссылка введена
Изменением N 2, утв. Приказом Минстроя России от 27.12.2021 N 1017/пр)
Ссылка исключена с 28.01.2022. -
Изменение N 2, утв. Приказом Минстроя России от 27.12.2021 N 1017/пр.
Ссылка исключена с 28.01.2022. -
Изменение N 2, утв. Приказом Минстроя России от 27.12.2021 N 1017/пр.
Ссылка исключена с 28.01.2022. -
Изменение N 2, утв. Приказом Минстроя России от 27.12.2021 N 1017/пр.
Ссылка исключена с 28.01.2022. -
Изменение N 2, утв. Приказом Минстроя России от 27.12.2021 N 1017/пр.
Ссылка исключена с 27 января 2025 года. -
Изменение N 3, утв. Приказом Минстроя России от 26.12.2024 N 927/пр.
Ссылка исключена с 28.01.2022. -
Изменение N 2, утв. Приказом Минстроя России от 27.12.2021 N 1017/пр.
Примечание - При пользовании настоящим сводом правил целесообразно проверить действие ссылочных документов в информационной системе общего пользования - на официальном сайте федерального органа исполнительной власти в сфере стандартизации в сети Интернет или по ежегодному информационному указателю "Национальные стандарты", который опубликован по состоянию на 1 января текущего года, и по выпускам ежемесячного информационного указателя "Национальные стандарты" за текущий год. Если заменен ссылочный документ, на который дана недатированная ссылка, то рекомендуется использовать действующую версию этого документа с учетом всех внесенных в данную версию изменений. Если заменен ссылочный документ, на который дана датированная ссылка, то рекомендуется использовать версию этого документа с указанным выше годом утверждения (принятия). Если после утверждения настоящего свода правил в ссылочный документ, на который дана датированная ссылка, внесено изменение, затрагивающее положение, на которое дана ссылка, то это положение рекомендуется применять без учета данного изменения. Если ссылочный документ отменен без замены, то положение, в котором дана ссылка на него, рекомендуется применять в части, не затрагивающей эту ссылку. Сведения о действии сводов правил целесообразно проверить в Федеральном информационном фонде стандартов.
3 Термины, определения и сокращения
3.1 Термины и определения
3.1.1 боковой проезд: Элемент поперечного профиля магистральных улиц общегородского или районного значения, устраиваемый параллельно основной проезжей части.
3.1.1а велокоммуникации: Коммуникации в виде велосипедных дорожек или велосипедных полос, предназначенные для движения велосипедистов и лиц, использующих для передвижения средства индивидуальной мобильности.
(п. 3.1.1а введен
Изменением N 3, утв. Приказом Минстроя России от 26.12.2024 N 927/пр)
3.1.2 выделенные полосы движения для наземного пассажирского транспорта общего пользования: Полоса движения на основной проезжей части, выделенная разметкой или конструктивно и предназначенная исключительно для движения наземного пассажирского транспорта общего пользования.
3.1.2а
длина очереди: Количество транспортных средств, ожидающих возможность проехать пересечение. |
(п. 3.1.2а введен
Изменением N 2, утв. Приказом Минстроя России от 27.12.2021 N 1017/пр)
3.1.3 доступ на улицу или дорогу: Управляемая планировочными средствами или средствами организации дорожного движения возможность въезда-съезда транспортных средств с пересекаемых или примыкающих улиц или дорог и с прилегающих территорий.
3.1.3а зазор безопасности: Пространство между двумя габаритами транспортных средств, велосипедистов, средств индивидуальной мобильности, пешеходов или между габаритом транспортного средства, велосипедиста, средства индивидуальной мобильности, пешехода и неподвижными объектами (кромкой велодорожки, тротуара, ограждениями и другими), между габаритом транспортного средства, велосипедиста, средства индивидуальной мобильности и кромкой проезжей части дороги, необходимое для обеспечения безопасности транспортных средств, велосипедистов, лиц, использующих средства индивидуальной мобильности, пешеходов.
(п. 3.1.3а введен
Изменением N 3, утв. Приказом Минстроя России от 26.12.2024 N 927/пр)
3.1.4 канализированное пересечение: Пересечение в одном уровне с выделенными с помощью разделительных островков полосами для различных направлений движения транспортных потоков.
3.1.5 категория улицы или городской дороги в населенных пунктах (проектная): Характеристика, отражающая градостроительную значимость и функциональное назначение улицы или дороги и определяющая параметры проектирования.
3.1.6 кольцевое пересечение: Пересечение в одном уровне с центральным островком в форме окружности и кольцевой проезжей частью.
3.1.6а
конфликт: Ситуации, возникающие между различными потоками движения автомобилей, от помех движению до опасности столкновения. |
(п. 3.1.6а введен
Изменением N 2, утв. Приказом Минстроя России от 27.12.2021 N 1017/пр)
3.1.6б критический элемент: Элемент планировочного решения улицы или дороги, размещение которого в плане или профиле улицы или дороги приведет к наибольшему снижению пропускной способности.
(п. 3.1.6б введен
Изменением N 3, утв. Приказом Минстроя России от 26.12.2024 N 927/пр)
3.1.7 наземный пассажирский транспорт общего пользования; НПТОП: Совокупность наземных видов транспорта, обслуживающих постоянно и временно проживающих в населенных пунктах, а также прибывающих из других населенных пунктов.
3.1.8 накопительная полоса: Дополнительная полоса движения на проезжей части перед пересечением улиц и дорог, предназначенная для накопления транспортных средств в ожидании маневра перестроения.
3.1.9 переходно-скоростная полоса (здесь): Дополнительная полоса на проезжей части улиц и дорог, предназначенная для разгона или торможения транспортных средств при выполнении безопасного маневра перестроения при въезде в транспортный поток, движущийся в прямом направлении, или выезде из него.
3.1.10 пешеходные мосты: Коммуникации в виде сооружений открытого или закрытого типа, предназначенные для преодоления пешеходами водных объектов, оврагов и других естественных преград.
3.1.11 пешеходные переходы: Коммуникации, предназначенные для пересечения пешеходами улиц, дорог и других искусственных преград; включают наземные и внеуличные (надземные, подземные, встроенные) объекты.
(п. 3.1.11 в ред.
Изменения N 1, утв. Приказом Минстроя России от 24.12.2019 N 852/пр)
3.1.12 поперечный профиль: Поперечное сечение улицы или дороги, которое, в зависимости от категории, включает: проезжую часть, боковые проезды, тротуары (пешеходные, технические), велокоммуникации, полосы озеленения, полосы размещения ограждений, полосы безопасности, краевые и разделительные полосы, переходно-скоростные полосы, зоны озеленения, обочины, а также зоны для размещения инженерных коммуникаций и другие элементы.
(в ред.
Изменения N 3, утв. Приказом Минстроя России от 26.12.2024 N 927/пр)
3.1.12а расчетный срок службы объекта: Установленный в задании на проектирование период использования строительного объекта по назначению до капитального ремонта и (или) реконструкции с предусмотренным техническим обслуживанием.
(п. 3.1.12а введен
Изменением N 3, утв. Приказом Минстроя России от 26.12.2024 N 927/пр)
3.1.12б сегмент: Совокупность планировочных элементов улично-дорожной сети, включающая перегон улицы или дороги и пересечение в конце перегона по ходу движения транспортного потока, границами которого являются пересечения или элементы пересечений.
(п. 3.1.12б введен
Изменением N 3, утв. Приказом Минстроя России от 26.12.2024 N 927/пр)
3.1.13 съезд: Конструктивный элемент улицы или дороги населенного пункта, обеспечивающий возможность поворота автомобиля с одной улицы или дороги на другую улицу или дорогу.
(п. 3.1.13 в ред.
Изменения N 3, утв. Приказом Минстроя России от 26.12.2024 N 927/пр)
3.1.14 транспортное пересечение на уличной-дорожной сети в разных уровнях (транспортная развязка): Транспортное сооружение на пересечении улиц/дорог, обеспечивающее разделение в пространстве пересекающихся транспортных потоков по всем направлениям или по отдельным направлениям движения транспорта.
(в ред.
Изменения N 3, утв. Приказом Минстроя России от 26.12.2024 N 927/пр)
3.1.15 транспортно-планировочный каркас населенных пунктов: Совокупность основных наиболее устойчивых элементов планировочной структуры поселения, включая территории системы общегородских центров (включая ядро исторического центра), сеть магистральных улиц и дорог, городских дорог и улиц общегородского значения, улиц и дорог районного значения, систему транспортно-пересадочных узлов; является основой формирования функционально-планировочной структуры населенного пункта.
(в ред.
Изменения N 3, утв. Приказом Минстроя России от 26.12.2024 N 927/пр)
3.1.15а треугольник видимости: Зона, в которой должна быть обеспечена видимость транспортных средств, пешеходов, велосипедистов и других участников дорожного движения в форме треугольника, меньшие стороны которого лежат на пересекающихся улицах и дорогах, пешеходных путях, велокоммуникациях, а их длина зависит от скорости движения транспортных средств и организации движения.
(п. 3.1.15а введен
Изменением N 2, утв. Приказом Минстроя России от 27.12.2021 N 1017/пр; в ред.
Изменения N 3, утв. Приказом Минстроя России от 26.12.2024 N 927/пр)
3.1.16 уровень автомобилизации: Количество автотранспортных средств на 1000 жителей.
3.1.17 условия движения: Совокупность факторов, включающих категорию улицы или дороги и режимы движения транспортных потоков, наличие критических элементов.
(п. 3.1.17 введен
Изменением N 3, утв. Приказом Минстроя России от 26.12.2024 N 927/пр)
(подраздел 3.2 в ред.
Изменения N 3, утв. Приказом Минстроя России от 26.12.2024 N 927/пр)
В настоящем своде правил применены следующие сокращения:
ИН - искусственная неровность;
МГН - маломобильные группы населения;
НГПТ - наземный городской пассажирский транспорт;
НПТОП - наземный пассажирский транспорт общего пользования;
ОТС - нестационарные объекты торговли и сервиса;
СИМ - средства индивидуальной мобильности;
СВТ - скоростной внеуличный транспорт (железнодорожный транспорт, метрополитен, скоростной трамвай);
УДС - улично-дорожная сеть;
ЭЗС - зарядная станция для электромобилей.
4.1 Настоящий свод правил направлен на обеспечение градостроительными средствами безопасности движения на сети улиц и дорог в населенных пунктах (в развитие
СП 42.13330) с учетом требований рационального использования природных ресурсов и охраны окружающей среды, сохранения памятников истории и культуры, защиты территорий населенных пунктов от неблагоприятных воздействий от автотранспорта, доступности транспортной инфраструктуры для населения, включая МГН.
4.2 Настоящий свод правил предназначен для применения на различных стадиях планирования и проектирования улиц и дорог населенных пунктов.
4.3 При разработке градостроительной документации сеть магистральных улиц и дорог населенного пункта, городских дорог и улиц общегородского значения следует проектировать как неотъемлемый элемент транспортного каркаса системы расселения населения Российской Федерации.
(в ред.
Изменения N 3, утв. Приказом Минстроя России от 26.12.2024 N 927/пр)
4.4 Сеть улиц и дорог следует проектировать в единстве с развитием всей транспортной инфраструктуры населенного пункта с учетом перспективного развития территорий, заложенного в документах территориального планирования Российской Федерации, территориального планирования субъектов Российской Федерации, документах территориального планирования муниципальных образований.
4.5 При проектировании сети улиц и дорог в составе документов территориального планирования субъектов Российской Федерации или документов территориального планирования муниципальных образований следует учитывать положения градостроительных документов более высокого уровня планирования
[4],
[7].
4.5а При проектировании улиц и дорог населенных пунктов необходимо обеспечивать возможность передвижений всеми видами транспорта и пешеходного передвижения, а также доступ к объектам капитального строительства.
Обеспечение передвижений реализуется за счет выделения сети магистральных улиц и дорог, городских дорог и улиц общегородского значения, в том числе являющихся продолжением автомагистралей и скоростных автомобильных дорог на территории населенных пунктов с приоритетом движения НПТОП и автомобилей с высокими скоростями движения, а также путем соблюдения следующей приоритетности учета требований к передвижениям на УДС (кроме магистральных улиц и дорог 1-го и 2-го классов), включая улицы местного значения, улицы и дороги районного значения, городские дороги и улицы общегородского значения (за исключением городских дорог и улиц общегородского значения, являющихся продолжением автомагистралей и скоростных автомобильных дорог на территории населенных пунктов):
- пешеходы;
- НПТОП;
- велосипедисты, лица, использующие для передвижения СИМ;
- иной автомобильный транспорт, помимо НПТОП.
(п. 4.5а введен
Изменением N 2, утв. Приказом Минстроя России от 27.12.2021 N 1017/пр; в ред.
Изменения N 3, утв. Приказом Минстроя России от 26.12.2024 N 927/пр)
4.6 Сеть улиц и дорог в населенных пунктах следует формировать с учетом ожидаемых на расчетный срок:
- проектной численности постоянного и дневного населения;
- количества мест приложения труда с учетом транспортного спроса, формируемого физическими и юридическими лицами;
- с учетом объемов ежедневной маятниковой миграции при соблюдении требований обеспечения безопасности
[1];
- обеспечения нормативной доступности объектов и территорий различного функционального назначения.
4.7 При проектировании сети улиц и дорог в городе следует учитывать уровень автомобилизации (существующий и прогнозируемый), а также распределение поездок на личном и общественном транспорте (существующее и прогнозируемое). Следует обеспечивать достаточную пропускную способность сети улиц и дорог и транспортных пересечений, исходя из прогнозируемого на расчетный срок уровня автомобилизации. Количество автомобилей, прибывающих в город из других населенных пунктов, и транзитных потоков следует определять расчетом, исходя из численности постоянного и временного населения, количества мест приложения труда, численности населения населенных пунктов, тяготеющих к городу, и ожидаемого уровня автомобилизации.
4.8 При проектировании сети улиц и дорог в населенном пункте следует создавать приоритетные условия для развития НПТОП, создавать условия для безопасного велосипедного и пешеходного движения, а также для движения лиц, использующих для передвижения СИМ.
(п. 4.8 в ред.
Изменения N 3, утв. Приказом Минстроя России от 26.12.2024 N 927/пр)
4.9 Для обеспечения рационального пользования УДС необходимо обеспечивать возможность движения транспорта с постепенным повышением (понижением) параметров используемых категорий улиц: следует предусматривать выезды с территорий кварталов на УДС местного значения; с улиц и дорог местного значения - на улицы и дороги районного значения; с улиц и дорог районного значения - на улицы и дороги общегородского значения.
В условиях реконструкции следует обеспечивать вышеуказанную иерархию доступа к улицам и дорогам различных категорий, предусматривая дополнительное развитие улиц и дорог недостающих категорий.
(в ред.
Изменения N 3, утв. Приказом Минстроя России от 26.12.2024 N 927/пр)
4.10 На территориях жилых, общественно-деловых, производственных и рекреационных зон следует обеспечивать возможность велосипедного движения, а также движения лиц, использующих для передвижения СИМ.
(в ред.
Изменения N 3, утв. Приказом Минстроя России от 26.12.2024 N 927/пр)
4.11 Мероприятия по развитию сети автомобильных дорог регионального или межмуниципального значения следует предусматривать в составе схем территориального планирования субъектов Российской Федерации
[4].
4.12 Мероприятия по развитию сети автомобильных дорог местного значения следует предусматривать в составе документов территориального планирования муниципальных образований
[4].
4.13 При проектировании конструкций земляного полотна и дорожных одежд улиц и дорог населенных пунктов следует руководствоваться требованиями
СП 34.13330 с учетом особенностей населенных пунктов.
4.14 При проектировании улиц и дорог населенных пунктов в сложных геологических условиях, в том числе в сейсмических районах, следует руководствоваться
СП 14.13330,
СП 116.13330, а также учитывать климатические условия по
СП 131.13330.
(п. 4.14 в ред.
Изменения N 2, утв. Приказом Минстроя России от 27.12.2021 N 1017/пр)
4.15 При проектировании УДС следует обеспечивать доступность для МГН всех категорий улиц и дорог и объектов, размещаемых вдоль улиц и дорог, с учетом требований
ГОСТ Р 52131,
СП 59.13330.
4.16 На территории населенных пунктов с целью повышения безопасности дорожного движения и снижения объемов пылеобразования покрытия улиц и дорог следует устраивать, капитального и облегченного типов.
(п. 4.16 введен
Изменением N 1, утв. Приказом Минстроя России от 24.12.2019 N 852/пр; в ред.
Изменения N 3, утв. Приказом Минстроя России от 26.12.2024 N 927/пр)
4.17 При проектировании объектов строительства/реконструкции элементов улично-дорожной сети в границах красных линий, благоустройстве территорий общего пользования следует предусматривать зону для прокладки сетей инженерно-технического обеспечения.
(п. 4.17 введен
Изменением N 1, утв. Приказом Минстроя России от 24.12.2019 N 852/пр)
4.18 Требования пожарной безопасности обеспечиваются в соответствии с
[8].
(п. 4.18 в ред.
Изменения N 3, утв. Приказом Минстроя России от 26.12.2024 N 927/пр)
5 Улицы и дороги в населенных пунктах
5.1 Общие требования к проектированию улично-дорожной сети населенных пунктов
5.1.1 Проектирование сети улиц и дорог населенного пункта осуществляется:
- при подготовке генерального плана поселения, городского округа, городского населенного пункта и города федерального значения (далее - населенный пункт);
- при подготовке программ комплексного развития транспортной инфраструктуры поселения, городского округа;
- при подготовке проектов планировки территорий, в том числе предусматривающих размещение одного или нескольких линейных объектов улично-дорожной сети;
- при подготовке проектной документации на строительство, реконструкцию объектов капитального строительства, в т.ч. объектов транспортной инфраструктуры.
Проектирование сети улиц и дорог населенного пункта и отдельных элементов сети осуществляют с учетом планируемой организации дорожного движения; для городских округов с населением 100 тыс. чел. и более - на основе математического моделирования транспортных потоков.
(п. 5.1.1 в ред.
Изменения N 2, утв. Приказом Минстроя России от 27.12.2021 N 1017/пр)
5.1.2 При подготовке генерального плана в составе материалов обоснования подготавливается обоснование выбранного варианта размещения объектов местного значения поселения, городского округа, регионального значения (для городов федерального значения) в области транспорта на основе:
- сведений о планируемых документами территориального планирования Российской Федерации, документами территориального планирования двух и более субъектов Российской Федерации, документами территориального планирования субъекта Российской Федерации объектах федерального и регионального значения в области транспорта, их основных характеристиках, местоположении, характеристиках зон с особыми условиями использования территорий в случае, если установление таких зон требуется в связи с размещением данных объектов;
- прогноза объемов пассажирских и грузовых перевозок и их распределения по видам транспорта;
- определения потребностей в развитии транспортной инфраструктуры;
- оценки возможного влияния планируемых для размещения объектов местного значения поселения, городского округа, регионального значения (для городов федерального значения) в области транспорта на комплексное развитие городских территорий;
- предложений по размещению требуемых объектов транспортной инфраструктуры во взаимоувязке с транспортом, осуществляющим транспортное сообщение городского населенного пункта с прилегающими территориями, другими городскими и иными населенными пунктами.
В составе материалов обоснования генерального плана следует:
(в ред.
Изменения N 3, утв. Приказом Минстроя России от 26.12.2024 N 927/пр)
- подготавливать концепцию развития транспортной инфраструктуры и организации транспортного обслуживания населения;
- формировать подходы к назначению скоростных режимов движения транспорта на улицах и дорогах различных категорий в различных функциональных зонах населенного пункта;
- определять основные направления формирования парковочного пространства;
- определять основные направления формирования инфраструктуры для пешеходного движения и движения с использованием средств индивидуальной мобильности (СИМ), в том числе велосипедного движения;
- определять основные направления развития улично-дорожной сети в зонах жилой застройки, общественно-деловых и производственных зонах.
(п. 5.1.2 в ред.
Изменения N 2, утв. Приказом Минстроя России от 27.12.2021 N 1017/пр)
5.1.3 При проектировании УДС населенного пункта в составе генерального плана должны быть:
- спрогнозированы объемы пассажирских и грузовых перевозок и их распределение по видам транспорта. На этой основе должны быть определены потребности в развитии транспортной инфраструктуры, разработаны предложения по размещению требуемых объектов транспортной инфраструктуры во взаимоувязке с внешним транспортом, включая автомобильные дороги;
- разработана концепция развития транспортной инфраструктуры и организации транспортного обслуживания населения;
- сформирован транспортно-планировочный каркас населенного пункта, установлены классификационные категории улиц и дорог (в соответствии с
СП 42.13330), определены их основные параметры;
- обосновано местоположение и количество основных транспортно-пересадочных узлов, формируемых на станциях скоростного внеуличного транспорта (железной дороги, метрополитена) и (или) станциях или остановочных пунктах иных видов скоростного транспорта;
- сформулированы принципиальные подходы к определению скоростных режимов движения транспорта на улицах и дорогах различных категорий в различных функциональных зонах города;
- определено местоположение и количество основных транспортных развязок, формируемых на пересечениях магистральной УДС общегородского значения;
- определены основные направления формирования парковочного пространства и допустимая доля мест для размещения на УДС;
- определены основные направления формирования инфраструктуры для пешеходного и велосипедного движения, а также для движения лиц, использующих для передвижения СИМ;
(в ред.
Изменения N 3, утв. Приказом Минстроя России от 26.12.2024 N 927/пр)
- определены основные направления развития УДС в зонах жилой застройки, общественно-деловых и производственных зонах.
5.1.4 Разработку УДС в составе генерального плана следует проводить в соответствии с требованиями
[4] и настоящего свода правил.
5.1.5 При разработке программ комплексного развития транспортной инфраструктуры населенных пунктов разрабатываются принципиальные варианты реализации мероприятий по развитию УДС (в составе мероприятий по развитию транспортной инфраструктуры) и проводится укрупненная оценка по целевым показателям (индикаторам) развития УДС с последующим выбором предлагаемого к реализации варианта.
5.1.6 В составе программ комплексного развития транспортной инфраструктуры, выполняемой в развитие решений генерального плана, должны быть представлены:
- анализ сложившейся транспортной ситуации;
- прогноз требуемых объемов перевозок пассажиров и грузов на территории населенного пункта;
- обоснование выбранного варианта реализации мероприятий по развитию транспортной инфраструктуры;
- предложения по источникам финансирования мероприятий по проектированию, строительству, реконструкции объектов транспортной инфраструктуры, предлагаемых к реализации варианта развития транспортной инфраструктуры;
- расчеты ожидаемой эффективности реализации мероприятий.
5.1.7 При подготовке проекта планировки территории местоположение красных линий, границ существующих и планируемых элементов планировочной структуры, границ зон планируемого размещения линейных объектов, параметры застройки территории, функциональное назначение объектов капитального строительства, очередность планируемого развития территории определяются с учетом характеристик планируемых объектов транспортной инфраструктуры.
(п. 5.1.7 в ред.
Изменения N 2, утв. Приказом Минстроя России от 27.12.2021 N 1017/пр)
5.1.8 В составе проектов планировки территории должны быть определены параметры сети улиц и дорог: количество и ширина проезжих частей, количество и ширина полос движения, ширина тротуаров, места расположения остановочных пунктов пассажирского транспорта общего пользования, места расположения мест для хранения автотранспортных средств и другие элементы УДС, зоны под объекты инженерной инфраструктуры согласно
4.17, а также элементы благоустройства и озеленения.
(в ред.
Изменения N 2, утв. Приказом Минстроя России от 27.12.2021 N 1017/пр)
5.1.9 В составе проектов планировки территории, предусматривающих размещение одного или нескольких линейных объектов УДС, предложения по организации транспортного обслуживания населения разрабатываются в масштабах 1:10 000, 1:5000; планировочные решения линейных объектов проектируются в масштабах 1:2000, 1:500 в соответствии с требованиями настоящего свода правил с учетом
[4].
5.1.10 При подготовке проектной документации должны быть реализованы проектные решения, принятые в составе проектов планировки территорий, в том числе проектов планировки территорий, предусматривающих размещение одного или нескольких линейных объектов УДС.
Интеллектуальные транспортные системы следует проектировать в соответствии с требованиями ГОСТ Р 71092 - ГОСТ Р 71096,
ГОСТ Р 71158,
ГОСТ Р 71159.
(абзац введен
Изменением N 3, утв. Приказом Минстроя России от 26.12.2024 N 927/пр)
Разработку проектной документации на улицы и дороги населенных пунктов следует проводить в соответствии с требованиями настоящего свода правил, а также в соответствии с
[6].
(в ред.
Изменения N 2, утв. Приказом Минстроя России от 27.12.2021 N 1017/пр)
5.2 Формирование транспортно-планировочного каркаса
5.2.1 При формировании транспортно-планировочного каркаса населенных пунктов на стадии разработки генерального плана следует учитывать необходимость обеспечения транспортных связей для различных уровней пассажирских и грузовых перевозок, включая:
- местные (для населенных пунктов численностью менее 150 тыс. жителей);
- районные;
- внутригородские,
а также обеспечивающие выход на автомобильные дороги, по которым осуществляются регионально-городские, внутрирегиональные, межрегиональные и международные транспортные связи.
5.2.2 Транспортно-планировочный каркас формируется в увязке с транспортной системой прилегающих территорий.
5.2.3 Транспортно-планировочный каркас следует проектировать в виде иерархически построенной системы с учетом функционального назначения улиц и дорог населенных пунктов, перспективной интенсивности транспортного, пешеходного, велосипедного движения, движения с использованием СИМ, с учетом архитектурно-планировочной организации и перспективного развития территорий. При разработке генерального плана наличие этих свойств определяется на основе анализа сложившегося и предусмотренного действующим генеральным планом транспортно-планировочного каркаса населенного пункта.
(в ред.
Изменения N 3, утв. Приказом Минстроя России от 26.12.2024 N 927/пр)
5.2.4 Сеть улиц и дорог населенных пунктов следует проектировать как устойчивую систему: должна быть обеспечена взаимосвязь территорий обслуживания между собой и с центром города. Надежность транспортного каркаса обеспечивается за счет формирования дублирующих направлений для основных улиц и дорог общегородского значения.
5.2.5 Шаг сети улиц и дорог населенных пунктов, определяющий размеры микрорайонов и кварталов, следует принимать:
- для магистральных улиц общегородского значения, улиц общегородского значения, улиц районного значения на территориях жилой многоквартирной застройки - 300 - 500 м;
(в ред.
Изменения N 3, утв. Приказом Минстроя России от 26.12.2024 N 927/пр)
- для улиц местного значения - 80 - 150 м.
(в ред.
Изменения N 2, утв. Приказом Минстроя России от 27.12.2021 N 1017/пр)
5.2.6 Прохождение автомобильных дорог, осуществляющих межрегиональные и внутрирегиональные транспортные связи, следует предусматривать в обход населенных пунктов, если иное не предусмотрено генеральным планом рассматриваемого населенного пункта в соответствии с
СП 34.13330.
5.2.7 При прохождении автомобильных дорог различных классов по территории населенных пунктов их следует, в зависимости от перспектив освоения прилегающих территорий, проектировать как городские дороги или улицы в соответствии с требованиями
СП 42.13330 и настоящего свода правил.
При реконструкции автомобильных дорог, проходящих по территории населенного пункта, следует предусматривать доведение их параметров до требований, предусмотренных в
СП 42.13330 для улиц и городских дорог соответствующих категорий.
Классификация городских улиц и дорог. Основные категории, планировочные и расчетные параметры
5.2.8 Основные категории улиц и дорог следует принимать в соответствии с
пунктом 11.4. СП 42.13330.2016.
5.2.9 При подготовке генерального плана состав категорий улиц и дорог и их классификацию допускается дополнять или применять их неполный состав в зависимости от величины населенного пункта, его планировочной структуры, климатических условий, рельефа местности, объемов движения транспорта, состава потока, а также сложившейся и ожидаемой транспортно-градостроительной ситуации.
(в ред.
Изменения N 2, утв. Приказом Минстроя России от 27.12.2021 N 1017/пр)
5.2.10 Основные планировочные параметры улиц и дорог определяются в зависимости от расчетной скорости. Расчетную скорость при проектировании улиц и дорог различных категорий в населенных пунктах следует назначать в соответствии с
таблицами 11.2,
11.4 и
11.6 СП 42.13330.2016.
5.2.11 При проектировании улиц и дорог в населенных пунктах следует применять максимальные расчетные скорости (из числа приведенных в
таблицах 11.2,
11.4 и
11.6 СП 42.13330.2016). В сложных градостроительных условиях (в пересеченной и горной местности, в стесненной городской застройке, в том числе имеющей историко-культурную ценность, в условиях реконструкции и капитального ремонта допускается снижать расчетные скорости в пределах диапазонов, указанных для каждой категории улиц и дорог, но не менее допустимых нижних значений диапазонов, указанных в
таблице 11.2 СП 42.13330.2016.
(п. 5.2.11 в ред.
Изменения N 3, утв. Приказом Минстроя России от 26.12.2024 N 927/пр)
5.2.12 Назначение геометрических параметров улиц и дорог следует проводить с учетом расчетных транспортных средств, осуществляющих движение по проектируемой улице или дороге. Основные параметры расчетных транспортных средств приведены в
таблице Е.1.
5.2.13 Расчетную скорость на боковых проездах улиц и дорог общегородского значения следует устанавливать, как для улиц и дорог районного или местного значения.
5.2.14 Расчетную скорость на боковых проездах улиц и дорог районного значения следует устанавливать, как для улиц и дорог местного значения.
5.2.15 В целях обеспечения повышенных требований безопасности пешеходного движения на отдельных территориях населенного пункта допускается вводить зоны замедления движения транспорта с разрешенной скоростью 20 - 30 км/ч, которые предусматривают:
(в ред.
Изменения N 3, утв. Приказом Минстроя России от 26.12.2024 N 927/пр)
- на территориях жилой застройки;
- на УДС, прилегающей к территориям детских и социальных учреждений;
- на территориях общественных центров;
- в зонах концентрации памятников историко-культурного наследия и др.
5.2.16 На территории исторического центра населенного пункта, а также на УДС, обслуживающей общественно-деловые центры, торговые комплексы и др., допускается снижать разрешенные скорости движения транспорта до 40 км/ч.
5.2.17 Для снижения скорости движения следует предусматривать мероприятия в соответствии с
ГОСТ Р 52289 и
5.4.5.
(в ред.
Изменения N 2, утв. Приказом Минстроя России от 27.12.2021 N 1017/пр)
5.2.18 Планировочные и расчетные параметры улиц и дорог следует принимать в соответствии с
пунктом 11.5 СП 42.13330.2016.
Примечание - Допускается сохранять существующие геометрические параметры на участках проектируемых примыканий к существующей УДС.
(примечание введено
Изменением N 3, утв. Приказом Минстроя России от 26.12.2024 N 927/пр)
5.2.19 Планировочные и расчетные параметры парковых дорог, проездов и велосипедных дорожек следует принимать в соответствии с
пунктом 11.7 СП 42.13330.2016.
Условия доступа транспортных средств
5.2.20 При проектировании сети улиц и дорог в населенных пунктах в целях повышения пропускной способности улиц и дорог и обеспечения безопасности движения следует руководствоваться условиями доступа транспортных средств в соответствии с требованиями
таблиц 5.1 и
5.1а.
При проектировании улиц и дорог следует руководствоваться требованиями
пункта 11.8 СП 42.13330.2016 по условиям доступа к улицам и дорогам.
Для улиц и дорог, для которых требованиями
СП 42.13330 не установлены требования к доступу к основной проезжей части, за исключением улиц и дорог местного значения, улиц и дорог сельских населенных пунктов, парковых дорог и проездов, следует обеспечивать минимальные задержки движения транспортного потока, которые допускается увеличивать на основе анализа стоимости жизненного цикла улицы или дороги, с учетом задержек в движении.
При размещении новых или реконструкции существующих зданий и сооружений в сложившейся застройке:
- при прогнозируемом на расчетный срок уровне загрузки менее 0,5 в час пиковой загрузки, с учетом нагрузки от планируемой застройки, допускается сохранять существующие условия доступа, в том числе въезды на территорию застройки, в условиях невозможности обеспечения доступа от земельного участка к УДС иными способами;
- при прогнозируемом на расчетный срок уровне загрузки более 0,5 в час пиковой загрузки, с учетом нагрузки от планируемой застройки, за исключением улиц и дорог местного значения, или при организации приоритета движения общественного транспорта необходимо уменьшать количество мест доступа транспортных средств (уменьшать количество элементов, описанных в
таблице 5.1а), сокращать количество въездов/выездов на территорию застройки, объединять выезды от разных зданий в одно примыкание к улице или дороге. Остановочные пункты и наземные пешеходные переходы как обязательные элементы доступности следует размещать, соблюдая расстояния, указанные в
6.9 и
7.3.3 соответственно.
При комплексном развитии территории, строительстве микрорайонов и районов планировочное решение улиц и дорог следует формировать в соответствии с таблицами 5.1 и
5.1а.
Таблица 5.1
Условия применения планировочных элементов улиц и дорог
Категория | Светофорное регулирование | | | | Примыкания (въезды/выезды) | ИН |
с карманом | без кармана | регулируемый | нерегулируемый | параллельно | под углом |
Магистральные городские дороги |
1-го класса | Не допускается | | Не допускается | Не допускается | Не допускается | Не допускается | Не допускается |
2-го класса | + | + | + | + | Не допускается | Не допускается | Не допускается | Не допускается |
Магистральные улицы общегородского значения |
1-го класса | Не допускается | | | Не допускается | Не допускается | Не допускается | Не допускается | Не допускается |
2-го класса | + | + | | | Не допускается | Не допускается | Не допускается | Не допускается |
3-го класса | + | + | + | + | Не допускается | | Не допускается | Не допускается | Не допускается |
Городские дороги. Улицы общегородского значения | + | + | + | + | | | Не допускается | | |
Улицы и дороги районного значения |
Улицы и дороги районного значения | + | + | + | + | | | Не допускается | | |
Улицы и дороги местного значения |
Улицы в зонах жилой застройки, общественно-деловых и торговых зонах, в производственных зонах, улицы и дороги сельских населенных пунктов | + | + | + | + | + | + | + | + | + |
Примечание - В настоящей таблице применено следующее условное обозначение: "+" - применение разрешено. |
Таблица 5.1а
Условия доступа транспортных средств,
пешеходов и других пользователей
Категория улиц и дорог | Доступ к основной проезжей части | Движение |
легкового транспорта | общественного транспорта | грузового транспорта | велосипедистов, лиц, использующих для передвижения СИМ | пешеходов |
Магистральные городские дороги |
1-го класса | Доступ с магистральных улиц и дорог только через транспортные пересечения в разных уровнях. Не обслуживают объекты прилегающей территории, изолированы от застройки | Допускается | | Допускается | Не допускается в пределах основной проезжей части <3> | Не допускается |
2-го класса | Доступ с магистральных улиц и дорог через транспортные пересечения в разных уровнях, пересечения со светофорным регулированием и примыкания (с правоповоротным движением) | Допускается | Допускается | Допускается | Не допускается в пределах основной проезжей части <3> | Допускается по пешеходным дорожкам |
Магистральные улицы общегородского значения |
1-го класса | Доступ с магистральных и районных улиц и дорог через транспортные пересечения в разных уровнях. Доступ с местных улиц и дорог возможен только через боковые проезды. Непосредственный въезд и выезд от объектов прилегающей территории на основную проезжую часть не допускается. Пересечения в одном уровне не допускаются | Допускается | Допускается | Допускается | Не допускается в пределах основной проезжей части <3> | Допускается |
2-го класса | Доступ с магистральных и районных улиц и дорог через транспортные пересечения в разных уровнях, пересечения со светофорным регулированием и примыкания (с правоповоротным движением). В условиях реконструкции допускается ограниченный доступ с местных улиц и дорог. Непосредственный въезд и выезд от объектов на проезжую часть ограничен | Допускается | Допускается | Допускается | Не допускается в пределах основной проезжей части <3> | |
3-го класса | Доступ с магистральных, районных и местных улиц через пересечения и примыкания | Допускается | Допускается | Допускается | | |
Городские дороги и улицы общегородского значения, улицы и дороги районного значения |
Городские дороги. Улицы общегородского значения, улицы и дороги районного значения | Доступ с магистральных и местных улиц через пересечения и примыкания | Допускается | Допускается | Допускается | | |
Улицы и дороги местного значения |
Улицы в зонах жилой застройки, улицы и дороги сельских населенных пунктов | Доступ осуществляется через пересечения и примыкания. Обеспечивается непосредственный доступ к объектам | Допускается | Допускается | | Допускается | Допускается |
Улицы в общественно-деловых и торговых зонах | Доступ осуществляется через пересечения и примыкания. Обеспечивается непосредственный доступ к объектам | Допускается | Допускается | | Допускается | Допускается |
Улицы и дороги в производственных зонах | Доступ осуществляется через пересечения и примыкания. Обеспечивается непосредственный доступ к объектам | Допускается | Допускается | Допускается | | Допускается по тротуарам |
Пешеходные улицы и площади | Доступ транспортных средств запрещен | Не допускается | Не допускается | | Допускается | Допускается |
<1> В целях организации экспресс- и скоростных маршрутов. <2> Разрешено для транспортных средств, обслуживающих прилегающую территорию. <3> В пределах велосипедных дорожек, отделенных от проезжей части. <4> В пределах наземных пешеходных переходов и пешеходных переходов вне проезжей части. |
(п. 5.2.20 в ред.
Изменения N 3, утв. Приказом Минстроя России от 26.12.2024 N 927/пр)
5.2.20а Примыкание проезда к улице или дороге допускается устраивать:
- с закруглением бортового камня или кромки проезжей части;
- без закруглений, с устройством понижения бортового камня и тротуара до уровня проезжей части улицы или дороги на ширину, достаточную для выезда расчетного автомобиля без занятия второй полосы движения, - при максимальной интенсивности движения на проезде не более 20 приведенных автомобилей в час и при наличии тротуара вдоль улицы.
(п. 5.2.20а введен
Изменением N 2, утв. Приказом Минстроя России от 27.12.2021 N 1017/пр)
Улично-дорожная сеть в составе транспортно-пересадочных узлов
5.2.21 Основные требования к проектированию УДС в составе транспортно-пересадочных узлов, формируемых в местах пересадки пассажиров различных видов транспорта:
- минимизация пересечений транспортных и пешеходных потоков;
- обеспечение безопасных подходов к местам размещения стоянок и парковок, остановочных пунктов общественного транспорта;
- минимизация затрат времени пассажиров на пересадку.
Пересечения магистральных улиц и дорог
5.2.22 Пересечения магистральных улиц (дорог) в населенных пунктах устраиваются в одном или разных уровнях.
5.2.23 Пересечения магистральных улиц (дорог) в одном уровне следует проектировать в соответствии с
5.8.
5.2.24 Пересечения магистральных улиц (дорог) в разных уровнях следует проектировать в соответствии с
5.9.
5.3 Обеспечение безопасности движения при проектировании улиц и дорог
5.3.1 При проектировании улиц и дорог для обеспечения безопасности движения транспорта и пешеходов следует предусматривать:
- рациональную схему организации движения транспортных средств и пешеходов на пересечениях;
(в ред.
Изменения N 2, утв. Приказом Минстроя России от 27.12.2021 N 1017/пр)
- условия видимости транспортных средств и пешеходов;
- удобство маневрирования транспортных средств при перестроениях.
5.3.2 Схемы организации движения транспортных средств и пешеходов на пересечениях следует обеспечивать путем разделения потоков по направлениям в соответствии с требованиями
5.8.
5.3.3 Видимость транспортных средств конфликтных и попутных направлений следует обеспечивать в соответствии с требованиями
5.7.
5.3.4 Удобство маневрирования транспортных средств при перестроениях следует обеспечивать в соответствии с требованиями
5.8 и
5.9.
5.3.5 Для предотвращения выезда транспортного средства на проезжую часть встречного направления на магистральных улицах общегородского значения, магистральных городских дорогах, на городских дорогах и улицах общегородского значения, улицах и дорогах районного значения в поперечном профиле следует предусматривать центральную разделительную полосу (с установкой разделительного ограждения или без него) в соответствии с
5.5.
(п. 5.3.5 в ред.
Изменения N 3, утв. Приказом Минстроя России от 26.12.2024 N 927/пр)
5.3.6 На участках улиц, прилегающих к территориям объектов социального назначения, объектов массового посещения, следует предусматривать мероприятия по снижению скорости движения автотранспортных средств с помощью планировочных решений и технических средств организации дорожного движения, в том числе перечисленных в
5.4.5.
5.3.8 При проектировании планировочных элементов УДС при необходимости снижения расчетной скорости на предшествующих участках улицы или дороги должны устраиваться зоны протяженностью 50 - 100 м, обеспечивающие постепенное снижение скорости с шагом не более 20 км/ч на каждом из последующих участков.
5.4 Улично-дорожная сеть в зонах различного функционального назначения
Улично-дорожная сеть в зонах жилой застройки
5.4.1 Улицы и дороги с категорией не ниже магистральной городской дороги, магистральной улицы общегородского значения, городской дороги, улицы общегородского значения, улицы и дороги районного значения являются границами жилых районов, наряду с линиями железных дорог, естественными и искусственными рубежами.
(п. 5.4.1 в ред.
Изменения N 3, утв. Приказом Минстроя России от 26.12.2024 N 927/пр)
5.4.2 Границами микрорайонов и кварталов могут являться улицы и дороги любых категорий, а также естественные и искусственные рубежи.
5.4.3 Требуемая плотность УДС на территориях жилых зон определяется по условиям обеспечения расчетных объемов выезда трудоспособного населения в час пик (с учетом перспективной застройки).
5.4.4 Объемы размещения жилой застройки определяются с учетом потенциала транспортного обслуживания на период эксплуатации.
5.4.5 Для снижения скоростей движения на улицах местного значения и внутриквартальных проездах в зонах жилой застройки и общественных зонах в соответствии с
5.2.15,
5.2.16 настоящего свода правил и
ГОСТ Р 70716 применяют следующие мероприятия:
- устройство островков между полосами движения противоположных направлений, в том числе сужающих проезжую часть;
- трассировка улицы с непрямолинейной траекторией;
- ИН;
- устройство кольцевых пересечений.
(п. 5.4.5 в ред.
Изменения N 3, утв. Приказом Минстроя России от 26.12.2024 N 927/пр)
5.4.6 Ширину проезжей части проездов на территории кварталов следует принимать не менее 6 м.
5.4.7 При проектировании коммуникаций для пешеходного движения следует устраивать тротуары вдоль улиц местного значения. На территориях кварталов следует устраивать тротуары вдоль транспортных проездов (не менее чем с одной стороны).
На территориях жилых зон, в дополнение к тротуарам вдоль проездов, допускается также устраивать пешеходные дорожки по кратчайшим трассам.
При реконструкции территорий жилых зон при проектировании пешеходных трасс следует учитывать естественно сложившиеся пути движения пешеходов.
На территориях жилых зон вдоль проездов допускается устраивать парковочные карманы для обслуживания прилегающей застройки.
(абзац введен
Изменением N 3, утв. Приказом Минстроя России от 26.12.2024 N 927/пр)
5.4.8 При проектировании транспортных и пешеходных коммуникаций на территориях жилых зон следует обеспечивать возможность передвижения МГН.
Улично-дорожная сеть в общественно-деловых зонах
5.4.9 При проектировании транспортных коммуникаций общественно-деловых зон следует предусматривать УДС различных категорий, обеспечивая транспортные связи местной УДС с районной, а районной - с сетью общегородского значения.
(в ред.
Изменения N 3, утв. Приказом Минстроя России от 26.12.2024 N 927/пр)
Требуемую плотность УДС на территориях общественно-деловых зон определяют по условиям обеспечения въезда в час пик расчетных объемов работающих и посетителей.
5.4.10 Объемы размещения общественной застройки различного функционального назначения определяют с учетом потенциала транспортного обслуживания.
5.4.10а При проектировании общественно-деловых зон следует предусматривать организацию площадок посадки/высадки НГПТ в виде остановочных площадок, в том числе остановочных карманов, а также организацию парковочного пространства.
(п. 5.4.10а введен
Изменением N 3, утв. Приказом Минстроя России от 26.12.2024 N 927/пр)
Улично-дорожная сеть в производственных зонах
5.4.11 Следует обеспечивать надежность сети улиц и дорог в производственных зонах, предусматривая улицы и дороги, дублирующие основные направления транспортных связей, обеспечивая требуемую пропускную способность на расчетный срок с учетом грузооборота предприятий и численности работающих.
5.4.12 Ширину полос движения улиц и дорог на территории производственных зон в зависимости от ожидаемого состава транспортного потока и интенсивности движения транспортных средств следует предусматривать:
- при двух полосах движения (суммарно в двух направлениях) - 3,75 м на каждую полосу;
(в ред.
Изменения N 3, утв. Приказом Минстроя России от 26.12.2024 N 927/пр)
- при четырех полосах движения (суммарно в двух направлениях) допускается предусматривать левую полосу меньшей ширины (3,25 - 3,75 м) согласно
СП 42.13330.
(в ред.
Изменения N 3, утв. Приказом Минстроя России от 26.12.2024 N 927/пр)
5.4.13 Следует предусматривать сеть пешеходных коммуникаций в пределах производственных зон с минимизацией пересечений с транспортными потоками, обеспечивая безопасные подходы к проходным предприятий.
5.4.14 На территории производственных зон следует обеспечивать подъезды к стоянкам легкового транспорта, погрузочно-разгрузочным площадкам и площадкам отстоя грузового автотранспорта, минимизируя количество точек пересечения основных транспортных потоков, связанных с жизнедеятельностью производственных зон, и транспортных потоков, направляющихся к стоянкам.
В зонах производственной застройки следует устраивать площадки для отстоя грузового транспорта.
(абзац введен
Изменением N 3, утв. Приказом Минстроя России от 26.12.2024 N 927/пр)
Улично-дорожная сеть в рекреационных зонах
5.4.15 Для обслуживания территорий рекреационных зон УДС следует ограничить доступ транспорта непосредственно на территорию зоны, предусматривая автомобильные стоянки вместимостью 100 автомобилей и более на удалении от входов на территорию не менее чем на 150 м. Стоянки вместимостью до 100 автомобилей допускается размещать на расстоянии менее 150 м от входов на территорию.
5.4.16 Остановочные пункты общественного транспорта следует размещать в радиусе доступности не более 250 м от входов на объекты рекреации.
5.4.17 Следует обеспечивать пешеходные связи от остановочных пунктов и стоянок до входов на территорию, исключая пересечения с путями движения транспорта.
(в ред.
Изменения N 3, утв. Приказом Минстроя России от 26.12.2024 N 927/пр)
Основные планировочные элементы и параметры
5.5.1 Состав элементов поперечного профиля, их взаимное расположение и пространственное решение определяются особенностями прилегающей застройки, интенсивностью транспортного и пешеходного движения, видами транспорта, использованием надземного и подземного пространства.
5.5.2 Ширину проектируемых улиц и дорог следует определять путем расчета на основе их классификации (в соответствии с
пунктом 11.4 СП 42.13330.2016) - с учетом назначения территории и в зависимости от градостроительных условий, интенсивности движения транспорта и пешеходов, состава и количества элементов, размещаемых в пределах поперечного профиля (включая зоны для прокладки сетей инженерно-технического обеспечения), с последующим закреплением красными линиями.
(п. 5.5.2 в ред.
Изменения N 1, утв. Приказом Минстроя России от 24.12.2019 N 852/пр)
5.5.3 Поперечный профиль и количество полос движения на проезжей части назначают на основании перспективной интенсивности движения в час пик и режима движения транспорта.
(п. 5.5.3 в ред.
Изменения N 2, утв. Приказом Минстроя России от 27.12.2021 N 1017/пр, в ред.
Изменения N 3, утв. Приказом Минстроя России от 26.12.2024 N 927/пр)
5.5.3а Поперечный профиль пешеходных улиц и площадей может включать газоны, пешеходные пути, велокоммуникации, полосы озеленения, зоны озеленения и благоустройства, а также зоны для размещения инженерных коммуникаций и др. Проезжая часть в составе пешеходных улиц и площадей не предусматривается.
(п. 5.5.3а введен
Изменением N 3, утв. Приказом Минстроя России от 26.12.2024 N 927/пр)
5.5.4 В условиях нового строительства, реконструкции или капитального ремонта при наличии застройки по обеим сторонам улицы ее поперечный профиль проектируют симметричным; при размещении жилой или общественной застройки с одной стороны улицы допускается не устраивать тротуары на той стороне улицы, где застройка отсутствует или вдоль которой расположены заборы, стены производственных и иных строений, не имеющие выходов на улицу.
(п. 5.5.4 в ред.
Изменения N 3, утв. Приказом Минстроя России от 26.12.2024 N 927/пр)
5.5.5 Изменения поперечного профиля улиц и дорог осуществляются на пересечениях в одном или разных уровнях.
(в ред.
Изменения N 3, утв. Приказом Минстроя России от 26.12.2024 N 927/пр)
5.5.6 Поперечные профили мостов, путепроводов, эстакад и тоннелей следует проектировать в соответствии с требованиями
СП 35.13330 и
СП 249.1325800. Переход от размеров элементов поперечного профиля улиц или дорог к размерам элементов поперечного профиля мостовых сооружений и тоннелей следует устраивать с отгоном 1:100 (за единицу здесь принимается разность размеров элементов).
(в ред.
Изменения N 3, утв. Приказом Минстроя России от 26.12.2024 N 927/пр)
5.5.7 Проезжую часть на прямолинейных участках улиц и дорог при двухстороннем движении транспорта, а также на кривых в плане с радиусом, превышающим указанные в
таблице 5.5 для случая без устройства виража, а на магистральных улицах, городских дорогах и улицах общегородского значения, улицах и дорогах районного значения - в
таблице 5.6, следует предусматривать с двухскатным поперечным профилем. Допускается устройство односкатного поперечного профиля на улицах с шириной проезжей части менее 15,0 м.
(п. 5.5.7 в ред.
Изменения N 3, утв. Приказом Минстроя России от 26.12.2024 N 927/пр)
5.5.8 Поперечный профиль тротуаров, велосипедных дорожек, газонов, парковочных мест, остановочных карманов следует устраивать односкатным, с уклоном в сторону проезжей части. В условиях пересеченной и горной местности, в стесненной городской застройке, а также в условиях реконструкции и капитального ремонта поперечный профиль указанных элементов допускается выполнять двухскатным или односкатным с уклоном от проезжей части, при условии организации стока дождевых и талых вод без негативного воздействия на здания и сооружения.
(п. 5.5.8 в ред.
Изменения N 3, утв. Приказом Минстроя России от 26.12.2024 N 927/пр)
5.5.9 Суммарный уклон поверхности покрытия проезжей части в любой точке поверхности должен составлять не менее

.
5.5.10 Поперечные уклоны элементов поперечного профиля следует принимать по таблице 5.2.
Таблица 5.2
Минстроя России от 24.12.2019 N 852/пр)
Поперечный уклон | Поперечный уклон элемента,  |
проезжей части | тротуара | газона | велосипедной дорожки | бермы |
Основной | 20 | 20 | 20 | 20 | 40 |
(в ред. Изменения N 3, утв. Приказом Минстроя России от 26.12.2024 N 927/пр) |
Минимально допустимый | 10 | 5 | 5 | 5 | 5 |
Максимально допустимый | 30 | | 50 | 30 | 60 |
<*> В условиях пересеченной и горной местности, в стесненной городской застройке, а также в условиях реконструкции и капитального ремонта допускается увеличение поперечного уклона тротуара до  . |
(сноска в ред. Изменения N 3, утв. Приказом Минстроя России от 26.12.2024 N 927/пр) |
5.5.11 Ширину полос движения следует назначать в зависимости от классификации категории улиц и дорог населенных пунктов по
таблицам 11.2,
11.4 и
11.6 СП 42.13330.2016. Ширину крайней правой полосы движения магистральных улиц и дорог следует принимать 3,75 м.
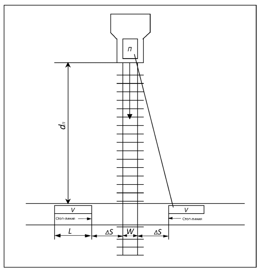
5.5.12 Расчетную пропускную способность улиц и дорог следует определять для сегментов УДС в зависимости от расчетной пропускной способности критического элемента (рисунок 1а).
Рисунок 1а - Схема сегмента улично-дорожной сети
Расчетная пропускная способность представляет собой максимальное число транспортных средств, которое может пропустить сегмент УДС или полоса движения сегмента в одном направлении в реальных условиях движения без снижения средней скорости в течение 1 ч, измеряется в приведенных единицах в час (прив. ед./ч). Величина расчетной пропускной способности должна обеспечивать пропуск прогнозируемой интенсивности движения транспорта, с учетом условий движения.
5.5.12.1 В качестве основного критического элемента следует рассматривать: пересечения в разных уровнях и пересечения в одном уровне, наземные пешеходные переходы, ИН, светофорное регулирование. Необходимо учитывать влияние на снижение расчетной пропускной способности парковок, остановок и примыканий в соответствии с приложением С.
5.5.12.2 Для предварительной оценки расчетной пропускной способности критического элемента расчетную пропускную способность одной полосы движения на перегоне при отсутствии факторов, снижающих расчетную пропускную способность, следует принимать в соответствии с таблицей 5.3.
Таблица 5.3
Расчетная пропускная способность одной полосы движения
Режим движения | Расчетная пропускная способность полосы движения, прив. ед./ч |
Непрерывное движение | 1750 |
Регулируемое движение | |
Расчетную пропускную способность многополосной проезжей части следует принимать по таблице.
Таблица 5.4
Расчетная пропускная способность
многополосной проезжей части
Наименование параметра | Количество полос движения |
1 | 2 | 3 | 4 | 5 |
Пропускная способность перегона в зависимости от количества полос движения ( Pперегон), прив. ед./ч <1> | 1750 | 3330 | 4730 | 5950 | 7180 |
Коэффициент снижения пропускной способности в зависимости от полосы ( ki) <2> | 1 | 0,9 | 0,8 | 0,7 | 0,7 |
<1> Приведены с округлением. <2> Крайняя левая полоса движения всегда имеет самую высокую расчетную пропускную способность. |
(п. 5.5.12 в ред.
Изменения N 3, утв. Приказом Минстроя России от 26.12.2024 N 927/пр)
5.5.13 На затяжных подъемах улиц и дорог дополнительные полосы для движения на подъем устраивают с учетом интенсивности движения транспорта и пропускной способности улично-дорожной сети.
(п. 5.5.13 в ред.
Изменения N 2, утв. Приказом Минстроя России от 27.12.2021 N 1017/пр)
5.5.14 При проектировании УДС допускается устраивать выделенные полосы проезжей части для движения НПТОП в соответствии с требованиями
6.8.
5.5.15 Боковые проезды предусматриваются при наличии одного или нескольких следующих условий:
- недостаточная пропускная способность магистральной улицы или дороги, городской дороги или улицы общегородского значения, улицы или дороги районного значения;
(в ред.
Изменения N 2, утв. Приказом Минстроя России от 27.12.2021 N 1017/пр,
Изменения N 3, утв. Приказом Минстроя России от 26.12.2024 N 927/пр)
- необходимость разделения транспортных потоков по скорости движения;
- значительная интенсивность движения транспорта и пешеходов в сочетании с высокой концентрацией объектов массового тяготения на прилегающих территориях (при любом количестве полос на основной проезжей части);
- необходимость обслуживания прилегающей территории маршрутами НПТОП;
- необходимость организации въездов-выездов с прилегающих территорий.
5.5.16 Исключен с 27.01.2025. -
Изменение N 3, утв. Приказом Минстроя России от 26.12.2024 N 927/пр.
5.5.17 Боковые проезды следует проектировать по нормам улиц более низкой категории относительно улицы, вдоль которой проектируется боковой проезд.
(п. 5.5.17 в ред.
Изменения N 3, утв. Приказом Минстроя России от 26.12.2024 N 927/пр)
5.5.18 Исключен с 27.01.2025. -
Изменение N 3, утв. Приказом Минстроя России от 26.12.2024 N 927/пр.
5.5.19 Количество полос движения на боковых проездах следует принимать не более трех полос при наличии выделенной полосы для НПТОП и не более двух полос при отсутствии такой полосы.
(в ред.
Изменения N 3, утв. Приказом Минстроя России от 26.12.2024 N 927/пр)
Центральная и боковая разделительные полосы
5.5.20 Центральные разделительные полосы следует устраивать для разделения транспортных потоков противоположных направлений, а также для устройства левоповоротных полос и установки технических средств организации дорожного движения.
5.5.21 При проектировании разделительной полосы и островков безопасности на пересечениях улиц/дорог в одном уровне следует учитывать необходимость обеспечения возможности проезда крупногабаритных транспортных средств.
5.5.22 При проектировании центрального разделительного ограждения следует соблюдать требования
ГОСТ Р 52289.
(в ред.
Изменения N 3, утв. Приказом Минстроя России от 26.12.2024 N 927/пр)
5.5.23 Боковые разделительные полосы следует устраивать для разделения различных элементов поперечного профиля, а ширину полос следует назначать с учетом необходимости устройства уширений перед пересечениями, размещения подземных коммуникаций и строительных конструкций.
5.5.24 Минимальную ширину разделительных полос на улицах и дорогах следует принимать в соответствии с
таблицей 11.7 СП 42.13330.2016.
5.5.25 В пределах боковых и центральных разделительных полос следует размещать ограждения, объекты озеленения и благоустройства (с учетом
СП 82.13330) или устраивать твердое покрытие.
(в ред.
Изменения N 1, утв. Приказом Минстроя России от 24.12.2019 N 852/пр)
5.5.26 Исключен с 27.01.2025. -
Изменение N 3, утв. Приказом Минстроя России от 26.12.2024 N 927/пр.
Обочины, полосы безопасности, остановочные площадки
(в ред.
Изменения N 2, утв. Приказом Минстроя России от 27.12.2021 N 1017/пр,
Изменения N 3, утв. Приказом Минстроя России от 26.12.2024 N 927/пр)
5.5.27 На улицах и дорогах населенных пунктов предусматривают полосы безопасности, обочины, остановочные полосы и площадки.
При отсутствии обочины полосу безопасности устраивают между бортовым камнем и краем проезжей части.
При отсутствии бортового камня на дорогах устраивают обочины. В состав обочины входят краевая полоса, укрепленная часть обочины и грунтовая (неукрепленная) часть обочины. Краевая полоса входит в состав укрепленной части обочины.
(п. 5.5.27 в ред.
Изменения N 3, утв. Приказом Минстроя России от 26.12.2024 N 927/пр)
Таблица 5.4а
Ширина обочин и краевых полос
Условие применения обочины или полосы безопасности | Ширина обочин на улицах и дорогах, м, не менее |
общегородского значения | районного значения | местного значения |
непрерывного движения 1-го класса | регулируемого движения 2-го класса | регулируемого движения 3-го класса |
Ширина обочины при отсутствии бортового камня <*> | 3,75 | 3,5 | 3,0 | 3,0 | 2,0/0,5 |
Ширина краевой полосы между проезжей частью и бортовым камнем (в т.ч. бортовым камнем с прикромочным лотком) <**> | 0,75 | 0/0,5 | 0/0,5 | 0/0,5 | 0/0,5 |
Ширина краевой полосы между проезжей частью и прикромочным лотком (при отсутствии бортового камня) <**> | 0,75 | 0,5 | 0,5 | 0,5 | 0/0,5 |
Ширина краевой полосы при отсутствии бортового камня и прикромочного лотка <***> | 0,75 | 0,5 | 0,5 | 0,5 | 0,5 |
<*> При устройстве бортовых камней ширина обочины считается равной ширине краевой полосы. При необходимости устройства объектов транспортной инфраструктуры, входящей в состав улицы/дороги (шумозащитные экраны и валы, технические зоны для прокладки коммуникаций технических средств организации дорожного движения и др.), ширина обочин определяется проектом. <**> В числителе даны значения для ширины полосы движения более 3,25 м, в знаменателе - 3,25 м и менее. <***> Применяется при одновременном выполнении следующих условий: - уклон откоса, укрепленного засевом трав или планировка территории - менее  от дороги; - организация дренажа дорожных одежд улицы/дороги; - обеспечение водоотвода с прилегающих к улице/дороге территорий; - расстояние от края проезжей части до ближайших расположенных за газоном тротуара, велосипедной дорожки, здания или сооружения не менее 2,5 м, на улицах местного значения городских населенных пунктов и на улицах сельских населенных пунктов - не менее 1,75 м. Примечания 1 На улицах общегородского значения с центральной разделительной полосой краевые полосы устраивают с обоих сторон от каждой проезжей части. 2 В составе обочины полоса шириной не менее 0,5 м должна быть укреплена асфальтобетонным покрытием. 3 Ширину краевых полос принимают в зависимости от принятого типа ограждения и условий видимости, но не менее значений, указанных в настоящей таблице. 4 Лоток вдоль края проезжей части должен позволять безопасный наезд на лоток колеса автомобиля в случае остановки. |
5.5.27а На магистральных городских дорогах общегородского значения 1-го класса устройство полос безопасности взамен обочин допускается в условиях пересеченной и горной местности, в стесненных условиях согласно
СП 42.13330, при реконструкции и капитальном ремонте. В случае замены обочин на полосы безопасности предусматривают остановочные площадки шириной 3,0 м, длиной 80,0 м (включая отгон по
подпункту 5.3.3.4 ГОСТ Р 52766-2007). Расстояние между двумя последовательно расположенными площадками не должно превышать 1000 м.
На улицах общегородского значения с центральной разделительной полосой между разделительной полосой и кромкой проезжей части устраивают полосу безопасности.
(п. 5.5.27а введен
Изменением N 3, утв. Приказом Минстроя России от 26.12.2024 N 927/пр)
5.5.27б При отсутствии бортового камня вдоль края проезжей части и прикромочного лотка ширину обочины и ее элементов назначают в соответствии с требованиями таблицы 5.4б.
Таблица 5.4б
Ширина обочины и ее элементов при отсутствии
бортового камня и прикромочного лотка
При отсутствии бортового камня и (или) прикромочного лотка | Ширина обочин и ее элементов на улицах и дорогах, м, не менее |
общегородского значения | городских дорог и улиц общегородского значения малых и средних городов <**> | районного значения | местного значения |
непрерывного движения 1-го класса | регулируемого движения 2-го класса | регулируемого движения 3-го класса |
Ширина обочины | 3,75 | 3,5 | 3,0 | 3,0 | 3,0 | 2,0 |
Ширина краевой полосы обочины | 0,75 | 0,75 | 0,5 | 0,5 | 0,5 | 0,15 |
Ширина обочины, в том числе краевой полосы <*> | Не применяется | Не применяется | 0,5 | 0,5 | 0,5 | 0,15 |
<*> Применяется при одновременном выполнении следующих условий: - уклон откоса, укрепленного засевом трав, менее  от проезжей части на расстоянии не менее 2,5 м; - организация дренажа дорожных одежд улицы/дороги; - обеспечение водоотвода с прилегающих к улице/дороге территорий; - расстояние от края проезжей части до ближайших расположенных за газоном тротуара, велосипедной дорожки, здания или сооружения не менее 2,5 м, на улицах местного значения городских населенных пунктов и на улицах сельских населенных пунктов - не менее 1,75 м. <**> За исключением городских дорог и улиц общегородского значения, являющихся продолжением автомагистралей и скоростных автомобильных дорог на территории населенных пунктов. Примечания 1 Краевая полоса обочины должна быть укреплена так же, как и проезжая часть. 2 Ширину обочин принимают в зависимости от типа ограждения и условий видимости, но не менее значений, указанных в настоящей таблице, с учетом требований ГОСТ Р 52289. 3 На улицах общегородского значения и магистральных городских дорогах с центральной разделительной полосой между разделительной полосой и кромкой проезжей части при отсутствии дорожного ограждения устраивают полосу безопасности шириной, равной ширине краевой полосы обочины, при наличии дорожного ограждения - по ГОСТ Р 52289. 4 При устройстве бортового камня вдоль края укрепленной части обочины, конструкцию укрепленной части обочины следует предусматривать с покрытием, аналогичным покрытию проезжей части, и рассчитывать в соответствии с требованиями СП 34.13330. |
(п. 5.5.27б введен
Изменением N 3, утв. Приказом Минстроя России от 26.12.2024 N 927/пр)
5.5.27в При наличии бортового камня и (или) прикромочного лотка вдоль края проезжей части ширину полосы безопасности назначают в соответствии с требованиями таблицы 5.4в. Прикромочный лоток входит в состав полосы безопасности.
Таблица 5.4в
Ширина полосы безопасности при наличии
бортового камня и (или) прикромочного лотка
При наличии бортового камня и (или) прикромочного лотка | Ширина полосы безопасности на улицах и дорогах, м, не менее |
общегородского значения | городских дорог и улиц общегородского значения малых и средних городов <*> | районного значения | местного значения |
непрерывного движения 1-го класса | регулируемого движения 2-го класса | регулируемого движения 3-го класса |
Ширина полосы безопасности | 0,75 | 0/0,5 | 0/0,5 | 0/0,5 | 0/0,5 | 0/0,5 |
<*> За исключением городских дорог и улиц общегородского значения, являющихся продолжением автомагистралей и скоростных автомобильных дорог на территории населенных пунктов. Примечания 1 В числителе приведены значения, принимаемые при выполнении хотя бы одного из следующих условий: - ширина крайней правой полосы движения более 3,25 м; - при отделении тротуара от проезжей части газоном шириной не менее 2 м; - при расположении тротуара с одной стороны при односкатной проезжей части с уклоном от тротуара либо при двухскатном поперечном профиле к центру проезжей части (применимо только для улиц и дорог местного значения); - при разрешенной скорости движения 40 км/ч и менее. В знаменателе приведены значения, применяемые при невыполнении всех условий, указанных выше в данном примечании. 2 На улицах общегородского значения и магистральных городских дорогах с центральной разделительной полосой между разделительной полосой и кромкой проезжей части при отсутствии дорожного ограждения устраивают полосу безопасности шириной согласно настоящей таблице, при наличии дорожного ограждения - по ГОСТ Р 52289. 3 Ширину полос безопасности принимают в зависимости от принятого типа ограждения и условий видимости, но не менее значений, указанных в настоящей таблице. 4 Конструкцию дорожной одежды полосы безопасности следует предусматривать с покрытием, аналогичным покрытию проезжей части, и рассчитывать в соответствии с требованиями СП 34.13330 с обеспечением безопасного заезда транспортных средств в случае аварийной ситуации. 5 Конструкция прикромочного лотка вдоль бортового камня должна позволять безопасный наезд колеса автомобиля в случае остановки. |
(п. 5.5.27в введен
Изменением N 3, утв. Приказом Минстроя России от 26.12.2024 N 927/пр)
5.5.27г При установке дорожного ограждения, устройстве подпорных стен вдоль проезжей части ширину обочины или полосы безопасности предусматривают в соответствии с
ГОСТ Р 52289.
(п. 5.5.27г введен
Изменением N 3, утв. Приказом Минстроя России от 26.12.2024 N 927/пр)
5.5.27д При необходимости устройства объектов транспортной инфраструктуры, входящей в состав улицы/дороги (шумозащитные экраны и валы, технические зоны для прокладки коммуникаций технических средств организации дорожного движения и др.), ширина обочин или полосы безопасности определяется проектом, но принимается не менее параметров, указанных в
таблицах 5.4б и
5.4в.
(п. 5.5.27д введен
Изменением N 3, утв. Приказом Минстроя России от 26.12.2024 N 927/пр)
5.5.28 Полосы безопасности или обочины, если их устройство требуется согласно требованиям
5.5.27, устраивают с обеих сторон проезжей части, включая проезжие части, разделенные центральными разделительными полосами, а также проезжие части боковых и местных проездов, с учетом требований
5.5.17.
(п. 5.5.28 в ред.
Изменения N 3, утв. Приказом Минстроя России от 26.12.2024 N 927/пр)
5.6 План и продольный профиль
5.6.1 Сопряжение прямолинейных участков улиц и дорог следует осуществлять круговыми кривыми (кривыми в плане).
5.6.2 Минимальные радиусы кривых в плане следует определять расчетом в соответствии с
Ж.1 или принимать по
таблице 5.5.
(п. 5.6.2 в ред.
Изменения N 3, утв. Приказом Минстроя России от 26.12.2024 N 927/пр)
5.6.3 На кривых в плане радиусом менее рассчитанного из условия движения по двухскатному поперечному профилю, а на магистральных улицах и дорогах, городских дорогах и улицах общегородского значения, улицах и дорогах районного значения на кривых, радиусом менее указанных в
таблице 5.6, необходимо предусматривать устройство виражей. В остальных случаях, а также в условиях реконструкции виражи допускается не устраивать.
В условиях реконструкции или капитального ремонта, при устройстве кривых в плане с радиусами, меньше указанных в
таблице 5.5, расчетная скорость принимается равной 20 км/ч вне зависимости от наличия виража.
(п. 5.6.3 в ред.
Изменения N 3, утв. Приказом Минстроя России от 26.12.2024 N 927/пр)
Таблица 5.5
Минимальный радиус кривых в плане
Расчетная скорость, км/ч | Минимальный радиус кривой в плане, м, при поперечном уклоне проезжей части/виража,  |
10 | 20 | 30 | 40 |
130 | 1700/- | 1900/1200 | 2200/1100 | -/1000 |
110 | 1000/- | 1100/760 | 1300/710 | -/660 |
90 | 530/- | 580/430 | 640/400 | -/380 |
80 | 390/- | 420/310 | 460/300 | -/280 |
70 | 290/- | 310/230 | 340/220 | -/210 |
60 | 200/- | 220/170 | 240/160 | -/150 |
50 | 130/- | 140/110 | 150/100 | -/100 |
40 | 80/- | 80/70 | 90/60 | -/60 |
30 | 40/- | 40/40 | 50/30 | -/30 |
Примечание - В числителе даны значения радиусов кривых в плане при отсутствии виража, в знаменателе - при устройстве виража. |
(примечание введено Изменением N 2, утв. Приказом Минстроя России от 27.12.2021 N 1017/пр) |
Таблица 5.6
Минимальный радиус кривых в плане без устройства виража
Расчетная скорость движения, км/ч | Радиус кривой в плане, м |
130 | 3000 |
90 - 110 | 2000 |
80 и менее | 1000 |
5.6.4 Сопряжения двух односторонних кривых в плане различных радиусов не допускается.
5.6.5 Радиусы двух смежных кривых не должны различаться более чем в 1,5 раза.
5.6.6 При длине вставки между кривыми в плане менее 100 м их следует заменять одной кривой большего радиуса.
При длине вставки от 100 до 300 м следует заменять ее переходной кривой длиной, равной длине вставки.
Применение короткой прямой вставки между двумя кривыми в плане, направленными в одну сторону не допускается.
5.6.7 На магистральных улицах и дорогах, городских дорогах и улицах общегородского значения, улицах и дорогах районного значения при обратном сопряжении смежных кривых в плане:
(в ред.
Изменения N 3, утв. Приказом Минстроя России от 26.12.2024 N 927/пр)
- при радиусах обеих смежных кривых от 600 до 2000 м - должна быть обеспечена возможность устройства прямой вставки между ними длиной не менее 50 м,
- при радиусе одной из них - от 600 до 2000 м, второй - менее 600 м, а также при радиусах обеих смежных кривых 600 м и менее - должна быть обеспечена возможность устройства прямой вставки между ними длиной, равной длине переходной кривой.
5.6.8 При малых углах поворота трассы радиусы кривых в плане магистральных улиц и дорог непрерывного движения следует принимать не менее указанных в таблице 5.7.
Таблица 5.7
Минимальный радиус кривой в плане магистральных
городских дорог 1-го класса и магистральных
улиц общегородского значения 1-го класса
Показатель | Угол поворота, град |
1° | 2° | 3° | 4° | 5° | 6° | 8° | 10° |
Минимальный радиус кривой в плане для магистральных городских дорог 1-го класса и магистральных улиц общегородского значения 1-го класса, м | 20 000 | 10 000 | 6 000 | 5 000 | 4 000 | 4 000 | 3 000 | 3 000 |
5.6.9 Радиусы закругления бортового камня или кромки проезжей части улиц и дорог на пересечениях следует принимать в соответствии с требованиями
5.8
5.6.10 На магистральных улицах и дорогах, городских дорогах и улицах общегородского значения при сопряжении прямых участков с кривыми в плане при радиусах менее 2000 м, при сопряжении между собой обратных круговых кривых, а также при сопряжении одинаково направленных круговых кривых в случае, если их радиусы различаются более чем в 1,3 раза, следует применять переходные кривые.
На городских дорогах и улицах общегородского значения в условиях реконструкции и капитального ремонта, а также на улицах и дорогах местного и районного значения, улицах и дорогах сельских населенных пунктов переходные кривые не устраивают.
(п. 5.6.10 в ред.
Изменения N 3, утв. Приказом Минстроя России от 26.12.2024 N 927/пр)
5.6.11 Наименьшую длину переходной кривой следует определять расчетом в соответствии с
Ж.2.
5.6.12 На кривых в плане радиусом 400 м и менее следует предусматривать уширение проезжей части. Полное уширение проезжей части определяют путем умножения значения уширения на количество полос движения.
Уширение полосы движения на кривых в плане без индивидуальных обоснований принимают по
таблице М.1 СП 42.13330.2016.
Уширение менее 0,2 м (на каждую полосу) при назначении ширины полосы движения не учитывают.
(п. 5.6.12 в ред.
Изменения N 3, утв. Приказом Минстроя России от 26.12.2024 N 927/пр)
5.6.13 Исключен с 27.01.2025. -
Изменение N 3, утв. Приказом Минстроя России от 26.12.2024 N 927/пр.
5.6.14 Уширение проезжей части на кривых малого радиуса следует выполнять с внутренней стороны кривой на всем ее протяжении. При наличии разделительной полосы допускается проводить уширение проезжей части в обе стороны от оси дороги. В горной местности допускается размещать уширения проезжей части на кривых в плане частично с внешней стороны закругления.
(в ред.
Изменения N 3, утв. Приказом Минстроя России от 26.12.2024 N 927/пр)
5.6.15 Изменение значения уширения проезжей части до начала и после окончания круговой кривой (отгон уширения) следует проводить в пределах переходных кривых или на участке, равном ее длине, но не менее расстояния, равного двадцатикратному уширению.
5.6.16 На участках кривых в плане малого радиуса кромки следует трассировать самостоятельно.
5.6.17 Поперечные уклоны проезжей части на виражах следует принимать от 20 до

в зависимости от значения радиуса согласно
таблице 5.5.
5.6.18 Значение и направление поперечного уклона проезжей части переходно-скоростных и дополнительных полос, заездных карманов для остановки пассажирского транспорта на участках виража следует принимать одинаковым с основной проезжей частью.
5.6.19 Переход от односкатного к двухскатному поперечному профилю следует проводить на участках отгона виража.
5.6.20 Отгон виража следует выполнять на длине переходной кривой, а при ее отсутствии - на длине, равной длине переходной кривой, но не менее установленной
5.5.28.
5.6.21 Минимальную длину участка отгона виража следует определять расчетом в соответствии с
Ж.4.
5.6.22 Исключен с 27.01.2025. -
Изменение N 3, утв. Приказом Минстроя России от 26.12.2024 N 927/пр.
5.6.23 Продольные уклоны проезжей части улиц и дорог следует назначать индивидуально, с учетом рельефа местности, градостроительных и климатических условий, но не более указанных в
таблицах 11.2,
11.4 и
11.6 СП 42.13330.2016.
5.6.24 Наименьшие продольные уклоны по лоткам проезжей части для асфальтобетонных и цементобетонных покрытий необходимо принимать не менее

, для покрытий других типов - не менее

.
5.6.25 При открытой системе водоотвода вне застройки минимальный уклон по оси проезжей части не нормируется.
5.6.26 При закрытой системе водоотвода и продольных уклонах оси проезжей части менее

в лотках проезжей части необходимо предусматривать устройство "пилообразного" профиля.
5.6.27 При закрытой системе водоотвода и продольных уклонах оси проезжей части менее

в условиях невозможности выполнения требования
5.6.26 лотки проезжей части необходимо предусматривать переменного сечения с самостоятельно проектируемым продольным профилем.
5.6.28 На пересечениях улиц и дорог в одном уровне следует исключать продольные уклоны более

.
5.6.29 Длину участков с наибольшим продольным уклоном следует ограничивать согласно таблице 5.8.
Таблица 5.8
Предельная длина участка с наибольшим уклоном
Продольный уклон,  | 30 | 40 | 50 | 60 и более |
Предельная длина участка, м | 1200 | 600 | 400 | 300 |
5.6.30 На участках кривых в плане с малыми радиусами наибольшие продольные уклоны следует уменьшать в соответствии с таблицей 5.9.
Таблица 5.9
Уменьшение наибольших продольных
уклонов на кривых малого радиуса
Радиус кривой в плане, м, менее | 50 | 45 | 40 | 35 | 30 |
Уменьшение наибольших продольных уклонов,  , не менее | 10 | 15 | 20 | 25 | 30 |
5.6.31 На подходах к пересечениям и примыканиям улиц и дорог следует уменьшать наибольшие продольные уклоны на

, а в районах с частыми гололедами - на

. Протяженность подходов следует принимать не менее 50,0 м до стоп-линии или начала кривой съезда.
5.6.32 При продольном уклоне проезжей части более

тротуары следует устраивать в соответствии с
7.2.8.
5.6.33 Сопряжение участков улиц и дорог с различными продольными уклонами следует обеспечивать вертикальными кривыми, радиусы которых следует принимать в соответствии с
5.6.35 -
5.6.37.
5.6.34 Расстояние между двумя переломами продольного профиля для новых проектируемых магистральных городских дорог и магистральных улиц общегородского значения, городских дорог и улиц общегородского значения, улиц и дорог районного значения следует принимать не менее 200 м.
На улицах и дорогах местного значения городских населенных пунктов, местных улицах и дорогах сельских населенных пунктов, проездах всех населенных пунктов при реконструкции и капитальном ремонте допускается предусматривать перелом продольного профиля без вертикальной кривой при условии разницы продольных уклонов не более

и наличии не более одного такого перелома на участке улицы, дороги или проезда протяженностью 50 м.
(п. 5.6.34 в ред.
Изменения N 3, утв. Приказом Минстроя России от 26.12.2024 N 927/пр)
5.6.35 Минимальный радиус вертикальных кривых (выпуклой и вогнутой) следует принимать по
таблице 11.2 СП 42.13330.2016.
5.6.36 Минимальный радиус вертикальной выпуклой кривой на участках двухполосных улиц и дорог, где возможен обгон транспортных средств, следует определять расчетом в соответствии с минимальным расстоянием видимости встречного автомобиля при обгоне.
5.6.37 Если в условиях нового строительства в стесненной городской застройке, а также при реконструкции и капитальном ремонте улиц и дорог радиусы выпуклых и вогнутых кривых оказываются меньше минимальных значений, а условия стесненной городской застройки не позволяют провести их увеличение до требуемых значений, то на соответствующих участках следует ограничивать разрешенную скорость движения до значения, соответствующего радиусам выпуклых и вогнутых кривых. При разнице расчетных скоростей на участке с ограничением скорости и на предшествующем участке 20 км/ч и более снижение расчетной скорости должно быть ступенчатым с шагом не более 20 км/ч.
(п. 5.6.37 в ред.
Изменения N 3, утв. Приказом Минстроя России от 26.12.2024 N 927/пр)
5.6.38 Габарит по высоте от поверхности покрытия проезжей части улиц и дорог до низа конструкций зданий и сооружений должен составлять в свету не менее 5,0 м. В условиях реконструкции при отсутствии движения электрифицированного транспорта и наличии альтернативного пути движения с обеспечением габарита по высоте от проезжей части 5,0 м допускается уменьшать значение габарита по высоте от проезжей части до 4,5 м.
(в ред.
Изменения N 2, утв. Приказом Минстроя России от 27.12.2021 N 1017/пр)
5.6.39 Габарит по высоте от поверхности покрытия тротуара или велодорожки должен составлять в свету не менее 2,5 м. В условиях пересеченной и горной местности, в стесненной городской застройке, а также в условиях реконструкции и капитального ремонта допускается уменьшать данный габарит до 2,25 м.
(п. 5.6.39 в ред.
Изменения N 3, утв. Приказом Минстроя России от 26.12.2024 N 927/пр)
5.7.1 На всем протяжении улиц и дорог следует предусматривать расстояние видимости, достаточное для безопасного движения транспортных средств и пешеходов.
5.7.2 При проектировании улиц и дорог населенных пунктов необходимо предусматривать следующие минимальные значения расстояний видимости:
а) минимальное расстояние видимости препятствия для остановки транспортного средства;
б) минимальное расстояние боковой видимости на кривых в плане;
в) минимальное расстояние видимости на пересечениях;
(в ред.
Изменения N 2, утв. Приказом Минстроя России от 27.12.2021 N 1017/пр)
г) минимальное расстояние видимости на пешеходных переходах и велосипедных дорожках и полосах (при их наличии)
(7.3).
(перечисление "г" введено
Изменением N 2, утв. Приказом Минстроя России от 27.12.2021 N 1017/пр)
5.7.3 Оценка обеспечения видимости проводится с учетом параметров плана и продольного профиля. Фактические значения расстояний видимости должны превышать минимальные.
(п. 5.7.3 в ред.
Изменения N 2, утв. Приказом Минстроя России от 27.12.2021 N 1017/пр)
Минимальное расстояние видимости препятствия для остановки транспортного средства
5.7.4 Минимальное расстояние видимости препятствия для остановки транспортного средства должно обеспечивать видимость объектов, имеющих высоту 0,2 м и более, находящихся на середине полосы движения, с высоты глаз водителя транспортного средства, равной 1,0 м от поверхности покрытия проезжей части.
5.7.5 Минимальное расстояние видимости препятствия для остановки транспортного средства следует определять в соответствии с
приложением Д.
Минимальное расстояние боковой видимости на кривых в плане
5.7.6 На кривых в плане необходимо обеспечивать минимальное расстояние боковой видимости в крайней, внутренней по отношению к повороту оси трассы, полосе движения.
5.7.7 Боковая видимость на кривых в плане должна обеспечивать видимость предметов, имеющих высоту 1,0 м и более, находящихся на середине полосы движения, являющейся внутренней относительно радиуса кривой в плане, с высоты глаз водителя автомобиля, равной 1,0 м от поверхности проезжей части, находящегося на той же полосе движения на минимальном расстоянии видимости для остановки транспортного средства.
5.7.8 В условиях пересеченной и горной местности, в стесненной городской застройке, а также в условиях реконструкции и капитального ремонта на участках кривых в плане при невозможности обеспечить боковую видимость допускается снижение расчетной скорости движения до значений, соответствующих минимальному расстоянию боковой видимости.
(в ред.
Изменения N 3, утв. Приказом Минстроя России от 26.12.2024 N 927/пр)
Минимальное расстояние видимости на пересечениях в одном уровне
5.7.9 На пересечениях в одном уровне должен быть обеспечен треугольник видимости, параметры которого рассчитывают из условия видимости с главного направления движения транспортного средства на второстепенном направлении и с второстепенного направления - транспортных средств на главных направлениях движения.
При невозможности обеспечения требуемого расстояния видимости на подходах к пересечению скорость движения автомобилей должна быть ограничена. Значение скорости, для которой обеспечено расстояние видимости, должно превышать величину разрешенной скорости движения автомобилей не менее чем на 10 км/ч. При разнице расчетных скоростей на участке с ограничением скорости и на предшествующем участке 20 км/ч и более снижение расчетной скорости должно быть ступенчатым с шагом не более 20 км/ч.
(п. 5.7.9 в ред.
Изменения N 2, утв. Приказом Минстроя России от 27.12.2021 N 1017/пр)
5.7.9а На пересечениях и примыканиях в одном уровне видимость должна быть обеспечена с учетом организации движения автомобилей согласно
[9]:
- без установки знаков приоритета на пересечениях улиц и дорог
(приложение И);
- с установкой знаков приоритета на пересечениях улиц и дорог
(приложение И);
- с устройством светофорного регулирования;
(в ред.
Изменения N 3, утв. Приказом Минстроя России от 26.12.2024 N 927/пр)
(в ред.
Изменения N 3, утв. Приказом Минстроя России от 26.12.2024 N 927/пр)
(п. 5.7.9а введен
Изменением N 2, утв. Приказом Минстроя России от 27.12.2021 N 1017/пр)
5.7.10 В условиях пересеченной и горной местности, в стесненной городской застройке, а также в условиях реконструкции и капитального ремонта допускается устройство пересечений (примыканий) в одном уровне с необеспеченной боковой видимостью с разработкой мероприятий по обеспечению безопасных условий проезда (устройство светофорной сигнализации или сферических зеркал).
(п. 5.7.10 в ред.
Изменения N 3, утв. Приказом Минстроя России от 26.12.2024 N 927/пр)
Минимальное расстояние видимости на пересечениях в разных уровнях
5.7.11 На всех элементах пересечений в разных уровнях должно быть обеспечено расстояние видимости, достаточное для безопасного движения транспортных средств с расчетной скоростью.
5.7.12 При проектировании пересечений в разных уровнях необходимо обеспечивать минимальное расстояние боковой видимости в зоне слияния транспортных потоков. Это расстояние следует считать обеспеченным, если в границах боковой видимости
(рисунок Б.11) отсутствуют любые предметы высотой более 0,9 м.
(в ред.
Изменения N 3, утв. Приказом Минстроя России от 26.12.2024 N 927/пр)
5.8 Пересечения и примыкания в одном уровне
(в ред.
Изменения N 2, утв. Приказом Минстроя России от 27.12.2021 N 1017/пр)
Регулируемые и нерегулируемые пересечения и примыкания
(в ред.
Изменения N 2, утв. Приказом Минстроя России от 27.12.2021 N 1017/пр)
5.8.1 Пересечение или примыкание следует устраивать под углом от 60° до 100°, отмеряя его от направления главной дороги к второстепенной против хода часовой стрелки.
(п. 5.8.1 в ред.
Изменения N 3, утв. Приказом Минстроя России от 26.12.2024 N 927/пр)
5.8.2 Планировочные решения по организации движения и технические параметры пересечений и примыканий в одном уровне следует назначать в соответствии с данными таблицы 5.10.
(в ред.
Изменения N 2, утв. Приказом Минстроя России от 27.12.2021 N 1017/пр)
Таблица 5.10
Планировочные решения и минимальные технические параметры
пересечений и примыканий в одном уровне
Минстроя России от 26.12.2024 N 927/пр)
Типы пересечений | Категории пересекающихся улиц | Планировочные решения по организации движения потоков транспорта | Единая кривая, радиус, м | Кривая, вписанная между отгонами | Коробовая кривая |
Радиус, м | Отгон | Уширение, м | Радиус, м |
1 | Магистральные улицы и дороги общегородского значения: - между собой - с улицей или дорогой районного значения - с автомобильными дорогами общего пользования | Канализирование потоков транспорта | 15 | 23 | 1:15 | 1,2 | 55 - 12 - 55 |
2 | Городские дороги и улицы общегородского значения, улицы и дороги районного значения: - между собой - с автомобильными дорогами общего пользования | Частичное канализирование потоков транспорта | 15 | 10 | 1:10 | 0,8 | 36 - 12 - 36 |
3 | Улица или дорога районного значения: - с улицей местного значения Улицы и дороги местного значения: - между собой - с автомобильными дорогами общего пользования | Перекресток | 6 | - | - | - | - |
Примечание - На территориях производственных зон радиусы закруглений принимают по параметрам проектирования пересечений магистральных улиц общегородского значения. |
5.8.3 Количество полос для организации движения на пересечениях и примыканиях (за исключением нерегулируемых) следует принимать в соответствии с данными о перспективной интенсивности движения и величине расчетной пропускной способности (при подготовке проектной документации - по направлениям движения), но не менее количества полос на подходах к пересечению или примыканию.
(п. 5.8.3 в ред.
Изменения N 3, утв. Приказом Минстроя России от 26.12.2024 N 927/пр)
5.8.3а Для предварительной оценки расчетной пропускной способности регулируемого пересечения или примыкания следует определять ее как сумму расчетных пропускных способностей всех полос движения, подходящих к пересечению или примыканию. Расчетную пропускную способность одной полосы движения регулируемого пересечения следует рассчитывать, как произведение потока насыщения
(таблица 5.10а) и доли разрешающего (зеленого) сигнала светофора в общем цикле светофорного регулирования по формуле

(5.1а)
где S - поток насыщения, прив. ед./ч;
tзел - продолжительность разрешающего (зеленого) сигнала, с;
Tц - длина цикла, с.
Таблица 5.10а
Значения потоков насыщения по направлениям движения
Направление движения | Поток насыщения, прив. ед./ч |
в крупнейших городах | в крупных, больших, средних и малых населенных пунктах |
Прямо | 1650 | 1650 |
Налево | 1625 | 1550 |
Направо | 1500 | 1400 |
Примечание - Для полос совмещенного движения следует принимать значение потока насыщения по наименьшему из значений, для которых возможно движение из данной полосы. |
(п. 5.8.3а введен
Изменением N 3, утв. Приказом Минстроя России от 26.12.2024 N 927/пр)
5.8.3б Значения потока насыщения левоповоротных полос движения при наличии встречного конфликтного потока автомобилей следует снижать в зависимости от интенсивности движения встречного потока автомобилей. Величину снижения потока насыщения полосы движения в зависимости от интенсивности движения встречного конфликтного направления следует принимать по номограмме, приведенной на рисунке 1б.
Рисунок 1б - Зависимость величины снижения потока насыщения
полосы движения от интенсивности движения встречного
конфликтного направления
(п. 5.8.3б введен
Изменением N 3, утв. Приказом Минстроя России от 26.12.2024 N 927/пр)
5.8.4 На нерегулируемых пересечениях и примыканиях следует предусматривать не более одной полосы для левого поворота. На второстепенном направлении в составе нерегулируемых пересечений и примыканий следует предусматривать только одну полосу прямого движения и левого поворота; в случае Т-образного примыкания - только одну полосу для организации левого поворота.
(в ред.
Изменения N 2, утв. Приказом Минстроя России от 27.12.2021 N 1017/пр,
Изменения N 3, утв. Приказом Минстроя России от 26.12.2024 N 927/пр)
5.8.4а Для предварительной оценки расчетная пропускная способность нерегулируемых пересечений и примыканий определяется расчетом на основании величины граничного интервала и интервала следования второстепенного направления движения, с учетом ранжирования направлений движения по приоритету проезда в соответствии с
приложением Р.
(п. 5.8.4а введен
Изменением N 3, утв. Приказом Минстроя России от 26.12.2024 N 927/пр)
Дополнительные полосы для организации обособленного правого поворота
5.8.5 Дополнительные полосы для организации обособленного правого поворота следует применять на пересечениях и примыканиях 1-го и 2-го типов при интенсивности правоповоротного движения более 20% общей интенсивности на подходе к пересечению или примыканию.
(в ред.
Изменения N 2, утв. Приказом Минстроя России от 27.12.2021 N 1017/пр)
5.8.6 Ширину полосы движения B для организации обособленного правого поворота в составе общей проезжей части следует назначать равной ширине смежной с ней полосы движения, а при выделении в самостоятельную проезжую часть - в соответствии с расчетом по формуле

, (5.1)
где

- уширение, м.
Дополнительные полосы для организации левого поворота
5.8.7 Дополнительные полосы для организации левого поворота следует предусматривать на пересечениях и примыканиях всех классов улиц и дорог с двумя полосами движения и более (в каждом направлении) и на регулируемых пересечениях и примыканиях при наличии отдельной фазы светофорного регулирования для организации левого поворота. На пересечениях и примыканиях двухполосных улиц и дорог (в обоих направлениях) необходимость специальных полос для организации левого поворота следует определять на основании данных об интенсивности движения в соответствии с номограммой (приложение А,
рисунок А.1).
(в ред.
Изменения N 2, утв. Приказом Минстроя России от 27.12.2021 N 1017/пр)
5.8.8 В границах нерегулируемых пересечений и примыканий следует применять не более одной дополнительной полосы для организации левого поворота. В условиях пересеченной и горной местности, в стесненной городской застройке, а также в условиях реконструкции и капитального ремонта при условии обеспечения пропускной способности дополнительные полосы для организации левых поворотов не предусматривают.
(п. 5.8.8 в ред.
Изменения N 3, утв. Приказом Минстроя России от 26.12.2024 N 927/пр)
5.8.9 Участок отгона ширины полосы движения относительно кромки проезжей части подхода к пересечению или примыканию следует принимать по таблице 5.11.
(в ред.
Изменения N 2, утв. Приказом Минстроя России от 27.12.2021 N 1017/пр)
В случае выделения дополнительной полосы для левого поворота за счет устройства центрального направляющего островка параметры островка следует принимать по
таблице 5.11а.
(абзац введен
Изменением N 3, утв. Приказом Минстроя России от 26.12.2024 N 927/пр)
Таблица 5.11
Отгон ширины полосы движения
Расчетная скорость основного направления, км/ч | Отгон |
Менее 50 | 1:8 |
От 50 до 80 | 1:15 |
Более 80 | 1:25 |
Таблица 5.11а
Минстроя России от 26.12.2024 N 927/пр)
Расчетная скорость основного направления, км/ч | Отгон центрального островка на приближении к отгону полосы для левого поворота | Отгон уширения полосы для левого поворота |
Менее 50 | 1:8 | 1:4 |
От 50 до 80 | 1:15 | 1:8 |
Более 80 | 1:25 | 1:12 |
5.8.10 При организации левого поворота длину параллельного участка дополнительной полосы следует определять расчетом с использованием данных об интенсивности движения, но принимать не менее 14,0 м, а в случае наличия 10% грузовых транспортных средств и более в общем потоке - не менее 25 м.
5.8.11 Ширину полосы движения для организации левого поворота в составе проезжей части следует назначать равной ширине смежной с ней полосы движения.
Направляющие островки в пределах канализированных пересечений и примыканий
(в ред.
Изменения N 2, утв. Приказом Минстроя России от 27.12.2021 N 1017/пр)
5.8.12 Для отделения потоков правого поворота, левого поворота от прямого движения следует предусматривать направляющие островки треугольной формы.
5.8.12а Минимальная площадь треугольного островка с бортовым камнем должна составлять 6,5 м2, минимальная длина стороны треугольника такого островка с учетом закруглений углов - не менее 3,0 м.
(п. 5.8.12а введен
Изменением N 2, утв. Приказом Минстроя России от 27.12.2021 N 1017/пр; в ред.
Изменения N 3, утв. Приказом Минстроя России от 26.12.2024 N 927/пр)
5.8.12б Форму треугольного направляющего островка определяют с учетом ширины правоповоротного съезда и величины радиуса кривой в плане. Края треугольного направляющего островка выполняются с закруглением. Радиус закругления принимают не менее 0,30 м, рекомендуемое значение - 0,75 м.
(в ред.
Изменения N 3, утв. Приказом Минстроя России от 26.12.2024 N 927/пр)
При отсутствии пешеходного движения через треугольный направляющий островок допускается устраивать понижение бортового камня до уровня проезжей части в вершине, направленной навстречу движению автомобилей.
(п. 5.8.12б введен
Изменением N 2, утв. Приказом Минстроя России от 27.12.2021 N 1017/пр)
5.8.12в При применении полосы поворота направо с использованием треугольного направляющего островка и с примыканием к проезжей части пересекаемой улицы или дороги под углом менее 70° на улицах и дорогах всех категорий предусматривают полосы разгона
(рисунок 1). При наличии светофорного регулирования с организацией движения правоповоротного потока без конфликта с другими потоками автомобилей допускается проектировать примыкание к проезжей части пересекаемой улицы или дороги под углом менее 70° без полосы разгона.
а - полоса для поворота с направляющим островком без полосы
разгона; б - полоса для поворота с направляющим островком
с полосой разгона
Рисунок 1 - Условия применения полосы разгона
без светофорного регулирования на пересечении
в одном уровне
(п. 5.8.12в введен
Изменением N 2, утв. Приказом Минстроя России от 27.12.2021 N 1017/пр)
5.8.13 На улицах и дорогах с двухсторонним движением для отделения встречных направлений движения следует предусматривать направляющие островки каплевидной формы. Ширина направляющего островка каплевидной формы при наличии движения пешеходов через него должна составлять не менее 2,0 м. При отсутствии движения пешеходов через такой островок его ширина должна составлять не менее 1,0 м.
5.8.14 Расстояние от направляющих островков каплевидной формы до створа пересекаемого направления движения следует принимать не более 2,0 м.
5.8.15 Радиус закругления кромок направляющих островков при отсутствии движения вдоль них следует принимать не менее 0,5 м.
Отнесенные на разворот левые повороты
(введено
Изменением N 2, утв. Приказом Минстроя России от 27.12.2021 N 1017/пр)
5.8.15а При необходимости повышения пропускной способности по одному или обоим направлениям прямого движения на пересечении в одном уровне допускается применять пересечения и примыкания с отнесенным на разворот левоповоротным движением
(рисунок 2).
(в ред.
Изменения N 3, утв. Приказом Минстроя России от 26.12.2024 N 927/пр)
а - с прямым проездом второстепенного направления;
б - без прямого проезда второстепенного направления;
в - с недостаточной шириной центральной разделительной
полосы; г - без центральной разделительной полосы
Рисунок 2 - Схемы пересечений с отнесенными левыми
поворотами с центральной разделительной полосой
(п. 5.8.15а введен
Изменением N 2, утв. Приказом Минстроя России от 27.12.2021 N 1017/пр)
5.8.15б Центральная разделительная полоса в месте разворота должна иметь ширину, позволяющую развернуться расчетному транспортному средству (
рисунок 2,
а, б). При отсутствии центральной разделительной полосы (
рисунок 2,
г) или недостаточной ширине центральной разделительной полосы для разворота расчетного транспортного средства (
рисунок 2,
в) предусматривают дополнительные площадки разворота
(рисунок 3). Без светофорного регулирования устраивают разворот с устройством дополнительной площадки при одной полосе движения на развороте и одной полосе движения в каждом направлении на пересекаемой при развороте улице или дороге.
(в ред.
Изменения N 3, утв. Приказом Минстроя России от 26.12.2024 N 927/пр)
1 - расстояние не менее 32 м для расчетного транспортного
средства типа автопоезд А20 (см. типы автомобилей
для грузовых транспортных средств; 3 - геометрия островка
и центральной разделительной полосы, определяемая
по габаритам поворачивающих транспортных средств;
4 - геометрия разворота, определяемая по габаритам
поворачивающих транспортных средств
при скорости движения 5 - 15 км/ч
Рисунок 3 - Устройство дополнительной площадки
для разворота
(п. 5.8.15б введен
Изменением N 2, утв. Приказом Минстроя России от 27.12.2021 N 1017/пр)
5.8.15в На выезде с площадки для разворота при отсутствии светофорного регулирования устраивают переходно-скоростную полосу разгона; при наличии светофорного регулирования переходно-скоростную полосу разгона не устраивают.
(п. 5.8.15в в ред.
Изменения N 3, утв. Приказом Минстроя России от 26.12.2024 N 927/пр)
5.8.15г При проектировании разворота предусматривают уширение проезжей части. Минимальную ширину полос движения на развороте с учетом уширений без дополнительных обоснований принимают по
таблице 5.11а.
(в ред.
Изменения N 3, утв. Приказом Минстроя России от 26.12.2024 N 927/пр)
При индивидуальном обосновании величину уширения проезжей части назначают на основании результатов моделирования траектории проезда расчетного транспортного средства.
(абзац введен
Изменением N 3, утв. Приказом Минстроя России от 26.12.2024 N 927/пр)
Таблица 5.11а
Минимальная ширина полос движения на развороте
Радиус внутренней кромки, м | Минимальная ширина полосы для расчетного автомобиля типа А20 по приложению Е |
10 | 6,50 |
15 | 6,00 |
20 | 5,50 |
25 | 5,10 |
30 | 4,90 |
35 | 4,65 |
(п. 5.8.15г введен
Изменением N 2, утв. Приказом Минстроя России от 27.12.2021 N 1017/пр)
5.8.15д С обеих сторон полосы (полос) движения на развороте должна быть краевая полоса с твердым покрытием шириной не менее 1,0 м. Выделение краевых полос предусматривают разметкой или покрытием, отличающимся по цвету и (или) фактуре.
(п. 5.8.15д введен
Изменением N 2, утв. Приказом Минстроя России от 27.12.2021 N 1017/пр; в ред.
Изменения N 3, утв. Приказом Минстроя России от 26.12.2024 N 927/пр)
5.8.15е Переходно-скоростная полоса торможения перед разворотом должна обеспечивать размещение очереди транспортных средств такой длины, которая не будет превышена на протяжении 95% времени в течение наиболее загруженных суток. Расстояние от примыкания второстепенной улицы или дороги до начала отгона переходно-скоростной полосы торможения и накопления очереди для разворота должно быть не менее 75 м на одну полосу движения, которую требуется пересечь для разворота после правого поворота с второстепенной улицы или дороги.
(п. 5.8.15е введен
Изменением N 2, утв. Приказом Минстроя России от 27.12.2021 N 1017/пр; в ред.
Изменения N 3, утв. Приказом Минстроя России от 26.12.2024 N 927/пр)
В условиях реконструкции и капитального ремонта, когда для устройства переходно-скоростных полос требуется изменение планировочного решения основного направления движения, переходно-скоростные полосы торможения перед разворотом не устраивают.
(абзац введен
Изменением N 3, утв. Приказом Минстроя России от 26.12.2024 N 927/пр)
5.8.15ж При размещении разворота полностью на центральной разделительной полосе и отсутствии на примыкании разворота светофорного регулирования устраивают полосу разгона с левой стороны проезжей части улицы или дороги, к которой примыкает разворот.
(п. 5.8.15ж введен
Изменением N 2, утв. Приказом Минстроя России от 27.12.2021 N 1017/пр)
Саморегулируемые кольцевые пересечения
5.8.16 Расчетный автомобиль для проектирования кольцевых пересечений следует принимать:
- для однополосного кольцевого пересечения - автопоезд А16 в зоне общественно-деловой и производственной застройки, грузовой автомобиль Г в зоне жилой застройки или сочлененный автобус Ас (при наличии в составе транспортного потока);
- для двухполосного кольцевого пересечения - автопоезд А16 в зоне общественно-деловой и производственной застройки, грузовой автомобиль Г в зоне жилой застройки или сочлененный автобус А
с (при наличии в составе транспортного потока) по внешней полосе движения кольцевой проезжей части и легковой автомобиль Л для внутренней полосы движения кольцевой проезжей части
(приложение Е).
5.8.17 Пути движения пешеходов и велосипедные дорожки следует предусматривать за пределами кольцевых пересечений. Велосипедные полосы допускается проводить через однополосные кольцевые пересечения.
(в ред.
Изменения N 3, утв. Приказом Минстроя России от 26.12.2024 N 927/пр)
Планировка центральной части кольцевого пересечения
5.8.18 Диаметр центрального островка кольцевого пересечения следует принимать:
- при одной полосе движения на кольцевой проезжей части - не менее 10 м;
- при двух полосах движения на кольцевой проезжей части - не менее 12 м.
Диаметр центрального островка кольцевого пересечения должен быть не менее ширины проезжей части примыкающих улиц или дорог.
(в ред.
Изменения N 3, утв. Приказом Минстроя России от 26.12.2024 N 927/пр)
5.8.19 Кольцевые пересечения с радиусом центрального островка от 2 до 10 м (мини-кольцевые пересечения) допускается предусматривать:
- при реконструкции существующих пересечений в одном уровне в стесненных условиях на улицах и дорогах местного значения, местных улицах и дорогах сельских населенных пунктов;
- капитальном ремонте и реконструкции улиц и дорог местного значения, местных улиц и дорог сельских населенных пунктов.
(п. 5.8.19 в ред.
Изменения N 3, утв. Приказом Минстроя России от 26.12.2024 N 927/пр)
5.8.20 Центральный островок должен иметь форму круга. В условиях пересеченной и горной местности, в стесненной городской застройке, а также в условиях реконструкции и капитального ремонта допускается предусматривать центральный островок в форме эллипса. В составе пересечений в разных уровнях 3-го и 4-го классов допускается предусматривать центральные островки каплевидной формы.
(п. 5.8.20 в ред.
Изменения N 3, утв. Приказом Минстроя России от 26.12.2024 N 927/пр)
5.8.21 Центральный островок следует приподнимать над проезжей частью на 15 см.
Центральный островок мини-кольцевого пересечения следует приподнимать над уровнем проезжей части на 4 - 5 см. Покрытие центрального островка мини-кольцевого пересечения следует принимать той же конструкции, как на проезжей части.
(п. 5.8.21 в ред.
Изменения N 3, утв. Приказом Минстроя России от 26.12.2024 N 927/пр)
5.8.22 Уклон от центра островка к проезжей части следует принимать от

до

. При расположении кольцевого пересечения на участке с продольным уклоном

и более уклон в сторону верхней части пересечения следует принимать не менее

.
(п. 5.8.22 в ред.
Изменения N 3, утв. Приказом Минстроя России от 26.12.2024 N 927/пр)
5.8.23 Планировочные параметры и элементы поперечного профиля кольцевых пересечений следует определять, исходя из расчетной скорости движения на участке въезда на кольцевые пересечения - не более 50 км/ч, на мини-кольцевые пересечения - не более 25 км/ч.
5.8.24 Количество полос движения кольцевой проезжей части назначают в зависимости от интенсивности движения. При числе полос движения на кольцевой проезжей части более двух на кольцевом пересечении предусматривают светофорное регулирование, за исключением кольцевых пересечений со спиральными полосами движения.
(п. 5.8.24 в ред.
Изменения N 2, утв. Приказом Минстроя России от 27.12.2021 N 1017/пр)
5.8.25 Ширина полосы движения на кольцевой проезжей части должна обеспечивать пропуск расчетного автомобиля. Ширина кольцевой проезжей части должна быть больше ширины участка въезда, но не более чем на 20%. Увеличение ширины кольцевой проезжей части следует обосновывать путем моделирования движения расчетного автомобиля.
5.8.26 На однополосных кольцевых пересечениях с диаметром центральных островков менее 30 м следует предусматривать дополнительные краевые полосы шириной до 4,0 м, допускающие проезд по ним расчетных автопоездов и автобусов. Краевые полосы размещают в пределах центрального островка и выполняют отличающимися от покрытия кольцевой проезжей части по цвету и фактуре.
На двухполосных кольцевых пересечениях краевые полосы допускается устраивать за счет центрального островка и с внешней стороны кольцевой проезжей части.
(п. 5.8.26 в ред.
Изменения N 3, утв. Приказом Минстроя России от 26.12.2024 N 927/пр)
5.8.27 Между внешней кромкой кольцевой проезжей части и обочиной (бортовым камнем) следует предусматривать краевую полосу кольцевой проезжей части шириной не менее 0,6 м, имеющую одинаковую с проезжей частью дорожную одежду.
(в ред.
Изменения N 3, утв. Приказом Минстроя России от 26.12.2024 N 927/пр)
5.8.28 В условиях несоответствия расчетной скорости движения на кольцевом пересечении и на проектируемых улицах более чем в 1,3 раза для обеспечения безопасности движения автомобилей на подходах к кольцевому пересечению необходимо устройство S-образных кривых с уменьшающимися радиусами.
(в ред.
Изменения N 3, утв. Приказом Минстроя России от 26.12.2024 N 927/пр)
Длину участка изменения плана трассы следует принимать в зависимости от количества полос движения на участке подхода:
- для вновь проектируемых пересечений на улицах с двумя полосами движения - 250,0 м, улицах с четырьмя полосами движения - 350,0 м;
- при реконструкции существующих пересечений - допускается 150,0 и 250,0 м соответственно.
5.8.29 Длину направляющего островка перед въездом на кольцевое пересечение следует принимать не менее 15 м.
(в ред.
Изменения N 3, утв. Приказом Минстроя России от 26.12.2024 N 927/пр)
5.8.30 Пешеходный переход следует размещать на расстоянии от кольцевой проезжей части. Для однополосной кольцевой проезжей части это расстояние должно быть не менее 6,0 м, а на двухполосной - не менее 7,5 м.
В пределах направляющего островка должна быть предусмотрена зона ожидания для пешеходов, которую следует располагать в створе пешеходного перехода.
Между бортовым камнем направляющего островка и правыми кромками проезжих частей въезда и выезда на кольцевое пересечение должны быть предусмотрены полосы безопасности шириной не менее 0,5 м.
5.8.30а При необходимости увеличения пропускной способности кольцевого пересечения допускается предусматривать две полосы движения на въезде и выезде кольцевого пересечения при наличии только одной полосы в каждом направлении на пересекающихся улицах или дорогах. В этом случае предусматривают две полосы движения на кольцевой проезжей части с сохранением требуемого принудительного отклонения траекторий движения транспортных средств
(рисунок 4).
Wen - ширина въезда; Wex - ширина выезда; Ren - радиус
правого края проезжей части на въезде; Rex - радиус правого
края проезжей части на выезде, радиус перехода - параметр
переходной кривой от прямолинейного участка
к круговой кривой
Рисунок 4 - Уширение подходов к кольцевому пересечению
(п. 5.8.30а введен
Изменением N 2, утв. Приказом Минстроя России от 27.12.2021 N 1017/пр)
5.8.31 На однополосном въезде на кольцевое пересечение или выезде с него минимальная ширина определяется на основании габаритов расчетного автомобиля и радиуса правого края проезжей части на въезде/выезде либо может приниматься по
таблице 5.11б.
Ширину однополосного въезда или выезда следует принимать меньше, чем сумма габаритов двух расчетных легковых автомобилей и зазора безопасности между автомобилями, равного 0,3 м.
(в ред.
Изменения N 3, утв. Приказом Минстроя России от 26.12.2024 N 927/пр)
Таблица 5.11б
Минимальная ширина однополосного въезда/выезда
кольцевого пересечения
Радиус правой кромки проезжей части въезда/выезда, м | Ширина въезда/выезда, м, для расчетного автомобиля по приложению Е |
Л | Г | А | А20 | Ас |
10 | 4,00 | 5,20 | 6,00 | 6,00 | 6,10 |
12 | 4,00 | 5,10 | 5,50 | 5,60 | 6,10 |
14 | 4,00 | 5,00 | 5,30 | 5,30 | 5,80 |
16 | 4,00 | 4,90 | 5,00 | 5,00 | 5,40 |
18 | 4,00 | 4,80 | 4,85 | 4,95 | 5,40 |
20 | 4,00 | 4,70 | 4,65 | 4,95 | 5,25 |
Примечание - Ширина въезда/выезда должна быть не менее 4,00 м. Возможно уширение выезда с кольцевого пересечения до значений, указанных в настоящей таблице, в целях обеспечения более удобного выезда с пересечения. Ширину выезда увеличивают не более чем на 20%. |
(в ред. Изменения N 3, утв. Приказом Минстроя России от 26.12.2024 N 927/пр) |
(п. 5.8.31 в ред.
Изменения N 2, утв. Приказом Минстроя России от 27.12.2021 N 1017/пр)
5.8.31а Ширина въезда/выезда с двумя полосами движения определяется исходя из возможности проезда расчетного автомобиля А16 параллельно с расчетным автомобилем Л
(приложение Е). Минимальные размеры двухполосной проезжей части на въезде или выезде допускается принимать по
таблице 5.11в.
Таблица 5.11в
Минимальная ширина двухполосного въезда/выезда
кольцевого пересечения
Радиус правой кромки проезжей части въезда/выезда, м | Ширина въезда/выезда, м, для расчетного автомобиля по приложению Е |
А16 параллельно с расчетным автомобилем Л | А20 параллельно с расчетным автомобилем Л |
10 | 7,80 | 8,90 |
12 | 7,60 | 8,50 |
14 | 7,40 | 8,10 |
16 | 7,20 | 7,80 |
18 | 7,00 | 7,55 |
20 | 7,00 | 7,40 |
25 | 7,00 | 7,00 |
Примечание - При радиусах въезда/выезда более указанных в настоящей таблице или при проектировании с учетом других расчетных автомобилей минимальная ширина въезда/выезда должна быть не менее 7,00 м. |
(п. 5.8.31а введен
Изменением N 2, утв. Приказом Минстроя России от 27.12.2021 N 1017/пр)
5.8.32 Для обеспечения пропускной способности необходимо увеличивать количество полос движения на участке въезда и устраивать уширение проезжей части параллельного или диагонального (раструбного) типа.
5.8.33 Ширина проезжей части участка выезда с кольцевых пересечений должна быть не более ширины въезда на кольцевое пересечение.
5.8.34 На участках въезда и выезда с обеих сторон проезжей части следует устраивать краевые полосы шириной не менее 0,5 м.
(в ред.
Изменения N 3, утв. Приказом Минстроя России от 26.12.2024 N 927/пр)
Дополнительные полосы для организации правого поворота
5.8.35 Выделение полосы движения для организации правого поворота следует осуществлять:
- при интенсивности правоповоротного транспортного потока более 200 прив. ед./ч, отсутствии места для размещения кольцевой проезжей части или проезжей части на участке въезда на кольцо необходимой ширины;
- при невозможности вписывания кривых больших радиусов, соответствующих движению грузовых автомобилей, на участке въезда на кольцевую проезжую часть.
5.8.36 Дополнительную полосу для организации правого поворота необходимо предусматривать одним из следующих способов:
- располагать в пределах кольцевой проезжей части и отделять разметкой по
ГОСТ Р 52289 от автомобилей, движущихся в прямом направлении и выполняющих правый поворот;
- отделять от кольцевой проезжей части разделительной полосой в одном уровне с проезжей частью, выделяемой разметкой, или поднятой над проезжей частью;
(в ред.
Изменения N 3, утв. Приказом Минстроя России от 26.12.2024 N 927/пр)
- отделять от кольцевой проезжей части разделительным островком; в случае движения пешеходов следует предусматривать для них островок безопасности;
(в ред.
Изменения N 3, утв. Приказом Минстроя России от 26.12.2024 N 927/пр)
- размещать как самостоятельную обособленную проезжую часть.
Вертикальная планировка кольцевых пересечений
5.8.37 Максимальные уклоны в границах кольцевых пересечений следует принимать не более

.
5.8.38 Минимальный суммарный уклон в любой точке пересечения должен быть не менее

.
5.8.39 Проезжая часть кольцевого пересечения должна иметь поперечный уклон от центрального островка пересечения не более

.
(в ред.
Изменения N 3, утв. Приказом Минстроя России от 26.12.2024 N 927/пр)
Кольцевые пересечения со светофорным регулированием
(введено
Изменением N 2, утв. Приказом Минстроя России от 27.12.2021 N 1017/пр)
5.8.39.1 Кольцевое пересечение может быть оборудовано светофорными объектами, обеспечивающими светофорное регулирование на самом кольцевом пересечении и на подходах к нему.
(п. 5.8.39.1 введен
Изменением N 2, утв. Приказом Минстроя России от 27.12.2021 N 1017/пр)
5.8.39.2 Светофорное регулирование может устраиваться:
- на обычных кольцевых пересечениях;
- кольцевых пересечениях со сквозным проездом.
(п. 5.8.39.2 введен
Изменением N 2, утв. Приказом Минстроя России от 27.12.2021 N 1017/пр)
5.8.39.3 Допускается применять следующие виды светофорного регулирования на кольцевых пересечениях:
- светофорное регулирование движения по кольцевой проезжей части;
- регулирование въезда на кольцевую проезжую часть;
- регулирование пешеходных переходов в зоне кольцевого пересечения;
- полностью регулируемые пересечения (при наличии сквозного проезда).
Примечание - При установке нескольких светофорных объектов на кольцевом пересечении и на подходах к нему обеспечивается скоординированная работа светофорных объектов.
(п. 5.8.39.3 введен
Изменением N 2, утв. Приказом Минстроя России от 27.12.2021 N 1017/пр)
5.8.39.4 При установке светофора на кольцевой проезжей части образование очередей, длина которых превышает расстояние до ближайшего въезда или выезда, не допускается.
(п. 5.8.39.4 введен
Изменением N 2, утв. Приказом Минстроя России от 27.12.2021 N 1017/пр)
5.8.39.5 Регулирование въезда на кольцевое пересечение устраивают в случаях:
- неравномерного распределения интенсивности движения на въездах;
- потребности обеспечить безопасный переход пешеходами, велосипедистами и другими пользователями СИМ проезжей части на подходе к кольцевому пересечению.
(п. 5.8.39.5 введен
Изменением N 2, утв. Приказом Минстроя России от 27.12.2021 N 1017/пр)
5.8.39.6 Изменение геометрических параметров кольцевых пересечений при устройстве светофорного регулирования допускается в виде:
- дополнительных левых или правых полос на въезде на кольцевое пересечение;
- дополнительных полос на подходе к светофору на кольцевой проезжей части;
- увеличения размера направляющих островков с устройством зон для накопления очередей перед светофором на кольцевой проезжей части и на подходе к кольцевому пересечению;
- устройства сквозного проезда через центральный островок кольцевого пересечения.
(п. 5.8.39.6 введен
Изменением N 2, утв. Приказом Минстроя России от 27.12.2021 N 1017/пр)
Кольцевые пересечения со спиральными полосами движения
(введено
Изменением N 2, утв. Приказом Минстроя России от 27.12.2021 N 1017/пр)
5.8.39.7 Кольцевые пересечения со спиральными полосами движения могут проектироваться в виде кольцевых пересечений со спиральной разметкой или с выделенными разделителями спиральными полосами движения. Основные элементы кольцевого пересечения со спиральными полосами движения приведены на
рисунках 5 и
6.
1 - приоритет движения по кольцевой проезжей части;
2 - не более чем для двух полос для движения на кольцевой
проезжей части; 3 - разделение полос движения на кольцевой
проезжей части для исключения зон переплетения и уменьшения
количества конфликтных точек; 4 - разметка спиральных полос
движения (наносится краской от внутренней стороны
к внешней); 5 - основное направление с двумя полосами
движения; 6 - полосы движения на кольцевой проезжей части,
количество которых определяется с учетом существующей
и перспективной интенсивностей движения
Рисунок 5 - Основные элементы кольцевого пересечения
со спиральными полосами движения
Рисунок 6 - Основные элементы кольцевого пересечения
со спиральными полосами движения упрощенной формы,
с полосами, выделенными спиральной разметкой
(п. 5.8.39.7 введен
Изменением N 2, утв. Приказом Минстроя России от 27.12.2021 N 1017/пр)
5.8.39.8 На кольцевом пересечении со спиральными полосами движения планировочные решения и обустройство подходов к пересечению должны обеспечивать выбор водителем полосы движения для въезда на такое кольцевое пересечение исходя из того, в каком направлении он намерен выехать с пересечения.
(п. 5.8.39.8 введен
Изменением N 2, утв. Приказом Минстроя России от 27.12.2021 N 1017/пр)
5.8.39.9 На кольцевых пересечениях со спиральными полосами движения обеспечивают:
- приоритет автомобилей, двигающихся по кольцевой проезжей части;
- ограничение переплетения или перестроения в пределах кольцевого пересечения, за исключением кольцевых пересечений со спиральной разметкой;
- возможность выезда с кольцевого пересечения только на один выезд раньше, чем выезд, определяемый полосой движения на въезде;
- две полосы движения или более на кольцевой проезжей части;
- необходимость пересечения не более двух полос движения при въезде на кольцевое пересечение.
(п. 5.8.39.9 введен
Изменением N 2, утв. Приказом Минстроя России от 27.12.2021 N 1017/пр)
5.8.39.10 Для кольцевых пересечений со спиральными полосами движения в качестве расчетного принимают автомобиль А16
(приложение Е) либо расчетный автомобиль определяют на основе анализа фактического и прогнозируемого состава транспортного потока. При анализе состава транспортного потока допускается не учитывать длинномерные автомобили, доля которых в потоке составляет менее 3%.
(п. 5.8.39.10 введен
Изменением N 2, утв. Приказом Минстроя России от 27.12.2021 N 1017/пр)
5.8.39.11 На кольцевых пересечениях со спиральными полосами движения должны быть выполнены следующие требования к планировочным решениям и геометрическим элементам:
- спиральные полосы движения плавно направляют движение с внутренней на внешнюю полосу кольцевой проезжей части, исключая перестроения;
- расчетная скорость на кольцевом пересечении со спиральными полосами движения должна быть не более 40 км/ч;
- предусматривается не менее одного въезда на внутреннюю полосу кольцевой проезжей части за счет уменьшения центрального островка;
- при въезде на кольцевую проезжую часть транспортные средства, поворачивающие налево, пересекают две полосы главного направления кольцевой проезжей части на двух въездах на кольцевом пересечении с четырьмя подходами и на одном въезде - на кольцевом пересечении с тремя подходами;
- соединение спиральных элементов проводится переходными кривыми с переменным радиусом, соответствующими фактическим траекториям движения автомобилей по кольцевым пересечениям. Угол отгона должен быть не более 1:15;
- минимальный радиус внутренней кромки внутренней полосы движения должен быть не менее 12 м (в условиях пересеченной и горной местности, в стесненной городской застройке, а также в условиях реконструкции и капитального ремонта допускается уменьшать до 10,5 м);
(в ред.
Изменения N 3, утв. Приказом Минстроя России от 26.12.2024 N 927/пр)
- ширина полосы движения на каждом полукольце спирали должна быть установлена в зависимости от радиуса такого полукольца и принятого в зависимости от состава транспортного потока расчетного автомобиля на основе моделирования или по графику
(рисунок 7);
- начало внутренней полосы движения должно обеспечивать возможность выполнения требований
ГОСТ 33181,
ГОСТ 33220,
ГОСТ Р 50597; при наличии закругления начала внутренней полосы его радиус принимают не менее 12 м;
- центральный островок должен состоять из двух частей: основной части, на которую не допускается выезд автомобилей, и краевой полосы центрального островка с дорожной одеждой, отличающейся от покрытия основной кольцевой проезжей части по цвету и (или) фактуре, приподнятой относительно основной проезжей части так, чтобы препятствовать проезду легковых автомобилей и допускать заезд длинномерных автомобилей (тягачей с полуприцепами, грузовых автомобилей с прицепами, трехосных и сочлененных автобусов). Ширину краевой полосы центрального островка принимают по расчету или на основе моделирования траекторий проезда расчетных автомобилей А16 и А20
(приложение Е), но не менее 1 м.
Рисунок 7 - Зависимость ширины полосы движения
от радиуса для расчетного автомобиля А16
Основные геометрические параметры кольцевых пересечений со спиральными полосами движения представлены в
приложении Л.
(п. 5.8.39.11 введен
Изменением N 2, утв. Приказом Минстроя России от 27.12.2021 N 1017/пр)
5.8.39.12 На кольцевых пересечениях со спиральными полосами движения допускается устройство разделителей разделительных полос или делиниаторов между полосами движения на кольцевой проезжей части.
(п. 5.8.39.12 в ред.
Изменения N 3, утв. Приказом Минстроя России от 26.12.2024 N 927/пр)
5.8.39.13 Допускается использовать следующие типы разделения полос движения на кольцевой проезжей части со спиральными полосами движения:
- дорожной разметкой термопластиком по ГОСТ 32953 -
типа 7 (по ГОСТ Р 51256 -
типа 1.7) на пересечениях со спиральной разметкой упрощенной формы;
- разделителями шириной от 0,7 до 1,2 м, включая приподнятые бордюры специальной формы, мощение;
- разделителями шириной более 1,2 м.
(п. 5.8.39.13 введен
Изменением N 2, утв. Приказом Минстроя России от 27.12.2021 N 1017/пр)
5.8.39.14 Все разделители должны обеспечивать возможность выполнения требований
ГОСТ 33181,
ГОСТ 33220,
ГОСТ Р 50597 на участке улицы или дороги, на котором предусматривается устройство кольцевого пересечения со спиральными полосами движения.
(п. 5.8.39.14 введен
Изменением N 2, утв. Приказом Минстроя России от 27.12.2021 N 1017/пр)
5.8.39.15 При устройстве приподнятых относительно поверхности проезжей части разделителей между полосами движения для отвода воды с внутренних полос движения устраиваются разрывы в разделителях через промежутки, не допускающие скопления воды. Размеры разрывов и их частота определяются расчетом объема и режима течения сточных вод.
(п. 5.8.39.15 введен
Изменением N 2, утв. Приказом Минстроя России от 27.12.2021 N 1017/пр)
Сопряжение основной проезжей части с боковыми проездами
5.8.40 Сопряжение основной проезжей части улиц и дорог с боковыми проездами следует проводить на пересечениях улиц и дорог, а при отсутствии таких пересечений - на расстоянии 400 м и более путем устройства съездов и въездов на перегоне.
(в ред.
Изменения N 3, утв. Приказом Минстроя России от 26.12.2024 N 927/пр)
5.8.41 Расстояние между последовательно расположенными узлами сопряжения, в том числе съездами и въездами, следует принимать в соответствии с
5.9.13.
5.8.42 При необходимости последовательного размещения сопряжений основной проезжей части с боковым проездом следует сначала предусматривать съезд на боковой проезд с основной проезжей части, а далее (по направлению движения) предусматривать въезд с бокового проезда на основную проезжую часть.
5.8.43 Устройство въездов и съездов в зонах пересечений в одном уровне на расстоянии 80 м до пересечения и 25 м после пересечения не допускается.
Пересечения улиц и дорог с железными дорогами
(введено
Изменением N 3, утв. Приказом Минстроя России от 26.12.2024 N 927/пр)
5.8.44 Место пересечения и положение проектируемых сооружений пересечений улиц и дорог с железными дорогами в отношении продольного профиля и плана железнодорожной линии следует выбирать с учетом
СП 227.1326000.
(п. 5.8.44 введен
Изменением N 3, утв. Приказом Минстроя России от 26.12.2024 N 927/пр)
5.8.45 Пересечения магистральных городских дорог 1-го и 2-го классов, магистральных улиц общегородского значения 1-го и 2-го классов с железными дорогами необходимо проектировать в разных уровнях.
Пересечения улиц и дорог населенных пунктов других категорий с железными дорогами предусматривают в одном уровне, за исключением случаев:
а) отнесение железнодорожного переезда согласно требованиям
[10]:
1) к I, II и III категории на железнодорожных путях общего пользования;
2) к IV категории при пересечении трех и более железнодорожных путей общего пользования, железнодорожных путей общего пользования в выемках и других местах, где не обеспечены условия видимости согласно
пункту 7.2 ГОСТ Р 50597-2017, в границах железнодорожных станций, а также в случаях, когда требуется обслуживание железнодорожных переездов дежурным по переезду;
б) расположение железнодорожного переезда на участках железнодорожных путей общего пользования со скоростями движения поездов более 80 км/ч;
в) несоответствие места пересечения требованиям
[12].
(п. 5.8.45 введен
Изменением N 3, утв. Приказом Минстроя России от 26.12.2024 N 927/пр)
5.8.46 Вновь строящиеся пересечения железнодорожных путей с улицами или дорогами в одном уровне устраивают под углом от 80° до 100°. При невозможности выполнить это условие угол между пересекающимися дорогами в одном уровне должен быть не менее 60°, в городах федерального значения на подъездных железнодорожных путях с интенсивностью движения поездов четыре поезда в сутки и менее - не менее 30° при условии оборудования железнодорожного переезда переездной сигнализацией.
(п. 5.8.46 введен
Изменением N 3, утв. Приказом Минстроя России от 26.12.2024 N 927/пр)
5.8.47 На вновь строящихся и реконструируемых улицах и дорогах на подходах к железнодорожным переездам необходимо обеспечить следующие расстояния видимости, исходя из условий организации и безопасности движения:
расстояние видимости железнодорожного переезда (сигналов переездной сигнализации и шлагбаумов) вдоль улицы или дороги (согласно
Н.1 приложения Н);
- расстояние видимости приближающегося к переезду поезда вдоль железнодорожных путей на нерегулируемом железнодорожном переезде (согласно
Н.2 приложения Н, но не менее чем по
ГОСТ Р 50597);
- расстояние видимости приближающегося поезда из стоящего у железнодорожного переезда автомобиля (согласно
Н.3 приложения Н).
(п. 5.8.47 введен
Изменением N 3, утв. Приказом Минстроя России от 26.12.2024 N 927/пр)
5.8.48 Железнодорожные переезды должны быть оборудованы средствами, обеспечивающими безопасность движения автомобильного транспорта, в соответствии с нормами, установленными
[10].
(п. 5.8.48 введен
Изменением N 3, утв. Приказом Минстроя России от 26.12.2024 N 927/пр)
5.8.49 Ширину проезжей части улиц и дорог на пересечениях в одном уровне с железными дорогами принимают равной ширине проезжей части улиц и дорог на подходах к пересечениям либо с дополнительными полосами движения согласно
Н.5 приложения Н. На подходах к железнодорожному переезду и на самом переезде покрытие принимают согласно
Н.9,
Н.10 приложения Н, продольные уклоны - согласно
Н.7,
Н.8 приложения Н, расстояния до пересечений и примыканий в одном уровне - согласно
Н.6 приложения Н. Во избежание потери возможности движения автомобилей из-за съезда колеса с настила на железнодорожный путь в пределах переезда на двухполосных улицах и дорогах следует предусматривать уширение проезжей части, соответствующее ширине укрепленной части обочины или полосы безопасности согласно
таблицам 5.4б и
5.4в.
(п. 5.8.49 введен
Изменением N 3, утв. Приказом Минстроя России от 26.12.2024 N 927/пр)
5.8.50 При наличии двух или трех полос движения автомобильного транспорта в каждую сторону на железнодорожном переезде светофоры, устанавливаемые согласно
ГОСТ Р 52282 и
ГОСТ Р 52289, должны быть продублированы с левой стороны проезжей части каждого направления дороги или улицы, с устройством островка безопасности между проезжими частями встречных направлений движения автомобильного транспорта, и (или) расположены на консолях над проезжей частью.
(п. 5.8.50 введен
Изменением N 3, утв. Приказом Минстроя России от 26.12.2024 N 927/пр)
5.8.51 При наличии тротуара на улице или пешеходной дорожки вдоль дороги, велосипедной дорожки или велосипедной полосы ширину настила на железнодорожном переезде увеличивают на ширину соответствующих элементов улицы или дороги либо устраивают отдельный переход через железнодорожные пути для пешеходов, велосипедистов, лиц, использующих для передвижения СИМ.
(п. 5.8.51 введен
Изменением N 3, утв. Приказом Минстроя России от 26.12.2024 N 927/пр)
5.9 Пересечения в разных уровнях
5.9.1 Транспортные пересечения городских дорог и улиц в разных уровнях (транспортные развязки) следует устраивать в случаях, указанных в
таблице 5.12. Класс транспортных развязок следует назначать в зависимости от категорий пересекаемых улиц и (или) дорог.
(в ред.
Изменения N 3, утв. Приказом Минстроя России от 26.12.2024 N 927/пр)
Класс транспортных пересечений в разных уровнях (транспортных развязок) следует назначать в зависимости от категорий пересекаемых магистральных улиц/дорог.
Примыкание улиц, дорог, проездов, подъездов к отдельно стоящим зданиям и сооружениям, к съездам пересечений в разных уровнях не допускается, за исключением подъездов к отдельно стоящим зданиям и сооружениям инфраструктуры сетей инженерно-технического обеспечения и обслуживания движения.
(абзац введен
Изменением N 2, утв. Приказом Минстроя России от 27.12.2021 N 1017/пр)
При проектировании туннелей габариты приближения строений и оборудования следует принимать в соответствии с требованиями
ГОСТ 24451.
5.9.2 Транспортные развязки в соответствии с требованиями
таблицы 11.2 СП 42.13330.2016 следует проектировать:
- 1-го класса (с движением в непрерывном режиме по всем пересекающимся направлениям движения), принимая расчетные скорости по основным направлениям движения максимальными, допустимыми для категорий пересекаемых улиц/дорог;
- 2-го класса (с движением в непрерывном режиме по всем пересекающимся направлениям движения), принимая расчетные скорости по основным направлениям движения средними или минимальными, допустимыми для категорий пересекаемых улиц/дорог;
- 3-го класса (с движением в непрерывном режиме не по всем из пересекающихся направлений движения), принимая расчетные скорости, допустимые для категорий пересекаемых улиц/дорог;
- 4-го класса (пересечения без устройства съездов), принимая расчетные скорости, допустимые для категорий пересекаемых улиц/дорог.
Допустимые классы транспортных развязок принимают согласно таблице 5.12.
Таблица 5.12
Формирование пересечений магистральных улиц/дорог
(допустимые классы транспортных развязок)
Категории пересекающихся магистральных улиц и дорог | Магистральные городские дороги | Магистральные улицы общегородского значения | Улицы и дороги районного значения |
1-го класса | 2-го класса | 1-го класса | 2-го класса | 3-го класса |
Магистральные городские дороги | 1-го класса | | | ТР-1кл, ТР-2кл | ТР-3кл, ТР-4кл | ТР-3кл, ТР-4кл | ТР-3кл, ТР-4кл |
2-го класса | ТР-3кл, ТР-4кл | Пересечение в одном уровне или ТР-3кл, ТР-4кл | ТР-3кл, ТР-4кл | Пересечение в одном уровне или ТР-3кл, ТР-4кл | Пересечение в одном уровне | Пересечение в одном уровне |
Магистральные улицы общегородского значения | 1-го класса | ТР-1 кл, ТР-2 кл | ТР-3кл, ТР-4кл | ТР-1кл, ТР-2кл | ТР-3кл, ТР-4кл | ТР-3кл, ТР-4кл | ТР-3кл ТР-4кл |
2-го класса | ТР-3кл, ТР-4кл | Пересечение в одном уровне или ТР-3кл, ТР-4кл | ТР-3кл, ТР-4кл | Пересечение в одном уровне или ТР-3кл, ТР-4кл | Пересечение в одном уровне или ТР-4кл | Пересечение в одном уровне |
3-го класса | ТР-2кл, ТР-3кл, ТР-4кл | Пересечение в одном уровне | ТР-3кл, ТР-4кл | Пересечение в одном уровне или ТР-4кл | Пересечение в одном уровне или ТР-4кл | Пересечение в одном уровне |
Улицы и дороги районного значения | ТР-3кл, ТР-4кл | Пересечение в одном уровне | ТР-3кл, ТР-4кл | Пересечение в одном уровне | Пересечение в одном уровне | Пересечение в одном уровне |
(в ред. Изменения N 3, утв. Приказом Минстроя России от 26.12.2024 N 927/пр) |
<1> ТР-1кл - транспортная развязка 1-го класса. <2> ТР-2кл - транспортная развязка 2-го класса. <3> ТР-3кл - транспортная развязка 3-го класса. <4> ТР-4кл - транспортная развязка 4-го класса. Примечание - При проектировании пересечений в разных уровнях следует устраивать развязки максимально высокого класса из допустимых для категорий пересекаемых улиц/дорог. В условиях пересеченной и горной местности, в стесненной городской застройке, а также в условиях реконструкции и капитального ремонта допускается устраивать транспортные развязки более низких классов из допустимых для категорий пересекаемых улиц/дорог. |
(в ред. Изменения N 3, утв. Приказом Минстроя России от 26.12.2024 N 927/пр) |
(в ред.
Изменения N 3, утв. Приказом Минстроя России от 26.12.2024 N 927/пр)
5.9.3 Проектирование основных направлений движения в составе пересечений в разных уровнях следует выполнять с учетом различных категорий улиц и дорог в соответствии с
СП 42.13330.
5.9.4 Пересечения и примыкания магистральных улиц и дорог непрерывного движения между собой следует предусматривать в виде пересечений в разных уровнях без конфликтных точек пересечения транспортных потоков.
5.9.5 Пересечения и примыкания магистральных улиц и дорог непрерывного движения с сетью городских улиц и дорог регулируемого движения следует предусматривать в виде пересечений в разных уровнях, допускающих конфликтные точки пересечения транспортных потоков на второстепенных направлениях движения.
5.9.6 Пересечения и примыкания магистральных улиц и дорог непрерывного движения с сетью улиц и городских дорог местного значения допускается предусматривать только в условиях реконструкции и капитального ремонта, а также в условиях нового строительства при невозможности организации транспортного сообщения обслуживаемых территорий с учетом положений
5.2.3,
5.2.8 и
5.2.20.
(п. 5.9.6 в ред.
Изменения N 3, утв. Приказом Минстроя России от 26.12.2024 N 927/пр)
5.9.6а В целях увеличения пропускной способности транспортного пересечения в разных уровнях и исключения помех в движении на основной части допускаются устройство боковых проездов на участках переплетения транспортных потоков и использование их в качестве съездов.
Сопряжение основной проезжей части с боковыми проездами следует предусматривать в соответствии с
5.8.40 -
5.8.43.
(п. 5.9.6а введен
Изменением N 3, утв. Приказом Минстроя России от 26.12.2024 N 927/пр)
Участки разделения и слияния транспортных потоков. Переходно-скоростные полосы
5.9.7 Сопряжение съездов пересечений в разных уровнях с магистральными улицами и дорогами следует осуществлять с устройством переходно-скоростных полос и, при необходимости, изменять количество полос движения основного направления (
рисунки Б.1,
Б.6).
(в ред.
Изменения N 3, утв. Приказом Минстроя России от 26.12.2024 N 927/пр)
5.9.8 Схему разделения транспортных потоков
(рисунок Б.1) следует назначать с учетом перспективной интенсивности движения основного и поворачивающего направлений (
рисунки Б.2 -
Б.5).
(в ред.
Изменения N 3, утв. Приказом Минстроя России от 26.12.2024 N 927/пр)
Таблица 5.13
Область применения участков разделения
Число полос движения основного направления до/после разделения транспортных потоков | Интенсивность движения на съезде, прив. ед./ч |
Менее 1400 | Менее 2300, но не менее 1400 | Не менее 2300 |
2/2, 3/3, 4/4, 5/5 | C1 | C3 | C4 |
3/2, 4/3, 5/4 | C2 | C5 |
4/2, 5/3 | - | C6 |
Примечание - C1 - C6 - схемы участков по рисунку Б.3 приложения Б. |
5.9.9 Схему слияния транспортных потоков
(рисунок Б.6) следует назначать с учетом перспективной интенсивности движения основного и поворачивающего направлений (
рисунки Б.7 -
Б.10).
(п. 5.9.9 в ред.
Изменения N 3, утв. Приказом Минстроя России от 26.12.2024 N 927/пр)
5.9.10 Длину переходно-скоростных полос в составе участков разделения
LТ и слияния
Lр транспортных потоков необходимо принимать в соответствии с
таблицей 5.14 без дополнительных обоснований.
(п. 5.9.10 в ред.
Изменения N 2, утв. Приказом Минстроя России от 27.12.2021 N 1017/пр, в ред.
Изменения N 3, утв. Приказом Минстроя России от 26.12.2024 N 927/пр)
Допускается индивидуальное обоснование длины переходно-скоростных полос с учетом обеспечения пропускной способности и безопасности движения.
(абзац введен
Изменением N 3, утв. Приказом Минстроя России от 26.12.2024 N 927/пр)
Таблица 5.14
Длина переходно-скоростных полос
Элемент переходно-скоростной полосы | Длина, м, при расчетной скорости движения основного направления |
Магистральные дороги | Магистральные улицы непрерывного движения |
Отгон Lo | 60 | 30 |
Длина переходно-скоростной полосы LT, Lp | 190 | 120 |
5.9.11 Ширину проезжей части переходно-скоростных полос следует принимать равной ширине смежной с ней полосы движения основного направления, а при сопряжении со съездами - не менее 3,5 м.
(в ред.
Изменения N 2, утв. Приказом Минстроя России от 27.12.2021 N 1017/пр)
5.9.12 Минимальные расстояния между участками слияния и разделения транспортных потоков следует принимать по
таблице 5.15, а в случае устройства участков переплетения - по расчету пропускной способности, но не менее указанной в
таблице 5.16.
(в ред.
Изменения N 3, утв. Приказом Минстроя России от 26.12.2024 N 927/пр)
Таблица 5.15
Минимальное расстояние между участками
слияния и разделения транспортных потоков
Тип взаимного расположения участков слияния и разделения транспортных потоков | Минимальная длина участка, м |
Магистральные улицы общегородского значения, магистральные городские дороги | Съезды в составе транспортного пересечения в разных уровнях полного/неполного типа |
Разделение - разделение Слияние - слияние | 300 | 240/180 |
Разделение - слияние | 150 | 120 |
Примечания 1 В условиях реконструкции и капитального ремонта, а также в условиях стесненной городской застройки допускается снижать требуемые параметры по взаимному расположению элементов транспортных пересечений в разных уровнях при условии снижения разрешенной скорости движения не менее чем на 10 км/ч в крайней правой полосе. |
(примечание 1 в ред. Изменения N 3, утв. Приказом Минстроя России от 26.12.2024 N 927/пр) |
2 Под расстоянием между участками слияния/разделения транспортных потоков следует понимать расстояние между концами разделительных полос, устраиваемых между: съездом и основным направлением движения; двумя съездами. |
Участки переплетения транспортных потоков
5.9.13 Длину участков переплетения следует назначать в зависимости от расчетной скорости движения на участке переплетения и интенсивностей пересекающихся потоков в соответствии с расчетом пропускной способности, но принимать не менее указанной в таблице 5.16.
(в ред.
Изменения N 3, утв. Приказом Минстроя России от 26.12.2024 N 927/пр)
Таблица 5.16
Длина участков переплетения
Расчетная скорость движения, км/ч | Длина участка переплетения, м |
130 | 600 |
110 | 350 |
90 | 250 |
80 | 200 |
70 | 150 |
60 | 100 |
5.9.14 Ширину полосы движения на участках переплетения транспортных потоков следует принимать равной ширине смежной с ней полосы движения основного направления, а на съездах транспортных развязок - не менее 3,5 м.
(в ред.
Изменения N 2, утв. Приказом Минстроя России от 27.12.2021 N 1017/пр)
Поперечный профиль съездов
5.9.15 Однополосные съезды следует предусматривать для проектирования съездов пересечений в разных уровнях при интенсивности движения не более 1400 прив. ед./ч, а петлевых - не более 800 прив. ед./ч, если они образуют зону переплетения.
(в ред.
Изменения N 2, утв. Приказом Минстроя России от 27.12.2021 N 1017/пр)
5.9.16 Двухполосные съезды следует предусматривать для проектирования съездов пересечений в разных уровнях при интенсивности движения более 1400 прив. ед. в час, но не более 2800 прив. ед./ч (петлевые - более 800 прив. ед./ч).
(в ред.
Изменения N 2, утв. Приказом Минстроя России от 27.12.2021 N 1017/пр)
5.9.17 При проектировании съездов пересечений в разных уровнях с интенсивностью движения по ним более 2800 прив. ед./ч следует проводить обоснование числа полос движения с учетом положений
5.5.12.
5.9.18 Съезды пересечений в разных уровнях длиной 500 м и более следует проектировать с двумя и более полосами движения независимо от интенсивности движения по ним, за исключением петлевых съездов.
(в ред.
Изменения N 2, утв. Приказом Минстроя России от 27.12.2021 N 1017/пр)
5.9.19 Ширину полос движения однополосных съездов следует назначать 4,5 м без дополнительных уширений на кривых в плане. Ширину полос движения двухполосных и многополосных съездов следует назначать 3,5 м. В условиях реконструкции на двухполосных и многополосных съездах допускается назначать ширину полосы движения 3,25 м с расчетной скоростью движения не более 60 км/ч.
5.9.20 Ширину проезжей части двухполосных и многополосных съездов, а также переходно-скоростных полос на них, следует проектировать с учетом дополнительных уширений на кривых в плане, величину которых необходимо назначать в соответствии с
5.6.12,
5.6.13.
(в ред.
Изменения N 2, утв. Приказом Минстроя России от 27.12.2021 N 1017/пр)
План и продольный профиль съездов
5.9.21 Расчетную скорость движения на съездах следует назначать в зависимости от расчетной скорости по основному направлению (с наибольшей интенсивностью движения) в соответствии с таблицей 5.17, а для левоповоротных петлевых съездов - с
таблицей 5.18.
Таблица 5.17
Расчетная скорость движения на левоповоротных
съездах и правоповоротных съездах
Класс транспортного пересечения в разных уровнях | Расчетная скорость движения на съездах, км/ч |
1 | 40 |
2, 3 | 30 |
Таблица 5.18
Расчетная скорость движения
на левоповоротных петлевых съездах
Тип пересечения | Расчетная скорость, км/ч |
Пересечения, не имеющие конфликтных точек пересечения транспортных потоков | 40 |
Пересечения, в которых имеются конфликтные точки пересечения транспортных потоков на второстепенных направлениях движения | 30 |
5.9.21а Минимальные радиусы кривых в плане определяют расчетом в соответствии с
Ж.1. Минимальный радиус кривых в плане допускается принимать по
таблице 5.5.
С учетом рельефа местности, градостроительных и климатических условий продольные уклоны проезжей части съездов пересечений в разных уровнях назначают индивидуально, но не более указанных в
таблице 11.2 СП 42.13330.2016 и не более

.
Наименьшие продольные уклоны по лоткам проезжей части съездов пересечений в разных уровнях для асфальтобетонных и цементобетонных покрытий необходимо принимать не менее

, для покрытий других типов - не менее

. При открытой системе водоотвода минимальный уклон по оси проезжей части съезда не нормируется.
Поперечные уклоны проезжей части съездов принимают от

до

в зависимости от значения радиуса согласно
таблице 5.5.
Длину участков съездов с наибольшим продольным уклоном ограничивают согласно
таблице 5.8.
На участках кривых в плане с малыми радиусами наибольшие продольные уклоны уменьшают в соответствии с
таблицей 5.9.
(п. 5.9.21а введен
Изменением N 2, утв. Приказом Минстроя России от 27.12.2021 N 1017/пр)
5.9.22 Максимальный продольный уклон следует принимать не более

.
6 Наземный пассажирский транспорт общего пользования на улично-дорожной сети города
6.1 В составе генеральных планов населенных пунктов с численностью населения 200 тыс. чел. и более по разделу НПТОП разрабатываются:
(в ред.
Изменения N 2, утв. Приказом Минстроя России от 27.12.2021 N 1017/пр)
- размещение депо и парков для подвижного состава НПТОП, отстойно-разворотные и разворотные площадки;
- схема улиц и дорог, по которым будет осуществляться движение НПТОП (без разработки маршрутов).
Примечание - Сеть маршрутов для населенных пунктов с численностью населения свыше 200 тыс. чел. разрабатывается на последующих после генерального плана стадиях проектирования.
(в ред.
Изменения N 2, утв. Приказом Минстроя России от 27.12.2021 N 1017/пр)
6.2 В составе генеральных планов населенных пунктов с численностью населения менее 200 тыс. чел. разрабатываются элементы УДС, указанные в
6.1, а также сеть маршрутов НПТОП с размещением остановочных пунктов.
(в ред.
Изменения N 2, утв. Приказом Минстроя России от 27.12.2021 N 1017/пр)
6.3 Движение НПТОП следует организовывать на магистральных улицах общегородского значения, магистральных городских дорогах, магистральных городских дорогах и улицах общегородского значения, улицах и дорогах районного значения, обеспечивая:
(в ред.
Изменения N 3, утв. Приказом Минстроя России от 26.12.2024 N 927/пр)
- подвоз пассажиров к станциям скоростного внеуличного транспорта и объектам массового тяготения;
- межрайонные пассажирские сообщения;
- внутрирайонные пассажирские сообщения (для городов с численностью населения свыше 150 тыс. жителей).
При низкой плотности транспортной сети допускается в отдельных случаях пропуск малогабаритного подвижного состава НПТОП по улицам и дорогам местного значения.
6.4 Плотность сети НПТОП на застроенной территории города следует предусматривать, исходя из плотности УДС общегородского и районного (за исключением малых городов) значения.
(п. 6.4 в ред.
Изменения N 3, утв. Приказом Минстроя России от 26.12.2024 N 927/пр)
6.5 На улицах местного значения с двумя полосами движения и более с шириной полосы 3,0 - 3,5 м допускается организовывать движение пассажирского транспорта общего пользования при ширине полосы движения, м:
3,0 - подвижного состава малой вместимости (до 20 пассажиров) в малоэтажной застройке;
3,25 - подвижного состава с числом осей не более двух и при запрете движения велосипедистов по проезжей части на участке улицы или дороги;
3,5 - всех типов подвижного состава.
(п. 6.5 в ред.
Изменения N 3, утв. Приказом Минстроя России от 26.12.2024 N 927/пр)
6.6 В составе поперечного профиля улиц и дорог трамвайные линии допускается устраивать по оси проезжей части или с одной стороны улицы вне проезжей части. Следует предусматривать обособление трамвайных линий на проезжей части улицы следующими способами:
- с помощью разделительных полос шириной не менее 1 м;
- разметки и дорожных знаков;
- бортового камня.
Обеспечение приоритета пассажирского транспорта общего пользования
6.7 При проектировании УДС следует обеспечивать приоритетные условия для движения НПТОП планировочными средствами и техническими средствами организации дорожного движения.
6.8 Допускается предусматривать выделенные полосы для НПТОП при наличии более двух полос движения транспорта в одном направлении в следующих случаях:
- при снижении скорости движения НПТОП в общем транспортном потоке относительно движения по выделенной полосе в период пиковой нагрузки НПТОП, если пассажиропоток на рассматриваемом участке маршрутной линии НПТОП равен или превышает интенсивность индивидуального транспорта;
- при устройстве выделенной полосы.
Ширина полосы движения, выделенной для движения наземного общественного транспорта, на магистральных и районных улицах и дорогах должна составлять:
- при строительстве улицы или дороги - не менее 3,5 м;
- при реконструкции и капитальном ремонте улицы или дороги, строительстве улицы или дороги в пересеченной и горной местности, а также в стесненной городской застройке - не менее 3,25 м.
Выделение полосы движения для автобусов в условиях сложившейся застройки осуществляется за счет разметки существующих полос движения или строительства дополнительной полосы движения.
Выделенную полосу следует обозначать разметкой и дорожными знаками. Допускается устраивать обособление выделенных полос движения с применением ограждений, столбиков и (или) делиниаторов.
Допускается предусматривать локальные выделенные полосы для НПТОП на пересечениях в одном уровне со светофорным регулированием. Длина такой выделенной полосы должна превышать длину очереди автомобилей на пересечении в одном уровне.
(п. 6.8 в ред.
Изменения N 3, утв. Приказом Минстроя России от 26.12.2024 N 927/пр)
6.8а На улицах с односторонним движением допускается устраивать выделенную полосу для НПТОП с организацией движения навстречу общему потоку транспортных средств.
(в ред.
Изменения N 3, утв. Приказом Минстроя России от 26.12.2024 N 927/пр)
Допускается устройство улиц с движением исключительно НПТОП.
(п. 6.8а в ред.
Изменения N 2, утв. Приказом Минстроя России от 27.12.2021 N 1017/пр)
6.9 Остановочные пункты НПТОП следует располагать вблизи пересечений или примыканий улиц, у пассажирообразующих объектов и основных путей следования пешеходов.
Расстояния между остановочными пунктами НПТОП на застроенных территориях следует принимать:
- трамвая - 400 - 600 м;
- автобуса и троллейбуса - 300 - 400 м.
В пределах центральной части города расстояние между остановочными пунктами НПТОП принимают 250 - 300 м.
(в ред.
Изменения N 3, утв. Приказом Минстроя России от 26.12.2024 N 927/пр)
Расстояния между остановочными пунктами автобуса-экспресса следует принимать не менее 800 м.
6.10 Остановочные пункты НПТОП, карманы остановочных пунктов НПТОП следует предусматривать на расстоянии не менее 10 м от въездов-выездов на территории кварталов.
6.11 В составе остановочного пункта следует предусматривать: остановочную площадку (на проезжей части, обозначенной разметкой), посадочную площадку, павильоны ожидания. Допускается оборудовать остановочный пункт иными дополнительными элементами.
В местах размещения остановочных пунктов (трамваев, автобусов и троллейбусов) следует предусматривать наземные, подземные или надземные пешеходные переходы.
6.11а Велосипедные дорожки и велосипедные полосы должны быть расположены вне остановочных площадок и не должны пересекать посадочные площадки.
При реконструкции или капитальном ремонте в условиях существующей застройки, в сложных градостроительных условиях, допускается устраивать примыкание велосипедных дорожек и велосипедных полос к посадочной площадке и прерывать их на посадочной площадке, которую велосипедисты и лица, использующие для передвижения СИМ, должны пересечь пешком.
(п. 6.11а введен
Изменением N 3, утв. Приказом Минстроя России от 26.12.2024 N 927/пр)
6.12 При размещении остановочных пунктов в крупных пассажирообразующих узлах (у станций скоростного внеуличного транспорта, крупных торговых и развлекательных центров, местах компактного проживания и мест приложения труда и т.д.) с суммарной частотой движения НПТОП свыше 40 ед./ч и пассажирообменом остановочного пункта свыше 1 000 пассажиров в час, следует предусматривать устройство конструкций ветро- и влагозащиты. Целесообразно также предусматривать размещение средств предварительной оплаты проезда до прохода пассажиров на посадку.
6.13 На остановочных пунктах НПТОП, через которые проходят несколько маршрутов с общей интенсивностью движения более 30 ед./ч, посадочные площадки разделяют на посты посадки-высадки пассажиров, группируя на них маршруты по направлениям дальнейшего движения маршрутного транспорта.
В условиях пересеченной и горной местности, в стесненной городской застройке, а также в условиях реконструкции и капитального ремонта разделение остановочных пунктов на посты посадки-высадки пассажиров (с группировкой маршрутов по направлениям дальнейшего движения маршрутного транспорта) допускается не производить.
(п. 6.13 в ред.
Изменения N 3, утв. Приказом Минстроя России от 26.12.2024 N 927/пр)
6.14 В условиях пересеченной и горной местности, в стесненной городской застройке, а также в условиях реконструкции и капитального ремонта допускается размещение остановочных пунктов:
(в ред.
Изменения N 3, утв. Приказом Минстроя России от 26.12.2024 N 927/пр)
- на прямых участках путепроводов, эстакад и прочих надземных искусственных сооружений (при количестве полос движения не менее трех в направлении движения НПТОП) и под ними при обустройстве пешеходных подходов, подземных или надземных пешеходных переходов через проезжую часть, предусматривая мероприятия для исключения попадания на посадочную площадку предметов и водосброса с вышерасположенных уровней;
- на прямых участках тоннелей при их расположении на обособленных проездах шириной не менее 7,5 м при обустройстве пешеходных подходов и применения мероприятий, обеспечивающих безопасность пассажиров.
6.15 Минимальный поперечный уклон посадочной площадки остановочных пунктов следует принимать

; максимальный продольный уклон посадочной площадки остановочных пунктов автобусов и троллейбусов -

; трамваев -

; поперечный уклон - не более

. Сопряжение проезжей части и посадочной площадки следует осуществлять путем устройства бортового камня высотой в свету 0,15 - 0,3 м. При скоростном сообщении следует доводить высоту площадки до уровня пола подвижного состава.
6.16 Павильоны ожидания следует размещать на расстоянии не менее 3,0 м от края проезжей части до боковых стенок павильона, а при их отсутствии - до задней стенки павильона; в центральной части города и стесненных условиях - не менее 1,5 м.
6.17 В составе конечных остановочных пунктов на маршрутах НПТОП, при необходимости, следует предусматривать размещение отстойно-разворотных или разворотных площадок НПТОП, которые следует располагать обособлено на минимальном отдалении:
- от проезжей части - 3,0 м;
- жилой застройки - 50,0 м.
6.18 Площадь и размеры отстойно-разворотных или разворотных площадок НПТОП следует определять расчетом в зависимости от параметров подвижного состава.
Границы отстойно-разворотных площадок должны быть закреплены красными линиями.
6.19 Над отстойно-разворотными площадками общественного пассажирского транспорта допускается размещать объекты нежилого назначения при обеспечении необходимых условий безопасного взаимного функционирования.
6.20 На конечных остановочных пунктах следует предусматривать размещение помещений для обслуживания водителей и, при необходимости, помещений диспетчерских пунктов.
6.21 Остановочные пункты автобусов и троллейбусов допускается совмещать, размещая их за пересечением улиц на расстоянии не менее 20,0 м от границ перекрестка до ближайшего края посадочной площадки.
(в ред.
Изменения N 3, утв. Приказом Минстроя России от 26.12.2024 N 927/пр)
Допускается размещать остановочные пункты перед перекрестком при условии обеспечения видимости, предусматривая отступы:
- при наличии правоповоротного движения - не менее 25,0 м;
- при отсутствии правоповоротного движения - не менее 10,0 м;
- при осуществлении правоповоротного движения со второй полосы (при наличии выделенной полосы для движения НПТОП) - не менее 10,0 м.
6.22 При размещении остановочного пункта автобусов и троллейбусов перед наземным пешеходным переходом следует обеспечивать условия видимости, предусматривая отступы:
- перед нерегулируемым наземным пешеходным переходом - не менее 15,0 м;
- перед регулируемым наземным пешеходным переходом - не менее 5,0 м.
При размещении остановочного пункта за пешеходным переходом следует обеспечивать расстояние от края пешеходного перехода до края посадочной площадки не менее 5,0 м.
6.23 Длину посадочной площадки остановочного пункта автобусов и троллейбусов следует принимать, исходя из частоты движения и длины подвижного состава, но не менее 12,0 м; при использовании на маршруте подвижного состава большой вместимости - не менее 20,0 м.
Длину посадочной площадки принимают:
- от 32,0 м - при общей частоте движения от 20 до 30 ед./ч;
- от 48,0 м - при частоте движения от 30 до 50 ед./ч;
- от 56,0 м - при частоте движения от 50 и более ед./ч.
Примечание - Длину посадочной площадки целесообразно предусматривать кратной 4,0 м.
6.24 Остановочные пункты автобусов и троллейбусов на магистральных городских дорогах и улицах непрерывного движения следует располагать согласно
ГОСТ Р 52766.
(в ред.
Изменения N 3, утв. Приказом Минстроя России от 26.12.2024 N 927/пр)
Остановочные пункты автобусов и троллейбусов на магистральных и районных улицах и дорогах следует обустраивать заездными карманами в следующих случаях: при наличии движения автобусов и (или) троллейбусов с пропуском части остановок, при частоте движения НПТОП выше 15 ед./ч, при наличии двух и менее полос движения по направлению движения при расположении остановочного пункта маршрутных транспортных средств на расстоянии менее 100 м после пересечения в одном уровне, а также в соответствии с
ГОСТ Р 52766.
(в ред.
Изменения N 3, утв. Приказом Минстроя России от 26.12.2024 N 927/пр)
Заездные карманы могут располагаться:
- параллельно проезжей части согласно
6.25;
- под углом к проезжей части согласно
6.25а.
(абзац введен
Изменением N 2, утв. Приказом Минстроя России от 27.12.2021 N 1017/пр)
На улицах и дорогах, на которых предусмотрена парковка автомобилей с расстановкой вдоль проезжей части на специальных местах для парковки, остановочные пункты автобусов и троллейбусов располагают на выступах, прерывающих парковочные места, поднятых на высоту бортового камня от уровня проезжей части. Ширина таких выступов должна быть равна глубине кармана для парковки, длина выступов должна превышать длину посадочной площадки не менее чем на 1,0 м с каждой стороны, либо устраивается отгон парковочного места 1:1. При наличии около остановочного пункта наземного пешеходного перехода длину выступа увеличивают на ширину пешеходного перехода. Примеры устройства посадочной площадки на выступе приведены в
приложении М.
(абзац введен
Изменением N 2, утв. Приказом Минстроя России от 27.12.2021 N 1017/пр)
6.25 В случае устройства заездных карманов параллельно проезжей части их глубину следует принимать расчетом исходя из ширины крайней правой полосы движения транспорта и ширины тротуара. При ширине крайней правой полосы движения 3,75 м глубину кармана следует принимать: для автобусов - 2,5 м, для троллейбусов - 2,0 м.
(в ред.
Изменения N 2, утв. Приказом Минстроя России от 27.12.2021 N 1017/пр)
Длину отгонов заездного кармана следует принимать в соответствии с
рисунком В.1 приложения В:
- перед заездным карманом - в 7-кратном размере от глубины;
- после заездного кармана - в 3-кратном размере от глубины;
6.25а В случае устройства заездных карманов под углом к проезжей части их глубина при длине посадочной площадки 20,0 м принимается равной 5,5 м. При устройстве одиночного кармана под углом проезжей части края проезжей части устраиваются с закруглениями
(приложение В). При расположении последовательно нескольких карманов под углом к проезжей части закругления вершин выступов между карманами устраиваются с радиусом не менее 3,0 м.
(п. 6.25а введен
Изменением N 2, утв. Приказом Минстроя России от 27.12.2021 N 1017/пр; в ред.
Изменения N 3, утв. Приказом Минстроя России от 26.12.2024 N 927/пр)
6.26 Остановочные пункты трамвая следует оборудовать посадочными площадками вдоль трамвайных путей. В этом случае остановочный пункт допускается размещать до или после перекрестка - до или после пешеходного перехода соответственно с учетом длины пандуса для МГН. Пандусы для МГН следует устраивать для выхода с посадочной площадки к пешеходному переходу.
В случае невозможности устройства обособленной посадочной площадки на остановочных пунктах трамваев, при осевом размещении трамвайного пути и одной полосе движения между трамвайными путями и тротуаром, допускается с учетом
ГОСТ Р 70716 устраивать приподнятый участок проезжей части в зоне остановочного пункта маршрутных транспортных средств на высоту 0,3 м для обеспечения посадки/высадки в одном уровне с полом трамвая. Уклон въездов и съездов приподнятого участка проезжей части следует принимать

относительно поверхности проезжей части.
(абзац введен
Изменением N 3, утв. Приказом Минстроя России от 26.12.2024 N 927/пр)
В случае невозможности устройства посадочной площадки на остановочных пунктах трамваев следует обеспечивать отступы остановочных пунктов от перекрестка:
- при размещении остановочного пункта перед перекрестком - не менее 5,0 м;
- при размещении остановочного пункта за перекрестком - не менее 25,0 м.
Расстояние от остановочного пункта трамвая до входа в подземный или надземный пешеходный переход допускается принимать 3,0 м и более.
(в ред.
Изменения N 3, утв. Приказом Минстроя России от 26.12.2024 N 927/пр)
6.27 Длину посадочной площадки остановочного пункта трамваев следует принимать по расчету, исходя из частоты движения и длины подвижного состава, но не менее 20,0 м. Ширину посадочной площадки следует принимать в зависимости от ожидаемого пассажирооборота, исходя из расчета два человека на 1 м2, но не менее 3,0 м при наличии подземного или надземного пешеходного перехода и 1,5 м - в его отсутствие. Установка ограждающих конструкций не должна уменьшать ширину посадочной площадки.
Высоту посадочной площадки над проезжей частью следует принимать 0,3 м; при необходимости следует уточнять это значение в зависимости от высоты уровня пола подвижного состава трамвая.
6.28 На улицах и дорогах местного значения в конце маршрута наземного общественного транспорта следует устраивать разворотные площадки, примыкающие к проезжей части.
Разворотная площадка может иметь прямоугольную или кольцевую планировку.
Размер разворотных площадок прямоугольной планировки следует принимать не менее чем по
СП 4.13130. В обоснованных случаях размер разворотных площадок допускается устанавливать индивидуально, с моделированием траектории разворота расчетного транспортного средства при развороте не более чем за три приема, но принимать не менее 6 x 8 м, длинной стороной перпендикулярно к продольной оси проезжей части.
Разворотные площадки кольцевой планировки допускается устраивать в виде мини-кольца. При этом диаметр центрального островка следует принимать не менее 4 м.
(п. 6.28 введен
Изменением N 3, утв. Приказом Минстроя России от 26.12.2024 N 927/пр)
7 Пешеходные коммуникации и пространства на улично-дорожной сети
7.1.1 Пешеходная инфраструктура должна образовывать единую систему, включая:
- пешеходные коммуникации (тротуары, пешеходные дороги, пешеходные переходы, пешеходные мосты и др.);
- пешеходные пространства (пешеходные улицы, площади, зоны).
Пешеходную инфраструктуру следует проектировать в увязке с инфраструктурой для велодвижения и СИМ, с учетом положений
раздела 9 настоящего свода правил.
(абзац введен
Изменением N 3, утв. Приказом Минстроя России от 26.12.2024 N 927/пр)
7.1.2 При формировании пешеходной инфраструктуры следует обеспечивать доступность станций и остановочных пунктов общественного транспорта, объектов массового посещения (объектов различного функционального назначения, в том числе вокзалов транспортно-пересадочных узлов и др.), а также взаимосвязь территорий, разделяемых транспортными объектами (улицами, дорогами, транспортными пересечениями в разных уровнях, железнодорожными линиями и др.).
7.1.3 При проектировании пешеходных коммуникаций и пространств в составе УДС следует обеспечивать безопасность пешеходного движения согласно настоящему своду правил и
ГОСТ Р 70716, беспрепятственный пропуск пешеходных потоков.
(в ред.
Изменения N 3, утв. Приказом Минстроя России от 26.12.2024 N 927/пр)
7.1.3а В случае пересечения транспортными коммуникациями пешеходных зон, пешеходных путей и пешеходных улиц, на пешеходных переходах для повышения уровня безопасности движения транспорта и пешеходов предусматриваются (по выбору):
(в ред.
Изменения N 2, утв. Приказом Минстроя России от 27.12.2021 N 1017/пр)
- приподнятая проезжая часть до уровня тротуара на ширину перехода;
- регулируемые наземные пешеходные переходы;
- искусственные неровности, шумовые полосы и другие технические средства организации дорожного движения;
- предупреждающие указатели по
СП 140.13330 (в том числе тактильные наземные указатели по
ГОСТ Р 52875), болларды, устанавливаемые перед выходом на регулируемый пешеходный переход;
(в ред.
Изменения N 3, утв. Приказом Минстроя России от 26.12.2024 N 927/пр)
- светосигнальные системы предупреждения водителей о наличии пешехода в зоне пешеходного перехода.
(введено
Изменением N 3, утв. Приказом Минстроя России от 26.12.2024 N 927/пр)
Допускается устройство внеуличных пешеходных переходов в случае невозможности организации пешеходного перехода в уровне земли.
(п. 7.1.3а введен
Изменением N 1, утв. Приказом Минстроя России от 24.12.2019 N 852/пр)
7.1.3б Объекты мелкорозничной торговли и сервиса на территории пешеходных зон, улиц, площадей, тротуаров, во внеуличных пешеходных переходах следует размещать таким образом, чтобы они не препятствовали эксплуатации указанных зон и объектов (отводу воды, дренажу, уборке и т.п.). При этом оставшееся для движения пешеходов пространство должно обеспечивать пропуск пешеходных потоков в соответствии с
7.2.4,
7.2.4а,
7.3.16,
7.3.17,
7.3.18.
(п. 7.1.3б введен
Изменением N 1, утв. Приказом Минстроя России от 24.12.2019 N 852/пр)
7.1.4 Для расчета параметров пешеходных коммуникаций принимается скорость пешеходного движения, равная 4,2 км/ч.
(в ред.
Изменения N 3, утв. Приказом Минстроя России от 26.12.2024 N 927/пр)
7.2.1 Тротуары следует предусматривать с двух сторон улиц. Допускается одностороннее размещение тротуаров в случае отсутствия застройки с одной из сторон.
(п. 7.2.1 в ред.
Изменения N 3, утв. Приказом Минстроя России от 26.12.2024 N 927/пр)
7.2.2 Тротуары проектируют с отделением их от проезжей части бортовым камнем и полосой озеленения.
В условиях реконструкции, стесненных условиях и в пределах улиц местного значения допускается не устраивать полосу озеленения.
7.2.3 Пешеходные тротуары, лестничные сходы и пандусы следует обустраивать искусственным освещением согласно
СП 52.13330.
7.2.4 Ширину тротуара следует определять расчетом с учетом прогнозируемой интенсивности пешеходного движения и пропускной способности одной полосы пешеходного движения в соответствии с таблицей 7.1, но принимать не менее указанной в
таблицах 11.2,
11.4 и
11.6 СП 42.13330.2016. При отсутствии велосипедной дорожки или полосы для велосипедистов для движения велосипедистов и лиц, использующих для передвижения СИМ, ширина тротуара по
СП 42.13330 должна быть увеличена не менее чем на 1,0 м согласно
ГОСТ Р 70716.
(в ред.
Изменения N 3, утв. Приказом Минстроя России от 26.12.2024 N 927/пр)
Таблица 7.1
Пропускная способность одной пешеходной полосы движения
в составе пешеходной части тротуаров
Минстроя России от 26.12.2024 N 927/пр)
Вид и местонахождение пешеходных коммуникаций в составе УДС | Пропускная способность одной пешеходной полосы движения шириной 0,75 м, чел./ч |
Тротуары на улицах с развитой торговой сетью | 700 |
Тротуары на улицах с незначительно развитой торговой сетью или без нее | 800 |
Тротуары в пределах зеленых насаждений улиц и дорог или при отсутствии примыкающей застройки | 900 |
Бульвары, прогулочные дороги | 600 |
(в ред.
Изменения N 3, утв. Приказом Минстроя России от 26.12.2024 N 927/пр)
7.2.4а При расчете ширины пешеходной части тротуара следует предусматривать одну запасную полосу движения пешеходов шириной 0,75 м в случае, если прогнозная величина интенсивности движения превышает 2400 пешеходов в час пик (суммарно в двух направлениях).
(п. 7.2.4а введен
Изменением N 1, утв. Приказом Минстроя России от 24.12.2019 N 852/пр; в ред.
Изменения N 3, утв. Приказом Минстроя России от 26.12.2024 N 927/пр)
7.2.5 В климатических районах I и II (согласно
СП 131.13330) продольный уклон тротуаров не должен превышать

, а при устройстве лестниц тротуары следует оборудовать поручнями или средствами подогрева ступеней.
(в ред.
Изменения N 3, утв. Приказом Минстроя России от 26.12.2024 N 927/пр)
7.2.6 При продольных уклонах тротуаров и (или) пешеходных дорог более

необходимо предусматривать промежуточные горизонтальные площадки по таблице 7.2.
Таблица 7.2
Параметры промежуточных горизонтальных площадок тротуаров
Продольный уклон,  | Расстояния между промежуточными горизонтальными площадками, м, не более |
Длина площадки не менее 1,5 м | Длина площадки не менее 5,0 м |
40 - 50 | 25 | 80 |
50 - 80 | 10 | 25 |
Примечание - На участках тротуаров с разными продольными уклонами длину горизонтальной площадки, расположенной между ними, устанавливают по большему уклону. |
7.2.7 При невозможности обеспечить пешеходные пути для МГН в сложных условиях (пересеченная или горная местность) следует предусматривать альтернативные пути с минимально возможной протяженностью и обеспечением требуемых условий движения (по
СП 59.13330 и
СП 140.13330).
(в ред.
Изменения N 3, утв. Приказом Минстроя России от 26.12.2024 N 927/пр)
7.2.8 При продольных уклонах тротуаров более

необходимо предусматривать устройство лестниц, дублируемых пандусом, лифтом или подъемником.
Количество ступеней на отдельных маршах лестниц принимают в пределах 3 - 12, ширину ступеней - не менее 1,35 м, высоту - 0,12 - 0,15 м, глубину проступей - не менее 0,4 м.
7.2.9 Продольный уклон пандуса не должен превышать

, за исключением случаев проектирования в сложных условиях (пересеченная или горная местность), когда его принимают не более

. В случае невозможности обустройства пандуса с уклоном до установленных значений следует предусматривать поэтапное понижение уровня прохождения пешеходных путей.
(в ред.
Изменения N 3, утв. Приказом Минстроя России от 26.12.2024 N 927/пр)
7.3.1 При выборе типа пешеходного перехода следует учитывать:
- условия организации и безопасности движения транспорта и пешеходов;
- категорию улицы или дороги в соответствии требованиями
пункта 11.4 СП 42.13330.2016;
- интенсивность движения транспорта и пешеходов;
- характер окружающей застройки, ее историко-культурную, архитектурно-градостроительную значимость;
- рельеф местности;
- геологические и гидрогеологические характеристики грунтов;
- степень использования подземного пространства в месте его предполагаемого размещения.
(п. 7.3.1 в ред.
Изменения N 1, утв. Приказом Минстроя России от 24.12.2019 N 852/пр)
Наземные пешеходные переходы
7.3.2 Пешеходные переходы в уровне проезжей части следует предусматривать при интенсивности движения транспорта, превышающей 250 прив. ед./ч суммарно по всем полосам движения в одном направлении, на пересечениях улиц, в местах размещения остановочных пунктов НПТОП, а также в местах размещения объектов социального назначения, посещаемых МГН,
7.3.3 Наземные пешеходные переходы допускается размещать:
- на магистральных улицах общегородского значения 2-го класса, магистральных городских дорогах 2-го класса, на городских дорогах и улицах общегородского значения регулируемого движения, улицах и дорогах районного значения - через 300 - 400 м в соответствии с шагом размещения остановочных пунктов НПТОП;
(в ред.
Изменения N 3, утв. Приказом Минстроя России от 26.12.2024 N 927/пр)
- на пересечениях в одном уровне;
(введено
Изменением N 3, утв. Приказом Минстроя России от 26.12.2024 N 927/пр)
- на улицах и дорогах местного значения в зонах застройки жилого и общественного назначения - через 150 - 250 м, в остальных случаях - по мере потребности.
На магистральных улицах непрерывного движения устройство наземных пешеходных переходов не допускается.
7.3.4 Ширину перехода следует назначать по расчету в соответствии с
ГОСТ Р 52289, но не менее 4,0 м.
7.3.5 При проектировании нерегулируемых пересечений проезжей части с путями следования пешеходов необходимо обеспечить взаимную видимость пешеходов и транспортных средств по 7.3.6.
(в ред.
Изменения N 3, утв. Приказом Минстроя России от 26.12.2024 N 927/пр)
7.3.6 Минимальное расстояние боковой видимости в зоне пешеходных переходов (устраиваемых в соответствии с требованиями
5.2.20) должно обеспечивать видимость любых предметов, имеющих высоту 0,6 м и более, находящихся на середине пути следования пешеходов, с высоты глаз водителя автомобиля, равной 1,0 м от поверхности проезжей части. Минимальное расстояние боковой видимости пешеходов
(рисунок Г.1) следует назначать в соответствии с таблицей 7.3.
Таблица 7.3
Расстояния боковой видимости
Vрасч, км/ч | Sост.б., м | Sбок, м |
30 | 35 | 4,6 |
40 | 50 | 5,0 |
50 | 65 | 5,1 |
60 | 85 | 5,6 |
70 | 105 | 5,9 |
Обозначения: Vрасч - скорость автомобиля, Sост.б. - минимальное расстояние боковой видимости у пешеходного перехода, Sбок - расстояние боковой видимости пешехода. |
Примечание - При расположении пешеходного перехода на приподнятой проезжей части согласно 7.1.3а или на трапециевидной искусственной неровности, устраиваемой согласно ГОСТ Р 52605, допускается обеспечивать боковую видимость на расстоянии 3,5 м от края проезжей части с расстояния 27 м от пешеходного перехода. |
(примечание введено Изменением N 2, утв. Приказом Минстроя России от 27.12.2021 N 1017/пр) |
7.3.7 При невозможности обеспечения видимости на пешеходном переходе предусматривают устройство светофоров, а также островков безопасности. Системы автоматического обнаружения пешеходов следует проектировать по
ГОСТ Р 70716.
(п. 7.3.7 в ред.
Изменения N 3, утв. Приказом Минстроя России от 26.12.2024 N 927/пр)
7.3.7а При наличии пешеходного перехода или пересечения улицы или дороги с велосипедной дорожкой видимость приближающегося автомобиля для пешеходов, велосипедистов и других пользователей СИМ обеспечивают на расстоянии
Sпеш, м, по формуле

(3)
где Lпер - длина пешеходного перехода, м;
Vрасч - расчетная скорость движения автомобиля, км/ч;
Vпеш - скорость пешехода, Vпеш - 1,1 м/с.
(п. 7.3.7а введен
Изменением N 2, утв. Приказом Минстроя России от 27.12.2021 N 1017/пр)
7.3.7б Островки безопасности допускается устраивать в случаях:
- невозможности обеспечить видимость на пешеходном переходе в соответствии с
7.3.6 и
7.3.7а;
- при организации скоординированного светофорного регулирования на улице или дороге;
- на пересечениях в одном уровне согласно
5.8;
- в целях снижения скоростей движения автомобилей согласно
5.2.15;
- в иных случаях согласно заданию на проектирование.
Ширину полосы движения допускается назначать минимальной согласно
ГОСТ Р 52766. На островках безопасности необходимо соблюдение требований видимости согласно
5.7.
(п. 7.3.7б введен
Изменением N 2, утв. Приказом Минстроя России от 27.12.2021 N 1017/пр)
7.3.7в Ширина островков безопасности принимается не менее 2,0 м, при наличии центральных разделительных полос шириной более 2,0 м - равной ширине таких полос. Для обеспечения доступности и безопасности движения МГН на островке предусматривают площадку размерами не менее 1,5 x 1,5 м. Примыкание пешеходных путей, расположенных в пределах островка безопасности, к краю проезжей части проектируют в одном уровне, на одной линии с бордюрными пандусами, расположенными с противоположных сторон проезжей части (при наличии). Ширина пешеходных путей должна быть не менее ширины пешеходного перехода. Остальную часть островка безопасности с обеих сторон от пешеходной части устраивают приподнятой с бортовым камнем. Островки безопасности оборудуют техническими средствами организации дорожного движения в соответствии с
ГОСТ Р 52289 и
ГОСТ Р 52766.
(п. 7.3.7в введен
Изменением N 2, утв. Приказом Минстроя России от 27.12.2021 N 1017/пр)
7.3.7г В пределах островков безопасности пути для движения пешеходов могут:
- быть расположены вдоль оси пешеходного перехода;
- быть расположены под углом 30° - 45° к оси пешеходного перехода (по направлению навстречу транспортному потоку);
- иметь Z-образную форму (по направлению навстречу транспортному потоку) с накопительной площадкой.
(п. 7.3.7г введен
Изменением N 2, утв. Приказом Минстроя России от 27.12.2021 N 1017/пр)
7.3.7д При выезде на дорогу с прилегающей территории при наличии пешеходной дорожки или тротуара должна быть обеспечена боковая видимость вдоль тротуара или пешеходной дорожки на высоте от 0,5 до 2,5 м. Боковая видимость должна составлять не менее 2,0 м при расстоянии от переднего бампера автомобиля до пешеходной дорожки или тротуара 5,0 м.
(п. 7.3.7д введен
Изменением N 2, утв. Приказом Минстроя России от 27.12.2021 N 1017/пр)
7.3.8 Исключен с 25.06.2020. -
Изменение N 1, утв. Приказом Минстроя России от 24.12.2019 N 852/пр.
7.3.9 Длина островка безопасности (вдоль оси проезжей части) должна быть не менее ширины пешеходного перехода, увеличенной на 1 м.
В зоне наземных пешеходных переходов и островков безопасности следует обеспечивать водоотвод, исключающий скопление воды на поверхности пешеходных путей. Размещение водоотводных лотков и дождеприемных колодцев на пешеходных переходах и островках безопасности не допускается.
(в ред.
Изменения N 2, утв. Приказом Минстроя России от 27.12.2021 N 1017/пр)
7.3.10 Разность уровней между верхней частью головки рельса (при наличии в поперечном профиле улицы трамвайных путей) и поверхностью пешеходного перехода следует принимать не более 10 мм.
7.3.11 В местах пересечения пешеходных путей с улицами и дорогами сопряжение поверхности пешеходного пути с поверхностью проезжей части выполняется с разницей по высоте не более 10 мм.
(в ред.
Изменения N 3, утв. Приказом Минстроя России от 26.12.2024 N 927/пр)
На проезжей части не допускается предусматривать размещение устройств для передвижения МГН.
7.3.12 Для обеспечения доступности МГН места схода на пешеходный переход с тротуара должны иметь направляющие тактильные наземные указатели по
СП 82.13330 и
СП 140.13330.
Пешеходные переходы, размещаемые вне проезжей части улиц и дорог
7.3.13 Подземные и надземные пешеходные переходы (переходы, размещаемые вне проезжей части улиц и дорог) следует предусматривать:
- на магистральных улицах и дорогах с непрерывным движением с интервалом в пределах 300 - 400 м;
- на магистральных улицах и дорогах с регулируемым движением - при ширине проезжей части более 14,0 м и величине потока пешеходов, превышающем 1500 чел./ч, - с интервалом в пределах 300 - 400 м;
- через линии наземного скоростного трамвая и линии железных дорог, проходящие по общественным и жилым территориям, с интервалом 400 - 800 м, по возможности совмещая с местами расположения остановочных пунктов;
- на пересечениях улиц в одном уровне с нерегулируемым правоповоротным движением интенсивностью более 300 прив. ед./ч.
7.3.14 Подземные и надземные пешеходные переходы допускается размещать независимо от величины пешеходного потока в следующих случаях:
- в зонах высокой концентрации объектов массового посещения, расположенных по обеим сторонам улицы с высоким интенсивным движением автотранспорта;
- на транспортно-пересадочных узлах различных типов;
- на транспортных узлах и перегонах улиц, характеризующихся высоким уровнем дорожно-транспортных происшествий с участием пешеходов;
- на транспортных пересечениях в разных уровнях для обеспечения безопасных пешеходных связей по всем направлениям движения;
- на узлах и перегонах, где необходимо повысить пропускную способность магистрали и где светофорное регулирование применяется только для обеспечения пропуска пешеходных потоков через транспортную магистраль;
- на уличных пешеходных переходах, где ожидание пешеходами разрешающей фазы светофора превышает 2 мин;
- в местах, где отмечается неупорядоченное движение пешеходов в одном уровне с движением транспортного потока (как в пересадочных узлах, так и на линейных участках магистралей), а устройство пешеходного перехода в одном уровне не представляется возможным либо представляет значительную сложность по транспортно-планировочным условиям;
- на площадях и перекрестках с кольцевым саморегулируемым движением транспортных средств, если размеры пересекающихся в одном уровне транспортных и пешеходных потоков требуют введения светофорного регулирования.
7.3.14а Конфигурация и объемно-планировочное решение внеуличных пешеходных переходов должны учитывать направления движения основных пешеходных потоков, интенсивность пешеходного движения по направлениям - существующую (на основе натурных обследований) и на перспективу - на основе прогноза динамики транспортных и пешеходных потоков, с учетом планируемого развития территорий (объемов застройки различного функционального назначения, дорожно-транспортного строительства, мероприятий по благоустройству прилегающих территорий).
(п. 7.3.14а введен
Изменением N 1, утв. Приказом Минстроя России от 24.12.2019 N 852/пр)
7.3.15 При размещении на тротуаре входа во внеуличный пешеходный переход следует обеспечивать ширину оставшейся пешеходной части тротуара не менее 2,5 м.
(п. 7.3.15 в ред.
Изменения N 1, утв. Приказом Минстроя России от 24.12.2019 N 852/пр)
7.3.16 Требуемая ширина внеуличного пешеходного перехода включает:
а) основную зону пешеходного движения;
б) зазоры безопасности от стен и конструкций (колонн и других конструктивных элементов, в случае их наличия);
в) запасную полосу пешеходного движения.
Основная зона пешеходного движения определяется для тоннеля и для лестничных сходов перехода расчетным путем (с учетом прогнозной интенсивности пешеходного движения и пропускной способности одной полосы пешеходного движения, в соответствии с
таблицей 7.4).
Зазоры безопасности следует принимать:
- от стен тоннеля пешеходного перехода - по 0,3 м с каждой стороны (для стесненных условий - по 0,25 м с каждой стороны);
- от стен лестничных сходов - по 0,20 м с каждой стороны (для стесненных условий - по 0,15 м с каждой стороны);
- от колонн и других конструктивных элементов перехода - по 0,15 м с каждой стороны (для стесненных условий - по 0,10 м).
Запасная полоса пешеходного движения в расчетах требуемой ширины тоннеля и лестничных сходов пешеходного перехода принимается шириной:
- для переходов, не совмещенных со входами в метрополитен или другой вид СВТ - 0,75 м;
- для переходов, совмещенных со входами в метрополитен или другой вид СВТ - 1,5 м.
Примечания
1 Расчетные параметры учитывают пространство для устройства перил на лестничных сходах (размещение перил осуществляется в зонах зазоров безопасности).
2 При наличии нескольких лестничных сходов на каком-либо выходе из внеуличного перехода - в расчетах их требуемой ширины принимается только одна запасная полоса на все лестничные сходы данного выхода. Ширина запасной полосы принимается в зависимости от наличия остановочных пунктов СВТ.
Таблица 7.4
Пропускная способность одной полосы движения
внеуличных переходов
Местоположение внеуличного пешеходного перехода | Пропускная способность одной полосы шириной 0,75 м, чел./ч |
в тоннеле перехода | на лестничном сходе перехода |
Вблизи крупных объектов приложения труда | 1200 | 800 |
В транспортно-пересадочных узлах | 900 | 650 |
В зоне станций пригородных поездов или у вокзалов | 800 | 600 |
На других территориях различного функционального назначения | 1000 | 700 |
(п. 7.3.16 в ред.
Изменения N 1, утв. Приказом Минстроя России от 24.12.2019 N 852/пр)
7.3.17 Ширину внеуличного пешеходного перехода следует принимать расчетным путем, но не менее 4,0 м (в свету). Высоту прохода в пешеходных переходах следует обеспечивать не менее 2,3 м (от уровня пола до низа выступающих конструкций или до нижнего края элементов освещения).
Примечание - На транспортно-пересадочных узлах высоту подземных пешеходных переходов (в свету) принимают не менее 2,5 м.
(в ред.
Изменения N 1, утв. Приказом Минстроя России от 24.12.2019 N 852/пр,
Изменения N 3, утв. Приказом Минстроя России от 26.12.2024 N 927/пр)
7.3.18 Ширину лестничного схода следует принимать по расчету, но не менее 2,25 м, не включая пандусный спуск для детских колясок шириной не менее 1 м.
(п. 7.3.18 в ред.
Изменения N 1, утв. Приказом Минстроя России от 24.12.2019 N 852/пр)
7.3.19 Продольные уклоны пола в пешеходных переходах допускаются не более

. Поперечный уклон пола следует принимать

с устройством лотков с продольными уклонами не менее

с решетками водоприемных колодцев.
Допускается устройство пола без продольного уклона при условии обеспечения водоотвода лотками.
(в ред.
Изменения N 3, утв. Приказом Минстроя России от 26.12.2024 N 927/пр)
Для сопряжения горизонтальных участков подземного пешеходного перехода с перепадом высот от 4 до 35 см следует устраивать пандусы, с перепадом высот 36 см и более - лестницы с учетом требований
СП 59.13330.
(п. 7.3.19 в ред.
Изменения N 1, утв. Приказом Минстроя России от 24.12.2019 N 852/пр)
7.3.20 Поверхность верхней площадки лестничного марша должна быть на 0,06 м выше поверхности прилегающего тротуара.
7.3.20а Подземные пешеходные переходы следует проектировать с минимальным заглублением под проезжей частью улиц. При этом расстояние от верха перекрытия подземного перехода до низа несущего слоя основания дорожной одежды определяется расчетом, но должно составлять не менее 0,4 м (с учетом динамических воздействий от временных нагрузок, в соответствии с требованиями
СП 35.13330).
(п. 7.3.20а введен
Изменением N 1, утв. Приказом Минстроя России от 24.12.2019 N 852/пр)
7.3.21 В подземных пешеходных переходах с заглублением более 5 м относительно уровня пешеходного пути, а также в надземных пешеходных переходах следует, в дополнение к лестницам, предусматривать лифты; допускается применение эскалаторов. При длине перехода более 150 м допускается устраивать траволаторы.
(п. 7.3.21 в ред.
Изменения N 1, утв. Приказом Минстроя России от 24.12.2019 N 852/пр)
7.3.22 Уровень освещения в подземных и надземных пешеходных переходах следует принимать в соответствии с
СП 52.13330.
7.4.1 Пешеходные мосты необходимо проектировать в соответствии с требованиями
СП 35.13330.
7.4.2 Ширина пешеходного моста определяется следующими планировочными элементами поперечного профиля, расчет которых ведут аналогично порядку, указанному в
7.3.16:
- ширина сечения между конструктивными элементами с обеспечением зазоров от конструкций - 0,15 м (в условиях реконструкции - 0,10 м);
(в ред.
Изменения N 3, утв. Приказом Минстроя России от 26.12.2024 N 927/пр)
- ширина сечения нестационарных объектов мелкорозничной торговли и сервиса;
- отступы от объектов мелкорозничной торговли и сервиса не менее 0,30 м (в условиях реконструкции - 0,25 м), при наличии окна для торговли - не менее 0,80 м;
(в ред.
Изменения N 3, утв. Приказом Минстроя России от 26.12.2024 N 927/пр)
- ширина основной зоны пешеходного движения определяется расчетом, но принимается: для мостов открытого типа - не менее 3,0 м, для мостов закрытого типа - не менее 4,0 м;
- зона для стоящих пешеходов шириной 1,0 м с каждой стороны моста (в стесненных условиях - 0,80 м);
- зона безопасности (расстояние, на которое допускается приближение к ограждениям моста) шириной не менее 0,50 м.
Пропускную способность одной полосы движения шириной 0,75 м по пешеходному мосту принимают равной 800 чел./ч.
7.4.3 Продольный уклон пешеходного моста следует принимать не более

, в условиях реконструкции и капитального ремонта допускается не более

. Поперечный уклон настила моста следует принимать

.
(п. 7.4.3 в ред.
Изменения N 3, утв. Приказом Минстроя России от 26.12.2024 N 927/пр)
7.5 Пешеходные пространства в составе улично-дорожной сети
7.5.1 При формировании пешеходных зон на УДС в сложившейся застройке их местоположение следует определять при наличии следующих планировочных и функциональных характеристик:
- высокая концентрация объектов с высокой посещаемостью, памятников истории и культуры, ценных городских ландшафтов и др.;
- наличие существующих или прогнозируемых пешеходных потоков на тротуарах с плотностью пешеходов: в центральной части городов ориентировочно 0,3 чел./м2 и более; на вновь застраиваемых территориях и территориях комплексной реконструкции - ориентировочно 0,15 чел./м2 и более;
- наличие потребностей в интенсивных поперечных связях на улице к объектам, расположенным по обеим сторонам улицы;
- наличие равномерной загруженности пешеходными потоками высокой интенсивности в течение дня;
- возможность организации обслуживания территории пассажирским транспортом общего пользования;
- возможность организации элементов рекреации (площадок отдыха, озелененных участков, уличных кафе и др.);
- возможность отведения транспортного потока с рассматриваемой улицы на дублирующие направления;
- возможность подъездов к объектам, расположенным на территории пешеходных зон (для доставки товаров и грузов), с тыловых сторон застройки улицы.
7.5.2 Планировка пешеходных зон и выбор конструкции и типа дорожного покрытия пешеходных путей должны обеспечивать беспрепятственный проезд транспортных средств специального назначения.
7.5.3 В пешеходных зонах не допускается разделение элементов поперечного профиля возвышающимся бортовым камнем.
7.5.4 На территории пешеходных пространств допускается размещать элементы благоустройства (озеленение, скамьи, декоративные скульптуры и др.), некапитальные нестационарные объекты мелкорозничной торговли и сервиса при условии обеспечения пропуска пешеходных потоков на оставшейся территории без помех, с соблюдением требований настоящего свода правил.
(в ред.
Изменения N 3, утв. Приказом Минстроя России от 26.12.2024 N 927/пр)
7.5.5 При формировании пешеходных улиц, площадей, являющихся объектами городского, районного и местного значения на УДС, их местоположение следует определять при наличии следующих планировочных и функциональных характеристик:
- высокая концентрация объектов с высокой посещаемостью, памятников истории и культуры, ценных городских ландшафтов и др.;
- возможность организации обслуживания территории пассажирским транспортом общего пользования;
- возможность организации скверов, площадок отдыха, озелененных участков и др.;
- возможность отведения транспортного потока с реконструируемой улицы (площади) на дублирующие направления.
Пешеходные площади формируют за счет упорядочивания движения транспорта на существующих площадях в застроенной части города.
8 Парковки на улично-дорожной сети
8.1.1 Парковки на УДС допускается предусматривать на проезжей части только для размещения легковых автомобилей и при наличии резервов пропускной способности УДС и резерва ширины проезжих частей.
8.1.2 Следует проводить обоснование допустимости размещения парковок на УДС, определяя наличие резервов пропускной способности УДС и резерва ширины проезжей части и тротуара с учетом прогнозных показателей.
8.1.3 Парковочное пространство в пределах УДС должно быть оборудовано устройствами для заряда электромобилей. Расчетную потребность в ЭЗС следует устанавливать в соответствии с заданием на проектирование, но не менее установленных
СП 42.13330 или в региональных и местных нормативах градостроительного проектирования.
(п. 8.1.3 введен
Изменением N 3, утв. Приказом Минстроя России от 26.12.2024 N 927/пр)
8.1.4 Следует располагать ЭЗС не далее 1 м от площадки, предназначенной для постановки электромобиля для зарядки, с учетом габаритов машино-места электромобиля. Установка ЭЗС допускается в случае, если:
- отсутствуют ограничения на установку ЭЗС согласно нормативным требованиям по пожарной безопасности,
- ЭЗС не располагается в месте движения пешеходов, велосипедистов и СИМ,
- кабель, соединяющий ЭЗС и электромобиль, не пересекает пути движения пешеходов, велосипедистов, СИМ, автомобилей.
(п. 8.1.4 введен
Изменением N 3, утв. Приказом Минстроя России от 26.12.2024 N 927/пр)
8.1.5 Для обеспечения защиты зарядного устройства при его размещении в одном уровне с парковочным местом необходимо предусматривать противоподкатные устройства и (или) ограждающие конструкции в соответствии с требованиями
СП 113.13330.
Размещение ЭЗС и устройств, а также их элементов в пределах проезжей части городских дорог и улиц не допускается.
(п. 8.1.5 введен
Изменением N 3, утв. Приказом Минстроя России от 26.12.2024 N 927/пр)
8.2 Условия допустимости использования городских улиц и дорог для размещения парковок
8.2.1 При размещении парковок следует определить допустимость их размещения, исходя из следующих требований:
- соблюдения условий безопасности движения транспорта и пешеходов;
- обеспечение требуемой пропускной способности проезжей части, оставшейся после размещения парковок (по фактической и прогнозируемой интенсивности движения с опережением на 4 - 5 лет). Ширина проезжей части, оставшейся после размещения парковок, должна обеспечивать пропускную способность транспорта в нормативных условиях в соответствии с
5.5.12 (с коэффициентом загрузки не более 0,8).
8.2.2 При определении допустимости размещения парковок на УДС на выбранном участке следует:
- определить существующие интенсивности движения транспорта;
- определить значения интенсивности движения транспорта, прогнозируемые на ближайшие 4 - 5 лет, с учетом ожидаемого развития транспортной инфраструктуры, а также размещения объектов застройки различного функционального назначения на прилегающих территориях;
- определить резерв пропускной способности проезжей части на ближайшие 4 - 5 лет;
- определить резерв ширины проезжей части;
- определить возможность размещения парковки на проезжей части с учетом обеспечения нормативных значений ширин полос движения оставшейся ширины проезжей части, а также обеспечения пропуска существующих и перспективных транспортных потоков с коэффициентом загрузки не более 0,8.
8.2.3 Не допускается размещать парковки на проезжей части улиц при наличии выделенной полосы для движения наземного общественного транспорта.
8.2.4 Условия допустимости размещения парковок на улицах и дорогах различных категорий следует принимать в соответствии с требованиями
таблицы 8.1.
8.2.5 Парковки на УДС проектируют для общего пользования. Не допускается их использование в качестве приобъектных стоянок для конкретных объектов различного функционального назначения.
8.2.6 На УДС районного значения при проектировании новых линейных объектов устройство парковок не предусматривается. В условиях стесненной городской застройки, реконструкции и капитального ремонта допускается размещение парковок на улицах районного значения в случае наличия резерва пропускной способности, в том числе путем устройства специальных карманов за счет площади газонов или тротуаров. При наличии боковых проездов вдоль улиц районного значения устройство парковочных мест вдоль их основной проезжей части не допускается.
(в ред.
Изменения N 2, утв. Приказом Минстроя России от 27.12.2021 N 1017/пр,
Изменения N 3, утв. Приказом Минстроя России от 26.12.2024 N 927/пр)
8.2.7 На УДС местного значения при проектировании новых линейных объектов, в условиях реконструкции и капитального ремонта допускается предусматривать парковки в виде обособленных площадок, примыкающих к проезжей части (в том числе с устройством карманов).
(в ред.
Изменения N 3, утв. Приказом Минстроя России от 26.12.2024 N 927/пр)
8.2.7а На улицах и дорогах согласно
таблице 8.1, на проездах допускается предусматривать парковки в виде обособленных площадок, примыкающих к проезжей части (в том числе с устройством карманов).
(п. 8.2.7а введен
Изменением N 2, утв. Приказом Минстроя России от 27.12.2021 N 1017/пр)
8.2.8 Размещать парковки на боковых проездах улиц допускается в соответствии с
таблицей 8.1, как для улиц и дорог местного значения.
(в ред.
Изменения N 3, утв. Приказом Минстроя России от 26.12.2024 N 927/пр)
Допустимость размещения парковок на основной
проезжей части УДС и рекомендуемые способы
их размещения в зависимости от категории улицы
Минстроя России от 26.12.2024 N 927/пр)
Категория улицы | Угол расстановки автомобилей |
0° | 30° | 45° | 60° | 75° | 90° |
Улицы и дороги общегородского и районного значения |
Магистральные городские дороги, городские дороги | -/- | -/- | -/- | -/- | -/- | -/- |
Магистральные улицы общегородского значения 1-го класса | -/- | -/- | -/- | -/- | -/- | -/- |
Магистральные улицы общегородского значения 2-го класса | -/- | -/- | -/- | -/- | -/- | -/- |
Магистральные улицы общегородского значения 3-го класса | -/+ | -/- | -/- | -/- | -/- | -/- |
Улицы общегородского значения средних и малых городских населенных пунктов | -/+ | -/- | -/- | -/- | -/- | -/- |
Улицы и дороги районного значения | -/+ | -/- | -/- | -/- | -/- | -/- |
Улицы и дороги местного значения |
Улицы в жилой и общественной застройке | +/+ | +/+ | +/+ | +/+ | (+)/(+) | (+)/(+) |
Улицы и дороги в производственных зонах | +/+ | +/+ | +/+ | +/+ | (+)/(+) | (+)/(+) |
Примечание - В настоящей таблице применены следующие условные обозначения: - "..."/ - значение перед дробью - при строительстве; - /"..." - значение после дроби - в условиях реконструкции; - "-" - парковки не допускается размещать; - "+" - парковки допускается размещать; - "(+)" - размещение парковки допускается организовывать в заездных карманах или на обособленных площадках. |
8.2.8а Карманы для продольной парковки прерывают выступами в сторону проезжей части на всю ширину таких карманов, поднятыми на высоту бортового камня от уровня проезжей части, на пересечениях, пешеходных переходах, на остановочных пунктах, а также не реже, чем через каждые 10 машино-мест. Длина выступов должна превышать ширину пешеходных переходов, а при отсутствии переходов составлять не менее 1,0 м.
Примечание - На таких выступах допускается размещение деревьев, высота кроны которых не ниже 2 м согласно
СП 82.13330. Посадка кустарника на выступах не допускается.
(п. 8.2.8а введен
Изменением N 2, утв. Приказом Минстроя России от 27.12.2021 N 1017/пр)
8.2.8б Парковочные места на улицах районного значения размещают на расстоянии не менее 25 м после пересечения и не менее 80 м перед пересечением, но не ближе начала дополнительных полос для правого поворота и окончания полосы разгона при наличии. Положение начала и конца парковочных мест вблизи пересечений назначают из условия обеспечения видимости в соответствии с
5.7 и
7.3.6.
(в ред.
Изменения N 3, утв. Приказом Минстроя России от 26.12.2024 N 927/пр)
При наличии выездов с прилегающих территорий расстояние от парковки вдоль улицы до ближайшего края проезжей части примыкания к улице или дороге должно составлять не менее 5 м до примыкания и не менее 3 м после примыкания при наличии выступа с устройством бортового камня. При отсутствии такого выступа обеспечивают треугольники видимости согласно
5.7 и
7.3.6.
| | ИС МЕГАНОРМ: примечание. В официальном тексте документа, видимо, допущена опечатка: пункт 7.3.8в отсутствует. | |
На проезде, примыкающем к улице или дороге, парковки допускается устраивать на расстоянии не менее 3 м от края проезжей части улицы и дороги, к которой примыкает проезд, а при наличии тротуара расстояние от края проезжей части улицы и дороги до парковки вдоль проезда назначают из условия видимости согласно 7.3.8в.
(п. 8.2.8б введен
Изменением N 2, утв. Приказом Минстроя России от 27.12.2021 N 1017/пр)
8.3 Параметры размещения парковок
8.3.1 В зависимости от способа расстановки автомобилей принимаются различные параметры парковочных мест в соответствии с таблицей 8.2.
Таблица 8.2
Рекомендуемые размеры парковочных мест
при различных способах расстановки легковых
автомобилей на парковках, размещаемых на УДС
Параметры парковки | Угол расстановки автомобилей  |
0° | 30° | 45° | 60 | 75° | 90 |
| | |
Длина парковочного места l, м | Не менее 6,5 | 5,0 | 5,0 | 5,0 | 5,0 | 5,0 |
Ширина парковочного места b, м | 2,5 | 2,5 | 2,5 | 2,5 | 2,5 | 2,5 |
Площадь одного парковочного места (без учета площади полосы маневрирования) S, м2 | 16,25 | 23,3 | 18,8 | 16,1 | 14,2 | 12,5 |
Ширина полосы размещения парковочных мест BP, м | 2,5 | 4,7 | 5,3 | 5,6 | 5,5 | 5,0 |
Характеристики парковочных модулей при разметке машино-мест d1 и d2: | | | | | | |
d1 - расстояние между двумя линиями модуля по оси разметки; | 6,5 | 5,0 | 3,54 | 2,89 | 2,59 | 2,5 |
d2 - длина проекции продольной линии модуля | Не менее 6,5 | 8,08 | 5,3 | 3,22 | 1,47 | 0 |
Минимальная ширина полосы маневрирования (ширина проезда) Bm, м | 3,0 | 4,0 | 4,5 | 5,0 | 5,6 | 6,5 |
Суммарная ширина зоны размещения парковочных мест Bd, включая полосу размещения парковочных мест и полосу маневрирования (Br + Bm), м | 5,5 | 8,7 | 9,8 | 10,6 | 11,1 | 11,5 |
Линейная плотность размещения парковочных мест  , ед. на 100 м | 15 | 20 | 28 | 34 | 38 | 40 |
8.3.2 Размеры и площади одного парковочного места при парковке под углом к проезжей части следует принимать по
таблице 8.2.
8.3.3 Продольные парковки следует устраивать в виде парковочных полос шириной не менее 2,2 м (прерываемых на остановочных пунктах маршрутных транспортных средств, пешеходных переходах и пересечениях).
8.3.4 Парковочные места для машин инвалидов-колясочников следует предусматривать в соответствии с
СП 59.13330 с учетом
пункта 5.1.5 СП 113.13330.2016
8.3.5 Размещение парковочных мест и зарядных станций для электромобилей на УДС вблизи автозаправочных станций и на территории автозаправочных станций следует осуществлять в соответствии с требованиями
СП 156.13130,
[11].
(п. 8.3.5 введен
Изменением N 3, утв. Приказом Минстроя России от 26.12.2024 N 927/пр)
(раздел 9 в ред.
Изменения N 3, утв. Приказом Минстроя России от 26.12.2024 N 927/пр)
9.1 Формирование инфраструктуры для велосипедного движения и средств индивидуальной мобильности
9.1.1 Велокоммуникации включают велосипедные дорожки и велосипедные полосы. Велокоммуникации предназначены для движения велосипедов и СИМ.
Велокоммуникации, являющиеся частью поперечного профиля улицы или дороги, следует располагать между проезжей частью улицы или дороги и пешеходными путями.
9.1.2 Следует разделять пешеходное и велосипедное движение, в том числе движение СИМ. Велокоммуникации следует располагать таким образом, чтобы обеспечить минимальное количество пересечений пешеходных и велосипедных потоков.
9.1.3 Велокоммуникации подразделяются:
а) на велосипедные дорожки:
1) обособленные, расположенные вне проезжей части непосредственно возле тротуара или возле проезжей части, с отделением движения велосипедистов и лиц, использующих для передвижения СИМ, от тротуара и (или) проезжей части с помощью одной или нескольких мер: технических средств организации дорожного движения, элементов благоустройства, изменения высоты проезжей части велосипедной дорожки относительно тротуара и (или) проезжей части, типов и цветов покрытий, с помощью разметки, разделительной полосы или буфера шириной не менее 0,5 м;
2) изолированные, расположенные вне проезжей части и тротуара, предназначенные только для движения велосипедистов и лиц, использующих для передвижения СИМ;
б) велосипедные полосы, выделенные на проезжей части дороги или улицы разметкой и предназначенные исключительно для движения велосипедистов и лиц, использующих для передвижения СИМ.
9.1.4 При расположении велосипедных полос в составе проезжей части разделение велосипедной полосы и тротуара устраивают в соответствии с
5.5.27.
9.1.5 При организации велокоммуникаций доступ велосипедистов на иные транспортные коммуникации ограничивается.
9.1.6 По организации движения выделяют велосипедные дорожки и велосипедные полосы:
- одностороннего движения;
- двухстороннего движения.
Велокоммуникации на проезжей части допускается устраивать только одностороннего движения.
При устройстве велокоммуникаций в составе улицы следует предусматривать велосипедные дорожки или велосипедные полосы для движения в обоих направлениях.
9.1.7 Расчетную скорость для движения велосипедистов и лиц, использующих для передвижения СИМ, следует принимать 30 км/ч. На подъездах к пересечениям или подземным проходам расчетная скорость может быть снижена до 10 км/ч.
9.1.8 На велокоммуникациях и их пересечениях должна быть обеспечена видимость в соответствии с требованиями
5.7.
9.1.9 Освещенность велосипедных полос и велосипедных дорожек должна соответствовать
ГОСТ Р 55706.
9.1.10 Количество полос движения назначается в зависимости от прогнозируемой интенсивности велосипедного движения из расчета 1500 вел./ч на одну велосипедную полосу при одностороннем движении, 1000 вел./ч на одну велосипедную полосу при двухстороннем движении.
9.1.11 Минимальные расстояния от велосипедных дорожек и велосипедных полос до боковых препятствий следует принимать по таблице 9.1.
Таблица 9.1
Минимальные расстояния от велосипедных дорожек и полос
до боковых препятствий и пешеходных пространств
В метрах
Минимальное расстояние | Велосипедная дорожка | Велосипедная полоса |
До проезжей части, опор, деревьев | | |
До стоянок автомобилей (параллельных/под углом) | |
Тротуаров или пешеходной части тротуаров | | 0,25 |
Зданий, оград и других построек и сооружений | 0,25 |
Павильонов на остановочных пунктах маршрутных транспортных средств | Не менее 1,5 м |
<*> При капитальном ремонте и реконструкции допускается уменьшать до 0,25 м. <**> При капитальном ремонте и реконструкции допускается уменьшать до 0,5 м. Примечание - В условиях пересеченной и горной местности, в стесненной городской застройке, а также в условиях реконструкции и капитального ремонта расстояние от стоящего вдоль проезжей части автомобиля может быть снижено до 0,5 м. |
9.1.12 При планировании создания и проектировании сети велокоммуникаций следует учитывать потребности и возможности разных категорий (групп) велосипедистов, вид поездки и требования к виду и способу организации велоинфраструктуры.
9.1.13 При формировании велоинфраструктуры маршруты движения, включая их пересечения, велосипедистов и лиц, использующих для передвижения СИМ, должны соответствовать требованиям, предъявляемым к системе улиц и дорог на территории населенного пункта, по которым проложены указанные маршруты.
9.2 Планировочные параметры велокоммуникаций
9.2.1 Велокоммуникации располагают между пешеходной частью тротуара и проезжей частью.
9.2.2 Разделение пешеходной части тротуара велосипедной дорожкой или велосипедной полосой на части не допускается.
9.2.3 Допускается возможность организации по велокоммуникации как одностороннего, так и двухстороннего движения, кроме случаев расположения ее на проезжей части. При организации двустороннего движения по велосипедной полосе ее следует размещать на стороне с наименьшим количеством пересечений без автопарковок либо за парковками и отделять от проезжей части разделительной полосой или направляющим островком безопасности шириной не менее 0,50 м.
9.2.4 Ширину велокоммуникаций следует принимать по расчету необходимого количества полос движения. Ширину одной полосы следует принимать по таблице 9.2.
Таблица 9.2
Ширина велокоммуникаций
Тип велокоммуникации | Ширина полосы, м, при движении |
одностороннем | двухстороннем |
Полоса, выделенная в пределах полосы движения автомобилей | 1,0 | - |
Полоса, совмещенная с проезжей частью | 1,5* | - |
Полоса, отделенная от проезжей части парковкой | 1,5 | 1,0 |
Велосипедная дорожка | 1,5 | 1,0 |
Примечание - Знаком "*" отмечено значение ширины полосы, которое допускается уменьшать до 1,2 м при попутном движении. |
9.2.5 При расчете габаритов велокоммуникации к ее ширине необходимо добавлять зазоры безопасности с покрытием, аналогичным покрытию велосипедных полос. Ширину зазоров следует принимать в соответствии с
9.1.8.
9.2.6 Минимальный допустимый радиус для велокоммуникаций следует принимать по таблице 9.3.
Таблица 9.3
Минимальные радиусы кривых в плане
Расчетная скорость, км/ч | Минимальный радиус, м |
30 | 25 |
10 | 4 |
9.2.7 На кривых малого радиуса, на крутых спусках и при прохождении велосипедной дорожки в непосредственной близости от крупных транспортных коммуникаций, по которым запрещено движение велосипедистов, и на участках велосипедной дорожки с риском падения велосипедистов и лиц, использующих для передвижения СИМ, с высоты для обеспечения безопасности участников движения велосипедные дорожки следует оборудовать ограждениями.
9.2.8 Продольный уклон велокоммуникаций должен соответствовать продольному уклону проезжей части. При продольных уклонах проезжей части улицы или дороги более

следует предусматривать велосипедные дорожки или велосипедные полосы раздельно для каждого направления движения.
9.2.9 Минимальный радиус вогнутых вертикальных кривых - 100 м, выпуклых - 400 м.
9.2.10 Длины подъемов велокоммуникаций в зависимости от продольного уклона приведены в таблице 9.4.
Таблица 9.4
Рекомендуемые длины подъемов велокоммуникаций
Продольный уклон велосипедной дорожки или велосипедной полосы,  | 70 | 60 | 50 | 40 | 30 |
Рекомендуемая длина подъема, м | До 30 | 40 - 60 | 70 - 130 | 150 - 250 | 250 - 500 |
9.2.11 При продольных уклонах более

следует увеличивать ширину велокоммуникаций в 1,5 раза.
9.2.12 Продольные уклоны велокоммуникаций следует назначать не более указанных в
таблице 11.6 СП 42.13330.2016.
9.2.13 В местах повышенной опасности (зонах конфликта велосипедных и транспортных потоков и на подходах к таким зонам), а также в условиях постоянной повышенной влажности на велокоммуникациях следует устраивать цветные покрытия противоскольжения с учетом требований
ГОСТ 32753.
9.3 Планировочные решения велокоммуникаций в зонах пересечений
9.3.1 Подходы к пересечениям должны быть расположены под прямым углом к проезжей части. Участок, перпендикулярный проезжей части, должен быть не менее ширины велосипедной дорожки. Пересечение проезжей части велосипедной дорожкой или велосипедной полосой допускается устраивать рядом с пешеходным переходом или совмещать с пешеходным переходом. Зону пересечения допускается обозначать цветным покрытием противоскольжения.
9.3.2 При планировании велосипедных дорожек и велосипедных полос в зонах пересечений необходимо предусмотреть:
- обеспечение расстояния видимости;
- уменьшение конфликтных зон;
- снижение скоростей движения в конфликтных точках;
- информирование о приоритете движения.
9.3.3 Для обеспечения расстояния видимости в зоне пересечений необходимо выделять следующие зоны на подходе к конфликтной точке:
- зона определения, в пределах которой велосипедист и водитель автомобиля имеют возможность увидеть друг друга и оценить скорость сближения;
- зона принятия решений, в пределах которой происходит корректировка скорости, чтобы уступить или остановиться;
- зона выхода или остановки, в пределах которой велосипедист или водитель автомобиля может остановиться.
9.3.4 Расстояние видимости водителем велосипедиста при повороте через велосипедную полосу или велосипедную дорожку следует принимать по таблице 9.5.
Таблица 9.5
Расстояние видимости при повороте
Расчетная скорость для поворота, км/ч | Расстояние видимости, м |
15 | 10 |
25 | 15 |
30 | 20 |
9.3.5 При наличии велосипедных полос и велосипедных дорожек на главной улице расстояние от остановившегося на второстепенной улице или дороге автомобиля до кромки проезжей части главной улицы должно быть увеличено с 3,00 до 5,00 м, чтобы автомобиль не занимал велосипедную дорожку или велосипедную полосу (
И.3 приложения И). Длина стороны треугольника видимости вдоль направления движения велосипедиста для велосипедиста, обладающего преимущественным правом проезда, должна составлять 30 м, в стесненных условиях - 20 м.
Если не обеспечиваются требуемые условия видимости, следует предусматривать дополнительные мероприятия (запрещение стоянки, ограничение скоростей движения автомобилей и велосипедистов, светофорное регулирование).
9.3.6 Ширину островков безопасности для велосипедистов следует принимать равной 3 м, при реконструкции или капитальном ремонте - 2 м.
При пересечении велокоммуникацией островка безопасности, устроенного согласно
ГОСТ Р 52766 и конструктивно приподнятого над поверхностью проезжей части, на велокоммуникации на границе островка безопасности следует устраивать пониженный бортовой камень с возвышением бортового камня над проезжей частью не более 0,005 м либо бортовой камень не устраивается. Продольный уклон велокоммуникации на островке безопасности, конструктивно приподнятым над поверхностью проезжей части, следует устраивать от центра островка в сторону проезжих частей.
9.3.7 Для снижения скоростей движения моторизированных транспортных средств в конфликтных точках пересечений транспортных потоков и велокоммуникаций на нерегулируемых пересечениях в одном уровне радиусы закруглений края проезжей части следует принимать для расчетной скорости 10 км/ч.
9.3.8 На местных улицах и въездах на дворовые территории следует обустраивать пешеходные переходы, совмещенные с пересечениями велокоммуникациями проезжих частей, приподнятые относительно проезжей части на трапециевидную ИН по
ГОСТ Р 52605.
9.3.9 На пересечениях с двухсторонним велосипедным движением следует размещать соответствующие технические средства организации дорожного движения по
ГОСТ Р 52289.
9.3.10 Необходимость введения светофорного регулирования в местах пересечения улицы или дороги местного значения, местной улицы сельского населенного пункта с велосипедной дорожкой или велосипедной полосой при отсутствии регулируемого пешеходного перехода в этом месте должна рассматриваться в случае, если интенсивность велосипедного движения превышает 50 вел./ч.
9.3.11 На кольцевых пересечениях велокоммуникации следует организовывать одним из следующих способов:
- организация движения по велосипедным полосам на проезжей части кольцевого пересечения;
- организация движения по велосипедным дорожкам вне проезжей части.
9.3.12 На однополосном кольцевом пересечении допускается организация движения велосипедистов и лиц, использующих для передвижения СИМ, в пределах проезжей части с выделением велосипедной полосы, используемой как велосипедистами, так и автомобильным транспортом, или велосипедной полосы, предназначенной исключительно для движения велосипедистов, при суммарной интенсивности движения на всех подходах к пересечению не более 1500 авт./ч.
9.3.13 При суммарной интенсивности движения на всех подходах к пересечению 1500 авт./ч и более на въездах и выездах с пересечения необходимо обеспечить велосипедистам и лицам, использующим для передвижения СИМ, возможность безопасного переезда с проезжей части в боковое пространство (на велосипедную дорожку или велосипедную полосу тротуара, либо на участок совмещенного с пешеходами движения) перед кольцевым пересечением. При этом необходимо учитывать следующее:
- полосы для велосипедного движения и СИМ должны заканчиваться на расстоянии 20 м от кольцевого пересечения;
- на выезде с кольцевого пересечения полоса для велосипедного движения и СИМ должна начинаться на расстоянии не менее 10 м от разделительного островка;
- в пределах кольцевого пересечения допускается организовать совместные пути для пешеходов и велокоммуникаций.
9.3.14 На двухполосных кольцевых пересечениях и кольцевых пересечениях со спиральными полосами движения движение велосипедистов и лиц, использующих для передвижения СИМ, не допускается.
9.3.15 Велосипедные дорожки с двухсторонним движением на пересечениях с проезжей частью улиц и дорог в зоне кольцевых пересечений должны быть обозначены дорожными знаками, направляющими стрелками дорожной разметки и конструктивными мероприятиями.
9.3.16 На нерегулируемых пересечениях и примыканиях в одном уровне, между велосипедной дорожкой, расположенной вдоль главной улицы или дороги, и проезжей частью главной улицы или дороги следует предусматривать свободную зону шириной не менее 5 м.
9.3.17 При наличии полосы поворота направо на проезжей части улицы или дороги велосипедная полоса или велосипедная дорожка располагается справа от этой полосы.
9.3.18 Для поворота налево на регулируемом и нерегулируемом пересечении в одном уровне на пересекаемой улице допускается устраивать площадку справа от велосипедной полосы или слева от велосипедной дорожки для ожидания велосипедистами или лицами, использующими для передвижения СИМ, разрешающего сигнала светофора, если недостаточно свободного пространства тротуара либо велосипедисты или лица, использующие для передвижения СИМ, будут создавать помехи для движения пешеходов, других велосипедистов и пользователей СИМ (рисунок 8).
Рисунок 8 - Схема размещения площадок для ожидания
разрешающего сигнала светофора
Ширину площадки принимают не менее 2,5 м, с учетом установки пешеходного ограждения вдоль проезжей части.
Размещение такой площадки на проезжей части допускается только на улицах и дорогах местного значения, местных улицах сельских населенных пунктов.
9.3.19 Пересечение велодорожки с проезжей частью необходимо оборудовать светофором
типа Т.9 в случаях, предусмотренных ГОСТ Р 52289.
9.4 Планировочные решения велокоммуникаций в зонах остановочных пунктов наземного пассажирского транспорта
9.4.1 Велосипедные дорожки и велосипедные полосы на тротуаре следует располагать в обход остановочного пункта маршрутных транспортных средств, с противоположной стороны от проезжей части (рисунок 9), с устройством пешеходного перехода через велокоммуникацию. При реконструкции и капитальном ремонте, в сложных градостроительных условиях в зоне остановочного пункта маршрутных транспортных средств допускается размещать велосипедные дорожки и велосипедные полосы в обход остановочного пункта маршрутных транспортных средств и прерывать велосипедную дорожку или велосипедную полосу на тротуаре на посадочной площадке.
Рисунок 9 - Схема размещения велокоммуникаций в обход
посадочной площадки
9.4.2 Велосипедные полосы и велосипедные дорожки, совмещенные с проезжей частью, следует прерывать на остановке, заканчивая в начале посадочной площадки и восстанавливая после посадочной площадки (рисунок 10).
Рисунок 10 - Схема прерывания велосипедной полосы или
велосипедной дорожки в зоне посадочной площадки
9.4.3 Пешеходный переход через велосипедные дорожки и велосипедные полосы на тротуаре от остановочных пунктов наземного пассажирского транспорта к пешеходной части тротуара допускается обозначать
разметкой 1.14.1 по ГОСТ Р 52289.
9.5 Велостоянки и стоянки средств индивидуальной мобильности
9.5.1 Размещение велостоянок и стоянок СИМ следует предусматривать у объектов массового посещения, станций СВТ, на транспортно-пересадочных узлах и тротуарах, при условии обеспечения пропускной способности согласно
7.2.4.
9.5.2 Велостоянки и стоянки СИМ должны быть оборудованы парковочными устройствами, которые служат опорой велосипеду и позволяют закрепить его. Парковки самокатов допускается предусматривать с креплением самоката к стойке или без крепления к стойке. Парковочные устройства, велосипеды и СИМ не должны создавать препятствий для движения пешеходов. Ширина оставшегося пешеходного пути должна обеспечивать соблюдение требований
7.2.4.
9.5.3 Парковочные места для стандартного велосипеда (для взрослых) должны быть следующего размера: длина - 2 м, ширина - 0,65 м.
Габаритные размеры парковочного места на один самокат принимают не менее 0,5 м2 при длине парковочного места не менее 1,5 м. Парковку вместимостью 10 самокатов следует предусматривать размерами 3,5 x 1,5 м.
Парковочные места размещают параллельно, перпендикулярно и под углом к проходу велостоянки или стоянки СИМ.
9.5.4 Ширина прохода велостоянки или стоянки СИМ должна составлять не менее 1,8 м.
На велостоянках или стоянках СИМ с количеством мест хранения велосипедов и СИМ более 100 ед. ширина проходов должна составлять не менее 3,0 м.
9.5.5 Если парковочные места для велосипедов расположены перпендикулярно припаркованным автомобилям, зазор безопасности от центра опоры до границы парковочного места автомобиля должен быть не менее 1,2 м, если параллельно - 0,75 м.
9.5.6 Расстояние от припаркованного велосипеда до стены здания должно составлять не менее 0,75 м, за исключением случая размещения велосипеда перпендикулярно стене здания и (или) крепления опоры для велосипеда на стене здания.
9.5.7 Парковки для лиц, использующих для передвижения СИМ, и велосипедистов допускается устанавливать параллельно стенам, краям сооружений и прочим вертикальным конструкциям - на расстоянии 0,4 м от них, параллельно проезжей части вдоль бортового камня - на расстоянии 0,4 м от края проезжей части улицы или дороги.
9.5.8 Велостоянки и стоянки СИМ около станций СВТ следует устраивать в непосредственной близости от входа на станцию, при наличии просматриваемости территории дежурным по станции - в поле обзора дежурного по станции, вне пути движения пешеходного потока, и оборудовать видеонаблюдением.
9.5.9 Площадки для парковки СИМ и велосипедов, для которых не требуется опора, следует выделять цветом покрытия и указателями.
9.5.10 Требуемое число мест для паркования СИМ и велосипедов следует определять раздельно для каждого объекта различного функционального назначения.
Вместимость стоянки для паркования СИМ допускается определять по расчету согласно
приложению Т.
9.5.11 Велостоянки и стоянки СИМ допускается располагать рядом друг с другом.
10 Экологическая безопасность объектов улично-дорожной сети
10.1 При проектировании улиц и дорог в населенных пунктах необходимо выполнять требования
[3],
[5] по обеспечению экологической безопасности и охраны здоровья населения, учитывать возможное негативное влияние строительства и эксплуатации указанных объектов на окружающую среду, учитывать климатические особенности местоположения проектируемого объекта в соответствии с
СП 131.13330.
10.2 Сеть улиц и дорог населенных пунктов следует проектировать с учетом выполнения требований
пункта 14.6 СП 42.13330.2016. При проектировании инженерных сетей под тротуарами следует обеспечивать требования
СП 31.13330,
СП 32.13330,
СП 124.13330.
10.3 При проектировании необходимо выполнять оценку возможного влияния строительства и эксплуатации улиц и дорог на окружающую среду. При превышении допустимого уровня воздействия необходимо предусматривать комплекс мероприятий, снижающих уровни загрязнения до нормативно установленных показателей среды, при которых обеспечиваются экологическая безопасность и безопасные условия для здоровья населения. При оценке влияния магистральных улиц и дорог, городских дорог и улиц общегородского значения, улиц и дорог районного значения следует учитывать существующее фоновое состояние и наличие других источников, оказывающих негативное влияние на прилегающую к улице или дороге территорию и застройку.
(в ред.
Изменения N 3, утв. Приказом Минстроя России от 26.12.2024 N 927/пр)
10.4 Для уменьшения негативного влияния шума и снижения выбросов загрязняющих веществ, образующихся при движении транспортных средств по улицам и дорогам, на территорию и застройку следует использовать естественные или искусственные (грунтовые валы) элементы рельефа местности в качестве естественных преград на пути распространения загрязнений (в том числе шумового), а также предусматривать прохождение магистральных улиц и дорог ниже планировочных отметок прилегающей территории и (или) в тоннеле.
(п. 10.4 в ред.
Изменения N 3, утв. Приказом Минстроя России от 26.12.2024 N 927/пр)
10.5 При проектировании улиц и дорог общегородского значения для уменьшения выбросов загрязняющих веществ от автомобилей следует обеспечивать преимущественно непрерывное движение транспорта.
(в ред.
Изменения N 3, утв. Приказом Минстроя России от 26.12.2024 N 927/пр)
| | ИС МЕГАНОРМ: примечание. В официальном тексте документа, видимо, допущена опечатка: имеется в виду ГОСТ Р 56162-2014, а не ГОСТ 56162. | |
10.6 При расчете объема выбросов загрязняющих веществ и концентраций этих веществ в атмосферном воздухе на прилегающей территории необходимо учитывать технические, конструктивные характеристики автомобилей и подвижного состава общественного транспорта, способствующие снижению удельных выбросов загрязняющих веществ, а также мероприятия, направленные на улучшение качества моторного топлива. Перечень веществ, которые следует учитывать при оценке выбросов от автомобильного транспорта, и их расчет должны соответствовать требованиям
ГОСТ 56162.
10.7 Расчет шумовых характеристик транспортных потоков и уровней шума на прилегающей территории выполняют в соответствии с
СП 276.1325800. При расчете уровней шума необходимо учитывать параметры движения транспортного потока (интенсивность, состав транспортного потока по типам автомобилей, средняя скорость движения), а также параметры транспортной магистрали (количество полос движения, продольные уклоны, тип и состояние дорожного покрытия).
10.8 Для улиц и дорог в соответствии с
СанПиН 2.1.3684 устанавливают санитарные разрывы. Размер санитарного разрыва для улицы и дороги определяют на основании расчетов загрязнения атмосферного воздуха и шума. При этом необходимо исходить из максимальной загруженности улиц и дорог транспортом в час пик в ночное и дневное время. Значения концентраций загрязняющих веществ на границе санитарного разрыва по фактору загрязнения атмосферного воздуха следует принимать в соответствии с
СанПиН 2.1.3684. Допустимые уровни шума по границе санитарного разрыва следует принимать согласно
СанПиН 1.2.3685 и
СП 51.13330. Результаты расчетов рассеивания загрязнений атмосферного воздуха, физического воздействия на атмосферный воздух необходимо подтверждать натурными исследованиями и измерениями, выполняемыми лабораториями, допущенными к осуществлению данной деятельности в установленном порядке.
(в ред.
Изменения N 2, утв. Приказом Минстроя России от 27.12.2021 N 1017/пр)
10.9 Необходимая эффективность экранов должна быть обеспечена варьированием их высоты, длины, расстоянием между проезжей частью и экраном. Расчет акустической эффективности экранов, требования к конструкциям экранов, материалам для их изготовления следует принимать в соответствии с
СП 276.1325800 и
ГОСТ 32957.
При разработке проектной документации на строительство, реконструкцию и капитальный ремонт улиц и дорог в целях обеспечения эстетического визуального эффекта городской инфраструктуры допускается по решению застройщика не устраивать в жилой зоне акустические экраны при обеспечении нормативных требований к уровню шума мероприятиями, установленными
СП 51.13330.
(абзац введен
Изменением N 3, утв. Приказом Минстроя России от 26.12.2024 N 927/пр)
10.10 При проектировании магистральных улиц и дорог, городских дорог и улиц общегородского значения, улиц и дорог районного значения в ущельях, оврагах, балках и других естественных выемках следует предусматривать мероприятия, связанные с укреплением откосов, приостановлением роста оврагов, отводом дождевых осадков, включая:
(в ред.
Изменения N 3, утв. Приказом Минстроя России от 26.12.2024 N 927/пр)
- отвод вод с площади водосбора;
- задержание воды перед оврагом;
- закрепление склонов и вершин посадкой зеленых насаждений;
- закрепление дна оврага гидромелиоративными сооружениями;
- иные мероприятия.
10.11 Организация системы отвода поверхностного стока с улиц и дорог должна соответствовать требованиям
пункта 13.3 СП 42.13330.2016. Степень очистки сбрасываемой воды принимают в соответствии с требованиями
СанПиН 2.1.3684.
(в ред.
Изменения N 2, утв. Приказом Минстроя России от 27.12.2021 N 1017/пр)
10.12 Учет влияния от строительства и эксплуатации улиц и дорог на состояние почв на прилегающей территории в зависимости от ее функционального использования следует выполнять в соответствии с
ГОСТ 17.4.3.01 и
СанПиН 2.1.3684.
(в ред.
Изменения N 2, утв. Приказом Минстроя России от 27.12.2021 N 1017/пр)
10.13 При проектировании водоотводных сооружений не допускается устройство выпуска атмосферных вод из кюветов и каналов:
- в водотоки, протекающие в пределах населенного пункта со скоростью менее 5 см/с и имеющие расход менее 1 м3/сут;
- непроточные пруды;
- водоемы в местах, отведенных под пляжи и рыбные пруды;
- замкнутые лощины и низины, подвергающиеся заболачиванию;
- заболоченные поймы рек.
10.14 Основные мероприятия по защите окружающей среды от воздействия транспорта (в том числе шумозащитные) следует разрабатывать на стадии проектирования УДС и детализировать при разработке проектно-сметной документации.
| | ИС МЕГАНОРМ: примечание. В официальном тексте документа, видимо, допущена опечатка: имеется в виду ГОСТ 17.4.3.01-83, а не ГОСТ 17.4.3.013. | |
10.15 При разработке проекта вертикальной планировки линейного объекта следует предусматривать максимальное использование в насыпях грунтов, извлекаемых из котлованов, водоотвод с благоустраиваемых территорий с одновременной защитой водного бассейна от загрязнений продуктами смыва. Грунты должны отвечать требованиям
ГОСТ 17.4.3.013 и
СанПиН 2.1.3684.
(в ред.
Изменения N 2, утв. Приказом Минстроя России от 27.12.2021 N 1017/пр)
10.16 Исключен с 27.01.2025. -
Изменение N 3, утв. Приказом Минстроя России от 26.12.2024 N 927/пр.
(раздел 11 введен
Изменением N 2, утв. Приказом Минстроя России от 27.12.2021 N 1017/пр)
11.1 Положения настоящего раздела распространяются на проектирование земляного полотна улиц и дорог населенных пунктов с проезжей частью, устраиваемой в бортовых камнях, с отводом воды в закрытую систему водоотвода, при наличии подземных коммуникаций, сооружений и т.п.
Земляное полотно улиц и дорог населенных пунктов с проезжей частью, обочинами, системой водоотвода и другими элементами, характерными для автомобильных дорог общего пользования, проектируют в соответствии с требованиями
СП 34.13330. Проектирование земляного полотна при устройстве трамвайных и троллейбусных линий осуществляется в соответствии с требованиями
СП 98.13330.
Земляное полотно тротуаров, парковок, проездов, велосипедных дорожек, парковых дорог, пешеходных зон проектируется в соответствии с требованиями, установленными применительно к земляному полотну улиц и дорог. Указанные сооружения допускается устраивать как на обособленном, самостоятельном земляном полотне, так и на совместном земляном полотне улиц и дорог.
11.2 Земляное полотно проектируют на основе геодезических и геологических изысканий, климатических особенностей района строительства с учетом категории улицы и дороги, типа дорожной одежды, условий производства работ, наличия и состояния подземных коммуникаций.
11.3 По сроку службы и назначению земляное полотно проектируют:
- для постоянных, находящихся в длительной эксплуатации улиц и дорог;
- для временных дорог.
В настоящем разделе приведены требования к проектированию земляного полотна постоянных улиц и дорог.
11.4 Природно-климатические условия района строительства и инженерно-геологические условия участков, а также особенности гидрологических и инженерно-геологических условий участка трассы, включая тип местности по характеру и степени увлажнения и мерзлотно-грунтовым особенностям, определяются в соответствии с указаниями
СП 34.13330 и с учетом
4.14.
11.5 Оценка фактических условий работы земляного полотна на глубине до 1,5 м, но не менее 2/3 глубины промерзания от верха проезжей части, выполняется с учетом принятой расчетной схемы увлажнения по
СП 34.13330.
11.6 При проектировании земляного полотна обеспечивают поверхностный сток.
11.7 Апробированные и не требующие дополнительного обоснования специальными расчетами решения земляного полотна применяются в новых районах строительства, а также в районах сложившейся застройки с условиями проектирования, сходными с условиями проектирования в новых районах строительства, характеризующихся условиями увлажнения земляного полотна по 1-му или 2-му типу местности по
СП 34.13330.
Индивидуальные конструктивные решения применяют в случаях, определенных
СП 34.13330, при проектировании в условиях 3-го типа местности по условиям увлажнения, а также на техногенных грунтах.
11.8 Грунты, используемые при строительстве дорог и улиц, в зависимости от их свойств классифицируют в соответствии с
ГОСТ 25100.
11.9 Для возведения земляного полотна учитывают возможность применения местных грунтов и отходов промышленности.
11.10 Допускается применение тяжелых глин, меловых, тальковых и трепельных грунтов только для отсыпки ядра на затопляемой насыпи высотой до 6 м с обязательным покрытием их слоем недренирующих грунтов толщиной не менее 1,5 м.
11.11 Для возведения земляного полотна при высоком стоянии грунтовых вод или наличии поверхностных вод не разрешается использовать грунты со способностью высокого капиллярного поднятия (в том числе лессовые).
11.12 Для возведения насыпей использовать илистые и торфяные грунты, а также грунты, содержащие легкорастворимые в воде хлористые соли в количестве более 8%, сульфатные соли - более 5%, не допускается.
11.13 Для возведения земляного полотна на глубине до 1,5 м, но не менее 2/3 глубины промерзания от поверхности проезжей части, применяют крупнообломочные грунты, песчано-гравийные смеси, пески (кроме пылеватых, очень тонких и тонких), супеси песчанистые, суглинки легкие и тяжелые песчанистые, глины песчанистые. Применение пылеватых, очень тонких и тонких песков, пылеватых, очень тонких и тонких супесей, пылеватых, очень тонких и тонких суглинков легких и тяжелых возможно в сочетании с мероприятиями по регулированию водно-теплового режима земляного полотна. Исключается использование глин пылеватых и тяжелых.
(в ред.
Изменения N 3, утв. Приказом Минстроя России от 26.12.2024 N 927/пр)
11.14 При возведении земляного полотна на техногенных грунтах предусматривают замену техногенного грунта на глубину 1,5 м от низа дорожной одежды в случаях содержания в составе грунта:
- бетонного и железобетонного лома (с размерами отдельных элементов не крупнее 120 мм) и дресвы 20% и более;
- бытового мусора и отходов промышленности 10% и более;
- органических примесей, кирпичного боя 5% и более.
11.15 При наличии в техногенном грунте разнородных включений их общее количество не должно превышать 20% с учетом ограничений, оговоренных в
11.14. Бетонный и железобетонный лом с размерами элементов крупнее 120 мм подлежит удалению.
11.16 В случаях необходимости уменьшения продолжительности осадки насыпей применяют дренирующие грунты: скальные, гравийные или песчаные грунты.
11.17 Степень уплотнения грунтов насыпей и выемок должна удовлетворять требованиям
СП 34.13330.
11.18 В случаях возведения земляного полотна из грунтов повышенной влажности и на основаниях из слабых грунтов крутизну откосов назначают по условию обеспечения их общей и местной устойчивости.
11.19 Конструкции земляного полотна в сложных условиях, в том числе на косогорах, болотах, затопляемых пойменных участках, пересечениях водоемов, подходах к мостовым сооружениям, насыпях на слабых основаниях, выемках в особых грунтах или насыпях с использованием особых грунтов, в районах распространения засоленных грунтов, мокрых солончаков и подвижных песков, в дорожно-климатической зоне I, на участках залегания вечномерзлых грунтов, на участках прогнозируемых наледей, на оползневых, оползнеопасных участках, проектируют в соответствии с указаниями
СП 34.13330 и с учетом условий эксплуатации, нагрузок, застройки, наличия подземных коммуникаций и сооружений.
(раздел 12 введен
Изменением N 2, утв. Приказом Минстроя России от 27.12.2021 N 1017/пр)
12.1 Требования настоящего раздела распространяются на проектирование конструкций дорожных одежд улиц и дорог населенных пунктов.
12.2 Конструкции дорожных одежд и вид покрытия назначаются на основании технико-экономического сравнения вариантов дорожных одежд с учетом климатических и гидрогеологических условий, категории улиц и дорог, состава и интенсивности движения транспорта, наличия местных строительных материалов, подземных сооружений и коммуникаций, а также прилегающей к проектируемому объекту застройки и требований охраны окружающей среды.
12.3 Тип дорожной одежды назначают в зависимости от категории улиц и дорог в соответствии с требованиями
ГОСТ Р 71404.
(в ред.
Изменения N 3, утв. Приказом Минстроя России от 26.12.2024 N 927/пр)
Таблица 12.1 исключена с 27.01.2025. -
Изменение N 3, утв. Приказом Минстроя России от 26.12.2024 N 927/пр.
Дорожная одежда парковочных мест вдоль проезжей части улиц, дорог и проездов может отличаться от дорожной одежды проезжей части. На парковочных местах допускается применять облегченную дорожную одежду.
12.4 В конструкциях дорожных одежд в большинстве случаев необходимо предусматривать следующие функциональные слои: покрытие, основание и дополнительные слои оснований (дренирующие, морозозащитные, теплоизолирующие и др.). Покрытие, основание и дополнительные слои могут состоять из нескольких слоев.
12.5 В условиях улиц и дорог населенных пунктов применяют следующие конструкции капитальных дорожных одежд:
- асфальтобетонные и щебеночно-мастичные асфальтобетонные слои или цементобетонные монолитные покрытия на основаниях из щебеночно-гравийно-песчаных смесей, на основаниях из щебеночных и гравийных материалов;
- асфальтобетонные и щебеночно-мастичные асфальтобетонные слои или цементобетонные монолитные покрытия на основаниях из каменных материалов, обработанных вяжущими, на основаниях из органоминеральных смесей, на основаниях из укатываемых и тощих бетонов;
- асфальтобетонные и щебеночно-мастичные асфальтобетонные покрытия на цементобетонном основании;
- мостовые из брусчатого камня и тротуарных плит.
(п. 12.5 в ред.
Изменения N 3, утв. Приказом Минстроя России от 26.12.2024 N 927/пр)
12.6 На магистральных улицах и дорогах, городских дорогах и улицах общегородского значения, улицах и дорогах районного значения, соответствующих по характеристикам автомобильным дорогам общей сети, асфальтобетонные слои устраивают на щебеночно-гравийно-песчаных основаниях, на цементосодержащем основании либо устраивают асфальтобетонные слои на цементобетонном основании.
(п. 12.6 в ред.
Изменения N 3, утв. Приказом Минстроя России от 26.12.2024 N 927/пр)
12.7 На элементах улично-дорожной сети, обеспечивающих движение НПТОП и работающих в условиях разгона-торможения транспортных средств (остановочные комплексы, разворотные площадки, выделенные полосы движения), в верхнем слое асфальтобетонного покрытия применяют материалы с повышенной сдвигоустойчивостью либо цементобетонные монолитные покрытия.
(в ред.
Изменения N 3, утв. Приказом Минстроя России от 26.12.2024 N 927/пр)
12.8 Расчетную нагрузку для улиц и дорог населенных пунктов назначают по
ГОСТ 32960. Расчетную нагрузку (на наиболее загруженную ось для двухосных автомобилей или приведенную ось многоосных автомобилей) выше установленной
ГОСТ 32960 принимают при ее доле не менее 5% в составе транспортного потока к окончанию срока службы дорожной одежды.
Абзац исключен с 27.01.2025. -
Изменение N 3, утв. Приказом Минстроя России от 26.12.2024 N 927/пр.
Конструкции дорожных одежд стоянок грузового и общественного транспорта должны рассчитываться по прочности на длительное статическое воздействие расчетной нагрузки.
Для элементов улиц и дорог населенных пунктов с возможностью остановки пожарной техники для тушения пожара необходимо дополнительно выполнять расчет дорожной одежды на статическое действие нагрузки от пожарной техники.
12.9 Для обеспечения трещиностойкости асфальтобетонных покрытий на сети магистральных улиц и дорог, городских дорогах и улицах общегородского назначения, улицах и дорогах районного значения, а также на элементах УДС, обеспечивающих движение НПТОП, устраивают трещинопрерывающие геосетки по
ГОСТ Р 55029.
(в ред.
Изменения N 3, утв. Приказом Минстроя России от 26.12.2024 N 927/пр)
12.10 В бетонных покрытиях и основаниях из бетона B12,5 и выше устраивают поперечные и продольные швы: расширения, сжатия, коробления и рабочие. Расстояние между швами сжатия (длина плит) определяют путем расчета или назначают в соответствии с требованиями
СП 34.13330.
12.11 Независимо от результатов расчета на прочность дорожной одежды толщины конструктивных слоев в уплотненном состоянии принимают не менее приведенных в
СП 34.13330.
12.12 При отсутствии слоя износа его функции выполняет верхний слой дорожной одежды (верхний слой покрытия). В этом случае при расчете дорожных одежд толщина верхнего слоя покрытия должна быть уменьшена на величину максимально допустимой поперечной ИН (колеи) по
ГОСТ Р 50597. Защитный слой дорожной одежды не учитывают при расчете дорожных одежд. Слои износа и защитные слои подлежат периодическому восстановлению в процессе эксплуатации.
Периодичность проведения работ по устройству слоев износа допускается определять по
ГОСТ Р 58861 в соответствии с показателями фактической среднегодовой суточной интенсивности транспортного потока по наиболее загруженной полосе движения.
(п. 12.12 в ред.
Изменения N 3, утв. Приказом Минстроя России от 26.12.2024 N 927/пр)
12.13 Для климатических подрайонов строительства IА, IБ и IГ по
СП 131.13330 конструкцию дорожной одежды назначают с учетом теплотехнических расчетов.
12.14 Разработка проектных решений в условиях реконструкции и капитального ремонта, а также уширения дорожных одежд элементов улиц и дорог населенных пунктов должна осуществляться с учетом фактического состояния дорожной одежды, устанавливаемого в ходе детальной оценки, включающей проведение визуальной оценки, оценку прочности дорожной одежды и отдельных ее слоев, а также оценку ровности проезжей части.
(в ред.
Изменения N 3, утв. Приказом Минстроя России от 26.12.2024 N 927/пр)
12.15 Требования к ровности и шероховатости дорожных покрытий должны удовлетворять требованиям
СП 34.13330.
12.16 На высоких насыпях (высотой более 6,0 м), сложенных из разнородных грунтов, грунтов повышенной влажности, на участках с большой мощностью культурного слоя, на насыпях и местах пересечения болот, торфяников, на подходах к мостам и путепроводам, в местах прокладки подземных коммуникаций, сопряжений с горловинами колодцев и других случаях, когда предполагается неравномерная осадка грунта, необходимо устраивать цементобетонные покрытия или основания с армированием геосинтетическими материалами или применять сборные железобетонные покрытия.
12.17 Дорожные одежды с покрытием из брусчатых камней и тротуарных плит рассчитывают по следующим критериям прочности: сопротивление сдвигу в грунте и песчаных слоях, растяжение при изгибе в связных слоях оснований, морозоустойчивость и дренирующая способность.
12.18 Покрытия из брусчатых камней и тротуарных плит устраивают на основаниях с прослойкой из песка или сухой цементно-песчаной смеси толщиной 3 - 5 см. При этом швы покрытий, в зависимости от условий отвода поверхностных вод, также заполняют песком, цементно-песчаной смесью или раствором, битумной мастикой.
12.19 Конструкции дорожных одежд при совместном движении автотранспорта и трамваев проектируют в соответствии с настоящим разделом и
СП 98.13330.
12.20 Подстилающие и дополнительные слои дорожных одежд должны обеспечивать дренирование и морозоустойчивость конструкций в соответствии с
СП 34.13330. Между глинистым грунтом земляного полотна и песчаным дополнительным слоем основания, а также между песчаным дополнительным слоем основания и неукрепленным каменным материалом следует предусматривать геосинтетические прослойки.
(в ред.
Изменения N 3, утв. Приказом Минстроя России от 26.12.2024 N 927/пр)
12.21 Толщину теплоизоляционных слоев определяют путем теплотехнического расчета.
12.22 Дорожные одежды в местах сопряжения с горловинами смотровых колодцев выполняют с применением плит, разгружающих и распределяющих нагрузки от транспорта; допускается применение устройств с телескопическим подъемом чугунных люков до отметок верха покрытия.
12.23 Применение местных материалов и отходов промышленности, используемых в конструктивных слоях дорожных одежд, допускается при обеспечении надежности и долговечности дорожной одежды. Для улиц и дорог местного значения, пешеходных зон, проездов, тротуаров, парковок и велосипедных дорожек допускается в основаниях и в подстилающих слоях применять золы-уноса, металлургические шлаки, золошлаковые смеси теплоэлектроцентралей, нефелиновые и бокситовые шламы и другие инертные материалы.
12.24 Разрешается назначать конструкции дорожных одежд по типовым решениям.
(п. 12.24 введен
Изменением N 3, утв. Приказом Минстроя России от 26.12.2024 N 927/пр)
12.25 Бортовые камни устанавливают в цементобетонную обойму (стакан), имеющий класс прочности на сжатие не менее B15, класс на растяжение при изгибе не ниже Btb2,4, марку по морозостойкости не ниже F100. Марка цементобетона бортового камня по морозостойкости должна составлять не менее F200. Поверхность газона, примыкающего к бортовому камню, должна быть ниже верхней грани бортового камня не менее чем на 20 мм.
(п. 12.25 введен
Изменением N 3, утв. Приказом Минстроя России от 26.12.2024 N 927/пр)
12.26 При реконструкции или капитальном ремонте в случае сохранения существующей дорожной одежды для обеспечения вертикальной планировки допускается устраивать выравнивающие слои. В качестве материалов для выравнивающих слоев следует применять асфальтобетоны из горячих, теплых и холодных смесей, а при толщинах выравнивающих слоев более 15 см - органоминеральные смеси и асфальтогранулобетон.
(п. 12.26 введен
Изменением N 3, утв. Приказом Минстроя России от 26.12.2024 N 927/пр)
ОПРЕДЕЛЕНИЕ НЕОБХОДИМОСТИ УСТРОЙСТВА СПЕЦИАЛЬНОЙ
ПОЛОСЫ ДЛЯ ОРГАНИЗАЦИИ ЛЕВОГО ПОВОРОТА

Примечание - Необходимость устройства специальной полосы для левого поворота определяется на основании часовой пиковой интенсивности движения: по подходу к пересечению, на котором анализируется необходимость устройства полосы для левого поворота (горизонтальная шкала номограммы); по конфликтному встречному направлению движения (вертикальная шкала номограммы). В зависимости от доли (в процентах) интенсивности движения по подходу к пересечению, на котором анализируется необходимость устройства полосы для левого поворота, выбирается соответствующая кривая на графике (для доли поворачивающих автомобилей 5%, 10%, 15%, 20% 30% или 40% от общего числа автомобилей, проезжающих через пересечение по анализируемому подходу за 1 час). Если доля левоповоротного движения в составе часовой интенсивности по анализируемому направлению находится между значениями, для которых построены графики, применяется график для ближайшего большего значения. В случае, если точка, координаты которой определяются часовыми пиковыми интенсивностями движения по подходу к пересечению, на котором анализируется необходимость устройства полосы для левого поворота, и по конфликтному встречному направлению движения, расположена на графике правее или выше кривой, выбранной на основе доли поворачивающих налево автомобилей, следует устраивать полосу для левого поворота.
(в ред.
Изменения N 3, утв. Приказом Минстроя России от 26.12.2024 N 927/пр)
Рисунок А.1 - Номограмма для определения
необходимости устройства специальной
полосы для организации левого поворота
ОРГАНИЗАЦИЯ СЪЕЗДОВ ТРАНСПОРТНЫХ ПЕРЕСЕЧЕНИЙ
Минстроя России от 26.12.2024 N 927/пр)
Рисунок Б.1 - Схемы участков разделения транспортных потоков
Примечание - В числителе приведен уровень удобства движения на основной проезжей части, в знаменателе - на съезде.
Рисунок Б.2 - Номограммы для определения расчетной
пропускной способности участков разделения транспортных
потоков на двухполосных (после разделения) в одном
направлении (k = 2) проезжих частях по типам сопряжений: С1,
С3 (а); С2 (б); С4 (в); С5 (г); С6 (д), лист 1
Рисунок Б.2 - продолжение, лист 2
Примечание - В числителе приведен уровень удобства движения на основной проезжей части, в знаменателе - на съезде.
Рисунок Б.3 - Номограммы для определения расчетной
пропускной способности участков разделения транспортных
потоков на трехполосных (после разделения) в одном
направлении (k = 3) проезжих частях по типам сопряжений: С1,
С3 (а); С2 (б); С4 (в); С5 (г); С6 (д), лист 1
Рисунок Б.3, лист 2
Примечания
1 Тип сопряжения С6 на четырехполосных (после разделения, в одном направлении) проезжих частях не применяется.
2 В числителе приведен уровень удобства движения на основной проезжей части, в знаменателе - на съезде.
Рисунок Б.4 - Номограммы для определения расчетной
пропускной способности участков разделения транспортных
потоков на четырехполосных (после разделения) в одном
направлении (k = 4) проезжих частях по типам сопряжений: С1,
С3 (а); С2 (б); С4 (в); С5 (г)
Примечания
1 Типы сопряжения С2, С5, С6 на пятиполосных (после разделения, в одном направлении) проезжих частях не применяются.
2 В числителе приведен уровень удобства движения на основной проезжей части, в знаменателе - на съезде.
Рисунок Б.5 - Номограммы для определения расчетной
пропускной способности участков разделения транспортных
потоков на пятиполосных (после разделения) в одном
направлении (k = 5) проезжих частях по типам сопряжений: С1,
С3 (а); С4 (б)
Рисунок Б.6 - Схемы участков слияния транспортных потоков
Примечание - В числителе приведен уровень удобства движения на участке слияния, в знаменателе - на съезде.
Рисунок Б.7 - Номограммы для определения расчетной
пропускной способности участков слияния транспортных потоков
на двухполосных в одном направлении (k = 2) проезжих частях
по типам сопряжений: В1 (а); В2 (б); В3 (в); В4 (г); В5 (д),
лист 1
Рисунок Б.7, лист 2
Примечание - В числителе приведен уровень удобства движения на основной проезжей части, в знаменателе - на съезде.
Рисунок Б.8 - Номограммы для определения расчетной
пропускной способности участков слияния транспортных потоков
на трехполосных в одном направлении (k = 3) проезжих частях
по типам сопряжений: В1 (а); В2 (б); В3 (в); В4 (г); В5 (д),
лист 1
Рисунок Б.8, лист 2
Примечания
1 Тип сопряжения В5 на четырехполосных (в одном направлении) проезжих частях не применяется.
2 В числителе приведен уровень удобства движения на основной проезжей части, в знаменателе - на съезде.
Рисунок Б.9 - Номограммы для определения расчетной
пропускной способности участков слияния транспортных потоков
на четырехполосных в одном направлении (k = 4) проезжих
частях по типам сопряжений: В1 (а); В2 (б); В3 (в); В4 (г)
Примечания
1 Типы сопряжения В2, В4, В5 на пятиполосных (в одном направлении) проезжих частях не применяются.
2 В числителе приведен уровень удобства движения на основной проезжей части, в знаменателе - на съезде.
Рисунок Б.10 - Номограммы для определения расчетной
пропускной способности участков слияния транспортных потоков
на пятиполосных в одном направлении (k = 5) проезжих частях
по типам сопряжений: В1 (а); В3 (б); В4 с длиной островка
200 м (в); В4 с длиной островка 400 м (г)
Рисунок Б.11 - Обеспечение боковой видимости в зоне слияния
транспортных потоков
ОСТАНОВОЧНЫЙ ПУНКТ С КАРМАНОМ
Минстроя России от 27.12.2021 N 1017/пр)
Размеры в метрах
b - глубина кармана
Рисунок В.1 - Остановочный пункт с параллельным карманом
Lост.пл. - длина остановочной площадки
Рисунок В.2 - Остановочный пункт с карманом под углом
к проезжей части
Минстроя России от 27.12.2021 N 1017/пр)
МИНИМАЛЬНОЕ РАССТОЯНИЕ БОКОВОЙ
ВИДИМОСТИ У ПЕШЕХОДНОГО ПЕРЕХОДА
Рисунок Г.1 - Минимальное расстояние
боковой видимости у пешеходного перехода
МИНИМАЛЬНОЕ РАССТОЯНИЕ ВИДИМОСТИ ДЛЯ ОСТАНОВКИ
Минимальное расстояние видимости для остановки следует определять по таблице Д.1
Таблица Д.1
Расстояние видимости для остановки
Минстроя России от 26.12.2024 N 927/пр)
Расчетная скорость, км/ч | Минимальное расстояние видимости, необходимое для остановки, м, при категории улицы/дороги |
Магистральные улицы и дороги общегородского значения 1-го класса | Магистральные улицы, городские дороги, улицы общегородского значения, улицы и дороги районного и местного значения с интенсивностью движения более 100 прив. ед./ч | Местные улицы и дороги с интенсивностью движения менее 100 прив. ед./ч |
130 | 300 | - | - |
110 | 230 | - | - |
90 | 170 | 155 | - |
80 | - | 130 | - |
70 | - | 105 | - |
60 | - | 85 | - |
50 | - | 65 | 50 |
40 | - | 50 | 35 |
30 | - | 35 | 25 |
Минимальное расстояние видимости для остановки допускается определять расчетом по формуле

, (Д.1)
где Sост - расчетное расстояние видимости для остановки, м;
Vрасч - расчетная скорость, км/ч;
a - ускорение замедления, 3,4 м/с2;
g - ускорение свободного падения, 9,8 м/с2;
tр - расчетное время реакции водителя, принимаемое в зависимости от категории улицы или дороги по таблице Д.2.
Таблица Д.2
Расчетное время реакции водителя
Минстроя России от 26.12.2024 N 927/пр)
Категории улиц и дорог | Расчетное время реакции водителя tр, с |
Магистральные городские дороги | 3,0 |
Магистральные улицы общегородского значения | 2,5 |
Городские дороги и улицы общегородского значения. Улицы и дороги районного значения |
Улицы и дороги местного значения |
Местные улицы и дороги с интенсивностью движения менее 100 прив. ед./ч без пешеходного движения | 1,5 |
ОСНОВНЫЕ ПАРАМЕТРЫ РАСЧЕТНЫХ ТРАНСПОРТНЫХ СРЕДСТВ
Таблица Е.1
Расчетные транспортные средства
<*>
Тип расчетного транспортного средства | Обозначение | База/расстояния между осями, м | Размеры, м |
общие | свес |
длина | ширина | передний | задний |
Легковой автомобиль | Л | 2,90 | 4,90 | 1,90 | 0,90 | 1,10 |
Автобус | А | 6,90/1,30 | 15,0 | 2,50 | 2,60 | 4,20 |
Городской автобус | Аг | 6,20 | 12,0 | 2,50 | 2,75 | 3,05 |
Сочлененный автобус | Ас | 5,96/6,05 | 18,4 | 2,55 | 2,68 | - |
Грузовой автомобиль | Г | 5,70/1,40 | 12,0 | 2,50 | 1,50 | 3,70 |
Автопоезд | А16 | 3,80/5,69/1,33/1,33 | 16,50 | 2,50 | 1,43 | 2,98 |
Автопоезд | А20 | 5,70/1,40/6,20/4,30 | 19,80 | 2,50 | 1.50 | 0,70 |
<*> Применяется для детального проектирования |
Таблица Е.2
Коэффициенты приведения к легковому автомобилю
<*>
Вид транспорта | Коэффициент приведения к легковому автомобилю |
Легковые автомобили | 1,0 |
Грузовые автомобили грузоподъемностью, т: 2 | 1,5 |
6 | 2,0 |
8 | 2,5 |
14 | 3,0 |
свыше 14 | 3,5 |
Автопоезда | 4,0 |
Автобусы | 2,5 |
Троллейбусы | 3,0 |
Сочлененные троллейбусы и автобусы | 4,0 |
Микроавтобусы | 1,5 |
Мотоциклы и мопеды | 0,5 |
Велосипеды | 0,3 |
<*> Применяется для укрупненных расчетов; в расчетах, связанных с интенсивностью и пропускной способностью улиц и дорог с учетом движения по ним смешанного потока, различные виды транспорта следует приводить к одному расчетному виду - "приведенному автомобилю", т.е. легковому автомобилю, применяя коэффициенты в соответствии с настоящей таблицей |
РАСЧЕТ ПЛАНИРОВОЧНЫХ ЭЛЕМЕНТОВ ПЛАНА И ПРОДОЛЬНОГО ПРОФИЛЯ
Ж.1 Минимальные радиусы кривых в плане следует определять расчетом по следующей формуле

, (Ж.1)
где Rmin - минимальный радиус кривой в плане, м;
Vрасч - расчетная скорость, км/ч;
in - поперечный уклон проезжей части (доли).
Таблица Ж.1
Расчетные значения коэффициентов поперечной силы
Расчетная скорость, км/ч | Коэффициент поперечной силы  |
130 | 0,09 |
120 | 0,09 |
100 | 0,12 |
80 | 0,14 |
60 | 0,15 |
50 | 0,16 |
40 | 0,17 |
30 и менее | 0,18 |
Примечание - Промежуточные значения коэффициентов поперечной силы следует определять интерполяцией. |
Ж.2 Наименьшие длины переходных кривых следует определять расчетом по следующей формуле:

, (Ж.2)
где L - длина переходной кривой, м;
Vрасч - расчетная скорость, км/ч;
R - радиус кривой в плане, м;
Iдоп - допустимая скорость нарастания центробежного ускорения, принимаемая для магистральных улиц и дорог, городских дорог и улиц общегородского значения, улиц и дорог районного значения, - 0,8 м/с3, для всех остальных улиц и дорог - 1,0 м/с3.
(в ред.
Изменения N 3, утв. Приказом Минстроя России от 26.12.2024 N 927/пр)
Ж.3 Величину уширения одной полосы движения в зависимости от радиуса кривой в плане и длины транспортного средства следует определять расчетом по следующей формуле

, (Ж.3)
где

- величина уширения, м;
L - длина расчетного транспортного средства от переднего бампера до задней оси, м;
R - радиус кривой в плане, м;
Ж.4 Минимальную длину участка отгона виража
L следует определять расчетом по следующей формуле

, (Ж.4)
где L - длина участка отгона виража, м;
iв - поперечный уклон виража,

;
iпоп - поперечный уклон проезжей части (принимается со знаком "-" в случае, когда поверхности проезжей части до виража и на вираже имеют уклоны в противоположные стороны),

;
I - величина нарастания продольного уклона,

;
Bпч - расстояние в поперечном сечении от кромки до точки начала дополнительного подъема проезжей части (рисунок Ж.1), м.
Рисунок Ж.1 - Расстояние в поперечном сечении
проезжей части от кромки до точки начала
дополнительного подъема проезжей части (BПЧ)
Величину нарастания продольного уклона
I следует принимать не более

, а в условиях пересеченной и горной местности, в стесненной городской застройке, в застройке, обладающей историко-культурной ценностью, а также в условиях необходимости сноса зданий, строений, сооружений -

.
(в ред.
Изменения N 3, утв. Приказом Минстроя России от 26.12.2024 N 927/пр)
РАССТОЯНИЕ ВИДИМОСТИ НА ПЕРЕСЕЧЕНИЯХ
И ПРИМЫКАНИЯХ В ОДНОМ УРОВНЕ
Минстроя России от 27.12.2021 N 1017/пр)
И.1 Общие положения
И.1.1 На пересечении или примыкании в одном уровне должны быть обеспечены:
- минимальное расстояние видимости поверхности проезжей части улицы или дороги для остановки до пересечения или примыкания на главной и второстепенной улицах или дорогах
(приложение Д);
- треугольник видимости при выезде на главную улицу или дорогу <*>, либо при пересечении главной улицы или дороги;
- минимальное расстояние видимости на пешеходных переходах и пересечениях с велосипедными путями (при их наличии) (
приложение Г,
7.3.6 и
7.3.7а).
--------------------------------
<*> Здесь и далее главная или второстепенная улица или дорога определяются согласно
[9].
И.1.2 В треугольнике видимости должен быть обеспечен свободный обзор на высоте от 0,5 до 2,5 м от поверхности проезжей части улицы или дороги. Указанное пространство должно быть свободно от растительности, сплошной ограды, иных объектов, кроме технических средств организации дорожного движения, опор освещения и аналогичных объектов. Размещение мест для парковки автомобилей в треугольнике видимости не допускается.
И.1.3 В случае расположения пересечения или примыкания на кривой в плане с устройством виража на главной улице или дороге либо на выпуклой кривой продольного профиля второстепенной улицы или дороги на подходе к пересечению или примыканию по второстепенной улице или дороге допускается вместо видимости поверхности проезжей части обеспечивать видимость только направляющего островка на расстоянии, достаточном для остановки автомобиля, при условии установки на подходе к пересечению или примыканию на второстепенной дороге
знака 2.5 "Движение без остановки запрещено" (по ГОСТ Р 52290). Направляющий островок устраивают приподнятым с бортовым камнем.
И.1.4 На пересечениях и примыканиях, регулируемых с помощью светофоров, обеспечивают видимость сигналов светофоров, а при наличии конфликтного левого поворота с пересечением встречного транспортного потока - такие же условия видимости, как на нерегулируемых пересечениях. В случае отключения светофора в периоды низкой интенсивности движения на регулируемом пересечении или примыкании обеспечивают условия видимости, установленные для нерегулируемых пересечений. При невозможности выполнения требований к обеспечению видимости на нерегулируемых пересечениях и примыканиях отключение светофора не допускается.
И.2 Треугольник видимости на нерегулируемых пересечениях без обязательной остановки на второстепенной улице или дороге
И.2.1 Если допускается проезд пересечения с второстепенной улицы или дороги без остановки [на пересечении или примыкании отсутствуют знаки приоритета либо устанавливается
знак 2.4 "Уступите дорогу" (по ГОСТ Р 52290)], необходимо обеспечивать зону, в которой обеспечена видимость, в виде треугольника
(рисунок И.1).
Sa - расстояние видимости вдоль главной улицы или дороги;
Sb - расстояние видимости вдоль второстепенной улицы
или дороги
Рисунок И.1 - Схема расчета минимального треугольника
видимости на нерегулируемых пересечениях и примыканиях
И.2.2 Взаимная видимость для водителей на главной и второстепенной улицах или дорогах должна быть обеспечена в пределах треугольника, образуемого сторонами, равными:
- на второстепенной улице или дороге - минимальному расстоянию видимости для остановки автомобиля
Sb, движущегося с расчетной скоростью
Vрасч второстепенной улицы или дороги
(приложение Д);
- на главной улице или дороге - расстоянию, которое автомобиль на главной улице или дороге проедет с постоянной расчетной скоростью главной улицы или дороги за время, необходимое автомобилю на второстепенной улице или дороге для проезда с постоянной расчетной скоростью минимального расстояния видимости для остановки второстепенной улицы или дороги, рассчитанному по
приложению Д.
Если на второстепенной улице или дороге невозможно обеспечить видимость, устраивают нерегулируемое пересечение или примыкание с обязательной остановкой на второстепенной улице или дороге
(И.3) с установкой
знака 2.5 "Движение без остановки запрещено" (по ГОСТ Р 52290).
И.3 Треугольник видимости на нерегулируемых пересечениях с обязательной остановкой на второстепенной улице или дороге
И.3.1 На пересечениях с обязательной остановкой на второстепенной улице или дороге и установкой
знака 2.5 "Движение без остановки запрещено" (по ГОСТ Р 52290) водитель автомобиля, остановившегося на второстепенной улице или дороге, должен иметь возможность видеть проезжую часть главной улицы или дороги на расстоянии, необходимом для остановки автомобилю, приближающемуся по главной улице или дороге
(приложение Д) (рисунок И.2).
И.3.2 Расстояние от кромки проезжей части до глаз водителя на второстепенной улице или дороге принимают равным 4,5 м. При наличии велосипедных дорожек или полос на главной улице или дороге расстояние от глаз водителя автомобиля на второстепенной улице или дороге до кромки проезжей части главной улицы или дороги должно быть увеличено на ширину велосипедной дорожки или полосы.
И.3.3 Размеры треугольника видимости должны обеспечивать видимость для водителя автомобиля, двигающегося по главной улице или дороге, автомобиля, ожидающего возможности выезда на главную улицу или дорогу и остановившегося на второстепенной улице или дороге на расстоянии 3,0 м от кромки проезжей части главной улицы или дороги (рисунок И.2). Велосипедная полоса, при наличии, учитывается в ширине проезжей части. При наличии велосипедных дорожек на главной улице или дороге расстояние от остановившегося автомобиля до кромки проезжей части главной улицы или дороги должно быть увеличено с 3,0 до 5,0 м, чтобы автомобиль не занимал велосипедную дорожку.
а - треугольник видимости при приближении автомобиля
по главной улице или дороге справа; б - треугольник
видимости при приближении автомобиля по главной улице
или дороге слева
Рисунок И.2 - Схема треугольника видимости
на нерегулируемом пересечении с обязательной остановкой
РАССТОЯНИЕ ВИДИМОСТИ НА КОЛЬЦЕВЫХ ПЕРЕСЕЧЕНИЯХ
Минстроя России от 27.12.2021 N 1017/пр)
К.1 Общие положения
К.1.1 В каждой точке кольцевого пересечения обеспечивают расстояние видимости, необходимое для безопасного движения автомобилей, пешеходов и велосипедистов.
Высота препятствия для расчета расстояния видимости, расчетная высота глаз водителя над поверхностью проезжей части, а также время реакции водителя и значение ускорения при торможении применяются в соответствии с общими требованиями к расчету или назначению расстояния видимости
(приложение Д), если иное не устанавливается настоящим приложением.
К.1.2 На кольцевых пересечениях обеспечивают выполнение следующих условий видимости:
- видимость кольцевой проезжей части на подходе к пересечению
(рисунок К.1) согласно
К.2;
- наименьшее расстояние видимости для полной остановки
(приложение Д):
- пешеходного перехода и (или) граничной линии на подходе к кольцевому пересечению
(рисунок К.2);
- пешеходного перехода на ближайшем выезде с кольцевого пересечения
(рисунок К.3);
| |
d1 - расстояние до транспортного средства на левом подходе; d2 - расстояние до транспортного средства на кольцевой проезжей части; b - стороны треугольника видимости для автомобиля на подходе, учитывающие все конфликтные движения на пересечении Рисунок К.1 - Расстояния видимости на кольцевом пересечении (треугольник видимости) | d - расстояние до пешеходного перехода на подходе к кольцевому пересечению Рисунок К.2 - Расстояние видимости на подходе к кольцевому пересечению |
| |
Примечание - В выделенной зоне следует избегать размещения препятствий, мешающих видимости пешеходного перехода. Рисунок К.3 - Расстояние видимости на подходе к пешеходному переходу | d - расстояние видимости на кольцевой проезжей части Рисунок К.4 - Расстояние видимости на кольцевой проезжей части |
Проверку обеспеченности расстояния видимости проводят в плане и продольном профиле, для каждой полосы движения на подходах к кольцевому пересечению и на кольцевой проезжей части. В зоне видимости должен быть обеспечен свободный обзор на высоте от 0,5 до 2,5 м от поверхности проезжей части. Указанное пространство должно быть свободно от растительности, сплошной ограды, иных объектов, кроме технических средств организации дорожного движения, опор освещения и аналогичных объектов. Размещение мест для парковки автомобилей в зоне видимости не допускается.
К.1.3 Расстояние видимости на правоповоротной полосе кольцевого пересечения должно соответствовать требованиям
приложения Д,
7.3.6 и
7.3.7а при наличии пешеходных переходов.
К.2 Видимость кольцевой проезжей части на подходе к пересечению
К.2.1 При организации движения на кольцевом пересечении в соответствии с
[9] для водителя, приближающегося к кольцевому пересечению, обеспечивают видимость автомобиля, приближающегося к нему с левой стороны для двух конфликтных направлений движения - по кольцевой проезжей части и по въезду на кольцевое пересечение. Видимость через центральный островок допускается не обеспечивать при выполнении указанного выше условия.
К.2.2 Расстояние видимости при организации движения на кольцевом пересечении в соответствии с
[9] обеспечивается для двух случаев:
- с расстояния 15 м до границы кольцевой проезжей части;
- с расстояния 3 м до границы кольцевой проезжей части.
К.2.3 Расстояние
b, на котором водитель автомобиля второстепенного потока должен видеть автомобили главного потока
(рисунок К.1), должно обеспечивать расстояние
d1,2 между местом расположения автомобилей главного потока и конфликтной точкой на въезде на кольцевое пересечение не менее вычисляемого по формуле
d1,2 = 0,278Vглtс, (К.1)
где Vгл - скорость движения по конфликтному направлению, км/ч;
tс - граничный интервал для въезда на кольцевое пересечение из положения полной остановки, с; принимают равным 7 с.
К.2.4 Скорости движения принимают для автомобиля:
- двигающегося по подходу к пересечению в составе второстепенного потока - 70% расчетной скорости своего направления, но не менее 120% расчетной скорости на кольцевом пересечении;
- двигающегося по кольцевой проезжей части - по
таблице К.1.
Таблица К.1
Скорость движения на кольцевой проезжей части и на въезде
на кольцевое пересечение
По радиусу кольцевой проезжей части при движении с противоположного или следующего по ходу движения въездов | По радиусу въезда при движении по ближайшему въезду |
Внешний диаметр пересечения Dc, м | Радиус траектории движения автомобиля по кольцевой проезжей части R4, м | Скорость движения, км/ч | Радиус траектории движения автомобиля на въезде на пересечение R1, м | Скорость движения, км/ч |
Однополосное кольцевое пересечение |
30 | 11 | 21 | 54 | 41 |
35 | 13 | 23 | 61 | 43 |
40 | 16 | 25 | 69 | 45 |
45 | 19 | 26 | 73 | 46 |
Двухполосное кольцевое пересечение |
45 | 15 | 24 | 65 | 44 |
50 | 17 | 25 | 69 | 45 |
55 | 20 | 27 | 78 | 47 |
60 | 23 | 28 | 83 | 48 |
65 | 25 | 29 | 88 | 49 |
70 | 28 | 30 | 93 | 50 |
ГЕОМЕТРИЧЕСКИЕ ПАРАМЕТРЫ КОЛЬЦЕВЫХ ПЕРЕСЕЧЕНИЙ
СО СПИРАЛЬНЫМИ ПОЛОСАМИ ДВИЖЕНИЯ
Минстроя России от 27.12.2021 N 1017/пр)
Таблица Л.1
Геометрические параметры кольцевых пересечений
со спиральными полосами движения при ширине
разделителя 0,3 м
Наименование элемента | Величина элемента, м |
Внутренняя полоса | Внутренний радиус | 10,50 | 12,00 | 15,00 | 20,00 |
Внешний радиус | 15,90 | 17,20 | 20,05 | 24,95 |
Внешняя полоса | Внутренний радиус | 16,20 | 17,50 | 20,35 | 25,25 |
Внешний радиус | 21,25 | 22,55 | 25,30 | 30,00 |
Внутренняя полоса | Начальная ширина | 5,75 | 5,35 | 5,15 | 5,15 |
Конечная ширина | 5,05 | 5,05 | 4,95 | 4,75 |
Средняя ширина | 5,40 | 5,20 | 5,05 | 4,95 |
Ширина внешней полосы | 5,00 | 5,05 | 5,05 | 4,95 |
Ширина разделителя полос | 0,30 |
Расстояние между внешними центральными точками (внутренние полосы) | 6,00 | 5,60 | 5,40 | 5,40 |
Расстояние между внутренними центральными точками (внешние полосы) | 5,30 | 5,30 | 5,20 | 5,00 |
Таблица Л.2
Геометрические параметры кольцевых пересечений
со спиральными полосами движения при ширине
разделителя 1,2 м
Наименование элемента | Величина элемента, м |
Внутренняя полоса | Внутренний радиус | 10,50 | 12,00 | 15,00 | 20,00 |
Внешний радиус | 15,85 | 17,15 | 20,00 | 24,90 |
Внешняя полоса | Внутренний радиус | 17,05 | 18,35 | 21,20 | 26,10 |
Внешний радиус | 22,05 | 23,35 | 26,10 | 30,80 |
Внутренняя полоса | Начальная ширина | 5,70 | 5,30 | 5,10 | 5,10 |
Конечная ширина | 5,00 | 5,00 | 4,90 | 4,70 |
Средняя ширина | 5,34 | 5,15 | 5,00 | 4,90 |
Ширина внешней полосы | 5,00 | 5,00 | 4,90 | 4,70 |
Ширина разделителя полос | 1,2 |
Расстояние между внешними центральными точками (внутренние полосы) | 6,90 | 6,50 | 6,30 | 6,30 |
Расстояние между внутренними центральными точками (внешние полосы) | 6,20 | 6,20 | 6,10 | 5,90 |
ПРИМЕРЫ УСТРОЙСТВА ПОСАДОЧНОЙ ПЛОЩАДКИ НА ВЫСТУПЕ
Минстроя России от 27.12.2021 N 1017/пр)
Рисунок М.1 - Примеры устройства
посадочной площадки на выступе
ПЕРЕСЕЧЕНИЯ УЛИЦ И ДОРОГ С ЖЕЛЕЗНЫМИ ДОРОГАМИ
Минстроя России от 26.12.2024 N 927/пр)
Н.1 Расстояние видимости железнодорожного переезда (сигналов переездной сигнализации и шлагбаумов) вдоль улицы или дороги
dн, м, позволяющее на безопасном удалении (расстоянии) остановить автомобиль, не въезжая в опасную зону железнодорожного переезда, определяют по формуле

(Н.1)
где A - константа, A = 0,278;
B - константа, B = 0,0385;
VТС - скорость автотранспортного средства, км/ч;
T - время восприятия-реакции водителя, с (принимают равным 3 с);
a - замедление автомобиля, м/с2 (принимают равным 3,41 м/с2);

- расстояние от стоп-линии или передней части транспортного средства до ближайшего рельса, м (принимают равным 4,57 м);
Se - расстояние от водителя до передней части транспортного средства (принимают равным 2,44 м).
Схема определения расстояния видимости железнодорожного переезда (сигналов переездной сигнализации и шлагбаумов) вдоль улицы и дороги представлена на рисунке Н.1.
Рисунок Н.1 - Схема определения расстояния видимости
железнодорожного переезда (сигналов переездной сигнализации
и шлагбаумов) вдоль улицы и дороги dН и расстояния видимости
приближающегося к переезду поезда вдоль железнодорожных
путей dТ
При невозможности обеспечения расстояния видимости железнодорожного переезда (сигналов переездной сигнализации и шлагбаумов) вдоль улицы и дороги на подходах к переезду следует вводить ступенчатое ограничение скорости движения автомобилей в соответствии с
ГОСТ Р 52289 и таблицей Н.1.
Таблица Н.1
Допустимая скорость движения автомобилей на подходах
к переезду по условиям видимости
Расстояние видимости железнодорожного переезда (сигналов переездной сигнализации и шлагбаумов) вдоль улицы и дороги, м | 51 - 75 | 76 - 100 | 101 - 125 | 126 - 150 | 151 - 200 | 201 - 400 |
Скорость движения автомобилей на подходах к переезду, км/ч | 20 | 30 | 35 | 40 | 50 | 60 |
В случаях недостаточной видимости сигналов переездных светофоров устанавливают дополнительные светофорные головки, обращенные в обе стороны по направлениям движения транспортных средств и (или) дублирующие переездные светофоры с левой стороны дороги.
На улицах и дорогах с двумя и более полосами движения в одну сторону переездные светофоры дублируют на консолях над проезжей частью с правой стороны по направлению движения транспортных средств.
Н.2 На железнодорожных переездах, не оборудованных устройствами заграждения и (или) автоматическими шлагбаумами, возможности отключения указанного оборудования на переездах, следует обеспечивать видимость приближающегося к переезду поезда вдоль железнодорожных путей.
Расстояние видимости приближающегося к переезду поезда вдоль железнодорожных путей dТ, м, обеспечивающее возможность остановить автотранспортное средство при обнаружении приближающегося поезда, определяют по формуле

(Н.2)
где Vп - скорость поезда, км/ч;
VТС - скорость автомобиля, км/ч;
A - константа, A = 0,278;
B - константа, B = 0,0385;
T - время восприятия-реакции, с (принимают равным 3 с);
a - замедление автомобиля, м/с2 (принимают равным 3,41 м/с2);

- расстояние от стоп-линии или передней части транспортного средства до ближайшего рельса, м (принимают равным 4,57 м);
L - длина транспортного средства, м (принимают равной 20 м);
W - расстояние между внешними рельсами, м (для одной колеи это значение равно 1,52 м), измеренное вдоль оси проезжей части улицы и дороги (улицы).
Схема определения видимости приближающегося к переезду поезда вдоль железнодорожных путей представлена на рисунке Н.2.
Рисунок Н.2 - Расстояние видимости поезда из стоящего
у железнодорожного переезда автомобиля dП
При невозможности обеспечения видимости приближающегося к переезду поезда вдоль железнодорожных путей на железнодорожных переездах необходимо предусматривать следующие мероприятия:
- ввести ступенчатое ограничение скорости движения автомобилей в соответствии с
ГОСТ Р 52289 и
таблицей Н.1, в случае если при установленном ограничении скорости обеспечивается видимость приближающегося поезда вдоль железнодорожных путей;
- вместе с введением ограничения скорости движения автомобилей в соответствии с
ГОСТ Р 52289 и
таблицей Н.1 установить
дорожные знаки 6.16 "Стоп-линия",
2.5 "Движение без остановки запрещено" на нерегулируемых и регулируемых только светофорами железнодорожных переездах;
- при видимости поезда за 50 м и менее в соответствии с
ГОСТ Р 52289 установить
дорожные знаки 6.16 "Стоп-линия",
2.5 "Движение без остановки запрещено" или обеспечить перевод железнодорожного переезда в категорию, которая обслуживается дежурным работником. Если на подходах к нерегулируемым железнодорожным переездам для водителей транспортных средств, находящихся на удалении не более 50 м от ближнего рельса, не обеспечена видимость приближающегося поезда на расчетном по
формуле (Н.2) безопасном расстоянии, то владелец инфраструктуры или владелец железнодорожных путей необщего пользования устанавливает постоянное ограничение скорости движения поездов.
Н.3 Расстояние видимости поезда из стоящего у железнодорожного переезда автомобиля следует обеспечивать на железнодорожных переездах, не оборудованных устройствами заграждения и (или) автоматическими шлагбаумами, возможности отключения указанного оборудования.
Расстояние видимости поезда из стоящего у железнодорожного переезда автомобиля dП, м, позволяющее автомобилю пересечь железнодорожный переезд и освободить переезд до прибытия поезда, определяют по формуле

(Н.3)
где A - константа, A = 0,278;
Vn - скорость поезда, км/ч;
Va1 - максимальная скорость транспортного средства на выбранной начальной передаче (принимают равной 2,68 м/с);
a1 - ускорение транспортного средства на первой передаче, м/с2 (принимают равным 0,448 м/с2);
L - длина транспортного средства, м (принимают равной 20 м);

- расстояние от стоп-линии или передней части транспортного средства до ближайшего рельса, м (принимают равным 4,57 м);
W - расстояние между внешними рельсами, м (для одной колеи это значение равно 1,52 м), измеренное вдоль оси проезжей части улицы и дороги;
Za - расстояние, которое автомобиль проезжает при разгоне до максимальной скорости на первой передаче, м (принимают равным 8,05 м);
T - время восприятия-реакции, с (принимают равным 3 с).
Схема определения расстояния видимости поезда из стоящего у железнодорожного переезда автомобиля представлена на
рисунке Н.2.
Расчетные расстояния видимости
dН,
dТ и
dП при различных скоростях движения транспортных средств представлены в
таблице Н.1.
Формулы (Н.1) -
(Н.3) справедливы для случая, когда улица или дорога пересекает однопутную железную дорогу под прямым углом и корректируются с учетом конкретных дорожных условий, габаритов и динамических характеристик автомобилей, требований
[9] к месту остановки транспортного средства у железнодорожного переезда, когда движение через переезд запрещено.
Н.4 При невозможности обеспечения безопасных условий видимости на железнодорожных переездах или оборудования их устройствами заграждения и (или) автоматическими шлагбаумами следует предусматривать пересечения железной дороги улицей или дорогой в разных уровнях.
Н.5 При интенсивностях движения по улице/дороге и железной дороге соответственно более 200 авт./ч и 2 поездов/ч в период пиковой интенсивности движения автомобильного транспорта необходимо выполнить анализ движения автомобильного транспорта через железнодорожный переезд, и в случае отсутствия возможности пропуска всех ожидающих автомобилей за один интервал между поездами либо в случае превышения длины очереди автомобилей перед железнодорожным переездом размера квартала (расстояния до ближайшего пересечения или примыканий улицы или дороги), следует устраивать дополнительные полосы движения на улице или дороге (до и после переезда) для проезда через железнодорожный переезд по двум полосам движения в каждом направлении. Ширину дополнительной полосы принимают равной ширине полосы движения основной проезжей части.
Ширину дополнительных полос движения проезжей части принимают в соответствии с шириной полос движения до уширения.
Протяженность дополнительных полос в зоне железнодорожного переезда приведена в таблице Н.2.
Таблица Н.2
Длина дополнительных полос движения
в зоне железнодорожного переезда
Интенсивность движения по железной дороге, поездов/сут | Интенсивность движения по улице или дороге, авт./сут |
1000 | 1000 - 2000 | 2000 - 3000 | 3000 - 4000 |
Длина дополнительной полосы движения перед переездом (в числителе) после переезда (в знаменателе) |
10 ... 25 | - | 60 - 80 ------------ 150 - 180 | 100 - 120 ------------ 220 - 250 | 150 - 170 ------------ 270 - 300 |
26 ... 50 | 60 - 80 ------------ 120 - 150 | 80 - 100 ------------ 180 - 200 | 120 - 150 ------------ 250 - 300 | 170 - 200 ------------ 300 - 350 |
51 ... 100 | - | 90 - 110 ------------ 220 - 230 | 150 - 180 ------------ 280 - 300 | - |
101 ... 150 | 90 - 110 ------------ 220 - 250 | 120 - 150 ------------ 250 - 300 | - | - |
Н.6 Расстояние между переездом и ближайшим к нему пересечением или примыканием улицы или дороги должно быть достаточно большим, чтобы обеспечить размещение очереди автомобилей перед переездом такой длины, которая не превышается в течение 95% времени как при движении к пересечению от железной дороги, так и в обратном направлении.
Расчет длины очереди перед железнодорожным переездом проводят по формуле

(Н.4)
где l - длина легкового автомобиля, м;
ki - отношение габарита транспортного средства типа i к габариту легкового автомобиля;
Vi - интенсивность движения транспортных средств типа i (всего n типов), авт./ч;
kв - коэффициент вариации интенсивности потока (коэффициент внутричасовой неравномерности), определяемый на местности или принимаемый равным 1,15;
R - продолжительность красного сигнала (закрытия переезда), с, определяемая по формуле

(Н.5)
здесь t - суммарное время от закрытия пересечения до прихода поезда и от прохода поезда до открытия пересечения для проезда автомобильного транспорта, с;
L - длина поезда, м;
V - средняя скорость поезда при проезде пересечения, км/ч.
На участках, где местные условия не позволяют обеспечить достаточное расстояние между железнодорожным переездом и пересечением дорог (улиц), необходимо:
- обеспечить координированную работу дорожных светофоров со светофорами на переезде, чтобы освободить железнодорожный переезд при приближении поезда;
- установить на подходе к пересечению согласно
ГОСТ Р 52289 информационный знак индивидуального проектирования "Не останавливаться на железнодорожном пути".
Н.7 Улица или дорога на расстоянии не менее 10 м от крайнего рельса должна иметь в продольном профиле горизонтальную площадку или уклон, обусловленный превышением одного рельса над другим, когда пересечение располагается в месте закругления железной дороги, либо вертикальную кривую радиусом не менее максимального, установленного в
СП 42.13330 для категории улицы или дороги, пересекающей железнодорожные пути. Продольный уклон на указанных участках следует принимать не более

, с учетом требований
[10].
Н.8 Подходы улиц и дорог к железнодорожному переезду, расположенному в конце спусков, проектируются с уклоном не более

, с учетом требований
[10], на протяжении, необходимом для размещения очередей автомобилей, стоящих перед железнодорожным переездом, в соответствии с таблицей Н.3, но не менее 50 м. В условиях пересеченной и горной местности, в стесненной городской застройке, на подходах к существующим железнодорожным переездам при реконструкции или капитальном ремонте переезда допускается сохранять существующий план и профиль улицы и дороги.
Таблица Н.3
Длина участков подходов к железнодорожному переезду
Интенсивность движения по железной дороге, поездов/сут | Интенсивность движения по улице или дороге, авт./сут |
1000 - 2000 | 3000 | 4000 | 5000 | 6000 | 7000 |
Длина участка подхода с уклоном не более  , м |
10 | 50 | 75 | 100 | 125 | 150 | 175 |
25 | 75 | 125 | 150 | 175 | 220 | 250 |
50 | 75 | 150 | 175 | 200 | 225 | 250 |
75 | 75 | 175 | 220 | 250 | 270 | 300 |
Н.9 Улицы или дороги на подходах к железнодорожному переезду на протяжении не менее 10 м от головки крайнего рельса (исключая настил железнодорожного переезда) в обе стороны должны иметь жесткую дорожную одежду.
Н.10 Покрытие проезжей части (настила) на железнодорожных переездах с расчетной приведенной среднесуточной интенсивностью движения автомобилей более 2000 ед./сут следует предусматривать усиленными в виде монолитных, асфальтобетонных, железобетонных, резинобетонных и других видов конструкций, не подверженных образованию колейности и обеспечивающих увеличенный межремонтный срок относительно резинокордовых настилов. Настилы должны обеспечивать возможность выполнения ремонта и текущего содержания элементов железнодорожного пути.
Н.11 Ограждающие тумбы и столбы шлагбаумов на пересечениях располагают на расстоянии не менее 1,0 м, а стойки габаритных ворот - на расстоянии не менее 1,75 м от кромки проезжей части.
НОРМЫ ОБЕСПЕЧЕННОСТИ МАШИНО-МЕСТАМИ ДЛЯ ЗАРЯДКИ
ЭЛЕКТРОМОБИЛЕЙ И ПОДЗАРЯЖАЕМЫХ ГИБРИДНЫХ АВТОМОБИЛЕЙ
Минстроя России от 26.12.2024 N 927/пр)
Таблица П.1
Требования к количеству парковочных мест для зарядки
электромобилей и подзаряжаемых гибридных автомобилей
Наименование | Количество парковочных мест зарядки электромобилей и гибридных автомобилей Nэл на каждые 10 машино-мест, не менее <*>, <**> |
1 Количество зарядных устройств на парковочных местах в пределах УДС | 5% числа всех парковок на участке УДС |
2 Обеспечение электрической мощности для вновь возводимых объектов инфраструктуры хранения автомобилей, в том числе в пределах УДС | 5% числа всех машино-мест, в том числе не менее одной стандартной зарядной станции на объект |
<*> Полученные расчетом значения следует округлять до ближайшего целого числа в большую сторону. <**> В условиях реконструкции выбор зарядной инфраструктуры должен учитывать наличие доступной электросетевой инфраструктуры и необходимой для подключения мощности (либо возможности реконструкции распределительных объектов для выделения необходимой мощности). |
ОПРЕДЕЛЕНИЕ ПРОПУСКНОЙ СПОСОБНОСТИ НЕРЕГУЛИРУЕМЫХ
ПЕРЕСЕЧЕНИЙ И ПРИМЫКАНИЙ
Минстроя России от 26.12.2024 N 927/пр)
Р.1 Для предварительной оценки расчетной пропускной способности нерегулируемых пересечений транспортные потоки необходимо поделить на определенные типы и присвоить им соответствующий ранг (рисунок Р.1).
Рисунок Р.1 - Назначение рангов транспортных потоков
на нерегулируемых пересечениях
1-й ранг присваивают тем направлениям, которые беспрепятственно осуществляют свои движения (на
рисунке Р.1 - 2, 3, 5, 6). Ко 2-му рангу относят направления, которым приходится пропускать лишь один поток (на
рисунке Р.1 - 1, 4, 9, 12). Направления, которым приходится пропускать потоки 1-го и 2-го рангов, присваивают 3-й ранг (на
рисунке Р.1 - 8, 11). Тем направлениям, которые пропускают все потоки, присваивают 4-й ранг (на
рисунке Р.1 - 7, 10).
Р.2 Расчетную пропускную способность для автомобилей каждого из направлений 2-го ранга и потенциальную пропускную способность 3-го и 4-го рангов определяют по формуле

(Р.1)
где Pi - величина пропускной способности i-го ранга, прив. ед./ч;
M - интенсивность движения автомобилей 1-го ранга, прив. ед./ч;

- интервал между выходами автомобилей из очереди на второстепенном направлении (интервал следования), с
(таблица Р.2).
Р.3 Расчетную пропускную способность для потока 2-го ранга определяют на основе
формулы (Р.1).
Вероятность того, что потоки 2-го и 3-го рангов будут двигаться беспрепятственно, определяют для соответствующего ранга по формуле

(Р.2)
где pi - вероятность беспрепятственного движения потока 2-го ранга;
N - интенсивность движения рассматриваемого потока, прив. ед./ч;

- потенциальная пропускная способность рассматриваемого потока, прив. ед./ч.
Расчетную пропускную способность потока 3-го ранга следует определять по формуле

(Р.3)
где P3 - расчетная пропускная способность потока 3-го ранга, прив. ед./ч;

- произведение вероятностей беспрепятственного движения всех потоков 2-го ранга, которым необходимо уступить движение рассматриваемому потоку 3-го ранга;

- потенциальная пропускная способность потока 3-го ранга, прив. ед./ч, рассчитанная по
формуле (Р.1).
Расчетную пропускную способность потока 4-го ранга следует определять по формуле

(Р.4)
где P4 - расчетная пропускная способность потока 4-го ранга, прив. ед./ч;

- произведение вероятностей беспрепятственного движения всех потоков 2-го и 3-го рангов, которым необходимо уступить движение рассматриваемому потоку 4-го ранга;

- потенциальная пропускная способность потока 4-го ранга, прив. ед./ч, рассчитанная по
формуле (Р.1).
Таблица Р.1
Значения граничных интервалов
для нерегулируемого пересечения
Направление движения | Граничный интервал, с |
Вне застроенной территории | На застроенной территории |
Поток направо присутствует | Поток направо отсутствует |
Налево с главного направления | 6,0 | 5,5 | 5,5 |
Направо со второстепенного направления | 6,5 | 6,5 | 6,5 |
Прямо со второстепенного направления | 6,5 | 6,5 | 6,5 |
Налево со второстепенного направления | 6,6 | 6,6 | 6,6 |
Прямо и налево со второстепенного направления для случая одностороннего движения | 5,6 | 5,6 | 5,6 |
Таблица Р.2
Значения интервалов следования из очереди
для нерегулируемого пересечения
Направление движения | Интервал следования, с |
Вне застроенной территории | На застроенной территории |
Поток направо присутствует | Поток направо отсутствует |
Налево с главного направления | 2,9 | 2,6 | 2,6 |
Направо со второстепенного направления | 3,1 | 3,1 | 3,7 |
Прямо со второстепенного направления | 3,5 | 3,5 | 4,0 |
Налево со второстепенного направления | 3,4 | 3,4 | 3,8 |
Прямо и налево со второстепенного направления для случая одностороннего движения | 3,4 | 3,4 | 3,8 |
ЗНАЧЕНИЯ КОЭФФИЦИЕНТОВ, СНИЖАЮЩИХ ПРОПУСКНУЮ СПОСОБНОСТЬ
ДЛЯ РАЗЛИЧНЫХ ВИДОВ КРИТИЧЕСКИХ ЭЛЕМЕНТОВ
Минстроя России от 26.12.2024 N 927/пр)
С.1 Пропускную способность перегона при наличии фактора, снижающего пропускную способность, на правой полосе движения следует определять по формуле

(С.1)
где Pперегон - расчетная пропускная способность перегона, прив. авт./ч;
Pпд - пропускная способность полосы движения (1750 прив. ед./ч);
ki - коэффициент снижения
i-й полосы движения (при расчете пропускной способности крайняя правая полоса всегда имеет самый высокий номер)
(таблица 5.4);

- наибольший коэффициент снижения пропускной способности для критического элемента, удовлетворяющий условию

(С.2)
здесь

- коэффициент снижения пропускной способности перегона, определяемый в зависимости от наличия примыкания и частоты въезда на прилегающую территорию;

- коэффициент снижения пропускной способности перегона улицы местного значения; при наличии кривой в плане равен 0,8;

- коэффициент снижения пропускной способности перегона, определяемый в зависимости от организации остановки пассажирского транспорта;

- коэффициент снижения пропускной способности перегона, определяемый в зависимости от организации парковочных мест вдоль проезжей части.
С.2 Расчетную пропускную способность перегона при наличии фактора, снижающего пропускную способность, в виде нерегулируемого пешеходного перехода или искусственной дорожной неровности следует определять по формуле

(С.3)
где

- наибольший коэффициент снижения пропускной способности для критического элемента, удовлетворяющий условию

(С.4)
здесь

- коэффициент снижения пропускной способности перегона, определяемый в зависимости от организации нерегулируемого наземного пешеходного перехода;

- коэффициент снижения пропускной способности перегона улицы, определяемый в зависимости от типа искусственной дорожной неровности.
С.3 Значения коэффициентов, снижающих расчетную пропускную способность для различных видов критических элементов, приведены в таблицах С.1 -
С.6. Коэффициенты при расчете следует назначать в соответствии с категорией улицы или дороги.
Таблица С.1
Коэффициенты снижения расчетной пропускной способности
полосы движения для улиц и дорог при наличии въезда
на прилегающую территорию 
Интенсивность въезда, прив. ед./ч | Значения коэффициентов для |
магистральной улицы или дороги общегородского значения | улицы районного значения |
5 | 0,99 | 0,99 |
20 | 0,97 | 0,96 |
50 | 0,93 | 0,91 |
100 | 0,86 | 0,81 |
120 | 0,83 | 0,78 |
150 | 0,78 | 0,72 |
Таблица С.2
Коэффициенты снижения расчетной пропускной способности
полосы движения при наличии пунктов НПТОП 
Интенсивность движения автобусов, ед./ч | Значения коэффициентов для |
магистральной улицы или дороги общегородского значения | улицы районного значения | улицы местного значения |
с карманом | без кармана | с карманом | без кармана | с карманом | на полосе с возможностью объезда | на полосе с перекрытием движения |
5 | 1,00 | 1,00 | 0,98 | 0,94 | - | - | - |
10 | 0,98 | 0,95 | 0,95 | 0,89 | 0,98 | 0,98 | 0,94 |
15 | 0,95 | 0,91 | 0,93 | 0,83 | - | - | - |
20 | 0,93 | 0,86 | 0,91 | 0,78 | 0,965 | 0,96 | 0,88 |
25 | 0,90 | 0,81 | - | - | - | - | - |
30 | 0,88 | 0,77 | - | - | 0,95 | 0,94 | 0,82 |
35 | 0,85 | 0,72 | - | - | - | - | - |
40 | 0,83 | 0,68 | - | - | - | - | - |
45 | 0,80 | 0,63 | - | - | - | - | - |
50 | 0,78 | 0,58 | - | - | - | - | - |
55 | 0,75 | 0,54 | - | - | - | - | - |
60 | 0,73 | 0,49 | - | - | - | - | - |
Таблица С.3
Коэффициенты снижения расчетной пропускной способности
полосы движения магистральной улицы при наличии парковок
различных типов 
Частота маневров паркирования, ед./ч | Значения коэффициентов для схемы |
поперечной до 10 машино-мест | угловой до 10 машино-мест | поперечной свыше 10 машино-мест | угловой свыше 10 машино-мест |
1 | 0,99 | 0,99 | 1,00 | 1,00 |
5 | 0,97 | 0,97 | 0,98 | 0,98 |
10 | 0,94 | 0,93 | 0,97 | 0,95 |
15 | 0,91 | 0,90 | 0,95 | 0,93 |
20 | 0,88 | 0,86 | 0,94 | 0,91 |
25 | 0,85 | 0,83 | 0,92 | 0,88 |
30 | 0,82 | 0,80 | 0,90 | 0,86 |
35 | 0,79 | 0,76 | 0,89 | 0,84 |
40 | 0,76 | 0,73 | 0,87 | 0,82 |
45 | 0,73 | 0,70 | 0,86 | 0,79 |
50 | 0,70 | 0,66 | 0,84 | 0,77 |
60 | - | 0,59 | - | 0,72 |
70 | - | 0,53 | - | 0,68 |
80 | - | 0,46 | - | 0,63 |
90 | - | 0,39 | - | 0,59 |
Таблица С.4
Коэффициенты снижения расчетной пропускной способности
полосы движения улицы местного значения при наличии парковок
различных типов 
Частота маневров паркирования, ед./ч | Значения коэффициентов для схемы |
поперечной | угловой | параллельной |
10 | 0,980 | 0,989 | 0,989 |
20 | 0,959 | 0,977 | 0,978 |
30 | 0,939 | 0,966 | 0,967 |
40 | 0,918 | 0,954 | 0,955 |
50 | 0,898 | 0,943 | 0,944 |
60 | 0,877 | 0,932 | 0,933 |
70 | 0,857 | 0,920 | 0,922 |
Таблица С.5
Коэффициенты снижения расчетной пропускной способности
полосы движения улицы местного значения при организации
нерегулируемого пешеходного перехода 
Интенсивность движения пешеходов, чел./ч | Коэффициент снижения расчетной пропускной способности |
10 | 1 |
50 | 0,8 |
100 | 0,64 |
150 | 0,41 |
200 | 0,18 |
Примечание - Коэффициенты снижения расчетной пропускной способности  применяются ко всем полосам движения. |
Таблица С.6
Коэффициенты снижения расчетной пропускной способности
при организации различных видов искусственных дорожных
неровностей 
Параметры | Тип искусственной дорожной неровности |
Сборная ИДН | Волнообразная ИДН | Трапециевидная ИДН |
Расчетная пропускная способность полосы, прив. ед./ч | 420 | 480 | 570 |
Значения коэффициентов  | 0,38 | 0,44 | 0,52 |
Примечание - Коэффициенты снижения расчетной пропускной способности  применяются ко всем полосам движения. |
РАСЧЕТ КОЛИЧЕСТВА ПАРКОВОЧНЫХ МЕСТ ДЛЯ СРЕДСТВ
ИНДИВИДУАЛЬНОЙ МОБИЛЬНОСТИ
Минстроя России от 26.12.2024 N 927/пр)
Вместимость стоянки для паркования СИМ допускается определять по формуле
M0 = K1·Nсп, (Т.1)
где
K1 - коэффициент, отражающий обеспеченность территории услугами НПТОП в соответствии с
таблицами Т.1 и
Т.2;
Nсп - норматив по числу парковочных мест для различных видов объектов в соответствии с
таблицей Т.3.
Таблица Т.1
Категории объектов нежилого назначения
по функциональному признаку
Вид объекта | Категория |
Многофункциональные торговые и торгово-развлекательные центры | I |
Административно-офисные помещения | II |
Объекты обучения и образования |
Культурно-развлекательные учреждения |
Гостиницы |
Производственные и складские помещения | III |
Физкультурно-оздоровительные комплексы |
Объекты транспорта |
Объекты рекреации |
Объекты здравоохранения и социальные службы | IV |
Магазины розничной торговли районного значения |
Объекты общественного питания |
Объекты коммунально-бытового обслуживания |
Таблица Т.2
Корректирующие коэффициенты для расчета парковочных мест
в зависимости от уровня обеспеченности доступа к объекту
с использованием общественного транспорта
Категория объекта | Коэффициент K1 | Характеристика |
I | 0,55 | - Наличие в пешеходной доступности от объекта станций СВТ |
II | 0,75 |
III | 0,8 |
IV | 0,85 |
I | 1,0 | - Наличие в пешеходной доступности от объекта остановочных пунктов НПТОП с устойчивой связью со станциями СВТ (время в пути до станции не более 10 мин); - наличие в пешеходной доступности от объекта остановок скоростного/магистрального наземного транспорта (в т.ч. рельсового) |
II | 0,8 |
III | 0,85 |
IV | 0,9 |
I | 1,2 | - Наличие в пешеходной доступности от объекта остановочных пунктов НПТОП с устойчивой связью со станциями СВТ (время в пути до станции не более 15 мин); - наличие в пешеходной доступности от объекта остановочных пунктов НПТОП с устойчивой связью с остановками скоростного/магистрального наземного транспорта (время в пути от объекта до остановочного пункта не более 10 мин) |
II | 0,85 |
III | 0,9 |
IV | 1,0 |
I | 1,5 | - Соблюдаются условия по времени движения от остановочных пунктов НПТОП до пересадки на СВТ или скоростной/магистральный наземный транспорт не более 10 мин, но превышены нормы пешеходной доступности; - наличие в пешеходной доступности от объекта остановочных пунктов НПТОП с устойчивой связью со станциями СВТ (время в пути до станции более 15 мин); - наличие в пешеходной доступности от объекта остановочных пунктов НПТОП с устойчивой связью с остановками скоростного/магистрального наземного транспорта (время в пути от объекта до остановочного пункта более 10 мин) |
II | 1,1 |
III | 1,0 |
IV | 1,0 |
Таблица Т.3
Норматив парковочных мест для различных объектов
Здания и сооружения, рекреационные территории, объекты отдыха | Расчетная единица | Предусматривается одно парковочное место на следующее количество расчетных единиц |
Здания и сооружения |
Учреждения органов государственной власти, органы местного самоуправления | м2 общей площади | 10000 - 11000 |
Административно-управленческие учреждения, иностранные представительства, представительства субъектов Российской Федерации, здания и помещения общественных организаций | м2 общей площади | 2500 - 3000 |
Коммерческо-деловые центры, офисные здания и помещения, страховые компании | м2 общей площади | 1250 - 1500 |
Банки и банковские учреждения, кредитно-финансовые учреждения: | | |
- с операционными залами | м2 общей площади | 750 - 800 |
- без операционных залов | м2 общей площади | 1400 - 1500 |
Образовательные организации, реализующие программы высшего образования | Преподаватели, сотрудники, студенты, занятые в одну смену | 10 - 20 преподавателей и сотрудников + 1 парковочное место на 20 студентов |
Профессиональные образовательные организации, образовательные организации искусств городского значения | Преподаватели, занятые в одну смену | 20 - 30 |
Центры обучения, самодеятельного творчества, клубы по интересам для взрослых | м2 общей площади | 500 - 625 |
Научно-исследовательские и проектные институты | м2 общей площади | 3500 - 4500 |
Производственные здания, коммунально-складские объекты, размещаемые в составе многофункциональных зон | Работающие в двух смежных сменах, чел. | 100 - 120 |
Объекты производственного и коммунального назначения, размещаемые на участках территорий производственных и промышленно-производственных объектов | 1000 чел., работающих в двух смежных сменах | 10 - 20 |
Магазины-склады (мелкооптовой и розничной торговли, гипермаркеты) | м2 общей площади | 1500 - 1600 |
Объекты торгового назначения с широким ассортиментом товаров периодического спроса продовольственной и (или) непродовольственной групп (торговые центры, торговые комплексы, супермаркеты, универсамы, универмаги и т.п.) | м2 общей площади | 2000 - 2500 |
Специализированные магазины по продаже товаров эпизодического спроса непродовольственной группы (спортивные, автосалоны, мебельные, бытовой техники, музыкальных инструментов, ювелирные, книжные и т.п.) | м2 общей площади | 3000 - 3500 |
Рынки постоянные: | | |
- универсальные и непродовольственные | м2 общей площади | 30 - 40 |
- продовольственные и сельскохозяйственные | м2 общей площади | 1500 - 2000 |
Предприятия общественного питания периодического спроса (рестораны, кафе) | Посадочные места | 4 - 5 |
Объекты коммунально-бытового обслуживания: | | |
- бани | Единовременные посетители | 2000 - 2500 |
- ателье, фотосалоны городского значения, салоны-парикмахерские, салоны красоты, солярии, салоны моды, свадебные салоны | м2 общей площади | 20 - 30 |
- салоны ритуальных услуг | м2 общей площади | 50 - 60 |
- химчистки, прачечные, ремонтные мастерские, специализированные центры по обслуживанию сложной бытовой техники и др. | Рабочее место приемщика | 1 - 2 |
Выставочно-музейные комплексы, музеи-заповедники, музеи, галереи, выставочные залы | Единовременные посетители | 60 - 80 |
Театры, концертные залы: | | |
- городского значения (1-й уровень комфорта) | Зрительские места | 40 - 100 |
- другие театры и концертные залы (2-й уровень комфорта) и конференц-залы | Зрительские места | 15 - 20 |
Киноцентры и кинотеатры: | | |
- городского значения (1-й уровень комфорта) | Зрительские места | 100 - 200 |
- другие (2-й уровень комфорта) | Зрительские места | 50 - 60 |
Центральные, специальные и специализированные библиотеки, интернет-кафе | Постоянные места | 10 - 20 |
Объекты религиозных конфессий (церкви, костелы, мечети, синагоги и др.) | Единовременные посетители | 30 - 50, но не менее 5 парковочных мест на объект |
Досугово-развлекательные учреждения: развлекательные центры, дискотеки, залы игровых автоматов, ночные клубы | Единовременные посетители | 10 - 15 |
Бильярдные, боулинги | Единовременные посетители | 8 - 10 |
Спортивные комплексы и стадионы с трибунами | Места на трибунах | 50 - 60 |
Оздоровительные комплексы [фитнес-клубы, физкультурно-оздоровительные комплексы (ФОК), спортивные и тренажерные залы] | | |
- общей площадью менее 1000 м2 | м2 общей площади | 250 - 550 |
- общей площадью 1000 м2 и более | м2 общей площади | 250 - 400 |
Муниципальные детские физкультурно-оздоровительные объекты локального и районного уровней обслуживания: | | |
- тренажерные залы площадью 150 - 500 м2 | Единовременные посетители | 400 - 550 |
- ФОК с залом площадью 1000 - 2000 м2 | Единовременные посетители | 5 - 10 |
- ФОК с залом и бассейном общей площадью 2000 - 3000 м2 | Единовременные посетители | 5 - 7 |
Специализированные спортивные клубы и комплексы (теннис, конный спорт, горнолыжные центры и др.) | Единовременные посетители | 10 |
Аквапарки, бассейны | Единовременные посетители | 5 - 7 |
Катки с искусственным покрытием общей площадью более 3000 м2 | Единовременные посетители | 3 - 4 |
Железнодорожные вокзалы | Пассажиры дальнего следования в час пик | 5 - 7 |
Автовокзалы | Пассажиры в час пик | 6 - 7 |
Аэровокзалы | Пассажиры в час пик | 100 - 150 |
Речные порты | Пассажиры в час пик | 30 - 50 |
Рекреационные территории и объекты отдыха |
Пляжи и парки в зонах отдыха | 100 единовременных посетителей | 15 - 20 |
Лесопарки и заповедники | 100 единовременных посетителей | 7 - 10 |
Базы кратковременного отдыха (спортивные, лыжные, рыболовные, охотничьи и др.) | 100 единовременных посетителей | 10 - 15 |
Береговые базы маломерного флота | 100 единовременных посетителей | 10 - 15 |
Дома отдыха и санатории, санатории-профилактории, базы отдыха предприятий и туристские базы | 100 отдыхающих и обслуживающего персонала | 3 - 5 |
Предприятия общественного питания, торговли | 100 мест в залах или единовременных посетителей и персонала | 7 - 10 |
Для определения нормативного числа парковочных мест применяют корректирующие коэффициенты, учитывающие уровень обеспеченности доступа к объекту с использованием НПТОП.
Разделение объектов нежилого назначения по функциональному назначению на категории для формирования корректирующих коэффициентов представлено в
таблице Т.1.
Корректирующий коэффициент выбирают на основании категории объекта нежилого назначения в соответствии с
таблицей Т.1 с учетом характеристик обеспечения территории услугами НПТОП в соответствии с
таблицей Т.2.
Для многофункциональных объектов расчет следует проводить раздельно в зависимости от параметров каждой функциональной части объекта в соответствии с
таблицей Т.3, с учетом корректирующих коэффициентов, а затем суммируют для всего объекта.
[1] Федеральный
закон от 30 декабря 2009 г. N 384-ФЗ "Технический регламент о безопасности зданий и сооружений"
[2] Федеральный
закон от 23 ноября 2009 г. N 261-ФЗ "Об энергосбережении и о повышении энергетической эффективности и о внесении изменений в отдельные законодательные акты Российской Федерации"
[3] Федеральный
закон от 30 марта 1999 г. N 52-ФЗ "О санитарно-эпидемиологическом благополучии населения"
[4] Федеральный
закон от 29 декабря 2004 г. N 190-ФЗ "Градостроительный кодекс Российской Федерации"
[5] Федеральный
закон от 10 января 2002 г. N 7-ФЗ "Об охране окружающей среды"
[6]
Постановление Правительства Российской Федерации от 16 февраля 2008 г. N 87 "О составе разделов проектной документации и требованиях к их содержанию"
[7]
Распоряжение Правительства Российской Федерации от 27 ноября 2021 г. N 3363-р "О Транспортной стратегии Российской Федерации до 2030 года с прогнозом на период до 2035 года"
(ссылка 7 в ред.
Изменения N 3, утв. Приказом Минстроя России от 26.12.2024 N 927/пр)
[8] Федеральный
закон от 22 июля 2008 г. N 123-ФЗ "Технический регламент о требованиях пожарной безопасности"
(ссылка введена
Изменением N 1, утв. Приказом Минстроя России от 24.12.2019 N 852/пр)
[9]
Постановление Совета Министров - Правительства Российской Федерации от 23 октября 1993 г. N 1090 "О Правилах дорожного движения"
(ссылка введена
Изменением N 1, утв. Приказом Минстроя России от 24.12.2019 N 852/пр)
[10]
Приказ Министерства транспорта Российской Федерации от 5 октября 2022 г. N 402 "Об утверждении Условий эксплуатации железнодорожных переездов"
(ссылка 10 введена
Изменением N 3, утв. Приказом Минстроя России от 26.12.2024 N 927/пр)
[11] ПУЭ Правила устройства электроустановок (7-е изд.)
(ссылка 11 введена
Изменением N 3, утв. Приказом Минстроя России от 26.12.2024 N 927/пр)
[12] Федеральный
закон от 8 ноября 2007 г. N 257-ФЗ "Об автомобильных дорогах и дорожной деятельности в Российской Федерации и о внесении изменений в отдельные законодательные акты Российской Федерации"
(ссылка 12 введена
Изменением N 3, утв. Приказом Минстроя России от 26.12.2024 N 927/пр)