Главная // Актуальные документы // ПравилаСПРАВКА
Источник публикации
М., 2017
Примечание к документу
Документ включен в
Перечень документов в области стандартизации, в результате применения которых на добровольной основе обеспечивается соблюдение требований Федерального
закона от 30.12.2009 N 384-ФЗ "Технический регламент о безопасности зданий и сооружений" (
Приказ Росстандарта от 02.04.2020 N 687).
Документ включен в
Перечень документов в области стандартизации, в результате применения которых на добровольной основе обеспечивается соблюдение требований Федерального
закона от 30.12.2009 N 384-ФЗ "Технический регламент о безопасности зданий и сооружений" (
Приказ Росстандарта от 17.04.2019 N 831).
Документ
введен в действие с 15 мая 2018 года.
Название документа
"СП 323.1325800.2017. Свод правил. Территории селитебные. Правила проектирования наружного освещения"
(утв. и введен в действие Приказом Минстроя России от 14.11.2017 N 1542/пр)
"СП 323.1325800.2017. Свод правил. Территории селитебные. Правила проектирования наружного освещения"
(утв. и введен в действие Приказом Минстроя России от 14.11.2017 N 1542/пр)
Утвержден и введен в действие
и жилищно-коммунального хозяйства
Российской Федерации
от 14 ноября 2017 г. N 1542/пр
СВОД ПРАВИЛ
ТЕРРИТОРИИ СЕЛИТЕБНЫЕ.
ПРАВИЛА ПРОЕКТИРОВАНИЯ НАРУЖНОГО ОСВЕЩЕНИЯ
Residential areas. Urban and road lighting design
СП 323.1325800.2017
Дата введения
15 мая 2018 года
Сведения о своде правил
1 ИСПОЛНИТЕЛИ - Федеральное государственное бюджетное учреждение "Научно-исследовательский институт строительной физики Российской академии архитектуры и строительных наук" (НИИСФ РААСН) и Общество с ограниченной ответственностью "ЦЕРЕРА-ЭКСПЕРТ" (ООО "ЦЕРЕРА-ЭКСПЕРТ")
2 ВНЕСЕН Техническим комитетом по стандартизации ТК 465 "Строительство"
3 ПОДГОТОВЛЕН к утверждению Департаментом градостроительной деятельности и архитектуры Министерства строительства и жилищно-коммунального хозяйства Российской Федерации (Минстрой России)
4 УТВЕРЖДЕН
приказом Министерства строительства и жилищно-коммунального хозяйства Российской Федерации от 14 ноября 2017 г. N 1542/пр и введен в действие с 15 мая 2018 г.
5 ЗАРЕГИСТРИРОВАН Федеральным агентством по техническому регулированию и метрологии (Росстандарт)
6 РАЗРАБОТАН ВПЕРВЫЕ
В случае пересмотра (замены) или отмены настоящего свода правил соответствующее уведомление будет опубликовано в установленном порядке. Соответствующая информация, уведомление и тексты размещаются также в информационной системе общего пользования - на официальном сайте разработчика (Минстрой России) в сети Интернет
Настоящий свод правил разработан в развитие Федерального
закона от 30 декабря 2009 г. N 384-ФЗ "Технический регламент о безопасности зданий и сооружений",
СП 52.13330 "СНиП 23-05-95* Естественное и искусственное освещение", с учетом требований Федерального
закона от 23 ноября 2009 г. N 261-ФЗ "Об энергосбережении и о повышении энергетической эффективности и о внесении изменений в отдельные законодательные акты Российской Федерации".
Свод правил устанавливает правила расчета и проектирования наружного искусственного освещения селитебных территорий.
Свод правил разработан авторским коллективом: федеральное государственное бюджетное учреждение "Научно-исследовательский институт строительной физики Российской академии архитектуры и строительных наук" (канд. техн. наук И.А. Шмаров, канд. техн. наук В.А. Земцов, инж. Л.В. Бражникова), ООО "ЦЕРЕРА-ЭКСПЕРТ" (инж. Е.А. Литвинская), ООО "Билайт-трейд" (канд. техн. наук С.М. Гвоздев, инж. Н.Д. Садовникова), Нижегородский государственный технический университет им. Р.Е. Алексеева (канд. техн. наук Е.Б. Солнцев, инж. О.Ю. Малафеев), Программа развития ООН (инж. А.С. Шевченко), ЗАО "Светлана-Оптоэлектроника" (канд. техн. наук А.А. Богданов), инж. В.В. Чернов).
1.1 Настоящий свод правил распространяется на проектирование и реконструкцию наружного освещения селитебных территорий городов, поселков и сельских населенных пунктов (освещение улиц, дорог, площадей, пешеходных переходов, пешеходных пространств, территорий жилых районов).
Настоящий свод правил не распространяется на освещение территорий спортивных сооружений, метрополитенов, железнодорожных станций и их путей, аэродромов, морских и речных портов, а также на проектирование специального технологического и охранного освещения.
В настоящем своде правил использованы нормативные ссылки на следующие документы:
ГОСТ 21.110-2013 Система проектной документации для строительства. Спецификация оборудования, изделий и материалов
ГОСТ 21.114-2013 Система проектной документации для строительства. Правила выполнения эскизных чертежей общих видов нетиповых изделий
ГОСТ 21.607-2014 Система проектной документации для строительства. Правила выполнения рабочей документации наружного электрического освещения
ГОСТ 30331.1-2013 Электроустановки низковольтные. Часть 1. Основные положения, оценка общих характеристик, термины и определения
ГОСТ 31946-2012 Провода самонесущие изолированные и защищенные для воздушных линий электропередачи. Общие технические условия
ГОСТ 32144-2013 Электрическая энергия. Совместимость технических средств электромагнитная. Нормы качества электрической энергии в системах электроснабжения общего назначения
ГОСТ Р 12.4.026-2001 Система стандартов безопасности труда. Цвета сигнальные, знаки безопасности и разметка сигнальная. Назначение и правила применения. Общие технические требования и характеристики. Методы испытаний
ГОСТ Р 21.1101-2013 Система проектной документации для строительства. "Основные требования к проектной и рабочей документации"
ГОСТ Р 50030.2-2010 Аппаратура распределения и управления низковольтная. Часть 2. Автоматические выключатели
ГОСТ Р 50571.4.43-2012 Электроустановки низковольтные. Часть 4-43. Требования по обеспечению безопасности. Защита от сверхтока
ГОСТ Р 50571.5.54-2013 Электроустановки низковольтные. Часть 5-54. Выбор и монтаж электрооборудования. Заземляющие устройства, защитные проводники и защитные проводники уравнивания потенциалов
ГОСТ Р 54350-2015 Приборы осветительные. Светотехнические требования и методы испытаний
ГОСТ Р 55840-2013 Источники света и приборы осветительные. Представление данных для расчета освещения
СП 256.1325800.2016 Электроустановки жилых и общественных зданий. Правила проектирования и монтажа
СанПиН 2.2.1/2.1.1.1278-03 Гигиенические требования к естественному, искусственному и совмещенному освещению жилых и общественных зданий
Примечание - При пользовании настоящим сводом правил целесообразно проверить действие ссылочных документов в информационной системе общего пользования - на официальном сайте федерального органа исполнительной власти в сфере стандартизации в сети Интернет или по ежегодному информационному указателю "Национальные стандарты", который опубликован по состоянию на 1 января текущего года, и по выпускам ежемесячного информационного указателя "Национальные стандарты" за текущий год. Если заменен ссылочный документ, на который дана недатированная ссылка, то рекомендуется использовать действующую версию этого документа с учетом всех внесенных в данную версию изменений. Если заменен ссылочный документ, на который дана датированная ссылка, то рекомендуется использовать версию этого документа с указанным выше годом утверждения (принятия). Если после утверждения настоящего свода правил в ссылочный документ, на который дана датированная ссылка, внесено изменение, затрагивающее положение на которое дана ссылка, то это положение рекомендуется применять без учета данного изменения. Если ссылочный документ отменен без замены, то положение, в котором дана ссылка на него, рекомендуется применять в части, не затрагивающей эту ссылку. Сведения о действии сводов правил целесообразно проверить в Федеральном информационном фонде стандартов.
В настоящем своде правил применены следующие термины с соответствующими определениями:
3.1
аппарат защиты: Аппарат, автоматически отключающий защищаемую электрическую цепь при ненормальных режимах. [СП 256.1325800.2016, 3.1.2] |
3.2 вечерняя фаза: Фаза питающей или распределительной электрической сети наружного освещения, отключаемая в ночные часы (часы спада интенсивности движения).
3.3 групповая сеть: Электрическая сеть от пунктов питания наружного освещения до световых приборов.
3.4
дифференциальный ток  : Среднеквадратичное значение векторной суммы токов, протекающих через главную цепь устройства дифференциального тока. [ГОСТ 30331.1-2013, 20.6] |
3.5 дорога (в городском или сельском поселении): Автомобильная дорога, являющаяся составным элементом городской или сельской дорожно-уличной сети или соединяющая городское или сельское поселение с функционально связанными с ним объектами, но в отличие от улиц, прокладываемая по свободным от застройки территориям.
3.6
защитный проводник PE: Проводник, предназначенный для целей электрической безопасности, например, для защиты от поражения электрическим током. [ГОСТ 30331.1-2013, 20.23] |
3.7
интенсивность движения транспорта, единиц в час: Число транспортных средств в единицу времени, проходящих через поперечное сечение полотна дороги в часы пик в обоих направлениях. |
3.8 коэффициент эксплуатации осветительной установки MF, относительные единицы: Коэффициент, равный отношению освещенности или яркости в заданной точке, создаваемой осветительной установкой в конце установленного срока эксплуатации, к освещенности или яркости в той же точке в начале эксплуатации.
Примечания
1 Коэффициент учитывает снижение освещенности или яркости в процессе эксплуатации осветительной установки вследствие спада светового потока, выхода из строя источников света и невосстанавливаемого изменения отражающих и пропускающих свойств оптических элементов осветительных приборов, а также загрязнения поверхностей, проезжей части дороги или тротуара:
MF = MFсп·MFви·MFоп,
где MFсп - коэффициент, учитывающий спад светового потока источников света;
MFви - коэффициент, учитывающий выход из строя источников света;
MFоп - коэффициент, учитывающий загрязнение и невосстанавливаемое изменение отражающих и пропускающих свойств оптических элементов осветительных приборов.
2 Коэффициент эксплуатации обратно пропорционален коэффициенту запаса Kз (MF = 1/Kз).
3.9
нейтраль: Общая часть многофазной системы переменного тока, соединенной звездой, находящаяся под напряжением, или средняя часть однофазной системы переменного тока, находящаяся под напряжением. [ГОСТ 30331.1-2013, 20.33] |
3.10
нейтральный проводник N: Проводник, электрически присоединенный к нейтрали и используемый для передачи электрической энергии. |
3.11 ночная фаза: Фаза групповой или распределительной сети наружного освещения, не отключаемая в ночные часы.
3.12
освещенность E, лк: Отношение светового потока dФ, падающего на элемент поверхности, содержащий рассматриваемую точку, к площади dA этого элемента: E = dФ/dA. |
3.13
относительная удельная мощность дорожного освещения Dp, Вт/(м2·лк): Показатель энергоэффективности освещения участка дороги, определяемый отношением мощности установленного осветительного оборудования к площади участка и средней освещенности. |
3.14
перекресток: Транспортный узел, в котором две или более улиц или дорог соединяются или пересекаются в одном уровне. |
3.15
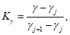
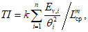
полуцилиндрическая освещенность Eпц, лк: Отношение светового потока, падающего на внешнюю поверхность бесконечно малого полуцилиндра с центром в заданной точке, к площади цилиндрической поверхности этого полуцилиндра. Примечания 1 Если не оговорено противное, то ось полуцилиндра должна располагаться вертикально. 2 Применительно к утилитарному наружному освещению полуцилиндрическую освещенность используют в качестве критерия оценки различения лиц встречных пешеходов и определяют как среднюю плотность светового потока на цилиндрической поверхности бесконечно малого полуцилиндра, расположенного вертикально на продольной линии улицы на высоте 1,5 м и ориентированного внешней нормалью к плоской боковой поверхности полуцилиндра в направлении преимущественного движения пешеходов. |
3.16 пороговое приращение яркости TI, %: Критерий, регламентирующий слепящее действие светильников осветительной установки в поле зрения водителя транспортного средства; характеризует увеличение контраста между объектом и его фоном, при котором видимость объекта при наличии блеского источника света стала бы такой же, как и в его отсутствие и определяется по формуле
где Lср - средняя яркость дорожного покрытия, кд/м2;
k - множитель, равный 950 при Lср > 5 кд/м2 и 650 при Lср <= 5 кд/м2;
m - коэффициент равный 1,05 при Lср > 5 кд/м2 и 0,8 при Lср <= 5 кд/м2;
Ev,i - вертикальная освещенность на глазу водителя от i-го светильника, лк;

- угол между направлением на
i-й светильник и линией зрения, град;
n - число светильников, попадающих в поле зрения водителя в пределах интервала угла

.
3.17
предельная равномерность распределения освещенности (яркости) Ud: Отношение минимальной освещенности (яркости) к максимальной: Ud = Eмин/Eмакс (Ud = Lмин/Lмакс). |
3.18
продольная равномерность распределения яркости дорожного покрытия Ui: Отношение минимального значения яркости дорожного покрытия Lмин к максимальному его значению Lмакс по оси полосы движения: Ui = Lмин/Lмакс. |
3.19
проезд: Территория, предназначенная для движения как транспорта, так и пешеходов. |
3.20
рабочая поверхность: Поверхность, на которой производится работа, нормируется и измеряется освещенность. |
3.21 равномерность распределения освещенности Uh: Отношение минимального значения освещенности к среднему значению освещенности
Uh = Eмин/Eср.
3.22 равномерность распределения яркости общая; Uо: Отношение минимального значения яркости дорожного покрытия к среднему.
3.23
развязка: Пересечение дорог в разных уровнях со съездами для перехода транспортных средств с одной дороги на другую. |
3.24 распределительная сеть наружного освещения: Электрическая сеть низкого напряжения от трансформаторных подстанций, вводных устройств, вводно-распределительных устройств, главных распределительных щитов до пунктов питания наружного освещения.
3.25
расчетная скорость движения: Максимальная скорость движения одиночного автомобиля, принятая при проектировании дороги. |
3.26
самонесущий изолированный провод: Многожильный провод для воздушных линий электропередачи, содержащий изолированные жилы и несущий элемент, предназначенный для крепления или подвески провода. |
3.27
светодиод: Источник света, основанный на испускании некогерентного излучения в видимом диапазоне длин волн при пропускании электрического тока через полупроводниковый диод. |
3.28
светораспределение: Распределение светового потока осветительного прибора во внешнем пространстве, выражаемое через распределение силы света или освещенности по заданной поверхности. |
3.29
селитебная территория: Территория, предназначенная для размещения жилищного фонда, общественных зданий и сооружений, а также отдельных коммунальных и промышленных объектов, не требующих устройства санитарно-защитных зон, для устройства путей внутригородского сообщения, улиц, площадей, парков, садов, бульваров и других мест общего пользования. |
3.30
совмещенный защитный заземляющий и нейтральный проводник (PEN-проводник): Проводник, выполняющий функции защитного заземляющего, а также нейтрального проводников. [ГОСТ 30331.1-2013, 20.70] |
3.31
средняя освещенность на дорожном покрытии Eср, лк: Освещенность на дорожном покрытии, средневзвешенная по площади заданного участка. |
3.32
средняя яркость дорожного покрытия Lср, кд/м2: Яркость сухого дорожного покрытия в направлении глаза наблюдателя, находящегося в стандартных условиях наблюдения на оси полосы движения транспорта, средневзвешенная по площади проезжей части заданного участка. |
3.33
стандартные условия наблюдения в дорожном освещении: Регламентируемые при расчете яркости дорожного покрытия условия наблюдения водителем транспортного средства, при которых глаз наблюдателя располагается на высоте 1,5 м над дорожным покрытием и удален от расчетной точки на расстояние, при котором линия зрения направлена в расчетную точку под углом (1,0 +/- 0,5)° к плоскости дороги. |
3.34
ток короткого замыкания: Сверхток, появляющийся в результате короткого замыкания, вызываемого повреждением или неправильным соединением в электрической сети. [ГОСТ IEC 60947-1-2014, 2.1.6] |
3.35
тротуар: Пешеходная часть улицы. |
3.36
улица: Пространство, полностью или частично ограниченное зданиями с одной или обеих сторон, с проезжей частью для транспорта, пешеходными, а при необходимости - и велосипедными дорожками. |
3.37
установленная скорость движения: Максимальная проектная скорость движения транспорта. |
3.38
утилитарное наружное освещение: Стационарное освещение, предназначенное для обеспечения безопасного и комфортного движения транспортных средств и пешеходов. |
3.39
участок дороги со стандартной геометрией проезжей части: Участок дороги или улицы, проезжая часть которого представляет собой плоское прямоугольное полотно длиной, определяемой стандартными условиями наблюдения. Примечание - Для участков со стандартной геометрией проезжей части нормируются и яркость и освещенность дорожного покрытия. |
3.40
участок дороги с нестандартной геометрией проезжей части: Участок дороги или улицы, имеющий отклонения от стандартной геометрии, например, повороты, развилки, въезды и съезды с эстакад, криволинейные (в плане и профиле) участки и др. Примечание - Для участков с нестандартной геометрией проезжей части нормируется только освещенность дорожного покрытия. |
3.41
фазный проводник L: Линейный проводник, используемый в электрической цепи переменного тока. [ГОСТ 30331.1-2013, 20.91] |
3.42
электропроводка: Совокупность одного или более изолированных проводов, кабелей, шинопроводов или шин и частей для их прокладки, крепления и, при необходимости, механической защиты. |
3.43
энергетическая эффективность: Характеристики, отражающие отношение полезного эффекта от использования энергетических ресурсов к затратам энергетических ресурсов, произведенным в целях получения такого эффекта, применительно к продукции, технологическому процессу, юридическому лицу, индивидуальному предпринимателю. |
3.44
энергосбережение: Реализация организационных, правовых, технических, технологических, экономических и иных мер, направленных на уменьшение объема используемых энергетических ресурсов при сохранении соответствующего полезного эффекта от их использования (в том числе объема произведенной продукции, выполненных работ, оказанных услуг). |
3.45
яркость L, кд/м 2: Отношение светового потока d2Ф, переносимого элементарным пучком лучей, проходящим через заданную точку и распространяющимся в телесном угле  , содержащем заданное направление, к произведению площади проходящего через заданную точку сечения этого пучка dA, косинуса угла  между нормалью к этому сечению и направлением пучка лучей и телесного угла  : [СП 52.13330.2016, 3.112] |
4.1 Наружное освещение (НО) должно не только обеспечивать нормируемые условия освещения, но и быть энергосберегающим. Проектируемая осветительная установка утилитарного наружного освещения должна обеспечивать:
- яркость и освещенность дорожного покрытия не менее нормируемых
СП 52.13330, с учетом коэффициента эксплуатации, для выполнения зрительных задач в течение периода эксплуатации установки;
- относительную удельную установленную мощность осветительной установки, не превышающую нормируемую
СП 52.13330 в целях обеспечения энергосбережения;
- качественные показатели освещения - равномерность распределения освещенности и яркости, ограничение слепящего действия осветительной установки по пороговому приращению яркости
TI, соответствующие
СП 52.13330 для создания комфортных условий для работы зрения.
4.2 При разработке проектов наружного освещения следует выбирать источники света и осветительные приборы, с наибольшими световой отдачей и сроком службы при равной мощности.
4.3 Применение для наружного освещения ламп накаливания, дуговых разрядных ламп ограничено, поскольку при наружном утилитарном освещении они не могут обеспечивать нормируемые значения относительной удельной мощности, приведенные в
СП 52.13330. Применение для освещения ламп накаливания общего назначения мощностью 100 Вт и более запрещено законодательно
[1].
4.4 Требования к источникам света, в том числе применяемым для наружного утилитарного освещения, изложены в
[2].
Так в утилитарном наружном освещении минимально допустимые значения световой отдачи источников света должны быть не менее:
- 50 лм/Вт - при использовании натриевых ламп высокого давления и металлогалогенных ламп;
- 30 лм/Вт - при использовании дуговых ртутных люминесцентных ламп;
- 60 лм/Вт - при использовании светодиодов или светодиодных ламп.
4.5 При разработке проектов наружного освещения для обеспечения государственных и муниципальных нужд следует учитывать требования
[3].
Поскольку
[3] накладывает запрет на приобретение неэффективных источников света, пускорегулирующей аппаратуры и осветительных приборов, в проектах наружного освещения, выполняемых для государственных и муниципальных нужд, не следует применять:
- светильники с неэлектронными пускорегулирующими аппаратами для трубчатых люминесцентных ламп;
- светильники с дуговыми ртутными лампами;
- светильники с двухцокольными люминесцентными лампами с цоколем G13, за исключением случаев, когда для освещения в соответствии с
СанПиН 2.2.1/2.1.1.1278 не могут применяться светодиодные источники света.
4.6 При разработке проектов освещения рекомендуется проводить расчеты проектных решений для выбора варианта, обеспечивающего наибольшую энергетическую эффективность и экономичность.
5. Выбор нормируемых показателей наружного освещения
5.1. Выбор нормируемых показателей освещения улиц, дорог, площадей
| | ИС МЕГАНОРМ: примечание. В официальном тексте документа, видимо, допущена опечатка: пункт 7.33 в СП 52.13330.2016 отсутствует. | |
5.1.1 Классификация улично-дорожной сети городских и сельских поселений производится в соответствии с 7.33
СП 52.13330.2016. Она учитывает класс дорог, расчетную скорость движения, число полос движения в обоих направлениях и их пропускную скорость, тыс. ед./ч.
5.1.2 При выборе нормативных показателей учитывается расположение городского поселения. Освещение проезжей части улиц, дорог и площадей городских поселений, расположенных в северной строительно-климатической зоне азиатской части России и севернее 66° северной широты в европейской части России, следует проектировать исходя из значений средней горизонтальной освещенности
Eср, лк, слепящего действия, по пороговому приращению яркости
TI, равномерности освещенности дорожного покрытия
Eмин/
Eср, отн. ед., максимальной относительной удельной мощности
Dp, мВт·м
-2·лк
-1, значения которых приведены в
таблице 5.1.
5.1.3 На остальной части территории России освещение проезжей части участков улиц, дорог и площадей городских поселений со стандартной геометрией с регулярным транспортным движением следует проектировать обеспечивая, как значения средней яркости дорожных покрытий
Lср, кд/м
2, общей и продольной равномерности яркости дорожного покрытия
Lмин/
Lср, отн. ед.,
Lмин/
Lмакс, отн. ед., так и значения средней горизонтальной освещенности
Eср, лк, и равномерности освещенности дорожного покрытия
Eмин/
Eср, отн. ед. Необходимо также ограничивать слепящее действие по пороговому приращению яркости
TI и относительную удельную мощность
Dp, мВт·м
-2·лк
-1, значения которых приведены в
таблице 5.1.
5.1.4 Освещение проезжей части участков улиц, дорог и площадей городских поселений с нестандартной геометрией с регулярным транспортным движением следует проектировать исходя из значений средней горизонтальной освещенности дорожных покрытий
Eср, лк, слепящего действия и равномерности освещенности
Eмин/
Eср, отн. ед., и максимальной относительной удельной мощности
Dp, мВт·м
-2·лк
-1, значения которых приведены в
таблице 5.1.
5.1.5 Нормы освещения рекомендуется увеличивать на 0,2 кд/м2 (или на 5 лк) для осветительных установок улиц, дорог и площадей категорий А (за исключением класса А1) и Б, а также вне города на подъездах к аэропортам, вокзалам, гипер- и супермаркетам.
5.1.6 Средняя яркость или средняя освещенность покрытия проезжей части в границах транспортного пересечения в двух и более уровнях на всех пересекающихся магистралях должна быть как на основной из них или 15 лк, а на съездах и ответвлениях - не менее 1,2 кд/м2.
5.1.7 Для улучшения параметров наружных осветительных установок (ОУ) магистральных улиц и скоростных дорог их проектирование рекомендуется по возможности выполнять комплексно с проектированием дорожного покрытия, предусматривая на этих объектах:
укладку шероховатого или осветленного шероховатого покрытия с дорсилом в населенных пунктах с повышенным количеством жидких атмосферных осадков;
укладку осветленного шероховатого покрытия с дорсилом в транспортных тоннелях, на улицах, дорогах и площадях категории А с нормированной средней яркостью покрытия 1,2 - 1,6 кд/м2.
5.1.8 На улицах с разделительной полосой и тремя полосами движения в одном направлении рекомендуется укладывать осветленное шероховатое дорожное покрытие в следующем процентном соотношении: ближайшая полоса к линии расположения светильников должна содержать дорсила 33%; вторая полоса - 38%, третья - 43%, что дает возможность снизить установленную мощность до 25% и повысить равномерность распределения яркости на 40% по сравнению с шероховатым асфальтобетоном.
5.1.9 Слепящее действие на улицах, дорогах и площадях ограничивается значениями порогового приращения яркости TI.
На улицах, дорогах и транспортных зонах площадей пороговое приращение яркости
TI не должно превышать значений, указанных в
таблице 5.1.
5.1.10 На улицах, дорогах и транспортных зонах площадей, в случае нормирования освещенности, должна быть ограничена предельная сила света светильников в направлении движения водителей под углами 80° и 90° от вертикали значениями 30 и 10 кд, соответственно, на 1000 лм суммарного светового потока источников света в светильнике.
Таблица 5.1
Нормируемые показатели для улиц и дорог городских
поселений с регулярным транспортным движением
с асфальтобетонным покрытием
Категория объекта | Класс объекта | Средняя яркость дорожного покрытия Lср, кд/м2, не менее | Общая равномерность яркости дорожного покрытия Uо, не менее | Продольная равномерность яркости дорожного покрытия Ul, не менее | Пороговое приращение яркости TI, %, не более | Средняя горизонтальная освещенность дорожного покрытия, Eср, лк, не менее | Равномерность освещенности дорожного покрытия Uh, не менее | Максимальная относительная удельная мощность при нормируемой освещенности, Dp, мВт·м-2·лк-1, не более |
А | А1 | 2,0 | 0,4 | 0,7 | 10 | 30 | 0,35 | 60 |
А2 | 1,6 | 0,4 | 0,7 | 10 | 20 | 0,35 | 50 |
А3 | 1,4 | 0,4 | 0,7 | 12 | 20 | 0,35 | 48 |
А4 | 1,2 | 0,4 | 0,7 | 12 | 20 | 0,35 | 45 |
Б | Б1 | 1,2 | 0,4 | 0,6 | 12 | 20 | 0,35 | 45 |
Б2 | 1,0 | 0,4 | 0,6 | 15 | 15 | 0,35 | 53 |
В | В1 | 0,8 | 0,4 | 0,5 | 15 | 15 | 0,25 | 50 |
В2 | 0,6 | 0,4 | 0,5 | 15 | 10 | 0,25 | 50 |
В3 | 0,4 | 0,35 | 0,4 | 20 | 6 | 0,25 | 50 |
5.1.11 При наличии трамвайного и троллейбусного движений высота установок световых приборов принимается с учетом подвешивания контактных проводов по
СП 98.13330.
5.1.12 При использовании для освещения больших площадей и транспортных развязок, в том числе и в нескольких уровнях, опор высотой 20 м и более, устанавливаемые на них световые приборы должны обеспечивать максимум силы света под углом не более 65° от вертикали, при этом сила света под углами 80°, 85°, 90° в рабочем положении не должна превышать соответственно 50, 30 и 10 кд на 1000 лм суммарного светового потока ламп в светильнике. Высота расположения светильников над дорожным покрытием проезжей части верхнего уровня транспортного пересечения должна быть не менее 10 м.
5.1.13 Норма средней горизонтальной освещенности и равномерности освещенности трамвайных путей, расположенных на проезжей части улиц, должна соответствовать значению освещения улицы согласно
таблице 5.1. Средняя горизонтальная освещенность обособленного трамвайного пути должна быть 10 лк.
5.1.14 Минимальная высота установки светильников в парапетах мостов и путеводов и других объектов не ограничивается при условии обеспечения защитного угла не менее 10° и исключения возможности доступа к лампам и пускорегулирующим аппаратам без применения специального инструмента.
5.1.15 Наружное освещение городских улиц, дорог и площадей при нормируемой средней яркости более 0,8 кд/м2 или средней освещенности более 15 лк в ночное время допускается снижать:
на 30% - при уменьшении интенсивности движения до 1/3 максимального значения;
на 50% - при уменьшении интенсивности движения до 1/5 максимального значения.
5.1.16 Не допускается в ночное время частичное отключение светильников при однорядном их расположении и установке по одному светильнику на опоре, а также на пешеходных мостиках, автостоянках, пешеходных аллеях и дорогах, внутренних, служебно-хозяйственных и пожарных проездах, а также на улицах и дорогах сельских поселений.
Для надежной ориентации водителей и пешеходов светильники должны располагаться таким образом, чтобы образуемая ими линия ясно и однозначно указывала направление дороги.
5.1.17 Среднюю горизонтальную освещенность
Eср на уровне покрытия улиц, дорог, проездов и площадей сельских поселений следует принимать по
таблице 7.11 СП 52.13330.2016.
5.1.18 На подъездах к местам заправки и хранения транспорта, на открытых стоянках автомобилей на улицах нормы средней горизонтальной освещенности должны соответствовать
таблице 7.12 СП 52.13330.2016.
5.1.19 Световые приборы, установленные на территории АЗС и стоянках автомобилей, прилегающих к улицам и дорогам с регулярным транспортным движением, должны быть с ограничением по силе света 30 кд на 1000 лм суммарного светового потока ламп в светильнике в направлениях, при которых эти приборы видимы водителям проезжающего по этим улицам транспорта. Для освещения указанных объектов не допускается применять прожекторы, расположенные на крышах и навесах и направленные в сторону улицы или дороги.
5.2. Выбор нормированных показателей освещения пешеходных переходов
5.2.1 Освещение наземных пешеходных переходов должно обеспечивать людям безопасное пересечение проезжей части и возможность видеть препятствия и дефекты дорожного покрытия. Для предупреждения водителей и пешеходов рекомендуется применять в зоне перехода освещение другой цветности.
5.2.2 На пешеходных переходах в одном уровне с проезжей частью улиц и дорог категорий А и Б следует предусматривать повышение освещения не менее чем в 1,5 раза по сравнению с освещением пересекаемой проезжей части. Увеличение освещения достигается за счет уменьшения шага опор, установки дополнительных или более мощных осветительных приборов, применения осветленного покрытия на переходе и т.п.
5.2.3 Значения средней горизонтальной освещенности
Eср для подземных и надземных пешеходных переходов приведены в
таблице 7.13 СП 52.13330.2016.
Равномерность освещенности, определяемая отношением Eмин/Eср, на уровне покрытия подземных и надземных переходов должна быть не менее 0,3.
В подземных и надземных пешеходных переходах должны применяться светильники с защитным углом не менее 15° или с диффузными или призматическими рассеивателями.
5.3. Выбор нормируемых показателей освещения пешеходных пространств
5.3.1 Освещение пешеходных пространств следует проектировать исходя из нормы средней горизонтальной освещенности
Eср и отношения минимальной освещенности к средней
Eмин/
Eср. Основные объекты пешеходных пространств классифицируются и нормируются в соответствии с
таблицей 7.21 СП 52.13330.2016.
5.3.2 На главных пешеходных улицах исторической части города дополнительно нормируется полуцилиндрическая освещенность по направлению преимущественного движения, среднее значение которой должно быть не менее 6 лк, минимальное - не менее 2 лк.
5.3.3 Средняя освещенность покрытий тротуаров, примыкающих к проезжей части улиц, дорог и площадей, должна быть не менее половины средней освещенности покрытия проезжей части этих улиц, дорог и площадей, установленной в
таблице 5.1.
Значение равномерности освещенности покрытия тротуара Eмин/Eср должно быть не менее 0,3.
5.3.4 Слепящее действие световых приборов для пешеходных пространств регламентируется отношением
I85/
A0,5, где
I85 - сила света светильника под углом 85° к вертикали, максимальная по всем азимутальным углам;
A - площадь проекции светящей поверхности светильника на вертикальную плоскость, перпендикулярную к горизонтальному направлению, лежащему в одной вертикальной плоскости с направлением силы света
I85, м
2. Указанное отношение в зависимости от высоты установки светильников не должно превышать: 4000 - при высоте 4,5 м и менее; 5500 - при высоте от 4,5 до 6 м; 7000 - при высоте более 6 м.
5.3.5 На территории открытых рынков и торговых ярмарок средняя горизонтальная освещенность площадок, проездов, проходов между рядами павильонов, палаток, контейнеров и др. должна быть не менее 10 лк вне зависимости от их категории и занимаемой площади.
Отношение вертикальной освещенности к горизонтальной в проходах между рядами палаток должно быть не менее 1:2. При этом вертикальная освещенность определяется в поперечной плоскости к оси проезда на высоте 1,5 м; горизонтальная освещенность - на уровне покрытия.
После закрытия рынка или торговой ярмарки допускается снижать уровень средней горизонтальной освещенности до 4 лк. При этом минимальная освещенность не должна быть менее 2 лк.
5.4. Освещение территорий жилых районов
5.4.1 Внутри жилых кварталов уровни и равномерность освещения улиц местного значения следует проектировать исходя из соответствующих норм освещения улиц классов В1 и В2 согласно
таблице 5.1, а проездов и пешеходных трасс - пешеходных пространств классов П4 и П5 по
таблице 7.21 СП 52.13330.2016.
Слепящее действие световых приборов для проездов и пешеходных зон внутри жилых кварталов регламентируется согласно
5.3.4.
5.4.2 Суммарная вертикальная освещенность на окнах жилых зданий, создаваемая установками наружного освещения всех видов, включая уличные, архитектурные, рекламные и витринные, не должна превышать значений, приведенных в
таблице 7.22 СП 52.13330.2016.
5.4.3 На пешеходных улицах вне общественного центра, на внутридворовых территориях, на улицах, прилегающих к спальным корпусам больниц и лечебно-курортных учреждений, вертикальная освещенность на окнах квартир жилых зданий и палат спальных корпусов не должна превышать 5 лк.
5.4.4 В целях ограничения засветки окон следует применять светильники с ограниченными значениями силы света в направлении окон или светильники с экранирующими решетками.
5.4.5 В проектах наружного освещения необходимо предусматривать освещение подъездов к противопожарным водоисточникам, если они расположены на неосвещенных частях проездов. Средняя горизонтальная освещенность этих подъездов должна быть не менее 2 лк.
5.4.6 Над каждым входом в здание или рядом с ним должны быть установлены светильники, обеспечивающие уровни средней горизонтальной освещенности не менее, лк:
- 6 - на площадке основного входа;
- 4 - запасного или технического входа;
- 4 - на пешеходной дорожке длиной 4 м у основного входа в здание.
6. Расчет нормируемых показателей наружного освещения
6.1. Представление фотометрических данных на светильники наружного освещения
6.1.1 В расчете приняты следующие допущения:
- осветительные приборы (ОП) рассматривают как точечные источники света;
- свет, отраженный от окружающих дорогу поверхностей, не учитывают;
- затенение света ОП деревьями и другими объектами не учитывают;
- поглощение и рассеяние света в атмосфере не учитывают;
- поверхность дороги на рассматриваемом участке принимают горизонтальной, прямолинейной, с однородными отражающими свойствами.
6.1.2 Таблица распределений силы света ОП (I-таблица).
Распределение силы света ОП представляют в виде
I-таблицы, содержащей значения силы света
I по направлениям, определяемым соответствующими меридиональными и экваториальными углами в зависимости от принятой системы фотометрирования по
ГОСТ Р 54350.
6.1.3 При использовании компьютерного проектирования осветительных установок светораспределение ОП должно быть представлено в виде файлов стандартных форматов, например в
ies-формате по
ГОСТ Р 55840.
6.1.4 Значения силы света в I-таблице приводят к суммарному световому потоку ОП, равному 1 клм по формуле

(6.1)
где

- сила света ОП по направлению, определяемому углами
C и

, кд;
Ф - световой поток ОП, лм.
Методика расчета значений силы света по направлениям, не совпадающим с табличными, описана в
6.2.
6.1.5 Фотометрические данные ОП записываются в виде текстового файла в
ies-формате в соответствии с
приложением А ГОСТ Р 55840-2013.
6.1.6 В одном файле могут быть записаны данные нескольких ОП. В этом случае сразу после последней строки предыдущего ОП следует первая строка следующего.
6.2. Расчет силы света осветительного прибора в расчетную точку
6.2.1 Для ОП, светораспределение которого задано I-таблицей, расчет силы света в направлении к расчетной точке проводят в следующей последовательности:
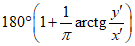
- определяют координаты x, y расчетной точки P относительно проекции светового центра ОП на дорогу F, расположение которых показано в плане на рисунке 6.1, по формулам:
x = xP - xF, (6.2)
1 - дорога; 2 - проекция наблюдателя на дорогу;
3 - расчетная точка на дороге; 4 - проекция светового
центра ОП на дорогу
Рисунок 6.1 - Положение расчетной точки
P
y = yP - yF, (6.3)
где xP, yP и xF, yF - координаты точек P и F соответственно в системе координат дороги;
- определяют угол

по формуле

(6.4)
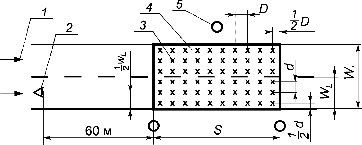
Примечание - Углы наклона ОП

,

,

относительно горизонтали показаны на рисунке 6.2.
1 - дорога; 2 - горизонталь; 3 - ОП в положении
при использовании

; 4 - ОП в положении
при измерении

Рисунок 6.2 - Определение углов наклона ОП
- для координат
x,
y и высоты
H (
рисунки 6.1 и 6.2) и углов ориентации ОП - в системе координат дороги
(рисунок 6.3), определяют координаты
x',
y' и
H' расчетной точки
P в системе координат ОП по формулам:

(6.5)

(6.6)

(6.7)
1 - продольная ось ОП; 2 - поперечная ось ОП;
3 - фотометрическая ось ОП; 4 - продольная ось дороги
(направление движения)
Рисунок 6.3 - Положительные направления вращений
системы координат ОП
Примечание - На рисунке 6.3 показаны оси и положительные направления вращений системы координат ОП из положения при измерении

в положение при использовании

.
- рассчитывают значения углов
C и

в системе координат ОП, определяющие направление силы света ОП в точку
P:
- экваториальный угол C определяют по формуле

(6.8)
где угол

определяют по формулам, приведенным в таблице 6.1;
Таблица 6.1
Формулы для расчета угла

x' | y' | Интервал  | |
> 0 | >= 0 | | |
< 0 | | |
< 0 | < 0 | |
> 0 | | | |
= 0 | | - | 90° |
= 0 | принимают 0° |
- меридиональный угол

определяют по формулам, приведенным в таблице 6.2.
Таблица 6.2
Формулы для расчета угла

- для значений углов
C и

, используя
таблицы Е.1 -
Е.3 (приложение Е) ГОСТ Р 54350-2015 (
I-таблицы) и
формулы (6.9) -
(6.15), рассчитывают значение силы света

в направлении к расчетной точке
P.
6.2.2 Для ОП с круглосимметричным светораспределением значение силы света

для угла

определяют по
формуле (6.16).
Для определения значения силы света

по направлению, заданному углами
C и

, находят ячейку сетки углов
I-таблицы, которой соответствует данное направление. Для этого проверяют выполнение следующих неравенств:
Ci <=
C <=
Ci+1, при
i = 1, 2, ...
mI - 1, (6.9)

, при
j = 1, 2, ...
nI - 1, (6.10)
где
nI и
mI - число узлов сетки
I-таблицы по углам
C и

соответственно.
6.2.3 Для найденной ячейки интерполяционное значение силы света

рассчитывают по следующим или математически эквивалентным формулам:

(6.11)
где

(6.12)

(6.13)

(6.14)
где

(6.15)
Примечание - Интерполяция проведена сначала по углу
C, а затем по углу

. Последовательность проведения интерполяции не влияет на результат.
6.2.4 Для ОП с круглосимметричным светораспределением интерполяционное значение силы света

определяют в интервале значений угла

, для которого справедливо
неравенство (6.10), по следующей или математически эквивалентной формуле

(6.16)
6.3. Освещенность и равномерность распределения освещенности
6.3.1 Нормируемые параметры - средняя горизонтальная освещенность
Eср, равномерность освещенности
U0 на дорожном покрытии проезжей части и пешеходной зоны, средняя

и минимальная
Eпц мин полуцилиндрическая освещенность в пешеходной зоне, максимальная вертикальная освещенность
Eв на окнах примыкающих к улице зданий - установлены в
СП 52.13330.
6.3.2 Расчетные значения нормируемых параметров определяют по значениям освещенности в точках расчетного поля от ограниченного числа ОП.
6.3.3 Расчет значений параметров может проводиться инженерными методами (формулы для расчета приведены в
6.5) и с помощью специализированных компьютерных программ.
6.3.4 Значения
Eср,

,
Eпц мин,
Eв рассчитывают с учетом коэффициента эксплуатации, определенного в
СП 52.13330.
6.4. Схема выбора расчетных точек для расчета освещенности дорожного покрытия
6.4.1 Для участков дороги прямоугольной формы в расчет включают ОП, проекция которых на дорожную поверхность удалена от расчетной точки на расстояние не более 5-кратной высоты H расположения ОП.
6.4.2 Расчетные точки располагают на расчетном поле равномерно, как показано на
рисунке 6.4. Шаг расчетных точек определяют:
- в продольном направлении по формуле

(6.17)
где S - шаг ОП, м;
N - число расчетных точек в продольном направлении.
Если S <= 30 м, то N = 10, если S > 30 м, то N - наименьшее целое число, при котором S/N <= 3 м.
6.4.3 Крайние поперечные ряды расчетных точек должны отстоять от поперечных границ расчетного поля на расстоянии D/2.
- в поперечном направлении по формуле

(6.18)
где Wr - ширина проезжей части дороги или релевантной области, м;
n - число расчетных точек в поперечном направлении.
Если Wr <= 4,5 м, то n = 3, если Wr > 4,5 м, то n - наименьшее целое число, при котором Wr/n <= 1,5 м.
6.4.4 Крайние продольные ряды расчетных точек удалены от границ расчетного участка на расстояние d/2.
1 - расчетная точка; 2 - расчетное поле;
3 - ширина проезжей части или релевантной области (Wr);
4 - ОП
Рисунок 6.4 - Расчетное поле для расчета освещенности
6.4.5 Разметку узлов расчетной сетки для участка непрямоугольной формы выполняют наложением прямоугольной сетки на весь расчетный участок дороги. Пример расположения расчетных точек на развилке дороги показан на рисунке 6.5. Шаг расчетных точек в продольном
D и поперечном
d направлениях сетки должен быть не более 1,5 м. Расчет освещенности проводят только в узлах сетки, лежащих внутри границ релевантного участка, помеченных на
рисунке 6.4 знаком "x".
Рисунок 6.5 - Выбор расчетных точек на нестандартном
расчетном поле
6.4.6 В расчет включают ОП, проекция которых на дорожную поверхность удалена от расчетной точки на расстояние не более 5-кратной высоты H расположения ОП.
6.5. Методика расчета нормируемых параметров освещения селитебных территорий
6.5.1 Освещенность E в заданной точке на дорожном покрытии от единичного ОП определяют по формуле

(6.19)
где I - сила света ОП в направлении расчетной точки P, кд/клм;

- угол падения, градусы;
Ф - световой поток ОП, клм;
H - высота световой точки ОП, м;
MF - коэффициент эксплуатации.
Значение
I в направлении расчетной точки определяют согласно
6.2.
6.5.2 Суммарную освещенность
EP в расчетной точке
P от ОП, включаемых в расчет согласно
6.4 определяют по формуле

(6.20)
где
Ek - освещенность в точке
P от
k-го ОП, определяемая по
формуле (6.19);
m - число ОП, учитываемых при расчете.
6.5.3 Среднее значение освещенности на дорожном покрытии Eср рассчитывают как среднее арифметическое значений освещенности в точках расчетного поля согласно формуле

(6.21)
где
EP,i - освещенность в
i-й расчетной точке, определяемая по
формуле (6.19);
N0 - общее число расчетных точек расчетного поля.
6.5.4 Равномерность освещенности на дорожном покрытии Uh рассчитывают по формуле
Uh = Eмин/Eср, (6.22)
где Eмин - минимальное значение горизонтальной освещенности на расчетном участке дороги;
Eср - средняя горизонтальная освещенность на расчетном участке дороги.
6.5.5 Полуцилиндрическую освещенность Eпц в заданной точке пешеходной зоны определяют для следующих условий:
- расчетная точка расположена на высоте h = 1,5 м над уровнем дорожного покрытия на релевантном участке;
- задняя плоская поверхность расчетного полуцилиндра, проходящая через расчетную точку, как показано на рисунке 6.6, вертикальна и перпендикулярна главному направлению движения пешеходов, принятому для этого участка, как правило - продольное направление улицы.
1 - ОП; 2 - расчетный полуцилиндр; 3 - расчетная точка;
4 - плоскость падения света; I - направление силы света
ОП в расчетную точку; N - нормаль к задней плоской
поверхности полуцилиндра
Рисунок 6.6 - Расчет полуцилиндрической освещенности
6.5.6 Полуцилиндрическую освещенность Eпц в заданной точке от единичного ОП рассчитывают по формуле

(6.23)
где

- угол между плоскостью падения луча света от ОП и нормалью
N (рисунок 6.6);
I - сила света ОП в направлении расчетной точки;

- угол между вертикалью и направлением
I, градус;
H - высота светового центра ОП над дорогой, м;
h - высота положения расчетной точки, м;
Ф - световой поток ОП, клм;
MF - коэффициент эксплуатации.
Значение
I в направлении расчетной точки определяют по
6.2 с заменой
H на (
H -
h).
6.5.7 Суммарную полуцилиндрическую освещенность Eпц в расчетной точке P от ОП, включаемых в расчет, определяют по формуле

(6.24)
где
Eпц,k - освещенность в точке
P от
k-го ОП, определяемая по
формуле (6.23);
m - число ОП, учитываемых при расчете.
6.5.8 Среднее значение полуцилиндрической освещенности в пешеходной зоне

рассчитывают как среднее арифметическое значений полуцилиндрической освещенности в точках расчетного поля по формуле

(6.25)
где
Eпц,i - полуцилиндрическая освещенность в
i-й расчетной точке, определяемая по
формуле (6.23).
Направление нормали N к задней плоской поверхности полуцилиндра во всех точках расчетного поля выбирают одинаковым.
6.5.9 Минимальную полуцилиндрическую освещенность Eпц, мин определяют как наименьшую полуцилиндрическую освещенность среди всех точек расчетного поля.
В расчет включают ОП, проекция которых на горизонтальную расчетную плоскость, проходящую через расчетную точку, удалена от данной расчетной точки на расстояние не более 5-кратной высоты (H - h) расположения ОП над этой плоскостью.
Расчетное поле определяют с учетом геометрии релевантного участка пешеходной зоны.
6.5.10 Вертикальную освещенность
Ev в заданной расчетной точке на окне здания от единичного ОП
(рисунок 6.7), определяют по формуле

(6.26)
где

- угол между вертикальной плоскостью, содержащей падающий от ОП луч света, и нормалью к плоскости окна (рисунок 6.7), градус;
hP - высота положения расчетной точки на окне относительно уровня дороги, м.
Значение
I в направлении расчетной точки определяют по
6.2 с заменой
H на (
H -
hP).
1 - ОП; 2 - плоскость окна; 3 - расчетная точка;
4 - плоскость падения света; I - направление силы света
ОП в расчетную точку; N - нормаль к плоскости окна
Рисунок 6.7 - Расчет вертикальной освещенности на окне
Расположение расчетных точек определяют для каждого окна, находящегося на расчетном участке стены здания. На рисунке 6.8 показан пример расположения контрольных точек, помеченных знаком "+".
Рисунок 6.8 - Пример расположения контрольных
точек для расчета Ev
Максимальную освещенность на окне здания Ev, макс определяют как наибольшую освещенность среди всех расчетных точек окна здания.
6.6. Яркость и равномерность распределения яркости
6.6.1 Нормируемые параметры - средняя яркость
Lср, общая
U0 и продольная
Ul равномерность яркости дорожного покрытия - установлены в
СП 52.13330.
6.6.2 Расчетные значения нормируемых параметров определяют по значениям яркости в точках расчетного поля согласно
6.7 от ограниченного числа ОП, последовательно располагаемых на каждой полосе движения, ближайших к наблюдателю.
6.6.3 Значения
Lср рассчитывают с учетом значения коэффициента эксплуатации
MF установки наружного освещения, определенного в
СП 52.13330.
6.6.4 Расчет значений параметров может проводиться инженерными методами (формулы для расчета приведены в
6.8) и с помощью специализированных компьютерных программ.
6.6.5 Общую равномерность яркости U0 в направлении наблюдателя, располагаемого на заданной полосе движения, рассчитывают как отношение наименьшего значения яркости Lмин среди всех точек расчетного поля к значению средней яркости по формуле

(6.28)
6.6.6 Продольную равномерность яркости Ul в направлении наблюдателя, располагаемого на заданной полосе движения, рассчитывают как отношение наименьшего значения яркости Lмин к наибольшему Lмакс среди точек расчетного поля, лежащих на центральной линии этой же полосы движения, по формуле
Ul = Lмин/Lмакс. (6.29)
6.6.7 Геометрию расчетного поля яркости определяют в зависимости от транспортной характеристики дороги и расположения ОП. Примеры геометрии расчетного поля приведены в 6.7.
6.7. Схема выбора расчетных точек для расчета яркости дорожного покрытия селитебных территорий
6.7.1 Длину расчетного поля (вдоль дороги) ограничивают двумя соседними ОП одного ряда
S в соответствии с
рисунком 6.9. При неравномерном расположении ОП в ряду длину расчетного поля определяют по наибольшему расстоянию между соседними ОП одного ряда.
6.7.2 Ширину расчетного поля (поперек дороги) ограничивают размером всей проезжей части
Wr для дорог без разделительной полосы и шириной проезжей части
Wr с движением в одну сторону для дорог с разделительной полосой в соответствии с
рисунком 6.9.
6.7.3 Расчетные точки на расчетном поле располагают равномерно. На
рисунке 6.10 приведен пример расположения точек для двухполосной дороги с односторонним движением и шахматным расположением ОП.
а - трехполосная дорога с односторонним движением и шахматным расположением ОП; б - четырехполосная дорога с двусторонним движением и односторонним расположением ОП; в - шестиполосная дорога с двусторонним движением и двусторонним расположением ОП; г - шестиполосная дорога с разделительной полосой и центральным расположением ОП
1 - наблюдатель; 2 - направление движения;
3 - расчетное поле; 4 - ОП; 5 - разделительная полоса
Рисунок 6.9 - Примеры расчетных полей
1 - направление движения; 2 - наблюдатель; 3 - расчетные
точки; 4 - расчетное поле; 5 - светильник
Рисунок 6.10 - Пример расположения расчетных точек
6.7.4 Шаг расчетных точек определяют:
- в продольном направлении по формуле

(6.30)
где S - шаг ОП, м;
N - число расчетных точек в продольном направлении. Если S <= 30 м, то N = 10, если S > 30 м, то N - наименьшее целое число, при котором S/N <= 3 м.
Крайние поперечные ряды расчетных точек отстоят от поперечных границ расчетного поля на расстоянии D/2;
- в поперечном направлении по формуле

(6.31)
где WL - ширина полосы движения, м.
Крайние продольные ряды расчетных точек отстоят от продольных границ расчетного поля на расстоянии d/2.
6.7.5 Для обочины с твердым покрытием, число и шаг расчетных точек выбирают как для полосы проезжей части.
При расчете яркости высоту расположения глаза наблюдателя принимают h = 1,5 м над уровнем дорожного покрытия.
В продольном направлении наблюдатель располагается перед ближней по ходу движения транспорта границей расчетного поля на расстоянии 60 м
(рисунок 6.10).
В поперечном направлении наблюдатель располагается поочередно на центральной линии каждой полосы движения.
Примеры расположения наблюдателя относительно расчетного поля приведены на
рисунке 6.9.
В расчете яркости в заданной точке учитывают число ОП - m, попавших в поле, границы которого отстоят от указанной расчетной точки на расстояниях, кратных высоте H расположения ОП над дорогой и показанных на рисунке 6.11.
1 - ОП; 2 - наблюдатель; 3 - дорога; 4 - расчетная точка;
5 - расчетное поле (заштриховано); 6 - поле ОП,
включенных в расчет
Рисунок 6.11 - Поле ОП, учитываемых при расчете
6.8. Методика расчета нормируемых параметров яркости селитебных территорий
6.8.1 Яркость в заданной расчетной точке P дорожного покрытия в направлении наблюдателя от единичного ОП определяют по формуле

(6.32)
где I - сила света ОП в направлении расчетной точки P, кд/клм;
r - редуцированный показатель яркости;
Ф - световой поток ОП, клм;
MF - коэффициент эксплуатации;
H - высота световой точки ОП, м.
Значение силы света
I в направлении расчетной точки определяют по
6.2.
6.8.2 Для расчета редуцированного показателя яркости
r в направлении наблюдателя определяют значения угла

и

по формулам:

(6.33)

(6.34)
где (xP, yP) - координаты расчетной точки P;
(xO, yO) - координаты проекции на дорогу наблюдателя O;
(
xF,
yF) - координаты проекции на дорогу светового центра ОП, (см.
рисунок 6.1).
В случае совпадения точек
P и
F, принимают

.
6.8.3 Для найденных значений

и

значение
r определяют по
таблицам В.1 -
В.3 ГОСТ 26824-2010 для соответствующего типа дорожного покрытия с учетом линейной интерполяции по методике линейной интерполяции силы света (см.
(6.9) -
(6.16)), заменяя соответственно
I на
r,
C на

и

на

.
6.8.4 Суммарную яркость
LP в точке
P дорожного покрытия в направлении наблюдателя от всех ОП, включенных в расчет (см.
6.7), определяют по формуле

(6.35)
где Lk - яркость в точке P от k-го ОП, определяемая по формуле (6.32);
m - число ОП, учитываемых в расчете.
Среднюю яркость Lср в направлении наблюдателя, располагаемого на заданной полосе движения, рассчитывают как среднее арифметическое значений яркости в точках расчетного поля по формуле

(6.36)
где
Li - яркость в
i-й расчетной точке, определяемая по
формуле (6.35);
N0 - общее число расчетных точек расчетного поля.
6.9. Методика расчета эквивалентной вуалирующей яркости
6.9.1 Эквивалентная вуалирующая яркость Lv, лк, определяемая по формуле

(6.37)
где Eзр,k - освещенность на зрачке глаза наблюдателя от k-го ОП, лк;

- угол между линией зрения наблюдателя и направлением на
k-й ОП, градус.
6.9.2 Глаз наблюдателя должен быть расположен на высоте h = 1,5 м над уровнем дороги, а линия зрения направлена под углом 1° ниже горизонта и лежать в вертикальной плоскости, проходящей через центральную линию данной полосы движения, как показано на рисунке 6.12.
1 - линия горизонта; 2 - ОП; 3 - плоскость экранирования;
4 - расчетное поле; 5 - линия зрения; 6 - глаз наблюдателя;
7 - точки расположения наблюдателя; WL - ширина полосы
движения, м; H - высота светового центра ОП над дорогой, м;
S - шаг ОП, м; h - высота расположения глаза наблюдателя
над дорогой, м;

- угол наблюдения, градус
Рисунок 6.12 - Расчет эквивалентной вуалирующей яркости
6.9.3 Освещенность зрачка наблюдателя Eзр от единичного ОП рассчитывают по формуле

(6.38)
где H - высота светового центра ОП над дорогой, м;
h - высота расположения глаза наблюдателя над дорогой, м;
I - значение силы света в направлении глаза наблюдателя, кд/клм;

- угол между линией зрения наблюдателя и направлением на ОП, градус;
Ф - световой поток ОП, клм;
xF,
yF и
xO,
yO - координаты соответственно точек
F и
O в системе координат дороги согласно
рисунку 6.1.
6.9.4 Значение
I в направлении глаза наблюдателя определяют по
6.2 с заменой координат расчетной точки
P на координаты глаза наблюдателя
O.
6.9.5 При определении вуалирующей яркости Lv в расчет включают ОП, удовлетворяющие условиям:
- ОП должен быть расположен ниже плоскости экранирования кабиной водителя, проходящей через глаз наблюдателя под углом 20° к горизонту, как показано на
рисунке 6.12;
- значение угла

для ОП менее 60°;
- расстояние от ОП до наблюдателя менее 500 м.
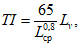
6.10. Ограничение слепящего действия установок наружного освещения
6.10.1 Согласно
СП 52.13330 слепящее действие установок наружного освещения должно быть ограничено в соответствии с классом освещения. В качестве показателя слепящего действия используется значение порогового приращения яркости
TI. Значение
TI, %, определяет меру слепящей блескости, характеризующей увеличение контраста между объектом и его фоном, при котором видимость объекта при наличии блеского источника света стала быть такой же, как и в его отсутствие.
6.10.2 Значение TI рассчитывают для значения коэффициента эксплуатации MF = 1.
6.10.3 Пороговое приращение яркости TI в направлении наблюдателя, располагаемого на заданной полосе движения, рассчитывается по формуле

(6.39)
где Lср - средняя яркость дорожного покрытия, кд/м2;
Lv - эквивалентная вуалирующая яркость, кд/м2.
Примечание - Формула справедлива при яркостях дорожного покрытия 0,05 <= L <= 5 кд/м2.
Значения
TI рассчитывают для наблюдателя, последовательно располагаемого в точках, лежащих на центральной линии полосы движения. Первая точка находится на расстоянии 2,75 (
H - 1,5) м от ближайшей границы расчетного поля. Шаг и число остальных точек определяют согласно
6.9.
Максимальное из рассчитанных значений TI для точек положения наблюдателя на полосе движения считают критичным.
7. Расчет и проектирование электротехнической части
наружного освещения
7.1. Общие положения расчета электротехнической части
7.1.1 Электротехническая часть установок наружного освещения включает питающие линии, пункты электропитания, распределительные линии, устройства защиты, зануления, заземления, управления электрическими сетями и контроля их состояния.
Электрические сети НО (сети НО) должны соответствовать
[4].
7.1.2 При проектировании и устройстве наружного освещения должны обеспечиваться:
- нормированные значения освещенности, яркости, порогового приращения яркости, равномерности освещенности и яркости;
- нормированные значения удельной установленной мощности;
- надежность работы осветительных установок;
- безопасность обслуживающего персонала и населения;
- удобство обслуживания и управления осветительными установками.
7.1.3 Применяемые в осветительных установках оборудование и материалы должны соответствовать нормативным документам (НД), утвержденным в установленном порядке, номинальному напряжению сети и условиям окружающей среды.
7.1.4 Допустимые отклонения и колебания напряжения в сети освещения должны соответствовать
ГОСТ 32144.
7.2. Источники электрического питания наружного освещения
7.2.1 Для электрического питания осветительных приборов наружного освещения, как правило, должно применяться номинальное напряжение не выше 220 В переменного или постоянного тока.
В установках освещения фасадов зданий, скульптур, монументов, подсвета зелени с применением осветительных приборов, установленных ниже 2,5 м от поверхности земли или площадки обслуживания, может применяться напряжение до 380 В при степени защиты осветительных приборов не ниже IP54.
Напряжение 380 В для питания осветительных приборов наружного освещения может применяться при соблюдении следующего условия: ввод в осветительный прибор и независимый, не встроенный в прибор, пускорегулирующий аппарат выполняется проводами или кабелем с изоляцией на напряжение не менее 660 В.
В установках освещения фонтанов и бассейнов номинальное напряжение питания погружаемых в воду осветительных приборов должно быть не более 12 В.
7.2.2 Установки наружного освещения и устройства управления ими по надежности электроснабжения относятся к следующим категориям:
1-й - диспетчерские пункты сетей наружного освещения городов, эвакуационные светильники и световые указатели в транспортной зоне тоннеля;
2-й - осветительные установки городских транспортных и пешеходных тоннелей, осветительные установки улиц, дорог и площадей категории А;
3-й - остальные осветительные установки.
Для повышения надежности электроснабжения осветительных установок городских транспортных и пешеходных тоннелей длиной более 80 м, работающих круглосуточно, следует предусматривать их питание от разных секций вводно-распределительного устройства (ВРУ), подключенных к разным линиям на напряжение 0,4 кВ и разным трансформаторам двухтрансформаторных подстанций или трансформаторам двух близлежащих однотрансформаторных подстанций, питающихся по разным линиям 6 - 10 кВ.
7.2.3 Питание светильников НО территорий микрорайонов следует осуществлять непосредственно от пунктов электрического питания или от проходящих рядом линий уличного освещения (исключая улицы категории А).
Светильники наружного освещения территорий детских яслей-садов, общеобразовательных школ, школ-интернатов, больниц, госпиталей, санаториев, пансионатов, домов отдыха могут питаться как от вводных устройств этих зданий или трансформаторных подстанций, так и от ближайших распределительных сетей наружного освещения при условии, что предусмотрена возможность местного управления освещением.
7.2.4 Световые указатели и светящиеся дорожные знаки, а также светильники подсвета дорожных знаков и зон входов пешеходных тоннелей должны быть присоединены к ночным фазам сети НО.
Информационные световые табло и указатели направления движения пешеходов в пешеходных тоннелях должны быть включены круглосуточно.
7.2.5 Светильник, освещающий указатель противопожарных водоисточников, следует подключать к электрическим сетям жилых и общественных зданий, а при отсутствии их - к ночной фазе сети НО.
Не разрешается присоединять к распределительным линиям НО световые рекламы и витрины. Допускается присоединять к вечерним, отключаемым на ночные часы, фазам НО осветительные приборы праздничного и архитектурного освещения суммарной мощностью не более 2 кВт на фазу. На отдельных участках магистральных улиц и площадей категорий А и Б, где постоянно размещаются установки праздничной иллюминации мощностью, превышающей указанную выше, должна предусматриваться самостоятельная электрическая линия питания праздничной иллюминации.
Условия подключения световых указателей, светящихся дорожных знаков, осветительных приборов праздничного и архитектурного освещения к линиям НО должны согласовываться с предприятием, эксплуатирующим НО.
7.3. Требования к пунктам электрического питания наружного освещения
7.3.1 В пунктах электрического питания, назначение которых - прием, учет и распределение электроэнергии, защита от перегрузок и токов короткого замыкания отходящих распределительных линий, управление установками НО, должна быть наглядная схема расположения аппаратов и приборов для обеспечения простоты и безопасности обслуживания.
7.3.2 Пункты электрического питания для наружной осветительной установки должны выполняться в виде шкафов и их следует располагать на наружных стенах трансформаторной подстанции или на стенах зданий, около стен или отдельно стоящими на расстоянии не более 200 м от трансформаторной подстанции. Щиты наружного освещения рекомендуется размещать в специальных помещениях, пристроенных к трансформаторным подстанциям. Не следует устанавливать шкафы у стен жилых зданий.
7.3.3 Шкафы пунктов питания наружных установок должны оборудоваться плавно закрывающимися дверями на петлях, установленных с их внутренней стороны, снабжаться встроенными запорными устройствами. Каркасы и металлические корпуса должны быть заземлены.
7.3.4 Пункт электрического питания на вводе должен быть с отключающим и защитным устройствами. Для обеспечения отключения в ночные часы вечерних фаз распределительной сети пункты питания должны быть оборудованы не менее чем двумя контакторами, из которых один действует в каскаде вечернего, а другой - в каскаде ночного режима.
7.3.5 На двери шкафов пунктов электрического питания должен быть нанесен знак электрического напряжения в соответствии с
ГОСТ Р 12.4.026, наименование предприятия - изготовителя НО, номер телефона дежурного диспетчера, инвентарный номер шкафа. Каждый пункт питания рекомендуется снабжать схемой расположения приборов, питающих и отходящих линий с указанием их параметров. Схема должна быть выполнена на плотной бумаге с ламинированием или находиться в герметичном полиэтиленовом пакете в шкафу. Дубликат схемы хранится у диспетчера.
Шкафы должны быть с электрическим освещением светодиодными лампами (светильниками) или лампами накаливания, при этом необходимо предусматривать его автоматическое выключение при закрывании дверей.
7.3.6 Присоединять кабельные жилы или провода к клеммам сборок или аппаратов следует с помощью наконечников или зажимов. Допускается присоединять без наконечников однопроволочные провода и кабели с сечением жил до 10 мм2 включительно и многопроволочные провода и кабели с сечением жил до 25 мм2 включительно как с медными, так и алюминиевыми жилами, при условии пропайки и опрессовки концов многопроволочных проводов.
7.3.7 Концевые воронки и разделки кабелей должны быть снабжены бирками с указанием на одной стороне - марки кабеля, напряжения, сечения, номера или назначения, на другой - фамилии монтера и даты монтажа. Бирки должны быть стойкими к воздействию окружающей среды.
7.3.8 Места ввода кабелей в шкафы наружной установки следует уплотнять для предотвращения попадания водяных брызг и грызунов во внутреннюю часть шкафа.
7.3.9 В пунктах питания на каждом аппарате защиты должна быть легко читаемая маркировка, стойкая в отношении воздействия окружающей среды, в которой указаны: номинальный ток аппарата, ток уставки расцепителя или номинальный ток плавкой вставки.
7.3.10 Ответвления от кабельных линий к светильникам с разрядными лампами, для зажигания которых применяются импульсные устройства, должны выполняться с установкой предохранителей или автоматических выключателей, конструктивное исполнение которых должно обеспечивать их безопасное обслуживание. Размеры цоколей опор должны быть достаточными для размещения в них кабельных разделок и предохранителей или автоматических выключателей, устанавливаемых на ответвлениях к светильникам, дверца - с запором для эксплуатационного обслуживания.
7.3.11 Для исключения возможности горения в дневное время светильников, установленных на опорах воздушных распределительных электрических сетей на напряжение 0,4 кВ при обрывах и набросах фазных проводов указанной сети на провода НО, а также для предотвращения возможного выхода из строя в дневное время светильников, установленных на опорах контактной сети троллейбуса, по которым проложены воздушные распределительные линии НО, при сходе штанг троллейбуса, в пунктах питания рекомендуется применять контакторы, с нормально замкнутыми и нормально разомкнутыми контактами, позволяющие заземлять фазные провода распределительной линии НО после их отключения.
7.4. Сети наружного освещения
7.4.1 В осветительных сетях всех напряжений должны применяться провода и кабели с изоляцией, рассчитанной на номинальное напряжение сети.
Изоляция нулевых рабочих проводников должна быть равноценной изоляции фазных проводников.
7.4.2 Применяемые в осветительных сетях виды электропроводок должны обеспечивать их надежную и долговременную работу в конкретных условиях среды, обладать достаточной механической прочностью и по возможности наглядностью и доступностью для обслуживания.
7.4.3 Сети наружного освещения рекомендуется выполнять кабельными или воздушными с применением самонесущих изолированных проводов. В обоснованных случаях для воздушных распределительных и групповых сетей освещения улиц, дорог, площадей, территорий микрорайонов и населенных пунктов допускается применение неизолированных проводов.
7.4.4 При установке осветительных приборов на опорах контактной сети городского электрического транспорта (ГЭТ) и прокладке по ним сетей НО, а также при тросовом подвесе светильников на улицах и дорогах с контактной сетью ГЭТ, высота подвеса осветительных приборов, тросов и проводов НО от уровня головки рельса должна быть не менее 8 м для трамвайной линии и не менее 9 м от уровня проезжей части для троллейбусной линии. Расстояния по вертикали от проводов линий НО до поперечин контактной сети при наиболее неблагоприятных условиях должны быть не менее 0,5 м.
Рекомендуется при использовании опор контактной сети троллейбуса для размещения воздушной сети НО располагать ее с противоположной стороны опор по отношению к контактной сети на высоте 10,5 м от уровня проезжей части.
7.4.5 При установке на железобетонных и металлических опорах ГЭТ светильников НО, питание которых осуществляется от сети НО с заземленной нейтралью, светильники и опоры должны быть занулены. Присоединение осветительных приборов к групповой сети НО должно выполняться кабелем или изолированными проводами на напряжение не ниже 660 В.
7.4.6 Распределительные линии НО подключают к пунктам электрического питания с учетом обеспечения равномерной нагрузки фаз трансформатора. Для обеспечения возможности частичного отключения светильников в ночное время, их присоединяют с чередованием фаз.
7.4.7 При компоновке групповых линий рекомендуется выполнять следующее условие: на каждую фазу групповой линии включают не более 20 источников света типа ДНаТ или 50 люминесцентных ламп или светодиодных модулей.
7.4.8 При выполнении сети НО неизолированными проводами нулевой провод распределительной электрической сети 0,4 кВ при использовании его для питания НО следует, как правило, располагать ниже всех фазных проводов 0,4 кВ и фазных проводов линий НО или на уровне с ними.
При использовании опор, принадлежащих электросетевым предприятиям, не занимающимся эксплуатацией НО, допускается располагать фазные провода линий НО ниже нулевого провода распределительной электрической сети 0,4 кВ.
7.4.9 Соединять провода воздушных линий следует сваркой или соединительными зажимами.
Соединять провода из разных металлов или различных сечений следует только на опорах, при этом соединения не должны испытывать механических усилий.
7.4.10 Крепление проводов воздушных линий на изоляторах опор должно быть одинарным с применением проволочных вязок или специальных зажимов.
Провода ответвлений должны быть на изоляторах с "глухим креплением".
7.4.11 При выполнении сети НО неизолированными проводами, провода распределительной линии НО рекомендуется располагать на опоре следующим образом: на стороне проезжей части нижний - нулевой, верхний - вечерняя фаза, на стороне тротуара верхний и нижний - ночные фазы.
Провода управления каскадом должны располагаться на опоре ниже линий НО, при этом провод управления вечерним режимом и ниже его располагаемый нулевой провод - на стороне проезжей части, провод управления ночным режимом - на стороне тротуара.
7.4.12 Размещение жил кабеля при его разделке в цоколе опоры рекомендуется располагать в следующем порядке: нижняя жила - нулевая фаза, следующая - вечерняя и две верхние - ночные фазы.
Кабель управления каскадом рекомендуется располагать внутри опоры за разделкой кабеля распределительной линии НО в аналогичном же порядке: нижняя жила - ноль, следующая - управление вечерним и наверху - ночным режимом.
7.4.13 При наличии в опоре больше двух концов кабеля на них устанавливаются бирки с указанием направлений. Железобетонные опоры при этом следует оборудовать кабельными ящиками.
7.4.14 Железобетонные опоры устанавливаются дверцами в сторону тротуара или по линии опор со стороны, противоположной направлению движения транспорта.
На всех дверцах опор с кабельной разводкой должен быть нанесен знак электрического напряжения в соответствии с
ГОСТ Р 12.4.026. Дверцы должны быть закрыты на замок или стянуты хомутами.
7.4.15 Опоры должны быть с нумерацией, нанесенной трафаретом на стороне, обращенной к проезжей части. Ниже номера опоры рекомендуется наносить букву "В" для обозначения светильников, работающих в вечернем режиме.
7.4.16 Для зарядки светильников с разрядными источниками света мощностью выше 100 Вт в случаях, когда вводимые в светильники проводники непосредственно присоединяются к клеммным зажимам ламповых патронов (а не к зажимам контактных колодок или к контактным зажимам, встроенным в светильник штепсельных разъемов), должны применяться провода с изоляцией, стойкой к нагреву.
7.4.17 На улицах и дорогах категорий А и Б допускается прокладка раздельных распределительных кабелей вечернего и ночного режимов освещения и информационных кабелей для управления светильниками.
7.4.18 Светильники, ближайшие к границам пешеходных переходов, должны присоединяться к фазам ночного режима сети освещения улиц, дорог и площадей.
7.4.19 Кабельными и изолированными самонесущими проводами должны выполняться групповые сети освещения территорий детских яслей-садов, общеобразовательных школ, школ-интернатов, участков улиц с троллейбусным движением в местах наибольшей вероятности схода штанг, а также линии, питающие осветительные приборы подсвета зелени, цветов, фасадов зданий, скульптур и монументов.
Групповые и распределительные сети на улицах и площадях категорий А и Б в районах застройки зданиями высотой более 5 этажей, а также на территориях общегородских парков, садов, бульваров и скверов, примыкающих к улицам и площадям категорий А и Б, стадионов с трибунами на 20 тысяч зрителей и более, выставок, больниц, госпиталей, санаториев, пансионатов и домов отдыха рекомендуется выполнять кабельными проводами.
Не допускается подвешивание проводов наружного освещения непосредственно над детскими площадками.
7.4.20 Кабельные групповые линии следует выполнять, как правило, одним сечением по системе "заход-выход" или с применением тройниковых муфт (без разрезания жил кабеля).
При прокладке кабельных линий на инженерных сооружениях следует предусматривать меры для удобной разделки ответвления от кабеля к опоре и возможность его замены участками.
7.4.21 Переходы от кабельных линий к воздушным должны быть с отключающими устройствами, смонтированными в ящиках, установленных на опорах на высоте не менее 2,5 м от поверхности земли.
Это требование не распространяется на кабельные выводы из пунктов питания на опоры, а также на переходы дорог и обходы препятствий, выполняемые кабелем.
7.4.22 Групповые линии наружного освещения могут быть одно-, двух- и трехфазными в зависимости от их протяженности и числа присоединенных светильников. При сечении жил кабелей и проводов менее 10 мм2 из меди и менее 16 мм2 из алюминия однофазные групповые линии следует выполнять трехпроводными, двухфазные - четырехпроводными, трехфазные - пятипроводными с отдельными N- и PE-проводниками. Объединять проводники N разных групповых линий запрещается.
При использовании совмещенных PEN-проводников (сечением 10 мм2 и более из меди и 16 мм2 и более из алюминия) они должны соответствовать требованиям, предъявляемым как к защитным проводникам PE, так и к нулевым рабочим проводникам N.
Для защиты трехфазных групповых сетей освещения допускается применять предохранители и однополюсные автоматические выключатели, если сечение проводника N (PEN) соответствует требованиям обеспечения его защиты при отключении двух любых фаз.
7.4.23 Воздушные линии наружного освещения должны выполняться согласно
[4].
Пересечения линий с улицами и дорогами при пролетах не более 40 м допускается выполнять без применения анкерных опор и двойного крепления проводов.
7.4.24 Для резервирования распределительных кабельных линий или линий, выполненных самонесущими изолированными проводами, между крайними светильниками соседних участков для магистральных улиц городов рекомендуется предусматривать нормально отключаемые перемычки (резервные кабельные линии).
7.4.25 Воздушные линии наружного освещения с неизолированными проводами должны выполняться без учета резервирования.
7.4.26 Линии, питающие светильники, подвешенные на тросах, должны выполняться кабелями, проложенными по тросу, самонесущими изолированными проводами или неизолированными проводами, проложенными на изоляторах при условии соблюдения
[4].
Тросы для подвески светильников и питающих линий сети допускается крепить к конструкциям зданий. При этом тросы должны быть с амортизаторами.
7.5. Расчет нагрузок осветительных установок наружного освещения
7.5.1 Расчетную нагрузку питающих и распределительных сетей наружного освещения следует определять исходя из суммарной мощности источников света, полученной в результате светотехнического расчета с учетом коэффициента спроса.
7.5.2 Расчетная нагрузка сетей наружного освещения Pр, кВт, определяется по формуле

(7.1)
где Kс - коэффициент спроса осветительной нагрузки;
KПРАi - коэффициент, учитывающий потери в пускорегулирующей аппаратуре (ПРА) i-го источника света;
Pномi - номинальная мощность i-го источника света, кВт;
n - число источников света, питающихся по линии.
7.5.3 Коэффициент спроса при расчете сети наружного освещения следует принимать равным 1,0.
7.5.4 Потери в ПРА для разрядных ламп, % мощности ламп составляют:
10% для разрядных ламп высокого давления с электромагнитным ПРА;
5% для разрядных ламп высокого давления с электронным ПРА.
7.5.5 Расчетная нагрузка трансформаторов или источников питания с вторичным напряжением 12 - 42 В определяется как сумма установленных мощностей питаемых ими светильников.
7.5.6 В случае неравномерной нагрузки фаз расчетная активная нагрузка линии принимается равной утроенному значению нагрузки наиболее нагруженной фазы.
7.6. Выбор сечения проводов и кабелей для наружного освещения
7.6.1 Выбор сечения сети наружного освещения следует производить по нагреву с проверкой по предельно допустимому значению потери напряжения и на механическую прочность.
7.6.2 Выбор сечения сети наружного освещения по нагреву осуществляется путем сравнения расчетного тока линии и длительно допустимого тока линии выбранного сечения.
Расчетный ток Iр линии определяется по формулам:
- для трехфазной сети (четырех- и пятипроводной)

(7 2)
- для двухфазной сети с рабочим и защитным нулевым проводами (трех- и четырехпроводной)

(7.3)
- для однофазной сети (двух- и трехпроводной)

(7.4)
где Uном ф. и Uном - соответственно номинальное фазное и междуфазное напряжение сети;

- коэффициент мощности активной нагрузки.
7.6.3 Сечения проводников осветительной сети по нагреву выбираются по таблицам длительно допустимых токов Iдоп в зависимости от значения Iр по условию
Iдоп >= Iр. (7.5)
7.6.4 Длительно допустимые токовые нагрузки для проводов и кабелей с резиновой и пластмассовой изоляцией с алюминиевыми и медными жилами принимаются по
[4]. Допустимые токи для самонесущих изолированных проводов принимаются в соответствии с
ГОСТ 31946.
7.6.5 Допустимые токовые нагрузки проводников, способы прокладки которых отличаются от указанных в
[4], принимаются:
- как для кабелей с резиновой и пластмассовой изоляцией проложенных открыто - для тросовых проводок;
- как для проводов в стальных трубах с понижением допустимых нагрузок на 10 - 15% - для проводов, проложенных в пластмассовых трубах;
- как для четырех одножильных проводов, прокладываемых в одной трубе - для пятипроводных линий, проложенных в трубах или каналах строительных конструкций, питающих светильники с газоразрядными лампами и со светодиодами;
- как для четырехжильных кабелей - для пятижильных кабелей, питающих газоразрядные лампы.
7.6.6 Рекомендуется перед началом проектирования согласовать с электросетевой компанией уровни напряжения в точке подключения сети освещения. Рекомендуемые уровни напряжения в точке подключения составляют (100% - 105%)Uном.
7.6.7 Падение напряжения между пунктом питания и наиболее удаленным светильником не должно превышать:
- 10% номинального напряжения сети для светильников с электронным пускорегулирующим аппаратом с корректором коэффициента мощности или с электронными источниками питания (для светодиодов);
- 5% номинального напряжения сети для светильников с электромагнитным ПРА.
7.6.8 Проверку сечения проводников, мм
2, осветительной сети по допустимой потере напряжения следует проводить по формуле

(7.6)
где M - момент нагрузки рассматриваемого участка сети, кВт·м;
C - расчетный коэффициент, значение которого принимается по таблице 7.1;

- допустимое значение отклонения напряжения, %, (см.
7.6.7) в осветительной сети от шин 0,4 кВ источника питания. При этом фактическое напряжение на шинах 0,4 кВ источника питания должно быть не ниже номинального значения сети.
Полученное значение сечения округляют до ближайшего большего стандартного.
Таблица 7.1
Значение коэффициентов C для расчета сети
по потере напряжения
Номинальное напряжение сети, В | Система сети и род тока | Значение коэффициента для проводников из |
меди | алюминия |
380/220 | Трехфазная с нулевым рабочим проводником | 72 | 44 |
380/220 | Двухфазная с нулевым рабочим проводником | 32 | 19,5 |
220 | Однофазная переменного или двухпроводная постоянного тока | 12 | 7,4 |
Момент нагрузки определяется по формуле
M = Pр·L, (7.7)
где Pр - расчетная нагрузка линии, кВт;
L - длина участка, м, определяется по формуле

(7.8)
где l1 - длина участка линии от осветительного щитка до первого светильника, м;
l - интервалы между светильниками, м;
NR - число светильников в одном ряду.
7.6.9 При расчете сети по потере напряжения линии групповой сети рассматриваются как симметрично нагруженные, кроме тех случаев, когда проектом предусматривается неравномерная нагрузка фаз, например, при наличии вечерних и ночных фаз питания светильников.
В случаях, когда проектом предусматривается неравномерная нагрузка фаз, расчет сети по потере напряжения следует выполнять для источников света наиболее нагруженной фазы.
7.6.10 Двух- и трехфазные линии групповой сети при расчете по потере напряжения могут рассматриваться как симметрично нагруженные при условии приближенного равенства нагрузочных моментов всех фаз, входящих в линию, и при этом лишь для линий:
- питающих многоламповые светильники или блоки из нескольких светильников с равномерной нагрузкой фаз в каждой точке присоединения нагрузки;
- с присоединением светильников к различным фазам в порядке A, B, C, C, B, A - для трехфазных линий и A, B, B, A - для двухфазных линий;
- с присоединением светильников к различным фазам в порядке A, B, C, A, B, C - для трехфазных линий при числе светильников не менее 9 и A, B, A, B - для двухфазных линий при числе светильников не менее 6.
Остальные линии, в том числе линии с присоединением светильников к различным фазам в порядке
A,
A...;
B,
B...;
C,
C... и линии, образованные объединением нулевых проводов нескольких совместно трассируемых групп с местными выключателями, рассчитываются как несимметрично нагруженные и их сечение выбирается применительно к указанным в
7.6.8.
7.6.11 Провода управления каскадом сети наружного освещения рассчитываются по потере напряжения от пускового тока втягивающих катушек коммутационных аппаратов (контакторов, магнитных пускателей). Допустимая расчетная потеря напряжения у катушек не должна превышать 15% номинального напряжения.
7.6.12 По условиям механической прочности на магистралях воздушных линий, на линейном ответвлении от воздушных линий и на ответвлениях к вводам следует применять провода с минимальными сечениями, приведенными в таблице 7.2.
Таблица 7.2
Минимально допустимые сечения изолированных проводов
Нормативная толщина стенки гололеда, мм | Сечение несущей жилы, мм2, на магистрали, на линейном ответвлении |
10 | 35 (25) |
15 и более | 50 (25) |
Примечание - В скобках дано сечение жилы самонесущих изолированных проводов, скрученных в жгут, без несущего провода. |
7.6.13 Все виды механических нагрузок и воздействий на самонесущие изолированные провода с несущей жилой должна воспринимать эта жила, а на самонесущие изолированные провода без несущей жилы - должны воспринимать СИП, скрученные в жгут.
7.6.14 Сечение нулевых рабочих проводников трехфазных питающих и групповых линий светильников со светодиодами, люминесцентными лампами, ДРИ и ДНаТ при одновременном отключении всех фазных проводов линии должно выбираться не менее:
- чем у фазного независимо от сечения - для участков сети, по которым протекает ток от источников света с компенсированными пускорегулирующими аппаратами;
- чем у фазного при сечении фазных проводников менее или равном 16 мм2 для медных и 25 мм2 для алюминиевых проводов и не менее 50% сечения фазных проводников при больших сечениях, но не менее 16 мм2 для медных и 25 мм2 для алюминиевых проводов - для участков сети, по которым протекает ток от ламп с некомпенсированными пускорегулирующими аппаратами.
7.6.15 Для защиты трехфазных распределительных и групповых сетей освещения допускается применять предохранители и однополюсные автоматические выключатели, если сечение проводника N (PEN) соответствует требованиям обеспечению его защиты при отключении двух любых фаз.
7.6.16 Минимальные значения поперечного сечения защитных (
PE-проводники) проводников должны соответствовать приведеным в таблице 7.3. При использовании
PEN-проводника для определения его минимального сечения необходимо одновременно учитывать требования к
N-проводнику.
Значения площади сечений приведены для случая, когда защитные проводники изготовлены из того же материала, что и фазные проводники. Сечения защитных проводников из других материалов должны быть эквивалентны по проводимости приведенным.
Таблица 7.3
Сечение фазных проводников, мм2 | Минимальное сечение защитных проводников, мм2 |
S <= 16 | S |
16 < S <= 35 | 16 |
S > 35 | S/2 |
7.7. Выбор защитных аппаратов для наружного освещения
7.7.1 Защиту сетей НО от перегрузок и коротких замыканий следует выполнять в соответствии с
ГОСТ Р 50571.4.43 и
[4] с учетом пускового тока одновременно включаемых источников света.
7.7.2 Защита осветительных сетей наружного освещения должна осуществляться автоматическими выключателями (автоматами) или плавкими предохранителями.
7.7.3 Аппараты защиты в сетях переменного и постоянного тока должны устанавливаться в цепях всех незаземленных проводников.
Установка аппаратов защиты в нулевых заземленных проводниках запрещается.
7.7.4 Все осветительные сети наружного освещения должны быть защищены от токов короткого замыкания. Соотношения между наибольшими длительно допустимыми токовыми нагрузками проводников и номинальными токами уставок аппаратов защиты для сетей, защищаемых от коротких замыканий и от перегрузки при защите автоматами и плавкими предохранителями должны соответствовать
[4] и
ГОСТ Р 50571.4.43.
7.7.5 Аппараты защиты должны устанавливаться в следующих пунктах осветительной сети:
- в местах присоединения сети к источникам питания (распределительные щиты ТП, распределительные пункты, силовые магистрали и др.);
- на групповых щитках (в начале групповых линий);
- в местах уменьшения сечений проводников по направлению к потребителям энергии с учетом 7.7.6, перечисление а;
- со стороны высшего и низшего напряжения понижающих трансформаторов 12 - 42 В.
7.7.6 Аппараты защиты в осветительной сети допускается не предусматривать в следующих местах:
а) при снижении сечений по длине линии и на ответвлениях от нее, если защитный аппарат линии защищает также участок со сниженным сечением;
б) при снижении сечения по длине линии и на ответвлениях от нее, если сниженное сечение не менее половины сечения начального участка линии;
в) в местах ответвлений от линии к электроприемникам малой мощности, если питающая линия защищается аппаратом с уставкой не более 25 А - без ограничения длины ответвления и его сечения;
г) в местах ответвлений от линий к электроприемникам малой мощности, если линия защищена аппаратом с уставкой более 25 А, но не более 63 А при длине до 3 м при любом способе прокладки и без ограничения длины при прокладке в стальной трубе.
7.7.7 Аппараты защиты должны устанавливаться непосредственно в местах присоединения защищаемых проводников к питающей линии. Допускается отнесение аппарата защиты от места ответвления на длину до 6 м и до 30 м при условии соблюдения требований, указанных в таблице 7.4.
Таблица 7.4
Требования к выполнению ответвления
Длина ответвления от места его выполнения до аппарата защиты | Требования | Применяемость |
к сечению проводников | к способу прокладки |
До 6 м | Не менее сечения после аппарата защиты | В стальных трубах, металлорукавах или коробах - для проводников с горючей наружной оболочкой или изоляцией; открыто по конструкциям при условии защиты проводников от возможных механических повреждений - в остальных случаях (кроме кабельных сооружений, пожаро- и взрывоопасных зон) | Допускается там, где безусловно необходимо |
До 30 м | Не менее сечения, определенного расчетным током, но не менее 10% пропускной способности питающей линии | Допускается для ответвлений, выполняемых в трудно доступных местах (например, на большой высоте) |
При этом аппарат защиты должен устанавливаться в удобном для обслуживания месте (например, на вводе в распределительный пункт, групповой щиток, в ящик управления и др.).
7.7.8 На линиях наружного освещения, содержащих более 20 светильников на фазу, ответвления к каждому светильнику должны защищаться индивидуальными предохранителями или автоматическими выключателями.
7.7.9 Аппараты защиты следует располагать по возможности в доступных для обслуживания местах таким образом, чтобы была исключена возможность их механических повреждений. Установка их должна быть выполнена так, чтобы при оперировании с ними или при их действии были исключены опасность для обслуживающего персонала и возможность повреждения окружающих предметов.
7.7.10 Номинальные токи комбинированных расцепителей автоматических выключателей или плавких вставок предохранителей для защиты групповых линий должны выбираться в соответствии с расчетными нагрузками.
7.7.11 В сетях допускается не выполнять расчетной проверки кратности тока короткого замыкания, при обеспечении условия: кратность аппаратов защиты по отношению к длительно допустимым токовым нагрузкам проводников, приведенным в
[4], должна быть не более:
- 300% для номинального тока плавкой вставки предохранителя;
- 450% для тока уставки автоматического выключателя, имеющего только максимальный расцепитель (отсечку);
- 100% для номинального тока расцепителя автоматического выключателя с нерегулируемой обратно зависящей от тока характеристикой (независимо от наличия или отсутствия отсечки);
- 125% для тока трогания расцепителя автоматического выключателя с регулируемой обратной зависящей от тока характеристикой; если на этом автоматическом выключателе имеется еще отсечка, то ее кратность тока срабатывания не ограничивается.
7.7.12 Наличие аппаратов защиты с завышенными уставками тока не является обоснованием для увеличения сечения проводников сверх указанных в
[4].
7.7.13 Номинальные токи уставок автоматов и плавких вставок предохранителей следует выбирать по возможности минимальными по расчетным токам защищаемых участков сети.
7.7.14 При выборе номинальных токов уставок аппаратов защиты следует обеспечивать селективность защиты, для этого номинальный ток уставки каждого, ближайшего к источнику питания, аппарата защиты должен быть на 2 ступени выше, чем предшествующий ему со стороны потребителей аппарат. Допускается минимальная разница на одну ступень.
Данное указание не относится к вводным автоматам групповых щитков, комбинированные расцепители которых следует выбирать на наибольший для данного типа аппарата ток в целях повышения устойчивости автомата к токам короткого замыкания и которые не предназначаются служить аппаратами защиты. Требования к селективности автоматических выключателей установлены в
ГОСТ Р 50030.2.
7.7.15 Для отстройки аппаратов защиты от пусковых токов источников света должны обеспечиваться значения отношения тока аппарата защиты Iз (номинальный ток плавкой вставки предохранителя или номинальный ток расцепителя автомата) и допустимого длительного тока защищаемой линии Iр, указанные в таблице 7.5.
7.7.16 При защите автоматами, имеющими только электромагнитный расцепитель, ток короткого замыкания должен быть не меньше тока уставки, умноженного на коэффициент 1,4 - для автоматов до 100 А и 1,25 - для прочих автоматов. Применение автоматических выключателей, имеющих только электромагнитный расцепитель, не рекомендуется.
Таблица 7.5
Отношение тока аппарата защиты к допустимому
длительному току линии
Аппарат защиты | Значение отношения тока аппарата защиты к расчетному рабочему току линии (Iз:Iр) не менее для ламп |
ДРИ, ДНаТ | люминесцентных и светодиодных |
Плавкие предохранители | 1,2 | 1 |
Автоматические выключатели с комбинированными расцепителями, с уставками: | | |
менее 50 А | 1,4 | 1 |
50 А и выше | 1 | 1 |
7.7.17 Уставки аппаратов защиты для взаиморезервируемых линий должны выбираться с учетом их послеаварийной нагрузки.
7.8. Защитное заземление наружного освещения
7.8.1 Защитное заземление установок электрического освещения должно выполняться согласно
ГОСТ Р 50571.5.54 и
[4].
7.8.2 Защитное заземление металлических корпусов светильников со светодиодами, лампами ДРИ и ДНаТ со встроенными внутрь светильника пускорегулирующими аппаратами или источниками питания, следует осуществлять:
- в сетях с заземленной нейтралью - присоединением к заземляющему винту корпуса светильника PE-проводника. Заземление корпуса светильника ответвлением от нулевого рабочего провода внутри светильника запрещается;
- в сетях с изолированной нейтралью, а также в сетях, переключаемых на питание от аккумуляторной батареи - присоединением к заземляющему винту корпуса светильника защитного проводника.
При вводе в светильник проводов без механической защиты, защитный проводник должен быть гибким.
7.8.3 Защитное заземление корпусов светильников со светодиодами, лампами ДРИ и ДНаТ с вынесенными пускорегулирующими аппаратами следует осуществлять с помощью перемычки между заземляющим винтом заземленного пускорегулирующего аппарата и заземляющим винтом светильника.
7.8.4 Металлические отражатели светильников с корпусами из изолирующих материалов заземлять не требуется.
7.8.5 При выполнении защитного заземления осветительных приборов наружного освещения должно выполняться присоединение железобетонных и металлических опор, и тросов к заземлителю в сетях с изолированной нейтралью и к PE-(PEN)-проводнику в сетях с заземленной нейтралью.
7.8.6 При установке осветительных приборов наружного освещения на железобетонных и металлических опорах электрифицированного городского транспорта в осветительных сетях с изолированной нейтралью осветительные приборы и опоры заземлять не допускается, в осветительных сетях с заземленной нейтралью осветительные приборы и опоры должны быть подсоединены к PEN-проводнику линии.
7.8.7 Требования к наименьшим площадям поперечного сечения защитных проводников приведены в
7.6.16.
7.8.8 При питании наружного освещения воздушными линиями должна выполняться защита линий от атмосферных перенапряжений в соответствии с
[4].
7.8.9 Для установок наружного освещения: освещения фасадов зданий, монументов и т.п., наружной световой рекламы и указателей в сетях TN-S или TN-C-S рекомендуется устанавливать устройства защитного отключения (УЗО) с током срабатывания до 30 мА, при этом фоновое значение токов утечки должно быть, по крайней мере, в три раза меньше уставки срабатывания УЗО по дифференциальному току.
7.9. Выбор схем автоматизированных систем управления наружным освещением
7.9.1 Управление наружным освещением должно выполняться независимо от управления внутренним освещением.
7.9.2 В городах и населенных пунктах должно предусматриваться централизованное управление наружным освещением.
7.9.3 Централизованное управление наружным освещением городов и населенных пунктов рекомендуется выполнять:
- телемеханическим - при числе жителей более 50 тысяч;
- телемеханическим или дистанционным - при числе жителей от 20 до 50 тысяч. При этом метод управления выбирается по результатам технико-экономического расчета;
- дистанционным - при числе жителей до 20 тысяч.
7.9.4 При использовании в системах централизованного управления наружным освещением средств телемеханики должны соблюдаться требования
[4].
| | ИС МЕГАНОРМ: примечание. Текст дан в соответствии с официальным текстом документа. | |
7.9.5 Питание устройств централизованного управления наружным и освещением необходимо предусматривать от двух независимых источников.
Питание децентрализованных устройств управления допускается выполнять от линий, питающих осветительные установки.
7.9.6 В системах централизованного управления наружным освещением должно предусматриваться автоматическое включение освещения в случаях аварийного отключения питания основной цепи или цепи управления и последующего восстановления питания.
7.9.7 При централизованном управлении наружным освещением должен предусматриваться контроль положения коммутационных аппаратов (включено, отключено), установленных в цепи питания освещения.
7.9.8 В каскадных схемах централизованного управления наружным освещением рекомендуется предусматривать контроль включенного (отключенного) состояния коммутационных аппаратов, установленных в цепи питания освещения.
7.9.9 В каскадных контролируемых схемах централизованного управления наружным освещением допускается не более двух неконтролируемых пунктов питания.
7.9.10 Для населенных пунктов допускается предусматривать управление наружным освещением коммутационными аппаратами, установленными на линиях питания освещения, при условии доступа к этим аппаратам обслуживающего персонала.
7.9.11 Управление наружным освещением города желательно осуществлять из одного центрального диспетчерского пункта. В городах с населением более 500 тысяч человек, территории которых разобщены водными, лесными или естественными преградами рельефа местности, могут предусматриваться районные диспетчерские пункты или применяться системы управления на основе беспроводных каналов связи.
Между центральным и районным диспетчерскими пунктами должна выполняться прямая телефонная связь или использоваться беспроводная связь.
7.9.12 Для снижения уровня освещенности улиц и площадей городов в ночное время допускается применять отключение части светильников или применение светильников с функцией диммирования. Диммирование может осуществляться по заранее запрограммированному графику, дистанционно (по сигналу с ЦДП) или от датчиков (освещенности, движения и пр.).
7.9.13 При выполнении автоматического управления наружным освещением, например, в зависимости от освещенности, создаваемой естественным светом, должна предусматриваться возможность ручного управления освещением без применения средств автоматики.
7.9.14 Управление освещением территорий школ-интернатов, гостиниц, больниц, госпиталей, санаториев, пансионатов, домов отдыха, парков, садов, стадионов и выставок и т.п. рекомендуется осуществлять от системы управления наружным освещением населенного пункта. При этом должна быть обеспечена возможность местного управления.
При питании освещения указанных объектов от сетей внутреннего освещения зданий управление наружным освещением может производиться из этих зданий.
7.9.15 Централизованное управление сетями наружного освещения городов, населенных пунктов должно осуществляться применением коммутационных аппаратов, устанавливаемых в пунктах питания наружного освещения.
7.9.16 Управление коммутационными аппаратами в сетях наружного освещения городов и населенных пунктов рекомендуется производить путем каскадного (последовательного) их включения или с применением систем дистанционного управления с передачей управляющего сигнала по радиоканалу.
В воздушно-кабельных сетях в один каскад допускается включение до 10 пунктов питания, а в кабельных - до 15 пунктов питания сети уличного освещения.
7.9.17 Переключение освещения пешеходных тоннелей с дневного режима на вечерний и ночной или с ночного режима на дневной должно производиться одновременно с включением или отключением освещения улиц, дорог и площадей.
7.9.18 В системах централизованного телемеханического управления должен обеспечиваться двухсторонний обмен информацией между диспетчерским и исполнительными пунктами, достаточный для нормального функционирования установок наружного освещения.
При этом должны передаваться на исполнительный пункт приказы управления:
включить все освещение;
включить (отключить) часть освещения (ночной режим работы);
отключить все освещение;
на диспетчерский пункт - сигналы состояния:
включено все освещение;
включена (отключена) часть освещения;
отключено все освещение;
несоответствие состояния освещения посланному приказу и неисправность в сети наружного освещения;
опрос показаний счетчика.
Должен быть также предусмотрен контроль исправного состояния канала связи с выводом сигнала на диспетчерский пункт.
7.9.19 В системах централизованного дистанционного управления должно обеспечиваться управление коммутационными аппаратами фаз ночного и вечернего режимов головных пунктов питания каскадированных сетей наружного освещения и контроль их состояния по наличию напряжения на конце каскада с выведением на пульт управления световой и звуковой сигнализации.
7.9.20 Управление коммутационными аппаратами головных пунктов питания каскадированных сетей наружного освещения должно, как правило, осуществляться из пункта управления непосредственно или через промежуточное реле; при централизованном телемеханическом - через выходные элементы телеуправления исполнительного (контролируемого) пункта телемеханического управления.
7.9.21 Контроль состояния основных направлений (каскадов) должен быть обеспечен при любых способах централизованного управления наружным освещением.
Сеть каскадного управления сетями наружного освещения должна строиться таким образом, чтобы улицы, дороги и площади категорий А и Б входили в головной участок каскада или в ближайший к головному участку.
7.9.22 Для управления сетями НО поселков и сельских населенных пунктов допускается применение устройств автоматического управления (фотоэлектрических и программных устройств или реле времени), устанавливаемых в трансформаторных подстанциях, от которых питаются указанные сети.
7.10. Учет электроэнергии потребляемой наружным освещением
7.10.1 Пункты электрического питания должны быть оборудованы приборами коммерческого учета активной электроэнергии. Учет должен проводиться трехфазными счетчиками активной электроэнергии класса точности не ниже 1 с трансформаторами тока класса точности не ниже 0,5.
Счетчики активной электрической энергии должны соответствовать климатическим требованиям.
7.10.2 Рекомендуется применять электронные счетчики, обеспечивающие снятие и регистрацию на внешних накопителях значений тока, напряжения и мощности.
7.10.3 Счетчики следует выбирать с учетом их допустимой перегрузочной способности.
7.10.4 Перед счетчиком, непосредственно включенным в сеть, на расстоянии не более 10 м по длине проводки для безопасной замены счетчика должен быть установлен коммутационный аппарат, позволяющий снять напряжение со всех фаз, присоединенных к счетчику.
7.10.5 После счетчика, включенного непосредственно в питающую сеть, должен быть установлен аппарат защиты не далее 3 м по длине электропроводки. Если после счетчика отходят несколько линий, снабженных аппаратами защиты, установка общего аппарата защиты не требуется. Если после счетчика отходят несколько линий, снабженных аппаратами защиты, которые размещены за пределами помещения, где установлен счетчик, то после счетчика должен быть установлен общий отключающий аппарат.
7.10.6 Под счетчиками коммерческого учета при трансформаторном включении должны устанавливаться испытательные колодки (клеммники).
7.10.7 При любой схеме электроснабжения в пешеходных тоннелях должен быть предусмотрен раздельный учет расхода электроэнергии, потребляемой осветительной установкой тоннеля и сторонними потребителями.
8. Расчет электропотребления установок наружного освещения
8.1 Расчет годового электропотребления установок наружного освещения производится расчетно-аналитическим методом, предусматривающим определение объема расхода электроэнергии расчетным путем по статьям расхода при обеспечении заданного режима работы системы освещения.
8.2 Расчетно-аналитический метод определения потребления электроэнергии, обладает наименьшей погрешностью и является наиболее предпочтительным. Значения параметров, рассчитанные с помощью расчетно-аналитического метода, - технически и нормативно обоснованны.
8.3 Годовое потребление электрической энергии системой наружного освещения рассчитывается для каждой улицы, дороги с самостоятельной питающей сетью.
8.4 Объем фактического годового потребления электрической энергии системой наружного освещения определяется по показаниям счетчиков.
8.5 При отсутствии счетчиков объем годового потребления электрической энергии, кВт·ч, рассчитывается по формуле

(8.1)
где к - число типов осветительных установок установленных на улице, дороге с самостоятельной питающей сетью;
Pустj - установленная мощность осветительной установки j-го типа с учетом потерь в ПРА, кВт;
nj - число осветительных установок j-го типа, шт.;
Tг - годовое число часов работы осветительной установки;
Kс - коэффициент спроса.
8.6 Коэффициент спроса при расчете сети наружного освещения, в соответствии с
[4], следует принимать равным 1,0.
8.7 Для оценочных расчетов объемов потребления электроэнергии годовое число часов работы осветительной установки принимается по таблице 8.1.
Таблица 8.1
Годовое число часов работы осветительной установки
наружного освещения
Вид осветительной нагрузки | Tг, ч |
1 Наружное освещение | |
1.1 Включенное всю ночь | 3500 |
1.2 Выключаемое в час ночи | 2350 |
8.8 Для уточненных расчетов объемов потребления электрической энергии годовое число часов работы осветительной установки принимается в зависимости от назначения осветительной установки:
- освещение улиц, дорог, площадей;
- освещение пешеходных переходов;
- освещение автотранспортных тоннелей;
- освещение пешеходных пространств;
- наружное архитектурное освещение зданий и сооружений;
- рекламное освещение.
8.8.1 Годовое число часов работы наружного освещения улиц, дорог, площадей, пешеходных переходов, а также для рекламного освещения может быть определено по "световому календарю" в зависимости от широты местности.
8.8.2 Годовое число часов работы наружного архитектурного освещения зданий и сооружений определяется по проекту.
8.9 Объем годового расхода электрической энергии системой освещения автотранспортных тоннелей, кВт·ч, рассчитывается по формуле
| | ИС МЕГАНОРМ: примечание. Формула дана в соответствии с официальным текстом документа. | |
Wг.о = Tг.дн·Kс·Pдн·nдн + Tг.нч·Kс·Pнч·mнч, (8.2)
где Pг.дн, Pг.нч - соответственно, установленная мощность светильника дневного и ночного режима освещения с учетом потерь в ПРА, кВт;
nдн, mнч - соответственно, число светильников дневного и ночного режима освещения, шт.;
Tг.дн, Tг.нч - соответственно, годовое число часов работы осветительной установки в дневном и ночном режимах работы;
Kс - коэффициент спроса.
8.10 Годовое число часов работы системы освещения автотранспортных тоннелей зависит от длительности режимов освещения: дневного и ночного. Значения Tг принимаются по графику работы системы освещения.
8.11 На стадии проектирования объем годового расхода электрической энергии определяется по техническому заданию.
9. Расчет относительной удельной мощности установок
наружного освещения
9.1 Относительную удельную мощность Dp, Вт·м-2·лк-1, определяют для расчетного поля освещенности, по формуле

(9.1)
где Pj - мощность j-го светильника, отнесенного к выбранному расчетному полю, Вт;
m - число светильников, отнесенных к выбранному расчетному полю;
Eср,i - расчетное значение средней освещенности на поверхности i-го элемента расчетного поля, лк;
Ai - площадь i-го элемента расчетного поля, м2;
n - число элементов расчетного поля, учитываемых в расчете.
При определении значения Dp используют значение средней освещенности Eср,i независимо от того, какое значение средней яркости или средней освещенности выбрано в качестве основного при проектировании освещения данного объекта.
Для участка дороги или улицы со стандартной геометрией значение m равно суммарному числу светильников, установленных на одной опоре (для односторонней или центральной схемы расположения опор) или двух опорах (для двусторонней или шахматной схемы расположения опор).
Для участка улично-дорожной сети с нестандартной геометрией значение m равно суммарному числу светильников, освещающих такой участок.
9.2 Если режим освещения меняется в течение ночи и/или времени года (например, изменение в связи со снижением интенсивности дорожного движения, изменение условий видимости или других расчетных параметров), то удельная мощность Dp должна быть рассчитана отдельно для каждого режима работы. Если в течение ночи или года применяется многократное изменение режима работы, удельная мощность Dp вычисляется, как среднее значение за указанный период.
9.3 Мощность системы P рассчитывается с учетом рабочей мощности всех ИС, ПРА и других электрических устройств (блоки управления световой точкой, переключатели, фотоэлектрические датчики и др.), работа которых непосредственно связана с освещением расчетного поля и которые смонтированы в наружном освещении для ее функционирования или регулирования. Мощность системы P рассчитывается для расчетного поля, применяемого в светотехническом проекте, по формуле

(9.2)
где P - полная мощность расчетного поля наружного, Вт;
Pk - рабочая мощность k-й световой точки (источник света, ПРА, блок управления световой точкой, переключатель или фотоэлектрический датчик и компонент, связанный со световой точкой и необходимый для ее функционирования), Вт;
Pad - суммарное значение рабочей мощности любого устройства, не включенного в параметр Pk, но влияющего на функционирование наружного освещения (например дистанционный выключатель или фотоэлектрический датчик, централизованный контроллер освещенности или централизованная система управления и др.), Вт;
N - число световых точек, функционирующих в расчетном поле.
9.4 Если ИС (и другие электрические устройства) работают на постоянной мощности, то ее значение используется для расчета мощности системы P.
Если режим освещения меняется в течение ночи и/или времени года (например, понижение освещенности в связи со снижением интенсивности дорожного движения, изменения условий видимости или других расчетных параметров), тогда должна быть вычислена мощность системы P, соответствующая каждому режиму освещения за данный период.
9.5 Если светотехнический расчет проводится для области нестандартной геометрии, мощность системы P рассчитывается, как сумма мощностей каждого светильника и электрических устройств этого светильника, световых точек и сегментов, которые необходимы для освещения области.
10. Схемы расположения осветительных приборов
Проектирование освещения состоит из светотехнической и электротехнической частей, а также предусматривает технико-экономическое сопоставление вариантов ОУ.
В
таблице 10.1 приведены основные схемы расположения ОП. По условиям обеспечения нормируемой равномерности распределения яркости дорожного покрытия рекомендуется применять следующие схемы:
- односторонняя - при ширине проезжей части до 12 м;
- осевая - при ширине проезжей части от 12 до 18 м;
- двухрядная шахматная - при ширине проезжей части от 24 до 36 м (в отдельных случаях до 48 м);
- двухрядная прямоугольная - при ширине проезжей части от 24 до 36 м (в отдельных случаях до 48 м);
- двухрядная по оси улицы - при ширине проезжей части от 24 до 36 м.
Приведенные рекомендуемые значения ширины проезжей части для каждого вида размещения светильников являются ориентировочными и не исключают необходимости поверочного расчета равномерности распределения яркости или освещенности по проезжей части.
На очень широких улицах используется совокупность двух двухрядных схем - четырехрядная система освещения.
Кроме того, для отдельных случаев рекомендуются опоры с двумя (или более) кронштейнами, иногда смонтированными на разной высоте. В этом случае ОП большей мощности обеспечивает яркость дорожного покрытия, а ОП меньшей мощности освещает тротуар.
Выбор конкретной схемы осветительной установки зависит от геометрии освещаемого участка.
Для узких улиц следует применять однорядное расположение светильников. При этом подвес светильников по оси проезжей части обеспечивает равномерное распределение яркости в направлении, перпендикулярном к оси дороги, и лучшую зрительную ориентацию.
На очень широких улицах и автострадах применяются опоры со спаренными кронштейнами. В этом случае необходимо использовать светильники с широкой боковой кривой силы света (КСС).
К преимуществам такой схемы относится возможность экономии средств за счет сокращения числа опор и уменьшения длины питающего кабеля.
Таблица 10.1
Типовые схемы расположения осветительных приборов
Номер и наименование схемы | Схема | Ширина проезжей части, м | Способ установки ОП |
1 Односторонняя | | Менее 12 | На опорах с одной стороны проезжей части |
2 Двухрядная шахматная | | 18 - 24 | На опорах с двух сторон проезжей части в шахматном порядке |
3 Двухрядная прямоугольная | | 24 - 48 | На опорах с двух сторон проезжей части напротив друг друга |
4 Осевая | | 12 - 18 | На тросах по оси улицы или дороги |
5 Двухрядная прямоугольная по оси улицы или дороги | | 18 - 24 | На опорах, установленных на разделяющей полосе |
6 Четырехрядная шахматная или прямоугольная | | 48 и более | На опорах с двух сторон проезжей части в шахматном или прямоугольном порядке согласно схемам 2 и 3 с дополнительными кронштейнами для освещения тротуаров и параллельных проезжих частей |
7 Смешанная в шахматном или прямоугольном порядке | | 18 - 24 | На опорах или стенах зданий с двух сторон проезжей части в шахматном порядке |
11. Структура проектной документации
11.1 Рабочую документацию наружного освещения селитебных территорий выполняют в соответствии с
ГОСТ Р 21.1101,
ГОСТ 21.607 и другими нормативными документами.
11.2 В состав рабочей документации наружного освещения включают:
- рабочие чертежи, предназначенные для производства строительно-монтажных работ (основной комплект рабочих чертежей марки ЭН);
- эскизные чертежи общих видов нетиповых изделий, конструкций, устройств, монтажных блоков по
ГОСТ 21.114;
- спецификацию оборудования, изделий и материалов по
ГОСТ 21.110;
- опросные листы и габаритные чертежи;
- локальную смету (при необходимости).
11.3 В состав основного комплекта рабочих чертежей марки ЭН включают:
- общие данные по рабочим чертежам;
- план освещения территории;
- ведомость опор и прожекторных мачт с установленными на них осветительными приборами и электрическим оборудованием;
- принципиальные схемы питания освещения территории;
- принципиальные схемы магистральных и групповых щитков освещения;
- принципиальные схемы управления освещением территории;
- кабельный журнал для сети освещения (при необходимости);
- чертежи узлов установки осветительных приборов и электрооборудования.
ПРИМЕР ОПРЕДЕЛЕНИЯ УДЕЛЬНОЙ УСТАНОВЛЕННОЙ МОЩНОСТИ
ДЛЯ УЧАСТКА РАСЧЕТНОГО ПОЛЯ ДОРОГИ
На
рисунке А.1 показан участок улицы, содержащий двухполосную проезжую часть и два тротуара, отделенные от нее полосами газона. Светильники расположены по односторонней схеме (справа по ходу движения транспорта) и установлены по два на каждой опоре: один направлен на проезжую часть, другой - на ближний тротуар. Между двумя соседними опорами выделено расчетное поле, содержащее три элемента (проезжую часть, левый и правый тротуары) с нанесенными расчетными точками, по которым определяют значения средней освещенности
Eср каждого элемента.
Показатель Dp рассчитывают по формуле

(А.1)
где PR и PF - мощности соответствующих светильников, Вт;
Eср,R, Eср,FL и Eср,FR - расчетные значения средней освещенности на поверхности проезжей части, левого и правого тротуаров соответственно, лк;
AR, AFL и AFR - площади соответствующих элементов расчетного поля, м2.
AR, AFL и AFR - элементы расчетного поля: проезжая часть,
левый и правый тротуары улицы соответственно;
PR и PF - светильники, направленные на проезжую часть
и правый тротуар соответственно; 1 - полосы газона;
"х" - расчетные точки на расчетном поле
Рисунок А.1 - Пример расчетного поля улицы
для определения показателя Dp
[1] Федеральный
закон от 23 ноября 2009 г. N 261-ФЗ "Об энергосбережении и о повышении энергетической эффективности и о внесении изменений в отдельные законодательные акты Российской Федерации"
[2]
Постановление Правительства Российской Федерации от 20 июля 2011 г. N 602 "Об утверждении требований к осветительным устройствам и электрическим лампам, используемым в цепях переменного тока в целях освещения"
[3]
Постановление Правительства Российской Федерации от 28 августа 2015 г. N 898 "О внесении изменений в пункт 7 Правил установления требований энергетической эффективности товаров, работ, услуг при осуществлении закупок для обеспечения государственных и муниципальных нужд"
[4] ПУЭ Правила устройства электроустановок (7-е изд.)