Главная // Актуальные документы // ГОСТ Р (Государственный стандарт)СПРАВКА
Источник публикации
М.: Стандартинформ, 2012
Примечание к документу
Отдельные положения данного документа включены в
Перечень документов в области стандартизации, в результате применения которых на добровольной основе обеспечивается соблюдение требований Федерального
закона от 22.07.2008 N 123-ФЗ "Технический регламент о требованиях пожарной безопасности" (
Приказ Росстандарта от 13.02.2023 N 318).
Отдельные положения данного документа включены в
Перечень документов в области стандартизации, в результате применения которых на добровольной основе обеспечивается соблюдение требований Федерального
закона от 22.07.2008 N 123-ФЗ "Технический регламент о требованиях пожарной безопасности" (
Приказ Росстандарта от 14.07.2020 N 1190).
Отдельные положения данного документа включены в
Перечень документов в области стандартизации, в результате применения которых на добровольной основе обеспечивается соблюдение требований Федерального
закона от 22.07.2008 N 123-ФЗ "Технический регламент о требованиях пожарной безопасности" (
Приказ Росстандарта от 03.06.2019 N 1317).
Документ включен в
Перечень стандартов, в результате применения которых на добровольной основе обеспечивается соблюдение требований Технического
регламента Таможенного союза "О безопасности низковольтного оборудования" (ТР ТС 004/2011) и в
Перечень стандартов, содержащих правила и методы исследований (испытаний) и измерений, в том числе правила отбора образцов, необходимые для применения и исполнения требований Технического
регламента Таможенного союза "О безопасности низковольтного оборудования" (ТР ТС 004/2011) и осуществления оценки соответствия объектов технического регулирования (
Решение Комиссии Таможенного союза от 16.08.2011 N 768).
Документ был включен в
Перечень национальных стандартов, содержащих правила и методы исследований (испытаний) и измерений, в том числе правила отбора образцов, необходимых для применения и исполнения Федерального
закона от 22.07.2008 N 123-ФЗ и осуществления оценки соответствия (
Распоряжение Правительства РФ от 10.03.2009 N 304-р).
Документ
введен в действие с 1 января 2012 года.
Название документа
"ГОСТ Р 50030.2-2010 (МЭК 60947-2:2006). Национальный стандарт Российской Федерации. Аппаратура распределения и управления низковольтная. Часть 2. Автоматические выключатели"
(утв. и введен в действие Приказом Росстандарта от 30.11.2010 N 711-ст)
"ГОСТ Р 50030.2-2010 (МЭК 60947-2:2006). Национальный стандарт Российской Федерации. Аппаратура распределения и управления низковольтная. Часть 2. Автоматические выключатели"
(утв. и введен в действие Приказом Росстандарта от 30.11.2010 N 711-ст)
Утвержден и введен в действие
по техническому регулированию
и метрологии
от 30 ноября 2010 г. N 711-ст
НАЦИОНАЛЬНЫЙ СТАНДАРТ РОССИЙСКОЙ ФЕДЕРАЦИИ
АППАРАТУРА РАСПРЕДЕЛЕНИЯ И УПРАВЛЕНИЯ НИЗКОВОЛЬТНАЯ
ЧАСТЬ 2
АВТОМАТИЧЕСКИЕ ВЫКЛЮЧАТЕЛИ
Low-voltage switchgear and controlgear.
Part 2. Circuit-breakers
ГОСТ Р 50030.2-2010
(МЭК 60947-2:2006)
Дата введения
1 января 2012 года
Цели и принципы стандартизации в Российской Федерации установлены Федеральным
законом от 27 декабря 2002 г. N 184-ФЗ "О техническом регулировании", а правила применения национальных стандартов Российской Федерации -
ГОСТ Р 1.0-2004 "Стандартизация в Российской Федерации. Основные положения".
1. Подготовлен Автономной некоммерческой организацией "Научно-технический центр "Энергия" (АНО "НТЦ "Энергия") (г. Москва) и Обществом с ограниченной ответственностью "Всероссийский научно-исследовательский и конструкторско-технологический институт низковольтной аппаратуры" (ООО "ВНИИэлектроаппарат") (г. Ставрополь) на основе собственного аутентичного перевода на русский язык международного стандарта, указанного в пункте 4.
2. Внесен Техническим комитетом по стандартизации ТК331 "Низковольтная аппаратура распределения, защиты и управления".
3. Утвержден и введен в действие
Приказом Федерального агентства по техническому регулированию и метрологии от 30 ноября 2010 г. N 711-ст.
4. Настоящий стандарт модифицирован по отношению к международному стандарту МЭК 60947-2:2006, Издание 4 "Аппаратура распределения и управления низковольтная. Часть 2. Автоматические выключатели" (IEC 60947-2:2006 "Low-voltage switchgear and controlgear. Part 2: Circuit-breakers"). При этом
разделы 1 -
8 и
Приложения A -
O полностью идентичны, за исключением того, что ссылки на международные стандарты заменены выделенными курсивом ссылками на соответствующие национальные стандарты при их наличии, а дополнительные по отношению к примененному международному стандарту
Приложения ДА и
ДБ дополняют его с учетом потребностей национальной экономики Российской Федерации и/или особенностей национальной стандартизации. Вместо ссылок на международные стандарты при наличии соответствующих национальных стандартов приведены национальные стандарты.
Кроме того, введены в качестве дополнения
Приложение ДВ, содержащее сведения о соответствии ссылочных стандартов международным стандартам, и библиография, содержащая сведения о международных стандартах, на которые даны ссылки в настоящем стандарте и которые не приняты в качестве национальных стандартов в Российской Федерации или межгосударственных стандартов, действующих на территории Российской Федерации, или не имеют эквивалентной замены.
Раздел "Нормативные ссылки" изложен в соответствии с требованиями
ГОСТ Р 1.5-2004 и включает национальные стандарты, на которые имеются ссылки в настоящем стандарте.
Наименование настоящего стандарта изменено относительно наименования указанного международного стандарта в целях более полного отражения его содержания и приведения в соответствие с ГОСТ Р 1.5-2004
(подраздел 3.5).
Информация об изменениях к настоящему стандарту публикуется в указателе "Национальные стандарты", а текст изменений - в информационных указателях "Национальные стандарты". В случае пересмотра (замены) или отмены настоящего стандарта соответствующее уведомление будет опубликовано в ежемесячно издаваемом информационном указателе "Национальные стандарты". Соответствующая информация, уведомление и тексты размещаются также в информационной системе общего пользования - на официальном сайте Федерального агентства по техническому регулированию и метрологии в сети Интернет.
Настоящий стандарт содержит аутентичный текст международного стандарта МЭК 60947-2:2006 с дополнительными требованиями, учитывающими интересы национальной экономики Российской Федерации и особенности национальной стандартизации.
Настоящий стандарт имеет отличия от заменяемого им стандарта
ГОСТ Р 50030.2-99, вызванные принятыми изменениями и дополнениями к международному стандарту МЭК 60947-2-98, повлекшими его переиздания (МЭК 60947-2:2003 и МЭК 60947-2:2006). Внесены изменения в разделы по электромагнитной совместимости (ЭМС) в
Приложениях B,
F,
J. Введены дополнительные
Приложения L,
M,
N,
O, касающиеся требований и методов испытаний:
- автоматических выключателей, не отвечающих требованиям, предъявляемым к защите от сверхтоков;
- модульных устройств дифференциального тока (без встроенного устройства отключения тока);
- дополнительных требований к ЭМС и методам испытаний устройств, не учтенных в
Приложениях B,
F и
M;
- автоматических выключателей с защитой только мгновенного действия;
- дополнительных требований и методов испытаний для обеспечения пожарной безопасности.
Внесены уточнения и исправления ошибок, допущенных при издании предыдущего стандарта. Настоящий стандарт может быть использован в качестве доказательной базы для целей подтверждения соответствия продукции требованиям безопасности, установленным в технических регламентах.
Настоящий стандарт должен быть использован совместно с
ГОСТ Р 50030.1.
Общие правила, пункты, подпункты, а также таблицы, рисунки и приложения определяются ссылкой на этот стандарт, например: 1.2.3
ГОСТ Р 50030.1,
таблица 4 ГОСТ Р 50030.1 или
Приложение A ГОСТ Р 50030.1.
1.1. Область применения
Настоящий стандарт распространяется на автоматические выключатели (далее - выключатели), главные контакты которых предназначены для коммутации цепей напряжением до 1000 В переменного или 1500 В постоянного тока, а также содержит дополнительные требования для выключателей со встроенными плавкими предохранителями.
Стандарт применяют для выключателей с любыми номинальными токами, различных конструкций и способов применения.
Требования к выключателям, предназначенным также для обеспечения защиты от токов утечки на землю, см. в
Приложении B.
Дополнительные требования к выключателям с электронной защитой от сверхтоков см. в
Приложении F.
Дополнительные требования к выключателям для систем IT см. в
Приложении H.
Требования и методы испытаний ЭМС выключателей см. в
Приложении J.
Требования к выключателям, не отвечающим требованиям, предъявляемым к защите от сверхтоков, см. в
Приложении L.
Требования к модульным устройствам дифференциального тока (без встроенного устройства отключения тока) см. в
Приложении M.
Требования и методы испытаний ЭМС вспомогательных устройств выключателей см. в
Приложении N.
Дополнительные требования к выключателям, используемым в качестве пускателей для прямого пуска двигателей, приведены в
ГОСТ Р 50030.4.1, который распространяется на контакторы и пускатели низкого напряжения.
Требования к выключателям, предназначенным для защиты электропроводок зданий и аналогичных объектов, где обслуживание осуществляется необученным персоналом, приведены в
ГОСТ Р 50345.
| | ИС МЕГАНОРМ: примечание. Взамен ГОСТ Р 50031-99 Приказом Росстандарта от 06.06.2012 N 103-ст с 1 января 2013 года введен в действие ГОСТ 50031-2012. | |
Требования к выключателям для оборудования (например, электроприборов) приведены в ГОСТ Р 50031.
К выключателям, предназначенным для защиты электрооборудования специальных установок (например, тяговое оборудование, прокатные станы, корабельные и т.д.), могут быть предъявлены особые или дополнительные требования.
Примечание. Выключатели, являющиеся объектом рассмотрения настоящего стандарта, могут иметь устройства, приводящие к автоматическому отключению не только при сверхтоках или недопустимом падении напряжения, но и при изменении направления мощности или тока. Настоящий стандарт не предусматривает проверки работоспособности в этих условиях.
Настоящий стандарт устанавливает:
a) характеристики выключателей;
b) условия, которым должны удовлетворять выключатели, применительно к:
1) работоспособности и поведению в нормальном режиме эксплуатации;
2) работоспособности и поведению при перегрузках, коротких замыканиях, в том числе к координации при эксплуатации (селективности и резервной защите);
3) электроизоляционным свойствам;
c) испытания, направленные на проверку выполнения этих условий, и методику проведения таких испытаний;
d) информацию, которая должна быть маркирована на аппаратах или поставляться вместе с ними.
В настоящем стандарте использованы нормативные ссылки на следующие стандарты:
ГОСТ Р 50030.1-2007 (МЭК 60947-1:2004) Аппаратура распределения и управления низковольтная. Часть 1. Общие требования
| | ИС МЕГАНОРМ: примечание. ГОСТ Р 50030.3-99 утратил силу с 1 января 2013 года в связи с введением в действие ГОСТ Р 50030.3-2012 (Приказ Росстандарта от 13.12.2011 N 298-ст). | |
ГОСТ Р 50030.3-99 (МЭК 60947-3-99) Аппаратура распределения и управления низковольтная. Часть 3. Выключатели, разъединители, выключатели-разъединители и комбинации их с предохранителями
ГОСТ Р 50030.4.1-2002 (МЭК 60947-4-1-2000) Аппаратура распределения и управления низковольтная. Часть 4-1. Контакторы и пускатели. Электромеханические контакторы и пускатели
| | ИС МЕГАНОРМ: примечание. ГОСТ Р 50030.5.1-2005 утратил силу с 1 января 2014 года в связи с введением в действие ГОСТ 30011.5.1-2012 (Приказ Росстандарта от 15.11.2012 N 830-ст). | |
ГОСТ Р 50030.5.1-2005 (МЭК 60947-5-1:2003) Аппаратура распределения и управления низковольтная. Часть 5. Аппараты и коммутационные элементы цепей управления. Глава 1. Электромеханические аппараты для цепей управления
| | ИС МЕГАНОРМ: примечание. Взамен ГОСТ Р 50031-99 Приказом Росстандарта от 06.06.2012 N 103-ст с 1 января 2013 года введен в действие ГОСТ 50031-2012. | |
ГОСТ Р 50031-99 (МЭК 60934-98) Автоматические выключатели для оборудования (АВО)
ГОСТ Р 50339.0-2003 (МЭК 60269-1-98) Предохранители плавкие низковольтные. Часть 1. Общие требования
ГОСТ Р 50339.2-92 (МЭК 60269-2-1-87) Низковольтные плавкие предохранители. Часть 2-1. Дополнительные требования к плавким предохранителям промышленного назначения. Разделы I - III
ГОСТ Р 50345-2010 (МЭК 60898-1:2003) Аппаратура малогабаритная электрическая. Автоматические выключатели для защиты от сверхтоков для бытового и аналогичного назначения. Часть 1. Автоматические выключатели переменного тока
ГОСТ Р 50807-95 (МЭК 60755-83) Устройства защитные, управляемые дифференциальным (остаточным) током. Общие требования и методы испытаний
ГОСТ Р 51317.3.2-2006 (МЭК 61000-3-2-95) Совместимость технических средств электромагнитная. Эмиссия гармонических составляющих тока техническими средствами с потребляемым током не более 16 А (в одной фазе). Нормы и методы испытаний
ГОСТ Р 51317.3.3-2008 (МЭК 61000-3-3:2005) Совместимость технических средств электромагнитная. Ограничение изменений напряжения, колебаний напряжения и фликера. Технические средства с потребляемым током не более 16 А (в одной фазе), подключаемые к электрической сети при несоблюдении определенных условий подключения. Нормы и методы испытаний
ГОСТ Р 51317.4.2-99 (МЭК 61000-4-2-95) Совместимость технических средств электромагнитная. Устойчивость к электростатическим разрядам. Требования и методы испытаний
ГОСТ Р 51317.4.3-99 (МЭК 61000-4-3-95) Совместимость технических средств электромагнитная. Устойчивость к радиочастотному электромагнитному полю. Требования и методы испытаний
ГОСТ Р 51317.4.4-2007 (МЭК 61000-4-4:2004) Совместимость технических средств электромагнитная. Устойчивость к наносекундным импульсным помехам. Требования и методы испытаний
ГОСТ Р 51317.4.5-99 (МЭК 61000-4-5-95) Совместимость технических средств электромагнитная. Устойчивость к микросекундным импульсным помехам большой энергии. Требования и методы испытаний
ГОСТ Р 51317.4.6-99 (МЭК 61000-4-6-96) Совместимость технических средств электромагнитная. Устойчивость к кондуктивным помехам, наведенным радиочастотными электромагнитными полями. Требования и методы испытаний
ГОСТ Р 51317.4.11-2007 (МЭК 61000-4-11:2004) Совместимость технических средств электромагнитная. Устойчивость к провалам, кратковременным прерываниям и изменениям напряжения электропитания. Требования и методы испытаний
| | ИС МЕГАНОРМ: примечание. ГОСТ Р 51317.4.13-2006 утратил силу с 1 января 2014 года в связи с введением в действие ГОСТ 30804.4.13-2013 (Приказ Росстандарта от 22.07.2013 N 405-ст). | |
ГОСТ Р 51317.4.13-2006 (МЭК 61000-4-13:2002) Совместимость технических средств электромагнитная. Устойчивость к искажениям синусоидальности напряжения электропитания, включая передачу сигналов по электрическим сетям. Требования и методы испытаний
ГОСТ Р 51318.11-99 (СИСПР 11-97) Совместимость технических средств электромагнитная. Радиопомехи индустриальные от промышленных, научных, медицинских и бытовых (ПНМБ) высокочастотных устройств. Нормы и методы испытаний
ГОСТ Р 51318.22-99 (СИСПР 22-97) Совместимость технических средств электромагнитная. Радиопомехи индустриальные от оборудования информационных технологий. Нормы и методы испытаний
ГОСТ Р 51321.1-2007 (МЭК 60439-1:2002) Устройства комплектные низковольтные распределения и управления. Часть 1. Устройства, испытанные полностью или частично. Общие технические требования и методы испытаний
ГОСТ Р 51326.1-99 (МЭК 61008-1-96) Выключатели автоматические, управляемые дифференциальным током, бытового и аналогичного назначения без встроенной защиты от сверхтоков. Часть 1. Общие требования и методы испытаний
ГОСТ Р 51327.1-2010 (МЭК 61009-1:2006) Выключатели автоматические, управляемые дифференциальным током, бытового и аналогичного назначения со встроенной защитой от сверхтоков. Часть 1. Общие требования и методы испытаний
ГОСТ Р 52161.1-2004 (МЭК 60335-1:2001) Безопасность бытовых и аналогичных электрических приборов. Часть 1. Общие требования
ГОСТ 9.005-72 Единая система защиты от коррозии и старения. Металлы, сплавы, металлические и неметаллические неорганические покрытия. Допустимые и недопустимые контакты с металлами и неметаллами
| | ИС МЕГАНОРМ: примечание. Взамен ГОСТ 17441-78 Постановлением Госстандарта СССР от 29.11.1984 N 4050 с 1 января 1986 года введен в действие ГОСТ 17441-84. | |
ГОСТ 17441-78 Соединения контактные электрические. Приемка и методы испытаний
ГОСТ 27473-87 (МЭК 112-79) Материалы электроизоляционные твердые. Метод определения сравнительного и контрольного индексов трекингостойкости во влажной среде
ГОСТ 28216-89 (МЭК 68-2-30-87) Основные методы испытаний на воздействие внешних факторов. Часть 2. Испытания. Испытание Db и руководство. Влажное тепло, циклическое (12 + 12-часовой цикл).
ГОСТ 28779-90 (МЭК 707-81) Материалы электроизоляционные твердые. Методы определения воспламеняемости под воздействием источника зажигания.
ГОСТ 30012.1-2002 (МЭК 60051-1-97) Приборы аналоговые показывающие электроизмерительные прямого действия и вспомогательные части к ним. Часть 1. Определения и основные требования, общие для всех частей
Примечание. При пользовании настоящим стандартом целесообразно проверить действие ссылочных стандартов в информационной системе общего пользования - на официальном сайте Федерального агентства по техническому регулированию и метрологии в сети Интернет или по ежегодно издаваемому информационному указателю "Национальные стандарты", который опубликован по состоянию на 1 января текущего года, и по соответствующим ежемесячно издаваемым информационным указателям, опубликованным в текущем году. Если ссылочный стандарт заменен (изменен), то при пользовании настоящим стандартом следует руководствоваться заменяющим (измененным) стандартом. Если ссылочный стандарт отменен без замены, то положение, в котором дана ссылка на него, применяют в части, не затрагивающей эту ссылку.
По
разделу 2 ГОСТ Р 50030.1, со следующими дополнительными терминами с соответствующими определениями.
Примечание. Если определения взяты из Международного электротехнического словаря (МЭС) МЭК 60050(441)
[1], это указано в ссылке к определениям.
┌─────────────────────────────────────────────────────────────────────────┐
│ 2.1. Выключатель (circuit-breaker): контактный коммутационный│
│аппарат, способный включать, проводить и отключать токи при нормальных│
│условиях цепи, а также включать, проводить в течение нормированного│
│времени и отключать токи при нормированных ненормальных условиях│
│в цепи, таких, как короткое замыкание. │
└─────────────────────────────────────────────────────────────────────────┘
2.1.1. Типоразмер (frame size): термин, определяющий группу выключателей, внешние физические размеры которых объединяют диапазон номинальных токов. Типоразмер выражают в амперах соответственно наибольшему номиналу тока группы. В пределах одного типоразмера выключателя ширина может меняться в зависимости от числа полюсов.
Примечание. Данное определение не касается стандартизованных размеров.
2.1.2. Конструктивное различие (construction break): значительная разница в конструкции между выключателями данного типоразмера, требующая дополнительных типовых испытаний (см.
7.1.5).
┌─────────────────────────────────────────────────────────────────────────┐
│ 2.2. Выключатель со встроенными плавкими предохранителями (integrally│
│fused circuit-breaker): комбинация в одном аппарате выключателя и│
│предохранителей, в которой каждый предохранитель установлен│
│последовательно с полюсом выключателя, предназначенным для соединения с│
│фазным проводом. │
└─────────────────────────────────────────────────────────────────────────┘
┌─────────────────────────────────────────────────────────────────────────┐
│ 2.3. Токоограничивающий выключатель (current-limiting circuit-│
│breaker): выключатель с временем отключения достаточно малым, чтобы│
│предотвратить достижение током короткого замыкания его ожидаемого│
│максимального значения. │
└─────────────────────────────────────────────────────────────────────────┘
2.4. Выключатель втычного исполнения (plug-in circuit-breaker): выключатель, который дополнительно к своим отключающим контактам имеет комплект контактов, позволяющих снимать выключатель.
Примечание. Некоторые выключатели могут быть втычными только со стороны питания, зажимы со стороны нагрузки обычно пригодны для присоединения проводников.
2.5. Выключатель выдвижного исполнения (withdrawable circuit-breaker): выключатель, который дополнительно к своим отключающим контактам имеет комплект разъединяющих контактов, позволяющих отсоединить этот выключатель от главной цепи в выдвинутом положении для создания изолирующего промежутка в соответствии с установленными требованиями.
┌─────────────────────────────────────────────────────────────────────────┐
│ 2.6. Выключатель в литом (формованном) корпусе (moulded-case│
│circuit-breaker): выключатель, рама и оболочка которого выполнены из│
│литого изоляционного материала и составляют единое целое с выключателем. │
└─────────────────────────────────────────────────────────────────────────┘
┌─────────────────────────────────────────────────────────────────────────┐
│ 2.7. Воздушный выключатель (air circuit-breaker): выключатель,│
│контакты которого размыкаются и замыкаются в воздухе при атмосферном│
│давлении. │
└─────────────────────────────────────────────────────────────────────────┘
┌─────────────────────────────────────────────────────────────────────────┐
│ 2.8. Вакуумный выключатель (vacuum circuit-breaker): выключатель,│
│контакты которого размыкаются и замыкаются в оболочке с высоким вакуумом.│
└─────────────────────────────────────────────────────────────────────────┘
2.9. Газовый выключатель (gas circuit-breaker): выключатель, контакты которого размыкаются и замыкаются в газовой среде, отличающейся от воздуха, при атмосферном или повышенном давлении.
2.10. Расцепитель тока включения (making-current release): расцепитель, допускающий отключение выключателя без выдержки или с преднамеренной выдержкой во время операции включения, если ток включения превышает заданное значение, и не срабатывающий, когда выключатель находится во включенном состоянии.
2.11. Расцепитель токов короткого замыкания (short-circuit release): расцепитель максимального тока, предназначенный для защиты от коротких замыканий.
2.12. Расцепитель токов короткого замыкания с кратковременной выдержкой (short-time delay short-circuit release): расцепитель токов короткого замыкания, предназначенный для срабатывания по истечении кратковременной выдержки (см.
2.5.26 ГОСТ Р 50030.1).
2.13. Аварийный выключатель (alarm switch): вспомогательный выключатель, срабатывающий только при отключении автоматического выключателя, с которым он связан.
2.14. Автоматический выключатель с блокировкой, препятствующей замыканию (circuit-breaker with lock-out device preventing closing): выключатель, каждый подвижный контакт которого защищен от замыкания, достаточного для прохождения тока, если команда на включение подается, в то время как сохраняются определенные условия.
2.15. Наибольшая отключающая (или включающая) способность (short-circuit breaking (or making) capacity): отключающая (или включающая) способность, для которой предписанные условия содержат короткое замыкание.
2.15.1. Предельная наибольшая отключающая способность (ultimate short-circuit breaking capacity): отключающая способность, для которой согласно предписанным условиям в соответствии с установленным циклом испытаний не предполагают способности данного выключателя длительно проводить свой номинальный ток.
2.15.2. Рабочая наибольшая отключающая способность (service short-circuit breaking capacity): отключающая способность, для которой согласно предписанным условиям в соответствии с установленным циклом испытаний предполагают способность данного выключателя длительно проводить свой номинальный ток.
2.16. Время размыкания (opening time):
применяется
2.5.39 ГОСТ Р 50030.1 со следующими дополнениями:
- для выключателя с непосредственным управлением начальным моментом времени размыкания служит момент появления тока, достаточного, чтобы вызвать срабатывание выключателя;
- для выключателя, управляемого источником энергии любой формы, начальным моментом времени размыкания служит момент подачи или прекращения подачи энергии этого источника на отключающий расцепитель.
Примечание. Для выключателей "время размыкания контактов" часто называют длительностью отключения, хотя длительность отключения включает промежуток времени от момента размыкания контактов до момента, когда команда на размыкание контактов становится необратимой.
2.17. Координация для защиты от сверхтоков (over-current protective co-ordination): применяется
2.5.22 ГОСТ Р 50030.1.
┌─────────────────────────────────────────────────────────────────────────┐
│ 2.17.1. Селективность при сверхтоках (over-current discrimination):│
│применяется
2.5.23 ГОСТ Р 50030.1. │
└─────────────────────────────────────────────────────────────────────────┘
2.17.2. Полная селективность (total discrimination (total selectivity)): селективность по сверхтокам, когда при последовательном соединении двух аппаратов защиты от сверхтоков аппарат со стороны нагрузки осуществляет защиту без срабатывания второго защитного аппарата.
2.17.3. Частичная селективность (partial discrimination (partial selectivity)): селективность по сверхтокам, когда при последовательном соединении двух аппаратов защиты от сверхтоков аппарат со стороны нагрузки осуществляет защиту до определенного уровня сверхтока без срабатывания второго защитного аппарата.
2.17.4. Предельный ток селективности (selectivity limit current)

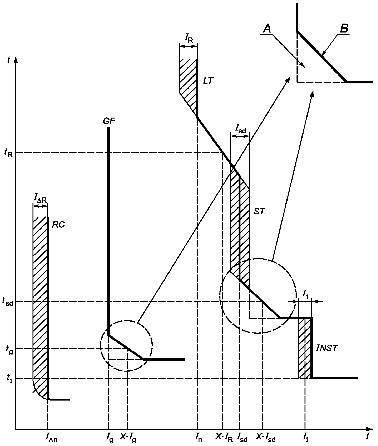
: токовая координата точки пересечения полной время-токовой характеристики защитного аппарата со стороны нагрузки и преддуговой (для плавких предохранителей) время-токовой характеристики или время-токовой характеристики расцепления второго защитного аппарата.
Предельный ток селективности (см.
рисунок A.1) - это предельное значение тока:
- ниже которого при последовательном соединении двух аппаратов защиты от сверхтоков защитный аппарат со стороны нагрузки завершает операцию отключения, чтобы воспрепятствовать началу действия второго защитного аппарата (т.е. обеспечивается селективность);
- выше которого при последовательном соединении двух аппаратов защиты от сверхтоков защитный аппарат со стороны нагрузки может не успеть вовремя завершить операцию отключения, чтобы воспрепятствовать началу действия второго защитного аппарата (т.е. селективность не обеспечивается).
2.17.5. Резервная защита (back-up protection):
применяется
2.5.24 ГОСТ Р 50030.1.
2.17.6. Ток координации (take-over current)

:
применяется
2.5.25 ГОСТ Р 50030.1 со следующим дополнением:
в соответствии с требованиями настоящего стандарта
2.5.25 ГОСТ Р 50030.1 относится к двум последовательно соединенным аппаратам защиты от сверхтоков для времени срабатывания, равного или превышающего 0,05 с. Для времени срабатывания менее 0,05 с два последовательно соединенных аппарата защиты от сверхтоков считают комбинацией аппаратов (см.
Приложение A).
Примечание. Ток координации - это токовая координата точки пересечения характеристик максимальное время отключения/ток двух последовательно соединенных аппаратов защиты от сверхтока.
2.18. Характеристика

автоматического выключателя (

characteristic of a circuit-breaker): информация (как правило, в виде кривой), представленная максимальными по времени отключения значениями

как функция ожидаемого тока (действующее значение симметричной составляющей для переменного тока) от пикового значения ожидаемого тока, удовлетворяющего номинальной наибольшей отключающей способности и соответствующему напряжению.
2.19. Время взвода (resetting time): интервал времени между срабатыванием автоматического выключателя от сверхтока и приведением его в состояние для возможного повторного включения.
2.20. Уставка тока срабатывания расцепителя мгновенного действия (rated instantaneous short-circuit current setting)

: номинальное значение тока, вызывающее срабатывание расцепителя без заданной выдержки времени.
Автоматические выключатели классифицируют:
3.1. По категории применения: A или B (см.
4.4).
3.2. По среде, в которой происходит отключение:
- воздушные;
- вакуумные;
- газовые.
3.3. По конструкции:
- открытого исполнения;
- в оболочке.
3.4. По способу управления:
- с зависимым ручным управлением;
- с независимым ручным управлением;
- с зависимым управлением от источника энергии;
- с независимым управлением от источника энергии;
- с накопителем энергии.
3.5. По пригодности к разъединению:
- пригодные;
- непригодные.
3.6. По возможности обслуживания:
- обслуживаемые;
- необслуживаемые.
3.7. По способу монтажа:
- стационарные;
- втычные;
- выдвижные.
3.8. По степени защиты, обеспечиваемой оболочкой, - согласно
7.1.11 ГОСТ Р 50030.1.
4. ХАРАКТЕРИСТИКИ АВТОМАТИЧЕСКИХ ВЫКЛЮЧАТЕЛЕЙ
4.1. Перечень характеристик
Характеристики выключателей должны быть установлены в следующих терминах:
- тип выключателя (4.2);
- номинальные и предельные значения параметров главной цепи
(4.3);
- категории применения
(4.4);
- вспомогательные цепи
(4.6);
- встроенные плавкие предохранители (выключатели со встроенными плавкими предохранителями)
(4.8).
4.2. Тип автоматического выключателя
Необходимо указать:
4.2.1. Число полюсов.
4.2.2. Род тока: переменный или постоянный, для переменного тока - число фаз и номинальную частоту.
4.3. Номинальные и предельные значения параметров главной цепи
Номинальные значения характеристик выключателя должны быть установлены по 4.3.1, но, если нет необходимости, устанавливают не все номинальные параметры.
4.3.1. Номинальные напряжения
Выключатель характеризуют номинальные напряжения, указанные ниже.
4.3.1.1. Номинальное рабочее напряжение

По
4.3.1.1 ГОСТ Р 50030.1 со следующими дополнениями:
- Выключатели по перечислению a) примечания A:

обычно определяют как напряжение между фазами.
Примечание A. В Канаде и США номинальным рабочим напряжением

считают:
a) напряжение между фазами и изоляцией совместно с напряжением между фазами (например, 227/480 В) для трехфазной системы с изолированной нейтралью;
b) напряжение между фазами (например, 480 В) для трехфазной системы с глухозаземленной нейтралью.
Выключатели для незаземленных систем или для заземленных систем с полным сопротивлением (IT) требуют дополнительных испытаний согласно
Приложению H.
Для этих выключателей необходимы дополнительные испытания по
Приложению C.

следует указывать как межфазное напряжение с предшествующей буквой C.
Примечание B. Применительно к практике Канады и США автоматические выключатели согласно
перечислению b) примечания A идентифицируют только по межфазному напряжению.
4.3.1.2. Номинальное напряжение изоляции

4.3.1.3. Номинальное импульсное выдерживаемое напряжение

4.3.2. Токи
Выключатель характеризуют токи, указанные ниже.
4.3.2.1. Условный тепловой ток на открытом воздухе

4.3.2.2. Условный тепловой ток в оболочке

4.3.2.3. Номинальный ток

Для выключателей номинальным является непрерывный ток

(см.
4.3.2.4 ГОСТ Р 50030.1), равный условному тепловому току на открытом воздухе

.
4.3.2.4. Номинальный ток четырехполюсных выключателей
4.3.3. Номинальная частота
4.3.4. Номинальный режим эксплуатации
Стандартными считают номинальные режимы эксплуатации, указанные ниже.
4.3.4.1 Восьмичасовой режим
4.3.4.2. Непрерывный режим
4.3.5. Характеристики в условиях короткого замыкания
4.3.5.1. Номинальная наибольшая включающая способность

Это значение наибольшей включающей способности, установленное для данного выключателя изготовителем при номинальных рабочем напряжении, частоте и определенных коэффициенте мощности для переменного тока или постоянной времени для постоянного тока. Она выражается максимальным ожидаемым пиковым током.
На переменном токе номинальная наибольшая включающая способность выключателя должна быть не ниже его номинальной предельной наибольшей отключающей способности, умноженной на коэффициент n
таблицы 2 (см.
4.3.5.3).
На постоянном токе номинальная наибольшая включающая способность выключателя должна быть не ниже его номинальной предельной наибольшей отключающей способности.
Номинальная наибольшая включающая способность означает, что данный выключатель должен быть способен включать ток, соответствующий этой номинальной способности, при напряжении до включения, соотнесенном с номинальным рабочим напряжением.
4.3.5.2. Номинальные наибольшие отключающие способности
Это значения наибольшей отключающей способности, установленные изготовителем для данного выключателя при номинальном рабочем напряжении в определенных условиях.
Номинальные наибольшие отключающие способности означают, что данный выключатель должен отключать любой ток короткого замыкания, не превышающий этих его номинальных способностей, при возвращающемся напряжении, соответствующем предписанным значениям испытательного напряжения, и:
- на переменном токе - при любом коэффициенте мощности, не ниже указанного в
таблице 11 (см.
8.3.2.2.4);
- на постоянном токе - при любой постоянной времени, не выше указанной в
таблице 11 (см.
8.3.2.2.5).
При возвращающихся напряжениях, превышающих установленные значения испытательного напряжения (см.
8.3.2.2.6), наибольшая отключающая способность не гарантируется.
На переменном токе выключатель должен отключать ожидаемый ток, соответствующий его номинальной наибольшей отключающей способности при коэффициенте мощности по
таблице 11, независимо от значения его апериодической составляющей, при условии, что его периодическая составляющая постоянна по величине.
Номинальные наибольшие отключающие способности определяют как номинальную предельную и рабочую наибольшую отключающие способности.
4.3.5.2.1. Номинальная предельная наибольшая отключающая способность

Это значение предельной наибольшей отключающей способности (см.
2.15.1), установленное изготовителем для данного выключателя при соответствующем номинальном рабочем напряжении в условиях, определяемых
8.3.5. Она выражается как значение ожидаемого тока отключения в килоамперах (действующее значение периодической составляющей в случае переменного тока).
4.3.5.2.2. Номинальная рабочая наибольшая отключающая способность

Это значение рабочей наибольшей отключающей способности (см.
2.15.2), установленное изготовителем для данного выключателя при соответствующем номинальном рабочем напряжении в условиях, указанных в
8.3.4. Она выражается как значение ожидаемого тока отключения в килоамперах, соответствующее одному из определенных процентных значений номинальной предельной наибольшей отключающей способности согласно
таблице 1, округленному до ближайшего целого числа. Она может быть выражена в процентах от

(например,

25%

).
С другой стороны, когда номинальная рабочая наибольшая отключающая способность равна номинальному кратковременно выдерживаемому току (см.
4.3.5.4), она может быть задана значением в килоамперах при условии, что она не ниже минимума по таблице 1.
Если

превышает 200 кА для категории применения A (см.
4.4) или 100 кА для категории применения B, изготовитель может указать значение

, равное 50 кА.
4.3.5.3. Стандартное соотношение между наибольшими включающей и отключающей способностями и соответствующий коэффициент мощности для выключателей переменного тока.
Таблица 1
Стандартные соотношения между

и

в процентах от

Категория применения A | Категория применения B |
25 | - |
50 | 50 |
75 | 75 |
100 | 100 |
Стандартные соотношения между наибольшими отключающей и включающей способностями приведено в
таблице 2.
Эти значения способностей действительны только при условии соответствия требованиям
7.2.1.1 и
7.2.1.2.
При наличии особых требований изготовитель может установить более высокое значение номинальной наибольшей включающей способности, чем указано в таблице 2. Испытания для проверки этих номинальных значений должны быть согласованы между изготовителем и потребителем.
Таблица 2
Соотношение n между наибольшими включающей и отключающей
способностями и соответствующий коэффициент мощности
(для выключателей переменного тока)
Наибольшая отключающая способность  (действующее значение), кА | Коэффициент мощности  | Минимальное значение n |
| 0,7 | 1,5 |
| 0,5 | 1,7 |
| 0,3 | 2,0 |
| 0,25 | 2,1 |
| 0,2 | 2,2 |
Примечание: для значений отключающей способности ниже 4,5 кА коэффициент мощности определяют по таблице 11. |
4.3.5.4. Номинальный кратковременно выдерживаемый ток

Это значение кратковременно выдерживаемого тока, установленное для выключателя изготовителем в условиях испытаний по
8.3.6.2.
Для переменного тока - это действующее значение периодической составляющей ожидаемого тока короткого замыкания, который рассматривают как неизменный на протяжении определенного короткого времени.
Длительность прохождения

должна составлять по крайней мере 0,05 с.
Предпочтительные значения: 0,05; 0,1; 0,25; 0,5; 1 с.
Номинальный кратковременно выдерживаемый ток должен быть не ниже указанного в таблице 3.
Таблица 3
Минимальные значения номинального кратковременного
выдерживаемого тока
Номинальный ток  , А | Минимальные значения  |
|  или 5 кА, что больше 30 кА |
|
4.4. Категории применения
Категорию применения выключателя следует определять с учетом того, предназначен ли он или нет для обеспечения селективности благодаря преднамеренной выдержке времени относительно других выключателей, последовательно присоединенных со стороны нагрузки в условиях короткого замыкания (см.
рисунок A.3).
Категории применения определены в таблице 4.
Таблица 4
Категории применения
Категория применения | Область применения в зависимости от селективности |
A | Выключатели, не предназначенные специально для обеспечения селективности в условиях короткого замыкания относительно других устройств защиты от коротких замыканий, последовательно присоединенных со стороны нагрузки, т.е. без заданной кратковременной выдержки времени, предусматриваемой для обеспечения селективности в условиях короткого замыкания, а поэтому без номинального кратковременно выдерживаемого тока согласно 4.3.5.4. |
B | Выключатели, специально предназначенные для обеспечения селективности в условиях короткого замыкания относительно других устройств защиты от коротких замыканий, последовательно присоединенных со стороны нагрузки, т.е. с заданной кратковременной выдержкой времени (которая может быть регулируемой), предусматриваемой в целях селективности в условиях короткого замыкания. Такие выключатели имеют номинальный кратковременно выдерживаемый ток по 4.3.5.4. Примечание: селективность обеспечивается не обязательно до предельной наибольшей отключающей способности выключателей (например, в случае срабатывания расцепителя мгновенного действия), но по крайней мере до величины, указанной в таблице 3. |
Примечание 1: коэффициент мощности или постоянная времени для каждого значения номинального тока короткого замыкания указаны в таблице 11 (см. 8.3.2.2.4 и 8.3.2.2.5). |
Примечание 2: следует обратить внимание на разные требования к минимальному соотношению  для категорий применения A и B по таблице 1. |
Примечание 3: выключатель категории применения A может иметь заданную кратковременную выдержку времени в целях обеспечения селективности в условиях, не связанных с коротким замыканием с кратковременно выдерживаемым током ниже указанного в таблице 3. В этом случае необходимы испытания цикла IV (см. 8.3.6) при заданном кратковременно выдерживаемом токе. |
4.5.1. Электрические цепи управления
По
4.5.1 ГОСТ Р 50030.1 со следующим дополнением:
Если номинальные напряжения питания цепи управления и главной цепи отличаются, рекомендуется выбирать значение номинального напряжения по таблице 5.
4.5.2 Цепи управления на сжатом воздухе (пневматические или электропневматические)
Таблица 5
Предпочтительные значения номинального напряжения
питания цепи управления (при его отличии от напряжения главной цепи)
В вольтах
Напряжение постоянного тока | Однофазное напряжение переменного тока |
24; 48; 110; 125; 220; 250 | 24; 48; 110; 127; 220; 230 |
Примечание: изготовитель должен указать одно или несколько значений тока, проходящего через цепи управления при номинальном напряжении их питания. |
4.6. Вспомогательные цепи
1) Независимый расцепитель.
2) Максимальный расцепитель тока:
a) мгновенного действия;
b) с независимой выдержкой времени;
c) с обратнозависимой выдержкой времени:
- независимой от предварительной нагрузки;
- зависимой от предварительной нагрузки (например, терморасцепитель).
Примечания. 1. Для обозначения максимальных расцепителей тока, предназначенных для защиты от перегрузок (см.
2.4.30 ГОСТ Р 50030.1), используют термин "расцепители токов перегрузки". Для обозначения максимальных расцепителей тока, предназначенных для защиты от коротких замыканий, используют термин "расцепители токов короткого замыкания" (см.
2.11).
2. Термин "регулируемый расцепитель", применяемый в настоящем стандарте, подразумевает также взаимозаменяемые расцепители.
3) Минимальный расцепитель напряжения (для размыкания).
4) Прочие расцепители.
1) Для независимого расцепителя и минимального расцепителя напряжения (для размыкания):
- номинальное напряжение цепи управления

;
- род тока;
- номинальная частота, если ток переменный.
2) Для максимального расцепителя тока:
- номинальный ток

;
- род тока;
- номинальная частота, если ток переменный;
- токовая уставка (или диапазон уставок);
- временная уставка (или диапазон уставок).
Номинальный ток максимального расцепителя - это значение тока (действующее, если ток переменный), соответствующее максимальной уставке тока, который этот расцепитель способен проводить в условиях испытания по
8.3.2.5 без выхода превышения температуры за пределы, установленные в
таблице 7.
4.7.3. Токовая уставка максимальных расцепителей тока
В выключателях, имеющих регулируемые расцепители (см.
примечание 2 к перечислению 2) 4.7.1), токовая уставка (или диапазон уставок) должна быть маркирована на расцепителе или его шкале регулирования. Значение тока уставки может быть выражено в амперах или в виде кратного тока, маркированного на расцепителе или шкале регулирования.
В выключателях, имеющих нерегулируемые расцепители, можно наносить маркировку на выключатель. Если рабочие характеристики расцепителя токов перегрузки соответствуют требованиям
таблицы 6, достаточно маркировать выключатель значением его номинального тока

.
При наличии расцепителей непрямого действия, управляемых трансформаторами тока, маркировка может относиться либо к первичному току трансформатора, питающего их, либо к токовой уставке расцепителя токов перегрузки. В любом случае следует указывать коэффициент трансформации.
При отсутствии других указаний:
- значение срабатывания расцепителей перегрузки нетеплового типа не зависит от температуры окружающего воздуха от минус 5 °C до плюс 40 °C;
- для тепловых расцепителей значения срабатывания указывают для контрольной температуры (30 +/- 2) °C. Изготовитель должен указать влияние изменений температуры окружающего воздуха (см.
перечисление b) 7.2.1.2.4).
4.7.4. Уставка по времени расцепления максимальных расцепителей тока
1) Максимальные расцепители тока с независимой выдержкой времени
Выдержка времени таких расцепителей не зависит от значения сверхтока. Уставка по времени расцепления должна быть указана как время отключения выключателя в секундах, если выдержка времени нерегулируемая, или в предельных значениях времени отключения, если выдержка времени регулируемая.
2) Максимальные расцепители тока с обратнозависимой выдержкой времени
Выдержка времени таких расцепителей зависит от значения сверхтока.
Время-токовые характеристики должны быть представлены изготовителем в виде кривых. Они должны показывать изменение времени размыкания, начиная с холодного состояния, в зависимости от тока в пределах рабочего диапазона расцепителя. Изготовитель должен указать доступным способом допускаемые отклонения от этих кривых.
Кривые должны быть приведены для каждого предельного значения токовой уставки, а если временная уставка, соответствующая данной токовой уставке, регулируется, рекомендуется, кроме того, построить такую кривую для каждого предельного значения временной уставки.
Примечание. Рекомендуется ток обозначать по оси абсцисс, а время - по оси ординат, используя в обоих случаях логарифмическую шкалу. Кроме того, для облегчения изучения координации различных типов защиты от сверхтоков рекомендуется выражать значения токов в виде кратного тока уставки, а время в секундах на стандартных листах для графиков, описанных в
5.6.1 ГОСТ Р 50339.0 и показанных на
чертежах 4 (I),
3 (II) и
4 (II) ГОСТ Р 50339.2.
4.8. Встроенные плавкие предохранители (выключатели со встроенными плавкими предохранителями)
Изготовитель должен предоставить необходимую информацию.
5.1. Характер информации
По
5.1 ГОСТ Р 50030.1 применительно к конкретной конструкции.
Кроме того, изготовитель должен по запросу предоставить информацию относительно характерных потерь мощности для разных типоразмеров (см.
2.1.1). См.
Приложение G.
Маркировка каждого выключателя должна быть прочной.
a) Следующие данные следует маркировать на самом выключателе или на одной или нескольких фирменных табличках, прикрепленных к выключателю в таком месте, чтобы после его установки их можно было видеть и читать:
- номинальный ток

,
- пригодность к разъединению при ее наличии, обозначаемая символом

;
- указание разомкнутого и замкнутого положений соответственно символами O и I, если они применены (см.
7.1.5.1 ГОСТ Р 50030.1).
b) Следующие сведения также должны быть маркированы на автоматическом выключателе снаружи согласно
перечислению a), но после установки выключателя они могут быть не видны:
- наименование или товарный знак изготовителя;
- обозначение типа или серийный номер;
- ГОСТ Р 50030.2, если изготовитель подтверждает соответствие настоящему стандарту;
- категория применения;
- одно или несколько значений номинального рабочего напряжения

(см.
4.3.1.1 и при необходимости
Приложение H);
- значение импульсного выдерживаемого напряжения

;
- значение (или диапазон) номинальной частоты (например, 50 Гц) и/или обозначение d.c. (либо символ

);
- номинальная рабочая наибольшая отключающая способность

при соответствующем номинальном напряжении

;
- номинальная предельная наибольшая отключающая способность

при соответствующем номинальном напряжении

;
- номинальный кратковременно выдерживаемый ток

и соответствующая ему выдержка времени для категории применения B;
- вводные и выводные зажимы, если их дифференциация не безразлична;
- выводы нейтрального полюса при его наличии, обозначаемые буквой N;
- защитный вывод заземления при его наличии, обозначаемый символом

(см.
7.1.9.3 ГОСТ Р 50030.1);
- контрольная температура для некомпенсируемых тепловых расцепителей, если она отлична от 30 °C.
c) Следующая информация должна быть либо маркирована на выключателе согласно
перечислению b), либо отражена в информационных материалах изготовителя:
- номинальная наибольшая включающая способность

, если она выше указанной в
4.3.5.1;
- номинальное напряжение изоляции

, если оно выше максимального номинального рабочего напряжения;
- степень загрязнения, если она отлична от 3;
- условный тепловой ток в оболочке

, если он отличен от номинального;
- код IP при необходимости (см.
Приложение C ГОСТ Р 50030.1);
- минимальные размеры оболочки и характеристика вентиляции (если она предусмотрена), при которых действительны маркированные номинальные параметры;
- минимальные расстояния между выключателем и заземленными частями для выключателей, предназначенных для использования без оболочек;
- пригодность для условий окружающей среды A или B, что применимо;
- уставка мгновенного срабатывания, если применимо, соответствующая
F.4.1.1.
d) Данные о размыкающих и замыкающих устройствах выключателя следует поместить либо на их собственных фирменных табличках, либо на фирменной табличке выключателя, либо (при недостатке места) в информационных материалах изготовителя:
- номинальное напряжение цепи управления замыкающего устройства (см.
7.2.1.2 ГОСТ Р 50030.1) и номинальная частота для переменного тока;
- номинальное напряжение цепи управления независимого расцепителя (см.
7.2.1.4 ГОСТ Р 50030.1) и/или минимального расцепителя напряжения (либо расцепителя нулевого напряжения) (см.
7.2.1.3 ГОСТ Р 50030.1) и номинальная частота переменного тока;
- номинальный ток максимальных расцепителей тока непрямого действия;
- количество и тип вспомогательных контактов и род тока, номинальная частота для переменного тока и номинальные напряжения вспомогательных контактов, если они отличаются от параметров главной цепи.
e) Маркировка выводов
5.3. Инструкции по монтажу, эксплуатации и обслуживанию
Применяют
5.3 ГОСТ Р 50030.1.
6. НОРМАЛЬНЫЕ УСЛОВИЯ ЭКСПЛУАТАЦИИ, МОНТАЖА И ТРАНСПОРТИРОВАНИЯ
Применяют
раздел 6 ГОСТ Р 50030.1 со следующим дополнением:
Степень загрязнения (см.
6.1.3.2 ГОСТ Р 50030.1)
В отсутствие других указаний изготовителя выключатели предназначены для установки в окружающей среде со степенью загрязнения 3.
7. ТРЕБОВАНИЯ К КОНСТРУКЦИИ И РАБОТОСПОСОБНОСТИ
7.1. Требования к конструкции
Применяют подраздел
7.1 ГОСТ Р 50030.1, за исключением
подпункта 7.1.1.1, который уточнен следующим образом, а также нижеперечисленных пунктов.
Части из изоляционного материала, которые могут подвергаться тепловым нагрузкам вследствие электромагнитных процессов и повреждение которых может вызвать снижение безопасности выключателя, не следует подвергать вредному воздействию аномального нагрева и огня.
Проверку выключателей проводят испытаниями раскаленной проволокой по МЭК 60695-2-10, МЭК 60695-2-11, МЭК 60695-2-12 и МЭК 60695-2-13 [
2 -
5].
Части из изоляционного материала, удерживающие токоведущие части, должны выдержать испытания раскаленной проволокой по
8.2.1.1.1 ГОСТ Р 50030.1 при испытательной температуре 960 °C.
Части из изоляционного материала, кроме названных выше, должны отвечать требованиям испытания раскаленной проволокой по
8.2.1.1.1 ГОСТ Р 50030.1 при температуре 650 °C.
7.1.1. Выключатели выдвижного исполнения
В отсоединенном положении разъединяющие контакты главной цепи и при необходимости вспомогательных цепей выключателей выдвижного исполнения должны иметь расстояния, соответствующие требованиям для функции разъединения, с учетом допусков при изготовлении и изменений размеров вследствие износа.
Механизм выдвижения должен быть оснащен надежным индикатором, однозначно показывающим положение разъединяющих контактов.
Механизм выдвижения должен иметь надежные блокировки, допускающие разъединение или повторное замыкание разъединяющих контактов только при разомкнутых главных контактах автоматического выключателя.
Кроме того, механизм выдвижения должен иметь блокировки, допускающие замыкание главных контактов только:
- при условии, что разъединяющие контакты полностью замкнуты, или
- когда достигнуто заданное расстояние между неподвижными и подвижными частями разъединяющих контактов (разъединенное положение).
Для выключателя в разъединенном положении необходимо предусмотреть средства, гарантирующие невозможность непреднамеренного уменьшения установленных расстояний между разъединяющими контактами.
7.1.2. Дополнительные требования к выключателям, пригодным для разъединения
Дополнительные требования к работоспособности см. в
7.2.7.
Применяют
7.1.6 ГОСТ Р 50030.1 со следующим дополнением.
Примечание. Если положение разъединения не совпадает с маркированным положением размыкания, его следует четко обозначить.
Обозначенное положение разъединения - это единственное положение, в котором гарантируется установленный воздушный зазор между контактами.
7.1.3. Воздушные зазоры и расстояния утечки
Минимальные значения приведены в
таблицах 13 и
15 ГОСТ Р 50030.1.
7.1.4. Требования к безопасности оператора
Не должно быть путей или отверстий, которые бы сделали возможным выброс раскаленных частиц из зоны органа ручного управления.
7.1.5. Перечень конструктивных различий
Считают, что выключатели данного типоразмера имеют конструктивное различие (см.
2.1.2), если какой-нибудь из нижеперечисленных признаков имеет отличие:
- материал, покрытия и размеры внутренних токоведущих частей, за исключением различий, приведенных ниже в
перечислениях a),
b) и
c);
- размер, материал, форма и способ крепления главных контактов;
- любой встроенный механизм управления ручного действия, его материалы и физические характеристики;
- литьевые и изоляционные материалы;
- принцип действия, материалы и конструкция дугогасительного устройства;
- базовая конструкция устройств отключения сверхтоков, за исключением различий, приведенных ниже в перечислениях a), b) и c).
Изменения следующих параметров не относятся к конструктивным различиям:
a) размеры зажимов, при условии, что воздушные зазоры и расстояния утечки не уменьшаются;
b) в тепловых и электромагнитных расцепителях размеры и материалы элементов расцепителя, включая гибкие проводники, которые определяют номинал тока;
c) вторичные обмотки трансформаторов тока, приводящие в действие расцепители;
d) внешние органы управления, дополняющие встроенные органы управления, выполненные за одно целое;
e) способ маркировки и/или эстетические отличия (например, наличие таблички).
7.1.6. Дополнительные требования к выключателям, имеющим нейтральный полюс
Применяют
7.1.8 ГОСТ Р 50030.1 со следующим дополнением:
Если полюс, используемый в качестве нейтрального, обладает включающей и отключающей способностью, он может быть коммутирован одновременно с фазными полюсами.
7.2. Требования к работоспособности
7.2.1. Рабочие условия
Для нормальной коммутации выключателем тока включения, соответствующего его номинальной наибольшей включающей способности, важно его оперирование с такой же скоростью и жесткостью, как во время типовых испытаний на наибольшую включающую способность.
7.2.1.1.1. Ручное замыкание при наличии привода зависимого действия
Для выключателя с механизмом ручного замыкания при наличии привода зависимого действия невозможно установить номинальную наибольшую включающую способность без учета условий механического срабатывания.
Такой выключатель не следует использовать в цепях с ожидаемым пиковым током включения выше 10 кА.
Однако это не относится к выключателю, имеющему механизм ручного управления, при наличии привода зависимого действия, и встроенный быстродействующий размыкающий расцепитель, вызывающий надежное отключение выключателя независимо от скорости и жесткости, с которыми он оперируется, ожидаемых пиковых токов выше 10 кА; для такого выключателя можно установить номинальную наибольшую включающую способность.
7.2.1.1.2. Ручное замыкание при наличии привода независимого действия
Для выключателя с механизмом ручного замыкания при наличии привода независимого действия можно установить номинальную наибольшую включающую способность независимо от условий механического срабатывания.
7.2.1.1.3. Замыкание при наличии двигательного привода зависимого действия
Механизм замыкания при наличии двигательного привода, имеющий при необходимости промежуточные реле управления, должен обеспечить замыкание выключателя в любых условиях, от нулевой нагрузки до номинальной включающей способности, когда напряжение питания, измеренное во время замыкания, не выходит за пределы 85% - 110% номинального напряжения питания цепи управления при номинальной частоте, если ток переменный.
При 110% номинального напряжения питания цепи управления замыкание в отсутствие нагрузки не должно приводить к повреждению выключателя.
При 85% номинального напряжения питания цепи управления замыкание должно быть осуществлено, когда ток, включаемый выключателем, равен его номинальной включающей способности в пределах, допускаемых срабатыванием его реле или расцепителей, и если для замыкания указывается верхний предел времени, за время, не превышающее этого предела.
7.2.1.1.4. Замыкание при наличии двигательного привода независимого действия
Для выключателя с двигательным приводом независимого действия для осуществления замыкания может быть установлена номинальная наибольшая включающая способность, не зависящая от двигательного привода.
Устройства для взвода механизма управления и части механизма управления замыканием должны быть работоспособны в соответствии с техническими условиями изготовителя.
7.2.1.1.5. Замыкание при наличии накопителя энергии
Механизм такого типа должен обеспечить замыкание выключателя в любых условиях при нагрузке от нуля до номинальной включающей способности.
Если энергия накапливается в самом выключателе, должно быть предусмотрено устройство, показывающее, что механизм накопления полностью взведен.
Механизм взвода и части механизма управления замыканием должны быть работоспособны при напряжении вспомогательного источника питания от 85% до 110% номинального напряжения питания цепи управления.
Подвижные контакты не должны приходить в движение, если запасенной энергии недостаточно для полного осуществления операции замыкания.
Если механизм аккумулирования энергии имеет ручной привод, то направление, в котором осуществляется его взведение, должно быть указано.
Последнее требование не распространяется на выключатели, имеющие привод независимого действия.
7.2.1.2.1. Общие положения
Выключатели, размыкающиеся автоматически, должны иметь свободное расцепление и при отсутствии другого соглашения между изготовителем и потребителем должны накапливать энергию для расцепления до завершения замыкания.
7.2.1.2.2. Размыкание минимальными расцепителями напряжения
7.2.1.2.3. Размыкание независимыми расцепителями
7.2.1.2.4. Размыкание максимальными расцепителями тока
a) Размыкание в условиях короткого замыкания
Расцепитель токов короткого замыкания должен вызывать размыкание выключателя с погрешностью 20% значения тока срабатывания токовой уставки при любых значениях токовой уставки этого расцепителя.
Если необходимо в целях координации для защиты от сверхтоков (см.
2.17), изготовитель должен предоставить информацию (обычно в виде кривых) относительно:
- максимального пикового тока отсечки (сквозного тока) (см.
2.5.19 ГОСТ Р 50030.1) в зависимости от ожидаемого тока (действующего симметричного значения);
- характеристик

(см.
2.18) для выключателей категории применения A и при необходимости для категории применения B для выключателей мгновенного действия (см.
примечание к 8.3.5).
Соответствие этой информации может быть проверено в ходе надлежащих типовых испытаний циклов II и III (см.
8.3.4 и
8.3.5).
Примечание. Для проверки координационных характеристик выключателей возможно предоставление и другой информации, например об испытаниях комбинаций аппаратов защиты от коротких замыканий.
b) Размыкание в условиях перегрузки
1) Мгновенное или с независимой выдержкой времени
Расцепитель должен вызвать размыкание выключателя с погрешностью +/- 10% значения тока срабатывания токовой уставки при любых значениях токовой уставки расцепителя токов перегрузки.
2) С обратнозависимой выдержкой времени
Условные параметры срабатывания с обратнозависимой выдержкой времени приведены в
таблице 6.
При контрольной температуре (см.
4.7.3) и 1,05-кратном токе уставки (см.
2.4.37 ГОСТ Р 50030.1), т.е. при условном токе нерасцепления (см.
2.5.30 ГОСТ Р 50030.1) в условиях нагрузки всех фазных полюсов расцепителя, расцепление должно происходить не ранее чем истечет условное время (см.
2.5.30 ГОСТ Р 50030.1) от холодного состояния, т.е. когда выключатель находится при контрольной температуре.
По истечении условного времени нерасцепления значение тока быстро повышают до 1,30-кратной токовой уставки, т.е. до условного тока расцепления (см.
2.5.31 ГОСТ Р 50030.1), и расцепление должно происходить до истечения условного времени.
Примечание. Контрольной называют температуру окружающего воздуха, к которой относится время-токовая характеристика выключателя.
Таблица 6
Характеристики размыкания максимальных расцепителей тока
с обратнозависимой выдержкой времени
при контрольной температуре
Нагружены все полюса | Условное время, ч |
Условный ток нерасцепления | Условный ток расцепления |
1,05-кратная токовая уставка | 1,30-кратная токовая уставка | |
<*> 1 ч, если  =< 63 А. |
Если изготовитель гарантирует независимость характеристик расцепления от температуры окружающего воздуха, значения тока по
таблице 6 должны быть действительны в пределах диапазона температур, указанного изготовителем, с допускаемым отклонением 0,3%/°C.
Этот диапазон температур должен составлять не менее 10 °C по обе стороны от контрольной температуры.
7.2.2. Превышение температуры
7.2.2.1. Пределы превышения температуры
Превышение температуры различных частей выключателя, измеренное в условиях по
8.3.2.5, не должно выходить за пределы, указанные в
таблице 7, во время испытаний по
8.3.3.6. Превышение температуры выводов не должно выходить за пределы, указанные в
таблице 7, во время испытаний по
8.3.4.4 и
8.3.6.3.
7.2.2.2. Температура окружающего воздуха
Пределы превышения температуры, указанные в
таблице 7, действительны только в случае, если температура окружающего воздуха не выходит за пределы, оговоренные в
6.1.1 ГОСТ Р 50030.1.
7.2.2.3. Главная цепь
Главная цепь выключателя вместе с включенными в нее максимальными расцепителями тока должна проводить условный тепловой ток (

или

, что применимо, см.
4.3.2.1 или
4.3.2.2), при этом значения превышения температуры не должны выходить за пределы, указанные в
таблице 7.
7.2.2.4. Цепи управления
Цепи управления и аппараты для цепей управления, используемые для замыкания и размыкания выключателя, должны допускать работу в номинальном режиме по
4.3.4 и испытания на превышение температуры в условиях, указанных в
8.3.2.5, при этом значения превышения температуры не должны выходить за пределы, указанные в
таблице 7.
Соответствие требованиям настоящего пункта необходимо проверять на новом выключателе. С другой стороны, на усмотрение изготовителя, проверка может быть проведена во время испытания на превышение температуры по
8.3.3.6.
7.2.2.5. Вспомогательные цепи
Вспомогательные цепи вместе со вспомогательными устройствами должны проводить свой условный тепловой ток при испытаниях по
8.3.2.5, при этом значения превышения температуры не должны выходить за пределы, указанные в таблице 7.
Таблица 7
Пределы превышения температуры выводов для наружных
соединений и доступных частей
| Пределы превышения температуры, °C <b)> |
Выводы | 80 |
Органы ручного управления: | |
- металлические | 25 |
- неметаллические | 35 |
Части, предназначенные для того, чтобы касаться их, но не держать в руках: | |
- металлические | 40 |
- неметаллические | 50 |
Части, которых не требуется касаться в нормальных условиях: | |
- металлические | 50 |
- неметаллические | 60 |
<a)> Для других частей значения не установлены, но недопустимы повреждения соседних частей, выполненных из изоляционных материалов. |
<b)> Относятся не к новым образцам, их применяют при проверке превышения температуры в ходе циклов испытаний по разделу 8. |
7.2.3. Электроизоляционные свойства
Типовые испытания необходимо проводить в соответствии с
8.3.3.2.
Последовательность контроля диэлектрической стойкости в течение всех испытаний должна соответствовать
8.3.3.5.
Контрольные испытания должны соответствовать
8.4.5.
7.2.3.1. Импульсное выдерживаемое напряжение
7.2.3.2. Выдерживаемое напряжение промышленной частоты главной, вспомогательных цепей и цепей управления
Испытания напряжением промышленной частоты применяют в следующих случаях:
- при испытаниях на электрическую прочность изоляции в качестве типовых для проверки твердой изоляции;
- при проверке электрической прочности изоляции в качестве критерия отбраковки после типовых коммутационных испытаний или испытаний на короткое замыкание;
- при контрольных испытаниях.
7.2.3.3. Воздушные зазоры (изоляционные промежутки)
7.2.3.4. Расстояния утечки
7.2.3.5. Твердая изоляция
Твердую изоляцию следует проверять либо испытаниями напряжением промышленной частоты согласно
перечислению 3) 8.3.3.4.1 ГОСТ Р 50030.1, либо испытаниями на постоянном токе (испытания на постоянном токе в стадии рассмотрения).
Для целей настоящего стандарта цепи, содержащие полупроводниковые устройства, должны быть отключены.
7.2.3.6. Расстояние между отдельными цепями
7.2.4. Способность включать, проводить и отключать ток при нулевой, нормальной нагрузке и перегрузке
7.2.4.1. Работоспособность в условиях перегрузки
Данное требование применяют к выключателям на номинальные токи не более 630 А. Выключатель должен выполнять определенное число циклов оперирования при токе в главной цепи, превышающем его номинальный ток, в условиях испытаний по
8.3.3.4.
Каждый цикл оперирования подразумевает включение тока с последующим отключением.
7.2.4.2 Работоспособность в условиях эксплуатации
По
7.2.4.2 ГОСТ Р 50030.1 со следующими дополнениями:
Выключатель должен удовлетворять требованиям
таблицы 8 при испытаниях на работоспособность:
- без тока в главной цепи в условиях по
8.3.3.3.3;
- при прохождении тока в главной цепи в условиях по
8.3.3.3.4.
Каждый цикл оперирования состоит либо из операции замыкания с последующей операцией размыкания (оперирование без тока), либо из включения тока с последующим его отключением (операции при прохождении тока).
7.2.5. Способность включать и отключать ток в условиях короткого замыкания
Применяют
7.2.5 ГОСТ Р 50030.1 со следующими дополнениями:
Номинальная наибольшая включающая способность должна соответствовать
4.3.5.1 и
4.3.5.3.
Номинальная наибольшая отключающая способность должна соответствовать
4.3.5.2.
Номинальный кратковременно выдерживаемый ток должен соответствовать
4.3.5.4.
Примечание. Обязанность изготовителя - обеспечить совместимость характеристик расцепления выключателя и его способности выдерживать внутренние термические и электродинамические нагрузки.
Таблица 8
Число циклов оперирования
| | Число циклов оперирования |
Без тока | | Общее |
| 120 | 8500 | 1500 | 10000 |
| 120 | 7000 | 1000 | 8000 |
| 60 | 4000 | 1000 | 5000 |
| 20 | 2500 | 500 | 3000 |
| 10 | 1500 | 500 | 2000 |
<1)> Максимальный номинальный ток для данного типоразмера. |
<2)> Минимальная частота срабатывания. С согласия изготовителя ее можно увеличить, и в этом случае ее следует указать в протоколе испытания. |
<3)> В каждом цикле оперирования выключатель должен оставаться замкнутым достаточно долго, чтобы ток полностью установился, но не более 2 с. |
7.2.6. Вакантный
7.2.7. Дополнительные требования к выключателям, пригодным для разъединения
7.2.8. Особые требования к выключателям со встроенными плавкими предохранителями
Примечание. О координации выключателей с автономными плавкими предохранителями, включенными в ту же цепь, см.
7.2.9.
Выключатель должен соответствовать настоящему стандарту по всем аспектам, вплоть до номинальной предельной отключающей способности. В частности, он должен удовлетворять требованиям цикла испытаний V (см.
8.3.7).
Выключатель должен срабатывать без срабатывания предохранителей под воздействием сверхтоков, не превышающих предельного тока селективности

, указанного изготовителем.
При всех сверхтоках, вплоть до номинальной предельной наибольшей отключающей способности, установленной для комбинированного аппарата, выключатель должен размыкаться после срабатывания одного или нескольких плавких предохранителей (во избежание однофазного питания). Если выключатель, по информации изготовителя, снабжен блокировкой, препятствующей замыканию (см.
2.14), повторное замыкание выключателя должно быть невозможно, пока либо не будут заменены сработавшие или недостающие плавкие вставки, либо не будет заново настроена блокировка.
7.2.9. Координация между автоматическим выключателем и другим устройством защиты от короткого замыкания
В отношении координации между автоматическим выключателем и другими аппаратами защиты от коротких замыканий см.
Приложение A.
7.3. Электромагнитная совместимость
8.1. Виды испытаний
Применяют
8.1 ГОСТ Р 50030.1 со следующими дополнениями:
8.1.1. Для проверки характеристик выключателей проводят испытания:
- контрольные (или выборочные)
(8.4).
8.1.2. Типовые испытания включают следующие виды испытаний:
- пределы и характеристики расцепления
(8.3.3.1);
- механические срабатывания и работоспособность в условиях эксплуатации
(8.3.3.3);
- работоспособность при перегрузках (при необходимости)
(8.3.3.4);
- наибольшую отключающую способность (
8.3.4 и
8.3.5);
- кратковременно выдерживаемый ток (при необходимости)
(8.3.6);
- работоспособность выключателей со встроенными плавкими предохранителями
(8.3.7).
Изготовитель должен выполнять типовые испытания в собственной испытательной лаборатории или в любой подходящей лаборатории по своему выбору.
8.1.3. Перечень контрольных испытаний приведен в
8.4.
8.2. Соответствие требованиям к конструкции
Применяют
8.2 ГОСТ Р 50030.1.
Во избежание повторения одних и тех же испытаний применительно к разным циклам общие условия испытаний сведены в три группы:
- условия испытаний на превышение температуры
(8.3.2.5);
- условия испытаний на короткое замыкание
(8.3.2.6).
Во всех случаях, когда это необходимо, делают ссылки на общие требования
ГОСТ Р 50030.1 или общие условия испытаний, основанные на общих требованиях.
Каждый цикл испытаний опирается на применимые общие условия испытаний. Для этого требуются перекрестные ссылки, при этом удается намного упростить описание каждого цикла испытаний.
В настоящем разделе термин "испытание" относится к любому испытанию, которое подлежит выполнению, а термин "проверка" следует понимать как "испытание в целях проверки" и применять в случаях, когда предполагается проверять состояние выключателя после предыдущего испытания цикла, способного отрицательно повлиять на него.
Для облегчения поисков какого-либо конкретного условия или испытания они перечислены в 8.3.1 в алфавитном порядке, с использованием наиболее распространенных терминов (не обязательно точно воспроизводящих термины из заголовков соответствующих пунктов).
Типовые испытания объединяют в несколько циклов согласно
таблице 9.
В каждом цикле испытания следует выполнять в указанной последовательности.
Со ссылкой на
8.1.1 ГОСТ Р 50030.1 следующие испытания могут быть изъяты из цикла испытаний I и выполнены на отдельных образцах:
- испытание на пределы и характеристики расцепления
(8.3.3.1); при испытаниях образца (образцов) по циклу испытания проводят по
8.3.3.1.3 только по максимальной уставке и без дополнительной проверки время-токовой характеристики - по
перечислению b);
- испытание электроизоляционных свойств
(8.3.3.2);
- дополнительные испытания на работоспособность без тока для выключателей выдвижного исполнения
(8.3.3.3.5).
Применимость испытательных циклов согласно соотношению между

,

и

приведена в
таблице 9а.
Алфавитный перечень испытаний
1) Общие условия испытаний
Восстанавливающееся и возвращающееся напряжения
8.3.2.2.6
Испытание на превышение температуры
8.3.2.5
Методы испытаний на короткое замыкание
8.3.2.6.4
Размещение выключателей для испытания на короткое замыкание
8.3.2.6.1
Размещение выключателей. Общие требования
8.3.2.1
Цепи для испытания на короткое замыкание
8.3.2.6.2
2) Испытания (схему циклов испытаний см. в
таблице 9)
Выключатели выдвижного исполнения (дополнительные испытания)
8.3.3.3.5
Выключатели со встроенными плавкими предохранителями (испытания
Испытание на короткое замыкание отдельного полюса (для фазозаземленных
Испытание на короткое замыкание отдельного полюса (для систем IT)
Испытание на наибольшую отключающую способность при максимальном
кратковременно выдерживаемом токе
8.3.6.4
Пределы и характеристики расцепления
8.3.3.1
Предельная наибольшая отключающая способность
8.3.5.2
Работоспособность при перегрузках
8.3.3.4
Указание положения главных контактов
8.3.3.9
Электроизоляционные свойства
8.3.3.2
Таблица 9
Общая схема циклов испытаний
<a)>
Цикл испытаний | Испытуемые выключатели | Испытания |
I Общие рабочие характеристики (8.3.3) | Все выключатели | Пределы и характеристики расцепления. Электроизоляционные свойства. Механическое срабатывание и работоспособность в условиях эксплуатации. Работоспособность при перегрузках (когда необходимо). Проверка электрической прочности изоляции. Проверка превышения температуры. Проверка расцепителей токов перегрузки. Проверка положения главных контактов (когда необходимо). |
II Номинальная рабочая наибольшая отключающая способность (8.3.4) | | Номинальная рабочая наибольшая отключающая способность. Работоспособность в условиях эксплуатации. Проверка электрической прочности изоляции. Проверка превышения температуры. Проверка расцепителей токов перегрузки. |
III Номинальная предельная наибольшая отключающая способность (8.3.5) | Все выключатели <c)> категории А и выключатели категории В с управлением мгновенного действия <d)> | Проверка расцепителей токов перегрузки. Номинальная предельная наибольшая отключающая способность. Проверка электрической прочности изоляции. Проверка расцепителей токов перегрузки. |
IV Номинальный кратковременно выдерживаемый ток (8.3.6) | Автоматические выключатели категории В <b)> | Проверка расцепителей токов перегрузки. Номинальный кратковременно выдерживаемый ток. Проверка превышения температуры. Отключающая способность при номинальном кратковременно выдерживаемом токе. Проверка электрической прочности изоляции. Проверка расцепителей токов перегрузки. |
V Работоспособность выключателей со встроенными плавкими предохранителями (8.3.7) | Выключатели со встроенными плавкими предохранителями | Этап 1 Короткое замыкание при предельном токе селективности. Проверка превышения температуры. Проверка электрической прочности изоляции. Проверка расцепителей токов перегрузки. Этап 2 Короткое замыкание при токе координации. Короткое замыкание при номинальной предельной наибольшей отключающей способности. Проверка электрической прочности изоляции. Проверка расцепителей токов перегрузки. |
VI Комбинированный цикл испытаний (8.3.8) | Выключатели категории В: - если  (вместо циклов испытаний II и IV); - если  (вместо циклов испытаний II - IV) | Проверка расцепителей токов перегрузки. Номинальный кратковременно выдерживаемый ток. Номинальная рабочая наибольшая отключающая способность. Работоспособность в условиях эксплуатации. Проверка электрической прочности изоляции. Проверка превышения температуры. Проверка расцепителей токов перегрузки. |
| Выключатели для применения в фазозаземленных системах | Наибольшая отключающая способность отдельного полюса  . Проверка электрической прочности изоляции. Проверка расцепителей токов перегрузки. |
| Выключатели для применения в системах IT | Наибольшая отключающая способность отдельного полюса  . Проверка электрической прочности изоляции. Проверка расцепителей токов перегрузки. |
<a)> Для выбора выключателей для испытаний и применяемости различных испытательных циклов согласно соотношению между  ,  и  (см. таблицу 9а). |
<b)> Кроме комбинированного испытательного цикла. |
- у которых  (но см. 8.3.5); - для которых применяют комбинированный испытательный цикл; - со встроенными плавкими предохранителями. |
|
Применение испытательных циклов согласно соотношению
| Цикл испытаний | Категория применения |
А | А со встроенным предохранителем | В | В со встроенным предохранителем |
Вариант 1  - для категории А,  - для категории В | I | X | X | X | X |
II | X | X | X | X |
III | X | | | |
IV | | | X | X |
V | | X | | X |
Вариант 2  - для категории В | I | | | X | X |
II | | | X | X |
III | | | | |
IV | | | X | X |
V | | | | X |
Комбинированный (IV) | | | | |
Вариант 3  - для категории А,  - для категории В | I | X | X | X | X |
II | X | X | X | X |
III | | | | |
IV | | | X | X |
V | | X | | X |
Вариант 4  - для категории В | I | | | X | |
II | | | X | |
III | | | | |
IV | | | X | |
V | | | | |
Комбинированный (IV) | | | | |
<a)> Применяют для любого одного значения  . Когда значений несколько, таблицу применяют для каждого значения  . Применение цикла указано знаком "X" в соответствующей графе. <b> Испытание проводят, только если  . <c> По указанию изготовителя или по согласованию с ним данный цикл может быть выполнен на выключателях категории применения В, в этом случае он заменяет циклы испытаний II и IV. |
8.3.2. Общие условия испытаний
Примечание 1. Условия испытаний для проверки на коммутационные перенапряжения находятся в стадии рассмотрения.
Примечание 2. Испытания согласно требованиям настоящего стандарта не исключают необходимости проведения дополнительных испытаний выключателей, входящих в состав сборок, например по
ГОСТ Р 51321.1.
8.3.2.1. Общие требования
В отсутствие другого соглашения с изготовителем каждый цикл испытаний следует выполнять на образце (или комплекте образцов) нового чистого выключателя.
Число образцов, подлежащих испытаниям каждого цикла, и условия испытания (например, уставки расцепителей токов перегрузки, способ присоединения) в соответствии с параметрами выключателей приведены в
таблице 10.
При необходимости в соответствующих пунктах помещена дополнительная информация.
В отсутствие других указаний необходимо испытывать выключатель с максимальным номинальным током для данного типоразмера, и предполагается, что этим охвачены все номинальные токи для данного типоразмера.
В случае одного или более конструктивных различий (см.
2.1.2 и
7.1.5) в пределах определенного типоразмера необходимо испытывать дополнительные образцы согласно сноске h) к
таблице 10.
Если не указано иное, расцепители токов короткого замыкания должны быть откалиброваны на максимум (по времени и потоку) для всех испытаний.
Подлежащие испытаниям выключатели должны во всех основных деталях соответствовать типовой конструкции.
В отсутствие других указаний для испытаний следует использовать ток такого же рода, а на переменном токе - той же номинальной частоты и с тем же числом фаз, что и в предполагаемых условиях эксплуатации.
Механизму с электрическим управлением должно быть обеспечено питание при минимальном напряжении согласно
7.2.1.1.3. Кроме того, питание механизмов с электрическим управлением следует осуществлять через соответствующие цепи управления выключателя в комплекте с коммутационными аппаратами. Необходимо проверить правильность срабатывания выключателя в отсутствие нагрузки в случае оперирования в указанных условиях.
Испытуемый выключатель следует установить в укомплектованном виде на его собственной или эквивалентной опоре.
Выключатели необходимо испытывать на открытом воздухе.
Если выключатель может быть использован в специфических индивидуальных оболочках и прошел испытания на открытом воздухе, он должен пройти дополнительные испытания в наименьшей из оболочек, указанных изготовителем, на новом образце согласно
8.3.5 при

/соответствующий

максимальными уставками расцепителя (см. сноску a) к
таблице 10).
Подробности этих испытаний, в том числе размеры оболочки, должны быть указаны в протоколе испытаний.
Примечание. Индивидуальной считают оболочку, которая сконструирована и рассчитана только для одного выключателя.
Однако если выключатель может быть использован в специфических индивидуальных оболочках и его испытывают постоянно в наименьшей из указанных изготовителем оболочек, испытания на открытом воздухе могут не потребоваться при условии, что оболочка полностью металлическая, без изоляции. Подробности, в том числе размеры оболочки, должны быть указаны в протоколе испытаний.
При испытаниях на открытом воздухе, касающихся работоспособности при перегрузках
(8.3.3.4), коротких замыканиях (
8.3.4.1,
8.3.5.2,
8.3.6.4,
8.3.7.1,
8.3.7.5,
8.3.7.6 и
8.3.8.3) и кратковременно выдерживаемом токе (
8.3.6.2 и
8.3.8.2) при необходимости со всех сторон выключателя должен быть установлен металлический экран согласно указаниям изготовителя. Подробности, в том числе расстояния металлического экрана от выключателя, должны быть указаны в протоколе испытаний.
Характеристики металлического экрана должны быть следующие:
- структура - плетеная металлическая сетка или металлический лист с отверстиями;
- отношение "площадь отверстий/общая площадь" - от 0,45 до 0,65;
- размер отверстия - не более 30 мм2;
- покрытие - токопроводящее (или без покрытия);
- сопротивление - должно быть учтено в расчете ожидаемого тока повреждения в цепи плавкого элемента (см.
перечисление d) 8.3.4.1.2 ГОСТ Р 50030.1) при измерении от наиболее удаленной точки на металлическом экране, достигаемой дуговыми выбросами.
Крутящие моменты при затягивании винтов на зажимах должны быть указаны изготовителем, а в отсутствие таких указаний должны соответствовать
таблице 4 ГОСТ Р 50030.1.
Обслуживание или замена частей не допускаются.
Если для удобства испытаний целесообразно усилить их жесткость (например, повысить частоту оперирования в целях сокращения длительности испытания), этого нельзя делать без согласия изготовителя.
Относительно однофазных испытаний отдельных полюсов многополюсных выключателей, предназначенных для фазозаземленных систем, см.
Приложение C.
Сведения о дополнительных испытаниях выключателей для незаземленных или заземленных через импеданс систем (IT) см. в
Приложении H.
8.3.2.2. Параметры испытаний
8.3.2.2.1. Значения параметров испытаний
8.3.2.2.2. Допуски по параметрам испытаний
8.3.2.2.3. Частота для испытательной цепи переменного тока
Все испытания необходимо выполнять при номинальной частоте выключателя. При всех испытаниях на короткое замыкание, когда от частоты практически зависит номинальная отключающая способность, допускаемое отклонение не должно превышать +/- 5%.
Если, по утверждению изготовителя, номинальная отключающая способность практически не зависит от значения частоты, допускаемое отклонение не должно превышать +/- 25%.
8.3.2.2.4. Коэффициент мощности испытательной цепи
Применяют
8.3.4.1.3 ГОСТ Р 50030.1 со следующим изменением:
Вместо
таблицы 16 ГОСТ Р 50030.1 применяют таблицу 11 настоящего стандарта.
Таблица 11
Значения коэффициента мощности и постоянной времени
в зависимости от испытательных токов
Испытательный ток I, кА | Коэффициент мощности | Постоянная времени, мс |
Короткое замыкание | Работоспособность | Перегрузка | Короткое замыкание | Работоспособность | Перегрузка |
I =< 3 | 0,90 | 0,8 | 0,5 | 5 | 2 | 2,5 |
3 < I =< 4,5 | 0,80 |
4,5 < I =< 6 | 0,70 |
6 < I =< 10 | 0,50 |
10 < I =< 20 | 0,30 | 0,8 | 0,5 | 10 |
20 < I =< 50 | 0,25 | 0,8 | 0,5 | 15 |
50 < I | 0,20 |
8.3.2.2.5. Постоянная времени испытательной цепи
Применяют
8.3.4.1.4 ГОСТ Р 50030.1 со следующим изменением:
8.3.2.2.6. Возвращающееся напряжение промышленной частоты
8.3.2.3. Оценка результатов испытаний
Состояние выключателя после испытаний следует проверять методами, предусмотренными для каждого цикла.
Выключатель считают удовлетворяющим требованиям настоящего стандарта, если он соответствует требованиям каждого предусмотренного цикла.
Корпус не должен быть поврежден, но допускаются волосные трещины.
Примечание. Волосные трещины являются следствием высокого давления газа или тепловых нагрузок в результате воздействия дуги, когда прерываются большие токи, и имеют поверхностный характер. Следовательно, они не распространяются на всю толщину литого корпуса аппарата.
8.3.2.4. Протоколы испытаний
8.3.2.5 Условия испытания на превышение температуры
Выключатель должен удовлетворять требованиям
7.2.2.
Применяют
8.3.3.3 ГОСТ Р 50030.1 (за исключением
8.3.3.3.6) со следующим дополнением.
Выключатель должен быть установлен согласно
8.3.2.1.
На катушки минимальных расцепителей, если применимо, должно подаваться максимальное номинальное напряжение цепи управления.
В четырехполюсных выключателях вначале подлежат испытанию три полюса, оснащенные максимальными расцепителями тока. Выключатель с номинальным током не выше 63 А дополнительно испытывают путем пропускания тока через четвертый и соседний с ним полюса.
При более высоких номинальных токах методика испытания должна быть согласована изготовителем и потребителем.
8.3.2.6. Условия испытаний на короткое замыкание
8.3.2.6.1. Общие требования
Примечание 1. Следует обратить внимание на
примечание 3, которое введено во избежание ненужного дублирования в результате введения нового перечисления b).
a) Выключатель должен быть установлен в соответствии с требованиями
8.3.2.1.
b) Если вокруг органа ручного управления в любом его положении имеются отверстия или щели, через которые можно ввести рояльную струну диаметром 0,26 мм, которая достигает зоны дугогасительной камеры, или не очевидно, что введенная струна не доходит до зоны, необходимо использовать следующую испытательную установку.
Исключительно для операций размыкания полиэтиленовый лист низкой плотности, прозрачный, толщиной (0,05 +/- 0,01) мм и размерами 100 x 100 мм закрепляют и натягивают в раме и помещают, как показано на рисунке 1, на расстоянии 10 мм от:
- наиболее выступающей части ручного замыкающего устройства выключателя без утапливания этого устройства;
- края ниши для ручного замыкающего устройства выключателя с утапливанием этого устройства.
Полиэтиленовый лист должен обладать следующими свойствами:
- плотность при 23 °C - (0,92 +/- 0,05) г/см3;
- температура плавления - 110 °C - 120 °C.
Со стороны, удаленной от выключателя, должна быть размещена соответствующая подставка во избежание разрыва полиэтиленовой пленки вследствие волны давления, которая может возникнуть при испытании на короткое замыкание (см.
рисунок 1).
Для испытаний, кроме испытаний в индивидуальной оболочке, между металлическим экраном и полиэтиленовой пленкой помещают щит из изоляционного материала или металла (см.
рисунок 1).
Примечание 2. Данную испытательную установку используют только для операций отключения, поскольку ее применение для операций "CO" затруднено и поэтому условлено, что операции "O" не менее жесткие, чем операции "CO" (см.
8.3.2.6.4).
Примечание 3. Во избежание необходимости проведения новой серии испытательных циклов на короткое замыкание для подтверждения соответствия настоящему пункту временно разрешено по согласованию с изготовителем устанавливать соответствие посредством отдельной операции "O" для каждого применяемого цикла испытаний.
c) Оперирование выключателем во время испытаний должно как можно достовернее имитировать условия эксплуатации.
Выключатель с зависимым управлением при испытаниях должен замыкаться при подаче питания в цепь управления (напряжения или давления), составляющего 85% его номинального значения.
Выключатель с независимым управлением при испытаниях должен замыкаться при максимальном питании механизма управления, указанном изготовителем.
Выключатель с управлением при наличии накопителя энергии при испытаниях должен замыкаться при питании механизма управления, составляющем 85% номинального напряжения вспомогательного источника.
d) Если выключатель оснащен регулируемыми максимальными расцепителями тока, уставка этих расцепителей должна соответствовать предписанной для каждого цикла испытаний.
Если выключатель без максимальных расцепителей тока оснащен независимым расцепителем, то на этот расцепитель следует подавать напряжение, составляющее 70% номинального напряжения питания для цепи управления расцепителя (см.
7.2.1.2.3), в момент не ранее начала короткого замыкания и не позднее 10 мс от его начала.
e) Для всех этих испытаний зажимы питания выключателя, маркированные изготовителем, должны быть подсоединены в испытательную цепь со стороны питания. При отсутствии такой маркировки испытательные соединения должны быть, как указано в
таблице 10.
8.3.2.6.2. Испытательная цепь
8.3.2.6.3. Калибровка испытательной цепи
8.3.2.6.4. Методика испытания
Применяют
8.3.4.1.6 ГОСТ Р 50030.1 со следующим дополнением:
После калибровки испытательной цепи по 8.3.2.6.3 временные соединения заменяют испытуемым выключателем и его соединительными проводами при их наличии.
Испытания на работоспособность в условиях короткого замыкания необходимо выполнить циклами согласно
таблице 9 (см.
8.3.1).
Для выключателей с номинальным током не выше 630 А предусматривают кабель длиной 75 см, имеющий площадь поперечного сечения соответственно условному тепловому току (см.
8.3.3.3.4,
таблицы 9 и
10 ГОСТ Р 50030.1), подсоединяемый следующим образом:
- 50 см - со стороны источника питания;
- 25 см - со стороны нагрузки.
Последовательность оперирования должна соответствовать предписанной для каждого цикла испытаний согласно
8.3.4.1,
8.3.5.2,
8.3.6.4 и
8.3.7.6.
Четырехполюсные выключатели подлежат дополнительному циклу оперирования на одном или нескольких новых образцах согласно
таблице 10 с выполнением циклов III и IV или IV и V в зависимости от того, что подходит, на четвертом и соседнем с ним полюсах при напряжении до включения

, используя цепь, представленную на
рисунке 12 ГОСТ Р 50030.1.
Значение испытательного тока должно быть согласовано между изготовителем и потребителем, но должно быть не менее 60%

или

.
По указанию изготовителя эти дополнительные испытания могут быть выполнены на тех же образцах, причем каждое испытание в соответствующем цикле должно охватывать испытания:
- на трех смежных фазовых полюсах;
- на четвертом и смежном с ним полюсах.
Для определения последовательности оперирования следует использовать условные обозначения:
O - операция отключения;
CO - операция включения с последующей по истечении соответствующего времени размыкания операцией отключения;
t - интервал времени между двумя последовательными операциями в условиях короткого замыкания, который должен быть 3 мин или более, если время взвода (см.
2.19) выключателя превышает эту величину. Фактическое значение t должно быть зафиксировано в протоколе испытания.
Примечание. Максимальное значение

, зафиксированное во время испытаний, может не быть максимально допустимым значением для предписанных условий.
Если требуется определить это максимальное значение, необходимы дополнительные испытания.
8.3.2.6.5. Поведение выключателя во время испытаний на включение и отключение в условиях короткого замыкания
8.3.2.6.6. Интерпретация записей
8.3.2.6.7. Проверка после испытаний на короткое замыкание
a) После операций отключения при испытаниях на наибольшую включающую и отключающую способность по
8.3.4.1,
8.3.5.2,
8.3.6.4,
8.3.7.1,
8.3.7.6,
8.3.8.3, что применимо, полиэтиленовая пленка не должна иметь отверстий, видимых без применения увеличительных приборов.
Примечание. Мелкими видимыми отверстиями диаметром менее 0,26 мм можно пренебречь.
b) После испытаний на короткое замыкание выключатель должен удовлетворять проверкам, указанным для каждого испытательного цикла.
8.3.3 Цикл испытаний I. Общие характеристики работоспособности
Этот цикл действителен для всех выключателей и включает следующие испытания:
- пределы и характеристики расцепления
(8.3.3.1);
- механическое срабатывание и работоспособность в условиях эксплуатации
(8.3.3.3);
- работоспособность при перегрузках (при необходимости)
(8.3.3.4);
- проверка электрической прочности изоляции
(8.3.3.5);
- проверка расцепителей токов перегрузки
(8.3.3.7);
- проверка минимального и независимого расцепителей (при наличии)
(8.3.3.8);
- проверка положения главных контактов (для автоматических выключателей, пригодных для разъединения)
(8.3.3.9).
Количество образцов и регулировка уставки расцепителей должны соответствовать
таблице 10.
8.3.3.1. Испытание на пределы и характеристики расцепления
Применяют
пункт 8.3.3.2 ГОСТ Р 50030.1 со следующими дополнениями:
8.3.3.1.1. Общие положения
Температуру окружающего воздуха следует измерять как при испытаниях на превышение температуры (см.
8.3.2.5).
Если максимальный расцепитель тока является составной частью выключателя, то он должен быть проверен на соответствующем выключателе.
Любой отдельно используемый расцепитель должен быть смонтирован как при нормальных условиях эксплуатации. Укомплектованный выключатель должен быть установлен в соответствии с
8.3.2.1. Испытуемые выключатели должны быть защищены от чрезмерного нагрева или охлаждения, вызванного внешними факторами.
Присоединения отдельно используемого расцепителя или выключателя с расцепителем должны быть осуществлены таким же способом, как и при нормальных условиях эксплуатации, с помощью проводников, поперечное сечение которых рассчитано на номинальный ток

(см.
таблицы 9 и
10,
8.3.3.3.4 ГОСТ Р 50030.1), а длину выбирают в соответствии с
8.3.3.3.4 ГОСТ Р 50030.1.
Для выключателей, имеющих регулируемые максимальные расцепители тока, испытания следует проводить при:
- минимальной токовой уставке, если применимо;
- максимальной токовой уставке, если применимо,
в каждом случае проводниками, соответствующими номинальному току

(см.
4.7.2).
Примечание. Для испытаний, когда защитные характеристики не зависят от температуры и проводников (например, у электронных расцепителей сверхтоков, электромагнитных расцепителей), параметры присоединения (тип, поперечное сечение, длина) могут быть отличны от условий, оговоренных
8.3.3.3.4 ГОСТ Р 50030.1. Условия присоединения должны быть определены испытаниями исходя из тепловых воздействий токовой нагрузки.
Для выключателей с нейтральным полюсом, снабженным расцепителем перегрузки, проверку расцепителя перегрузки необходимо производить только в нейтральном полюсе. Испытания необходимо проводить при любом удобном напряжении.
8.3.3.1.2. Отключение в условиях короткого замыкания
Срабатывание расцепителей токов короткого замыкания (см.
4.7.1) следует проверять при 80% и 120% уставки расцепителя по току короткого замыкания.
Испытательный ток не должен быть асимметричным.
При испытательном токе, равном 80% уставки по току короткого замыкания, расцепитель не должен срабатывать с начала прохождения тока в течение:
- 0,2 с - для расцепителей мгновенного действия (см.
2.20);
- интервала времени, равного удвоенной выдержке, указанной изготовителем, для расцепителей с независимой выдержкой времени.
При испытательном токе, равном 120% уставки по току короткого замыкания, расцепитель должен сработать в течение:
- 0,2 с - для расцепителей мгновенного действия (см.
2.20);
- интервала времени, равного удвоенной выдержке, указанной изготовителем, для расцепителей с независимой выдержкой времени.
Для выключателей, имеющих электронный расцепитель сверхтоков, срабатывание расцепителя токов короткого замыкания необходимо проверять испытанием только от каждого полюса индивидуально.
Для многополюсных выключателей, имеющих электромагнитные расцепители, отключение токов короткого замыкания необходимо проверять, подавая испытательный ток в любые два полюса, соединенные последовательно, с использованием всех возможных комбинаций полюсов.
Для выключателей, имеющих определяемый нейтральный полюс с расцепителем короткого замыкания, проверку расцепителя нейтрального полюса необходимо проводить совместно с фазным полюсом, выбранным случайным образом.
Кроме того, срабатывание расцепителей токов короткого замыкания необходимо проверять на каждом фазном полюсе отдельно при указанном изготовителем токе расцепления, при котором расцепитель должен сработать в течение:
- 0,2 с - для расцепителей мгновенного действия (см.
2.20);
- интервала времени, равного удвоенной выдержке времени, указанной изготовителем, для расцепителей с независимой выдержкой времени.
Расцепители с независимой выдержкой времени, кроме того, должны соответствовать требованиям
8.3.3.1.4.
8.3.3.1.3 Отключение в условиях перегрузки
a) Расцепители мгновенного действия или с независимой выдержкой времени
Срабатывание таких расцепителей (4.7.1,
примечание 1) следует проверять при 90% и 110% уставки расцепителя по току перегрузки. Испытательный ток не должен быть асимметричным. Срабатывание расцепителей многополюсных аппаратов необходимо проверять при одновременном пропускании испытательного тока через все фазные полюса.
Кроме того, расцепители с независимой выдержкой времени должны отвечать требованиям
8.3.3.1.4.
При испытательном токе, равном 90% уставки по току, расцепитель не должен срабатывать с начала прохождения тока в течение:
- 0,2 с - для расцепителей мгновенного действия;
- интервала времени, равного удвоенной выдержке, указанной изготовителем, для расцепителей с независимой выдержкой времени.
При испытательном токе, равном 110% уставки по току, расцепитель должен срабатывать в течение:
- 0,2 с - для расцепителей мгновенного действия (см.
2.20);
- интервала времени, равного удвоенной выдержке, указанной изготовителем, для расцепителей с независимой выдержкой времени.
Для выключателей с обозначенным нейтральным полюсом, снабженным расцепителем перегрузки
(8.3.3.1.1), испытательный ток этого расцепителя должен быть равным 1,2 от 110% уставки по току.
b) Расцепители с обратнозависимой выдержкой времени
Рабочие характеристики таких максимальных расцепителей следует проверять в соответствии с требованиями к работоспособности по
перечислению b), 2), 7.2.1.2.4.
Для выключателей с обозначенным нейтральным полюсом, снабженным расцепителем перегрузки
(8.3.3.1.1), испытательный ток этого расцепителя должен быть равен указанному в
таблице 6, с той лишь разницей, что значение испытательного тока при условном токе расцепления следует умножать на коэффициент 1,2.
Рабочие характеристики расцепителей, зависящие от температуры окружающего воздуха, следует проверять при контрольной температуре (см.
4.7.3 и
перечисление b) 5.2), подавая испытательный ток во все фазные полюса расцепителя.
Если это испытание выполняют при другой температуре окружающего воздуха, необходима корректировка в соответствии с характеристиками температура/ток, представленными изготовителем.
Рабочие характеристики термомагнитных расцепителей, декларируемых изготовителем как не чувствительные к температуре окружающего воздуха, следует проверять путем двух измерений при температурах (30 +/- 2) °C для одного и (20 +/- 2) °C или (40 +/- 2) °C для другого с подачей испытательного тока во все фазные полюса расцепителя.
Рабочие характеристики электронных расцепителей следует проверять при комнатной окружающей температуре (см.
6.1.1 ГОСТ Р 50030.1) с подачей испытательного тока во все фазные полюса.
Для проверки соответствия время-токовых характеристик расцепителя (в пределах указанных допусков) кривым, представленным изготовителем, требуется дополнительное испытание при значении тока, предусмотренном изготовителем.
8.3.3.1.4. Дополнительное испытание расцепителей с независимой выдержкой времени
Это испытание выполняют при токе, равном 1,5-кратной токовой уставке:
- для максимальных расцепителей токов перегрузки - подачей испытательного тока во все фазные полюса;
- для выключателей с обозначенным нейтральным полюсом, снабженным расцепителем перегрузки
(8.3.3.1.1), испытательный ток этого расцепителя должен быть равен 1,5-кратной уставке по току;
- для максимальных расцепителей токов короткого замыкания - подачей испытательного тока через два полюса, соединенные последовательно, с использованием всех возможных комбинаций полюсов, оснащенных расцепителями токов короткого замыкания, поочередно;
- в случае электронного расцепителя короткого замыкания - подачей испытательного тока в один из полюсов, выбранный случайным образом.
Измеренная выдержка времени не должна выходить за пределы, указанные изготовителем.
b) Время нерасцепления
Это испытание выполняют в условиях по
перечислению a) как для расцепителей токов перегрузки, так и для расцепителей токов короткого замыкания.
Вначале испытательный ток, равный 1,5-кратной токовой уставке, поддерживают в течение времени нерасцепления, указанного изготовителем, затем ток уменьшают до номинального и поддерживают на этом уровне в течение удвоенной выдержки времени, указанной изготовителем. Выключатель не должен расцепляться.
8.3.3.2. Испытание электроизоляционных свойств
ii) со ссылкой на
перечисление 3), c), 8.3.3.4.1 ГОСТ Р 50030.1: для целей настоящего стандарта цепи, содержащие полупроводниковые устройства, присоединенные к главным цепям, на время испытаний должны быть отключены;
iii) выключатели, не декларированные как пригодные к разъединению, должны быть испытаны приложением напряжения между соединенными вместе вводными зажимами и соединенными вместе зажимами присоединения нагрузки. Испытания должны быть проведены в соответствии с
таблицей 12 ГОСТ Р 50030.1;
iv) выключатели, пригодные к разъединению (см.
3.5) и имеющие рабочее напряжение более 50 В, при отключенном положении контактов должны иметь измеренные токи утечки для каждого полюса не более 0,5 мА при испытательном напряжении 1,1

.
8.3.3.3. Испытание на механическое срабатывание и работоспособность в условиях эксплуатации
8.3.3.3.1. Общие условия испытания
Выключатель следует монтировать по
8.3.2.1, но для проведения этих испытаний он может быть закреплен на металлическом каркасе. Выключатель следует защитить от чрезмерного внешнего нагрева или охлаждения.
Эти испытания необходимо выполнить при температуре окружающего воздуха в помещении испытательной лаборатории.
Питающее напряжение каждой цепи управления следует измерять на выводах при номинальном токе.
В цепь должны быть включены все омические или полные сопротивления, составляющие часть устройства управления. Однако между источником тока и выводами аппарата не следует вводить никаких дополнительных сопротивлений.
Испытания по
8.3.3.3.2 -
8.3.3.3.4 следует выполнять на одном и том же автоматическом выключателе в произвольной последовательности. Однако испытания минимальных и независимых расцепителей по
8.3.3.3.2 и
8.3.3.3.3 могут тем не менее быть выполнены на новом образце.
Если выключатели, подлежащие обслуживанию, необходимо подвергнуть большему числу циклов оперирований, чем указано в
таблице 8, вначале следует выполнить эти дополнительные оперирования с последующим обслуживанием в соответствии с инструкциями изготовителя, а затем оперирования в количестве, указанном в
таблице 8, без обслуживания до окончания этого цикла испытаний.
Примечание. Для удобства испытаний допускают разделение каждого из них на два периода или более. Однако ни один из этих периодов не должен быть менее 3 ч.
8.3.3.3.2. Конструкция и механическое срабатывание
a) Конструкция
Выключатель выдвижного исполнения следует проверять на соответствие требованиям
7.1.1. Выключатель с накопителем энергии следует проверять на соответствие
7.2.1.1.5, обращая внимание на показания индикатора взвода и направление взвода ручного накопителя энергии.
b) Механическое срабатывание
Испытания следует проводить по
8.3.3.3.1 с целью убедиться:
- в удовлетворительном расцеплении выключателя при прохождении тока через контакты;
- в удовлетворительном поведении выключателя при подаче команды на замыкание во время срабатывания расцепителя;
- что воздействие на аппарат с двигательным приводом, когда выключатель уже замкнут, не приведет к повреждению выключателя и не создаст опасности для оператора.
Механическое срабатывание выключателя можно проверять в обесточенном состоянии.
Выключатель с двигательным приводом зависимого действия должен отвечать требованиям
7.2.1.1.3.
Выключатель с двигательным приводом зависимого действия должен срабатывать при минимальной и максимальной нагрузках механизма управления в пределах, установленных изготовителем.
Выключатель с накопителем энергии должен отвечать требованиям
7.2.1.1.5 при вспомогательном питающем напряжении, равном 85% и 110% номинального питающего напряжения цепи управления. Следует также проверить, что подвижные контакты не могут быть перемещены из разомкнутого положения, когда запас энергии механизма управления по показаниям индикатора несколько ниже полного.
Контакты выключателя со свободным расцеплением не должны быть в соприкасающемся или в замкнутом положении, когда расцепитель находится в положении расцепления.
Если время замыкания и размыкания выключателя указано изготовителем, то оно должно соответствовать заданным значениям.
c) Минимальные расцепители
Минимальные расцепители должны отвечать требованиям
7.2.1.3 ГОСТ Р 50030.1. С этой целью расцепитель должен быть установлен на выключателе, имеющем максимальный номинальный ток, для которого предназначен расцепитель.
Следует проверить, чтобы расцепитель срабатывал на размыкание выключателя в заданных пределах напряжения.
Напряжение следует понижать от номинального до 0 В приблизительно в течение 30 с.
Испытание для нижнего предела выполняют без тока в главной цепи и без предварительного нагрева катушки расцепителя.
Если расцепитель рассчитан на диапазон номинальных напряжений, то испытание проводят на максимальном напряжении диапазона.
Испытание для верхнего предела выполняют, начиная с установившейся температуры, соответствующей прикладыванию номинального напряжения питания цепи управления к расцепителю и номинальному току в главных полюсах выключателя. Это испытание может быть совмещено с испытанием на превышение температуры по
8.3.3.6.
Если расцепитель рассчитан на диапазон номинальных напряжений, это испытание выполняют как на минимальном, так и на максимальном номинальном напряжениях питания цепи управления.
ii) Испытание для пределов срабатывания
Выключатель должен находиться в разомкнутом положении при температуре испытательного помещения и напряжении питания, составляющем 30% номинального максимального напряжения питания цепи управления. Следует проверить, что выключатель не может быть замкнут действием привода. Когда напряжение питания повышают до 85% минимального напряжения питания цепи управления, необходимо проверить возможность замыкания выключателя посредством привода.
iii) Работоспособность в условиях перенапряжения
Должно быть проверено, что минимальный расцепитель при включенном выключателе без тока в главной цепи выдерживает приложение 110% номинального напряжения питания в цепи управления в течение 4 ч без изменения его функций.
d) Независимые расцепители
Независимые расцепители должны соответствовать требованиям
7.2.1.4 ГОСТ Р 50030.1. С этой целью расцепитель должен быть установлен в выключателе, имеющем максимальный номинальный ток, для которого предназначен расцепитель.
Необходимо проверить, чтобы расцепитель сработал на размыкание выключателя при 70% номинального напряжения питания цепи управления в процессе испытания при температуре окружающей среды (55 +/- 2) °C без тока в главных полюсах выключателя. Если расцепитель рассчитан на диапазон номинальных напряжений питания для цепи управления, испытательное напряжение должно составлять 70% минимального номинального напряжения питания цепи управления.
8.3.3.3.3. Работоспособность в обесточенном состоянии
Эти испытания следует проводить в условиях, описанных в
8.3.2.1, число циклов оперирования и частота их выполнения должны соответствовать
таблице 8.
Испытания необходимо выполнять без тока в главной цепи выключателя.
Для выключателей с независимыми расцепителями 10% общего числа циклов оперирования "замыкание - размыкание" должны быть проведены независимым расцепителем при максимальном номинальном напряжении питания цепи управления.
Для выключателей, имеющих минимальные расцепители, 10% общего числа циклов оперирования "замыкание - размыкание" должны быть проведены минимальным расцепителем при минимальном номинальном напряжении питания цепи управления, при этом после каждой операции замыкания напряжение питания расцепителя отключают для размыкания выключателя.
В любом случае половину соответствующего числа циклов оперирования необходимо выполнить в начале, а вторую половину - в конце испытания.
Для автоматических выключателей с минимальными расцепителями перед испытанием на работоспособность при эксплуатации следует проверить, что без подачи питания на минимальный расцепитель автоматический выключатель не может быть замкнут путем десятикратной попытки осуществить операцию замыкания автоматического выключателя.
Испытывать следует выключатель с собственным механизмом замыкания. Если выключатель оснащен электрическим или пневматическим замыкающим устройством, питание таких устройств необходимо осуществлять при номинальном напряжении питания цепи управления или номинальном давлении. Следует принять меры, чтобы не допускать выхода превышения температуры электрических частей за пределы, указанные в
таблице 7.
Оперирование выключателем с ручным управлением необходимо производить как в нормальных условиях эксплуатации.
8.3.3.3.4. Работоспособность при прохождении тока
Состояние и монтаж выключателя должны соответствовать
8.3.2.1, испытательная цепь должна соответствовать
8.3.3.5.2 ГОСТ Р 50030.1.
Частота оперирования и число подлежащих выполнению циклов оперирования указаны в
таблице 8.
Оперирование выключателем необходимо осуществлять с таким расчетом, чтобы он включал и отключал свой номинальный ток при своем максимальном номинальном рабочем напряжении, установленном изготовителем, при коэффициенте мощности или постоянной времени согласно
таблице 11 с допускаемыми отклонениями по
8.3.2.2.2.
Выключатели переменного тока необходимо испытывать при частоте от 45 до 62 Гц.
Выключатели, оснащенные расцепителями с регулируемой уставкой, необходимо испытывать с максимальной уставкой по перегрузке и минимальной уставкой по току короткого замыкания.
Этим испытаниям необходимо подвергать выключатель с собственным механизмом замыкания. Если выключатель оснащен электрическим или пневматическим замыкающим устройством, питание таких устройств следует осуществлять при номинальном напряжении питания цепи управления или номинальном давлении. Следует принять меры, чтобы превышение температуры электрических частей не выходило за пределы, указанные в
таблице 7.
Оперирование выключателями с ручным управлением следует осуществлять как в нормальных условиях эксплуатации.
8.3.3.3.5. Дополнительное испытание на работоспособность в обесточенном состоянии выключателей выдвижного исполнения
Испытанию на работоспособность в обесточенном состоянии подлежат механизм выдвижения и соответствующие блокировки выключателей в выдвижном исполнении.
Выполняют 100 циклов сочленения и выдвижения.
После этого испытания разъединяющие контакты, механизм выдвижения и блокировки должны быть пригодны для дальнейшей эксплуатации. Проверку следует проводить путем осмотра.
8.3.3.4. Работоспособность при перегрузках
Этому испытанию подлежат выключатели с номинальном током до 630 А включительно.
Примечание 1. По просьбе изготовителя этому испытанию можно подвергнуть также выключатели с номинальным током выше 630 А.
Состояние и способ монтажа выключателя должны соответствовать
8.3.2.1, испытательная цепь -
8.3.3.5.2 ГОСТ Р 50030.1.
Испытания следует проводить при максимальном рабочем напряжении

, установленном изготовителем для данного выключателя.
Выключатели, оснащенные расцепителями с регулируемой уставкой, необходимо испытывать при максимальной уставке расцепителя.
Выключатель следует девять раз разомкнуть вручную и три раза автоматически (максимальным расцепителем), за исключением выключателей, имеющих уставку расцепителя тока короткого замыкания ниже испытательного тока, в которых все 12 операций должны быть автоматическими.
Примечание 2. Если испытательное устройство не выдерживает сквозной ток при автоматическом оперировании, по согласованию с изготовителем испытания могут быть проведены следующим образом:
- выполнением 12 операций вручную;
- выполнением указанного количества операций при другом подходящем напряжении.
В каждом из циклов с ручным управлением выключатель должен оставаться замкнутым достаточно долго, чтобы ток полностью установился, но не более 2 с.
Частота оперирования должна соответствовать
таблице 8. Если при такой частоте выключатель не взводится, ее можно уменьшить настолько, чтобы выключатель мог быть включен до установления полного тока.
Если условия в испытательной лаборатории не дают возможности проводить испытания с частотой, указанной в
таблице 8, ее можно уменьшить, но зафиксировать в протоколе испытаний.
| | ИС МЕГАНОРМ: примечание. В тексте документа, видимо, допущена опечатка: таблица 13 в тексте документа отсутствует. | |
Значения испытательного тока и возвращающегося напряжения должны соответствовать указанным в таблице 13 при коэффициенте мощности или постоянной времени по
таблице 11 с допускаемыми отклонениями согласно
8.3.2.2.2.
Примечание. С согласия изготовителя это испытание можно проводить в более жестких условиях, чем указано.
Выключатели переменного тока следует испытывать при частоте от 45 до 62 Гц. Ожидаемый ток на выводах питания выключателя должен быть не менее десятикратного испытательного тока или по крайней мере 50 кА (выбирают меньшее из двух значений).
8.3.3.5. Проверка электрической прочности изоляции
a) Общие условия
Испытания должны быть проведены на автоматических выключателях, смонтированных как для предыдущих испытаний. Если это неприменимо, они должны быть отсоединены и присоединены к испытательной цепи, измерения должны быть проведены с условиями отсутствия влияния на результаты испытаний.
b) Испытательное напряжение
Значение испытательного напряжения должно быть

при минимальном значении 1000 В действующего значения переменного тока или 1415 В постоянного тока, если испытания при переменном токе не могут быть применены. Значение

принимают из предшествующих коммутационных испытаний и/или испытаний на короткое замыкание.
Таблица 12
Характеристики испытательной цепи при испытании
на работоспособность при перегрузке
Род тока | Переменный ток | Постоянный ток |
Значение тока | | |
Значение восстанавливающегося и возвращающегося напряжения | | |
Примечание:  - максимальное рабочее напряжение выключателя. |
c) Приложение испытательного напряжения
Испытательное напряжение должно быть приложено на 5 с в соответствии с
перечислениями 2), c), i),
ii) и
iii) 8.3.3.4.1 ГОСТ Р 50030.1 и последовательно между входящими и отходящими зажимами каждого полюса при отключенном положении выключателя. Применения металлической фольги, как предписано
перечислением 1) 8.3.3.4.1 ГОСТ Р 50030.1, не требуется. Для целей настоящего стандарта цепи, содержащие полупроводниковые устройства, присоединенные к главным цепям, на время испытаний должны быть отключены. Нормальные положения оперирования включают положение срабатывания, если предусмотрено.
Для автоматических выключателей, пригодных для разъединения, токи утечки должны быть измерены в соответствии с
перечислением iv) 8.3.3.2, при этом ток утечки не должен быть более 2 мА.
d) Критерии оценки
8.3.3.6. Проверка превышения температуры
После испытания по
8.3.3.5 необходимо провести испытание на превышение температуры при условном тепловом токе по
8.3.2.5. В конце этого испытания значения превышения температуры не должны выходить за пределы, указанные в
таблице 7.
8.3.3.7. Проверка максимальных расцепителей токов перегрузки
Немедленно после испытания по 8.3.3.6 следует проверить срабатывание максимальных расцепителей при их 1,45-кратной токовой уставке при контрольной температуре (см.
перечисление b), 2), 7.2.1.2.4)
Для проведения этого испытания следует последовательно соединить все полюса.
Допускается использование источника трехфазного тока.
Это испытание можно выполнять при любом удобном напряжении.
Время размыкания не должно превышать условного времени расцепления.
Примечания. 1. С согласия изготовителя допустим временной интервал между испытаниями по
8.3.3.6 и
8.3.3.7.
2. Для расцепителей, чувствительных к температуре окружающего воздуха, это испытание можно выполнять при температуре окружающего воздуха с изменением испытательного тока в соответствии с представленными изготовителем характеристиками температура/ток.
8.3.3.8. Проверка минимальных и независимых расцепителей
Выключатели, оснащенные минимальными расцепителями, следует подвергать испытанию по
перечислению c), i), 8.3.3.3.2, за исключением того, что испытания для верхнего и нижнего пределов следует проводить при температуре испытательного помещения без тока в главной цепи.
Расцепитель не должен срабатывать при 70% минимального напряжения питания цепи управления и должен срабатывать при 35% максимального номинального напряжения питания цепи управления.
Выключатели, оснащенные независимыми расцепителями, следует подвергать испытанию по
перечислению d) 8.3.3.3.2, за исключением того, что испытание можно выполнять при температуре окружающего помещения. Расцепитель должен вызывать расцепление при 70% минимального номинального напряжения питания цепи управления.
8.3.3.9. Проверка положения главных контактов
Для выключателей, пригодных для разъединения (см.
3.5), после проверки по
8.3.3.7 необходимо проведение испытания по проверке эффективности указания положения главных контактов в соответствии с
8.2.5 ГОСТ Р 50030.1.
8.3.4. Цикл испытаний II. Номинальная рабочая наибольшая отключающая способность
Этот цикл испытаний требуется для всех выключателей, за исключением случаев применения комбинированного цикла испытаний (см.
8.3.8), и включает следующие испытания:
- номинальная рабочая наибольшая отключающая способность
(8.3.4.1);
- проверка электрической прочности изоляции
(8.3.4.3);
- проверка расцепителей токов перегрузки
(8.3.4.5).
Число образцов, подлежащих испытанию, и уставка расцепителей с регулируемой уставкой должны соответствовать
таблице 10.
8.3.4.1. Испытание на номинальную рабочую наибольшую отключающую способность
Испытание током короткого замыкания выполняют в общих условиях по
8.3.2 при значении ожидаемого тока

по указанию изготовителя в соответствии с
4.3.5.2.2.
Коэффициент мощности для этого испытания должен соответствовать
таблице 11 в зависимости от испытательного тока.
Последовательность операций должна быть следующей: O-t-CO-t-CO.
В выключателях со встроенными плавкими предохранителями после каждой операции следует заменять любой расплавившийся предохранитель. Для этого может потребоваться увеличение интервала t.
8.3.4.2. Проверка работоспособности
После испытания по
8.3.4.1 должна быть проверена работоспособность согласно
8.3.3.3.4, с той лишь разницей, что эту проверку следует проводить при том же номинальном рабочем напряжении, что и при испытании по
8.3.4.1, а количество циклов оперирования должно составлять 5% указанного в
таблице 8.
Эта проверка не требуется, когда испытания по
8.3.4.1 проводят на автоматическом выключателе с минимальным значением

или при минимальной уставке регулировки расцепителя сверхтоков в соответствии с
таблицей 10.
8.3.4.3. Проверка электрической прочности изоляции
После испытания по
8.3.4.2 следует проверить электрическую прочность изоляции по
8.3.3.5.
Для выключателей, пригодных для разъединения, ток утечки необходимо измерять согласно
8.3.3.5.
8.3.4.4. Проверка превышения температуры
После испытания по 8.3.4.3 следует проверить превышение температуры выводов согласно
8.3.2.5. Превышение температуры не должно быть выше значений, указанных в
таблице 7.
В проведении этой проверки нет необходимости, если для данного типоразмера испытание по
8.3.4.1 выполнено на выключателе с минимальным

или при минимальной уставке расцепителя перегрузки.
8.3.4.5. Проверка расцепителей токов перегрузки
Немедленно после испытания по
8.3.4.4 следует проверить срабатывание расцепителей токов перегрузки по
8.3.3.7.
Примечание. С согласия изготовителя допустим интервал времени между испытаниями по
8.3.4.4 и 8.3.4.5.
8.3.5. Цикл испытаний III. Номинальная предельная наибольшая отключающая способность
Этому испытанию подлежат, за исключением случаев применения комбинированного цикла испытаний (см.
8.3.8), выключатели категории A, а также категории B, у которых номинальная предельная наибольшая отключающая способность выше номинального кратковременно выдерживаемого тока.
Примечание. Для этого типа выключателя категории применения B расцепитель мгновенного действия срабатывает при значениях тока выше минимальных значений

, указанных в
таблице 3 (4.3.5.4), и может быть назван "сверхмгновенным расцепителем".
Для выключателей категории применения B, у которых номинальный кратковременно выдерживаемый ток равен номинальной предельной наибольшей отключающей способности, этот цикл испытаний не проводят, так как в этом случае номинальную предельную наибольшую отключающую способность проверяют в ходе испытаний цикла IV.
Для выключателей со встроенными плавкими предохранителями вместо этого цикла выполняют цикл V.
Если

, то этот испытательный цикл не выполняют, в этом случае в испытательном цикле II следует дополнительно провести следующие проверки:
- по
8.3.5.1 в начале испытательного цикла;
- по
8.3.5.4 в конце испытательного цикла.
Этот цикл включает следующие испытания:
- проверка расцепителей токов перегрузки
(8.3.5.1);
- номинальная предельная наибольшая отключающая способность
(8.3.5.2);
- проверка электрической прочности изоляции
(8.3.5.3);
- проверка расцепителей токов перегрузки
(8.3.5.4).
Число подлежащих испытанию образцов и уставки расцепителей с регулируемой уставкой должны соответствовать
таблице 10.
8.3.5.1. Проверка максимальных расцепителей
Срабатывание расцепителей токов перегрузки следует проверять при удвоенной токовой уставке отдельно в каждом полюсе. Это испытание можно выполнять при любом удобном напряжении.
Примечания.
1. Если температура окружающего воздуха отличается от контрольной, испытательный ток следует изменить в соответствии с представленными изготовителем характеристиками температура/ток для расцепителей, чувствительных к температуре окружающей среды.
2. Для испытаний, когда защитные характеристики независимы от температуры и проводников (например, у электронных расцепителей сверхтоков, электромагнитных расцепителей), параметры присоединения (тип, поперечное сечение, длина) могут быть отличны от условий, оговоренных
8.3.3.3.4 ГОСТ Р 50030.1. Условия присоединения должны быть определены испытаниями исходя из тепловых воздействий токовой нагрузки.
Время размыкания не должно превышать максимального значения, указанного изготовителем для удвоенного тока уставки при контрольной температуре для отдельного полюса.
8.3.5.2. Испытание на номинальную предельную наибольшую отключающую способность
После испытания по
8.3.5.1 выполняют испытание на наибольшую отключающую способность при значении ожидаемого тока, равном номинальной предельной наибольшей отключающей способности, указанной изготовителем, в общих условиях по
8.3.2.
Последовательность операций: O-t-CO.
8.3.5.3. Проверка электрической прочности изоляции
После испытания по
8.3.5.2 следует провести проверку изоляционных характеристик по
8.3.3.5. Для выключателей, пригодных для разъединения, ток утечки не должен превышать 6 мА.
8.3.5.4. Проверка расцепителей токов перегрузки
После испытания по 8.3.5.3 следует проверить срабатывание расцепителей токов перегрузки по
8.3.5.1, но при испытательном токе, в 2,5 раза превышающем ток их уставки.
Время размыкания не должно превышать максимального значения, установленного изготовителем для удвоенного тока уставки при контрольной температуре для одного полюса.
8.3.6. Цикл испытаний IV. Номинальный кратковременно выдерживаемый ток
Испытаниям этого цикла подлежат, за исключением случаев применения комбинированного цикла испытаний IV (см.
8.3.8), выключатели категории применения B и A, на которые распространяется
примечание 3 к таблице 4.
Это цикл включает следующие испытания:
- проверка расцепителей токов перегрузки
(8.3.6.1);
- номинальный кратковременно выдерживаемый ток
(8.3.6.2);
- наибольшая отключающая способность при максимальном кратковременно допустимом токе
(8.3.6.4);
- проверка электрической прочности изоляции
(8.3.6.5);
- проверка расцепителей токов перегрузки
(8.3.6.6).
Выключатели со встроенными плавкими предохранителями, относящиеся к категории применения B, должны удовлетворять требованиям этого цикла.
Число подлежащих испытанию образцов и уставки регулируемых расцепителей должны соответствовать
таблице 10.
8.3.6.1. Проверка расцепителей токов перегрузки
Срабатывание расцепителей токов перегрузки следует проверять по
8.3.5.1.
8.3.6.2. Испытание на номинальный кратковременно выдерживаемый ток
По
8.3.4.3 ГОСТ Р 50030.1 со следующим дополнением:
На время испытания следует сделать неработоспособным любой максимальный расцепитель тока, в том числе расцепитель сверхмгновенного действия при его наличии, если он может сработать во время испытания.
8.3.6.3. Проверка превышения температуры
После испытания по 8.3.6.2 следует проверить превышение температуры выводов по
8.3.2.5. Оно не должно быть выше значений, указанных в
таблице 7.
По соглашению с изготовителем проверку превышения температуры можно проводить после проверки изоляционных характеристик
(8.3.6.5). Эта проверка не требуется, когда испытания по
8.3.6.2 проводят на автоматическом выключателе с минимальным значением

или при установке регулятора расцепителя сверхтоков на минимальное положение.
8.3.6.4. Испытание на наибольшую отключающую способность при максимальном кратковременно выдерживаемом токе
После испытания по
8.3.6.3 следует провести испытание на короткое замыкание с последовательностью операций O-t-CO в общих условиях по
8.3.2 при таком же ожидаемом токе, как в испытании на кратковременно выдерживаемый ток (см.
8.3.6.2), и при наибольшем напряжении, возможном при номинальном кратковременно выдерживаемом токе.
Выключатель должен оставаться замкнутым в течение короткого времени, соответствующего максимально возможной временной уставке расцепителя токов короткого замыкания с регулируемой выдержкой времени, и расцепитель сверхмгновенного действия (при наличии) не должен сработать. Это требование не касается операции CO, если выключатель имеет расцепитель тока включения (см.
2.10), так как он сработает, если ожидаемый ток превысит заданное значение.
8.3.6.5. Проверка электрической прочности изоляции
После испытания по
8.3.6.4 следует проверить электрическую прочность изоляции по
8.3.3.5.
8.3.6.6. Проверка расцепителей токов перегрузки
После испытания по 8.3.6.5 следует проверить срабатывание максимальных расцепителей токов перегрузки по
8.3.5.1, но при испытательном токе, в 2,5 раза превышающем ток их уставки.
Время размыкания не должно превышать максимального значения, установленного изготовителем для удвоенного тока уставки при контрольной температуре для одного полюса.
8.3.7. Цикл испытаний V. Работоспособность автоматических выключателей со встроенными плавкими предохранителями
Испытаниям этого цикла подлежат выключатели со встроенными плавкими предохранителями. Он заменяет цикл испытаний III и включает следующие испытания:
1) Этап 1:
- короткое замыкание при предельном токе селективности
(8.3.7.1);
- проверка электрической прочности изоляции
(8.3.7.3);
2) Этап 2:
- проверка расцепителей токов перегрузки
(8.3.7.4);
- короткое замыкание при 1,1-кратном токе координации
(8.3.7.5);
- короткое замыкание при предельной наибольшей отключающей способности
(8.3.7.6);
- проверка электрической прочности изоляции
(8.3.7.7);
- проверка расцепителей токов перегрузки
(8.3.7.8).
Цикл испытаний V делят на два этапа:
Этапы испытаний можно выполнять:
- на двух отдельных выключателях;
- на одном и том же выключателе с промежуточным обслуживанием;
- на одном выключателе без какого-либо обслуживания, и в этом случае можно пропустить испытание по
8.3.7.3.
Испытание по
8.3.7.2 необходимо только при условии

.
Испытания по 8.3.7.1,
8.3.7.5 и
8.3.7.6 следует проводить при максимальном рабочем напряжении выключателя.
Число подлежащих испытанию образцов и уставки расцепителей с регулируемой уставкой должны соответствовать
таблице 10.
8.3.7.1. Короткое замыкание при предельном токе селективности
Испытание на короткое замыкание проводят в общих условиях по
8.3.2 при ожидаемом токе, равном предельному току селективности, по указанию изготовителя (см.
2.17.4).
Для такого испытания должны быть установлены плавкие предохранители.
Испытание должно заключаться в одной операции O, по завершении которой плавкие предохранители должны оставаться неповрежденными.
8.3.7.2. Проверка превышения температуры
Примечание. Превышение температуры проверяют ввиду того, что во время короткого замыкания по циклу испытаний II
(8.3.4.1) плавкие вставки предохранителей могут сработать, и в этом случае испытание по
8.3.7.1 оказывается более жестким.
После испытания по
8.3.7.1 следует проверить превышение температуры выводов согласно
8.3.2.5.
Превышение температуры не должно быть выше значений, указанных в
таблице 7.
8.3.7.3. Проверка электрической прочности изоляции
После испытания по
8.3.7.2 следует проверить электрическую прочность изоляции согласно
8.3.3.5.
8.3.7.4. Проверка расцепителей токов перегрузки
Срабатывание расцепителей токов перегрузки следует проверять по
8.3.5.1.
8.3.7.5. Короткое замыкание при 1,1-кратном токе координации
После испытания по 8.3.7.4 выполняют испытание на короткое замыкание в общих условиях по
8.3.7.1 при ожидаемом токе, равном 1,1-кратному току координации, указанному изготовителем (см.
2.17.6).
Для проведения этого испытания необходимо установить плавкие предохранители.
Испытание заключается в одной операции "O", по завершении которой должны сработать вставки по крайней мере двух плавких предохранителей.
8.3.7.6. Короткое замыкание при предельной наибольшей отключающей способности
После испытания по
8.3.7.5 проводят испытание на короткое замыкание в общих условиях по
8.3.7.1 при ожидаемом токе, равном предельной наибольшей отключающей способности

, указанной изготовителем.
Для проведения этого испытания необходимо установить новый комплект плавких предохранителей.
Последовательность срабатывания должна быть следующей: O-t-CO.
Следующий новый комплект плавких предохранителей устанавливают в паузе t, которая может быть продлена для этой цели.
8.3.7.7. Проверка электрической прочности изоляции
После испытания по
8.3.7.6 и установки нового комплекта плавких предохранителей следует проверить электрическую прочность изоляции по
8.3.5.3.
8.3.7.8. Проверка расцепителей токов перегрузки
После испытания по 8.3.7.7 следует проверить срабатывание расцепителей токов перегрузки по
8.3.5.1, но испытательный ток должен в 2,5 раза превышать ток уставки.
Время срабатывания не должно превышать максимального значения, указанного изготовителем для удвоенного тока уставки при контрольной температуре для отдельного полюса.
8.3.8. Цикл испытаний VI. Комбинированный цикл
Этому циклу испытаний подлежат выключатели категории применения B на усмотрение или по согласованию с изготовителем:
a) когда номинальный кратковременно выдерживаемый ток и номинальная рабочая наибольшая отключающая способность имеют одинаковое значение

, цикл испытаний VI заменяет циклы испытаний II и IV;
b) когда одинаковое значение имеют номинальный кратковременно выдерживаемый ток, номинальная рабочая наибольшая отключающая способность и номинальная предельная наибольшая отключающая способность

, цикл испытаний VI заменяет циклы испытаний II - IV;
В состав этого цикла входят следующие испытания:
- проверка расцепителей токов перегрузки
(8.3.8.1);
- номинальный кратковременно выдерживаемый ток
(8.3.8.2);
- номинальная рабочая наибольшая отключающая способность
(8.3.8.3);
- проверка электрической прочности изоляции
(8.3.8.5);
- проверка расцепителей токов перегрузки
(8.3.8.7).
Примечание. Номинальная рабочая наибольшая отключающая способность для выключателей, охватываемых
перечислением b), - это номинальная предельная наибольшая отключающая способность.
Число подлежащих испытанию образцов и уставки расцепителей с регулируемой уставкой должны соответствовать
таблице 10.
8.3.8.1. Проверка расцепителей токов перегрузки
Следует проверить срабатывание расцепителей токов перегрузки по
8.3.5.1.
8.3.8.2. Испытание на номинальный кратковременно выдерживаемый ток
После испытания по 8.3.8.1 необходимо испытание при номинальном кратковременно выдерживаемом токе по
8.3.6.2.
8.3.8.3. Испытание на номинальную рабочую наибольшую отключающую способность
После испытания по 8.3.8.2 необходимо испытание при номинальной рабочей наибольшей отключающей способности по
8.3.4.1 при наибольшем напряжении, возможном при номинальном кратковременно выдерживаемом токе. Выключатель должен оставаться замкнутым все время, соответствующее максимально возможной временной уставке расцепителя токов короткого замыкания с регулируемой выдержкой времени.
Во время этого испытания расцепитель сверхмгновенного действия (при его наличии) не должен срабатывать, а расцепитель тока включения (при его наличии) должен сработать.
8.3.8.4. Проверка работоспособности
После испытания по
8.3.8.3 должна быть проверена работоспособность согласно
8.3.4.2.
8.3.8.5. Проверка электрической прочности изоляции
После испытания по 8.3.8.4 следует проверить электрическую прочность изоляции по
8.3.3.5.
Для выключателей, пригодных для разъединения, должен быть измерен ток утечки согласно
8.3.3.5.
8.3.8.6. Проверка превышения температуры
После испытания по 8.3.8.5 следует проверить превышение температуры выводов по
8.3.2.5. Превышение температуры не должно быть более значения, указанного в
таблице 7. В этой проверке нет необходимости, если для данного типоразмера испытание по
8.3.8.3 проведено на выключателе с минимальным

или при минимальной уставке расцепителя токов перегрузки.
8.3.8.7. Проверка расцепителей токов перегрузки
После испытания по 8.3.8.6 и последующего охлаждения следует проверить срабатывание расцепителей токов перегрузки по
8.3.3.7.
| | ИС МЕГАНОРМ: примечание. В тексте документа, видимо, допущена опечатка: пункт 8.3.5.7 в тексте документа отсутствует. Возможно, имеется в виду пункт 8.3.3.7. | |
Соответственно срабатывание расцепителей токов перегрузки необходимо проверять на каждом полюсе отдельно в соответствии с 8.3.5.7, за исключением того, что испытательный ток должен соответствовать 2,5-кратному значению их уставки по току.
Время срабатывания не должно превышать максимального значения, указанного изготовителем для двукратной уставки по току при контрольной температуре для отдельного полюса.
8.4. Контрольные испытания
Определение контрольных испытаний - по
2.6.2 и
8.1.3 ГОСТ Р 50030.1.
Они включают следующие виды:
- механическое срабатывание
(8.4.1);
- проверка калибровки максимальных расцепителей тока
(8.4.2);
- проверка срабатывания минимальных расцепителей напряжения и независимых расцепителей
(8.4.3);
- проверка электрической прочности изоляции (см. примечание)
(8.4.5);
- проверка воздушных зазоров
(8.4.6).
Примечание. Если постоянство изоляционных свойств подтверждено контролем материалов и производственных процессов при изготовлении аппаратов, указанные контрольные испытания могут быть заменены выборочными испытаниями согласно утвержденному плану отбора образцов (см. МЭК 60410
[6]).
Однако проверка срабатывания, осуществляемая изготовителем в процессе производства и/или при других видах контрольных испытаний, может заменить вышеперечисленные испытания при соблюдении условий испытаний и числе операций, не меньшем указанного.
В контексте испытаний по
8.4.1 -
8.4.6 термин "выключатели" охватывает АВДТ, где это применимо.
8.4.1. Испытания на механическое срабатывание
Испытания по 8.4.1.1 и
8.4.1.2 следует проводить без тока в цепи главных контактов, за исключением случаев, когда ток необходим для срабатывания расцепителей. В процессе испытаний недопустимо выполнять какие-либо регулировки, а срабатывание должно соответствовать установленным требованиям.
8.4.1.1. Следующие испытания должны быть проведены на выключателях с ручным управлением:
- две операции "замыкание - размыкание";
- две операции свободного расцепления.
Примечание. Определение механического коммутационного устройства со свободным расцеплением см. в
2.4.23 ГОСТ Р 50030.1.
8.4.1.2. Следующие испытания должны быть проведены на выключателях с дистанционным управлением при 110% максимального номинального напряжения питания цепи управления и/или номинального давления системы и при 85% минимального напряжения цепи управления и/или номинального давления системы:
- две операции "замыкание - размыкание";
- две операции свободного расцепления;
- для выключателей с автоматическим повторным включением - две операции автоматического повторного включения.
8.4.2. Проверка калибровки максимальных расцепителей тока
8.4.2.1. Расцепители с обратнозависимой выдержкой времени
Проверку калибровки расцепителей с обратнозависимой выдержкой времени следует проводить при установленной кратности уставки по току для определения того, что время расцепления соответствует (в пределах допусков) кривой, указанной изготовителем.
Эту проверку следует выполнять при любой подходящей температуре с введением соответствующих поправок при отклонении от контрольной температуры
(4.7.3).
8.4.2.2. Расцепители мгновенного действия и с независимой выдержкой времени
Проверка калибровки расцепителей мгновенного действия и с независимой выдержкой времени должна выявить несрабатывание и срабатывание расцепителей при значениях тока, указанных в
8.3.3.1.2 и
перечислении a) 8.3.3.1.3, что применимо, без измерения времени отключения.
Испытания могут быть проведены путем нагрузки испытательным током двух полюсов, соединенных последовательно, с проверкой всех возможных комбинаций полюсов, имеющих расцепители, или путем нагрузки испытательным током отдельно каждого полюса, имеющего расцепитель.
Один из способов определения уровня расцепления состоит в подаче медленно возрастающего испытательного тока, начиная от величины ниже нижнего предела до величины расцепления выключателя. Расцепление должно происходить между нижним и верхним пределами испытательного тока.
8.4.3. Проверка срабатывания минимального расцепителя напряжения и независимого расцепителя
8.4.3.1. Минимальный расцепитель напряжения
Испытания следует проводить для проверки соответствия работы расцепителя требованиям
7.2.1.3 ГОСТ Р 50030.1 следующим образом:
a) Напряжение удержания
Расцепитель должен замкнуться при напряжении, соответствующем 85% минимального номинального напряжения питания цепи управления.
b) Напряжение отпускания
Расцепитель должен разомкнуться, когда напряжение медленно понижают до значения в пределах 70% - 35% номинального напряжения питания цепи управления, регулируемого с учетом необходимости срабатывания в условиях, указанных в
перечислении c), i), 8.3.3.3.2. Если расцепитель имеет диапазон номинальных напряжений питания цепи управления, то верхний предел должен соответствовать минимальному напряжению диапазона, а нижний предел - максимальному напряжению диапазона.
8.4.3.2. Независимый расцепитель (на размыкание)
Испытание необходимо проводить для проверки срабатывания расцепителя в соответствии с
7.2.1.4 ГОСТ Р 50030.1. Испытание может выполняться при любой подходящей температуре, при пониженном испытательном напряжении с учетом непременного срабатывания расцепителя в условиях, указанных в
перечислении d) 8.3.3.3.2. Если расцепитель имеет диапазон номинальных напряжений питания цепи управления, то пониженное испытательное напряжение должно соответствовать 70% минимального номинального напряжения питания цепи управления.
8.4.4. Дополнительные испытания АВДТ
АВДТ или выключатели с УДТ необходимо подвергать следующим дополнительным испытаниям:
a) Срабатывание устройства эксплуатационного контроля
АВДТ необходимо подвергать двум операциям "замыкание - расцепление", выключатели с УДТ - двум операциям "приведение в исходное положение - расцепление" посредством воздействия на устройства эксплуатационного контроля при наименьшем значении номинального рабочего напряжения.
b) Проверка калибровки расцепляющего устройства дифференциального тока АВДТ
Используя переменный синусоидальный дифференциальный ток, необходимо проверить, что:
- АВДТ не расцепляется дифференциальным током

в каждом полюсе отдельно при минимальной уставке

, если имеется регулировка;
- АВДТ расцепляется дифференциальным током

в каждом полюсе отдельно при минимальной уставке

, если имеется регулировка.
8.4.5. Испытание электрической прочности изоляции
| | ИС МЕГАНОРМ: примечание. В тексте документа, видимо, допущена опечатка: в ГОСТ Р 50030.1-2007 в пункте 8.3.3.2.1 перечисление 1) отсутствует. Возможно, имеется в виду перечисление 1) пункта 8.3.3.4.1. | |
Условия испытаний должны соответствовать перечислению 1)
8.3.3.2.1 ГОСТ Р 50030.1, за исключением того, что применение металлической фольги не требуется.
Испытательное напряжение следует прикладывать:
- при разомкнутом выключателе - между каждой парой выводов, электрически соединенных между собой, когда контакты выключателя замкнуты;
- при замкнутом выключателе (для выключателей, не имеющих электронных цепей, соединенных с главными полюсами) - между всеми смежными полюсами и каждым полюсом и корпусом, если применимо;
- при разомкнутом выключателе (для выключателей, в состав которых входят электронные цепи, соединенные с главными полюсами) - между всеми смежными полюсами и каждым полюсом и корпусом, если применимо, либо со стороны ввода, либо со стороны вывода, в зависимости от расположения электронных компонентов.
Одновременно допустимо отсоединение электронных цепей от главных цепей выключателя, в этом случае испытательное напряжение прикладывают между полюсами выключателя, находящегося во включенном положении, а также между каждым полюсом и корпусом, если применимо.
По усмотрению изготовителя должны быть проведены испытания по перечислениям a),
b) или
c):
a) Должны быть проведены два испытания:
1) Испытание выдерживаемым импульсным напряжением
Испытательное напряжение должно быть не более 30% величины номинального выдерживаемого импульсного напряжения (без корректировки на высоту) или пиковым значением от

, что больше.
2) Испытание напряжением промышленной частоты
Испытательные установки должны быть, как указано в
перечислении 3), b), 8.3.3.4.1 ГОСТ Р 50030.1, за исключением того, что ток уставки должен быть 25 мА. Кроме того, по усмотрению изготовителя для обеспечения безопасности могут применяться испытательные установки с низкой выходной мощностью, но при этом ток короткого замыкания испытательных установок должен быть не менее восьмикратного значения тока уставки защитного реле. Например, при токе короткого замыкания 40 мА максимальное значение тока уставки реле должно быть (5 +/- 1) мА.
Значение испытательного напряжения должно быть равно

максимального значения, но не менее 1000 В действующего значения, время приложения не более 1 с. Защитное реле не должно срабатывать.
b) Одно испытание напряжением промышленной частоты согласно
перечислению a) 2), проводимое при испытательном синусоидальном напряжении одним из следующих значений: 30%

,

максимального значения или 1000 В действующего значения.
c) Испытание измерения сопротивления изоляции при напряжении 500 В постоянного тока. Значение сопротивления изоляции должно быть не более 1 мОм между всеми точками измерения.
8.4.6. Испытание по проверке воздушных зазоров, меньше указанных для случая A
таблицы 13 ГОСТ Р 50030.1
По
8.3.3.4.3 ГОСТ Р 50030.1, за исключением того, что в целях настоящего стандарта данное испытание должно быть контрольным.
Примечание. Для воздушных зазоров, равных или больших, чем указанные для случая A
таблицы 13 ГОСТ Р 50030.1, это испытание засчитывается испытанием по
8.4.5.
В миллиметрах
--------------------------------
1) Орган управления может быть любой длины для нормальной операции замыкания.
2) Назначение жесткого экрана - препятствовать попаданию выбросов из других зон, кроме рукоятки и кнопки, на полиэтиленовую пленку (не требуется для испытания в индивидуальной оболочке).
3) Жесткий экран и фронтальная часть металлического экрана могут быть объединены в единую токопроводящую металлическую пластину.
4) Выполнена из любого подходящего жесткого материала для предотвращения пробоя полиэтиленовой пленки.
Рисунок 1. Установка для испытания на короткое замыкание
(соединительные провода не показаны)
(обязательное)
КООРДИНАЦИЯ В УСЛОВИЯХ КОРОТКОГО ЗАМЫКАНИЯ
МЕЖДУ ВЫКЛЮЧАТЕЛЕМ И ДРУГИМ УСТРОЙСТВОМ ЗАЩИТЫ
ОТ КОРОТКОГО ЗАМЫКАНИЯ, ОБЪЕДИНЕННЫМИ В ОДНОЙ ЦЕПИ
A.1. Введение
Для обеспечения координации в условиях короткого замыкания между выключателем

и другим устройством защиты от короткого замыкания (далее - УЗКЗ), объединенными в одной цепи, необходимо учитывать характеристики каждого из устройств, так же как и их поведение в этом объединении.
Примечание. УЗКЗ может включать дополнительные защитные устройства, например, реле перегрузки.
УЗКЗ может состоять из плавкого предохранителя (или комплекта плавких предохранителей) (см.
рисунок A.1) или другого выключателя

(см.
рисунки A.2 -
A.5).
Сравнение индивидуальных рабочих характеристик каждого из двух объединенных устройств может быть недостаточным, поэтому необходимо обратить внимание на поведение этих двух устройств, включенных последовательно, поскольку полным сопротивлением устройств не всегда можно пренебречь. Рекомендуется это учитывать. Для токов короткого замыкания рекомендуется вместо времени сделать ссылку на

.
Выключатель

часто соединен последовательно с другим УЗКЗ из-за способа распределения энергии, принятого для данной установки, или вследствие того, что наибольшая отключающая способность одного

, может быть недостаточной для предложенного назначения. В таких случаях УЗКЗ может быть установлено в удалении от

. УЗКЗ может защищать линию питания нескольких выключателей

или только одного выключателя.
В таком случае потребителю или компетентной службе приходится чисто теоретически принимать решение о способах достижения оптимального уровня координации. Настоящее приложение должно способствовать принятию такого решения и дать представление о типе информации, которую изготовитель должен предоставить потенциальному потребителю.
В приложении приведены также требования к испытаниям, если для предполагаемой области применения они необходимы.
Термин "координация" определяется как селективность (см.
2.5.23 ГОСТ Р 50030.1 и
2.17.2 и
2.17.3 настоящего стандарта), а также как резервная защита (см.
2.5.24 ГОСТ Р 50030.1).
Рассмотрение селективности может быть проведено чисто теоретически (см.
A.5), в то время как для проверки резервной защиты обычно требуются испытания (см.
A.6).
В зависимости от выбранного критерия при проверке отключающей способности возможно указание номинальной предельной наибольшей отключающей способности

или номинальной рабочей наибольшей отключающей способности

.
A.2. Область применения
Настоящее приложение служит инструкцией и формулирует требования по координации выключателей с другими УЗКЗ, объединенными в одной цепи, в отношении как селективности, так и резервной защиты.
Цель настоящего приложения - установить:
- общие требования к координации выключателя с другим УЗКЗ;
- методы и испытания (при необходимости), предназначенные для проверки условий соблюдения координации.
A.3. Общие требования к координации автоматического выключателя с другим УЗКЗ
A.3.1. Общие положения
Теоретически координация должна быть такой, чтобы выключатель

срабатывал один при любых значениях сверхтока вплоть до номинальной наибольшей отключающей способности

(или

).
Примечание. Если значение ожидаемого тока повреждения в данной точке установки ниже номинальной предельной наибольшей отключающей способности

, можно предположить, что включение в цепь УЗКЗ не связано с резервной защитой.
Практически получается следующее:
a) если значение предельного тока селективности

(см.
2.17.4) слишком низкое, существует опасность нежелательной потери селективности;
b) если значение ожидаемого тока повреждения в данной точке установки превышает номинальную предельную наибольшую отключающую способность

, УЗКЗ должно быть выбрано так, чтобы поведение

соответствовало
A.3.3, а ток координации

(см.
2.17.6) при наличии удовлетворял требованиям
A.3.2.
По возможности УЗКЗ необходимо размещать со стороны питания

. Если УЗКЗ размещено со стороны нагрузки, соединение между

и УЗКЗ должно быть таким, чтобы свести к минимуму опасность возникновения короткого замыкания.
Примечание. Для заменяемых расцепителей все вышеуказанное применяют в каждом конкретном случае.
С точки зрения резервной защиты ток координации

не должен превышать номинальную предельную наибольшую отключающую способность

отдельного

(см.
рисунок A.4).
A.3.3. Поведение

в комбинации с другим УЗКЗ
Для всех значений максимального тока, вплоть до наибольшей отключающей способности комбинации,

должен соответствовать требованиям
7.2.5 ГОСТ Р 50030.1, а комбинация должна отвечать требованиям
перечисления a) 7.2.1.2.4.
A.4. Тип и характеристики взаимодействующего УЗКЗ
Изготовитель выключателя по запросу должен предоставить информацию о типе и характеристиках УЗКЗ, используемого с

, и о максимальном ожидаемом токе короткого замыкания, на который рассчитана комбинация, при заданном рабочем напряжении.
Подробное описание УЗКЗ, использованного для любых проведенных испытаний, в соответствии с настоящим приложением (наименование изготовителя, типоисполнение, номинальное напряжение, номинальный ток и наибольшая отключающая способность) должны быть указаны в протоколе испытаний.
Максимальный условный ток короткого замыкания (см.
2.5.29 ГОСТ Р 50030.1) не должен превышать номинальной предельной наибольшей отключающей способности УЗКЗ.
Если взаимодействующим УЗКЗ является выключатель, он должен отвечать требованиям настоящего стандарта или любого другого соответствующего стандарта.
Если взаимодействующим УЗКЗ является предохранитель, он должен отвечать требованиям соответствующего стандарта на предохранители.
A.5. Проверка селективности
Селективность обычно можно проверить чисто теоретически, т.е. путем сравнения рабочих характеристик

и взаимодействующего УЗКЗ, например, когда взаимодействующим УЗКЗ является выключатель

с преднамеренной задержкой срабатывания.
Изготовители

, равно как и изготовители УЗКЗ, должны предоставить необходимую информацию, касающуюся соответствующих рабочих характеристик, позволяющих определить

для каждой отдельной комбинации.
В определенных случаях испытания при

необходимы для следующих комбинаций:
- когда

токоограничивающего типа, а

не снабжен отрегулированной задержкой срабатывания;
- когда время срабатывания УЗКЗ меньше, чем время, соответствующее одному полупериоду.
Чтобы добиться необходимой селективности, когда взаимодействующее УЗКЗ является выключателем, заданная кратковременная задержка срабатывания может потребоваться для

.
Селективность может быть частичной (см.
рисунок A.4) или полной, вплоть до номинальной наибольшей отключающей способности

(или

)

.
Для получения полной селективности характеристика несрабатывания

или преддуговая характеристика предохранителя должна проходить выше характеристики срабатывания (полного времени)

.
A.6. Проверка резервной защиты
A.6.1. Определение тока координации
Соответствие требованиям
A.3.2 можно проверить сравнением рабочих характеристик

и взаимодействующего УЗКЗ на всех уставках

и при необходимости на всех уставках

.
A.6.2. Проверка резервной защиты
a) Проверка испытанием
Соответствие требованиям
A.3.3 обычно проверяют испытанием по
A.6.3. В этом случае должны быть соблюдены все условия испытаний, указанные в
8.3.2.6, при регулируемых резисторах и катушках индуктивности для испытаний на короткое замыкание со стороны питания комбинации.
b) Проверка сравнением характеристик
На практике, если УЗКЗ является выключателем (см.
рисунки A.4 и
A.5), возможно сравнение рабочих характеристик

и взаимодействующего УЗКЗ, при этом особо рекомендуется учитывать:
- значение интеграла Джоуля

при его

и это же значение УЗКЗ при ожидаемом токе комбинации;
- влияние на

(к примеру, дуговой энергии, максимального пикового тока, тока отсечки) при пиковом рабочем токе УЗКЗ.
Пригодность комбинации можно оценивать по полной максимальной рабочей характеристике

УЗКЗ в диапазоне от номинальной наибольшей отключающей способности

(или

)

до ожидаемого тока короткого замыкания данного назначения, но не более максимального допустимого

для

, при его номинальной наибольшей отключающей способности или другом, более низком предельном значении, указанном изготовителем.
Примечание. Если взаимодействующим УЗКЗ является предохранитель, для

теоретическое значение ограничивают

.
A.6.3. Испытание для проверки резервной защиты
Если

оснащен регулируемыми максимальными расцепителями тока, рабочие характеристики должны соответствовать минимальным уставкам по времени и току.
Если

может быть оснащен максимальными расцепителями мгновенного действия, то применяемые рабочие характеристики должны соответствовать характеристикам

, оснащенного такими расцепителями.
Если взаимодействующим УЗКЗ является выключатель

, оснащенный регулируемыми максимальными расцепителями, применяемые рабочие характеристики должны соответствовать максимальным уставкам по времени и току.
Если взаимодействующее УЗКЗ состоит из комплекта предохранителей, испытание каждый раз следует проводить на новом комплекте предохранителей, даже если какой-то из них во время предыдущих испытаний не вышел из строя.
При необходимости следует использовать соединительные проводники, как указано в
8.3.2.6.4, за исключением того, что если взаимодействующее УЗКЗ является выключателем

, кабель полной длины (75 см), связанный с данным выключателем, может быть установлен со стороны питания (см.
рисунок A.6).
Каждое испытание должно состоять из цикла операций O-t-CO, выполняемых в соответствии с
8.3.5, либо при

или

операцию CO выполняют на

.
Испытание проводят с максимальным ожидаемым током для предлагаемого назначения. Он не должен превышать номинальный условный ток короткого замыкания (см.
4.3.6.4 ГОСТ Р 50030.1).
Дальнейшее испытание следует проводить при значении ожидаемого тока, равном номинальной наибольшей отключающей способности

(или

)

, для которого может быть использован новый образец

, а также новый образец

, если взаимодействующим УЗКЗ является выключатель.
Во время каждой операции:
a) Если взаимодействующим УЗКЗ является автоматический выключатель

:
-

и

должны сработать при обоих испытательных токах, тогда дальнейших испытаний не требуется.
Это общий случай, гарантирующий только резервную защиту;
-

должен сработать, а

должен быть в замкнутом положении в конце каждой операции при обоих испытательных токах. Тогда не требуется дальнейших испытаний.
При этом необходимо, чтобы контакты

кратковременно размыкались во время каждой операции. В этом случае обеспечивается восстановление подачи питания в дополнение к резервной защите (см.
примечание 1 к рисунку A.4). Длительность прерывания цепи у

при наличии должна быть зарегистрирована в течение испытания;
-

должен сработать при более низком испытательном токе, или

и

должны сработать при более высоком испытательном токе.
При этом требуется, чтобы контакты

кратковременно размыкались при более низком токе. Дополнительные испытания должны быть проведены при промежуточных токах для установления наименьшего тока, при котором

и

срабатывают, вплоть до тока, обеспечивающего восстановление подачи питания. Длительность прерывания цепи у

при наличии должна быть зарегистрирована в течение испытания.
b) Если взаимодействующим УЗКЗ является предохранитель (или комплект предохранителей):
- в однофазной цепи по крайней мере один предохранитель должен расплавиться;
- в многофазной цепи либо должны расплавиться два или более предохранителей, либо один предохранитель должен расплавиться, а

- сработать.
A.6.4. Ожидаемые результаты
В результате испытаний

должен соответствовать требованиям
8.3.5.3 и
8.3.5.4.
Кроме того, если взаимодействующим УЗКЗ является выключатель

, следует проверить вручную или другим подходящим способом, что контакты

не приварились.
I - ожидаемый ток короткого замыкания;

- номинальная предельная наибольшая отключающая

- предельный ток селективности
(2.17.4);
А - преддуговая характеристика плавкого предохранителя;
В - рабочая характеристика плавкого предохранителя;
С - рабочая характеристика нетокоограничивающего выключателя (N)
(время отключения/ток и

/ток);
N - нетокоограничивающий выключатель.
Примечания. 1. A считают нижним пределом, B и C - верхними пределами.
2. Неадиабатическая зона для

показана пунктиром
Рисунок A.1. Рабочие характеристики координации
по сверхтокам между автоматическим выключателем
и предохранителем или резервной защитой,
осуществляемой предохранителем

- токоограничивающий выключатель (L)
(характеристика времени отключения);

- нетокоограничивающий выключатель (N)
(характеристика срабатывания)

- нетокоограничивающий выключатель (N)
(характеристика времени отключения);

- выключатель с преднамеренной задержкой срабатывания (ПЗС)
(характеристика срабатывания)
Значения

(или

) не указаны
Рисунки A.2 - A.3. Полная селективность между двумя выключателями.

- нетокоограничивающий выключатель (N);

- токоограничивающий выключатель (L)
Примечания. 1. Где необходимо, происходит восстановление подачи питания посредством

.
2.

.
3. Для значений

графиком является график комбинации (жирная линия), данные для которого получены при испытании.

,

- нетокоограничивающие выключатели (N);

- ток координации
Рисунки A.4 - A.5. Рабочие характеристики резервной защиты, осуществляемой автоматическим выключателем.
S - источник питания; V - вольтметр;
(

,

,

,

,

,

- датчики напряжения;

,

,

- датчики тока, L - реакторы,
F - плавкий элемент (
8.3.4.1.2 ГОСТ Р 50030.1);

- регулируемый резистор;

- сопротивление, ограничивающее
ток повреждения;
А - замыкающее устройство; В - временные перемычки
для калибровки;

- кабель длиной 75 см, калиброванный для УЗКЗ;

- кабель длиной 50 см, калиброванный для

;

- кабель длиной 25 см, калиброванный для

;
УЗКЗ - автоматический выключатель

или комплект
из трех плавких предохранителей;
N - нейтраль источника питания (или искусственная
нейтраль);
Т - земля, только одна точка заземления
(со стороны нагрузки или источника питания);
r - шунтовое сопротивление
--------------------------------
1) Регулируемые нагрузки

и L могут размещаться либо с высоковольтной, либо с низковольтной стороны цепи питания; замыкающее устройство A размещают с низковольтной стороны.
2)

,

,

могут поочередно подсоединяться между фазой и нейтралью.
3) Если устройства предназначены для использования в фазозаземленной сети, F должен быть присоединен к фазе.
- к одной из фаз для выключателей с единственным маркированным значением

,
- к нейтрали для выключателей, маркированных двойным значением напряжения.
Рисунок A.6. Пример испытательной цепи для испытаний на
отключающую способность при условном токе короткого замыкания,
показывающий схему соединений для трехполюсного выключателя

(обязательное)
ВЫКЛЮЧАТЕЛИ СО ВСТРОЕННЫМИ ЗАЩИТНЫМИ УСТРОЙСТВАМИ,
УПРАВЛЯЕМЫМИ ДИФФЕРЕНЦИАЛЬНЫМ ТОКОМ
Введение
Устройства, управляемые дифференциальным током, используют для защиты от поражения электрическим током.
Такие устройства часто используют в сочетании или в качестве неотъемлемой части автоматического выключателя для выполнения двойной функции:
- обеспечение защиты установок от перегрузок и токов короткого замыкания;
- обеспечение защиты персонала от косвенного прикосновения, т.е. при опасном увеличении потенциала земли вследствие повреждения изоляции.
Устройства, управляемые дифференциальным током, могут также обеспечивать дополнительную защиту от пожаров или поражения электрическим током, возникающих вследствие длительного протекания тока повреждения без срабатывания устройства защиты от сверхтоков.
Устройства дифференциального тока, имеющие номинальный отключающий дифференциальный ток не более 30 мА, могут быть также использованы в качестве средства дополнительной защиты при прямом контакте в случае выхода из строя соответствующих защитных средств.
Требования к электроустановкам до 1000 В с такими устройствами приведены в ряде разделов комплекса международных стандартов МЭК 60364
[7].
B.1. Область применения
Настоящее приложение распространяется на выключатели, обеспечивающие защиту от дифференциального тока (АВДТ). Оно содержит требования к аппаратам, которые одновременно выполняют функцию обнаружения дифференциального тока, сравнения его величины с заданной величиной и отключения защищаемой цепи, когда дифференциальный ток превосходит эту величину.
Настоящее приложение распространяется на:
- выключатели, соответствующие настоящему стандарту, неотъемлемым признаком которых является выполнение функции отключения дифференциального тока (далее - АВДТ со встроенной защитой);
- АВДТ, состоящие из комбинации присоединяемого устройства дифференциального тока (далее - УДТ) и выключателя, соответствующего настоящему стандарту; их электрическое и механическое соединение может быть выполнено либо в заводских условиях, либо в условиях эксплуатации потребителем по инструкциям изготовителя.
Примечание. Устройство обнаружения тока в нулевом проводнике при наличии может располагаться вне выключателя или комбинации, в зависимости от условий.
Настоящее приложение учитывает требования к АВДТ, относящиеся к электромагнитной совместимости (ЭМС).
Настоящее приложение распространяется только на АВДТ, предназначенные для использования в цепях переменного тока.
Функция отключения дифференциального тока АВДТ, на которые распространяется действие настоящего приложения, может быть или не быть функционально зависимой от сетевого напряжения. На АВДТ, зависящие от вспомогательного источника питания переменного тока, настоящее приложение не распространяется.
Приложение не распространяется на оборудование, где токочувствительные устройства (за исключением устройств обнаружения тока в нулевом проводнике) или устройства программирования установлены отдельно от выключателя.
Целью настоящего приложения является определение:
a) специфических характеристик функции дифференциального тока;
b) специфических требований, которым должен отвечать АВДТ:
- в нормальных условиях цепи;
- в аномальных условиях цепи по причине дифференциального тока или иной;
c) испытаний, которые следует проводить для проверки соответствия требованиям перечисления b) по определенным методикам испытаний;
d) информации об аппаратах.
B.2. Термины и определения
В качестве дополнения к
разделу 2 настоящего стандарта используют следующие термины с соответствующими определениями, взятые непосредственно или производные от терминов и определений, приведенных в
ГОСТ Р 50807.
B.2.1. Термины и определения, относящиеся к токам, уходящим в землю от частей, находящихся под напряжением.
B.2.1.1. Ток замыкания на землю (earth fault current): ток, уходящий в землю вследствие повреждения изоляции.
B.2.1.2. Ток утечки на землю (earth leakage current): ток, протекающий в землю от находящихся под напряжением частей установки в отсутствие повреждения изоляции.
B.2.2. Термины и определения, относящиеся к активизации АВДТ
B.2.2.1. Активизирующая величина (energizing quantity): электрическая активизирующая величина, которая сама по себе или в комбинации с другими электрическими величинами должна быть приложена к АВДТ, чтобы он мог выполнять свои функции в заданных условиях.
B.2.2.2. Активизирующая входная величина (energizing input-quantity): активизирующая величина, вызывающая отключение АВДТ в заданных условиях.
К таким условиям может относиться, например, активизация некоторых вспомогательных элементов.
B.2.2.3. Дифференциальный ток (residual current)

: векторная сумма токов, протекающих в главной цепи АВДТ, выраженная действующим значением.
B.2.2.4. Отключающий дифференциальный ток (residual operating current): значение дифференциального тока, вызывающего отключение АВДТ в заданных условиях.
B.2.2.5. Неотключающий дифференциальный ток (residual non-operating current): значение дифференциального тока, при котором (и ниже которого) АВДТ в заданных условиях не отключается.
B.2.3. Термины и определения, относящиеся к работе и функциям АВДТ
B.2.3.1. Автоматический выключатель со встроенной защитой, управляемой дифференциальным током (АВДТ) (circuit-breaker incorporating residual current protection (CBR)): выключатель (см.
2.1), предназначенный для размыкания контактов в случае, когда значение дифференциального тока достигает заданной величины в определенных условиях.
B.2.3.2. АВДТ, функционально не зависящий от напряжения источника питания (CBR functionally independent of line voltage): АВДТ, для которого функции обнаружения, сравнения и отключения (см.
B.2.3.6) не зависят от напряжения источника питания.
B.2.3.3. АВДТ, функционально зависящий от напряжения источника питания (CBR functionally dependent on line voltage): АВДТ, для которого функции обнаружения, сравнения и отключения (см.
B.2.3.6) зависят от напряжения источника питания
Примечание. Подразумевается, что напряжение источника питания для обнаружения, сравнения или отключения прикладывается к АВДТ.
B.2.3.4. Обнаружение (detection): функция, состоящая в обнаружении присутствия дифференциального тока.
Примечание. Данная функция может, например, быть выполнена трансформатором, осуществляющим векторное суммирование токов.
B.2.3.5. Сравнение (evaluation): функция, обеспечивающая возможность отключения АВДТ в случае, когда обнаруженный дифференциальный ток превысит заданную величину в определенных условиях.
B.2.3.6. Отключение (interruption): функция, состоящая в автоматическом переключении главных контактов АВДТ из замкнутого положения в разомкнутое, что прерывает прохождение тока через контакты, вызывая прерывание протекания тока.
B.2.3.7. Предельное время неотключения (limiting non-actuating time): наибольшее время, в течение которого можно пропускать через АВДТ дифференциальный ток, величина которого превышает значение номинального неотключающего дифференциального тока, не вызывая отключения АВДТ.
B.2.3.8. АВДТ с выдержкой времени (time-delay CBR): АВДТ, специально разработанные для получения заранее установленного предельного времени неотключения, соответствующего данной величине дифференциального тока.
Характеристика дифференциального тока с выдержкой времени может быть или не быть обратнозависимой время-токовой характеристикой.
B.2.3.9. АВДТ с возвращаемым в исходное положение УДТ (reset-CBR): АВДТ с УДТ, который должен быть умышленно взведен способом, иным, чем посредством органа управления АВДТ для его возврата в исходное положение, в котором он способен реагировать на дифференциальный ток.
B.2.3.10. Контрольное устройство (test device): устройство, имитирующее дифференциальный ток для проверки работоспособности АВДТ.
B.2.4. Термины и определения, относящиеся к значениям и диапазонам активизирующих величин.
B.2.4.1. Предельное значение сверхтока неотключения в случае однофазной нагрузки (limiting value of the non-operating over-current in the case of a single-phase load): максимальное значение однофазного сверхтока, который в отсутствие дифференциального тока может протекать через АВДТ (независимо от числа полюсов), не вызывая его отключения (см.
B.7.2.7).
B.2.4.2. Предельное значение тока неотключения в условиях баланса нагрузки (limiting value of the non-operating current in the case of a balanced load): максимальное значение тока, который при отсутствии тока утечки на землю может протекать через АВДТ при сбалансированной нагрузке (с любым числом полюсов), не вызывая его срабатывания.
B.2.4.3. Способность включения и отключения дифференциального тока в условиях короткого замыкания (residual short-circuit making and breaking capacity): значение переменной составляющей ожидаемого дифференциального тока короткого замыкания, которое АВДТ способен включать, пропускать в течение своего времени отключения и отключать при определенных условиях эксплуатации и поведения.
B.3. Классификация
B.3.1. Классификация по методу управления функцией дифференциального тока
B.3.1.1 АВДТ, функционально не зависящие от напряжения (см.
B.2.3.2).
B.3.1.2. АВДТ, функционально зависящие от напряжения (см.
B.2.3.3 и
B.7.2.11):
B.3.1.2.1. Отключающиеся автоматически в случае повреждения питающей сети, с выдержкой времени или без нее.
B.3.1.2.2. Не отключающиеся автоматически в случае повреждения питающей сети, но способные расцепляться в случае опасной ситуации, возникающей при аварии в сети.
Примечание. Классификация согласно настоящему разделу также распространяется на АВДТ, не способные автоматически отключаться в отсутствие опасной ситуации.
B.3.2. Классификация в зависимости от возможности регулирования дифференциального тока отключения
B.3.2.1. АВДТ с одним номинальным отключающим дифференциальным током.
- с нерегулируемой ступенчатой уставкой;
- с плавным регулированием уставки.
B.3.3. Классификация в зависимости от выдержки времени отключения дифференциального тока
B.3.3.1. АВДТ без выдержки времени - тип без выдержки времени.
B.3.3.2. АВДТ с выдержкой времени - тип с выдержкой времени (см.
B.2.3.8):
B.3.3.2.1. АВДТ с нерегулируемой выдержкой времени.
B.3.3.2.2. АВДТ с регулируемой выдержкой времени:
- с нерегулируемой ступенчатой уставкой;
- с плавным регулированием уставки.
B.3.4. Классификация в зависимости от поведения при наличии постоянной составляющей:
B.4. Характеристики АВДТ в части функции дифференциального тока
B.4.1. Номинальные значения
B.4.1.1. Номинальный отключающий дифференциальный ток

Действующее значение синусоидального отключающего дифференциального тока (см.
B.2.2.4), указанное для АВДТ изготовителем, при котором АВДТ должен отключаться в заданных условиях.
Примечание. Для АВДТ с множеством уставок отключающего дифференциального тока наибольшая уставка служит для обозначения его номинала. Тем не менее следует см.
раздел B.5 "Маркировка".
B.4.1.2. Номинальный неотключающий дифференциальный ток

Действующее значение синусоидального неотключающего дифференциального тока (см.
B.2.2.5), указанное для АВДТ изготовителем, при котором АВДТ не должен отключаться в заданных условиях.
B.4.1.3. Номинальная наибольшая дифференциальная включающая и отключающая способности

Действующее значение переменной составляющей ожидаемого дифференциального тока (см.
B.2.4.2), указанное для АВДТ изготовителем, которое АВДТ может включать, проводить и отключать в определенных условиях.
B.4.2. Предпочтительные и предельные значения
B.4.2.1. Предпочтительные значения номинального отключающего дифференциального тока

Предпочтительными значениями номинального отключающего дифференциального тока являются: 0,006; 0,01; 0,03; 0,1; 0,3; 0,5; 1; 3; 10 и 30 А.
Могут потребоваться более высокие значения.
Значение

может быть выражено в процентах от номинального тока.
B.4.2.2. Минимальное значение номинального неотключающего дифференциального тока

Минимальным значением номинального неотключающего дифференциального тока является

.
B.4.2.3. Предельное значение неотключающего сверхтока при однофазной нагрузке
Предельное значение неотключающего сверхтока при однофазной нагрузке должно соответствовать требованиям
B.7.2.7.
B.4.2.4. Рабочие характеристики
B.4.2.4.1. Тип без выдержки времени
Рабочая характеристика типа без выдержки времени приведена в таблице B.1.
Таблица B.1
Рабочая характеристика типа без выдержки времени
Дифференциальный ток | | | | |
Максимальное время отключения, с | 0,30 | 0,15 | 0,04 | 0,04 |
<a)> Для АВДТ с  мА в качестве альтернативы к  можно взять ток 0,25 А. |
<b)> 0,5 А, если ток 0,25 А применен согласно сноске a). |
АВДТ, имеющие

мА, должны быть типом без выдержки времени.
B.4.2.4.2. Тип с выдержкой времени
B.4.2.4.2.1. Предельное время неотключения (см.
B.2.3.7)
Для типа с выдержкой времени предельное время неотключения отнесено к

и должно быть указано изготовителем.
Минимальное предельное время неотключения при

составляет 0,06 с.
Предпочтительными значениями предельного времени неотключения при

являются: 0,06; 0,1; 0,2; 0,3; 0,4; 0,5 и 1 с.
B.4.2.4.2.2. Рабочая характеристика
Для АВДТ, имеющих предельное время неотключения более 0,06 с, изготовитель должен указать максимальное время отключения при

,

,

и

.
Для АВДТ, предельное время неотключения которых составляет 0,06 с, рабочая характеристика дана в
таблице B.2.
Если АВДТ имеет обратнозависимую время-токовую характеристику, то изготовитель должен указать характеристику "дифференциальный ток/время отключения".
B.4.3. Значение номинальной наибольшей дифференциальной включающей и отключающей способности

Минимальное значение

составляет 25%

.
Более высокие значения могут быть проверены и указаны изготовителем.
Таблица B.2
Рабочая характеристика типа с выдержкой времени, имеющего
предельное время неотключения 0,06 с
Дифференциальный ток | | | | |
Максимальное время отключения, с | 0,50 | 0,20 | 0,15 | 0,15 |
B.4.4. Рабочие характеристики в случае замыкания на землю при наличии или отсутствии постоянной составляющей
АВДТ, который обеспечивает отключение при синусоидальных переменных дифференциальных токах в отсутствие постоянной составляющей, прикладываемых внезапно либо медленно нарастающих.
АВДТ, который обеспечивает отключение синусоидальных переменных дифференциальных токов с наложением или без наложения постоянного тока заданного уровня, прикладываемых внезапно либо медленно нарастающих.
a) В дополнение к маркировке, приведенной в
5.2, на АВДТ, выполненном за одно целое (см.
5.2), должны быть маркированы и хорошо различимы в установленном положении аппарата следующие данные:
- номинальный отключающий дифференциальный ток

;
- уставки отключающего дифференциального тока при необходимости;
- предельное время неотключения при

для типа с выдержкой времени - символом

, за которым следует значение предельного времени неотключения в миллисекундах; напротив, если предельное время неотключения составляет 0,06 с, - символом

(буква S в квадратной рамке);
- орган управления контрольного устройства при необходимости - буквой T (см. также
B.7.2.6);
- рабочая характеристика в случае дифференциальных токов в присутствии или при отсутствии постоянной составляющей:
для АВДТ типа AC - символом

для АВДТ типа A - символом

b) Следующие данные должны быть маркированы на УДТ и хорошо различимы в установленном положении:
- номинальное напряжение, если отличается от номинального напряжения выключателя;
- значение (или диапазон значений) номинальной частоты, если отличается от значения выключателя;
- указание о том, что

...A, где

- максимальный номинальный ток выключателя, с которым может соединяться УДТ;
- номинальный отключающий дифференциальный ток

;
- уставки отключающего дифференциального тока при необходимости;
- рабочая характеристика в случае дифференциальных токов в присутствии или при отсутствии постоянной составляющей.
c) Следующие данные должны быть маркированы на УДТ и хорошо различимы после его сборки с выключателем:
- наименование изготовителя или торговая марка;
- типоисполнение или серийный номер;
- обозначение выключателя (выключателей), с которым (с которыми) может соединяться УДТ, если неправильная сборка (которая могла бы сделать защиту неэффективной) не исключена конструктивно;
- ГОСТ Р 50030.2;
- в случае применения только для трехфазной нагрузки символ

.
d) Следующие данные должны быть маркированы на АВДТ или УДТ, собранном с выключателем, или содержаться в документации изготовителя:
- наибольшая дифференциальная включающая и отключающая способности

, если каждая из них более 25%

(см.
B.4.3);
- схема соединений, включая соединения испытательной цепи, и при необходимости схема присоединения к сети для АВДТ, зависящих от напряжения источника питания;
- значение минимального номинального неотключающего дифференциального тока

, если он более

.
e) Следующие данные должны быть приведены в документации изготовителя:
- возможность применения исключительно:
- для трехфазных систем; или
- для трехфазных и однофазных систем.
B.6. Нормальные условия эксплуатации, монтажа и транспортирования
B.7. Требования к конструкции и работоспособности
B.7.1. Требования к конструкции
Должна быть исключена возможность изменения рабочей характеристики АВДТ, кроме способа, специально предназначенного для регулировки номинального отключающего дифференциального тока или уставки выдержки времени.
АВДТ, состоящий из выключателя и УДТ, должен иметь такую конструкцию, чтобы:
- соединяющая система УДТ с выключателем не требовала никаких механических и/или электрических соединений, которые могли бы оказать отрицательное воздействие на монтаж или нанести вред потребителю;
- присоединение УДТ не оказывало отрицательного воздействия на нормальную работу и характеристики автоматического выключателя;
- УДТ не поддерживало длительного повреждения, обусловленного токами короткого замыкания во время испытательных циклов.
B.7.2. Требования к работоспособности
B.7.2.1. Срабатывание при дифференциальном токе
АВДТ должен автоматически отключиться под действием любого тока утечки на землю или тока замыкания на землю, равного или превышающего номинальный отключающий дифференциальный ток в течение времени, превышающего время неотключения.
Срабатывание АВДТ должно удовлетворять требованиям по времени, указанным в
B.4.2.4. Соответствие проверяют испытанием по
B.8.2.
B.7.2.2. Номинальная наибольшая дифференциальная включающая и отключающая способность

.
АВДТ должен соответствовать требованиям к испытанию, приведенным в
B.8.10.
B.7.2.3. Работоспособность
АВДТ должен удовлетворять испытаниям согласно
B.8.1.1.1.
B.7.2.4. Воздействие условий окружающей среды
АВДТ должен работать удовлетворительно, принимая во внимание воздействие условий окружающей среды. Соответствие проверяют испытанием по
B.8.11.
B.7.2.5. Электрическая прочность изоляции
АВДТ должен выдерживать испытания по
B.8.3.
B.7.2.6. Контрольное устройство
АВДТ, предназначенный для защиты от поражения электрическим током, должен быть снабжен контрольным устройством, имитирующим прохождение дифференциального тока через устройство его обнаружения для обеспечения периодического контроля работоспособности АВДТ.
Контрольное устройство должно удовлетворять испытаниям по
B.8.4.
Защитный проводник установки при его наличии не должен оказываться под напряжением при работе контрольного устройства.
Не должно быть возможным попадание напряжения в защищаемую цепь при использовании контрольного устройства, когда АВДТ находится в отключенном положении.
Контрольное устройство не должно быть единственным средством, осуществляющим операцию отключения, так как оно не предназначено для использования в этом качестве.
Орган управления контрольным устройством должен быть маркирован символом Т. Он должен быть предпочтительно светлого цвета, но не красного и не зеленого.
Примечание. Контрольное устройство предназначено только для проверки функции отключения, но не величин, при которых осуществляется эта функция, т.е. номинального отключающего дифференциального тока и времени отключения.
B.7.2.7. Значение неотключающего сверхтока при однофазной нагрузке
АВДТ должны выдерживать без отключения наименьшее из двух значений сверхтока:
-

;
- 80% уставки максимального расцепителя тока.
Соответствие проверяют испытанием по
B.8.5.
Однако это испытание не является обязательным для АВДТ категории применения B, поскольку соответствие требованиям настоящего пункта проверяют во время цикла испытаний IV (или комбинированного цикла испытаний IV).
Примечание. Испытания при многофазных уравновешенных нагрузках не являются обязательными, поскольку считают, что на них распространяются требования настоящего пункта.
B.7.2.8. Устойчивость АВДТ к нежелательному отключению вследствие импульсов токов, вызванных импульсными напряжениями
B.7.2.8.1. Устойчивость к нежелательному отключению при возникновении емкостной сетевой нагрузки АВДТ должны выдерживать испытание по
B.8.6.1.
B.7.2.8.2. Устойчивость к нежелательному отключению в случае искрения без последующего тока АВДТ должны выдерживать испытание по
B.8.6.2.
B.7.2.9. Поведение АВДТ типа A в случае тока замыкания на землю, содержащего постоянную составляющую
В случае тока замыкания на землю, содержащего постоянную составляющую, АВДТ должен быть работоспособным при значениях максимального времени отключения, указанных в
таблицах B.1 и
B.2, однако указанные значения испытательного тока должны быть увеличены на коэффициент:
- 1,4 - для АВДТ с

> 0,015 А;
- 2 - для АВДТ

А (или 0,03 А, выбирают большее значение).
Соответствие проверяют испытанием по
B.8.7.
8.7.2.10. Условия работы АВДТ с возвращаемым в рабочее положение УДТ
Не должно быть возможным повторное включение АВДТ, имеющих УДТ с возвращением в исходное положение (см.
B.2.3.9), после отключения под действием дифференциального тока, если они не были возвращены в исходное положение.
| | ИС МЕГАНОРМ: примечание. В тексте документа, видимо, допущена опечатка: пункт B.8.3.3.3.4 в тексте документа отсутствует. Возможно, имеется в виду пункт 8.3.3.3.4. | |
Соответствие проверяют в процессе испытания по B.8.3.3.3.4 согласно
B.8.1.1.1.
B.7.2.11. Дополнительные требования к АВДТ, функционально зависящим от напряжения источника питания
АВДТ, функционально зависящие от напряжения, должны отключаться при любом значении напряжения между 0,85 и 1,1 его номинального значения.
Соответствие проверяют испытанием по
B.8.2.3.
Если АВДТ рассчитан более чем на одну номинальную частоту или диапазон номинальных частот, то он должен срабатывать в соответствии с настоящим пунктом при всех частотах. Соответствие проверяют проведением испытаний по
B.8.2 и
B.8.4.
Согласно их классификации АВДТ, функционально зависящие от напряжения, должны соответствовать требованиям, указанным в таблице B.3.
Таблица B.3
Требования к АВДТ, функционально зависящим от напряжения
Классификация АВДТ по 8.3.1 | Поведение АВДТ при повреждении сети питания |
Автоматически отключающиеся при повреждении сети питания (B.3.1.2.1) | Без выдержки времени | |
С выдержкой времени | |
Не отключающиеся автоматически при повреждении источника питания (B.3.1.2.2) | Неотключение |
То же, но способные к расцеплению в случае возникновения опасной ситуации (B.3.1.2.2) | Отключение согласно B.8.9 |
B.7.3. Электромагнитная совместимость
Дополнительные испытания приведены в
B.8.12.
Устойчивость к изменениям напряжения - в соответствии с требованиями
B.7.2.11
Настоящий раздел содержит испытания для АВДТ с номинальным отключающим дифференциальным током

до 30 А включительно.
Вопрос применимости испытаний, содержащихся в настоящем разделе, когда

> 30 А, должен быть согласован между изготовителем и потребителем.
Приборы для измерения дифференциального тока должны иметь класс точности не ниже 0,5 (см.
ГОСТ 30012.1) и показывать (или позволять определить) подлинное действующее значение.
Приборы для измерения времени должны иметь относительную погрешность не более 10% измеряемой величины.
B.8.1. Общие положения
Испытания, указанные в настоящем приложении, являются дополнительными к указанным в
разделе 8.
а) Типовые испытания
АВДТ следует подвергать всем соответствующим циклам испытаний
раздела 8. При проверке электрической прочности изоляции во время этих циклов испытаний (см.
8.3.3.5) цепь управления УДТ, функционально зависящего от напряжения питания, может быть отсоединена от главной цепи.
Испытания следует проводить при токах практически синусоидальной формы.
Для АВДТ, содержащих отдельное УДТ и автоматический выключатель, сборку необходимо выполнять по инструкциям изготовителя.
Для АВДТ с несколькими уставками отключающего дифференциального тока испытания следует проводить на наименьшей уставке, если не оговорено иное.
Для АВДТ с регулируемой выдержкой времени (см.
B.3.3.2.2) должна быть установлена максимальная выдержка времени, если не оговорено иное.
Для АВДТ с регулируемой уставкой срабатывания должна быть установлена максимальная уставка срабатывания, если не оговорено иное.
B.8.1.1. Испытания, проводимые во время испытательных циклов
раздела 8.
B.8.1.1.1. Работоспособность в условиях эксплуатации
Во время циклов оперирования с током (см. B.3.3.3.4), указанных в
таблице 8 (см. 7.2.4.2), одну треть операций отключения необходимо выполнить контрольным устройством, другую треть - посредством приложения дифференциального тока величиной

(или, если возможно, тока величиной наименьшей уставки отключающего дифференциального тока) к одному из полюсов.
Для АВДТ с возвращаемым в исходное положение УДТ необходимо проверить невозможность повторного включения АВДТ после расцепления без намеренного возвращения в исходное положение. Данную проверку следует проводить с током в начале и в конце испытания на работоспособность (B.3.3.3.4).
Не допускаются отказы при отключении.
B.8.1.1.2. Проверка устойчивости к токам короткого замыкания
B.8.1.1.2.1. Номинальная рабочая наибольшая отключающая способность (цикл испытаний II)
При испытаниях по
8.3.4 проверку правильности срабатывания АВДТ в случае дифференциального тока следует проводить согласно
B.8.2.4.1.
B.8.1.1.2.2 Номинальная предельная наибольшая отключающая способность (цикл испытаний III)
В целях проверки правильности срабатывания расцепителей токов перегрузки испытания для единичного полюса, указанные в
8.3.5.1 и
8.3.5.4, следует заменить испытаниями для двух полюсов во всех возможных комбинациях фазных полюсов по очереди; условия испытаний такие же, как в
8.3.5.1 и
8.3.5.4, но применительно к двум полюсам.
После испытания по
8.3.5 должна быть проведена проверка правильности отключения АВДТ в соответствии с
B.8.2.4.3.
B.8.1.1.2.3. Номинальный кратковременно выдерживаемый ток (цикл испытаний IV или VI (комбинированный)
a) Поведение во время испытания на номинальный кратковременно выдерживаемый ток
В процессе испытания по
8.3.6.2 или
8.3.8.2, в зависимости от того, что применяется, не должно произойти отключения.
b) Проверка расцепителей токов перегрузки
Для цикла испытаний IV
При проверке правильности срабатывания расцепителей токов перегрузки согласно
8.3.6.1 и
8.3.6.6 испытания для единичного полюса, указанные в
8.3.5.1, должны быть заменены испытаниями для двух полюсов, выполняемыми во всех возможных комбинациях фазных полюсов поочередно.
Для комбинированного цикла испытаний
Для проверки правильности срабатывания расцепителей токов перегрузки согласно
8.3.8.1 испытания для единичного полюса, указанные в
8.3.5.1, должны быть заменены испытаниями для двух полюсов, выполняемыми во всех возможных комбинациях фазных полюсов поочередно.
Для проверки правильности срабатывания расцепителей токов перегрузки согласно
8.3.8.6 испытание, указанное в
8.3.3.7, следует проводить с использованием трехфазного источника питания.
c) Проверка устройства отключения дифференциального тока
После испытаний по
8.3.6 или
8.3.8, в зависимости от того, что применяется, проверку устройства отключения дифференциального тока необходимо выполнить в соответствии с
B.8.2.4.3.
B.8.1.1.2.4. Выключатели со встроенными предохранителями (цикл испытаний V)
Для проверки правильности срабатывания расцепителей токов перегрузки испытания для единичного полюса, указанные в
8.3.7.4 и
8.3.7.8, должны быть заменены испытаниями для двух полюсов во всех возможных комбинациях фазных полюсов поочередно; условия испытаний те же, что и в
8.3.7.4 и
8.3.7.8, но для двух полюсов.
После испытания по
8.3.7 проверку правильности отключения АВДТ следует проводить в соответствии с
B.8.2.4.3.
B.8.1.1.2.5. Комбинированный цикл испытаний VI
После испытаний по
8.3.8 проверку правильности отключения АВДТ следует проводить в соответствии с требованиями
B.8.2.4.3.
B.8.1.2. Дополнительные циклы испытаний
Дополнительные циклы испытаний следует проводить на АВДТ согласно
таблице B.4.
В каждом из циклов испытаний B I - B III испытывают по одному образцу.
В цикле испытаний B IV для каждого испытания может быть использован новый образец, или один образец может быть использован для нескольких испытаний по указанию изготовителя.
Таблица B.4
Дополнительные циклы испытаний
Цикл | Испытание | Подраздел |
| | ИС МЕГАНОРМ: примечание. В тексте документа, видимо, допущена опечатка: пункт B.3.1.2.2.1 в тексте документа отсутствует. Возможно, имеется в виду пункт B.3.1.2.2. | |
|
B I | Рабочая характеристика | |
Электроизоляционные свойства | |
Действие контрольного устройства при предельном номинальном напряжении | |
Предельное значение тока неотключающего тока в условиях сверхтока | |
Устойчивость к нежелательному отключению вследствие импульсов токов, вызванных импульсными напряжениями | |
Поведение в случае тока замыкания на землю при наличии постоянной составляющей | |
Поведение в случае повреждения источника питания для АВДТ, классифицируемых согласно B.3.1.2.1 | |
Поведение в случае повреждения источника питания для АВДТ, классифицируемых согласно B.3.1.2.2.1 | |
B II | Наибольшая дифференциальная включающая и отключающая способность  | |
B III | Воздействие условий окружающей среды | |
| | ИС МЕГАНОРМ: примечание. В тексте документа, видимо, допущена опечатка: пункт B.8.14 в тексте документа отсутствует. | |
|
B IV | Устойчивость к высокочастотным электромагнитным помехам | |
Устойчивость к электростатическим разрядам | |
Радиочастотные излучения | B.8.14 |
Цикл испытаний B I
B.8.2. Проверка рабочей характеристики
B.8.2.1. Испытательная цепь
АВДТ должен быть установлен как при нормальной эксплуатации.
B.8.2.2. Испытательное напряжение для АВДТ, функционально не зависящего от напряжения сети
Испытание может быть проведено при любом подходящем напряжении.
B.8.2.3. Испытательное напряжение для АВДТ, функционально зависящего от напряжения сети
Испытания следует проводить при следующих значениях напряжения, прикладываемого к соответствующим выводам:
- 0,85-кратном минимальном номинальном напряжении для испытаний, указанных в
B.8.2.4 и
B.8.2.5.1;
- 1,1-кратном максимальном номинальном напряжении для испытаний, указанных в
B.8.2.5.2.
АВДТ, рассчитанные более чем на одну номинальную частоту или диапазон номинальных частот, необходимо испытывать в каждом случае при наибольшей и наименьшей номинальных частотах. Однако для АВДТ, рассчитанного на номинальную частоту 50 и 60 Гц, испытания при 50 и 60 Гц считают отвечающими требованиям.
B.8.2.4. Испытание без нагрузки при температуре (20 +/- 5) °C
Соединения показаны на
рисунке B.1. АВДТ должен выдержать испытания по
B.8.2.4.1 -
B.8.2.4.3, а также, если применимо, по
B.8.2.4.4. Все испытания проводят только на одном полюсе, выбранном случайно. Каждое испытание должно содержать три измерения или проверки.
Если не оговорено иное, для АВДТ, имеющих плавное или ступенчатое регулирование уставки отключающего дифференциального тока, испытания следует проводить при нижних и верхних значениях уставок и при промежуточном значении уставки.
B.8.2.4.1. Проверка правильности срабатывания в случае постепенного нарастания дифференциального тока
В случае АВДТ с регулируемой задержкой времени срабатывания испытания проводят при нижней уставке.
Выключатели

,

и АВДТ устанавливают в замкнутом положении, дифференциальный ток постепенно увеличивают, начиная от величины не более

до достижения величины

в течение приблизительно 30 с, при этом ток отключения измеряют каждый раз. Каждое из трех результатов измеренных значений должно быть больше чем

, но меньше или равно

.
B.8.2.4.2. Проверка правильности отключения при включении дифференциального тока
При откалиброванной на номинальное значение отключающего дифференциального тока

цепи (или на специальные уставки отключающего дифференциального тока, если есть в наличии, см.
B.8.2.4) и включенных выключателях

,

АВДТ включают в цепь так, чтобы возможно точнее имитировать рабочие условия. Время отключения измеряют три раза.
Результат измерения не должен превысить предельного значения, указанного для

в
B.4.2.4.1 или
B.4.2.4.2.2.
B.8.2.4.3. Проверка правильности срабатывания в случае внезапного появления дифференциального тока
Испытательную цепь калибруют на каждое из значений отключающего дифференциального тока

, указанное в
B.4.2.4.1 или
B.4.2.4.2. Выключатель

и АВДТ находятся в замкнутом положении, а дифференциальный ток внезапно подают включением выключателя

.
АВДТ должен отключаться при каждой проверке.
При каждом значении

проводят три измерения времени отключения. Ни одно из значений времени отключения не должно превысить соответствующего предельного значения.
B.8.2.4.4. Проверка предельного времени неотключения АВДТ типа с выдержкой времени
Испытательную цепь калибруют на

, испытательный выключатель

и АВДТ находятся в замкнутом положении, дифференциальный ток подают замыканием выключателя

и прикладывают в течение времени, равного предельному времени неотключения, указанному изготовителем согласно
B.4.2.4.2.1.
Во время каждой из трех проверок АВДТ не должен отключаться. Если АВДТ имеет регулируемую уставку отключающего дифференциального тока и/или регулируемую выдержку времени, испытание проводят по возможности при низшей уставке отключающего дифференциального тока и максимальной уставке выдержки времени.
B.8.2.5. Испытания при предельных температурах
Примечание. Верхний предел температуры может быть контрольной температурой.
Пределы температуры по настоящему пункту могут быть по согласованию между изготовителем и потребителем расширены. В этом случае испытания необходимо проводить при согласованных пределах температуры.
B.8.2.5.1. Испытания без нагрузки при температуре минус 5 °C
АВДТ помещают в камеру при стабильной температуре окружающей среды от минус 7 °C до минус 5 °C. После достижения установившихся температурных условий АВДТ подвергают испытаниям по
B.8.2.4.3 и при необходимости по
B.8.2.4.4.
B.8.2.5.2. Испытания под нагрузкой при контрольной температуре или при температуре 40 °C
АВДТ с соединениями, выполненными по
рисунку B.1, помещают в камеру с установившейся температурой среды, равной контрольной температуре (см.
4.7.3) или в отсутствие контрольной температуры (40 +/- 2) °C. Ток нагрузки, равный

(не указан на
рисунке B.1), пропускают через все фазные полюса.
После достижения установившихся температурных условий АВДТ подвергают испытаниям по
B.8.2.4.3 и при необходимости
B.8.2.4.4.
B.8.3. Проверка электроизоляционных свойств
АВДТ должны соответствовать
8.3.3.2.
B.8.4. Проверка срабатывания контрольного устройства в пределах номинального напряжения
a) АВДТ питают напряжением, равным 1,1-кратному наибольшему номинальному напряжению, контрольное устройство кратковременно приводят в действие 25 раз с интервалом 5 с, при этом АВДТ включают вновь перед каждой операцией.
b) Затем испытание a) повторяют при 0,85-кратном наименьшем номинальном напряжении; контрольное устройство приводят в действие три раза.
c) Затем испытание a) повторяют только один раз, при этом орган управления контрольного устройства удерживают во включенном положении в течение 5 с.
Для данных испытаний:
- в АВДТ с обозначенными зажимами питания и нагрузки соединения со стороны питания должны соответствовать маркировке;
- в АВДТ с необозначенными зажимами питания и нагрузки питание должно быть присоединено к каждому набору зажимов по очереди или альтернативно - к обоим наборам зажимов одновременно.
В каждом испытании АВДТ должен отключиться.
Для АВДТ, имеющих регулируемый отключающий дифференциальный ток:
- наименьшая уставка должна быть использована при испытаниях
a) и
c);
- наибольшая уставка должна применяться для испытания
b).
Для АВДТ, имеющих регулируемую выдержку времени, испытание проводят при максимальной уставке выдержки времени.
Примечание. Проверку работоспособности контрольного устройства проводят испытанием по
B.8.1.1.1.
B.8.5. Проверка предельной величины неотключающего тока в условиях сверхтока
Испытание необходимо проводить при однофазной нагрузке, соединение цепей должно соответствовать
рисунку B.2.
Полное сопротивление Z отрегулировано, чтобы в цепи создавался ток, равный меньшему из двух значений:
-

;
- 80% уставки расцепителя тока.
Примечание. В целях регулирования тока АВДТ D (см.
рисунок B.2) может быть заменен перемычками с незначительным сопротивлением.
Для АВДТ с регулируемой уставкой дифференциального тока испытание проводят при наименьшей уставке.
АВДТ, функционально не зависящие от напряжения сети, испытывают при любом удобном напряжении.
АВДТ, функционально зависящие от напряжения сети, запитывают со стороны линии при номинальном напряжении (или, если допустимо, при напряжении любого значения из диапазона номинальных напряжений).
Испытание проводят при коэффициенте мощности 0,5.
Выключатель

, будучи разомкнутым, замыкают и снова размыкают через 2 с. Испытание повторяют три раза для каждой возможной комбинации токопроводящих путей с интервалом между последовательными операциями замыкания 1 мин.
АВДТ не должен сработать.
Примечание. Время 2 с можно уменьшить (но не менее минимального времени отключения) во избежание риска отключения под действием расцепителя (расцепителей) тока перегрузки АВДТ.
B.8.6. Проверка устойчивости к нежелательному срабатыванию вследствие бросков токов, вызванных импульсными напряжениями
Для АВДТ с регулируемой выдержкой времени (см.
B.3.3.2.2) она должна быть установлена на минимум.
B.8.6.1. Проверка устойчивости к нежелательному отключению в случае емкостной нагрузки сети.
АВДТ испытывают с применением импульсного генератора тока, способного подавать затухающий колебательный ток, как показано на
рисунке B.4.
Пример схемы цепи для подсоединения АВДТ показан на
рисунке B.5.
Один полюс АВДТ, выбранный произвольно, необходимо подвергнуть воздействию 10 импульсов тока. Полярность волны импульсного тока должна меняться после каждых двух воздействий. Интервал между двумя последовательными воздействиями должен быть приблизительно 30 с. Ток импульса должен быть измерен соответствующим способом и калиброван с использованием дополнительного образца АВДТ такого же типа (см.
B.3.4) с соблюдением следующих требований:
- пиковое значение

;
- фактическая длительность фронта (0,5 +/- 0,15) мкс;
- период следующей волны колебания (10 +/-2) мкс;
- каждый последующий пик импульса
около 60% значения предыдущего пика.
В процессе испытаний АВДТ не должен срабатывать.
B.8.6.2. Проверка устойчивости к нежелательному срабатыванию в случае искрения без последующего тока.
АВДТ испытывают с применением генератора импульсного тока, способного подавать волну импульсного тока 8/20 мкс без изменения полярности, как показано на
рисунке B.7.
Один полюс АВДТ, взятый произвольно, необходимо подвергнуть воздействию 10 импульсов тока. Полярность волны импульсного тока должна меняться после каждых двух воздействий. Интервал между двумя последовательными операциями должен составлять приблизительно 30 с.
Импульс тока должен быть измерен соответствующим способом и калиброван с использованием дополнительного образца АВДТ такого же типа (см.
B.3.4) с соблюдением следующих требований:
- пиковое значение

;
- фактическая длительность фронта

(8 +/- 0,8) мкс;
- фактическое время достижения половинного значения

(20 +/- 2) мкс.
В процессе испытаний АВДТ не должен срабатывать.
B.8.7. Проверка поведения АВДТ типа А в случае тока замыкания на землю, содержащего постоянную составляющую
B.8.7.1. Условия испытаний
B.8.7.2. Проверки
B.8.7.2.1. Проверка правильности отключения в случае постепенного нарастания дифференциального пульсирующего постоянного тока.
Испытание необходимо выполнять по схеме
рисунка B.8. Для АВДТ с регулируемой выдержкой времени (см.
B.3.3.2.2) она должна быть установлена на минимум.
Вспомогательные выключатели

,

и АВДТ D должны быть замкнуты. Соответствующий тиристор должен быть настроен таким образом, чтобы получить угол задержки тока

, равный 0°, 90°, 135°.
Каждый полюс АВДТ должен быть испытан при каждом значении угла задержки тока: дважды - в положении I и дважды - в положении II вспомогательного выключателя

.
При каждом испытании ток, начиная с нуля, должен постепенно возрастать с приблизительной скоростью:
-

А/с - для АВДТ с

А;
-

А/с - для АВДТ с

А.
Ток отключения должен соответствовать значениям, указанным в таблице B.5
Таблица B.5
Диапазон отключающих токов для АВДТ, содержащих
постоянную составляющую, в случае замыкания на землю
Угол  , градус | Отключающий ток |
Нижний предел | Верхний предел |
0 | | 0,03 А для  А или  для  А |
90 | |
135 | |
B.8.7.2.2. Проверка правильности отключения в случае внезапного появления дифференциального пульсирующего постоянного тока
Цепь последовательно калибруют на нижеуказанные значения; вспомогательный выключатель

и АВДТ находятся в замкнутом положении, дифференциальный ток внезапно создается замыканием выключателя

.
Примечание. В случае АВДТ, функционально зависящих от напряжения сети, классифицируемых по B.3.1.2.2.1, цепь управления которых питается со стороны главной цепи, данная проверка не учитывает время, необходимое для активизации АВДТ. Поэтому в этом случае считают, что проверку выполняют созданием дифференциального тока путем замыкания

; испытуемый АВДТ и

предварительно замкнуты.
Для каждого значения испытательного тока при угле задержки тока

° проводят четыре измерения: два - при вспомогательном выключателе в положении I и два - в положении II.
Для АВДТ с

А испытание следует проводить при каждом значении

, указанном в
таблице B.1, умноженном на коэффициент 1,4.
Для АВДТ

А испытание следует проводить при каждом значении

, указанном в
таблице B.1, умноженном на коэффициент 2 (или при 0,03 А; выбирают большее).
Ни одно из значений не должно превысить заданных предельных значений (см.
7.2.9).
B.8.7.2.3. Проверка правильности отключения под нагрузкой при контрольной температуре
Испытания по
B.8.7.2.1 и
B.8.7.2.2 повторяют с подачей в испытуемый полюс и один из остальных полюсов АВДТ номинального тока, включаемого кратковременно перед испытанием.
Примечание. Подача номинального тока на
рисунке B.8 не показана.
B.8.7.2.4. Проверка правильности отключения в случае дифференциальных пульсирующих постоянных токов, на которые накладывается сглаженный постоянный ток 0,006 А.
АВДТ необходимо испытывать по схеме
рисунка B.9 с наложением на полуволну выпрямленного дифференциального тока (угол задержки тока

°) сглаженного постоянного тока 0,006 А.
Каждый полюс АВДТ испытывают по очереди, дважды в каждом из положений I и II.
Для АВДТ с

А ток полуволны, начиная с нуля, равномерно возрастает с приблизительной скоростью

А/с; при этом отключение должно произойти до того, как ток достигнет значения не более

А.
Для АВДТ с

А ток полуволны, начиная с нуля, равномерно возрастает с приблизительной скоростью

А/с; при этом отключение должно произойти до того, как ток достигнет величины не более (0,030 - 0,036) А.
B.8.8. Проверка поведения АВДТ, функционально зависящих от напряжения сети, классифицируемых по
B.3.1.2.1
Для АВДТ, имеющих регулируемый отключающий дифференциальный ток, испытание проводят при наименьшей уставке.
Для АВДТ с регулируемой выдержкой времени испытание проводят при любой из уставок выдержки времени.
B.8.8.1. Определение предельной величины напряжения сети
Напряжение, равное номинальному напряжению, прикладывают к зажимам питания АВДТ, а затем постепенно понижают до нуля в течение периода времени, соответствующего наибольшему из двух значений, указанных ниже, до тех пор, пока не произойдет автоматическое отключение:
- около 30 с;
- период, достаточно продолжительный относительно отключения АВДТ с выдержкой времени, если таковая имеется (см.
B.7.2.11).
Соответствующее напряжение измеряют.
Проводят три измерения. Все результаты должны быть менее 0,85-кратного минимального номинального напряжения АВДТ.
В результате этих измерений должно быть выявлено, что АВДТ отключается, когда пропускают дифференциальный ток, равный

, а прикладываемое напряжение незначительно выше наибольшей измеренной величины. Затем должно быть проверено, что при любой величине напряжения, меньшей, чем минимальная измеренная величина, невозможно включить АВДТ органом ручного управления.
B.8.8.2. Проверка автоматического отключения в случае повреждения сети
При включенном АВДТ напряжение, равное его номинальному напряжению или при наличии диапазона напряжений равное одному из номинальных напряжений, прикладывают к его сетевым зажимам. Затем напряжение отключают. АВДТ должен отключиться. Интервал времени между отключением напряжения и размыканием главных контактов измеряют.
Проводят три измерения:
a) для АВДТ, отключающихся без выдержки времени (см.
B.7.2.11), ни одно значение не должно превышать 0,2 с;
b) для АВДТ, отключающихся с выдержкой времени, максимальное и минимальное значения должны входить в диапазон, указанный изготовителем.
B.8.9. Проверка поведения АВДТ, функционально зависящего от напряжения сети по классификации B.3.1.2.2.1 в случае повреждения сети
Для АВДТ, имеющих регулируемый отключающий дифференциальный ток, испытание проводят при наименьшей уставке.
Для АВДТ, имеющих регулируемую выдержку времени, испытание проводят при любой из уставок выдержки времени.
B.8.9.1. Обрыв одной фазы в трехфазной системе (для трехполюсных и четырехполюсных АВДТ)
АВДТ подсоединяют по схеме
рисунка B.3 и со стороны сети подают 0,85-кратное номинальное напряжение или при наличии диапазона номинальных напряжений 0,85-кратное наименьшее номинальное напряжение. Затем одну фазу отключают размыканием выключателя

, после чего АВДТ подвергают испытанию по
B.8.2.4.3. Выключатель

замыкается вновь, далее испытание выполняют размыканием выключателя

. Затем АВДТ подвергают испытанию по
B.8.2.4.3.
Эту процедуру испытания повторяют при подсоединении регулируемого резистора R к каждой из двух оставшихся фаз поочередно.
B.8.9.2. Случай падения напряжения в сети от протекания сверхтока при частичном замыкании на землю.
АВДТ подсоединяют по схеме
рисунка B.3 и со стороны сети подают номинальное напряжение или при наличии диапазона номинальных напряжений наименьшее номинальное напряжение.
Питание отключают размыканием

. АВДТ не должен сработать.
Затем

вновь замыкают и напряжение снижают следующим образом:
a) для АВДТ с трехфазным питанием - до 70% номинального напряжения;
b) для АВДТ с однофазным питанием - до 85% следующим образом:
- для однополюсных и двухполюсных АВДТ - снижая напряжение между полюсами;
- для трехполюсных и четырехполюсных АВДТ, декларируемых как пригодные для однофазного питания (см.
перечисление e) B.5), - снижая напряжение между каждой комбинацией из двух полюсов в соответствии с инструкцией изготовителя.
Примечание. Для целей настоящего приложения однополюсный АВДТ - это выключатель с одним защищенным полюсом и одной неразмыкающейся нейтралью (два токовых пути).
Цикл испытаний B II
B.8.10. Проверка наибольшей дифференциальной включающей и отключающей способности
Настоящее испытание предназначено для проверки способности АВДТ включать, пропускать в течение заданного времени и отключать дифференциальный ток короткого замыкания.
B.8.10.1. Условия испытаний
АВДТ следует испытывать согласно общим условиям испытаний, указанным в
8.3.2.6, используя
рисунок 9 ГОСТ Р 50030.1, но при таком соединении, чтобы ток короткого замыкания являлся дифференциальным.
Испытание проводят при напряжении фаза - нейтраль только на одном полюсе, который не должен быть нейтральным. Токопроводящие пути, которые не должны проводить дифференциальный ток короткого замыкания, подсоединяют к питающему напряжению со стороны зажимов питания.
При необходимости АВДТ регулируют на наименьшую уставку отключающего дифференциального тока и на максимальную уставку выдержки времени.
Если АВДТ имеет более одного значения

, каждое из которых имеет соответствующее значение

, испытание проводят при максимальном значении

при соответствующем напряжении фаза - нейтраль.
B.8.10.2. Методика испытания
Цикл выполняемых операций: O-t-CO.
B.8.10.3. Состояние АВДТ после испытания
B.8.10.3.1. После испытания по B.8.10.2 АВДТ не должен иметь повреждений, влияющих на его дальнейшую эксплуатацию, и должен без обслуживания:
- выдерживать в течение 1 мин. напряжение, равное его двукратному максимальному номинальному рабочему напряжению, в условиях
8.3.3.4.1;
- включать и отключать свой номинальный ток при максимальном номинальном рабочем напряжении.
B.8.10.3.2. АВДТ должен удовлетворительно выдержать испытания, указанные в
B.8.2.4.3, но при значении

и без измерения времени отключения. Испытание проводят на любом одном, выбранном произвольно, полюсе.
Если АВДТ имеет регулируемый дифференциальный отключающий ток, испытание проводят при наименьшей уставке при значении тока, равном 1,25-кратному току уставки.
B.8.10.3.3. Если необходимо, АВДТ следует также подвергнуть испытанию по
B.8.2.4.4.
B.8.10.3.4. АВДТ, функционально зависящие от напряжения сети, должны также выдерживать испытания по
B.8.8 или
B.8.9, что подходит.
Цикл испытаний B III
B.8.11. Проверка воздействия условий окружающей среды
Значение верхней температуры должно быть (55 +/- 2) °C, число циклов должно быть:
- 6 - для

А;
- 28 - для

А.
Примечание. Для АВДТ, имеющих множество уставок отключающего дифференциального тока, следует проводить 28-цикловое испытание, когда одна из возможных уставок меньше или равна 1 А.
В конце циклов испытаний АВДТ должен удовлетворять испытаниям
B.8.2.4.3, но при отключающем дифференциальном токе

и без измерения времени отключения. Необходимо проведение только одной проверки.
При необходимости АВДТ также должен удовлетворять испытанию по
B.8.2.4.4. Необходимо сделать только одну проверку.
B.8.12. Электромагнитная совместимость
B.8.12.1. Испытание на устойчивость к высокочастотным электромагнитным импульсным помехам
B.8.12.1.1. Общие положения
Применяют
Приложение J со следующими дополнительными требованиями.
Для АВДТ, имеющих регулируемый отключающий дифференциальный ток и/или регулируемую выдержку времени, испытания проводят при наименьших уставках.
АВДТ должны питаться номинальным рабочим напряжением или в случае ряда рабочих напряжений одним из подходящих напряжений из этого ряда.
Испытания следует проводить без нагрузки током, но при указанном дифференциальном токе.
Результаты испытаний на устойчивость к высокочастотным электромагнитным импульсным помехам должны быть оценены по основным критериям оценки, приведенным в
J.2.1, со следующими условиями:
Критерий работоспособности A
На этапе 1 АВДТ не должен срабатывать при нагрузке

одного полюса, выбранного произвольно; управляющие функции при их наличии должны правильно указывать состояние АВДТ.
На этапе 2 АВДТ должен срабатывать на каждой испытательной частоте при нагрузке

, время выдержки на каждой частоте должно быть не менее чем максимальное время отключения, указанное для

в
B.4.2.4.1 или
B.4.2.4.2.
После этих испытаний следует проверить правильность срабатывания АВДТ на случай неожиданного возникновения дифференциального тока по
B.8.2.4.3, но только при

.
Критерий работоспособности B
Во время испытания АВДТ не должен срабатывать при нагрузке

одного полюса, выбранного произвольно; управляющие функции (при их наличии) могут быть временно повреждены. После этих испытаний следует проверить правильность срабатывания АВДТ на случай неожиданного возникновения дифференциального тока по
B.8.2.4.3, но только при

.
B.8.12.1.2. Электростатические разряды
Применяют критерий работоспособности B по
B.8.12.1.1, кроме того, что во время испытания АВДТ может сработать. В этом случае проводят дополнительное испытание на промежуточном более низком уровне, и АВДТ не должен сработать.
B.8.12.1.3. Излученные радиочастотные электромагнитные поля
Испытательное устройство должно соответствовать
рисунку J.4.
Соединения испытательной цепи должны соответствовать
рисунку 5 или
рисунку 6 ГОСТ Р 51317.4.3, что применимо, с учетом указаний изготовителя по монтажу. Тип используемого кабеля указывают в протоколе испытаний.
По критерию работоспособности A согласно
B.8.12.1.1.
B.8.12.1.4. Наносекундные импульсные помехи
Соединения испытательной цепи должны соответствовать
рисунку 4 ГОСТ Р 51317.4.4. Испытательное устройство должно соответствовать
рисунку J.5 для испытательных силовых линий и
рисунку J.6 для сигнальных линий с учетом указаний изготовителя по монтажу.
B.8.12.1.5. Скачки напряжения/тока
Условия испытаний по
7.2 ГОСТ Р 51317.4.5.
Для удобства могут быть использованы условия монтажа, определенные в
B.8.12.1.4, однако применение заземляющей опоры не обязательно.
Соединения испытательных цепей должны соответствовать
рисункам 6,
7,
8 или
9 ГОСТ Р 51317.4.5, с учетом указаний изготовителя по монтажу.
B.8.12.1.6. Кондуктивные помехи, наведенные радиочастотными полями (общий тип)
B.8.12.2. Испытания на помехоэмиссию
B.8.12.2.1. Общие положения
К АВДТ следует подавать номинальное рабочее напряжение или при диапазоне номинальных рабочих напряжений - любое удобное напряжение в пределах этого диапазона.
Испытания проводят без тока нагрузки и дифференциального тока.
B.8.12.2.2. Кондуктивные радиочастотные помехи (150 кГц - 30 МГц)
B.8.12.2.3. Излученные радиочастотные помехи (30 - 1000 МГц)
B.8.13. Испытание, относящееся к изменениям или разрывам напряжения, а также к провалам напряжения.
Соответствующие испытания согласно
B.8.8 и
B.8.9 считают отвечающими требованиям к ЭМС, поэтому никаких дополнительных испытаний не требуется.

- многополюсный выключатель;

- однополюсный выключатель;
D - испытуемый АВДТ; V - вольтметр; A - амперметр;
R - регулируемый резистор
Рисунок B.1. Испытательная цепь для проверки рабочей
характеристики (см.
B.8.2)

- двухполюсный выключатель; D - испытуемый АВДТ;
V - вольтметр; A - амперметр;
Z - регулируемое полное сопротивление
Рисунок B.2. Испытательная цепь для проверки предельной
величины тока неотключения в условиях сверхтока (см.
B.8.5)

- многополюсный выключатель;

- однополюсный выключатель;

,

,

- однополюсные выключатели, отключающие фазы
по очереди; D - испытуемый АВДТ; V - вольтметр;
A - амперметр; R - регулируемый резистор
Рисунок B.3. Испытательная цепь для проверки поведения АВДТ,
Рисунок B.4. Волна тока 0,5 мкс/100 кГц
1 - фильтр; L = 5 мкГн;

Ом;

= 0,5 мкФ;

= 5 нФ;
X - зажим заземления, если имеется, подсоединяемый к нейтральному зажиму,
если он маркирован, или в отсутствие такой маркировки к любому фазному
зажиму; N - нейтраль
Примечание. Значения компонентов цепи даны исключительно ориентировочно, и может потребоваться регулировка для приведения формы волны в соответствие с требованиями
рисунка B.4.
Рисунок B.5. Пример испытательной цепи для проверки
устойчивости к нежелательному отключению
Рисунок B.6. Волна импульсного тока 8/20 мкс
1 - фильтр; X - зажим заземления, если имеется,
подсоединяемый к нейтральному зажиму, если он маркирован,
или в отсутствие такой маркировки к любому фазовому зажиму;
N - нейтраль
Рисунок B.7. Пример испытательной цепи для проверки
устойчивости к нежелательному отключению в случае искрения

- многополюсный выключатель;

- однополюсный выключатель;

- переключатель на два направления: V - вольтметр;
A - амперметр измерения действующего значения;
R - регулировочный резистор; D - испытуемый АВДТ;
SCR - тиристоры; N - нейтраль
Рисунок B.8. Испытательная цепь для проверки правильности
отключения АВДТ в случае дифференциальных пульсирующих

- многополюсный выключатель;

- однополюсный выключатель;

- переключатель на два направления: V - вольтметр;
A - амперметр измерения действующего значения;

,

- регулировочные резисторы; D - испытуемый АВДТ;
SCR - тиристоры; N - нейтраль
Рисунок B.9. Испытательная цепь для проверки правильности
отключения АВДТ в случае дифференциального пульсирующего
постоянного тока, на который накладывается сглаженный
постоянный дифференциальный ток (см.
B.8.7.2.4)
(обязательное)
ЦИКЛ ИСПЫТАНИЙ НА КОРОТКОЕ ЗАМЫКАНИЕ ОТДЕЛЬНЫХ ПОЛЮСОВ
C.1. Общие положения
Испытаниям этого цикла подлежат многополюсные выключатели, предназначенные для систем с заземлением фазы и идентифицируемые по
4.3.1.1. В цикл входят следующие испытания:
- наибольшая отключающая способность отдельных полюсов

(C.2);
- проверка электрической прочности изоляции
(C.3);
- проверка расцепителей токов перегрузки
(C.4).
C.2. Испытание на наибольшую отключающую способность отдельного полюса
Испытание на короткое замыкание выполняют в общих условиях по
8.3.2 при значении ожидаемого тока

, равном 25% номинальной предельной наибольшей отключающей способности

.
Примечание. Значения выше 25%

могут быть проверены и указаны изготовителем.
Прикладываемое напряжение до включения должно равняться межфазному напряжению, соответствующему максимальному номинальному рабочему напряжению выключателя, при котором он пригоден для использования в системах с заземлением фазы. Число образцов, подлежащих испытанию, и уставки расцепителей с регулируемой уставкой должны соответствовать
таблице 10. Коэффициент мощности должен соответствовать
таблице 11 в зависимости от испытательного тока.
Испытательная цепь должна соответствовать
8.3.4.1.2 и
рисунку 9 ГОСТ Р 50030.1 с питанием от двух фаз трехфазного источника питания и с присоединением плавкого элемента F к оставшейся фазе. Оставшийся полюс (или полюса) должны быть также соединены с этой фазой через плавкий элемент F.
Цикл выполняемых операций: O-t-CO.
Цикл следует проводить на каждом отдельном полюсе поочередно.
C.3. Проверка электрической прочности изоляции
После испытания по
C.2 следует проверить электрическую прочность изоляции по
8.3.5.3.
C.4 Проверка расцепителей токов перегрузки
После испытания по C.3 следует проверить срабатывание расцепителей токов перегрузки по
8.3.5.4.
(вакантное)
(рекомендуемое)
ВОПРОСЫ, ПОДЛЕЖАЩИЕ СОГЛАСОВАНИЮ МЕЖДУ ИЗГОТОВИТЕЛЕМ
И ПОТРЕБИТЕЛЕМ
Примечание. В настоящем приложении:
- "согласование" понимают в очень широком смысле;
- к "потребителям" относятся также испытательные лаборатории.
Таблица E.1
Раздел или пункт настоящего стандарта | Содержание |
| Выключатели с более высокой наибольшей включающей способностью, чем по таблице 2 |
| Автоматическое размыкание иное, чем свободное расцепление и посредством накопления энергии |
| Уставки максимальных расцепителей токов перегрузки с промежуточными значениями при испытаниях на короткое замыкание |
| Метод испытания на превышение температуры четырехполюсных выключателей с условным тепловым током выше 63 А |
| Значение испытательного тока для испытания на короткое замыкание четвертого полюса четырехполюсных выключателей |
| Значение испытательного тока для проверки время-токовых характеристик с обратнозависимой выдержкой времени |
| Повышение жесткости условий испытаний на работоспособность при перегрузках |
| Допустимый интервал между проверками превышения температуры и работы расцепителей токов перегрузки в циклах испытаний I и II |
| Калибровка расцепителей, не являющихся максимальными, независимыми или минимальными |
| Применяемость испытаний, когда  |
| Расширение пределов испытательной температуры окружающего воздуха |
| Испытание при токе, меньшем двукратной уставки тока |
(обязательное)
ДОПОЛНИТЕЛЬНЫЕ ТРЕБОВАНИЯ К ВЫКЛЮЧАТЕЛЯМ С ЭЛЕКТРОННОЙ
ЗАЩИТОЙ ОТ СВЕРХТОКОВ
Настоящее приложение распространяется на выключатели, предназначенные для установки в цепях переменного тока и обеспечивающие защиту от сверхтоков посредством электронного устройства, встроенного в выключатель и независимого от напряжения сети или любого другого вспомогательного источника.
В приложении содержатся испытания для проверки работоспособности выключателей в заданных условиях внешней среды.
Настоящее приложение не содержит специфических испытаний, предназначенных для проверки иных функций электронного устройства, кроме защиты от сверхтоков. Тем не менее испытания по настоящему приложению должны гарантировать, что электронное устройство не влияет на исполнение функции защиты от сверхтоков.
F.2. Перечень испытаний
Испытания, указанные в настоящем перечне, являются типовыми испытаниями и дополнительными к испытаниям
раздела 8.
Примечание. При наличии стандарта на специфические условия внешней среды на него следует ссылаться при необходимости.
F.2.1. Испытания на электромагнитную совместимость - устойчивость к электромагнитным помехам
F.2.1.1. Общие положения
Выключатели с электронной защитой от сверхтоков следует испытывать в соответствии с
таблицами J.1 и
J.3.
F.2.1.2. Критерии работоспособности
Результаты испытаний на устойчивость к электромагнитным помехам необходимо оценивать согласно критериям работоспособности, приведенным в
J.2.1:
Критерий работоспособности A
На этапе 1 при нагрузке током, соответствующим 0,9 уставки, выключатель не должен сработать, а функция мониторинга при ее наличии должна четко указать его состояние.
На этапе 2 при нагрузке током, соответствующим 2,0 уставки, выключатель должен сработать в пределах от 0,9 минимального значения до 1,1 максимального значения время-токовой характеристики, заданной изготовителем, а функция мониторинга при ее наличии должна правильно указать состояние выключателя.
Критерий работоспособности B
В ходе испытания при нагрузке 0,9 токовой уставки выключатель не должен сработать. После испытания выключатель должен соответствовать время-токовой характеристике, указанной изготовителем при нагрузке 2,0 уставки, а мониторинг должен четко зафиксировать состояние выключателя.
F.2.2. Пригодность к применению при изменении частоты питания
F.2.3. Испытание на сухое тепло
F.2.4. Испытание на влажное тепло
F.2.5. Испытание на тепловой удар
F.3. Общие условия испытаний
F.3.1. Общие положения
Испытания согласно настоящему приложению могут быть проведены отдельно от испытаний по
разделу 8.
Испытания на ЭМС проводят по
Приложению J с учетом дополнительных требований, приведенных в
F.4 и
F.5.
F.3.2. Испытания на электромагнитную совместимость
В испытаниях на устойчивость к низкочастотным электромагнитным помехам
(F.4) для каждого типоразмера испытывают один выключатель каждого типа датчика тока; замену числа витков обмотки в этом случае не считают отличием.
Уставку по току

регулируют до минимального значения.
Каждая из уставок расцепителя, кратковременная и мгновенная, если имеются, должна быть отрегулирована на минимальное значение, но не менее

.
Испытания проводят в испытательной цепи, как указано далее, принимая во внимание чувствительность к потере фазы.
Принято, чтобы характеристики срабатывания выключателей с электронной защитой от сверхтоков были одни и те же независимо от того, какие испытания проводят:
- на отдельных полюсах многополюсных выключателей;
- на двух или трех полюсах, соединенных последовательно;
- при трехфазном соединении.
Примечание. Это дает возможность провести сравнение результатов испытаний, полученных при разных комбинациях полюсов, как требуется в испытательных циклах.
Для выключателей с функцией дифференциального тока (см.
Приложения B и
M):
- согласно
F.4.4 -
F.4.6 испытания проводят на паре фазных полюсов для многополюсных выключателей во избежание непреднамеренного срабатывания вследствие дифференциального тока;
- согласно F.4.1 и
F.4.7 испытания могут быть выполнены при любой комбинации фазных полюсов до тех пор, пока возможно избежать непреднамеренного срабатывания вследствие дифференциального тока.
F.4. Испытания на устойчивость к низкочастотным электромагнитным помехам
F.4.1. Испытания, касающиеся несинусоидальных токов в результате гармоник
Данные испытания следует проводить для выключателей, электронные устройства обнаружения тока которых определены изготовителем как чувствительные к действующему значению тока.
Эта информация должна быть или маркирована на выключателе, и/или указана в документации изготовителя.
Испытуемый выключатель должен быть испытан на открытом воздухе, если не предназначен исключительно для применения в специальной отдельной оболочке. В этом случае его испытывают в такой оболочке. Описание оболочки, включая размеры, должно быть приведено в протоколе испытаний.
По возможности испытания следует проводить при номинальной частоте тока.
Примечание. Испытательные токи генерируются силовым источником на базе тиристоров, сердечников с подмагничиванием, программируемых источников или других подходящих источников.
F.4.1.2. Испытательные токи
Форма волны испытательного тока должна соответствовать одному из двух следующих вариантов:
a) две формы волны, прикладываемые последовательно:
- одна форма волны, состоящая из основной составляющей и третьей гармонической составляющей;
- другая форма волны, состоящая из основной составляющей и пятой гармонической составляющей;
b) форма волны, состоящая из основной составляющей и третьей, пятой и седьмой гармонических составляющих.
Испытательные токи необходимо определять так:
Для варианта a):
Испытание третьей гармоникой и коэффициент амплитуды:
Испытательный ток необходимо определять так:
- 72% основной составляющей =< третья гармоника =< 88% основной составляющей;
- коэффициент амплитуды: 2,0 +/- 0,2;
Испытание пятой гармоникой и коэффициент амплитуды:
Испытательный ток необходимо определять так:
- 45% основной составляющей =< пятая гармоника =< 55% основной составляющей;
- коэффициент амплитуды: 1,9 +/- 0,2;
Для варианта b):
Испытательный ток для каждого периода, состоящего из двух полупериодов, необходимо определять так:
- время прохождения тока в течение каждого полупериода, меньшего или равного 21% периода;
- коэффициент амплитуды равен или более 2,1.
Примечания.
1. Коэффициент амплитуды - это пиковое значение тока, деленное на действующее значение волны тока. Формулу см. на
рисунке F.1.
2. Испытательный ток для варианта b) имеет следующие гармонические составляющие по отношению к основной составляющей:
- третья гармоника св. 60%;
- пятая гармоника св. 14%;
- седьмая гармоника св. 7%.
Могут присутствовать гармоники и более высокого порядка.
3. Форма волны испытательного тока для варианта b) может быть получена, например, с помощью двух расположенных впритык тиристоров (см.
рисунок F.1).
4. Испытательные токи

и

(см. критерий работоспособности A) являются действующими значениями составных форм волны.
F.4.1.3. Методика испытания
Испытания проводят на любой паре фазных полюсов согласно
перечислению b) 7.2.1.2.4 при испытательном токе, соответствующем напряжении и соединениях в соответствии с
рисунком F.2. Для расцепителей, которые определены как чувствительные к обрыву фазы, соединения выполняют по
рисунку F.3 или
F.4, что больше подходит. Минимальные расцепители напряжения при их наличии должны быть либо запитаны, либо отключены. Во время испытания все вспомогательные устройства должны быть отключены.
Длительность испытания по проверке устойчивости к ложному срабатыванию (при 0,9 тока уставки) должна составлять 10-кратное время отключения, что соответствует двойной уставке по току.
F.4.1.4. Результаты испытания
По критерию работоспособности A в соответствии с
F.2.1.2.
F.4.2. Испытания на устойчивость к электростатическим разрядам
По
J.2.2 Приложения J со следующими дополнениями.
Испытательная цепь должна соответствовать приведенной на
рисунке F.2. Для расцепителей, которые определены как чувствительные к обрыву фазы, соединения выполняют согласно
рисунку F.3 или
F.4, что применимо.
Расположение шин, показанное на
рисунках F.2 -
F.4, может быть иным при условии сохранения минимального расстояния, равного 0,1 м с отклонением 10%, токоведущих частей до оболочки. Фактическая конфигурация цепи должна быть приведена в протоколе испытаний.
Применяют критерий работоспособности B в соответствии с
F.2.1.2.
F.4.3. Испытания на устойчивость к воздействию радиочастотного излучения электромагнитного поля
По
J.2.3 Приложения J со следующими дополнениями.
Испытательное устройство должно соответствовать
рисункам F.16 и
F.17. Испытательная цепь расцепителей, которые определены как чувствительные к обрыву фазы, должна соответствовать
рисунку F.3 или
F.4, что применимо.
По критерию работоспособности A в соответствии с
F.2.1.2.
F.4.4. Испытания на устойчивость к наносекундным импульсным помехам
По
J.2.4 Приложения J со следующими дополнениями.
Со стороны вывода источника переменного тока помехи прикладывают к одному фазному полюсу, выбранному произвольно, выключатель питается от других фазных полюсов по
рисунку F.6.
Для расцепителей, которые определены как чувствительные к обрыву фазы, испытание проводят по
рисунку F.7 для трех фазных полюсов, соединенных последовательно, или, как показано на
рисунке F.8, на одном фазном полюсе, выбранном произвольно, для трехфазного соединения.
Критерий работоспособности A по
F.2.1.2. Вместе с тем во время испытания допустимы временные изменения функций мониторинга (например, нежелательное свечение светодиода), в этом случае после испытания следует проверить корректность функции мониторинга. На этапе 2 помехи прикладывают до срабатывания выключателя.
F.4.5. Испытания на устойчивость к скачкам напряжения/тока
По
J.2.5 Приложения J со следующими дополнениями:
Со стороны источника переменного тока помехи прикладывают к одному фазному полюсу, взятому произвольно, выключатель питается от двух других фазных полюсов согласно
рисунку F.9 (между фазой и землей) и
рисунку F.12 (между фазами).
Для расцепителей, которые определены как чувствительные к обрыву фазы, испытание проводят по
рисунку F.10 (между фазой и землей) и по
рисунку F.13 (между фазами) для трех фазных полюсов, соединенных последовательно, или, как показано на
рисунке F.11 (между фазой и землей) или на
рисунке F.14 (между фазами), на одном фазном полюсе, выбранном произвольно, для трехфазного соединения.
Критерий работоспособности B по
F.2.1.2.
F.4.6. Испытания на устойчивость к кондуктивным электромагнитным помехам, наведенным радиочастотными полями (общий тип)
По
J.2.6 Приложения J со следующими дополнениями:
Со стороны вывода источника переменного тока помехи прикладывают к одному фазному полюсу, выбранному произвольно, выключатель питается от других фазных полюсов по
рисунку F.2.
Испытательная цепь расцепителей, которые определены как чувствительные к обрыву фазы, должна соответствовать
рисунку F.3 или
F.4, что применимо.
Критерий работоспособности A - в соответствии с
F.2.1.2.
F.4.7. Испытание, относящееся к провалам и разрывам тока
F.4.7.1. Методика испытания
Испытуемый выключатель необходимо испытывать на открытом воздухе, если он не предназначен исключительно для применения в специальной отдельной оболочке. В этом случае его испытывают в такой оболочке. Описание оболочки, включая размеры, должно быть приведено в протоколе испытаний.
Испытательная цепь должна соответствовать
рисунку F.2 для двух фазных полюсов, взятых произвольно.
Испытательная цепь расцепителей, которые определены как чувствительные к обрыву фазы, должна соответствовать
рисунку F.3 или
F.4, что применимо.
Испытания необходимо проводить с синусоидальным током при любом удобном напряжении. Прикладываемый ток должен соответствовать
рисунку F.5 и
таблице F.1, где

- уставка тока,

- испытательный ток провала, T - период синусоидального тока.
Длительность каждого испытания должна быть от трехкратного до четырехкратного максимального времени отключения, соответствующего двукратной уставке по току, или 10 мин (берут меньшее).
F.4.7.2. Результаты испытаний
По критерию работоспособности B в соответствии с
F.2.1.2, за исключением того, что проверка после испытаний не требуется.
Таблица F.1
Испытательные параметры провалов и разрывов тока
Номер испытания | I | |
1 | 0 | 0,5T |
2 | 1T |
3 | 5T |
4 | 25T |
5 | 50T |
6 | | 10T |
7 | 25T |
8 | 50T |
9 | | 10T |
10 | 25T |
11 | 50T |
F.5. Испытания на помехоэмиссию
F.5.1. Гармоники
Электронные цепи управления работают на низких токах и, как следствие, создают незначительные электромагнитные помехи, поэтому испытаний не требуется.
F.5.2. Колебания напряжения
Электронные цепи управления работают на низких токах и, как следствие, создают незначительные электромагнитные помехи, поэтому испытаний не требуется.
F.5.3. Кондуктивные радиочастотные помехи (150 кГц - 30 МГц)
Выключатели по настоящему приложению не зависят от напряжения сети или любого другого вспомогательного источника питания. Электронные цепи не соединены напрямую с источником тока и работают на низких токах и, как следствие, создают незначительные электромагнитные помехи, поэтому испытаний не требуется.
F.5.4. Излучаемые радиочастотные помехи (30 МГц - 1 ГГц)
По
J.3.3 Приложения J со следующими дополнениями:
Испытательная цепь должна соответствовать
рисунку F.2. Испытательная цепь расцепителей, которые определены как чувствительные к обрыву фазы, должна соответствовать
рисунку F.3 или
F.4, что применимо.
Минимальные расцепители напряжения при их наличии должны быть либо запитаны, либо отключены. Во время испытания все вспомогательные устройства должны быть отключены.
F.6. Пригодность к применению при изменении частоты питания
Испытанием проверяются характеристики срабатывания автоматических выключателей, определенные как пригодность к применению при изменении частоты питания. Это не относится к выключателям только на номинальную частоту 50 - 60 Гц.
F.6.1. Условия испытаний
Испытания следует проводить на каждой номинальной частоте или, при наличии диапазона частот, - на наименьшей и наибольшей номинальных частотах.
F.6.2. Методика испытаний
Испытания проводят на любой произвольно выбранной паре фазных полюсов, при любом удобном напряжении.
Испытательная цепь должна соответствовать
рисунку F.2. Испытательная цепь расцепителей, которые определены как чувствительные к обрыву фазы, должна соответствовать
рисунку F.3 или
F.4, что применимо.
Минимальные расцепители напряжения при их наличии должны быть либо запитаны, либо отключены. На время испытания все вспомогательные устройства должны быть отключены.
Каждая уставка по току расцепителя мгновенного действия или с выдержкой времени должна при необходимости регулироваться до 2,5 уставки по току. Если данная уставка неприменима, должны быть использованы ближайшие наибольшие уставки.
Испытания необходимо выполнить в следующем порядке:
a) Ток, равный 0,95 условного тока несрабатывания (см.
таблицу 6), подают в течение десятикратного времени срабатывания, соответствующего двукратной уставке по току.
b) Сразу же после испытания a) подают ток, равный 1,05 условного тока срабатывания.
c) Дальнейшее испытание выполняют при токе, равном двукратной уставке по току, начиная с холодного состояния.
F.6.3. Результаты испытаний
Для каждой испытательной частоты характеристики расцепителей токов перегрузки должны отвечать следующим требованиям:
- при испытании a) не должно происходить срабатывания;
- при испытании b) срабатывание должно произойти в пределах условного времени;
- при испытании c) срабатывание должно произойти в пределах 1,1 максимального и 0,9 минимального значений время-токовых характеристик, указанных изготовителем.
F.7. Испытание на сухое тепло
F.7.1. Методика испытания
Испытание проводят на выключателе согласно
7.2.2 при максимальном номинальном токе для соответствующего типоразмера на всех фазных полюсах при температуре внешней среды 40 °C. После достижения установившейся температуры длительность испытания должна составлять 168 ч.
Крутящие моменты при затягивании, прикладываемые к зажимам, должны соответствовать указаниям изготовителя, при отсутствии указаний -
таблице 4 ГОСТ Р 50030.1.
Наряду с этим испытание можно выполнять следующим образом:
- измеряют и записывают наибольшее превышение температуры воздуха, окружающего электронные компоненты, во время проверки превышения температуры в испытательном цикле I;
- устанавливают устройства электронной защиты в испытательной камере;
- подают питание входной величины к устройству электронной защиты;
- регулируют температуру испытательной камеры до значения, на 40 °C превышающего температуру, зарегистрированную для воздуха, окружающего электронные компоненты, и поддерживают эту температуру в течение 168 ч.
F.7.2. Результаты испытания
Выключатель и электронное устройство должны отвечать следующим требованиям:
- не должно происходить срабатывание выключателя;
- не должно происходить действий электронной защиты, способных вызвать срабатывание выключателя.
F.7.3. Проверка расцепителей токов перегрузки
F.8. Испытание на влажное тепло
F.8.1. Методика испытания
Верхняя температура должна быть (55 +/- 2) °C (вариант 1), число проводимых циклов - 6.
Можно провести испытание, помещая в испытательную камеру только электронные компоненты.
F.8.2. Проверка расцепителей токов перегрузки
После испытания по F.8.1 действие расцепителей токов перегрузки выключателя необходимо проверить согласно
перечислению b) 7.2.1.2.4.
F.9. Испытание на тепловой удар
Устройство электронной защиты каждого типа необходимо подвергать циклическому изменению температуры согласно
рисунку F.15.
Скорость изменения температуры при повышении и понижении должна быть (1 +/- 0,2) °C/мин. Температура по достижении своего уровня должна удерживаться не менее 2 ч.
Число циклов должно быть 28.
F.9.2. Методика испытания
Испытание следует проводить в соответствии с МЭК 60068-2-14
[8].
Для этих испытаний электронная защита может быть встроенной в выключатель или установлена отдельно.
Электронная защита должна снабжаться питанием как при эксплуатации.
Если электронная защита встроена в выключатель, главная цепь должна быть обесточена.
F.9.3. Результаты испытания
Электронная защита должна отвечать следующему требованию.
Не должно происходить действий электронной защиты, которые могли бы вызвать срабатывание выключателя в течение 28 циклов.
F.9.4. Проверка расцепителей перегрузки
A - пиковый ток; T - период;

- время прохождения тока
в течение каждого полупериода;

- время паузы в течение
каждого полупериода;
Коэффициент амплитуды =

Рисунок F.1. Форма волны испытательного тока, полученная
с помощью двух встречно-параллельно включенных
Рисунок F.2. Испытательная цепь для проверки устойчивости
к низкочастотным электромагнитным помехам и испытаний
соединенных последовательно
Рисунок F.3. Испытательная цепь для проверки устойчивости
к низкочастотным электромагнитным помехам и испытаний
соединенных последовательно
Z - полное сопротивление для регулирования тока
(если требуется)
Рисунок F.4. Испытательная цепь для проверки устойчивости
к низкочастотным электромагнитным помехам и испытаний

- уставка тока;

- испытательный ток провала;

- время провала;

- время задержки
Рисунок F.5. Испытательная цепь для проверки влияния провалов
Рисунок F.6. Цепь для проверки устойчивости к наносекундным
импульсным помехам по
F.4.4 для двух фазных полюсов,
соединенных последовательно
Рисунок F.7. Цепь для проверки устойчивости к наносекундным
импульсным помехам по
F.4.4 для трех фазных полюсов,
соединенных последовательно
Z - полное сопротивление для регулирования тока
(если требуется)
Рисунок F.8. Цепь для проверки устойчивости к наносекундным
импульсным помехам по
F.4.4 для трехфазного соединения
Рисунок F.9. Испытательная цепь для проверки влияния
скачков напряжения/тока в главной цепи
(между фазой и землей) по
F.4.5 для двух фазных полюсов,
соединенных последовательно
Рисунок F.10. Испытательная цепь для проверки влияния
скачков напряжения/тока в главной цепи (между фазой
и землей) по
F.4.5 для трех фазных полюсов,
соединенных последовательно
Z - полное сопротивление для регулирования тока
(если требуется)
Рисунок F.11. Испытательная цепь для проверки влияния
скачков напряжения/тока в главной цепи (между фазой
и землей) по
F.4.5 для трехфазного соединения
Рисунок F.12. Испытательная цепь для проверки влияния
скачков напряжения/тока в главной цепи (между фазами)
по
F.4.5 для двух фазных полюсов,
соединенных последовательно
Рисунок F.13. Испытательная цепь для проверки влияния
скачков напряжения/тока в главной цепи (между фазами)
по
F.4.5 для трехфазных полюсов,
соединенных последовательно
Z - полное сопротивление для регулирования тока
(если требуется)
Рисунок F.14. Испытательная цепь для проверки влияния
скачков напряжения/тока в главной цепи (между фазами)
по
F.4.5 для трехфазного соединения
Рисунок F.15. Циклическое изменение температуры
при заданной скорости по
F.9.1
Размеры А, Б, В, Г и Д - (0,1 - 0,11) м.
Размеры Х - возможно минимальные.
1 - автоматический выключатель; 2 - изолирующая опора;
3 - металлическая оболочка (если требуется) по
рисунку J.1;
4 - вывод к трансформатору; 5 - изолирующая опора;
6 - заземленная панель; 7 - высокочастотное соединение
Примечания.
1. Расположение выводов может меняться в зависимости от типа испытуемого выключателя.
2. Для выключателей выдвижного исполнения аппарат должен быть помещен в оболочку по указанию изготовителя, испытательное устройство должно быть соответственно модифицировано.
Рисунок F.16. Общее испытательное устройство для проверки
на устойчивость к низкочастотным электромагнитным помехам
2 - изолирующая опора (толщина не критична);
3 - автоматический выключатель; 4 - вывод (соединения между
выводами должны быть сведены к минимуму); 5 - изолирующая
опора; 6 - радиопоглощающее покрытие стены; 7 - изолирующая
опора; 8 - трансформатор; 9 - вывод (длина должна быть
сведена к минимуму); 10 - сетевой фильтр
Рисунок F.17. Испытательное устройство для испытаний
на устойчивость к воздействию излучения радиочастотного
электромагнитного поля
Размер А - (0,1 - 0,11) м; размер Б - (0,9 - 1,0) м (полная длина кабеля); размер В - минимально возможный.
1 - заземляющая опора; 2 - изолирующая опора;
3 - изолирующая опора; 4 - высокочастотное соединение;
5 - автоматический выключатель; 6 - трансформатор;
7 - согласующее устройство (необязательно);
8 - генератор наносекундных импульсных помех
Рисунок F.18. Испытательное устройство для проверки
устойчивости к наносекундным импульсным помехам
в силовых линиях
Размер А - (0,1 - 0,11) м; размер Б - минимально возможный; размер В - (0,9 - 1,0) м (полная длина кабеля).
1 - изолирующая опора; 2 - изолирующие опоры для кабелей;
3 - изолирующая опора; 4 - заземляющая опора;
5 - высокочастотное соединение; 6 - автоматический
выключатель; 7 - соединительная скоба;
8 - вспомогательное устройство
Рисунок F.19. Испытательное устройство для проверки
устойчивости к наносекундным импульсным помехам
в сигнальных линиях
1 - заземляющая опора; 2 - изолирующие опоры;
3 - автоматический выключатель; 4 - должно быть сведено
к минимуму; 5 - любая металлическая часть;
6 - трансформатор
Примечание. Размер L - длина проводника, соединенного с заземляющей опорой на расстоянии 0,1 м.
Рисунок F.20. Испытательное устройство для проверки
устойчивости к кондуктивным низкочастотным помехам,
наведенным радиочастотными полями (общий тип)
1 - заземляющая опора; 2 - высокочастотный генератор;
3 - сетевые выводы оставляют разомкнутыми;
4 - высокочастотное соединение; 5 - согласующее устройство
7 - автоматический выключатель (ОПИ); 8 - изолирующая опора;
9 - трансформатор
Примечание. Вместо согласующего устройства М1 возможно также применение согласующего устройства М2 или М3, в этом случае к одной и той же точке ОПИ подсоединяют два или три провода по применению.
Рисунок F.21. Схема соединений для проверки устойчивости
к кондуктивным низкочастотным помехам, наведенным
радиочастотными полями, для двух фазных полюсов,
соединенных последовательно
1 - заземляющая опора; 2 - высокочастотный генератор;
3 - сетевые выводы оставляют разомкнутыми;
4 - высокочастотное соединение; 5 - согласующее
устройство М2; 6 - длина кабеля от 0,1 до 0,3 м;
7 - автоматический выключатель; 8 - изолирующая опора;
9 - трансформатор
Примечание. Вместо согласующего устройства М2 возможно также применение согласующего устройства М3, в этом случае к одной и той же точке испытуемого оборудования подсоединяют два или три провода по применению.
Рисунок F.22. Схема соединений для проверки устойчивости
к кондуктивным низкочастотным помехам, наведенным
радиочастотными полями, для трех фазных полюсов,
соединенных последовательно
1 - заземляющая опора; 2 - высокочастотный генератор;
3 - сетевые выводы оставляют разомкнутыми;
4 - высокочастотное соединение; 5 - согласующее устройство
7 - автоматический выключатель; 8 - изолирующая опора;
9 - трансформатор
Примечание. Вместо согласующего устройства М1 возможно также применение согласующего устройства М2 или М3, в этом случае к одной и той же точке испытуемого оборудования подсоединяют два или три провода по применению.
Рисунок F.23. Схема соединений для проверки устойчивости
к кондуктивным низкочастотным помехам, наведенным
радиочастотными полями, для трехфазного соединения
(обязательное)
G.1. Общие положения
Потеря мощности не является основной характеристикой автоматического выключателя и вносится в маркировку изделия. Она указывает на выделение тепла в определенных условиях.
Измерение потерь мощности следует проводить на открытом воздухе на новых образцах.
G.2. Методы испытаний
G.2.1. Потери мощности вычисляют по формуле (схема соединений по
рисунку G.1)
где k - номер полюса;
p - число фазных полюсов;

- падение напряжения;
I - испытательный ток, который должен быть равен

в пределах допусков по
8.3.2.2.2;

- коэффициент мощности.
Рекомендуется использование на каждом полюсе ваттметра.
G.2.2. Для выключателей переменного тока на номинальный ток не более 400 А допустимо измерение с использованием однофазного переменного тока без измерения коэффициента мощности.
Потери мощности вычисляют по формуле (соединения согласно
рисунку G.2)
где k - номер полюса;
p - число фазных полюсов;

- падение напряжения;

- номинальный ток.
G.2.3. Для выключателей постоянного тока потери мощности необходимо измерять при постоянном токе.
Их определяют, как в
G.2.2.
G.3. Методика испытания
Определение потерь мощности следует проводить при номинальном токе и установившейся температуре.
Падение напряжения необходимо измерять между вводными и выводными выводами на каждом полюсе.
Соединительные провода для измерительных приборов (например, вольтметров, ваттметров) должны быть скручены вместе. Измерительный шлейф должен быть настолько мал, насколько это практически возможно, и быть расположен одинаково для каждого полюса.
Для определения потерь мощности трехполюсных и четырехполюсных выключателей переменного тока согласно
G.2.1 испытание проводят в условиях трехфазного тока (см.
рисунок G.1) без тока в четвертом полюсе четырехполюсных выключателей.
Рисунок G.1. Пример измерения потерь мощности по
G.2.1
Рисунок G.2. Пример измерения потерь мощности по
G.2.2 и
G.2.3
(обязательное)
ЦИКЛ ИСПЫТАНИЙ ВЫКЛЮЧАТЕЛЕЙ ДЛЯ СИСТЕМ IT
Примечание. Этот цикл испытаний используют в случае второго замыкания на землю при наличии первого замыкания на противоположной стороне выключателя, установленного в системах IT (см.
4.3.1.1).
H.1. Общие положения
Этот цикл испытаний относится к многополюсным выключателям, используемым в системах IT согласно
4.3.1.1. Он содержит следующие испытания:
- короткое замыкание отдельного полюса

(см. H.2);
- проверка электрической прочности изоляции (см.
H.3);
- проверка расцепителей токов перегрузки (см.
H.4).
H.2. Короткое замыкание отдельного полюса

Испытание на короткое замыкание отдельных полюсов многополюсного выключателя проводят при общих условиях
8.3.2 при значении тока

, равном:
- 1,2 максимальной уставки тока срабатывания расцепителя с выдержкой времени или в отсутствие такого расцепителя 1,2 максимальной уставки тока срабатывания расцепителя мгновенного действия;
- или, где применимо, 1,2 максимальной уставки тока срабатывания расцепителя с независимой выдержкой времени, но не выше 50 кА.
Примечание 1. Ожидаемый ток испытательной цепи может быть увеличен настолько, чтобы превысить фактический кратковременный или мгновенный ток касания, допустимый для полного сопротивления выключателя и его соединений.
Примечание 2. Могут потребоваться значения, более высокие, чем

, испытанные и подтвержденные изготовителем.
Напряжение до включения должно быть межфазным напряжением, соответствующим максимальному номинальному рабочему напряжению выключателя, при котором последний пригоден для эксплуатации в системах IT.
Число испытуемых образцов и уставки регулируемых расцепителей должны соответствовать
таблице 10. Коэффициент мощности должен соответствовать
таблице 11 применительно к испытательному току.
Если

равен 50 кА, то уставка кратковременного тока или мгновенного тока срабатывания должна быть отрегулирована на величину тока немного меньше, чем (50/1,2) кА.
Для четырехполюсных выключателей с защищенным нейтральным полюсом испытательное напряжение в этом полюсе должно быть межфазным напряжением, деленным на

. Данное испытание применимо только к тем конструкциям нейтральных полюсов, которые отличаются от фазных полюсов.
Испытательная цепь должна соответствовать
8.3.4.1.2 и
рисунку 9 ГОСТ Р 50030.1; источник питания S - от двух фаз трехфазного источника питания; предохранительный элемент F подсоединен к оставшейся фазе. Оставшийся полюс или полюса должны быть также подключены к этой фазе через предохранительный элемент F.
Цикл операций должен быть O-t-CO и выполнен отдельно на каждом фазовом полюсе поочередно.
H.3. Проверка электрической прочности изоляции
После испытания по
H.2 должна быть проверена электрическая прочность изоляции в соответствии с
8.3.5.3.
H.4. Проверка расцепителей токов перегрузки
После испытания по H.3 должна быть проверена работа расцепителей токов перегрузки в соответствии с
8.3.5.4.
H.5. Маркировка
Выключатели, для которых все значения номинального напряжения были испытаны согласно настоящему приложению или не требующие такого испытания, дополнительно не маркируют.
Выключатели, для которых были испытаны не все значения номинального напряжения согласно настоящему приложению или не включенные в эти испытания, должны быть помечены символом

, который наносят на выключателе после значения номинального напряжения, например 690 В

согласно
перечислению b) 5.2.
Примечание. Если выключатель не был испытан согласно настоящему приложению, можно использовать только маркировку символом

при условии такого ее размещения, которое однозначно распространяется на все номинальные напряжения.
(обязательное)
ЭЛЕКТРОМАГНИТНАЯ СОВМЕСТИМОСТЬ.
ТРЕБОВАНИЯ И МЕТОДЫ ИСПЫТАНИЙ АВТОМАТИЧЕСКИХ ВЫКЛЮЧАТЕЛЕЙ
J.1. Общие положения
Рассматриваются и учитываются два вида условий внешней среды:
- внешняя среда A;
- внешняя среда B.
Внешняя среда A распространяется на низковольтные некоммунальные или промышленные сети (участки, установки), в том числе мощные источники электромагнитных излучений.
Примечание 2. Электрооборудование, предназначенное для внешней среды A и установленное во внешней среде B, может вызвать электромагнитные помехи.
Внешняя среда B распространяется на низковольтные коммунальные сети, например бытовые, коммерческие и осветительные промышленные участки (установки). Мощные источники электромагнитных излучений, например оборудование для дуговой сварки, не входят в область распространения этой среды.
Примечание 2. Электрооборудование, предназначенное для внешней среды B и установленное во внешней среде A, не вызывает электромагнитных помех.
В связи с назначением настоящего приложения термин "ОПИ" означает "оборудование, подвергаемое испытанию".
К устройствам, содержащим электронные цепи, применимы испытания по
разделам J.2 и
J.3, если не содержится специальных указаний в настоящем стандарте.
Методы испытаний по
разделам J.2 и
J.3 дополнены специальными методиками, приведенными в соответствующих разделах настоящего стандарта, для проверки работоспособности на основе критериев соответствия.
Дополнительные требования и описания испытаний приведены в соответствующих разделах настоящего стандарта, например, в
Приложении B - для выключателей со встроенной защитой, управляемой дифференциальным током (АВДТ),
Приложении F - для выключателей с электронной защитой от сверхтоков,
Приложении M - для модульных устройств дифференциального тока (МУДТ) и
Приложении N - для дополнительных установочных узлов выключателей.
Для каждого испытания может быть использован новый образец, или один образец может быть использован в нескольких испытаниях по усмотрению изготовителя. Аппараты, предназначенные для номинальной частоты 50/60 Гц, можно испытывать на одной из частот.
В случае диапазона устройств с аналогичным электронным управлением (включая размеры, элементы, печатные платы и оболочку при наличии) и одной и той же конструкции датчиков тока достаточно испытать только одно устройство из диапазона.
Испытания следует проводить со специальным монтажом: на открытом воздухе или в оболочке, как указано в разделах J.2 и
J.3.
J.2. Испытания на устойчивость к низкочастотным электромагнитным помехам
По
7.3.2.2 ГОСТ Р 50030.1 со следующими дополнениями:
Испытания на устойчивость к электромагнитным помехам проводят по
таблице J.1.
Ссылочные данные для дополнительных испытаний приведены в
таблице J.2.
В целях настоящего
раздела (J.2) термин "силовой порт" охватывает входные силовые порты главной цепи, вспомогательной цепи и некоторые порты вспомогательной цепи, соединенные с главной цепью.
Для испытаний на устойчивость к электромагнитным помехам должны быть определены следующие критерии работоспособности:
Критерий работоспособности A
В ходе испытания проверяют устойчивость к ложному срабатыванию (этап 1) и функциональные характеристики (этап 2). Функция мониторинга должна правильно указывать состояние.
Критерий работоспособности B
В ходе испытания проверяют устойчивость к ложному срабатыванию. Функция мониторинга может указать ложное состояние. После испытания проверяют функциональные характеристики.
Описания проверок работоспособности даны в соответствующих приложениях (
B,
F,
M и
N).
Во всех испытаниях на устойчивость к электромагнитным помехам ОПИ должно быть испытано как оборудование для напольной установки (см. серию стандартов
ГОСТ Р 51317.4).
J.2.2. Электростатические разряды
Испытуемое ОПИ должно быть испытано в специальной оболочке (см.
таблицу J.1). Испытательные устройства и дополнительные требования к испытаниям приведены в
таблице J.2. Прикладывают разряды при прямом и непрямом воздействии согласно
ГОСТ Р 51317.4.2.
Электростатические разряды при прямом воздействии прикладывают только к частям ОПИ, нормально доступным потребителю, например устройствам калибровки, пультам, дисплеям, кнопкам и т.п. Точки приложения должны быть указаны в протоколе испытаний.
Для каждой полярности прикладывают 10 разрядов с интервалом в 1 с и более.
Электростатические разряды при непрямом воздействии прикладывают к избранным местам на поверхности оболочки.
Для каждой полярности прикладывают 10 разрядов с интервалом в 1 с и более.
J.2.3. Излученное радиочастотное электромагнитное поле
ОПИ должно быть подвергнуто воздействию поля только с лицевой стороны.
Для обеспечения периодичности фактическое испытательное устройство должно быть приведено в протоколе испытаний.
Испытания следует проводить для горизонтальной и вертикальной поляризации поля соответственно при горизонтальном и вертикальном расположениях излучающей антенны.
Испытание проводят в два этапа: этап 1 - ОПИ испытывают на нежелательное срабатывание в полном диапазоне частот; этап 2 - испытание ОПИ на точность срабатывания на дискретных частотах.
В
таблице J.2 приведены соответствующие испытательные устройства и схемы цепей для каждого испытания на устойчивость к электромагнитным помехам.
Таблица J.1
Электромагнитная совместимость.
Испытания на устойчивость к низкочастотным
электромагнитным помехам
Вид помех | Нормативные ссылки | | Критерий работоспособности | Установка |
Электростатические разряды | | 8 кВ по поверхности 6 кВ по воздуху | В | |
Излученное радиочастотное электромагнитное поле | | 10 В/м | А | |
Наносекундные импульсные помехи | | Силовой порт: -  перем. или пост. ток: 4 кВ -  перем. или пост. ток: 2 кВ Сигнальный порт: 2 кВ | В | |
Скачки тока | | Силовой порт: -  перем. ток: - 4 кВ фазозаземленное; Силовой порт: -  перем. ток: - 2 кВ фазозаземленное; - 1 кВ межфазное. Силовой порт, пост. ток: - 0,5 кВ фазозаземленное; - 0,5 кВ межфазное. Сигнальный порт: - 2 кВ фазозаземленное; - 1 кВ межфазное | В | |
Кондуктивные электромагнитные помехи, наведенные радиочастотными полями | | Силовой порт: 10 В Сигнальный порт: 10 В | А | |
Электромагнитное поле промышленной частоты | Не требуется | Не требуется | Не требуется | Не требуется |
Провалы и разрывы напряжения | | | | Без оболочки |
| | ИС МЕГАНОРМ: примечание. ГОСТ Р 51317.4.13-2006 утратил силу с 1 января 2014 года в связи с введением в действие ГОСТ 30804.4.13-2013 (Приказ Росстандарта от 22.07.2013 N 405-ст). | |
|
Гармоники | | | | Без оболочки |
Провалы тока | | | | Без оболочки |
<1)> Обычно указанные уровни устойчивости бывают выше, чем требования ГОСТ Р 50030.1 для обеспечения большей надежности защитных функций аппарата. |
<2)> Требуется специальная методика испытания для электронных устройств защиты от сверхтока по Приложению F в отсутствие конкретного основополагающего стандарта. |
<3)> Если выключатель не предназначен для применения в специальной индивидуальной оболочке, в этом случае он должен быть испытан в такой оболочке. Описание оболочки, включая размеры, должно быть приведено в протоколе испытаний. Оболочка должна быть подсоединена к заземляющей опоре по инструкции изготовителя. |
<4)> Специальная методика испытания и критерии соответствия разработаны для АВДТ, функционально зависящих от напряжения сети (Приложение B), и МУДТ, функционально зависящих от напряжения источника (Приложение M), в отсутствие конкретного основополагающего стандарта. Этим испытаниям не подвергают выключатели с электронной защитой от сверхтоков (см. F.1 Приложения F), но их заменяют испытаниями на провалы и разрывы тока (см. F.4.7). |
<5)> Уровень устойчивости устройств дифференциального тока выше, поскольку они обеспечивают безопасность. |
Таблица J.2
Испытательные устройства, схемы цепей и дополнительные
требования к испытаниям на устойчивость
к электромагнитным помехам
Испытание | Оборудование, подвергаемое испытанию (ОПИ) | Пункт | Испытательное устройство (рисунок) | Схема цепи (рисунок) |
Устойчивость к электростатическим разрядам | АВДТ | | | |
АВ | | | |
МУДТ | | | |
| | | |
Устойчивость к излученным радиочастотным электромагнитным полям | АВДТ | | | |
АВ | | | |
МУДТ | | | |
| | | |
Устойчивость к наносекундным импульсным помехам | АВДТ | | | |
АВ | | | |
МУДТ | | | |
| | | |
Устойчивость к скачкам тока/напряжения | АВДТ | | | |
АВ | | | |
МУДТ | | | |
| | | |
Устойчивость к кондуктивным электромагнитным помехам, наведенным электромагнитными полями | АВДТ | | | |
АВ | | | |
МУДТ | | | |
| | | |
<1)> Устройства, на которые распространяется действие Приложения N. |
<2)> Дополнительных рисунков не требуется. |
Для этапа 1 частота должна быть перестроена в рассматриваемых диапазонах частот от 80 до 1000 МГц и от 1400 до 2000 МГц в соответствии с
разделом 8 ГОСТ Р 51317.4.3. Время задержки несущей амплитудной модуляции на каждой частоте должно быть от 500 до 1000 мс, величина шага не должна превышать 1% основной частоты (т.е. значение частоты каждого последующего шага должно быть меньше или равно значению частоты предыдущего шага, умноженному на коэффициент 1,01). Фактическое время задержки должно быть указано в протоколе испытаний.
На этапе 2 для проверки функциональных характеристик испытание необходимо выполнять на каждой из следующих частот: 80, 100, 120, 180, 240, 320, 480, 640, 960, 1400 и 1920 МГц; срабатывание проверяют после стабилизации поля на каждой частоте.
J.2.4. Наносекундные импульсные электромагнитные помехи
Испытанию необходимо подвергать ОПИ в специальной оболочке (см.
таблицу J.1).
Для силовых и вспомогательных входных портов должна быть использована согласующая сеть, за исключением
Приложения F, где должен быть применен метод прямой подпитки (см.
рисунок F.18).
Для сигнальных портов согласующее устройство или метод подпитки используют по применимости. Если не указано иное, помеху прикладывают в течение 1 мин.
J.2.5. Скачки тока/напряжения
Испытание необходимо проводить на ОПИ в специальной оболочке (см.
таблицу J.1). Уровни испытаний и испытательные устройства приведены в
таблицах J.1 и
J.2 в зависимости от вида ОПИ.
Прикладывают импульсы обоих полярностей, фазовые углы составляют 0° и 90°.
Для каждой полярности и с каждым фазовым углом прикладывают серию из пяти импульсов (всего 20); интервал между двумя импульсами - приблизительно 1 мин. По соглашению с изготовителем интервал может быть короче.
J.2.6. Кондуктивные электромагнитные помехи, наведенные радиочастотными полями (общий тип)
Помехи наводят на силовые линии с помощью согласующего устройства М1, М2 или М3, что применимо. Если это невозможно, может быть использован электромагнитный зажим.
Конкретное испытательное устройство должно быть приведено в протоколе испытаний.
Испытание проводят в два этапа: этап 1 - ОПИ испытывают на нежелательное срабатывание в полном диапазоне частот; этап 2 - испытание ОПИ на точность срабатывания на дискретных частотах.
Для этапа 1 частота должна быть перестроена в рассматриваемых диапазонах частот от 150 кГц до 80 МГц в соответствии с
разделом 8 ГОСТ Р 51317.4.3. Время задержки несущей амплитудной модуляции на каждой частоте должно быть от 500 до 1000 мс, величина шага не должна превышать 1% основной частоты (т.е. значение частоты каждого последующего шага должно быть меньше или равно значению частоты предыдущего шага, умноженному на коэффициент 1,01). Фактическое время задержки должно быть указано в протоколе испытаний.
На этапе 2 для проверки функциональных характеристик испытание необходимо выполнять на каждой из следующих частот: 0,150; 0,300; 0,450; 0,600; 0,900; 1,20; 1,80; 2,40; 3,60; 4,80; 7,20; 9,60; 12,0; 19,2; 27,0; 49,4; 72,0 и 80,0 МГц; срабатывание проверяют после стабилизации уровня помех напряжения на каждой частоте.
J.3.1. Общие положения
По
7.3.3.2 ГОСТ Р 50030.1 со следующими дополнениями:
Испытания на помехоэмиссию выполняют по таблице J.3.
Информация по применению рисунков для испытаний на помехоэмиссию приведена в
таблице J.4.
Таблица J.3
Испытания на помехоэмиссию
Помехи | Стандарты | Пределы | Установка |
Гармоники | | | |
Колебания напряжения | | | |
Кондуктивные радиочастотные помехи 150 кГц - 30 МГц <5)> | | Класс A или класс B, группа 1 <2)>, <5)> | |
Излученные радиочастотные помехи 30 - 1000 МГц <1)> | Класс A или класс B, группа 1 <2)> | |
<1)> Только для ОПИ, содержащих процессорные устройства (например, микропроцессоры) или отключаемые источники питания для частот св. 9 кГц. |
<2)> Оборудование класса A по ГОСТ Р 51318.11 и ГОСТ Р 51318.22 соответствует оборудованию для внешней среды A по ГОСТ Р 50030.1. Оборудование для внешней среды A может вызывать электромагнитные помехи при установке во внешней среде B. Изготовитель такого оборудования в своей документации должен предупреждать о риске электромагнитных помех. Оборудование класса B по ГОСТ Р 51318.11 и ГОСТ Р 51318.22 соответствует оборудованию для внешней среды В по ГОСТ Р 50030.1. Оборудование для внешней среды В не может вызывать электромагнитные помехи при установке во внешней среде A. |
<3)> Испытания не требуется, поскольку электронные цепи управления работают на очень низких токах и не создают ощутимых помех. |
<4)> Если ОПИ не предназначено для применения в индивидуальной оболочке, его испытывают в этой оболочке. Описание оболочки, включая размеры, должно быть приведено в протоколе испытаний. |
<5)> Выключатели, соответствующие Приложению F, не зависимы от напряжения сети или любого другого вспомогательного источника питания. Электронные цепи не имеют прямого соединения с источником питания, они работают на очень малых токах. Такие выключатели не создают значительных помех, и поэтому проведения испытания не требуется. |
Таблица J.4
Ссылочная информация для испытаний на помехоэмиссию
Испытание | ОПИ | Пункт | Испытательное устройство (рисунки) | Схемы цепей (рисунки) |
Устойчивость к кондуктивным радиочастотным электромагнитным помехам | АВДТ | | | |
АВ | | Не проводится | Не проводится |
МУДТ | | | |
Другие устройства | | | |
Излученные радиочастотные помехи | АВДТ | | | |
АВ | | | |
МУДТ | | | |
Другие устройства | | | |
<1)> Дополнительного рисунка не требуется. |
J.3.2. Кондуктивные радиочастотные помехи (150 кГц - 30 МГц)
Конкретное испытательное устройство, в т.ч. тип кабеля, должно быть приведено в протоколе испытаний.
J.3.3. Излученные радиочастотные помехи (30 - 1000 МГц)
Конкретное испытательное устройство, включая шины питания, трансформатор и т.д., должно быть приведено в протоколе испытаний.
Размеры D должны быть по возможности минимальными.
Размер E должен быть минимальным с учетом указаний изготовителя по монтажу.
1 - заземляющая опора; 2 - изолирующая опора;
3 - изолирующая опора; 4 - высокочастотное соединение;
5 - отверстия для ввода кабелей/шин
Примечание. Для выдвижного исполнения испытательное устройство ОПИ содержит выдвижную раму.
Рисунок J.1. Металлическая оболочка для установки ОПИ
--------------------------------
1 - заземляющая опора; 2 - мачта антенны;
3 - принимающая антенна; 4 - гибкие соединения; 5 - ОПИ;
6 - изолирующая опора; 7 - поворотная панель
Рисунок J.2. Испытательное устройство для измерения
излученных радиочастотных помех
1 - заземляющая опора; 2 - изолирующая опора;
3 - испытательный генератор; 4 - разряды при непрямом
воздействии, прикладываемые к оболочке; 5 - разряды
при прямом воздействии, прикладываемые к проводящим
доступным частям; 6 - разряды, прикладываемые по воздуху
к непроводящим доступным частям; 7 - металлическая оболочка
Рисунок J.3. Испытательное устройство для проверки
устойчивости к электростатическим разрядам
--------------------------------
1 - радиопоглощающий материал для пола; 2 - ОПИ;
3 - изоляционный материал
Рисунок J.4. Испытательное устройство для проверки
устойчивости к излученным радиочастотным
электромагнитным полям
1 - заземляющая опора; 2 - изолирующая опора;
3 - высокочастотное соединение; 4 - ОПИ; 5 - металлическая
оболочка; 6 - опора для испытательной металлической
оболочки (см.
рисунок J.1); 7 - питающий кабель, полная
длина от 0,9 до 1,0 м; 8 - импульсный генератор
Рисунок J.5. Испытательное устройство для проверки
устойчивости к наносекундным импульсным помехам
в силовых линиях
Размеры А -

м
1 - заземляющая опора; 2 - соединительный вывод;
3 - изолирующая опора; 4 - высокочастотное соединение;
5 - ОПИ; 6 - питающий кабель, полная длина
от 0,9 до 1,0 м; 7 - вспомогательное оборудование
Рисунок J.6. Испытательное устройство для проверки
устойчивости к наносекундным импульсным помехам
в сигнальных линиях
(справочное)
СЛОВАРЬ СИМВОЛОВ, ОТНОСЯЩИХСЯ К ИЗДЕЛИЯМ,
НА КОТОРЫЕ РАСПРОСТРАНЯЕТСЯ ДЕЙСТВИЕ НАСТОЯЩЕГО СТАНДАРТА
Таблица K.1
Перечень характеристик | Символ | Пункт/приложение |
Автоматический выключатель, замкнутое положение | | | |
Автоматический выключатель, разомкнутое положение | О | |
Пригодность для разъединения | | |
Вывод нейтрального полюса | N | |
Вывод защитного заземления | | |
Номинальное напряжение цепи управления | | |
Номинальный ток | | |
Номинальное импульсное выдерживаемое напряжение | | |
Номинальное напряжение изоляции | | |
Номинальное рабочее напряжение | | |
Номинальная рабочая наибольшая отключающая способность | | |
Номинальная наибольшая включающая способность | | |
Номинальный кратковременно выдерживаемый ток | | |
Номинальная предельная наибольшая отключающая способность | | |
Предельный ток селективности | | |
Ток координации | | |
Условный тепловой ток в оболочке | | |
Условный тепловой ток на открытом воздухе | | |
АВДТ типа АС | | |
АВДТ типа А | | |
Уставка по току регулируемого расцепителя перегрузки | | |
Соответствующее время расцепления | | |
Уставка по току замыкания на землю | | |
Соответствующее время расцепления | | |
Наибольшая отключающая способность отдельного полюса (для фазозаземленных систем) | | |
Ток короткого замыкания отдельного полюса (для систем IT) | | |
Ток уставки расцепителя мгновенного действия | | |
Максимальное соответствующее время расцепления | | |
Непригодность для использования в системах IT | | |
Номинальная наибольшая дифференциальная включающая и отключающая способность | | |
Номинальный неотключающий дифференциальный ток | | |
Номинальный отключающий дифференциальный ток | | |
Рабочий дифференциальный ток | | |
Ток уставки расцепителя с кратковременной выдержкой времени | | |
Соответствующее время расцепления | | |
Пригодность для фазозаземленных систем | C | |
Предельное время несрабатывания при  | | |
| | ИС МЕГАНОРМ: примечание. В тексте документа, видимо, допущена опечатка: пункт B.5.1 в тексте документа отсутствует. | |
|
Выдержка времени АВДТ с предельным временем несрабатывания 0,06 с | | B.5.1 |
АВДТ только для трехфазного питания | | |
<*> Данные термины не используют в настоящем стандарте. Их разъяснение приведено на рисунке K.1. |

A - характеристика до

; B - характеристика

;
RC - дифференциальный ток; GF - замыкание на землю;
LT - длительное время; ST - кратковременно;
INST - мгновенно
Рисунок K.1. Соответствие символов характеристикам
расцепления
(обязательное)
ВЫКЛЮЧАТЕЛИ, НЕ ОТВЕЧАЮЩИЕ ТРЕБОВАНИЯМ, ПРЕДЪЯВЛЯЕМЫМ
К ЗАЩИТЕ ОТ СВЕРХТОКОВ
L.1. Область применения
Настоящее приложение распространяется на выключатели, не отвечающие требованиям к защите от сверхтоков, сформулированным в основной части настоящего стандарта (далее - АВР). АВР способны к расцеплению с помощью вспомогательного устройства, например независимого расцепителя или минимального расцепителя напряжения. Они не обеспечивают защиту цепей, однако в условиях короткого замыкания могут обеспечить собственную защиту. Они обладают номинальной наибольшей отключающей способностью и могут быть пригодны для разъединения. Они могут включать дополнительные установочные узлы, например вспомогательные контакты и контакты сигнализации для цепей управления и/или дистанционные операторы.
АВР входят в состав серии автоматических выключателей, происходя от прототипа (L.2.1), лишенного максимального расцепителя тока (класс Y) или только расцепителя тока перегрузки (класс X) (см.
L.3).
L.2. Термины и определения
В дополнение к определениям
раздела 2 применяют следующие термины с соответствующими определениями:
L.2.1. Прототип (equivalent circuit-breaker): автоматический выключатель, от которого произошел АВР одного типоразмера с АВР, испытанный на соответствие требованиям настоящего стандарта.
L.2.2. Устройство для защиты от сверхтока (УЗСТ) (overcurrent protective device (OCPD)): устройство, предназначенное для защиты АВР от сверхтоков путем их прерывания и включающее защиту от токов перегрузки, не менее эффективную чем защита прототипа, а также

(для автоматических выключателей) и отключающую способность (для плавких предохранителей), равноценные или превосходящие прототип.
Примечание. УЗСТ может быть прототипом.
АВР классифицируют на:
- класс X: со встроенным нерегулируемым мгновенным расцепителем короткого замыкания для собственной защиты;
- класс Y: без встроенного расцепителя короткого замыкания.
L.4. Номинальные значения
L.4.1. Номинальный ток

Номинальный ток АВР не должен превышать номинальный ток прототипа.
Примечание. Номинальный ток АВР может быть соотнесен с номинальным током по категории применения АС-22 (см.
Приложение A ГОСТ Р 50030.1).
L.4.2. Номинальный условный ток короткого замыкания

АВР может иметь значение

, равное или превышающее значение

прототипа.
L.5. Информация об изделии
АВР должен иметь маркировку согласно
5.2 по соответствию, кроме того, что символ пригодности к разъединению по
перечислению a) 5.2 при наличии функции должен быть заменен символом

.
Кроме того, по
перечислению a) 5.2 согласно классификации вместе с символом должно быть маркировано:
или
что применимо, где

- уставка номинального мгновенного тока короткого замыкания (см.
2.20).
- номинальный условный ток короткого замыкания

;
- УЗСТ, если предусмотрено.
В инструкциях изготовителя необходимо обратить внимание пользователя на то, что АВР не обеспечивает защиту от сверхтоков.
L.6. Требования к конструкции и работоспособности
АВР, происходящий от прототипа (см.
L.2.1), соответствует всем применяемым требованиям к конструкции и работоспособности по
разделу 7, за исключением
7.2.1.2.4.
| | ИС МЕГАНОРМ: примечание. ГОСТ Р 50030.3-99 утратил силу с 1 января 2013 года в связи с введением в действие ГОСТ Р 50030.3-2012 (Приказ Росстандарта от 13.12.2011 N 298-ст). | |
Примечание. АВР может дополнительно соответствовать ГОСТ Р 50030.3 с нанесением соответствующей маркировки.
L.7. Испытания
L.7.1. Общие положения
УЗСТ указано.
Случай 1:

прототипа.
Дополнительных испытаний не требуется.
Примечание. Указанное УЗСТ может быть:
- прототипом (см.
L.2.1);
- другим автоматическим выключателем (см.
L.2.2);
- плавким предохранителем с условным током срабатывания, меньшим или равным условному току расцепления прототипа, и отключающей способностью, большей или равной

АВР.
Случай 2:

прототипа.
Такое применимо, если:
- указанным УЗСТ является автоматический выключатель одного типоразмера с прототипом и с

АВР или
- указанное УЗСТ является плавким предохранителем с условным током срабатывания, меньшим или равным условному току расцепления прототипа, и отключающей способностью, большей или равной

АВР.
Испытаний не требуется при соблюдении одного из двух следующих условий:
1)

прототипа;
2)

меньше или равно максимальной уставке номинального мгновенного тока короткого замыкания прототипа.
Если ни одно из вышеуказанных условий не выполнимо, тогда требуются испытания:
Случай 1:
УЗСТ указано изготовителем.
Испытания проводят по L.7.2.1 и
L.7.2.2.
Случай 2:
УЗСТ не указано.
Испытания проводят по L.7.2.1 и
L.7.2.3.
L.7.2. Испытания с номинальным условным током короткого замыкания
Данные испытания проводят по
L.7.1.1, случай 2, или
L.7.1.2, случай 1 или 2, что применимо.
L.7.2.1.1. Условия испытаний
По
8.3.2.6. Схема испытательной цепи должна соответствовать
рисунку A.6, УЗКЗ заменено УЗСТ. Если УЗСТ - автоматический выключатель с регулируемыми уставками по сверхтоку, он должен быть установлен на максимальную уставку.
Если УЗСТ состоит из комплекта плавких предохранителей, каждое испытание следует проводить на новом комплекте.
По возможности должны быть включены соединительные кабели, как указано в
8.3.2.6.4, с той разницей, что если УЗСТ является выключатель, то полная длина кабеля (0,75 м), подсоединяемого к выключателю, может быть со стороны источника питания (см.
рисунок A.6).
L.7.2.1.2. Поведение при испытаниях
По 8.3.2.6.5.
Испытания проводят по L.7.2.2.1, L.7.2.2.2 и
L.7.2.2.3.
L.7.2.2.1. Цикл испытаний
Испытания выполняют в такой последовательности:
Проверка

(L.7.2.2.2), проверка электрической прочности изоляции (L.7.2.2.3).
L.7.2.2.2. Проверка

Испытание проводят с ожидаемым током, равным

АВР.
Каждое испытание должно состоять из цикла операций O-t-CO, проводимых согласно
8.3.5.2, причем операцию CO выполняют замыканием АВР.
После каждой операции АВР необходимо замкнуть и разомкнуть вручную трижды.
L.7.2.2.3. Проверка электрической прочности изоляции
После испытания по L.7.2.2.2 следует проверить электрическую прочность изоляции по
8.3.5.3.
L.7.2.3. УЗСТ не указано.
Испытания проводят по L.7.2.3.1, L.7.2.3.2 и
L.7.2.3.3.
L.7.2.3.1. Цикл испытаний
Испытания выполняют в такой последовательности:
Проверка

(L.7.2.3.2), проверка электрической прочности изоляции (L.7.2.3.3).
L.7.2.3.2. Проверка

Испытание проводят с ожидаемым током, равным

АВР.
Каждое испытание состоит из цикла операций O-t-CO, проводимых согласно
8.3.5.2, причем операцию CO выполняют замыканием АВР.
Во время испытания ток необходимо подавать в течение трех циклов и затем отключаться от источника.
После каждой операции АВР должен быть замкнут и разомкнут вручную трижды.
L.7.2.3.3. Проверка электрической прочности изоляции
После испытания по L.7.2.3.2 следует проверить электрическую прочность изоляции по
8.3.5.3.
(обязательное)
МОДУЛЬНЫЕ УСТРОЙСТВА ДИФФЕРЕНЦИАЛЬНОГО ТОКА
(БЕЗ ВСТРОЕННОГО УСТРОЙСТВА ОТКЛЮЧЕНИЯ ТОКА)
Введение
Положения
Приложения B применимы к настоящему
Приложению M с учетом изменений и дополнений, необходимых для распространения его на оборудование, в котором датчик тока и/или процессорное устройство установлено отдельно от устройства отключения тока.
По тексту настоящего приложения сокращение "УДТ", примененное в
Приложении B, заменено на "МУДТ" (см.
M.2.2.1).
При необходимости сделаны ссылки на соответствующий раздел
Приложения B. В других случаях ссылки сделаны на соответствующий пункт основной части настоящего стандарта либо
ГОСТ Р 50030.1.
Настоящее приложение также содержит дополнительные определения и характеристики, не вошедшие в
Приложение B, например "МУДТ типа В" (в контексте дифференциального постоянного тока), с соответствующими требованиями и испытаниями.
Поскольку настоящее приложение рассматривает оборудование, не включающее устройство отключения тока, некоторые условные речевые обороты, применяемые в
Приложении B, соответственно адаптированы к настоящему приложению, например "Положение вкл." заменен на "Состояние готовности", что означает "Готов к работе".
M.1. Область применения и цель
Настоящее приложение распространяется на устройства, управляемые дифференциальным током, которые не содержат устройство отключения тока (далее - модульные устройства дифференциального тока (МУДТ)). Они прежде всего предназначены для применения совместно с автоматическими выключателями, рассматриваемыми в настоящем стандарте.
Примечание. Они также могут быть признаны пригодными для применения совместно с другими устройствами отключения тока.
Они могут быть или не быть функционально зависимыми от источника напряжения.
Целью настоящего приложения является установление специфических требований, которым должны соответствовать МУДТ.
M.2. Термины и определения
В настоящем приложении используют следующие дополнительные термины с соответствующими определениями.
M.2.1. Термины и определения, относящиеся к подводимым к МУДТ величинам
M.2.1.1. Источник напряжения: источник, предназначенный для подвода питающей величины; он может быть:
- напряжением сети;
- любым другим источником напряжения, а не напряжением сети.
M.2.2. Термины и определения, относящиеся к работе и функциям МУДТ
M.2.2.1. Модульное устройство дифференциального тока (МУДТ): устройство или группа устройств, содержащих датчики тока и процессорное устройство, сконструированные для обнаружения и оценки дифференциального тока, а также управления размыканием контактов устройства отключения тока.
M.2.2.2. Время срабатывания
M.2.2.2.1. Время срабатывания МУДТ: промежуток времени между моментом внезапного возникновения отключающего дифференциального тока и моментом изменения состояния МУДТ на выходе.
M.2.2.2.2. Полное время срабатывания МУДТ и объединенного устройства отключения тока (время комбинации): промежуток времени между моментом внезапного возникновения отключающего дифференциального тока и моментом погасания дуги в согласованном устройстве отключения тока.
M.2.2.2.3. Предельное время несрабатывания: максимальный промежуток времени, в течение которого через МУДТ может быть пропущен дифференциальный ток, значение которого больше значения номинального неотключающего дифференциального тока, не вызывая его фактического срабатывания.
M.2.3. Условный дифференциальный ток короткого замыкания: в определении
2.5.29 ГОСТ Р 50030.1 ожидаемый ток - это дифференциальный ток.
M.2.4. Дифференциальный кратковременно допустимый ток: в определении
2.5.27 ГОСТ Р 50030.1 кратковременно допустимый ток - это дифференциальный ток.
M.3. Классификация
M.3.1. Классификация по конфигурации первичных проводников
M.3.1.1. МУДТ выводного типа: МУДТ с входящими и выходящими выводами и встроенными первичными проводниками.
M.3.1.2. МУДТ типа сквозного проводника:
M.3.1.2.1. комбинированное МУДТ с датчиками и процессорным устройством.
M.3.1.2.2. МУДТ с датчиками и отдельным процессорным устройством.
M.3.2. Классификация по способу срабатывания
M.3.2.1. МУДТ без источника напряжения (см.
M.2.1.1).
M.3.2.2. МУДТ с источником напряжения:
M.3.2.2.1. с автоматическим отключением при повреждении источника напряжения;
M.3.2.2.2. без автоматического отключения при повреждении источника напряжения, но с сохранением способности срабатывания согласно назначению при дифференциальном токе.
M.3.3. Классификация по возможности регулирования дифференциального отключающего тока
M.3.4. Классификация по выдержке времени функции дифференциального тока
M.3.5. Классификация по поведению при наличии непериодической составляющей:
M.4. Характеристики МУДТ
M.4.1. Общие характеристики
M.4.1.1. Характеристики цепи управляющего устройства
M.4.1.1.1. Диапазон номинальных частот
Диапазон значений частоты цепи управляющего устройства, для которого предназначено МУДТ и в пределах которого оно корректно срабатывает в заданных условиях.
M.4.1.1.2. Номинальное напряжение

Значение напряжения, предписанное для МУДТ изготовителем.
M.4.1.1.3. Номинальный ток

M.4.1.1.3.1. МУДТ выводного типа
M.4.1.1.3.2. МУДТ типа сквозного проводника
Значение тока, предписанное для МУДТ изготовителем и маркированное в соответствии с
перечислением g) таблицы M.1, которым МУДТ может управлять в непрерывном режиме в заданных условиях (см.
M.8.6).
M.4.1.1.4. Номинальное напряжение изоляции

Напряжение, указанное изготовителем, которым определяются условия испытаний на электрическую прочность изоляции и расстояния утечки МУДТ по отношению к цепи управления.
M.4.1.1.5. Номинальное импульсное выдерживаемое напряжение

Пиковое значение импульсного напряжения, которое МУДТ может выдерживать без повреждений и по которому определяют значения воздушных зазоров по отношению к цепи управляющего устройства.
M.4.1.2. Характеристики источника напряжения МУДТ
M.4.1.2.1. Номинальные значения напряжения источника МУДТ

Значения напряжения источника, по которому определяют рабочие функции МУДТ.
M.4.1.2.2. Номинальные значения частот напряжения источника МУДТ
Значения частот напряжения источника, по которым определяют функции МУДТ.
M.4.1.2.3. Номинальное напряжение изоляции

M.4.1.2.4. Номинальное импульсное выдерживаемое напряжение

Примечание. В случае специального силового источника требования предъявляют к подводящим соединениям.
M.4.1.3. Характеристики вспомогательных контактов
M.4.2. Характеристики МУДТ, относящиеся к их функции дифференциального тока
В пункте
B.4.2.4 "время неотключения" заменить на "время несрабатывания" и внести следующие дополнения:
Максимальные значения времени срабатывания МУДТ должны быть указаны изготовителем для значений дифференциального тока, равных

,

,

(или 0,25 А для

мА),

(или 0,5 А для

мА).
Максимальное время комбинации должно соответствовать
таблице B.1 МУДТ типа без выдержки времени и
таблице B.2 для МУДТ типа с выдержкой времени с предельным временем несрабатывания 0,06 с.
МУДТ с

мА должны быть типа без выдержки времени. Их следует применять только со специальным устройством отключения тока.
M.4.2.2. Рабочая характеристика в случае дифференциального тока с непериодической составляющей
МУДТ, срабатывание которого гарантировано для:
- дифференциальных синусоидальных переменных токов;
- дифференциальных пульсирующих постоянных токов;
- дифференциальных пульсирующих постоянных токов с наложением сглаженного дифференциального постоянного тока 6 мА;
- дифференциальных токов, возникающих из цепей выпрямления, например:
- при однофазном соединении с емкостной нагрузкой, вызывающем сглаженный постоянный ток;
- при двухимпульсном мостовом межфазном соединении;
- при трехимпульсном соединении звездой или шестиимпульсном мостовом соединении - с фазным угловым контролем или без него, независимо от полярности, возникающими внезапно или постепенно возрастающими.
M.4.3. Поведение в условиях короткого замыкания
M.4.3.1. Номинальный условный ток короткого замыкания

M.4.3.2. Номинальный условный дифференциальный ток короткого замыкания

M.4.3.3. Номинальный кратковременно допустимый ток

M.4.3.4. Пиковый допустимый ток
По
2.5.28 ГОСТ Р 50030.1 применительно к главной цепи МУДТ.
M.4.3.5. Номинальный дифференциальный кратковременно допустимый ток

Номинальный дифференциальный кратковременно допустимый ток устройства - значение дифференциального кратковременно допустимого тока, указанного изготовителем, который устройство может проводить без повреждения в условиях испытаний, предписанных настоящим стандартом.
M.4.4. Предпочтительные и предельные значения
M.4.4.1. Предпочтительные значения номинального дифференциального отключающего тока

M.4.4.2. Минимальное значение номинального дифференциального неотключающего тока

M.4.4.3. Предельное значение сверхтока несрабатывания в случае однофазной нагрузки в многофазной цепи
M.4.4.4. Предпочтительные значения номинального напряжения источника питания МУДТ
M.5. Информация об изделии
МУДТ, процессорное устройство или датчик при наличии должны быть снабжены информацией, приведенной в
таблице M.1. Любая маркировка должна быть прочной. Маркировку наносят непосредственно на МУДТ или на одну или несколько маркировочных табличек. Изготовитель должен указать:
- для автономного датчика - его описание, в т.ч. условия присоединения к процессорному устройству (тип кабеля, его длина и т.д.);
- для МУДТ сквозного проводникового типа - размеры отверстий проводников и положение сквозных проводников относительно датчиков;
- для МУДТ выводного типа - площади поперечного сечения присоединяемых проводников;
- для всех типов - расстояния до близлежащих проводников; условия, соблюдаемые при соединении процессорного устройства и устройства отключения тока; тип УЗКЗ, объединяемого с МУДТ для получения номинального условного (дифференциального или нет) тока короткого замыкания;
- для типа без выдержки времени - устройства отключения тока, объединенные с МУДТ, отвечающие требованию соответствия максимальному времени комбинации по
таблице B.1;
- для типа с выдержкой времени с предельным временем несрабатывания 0,06 с - устройства отключения тока, объединяемые с МУДТ, отвечающие требованию соответствия максимальному времени комбинации по
таблице B.2.
Таблица M.1
Информация | Символ | | Единое устройство | Отдельное устройство |
Датчик | Процессор |
a) наименование изготовителя или товарный знак | | Маркировка | | | |
b) обозначение типа или серийный номер | | Маркировка | | | |
c) ГОСТ Р 50030.2 | | Маркировка | | | |
d) номинальное напряжение источника | | Маркировка | | | |
e) номинальное напряжение цепи контроля | | Маркировка | | | |
f) номинальная частота источника напряжения | | Документация | | | |
g) номинальная частота цепи контроля | | Документация | | | |
h) максимальный номинальный ток цепи контроля | | Видимая | | | |
i) номинальный дифференциальный отключающий ток (значение или диапазон) | | Видимая | | | |
j) номинальный дифференциальный неотключающий ток (если иной, чем  ) | | Документация | | | |
k) наименьшая уставка дифференциального тока при  для МУДТ с отдельными датчиками | | Документация | | | |
l) номинальный условный ток короткого замыкания и/или | | Документация | | | |
номинальный кратковременно допустимый ток, и | | | | |
номинальный условный дифференциальный ток короткого замыкания | | | | |
m)  источника напряжения | | Документация | | | |
n)  цепи контроля | | Маркировка | | | |
| IP... | Документация | | | |
p) положение при эксплуатации и меры предосторожности при монтаже | | Документация | | | |
q) выходные характеристики и/или специальные устройства отключения тока | | Документация | | | |
r) рабочие характеристики в случае дифференциальных токов с/без непериодической составляющей тока | | Видимая | | | |
s) предельное время несрабатывания (значение или диапазон) при  для типа с уставкой по времени (если применимо) |  или  | Видимая | | | |
t) устройство эксплуатационного контроля | T | Видимая | | | |
u) схема соединений | | Документация | | | |
а) Информация/маркировка. |
Видимая - маркируется на устройстве и видима после установки. Документация - приведена в каталогах или инструкциях изготовителя. Маркировка - наносится на устройство, но необязательно видима после установки. |
Необходима, если только дифференциальный ток маркирован в %  . |
M.6. Условия нормальной эксплуатации, монтажа и транспортирования
M.7. Требования к конструкции и работоспособности
M.7.1. Требования к конструкции
Должно быть невозможно изменение рабочих характеристик МУДТ, кроме как посредством специально предусмотренной уставки номинального дифференциального отключающего тока либо независимой выдержки времени.
Примечание. МУДТ может быть снабжено устройством указания выходного состояния.
M.7.2. Требования к работоспособности
M.7.2.1. Действие в случае дифференциального тока
Соответствие проверяют испытанием по
M.8.3.
M.7.2.2. Действие в условиях короткого замыкания
МУДТ должны иметь установленный номинальный условный ток короткого замыкания

или номинальный кратковременно допустимый ток

, но могут иметь обе характеристики. Они также должны иметь номинальный условный дифференциальный ток короткого замыкания

или номинальный дифференциальный кратковременно допустимый ток

, но могут иметь обе характеристики.
МУДТ должны отвечать требованиям соответствующих испытаний по
M.8.14.
M.7.2.3. Механическая и коммутационная износостойкость
МУДТ должны соответствовать испытаниям по
M.8.11.
M.7.2.4. Воздействующие факторы внешней среды
МУДТ должны соответствовать испытанию по
M.8.15.
M.7.2.5. Электроизоляционные свойства
МУДТ должны быть способны выдерживать импульсное напряжение, указанное изготовителем согласно
7.2.3 ГОСТ Р 50030.1.
МУДТ должны соответствовать испытанию по
M.8.4.
Воздушные зазоры от частей цепи контроля, находящихся под напряжением, до:
- частей МУДТ, находящихся под напряжением;
- частей, предназначенных быть заземленными;
- воздушных зазоров между путями тока для МУДТ выводного типа - должны выдерживать испытательное напряжение по
таблице 12 ГОСТ Р 50030.1 в зависимости от номинального импульсного выдерживаемого напряжения.
M.7.2.6. Устройство эксплуатационного контроля
МУДТ должно быть снабжено устройством эксплуатационного контроля для имитации прохождения дифференциального тока через датчик, позволяющим проводить периодический контроль способности МУДТ к срабатыванию.
Устройство эксплуатационного контроля должно отвечать требованиям к испытанию по
M.8.5.
Защитный проводник при его наличии не должен оказаться под напряжением при работе устройства эксплуатационного контроля.
Орган управления устройства эксплуатационного контроля должен быть обозначен символом "Т", он не должен быть красного или зеленого цвета; рекомендуется использовать светлый цвет.
Примечание. Устройство эксплуатационного контроля предназначено исключительно для проверки функции расцепления, а вовсе не значения номинального дифференциального отключающего тока и не времени отключения, при которых эта функция осуществляется.
M.7.2.7. Значение сверхтока несрабатывания в случае однофазной нагрузки
МУДТ должны выдерживать испытание по
M.8.6.
M.7.2.8. Устойчивость МУДТ к нежелательному срабатыванию от импульсных токов в результате импульсных напряжений
МУДТ должны выдерживать испытание по
M.8.7.
M.7.2.9. Поведение МУДТ типов A и B в случае тока замыкания на землю с непериодической составляющей
МУДТ типов A и B должны выдерживать испытание по
M.8.8 в зависимости от применения.
M.7.2.10. Требования к МУДТ, функционально зависящим от источника напряжения
МУДТ, функционально зависящие от источника напряжения, должны четко срабатывать при любом значении напряжения от 0,85 до 1,1 номинального значения

(см.
M.2.1.1 и
M.4.1.2.1).
Согласно своей классификации МУДТ, функционально зависящие от источника напряжения, должны соответствовать требованиям таблицы M.2.
M.7.2.11. Превышение температуры частей МУДТ выводного типа
M.7.2.11.1. Общие положения
Превышение температуры частей МУДТ выводного типа не должно выходить за пределы значений, указанных в
7.2.2 ГОСТ Р 50030.1.
Таблица M.2
Требования к МУДТ, функционально зависящим
от источника напряжения
| Поведение в случае повреждения источника напряжения |
МУДТ с автоматическим отключением без выдержки при повреждении источника напряжения (M.3.2.2.1) | Отключение без выдержки согласно M.8.12 |
МУДТ с автоматическим отключением с выдержкой при повреждении источника напряжения (M.3.2.2.1) | Отключение с выдержкой согласно M.8.12 |
МУДТ без автоматического отключения при повреждении источника напряжения, но с сохранением способности срабатывания согласно назначению при дифференциальном токе (M.3.2.2.2) | |
M.7.2.11.2. Температура окружающего воздуха
Пределы превышения температуры, приведенные в
таблицах 2 и
3 ГОСТ Р 50030.1, действительны, если только температура окружающего воздуха не выходит за пределы, указанные в
M.6.
M.7.2.11.3. Главная цепь МУДТ выводного типа
Главная цепь МУДТ, к которой подсоединена цепь контроля, должна выдерживать номинальный ток, указанный в
M.4.1.2.3, без превышения пределов температуры согласно
таблицам 2 и
3 ГОСТ Р 50030.1.
M.7.2.12. Электромагнитная совместимость
Требования
Приложения J распространяются на датчик и процессорное устройство МУДТ, подключенные в соответствии с инструкциями изготовителя.
Испытания проводят согласно
M.8.16.
Устойчивость к колебаниям напряжения охватывают требования по
M.7.2.10.
M.7.2.13. Поведение МУДТ в случае повреждения соединения датчика
Если происходит отсоединение автономных датчиков МУДТ, то:
- МУДТ должно сработать, или
- МУДТ должно подать сигнал, указывающий на такое отсоединение, или
- должна существовать возможность проверки отсоединения с помощью устройства эксплуатационного контроля.
Соответствие проверяют испытаниями по
M.8.9.
M.7.12.14. Поведение МУДТ при номинальной частоте
МУДТ должно четко срабатывать в пределах заданного диапазона номинальных частот.
M.8. Испытания
M.8.1. Общие положения
Испытания, приведенные в настоящем приложении, являются:
- типовыми (см. M.8.1.1);
M.8.1.1. Типовые испытания
Типовые испытания сгруппированы в циклы испытаний, приведенные в
таблице M.3.
В каждом из циклов испытаний M I, M II и M III необходимо испытывать по одному образцу.
В цикле испытаний M IV для каждого испытания может быть использован новый образец или для нескольких испытаний может быть использован один и тот же образец, по усмотрению изготовителя.
Если не указано иное, каждое типовое испытание (или цикл испытаний) следует проводить на новом и чистом образце МУДТ с обычными контрольными значениями влияющих величин.
Если не указано иное, МУДТ должно быть установлено отдельно по инструкции изготовителя на открытом воздухе. Монтаж и соединения выполняют по инструкциям изготовителя.
Таблица M.3
Циклы | Испытания и проверки | Пункты |
M I | Рабочие характеристики | |
| Электроизоляционные свойства | |
| Действие устройства эксплуатационного контроля на предельных номинальных напряжениях | |
| Предельное значение тока несрабатывания в условиях сверхтока | |
| Устойчивость к нежелательному срабатыванию вследствие импульсных токов в результате импульсных напряжений | |
| Поведение в случае тока замыкания на землю с непериодической составляющей | |
| Поведение в случае повреждения соединения датчика | |
| Превышение температуры | |
| Механическая и коммутационная износостойкость | |
| Поведение в случае повреждения источника напряжения для МУДТ, классифицируемых по M.3.2.2.1 | |
| Поведение в случае повреждения источника напряжения для МУДТ, классифицируемых по M.3.2.2.2 | |
M II | Поведение МУДТ в условиях короткого замыкания | |
M III | Воздействующие факторы внешней среды | |
M IV | Электромагнитная совместимость | |
M.8.1.2. Приемо-сдаточные испытания
M.8.2. Соответствие требованиям к конструкции
По
8.2 ГОСТ Р 50030.1, за исключением того, насколько применим
7.1.
Цикл испытаний M I
M.8.3. Проверка рабочих характеристик
МУДТ должно быть установлено, смонтировано и подключено согласно инструкции изготовителя. Если не указано иное, его подсоединяют к испытательному оборудованию по указанию изготовителя, представляющему нормальные условия эксплуатации для выходной цепи (например, присоединяют к автоматическому выключателю) для проверки изменения выходного состояния и времени комбинации (см.
M.2.2.2.2).
M.8.3.2. Условия испытаний для МУДТ без источника напряжения
M.8.3.3. Условия испытаний для МУДТ с источником напряжения
Испытания проводят при следующих значениях:
- 0,85 минимального номинального значения напряжения источника для испытаний по M.8.3.4 и
M.8.3.5.2;
- 1,1 максимального номинального значения напряжения источника для испытаний по
M.8.3.5.3.
МУДТ для диапазона номинальных частот необходимо испытывать при наибольшей и наименьшей частотах. Однако для МУДТ на 50 и 60 Гц достаточно испытания на одной из частот.
M.8.3.4. Испытания без нагрузки при (20 +/- 5) °C
M.8.3.4.1. Общие положения
Со всеми соединениями, показанными на
рисунках M.1,
M.2 или
M.3, МУДТ должно соответствовать требованиям испытаний по
M.8.3.4.2 -
M.8.3.4.4, так же, как и испытаний по
M.8.3.4.5, если применимо; все эти испытания проводят на одном токовом пути. Каждая проверка должна содержать три измерения в зависимости от применения.
Если не указано иное, то:
- для МУДТ с уставкой дифференциального отключающего тока с плавным регулированием или с дискретным регулированием испытания проводят при наибольшей и наименьшей уставках, так же, как при промежуточной уставке;
- для МУДТ с регулируемой уставкой по времени уставку по времени регулируют на минимальное значение.
M.8.3.4.2. Проверка срабатывания в случае равномерного возрастания дифференциального тока
(рисунок M.1)
Испытательные выключатели

,

и

, если применяются, находятся в замкнутом положении, МУДТ - в состоянии готовности к срабатыванию, дифференциальный ток равномерно возрастает в течение приблизительно 30 с от значения не более чем

до

. Производят три измерения тока, вызвавшего изменение выходного состояния. Три измеренных значения должны находиться между

и

.
M.8.3.4.3. Проверка срабатывания в случае замыкания на дифференциальный ток
(рисунок M.2)
МУДТ соединяют с отключающим устройством, указанным изготовителем, и включают в цепь контроля. Характеристики отключающего устройства должны быть приведены в протоколе испытаний.
Испытательную цепь калибруют на номинальное значение дифференциального отключающего тока

(или на каждую уставку дифференциального отключающего тока при наличии); испытательный выключатель

и отключающее устройство - в замкнутом положении, выключатели

и

(при наличии) одновременно замыкают. Время комбинации измеряют три раза.
Ни одно из измерений не должно превысить предельного значения, указанного для

в
M.4.2.
M.8.3.4.4. Проверка срабатывания в случае неожиданного возникновения дифференциального тока (
рисунки M.2 и
M.3)
МУДТ присоединяют к испытательному оборудованию, как указано в
M.8.3.1.
Испытательную цепь калибруют на каждое значение дифференциального отключающего тока

, указанное в
M.4.2; испытательные выключатели

и

(при наличии) и испытательное оборудование - в замкнутом положении, а МУДТ - в состоянии готовности к срабатыванию, дифференциальный ток внезапно устанавливают замыканием испытательного выключателя

.
При каждом значении

проводят три измерения времени срабатывания и времени комбинации (при наличии), в результате чего:
- ни одно из значений времени срабатывания не должно превысить значений, указанных изготовителем;
- ни одно из значений времени комбинации не должно превысить пределов, указанных в
M.4.2.
M.8.3.4.5. Проверка предельного времени несрабатывания МУДТ с выдержкой времени
(рисунок M.3)
МУДТ подсоединяют к испытательному оборудованию, как указано в
M.8.3.1.
Испытательную цепь калибруют на значение

, испытательные выключатели

и

(при наличии) - в замкнутом положении, а МУДТ - в состоянии готовности к срабатыванию, дифференциальный ток устанавливают замыканием испытательного выключателя

в течение времени, равного предельному времени несрабатывания, указанному изготовителем в соответствии с
M.4.2.
Испытание проводят три раза. МУДТ не должно сработать.
Если МУДТ имеет регулируемую уставку по току и/или регулируемую уставку по времени, испытание проводят по применению при наименьшей уставке дифференциального отключающего тока и при максимальной и минимальной уставках по времени.
M.8.3.5. Испытания при предельных температурах
M.8.3.5.1. Общие положения
M.8.3.5.2. Испытание без нагрузки при минус 5 °C
M.8.3.5.3. Испытание под нагрузкой при 40 °C
По достижении установившихся температурных условий МУДТ подвергают испытаниям, описанным в
M.8.3.4.4 и
M.8.3.4.5, в зависимости от применения.
M.8.4. Проверка электроизоляционных свойств
M.8.4.1. Проверка на номинальное импульсное выдерживаемое напряжение
M.8.4.1.1. Общие положения
МУДТ должны соответствовать требованиям по
M.7.2.5. Испытания проводят во всех положениях вспомогательных контактов.
Испытания проводят согласно
8.3.3.4 ГОСТ Р 50030.1 со следующими дополнениями:
M.8.4.1.2. Проверка номинального импульсного выдерживаемого напряжения по отношению к цепи контроля
M.8.4.1.2.1. Испытания МУДТ выводного типа
M.8.4.1.2.2. Испытания МУДТ типа сквозного проводника
Испытание проводят на датчике, через который проходит неизолированная шина, смонтированная по указаниям изготовителя.
Испытательное напряжение по
M.7.2.5 прикладывают в следующем порядке:
a) между всеми проводниками цепи контроля, соединенными вместе, и монтажной опорой (датчики установлены отдельно);
b) между всеми проводниками цепи контроля, соединенными вместе, и оболочкой процессорного устройства или его монтажной опорой (датчики встроены);
c) между каждой вспомогательной цепью и
- цепью контроля;
- оболочкой или монтажной опорой МУДТ.
M.8.4.1.3. Проверка номинального импульсного выдерживаемого напряжения цепи источника напряжения (в зависимости от применения)
Если цепь источника напряжения питается непосредственно от цепи контроля, испытания проводят по
M.8.4.1.2.1.
Если цепь источника напряжения питается непосредственно от цепи контроля, испытательное напряжение в соответствии с
таблицей 12 ГОСТ Р 50030.1 прикладывают в следующем порядке:
a) между всеми входными выводами цепи источника напряжения, соединенными вместе, и оболочкой или монтажной опорой МУДТ;
b) между каждым входным выводом цепи источника напряжения и остальными входными выводами, соединенными вместе и подсоединенными к оболочке или монтажной опоре МУДТ.
M.8.4.2. Способность любых цепей, соединенных с цепью контроля, выдерживать напряжения постоянного тока, возникающие в результате измерений электрической прочности изоляции
Вопрос о необходимости такой проверки МУДТ, которое не может быть отсоединено при эксплуатации, находится в стадии рассмотрения.
M.8.5. Проверка действия устройства эксплуатационного контроля на предельных значениях номинального напряжения
По
B.8.4 с заменой номинального напряжения номинальным напряжением источника. МУДТ испытывают вместе с испытательным оборудованием, указанным в
M.8.3.1.
M.8.6. Проверка предельного значения тока несрабатывания в условиях сверхтока в случае однофазной нагрузки
МУДТ присоединяют в соответствии с
рисунками M.4a),
M.4b) или
M.4c), что применимо, обращая особое внимание на расположение проводников в случае МУДТ типа "сквозной проводник" согласно инструкции изготовителя, при этом выключатель

разомкнут. Выключатель

, где применимо, замыкают и подают напряжение

.
Испытание проводят в соответствии с
B.8.5 при токе

. Для МУДТ с отдельными датчиками испытание следует проводить при наименьшей уставке дифференциального тока, указанной изготовителем.
Изменений состояния МУДТ быть не должно.
M.8.7. Устойчивость к нежелательному срабатыванию вследствие импульсных токов в результате импульсных напряжений
M.8.7.1. Общие положения
Уставка МУДТ с регулируемой уставкой по току должна быть отрегулирована на минимальное значение.
M.8.7.2. Проверка устойчивости к нежелательному срабатыванию в случае нагрузки емкости сети
Изменений состояния МУДТ быть не должно.
M.8.7.3. Проверка устойчивости к нежелательному срабатыванию в случае перекрытия без последующего тока
Изменений состояния МУДТ быть не должно.
M.8.8. Проверка состояния в случае замыкания тока на землю с непериодической составляющей
M.8.8.1. Общие положения
M.8.8.2. МУДТ типа A
M.8.8.2.1. Общие положения
МУДТ типа A должны соответствовать требованиям к испытаниям по M.8.8.2.2 -
M.8.8.2.5.
Для МУДТ, зависящих от напряжения источника, испытания проводят при 1,1 и 0,85 номинального напряжения источника

.
M.8.8.2.2. Проверка срабатывания в случае длительного возрастания дифференциального пульсирующего постоянного тока
Выключатели

и

, а также

, если применим, находятся в замкнутом положении, МУДТ - в состоянии готовности к срабатыванию.
M.8.8.2.3. Проверка срабатывания в случае неожиданного возникновения дифференциального пульсирующего постоянного тока
Испытания по
B.8.7.2.2 со следующими изменениями:
Испытательная цепь должна быть в соответствии с
рисунком M.8 или
M.9, что применимо.
Проверку проводят в два этапа:
- на первом этапе МУДТ подсоединяют к измерительным приборам, показывающим изменение выходного состояния;
- на втором этапе МУДТ подсоединяют к отключающему устройству, указанному изготовителем, и устанавливают в цепи контроля. Характеристики отключающего устройства должны быть отражены в протоколе испытаний.
Выключатели

, а также

, если применим, находятся в замкнутом положении, а МУДТ - в состоянии готовности к срабатыванию, дифференциальный ток быстро устанавливают замыканием выключателя

. Испытание проводят при каждом указанном значении дифференциального тока, при этом:
- на первом этапе ни одно из измеренных значений времени отключения не должно превысить значений, указанных изготовителем для времени срабатывания самого МУДТ;
- на втором этапе ни одно значение времени комбинации, если применимо, не должно превысить предельных значений, указанных в
M.4.2.1.
M.8.8.2.4. Проверка срабатывания под нагрузкой током при контрольной температуре
Повторяют испытания по
M.8.8.2.2, испытуемый токовый путь и другой токовый путь МУДТ нагружают номинальным током, ток подают кратковременно перед испытанием.
Примечание. Нагрузка номинальным током не показана на
рисунке M.7c).
M.8.8.2.5. Проверка срабатывания в случае дифференциального пульсирующего постоянного тока с наложением сглаженного постоянного тока 6 мА
Испытания проводят по
B.8.7.2.4 со следующими изменениями:
M.8.8.3. МУДТ типа B
M.8.8.3.1. Общие положения
Дополнительно к испытаниям по
M.8.3.4 и
M.8.3.5 МУДТ типа B должны выдержать испытания по M.8.8.3.2 -
M.8.8.3.6. Испытания МУДТ, зависящих от напряжения источника, проводят при 1,1 и 0,85 номинального напряжения источника.
M.8.8.3.2. Проверка срабатывания в случае медленно возрастающего дифференциального сглаженного постоянного тока
Испытательная цепь должна соответствовать
рисунку M.11, выключатели

,

и

, если используют, находятся в замкнутом положении. Каждый токовый путь испытывают дважды в положении I и дважды в положении II выключателя

.
Дифференциальный ток, начиная с нуля, должен равномерно возрастать до

в течение 30 с. Срабатывание должно произойти между 0,5 и

.
M.8.8.3.3. Проверка срабатывания в случае неожиданного возникновения дифференциального сглаженного постоянного тока
Проверку проводят в два этапа:
- на первом этапе к МУДТ присоединяют измерительный прибор, регистрирующий состояние на выходе;
- на втором этапе МУДТ подсоединяют к отключающему устройству, указанному изготовителем, и устанавливают в цепи контроля. Характеристики отключающего устройства должны быть отражены в протоколе испытаний.
Цепь последовательно калибруют по значениям, указанным ниже; вспомогательные выключатели

, а также

, если применим, - в замкнутом положении, а МУДТ - в состоянии готовности к срабатыванию; дифференциальный ток мгновенно устанавливается замыканием выключателя

.
Испытание проводят при каждом значении дифференциального тока, указанном в
таблице B.1, умноженном на два.
Для каждого значения проводят два измерения времени отключения: при первом измерении выключатель

- в положении I, при втором измерении - в положении II, при этом:
- на первом этапе ни одно из измеренных значений времени отключения не должно превысить значений, указанных изготовителем для времени срабатывания самого МУДТ;
- на втором этапе ни одно значение времени комбинации, если применимо, не должно превысить предельных значений, указанных в
M.4.2.1.
M.8.8.3.4. Проверка срабатывания в случае медленно возрастающего дифференциального тока, возникшего в результате повреждения в цепи, питаемой посредством однополупериодного или двухполупериодного трехфазного соединения.
Испытательная цепь по
рисунку M.14. Выключатели

,

, а также

, если применим, - в замкнутом положении. Испытание проводят дважды.
Для каждого испытания ток, начиная с нуля, равномерно возрастает до

в течение 30 с. Срабатывание должно произойти между 0,5 и

.
M.8.8.3.5. Проверка срабатывания в случае медленно возрастающего дифференциального тока, возникшего в результате повреждения в цепи, питаемой посредством двухполупериодного межфазного соединения.
Испытательная цепь по
рисунку M.15. Выключатели

,

, а также

, если применим, - в замкнутом положении. Испытание проводят для всех возможных комбинаций пар токовых путей датчиков МУДТ.
В каждом испытании ток, начиная с нуля, равномерно возрастает до

в течение 30 с. Срабатывание должно произойти между 0,5 и

.
Примечания.
1. Для упрощения процедуры испытаний на дифференциальных токах, вызванных повреждением в цепи, питаемой посредством двухполупериодного межфазного соединения или трехфазного однополупериодного или двухполупериодного соединения, проверку выполняют только с медленно возрастающим дифференциальным током и углом фазного контроля

, равным 0°.
2. Для упрощения процедуры испытаний на дифференциальных токах, вызванных повреждением в трехфазной выпрямленной цепи, проверку срабатывания выполняют только для однополупериодного трехфазного соединения.
M.8.8.3.6. Проверка срабатывания с нагрузкой током при контрольной температуре
Повторяют испытания по
M.8.8.3.2,
M.8.8.3.4 и
M.8.8.3.5, испытуемый токовый путь и другой токовый путь МУДТ нагружают номинальным током.
M.8.9. Проверка поведения МУДТ с отдельным датчиком в случае повреждения соединения датчика
M.8.9.1. Общие положения
Испытания МУДТ с диапазоном номинальных напряжений источника проводят для каждого номинального напряжения по M.8.9.2 или
M.8.9.3, что применимо, согласно инструкциям изготовителя.
M.8.9.2. Испытательный метод 1
МУДТ соединяют с внешним датчиком и последовательно нагружают каждым номинальным напряжением, как показано на
рисунке M.16. В датчике не должен протекать ток повреждения, и испытательная цепь не должна быть активирована.
Датчик отсоединяют, и МУДТ должно сработать или подать сигнал об отсоединении.
Интервал времени между отсоединением и изменением состояния на выходе измеряют.
Выполняют три измерения; ни одно из них не должно превышать 5 с.
M.8.9.3 Испытательный метод 2
Испытания следует проводить в таком порядке:
a) Устройство эксплуатационного контроля активировано. МУДТ должно сработать.
b) Датчики отсоединены, устройство эксплуатационного контроля активировано. МУДТ не должно сработать.
M.8.10. Проверка превышения температуры МУДТ выводного типа
M.8.10.1. Общие положения
При отсутствии других указаний МУДТ присоединяют соответствующими проводниками, поперечные сечения которых указаны в
таблицах 9,
10 и
11 ГОСТ Р 50030.1, и закрепляют на фанерной опоре толщиной приблизительно 20 мм, окрашенной в матовый черный цвет.
Испытание проводят в среде, защищенной от аномального нагрева или охлаждения извне.
M.8.10.2. Температура окружающего воздуха
M.8.10.3. Методика испытания
Испытание проводят в соответствии с
8.3.3.3.4 ГОСТ Р 50030.1 при номинальном токе

.
В ходе испытания температура не должна превышать значений, указанных в
таблицах 2 и
3 ГОСТ Р 50030.1.
M.8.11. Проверка механической и коммутационной износостойкости
МУДТ на выходе подвергают механическим и коммутационным испытаниям на износ, включающим:
- 500 оперирований без нагрузки, выполняемых устройством эксплуатационного контроля;
- 500 оперирований без нагрузки при пропускании номинального дифференциального отключающего тока

через один токовый путь;
- 500 оперирований под нагрузкой, выполняемых устройством эксплуатационного контроля;
- 500 оперирований под нагрузкой при пропускании номинального дифференциального отключающего тока

через один токовый путь.
Испытания под нагрузкой проводят в цепи, соответствующей выходным параметрам, указанным изготовителем.
После испытаний МУДТ не должно иметь повреждений, влияющих на его дальнейшую эксплуатацию. На выходе оно должно быть способно в разомкнутом положении выдерживать напряжение, равное двойному значению максимального номинального значения, указанного изготовителем.
Примечание. Проверку не проводят, если МУДТ предназначено для специфических выходных нагрузок и не имеет номинального выходного напряжения.
Для МУДТ, имеющих более одного выходного параметра, проводят два испытания:
- испытание при наибольшем номинальном токе и соответствующем напряжении;
- испытание при наибольшем номинальном напряжении и соответствующем токе.
МУДТ должно быть способно удовлетворительно выдержать испытания, указанные в
B.8.10.3.2.
| | ИС МЕГАНОРМ: примечание. ГОСТ Р 50030.5.1-2005 утратил силу с 1 января 2014 года в связи с введением в действие ГОСТ 30011.5.1-2012 (Приказ Росстандарта от 15.11.2012 N 830-ст). | |
Примечание. Если МУДТ на выходе предназначено для характеристик, соответствующих категории AC15 согласно ГОСТ Р 50030.5.1, испытания по настоящему пункту не проводят.
M.8.12. Проверка поведения МУДТ, классифицируемых по
M.3.2.2.1, в случае повреждения источника напряжения
M.8.12.1. Общие положения
Испытание МУДТ с регулируемой уставкой дифференциального отключающего тока проводят при наименьшей уставке.
Испытание МУДТ с регулируемой уставкой по времени проводят на одной из уставок.
Прикладываемое напряжение является номинальным напряжением источника

.
Испытания МУДТ с диапазоном номинальных напряжений источника проводят при максимальном и минимальном значениях диапазона.
M.8.12.2. Определение предельного значения напряжения источника
Испытания проводят в соответствии с
B.8.8.1, заменяя слова "напряжение сети" на "напряжение источника" и "выводы сети" на "выводы источника напряжения".
M.8.12.3. Проверка автоматического отключения в случае повреждения источника напряжения
Испытания проводят в соответствии с
B.8.8.2, заменяя слова "напряжение сети" на "напряжение источника" и "выводы сети" на "выводы источника напряжения", но в данном случае следует измерить время между отключением и изменением состояния на выходе.
Проводят три измерения:
- для МУДТ мгновенного действия значение не должно превышать 1 с;
- для МУДТ с выдержкой времени значение не должно превышать 1 с плюс установленная выдержка времени.
M.8.13. Проверка МУДТ, зависящих от источника напряжения, классифицируемых по
M.3.2.2.2, в случае повреждения источника
Положения
B.8.9 применяют в том случае, если напряжение источника является напряжением сети цепи контроля. В случае если напряжение источника не является напряжением сети, испытание проводят в следующем порядке.
Испытание МУДТ с регулируемой уставкой дифференциального отключающего тока проводят с наименьшей уставкой.
Испытание МУДТ с регулируемой уставкой по времени проводят на одной из уставок.
МУДТ присоединяют по
рисунку M.3 и подают его номинальное напряжение, а при диапазоне номинальных напряжений - наименьшее номинальное напряжение.
Затем питание отключают размыканием

или

, что применимо, МУДТ не должно срабатывать.
Выключатель

или

, что применимо, замыкают и снижают напряжение до 70% наименьшего номинального напряжения. Затем подают номинальный дифференциальный ток

замыканием выключателя

; МУДТ должно сработать.
Цикл испытаний M II
M.8.14. Проверка поведения МУДТ в условиях короткого замыкания
M.8.14.1. Общие положения
МУДТ не является коммутационным устройством, и, если оно испытывалось с конкретным УЗКЗ по
M.8.14.3 и
M.8.14.5, его считают выдержавшим испытания с любым УЗКЗ, имеющим более низкий пиковый ток и более низкое значение

.
M.8.14.2. Общие условия испытаний
M.8.14.2.1. Испытательная цепь
Испытанию на кратковременно допустимый ток УЗКЗ не подвергают.
M.8.14.2.2. Предельные отклонения испытательных параметров
M.8.14.2.3. Коэффициент мощности испытательной цепи
M.8.14.2.4. Восстанавливающееся напряжение промышленной частоты
M.8.14.2.5. Калибровка испытательной цепи
УЗКЗ и МУДТ, если оно выводного типа, заменяют временными перемычками с незначительным полным сопротивлением по сравнению с полным сопротивлением испытательной цепи. Для других МУДТ проводники, проходящие через датчики, являются частью калиброванной цепи.
Для испытания при номинальном условном токе короткого замыкания

активные R и индуктивные L сопротивления регулируют с целью получить при испытательном напряжении ток, равный

, при заданном коэффициенте мощности. Питание подают одновременно во все полюса испытательной цепи.
Для испытания при номинальном дифференциальном условном токе короткого замыкания

для получения нужных значений тока вводят дополнительное полное сопротивление Z.
M.8.14.2.6. Состояние МУДТ до испытаний
Схема соединений и крепление МУДТ должны соответствовать инструкциям изготовителя.
Особенно это касается МУДТ типа сквозного проводника при монтаже проводников, проходящих через датчики.
МУДТ следует монтировать на металлической опоре.
M.8.14.2.7. Состояние МУДТ после испытаний
После каждого из испытаний по M.8.14.3 -
M.8.14.5 МУДТ не должно иметь повреждений, нарушающих его дальнейшую эксплуатацию, а МУДТ выводного типа должно быть способно выдерживать напряжение, равное его двойному номинальному напряжению, в условиях по
8.3.3.5.
МУДТ должно быть в состоянии удовлетворительно выдержать испытание по
B.8.10.3.2 и
M.8.12.3 с проведением одного измерения.
M.8.14.3. Проверка номинального условного тока короткого замыкания

M.8.14.3.1. Общие сведения
В данном испытании нет необходимости, если сквозной пиковый ток и сквозная энергия согласованного УЗКЗ ниже, чем пиковый ток и сквозная энергия, соответствующие номинальному кратковременно допустимому току

.
M.8.14.3.2. Условия испытаний
Перемычки с незначительным полным сопротивлением заменяют на УЗКЗ и, если применимо, МУДТ выводного типа.
M.8.14.3.3. Методика испытания
Испытание проводят при номинальном напряжении источника, если он применим.
Выполняют такую последовательность операций: O-t-O.
M.8.14.3.4. Поведение МУДТ в ходе испытаний
Во время испытаний МУДТ может сработать.
M.8.14.4. Проверка номинального кратковременно допустимого тока

Для главной цепи применяют
8.3.4.3 ГОСТ Р 50030.1.
Испытание можно проводить при любом удобном напряжении. УЗКЗ по
рисункам M.17 -
M.19 в данном испытании не применяют.
M.8.14.5 Проверка номинального условного дифференциального тока короткого замыкания

M.8.14.5.1. Общие положения
В данном испытании нет необходимости, если сквозной пиковый ток и сквозная энергия согласованного УЗКЗ ниже, чем пиковый ток и сквозная энергия, соответствующие номинальному дифференциальному кратковременно допустимому току

.
M.8.14.5.2. Условия испытаний
МУДТ необходимо испытывать в условиях, предписанных в
M.8.14.2.1, но соединения выполняют так, чтобы ток короткого замыкания являлся дифференциальным током. В испытаниях на дифференциальный ток короткого замыкания соединение B, показанное пунктирной линией на
рисунках M.17 -
M.19, заменяют соединением через датчики между X и Y.
Испытание проводят на одном токовом пути.
Соединения с незначительным полным сопротивлением заменяют УЗКЗ и, если применимо, МУДТ.
M.8.14.5.3. Методика испытания
Без синхронизации по отношению к волне напряжения выполняют такую последовательность операций: O-t-O.
M.8.14.5.4. Поведение МУДТ в ходе испытаний
Во время испытаний МУДТ может сработать.
M.8.14.6. Проверка номинального дифференциального кратковременно допустимого тока

По
M.8.14.4, кроме того, что соединения МУДТ выполняют так, чтобы ток короткого замыкания являлся дифференциальным током.
Цикл испытаний M III
M.8.15. Проверка воздействия факторов внешней среды
В конце испытания МУДТ должно удовлетворительно выдерживать испытание по
B.8.10.3.2.
Цикл испытаний M IV
M.8.16. Проверка электромагнитной совместимости
M.8.16.1. Испытания на устойчивость к электромагнитным помехам
M.8.16.1.1. Общие положения
По
B.8.12.1 с необходимой заменой УДТ на МУДТ, кроме того, что проверкой после испытания должно быть измерение времени срабатывания (см.
M.2.2.2.1) при

, которое не должно превышать значения, указанного изготовителем (см.
M.4.2). Испытательная цепь проверки должна соответствовать
рисунку M.3.
M.8.16.1.2. Электростатические разряды
M.8.16.1.3. Излученное радиочастотное электромагнитное поле
M.8.16.1.4. Наносекундные электромагнитные помехи
| | ИС МЕГАНОРМ: примечание. В тексте документа, видимо, допущена опечатка: пункты B.8.16.1.4, B.8.16.1.5, B.8.16.1.6 в тексте документа отсутствуют. Возможно, имеются в виду пункты B.8.12.1.4, B.8.12.1.5, B.8.12.1.6. | |
По B.8.16.1.4 с дополнительными указаниями по
M.8.16.1.1.
M.8.16.1.5. Броски тока/напряжения
По B.8.16.1.5 с дополнительными указаниями по
M.8.16.1.1.
M.8.16.1.6. Кондуктивные помехи, наведенные радиочастотными полями (общий тип)
По B.8.16.1.6 с дополнительными указаниями по
M.8.16.1.1.
Испытательное устройство должно соответствовать
рисунку M.22 для МУДТ с отдельным датчиком.
Для нормального функционирования может быть применен электромагнитный зажим из-за влияния согласующего устройства на МУДТ.
M.8.16.2. Испытания на помехоэмиссию
МУДТ с отдельным датчиком
a)
МУДТ со встроенным датчиком
b)
МУДТ выводного типа
c)
S - источник питания; I - отдельный источник напряжения
(при применении); V - вольтметр; A - амперметр;

- многополюсный выключатель;

- однополюсный выключатель;

- вспомогательный выключатель; Z - регулируемое полное
сопротивление; T - датчик; E - выходная цепь;
D - прибор, регистрирующий
изменение состояния; N - нейтраль
Рисунок M.1. Испытательные цепи для проверки срабатывания
в случае равномерно возрастающего дифференциального тока
МУДТ с отдельным датчиком
a)
МУДТ со встроенным датчиком
b)
МУДТ выводного типа
c)
S - источник питания; I - отдельный источник напряжения
(при применении); V - вольтметр; A - амперметр;

- многополюсный выключатель;

- однополюсный выключатель;

- вспомогательный выключатель; Z - регулируемое полное
сопротивление; T - датчик; E - выходная цепь;
B - отключающее устройство; OSC - осциллограф; N - нейтраль
Рисунок M.2. Испытательные цепи для проверки срабатывания
в случае неожиданно возникающего дифференциального тока
(с отключающим устройством)
МУДТ с отдельным датчиком
a)
МУДТ со встроенным датчиком
b)
МУДТ выводного типа
c)
S - источник питания; I - отдельный источник напряжения
(при применении); V - вольтметр; A - амперметр;

- многополюсный выключатель;

- однополюсный выключатель;

- вспомогательный выключатель; Z - регулируемое полное
сопротивление; T - датчик; E - выходная цепь;
OSC - осциллограф; G - генератор; N - нейтраль
Рисунок M.3. Испытательные цепи для проверки срабатывания
в случае неожиданно возникающего дифференциального тока
(без отключающего устройства)
МУДТ с отдельным датчиком
МУДТ со встроенным датчиком
МУДТ выводного типа
S - источник питания; I - отдельный источник напряжения
(при применении); V - вольтметр; A - амперметр;

- многополюсный выключатель;

- вспомогательный выключатель;
Z - регулируемое полное сопротивление; T - датчик;
E - выходная цепь; D - прибор, регистрирующий
изменение состояния; N - нейтраль
Рисунок M.4. Испытательные цепи для проверки предельного
значения тока несрабатывания в условиях сверхтока
МУДТ с отдельным датчиком
a)
МУДТ со встроенным датчиком
b)
МУДТ выводного типа
c)
S - источник питания; I - отдельный источник напряжения
(при применении); V - вольтметр;

- вспомогательный
выключатель; T - датчик; E - выходная цепь; D - прибор,
регистрирующий изменение состояния; N - нейтраль
Рисунок M.5. Испытательные цепи для проверки устойчивости
к нежелательному срабатыванию в случае
нагрузки емкости сети
a) МУДТ с отдельным датчиком
b) МУДТ со встроенным датчиком
c) МУДТ выводного типа
L - линия; N - нейтраль; X - зажим заземления
Рисунок M.6. Испытательная цепь для проверки устойчивости
к нежелательному срабатыванию в случае перекрытия
без последующего тока
МУДТ с отдельным датчиком
a)
МУДТ со встроенным датчиком
b)
МУДТ выводного типа
S - источник питания; I - отдельный источник напряжения
(при применении); V - вольтметр; A - амперметр;

- многополюсный выключатель;

- однополюсный выключатель;

- инвертирующий переключатель;

- вспомогательный выключатель;
Z - регулируемое полное сопротивление; T - датчик;
E - выходная цепь; D - прибор, регистрирующий изменение
состояния; SCR - тиристор; N - нейтраль
Рисунок M.7. Испытательные цепи для проверки срабатывания
в случае длительного возрастания дифференциального пульсирующего
постоянного тока
МУДТ с отдельным датчиком
a)
МУДТ со встроенным датчиком
b)
МУДТ выводного типа
c)
S - источник питания; I - отдельный источник напряжения
(при применении); V - вольтметр; A - амперметр;

- многополюсный выключатель;

- однополюсный выключатель;

- инвертирующий переключатель;

- вспомогательный
выключатель; Z - регулируемое полное сопротивление;
T - датчик; E - выходная цепь; G - генератор; OSC - осциллограф;
SCR - тиристор; N - нейтраль
Рисунок M.8. Испытательные цепи для проверки срабатывания
в случае неожиданно возникающего дифференциального
пульсирующего постоянного тока
(без отключающего устройства)
МУДТ с отдельным датчиком
a)
МУДТ со встроенным датчиком
b)
МУДТ выводного типа
c)
S - источник питания; I - отдельный источник напряжения
(при применении); V - вольтметр; A - амперметр;

- многополюсный выключатель;

- однополюсный выключатель;

- инвертирующий переключатель;

- вспомогательный выключатель;
Z - регулируемое полное сопротивление; T - датчик;
E - выходная цепь; B - отключающее устройство;
OSC - осциллограф; SCR - тиристор; N - нейтраль
Рисунок M.9. Испытательные цепи для проверки срабатывания
в случае неожиданно возникающего дифференциального
пульсирующего постоянного тока (с отключающим устройством)
МУДТ с отдельным датчиком
МУДТ со встроенным датчиком
МУДТ выводного типа
S - источник питания; I - отдельный источник напряжения
(при применении); V - вольтметр; A - амперметр;

- многополюсный выключатель;

- однополюсный выключатель;

- инвертирующий переключатель;

- вспомогательный
выключатель; Z - регулируемое полное сопротивление;
T - датчик; E - выходная цепь; D - прибор, регистрирующий
изменение состояния; SCR - тиристор; N - нейтраль
Рисунок M.10. Испытательные цепи для проверки срабатывания
в случае дифференциального пульсирующего постоянного тока
с наложением сглаженного постоянного тока 6 мА
МУДТ с отдельным датчиком
a)
МУДТ со встроенным датчиком
b)
МУДТ выводного типа
c)
S - источник питания; I - отдельный источник напряжения
(при применении); V - вольтметр; A - амперметр;

,

- многополюсные выключатели;

- однополюсный
выключатель;

- инвертирующий переключатель;

- вспомогательный выключатель;

,

- регулируемые
полные сопротивления; T - датчик; E - выходная цепь;
D - прибор, регистрирующий изменение состояния;
N - нейтраль
Рисунок M.11. Испытательные цепи для проверки срабатывания
в случае медленно возрастающего дифференциального
сглаженного постоянного тока
МУДТ с отдельным датчиком
a)
МУДТ со встроенным датчиком
b)
МУДТ выводного типа
c)
S - источник питания; I - отдельный источник напряжения
(при применении); V - вольтметр; A - амперметр, измеряющий
постоянный ток;

- многополюсный выключатель;

- однополюсный выключатель;

- инвертирующий переключатель;

- вспомогательный выключатель; Z - регулируемое полное
сопротивление; T - датчик; E - выходная цепь;
G - генератор; OSC - осциллограф; N - нейтраль
Рисунок M.12. Испытательные цепи для проверки срабатывания
в случае мгновенно возникающего дифференциального
сглаженного постоянного тока (без отключающего устройства)
МУДТ с отдельным датчиком
a)
МУДТ со встроенным датчиком
b)
МУДТ выводного типа
c)
S - источник питания; I - отдельный источник напряжения
(при применении); V - вольтметр; A - амперметр, измеряющий
постоянный ток;

- многополюсный выключатель;

- однополюсный выключатель;

- инвертирующий
переключатель;

- вспомогательный выключатель;
Z - регулируемое полное сопротивление; T - датчик;
E - выходная цепь; B - отключающее устройство;
OSC - осциллограф; N - нейтраль
Рисунок M.13. Испытательные цепи для проверки срабатывания
в случае мгновенно возникающего дифференциального
сглаженного постоянного тока (с отключающим устройством)
МУДТ с отдельным датчиком
a)
МУДТ со встроенным датчиком
b)
МУДТ выводного типа
c)
S - источник питания; I - отдельный источник напряжения
(при применении); V - вольтметр;

- амперметр, измеряющий
действующее значение тока;

- амперметр, измеряющий
переменный ток;

- многополюсный выключатель;

- однополюсный выключатель;

- вспомогательный
выключатель;

,

- регулируемые полные сопротивления;
T - датчик; E - выходная цепь; D - прибор, регистрирующий
изменение состояния; N - нейтраль
Рисунок M.14. Испытательные цепи для проверки срабатывания
в случае медленно возрастающего дифференциального тока,
возникающего в результате повреждения в цепи, питаемой
посредством трехфазного однополупериодного
или двухполупериодного соединения
МУДТ с отдельным датчиком
a)
МУДТ со встроенным датчиком
b)
МУДТ выводного типа
c)
S - источник питания; I - отдельный источник напряжения
(при применении); V - вольтметр;

- амперметр, измеряющий
действующее значение тока;

- амперметр, измеряющий
переменный ток;

- многополюсный выключатель;

- однополюсный выключатель;

- вспомогательный
выключатель;

,

- регулируемые полные сопротивления;
T - датчик; E - выходная цепь; D - прибор,
регистрирующий изменение состояния; N - нейтраль
Рисунок M.15. Испытательные цепи для проверки срабатывания
в случае медленно возрастающего дифференциального тока,
возникающего в результате повреждения в цепи,
питаемой посредством двухполупериодного
межфазного соединения
I - отдельный источник напряжения (при применении);
V - вольтметр;

- многополюсный выключатель;

- вспомогательный выключатель; T - датчик; E - выходная цепь;

,

- генераторы; OSC - осциллограф
Рисунок M.16. Испытательная цепь для проверки поведения
МУДТ с отдельным датчиком в случае повреждения
соединения датчика
S - источник питания; I - отдельный источник напряжения
(при применении); V - вольтметр; A - амперметр;

- вспомогательный выключатель;

- выключатель короткого
замыкания; W - временная перемычка; B - соединение
для испытания с дифференциальным током короткого замыкания,
заменяемое соединением через датчик; L - регулируемое
индуктивное сопротивление; R - регулируемое активное
сопротивление; Z - регулируемое полное сопротивление;
T - датчик; E - выходная цепь; D - прибор, регистрирующий
изменение состояния; УЗКЗ - устройство для защиты
от короткого замыкания; N - нейтраль
Рисунок M.17. Испытательная цепь для проверки поведения
МУДТ с отдельным датчиком в условиях короткого замыкания
S - источник питания; I - отдельный источник напряжения
(при применении); V - вольтметр; A - амперметр;

- вспомогательный выключатель;

- выключатель короткого
замыкания; W - временная перемычка; B - соединение
для испытания с дифференциальным током короткого замыкания,
заменяемое соединением через датчик; L - регулируемое
индуктивное сопротивление; R - регулируемое активное
сопротивление; Z - регулируемое полное сопротивление;
T - датчик; E - выходная цепь; D - прибор, регистрирующий
изменение состояния; УЗКЗ - устройство для защиты
от короткого замыкания; N - нейтраль
Рисунок M.18. Испытательная цепь для проверки поведения
МУДТ со встроенным датчиком в условиях короткого замыкания
S - источник питания; A - амперметр;

- выключатель
короткого замыкания; W - временная перемычка;
B - соединение для испытания с дифференциальным током
короткого замыкания, заменяемое соединением через датчик;
L - регулируемое индуктивное сопротивление;
R - регулируемое активное сопротивление; Z - регулируемое
полное сопротивление; E - выходная цепь; D - прибор,
регистрирующий изменение состояния; УЗКЗ - устройство для защиты
от короткого замыкания; N - нейтраль
Рисунок M.19. Испытательная цепь для проверки поведения
МУДТ выводного типа в условиях короткого замыкания
Рисунок M.20. Проверка устойчивости к излученному
радиочастотному электромагнитному полю. Испытательное
устройство для МУДТ с отдельным датчиком (дополнительно
Размер А - от 0,1 до 0,11 м
1 - высокочастотное соединение (HF); 2 - МУДТ;
3 - изолирующая опора; 4 - соединительный кабель
(длина кабеля от 0,1 до 0,11 м); 5 - датчик; 6 - сеть;
7 - заземляющая опора; 8 - соединительный зажим
Рисунок M.21. Проверка устойчивости соединения датчика МУДТ
с отдельным датчиком к наносекундным импульсным помехам
Размер А - от 0,1 до 0,11 м
1 - любая металлическая часть; 2 - кабель
(длина кабеля от 0,1 до 0,3 м); 3 - соединительный кабель
(длина кабеля от 0,9 до 1,0 м); 4 - датчик;
5 - изолирующая опора; 6 - согласующее устройство;
7 - заземляющая опора
Рисунок M.22. Испытательное устройство для МУДТ
с отдельным датчиком для проверки устойчивости
к кондуктивным электромагнитным помехам, наведенным
радиочастотными полями (дополнительно к испытаниям
(обязательное)
ЭЛЕКТРОМАГНИТНАЯ СОВМЕСТИМОСТЬ. ДОПОЛНИТЕЛЬНЫЕ ТРЕБОВАНИЯ
К МЕТОДАМ ИСПЫТАНИЙ УСТРОЙСТВ, НЕ УЧИТЫВАЕМЫХ
N.1. Общие положения
N.1.1. Область применения
Настоящее приложение распространяется на устройства, монтируемые в или на автоматических выключателях, содержащих электронные цепи (см.
7.3 ГОСТ Р 50030.1), не учитываемые
Приложениями B (выключатели с защитой, управляемой дифференциальным током),
F (выключатели с электронной защитой от сверхтоков) и
M (модульные устройства дифференциального тока).
Настоящее приложение распространяется на вспомогательные установочные узлы автоматических выключателей, например минимальные расцепители напряжения, независимые расцепители, замыкающие катушки, операторы двигателей, дистанционные индикаторы состояния и т.д. На модули коммуникаций данные требования не распространяются.
Настоящее приложение дополняет
Приложение J в части условий испытаний и критериев соответствия, специфичных для вышеуказанных устройств.
N.1.2. Общие условия испытаний
Испытания согласно настоящему приложению могут быть выполнены отдельно от циклов испытаний по
разделу 8.
По усмотрению изготовителя для каждого испытания может быть использовано новое испытуемое устройство либо одно устройство может быть использовано для нескольких испытаний.
Для устройств, рассчитанных на несколько номинальных напряжений питания, должно быть испытано по одному устройству на каждый номинал.
Необязательно проводить испытания замыкающих катушек, если конструкция катушки и электронного управления аналогична конструкции равноценного независимого расцепителя.
Устройства монтируют в или на выключателе по инструкциям изготовителя.
Минимальные расцепители и силовые порты, предназначенные для постоянного подключения к силовому источнику, должны питаться номинальным напряжением. При диапазоне номинальных напряжений они должны снабжаться любым подходящим напряжением в пределах диапазона.
Устройства, предназначенные для номинальных частот 50 - 60 Гц, могут быть испытаны на любой из номинальных частот.
N.2. Устойчивость к электромагнитным помехам
N.2.1. Общие положения
N.2.1.1. Условия испытаний
Испытания на устойчивость к электромагнитным помехам могут быть проведены на автоматическом выключателе, оснащенном вспомогательными устройствами, или комбинированы с соответствующими испытаниями по
Приложениям B и
F, где применимо (например, электростатические разряды, излученные радиочастотные электромагнитные поля и т.д.).
Устройства, за исключением замыкающих катушек, необходимо испытывать в замкнутом положении автоматического выключателя.
Замыкающие катушки при применении (см.
N.1.1) необходимо подвергать испытанию с автоматическим выключателем в состоянии готовности к замыканию (главные пружины взведены).
N.2.1.2. Критерии работоспособности
Критерий работоспособности A
В ходе испытания состояние автоматического выключателя не должно меняться, также не должно меняться и состояние на выходе дистанционных индикаторных модулей.
Критерий работоспособности B
В ходе испытания состояние автоматического выключателя не должно меняться, в то время как состояние на выходе дистанционных индикаторных модулей может временно измениться, однако после испытания они должны четко указывать состояние автоматического выключателя.
После испытаний должен быть выполнен упрощенный функциональный контроль по N.2.1.3.
N.2.1.3. Упрощенный функциональный контроль
По обоим критериям после испытания действие устройства надлежит проверить при номинальном напряжении, а при диапазоне номинальных напряжений - при любом удобном напряжении в пределах диапазона:
a) минимальный расцепитель напряжения при подаче на него напряжения не должен препятствовать замыканию автоматического выключателя; при снятии напряжения автоматический выключатель должен сработать;
b) независимый расцепитель при подаче на него напряжения должен разомкнуть автоматический выключатель.
c) замыкающая катушка при подаче на нее напряжения должна замкнуть автоматический выключатель;
d) оператор двигателя при подаче на него напряжения в соответствии с инструкциями изготовителя должен быть способен замкнуть и разомкнуть автоматический выключатель.
Примечание. Данное испытание предназначено исключительно для проверки того, что испытуемое устройство не получило повреждения в ходе испытаний на устойчивость к электромагнитным помехам. Оно не предназначено для проверки полного соответствия требованиям основной части настоящего стандарта.
N.2.2. Электростатические разряды
По критерию работоспособности B согласно
N.2.1.2.
N.2.3. Излученное радиочастотное электромагнитное поле
Схема соединений должна соответствовать
рисунку 5 или
6 ГОСТ Р 51317.4.3 в зависимости от применения и с учетом указаний изготовителя по монтажу. Тип применяемого при испытании кабеля должен быть указан в протоколе испытаний.
На этапе 1 (см.
J.2.3) применяют критерий работоспособности A.
| | ИС МЕГАНОРМ: примечание. В тексте документа, видимо, допущена опечатка: пункт N.2.3.1 в тексте документа отсутствует. | |
На этапе 2 (см.
J.2.3) должно быть проверено действие устройства по N.2.3.1 на каждой из частот, указанных в
J.2.3. Данному испытанию не подвергают дистанционные индикаторы состояния.
N.2.4. наносекундные импульсные помехи
Схема соединений должна соответствовать
рисунку 4 ГОСТ Р 51317.4.4 с учетом указаний изготовителя по монтажу.
Применяют критерий работоспособности A.
N.2.5. Скачки напряжения/тока
Схема соединений должна соответствовать
рисункам 6,
7,
8 или
9 ГОСТ Р 51317.4.5 с учетом указаний изготовителя по монтажу.
Применяют критерий работоспособности B.
N.2.6. Кондуктивные электромагнитные помехи, наведенные радиочастотными полями (общий тип)
На этапе 1 (см.
J.2.6) применяют критерий работоспособности A.
На этапе 2 (см.
J.2.6) должно быть проверено действие устройства по N.2.3.1 на каждой из частот, указанных в
J.2.6. Данному испытанию не подвергают дистанционные индикаторы состояния.
N.2.7. Провалы напряжения и разрывы тока
Данным испытаниям подвергают устройства только с постоянным питанием переменным током.
В ходе испытаний состояние автоматического выключателя может меняться. Состояние на выходе дистанционного модуля индикации может меняться, однако после испытания он должен правильно указывать состояние выключателя. После испытания следует проверить действие устройства в соответствии с
N.2.1.3.
N.3. Помехоэмиссия
N.3.1. Общие положения
Данным испытаниям подвергают устройства, содержащие электронные цепи, с основными частотами коммутационных токов свыше 9 кГц (см.
7.3.3.2.1 ГОСТ Р 50030.1) и предназначенные для длительной работы (например, минимальный расцепитель напряжения).
Они не распространяются на независимые расцепители, как встроенные, так и отдельные, предназначенные исключительно для применения с деблокираторами.
Данные испытания не проводят для операторов двигателей, не содержащих электронные цепи постоянного питания, поскольку такие устройства срабатывают с очень редкими интервалами, а длительность их оперирования (замыкания, размыкания или взвода) очень мала (от нескольких сотен миллисекунд до нескольких секунд).
Каждое устройство необходимо подвергать отдельным испытаниям на помехоэмиссию, эти испытания не должны сочетаться с соответствующими испытаниями по
Приложениям B и
F.
Замыкающие катушки при применении (см.
N.1.1) необходимо подвергать испытанию с автоматическим выключателем в состоянии готовности к замыканию (главные пружины взведены).
Минимальные расцепители и расцепляющие катушки необходимо испытывать с выключателями в замкнутом положении.
Независимые расцепители и операторы двигателей необходимо испытывать с выключателями в разомкнутом положении.
Дистанционные индикаторы состояния необходимо испытывать с выключателями в замкнутом положении.
N.3.2. Кондуктивные радиочастотные электромагнитные помехи (150 кГц - 30 МГц)
N.3.3. Излученные радиочастотные электромагнитные помехи (30 - 1000 МГц)
(обязательное)
ВЫКЛЮЧАТЕЛИ МГНОВЕННОГО ДЕЙСТВИЯ (АВМ)
O.1. Область применения
Настоящее приложение распространяется на выключатели, выполняющие только часть защиты от сверхтоков, рассматриваемой в основной части настоящего стандарта, - защиту от токов короткого замыкания (далее - АВМ). Они содержат расцепители короткого замыкания мгновенного действия, которые могут быть регулируемыми, но не являются расцепителями перегрузки. Эти устройства обычно применяют в сочетании с другим оборудованием, например пускатели двигателей, реле перегрузки и т.д. Так, в сочетании с указанными реле перегрузки они предоставляют полную защиту от сверхтоков (перегрузки и короткого замыкания) как цепи, так и указанного оборудования.
АВМ является частью ряда автоматических выключателей, он является производным от прототипа (см. O.2.1) с изъятием расцепителя перегрузки и наличием расцепителя короткого замыкания (который может быть регулируемым) и предназначен для обеспечения согласованной защиты от сверхтока при сочетании с указанными пускателями двигателей и реле перегрузки.
O.2. Термины и определения
Термины, приведенные в
разделе 2, дополнить следующими терминами с соответствующими определениями:
O.2.1. Прототип (equivalent circuit-breaker): автоматический выключатель, от которого произошел АВМ, одного типоразмера с АВМ, испытанный на соответствие требованиям настоящего стандарта.
O.3. Номинальные значения
По
разделу 4, за исключением ссылок на расцепители перегрузки, со следующими дополнениями:
O.3.1. Номинальный ток

Номинальный ток АВМ не должен превышать номинальный ток прототипа.
O.3.2. Номинальная наибольшая включающая способность
Для АВМ может быть установлена номинальная наибольшая отключающая способность, отличающаяся от способности прототипа.
Примечание. Для АВМ может быть установлена номинальная наибольшая отключающая способность, превышающая аналогичную способность прототипа или соответствующая ей при сочетании АВМ с заданными пускателями двигателей или реле перегрузки, испытанными согласно соответствующим разделам
ГОСТ Р 50030.4.1 (см.
O.6.2).
O.3.3. Номинальные наибольшие отключающие способности
Для АВМ могут быть установлены номинальные наибольшие отключающие способности, отличающиеся от прототипа.
Примечание. Для АВМ может быть установлена номинальная наибольшая отключающая способность, равная или превышающая

прототипа, при сочетании с заданными пускателями или реле перегрузки, испытанными согласно соответствующим разделам
ГОСТ Р 50030.4.1 (см.
O.6.2).
O.4. Информация об изделии
АВМ должен быть маркирован в соответствии с 5.2 с учетом нижеизложенного.
Номинальные наибольшие включающую и отключающую способности маркируют, где применимо (см.
O.6.1.1). Если номинальные наибольшие включающая и отключающая способности АВМ установлены только для его сочетания с пускателем двигателя или реле перегрузки (см.
O.6.2), параметры комбинации не маркируют на АВМ.
Кроме того, АВМ должен иметь следующие дополнительные маркировки:
- по
перечислению b) 5.2 маркировку уставок номинального мгновенного тока короткого замыкания

(см.
2.20) (действующие значения или кратные номинальному току).
Изготовитель в своих инструкциях должен привлечь внимание к тому факту, что ниже уставок номинального мгновенного тока короткого замыкания АВМ не обеспечивает собственную защиту, а также защиту цепи от сверхтоков. Такую защиту следует предусмотреть отдельно.
Если АВМ не объединен с заданным устройством защиты (см.
O.6.2), в этом случае изготовитель должен предусмотреть информацию для подбора подходящей защиты от перегрузок, например, защитные характеристики АВМ, включая максимальную уставку мгновенного тока срабатывания.
O.5. Требования к конструкции и работоспособности
O.6. Испытания
O.6.1. Испытания отдельного АВМ
Испытания по настоящему пункту не нужны, если:
- защитные характеристики расцепителей короткого замыкания и главные пути тока АВМ аналогичны прототипу или
- АВМ согласно своим номинальным параметрам и требованиям к испытаниям предназначен исключительно для комбинации (см.
O.6.2).
Испытанию должен быть подвергнут один образец для каждого максимального и минимального значения номинального тока

каждого типоразмера.
В случае наличия одного или более конструктивных отличий (см.
2.1.2 и
7.1.5) в пределах одного типоразмера должен быть испытан дополнительный образец на максимальном номинальном токе соответственно каждой конструкции.
O.6.1.2. Циклы испытаний
Испытания проводят по циклам II и III настоящего стандарта, исключая проверку расцепителей перегрузки.
O.6.1.3. Проверка расцепителей короткого замыкания
После испытания по O.6.1.2 проводят испытание на срабатывание по
8.3.3.1.2 на каждом фазном полюсе по очереди при максимальной уставке номинального мгновенного тока короткого замыкания. Испытание проводят при значении тока расцепления, заданном изготовителем для отдельных полюсов. АВМ должен сработать.
O.6.2. АВМ, объединенный с заданным защитным устройством (пускателем или реле перегрузки)
Требования к испытаниям таких комбинаций содержатся в соответствующих разделах
ГОСТ Р 50030.4.1 применительно к:
- координации с устройствами для защиты от коротких замыканий;
- дополнительным требованиям для комбинации с пускателями и защитными пускателями, пригодными для разъединения;
- работоспособности в условиях короткого замыкания;
- координации при токе координации между пускателем и согласованным УЗКЗ.
Примечание. Обозначение УЗКЗ в
ГОСТ Р 50030.4.1 распространяется на несколько видов устройств для защиты от короткого замыкания, в том числе АВМ.
(обязательное)
ДОПОЛНИТЕЛЬНЫЕ ТРЕБОВАНИЯ, УЧИТЫВАЮЩИЕ ПОТРЕБНОСТИ
НАЦИОНАЛЬНОЙ ЭКОНОМИКИ РОССИЙСКОЙ ФЕДЕРАЦИИ
И ОСОБЕННОСТИ НАЦИОНАЛЬНОЙ СТАНДАРТИЗАЦИИ
Применяют
Приложение R ГОСТ Р 50030.1 со следующими изменениями:
R.4. Выводные зажимы автоматических выключателей должны допускать присоединение медных и алюминиевых проводников.
Контактирующие поверхности выводных зажимов должны иметь защитные гальванопокрытия по
ГОСТ 9.005 оловом, оловом-висмутом или другим металлом, имеющим гальваническую совместимость с алюминием.
Выводные зажимы должны иметь средства стабилизации контактного нажатия, компенсирующие усадку алюминиевых жил при циклических воздействиях нагрева - охлаждения жилы проводника, происходящих при эксплуатации.
| | ИС МЕГАНОРМ: примечание. Взамен ГОСТ 17441-78 Постановлением Госстандарта СССР от 29.11.1984 N 4050 с 1 января 1986 года введен в действие ГОСТ 17441-84. | |
В дополнение к испытаниям выводных зажимов с медными проводниками для выключателей, оснащенных зажимами для присоединения гибких проводников, исключая присоединение с помощью наконечников, должны быть проведены типовые испытания выводов с алюминиевыми проводниками по методам испытаний ГОСТ 17441.
Для выключателей номинального тока не более 125 А допускают применение метода испытаний по
Приложению L ГОСТ Р 50345.
Конкретный метод испытаний выбирает изготовитель, исходя из значения присоединяемых сечений проводников и приемлемости указанных методов для данной конструкции выводного зажима.
R.10. Правила приемки и методы приемо-сдаточных испытаний должны быть установлены в технических условиях на выключатели конкретных серий и типов.
R.11. Изготовитель должен гарантировать соответствие выключателей требованиям настоящего стандарта, а также технических условий на выключатели конкретных серий и типов при условии соблюдения правил эксплуатации, транспортирования и хранения, устанавливаемых техническими условиями.
Гарантийный срок эксплуатации выключателей - не менее двух лет со дня ввода в эксплуатацию, срок должен быть установлен в технических условиях.
(обязательное)
ТРЕБОВАНИЯ ПОЖАРНОЙ БЕЗОПАСНОСТИ
В настоящем приложении изложены требования пожарной безопасности к выключателям в соответствии с Федеральным
законом "Технический регламент о пожарной безопасности" и методы испытаний.
ДБ.1. Требования пожарной безопасности
ДБ.1.1. Требования к электроизоляционным и конструкционным пластическим материалам
ДБ.1.1.1. Части выключателей, выполненные из полимерных материалов, должны быть стойкими к пламени горелки Бунзена по
ДБ.2.2.3. Части выключателей, поддерживающие контактные соединения, должны быть выполнены из материала класса FV-0, остальные части - из полимерных материалов класса FV-1 по
ГОСТ 28779.
ДБ.1.1.2. Части выключателей, выполненные из полимерных материалов, должны быть стойкими к воздействию накаленных элементов (нагретой проволоки).
ДБ.1.1.3. Части, удерживающие в заданном положении проводники тока, находящиеся под напряжением, должны быть выполнены из материалов, стойких к образованию токопроводящих мостиков при испытании напряжением исходя из условий эксплуатации, указанных в технических условиях, каталожной и/или информационной документации изготовителя на конкретные типы выключателей.
| | ИС МЕГАНОРМ: примечание. В тексте документа, видимо, допущена опечатка: пункт ДБ.2.2.6 в тексте документа отсутствует. | |
Проверку проводят по ДБ.2.2.6.
Примечание. Для целей настоящего приложения нормальными условиями эксплуатации считают условия, вызывающие степень загрязнения 1 и 2 по классификации
6.1.3.2 ГОСТ Р 50030.1, жесткими условиями - степень загрязнения 3, сверхжесткими условиями - степень загрязнения 4.
ДБ.1.2. Требования по выдерживанию превышения номинального тока
При 2,55-кратном превышении значения номинального тока время срабатывания выключателя должно соответствовать его время-токовой характеристике.
Функциональные (защитные) характеристики выключателей должны соответствовать требованиям, изложенным в настоящем стандарте.
ДБ.1.3. Требования по предотвращению возникновения загорания при коммутации токов короткого замыкания
При коммутации токов короткого замыкания выключатель не должен вызывать и распространять горения.
После коммутации выделяющиеся из выключателя газы не должны гореть более 30 с, при этом высота пламени не должна быть более 50 мм для выключателей номинальных токов не более 250 А и 100 мм для выключателей более 250 А.
Вылетающие из выключателя при коммутации раскаленные частицы не должны поджигать расположенную ниже выключателя на расстоянии 300 мм бумагу.
ДБ.2. Методы испытаний
ДБ.2.1. Общие требования и условия испытаний
ДБ.2.1.1. Перечень необходимых испытаний на пожарную безопасность приведен в таблице ДБ.1.
Таблица ДБ.1
Вид испытания | Номер пункта |
Требование | Метод испытания |
Испытание на стойкость к воздействию пламени горелки Бунзена частей материалов выключателей | | |
Испытание к воздействию накаленных элементов (нагретой проволоки) частей выключателей | | |
Испытание на образование токопроводящих мостиков частей материалов выключателей | | |
Испытание при величине тока, равной 2,55 значения номинального тока выключателей | | |
Испытание на отсутствие загорания при коммутации тока короткого замыкания | | |
ДБ.2.1.2. Образцы выключателей, предъявленные на испытание, должны представлять собой законченное изделие (готовую продукцию). Их конструкция, материал и технология изготовления должны быть такими же, как у изделий, поставляемых потребителю.
ДБ.2.1.3. На испытание представляется не менее трех образцов выключателей каждой модификации. При отличии выключателей только по значению номинального тока допускается представлять на испытание образцы из полного ряда изделий с минимальным и максимальным значениями номинальных токов.
ДБ.2.1.4. Испытание проводят, установив образец в рабочем положении, предусмотренном инструкцией по монтажу, в котором ожидается наибольший нагрев изделия.
Выключатель закрепляют в соответствии с технической документацией.
Испытания на соответствие требованиям
ДБ.1.1.1,
ДБ.1.1.2,
ДБ.1.1.3 допускается проводить на образцах материалов соответствующей части выключателя.
ДБ.2.1.5. Для выключателей, имеющих несколько значений уставок тока, испытания проводят для минимального и максимального значений.
ДБ.2.1.6. Испытание проводят при температуре окружающей среды от 20 °C до 25 °C.
ДБ.2.1.7. Измерительные приборы, используемые в испытаниях, следует выбирать с учетом указанных отклонений измеряемых параметров.
ДБ.2.1.8. Испытания выключателей проводят в два этапа:
ДБ.2.1.8.1. Этап 1 - испытание выключателей на:
- защиту от сверхтока и нагрев;
- коммутационную способность.
ДБ.2.1.8.2. Этап 2 - испытание электроизоляционных и конструкционных материалов:
- пламенем горелки Бунзена;
- нагретой проволокой;
- на стойкость к образованию токопроводящих мостиков.
ДБ.2.2. Проведение испытаний
ДБ.2.2.1. Испытание при величине тока, равной 2,55-кратному значению номинального тока выключателей
Испытания проводят по
8.3.2.5 со следующим дополнением:
Ток, равный 2,55-кратному значению номинального тока, пропускают через все полюса при холодном состоянии выключателя. Время размыкания должно соответствовать время-токовой характеристике, указанной изготовителем для конкретного вида аппарата.
Результат считают положительным, если в процессе испытания при данном значении тока произошло срабатывание аппарата, не произошли изменения, ухудшающие эксплуатационные свойства аппарата, а значение температуры на наружной поверхности электроизоляционных материалов, поддерживающих выводы, не превышало 140 °C.
ДБ.2.2.2. Испытание на отсутствие загорания при коммутации тока короткого замыкания
Испытания проводят по
8.3.4 при значении номинальной рабочей наибольшей отключающей способности со следующим дополнением:
Для оценки возможности распространения горения, например, путем отделения от образца горящих или раскаленных частиц вследствие коммутационных процессов, внизу на расстоянии (300 +/- 5) мм размещают плиту из сосновой доски толщиной около 10 мм, покрытую одним слоем папиросной бумаги плотностью от 12 до 30 г/м2.
При необходимости в доске выполняют пазы или отверстия для проводников.
Аппарат считают отвечающим требованиям пожарной безопасности, если горение образца прекращается в течение 30 с, а также отсутствует загорание папиросной бумаги, а диаметр пятен обугливания сосновой доски не превышает 0,8 мм.
ДБ.2.2.3. Испытание на стойкость к воздействию пламени горелки Бунзена частей и материалов выключателей
Методика проведения испытания - в соответствии с
ГОСТ 28779 (метод FV).
Испытания проводят на выключателе или образце материала, из которого изготовлен выключатель. Толщина образца материала должна быть не более толщины электроизоляционной детали выключателей.
Образец считают выдержавшим испытание, если для наружных частей из неметаллических материалов, для частей изделия, удерживающих токоведущие части и поддерживающих соединения в определенном положении, материал соответствует классу FV-0, а для других частей из неметаллических материалов - классу FV-1.
ДБ.2.2.4. Испытание к воздействию накаленных элементов (нагретой проволоки) частей выключателей
Стойкость против аномального нагрева и огня (испытание нагретой проволокой) проводят по
8.2.1.1.1 ГОСТ Р 50030.1.
ДБ.2.2.5. Испытание на образование токопроводящих мостиков частей материалов выключателей
Методика проведения испытания - в соответствии с
ГОСТ 27473. Напряжение, при котором испытывают изоляционные материалы, выбирают в соответствии с
ГОСТ Р 52161.1 исходя из условий эксплуатации (степени загрязнения), указанных изготовителем.
ДБ.3. Оценка результатов испытаний
Выключатели соответствуют требованиям пожарной безопасности, если результаты испытаний продукции удовлетворяют требованиям настоящего приложения.
Результаты испытаний по настоящему приложению на соответствие настоящему стандарту оформляют отдельным протоколом.
(обязательное)
СВЕДЕНИЯ О СООТВЕТСТВИИ ССЫЛОЧНЫХ НАЦИОНАЛЬНЫХ
И МЕЖГОСУДАРСТВЕННЫХ СТАНДАРТОВ МЕЖДУНАРОДНЫМ СТАНДАРТАМ,
ИСПОЛЬЗОВАННЫМ В КАЧЕСТВЕ ССЫЛОЧНЫХ В ПРИМЕНЕННОМ
МЕЖДУНАРОДНОМ СТАНДАРТЕ
Таблица ДВ.1
Обозначение ссылочного национального (межгосударственного стандарта) | Степень соответствия | Обозначение и наименование ссылочного международного стандарта |
| | МЭК 60695-2-2:1994 "Испытание на пожароопасность. Часть 2: Методы испытаний. Раздел 2. Испытание горелкой с игольчатым пламенем. Изменение 1" |
| | МЭК 60051-1-97 "Приборы аналоговые показывающие электроизмерительные прямого действия и вспомогательные части к ним. Часть 1. Определения и основные требования, общие для всех частей" |
| | МЭК 60947-1:2004 "Аппаратура коммутационная и механизмы управления низковольтные комплектные. Часть 1. Общие правила" |
| | ИС МЕГАНОРМ: примечание. ГОСТ Р 50030.3-99 утратил силу с 1 января 2013 года в связи с введением в действие ГОСТ Р 50030.3-2012 (Приказ Росстандарта от 13.12.2011 N 298-ст). | |
|
ГОСТ Р 50030.3-99 | | МЭК 60947-3:99 "Аппаратура коммутационная и механизмы управления низковольтные комплектные. Часть 3. Выключатели, разъединители, выключатели-разъединители и блоки предохранителей" |
| | МЭК 60947-4-1:2000 "Аппаратура коммутационная и механизмы управления низковольтные комплектные. Часть 4-1. Контакторы и пускатели электродвигателей. Электромеханические контакторы и пускатели электродвигателей" |
| | ИС МЕГАНОРМ: примечание. ГОСТ Р 50030.5.1-2005 утратил силу с 1 января 2014 года в связи с введением в действие ГОСТ 30011.5.1-2012 (Приказ Росстандарта от 15.11.2012 N 830-ст). | |
|
ГОСТ Р 50030.5.1-2005 | | МЭК 60947-5-1:2003 "Аппаратура коммутационная и механизмы управления низковольтные комплектные. Часть 5-1. Устройства и коммутационные элементы цепей управления. Электромеханические устройства цепей управления" |
| | ИС МЕГАНОРМ: примечание. Взамен ГОСТ Р 50031-99 Приказом Росстандарта от 06.06.2012 N 103-ст с 1 января 2013 года введен в действие ГОСТ 50031-2012. | |
|
ГОСТ Р 50031-99 | | МЭК 60934:98 "Выключатели автоматические для оборудования (СВЕ)" |
| | МЭК/ТО 60755:83 "Устройства защитные, работающие по принципу остаточного тока. Общие требования" |
| | ИС МЕГАНОРМ: примечание. Взамен ГОСТ Р 50339.0-92 Постановлением Госстандарта России от 26.12.2003 N 387-ст с 1 января 2005 года введен в действие ГОСТ Р 50339.0-2003. | |
|
ГОСТ Р 50339.0-92 | | МЭК 60269-1:86 "Предохранители плавкие низковольтные. Часть 1. Общие требования" |
| | МЭК 60269-2:86 "Предохранители плавкие низковольтные. Часть 2: Дополнительные требования к плавким предохранителям, используемым квалифицированным персоналом (главным образом промышленного назначения)" |
| | МЭК 60269-2-1:87 "Низковольтные плавкие предохранители. Часть 2-1. Дополнительные требования к плавким предохранителям промышленного назначения. Разделы I - III" |
| | МЭК 60269-3:87 "Предохранители плавкие низковольтные. Часть 3: Дополнительные требования к плавким предохранителям, используемым неквалифицированным персоналом (главным образом бытового и аналогичного назначения)" |
| | МЭК 60898-1:2003 "Арматура электрическая. Выключатели для максимальной токовой защиты установок бытового и аналогичного назначения. Часть 1. Выключатели для работы на переменном токе" |
| | МЭК 61000-3-2:2005 "Электромагнитная совместимость. Часть 3. Пределы. Раздел 2. Пределы выбросов для синусоидального тока (оборудование с входным током меньше или равным 16 А на фазу)" |
| | МЭК 61000-3-3:94 "Электромагнитная совместимость. Часть 3-3: Пределы. Ограничение изменений напряжения, флуктуации и мерцания напряжения в распределительных низковольтных системах питания для оборудования с номинальным током не более 16 А на фазу" |
| | МЭК 61000-4-2:95 "Электромагнитная совместимость. Часть 4. Методики испытаний и измерений. Раздел 2: Испытание на невосприимчивость к электростатическому разряду. Изменение 1" |
| | МЭК 61000-4-3:2006 "Электромагнитная совместимость. Часть 4-3. Методики испытаний и измерений. Испытание на устойчивость к воздействию электромагнитного поля с излучением на радиочастотах" |
| | МЭК 61000-4-4:95 "Электромагнитная совместимость. Часть 4-4. Методы испытаний и измерений. Испытание на невосприимчивость к быстрым переходным процессам и всплескам. Изменение 1" |
| | МЭК 61000-4-5:95 "Электромагнитная совместимость. Часть 4. Методики испытаний и измерений. Раздел 5: Испытание на невосприимчивость к выбросу напряжения" |
| | МЭК 61000-4-5:96 "Электромагнитная совместимость. Часть 4: Методики испытаний и измерений. Раздел 6: Защищенность от помех по цепям питания, наведенных радиочастотными полями" |
| | МЭК 61000-4-11:94 "Электромагнитная совместимость. Часть 4. Методики испытаний и измерений. Раздел 11. Испытание на помехоустойчивость к провалам напряжений, краткосрочным нарушениям и колебаниям подачи напряжения" |
| | ИС МЕГАНОРМ: примечание. ГОСТ Р 51317.4.13-2006 утратил силу с 1 января 2014 года в связи с введением в действие ГОСТ 30804.4.13-2013 (Приказ Росстандарта от 22.07.2013 N 405-ст). | |
|
ГОСТ Р 51317.4.13-2006 | | МЭК 61000-4-13:2002 "Электромагнитная совместимость. Часть 4-13. Методики испытаний и измерений. Испытания низкочастотной помехозащитности от воздействия гармоник и промежуточных гармоник, включая сетевые сигналы, передаваемые в сеть переменного тока" |
| | СИСПР 11-97 "Оборудование радиочастотное промышленное, научно-исследовательское, медицинское. Характеристики электромагнитных помех, предельные значения, методы измерения" |
| | СИСПР 22-97 "Оборудование информационных технологий. Характеристики радиопомех. Предельные значения и методы измерения" |
| | МЭК 60439-1:2004 "Аппаратура коммутационная и механизмы низковольтные комплектные. Часть 1. Узлы, подвергаемые полным или частичным типовым испытаниям" |
| | МЭК 61008-1:96 "Выключатели автоматические, срабатывающие от остаточного тока, без встроенной защиты от тока перегрузки бытового и аналогичного назначения. Часть 1: Общие правила" |
| | МЭК 61008-1:2006 "Выключатели автоматические, срабатывающие на остаточном токе, со встроенной защитой от сверхтоков бытового и аналогичного назначения. Часть 1: Общие правила" |
| | МЭК 60335-1:2001 "Приборы электрические бытового и аналогичного назначения. Безопасность. Часть 1. Общие требования" |
Примечание: в настоящей таблице использованы следующие условные обозначения степени соответствия стандартов: |
- IDT - идентичные стандарты; |
- MOD - модифицированные стандарты; |
- NEQ - неэквивалентные стандарты. |
(справочное)
БИБЛИОГРАФИЯ
[1] МЭК 60050(441):2002 Международный электротехнический словарь. Глава
441: Коммутационная аппаратура, аппаратура
управления и предохранители. Изменение 1
(IEC 60050(441):1984 International
Electrotechnical Vocabulary (IEV) - Chapter 441:
Switchgear, controlgear and fuses. Amendment 1
(2000))
[2] МЭК 60695-2-10:2000 Испытание на пожарную опасность. Часть 2-10.
Методы испытания с применением накаленной/нагретой
проволоки. Аппаратура и общие положения методики
испытания накаленной проволокой
(IEC 60695-2-10:2000, Fire hazard testing - Part
2-10: Glowing/hot-wire based test methods.
Glow-wire apparatus and common test procedure)
[3] МЭК 60695-2-11:2000 Испытания на пожароопасность. Часть 2-11. Методы
испытаний раскаленной/горячей проволокой. Метод
испытания конечной продукции на воспламеняемость
под действием раскаленной проволоки
(IEC 60695-2-11:2000, Fire hazard testing - Part
2-11: Glowing/hot-wire based test methods.
Glow-wire flammability test method for
end-products)
[4] МЭК 60695-2-12:2000 Испытания на пожароопасность. Часть 2-12. Методы
испытаний раскаленной/горячей проволокой. Метод
испытания материалов на воспламеняемость под
действием раскаленной проволоки
(IEC 60695-2-12:2000, Fire hazard testing - Part
2-12: Glowing/hot-wire based test methods.
Glow-wire flammability test method for materials)
[5] МЭК 60695-2-13:2000 Испытания на пожароопасность. Часть 2-13. Методы
испытаний раскаленной/горячей проволокой. Метод
испытания материалов на возгораемость под
действием раскаленной проволоки
(IEC 60695-2-13:2000, Fire hazard testing. Part
2-13: Glowing/hot-wire based test methods.
Glow-wire ignitability test method for materials)
[6] МЭК 60410:1973 Правила и планы выборочного контроля по
качественным признакам
(IEC 60410:1973, Sampling plans and procedures
for inspection by attributes)
[7] МЭК 60364 Электрические установки зданий (все части)
(IEC 60364 (all parts), Low-voltage electrical
installations)
[8] МЭК 60068-2-14:1984 Испытания на воздействие внешних факторов. Часть
(Изменение 1:1986) 2-14. Испытания. Испытание N. Смена температуры.
Изменение 1
(IEC 60068-2-14:1984, Environmental testing -
Part 2: Tests. Test N. Change of temperature.
Amendment 1 (1986)).