Главная // Актуальные документы // Актуальные документы (обновление 2025.03.03-2025.03.29) // ПриказСПРАВКА
Источник публикации
М., 2024
Примечание к документу
Текст документа приведен в соответствии с публикацией на сайте https://www.minstroyrf.gov.ru/ по состоянию на 12.02.2025.
Документ
введен в действие с 27.01.2025.
Название документа
"Изменение N 3 к СП 396.1325800.2018 "Улицы и дороги населенных пунктов. Правила градостроительного проектирования"
(утв. и введено в действие Приказом Минстроя России от 26.12.2024 N 927/пр)
"Изменение N 3 к СП 396.1325800.2018 "Улицы и дороги населенных пунктов. Правила градостроительного проектирования"
(утв. и введено в действие Приказом Минстроя России от 26.12.2024 N 927/пр)
Утверждено и введено в действие
и жилищно-коммунального хозяйства
(Минстрой России)
от 26 декабря 2024 г. N 927/пр
ИЗМЕНЕНИЕ N 3 К СП 396.1325800.2018
"УЛИЦЫ И ДОРОГИ НАСЕЛЕННЫХ ПУНКТОВ.
ПРАВИЛА ГРАДОСТРОИТЕЛЬНОГО ПРОЕКТИРОВАНИЯ"
Дата введения
27 января 2025 года
Содержание
Подраздел 5.5. Заменить строку: "Краевые полосы, обочины, остановочные площадки" на "Обочины, полосы безопасности, остановочные площадки".
Подраздел 5.8. Дополнить строку: "Сопряжение основной проезжей части с боковыми проездами" строкой в следующей редакции:
"Пересечения улиц и дорог с железными дорогами ..................".
Подраздел 9.1. Изложить в новой редакции:
"9.1 Формирование инфраструктуры для велосипедного движения и средств индивидуальной мобильности ......................".
Подраздел 9.3. Изложить в новой редакции:
"9.3 Планировочные решения велокоммуникаций в зонах пересечений .............".
Дополнить наименованиями подразделов 9.4, 9.5 в следующей редакции:
"9.4 Планировочные решения велокоммуникаций в зонах остановочных пунктов наземного пассажирского транспорта ...................
9.5 Велостоянки и стоянки средств индивидуальной мобильности ................".
Приложение М. Дополнить приложениями Н - С в следующей редакции:
"Приложение Н Пересечения улиц и дорог с железными дорогами ...............
Приложение П Нормы обеспеченности машино-местами для зарядки электромобилей и подзаряжаемых гибридных автомобилей ..............
Приложение Р Определение пропускной способности нерегулируемых пересечений и примыканий ..................
Приложение С Значения коэффициентов, снижающих пропускную способность для различных видов критических элементов ...............
Приложение Т Расчет количества парковочных мест для средств индивидуальной мобильности ............".
Введение
Дополнить шестым абзацем в следующей редакции:
"Изменение N 3 к СП 396.1325800.2018 разработано авторским коллективом: АО "ЦНИИПромзданий" (канд. техн. наук Н.Г. Келасьев, канд. архитектуры Д.К. Лейкина, канд. техн. наук Д.М. Немчинов); МАДИ (д-р техн. наук П.И. Поспелов, д-р техн. наук М.Г. Горячев, канд. техн. наук А.В. Косцов, канд. техн. наук Д.С. Мартяхин, канд. техн. наук С.В. Лугов, канд. техн. наук Е.В. Каленова, канд. техн. наук Т.К. Комарова, С.В. Яркин, А.А. Ретюнский, А.С. Набатчиков); ГАУ "Институт Генплана Москвы" (канд. техн. наук М.Г. Крестмейн, канд. техн. наук И.А. Бахирев, канд. техн. наук Е.Н. Боровик, С.Э. Канеп, М.А. Мигалева, А.П. Етрухин, А.Л. Дергачев, А.А. Чернышов, Л.Я. Гришков); НИУ МГСУ (д-р техн. наук Н.В. Данилина), РУТ МИИТ (канд. техн. наук С.Н. Карасевич).".
2 Нормативные ссылки
| | ИС МЕГАНОРМ: примечание. Текст дан в соответствии с официальным текстом документа. | |
Заменить наименования ссылочных документов:
"
СП 31.13330.2012 "СНиП 2.04.02-84* Водоснабжение. Наружные сети и сооружения" (с изменениями N 1, N 2, N 3, N 4, N 5)" на "
СП 31.13330.2021 "СНиП 2.04.02-84* Водоснабжение. Наружные сети и сооружения";
Дополнить наименованиями ссылочных документов в следующей редакции:
"
ГОСТ 32753-2014 Дороги автомобильные общего пользования. Покрытия противоскольжения цветные. Технические требования";
"
ГОСТ Р 58861-2020 Дороги автомобильные общего пользования. Капитальный ремонт и ремонт. Планирование межремонтных сроков";
"
ГОСТ Р 70716-2023 Дороги автомобильные и улицы. Безопасность движения пешеходов. Общие требования";
"
ГОСТ Р 71092-2023 Интеллектуальные транспортные системы. Требования к функциональной архитектуре интеграционной платформы интеллектуальных транспортных систем";
"
ГОСТ Р 71093-2023 Дороги автомобильные общего пользования. Требования к информированию пользователей платных автомобильных дорог";
| | ИС МЕГАНОРМ: примечание. В официальном тексте документа, видимо, допущена опечатка: имеется в виду ГОСТ Р 71094-2024, а не ГОСТ Р 71094-2023. | |
"ГОСТ Р 71094-2023 Интеллектуальные транспортные системы. Подсистема метеомониторинга. Общие требования";
"ГОСТ Р 71095-2023 Интеллектуальные транспортные системы. Подсистема обеспечения приоритетного проезда транспортных средств. Общие требования";
"ГОСТ Р 71096-2023 Интеллектуальные транспортные системы. Подсистема светофорного управления. Общие требования";
"ГОСТ Р 71158-2023 Интеллектуальные транспортные системы. Подсистема диспетчеризации управления службы содержания дорог. Общие требования";
"
ГОСТ Р 71159-2023 Интеллектуальные транспортные системы. Подсистема выявления дорожных инцидентов. Общие требования";
"
ГОСТ Р 71404-2024 Дороги автомобильные общего пользования. Нежесткие дорожные одежды. Правила проектирования";
"
СП 4.13130.2013 Системы противопожарной защиты. Ограничение распространения пожара на объектах защиты. Требования к объемно-планировочным и конструктивным решениям";
"
СП 156.13130.2014 Станции автомобильные заправочные. Требования пожарной безопасности";
"
СП 227.1326000.2014 Пересечения железнодорожных линий с линиями транспорта и инженерными сетями";
"
СП 508.1325800.2022 Мощение с применением бетонных вибропрессованных изделий. Правила проектирования, строительства и эксплуатации".
"
ГОСТ Р 52748-2007 Дороги автомобильные общего пользования. Нормативные нагрузки, расчетные схемы нагружения и габариты приближения";
3 Термины, определения и сокращения
Пункт 3.1.1. Дополнить пунктом 3.1.1а в следующей редакции:
"3.1.1а велокоммуникации: Коммуникации в виде велосипедных дорожек или велосипедных полос, предназначенные для движения велосипедистов и лиц, использующих для передвижения средства индивидуальной мобильности.".
Пункт 3.1.3. Дополнить пунктом 3.1.3а в следующей редакции:
"3.1.3а зазор безопасности: Пространство между двумя габаритами транспортных средств, велосипедистов, средств индивидуальной мобильности, пешеходов или между габаритом транспортного средства, велосипедиста, средства индивидуальной мобильности, пешехода и неподвижными объектами (кромкой велодорожки, тротуара, ограждениями и другими), между габаритом транспортного средства, велосипедиста, средства индивидуальной мобильности и кромкой проезжей части дороги, необходимое для обеспечения безопасности транспортных средств, велосипедистов, лиц, использующих средства индивидуальной мобильности, пешеходов.".
Пункт 3.1.6а. Дополнить пунктом 3.1.6б в следующей редакции:
"3.1.6б критический элемент: Элемент планировочного решения улицы или дороги, размещение которого в плане или профиле улицы или дороги приведет к наибольшему снижению пропускной способности.".
Пункт 3.1.12. Заменить слова: "полосы и (или) дорожки для движения велотранспорта" на "велокоммуникации".
Дополнить пунктами 3.1.12а, 3.1.12б в следующей редакции:
"3.1.12а расчетный срок службы объекта: Установленный в задании на проектирование период использования строительного объекта по назначению до капитального ремонта и (или) реконструкции с предусмотренным техническим обслуживанием.
3.1.12б сегмент: Совокупность планировочных элементов улично-дорожной сети, включающая перегон улицы или дороги и пересечение в конце перегона по ходу движения транспортного потока, границами которого являются пересечения или элементы пересечений.".
"3.1.13 съезд: Конструктивный элемент улицы или дороги населенного пункта, обеспечивающий возможность поворота автомобиля с одной улицы или дороги на другую улицу или дорогу.".
Пункт 3.1.14. Дополнить слова:
"транспортное пересечение" словами:
"на уличной-дорожной сети".
Пункт 3.1.15. Дополнить слова: "сеть магистральных улиц и дорог," словами: "городских дорог и улиц общегородского значения, улиц и дорог районного значения,".
Пункт 3.1.15а. Заменить слова: "пешеходных и велосипедных путях" на "пешеходных путях, велокоммуникациях".
Пункт 3.1.16. Дополнить пунктом 3.1.17 в следующей редакции:
"3.1.17 условия движения: Совокупность факторов, включающих категорию улицы или дороги и режимы движения транспортных потоков, наличие критических элементов.".
"3.2 Сокращения
В настоящем своде правил применены следующие сокращения:
ИН - искусственная неровность;
МГН - маломобильные группы населения;
НГПТ - наземный городской пассажирский транспорт;
НПТОП - наземный пассажирский транспорт общего пользования;
ОТС - нестационарные объекты торговли и сервиса;
СИМ - средства индивидуальной мобильности;
СВТ - скоростной внеуличный транспорт (железнодорожный транспорт, метрополитен, скоростной трамвай);
УДС - улично-дорожная сеть;
ЭЗС - зарядная станция для электромобилей.".
4 Общие положения
Пункт 4.3. Дополнить слова: "дорог населенного пункта" словами: ", городских дорог и улиц общегородского значения".
"Обеспечение передвижений реализуется за счет выделения сети магистральных улиц и дорог, городских дорог и улиц общегородского значения, в том числе являющихся продолжением автомагистралей и скоростных автомобильных дорог на территории населенных пунктов с приоритетом движения НПТОП и автомобилей с высокими скоростями движения, а также путем соблюдения следующей приоритетности учета требований к передвижениям на УДС (кроме магистральных улиц и дорог 1-го и 2-го классов), включая улицы местного значения, улицы и дороги районного значения, городские дороги и улицы общегородского значения (за исключением городских дорог и улиц общегородского значения, являющихся продолжением автомагистралей и скоростных автомобильных дорог на территории населенных пунктов):
- пешеходы;
- НПТОП;
- велосипедисты, лица, использующие для передвижения СИМ;
- иной автомобильный транспорт, помимо НПТОП.".
"4.8 При проектировании сети улиц и дорог в населенном пункте следует создавать приоритетные условия для развития НПТОП, создавать условия для безопасного велосипедного и пешеходного движения, а также для движения лиц, использующих для передвижения СИМ.".
Пункт 4.10. Дополнить словами: ", а также движения лиц, использующих для передвижения СИМ".
Пункт 4.16. Заменить слова: "как правило, усовершенствованного и переходного видов в соответствии с требованиями
СП 34.13330" на "капитального и облегченного типов".
"4.18 Требования пожарной безопасности обеспечиваются в соответствии с [8]".
5 Улицы и дороги в населенных пунктах
5.1 Общие требования к проектированию улично-дорожной сети населенных пунктов
"- определены основные направления формирования инфраструктуры для пешеходного и велосипедного движения, а также для движения лиц, использующих для передвижения СИМ;".
Пункт 5.1.10. Дополнить абзацем после первого в следующей редакции:
"Интеллектуальные транспортные системы следует проектировать в соответствии с требованиями ГОСТ Р 71092 - ГОСТ Р 71096,
ГОСТ Р 71158,
ГОСТ Р 71159.".
5.2 Формирование транспортно-планировочного каркаса
Пункт 5.2.3. Дополнить слова: ", велосипедного движения," словами "движения с использованием СИМ,".
Пункт 5.2.5. Первое перечисление. Дополнить слова: "- для магистральных улиц" словами: "общегородского значения, улиц общегородского значения, улиц районного значения".
"5.2.11 При проектировании улиц и дорог в населенных пунктах следует применять максимальные расчетные скорости (из числа приведенных в
таблицах 11.2,
11.4 и
11.6 СП 42.13330.2016). В сложных градостроительных условиях (в пересеченной и горной местности, в стесненной городской застройке, в том числе имеющей историко-культурную ценность, в условиях реконструкции и капитального ремонта допускается снижать расчетные скорости в пределах диапазонов, указанных для каждой категории улиц и дорог, но не менее допустимых нижних значений диапазонов, указанных в
таблице 11.2 СП 42.13330.2016.".
Пункт 5.2.15. Заменить слова: "могут предусматриваться" на "предусматривают".
"Примечание - Допускается сохранять существующие геометрические параметры на участках проектируемых примыканий к существующей УДС.".
"5.2.20 При проектировании сети улиц и дорог в населенных пунктах в целях повышения пропускной способности улиц и дорог и обеспечения безопасности движения следует руководствоваться условиями доступа транспортных средств в соответствии с требованиями таблиц 5.1 и 5.1а.
При проектировании улиц и дорог следует руководствоваться требованиями
пункта 11.8 СП 42.13330.2016 по условиям доступа к улицам и дорогам.
Для улиц и дорог, для которых требованиями
СП 42.13330 не установлены требования к доступу к основной проезжей части, за исключением улиц и дорог местного значения, улиц и дорог сельских населенных пунктов, парковых дорог и проездов, следует обеспечивать минимальные задержки движения транспортного потока, которые допускается увеличивать на основе анализа стоимости жизненного цикла улицы или дороги, с учетом задержек в движении.
При размещении новых или реконструкции существующих зданий и сооружений в сложившейся застройке:
- при прогнозируемом на расчетный срок уровне загрузки менее 0,5 в час пиковой загрузки, с учетом нагрузки от планируемой застройки, допускается сохранять существующие условия доступа, в том числе въезды на территорию застройки, в условиях невозможности обеспечения доступа от земельного участка к УДС иными способами;
- при прогнозируемом на расчетный срок уровне загрузки более 0,5 в час пиковой загрузки, с учетом нагрузки от планируемой застройки, за исключением улиц и дорог местного значения, или при организации приоритета движения общественного транспорта необходимо уменьшать количество мест доступа транспортных средств (уменьшать количество элементов, описанных в таблице 5.1а), сокращать количество въездов/выездов на территорию застройки, объединять выезды от разных зданий в одно примыкание к улице или дороге. Остановочные пункты и наземные пешеходные переходы как обязательные элементы доступности следует размещать, соблюдая расстояния, указанные в 6.9 и 7.3.3 соответственно.
При комплексном развитии территории, строительстве микрорайонов и районов планировочное решение улиц и дорог следует формировать в соответствии с таблицами 5.1 и 5.1а.
Таблица 5.1
Условия применения планировочных элементов улиц и дорог
Категория | Светофорное регулирование | Остановочный пункт (раздел 6) | Наземный пешеходный переход (раздел 7) | Парковка (раздел 8) | Примыкания (въезды/выезды) | ИН |
с карманом | без кармана | регулируемый | нерегулируемый | параллельно | под углом |
Магистральные городские дороги |
1-го класса | Не допускается | 6.24 | Не допускается | Не допускается | Не допускается | Не допускается | Не допускается |
2-го класса | + | + | + | + | Не допускается | Не допускается | Не допускается | Не допускается |
Магистральные улицы общегородского значения |
1-го класса | Не допускается | 6.24 | 6.24 | Не допускается | Не допускается | Не допускается | Не допускается | Не допускается |
2-го класса | + | + | 6.24 | 7.3.3 | Не допускается | Не допускается | Не допускается | Не допускается |
3-го класса | + | + | + | + | Не допускается | 8.2.6 | Не допускается | Не допускается | Не допускается |
Городские дороги. Улицы общегородского значения | + | + | + | + | 7.3.7а) - 7.3.7г) | 8.2.6 | Не допускается | 5.8 | |
Улицы и дороги районного значения |
Улицы и дороги районного значения | + | + | + | + | 7.3.7а) - 7.3.7г) | 8.2.6 | Не допускается | 5.8 | |
Улицы и дороги местного значения |
Улицы в зонах жилой застройки, общественно-деловых и торговых зонах, в производственных зонах, улицы и дороги сельских населенных пунктов | + | + | + | + | + | + | + | + | + |
Примечание - В настоящей таблице применено следующее условное обозначение: "+" - применение разрешено. |
Таблица 5.1а
Условия доступа транспортных средств,
пешеходов и других пользователей
Категория улиц и дорог | Доступ к основной проезжей части | Движение |
легкового транспорта | общественного транспорта | грузового транспорта | велосипедистов, лиц, использующих для передвижения СИМ | пешеходов |
Магистральные городские дороги |
1-го класса | Доступ с магистральных улиц и дорог только через транспортные пересечения в разных уровнях. Не обслуживают объекты прилегающей территории, изолированы от застройки | Допускается | Допускается <1> | Допускается | Не допускается в пределах основной проезжей части <3> | Не допускается |
2-го класса | Доступ с магистральных улиц и дорог через транспортные пересечения в разных уровнях, пересечения со светофорным регулированием и примыкания (с правоповоротным движением) | Допускается | Допускается | Допускается | Не допускается в пределах основной проезжей части <3> | Допускается по пешеходным дорожкам |
Магистральные улицы общегородского значения |
1-го класса | Доступ с магистральных и районных улиц и дорог через транспортные пересечения в разных уровнях. Доступ с местных улиц и дорог возможен только через боковые проезды. Непосредственный въезд и выезд от объектов прилегающей территории на основную проезжую часть не допускается. Пересечения в одном уровне не допускаются | Допускается | Допускается | Допускается | Не допускается в пределах основной проезжей части <3> | Допускается |
2-го класса | Доступ с магистральных и районных улиц и дорог через транспортные пересечения в разных уровнях, пересечения со светофорным регулированием и примыкания (с правоповоротным движением). В условиях реконструкции допускается ограниченный доступ с местных улиц и дорог. Непосредственный въезд и выезд от объектов на проезжую часть ограничен | Допускается | Допускается | Допускается | Не допускается в пределах основной проезжей части <3> | Допускается <4> |
3-го класса | Доступ с магистральных, районных и местных улиц через пересечения и примыкания | Допускается | Допускается | Допускается | Допускается <3> | Допускается <4> |
Городские дороги и улицы общегородского значения, улицы и дороги районного значения |
Городские дороги. Улицы общегородского значения, улицы и дороги районного значения | Доступ с магистральных и местных улиц через пересечения и примыкания | Допускается | Допускается | Допускается | Допускается <3> | Допускается <4> |
Улицы и дороги местного значения |
Улицы в зонах жилой застройки, улицы и дороги сельских населенных пунктов | Доступ осуществляется через пересечения и примыкания. Обеспечивается непосредственный доступ к объектам | Допускается | Допускается | Не допускается <2> | Допускается | Допускается |
Улицы в общественно-деловых и торговых зонах | Доступ осуществляется через пересечения и примыкания. Обеспечивается непосредственный доступ к объектам | Допускается | Допускается | Не допускается <2> | Допускается | Допускается |
Улицы и дороги в производственных зонах | Доступ осуществляется через пересечения и примыкания. Обеспечивается непосредственный доступ к объектам | Допускается | Допускается | Допускается | Допускается <3> | Допускается по тротуарам |
Пешеходные улицы и площади | Доступ транспортных средств запрещен | Не допускается | Не допускается | Не допускается <2> | Допускается | Допускается |
<1> В целях организации экспресс- и скоростных маршрутов. <2> Разрешено для транспортных средств, обслуживающих прилегающую территорию. <3> В пределах велосипедных дорожек, отделенных от проезжей части. <4> В пределах наземных пешеходных переходов и пешеходных переходов вне проезжей части. |
".
5.3 Обеспечение безопасности движения при проектировании улиц и дорог
"5.3.5 Для предотвращения выезда транспортного средства на проезжую часть встречного направления на магистральных улицах общегородского значения, магистральных городских дорогах, на городских дорогах и улицах общегородского значения, улицах и дорогах районного значения в поперечном профиле следует предусматривать центральную разделительную полосу (с установкой разделительного ограждения или без него) в соответствии с 5.5.".
5.4 Улично-дорожная сеть в зонах различного функционального назначения
"5.4.1 Улицы и дороги с категорией не ниже магистральной городской дороги, магистральной улицы общегородского значения, городской дороги, улицы общегородского значения, улицы и дороги районного значения являются границами жилых районов, наряду с линиями железных дорог, естественными и искусственными рубежами.".
"5.4.5 Для снижения скоростей движения на улицах местного значения и внутриквартальных проездах в зонах жилой застройки и общественных зонах в соответствии с 5.2.15, 5.2.16 настоящего свода правил и
ГОСТ Р 70716 применяют следующие мероприятия:
- устройство островков между полосами движения противоположных направлений, в том числе сужающих проезжую часть;
- трассировка улицы с непрямолинейной траекторией;
- ИН;
- устройство кольцевых пересечений.".
Пункт 5.4.7. Дополнить пункт четвертым абзацем в следующей редакции:
"На территориях жилых зон вдоль проездов допускается устраивать парковочные карманы для обслуживания прилегающей застройки.".
Пункт 5.4.10. Дополнить пунктом 5.4.10а в следующей редакции:
"5.4.10а При проектировании общественно-деловых зон следует предусматривать организацию площадок посадки/высадки НГПТ в виде остановочных площадок, в том числе остановочных карманов, а также организацию парковочного пространства.".
Пункт 5.4.14. Дополнить вторым абзацем в следующей редакции:
"В зонах производственной застройки следует устраивать площадки для отстоя грузового транспорта.".
5.5 Поперечный профиль
Пункт 5.5.3. Дополнить слова: "в час пик" словами: "и режима движения транспорта.".
Дополнить пунктом 5.5.3а в следующей редакции:
"5.5.3а Поперечный профиль пешеходных улиц и площадей может включать газоны, пешеходные пути, велокоммуникации, полосы озеленения, зоны озеленения и благоустройства, а также зоны для размещения инженерных коммуникаций и др. Проезжая часть в составе пешеходных улиц и площадей не предусматривается.".
"5.5.4 В условиях нового строительства, реконструкции или капитального ремонта при наличии застройки по обеим сторонам улицы ее поперечный профиль проектируют симметричным; при размещении жилой или общественной застройки с одной стороны улицы допускается не устраивать тротуары на той стороне улицы, где застройка отсутствует или вдоль которой расположены заборы, стены производственных и иных строений, не имеющие выходов на улицу.".
Пункт 5.5.5. Заменить слова: "рекомендуется осуществлять" на "осуществляются".
"5.5.7 Проезжую часть на прямолинейных участках улиц и дорог при двухстороннем движении транспорта, а также на кривых в плане с радиусом, превышающим указанные в таблице 5.5 для случая без устройства виража, а на магистральных улицах, городских дорогах и улицах общегородского значения, улицах и дорогах районного значения - в таблице 5.6, следует предусматривать с двухскатным поперечным профилем. Допускается устройство односкатного поперечного профиля на улицах с шириной проезжей части менее 15,0 м.
5.5.8 Поперечный профиль тротуаров, велосипедных дорожек, газонов, парковочных мест, остановочных карманов следует устраивать односкатным, с уклоном в сторону проезжей части. В условиях пересеченной и горной местности, в стесненной городской застройке, а также в условиях реконструкции и капитального ремонта поперечный профиль указанных элементов допускается выполнять двухскатным или односкатным с уклоном от проезжей части, при условии организации стока дождевых и талых вод без негативного воздействия на здания и сооружения.".
"<*> В условиях пересеченной и горной местности, в стесненной городской застройке, а также в условиях реконструкции и капитального ремонта допускается увеличение поперечного уклона тротуара до

.".
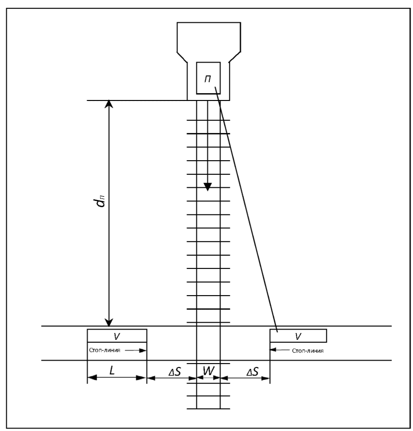
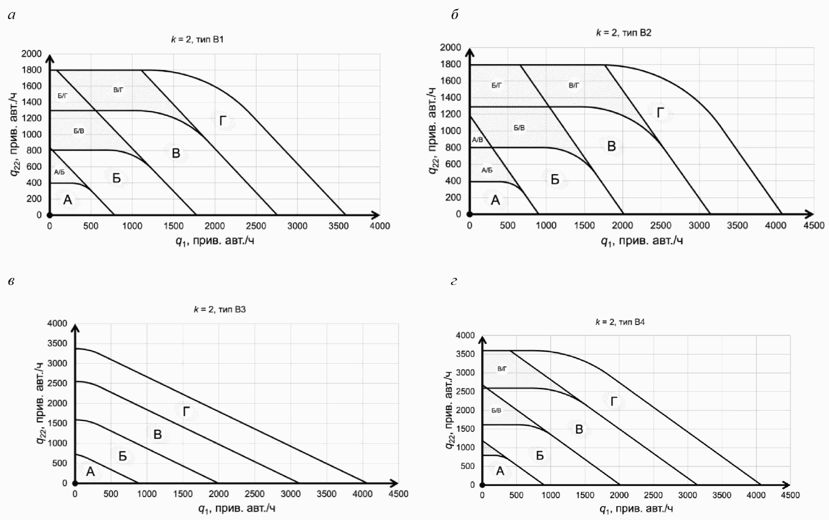
"5.5.12 Расчетную пропускную способность улиц и дорог следует определять для сегментов УДС в зависимости от расчетной пропускной способности критического элемента (рисунок 1а).
Рисунок 1а - Схема сегмента улично-дорожной сети
Расчетная пропускная способность представляет собой максимальное число транспортных средств, которое может пропустить сегмент УДС или полоса движения сегмента в одном направлении в реальных условиях движения без снижения средней скорости в течение 1 ч, измеряется в приведенных единицах в час (прив. ед./ч). Величина расчетной пропускной способности должна обеспечивать пропуск прогнозируемой интенсивности движения транспорта, с учетом условий движения.
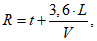
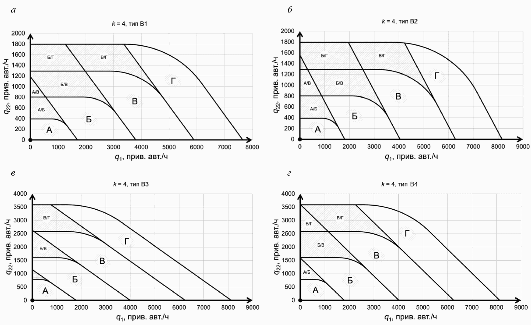
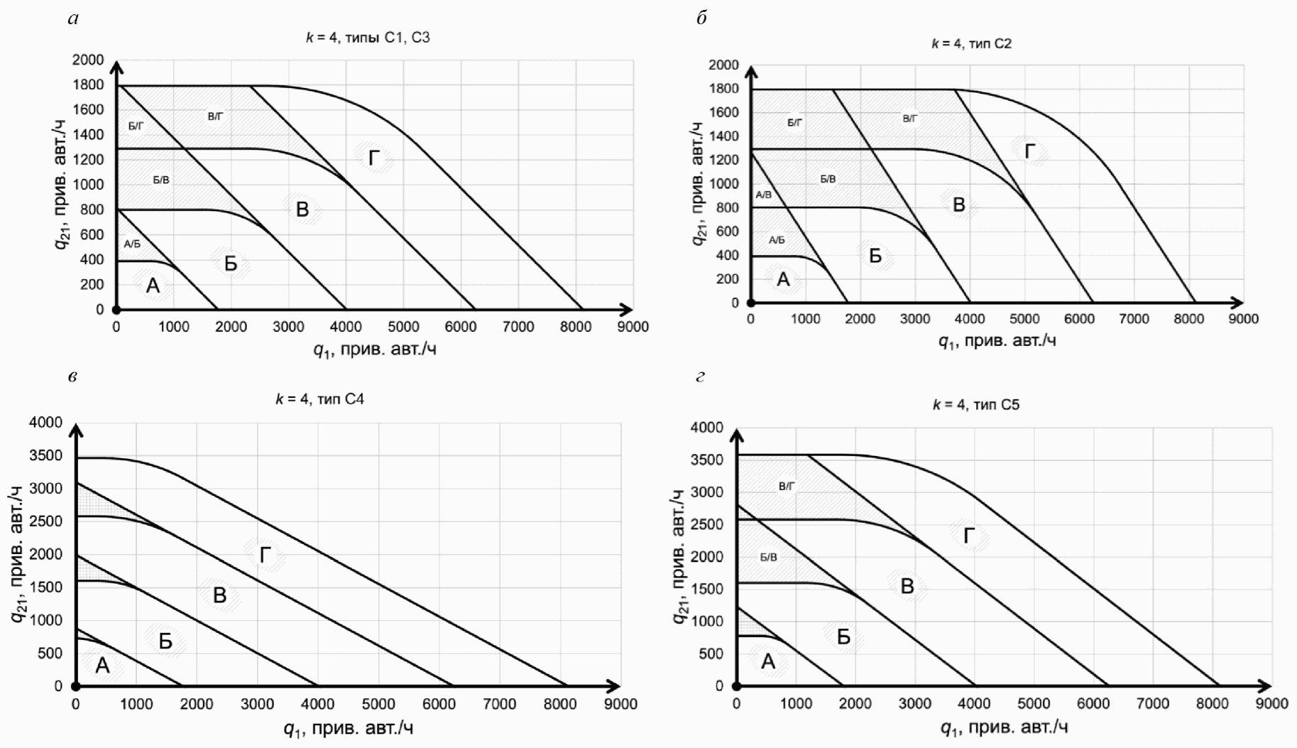
5.5.12.1 В качестве основного критического элемента следует рассматривать: пересечения в разных уровнях и пересечения в одном уровне, наземные пешеходные переходы, ИН, светофорное регулирование. Необходимо учитывать влияние на снижение расчетной пропускной способности парковок, остановок и примыканий в соответствии с приложением С.
5.5.12.2 Для предварительной оценки расчетной пропускной способности критического элемента расчетную пропускную способность одной полосы движения на перегоне при отсутствии факторов, снижающих расчетную пропускную способность, следует принимать в соответствии с таблицей 5.3.
Таблица 5.3
Расчетная пропускная способность одной полосы движения
Режим движения | Расчетная пропускная способность полосы движения, прив. ед./ч |
Непрерывное движение | 1750 |
Регулируемое движение | По расчету (5.5.12, 5.8.3а, 5.8.3б, 5.8.4а, приложения Б, Р, С) |
Расчетную пропускную способность многополосной проезжей части следует принимать по таблице 5.4.
Таблица 5.4
Расчетная пропускная способность
многополосной проезжей части
Наименование параметра | Количество полос движения |
1 | 2 | 3 | 4 | 5 |
Пропускная способность перегона в зависимости от количества полос движения (Pперегон), прив. ед./ч <1> | 1750 | 3330 | 4730 | 5950 | 7180 |
Коэффициент снижения пропускной способности в зависимости от полосы (ki) <2> | 1 | 0,9 | 0,8 | 0,7 | 0,7 |
<1> Приведены с округлением. <2> Крайняя левая полоса движения всегда имеет самую высокую расчетную пропускную способность. |
".
"5.5.17 Боковые проезды следует проектировать по нормам улиц более низкой категории относительно улицы, вдоль которой проектируется боковой проезд.".
Пункт 5.5.22. Заменить слова: "требуется соблюдение требований" на "следует соблюдать требования".
"Обочины, полосы безопасности, остановочные площадки".
"5.5.27 На улицах и дорогах населенных пунктов предусматривают полосы безопасности, обочины, остановочные полосы и площадки.
При отсутствии обочины полосу безопасности устраивают между бортовым камнем и краем проезжей части.
При отсутствии бортового камня на дорогах устраивают обочины. В состав обочины входят краевая полоса, укрепленная часть обочины и грунтовая (неукрепленная) часть обочины. Краевая полоса входит в состав укрепленной части обочины.".
Дополнить пунктами 5.5.27а - 5.5.27д в следующей редакции:
"5.5.27а На магистральных городских дорогах общегородского значения 1-го класса устройство полос безопасности взамен обочин допускается в условиях пересеченной и горной местности, в стесненных условиях согласно
СП 42.13330, при реконструкции и капитальном ремонте. В случае замены обочин на полосы безопасности предусматривают остановочные площадки шириной 3,0 м, длиной 80,0 м (включая отгон по
подпункту 5.3.3.4 ГОСТ Р 52766-2007). Расстояние между двумя последовательно расположенными площадками не должно превышать 1000 м.
На улицах общегородского значения с центральной разделительной полосой между разделительной полосой и кромкой проезжей части устраивают полосу безопасности.
5.5.27б При отсутствии бортового камня вдоль края проезжей части и прикромочного лотка ширину обочины и ее элементов назначают в соответствии с требованиями таблицы 5.4б.
Таблица 5.4б
Ширина обочины и ее элементов при отсутствии
бортового камня и прикромочного лотка
При отсутствии бортового камня и (или) прикромочного лотка | Ширина обочин и ее элементов на улицах и дорогах, м, не менее |
общегородского значения | городских дорог и улиц общегородского значения малых и средних городов <**> | районного значения | местного значения |
непрерывного движения 1-го класса | регулируемого движения 2-го класса | регулируемого движения 3-го класса |
Ширина обочины | 3,75 | 3,5 | 3,0 | 3,0 | 3,0 | 2,0 |
Ширина краевой полосы обочины | 0,75 | 0,75 | 0,5 | 0,5 | 0,5 | 0,15 |
Ширина обочины, в том числе краевой полосы <*> | Не применяется | Не применяется | 0,5 | 0,5 | 0,5 | 0,15 |
<*> Применяется при одновременном выполнении следующих условий: - уклон откоса, укрепленного засевом трав, менее  от проезжей части на расстоянии не менее 2,5 м; - организация дренажа дорожных одежд улицы/дороги; - обеспечение водоотвода с прилегающих к улице/дороге территорий; - расстояние от края проезжей части до ближайших расположенных за газоном тротуара, велосипедной дорожки, здания или сооружения не менее 2,5 м, на улицах местного значения городских населенных пунктов и на улицах сельских населенных пунктов - не менее 1,75 м. <**> За исключением городских дорог и улиц общегородского значения, являющихся продолжением автомагистралей и скоростных автомобильных дорог на территории населенных пунктов. Примечания 1 Краевая полоса обочины должна быть укреплена так же, как и проезжая часть. 2 Ширину обочин принимают в зависимости от типа ограждения и условий видимости, но не менее значений, указанных в настоящей таблице, с учетом требований ГОСТ Р 52289. 3 На улицах общегородского значения и магистральных городских дорогах с центральной разделительной полосой между разделительной полосой и кромкой проезжей части при отсутствии дорожного ограждения устраивают полосу безопасности шириной, равной ширине краевой полосы обочины, при наличии дорожного ограждения - по ГОСТ Р 52289. 4 При устройстве бортового камня вдоль края укрепленной части обочины, конструкцию укрепленной части обочины следует предусматривать с покрытием, аналогичным покрытию проезжей части, и рассчитывать в соответствии с требованиями СП 34.13330. |
5.5.27в При наличии бортового камня и (или) прикромочного лотка вдоль края проезжей части ширину полосы безопасности назначают в соответствии с требованиями таблицы 5.4в. Прикромочный лоток входит в состав полосы безопасности.
Таблица 5.4в
Ширина полосы безопасности при наличии
бортового камня и (или) прикромочного лотка
При наличии бортового камня и (или) прикромочного лотка | Ширина полосы безопасности на улицах и дорогах, м, не менее |
общегородского значения | городских дорог и улиц общегородского значения малых и средних городов <*> | районного значения | местного значения |
непрерывного движения 1-го класса | регулируемого движения 2-го класса | регулируемого движения 3-го класса |
Ширина полосы безопасности | 0,75 | 0/0,5 | 0/0,5 | 0/0,5 | 0/0,5 | 0/0,5 |
<*> За исключением городских дорог и улиц общегородского значения, являющихся продолжением автомагистралей и скоростных автомобильных дорог на территории населенных пунктов. Примечания 1 В числителе приведены значения, принимаемые при выполнении хотя бы одного из следующих условий: - ширина крайней правой полосы движения более 3,25 м; - при отделении тротуара от проезжей части газоном шириной не менее 2 м; - при расположении тротуара с одной стороны при односкатной проезжей части с уклоном от тротуара либо при двухскатном поперечном профиле к центру проезжей части (применимо только для улиц и дорог местного значения); - при разрешенной скорости движения 40 км/ч и менее. В знаменателе приведены значения, применяемые при невыполнении всех условий, указанных выше в данном примечании. 2 На улицах общегородского значения и магистральных городских дорогах с центральной разделительной полосой между разделительной полосой и кромкой проезжей части при отсутствии дорожного ограждения устраивают полосу безопасности шириной согласно настоящей таблице, при наличии дорожного ограждения - по ГОСТ Р 52289. 3 Ширину полос безопасности принимают в зависимости от принятого типа ограждения и условий видимости, но не менее значений, указанных в настоящей таблице. 4 Конструкцию дорожной одежды полосы безопасности следует предусматривать с покрытием, аналогичным покрытию проезжей части, и рассчитывать в соответствии с требованиями СП 34.13330 с обеспечением безопасного заезда транспортных средств в случае аварийной ситуации. 5 Конструкция прикромочного лотка вдоль бортового камня должна позволять безопасный наезд колеса автомобиля в случае остановки. |
5.5.27г При установке дорожного ограждения, устройстве подпорных стен вдоль проезжей части ширину обочины или полосы безопасности предусматривают в соответствии с
ГОСТ Р 52289.
5.5.27д При необходимости устройства объектов транспортной инфраструктуры, входящей в состав улицы/дороги (шумозащитные экраны и валы, технические зоны для прокладки коммуникаций технических средств организации дорожного движения и др.), ширина обочин или полосы безопасности определяется проектом, но принимается не менее параметров, указанных в таблицах 5.4б и 5.4в.".
"5.5.28 Полосы безопасности или обочины, если их устройство требуется согласно требованиям 5.5.27, устраивают с обеих сторон проезжей части, включая проезжие части, разделенные центральными разделительными полосами, а также проезжие части боковых и местных проездов, с учетом требований 5.5.17.".
5.6 План и продольный профиль
"5.6.2 Минимальные радиусы кривых в плане следует определять расчетом в соответствии с Ж.1 или принимать по таблице 5.5.
5.6.3 На кривых в плане радиусом менее рассчитанного из условия движения по двухскатному поперечному профилю, а на магистральных улицах и дорогах, городских дорогах и улицах общегородского значения, улицах и дорогах районного значения на кривых, радиусом менее указанных в таблице 5.6, необходимо предусматривать устройство виражей. В остальных случаях, а также в условиях реконструкции виражи допускается не устраивать.
В условиях реконструкции или капитального ремонта, при устройстве кривых в плане с радиусами, меньше указанных в таблице 5.5, расчетная скорость принимается равной 20 км/ч вне зависимости от наличия виража.".
"5.6.7 На магистральных улицах и дорогах, городских дорогах и улицах общегородского значения, улицах и дорогах районного значения при обратном сопряжении смежных кривых в плане:".
"5.6.10 На магистральных улицах и дорогах, городских дорогах и улицах общегородского значения при сопряжении прямых участков с кривыми в плане при радиусах менее 2000 м, при сопряжении между собой обратных круговых кривых, а также при сопряжении одинаково направленных круговых кривых в случае, если их радиусы различаются более чем в 1,3 раза, следует применять переходные кривые.
На городских дорогах и улицах общегородского значения в условиях реконструкции и капитального ремонта, а также на улицах и дорогах местного и районного значения, улицах и дорогах сельских населенных пунктов переходные кривые не устраивают.".
"5.6.12 На кривых в плане радиусом 400 м и менее следует предусматривать уширение проезжей части. Полное уширение проезжей части определяют путем умножения значения уширения на количество полос движения.
Уширение полосы движения на кривых в плане без индивидуальных обоснований принимают по
таблице М.1 СП 42.13330.2016.
Уширение менее 0,2 м (на каждую полосу) при назначении ширины полосы движения не учитывают.".
Пункт 5.6.14. Дополнить третьим предложением в следующей редакции:
"В горной местности допускается размещать уширения проезжей части на кривых в плане частично с внешней стороны закругления.".
"5.6.34 Расстояние между двумя переломами продольного профиля для новых проектируемых магистральных городских дорог и магистральных улиц общегородского значения, городских дорог и улиц общегородского значения, улиц и дорог районного значения следует принимать не менее 200 м.
На улицах и дорогах местного значения городских населенных пунктов, местных улицах и дорогах сельских населенных пунктов, проездах всех населенных пунктов при реконструкции и капитальном ремонте допускается предусматривать перелом продольного профиля без вертикальной кривой при условии разницы продольных уклонов не более

и наличии не более одного такого перелома на участке улицы, дороги или проезда протяженностью 50 м.".
"5.6.37 Если в условиях нового строительства в стесненной городской застройке, а также при реконструкции и капитальном ремонте улиц и дорог радиусы выпуклых и вогнутых кривых оказываются меньше минимальных значений, а условия стесненной городской застройки не позволяют провести их увеличение до требуемых значений, то на соответствующих участках следует ограничивать разрешенную скорость движения до значения, соответствующего радиусам выпуклых и вогнутых кривых. При разнице расчетных скоростей на участке с ограничением скорости и на предшествующем участке 20 км/ч и более снижение расчетной скорости должно быть ступенчатым с шагом не более 20 км/ч.".
"5.6.39 Габарит по высоте от поверхности покрытия тротуара или велодорожки должен составлять в свету не менее 2,5 м. В условиях пересеченной и горной местности, в стесненной городской застройке, а также в условиях реконструкции и капитального ремонта допускается уменьшать данный габарит до 2,25 м.".
5.7 Условия видимости
Пункт 5.7.8. Заменить слова: "В сложных градостроительных условиях и при реконструкции" на "В условиях пересеченной и горной местности, в стесненной городской застройке, а также в условиях реконструкции и капитального ремонта".
"- с устройством светофорного регулирования;
- с устройством кольцевого пересечения (приложение К).".
"5.7.10 В условиях пересеченной и горной местности, в стесненной городской застройке, а также в условиях реконструкции и капитального ремонта допускается устройство пересечений (примыканий) в одном уровне с необеспеченной боковой видимостью с разработкой мероприятий по обеспечению безопасных условий проезда (устройство светофорной сигнализации или сферических зеркал).".
5.8 Пересечения и примыкания в одном уровне
"5.8.1 Пересечение или примыкание следует устраивать под углом от 60° до 100°, отмеряя его от направления главной дороги к второстепенной против хода часовой стрелки.".
"Таблица 5.10
Планировочные решения и минимальные технические параметры
пересечений и примыканий в одном уровне
Типы пересечений | Категории пересекающихся улиц | Планировочные решения по организации движения потоков транспорта | Единая кривая, радиус, м | Кривая, вписанная между отгонами | Коробовая кривая |
Радиус, м | Отгон | Уширение, м | Радиус, м |
1 | Магистральные улицы и дороги общегородского значения: - между собой - с улицей или дорогой районного значения - с автомобильными дорогами общего пользования | Канализирование потоков транспорта | 15 | 23 | 1:15 | 1,2 | 55 - 12 - 55 |
2 | Городские дороги и улицы общегородского значения, улицы и дороги районного значения: - между собой - с автомобильными дорогами общего пользования | Частичное канализирование потоков транспорта | 15 | 10 | 1:10 | 0,8 | 36 - 12 - 36 |
3 | Улица или дорога районного значения: - с улицей местного значения Улицы и дороги местного значения: - между собой - с автомобильными дорогами общего пользования | Перекресток | 6 | - | - | - | - |
Примечание - На территориях производственных зон радиусы закруглений принимают по параметрам проектирования пересечений магистральных улиц общегородского значения. |
".
"5.8.3 Количество полос для организации движения на пересечениях и примыканиях (за исключением нерегулируемых) следует принимать в соответствии с данными о перспективной интенсивности движения и величине расчетной пропускной способности (при подготовке проектной документации - по направлениям движения), но не менее количества полос на подходах к пересечению или примыканию.".
Дополнить пунктами 5.8.3а, 5.8.3б в следующей редакции:
"5.8.3а Для предварительной оценки расчетной пропускной способности регулируемого пересечения или примыкания следует определять ее как сумму расчетных пропускных способностей всех полос движения, подходящих к пересечению или примыканию. Расчетную пропускную способность одной полосы движения регулируемого пересечения следует рассчитывать, как произведение потока насыщения (таблица 5.10а) и доли разрешающего (зеленого) сигнала светофора в общем цикле светофорного регулирования по формуле

(5.1а)
где S - поток насыщения, прив. ед./ч;
tзел - продолжительность разрешающего (зеленого) сигнала, с;
Tц - длина цикла, с.
Таблица 5.10а
Значения потоков насыщения по направлениям движения
Направление движения | Поток насыщения, прив. ед./ч |
в крупнейших городах | в крупных, больших, средних и малых населенных пунктах |
Прямо | 1650 | 1650 |
Налево | 1625 | 1550 |
Направо | 1500 | 1400 |
Примечание - Для полос совмещенного движения следует принимать значение потока насыщения по наименьшему из значений, для которых возможно движение из данной полосы. |
5.8.3б Значения потока насыщения левоповоротных полос движения при наличии встречного конфликтного потока автомобилей следует снижать в зависимости от интенсивности движения встречного потока автомобилей. Величину снижения потока насыщения полосы движения в зависимости от интенсивности движения встречного конфликтного направления следует принимать по номограмме, приведенной на рисунке 1б.
Рисунок 1б - Зависимость величины снижения потока насыщения
полосы движения от интенсивности движения встречного
конфликтного направления
".
Пункт 5.8.4. Заменить слово: "допускается" на: "следует".
Дополнить пунктом 5.8.4а в следующей редакции:
"5.8.4а Для предварительной оценки расчетная пропускная способность нерегулируемых пересечений и примыканий определяется расчетом на основании величины граничного интервала и интервала следования второстепенного направления движения, с учетом ранжирования направлений движения по приоритету проезда в соответствии с приложением Р.".
"5.8.8 В границах нерегулируемых пересечений и примыканий следует применять не более одной дополнительной полосы для организации левого поворота. В условиях пересеченной и горной местности, в стесненной городской застройке, а также в условиях реконструкции и капитального ремонта при условии обеспечения пропускной способности дополнительные полосы для организации левых поворотов не предусматривают.".
Пункт 5.8.9. Дополнить вторым абзацем в следующей редакции:
"В случае выделения дополнительной полосы для левого поворота за счет устройства центрального направляющего островка параметры островка следует принимать по таблице 5.11а.".
Таблица 5.11. Дополнить таблицей 5.11а в следующей редакции:
"Таблица 5.11а
Отгон ширины островка
Расчетная скорость основного направления, км/ч | Отгон центрального островка на приближении к отгону полосы для левого поворота | Отгон уширения полосы для левого поворота |
Менее 50 | 1:8 | 1:4 |
От 50 до 80 | 1:15 | 1:8 |
Более 80 | 1:25 | 1:12 |
".
"5.8.12б Форму треугольного направляющего островка определяют с учетом ширины правоповоротного съезда и величины радиуса кривой в плане.".
"5.8.15в На выезде с площадки для разворота при отсутствии светофорного регулирования устраивают переходно-скоростную полосу разгона; при наличии светофорного регулирования переходно-скоростную полосу разгона не устраивают.".
Четвертое предложение. Дополнить слово: "развороте" словами: "с учетом уширений без дополнительных обоснований".
Дополнить вторым абзацем в следующей редакции:
"При индивидуальном обосновании величину уширения проезжей части назначают на основании результатов моделирования траектории проезда расчетного транспортного средства.".
"Выделение краевых полос предусматривают разметкой или покрытием, отличающимся по цвету и (или) фактуре.".
Дополнить вторым абзацем в следующей редакции:
"В условиях реконструкции и капитального ремонта, когда для устройства переходно-скоростных полос требуется изменение планировочного решения основного направления движения, переходно-скоростные полосы торможения перед разворотом не устраивают.".
"5.8.19 Кольцевые пересечения с радиусом центрального островка от 2 до 10 м (мини-кольцевые пересечения) допускается предусматривать:
- при реконструкции существующих пересечений в одном уровне в стесненных условиях на улицах и дорогах местного значения, местных улицах и дорогах сельских населенных пунктов;
- капитальном ремонте и реконструкции улиц и дорог местного значения, местных улиц и дорог сельских населенных пунктов.
5.8.20 Центральный островок должен иметь форму круга. В условиях пересеченной и горной местности, в стесненной городской застройке, а также в условиях реконструкции и капитального ремонта допускается предусматривать центральный островок в форме эллипса. В составе пересечений в разных уровнях 3-го и 4-го классов допускается предусматривать центральные островки каплевидной формы.
5.8.21 Центральный островок следует приподнимать над проезжей частью на 15 см.
Центральный островок мини-кольцевого пересечения следует приподнимать над уровнем проезжей части на 4 - 5 см. Покрытие центрального островка мини-кольцевого пересечения следует принимать той же конструкции, как на проезжей части.
5.8.22 Уклон от центра островка к проезжей части следует принимать от

до

. При расположении кольцевого пересечения на участке с продольным уклоном

и более уклон в сторону верхней части пересечения следует принимать не менее

.".
"5.8.26 На однополосных кольцевых пересечениях с диаметром центральных островков менее 30 м следует предусматривать дополнительные краевые полосы шириной до 4,0 м, допускающие проезд по ним расчетных автопоездов и автобусов. Краевые полосы размещают в пределах центрального островка и выполняют отличающимися от покрытия кольцевой проезжей части по цвету и фактуре.
На двухполосных кольцевых пересечениях краевые полосы допускается устраивать за счет центрального островка и с внешней стороны кольцевой проезжей части.".
Пункт 5.8.27. Исключить слова: "для проезда крупногабаритных грузовых автомобилей".
"5.8.28 В условиях несоответствия расчетной скорости движения на кольцевом пересечении и на проектируемых улицах более чем в 1,3 раза для обеспечения безопасности движения автомобилей на подходах к кольцевому пересечению необходимо устройство S-образных кривых с уменьшающимися радиусами.".
"Ширину однополосного въезда или выезда следует принимать меньше, чем сумма габаритов двух расчетных легковых автомобилей и зазора безопасности между автомобилями, равного 0,3 м.".
Пункт 5.8.34. Дополнить слова: "полосы шириной" словами: "не менее".
"- минимальный радиус внутренней кромки внутренней полосы движения должен быть не менее 12 м (в условиях пересеченной и горной местности, в стесненной городской застройке, а также в условиях реконструкции и капитального ремонта допускается уменьшать до 10,5 м);".
"5.8.39.12 На кольцевых пересечениях со спиральными полосами движения допускается устройство разделителей разделительных полос или делиниаторов между полосами движения на кольцевой проезжей части.".
Пункт 5.8.40. Заменить слова: "части магистральных улиц" на "части улиц"; "пересечениях магистральных улиц" на "пересечениях улиц".
Пункт 5.8.43. Дополнить ненумерованным заголовком "Пересечения улиц и дорог с железными дорогами" и пунктами 5.8.44 - 5.8.51 в следующей редакции:
"Пересечения улиц и дорог с железными дорогами
5.8.44 Место пересечения и положение проектируемых сооружений пересечений улиц и дорог с железными дорогами в отношении продольного профиля и плана железнодорожной линии следует выбирать с учетом
СП 227.1326000.
5.8.45 Пересечения магистральных городских дорог 1-го и 2-го классов, магистральных улиц общегородского значения 1-го и 2-го классов с железными дорогами необходимо проектировать в разных уровнях.
Пересечения улиц и дорог населенных пунктов других категорий с железными дорогами предусматривают в одном уровне, за исключением случаев:
а) отнесение железнодорожного переезда согласно требованиям [10]:
1) к I, II и III категории на железнодорожных путях общего пользования;
2) к IV категории при пересечении трех и более железнодорожных путей общего пользования, железнодорожных путей общего пользования в выемках и других местах, где не обеспечены условия видимости согласно
пункту 7.2 ГОСТ Р 50597-2017, в границах железнодорожных станций, а также в случаях, когда требуется обслуживание железнодорожных переездов дежурным по переезду;
б) расположение железнодорожного переезда на участках железнодорожных путей общего пользования со скоростями движения поездов более 80 км/ч;
в) несоответствие места пересечения требованиям [12].
5.8.46 Вновь строящиеся пересечения железнодорожных путей с улицами или дорогами в одном уровне устраивают под углом от 80° до 100°. При невозможности выполнить это условие угол между пересекающимися дорогами в одном уровне должен быть не менее 60°, в городах федерального значения на подъездных железнодорожных путях с интенсивностью движения поездов четыре поезда в сутки и менее - не менее 30° при условии оборудования железнодорожного переезда переездной сигнализацией.
5.8.47 На вновь строящихся и реконструируемых улицах и дорогах на подходах к железнодорожным переездам необходимо обеспечить следующие расстояния видимости, исходя из условий организации и безопасности движения:
расстояние видимости железнодорожного переезда (сигналов переездной сигнализации и шлагбаумов) вдоль улицы или дороги (согласно Н.1 приложения Н);
- расстояние видимости приближающегося к переезду поезда вдоль железнодорожных путей на нерегулируемом железнодорожном переезде (согласно Н.2 приложения Н, но не менее чем по
ГОСТ Р 50597);
- расстояние видимости приближающегося поезда из стоящего у железнодорожного переезда автомобиля (согласно Н.3 приложения Н).
5.8.48 Железнодорожные переезды должны быть оборудованы средствами, обеспечивающими безопасность движения автомобильного транспорта, в соответствии с нормами, установленными [10].
5.8.49 Ширину проезжей части улиц и дорог на пересечениях в одном уровне с железными дорогами принимают равной ширине проезжей части улиц и дорог на подходах к пересечениям либо с дополнительными полосами движения согласно Н.5 приложения Н. На подходах к железнодорожному переезду и на самом переезде покрытие принимают согласно Н.9, Н.10 приложения Н, продольные уклоны - согласно Н.7, Н.8 приложения Н, расстояния до пересечений и примыканий в одном уровне - согласно Н.6 приложения Н. Во избежание потери возможности движения автомобилей из-за съезда колеса с настила на железнодорожный путь в пределах переезда на двухполосных улицах и дорогах следует предусматривать уширение проезжей части, соответствующее ширине укрепленной части обочины или полосы безопасности согласно таблицам 5.4б и 5.4в.
5.8.50 При наличии двух или трех полос движения автомобильного транспорта в каждую сторону на железнодорожном переезде светофоры, устанавливаемые согласно
ГОСТ Р 52282 и
ГОСТ Р 52289, должны быть продублированы с левой стороны проезжей части каждого направления дороги или улицы, с устройством островка безопасности между проезжими частями встречных направлений движения автомобильного транспорта, и (или) расположены на консолях над проезжей частью.
5.8.51 При наличии тротуара на улице или пешеходной дорожки вдоль дороги, велосипедной дорожки или велосипедной полосы ширину настила на железнодорожном переезде увеличивают на ширину соответствующих элементов улицы или дороги либо устраивают отдельный переход через железнодорожные пути для пешеходов, велосипедистов, лиц, использующих для передвижения СИМ.".
5.9 Пересечение в разных уровнях
"5.9.1 Транспортные пересечения городских дорог и улиц в разных уровнях (транспортные развязки) следует устраивать в случаях, указанных в таблице 5.12. Класс транспортных развязок следует назначать в зависимости от категорий пересекаемых улиц и (или) дорог.".
Пятая строка. Заменить слова: "Магистральные улицы" на "Улицы и дороги".
"Примечание - При проектировании пересечений в разных уровнях следует устраивать развязки максимально высокого класса из допустимых для категорий пересекаемых улиц/дорог. В условиях пересеченной и горной местности, в стесненной городской застройке, а также в условиях реконструкции и капитального ремонта допускается устраивать транспортные развязки более низких классов из допустимых для категорий пересекаемых улиц/дорог.".
"5.9.6 Пересечения и примыкания магистральных улиц и дорог непрерывного движения с сетью улиц и городских дорог местного значения допускается предусматривать только в условиях реконструкции и капитального ремонта, а также в условиях нового строительства при невозможности организации транспортного сообщения обслуживаемых территорий с учетом положений 5.2.3, 5.2.8 и 5.2.20.".
Дополнить пунктом 5.9.6а в следующей редакции:
"5.9.6а В целях увеличения пропускной способности транспортного пересечения в разных уровнях и исключения помех в движении на основной части допускаются устройство боковых проездов на участках переплетения транспортных потоков и использование их в качестве съездов.
Сопряжение основной проезжей части с боковыми проездами следует предусматривать в соответствии с 5.8.40 - 5.8.43.".
Пункт 5.9.7. Заменить слова: "рисунки Б.2, Б.3" на "рисунки Б.1, Б.6".
"5.9.8 Схему разделения транспортных потоков (рисунок Б.1) следует назначать с учетом перспективной интенсивности движения основного и поворачивающего направлений (рисунки Б.2 - Б.5).
5.9.9 Схему слияния транспортных потоков (рисунок Б.6) следует назначать с учетом перспективной интенсивности движения основного и поворачивающего направлений (рисунки Б.7 - Б.10).".
Дополнить вторым абзацем в следующей редакции:
"Допускается индивидуальное обоснование длины переходно-скоростных полос с учетом обеспечения пропускной способности и безопасности движения.".
Пункт 5.9.12. Дополнить слово: "расчету" словами "пропускной способности".
"1 В условиях реконструкции и капитального ремонта, а также в условиях стесненной городской застройки допускается снижать требуемые параметры по взаимному расположению элементов транспортных пересечений в разных уровнях при условии снижения разрешенной скорости движения не менее чем на 10 км/ч в крайней правой полосе.".
Пункт 5.9.13. Дополнить слово: "расчетом" словами: "пропускной способности".
6 Наземный пассажирский транспорт общего пользования на улично-дорожной сети города
Общие требования
"6.3 Движение НПТОП следует организовывать на магистральных улицах общегородского значения, магистральных городских дорогах, магистральных городских дорогах и улицах общегородского значения, улицах и дорогах районного значения, обеспечивая:".
"6.4 Плотность сети НПТОП на застроенной территории города следует предусматривать, исходя из плотности УДС общегородского и районного (за исключением малых городов) значения.
6.5 На улицах местного значения с двумя полосами движения и более с шириной полосы 3,0 - 3,5 м допускается организовывать движение пассажирского транспорта общего пользования при ширине полосы движения, м:
3,0 - подвижного состава малой вместимости (до 20 пассажиров) в малоэтажной застройке;
3,25 - подвижного состава с числом осей не более двух и при запрете движения велосипедистов по проезжей части на участке улицы или дороги;
3,5 - всех типов подвижного состава.".
"6.8 Допускается предусматривать выделенные полосы для НПТОП при наличии более двух полос движения транспорта в одном направлении в следующих случаях:
- при снижении скорости движения НПТОП в общем транспортном потоке относительно движения по выделенной полосе в период пиковой нагрузки НПТОП, если пассажиропоток на рассматриваемом участке маршрутной линии НПТОП равен или превышает интенсивность индивидуального транспорта;
- при устройстве выделенной полосы.
Ширина полосы движения, выделенной для движения наземного общественного транспорта, на магистральных и районных улицах и дорогах должна составлять:
- при строительстве улицы или дороги - не менее 3,5 м;
- при реконструкции и капитальном ремонте улицы или дороги, строительстве улицы или дороги в пересеченной и горной местности, а также в стесненной городской застройке - не менее 3,25 м.
Выделение полосы движения для автобусов в условиях сложившейся застройки осуществляется за счет разметки существующих полос движения или строительства дополнительной полосы движения.
Выделенную полосу следует обозначать разметкой и дорожными знаками. Допускается устраивать обособление выделенных полос движения с применением ограждений, столбиков и (или) делиниаторов.
Допускается предусматривать локальные выделенные полосы для НПТОП на пересечениях в одном уровне со светофорным регулированием. Длина такой выделенной полосы должна превышать длину очереди автомобилей на пересечении в одном уровне.".
Пункт 6.11. Дополнить пунктом 6.11а в следующей редакции:
"6.11а Велосипедные дорожки и велосипедные полосы должны быть расположены вне остановочных площадок и не должны пересекать посадочные площадки.
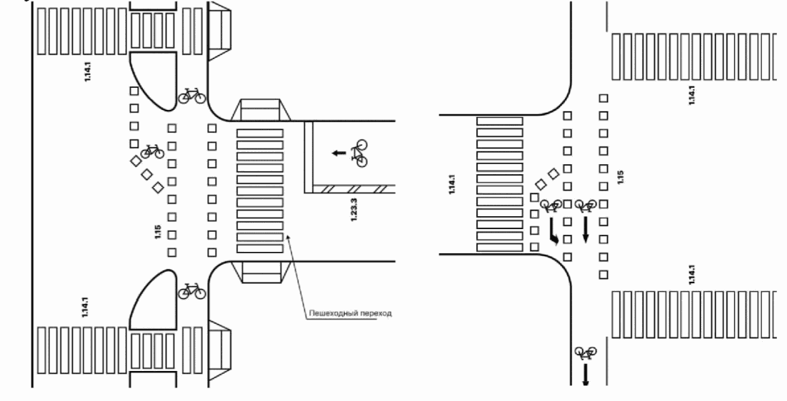
При реконструкции или капитальном ремонте в условиях существующей застройки, в сложных градостроительных условиях, допускается устраивать примыкание велосипедных дорожек и велосипедных полос к посадочной площадке и прерывать их на посадочной площадке, которую велосипедисты и лица, использующие для передвижения СИМ, должны пересечь пешком.".
"6.13 На остановочных пунктах НПТОП, через которые проходят несколько маршрутов с общей интенсивностью движения более 30 ед./ч, посадочные площадки разделяют на посты посадки-высадки пассажиров, группируя на них маршруты по направлениям дальнейшего движения маршрутного транспорта.
В условиях пересеченной и горной местности, в стесненной городской застройке, а также в условиях реконструкции и капитального ремонта разделение остановочных пунктов на посты посадки-высадки пассажиров (с группировкой маршрутов по направлениям дальнейшего движения маршрутного транспорта) допускается не производить.".
Пункт 6.14. Заменить слова: "В сложившейся городской застройке и стесненных условиях" на "В условиях пересеченной и горной местности, в стесненной городской застройке, а также в условиях реконструкции и капитального ремонта".
"6.24 Остановочные пункты автобусов и троллейбусов на магистральных городских дорогах и улицах непрерывного движения следует располагать согласно
ГОСТ Р 52766.
Остановочные пункты автобусов и троллейбусов на магистральных и районных улицах и дорогах следует обустраивать заездными карманами в следующих случаях: при наличии движения автобусов и (или) троллейбусов с пропуском части остановок, при частоте движения НПТОП выше 15 ед./ч, при наличии двух и менее полос движения по направлению движения при расположении остановочного пункта маршрутных транспортных средств на расстоянии менее 100 м после пересечения в одном уровне, а также в соответствии с
ГОСТ Р 52766.".
Пункт 6.26. Дополнить после первого абзаца абзацем в следующей редакции:
"В случае невозможности устройства обособленной посадочной площадки на остановочных пунктах трамваев, при осевом размещении трамвайного пути и одной полосе движения между трамвайными путями и тротуаром, допускается с учетом
ГОСТ Р 70716 устраивать приподнятый участок проезжей части в зоне остановочного пункта маршрутных транспортных средств на высоту 0,3 м для обеспечения посадки/высадки в одном уровне с полом трамвая. Уклон въездов и съездов приподнятого участка проезжей части следует принимать

относительно поверхности проезжей части.".
Третий абзац. Заменить слова: "должно составлять не менее 3,0 м" на "допускается принимать 3,0 м и более.".
Пункт 6.27. Дополнить пунктом 6.28 в следующей редакции:
"6.28 На улицах и дорогах местного значения в конце маршрута наземного общественного транспорта следует устраивать разворотные площадки, примыкающие к проезжей части.
Разворотная площадка может иметь прямоугольную или кольцевую планировку.
Размер разворотных площадок прямоугольной планировки следует принимать не менее чем по
СП 4.13130. В обоснованных случаях размер разворотных площадок допускается устанавливать индивидуально, с моделированием траектории разворота расчетного транспортного средства при развороте не более чем за три приема, но принимать не менее 6 x 8 м, длинной стороной перпендикулярно к продольной оси проезжей части.
Разворотные площадки кольцевой планировки допускается устраивать в виде мини-кольца. При этом диаметр центрального островка следует принимать не менее 4 м.".
7 Пешеходные коммуникации и пространства на улично-дорожной сети
7.1 Общие требования
Пункт 7.1.1. Дополнить вторым абзацем в следующей редакции:
"Пешеходную инфраструктуру следует проектировать в увязке с инфраструктурой для велодвижения и СИМ, с учетом положений раздела 9 настоящего свода правил.".
"- светосигнальные системы предупреждения водителей о наличии пешехода в зоне пешеходного перехода.".
7.2 Тротуары
"7.2.1 Тротуары следует предусматривать с двух сторон улиц. Допускается одностороннее размещение тротуаров в случае отсутствия застройки с одной из сторон.".
Пункт 7.2.4. Дополнить вторым предложением в следующей редакции:
"При отсутствии велосипедной дорожки или полосы для велосипедистов для движения велосипедистов и лиц, использующих для передвижения СИМ, ширина тротуара по
СП 42.13330 должна быть увеличена не менее чем на 1,0 м согласно
ГОСТ Р 70716.".
"Таблица 7.1 - Пропускная способность одной пешеходной полосы движения в составе пешеходной части тротуаров".
Пункт 7.2.4а. Исключить слово: "требуемой". Дополнить слово: "ширины" словами: "пешеходной части".
Пункт 7.2.5. Исключить слова: ", характеризующихся частым образованием гололеда,".
Пункт 7.2.7. Заменить слово: "рельефа" на "(пересеченная или горная местность)".
"7.2.9 Продольный уклон пандуса не должен превышать

, за исключением случаев проектирования в сложных условиях (пересеченная или горная местность), когда его принимают не более

.".
7.3 Пешеходные переходы
"- на магистральных улицах общегородского значения 2-го класса, магистральных городских дорогах 2-го класса, на городских дорогах и улицах общегородского значения регулируемого движения, улицах и дорогах районного значения - через 300 - 400 м в соответствии с шагом размещения остановочных пунктов НПТОП;".
Дополнить перечислением после первого перечисления в следующей редакции:
"- на пересечениях в одном уровне;".
Пункт 7.3.5. Дополнить слова: "транспортных средств" словами: "по 7.3.6.".
"7.3.7 При невозможности обеспечения видимости на пешеходном переходе предусматривают устройство светофоров, а также островков безопасности. Системы автоматического обнаружения пешеходов следует проектировать по
ГОСТ Р 70716.".
7.4 Пешеходные мосты
"7.4.3 Продольный уклон пешеходного моста следует принимать не более

, в условиях реконструкции и капитального ремонта допускается не более

. Поперечный уклон настила моста следует принимать

.".
7.5 Пешеходные пространства в составе улично-дорожной сети
Пункт 7.5.4. Заменить слова: "пешеходной зоны" на "пешеходных пространств". Дополнить слова: "оставшейся территории" словами: "без помех,".
8 Парковки на улично-дорожной сети
8.1 Общие требования
Пункт 8.1.2. Дополнить пунктами 8.1.3 - 8.1.5 в следующей редакции:
"8.1.3 Парковочное пространство в пределах УДС должно быть оборудовано устройствами для заряда электромобилей. Расчетную потребность в ЭЗС следует устанавливать в соответствии с заданием на проектирование, но не менее установленных
СП 42.13330 или в региональных и местных нормативах градостроительного проектирования.
8.1.4 Следует располагать ЭЗС не далее 1 м от площадки, предназначенной для постановки электромобиля для зарядки, с учетом габаритов машино-места электромобиля. Установка ЭЗС допускается в случае, если:
- отсутствуют ограничения на установку ЭЗС согласно нормативным требованиям по пожарной безопасности,
- ЭЗС не располагается в месте движения пешеходов, велосипедистов и СИМ,
- кабель, соединяющий ЭЗС и электромобиль, не пересекает пути движения пешеходов, велосипедистов, СИМ, автомобилей.
8.1.5 Для обеспечения защиты зарядного устройства при его размещении в одном уровне с парковочным местом необходимо предусматривать противоподкатные устройства и (или) ограждающие конструкции в соответствии с требованиями
СП 113.13330.
Размещение ЭЗС и устройств, а также их элементов в пределах проезжей части городских дорог и улиц не допускается.".
8.2 Условия допустимости использования городских улиц и дорог для размещения парковок
Пункт 8.2.6. Заменить слово: "реконструкции" на "стесненной городской застройки, реконструкции и капитального ремонта"; исключить слово: "магистральных".
Пункт 8.2.7. Заменить слова: "и в условиях реконструкции" на ", в условиях реконструкции и капитального ремонта".
"Таблица 8.1
Допустимость размещения парковок на основной проезжей части
УДС и рекомендуемые способы их размещения
в зависимости от категории улицы
Категория улицы | Угол расстановки автомобилей |
0° | 30° | 45° | 60° | 75° | 90° |
Улицы и дороги общегородского и районного значения |
Магистральные городские дороги, городские дороги | -/- | -/- | -/- | -/- | -/- | -/- |
Магистральные улицы общегородского значения 1-го класса | -/- | -/- | -/- | -/- | -/- | -/- |
Магистральные улицы общегородского значения 2-го класса | -/- | -/- | -/- | -/- | -/- | -/- |
Магистральные улицы общегородского значения 3-го класса | -/+ | -/- | -/- | -/- | -/- | -/- |
Улицы общегородского значения средних и малых городских населенных пунктов | -/+ | -/- | -/- | -/- | -/- | -/- |
Улицы и дороги районного значения | -/+ | -/- | -/- | -/- | -/- | -/- |
Улицы и дороги местного значения |
Улицы в жилой и общественной застройке | +/+ | +/+ | +/+ | +/+ | (+)/(+) | (+)/(+) |
Улицы и дороги в производственных зонах | +/+ | +/+ | +/+ | +/+ | (+)/(+) | (+)/(+) |
Примечание - В настоящей таблице применены следующие условные обозначения: - "..."/ - значение перед дробью - при строительстве; - /"..." - значение после дроби - в условиях реконструкции; - "-" - парковки не допускается размещать; - "+" - парковки допускается размещать; - "(+)" - размещение парковки допускается организовывать в заездных карманах или на обособленных площадках. |
".
Пункт 8.3.4. Дополнить пунктом 8.3.5 в следующей редакции:
"8.3.5 Размещение парковочных мест и зарядных станций для электромобилей на УДС вблизи автозаправочных станций и на территории автозаправочных станций следует осуществлять в соответствии с требованиями
СП 156.13130, [11].".
9 Велокоммуникации
"9 Велокоммуникации
9.1 Формирование инфраструктуры для велосипедного движения и средств индивидуальной мобильности
9.1.1 Велокоммуникации включают велосипедные дорожки и велосипедные полосы. Велокоммуникации предназначены для движения велосипедов и СИМ.
Велокоммуникации, являющиеся частью поперечного профиля улицы или дороги, следует располагать между проезжей частью улицы или дороги и пешеходными путями.
9.1.2 Следует разделять пешеходное и велосипедное движение, в том числе движение СИМ. Велокоммуникации следует располагать таким образом, чтобы обеспечить минимальное количество пересечений пешеходных и велосипедных потоков.
9.1.3 Велокоммуникации подразделяются:
а) на велосипедные дорожки:
1) обособленные, расположенные вне проезжей части непосредственно возле тротуара или возле проезжей части, с отделением движения велосипедистов и лиц, использующих для передвижения СИМ, от тротуара и (или) проезжей части с помощью одной или нескольких мер: технических средств организации дорожного движения, элементов благоустройства, изменения высоты проезжей части велосипедной дорожки относительно тротуара и (или) проезжей части, типов и цветов покрытий, с помощью разметки, разделительной полосы или буфера шириной не менее 0,5 м;
2) изолированные, расположенные вне проезжей части и тротуара, предназначенные только для движения велосипедистов и лиц, использующих для передвижения СИМ;
б) велосипедные полосы, выделенные на проезжей части дороги или улицы разметкой и предназначенные исключительно для движения велосипедистов и лиц, использующих для передвижения СИМ.
9.1.4 При расположении велосипедных полос в составе проезжей части разделение велосипедной полосы и тротуара устраивают в соответствии с 5.5.27.
9.1.5 При организации велокоммуникаций доступ велосипедистов на иные транспортные коммуникации ограничивается.
9.1.6 По организации движения выделяют велосипедные дорожки и велосипедные полосы:
- одностороннего движения;
- двухстороннего движения.
Велокоммуникации на проезжей части допускается устраивать только одностороннего движения.
При устройстве велокоммуникаций в составе улицы следует предусматривать велосипедные дорожки или велосипедные полосы для движения в обоих направлениях.
9.1.7 Расчетную скорость для движения велосипедистов и лиц, использующих для передвижения СИМ, следует принимать 30 км/ч. На подъездах к пересечениям или подземным проходам расчетная скорость может быть снижена до 10 км/ч.
9.1.8 На велокоммуникациях и их пересечениях должна быть обеспечена видимость в соответствии с требованиями 5.7.
9.1.9 Освещенность велосипедных полос и велосипедных дорожек должна соответствовать
ГОСТ Р 55706.
9.1.10 Количество полос движения назначается в зависимости от прогнозируемой интенсивности велосипедного движения из расчета 1500 вел./ч на одну велосипедную полосу при одностороннем движении, 1000 вел./ч на одну велосипедную полосу при двухстороннем движении.
9.1.11 Минимальные расстояния от велосипедных дорожек и велосипедных полос до боковых препятствий следует принимать по таблице 9.1.
Таблица 9.1
Минимальные расстояния от велосипедных дорожек и полос
до боковых препятствий и пешеходных пространств
В метрах
Минимальное расстояние | Велосипедная дорожка | Велосипедная полоса |
До проезжей части, опор, деревьев | 0,75 <*> | 0,50 <*> |
До стоянок автомобилей (параллельных/под углом) | 0,75 <**>/0,25 |
Тротуаров или пешеходной части тротуаров | 0,50 <*> | 0,25 |
Зданий, оград и других построек и сооружений | 0,25 |
Павильонов на остановочных пунктах маршрутных транспортных средств | Не менее 1,5 м |
<*> При капитальном ремонте и реконструкции допускается уменьшать до 0,25 м. <**> При капитальном ремонте и реконструкции допускается уменьшать до 0,5 м. Примечание - В условиях пересеченной и горной местности, в стесненной городской застройке, а также в условиях реконструкции и капитального ремонта расстояние от стоящего вдоль проезжей части автомобиля может быть снижено до 0,5 м. |
9.1.12 При планировании создания и проектировании сети велокоммуникаций следует учитывать потребности и возможности разных категорий (групп) велосипедистов, вид поездки и требования к виду и способу организации велоинфраструктуры.
9.1.13 При формировании велоинфраструктуры маршруты движения, включая их пересечения, велосипедистов и лиц, использующих для передвижения СИМ, должны соответствовать требованиям, предъявляемым к системе улиц и дорог на территории населенного пункта, по которым проложены указанные маршруты.
9.2 Планировочные параметры велокоммуникаций
9.2.1 Велокоммуникации располагают между пешеходной частью тротуара и проезжей частью.
9.2.2 Разделение пешеходной части тротуара велосипедной дорожкой или велосипедной полосой на части не допускается.
9.2.3 Допускается возможность организации по велокоммуникации как одностороннего, так и двухстороннего движения, кроме случаев расположения ее на проезжей части. При организации двустороннего движения по велосипедной полосе ее следует размещать на стороне с наименьшим количеством пересечений без автопарковок либо за парковками и отделять от проезжей части разделительной полосой или направляющим островком безопасности шириной не менее 0,50 м.
9.2.4 Ширину велокоммуникаций следует принимать по расчету необходимого количества полос движения. Ширину одной полосы следует принимать по таблице 9.2.
Таблица 9.2
Ширина велокоммуникаций
Тип велокоммуникации | Ширина полосы, м, при движении |
одностороннем | двухстороннем |
Полоса, выделенная в пределах полосы движения автомобилей | 1,0 | - |
Полоса, совмещенная с проезжей частью | 1,5* | - |
Полоса, отделенная от проезжей части парковкой | 1,5 | 1,0 |
Велосипедная дорожка | 1,5 | 1,0 |
Примечание - Знаком "*" отмечено значение ширины полосы, которое допускается уменьшать до 1,2 м при попутном движении. |
9.2.5 При расчете габаритов велокоммуникации к ее ширине необходимо добавлять зазоры безопасности с покрытием, аналогичным покрытию велосипедных полос. Ширину зазоров следует принимать в соответствии с 9.1.8.
9.2.6 Минимальный допустимый радиус для велокоммуникаций следует принимать по таблице 9.3.
Таблица 9.3
Минимальные радиусы кривых в плане
Расчетная скорость, км/ч | Минимальный радиус, м |
30 | 25 |
10 | 4 |
9.2.7 На кривых малого радиуса, на крутых спусках и при прохождении велосипедной дорожки в непосредственной близости от крупных транспортных коммуникаций, по которым запрещено движение велосипедистов, и на участках велосипедной дорожки с риском падения велосипедистов и лиц, использующих для передвижения СИМ, с высоты для обеспечения безопасности участников движения велосипедные дорожки следует оборудовать ограждениями.
9.2.8 Продольный уклон велокоммуникаций должен соответствовать продольному уклону проезжей части. При продольных уклонах проезжей части улицы или дороги более

следует предусматривать велосипедные дорожки или велосипедные полосы раздельно для каждого направления движения.
9.2.9 Минимальный радиус вогнутых вертикальных кривых - 100 м, выпуклых - 400 м.
9.2.10 Длины подъемов велокоммуникаций в зависимости от продольного уклона приведены в таблице 9.4.
Таблица 9.4
Рекомендуемые длины подъемов велокоммуникаций
Продольный уклон велосипедной дорожки или велосипедной полосы,  | 70 | 60 | 50 | 40 | 30 |
Рекомендуемая длина подъема, м | До 30 | 40 - 60 | 70 - 130 | 150 - 250 | 250 - 500 |
9.2.11 При продольных уклонах более

следует увеличивать ширину велокоммуникаций в 1,5 раза.
9.2.12 Продольные уклоны велокоммуникаций следует назначать не более указанных в
таблице 11.6 СП 42.13330.2016.
9.2.13 В местах повышенной опасности (зонах конфликта велосипедных и транспортных потоков и на подходах к таким зонам), а также в условиях постоянной повышенной влажности на велокоммуникациях следует устраивать цветные покрытия противоскольжения с учетом требований
ГОСТ 32753.
9.3 Планировочные решения велокоммуникаций в зонах пересечений
9.3.1 Подходы к пересечениям должны быть расположены под прямым углом к проезжей части. Участок, перпендикулярный проезжей части, должен быть не менее ширины велосипедной дорожки. Пересечение проезжей части велосипедной дорожкой или велосипедной полосой допускается устраивать рядом с пешеходным переходом или совмещать с пешеходным переходом. Зону пересечения допускается обозначать цветным покрытием противоскольжения.
9.3.2 При планировании велосипедных дорожек и велосипедных полос в зонах пересечений необходимо предусмотреть:
- обеспечение расстояния видимости;
- уменьшение конфликтных зон;
- снижение скоростей движения в конфликтных точках;
- информирование о приоритете движения.
9.3.3 Для обеспечения расстояния видимости в зоне пересечений необходимо выделять следующие зоны на подходе к конфликтной точке:
- зона определения, в пределах которой велосипедист и водитель автомобиля имеют возможность увидеть друг друга и оценить скорость сближения;
- зона принятия решений, в пределах которой происходит корректировка скорости, чтобы уступить или остановиться;
- зона выхода или остановки, в пределах которой велосипедист или водитель автомобиля может остановиться.
9.3.4 Расстояние видимости водителем велосипедиста при повороте через велосипедную полосу или велосипедную дорожку следует принимать по таблице 9.5.
Таблица 9.5
Расстояние видимости при повороте
Расчетная скорость для поворота, км/ч | Расстояние видимости, м |
15 | 10 |
25 | 15 |
30 | 20 |
9.3.5 При наличии велосипедных полос и велосипедных дорожек на главной улице расстояние от остановившегося на второстепенной улице или дороге автомобиля до кромки проезжей части главной улицы должно быть увеличено с 3,00 до 5,00 м, чтобы автомобиль не занимал велосипедную дорожку или велосипедную полосу (И.3 приложения И). Длина стороны треугольника видимости вдоль направления движения велосипедиста для велосипедиста, обладающего преимущественным правом проезда, должна составлять 30 м, в стесненных условиях - 20 м.
Если не обеспечиваются требуемые условия видимости, следует предусматривать дополнительные мероприятия (запрещение стоянки, ограничение скоростей движения автомобилей и велосипедистов, светофорное регулирование).
9.3.6 Ширину островков безопасности для велосипедистов следует принимать равной 3 м, при реконструкции или капитальном ремонте - 2 м.
При пересечении велокоммуникацией островка безопасности, устроенного согласно
ГОСТ Р 52766 и конструктивно приподнятого над поверхностью проезжей части, на велокоммуникации на границе островка безопасности следует устраивать пониженный бортовой камень с возвышением бортового камня над проезжей частью не более 0,005 м либо бортовой камень не устраивается. Продольный уклон велокоммуникации на островке безопасности, конструктивно приподнятым над поверхностью проезжей части, следует устраивать от центра островка в сторону проезжих частей.
9.3.7 Для снижения скоростей движения моторизированных транспортных средств в конфликтных точках пересечений транспортных потоков и велокоммуникаций на нерегулируемых пересечениях в одном уровне радиусы закруглений края проезжей части следует принимать для расчетной скорости 10 км/ч.
9.3.8 На местных улицах и въездах на дворовые территории следует обустраивать пешеходные переходы, совмещенные с пересечениями велокоммуникациями проезжих частей, приподнятые относительно проезжей части на трапециевидную ИН по
ГОСТ Р 52605.
9.3.9 На пересечениях с двухсторонним велосипедным движением следует размещать соответствующие технические средства организации дорожного движения по
ГОСТ Р 52289.
9.3.10 Необходимость введения светофорного регулирования в местах пересечения улицы или дороги местного значения, местной улицы сельского населенного пункта с велосипедной дорожкой или велосипедной полосой при отсутствии регулируемого пешеходного перехода в этом месте должна рассматриваться в случае, если интенсивность велосипедного движения превышает 50 вел./ч.
9.3.11 На кольцевых пересечениях велокоммуникации следует организовывать одним из следующих способов:
- организация движения по велосипедным полосам на проезжей части кольцевого пересечения;
- организация движения по велосипедным дорожкам вне проезжей части.
9.3.12 На однополосном кольцевом пересечении допускается организация движения велосипедистов и лиц, использующих для передвижения СИМ, в пределах проезжей части с выделением велосипедной полосы, используемой как велосипедистами, так и автомобильным транспортом, или велосипедной полосы, предназначенной исключительно для движения велосипедистов, при суммарной интенсивности движения на всех подходах к пересечению не более 1500 авт./ч.
9.3.13 При суммарной интенсивности движения на всех подходах к пересечению 1500 авт./ч и более на въездах и выездах с пересечения необходимо обеспечить велосипедистам и лицам, использующим для передвижения СИМ, возможность безопасного переезда с проезжей части в боковое пространство (на велосипедную дорожку или велосипедную полосу тротуара, либо на участок совмещенного с пешеходами движения) перед кольцевым пересечением. При этом необходимо учитывать следующее:
- полосы для велосипедного движения и СИМ должны заканчиваться на расстоянии 20 м от кольцевого пересечения;
- на выезде с кольцевого пересечения полоса для велосипедного движения и СИМ должна начинаться на расстоянии не менее 10 м от разделительного островка;
- в пределах кольцевого пересечения допускается организовать совместные пути для пешеходов и велокоммуникаций.
9.3.14 На двухполосных кольцевых пересечениях и кольцевых пересечениях со спиральными полосами движения движение велосипедистов и лиц, использующих для передвижения СИМ, не допускается.
9.3.15 Велосипедные дорожки с двухсторонним движением на пересечениях с проезжей частью улиц и дорог в зоне кольцевых пересечений должны быть обозначены дорожными знаками, направляющими стрелками дорожной разметки и конструктивными мероприятиями.
9.3.16 На нерегулируемых пересечениях и примыканиях в одном уровне, между велосипедной дорожкой, расположенной вдоль главной улицы или дороги, и проезжей частью главной улицы или дороги следует предусматривать свободную зону шириной не менее 5 м.
9.3.17 При наличии полосы поворота направо на проезжей части улицы или дороги велосипедная полоса или велосипедная дорожка располагается справа от этой полосы.
9.3.18 Для поворота налево на регулируемом и нерегулируемом пересечении в одном уровне на пересекаемой улице допускается устраивать площадку справа от велосипедной полосы или слева от велосипедной дорожки для ожидания велосипедистами или лицами, использующими для передвижения СИМ, разрешающего сигнала светофора, если недостаточно свободного пространства тротуара либо велосипедисты или лица, использующие для передвижения СИМ, будут создавать помехи для движения пешеходов, других велосипедистов и пользователей СИМ (рисунок 8).
Рисунок 8 - Схема размещения площадок для ожидания
разрешающего сигнала светофора
Ширину площадки принимают не менее 2,5 м, с учетом установки пешеходного ограждения вдоль проезжей части.
Размещение такой площадки на проезжей части допускается только на улицах и дорогах местного значения, местных улицах сельских населенных пунктов.
9.3.19 Пересечение велодорожки с проезжей частью необходимо оборудовать светофором
типа Т.9 в случаях, предусмотренных ГОСТ Р 52289.
9.4 Планировочные решения велокоммуникаций в зонах остановочных пунктов наземного пассажирского транспорта
9.4.1 Велосипедные дорожки и велосипедные полосы на тротуаре следует располагать в обход остановочного пункта маршрутных транспортных средств, с противоположной стороны от проезжей части (рисунок 9), с устройством пешеходного перехода через велокоммуникацию. При реконструкции и капитальном ремонте, в сложных градостроительных условиях в зоне остановочного пункта маршрутных транспортных средств допускается размещать велосипедные дорожки и велосипедные полосы в обход остановочного пункта маршрутных транспортных средств и прерывать велосипедную дорожку или велосипедную полосу на тротуаре на посадочной площадке.
Рисунок 9 - Схема размещения велокоммуникаций в обход
посадочной площадки
9.4.2 Велосипедные полосы и велосипедные дорожки, совмещенные с проезжей частью, следует прерывать на остановке, заканчивая в начале посадочной площадки и восстанавливая после посадочной площадки (рисунок 10).
Рисунок 10 - Схема прерывания велосипедной полосы или
велосипедной дорожки в зоне посадочной площадки
9.4.3 Пешеходный переход через велосипедные дорожки и велосипедные полосы на тротуаре от остановочных пунктов наземного пассажирского транспорта к пешеходной части тротуара допускается обозначать
разметкой 1.14.1 по ГОСТ Р 52289.
9.5 Велостоянки и стоянки средств индивидуальной мобильности
9.5.1 Размещение велостоянок и стоянок СИМ следует предусматривать у объектов массового посещения, станций СВТ, на транспортно-пересадочных узлах и тротуарах, при условии обеспечения пропускной способности согласно 7.2.4.
9.5.2 Велостоянки и стоянки СИМ должны быть оборудованы парковочными устройствами, которые служат опорой велосипеду и позволяют закрепить его. Парковки самокатов допускается предусматривать с креплением самоката к стойке или без крепления к стойке. Парковочные устройства, велосипеды и СИМ не должны создавать препятствий для движения пешеходов. Ширина оставшегося пешеходного пути должна обеспечивать соблюдение требований 7.2.4.
9.5.3 Парковочные места для стандартного велосипеда (для взрослых) должны быть следующего размера: длина - 2 м, ширина - 0,65 м.
Габаритные размеры парковочного места на один самокат принимают не менее 0,5 м2 при длине парковочного места не менее 1,5 м. Парковку вместимостью 10 самокатов следует предусматривать размерами 3,5 x 1,5 м.
Парковочные места размещают параллельно, перпендикулярно и под углом к проходу велостоянки или стоянки СИМ.
9.5.4 Ширина прохода велостоянки или стоянки СИМ должна составлять не менее 1,8 м.
На велостоянках или стоянках СИМ с количеством мест хранения велосипедов и СИМ более 100 ед. ширина проходов должна составлять не менее 3,0 м.
9.5.5 Если парковочные места для велосипедов расположены перпендикулярно припаркованным автомобилям, зазор безопасности от центра опоры до границы парковочного места автомобиля должен быть не менее 1,2 м, если параллельно - 0,75 м.
9.5.6 Расстояние от припаркованного велосипеда до стены здания должно составлять не менее 0,75 м, за исключением случая размещения велосипеда перпендикулярно стене здания и (или) крепления опоры для велосипеда на стене здания.
9.5.7 Парковки для лиц, использующих для передвижения СИМ, и велосипедистов допускается устанавливать параллельно стенам, краям сооружений и прочим вертикальным конструкциям - на расстоянии 0,4 м от них, параллельно проезжей части вдоль бортового камня - на расстоянии 0,4 м от края проезжей части улицы или дороги.
9.5.8 Велостоянки и стоянки СИМ около станций СВТ следует устраивать в непосредственной близости от входа на станцию, при наличии просматриваемости территории дежурным по станции - в поле обзора дежурного по станции, вне пути движения пешеходного потока, и оборудовать видеонаблюдением.
9.5.9 Площадки для парковки СИМ и велосипедов, для которых не требуется опора, следует выделять цветом покрытия и указателями.
9.5.10 Требуемое число мест для паркования СИМ и велосипедов следует определять раздельно для каждого объекта различного функционального назначения.
Вместимость стоянки для паркования СИМ допускается определять по расчету согласно приложению Т.
9.5.11 Велостоянки и стоянки СИМ допускается располагать рядом друг с другом.".
10 Экологическая безопасность объектов улично-дорожной сети
Пункт 10.3. Третье предложение. Заменить слова: "транспортных магистралей" на "магистральных улиц и дорог, городских дорог и улиц общегородского значения, улиц и дорог районного значения".
"10.4 Для уменьшения негативного влияния шума и снижения выбросов загрязняющих веществ, образующихся при движении транспортных средств по улицам и дорогам, на территорию и застройку следует использовать естественные или искусственные (грунтовые валы) элементы рельефа местности в качестве естественных преград на пути распространения загрязнений (в том числе шумового), а также предусматривать прохождение магистральных улиц и дорог ниже планировочных отметок прилегающей территории и (или) в тоннеле.".
Пункт 10.5. Исключить слова: ", ограничивать протяженность участков с наибольшими продольными уклонами и кривыми малых радиусов".
Пункт 10.9. Дополнить вторым абзацем в следующей редакции:
"При разработке проектной документации на строительство, реконструкцию и капитальный ремонт улиц и дорог в целях обеспечения эстетического визуального эффекта городской инфраструктуры допускается по решению застройщика не устраивать в жилой зоне акустические экраны при обеспечении нормативных требований к уровню шума мероприятиями, установленными
СП 51.13330.".
Пункт 10.10. Первый абзац. Дополнить слова: "улиц и дорог" словами: ", городских дорог и улиц общегородского значения, улиц и дорог районного значения".
11 Земляное полотно
Пункт 11.13. Первое предложение. Дополнить слова: "крупнообломочные грунты," словами: "песчано-гравийные смеси,"; дополнить слова: "пылеватых" словами: ", очень тонких и тонких".
12 Дорожные одежды
"Тип дорожной одежды назначают в зависимости от категории улиц и дорог в соответствии с требованиями
ГОСТ Р 71404.".
"12.5 В условиях улиц и дорог населенных пунктов применяют следующие конструкции капитальных дорожных одежд:
- асфальтобетонные и щебеночно-мастичные асфальтобетонные слои или цементобетонные монолитные покрытия на основаниях из щебеночно-гравийно-песчаных смесей, на основаниях из щебеночных и гравийных материалов;
- асфальтобетонные и щебеночно-мастичные асфальтобетонные слои или цементобетонные монолитные покрытия на основаниях из каменных материалов, обработанных вяжущими, на основаниях из органоминеральных смесей, на основаниях из укатываемых и тощих бетонов;
- асфальтобетонные и щебеночно-мастичные асфальтобетонные покрытия на цементобетонном основании;
- мостовые из брусчатого камня и тротуарных плит.
12.6 На магистральных улицах и дорогах, городских дорогах и улицах общегородского значения, улицах и дорогах районного значения, соответствующих по характеристикам автомобильным дорогам общей сети, асфальтобетонные слои устраивают на щебеночно-гравийно-песчаных основаниях, на цементосодержащем основании либо устраивают асфальтобетонные слои на цементобетонном основании.".
Пункт 12.7. Исключить слова: ", либо другие типы покрытий, обеспечивающие надежность и долговечность дорожной одежды".
Пункт 12.9. Дополнить слова: "улиц и дорог," словами: "городских дорогах и улицах общегородского назначения, улицах и дорогах районного значения,".
"12.12 При отсутствии слоя износа его функции выполняет верхний слой дорожной одежды (верхний слой покрытия). В этом случае при расчете дорожных одежд толщина верхнего слоя покрытия должна быть уменьшена на величину максимально допустимой поперечной ИН (колеи) по
ГОСТ Р 50597. Защитный слой дорожной одежды не учитывают при расчете дорожных одежд. Слои износа и защитные слои подлежат периодическому восстановлению в процессе эксплуатации.
Периодичность проведения работ по устройству слоев износа допускается определять по
ГОСТ Р 58861 в соответствии с показателями фактической среднегодовой суточной интенсивности транспортного потока по наиболее загруженной полосе движения.".
Пункт 12.14. Дополнить слова: "проектных решений" словами: "в условиях реконструкции и".
Пункт 12.20. Дополнить вторым предложением в следующей редакции:
"Между глинистым грунтом земляного полотна и песчаным дополнительным слоем основания, а также между песчаным дополнительным слоем основания и неукрепленным каменным материалом следует предусматривать геосинтетические прослойки.".
Пункт 12.23. Дополнить пунктами 12.24 - 12.26 в следующей редакции:
"12.24 Разрешается назначать конструкции дорожных одежд по типовым решениям.
12.25 Бортовые камни устанавливают в цементобетонную обойму (стакан), имеющий класс прочности на сжатие не менее B15, класс на растяжение при изгибе не ниже Btb2,4, марку по морозостойкости не ниже F100. Марка цементобетона бортового камня по морозостойкости должна составлять не менее F200. Поверхность газона, примыкающего к бортовому камню, должна быть ниже верхней грани бортового камня не менее чем на 20 мм.
12.26 При реконструкции или капитальном ремонте в случае сохранения существующей дорожной одежды для обеспечения вертикальной планировки допускается устраивать выравнивающие слои. В качестве материалов для выравнивающих слоев следует применять асфальтобетоны из горячих, теплых и холодных смесей, а при толщинах выравнивающих слоев более 15 см - органоминеральные смеси и асфальтогранулобетон.".
Приложение А Определение необходимости устройства специальной полосы для организации левого поворота
Приложение Б Организация съездов транспортных пересечений
"Приложение Б
ОРГАНИЗАЦИЯ СЪЕЗДОВ ТРАНСПОРТНЫХ ПЕРЕСЕЧЕНИЙ
Примечание - Lо, Lт - см. таблицу 5.14.
Рисунок Б.1 - Схемы участков разделения транспортных потоков
Примечание - В числителе приведен уровень удобства движения на основной проезжей части, в знаменателе - на съезде.
Рисунок Б.2 - Номограммы для определения расчетной
пропускной способности участков разделения транспортных
потоков на двухполосных (после разделения) в одном
направлении (k = 2) проезжих частях по типам сопряжений: С1,
С3 (а); С2 (б); С4 (в); С5 (г); С6 (д), лист 1
Рисунок Б.2 - продолжение, лист 2
Примечание - В числителе приведен уровень удобства движения на основной проезжей части, в знаменателе - на съезде.
Рисунок Б.3 - Номограммы для определения расчетной
пропускной способности участков разделения транспортных
потоков на трехполосных (после разделения) в одном
направлении (k = 3) проезжих частях по типам сопряжений: С1,
С3 (а); С2 (б); С4 (в); С5 (г); С6 (д), лист 1
Рисунок Б.3, лист 2
Примечания
1 Тип сопряжения С6 на четырехполосных (после разделения, в одном направлении) проезжих частях не применяется.
2 В числителе приведен уровень удобства движения на основной проезжей части, в знаменателе - на съезде.
Рисунок Б.4 - Номограммы для определения расчетной
пропускной способности участков разделения транспортных
потоков на четырехполосных (после разделения) в одном
направлении (k = 4) проезжих частях по типам сопряжений: С1,
С3 (а); С2 (б); С4 (в); С5 (г)
Примечания
1 Типы сопряжения С2, С5, С6 на пятиполосных (после разделения, в одном направлении) проезжих частях не применяются.
2 В числителе приведен уровень удобства движения на основной проезжей части, в знаменателе - на съезде.
Рисунок Б.5 - Номограммы для определения расчетной
пропускной способности участков разделения транспортных
потоков на пятиполосных (после разделения) в одном
направлении (k = 5) проезжих частях по типам сопряжений: С1,
С3 (а); С4 (б)
Примечание - Lо, Lр - см. таблицу 5.14.
Рисунок Б.6 - Схемы участков слияния транспортных потоков
Примечание - В числителе приведен уровень удобства движения на участке слияния, в знаменателе - на съезде.
Рисунок Б.7 - Номограммы для определения расчетной
пропускной способности участков слияния транспортных потоков
на двухполосных в одном направлении (k = 2) проезжих частях
по типам сопряжений: В1 (а); В2 (б); В3 (в); В4 (г); В5 (д),
лист 1
Рисунок Б.7, лист 2
Примечание - В числителе приведен уровень удобства движения на основной проезжей части, в знаменателе - на съезде.
Рисунок Б.8 - Номограммы для определения расчетной
пропускной способности участков слияния транспортных потоков
на трехполосных в одном направлении (k = 3) проезжих частях
по типам сопряжений: В1 (а); В2 (б); В3 (в); В4 (г); В5 (д),
лист 1
Рисунок Б.8, лист 2
Примечания
1 Тип сопряжения В5 на четырехполосных (в одном направлении) проезжих частях не применяется.
2 В числителе приведен уровень удобства движения на основной проезжей части, в знаменателе - на съезде.
Рисунок Б.9 - Номограммы для определения расчетной
пропускной способности участков слияния транспортных потоков
на четырехполосных в одном направлении (k = 4) проезжих
частях по типам сопряжений: В1 (а); В2 (б); В3 (в); В4 (г)
Примечания
1 Типы сопряжения В2, В4, В5 на пятиполосных (в одном направлении) проезжих частях не применяются.
2 В числителе приведен уровень удобства движения на основной проезжей части, в знаменателе - на съезде.
Рисунок Б.10 - Номограммы для определения расчетной
пропускной способности участков слияния транспортных потоков
на пятиполосных в одном направлении (k = 5) проезжих частях
по типам сопряжений: В1 (а); В3 (б); В4 с длиной островка
200 м (в); В4 с длиной островка 400 м (г)
Рисунок Б.11 - Обеспечение боковой видимости в зоне слияния
транспортных потоков".
Приложение Д Минимальное расстояние видимости для остановки
"Таблица Д.1
Расстояние видимости для остановки
Расчетная скорость, км/ч | Минимальное расстояние видимости, необходимое для остановки, м, при категории улицы/дороги |
Магистральные улицы и дороги общегородского значения 1-го класса | Магистральные улицы, городские дороги, улицы общегородского значения, улицы и дороги районного и местного значения с интенсивностью движения более 100 прив. ед./ч | Местные улицы и дороги с интенсивностью движения менее 100 прив. ед./ч |
130 | 300 | - | - |
110 | 230 | - | - |
90 | 170 | 155 | - |
80 | - | 130 | - |
70 | - | 105 | - |
60 | - | 85 | - |
50 | - | 65 | 50 |
40 | - | 50 | 35 |
30 | - | 35 | 25 |
".
"Таблица Д.2
Расчетное время реакции водителя
Категории улиц и дорог | Расчетное время реакции водителя tр, с |
Магистральные городские дороги | 3,0 |
Магистральные улицы общегородского значения | 2,5 |
Городские дороги и улицы общегородского значения. Улицы и дороги районного значения |
Улицы и дороги местного значения |
Местные улицы и дороги с интенсивностью движения менее 100 прив. ед./ч без пешеходного движения | 1,5 |
".
Приложение Ж Расчет планировочных элементов плана и продольного профиля
"Величину нарастания продольного уклона
I следует принимать не более

, а в условиях пересеченной и горной местности, в стесненной городской застройке, в застройке, обладающей историко-культурной ценностью, а также в условиях необходимости сноса зданий, строений, сооружений -

.".
Дополнить свод правил после приложения М приложениями Н - С в следующей редакции:
"Приложение Н
ПЕРЕСЕЧЕНИЯ УЛИЦ И ДОРОГ С ЖЕЛЕЗНЫМИ ДОРОГАМИ
Н.1 Расстояние видимости железнодорожного переезда (сигналов переездной сигнализации и шлагбаумов) вдоль улицы или дороги dн, м, позволяющее на безопасном удалении (расстоянии) остановить автомобиль, не въезжая в опасную зону железнодорожного переезда, определяют по формуле

(Н.1)
где A - константа, A = 0,278;
B - константа, B = 0,0385;
VТС - скорость автотранспортного средства, км/ч;
T - время восприятия-реакции водителя, с (принимают равным 3 с);
a - замедление автомобиля, м/с2 (принимают равным 3,41 м/с2);

- расстояние от стоп-линии или передней части транспортного средства до ближайшего рельса, м (принимают равным 4,57 м);
Se - расстояние от водителя до передней части транспортного средства (принимают равным 2,44 м).
Схема определения расстояния видимости железнодорожного переезда (сигналов переездной сигнализации и шлагбаумов) вдоль улицы и дороги представлена на рисунке Н.1.
Рисунок Н.1 - Схема определения расстояния видимости
железнодорожного переезда (сигналов переездной сигнализации
и шлагбаумов) вдоль улицы и дороги dН и расстояния видимости
приближающегося к переезду поезда вдоль железнодорожных
путей dТ
При невозможности обеспечения расстояния видимости железнодорожного переезда (сигналов переездной сигнализации и шлагбаумов) вдоль улицы и дороги на подходах к переезду следует вводить ступенчатое ограничение скорости движения автомобилей в соответствии с
ГОСТ Р 52289 и таблицей Н.1.
Таблица Н.1
Допустимая скорость движения автомобилей на подходах
к переезду по условиям видимости
Расстояние видимости железнодорожного переезда (сигналов переездной сигнализации и шлагбаумов) вдоль улицы и дороги, м | 51 - 75 | 76 - 100 | 101 - 125 | 126 - 150 | 151 - 200 | 201 - 400 |
Скорость движения автомобилей на подходах к переезду, км/ч | 20 | 30 | 35 | 40 | 50 | 60 |
В случаях недостаточной видимости сигналов переездных светофоров устанавливают дополнительные светофорные головки, обращенные в обе стороны по направлениям движения транспортных средств и (или) дублирующие переездные светофоры с левой стороны дороги.
На улицах и дорогах с двумя и более полосами движения в одну сторону переездные светофоры дублируют на консолях над проезжей частью с правой стороны по направлению движения транспортных средств.
Н.2 На железнодорожных переездах, не оборудованных устройствами заграждения и (или) автоматическими шлагбаумами, возможности отключения указанного оборудования на переездах, следует обеспечивать видимость приближающегося к переезду поезда вдоль железнодорожных путей.
Расстояние видимости приближающегося к переезду поезда вдоль железнодорожных путей dТ, м, обеспечивающее возможность остановить автотранспортное средство при обнаружении приближающегося поезда, определяют по формуле

(Н.2)
где Vп - скорость поезда, км/ч;
VТС - скорость автомобиля, км/ч;
A - константа, A = 0,278;
B - константа, B = 0,0385;
T - время восприятия-реакции, с (принимают равным 3 с);
a - замедление автомобиля, м/с2 (принимают равным 3,41 м/с2);

- расстояние от стоп-линии или передней части транспортного средства до ближайшего рельса, м (принимают равным 4,57 м);
L - длина транспортного средства, м (принимают равной 20 м);
W - расстояние между внешними рельсами, м (для одной колеи это значение равно 1,52 м), измеренное вдоль оси проезжей части улицы и дороги (улицы).
Схема определения видимости приближающегося к переезду поезда вдоль железнодорожных путей представлена на рисунке Н.2.
Рисунок Н.2 - Расстояние видимости поезда из стоящего
у железнодорожного переезда автомобиля dП
При невозможности обеспечения видимости приближающегося к переезду поезда вдоль железнодорожных путей на железнодорожных переездах необходимо предусматривать следующие мероприятия:
- ввести ступенчатое ограничение скорости движения автомобилей в соответствии с
ГОСТ Р 52289 и таблицей Н.1, в случае если при установленном ограничении скорости обеспечивается видимость приближающегося поезда вдоль железнодорожных путей;
- вместе с введением ограничения скорости движения автомобилей в соответствии с
ГОСТ Р 52289 и таблицей Н.1 установить
дорожные знаки 6.16 "Стоп-линия",
2.5 "Движение без остановки запрещено" на нерегулируемых и регулируемых только светофорами железнодорожных переездах;
- при видимости поезда за 50 м и менее в соответствии с
ГОСТ Р 52289 установить
дорожные знаки 6.16 "Стоп-линия",
2.5 "Движение без остановки запрещено" или обеспечить перевод железнодорожного переезда в категорию, которая обслуживается дежурным работником. Если на подходах к нерегулируемым железнодорожным переездам для водителей транспортных средств, находящихся на удалении не более 50 м от ближнего рельса, не обеспечена видимость приближающегося поезда на расчетном по формуле (Н.2) безопасном расстоянии, то владелец инфраструктуры или владелец железнодорожных путей необщего пользования устанавливает постоянное ограничение скорости движения поездов.
Н.3 Расстояние видимости поезда из стоящего у железнодорожного переезда автомобиля следует обеспечивать на железнодорожных переездах, не оборудованных устройствами заграждения и (или) автоматическими шлагбаумами, возможности отключения указанного оборудования.
Расстояние видимости поезда из стоящего у железнодорожного переезда автомобиля dП, м, позволяющее автомобилю пересечь железнодорожный переезд и освободить переезд до прибытия поезда, определяют по формуле

(Н.3)
где A - константа, A = 0,278;
Vn - скорость поезда, км/ч;
Va1 - максимальная скорость транспортного средства на выбранной начальной передаче (принимают равной 2,68 м/с);
a1 - ускорение транспортного средства на первой передаче, м/с2 (принимают равным 0,448 м/с2);
L - длина транспортного средства, м (принимают равной 20 м);

- расстояние от стоп-линии или передней части транспортного средства до ближайшего рельса, м (принимают равным 4,57 м);
W - расстояние между внешними рельсами, м (для одной колеи это значение равно 1,52 м), измеренное вдоль оси проезжей части улицы и дороги;
Za - расстояние, которое автомобиль проезжает при разгоне до максимальной скорости на первой передаче, м (принимают равным 8,05 м);
T - время восприятия-реакции, с (принимают равным 3 с).
Схема определения расстояния видимости поезда из стоящего у железнодорожного переезда автомобиля представлена на рисунке Н.2.
Расчетные расстояния видимости dН, dТ и dП при различных скоростях движения транспортных средств представлены в таблице Н.1.
Формулы (Н.1) - (Н.3) справедливы для случая, когда улица или дорога пересекает однопутную железную дорогу под прямым углом и корректируются с учетом конкретных дорожных условий, габаритов и динамических характеристик автомобилей, требований [9] к месту остановки транспортного средства у железнодорожного переезда, когда движение через переезд запрещено.
Н.4 При невозможности обеспечения безопасных условий видимости на железнодорожных переездах или оборудования их устройствами заграждения и (или) автоматическими шлагбаумами следует предусматривать пересечения железной дороги улицей или дорогой в разных уровнях.
Н.5 При интенсивностях движения по улице/дороге и железной дороге соответственно более 200 авт./ч и 2 поездов/ч в период пиковой интенсивности движения автомобильного транспорта необходимо выполнить анализ движения автомобильного транспорта через железнодорожный переезд, и в случае отсутствия возможности пропуска всех ожидающих автомобилей за один интервал между поездами либо в случае превышения длины очереди автомобилей перед железнодорожным переездом размера квартала (расстояния до ближайшего пересечения или примыканий улицы или дороги), следует устраивать дополнительные полосы движения на улице или дороге (до и после переезда) для проезда через железнодорожный переезд по двум полосам движения в каждом направлении. Ширину дополнительной полосы принимают равной ширине полосы движения основной проезжей части.
Ширину дополнительных полос движения проезжей части принимают в соответствии с шириной полос движения до уширения.
Протяженность дополнительных полос в зоне железнодорожного переезда приведена в таблице Н.2.
Таблица Н.2
Длина дополнительных полос движения
в зоне железнодорожного переезда
Интенсивность движения по железной дороге, поездов/сут | Интенсивность движения по улице или дороге, авт./сут |
1000 | 1000 - 2000 | 2000 - 3000 | 3000 - 4000 |
Длина дополнительной полосы движения перед переездом (в числителе) после переезда (в знаменателе) |
10 ... 25 | - | 60 - 80 ------------ 150 - 180 | 100 - 120 ------------ 220 - 250 | 150 - 170 ------------ 270 - 300 |
26 ... 50 | 60 - 80 ------------ 120 - 150 | 80 - 100 ------------ 180 - 200 | 120 - 150 ------------ 250 - 300 | 170 - 200 ------------ 300 - 350 |
51 ... 100 | - | 90 - 110 ------------ 220 - 230 | 150 - 180 ------------ 280 - 300 | - |
101 ... 150 | 90 - 110 ------------ 220 - 250 | 120 - 150 ------------ 250 - 300 | - | - |
Н.6 Расстояние между переездом и ближайшим к нему пересечением или примыканием улицы или дороги должно быть достаточно большим, чтобы обеспечить размещение очереди автомобилей перед переездом такой длины, которая не превышается в течение 95% времени как при движении к пересечению от железной дороги, так и в обратном направлении.
Расчет длины очереди перед железнодорожным переездом проводят по формуле

(Н.4)
где l - длина легкового автомобиля, м;
ki - отношение габарита транспортного средства типа i к габариту легкового автомобиля;
Vi - интенсивность движения транспортных средств типа i (всего n типов), авт./ч;
kв - коэффициент вариации интенсивности потока (коэффициент внутричасовой неравномерности), определяемый на местности или принимаемый равным 1,15;
R - продолжительность красного сигнала (закрытия переезда), с, определяемая по формуле

(Н.5)
здесь t - суммарное время от закрытия пересечения до прихода поезда и от прохода поезда до открытия пересечения для проезда автомобильного транспорта, с;
L - длина поезда, м;
V - средняя скорость поезда при проезде пересечения, км/ч.
На участках, где местные условия не позволяют обеспечить достаточное расстояние между железнодорожным переездом и пересечением дорог (улиц), необходимо:
- обеспечить координированную работу дорожных светофоров со светофорами на переезде, чтобы освободить железнодорожный переезд при приближении поезда;
- установить на подходе к пересечению согласно
ГОСТ Р 52289 информационный знак индивидуального проектирования "Не останавливаться на железнодорожном пути".
Н.7 Улица или дорога на расстоянии не менее 10 м от крайнего рельса должна иметь в продольном профиле горизонтальную площадку или уклон, обусловленный превышением одного рельса над другим, когда пересечение располагается в месте закругления железной дороги, либо вертикальную кривую радиусом не менее максимального, установленного в
СП 42.13330 для категории улицы или дороги, пересекающей железнодорожные пути. Продольный уклон на указанных участках следует принимать не более

, с учетом требований [10].
Н.8 Подходы улиц и дорог к железнодорожному переезду, расположенному в конце спусков, проектируются с уклоном не более

, с учетом требований [10], на протяжении, необходимом для размещения очередей автомобилей, стоящих перед железнодорожным переездом, в соответствии с таблицей Н.3, но не менее 50 м. В условиях пересеченной и горной местности, в стесненной городской застройке, на подходах к существующим железнодорожным переездам при реконструкции или капитальном ремонте переезда допускается сохранять существующий план и профиль улицы и дороги.
Таблица Н.3
Длина участков подходов к железнодорожному переезду
Интенсивность движения по железной дороге, поездов/сут | Интенсивность движения по улице или дороге, авт./сут |
1000 - 2000 | 3000 | 4000 | 5000 | 6000 | 7000 |
Длина участка подхода с уклоном не более  , м |
10 | 50 | 75 | 100 | 125 | 150 | 175 |
25 | 75 | 125 | 150 | 175 | 220 | 250 |
50 | 75 | 150 | 175 | 200 | 225 | 250 |
75 | 75 | 175 | 220 | 250 | 270 | 300 |
Н.9 Улицы или дороги на подходах к железнодорожному переезду на протяжении не менее 10 м от головки крайнего рельса (исключая настил железнодорожного переезда) в обе стороны должны иметь жесткую дорожную одежду.
Н.10 Покрытие проезжей части (настила) на железнодорожных переездах с расчетной приведенной среднесуточной интенсивностью движения автомобилей более 2000 ед./сут следует предусматривать усиленными в виде монолитных, асфальтобетонных, железобетонных, резинобетонных и других видов конструкций, не подверженных образованию колейности и обеспечивающих увеличенный межремонтный срок относительно резинокордовых настилов. Настилы должны обеспечивать возможность выполнения ремонта и текущего содержания элементов железнодорожного пути.
Н.11 Ограждающие тумбы и столбы шлагбаумов на пересечениях располагают на расстоянии не менее 1,0 м, а стойки габаритных ворот - на расстоянии не менее 1,75 м от кромки проезжей части.
Приложение П
НОРМЫ ОБЕСПЕЧЕННОСТИ МАШИНО-МЕСТАМИ ДЛЯ ЗАРЯДКИ
ЭЛЕКТРОМОБИЛЕЙ И ПОДЗАРЯЖАЕМЫХ ГИБРИДНЫХ АВТОМОБИЛЕЙ
Таблица П.1
Требования к количеству парковочных мест для зарядки
электромобилей и подзаряжаемых гибридных автомобилей
Наименование | Количество парковочных мест зарядки электромобилей и гибридных автомобилей Nэл на каждые 10 машино-мест, не менее <*>, <**> |
1 Количество зарядных устройств на парковочных местах в пределах УДС | 5% числа всех парковок на участке УДС |
2 Обеспечение электрической мощности для вновь возводимых объектов инфраструктуры хранения автомобилей, в том числе в пределах УДС | 5% числа всех машино-мест, в том числе не менее одной стандартной зарядной станции на объект |
<*> Полученные расчетом значения следует округлять до ближайшего целого числа в большую сторону. <**> В условиях реконструкции выбор зарядной инфраструктуры должен учитывать наличие доступной электросетевой инфраструктуры и необходимой для подключения мощности (либо возможности реконструкции распределительных объектов для выделения необходимой мощности). |
Приложение Р
ОПРЕДЕЛЕНИЕ ПРОПУСКНОЙ СПОСОБНОСТИ НЕРЕГУЛИРУЕМЫХ
ПЕРЕСЕЧЕНИЙ И ПРИМЫКАНИЙ
Р.1 Для предварительной оценки расчетной пропускной способности нерегулируемых пересечений транспортные потоки необходимо поделить на определенные типы и присвоить им соответствующий ранг (рисунок Р.1).
Рисунок Р.1 - Назначение рангов транспортных потоков
на нерегулируемых пересечениях
1-й ранг присваивают тем направлениям, которые беспрепятственно осуществляют свои движения (на рисунке Р.1 - 2, 3, 5, 6). Ко 2-му рангу относят направления, которым приходится пропускать лишь один поток (на рисунке Р.1 - 1, 4, 9, 12). Направления, которым приходится пропускать потоки 1-го и 2-го рангов, присваивают 3-й ранг (на рисунке Р.1 - 8, 11). Тем направлениям, которые пропускают все потоки, присваивают 4-й ранг (на рисунке Р.1 - 7, 10).
Р.2 Расчетную пропускную способность для автомобилей каждого из направлений 2-го ранга и потенциальную пропускную способность 3-го и 4-го рангов определяют по формуле

(Р.1)
где Pi - величина пропускной способности i-го ранга, прив. ед./ч;
M - интенсивность движения автомобилей 1-го ранга, прив. ед./ч;
_ граничный интервал, принимаемый водителем, с (таблица Р.1);

- интервал между выходами автомобилей из очереди на второстепенном направлении (интервал следования), с (таблица Р.2).
Р.3 Расчетную пропускную способность для потока 2-го ранга определяют на основе формулы (Р.1).
Вероятность того, что потоки 2-го и 3-го рангов будут двигаться беспрепятственно, определяют для соответствующего ранга по формуле

(Р.2)
где pi - вероятность беспрепятственного движения потока 2-го ранга;
N - интенсивность движения рассматриваемого потока, прив. ед./ч;

- потенциальная пропускная способность рассматриваемого потока, прив. ед./ч.
Расчетную пропускную способность потока 3-го ранга следует определять по формуле

(Р.3)
где P3 - расчетная пропускная способность потока 3-го ранга, прив. ед./ч;

- произведение вероятностей беспрепятственного движения всех потоков 2-го ранга, которым необходимо уступить движение рассматриваемому потоку 3-го ранга;

- потенциальная пропускная способность потока 3-го ранга, прив. ед./ч, рассчитанная по формуле (Р.1).
Расчетную пропускную способность потока 4-го ранга следует определять по формуле

(Р.4)
где P4 - расчетная пропускная способность потока 4-го ранга, прив. ед./ч;

- произведение вероятностей беспрепятственного движения всех потоков 2-го и 3-го рангов, которым необходимо уступить движение рассматриваемому потоку 4-го ранга;

- потенциальная пропускная способность потока 4-го ранга, прив. ед./ч, рассчитанная по формуле (Р.1).
Таблица Р.1
Значения граничных интервалов
для нерегулируемого пересечения
Направление движения | Граничный интервал, с |
Вне застроенной территории | На застроенной территории |
Поток направо присутствует | Поток направо отсутствует |
Налево с главного направления | 6,0 | 5,5 | 5,5 |
Направо со второстепенного направления | 6,5 | 6,5 | 6,5 |
Прямо со второстепенного направления | 6,5 | 6,5 | 6,5 |
Налево со второстепенного направления | 6,6 | 6,6 | 6,6 |
Прямо и налево со второстепенного направления для случая одностороннего движения | 5,6 | 5,6 | 5,6 |
Таблица Р.2
Значения интервалов следования из очереди
для нерегулируемого пересечения
Направление движения | Интервал следования, с |
Вне застроенной территории | На застроенной территории |
Поток направо присутствует | Поток направо отсутствует |
Налево с главного направления | 2,9 | 2,6 | 2,6 |
Направо со второстепенного направления | 3,1 | 3,1 | 3,7 |
Прямо со второстепенного направления | 3,5 | 3,5 | 4,0 |
Налево со второстепенного направления | 3,4 | 3,4 | 3,8 |
Прямо и налево со второстепенного направления для случая одностороннего движения | 3,4 | 3,4 | 3,8 |
Приложение С
ЗНАЧЕНИЯ КОЭФФИЦИЕНТОВ, СНИЖАЮЩИХ ПРОПУСКНУЮ СПОСОБНОСТЬ
ДЛЯ РАЗЛИЧНЫХ ВИДОВ КРИТИЧЕСКИХ ЭЛЕМЕНТОВ
С.1 Пропускную способность перегона при наличии фактора, снижающего пропускную способность, на правой полосе движения следует определять по формуле

(С.1)
где Pперегон - расчетная пропускная способность перегона, прив. авт./ч;
Pпд - пропускная способность полосы движения (1750 прив. ед./ч);
ki - коэффициент снижения i-й полосы движения (при расчете пропускной способности крайняя правая полоса всегда имеет самый высокий номер) (таблица 5.4);

- наибольший коэффициент снижения пропускной способности для критического элемента, удовлетворяющий условию

(С.2)
здесь

- коэффициент снижения пропускной способности перегона, определяемый в зависимости от наличия примыкания и частоты въезда на прилегающую территорию;

- коэффициент снижения пропускной способности перегона улицы местного значения; при наличии кривой в плане равен 0,8;

- коэффициент снижения пропускной способности перегона, определяемый в зависимости от организации остановки пассажирского транспорта;

- коэффициент снижения пропускной способности перегона, определяемый в зависимости от организации парковочных мест вдоль проезжей части.
С.2 Расчетную пропускную способность перегона при наличии фактора, снижающего пропускную способность, в виде нерегулируемого пешеходного перехода или искусственной дорожной неровности следует определять по формуле

(С.3)
где

- наибольший коэффициент снижения пропускной способности для критического элемента, удовлетворяющий условию

(С.4)
здесь

- коэффициент снижения пропускной способности перегона, определяемый в зависимости от организации нерегулируемого наземного пешеходного перехода;

- коэффициент снижения пропускной способности перегона улицы, определяемый в зависимости от типа искусственной дорожной неровности.
С.3 Значения коэффициентов, снижающих расчетную пропускную способность для различных видов критических элементов, приведены в таблицах С.1 - С.6. Коэффициенты при расчете следует назначать в соответствии с категорией улицы или дороги.
Таблица С.1
Коэффициенты снижения расчетной пропускной способности
полосы движения для улиц и дорог при наличии въезда
на прилегающую территорию 
Интенсивность въезда, прив. ед./ч | Значения коэффициентов для |
магистральной улицы или дороги общегородского значения | улицы районного значения |
5 | 0,99 | 0,99 |
20 | 0,97 | 0,96 |
50 | 0,93 | 0,91 |
100 | 0,86 | 0,81 |
120 | 0,83 | 0,78 |
150 | 0,78 | 0,72 |
Таблица С.2
Коэффициенты снижения расчетной пропускной способности
полосы движения при наличии пунктов НПТОП 
Интенсивность движения автобусов, ед./ч | Значения коэффициентов для |
магистральной улицы или дороги общегородского значения | улицы районного значения | улицы местного значения |
с карманом | без кармана | с карманом | без кармана | с карманом | на полосе с возможностью объезда | на полосе с перекрытием движения |
5 | 1,00 | 1,00 | 0,98 | 0,94 | - | - | - |
10 | 0,98 | 0,95 | 0,95 | 0,89 | 0,98 | 0,98 | 0,94 |
15 | 0,95 | 0,91 | 0,93 | 0,83 | - | - | - |
20 | 0,93 | 0,86 | 0,91 | 0,78 | 0,965 | 0,96 | 0,88 |
25 | 0,90 | 0,81 | - | - | - | - | - |
30 | 0,88 | 0,77 | - | - | 0,95 | 0,94 | 0,82 |
35 | 0,85 | 0,72 | - | - | - | - | - |
40 | 0,83 | 0,68 | - | - | - | - | - |
45 | 0,80 | 0,63 | - | - | - | - | - |
50 | 0,78 | 0,58 | - | - | - | - | - |
55 | 0,75 | 0,54 | - | - | - | - | - |
60 | 0,73 | 0,49 | - | - | - | - | - |
Таблица С.3
Коэффициенты снижения расчетной пропускной способности
полосы движения магистральной улицы при наличии парковок
различных типов 
Частота маневров паркирования, ед./ч | Значения коэффициентов для схемы |
поперечной до 10 машино-мест | угловой до 10 машино-мест | поперечной свыше 10 машино-мест | угловой свыше 10 машино-мест |
1 | 0,99 | 0,99 | 1,00 | 1,00 |
5 | 0,97 | 0,97 | 0,98 | 0,98 |
10 | 0,94 | 0,93 | 0,97 | 0,95 |
15 | 0,91 | 0,90 | 0,95 | 0,93 |
20 | 0,88 | 0,86 | 0,94 | 0,91 |
25 | 0,85 | 0,83 | 0,92 | 0,88 |
30 | 0,82 | 0,80 | 0,90 | 0,86 |
35 | 0,79 | 0,76 | 0,89 | 0,84 |
40 | 0,76 | 0,73 | 0,87 | 0,82 |
45 | 0,73 | 0,70 | 0,86 | 0,79 |
50 | 0,70 | 0,66 | 0,84 | 0,77 |
60 | - | 0,59 | - | 0,72 |
70 | - | 0,53 | - | 0,68 |
80 | - | 0,46 | - | 0,63 |
90 | - | 0,39 | - | 0,59 |
Таблица С.4
Коэффициенты снижения расчетной пропускной способности
полосы движения улицы местного значения при наличии парковок
различных типов 
Частота маневров паркирования, ед./ч | Значения коэффициентов для схемы |
поперечной | угловой | параллельной |
10 | 0,980 | 0,989 | 0,989 |
20 | 0,959 | 0,977 | 0,978 |
30 | 0,939 | 0,966 | 0,967 |
40 | 0,918 | 0,954 | 0,955 |
50 | 0,898 | 0,943 | 0,944 |
60 | 0,877 | 0,932 | 0,933 |
70 | 0,857 | 0,920 | 0,922 |
Таблица С.5
Коэффициенты снижения расчетной пропускной способности
полосы движения улицы местного значения при организации
нерегулируемого пешеходного перехода 
Интенсивность движения пешеходов, чел./ч | Коэффициент снижения расчетной пропускной способности |
10 | 1 |
50 | 0,8 |
100 | 0,64 |
150 | 0,41 |
200 | 0,18 |
Примечание - Коэффициенты снижения расчетной пропускной способности  применяются ко всем полосам движения. |
Таблица С.6
Коэффициенты снижения расчетной пропускной способности
при организации различных видов искусственных дорожных
неровностей 
Параметры | Тип искусственной дорожной неровности |
Сборная ИДН | Волнообразная ИДН | Трапециевидная ИДН |
Расчетная пропускная способность полосы, прив. ед./ч | 420 | 480 | 570 |
Значения коэффициентов  | 0,38 | 0,44 | 0,52 |
Примечание - Коэффициенты снижения расчетной пропускной способности  применяются ко всем полосам движения. |
Приложение Т
РАСЧЕТ КОЛИЧЕСТВА ПАРКОВОЧНЫХ МЕСТ ДЛЯ СРЕДСТВ
ИНДИВИДУАЛЬНОЙ МОБИЛЬНОСТИ
Вместимость стоянки для паркования СИМ допускается определять по формуле
M0 = K1·Nсп, (Т.1)
где K1 - коэффициент, отражающий обеспеченность территории услугами НПТОП в соответствии с таблицами Т.1 и Т.2;
Nсп - норматив по числу парковочных мест для различных видов объектов в соответствии с таблицей Т.3.
Таблица Т.1
Категории объектов нежилого назначения
по функциональному признаку
Вид объекта | Категория |
Многофункциональные торговые и торгово-развлекательные центры | I |
Административно-офисные помещения | II |
Объекты обучения и образования |
Культурно-развлекательные учреждения |
Гостиницы |
Производственные и складские помещения | III |
Физкультурно-оздоровительные комплексы |
Объекты транспорта |
Объекты рекреации |
Объекты здравоохранения и социальные службы | IV |
Магазины розничной торговли районного значения |
Объекты общественного питания |
Объекты коммунально-бытового обслуживания |
Таблица Т.2
Корректирующие коэффициенты для расчета парковочных мест
в зависимости от уровня обеспеченности доступа к объекту
с использованием общественного транспорта
Категория объекта | Коэффициент K1 | Характеристика |
I | 0,55 | - Наличие в пешеходной доступности от объекта станций СВТ |
II | 0,75 |
III | 0,8 |
IV | 0,85 |
I | 1,0 | - Наличие в пешеходной доступности от объекта остановочных пунктов НПТОП с устойчивой связью со станциями СВТ (время в пути до станции не более 10 мин); - наличие в пешеходной доступности от объекта остановок скоростного/магистрального наземного транспорта (в т.ч. рельсового) |
II | 0,8 |
III | 0,85 |
IV | 0,9 |
I | 1,2 | - Наличие в пешеходной доступности от объекта остановочных пунктов НПТОП с устойчивой связью со станциями СВТ (время в пути до станции не более 15 мин); - наличие в пешеходной доступности от объекта остановочных пунктов НПТОП с устойчивой связью с остановками скоростного/магистрального наземного транспорта (время в пути от объекта до остановочного пункта не более 10 мин) |
II | 0,85 |
III | 0,9 |
IV | 1,0 |
I | 1,5 | - Соблюдаются условия по времени движения от остановочных пунктов НПТОП до пересадки на СВТ или скоростной/магистральный наземный транспорт не более 10 мин, но превышены нормы пешеходной доступности; - наличие в пешеходной доступности от объекта остановочных пунктов НПТОП с устойчивой связью со станциями СВТ (время в пути до станции более 15 мин); - наличие в пешеходной доступности от объекта остановочных пунктов НПТОП с устойчивой связью с остановками скоростного/магистрального наземного транспорта (время в пути от объекта до остановочного пункта более 10 мин) |
II | 1,1 |
III | 1,0 |
IV | 1,0 |
Таблица Т.3
Норматив парковочных мест для различных объектов
Здания и сооружения, рекреационные территории, объекты отдыха | Расчетная единица | Предусматривается одно парковочное место на следующее количество расчетных единиц |
Здания и сооружения |
Учреждения органов государственной власти, органы местного самоуправления | м2 общей площади | 10000 - 11000 |
Административно-управленческие учреждения, иностранные представительства, представительства субъектов Российской Федерации, здания и помещения общественных организаций | м2 общей площади | 2500 - 3000 |
Коммерческо-деловые центры, офисные здания и помещения, страховые компании | м2 общей площади | 1250 - 1500 |
Банки и банковские учреждения, кредитно-финансовые учреждения: | | |
- с операционными залами | м2 общей площади | 750 - 800 |
- без операционных залов | м2 общей площади | 1400 - 1500 |
Образовательные организации, реализующие программы высшего образования | Преподаватели, сотрудники, студенты, занятые в одну смену | 10 - 20 преподавателей и сотрудников + 1 парковочное место на 20 студентов |
Профессиональные образовательные организации, образовательные организации искусств городского значения | Преподаватели, занятые в одну смену | 20 - 30 |
Центры обучения, самодеятельного творчества, клубы по интересам для взрослых | м2 общей площади | 500 - 625 |
Научно-исследовательские и проектные институты | м2 общей площади | 3500 - 4500 |
Производственные здания, коммунально-складские объекты, размещаемые в составе многофункциональных зон | Работающие в двух смежных сменах, чел. | 100 - 120 |
Объекты производственного и коммунального назначения, размещаемые на участках территорий производственных и промышленно-производственных объектов | 1000 чел., работающих в двух смежных сменах | 10 - 20 |
Магазины-склады (мелкооптовой и розничной торговли, гипермаркеты) | м2 общей площади | 1500 - 1600 |
Объекты торгового назначения с широким ассортиментом товаров периодического спроса продовольственной и (или) непродовольственной групп (торговые центры, торговые комплексы, супермаркеты, универсамы, универмаги и т.п.) | м2 общей площади | 2000 - 2500 |
Специализированные магазины по продаже товаров эпизодического спроса непродовольственной группы (спортивные, автосалоны, мебельные, бытовой техники, музыкальных инструментов, ювелирные, книжные и т.п.) | м2 общей площади | 3000 - 3500 |
Рынки постоянные: | | |
- универсальные и непродовольственные | м2 общей площади | 30 - 40 |
- продовольственные и сельскохозяйственные | м2 общей площади | 1500 - 2000 |
Предприятия общественного питания периодического спроса (рестораны, кафе) | Посадочные места | 4 - 5 |
Объекты коммунально-бытового обслуживания: | | |
- бани | Единовременные посетители | 2000 - 2500 |
- ателье, фотосалоны городского значения, салоны-парикмахерские, салоны красоты, солярии, салоны моды, свадебные салоны | м2 общей площади | 20 - 30 |
- салоны ритуальных услуг | м2 общей площади | 50 - 60 |
- химчистки, прачечные, ремонтные мастерские, специализированные центры по обслуживанию сложной бытовой техники и др. | Рабочее место приемщика | 1 - 2 |
Выставочно-музейные комплексы, музеи-заповедники, музеи, галереи, выставочные залы | Единовременные посетители | 60 - 80 |
Театры, концертные залы: | | |
- городского значения (1-й уровень комфорта) | Зрительские места | 40 - 100 |
- другие театры и концертные залы (2-й уровень комфорта) и конференц-залы | Зрительские места | 15 - 20 |
Киноцентры и кинотеатры: | | |
- городского значения (1-й уровень комфорта) | Зрительские места | 100 - 200 |
- другие (2-й уровень комфорта) | Зрительские места | 50 - 60 |
Центральные, специальные и специализированные библиотеки, интернет-кафе | Постоянные места | 10 - 20 |
Объекты религиозных конфессий (церкви, костелы, мечети, синагоги и др.) | Единовременные посетители | 30 - 50, но не менее 5 парковочных мест на объект |
Досугово-развлекательные учреждения: развлекательные центры, дискотеки, залы игровых автоматов, ночные клубы | Единовременные посетители | 10 - 15 |
Бильярдные, боулинги | Единовременные посетители | 8 - 10 |
Спортивные комплексы и стадионы с трибунами | Места на трибунах | 50 - 60 |
Оздоровительные комплексы [фитнес-клубы, физкультурно-оздоровительные комплексы (ФОК), спортивные и тренажерные залы] | | |
- общей площадью менее 1000 м2 | м2 общей площади | 250 - 550 |
- общей площадью 1000 м2 и более | м2 общей площади | 250 - 400 |
Муниципальные детские физкультурно-оздоровительные объекты локального и районного уровней обслуживания: | | |
- тренажерные залы площадью 150 - 500 м2 | Единовременные посетители | 400 - 550 |
- ФОК с залом площадью 1000 - 2000 м2 | Единовременные посетители | 5 - 10 |
- ФОК с залом и бассейном общей площадью 2000 - 3000 м2 | Единовременные посетители | 5 - 7 |
Специализированные спортивные клубы и комплексы (теннис, конный спорт, горнолыжные центры и др.) | Единовременные посетители | 10 |
Аквапарки, бассейны | Единовременные посетители | 5 - 7 |
Катки с искусственным покрытием общей площадью более 3000 м2 | Единовременные посетители | 3 - 4 |
Железнодорожные вокзалы | Пассажиры дальнего следования в час пик | 5 - 7 |
Автовокзалы | Пассажиры в час пик | 6 - 7 |
Аэровокзалы | Пассажиры в час пик | 100 - 150 |
Речные порты | Пассажиры в час пик | 30 - 50 |
Рекреационные территории и объекты отдыха |
Пляжи и парки в зонах отдыха | 100 единовременных посетителей | 15 - 20 |
Лесопарки и заповедники | 100 единовременных посетителей | 7 - 10 |
Базы кратковременного отдыха (спортивные, лыжные, рыболовные, охотничьи и др.) | 100 единовременных посетителей | 10 - 15 |
Береговые базы маломерного флота | 100 единовременных посетителей | 10 - 15 |
Дома отдыха и санатории, санатории-профилактории, базы отдыха предприятий и туристские базы | 100 отдыхающих и обслуживающего персонала | 3 - 5 |
Предприятия общественного питания, торговли | 100 мест в залах или единовременных посетителей и персонала | 7 - 10 |
Для определения нормативного числа парковочных мест применяют корректирующие коэффициенты, учитывающие уровень обеспеченности доступа к объекту с использованием НПТОП.
Разделение объектов нежилого назначения по функциональному назначению на категории для формирования корректирующих коэффициентов представлено в таблице Т.1.
Корректирующий коэффициент выбирают на основании категории объекта нежилого назначения в соответствии с таблицей Т.1 с учетом характеристик обеспечения территории услугами НПТОП в соответствии с таблицей Т.2.
Для многофункциональных объектов расчет следует проводить раздельно в зависимости от параметров каждой функциональной части объекта в соответствии с таблицей Т.3, с учетом корректирующих коэффициентов, а затем суммируют для всего объекта.".
Библиография
"[7]
Распоряжение Правительства Российской Федерации от 27 ноября 2021 г. N 3363-р "О Транспортной стратегии Российской Федерации до 2030 года с прогнозом на период до 2035 года".
Дополнить библиографическими позициями [10] - [12] в следующей редакции:
"[10]
Приказ Министерства транспорта Российской Федерации от 5 октября 2022 г. N 402 "Об утверждении Условий эксплуатации железнодорожных переездов"
[11] ПУЭ Правила устройства электроустановок (7-е изд.)
[12] Федеральный
закон от 8 ноября 2007 г. N 257-ФЗ "Об автомобильных дорогах и дорожной деятельности в Российской Федерации и о внесении изменений в отдельные законодательные акты Российской Федерации".