Главная // Актуальные документы // ГОСТ Р (Государственный стандарт)СПРАВКА
Источник публикации
М.: Стандартинформ, 2008
Примечание к документу
Документ утратил силу в связи с изданием
Приказа Росстандарта от 22.12.2022 N 1550-ст.
Документ включен в
Перечень стандартов, в результате применения которых на добровольной основе обеспечивается соблюдение требований технического
регламента Таможенного союза "Безопасность автомобильных дорог" (ТР ТС 014/2011) (
Решение Коллегии Евразийской экономической комиссии от 18.09.2012 N 159).
Разделы 4 и
5 включены в
Перечень национальных стандартов и сводов правил (частей таких стандартов и сводов правил), в результате применения которых на обязательной основе обеспечивается соблюдение требований Федерального
закона от 30.12.2009 N 384-ФЗ "Технический регламент о безопасности зданий и сооружений" (
Распоряжение Правительства РФ от 21.06.2010 N 1047-р).
Документ включен в
Перечень национальных стандартов, в результате применения которых на добровольной основе обеспечивается соблюдение требований Федерального
закона от 30.12.2009 N 384-ФЗ "Технический регламент о безопасности зданий и сооружений" (
Приказ Ростехрегулирования от 01.06.2010 N 2079).
Текст документа приведен с учетом
поправки, опубликованной в "ИУС", N 6, 2008,
поправки, опубликованной в "ИУС", N 9, 2008.
Документ
введен в действие с 01.01.2008.
Название документа
"ГОСТ Р 52748-2007. Национальный стандарт Российской Федерации. Дороги автомобильные общего пользования. Нормативные нагрузки, расчетные схемы нагружения и габариты приближения"
(утв. Приказом Ростехрегулирования от 24.09.2007 N 250-ст)
"ГОСТ Р 52748-2007. Национальный стандарт Российской Федерации. Дороги автомобильные общего пользования. Нормативные нагрузки, расчетные схемы нагружения и габариты приближения"
(утв. Приказом Ростехрегулирования от 24.09.2007 N 250-ст)
Утвержден и введен в действие
от 24 сентября 2007 г. N 250-ст
НАЦИОНАЛЬНЫЙ СТАНДАРТ РОССИЙСКОЙ ФЕДЕРАЦИИ
ДОРОГИ АВТОМОБИЛЬНЫЕ ОБЩЕГО ПОЛЬЗОВАНИЯ
НОРМАТИВНЫЕ НАГРУЗКИ, РАСЧЕТНЫЕ СХЕМЫ НАГРУЖЕНИЯ
И ГАБАРИТЫ ПРИБЛИЖЕНИЯ
Automobile roads of the general use.
Standard loads, loading systems and clearance approaches
ГОСТ Р 52748-2007
Группа Т52
Дата введения
1 января 2008 года
Цели и принципы стандартизации в Российской Федерации установлены Федеральным
законом от 27 декабря 2002 г. N 184-ФЗ "О техническом регулировании", а правила применения национальных стандартов Российской Федерации -
ГОСТ Р 1.0-2004 "Стандартизация в Российской Федерации. Основные положения".
1. Разработан ООО "Дорожный инженерный центр", Российской академией транспорта.
2. Внесен Техническим комитетом по стандартизации ТК 418 "Дорожное хозяйство" и Государственным дорожным агентством Министерства транспорта Российской Федерации.
3. Утвержден и введен в действие
Приказом Федерального агентства по техническому регулированию и метрологии от 24 сентября 2007 г. N 250-ст.
4. Введен впервые.
Настоящий стандарт распространяется на проектирование строительства, реконструкции автомобильных дорог общего пользования и устанавливает для этих дорог нормативные нагрузки, расчетные схемы нагружения и габариты приближений.
Настоящий стандарт не распространяется на проектирование временных автомобильных дорог различного назначения (сооружаемые на срок службы менее 5 лет) и автозимников.
Требования стандарта не являются основанием для проектирования автотранспортных средств.
В настоящем стандарте использована ссылка на следующий стандарт:
ГОСТ Р 52398-2005. Классификация автомобильных дорог. Основные параметры и требования.
Примечание. При пользовании настоящим стандартом целесообразно проверить действие ссылочных стандартов в информационной системе общего пользования - на официальном сайте в сети Интернет или по ежегодно издаваемому информационному указателю "Национальные стандарты", который опубликован по состоянию на 1 января текущего года, и по соответствующим ежемесячно издаваемым информационным указателям, опубликованным в текущем году. Если ссылочный документ заменен (изменен), то при пользовании настоящим стандартом следует руководствоваться заменяющим (измененным) документом. Если ссылочный документ отменен без замены, то положение, в котором дана ссылка на него, применяется в части, не затрагивающей эту ссылку.
3. Термины, определения и сокращения
3.1. В настоящем стандарте применены следующие термины с соответствующими определениями:
3.1.1. Мостовые сооружения: сооружения, устраиваемые при пересечении автомобильными дорогами естественных или искусственных препятствий (мосты, путепроводы, эстакады).
Примечание. К искусственным препятствиям относятся искусственные водоемы, водные каналы, автомобильные и железные дороги, конструкции строений, через которые проходит автомобильная дорога, и т.п.
3.1.2. Габариты приближения: предельные поперечные очертания свободного пространства в плоскости, перпендикулярной к продольной оси проезжей части, внутри которого не должны быть расположены какие-либо элементы сооружения или устройства на них.
3.1.3. Нормативные нагрузки: временные вертикальные нагрузки от транспортных средств и пешеходов, принимаемые в виде условных нагрузок для проектирования автомобильных дорог общего пользования и мостовых сооружений на них.
3.1.4. Схемы нагружения: расположение нагрузки в поперечном и продольном направлениях на проезжей части, обочинах и на мостовых сооружениях автомобильной дороги.
3.2. В настоящем стандарте применены следующие сокращения:
АК - нормативная нагрузка от автомобилей;
НК - нормативная нагрузка от нестандартных транспортных средств, осуществляющих перевозки тяжеловесных грузов.
4.1. Нормативная нагрузка от автотранспортных средств на автомобильных дорогах общего пользования представлена на
рисунке 1.
d - база для нагрузки АК, м;
c - ширина колеи нагрузки, м;
q - равномерно распределенная нагрузка вдоль дороги (сооружения), кН/м;
D - база для нагрузки НК, м.
Рисунок 1. Схема нормативной нагрузки
для расчета дорожной одежды, земляного полотна,
подпорных стен и мостовых сооружений
4.2. Нормативная нагрузка АК (см.
рисунок 1, а) включает в себя одну двуосную тележку с нагрузкой на ось, равной 10 К (кН) и равномерно распределенную вдоль дороги нагрузку интенсивностью К (кН/м). Класс нагрузки К в соответствии с
4.4.
4.3. Нормативная нагрузка НК (см.
рисунок 1, б) представлена в виде одиночной четырехосной тележки с нагрузкой на каждую ось 18 К (кН). Класс нагрузки К в соответствии с
4.5.
Примечание. При расчете мостовых конструкций следует также проводить проверку на воздействие сдвоенных нормативных нагрузок НК, устанавливаемых на расстоянии 12 м (между последней осью первой и передней осью второй нагрузки) с учетом понижающего коэффициента, равного 0,75.
4.4. Класс нагрузки К для нормативной нагрузки АК следует принимать равным для:
- автомобильных дорог категорий IА, IБ, IВ, II - 11,5;
- автомобильных дорог категорий III и IV - 10;
- автомобильных дорог категории V - 6;
- мостовых сооружений и труб на дорогах всех категорий - 14;
- деревянных мостов - 11.
4.5. Класс нагрузки К для нормативной нагрузки НК следует принимать для расчета:
- земляного полотна автомобильных дорог всех категорий - 8,3;
- конструкций мостовых сооружений и труб на дорогах всех категорий - 14;
- конструкций деревянных мостов - 11.
4.6. Для автомобильных дорог база тележки для нормативной нагрузки АК должна быть равна 2,5 м, для мостовых сооружений - 1,5 м.
| | Второй абзац пункта 4.6 исключен поправкой, опубликованной в ИУС "Национальные стандарты", N 6, 2008. | |
Для мостовых сооружений площадь отпечатка колеса в статическом положении должна быть равной 0,092 м2, в движении - 0,12 м2.
Для автомобильных дорог диаметр круга, равновеликий следу отпечатка колеса в статическом положении, должен быть равен 0,34 м, в движении - 0,39 м.
4.7 Интенсивность нормативной нагрузки от пешеходов на тротуарах (служебных проходах) и пешеходных мостах составляет 4 кН/м2 без учета нагрузки АК и 2 кН/м2 при учете совместно с нагрузкой АК.
Расчетные схемы нагружения делятся на:
- схемы нагружения при расчете дорожных одежд;
- схемы нагружения для расчета земляного полотна и подпорных стен;
- схемы нагружения для расчета конструкций мостовых сооружений.
5.1. Схемы нагружения при расчете дорожных одежд
5.1.1. Расчет дорожных одежд выполняют в соответствии со схемой нормативной нагрузки АК. Равномерно распределенную нагрузку q вдоль направления движения в этих расчетах не учитывают.
5.1.2. Ось нормативной нагрузки АК при расчете нежестких дорожных одежд размещается на середине полосы движения проезжей части.
5.1.3. При расчете жесткой дорожной одежды плита загружается нормативной нагрузкой АК без равномерно распределенной нагрузки q по колеям с расположением колеса АК на середине внешнего края плиты (см.
рисунок 1, а).
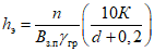
5.2. Схема нагружения для расчета земляного полотна и подпорных стен
5.2.1. При расчете устойчивости подпорных стен и откосов насыпи земляного полотна в качестве временной подвижной нагрузки принимают нормативную нагрузку НК.
При расчете осадки насыпи принимают нагрузку АК.
5.2.2. При расчете устойчивости подпорных стен и откосов насыпи нагрузка от транспортных средств приводится к эквивалентному слою грунта земляного полотна.
Толщину эквивалентного слоя грунта

, м, вычисляют по формуле

,
где 18К - нормативная осевая нагрузка НК, кН;
d - база нормативной нагрузки НК, м;
c - колея нормативной нагрузки НК, м;

- удельный вес грунта, кН/м3.
Эквивалентный слой грунта располагается по всей ширине земляного полотна.
Вдоль земляного полотна эквивалентный слой грунта распространяется на неограниченную длину.
5.2.3. При расчете осадки насыпи нормативная нагрузка принимается в виде нормативной нагрузки, находящейся в статическом положении (см.
рисунок 1, а). Равномерно распределенную нагрузку вдоль дороги, имитирующую движение колонны транспортных средств, в этом расчете не учитывают.
Нагрузка от транспортных средств приводится к эквивалентному слою грунта земляного полотна.
Толщину эквивалентного слоя грунта

, м, вычисляют по формуле

,
где n - число полос движения;

- ширина земляного полотна, м;

- удельный вес грунта, кН/м3;
10К - нормативная нагрузка АК для расчета осадки насыпи, кН;
d - база нормативной нагрузки АК, м.
Эквивалентный слой грунта располагается по всей ширине земляного полотна.
Вдоль земляного полотна эквивалентный слой грунта распространяется на неограниченную длину.
5.3. Схемы нагружения для расчета конструкций мостовых сооружений
При расчете элементов мостовых сооружений нормативные нагрузки должны устанавливаться в наиболее невыгодное для рассчитываемого элемента положение.
5.3.1. Схема нагружения для расчета конструкций мостовых сооружений должна отражать следующие возможные варианты:
вариант 1 - движение транспортных средств и пешеходов без каких-либо ограничений;
вариант 2 - временное стеснение габарита проезда (вследствие ремонта мостового полотна, расчистки покрытия или дорожно-транспортного происшествия);
вариант 3 - пропуск специальных транспортных средств в одиночном порядке.
5.3.2. При варианте 1 нагружение осуществляют полосами нагрузки АК. При этом должны выполняться следующие условия:
- число полос нагрузки, размещаемой на мостовом сооружении, не должно превышать установленного числа полос движения;
- полосы нагрузки размещаются в пределах проезжей части (не включающей полосы безопасности) вдоль направления движения на расстоянии не менее 1,5 м от оси полосы нагрузки до края проезжей части (см.
рисунок 1, а);
- расстояния между осями смежных полос нагрузки должны быть не менее 3,0 м;
- при нагружении моста временными вертикальными нагрузками следует учитывать использование разделительной полосы для движения, если на мостовом сооружении предусмотрена разделительная полоса шириной не менее 3 м без ограждений.
5.3.3. При варианте 2 нагружение проводят в виде двух полос нагрузки АК, расположенных в наиболее опасном положении по ширине ездового полотна (включая полосы безопасности). На мостах под одну полосу движения нагружение проводится одной полосой нагрузки АК.
При этом оси полос нормативной нагрузки АК должны быть расположены не ближе 1,5 м от ограждения.
Нагрузки на тротуарах от пешеходов отсутствуют.
5.3.4. При варианте 3 нагружение проводят нагрузкой НК, которую следует располагать вдоль направления движения в пределах проезжей части (вне полос безопасности) в отсутствие на мостовом сооружении других временных нагрузок.
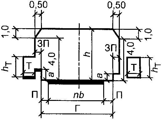
6. Габариты приближения конструкций мостовых сооружений
6.1. Схемы габаритов приближения конструкций на автодорожных мостах и путепроводах приведены на
рисунке 2 (левая половина каждой схемы относится к случаю примыкания тротуаров к ограждениям, правая - к случаю отдельного размещения тротуаров).
а - при отсутствии разделительной полосы
б - с разделительной полосой без ограждений
в - с разделительной полосой при наличии ограждения
ЗП - ширина защитных полос;

- габарит по высоте на тротуарах;
Т - ширина тротуаров;
a - высота ограждений;
h - габарит по высоте на проезжей части;
П - ширина полосы безопасности;
nb - общая ширина проезжей части или ширина проезжей части для движения одного направления (n - число полос движения в одном направлении, b - ширина каждой полосы движения, м), м;
Г - габарит по ширине (расстояние между ограждениями проезда, в которое входит и ширина разделительной полосы, не имеющей ограждений);
С - ширина разделительной полосы, м.
Рисунок 2. Схемы габаритов приближения конструкций
на автодорожных мостах и путепроводах
6.2. Габарит по высоте на проезжей части мостов и путепроводов на автомобильных дорогах (расстояние от поверхности проезда до верхней линии очертания габарита) должен быть, м, не менее:
- на автомобильных дорогах категорий IА, IБ, IВ, II, III - 5,0;
- на автомобильных дорогах категорий IV - V - 4,5.
Габарит по высоте на тротуарах должен быть - 2,5 м.
6.3. Ширина защитных полос на мостах и путепроводах должна быть не менее 0,5 м, на деревянных мостах с ездой понизу - 0,25 м.
6.4. Габариты мостов по ширине на автомобильных дорогах общего пользования определяют по таблице 1.
| Общее число полос движения | Габарит, м | Ширина, м |
полосы безопасности П | проезжей части nb |
IА, IБ, IВ | 8 | | 2,0 | 15,0 x 2 |
6 | | 2,0 | 11,25 x 2 |
4 | | 2,0 | 7,5 x 2 |
II | 4 | | 2,0 | 7,0 x 2 |
2 | Г - 11,5 | 2,0 | 7,5 |
III | 2 | Г-10 | 1,5 | 7,0 |
IV | 2 | Г-8 <*> | 1,0 | 6,0 |
V | 1 | Г-6,5 <**> | 1,0 | 4,5 |
Г-4,5 | 0,5 | 3,5 |
<*> Для деревянных мостов (кроме мостов из клееной древесины) допускается применять габарит Г-7 для дорог категории IV. <**> Для деревянных мостов (кроме мостов и клееной древесины) допускается применять габарит Г-6 для дорог категории V. Примечания 1 Ширина расчетного автомобиля - 2,5 м. 2 В 3-й графе в числителе указаны габариты мостов при отсутствии ограждений на разделительной полосе, в знаменателе - при наличии ограждений или при раздельных пролетных строениях под каждое направление движения. 3 В не предусмотренных в таблице 1 случаях габариты мостов по ширине следует вычислять по формуле Г = П + nb + С + nb + П. |
6.5. На мостовых сооружениях, имеющих по одной полосе движения с каждой стороны от разделяющих устройств (в том числе рельсовых путей), габарит по ширине на каждой полосе движения должен составлять не менее 5,0 м.
6.6. Допускают полосы безопасности шириной меньшей, чем указано в
таблице 1, на путепроводах - при наличии переходно-скоростных полос (со стороны этих полос) и на мостах - с дополнительной полосой движения на подъеме (со стороны этой полосы). При этом ширина полос безопасности должна быть не менее 1,0 м для мостов дорог категорий IА, IБ, IВ, II, III и не менее 0,75 м для мостов дорог категории IV.
6.7. При расположении мостов на кривых в плане проезжая часть должна быть расширена в зависимости от радиуса кривой в плане, расчетной скорости дороги и базы расчетного транспортного средства в соответствии с действующими нормами проектирования автомобильных дорог.
6.8. Ширина разделительной полосы на мосту должна быть достаточной для размещения на ней ограждения и полос безопасности.
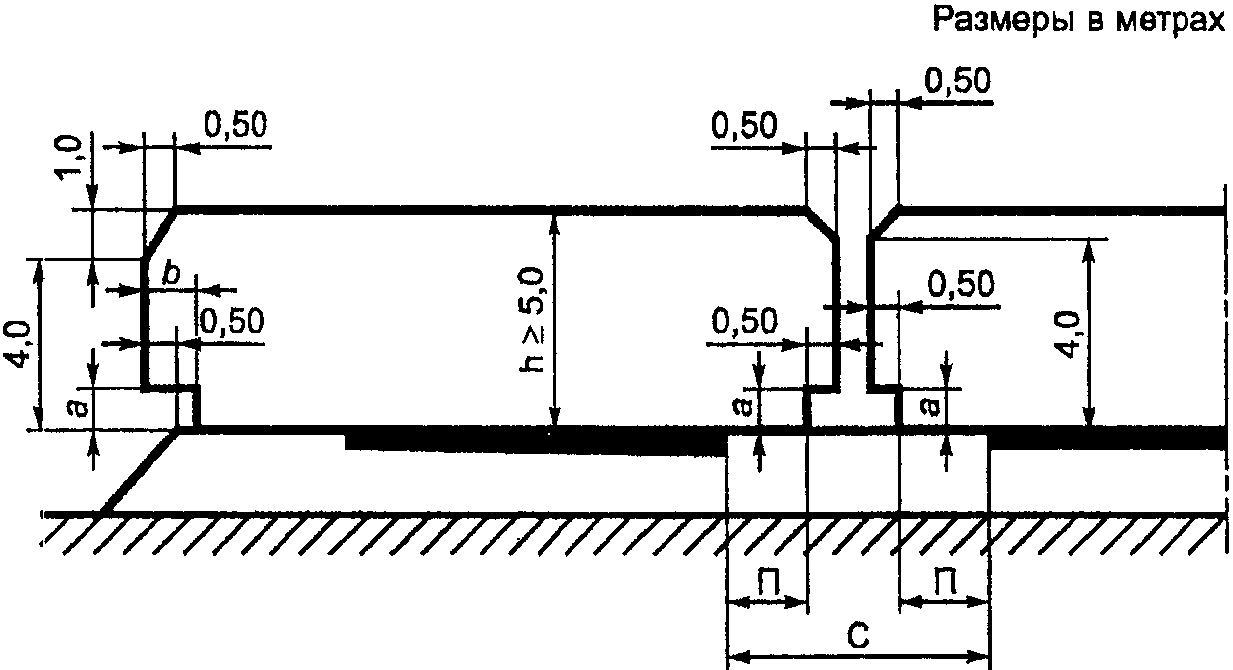
6.9. Габариты приближения конструкций под путепроводами через автомобильные дороги должны соответствовать приведенным на
рисунке 3.
а - при отсутствии ограждений на дорогах
категорий IА, IБ, IВ
б - при отсутствии ограждений на дорогах категорий IV и V
в - при наличии опор на разделительной полосе
и ограждений на дороге
Рисунок 3. Схемы габаритов приближения конструкций
под путепроводами
При расположении опор на разделительной полосе расстояние от кромки проезжей части до ближайшей грани опоры должно быть IА, IБ, IВ и II категории не менее 2,0 м (в том числе полоса безопасности 1,5 м).
При установке на разделительной полосе вместо жестких металлических ограждений расстояние от них до ближайшей грани опоры должно быть достаточным для обеспечения динамического прогиба ограждения.
6.10. Расстояния от бровки земляного полотна пересекаемой дороги до передней грани необсыпных устоев или конуса насыпи при обсыпных устоях должны быть не менее указанных в таблице 2.
Таблица 2
Размеры в метрах
| Наименьшее расстояние от бровки земляного полотна пересекаемой дороги до передней грани необсыпных устоев или конуса насыпи при проектировании |
пешеходных мостов | путепроводов с числом полос движения |
2 | 4 | 6 | 8 |
IА, IБ, IВ, II, III | 2,0 | 3,0 | 4,0 | 5,0 | 6,0 |
IV | 1,0 | 1,5 | 2,0 | 3,0 | 4,0 |
V | 0,5 | 0,5 | 0,5 | 0,5 | 0,5 |
Боковые поверхности промежуточных опор (со стороны дороги) следует располагать за бровкой земляного полотна пересекаемой дороги на расстоянии:
- при стоечных сквозных опорах не менее 2 м;
- при сплошных стенках на дорогах категорий IА, IБ, IВ, II, III не менее 4 м, на дорогах категорий IV, V - 0,5 м.
6.11. Вертикальное расстояние от расположенных над дорогой инженерных коммуникаций, проводов воздушных телефонных и телеграфных линий до проезжей части в местах пересечений автомобильных дорог должно быть не менее 5,5 м. Возвышение проводов над проезжей частью при пересечении с линиями электропередачи должно быть не менее:
6,0 м - при напряжении до 1 кВ;
7,0 м " " от 1 кВ до 110 кВ;
7,5 м " " от 110 кВ до 150 кВ;
8,0 м " " от 150 кВ до 220 кВ;
8,5 м " " от 220 кВ до 330 кВ;
9,0 м " " от 330 кВ до 500 кВ;
16,0 м " " от 500 кВ до 750 кВ.
Возвышение проводов над проезжей частью определяют при расчетной максимальной температуре воздуха без учета нагрева проводов электрическим током или при расчетном налипании снега и льда без ветра.
6.12. Расстояние от бровки земляного полотна до основания опор воздушных телефонных и телеграфных линий, а также высоковольтных линий электропередачи при пересечении дорог следует принимать не менее высоты опор.
6.13. Наименьшее расстояние от бровки земляного полотна до опор высоковольтных линий электропередачи, расположенных параллельно автомобильным дорогам, следует принимать равным высоте опор плюс 5 м.
6.14. Опоры воздушных линий электропередачи, а также телефонных и телеграфных линий при их расположении в стесненных условиях, на застроенных территориях, в ущельях и т.п. допускается располагать на удалении от дорог:
- при пересечении от любой части опоры до подошвы насыпи дороги или до наружной бровки боковой канавы:
для дорог категорий IА, IБ, IВ и II при напряжении до 220 кВ - 5 м и при напряжении 330 - 500 кВ - 10 м;
для дорог категорий III, IV, V при напряжении до 20 кВ - 1,5 м, от 35 до 220 кВ - 2,5 м и при 330 - 500 кВ - 5 м;
- при параллельном следовании от крайнего провода при неотклоненном положении до бровки земляного полотна при напряжении до 20 кВ - 2 м, 35 кВ - 110 кВ - 4 м, 150 кВ - 5 м, 220 кВ - 6 м, 330 кВ - 8 м и 500 кВ - 10 м.
6.15. Габариты приближения по высоте должны соблюдаться в течение всего периода эксплуатации мостового сооружения без изменения отметки проезжей части при укладке новых слоев дорожных покрытий взамен изношенных.