Главная // Актуальные документы // Актуальные документы (обновление 2024.11.04-2024.11.30) // ГОСТ Р (Государственный стандарт)СПРАВКА
Источник публикации
М.: ФГБУ "Институт стандартизации", 2024
Примечание к документу
Документ
введен в действие с 01.09.2024 с правом досрочного применения.
Название документа
"ГОСТ Р 71404-2024. Национальный стандарт Российской Федерации. Дороги автомобильные общего пользования. Нежесткие дорожные одежды. Правила проектирования"
(утв. и введен в действие Приказом Росстандарта от 05.08.2024 N 1022-ст)
"ГОСТ Р 71404-2024. Национальный стандарт Российской Федерации. Дороги автомобильные общего пользования. Нежесткие дорожные одежды. Правила проектирования"
(утв. и введен в действие Приказом Росстандарта от 05.08.2024 N 1022-ст)
Содержание
12 Дорожные одежды на обочинах, разделительных полосах, переходно-скоростных полосах, остановках, пересечениях в одном уровне, на подходах к пересечениям с железнодорожными путями, стоянках, площадках отдыха, на местных проездах вдоль основной дороги, съездах развязок, тротуарах, пешеходных улицах, площадях и велодорожках
Утвержден и введен в действие
агентства по техническому
регулированию и метрологии
от 5 августа 2024 г. N 1022-ст
НАЦИОНАЛЬНЫЙ СТАНДАРТ РОССИЙСКОЙ ФЕДЕРАЦИИ
ДОРОГИ АВТОМОБИЛЬНЫЕ ОБЩЕГО ПОЛЬЗОВАНИЯ
НЕЖЕСТКИЕ ДОРОЖНЫЕ ОДЕЖДЫ
ПРАВИЛА ПРОЕКТИРОВАНИЯ
Automobile roads of general use. Flexible pavement.
Design rules
ГОСТ Р 71404-2024
Дата введения
1 сентября 2024 года
с правом досрочного применения
1 РАЗРАБОТАН Автономной некоммерческой организацией "Научно-исследовательский институт транспортно-строительного комплекса" (АНО "НИИ ТСК") совместно с ООО "НТЦ "ГЕОТЕХНОЛОГИИ" и Донским государственным техническим университетом (ДГТУ)
2 ВНЕСЕН Техническим комитетом по стандартизации ТК 418 "Дорожное хозяйство"
3 УТВЕРЖДЕН И ВВЕДЕН В ДЕЙСТВИЕ
Приказом Федерального агентства по техническому регулированию и метрологии от 5 августа 2024 г. N 1022-ст
4 ВВЕДЕН ВПЕРВЫЕ
Правила применения настоящего стандарта установлены в статье 26 Федерального закона от 29 июня 2015 г. N 162-ФЗ "О стандартизации в Российской Федерации". Информация об изменениях к настоящему стандарту публикуется в ежегодном (по состоянию на 1 января текущего года) информационном указателе "Национальные стандарты", а официальный текст изменений и поправок - в ежемесячном информационном указателе "Национальные стандарты". В случае пересмотра (замены) или отмены настоящего стандарта соответствующее уведомление будет опубликовано в ближайшем выпуске ежемесячного информационного указателя "Национальные стандарты". Соответствующая информация, уведомление и тексты размещаются также в информационной системе общего пользования - на официальном сайте Федерального агентства по техническому регулированию и метрологии в сети Интернет (www.rst.gov.ru)
Настоящий стандарт разработан в развитие методики проектирования нежестких дорожных одежд, действующей в Российской Федерации, и основывается на принципах, заложенных в действовавших ранее нормативных документах, таких как
ВСН 46-72,
ВСН 46-83,
ОДН 218.046,
ПНСТ 265-2018 и
ПНСТ 542-2021.
Настоящий стандарт разработан с учетом анализа результатов мониторинга применения
ПНСТ 542-2021 в Российской Федерации и учитывает изменения в нормативно-технической базе, произошедшие с момента введения его в действие.
Настоящий стандарт распространяется на нежесткие дорожные одежды (далее - дорожные одежды) автомобильных дорог общего пользования (далее - автомобильные дороги).
Настоящий стандарт устанавливает правила проектирования (конструирования и расчета) дорожных одежд при строительстве, реконструкции, капитальном ремонте и ремонте автомобильных дорог.
Допускается применение положений настоящего стандарта при выполнении работ по содержанию (при необходимости восстановления дорожных одежд).
Допускается применение положений настоящего стандарта при проектировании (конструировании и расчете) дорожных одежд улиц и дорог населенных пунктов.
Допускается применение положений настоящего стандарта при проектировании (конструировании и расчете) дорожных одежд капитального и облегченного типов на дорогах с низкой интенсивностью движения.
Настоящий стандарт не распространяется на проектирование (конструирование и расчет) дорожных одежд в дорожно-климатической зоне I.
В настоящем стандарте использованы нормативные ссылки на следующие документы:
ГОСТ 25584 Грунты. Методы лабораторного определения коэффициента фильтрации
ГОСТ 32703 Дороги автомобильные общего пользования. Щебень и гравий из горных пород. Технические требования
ГОСТ 32730 Дороги автомобильные общего пользования. Песок дробленый. Технические требования
ГОСТ 32824 Дороги автомобильные общего пользования. Песок природный. Технические требования
ГОСТ 32826 Дороги автомобильные общего пользования. Щебень и песок шлаковые. Технические требования
ГОСТ 32960 Дороги автомобильные общего пользования. Нормативные нагрузки, расчетные схемы нагружения
ГОСТ 33063-2014 Дороги автомобильные общего пользования. Классификация типов местности и грунтов
ГОСТ 33100 Дороги автомобильные общего пользования. Правила проектирования автомобильных дорог
ГОСТ 33133 Дороги автомобильные общего пользования. Битумы нефтяные дорожные вязкие. Технические требования
ГОСТ 33382 Дороги автомобильные общего пользования. Техническая классификация
ГОСТ Р 50597 Дороги автомобильные и улицы. Требования к эксплуатационному состоянию, допустимому по условиям обеспечения безопасности дорожного движения. Методы контроля
ГОСТ Р 52056 Вяжущие полимерно-битумные дорожные на основе блоксополимеров типа стирол-бутадиен-стирол. Технические условия
ГОСТ Р 52399 Дороги автомобильные общего пользования. Геометрические элементы. Технические требования
ГОСТ Р 55029 Дороги автомобильные общего пользования. Материалы геосинтетические для армирования асфальтобетонных слоев дорожной одежды. Технические требования
ГОСТ Р 56338 Дороги автомобильные общего пользования. Материалы геосинтетические для армирования нижних слоев основания дорожной одежды. Технические требования
ГОСТ Р 56419 Дороги автомобильные общего пользования. Материалы геосинтетические для разделения слоев дорожной одежды из минеральных материалов. Технические требования
ГОСТ Р 58349 Дороги автомобильные общего пользования. Дорожная одежда. Методы измерения толщины слоев дорожной одежды
ГОСТ Р 58400.1 Дороги автомобильные общего пользования. Материалы вяжущие нефтяные битумные. Технические условия с учетом температурного диапазона эксплуатации
ГОСТ Р 58400.2 Дороги автомобильные общего пользования. Материалы вяжущие нефтяные битумные. Технические условия с учетом уровней эксплуатационных транспортных нагрузок
ГОСТ Р 58401.1 Дороги автомобильные общего пользования. Смеси асфальтобетонные дорожные и асфальтобетон. Система объемно-функционального проектирования. Технические требования
ГОСТ Р 58401.2 Дороги автомобильные общего пользования. Смеси асфальтобетонные дорожные и асфальтобетон щебеночно-мастичные. Система объемно-функционального проектирования. Технические требования
ГОСТ Р 58406.1 Дороги автомобильные общего пользования. Смеси щебеночно-мастичные асфальтобетонные и асфальтобетон. Технические условия
ГОСТ Р 58406.2 Дороги автомобильные общего пользования. Смеси горячие асфальтобетонные и асфальтобетон. Технические условия
ГОСТ Р 58406.5 Дороги автомобильные общего пользования. Смеси асфальтобетонные дорожные и асфальтобетон. Метод определения истираемости
ГОСТ Р 58422.1 Дороги автомобильные общего пользования. Защитные слои и слои износа дорожных одежд. Технические требования
ГОСТ Р 58770 Дороги автомобильные общего пользования. Смеси щебеночно-песчаные шлаковые. Технические условия
ГОСТ Р 58818 Дороги автомобильные с низкой интенсивностью движения. Проектирование, конструирование и расчет
ГОСТ Р 58829 Дороги автомобильные общего пользования. Битумы нефтяные дорожные вязкие. Правила выбора марок в зависимости от прогнозируемых транспортных нагрузок и климатических условий эксплуатации на основе дополнительных показателей
ГОСТ Р 58861-2020 Дороги автомобильные общего пользования. Капитальный ремонт и ремонт. Планирование межремонтных сроков
ГОСТ Р 59120-2021 Дороги автомобильные общего пользования. Дорожная одежда. Общие требования
ГОСТ Р 59201 Дороги автомобильные общего пользования. Капитальный ремонт, ремонт и содержание. Технические правила
ГОСТ Р 59918 Дороги автомобильные общего пользования. Нежесткие дорожные одежды. Методики оценки прочности
ГОСТ Р 70197.1 Дороги автомобильные общего пользования. Смеси органоминеральные холодные с использованием вторичного асфальтобетона. Общие технические условия
ГОСТ Р 70452 Дороги автомобильные общего пользования. Грунты стабилизированные и укрепленные неорганическими вяжущими. Общие технические условия
ГОСТ Р 70453 Дороги автомобильные общего пользования. Грунты, укрепленные органическими вяжущими. Общие технические условия
ГОСТ Р 70454 Дороги автомобильные общего пользования. Смеси щебеночно-гравийно-песчаные, обработанные органическими вяжущими. Общие технические условия
ГОСТ Р 70455 Дороги автомобильные общего пользования. Смеси щебеночно-гравийно-песчаные, обработанные неорганическими вяжущими. Общие технические условия
ГОСТ Р 70458 Дороги автомобильные общего пользования. Смеси щебеночно-гравийно-песчаные. Общие технические условия
ГОСТ Р 71009 Дороги автомобильные общего пользования. Материалы вяжущие нефтяные битумные. Правила выбора марок
ГОСТ Р 71244-2024 Дороги автомобильные с низкой интенсивностью движения. Дорожная одежда. Конструирование и расчет
ГОСТ Р 71329 Дороги автомобильные общего пользования. Смеси песчано-гравийные. Общие технические условия
ГОСТ Р 71405-2024 Дороги автомобильные общего пользования. Проектирование дорожных одежд. Методика расчета коэффициентов приведения транспортных средств к расчетной осевой нагрузке
СП 22.13330 "СНиП 2.02.01-83* Основания зданий и сооружений"
СП 42.13330.2016 "СНиП 2.07.01-89* Градостроительство. Планировка и застройка городских и сельских поселений"
СП 396.1325800.2018 Улицы и дороги населенных пунктов. Правила градостроительного проектирования
СП 508.1325800 Мощение с применением бетонных вибропрессованных изделий. Правила проектирования, строительства и эксплуатации
Примечание - При пользовании настоящим стандартом целесообразно проверить действие ссылочных стандартов (сводов правил) в информационной системе общего пользования - на официальном сайте Федерального агентства по техническому регулированию и метрологии в сети Интернет или по ежегодному информационному указателю "Национальные стандарты", который опубликован по состоянию на 1 января текущего года, и по выпускам ежемесячного информационного указателя "Национальные стандарты" за текущий год. Если заменен ссылочный документ, на который дана недатированная ссылка, то рекомендуется использовать действующую версию этого документа с учетом всех внесенных в данную версию изменений. Если заменен ссылочный документ, на который дана датированная ссылка, то рекомендуется использовать версию этого документа с указанным выше годом утверждения (принятия). Если после утверждения настоящего стандарта в ссылочный документ, на который дана датированная ссылка, внесено изменение, затрагивающее положение, на которое дана ссылка, то это положение рекомендуется применять без учета данного изменения. Если ссылочный документ отменен без замены, то положение, в котором дана ссылка на него, рекомендуется применять в части, не затрагивающей эту ссылку. Сведения о действии сводов правил целесообразно проверить в Федеральном информационном фонде стандартов.
В настоящем стандарте применены термины по
ГОСТ 32960,
ГОСТ 33100,
ГОСТ 33063,
ГОСТ 33382,
ГОСТ Р 58400.2,
ГОСТ Р 58422.1,
ГОСТ Р 58818,
ГОСТ Р 58861,
ГОСТ Р 59120,
ГОСТ Р 71405, а также следующие термины с соответствующими определениями:
3.1 выравнивающий слой: Слой переменной толщины, устраиваемый по существующему основанию или покрытию, в том числе после фрезерования, для достижения геометрических, технологических и эксплуатационных параметров вновь устраиваемых вышележащих слоев, не являющийся конструктивным слоем и не учитываемый в расчетах на прочность и морозоустойчивость.
3.2 надежность дорожной одежды: Комплексный показатель способности дорожной конструкции в целом сохранять заданные эксплуатационные характеристики (ровность, прочность, шероховатость) в течение расчетного срока службы, характеризующийся коэффициентом надежности.
3.3 нормативная осевая нагрузка: Полная нагрузка от наиболее нагруженной оси условного двухосного автомобиля, к которой приводят все автомобили с осевыми нагрузками, устанавливаемая нормативными документами для дорожных одежд при заданной капитальности и используемая для определения расчетной нагрузки при расчете дорожной одежды на прочность.
3.4 расчетная осевая нагрузка: Превышающая нормативную максимальная нагрузка на наиболее нагруженную ось для двухосных автомобилей или на приведенную ось для многоосных автомобилей, доля которых в составе движения с учетом перспективы изменения к концу межремонтного срока составляет не менее 5%.
Примечания
1 При отсутствии такой нагрузки в качестве расчетной принимают нормативную нагрузку.
2 Дорожная одежда при заданной капитальности не может рассчитываться на расчетную осевую нагрузку менее нормативной.
3.5 относительная влажность грунта: Отношение естественной влажности к влажности на границе текучести.
3.6 малосвязные материалы: Материалы (песок и песчано-гравийные смеси), конструктивные слои из которых рассчитывают на прочность по условию сдвигоустойчивости.
3.7 монолитный слой: Конструктивный слой дорожной одежды, устраиваемый из грунтов или минеральных материалов, обработанных вяжущими, органоминеральных смесей и асфальтобетона, или верхняя часть рабочего слоя, устраиваемая из грунтов, обработанных вяжущими.
Примечание - Конструктивные слои дорожной одежды или верхняя часть рабочего слоя, устраиваемые из стабилизированных грунтов, не относятся к монолитным слоям.
3.8 усовершенствованное покрытие нежестких дорожных одежд: Вид покрытия для капитальных и облегченных типов дорожных одежд, слои которого выполнены из материалов, содержащих органическое вяжущее.
В настоящем стандарте использованы следующие сокращения:
АПВГК - автоматический пункт весового и габаритного контроля;
БНД - битум нефтяной дорожный вязкий;
ВСО - верхний слой основания;
ВСП - верхний слой покрытия;
ГПС - гравийно-песчаная смесь;
ДКЗ - дорожно-климатическая зона;
НДС - напряженно-деформированное состояние;
НМР - номинально максимальный размер минерального заполнителя асфальтобетона;
НСП - нижний слой покрытия;
ОМС - органоминеральная смесь;
ПБВ - полимерно-битумное вяжущее;
ПГС - песчано-гравийная смесь;
УГВ - уровень грунтовых вод;
УПВ - уровень поверхностных вод;
ЩГПС - щебеночно-гравийно-песчаная смесь;
ЩМА - щебеночно-мастичный асфальтобетон;
ЩПС - щебеночно-песчаная смесь;
SP - асфальтобетон, запроектированный по системе объемно-функционального проектирования в соответствии с
ГОСТ Р 58401.1;
SMA - щебеночно-мастичный асфальтобетон, запроектированный по системе объемно-функционального проектирования в соответствии с
ГОСТ Р 58401.2.
5.1 К нежестким дорожным одеждам относят дорожные одежды со слоями, устроенными из асфальтобетона разного вида, из материалов и грунтов, укрепленных органическими, неорганическими вяжущими и комплексными вяжущими, а также из зернистых материалов (ЩПС, ЩГПС, ГПС, ПГС, песка, щебня, гравия и др.).
Классификацию дорожных одежд принимают в соответствии с
ГОСТ Р 59120.
5.2 Конструкции дорожных одежд, их общая толщина и толщина отдельных слоев, а также применяемые материалы должны обеспечивать требования к эксплуатационной надежности, регламентируемые настоящим стандартом и
ГОСТ Р 59120, в пределах нормативно установленных межремонтных сроков, регламентируемых
ГОСТ Р 58861.
5.3 Запроектированные дорожные одежды должны быть не только прочными и надежными в эксплуатации, но и экономичными и наименее материалоемкими, особенно по расходу дорогостоящих материалов и энергоресурсов, а также должны соответствовать экологическим требованиям. Выбор конструкций дорожных одежд обосновывают результатами технико-экономического сравнения их вариантов.
5.4 Выбор и назначение материалов для конструктивных слоев дорожных одежд необходимо осуществлять на основе результатов анализа сырьевой базы региона строительства, ее мощностей, вида и объемов вторичных материалов, получаемых от разборки существующих дорожных одежд (при реконструкции, капитальном ремонте, ремонте и содержании автомобильных дорог).
Размещение конструктивных слоев в конструкции дорожной одежды выполняют в соответствии с их функциональным назначением по ГОСТ Р 59120-2021
(пункт 5.4.1) и грунтово-гидрологическими условиями земляного полотна.
5.5 Проектирование дорожной одежды представляет собой единый процесс конструирования и расчета дорожной одежды и рабочего слоя земляного полотна на прочность, морозоустойчивость и осушение с технико-экономическим обоснованием вариантов.
Проектирование дорожной одежды состоит из следующих последовательно выполняемых этапов:
- конструирование - предварительное назначение конструкций дорожных одежд;
- расчет - проверка предварительно назначенных дорожных одежд на прочность (по допускаемому упругому прогибу, сдвигоустойчивости рабочего слоя земляного полотна и конструктивных слоев из малосвязных материалов, сопротивлению слоев из асфальтобетона усталостному разрушению от растяжения при изгибе), морозоустойчивость и осушение;
- разработка поперечных профилей конструкций дорожных одежд - размещение конструкций дорожных одежд в поперечном сечении земляного полотна в зависимости от их функционального назначения, требований к геометрическим элементам поперечного профиля автомобильной дороги. Поперечные профили автомобильных дорог различных категорий представлены в
приложении А;
- технико-экономическое сравнение вариантов дорожных одежд, заключающееся в выборе наиболее целесообразного варианта с учетом приведенных строительных и эксплуатационных затрат до следующего капитального ремонта, определенных в соответствии с
ГОСТ 33100, действующими нормативными документами и технической документацией в данной области. При расчете стоимости строительства вариантов конструкций дорожных одежд должны быть учтены все затраты, прямо или косвенно связанные с их устройством, в том числе такие, как возмещение вреда, причиняемого автомобильным дорогам общего пользования транспортными средствами, имеющими разрешенную максимальную массу свыше 12 тонн, утилизация неиспользуемых вторичных материалов от разборки существующих дорожных одежд и т.д. Технико-экономическое сравнение вариантов выполняют для поперечных профилей конструкций дорожных одежд, включая конструктивные решения, связанные с обеспечением требований к физико-механическим характеристикам рабочего слоя земляного полотна, осушению дорожной одежды, укреплению обочин и т.д. Количество сравниваемых вариантов должно быть не менее трех.
5.6 Расчеты дорожных одежд выполняют для однотипных участков дороги, имеющих:
- один тип земляного полотна (насыпь, нулевые отметки или выемка);
- схожие грунтово-гидрологические условия (один вид грунта и одна схема увлажнения грунта рабочего слоя земляного полотна;
- близкую приведенную интенсивность движения (отличающуюся не более чем на 10%).
5.7 Дорожные одежды по ширине проезжей части проектируют, как правило, равнопрочными, при этом следует учитывать положения
7.2.1.
5.8 При проектировании дорожных одежд для конкретных объектов или при разработке типовых конструкций дорожных одежд наряду с положениями настоящего стандарта следует учитывать данные научно-практического опыта [в том числе в части применения местных материалов требуемого качества (при их наличии), уточнения их расчетных характеристик и т.п.], отраженного в документах, утвержденных в установленном порядке.
5.9 Дорожные одежды переходного и низшего типов на автомобильных дорогах с низкой интенсивностью движения конструируют и рассчитывают в соответствии с
ГОСТ Р 58818 и
ГОСТ Р 71244. При конструировании и расчете дорожных одежд капитального и облегченного типов на дорогах с низкой интенсивностью движения следует руководствоваться настоящим стандартом с учетом требований
ГОСТ Р 58818. Категории дорог с низкой интенсивностью капитального и облегченного типов IVА-р, IVБ-р, IVА-п, IVБ-п далее обозначают как IV; VА - как V.
6 Конструирование дорожных одежд
6.1 Задачи конструирования дорожных одежд
Задачами конструирования дорожных одежд являются:
- обоснование типов дорожных одежд и вида покрытия;
- назначение количества конструктивных слоев и выбор материалов для их устройства, размещение их в конструкции в такой последовательности, чтобы с учетом изменения НДС от колесной нагрузки, климатических и грунтово-гидрологических условий наилучшим образом проявлялись их прочностные, деформативные и теплоизолирующие свойства;
- назначение толщин слоев (минимальных, максимальных толщин и шага перебора);
- назначение мероприятий по обеспечению морозоустойчивости дорожной конструкции с учетом ДКЗ, типа грунта рабочего слоя земляного полотна и схемы его увлажнения на различных участках;
- назначение мероприятий по осушению дорожных одежд и снижению притока воды.
6.2 Конструирование дорожных одежд проводят, учитывая следующие факторы:
- категорию дороги;
- количество полос движения;
- интенсивность и состав движения (при необходимости учета интенсивности на отдельных полосах и наличии фактических замеров - по полосам движения);
- ДКЗ и подзону;
- вид грунта рабочего слоя земляного полотна;
- схему увлажнения грунта рабочего слоя земляного полотна;
- наличие и качество дорожно-строительных материалов;
- возможность стадийного усиления дорожной одежды путем устройства сверху новых слоев покрытия по мере увеличения интенсивности движения;
- наличие производственных баз, дорожно-строительной техники и механизмов.
6.3 При конструировании дорожных одежд необходимо руководствоваться следующим:
- тип дорожной одежды и вид покрытия должны удовлетворять транспортно-эксплуатационным требованиям, предъявляемым к автомобильной дороге соответствующей категории, в зависимости от ожидаемого состава и интенсивности движения с учетом их изменения в течение принятых межремонтных сроков эксплуатации дорожной одежды в соответствии с
ГОСТ Р 58861;
- конструкции дорожных одежд могут быть повторного применения (типовыми) или разрабатываться индивидуально для каждого участка или ряда участков дороги, характеризующихся сходными природными условиями (грунт рабочего слоя земляного полотна, условия его увлажнения, климат, обеспеченность местными материалами и др.) и расчетными нагрузками. При выборе конструкции для данных условий предпочтение следует отдавать проверенной на практике конструкции;
- в районах, не обеспеченных стандартными минеральными материалами, допускается применять местные минеральные материалы (при наличии), побочные продукты промышленности и грунты. Местные минеральные материалы, побочные продукты промышленности и грунты при необходимости могут быть улучшены обработкой их вяжущими (цемент, битум, известь, активные золы уноса и др.);
- конструкции дорожных одежд должны быть технологичными и обеспечивать возможность максимальной механизации и индустриализации дорожно-строительных процессов. Для достижения этой цели количество слоев и видов материалов в конструкции должно быть минимальным;
- необходимо учитывать реальные условия проведения строительных работ (летняя или зимняя технология и др.).
Указания по назначению типов дорожных одежд для соответствующих категорий дорог приведены в
ГОСТ Р 59120.
6.4 Конструктивные слои дорожных одежд по своему функциональному назначению и их минимальные толщины в уплотненном состоянии принимают в соответствии с
ГОСТ Р 59120.
Толщину отдельного конструктивного слоя из каменных материалов, обработанных вяжущими, а также из холодных органоминеральных смесей рекомендуется принимать не менее 12 см.
Толщину отдельного конструктивного слоя из песка рекомендуется принимать не менее 20 см.
6.5 Слой износа непосредственно воспринимает воздействие колес автомобильного транспорта и погодно-климатических факторов и обеспечивает требуемые транспортно-эксплуатационные качества покрытия.
Функцию слоя износа могут выполнять защитные слои из различных материалов или ВСП (при отсутствии защитного слоя).
Толщину защитного слоя назначают в зависимости от применяемых материалов, технологии устройства и не учитывают в расчете на прочность и морозоустойчивость. Рекомендуемые материалы (технологии) для устройства защитных слоев и слоев износа приведены в
ГОСТ Р 58422.1.
В случае, когда ВСП выполняет функцию слоя износа, при назначении толщины ВСП необходимо стремиться к минимально допустимой толщине слоя по
ГОСТ Р 59120. При расчете дорожных одежд на прочность и морозоустойчивость толщина ВСП, принятая с учетом требований к минимальной толщине слоя по
ГОСТ Р 59120, должна быть уменьшена на величину максимально допустимой глубины колеи в соответствии с
ГОСТ Р 50597. При согласовании с заказчиком и наличии положительного опыта в регионе строительства на дорогах категории IV расчет дорожных одежд на прочность и морозоустойчивость допускается выполнять без уменьшения толщины ВСП.
Периодичность проведения работ по восстановлению слоя износа из различных материалов устанавливают в соответствии с
ГОСТ Р 58861.
6.6 При конструировании дорожных одежд необходимо учитывать, что процесс деформирования и прочностные качества материалов, содержащих органическое вяжущее, обусловливающие проявление упруго-вязко-пластических свойств композиции, существенно зависят от температуры и режима нагружения (скорости изменения и продолжительности действия нагрузки), тогда как свойства зернистых материалов (щебеночных, гравийных и подобных им), а также материалов и грунтов, укрепленных неорганическими вяжущими, сравнительно мало зависят от температуры и режима нагружения.
6.7 Материалы в дорожной одежде рекомендуется располагать таким образом, чтобы модуль упругости материала вышележащего конструктивного слоя был выше общего модуля упругости на поверхности нижележащего слоя.
Конструирование дорожной одежды со слоями из неукрепленных зернистых материалов (ЩПС, ЩГПС, ГПС, ПГС, песка, щебня и т.д.) и неукрепленных грунтов рабочего слоя рекомендуется выполнять таким образом, чтобы модуль упругости верхнего слоя из зернистого материала превышал общий модуль упругости на поверхности нижележащей конструкции не более чем в пять раз.
6.8 Расположение слоев из неукрепленных зернистых материалов между монолитными слоями оснований или покрытий не допускается. Допускается устройство слоев из неукрепленных зернистых материалов на грунт рабочего слоя, верхняя часть которого укреплена вяжущим.
6.9 В конструкциях дорожных одежд на контакте конструктивных слоев из неукрепленных зернистых материалов (ЩПС, ЩГПС, ГПС, ПГС, щебня и т.д.) с конструктивными слоями из песка или с грунтом рабочего слоя рекомендуется предусматривать армирование зернистого слоя основания геосинтетическими материалами по
ГОСТ Р 56338, эффективность применения которых должна быть подтверждена соответствующими расчетами.
При применении неукрепленных зернистых материалов (ЩПС, ЩГПС, ГПС, ПГС, щебня и т.д.) для исключения взаимопроникновения и смешивания материалов на контакте этих слоев с конструктивными слоями из песка или с грунтом рабочего слоя рекомендуется применение геосинтетических материалов по
ГОСТ Р 56419 или
ГОСТ Р 56338 с исходной прочностью при растяжении до 30 кН/м.
На контакте слоя из песка с недренирующим грунтом рабочего слоя рекомендуется применение геосинтетических материалов по
ГОСТ Р 56419 для исключения взаимопроникновения и смешивания материалов. При этом рекомендуется предусматривать выпуски разделяющего материала шириной не менее 0,3 м относительно вышележащих слоев в каждую сторону.
Для повышения трещиностойкости слоев из асфальтобетона могут быть предусмотрены специальные трещинопрерывающие прослойки из различных материалов, в том числе геосинтетических материалов по
ГОСТ Р 55029 и стальных сеток, эффективность которых подтверждена соответствующими расчетами.
6.10 Для дополнительного слоя основания применяют зернистые материалы: ГПС, ПГС, ЩПС, ЩГПС, щебень, пески по
ГОСТ 32824 с модулем крупности не менее 1,31.
Значение коэффициента фильтрации устанавливают по данным испытаний применяемого песка из карьера в соответствии с
ГОСТ 25584 или ПГС в соответствии с
ГОСТ Р 71329. При этом дренирующий слой, работающий по принципу осушения, необходимо устраивать из песков и других пористых материалов с коэффициентом фильтрации не менее 2 м/сут по принципу поглощения не менее 1 м/сут.
Допускается устраивать дополнительный слой основания, выполняющий функцию морозозащитного слоя, из песка, щебня, ГПС, ПГС, ЩПС и ЩГПС, материалов, обработанных вяжущими, грунтов, укрепленных вяжущими.
6.11 Конструирование покрытий и оснований дорожных одежд капитального и облегченного типов
6.11.1 Конструктивные слои дорожных одежд из асфальтобетона
Для устройства асфальтобетонных слоев дорожных одежд капитального и облегченного типов применяют следующие материалы:
На автомобильных дорогах категорий I - III в ВСП рекомендуется применять SMA или ЩМА.
Методика и пример определения условий движения при назначении вида асфальтобетонной смеси представлены в
приложении Б.
При конструировании слоев из асфальтобетона рекомендуется стремиться к минимально допустимым толщинам. При конструировании нижележащие асфальтобетонные слои допускается предусматривать шире вышележащих с учетом различных факторов (толщина слоя, технологии укладки и т.д.).
При назначении дополнительных показателей асфальтобетонов (класс асфальтобетона по истираемости для ВСП по
ГОСТ Р 58406.5 и т.д.) показатели устанавливают в зависимости от условий движения в соответствии с требованиями действующих нормативных документов и указывают в проектной документации.
6.11.2 Вяжущие для конструктивных слоев дорожных одежд из асфальтобетона
6.11.2.1 Битумные вяжущие
Выбор битумных вяжущих для применения в конкретном конструктивном слое дорожной одежды осуществляют по
ГОСТ Р 71009.
В проектной документации назначают все допустимые марки битумных вяжущих как по
ГОСТ Р 58400.2, так и по
ГОСТ Р 58400.1 для конкретного конструктивного слоя.
Примечание - Методика и примеры определения расчетных параметров слоя и назначения допустимых к применению в слое марок битумных вяжущих приведены в
ГОСТ Р 71009.
Наряду с расчетом дорожной одежды в проектной документации необходимо указывать информацию об определении расчетных параметров слоя, результаты выбора марок битумного вяжущего с заключением о назначении марок.
6.11.2.2 Нефтяные дорожные вязкие битумы
Для применения в слоях допускаются нефтяные дорожные вязкие битумы (далее - битумы), соответствующие требованиям
ГОСТ 33133. Выбор битумов для применения в конкретном слое осуществляют по
ГОСТ Р 58829 с учетом условий движения и максимальной расчетной температуры слоя по
ГОСТ Р 71009.
Наряду с расчетом дорожной одежды при выборе марок битума указывают информацию об определении расчетных параметров слоя и вывод о применении в слое марок битумов.
6.11.2.3 Модифицированные битумные вяжущие и модификаторы асфальтобетона
На автомобильных дорогах категорий I - III при суммарном количестве приложений приведенной нагрузки более 5,6 млн (вычисленных с учетом Tрдг, равного 365 дней) в слоях покрытия (ВСП и НСП) рекомендуется, а в слоях основания (ВСО) при технико-экономическом обосновании допускается применение асфальтобетонов, приготовленных с применением:
- ПБВ по
ГОСТ Р 52056 (при обеспечении повышенных эксплуатационных показателей асфальтобетона);
- битума по
ГОСТ 33133 с применением модификаторов асфальтобетона (при обеспечении повышенных эксплуатационных показателей асфальтобетона).
6.11.3 При выборе материалов для слоев основания необходимо учитывать капитальность (тип) дорожной одежды, вид покрытия, а также механические и теплофизические свойства материалов и грунтов.
На дорогах с капитальным типом дорожных одежд под слоями из асфальтобетона предпочтительно устраивать слой основания из материалов, укрепленных неорганическими, органическими и комплексными вяжущими.
При применении грунтов, укрепленных неорганическим вяжущим по
ГОСТ Р 70452, марок свыше М10 и материалов, обработанных неорганическим вяжущим по
ГОСТ Р 70455, марок свыше М20 толщина вышележащих слоев асфальтобетона и материалов, содержащих органическое вяжущее, для ограничения появления "отраженных" трещин в слоях из асфальтобетона должна быть не менее толщины слоя основания, укрепленного или обработанного неорганическими вяжущими. Минимальная толщина слоев асфальтобетона и материалов, содержащих органическое вяжущее, с учетом слоя износа в таких случаях должна быть:
- для категорий I, II - 22 см,
- для категорий III, IV - 18 см для дорожных одежд капитального типа и 14 см для дорожных одежд облегченного типа.
При применении материалов, обработанных комплексными минеральными вяжущими, а также медленно твердеющими минеральными вяжущими, толщина вышележащих слоев, содержащих органическое вяжущее, может быть уменьшена на 20%, а в условиях жаркого и сухого климата (в ДКЗ IV и V) - на 30% при соответствии конструкции всем требованиям расчета на прочность и морозоустойчивость.
При согласовании с заказчиком и наличии положительного опыта в регионе строительства при применении грунтов, укрепленных неорганическим вяжущим по
ГОСТ Р 70452, и материалов, обработанных неорганическим вяжущим по
ГОСТ Р 70455, марок М40 и ниже допускается не регламентировать минимальную толщину вышележащих слоев асфальтобетона и материалов, содержащих органическое вяжущее.
При применении материалов по
ГОСТ Р 70197.1 в слоях основания минимальная толщина вышележащих слоев асфальтобетона не регламентируется, толщины слоев назначают расчетом.
Под слоем основания из материалов, обработанных вяжущим, за исключением грунтов, укрепленных минеральными либо комплексными вяжущими, рекомендуется устраивать основание из ЩПС или ЩГПС, а также из фракционированного щебня, устраиваемого по способу заклинки.
6.11.4 Конструкции дорожных одежд в местах остановок общественного транспорта, на регулируемых пересечениях и в других местах изменения скорости или движения на пониженных скоростях должны обеспечивать повышенную сдвигоустойчивость при высоких летних температурах. Для обеспечения этого в покрытии и основании рекомендуется применение асфальтобетонных смесей с повышенными требованиями по стойкости к колееобразованию, под асфальтобетоном - материалов, содержащих вяжущее. Необходимость изменения конструкции на каждом таком участке должна быть обоснована с точки зрения технологичности производства работ и их экономической целесообразности.
6.12 Конструирование покрытий и оснований дорожных одежд переходного типа
При проектировании дорожных одежд с покрытием переходного типа необходимо стремиться к тому, чтобы конструкции состояли из двух слоев: покрытия и основания.
Покрытие устаивают из следующих материалов:
- щебня прочных пород по способу заклинки без применения вяжущих материалов;
- ЩПС и ЩГПС;
- грунтов и малопрочных каменных материалов (с маркой по дробимости менее 600), укрепленных различными вяжущими;
- булыжного и колотого камня (мостовые) и др.
Основание устраивают из следующих материалов:
- ЩПС и ЩГПС;
- щебня по способу заклинки;
- ГПС;
- ПГС, песков по
ГОСТ 32824 с коэффициентом фильтрации в соответствии с
6.10.
6.13 Требования к рабочему слою земляного полотна
6.13.1 Величина общего модуля упругости на поверхности рабочего слоя земляного полотна при расчетной относительной влажности грунта земляного полотна при устройстве новой дорожной одежды (в случае выполнения строительства, реконструкции, капитального ремонта и ремонта) в зависимости от ДКЗ должна быть не ниже следующих значений:
- 60 МПа - в ДКЗ II;
- 53 МПа - в ДКЗ III;
- 45 МПа - в ДКЗ IV, V.
6.13.2 Для достижения требований
6.13.1 может быть применено одно из следующих мероприятий:
- устройство рабочего слоя из непучинистых или слабопучинистых грунтов (в ДКЗ II и III);
- укрепление верхней части рабочего слоя из пучинистых грунтов вяжущими;
- стабилизация верхней части или всего рабочего слоя.
В условиях ДКЗ IV и V рабочий слой должен состоять из ненабухающих и непросадочных грунтов на глубину не менее 0,8 м от поверхности покрытия.
6.13.3 В рабочем слое земляного полотна допускается применять пучинистые грунты, при этом верхнюю часть рабочего слоя земляного полотна необходимо укреплять на глубину не менее 0,20 м. При укреплении верхней части рабочего слоя земляного полотна общий модуль упругости на поверхности рабочего слоя определяют расчетом, и он должен быть не менее значений, приведенных в
6.13.1. Укрепление грунтов рабочего слоя необходимо выполнять на всю ширину земляного полотна поверху. Проверку дорожной одежды на морозоустойчивость выполняют с учетом толщины укрепленного грунта рабочего слоя. Расчет дорожной одежды на осушение выполняют согласно
разделу 11 по параметрам грунта рабочего слоя, расположенного ниже укрепленного грунта, с учетом снижения притока воды в дорожную одежду (согласно
таблице 15).
6.13.4 В рабочем слое земляного полотна допускается применять пучинистые грунты, при этом стабилизацию грунта верхней части рабочего слоя выполняют на глубину не менее 2/3 от толщины рабочего слоя, но не менее 0,30 м для грунтов, имеющих модуль упругости менее требуемого значения согласно
6.13.1 и расчетную относительную влажность
Wр >= 0,70
Wт (где
Wт - влажность на границе текучести, %). Расчетные механические характеристики стабилизированного грунта (модуль упругости, удельное сцепление
cN и угол внутреннего трения

принимают в зависимости от примененного стабилизатора в соответствии с действующими нормативными документами в данной области и уточняют по данным лабораторных испытаний. Проверку дорожной одежды на морозоустойчивость выполняют с учетом изменения пучинистых свойств грунта рабочего слоя при его стабилизации. В соответствии с
ГОСТ Р 70452 стабилизированный грунт по показателю "степень пучинистости" должен относиться к непучинистым. Проверку дорожной одежды на морозоустойчивость в случае стабилизации всего рабочего слоя не выполняют. При проверке дорожной одежды на морозоустойчивость в случае стабилизации части рабочего слоя его толщину прибавляют к толщине дорожной одежды. Стабилизацию грунтов рабочего слоя необходимо выполнять на всю ширину земляного полотна поверху. Для предварительных расчетов (в случае отсутствия данных лабораторных испытаний) допускается принимать следующие минимальные значения расчетных характеристик стабилизированного грунта:
- минимальный модуль на поверхности - в соответствии с
6.13.1;
- удельное сцепление
cN и угол внутреннего трения

- как для исходного нестабилизированного грунта.
6.13.5 Для улиц и дорог в населенных пунктах при расположении в пределах рабочего слоя коммуникаций и невозможности их переноса, а также при согласовании с заказчиком и наличии положительного опыта в регионе строительства толщину замены грунта рабочего слоя земляного полотна и конструкцию дорожной одежды необходимо определять расчетом с обязательным обеспечением следующих условий:
- общий модуль упругости на поверхности рабочего слоя земляного полотна (при расчетной влажности грунта земляного полотна) должен быть не ниже значений, представленных в
6.13.1;
- конструкция дорожной одежды должна соответствовать расчетам на прочность, морозоустойчивость и осушение.
7.1 Нормативные и расчетные нагрузки
7.1.1 Расчет дорожных одежд следует выполнять на нормативную нагрузку от одного колеса нагрузки АК согласно
ГОСТ 32960. Равномерно распределенную нагрузку
q вдоль направления движения не учитывают.
Значения осевой нормативной нагрузки следует принимать на автомобильных дорогах:
- с капитальным типом дорожной одежды - 115 кН;
- с облегченным и переходным типами дорожных одежд - 100 кН.
Давление колеса на покрытие от нормативной нагрузки АК при расчете дорожных одежд следует считать равномерно распределенным по площади отпечатка колеса, принимаемого в форме круга.
Расчетное давление p следует принимать равным:
- 0,8 МПа - для автомобильных дорог с капитальным типом дорожной одежды;
- 0,6 МПа - для автомобильных дорог с облегченным и переходным типами дорожных одежд.
При расчете на кратковременную нагрузку вводят коэффициент динамичности kдин = 1,3.
Расчетные параметры нормативных нагрузок принимают по
таблице 1.
Таблица 1
Расчетные параметры нагрузок
Группа расчетной нагрузки | Нормативная статическая нагрузка Pст, кН | Расчетные параметры нагрузки |
на ось | на колесо | Давление на покрытие p, МПа | Диаметр Dд/Dст, см |
А-10 | 100 | 50,0 | 0,6 | 37,1/32,6 |
А-11,5 | 115 | 57,5 | 0,8 | 34,5/30,3 |
Примечание - В числителе приведен диаметр Dд для движущегося колеса, в знаменателе Dст - для неподвижного колеса. |
7.1.2 В случае, когда в составе движения проектируемой дороги предусматривается регулярное обращение автомобилей с осевой нагрузкой, превышающей нормативную нагрузку АК более чем на 5%, в количестве более 5%, за расчетную осевую нагрузку следует принимать максимальную нагрузку на наиболее нагруженную ось автомобиля.
В этом случае Dст и Dд, см, с округлением до первого знака после запятой, вычисляют по формулам:

(1)

(2)
где Qст - нагрузка на колесо наиболее загруженной оси, кН;
p - давление на покрытие, МПа;
kдин - коэффициент динамичности, равный 1,3.
7.2 Учет интенсивности движения
7.2.1 При проектировании дорожной одежды целесообразно основываться на интенсивности движения в обоих направлениях, определяемой как сумма интенсивностей в каждом направлении. В случаях, когда разница между интенсивностями по направлениям движения составляет более 10% и между ними имеется разделительная полоса, расчет и конструирование дорожной одежды допускается выполнять для каждого направления движения отдельно с учетом фактической интенсивности движения для каждого направления. В случаях, когда разница между интенсивностями по направлениям движения составляет более 10% и между ними отсутствует разделительная полоса, конструкцию дорожной одежды в обоих направлениях движения принимают одинаковой, а сумму интенсивности движения в обоих направлениях принимают равной удвоенной наибольшей интенсивности движения по направлениям.
7.2.2 При расчете дорожных одежд используют следующие характеристики, отражающие интенсивность воздействия на нее подвижной нагрузки:
- приведенное к расчетной нагрузке среднегодовое суточное количество проездов всех колес (на конец межремонтного срока проведения работ по капитальному ремонту), расположенных по одному борту расчетного автомобиля, в пределах одной полосы проезжей части (приведенная интенсивность движения к воздействию расчетной нагрузки Nр);
- суммарное количество приложений приведенной расчетной нагрузки к точке на поверхности покрытия за межремонтный срок проведения работ по капитальному ремонту

.
7.2.3 Приведенную интенсивность движения к воздействию расчетной нагрузки Nр на полосу движения на конец межремонтного срока проведения работ по капитальному ремонту Tсл вычисляют по формуле

(3)
где
fпол - коэффициент распределения интенсивности движения для самой нагруженной полосы движения, зависящий от числа полос движения, принимаемый при отсутствии данных натурных наблюдений по
таблице 2. На перекрестках и подходах к ним (в местах перестроения потока автомобилей для выполнения левых поворотов и др.) при расчете одежды в пределах всех полос движения следует принимать
fпол = 0,50, если общее количество полос проезжей части проектируемой дороги три и более в обоих направлениях, в остальных случаях - по
таблице 2;
Ni - количество автомобилей i-й марки в одном или в обоих направлениях на конец срока службы дорожных одежд, ед./сут;
Si - коэффициент приведения воздействия на дорожную одежду транспортного средства
i-й марки с нагрузкой на колесо
Pi к расчетной нагрузке в соответствии с
ГОСТ Р 71405;
n - общее количество различных марок транспортных средств в составе транспортного потока.
Таблица 2
Значения коэффициента распределения интенсивности движения
в зависимости от количества полос
Количество полос движения | Коэффициент распределения интенсивности движения для самой нагруженной полосы движения fпол |
Движение в обоих направлениях | Одностороннее движение |
1 | 1,00 | 1,00 |
2 | 0,55 | 0,90 |
3 | 0,50 | 0,70 |
4 | 0,45 | 0,70 |
5 | 0,40 | - |
6 и более | 0,35 | - |
Примечание - Допускается назначать коэффициенты распределения интенсивности по данным фактических замеров. |
Коэффициенты приведения Si к расчетной нагрузке определяют:
- при отсутствии фактических данных о составе движения и осевых нагрузках с пунктов АПВГК допускается использовать коэффициенты приведения для транспортного потока в соответствии с ГОСТ Р 71405-2024
(раздел 7);
- при наличии фактических данных о составе движения и осевых нагрузках с пунктов АПВГК рекомендуется использовать полученные данные для расчета коэффициентов приведения, используя методику ГОСТ Р 71405-2024
(раздел 8).
7.3 Определение суммарного числа приложений приведенной расчетной нагрузки
Суммарное количество приложений приведенной расчетной нагрузки

за нормативный срок службы дорожных одежд определяют по исходным данным интенсивности.
Суммарное количество приложений приведенной расчетной нагрузки

за нормативный срок службы дорожных одежд, ед., при известных фактических интенсивностях движения по видам транспорта на первый год эксплуатации дороги, определяют по формуле

(4)
где
fпол - коэффициент распределения интенсивности движения для самой нагруженной полосы движения, зависящий от числа полос движения, принимаемый при отсутствии данных натурных наблюдений по
таблице 2;
Kс - коэффициент суммирования, вычисляемый по формуле

(5)
здесь q - показатель изменения интенсивности движения (знаменатель геометрической прогрессии); если q = 1, коэффициент Kс принимают равным Tсл;
Tсл - нормативный межремонтный срок службы дорожных одежд между капитальными ремонтами (в соответствии с
ГОСТ Р 58861), годы;
Tрдг - расчетное количество дней в году, зависящее от района проектирования, соответствующее определенному состоянию деформируемости дорожной конструкции, определяемое по
таблице 3 и
рисунку 1, дни;
kn - коэффициент, учитывающий вероятность отклонения суммарного движения от среднего ожидаемого (см.
таблицу 4);
N1m - интенсивность движения m-й марки в 1-й год эксплуатации, ед./сут;
Sm сум - суммарный коэффициент приведения к расчетной нагрузке автомобиля
m-й марки по
ГОСТ Р 71405.
Таблица 3
Рекомендуемые значения
Tрдг в зависимости
от номера района на карте
Номер района на карте | Географические границы районов | Рекомендуемое значение Tрдг |
1 | Зона распространения вечномерзлых грунтов севернее семидесятой параллели | 70 |
2 | Севернее линии, соединяющей Онегу, Архангельск, Мезень, Нарьян-Мар, шестидесятый меридиан, до побережья Европейской части | 145 |
3 | Севернее линии, соединяющей Смоленск, Калугу, Рязань, Саранск, сорок восьмой меридиан, до линии, соединяющей Онегу, Архангельск, Мезень, Нарьян-Мар | 125 |
4 | Севернее линии, соединяющей Белгород, Воронеж, Саратов, Самару, Оренбург, шестидесятый меридиан, до линии районов 2 и 3 | 135 |
5 | Севернее линии, соединяющей Ростов-на-Дону, Элисту, Астрахань, Белгород, Воронеж, Саратов, Самару | 145 |
6 | Южнее линии Ростов-на-Дону, Элиста, Астрахань для Европейской части, южнее сорок шестой параллели - для остальных территорий, полуостров Крым | 205 |
7 | Восточная и Западная Сибирь, Дальний Восток (кроме Хабаровского и Приморского краев, Камчатской области), ограниченные с севера семидесятой параллелью, с юга - государственной границей | 130 - 150 (меньшие значения для центральной части) |
8 | Хабаровский и Приморский края, Камчатская область | 140 |
Примечания 1 Значения Tрдг на границах районов следует принимать по наибольшему из значений. 2 Расчетным считается день, в течение которого состояние грунта земляного полотна по влажности и температура асфальтобетонных слоев обеспечивают возможность накопления остаточной деформации в грунте земляного полотна или малосвязных слоях дорожной одежды. |

Рисунок 1 - Карта районирования по количеству
расчетных дней в году Tрдг
Таблица 4
Тип дорожных одежд | Значение коэффициента kn для категории дорог |
I | II | III | IV | V |
Капитальный | 1,62 | 1,49 | 1,42 | 1,38 | - |
Облегченный | - | - | 1,32 | 1,26 | 1,23 |
Переходный | - | - | - | 1,14 | - |
Суммарное количество приложений приведенной расчетной нагрузки

за нормативный срок службы дорожных одежд, ед., при известной приведенной интенсивности движения к расчетной нагрузке на конец межремонтного срока проведения работ по капитальному ремонту, определяют по формуле

(6)
где Np - приведенная интенсивность движения к воздействию расчетной нагрузки Np на полосу движения на конец межремонтного срока проведения работ по капитальному ремонту Tсл, ед./сут.
Показатель изменения интенсивности движения q вычисляют по формуле
q = 1 + r/100, (7)
где r - ежегодный прирост интенсивности движения, %.
Если интенсивность движения в отдельные годы или в течение срока службы уменьшается, значение r принимают со знаком минус и интенсивность рассчитывают на каждый год отдельно, а затем суммируют.
При расчете прогнозирования интенсивности рекомендуется пользоваться
руководством [1].
8 Расчетные характеристики грунта рабочего слоя и материалов для устройства конструктивных слоев
8.1 Механические (деформационные и прочностные) характеристики грунтов и малосвязных материалов для дополнительного слоя основания
Расчетные характеристики грунтов рабочего слоя земляного полотна и малосвязных материалов для дополнительного слоя основания приведены в
приложении В.
Расчетные механические характеристики связных грунтов:
- деформативные: модуль упругости
Eгр - в зависимости от расчетной относительной влажности по
таблице В.4 приложения В;
- прочностные: угол внутреннего трения

и удельное сцепление
cN - в зависимости от расчетной относительной влажности и числа приложений приведенной нагрузки за срок службы дорожной одежды по
таблице В.5 приложения В.
Расчетные механические характеристики ПГС, песка и легкой крупной песчанистой супеси:
- модуль упругости
E независимо от расчетной влажности принимают одинаковым во всех ДКЗ по
таблице В.6 приложения В;
- угол внутреннего трения

и удельное сцепление
cN - в зависимости от числа приложений приведенной нагрузки за срок службы дорожной одежды по
таблице В.7 приложения В.
Расчетные механические характеристики грунтов и малосвязных материалов (модуль упругости
Eгр,
E, угол внутреннего трения

и удельное сцепление
cN) назначают в следующей последовательности:
- определяют суммарное количество приложений приведенной расчетной нагрузки

;
- для грунтов вычисляют расчетную относительную влажность
Wр по методике, изложенной в
приложении В;
- устанавливают
Eгр,
E,

и
cN грунта и малосвязных материалов дополнительного слоя основания.
8.2 Расчетные характеристики ЩГПС, обработанных вяжущими; грунтов, укрепленных вяжущими; смесей органоминеральных холодных с использованием вторичного асфальтобетона; фракционного щебня, устроенного по способу заклинки; каменных мостовых; тротуарной плитки, ЩГПС
Расчетные характеристики ЩГПС, обработанных вяжущими; грунтов, укрепленных вяжущими; органоминеральных холодных смесей с использованием вторичного асфальтобетона; фракционного щебня, устроенного по способу заклинки; каменных мостовых; тротуарной плитки, ЩГПС принимают при расчетах постоянными во всех климатических зонах при кратковременном и длительном (статическом) нагружении в соответствии с
таблицами Г.1 -
Г.3 приложения Г.
8.3 Расчетные характеристики асфальтобетона
8.3.1 Асфальтобетонное покрытие обладает упруго-вязко-пластическими свойствами, поэтому модули упругости асфальтобетона в значительной мере зависят от температуры, цикличности приложения нагрузки и режима нагружения, а также скорости приложения нагрузки и продолжительности ее действия. При многократном приложении нагрузки в асфальтобетоне развиваются усталостные деформации, приводящие к потере прочности на растяжение при изгибе.
8.3.2 Расчет асфальтобетонного покрытия на прочность необходимо проводить исходя из температурных условий, при которых дорожные одежды в конкретных условиях работают наиболее напряженно.
Расчет по допускаемому упругому прогибу выполняется на умеренную весеннюю температуру воздуха, равную для всех регионов 10 °C.
К концу весны модуль упругости асфальтобетона уменьшается, вследствие чего возрастают сдвигающие напряжения в грунте земляного полотна и промежуточных слабосвязных слоях одежды. Поэтому в различных ДКЗ температуру асфальтобетона при расчете грунта и малосвязных материалов по критериям сдвигоустойчивости следует принимать: в зонах I и II - 20 °C, зоне III - 30 °C, зоне IV - 40 °C, зоне V - 50 °C.
В районах сезонного промерзания дорожных конструкций, независимо от того, в какой ДКЗ они находятся, наиболее неблагоприятные условия для работы покрытия на растяжение при изгибе наступают в начале весны при температуре покрытия, близкой к 0 °C. В связи с этим расчет на растяжение при изгибе выполняют при температуре асфальтобетона 0 °C.
8.3.3 Расчетные значения модулей упругости асфальтобетона зависят от характера приложения нагрузки. При статическом приложении нагрузки (более 10 мин) они значительно меньше, чем при кратковременном приложении нагрузки.
Расчетные характеристики асфальтобетона разных типов и видов при расчете на кратковременную нагрузку приведены в
таблицах Г.4 и
Г.5 приложения Г, на статическую нагрузку - в
таблице Г.6 приложения Г.
9 Расчет дорожных одежд на прочность
9.1 Основные критерии расчета дорожных одежд на прочность
9.1.1 Прочность дорожных одежд оценивают их способностью сопротивляться процессу развития остаточных деформаций и разрушений под воздействием нормальных и касательных напряжений, возникающих в конструктивных слоях и подстилающем грунте рабочего слоя земляного полотна от расчетной нагрузки, приложенной к поверхности покрытия.
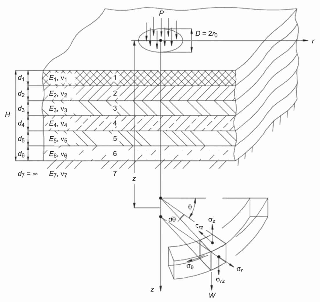
9.1.2 Методика оценки прочности дорожных одежд включает в себя оценку прочности как конструкции в целом, так и напряжений, возникающих в отдельных конструктивных слоях и грунте рабочего слоя земляного полотна. При расчете дорожных одежд используют решения теории упругости для слоистого пространства, лежащего на упругом основании с учетом условий работы в зоне контакта на границе слоев (спаянный контакт при совместной работе слоев в зоне контакта или гладкий контакт при свободном смещении слоев в зоне контакта).
9.1.3 Расчет дорожных одежд капитального и облегченного типов на прочность выполняют по следующим критериям:
- допускаемому упругому прогибу;
- условию сдвигоустойчивости грунта рабочего слоя и конструктивных слоев из малосвязных материалов;
- сопротивлению слоев асфальтобетона усталостному разрушению от растяжения при изгибе.
Превышение значения одного из критериев (имеющего минимальное значение) над требуемой величиной должно быть не более 2% при условии выполнения остальных критериев прочности, за исключением необходимости устройства равнопрочных конструкций на участках уширения, необходимости сохранения отметок проезжей части или принятия конструкции дорожной одежды из условий морозоустойчивости или осушения.
9.1.4 Переходные дорожные одежды рассчитывают на прочность только по двум критериям:
- допускаемому упругому прогибу;
- условию сдвигоустойчивости грунта рабочего слоя и конструктивных слоев из малосвязных материалов.
9.1.5 Расчет на прочность по всем критериям допускается выполнять в любой последовательности.
9.1.6 Дорожные одежды на перегонах рассчитывают на кратковременное многократное действие подвижных нагрузок, используя прочностные и деформационные характеристики материалов и грунтов при многократном приложении нагрузки длительностью 0,1 с.
Критерии расчета для дорожных одежд на обочинах, разделительных полосах, переходно-скоростных полосах, остановках, пересечениях в одном уровне, на подходах к пересечениям с железнодорожными путями, стоянках, площадках отдыха, на местных проездах вдоль основной дороги, съездах развязок, тротуарах, пешеходных улицах, площадях и велодорожках представлены в
разделе 12.
При расчете на однократное нагружение (статическую нагрузку в соответствии с
7.1.1) коэффициент динамичности принимают равным 1.
9.1.7 При расчете НДС многослойных конструкций на воздействие колесных нагрузок многослойные дорожные одежды приводят к двухслойным и трехслойным расчетным схемам.
Для сравнения параметров НДС, набора статистики и уточнения требуемых коэффициентов прочности допускается выполнение расчета НДС многослойной конструкции в соответствии с
[2].
Изложенные в
[2] алгоритмы определения параметров НДС многослойных конструкций дорожных одежд (содержащих до семи слоев) позволяют проводить расчет без приведения их к упрощенным схемам.
Рекомендации по расчету параметров НДС многослойных конструкций при воздействии колесных нагрузок без приведения к упрощенной схеме приведены в
приложении Д.
9.2 Надежность и коэффициенты прочности
Дорожные одежды следует проектировать с коэффициентом надежности, характеризующим вероятность безотказной работы дорожной конструкции в течение расчетного срока службы.
Отказ нежестких дорожных одежд из-за недостаточной прочности может характеризоваться:
- образованием необратимых деформаций на поверхности покрытия (просадок, трещин, выбоин и др.) под воздействием многократно прилагаемой нагрузки по полосам наката в связи с общей недостаточной несущей способностью дорожных одежд;
- накоплением недопустимых остаточных деформаций под воздействием сдвигающих напряжений, возникающих в конструктивных слоях и подстилающем грунте от транспортной нагрузки, с потерей ровности поверхности покрытия и соответствующим снижением скорости движения до истечения заданного срока службы конструкции;
- усталостным разрушением материала монолитных слоев конструкции под воздействием растягивающих напряжений от многократного приложения транспортной нагрузки с интенсивной потерей транспортно-эксплуатационных свойств.
Коэффициенты надежности Kн принимают в зависимости от категории дороги и типа дорожной одежды.
Требуемые значения коэффициентов прочности

назначают в зависимости от категории дороги, типа дорожных одежд и критерия расчета на прочность.
Коэффициенты надежности и требуемые коэффициенты прочности дорожных одежд представлены в
таблице 5.
Таблица 5
Коэффициенты надежности и требуемые коэффициенты
прочности дорожных одежд
Тип дорожных одежд | Категория дороги | Требуемый коэффициент прочности  по критерию | Коэффициент надежности Kн |
упругого прогиба | сдвигоустойчивости и растяжения при изгибе |
Капитальный | IА, IБ, IВ | 1,50 | 1,10 | 0,98 |
II | 1,20 | 1,00 | 0,95 |
III | 1,17 | 1,00 | 0,92 |
IV | 1,15 | 1,00 | 0,90 |
Облегченный | III | 1,15 | 1,00 | 0,90 |
IV | 1,06 | 0,94 | 0,85 |
Переходный | IV | 1,02 | 0,87 | 0,82 |
Для дорог с низкой интенсивностью движения для дорожных одежд капитального и облегченного типов уровни надежности, требуемые коэффициенты прочности и минимальные требуемые модули упругости принимают в соответствии с
ГОСТ Р 58818.
При проектировании улиц и дорог населенных пунктов коэффициенты надежности и коэффициенты прочности принимают по аналогии с автомобильными дорогами в соответствии с
таблицей 6.
Таблица 6
Соответствие улиц и дорог городских и сельских населенных
пунктов категориям автомобильных дорог общего пользования
Категория дорог и улиц | Аналог категории дороги общего пользования | Тип дорожной одежды |
Магистральные городские дороги 1-го класса скоростного движения с расчетной скоростью движения 130 км/ч | IА | Капитальный |
Магистральные городские дороги 1-го класса скоростного движения непрерывного движения с расчетной скоростью движения 90 или 110 км/ч. Магистральные улицы общегородского значения 1-го класса непрерывного движения с расчетной скоростью 90 км/ч | IБ |
Магистральные городские дороги 2-го класса регулируемого движения 90, 80 и 70 км/ч. Магистральные улицы общегородского значения 1-го класса непрерывного движения с расчетной скоростью 70 или 80 км/ч | IВ |
Магистральные улицы общегородского значения 2-го класса регулируемого движения 80, 70 и 60 км/ч. Магистральные улицы общегородского значения 3-го класса регулируемого движения с расчетной скоростью 70 или 60 км/ч | II |
Магистральные улицы общегородского значения 3-го класса с расчетной скоростью 50 км/ч. Магистральные улицы и дороги районного значения. Улицы местного значения в общественно-деловых и торговых зонах крупнейших, крупных и больших городских населенных пунктов. Улицы и дороги в производственных зонах. Улицы местного значения в зонах жилой застройки крупнейших, крупных и больших городских населенных пунктов при наличии в составе движения тяжелого грузового транспорта. Городские дороги средних и малых городских населенных пунктов. Улицы общегородского значения средних и малых городских населенных пунктов | III |
Улицы местного значения в зонах жилой застройки крупнейших, крупных и больших городских населенных пунктов при преимущественном движении легкового и общественного транспорта | III | Облегченный |
Улицы районного значения средних и малых городских населенных пунктов | IV | Облегченный |
Парковки грузового и общественного транспорта | IV | Капитальный |
Улицы и дороги местного значения средних и малых городских населенных пунктов. Парковки легкового транспорта | IV | Облегченные, переходные |
Основные улицы сельских населенных пунктов | IV | Капитальный, облегченный |
Местные улицы и дороги сельских населенных пунктов | IV | Облегченный, переходный |
Проезды сельских населенных пунктов. Улицы и площади пешеходные, тротуары, парковые дороги, велосипедные дорожки, проезды (подъезды к объектам городской застройки внутри районов, микрорайонов (кварталов)) | IV | Облегченный, переходный |
Примечания 1 Дорожные покрытия по виду и материалам покрытий, применяемым при их устройстве, подразделяют по ГОСТ Р 59120 и СП 396.1325800.2018 (раздел 12); категории улиц и дорог - по СП 42.13330.2016 (раздел 11). 2 При проектировании дорожной одежды распределительных дорог и подъездов категорий IV и V с низкой интенсивностью движения при среднегодовой суточной интенсивности до 400 авт./сут, проходящих через сельские населенные пункты, следует учитывать положения ГОСТ Р 58818. 3 Тип дорожной одежды и вид покрытия устанавливают по результатам технико-экономического обоснования либо назначают по заданию на проектирование. |
9.3 Расчет конструкции дорожных одежд по допускаемому упругому прогибу
9.3.1 Расчетом на прочность по допускаемому упругому прогибу проверяют конструкцию дорожных одежд в целом.
Конструкция дорожных одежд удовлетворяет требованиям надежности и прочности по величине упругого прогиба при условии:

(8)
где Eобщ - общий модуль упругости на поверхности дорожной конструкции;
Emin - минимальный требуемый модуль упругости;

- требуемый коэффициент прочности, определяемый по
таблице 5.
Минимальный требуемый модуль упругости Emin, МПа, вычисляют по формуле

(9)
где
p - расчетное давление на покрытие в соответствии с
ГОСТ 32960;

- суммарное расчетное количество приложений приведенной расчетной нагрузки на полосу движения за нормативный межремонтный срок службы проведения работ по капитальному ремонту [см.
формулы (4) и
(6)];
C - эмпирический параметр, равный для расчетной нагрузки: А-10 - 3,55; А-11,5 - 3,20.
При нагрузке, отличной от А-10 и А-11,5, коэффициент C находят по интерполяции.
Расчет по допускаемому упругому прогибу не проводят при нагрузке на ось более 115 кН.
9.3.2 Минимальный требуемый модуль упругости
Emin должен быть не менее указанного в
таблице 7 независимо от результата расчета, полученного по
формуле (9).
Таблица 7
Минимальный требуемый модуль упругости
нежесткой дорожной одежды
Категория дороги | Минимальный требуемый модуль упругости дорожной одежды Emin, МПа, в зависимости от типа дорожных одежд |
капитальный | облегченный | переходный |
IА, 1Б, IВ | 330 | - | - |
II | 325 | - | - |
III | 310 | 235 | - |
IV | 250 | 180 | 110 |
При согласовании с заказчиком и наличии положительного опыта в регионе строительства в случае расчета дорожных одежд автомобильных дорог категорий IV и V, если отношение минимального требуемого модуля упругости, указанного в
таблице 7, к минимальному требуемому модулю упругости, полученному по
формуле (9), более

, то

для облегченных и переходных дорожных одежд допускается принимать равным 1.
Для определения общего модуля упругости многослойную дорожную одежду представляют в виде расчетной схемы, указанной на
рисунке 2.
h1, h2, h3, hi - толщины слоев; Eобщ - общий модуль
упругости дорожной одежды;

,

,

,

- общие модули
упругости на поверхности слоев; E1, E2, E3, Ei - модули
упругости материалов слоев; Eгр - модуль упругости
грунта рабочего слоя
Рисунок 2 - Расчетная схема дорожной одежды
9.3.3 Общий модуль упругости на поверхности
i-го слоя определяют на основе решения теории упругости для двухслойной модели (см.
рисунок 3): слой конечной толщины
h с модулем упругости
Eв лежит на упругом полупространстве (не ограниченном снизу) с модулем
Eн.
h - верхний слой конечной толщины; Eв - модуль упругости
верхнего слоя; Eн - модуль упругости упругого
полупространства, не ограниченного снизу (нижнего слоя);
Eобщ - модуль упругости на поверхности верхнего слоя
Рисунок 3 - Расчетная схема двухслойной системы для расчета
общего модуля упругости
9.3.4 Исходными данными при расчете дорожной одежды по допускаемому упругому прогибу являются:
- нормативный межремонтный срок проведения работ по капитальному ремонту (в соответствии с
ГОСТ Р 58861);
- суммарное количество приложений приведенной расчетной нагрузки

[
формулы (4) или
(6)];
- коэффициент надежности и коэффициент прочности (см.
таблицу 5);
- материалы и предварительные толщины слоев дорожной одежды;
- модуль упругости грунта рабочего слоя земляного полотна (см.
приложение В);
- модули упругости конструктивных слоев основания по
таблицам Г.1 -
Г.3 приложения Г;
- модули упругости слоев асфальтобетона, принимаемые во всех ДКЗ, при температуре 10 °C (
таблица Г.4 приложения Г);
- минимальный требуемый модуль упругости, определяемый по
формуле (9).
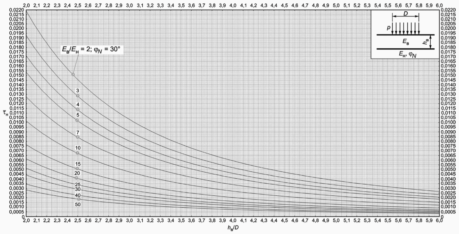
9.3.5 Общий модуль упругости на поверхности дорожной одежды определяют по номограммам (
рисунки Е.1,
Е.2 приложения Е). Расчет конструкции ведут сверху вниз или снизу вверх.
При расчете конструкции сверху вниз выполняют следующие действия:
- вычисляют общий минимальный требуемый модуль упругости Eобщ на поверхности дорожной одежды по формуле

(10)
- назначают материалы и толщины всех конструктивных слоев дорожной одежды;
- устанавливают с использованием номограмм (см.
рисунки Е.1 и
Е.2 приложения Е) по отношениям
Eобщ/
Eв (значение на кривой) и
hв/
D (значение на оси абсцисс) общие модули упругости на поверхности каждого конструктивного слоя, вплоть до грунта рабочего слоя. При известных значениях общего модуля упругости на поверхности конструктивного слоя дорожной одежды, модуля упругости материала данного слоя и модуля упругости грунта рабочего слоя по номограммам (
рисунки Е.1,
Е.2 приложения Е) определяют толщину данного конструктивного слоя дорожной одежды.
При расчете конструкции снизу вверх выполняют следующие действия:
- назначают материалы и толщины всех конструктивных слоев дорожной одежды;
- последовательно рассматривая два слоя: верхний слой конечной толщины и нижний - полупространство по номограммам (см.
рисунки Е.1 и
Е.2 приложения Е), определяют общий модуль упругости на поверхности дорожной одежды. В этом случае номограммы (
рисунки Е.1,
Е.2 приложения Е) используют следующим образом: для нижнего слоя дорожной одежды по отношениям
Eгр/
En (значение на оси ординат) и
hn/
D (значение на оси абсцисс) определяют отношение

(значение на кривой) и вычисляют

;
- затем повторяют расчет для следующего слоя дорожной одежды.
В конце расчета проверяют выполнение условия прочности [см.
формулу (8)].
Если условие прочности не выполняется, изменяют толщину одного или нескольких конструктивных слоев дорожной одежды или используют материалы с более высокими модулями упругости для одного или нескольких конструктивных слоев дорожной одежды.
9.3.6 Если смежные слои устроены из одного материала или материалов с одним модулем упругости, при расчетах их необходимо объединять в один слой. При расчете на упругий прогиб не допускается дробить слои из одного материала на несколько слоев.
9.3.7 Алгоритм расчета многослойной конструкции без приведения к упрощенной схеме по критерию упругого прогиба представлен в
приложении Д.
9.4 Расчет конструкции дорожной одежды по условию сдвигоустойчивости грунта рабочего слоя земляного полотна и конструктивных слоев из малосвязных материалов
9.4.1 Дорожную одежду проектируют с таким расчетом, чтобы под действием кратковременных или длительных нагрузок в грунте рабочего слоя, стабилизированном грунте рабочего слоя и конструктивных слоях из малосвязных материалов за весь срок службы не накапливались недопустимые остаточные деформации. Проверку выполняют для расчетного периода. Расчет конструкции дорожной одежды по условию сдвигоустойчивости грунта рабочего слоя в случае укрепления верхней части вяжущим проводят для неукрепленной части рабочего слоя, при этом укрепленную часть включают в верхний слой расчетной модели. Расчет конструкции дорожной одежды по условию сдвигоустойчивости стабилизированного грунта рабочего слоя выполняют с расчетными параметрами стабилизированного грунта. Расчет конструкции дорожной одежды по условию сдвигоустойчивости грунта рабочего слоя в случае стабилизации верхней части рабочего слоя дополнительно проводят для нестабилизированной части рабочего слоя, при этом стабилизированную часть включают в верхний слой расчетной модели.
9.4.2 Недопустимые деформации сдвига в конструкции не будут накапливаться, если в грунте рабочего слоя, стабилизированном грунте рабочего слоя и в конструктивных слоях из малосвязных материалов обеспечено условие:

(11)
где T - активное напряжение сдвига от действующей кратковременной или длительной нагрузки, МПа;
Tпр - предельное напряжение сдвига, превышение которого вызывает нарушение прочности на сдвиг, МПа;

- требуемый коэффициент прочности, определяемый по
таблице 5.
9.4.3 Предельное напряжение сдвига Tпр в грунте рабочего слоя, стабилизированном грунте рабочего слоя и в малосвязных материалах вычисляют по формуле

(12)
где kд - коэффициент, учитывающий особенности работы конструкции на границе слоев основания и грунта рабочего слоя или слоя из песка;
cN - удельное сцепление в грунте рабочего слоя земляного полотна (или в слое малосвязных материалов), принимаемое с учетом расчетной влажности и повторности нагрузки, МПа (см.
таблицы В.5 и
В.7 приложения В). Для стабилизированного грунта - в соответствии с
6.13.4;

- средневзвешенная объемная плотность конструктивных слоев, расположенных выше проверяемого слоя, кН/м
3, рассчитываемая по формуле

(13)
где

- объемная плотность
i-го слоя, определяемая по
таблице Г.7 приложения Г, кН/м
3;
hi - толщина i-го слоя, см;
n - количество слоев, расположенных выше проверяемого слоя;
z - глубина расположения поверхности слоя, проверяемого на сдвигоустойчивость, от верха конструкции, м;

- угол внутреннего трения в грунте рабочего слоя, стабилизированном грунте рабочего слоя или в слое малосвязных материалов, принимаемый с учетом расчетной влажности и повторности нагрузки, град (см.
таблицы В.5 и
В.7 приложения В). Для стабилизированного грунта - в соответствии с
6.13.4.
При расчете на сдвиг грунта рабочего слоя и стабилизированного грунта рабочего слоя, если нижний слой основания из каменных материалов укладывают непосредственно на грунт рабочего слоя или стабилизированный грунт рабочего слоя без дополнительного слоя основания из песка, коэффициент kд принимают равным:
- нижний слой основания из укрепленных материалов, глинистый грунт (связный) - 1,0;
- нижний слой основания из укрепленных материалов, песчаный грунт (несвязный): 4,5 - для крупного песка, 4,0 - для среднего песка, 3,0 - для мелкого песка и легкой крупной супеси;
- нижний слой основания из неукрепленных материалов, глинистый грунт (связный) - 1,0;
- нижний слой основания из неукрепленных материалов, песчаный грунт (несвязный), в том числе легкая крупная супесь, - 2,0.
При расчете на сдвиг грунта рабочего слоя, если конструкция дорожной одежды содержит дополнительный слой основания из песка, коэффициент kд принимают равным:
- глинистый грунт (связный) - 1,0;
- песчаный грунт (несвязный), в том числе легкая крупная супесь, - 2,0.
При расчете на сдвиг стабилизированного грунта коэффициент kд принимают по аналогии с нестабилизированным.
При расчете на сдвиг дополнительного слоя из песка или ПГС коэффициент kд принимают равным:
- нижний слой основания из укрепленных материалов: 4,5 - для крупного песка и ПГС, 4,0 - для среднего песка, 3,0 - для мелкого песка;
- нижний слой основания из неукрепленных материалов - 2,0.
9.4.4 Активные напряжения сдвига определяют на основании решения теории упругости для двухслойного полупространства при наличии сцепления между слоями. Для практических расчетов используют номограммы, представленные на
рисунках Е.3 -
Е.50 приложения Е. Номограммы составлены для разных значений угла внутреннего трения. При значениях угла внутреннего трения, отличных от указанных на
рисунках Е.3 -
Е.50 приложения Е, активные напряжения сдвига от единичной нагрузки определяют путем интерполяции.
Действующие активные напряжения сдвига T, МПа, вычисляют по формуле

(14)
где

- удельное активное напряжение сдвига от единичной нагрузки (
p = 1), определяемое по номограммам (см.
рисунки Е.3 -
Е.50 приложения Е);
p - расчетное давление колеса на покрытие (см.
таблицу 1), МПа.
9.4.5 В расчетный период года наихудшие условия работы грунта и конструктивных слоев из малосвязных материалов на сдвиг имеют место при наибольших положительных температурах слоев из материалов, содержащих органическое вяжущее. Поэтому при расчете дорожных одежд по условию сдвигоустойчивости значения модуля упругости материалов, содержащих органическое вяжущее, должны соответствовать температурам: в ДКЗ II - 20 °C, в ДКЗ III - 30 °C, в ДКЗ IV - 40 °C, в ДКЗ V - 50 °C (см.
таблицу Г.4 приложения Г).
9.4.6 При практических расчетах по условию сдвигоустойчивости многослойную дорожную одежду приводят к двухслойной расчетной модели.
При расчете дорожной конструкции на прочность по условию сдвигоустойчивости грунта рабочего слоя земляного полотна в качестве нижнего полубесконечного слоя модели принимают грунт с его характеристиками, а в качестве верхнего слоя - всю дорожную одежду в соответствии с
рисунком 4.
hв - верхний слой конечной толщины; Eв - модуль упругости
верхнего слоя; Eн - модуль упругости упругого
полупространства, не ограниченного снизу (нижнего слоя);

- угол внутреннего трения;
cN - удельное сцепление
Рисунок 4 - Расчетная схема двухслойной системы для расчета
активного напряжения сдвига в нижнем слое
Толщину верхнего слоя двухслойной модели hв принимают равной сумме толщин слоев одежды по формуле

(15)
Модуль упругости верхнего слоя двухслойной модели вычисляют как средневзвешенный Eв по формуле

(16)
где Ei - модуль упругости i-го слоя, МПа;
hi - толщина i-го слоя, см.
9.4.7 При расчете по условию сдвигоустойчивости дополнительного слоя основания из малосвязных материалов нижний слой двухслойной модели имеет параметры: удельное сцепление
cN и угол внутреннего трения

, принятые для рассчитываемого слоя дорожной одежды из малосвязного материала. Толщину верхнего слоя
hв и модуль упругости верхнего слоя
Eв двухслойной модели вычисляют по
формулам (15) и
(16) без учета слоя дорожной одежды, рассчитываемого на сдвиг.
Общий модуль упругости нижнего слоя
Eн двухслойной модели на уровне верха рассчитываемого слоя основания из малосвязного материала на сдвиг определяют по номограммам, представленным на
рисунках Е.1,
Е.2 приложения Е.
9.4.8 Расчет дорожной одежды на кратковременные нагрузки по сдвигоустойчивости грунта рабочего слоя земляного полотна, а также в слоях дорожной одежды из малосвязных материалов проводят в следующей последовательности:
- назначают расчетные прочностные характеристики (угол внутреннего трения

и удельное сцепление
cN) грунта земляного полотна в соответствии с
таблицей В.5 и малосвязных материалов в соответствии с
таблицей В.7 приложения В;
- модули упругости грунта и материалов конструктивных слоев основания, за исключением асфальтобетона, принимают те же, что в расчете по допускаемому упругому прогибу;
- по
таблице Г.4 приложения Г назначают расчетные модули упругости для слоев из асфальтобетона, соответствующие расчетным температурам в весенний период (согласно
9.4.5);
- определяют средневзвешенный модуль упругости слоев дорожной одежды (верхнего слоя двухслойной модели)
Eв по
формуле (16);
- по
рисункам Е.3 -
Е.50 приложения Е по отношениям
hв/
D,
Eв/
Eн и при известном угле внутреннего трения нижнего слоя

находят активные напряжения сдвига

от единичной временной нагрузки;
- по
формуле (14) вычисляют активное напряжение сдвига
T в грунте земляного полотна или в песчаном слое одежды;
- по
формуле (12) рассчитывают предельное напряжение сдвига
Tпр;
Если условие прочности не обеспечено, возможны следующие решения:
- увеличивают толщину одного или нескольких вышележащих слоев;
- заменяют материал одного или нескольких вышележащих слоев более жестким материалом, имеющим более высокий модуль упругости;
- заменяют или укрепляют верхнюю часть грунта рабочего слоя с целью повышения его сдвигоустойчивости;
- применяют геосинтетические материалы, эффективность применения которых должна быть подтверждена соответствующими расчетами.
9.4.9 Алгоритм расчета многослойной конструкции без приведения к упрощенной схеме по условию сдвигоустойчивости подстилающего грунта и конструктивных слоев из малосвязных материалов представлен в
приложении Д.
9.4.10 Расчет на длительную (статическую) нагрузку по сдвигоустойчивости в рабочем слое грунта земляного полотна и малосвязных конструктивных слоях
В рабочем слое грунта и конструктивных слоях из малосвязных материалов напряжения сдвига, возникающие под действием длительной (статической) нагрузки, не должны в течение заданного срока службы приводить к образованию недопустимых остаточных деформаций. Указания случаев, для которых применяют расчет на статическую нагрузку, представлены в
разделе 12.
Расчет на длительную нагрузку выполняют в следующей последовательности:
- назначают расчетные прочностные характеристики (угол внутреннего трения

и удельное сцепление грунта земляного полотна
cст и малосвязных материалов при

) по
таблицам В.5 и
В.7 (приложение В) соответственно. Для стабилизированного грунта - в соответствии с
6.13.4;
- модули упругости грунта и материалов конструктивных слоев основания, за исключением асфальтобетона, принимают те же, что в расчете по упругому допускаемому прогибу;
- по
таблице Г.6 приложения Г назначают расчетные модули упругости для слоев из асфальтобетона, соответствующие расчетным температурам в весенний период (согласно
9.4.5);
- определяют средневзвешенный модуль упругости слоев дорожной одежды (верхнего слоя двухслойной модели)
Eв по
формуле (16);
- по
рисункам Е.3 -
Е.50 приложения Е определяют активные напряжения сдвига

от единичной временной нагрузки при значении угла внутреннего трения

грунта или малосвязных слоев, соответствующем длительной нагрузке

;
- по
формуле (14) вычисляют активное напряжение сдвига
T в грунте земляного полотна или в малосвязных материалах;
- по
формуле (12) рассчитывают предельное напряжение сдвига
Tпр при значении удельного сцепления
cст и

при статическом действии нагрузки

, град;
Если условие прочности не обеспечено, вносят коррективы в конструкцию дорожной одежды.
9.5 Расчет дорожной одежды на сопротивление слоев из асфальтобетона усталостному разрушению от растяжения при изгибе
9.5.1 В слоях покрытия и основания из асфальтобетона напряжения, возникающие при прогибе одежды под действием повторных кратковременных нагрузок, не должны в течение заданного срока службы приводить к образованию трещин от усталостного разрушения.
Образование трещин от усталостного разрушения не будет происходить при условии

(17)
где

- наибольшее растягивающее напряжение в слое асфальтобетона, устанавливаемое расчетом;

- требуемый коэффициент прочности, определяемый по
таблице 5;
RN - предельное напряжение на растяжение при изгибе с учетом усталостных явлений, вычисляемое по формуле
RN =
R0k1k2(1 -
VRt), (18)
где
R0 - нормативное значение предельного сопротивления растяжению при изгибе (см.
таблицу Г.5 приложения Г);
k1 - коэффициент, учитывающий снижение прочности вследствие усталостных явлений при многократном приложении нагрузки;
k2 - коэффициент, учитывающий снижение прочности во времени от воздействия природно-климатических факторов (см.
таблицу 8);
VR - коэффициент вариации прочности асфальтобетона на растяжение при изгибе, равный 0,1;
t - коэффициент нормированного отклонения (см.
таблицу В.3 приложения В).
Таблица 8
Значения коэффициента
k2, учитывающего снижение прочности
во времени от воздействия природно-климатических факторов
Материал расчетного слоя | Значения коэффициента k2 |
Асфальтобетоны для НСП | 0,85 |
Асфальтобетоны для ВСП и ВСО | 0,80 |
Примечание - При устройстве двух слоев асфальтобетона на основании из неукрепленных материалов коэффициент k2 для нижнего слоя применяют, как для ВСО. |
Коэффициент k1, учитывающий снижение прочности вследствие усталостных явлений при многократном приложении нагрузки, вычисляют по формуле

(19)
где

- коэффициент, учитывающий различие в реальном и лабораторном режимах растяжения (см.
таблицу Г.5 приложения Г);
m - показатель степени, зависящий от свойств материала рассчитываемого слоя (см.
таблицу Г.5 приложения Г);

- суммарное расчетное количество приложений приведенной расчетной нагрузки на полосу движения за нормативный межремонтный срок службы проведения работ по капитальному ремонту дорожной одежды (в соответствии с
ГОСТ Р 58861), которое рассчитывают согласно
7.3.
9.5.2 Наибольшее растягивающее напряжение в пакете слоев из асфальтобетона

возникает в нижней зоне нижнего слоя. Дополнительно согласно
13.5 расчет выполняют для вновь устраиваемых слоев асфальтобетона. При устройстве новых слоев на существующие слои асфальтобетона значения коэффициента
k2 принимают, как для слоев ВСП и НСП
(таблица 8), характеристики асфальтобетона слоев усиления принимают, как для слоев покрытий (
таблицы Г.4 и
Г.5 приложения Г).
Для выполнения расчета реальную конструкцию приводят к двухслойной модели с модулем упругости упругого полупространства, ниже пакета слоев из асфальтобетона, не ограниченного снизу (нижнего слоя)
Eобщ.н (рисунок 5).
hв - верхний слой расчетной модели; h1, h2 - толщины
отдельных слоев асфальтобетона; Eв - средневзвешенный модуль
упругости верхнего слоя; Eобщ.н - модуль упругости упругого
полупространства, ниже пакета слоев из асфальтобетона,
не ограниченного снизу (нижнего слоя)
Рисунок 5 - Расчетная схема двухслойной системы для расчета
для определения растягивающих напряжений
в слоях асфальтобетона
К верхнему слою модели относят все слои асфальтобетона. Толщину верхнего слоя модели
hв принимают равной сумме толщин, входящих в пакет асфальтобетонных слоев по
формуле (15), а значение модуля упругости
Eв устанавливают как средневзвешенное для всего пакета асфальтобетонных слоев по
формуле (16).
Нижним (полубесконечным) слоем модели служит часть конструкции, расположенная ниже пакета слоев из асфальтобетона, включая грунт рабочего слоя земляного полотна.
Модули упругости асфальтобетона принимают по
таблице Г.5 приложения Г.
Общий модуль упругости нижнего слоя модели
Eобщ.н определяют путем приведения слоистой системы к эквивалентной по жесткости с использованием номограмм, представленных на
рисунках Е.1,
Е.2 приложения Е.
9.5.3 Растягивающее напряжение при изгибе в асфальтобетоне от единичной нагрузки

при давлении на покрытие
p = 1 МПа определяют с использованием номограмм, представленных на
рисунках Е.51,
Е.52 приложения Е.
Для расчета следует принимать спаянный контакт (см.
рисунок Е.51) между слоями из асфальтобетона, а также между слоем из асфальтобетона и монолитным слоем основания, содержащим органическое вяжущее (включая материалы по
ГОСТ Р 70197.1). Гладкий контакт (см.
рисунок Е.52) следует принимать между нижним слоем из асфальтобетона и слоем основания дорожной одежды под ним из неукрепленных материалов, а также между слоем из асфальтобетона и монолитным слоем основания, не содержащим органическое вяжущее.
Наибольшее растягивающее напряжение

вычисляют по формуле

(20)
где

- растягивающее напряжение от единичной нагрузки, определяемое по номограмме (см.
рисунки Е.51,
Е.52 приложения Е);
p - расчетное давление на покрытие (см.
таблицу 1), МПа;
kв - коэффициент, учитывающий особенности НДС рассчитываемого слоя. Принимают равным 0,85 (для двускатного колеса) при проектировании автомобильных дорог общего пользования с расчетными нагрузками по
ГОСТ 32960; допускается
kв принимать равным 1,00 в отдельных случаях проектирования дорог для специального транспорта с расчетным односкатным колесом.
9.5.4 Расчет слоев асфальтобетона по усталостному разрушению от растяжения при изгибе выполняют в следующей последовательности:
- определяют общий модуль упругости основания
Eобщ.н на уровне подошвы пакета слоев из асфальтобетона, выполняя расчет конструкции снизу вверх по номограммам, представленным на
рисунках Е.1,
Е.2 приложения Е;
- приводят конструкцию к двухслойной модели и по отношениям

и
Eв/
Eобщ.н по номограммам, представленным на
рисунках Е.51,
Е.52 приложения Е, определяют растягивающее напряжение от единичной нагрузки

;
- по
формуле (20) вычисляют наибольшее растягивающее напряжение

;
- рассчитывают предельное напряжение на растяжение при изгибе с учетом усталостных явлений
RN по
формуле (18) для материала рассчитываемого слоя асфальтобетона;
- проверяют выполнение условия прочности по
формуле (17) и при необходимости вносят изменения в конструкцию дорожной одежды: увеличивают толщину слоев асфальтобетона или применяют в слоях основания материалы с более высокими расчетными модулями упругости с целью увеличения общего модуля упругости основания
Eобщ.н.
9.5.5 Рекомендации по расчету многослойной конструкции без приведения к упрощенной схеме на сопротивление слоев асфальтобетона усталостному разрушению от растяжения при изгибе приведены в
приложении Д.
10 Проверка дорожной конструкции на морозоустойчивость
10.1 В районах сезонного промерзания грунтов на участках дорог, находящихся в неблагоприятных грунтово-гидрологических условиях, наряду с требуемой прочностью должна быть обеспечена достаточная морозоустойчивость дорожных одежд и земляного полотна.
10.2 Конструкция удовлетворяет требованиям по морозоустойчивости при соблюдении условия
lпуч < lдоп, (21)
где lпуч - расчетное (ожидаемое) морозное пучение грунта земляного полотна;
lдоп - допустимая величина морозного пучения в соответствии с
ГОСТ Р 59120.
В соответствии с
ГОСТ Р 59120 при сроке службы дорожной одежды между капитальными ремонтами до 10 лет расчетное значение пучения от воздействия низких температур не должно превышать предельно допустимого значения морозного пучения, а при сроке службы дорожной одежды между капитальными ремонтами более 10 лет расчетное значение пучения на поверхности покрытия от воздействия низких температур не должно превышать 80% предельно допустимого значения морозного пучения.
10.3 Не требуется специальных мер по защите дорожных одежд от морозного пучения в следующих случаях:
- в районах с глубиной промерзания грунтов менее 0,6 м;
- при земляном полотне, сложенном на всю глубину промерзания из непучинистых или слабопучинистых грунтов;
- если общая толщина дорожной одежды превышает 2/3 глубины промерзания дорожной конструкции (согласно
10.8).
Группы грунтов по степени пучинистости представлены в
ГОСТ 33063.
10.4 Основные мероприятия, способствующие обеспечению требуемой морозоустойчивости дорожной одежды и земляного полотна:
- применение непучинистых или слабопучинистых грунтов в соответствии с классификацией
ГОСТ 33063 для сооружения рабочего слоя земляного полотна автомобильных дорог в районах сезонного промерзания;
- ограничение поступления влаги в промерзающие слои земляного полотна за счет: достаточного возвышения покрытия над уровнями грунтовых или поверхностных вод (см.
таблицы 9,
10); сооружения различных конструкций дренажей; устройства капилляропрерывающих, дренирующих и гидроизолирующих прослоек в дорожных конструкциях;
- устройство теплоизолирующих слоев, исключающих промерзание грунта земляного полотна под дорожными одеждами или ограничивающих ее глубину до пределов, обеспечивающих допускаемое поднятие покрытия, с учетом типа дорожных одежд в соответствии с классификацией по
ГОСТ Р 59120.
Таблица 9
Возвышение поверхности покрытия над уровнем
грунтовых или поверхностных вод
Грунт рабочего слоя | Наименьшее возвышение поверхности покрытия в пределах ДКЗ, м |
II | III | IV | V |
Мелкий песок, легкая крупная супесь, легкая супесь | 1,1 ---- 0,9 | 0,9 ---- 0,7 | 0,75 ---- 0,55 | 0,5 ---- 0,3 |
Пылеватый песок, пылеватая супесь | 1,5 ---- 1,2 | 1,2 ---- 1,0 | 1,1 ---- 0,8 | 0,8 ---- 0,5 |
Легкий суглинок, тяжелый суглинок, глины | 2,2 ---- 1,6 | 1,8 ---- 1,4 | 1,5 ---- 1,1 | 1,1 ---- 0,8 |
Тяжелая пылеватая супесь, легкий пылеватый суглинок, тяжелый пылеватый суглинок | 2,4 ---- 1,8 | 2,1 ---- 1,5 | 1,8 ---- 1,2 | 1,2 ---- 0,8 |
Примечание - В числителе - возвышение поверхности покрытия над УГВ, верховодки или длительно (более 30 сут) стоящих поверхностных вод, в знаменателе - то же, над поверхностью земли на участках с необеспеченным поверхностным стоком или над уровнем кратковременно (менее 30 сут) стоящих поверхностных вод. |
Таблица 10
Расчетные схемы увлажнения грунта рабочего слоя
Расчетная схема увлажнения грунта рабочего слоя | Источник увлажнения | Условия отнесения к данной расчетной схеме увлажнения |
1 | Атмосферные осадки | Для насыпей на участках 1-го типа местности по условиям увлажнения. Для насыпей на участках местности 2-го и 3-го типов по условиям увлажнения при возвышении поверхности покрытия над расчетным УГВ и уровнем поверхностных вод или над поверхностью земли, более чем в 1,5 раза превышающем требования таблицы 9. Для насыпей на участках 2-го типа при расстоянии от уреза поверхностной воды (отсутствующей не менее 2/3 летнего периода) более 5 - 10 м при супесях; 2 - 5 м при легких пылеватых суглинках и 2 м при тяжелых пылеватых суглинках и глинах (меньшие значения принимают для грунтов с  числом пластичности; при залегании различных грунтов следует принимать наибольшее значение). В выемках в песчаных и глинистых грунтах при уклонах кюветов более 20% (в ДКЗ II и III) и при возвышении поверхности покрытия над расчетным УГВ, более чем в 1,5 раза превышающем требования таблицы 9. При применении специальных методов регулирования водно-теплового режима (капилляропрерывающие, гидроизолирующие, теплоизолирующие и армирующие прослойки, дренаж и т.п.), назначаемых по специальным расчетам |
2 | Кратковременно стоящие (до 30 сут) поверхностные воды, атмосферные осадки | Для насыпей на участках 2-го типа местности по условиям увлажнения при возвышении поверхности покрытия не менее требуемого по таблице 16 и не более чем в 1,5 раза превышающего эти требования и при крутизне откосов не менее 1:1,5 и простом (без берм) поперечном профиле насыпи. Для насыпей на участках 3-го типа местности при применении специальных мероприятий по защите от грунтовых вод (капилляропрерывающие и гидроизолирующие слои, дренаж), назначаемых по специальным расчетам, при отсутствии длительно (более 30 сут) стоящих поверхностных вод и выполнении условий, указанных в предыдущем абзаце. В выемках в песчаных и глинистых грунтах при уклонах кюветов менее 20% (ДКЗ II) и возвышении поверхности покрытия над расчетным УГВ, более чем в 1,5 раза превышающем требования таблицы 9 |
3 | Грунтовые или длительно (более 30 сут) стоящие поверхностные воды, атмосферные осадки | Для насыпей на участках 3-го типа местности по условиям увлажнения при возвышении поверхности покрытия, отвечающем требованиям таблицы 9, но не превышающем их более чем в 1,5 раза. То же, для выемок, в основании которых имеется УГВ, расположение которого по глубине не превышает требования таблицы 9 более чем в 1,5 раза |
Оптимальное решение принимают на основании технико-экономического сравнения вариантов применяемых мероприятий по обеспечению требуемой морозоустойчивости дорожной одежды и земляного полотна.
Схему увлажнения грунта рабочего слоя земляного полотна определяют по
таблице 10.
10.5 Дорожные одежды рассчитывают на морозоустойчивость для характерных участков дороги, сходных по грунтово-гидрологическим условиям, подстилаемых одинаковыми грунтами, имеющими одну и ту же конструкцию земляного полотна (насыпь, нулевые отметки или выемка).
10.6 Требуемую по критерию морозоустойчивости толщину дорожных одежд определяют по номограммам (см.
рисунок 6), предварительно определив ординату морозного пучения при осредненных условиях
lпуч.ср по формуле
lпуч.ср =
lдоп/(
Kугв·
Kпл·
Kгр·
Kнагр·
Kвл·
Kz пр), (22)
где
lдоп - допустимая величина морозного пучения (в соответствии с
ГОСТ Р 59120);
Kугв - коэффициент, учитывающий влияние расчетной глубины залегания уровня грунтовых или длительно стоящих поверхностных вод (см.
рисунок 7). При отсутствии влияния грунтовых или длительно стоящих поверхностных вод следует принимать: для супеси тяжелой и пылеватой и суглинка - 0,53; для песка и супеси легкой и крупной - 0,43;
Kпл - коэффициент, зависящий от степени уплотнения грунта рабочего слоя (см.
таблицу 11);
Kгр - коэффициент, учитывающий влияние гранулометрического состава грунта основания насыпи, принимаемый: для песков - 1,0; супесей - 1,1; суглинков - 1,3; глин - 1,5;
Kнагр - коэффициент, учитывающий влияние нагрузки от собственного веса вышележащей конструкции на грунт в промерзающем слое (см.
рисунок 8);
Kвл - коэффициент, зависящий от относительной влажности грунта (см.
таблицу 12);
Kz пр - коэффициент, зависящий от глубины промерзания дорожной конструкции, принимаемый равным 1 при глубине промерзания до 2,0 м включительно и определяемый по
формуле (25) при глубине промерзания свыше 2,0 до 3,0 м.
Примечание - Цифры на кривых - группа грунта по степени пучинистости.
Для грунта группы II по степени пучинистости кривую
IIа выбирают при 2-й и 3-й схемах увлажнения грунта
рабочего слоя, кривую IIб - при 1-й схеме увлажнения
грунта рабочего слоя
Рисунок 6 - Графики для определения требуемой толщины
дорожной одежды hд.о по критерию морозоустойчивости
в зависимости от глубины промерзания zпр
1 - пылеватая супесь, тяжелая пылеватая супесь, легкий
и тяжелый суглинок, легкий и тяжелый пылеватый суглинок,
глина; 2 - песок, легкая крупная супесь, легкая супесь
Рисунок 7 - Зависимость коэффициента
Kугв от расстояния
от верха дорожной одежды до расчетного уровня Hу
(УГВ или УПВ)
Таблица 11
Коэффициент
Kпл, зависящий от степени уплотнения
грунта рабочего слоя
Коэффициент уплотнения Kупл | Kпл для грунта |
пылеватого песка, легкой супеси, пылеватой супеси, тяжелой пылеватой супеси, легкого и тяжелого суглинка, легкого и тяжелого пылеватого суглинка, глины | легкой крупной супеси, песка |
От 1,00 до 1,03 включ. | 0,8 | 1,0 |
От 0,98 до 0,99 включ. | 1,0 | 1,0 |
От 0,95 до 0,97 включ. | 1,2 | 1,1 |
От 0,90 до 0,94 включ. | 1,3 | 1,2 |
Менее 0,90 | 1,5 | 1,3 |
1 - пылеватая супесь, тяжелая пылеватая супесь, легкий
и тяжелый суглинок, легкий и тяжелый пылеватый суглинок,
глина; 2 - песок, легкая крупная супесь, легкая супесь
Рисунок 8 - Зависимость коэффициента
Kнагр от глубины
промерзания zпр от поверхности покрытия
Таблица 12
Коэффициент
Kвл, зависящий от относительной
влажности грунта W/Wт
Расчетная относительная влажность грунта W/Wт | 0,6 и менее | 0,7 | 0,8 | 0,9 |
Kвл | 1,0 | 1,1 | 1,2 | 1,3 |
10.7 Для существующей дорожной конструкции расчетное (ожидаемое) морозное пучение грунта земляного полотна lпуч вычисляют по формуле
lпуч = lпуч.срKz прKугвKплKгрKнагрKвл. (23)
Если lпуч > lдоп, то морозоустойчивость дорожной конструкции не обеспечена и требуется разработка мероприятия по уменьшению величины пучения (увеличение толщины дорожной одежды, замена грунта рабочего слоя земляного полотна на непучинистый грунт или другие мероприятия) при капитальном ремонте или реконструкции автомобильной дороги.
10.8 Глубину промерзания дорожной конструкции
zпр допускается вычислять по формуле
zпр = 1,38zпр.ср, (24)
где
zпр.ср - глубина сезонного промерзания грунта, определяемая по данным инженерно-геологических изысканий в соответствии с требованиями
СП 22.13330 в зависимости от типов грунтов, подстилающих дорожную одежду. При отсутствии данных инженерно-геологических изысканий
zпр.ср принимают равной средней глубине промерзания грунтов для данного района, определяемой с использованием карт изолиний [см. ГОСТ Р 71244-2024
(приложение Д)].
10.9 Коэффициент, зависящий от глубины промерзания дорожной конструкции, принимают равным 1 при глубине промерзания zпр до 2,0 м включительно и определяемым при глубине промерзания свыше 2,0 до 3,0 м по формуле
Kz пр =
a +
b(
zпр -
c), (25)
где a, b, c - коэффициенты, которые при глубине промерзания дорожной конструкции zпр св. 2,0 до 2,5 м равны 1,00; 0,16 и 2,00 соответственно, а при глубине промерзания дорожной конструкции zпр св. 2,5 до 3,0 м равны 1,08; 0,08 и 2,50 соответственно.
10.10 Допускается дополнительно выполнять расчет на морозоустойчивость в соответствии с иными нормативными документами и технической документацией в данной области.
Расчет дорожной одежды с применением теплоизолирующих материалов выполняют по методикам, приведенным в соответствующих нормативных документах и технической документации.
11 Осушение дорожных одежд и грунта рабочего слоя
11.1 Дренирующий слой в конструкциях дорожных одежд со слоями из зернистых материалов на рабочем слое из глинистых грунтов; легкой крупной песчанистой супеси и песчаных грунтов с коэффициентом фильтрации менее 0,5 м/сут необходим:
- в ДКЗ с II по III - для всех схем увлажнения грунта рабочего слоя;
- в ДКЗ IV и V - для третьей схемы увлажнения грунта рабочего слоя.
11.2 Возможны следующие конструктивные решения устройства дренирующего слоя на автомобильных дорогах (см.
рисунок 9):
- дренирующий слой отсыпают на всю ширину земляного полотна с поперечными уклонами от 20 до

, обеспечивающими сток воды на откосы (см.
рисунок 9 а);
- отвод воды осуществляют с помощью продольных геодрен и поперечных выпусков на расстоянии от 50 до 80 м друг от друга в зависимости от продольных уклонов на дороге (см.
рисунок 9 б);
- дренирующий слой отсыпают на 1 м шире основания с каждой стороны без водоотводящих устройств (см.
рисунок 9 в). Данный случай допускается применять для облегченных типов дорожных одежд.
а - устройство дренирующего слоя на всю ширину
земляного полотна
б - устройство дренирующего слоя на ширину проезжей части
и краевых полос с отводом воды по дренажным трубам
в - устройство дренирующего слоя на ширину проезжей части
и краевых полос без устройства водоотводных устройств
B - ширина земляного полотна; H - высота насыпи;
h - возвышение низа дренирующего слоя или труб-дрен
над поверхностью земли или уровнем воды; b - ширина проезжей
части от оси до краевой полосы; a - ширина краевой полосы
(0,5 м); c - расстояние от краевой полосы до бровки
земляного полотна
Рисунок 9 - Конструктивные решения дренирования
дорожной одежды
На
рисунке 9 расстояние
h от низа дренирующего слоя или от низа труб-дрен на откосе до поверхности земли при типе 1 местности по характеру и степени увлажнения, при уровне кратковременно стоящих поверхностных вод (до 30 сут) при типе 2 местности и при уровне длительно стоящих поверхностных вод (более 30 сут) или грунтовых вод при типе 3 местности принимают равным более 0,20 м. Полученная общая высота земляного полотна
H должна быть увязана с руководящей отметкой - рекомендуемой величиной возвышения поверхности покрытия в разных ДКЗ в соответствии с
таблицей 9.
В городских условиях, как правило, применяют конструкцию дренажа с трапецеидальным ровиком (см.
рисунок 10).
1 - дренажная труба; 2 - зона движения свободной воды;
3 - зона движения капиллярной воды; 4 - щебеночная
(песчаная) подготовка под дренажную трубу; L - длина пути
фильтрации; b1 - ширина ровика поверху; b2 - ширина ровика
понизу; h0 - уровень воды в трубе-дрене; hпод - толщина
слоя щебеночной (песчаной) подготовки под дренажную трубу;
h - глубина ровика от низа трубы-дрены; hк - высота
капиллярного поднятия воды в песчаном слое; hдр - толщина
дренирующего слоя; hнас - толщина слоя, насыщенного водой;
hзап - толщина слоя с капиллярно-связанной водой
Рисунок 10 - Конструкция дренажа с ровиком
В рассмотренных конструкциях возможно применение геосинтетических дренирующих материалов, в том числе композиционных. Допускается применение геосинтетических дренажных матов на всю ширину земполотна с выпуском на откосы. Выбор каждого конкретного мероприятия по осушению дорожной конструкции проводят на основе технико-экономического сравнения вариантов.
11.3 Дренажную конструкцию следует проектировать с учетом объема притока воды, поступающей в основание дорожной одежды в расчетный период, фильтрационной способности материала дренирующего слоя и конструкции земляного полотна.
Значительному уменьшению притока поверхностной воды к земляному полотну могут также способствовать монолитные слои из материалов (грунтов), укрепленных вяжущими.
Проектирование мероприятий по осушению дорожной одежды осуществляют в следующей последовательности:
- дорогу разделяют на однородные участки по грунтово-гидрологическим условиям с учетом особенностей конструкции земляного полотна и конструктивного решения по дренированию;
- для однородных участков определяют количество воды, поступающей в основание за сутки и за расчетный период, предусматривая меры по ограничению притока воды в дорожную конструкцию;
- намечают варианты дренажных конструкций;
- обосновывают расчетом толщину дренирующего слоя для данных условий или определяют минимально требуемый коэффициент фильтрации для дренирующего материала в соответствии с
6.11.4 и
6.12.
11.4 В зависимости от конкретных условий дренажную конструкцию автомобильной дороги рассчитывают на работу:
- по принципу поглощения (см.
рисунок 9 в). На участках дорог с многополосной проезжей частью, где невозможно обеспечить длину пути фильтрации
L, менее или равную 10 м, дренирующий слой рассчитают на поглощение всего количества воды, поступающей за весь расчетный период. В этом случае дренирующий слой устраивают на всю ширину земляного полотна (см.
рисунок 9 а).
Значение коэффициента фильтрации устанавливают по данным испытаний применяемого песка. При этом дренирующий слой, работающий по принципу осушения, необходимо устраивать из песков и других пористых материалов с коэффициентом фильтрации не менее 2 м/сут, по принципу поглощения - не менее 1 м/сут.
11.5 Общий приток воды в весеннее время года на 1 м
2 проезжей части
Q и средний приток воды на 1 м
2 проезжей части в сутки
q определяют по
таблице 13.
Таблица 13
Объем воды, поступающей в основание дорожной одежды
ДКЗ | Схема увлажнения рабочего слоя | Объем воды, поступающей в основание дорожной одежды из грунта Q/q |
легкой крупной песчанистой супеси с Kф < 0,5 м/с, легкой песчанистой супеси, пылеватого песка, очень тонкого песка с Kф < 0,5 м/с | легкого песчанистого и тяжелого песчанистого суглинка, глины | легкого пылеватого и тяжелого пылеватого суглинка | пылеватой супеси и тяжелой пылеватой супеси |
II | 1 | 15/2,5 | 20/2 | 35/3 | 80/3,5 |
2 | 25/3 | 50/3 | 80/4 | 130/4,5 |
3 | 60/3,5 | 90/4 | 130/4,5 | 180/5 |
III | 1 | 10/1,5 | 10/1,5 | 15/2 | 30/3 |
2 | 15/2 | 25/2 | 30/2,5 | 40/3 |
3 | 25/2,5 | 40/2,5 | 50/3,5 | 60/4 |
IV и V | 3 | 20/2 | 20/2 | 30/2,5 | 40/3 |
Примечания 1 В числителе приведен объем воды Q (л/м2) покрытия, поступающей в основание дорожной одежды за весь расчетный период, в знаменателе q (л/(м2·сут)). 2 Для насыпей, возведенных из непылеватых грунтов, высотой более требуемой (см. таблицу 9) в ДКЗ II принимают средний приток воды на 1 м 2 проезжей части в сутки q, равный 1,5 л/(м 2·сут). 3 При наличии разделительной полосы для участков, проходящих в нулевых отметках, насыпей высотой менее требуемой (см. таблицу 9) в ДКЗ II, расчетные значения среднего притока воды на 1 м 2 проезжей части в сутки q повышают на 20%. |
11.6 Для дренирующего слоя, работающего по принципу осушения, расчетный приток воды в дренирующий слой qр, м3/сут на 1 м2 проезжей части, вычисляют по формуле
qр =
qKпикKгKвогKр/1000, (26)
где
q - средний приток воды, л на 1 м
2 проезжей части в сутки (см.
таблицу 13);
Kпик - коэффициент "пик", учитывающий неустановившийся режим поступления воды из-за неравномерного оттаивания и выпадения атмосферных осадков (см.
таблицу 14);
Kг - коэффициент гидрологического запаса, учитывающий снижение фильтрационной способности дренирующего слоя в процессе эксплуатации дороги (см.
таблицу 14);
Kвог - коэффициент, учитывающий накопление воды в местах изменения продольного уклона;
Kр - коэффициент, учитывающий снижение притока воды при принятии специальных мер по регулированию водно-теплового режима (см.
таблицу 15).
Таблица 14
Значения коэффициента "пик"
Kпик и коэффициента
гидрологического запаса Kг
ДКЗ | Схема увлажнения | Kпик для грунтов | Kг для пылеватых грунтов |
непылеватых | пылеватых |
II | 1 | 1,5 | 1,5 | 1,0/1,0 |
2 | 1,5 | 1,6 | 1,2/1,2 |
3 | 1,6 | 1,7 | 1,3/1,2 |
III | 1 | 1,4 | 1,5 | 1,0/1,0 |
2 | 1,4 | 1,5 | 1,1/1,0 |
3 | 1,5 | 1,6 | 1,2/1,1 |
IV и V | 3 | 1,5 | 1,3 | 1,1/1,0 |
Примечания 1 Для непылеватых грунтов Kг = 1,0. 2 В числителе указаны значения Kг - для дорог категорий I и II, в знаменателе - для категорий III и IV. |
Таблица 15
Значения коэффициента
Kр, учитывающего снижение притока воды
в дренирующий слой
Мероприятие | Схема увлажнения | Kр для грунта рабочего слоя |
легкой песчанистой супеси, очень тонкого песка | легкого песчанистого суглинка | тяжелого песчанистого суглинка, глины |
Укрепление обочин | 1 | 0,70 | 0,75 | 0,80 |
2 и 3 | 0,85 | 0,95 | 0,95 |
Устройство монолитных слоев основания, укрепление верхней части рабочего слоя с содержанием воздушных пустот материала до 5% | 1 | 0,80 | 0,80 | 0,80 |
2 и 3 | 0,90 | 0,90 | 0,90 |
Устройство монолитных слоев основания, укрепление верхней части рабочего слоя с содержанием воздушных пустот материала от 5% до 10% | 1 | 0,90 | 0,90 | 0,90 |
2 и 3 | 0,95 | 0,95 | 0,95 |
Примечания 1 При применении пылеватых грунтов коэффициент Kр = 1,0. 2 Если предусмотрено несколько мероприятий, то каждое из них учитывают в отдельности по формуле (26). |
Коэффициент
Kвог определяют при одинаковых направлениях продольных уклонов на продольном профиле по номограмме (см.
рисунок 11), а при встречных уклонах - по формуле
Kвог = 1 + (Kф(Tзап + 1)(i1 + i2))/2n, (27)
где Kф - коэффициент фильтрации, м/сут;
Tзап - средняя продолжительность запаздывания работы водоотводящих устройств, принимаемая в ДКЗ II равной от 4 до 6 сут, в ДКЗ III - от 3 до 4 сут (большие значения для мелких песков);
i1 и i2 - абсолютная величина уклонов, доли единицы;
n - пористость материала в уплотненном состоянии, в долях единицы, определяемая при наличии лабораторных данных по ГОСТ 33063-2014
(пункт Б.27); при отсутствии лабораторных данных: для песков гравелистых, очень крупных, повышенной крупности, крупных и средних
n = 0,32 - 0,35; для песков мелких
n = 0,36 - 0,40.
i1 и i2 - продольные уклоны выше и ниже перелома продольного
профиля; Kф - коэффициент фильтрации, м/сут; n - пористость
дренирующего слоя в долях единицы (значения уклонов
принимают по абсолютной величине)
Рисунок 11 - Номограмма для определения коэффициента
Kвог,
учитывающего накопление воды в местах изменения
вогнутого профиля
11.7 Полную толщину дренирующего слоя по способу осушения
hдр (см.
рисунок 12) вычисляют по формуле
где hнас - толщина слоя полностью насыщенного водой, м;
hзап - дополнительная толщина слоя, зависящая от капиллярных свойств материала: для песков гравелистых, очень крупных, повышенной крупности и крупных hзап составляет 0,10 м; для средних песков - 0,15 м; для мелких песков - 0,20 м.
1 - слои покрытия; 2 - дренирующий слой; 3 - труба-дрена;
4 - кривая депрессии; L - длина пути фильтрации;
hдр - толщина дренирующего слоя; hнас - толщина слоя,
насыщенного водой; hзап - толщина слоя
с капиллярно-связанной водой; h0 - уровень воды
в трубе-дрене
Рисунок 12 - Схема работы дренирующего слоя
Во всех случаях полную толщину дренирующего слоя hдр следует принимать не менее 0,20 м.
11.8 Для дренирующего слоя, работающего по принципу осушения, толщину слоя, полностью насыщенного водой, hнас устанавливают в зависимости от длины пути фильтрации L и расчетной величины притока воды qр.
Для мелких, средних и крупных песков с коэффициентом фильтрации менее 10 м/сут расчет выполняют по номограмме, представленной на
рисунке 13.
i - поперечный уклон низа дренирующего слоя; L - длина пути
фильтрации; q' - погонный приток воды; Kф - коэффициент
фильтрации песка, м/сут
Рисунок 13 - Номограмма для расчета толщины дренирующего
слоя, полностью насыщенного водой, hнас из мелких, средних
и крупных песков с коэффициентом фильтрации менее 10 м/сут
При односкатном поперечном профиле погонный приток воды q', м3/сут на 1 м длины дороги, определяют по формуле
q' = qрB. (29)
При двускатном поперечном профиле погонный приток воды q', м3/сут на 1 м длины дороги, определяют по формуле
q' = 0,5qрB, (30)
где qр - расчетный объем притока воды;
B - ширина проезжей части, м.
Необходимую толщину слоя, полностью насыщенного водой,
hнас определяют по ординате
a (см.
рисунок 13) по формуле
hнас = aL/3,5, (31)
где
a - ордината, снятая с графика (см.
рисунок 13);
L - длина пути фильтрации, равная половине ширины дренирующего слоя при двускатном поперечном профиле и полной его ширине - при односкатном поперечном профиле.
Для крупных песков с коэффициентом фильтрации более 10 м/сут толщину дренирующего слоя, полностью насыщенного водой,
hнас определяют по
рисунку 14.
i - поперечный уклон низа дренирующего слоя; L - длина пути
фильтрации; qр - расчетный объем притока воды, м3/м2
в сутки; Kф - коэффициент фильтрации песка, м/сут
Рисунок 14 - Номограмма для расчета толщины дренирующего
слоя, полностью насыщенного водой, hнас из крупных песков
с коэффициентом фильтрации более 10 м/сут
11.9 По принципу поглощения рассчитывают толщину дренирующего слоя для конструктивного решения, показанного на
рисунке 9 в.
Полную толщину дренирующего слоя hдр, работающего по принципу поглощения, вычисляют по формуле, основанной на сравнении объема воды, подлежащего размещению, и объема свободных пор в материале дренирующего слоя

(32)
где
Q - расчетное количество воды, накапливающейся в дренирующем слое за весь расчетный период, л/м
2 (см.
таблицу 13);

- коэффициент заполнения пор влагой в материале дренирующего слоя к началу оттаивания, определяемый по
таблице 16.
Таблица 16
Значение коэффициента

Толщина дренирующего слоя hдр, м | Значение коэффициента  для ДКЗ II при пористости n |
0,40 | 0,36 | 0,32 | 0,28 |
До 0,1 | 0,49 | 0,59 | 0,68 | 0,78 |
0,2 | 0,43 | 0,52 | 0,62 | 0,71 |
0,3 | 0,37 | 0,46 | 0,55 | 0,65 |
0,4 | 0,30 | 0,40 | 0,49 | 0,58 |
0,5 и более | 0,24 | 0,33 | 0,42 | 0,51 |
Примечания 1 Промежуточные значения  определяют по интерполяции в зависимости от пористости песка и толщины дренирующего слоя. 2 В ДКЗ III величину  следует уменьшить на 20%. 3 В ДКЗ IV и V величину  принимают равной 0. |
11.10 Дренирующий слой в дренажной конструкции с углубленными продольными ровиками (см.
рисунок 12), усиливающими процесс движения воды в мелком и среднем песке, рассчитывают с использованием номограмм, представленных на
рисунке 15.
L - длина пути фильтрации; qр - расчетный объем
притока воды, м3/м2 в сутки;
Kф - коэффициент фильтрации материала, м/сут;

- уклон низа дренирующего слоя,
i = 0,02;

- уклон низа дренирующего слоя,
i = 0,04
Рисунок 15 - Номограмма для расчета дренирующего слоя
в конструкции с углубленными продольными ровиками
По номограммам (см.
рисунок 15) получают сразу полную толщину дренирующего слоя
hп в зависимости от крупности песка, расчетного объема притока воды в дренирующий слой
qр, коэффициента фильтрации материала дренирующего слоя
Kф, длины пути фильтрации
L и поперечного уклона низа дренирующего слоя
i.
Для более точных расчетов дренажной конструкции с углубленными продольными ровиками (см.
рисунок 10) используют формулу для расчета коэффициента фильтрации, в которой учитывают конструктивные особенности конструкции

(33)
где L - длина пути фильтрации, м;
qр - расчетный объем притока воды, м3/м2 в сутки;

- разность напоров, м, вычисляемых по формуле

(34)
здесь i - поперечный уклон низа дренирующего слоя, доли единицы;
L - длина пути фильтрации, равная расстоянию от оси дороги при двухскатном профиле до внутренней бровки ровика, м;
h - глубина ровика до низа дрены, равная 0,7hк (высоты капиллярного поднятия воды в материале дренирующего слоя), м; hк принимают 0,5 для мелкого песка и 0,4 для среднего песка;
h0 - глубина фильтрационного потока в дренирующем слое непосредственно у продольной дрены; для средних песков h0 = 0,03 м, для мелких песков h0 = 0,05 м;
hнас - толщина слоя, полностью насыщенного водой, м;
hзап - дополнительная толщина дренирующего слоя, м;

- коэффициент расхода воды в капиллярной зоне; для мелких песков

, а для средних и крупных песков

.
11.11 Пример расчета конструкции дорожных одежд на прочность, морозоустойчивость и осушение представлен в
приложении Е.
12 Дорожные одежды на обочинах, разделительных полосах, переходно-скоростных полосах, остановках, пересечениях в одном уровне, на подходах к пересечениям с железнодорожными путями, стоянках, площадках отдыха, на местных проездах вдоль основной дороги, съездах развязок, тротуарах, пешеходных улицах, площадях и велодорожках
12.1 Дорожные одежды на обочинах, разделительных полосах, переходно-скоростных полосах и остановках
12.1.1 Обочины укрепляют для обеспечения защиты от размыва поверхностными водами, загрязнения и разрушения под воздействием нагрузки от транспортных средств.
12.1.2 В пределах ширины обочины дорожную одежду устраивают в соответствии с
ГОСТ Р 52399:
- на краевой полосе у обочины, служащей упором для дорожных одежд проезжей части дороги на дорогах категорий II - IV;
- на остановочной полосе, предназначенной для вынужденной остановки автомобилей на дорогах категории I;
- на укрепленной части обочины на дорогах категорий II - IV.
На разделительной полосе на дорогах категорий I и II (при четырех полосах движения) дорожную одежду устраивают на ширину в соответствии с
ГОСТ Р 52399.
12.1.3 Конструкция укрепления и используемые материалы должны обеспечивать заезд на обочину транспортных средств с расчетной нагрузкой.
12.1.4 При новом строительстве, реконструкции, а также капитальном ремонте в случае уширения проезжей части краевые полосы у обочины и на разделительной полосе устраивают совместно с уширяемой проезжей частью, и они должны иметь ту же конструкцию что и на проезжей части.
12.1.5 При капитальном ремонте в случае невозможности обеспечения одинаковой конструкции дорожной одежды на краевой полосе обочин, краевой полосе разделительной полосы конструкцию дорожной одежды следует устраивать одинаковой прочности (в пределах расхождения +/- 5% по общему модулю упругости) с дорожной одеждой на основной проезжей части.
12.1.6 Дорожные одежды остановочных полос на автомобильных дорогах категории I устраивают одинаковой конструкции с проезжей частью.
12.1.7 Дорожные одежды на укрепленной части обочины на дорогах категорий II - IV, остановках и переходно-скоростных полосах рассчитывают по всем критериям прочности, аналогично дорожным одеждам проезжей части, с добавлением расчета на статическую нагрузку. В качестве расчетных параметров принимают ту же расчетную нагрузку и коэффициенты надежности, что и при расчете дорожной одежды основной проезжей части.
Расчет интенсивности на укрепленной части обочины и остановках выполняют в соответствии с
7.2 и
7.3 с коэффициентом
fпол = 0,01. При расчете дорожной одежды на укрепленной части обочины и остановках требования
6.5 в части уменьшения расчетной толщины ВСП не предъявляют.
На остановках и переходно-скоростных полосах допускается устройство дорожной одежды с конструкцией основной проезжей части.
12.1.8 Дорожная одежда краевых и остановочных полос, укрепленной части обочины, остановок и переходно-скоростных полос должна быть конструктивно увязана (в том числе с учетом дополнительных слоев основания) с дорожной одеждой на проезжей части и проверена расчетом.
Материалы слоев покрытия проезжей части, краевых и остановочных полос, укрепленной части обочины, остановок и переходно-скоростных полос при их совместном устройстве рекомендуется принимать одинаковыми (в случае асфальтобетона - типы и виды смеси, применяемое вяжущее).
12.1.9 Покрытия укрепленной части обочины автомобильных дорог, проходящих через населенные пункты, рекомендуется выполнять из материалов, содержащих вяжущее для исключения пылеобразования.
12.2 Дорожные одежды на подходах к пересечениям с железнодорожными путями и пересечениях в одном уровне
Дорожные одежды на подходах к пересечениям с железнодорожными путями и пересечениях в одном уровне рассчитывают по всем критериям прочности, аналогично дорожным одеждам проезжей части, с добавлением расчета на статическую нагрузку. В качестве расчетных параметров принимают ту же расчетную нагрузку и коэффициенты надежности, что и при расчете дорожной одежды основной проезжей части.
12.3 Дорожные одежды на стоянках и площадках отдыха
Дорожные одежды на стоянках и площадках отдыха рассчитывают только на воздействие статической нагрузки.
В качестве расчетных параметров принимают ту же расчетную нагрузку и коэффициенты надежности, что и при расчете основной проезжей части для дороги соответствующей категории и типа дорожной одежды, но не более 0,95.
12.4 Дорожные одежды на местных проездах вдоль основной дороги, съездах развязок
Расчет выполняют по всем критериям прочности. Расчетную нагрузку и коэффициенты прочности принимают как для дороги, соответствующей категории по расчетной интенсивности движения, но для коэффициента надежности не более 0,95.
При одностороннем движении по съезду (местному проезду) расчетную интенсивность движения для определения соответствующей категории дороги следует увеличивать вдвое.
12.5 Дорожные одежды тротуаров, пешеходных улиц, площадей и велодорожек
Дорожные одежды тротуаров, пешеходных улиц, площадей и велодорожек в случае необходимости их механизированной уборки, а также возможного заезда техники экстренных служб (пожарной и др.) проверяют расчетом только на воздействие статической нагрузки.
Расчет дорожных одежд тротуаров, пешеходных улиц, площадей и велодорожек выполняют для расчетной нагрузки и уровня надежности, применяемых при расчете дорожных одежд облегченного или переходного типа и категории в соответствии с
таблицами 5 и
6.
При использовании уборочной техники, а также техники экстренных служб с известными параметрами нагружения расчет допускается выполнять с их учетом.
При проектировании тротуаров, пешеходных улиц, площадей и велодорожек требования к рабочему слою по
6.13.1 и исключению верхней части ВСП из расчета согласно
6.5 не предъявляют.
12.6 Дорожные одежды на элементах, представленных в
12.1 -
12.5, должны быть проверены на морозоустойчивость и осушение в соответствии с
разделами 10 и
11.
13 Проектирование слоев усиления дорожных одежд
13.1 Усиление дорожных одежд необходимо, если коэффициент прочности
<1> при расчете по критерию допускаемого упругого прогиба в расчетный период года менее 1.
--------------------------------
<1> Если информация о минимальном требуемом общем модуле упругости, необходимом для расчета коэффициента прочности, предусмотренного в исходной проектной документации участка автомобильной дороги, отсутствует, то допускается принимать его значение в соответствии с
таблицей 7 либо при наличии информации о фактической интенсивности выполнять расчет по
формуле (9).
Усиление дорожных одежд проводят в рамках ремонтов, капитальных ремонтов и реконструкции:
- с целью улучшения транспортно-эксплуатационных характеристик и увеличения прочности конструкций дорожных одежд без изменения категории дороги;
- в случаях, когда по результатам оценки прочности одежды с учетом дальнейшего роста интенсивности движения можно ожидать прогрессирующего разрушения дорожной одежды в ближайшее время.
Как правило, в этих случаях существующую дорожную одежду усиливают путем устройства одного или нескольких слоев усиления из асфальтобетона с использованием существующей конструкции дорожной одежды в качестве основания после выравнивания поперечного и продольного профилей путем фрезерования слоев покрытия или устройства выравнивающего слоя из соответствующих материалов.
При проектировании усиления в рамках выполнения капитального ремонта и ремонта рекомендуется учитывать требования
ГОСТ Р 59201.
13.2 Тип нового покрытия не должен быть менее совершенным, чем покрытие усиливаемых дорожных одежд.
При переводе дорог низких категорий в более высокие существующие дорожные одежды частично разбирают и поверх них укладывают несколько слоев основания и покрытия. Как правило, при этом уширяют проезжую часть и земляное полотно. На участках уширения проезжей части устраивают новую конструкцию дорожных одежд, соответствующую всем критериям прочности.
13.3 Мероприятия по усилению дорожных одежд назначают с использованием основных положений, изложенных применительно к конструированию новых дорожных одежд, но с учетом следующих особенностей:
- устройство слоев усиления из асфальтобетона поверх существующего асфальтобетонного покрытия предусматривают при отсутствии на участках усиления повреждений дорожного покрытия с оценкой менее 3,5 балла по ГОСТ Р 59918-2021
(таблица Б.1);
- при наличии повреждений дорожного покрытия с оценкой менее 3,5 балла предпочтительны варианты дорожной одежды с разборкой существующего покрытия и усилением (при необходимости - заменой) нижележащих слоев основания либо полной заменой дорожной одежды.
13.4 В качестве исходных данных для расчета усиления необходимо использовать результаты инструментальных испытаний по оценке прочности конструкции в целом и отдельных конструктивных слоев в соответствии с
ГОСТ Р 59918.
При выполнении работ с целью решения вопроса об усилении существующих дорожных одежд (ремонт, капитальный ремонт, реконструкция) шаг измерений рекомендуется принимать не более 100 м по протяжению участка (минимально 10 измерений на 1 км в одном направлении).
Конструкции усиления разрабатываются в пределах характерных участков. Характерный участок - однотипный участок автомобильной дороги, в пределах которого не наблюдается изменений проектной конструкции дорожной одежды, интенсивности движения и состояния покрытия по видам дефектов. Протяженность характерного участка принимают не менее 500 м. Количество испытаний на характерном участке рекомендуется принимать в соответствии с коэффициентом надежности проектируемой автомобильной дороги по
таблице 17.
Таблица 17
Рекомендуемое количество испытаний по оценке прочности
в зависимости от коэффициента надежности
Расчетный коэффициент надежности дорожной одежды | Количество измерений на характерном участке |
0,95 и более | 25 и более |
0,85 - 0,94 | 20 |
0,82 - 0,84 | 12 |
Для характерных участков с малым протяжением, когда указанное количество измерений в
таблице 17 приводит к уменьшению шага измерений ниже 100 м, допустимо:
- при их лучшем состоянии по визуальной оценке по ГОСТ Р 59918-2021
(таблица Б.1) по сравнению со смежными участками по результатам визуального обследования принимать шаг измерений 100 м;
- при их худшем состоянии по визуальной оценке по ГОСТ Р 59918-2021
(таблица Б.1) по сравнению со смежными участками по результатам визуального обследования принимать шаг измерений 50 м.
Значение фактического общего модуля упругости дорожной одежды

, принимаемое при дальнейшем расчете толщины слоев усиления, рассчитывают (в соответствии с методикой
ГОСТ Р 59918) и с учетом надежности по формуле

(35)
где

- среднее значение модуля упругости на характерном участке, МПа;
VR - коэффициент вариации, определяемый как отношение среднеквадратического отклонения s, общих модулей упругости, замеренных на характерном участке, определяемого по
формуле (36), к среднему значению общего модуля упругости

на характерном участке;
t - коэффициент нормированного отклонения, значение которого принимают для заданного уровня проектной надежности усиленной конструкции, принимаемый по
таблице 18, в зависимости от количества испытаний.
Таблица 18
Нормированное отклонение для различных уровней надежности
Количество измерений | Нормированное отклонение t для уровня проектной надежности |
0,82 - 0,85 | 0,90 | 0,95 | 0,98 |
12 | 1,08 | - | - | - |
20 | 1,06 | 1,32 | - | - |
25 и более | 1,06 | 1,32 | 1,71 | 2,19 |
Для характерных участков с малым протяжением, когда указанное количество измерений в
таблице 17 приводит к уменьшению шага, нормированное отклонение
t принимают для соответствующего коэффициента надежности для случая "25 измерений и более".
Среднеквадратическое отклонение s рассчитывают по формуле

(36)
где n - количество испытаний.
13.5 Расчет слоев усиления выполняют следующим образом:
- для капитальных и облегченных дорожных одежд по результатам инструментальных испытаний по оценке прочности конструкции в целом и отдельных конструктивных слоев в соответствии с
ГОСТ Р 59918. Толщины слоев усиления следует назначать на основе расчета по критерию допускаемого упругого прогиба всей конструкции с доведением значений коэффициентов прочности до значений, приведенных в
таблице 5. Расчет на усталостное разрушение от растяжения при изгибе (по номограммам, представленным на
рисунках Е.51 и
Е.52 приложения Е) и по условию сдвигоустойчивости следует выполнять только для вновь устраиваемых слоев;
- для дорожных одежд переходного типа допускается проектировать слои усиления на основе материалов обследований, содержащих результаты измерения толщин в соответствии с
ГОСТ Р 58349 всех конструктивных слоев одежды, характеристику их состояния и качества, сведения о виде грунта земляного полотна и об условиях его увлажнения. В этом случае толщины слоев усиления дорожной одежды следует назначать на основе расчета по всем критериям прочности.
Значения коэффициентов прочности принимают по
таблице 5.
При усилении существующей конструкции требование к рабочему слою по
6.13 не предъявляют.
13.6 Значение фактического общего модуля упругости дорожной одежды для назначения ремонтных мероприятий и их приоритизации на сети автомобильных дорог должно быть подтверждено соответствующими расчетами.
13.7 Сроки усиления дорожных одежд необходимо определять на основании технико-экономического сравнения вариантов. Если усиление одежды в данное время экономически нецелесообразно, то на участках дорог с недостаточной прочностью дорожной одежды следует ограничить движение транспортных средств в периоды года, неблагоприятные по условиям увлажнения земляного полотна.
13.8 При усилении дорожных одежд должны быть соблюдены условия:
- вместо усовершенствованных облегченных или переходных дорожных покрытий могут быть назначены более совершенные покрытия. Материал дорожного покрытия должен обеспечивать требуемые сцепные свойства и обладать устойчивостью к возникновению сдвигов, наплывов, колейности и волн при высоких температурах;
- толщины слоев усиления должны быть не менее значений, указанных в
ГОСТ Р 59120. В противном случае следует рассмотреть вариант применения другого материала для слоя усиления, из которого допускается устраивать более тонкий слой. При необходимости предусматривают два слоя усиления, нижний слой усиления устраивают из менее прочных и дорогостоящих материалов, чем верхний слой.
(справочное)
ПРИМЕРЫ ПОПЕРЕЧНЫХ ПРОФИЛЕЙ АВТОМОБИЛЬНЫХ ДОРОГ
РАЗЛИЧНЫХ КАТЕГОРИЙ
Примечание - Конструкция узла 1 приведена на
рисунке А.3.
1 - укрепление откоса и прибровочной части земляного
полотна; 2 - присыпная обочина; i1 - уклон проезжей части;
i2 - уклон прибровочной части обочины; iзп - уклон верха
земляного полотна
Рисунок А.1 - Поперечные профили автомобильных дорог
категорий IА, IБ, IВ
Примечание - Конструкция узла 1 приведена на
рисунке А.3.
1 - укрепление откоса и прибровочной части земляного
полотна; 2 - присыпная обочина; 3 - укрепление
обочины; i1 - уклон проезжей части; i2 - уклон прибровочной
части обочины; i3 - уклон укрепленной части обочины;
iзп - уклон верха земляного полотна
Рисунок А.2 - Поперечные профили автомобильных дорог
категории II с четырьмя полосами движения
1 - ВСП; 2 - НСП; 3 - ВСО; 4 - слой основания;
5 - дополнительный слой основания; 6 - грунт рабочего слоя
земляного полотна; 7 - основание укрепления
разделительной полосы
Рисунок А.3 - Узел 1 автомобильных дорог IА, IБ, IВ и II
категорий с четырьмя полосами движения
Примечание - Конструкция узла 2 приведена на
рисунке А.7.
1 - укрепление откоса и прибровочной части земляного
полотна; 2 - присыпная обочина; 3 - укрепление
обочины; i1 - уклон проезжей части; i2 - уклон прибровочной
части обочины; i3 - уклон укрепленной части обочины;
iзп - уклон верха земляного полотна
Рисунок А.4 - Поперечный профиль автомобильных дорог
категории II с двумя полосами движения
Примечание - Конструкция узла 2 приведена на
рисунке А.7.
1 - укрепление откоса и прибровочной части земляного
полотна; 2 - присыпная обочина; 3 - укрепление
обочины; i1 - уклон проезжей части; i2 - уклон прибровочной
части обочины; i3 - уклон укрепленной части обочины;
iзп - уклон верха земляного полотна
Рисунок А.5 - Поперечный профиль автомобильных дорог
категории III
Примечание - Конструкция узла 2 приведена на
рисунке А.7.
1 - укрепление откоса и прибровочной части земляного
полотна; 2 - присыпная обочина; 3 - укрепление обочины;
i1 - уклон проезжей части; i2 - уклон прибровочной части
обочины; i3 - уклон укрепленной части обочины; iзп - уклон
верха земляного полотна
Рисунок А.6 - Поперечный профиль автомобильных дорог
категории IV
1 - ВСП; 2 - НСП; 3 - ВСО (необходимость устройства
на дорогах категории IV обосновывается результатами
расчета); 4 - слой основания; 5 - дополнительный слой
основания; 6 - грунт рабочего слоя земляного полотна
Рисунок А.7 - Узел 2 автомобильных дорог категорий
II - IV с двумя полосами движения
(справочное)
МЕТОДИКА И ПРИМЕР ОПРЕДЕЛЕНИЯ УСЛОВИЙ ДВИЖЕНИЯ
ПРИ НАЗНАЧЕНИИ ВИДА АСФАЛЬТОБЕТОННОЙ СМЕСИ
В зависимости от суммарного количества приложений расчетной нормативной нагрузки АК-11,5 (115 кН на ось) за расчетный срок службы конструктивного слоя дорожной одежды асфальтобетонные смеси могут быть запроектированы для различных условий движения.
Асфальтобетонные смеси АВ, АН и АО по
ГОСТ Р 58406.2 могут быть запроектированы для следующих условий движений:
- Л - смеси для дорог с легкими условиями движения (до 0,5 млн приложений расчетной нормативной нагрузки АК-11,5);
- Н - смеси для дорог с нормальными условиями движения (от 0,5 до 1,8 млн приложений расчетной нормативной нагрузки АК-11,5);
- Т - смеси для дорог с тяжелыми условиями движения (более 1,8 млн приложений расчетной нормативной нагрузки АК-11,5).
Асфальтобетонные смеси SP по
ГОСТ Р 58401.1 могут быть запроектированы для следующих условий движений:
- Л - смеси для дорог с легкими условиями движения (до 0,5 млн приложений расчетной нормативной нагрузки АК-11,5);
- Н - смеси для дорог с нормальными условиями движения (от 0,5 до 1,8 млн приложений расчетной нормативной нагрузки АК-11,5);
- Т - смеси для дорог с тяжелыми условиями движения (от 1,8 до 5,6 млн приложений расчетной нормативной нагрузки АК-11,5);
- Э - смеси для дорог с экстремально тяжелыми условиями движения (от 5,6 млн приложений расчетной нормативной нагрузки АК-11,5).
Б.2 Определение суммарного числа приложений расчетной нормативной нагрузки 
Б.2.1 Если расчет дорожной одежды выполняют на нагрузку АК-11,5, суммарное количество приложений расчетной нормативной нагрузки АК-11,5 с учетом круглогодичного использования дороги (
Tрдг принимают равным 365 дней) вычисляют по
формуле (4) или
(6) настоящего стандарта. Расчетный срок службы асфальтобетона для слоев покрытия принимают до ремонта, для слоя основания - до капитального ремонта в соответствии с ГОСТ Р 58861-2020
(пункт 5.1, таблица 2).
Б.2.2 Если расчет дорожной одежды выполняют на нагрузку АК-10 или на любую другую нагрузку, отличную от АК-11,5, то коэффициент K перехода к расчетной нагрузке АК-11,5 вычисляют по формуле

(Б.1)
где Qi - расчетная нагрузка, на которую рассчитывается дорожная одежда, отличная от 115 кН;
Qрасч - расчетная нормативная нагрузка 115 кН.
Приведенную интенсивность движения Nр к расчетной нагрузке АК-11,5 вычисляют по формуле
где Ni - интенсивность движения, приведенная к расчетной нагрузке, отличной от 115 кН;
K - коэффициент перехода к расчетной нагрузке АК-11,5.
Б.3 Примеры расчета
Б.3.1 Пример 1
Исходные данные.
Необходимо выбрать асфальтобетонные смеси (по условиям движения) для дорожных одежд капитального типа на автомобильной дороге категории I для следующих исходных данных:
- Qрасч = 115 кН (АК-11,5);
- Nр T = 24 = 1500 ед./сут;
- q = 1,03;
- Tсл = 24 года;
- Tр = 12 лет.
Решение.
Рассчитывают суммарное количество приложений приведенной расчетной нагрузки

для слоев покрытия с учетом круглогодичного пользования за 12 лет (до ремонта) по
формуле (6) настоящего стандарта
Рассчитывают суммарное количество приложений приведенной расчетной нагрузки

для слоя основания с учетом круглогодичного пользования за 24 года (до капитального ремонта) по
формуле (6) настоящего стандарта
Вывод. В соответствии с
Б.1 для данного участка автомобильной дороги с

для слоев покрытия и

для слоя основания следует применять смеси по
ГОСТ Р 58406.2 для слоев покрытия и слоя основания, предназначенные для дорог с тяжелыми условиями движения (Т) или смеси по
ГОСТ Р 58401.1: для слоев покрытия, предназначенных для дорог с тяжелыми условиями движения (Т), для слоя основания, предназначенного для дорог с экстремально тяжелыми условиями движения (Э).
Б.3.2 Пример 2
Исходные данные.
Необходимо выбрать асфальтобетонные смеси (по условиям движения) для дорожных одежд облегченного типа на автомобильной дороге категории IV для следующих исходных данных:
- Qi = 100 кН (АК-10);
- Nр T = 24 = 450 ед./сут;
- q = 1,03;
- Tсл = 24 года;
- Tр = 12 лет.
Решение.
Рассчитывают коэффициент перехода от АК-10 к расчетной нагрузке АК-11,5 по
формуле (Б.1)
Рассчитывают приведенную интенсивность движения к расчетной нагрузке АК-11,5 по
формуле (Б.2)
Nр = 450·0,572 = 258 ед./сут.
Рассчитывают суммарное количество приложений приведенной расчетной нагрузки

для слоев покрытия с учетом круглогодичного пользования за 12 лет (до ремонта) по
формуле (6) настоящего стандарта
Рассчитывают суммарное количество приложений приведенной расчетной нагрузки

для слоя основания с учетом круглогодичного пользования за 24 года (до капитального ремонта) по
формуле (6) настоящего стандарта
Вывод. В соответствии с
Б.1 для данного участка автомобильной дороги с

для слоев покрытия и

для слоя основания следует применять смеси: для слоев покрытия и основания по
ГОСТ Р 58406.2 или смеси по
ГОСТ Р 58401.1, предназначенные для дорог с нормальными условиями движения (Н).
(справочное)
РАСЧЕТНЫЕ ХАРАКТЕРИСТИКИ ГРУНТОВ РАБОЧЕГО СЛОЯ
ЗЕМЛЯНОГО ПОЛОТНА, ПЕСКА И ПЕСЧАНО-ГРАВИЙНЫХ СМЕСЕЙ
В.1 Расчетная относительная влажность грунта зависит от погодно-климатических условий местности, а также от вида грунта, конструкции земляного полотна, применяемых мероприятий по регулированию водно-теплового режима дорожной одежды и земляного полотна и др.
Разновидности грунтов принимают в соответствии с
ГОСТ 33063.
Расчетную относительную влажность связного грунта Wр дорожной одежды вычисляют по формуле

(В.1)
где

- среднее многолетнее значение относительной (в долях от влажности на границе текучести) влажности грунта в наиболее неблагоприятный (весенний) период года в рабочем слое земляного полотна, определяемое по
таблице В.1 в зависимости от ДКЗ и подзоны (см.
рисунок В.1), схемы увлажнения грунта рабочего слоя и типа грунта;

- поправка, равная 0,00 - для участков насыпей и 0,03 - для участков дороги, проходящих в выемке или в низкой насыпи с рабочей отметкой менее руководящей отметки для данного типа грунта и типа местности по характеру увлажнения;

- поправка на особенности рельефа территории, принимаемая для равнинных условий 0,00, предгорных - 0,03, горных - 0,05;

- поправка на конструктивное мероприятие проезжей части и обочин, определяемая по
таблице В.2;
Vr - коэффициент вариации, равный 0,10;
t - коэффициент нормированного отклонения, принимаемый в зависимости от уровня надежности
Kн (см.
таблицу В.3);

- поправка на влияние суммарной толщины слоев из непучинистых материалов дорожной одежды и рабочего слоя, превышающей 0,75 м, определяемая по
рисунку В.2 (если суммарная толщина слоев менее 0,75 м, поправку не принимают).
Таблица В.1
Среднее многолетнее значение относительной влажности грунта
рабочего слоя

ДКЗ - подзона | Схема увлажнения рабочего слоя | Среднее многолетнее значение относительной влажности грунта  (доли от <*>) |
легкая песчанистая супесь | очень тонкий и пылеватый песок | легкий суглинок песчанистый, тяжелый суглинок песчанистый, пылеватый тяжелый суглинок, глина | пылеватая супесь, пылеватая тяжелая супесь, пылеватый легкий суглинок |
II - II1 | 1 | 0,60 | 0,62 | 0,65 | 0,70 |
2 | 0,63 | 0,65 | 0,68 | 0,73 |
3 | 0,65 | 0,67 | 0,70 | 0,75 |
II - II2 | 1 | 0,57 | 0,59 | 0,62 | 0,67 |
2 | 0,60 | 0,62 | 0,65 | 0,70 |
3 | 0,62 | 0,64 | 0,67 | 0,72 |
II - II3 | 1 | 0,63 | 0,65 | 0,68 | 0,73 |
2 | 0,66 | 0,68 | 0,71 | 0,76 |
3 | 0,68 | 0,70 | 0,73 | 0,78 |
II - II4 | 1 | 0,60 | 0,62 | 0,65 | 0,70 |
2 | 0,63 | 0,65 | 0,68 | 0,73 |
3 | 0,65 | 0,67 | 0,70 | 0,75 |
III - III1 | 1 | 0,55 | 0,57 | 0,60 | 0,63 |
2, 3 | 0,59 | 0,61 | 0,63 | 0,67 |
III - III2 | 1 | 0,58 | 0,60 | 0,63 | 0,66 |
2, 3 | 0,62 | 0,64 | 0,66 | 0,70 |
IV | 1 | 0,53 | 0,55 | 0,57 | 0,60 |
2, 3 | 0,57 | 0,58 | 0,60 | 0,64 |
V | 1 | 0,52 | 0,53 | 0,54 | 0,57 |
2, 3 | 0,55 | 0,56 | 0,57 | 0,60 |
<*>  - влажность на границе текучести. |

- границы ДКЗ;

- границы дорожно-климатических подзон
Примечания
1 При обосновании общее дорожно-климатическое районирование территории Российской Федерации может уточняться в рамках отдельных субъектов.
2 Краснодарский край и западную часть Северного Кавказа следует относить к ДКЗ III, Крым - к ДКЗ IV.
3 При проектировании участков дорог в приграничных зонах при обосновании данных о грунтово-гидрологических и почвенных условиях, а также исходя из практики эксплуатации дорог в районе, допускается принимать проектные решения как для смежной (северной или южной) зоны.
4 В горных районах ДКЗ следует определять с учетом высотного расположения объектов проектирования, принимая во внимание природные условия на данной высоте.
5 Разделение на подзоны следует учитывать при определении расчетной влажности при расчетах на прочность и морозоустойчивость дорожных одежд.
Рисунок В.1 - ДКЗ и подзоны Российской Федерации
Таблица В.2
Значение поправки на конструктивные мероприятия
проезжей части и обочин

Номер пункта | Конструктивное мероприятие | Поправка  в ДКЗ |
II | III | IV | V |
| Основание дорожной одежды и грунт рабочего слоя из монолитных слоев: | | | | |
ОМС, обработанные ЩГПС, укрепленный крупнообломочный грунт и песок | 0,04 | 0,04 | 0,03 | 0,03 |
укрепленные супеси | 0,05 | 0,05 | 0,05 | 0,04 |
укрепленные пылеватые пески, тяжелый и легкий суглинок и др. | 0,08 | 0,08 | 0,06 | 0,05 |
2 | Укрепление обочин (не менее 2/3 их ширины): | | | | |
асфальтобетоном или монолитными слоями | 0,05 | 0,04 | 0,03 | 0,02 |
каменными материалами без применения вяжущего (ЩГПС, щебень и т.д.) | 0,02 | 0,02 | 0,02 | 0,02 |
3 | Дренаж с продольными трубчатыми дренами | 0,05 | 0,03 | - | - |
4 | Устройство гидроизолирующих прослоек из полимерных материалов | 0,05 | 0,05 | 0,03 | 0,03 |
5 | Устройство теплоизолирующего слоя, предотвращающего промерзание | Снижение расчетной влажности до полной влагоемкости при требуемом коэффициенте уплотнения грунта Kупл |
6 | Грунт рабочего слоя земляного полотна в "обойме" | Снижение расчетной влажности до оптимальной |
7 | Грунт рабочего слоя, уплотненный до значения коэффициента уплотнения более 1,00 в слое толщиной до 0,5 м от низа дорожной одежды, если он расположен ниже границы промерзания | - | 0,03 | 0,03 | 0,03 |
Примечания 1 При применении нескольких конструктивных мероприятий поправки  допускается суммировать. 2 При наличии нескольких мероприятий в пределах пункта 1 принимают наибольшее значение поправки. |
Таблица В.3
Значения коэффициента нормированного отклонения
t
Коэффициент надежности Kн | 0,70 | 0,75 | 0,80 | 0,82 | 0,85 | 0,90 | 0,92 | 0,95 | 0,98 |
Нормированное отклонение t | 0,52 | 0,68 | 0,84 | 0,93 | 1,06 | 1,32 | 1,48 | 1,71 | 2,19 |
1 - для

;
2 - для

;
3 - для

;
4 - для

Рисунок В.2 - Номограмма для определения поправки
к расчетной относительной влажности

в зависимости
от суммарной толщины слоев из непучинистых материалов
дорожной одежды и рабочего слоя hд.о
Средние значения влажности грунта в
таблице В.1 приведены для суммарной толщины слоев из непучинистых материалов дорожной одежды и рабочего слоя
hд.о до 0,75 м. Если суммарная толщина слоев из непучинистых материалов дорожной одежды и рабочего слоя имеет

толщину, влагонакопление в грунте рабочего слоя за счет грунтовой и поверхностной вод снижается. В этом случае расчетная влажность грунта уменьшается на величину

, определяемую по номограмме (см.
рисунок В.2).
Если расчетная относительная влажность

, указанная в
таблице В.1, более или равна 0,75
Wт, значение поправки

определяют по
рисунку В.2. Если

менее 0,75
Wт, расчетную влажность грунта при суммарной толщине слоев из непучинистых материалов дорожной одежды и рабочего слоя более 0,75 м вычисляют по
формуле (В.1) без учета

.
Если при обследовании грунтов существующей конструкции в расчетный период фактическая относительная влажность грунта
Wф превышает значение расчетной относительной влажности, определенной по
формуле (В.1), то за расчетную относительную влажность принимают
Wф.
В.2 Расчетные механические характеристики связных грунтов:
- модуль упругости - в зависимости от относительной влажности по
таблице В.4;
- угол внутреннего трения

и удельное сцепление грунта
cN - в зависимости от относительной влажности и количества приложений нагрузки за срок службы дорожной одежды по
таблице В.5.
Таблица В.4
Рекомендуемые расчетные значения модулей
упругости связных грунтов
Грунт | Модуль упругости при относительной влажности, МПа |
0,50 | 0,55 | 0,60 | 0,65 | 0,70 | 0,75 | 0,80 | 0,85 | 0,90 | 0,95 |
| 96 | 90 | 84 | 78 | 72 | 66 | 60 | 54 | 48 | 43 |
Легкая песчанистая супесь | 70 | 60 | 56 | 53 | 49 | 45 | 43 | 42 | 41 | 40 |
Пылеватая супесь, тяжелая пылеватая супесь | 108 | 90 | 72 | 54 | 46 | 38 | 32 | 27 | 26 | 25 |
Легкий песчанистый суглинок, тяжелый песчанистый суглинок | 108 | 90 | 72 | 50 | 41 | 34 | 29 | 25 | 24 | 23 |
Легкий пылеватый суглинок, тяжелый пылеватый суглинок | 108 | 90 | 72 | 54 | 46 | 38 | 32 | 27 | 26 | 25 |
Глины | 108 | 90 | 72 | 50 | 41 | 34 | 29 | 25 | 24 | 23 |
Таблица В.5
Рекомендуемые расчетные значения прочностных характеристик
(удельное сцепление
cN и угол внутреннего трения

)
связных грунтов
Относительная влажность | Удельное сцепление cN, МПа, при суммарном числе приложений нагрузки  | Угол внутреннего трения  , град, при суммарном числе приложений нагрузки  |
1 | 103 | 104 | 105 | 106 | 1 | 103 | 104 | 105 | 106 |
Суглинки и глины |
0,60 | 0,030 | 0,030 | 0,016 | 0,014 | 0,012 | 24 | 20 | 14,5 | 11 | 9 |
0,65 | 0,024 | 0,019 | 0,013 | 0,011 | 0,009 | 21 | 15 | 11 | 8 | 7 |
0,70 | 0,019 | 0,013 | 0,009 | 0,007 | 0,006 | 18 | 11,5 | 8,5 | 6,5 | 5,5 |
0,75 | 0,015 | 0,009 | 0,006 | 0,005 | 0,004 | 15 | 10 | 7,5 | 5 | 4 |
0,80 | 0,011 | 0,007 | 0,005 | 0,003 | 0,002 | 13 | 8 | 5 | 3 | 2,5 |
0,90 | 0,008 | 0,004 | 0,004 | 0,002 | 0,001 | 11,5 | 6,5 | 3,5 | 2,2 | 2 |
Супеси (кроме легкой крупной песчанистой), песок очень тонкий по ГОСТ 32824 и пылеватый по ГОСТ 33063 |
0,6 | 0,014 | 0,012 | 0,008 | 0,006 | 0,005 | 36 | 24 | 18 | 14 | 12 |
0,65 | 0,013 | 0,010 | 0,008 | 0,006 | 0,004 | 36 | 23,5 | 17 | 14 | 12 |
0,70 | 0,012 | 0,009 | 0,006 | 0,005 | 0,004 | 35 | 23,5 | 17 | 14 | 12 |
0,75 | 0,011 | 0,008 | 0,005 | 0,004 | 0,003 | 35 | 23 | 17 | 14 | 12 |
0,80 | 0,010 | 0,007 | 0,005 | 0,004 | 0,003 | 34 | 23 | 17 | 14 | 12 |
0,85 | 0,009 | 0,007 | 0,004 | 0,003 | 0,003 | 34 | 22 | 15 | 12 | 10 |
0,90 | 0,008 | 0,004 | 0,003 | 0,003 | 0,003 | 33 | 21 | 12,5 | 10 | 8 |
Примечания 1 Значение прочностных характеристик  и cN при суммарном числе приложения нагрузки  , равном 1, используют при расчете на статическое действие нагрузки и их обозначение принимают как  и cст. 2 При суммарном числе приложения нагрузки  более 10 6 значения прочностных характеристик  и cN следует принимать по графе настоящей таблицы, где суммарное количество приложения нагрузки  равно 10 6. |
Расчетные механические характеристики ПГС, песка (за исключением пылеватого песка) и легкой крупной супеси не зависят от расчетной влажности, и их принимают следующим образом:
- модуль упругости - во всех ДКЗ одинаковым по
таблице В.6;
- удельное сцепление
cN и угол внутреннего трения

- в зависимости от количества приложений нагрузки за срок службы дорожной одежды по
таблице В.7.
Таблица В.6
Рекомендуемые расчетные значения модулей упругости ПГС,
песка и легкой крупной песчанистой супеси
Подвид грунта и ПГС | Модуль упругости, МПа |
| 170 |
| 155 |
| 130 |
Очень крупный, повышенной крупности и крупный песок по ГОСТ 32730. Повышенной крупности и крупный песок по ГОСТ 32824 | 130 |
| 120 |
| 100 |
| 75 |
Легкая крупная песчанистая супесь | 65 |
Примечания 1 В таблице приведены значения модуля упругости для ПГС при содержании гравия 35% и более от массы смеси. 2 Для ПГС при содержании гравия менее 35% от массы смеси расчетные значения модуля упругости следует принимать как для группы песка в данной смеси. |
Таблица В.7
| | ИС МЕГАНОРМ: примечание. Текст дан в соответствии с официальным текстом документа. | |
Прочностные характеристики (сцепление
cN и угол внутреннего
трения

) ПГС, песков и легкой крупной песчанистой супеси
ПГС, песков и легкой крупной супеси | Удельное сцепление cN, МПа, при суммарном числе приложений нагрузки  | Угол внутреннего трения  , градусы, при суммарном числе приложений нагрузки  |
1 | 103 | 104 | 105 | 106 | 1 | 103 | 104 | 105 | 106 |
ПГС | Содержание пылевидных и глинистых частиц, % | 0,03 | 45 |
| до 1% | 0,004 | 0,003 | 0,003 | 0,003 | 0,003 | 35 | 33 | 32 | 31 | 29 |
Очень крупный, повышенной крупности и крупный песок по ГОСТ 32730. Повышенной крупности и крупный песок по ГОСТ 32824 с содержанием пылевато-глинистой фракции | св. 1% до 5% | 0,005 | 0,004 | 0,004 | 0,003 | 0,003 | 34 | 31 | 30 | 29 | 28 |
| до 1% | 0,004 | 0,004 | 0,003 | 0,003 | 0,002 | 32 | 30 | 30 | 28 | 27 |
| св. 1% до 5% | 0,005 | 0,004 | 0,003 | 0,003 | 0,002 | 33 | 30 | 29 | 28 | 26 |
| до 1% | 0,003 | 0,003 | 0,002 | 0,002 | 0,002 | 31 | 28 | 27 | 26 | 25 |
| св. 1% до 5% | 0,005 | 0,004 | 0,004 | 0,004 | 0,003 | 31 | 27 | 26 | 25 | 24 |
Очень мелкий песок по ГОСТ 32824 с содержанием пылевато-глинистой фракции | св. 5% до 8% | 0,006 | 0,005 | 0,004 | 0,003 | 0,002 | 31 | 27 | 26 | 25 | 23 |
Легкая крупная песчанистая супесь. | 0,006 | 0,005 | 0,004 | 0,003 | 0,002 | 31 | 27 | 26 | 25 | 23 |
Примечания 1 Значение прочностных характеристик  и cN при суммарном числе приложения нагрузки  , равном 1, используют при расчете на статическое действие нагрузки и их обозначение принимают как  и cст. 2 При суммарном числе приложения нагрузки  более 10 6 значения прочностных характеристик  и cN следует принимать по графе настоящей таблицы, где суммарное количество приложения нагрузки  равно 10 6. 3 В таблице приведены значения характеристик  и cN для ПГС при содержании гравия 35% и более от массы смеси. 4 Для ПГС при содержании гравия менее 35% от массы смеси расчетные значения модуля упругости следует принимать как для группы песка в данной смеси. |
(справочное)
РАСЧЕТНЫЕ ХАРАКТЕРИСТИКИ МАТЕРИАЛОВ
ДЛЯ УСТРОЙСТВА КОНСТРУКТИВНЫХ СЛОЕВ
Таблица Г.1
Расчетные характеристики ЩГПС, обработанных вяжущими;
грунтов, укрепленных вяжущими; смесей органоминеральных
холодных с использованием вторичного асфальтобетона
Материал | Расчетный модуль упругости E, МПа |
ЩГПС, обработанные неорганическими вяжущими по ГОСТ Р 70455; грунты крупнообломочные, укрепленные неорганическими вяжущими по ГОСТ Р 70452, соответствующие марке |
10 | 400 |
20 | 500 |
40 | 600 |
60 | 800 |
| 870 |
Песчаные грунты, укрепленные неорганическими вяжущими по ГОСТ Р 70452, соответствующие марке |
10 | 200 |
20 | 400 |
40 | 550 |
60 | 700 |
| 870 |
Песчаные грунты, укрепленные неорганическими совместно с органическими вяжущими по ГОСТ Р 70452, соответствующие марке |
10 | 180 |
20 | 300 |
40 | 450 |
60 | 600 |
| 730 |
Супеси, суглинки, укрепленные неорганическими вяжущими по ГОСТ Р 70452, соответствующие марке |
10 | 160 |
20 | 250 |
40 | 400 |
60 | 550 |
| 750 |
Супеси, суглинки, укрепленные неорганическими вяжущими совместно с органическими вяжущими по ГОСТ Р 70452, соответствующие марке |
10 | 150 |
20 | 200 |
40 | 300 |
60 | 450 |
| 600 |
|
вязкими или жидкими органическими вяжущими, в том числе эмульгированными органическими вяжущими | 450 |
жидкими органическими вяжущими совместно с минеральными или эмульгированными органическими вяжущими совместно с минеральными | 700 |
Крупнообломочные, песчаные грунты, все виды супесей, суглинки, укрепленные органическими вяжущими по ГОСТ Р 70453 |
жидкими органическими вяжущими или вязкими, в том числе эмульгированными органическими вяжущими | 350 |
Смеси органоминеральные холодные с использованием вторичного асфальтобетона по ГОСТ Р 70197.1 |
ОМС М | 900 |
ОМС К | 700 |
<*> Материалы, укрепленные неорганическим вяжущим, с маркой по прочности 70, с учетом риска трещинообразования, допускается применять в отдельных случаях при согласовании с заказчиком и наличии положительного опыта применения в регионе строительства. |
Таблица Г.2
Расчетные характеристики фракционного щебня, устроенного
по способу заклинки; каменных мостовых; тротуарной плитки
Материал | Расчетный модуль упругости E, МПа |
Фракционный щебень фракции 31,5 - 63 мм (см. ГОСТ 32703 и ГОСТ 32826 <*>), устроенный по способу заклинки, расклинцованный |
фракционным мелким щебнем | 350 |
мелким активным и высокоактивным шлаком | 400 |
вторичным асфальтобетоном | 450 |
Каменная мостовая |
из колотого камня | 500 |
из булыжного камня | 400 |
Тротуарная плитка |
Бетонные вибропрессованные изделия | |
<*> Для шлакового щебня черной металлургии с маркой по дробимости М400 модуль упругости принимается для слабоактивного 200 МПа, для неактивного - 150 МПа. |
Таблица Г.3
Расчетные характеристики ЩГПС
Материал слоя, мм | Расчетный модуль упругости E, МПа |
ЩПС и ЩПГС для покрытий при максимальном размере зерен (см. ГОСТ Р 70458) |
0 - 31,5 | 260 |
0 - 22,4 | 255 |
ЩПС и ЩПГС для оснований при максимальном размере зерен (см. ГОСТ Р 70458) |
0 - 90 | 280 |
0 - 63 | 275 |
0 - 45 | 265 |
0 - 31,5 | 260 |
0 - 22,4 | 255 |
0 - 11,6 | 250 |
0 - 11,2 | 240 |
0 - 8 | 235 |
ГПС для покрытий при максимальном размере зерен (см. ГОСТ Р 70458) |
0 - 31,5 | 220 |
0 - 22,4 | 210 |
ГПС для оснований при максимальном размере зерен (см. ГОСТ Р 70458) |
0 - 90 | 240 |
0 - 63 | 230 |
0 - 45 | 225 |
0 - 31,5 | 220 |
0 - 22,4 | 210 |
0 - 16 | 200 |
0 - 11,2 | 180 |
0 - 8 | 175 |
Шлаковая ЩПС для оснований из неактивных и слабоактивных шлаков - при максимальном размере зерен (см. ГОСТ Р 58770) |
0/90 | 280 |
0/63 - 1 | 275 |
0/63 - 2 | 275 |
0/31,5 - 1 | 250 |
0/31,5 - 2 | 250 |
0/16 - 1 | 210 |
0/16 - 2 | 210 |
0/8 | 175 |
Шлаковая ЩПС для оснований из активных шлаков - при максимальном размере зерен (см. ГОСТ Р 58770) |
Смеси с наибольшей крупностью зерен свыше 31,5 мм | 400 |
Смеси с наибольшей крупностью зерен до 31,5 мм включительно | 480 |
Шлаковая ЩПС для оснований из высокоактивных шлаков - при максимальном размере зерен (см. ГОСТ Р 58770) |
Смеси с наибольшей крупностью зерен свыше 31,5 мм | 570 |
Смеси с наибольшей крупностью зерен до 31,5 мм включительно | 650 |
Таблица Г.4
Значения кратковременного модуля упругости асфальтобетона
при расчете дорожных одежд по допускаемому упругому прогибу
и условию сдвигоустойчивости
Виды битумных вяжущих | Кратковременный модуль упругости асфальтобетона, МПа, при температуре, °C |
10 | 20 | 30 | 40 | 50 |
1 Асфальтобетоны для устройства слоев покрытий |
|
PG X (от 46,0 до 58,0) - Y (ФАКТ) <*>, <**> | 2600 | 1400 | 850 | 400 | 300 |
PG X (от 58,1 до 70,0) - Y (ФАКТ) <*>, <**> | 3700 | 2350 | 1250 | 550 | 400 |
PG X (от 70,1 до 82,0) - Y (ФАКТ) <*>, <**> | 4250 | 2950 | 1650 | 820 | 520 |
|
БНД 100/130 | 2700 | 1450 | 900 | 450 | 320 |
БНД 70/100 | 3800 | 2450 | 1300 | 600 | 450 |
БНД 50/70 | 4400 | 3050 | 1700 | 850 | 550 |
|
ПБВ 130 | 1750 | 900 | 550 | 300 | 250 |
ПБВ 90 | 2500 | 1350 | 820 | 350 | 300 |
ПБВ 60 | 3550 | 2300 | 1200 | 550 | 400 |
ПБВ 40 | 4100 | 2850 | 1600 | 800 | 500 |
|
PG X (от 34,0 до 46,0) - Y (ФАКТ) <*>, <**> | 1950 | 1020 | 650 | 420 | 250 |
PG X (от 46,1 до 58,0) - Y (ФАКТ) <*>, <**> | 2900 | 1550 | 950 | 550 | 350 |
PG X (от 58,1 до 70,0) - Y (ФАКТ) <*>, <**> | 4100 | 2550 | 1400 | 600 | 450 |
PG X (от 70,1 до 82,0) - Y (ФАКТ) <*>, <**> | 4700 | 3300 | 1800 | 850 | 550 |
|
БНД 130/200 | 2150 | 1100 | 750 | 500 | 300 |
БНД 100/130 | 3000 | 1600 | 1000 | 550 | 350 |
БНД 70/100 | 4150 | 2700 | 1450 | 650 | 500 |
БНД 50/70 | 4800 | 3350 | 1850 | 900 | 600 |
|
ПБВ 130 | 1800 | 950 | 600 | 350 | 300 |
ПБВ 90 | 2800 | 1500 | 900 | 400 | 350 |
ПБВ 60 | 4000 | 2450 | 1350 | 550 | 450 |
ПБВ 40 | 4600 | 3200 | 1750 | 800 | 550 |
2 Асфальтобетоны для устройства слоев оснований <***> |
|
PG X (от 34,0 до 46,0) - Y (ФАКТ) <*>, <**> | 1500 | 750 | 500 | 320 | 220 |
PG X (от 46,1 до 58,0) - Y (ФАКТ) <*>, <**> | 2250 | 1200 | 800 | 400 | 300 |
PG X (от 58,1 до 70,0) - Y (ФАКТ) <*>, <**> | 3150 | 2000 | 1200 | 500 | 400 |
PG X (от 70,1 до 82,0) - Y (ФАКТ) <*>, <**> | 3600 | 2500 | 1500 | 700 | 500 |
|
БНД 130/200 | 1600 | 800 | 550 | 350 | 250 |
БНД 100/130 | 2300 | 1250 | 850 | 450 | 350 |
БНД 70/100 | 3250 | 2100 | 1250 | 550 | 450 |
БНД 50/70 | 3700 | 2550 | 1550 | 750 | 520 |
|
ПБВ 130 | 1400 | 700 | 450 | 300 | 200 |
ПБВ 90 | 2150 | 1150 | 750 | 350 | 300 |
ПБВ 60 | 3050 | 1950 | 1150 | 450 | 350 |
ПБВ 40 | 3500 | 2450 | 1450 | 650 | 450 |
<*> Если значение температурного диапазона эксплуатации R = ( X + | Y|) допустимой к применению фактической марки битумного вяжущего PG X - Y (ФАКТ) (см. ГОСТ Р 71009) с минимальным диапазоном эксплуатации более 95, необходимо понизить расчетный кратковременный модуль упругости на 10%. <**> Марка битумного вяжущего PG X (от ... до ...) - Y (ФАКТ) представлена применительно к ГОСТ Р 58400.1. При расчете конструкции модули упругости применяют исходя из фактической марки битумного вяжущего по ГОСТ Р 58400.1. После расчета конструкции указывают все допустимые к применению марки битумных вяжущих по ГОСТ Р 58400.1 и ГОСТ Р 58400.2, без изменения толщин слоев дорожной одежды. <***> Для нижнего конструктивного слоя из асфальтобетона применяют расчетные характеристики как для слоя основания. |
Таблица Г.5
Характеристики асфальтобетона при расчете на растяжение
при изгибе под кратковременными нагрузками
Виды битумных вяжущих | Кратковременный модуль упругости асфальтобетона, МПа, при температуре 0 °C | Rизг, МПа, при 0 °C | Усталостные коэффициенты |
| |
1 Асфальтобетоны для устройства слоев покрытий |
|
PG X (от 46,0 до 58,0) - Y (ФАКТ) <***>, <*4> | 4500 | 9,3 | 5,0 | 5,4/6,3 |
PG X (от 58,1 до 70,0) - Y (ФАКТ) <***>, <*4> | 5500 | 9,5 | 5,5 | 5,2/5,9 |
PG X (от 70,1 до 82,0) - Y (ФАКТ) <***>, <*4> | 6300 | 9,8 | 6,0 | 5,0/5,6 |
|
БНД 100/130 | 4700 | 9,3 | 5,0 | 5,4/6,3 |
БНД 70/100 | 5700 | 9,5 | 5,5 | 5,2/5,9 |
БНД 50/70 | 6450 | 9,8 | 6,0 | 5,0/5,6 |
|
ПБВ 130 | 3300 | 9,3 | 4,5 | 5,6/6,6 |
ПБВ 90 | 4350 | 9,5 | 5,0 | 5,4/6,3 |
ПБВ 60 | 5300 | 9,8 | 5,5 | 5,2/5,9 |
ПБВ 40 | 6100 | 10,0 | 6,0 | 5,0/5,6 |
|
PG X (от 34,0 до 46,0) - Y (ФАКТ) <***>, <*4> | 3450 | 9,0 | 4,5 | 5,8/6,8 |
PG X (от 46,1 до 58,0) - Y (ФАКТ) <***>, <*4> | 5000 | 9,3 | 5,0 | 5,4/6,3 |
PG X (от 58,1 до 70,0) - Y (ФАКТ) <***>, <*4> | 6100 | 9,5 | 5,5 | 5,2/5,9 |
PG X (от 70,1 до 82,0) - Y (ФАКТ) <***>, <*4> | 7050 | 9,8 | 6,0 | 5,0/5,6 |
|
БНД 130/200 | 3650 | 9,0 | 4,5 | 5,8/6,8 |
БНД 100/130 | 5200 | 9,3 | 5,0 | 5,4/6,3 |
БНД 70/100 | 6400 | 9,5 | 5,5 | 5,2/5,9 |
БНД 50/70 | 7200 | 9,8 | 6,0 | 5,0/5,6 |
|
ПБВ 130 | 3300 | 9,3 | 4,5 | 5,6/6,6 |
ПБВ 90 | 4850 | 9,5 | 5,0 | 5,4/6,3 |
ПБВ 60 | 5950 | 9,8 | 5,5 | 5,2/5,9 |
ПБВ 40 | 6850 | 10,0 | 6,0 | 5,0/5,6 |
2 Асфальтобетоны для устройства слоев оснований <*5> |
|
PG X (от 34,0 до 46,0) - Y (ФАКТ) <***>, <*4> | 2950 | 8,0 | 4,3 | 5,8/6,8 |
PG X (от 46,1 до 58,0) - Y (ФАКТ) <***>, <*4> | 4300 | 8,2 | 4,5 | 5,4/6,3 |
PG X (от 58,1 до 70,0) - Y (ФАКТ) <***>, <*4> | 5200 | 8,5 | 4,7 | 5,2/5,9 |
PG X (от 70,1 до 82,0) - Y (ФАКТ) <***>, <*4> | 5950 | 8,7 | 5,0 | 5,0/5,6 |
|
БНД 130/200 | 3150 | 8,5 | 4,3 | 5,8/6,8 |
БНД 100/130 | 4450 | 8,8 | 4,5 | 5,4/6,3 |
БНД 70/100 | 5450 | 9,0 | 4,7 | 5,2/5,9 |
БНД 50/70 | 6100 | 9,3 | 5,1 | 5,0/5,6 |
|
ПБВ 130 | 2800 | 8,0 | 4,4 | 5,6/6,6 |
ПБВ 90 | 4150 | 8,5 | 4,6 | 5,4/6,3 |
ПБВ 60 | 5050 | 9,0 | 4,8 | 5,2/5,9 |
ПБВ 40 | 5800 | 9,5 | 5,0 | 5,0/5,6 |
<*> В случае устройства монолитных слоев основания под асфальтобетоном, для слоя основания из асфальтобетона рекомендуется применять коэффициент " m" как для слоя покрытия того же типа и на том же битумном вяжущем. <**> Коэффициент  в числителе приведен для ДКЗ II, в знаменателе - для ДКЗ III - V. <***> Если значение температурного диапазона эксплуатации R = ( X + | Y|) допустимой к применению фактической марки битумного вяжущего PG X - Y (ФАКТ) (см. ГОСТ Р 71009) с минимальным диапазоном эксплуатации более 95, необходимо понизить расчетный кратковременный модуль упругости на 10%, а Rизг увеличить на 10%. <*4> Марка битумного вяжущего PG X (от ... до ...) °C Y (ФАКТ) представлена применительно к ГОСТ Р 58400.1. При расчете конструкции модули упругости применяют исходя из фактической марки битумного вяжущего по ГОСТ Р 58400.1. После расчета конструкции указывают все допустимые к применению марки битумных вяжущих по ГОСТ Р 58400.1 и ГОСТ Р 58400.2, без изменения толщин слоев дорожной одежды. <*5> Для нижнего конструктивного слоя из асфальтобетона применяются расчетные характеристики как для слоя основания. |
Таблица Г.6
Расчетные значения модуля упругости асфальтобетона
при расчете на статическую нагрузку
Вид асфальтобетона | Значение модуля упругости при статической нагрузке, МПа, при температуре, °C |
20 | 30 | 40 | 50 |
1 Асфальтобетоны для устройства слоев покрытий |
| 340 | 280 | 240 | 200 |
| 330 | 270 | 230 | 190 |
| 400 | 340 | 290 | 240 |
| 380 | 320 | 270 | 220 |
2 Асфальтобетоны для устройства слоев оснований |
| 390 | 330 | 280 | 230 |
Таблица Г.7
Ориентировочные плотности дорожно-строительных материалов
Материал | Объемная плотность |
кН/м3 | кг/м3 |
Асфальтобетон, ЩМА, SMA | 25,00 | 2500 |
Щебень из изверженных и метаморфических пород | 18,00 | 1800 |
Щебень из осадочных горных пород | 16,00 | 1600 |
Очень крупный, повышенной крупности и крупный песок по ГОСТ 32730. Повышенной крупности и крупный песок по ГОСТ 32824 | 18,00 | 1800 |
| 17,50 | 1750 |
| 17,00 | 1700 |
Пылеватый песок. | 16,50 | 1650 |
Супесь | 18,50 | 1850 |
Суглинок | 19,50 | 1950 |
Глина | 19,50 | 1950 |
ЩПС, ГПС | 20,00 | 2000 |
ЩГПС, обработанные вяжущими; ОМС | 21,00 | 2100 |
Укрепленные крупнообломочные и песчаные грунты | 21,00 | 2100 |
Укрепленные глинистые грунты | 19,00 | 1900 |
Примечания 1 Фактическая плотность материалов может отличаться от ориентировочных значений и зависит от ряда факторов, таких как гранулометрический состав, максимальная плотность материала, степень уплотнения и т.д. 2 Значения плотностей материалов учитывают только в расчетах на прочность и не учитывают для расчетов планируемых объемов работ. |
Таблица Г.8
Документы по стандартизации, регламентирующие требования
к материалам конструктивных слоев дорожных одежд
Материал | Документы по стандартизации |
Асфальтобетон | |
Песок | |
Щебень и гравий из плотных горных пород | |
Шлаковые щебень и песок | |
Шлаковые ЩПС | |
ЩГПС, ЩПС, ГПС | |
ПГС | |
ЩГПС, обработанные неорганическими вяжущими материалами | |
Смеси органоминеральные холодные с использованием вторичного асфальтобетона | |
ЩГПС, обработанные органическими вяжущими | |
Грунты, стабилизированные и укрепленные неорганическими вяжущими | |
Грунты, укрепленные органическими вяжущими | |
Геосинтетические материалы | |
Таблица Г.9
и щебня (гравия), входящего в состав смесей по
ГОСТ Р 70458,
Показатели свойств каменных материалов | Категория автомобильной дороги |
I - III | IV |
Марка по дробимости, не менее | 800 | 600 |
Марка по дробимости шлакового щебня черной металлургии, не менее | 400 | 400 |
Марка по сопротивлению дроблению и износу, не менее | И5 | И6 |
Марка по морозостойкости, не менее, для районов со среднемесячной температурой воздуха наиболее холодного месяца, °C: | | |
- от 0 до минус 5 | F15 | - |
- от минус 5 до минус 15 | F25 | F15 |
- ниже минус 15 | F50 | F25 |
Марка по содержанию зерен пластинчатой (лещадной) и игловатой формы, не ниже | Л25 | Л30 |
Марка по водостойкости для щебня в ЩПС, не ниже | В1 | В2 |
Устойчивость структуры зерен щебня против распадов, потеря массы при распаде, %, не более | 5 | 7 |
Таблица Г.10
и щебня (гравия), входящего в состав смесей по
ГОСТ Р 70458,
Показатели свойств каменных материалов | Категория автомобильной дороги IV |
Марка по дробимости, не менее | 800 |
Марка по дробимости шлакового щебня черной металлургии, не менее | 400 |
Марка по сопротивлению дроблению и износу, не менее | И4 |
Марка по морозостойкости, не менее, для районов со среднемесячной температурой воздуха наиболее холодного месяца, °C: | |
- от 0 до минус 5 | F25 |
- от минус 5 до минус 15 | F25 |
- ниже минус 15 | F25 |
Марка по содержанию зерен пластинчатой (лещадной) и игловатой формы, не ниже | Л25 |
Марка по водостойкости для щебня в ЩПС, не ниже | В1 |
Устойчивость структуры зерен щебня против распадов, потеря массы при распаде, %, не более | 5 |
(справочное)
РЕКОМЕНДАЦИИ ПО РАСЧЕТУ ПАРАМЕТРОВ
НАПРЯЖЕННО-ДЕФОРМИРОВАННОГО СОСТОЯНИЯ
МНОГОСЛОЙНЫХ КОНСТРУКЦИЙ ПРИ ВОЗДЕЙСТВИИ КОЛЕСНЫХ НАГРУЗОК
БЕЗ ПРИВЕДЕНИЯ К ДВУХСЛОЙНЫМ И ТРЕХСЛОЙНЫМ МОДЕЛЯМ
Д.1 Общие положения
Для сравнения параметров НДС, набора статистики и уточнения требуемых коэффициентов прочности допускается выполнение расчета НДС многослойной конструкции в соответствии с
[2].
Изложенные в
[2] алгоритмы определения параметров НДС многослойных конструкций дорожных одежд (содержащих до семи слоев) позволяют проводить расчет без приведения их к упрощенным схемам (двухслойным и трехслойным).
Д.2 Расчет напряжений и смещений в многослойной упругой среде, нагруженной на поверхности осесимметричным круговым штампом с нормальной нагрузкой при спаянном контакте слоев и гладком контакте на двух границах слоев
Д.2.1 Математическая постановка задачи
Расчетной схемой является упругое многослойное (до семи слоев) полупространство, нагруженное на внешней поверхности нормальной осесимметрической нагрузкой. Вводят цилиндрическую систему координат
r,

,
z (рисунок Д.1), в которой первый слой ограничен плоскостями
z = 0;
z =
d1 и имеет толщину
d1. Последующие слои с номерами
i = 2, 3, ... 6 располагают между плоскостями
z =
di-1 и
z =
di, и, следовательно, имеют толщину, равную разности
di =
hi -
hi-1. Последний седьмой слой ограничен сверху плоскостью
z =
H и простирается вниз до бесконечности. Каждый из семи слоев характеризуется модулем упругости
Ei и коэффициентом Пуассона

,
i = 1, 2, ... 7. Нагрузка, действующая на верхний слой, равномерно распределена с интенсивностью
P по площади круга радиуса
r0 с центром в начале координат. Для симметрии следует, что все рассматриваемые ниже характеристики упругой среды зависят только от двух координат:
r и
z.
Необходимо отыскать в каждом слое решения

,
I = 1, 2, ... 7 бигармонического уравнения согласно
[2]:

(Д.1)
Рисунок Д.1 - Расчетная схема семислойного полупространства,
нагруженного осесимметричной нагрузкой
Д.2.2 Практические методы расчета напряжений и деформаций, возникающих в многослойной системе при воздействии осесимметричной нагрузки в виде кругового штампа с помощью решения теории упругости для многослойного полупространства
Д.2.2.1 Исходные данные
Для расчета необходимо задать следующие исходные данные:
- количество слоев дорожной одежды - от 1 до 6. Дорожную одежду подстилают упругим полупространством - слоем 7;
- давление колеса на покрытие P, МПа;
- расчетный диаметр отпечатка колеса D0 при динамическом действии нагрузки, м;
- расчетный диаметр отпечатка колеса Dst при статическом действии нагрузки, м;
- модули упругости материалов слоев и грунта рабочего слоя;
- коэффициенты Пуассона материалов слоев

;
- прочностные характеристики материалов слоев и грунта рабочего слоя;
- координата z расчетной точки по вертикальной оси, считая от верха покрытия, м;
- координата r расчетной точки по горизонтальной оси, считая от оси симметрии отпечатка колеса в виде круга, м.
Значения коэффициентов поперечного расширения (коэффициентов Пуассона)

материалов и грунтов определяют по данным испытаний или принимают в соответствии с действующими нормативными документами и технической документацией, регламентирующими данный показатель.
При отсутствии данных допускается принимать следующие значения коэффициентов Пуассона

:
- для асфальтобетонов, равным 0,25 при температуре 0 °C; 0,30 при 10 °C; 0,35 при 20 °C;
- для материалов из щебеночных и гравийных смесей, обработанных вяжущими - 0,25;
- для неукрепленных материалов из щебня, щебеночных и гравийных смесей - 0,27;
- для песков и супесей - 0,30;
- для суглинков - 0,35;
- для глин - 0,42.
Д.2.2.2 Методика расчета компонентов НДС многослойного полупространства
По результатам расчета определяют следующие данные:
а) при расчете по упругому прогибу на поверхности покрытия:
1) упругий прогиб конструкции Sупр = W[r, z], мм, при r = 0, z = 0;
2) общий модуль упругости конструкции Eобщ, МПа;
б) при расчете грунтов рабочего слоя и слабосвязных слоев основания на сдвиг (динамическом действии нагрузки) в точке с координатами r и z при r = 0, z - соответствующей уровню поверхности рассчитываемого слоя, м:
1) нормальное вертикальное напряжение в расчетной точке

;
2) нормальное радиальное напряжение в расчетной точке

;
3) нормальное тангенциальное напряжение в расчетной точке

;
4) касательное напряжение в расчетной точке

;
5) максимальное главное напряжение в расчетной точке

;
6) минимальное главное напряжение в расчетной точке

;
7) активное напряжение сдвига в расчетной точке Tакт[r, z];
в) при расчете монолитных слоев на усталостное разрушение от растяжения при изгибе в точке с координатами r и z при r = 0, z - соответствующей уровню подошвы рассчитываемого слоя, м:
1) нормальное радиальное напряжение в расчетной точке

;
2) нормальное тангенциальное напряжение в расчетной точке

;
г) при расчете грунтов рабочего слоя и слабосвязных слоев основания на сдвиг (статическом действии нагрузки) в точке с координатами r и z при r = 0, z - соответствующей уровню поверхности рассчитываемого слоя, м:
1) нормальное вертикальное напряжение в расчетной точке

;
2) нормальное радиальное напряжение в расчетной точке

;
3) нормальное тангенциальное напряжение в расчетной точке

;
4) касательное напряжение в расчетной точке

;
5) максимальное главное напряжение в расчетной точке

;
6) минимальное главное напряжение в расчетной точке

;
7) активное напряжение сдвига в расчетной точке Tакт[r, z].
В некоторых случаях при расчете грунтов рабочего слоя и слабосвязных слоев основания на сдвиг (при глубине заложения расчетного слоя z < 0,6h/D0, при залегании в основании скальных несжимаемых грунтов, мерзлых грунтов, а также других материалов или грунтов, имеющих более высокое значение модуля упругости, чем модуль упругости рассчитываемого слоя) может потребоваться выполнение поиска точки (путем изменения значений либо только координаты r, либо совместно координат r и z), в которой величина коэффициента прочности по указанному критерию будет иметь минимальное значение.
В некоторых случаях при расчете монолитных слоев на усталостное разрушение от растяжения при изгибе (при глубине заложения расчетного горизонта
z < 0,2
h/
D0) может потребоваться выполнение поиска точки (путем изменения значений координаты
r), в которой величины

или

будут иметь максимальное значение.
Вычисление параметров НДС многослойного полупространства, нагруженного осесимметричным штампом, представляет собой трудоемкий вычислительный процесс, в связи с чем целесообразно использование специализированных математических программных комплексов.
(обязательное)
НОМОГРАММЫ ДЛЯ ОПРЕДЕЛЕНИЯ
НАПРЯЖЕННО-ДЕФОРМИРОВАННОГО СОСТОЯНИЯ
Примечание - Цифры, приведенные на кривых, - отношение Eобщ/Eв.
Рисунок Е.1 - Номограмма для определения общего модуля
упругости Eобщ двухслойной системы при hв/D = 0,0 - 2,0
Примечание - Цифры, приведенные на кривых, - отношение Eобщ/Eв.
Рисунок Е.2 - Номограмма для определения общего модуля
упругости Eобщ двухслойной системы при hв/D = 2,0 - 4,0
Примечание - Цифры, приведенные на кривых, - отношение Eв/Eн.
Рисунок Е.3 - Номограмма для определения единичного
активного напряжения сдвига

от временной нагрузки
в нижнем слое двухслойной системы при

в диапазоне hв/D = 0,0 - 2,0
Примечание - Цифры, приведенные на кривых, - отношение Eв/Eн.
Рисунок Е.4 - Номограмма для определения единичного
активного напряжения сдвига

от временной нагрузки
в нижнем слое двухслойной системы при

в диапазоне hв/D = 2,0 - 6,0
Примечание - Цифры, приведенные на кривых, - отношение Eв/Eн.
Рисунок Е.5 - Номограмма для определения единичного
активного напряжения сдвига

от временной нагрузки
в нижнем слое двухслойной системы при

в диапазоне hв/D = 0,0 - 2,0
Примечание - Цифры, приведенные на кривых, - отношение Eв/Eн.
Рисунок Е.6 - Номограмма для определения единичного
активного напряжения сдвига

от временной нагрузки
в нижнем слое двухслойной системы при

в диапазоне hв/D = 2,0 - 6,0
Примечание - Цифры, приведенные на кривых, - отношение Eв/Eн.
Рисунок Е.7 - Номограмма для определения единичного
активного напряжения сдвига

от временной нагрузки
в нижнем слое двухслойной системы при

в диапазоне hв/D = 0,0 - 2,0
Примечание - Цифры, приведенные на кривых, - отношение Eв/Eн.
Рисунок Е.8 - Номограмма для определения единичного
активного напряжения сдвига

от временной нагрузки
в нижнем слое двухслойной системы при

в диапазоне hв/D = 2,0 - 6,0
Примечание - Цифры, приведенные на кривых, - отношение Eв/Eн.
Рисунок Е.9 - Номограмма для определения единичного
активного напряжения сдвига

от временной нагрузки
в нижнем слое двухслойной системы при

в диапазоне hв/D = 0,0 - 2,0
Примечание - Цифры, приведенные на кривых, - отношение Eв/Eн.
Рисунок Е.10 - Номограмма для определения единичного
активного напряжения сдвига

от временной нагрузки
в нижнем слое двухслойной системы при

в диапазоне hв/D = 2,0 - 6,0
Примечание - Цифры, приведенные на кривых, - отношение Eв/Eн.
Рисунок Е.11 - Номограмма для определения единичного
активного напряжения сдвига

от временной нагрузки
в нижнем слое двухслойной системы при

в диапазоне hв/D = 0,0 - 2,0
Примечание - Цифры, приведенные на кривых, - отношение Eв/Eн.
Рисунок Е.12 - Номограмма для определения единичного
активного напряжения сдвига

от временной нагрузки
в нижнем слое двухслойной системы при

в диапазоне hв/D = 2,0 - 6,0
Примечание - Цифры, приведенные на кривых, - отношение Eв/Eн.
Рисунок Е.13 - Номограмма для определения единичного
активного напряжения сдвига

от временной нагрузки
в нижнем слое двухслойной системы при

в диапазоне hв/D = 0,0 - 2,0
Примечание - Цифры, приведенные на кривых, - отношение Eв/Eн.
Рисунок Е.14 - Номограмма для определения единичного
активного напряжения сдвига

от временной нагрузки
в нижнем слое двухслойной системы при

в диапазоне hв/D = 0,0 - 2,0
Примечание - Цифры, приведенные на кривых, - отношение Eв/Eн.
Рисунок Е.15 - Номограмма для определения единичного
активного напряжения сдвига

от временной нагрузки
в нижнем слое двухслойной системы при

в диапазоне hв/D = 0,0 - 2,0
Примечание - Цифры, приведенные на кривых, - отношение Eв/Eн.
Рисунок Е.16 - Номограмма для определения единичного
активного напряжения сдвига

от временной нагрузки
в нижнем слое двухслойной системы при

в диапазоне hв/D = 2,0 - 6,0
Примечание - Цифры, приведенные на кривых, - отношение Eв/Eн.
Рисунок Е.17 - Номограмма для определения единичного
активного напряжения сдвига

от временной нагрузки
в нижнем слое двухслойной системы при

в диапазоне hв/D = 0,0 - 2,0
Примечание - Цифры, приведенные на кривых, - отношение Eв/Eн.
Рисунок Е.18 - Номограмма для определения единичного
активного напряжения сдвига

от временной нагрузки
в нижнем слое двухслойной системы при

в диапазоне hв/D = 2,0 - 6,0
Примечание - Цифры, приведенные на кривых, - отношение Eв/Eн.
Рисунок Е.19 - Номограмма для определения единичного
активного напряжения сдвига

от временной нагрузки
в нижнем слое двухслойной системы при

в диапазоне hв/D = 0,0 - 2,0
Примечание - Цифры, приведенные на кривых, - отношение Eв/Eн.
Рисунок Е.20 - Номограмма для определения единичного
активного напряжения сдвига

от временной нагрузки
в нижнем слое двухслойной системы при

в диапазоне hв/D = 2,0 - 6,0
Примечание - Цифры, приведенные на кривых, - отношение Eв/Eн.
Рисунок Е.21 - Номограмма для определения единичного
активного напряжения сдвига

от временной нагрузки
в нижнем слое двухслойной системы при

в диапазоне hв/D = 0,0 - 2,0
Примечание - Цифры, приведенные на кривых, - отношение Eв/Eн.
Рисунок Е.22 - Номограмма для определения единичного
активного напряжения сдвига

от временной нагрузки
в нижнем слое двухслойной системы при

в диапазоне hв/D = 2,0 - 6,0
Примечание - Цифры, приведенные на кривых, - отношение Eв/Eн.
Рисунок Е.23 - Номограмма для определения единичного
активного напряжения сдвига

от временной нагрузки
в нижнем слое двухслойной системы при

в диапазоне hв/D = 0,0 - 2,0
Примечание - Цифры, приведенные на кривых, - отношение Eв/Eн.
Рисунок Е.24 - Номограмма для определения единичного
активного напряжения сдвига

от временной нагрузки
в нижнем слое двухслойной системы при

в диапазоне hв/D = 2,0 - 6,0
Примечание - Цифры, приведенные на кривых, - отношение Eв/Eн.
Рисунок Е.25 - Номограмма для определения единичного
активного напряжения сдвига

от временной нагрузки
в нижнем слое двухслойной системы при

в диапазоне hв/D = 0,0 - 2,0
Примечание - Цифры, приведенные на кривых, - отношение Eв/Eн.
Рисунок Е.26 - Номограмма для определения единичного
активного напряжения сдвига

от временной нагрузки
в нижнем слое двухслойной системы при

в диапазоне hв/D = 2,0 - 6,0
Примечание - Цифры, приведенные на кривых, - отношение Eв/Eн.
Рисунок Е.27 - Номограмма для определения единичного
активного напряжения сдвига

от временной нагрузки
в нижнем слое двухслойной системы при

в диапазоне hв/D = 0,0 - 2,0
Примечание - Цифры, приведенные на кривых, - отношение Eв/Eн.
Рисунок Е.28 - Номограмма для определения единичного
активного напряжения сдвига

от временной нагрузки
в нижнем слое двухслойной системы при

в диапазоне hв/D = 2,0 - 6,0
Примечание - Цифры, приведенные на кривых, - отношение Eв/Eн.
Рисунок Е.29 - Номограмма для определения единичного
активного напряжения сдвига

от временной нагрузки
в нижнем слое двухслойной системы при

в диапазоне hв/D = 0,0 - 2,0
Примечание - Цифры, приведенные на кривых, - отношение Eв/Eн.
Рисунок Е.30 - Номограмма для определения единичного
активного напряжения сдвига

от временной нагрузки
в нижнем слое двухслойной системы при

в диапазоне hв/D = 2,0 - 6,0
Примечание - Цифры, приведенные на кривых, - отношение Eв/Eн.
Рисунок Е.31 - Номограмма для определения единичного
активного напряжения сдвига

от временной нагрузки
в нижнем слое двухслойной системы при

в диапазоне hв/D = 0,0 - 2,0
Примечание - Цифры, приведенные на кривых, - отношение Eв/Eн.
Рисунок Е.32 - Номограмма для определения единичного
активного напряжения сдвига

от временной нагрузки
в нижнем слое двухслойной системы при

в диапазоне hв/D = 2,0 - 6,0
Примечание - Цифры, приведенные на кривых, - отношение Eв/Eн.
Рисунок Е.33 - Номограмма для определения единичного
активного напряжения сдвига

от временной нагрузки
в нижнем слое двухслойной системы при

в диапазоне hв/D = 0,0 - 2,0
Примечание - Цифры, приведенные на кривых, - отношение Eв/Eн.
Рисунок Е.34 - Номограмма для определения единичного
активного напряжения сдвига

от временной нагрузки
в нижнем слое двухслойной системы при

в диапазоне hв/D = 2,0 - 6,0
Примечание - Цифры, приведенные на кривых, - отношение Eв/Eн.
Рисунок Е.35 - Номограмма для определения единичного
активного напряжения сдвига

от временной нагрузки
в нижнем слое двухслойной системы при

в диапазоне hв/D = 0,0 - 2,0
Примечание - Цифры, приведенные на кривых, - отношение Eв/Eн.
Рисунок Е.36 - Номограмма для определения единичного
активного напряжения сдвига

от временной нагрузки
в нижнем слое двухслойной системы при

в диапазоне hв/D = 2,0 - 6,0
Примечание - Цифры, приведенные на кривых, - отношение Eв/Eн.
Рисунок Е.37 - Номограмма для определения единичного
активного напряжения сдвига

от временной нагрузки
в нижнем слое двухслойной системы при

в диапазоне hв/D = 0,0 - 2,0
Примечание - Цифры, приведенные на кривых, - отношение Eв/Eн.
Рисунок Е.38 - Номограмма для определения единичного
активного напряжения сдвига

от временной нагрузки
в нижнем слое двухслойной системы при

в диапазоне hв/D = 2,0 - 6,0
Примечание - Цифры, приведенные на кривых, - отношение Eв/Eн.
Рисунок Е.39 - Номограмма для определения единичного
активного напряжения сдвига

от временной нагрузки
в нижнем слое двухслойной системы при

в диапазоне hв/D = 0,0 - 2,0
Примечание - Цифры, приведенные на кривых, - отношение Eв/Eн.
Рисунок Е.40 - Номограмма для определения единичного
активного напряжения сдвига

от временной нагрузки
в нижнем слое двухслойной системы при

в диапазоне hв/D = 2,0 - 6,0
Примечание - Цифры, приведенные на кривых, - отношение Eв/Eн.
Рисунок Е.41 - Номограмма для определения единичного
активного напряжения сдвига

от временной нагрузки
в нижнем слое двухслойной системы при

в диапазоне hв/D = 0,0 - 2,0
Примечание - Цифры, приведенные на кривых, - отношение Eв/Eн.
Рисунок Е.42 - Номограмма для определения единичного
активного напряжения сдвига

от временной нагрузки
в нижнем слое двухслойной системы при

в диапазоне hв/D = 2,0 - 6,0
Примечание - Цифры, приведенные на кривых, - отношение Eв/Eн.
Рисунок Е.43 - Номограмма для определения единичного
активного напряжения сдвига

от временной нагрузки
в нижнем слое двухслойной системы при

в диапазоне hв/D = 0,0 - 2,0
Примечание - Цифры, приведенные на кривых, - отношение Eв/Eн.
Рисунок Е.44 - Номограмма для определения единичного
активного напряжения сдвига

от временной нагрузки
в нижнем слое двухслойной системы при

в диапазоне hв/D = 2,0 - 6,0
Примечание - Цифры, приведенные на кривых, - отношение Eв/Eн.
Рисунок Е.45 - Номограмма для определения единичного
активного напряжения сдвига

от временной нагрузки
в нижнем слое двухслойной системы при

в диапазоне hв/D = 0,0 - 2,0
Примечание - Цифры, приведенные на кривых, - отношение Eв/Eн.
Рисунок Е.46 - Номограмма для определения единичного
активного напряжения сдвига

от временной нагрузки
в нижнем слое двухслойной системы при

в диапазоне hв/D = 2,0 - 6,0
Примечание - Цифры, приведенные на кривых, - отношение Eв/Eн.
Рисунок Е.47 - Номограмма для определения единичного
активного напряжения сдвига

от временной нагрузки
в нижнем слое двухслойной системы при

в диапазоне hв/D = 0,0 - 2,0
Примечание - Цифры, приведенные на кривых, - отношение Eв/Eн.
Рисунок Е.48 - Номограмма для определения единичного
активного напряжения сдвига

от временной нагрузки
в нижнем слое двухслойной системы при

в диапазоне hв/D = 2,0 - 6,0
Примечание - Цифры, приведенные на кривых, - отношение Eв/Eн.
Рисунок Е.49 - Номограмма для определения единичного
активного напряжения сдвига

от временной нагрузки
в нижнем слое двухслойной системы при

в диапазоне hв/D = 0,0 - 2,0
Примечание - Цифры, приведенные на кривых, - отношение Eв/Eн.
Рисунок Е.50 - Номограмма для определения единичного
активного напряжения сдвига

от временной нагрузки
в нижнем слое двухслойной системы при

в диапазоне hв/D = 2,0 - 6,0
Рисунок Е.51 - Номограмма для определения растягивающего
напряжения

при изгибе от единичной нагрузки в верхнем
монолитном слое двухслойной системы при спаянном контакте
на границе слоев
Рисунок Е.52 - Номограмма для определения растягивающего
напряжения

при изгибе от единичной нагрузки в верхнем
монолитном слое двухслойной системы при гладком контакте
на границе слоев
(справочное)
ПРИМЕРЫ РАСЧЕТА
Ж.1 Пример 1
Необходимо запроектировать дорожную одежду капитального типа для участка автомобильной дороги категории IБ на участке перегона между транспортными развязками.
Ж.1.1 Исходные данные:
а) область проектирования - Нижегородская;
б) количество полос движения - 4 в обоих направлениях;
в) ДКЗ - II2;
г) схема увлажнения грунта рабочего слоя - 2;
д) номер района проектирования, соответствующий количеству расчетных дней в году - 3;
е) количество расчетных дней в году Tрдг = 125;
ж) тип дорожной одежды - капитальный;
и) тип нормативной нагрузки А-11,5:
1) статическая нагрузка на колесо P = 57,50 кН;
2) давление на покрытие p = 0,80 МПа;
3) диаметр отпечатка при расчете на подвижную нагрузку Dд = 34,50 см;
к) заданный коэффициент надежности
Kн = 0,98 (см.
таблицу 5);
1) по допускаемому упругому прогибу

;
2) по условию сдвигоустойчивости грунта и малосвязного материала слоя основания; по условию сопротивления слоев асфальтобетона усталостному разрушению от растяжения при изгибе

;
м) показатель изменения интенсивности движения q = 1,03;
н) срок службы дорожной одежды Tсл = 24 года;
п) максимально допустимая глубина колеи по
ГОСТ Р 50597 - 2 см;
р) тип земляного полотна - насыпь;
с) грунт рабочего слоя земляного полотна - легкая крупная песчанистая супесь с Kф = 0,6 м/с;
т) глубина промерзания грунта рабочего слоя - 1,55 м;
у) расстояние от низа дорожной одежды до уровня грунтовых вод - 2,80 м.
Состав движения на конец нормативного межремонтного срока проведения работ по капитальному ремонту (24-й год эксплуатации дороги) в обоих направлениях приведен в
таблице Ж.1.
Таблица Ж.1
Фактическая и приведенная интенсивности движения
Схема | Наименование | Коэффициент приведения Si | Интенсивность Ni, авт./сут | Приведенная интенсивность NiSi, ед./сут |
| Легковые автомобили, небольшие грузовики (фургоны) и другие автомобили с прицепом и без него | 0,0015 | 10 500 | 15,75 |
| Двухосные грузовые автомобили | 1,81 | 1205 | 2181,05 |
| Трехосные грузовые автомобили | 2,84 | 200 | 568,00 |
| Четырехосные грузовые автомобили | 3,51 | 200 | 702,00 |
| Четырехосные автопоезда | 2,65 | 1000 | 2650,00 |
| Пятиосные автопоезда | 3,28 | 500 | 1640,00 |
| Трехосные седельные автопоезда | 2,90 | 500 | 1450,00 |
| Четырехосные седельные автопоезда | 3,67 | 1000 | 3670,00 |
| Пятиосные седельные автопоезда (двухосный тягач) | 3,76 | 200 | 752,00 |
| Пятиосные седельные автопоезда (трехосный тягач) | 4,13 | 500 | 2065,00 |
| Шестиосные седельные автопоезда | 2,99 | 200 | 598,00 |
| Автомобили с семью и более осями | 2,19 | 300 | 657,00 |
| Автобусы | 1,81 | 300 | 543,00 |
Итого:  |
Ж.1.2 Расчет суммарного числа приложений расчетной нагрузки
Ж.1.2.1 Расчет приведенной интенсивности движения представлен в
таблице Ж.1. Коэффициенты приведения приняты в соответствии с
ГОСТ Р 71405.
Ж.1.2.2 Приведенное к расчетной нагрузке среднесуточное (на конец межремонтного срока проведения работ по капитальному ремонту
Tсл) количество проездов всех колес, расположенных по одному борту расчетного автомобиля, в пределах одной полосы проезжей части
Nр рассчитывают по
формуле (3)
При четырех полосах в обоих направлениях fпол = 0,45.
Суммарное количество приложений приведенной расчетной нагрузки

рассчитывают по
формуле (6):
где Kс - коэффициент суммирования.
Ж.1.3 Выбор типа асфальтобетона для устройства слоев покрытия и ВСО
- суммарное количество приложений приведенной расчетной нагрузки

с учетом круглогодичного использования дороги (
Tпод = 365 сут):
для слоев покрытия при Tсл = 12 лет:
для ВСО при Tсл = 24 года:
В соответствии с
ГОСТ Р 58401.1 при

для устройства слоев покрытия и ВСО следует выбрать смеси для дорог с экстремально тяжелыми условиями движения (Э).
Ж.1.4 Назначение конструкции дорожной одежды
В конструкции дорожной одежды применяют следующие материалы:
- ВСП из SMA 16 по
ГОСТ Р 58401.2 на битумных вяжущих по
ГОСТ Р 58400.2 с марками от PG 58(V) - 34, на битумных вяжущих по
ГОСТ Р 58400.1 с марками от PG 67,8 - 32,0 (ФАКТ) и с марками от PG 70 - 34 - 5 см (в расчет принято 3 см);
- щебень фракции свыше 31,5 до 63 мм изверженных пород М800 по
ГОСТ 32703, расклинцованный фракционным мелким щебнем - 28 см;
- средний песок по
ГОСТ 32824 с содержанием пылеватых и глинистых частиц от 1% до 5% - 21 см.
Ж.1.5 Назначение расчетных характеристик конструктивных слоев дорожной одежды и грунта рабочего слоя
Расчетные характеристики конструктивных слоев дорожной одежды приведены в
таблице Ж.2.
Таблица Ж.2
Расчетные характеристики конструктивных слоев
дорожной одежды
Материал слоя | Модуль упругости, МПа, для расчета | Расчетные характеристики при расчете по усталостному разрушению от растяжения при изгибе | Объемная плотность материала  , кН/м 3 |
по допускаемому упругому прогибу | по условию сдвигоустойчивости (при T = 20°) на подвижную нагрузку | по усталостному разрушению от растяжения при изгибе | сопротивление растяжению при изгибе R0, МПа | m | |
| | | | 9,5 | 5,5 | 5,2 | 25,00 |
| 4100 | 2550 | 6100 | 9,5 | 5,5 | 5,2 | 25,00 |
| 3150 | 2000 | 5200 | 8,5 | | 5,2 | 25,00 |
| 600 | 600 | 600 | - | - | - | 21,00 |
Щебень фракции свыше 31,5 до 63 мм изверженных пород М800 по ГОСТ 32703, расклинцованный фракционным мелким щебнем | 350 | 350 | 350 | - | - | - | 18,00 |
| 120 | 120 | 120 | - | - | - | 17,50 |
<*> Модули упругости снижены на 10% относительно значений, представленных в таблицах Г.4 и Г.5, т.к. значение температурного диапазона эксплуатации R = ( X + | Y|) допустимой к применению фактической марки битумного вяжущего PG X - Y (ФАКТ) (см. приложение В) с минимальным диапазоном эксплуатации более 95 ( R = 67,8 + 32,0 = 99,8). |
В соответствии с
9.5.3 при расчете по критерию растяжения при изгибе принимают гладкий контакт между слоем из асфальтобетона и основанием из ЩПС, укрепленной цементом.
Расчетные характеристики грунта - легкой крупной песчанистой супеси - определяют следующим образом:
- модуль упругости грунта по
таблице В.6 приложения В
Eгр = 65,00 МПа;
- прочностные характеристики по
таблице В.7 приложения В:
- при расчете на подвижную нагрузку с учетом

:
cN = 0,002 МПа;

;
- при расчете на статическую нагрузку в зависимости от

:
cст = 0,006 МПа;

.
Расчетные прочностные характеристики среднего песка определяют по
таблице В.7 приложения В:
- при расчете на подвижную нагрузку в зависимости от

:
cN = 0,002 МПа;

;
- при расчете на статическую нагрузку в зависимости от

:
cст = 0,005 МПа;

.
Ж.1.6 Результаты расчета дорожной одежды на прочность на многократное кратковременное воздействие подвижных нагрузок
Ж.1.6.1 Расчет на прочность по допускаемому упругому прогибу
Расчет по допускаемому упругому прогибу выполняют в следующей последовательности:
- определяют минимальный требуемый модуль упругости конструкции по эмпирической
формуле (9) при
C = 3,20:
- определяют общий модуль упругости конструкции
Eобщ по номограмме (см.
рисунки Е.1,
Е.2). Расчет выполняют снизу вверх.
Результаты расчета общего модуля упругости конструкции дорожной одежды приведены в
таблице Ж.3 и на
рисунке Ж.1.
Таблица Ж.3
Результаты расчета общего модуля упругости
Номер слоя | Материал слоя дорожной одежды | Модуль упругости Ei, МПа | Толщина слоя hi, см | hi/Dд | | Общий модуль упругости на поверхности слоев  , МПа |
1 | SMA16 | 3330 | | 0,087 | 658,94/3330 = = 0,1979 | |
2 | SP-22Э | 4100 | 8 | 0,2319 | 467,57/4100 = = 0114 | |
3 | SP-32Э | 3150 | 11 | 0,3188 | 264,66/3150 = = 0,084 | |
4 | ЩПС, укрепленная цементом, М40 | 600 | 14 | 0,4058 | 181,57/600 = = 0,3026 | |
5 | Щебень фракции 31,5 - 63 мм | 350 | 28 | 0,8116 | 86,79/350 = = 0,248 | |
6 | Средний песок | 120 | 21 | 0,6087 | 65,00/120 = = 0,54167 | |
7 | Легкая крупная песчанистая супесь | 65 | - | - | - | Eгр = 65,00 |
<*> В расчет принимают 3 см. |
| E1 = 3330 МПа | |
h2 = 8 см | E2 = 4100 МПа | |
h3 = 11 см | E3 = 3150 МПа | |
h4 = 14 см | E4 = 600 МПа | |
h5 = 28 см | E5 = 350 МПа | |
h6 = 21 см | E6 = 120 МПа | |
| Eгр = 65 МПа | |
--------------------------------
<*> В расчет принимают 3 см.
Рисунок Ж.1 - Схема конструкции дорожной одежды и результаты
расчета по допускаемому упругому прогибу
- Проверяют выполнение условия прочности:
Коэффициент запаса:
Условие прочности по допускаемому упругому прогибу выполнено, коэффициент запаса составляет 1%.
Ж.1.6.2 Расчет по условию сдвигоустойчивости грунта рабочего слоя (легкой крупной песчанистой супеси)
| E1 = 2115 МПа |
h2 = 8 см | E2 = 2550 МПа |
h3 = 11 см | E3 = 2000 МПа |
h4 = 14 см | E4 = 600 МПа |
h5 = 28 см | E5 = 350 МПа |
h6 = 21 см | E6 = 120 МПа |
| Eгр = 65 МПа |
--------------------------------
<*> В расчет принимают 3 см.
Рисунок Ж.2 - Схема конструкции дорожной одежды для расчета
по условию сдвигоустойчивости грунта на воздействие
подвижной нагрузки
Расчет выполняют в следующей последовательности:
- определяют средневзвешенный модуль упругости вышележащих слоев по
формуле (16):
- по отношениям:
Eв/
Eгр = 817,24/65,00 = 12,57,

и

с использованием номограмм (см.
рисунки Е.30,
Е.32) находят удельное активное напряжение сдвига от единичной нагрузки

;
- определяют активное напряжение сдвига в грунте по
формуле (14) при
p = 0,8 МПа:
- определяют предельное напряжение сдвига
Tпр по
формуле (12) при
kд = 2,
cN = 0,002 МПа,

,

, средневзвешенном удельном весе вышележащих слоев [см.
формулу (13)]:
- проверяют выполнение условия прочности:
Коэффициент запаса:
Условие прочности по условию сдвигоустойчивости грунта рабочего слоя (легкой крупной песчанистой супеси) выполнено, коэффициент запаса составляет 217,83%.
Ж.1.6.3 Расчет по условию сдвигоустойчивости песчаного основания
| E1 = 2115 МПа |
h2 = 8 см | E2 = 2550 МПа |
h3 = 11 см | E3 = 2000 МПа |
h4 = 14 см | E4 = 600 МПа |
h5 = 28 см | E5 = 350 МПа |
| |
--------------------------------
<*> В расчет принимают 3 см.
Рисунок Ж.3 - Схема конструкции дорожной одежды для расчета
по условию сдвигоустойчивости песка среднего на воздействие
подвижной нагрузки
Расчет выполняют в следующей последовательности:
- определяют средневзвешенный модуль упругости слоев, расположенных над слоем песка среднего, по
формуле (16):
- по отношениям:

,

и

с использованием номограмм (см.
рисунок Е.36) находят удельное активное напряжение сдвига от единичной нагрузки

;
- определяют активное напряжение сдвига в среднем песке по
формуле (14) при
p = 0,8 МПа:
- определяют предельное напряжение сдвига
Tпр в среднем песке по
формуле (12) при
kд = 2,
cN = 0,002 МПа,

,

, средневзвешенном удельном весе вышележащих слоев [см.
формулу (13)]:
- проверяют выполнение условия прочности:
Коэффициент запаса:
Условие прочности по сдвигу в песке выполнено, коэффициент запаса составляет 76,66%.
Ж.1.6.4 Расчет ВСО из асфальтобетона SP-32Э по усталостному разрушению от растяжения при изгибе
Расчетная схема конструкции дорожной одежды приведена на
рисунке Ж.4.
| E1 = 4950 МПа |
h2 = 8 см | E2 = 6100 МПа |
h3 = 11 см | E3 = 5200 МПа |
| |
--------------------------------
<*> В расчет принимают 3 см.
Рисунок Ж.4 - Схема конструкции дорожной одежды для расчета
слоя асфальтобетона SP-32Э усталостному разрушению
от растяжения при изгибе
Расчет выполняют в следующей последовательности:
- определяют средневзвешенный модуль упругости слоев асфальтобетонов, включая рассчитываемый слой, по
формуле (16):
- по отношениям:

,

, с использованием номограммы (см.
рисунок Е.52), определяют растягивающее напряжение в слое основания (асфальтобетоне SP-32Э) от единичной нагрузки:

.
Расчетное растягивающее напряжение в слое основания (асфальтобетоне SP-32Э) вычисляют по
формуле (20) при
p = 0,8 МПа:
- определяют предельное растягивающее напряжение с учетом усталостных явлений
RN в нижнем слое асфальтобетона SP-32Э по
формуле (18) при коэффициенте
k1, определяемом при параметрах:

,
m = 5,5 (
таблица Г.5, приложение Г, с учетом укрепленного слоя под слоем из асфальтобетона) по
формуле (19):
RN = R0k1k2(1 - VRt) =
= 8,5·0,2459·0,80(1 - 0,1·2,19) = 1,3057 МПа;
- проверяют выполнение условия прочности:
Коэффициент запаса:
Условие прочности по усталостному разрушению асфальтобетона SP-32Э от растяжения при изгибе выполнено, коэффициент запаса составляет 18,62%.
Ж.1.7 Расчет дорожной одежды на морозоустойчивость
Для грунта рабочего слоя - легкой крупной песчанистой супеси, не относящейся к пылеватым грунтам, расчет на морозоустойчивость не требуется.
Ж.1.8 Расчет дренирующего слоя
Для грунта рабочего слоя - легкой крупной песчанистой супеси с
Kф > 0,5 м/с, расчет дренирующего слоя не требуется
(таблица 13).
Ж.2 Пример 2
Необходимо запроектировать дорожную одежду капитального типа для участка автомобильной дороги категории III на участке пересечения в одном уровне.
Ж.2.1 Исходные данные:
а) область проектирования - Курская;
б) количество полос движения - 2; ширина земляного полотна - 12 м, ширина проезжей части - 7,0 м, ширина обочины - 2,5 м;
в) ДКЗ - III2;
г) схема увлажнения грунта рабочего слоя - 2;
д) номер района проектирования, соответствующий количеству расчетных дней в году - 4;
е) количество расчетных дней в году Tрдг = 135;
ж) тип дорожной одежды - капитальный;
и) тип нормативной нагрузки А-11,5:
1) статическая нагрузка на колесо P = 57,50 кН;
2) давление на покрытие p = 0,8 МПа;
3) диаметр отпечатка при расчете на подвижную нагрузку Dд = 34,5 см; на статическую нагрузку Dст = 30,3 см;
к) заданный уровень надежности
Kн = 0,92 (см.
таблицу 5);
1) по допускаемому упругому прогибу

;
2) по условию сдвигоустойчивости грунта рабочего слоя и малосвязного материала слоя основания; по условию сопротивления монолитных слоев усталостному разрушению от растяжения при изгибе

;
м) показатель изменения интенсивности движения q = 1,03;
н) срок службы дорожной одежды Tсл = 4 года;
п) максимально допустимая глубина колеи по
ГОСТ Р 50597 - 3 см;
р) тип земляного полотна - насыпь;
с) грунт рабочего слоя земляного полотна - пылеватая супесь;
т) глубина промерзания грунта рабочего слоя земляного полотна - 1,10 м;
у) расстояние от верха дорожной одежды до уровня грунтовых вод - 2,50 м.
Состав движения на конец нормативного межремонтного срока проведения работ по капитальному ремонту (24-й год эксплуатации дороги) в обоих направлениях приведен в
таблице Ж.4.
Ж.2.2 Расчет суммарного числа приложений расчетной нагрузки
Ж.2.2.1 Расчет приведенной интенсивности движения представлен в
таблице Ж.4. Коэффициенты приведения приняты в соответствии с
ГОСТ Р 71405.
Таблица Ж.4
Фактическая и приведенная интенсивности движения
Схема | Наименование | Коэффициент приведения Si | Интенсивность Ni, авт./сут | Приведенная интенсивность NiSi, ед./сут |
| Легковые автомобили, небольшие грузовики (фургоны) и другие автомобили с прицепом и без него | 0,0015 | 2100 | 3,15 |
| Двухосные грузовые автомобили | 1,81 | 100 | 181,00 |
| Трехосные грузовые автомобили | 2,84 | 50 | 142,00 |
| Четырехосные грузовые автомобили | 3,51 | 40 | 140,40 |
| Четырехосные автопоезда | 2,65 | 30 | 79,50 |
| Пятиосные автопоезда | 3,28 | 20 | 65,60 |
| Трехосные седельные автопоезда | 2,90 | 20 | 58,00 |
| Четырехосные седельные автопоезда | 3,67 | 40 | 146,80 |
| Пятиосные седельные автопоезда (двухосный тягач) | 3,76 | 100 | 376,00 |
| Пятиосные седельные автопоезда (трехосный тягач) | 4,13 | 20 | 82,60 |
| Шестиосные седельные автопоезда | 2,99 | 30 | 89,70 |
| Автомобили с семью и более осями | 2,19 | 5 | 10,95 |
| Автобусы | 1,81 | 50 | 90,50 |
Итого:  |
Ж.2.2.2 Приведенную интенсивность движения к воздействию расчетной нагрузки
Nр на полосу движения на конец нормативного межремонтного срока проведения работ по капитальному ремонту
Tсл рассчитывают по
формуле (3)
Nр = 0,55·1466,20 = 806,41 ед./сут.
При двух полосах в обоих направлениях fпол = 0,55.
Суммарное число приложений приведенной расчетной нагрузки

рассчитывают по
формуле (6)
Ж.2.3 Выбор типа асфальтобетона для устройства НСП и ВСО
- суммарное число приложений приведенной расчетной нагрузки

с учетом круглогодичного использования дороги (
Tгод = 365 сут):
для нижнего слоя покрытия:
для ВСО:
В соответствии с
ГОСТ Р 58406.2 при

расчетной нормативной нагрузки АК-11,5 для устройства НСП и ВСО следует выбрать смеси для дорог с тяжелыми условиями движения.
Марки вяжущего для НСП и ВСО - БНД выбраны в соответствии с
ГОСТ Р 58829 при максимальной температуре воздуха в Курске 53,7 °C:
- для нижнего покрытия - БНД 50/70;
- для верхнего слоя основания - БНД 70/100.
Ж.2.4 Назначение конструкции дорожной одежды
В конструкции дорожной одежды применяют следующие материалы:
- щебень шлаковый активный фракции свыше 31,5 до 63 мм, М400 по
ГОСТ 32826, уложенный по способу заклинки активным шлаком - 37 см;
- средний песок по
ГОСТ 32824 с содержанием пылеватых и глинистых частиц от 1% до 5% - 35 см.
Грунт рабочего слоя - пылеватая супесь.
Для достижения требуемого модуля упругости рабочего слоя его верхнюю часть устраивают из пылеватой супеси, укрепленной неорганическими вяжущими совместно с органическими вяжущими, соответствующей марке М10 по
ГОСТ Р 70452 - 20 см.
Ж.2.5 Назначение расчетных характеристик грунта рабочего слоя и конструктивных слоев дорожной одежды
Расчетные характеристики грунта рабочего слоя и конструктивных слоев дорожной одежды приведены в
таблице Ж.5.
Таблица Ж.5
Расчетные характеристики грунта рабочего слоя
и конструктивных слоев дорожной одежды
Материал слоя | Модуль упругости, МПа, для расчета | Расчетные характеристики при расчете по усталостному разрушению от растяжения при изгибе | Объемная плотность материала  , кН/м 3 |
по допускаемому упругому прогибу (T = 10°) | по условию сдвигоустойчивости (при T = 30°) на подвижную/статическую нагрузку | по усталостному разрушению от растяжения при изгибе | Сопротивление растяжению при изгибе R0, МПа | m | |
| 3550 | 1200/280 | 5300 | 9,8 | 5,5 | 5,9 | 25,00 |
| 4800 | 1850/340 | 7200 | 9,8 | 6 | 5,6 | 25,00 |
| 3250 | 1250/330 | 5450 | 9,0 | 4,7 | 5,9 | 25,00 |
Щебень шлаковый активный фракции свыше 31,5 до 63 мм, М400 по ГОСТ 32826, уложенный по способу заклинки активным шлаком | 400 | 400/400 | 400 | - | - | - | 18,00 |
| 120 | 120/120 | 120 | - | - | - | 17,50 |
Верхняя часть рабочего слоя: пылеватая супесь, укрепленная неорганическими вяжущими совместно с органическими, М10 по ГОСТ Р 70452 | 150 | 150/150 | 150 | - | - | - | 19,00 |
Грунт рабочего слоя - пылеватая супесь | 38,65 | 38,65/38,65 | 38,65 | - | - | - | - |
Расчетные характеристики грунта земляного полотна - пылеватой супеси - определяют в зависимости от расчетной влажности по
формуле (В.1) приложения В при значениях:
-

- среднемноголетнее значение относительной влажности (в долях от границы текучести) (
таблица В.1 приложения В);
-

- поправка к

для участков дороги, проходящих в насыпи, с рабочей отметкой не менее чем руководящая отметка для данного типа грунта и типа местности;
-

- поправка в равнинных районах местности;
-

- поправка при укреплении рабочего слоя из супеси (
таблица В.2 приложения В);
- VR = 0,10 - коэффициент вариации;
-
t = 1,476 - коэффициент нормированного отклонения при требуемом уровне надежности
Kн = 0,92 (
таблица В.3 приложения В);
-

- поправка на влияние суммарной толщины слоев дорожной одежды при

(
рисунок В.2 приложения В).
Wр = (0,70 + 0,00 + 0,00 - 0,05)·(1 + 0,1·1,476) -
- 0,00 = 0,746Wт.
Модуль упругости грунта земляного полотна - пылеватой супеси - определяют по
таблице В.4 приложения В в зависимости от
Wр = 0,746
Wт;
Eгр = 38,65 МПа.
Расчетные прочностные характеристики грунта земляного полотна - пылеватой супеси:
cN = 0,00308 МПа;
cст = 0,01108 МПа;

;

.
Модуль упругости малосвязного слоя основания дорожной одежды среднего песка определяют по
таблице В.6 приложения В:
Eп.ср = 120 МПа.
Расчетные прочностные характеристики среднего песка определяют по
таблице В.7 приложения В в зависимости от

:
cN = 0,002 МПа;
cст = 0,005 МПа;

;

.
Для достижения требований
6.13.2 предусмотрено укрепление верхней части грунта рабочего слоя толщиной 0,20 м
(таблица Ж.6).
Таблица Ж.6
Расчетные характеристики грунта рабочего слоя, обработанного
неорганическими вяжущими совместно с органическими вяжущими
Материал слоя | E, МПа | Толщина, м |
Пылеватая супесь, укрепленная неорганическими вяжущими совместно с органическими вяжущими, соответствующая марке М10 по ГОСТ Р 70452 | 150,00 | 0,20 |
Согласно
6.13.3 общий модуль грунта на поверхности рабочего слоя определяют расчетом по номограмме
(рисунок Е.1).
Расчетные характеристики модуля упругости на поверхности укрепленного грунта толщиной 0,20 м приведены в
таблице Ж.7.
Таблица Ж.7
Общий модуль на поверхности рабочего слоя
Материал слоя | Толщина, м | Модуль упругости E, МПа | Общий модуль на поверхности рабочего слоя, МПа |
Пылеватая супесь, укрепленная неорганическими вяжущими совместно с органическими вяжущими, соответствующая марке М10 по ГОСТ Р 70452 | 0,20 | 150,00 | 68,73 |
Пылеватая супесь | - | 38,65 |
Ж.2.6 Результаты расчета дорожной одежды на прочность на многократное кратковременное воздействие подвижных нагрузок и на воздействие статической нагрузки
Ж.2.6.1 Расчет на прочность по допускаемому упругому прогибу
Расчет по допускаемому упругому прогибу выполняют в следующей последовательности:
- определяют минимальный требуемый модуль упругости конструкции по эмпирической
формуле (9) при
C = 3,20:
- определяют общий модуль упругости конструкции
Eобщ по номограмме (см.
рисунки Е.1,
Е.2). Расчет выполняют снизу вверх.
Таблица Ж.8
Результаты расчета общего модуля упругости конструкции
Номер слоя | Материал слоя дорожной одежды | Модуль упругости E, МПа | Толщина слоя h, см | hi/Dд | | Общий модуль упругости на поверхности слоев, МПа |
1 | ЩМА-16 | 3550 | | 0,058 | 558,44/3550 = = 0,1573 | |
2 | А22Нт | 4800 | 7 | 0,2029 | 400,08/4800 = = 0,08335 | |
3 | А32От | 3250 | 10 | 0,2899 | 230,98/3250 = = 0,07107 | |
4 | Шлаковый активный щебень фракции свыше 31,5 до 63 мм, М400 по ГОСТ 32826, уложенный по способу заклинки активным шлаком | 400 | 37 | 1,0725 | 97,90/400 = = 0,2448 | |
5 | Средний песок | 120 | 35 | 1,0145 | 68,73/120 = = 0,5728 | |
6 | Верхняя часть рабочего слоя: пылеватая супесь, укрепленная неорганическими вяжущими совместно с органическими вяжущими, соответствующая марке М10 по ГОСТ Р 70452 | 150 | 20 | 0,5797 | 38,65/150 = = 0,2577 | Eр.с = 0,4582·150 = = 68,73 > 53,00 |
- | Грунт земляного полотна: пылеватая супесь | 38,65 | - | - | - | Eгр = 38,65 |
<*> В расчет принимают 2 см. |
| E1 = 3550 МПа | |
h2 = 7 см | E2 = 4800 МПа | |
h3 = 10 см | E3 = 3250 МПа | |
h4 = 37 см | E4 = 400 МПа | |
h5 = 35 см | E5 = 120 МПа | |
| Eв.р.с = 150 МПа | Eр.с = 68,73 МПа |
Eгр = 38,65 МПа |
--------------------------------
<*> В расчет принимают 2 см.
<**> Верхняя укрепленная часть рабочего слоя земляного полотна.
Рисунок Ж.5 - Схема конструкций рабочего
слоя и дорожной одежды
Общая толщина дорожной одежды hд.о = 94 (91) см.
Общая толщина дорожной одежды и укрепленной части рабочего слоя земляного полотна hд.о + hв.р.с = 94 (91) + 20 = 114 (111) см.
- Проверяют выполнение условия прочности:
Коэффициент запаса:
Условие прочности по допускаемому упругому прогибу выполнено, коэффициент запаса составляет 42,48%.
Ж.2.6.2 Расчет по условию сдвигоустойчивости неукрепленной части грунта рабочего слоя (пылеватой супеси)
| E1 = 1200 МПа |
h2 = 7 см | E2 = 1850 МПа |
h3 = 10 см | E3 = 1250 МПа |
h4 = 37 см | E4 = 400 МПа |
h5 = 35 см | E5 = 120 МПа |
hв.р.с = 20 см | Eв.р.с = 150 МПа |
| Eгр = 38,65 МПа |
--------------------------------
<*> В расчет принимают 2 см.
Рисунок Ж.6 - Схема конструкции дорожной одежды для расчета
по условию сдвигоустойчивости грунта на воздействие
подвижной нагрузки
Расчет выполняют в следующей последовательности:
- определяют средневзвешенный модуль упругости вышележащих слоев по
формуле (16)
- по отношениям:
Eв/
Eгр = 449,099/38,650 = 11,62,

и

с использованием номограмм (см.
рисунок Е.18) находят удельное активное напряжение сдвига от единичной нагрузки

;
- определяют активное напряжение сдвига в грунте по
формуле (14) при
p = 0,8 МПа:
- определяют предельное напряжение сдвига
Tпр по
формуле (12) при
kд = 1,
cN = 0,00308 МПа,

,

, средневзвешенном удельном весе вышележащих слоев [см.
формулу (13)]:
- проверяют выполнение условия прочности:
Коэффициент запаса:
Условие прочности по условию сдвигоустойчивости неукрепленной части грунта рабочего слоя (пылеватой супеси) выполнено, коэффициент запаса составляет 90,35%.
Ж.2.6.3 Расчет по условию сдвигоустойчивости малосвязного слоя основания - среднего песка
| E1 = 1200 МПа |
h2 = 7 см | E2 = 1850 МПа |
h3 = 10 см | E3 = 1250 МПа |
h4 = 37 см | E4 = 400 МПа |
| |
--------------------------------
<*> В расчет принимают 2 см.
Рисунок Ж.7 - Схема конструкции дорожной одежды для расчета
по условию сдвигоустойчивости малосвязного слоя
основания - среднего песка на воздействие подвижной нагрузки
Расчет выполняют в следующей последовательности:
- определяют средневзвешенный модуль упругости слоев, расположенных над слоем среднего песка, по
формуле (16)
- по отношениям

,

и

с использованием номограммы (см.
рисунок Е.35) находят удельное активное напряжение сдвига от единичной нагрузки

;
- определяют активное напряжение сдвига в среднем песке по
формуле (14) при
p = 0,8 МПа:
- определяют предельное напряжение сдвига
Tпр в среднем песке по
формуле (12) при
kд = 2,
cN = 0,002 МПа,

,

, средневзвешенном удельном весе вышележащих слоев:
- проверяют выполнение условия прочности:
Коэффициент запаса:
Условие прочности по сдвигу в песке выполнено, коэффициент запаса составляет 1,59%.
Ж.2.6.4 Расчет по условию сдвигоустойчивости неукрепленной части грунта рабочего слоя (пылеватой супеси) на воздействие статической нагрузки
| E1 = 280 МПа |
h2 = 7 см | E2 = 340 МПа |
h3 = 10 см | E3 = 330 МПа |
h4 = 37 см | E4 = 400 МПа |
h5 = 35 см | E5 = 120 МПа |
hв.р.с = 20 см | Eв.р.с = 150 МПа |
| Eгр = 38,65 МПа |
--------------------------------
<*> В расчет принимают 2 см.
Рисунок Ж.8 - Схема конструкции дорожной одежды для расчета
по условию сдвигоустойчивости грунта на воздействие
статической нагрузки
Расчет выполняют в следующей последовательности:
- определяют средневзвешенный модуль упругости вышележащих слоев по
формуле (16):
- по отношениям:
Eв/
Eгр = 254,41/38,65 = 6,58,

и

с использованием номограммы (см.
рисунок Е.46) находят удельное активное напряжение сдвига от единичной нагрузки

;
- определяют активное напряжение сдвига в грунте по
формуле (14) при
p = 0,8 МПа:
- определяют предельное напряжение сдвига
Tпр по
формуле (12) при
kд = 1,
cст = 0,01108 МПа,

,

, средневзвешенном удельном весе вышележащих слоев [см.
формулу (13)]:
- проверяют выполнение условия прочности:
Коэффициент запаса:
Условие прочности по условию сдвигоустойчивости неукрепленной части грунта рабочего слоя (пылеватой супеси) выполнено, коэффициент запаса составляет 731,35%.
Ж.2.6.5 Расчет по условию сдвигоустойчивости песчаного основания на воздействие статической нагрузки
| E1 = 280 МПа |
h2 = 7 см | E2 = 340 МПа |
h3 = 10 см | E3 = 330 МПа |
h4 = 37 см | E4 = 400 МПа |
|  <**> |
--------------------------------
<*> В расчет принимают 2 см.
<**> Величина

вычисляется при использовании в расчете
Dст.
Рисунок Ж.9 - Схема конструкции дорожной одежды для расчета
по условию сдвигоустойчивости среднего песка на воздействие
статической нагрузки
Расчет выполняют в следующей последовательности:
- определяют средневзвешенный модуль упругости слоев, расположенных над слоем среднего песка, по
формуле (16)
- по отношениям

,

и

с использованием номограмм (см.
рисунки Е.41,
Е.43) находят удельное активное напряжение сдвига от единичной нагрузки

;
- определяют активное напряжение сдвига в среднем песке по
формуле (14) при
p = 0,8 МПа:
- определяют предельное напряжение сдвига
Tпр в среднем песке по
формуле (12) при
kд = 2,
cст = 0,005 МПа,

,

, средневзвешенном удельном весе вышележащих слоев:
- проверяют выполнение условия прочности:
Коэффициент запаса:
Условие прочности по сдвигу в песке выполнено, коэффициент запаса составляет 58,42%.
Ж.2.6.6 Расчет ВСО из монолитного материала (асфальтобетона А32От) по усталостному разрушению от растяжения при изгибе
Расчетная схема конструкции дорожной одежды приведена на
рисунке Ж.10.
| E1 = 5300 МПа |
h2 = 7 см | E2 = 7200 МПа |
h3 = 10 см | E3 = 5450 МПа |
| |
--------------------------------
<*> В расчет принимают 2 см.
Рисунок Ж.10 - Схема конструкции дорожной одежды
для расчета слоя асфальтобетона А32От по усталостному
разрушению от растяжения при изгибе
Расчет выполняют в следующей последовательности:
- определяют средневзвешенный модуль упругости слоев асфальтобетонов, включая рассчитываемый слой, по
формуле (16):
- по отношениям

,

, с использованием номограммы (см.
рисунок Е.52) при гладком контакте, определяют растягивающее напряжение в монолитном слое основания (асфальтобетоне А32О
т) от единичной нагрузки:

.
Расчетное растягивающее напряжение в монолитном слое основания (асфальтобетоне А32О
т) вычисляют по
формуле (20) настоящего стандарта при
p = 0,8 МПа:
- определяют предельное растягивающее напряжение с учетом усталостных явлений
RN в монолитном слое основания (асфальтобетоне А32О
т) по
формуле (18) при коэффициенте
k1, определяемом при параметрах:

,
m = 4,7 (
таблица Г.5 приложения Г) по
формуле (19):
RN = R0k1k2(1 - VRt) =
= 9,0·0,2726·0,80(1 - 0,1·1,476) = 1,673 МПа;
- проверяют выполнение условия прочности:
Коэффициент запаса:
Условие прочности по усталостному разрушению асфальтобетона А32От от растяжения при изгибе выполнено, коэффициент запаса составляет 29,96%.
Ж.2.7 Расчет дорожной одежды на морозоустойчивость
Требуемую по критерию морозоустойчивости толщину дорожной одежды определяют по номограмме (см.
рисунок 6) в зависимости от группы грунта по степени пучинистости (см.
таблицу 16), глубины промерзания
zпр и
lпуч.ср - величины морозного пучения при осредненных условиях, определяемой по
формуле (22):
lпуч.ср = Lдоп(Kугв·Kпл·Kгр·Kнагр·Kвл·Kz пр),
где
Lдоп = 4,00·0,8 = 3,20 см - допускаемая величина пучения, принимаемая по ГОСТ Р 59120-2021
(пункт 7.3.3);
Kугв = 0,58 при
Hу = 2,5 м (считая от верха покрытия до уровня грунтовых вод) - коэффициент, учитывающий влияние расчетной глубины залегания уровня грунтовых вод (см.
рисунок 7);
Kпл = 1,00 при
Kу = 0,98 - коэффициент, зависящий от степени уплотнения грунта рабочего слоя (см.
таблицу 11);
Kгр = 1,10 - коэффициент, учитывающий влияние гранулометрического состава грунта основания насыпи, принимаемый для супеси пылеватой;
Kнагр = 1,00 при глубине промерзания дорожной конструкции
zпр = 1,38·
zпр.ср = 1,38·110 = 151,80 см - коэффициент, учитывающий влияние нагрузки от собственного веса вышележащей конструкции на грунт в промерзающем слое (см.
рисунок 8);
Kвл = 1,146 - коэффициент, зависящий от расчетной влажности грунта (см.
таблицу 12);
Kz пр = 1,00 - коэффициент, зависящий от глубины промерзания дорожной конструкции, см.
формулу (25);
lпуч.ср = 3,20/(0,58·1,00·1,10·1,00·1,146·1,00) =
= 4,377 см.
По номограмме (см.
рисунок 6) определяют для грунта - пылеватой супеси группы IV по степени пучинистости при
lпуч.ср = 4,377 см и
zпр = 151,80 см требуемую толщину дорожной одежды
hд.о.тр = 99,33 см.
Фактическая толщина дорожной одежды и верхней части укрепленного рабочего слоя hд.о + hв.р.с = 91 + 20 = 111 см.
Вывод: морозоустойчивость дорожной одежды обеспечена.
Ж.2.8 Расчет дренирующего слоя
Ж.2.8.1 Исходные данные:
- ширина проезжей части B = 7,00 м;
- ширина обочины c = 2,50 м;
- поперечный уклон низа дренирующего слоя

;
- коэффициент заложения откосов земляного полотна m = 1,5;
- дренирующий слой - средний песок;
- коэффициент фильтрации песка Kф = 2 м/сут (по данным испытаний песка в карьере);
- пористость песка n = 0,38;
- продольный уклон

.
Принимают конструктивное решение - устройство песчаного слоя на всю ширину земляного полотна (см.
рисунок 9 а).
Ж.2.8.2 Расчет дренирующего слоя по способу осушения
qр = q·Kпик·Kг·Kвог·Kр/1000 =
= 3,00·1,50·1,10·1,00·1,00/1000 = 0,00450 м3/(м2·сут).
Ж.2.8.2.2 Определяют длину пути фильтрации L на уровне половины толщины песчаного слоя при двухскатном поперечном профиле и заложении откосов 1:1,5 по следующей формуле:

(Ж.1)
где B - ширина проезжей части, м;
c - ширина обочины, м;

- длина дренирующего слоя, расположенного в откосной части земляного полотна, равная сумме толщин дорожной одежды и половине толщины дренируемого слоя, умноженной на коэффициент заложения откоса:
L = 3,50 + 2,50 + 1,15 = 7,15 м.
Ж.2.8.2.3 По номограмме (см.
рисунок 14) определяют
hнас - толщину слоя, полностью насыщенного водой, при значении погонного удельного притока воды в дорожную конструкцию:
q' = 0,5·qр·B = 0,00450·7,00 = 0,01575 м3/м.
При поперечном уклоне корыта

и абсциссе
q'/
Kф = 0,01575/2 = 0,007875 ордината номограммы (см.
рисунок 14) 3,5
hнас/
L = 0,098.
Вычисляют значение hнас:
hнас = 0,098·7,15/3,50 = 0,20 м.
Ж.2.8.2.4 Вычисляют полную толщину дренируемого слоя [см.
формулу (28)]:
hдр = hнас + hзап = 0,20 + 0,15 = 0,35 м.
Ж.2.8.3 Расчет дренирующего слоя по способу поглощения
Полную толщину дренирующего слоя, работающего по принципу поглощения, рассчитывают при расчетном притоке воды в дренирующий слой за весь расчетный период
Q = 40 л/м
2 (таблица 13) по
формуле (32):
Окончательно принимают толщину дренируемого слоя, равную 35 см.
Фактическая толщина дренирующего слоя - 35 см.
Вывод: принятая конструкция дорожной одежды удовлетворяет всем критериям прочности, морозоустойчивости и осушения.
| Руководство по прогнозированию интенсивности движения на автомобильных дорогах |
| | Проектирование нежестких дорожных одежд. Методические рекомендации по расчету параметров напряженно-деформированного состояния многослойных конструкций при воздействии колесных нагрузок |
УДК 625.72:006.354 | |
Ключевые слова: автомобильные дороги общего пользования, нежесткие дорожные одежды, проектирование, конструирование, расчет, прочность, осушение, морозоустойчивость, модули упругости |