Главная // Актуальные документы // ГОСТ (Государственный стандарт)СПРАВКА
Источник публикации
В данном виде документ опубликован не был.
Первоначальный текст документа опубликован в издании
М.: Стандартинформ, 2021.
Информацию о публикации документов, создающих данную редакцию, см. в справке к этим документам.
Примечание к документу
Документ включен в
Перечень международных и региональных (межгосударственных) стандартов, а в случае их отсутствия - национальных (государственных) стандартов, содержащих правила и методы исследований (испытаний) и измерений, в том числе правила отбора образцов, необходимые для применения и исполнения требований технического
регламента Евразийского экономического союза "О безопасности газа горючего природного, подготовленного к транспортированию и (или) использованию" (ТР ЕАЭС 046/2018) и осуществления оценки соответствия объектов технического регулирования (
Решение Коллегии Евразийской экономической комиссии от 13.09.2021 N 112).
Текст данного документа приведен с учетом
поправки, опубликованной в "ИУС", N 4, 2022;
поправки, опубликованной в "ИУС", N 9, 2023.
Название документа
"ГОСТ 34711-2021. Межгосударственный стандарт. Газ природный. Определение массовой концентрации водяных паров"
(введен в действие Приказом Росстандарта от 05.03.2021 N 118-ст)
(ред. от 26.05.2023)
"ГОСТ 34711-2021. Межгосударственный стандарт. Газ природный. Определение массовой концентрации водяных паров"
(введен в действие Приказом Росстандарта от 05.03.2021 N 118-ст)
(ред. от 26.05.2023)
по техническому регулированию
и метрологии
от 5 марта 2021 г. N 118-ст
МЕЖГОСУДАРСТВЕННЫЙ СТАНДАРТ
ГАЗ ПРИРОДНЫЙ
ОПРЕДЕЛЕНИЕ МАССОВОЙ КОНЦЕНТРАЦИИ ВОДЯНЫХ ПАРОВ
Natural gas. Determination of water vapors
mass concentration
(ISO 10101-1:1993, NEQ)
(ISO 10101-2:1993, NEQ)
(ISO 10101-3:1993, NEQ)
ГОСТ 34711-2021
| | Список изменяющих документов Приказом Росстандарта от 26.05.2023 N 349-ст) | |
Дата введения
1 июля 2022 года
с правом досрочного применения
Цели, основные принципы и общие правила проведения работ по межгосударственной стандартизации установлены
ГОСТ 1.0 "Межгосударственная система стандартизации. Основные положения" и
ГОСТ 1.2 "Межгосударственная система стандартизации. Стандарты межгосударственные, правила и рекомендации по межгосударственной стандартизации. Правила разработки, принятия, обновления и отмены"
1 РАЗРАБОТАН Обществом с ограниченной ответственностью "Научно-исследовательский институт природных газов и газовых технологий - Газпром ВНИИГАЗ" (ООО "Газпром ВНИИГАЗ")
2 ВНЕСЕН техническим комитетом по стандартизации ТК 052 "Природный и сжиженные газы"
3 ПРИНЯТ Межгосударственным советом по стандартизации, метрологии и сертификации (протокол от 29 января 2021 г. N 136-П)
За принятие проголосовали:
Краткое наименование страны по МК (ИСО 3166) 004-97 | Код страны по МК (ИСО 3166) 004-97 | Сокращенное наименование национального органа по стандартизации |
Азербайджан | AZ | Азстандарт |
Армения | AM | ЗАО "Национальный орган по стандартизации и метрологии" Республики Армения |
Беларусь | BY | Госстандарт Республики Беларусь |
Казахстан | KZ | Госстандарт Республики Казахстан |
Киргизия | KG | Кыргызстандарт |
Молдова | MD | Институт стандартизации Молдовы |
Россия | RU | Росстандарт |
Узбекистан | UZ | Узстандарт |
4
Приказом Федерального агентства по техническому регулированию и метрологии от 5 марта 2021 г. N 118-ст межгосударственный стандарт ГОСТ 34711-2021 введен в действие в качестве национального стандарта Российской Федерации с 1 июля 2022 г. с правом досрочного применения
5 В настоящем стандарте учтены основные нормативные положения следующих международных стандартов:
- ISO 10101-1:1993 "Газ природный. Определение воды методом Карла Фишера. Часть 1. Введение" ("Natural gas - Determination of water by the Karl Fischer method - Part 1: Introduction", NEQ);
- ISO 10101-2:1993 "Газ природный. Определение воды методом Карла Фишера. Часть 2. Метод титрования" ("Natural gas - Determination of water by the Karl Fischer method - Part 2: Titration procedure" NEQ);
- ISO 10101-3:1993 "Газ природный. Определение воды методом Карла Фишера. Часть 3. Кулонометрический метод" ("Natural gas - Determination of water by the Karl Fischer method - Part 3: Coulometric procedure", NEQ)
6 ВВЕДЕН ВПЕРВЫЕ
Информация о введении в действие (прекращении действия) настоящего стандарта и изменений к нему на территории указанных выше государств публикуется в указателях национальных стандартов, издаваемых в этих государствах, а также в сети Интернет на сайтах соответствующих национальных органов по стандартизации.
В случае пересмотра, изменения или отмены настоящего стандарта соответствующая информация будет опубликована на официальном интернет-сайте Межгосударственного совета по стандартизации, метрологии и сертификации в каталоге "Межгосударственные стандарты"
Массовая концентрация водяных паров в природном газе является одним из важнейших показателей качества, информация о котором актуальна в процессах подготовки, переработки и транспортирования природного газа. Значимость данного показателя для нефтегазовой отрасли обусловлена необходимостью оценки эффективности работы установок промысловой подготовки природного газа. При использовании на промысле низкотемпературного процесса подготовки природного газа измерение массовой концентрации водяных паров гигрометрами, реализующими сорбционные методы, затруднено в связи с наличием в природном газе паров метанола, который влияет на результаты измерений. В отличие от сорбционных методов определения массовой концентрации водяных паров в природном газе метод титрования по Карлу Фишеру является селективным по отношению к воде, и присутствие метанола в природном газе не оказывает влияния на конечный результат. К достоинствам метода Карла Фишера также следует отнести достаточно высокую точность и чувствительность при малых концентрациях водяных паров в исследуемом газе, а также достаточно широкий диапазон измерений.
1.1 Настоящий стандарт распространяется на природный газ, поступающий с промысловых установок подготовки, из подземных хранилищ газа и с газоперерабатывающих заводов в магистральные газопроводы, транспортируемый по ним, поставляемый в системы газораспределения и используемый в качестве сырья и топлива промышленного и коммунально-бытового назначения, а также в качестве компримированного газомоторного топлива для двигателей внутреннего сгорания.
1.2 Настоящий стандарт распространяется также на другие углеводородные газы, получаемые в процессах добычи, подготовки и переработки природного газа, газового конденсата и нефти, содержащие компоненты, приведенные в
таблице 1 ГОСТ 31371.7-2020 (далее - углеводородные газы).
1.3 Настоящий стандарт не распространяется на природные и углеводородные газы, содержащие сероводород и меркаптаны, суммарная массовая концентрация которых при стандартных условиях по
ГОСТ 34770 в пересчете на серу превышает 30 мг/м
3.
(в ред.
Изменения N 1, введенного в действие Приказом Росстандарта от 26.05.2023 N 349-ст)
1.4 Настоящий стандарт устанавливает определение массовой концентрации водяных паров, приведенной к стандартным условиям по
ГОСТ 34770, в природном и углеводородных газах методами Карла Фишера в диапазоне от 75 до 7500 мг/м
3 (для титриметрического метода) и от 75·10
-2 до 75 мг/м
3 (для кулонометрического метода).
(в ред.
Изменения N 1, введенного в действие Приказом Росстандарта от 26.05.2023 N 349-ст)
В настоящем стандарте использованы нормативные ссылки на следующие межгосударственные стандарты:
ГОСТ 12.0.004 Система стандартов безопасности труда. Организация обучения безопасности труда. Общие положения
ГОСТ 12.1.004 Система стандартов безопасности труда. Пожарная безопасность. Общие требования
ГОСТ 12.1.005 Система стандартов безопасности труда. Общие санитарно-гигиенические требования к воздуху рабочей зоны
ГОСТ 12.1.007 Система стандартов безопасности труда. Вредные вещества. Классификация и общие требования безопасности
ГОСТ 12.1.019 Система стандартов безопасности труда. Электробезопасность. Общие требования и номенклатура видов защиты
ГОСТ 12.1.044 Система стандартов безопасности труда. Пожаровзрывоопасность веществ и материалов. Номенклатура показателей и методы их определения
ГОСТ 12.2.007.0 Система стандартов безопасности труда. Изделия электротехнические. Общие требования безопасности
ГОСТ 12.4.009 Система стандартов безопасности труда. Пожарная техника для защиты объектов. Основные виды. Размещение и обслуживание
ГОСТ 12.4.021 Система стандартов безопасности труда. Системы вентиляционные. Общие требования
ГОСТ 17.1.3.05 Охрана природы. Гидросфера. Общие требования к охране поверхностных и подземных вод от загрязнения нефтью и нефтепродуктами
ГОСТ 17.1.3.13 Охрана природы. Гидросфера. Общие требования к охране поверхностных вод от загрязнения
ГОСТ 17.2.3.02 <*> Правила установления допустимых выбросов загрязняющих веществ промышленными предприятиями
--------------------------------
<*> В Российской Федерации действует
ГОСТ Р 58577-2019 "Правила установления нормативов допустимых выбросов загрязняющих веществ проектируемыми и действующими хозяйствующими субъектами и методы определения этих нормативов".
ГОСТ 17.4.2.01 Охрана природы. Почвы. Номенклатура показателей санитарного состояния <**>
(в ред.
Изменения N 1, введенного в действие Приказом Росстандарта от 26.05.2023 N 349-ст)
--------------------------------
(сноска введена
Изменением N 1, введенным в действие Приказом Росстандарта от 26.05.2023 N 349-ст)
ГОСТ 5632 Нержавеющие стали и сплавы коррозионно-стойкие, жаростойкие и жаропрочные. Марки
(в ред.
Изменения N 1, введенного в действие Приказом Росстандарта от 26.05.2023 N 349-ст)
ГОСТ 6709 Вода дистиллированная. Технические условия <***>
(в ред.
Изменения N 1, введенного в действие Приказом Росстандарта от 26.05.2023 N 349-ст)
--------------------------------
(сноска введена
Изменением N 1, введенным в действие Приказом Росстандарта от 26.05.2023 N 349-ст)
ГОСТ 8984 Силикагель-индикатор. Технические условия
ГОСТ 9293 Азот газообразный и жидкий. Технические условия
ГОСТ 9433 Смазка ЦИАТИМ-221. Технические условия
ГОСТ 10157 Аргон газообразный и жидкий. Технические условия
ГОСТ 14254 (IEC 60529:2013) Степени защиты, обеспечиваемые оболочками (Код IP)
ГОСТ 14870 Продукты химические. Методы определения воды
ГОСТ 15150 Машины, приборы и другие технические изделия. Исполнения для различных климатических районов. Категории, условия эксплуатации, хранения и транспортирования в части воздействия климатических факторов внешней среды
ГОСТ 19433 Грузы опасные. Классификация и маркировка
ГОСТ 31610.20-1 (ISO/IEC 80079-20-1:2017 Взрывоопасные среды. Часть 20-1. Характеристики веществ для классификации газа и пара. Методы испытаний и данные
(в ред.
Изменения N 1, введенного в действие Приказом Росстандарта от 26.05.2023 N 349-ст)
ГОСТ 31370 (ИСО 10715:1997) Газ природный. Руководство по отбору проб
ГОСТ 31371.7-2020 Газ природный. Определение состава методом газовой хроматографии с оценкой неопределенности. Часть 7. Методика измерений молярной доли компонентов
ГОСТ 31610.0 (IEC 60079-0:2017) Взрывоопасные среды. Часть 0. Оборудование. Общие требования
ГОСТ 34770 Газ природный. Стандартные условия измерения и вычисления физико-химических свойств
(сноска введена
Изменением N 1, введенным в действие Приказом Росстандарта от 26.05.2023 N 349-ст)
ГОСТ OIML R 76-1 Государственная система обеспечения единства измерений. Весы неавтоматического действия. Часть 1. Метрологические и технические требования. Испытания
ГОСТ OIML R 111-1 Государственная система обеспечения единства измерений. Гири классов точности E (индекса 1), E (индекса 2), F (индекса 1), F (индекса 2), M (индекса 1), M (индекса 1-2), M (индекса 2), M (индекса 2-3) и M (индекса 3). Часть 1. Метрологические и технические требования
Примечание - При пользовании настоящим стандартом целесообразно проверить действие ссылочных стандартов и классификаторов на официальном интернет-сайте Межгосударственного совета по стандартизации, метрологии и сертификации (www.easc.by) или по указателям национальных стандартов, издаваемым в государствах, указанных в
предисловии, или на официальных сайтах соответствующих национальных органов по стандартизации. Если на документ дана недатированная ссылка, то следует использовать документ, действующий на текущий момент, с учетом всех внесенных в него изменений. Если заменен ссылочный документ, на который дана датированная ссылка, то следует использовать указанную версию этого документа. Если после принятия настоящего стандарта в ссылочный документ, на который дана датированная ссылка, внесено изменение, затрагивающее положение, на которое дана ссылка, то это положение применяется без учета данного изменения. Если ссылочный документ отменен без замены, то положение, в котором дана ссылка на него, применяется в части, не затрагивающей эту ссылку.
В настоящем стандарте применены термины по
[1], а также следующие термины с соответствующими определениями:
3.1 массовая концентрация водяных паров (влагосодержание): Масса водяных паров, содержащаяся в единице объема природного газа, приведенного к стандартным условиям.
3.2 реактив Карла Фишера: Химический раствор или растворы, содержащие йод, диоксид серы, а также вспомогательные компоненты (как правило, спирт или простой эфир и азотистое основание), применяемые для количественного селективного определения воды в различных веществах и материалах.
3.3 метод Карла Фишера: Метод количественного селективного определения воды в различных веществах и материалах, основанный на химической реакции окисления диоксида серы йодом, необратимо протекающей только в присутствии воды и в специфической среде - реактиве Карла Фишера.
3.4 титриметрический (волюмометрический) метод Карла Фишера: Метод Карла Фишера, в котором массу воды в исследуемом образце определяют по известной величине объема используемого для титрования реактива Карла Фишера, затраченного в процессе измерения.
3.5 кулонометрический метод Карла Фишера: Метод Карла Фишера, в котором массу воды в исследуемом образце определяют по известному количеству электричества, затраченного на генерацию йода в процессе измерения.
3.6 титратор Карла Фишера: Средство измерений количества воды в различных веществах и материалах, реализующее метод Карла Фишера.
3.7 автоматический титратор Карла Фишера: Титратор, в котором момент окончания реакции (конечная точка титрования), а также объем подаваемого реактива Карла Фишера или количество генерируемого на аноде йода определяют автоматически.
3.8 измерительная камера (ячейка) титратора Карла Фишера: Стеклянная емкость с рабочими и индикаторными электродами, погруженными в рабочий раствор, в котором протекает реакция воды, содержащейся в исследуемом образце, с реактивом Карла Фишера.
3.9 кулонометрическая измерительная камера (ячейка): Измерительная камера (ячейка) титратора Карла Фишера, обеспечивающая реализацию кулонометрического метода Карла Фишера.
3.10 кулонометрическая измерительная камера (ячейка) с мембраной: Кулонометрическая измерительная камера (ячейка), в которой анодное и катодное пространства разделены ион-проницаемой мембраной.
3.11 кулонометрическая измерительная камера (ячейка) без мембраны: Кулонометрическая измерительная камера (ячейка), в которой анодное и катодное пространства не разделены ион-проницаемой мембраной.
3.12 пробоотборное устройство: Приспособление, используемое для подачи представительной пробы исследуемого газа из точки отбора проб в пробоотборную линию.
Примечание - В состав пробоотборного устройства входят, как правило, пробоотборный зонд, запорный вентиль или шаровой кран; также можно использовать отдельные элементы системы пробоподготовки (фильтры, каплеотбойники, сепараторы, поглотители и т.п.).
3.13 система пробоподготовки: Совокупность приспособлений, используемых для подготовки пробы исследуемого газа с целью корректного измерения физико-химических показателей.
Примечание - В состав системы пробоподготовки входят, как правило, фильтры очистки от механических примесей, сернистых соединений и других нежелательных примесей, а также системы редуцирования газа, подогрева и т.п.
3.14 пробоотборная система: Совокупность приспособлений, используемых для передачи представительной и подготовленной пробы исследуемого газа из точки отбора проб непосредственно в анализатор или в пробоотборный баллон (контейнер).
Примечание - В состав пробоотборной системы входят пробоотборное устройство, пробоотборная линия, система пробоподготовки, а также необходимая арматура и средства измерений (далее - СИ) для обеспечения передачи представительной и подготовленной пробы исследуемого газа из точки отбора проб непосредственно в анализатор или в пробоотборный баллон (контейнер).
3.15 переносной титратор Карла Фишера: Титратор Карла Фишера, предназначенный для выполнения периодических измерений массовой концентрации водяных паров в исследуемом газе, отбираемом напрямую в разных точках отбора проб.
3.16 потоковый титратор Карла Фишера: Титратор Карла Фишера, стационарно размещенный в непосредственной близости от постоянной точки отбора пробы исследуемого газа, предназначенный для выполнения в автоматическом режиме непрерывных измерений массовой концентрации водяных паров в исследуемом газе.
3.17 лабораторный титратор Карла Фишера: Титратор Карла Фишера, стационарно размещенный на удалении от точки (точек) отбора пробы исследуемого газа, предназначенный для выполнения периодических измерений массовой концентрации водяных паров в исследуемом газе при реализации косвенного отбора проб.
3.18 стандартные условия измерений: Установленные температура и давление, при которых измеряют или к которым приводят объем и связанные с ним физико-химические свойства природного газа.
(в ред.
Изменения N 1, введенного в действие Приказом Росстандарта от 26.05.2023 N 349-ст)
--------------------------------
<*> Сноска исключена с 01.06.2023. -
Изменение N 1, введенное в действие Приказом Росстандарта от 26.05.2023 N 349-ст.
4 Требования безопасности
4.1 Природный и углеводородные газы (далее - исследуемый газ) являются газообразными малотоксичными пожаровзрывоопасными продуктами. По токсикологической характеристике природный и углеводородные газы относят к веществам 4-го класса опасности по
ГОСТ 12.1.007.
4.2 Реактив Карла Фишера является жидким высокотоксичным пожаровзрывоопасным продуктом. По токсикологической характеристике реактив Карла Фишера относят к веществам 2-го класса опасности по
ГОСТ 12.1.007.
4.3 Реактив Карла Фишера содержит йод, диоксид серы, а также, в зависимости от конкретной рецептуры, может содержать спирты (метанол, этанол и др.), простые эфиры (метил-, этилцеллозольв и др.), а также азотистые основания (пиридин, имидазол, диэтаноламин и др.).
4.4 Йод и диоксид серы являются негорючими токсичными веществами, метанол, этанол, метилцеллозольв, этилцеллозольв, пиридин, диэтаноламин являются горючими токсичными веществами, имидазол - негорючие, малотоксичные вещества. Йод, диоксид серы, пиридин и диэтаноламин оказывают раздражающее действие на кожные покровы, а также слизистые оболочки глаз и верхних дыхательных путей.
4.5 Предельно допустимые концентрации (ПДК) указанных выше вредных веществ в воздухе рабочей зоны установлены в
ГОСТ 12.1.005.
4.6 Концентрацию вредных веществ в воздухе рабочей зоны при работе с природным и углеводородными газами определяют газоанализаторами, соответствующими требованиям
ГОСТ 12.1.005.
4.7 Природный и углеводородные газы образуют с воздухом взрывоопасные смеси. Концентрационные пределы воспламенения природного газа в смеси с воздухом, выраженные в процентах объемной доли метана по
ГОСТ 31610.20-1: нижний - 4,4, верхний - 17,0. Для природного и углеводородных газов конкретного состава концентрационные пределы воспламенения определяют по
ГОСТ 12.1.044. Категория взрывоопасности и группа взрывоопасных смесей для смеси природного газа с воздухом - IIА и Т1 по
ГОСТ 31610.20-1.
(в ред.
Изменения N 1, введенного в действие Приказом Росстандарта от 26.05.2023 N 349-ст)
4.8 Реактив Карла Фишера относят к легковоспламеняющимся жидкостям 3-го класса по
ГОСТ 19433.
4.9 Пары компонентов реактива Карла Фишера могут образовывать с воздухом взрывоопасные смеси. Концентрационные пределы воспламенения паров реактива Карла Фишера в смеси с воздухом в процентах объемной доли метанола по
ГОСТ 31610.20-1: нижний - 6,0; верхний - 36,0. Категория взрывоопасности и группа взрывоопасных смесей для смеси паров реактива Карла Фишера с воздухом - IIА и Т2 по
ГОСТ 31610.20-1.
(в ред.
Изменения N 1, введенного в действие Приказом Росстандарта от 26.05.2023 N 349-ст)
4.11 Работающие с природным и углеводородными газами, а также с реактивом Карла Фишера должны быть обучены правилам безопасности труда в соответствии с
ГОСТ 12.0.004.
4.12 Лица, работающие с газами и газовыми смесями в баллонах под давлением, должны руководствоваться национальными документами.
4.13 Санитарно-гигиенические требования к показателям микроклимата и допустимому содержанию вредных веществ в воздухе рабочей зоны должны соответствовать
ГОСТ 12.1.005.
4.14 Процедуры с природным и углеводородными газами, а также с реактивом Карла Фишера проводят в зданиях и помещениях, обеспеченных вентиляцией, отвечающей требованиям
ГОСТ 12.4.021, соответствующих требованиям пожарной безопасности по
ГОСТ 12.1.004 и имеющих средства пожаротушения по
ГОСТ 12.4.009.
4.15 Искусственное освещение и электрооборудование зданий и помещений должны соответствовать требованиям взрывобезопасности по
ГОСТ 31610.0.
5 Требования охраны окружающей среды
5.1 Правила установления допустимых выбросов природного и углеводородных газов, а также паров компонентов реактива Карла Фишера в атмосферу - по
ГОСТ 17.2.3.02.
5.3 Охрану почвы от загрязнения токсичными веществами осуществляют в соответствии с
ГОСТ 17.4.2.01.
6 Требования к квалификации персонала
6.1 Все процедуры по отбору проб, подготовке и проведению испытаний по настоящему стандарту, а также обработке и оформлению результатов выполняют лица, изучившие руководства по эксплуатации используемых СИ, оборудования, а также требования настоящего стандарта.
6.2 Лица, указанные в
6.1, должны изучить методы, изложенные в настоящем стандарте, методы отбора проб природного газа по
ГОСТ 31370, пройти обязательный инструктаж по охране труда, промышленной и пожарной безопасности, быть обучены безопасным методам и приемам выполнения работ, иметь допуск к работе с горючими газами и жидкостями, а также газами, находящимися под давлением.
7 Условия проведения испытаний
7.1 Определение массовой концентрации водяных паров в природном и углеводородных газах выполняют при следующих условиях окружающей среды:
- температура в диапазоне от 5 °C до 40 °C;
- атмосферное давление в диапазоне от 81,3 до 105,3 кПа (от 610 до 790 мм рт. ст.).
7.2 Внешние условия, влияющие на работу и свойства применяемых СИ, оборудования и материалов, должны соответствовать требованиям, указанным в руководствах по их эксплуатации (паспортах).
7.3 При размещении потокового титратора Карла Фишера в неотапливаемых помещениях при низких значениях температуры окружающей среды допускается устанавливать его в обогреваемый шкаф или аналогичное устройство (при условии, что уровень и вид взрывозащиты используемого устройства соответствуют классу взрывоопасных зон, категории и группе взрывоопасных смесей).
8 Общие требования к средствам измерений и оборудованию
Используют лабораторные, переносные или потоковые титраторы Карла Фишера (далее - титраторы), соответствующие следующим основным требованиям:
- в области применения используемых переносных и потоковых титраторов должны быть указаны в том числе и природный или углеводородные газы;
- климатическое исполнение переносных и потоковых титраторов для соответствующего условиям эксплуатации макроклиматического района - по
ГОСТ 15150;
- по защищенности от воздействия окружающей среды переносные и потоковые титраторы должны быть выполнены в пыле- и влагозащищенном исполнении. Степень защиты от проникновения пыли и воды для используемых титраторов должна быть не ниже IP54 по
ГОСТ 14254;
- конструкция переносных и потоковых титраторов должна соответствовать общим требованиям
[2] для электрооборудования, размещаемого во взрывоопасных зонах;
- при проведении работ непосредственно во взрывоопасной зоне все элементы переносных и потоковых титраторов должны иметь взрывобезопасный уровень взрывозащиты согласно требованиям
[2] с соответствующей маркировкой взрывозащиты;
- по способу защиты человека от поражения электрическим током используемые титраторы должны быть класса 01 по
ГОСТ 12.2.007.0.
9.1 Отбор проб исследуемого газа - по
ГОСТ 31370 с учетом приведенных в настоящем разделе требований.
9.2 Для отбора проб исследуемого газа на газопроводе оборудуют точку отбора, удовлетворяющую требованиям
ГОСТ 31370.
9.3 Пробоотборные линии должны быть по возможности короткими, изготовлены из нержавеющей стали марок (6 - 42) 12Х18Н10Т, (6 - 24) 08Х18Н12Т по
ГОСТ 5632 или других материалов, аналогичных им по свойствам, химически инертных к водяным парам и не сорбирующих их.
(в ред.
Изменения N 1, введенного в действие Приказом Росстандарта от 26.05.2023 N 349-ст)
9.4 Используемое при отборе проб исследуемого газа вспомогательное оборудование (редуктор, фильтры), а также соединительные элементы и уплотнения между элементами пробоотборной системы, контактирующие с исследуемым газом, должны быть изготовлены из нержавеющей стали марок, указанных в
9.3, фторопласта по
ГОСТ 10007 или из других материалов, аналогичных им по свойствам, химически инертных к водяным парам и не сорбирующих их.
9.5 Если предполагаемое значение массовой концентрации водяных паров в исследуемом газе не превышает 750 мг/м
3, следует проводить прямой отбор пробы непосредственно в измерительную камеру (ячейку) переносного или потокового титратора. Схема пробоподготовки при прямом отборе проб исследуемого газа приведена на
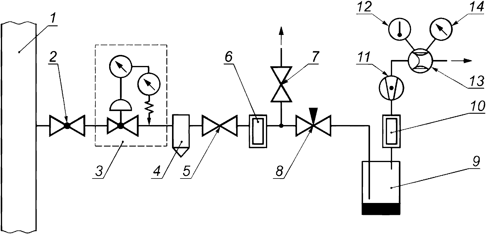
рисунке 1.
1 - источник исследуемого газа; 2 - запорный вентиль;
3 - газовый редуктор; 4 - фильтр механических примесей;
5 - вентиль; 6 - фильтр с сорбентом сернистых соединений;
7 - сбросной вентиль; 8 - вентиль тонкой регулировки;
9 - измерительная камера (ячейка) титратора; 10 - осушающая
трубка; 11 - СИ расхода исследуемого газа; 12 - термометр;
13 - газовый счетчик; 14 - СИ давления
Рисунок 1 - Схема пробоотбора при прямом
отборе проб исследуемого газа
9.6 Если предполагаемое значение массовой концентрации водяных паров в исследуемом газе превышает 750 мг/м
3, допускается проводить косвенный отбор проб в пробоотборные баллоны (контейнеры), соответствующие требованиям
ГОСТ 31370. Схема пробоподготовки при косвенном отборе проб исследуемого газа приведена на
рисунке 2.
1 - пробоотборный баллон (контейнер); 2 - запорный вентиль
баллона; 3 - газовый редуктор; 4 - фильтр механических
примесей; 5 - вентиль; 6 - фильтр с сорбентом сернистых
соединений; 7 - сбросной вентиль; 8 - вентиль тонкой
регулировки; 9 - измерительная камера (ячейка) титратора;
10 - осушающая трубка; 11 - СИ расхода исследуемого газа;
12 - термометр; 13 - газовый счетчик; 14 - СИ давления
Рисунок 2 - Схема пробоотбора при косвенном
отборе проб исследуемого газа
9.7 Если предполагаемая массовая концентрация водяных паров в исследуемом газе, приведенная к стандартным условиям, менее 7,5 мг/м
3, для быстрого высушивания пробоотборной линии и измерительной камеры (ячейки) кулонометрического титратора между измерениями или для холостого определения (см.
12.3) следует применять вспомогательный сухой газ, подаваемый из точки отбора пробы (см.
рисунок 3) или из баллона (см.
рисунок 4).
1 - источник исследуемого газа; 2 - запорный вентиль;
3 - газовый редуктор; 4 - фильтр механических примесей;
5, 15 - вентиль; 6 - фильтр с сорбентом сернистых
соединений; 7 - сбросной вентиль; 8 - вентиль тонкой
регулировки; 9 - измерительная камера (ячейка) титратора;
10 - осушающая трубка; 11 - СИ расхода исследуемого газа;
12 - термометр; 13 - газовый счетчик; 14 - СИ давления;
16 - осушающий фильтр
Рисунок 3 - Схема пробоподготовки для кулонометрического
метода Карла Фишера при использовании исследуемого газа
в качестве осушенного газа
1 - источник исследуемого газа; 2 - запорный вентиль;
3, 17 - газовый редуктор; 4 - фильтр механических примесей;
5, 15 - вентиль; 6 - фильтр с сорбентом сернистых
соединений; 7 - сбросной вентиль; 8 - вентиль тонкой
регулировки; 9 - измерительная камера (ячейка) титратора;
10 - осушающая трубка; 11 - СИ расхода исследуемого газа;
12 - термометр; 13 - газовый счетчик; 14 - СИ давления;
16 - осушающий фильтр; 18 - вентиль баллона;
19 - баллон с инертным газом
Рисунок 4 - Схема пробоподготовки для кулонометрического
метода Карла Фишера при использовании инертного газа
в качестве осушенного газа
9.8 В качестве вспомогательного сухого газа из баллона можно использовать азот по
ГОСТ 9293, аргон по
ГОСТ 10157 или любой другой инертный газ с аналогичными характеристиками.
9.9 Осушают вспомогательный газ при помощи осушающего фильтра
16 с предварительно подготовленными цеолитами (см.
рисунки 3 и
4). Подготовку цеолитов проводят путем прокаливания в муфельной печи при температуре 350 °C в течение 3 - 4 ч с последующим охлаждением в эксикаторе с осушителем, например хлористым кальцием.
9.10 Температура исследуемого газа в пробоотборной линии до сброса давления должна быть не ниже температуры в точке отбора пробы (далее - точка отбора). Если температура исследуемого газа в пробоотборной линии ниже температуры исследуемого газа в точке отбора, пробоотборную линию подогревают электронагревательными элементами, соответствующими требованиям
ГОСТ 31370. При невозможности оснащения пробоотборной линии электронагревательными элементами (например, при работе с переносными титраторами) испытания следует проводить в обогреваемом помещении.
Примечание - При контроле температуры пробоотборной линии ее допускается принимать равной температуре окружающего воздуха, измеряемой вблизи пробоотборной линии.
9.11 Вместимость пробоотборных баллонов (контейнеров) для отбора проб должна быть достаточной для проведения предусмотренного настоящим стандартом числа испытаний с учетом давления и температуры исследуемого газа в пробоотборном баллоне (контейнере).
9.12 Полностью открывают запорный вентиль пробоотборного устройства, соответствующего требованиям
ГОСТ 31370, на несколько секунд, затем подсоединяют стальную трубку (пробоотборную линию), соответствующую требованиям
9.3, которая должна быть по возможности короткой и рассчитанной на давление исследуемого газа в точке отбора. Продувают пробоотборную линию исследуемым газом, полностью открывая запорный вентиль на несколько секунд, затем подсоединяют пробоотборный баллон (контейнер).
9.13 Продувку и заполнение пробоотборного баллона (контейнера) исследуемым газом до рабочего давления осуществляют по
ГОСТ 31370, после чего закрывают запорный вентиль и отсоединяют баллон (контейнер) от пробоотборной линии.
9.14 Температура исследуемого газа в пробоотборной линии и пробоотборном баллоне (контейнере) при отборе пробы должна быть не ниже температуры исследуемого газа в точке отбора. Если температура пробоотборной линии и баллона (контейнера), принимаемая равной температуре окружающей среды, ниже температуры исследуемого газа в точке отбора, то стальную трубку, вентиль и пробоотборный баллон (контейнер) теплоизолируют или подогревают электронагревательными элементами, удовлетворяющими требованиям
ГОСТ 31370. При невозможности оснащения пробоотборной линии, вентиля и баллона электронагревательными элементами пробы отбирают в обогреваемом помещении.
Примечание - При контроле температуры пробоотборной линии и баллона (контейнера) ее допускается принимать равной температуре окружающего воздуха, измеряемой вблизи пробоотборной линии или баллона (контейнера).
9.15 Пробоотборный баллон (контейнер) с отобранной пробой исследуемого газа транспортируют в лабораторию, соблюдая правила безопасности. Отобранные пробы исследуемого газа хранят в отапливаемом помещении. Перед подачей исследуемого газа в титратор выдерживают пробоотборный баллон (контейнер) при комнатной температуре (в лаборатории) не менее 2 ч.
9.16 Исследуемый газ из пробоотборного баллона (контейнера) подают в титратор с использованием установки, приведенной на
рисунке 2.
9.17 Для обеспечения эффективного взаимодействия содержащихся в исследуемом газе водяных паров с реактивом Карла Фишера вводят исследуемый газ в измерительную камеру (ячейку) титратора капилляром или трубкой, снабженной распылителем, из материала, соответствующего требованиям
9.4.
9.18 Особое внимание следует уделять герметичности шлифованных соединений измерительной камеры (ячейки) титратора. Шлифованные стеклянные соединения измерительной камеры (ячейки) должны быть смазаны специальной смазкой для шлифованных соединений.
9.19 Если массовая концентрация сероводорода и меркаптанов в исследуемом газе при стандартных условиях (в пересчете на серу) не превышает 20% от предполагаемого значения массовой концентрации водяных паров, влияние указанных сернистых компонентов на результат определения корректируют по формуле

, (1)
где WС - скорректированное значение массовой концентрации водяных паров в исследуемом газе, приведенное к стандартным условиям, мг/м3;
WИ - измеренное значение массовой концентрации водяных паров в исследуемом газе, приведенное к стандартным условиям, мг/м3;
9/16 - коэффициент для учета эквивалентного количества сероводородной серы при реакции сероводорода с йодом;
9/32 - коэффициент для учета эквивалентного количества меркаптановой серы при реакции меркаптанов с йодом;
SRSH - массовая концентрация меркаптановой серы в исследуемом газе при стандартных условиях, мг/м3.

- массовая концентрация сероводородной серы в исследуемом газе при стандартных условиях, мг/м
3, вычисляемая по формуле

, (2)
где

- массовая концентрация сероводорода в исследуемом газе при стандартных условиях, мг/м
3;
0,94085 - массовая доля серы в сероводороде.
Пример вычисления массовой концентрации водяных паров в исследуемом газе с учетом влияния на результат определения сернистых соединений приведен в
приложении А.
Примечания
1 Допускается не корректировать результат определения массовой концентрации водяных паров по
9.19, если суммарная массовая концентрация сероводорода и меркаптанов в исследуемом газе при стандартных условиях (в пересчете на серу) не превышает 1 мг/м
3.
2 Допускается не корректировать результат определения массовой концентрации водяных паров по
9.19, если суммарная массовая концентрация сероводорода и меркаптанов в исследуемом газе при стандартных условиях (в пересчете на серу) неизвестна, а массовая концентрация общей серы в исследуемом газе при стандартных условиях не превышает 1 мг/м
3.
3 Если массовая концентрация общей серы в исследуемом газе при стандартных условиях превышает 1 мг/м3, для обеспечения возможности использования данного метода необходимо определить суммарную массовую концентрацию сероводорода и меркаптанов в исследуемом газе при стандартных условиях (в пересчете на серу).
9.20 Если массовая концентрация сероводорода и меркаптанов в исследуемом газе при стандартных условиях (в пересчете на серу) превышает 20% от предполагаемого значения массовой концентрации водяных паров в исследуемом газе, но менее 30 мг/м3 (в пересчете на серу), влияние указанных сернистых соединений можно устранить специальными фильтрами.
9.21 Следует учитывать, что использование специальных фильтров сернистых соединений приводит к увеличению времени продувки пробоотборной системы на 15 - 30 мин в зависимости от предполагаемого значения массовой концентрации водяных паров в исследуемом газе.
9.22 Для удаления из исследуемого газа механических примесей следует использовать фильтр механических примесей (фильтр мембранного или другого типа), например фильтр механических примесей КРАУ 6.451.015.
9.23 Целесообразно в качестве фильтра механических примесей при применении потоковых титраторов использовать фильтр-сепаратор, состоящий из камеры высокого давления, входного и выходного соединительных фитингов, а также дренажного вентиля, т.к. такая конструкция позволит очищать фильтр от накопившихся примесей без приостановки процесса определения. В качестве фильтра-сепаратора можно использовать, например, инерционно-гравитационный фильтр THT-3R60-12-1-T или мембранный фильтр КРАУ6.457.176.
10.1 Принцип методов по Карлу Фишеру
10.1.1 Принцип методов определения массы воды по Карлу Фишеру заключается в химическом взаимодействии йода с сернистым ангидридом, которое протекает в присутствии воды в специфической среде, содержащей органический полярный растворитель (например, метанол, этанол или метил-, этилцеллозольв) и азотистое основание (например, пиридин, имидазол, диэтаноламин), с образованием соответствующих соединений йодистоводородной и метилсерной кислоты с азотистым основанием по следующим реакциям (для варианта с органическим полярным растворителем - метанолом):
CH3OH + SO2 + RN = (RNH)SO3CH3, (3)
H2O + I2 + (RNH)SO3CH3 + 2RN = (RNH)SO4CH3 + 2(RNH)I, (4)
где RN - азотистое основание.
10.1.2 В зависимости от регистрируемой физической величины, связанной с массовой концентрацией водяных паров в исследуемом газе, используют титриметрический (волюмометрический) или кулонометрический методы Карла Фишера.
10.1.3 После завершения реакции воды, содержащейся в исследуемом газе, с реактивом Карла Фишера в измерительной камере (ячейке) титратора в растворе повышается концентрация свободного йода, что указывает на окончание реакции.
10.2 Сущность титриметрического метода
10.2.1 При использовании титриметрического метода определения массовой концентрации водяных паров по Карлу Фишеру измеряют объем титранта (реактива Карла Фишера), израсходованный в процессе реакции с водой, поступившей в измерительную камеру (ячейку), при пропускании через нее известного объема исследуемого газа.
10.2.2 Момент окончания реакции титрования определяют бипотенциометрическим или биамперометрическим способом при помощи индикаторных электродов, погруженных в реактив Карла Фишера в измерительной камере (ячейке).
10.2.3 Используют ручную или автоматическую титровальную бюретку. В настоящем стандарте описано использование автоматической бюретки.
Примечание - При использовании ручной бюретки следует руководствоваться эксплуатационной документацией на бюретку.
10.2.4 Массу воды в пробе (известном объеме) исследуемого газа N, мг, вычисляют по объему израсходованного титранта (реактива Карла Фишера) по формуле
где Vр - объем реактива Карла Фишера, израсходованный на титрование пробы, см3;
TФ - титр реактива Карла Фишера, мг/см3.
10.2.5 Определяют титр реактива Карла Фишера, анализируя стандартный образец с известной массой воды, по процедуре и с периодичностью, указанными в руководстве по эксплуатации титратора.
10.2.6 При снижении значения титра реактива Карла Фишера ниже установленного контрольного значения в руководстве по эксплуатации титратора заменяют реактив в измерительной камере (ячейке) титратора на пригодный к использованию в соответствии с руководством по эксплуатации титратора.
10.2.7 Титриметрический (волюмометрический) метод Карла Фишера следует применять для значений массовой концентрации водяных паров в исследуемом газе от 75 до 7500 мг/м3.
10.3 Сущность кулонометрического метода
10.3.1 При использовании кулонометрического метода определяют количество электричества, затраченного на генерацию йода, реагирующего с водой, поступившей в измерительную камеру (ячейку) при пропускании через нее известного объема исследуемого газа.
10.3.2 Момент окончания реакции титрования определяют бипотенциометрическим или биамперометрическим способом при помощи индикаторных электродов, погруженных в реактив Карла Фишера в измерительной камере (ячейке).
10.3.3 Для кулонометрического метода Карла Фишера используют только автоматический титратор.
10.3.4 Массу воды, содержащейся в анализируемой пробе, определяют в соответствии с законом Фарадея по измеренным титратором силе тока и времени протекания реакции Карла Фишера.
10.3.5 Титратор автоматически регистрирует время начала и окончания реакции (по изменению потенциала на индикаторных электродах), затем вычисляет массу воды N, мг, содержащейся в пропущенной через кулонометрическую ячейку пробе исследуемого газа, по формуле

(6)
где M - молярная масса воды, равная 18015,28 мг/моль;
Q - количество электричества, прошедшего через раствор за время испытания, Кл;
z - количество электронов, переходящих по реакции Карла Фишера из раствора на электрод, в пересчете на одну молекулу воды, равное 2;
F - постоянная Фарадея, равная 96485,332 Кл/моль;
I - сила тока, измеренная титратором, А;
t, t1 и t2 - время электролиза и моменты времени начала и завершения титрования соответственно, с.
10.3.6 Кулонометрический метод Карла Фишера следует применять для значений массовой концентрации водяных паров в исследуемом газе при стандартных условиях от 0,75 до 75 мг/м3.
11 Титриметрический метод
11.1 Средства измерений, оборудование, материалы и реактивы
11.1.1 Используют следующие СИ, оборудование, материалы и реактивы:
- титратор, реализующий титриметрический (волюмометрический) метод Карла Фишера, имеющий следующие метрологические и технические характеристики: абсолютный нижний предел измерения массы воды должен быть не более 100 мкг; абсолютный верхний предел измерения массы воды должен быть не менее 10 мг; пределы допускаемой относительной погрешности измерений массы воды должны быть не более +/- 3% во всем рабочем диапазоне титратора; возможность эксплуатации и транспортирования при температуре окружающей среды от 5 °C до 40 °C; время установления рабочего режима (предварительный прогрев) - не более 20 мин;
- автоматическую цифровую бюретку, снабженную поршневым микродозатором и системой автоматического заполнения реактивом, с рабочим объемом не менее 5 см3 и точностью (дискретностью) дозирования титранта (реактива Карла Фишера) не более 5 мм3 (если бюретка не входит в комплект поставки титратора);
- измерительную стеклянную камеру (ячейку) вместимостью не менее 100 см3 (если измерительная камера не входит в комплект поставки титратора);
- магнитную мешалку с возможностью регулирования скорости перемешивания, обеспечивающую вращение магнитного якоря со скоростью не менее 200 об/мин и перемешивание не менее 75 см3 реактива Карла Фишера (если магнитная мешалка не входит в комплект поставки титратора);
- СИ объема исследуемого газа (газовый счетчик), позволяющее измерять объем исследуемого газа в диапазоне от 0,1 до 2,0 дм3/мин с пределами допускаемой относительной погрешности не более +/- 1,0%, снабженный СИ температуры и избыточного давления исследуемого газа;
- СИ давления, позволяющее измерять атмосферное давление в диапазоне от 81,3 до 105,3 кПа (от 610 до 790 мм рт. ст.) с пределами допускаемой абсолютной погрешности не более +/- 0,2 кПа (+/- 1,5 мм рт. ст.);
- СИ расхода, позволяющее измерять объемный расход исследуемого (вспомогательного) газа в диапазоне от 0,1 до 2,0 дм3/мин с пределами допускаемой погрешности не более +/- 4% верхнего предела измерений;
- СИ температуры, позволяющее измерять температуру исследуемого газа в диапазоне от 0 °C до 45 °C с пределами допускаемой абсолютной погрешности не более +/- 0,3 °C;
- фильтр для очистки исследуемого газа от механических примесей;
- фильтр для очистки исследуемого газа от сернистых соединений;
- соединительные трубки, удовлетворяющие требованиям
9.4, наружным диаметром от 3 до 6 мм;
- тройник, удовлетворяющий требованиям
9.4;
- вентили тонкой регулировки, удовлетворяющие требованиям
9.4, обеспечивающие регулирование объемного расхода исследуемого газа в диапазоне от 0,1 до 2,0 дм
3/мин;
- готовый реактив Карла Фишера или приготовленный в лабораторных условиях в соответствии с
ГОСТ 14870;
- осушающую трубку (осушающий фильтр), заполненную цеолитами, хлоридом кальция, ангидроном, силикагелем-индикатором по
ГОСТ 8984 или другим подходящим поглотителем водяных паров для предотвращения реверсного попадания водяных паров из газового счетчика (при использовании барабанного счетчика) в измерительную камеру (ячейку) титратора;
- двухвентильный баллон (контейнер) из нержавеющей стали марок 12Х18Н10Т, 08Х18Н12Т по
ГОСТ 5632 или других аналогичных материалов, инертных к водяным парам и не сорбирующих их, рассчитанный на рабочее давление в точке отбора проб исследуемого газа (с коэффициентом запаса не менее 1,25), с вместимостью, достаточной для проведения необходимого количества измерений, но не менее 1,0 дм
3, соответствующий требованиям
ГОСТ 31370;
- редуктор газовый, удовлетворяющий требованиям
9.4, с внешним или внутренним электроподогревом, позволяющий снижать давление исследуемого газа в точке отбора до атмосферного давления (рабочего давления в камере титратора).
Примечание - При проведении испытаний в обогреваемом помещении допускается использовать газовый редуктор без электроподогрева;
- смазку ЦИАТИМ-221 по
ГОСТ 9433 для смазывания шлифованных соединений;
- гибкие поливинилхлоридные или силиконовые трубки, обеспечивающие герметичное соединение элементов схем (см.
рисунки 1 и
2) от выходной трубки титратора до газового счетчика.
Примечание - Допускается использовать медицинскую поливинилхлоридную трубку или медицинскую силиконовую трубку;
- весы лабораторные по
ГОСТ OIML R 76-1 допускаемой погрешностью взвешивания не более 0,002 г и ценой деления не более 0,0001 г;
- микрошприцы жидкостные вместимостью от 5 до 100 мм3;
- шприцы стеклянные многоразовые вместимостью от 1,0 до 5,0 см3;
- стандартный образец массовой доли воды со значением массовой доли воды в диапазоне от 0,1% до 0,01% с пределами допускаемой относительной погрешности не более +/- 3%.
11.1.2 Допускается использовать другие СИ, оборудование, материалы и реактивы, по метрологическим, техническим и квалификационным характеристикам не уступающие требованиям, перечисленным выше.
11.1.3 Для контроля температуры, давления и относительной влажности окружающего воздуха в месте размещения титратора применяют дополнительные СИ.
11.2 Подготовка к проведению испытаний
11.2.1 В чистую, предварительно высушенную измерительную камеру (ячейку) наливают реактив Карла Фишера в количестве, не превышающем предельное значение, указанное в руководстве по эксплуатации используемого титратора или конкретной измерительной камеры (ячейки).
11.2.2 Собирают титратор в соответствии с руководством по эксплуатации.
Примечание - Измерительная камера (ячейка) титратора должна быть оснащена магнитной мешалкой для перемешивания реактива Карла Фишера.
11.2.3 Включают титратор, проверяют его готовность и проводят предварительные процедуры в соответствии с руководством по эксплуатации.
11.2.4 Допускается для определения пригодности реактива Карла Фишера перед началом испытаний проводить пробное титрование с использованием дистиллированной воды или стандартного образца массовой доли воды. Критерием замены реактива может служить изменение его титра, длительное время титрования известного количества воды или другой признак, указанный в руководстве по эксплуатации титратора.
11.2.5 При несоответствии реактива Карла Фишера критериям, указанным в
11.2.4, заменяют реактив в измерительной камере (ячейке) титратора на пригодный к использованию реактив в соответствии с руководством по эксплуатации титратора.
11.2.6 Используют готовые реактивы Карла Фишера, предназначенные для титриметрического метода Карла Фишера.
Примечание - Допускается использовать реактив Карла Фишера, приготовленный по
ГОСТ 14870 в лабораторных условиях, который перед применением выдерживают не менее 24 ч.
11.2.7 При проведении прямого отбора проб (см.
рисунок 1) продувают пробоотборное устройство, соответствующее требованиям
ГОСТ 31370, исследуемым газом, для чего полностью открывают запорный вентиль
2 на несколько секунд, затем его закрывают и подсоединяют к нему пробоотборную линию.
11.2.8 Продувают пробоотборную линию исследуемым газом, приоткрывая запорный вентиль 2 на 20 - 30 с, и затем подсоединяют систему пробоподготовки.
11.2.9 Собирают и подключают к пробоотборной линии (баллону) систему пробоподготовки со всеми необходимыми элементами (см.
рисунки 1 и
2) до вентиля тонкой регулировки
8 включительно.
11.2.10 При закрытых вентилях
7,
8 открывают полностью запорный вентиль
2 пробоотборного устройства (баллона), устанавливают на выходе редуктора
3 избыточное давление исследуемого газа, достаточное для обеспечения объемного расхода исследуемого газа через пробоотборную систему до 2,0 дм
3/мин, для продувки пробоотборной линии регулируют поток исследуемого газа вентилем
7 при закрытом вентиле тонкой регулировки
8 и устанавливают расход исследуемого газа от 1,0 до 2,0 дм
3/мин, контролируя по показаниям СИ расхода, подсоединенного к выходу вентиля
7.
11.2.11 После запуска исследуемого газа в пробоотборную систему, но до начала продувки, проверяют герметичность пробоотборной системы под рабочим давлением до вентилей 7 и 8 путем обработки гибких трубок и соединений пробоотборной системы мыльным раствором.
11.2.12 При необходимости устраняют негерметичность пробоотборной системы, предварительно закрыв запорный вентиль и сбросив давление, постепенно открывая вентили
7 или
8. Затем выполняют процедуры по
11.2.10.
11.2.13 После продувки пробоотборной системы в течение 10 - 15 мин закрывают вентиль 7, подсоединяют к вентилю 8 входную трубку измерительной камеры (ячейки) титратора 9, гибкими трубками подсоединяют к выходу титратора последовательно осушающую трубку 10, СИ расхода исследуемого газа 11 и газовый счетчик 13.
11.2.14 Затем плавно приоткрывают вентиль тонкой регулировки
8 и устанавливают расход исследуемого газа через камеру титратора, равный 1 дм
3/мин.
11.2.15 Проверяют отсутствие утечек исследуемого газа в системе начиная с вентиля тонкой регулировки 8 и далее по схеме до газового счетчика 13, обрабатывая соединения и трубки мыльным раствором.
11.2.16 При необходимости устраняют негерметичность соединений, предварительно закрыв вентиль тонкой регулировки
8. Затем повторяют процедуры начиная с
11.2.14.
11.2.17 После проверки герметичности пробоотборной системы закрывают вентиль тонкой регулировки 8 и проводят испытания.
11.2.18 Перед проведением испытаний готовят титратор в соответствии с руководством по эксплуатации.
11.3 Проведение испытаний
11.3.1 Вентилем
8 устанавливают расход исследуемого газа через измерительную камеру (ячейку) титратора в зависимости от предполагаемой массовой концентрации водяных паров в исследуемом газе в соответствии с
таблицей 1 и одновременно фиксируют начальные показания газового счетчика.
Таблица 1
Рекомендуемые значения объемного расхода и объема
исследуемого газа в зависимости от предполагаемой
массовой концентрации водяных паров в исследуемом газе
титриметрическим (волюмометрическим) методом Карла Фишера
Массовая концентрация водяных паров в исследуемом газе, мг/м3 | Объемный расход исследуемого газа, дм3/мин | Объем исследуемого газа для испытания, дм3 |
От 75 до 150 включ. | От 2,0 до 1,5 включ. | От 5,0 до 3,0 включ. |
Св. 150 до 375 включ. | Св. 1,5 до 1,0 включ. | Св. 3,0 до 2,5 включ. |
Св. 375 до 750 включ. | Св. 1,00 до 0,75 включ. | Св. 2,5 до 1,5 включ. |
Св. 750 до 1500 включ. | Св. 0,75 до 0,50 включ. | Св. 1,5 до 1,0 включ. |
Св. 1500 до 3750 включ. | Св. 0,50 до 0,38 включ. | Св. 1,00 до 0,75 включ. |
Св. 3750 до 7500 включ. | Св. 0,38 до 0,25 включ. | Св. 0,75 до 0,50 включ. |
1 В каждом диапазоне значений массовой концентрации водяных паров в исследуемом газе меньшим значениям массовой концентрации соответствуют большие значения объемного расхода и объема исследуемого газа. 2 Приведенные в таблице 1 рекомендуемые значения объемного расхода и объема исследуемого газа в зависимости от предполагаемого значения массовой концентрации водяных паров в исследуемом газе являются ориентировочными и могут варьировать в зависимости от конфигурации конкретного титратора и геометрии его рабочей камеры (ячейки). 3 При подборе других значений объемного расхода и объема исследуемого газа пользователю настоящего стандарта рекомендуется обеспечить время пропускания исследуемого газа через рабочую камеру (ячейку) титратора от 1 до 3 мин, а масса воды, попадающей в рабочую камеру (ячейку) титратора с исследуемым газом, должна превышать абсолютный нижний предел измерения массы воды используемого титратора не менее чем в три раза. 4 Допускается относительное отклонение фактически пропущенного объема исследуемого газа от значения, указанного в таблице 1, не более чем на +/- 5%. |
11.3.2 Пропускают через измерительную камеру объем исследуемого газа, указанный в
таблице 1, в зависимости от предполагаемой массовой концентрации водяных паров, затем перекрывают вентиль регулирования расхода исследуемого газа и фиксируют конечное показание газового счетчика.
11.3.3 В зависимости от конфигурации применяемого титратора используют автоматическую процедуру измерения или ручную.
11.3.4 Регистрируют показания титратора (массу воды) в миллиграммах. Допускается записывать объем использованного на титрование реактива Карла Фишера с точностью до 1 мм3.
11.3.5 Регистрируют показания газового счетчика, а также значения температуры окружающей среды (исследуемого газа в счетчике при наличии встроенного СИ температуры) и атмосферное давление (давление в счетчике).
11.3.6 Массовую концентрацию водяных паров
W, мг/м
3, в исследуемом газе, приведенную к стандартным условиям, вычисляют по формуле

, (7)
где
N - масса воды, мг, в пропущенном объеме исследуемого газа, определенная титратором автоматически; при титровании с использованием ручной бюретки значение
N предварительно вычисляют по
формуле (5);
tk - температура исследуемого газа в газовом счетчике при проведении испытания, °C;
Vг - объем исследуемого газа, пропущенный через измерительную камеру (ячейку) титратора, дм3;
Pa - абсолютное давление в газовом счетчике, кПа;
Pt - давление насыщенного водяного пара при температуре
tk (определяют по
приложению Б), кПа;
1000 - коэффициент для пересчета миллиграммов на дециметр кубический в миллиграммы на метр кубический.
Примечание - Давление насыщенного водяного пара необходимо учитывать только при применении газового счетчика с водяным затвором.
11.3.7 При необходимости корректировки полученного значения массовой концентрации водяных паров в исследуемом газе, приведенного к стандартным условиям, с учетом влияния сернистых соединений используют
формулу (1).
11.3.8 При необходимости выражения результата в молярных долях водяных паров пересчет полученных значений массовой концентрации водяных паров в исследуемом газе, приведенных к стандартным условиям, проводят по
приложению В.
11.3.9 Повторяют процедуры по
11.3.1 -
11.3.5 в условиях повторяемости еще три раза. При обработке результатов испытаний учитывают вычисленные по
11.3.6 и
11.3.7 результаты двух последних определений.
11.3.10 Обработка и оформление результатов испытаний - по
разделу 14.
11.3.11 Контроль точности испытаний - по
разделу 15.
12 Кулонометрический метод
12.1 Средства измерений, оборудование, материалы и реактивы
12.1.1 Используют следующие СИ, оборудование, материалы и реактивы:
- титратор, реализующий кулонометрический метод Карла Фишера, имеющий следующие метрологические и технические характеристики: абсолютный нижний предел измерения массы воды должен быть не более 1 мкг; абсолютный верхний предел измерения массы воды должен быть не менее 10 мг; пределы допускаемой относительной погрешности измерений массы воды должны быть не более +/- 3% во всем рабочем диапазоне титратора; возможность эксплуатации и транспортирования при температуре окружающей среды от 5 °C до 40 °C; время установления рабочего режима (предварительный прогрев) - не более 20 мин;
- СИ, вспомогательные устройства, материалы и реактивы, приведенные в
11.1 (за исключением автоматической цифровой бюретки, реактива Карла Фишера для титриметрического [(волюмометрического) титрования и баллона (контейнера)].
- реактив Карла Фишера КФИ-АНОД или его аналоги;
- реактив Карла Фишера КФИ-КАТОД или его аналоги;
- осушающий фильтр для очистки вспомогательного газа от водяных паров.
Примечания
1 Допускается использовать фильтр, аналогичный по конструкции указанному в
11.1 фильтру для очистки исследуемого газа от механических примесей, заполненный осушителем.
2 Для предотвращения увлажнения осушителя водяными парами из окружающего воздуха картриджи фильтра заполняют непосредственно перед проведением испытаний или хранят предварительно заполненные картриджи в герметичной емкости из инертного (негигроскопичного) и непроницаемого материала;
- цеолиты NaA, KA или CaA.
12.1.2 Допускается использовать другие СИ, оборудование, материалы и реактивы, по метрологическим, техническим и квалификационным характеристикам не уступающие требованиям, перечисленным выше.
12.1.3 Для контроля температуры, давления и относительной влажности окружающего воздуха в месте размещения титратора применяют дополнительные СИ.
12.2 Подготовка к проведению испытаний
12.2.1 Проводят процедуры по
11.2.1.
Примечание - Если в измерительной камере (ячейке) кулонометрического титратора анодное и катодное пространства разделены ион-проницаемой мембраной на отдельные камеры, то в анодную камеру заливают реактив Карла Фишера КФИ-АНОД, а в катодную камеру - реактив Карла Фишера КФИ-КАТОД или их аналоги, указанные изготовителем титратора.
12.2.2 Проводят процедуры по
11.2.2 -
11.2.4. Критерием замены реактива может служить длительное время титрования известного количества воды или другой признак, указанный в руководстве по эксплуатации титратора. При несоответствии реактива Карла Фишера данным критериям его заменяют на пригодный к использованию реактив в соответствии с руководством по эксплуатации титратора. Далее проводят процедуры по
11.2.6 -
11.2.18 (за исключением
примечания к 11.2.6). При использовании вспомогательного газа для проведения испытаний по
12.3 используют соответствующие схемы пробоподготовки (см.
рисунки 3 и
4).
12.3 Проведение испытаний
12.3.1 Вентилем
8 устанавливают расход исследуемого газа через измерительную камеру (ячейку) титратора в зависимости от предполагаемой массовой концентрации водяных паров в исследуемом газе в соответствии с
таблицей 2, одновременно фиксируют начальные показания газового счетчика.
Таблица 2
Рекомендуемые значения объемного расхода и объема
исследуемого газа в зависимости от предполагаемого значения
массовой концентрации водяных паров в исследуемом газе
при реализации кулонометрического метода Карла Фишера
Массовая концентрация водяных паров в исследуемом газе, мг/м3 | Объемный расход исследуемого газа, дм3/мин | Объем исследуемого газа для испытания, дм3 |
От 0,75 до 1,50 включ. | От 2,0 до 1,5 включ. | От 6,0 до 4,0 включ. |
Св. 1,50 до 3,75 включ. | Св. 1,50 до 1,25 включ. | Св. 4,0 до 3,0 включ. |
Св. 3,75 до 7,50 включ. | Св. 1,25 до 1,00 включ. | Св. 3,0 до 2,0 включ. |
Св. 7,5 до 15,0 включ. | Св. 1,00 до 0,75 включ. | Св. 2,0 до 1,5 включ. |
Св. 15,0 до 37,5 включ. | Св. 0,75 до 0,67 включ. | Св. 1,5 до 1,0 включ. |
Св. 37,5 до 75,0 включ. | Св. 0,67 до 0,50 включ. | Св. 1,00 до 0,75 включ. |
|
12.3.2 Пропускают через измерительную камеру титратора объем исследуемого газа, указанный в
таблице 2, в зависимости от предполагаемой массовой концентрации водяных паров в исследуемом газе, затем закрывают вентиль регулирования расхода исследуемого газа и фиксируют конечное показание газового счетчика.
12.3.3 В зависимости от конфигурации применяемого титратора процедура измерения запускается автоматически во время или после окончания пропускания заданного объема исследуемого газа через измерительную камеру (ячейку) титратора.
12.3.4 Регистрируют показания титратора (массу измеренной воды) в миллиграммах.
12.3.5 Регистрируют показания газового счетчика, а также температуру окружающей среды (исследуемого газа в счетчике при наличии встроенного СИ температуры) и атмосферное давление (давление в счетчике).
12.3.6 При измерении массовой концентрации водяных паров от 0,75 до 7,5 мг/м
3 проводят предварительное холостое определение с использованием вспомогательного сухого исследуемого газа (см.
рисунок 3) или инертного газа из баллона (см.
рисунок 4) для компенсации показаний титратора, обусловленных испарением и уносом йода из реактива Карла Фишера при продувке его исследуемым газом.
12.3.7 Проводят холостое определение по
12.3.1 -
12.3.5, перекрывая вентиль
5 и открывая вентиль
15. При этом учитывают показания титратора, если им соответствует эквивалентная массовая концентрация более 0,1 мг/м
3, вычисляемая по
формуле (8) для объема осушенного исследуемого (инертного) газа, пропущенного через измерительную камеру титратора. При вычислении эквивалентной массовой концентрации вместо
N -
N0 используют показания титратора при холостом определении
N0.
12.3.8 Следует строго соблюдать условие равенства объемов осушенного исследуемого (инертного) газа и неосушенного исследуемого газа, пропускаемых через ячейку при холостом и основном определениях.
12.3.9 Массовую концентрацию водяных паров
W, мг/м
3, в исследуемом газе, приведенную к стандартным условиям, вычисляют по формуле

, (8)
где N - масса воды в пропущенном объеме исследуемого газа, определенная титратором, мг;
N0 - показания титратора (масса воды) при холостом определении, мг;
1000 - коэффициент для пересчета миллиграммов на дециметр кубический в миллиграммы на метр кубический;
tk - температура исследуемого газа в газовом счетчике при проведении испытания, °C;
Vг - объем исследуемого газа, пропущенного через измерительную камеру (ячейку) титратора, дм3;
Pa - абсолютное давление в газовом счетчике, кПа;
Pt - давление насыщенного водяного пара при температуре
tk (определяют по
приложению Б), кПа.
Примечания
1 Если не проводят холостое определение, значение N0 принимают равным нулю.
12.3.10 При необходимости корректируют полученное значение массовой концентрации водяных паров в исследуемом газе с учетом влияния сернистых соединений по
формуле (1).
12.3.11 При необходимости выражения результата в молярных долях водяных паров пересчет полученных значений массовой концентрации водяных паров в исследуемом газе, приведенных к стандартным условиям, проводят по
приложению В.
12.3.12 Повторяют процедуру по
12.3.1 -
12.3.8 в условиях повторяемости еще три раза. При обработке результатов испытаний учитывают вычисленные по
12.3.9 и
12.3.10 результаты двух последних определений.
12.3.13 Обработка и оформление результатов испытаний - по
разделу 14.
12.3.14 Контроль точности испытаний - по
разделу 15.
13 Метрологические характеристики (показатели точности)
13.1 Значения доверительных границ относительной погрешности определений (при доверительной вероятности
p = 0,95) и значение относительного среднеквадратического отклонения повторяемости результатов определений массовой концентрации водяных паров в исследуемом газе, приведенной к стандартным условиям, титриметрическим (волюмометрическим) методом Карла Фишера приведены в
таблице 3 для соответствующего диапазона значений массовой концентрации водяных паров.
Таблица 3
Доверительные границы относительной погрешности результатов
определений массовой концентрации водяных паров
в исследуемом газе, приведенных к стандартным условиям,
титриметрическим (волюмометрическим) методом Карла Фишера
Массовая концентрация водяных паров в исследуемом газе, приведенная к стандартным условиям, W, мг/м3 | Доверительные границы относительной погрешности результатов определений  , p = 0,95, % | Относительное среднеквадратическое отклонение повторяемости результатов определений  , % |
От 75 до 150 включ. | -0,051·W + 20,0 | -0,0200·W + 8,7 |
Св. 150 до 375 включ. | -0,0169·W + 14,9 | -0,0071·W + 6,8 |
Св. 375 до 750 включ. | -0,0056·W + 10,7 | -0,00267·W + 5,1 |
Св. 750 до 1500 включ. | -0,00213·W + 8,1 | -0,00105·W + 3,9 |
Св. 1500 до 3750 включ. | -0,00071·W + 6,0 | -0,00033·W + 2,80 |
Св. 3750 до 7500 включ. | -0,000205·W + 4,1 | -0,000083·W + 1,88 |
13.2 Значения доверительных границ относительной погрешности определений (при доверительной вероятности
p = 0,95) и значение относительного среднеквадратического отклонения повторяемости результатов определений массовой концентрации водяных паров в исследуемом газе, приведенных к стандартным условиям, кулонометрическим методом Карла Фишера приведены в
таблице 4 для соответствующего диапазона значений массовой концентрации водяных паров.
Таблица 4
Доверительные границы относительной погрешности результатов
определений массовой концентрации водяных паров, приведенной
к стандартным условиям, кулонометрическим
методом Карла Фишера
Массовая концентрация водяных паров в исследуемом газе, приведенная к стандартным условиям, W, мг/м3 | Доверительные границы относительной погрешности результатов определений  , p = 0,95, % | Относительное среднеквадратическое отклонение повторяемости результатов определений  , % |
От 0,75 до 1,50 включ. | -13,3·W + 55 | -4,7·W + 22,4 |
Св. 1,50 до 3,75 включ. | -4,0·W + 41 | -1,70·W + 17,9 |
Св. 3,75 до 7,50 включ. | -1,41·W + 31 | -0,62·W + 13,9 |
Св. 7,5 до 15,0 включ. | -0,59·W + 25,0 | -0,267·W + 11,2 |
Св. 15,0 до 37,5 включ. | -0,183·W + 18,9 | -0,0826·W + 8,4 |
Св. 37,5 до 75,0 включ. | -0,062·W + 14,4 | -0,0270·W + 6,3 |
13.3 Относительную расширенную неопределенность (при коэффициенте охвата
k = 2)
Uо, %, результатов определений массовой концентрации водяных паров в исследуемом газе, приведенных к стандартным условиям, принимают равной значениям доверительных границ относительной погрешности определений (при доверительной вероятности
p = 0,95),

, %, приведенным в
таблицах 3 и
4 для соответствующих массовых концентраций водяных паров.
14 Обработка и оформление результатов
14.1 За результат определения массовой концентрации водяных паров в исследуемом газе принимают среднее арифметическое значение результатов двух последовательных определений, полученных в условиях повторяемости, если выполняется условие приемлемости, которое выражается следующим соотношением:
|
W1 -
W2| <=
r·
Wср2/100, (9)
где W1, W2 - результаты двух последовательных определений массовой концентрации водяных паров в исследуемом газе, полученных в условиях повторяемости, мг/м3;
r - предел повторяемости двух определений, %, вычисляемый по формуле

; (10)
Wср2 - среднее арифметическое значение результатов двух последовательных определений массовой концентрации водяных паров в исследуемом газе (W1 и W2), мг/м3;
где 2,77 - коэффициент критического диапазона для двух результатов определений;

- относительное среднеквадратическое отклонение повторяемости результатов определений массовой концентрации водяных паров в исследуемом газе, % (см.
раздел 13).
14.2 Если не выполняется
условие (9), проводят еще одно дополнительное определение в условиях повторяемости по
11.3 (для титриметрического метода) или по
12.3 (для кулонометрического метода), для дальнейшей обработки используют результаты последних трех измерений массовой концентрации водяных паров в исследуемом газе, полученные в условиях повторяемости.
14.3 За результат определения массовой концентрации водяных паров в исследуемом газе, приведенной к стандартным условиям, принимают среднее арифметическое значение результатов трех последовательных измерений, полученных в условиях повторяемости, если выполняется условие приемлемости, которое выражается следующим соотношением:
Wmax -
Wmin <=
CR0,95·
Wср3/100, (11)
где Wmax, Wmin - максимальное и минимальное значения результатов трех последовательных определений массовой концентрации водяных паров, полученных в условиях повторяемости, мг/м3;
Wср3 - среднее арифметическое значение результатов трех последовательных определений массовой концентрации водяных паров, полученных в условиях повторяемости, мг/м3;
CR0,95 - значение критического диапазона (для доверительной вероятности p = 0,95), %, вычисляемое по формуле

, (12)
где 3,3 - коэффициент критического диапазона для результатов трех определений;

- относительное среднеквадратическое отклонение повторяемости результатов определений массовой концентрации водяных паров в исследуемом газе, %, (см.
раздел 13).
14.4 Результат определения массовой концентрации водяных паров в исследуемом газе, приведенной к стандартным условиям, представляют в следующем виде:

,
p = 0,95, (13)
где
Wср - среднее арифметическое значение двух или трех результатов определений массовой концентрации водяных паров, признанных приемлемыми по
14.1 или
14.3, мг/м
3;

- доверительная граница абсолютной погрешности определений массовой концентрации водяных паров, мг/м
3, вычисляемая по формуле

,
p = 0,95, (14)
где

- значение доверительной границы относительной погрешности результата определения массовой концентрации водяных паров, % (см.
раздел 13).
14.5 Если
условие (11) не выполняется, результат определения массовой концентрации водяных паров в исследуемом газе, приведенный к стандартным условиям, представляют в следующем виде:

,
p = 0,95, (15)
где W(2) - второй наименьший (медиана) из трех результатов последовательных определений массовой концентрации водяных паров в исследуемом газе, полученных в условиях повторяемости, мг/м3;

- доверительная граница абсолютной погрешности определений массовой концентрации водяных паров в исследуемом газе, мг/м
3, вычисляемая по формуле

,
p = 0,95, (16)
Примечание - Допускается (см.
13.3) результат измерений массовой концентрации водяных паров в исследуемом газе, приведенной к стандартным условиям,
W, мг/м
3, представлять в виде:
W = [W(i) +/- U(W)], k = 2, (17)
где
W(i) - или
Wср, или
W(2), в зависимости от выполнения
условия (11), мг/м
3;
U(W) - абсолютная расширенная неопределенность результатов измерений массовой концентрации водяных паров в исследуемом газе (при коэффициенте охвата k = 2), мг/м3, вычисляемая по формуле
U(W) = W(i)Uо(W)/100, (18)
где
Uо(
W) - относительная расширенная неопределенность (при коэффициенте охвата
k = 2) результатов определений массовой концентрации водяных паров в исследуемом газе, % (см.
раздел 13).
14.6 Результат определений массовой концентрации водяных паров в исследуемом газе округляют до значащей цифры следующим образом:
- сначала округляют вычисленное значение границ абсолютной погрешности (расширенной неопределенности) до значащей цифры, при этом сохраняют:
а) две цифры, если первая значащая цифра равна 1 или 2;
б) одну цифру, если первая значащая цифра равна 3 и более;
- затем округляют результат определений до того же десятичного знака, которым заканчивается округленное значение границ суммарной абсолютной погрешности (расширенной неопределенности).
Записывают результат определений массовой концентрации водяных паров в исследуемом газе с точностью до соответствующего количества десятичных знаков.
14.7 Если значение массовой концентрации водяных паров в исследуемом газе выходит за нижний предел полного диапазона измерений соответствующего метода, результат измерения представляют в следующем виде:
W < Wн, (19)
где Wн - нижний предел полного диапазона определений массовой концентрации водяных паров в исследуемом газе для соответствующего метода, мг/м3.
14.8 Если значение массовой концентрации водяных паров в исследуемом газе выходит за верхний предел полного диапазона измерений соответствующего метода, результат измерения представляют в следующем виде:
W > Wв, (20)
где Wв - верхний предел полного диапазона определений массовой концентрации водяных паров в исследуемом газе для соответствующего метода, мг/м3.
15.1 Контроль точности определения массовой концентрации водяных паров в природном газе проводят при первичном внедрении метода в испытательной лаборатории, а также после ремонта, замены, модификации основных элементов титратора, обновления программного обеспечения, изменения заводских настроек или конфигурации титратора, равно как и входящего в его комплект оборудования, но не реже одного раза в год.
15.2 Контроль точности измерений титратором проводят, анализируя образец с известным количеством воды и сравнивая полученный результат с известным значением.
15.3 Для выполнения измерений по
15.2 в измерительную камеру (ячейку) титратора вводят пробу дистиллированной воды (аттестованный стандартный образец с известным количеством воды).
15.5 Отбирают пробу дистиллированной воды или ГСО сухим, чистым шприцем соответствующей вместимости с расчетом, чтобы количество чистой воды, попадающей в измерительную камеру титратора, было в диапазонах от 0,5 до 5 мг для кулонометрического метода и от 5 до 50 мг - для титриметрического (волюмометрического) метода.
15.6 Для определения массы введенной пробы воды взвешивают на весах шприц с пробой перед введением пробы и после него. За массу введенной пробы воды принимают разность измеренных значений массы (с учетом массовой концентрации воды при использовании ГСО), результаты измерений и вычислений значений массы округляют до 0,0001 г.
15.7 Определяют массу воды в анализируемой пробе в соответствии с руководством по эксплуатации титратора.
15.8 Регистрируют показания титратора (массу оттитрованной воды).
15.9 Вычисляют относительное допускаемое расхождение

, %, между результатом определения массы воды соответствующим методом
mи, мг, и известным (расчетным) значением массы воды, введенной в камеру титратора
mв, мг, по формуле

. (21)
15.10 Относительное расхождение

, %, вычисленное по
15.9, должно удовлетворять условию

, (22)
где

- доверительные границы относительной погрешности результата определения массы воды титратором в соответствии с руководством по эксплуатации титратора, %;

- доверительные границы относительной погрешности результата определения массы образца дистиллированной воды или образца ГСО, %, которые вычисляют для дистиллированной воды по
формуле (23), а для ГСО - по
формуле (24):

, (23)
где

- доверительные границы абсолютной погрешности результата измерения массы образца дистиллированной воды (допускаемая погрешность взвешивания используемых весов, см.
разделы 11 и
12), мг;
mв - масса дистиллированной воды, определенная с помощью весов, мг;

, (24)
где

- доверительные границы абсолютной погрешности результата определения массы образца ГСО (допускаемая погрешность взвешивания используемых весов, см.
разделы 11 и
12), мг;
mГСО - масса образца ГСО, определенная с помощью весов, мг;

- доверительные границы относительной погрешности аттестованного значения массовой концентрации в соответствии с паспортом на ГСО, %.
Примечание - Массу отобранного для взвешивания образца ГСО следует подбирать таким образом, чтобы выполнялось условие

. (25)
15.11 В случае невыполнения
условия (22) проводят повторный контроль точности измерений соответствующим методом по
15.4 -
15.8.
15.12 В случае повторного невыполнения
условия (22) результат измерения массы воды признают недостоверным и проводят мероприятия по выявлению и устранению причин недостоверности результатов измерений.
15.13 Недостоверность результатов измерений может быть вызвана негерметичностью рабочей камеры (ячейки) титратора, отступлением от требований настоящего стандарта, руководства по эксплуатации титратора или его неисправностью.
Примечание - Следует учитывать, что недостоверность результатов измерений может быть также связана с выходом из строя, потерей или несоответствием заявленным требованиям метрологических, технических или квалификационных характеристик применяемых СИ, оборудования, материалов и реактивов.
15.14 После устранения причин недостоверности результатов измерений повторяют контроль точности измерений по
15.4 -
15.8.
(справочное)
ПРИМЕР ВЫЧИСЛЕНИЯ МАССОВОЙ КОНЦЕНТРАЦИИ ВОДЯНЫХ ПАРОВ
С УЧЕТОМ ВЛИЯНИЯ СЕРНИСТЫХ СОЕДИНЕНИЙ
А.1 Пример вычисления значения фактической массовой концентрации водяных паров в исследуемом газе, содержащем сернистые соединения
А.1.1 Исходные данные для исследуемого газа (при стандартных условиях):
- массовая концентрация сероводорода - 5 мг/м3;
- массовая концентрация меркаптановой серы - 10 мг/м3;
- массовая концентрация водяных паров Wи - 81 мг/м3.
А.1.2 Вычисляют массовую концентрацию сероводородной серы в исследуемом газе при стандартных условиях, мг/м
3, по
формуле (2) настоящего стандарта

. (А.1)
А.1.3 Сумма массовых концентраций сернистых соединений в исследуемом газе в пересчете на серу, таким образом, составляет 4,7 мг/м3 + 10 мг/м3 = 14,7 мг/м3.
А.1.4 Вычисляют скорректированное значение массовой концентрации водяных паров в исследуемом газе, используя
формулу (1) настоящего стандарта
WС = 81 - 0,5625·4,7 - 0,28125·10 = 81 - 2,6 - 2,8 =
= 75,6 мг/м3. (А.2)
А.1.5 Вычисляют сумму массовых концентраций сернистых соединений в исследуемом газе в пересчете на серу, соответствующую 20% от скорректированного значения массовой концентрации водяных паров
75,6·0,2 = 15,1 мг/м3. (А.3)
А.1.6 Поскольку сумма массовых концентраций сернистых соединений в исследуемом газе в пересчете на серу, равная 14,7 мг/м
3, менее 20% от скорректированного значения массовой концентрации водяных паров в исследуемом газе, т.е. менее 15,1 мг/м
3, то скорректированное значение массовой концентрации водяных паров в исследуемом газе, вычисленное по
формуле (А.2), можно считать фактическим значением массовой концентрации водяных паров в исследуемом газе.
(справочное)
ДАВЛЕНИЕ НАСЫЩЕННЫХ ВОДЯНЫХ ПАРОВ
В ЗАВИСИМОСТИ ОТ ТЕМПЕРАТУРЫ
Б.1 Значения давления насыщенных водяных паров в зависимости от температуры приведены в
таблице Б.1.
Таблица Б.1
Значения давления насыщенных водяных паров
в зависимости от температуры
Температура, °C | Давление насыщенных водяных паров, кПа |
0,2 | 0,620 |
0,4 | 0,629 |
0,6 | 0,638 |
0,8 | 0,648 |
1,0 | 0,657 |
1,2 | 0,667 |
1,4 | 0,676 |
1,6 | 0,686 |
1,8 | 0,696 |
2,0 | 0,706 |
2,2 | 0,716 |
2,4 | 0,726 |
2,6 | 0,737 |
2,8 | 0,747 |
3,0 | 0,758 |
3,2 | 0,769 |
3,4 | 0,780 |
3,6 | 0,791 |
3,8 | 0,802 |
4,0 | 0,814 |
4,2 | 0,825 |
4,4 | 0,837 |
4,6 | 0,849 |
4,8 | 0,860 |
5,0 | 0,873 |
5,2 | 0,885 |
5,4 | 0,897 |
5,6 | 0,910 |
5,8 | 0,922 |
6,0 | 0,935 |
6,2 | 0,948 |
6,4 | 0,962 |
6,6 | 0,975 |
6,8 | 0,988 |
7,0 | 1,002 |
7,2 | 1,016 |
7,4 | 1,030 |
7,6 | 1,044 |
7,8 | 1,058 |
8,0 | 1,073 |
8,2 | 1,088 |
8,4 | 1,103 |
8,6 | 1,118 |
8,8 | 1,133 |
9,0 | 1,148 |
9,2 | 1,164 |
9,4 | 1,180 |
9,6 | 1,196 |
9,8 | 1,212 |
10,0 | 1,228 |
10,2 | 1,245 |
10,4 | 1,262 |
10,6 | 1,278 |
10,8 | 1,296 |
11,0 | 1,313 |
11,2 | 1,331 |
11,4 | 1,348 |
11,6 | 1,366 |
11,8 | 1,384 |
12,0 | 1,403 |
12,2 | 1,421 |
12,4 | 1,440 |
12,6 | 1,459 |
12,8 | 1,479 |
13,0 | 1,498 |
13,2 | 1,518 |
13,4 | 1,538 |
13,6 | 1,558 |
13,8 | 1,578 |
14,0 | 1,599 |
14,2 | 1,620 |
14,4 | 1,641 |
14,6 | 1,662 |
14,8 | 1,684 |
15,0 | 1,706 |
15,2 | 1,728 |
15,4 | 1,750 |
15,6 | 1,773 |
15,8 | 1,796 |
16,0 | 1,819 |
16,2 | 1,842 |
16,4 | 1,866 |
16,6 | 1,890 |
16,8 | 1,914 |
17,0 | 1,938 |
17,2 | 1,963 |
17,4 | 1,988 |
17,6 | 2,013 |
17,8 | 2,039 |
18,0 | 2,065 |
18,2 | 2,091 |
18,4 | 2,117 |
18,6 | 2,144 |
18,8 | 2,171 |
19,0 | 2,198 |
19,2 | 2,226 |
19,4 | 2,254 |
19,6 | 2,282 |
19,8 | 2,310 |
20,0 | 2,339 |
20,2 | 2,368 |
20,4 | 2,398 |
20,6 | 2,428 |
20,8 | 2,458 |
21,0 | 2,488 |
21,2 | 2,519 |
21,4 | 2,550 |
21,6 | 2,581 |
21,8 | 2,613 |
22,0 | 2,645 |
22,2 | 2,678 |
22,4 | 2,711 |
22,6 | 2,744 |
22,8 | 2,777 |
23,0 | 2,811 |
23,2 | 2,845 |
23,4 | 2,880 |
23,6 | 2,915 |
23,8 | 2,950 |
24,0 | 2,986 |
24,2 | 3,022 |
24,4 | 3,058 |
24,6 | 3,095 |
24,8 | 3,132 |
25,0 | 3,170 |
25,2 | 3,208 |
25,4 | 3,246 |
25,6 | 3,285 |
25,8 | 3,324 |
26,0 | 3,364 |
26,2 | 3,404 |
26,4 | 3,444 |
26,6 | 3,485 |
26,8 | 3,526 |
27,0 | 3,568 |
27,2 | 3,610 |
27,4 | 3,653 |
27,6 | 3,696 |
27,8 | 3,739 |
28,0 | 3,783 |
28,2 | 3,827 |
28,4 | 3,872 |
28,6 | 3,917 |
28,8 | 3,963 |
29,0 | 4,009 |
29,2 | 4,056 |
29,4 | 4,103 |
29,6 | 4,150 |
29,8 | 4,198 |
30,0 | 4,247 |
30,2 | 4,296 |
30,4 | 4,345 |
30,6 | 4,395 |
30,8 | 4,446 |
31,0 | 4,497 |
31,2 | 4,548 |
31,4 | 4,600 |
31,6 | 4,653 |
31,8 | 4,706 |
32,0 | 4,760 |
32,2 | 4,814 |
32,4 | 4,868 |
32,6 | 4,923 |
32,8 | 4,979 |
33,0 | 5,035 |
33,2 | 5,092 |
33,4 | 5,150 |
33,6 | 5,208 |
33,8 | 5,266 |
34,0 | 5,325 |
34,2 | 5,385 |
34,4 | 5,445 |
34,6 | 5,506 |
34,8 | 5,567 |
35,0 | 5,629 |
35,2 | 5,692 |
35,4 | 5,755 |
35,6 | 5,819 |
35,8 | 5,883 |
36,0 | 5,948 |
36,2 | 6,014 |
36,4 | 6,080 |
36,6 | 6,147 |
36,8 | 6,214 |
37,0 | 6,282 |
37,2 | 6,351 |
37,4 | 6,421 |
37,6 | 6,491 |
37,8 | 6,561 |
38,0 | 6,633 |
38,2 | 6,705 |
38,4 | 6,778 |
38,6 | 6,851 |
38,8 | 6,925 |
39,0 | 7,000 |
39,2 | 7,076 |
39,4 | 7,152 |
39,6 | 7,229 |
39,8 | 7,307 |
40,0 | 7,385 |
(справочное)
ФОРМУЛЫ ПЕРЕСЧЕТА МОЛЯРНОЙ (ОБЪЕМНОЙ) ДОЛИ ВОДЯНЫХ ПАРОВ
И МАССОВОЙ КОНЦЕНТРАЦИИ ВОДЯНЫХ ПАРОВ ПРИ СТАНДАРТНЫХ
УСЛОВИЯХ В ИССЛЕДУЕМОМ ГАЗЕ
Приказом Росстандарта от 26.05.2023 N 349-ст)
Для взаимных пересчетов молярной (объемной) доли водяных паров в исследуемом газе
X, %, и массовой концентрации водяных паров
W, мг/м
3, при стандартных условиях по
ГОСТ 34770 используют формулы:
X = 0,000133278·W, (В.1)
W = 7503,13·X, (В.2)
где 0,000133278 - коэффициент для перевода массовой концентрации водяных паров в молярную (объемную) долю в процентах, м3/мг;
7503,13 - коэффициент для перевода молярной (объемной) доли водяных паров в процентах в массовую концентрацию водяных паров, мг/м3.
| Рекомендации по межгосударственной стандартизации РМГ 29-2013 | Государственная система обеспечения единства измерений. Метрология. Основные термины и определения |
| | О безопасности оборудования для работы во взрывоопасных средах |
УДК 543.27.001.4:006.354 | |
Ключевые слова: природный газ, определение массовой концентрации водяных паров |