Главная // Актуальные документы // ГОСТ (Государственный стандарт)СПРАВКА
Источник публикации
М.: ФГБУ "РСТ", 2022
Примечание к документу
Текст данного документа приведен с учетом
поправки, опубликованной в "ИУС", N 9, 2023.
Документ
введен в действие с 01.09.2022.
Название документа
"ГОСТ 13580-2021. Межгосударственный стандарт. Плиты железобетонные ленточных фундаментов. Технические условия"
(введен в действие Приказом Росстандарта от 16.12.2021 N 1794-ст)
"ГОСТ 13580-2021. Межгосударственный стандарт. Плиты железобетонные ленточных фундаментов. Технические условия"
(введен в действие Приказом Росстандарта от 16.12.2021 N 1794-ст)
Введен в действие
агентства по техническому
регулированию и метрологии
от 16 декабря 2021 г. N 1794-ст
МЕЖГОСУДАРСТВЕННЫЙ СТАНДАРТ
ПЛИТЫ ЖЕЛЕЗОБЕТОННЫЕ ЛЕНТОЧНЫХ ФУНДАМЕНТОВ
ТЕХНИЧЕСКИЕ УСЛОВИЯ
Reinforced concrete slabs for strip foundations.
Specifications
ГОСТ 13580-2021
Дата введения
1 сентября 2022 года
Цели, основные принципы и общие правила проведения работ по межгосударственной стандартизации установлены
ГОСТ 1.0 "Межгосударственная система стандартизации. Основные положения" и
ГОСТ 1.2 "Межгосударственная система стандартизации. Стандарты межгосударственные, правила и рекомендации по межгосударственной стандартизации. Правила разработки, принятия, обновления и отмены"
1 РАЗРАБОТАН Научно-исследовательским, проектно-конструкторским и технологическим институтом бетона и железобетона им. А.А. Гвоздева (НИИЖБ им. А.А. Гвоздева) - структурным подразделением Акционерного общества "Научно-исследовательский центр "Строительство" (АО "НИЦ "Строительство")
2 ВНЕСЕН Техническим комитетом по стандартизации ТК 465 "Строительство"
3 ПРИНЯТ Межгосударственным советом по стандартизации, метрологии и сертификации (протокол от 9 декабря 2021 г. N 60)
За принятие проголосовали:
Краткое наименование страны по МК (ИСО 3166) 004-97 | Код страны по МК (ИСО 3166) 004-97 | Сокращенное наименование национального органа по стандартизации |
Азербайджан | AZ | Азстандарт |
Армения | AM | ЗАО "Национальный орган по стандартизации и метрологии" Республики Армения |
Киргизия | KG | Кыргызстандарт |
Россия | RU | Росстандарт |
Узбекистан | UZ | Узстандарт |
4
Приказом Федерального агентства по техническому регулированию и метрологии от 16 декабря 2021 г. N 1794-ст межгосударственный стандарт ГОСТ 13580-2021 введен в действие в качестве национального стандарта Российской Федерации с 1 сентября 2022 г.
Информация о введении в действие (прекращении действия) настоящего стандарта и изменений к нему на территории указанных выше государств публикуется в указателях национальных стандартов, издаваемых в этих государствах, а также в сети Интернет на сайтах соответствующих национальных органов по стандартизации.
В случае пересмотра, изменения или отмены настоящего стандарта соответствующая информация будет опубликована на официальном интернет-сайте Межгосударственного совета по стандартизации, метрологии и сертификации в каталоге "Межгосударственные стандарты".
Настоящий стандарт распространяется на железобетонные сборные плиты из тяжелого бетона для ленточных фундаментов зданий и сооружений и устанавливает требования к их изготовлению.
В настоящем стандарте использованы нормативные ссылки на следующие межгосударственные стандарты:
ГОСТ 9.302 Единая система защиты от коррозии и старения. Покрытия металлические и неметаллические неорганические. Методы контроля
ГОСТ 6727 Проволока из низкоуглеродистой стали холоднотянутая для армирования железобетонных конструкций. Технические условия
ГОСТ 8829 Изделия строительные железобетонные и бетонные заводского изготовления. Методы испытаний нагружением. Правила оценки прочности, жесткости и трещиностойкости
ГОСТ 10060 Бетоны. Методы определения морозостойкости
ГОСТ 10180 Бетоны. Методы определения прочности по контрольным образцам
ГОСТ 10922 Арматурные и закладные изделия, их сварные, вязаные и механические соединения для железобетонных конструкций. Общие технические условия
<*>
--------------------------------
<*> В Российской Федерации действует
ГОСТ Р 57997-2017 "Арматурные и закладные изделия сварные, соединения сварные арматуры и закладных изделий железобетонных конструкций. Общие технические условия".
ГОСТ 12730.0 Бетоны. Общие требования к методам определения плотности, влажности, водопоглощения, пористости и водонепроницаемости
ГОСТ 13015 Изделия бетонные и железобетонные для строительства. Общие технические требования. Правила приемки, маркировки, транспортирования и хранения
ГОСТ 17624 Бетоны. Ультразвуковой метод определения прочности
ГОСТ 17625 Конструкция и изделия железобетонные. Радиационный метод определения толщины защитного слоя бетона, размеров и расположения арматуры
ГОСТ 18105 Бетоны. Правила контроля и оценки прочности
ГОСТ 22690 Бетоны. Определение прочности механическими методами неразрушающего контроля
ГОСТ 22904 Конструкции железобетонные. Магнитный метод определения толщины защитного слоя бетона и расположения арматуры
ГОСТ 23009 Конструкции и изделия бетонные и железобетонные сборные. Условные обозначения (марки)
ГОСТ 23858 Соединения сварные стыковые и тавровые арматуры железобетонных конструкций. Ультразвуковые методы контроля качества. Правила приемки
ГОСТ 26134 Бетоны. Ультразвуковой метод определения морозостойкости
ГОСТ 26433.0 <*> Система обеспечения точности геометрических параметров в строительстве. Правила выполнения измерений. Общие положения
--------------------------------
ГОСТ 26433.1 <**> Система обеспечения точности геометрических параметров в строительстве. Правила выполнения измерений. Элементы заводского изготовления
--------------------------------
ГОСТ 26633 Бетоны тяжелые и мелкозернистые. Технические условия
ГОСТ 30108 Материалы и изделия строительные. Определение удельной эффективной активности естественных радионуклидов
ГОСТ 31384 Защита бетонных и железобетонных конструкций от коррозии. Общие технические требования
ГОСТ 34028 Прокат арматурный для железобетонных конструкций. Технические условия
Примечание - При пользовании настоящим стандартом целесообразно проверить действие ссылочных стандартов и классификаторов на официальном интернет-сайте Межгосударственного совета по стандартизации, метрологии и сертификации (www.easc.by) или по указателям национальных стандартов, издаваемым в государствах, указанных в предисловии, или на официальных сайтах соответствующих национальных органов по стандартизации. Если на документ дана недатированная ссылка, то следует использовать документ, действующий на текущий момент, с учетом всех внесенных в него изменений. Если заменен ссылочный документ, на который дана датированная ссылка, то следует использовать указанную версию этого документа. Если после принятия настоящего стандарта в ссылочный документ, на который дана датированная ссылка, внесено изменение, затрагивающее положение, на которое дана ссылка, то это положение применяется без учета данного изменения. Если ссылочный документ отменен без замены, то положение, в котором дана ссылка на него, применяется в части, не затрагивающей эту ссылку.
4.2 Марка содержит обозначения основных характеристик плиты (см.
ГОСТ 13015) и состоит из буквенно-цифровых групп, разделенных дефисами.
4.3 Первая группа содержит обозначение наименования конструкции (ФЛ), ее ширину и длину в дециметрах (значение длины округляют до целого числа).
4.4 Во второй группе указывают группу плиты по несущей способности (в соответствии с
таблицей 2).
4.5 Для плит, эксплуатируемых в условиях воздействия агрессивной среды, в третью группу марки включают показатель проницаемости бетона, обозначаемый прописной буквой русского алфавита: Н - нормальной проницаемости, П - пониженной проницаемости, О - особо низкой проницаемости.
Пример условного обозначения (марки):
- плиты шириной 1600 мм, длиной 2380 мм, второй группы по несущей способности:
ФЛ16.24-2
То же, плиты шириной 1000 мм, длиной 1180 мм, третьей группы по несущей способности, из бетона пониженной проницаемости:
ФЛ10.12-3-П
5 Форма и основные размеры
5.1 Плиты следует изготовлять в соответствии с требованиями настоящего стандарта, а также проектной и технологической документации, утвержденной в установленном порядке.
5.2 Форма и основные размеры наиболее часто применяемых плит приведены на
рисунке 1 и в
таблице 1.
1 - риска
Рисунок 1 - Форма и основные размеры плит
Таблица 1
Марка плиты | Основные размеры плиты, мм |
b | l | h | a |
ФЛ6.24-4 | 600 | 2380 | 300 | - |
ФЛ6.12-4 | 1180 |
ФЛ8.24-1; ФЛ8.24-3; ФЛ8.24-4 | 800 | 2380 | 150 |
ФЛ8.12-1; ФЛ8.12-3; ФЛ8.12-4 | 1180 |
ФЛ10.30-1; ФЛ10.30-2; ФЛ10.30-3; ФЛ10.30-4 | 1000 | 2980 | 250 |
ФЛ10.24-1; ФЛ10.24-2; ФЛ10.24-3; ФЛ10.24-4 | 2380 |
ФЛ10.12-1; ФЛ10.12-2; ФЛ10.12-3; ФЛ10.12-4 | 1180 |
ФЛ10.8-1; ФЛ10.8-2; ФЛ10.8-3; ФЛ10.8-4 | 780 |
ФЛ12.30-1; ФЛ12.30-2; ФЛ12.30-3; ФЛ12.30-4 | 1200 | 2980 | 350 |
ФЛ12.24-1; ФЛ12.24-2; ФЛ12.24-3; ФЛ12.24-4 | 2380 |
ФЛ12.12-1; ФЛ12.12-2; ФЛ12.12-3; ФЛ12.12-4 | 1180 |
ФЛ12.8-1; ФЛ12.8-2; ФЛ12.8-3; ФЛ12.8-4 | 780 |
ФЛ14.30-1; ФЛ14.30-2; ФЛ14.30-3; ФЛ14.30-4 | 1400 | 2980 | 400 |
ФЛ14.24-1; ФЛ14.24-2; ФЛ 14.24-3; ФЛ14.24-4 | 2380 |
ФЛ14.12-1; ФЛ14.12-2; ФЛ14.12-3; ФЛ14.12-4 | 1180 |
ФЛ14.8-1; ФЛ14.8-2; ФЛ14.8-3; ФЛ14.8-4 | 780 | 500 |
ФЛ16.30-1; ФЛ16.30-2; ФЛ16.30-3; ФЛ16.30-4 | 1600 | 2980 | 300 | 500 |
ФЛ16.24-1; ФЛ16.24-2; ФЛ16.24-3; ФЛ16.24-4 | 1600 | 2380 |
ФЛ16.12-1; ФЛ16.12-2; ФЛ16.12-3; ФЛ16.12-4 | 1180 |
ФЛ16.8-1; ФЛ16.8-2; ФЛ16.8-3; ФЛ16.8-4 | 780 |
ФЛ20.30-1; ФЛ20.30-2; ФЛ20.30-3; ФЛ20.30-4 | 2000 | 2980 | 500 | 700 |
ФЛ20.24-1; ФЛ20.24-2; ФЛ20.24-3; ФЛ20.24-4 | 2380 |
ФЛ20.12-1; ФЛ20.12-2; ФЛ20.12-3; ФЛ20.12-4 | 1180 |
ФЛ20.8-1; ФЛ20.8-2; ФЛ20.8-3; ФЛ20.8-4 | 780 |
ФЛ24.30-1; ФЛ24.30-2; ФЛ24.30-3; ФЛ24.30-4 | 2400 | 2980 | 900 |
ФЛ24.24-1; ФЛ24.24-2; ФЛ24.24-3; ФЛ24.24-4 | 2380 |
ФЛ24.12-1; ФЛ24.12-2; ФЛ24.12-3; ФЛ24.12-4 | 1180 |
ФЛ24.8-1; ФЛ24.8-2; ФЛ24.8-3; ФЛ24.8-4 | 780 |
ФЛ28.24-1; ФЛ28.24-2; ФЛ28.24-3; ФЛ28.24-4 | 2800 | 2380 | 1000 |
ФЛ28.12-1; ФЛ28.12-2; ФЛ28.12-3; ФЛ28.12-4 | 1180 |
ФЛ28.8-1; ФЛ28.8-2; ФЛ28.8-3; ФЛ28.8-4 | 780 |
ФЛ32.12-1; ФЛ32.12-2; ФЛ32.12-3 | 3200 | 1180 | 1200 |
ФЛ32.8-1; ФЛ32.8-2; ФЛ32.8-3 | 780 |
6.1 Плиты подразделяют на четыре группы по несущей способности при нагружении их равномерной погонной нагрузкой от стены до оси ленточного фундамента. Плиты каждой группы характеризуют наибольшим допускаемым значением давления на основание под подошвой фундамента, указанным в
таблице 2, в зависимости от толщины опирающихся на плиты стен.
Таблица 2
Наибольшее допускаемое давление на основание
под подошвой фундамента
Ширина плиты, мм | Толщина стены, мм, не менее | Наибольшее допускаемое давление на основание, МПа (кг/см2), для групп по несущей способности |
1 | 2 | 3 | 4 |
600 | 160 | 0,43 (4,3) |
300 | 0,57 (5,7) |
800 | 160 | 0,14 (1,4) | 0,33 (3,3) | 0,43 (4,3) |
300 | 0,24 (2,4) | 0,54 (5,4) | 0,57 (5,7) |
500 | 0,57 (5,7) |
1000 | 160 | 0,14 (1,4) | 0,24 (2,4) | 0,33 (3,3) | 0,43 (4,3) |
300 | 0,21 (2,1) | 0,34 (3,4) | 0,43 (4,3) | 0,48 (4,8) |
1200 - 3200 | 160 | 0,14 (1,4) | 0,24 (2,4) | 0,33 (3,3) | 0,43 (4,3) |
Примечания 1 Расчетное давление на основание под подошвой фундамента определяют делением расчетной вертикальной равномерной погонной нагрузки (при коэффициенте надежности по нагрузке  ) на ширину плиты. 2 Несущая способность (прочность) плит определена при расчетной нагрузке с коэффициентом надежности по нагрузке  . При фактическом коэффициенте надежности по нагрузке  значения давления на основание, указанные в таблице 2, следует умножать на коэффициент, равный  . 3 Несущая способность (прочность) плит определена при коэффициенте надежности по ответственности  . Значения давлений, указанных в таблице 2, следует умножать на коэффициент, равный  , где  - коэффициент надежности по ответственности, установленный в проекте в соответствии с уровнем ответственности сооружения. |
6.2 Плиты должны удовлетворять требованиям нормативных документов, действующих в период строительства, к следующим показателям:
- прочность, жесткость и трещиностойкость;
- показатели фактической прочности бетона (в проектном возрасте и отпускной);
- морозостойкость бетона, а для плит, эксплуатируемых в грунтах и грунтовых водах с агрессивной степенью воздействия на железобетонные конструкции, также водонепроницаемость бетона;
- марки сталей для арматурных и закладных изделий, в том числе для монтажных петель;
- толщина защитного слоя бетона до арматуры;
6.3 Плиты должны удовлетворять требованиям
ГОСТ 13015:
- по заводской готовности;
- к качеству сварных арматурных и закладных изделий;
- по применению форм для приготовления плит.
6.4 Плиты следует изготовлять из тяжелого бетона средней плотности от 2300 до 2500 кг/м3.
Для бетона плит, эксплуатируемых в условиях воздействия агрессивных сред, назначаются марка по водонепроницаемости, марка по морозостойкости и класс бетона по прочности, обеспечивающий заданные морозостойкость и водонепроницаемость.
6.5 Значение нормируемой отпускной прочности бетона плит следует принимать равным 70% класса по прочности на сжатие в летний период и 80% в зимний период.
6.6 Составляющие материалы для бетона плит ленточных фундаментов следует назначать в соответствии с требованиями
ГОСТ 26633.
6.7 Плиты следует армировать плоскими арматурными блоками, собираемыми из двух сварных сеток, или отдельными сварными сетками.
Типовое расположение сетки или арматурного блока в плите приведено на
рисунке 2.
1 - сетка; 2 - арматурный блок; 3 - нижняя сетка;
4 - верхняя сетка; 5 - рабочая арматура
Рисунок 2 - Расположение арматурного блока и сеток в плите
6.8 Армирование плит выполняют из арматурной стали следующих видов и классов:
- рабочая арматура - стержневая арматура периодического профиля классов A400 и A500 по
ГОСТ 34028, холоднодеформированная арматура класса B500C по нормативным документам, действующим на территории государства, принявшего настоящий стандарт
<*>, или арматурная проволока класса Bp-I по
ГОСТ 6727;
- распределительная арматура - арматурная проволока класса Bp-I.
--------------------------------
<*> В Российской Федерации действует
ГОСТ Р 52544-2006 "Прокат арматурный свариваемый периодического профиля классов A500C и B500C для армирования железобетонных конструкций. Технические условия".
6.9 Форма и размеры арматурных изделий (арматурных блоков, сеток и монтажных петель) должны соответствовать указанным в рабочих чертежах на плиты.
6.10 В плитах допускается предусматривать закладные изделия и выпуски арматуры в соответствии с проектной документацией конкретного здания или сооружения.
6.11 Для подъема и монтажа плит следует применять специальные захватные устройства, конструкцию которых устанавливает изготовитель по согласованию с потребителем и проектной организацией - автором проектной документации здания или сооружения. Расположение и размеры отверстий в плитах, предназначенных для беспетлевого монтажа, принимают по чертежам, входящим в состав проектной документации захватного устройства для этих плит.
Допускается применять плиты с монтажными петлями, выполненными в соответствии с указаниями проектной документации на плиты. Типовые схемы установки монтажных петель в плитах приведены на
рисунке 3.
Рисунок 3 - Схемы установки монтажных петель в плитах
6.12 Сварные арматурные и закладные изделия должны соответствовать требованиям
ГОСТ 10922.
Форма и размеры закладных изделий и выпусков арматуры (см.
6.10) и их положение в плитах должны соответствовать указанным в проектной документации здания или сооружения.
Типовая форма и размеры арматурных блоков приведены на
рисунке 4.
1 - нижняя сетка; 2 - верхняя сетка; 3 - рабочая арматура
Рисунок 4 - Схема арматурного блока
6.13 Проектное положение арматурных изделий и толщину защитного слоя бетона следует фиксировать прокладками из пластмассы или других неметаллических материалов.
6.14 Требования к качеству поверхностей и внешнему виду плит (в том числе требования к допустимой ширине раскрытия технологических трещин) должны соответствовать
ГОСТ 13015. Качество бетонных поверхностей плит должно удовлетворять требованиям для категории А7.
6.15 Показатели расхода бетона и стали на плиты должны соответствовать указанным в рабочих чертежах на эти плиты.
7.1 Приемку плит следует проводить партиями в соответствии с требованиями
ГОСТ 13015 и настоящего стандарта. В состав партии включают плиты, последовательно изготовленные предприятием по одной технологии в течение не более одних суток из материалов одного вида.
Плиты принимают:
- по результатам периодических испытаний - по показателям трещиностойкости плит; для плит, предназначенных для эксплуатации в условиях воздействия агрессивной среды, - по морозостойкости, водонепроницаемости и водопоглощению бетона; по удельной эффективной активности естественных радионуклидов;
- по результатам приемо-сдаточных испытаний - по показателям прочности бетона (нормируемой отпускной прочности бетона согласно классу бетона по прочности на сжатие), по соответствию арматурных и закладных изделий рабочим чертежам, по прочности сварных соединений, по точности геометрических параметров, по толщине защитного слоя бетона до арматуры, по ширине раскрытия трещин, по внешнему виду и качеству бетонных поверхностей, по правильности нанесения маркировочных надписей.
Объем партии устанавливают по согласованию предприятия-изготовителя с потребителем, но не более 200 шт.
Таблица 3
Требования при приемке плит
Наименование показателя | Приемо-сдаточные испытания | Периодические испытания | Объем выборки и (или) периодичность контроля | Стандарт на методы контроля |
Прочность бетона на сжатие | + | - | 100% постоянно | |
Соответствие рабочим чертежам по геометрическим размерам | + | - | 100% постоянно | |
Внешне-видовые характеристики | + | - | 100% постоянно | |
Трещиностойкость плит | - | + | Не менее 3 шт., не реже одного раза в полгода | |
Морозостойкость бетона | - | + | Не реже одного раза в полгода | |
Водонепроницаемость и водопоглощение бетона | - | + | Не реже одного раза в полгода | |
Прочность сварных соединений | + | - | Не менее 3 шт., постоянно | |
Соответствие диаметра и количества арматурных стержней или проволок | + | - | 100% постоянно | |
Толщина защитного слоя | + | - | 100% постоянно | |
7.2 Приемку плит по прочности, жесткости и трещиностойкости осуществляют по комплексу нормируемых и проектных показателей в соответствии с требованиями
ГОСТ 13015.
Приемо-сдаточные испытания нагружением для проверки соответствия плит показателям по прочности, жесткости и трещиностойкости, предусмотренным в проектной документации на эти изделия, выполняют в соответствии с требованиями
ГОСТ 8829. Контрольные испытания нагружением проводят перед началом массового изготовления изделий, при внесении конструктивных изменений, изменении технологии изготовления, вида и качества применяемых материалов, а также периодически в соответствии с указаниями
ГОСТ 13015.
7.3 Периодические испытания бетона плит по показателям морозостойкости и водонепроницаемости проводят при освоении производства, изменении состава бетона, технологии изготовления, вида и качества материалов, а также не реже одного раза в 6 мес.
Испытания по показателю удельной эффективной активности естественных радионуклидов в бетоне проводят при первичном подборе номинального состава бетона, а также при изменении качества применяемых материалов, когда удельная эффективная активность естественных радионуклидов в новых материалах превышает соответствующие характеристики материалов, применяемых ранее.
7.4 При приемке плит по показателям точности геометрических параметров, толщины защитного слоя бетона до арматуры, ширины раскрытия трещин, качества бетонных поверхностей следует применять выборочный одноступенчатый контроль.
7.5 Приемку плит по показателям, проверяемым путем осмотра:
- по наличию закладных изделий и монтажных петель;
- правильности нанесения маркировочных надписей и знаков;
- по наличию и качеству антикоррозионного покрытия,
следует проводить путем сплошного контроля с отбраковкой конструкций, имеющих дефекты по указанным показателям.
7.6 Опытные подъемы плит в целях испытания качества монтажных петель и их заделки в бетон следует проводить перед началом массового изготовления плит с монтажными петлями и в дальнейшем - при изменении технологии изготовления, вида и качества применяемых материалов.
Испытанию подвергают не менее трех плит. После пяти подъемов при внешнем осмотре плиты на ней не должно быть признаков местного разрушения в зоне заделки петель.
Монтажная петля, заделанная в бетон плиты, должна выдерживать при опытных подъемах плиты нагрузку, превышающую нормативное усилие на петлю в три раза.
7.7 Требования к документу о качестве плит, поставляемых потребителю, следует предъявлять в соответствии с
ГОСТ 13015. Дополнительно в документе о качестве плит должна быть приведена марка бетона по морозостойкости, а для плит, предназначенных для эксплуатации в условиях воздействия агрессивной среды, - марка бетона по водонепроницаемости и допустимое водопоглощение бетона в процентах по массе (если эти показатели оговорены в заказе на изготовление плит).
8.1 Прочность бетона на сжатие следует определять по
ГОСТ 10180 на серии образцов, изготовленных из бетонной смеси рабочего состава по
ГОСТ 10181 после тепловой обработки и после 28 сут нормального твердения. Коэффициент вариации бетона плит в проектном возрасте следует определять по
ГОСТ 18105.
8.2 При проверке прочности бетона плит неразрушающими методами фактическую отпускную прочность бетона на сжатие следует определять ультразвуковым методом по
ГОСТ 17624 в местах, указанных в рабочих чертежах, или приборами механического действия по
ГОСТ 22690, а также другими методами, предусмотренными стандартами на методы испытания бетона.
8.3 Морозостойкость бетона следует определять по
ГОСТ 10060 на серии образцов, изготовленных из бетонной смеси рабочего состава.
8.4 Водонепроницаемость бетона плит следует определять по
ГОСТ 12730.0 и
ГОСТ 12730.5 на серии образцов, изготовленных из бетонной смеси рабочего состава.
8.5 Методы контроля и испытаний сварных арматурных и закладных изделий следует определять по
ГОСТ 10922,
ГОСТ 23858.
8.6 Испытание монтажных петель и их заделки в бетон следует проводить путем пятикратного подъема плиты, нагруженной из условия передачи на одну петлю усилия, равного увеличенному в три раза нормативному усилию на петлю, указанному в рабочих чертежах на плиты. При испытаниях зона бетона около петли в радиусе не менее 1,75 глубины заделки петли в бетон должна быть свободной от нагрузки.
Прочность бетона плит при опытных подъемах не должна превышать отпускной прочности.
8.7 Методы контроля и испытаний составляющих материалов, применяемых для изготовления плит, должны соответствовать установленным стандартами или техническими условиями на эти материалы.
8.8 Размеры, отклонения от прямолинейности верхней поверхности плит, качество бетонных поверхностей, ширину раскрытия усадочных трещин и внешний вид плит следует проверять методами, установленными
ГОСТ 13015.
8.9 Положение арматурных и закладных изделий, а также толщину защитного слоя бетона до арматуры следует определять по
ГОСТ 17625 и
ГОСТ 22904 в местах, указанных в рабочих чертежах. При отсутствии необходимых приборов допускаются вырубка борозд и обнажение арматуры плит с последующей заделкой борозд.
8.10 Правильность нанесения маркировки определяют визуально.
8.11 Удельную эффективную активность естественных радионуклидов определяют по
ГОСТ 30108.
8.12 Контроль качества антикоррозионного покрытия стальных закладных изделий следует проводить по
ГОСТ 9.302.
9 Маркировка, транспортирование и хранение
9.1 Маркировочные надписи и знаки следует наносить на боковых гранях каждой плиты.
9.2 Транспортировать и хранить плиты следует в соответствии с требованиями
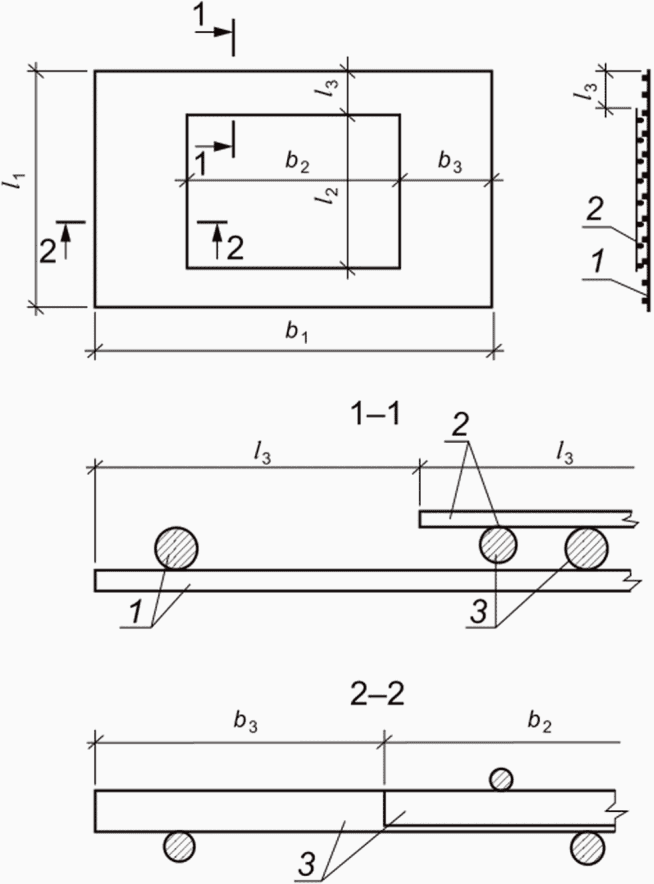
ГОСТ 13015 и настоящего стандарта.
9.3 Плиты следует транспортировать и хранить в горизонтальном положении в штабелях. Высота штабеля плит не должна превышать 2 м.
9.4 Подкладки под плитами и прокладки между ними в штабеле следует располагать в местах, указанных в рабочих чертежах.
УДК 691.328-413:006.354 | |
Ключевые слова: бетон, железобетон, плита, ленточный фундамент |