Главная // Актуальные документы // ГОСТ Р (Государственный стандарт)СПРАВКА
Источник публикации
М.: Стандартинформ, 2011
Примечание к документу
Документ включен в
Перечень документов в области стандартизации, в результате применения которых на добровольной основе обеспечивается соблюдение требований Федерального
закона от 22.07.2008 N 123-ФЗ "Технический регламент о требованиях пожарной безопасности" (
Приказ Росстандарта от 14.07.2020 N 1190).
Документ включен в
Перечень документов в области стандартизации, в результате применения которых на добровольной основе обеспечивается соблюдение требований Федерального
закона от 22.07.2008 N 123-ФЗ "Технический регламент о требованиях пожарной безопасности" (
Приказ Росстандарта от 03.06.2019 N 1317).
Документ включен в
Перечень документов в области стандартизации, в результате применения которых на добровольной основе обеспечивается соблюдение требований Федерального
закона от 22.07.2008 N 123-ФЗ "Технический регламент о требованиях пожарной безопасности" (
Приказ Росстандарта от 17.04.2019 N 832).
Документ включен в
Перечень документов в области стандартизации, в результате применения которых на добровольной основе обеспечивается соблюдение требований Федерального
закона от 22.07.2008 N 123-ФЗ "Технический регламент о требованиях пожарной безопасности" (
Приказ Росстандарта от 16.04.2014 N 474).
Документ включен в
Перечень национальных стандартов, содержащих правила и методы исследований (испытаний) и измерений, в том числе правила отбора образцов, необходимых для применения и исполнения Федерального
закона от 22.07.2008 N 123-ФЗ и осуществления оценки соответствия (
Распоряжение Правительства РФ от 10.03.2009 N 304-р).
Введен в действие с 1 июля 2011 года.
Название документа
"ГОСТ Р 53961-2010. Национальный стандарт Российской Федерации. Техника пожарная. Гидранты пожарные подземные. Общие технические требования. Методы испытаний"
(утв. и введен в действие Приказом Росстандарта от 25.11.2010 N 522-ст)
"ГОСТ Р 53961-2010. Национальный стандарт Российской Федерации. Техника пожарная. Гидранты пожарные подземные. Общие технические требования. Методы испытаний"
(утв. и введен в действие Приказом Росстандарта от 25.11.2010 N 522-ст)
Утвержден и введен в действие
от 25 ноября 2010 г. N 522-ст
НАЦИОНАЛЬНЫЙ СТАНДАРТ РОССИЙСКОЙ ФЕДЕРАЦИИ
ТЕХНИКА ПОЖАРНАЯ
ГИДРАНТЫ ПОЖАРНЫЕ ПОДЗЕМНЫЕ
ОБЩИЕ ТЕХНИЧЕСКИЕ ТРЕБОВАНИЯ. МЕТОДЫ ИСПЫТАНИЙ
Fire-fighting equipment. Underground fire hydrants.
General technical requirements. Test methods
ГОСТ Р 53961-2010
Дата введения
1 июля 2011 года
Цели и принципы стандартизации в Российской Федерации установлены Федеральным
законом от 27 декабря 2002 г. N 184-ФЗ "О техническом регулировании", а правила применения национальных стандартов Российской Федерации -
ГОСТ Р 1.0-2004 "Стандартизация в Российской Федерации. Основные положения".
1 РАЗРАБОТАН Федеральным государственным учреждением "Всероссийский научно-исследовательский институт противопожарной обороны" (ФГУ ВНИИПО) МЧС России
2 ВНЕСЕН Техническим комитетом по стандартизации ТК 274 "Пожарная безопасность"
3 УТВЕРЖДЕН И ВВЕДЕН В ДЕЙСТВИЕ
Приказом Федерального агентства по техническому регулированию и метрологии от 25.11.2010 N 522-ст
4 ВВЕДЕН ВПЕРВЫЕ
Информация об изменениях к настоящему стандарту публикуется в ежегодно издаваемом информационном указателе "Национальные стандарты", а текст изменений и поправок - в ежемесячно издаваемых информационных указателях "Национальные стандарты". В случае пересмотра или отмены настоящего стандарта соответствующее уведомление будет опубликовано в ежемесячно издаваемом информационном указателе "Национальные стандарты". Соответствующая информация, уведомление и тексты размещаются также в информационной системе общего пользования - на официальном сайте Федерального агентства по техническому регулированию и метрологии в сети Интернет.
Настоящий стандарт распространяется на гидранты пожарные подземные, устанавливаемые в водопроводной сети на пожарной подставке по
ГОСТ 5525 для отбора воды с помощью пожарных колонок по
ГОСТ Р 53250.
В настоящем стандарте использованы нормативные ссылки на следующие стандарты:
ГОСТ Р 15.201-2000 Система разработки и постановки продукции на производство. Продукция производственно-технического назначения. Порядок разработки и постановки продукции на производство
ГОСТ Р 53250-2009 Техника пожарная. Колонка пожарная. Общие технические требования. Методы испытаний
ГОСТ Р 53464-2009 Отливки из металлов и сплавов. Допуски размеров, массы и припуски на механическую обработку
ГОСТ 2.601-2006 Единая система конструкторской документации. Эксплуатационные документы
ГОСТ 9.032-74 Единая система защиты от коррозии и старения. Покрытия лакокрасочные. Группы, технические требования и обозначения
ГОСТ 9.104-79 Единая система защиты от коррозии и старения. Покрытия лакокрасочные. Группы условий эксплуатации
ГОСТ 9.402-2004 Единая система защиты от коррозии и старения. Покрытия лакокрасочные. Подготовка металлических поверхностей к окрашиванию
ГОСТ 12.2.037-78 Система стандартов безопасности труда. Техника пожарная. Требования безопасности
ГОСТ 12.3.006-75 Система стандартов безопасности труда. Эксплуатация водопроводных и канализационных сооружений и сетей. Общие требования безопасности
ГОСТ 12.4.009-83 Система стандартов безопасности труда. Пожарная техника для защиты объектов. Основные виды. Размещение и обслуживание
ГОСТ 166-89 (ИСО 3599-76) Штангенциркули. Технические условия
ГОСТ 427-75 Линейки измерительные металлические. Технические условия
ГОСТ 2405-88 Манометры, вакуумметры, мановакуумметры, напоромеры, тягомеры и тягонапоромеры. Общие технические условия
ГОСТ 2991-85 Ящики дощатые неразборные для грузов массой до 500 кг. Общие технические условия
ГОСТ 4366-76 Смазка солидол синтетический. Технические условия
ГОСТ 5264-80 Ручная дуговая сварка. Соединения сварные. Основные типы, конструктивные элементы и размеры
ГОСТ 5525-88 Части соединительные чугунные, изготовленные литьем в песчаные формы для трубопроводов. Технические условия
ГОСТ 5632-72 Стали высоколегированные и сплавы коррозионно-стойкие, жаростойкие и жаропрочные. Марки
ГОСТ 7338-90 Пластины резиновые и резинотканевые. Технические условия
ГОСТ 9013-59 (ИСО 6508-86) Металлы. Метод измерения твердости по Роквеллу
ГОСТ 15150-69 Машины, приборы и другие технические изделия. Исполнения для различных климатических районов. Категории, условия эксплуатации, хранения и транспортирования в части воздействия климатических факторов внешней среды
ГОСТ 16037-80 Соединения сварные стальных трубопроводов. Основные типы, конструктивные элементы и размеры
ГОСТ 16093-2004 (ИСО 965-1:1998, ИСО 965-3:1998) Основные нормы взаимозаменяемости. Резьба метрическая. Допуски. Посадки с зазором
ГОСТ 16504-81 Система государственных испытаний продукции. Испытания и контроль качества продукции. Основные термины и определения
ГОСТ 24705-2004 (ИСО 724:1993) Основные нормы взаимозаменяемости. Резьба метрическая. Основные размеры
ГОСТ 24738-81 Основные нормы взаимозаменяемости. Резьба трапецеидальная однозаходная. Диаметры и шаги
| | ИС МЕГАНОРМ: примечание. Взамен ГОСТ 25347-82 Приказом Росстандарта от 18.02.2014 N 29-ст с 1 июля 2015 года введен в действие ГОСТ 25347-2013. | |
ГОСТ 25347-82 Основные нормы взаимозаменяемости. Единая система допусков и посадок. Поля допусков и рекомендуемые посадки
Примечание - При пользовании настоящим стандартом целесообразно проверить действие ссылочных стандартов в информационной системе общего пользования - на официальном сайте Федерального агентства по техническому регулированию и метрологии в сети Интернет или по ежегодно издаваемому информационному указателю "Национальные стандарты", который опубликован по состоянию на 1 января текущего года, и по ежегодно издаваемым информационным указателям, опубликованным в текущем году. Если ссылочный стандарт заменен (изменен), то при пользовании настоящим стандартом следует руководствоваться заменяющим (измененным) стандартом. Если ссылочный стандарт отменен без замены, то положение, в котором дана ссылка на него, применяется в части, не затрагивающей эту ссылку.
В настоящем стандарте применены следующие термины с соответствующими определениями, обозначениями и сокращениями:
3.1 гидрант пожарный подземный (гидрант): Устройство для отбора воды из водопроводной сети с помощью пожарной колонки.
3.2 колонка пожарная; КП: Устройство, предназначенное для открытия (закрытия) гидрантов и присоединения пожарных рукавов в целях отбора воды из водопроводных сетей во время пожаротушения.
3.3 центральный ключ колонки: Устройство Т-образного вида с квадратной головкой на конце и рукоятками, расположенными в верхней части, проходящее через КП и предназначенное для открытия клапана гидранта.
3.4 специальный ключ для открытия гидранта: Устройство с квадратной головкой на конце и рукояткой, расположенной в верхней части, которым может комплектоваться гидрант для открытия (закрытия) задвижки гидранта.
3.5 штанга гидранта: Стержень, проходящий через гидрант и соединяющий орган управления запорным устройством (центральный ключ КП) с клапаном гидранта.
3.6 шток гидранта: Стержень, помещенный в кожух, находящийся с наружной стороны гидранта и предназначенный для открытия (закрытия) запорного устройства задвижки гидранта с помощью специального ключа.
3.7 рабочее давление Рр, МПа (кгс·см-2): Давление, при котором обеспечивается работоспособность гидранта.
3.8 гидравлическое сопротивление в гидранте S, с2·м-5: Величина, характеризующая гидравлическое совершенство проточной части гидранта.
3.9 условный проход; DN: Приближенное числовое обозначение внутреннего диаметра, общее для всех присоединяемых компонентов трубопроводных систем, не являющееся измеряемой величиной.
3.10 внутренний диаметр корпуса гидранта: Внутренний диаметр проходного сечения внутреннего канала гидранта, мм.
3.11 демпфер: Устройство или приспособление, предназначенное для поглощения энергии колебаний либо уменьшения их амплитуды.
4 Классификация, номенклатура показателей
4.1 В зависимости от высоты и проходного сечения гидранты классифицируются по типоразмерам:
- H - от 500 включ. до 3500 мм включ., с шагом 250 мм;
- с внутренним диаметром корпуса - от DN 100 включ. до DN 150 включ.
4.2 В зависимости от конструктивных особенностей (Приложение А,
рисунки А.1,
А.2) открытие (закрытие) гидранта может быть осуществлено:
- при вращении ключа колонки, после установки КП с помощью резьбового соединения на гидрант;
- с помощью специального ключа для открытия (закрытия) задвижки гидранта.
4.3 Для гидрантов устанавливается следующая номенклатура показателей, которые должны включаться в техническую документацию (ТД):
- рабочее давление,

;
- внутренний диаметр корпуса DN (условный);
- высота гидранта, H, мм;
- ход клапана, мм;
- число оборотов штанги (штока) до полного открытия гидранта;
- гидравлическое сопротивление в гидранте

;
- масса гидранта, кг.
4.4 При необходимости в номенклатуру показателей назначения могут быть внесены показатели, не указанные в
4.3 настоящего стандарта.
5 Общие технические требования
5.1 Гидранты следует изготовлять в соответствии с требованиями настоящего стандарта.
5.2 Основные показатели и характеристики
5.2.1 Показатели назначения гидрантов должны иметь значения, соответствующие указанным в таблице 1.
Таблица 1
Наименование параметра | Значение |
1 Рабочее давление Pр, МПа (кгс·см -2), не более | 1 (10) |
| От 500 до 3500 включ. |
3 Внутренний диаметр корпуса DN | 100 | 125 | 150 |
| От 24 до 30 включ. |
5 Люфт шпинделя в опоре по оси, мм, не более | 0,4 |
6 Число оборотов штанги (штока) до полного открытия гидранта | От 12 до 15 включ. |
7 Гидравлическое сопротивление в гидранте S, с 2·м -5, не более <*>, при H = 1000 мм | 1,3·103 | 1,2·103 | 1,1·103 |
8 Масса гидранта при H = 1000 мм, кг, не более <**> | 85 | 95 | 105 |
<*> Изменение гидравлического сопротивления на каждые 250 мм высоты - не более 0,05·10 3 с 2·м -5. <**> Изменение массы на каждые 250 мм высоты - не более 10 кг. |
5.2.2 Гидранты должны соответствовать следующим показателям надежности:
- полный срок службы - не менее 10 лет;
- срок сохраняемости - не менее 1 года;
- установленная безотказная наработка - не менее 200 циклов <*>.
--------------------------------
<*> Циклом следует считать: полное открытие гидранта; работу в течение не менее 1 мин при рабочем давлении; полное закрытие гидранта; слив воды через сливной клапан.
5.3 Требования к конструкции
5.3.1 Конструкция корпуса гидранта должна обеспечивать прочность при гидравлическом давлении, в 1,5 раза превышающем рабочее давление. При этом не допускаются признаки разрыва и видимые остаточные деформации.
5.3.2 Конструкция гидранта в сборе должна сохранять герметичность соединений и уплотнений при рабочем давлении. При этом не допускаются течи и каплеобразование жидкости через стенки корпусных деталей гидранта и задвижки, а также в местах неподвижных соединений и через уплотнение шпинделя.
5.3.3 Конструкцией гидранта должно быть обеспечено его открытие и закрытие во всем рабочем диапазоне давления.
5.3.4 Гидрант должен быть оснащен устройством для слива оставшейся после работы воды. При этом количество оставшейся воды в гидранте после работы не должно превышать 100 см
3.
5.3.5 Клапан гидранта и его привод должны выдерживать осевую нагрузку не менее

.
5.3.6 Конструкция и крепление ниппеля гидранта должны исключать возможность проворачивания ниппеля при навертывании КП по
ГОСТ Р 53250.
Наружная резьба ниппеля - специальная по приложению к ГОСТ Р 53250 (Приложение Б,
рисунок Б.1).
5.3.7 Резьбовая часть ниппеля гидранта должна быть оборудована откидной крышкой. Конструкция крышки не должна препятствовать свободному навертыванию КП.
| | ИС МЕГАНОРМ: примечание. Взамен ГОСТ 25347-82 Приказом Росстандарта от 18.02.2014 N 29-ст с 1 июля 2015 года введен в действие ГОСТ 25347-2013. | |
5.3.8 Квадрат штанги для соединения гидранта с ключом КП (штока для открытия и закрытия задвижки гидранта специальным ключом) - 22 x 22 мм; размеры квадрата - с точностью по 12-му квалитету ГОСТ 25347.
Поверхность квадрата должна иметь твердость

.
5.4 Требования эргономики
5.4.1 Органы управления запорными устройствами гидранта должны плавно перемещаться при работе в установленном диапазоне.
5.4.2 Усилие открытия (закрытия) клапана гидранта ключом КП (или задвижки специальным ключом) не должно превышать 150 Н (15 кгс).
5.5 Требования стойкости к внешним воздействиям
5.5.1 Гидранты необходимо изготовлять в климатическом исполнении УХЛ, категория 1.1 по
ГОСТ 15150.
5.5.2 Основные узлы и детали гидранта необходимо изготовлять из материалов с механическими и антикоррозионными свойствами, обеспечивающими работоспособность изделий при работе на воде в заданных условиях эксплуатации.
5.5.3 Кольцо клапана гидранта должно быть изготовлено из морозостойкой резины повышенной твердости по
ГОСТ 7338. Допускается применение других уплотнительных материалов с механическими свойствами, не уступающими резине марки ТМКЩ,
ГОСТ 7338.
5.5.4 По согласованию с заказчиком для утепления гидранта может быть использован специальный кожух из полиуретана или других утеплительных материалов со свойствами, не уступающими полиуретану.
5.5.5 Лакокрасочные покрытия наружных поверхностей гидрантов - по
ГОСТ 9.032 класса не ниже VI для условий эксплуатации УХЛ 4 по
ГОСТ 9.104. Подготовка металлических поверхностей перед окрашиванием - по
ГОСТ 9.402.
5.5.6 Сварку фланцев гидранта необходимо производить по
ГОСТ 16037, остальные сварные соединения стальных конструкций - по
ГОСТ 5264 и ТД производителя. При этом непровары, наплывы, подрезы, поджоги, смещение свариваемых деталей, а также другие дефекты, влияющие на качество и надежность гидрантов, не допускаются.
5.6 Требования к поставляемым материалам и изделиям
5.6.1 Поставляемые материалы и изделия, применяемые для изготовления деталей гидрантов, должны быть приняты входным контролем с проверкой их качества и сопроводительной документации.
5.6.2 Применяемые материалы должны иметь сертификаты или ярлыки, подтверждающие их соответствие стандартам, техническим условиям или другой нормативной документации.
Физико-химические свойства исходных материалов, твердость, шероховатость их поверхностей должны соответствовать стандартам, техническим условиям на их изготовление, а также назначению и условиям работы изготовляемых из них деталей гидрантов.
5.6.3 Отливки гидранта - по
ГОСТ 26358. Отклонения размеров и массы отливок из серого чугуна - по 3-му классу точности,
ГОСТ Р 53464.
5.6.4 На обработанных трущихся поверхностях литых деталей (патрубок, корпус, ниппель, корпус клапана) наличие раковин, шлаковых включений, трещин и других дефектов литья не допускается.
5.6.5 По механическим и антикоррозионным свойствам материал резьбовой части ниппеля не должен уступать свойствам латуни ЛК1,
ГОСТ 1020 или бронзы Бр 05Ц5С5,
ГОСТ 613.
5.6.6 Материал шпинделя гидранта не должен уступать стали марки 30Х13,
ГОСТ 5632.
5.6.7 Седло клапана (посадочное место клапана) должно быть изготовлено из материала с основными свойствами не ниже, чем у латуни марки ЛК1,
ГОСТ 1020 или у бронзы марки Бр 05Ц5С5,
ГОСТ 613. Допускается получение седла клапана на корпусе гидранта с нанесением цинка на посадочное место.
5.6.8 Допускается замена материалов и комплектующих изделий на другие, механические и антикоррозионные свойства которых и технические характеристики не уступают указанным, не ухудшают качества и надежности изделий, отвечают предъявляемым к ним требованиям, а также удовлетворяют условиям эксплуатации гидрантов.
5.7 Технология изготовления гидрантов одного типоразмера должна обеспечивать полную взаимозаменяемость его сборочных единиц и деталей.
5.8 На деталях гидрантов следы коррозии, забоины, вмятины, трещины и другие механические повреждения и дефекты не допускаются. Острые углы и кромки на деталях должны быть притуплены.
5.9 Метрические резьбы необходимо выполнять по
ГОСТ 24705 с полями допусков по
ГОСТ 16093: для внутренних резьб - 7Н; для наружных резьб - 8g; трапецеидальные - по
ГОСТ 24738.
Выкрашивания, местные срывы и неровности на поверхности резьб не допускаются, если они по глубине выходят за пределы среднего диаметра резьбы и их общая протяженность по длине превышает половину длины витка.
5.10 Крепление отдельных деталей, сборочных единиц должно исключать их самопроизвольное ослабление и отвинчивание при эксплуатации гидранта.
В комплект поставки гидранта должны входить комплектующие изделия, предусмотренные ТД на изделие, паспорт, техническое описание, инструкция по эксплуатации или единый документ, их заменяющий, оформленные в соответствии с
ГОСТ 2.601.
5.12.1 На каждый гидрант должна быть нанесена маркировка. Маркировка надписей на гидранте должна соответствовать требованиям ТД изготовителя.
5.12.2 Маркировка должна содержать следующие данные:
- наименование или товарный знак предприятия-изготовителя;
- условное обозначение гидранта по системе предприятия-изготовителя;
- заводской номер;
- высота гидранта, мм;
- внутренний диаметр корпуса DN;
- год выпуска;
- название страны-изготовителя.
5.12.3 Метод нанесения маркировки должен обеспечивать ее сохранность в течение срока службы гидранта.
5.13.1 Перед упаковкой гидранты должны быть очищены, внутренние полости должны быть осушены.
5.13.2 Открытая резьба и неокрашенные поверхности металлических деталей гидрантов должны быть покрыты смазкой марки пресс-солидол по
ГОСТ 4366, вариант защиты В3-1, В3-2. Срок действия консервации гидранта 1 год. В эксплуатационной документации должны быть указаны дата консервации и установленный срок защиты без переконсервации, способ расконсервации.
5.13.3 После консервации все отверстия должны быть закрыты пробками или заглушками.
5.13.4 Гидрант должен быть завернут в оберточную бумагу и помещен в ящик по
ГОСТ 2991 или другую тару, обеспечивающую сохранность изделия при транспортировании и хранении. Упаковка должна быть проведена так, чтобы исключить перемещение гидранта в таре при погрузке, транспортировании и выгрузке.
5.13.5 Тара должна иметь маркировку в соответствии с требованиями
ГОСТ 14192.
5.13.6 Техническая и эксплуатационная документация должна быть помещена во влагонепроницаемый пакет и вложена в тару вместе с гидрантом с указанием "Документация здесь".
6 Требования безопасности
6.1 Требования безопасности к конструкции гидрантов - по
ГОСТ 12.2.037.
6.2 К эксплуатации и обслуживанию гидрантов допускаются лица, изучившие устройство изделия и руководство по эксплуатации гидранта.
6.3 Перед началом работы необходимо проверить плотность соединения резьбы ниппеля с КП.
6.4 До начала ремонтно-профилактических работ водопроводная сеть должна быть перекрыта; вода из колодца - откачана.
7 Требования охраны окружающей среды
7.1 Подтекание смазочных (консервационных) материалов во время хранения гидрантов, их транспортирования и эксплуатации не допускается.
8.1 Изготавливаемые предприятиями Российской Федерации гидранты должны пройти все стадии и этапы разработки, предусмотренные
ГОСТ Р 15.201, и все виды испытаний, иметь полный комплект конструкторской документации на серийное производство, эксплуатационную документацию.
8.2 Для контроля качества и проверки соответствия гидрантов требованиям настоящего стандарта гидрант необходимо подвергать испытаниям, установленным
ГОСТ 16504.
8.3 Приемо-сдаточные испытания
8.3.1 Приемо-сдаточным испытаниям подвергают каждый гидрант.
8.3.2 Приемо-сдаточные испытания проводят в объеме, указанном в таблице 2.
Наименование проверки (испытания) | Пункты раздела |
Технические требования | Методы испытаний |
1 Внешний осмотр; проверка на соответствие КД | | |
2 Проверка резьбы ниппеля | | |
3 Проверка рабочего давления | | |
4 Проверка прочности корпуса гидранта, герметичности соединений и уплотнений | | |
5 Проверка сливного устройства | | |
8.3.3 Гидранты, не выдержавшие приемо-сдаточных испытаний, возвращают для устранения причин возникновения дефектов, повторной проверки и последующего предъявления на испытания.
8.3.4 Принятыми считаются гидранты, которые выдержали испытания, укомплектованы и упакованы в соответствии с требованиями настоящего стандарта.
8.3.5 Результаты приемо-сдаточных испытаний заносит в паспорт на гидрант и заверяет ОТК предприятия-изготовителя.
8.4 Периодические испытания
8.4.1 Периодические испытания проводят один раз в год на гидрантах, изготовленных в контролируемом периоде и выдержавших приемо-сдаточные испытания.
8.4.2 На испытания предъявляют не менее трех образцов гидрантов каждого типоразмера.
8.4.3 Периодические испытания проводят в объеме и последовательности, указанных в таблице 3.
Таблица 3
Наименование проверки (испытания) | Пункты раздела |
Технические требования | Методы испытаний |
1 Внешний осмотр; проверка на соответствие КД | | |
2 Проверка резьбы ниппеля | | |
3 Проверка рабочего давления | | |
4 Проверка хода клапана | | |
5 Проверка люфта шпинделя | | |
6 Проверка числа оборотов штанги (штока) до полного открытия гидранта | | |
7 Проверка прочности корпуса, герметичности соединений и уплотнений | | |
8 Проверка усилия открытия (закрытия) гидранта | | |
9 Проверка сливного устройства | | |
10 Проверка механической прочности клапана | | |
11 Проверка твердости поверхности квадрата соединительной штанги (штока) | | |
12 Проверка гидравлического сопротивления в гидранте | | |
13 Проверка взаимозаменяемости сборочных единиц и деталей | | |
14 Проверка крепления отдельных деталей и сборочных единиц | | |
15 Проверка габаритных и присоединительных размеров | | |
16 Проверка массы | | |
8.4.4 При положительных результатах испытаний считают подтвержденным качество гидрантов, выпущенных за контрольный период, а также возможность их дальнейшего производства и приемки по той же документации, до получения результатов очередных периодических испытаний.
8.4.5 При отрицательных результатах испытаний приемка гидрантов должна быть приостановлена до выявления причин возникновения дефектов, их устранения и получения положительных результатов повторных испытаний на удвоенном количестве образцов.
8.5.1 Типовые испытания проводят при замене материалов, внесении в конструкцию или технологию изготовления изменений, которые могут повлиять на показатели назначения и надежности гидрантов.
8.5.2 Испытания проводят для оценки эффективности и целесообразности внесенных изменений и проверяют те показатели гидрантов, на которые влияют внесенные изменения.
8.5.3 Испытания проводят по специально разработанной предприятием-изготовителем программе и методике проведения типовых испытаний гидрантов.
8.5.4 При положительных результатах типовых испытаний вносят изменения в ТД на гидрант в установленном порядке.
8.6 Испытания по проверке показателей надежности
8.6.1 Испытания на надежность проводят один раз в 4 года. Испытаниям подвергают не менее двух гидрантов каждого типоразмера.
8.6.2 Гидранты выбирают методом случайного отбора из числа прошедших приемо-сдаточные испытания в количестве не менее трех штук.
Дополнительная подготовка гидрантов, не предусмотренная технологией изготовления, не допускается.
8.7 Оформление результатов испытаний
8.7.1 Результаты испытаний гидрантов должны быть оформлены актом с приложением протоколов всех проведенных испытаний и проверок.
8.7.2 Обработку результатов измерений необходимо проводить в соответствии с инструкциями по применению используемых средств измерений.
8.7.3 За результаты проведенных испытаний принимают среднее арифметическое значение не менее трех измерений каждого показателя гидранта.
8.7.4 Протоколы испытаний должны содержать:
- дату и место проведения испытаний;
- обозначение гидранта по системе предприятия-изготовителя;
- вид и условия испытаний;
- данные об измерительных средствах и приборах;
- результаты испытаний.
9.1 Все испытания проводят в нормальных климатических условиях
(ГОСТ 15150).
9.2 При проведении испытаний используют оборудование и средства контроля, обеспечивающие требуемую точность измерений, поверенные и аттестованные в установленном порядке.
9.3 Для измерения давления необходимо применять манометры класса точности не ниже 0,6. Манометры должны быть выбраны так, чтобы при испытаниях значения давления находились в средней трети шкалы, а максимально возможное давление не превышало предела измерений.
Непосредственно перед манометром (на соединительной линии между местом отбора давления и манометром) должен быть установлен трехходовой кран для проливки линии измерения давления.
Для снижения колебаний стрелки прибора перед ним должен быть установлен демпфер.
9.4.1 При внешнем осмотре проверяют вид и качество изготовления гидрантов, климатическое исполнение (
показатели 5.3.7,
5.5.1,
5.5.5,
5.5.6,
5.6,
5.8,
5.9), рабочее давление, высоту и внутренний диаметр корпуса (
таблица 1, показатели 1 -
3), крепление сборочных единиц и деталей
(5.10), комплектность
(5.11), наличие и содержание маркировки
(5.12).
Проверки проводят визуально и анализом ТД.
9.4.2 Соответствие применяемых для изготовления гидрантов материалов требованиям
5.5.2,
5.5.3,
5.6 проверяют по сопроводительной документации изготовителя при наличии в ней сертификатов соответствия на материалы.
При отсутствии сертификата соответствия качество материала проверяют методами лабораторного анализа.
9.4.5 Проверку качества отливок, отклонений размеров и массы отливок
(5.6.3) проводят по
ГОСТ 26358.
9.5 Проверку рабочего давления по
5.2.1 (таблица 1, показатель 1) следует проводить при подаче воды через гидрант в диапазоне

. Давление необходимо измерять на выходе из гидранта при полностью открытом клапане (задвижке) манометром по
ГОСТ 2405.
9.6 Проверка прочности корпуса, герметичности соединений и уплотнений
Проверку гидранта на соответствие требованиям
5.3.1 проводят гидравлическим испытательным давлением

при открытом клапане. Время выдержки под давлением - не менее 2 мин.
Герметичность соединений и уплотнений проверяют на соответствие требованиям
5.3.2 при рабочем давлении

путем визуального наблюдения в течение не менее 3 мин.
9.7 Проверку усилий открытия и закрытия гидрантов проводят на соответствие требованиям
5.4.2 при давлении воды

и расходе от

. Усилия измеряют динамометром по
ГОСТ 13837.
Одновременно проверяют соответствие гидрантов требованиям
5.3.3,
5.4.1.
9.8 Проверка сливного устройства гидрантов
Работоспособность сливного устройства проверяют на соответствие требованиям
5.3.4.
Количество оставшейся воды в гидранте определяют как разность между объемами залитой в вертикально установленный сухой, закрытый гидрант воды и вытекшей из него в течение не менее 3 мин. Количество залитой воды должно быть не менее 2 л.
9.9 Проверку механической прочности клапана и его привода проводят на соответствие требованиям
5.3.5. Испытания проводят приложением к открытому клапану осевого сжимающего или растягивающего усилия в течение не менее 3 мин. При этом не допускаются отрыв клапана, а также смятие резьб и опор.
9.10 Проверку крепления ниппеля проводят на соответствие требованиям
5.3.6 полным навертыванием КП на гидрант.
Резьбу ниппеля проверяют резьбовым калибром, изготовленным в соответствии с приложением к ГОСТ Р 53250 (Приложение Б,
рисунок Б.1).
9.11 Твердость поверхности квадрата соединительной штанги (штока) проверяют на соответствие требованиям
5.3.8 с помощью измерителя твердости типа ТК-2 по
ГОСТ 9013.
9.12 Проверку взаимозаменяемости деталей на соответствие требованиям
5.7 проводят перестановкой деталей и сборочных единиц на двух гидрантах одного типоразмера. Подгонка деталей не допускается.
| | ИС МЕГАНОРМ: примечание. В официальном тексте документа, видимо, допущена опечатка: пункт 8.9 отсутствует. | |
9.13 Крепление отдельных деталей и сборочных единиц
(5.10) проверяют при внешнем осмотре гидрантов, а также во время проведения испытаний по
8.5 - 8.9 настоящего стандарта.
9.14 Габаритные и присоединительные размеры гидрантов при проверке соответствия требованиям
5.2.1 (таблица 1, показатель 2) и ТД изготовителя измеряют с точностью до 1 мм.
9.18 Число оборотов штанги (штока) до полного открытия клапана (задвижки) проверяют на соответствие требованиям
5.2.1 (таблица 1, показатель 5) проведением соответствующих манипуляций и определением числа ее (его) оборотов до полного открытия визуально.
9.19 Проверка гидравлического сопротивления в гидранте
9.19.1 Гидравлическое сопротивление в гидранте определяют при постановке гидрантов на производство, а также при проведении периодических и типовых испытаний.
9.19.3 Гидравлическое сопротивление в гидранте

, определяют по формуле

, (1)
где

- потери напора в гидранте, м;
Q - расход воды,

.
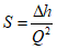
9.19.4 Гидравлическое сопротивление определяют при давлении воды на входе в гидрант, равном

, в диапазоне расходов воды

.
Разность давлений (потери напора) измеряются с помощью дифференциального датчика "Сапфир-22МТ", модель 2440 (верхний предел измерений 100 КПа, предел допускаемой основной погрешности +/- 0,25%).
Расход воды определяют с помощью преобразователя расхода измерительного электромагнитного ИПРЭ-3(Т)-100 (диапазон измерения

, предел допускаемой основной погрешности +/- 1%).
Давление на входе измеряют манометром образцовым МО 11202 по
ГОСТ 2405 (диапазон измерения

, класс точности 0,4).
Допускается определять расход воды объемным способом, измеряя объем и время заполнения мерной емкости вместимостью не менее 2 м3 с погрешностью +/- 0,01 м3. Измерения времени проводят секундомером с классом точности не менее 2.
Допускается применение других средств контроля, обеспечивающих достаточную точность измерения.
9.20 Проверка показателей надежности
9.20.1 Проверку полного срока службы гидрантов на соответствие требованиям
5.2.2 проводят путем сбора информации и обработкой данных, полученных в условиях подконтрольной эксплуатации изделий.
Критерием предельного состояния следует считать такое техническое состояние гидранта, при котором восстановление его работоспособности нецелесообразно или невозможно.
9.20.2 Проверку срока сохраняемости проводят на гидрантах, прошедших хранение в течение не менее 1 года, при этом изделия должны быть расконсервированы и подвергнуты испытаниям в объеме, указанном в
таблице 2 настоящего стандарта.
Срок сохраняемости считают подтвержденным, если гидранты выдержали данные испытания.
9.20.3 Проверку показателя установленной безотказной наработки гидранта по
5.2.2 проводят последовательно повторяющимися циклами при давлении в гидранте

и расходе

.
Критерием отказа следует считать поломку деталей гидранта, самопроизвольное ослабление и отвинчивание отдельных деталей и сборочных единиц, а также нарушения герметичности.
Герметичность соединений и уплотнений гидранта проверяют через каждые 50 циклов и по окончании испытаний. Проверку проводят по методике, изложенной в
8.6.2 настоящего стандарта.
10 Транспортирование и хранение
10.1 Транспортирование гидрантов допускается любым видом транспорта, в упакованном согласно требованиям
5.13 настоящего стандарта виде.
10.2 Пакеты гидрантов длиной до 3 м и массой менее 500 кг могут транспортироваться в крытых или открытых транспортных средствах. Пакеты гидрантов длиной более 3 м и массой более 500 кг необходимо транспортировать только в открытых транспортных средствах.
Допускается транспортировать гидранты всеми видами транспорта в соответствии с правилами перевозки грузов, существующими на транспорте данного вида.
10.3 При транспортировании гидранты должны быть сформированы в транспортные пакеты массой не более 1000 кг.
10.4 Хранение и транспортирование гидрантов - при закрытом положении клапана.
10.5 Длительное хранение гидрантов следует осуществлять в отапливаемых складских помещениях при температуре не выше 40 °C.
10.6 Условия хранения и транспортирования гидрантов в части воздействия климатических факторов внешней среды - по группе условий хранения 5 по
ГОСТ 15150.
11 Указания по эксплуатации
11.1 Потребители должны подробно изучить техническое описание и руководство по эксплуатации гидранта.
11.2 Рабочее положение гидрантов - вертикальное.
11.3 Гидранты устанавливают в колодцах с помощью пожарной подставки по
ГОСТ 5525 на промытых водопроводных сетях перед их гидравлическими испытаниями.
11.5 Размещение гидрантов в колодцах должно обеспечивать свободную установку крышки колодца и открытие крышки гидранта.
11.6 Размещение гидрантов в колодцах должно обеспечивать полное навертывание пожарной колонки, а также удобство проведения ремонтных работ.
11.7 Открытие и закрытие гидранта проводят вручную с помощью ключа КП или специальным ключом.
11.8 Воду из гидрантов отбирают только на пожарные нужды, а также при проведении технического обслуживания.
11.9 Техническое состояние всех гидрантов проверяют два раза в год: весной и осенью.
11.10 Техническое обслуживание гидрантов
11.10.1 При техническом обслуживании гидрантов проверяют исправность люка и крышки водопроводного колодца, крышек и резьбы ниппеля, верхнего квадрата штанги и корпуса гидранта.
11.10.2 Контролируют наличие воды в корпусе гидранта и в колодце.
11.10.3 Проводят проверку герметичности клапана (задвижки), а также соединений и уплотнений при рабочем давлении.
11.10.4 Проверяют работоспособность с установкой КП, а также легкость открытия и закрытия гидранта.
11.10.5 Определяют расход воды в диапазоне давления

.
12.1 Предприятие-изготовитель гарантирует соответствие гидрантов требованиям настоящего стандарта при соблюдении требований по эксплуатации, транспортированию и хранению изделий.
12.2 Гарантийный срок - 24 месяца со дня ввода гидранта в эксплуатацию.
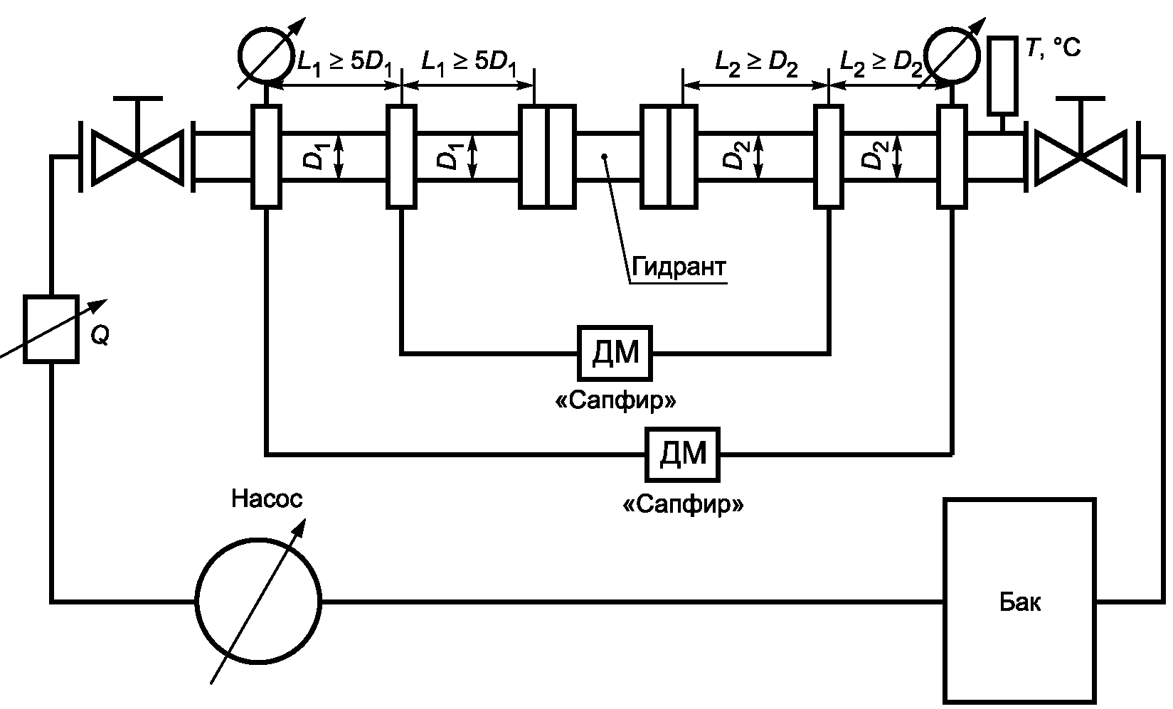
(справочное)
1 - крышка; 2 - ниппель; 3 - штанга; 4 - корпус;
5 - шпиндель; 6 - патрубок; 7 - седло;
8 - кольцо уплотнительное; 9 - клапан
Рисунок А.1 - Гидрант пожарный подземный
Примечание - Рисунки не определяют конструкцию гидрантов.
Рисунок А.2 - Гидрант пожарный подземный
(обязательное)
Рисунок Б.1 - Внутренняя резьба резьбового кольца
Таблица Б.1
Показатели | Значения |
Номинальный диаметр резьбы (в дюймах) | 9 |
Число ниток n на один дюйм | 4 |
Диаметр резьбы | болта | гайки |
наружный | средний | внутренний |
d0 | D0 | dср | Dср | d1 | D1 |
151,5 | 152,4 | 147,434 | 148,334 | 143,368 | 144,268 |
Зазоры, мм | c' | e' |
0,530 | 0,941 |
Шаг резьбы S, мм | 6,351 |
Высота профиля t2, мм | 4,066 |
(рекомендуемое)
ДМ - дифференциальный манометр
Рисунок В.1 - Схема стенда для определения
гидравлического сопротивления гидранта
[1] ТУ 2-034-225-87 Щупы. Модели 82003, 82103, 82203, 82303