Главная // Актуальные документы // ГОСТ Р (Государственный стандарт)
СПРАВКА
Источник публикации
В данном виде документ опубликован не был.
Первоначальный текст документа опубликован в издании
М.: Стандартинформ, 2015.
Информацию о публикации документов, создающих данную редакцию, см. в справке к этим документам.
Примечание к документу
Изменение N 1, утв. Приказом Росстандарта от 11.08.2020 N 490-ст, введено в действие с 01.01.2021.
Название документа
"ГОСТ Р 56600-2015. Национальный стандарт Российской Федерации. Плиты предварительно напряженные железобетонные дорожные. Технические условия"
(утв. и введен в действие Приказом Росстандарта от 01.10.2015 N 1421-ст)
(ред. от 11.08.2020)

"ГОСТ Р 56600-2015. Национальный стандарт Российской Федерации. Плиты предварительно напряженные железобетонные дорожные. Технические условия"
(утв. и введен в действие Приказом Росстандарта от 01.10.2015 N 1421-ст)
(ред. от 11.08.2020)


Содержание


Утвержден и введен в действие
Приказом Федерального
агентства по техническому
регулированию и метрологии
от 1 октября 2015 г. N 1421-ст
НАЦИОНАЛЬНЫЙ СТАНДАРТ РОССИЙСКОЙ ФЕДЕРАЦИИ
ПЛИТЫ ПРЕДВАРИТЕЛЬНО НАПРЯЖЕННЫЕ ЖЕЛЕЗОБЕТОННЫЕ ДОРОЖНЫЕ
ТЕХНИЧЕСКИЕ УСЛОВИЯ
Reinforced concrete prestressed slabs for pavements
of roads. Specifications
ГОСТ Р 56600-2015
Список изменяющих документов
Росстандарта от 11.08.2020 N 490-ст)
ОКС 91.080.40
ОКП 58 4611
Дата введения
1 апреля 2016 года
Предисловие
1 РАЗРАБОТАН Научно-исследовательским институтом ЗАО "Союздорнии" и ООО "НПц Стройтех"
2 ВНЕСЕН Техническим комитетом по стандартизации ТК 465 "Строительство"
3 УТВЕРЖДЕН И ВВЕДЕН В ДЕЙСТВИЕ Приказом Федерального агентства по техническому регулированию и метрологии от 1 октября 2015 г. N 1421-ст
4 ВВЕДЕН ВПЕРВЫЕ
Правила применения настоящего стандарта установлены в ГОСТ Р 1.0-2012 (раздел 8). Информация об изменениях к настоящему стандарту публикуется в ежегодном (по состоянию на 1 января текущего года) информационном указателе "Национальные стандарты", а официальный текст изменений и поправок - в ежемесячном информационном указателе "Национальные стандарты". В случае пересмотра (замены) или отмены настоящего стандарта соответствующее уведомление будет опубликовано в ближайшем выпуске ежемесячного информационного указателя "Национальные стандарты". Соответствующая информация, уведомление и тексты размещаются также в информационной системе общего пользования - на официальном сайте Федерального агентства по техническому регулированию и метрологии в сети Интернет (www.gost.ru)
1. Область применения
1.1 Настоящий стандарт распространяется на предварительно напряженные железобетонные плиты размерами 6 x 2 м, изготовляемые из тяжелого бетона (далее - плиты).
1.2 Плиты предназначены для устройства сборных покрытий автомобильных дорог, в том числе в местах со сложными грунтово-гидрологическими и климатическими условиями, в районах с расчетной температурой воздуха наиболее холодного месяца до минус 55 °C (СП 131.13330) при соблюдении требований, предъявляемых СП 28.13330 к конструкциям, предназначенным для эксплуатации в этих условиях.
2. Нормативные ссылки
(раздел 2 в ред. Изменения N 1, утв. Приказом
Росстандарта от 11.08.2020 N 490-ст)
В настоящем стандарте использованы нормативные ссылки на следующие стандарты и документы:
ГОСТ 12.1.005 Система стандартов безопасности труда. Общие санитарно-гигиенические требования к воздуху рабочей зоны
ГОСТ 12.1.007 Система стандартов безопасности труда. Вредные вещества. Классификация и общие требования безопасности
ГОСТ 12.3.002 Система стандартов безопасности труда. Процессы производственные. Общие требования безопасности
ГОСТ 12.3.009 Система стандартов безопасности труда. Работы погрузочно-разгрузочные. Общие требования безопасности
ГОСТ 6727 Проволока из низкоуглеродистой стали холоднотянутая для армирования железобетонных конструкций. Технические условия
ГОСТ 7348 Проволока из углеродистой стали для армирования предварительно напряженных железобетонных конструкций. Технические условия
ГОСТ 7473 Смеси бетонные. Технические условия
ГОСТ 8267 Щебень и гравий из плотных горных пород для строительных работ. Технические условия
ГОСТ 8568 Листы стальные с ромбическим и чечевичным рифлением. Технические условия
ГОСТ 8736 Песок для строительных работ. Технические условия
ГОСТ 8829 Изделия строительные железобетонные и бетонные заводского изготовления. Методы испытаний нагружением. Правила оценки прочности, жесткости и трещиностойкости
ГОСТ 10060 Бетоны. Методы определения морозостойкости
ГОСТ 10178 Портландцемент и шлакопортландцемент. Технические условия
ГОСТ 10180 Бетоны. Методы определения прочности по контрольным образцам
ГОСТ 10181 Смеси бетонные. Методы испытаний
ГОСТ 12730.1 Бетоны. Методы определения плотности
ГОСТ 12730.3 Бетоны. Метод определения водопоглощения
ГОСТ 12730.5 Бетоны. Методы определения водонепроницаемости
ГОСТ 13015 Изделия бетонные и железобетонные для строительства. Общие технические требования. Правила приемки, маркировки, транспортирования и хранения
ГОСТ 13087 Бетоны. Методы определения истираемости
ГОСТ 17623 Бетоны. Радиоизотопный метод определения средней плотности
ГОСТ 17624 Бетоны. Ультразвуковой метод определения прочности
ГОСТ 17625 Конструкции и изделия железобетонные. Радиационный метод определения толщины защитного слоя бетона, размеров и расположения арматуры
ГОСТ 18105 Бетоны. Правила контроля и оценки прочности
ГОСТ 22266 Цементы сульфатостойкие. Технические условия
ГОСТ 22362 Конструкции железобетонные. Методы измерения силы натяжения арматуры
ГОСТ 22690 Бетоны. Определение прочности механическими методами неразрушающего контроля
ГОСТ 22904 Конструкции железобетонные. Магнитный метод определения толщины защитного слоя бетона и расположения арматуры
ГОСТ 23279 Сетки арматурные сварные для железобетонных конструкций и изделий. Общие технические условия
ГОСТ 23732 Вода для бетонов и строительных растворов. Технические условия
ГОСТ 23858 Соединения сварные стыковые и тавровые арматуры железобетонных конструкций. Ультразвуковые методы контроля качества. Правила приемки
ГОСТ 24211 Добавки для бетонов и строительных растворов. Общие технические условия
ГОСТ 25192 Бетоны. Классификация и общие технические требования
ГОСТ 26433.1 Система обеспечения точности геометрических параметров в строительстве. Правила выполнения измерений. Элементы заводского изготовления
ГОСТ 26633 Бетоны тяжелые и мелкозернистые. Технические условия
ГОСТ 30108 Материалы и изделия строительные. Определение удельной эффективной активности естественных радионуклидов
ГОСТ 31108 Цементы общестроительные. Технические условия
ГОСТ 31384 Защита бетонных и железобетонных конструкций от коррозии. Общие технические требования
ГОСТ 34028 Прокат арматурный для железобетонных конструкций. Технические условия
ГОСТ Р 52544 Прокат арматурный свариваемый периодического профиля классов A500C и B500C для армирования железобетонных конструкций. Технические условия
ГОСТ Р 53772 Канаты стальные арматурные семипроволочные стабилизированные. Технические условия
ГОСТ Р 55224 Цементы для транспортного строительства. Технические условия
ГОСТ Р 57997 Арматурные и закладные изделия сварные, соединения сварные арматуры и закладных изделий железобетонных конструкций. Общие технические условия
ГОСТ Р 58577 Правила установления нормативов допустимых выбросов загрязняющих веществ проектируемыми и действующими хозяйствующими субъектами и методы определения этих нормативов
СП 28.13330 "СНиП 2.03.11-85 Защита строительных конструкций от коррозии"
СП 34.13330.2012 "СНиП 2.05.02-85* Автомобильные дороги"
СП 131.13330 "СНиП 23-01-99* Строительная климатология"
Примечание - При пользовании настоящим стандартом целесообразно проверить действие ссылочных документов в информационной системе общего пользования - на официальном сайте Федерального агентства по техническому регулированию и метрологии в сети Интернет или по ежегодному информационному указателю "Национальные стандарты", который опубликован по состоянию на 1 января текущего года, и по выпускам ежемесячного информационного указателя "Национальные стандарты" за текущий год. Если заменен ссылочный документ, на который дана недатированная ссылка, то рекомендуется использовать действующую версию этого документа с учетом всех внесенных в данную версию изменений. Если заменен ссылочный документ, на который дана датированная ссылка, то рекомендуется использовать версию этого документа с указанным выше годом утверждения (принятия). Если после утверждения настоящего документа в ссылочный документ, на который дана датированная ссылка, внесено изменение, затрагивающее положение, на которое дана ссылка, то это положение рекомендуется применять без учета данного изменения. Если ссылочный документ отменен без замены, то положение, в котором дана ссылка на него, рекомендуется применять в части, не затрагивающей эту ссылку. Сведения о действии сводов правил целесообразно проверить в Федеральном информационном фонде технических регламентов и стандартов.
3. Термины и определения
В настоящем стандарте применены следующие термины с соответствующими определениями.
3.1 плиты предварительно напряженные железобетонные дорожные: Плиты, в которых натяжение напрягаемой арматуры обеспечивает необходимую степень обжатия бетона в процессе их изготовления и эксплуатации, предназначенные для устройства сборных дорожных покрытий.
3.2 стенд непрерывного безопалубочного формования для изготовления предварительно напряженных железобетонных плит: Технологическая линия, предназначенная для натяжения напрягаемой арматуры на всю длину, непрерывного распределения, уплотнения и формования бетонной смеси в скользящей опалубке, тепловлажностной обработки и разрезки бетона на плиты заданной длины.
4. Классификация и основные параметры
4.1 Плиты обозначают маркой, которая состоит из буквенно-цифровых групп, разделенных дефисами.
В маркировке плиты буквы и цифры означают:
ПДН-14 - плита дорожная предварительно напряженная толщиной 140 мм.
ПДН-18 - плита дорожная предварительно напряженная толщиной 180 мм.
(в ред. Изменения N 1, утв. Приказом Росстандарта от 11.08.2020 N 490-ст)
Плиты подразделяются на типы в зависимости от назначения:
1ПДН-14 (18) - для устройства автомобильных (постоянных) дорог.
2ПДН-14 (18) - для временных дорог.
4.2 Для соединения плит между собой при устройстве покрытия в них по продольным граням предусмотрены стыковые скобы, свариваемые при монтаже. Скобы одновременно являются монтажными элементами для подъема краном.
4.3 В плитах 1ПДН-14 и 1ПДН-18 в торцах должны быть предусмотрены стыковые пластины, которые объединены со скобами в единый арматурный элемент.
4.4 Плиты для временных дорог изготовляют без стыковых пластин. В этих плитах ниши для стыковых пластин допускается не устраивать.
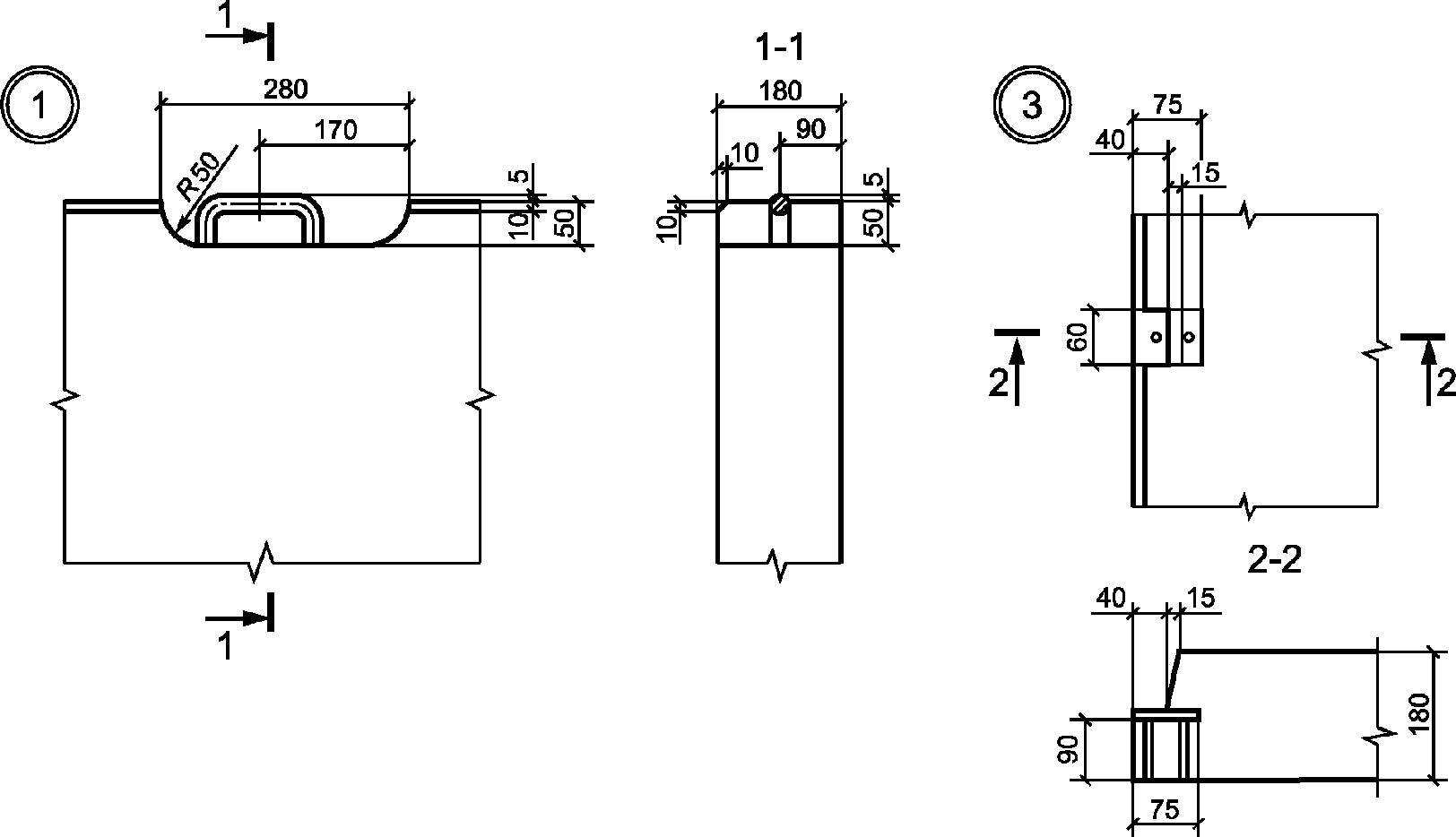
4.5 Формы и основные размеры плит должны соответствовать указанным на рисунках 1 - 6.
(в ред. Изменения N 1, утв. Приказом
Росстандарта от 11.08.2020 N 490-ст)
Узел 1 - монтажно-стыковые скобы; узел 2 - боковая грань
на стороне стыковых пластин; узел 3 - стыковые пластины
Рисунок 1 - Плита дорожная 1ПДН-14. Общий вид
Рисунок 2 - Плита дорожная 1ПДН-14. Узлы 1, 3
(в ред. Изменения N 1, утв. Приказом
Росстандарта от 11.08.2020 N 490-ст)
Узел 1 - монтажно-стыковые скобы; узел 2 - боковая грань
на стороне стыковых пластин; узел 3 - стыковые пластины
Рисунок 3 - Плита дорожная 2ПДН-14. Общий вид
(в ред. Изменения N 1, утв. Приказом
Росстандарта от 11.08.2020 N 490-ст)
Узел 1 - монтажно-стыковые скобы; узел 2 - боковая грань
на стороне стыковых пластин; узел 3 - стыковые пластины
Рисунок 4 - Плита дорожная 1ПДН-18. Общий вид
Рисунок 5 - Плита дорожная 1ПДН-18. Узлы 1, 3
(в ред. Изменения N 1, утв. Приказом
Росстандарта от 11.08.2020 N 490-ст)
Узел 1 - монтажно-стыковые скобы; узел 2 - боковая грань
на стороне стыковых пластин; узел 3 - стыковые пластины
Рисунок 6 - Плита дорожная 2ПДН-18. Общий вид
Примечание - Допускается изготовление на действующем оборудовании плит общим видом, отличным от указанного на рисунках 1 - 6, при сохранении габаритных размеров плиты и соблюдении всех остальных требований, установленных настоящим стандартом.
5. Технические требования
5.1 Плиты изготовляют на стендах длиной, кратной длине плиты, с непрерывным безопалубочным формованием бетонной смеси в соответствии с требованиями настоящего стандарта по чертежам и технологической документации, утвержденным в установленном порядке. Бетон после тепловлажностной обработки, проводимой на месте формования, и передачи на него усилия предварительного натяжения разрезают на плиты размерами 6 x 2 м.
Допускаются и другие способы изготовления плит.
5.2 Способ изготовления плит должен обеспечивать соблюдение установленных настоящим стандартом требований.
(п. 5.2 в ред. Изменения N 1, утв. Приказом Росстандарта от 11.08.2020 N 490-ст)
5.3 По согласованию с потребителем допускается изготовление плит с профилем продольных граней, отличающимся от приведенных на рисунках 1, 3, 4, 6 (сечение A-A), с размерами проемов для монтажно-стыковых изделий, отличающимися от приведенных на рисунках, и с монтажно-стыковыми изделиями другой конструкции при условии обеспечения эксплуатационных свойств дорожного покрытия.
5.4 Рабочая поверхность плит должна быть шероховатой. Шероховатость поверхности плит, изготовляемых рабочей поверхностью "вверх", создают обработкой этой поверхности капроновыми щетками, брезентовой лентой или специальной накаткой поперек плит (после уплотнения бетонной смеси).
Рабочая поверхность плит, изготовляемых рабочей поверхностью "вниз", должна иметь рифление. Рифление поверхности образуют путем применения на поверхности металлической дорожки стенда стального (либо из другого материала) листа с ромбическим рифлением по ГОСТ 8568. Лист на поддоне располагают так, чтобы большая диагональ ромба была перпендикулярна продольной оси плиты.
(в ред. Изменения N 1, утв. Приказом Росстандарта от 11.08.2020 N 490-ст)
Рабочая поверхность плит должна иметь шероховатость (рифление) глубиной не менее 1 мм и не более 2,5 мм.
(абзац введен Изменением N 1, утв. Приказом Росстандарта от 11.08.2020 N 490-ст)
5.5 Армирование плит проводят:
- напрягаемой арматурой в продольном направлении;
- ненапрягаемой арматурой (в продольном и поперечном направлениях) - сетками.
5.6 Арматуру следует применять с учетом ее хладостойкости и расчетной температуры воздуха района эксплуатации плит.
В качестве напрягаемой арматуры плит применяют:
- высокопрочную проволоку класса Вр1400 по ГОСТ 7348 диаметром 5 мм;
- канаты стальные арматурные семипроволочные стабилизированные К7 по ГОСТ Р 53772 диаметром 12,5 мм.
(в ред. Изменения N 1, утв. Приказом Росстандарта от 11.08.2020 N 490-ст)
Для сеток из стержневой арматурной стали классов A400 и B500(Bp-1) по ГОСТ 6727 допускается по согласованию с проектной организацией применять ненапрягаемую арматуру класса A500C по ГОСТ Р 52544.
5.7 Для фиксации сеток в проектном положении стержни сеток следует прикреплять к напрягаемой арматуре вязальной проволокой или другими методами.
(в ред. Изменения N 1, утв. Приказом Росстандарта от 11.08.2020 N 490-ст)
5.8 Требования к бетону
5.8.1 Плиты для дорожных покрытий следует изготовлять из тяжелого бетона для дорожного и аэродромного строительства по ГОСТ 26633 (марки плотностью от D2300 и более по ГОСТ 25192), из бетонной смеси по ГОСТ 7473.
(п. 5.8.1 в ред. Изменения N 1, утв. Приказом Росстандарта от 11.08.2020 N 490-ст)
5.8.2 Фактическая прочность бетона должна соответствовать требуемой, назначаемой по ГОСТ 18105 в зависимости от нормируемой прочности бетона (класс по прочности на растяжение при изгибе и класс по прочности на сжатие, передаточная и отпускная прочность) и от характеристики фактической однородности прочности бетона.
5.8.3 Плиты должны изготовляться из бетона класса по прочности на растяжение при изгибе не менее Btb3,6 и класса по прочности на сжатие не ниже B30. При этом фактическая прочность бетона (в проектном возрасте) должна соответствовать требуемой прочности, назначаемой по ГОСТ 18105 в зависимости от нормируемой отпускной прочности и от показателя фактической однородности прочности бетона.
5.8.4 Нормируемая передаточная прочность бетона должна составлять 70% класса бетона по прочности на сжатие.
5.8.5 Значение нормируемой отпускной прочности бетона должно быть не ниже величины передаточной прочности бетона на сжатие и не ниже 70% величины требуемой прочности бетона на растяжение при изгибе для заданного соответствующего проектного класса бетона. Нормируемая отпускная прочность бетона в холодный период года должна составлять 90% от класса бетона на сжатие.
(в ред. Изменения N 1, утв. Приказом Росстандарта от 11.08.2020 N 490-ст)
Плиты с отпускной прочностью бетона ниже прочности, соответствующей его классу по прочности на растяжение при изгибе и классу по прочности на сжатие, допускается поставлять по согласованию с потребителем, если изготовитель гарантирует достижение бетоном конструкции требуемой прочности в проектном возрасте при условии его твердения в нормальных условиях по ГОСТ 10180.
(в ред. Изменения N 1, утв. Приказом Росстандарта от 11.08.2020 N 490-ст)
5.8.6 При тепловлажностной обработке плит следует соблюдать мягкие режимы твердения: максимальная температура изотермического прогрева не выше 60 °C (+5 °C) с предельной скоростью подъема температуры 12 °C/ч и ее снижения после окончания прогрева 20 °C/ч.
После изготовления бетона на стендах (создание шероховатости) необходимо обеспечить уход за свежеуложенным бетоном.
(п. 5.8.6 в ред. Изменения N 1, утв. Приказом Росстандарта от 11.08.2020 N 490-ст)
5.8.7 Бетон плит должен иметь водопоглощение не более 5% по массе.
5.8.8 Марки бетона плит по морозостойкости по ГОСТ 10060 должны быть указаны в проектной документации или договоре-заказе и соответствовать среднемесячной расчетной температуре воздуха наиболее холодного месяца в районе их укладки (согласно СП 131.13330) и быть не ниже (согласно СП 34.13330):
- до минус 5 °C включительно - F2100;
- ниже минус 5 °C до минус 15 °C включительно - F2150;
- ниже минус 15 °C - F2200.
Бетон плит должен соответствовать марке по истираемости G1 (не более 0,7 г/см2 по ГОСТ 13087) по ГОСТ 13015.
При назначении марки бетона плит по водонепроницаемости ее величина должна быть не ниже W8 независимо от климатических условий применения плиты.
(п. 5.8.8 в ред. Изменения N 1, утв. Приказом Росстандарта от 11.08.2020 N 490-ст)
5.8.9 Бетонная смесь для изготовления плит должна иметь водоцементное отношение не более 0,45.
5.8.10 В бетонную смесь следует вводить пластифицирующие и воздухововлекающие (газообразующие) химические добавки. Технологические показатели качества бетонных смесей должны соответствовать ГОСТ 7473 и требованиям технологических регламентов.
Объем вовлеченного воздуха в бетонной смеси должен быть 5,0% - 7,0%, как для однослойного или верхнего слоя двухслойного покрытия автомобильных дорог и аэродромов по ГОСТ 26633.
(в ред. Изменения N 1, утв. Приказом Росстандарта от 11.08.2020 N 490-ст)
5.8.11 Материалы, применяемые для изготовления бетона, должны отвечать требованиям ГОСТ 26663 (для бетона дорожных и аэродромных покрытий) и соответствующих стандартов:
- цемент - ГОСТ 10178, ГОСТ 31108 и ГОСТ Р 55224. При угрозе сульфатной или щелочной коррозии бетона, наличии реакционно-способных частиц в заполнителе цемент по химико-минералогическому и вещественному составу также дополнительно должен соответствовать требованиям ГОСТ 22266;
(в ред. Изменения N 1, утв. Приказом Росстандарта от 11.08.2020 N 490-ст)
- щебень - ГОСТ 8267 (крупность зерен крупного заполнителя - не более 20 мм);
- песок - ГОСТ 8736;
- вода - ГОСТ 23732;
- добавки - ГОСТ 24211,
а также стандартов и технических условий, по которым они выпускаются.
5.8.12 При наличии агрессивных сред (сульфаты, хлориды и другие) назначаются дополнительные требования согласно ГОСТ 31384.
5.9 Требования к арматурным и монтажно-стыковым изделиям
5.9.1 Форма и размеры арматурных и монтажно-стыковых изделий должны соответствовать рабочим чертежам на плиты, утвержденным в установленном порядке.
5.9.2 Сварные арматурные и монтажно-стыковые изделия должны удовлетворять требованиям ГОСТ 23279, ГОСТ Р 57997.
(в ред. Изменения N 1, утв. Приказом Росстандарта от 11.08.2020 N 490-ст)
5.9.3 Арматурная сталь должна удовлетворять требованиям следующих стандартов:
- стержневая арматурная сталь классов А400 и А240 - ГОСТ 34028;
(в ред. Изменения N 1, утв. Приказом Росстандарта от 11.08.2020 N 490-ст)
- арматурная проволока класса Bp 1400 - ГОСТ 7348;
- арматурная проволока класса B 500 (Bp-1) - ГОСТ 6727;
- канаты стальные арматурные семипроволочные стабилизированные К7 - ГОСТ Р 53772.
(перечисление введено Изменением N 1, утв. Приказом Росстандарта от 11.08.2020 N 490-ст)
5.9.4 Для петель и скоб следует применять горячекатаную арматурную сталь класса A-I (A240) марок Ст3сп и Ст3пс и сталь класса A-III (A400). В случае возможности погрузочно-разгрузочных работ с плитами при температуре минус 40 °C и ниже не допускается применять сталь марки Ст3пс.
5.10 Натяжение арматуры
5.10.1 Натяжение напрягаемой продольной арматуры плиты следует осуществлять механическим способом на анкерные упоры стенда вне тела изделия.
5.10.2 Значение напряжения в напрягаемой арматуре, контролируемое по окончании ее натяжения на упоры (до обжатия бетона) по ГОСТ 22362, должно быть 1100 МПа (11000 кгс/см2) +/- 10%.
(в ред. Изменения N 1, утв. Приказом Росстандарта от 11.08.2020 N 490-ст)
Нормы натяжения напрягаемой арматуры могут уточняться в рабочих чертежах и технологической документации в зависимости от метода изготовления плит на длинных стендах безопалубочного формования или в формах.
(абзац введен Изменением N 1, утв. Приказом Росстандарта от 11.08.2020 N 490-ст)
5.11 Требования к точности изготовления плит
5.11.1 Действительные отклонения геометрических параметров плит не должны превышать предельных значений, указанных ниже, мм:
- по длине.......................................... +/- 10;
- по ширине......................................... +/- 8;
- по толщине........................................ +/- 4;
- защитный слой бетона до арматуры.................. +/- 4;
расположение стыковых элементов:
- по высоте плиты................................... +/- 3;
- в плане........................................... +/- 5;
- выступ за грань плиты............................. +/- 3.
5.11.2 Отклонения от прямолинейности профиля наружных боковых поверхностей плиты на длине 2 м не должно превышать 3 мм, а на всю длину плиты - 10 мм, на ширину плиты - 5 мм.
5.11.3 Отклонение от плоскости нерабочей поверхности плиты не должно превышать 6 мм, рабочей - 5 мм.
(п. 5.11.3 в ред. Изменения N 1, утв. Приказом Росстандарта от 11.08.2020 N 490-ст)
5.11.4 Разность длин диагоналей лицевых поверхностей плит не должна превышать 14 мм.
5.11.5 Не допускается обнажение арматуры, за исключением монтажно-стыковых элементов.
5.11.6 Монтажно-стыковые элементы должны быть очищены от наплывов бетона.
5.11.7 Внешний вид и качество поверхности плит должны соответствовать утвержденным эталонам.
5.11.8 Рабочая поверхность плиты должна быть шероховатой.
5.11.9 Поверхность бетонной плиты должна соответствовать категории А6 и А7 по ГОСТ 13015. Размеры раковин, наплывов поверхностей и сколов ребер плиты не должны превышать значений, указанных в таблице 1.
Таблица 1
Категория поверхности
Размеры, мм, не более
Раковины
Местные наплывы
Сколы ребер плиты
Диаметр
Глубина
Глубина
Общая длина на 1 м ребра
А6
6
3
3
5
50
А7
15
5
5
10
100
Примечание - Количество раковин допустимых размеров на любом участке лицевой неотделанной бетонной поверхности площадью 0,04 м2 не должно превышать 8 шт.
5.11.10 Не допускается местное утолщение плит у торцевых граней.
5.11.11 Поверхность плит не должна шелушиться.
5.11.12 Трещины на поверхности плит не допускаются, за исключением поверхностных усадочных и технологических шириной не более 0,1 мм и длиной не более 50 мм в количестве не более пяти на 1,5 м2, расположенных вне зон анкеровки предварительно напряженной арматуры. Допускается выполнять ремонт технологических трещин, расположенных вне зон анкеровки предварительно напряженной арматуры.
(п. 5.11.12 в ред. Изменения N 1, утв. Приказом Росстандарта от 11.08.2020 N 490-ст)
5.12 Маркировка плит
5.12.1 Маркировка плит должна быть нанесена на боковую грань плиты в соответствии с ГОСТ 13015.
(п. 5.12.1 в ред. Изменения N 1, утв. Приказом Росстандарта от 11.08.2020 N 490-ст)
5.12.2 На каждой плите на одной из продольных боковых граней должны быть нанесены несмываемой краской следующие маркировочные знаки:
- товарный знак предприятия-изготовителя или его краткое наименование;
- марка плиты;
- дата изготовления плиты и номер партии;
- штамп отдела технического контроля;
- перечисление исключено с 01.01.2021. - Изменение N 1, утв. Приказом Росстандарта от 11.08.2020 N 490-ст;
- маркировочные полосы, определяющие положение прокладок при транспортировании и складировании плит.
6. Требования безопасности и охраны окружающей среды
6.1 Материалы для приготовления железобетонных плит (щебень, песок, цемент, металл) по характеру вредности и по степени воздействия на организм человека относятся к малоопасным веществам, соответствуя классу опасности IV по ГОСТ 12.1.007. Нормы предельно допустимых выбросов (ПДВ) загрязняющих веществ в атмосферу не должны превышать установленных ГОСТ Р 58577.
(в ред. Изменения N 1, утв. Приказом Росстандарта от 11.08.2020 N 490-ст)
6.2 При изготовлении железобетонных плит следует соблюдать общие требования безопасности по ГОСТ 12.3.002.
6.3 Воздух в рабочей зоне при изготовлении железобетонных плит должен удовлетворять требованиям ГОСТ 12.1.005.
6.4 Удельная эффективная активность естественных радионуклидов Aэфф в бетонных смесях не должна превышать значений, установленных ГОСТ 30108.
6.5 При погрузочно-разгрузочных работах следует соблюдать требования безопасности по ГОСТ 12.3.009.
7. Правила приемки
7.1 Приемку плит осуществляют партиями в соответствии с требованиями ГОСТ 13015 и настоящего стандарта.
В партию включают плиты одного типа, изготовленные предприятием по одной технологии из материалов одного вида и качества в течение не более 1 сут. Объем партии устанавливают по соглашению предприятия-изготовителя с потребителем, но он не должен превышать 200 шт.
7.2 Приемку плит проводят по результатам:
- приемо-сдаточных испытаний:
- по прочности бетона (проектным классам по прочности на растяжение при
изгибе и на сжатие, передаточной и отпускной прочности),
- по соответствию водоцементного отношения бетонной смеси и объема
вовлеченного воздуха нормативным требованиям,
- по соответствию арматурных и монтажно-стыковых изделий, толщины
защитного слоя бетона до арматуры проекту,
- по точности геометрических параметров, качеству поверхности и
внешнему виду плит,
- по трещиностойкости нижней и верхней поверхностей плиты;
- периодических испытаний:
- по марке бетона по морозостойкости,
- по марке бетона по истираемости,
- по марке бетона по водонепроницаемости (при необходимости),
- по водопоглощению (при необходимости),
- по прочности сцепления арматуры с бетоном (для армирования проволокой
или канатами) в соответствии с проектом.
(п. 7.2 в ред. Изменения N 1, утв. Приказом Росстандарта от 11.08.2020 N 490-ст)
7.3 Приемочные испытания плит на трещиностойкость следует проводить их нагружением до контролируемого предельного состояния по трещиностойкости в соответствии с ГОСТ 8829.
7.4 Контрольные испытания плит на трещиностойкость следует проводить в каждой партии, а также перед началом массового изготовления плит и в дальнейшем при изменении их конструкции, технологии изготовления, при смене компонентов бетона или армирующих элементов. Испытаниям подвергают не менее одной плиты для каждого вида контролируемого состояния.
(п. 7.4 в ред. Изменения N 1, утв. Приказом Росстандарта от 11.08.2020 N 490-ст)
7.5 Приемочный контроль прочности бетона (на основе результатов испытаний образцов бетона либо методов неразрушающего контроля) осуществляют в соответствии с ГОСТ 18105.
Определение прочности бетона на растяжение при изгибе, а также прочности бетона на сжатие в проектном возрасте (5.8.3) следует проводить только по образцам.
7.6 Приемку плит по показателям прочности на сжатие и растяжения при изгибе, классов и марок арматурной стали, качества выполненных сварных соединений арматуры, диаметра, количества и расположения арматуры, толщины защитного слоя бетона до арматуры следует проводить по результатам контроля и испытаний в соответствии с требованиями настоящего стандарта или по журналам входного и операционного контроля.
7.7 Текущий приемочный контроль плит следует выполнять методами неразрушающего контроля в соответствии с ГОСТ 17624, ГОСТ 22690. Контроль допускается проводить выборочно в соответствии с ГОСТ 8829.
7.8 При выборочном приемочном контроле партию оценивают по результатам испытаний отдельных плит, составляющих выборку. Объем выборки составляет 10% плит партии, но не менее 3 шт. Плиты выборки подвергают осмотру и обмеру с проверкой соответствия их всем требованиям настоящего стандарта и ГОСТ 13015.
7.9 Приемку плит по показателям точности изготовления и качества бетонных поверхностей следует проводить методом выборочного двухступенчатого контроля в соответствии с таблицей 2.
Таблица 2
Объем партии, шт.
Выборка
Объем выборки, шт.
Приемочное число, шт.
Браковочное число
До 25
Первая
3
0
2
Вторая
3
1
2
От 25 до 90
Первая
5
0
3
Вторая
5
3
4
Свыше 90
Первая
8
1
4
Вторая
8
4
5
7.9.1 При выборочном контроле в результате поштучной проверки плит, входящих в выборку, должно быть выявлено число плит, дефектных по каждому из показателей. Плиту следует считать дефектной по данному показателю, если она не удовлетворяет требованиям настоящего стандарта.
7.9.2 Партию плит принимают по каждому показателю, если в первой выборке число дефектных плит по одному и тому же показателю меньше или равно приемочному числу. Если в первой выборке число дефектных плит по одному из показателей больше приемочного, но меньше браковочного числа, то используют вторую выборку. Партию принимают по этому показателю, если суммарное число дефектных плит в двух выборках меньше или равно приемочному числу второй выборки.
7.9.3 Приемку плит из партии, не принятой в результате выборочного контроля, следует проводить поштучно. При этом следует проверять плиты по тем показателям, по которым партия не была принята.
7.10 Оценку проектного класса бетона по прочности на сжатие, растяжение при изгибе и отпускной прочности следует проводить по ГОСТ 18105 с учетом однородности прочности бетона. Если при проверке будет установлено, что отпускная прочность бетона плит не удовлетворяет требованиям 5.8.4 и 5.8.5 настоящего стандарта, то их поставка не должна производиться до достижения бетоном прочности, соответствующей проектному классу бетона по прочности на сжатие и растяжение при изгибе.
(в ред. Изменения N 1, утв. Приказом Росстандарта от 11.08.2020 N 490-ст)
7.11 Испытания бетона на морозостойкость, водонепроницаемость, истираемость, водопоглощение следует проводить перед началом серийного изготовления плит, при изменении технологии производства плит, вида и качества материалов, применяемых при приготовлении бетона, но не реже одного раза в 6 мес.
7.12 Оценку качества арматурных изделий следует проводить по ГОСТ Р 57997. Физико-механические характеристики бетона, арматурной стали и другие показатели, которые не могут быть проверены на готовых плитах, следует определять по журналам операционного контроля и испытаний в соответствии с требованиями настоящего стандарта.
(в ред. Изменения N 1, утв. Приказом Росстандарта от 11.08.2020 N 490-ст)
7.13 Плиты поставляют потребителю с документом о качестве.
Требования к документу о качестве плит, поставляемых потребителю, - по ГОСТ 13015. Кроме основных показателей качества в документе дополнительно должны быть приведены:
(в ред. Изменения N 1, утв. Приказом Росстандарта от 11.08.2020 N 490-ст)
- марка бетона по морозостойкости;
- марка бетона по водонепроницаемости;
- марка бетона по истираемости;
- водопоглощение бетона.
8. Методы контроля и испытаний
8.1 Контроль прочности бетона на сжатие и растяжение при изгибе следует проводить в соответствии с ГОСТ 10180 на серии образцов из бетонной смеси рабочего состава, хранившихся в условиях согласно ГОСТ 18105.
8.2 Контроль фактической передаточной и отпускной прочности бетона на сжатие методами неразрушающего контроля в плитах проводят по ГОСТ 17624 и ГОСТ 22690.
8.3 Среднюю плотность бетона следует определять по ГОСТ 12730.1 на образцах из бетонной смеси рабочего состава. Допускается определять плотность бетона по ГОСТ 17623.
8.4 Объем вовлеченного воздуха в бетонной смеси следует определять по ГОСТ 10181.
8.5 Морозостойкость бетона следует определять по ГОСТ 10060 для марки бетона по морозостойкости F2.
Водонепроницаемость бетона - по ГОСТ 12730.5.
Водопоглощение бетона - по ГОСТ 12730.3.
Истираемость бетона - по ГОСТ 13087.
8.6 Нормируемые показатели качества бетонной смеси контролируют по ГОСТ 10181.
8.7 Качество арматурных и монтажно-стыковых изделий контролируют по ГОСТ Р 57997 и ГОСТ 23858.
(в ред. Изменения N 1, утв. Приказом Росстандарта от 11.08.2020 N 490-ст)
8.8 Контроль качества сырьевых материалов, применяемых для изготовления плит, следует осуществлять по стандартам на эти материалы.
8.9 Контроль напряжения в напрягаемой продольной арматуре следует проводить по ГОСТ 22362.
8.10 Контроль толщины защитного слоя и расположение арматуры в бетоне следует проводить по ГОСТ 17625 или ГОСТ 22904.
8.11 Размеры, отклонения от прямолинейности профиля, от плоскостности плиты, от перпендикулярности смежных граней, толщину защитного слоя бетона до арматуры, положение монтажно-стыковых изделий, а также качество бетонных поверхностей и внешний вид плит следует проверять методами по ГОСТ 26433.1, ГОСТ 13015.
8.12 Испытание плит по трещиностойкости следует проводить нагружением по ГОСТ 8829 с учетом требований настоящего стандарта.
(в ред. Изменения N 1, утв. Приказом Росстандарта от 11.08.2020 N 490-ст)
8.13 Испытания плит на трещиностойкость следует проводить в соответствии со схемой, указанной на рисунке 7, а для нижней зоны и на рисунке 7, б для верхней зоны, используя данные, приведенные в таблице 3.
1 - испытуемая плита; 2 - контрольная нагрузка;
3 - деревянные брусья сечением 10 x 10 см;
4 - пригрузочный балласт P = 2,0 тс
Рисунок 7 - Схемы испытания плит на трещиностойкость
Таблица 3
Марка плиты
Контрольная нагрузка, т, для испытания плит на трещиностойкость с прочностью бетона, соответствующей
отпускной прочности
классу бетона по прочности на сжатие и растяжение при изгибе
для нижней зоны
для верхней зоны
для нижней зоны
для верхней зоны
ПДН-14
3,4
2,9
3,6
3,1
ПДН-18
6,1
5,2
6,4
5,5
8.14 При испытании плит на трещиностойкость образование трещин в плитах с проволочной или канатной арматурой согласно СП 28.13330 не допускается.
(п. 8.14 введен Изменением N 1, утв. Приказом Росстандарта от 11.08.2020 N 490-ст)
8.15 Ширину раскрытия трещин замеряют в местах ее наибольшего раскрытия с применением отсчетного микроскопа ценой деления 0,05 мм и набора щупов.
(п. 8.15 введен Изменением N 1, утв. Приказом Росстандарта от 11.08.2020 N 490-ст)
8.16 В соответствии с требованиями ГОСТ 8829 предварительно напряженные изделия с самоанкерующейся арматурой без дополнительных анкеров признают удовлетворяющими предъявляемым требованиям по прочности, если выполняется следующее дополнительное условие: при испытании одного изделия под нагрузкой, равной контрольной нагрузке, смещение концов арматуры относительно бетона на торцах составляет не более 0,1 мм, а в случае испытания двух и более изделий максимальное указанное смещение составляет не более 0,2 мм.
(п. 8.16 введен Изменением N 1, утв. Приказом Росстандарта от 11.08.2020 N 490-ст)
9. Транспортирование и хранение
9.1 Транспортирование и хранение плит следует проводить в соответствии с требованиями ГОСТ 13015 и настоящего стандарта.
9.2 Транспортировать и хранить плиты следует в горизонтальном положении. При этом количество плит в штабеле не должно превышать 10 шт. по высоте штабеля.
9.3 Нижний ряд плит в штабеле следует укладывать по плотному, тщательно выровненному основанию на подкладки, расположенные у мест подъема плит. Толщина подкладок должна быть при грунтовом основании не менее 100 мм, а при жестком основании - не менее 50 мм.
9.4 Плиты при хранении и транспортировании необходимо укладывать рабочей поверхностью вверх на поперечные прокладки толщиной не менее 25 мм, расположенные строго по вертикали одна над другой у мест подъема плит на расстоянии до 1 м от торца плиты.
9.5 Погрузку, крепление и транспортирование плит железнодорожным транспортом следует осуществлять в соответствии с требованиями правил перевозки грузов, утвержденных перевозчиком.
9.6 При погрузке, транспортировании и разгрузке плит следует соблюдать меры, исключающие возможность повреждения плит. При этом не допускается разгрузка плит сбрасыванием.
9.7 При погрузке, транспортировании, разгрузке и хранении следует соблюдать строительные нормы и правила [1] и [2].
БИБЛИОГРАФИЯ
[1]
Безопасность труда в строительстве. Часть 1. Общие требования
[2]
Безопасность труда в строительстве. Часть 2. Строительное производство
УДК 625.874.07-413:006.354
ОКС 91.080.40
ОКП 58 4611
Ключевые слова: дорожная плита, напрягаемая арматура, предварительное напряжение, высокопрочная проволока, стальные канаты
(в ред. Изменения N 1, утв. Приказом Росстандарта от 11.08.2020 N 490-ст)