Скачать Рекомендации по проектированию и монтажу светопрозрачных конструкций в соответствии с СТО 49299418-001-2006 ООО Робитекс, ГОСТ 30971-2002 и ТР 152-05

Дата актуализации: 01.01.2021

Рекомендации по проектированию и монтажу светопрозрачных конструкций в соответствии с СТО 49299418-001-2006 ООО "Робитекс", ГОСТ 30971-2002 и ТР 152-05

Статус:не действует
Название рус.:Рекомендации по проектированию и монтажу светопрозрачных конструкций в соответствии с СТО 49299418-001-2006 ООО "Робитекс", ГОСТ 30971-2002 и ТР 152-05
Дата добавления в базу:01.09.2013
Дата актуализации:01.01.2021
Область применения:Документ предназначен проектировщикам, руководителям производственных и монтажных оконных компаний, начальников монтажно-сервисных служб, а также рабочих - монтажников светопрозрачных конструкций.
Оглавление:1. Вступление
2. Нормативные ссылки
3. Термины и определения
4. Общие положения
   4.1 Концепция узла примыкания
   4.2 Климатические особенности и их влияние на узел примыкания
   4.3 Особенности различных типов помещений
   4.4 Особенности ограждающих конструкций
5. Замер и обработка результатов
   5.1 Замер СПК
   5.2 Обработка результатов замера
6. Проектирование и согласование
   6.1 Конструкция узла примыкания
   6.2 Проектирование конструкции узла примыкания
7. Доставка и подготовка
   7.1 Доставка изделий к месту монтажа
   7.2 Подготовка рабочего участка к монтажу
   7.3 Подготовка СПК к монтажу
8. Основная производственная стадия
   8.1 Демонтаж старой СПК
   8.2 Подготовка проема и поверхностей к монтажу
   8.3 Фиксация и крепление СПК в проеме
   8.4 Основные виды крепежа. Особенности их применения
   8.5 Количество и расположение крепежных элементов
   8.6 Создание монтажного шва
   8.7 Установка отлива и подоконника
   8.8 Отделка откосов
   8.9 Утилизация отходов
   8.10 Подписание акта сдачи-приемки
9. Монтаж в зимних условиях с применением материалов "РОБИБАНД"
10. Обслуживание
   10.1 Обслуживание
   10.2 Рекламации
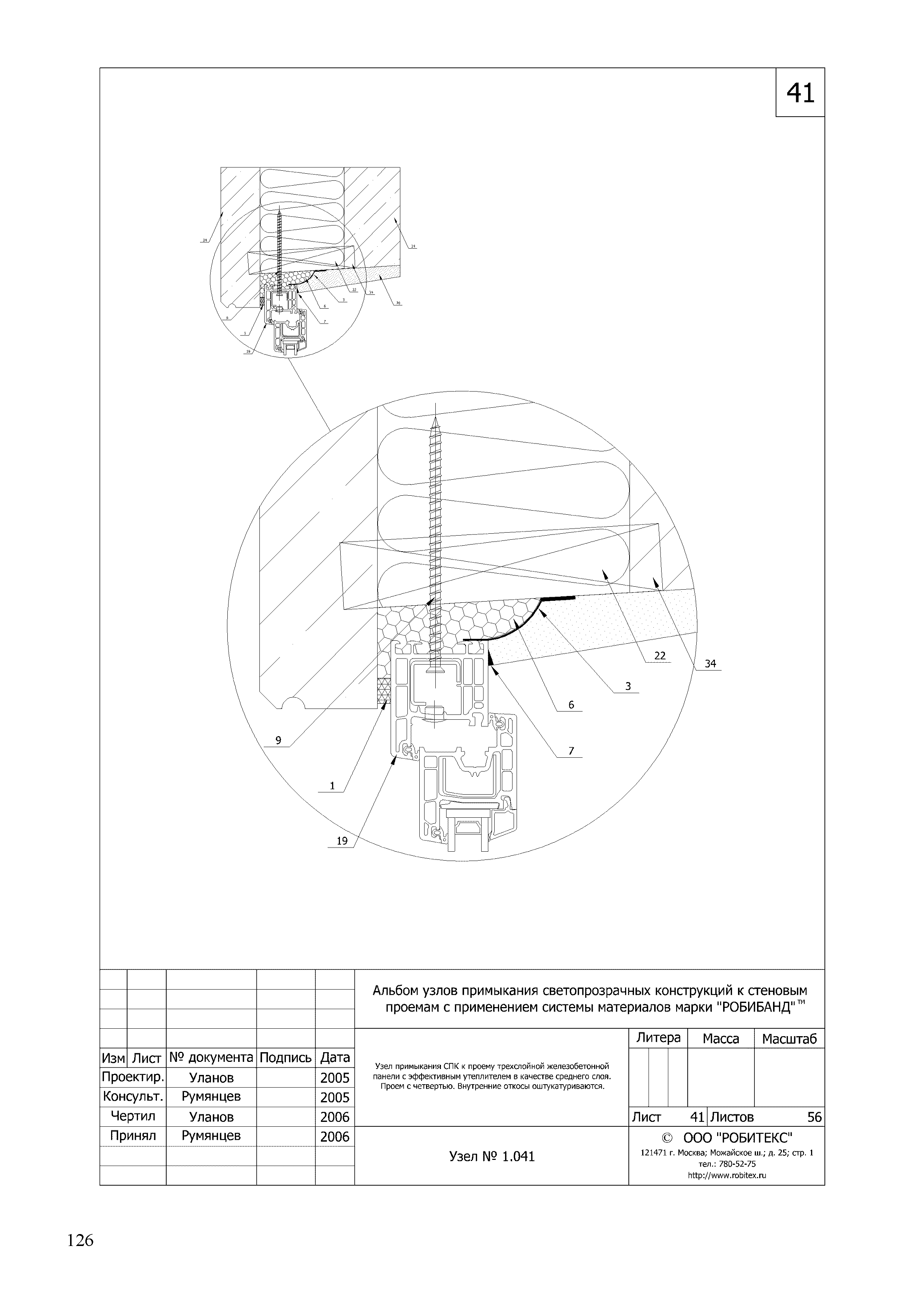
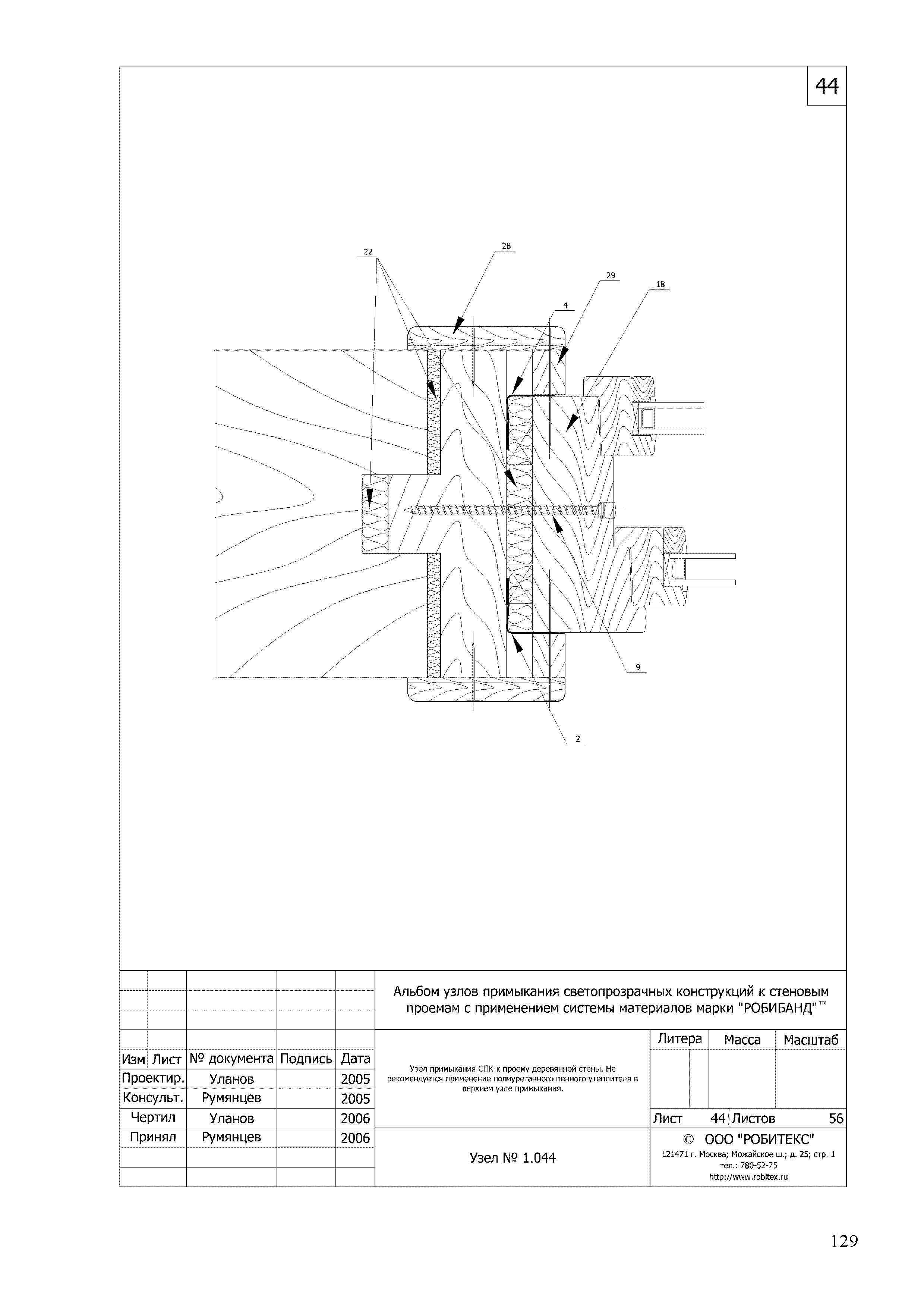
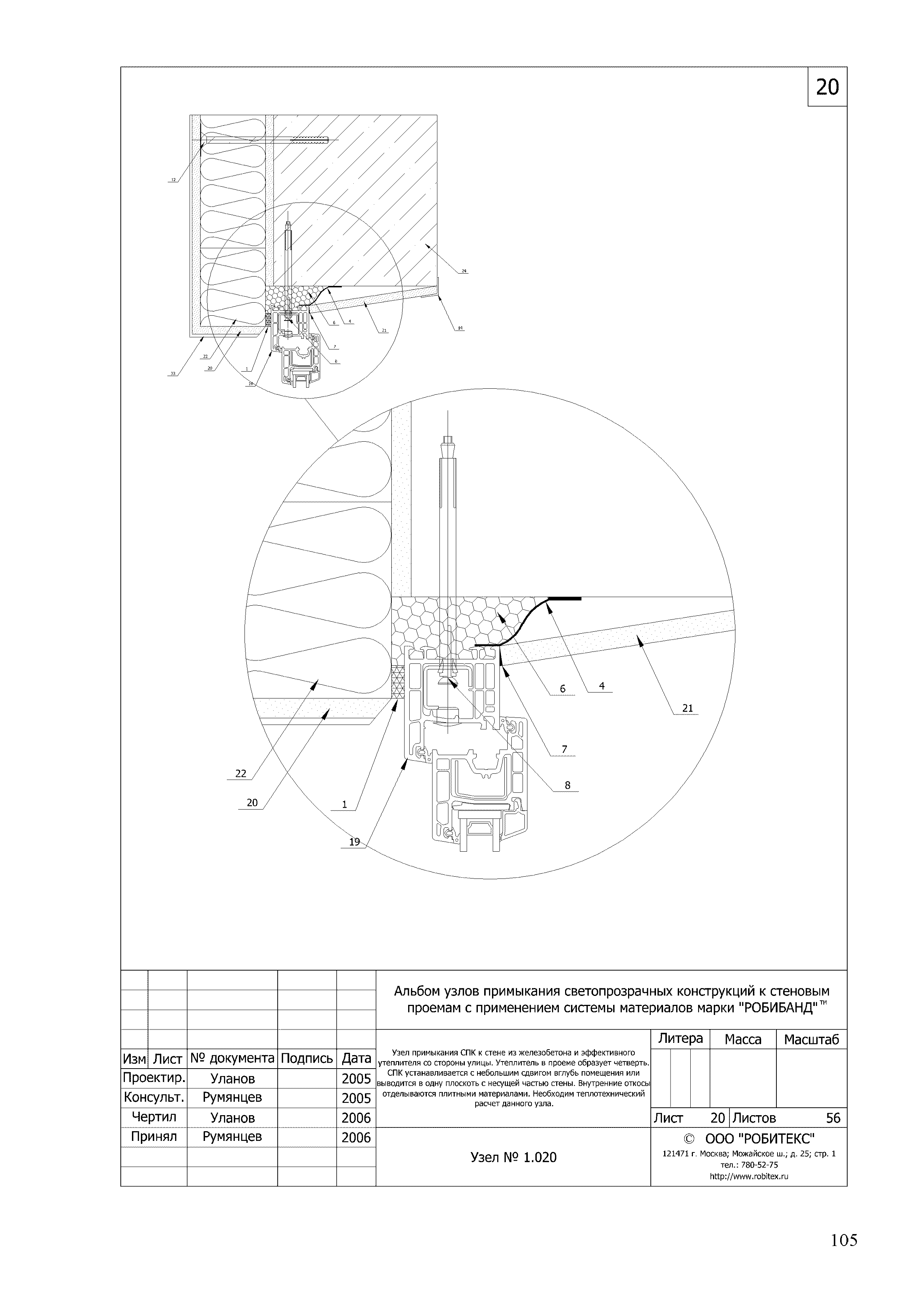
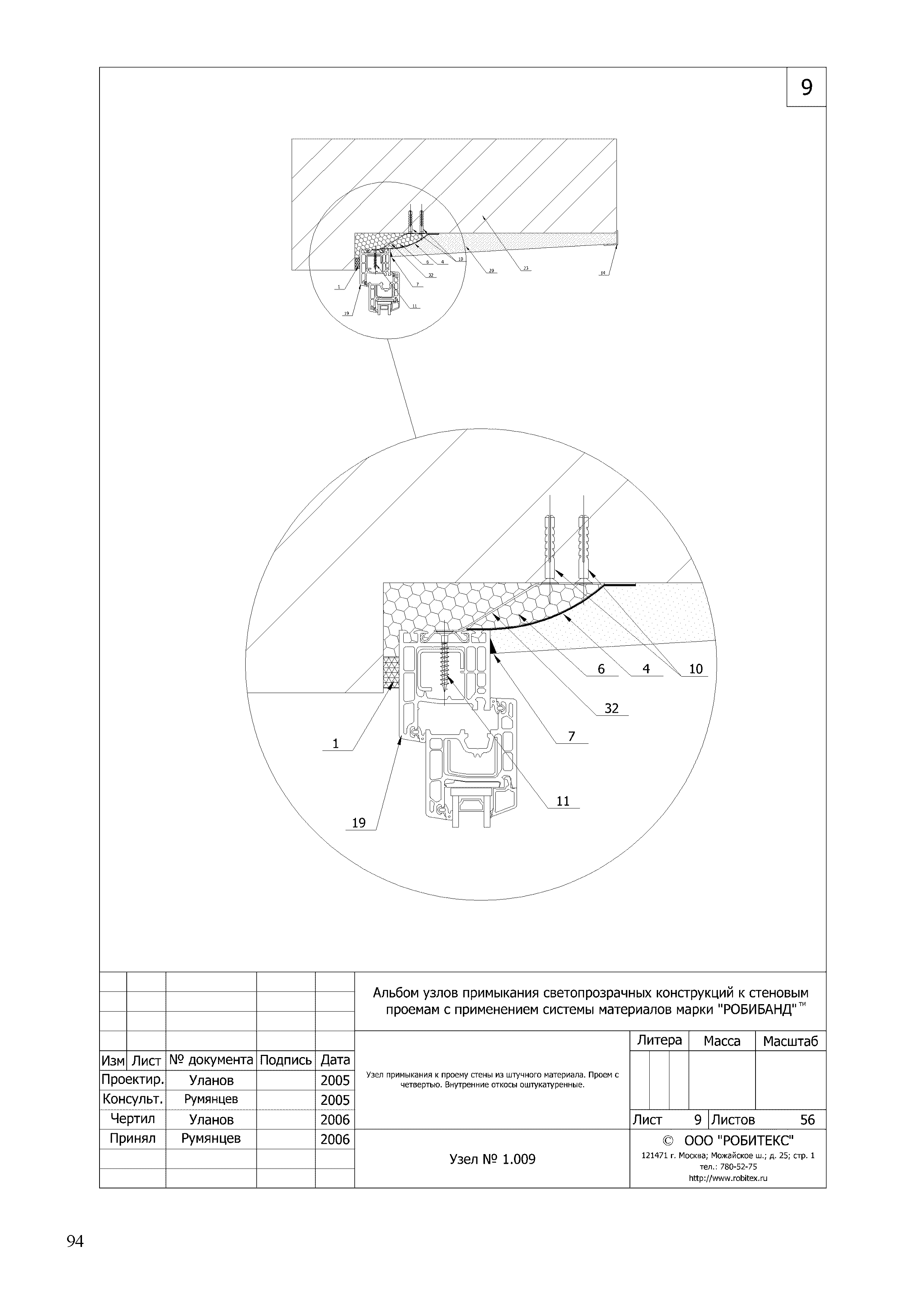
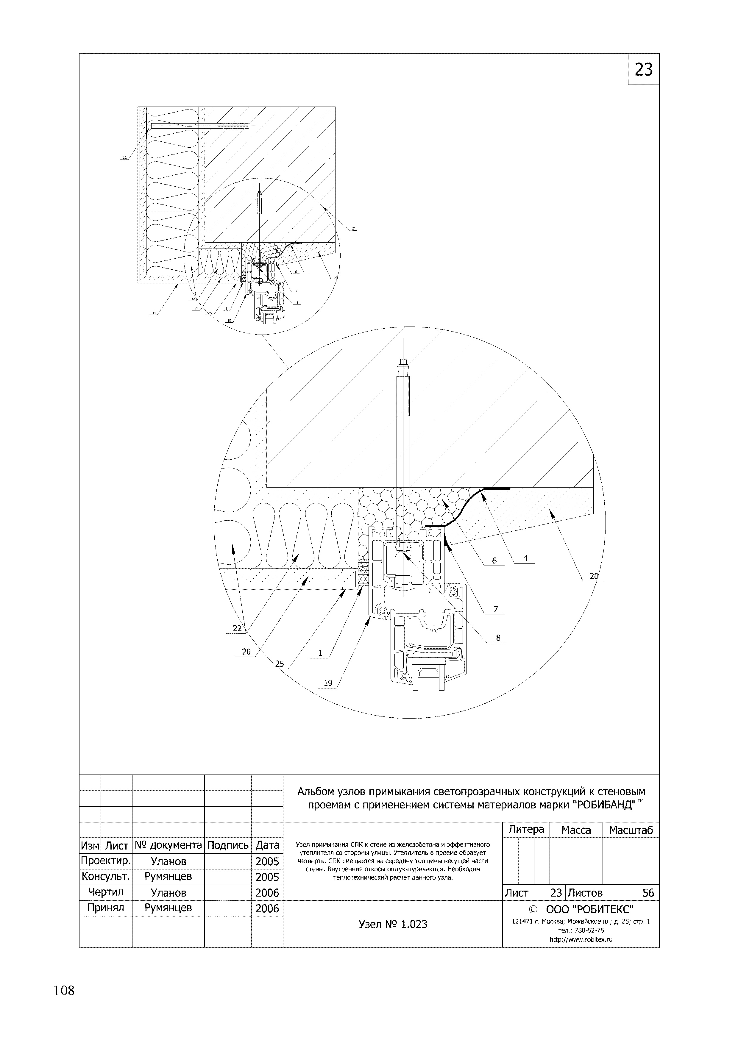
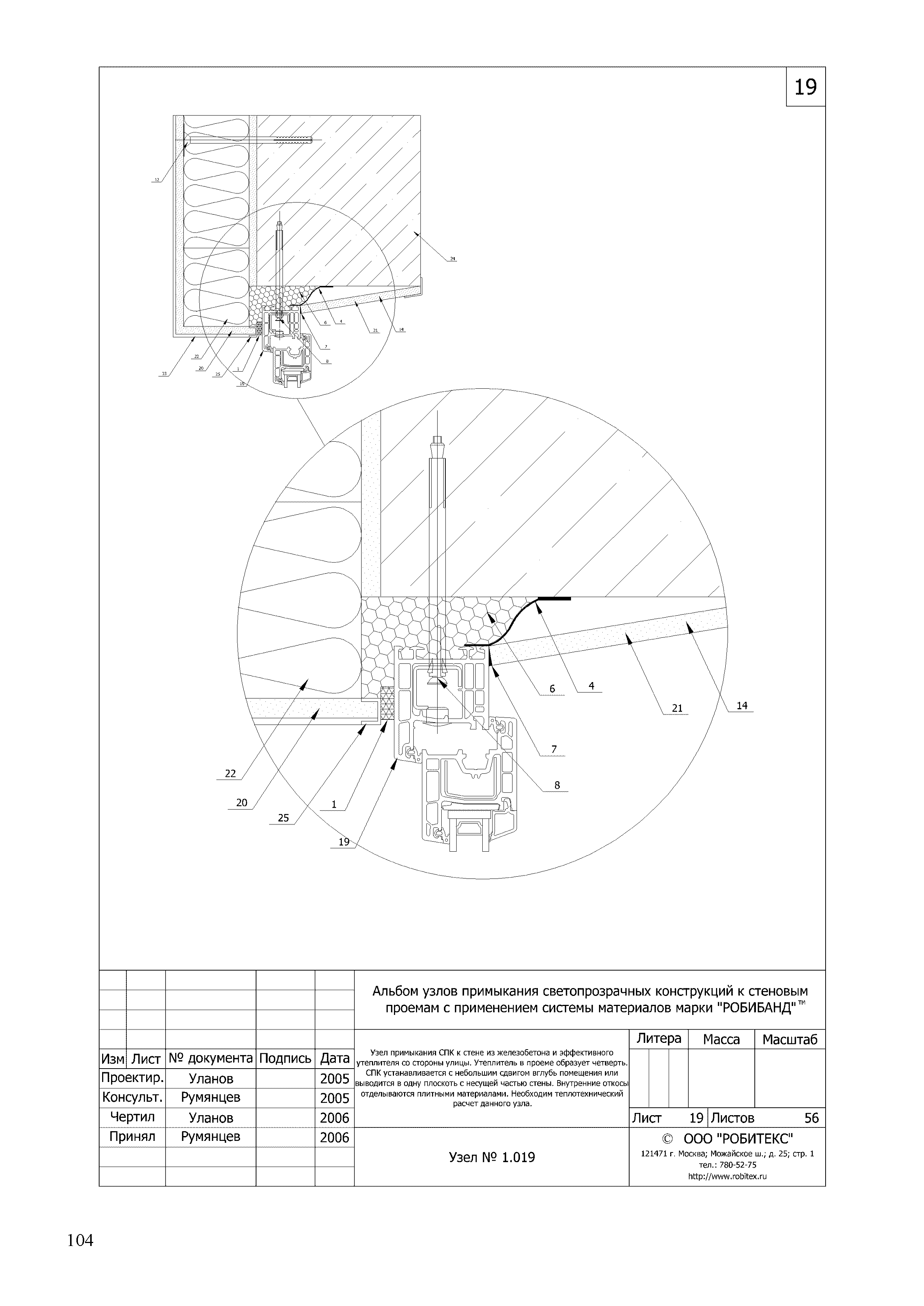
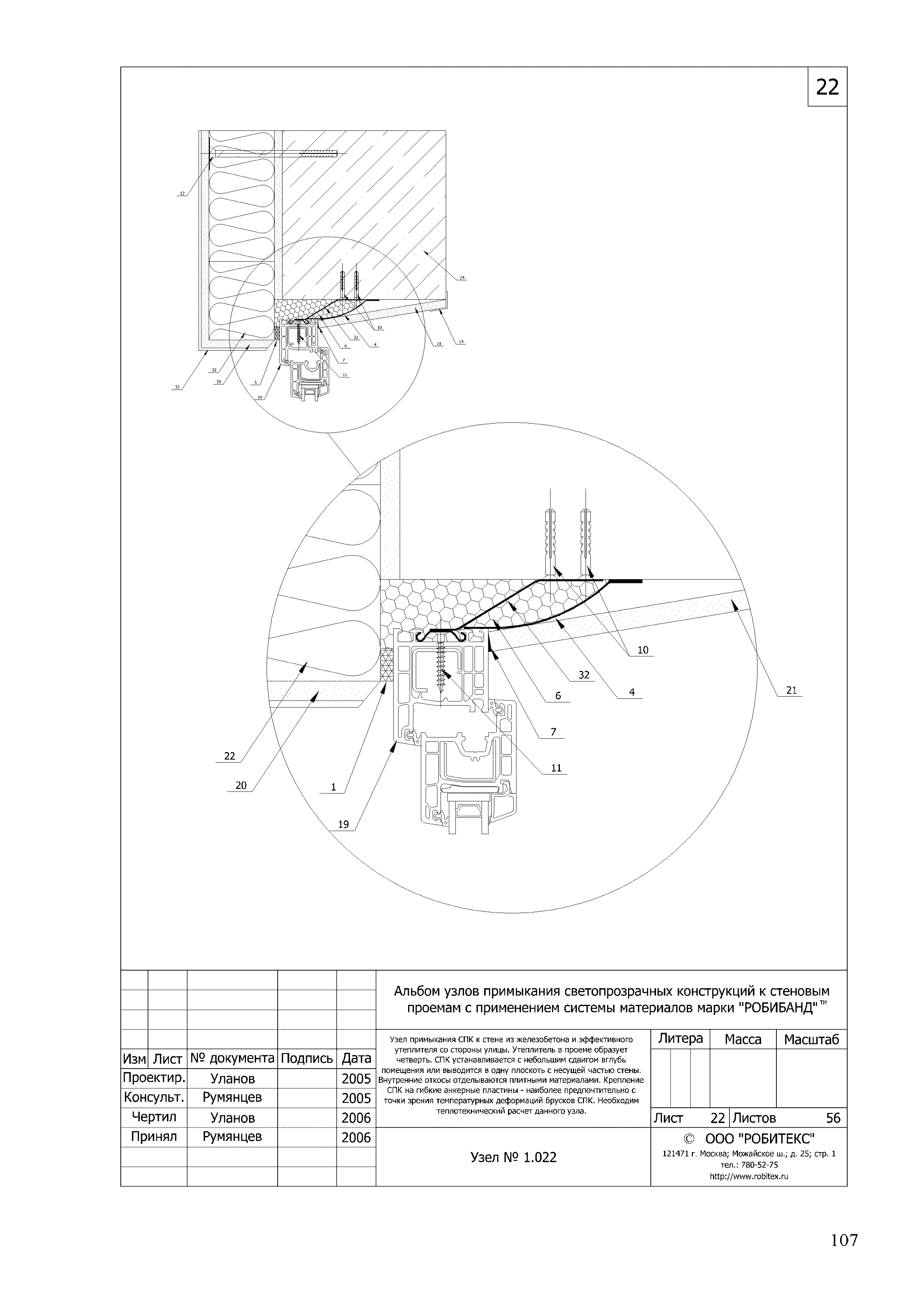
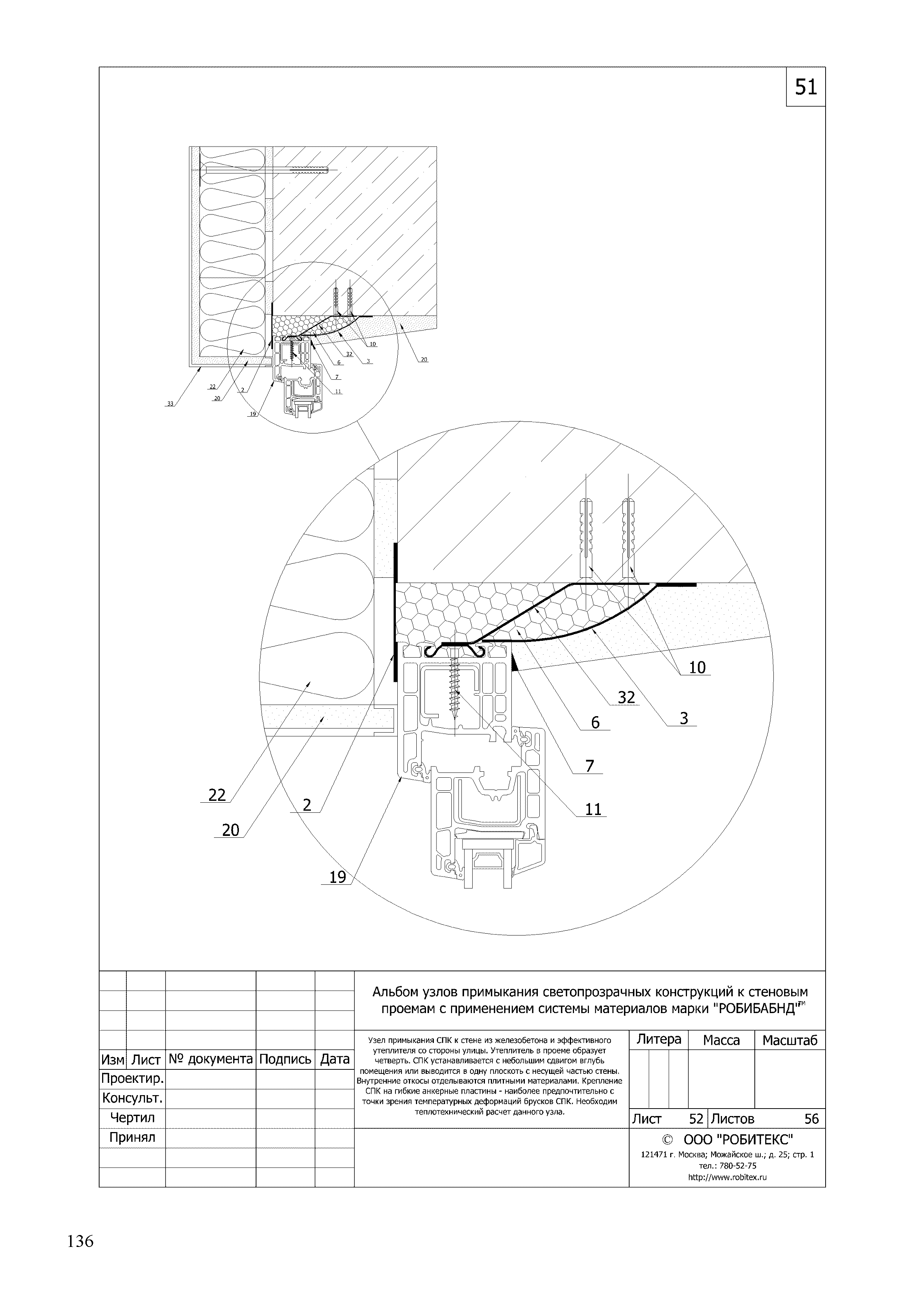
11. Приложение "А". Альбом типовых узлов примыкания СПК к ограждающим конструкциям с применением материалов торговой марки "РОБИБАНД"
12. Приложение "Б" Справочные таблицы. Климатические параметры холодного периода
Разработан: ООО Робитекс
Утверждён: ООО Группа компаний Робитекс
Нормативные ссылки: