Главная // Актуальные документы // Актуальные документы (обновление 29.11.2025 по 01.01.2026) // ГОСТ (Государственный стандарт)СПРАВКА
Источник публикации
В данном виде документ опубликован не был.
Первоначальный текст документа опубликован в издании
М.: Стандартинформ, 2018.
Информацию о публикации документов, создающих данную редакцию, см. в справке к этим документам.
Примечание к документу
Текст данного документа приведен с учетом
поправки, опубликованной в "ИУС", N 6, 2025.
Изменение N 1 введено в действие на территории Российской Федерации
Приказом Росстандарта от 12.09.2025 N 1035-ст с 01.01.2026.
Название документа
"ГОСТ 18128-2018. Межгосударственный стандарт. Панели асбестоцементные стеновые наружные на деревянном каркасе с утеплителем. Технические условия"
(введен в действие Приказом Росстандарта от 25.09.2018 N 635-ст)
(ред. от 12.09.2025)
"ГОСТ 18128-2018. Межгосударственный стандарт. Панели асбестоцементные стеновые наружные на деревянном каркасе с утеплителем. Технические условия"
(введен в действие Приказом Росстандарта от 25.09.2018 N 635-ст)
(ред. от 12.09.2025)
агентства по техническому
регулированию и метрологии
от 25 сентября 2018 г. N 635-ст
МЕЖГОСУДАРСТВЕННЫЙ СТАНДАРТ
ПАНЕЛИ АСБЕСТОЦЕМЕНТНЫЕ СТЕНОВЫЕ НАРУЖНЫЕ
НА ДЕРЕВЯННОМ КАРКАСЕ С УТЕПЛИТЕЛЕМ
ТЕХНИЧЕСКИЕ УСЛОВИЯ
Timber framed asbestos cement exterior wall panels
supplied with insulation. Specifications
ГОСТ 18128-2018
| | Список изменяющих документов Приказом Росстандарта от 12.09.2025 N 1035-ст) | |
Дата введения
1 мая 2019 года
Цели, основные принципы и основной порядок проведения работ по межгосударственной стандартизации установлены в
ГОСТ 1.0-2015 "Межгосударственная система стандартизации. Основные положения" и
ГОСТ 1.2-2015 "Межгосударственная система стандартизации. Стандарты межгосударственные, правила и рекомендации по межгосударственной стандартизации. Правила разработки, принятия, обновления и отмены"
1 РАЗРАБОТАН Акционерным обществом "ЦНИИЭП жилища - Институт комплексного проектирования жилых и общественных зданий" (АО "ЦНИИЭП жилища")
2 ВНЕСЕН Техническим комитетом по стандартизации ТК 465 "Строительство"
3 ПРИНЯТ Межгосударственным советом по стандартизации, метрологии и сертификации (протокол от 30 мая 2018 г. N 109-П)
За принятие проголосовали:
Краткое наименование страны по МК (ИСО 3166) 004-97 | Код страны по МК (ИСО 3166) 004-97 | Сокращенное наименование национального органа по стандартизации |
Азербайджан | AZ | Азстандарт |
Армения | AM | Минэкономики Республики Армения |
Киргизия | KG | Кыргызстандарт |
Россия | RU | Росстандарт |
Таджикистан | TJ | Таджикстандарт |
4
Приказом Федерального агентства по техническому регулированию и метрологии от 25 сентября 2018 г. N 635-ст межгосударственный стандарт ГОСТ 18128-2018 введен в действие в качестве национального стандарта Российской Федерации с 1 мая 2019 г.
Информация об изменениях к настоящему стандарту публикуется в ежегодном информационном указателе "Национальные стандарты", а текст изменений и поправок - в ежемесячном информационном указателе "Национальные стандарты". В случае пересмотра (замены) или отмены настоящего стандарта соответствующее уведомление будет опубликовано в ежемесячном информационном указателе "Национальные стандарты". Соответствующая информация, уведомление и тексты размещаются также в информационной системе общего пользования - на официальном сайте Федерального агентства по техническому регулированию и метрологии в сети Интернет (www.gost.ru)
Настоящий стандарт распространяется на хризотилцементные (асбестоцементные) стеновые навесные панели на деревянном каркасе (далее - панели, ПНСХ), обшитом с двух сторон хризотилцементными плоскими листами, с утеплителем, изготовляемые на строительных предприятиях.
(в ред.
Изменения N 1, введенного в действие Приказом Росстандарта от 12.09.2025 N 1035-ст)
Панели предназначаются для наружных стен надземной части полносборных жилых домов и домов из монолитного бетона, а также для полносборных зданий общеобразовательных и дошкольных образовательных организаций, а в кирпичных жилых домах - для стен лоджий.
Настоящий стандарт не распространяется на панели для стен помещений, влажность воздуха в которых выше 65%.
Абзац исключен с 01.01.2026. -
Изменение N 1, введенное в действие Приказом Росстандарта от 12.09.2025 N 1035-ст.
Требования настоящего стандарта следует учитывать при разработке нормативных документов и рабочей документации на стеновые хризотилцементные панели на деревянном каркасе с утеплителем конкретных типов.
(в ред.
Изменения N 1, введенного в действие Приказом Росстандарта от 12.09.2025 N 1035-ст)
(в ред.
Изменения N 1, введенного в действие Приказом Росстандарта от 12.09.2025 N 1035-ст)
В настоящем стандарте использованы нормативные ссылки на следующие межгосударственные стандарты:
ГОСТ 103 Прокат сортовой стальной горячекатаный полосовой. Сортамент
ГОСТ 380 Сталь углеродистая обыкновенного качества. Марки
ГОСТ 427 Линейки измерительные металлические. Технические условия
ГОСТ 577 Индикаторы часового типа с ценой деления 0,01 мм. Технические условия
ГОСТ 1145 Шурупы с потайной головкой. Конструкция и размеры
ГОСТ 4028 Гвозди строительные. Конструкция и размеры
Ссылка исключена с 01.01.2026. -
Изменение N 1, введенное в действие Приказом Росстандарта от 12.09.2025 N 1035-ст.
ГОСТ 7313 Эмали ХВ-785 и лак ХВ-784. Технические условия
ГОСТ 7502 Рулетки измерительные металлические. Технические условия
ГОСТ 8026 Линейки поверочные. Технические условия
ГОСТ 8242 Детали профильные из древесины и древесных материалов для строительства. Технические условия <1>
(в ред.
Изменения N 1, введенного в действие Приказом Росстандарта от 12.09.2025 N 1035-ст)
--------------------------------
(сноска введена
Изменением N 1, введенным в действие Приказом Росстандарта от 12.09.2025 N 1035-ст)
ГОСТ 8486 Пиломатериалы хвойных пород. Технические условия
ГОСТ 9573 Плиты из минеральной ваты на синтетическом связующем теплоизоляционные. Технические условия
ГОСТ 10174 Прокладки уплотняющие пенополиуретановые для окон и дверей. Технические условия
ГОСТ 10354 Пленка полиэтиленовая. Технические условия
Ссылка исключена с 01.01.2026. -
Изменение N 1, введенное в действие Приказом Росстандарта от 12.09.2025 N 1035-ст.
ГОСТ 11214 Блоки оконные деревянные с листовым остеклением. Технические условия
ГОСТ 14791 Мастика герметизирующая нетвердеющая строительная. Технические условия
ГОСТ 14918 Прокат листовой горячеоцинкованный. Технические условия
(в ред.
Изменения N 1, введенного в действие Приказом Росстандарта от 12.09.2025 N 1035-ст)
ГОСТ 16588 (ИСО 4470-81) Пилопродукция и деревянные детали. Методы определения влажности
ГОСТ 18124 Листы хризотилцементные плоские. Технические условия
ГОСТ 19281 Прокат повышенной прочности. Общие технические условия
ГОСТ 19414 Конструкции деревянные клееные. Общие требования к зубчатым клеевым соединениям
(в ред.
Изменения N 1, введенного в действие Приказом Росстандарта от 12.09.2025 N 1035-ст)
ГОСТ 20907 Смолы фенолоформальдегидные жидкие. Технические условия
ГОСТ 21616 Тензорезисторы. Общие технические условия
ГОСТ 21880 Маты из минеральной ваты прошивные теплоизоляционные. Технические условия
ГОСТ 23009 Конструкции и изделия бетонные и железобетонные сборные. Условные обозначения (марки)
ГОСТ 23166 Блоки оконные и балконные. Общие технические условия
(в ред.
Изменения N 1, введенного в действие Приказом Росстандарта от 12.09.2025 N 1035-ст)
ГОСТ 23616 Система обеспечения точности геометрических параметров в строительстве. Контроль точности <1>
(в ред.
Изменения N 1, введенного в действие Приказом Росстандарта от 12.09.2025 N 1035-ст)
--------------------------------
(сноска введена
Изменением N 1, введенным в действие Приказом Росстандарта от 12.09.2025 N 1035-ст)
ГОСТ 25621 Материалы и изделия строительные полимерные герметизирующие и уплотняющие. Классификация и общие технические требования
(ссылка введена
Изменением N 1, введенным в действие Приказом Росстандарта от 12.09.2025 N 1035-ст)
ГОСТ 28196 Краски водно-дисперсионные. Технические условия
ГОСТ 28815 Растворы водные защитных средств для древесины. Технические условия
ГОСТ 30108 Материалы и изделия строительные. Определение удельной эффективной активности естественных радионуклидов
ГОСТ 30244 Материалы строительные. Методы испытаний на горючесть
(ссылка введена
Изменением N 1, введенным в действие Приказом Росстандарта от 12.09.2025 N 1035-ст)
ГОСТ 30778 Прокладки уплотняющие из эластомерных материалов для оконных и дверных блоков. Технические условия
(ссылка введена
Изменением N 1, введенным в действие Приказом Росстандарта от 12.09.2025 N 1035-ст)
ГОСТ 30971 Швы монтажные узлов примыкания оконных блоков к стеновым проемам. Общие технические условия
(в ред.
Изменения N 1, введенного в действие Приказом Росстандарта от 12.09.2025 N 1035-ст)
ГОСТ 31384 Защита бетонных и железобетонных конструкций от коррозии. Общие технические требования
ГОСТ 32314 (EN 13162:2012) Изделия из минеральной ваты теплоизоляционные промышленного производства, применяемые в строительстве. Общие технические условия
(ссылка введена
Изменением N 1, введенным в действие Приказом Росстандарта от 12.09.2025 N 1035-ст)
Примечание - При пользовании настоящим стандартом целесообразно проверить действие ссылочных стандартов и классификаторов на официальном интернет-сайте Межгосударственного совета по стандартизации, метрологии и сертификации (www.easc.by) или по указателям национальных стандартов, издаваемым в государствах, указанных в предисловии, или на официальных сайтах соответствующих национальных органов по стандартизации. Если на документ дана недатированная ссылка, то следует использовать документ, действующий на текущий момент, с учетом всех внесенных в него изменений. Если заменен ссылочный документ, на который дана датированная ссылка, то следует использовать указанную версию этого документа. Если после принятия настоящего стандарта в ссылочный документ, на который дана датированная ссылка, внесено изменение, затрагивающее положение, на которое дана ссылка, то это положение применяется без учета данного изменения. Если ссылочный документ отменен без замены, то положение, в котором дана ссылка на него, применяется в части, не затрагивающей эту ссылку.
(примечание в ред.
Изменения N 1, введенного в действие Приказом Росстандарта от 12.09.2025 N 1035-ст)
В настоящем стандарте применены следующие термины с соответствующими определениями:
3.1 стеновые панели: Крупноразмерный плоский элемент строительной конструкции заводского изготовления, применяемый для вертикального ограждения.
3.2 стеновые хризотилцементные (асбестоцементные) панели с утеплителем; ПНСХ: Стеновая панель, состоящая из хризотилцементных наружного и внутреннего слоев и теплоизоляционного слоя, соединенных между собой хризотилцементными ребрами, связями или другими способами.
(п. 3.2 в ред.
Изменения N 1, введенного в действие Приказом Росстандарта от 12.09.2025 N 1035-ст)
4.1 Панели изготовляют двух типов:
1ПНСХ - панели для жилых зданий (рисунок 1);
(в ред.
Изменения N 1, введенного в действие Приказом Росстандарта от 12.09.2025 N 1035-ст)
2ПНСХ - панели для зданий общеобразовательных и дошкольных образовательных организаций
(рисунок 2).
(в ред.
Изменения N 1, введенного в действие Приказом Росстандарта от 12.09.2025 N 1035-ст)
Рисунок 1
4.2 В зависимости от расположения панелей типа 1ПНСХ на фасадах зданий и особенностей примыкания панелей к смежным конструкциям зданий панели подразделяют на виды, указанные на рисунке 3.
(в ред.
Изменения N 1, введенного в действие Приказом Росстандарта от 12.09.2025 N 1035-ст)
4.3 Размеры панелей типа 1ПНСХ по длине должны соответствовать указанным в таблице 1.
(в ред.
Изменения N 1, введенного в действие Приказом Росстандарта от 12.09.2025 N 1035-ст)
Таблица 1
Размеры панелей типа 1ПНСХ
Приказом Росстандарта от 12.09.2025 N 1035-ст)
В миллиметрах
(в ред.
Изменения N 1, введенного в действие Приказом Росстандарта от 12.09.2025 N 1035-ст)
Координационный размер | Конструктивная длина панелей видов (по рисунку 3) |
1.1 | | 1.3 | | 3.3 |
2400 | 2380 | 2680 | 2290 | - | 2200 |
3000 | 2980 | 3280 | 2890 | - | 2800 |
3600 | 3580 | 3880 | 3490 | - | 3400 |
4800 | 4780 | 5080 | 4690 | - | 4600 |
6000 | 5980 | 6280 | 5890 | 6580 | 5800 |
6600 | 6580 | 6880 | 6490 | 7180 | 6400 |
Примечание - В настоящей таблице конструктивные длины панелей видов 1.2 и 2.2 указаны для панелей толщиной 160 мм. При другой толщине панелей указанные длины должны быть изменены в соответствии с принятой толщиной. |
4.4 Размеры панелей типа 2ПНСХ по длине должны быть 2980 и 5980 мм. Размеры по длине угловых панелей следует принимать с учетом конструкции угловых сопряжений и толщины панелей.
(в ред.
Изменения N 1, введенного в действие Приказом Росстандарта от 12.09.2025 N 1035-ст)
4.5 Размеры панелей по высоте должны быть следующие:
- 1ПНСХ - 2780 мм при высоте этажа здания 2,8 м; 2980 мм - при высоте этажа здания 3,0 м;
(в ред.
Изменения N 1, введенного в действие Приказом Росстандарта от 12.09.2025 N 1035-ст)
- 2ПНСХ - 3280 мм при высоте этажа здания 3,3 м.
(в ред.
Изменения N 1, введенного в действие Приказом Росстандарта от 12.09.2025 N 1035-ст)
Высоту парапетных панелей и панелей в лоджиях следует принимать по рабочим чертежам проекта здания.
4.6 Размеры панелей по толщине следует принимать равными:
- 160 мм - для районов со средней расчетной температурой наиболее холодных суток не выше минус 40 °C;
- 210 мм - для районов со средней расчетной температурой наиболее холодных суток минус 41 °C и ниже.
Толщину панелей принимают в зависимости от значения сопротивления теплопередаче в соответствии с действующими нормативными документами <*>.
(в ред.
Изменения N 1, введенного в действие Приказом Росстандарта от 12.09.2025 N 1035-ст)
--------------------------------
(сноска введена
Изменением N 1, введенным в действие Приказом Росстандарта от 12.09.2025 N 1035-ст)
4.7 Допускается изготовление на действующем оборудовании при наличии технико-экономических обоснований панелей с размерами, отличными от указанных в
4.3 -
4.6, для строительства зданий по типовым проектам, утвержденным в установленном порядке.
4.8 Допускается изготовление панелей по рабочим чертежам типовых проектов до истечения срока действия этих проектов.
4.9 Панели следует обозначать марками в соответствии с требованиями
ГОСТ 23009.
Марка панели состоит из буквенно-цифровых групп, разделенных дефисами.
Первая группа должна содержать обозначение типа панели и ее конструктивную длину и высоту в дециметрах и толщину в сантиметрах.
Значения всех размеров округляют до целого числа и обозначают арабскими цифрами.
Все числа, входящие в первую группу, должны быть разделены точками.
Вторая группа содержит дополнительные характеристики, обозначаемые буквами и отражающие особые условия применения панелей и их стойкость к внешним воздействиям:
- С - к сейсмическим воздействиям (при расчетной сейсмичности 7 баллов и более);
- М - к воздействиям низких температур наружного воздуха (при строительстве в районах с расчетной зимней температурой наружного воздуха ниже минус 40 °C).
Вторая группа при отсутствии необходимости в обозначении особых условий применения может быть опущена.
В третью группу включают обозначения конструктивных особенностей панелей, в том числе обозначения вида панелей
(рисунок 3), наличия, расположения и вида проемов и их заполнения, наличия противоветровой преграды (экрана), вида отделки. Конструктивные особенности панелей следует обозначать в марке арабскими цифрами или строчными буквами, разделенными точками.
Пример условного обозначения (марки) панели типа 1ПНСХ длиной 3490 мм. шириной 2980 мм, толщиной 210 мм, примыкающей к лоджии, предназначенной для использования при строительстве жилых зданий в районах с расчетной зимней температурой наружного воздуха ниже минус 40 °C:
(в ред.
Изменения N 1, введенного в действие Приказом Росстандарта от 12.09.2025 N 1035-ст)
1ПНСХ 35.30.21-М-1.3 ГОСТ 18128-2018
Приказом Росстандарта от 12.09.2025 N 1035-ст)
Допускается в проектах конкретных зданий устанавливать сокращенные обозначения панелей с обязательным указанием соответствующих обозначений по настоящему стандарту.
5.1 Панели следует изготовлять в соответствии с требованиями настоящего стандарта по рабочим чертежам и технологической документации, утвержденным в установленном порядке.
5.2 Требования к отдельным элементам панелей
5.2.1 Для наружной и внутренней обшивок панелей следует применять плоские хризотилцементные прессованные и непрессованные листы толщиной 10 мм, соответствующие требованиям
ГОСТ 18124 и действующих нормативных документов.
(п. 5.2.1 в ред.
Изменения N 1, введенного в действие Приказом Росстандарта от 12.09.2025 N 1035-ст)
--------------------------------
<*> Сноска исключена с 01.01.2026. -
Изменение N 1, введенное в действие Приказом Росстандарта от 12.09.2025 N 1035-ст.
5.2.1а Материалы, применяемые для наружной обшивки панелей, должны относиться к негорючим по
ГОСТ 30244.
(п. 5.2.1а введен
Изменением N 1, введенным в действие Приказом Росстандарта от 12.09.2025 N 1035-ст)
5.2.2 Цвет и фактура наружных поверхностей хризотилцементных листов должны соответствовать образцам-эталонам, утвержденным предприятием-изготовителем.
(в ред.
Изменения N 1, введенного в действие Приказом Росстандарта от 12.09.2025 N 1035-ст)
Наружные поверхности листов могут быть неокрашенными, с защитно-декоративным покрытием (в т.ч. окрашенные или декорированные), с гладкой или рельефной поверхностью.
(в ред.
Изменения N 1, введенного в действие Приказом Росстандарта от 12.09.2025 N 1035-ст)
Защитно-декоративное покрытие должно быть нанесено на поверхность листов в заводских условиях.
Для окраски следует применять кремнийорганические эмали по нормативно-технической документации, действующей на территории государства - участника Соглашения, принявшего настоящий стандарт, эмали ХВ-785 по
ГОСТ 7313 и другие водощелоче- и атмосферостойкие красители, а также краски водно-дисперсионные акриловые ВД-АК-111 по
ГОСТ 28196.
(в ред.
Изменения N 1, введенного в действие Приказом Росстандарта от 12.09.2025 N 1035-ст)
5.2.3 Листы следует использовать для сборки панелей не ранее чем через 28 сут после их изготовления на предприятии и выдерживания в теплом складе. Влажность листов к моменту сборки панелей не должна превышать 8%.
5.2.4 Раскрой листов следует проводить на предприятии - изготовителе панелей в соответствии с рабочими чертежами по
ГОСТ 18124. Отклонения размеров раскроенных листов от номинальных не должны превышать по длине и ширине +/- 2 мм, разность длин диагоналей не должна превышать 5 мм.
5.2.5 Каркасы панелей следует изготовлять из древесины хвойных пород (сосны или ели) по
ГОСТ 8486. Качество древесины должно удовлетворять требованиям
ГОСТ 24454.
5.2.6 Влажность древесины каркаса к моменту сборки панелей должна быть

по массе.
5.2.7 Для каркасов необходимо использовать обрезные бруски прямоугольного сечения, остроганные в соответствии с рабочими чертежами с двух или четырех сторон.
Отклонения от проектных размеров строганых брусков не должны превышать по ширине +/- 1 мм, по толщине +/- 0,5 мм.
5.2.8 Бруски должны быть цельными по длине элементов каркаса. Допускается зубчатое клеевое соединение брусков в соответствии с требованиями
ГОСТ 19414.
5.2.9 Бруски после острожки должны быть антисептированы. Для антисептирования следует применять водорастворимые препараты - кремнийфтористый аммоний (КФА), препарат ХМБ-444, тетрафторборат аммония (ТФБА) или препарат ББ по
ГОСТ 28815 и другие препараты, принимаемые согласно действующим нормативным документам.
Концентрация препаратов КФА, ТФБА и ХМБ-444 должна составлять 15%, а препарата ББ - 20%.
Пропитку брусков следует проводить по
ГОСТ 20022.6 нанесением на поверхность.
5.2.10 В качестве утеплителя панелей следует применять минераловатный утеплитель по
ГОСТ 32314,
ГОСТ 9573 с показателем сжимаемости не более 15% и прочностью на сжатие при 10%-ной линейной деформации не менее 4 кПа, а также минераловатные прошивные маты марок 100, 125, удовлетворяющие требованиям
ГОСТ 21880.
(п. 5.2.10 в ред.
Изменения N 1, введенного в действие Приказом Росстандарта от 12.09.2025 N 1035-ст)
5.3 Требования к конструкции панели
5.3.1 Панели состоят из деревянного каркаса, обшитого с двух сторон на глухих участках плоскими хризотилцементными листами, и несгораемого или трудносгораемого утеплителя (см.
5.2.10).
(в ред.
Изменения N 1, введенного в действие Приказом Росстандарта от 12.09.2025 N 1035-ст)
При применении панелей в районах со средней расчетной температурой наиболее холодных суток минус 30 °C и ниже они должны иметь противоветровую преграду из хризотилцементных листов толщиной от 4 до 6 мм, примыкающую к утеплителю с наружной стороны (см.
приложение А).
(в ред.
Изменения N 1, введенного в действие Приказом Росстандарта от 12.09.2025 N 1035-ст)
5.3.2 Элементы деревянного каркаса панели в зависимости от конструктивного решения могут быть сплошного или составного сечения (см.
приложение Б).
5.3.3 На глухих участках панели расстояние между стойками каркаса, служащими опорой для листов обшивки, не должно превышать 625 мм.
5.3.4 Вертикальные и горизонтальные рабочие бруски каркаса в пересечениях следует соединять клеем и коррозионно-стойкими шурупами с потайной головкой по
ГОСТ 1145. Шурупы следует устанавливать в предварительно рассверленные в одном из брусков отверстия.
Для склеивания можно применять следующие водостойкие синтетические клеи: фенолоформальдегидный клей КБ-3 по
ГОСТ 20907 и нормативно-технической документации, действующей на территории государства - участника Соглашения, принявшего настоящий стандарт, фенолорезорциновые клеи по техническим условиям, утвержденным в установленном порядке.
(в ред.
Изменения N 1, введенного в действие Приказом Росстандарта от 12.09.2025 N 1035-ст)
--------------------------------
<*> Сноска исключена с 01.01.2026. -
Изменение N 1, введенное в действие Приказом Росстандарта от 12.09.2025 N 1035-ст.
5.3.5 В каркасах угловые соединения рабочих брусков должны быть дополнительно укреплены угловыми накладками из стальной полосы по
ГОСТ 103, прикрепляемыми шурупами с потайной головкой. Отверстия для шурупов следует выполнять с раззенковкой.
Подкладные бруски необходимо соединять с рабочими брусками гвоздями по
ГОСТ 4028, а по контуру проемов, кроме того, синтетическим клеем холодного отверждения.
5.3.6 В случаях, предусмотренных рабочими чертежами, панели могут иметь:
а) выступы, вырезы, пазы, прорези, отверстия и другие конструктивные детали на торцах панелей, предназначенные для навески или опирания панелей на несущие конструкции здания, для образования шпоночного соединения смежных панелей, создания упора для уплотняющих и герметизирующих материалов в стыках, установки, закрепления в стыках водоотводящих элементов и, кроме того, для заведения панелей за наружную грань несущих конструкций здания в соответствии с противопожарными требованиями и требованиями звукоизоляции действующих нормативных документов;
б) четверти в проемах для крепления оконных и дверных блоков;
в) закладные детали, предназначенные для навески или крепления панелей к несущим конструкциям здания, выполнения монтажных операций, крепления приборов отопления, надоконных карнизов, подоконных досок и других предметов оборудования здания и бытовых предметов.
5.3.7 В панелях не должно быть сквозных металлических деталей, выходящих на внешние и внутренние стороны панели.
5.3.8 Панели должны иметь монтажные петли или другие строповочные устройства, располагаемые в соответствии с рабочими чертежами. Для монтажных петель следует применять сталь по
ГОСТ 103,
ГОСТ 380.
(в ред.
Изменения N 1, введенного в действие Приказом Росстандарта от 12.09.2025 N 1035-ст)
Монтажные петли, предназначенные для подъема и монтажа панелей в районах с расчетной температурой наружного воздуха минус 40 °C и ниже, следует изготовлять из стали марок 10Г2С1 и 09Г2С по
ГОСТ 19281.
Монтажные петли должны обеспечивать необходимую надежность при подъеме и монтаже панелей.
(в ред.
Изменения N 1, введенного в действие Приказом Росстандарта от 12.09.2025 N 1035-ст)
5.3.9 Наружную обшивку панелей в простеночных, надоконных и подоконных участках необходимо выполнять из цельных листов.
5.3.10 Непрессованные хризотилцементные листы следует укладывать поверхностью с отпечатком сукна внутрь панелей.
(в ред.
Изменения N 1, введенного в действие Приказом Росстандарта от 12.09.2025 N 1035-ст)
5.3.11 Листы наружной обшивки следует крепить к каркасу с помощью фиксирующих анодированных алюминиевых профилей, указанных в
приложении В. Допускается крепление без фиксирующих анодированных алюминиевых профилей, с использованием коррозионно-стойких шурупов с потайной головкой по
ГОСТ 1145 и шайб по техническим условиям, утвержденным в установленном порядке (см.
приложение Г).
5.3.12 Алюминиевые профили следует располагать по периметру листов обшивки и крепить к каркасу коррозионно-стойкими шурупами с потайной головкой по
ГОСТ 1145. Отверстия для шурупов необходимо сверлить с раззенковкой на высоту головки шурупа.
5.3.13 В случае крепления наружной обшивки шурупами диаметр отверстий в листах должен быть более диаметра ненарезной части шурупа на расчетное значение, мм, зависящее от конкретных климатических условий, но не менее:
- 2 - для районов с расчетной температурой наружного воздуха не выше минус 40 °C:
- 3 - для районов с расчетной температурой наружного воздуха минус 40 °C и ниже.
5.3.14 Для уплотнения пазов алюминиевых профилей по периметру листов наружной обшивки следует применять следующие материалы: уплотняющие пенополиуретановые прокладки по
ГОСТ 10174, уплотняющие прокладки из эластомерных материалов по
ГОСТ 30778 и по нормативно-технической документации, действующей на территории государства - участника Соглашения, принявшего настоящий стандарт, а также нетвердеющую строительную мастику по
ГОСТ 14791.
Герметизацию швов между листами наружной обшивки, прикрепляемой к каркасу шурупами, а также мест установки шурупов следует выполнять строительной нетвердеющей герметизирующей мастикой по
ГОСТ 14791, герметиком по
ГОСТ 25621.
(п. 5.3.14 в ред.
Изменения N 1, введенного в действие Приказом Росстандарта от 12.09.2025 N 1035-ст)
5.3.15 Листы внутренней обшивки должны быть прикреплены к каркасу коррозионно-стойкими шурупами с потайной головкой по
ГОСТ 1145. Диаметр отверстий в листах должен быть более диаметра ненарезной части шурупа на 2 - 3 мм. Отверстия следует сверлить с раззенковкой на высоту головки шурупа.
5.3.16 Между внутренней обшивкой панели и утеплителем должна быть пленочная или окрасочная пароизоляция.
Пленочную пароизоляцию следует выполнять из полиэтиленовой пленки по
ГОСТ 10354.
Для окрасочной пароизоляции следует применять следующие краски: эмали ХВ-785 по
ГОСТ 7313, эмали ХВ-161 по нормативно-технической документации, действующей на территории государства - участника Соглашения, принявшего настоящий стандарт, краски ВД-АК-111 по
ГОСТ 28196, эмали ХС-119 по
ГОСТ 21824.
(в ред.
Изменения N 1, введенного в действие Приказом Росстандарта от 12.09.2025 N 1035-ст)
Краску следует наносить на поверхность внутренней обшивки, обращенную к утеплителю.
Пароизоляционный слой должен быть сплошным, без разрывов и повреждений.
5.3.17 Плиты утеплителя должны быть уложены между элементами каркаса слоями в распор с обжатием их по торцам, предотвращающим смещение при транспортировании, монтаже и эксплуатации панелей.
В панелях без противоветровой преграды по периметру глухих участков необходимо в зоне воздушной прослойки укладывать дополнительный слой утеплителя в виде полос шириной 100 мм в целях защиты элементов каркаса от воздействий огня при пожаре.
Толщину слоя утеплителя в панелях следует определять по требованиям к сопротивлению теплопередаче по действующим нормативным документам, с учетом удельных потерь теплоты через узлы конструкции. В местах прохождения металлических или бетонных элементов сквозь утеплитель требуется проводить расчеты температурного поля для проверки промерзания конструкции.
5.3.18 Панели следует поставлять с установленными остекленными оконными блоками и дверными блоками. Конструкция, размеры и качество оконных и дверных блоков должны удовлетворять требованиям
ГОСТ 11214 и
ГОСТ 23166, узлы примыкания к проемам панелей -
ГОСТ 30971.
Зазоры в проемах должны быть герметизированы лентой, утеплителем, герметиком в соответствии с требованиями
ГОСТ 30971 и действующих нормативных документов.
5.3.19 Если в панели рабочими чертежами предусмотрена установка деревянных подоконных досок, их следует устанавливать по
ГОСТ 8242. Установка в панелях хризотилцементных подоконных экструзионных плит - по техническим условиям, утвержденным в установленном порядке.
(в ред.
Изменения N 1, введенного в действие Приказом Росстандарта от 12.09.2025 N 1035-ст)
5.3.20 В панелях должны быть установлены подоконные сливы из оцинкованной стали по
ГОСТ 14918. Установку сливов следует проводить в соответствии с чертежами.
5.3.21 Если в панели рабочими чертежами предусмотрена установка по периметру проемов с внутренней стороны деревянных наличников, их следует устанавливать по
ГОСТ 8242.
5.4 Требования к точности изготовления панелей
5.4.1 Отклонения размеров панелей от номинальных не должны превышать, мм:
- по длине:
+/- 6 для панелей длиной не более 4000 мм;
+/- 8 " " " свыше 4000 до 8000 мм;
+/- 12 " " " свыше 8000 мм;
- по высоте ............ +/- 4:
- по толщине ........... +/- 5.
5.4.2 Панели должны иметь правильную прямоугольную форму. Разность длин диагоналей панелей не должна превышать, мм:
9 для панелей длиной не более 4000 мм;
12 " " " свыше 4000 до 8000 мм;
18 " " " свыше 8000 мм.
5.4.3 Отклонение от прямолинейности граней панели не должно превышать 2 мм на длине 2 м.
5.4.4 Отклонения от проектных размеров проемов в панелях не должны превышать +/- 5 мм, пазов, прорезей и отверстий - +/- 2 мм.
5.4.5 Отклонения от проектного положения проемов, вырезов и выступов не должны превышать 3 мм, пазов, прорезей и отверстий - 2 мм.
5.4.6 Отклонения от проектного положения закладных деталей и монтажных петель не должны превышать 2 мм.
5.5 Требования к устойчивости панелей к внешним воздействиям
5.5.1 Панели должны удовлетворять требованиям по прочности и жесткости и выдерживать контрольные нагрузки, указанные в рабочих чертежах.
5.5.2 Стальные закладные детали, угловые накладки, монтажные петли, используемые для навески панелей, а также шурупы, гвозди, шайбы должны иметь антикоррозионное покрытие, вид и техническую характеристику которого следует назначать в соответствии с
ГОСТ 31384 и действующими нормативными документами.
5.6 Требования к качеству отделки поверхностей и внешнему виду панелей
5.6.1 Панели должны иметь полную заводскую готовность, предусмотренную требованиями настоящего стандарта и проектом.
Внешний вид, цвет и качество отделки наружной и внутренней поверхностей панелей должны соответствовать эталону, утвержденному в установленном порядке.
5.6.2 На наружных поверхностях панелей не допускаются:
- сдиры, расслоения, отколы, сквозные трещины и пр. дефекты, нарушающие целостность изделия;
- высолы и пятна, видимые на расстоянии 10 м;
- при наличии защитно-декоративного покрытия истираемость отделочного слоя;
- искривления алюминиевых профилей.
Допускаются на наружных поверхностях панелей малозначительные дефекты:
- шероховатость, отпечатки от технологических металлических прокладок, отдельные неровности (выпуклости, углубления) длиной и шириной не более 35 мм, глубиной не более 1 мм.
5.6.3 На фасадах следует применять только коррозионно-стойкие металлические элементы.
5.6.4 Внутренняя поверхность панелей должна быть подготовлена под окраску или оклейку обоями. Швы между листами обшивки должны быть зашпаклеваны. Перепады по толщине смежных листов не должны превышать 1 мм.
На внутренних поверхностях панелей не допускаются:
- незашпаклеванные швы или участки швов между листами обшивки;
- выступающие на плоскости головки шурупов;
- трещины, пробоины или отверстия в листах обшивки.
5.6.5 Открытые поверхности стальных закладных деталей и монтажных петель, поверхности подоконных листов и сливов, пазы и прорези на торцах панелей, а также четверти в проемах должны быть очищены от наплывов клея, краски, шпаклевки и пр.
6.1 Панели должны поставляться предприятием-изготовителем укомплектованными типовыми крепежными деталями, деталями и материалами для стыковых соединений - нащельниками, деревянными шпонками, водоотводящими фартуками, изготовленными в соответствии с проектом, коррозионно-стойкими винтами, шурупами, гайками и шайбами, гернитовыми жгутами, мастикой.
6.2 При невозможности обеспечить сохранность подоконных листов и сливов при транспортировании и монтаже панелей допускается включать их в состав комплектующих деталей по соглашению предприятия-изготовителя и потребителя.
6.3 Комплектующие детали и материалы должны быть включены заказчиком в состав заказа по приложенной спецификации.
6.4 Комплектующие детали должны быть тщательно подогнаны для их установки в конструкцию панели на строительной площадке, замаркированы, упакованы и отгружены потребителю вместе с панелями.
7.1 Панели должны быть приняты техническим контролем предприятия-изготовителя.
7.2 Приемку панелей проводят партиями.
В состав партии должны входить панели одного типа и вида, изготовленные предприятием в течение не более 5 сут по одной технологии, из материалов одного вида и качества.
7.3 Приемочный контроль каждой партии панелей проводится предприятием-изготовителем по следующим показателям:
- соответствие примененных материалов и деталей требованиям стандартов, утвержденных в установленном порядке, и рабочих чертежей панелей;
- внешний вид, качество защитно-декоративного покрытия, размеры, правильность формы, отклонения от проектного положения проемов, вырезов, выступов, пазов, прорезей и отверстий, наличие и правильность установки монтажных петель и закладных деталей;
- качество установки оконных и дверных блоков, а также подоконных плит и сливов, качество уплотнения и герметизации по периметру оконных и дверных блоков;
- наличие маркировки.
7.4 Предприятие-изготовитель обязано не реже одного раза в год, а также при освоении производства или при замене отдельных элементов панелей проводить периодический контроль прочности и жесткости панелей.
7.5 При изменении вида утеплителя в конструкции панелей следует определять предел огнестойкости и группу горючести панелей, но не менее горючести НГ, учитывая требования
раздела 1, путем проведения огневых испытаний не менее двух панелей одной партии.
7.6 Проверку внешнего вида панелей, наличия правильности установки монтажных петель, качества оконных и дверных блоков и их установки, качества подоконных плит и сливов, уплотнения и герметизации по периметру оконных и дверных блоков, наличия маркировки следует проводить путем сплошного контроля.
7.7 Для проверки размеров и правильности формы панелей от каждой партии отбирают панели в соответствии с планом одноступенчатого или двухступенчатого контроля, приведенным в таблице 2.
Таблица 2
Число панелей в партии | | Число панелей в одной выборке | Минимальное число панелей, не удовлетворяющих требованиям стандарта, при которых панели не принимают |
в первой выборке | в двух выборках |
1 | 2 | 3 | | |
От 6 до 25 | Выборочный одноступенчатый | 5 | 1 | - |
От 26 до 90 | Выборочный двухступенчатый | 5 | 2 | 2 |
От 91 до 280 | Выборочный двухступенчатый | 8 | 2 | 2 |
Примечание - При числе панелей в партии более 25 допускается также применять одноступенчатый выборочный контроль. В этом случае план приемочного контроля следует принимать по ГОСТ 23616. |
7.8 При проверке партии панелей по результатам выборочного контроля должны соблюдать следующие правила:
- если в первой выборке нет ни одной панели, не удовлетворяющей требованиям настоящего стандарта, то партию панелей принимают;
- если число таких панелей в первой выборке равно или больше числа, приведенного в
графе 4 таблицы 2, то партию панелей принимают;
- если число таких панелей в первой выборке менее числа, приведенного в
графе 4 таблицы 2, то в случае двухступенчатого контроля от партии панелей следует отобрать вторую выборку; число панелей во второй выборке должно быть таким же, как и в первой.
В случае отбора второй выборки прием партии панелей следует проводить с учетом результатов контроля панелей, вошедших в первую выборку, следующим образом:
- если в двух выборках суммарное число панелей, не удовлетворяющих требованиям настоящего стандарта, менее числа, приведенного в
графе 5 таблицы 2, то партию панелей принимают;
- если в двух выборках суммарное число панелей равно или более числа, приведенного в
графе 5 таблицы 2, то партию панелей не принимают.
7.9 Приемку панелей, не принятых в результате выборочного контроля, следует проводить поштучно, при этом следует контролировать только те параметры панелей, по которым они не были приняты при выборочном контроле.
7.10 На всех панелях, принятых в результате приемочного контроля, должен быть нанесен штамп технического контроля предприятия-изготовителя.
7.11 Потребитель имеет право проводить контрольную выборочную проверку соответствия панелей требованиям настоящего стандарта, соблюдая при этом порядок отбора изделий и применяя методы испытаний, указанные в настоящем стандарте.
При обнаружении устранимых дефектов панели могут быть предъявлены к повторной проверке после устранения дефектов.
8 Методы контроля и испытаний
8.1 Качество хризотилцементных листов, деталей деревянного каркаса, утеплителя и пароизоляции, а также комплектующих деталей проверяют по документам предприятий-поставщиков, удостоверяющих качество, а также по результатам входного и операционного контроля на соответствие требованиям
ГОСТ 18124.
(в ред.
Изменения N 1, введенного в действие Приказом Росстандарта от 12.09.2025 N 1035-ст)
8.2 Внешний вид панели, цвет и качество защитно-декоративного покрытия проверяют путем осмотра, измерения и сравнения с утвержденным эталоном.
8.3 Предел огнестойкости и группу горючести панелей определяют испытанием панелей в соответствии с требованиями действующих нормативных документов <*>.
--------------------------------
<*> В Российской Федерации действует
ГОСТ Р 57270-2016 "Материалы строительные. Методы испытаний на горючесть".
8.4 Проверка размеров панелей
8.4.1 Инструмент и приспособления
Линейка металлическая измерительная по
ГОСТ 427.
Рулетки металлические измерительные 2-го класса точности по
ГОСТ 7502.
8.4.2 Отбор образцов
Образцы для испытания отбирают по
7.7.
8.4.3 Проведение контроля
Длину панели измеряют в трех местах - с двух сторон на расстоянии 40 мм от продольных кромок и в середине панели. Высоту панели измеряют посредине длины панели и на расстоянии 20 мм от торцевых кромок панели с двух сторон.
Толщину панели измеряют в двух точках глухой части панели.
8.4.4 Обработка результатов
Результат каждого измерения должен быть в пределах допускаемых отклонений.
8.5 Проверка правильности формы (отклонения от плоскости)
8.5.1 Инструмент и приспособления
Линейка металлическая измерительная по
ГОСТ 427.
Линейка металлическая поверочная 2-го класса точности типа ШД по
ГОСТ 8026.
Щупы в соответствии с требованиями технических условий.
8.5.2 Отбор образцов
Образцы для испытания отбирают по
7.7.
8.5.3 Проведение контроля
Отклонение от прямолинейности граней панелей определяют измерением наибольшего зазора между поверхностью панели и рабочей поверхностью поверочной линейки.
8.6 Контроль положения проемов, закладных деталей, монтажных петель, деталей стыковых соединений, выступов, вырезов, отверстий, пазов и прорезей, а также шаг установки шурупов проверяют металлической линейкой по
ГОСТ 427.
8.7 Наличие закладных деталей и монтажных петель, качество установки оконных и дверных блоков, наличие и качество подоконных плит, сливов, а также наличие маркировки проверяют визуально.
8.8 Проверку прочности и жесткости панелей проводят в соответствии с рабочими чертежами.
8.9 Удельная эффективная активность естественных радионуклидов в материалах, составляющих хризотилцементные листы, не должна превышать значений, установленных в
ГОСТ 30108.
(в ред.
Изменения N 1, введенного в действие Приказом Росстандарта от 12.09.2025 N 1035-ст)
8.10 Влажность древесины каркаса определяют по
ГОСТ 16588.
(п. 8.11 в ред.
Изменения N 1, введенного в действие Приказом Росстандарта от 12.09.2025 N 1035-ст)
9 Маркировка, хранение и транспортирование
9.1 Маркировка
9.1.1 На внутренней стороне каждой панели и нижнем левом углу несмываемой краской с помощью трафарета или штампов должно быть нанесено условное обозначение панели.
На боковой вертикальной грани каждой панели, кроме того, должны быть нанесены следующие маркировочные знаки:
- товарный знак предприятия-изготовителя или его краткое наименование;
- дата изготовления;
- штамп технического контроля;
- масса панели, кг;
- обозначение настоящего стандарта.
Маркировочные знаки должны быть нанесены на комплектующие детали (см.
6.1), входящие в состав панели.
9.1.2 Предприятие-изготовитель должно сопровождать каждую партию отгружаемых панелей документом, удостоверяющим их качество, в котором указывают:
- наименование и адрес предприятия-изготовителя;
- номер и дату выдачи документа;
- номер партии панелей;
- наименование и число панелей каждого типа и вида;
- дату изготовления панелей;
- марки вмонтированных оконных и дверных блоков и обозначения стандартов на эти изделия;
- обозначения настоящего стандарта.
Документ должен быть подписан лицом, ответственным за технический контроль предприятия-изготовителя.
Знаки, указывающие на соответствие панелей требованиям стандартов и/или сертификационных организаций, следует наносить согласно действующему законодательству государства - участника Соглашения, принявшего настоящий стандарт.
9.2 Хранение и транспортирование
9.2.1 Панели следует хранить на складе в специальных кассетах в вертикальном положении по 10 - 12 шт. в каждой кассете. Каждая панель должна быть установлена на деревянные подкладки с гнездами для опирания нижних граней панелей.
При наличии в панелях выступающих вниз частей и деталей высота подкладок должна превышать их высоту не менее чем на 20 мм.
9.2.2 Панели следует хранить рассортированными по маркам и установленными при хранении таким образом, чтобы были видны их маркировочные знаки.
9.2.3 Допускается хранить панели под навесом или на открытых площадках. При хранении на открытых площадках верхние и боковые грани панелей должны быть защищены от увлажнения.
9.2.4 Поверхности алюминиевых профилей должны быть защищены от загрязнения в процессе хранения и транспортирования.
(в ред.
Изменения N 1, введенного в действие Приказом Росстандарта от 12.09.2025 N 1035-ст)
9.2.5 При хранении панелей необходимо обеспечивать возможность захвата и свободного подъема каждой панели для погрузки на транспортное средство или монтажа.
9.2.6 Подъем, погрузка и выгрузка панелей должны проводить краном с применением специальных траверс и захватных приспособлений; при этом запрещается подвергать панели ударам и ставить их на угол.
9.2.7 Транспортирование панелей проводят в специальных транспортных средствах в вертикальном положении, предварительно закрепив и установив между ними предохранительные деревянные прокладки.
Перед перевозкой должны быть приняты меры по обеспечению сохранности отделки панелей и остекления окон и дверей, а также по предохранению панелей от механических повреждений и увлажнения.
9.2.8 Окна и двери, установленные в панелях, при их хранении и транспортировании должны быть закрыты и закреплены.
10.1 Предприятие-изготовитель гарантирует соответствие поставляемых панелей требованиям настоящего стандарта при соблюдении потребителем правил их транспортирования и хранения, установленных настоящим стандартом.
10.2 Гарантийный срок, в течение которого предприятие - изготовитель панелей обязано устранить обнаруженные потребителем скрытые дефекты, указанные в предъявленных претензиях, - три года с момента отгрузки панелей потребителю.
Скрытыми дефектами следует считать дефекты, которые не могли быть обнаружены при приемке панелей и выявились в процессе их транспортирования, хранения, подготовки к монтажу, монтажа или эксплуатации в здании.
(рекомендуемое)
ПРИМЕРЫ КОНСТРУКТИВНЫХ РЕШЕНИЙ ПАНЕЛЕЙ
На рисунке А.1,
А.2 представлены примеры конструктивных решений панелей.
Рисунок А.1
1 - алюминиевый профиль; 2 - противоветровая преграда
(рекомендуемое)
ВАРИАНТЫ КОНСТРУКЦИИ КАРКАСА
На рисунках Б.1,
Б.2 представлены варианты конструкции каркаса.
Рисунок Б.1 - Каркас с элементами составного сечения
Рисунок Б.2 - Каркас с элементами сплошного сечения
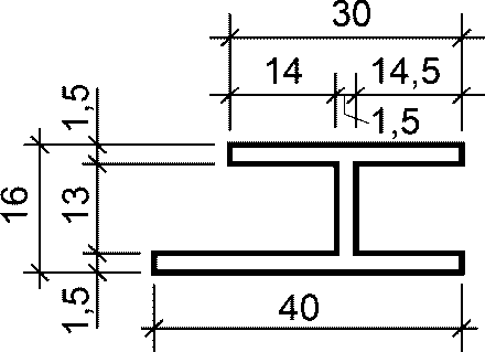
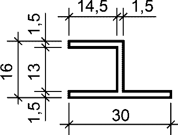
(рекомендуемое)
ФИКСИРУЮЩИЕ АЛЮМИНИЕВЫЕ ПРОФИЛИ ДЛЯ КРЕПЛЕНИЯ
НАРУЖНОЙ ХРИЗОТИЛЦЕМЕНТНОЙ ОБШИВКИ ПАНЕЛЕЙ
Приказом Росстандарта от 12.09.2025 N 1035-ст)
На рисунках В.1 -
В.3 представлены фиксирующие алюминиевые профили.
Масса 1 пог. м 0,284 кг
Рисунок В.1 - Профиль ПС 885-265
Масса 1 пог. м 0,24 кг
Рисунок В.2 - Профиль ПС 885-266
Масса 1 пог. м 0,346 кг
Рисунок В.3 - Профиль ПС 885-267
1 Прессованные профили изготовляют в соответствии с СТУ 8-3.
2 Материал - сплав АД 31.
(рекомендуемое)
ВАРИАНТЫ КРЕПЛЕНИЯ ОБШИВКИ
На рисунках Г.1 -
Г.3 представлены варианты крепления обшивки.
Рисунок Г.1 - Крепление наружной обшивки
фиксирующими алюминиевыми профилями
Рисунок Г.2 - Крепление наружной обшивки шурупами с шайбами
Рисунок Г.3 - Крепление внутренней обшивки шурупами
УДК 691.328.1.022-413:006.354 | |
Ключевые слова: панель хризотилцементная стеновая, типы, обшивка, каркас, длина и ширина, марка, бетон, класс, технические требования, арматура, приемка, методы контроля, транспортирование и хранение |
(в ред. Изменения N 1, введенного в действие Приказом Росстандарта от 12.09.2025 N 1035-ст) |