Главная // Актуальные документы // ГОСТ Р (Государственный стандарт)СПРАВКА
Источник публикации
М.: Стандартинформ, 2016
Примечание к документу
Дата введения в действие перенесена на 1 мая 2018 года
Приказом Росстандарта от 28.04.2017 N 355-ст.
Документ
введен в действие с 1 мая 2017 года.
Название документа
"ГОСТ Р 57270-2016. Национальный стандарт Российской Федерации. Материалы строительные. Методы испытаний на горючесть"
(утв. и введен в действие Приказом Росстандарта от 18.11.2016 N 1713-ст)
"ГОСТ Р 57270-2016. Национальный стандарт Российской Федерации. Материалы строительные. Методы испытаний на горючесть"
(утв. и введен в действие Приказом Росстандарта от 18.11.2016 N 1713-ст)
Утвержден и введен в действие
агентства по техническому
регулированию и метрологии
от 18 ноября 2016 г. N 1713-ст
НАЦИОНАЛЬНЫЙ СТАНДАРТ РОССИЙСКОЙ ФЕДЕРАЦИИ
МАТЕРИАЛЫ СТРОИТЕЛЬНЫЕ
МЕТОДЫ ИСПЫТАНИЙ НА ГОРЮЧЕСТЬ
Building materials. Methods for combustibility tests
(ISO 1182:2010, NEQ)
(EN ISO 1182:2010, NEQ)
(EN ISO 1716:2010, NEQ)
(EN ISO 11925-2:2010, NEQ)
(EN ISO 12238:2010, NEQ)
(EN ISO 13943:2010, NEQ)
(EN ISO 13501-1:2010, NEQ)
ГОСТ Р 57270-2016
| | Приказом Росстандарта от 28.04.2017 N 355-ст дата введения в действие перенесена на 1 мая 2018 года. | |
Дата введения
1 мая 2017 года
1 РАЗРАБОТАН Центральным научно-исследовательским институтом строительных конструкций им. В.А. Кучеренко (ЦНИИСК им. В.А. Кучеренко) Акционерного общества "Научно-исследовательский центр "Строительство" (АО "НИЦ "Строительство") и Федеральным государственным бюджетным учреждением "Всероссийский ордена "Знак Почета" научно-исследовательский институт противопожарной обороны Министерства Российской Федерации по делам гражданской обороны, чрезвычайным ситуациям и ликвидации последствий стихийных бедствий" (ФГБУ ВНИИПО МЧС России)
2 ВНЕСЕН Техническим комитетом по стандартизации ТК 465 "Строительство"
3 УТВЕРЖДЕН И ВВЕДЕН В ДЕЙСТВИЕ
Приказом Федерального агентства по техническому регулированию и метрологии от 18 ноября 2016 г. N 1713-ст
4 В настоящем стандарте учтены основные нормативные положения следующих международного и европейских стандартов:
- ИСО 1182:2010 "Методы испытаний на пожарную опасность материалов. Испытания на негорючесть" (ISO 1182:2010 "Reaction to fire tests for products - Non-combustibility test", NEQ);
- ЕН ИСО 1182:2010 "Методы испытаний на пожарную опасность строительных материалов. Испытания на негорючесть" (EN ISO 1182:2010 "Reaction to fire tests for building products - Non-combustibility test", NEQ);
- ЕН ИСО 1716:2010 "Методы испытаний на пожарную опасность строительных материалов. Определение высшей теплоты сгорания" (EN ISO 1716:2010 "Reaction to fire tests for building products - Determination of the gross heat of combustion (calorific value)", NEQ);
- ЕН ИСО 11925-2:2010 "Методы испытаний на пожарную опасность. Воспламеняемость строительных изделий при прямом воздействии пламени. Часть 2. Испытание с применением одного источника пламени (ISO 1192-2:2010)" (EN ISO 11925-2:2010 "Reaction to fire tests - Ignitability of products subjected in direct impingement of flame - Part 2: Single-flame source test (ISO 11925-2:2010)", NEQ);
- ЕН ИСО 12238:2010 "Методы испытаний на пожарную опасность строительных материалов. Процедуры кондиционирования и основные правила подложек для образцов" (EN ISO 12238:2010 "Reaction to fire tests for building products - Conditioning procedures and general rules for selection of substrate", NEQ);
- ЕН ИСО 13943:2010 "Пожарная безопасность. Словарь (ИСО 13943:2008)" (EN ISO 13943:2010 "Fire safety - Vocabulary (ISO 13943:2008)", NEQ);
- ЕН ИСО 13501-1:2010 "Классификация строительных конструкций материалов по пожарной опасности. Часть 1. Классификация по результатам испытаний на пожарную опасность" (EN ISO 13501-1:2010 "Fire classification of construction products and building elements - Part 1: Classification using test data from reaction to fire tests", NEQ)
5 ВВЕДЕН ВПЕРВЫЕ
Правила применения настоящего стандарта установлены в
статье 26 Федерального закона от 29 июня 2015 г. N 162-ФЗ "О стандартизации в Российской Федерации". Информация об изменениях к настоящему стандарту публикуется в годовом (по состоянию на 1 января текущего года) информационном указателе "Национальные стандарты", а официальный текст изменений и поправок - в ежемесячном информационном указателе "Национальные стандарты". В случае пересмотра (замены) или отмены настоящего стандарта соответствующее уведомление будет опубликовано в ближайшем выпуске ежемесячного информационного указателя "Национальные стандарты". Соответствующая информация, уведомление и тексты размещаются также в информационной системе общего пользования - на официальном сайте Федерального агентства по техническому регулированию и метрологии в сети Интернет (www.gost.ru)
Настоящий стандарт устанавливает методы испытаний строительных материалов на горючесть и классификацию их по группам горючести.
Стандарт не распространяется на лаки и краски в жидком виде, а также другие строительные материалы в виде растворов и порошков.
В настоящем стандарте использованы нормативные ссылки на следующие стандарты:
ГОСТ 12.1.005-88 Система стандартов безопасности труда. Общие санитарно-гигиенические требования к воздуху рабочей зоны
ГОСТ 745-2014 Фольга алюминиевая для упаковки. Технические условия
ГОСТ 6616-94 Преобразователи термоэлектрические. Общие технические условия
ГОСТ 12026-76 Бумага фильтровальная лабораторная. Технические условия
ГОСТ 20448-90 Газы углеводородные сжиженные топливные для коммунально-бытового потребления. Технические условия
ГОСТ Р 12.1.019-2009 Система стандартов безопасности труда. Электробезопасность. Общие требования и номенклатура видов защиты
Примечание - При пользовании настоящим стандартом целесообразно проверить действие ссылочных стандартов в информационной системе общего пользования - на официальном сайте Федерального агентства по техническому регулированию и метрологии в сети Интернет или по ежегодному информационному указателю "Национальные стандарты", который опубликован по состоянию на 1 января текущего года, и по выпускам ежемесячного информационного указателя "Национальные стандарты" за текущий год. Если заменен ссылочный стандарт, на который дана недатированная ссылка, то рекомендуется использовать действующую версию этого стандарта с учетом всех внесенных в данную версию изменений. Если заменен ссылочный стандарт, на который дана датированная ссылка, то рекомендуется использовать версию этого стандарта с указанным выше годом утверждения (принятия). Если после утверждения настоящего стандарта в ссылочный стандарт, на который дана датированная ссылка, внесено изменение, затрагивающее положение, на которое дана ссылка, то это положение рекомендуется применять без учета данного изменения. Если ссылочный стандарт отменен без замены, то положение, в котором дана ссылка на него, рекомендуется применять в части, не затрагивающей эту ссылку.
В настоящем стандарте применены следующие термины с соответствующими определениями:
3.1 горение: Экзотермическая реакция окисления вещества, сопровождающаяся по крайней мере одним из трех факторов: пламенем, свечением, выделением дыма.
3.2 материал: Отдельное основное вещество или равномерно распределенная смесь веществ, например, металл, камень, древесина, бетон, минеральная вата с равномерно распределенным связующим веществом, полимерами.
3.3 многослойные материалы: Материалы, изготовленные из двух или более слоев однородных материалов (например, гипсокартон, бумажно-слоистые пластики и др.).
3.4 однородные материалы: Материалы, состоящие из одного вещества или равномерно распределенной смеси веществ (например, древесина, пенопласты, бетоны, фиброцементы и др.).
3.5 расплав: Вязкотекучее состояние вещества, сопровождающееся в том числе образованием горящих и (или) негорящих капель материала.
3.6 тление: Горение материала, характеризующееся отсутствием открытого пламени, сопровождающееся свечением, выделением дыма и других продуктов горения.
3.7 устойчивое пламенное горение: Непрерывное пламенное горение материала в течение не менее 5 с.
3.8 экспонируемая поверхность: Поверхность образца, подвергающаяся воздействию тепла и (или) открытого пламени при испытании на горючесть.
3.9 высшая теплота сгорания Qв, МДж/кг: Количество тепла, выделившееся при полном сгорании единицы массы материала в среде кислорода, с учетом теплоты конденсации водяных паров.
3.10 низшая теплота сгорания Qн, МДж/кг: Количество тепла, выделившееся при полном сгорании единицы массы материала в среде кислорода, без учета теплоты конденсации водяных паров.
4.1 Метод I
(раздел 6) предназначен для испытания строительных материалов на негорючесть.
4.2 Метод II
(раздел 7) предназначен для испытания строительных материалов на горючесть в целях определения их групп горючести.
4.3 Метод III
(раздел 8) предназначен для уточнения отнесения материалов к устанавливаемым по
методу II группам горючести.
4.4 Метод IV
(раздел 9) предназначен для испытания строительных материалов по определению теплоты сгорания и уточнения отнесения материалов к устанавливаемым по
методу I негорючим материалам НГ1 или НГ2.
4.5 При определении групп горючести термопластичных материалов или изделий с применением термопластичных материалов рекомендуется сначала проводить испытания по
методу III. Если по результатам испытаний по
методу III образцы материала относятся к группе Г4, то испытания по
методу II не проводят.
5. Классификация строительных материалов
по группам горючести
5.1 Строительные материалы в зависимости от значений параметров горючести подразделяют по группам на негорючие (НГ) и горючие (Г).
5.2 Негорючие строительные материалы по результатам испытаний по
методам I и
IV подразделяют на НГ1 и НГ2.
5.2.1 Строительные материалы относят к негорючим НГ1 при следующих среднеарифметических значениях параметров горючести по
методам I и
IV:
- прирост температуры в печи не более 30 °C;
- потеря массы образцов не более 50%;
- продолжительность устойчивого пламенного горения - 0 с;
- теплота сгорания не более 2,0 МДж/кг.
5.2.2 Строительные материалы относят к негорючим НГ2 при следующих среднеарифметических значениях параметров горючести по
методам I и
IV:
- прирост температуры в печи не более 50 °C;
- потеря массы образцов не более 50%;
- продолжительность устойчивого пламенного горения не более 20 с;
- теплота сгорания не более 3,0 МДж/кг.
5.2.3 Допускается относить без испытаний к негорючим НГ1 следующие строительные материалы без окрашивания их внешней поверхности либо с окрашиванием внешней поверхности составами без использования полимерных и (или) органических компонентов:
- бетоны, строительные растворы, штукатурки, клеи и шпатлевки, глиняные, керамические, керамогранитные и силикатные изделия (кирпичи, камни, блоки, плиты, панели и т.п.), фиброцементные изделия (листы, панели, плиты, трубы и т.п.) за исключением во всех случаях материалов, изготавляемых с применением полимерного и (или) органического вяжущего заполнителей и фибры;
- изделия из неорганического стекла;
- изделия из сплавов стали, меди и алюминия.
5.3 Строительные материалы, не удовлетворяющие хотя бы одному из указанных значений параметров по
5.2.1 и
5.2.2, относятся к группе горючих и подлежат испытанию по
методам II и
III. Для негорючих строительных материалов другие показатели пожарной опасности не определяют и не нормируют.
5.4 Горючие строительные материалы в зависимости от значений параметров горючести, определяемых по
методу II, подразделяют на четыре группы горючести (Г1, Г2, Г3, Г4) в соответствии с
таблицей 1. Материалы следует относить к определенной группе горючести при условии соответствия всех среднеарифметических значений параметров, установленных таблицей 1 для этой группы.
Таблица 1
Классификация горючих строительных материалов по группам
горючести в зависимости от параметров горючести
Группа горючести материалов | Параметры горючести |
Температура дымовых газов T, °C | Степень повреждения по длине SL, % | Степень повреждения по массе Sm, % | Продолжительность самостоятельного горения tc.г, с |
Г1 | До 135 включ. | До 65 включ. | До 20 | 0 |
Г2 | До 235 включ. | До 85 включ. | До 50 | До 30 включ. |
Г3 | До 450 включ. | Св. 85 | До 50 | До 300 включ. |
Г4 | Св. 450 | Св. 85 | Св. 50 | Св. 300 |
Примечание - Для материалов, относящихся к группам горючести Г1 - Г3, не допускается образование горящих капель расплава и (или) горящих фрагментов при испытании. Для материалов, относящихся к группам горючести Г1 - Г2, не допускается образование расплава и (или) капель расплава при испытании. |
6. Метод испытания на негорючесть (метод I)
Метод применяют для однородных и многослойных строительных материалов.
Для многослойных материалов испытания рекомендуется проводить для каждого слоя, составляющего материал. При невозможности отделения каждого слоя материала без повреждения на испытания представляют отдельно компоненты материала или проводят испытания всего материала в целом.
В том случае, если один из слоев материала относится к группе НГ2, а все остальные слои - к группе НГ1, весь слоистый материал в целом относится к группе НГ2. В том случае, если один из слоев материала не относится к негорючим материалам, весь слоистый материал в целом также не относится к негорючим материалам.
6.2. Образцы для испытания
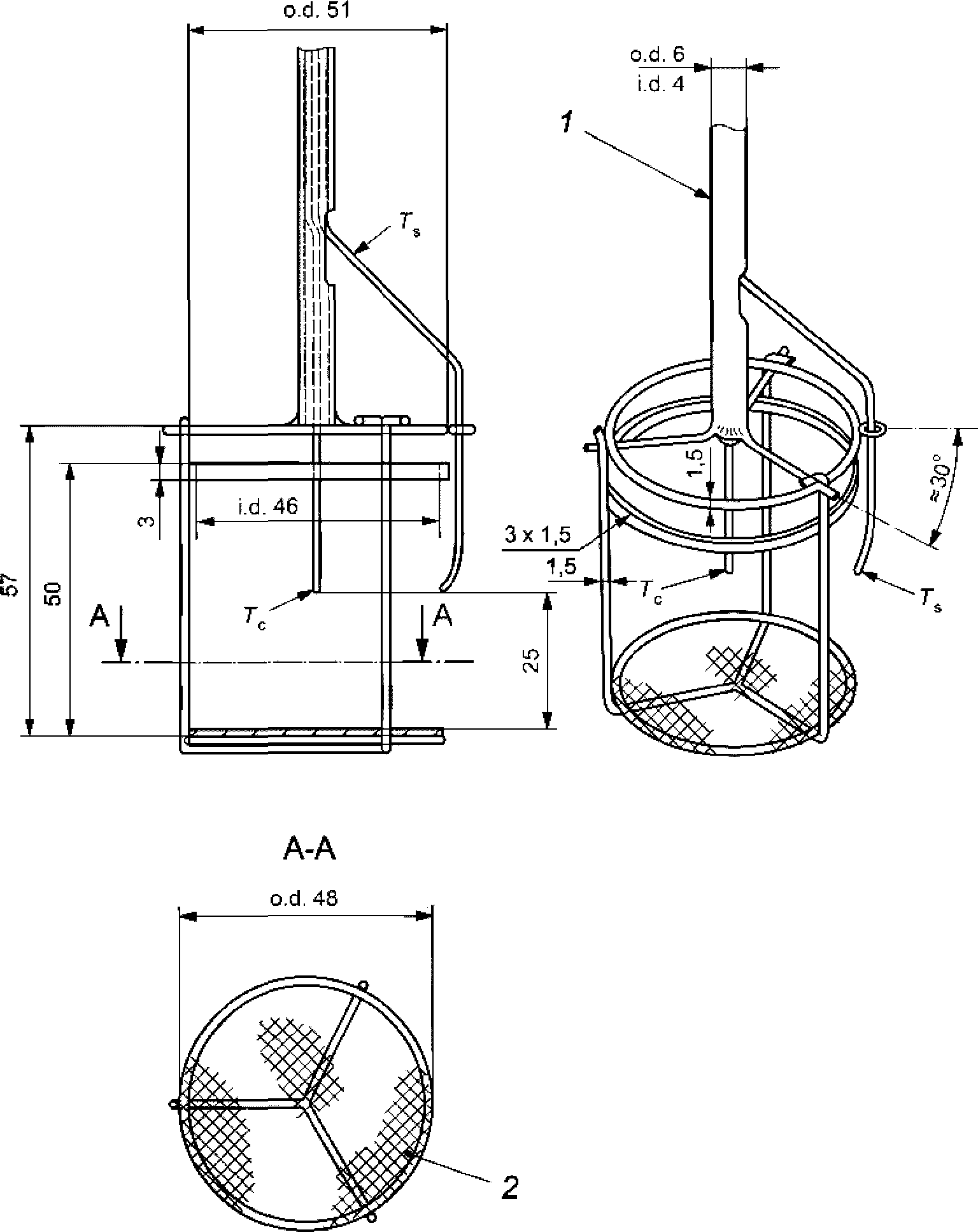
6.2.1 Для каждого испытания изготовляют пять образцов цилиндрической формы следующих размеров: диаметр

, высота (50 +/- 3) мм.
6.2.2 Если толщина материала составляет менее 50 мм, образцы изготовляют из соответствующего количества слоев, обеспечивающих необходимую толщину (высоту) образцов. Слои материала в целях предотвращения образования между ними воздушных зазоров плотно соединяют с помощью тонкой стальной проволоки максимальным диаметром 0,5 мм.
6.2.3 В верхней части образца (в случае необходимости) следует предусматривать отверстие диаметром 2 мм для установки термоэлектрического преобразователя (далее - термопара) в геометрическом центре образца.
6.2.4 Образцы кондиционируют в вентилируемом термошкафу при температуре (60 +/- 5) °C в течение 20 - 24 ч, после чего охлаждают в эксикаторе.
6.2.5 Перед испытанием каждый образец взвешивают, определяя его массу с точностью до 0,1 г.
6.3. Оборудование для испытания
6.3.1 Типовая конструкция установки и основное оборудование для проведения испытаний по
методу I приведены в
приложении А.
6.3.2 Все размеры, приведенные в описании оборудования для испытаний, являются номинальными значениями, если не указаны допуски.
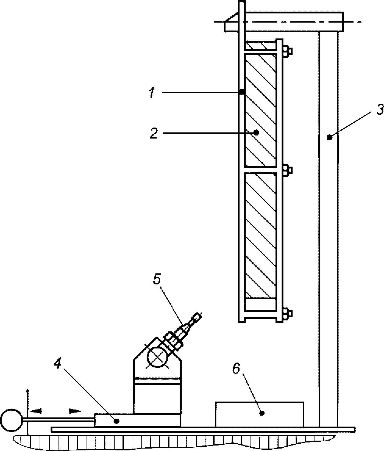
6.3.3 Установка для испытаний
(рисунок А.1) состоит из следующих элементов:
- печи в виде трубы из огнеупорного материала с навитым нагревательным элементом (спиралью), помещенной в изолированное ограждение;
- конусообразного стабилизатора воздушного потока;
- тяговой заслонки;
- защитного экрана;
- держателя образца и устройства для введения держателя образца во внутренний объем печи;
- станины для крепления вышеуказанного оборудования;
- электрического оборудования для подачи, регулирования и контроля электрического тока и напряжения;
- регистрирующих приборов для измерения и контроля температуры и времени.
6.3.4 Печь представляет собой трубу из огнеупорного материала высотой (150 +/- 1) мм, внутренним диаметром (75 +/- 1) мм, толщиной стенки (10 +/- 1) мм
(рисунок А.2).
Рекомендуемый состав огнеупорного материала трубчатой печи приведен в таблице 2.
Таблица 2
Рекомендуемый состав огнеупорного материала трубчатой печи
Наименование материала | Содержание, % |
Глинозем (Al2O3) | Св. 89 |
или | |
кремнезем и глинозем (SiO2, Al2O3) | Св. 98 |
Оксид железа (Fe2O3) | До 0,45 |
Диоксид титана (TiO2) | До 0,25 |
Оксид магния (Mn3O4) | До 0,1 |
Другие оксиды в малой концентрации (натрия, калия, кальция и марганца) | Остальное |
6.3.5 Нагревательный элемент печи рекомендуется изготовлять из никель-хромовой (80/20) ленты шириной 3 мм и толщиной 0,2 мм. Его располагают на внешней поверхности трубчатой печи в соответствии со схемой, приведенной на
рисунке А.2.
6.3.6 Трубчатую печь устанавливают внутри цилиндрического ограждения, изготовленного из изоляционного материала, вдоль центральной оси симметрии этого ограждения. Ограждение печи должно иметь высоту, соизмеримую с высотой трубчатой печи, и быть оснащено верхней и нижней пластинами, служащими для размещения концевых частей печи. Внутренний объем пространства между трубчатой печью и ее внешним ограждением заполняют соответствующим изоляционным материалом. Толщина стенки цилиндрического ограждения должна составлять примерно 10 мм. В качестве изоляционного материала рекомендуется применять порошкообразный оксид магния (магнезию) насыпной плотностью 450 кг/м3.
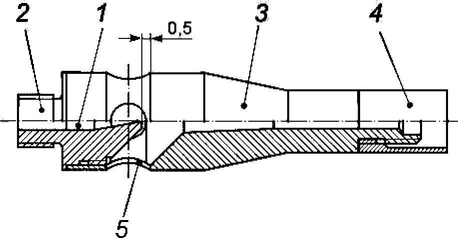
6.3.7 Нижнюю часть трубчатой печи соединяют со сквозным конусообразным стабилизатором воздушного потока длиной примерно 500 мм с равномерно уменьшающимся внутренним диаметром от (75 +/- 1) мм на верхней части до (10 +/- 1) мм на нижней. Стабилизатор изготовляют из листовой стали толщиной 1 мм с отполированной внутренней поверхностью. Место соединения стабилизатора и печи должно быть воздухонепроницаемым и отшлифованным. Верхняя половина стабилизатора должна быть изолирована с внешней стороны соответствующим изоляционным материалом. Рекомендуется применение минерального волокна общей толщиной примерно 25 мм с теплопроводностью (0,04 +/- 0,01) Вт/(м·К) при 20 °C. Пример присоединения стабилизатора воздушного потока к нижней части трубчатой печи и схема его теплоизоляции приведены на
рисунке А.1.
6.3.8 Тяговую заслонку устанавливают на верхней части трубчатой печи. Тяговая заслонка выполняется в виде цилиндра из листовой стали толщиной 1,0 мм. Высота тяговой заслонки составляет 50 мм, внутренний диаметр - (75 +/- 1) мм. Внутренняя поверхность тяговой заслонки должна быть отполирована. Место соединения тяговой заслонки и трубчатой печи должно быть воздухонепроницаемым и отшлифованным. С внешней стороны тяговая заслонка должна быть изолирована соответствующим изоляционным материалом. Рекомендуется применение минерального волокна общей толщиной 25 мм с теплопроводностью (0,04 +/- 0,01) Вт/(м·К) при 20 °C.
6.3.9 Собранный блок, состоящий из трубчатой печи, тяговой заслонки и конусообразного стабилизатора воздушного потока монтируют на станине, состоящей из основания установки и стоек, таким образом, чтобы нижний торец стабилизатора воздушного потока располагался на расстоянии примерно 250 мм от основания станины.
Для исключения влияния воздушных потоков в помещении на нижний торец стабилизатора воздушного потока на станине должен быть установлен конусообразный защитный экран высотой примерно 550 мм из листовой стали толщиной 1,0 мм.
6.3.10 Держатель образца состоит из каркаса и лотка, размещаемого в нижней части каркаса. Каркас должен быть изготовлен из нихромовой или жаропрочной стальной проволоки. Лоток должен быть изготовлен из проволочной сетки из жаропрочной стали.
Масса держателя образца должна составлять (15 +/- 2) г.
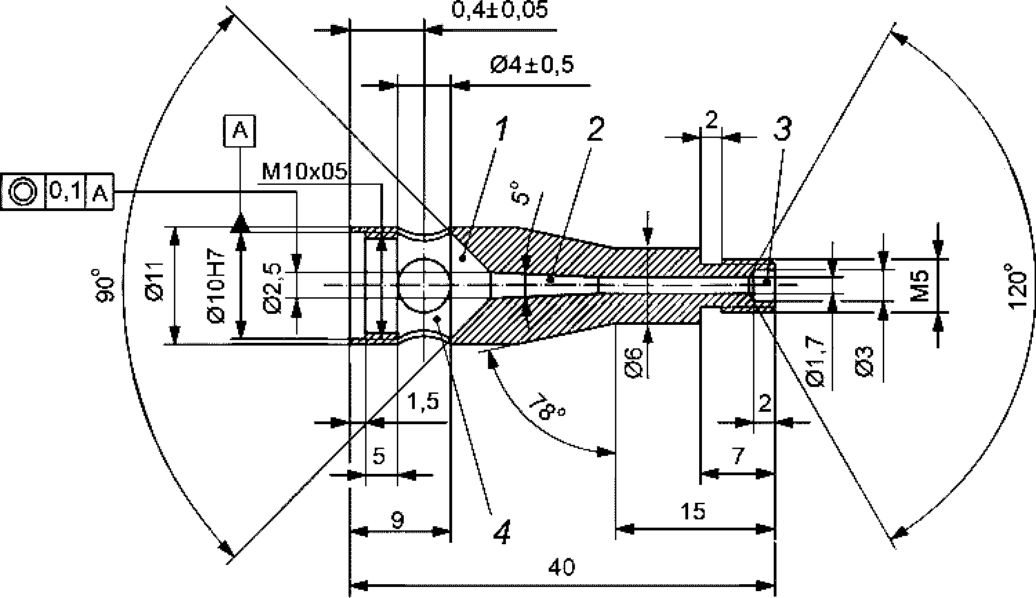
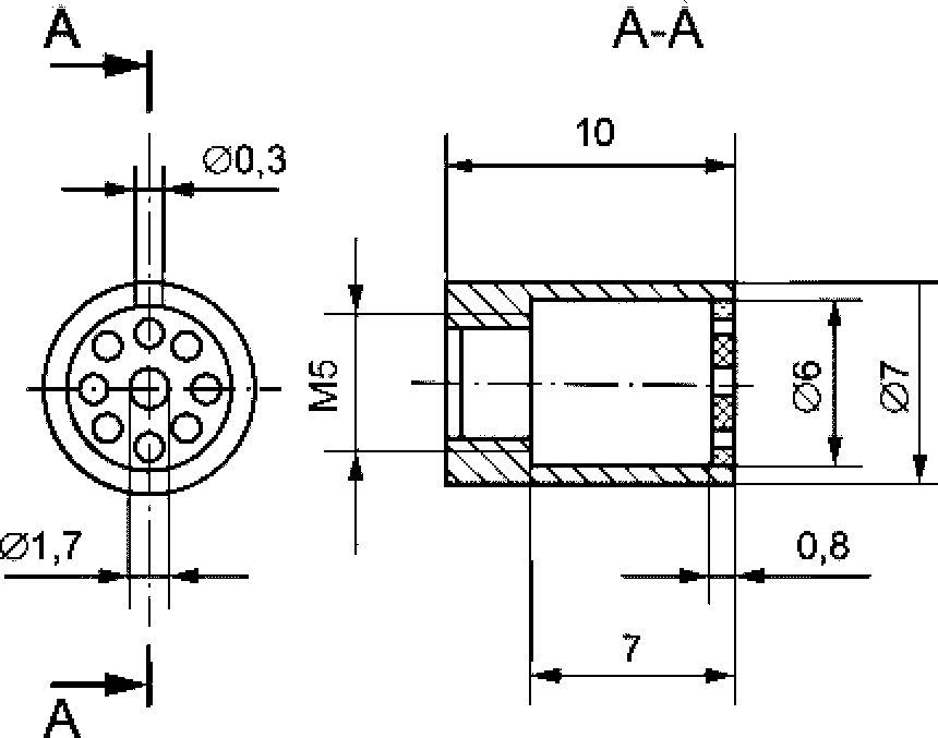
Держатель образца должен свободно подвешиваться к нижней части стальной трубки из нержавеющей стали с наружным диаметром 6 мм и внутренним диаметром 4 мм, которую своим верхним концом закрепляют к элементу специального устройства для вставки держателя образца во внутренний объем трубчатой печи. Примерная конструкция держателя образца приведена на
рисунке А.3.
6.3.11 Устройство для вставки держателя образца состоит из системы стальных стержней, свободно перемещающихся в пределах направляющих, установленных по боковым сторонам цилиндрического ограждения трубчатой печи. Устройство для введения держателя образца должно обеспечивать его плавное перемещение по центральной оси симметрии трубчатой печи и его жесткую фиксацию в геометрическом центре печи.
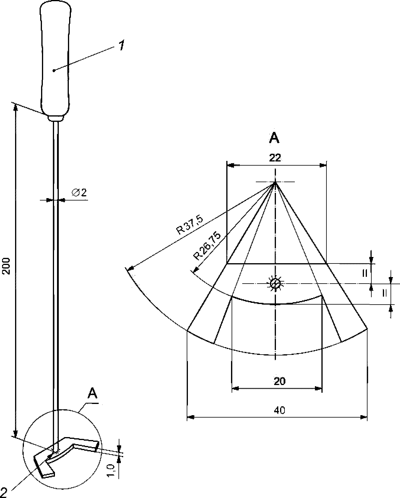
6.3.12 В качестве средств измерений температуры используют термопары типа ХА (K) или НН (N) 1-го класса точности в соответствии с
ГОСТ 6616-94 диаметром проволоки 0,3 мм и защитным кожухом диаметром 1,5 мм из нержавеющей стали или сплава на основе никеля. Горячий спай термопары должен быть изолирован и не заземлен.
Термопары используются для измерения температуры (в случае необходимости) в геометрическом центре испытуемого образца и на его поверхности.
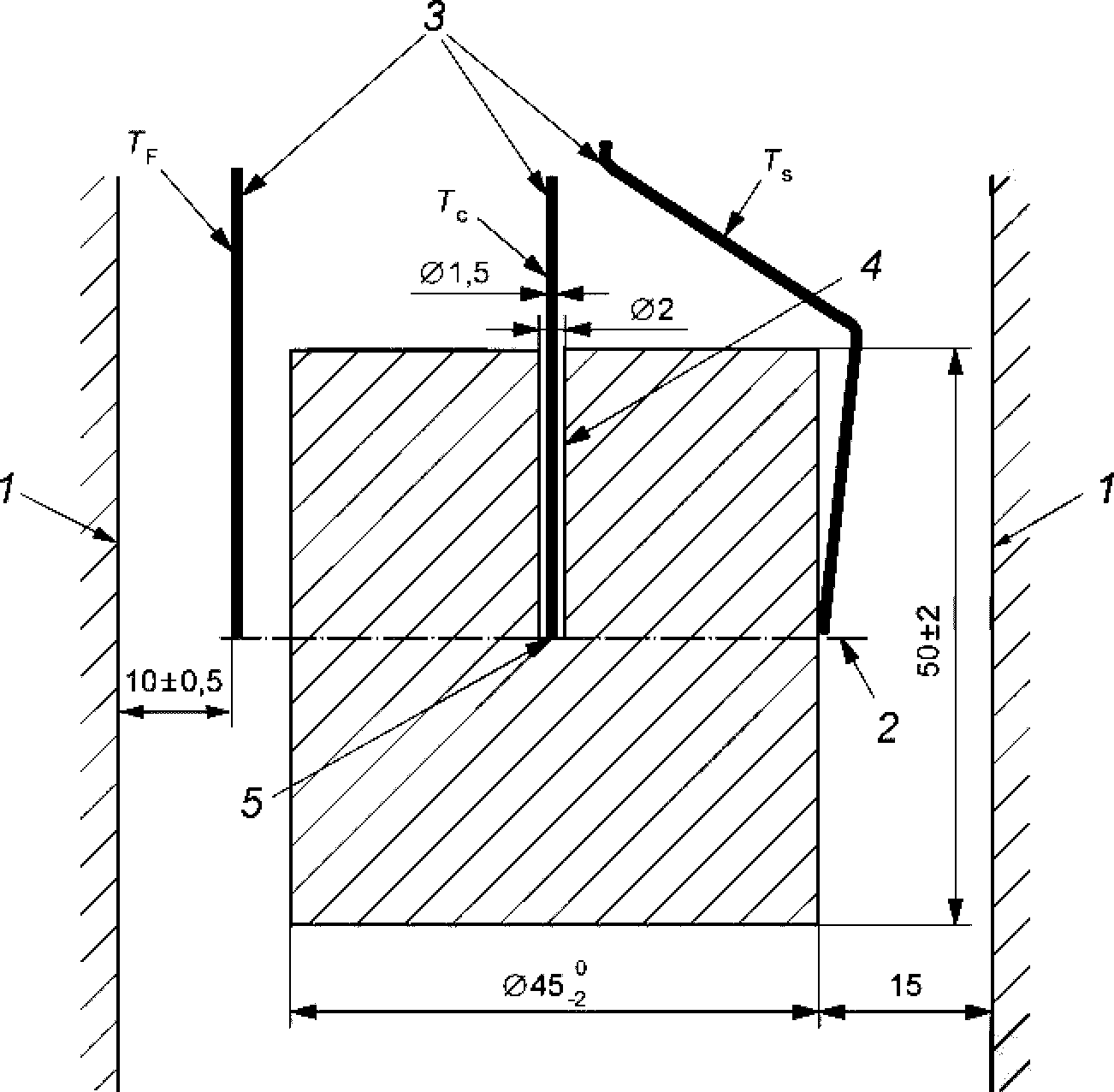
6.3.13 Для измерения температуры среды в печи и для измерения температуры стенок печи используют термопары по
6.3.12 с припаянным медным цилиндром диаметром (10 +/- 0,2) мм и высотой (15 +/- 0,2) мм (далее - печная термопара). При проведении испытаний печную термопару устанавливают так, чтобы ее горячий спай находился на середине высоты трубчатой печи на расстоянии (10 +/- 0,5) мм от ее стенки. Штатное положение печной термопары обеспечивается ее размещением в специальной направляющей трубке, прикрепленной к тяговой заслонке. Для установки печной термопары в штатное положение применяют специальное направляющее устройство, приведенное на
рисунке А.4.
6.3.14 Печную термопару также применяют при калибровке печи для проверки значений температуры стенок печи. Правила применения печной термопары для измерения стенок печи, правила измерения, а также алгоритм расчета температур стенок печи приведены в
6.5.3 -
6.5.5.
6.3.15 Относительное положение трубчатой печи, образца и термопар приведено на
рисунке А.5.
6.3.16 Новые термопары в целях уменьшения отражательной способности перед использованием следует подвергнуть искусственному старению.
6.3.17 Для регистрации температур в процессе испытаний применяют средства измерения и записи температуры 2-го класса точности с точностью не менее +/- 1 °C или эквивалента в милливольтах. Приборы регистрации должны выполнять измерения и запись непрерывно в течение всего времени испытания с интервалом, не превышающим 1 с.
6.3.18 Для создания и регулирования температурного режима в трубчатой печи в процессе испытаний следует применять комплекс электрического оборудования, принципиальная схема которого приведена на
рисунке А.6.
6.3.19 Для регистрации и контроля времени испытания следует применять измерительные приборы 2-го класса точности с точностью не менее 1 с и погрешностью измерения не более +/- 1 с/ч.
6.3.20 Для измерения массы испытуемого образца до и после проведения испытания следует применять весы 2-го класса точности с точностью измерения до 0,1 г.
6.3.21 В целях облегчения в процессе проведения испытаний наблюдения за испытуемым образцом и для безопасности оператора на установке рекомендуется устанавливать зеркало. Рекомендуется применять зеркало размерами в плане примерно 300 x 300 мм, размещенное на расстоянии 1 м над трубчатой печью под углом 30° относительно горизонтальной поверхности. Размещение зеркала не должно оказывать влияния на проведение и результаты испытания.
6.3.22 Для хранения кондиционированных образцов следует применять эксикаторы.
6.4. Условия проведения испытания
6.4.1 Испытание и калибровку установки следует проводить в помещении при температуре (20 +/- 5) °C и относительной влажности (50 +/- 20)%. Температура воздуха в помещении за все время проведения испытания (калибровки установки) не должна изменяться более чем на 5 °C.
Установку для испытаний не допускается подвергать воздействию сквозняков, прямого солнечного света или искусственного освещения, неблагоприятно воздействующих на наблюдения в процессе испытаний.
6.5. Калибровка установки
6.5.1 Калибровку установки проводят в целях оценки и подтверждения работоспособности всего комплекса оборудования и приспособлений, возможности достижения и стабильного поддержания температурного режима испытаний, нормируемого данным методом испытаний.
Калибровку проводят для новой установки и при каждой замене или ремонте трубчатой печи, нагревательного элемента, изоляции и источника электропитания.
Примечание - При первом применении новой трубчатой печи рекомендуется подвергнуть ее медленному поэтапному нагреву с шагом примерно 200 °C и выдержкой не менее 2 ч на каждом этапе подъема температуры.
Калибровку проводят без держателя образца.
6.5.2 Перед калибровкой во внутренний объем печи для измерения ее средней температуры устанавливают печную термопару по
6.3.13.
6.5.3 На нагревательный элемент трубчатой печи подают электропитание. Стабилизацию печи считают достигнутой при условии обеспечения средней температуры в печи в пределах (750 +/- 5) °C, измеренной печной термопарой, в течение не менее 10 мин. Линейное отклонение температуры нагрева в печи не должно превышать +/- 2 °C в течение 10 мин., а максимальное отклонение температуры от среднего значения не должно превышать 10 °C в течение 10 мин.
При испытании ведут постоянную запись значений температуры по
6.3.17.
6.5.4 По завершении стабилизации температуры в печи проводят измерения температуры стенок печи, используя печную термопару по
6.3.13 и соответствующие приборы для измерения и регистрации температуры.
6.5.4.1 Измерения проводят по трем вертикальным осям стенок печи, чтобы расстояния между осями были одинаковыми. Записывают температуру по каждой оси в положении, соответствующем точке на середине высоты трубчатой печи, и в положениях на 30 мм выше и на 30 мм ниже середины высоты.
При измерениях следует обеспечить плотный контакт между горячим спаем термопары и стенкой печи. В каждой точке измерения регистрируемая температура должна быть стабильной не менее чем в течение 5 мин.
Регистрируют девять значений температуры Ti;j,
где i - оси 1, 2 и 3;
j - уровни a), b) и c).
Уровень a) соответствует плюс 30 мм выше середины высоты образца.
Уровень b) соответствует середине образца.
Уровень c) соответствует минус 30 мм ниже середины высоты образца.
Обозначения и позиции измеряемых температур приведены в таблице 3.
Таблица 3
Позиции определения значений температуры стенки печи
Вертикальная ось | Уровень |
a) +30 мм | b) 0 мм | c) -30 мм |
1 (при 0°) | T1;a | T1;b | T1;c |
2 (при 120°) | T2;a | T2;b | T2;c |
3 (при 240°) | T3;a | T3;b | T3;c |
6.5.4.2 Рассчитывают и записывают среднее арифметическое значение девяти показаний температуры, зарегистрированных по
6.5.4, как среднюю температуру стенки печи
Tavg.

(1)
Рассчитывают средние арифметические значения показаний температуры на трех осях, приведенных в
6.5.4.1, как средние температуры стенки печи на трех вертикальных осях:

(2a)

(2b)

(2c)
Рассчитывают абсолютное процентное значение отклонений температуры на трех осях из средней температуры стенки печи:

(3a)

(3b)

(3c)
Рассчитывают и записывают среднее отклонение (среднее арифметическое) средней температуры на каждой из трех осей и среднюю температуру стенки печи:

(4)
Рассчитывают средние арифметические значения показаний температуры на трех уровнях как три средние температуры стенки печи:

(5a)

(5b)

(5c)
Рассчитывают абсолютное процентное значение отклонений температуры на трех уровнях средней температуры стенки печи:

(6a)

(6b)

(6c)
Рассчитывают и записывают среднее отклонение (среднее арифметическое) средней температуры на каждом из трех уровней и среднюю температуру стенки печи:

(7)
Среднее отклонение температуры на трех вертикальных осях от средней температуры стенки печи
Tavg.dev.axis, рассчитанное по
формуле (4), должно быть менее 0,5%.
Среднее отклонение температуры на трех уровнях от средней температуры стенки печи
Tavg.dev.level, рассчитанное по
формуле (7), должно быть менее 1,5%.
Проверяют, чтобы средняя температура стенки печи на уровне плюс 30 мм
Tavg.level a, рассчитанная по
формуле (5a), была меньше средней температуры стенки на уровне минус 30 мм
Tavg.level c, рассчитанной по
формуле (5c).
Средняя температура стенки печи должна соответствовать (835 +/- 10) °C.
Данное значение температуры следует поддерживать в указанных пределах до начала испытаний.
6.5.5 По завершении стабилизации температуры печи в соответствии с
6.5.3 и после проверки температуры стенки печи в соответствии с
6.5.4.1 измеряют температуру печи вдоль ее центральной оси симметрии, используя печную термопару по
6.3.13 и соответствующие приборы для измерения и регистрации температуры по
6.3.17.
Процедуру измерения температуры печи вдоль ее центральной вертикальной оси симметрии необходимо осуществлять, используя соответствующее устройство позиционирования для точного размещения печной термопары. Ориентиром вертикального размещения должна быть верхняя сторона медного цилиндра печной термопары по
6.3.13.
Сначала записывают температуру печи вдоль ее центральной оси в положении, соответствующем точке на середине высоты трубы печи.
От этого положения печную термопару перемещают в направлении "вниз" поэтапно, максимум через каждые 10 мм, до достижения нижней части трубы печи и записывают температуру после ее стабилизации на каждой позиции.
Перемещают печную термопару в направлении "вверх" от самого нижнего положения поэтапно, максимум через каждые 10 мм, до достижения верхней части печи и записывают температуру после ее стабилизации на каждой позиции.
От верхней части печи перемещают печную термопару в направлении "вниз" поэтапно, через 10 мм до тех пор, пока не достигают серединной точки печи, и записывают температуру после ее стабилизации на каждой позиции.
Для каждой позиции записывают две температуры: одну - при перемещении вверх, а другую - вниз.
Записывают среднее арифметическое этих значений температуры через соответствующие промежутки перемещения печной термопары.
По результатам этих измерений и расчетов строят зависимость изменения температуры трубчатой печи по высоте. Эта зависимость должна находиться в пределах между минимальными Tmin и максимальными Tmax температурными зависимостями, определяемыми по следующим формулам:
Tmin = 541,653 + (5,901·x) - (0,067·x2) +
+ (3,375·10-4·x3) - (8,553·10-7·x4); (8)
Tmax = 613,906 + (5,333·x) - (0,081·x2) +
+ (5,779·10-4·x3) - (1,767·10-6·x4), (9)
где x - высота печи, мм; x = 0 соответствует нижней части печи.
Графическая форма зависимости температур от высоты печи
Tmin и
Tmax приведена на
рисунке А.7.
Дискретные численные значения такой зависимости приведены в
таблице А.1 приложения А.
6.5.6 При соответствии установки требованиям
6.5.3 -
6.5.5 калибровка считается успешной, и установка может быть допущена для проведения испытаний.
6.6. Проведение испытания
6.6.1 Перед началом испытания проверяют работоспособность всего оборудования установки и правильность установки печной термопары.
6.6.2 Включают электропитание установки и стабилизируют печь в соответствии с
6.5.3.
6.6.3 Подготовленный в соответствии с
6.2 образец вставляют в держатель образца, подвешенный на опоре, и устанавливают при необходимости термопары в геометрический центр образца
TC и на поверхности образца
TS.
6.6.4 Держатель с установленным образцом помещают во внутренний объем печи в соответствии с
6.3.11. Данную операцию следует выполнять в течение 5 с.
6.6.5 Сразу же после размещения образца в печи включают прибор регистрации и контроля времени по
6.3.19.
6.6.6 Регистрацию показаний всех установленных термопар и времени испытаний следует вести непрерывно в течение всего времени испытания.
6.6.7 Продолжительность испытания определяется временем до достижения баланса температур. Баланс температур считается достигнутым, если смещение температуры (линейная регрессия), измеренная печной термопарой, не превышает 2 °C за 10 мин. В противном случае испытания продолжают, проверяя баланс конечной температуры через каждые 5 мин.
При достижении термопарой баланса испытание прекращают и записывают его продолжительность. Затем снимают образец с печи. Окончанием испытания считают окончание последних 5 мин. последнего интервала измерений.
Если записывающее устройство не выполняет вычислений в реальном времени, то следует проверять последние записи по окончании испытания. Если указанные выше требования не были удовлетворены, испытание необходимо повторить.
Если использовали дополнительные термопары, то испытание прекращают тогда, когда достигается баланс конечной температуры всех используемых термопар или спустя 60 мин.
Примеры расчета стабилизации начальной температуры и конечной температуры приведены на
рисунках Б.1 и
Б.2 приложения Б соответственно.
6.6.8 После окончания испытания держатель вместе с образцом извлекают из трубчатой печи установки, охлаждают в эксикаторе и взвешивают.
Осыпавшиеся с образца во время или после испытания части (продукты карбонизации, зола и т.п.) собирают, взвешивают и включаются в массу образца после испытания.
6.6.9 Все образцы испытывают в соответствии с
6.6.2 -
6.6.8.
6.6.10 В процессе проведения испытаний отмечают все изменения и характер поведения испытуемых образцов, а также регистрируют следующие показатели:
- массу образца до испытания - mн, г;
- массу образца после испытания - mк, г;
- начальную температуру печи -
Tп.н, °C, которая является средней температурой печи в течение последних 10 мин. периода стабилизации по
6.5.3;
- максимальную температуру печи - Tп.м, °C, на протяжении всего периода испытания;
- конечную температуру печи -
Tп.к, °C (температуру баланса), которая является средней температурой в течение последней 1 мин. периода испытания по
6.6.7;
- максимальную температуру в центре образца - Tц.м, °C;
- конечную температуру в центре образца - Tц.к, °C;
- максимальную температуру поверхности образца - Tп.о.м, °C;
- конечную температуру поверхности образца - Tп.о.к, °C;
- продолжительность устойчивого пламенного горения образца - tг, с.
Примечание - Устойчивое образование пламени на любой видимой части образца или над ним в течение не менее 5 с рассматривают как устойчивое пламенное горение; регистрируют время начала и продолжительность устойчивого пламенного горения в секундах.
Иногда трудно идентифицировать (определить) образование пламени. Для некоторых материалов вместо пламени наблюдается участок устойчивого свечения голубым цветом газа; в этом случае время не определяют, но регистрируют в протоколе испытания в пункте "Наблюдения, сделанные во время испытания".
6.7. Обработка результатов
6.7.1 Для каждого образца рассчитывают прирост температуры печи, в центре и на поверхности образца:
а) прирост температуры в печи
Tп.п = Tп.м - Tп.к; (10)
б) прирост температуры в центре образца
Tц.о = Tц.м - Tц.к; (11)
в) прирост температуры на поверхности образца
Tп.о = Tп.о.м - Tп.о.к. (12)
6.7.2 Рассчитывают среднее арифметическое значение (по пяти образцам) прироста температуры в печи, в центре и на поверхности образца.
6.7.3 Рассчитывают среднее арифметическое значение (по пяти образцам) продолжительности устойчивого пламенного горения.
6.7.4 Рассчитывают потерю массы для каждого образца (в процентах от начальной массы образца) и определяют среднее арифметическое значение для пяти образцов.
В протокол испытания необходимо включать следующую информацию (при этом должно быть сделано четкое разграничение между данными, предоставленными заказчиком, и данными, определенными в ходе испытания):
а) наименование стандарта и метода испытания;
б) любое отклонение (при необходимости) от метода испытания;
в) наименование и адрес испытательной лаборатории;
г) дату и идентификационный номер протокола;
д) наименование и адрес заказчика;
е) наименование и адрес изготовителя/поставщика;
ж) дату поступления образца;
и) идентификацию материала;
к) описание процедуры отбора проб (при необходимости);
л) общее описание испытанного материала, включая плотность, поверхностную плотность и толщину, вместе с подробным описанием структуры изделия и способа его изготовления, включая шифр технической документации;
м) подробности кондиционирования;
н) дату и условия проведения испытания;
п) результаты поверки измерительного оборудования;
р) наблюдения, сделанные во время испытания;
с) результаты испытания, выраженные в соответствии с
6.7;
т) протокол испытания по определению теплоты сгорания материала по
ГОСТ Р 56025 с наименованием и адресом испытательной лаборатории, проводившей испытания, датой испытания и результатами испытания;
у) заключение по результатам испытания с указанием, к какому виду относится материал: к горючим или негорючим. При отнесении материала к группе негорючих материалов следует указать установленную группу негорючих материалов: НГ1 или НГ2;
ф) фотографии образцов после испытаний;
х) срок действия заключения;
ц) исполнители.
6.9. Требования по безопасности
Требования безопасности при проведении испытаний - по
8.8.
7. Метод испытания горючих строительных материалов
для определения их групп горючести (метод II)
Метод применяют для всех однородных и слоистых горючих строительных материалов, в том числе используемых в качестве отделочных и облицовочных, а также для лакокрасочных покрытий.
7.2. Образцы для испытания
7.2.1 Для каждого испытания изготовляют 12 образцов длиной 1000 мм и шириной 190 мм. Толщина образцов должна соответствовать толщине материала, применяемого в реальных условиях. Если толщина материала составляет более 70 мм, то образец обрабатывают с его неэкспонируемой стороны до толщины 70 мм.
7.2.2 При изготовлении образцов экспонируемую поверхность не допускается подвергать обработке.
7.2.3 Образцы для стандартного испытания материалов, применяемых только в качестве отделочных и облицовочных, а также для испытания лакокрасочных покрытий, изготавливают в сочетании с негорючей основой. Способ крепления должен обеспечивать плотный контакт поверхностей материала и основы.
В качестве негорючей основы следует использовать хризотилцементные листы толщиной 10 или 12 мм по
ГОСТ 18124.
В тех случаях, когда в конкретной технической документации не обеспечиваются условия для стандартного испытания, образцы следует изготовлять с основой и креплением, указанными в технической документации.
7.2.4 Толщина лакокрасочных покрытий должна соответствовать принятой в технической документации.
Примечание - Учитывая возможность возобновления в процессе эксплуатации лакокрасочных покрытий на основе органических материалов без полного удаления первоначального слоя, рекомендуется изготовить два комплекта образцов: один комплект образцов с номинальной толщиной лакокрасочного покрытия, принятой в технической документации, а другой комплект образцов с толщиной лакокрасочных покрытий, равной толщине четырех слоев покрытия. В технической документации на лакокрасочное покрытие указать группы горючести для обоих случаев.
7.2.5 Для материалов, применяемых как самостоятельно (например, в конструкциях), так и в качестве отделочных и облицовочных, образцы должны быть изготовлены согласно
7.2.1 (один комплект) и
7.2.3 (один комплект).
В этом случае испытания должны быть проведены отдельно для материала и отдельно с применением его в качестве отделок и облицовок с определением групп горючести для всех случаев.
7.2.6 Для несимметричных слоистых материалов с различными поверхностями изготовляют два комплекта образцов (по
7.2.1) в целях экспонирования обеих поверхностей. При этом группу горючести материала устанавливают по худшему результату.
7.2.7 Образцы для испытаний и листы негорючей основы кондиционируют при температуре (20 +/- 5) °C и относительной влажности воздуха (65 +/- 5)% до достижения постоянной массы, но не менее 72 ч.
7.2.8 Перед испытанием образцы взвешивают с точностью до 1 г.
7.3. Оборудование для испытания
7.3.1 Установка для испытания (далее - шахтная печь) состоит из камеры сжигания, системы подачи воздуха в камеру сжигания, газоотводной трубы, вентиляционной системы для удаления продуктов сгорания. Принципиальная схема установки приведена на
рисунке В.1 приложения В.
7.3.2 Конструкция стенок камеры сжигания должна обеспечивать стабильность температурного режима испытаний, установленного настоящим стандартом. С этой целью рекомендуется использовать следующие материалы:
- для внутренней и наружной поверхностей стенок - листовую сталь толщиной 1,5 мм;
- для теплоизоляционного слоя - минераловатные плиты (плотность 100 кг/м3, теплопроводность 0,1 Вт/(м·К), толщина 40 мм).
7.3.3 В камере сжигания устанавливают держатель образцов, источник зажигания, диафрагму. Переднюю стенку камеры сжигания оборудуют дверцей с остекленными проемами. В центре боковой стенки камеры следует предусмотреть отверстие с заглушкой для введения термопар.
7.3.4 Держатель образца состоит из четырех прямоугольных рам, расположенных по периметру источника зажигания
(рисунок В.1), и должен обеспечивать показанное на
рисунке В.2 положение образца относительно источника зажигания и стабильность положения каждого из четырех образцов до конца испытания. Держатель образца следует устанавливать на опорной раме, обеспечивающей его свободное перемещение в горизонтальной плоскости. Держатель образца и детали крепления не должны перекрывать боковые стороны экспонируемой поверхности образца более чем на 5 мм.
7.3.5 Источником зажигания является газовая горелка. Рабочая часть горелки представляет собой трубу с наружным диаметром 20 мм с толщиной стенки 2,8 мм из коррозионностойкой стали в форме замкнутого квадрата со стороной размером (200 +/- 2) мм. На поверхности по всей длине трубы равномерно расположены 32 форсунки с отверстиями диаметром (3,5 +/- 0,1) мм. Смешение газа с воздухом осуществляется с помощью отверстий, расположенных на газоподводящих трубах при входе в рабочую часть горелки. Расположение рабочей части горелки относительно образца и ее принципиальная схема показаны на
рисунке В.2.
Газовая горелка подсоединяется гибким шлангом через устройство регулирования расхода газа к газовому баллону со сжиженным газом по
ГОСТ 20448.
7.3.6 Система подачи воздуха состоит из вентилятора, ротаметра и диафрагмы и должна обеспечивать поступление в нижнюю часть камеры сжигания равномерно распределенного по ее сечению потока воздуха в количестве (10 +/- 1,0) м3/мин. температурой не менее (20 +/- 2) °C. Расход воздуха контролируется скоростью воздушного потока, измеряемой при закрытой дверце камеры в точке, расположенной по центральной оси установки. Устройство распределения воздушного потока представляет собой квадратный Г-образный короб с размером сторон (250 +/- 1,0) мм, расположенный внутри установки между задней стенкой вентилятора и диафрагмой. В верхней части короба установлен раструб, размер выходного сечения которого соответствует размеру периметра диафрагмы.
7.3.7 Диафрагму изготовляют из перфорированного стального листа толщиной 1,5 мм с отверстиями диаметрами (20 +/- 0,2) и (25 +/- 0,2) мм и расположенной над ним и на расстоянии (10 +/- 2) мм металлической сетки из проволоки диаметром не более 1,2 мм с размером ячеек не более 1,5 x 1,5 мм. Расстояние между диафрагмой и верхней плоскостью горелки должно составлять не менее 250 мм.
7.3.8 Газоотводную трубу с поперечным сечением (0,25 +/- 0,025) м
2 и длиной не менее 750 мм располагают в верхней части камеры сжигания. В газоотводной трубе устанавливают четыре термопары для измерения температуры отходящих газов
(рисунок В.1).
7.3.9 Вентиляционная система для удаления продуктов сгорания состоит из зонта, расположенного над газоотводной трубой, воздуховода с заслонками, позволяющими регулировать скорость потока воздуха, и вентиляционного насоса.
7.3.10 Для измерения температуры при испытании используют термоэлектрические преобразователи (далее - термопары) типа K диаметром не более 1,5 мм 2-го класса точности и соответствующие регистрирующие приборы 2-го класса точности.
7.4. Подготовка к испытанию
7.4.1 Подготовка к испытанию состоит в проведении калибровки в целях установления расхода газа (л/мин.), обеспечивающего в камере сжигания устанавливаемый настоящим стандартом температурный режим испытания (таблица 4).
Таблица 4
Расстояние от нижней кромки калибровочного образца, мм | Температура, °C |
Максимальная | Минимальная |
300 | 350 | 220 |
500 | 220 | 150 |
1000 | 140 | 100 |
1600 | 105 | 90 |
7.4.2 Калибровку установки проводят на четырех образцах из стали размерами 1000 x 190 x 1,5 мм.
Примечание - Для придания жесткости калибровочные образцы из листовой стали рекомендуется изготовлять с отбортовкой.
7.4.3 Контроль температурного режима при калибровке осуществляют по показаниям термопар (10 шт.), устанавливаемых на калибровочных образцах (6 шт.), и термопар, установленных постоянно в газоотводной трубе (4 шт.)
(7.3.8).
7.4.4 Термопары устанавливают по центральной продольной оси любых двух противоположных калибровочных образцов на уровнях, указанных в
таблице 4. Горячий спай термопар должен быть на расстоянии 10 мм от экспонируемой поверхности образца. Термопары не должны соприкасаться с калибровочным образцом. С целью изоляции термопар рекомендуется использовать керамические трубки.
7.4.5 Калибровку шахтной печи проводят через каждые 30 испытаний и при изменении состава газа, подаваемого в источник зажигания.
7.4.6 Последовательность операций при калибровке:
- устанавливают калибровочный образец в держатель;
- устанавливают термопары на калибровочных образцах в соответствии с
7.4.4;
- вводят держатель с образцом в камеру сжигания, включают измерительные приборы, подачу воздуха, вытяжную вентиляцию, источник зажигания, закрывают дверцу, фиксируют показания термопар через 10 мин. после включения источника зажигания.
При несоответствии температурного режима в камере сжигания требованиям
таблицы 4 повторяют калибровку при других расходах газа.
Установленный при калибровке расход газа следует использовать при испытании до проведения следующей калибровки.
7.5. Проведение испытания
7.5.1 Испытания следует проводить в помещении при температуре (20 +/- 5) °C и относительной влажности воздуха (50 +/- 20)%.
7.5.2 Для каждого материала следует проводить три испытания. Каждое из трех испытаний заключается в одновременном испытании четырех образцов материала.
7.5.3 Проверяют систему измерения температуры дымовых газов, для чего включают измерительные приборы и подачу воздуха. Указанная операция осуществляется при закрытой дверце камеры сжигания и неработающем источнике зажигания. Отклонение показаний каждой из четырех термопар от их среднего арифметического значения должно составлять не более 5 °C.
7.5.4 Взвешивают четыре образца, помещают в держатель, вводят его в камеру сжигания.
7.5.5 Включают измерительные приборы, подачу воздуха, вытяжную вентиляцию, источник зажигания, закрывают дверцу камеры.
7.5.6 Продолжительность воздействия на образец пламени от источника зажигания должна составлять 10 мин. По истечении 10 мин. источник зажигания выключают. При наличии пламени или признаков тления фиксируют продолжительность самостоятельного горения (тления). Испытание считают законченным после остывания образцов до температуры окружающей среды.
Примечание - Если при испытании среднее арифметическое значение температуры дымовых газов составляет более 450 °C за время воздействия на образцы пламенем газовой горелки менее 10 мин., источник зажигания выключают. Испытание считают законченным. Последующие испытания двух комплектов образцов не проводят. Время завершения воздействия источника зажигания, время достижения максимальной температуры дымовых газов, продолжительность самостоятельного пламенного горения и (или) тления образцов и параметры согласно
7.6.3 регистрируют в протоколе испытаний.
7.5.7 После окончания испытания выключают подачу воздуха, вытяжную вентиляцию, измерительные приборы, извлекают образцы из камеры сжигания.
7.5.8 Для каждого испытания определяют следующие показатели:
- температуру дымовых газов;
- продолжительность самостоятельного горения и (или) тления;
- длину повреждения образца;
- массу образца до и после испытания.
7.5.9 В процессе проведения испытания регистрируют температуру дымовых газов не менее двух раз в минуту по показаниям всех четырех термопар, установленных в газоотводной трубе, и фиксируют продолжительность самостоятельного горения образцов (при наличии пламени или признаков тления).
7.5.10 При испытании фиксируют также следующие наблюдения:
- время достижения максимальной температуры дымовых газов;
- переброс пламени на торцы и необогреваемую поверхность образцов;
- сквозное прогорание образцов;
- образование горящего расплава;
- внешний вид образцов после испытания: осаждение сажи, изменение цвета, оплавление, спекание, усадка, вспучивание, коробление, образование трещин и т.п.;
- время до распространения пламени по всей длине образца;
- продолжительность горения по всей длине образца.
7.6. Обработка результатов испытания
7.6.1 После окончания испытания измеряют длину отрезков неповрежденной части образцов
(рисунок В.3) и определяют остаточную массу
mк образцов.
Неповрежденной считают ту часть образца, которая не сгорела и не обуглилась ни на поверхности, ни внутри. Осаждение сажи, изменение цвета образца, местные сколы, спекание, оплавление, вспучивание, усадка, коробление, изменение шероховатости поверхности не считают повреждениями.
Результат измерения округляют до 1 см.
Неповрежденную часть образцов, оставшуюся на держателе, и осыпавшиеся с образца во время или после остывания фрагменты взвешивают и добавляют к значению массы образца после испытания. Масса образцов до и после испытания определяется с точностью до 1 г.
7.6.2 Обработка результатов одного испытания (четырех образцов)
7.6.2.1 Температуру дымовых газов Ti принимают равной среднему арифметическому значению одновременно регистрируемых максимальных температурных показаний всех четырех термопар, установленных в газоотводной трубе.
7.6.2.2 Длина повреждения одного образца определяется разностью между номинальной длиной до испытания (по
7.2.1) и средней арифметической длиной неповрежденной части образца, определяемой из длин ее отрезков, измеряемых в соответствии с
рисунком В.3.
Измеренные значения длин отрезков следует округлять до 1 см.
7.6.2.3 Длину повреждения образцов при испытании определяют как среднее арифметическое значение длин повреждения каждого из четырех испытанных образцов.
7.6.2.4 Повреждение по массе каждого образца определяется разностью между массой образца до испытания и его остаточной массой после испытания.
7.6.2.5 Повреждение по массе образцов определяют средним арифметическим значением этого повреждения для четырех испытанных образцов.
7.6.3 Обработка результатов трех испытаний (определение параметров горючести)
7.6.3.1 При обработке результатов трех испытаний рассчитывают следующие параметры горючести строительного материала:
- температуру дымовых газов;
- продолжительность самостоятельного горения и (или) тления;
- степень повреждения по длине;
- степень повреждения по массе.
7.6.3.2 Температуру дымовых газов T, °C, и продолжительность самостоятельного горения tс.г, с, определяют как среднее арифметическое значение результатов трех испытаний.
7.6.3.3 Степень повреждения по длине SL, %, определяют процентным отношением длины повреждения образцов к их номинальной длине и рассчитывают как среднее арифметическое значение этого отношения из результатов каждого испытания.
7.6.3.4 Степень повреждения по массе Sm, %, определяют процентным отношением массы поврежденной части образцов к начальной по результатам одного испытания и рассчитывают как среднее арифметическое значение этого отношения по результатам каждого испытания.
7.6.3.5 Полученные результаты округляют до целых чисел.
7.6.3.6 Материал следует относить к группе горючести в соответствии с 5.4
(таблица 1).
7.7.1 В протоколе испытания приводят следующие данные:
а) наименование метода испытаний и стандарта;
б) любое отклонение (при необходимости) от метода испытания;
в) наименование и адрес испытательной лаборатории;
г) дату и идентификационный номер протокола;
д) наименование и адрес заказчика;
е) наименование и адрес изготовителя/поставщика;
ж) дату поступления образца;
и) идентификацию материала;
к) описание процедуры отбора проб (при необходимости);
л) общее описание испытанного материала, включая плотность, поверхностную плотность и толщину, вместе с подробным описанием структуры изделия и способа его изготовления, включая шифр технической документации, наименование каждого материала, являющегося составной частью слоистого материала, с указанием толщины каждого слоя, способ изготовления образца с указанием материала основы и способа крепления;
м) подробности кондиционирования;
н) дату и условия проведения испытания;
п) результаты поверки измерительного оборудования;
р) наблюдения, сделанные во время испытания;
с) результаты испытания, выраженные в соответствии с
7.6;
т) заключение по результатам испытаний с указанием группы горючести материала. Для материалов, испытываемых согласно
7.2.3 и
7.2.5, указывают группы горючести для всех случаев, установленных этими пунктами;
у) фотографии образцов после испытаний;
ф) срок действия заключения;
х) исполнители.
7.8. Требования безопасности
Требования безопасности при проведении испытаний по
8.8.
8. Метод испытания горючих строительных материалов
при прямом воздействии пламени от малой горелки (метод III)
Метод применяют для всех однородных и слоистых горючих строительных материалов, образующих капли расплава по
методу II.
8.2. Образцы для испытания
8.2.1 Для испытания одного вида материала изготовляют 12 образцов размерами в плане по 250 x 90 мм с погрешностью +/- 1 мм. Толщина образцов должна соответствовать толщине материала, применяемого в реальных условиях, но не более 60 мм. Если толщина материала составляет более 60 мм, необходимо срезать часть материала с нелицевой стороны, чтобы толщина составляла 60 мм. При изготовлении образцов экспонируемую поверхность не допускается подвергать обработке.
8.2.2 Для анизотропных материалов изготовляют два комплекта образцов (например, по утку и по основе). При классификации материала принимают худший результат испытания.
8.2.3 Для многослойных материалов с различными поверхностными слоями изготовляют два комплекта образцов в целях экспонирования обеих поверхностей. При классификации материала принимают худший результат испытания.
8.2.4 В случае если в процессе испытания поведение образцов материала соответствует
8.4.9, дополнительно изготовляют и испытывают образцы размером 250 x 180 мм.
8.2.5 Кровельные мастики, мастичные покрытия и лакокрасочные покрытия наносят на алюминиевую фольгу толщиной не более 0,2 мм.
Толщина кровельных мастик, мастичных покрытий и лакокрасочных покрытий должна соответствовать принятой в технической документации.
Примечание - Учитывая возможность возобновления в процессе эксплуатации вышеуказанных мастик и покрытий на основе органических материалов без полного удаления первоначального слоя, рекомендуется изготовить два комплекта образцов: один комплект образцов с номинальной толщиной мастик и покрытий, принятой в технической документации, а другой комплект образцов с толщиной мастик и покрытий, равной толщине четырех номинальных слоев мастик и покрытий. В технической документации на эти материалы следует указать их группы горючести для обоих случаев.
8.2.6 Образцы для испытаний и фильтровальную бумагу кондиционируют при температуре (20 +/- 5) °C и относительной влажности воздуха (65 +/- 5)% до достижения постоянной массы, но не менее 72 ч.
8.2.7 Образцы для испытаний вырезают с помощью шаблона.
8.3. Оборудование для испытания
8.3.1 Установка для испытаний состоит из камеры сгорания, держателей образца двух типов, устройства крепления держателя образца, газовой горелки, поддона из алюминиевой фольги, термоанемометра для измерения скорости воздушного потока, комплекта газового оборудования, фильтровальной бумаги, а также комплекта приборов для измерения времени и линейных размеров.
8.3.2 Камера сгорания представляет собой шкаф, изготовленный из листов нержавеющей стали, с двумя дверьми с заполнением из огнестойкого стекла с фронтальной и одной из боковых сторон. Часть дна камеры сгорания и низ боковых стенок камеры изготовлены из сетки с размерами ячеек 25 мм (материал сетки - проволока из жаростойкой стали диаметром 1,5 мм) для обеспечения свободного и равномерного доступа воздуха. Скорость воздушного потока измеряют в вытяжной трубе камеры, она должна быть в диапазоне от 0,6 до 0,8 м/с. Камеру сгорания следует располагать под вентиляционным зонтом.
Общий вид камеры сгорания и ее основные элементы приведены на
рисунке Г.1.
8.3.3 Держатель образца материалов состоит из двух рам П-образной формы. Рамы держателя скрепляются между собой с помощью винтов, что обеспечивает стабильную фиксацию образца в течение времени всего испытания. В зависимости от типа испытуемого материала для проведения испытаний необходимо два вида держателей под размеры образцов 250 x 90 мм и 250 x 180 мм.
Держатель образца для однослойных материалов приведен на
рисунке Г.2.
Держатель образца для многослойных материалов приведен на
рисунке Г.3.
Держатель образца располагают в центре камеры сгорания.
8.3.4 Устройство крепления держателя образца состоит из стальной плиты, являющейся основанием устройства, и вертикальной стойки. Толщина стальной плиты основания составляет не менее 3,0 мм. Вертикальную стойку изготовляют из стальной трубы диаметром не менее 30 мм
(рисунок Г.4).
Устройство крепления вместе с держателем образца устанавливают на дно камеры сгорания образца таким образом, чтобы образец располагался вертикально, а нижний открытый край держателя с образцом находился в зоне воздействия пламени горелки. Расстояние между нижней кромкой образца и основанием устройства крепления должно быть (85 +/- 10) мм при воздействии пламени горелки на поверхность образца. При воздействии пламени горелки со стороны нижней кромки образца расстояние должно быть (125 +/- 10) мм.
8.3.5 Газовую горелку закрепляют на основании устройства крепления держателя образца, она должна быть сконструирована таким образом, чтобы ее можно было устанавливать как в вертикальном положении, так и под углом 45° к поверхности образца. Газовая горелка должна иметь механизм перемещения как в вертикальном, так и в горизонтальном направлении. Газовая горелка подсоединяется гибким шлангом через вентиль, регулирующий расход газа, к баллону с пропан-бутановой фракцией. Давление газа должно быть в диапазоне от 10 до 50 кПа.
Взаимное расположение газовой горелки и держателя образца показано на
рисунке Г.4.
Расположение газовой горелки по отношению к испытуемому образцу при подготовке и проведении испытания приведено на
рисунке Г.5.
Конструкция газовой горелки и ее отдельных элементов приведена на
рисунках Г.6 -
Г.9.
8.3.6 Поддон изготавливают из алюминиевой фольги по
ГОСТ 745 толщиной не менее 0,2 мм размерами в плане 50 x 100 мм и глубиной 10 мм. Поддон помещают под держателем образца и заменяют между испытаниями (см.
рисунок Г.4).
8.3.7 Для контроля и измерения скорости воздушного потока следует применять термоанемометр диапазоном измерения от 0,2 до 5,0 м/с и точностью +/- 0,1 м/с.
8.3.8 При испытании применяют в качестве одного из индикаторов определения процесса горения падающих горящих капель расплава испытуемого материала фильтровальную бумагу по
ГОСТ 12026 массой (75 +/- 3) г/м
2 и массовой долей золы менее 0,1%.
8.3.9 Для регистрации времени допускается применять секундомер 2-го класса точности с диапазоном измерения от 0 до 60 мин. и погрешностью не более 1 с.
8.3.10 Для измерения линейных размеров повреждения материала допускается применять линейку металлическую диапазоном измерения от 0 до 500 мм и ценой деления 1 мм.
| | ИС МЕГАНОРМ: примечание. Текст дан в соответствии с официальным текстом документа. | |
8.3.11 Для измерения толщины допускается применять штангенциркуль диапазоном измерения от 0 до 125 мм и ценой деления +/- 0,1 мм.
8.3.12 В качестве шаблона для изготовления образцов рекомендуется применять две металлические плиты толщиной не менее 1 мм и размерами 250 x 90 и 250 x 180 мм.
8.4. Подготовка и проведение испытания
8.4.1 Испытания проводят в помещении при температуре (23 +/- 5) °C и относительной влажности воздуха (50 +/- 20)%.
8.4.2 Настраивают скорость воздушного потока в вытяжной трубе камеры сгорания согласно
8.3.2.
8.4.3 Закрепляют испытуемый образец в держатель и контролируют взаимное расположение образца и горелки согласно
8.3.4.
8.4.4 Устанавливают газовую горелку вертикально
(рисунок Г.5 а), зажигают и с помощью вентиля регулируют расход газа таким образом, чтобы длина пламени составляла (20 +/- 1) мм. Устанавливают горелку под углом 45° относительно вертикальной оси (см.
рисунок Г.4). Необходимо контролировать, чтобы длина пламени оставалась неизменной в течение всего времени проведения испытаний.
8.4.5 Не более чем за 3 мин. до начала испытания извлекают из помещения для кондиционирования два листа фильтровальной бумаги размерами 50 x 100 мм и помещают их горизонтально на дно поддона из алюминиевой фольги.
8.4.6 Помещают поддон на металлическую плиту под образцом таким образом, чтобы независимо от толщины материала фрагменты и капли образца (при наличии) падали на фильтровальную бумагу.
8.4.7 Перемещают газовую горелку к образцу и включают секундомер в момент контакта пламени с поверхностью или нижней кромкой образца. При воздействии на поверхность образца пламя горелки подводят на расстояние 40 мм от нижней кромки образца
(рисунок Г.5 б), при воздействии пламенем с нижней кромки образца - к центральной точке на нижнем торце
(рисунок Г.5 в).
8.4.8 Испытания начинают проводить в режиме воздействия пламенем газовой горелки с поверхности образца в течение 15 с. Общая продолжительность испытания составляет 60 с.
При невыполнении условий
8.6.2 следующее испытание проводят на новом образце в режиме воздействия пламенем газовой горелки с нижней кромки образца в течение 15 с. Аналогичную процедуру повторяют на последующих образцах при времени воздействия пламенем газовой горелки 30 с. Общая продолжительность одного испытания составляет 120 с.
8.4.9 Если в процессе испытания наблюдают плавление и коробление образцов без пламенного горения, то следует провести повторные испытания 12 образцов размерами 180 x 250 мм и классифицировать материал согласно
8.6.
8.4.10 У многослойных образцов
(рисунок Г.3) испытаниям подвергают поочередно каждый слой, если:
- слои состоят из различных материалов;
- слои из одного материала имеют общую толщину более 10 мм;
- слои из одного материала имеют различное расположение относительно друг друга.
При классификации образца принимают худший результат испытания из всех слоев.
8.4.11 Все образцы должны быть испытаны за время не более 30 мин. после извлечения их из помещения для кондиционирования.
8.5. Оценка результатов испытания
В процессе проведения испытаний измеряют:
- время воздействия пламени газовой горелки на образец;
- длину распространения пламени по поверхности (внутри) образца и затраченное на распространение пламени время.
В процессе проведения испытаний также регистрируют:
- наличие пламенного горения образца;
- наличие горящих капель расплава образца;
- воспламенение фильтровальной бумаги;
- другие результаты наблюдений.
8.6.1 Горючие строительные материалы, образующие капли расплава по
методу II, в зависимости от результатов испытаний относят или не относят к группе горючести Г4.
8.6.2 Строительные материалы относят к группе горючести Г4, если при испытаниях (в любом режиме воздействия горелки) выполняется хотя бы одно из следующих условий:
- распространение пламени по поверхности (внутри) образца на расстояние 150 мм и более за время:
- не более 60 с при воздействии на образец пламенем газовой горелки в течение 15 с,
- не более 120 с при воздействии на образец пламенем газовой горелки в течение 30 с;
- наличие горящих капель расплава образца;
- воспламенение фильтровальной бумаги.
В протоколе испытания приводят следующие данные:
а) наименование метода испытаний и стандарта;
б) любое отклонение (при необходимости) от метода испытания;
в) наименование и адрес испытательной лаборатории;
г) дату и идентификационный номер протокола;
д) наименование и адрес заказчика;
е) наименование и адрес изготовителя/поставщика;
ж) дату поступления образца;
и) идентификацию материала;
к) описание процедуры отбора проб (при необходимости);
л) общее описание испытанного материала, включая плотность, поверхностную плотность и толщину, вместе с подробным описанием структуры изделия и способа его изготовления, включая шифр технической документации, наименование каждого материала, являющегося составной частью слоистого материала, с указанием толщины каждого слоя, способ изготовления образца;
м) подробности кондиционирования;
н) дату и условия проведения испытания (температуру, °C; относительную влажность воздуха, %);
п) результаты поверки измерительного оборудования;
р) наблюдения, сделанные во время испытания;
с) результаты испытания, выраженные в соответствии с
8.6;
т) заключение по результатам испытаний с указанием группы горючести материала;
у) фотографии образцов после испытаний;
ф) срок действия заключения;
х) исполнители.
8.8. Требования безопасности
Помещение, в котором проводят испытания, должно быть оборудовано приточно-вытяжной вентиляцией. Рабочее место оператора должно удовлетворять санитарно-гигиеническим требованиям по
ГОСТ 12.1.005. Лица, допущенные в установленном порядке к испытаниям, должны быть ознакомлены с техническим описанием и инструкцией по эксплуатации испытательного оборудования.
9. Метод испытания строительных материалов по определению
теплоты сгорания (метод IV)
Настоящий метод распространяется на все виды однородных и многослойных строительных материалов, а также на лакокрасочные покрытия и другие материалы строительного назначения в виде гранул.
9.2. Образцы для испытания
9.2.1 Для многослойных материалов испытания необходимо проводить для каждого слоя, составляющего материал. По результатам испытаний каждого слоя рассчитывают общую теплоту сгорания изделия (расчет приведен в
приложении Е). При невозможности отделения слоя материала без повреждений отбирают и подвергают испытаниям отдельно все компоненты материала или определяют теплоту сгорания всего материала в целом.
9.2.2 Из однородного материала или основного слоя многослойного материала отбирают как минимум один образец массой не более 50 г. Для неосновного слоя многослойного материала отбирают образец массой не более 10 г.
Из порошков и гранул методом случайной выборки отбирают образец массой не более 50 г.
Жидкости наносят на полиэтиленовую или фторопластовую пленку, алюминиевую фольгу или другое основание, с которого возможно отделение слоя сухого остатка после высыхания. Масса сухого остатка при отборе образца для испытаний должна составлять не более 10 г.
9.2.3 При экспериментальном определении теплоты сгорания образцы кондиционируют при температуре (20 +/- 5) °C и относительной влажности (65 +/- 5)% не менее 72 ч.
При необходимости поверхностная плотность образца определяется с точностью +/- 0,5% с минимальной площади размерами 250 x 250 мм. Поверхностную плотность определяют путем взвешивания образца, отобранного с указанной площади. Это требование распространяется и на сухой остаток жидкостей.
9.2.4 Рекомендуется измельчать образцы для испытаний до порошкообразного состояния.
При измельчении образца материала до порошкообразного состояния образцы для испытания рекомендуется проводить по методу "тигля" в соответствии с
9.4.2. При невозможности измельчения образца материала до порошкообразного состояния и (или) неполного сгорания образца по методу "тигля" используют формирование образца методом "сигареты" в соответствии с
9.4.3.
9.2.5 Для испытаний используют образец массой от 0,8 до 1,5 г. Образец массой 1 г и более используют при испытании материала с низкой теплотой сгорания.
Если при увеличении массы образца не удается достичь оптимального подъема температуры в калориметрическом сосуде, добавляют взвешенное количество бензойной кислоты (до 200% массы материала).
Массу образца для испытания рассчитывают как сумму взвешенных с точностью до 0,1 мг следующих компонентов: испытуемого материала, бензойной кислоты (в случае необходимости), хлопчатобумажной нити, фильтровальной (папиросной) бумаги.
9.3. Оборудование и материалы для испытания
9.3.1 Калориметр сгорания с калориметрической бомбой, с жидкостной (воздушной) оболочкой обеспечивает автоматическое получение результатов испытаний в пределах допускаемых расхождений, указанных в
9.5.
Общий вид калориметра сгорания - в соответствии с приложением Д
(рисунок Д.1).
Калориметр сгорания состоит из основных частей, удовлетворяющих следующим требованиям:
- мешалка, обеспечивающая постоянную скорость перемешивания жидкости в калориметрическом сосуде;
- крышка оболочки, представляющая собой теплоизолированный контейнер с двойными стенками;
- блок поджига (электроды) калориметрической бомбы с напряжением в цепи не более 20 В. Регистрацию обрыва поджигающей проволоки допускается осуществлять с помощью амперметра, включенного в цепь поджига (если это не предусмотрено конструкцией калориметра);
- устройство измерения температуры с погрешностью не более 0,005 °C;
- калориметрический сосуд, изготовленный из нержавеющей стали. Размеры сосуда должны обеспечивать полное погружение калориметрической бомбы в воду;
- оболочка калориметра сгорания, представляющая собой теплоизолированный контейнер с двойными стенками. Пространство между стенками контейнера заполняется калориметрической жидкостью (в зависимости от типа калориметра сгорания). Внутренние размеры оболочки должны обеспечивать расстояние от 9 до 11 мм между калориметрическим сосудом и внутренней стенкой оболочки калориметра сгорания;
- калориметрическая бомба объемом (300 +/- 50) мл и массой не более 3,25 кг, толщиной обшивки не менее 0,10 внутреннего диаметра корпуса;
- крышка калориметрической бомбы с клапанами впуска и выпуска кислорода, держателями тигля и клеммами для подключения электродов. Закупоренная калориметрическая бомба должна выдерживать внутреннее давление не менее 21 МПа.
9.3.2 Тигель для сжигания из нержавеющей стали (допускаются материалы: платина, никель, кварцевое стекло) представляет собой цилиндрическую капсулу диаметром основания от 15 до 25 мм, высотой от 14 до 19 мм, толщиной стенок металлического тигля 1,0 мм и кварцевого тигля 1,5 мм.
9.3.3 Весы аналитические с погрешностью взвешивания не более 0,1 мг и весы лабораторные с погрешностью взвешивания не более 0,1 г.
9.3.4 Устройство для измерения времени (секундомер) с погрешностью измерения не более 1 с.
9.3.5 Редуктор кислородный с манометром высокого давления от 24,5 до 29,4 МПа для контроля давления в баллоне и манометром низкого давления от 0 до 5 МПа для измерения давления в калориметрической бомбе или манометром с игольчатым вентилем и предохранительным клапаном, срабатывающим при давлении 3,5 МПа, установленными на подводящей линии для предохранения переполнения бомбы.
9.3.6 Устройство формирования образца методом "сигареты" в соответствии с
приложением Д. Устройство формирования включает в себя форму (шаблон) и металлическую (неалюминиевую) оправку.
9.3.7 Пресс для формирования таблеток бензойной кислоты.
9.3.8 Вода дистиллированная.
9.3.9 Кислород в баллоне газообразный технический или медицинский. Не допускается применять кислород, полученный методом электролиза воды.
9.3.10 Кислота бензойная особо чистая, аттестованная по теплоте сгорания при 25 °C. Для бензойной кислоты чистотой не менее 99,9% стандартная удельная теплота сгорания составляет 26 454 кДж/кг при взвешивании в воздухе.
9.3.11 Бумага фильтровальная лабораторная или папиросная бумага с известной теплотой сгорания размерами 55 x 50 мм.
9.3.12 Нить хлопчатобумажная с известной теплотой сгорания.
9.3.13 Проволока для запала: константановая неизолированная мягкая проволока диаметром от 0,1 до 0,15 мм, медная круглая электротехническая проволока диаметром от 0,1 до 0,15 мм, никелевая проволока диаметром от 0,1 до 0,2 мм, железная или стальная проволока диаметром от 0,1 до 0,2 мм с известной теплотой сгорания.
При использовании металлического тигля проволоку обматывают хлопчатобумажной нитью для исключения контакта между проволокой и тиглем.
9.4. Подготовка и проведение испытания
9.4.1 Испытания следует проводить в помещении со стабильным температурным режимом. Разность между температурой в помещении и температурой воды в калориметрическом сосуде не должна превышать 2 °C.
9.4.2 По методу "тигля" процедуру выполняют в такой последовательности
(рисунок Д.2):
- помещают навеску материала в тигель;
- присоединяют запальную проволоку к электродам;
- заводят запальную проволоку петлей на образец.
9.4.3 По методу "сигареты" процедуру выполняют в такой последовательности
(рисунок Д.3):
- проводят запальную проволоку через центр сердечника;
- плотно оборачивают сердечник фильтровальной (папиросной) бумагой;
- скручивают бумагу вокруг запальной проволоки на нижнем конце сердечника и помещают сердечник в форму. Запальную проволоку также пропускают через форму;
- аккуратно удаляют сердечник;
- помещают навеску материала в сформированную "сигарету" (при необходимости добавляют бензойную кислоту);
- аккуратно удаляют из формы наполненную "сигарету" и скручивают бумагу на ее концах;
- помещают образец в тигель;
- присоединяют запальную проволоку к электродам.
9.4.4 Процедура калибровки установки заключается в определении энергетического эквивалента (МДж/°C) калориметра сгорания.
Энергетический эквивалент калориметра сгорания рассчитывают как среднее арифметическое значение теплоты сгорания пяти таблеток бензойной кислоты массой 1,0 г.
Процедуру калибровки выполняют в такой последовательности:
- помещают таблетку бензойной кислоты в тигель;
- присоединяют запальную проволоку к электродам;
- заводят запальную проволоку петлей на таблетку бензойной кислоты;
- проводят эксперимент.
Результаты каждого испытания бензойной кислоты не должны отличаться от значения энергетического эквивалента более чем на 0,2%.
Калибровку установки необходимо проводить не менее одного раза в 2 мес. или при замене узлов установки.
9.4.5 Испытания проводят в такой последовательности:
- убеждаются в качественном контакте между электродами и запальной проволокой;
- добавляют в калориметрическую бомбу 1 мл дистиллированной воды для поглощения выделяющихся кислотных продуктов горения;
- завинчивают крышку калориметрической бомбы;
- заполняют калориметрическую бомбу кислородом давлением от 3,0 до 3,5 МПа;
- помещают калориметрическую бомбу в калориметрический сосуд;
- заполняют калориметрический сосуд дистиллированной или деминерализованной водой до визуального уровня покрытия крышки калориметрической бомбы.
Примечание - Количество воды при калибровке установки и при проведении испытания должно быть одинаковым;
- проверяют визуально герметичность калориметрической бомбы (отсутствие пузырьков кислорода);
- помещают калориметрический сосуд в оболочку калориметра сгорания;
- включают калориметр сгорания. Момент включения калориметра сгорания является началом эксперимента;
- по окончании эксперимента извлекают калориметрическую бомбу из калориметра сгорания и слегка отворачивают клапан, чтобы стравить остаточное давление перед свинчиванием головки калориметрической бомбы. Открывают калориметрическую бомбу и убеждаются в полном сгорании образца (отсутствии сажи внутри калориметрической бомбы и несгоревших остатков образца). Промывают и высушивают калориметрическую бомбу.
Примечания
1 При определении низшей теплоты сгорания необходимо провести процедуру, указанную в
приложении Е.
2 Если полного сгорания материала при использовании метода "тигля" не произошло, необходимо провести испытание по методу "сигареты". Если полного сгорания материала не произошло при проведении испытания по методу "сигареты", необходимо повторить эксперимент, используя большее число добавок для горения.
9.5. Оценка результатов испытания
9.5.1 Численное значение теплоты сгорания Q, МДж/кг, материала определяется калориметром сгорания автоматически согласно формуле:

(13)
где E - энергетический эквивалент калориметра, МДж/°C;
Tm - максимальная температура жидкости в калориметрическом сосуде, °C;
Ti - начальная температура жидкости в калориметрическом сосуде, °C;
c - температурная коррекция калориметра сгорания на теплообмен с окружающей средой, °C (не используют в адиабатических калориметрах);
b - количество теплоты, выделившееся при сгорании бензойной кислоты, фильтровальной (папиросной) бумаги, запальной проволоки, хлопковой нити, МДж;
m - масса образца, г.
9.5.2 Высшую теплоту сгорания определяют с учетом
9.2.3 при соблюдении условий кондиционирования образцов.
Низшую теплоту сгорания определяют аналитическим методом с учетом
9.2.3 при соблюдении условий кондиционирования образцов в соответствии с
приложением Е.
9.5.3 Теплоту сгорания однородных материалов рассчитывают по результатам трех испытаний в соответствии с
9.4. Если полученные значения удовлетворяют условиям
8.5, то испытание считается завершенным, и теплоту сгорания рассчитывают как среднее арифметическое значение результатов испытаний.
Если полученные значения не удовлетворяют условиям
9.5.5, то необходимо провести два дополнительных испытания и численное значение теплоты сгорания определить как среднее арифметическое трех значений (без учета максимального и минимального значений).
Если значения повторных испытаний не удовлетворяют условиям
9.5.5, то необходимо повторить испытания для новой выборки образцов.
Теплоту сгорания многослойных материалов определяют для каждого слоя в соответствии с
9.4. Значение теплоты сгорания приводят относительно массы образца и поверхностной плотности.
Теплоту сгорания многослойного материала рассчитывают как сумму значений теплоты сгорания каждого слоя в соответствии с
9.5.3 с учетом поверхностной плотности образца. Конечный результат приводят относительно массы материала.
Пример определения теплоты сгорания многослойного материала представлен в
приложении Ж.
9.5.4 Для некоторых материалов или их компонентов может быть получено отрицательное значение теплоты сгорания, если при их горении происходит эндотермическая реакция.
Для однородных материалов теплоту сгорания рассчитывают с учетом отрицательных значений.
При вычислении теплоты сгорания многослойных материалов рассматривают средние значения теплоты сгорания для каждого слоя в соответствии с
9.5.3. При этом отрицательные значения теплоты сгорания слоев принимают равными нулю.
Для металлических компонентов теплоту сгорания не определяют и принимают равной нулю.
9.5.5 Сходимость и воспроизводимость метода при доверительной вероятности 95% не должны превышать 15%.
9.6.1 Строительные материалы относят к негорючим НГ1, если теплота сгорания не более 2 МДж/кг (при условии соблюдения требований
5.2.1).
9.6.2 Строительные материалы относят к негорючим НГ2, если теплота сгорания не более 3 МДж/кг (при условии соблюдения требований
5.2.2).
В протоколе испытания приводят следующие сведения:
- дату испытания;
- условия в помещении (температура, °C; относительная влажность, %; атмосферное давление, кПа);
- наименование испытательной лаборатории;
- наименование методики испытаний;
- наименование и адрес заказчика;
- наименование и адрес изготовителя (поставщика) материала;
- описание материала или изделия, техническую документацию, а также торговую марку, состав, толщину, плотность, массу и способ изготовления образцов, для многослойных материалов толщину и характеристику материала каждого слоя;
- результаты испытаний;
- дополнительные наблюдения;
- исполнители.
9.8. Требования безопасности
Помещение, в котором проводят испытания, должно быть оборудовано приточно-вытяжной вентиляцией. Рабочее место оператора должно удовлетворять требованиям электробезопасности по
ГОСТ Р 12.1.019 и санитарно-гигиеническим требованиям по
ГОСТ 12.1.005. Лица, допущенные в установленном порядке к испытанию, должны быть ознакомлены с техническим описанием и инструкцией по эксплуатации испытательного оборудования.
(обязательное)
УСТАНОВКИ ДЛЯ ИСПЫТАНИЙ СТРОИТЕЛЬНЫХ МАТЕРИАЛОВ
1 - стойка; 2 - изоляция верхней части стабилизатора
воздушного потока; 3 - порошок магнезии; 4 - труба печи;
5 - нагревательные элементы печи; 6 - тяговая заслонка;
7 - стержень из жаропрочной стали для установки устройства;
8 - ограничитель; 9 - термопары для измерения температуры
в геометрическом центре образца и на его поверхности
(произвольные); 10 - трубка из нержавеющей стали;
11 - держатель образца; 12 - термопара печи; 13 - внешняя
изолированная стенка; 14 - цемент с добавлением минерального
волокна; 15 - прокладка; 16 - стабилизатор воздушного
потока; 17 - экран вытяжки (металлический лист)
Рисунок А.1 - Типовое расположение оборудования установки
1 - верхняя часть; 2 - нижняя часть; 3 - нагревательный
элемент; 4 - трубчатая печь
Рисунок А.2 - Конструкция трубчатой печи и схема намотки
нагревательного элемента для испытаний по
методу I
Примечание - Использование термопар TC и TS при необходимости.
1 - трубка из нержавеющей стали; 2 - сетка с ячейкой 0,9 мм
из проволоки диаметром 0,4 мм; TC - термопара, размещаемая
в центре образца; TS - термопара, размещаемая
на поверхности образца
Рисунок А.3 - Конструкция держателя образца
1 - деревянная ручка; 2 - сварной шов
Рисунок А.4 - Конструкция направляющего устройства
для установки печной термопары
Примечание - Использование TC и TS при необходимости.
1 - стенка печи; 2 - среднее значение высоты зоны постоянной
температуры; 3 - защищенные термопары; 4 - отверстие
диаметром 2 мм; 5 - соединение между термопарой и образцом;
TF - термопара печи; TC - термопара, размещаемая в центре
образца; TS - термопара, размещаемая на поверхности образца
Рисунок А.5 - Относительное положение печи,
образца и термопары
1 - амперметр; 2 - стабилизатор напряжения;
3 - трансформатор; 4 - термопары; 5 - оконечные устройства;
6 - обмотка печи; 7 - компенсационный провод; 8 - индикатор
температуры; 9 - регулятор мощности
Рисунок А.6 - Принципиальная электрическая схема установки
1 - высота печи, мм; 2 - температура, °C; 3 - верхняя часть
печи; 4 - нижний предел Tmin; 5 - верхний предел Tmax;
6 - нижняя часть печи
Рисунок А.7 - Допускаемые минимальные и максимальные
значения температуры по высоте трубчатой печи вдоль
ее вертикальной оси симметрии
Таблица А.1
Дискретные допускаемые численные значения минимальных
и максимальных температур по высоте трубчатой печи вдоль
ее вертикальной оси симметрии
Высота печи, мм | Tmin, °C | Tmax, °C |
145 | 639,4 | 671,0 |
135 | 663,5 | 697,5 |
125 | 682,8 | 716,1 |
115 | 697,9 | 728,9 |
105 | 709,3 | 737,4 |
95 | 717,3 | 742,8 |
85 | 721,8 | 745,9 |
75 | 722,7 | 747,0 |
65 | 719,6 | 746,0 |
55 | 711,9 | 742,5 |
45 | 698,8 | 735,5 |
35 | 679,3 | 723,5 |
25 | 652,2 | 705,0 |
15 | 616,2 | 677,5 |
5 | 569,5 | 638,6 |
(справочное)
ПРИМЕРЫ РАСЧЕТА НАЧАЛЬНОЙ И КОНЕЧНОЙ ТЕМПЕРАТУР СТАБИЛИЗАЦИИ
Б.1 Стабилизация начальной температуры
Критерии, определяющие стабилизацию начальной температуры по
6.5.3. Спустя 10 мин. должны быть достигнуты следующие условия:
- средняя температура Tavg = (750 +/- 5) °C;
- |T - Tavg| <= 10 °C;
- отклонение (линейная регрессия) <= 2 °C;
- средняя температура 750,4 °C;
- максимальное отклонение температуры 4,3 °C;
- смещение 0,7 °C.
Пример стабилизации начальной температуры приведен на рисунке Б.1.
1 - температура, °C; 2 - время, с
Рисунок Б.1 - Пример стабилизации начальной температуры
В соответствии с определением начальной температуры, данным в
6.5.4.2,
Ti =
Tavg.
Б.2 Стабилизация конечной температуры
Если критерий стабилизации достигается в течение 30 мин., то испытание завершают спустя 30 мин. Если критерий стабилизации достигается в течение от 30 до 60 мин., то это время должно быть концом испытания. Если критерий стабилизации не достигается, то испытание следует завершить спустя 60 мин.
Критерий стабилизации достигается тогда, когда отклонение (линейная регрессия) температуры, рассчитанное с интервалами 5 мин., не превышает 2 °C в течение 10 мин.
Пример стабилизации конечной температуры приведен на рисунке Б.2 и в
таблице Б.1.
1 - температура, °C; 2 - время, с;
3 - смещение [20 мин. - 30 мин.] = 2,76 °C;
4 - смещение [25 мин. - 35 мин.] = 2,15 °C;
5 - смещение [30 мин. - 40 мин.] = 2,80 °C;
6 - смещение [35 мин. - 45 мин.] = 0,84 °C;
7 - время окончания испытания, равное 45 мин.
Рисунок Б.2 - Пример стабилизации конечной температуры
Таблица Б.1
Пример | Окончание испытания, мин. | Ti, °C | Tmax, °C | Tf, °C | Tmax - Tf, °C |
| 30 | 750,4 | 877,8 | 802,3 | 75,5 |
| 45 | 748,4 | 807,4 | 804,8 | 2,6 |
Отклонение (линейная регрессия) температуры в интервале от 35 до 45 мин. (в течение 10 мин.) меньше, чем 2 °C. Поэтому критерий стабилизации конечной температуры достигается через 45 мин., и, таким образом, время окончания испытания - 45 мин.
Б.3 Определение подъема температуры
Информация, касающаяся подъема температуры, получена из расчета
Tmax и
Tf в градусах Цельсия. Это проиллюстрировано двумя типичными примерами (условно испытания А и Б) записи температуры на рисунках Б.3 и
Б.4, результаты которых объединены в
таблице Б.1.
1 - температура, °C; 2 - время, с; 3 - время окончания
испытания, равное 30 мин.
Рисунок Б.3 - Пример записи температуры во время испытания А
1 - температура, °C; 2 - время, с; 3 - время окончания
испытания, равное 45 мин.
Рисунок Б.4 - Пример записи температуры во время испытания Б
(обязательное)
УСТАНОВКА ДЛЯ ИСПЫТАНИЙ СТРОИТЕЛЬНЫХ МАТЕРИАЛОВ
1 - камера сжигания; 2 - держатель образца; 3 - образец;
4 - газовая горелка; 5 - вентилятор подачи воздуха;
6 - дверца камеры сжигания; 7 - диафрагма;
8 - вентиляционная труба; 9 - газопровод; 10 - термопары;
11 - вытяжной зонт; 12 - смотровое окно
Рисунок В.1 - Общий вид установки
1 - образец; 2 - газовая горелка; 3 - основание держателя
(опора для образца)
Рисунок В.2 - Схема взаимного расположения
газовой горелки и образца
1 - неповрежденная поверхность; 2 - граница поврежденной
и неповрежденной поверхностей; 3 - поврежденная поверхность
Рисунок В.3 - Схема определения длины повреждения образца
(обязательное)
УСТАНОВКА ДЛЯ ИСПЫТАНИЙ СТРОИТЕЛЬНЫХ МАТЕРИАЛОВ ПРИ ПРЯМОМ
1 - вытяжная труба камеры; 2 - сетка из жаростойкой стали;
3 - дно камеры сгорания; 4 - дверь из огнестойкого стекла
Рисунок Г.1 - Общий вид камеры сгорания
1 - образец
Рисунок Г.2 - Держатель образца для испытаний
однослойных материалов
1 - многослойный образец; 2 - держатель образца;
точка "0" - место воздействия пламенем газовой горелки
(центральная точка каждого слоя нижней кромки образца)
Рисунок Г.3 - Держатель образца для испытаний
многослойных материалов
1 - держатель образца; 2 - образец; 3 - вертикальная стойка
с основанием; 4 - механизм перемещения газовой горелки;
5 - газовая горелка; 6 - поддон из алюминиевой фольги
Рисунок Г.4 - Взаимное расположение держателя образца
и газовой горелки
а - положение газовой горелки при регулировке расхода газа;
б - положение газовой горелки при воздействии пламенем
с поверхности образца; в - положение газовой горелки
при воздействии пламенем с нижней кромки образца
Рисунок Г.5 - Расположение газовой горелки при подготовке
и проведении испытания
1 - дроссельная трубка; 2 - газовое сопло; 3 - трубка
горелки; 4 - стабилизатор пламени; 5 - выемка
Рисунок Г.6 - Общий вид газовой горелки
Рисунок Г.7 - Газовое сопло горелки
Рисунок Г.8 - Стабилизатор пламени горелки
1 - зона смешения газов; 2 - зона диффузии;
3 - зона выхода газа; 4 - воздушная камера
Рисунок Г.9 - Трубка газовой горелки
(обязательное)
ОБЩИЙ ВИД УСТАНОВКИ ДЛЯ ОПРЕДЕЛЕНИЯ ТЕПЛОТЫ СГОРАНИЯ
1 - мешалка; 2 - крышка оболочки; 3 - блок поджига
(электроды); 4 - устройство регистрации температуры;
5 - калориметрический сосуд; 6 - оболочка калориметра
сгорания; 7 - калориметрическая бомба
Рисунок Д.1 - Общий вид установки
1 - проволока для поджига; 2 - электроды;
3 - образец; 4 - тигель
Рисунок Д.2 - Метод "тигля"
а - крепление бумаги на сердечнике путем склеивания краев;
б - расположение бумаги в форме для формирования "сигареты";
в - внешний вид изготовленной "сигареты" (концы бумаги
закручены); г - расположение "сигареты" в тигле (проволока
зажигания жестко зафиксирована вокруг электродов)
1 - сердечник; 2 - форма; 3 - проволока для поджига;
4 - бумага; 5 - электрод; 6 - "сигарета"; 7 - тигель
Рисунок Д.3 - Метод "сигареты"
(обязательное)
ОПРЕДЕЛЕНИЕ НИЗШЕЙ ТЕПЛОТЫ СГОРАНИЯ
Низшую теплоту сгорания Qн, МДж/кг, вычисляют по формуле:
Qн = Qв - q, (Е.1)
где Qв - высшая теплота сгорания, МДж/кг;
q - скрытая теплота конденсации воды, МДж/кг.
q = 0,02442(9H + W), (Е.2)
где 0,02442 - удельная теплота парообразования при температуре измерения 25 °C из расчета на 1% выделившейся воды, МДж/кг;
H - содержание водорода в образце, %;
W - массовая доля сконденсировавшейся воды в испытуемом образце после сгорания, %. Массовую долю сконденсировавшейся воды W определяют как среднее арифметическое значений результатов трех испытаний.
Примечание - Для того чтобы определить количество сконденсировавшейся воды, необходимо оставить бомбу после испытаний в охлаждающей ванне на 3 мин. для полной конденсации паров внутри бомбы, после чего открыть выпускной клапан, медленно уменьшить давление, открыть крышку бомбы и измерить количество сконденсировавшейся воды (без учета 1 мл дистиллированной воды).
(рекомендуемое)
ПРИМЕР ОПРЕДЕЛЕНИЯ ТЕПЛОТЫ СГОРАНИЯ МНОГОСЛОЙНОГО МАТЕРИАЛА
В качестве примера взят многослойный материал, состоящий из основных слоев, внутреннего и внешнего неосновных слоев (рисунок Ж.1).
A, B - внешний неосновной слой; C - основной слой;
D - внутренний неосновной слой; E - основной слой
Рисунок Ж.1 - Многослойный материал
Для испытания подготовляют образцы каждого слоя материала.
Слой A - минимальной площадью 0,5 м2 или массой 10,0 г; слой B - минимальной массой 10,0 г сухого материала (клей); слой C - минимальной площадью 0,5 м2 или массой 50,0 г; слой D - минимальной массой 10,0 г сухого материала (клей); слой E - минимальной площадью 0,5 м2 или массой 50,0 г.
Поверхностную плотность каждого из пяти слоев определяют в соответствии с
9.2.
Поверхностную плотность

, кг/м
2, материала вычисляют по формуле:

(Ж.1)
где

,

,

,

,

- поверхностная плотность слоев A, B, C, D, E соответственно, кг/м
2.
Теплоту сгорания (относительно массы) каждого образца одного слоя определяют в соответствии с
9.4.
Теплоту сгорания относительно поверхностной плотности каждого образца одного слоя QSA, QSB, QSC, QSD, QSE, МДж/м2, вычисляют по формулам:

(Ж.2)

(Ж.3)

(Ж.4)

(Ж.5)

(Ж.6)
где QA, QB, QC, QD, QE - теплота сгорания (относительно массы) каждого образца слоев A, B, C, D, E соответственно, МДж/кг.
Теплоту сгорания QAB, МДж/кг, внешнего неосновного слоя вычисляют по формуле:

(Ж.7)
Теплоту сгорания QS, МДж/м2, всего многослойного материала относительно поверхностной плотности вычисляют по формуле:
QS = QSA + QSB + QSC + QSD + QSE. (Ж.8)
Теплоту сгорания Q, МДж/кг, всего материала относительно массы вычисляют по формуле:

(Ж.9)