Главная // Актуальные документы // ГОСТ (Государственный стандарт)СПРАВКА
Источник публикации
М.: ИПК Издательство стандартов, 2002
Примечание к документу
С 1 июля 2003 года до вступления в силу технических регламентов акты федеральных органов исполнительной власти в сфере технического регулирования носят рекомендательный характер и подлежат обязательному исполнению только в части, соответствующей целям, указанным в
пункте 1 статьи 46 Федерального закона от 27.12.2002 N 184-ФЗ.
Документ
введен в действие с 1 января 1976 года.
Взамен ГОСТ 739-41.
Название документа
"ГОСТ 739-74. Межгосударственный стандарт. 2-Меркаптобензтиазол. Технические условия"
(утв. и введен в действие Постановлением Госстандарта СССР от 23.05.1974 N 1285)
(ред. от 01.12.1989)
"ГОСТ 739-74. Межгосударственный стандарт. 2-Меркаптобензтиазол. Технические условия"
(утв. и введен в действие Постановлением Госстандарта СССР от 23.05.1974 N 1285)
(ред. от 01.12.1989)
Утвержден и введен в действие
Постановлением Государственного
комитета СССР по стандартам
от 23 мая 1974 г. N 1285
МЕЖГОСУДАРСТВЕННЫЙ СТАНДАРТ
2-МЕРКАПТОБЕНЗТИАЗОЛ
ТЕХНИЧЕСКИЕ УСЛОВИЯ
2-Mercaptobenzothiazole. Specifications
ГОСТ 739-74
| | Список изменяющих документов (в ред. Изменения N 1, утв. в феврале 1981 г., Изменения N 2, утв. в апреле 1985 г., Изменения N 3, утв. в августе 1987 г., Изменения N 4, утв. в декабре 1989 г.) | |
ОКП 24 9132
Дата введения
1 января 1976 года
в части первого сорта
1 января 1977 года
в части высшего сорта
1 января 1978 года
1. Разработан и внесен Министерством химической промышленности СССР.
2. Утвержден и введен в действие Постановлением Государственного комитета СССР по стандартам от 23.05.74 N 1285.
3. Взамен ГОСТ 739-41.
4. Ссылочные нормативно-технические документы
Обозначение НТД, на который дана ссылка | Номер пункта, подпункта |
| 2а.2 |
| 3.7 |
| 3.6.1; 3.12.1 |
| 4.1.1; 4.1.2; 4.1.3 |
| 3.12.1 |
| 3.6.1 |
| 3.6.1 |
| 3.6.1 |
| 1.1; 3.14.1; 3.15.1а; 3.16.1а |
| 3.12.1; 3.14.1 |
| 4.2 |
| 3.14.1 |
| 4.1.7а |
| 3.12.1; 3.14.1 |
| 4.1.1 |
| 4.1.7а |
| 4.2 |
| 4.1.2 |
| 4.1.3 |
| 3.6.1 |
| 3.7 |
| 4.2 |
| 3.6.1 |
| 3.9 |
| 3.8 |
| 4.1.7а |
| 3.6.1; 3.12.1; 3.14.1 |
| 4.7 |
5. Ограничение срока действия снято по Протоколу N 4-93 Межгосударственного совета по стандартизации, метрологии и сертификации (ИУС 4-94).
6. Издание (февраль 2002 г.) с Изменениями N 1, 2, 3, 4, утвержденными в феврале 1981 г., апреле 1985 г., августе 1987 г., декабре 1989 г. (ИУС 4-81, 7-85, 12-87, 2-90).
Настоящий стандарт распространяется на 2-меркаптобензтиазол, предназначаемый для применения при производстве резиновых изделий как ускоритель вулканизации.
2-Меркаптобензтиазол - порошок или цилиндрические гранулы от светло-желтого до желтого цвета.
Формулы: эмпирическая C7H5NS2
структурная

Молекулярная масса (по международным атомным массам 1971 г.) - 167,25.
(Измененная редакция, Изм. N 4).
1. ТЕХНИЧЕСКИЕ ТРЕБОВАНИЯ
1.1а. 2-Меркаптобензтиазол должен быть изготовлен в соответствии с требованиями настоящего стандарта по технологическому регламенту, утвержденному в установленном порядке.
(Введен дополнительно, Изм. N 3).
1.1. По физико-химическим показателям 2-меркаптобензтиазол должен соответствовать требованиям и нормам, указанным в таблице.
Наименование показателя | Норма |
1-й сорт ОКП 24 9132 0130 04 | 2-й сорт ОКП 24 9132 0140 02 |
1. (Исключен, Изм. N 4). | | |
2. Массовая доля 2-меркаптобензтиазола, %, не менее | 95 | 93 |
3. Температура плавления, °C, не ниже | 174 | 172 |
4. Массовая доля золы, %, не более | 0,2 | 0,3 |
5. Массовая доля летучих веществ, %, не более | 0,5 | 0,5 |
6. Массовая доля железа и его соединений, извлекаемых магнитом, %, не более | 0,008 | 0,008 |
7. Остаток после просева порошка на сите с сеткой 0,14К по ГОСТ 6613, %, не более | 0,005 | 0,15 |
8. Массовая доля пылевидного продукта в гранулах, %, не более | 3 | Не определяют |
9. Механическая прочность гранул, % | 0,8 - 8,0 | Не определяют |
Примечания:
1. Массовую долю железа определяют только в продукте 1-го сорта, предназначенном для использования в кабельной промышленности.
2. Для продукта 1-го сорта в виде порошка остаток после просева на сите допускается не более 0,15% до 01.01.92.
3. Показатели 3, 4 и 6 определяют по требованию потребителя.
(Измененная редакция, Изм. N 2, 3, 4).
2а. ТРЕБОВАНИЯ БЕЗОПАСНОСТИ
2а.1. Температура воспламенения пыли 2-меркаптобензтиазола 830 °C. Температура самовоспламенения пыли, находящейся во взвешенном состоянии, 628 °C. Осевшая пыль пожароопасна. Нижний концентрационный предел распространения пламени - 10,4 г/см3.
Тушить следует тонкораспыленной водой со смачивателем и пеной.
2-Меркаптобензтиазол горюч.
(Измененная редакция, Изм. N 4).
2а.2. 2-меркаптобензтиазол - продукт с характерным запахом и горьким вкусом. При длительном воздействии вызывает хронические заболевания верхних дыхательных путей, конъюнктивиты и дерматиты. По
ГОСТ 12.1.007 относится к 3-му классу опасности.
2а.3. Определение пыли 2-меркаптобензтиазола в воздухе рабочих помещений проводят весовым методом с помощью фильтра АФА-В-18.
Все рабочие помещения должны быть обеспечены приточно-вытяжной вентиляцией. В местах наибольшего пыления должны быть оборудованы укрытия с местной вытяжной вентиляцией.
2а.4. При работе с 2-меркаптобензтиазолом следует применять индивидуальные средства защиты (спецодежду, респиратор, защитные очки, резиновые перчатки) для предохранения от попадания продукта на кожные покровы, слизистые оболочки и проникновения его пыли в органы дыхания и пищеварения. При необходимости применяют противогаз марки БКФ.
(Измененная редакция, Изм. N 4).
2а.5. Небольшие количества рассыпанного продукта засыпают песком или землей, большие - следует смочить водой и убрать.
(Введен дополнительно, Изм. N 4).
Разд. 2а. (Введен дополнительно, Изм. N 2).
2.1. 2-меркаптобензтиазол поставляют партиями. Партией считают любое количество однородного по качественным показателям продукта, сопровождаемого одним документом о качестве.
Документ должен содержать:
наименование предприятия-изготовителя или его товарный знак;
наименование продукта;
номер партии и количество мест в партии;
дату изготовления;
массу брутто и нетто;
результаты проведенного анализа;
обозначение настоящего стандарта.
(Измененная редакция, Изм. N 2).
2.2. Пробу отбирают от 10% единиц упаковки, но не менее чем от трех, если партия состоит менее чем из 30 упаковочных единиц.
2.3. При получении неудовлетворительных результатов анализа хотя бы по одному показателю по нему должны проводить повторный анализ проб, отобранных от удвоенного количества упаковочных единиц.
Результаты повторного анализа являются окончательными и распространяются на всю партию.
2.2, 2.3. (Измененная редакция, Изм. N 3).
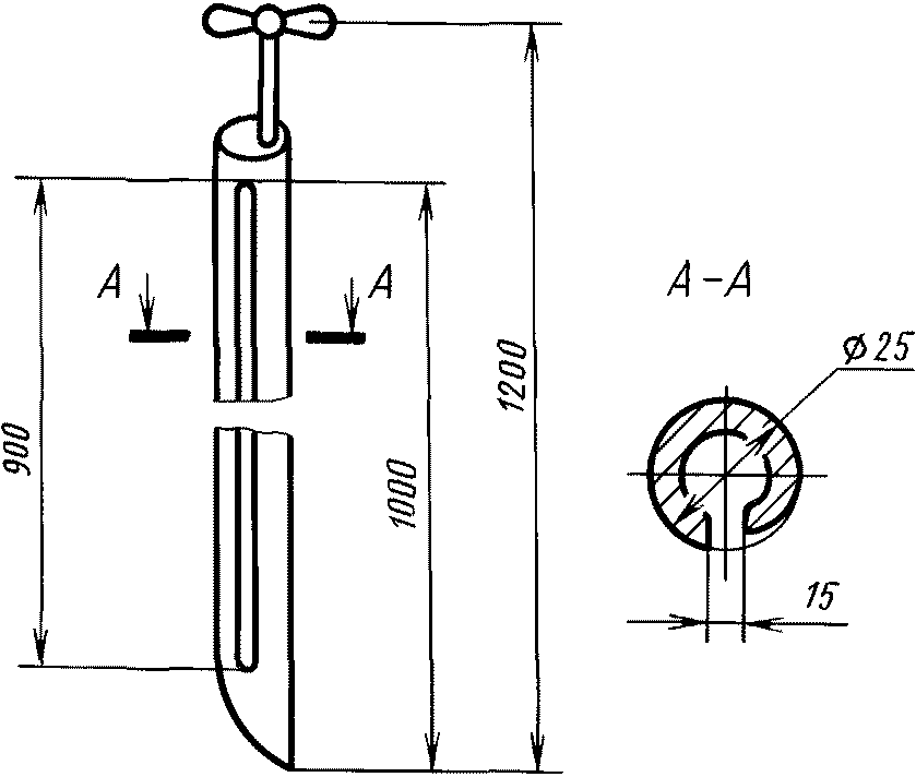
3.1. Пробы отбирают при помощи пробоотборников (щупов), изготовленных из некорродирующего материала.
3.2. Отбор проб порошкообразного продукта
Из одной упаковочной единицы отбирают щупом (черт. 1) две точечные пробы: одну вблизи стенки тары, другую вблизи ее центра. Щуп погружают на всю высоту слоя продукта в таре и используют все содержимое щупа.
Щуп для проб порошкообразного продукта
Черт. 1
Отобранные точечные пробы тщательно перемешивают и сокращают до средней пробы массой не менее 300 г.
(Измененная редакция, Изм. N 3).
3.3. Отбор проб гранулированного продукта
Точечные пробы гранулированного 2-меркаптобензтиазола отбирают щупом (черт. 2).
Щуп для отбора проб гранулированного продукта
Черт. 2
3.3.1. Перед отбором пробы барабан или мешок кладут на бок, внутренний мешок развязывают, приподнимают конец тарного места на 35 - 45° и осторожно вводят в свободное пространство щуп до дна, потом поворачивают щуп для наполнения его гранулами.
3.3.2. Гранулы из щупа, находящегося в горизонтальном положении на высоте 2 - 3 см, высыпают на негигроскопическую гладкую поверхность.
3.3.3. Из одной упаковочной единицы отбирают одну точечную пробу. Отобранные точечные пробы тщательно перемешивают и сокращают до средней пробы массой не менее 300 г. Продукт тщательно растирают.
Из этих же упаковочных единиц отбирают еще пять проб, каждую помещают в отдельную стеклянную или полиэтиленовую банку с плотно закрывающейся крышкой. Их используют только для определения массовой доли пылевидного продукта и механической прочности гранул.
(Измененная редакция, Изм. N 3).
3.4. На банки с пробами для анализа наклеивают этикетки, на которых указывают наименование продукта, товарный знак или наименование предприятия-изготовителя, номер партии, дату отбора пробы и фамилию пробоотборщика.
3.5. Допускается применение других средств измерений с метрологическими характеристиками и оборудования с техническими характеристиками не хуже, а также реактивов по качеству не ниже указанных в настоящем стандарте.
Для взвешивания применяют лабораторные весы общего назначения с наибольшими пределами взвешивания 200 и 500 г и погрешностью +/- 0,7500 и +/- 1,5000 мг соответственно.
(Измененная редакция, Изм. N 4).
3.6. Определение массовой доли 2-меркаптобензтиазола
3.6.1. Реактивы, растворы и аппаратура
Дифенилкарбазон, спиртовой раствор с массовой долей 1%, готовят по
ГОСТ 4919.1.
Ртуть (II) азотнокислая 1-водная по
ГОСТ 4520, х.ч., раствор концентрации c(
1/
2Hg(NO
3)
2·0,5H
2O) = 0,1 моль/дм
3 (0,1 н.), поправочный коэффициент определяют по хлористому натрию, высушенному при 120 °C до постоянной массы.
Спирт этиловый ректификованный технический по
ГОСТ 18300, высшего сорта.
Хлороформ технический по
ГОСТ 20015, высшего сорта.
Бюретка вместимостью 25 см3 с ценой деления 0,1 см3.
(Измененная редакция, Изм. N 1, 2, 4).
3.6.2. Проведение анализа
0,3 г тонкорастертого 2-меркаптобензтиазола (результат взвешивания записывают с точностью до четвертого десятичного знака) помещают в коническую колбу вместимостью 250 - 300 см3 и растворяют в 30 см3 смеси: хлороформ и спирт (1:1). Затем добавляют восемь капель дифенилкарбазона и титруют раствором азотнокислой ртути (II) до устойчивой сиреневой окраски.
(Измененная редакция, Изм. N 1, 2).
3.6.3. Обработка результатов
Массовую долю 2-меркаптобензтиазола (X) в процентах вычисляют по формуле
где V - объем раствора азотнокислой ртути (II) концентрации точно 0,1 моль/дм3, израсходованный на титрование, см3;
0,016725 - масса 2-меркаптобензтиазола, соответствующая 1 см3 раствора азотнокислой ртути (II) концентрации точно 0,1 моль/дм3, г;
m - масса навески 2-меркаптобензтиазола, г.
За результат анализа принимают среднее арифметическое результатов двух параллельных определений, абсолютное расхождение между которыми не превышает допускаемое расхождение, равное 0,3%.
Допускаемая абсолютная суммарная погрешность результатов анализа +/- 0,15% при доверительной вероятности P = 0,95.
(Измененная редакция, Изм. N 1, 2, 4).
3.7. Определение температуры плавления
Температуру плавления продукта определяют по
ГОСТ 18995.4 в приборе с пустой внутренней пробиркой, при этом капилляр с продуктом, высушенным при 70 - 80 °C до постоянной массы, вносят в прибор, нагретый до 150 °C, и дальнейшее нагревание ведут со скоростью (2,0 +/- 0,2) °C в минуту до начала плавления. За температуру плавления принимают появление первой прозрачной капли расплавленного продукта.
Допускается определять температуру плавления на приборе ПТП с градуировкой по янтарной кислоте по
ГОСТ 631, х.ч.
(Измененная редакция, Изм. N 1, 2).
3.8. Определение массовой доли золы
Массовую долю золы в продукте определяют по
ГОСТ 21119.10 прокаливанием при (700 +/- 50) °C, при этом навеску берут около 3 г.
3.9. Определение массовой доли летучих веществ
Массовую долю летучих веществ в 2-меркаптобензтиазоле определяют по
ГОСТ 21119.1, методом высушивания 2 г продукта при 70 - 80 °C в термостате или при помощи инфракрасной лампы.
При разногласиях массовую долю летучих веществ определяют методом термостатирования.
3.8, 3.9. (Измененная редакция, Изм. N 1, 4).
3.10 - 3.10.3. (Исключены, Изм. N 1).
3.11 - 3.11.3. (Исключены, Изм. N 2).
3.12. Определение массовой доли железа и его соединений, извлекаемых магнитом
3.12.1. Реактивы и аппаратура
Магнит ручной с остаточной индукцией 0,3 - 0,6 Тл.
(Измененная редакция, Изм. N 2, 4).
3.12.2. Проведение анализа
Около 50 г 2-меркаптобензтиазола (результат взвешивания записывают с точностью до второго десятичного знака) помещают в стеклянный стакан вместимостью 500 см3, растворяют при слабом нагревании на водяной бане в 250 см3 ацетона и фильтруют раствор при разрежении через бумажный фильтр "белая лента".
Стакан и осадок на фильтре тщательно промывают в 2 - 3 приема 30 см3 ацетона, после этого оставшиеся на дне стакана частицы присоединяют к осадку, смывая их на фильтр струей дистиллированной воды из промывалки. Дополнительно промывают фильтр 10 см3 ацетона, сушат 10 мин при 100 °C, переносят фильтр с осадком пинцетом в фарфоровую чашку и извлекают из осадка частицы железа и его соединений магнитом, слегка касаясь последним поверхности фильтра.
Извлеченные частицы снимают жесткой волосяной кисточкой на предварительно взвешенное часовое стекло, взвешивают и результаты записывают с точностью до четвертого десятичного знака.
(Измененная редакция, Изм. N 2).
3.12.3. Обработка результатов
Массовую долю железа и его соединений, извлекаемых магнитом, (X3) в процентах вычисляют по формуле
где m - навеска продукта, г;
m1 - масса часового стекла, г;
m2 - масса часового стекла с частицами, извлеченными магнитом, г.
За результат анализа принимают среднее арифметическое результатов двух параллельных определений, абсолютное расхождение между которыми не превышает допускаемое расхождение, равное 0,001%.
Допускаемая абсолютная суммарная погрешность результата анализа +/- 0,001% при доверительной вероятности P = 0,95.
(Измененная редакция, Изм. N 2, 4).
3.13 - 3.13.3. (Исключены, Изм. N 1).
3.14. Определение остатка после просева
3.14.1. Реактивы, растворы и аппаратура
Смачиватель НБ по
ГОСТ 6867, раствор с массовой долей 2%, отфильтрованный от механических примесей.
Сито металлическое диаметром 100 - 200 мм с сеткой N 014К по
ГОСТ 6613.
Кисть мягкая N 18 - 20 с длиной щетины 20 - 30 мм.
Стакан фарфоровый по
ГОСТ 9147 вместимостью 150 см
3.
Фильтр бумажный беззольный "белая лента".
Чашка кристаллизационная ЧКЦ-2-5000 по
ГОСТ 25336.
(Измененная редакция, Изм. N 2, 3, 4).
3.14.2. Проведение анализа
30,00 г (для продукта при норме остатка на сите не более 0,15% берут навеску 10,00 г) 2-меркаптобензтиазола помещают в фарфоровый стакан, приливают 100 см3 (10 г смачивают 50 см3) раствора смачивателя НБ и перемешивают. Полученную суспензию количественно переносят на сито. Сито помещают под струю воды из водопроводного крана, на который надета предохранительная сетка 014К или любая другая с меньшим размером ячеек в свету.
Скорость пропускания воды 1 - 3 дм3 в минуту, расстояние крана или шланга от сита 10 - 20 см.
Продукт промывают струей воды в течение 10 мин, слегка проводят кистью по ситу со скоростью 1 - 2 движения в секунду. Затем погружают дно сита в воду, налитую в кристаллизационную чашку, под которую подложена черная бумага. При этом уровень жидкости в чашке должен быть выше поверхности продукта на 15 - 20 мм. Промывают осадок, проводя кистью по ситу до тех пор, пока при смене воды в чашке не перестанут обнаруживаться частицы продукта.
После этого остаток количественно отфильтровывают при разрежении на предварительно высушенном при 100 °C до постоянной массы бумажном фильтре, смывая его со дна сита на фильтр струей дистиллированной воды из промывалки. Фильтр с остатком сушат до постоянной массы при 100 °C и после охлаждения взвешивают. Результаты в граммах записывают с точностью до четвертого десятичного знака.
Допускается сито с остатком сушить при 70 - 80 °C в течение 1 ч. Затем остаток количественно с помощью кисти переносят в стаканчик для взвешивания, предварительно высушенный до постоянной массы при 100 °C, сушат при этой температуре до постоянной массы и после охлаждения взвешивают.
(Измененная редакция, Изм. N 1, 2, 3, 4).
3.14.3. Обработка результатов
Массовую долю остатка после просева (X5) в процентах вычисляют по формуле
где m - навеска продукта, г;
m1 - масса фильтра, г;
m2 - масса фильтра с остатком, г.
За результат анализа принимают среднее арифметическое результатов двух параллельных определений, абсолютное расхождение между которыми не превышает допускаемое расхождение, равное 0,001% при норме 0,005% и 0,02% при норме 0,15%.
Допускаемая абсолютная суммарная погрешность результата анализа +/- 0,0005% при норме 0,005% и +/- 0,01% при норме 0,15% при доверительной вероятности P = 0,95.
(Измененная редакция, Изм. N 1, 2, 4).
3.15. Определение массовой доли пылевидного продукта
3.15.1а. Аппаратура
Сито диаметром 200 мм с сеткой N 09К и 014К по
ГОСТ 6613.
Поддон.
(Измененная редакция, Изм. N 3, 4).
3.15.1. Проведение анализа
Собирают пакет, состоящий из поддона, сита 014К и сверху сита 09К.
Всю пробу, предназначенную для определения содержания пылевидного продукта (результат взвешивания в граммах записывают с точностью до второго десятичного знака), осторожно высыпают в пакет на сито с сеткой 09К и просеивают, слегка встряхивая и осторожно перекатывая в течение 1 мин пробу с одной стороны сита на другую.
Пылевидный продукт, оставшийся на поддоне, взвешивают. Результат в граммах записывают с точностью до второго десятичного знака.
(Измененная редакция, Изм. N 2, 3).
3.15.2. Обработка результатов
Массовую долю пылевидного продукта (X6) в процентах вычисляют по формуле
где m - масса гранул до анализа, г;
m1 - масса отсева на поддоне, г.
За величину массовой доли пылевидного продукта принимают среднее арифметическое результатов пяти определений.
(Измененная редакция, Изм. N 3).
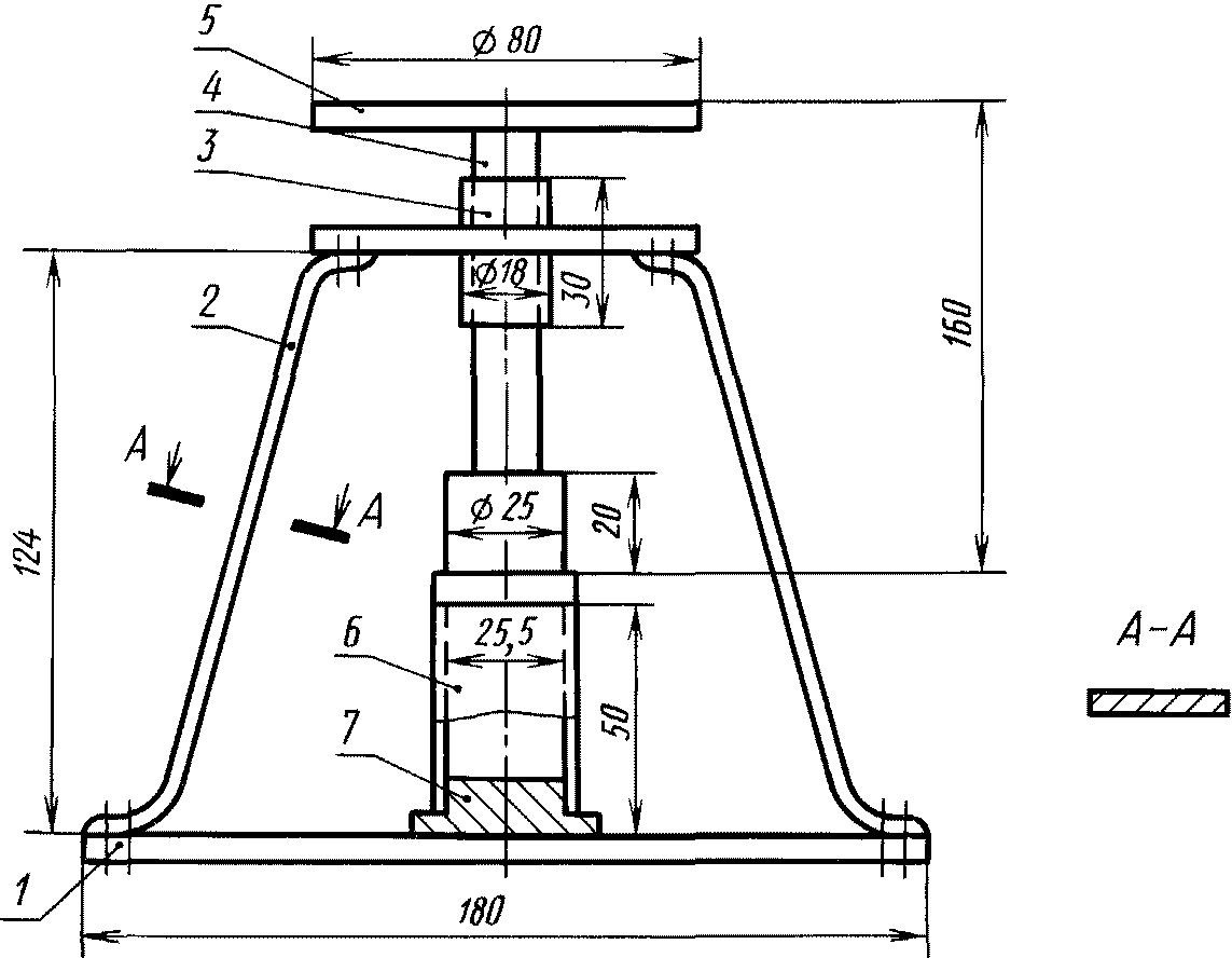
3.16. Определение механической прочности гранул
Механическую прочность гранул 2-меркаптобензтиазола определяют по количеству пылевидного продукта, получаемого после воздействия груза на гранулы. Определение проводят на установке.
3.16.1а. Аппаратура
Сито диаметром 200 мм с сеткой N 09К по
ГОСТ 6613.
Установка для определения прочности гранул (черт. 3).
Установка для определения прочности гранул
1 - подставка; 2 - стойка; 3 - диск с направляющей втулкой;
4 - поршень со штоком; 5 - площадка для груза; 6 - цилиндр;
7 - съемное днище
Черт. 3
(Измененная редакция, Изм. N 3, 4).
3.16.1. Описание установки
Установка изготовлена из нержавеющей стали и состоит из нижней опорной площадки, к которой при помощи двух стоек крепится верхняя опорная площадка с направляющей для штока поршня, поршня со штоком, цилиндра для гранул и съемного днища. На верхней части штока поршня укреплена площадка для установки груза.
3.16.2. Проведение анализа
Около 5 г гранул, отсеянных от пыли по
п. 3.15, оставшихся на сите 09К (результат взвешивания записывают с точностью до четвертого десятичного знака), переносят осторожно в цилиндр установки и слегка встряхивают для выравнивания поверхности. Затем в цилиндр с гранулами вводится поршень, на площадке которого устанавливают груз. Груз создает среднее удельное давление 5,9 · 10
4 Па.
Через 30 с груз снимают, гранулы переносят на сито. Пыль и мелкую крошку, образовавшуюся от разрушения гранул, отсеивают, слегка встряхивая, осторожным перекатыванием гранул в течение минуты 20 - 30 раз с одной стороны сита на другую.
Оставшиеся на сите гранулы взвешивают. Результат в граммах записывают с точностью до четвертого десятичного знака.
(Измененная редакция, Изм. N 2, 3).
3.16.3. Обработка результатов
Механическую прочность гранул (X7) в процентах вычисляют по формуле
где m - масса гранул до анализа, г;
m1 - масса гранул после анализа, г.
За величину механической прочности принимают минимальное и максимальное значения из пяти определений.
4. УПАКОВКА, МАРКИРОВКА, ТРАНСПОРТИРОВАНИЕ И ХРАНЕНИЕ
4.1. Для упаковки 2-меркаптобензтиазола применяют следующие виды тары:
4.1.1. Фанерные барабаны типа I вместимостью 66 и 93 дм
3, изготовленные по
ГОСТ 9338, внутрь которых вкладывают трех-, пятислойные бумажные мешки марки НМ по
ГОСТ 2226 или полиэтиленовые мешки-вкладыши, или пленочные мешки-вкладыши.
(Измененная редакция, Изм. N 2, 3).
4.1.2. Картонные навивные барабаны типов I, II, III вместимостью до 50 дм
3 по
ГОСТ 17065 со вставленными трех-, пятислойными бумажными мешками марки НМ по
ГОСТ 2226 или полиэтиленовыми мешками-вкладышами или пленочными мешками-вкладышами.
4.1.3. Мешки из прорезиненной ткани со вставленными внутрь трех-, пятислойными бумажными мешками марки НМ по
ГОСТ 2226 или полиэтиленовыми мешками-вкладышами, или пленочными мешками-вкладышами.
Бумажные мешки марок БМП и ВМП по
ГОСТ 2226, при этом трех- и четырехслойные мешки вставляют в полиэтиленовые мешки по
ГОСТ 17811.
Бумажные мешки марок ВМ, ПМ, БМП, ВМБ, ВМП по
ГОСТ 2226, при этом в трех- и четырехслойные указанные мешки вставляют полиэтиленовые мешки по
ГОСТ 17811 или пленочные мешки-вкладыши.
4.1.2, 4.1.3. (Измененная редакция, Изм. N 2, 3, 4).
4.1.4, 4.1.5. (Исключены, Изм. N 4).
4.1.6. После загрузки прорезиненные и бумажные мешки зашивают машинным способом, полиэтиленовые мешки заваривают. Полиэтиленовые и пленочные мешки-вкладыши допускается завязывать или подворачивать и прошивать вместе с бумажными.
(Измененная редакция, Изм. N 2, 3).
4.1.7. Масса нетто продукта в мешках (20 +/- 1) и (25 +/- 1) кг, в барабанах (20 +/- 1) и (35 +/- 1) кг.
(Измененная редакция, Изм. N 1).
4.1.7а. При транспортировании в районы Крайнего Севера железнодорожным и речным транспортом мешки и барабаны с 2-меркаптобензтиазолом формируют в транспортные пакеты по
ГОСТ 24597 и нормативной документации, на поддоны по
ГОСТ 9557,
ГОСТ 9078, при этом формируют пакеты массой 1 т.
(Измененная редакция, Изм. N 4).
4.1.7б. По требованию потребителя 2-меркаптобензтиазол пакетируют в соответствии с п. 4.1.7а.
(Введен дополнительно, Изм. N 4).
4.1.8. При отправке 2-меркаптобензтиазола потребителям мелкими отправками последний должен быть упакован по
п. 4.1.1. При этом в барабаны вставляют полиэтиленовые мешки-вкладыши или пленочные мешки-вкладыши.
4.2. Транспортная маркировка - по
ГОСТ 14192 с нанесением манипуляционного знака "Беречь от влаги", знака опасности по
ГОСТ 19433 (класс 9, подкласс 9.1, квалификационный шифр 9133).
4.1.8, 4.2. (Измененная редакция, Изм. N 2, 4).
4.3. (Исключен, Изм. N 2).
4.4. 2-меркаптобензтиазол транспортируют в крытых транспортных средствах всеми видами транспорта в соответствии с правилами перевозок грузов, действующими на каждом виде транспорта.
По железной дороге 2-меркаптобензтиазол перевозят повагонно и мелкими отправками.
Авиационным транспортом 2-меркаптобензтиазол перевозят только на грузовых воздушных судах.
(Измененная редакция, Изм. N 2, 4).
4.5. Продукт хранят в сухих складских помещениях, на расстоянии не менее 0,5 м от стен. Не допускается хранение продукта вблизи отопительных приборов.
4.6. При транспортировании в районы Крайнего Севера 2-меркаптобензтиазол упаковывают по
п. 4.1.1.
(Измененная редакция, Изм. N 2).
4.7. 2-Меркаптобензтиазол, предназначенный для экспорта, упаковывают в соответствии с требованиями внешнеторговых организаций и
ГОСТ 26319.
(Измененная редакция, Изм. N 4).
5.1. Изготовитель должен гарантировать соответствие продукта требованиям настоящего стандарта при соблюдении условий транспортирования и хранения.
5.2. Гарантийный срок хранения 2-меркаптобензтиазола - один год со дня изготовления.
(Измененная редакция, Изм. N 2).
Разд. 6. (Исключен, Изм. N 2).