Главная // Актуальные документы // ГОСТ (Государственный стандарт)СПРАВКА
Источник публикации
М.: Стандартинформ, 2016
Примечание к документу
Текст данного документа приведен с учетом
поправки, опубликованной в "ИУС", N 1, 2021.
Документ
введен в действие с 01.03.2017.
Название документа
"ГОСТ 1983-2015. Межгосударственный стандарт. Трансформаторы напряжения. Общие технические условия"
(введен в действие Приказом Росстандарта от 23.06.2016 N 673-ст)
"ГОСТ 1983-2015. Межгосударственный стандарт. Трансформаторы напряжения. Общие технические условия"
(введен в действие Приказом Росстандарта от 23.06.2016 N 673-ст)
агентства по техническому
регулированию и метрологии
от 23 июня 2016 г. N 673-ст
МЕЖГОСУДАРСТВЕННЫЙ СТАНДАРТ
ТРАНСФОРМАТОРЫ НАПРЯЖЕНИЯ
ОБЩИЕ ТЕХНИЧЕСКИЕ УСЛОВИЯ
Voltage transformers. General specifications
(IEC 61869-1:2007, NEQ)
(IEC 61869-3:2011, NEQ)
(IEC 61869-5:2011, NEQ)
ГОСТ 1983-2015
Дата введения
1 марта 2017 года
Цели, основные принципы и основной порядок проведения работ по межгосударственной стандартизации установлены
ГОСТ 1.0-92 "Межгосударственная система стандартизации. Основные положения" и
ГОСТ 1.2-2009 "Межгосударственная система стандартизации. Стандарты межгосударственные, правила и рекомендации по межгосударственной стандартизации. Правила разработки, принятия, применения, обновления и отмены".
1 РАЗРАБОТАН Обществом с ограниченной ответственностью "Ц СВЭП" (ООО "Ц СВЭП") и Открытым акционерным обществом "Свердловский завод трансформаторов тока" (ОАО "СЗТТ")
2 ВНЕСЕН Техническим комитетом по стандартизации ТК 016 "Электроэнергетика"
3 ПРИНЯТ Межгосударственным советом по стандартизации, метрологии и сертификации (протокол от 10 декабря 2015 г. N 48)
За принятие проголосовали:
Краткое наименование страны по МК (ISO 3166) 004-97 | Код страны по МК (ISO 3166) 004-97 | Сокращенное наименование национального органа по стандартизации |
Азербайджан | AZ | Азстандарт |
Армения | AM | Минэкономики Республики Армения |
Беларусь | BY | Госстандарт Республики Беларусь |
Казахстан | KZ | Госстандарт Республики Казахстан |
Киргизия | KG | Кыргызстандарт |
Молдова | MD | Молдова-Стандарт |
Россия | RU | Росстандарт |
Таджикистан | TJ | Таджикстандарт |
Туркмения | TM | Главгосслужба "Туркменстандартлары" |
Узбекистан | UZ | Узстандарт |
Украина | UA | Минэкономразвития Украины |
4
Приказом Федерального агентства по техническому регулированию и метрологии от 23 июня 2016 г. N 673-ст межгосударственный стандарт ГОСТ 1983-2015 введен в действие в качестве национального стандарта Российской Федерации с 1 марта 2017 г.
5 В настоящем стандарте учтены основные положения международных стандартов:
МЭК 61869-1 (2007) "Трансформаторы измерительные. Часть 1. Общие требования" (IEC 61869-1 (2007) "Instrument transformers - Part 1: General requirements", NEQ);
МЭК 61869-3 (2011) "Трансформаторы измерительные. Часть 3. Дополнительные требования к индуктивным трансформаторам" (IEC 61869-3 (2011) "Instrument transformers - Part 3: Additional requirements for inductive voltage transformers", NEQ);
МЭК 61869-5 (2011) "Трансформаторы измерительные. Часть 5. Дополнительные требования к емкостным трансформаторам" (IEC 61869-5 (2011) "Instrument transformers - Part 5: Additional requirements for capacitor voltage transformers", NEQ)
Информация об изменениях к настоящему стандарту публикуется в ежегодном информационном указателе "Национальные стандарты" (по состоянию на 1 января текущего года), а текст изменений и поправок - в ежемесячном информационном указателе "Национальные стандарты". В случае пересмотра (замены) или отмены настоящего стандарта соответствующее уведомление будет опубликовано в ежемесячном информационном указателе "Национальные стандарты". Соответствующая информация, уведомление и тексты размещаются также в информационной системе общего пользования - на официальном сайте Федерального агентства по техническому регулированию и метрологии в сети Интернет (www.gost.ru).
Настоящий стандарт распространяется на электромагнитные и емкостные трансформаторы напряжения (далее - трансформаторы), предназначенные для применения в электрических цепях переменного тока частотой 50 или 60 Гц с номинальными напряжениями от 0,23 до 750 кВ включительно с целью передачи сигнала измерительной информации приборам измерения, защиты, автоматики, сигнализации и управления, разработанные после 1 января 2016 г.
Дополнительные требования к отдельным видам трансформаторов в связи со спецификой их конструкции или назначения (например, к антирезонансным трансформаторам, предназначенным для установки в комплектных распределительных устройствах (КРУ), пофазно экранированных токопроводах, комбинированным) и элементам конструкции емкостных трансформаторов для ВЧ-связи устанавливают в стандартах, технических условиях, договорах или контрактах (далее - документация) на трансформаторы конкретных типов.
Стандарт не распространяется на лабораторные трансформаторы.
В настоящем стандарте использованы ссылки на следующие межгосударственные и национальные стандарты:
ГОСТ 2.601-2013 Единая система конструкторской документации. Эксплуатационные документы
ГОСТ 8.216-2011 Государственная система обеспечения единства измерений. Трансформаторы напряжения. Методика поверки
ГОСТ 12.2.007.0-75 Система стандартов безопасности труда. Изделия электротехнические. Общие требования безопасности
ГОСТ 12.2.007.3-75 Система стандартов безопасности труда. Электротехнические устройства на напряжение свыше 1000 В. Требования безопасности
ГОСТ 12.3.019-80 Система стандартов безопасности труда. Испытания и измерения электрические. Общие требования безопасности
ГОСТ 15.001-88 <1> Система разработки и постановки продукции на производство. Продукция производственно-технического назначения
--------------------------------
ГОСТ 15.309-98 Система разработки и постановки продукции на производство. Испытания и приемка выпускаемой продукции. Основные положения
ГОСТ 27.003-90 Надежность в технике. Состав и общие правила задания требований по надежности
ГОСТ 721-77 Системы электроснабжения, сети, источники, преобразователи и приемники электрической энергии. Номинальные напряжения свыше 1000 В
ГОСТ 1516.2-97 Электрооборудование и электроустановки переменного тока на напряжение 3 кВ и выше. Общие методы испытаний электрической прочности изоляции
ГОСТ 1516.3-96 Электрооборудование переменного тока на напряжения от 1 до 750 кВ. Требования к электрической прочности изоляции
ГОСТ 3484.1-88 Трансформаторы силовые. Методы электромагнитных испытаний
ГОСТ 3484.5-88 Трансформаторы силовые. Испытания баков на герметичность
ГОСТ 6581-75 Материалы электроизоляционные жидкие. Методы электрических испытаний
ГОСТ 8865-93 Системы электрической изоляции. Оценка нагревостойкости и классификация
ГОСТ 9920-89 (МЭК 694-80, МЭК 815-86) Электроустановки переменного тока на напряжение от 3 до 750 кВ. Длина пути утечки внешней изоляции
ГОСТ 10434-82 Соединения контактные электрические. Классификация. Общие технические требования
ГОСТ 15150-69 Машины, приборы и другие технические изделия. Исполнения для различных климатических районов. Категории, условия эксплуатации, хранения и транспортирования в части воздействия климатических факторов внешней среды
ГОСТ 15543.1-89 Изделия электротехнические. Общие требования в части стойкости к климатическим внешним воздействующим факторам
ГОСТ 15581-80 Конденсаторы связи и отбора мощности для линий электропередач
ГОСТ 16504-81 Система государственных испытаний продукции. Испытания и контроль качества продукции. Основные термины и определения
ГОСТ 16962.1-89 (МЭК 68-2-1-74) Изделия электротехнические. Методы испытаний на устойчивость к климатическим внешним воздействующим факторам
ГОСТ 16962.2-90 Изделия электротехнические. Методы испытаний на стойкость к механическим внешним воздействующим факторам
ГОСТ 17516.1-90 Изделия электротехнические. Общие требования в части стойкости к механическим внешним воздействующим факторам
| | ИС МЕГАНОРМ: примечание. Взамен ГОСТ 18425-73 Приказом Росстандарта от 28.08.2018 N 538-ст с 1 июня 2019 года введен в действие ГОСТ 18425-2018. | |
ГОСТ 18425-73 Тара транспортная наполненная. Метод испытания на удар при свободном падении
ГОСТ 18685-73 Трансформаторы тока и напряжения. Термины и определения
| | ИС МЕГАНОРМ: примечание. В официальном тексте документа, видимо, допущена опечатка: имеется в виду ГОСТ 19880-74, а не ГОСТ 19880-741. | |
ГОСТ 19880-741 <1> Электротехника. Основные понятия. Термины и определения
--------------------------------
ГОСТ 20074-83 <2> Электрооборудование и электроустановки. Метод измерения характеристик частичных разрядов
--------------------------------
ГОСТ 20690-75 Электрооборудование переменного тока на напряжение 750 кВ. Требования к электрической прочности изоляции
ГОСТ 21130-75 Изделия электротехнические. Зажимы заземляющие и знаки заземления. Конструкция и размеры
ГОСТ 22756-77 (МЭК 722-86) Трансформаторы (силовые и напряжения) и реакторы. Методы испытаний электрической прочности изоляции
ГОСТ 23216-78 Изделия электротехнические. Хранение, транспортирование, временная противокоррозионная защита, упаковка. Общие требования и методы испытаний
ГОСТ 32144-2013 Электрическая энергия. Совместимость технических средств электромагнитная. Нормы качества электрической энергии в системах электроснабжения общего назначения
Примечание - При пользовании настоящим стандартом целесообразно проверить действие ссылочных стандартов в информационной системе общего пользования - на официальном сайте Федерального агентства по техническому регулированию и метрологии в сети Интернет или по ежегодному информационному указателю "Национальные стандарты", который опубликован по состоянию на 1 января текущего года, и по выпускам ежемесячного информационного указателя "Национальные стандарты" за текущий год. Если ссылочный стандарт заменен (изменен), то при пользовании настоящим стандартом следует руководствоваться заменяющим (измененным) стандартом. Если ссылочный стандарт отменен без замены, то положение, в котором дана ссылка на него, применяется в части, не затрагивающей эту ссылку.
3. Термины, определения и сокращения
3.1 Общие термины и определения
3.1.1 антирезонансный трансформатор: Трансформатор, устойчиво работающий при наличии в сети феррорезонансных явлений.
3.1.2 трехфазная группа однофазных трансформаторов: Группа из трех однофазных трансформаторов, электрически соединенных между собой по определенной схеме.
3.1.3 номинальный коэффициент напряжения: Коэффициент, на который следует умножать номинальное первичное напряжение, чтобы найти максимальное напряжение, при котором трансформатор соответствует требованиям по нагреву в течение установленного времени и по классу точности.
3.1.4 испытание для утверждения типа: Вид государственного метрологического контроля вновь разработанного трансформатора, проводимого в целях обеспечения единства измерений, утверждения типа трансформатора и занесения его в Государственный реестр средств измерений.
3.1.5 положительная компенсация угловой погрешности трансформатора: поворот вектора первичного фазного напряжения относительно вектора вторичного фазного напряжения по направлению движения часовой стрелки на некоторый угол.
3.1.6 отрицательная компенсация угловой погрешности трансформатора: поворот вектора первичного фазного напряжения относительно вектора вторичного фазного напряжения против направления движения часовой стрелки на некоторый угол.
3.1.7 нагрузка типа I: Нагрузка с коэффициентом мощности

от 0,5 до 1.
3.1.8 нагрузка типа II: Нагрузка с коэффициентом мощности

0,8.
3.2 Термины и определения, относящиеся к электромагнитным газонаполненным трансформаторам
3.2.1 номинальное давление: Давление, приведенное к стандартным атмосферным условиям (температура плюс 20 °C, давление 101,3 кПа), до которого трансформатор заполняется перед вводом в эксплуатацию.
3.2.2 давление сигнализации: Давление, приведенное к стандартным атмосферным условиям (температура плюс 20 °C, давление 101,3 кПа), при котором может быть подан предостерегающий сигнал.
3.2.3 минимальное рабочее давление: Давление, приведенное к стандартным атмосферным условиям (температура плюс 20 °C, давление 101,3 кПа), при котором и выше которого сохраняются нормированные характеристики электрической прочности изоляции трансформатора.
3.2.4 защита от чрезмерного увеличения давления: Устройство, предназначенное для ограничения опасных избыточных давлений внутри трансформатора.
3.2.5 абсолютная скорость утечки: Количество газа, вытекшего за единицу времени, выраженное в Па * м3/с.
3.2.6 относительная скорость утечки: Отношение абсолютной скорости утечки к общему количеству газа в измерительном трансформаторе при номинальном давлении наполнения (или плотности). Выражается в процентах в год.
3.3 Термины и определения, относящиеся к емкостным трансформаторам
3.3.1 конденсатор высокого напряжения (емкостного делителя напряжения): Конденсатор, подключаемый между выводом высокого напряжения и выводом промежуточного напряжения емкостного делителя напряжения.
3.3.2 конденсатор промежуточного напряжения (емкостного делителя напряжения): Конденсатор, подключаемый между выводами промежуточного и низкого напряжения емкостного делителя напряжения.
3.3.3 вывод промежуточного напряжения (емкостного делителя напряжения): Вывод, предназначенный для соединения с промежуточным контуром, например, электромагнитным устройством емкостного трансформатора.
3.3.4 вывод низкого напряжения емкостного делителя напряжения: Вывод, предназначенный для соединения с землей напрямую либо через ничтожно малое сопротивление для частоты сети.
В емкостном делителе напряжения данный вывод соединяют с устройством присоединения для передачи высокочастотных сигналов по проводам ЛЭП.
3.3.5 коэффициент трансформации по напряжению (емкостного делителя напряжения): Коэффициент трансформации по напряжению, применимый к емкостному делителю напряжения, к промежуточному напряжению разомкнутой цепи.
Примечание 1 - Данный коэффициент равен сумме емкостей конденсаторов высокого напряжения и промежуточного напряжения, поделенной на емкость конденсатора высокого напряжения: (C1 + C2)/C1 = KC.
Примечание 2 - C1 и C2 содержат паразитные емкости, которые, как правило, пренебрежимо малы.
3.3.6 электромагнитное устройство: Компонент емкостного трансформатора, подключаемый между выводом промежуточного напряжения и выводом заземления емкостного делителя напряжения (или напрямую соединяемый с землей, если используется устройство связи - носитель несущей частоты) и подающий вторичное напряжение на измерительные приборы и системы защиты.
Примечание - Обычно электромагнитное устройство включает в себя трансформатор для понижения промежуточного напряжения до требуемого значения напряжения вторичной цепи и компенсирующий реактор.
3.4 Сокращения
В настоящем стандарте использованы следующие сокращения:
KC - коэффициент трансформации по напряжению емкостного делителя напряжения;
Kном - номинальный коэффициент трансформации;
Sном - номинальная мощность;
C1 - емкость конденсатора высокого напряжения (емкостного делителя напряжения);
C2 - емкость конденсатора промежуточного напряжения (емкостного делителя напряжения);
FV - номинальный коэффициент напряжения;
U1 - действующее напряжение первичной обмотки;
U1ном - номинальное напряжение первичной обмотки;
U2 - действующее напряжение вторичной обмотки;
U2ном - номинальное напряжение вторичной обмотки;
Uн.р - наибольшее рабочее напряжение.
4.1 Трансформаторы подразделяют по следующим основным признакам.
4.1.1 По роду установки (категории размещения и климатическому исполнению) по
ГОСТ 15150.
При размещении трансформаторов внутри оболочек комплектных изделий категории размещения должны соответствовать указанным в таблице 1.
Таблица 1
Категории размещения трансформаторов, установленных
внутри оболочек комплектных изделий
Характеристика среды внутри оболочки | |
1 | 2 | 3 | 4 | 5 |
Газовая среда, изолированная от наружного воздуха, или жидкая среда | - | - | 4 | - | - |
Газовая среда, не изолированная от наружного воздуха | 2 | 2 или 2.1 | 3 | 4 | 5 или 5.1 |
4.1.2 По числу фаз.
4.1.3 По наличию или отсутствию заземления вывода X первичной обмотки.
4.1.4 По принципу действия.
4.1.5 По числу ступеней трансформации.
4.1.6 По виду изоляции.
4.1.7 По особенностям конструктивного исполнения.
Основные признаки трансформаторов и их обозначения приведены в таблицах 2 и
3.
Таблица 2
Основные признаки трансформаторов по конструктивному
исполнению и их обозначения
Конструктивное исполнение трансформаторов | Условное обозначение |
Заземляемый | З |
Незаземляемый | - |
Однофазный | О |
Трехфазный | Т |
Электромагнитный | - |
Электромагнитный каскадный | К |
С емкостным делителем | ДЕ |
Трехфазный с дополнительными обмотками для контроля изоляции сети | И |
Трехфазный с компенсационными обмотками | к |
Защищенное исполнение | з |
Водозащищенное исполнение | в |
Герметичное исполнение | г |
С встроенным предохранителем | п |
Антирезонансная конструкция | А |
Таблица 3
Основные признаки трансформаторов
по виду изоляции и их обозначения
Вид изоляции | Условное обозначение |
Воздушно-бумажная | С |
Литая | Л |
Залитая битумным компаундом | к |
С фарфоровой покрышкой | ф |
Масляная | м |
Газовая | г |
Полимерная | П |
5.1 Трансформаторам (вторичным обмоткам трансформаторов), предназначенным для измерения, следует присваивать классы точности, выбираемые из ряда: 0,1; 0,2; 0,5; 1,0; 3,0.
Трансформаторам (вторичным обмоткам трансформаторов), предназначенным для защиты <1>, следует присваивать классы точности 3Р или 6Р.
--------------------------------
<1> Здесь и далее под словом "защита" подразумевается защита, управление, автоматика, сигнализация.
Трансформаторам (вторичным обмоткам трансформаторов) присваивают один или несколько классов точности в зависимости от номинальных мощностей и назначения.
Конкретные классы точности следует устанавливать в документации на трансформаторы конкретных типов.
Примечание - Для трехфазных трансформаторов с двумя и более вторичными обмотками классы точности устанавливаются только для основных вторичных обмоток. Для однофазных трансформаторов с двумя и более вторичными обмотками классы точности устанавливаются для всех вторичных обмоток, причем для дополнительной вторичной обмотки класс точности должен быть 3Р или 6Р.
5.2 Номинальные мощности трансформаторов (обмоток трансформаторов) для любого класса точности при коэффициенте мощности

от 0,5 до 1 для нагрузки типа I: 1,0; 2,5; 5,0; 10, 15, 20 В·А.
Номинальные мощности трансформаторов (обмоток трансформаторов) для любого класса точности при коэффициенте мощности

активно-индуктивной нагрузки 0,8 для нагрузки типа II: 10; 15; 20; 25; 30; 45; 50; 75; 100; 150; 200; 300; 400; 500; 600; 800; 1000; 1200 В·А.
Примечание - Для данного трансформатора при условии, что одно из значений номинальной мощности стандартное и относится к стандартному классу точности, допускаются другие номинальные значения мощности, которые могут быть нестандартными значениями, но относящимися к другим классам точности.
Конкретные значения номинальных мощностей трансформаторов (обмоток трансформаторов) для всех классов точности устанавливают в документации на трансформаторы конкретных типов.
Для трансформаторов с двумя и более вторичными обмотками значения номинальных мощностей указываются для каждой вторичной обмотки.
По требованию потребителя допускаются другие номинальные значения мощности.
5.3 Предельные мощности трансформаторов следует выбирать из ряда: 25; 50; 80; 100; 160; 250; 400; 630; 1000; 1600; 2000; 2500 В·А.
Конкретные значения предельных мощностей следует устанавливать в документации на трансформаторы конкретных типов.
5.4 За номинальные мощности многообмоточных трансформаторов принимают суммарные мощности основных и дополнительных вторичных обмоток.
При нагрузке однофазного трансформатора с двумя и более вторичными обмотками до предельной мощности основная (основные) вторичная обмотка должна быть нагружена до мощности, равной разности предельной мощности и номинальной мощности дополнительной вторичной обмотки. При наличии двух и более основных вторичных обмоток, работающих одновременно, распределение мощности нагрузки между обмотками следует устанавливать в документации на трансформаторы конкретных типов.
Для трехфазных трансформаторов за номинальные и предельные мощности принимают трехфазные мощности.
5.5 Номинальные напряжения первичных обмоток однофазных трансформаторов, включаемых между фазами, и трехфазных трансформаторов на напряжение до 1000 В должны быть 220, 380, 660 и 1000 В.
По согласованию с потребителем допускается изготовление трансформаторов с напряжением 230, 400 и 690 В.
Номинальные напряжения первичных обмоток трансформаторов на напряжение более 1000 В должны соответствовать указанным в таблицах 4 и
5.
Таблица 4
Номинальные напряжения первичных обмоток
| Номинальное напряжение первичной обмотки для однофазных незаземляемых и трехфазных трансформаторов, кВ |
3 | 3; 3,15; 3,3 |
6 | 5; 6; 6,3; 6,6; 6,9 |
10 | 10; 10,5; 11 |
15 | 13,8; 15; 15,75; 16 |
20 | 18, 20, 22 |
24 | 24 |
27 | 27; 27,5 |
35 | 33, 35, 36 |
Таблица 5
Номинальное напряжение первичной обмотки
для однофазных заземляемых трансформаторов
| Номинальное напряжение первичной обмотки для однофазных заземляемых трансформаторов, включаемых между фазой и землей, кВ |
110 | 110 |
150 | 150 |
220 | 220 |
330 | 330 |
500 | 500 |
750 | 750 |
Значения напряжения следует указывать в документации на трансформаторы конкретных типов.
Номинальное напряжение первичной обмотки однофазного заземляемого трансформатора, подключенного между фазой и землей или между нейтралью системы и землей, должно быть в

раз меньше указанного в
таблицах 4 и
5.
В технически обоснованных случаях, по согласованию с потребителем, допускается изготавливать трансформаторы с первичным напряжением, отличающимся от указанного в
таблицах 4 и
5.
5.6 Номинальные напряжения основных вторичных обмоток для однофазных трансформаторов, включаемых на напряжение между фазами: 100, 110, 120, 127, 200, 220 и 230 В.
Для однофазных заземляемых трансформаторов всех классов напряжений, предназначенных для подключения между фазой и землей в трехфазных системах, где номинальное напряжение первичной обмотки представляет собой число, поделенное на

, номинальное напряжение вторичной обмотки должно быть равно одному из вышеупомянутых значений, поделенному на

.
5.7 Номинальные напряжения дополнительных вторичных обмоток приведены в таблице 6.
Таблица 6
Номинальные напряжения дополнительных вторичных обмоток
Рекомендуемые значения, В | Альтернативные значения, В |
| | | | | |
| | | | | |
| | | | | |
<*> Напряжения для однофазных трансформаторов, работающих в сетях с заземленной нейтралью. |
При использовании альтернативных значений следует принять дополнительные меры предосторожности для обеспечения безопасности.
5.8 Номинальное вторичное линейное напряжение трехфазных трансформаторов или трехфазных групп однофазных трансформаторов классов напряжения 3 - 35 кВ должно быть 100, 110, 120, 127, 200, 220 и 230 В, а фазное номинальное напряжение должно быть равно одному из вышеупомянутых значений, поделенному на

.
5.9 Номинальная частота напряжения питающей сети должна быть 50 или 60 Гц. Качество напряжения - по
ГОСТ 32144.
5.10 Схемы и группы соединений первичных и вторичных обмоток трансформаторов должны соответствовать указанным в таблицах 7 -
15.
Таблица 7
Схемы и группы соединений обмоток однофазных
двухобмоточных трансформаторов
Схема соединения обмотки | Диаграмма векторов ЭДС обмотки | Условное обозначение |
первичной | вторичной | первичной | вторичной |
| | | | 1/1-0 |
Таблица 8
Схемы и группы соединений обмоток однофазных трехобмоточных
трансформаторов с двумя основными вторичными обмотками
Схема соединения обмотки | Диаграмма векторов ЭДС обмотки | Условное обозначение |
первичной | вторичной основной 1 | вторичной основной 2 | первичной | вторичной основной 1 | вторичной основной 2 |
| | | | | | 1/1/1-0-0 |
Таблица 9
Схемы и группы соединений обмоток однофазных
трехобмоточных трансформаторов с основной
и дополнительной вторичными обмотками
Схема соединения обмотки | Диаграмма векторов ЭДС обмотки | Условное обозначение |
первичной | вторичной основной | вторичной дополнительной | первичной | вторичной основной | вторичной дополнительной |
| | | | | | 1/1/1-0-0 |
Таблица 10
Схемы и группы соединений обмоток однофазных
четырехобмоточных трансформаторов с двумя основными
и дополнительной вторичными обмотками
Схема соединения обмотки | Диаграмма векторов ЭДС обмотки | Условное обозначение |
первичной | вторичной основной 1 | вторичной основной 2 | вторичной дополнительной | первичной | вторичной основной 1 | вторичной основной 2 | вторичной дополнительной |
| | | | | | | | 1/1/1/1-0-0-0-0 |
Примечание - По требованию заказчика число вторичных обмоток может быть увеличено. |
Таблица 11
Схемы и группы соединений обмоток трехфазных
двухобмоточных трансформаторов
Схема соединения обмотки | Диаграмма векторов ЭДС обмотки | Условное обозначение |
первичной | вторичной | первичной | вторичной |
| | | | |
| | | | |
| | | | |
Таблица 12
Схемы и группы соединений обмоток трехфазных
двухобмоточных трансформаторов с положительной
компенсацией угловой погрешности
Схема соединения обмотки | Диаграмма векторов ЭДС обмотки | Условное обозначение |
первичной | вторичной | первичной | вторичной |
| | | | |
Таблица 13
Схема и группа соединений обмоток трехфазных
двухобмоточных трансформаторов с отрицательной
компенсацией угловой погрешности
Схема соединения обмотки | Диаграмма векторов ЭДС обмотки | Условное обозначение |
первичной | вторичной | первичной | вторичной |
| | | | |
Таблица 14
Схемы и группы соединений обмоток трехфазных
трехобмоточных трансформаторов с основной
и дополнительной вторичными обмотками
Схема соединения обмотки | Диаграмма векторов ЭДС обмотки | Замыкаемая фаза | Условное обозначение |
первичной | вторичной основной | вторичной дополнительной |
первичной | вторичной основной | вторичной дополнительной | при нормальной работе системы | при замыкании фазы на землю в системе с изолированной нейтралью |
| | | | | | | A | |
| B |
| C |
| | | | | | | A | |
| B |
| C |
Таблица 15
Схемы и группы соединений обмоток трехфазных трехобмоточных
трансформаторов с двумя основными вторичными обмотками
Схема соединения обмотки | Диаграмма векторов ЭДС обмотки | Условное обозначение |
первичной | вторичной основной 1 | вторичной основной 2 | первичной | вторичной основной 1 | вторичной основной 2 |
| | | | | | |
Схемы для антирезонансных трансформаторов должны быть приведены в документации на трансформаторы конкретных типов.
Примечание - В технической документации допускаются обозначения:
У вместо

,
Ун вместо

,
V вместо V и
Z вместо Z.
5.11 Условное обозначение трансформатора
Примечание 1 - В документации на трансформаторы конкретных типов в обозначении допускается применять дополнительные или исключать отдельные данные для обозначения особенностей конкретного трансформатора.
Примечание 2 - Левая буквенная часть обозначения представляет тип (серию), совокупность буквенной и цифровой частей - типоисполнение.
Примечание 3 - Для трансформаторов ниже 1000 В вместо класса напряжения указывают номинальное напряжение первичной обмотки в киловольтах.
Пример условного обозначения трансформатора напряжения заземляемого, однофазного, электромагнитного, с литой изоляцией, со встроенным предохранителем, малогабаритного, четырехобмоточного, класса напряжения 10 кВ, климатического исполнения T, категории размещения 3 по
ГОСТ 15150:
ЗНОЛПМ.4-10T3.
То же, антирезонансной конструкции, масляного трехфазного с дополнительными обмотками для контроля изоляции сети, класса напряжения 10 кВ, климатического исполнения У, категории размещения 2 по
ГОСТ 15150:
НАМИ - 10Y2.
6. Технические требования
6.1 Трансформаторы следует изготовлять в соответствии с требованиями настоящего стандарта, документации на трансформаторы конкретных типов по рабочим чертежам, утвержденным в установленном порядке.
6.2 Трехобмоточный трансформатор следует изготавливать с двумя вторичными обмотками: основной и дополнительной.
По требованию потребителя допускается изготовление трансформаторов с двумя основными вторичными обмотками.
В трансформаторах с двумя и более основными вторичными обмотками первая основная вторичная обмотка предназначена для учета электроэнергии, вторая основная - для питания измерительных приборов и цепей защитных устройств, дополнительная вторичная обмотка (может отсутствовать) - для питания цепей защитных устройств и контроля изоляции сети.
Допускается изготовление трансформаторов с тремя основными вторичными обмотками. Количество обмоток и их сочетание может задаваться заказчиками.
6.3 Однофазные трансформаторы должны быть рассчитаны для работы в электрических схемах согласно
рисункам Б.1,
Б.2,
Б.6 -
Б.10 приложения Б.
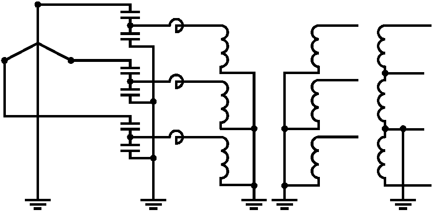
6.4 В трехфазных трансформаторах имеющих дополнительную вторичную обмотку и однофазных трансформаторах, объединенных в трехфазную группу и имеющих дополнительную вторичную обмотку, напряжение на вводах разомкнутого треугольника дополнительных обмоток при симметричном номинальном первичном фазном напряжении не должно превышать 3 В.
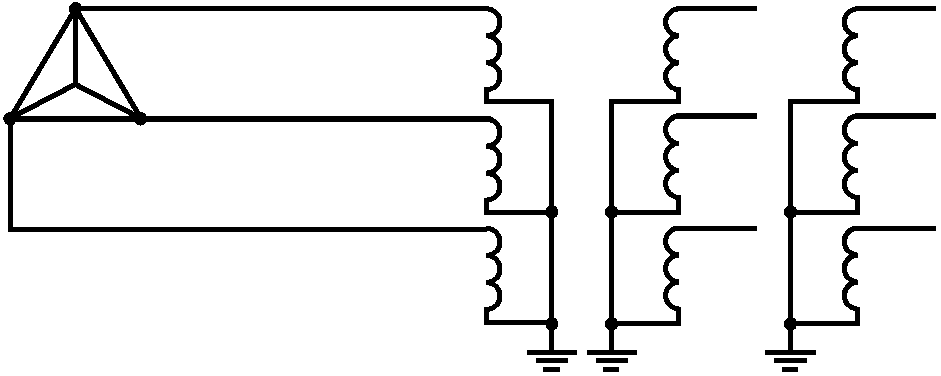
6.5 К каждой дополнительной вторичной обмотке группы однофазных трехобмоточных и четырехобмоточных трансформаторов, соединенных по схемам, изображенным на
рисунках Б.9 и
Б.10 приложения Б, допускается подключать фазные нагрузки
S2 (рисунок 1).
Рисунок 1 - Схема подключения фазных нагрузок
Сумма мощности фазной нагрузки
S2 и общей нагрузки разомкнутого треугольника

при равенстве

не должна превышать мощности дополнительной вторичной обмотки трансформатора
Sдоп (за расчетную схему принимается двухфазное короткое замыкание на землю):

(1)
6.6 Трехфазные трансформаторы, а также трехфазные группы однофазных трансформаторов с дополнительными обмотками, предназначенные для контроля изоляции в сетях с изолированной нейтралью, должны выдерживать не менее 8 ч однофазные замыкания сети на землю при наибольшем рабочем напряжении, соответствующем
ГОСТ 721.
Однофазные трансформаторы должны выдерживать напряжения в соответствии с таблицей 16.
Таблица 16
Напряжения для однофазных трансформаторов
Номинальный коэффициент напряжения FV | Продолжительность включения | Способ включения первичной обмотки и условия заземления системы |
1,2 | Неограниченная | Между фазами любой сети. Между нейтральной точкой трансформатора и землей в любой сети |
1,5 | 30 с | Между фазой и землей в системе с эффективно заземленной нейтралью |
1,9 | 30 с | Между фазой и землей в системе с неэффективно заземленной нейтралью с автоматическим отключением при замыкании на землю |
1,9 | 8 ч | Между фазой и землей в системе с изолированной нейтралью без автоматического отключения при замыкании на землю или в резонансно-заземленной системе без автоматического отключения при замыкании на землю |
6.7 Напряжения на вводах разомкнутого треугольника дополнительных вторичных обмоток (или трансформатора нулевой последовательности), с номинальным напряжением 100 В, должно быть от 90 до 110 В при приложенном к ним симметричном линейном напряжении, соответствующем номинальному первичному напряжению, и последующем замыкании одной из фаз на землю.
Примечание - Для трансформаторов с другими номинальными вторичными напряжениями значения напряжений должны находиться в диапазоне от 90 до 110% номинального и значения напряжений должны быть указаны в документации на трансформаторы.
6.8 Емкостной трансформатор может быть оснащен вспомогательными устройствами для организации высокочастотных трактов передачи электрических сигналов в диапазоне частот от 20 до 1000 кГц.
6.9 Требования по устойчивости к внешним воздействиям окружающей среды
Вид климатического исполнения и категорию размещения следует указывать в документации на трансформаторы конкретных типов.
Для трансформаторов категории размещения 4 по
ГОСТ 15150 климатическое исполнение - УХЛ4 или 04.
Требования в части стойкости к климатическим внешним воздействующим факторам - по
ГОСТ 15543.1.
6.9.2 Трансформаторы должны быть предназначены для работы на высоте до 1000 м над уровнем моря, за исключением трансформаторов на номинальное напряжение 750 кВ, которые должны быть предназначены для работы на высоте до 500 м.
Допускается по согласованию между потребителем и изготовителем изготавливать трансформаторы для работы на высоте свыше 1000 м (трансформаторы на номинальное напряжение 750 кВ свыше 500 м).
6.9.3 Устойчивость трансформаторов к воздействию механических факторов внешней среды - по
ГОСТ 17516.1. Группу механического исполнения по
ГОСТ 17516.1 устанавливают в документации на трансформаторы конкретных типов.
Трансформаторы категории размещения 1 должны быть рассчитаны на суммарную механическую нагрузку от ветра скоростью 40 м/с без гололеда, на суммарную механическую нагрузку от ветра скоростью 15 м/с с гололедом, гололеда с толщиной стенки льда 20 мм и от тяжения проводов не менее:
500 Н (50 кгс) - для трансформаторов на номинальное напряжение до 35 кВ включительно;
1000 Н (100 кгс) - для трансформаторов на номинальное напряжение от 110 до 220 кВ;
1500 Н (150 кгс) - для трансформаторов на номинальное напряжение 330 кВ и выше.
Примечание 1 - Данное требование не относится к подвесным конструкциям трансформаторов.
Примечание 2 - Подвесная система трансформатора или емкостного делителя напряжения должна иметь такую конструкцию, которая выдерживала бы напряжение при растяжении, по крайней мере массы емкостного трансформатора напряжения или емкостного делителя напряжения, с коэффициентом надежности 2,5.
Примечание 3 - Если емкостный трансформатор используют вместе с высокочастотным заградителем на ЛЭП, по согласованию с потребителем допускаются другие испытательные нагрузки.
6.9.4 Рабочее положение трансформаторов в пространстве должно быть указано в документации на трансформаторы конкретных типов.
6.10 Требования к конструкции
6.10.1 Вводы и контактные выводы
6.10.1.1 Расположение вводов и контактных выводов трансформаторов следует указывать в документации на трансформаторы конкретных типов.
6.10.1.2 Контактные выводы следует выполнять по
ГОСТ 10434.
6.10.1.3 У трансформаторов с первичным напряжением 35 кВ и выше вводы вторичных обмоток и заземляемые вводы первичной обмотки должны быть с контактным резьбовым соединением диаметром не менее М6.
6.10.1.4 У трансформаторов категории размещения 1 по
ГОСТ 15150 длина пути утечки внешней изоляции по
ГОСТ 9920 должна быть установлена в документации на трансформаторы конкретных типов.
У трансформаторов категорий размещения 2 и 5 по
ГОСТ 15150 длина пути утечки внешней изоляции с учетом выпадения росы и инея должна быть установлена в документации на трансформаторы конкретных типов.
6.10.1.5 Плоский контактный зажим ввода первичного напряжения трансформатора, предназначенный для соединения с шинами экранированного токопровода, должен позволять регулирование его высоты по отношению к вводу не менее 10 мм.
6.10.1.6 Конструкцией трансформаторов категории размещения 1 по
ГОСТ 15150 должна быть обеспечена защита места присоединения кабелей к выводам вторичных обмоток от атмосферных осадков.
6.10.1.7 На трансформаторах, конструкцией которых предусмотрена разборка, должно быть место для нанесения поверительного клейма или пломбы. Клеймо или пломба должны препятствовать разборке трансформатора без их нарушения.
6.10.1.8 Трансформаторы с массой более 20 кг должны иметь устройство по
ГОСТ 12.2.007.0 для подъема, опускания и удержания их на весу. При невозможности конструктивного выполнения таких приспособлений в руководстве по эксплуатации следует указывать места захвата трансформатора при такелажных работах.
6.10.1.9 Все непосредственно соприкасающиеся с окружающим воздухом, подверженные коррозии поверхности трансформатора должны быть защищены лакокрасочными, гальваническими и другими покрытиями или изготовлены из материалов, не подверженных коррозии на весь срок службы.
6.10.1.10 Выводы вторичных обмоток для измерения и учета должны иметь возможность пломбирования.
6.10.1.11 Должна быть единая конструкция емкостного модуля и электромагнитного устройства для емкостных трансформаторов.
6.10.1.12 Наличие в электромагнитном блоке выключателя для измерения емкости блоков для емкостных трансформаторов.
6.10.2 Требования к маслонаполненным трансформаторам
6.10.2.1 Конструкция маслонаполненных трансформаторов должна обеспечивать их герметичность. Документация на маслонаполненные трансформаторы должна содержать требования по проверке герметичности конструкции, а также требования к газо- и влагосодержанию заливаемого в трансформаторы масла.
6.10.2.2 Маслонаполненный трансформатор должен иметь расширитель, вместимость которого обеспечивает постоянное наличие в нем масла при всех режимах работы трансформатора в диапазоне рабочих температур. Функцию расширителя могут выполнять верхняя часть фарфоровой покрышки, сильфон или другие устройства.
6.10.2.3 Маслонаполненные трансформаторы должны иметь указатели уровня масла. Около указателя уровня масла или на нем должны быть нанесены три контрольные метки, соответствующие уровню масла в неработающем трансформаторе при температуре 20 °C, а также при верхнем и нижнем значениях температуры. Допускается применять другие устройства контроля уровня масла.
6.10.2.4 В трансформаторах с массой масла до 50 кг допускается наносить на указателе уровня масла одну контрольную метку, по которой устанавливают уровень заливаемого в трансформатор масла при температуре 20 °C.
6.10.2.5 В герметичных трансформаторах способы контроля уровня масла должны быть указаны в документации на эти трансформаторы.
6.10.2.6 Трансформаторы с массой масла менее 20 кг, соответствующие требованиям
6.10.2.2, допускается изготавливать без указателей уровня масла.
6.10.2.7 Масляные трансформаторы с первичным напряжением 10 кВ и выше и массой масла более 10 кг должны быть снабжены арматурой для заливки, отбора проб и слива масла.
6.10.2.8 Арматуру для отбора проб масла помещают в нижней части бака, при этом должно быть предусмотрено плавное регулирование вытекающей струи масла.
6.10.2.9 Металлические поверхности внутри бака или расширителя масляного трансформатора должны иметь маслостойкое покрытие, защищающее масло от соприкосновения с ними и не оказывающее вредного воздействия на масло.
Примечание - Допускается не защищать покрытием торцевые поверхности магнитопроводов и поверхности материалов, не оказывающих активного каталитического воздействия на масло.
6.10.2.10 Марку масла указывают в документации на трансформаторы конкретных типов.
6.10.2.11 Для трансформаторов класса напряжения выше 110 кВ включительно должен предусматриваться вывод для измерения

изоляции.
6.10.3 Требования к газонаполненным трансформаторам
6.10.3.1 Конструкция газонаполненных трансформаторов должна иметь защиту от чрезмерного увеличения давления газа при аварии, связанной с пробоем внутренней изоляции и горением дуги.
6.10.3.2 Конструкция газонаполненных трансформаторов должна обеспечивать максимальную герметичность, допускается утечка массы газа не более 0,5% в год.
Необходимо обеспечить наличие арматуры в нижней части трансформатора для безопасного пополнения систем газом во время эксплуатации.
При экстремальных температурах допускаются более высокие показатели интенсивности утечки (если испытания с использованием данных температур указаны в соответствующих стандартах) при условии, что при повторном включении (сбросе значений) интенсивность утечки не превышает максимально допустимого значения при нормальной температуре окружающей среды.
Изготовитель должен указывать тип, требуемое количество и качество газа, подлежащего использованию в трансформаторе.
6.10.3.3 Максимально допустимое содержание влаги в газонаполненных трансформаторах при номинальной плотности должно быть таким, чтобы точка росы не превышала отметку 5 °C при температуре измерения 20 °C. Для других температур измерения выполняют соответствующую коррекцию.
6.10.3.4 Газонаполненные трансформаторы, для которых значение минимального давления более 0,2 МПа, должны быть оснащены устройством контроля давления или плотности газа. Устройства контроля давления или плотности газа могут поставляться отдельно или в комплекте с оборудованием.
6.10.4 Заземление
6.10.4.1 Трансформаторы с первичным напряжением до 660 В включительно должны быть оснащены заземляющими зажимами с резьбовым соединением шпилек, болтов, винтов диаметром не менее М6, трансформаторы на номинальное напряжение свыше 660 В - не менее М8.
Конструкция и размеры заземляющих зажимов - по
ГОСТ 21130.
6.10.4.2 Около заземляющего зажима должен быть нанесен знак заземления по
ГОСТ 21130. Способ нанесения знака заземления должен обеспечивать его долговечность и стойкость к атмосферным воздействиям.
6.10.4.3 Поверхность площадки заземляющего зажима (бобышка, прилив) должна соответствовать требованиям
ГОСТ 21130. Размеры поверхности площадки должны быть достаточными для надежного соединения с шиной шириной не менее 20 мм - для трансформаторов с первичным напряжением 3 - 35 кВ и шириной не менее 40 мм - для трансформаторов с первичным напряжением 110 кВ и выше.
Примечание - Для малогабаритных трансформаторов с первичным напряжением до 660 В допускается уменьшать площадки заземления до размеров, позволяющих надежно соединять их с заземляющей жилой диаметром не менее 2 мм.
6.10.4.4 Трансформаторы с литой изоляцией, не имеющие металлического корпуса, допускается изготавливать без заземляющих зажимов.
6.10.5 Применяемые в конструкции трансформаторов материалы должны обеспечивать выполнение требований по взрыво- и пожаробезопасности.
6.10.6 Требования к защите от внутреннего дугового короткого замыкания
Данные требования применимы к масляным и газонаполненным трансформаторам класса напряжения 110 кВ и выше, для которых дополнительно указывают класс и степень защиты от внутреннего дугового замыкания.
Данное испытание подтверждает соответствие заданному уровню безопасности.
Трансформатор должен выдерживать внутреннюю дугу заданного тока и заданной продолжительности.
Требуемая продолжительность дугового замыкания указана в таблице 17.
Таблица 17
Продолжительность дугового замыкания
и эксплуатационные характеристики
Среднеквадратичное значение тока внутреннего дугового замыкания, кА | Степень защиты | Продолжительность дугового замыкания, с | Защита от внутреннего дугового замыкания класс I | Защита от внутреннего дугового замыкания класс II |
< 40 | 1 | 0,2 | Допускается разрыв корпуса и возгорание, но все отделившиеся части должны находиться в пределах допускаемой области | Нет внешних разрушений, кроме срабатывания устройства сброса давления |
2 | 0,5 | Нет распада на части (допускается прожог или возгорание) |
>= 40 | 1 | 0,1 | Нет внешних разрушений, кроме срабатывания устройства сброса давления |
2 | 0,3 | Нет распада на части (допускается прожог или возгорание) |
Уровни значений тока внутреннего дугового замыкания и продолжительности его протекания при испытаниях подлежат согласованию между изготовителем и потребителем.
Трансформатор отвечает данным требованиям, если он прошел испытание, описанное в
9.21.
6.11 Требования к нагреву
6.11.1 Превышение элементами трансформаторов температуры окружающей среды не должно быть более значений, указанных в
таблице 18.
6.11.2 Для трансформаторов, эксплуатируемых при температуре окружающего воздуха выше 40 °C, допускаемые значения превышения температуры, указанные в
таблице 18, должны быть уменьшены на разность между температурой окружающего воздуха при эксплуатации и при 40 °C. При температуре эксплуатации ниже 40 °C допускаемые значения превышения температуры соответственно увеличиваются.
6.11.3 Классы нагревостойкости изоляции обмоток сухих трансформаторов должны быть указаны в документации на трансформаторы конкретных типов.
6.11.4 Превышения температуры элементов однофазных трансформаторов, указанные в таблице 18, могут быть на 10 °C выше при номинальных коэффициентах напряжения 1,5 и 1,9
(таблица 16) и значении мощности, установленном в документации на трансформаторы конкретных типов.
Таблица 18
Превышение элементами трансформаторов
температуры окружающей среды
Элемент трансформатора | | Превышение температуры при номинальном напряжении, протекании тока, соответствующего предельной мощности трансформатора, и эффективной температуре окружающего воздуха 40 °C | Метод измерения |
Масляные трансформаторы | Все классы | | |
- верхний слой масла | | 55 | По термометру или термопаре |
- верхний слой масла для герметичного исполнения или с устройством, полностью защищающим масло от соприкосновения с окружающим воздухом | | 60 | То же |
- вторичные обмотки | | 60 | По изменению сопротивления обмоток |
- вторичные обмотки для герметичного исполнения | | 65 |
- другие металлические детали, контактирующие с маслом | | 65 | По термометру или термопаре |
Трансформаторы с твердой или газовой изоляцией | | | По изменению сопротивления обмоток постоянному току для обмоток и по термометру или термопаре для деталей |
- вторичные обмотки или металлические детали, контактирующие с изоляционными материалами | Y | 45 |
A | 60 |
E | 75 |
B | 85 |
F | 110 |
H | 135 |
Примечание 1 - Указанные требования не распространяются на трансформаторы, размещаемые с внешней стороны пофазно экранированных токопроводов, но обязательны для вводов, находящихся внутри токопроводов. Примечание 2 - Вместо эффективной температуры окружающей среды допускается принимать верхнее значение температуры. |
6.11.5 Если трансформатор, предназначенный для использования на высоте свыше 1000 м, подвергался испытаниям на высоте менее 1000 м, то пределы превышения температуры, указанные в
таблице 18, должны быть уменьшены в соответствии с
ГОСТ 15543.1.
6.12 Требования к изоляции
6.12.1 Требования к электрической прочности изоляции трансформаторов с номинальными первичными напряжениями от 3 до 750 кВ - по
ГОСТ 1516.3.
Заземляемые нейтрали первичных обмоток трехфазных трансформаторов, а также предназначенные для заземления вводы первичных обмоток однофазных трансформаторов могут иметь неполную изоляцию, которая должна выдерживать в течение 1 мин испытательное напряжение 3 кВ частотой 50 Гц, приложенное от внешнего источника.
Изоляция вторичных обмоток трансформаторов должна выдерживать в течение 1 мин испытательное напряжение 3 кВ частотой 50 Гц, приложенное от внешнего источника.
6.12.2 Трансформаторы, изготавливаемые с номинальными первичными напряжениями, отличающимися от указанных в
таблицах 4 и
5, значения которых не превышают или равны наибольшему рабочему напряжению соответствующего класса напряжения, указанного в
ГОСТ 1516.3, должны иметь уровень изоляции по
ГОСТ 1516.3 для напряжения данного класса.
6.12.3 Изоляция первичных обмоток трансформаторов с номинальным первичным напряжением до 660 В включительно должна выдерживать одноминутное испытательное напряжение 3 кВ частотой 50 Гц, приложенное от внешнего источника.
| | ИС МЕГАНОРМ: примечание. Нумерация пунктов дана в соответствии с официальным текстом документа. | |
6.12.5 Допускаемое максимальное значение кажущегося заряда неоднократно возникающих частичных разрядов изоляции первичной обмотки трансформаторов на номинальное напряжение 3 кВ и выше, для трансформаторов, требующих проверки уровня неоднократно возникающих частичных разрядов по
ГОСТ 1516.3, должно соответствовать приведенным в таблице 19.
Таблица 19
Значение кажущегося заряда частичных разрядов
Соединение первичной обмотки | Напряжение измерения характеристик частичных разрядов | Допускаемое максимальное значение кажущегося заряда неоднократно возникающих частичных разрядов, пКл, для изоляции |
жидкой | газовой | твердой |
Фаза - земля | Uн.р | 10 | 20 | 50 |
| 10 | 20 |
Фаза - фаза | 1,1·Uн.р | 10 | 20 |
Примечание - Uн.р - наибольшее рабочее напряжение. |
При поэлементных испытаниях емкостного трансформатора значение напряжения измерения частичных разрядов должно быть равно:
или

,
6.12.6 При нормальных климатических условиях по
ГОСТ 15150 сопротивление изоляции первичных обмоток должно быть не менее 300 МОм, вторичных обмоток - не менее 50 МОм, связующих обмоток каскадных трансформаторов - не менее 1 МОм.
6.12.7 Диэлектрические показатели качества масла маслонаполненных трансформаторов должны соответствовать указанным в таблице 20.
Таблица 20
Диэлектрические показатели качества масла
Показатель качества масла | Номинальное напряжение трансформаторов, кВ | Предельно допустимое значение показателя качества масла |
для заливки в трансформатор | после заливки в трансформатор |
| До 15 включ. | 30 | 25 |
До 35 включ. | 35 | 30 |
не менее | 110 - 150 | 60 | 55 |
220 - 500 | 65 | 60 |
750 | 70 | 65 |
Тангенс угла диэлектрических потерь | До 220 включ. | 1,5 | 1,7 |
| Св. 220 | 0,5 | 0,7 |
Требования, предъявляемые к маслонаполненным трансформаторам на номинальное напряжение 110 кВ и выше по тангенсу угла диэлектрических потерь, должны быть указаны в документации на трансформаторы конкретных типов.
6.12.8 Требования к изоляции конденсаторов емкостных трансформаторов - по ГОСТ 15581.
6.12.9 Требования к изоляции электромагнитного устройства
а) Нормированное выдерживаемое напряжение грозового импульса электромагнитного устройства должно быть равно:

.
б) Номинальное кратковременное выдерживаемое напряжение промышленной частоты электромагнитного устройства должно быть равно:

.
Примечание 1 - Испытания а) могут проводиться на комплектном емкостном трансформаторе.
Примечание 2 - Для испытания б) электромагнитное устройство может быть отсоединено от емкостного делителя напряжения.
Примечание 3 - Коэффициент 3,3 является постоянным для всех значений Uн.р.
6.12.10 Требования к электрической прочности изоляции емкостных делителей напряжения, изолирующих подставок и электромагнитных устройств для емкостных трансформаторов должны быть указаны в документации на эти трансформаторы.
6.12.11 Многократные срезанные импульсы на выводах первичной обмотки
К изоляции первичной обмотки (первичной цепи) маслонаполненных трансформаторов на номинальное напряжение 330 кВ и выше по согласованию между потребителем и изготовителем допускается предъявление требований по воздействию многократных срезанных импульсов.
6.12.12 Изоляция первичной обмотки трансформаторов, работающих при избыточном давлении газа, должна в течение 45 мин выдерживать при избыточном давлении газа, равном нулю, воздействие напряжения, равного

,
где Uн.р - наибольшее рабочее напряжение.
6.13 Требования к переходным процессам в емкостных трансформаторах
6.13.1 Переходный процесс, возникающий во вторичной цепи емкостного трансформатора после отключения в ней короткого замыкания при первичном напряжении 0,8 - 1,2 номинального значения, указанного в
таблице 5, должен затухать до значения, отличающегося от исходного не более чем на 10%, за время, соответствующее 10 периодам номинальной частоты.
6.13.2 При внезапных коротких замыканиях в первичной цепи емкостного трансформатора его вторичное напряжение в течение одного периода номинальной частоты должно снизиться до значения менее 10% амплитудного значения до короткого замыкания.
6.13.3 Допустимые значения амплитуды колебания вторичного напряжения при включении емкостного трансформатора на полное номинальное первичное напряжение должны быть предусмотрены в эксплуатационной документации на трансформаторы конкретных типов.
6.14 Требования к стойкости трансформаторов при токах короткого замыкания
6.14.1 Трансформаторы должны в течение 1 с выдерживать токи короткого замыкания, возникающего на вводах вторичных обмоток.
6.14.2 В документации на трансформаторы конкретных типов указывают токи короткого замыкания каждой обмотки.
6.15 Метрологические характеристики
6.15.1 Метрологические характеристики должны быть установлены для следующих рабочих условий применения трансформаторов:
Номинальный диапазон частот составляет от 99% до 101% номинальной частоты для трансформаторов, предназначенных для измерения, и от 96% до 102% номинальной частоты для трансформаторов, предназначенных для защиты.
Погрешность напряжения и угловая погрешность при номинальной частоте не должны превышать значений, заданных в
таблице 21, при любом напряжении в диапазоне 80 - 120% от номинального напряжения и при нагрузках:
- любое значение от 0 В·А до 100% номинальной нагрузки, при коэффициенте мощности от 0,5 до 1, для нагрузки типа I;
- между 25% и 100% номинальной нагрузки при коэффициенте мощности 0,8, для нагрузки типа II.
Мощность активно-индуктивной нагрузки типа II определяется от
где Sном - номинальная мощность трансформатора в данном классе точности, В·А;
U1ном - номинальное значение первичного напряжения трансформатора, В;
U1 - значение первичного напряжения, подведенного к трансформатору, В;
0,8 - 1,2 номинального напряжения - для трансформаторов, предназначенных для измерения;
от 0,02 или 0,05 до 1,2; 1,5 или 1,9 номинального напряжения - для трансформаторов, предназначенных для защиты.
Примечание 1 - По согласованию с потребителем допускается более узкий диапазон мощности нагрузки, например

. (3)
Примечание 2 - Для нагрузки типа I допускается коэффициент мощности отличный от 1.
Примечание 3 - Температура окружающего воздуха - в соответствии с документацией на трансформаторы конкретных типов.
| | ИС МЕГАНОРМ: примечание. В официальном тексте документа, видимо, допущена опечатка: имеется в виду пункт 6.9.2, а не пункт 6.8.2. | |
Примечание 4 - Высота установки трансформаторов над уровнем моря - по
6.8.2.
6.15.2 Предельные значения допускаемых погрешностей трансформаторов для измерений в рабочих условиях применения по
6.15.1 при установившемся режиме работы должны соответствовать указанным в таблице 21.
Таблица 21
Предельные значения допускаемых погрешностей трансформаторов
Класс точности | Предел допускаемой погрешности |
напряжения, % | угловой |
0,1 | +/- 0,1 | +/- 5' | +/- 0,15 срад |
0,2 | +/- 0,2 | +/- 10' | +/- 0,3 срад |
0,5 | +/- 0,5 | +/- 20' | +/- 0,6 срад |
1,0 | +/- 1,0 | +/- 40' | +/- 1,2 срад |
3,0 | +/- 3,0 | Не нормируют |
Погрешности определяют на выводах трансформатора. Погрешности должны учитывать (включать в себя) влияние предохранителей или резисторов, являющихся составной частью трансформатора.
Для трансформаторов с несколькими вторичными обмотками необходимо учитывать их взаимозависимость. Необходимо указывать диапазон мощности для каждой обмотки, и каждая обмотка должна отвечать требованиям к точности в пределах данного диапазона при любой нагрузке обмоток, не используемых для испытаний, от нуля до номинального значения.
Если диапазоны выходной мощности не указаны, данные диапазоны для испытуемой обмотки будут составлять от 25% до 100% от номинального значения выходной мощности для каждой обмотки.
Если на одну из обмоток нагрузка подается лишь иногда и в течение непродолжительного времени или если данная обмотка используется исключительно в качестве обмотки остаточного напряжения, ее влияние на другие обмотки можно не учитывать.
Если дополнительную обмотку емкостного трансформатора используют только для гашения резонансных колебаний, указание класса точности не является обязательным.
6.15.2.1 Класс точности трансформатора для защиты указывают посредством максимально допустимой погрешности напряжения (в процентном выражении), заданной для данного класса точности, от 5% номинального напряжения до напряжения, соответствующего номинальному коэффициенту напряжения согласно
6.15.1. После данного выражения ставится буква "P".
6.15.3 По согласованию между потребителем и изготовителем в эксплуатационной документации на трансформаторы должны быть указаны зависимости погрешностей от влияющих факторов: первичного напряжения, мощности нагрузки, коэффициента мощности нагрузки, частоты, температуры в диапазоне их рабочих значений.
Также должна быть указана точность определения зависимости погрешностей.
Зависимости погрешностей от каждого влияющего фактора следует приводить при номинальных значениях всех остальных влияющих факторов.
Таблица 22
Пределы погрешности напряжения и угловой погрешности
для защитных трансформаторов напряжения
Класс | % от номинального напряжения |
2 | 5 | 100 | X | 2 | 5 | 100 | X | 2 | 5 | 100 | X |
Погрешность напряжения, +/- % | Угловая погрешность, +/- ° | Угловая погрешность, +/- сантирадианы |
3Р | 6,0 | 3,0 | 3,0 | 3,0 | 240 | 120 | 120 | 120 | 7,0 | 3,5 | 3,5 | 3,5 |
6Р | 12,0 | 6,0 | 6,0 | 6,0 | 480 | 240 | 240 | 240 | 14,0 | 7,0 | 7,0 | 7,0 |
Примечание - X = FV·100 (номинальный коэффициент напряжения, умноженный на 100). |
Примечание 1 - При значении первичного напряжения, подведенного к трансформатору для защиты, равном 0,05; 1,5 или 1,9 номинального, предельные значения допускаемых погрешностей по согласованию между разработчиком и заказчиком могут быть увеличены в два раза.
Примечание 2 - В документации на трансформаторы конкретных типов должны быть указаны расчетные значения погрешностей при значениях напряжений 0,02; 0,05; 1,5 и 1,9 номинального.
6.16 Ток холостого хода должен быть установлен изготовителем и указан в эксплуатационной документации на трансформаторы конкретных типов.
6.17 Сопротивление обмоток постоянному току должно быть установлено изготовителем и указано в эксплуатационной документации на трансформаторы конкретных типов.
6.18 Требования к надежности
6.18.1 Средняя наработка до отказа должна быть установлена по
ГОСТ 27.003 и указана в документации на трансформаторы конкретных типов.
6.18.2 Средний срок службы трансформаторов не менее 30 лет.
6.18.3 Требования по ремонтопригодности должны быть указаны в документации на трансформаторы конкретных типов.
6.19.1 Комплектность трансформаторов должна быть установлена в документации на трансформаторы конкретных типов.
6.19.2 К трансформаторам должна быть приложена эксплуатационная документация по
ГОСТ 2.601: паспорт, руководство по эксплуатации, ведомости ЗИП (при наличии).
Для трансформаторов на напряжение до 10 кВ включительно по согласованию с потребителем, если это установлено в документации на трансформаторы конкретных типов, паспорт может быть заменен этикеткой.
Для трансформаторов на напряжение до 660 В номенклатура эксплуатационной документации может быть сокращена и должна быть указана в документации на трансформаторы конкретных типов.
Число экземпляров эксплуатационной документации, прилагаемой к трансформаторам, устанавливают в документации на трансформаторы конкретных типов.
6.20 Маркировка
6.20.1 Все вводы и выводы трансформаторов для внешнего присоединения следует обозначать способом, обеспечивающим долговечность и стойкость маркировки к атмосферным воздействиям. Условные обозначения вводов и выводов - в соответствии с
таблицами 7 -
15.
6.20.2 Каждый трансформатор должен быть снабжен прикрепленной на видном месте табличкой, на которой указывают:
товарный знак предприятия-изготовителя или его наименование;
наименование "трансформатор напряжения";
тип трансформатора и климатическое исполнение;
порядковый номер по системе нумерации предприятия-изготовителя;
обозначение документа на трансформаторы конкретных типов или обозначение настоящего стандарта;
год выпуска (на трансформаторах, предназначенных для экспорта, не указывают);
номинальное напряжение первичной обмотки, В;
номинальные напряжения каждой из вторичных обмоток, В (для трехфазных трехобмоточных трансформаторов указывают только напряжение основной вторичной обмотки);
номинальную частоту, Гц (при частоте 50 Гц допускается не указывать);
классы точности и соответствующие им номинальные мощности, В·А;
предельную мощность, В·А;
полную массу трансформатора, кг;
номинальное давление для газонаполненных трансформаторов;
условное обозначение схемы и группы соединения обмоток (для трехфазных трансформаторов).
Примечание 1 - Допускается наносить перечисленные данные на одну или несколько табличек, а также частично или полностью на элементы конструкции трансформатора.
Примечание 2 - Допускается наносить на табличку дополнительную информацию в соответствии с документацией на трансформаторы конкретных типов.
6.20.3 В каскадных и емкостных трансформаторах маркируют каждый блок или конденсатор, входящий в комплект трансформатора.
6.20.4 Маркировка транспортной тары - по
ГОСТ 14192.
6.21 Упаковка
6.21.1 Перед упаковыванием все неокрашенные наружные поверхности, которые могут подвергаться коррозии и порче, должны быть подвергнуты консервации.
6.21.2 Упаковка должна обеспечивать сохранность трансформаторов при их транспортировании. Вид упаковывания должен быть предусмотрен в документации на трансформаторы конкретных типов.
6.22 Требования по экологии
6.22.1 Требования к напряжению радиопомех предъявляются для трансформаторов класса напряжения выше 110 кВ включительно.
Напряжение радиопомех не должно превышать 2500 мкВ при

.
6.22.2 Изоляционная жидкость конденсаторов должна быть экологически безопасной.
6.22.3 Изготовитель должен предоставлять информацию о любых влияниях трансформатора на природную среду во время его эксплуатации, а также о демонтаже и утилизации оборудования.
7. Требования безопасности
7.3 Рекомендуемая минимальная степень защиты корпусов низковольтных устройств управления и/или вспомогательных устройств, используемых в трансформаторах для установки внутри помещения, - IP 20 согласно
ГОСТ 14254.
Данное требование не распространяется на установки, в которых обслуживающий персонал не может получить доступ к трансформатору без предварительного снятия напряжения с трансформатора и принятия соответствующих мер безопасности (например, блокировки, выполнения особых инструкций по эксплуатации и т.п.). В таком случае документация на изделие должна содержать четкие указания о необходимости принятия данных мер.
Рекомендуемая минимальная степень защиты корпусов низковольтных устройств управления и/или вспомогательных устройств, используемых в трансформаторах наружной установки, - IP44.
8.1 Для проверки соответствия трансформаторов требованиям настоящего стандарта и документации на трансформаторы конкретных типов следует проводить испытания: для утверждения типа; квалификационные; приемо-сдаточные; периодические; типовые.
8.2 Объем испытаний и проверок, в зависимости от конструктивных особенностей и назначения трансформатора, следует выбирать по
таблице 23 и устанавливать в документации на трансформаторы конкретных типов.
8.3 Общие положения
8.3.1 При испытаниях квалификационных, для утверждения типа, периодических и типовых отдельные испытания, не влияющие на результаты других испытаний, предусмотренных таблицей 23, допускается проводить на разных трансформаторах (параллельные испытания).
Таблица 23
Объем испытаний и проверок
Наименование испытания и проверки | Необходимость проведения испытаний | Пункт настоящего стандарта |
для утверждения типа | квалификационных | приемо-сдаточных | периодических | технические требования | методы контроля |
1 Проверка на соответствие требованиям сборочного чертежа | + | + | + | + | | |
2 Испытание пробы масла маслонаполненных трансформаторов: | | | | | | |
- определение пробивного напряжения | - | + | + | + | | |
- определение тангенса угла диэлектрических потерь | - | + | + | + | | |
3 Измерение сопротивления изоляции обмоток | - | + | О | + | | |
4 Испытания электрической прочности изоляции: | | | | | | |
- одноминутным напряжением промышленной частоты | - | + | + | + | | |
- трансформаторов с номинальным напряжением 330 кВ и выше напряжением коммутационного импульса | - | + | | + | | |
- трансформаторов с номинальным напряжением свыше 1000 В | - | + | - | - | | |
- напряжениями грозового импульса |
- внутренней изоляции первичной обмотки на стойкость к тепловому пробою | - | О | - | - | | |
- изоляции первичной обмотки газонаполненных трансформаторов при остаточном давлении газа, равном нулю | - | + | - | + | | |
- проверка длины пути утечки | - | + | - | - | | |
5 Измерение тока холостого хода | - | + | + | + | | |
6 Определение погрешностей: | | | | | | |
при нагрузках, соответствующих всем классам точности, присвоенных данному трансформатору | + | + | - | + | | |
при нагрузках, соответствующих высшему классу точности | - | - | + | - | | |
7 Проверка группы соединения обмоток | + | + | + | + | | |
8 Измерения напряжения на вводах разомкнутого треугольника дополнительных вторичных обмоток трансформаторов: | | | | | | |
- при симметричном номинальном первичном напряжении | + | + | + | + | | |
- при замыкании одной из фаз на землю | + | + | - | - | | |
9 Испытание на нагрев | - | + | - | - | | |
10 Испытание на устойчивость трансформаторов к длительному однофазному замыканию питающей сети на землю | - | + | - | - | | |
11 Испытание на устойчивость трансформаторов к токам короткого замыкания | - | + | - | - | | |
12 Проверка работоспособности емкостных трансформаторов в переходных режимах | - | + | - | - | | |
13 Климатические испытания в объеме, предусмотренном стандартами на трансформаторы конкретных типов | + | + | - | О | | |
14 Механические испытания в объеме, предусмотренном стандартами на трансформаторы конкретных типов | - | + | - | О | | |
15 Испытание на прочность при транспортировании | - | + | - | - | | |
16 Испытание упаковки на сбрасывание | - | + | - | - | | |
17 Измерение уровня частичных разрядов для трансформаторов, требующих проверки уровня неоднократно возникающих частичных разрядов по ГОСТ 1516.3 | - | + | + | + | | |
18 Подтверждение средней наработки до отказа | - | - | - | + | | |
19 Испытание маслонаполненных трансформаторов на герметичность | - | + | + | + | | |
20 Измерение сопротивления обмоток постоянному току | - | + | + | + | | |
21 Определение количественной утечки газа газонаполненных трансформаторов | - | + | + | + | | |
22 Испытание на внутреннее дуговое замыкание маслонаполненных и газонаполненных трансформаторов | - | + | - | - | | |
23 Испытание на степень защиты корпусов | - | + | О | - | | |
24 Испытание многократным срезанным импульсом на выводах первичной обмотки | - | О | О | - | | |
25 Испытание по определению напряжения радиопомех | - | + | - | - | | |
Примечание 1 - Знак "+" означает, что испытание проводят; знак "-" не проводят; буква "О" означает, что испытание проводят, если это указано в документации на трансформатор конкретного типа. Примечание 2 - Для трансформаторов класса напряжения 330 кВ и выше вместо испытания электрической прочности изоляции одноминутным напряжением промышленной частоты допускается проводить испытания электрической прочности изоляции напряжением коммутационного импульса. Примечание 3 - Для трансформаторов с номинальной частотой 60 Гц все испытания проводят при частоте 50 Гц (кроме определения погрешностей емкостных трансформаторов), на что должно быть указано в паспорте. |
Перечень параллельных испытаний следует устанавливать в документации на трансформаторы конкретных типов.
8.3.2 Допускается совмещение отдельных видов испытаний из перечисленных в
8.1.
8.3.3 Типоисполнения и число трансформаторов, подвергаемых каждому испытанию при испытаниях квалификационных, для утверждения типа, периодических, типовых и на соответствие утвержденному типу следует указывать в документации на трансформаторы конкретных типов.
8.3.4 При приемо-сдаточных испытаниях трансформаторы подвергают проверке методом сплошного контроля.
8.3.5 Допускается проводить испытания на сборочных единицах и деталях трансформаторов.
Допускается в технически обоснованных случаях при испытаниях квалификационных, для утверждения типа, периодических, типовых и на соответствие утвержденному типу засчитывать испытания трансформаторов других типов (серий), имеющих аналогичные конструктивные или технологические решения или одинаковые применяемые материалы, при наличии таких указаний в документации на трансформаторы конкретных типов.
8.3.6 Последовательность испытаний может быть произвольной, если иные требования не установлены в документации на трансформаторы конкретных типов.
8.3.7 При отрицательных результатах приемо-сдаточных, периодических и типовых испытаний после устранения дефектов повторные испытания проводят в полном объеме или в технически обоснованных случаях в сокращенном объеме: повторяют испытания, по которым получены неудовлетворительные результаты, испытания, которые могли повлиять на возникновение дефектов, а также те испытания, которые не проводились.
Если конкретные причины неудовлетворительного результата не установлены, повторные испытания по пунктам несоответствия проводят на удвоенном числе образцов (кроме приемо-сдаточных испытаний).
Результаты повторных испытаний являются окончательными.
8.4 Квалификационные испытания
8.4.2 Допускается засчитывать в качестве квалификационных испытаний испытания опытных образцов, проведенные в соответствии с
таблицей 23, если соблюдены следующие условия:
- опытные образцы были изготовлены по технологии и на оборудовании, предусмотренных для серийного производства;
- при изготовлении установочной серии не проводилась доработка конструкции, требующая проведения испытаний;
- время, прошедшее после испытаний опытных образцов, не превышает срок, установленный для периодических испытаний.
Если эти условия не соблюдены, то при соответствующем техническом обосновании допускается засчитывать отдельные испытания, на результатах которых несоблюдение указанных условий не отражается.
8.5 Приемо-сдаточные испытания
Приемо-сдаточные испытания проводит служба технического контроля или другая уполномоченная на это служба предприятия-изготовителя.
Одновременно с приемо-сдаточными испытаниями каждый трансформатор должен подвергаться первичной поверке по правилам, принятым в стране-изготовителе, и по методике
ГОСТ 8.216.
8.6 Периодические испытания
8.6.1. Периодические испытания следует проводить на трансформаторах серийного производства не реже одного раза в 5 лет.
Подтверждение средней наработки до отказа первый раз проводят через 10 лет после начала серийного производства, затем - не реже одного раза в 5 лет.
8.6.2 Если производство трансформаторов было прервано ко времени наступления срока очередных периодических испытаний, то при возобновлении выпуска следует проводить периодические испытания трансформаторов на образцах первой партии, изготовленной после возобновления производства.
До завершения отдельных (длительных по времени) испытаний, входящих в объем периодических испытаний, основанием для выпуска трансформаторов является протокол предыдущих периодических испытаний.
8.7 Типовые испытания следует проводить в полном или сокращенном объеме квалификационных испытаний при изменении конструкции, применяемых материалов или технологии производства, если эти изменения могут оказать влияние на характеристики или параметры трансформаторов.
В зависимости от характера вносимого изменения (изменений) испытаниям допускается подвергать отдельные сборочные единицы, детали, образцы материалов и др.
8.8 Испытания для утверждения типа следует проводить по правилам, принятым в стране-изготовителе.
9.1 Проверка на соответствие требованиям сборочного чертежа
9.1.1 Проверке подлежат:
- габаритные размеры
<1>, установочные и присоединительные размеры, для которых на сборочном чертеже указаны предельные отклонения;
- масса трансформатора
<1>;
- состояние поверхности наружных изоляционных частей;
- состояние защитных покрытий наружных частей;
- состояние площадок под заземляющие зажимы;
- правильность заполнения табличек технических данных;
- маркировка выводов;
- комплектность.
--------------------------------
<1> Кроме приемо-сдаточных испытаний.
Проверку проводят внешним осмотром, измерением универсальным измерительным инструментом, при помощи шаблонов, а также взвешиванием трансформатора на весах общего применения или при помощи пружинного динамометра.
9.1.2 При приемо-сдаточных испытаниях размеры допускается проверять на деталях и сборочных единицах до сборки трансформатора.
9.1.3 Допускается определять массу трансформатора суммированием масс всех сборочных единиц.
9.2 Определение пробивного напряжения и тангенса угла диэлектрических потерь при испытании пробы масла - по
ГОСТ 6581. Для трансформаторов с номинальным напряжением до 35 кВ включительно проба масла отбирается в тот же день из емкости, из которой масло заливается в трансформатор, а для трансформаторов с номинальным напряжением 110 кВ и выше - непосредственно из трансформатора. Порядок взятия пробы должен быть установлен в документации на трансформаторы конкретных типов.
Метод измерения тангенса угла диэлектрических потерь маслонаполненных трансформаторов должен быть указан в документации на трансформаторы конкретных типов.
9.3 Измерение сопротивления изоляции обмоток проводится мегаомметром на 2500 В для первичных обмоток незаземляемых трансформаторов и на 1000 В - для первичных обмоток заземляемых и вторичных обмоток всех трансформаторов.
При повторных испытаниях внутренней изоляции первичных обмоток, проводимых с целью проверки работоспособности трансформаторов после проведения испытаний других видов, испытательное напряжение должно быть не более 90% испытательного напряжения, предусмотренного
ГОСТ 1516.1 и
ГОСТ 1516.3.
9.4.1 Допустимое значение максимального кажущегося заряда неоднократно возникающих частичных разрядов определяют по
ГОСТ 1516.3 и
ГОСТ 20074.
Измерение максимального кажущегося заряда неоднократно возникающих частичных разрядов - по методике
ГОСТ 1516.3.
Трансформаторы считаются выдержавшими испытание, если выполняется хотя бы одно из условий:
- ни в одном из измерений значение максимального кажущегося заряда неоднократно возникающих частичных разрядов не превышает нормируемого значения;
- ни в одном из измерений значение максимального кажущегося заряда неоднократно возникающих частичных разрядов, определенное для регулярности процесса ч.р., равной R = 0,5, не превышает допустимого значения;
- средний ток частичных разрядов, определенный, как сумма максимальных значений кажущихся зарядов, взятых за интервал времени T, соответствует требованию:

, (4)
где qiнорм. - нормированное (допустимое) значение максимального кажущегося заряда неоднократно возникающих ЧР;
t - значение времени одного цикла измерения ЧР.
При этом за максимальное значение кажущегося заряда принимается то его значение, при котором число периодов возникновения частичных разрядов составляет более 50% общего числа периодов за время измерения.
При этом ток холостого хода должен быть измерен после измерений омического сопротивления обмоток до определения погрешностей. Если окажется, что ток холостого хода меньше тока, при котором измерялось сопротивление соответствующей обмотки, перед определением погрешностей трансформатор необходимо размагнитить.
Ток холостого хода электромагнитного устройства емкостных трансформаторов напряжения измеряется без подключения делителя.
Ток холостого хода электромагнитных трансформаторов измеряется на одной из основных обмоток.
9.6 Определение погрешностей
(6.15) и проверка группы соединения обмоток
(5.10) - по
ГОСТ 8.216. При испытании трехобмоточных трансформаторов обмотка, свободная от испытаний, должна быть разомкнута.
Для трехобмоточных трансформаторов, длительно работающих с включенными нагрузками на обеих вторичных обмотках, погрешности трансформаторов определяют с включением нагрузок на обе вторичные обмотки. Порядок распределения нагрузок между вторичными обмотками трансформаторов с тремя и более обмотками при определении погрешностей должен быть указан в документации на трансформаторы конкретных типов.
Примечание
1 Погрешности емкостных трансформаторов, предназначенных для работы в электрических цепях переменного тока частотой 50 Гц, определяют при частотах питающего напряжения 49,5 и 50,5 Гц.
2 Погрешности емкостных трансформаторов, предназначенных для работы в электрических цепях переменного тока частотой 60 Гц, определяют при частотах питающего напряжения 59,5 и 60,5 Гц.
3 Погрешности емкостных трансформаторов определяют при нагрузках, соответствующих всем классам точности. По результатам испытаний для утверждения типа допускается проверять погрешности этих трансформаторов только по высшему классу точности.
4 Погрешности обмоток для защиты определяют при напряжениях 0,2 и 1,2 номинального значения.
5 При приемо-сдаточных испытаниях определение погрешностей трансформаторов проводят при меньшем числе значений напряжений и мощностей и при номинальной частоте, если обоснованность такого уменьшения подтверждена квалификационными и типовыми испытаниями.
9.7 Напряжение на вводах разомкнутого треугольника вторичных дополнительных обмоток трехобмоточных трансформаторов (см.
6.4) измеряют при нагрузке этих обмоток номинальной мощностью с коэффициентом мощности 0,8 (характер нагрузки - активно-индуктивный).
Для получения симметрии первичного фазного напряжения допускается испытывать трансформатор в питающей сети с заземленной нейтралью по схемам, изображенным на
рисунках Б.9 и
Б.10 приложения Б.
9.8 Напряжение на вводах разомкнутого треугольника вторичных дополнительных обмоток трансформаторов (см.
6.7), возникающее при замыкании одной из фаз первичных обмоток на землю, измеряют при номинальном значении нагрузки дополнительных обмоток и значении нагрузки основных вторичных обмоток, соответствующей низшему классу точности.
При этом трансформаторы включаются в сеть с изолированной нейтралью, а их линейные выводы первичных обмоток поочередно закорачивают на землю. Допускается проводить испытание на любых двух фазах трансформаторов.
Примечание - При испытаниях по
9.7 и
9.8 необходимо заземление дополнительных вторичных обмоток через пробивной предохранитель для трансформаторов, включаемых по схемам, изображенным на
рисунках Б.4 и
Б.5 приложения Б.
9.9 Испытание на нагрев при предельной мощности - по
ГОСТ 3484.2 методом непосредственной нагрузки при питании номинальным напряжением со стороны первичной обмотки и распределением нагрузки согласно
5.4. При этом допускается контролировать только температуру обмоток по изменению сопротивления, а у маслонаполненных трансформаторов также температуру верхних слоев масла.
9.9.1 Испытание на нагрев на вторичных обмотках емкостного трансформатора
Испытание проводится на комплектном емкостном трансформаторе или только на электромагнитном устройстве. При проведении испытания на комплектном емкостном трансформаторе устанавливают наибольшее рабочее напряжение первичной обмотки.
При проведении испытания на электромагнитном устройстве промежуточный трансформатор настраивают таким образом, чтобы напряжение вторичной обмотки U2 соответствовало таблице 24.
Таблица 24
Испытательное напряжение для испытания на нагрев
Вторичная нагрузка | Номинальная вторичная нагрузка | Предельная мощность вторичной обмотки |
Коэффициент напряжения и время | FV = 1,2 | FV = 1,5 или 1,9 | FV = 1,9 | - |
непрерывно | 30 с | 8 ч | - |
Тестовая конфигурация | Электромагнитное устройство | Комплектный емкостный трансформатор | Электромагнитное устройство | Комплектный емкостный трансформатор | Электромагнитное устройство | Комплектный емкостный трансформатор | Электромагнитное устройство | Комплектный емкостный трансформатор |
Испытательное напряжение до момента, когда рост температуры (нагрев) - ниже 1 °C/ч. | | | | | | | | |
Испытательное напряжение для времени (продолжительности) отказа | - | - | | | | | - | - |
Примечание - дополнительное испытание проводят, если указана предельная мощность. |
Испытание на нагрев проводят при номинальной нагрузке вторичной цепи или при максимальной нагрузке вторичной цепи, если представлено несколько вторичных нагрузок (см.
5.4). Температуру записывают.
Если представлено несколько вторичных обмоток, испытание проводят с одновременным подключением соответствующей номинальной вторичной нагрузки к каждой вторичной обмотке, если между изготовителем и покупателем не оговорено иное.
Нагрузку на дополнительную обмотку подают согласно
5.4.
Температура окружающей среды на месте испытаний должна составлять от 10 °C до 30 °C.
Емкостные трансформаторы или одно электромагнитное устройство испытывают согласно пункту а),
б) и
в), соответственно.
а) Все трансформаторы испытывают при напряжении, в 1,2 раза превышающем номинальное напряжение первичной обмотки.
Если указана предельная мощность, испытания трансформатора проводят при номинальном напряжении первичной обмотки, при вторичной нагрузке, соответствующей данной предельной мощности и при коэффициенте мощности, равном единице, без подачи нагрузки на дополнительную обмотку.
Если предельная мощность указывается для нескольких вторичных обмоток, испытания трансформатора проводят отдельно, с поочередным подключением каждой обмотки к вторичной нагрузке, соответствующей данной предельной мощности, при коэффициенте мощности, равном единице.
Испытание продолжают до тех пор, пока температура трансформатора не стабилизируется.
б) Трансформаторы с коэффициентом напряжения 1,5 для 30 с или 1,9 для 30 с испытывают при их соответствующем напряжении для 30 с, начиная после приложения напряжения, в 1,2 раза превышающего номинальное, в течение времени, достаточного для достижения устойчивого температурного состояния; нагрев не должен превышать значение, указанное в
таблице 18, более чем на 10 °C.
Допускается такие трансформаторы испытывать при их соответствующем коэффициенте напряжения для 30 с, начиная с холодного состояния; нагрев обмотки не должен превышать 10 °C.
Примечание - Данное испытание можно не проводить, если есть другие способы доказать, что трансформатор будет удовлетворительно функционировать в данных условиях.
в) Трансформаторы с коэффициентом напряжения 1,9 для 8 ч испытывают при напряжении, в 1,9 раз превышающем номинальное, для 8 ч, начиная после приложения напряжения, в 1,2 раза превышающего номинальное, в течение времени, достаточного для достижения устойчивого температурного состояния; превышение температуры не должно превышать значений, указанных в
таблице 16 более чем на 10 °C.
Электромагнитное устройство считается достигшим стабильного состояния, если рост температуры не превышает 1 °C в час. Перегрев температуры обмоток определяется методом изменения сопротивления.
Температуру окружающего воздуха можно измерять согласно
ГОСТ 3484.2.
9.9.2 Испытание на нагрев на дополнительных вторичных обмотках емкостного трансформатора для контроля изоляции сети
Если одна из вторичных обмоток используется как обмотка для контроля изоляции сети, испытание проводят в соответствии с
9.9.1 после испытания, описанного в
процедуре а).
При проведении подготовительного испытания (стабилизации рабочего режима) при коэффициенте напряжения первичной обмотки 1 с дополнительной обмотки снимают нагрузку.
Во время испытания при напряжении, в 1,9 раз превышающем номинальное напряжение первичной обмотки для 8 ч, на дополнительную обмотку подают вторичную нагрузку, соответствующую номинальной предельной мощности согласно
5.4, в то время как на другие обмотки подают нагрузку, равную их номинальной вторичной нагрузке.
Если для других вторичных обмоток указывается предельная мощность, проводят дополнительное испытание согласно
9.9.1 при коэффициенте напряжения первичной обмотки 1,2 без подачи нагрузки на дополнительную обмотку.
Примечание - Напряжение измеряют на первичной обмотке, так как действительное напряжение вторичной обмотки может быть значительно меньше номинального напряжения вторичной обмотки.
9.10 Испытание на устойчивость к длительным однофазным замыканиям питающей сети на землю проводят только для заземляемых трансформаторов, предназначенных для работы в сетях с изолированной нейтралью (см.
6.6).
К трехфазным трансформаторам, а также к трехфазным группам однофазных трансформаторов, объединенных предприятием-изготовителем в единую конструкцию, подводят трехфазное синусоидальное и симметричное напряжение, от источника с незаземленной нейтралью, равное наибольшему рабочему значению по
ГОСТ 1516.3, с последующим замыканием одной из фаз первичной обмотки на землю. К однофазным трансформаторам подводят напряжение, равное 1,9 номинального.
При испытании трансформаторов вторичные обмотки должны быть нагружены мощностью, указанной в документации на трансформаторы конкретных типов.
В этом режиме трансформаторы испытывают в течение 8 ч. Превышение температуры трансформаторов должно соответствовать
6.11.4.
Температуру трансформаторов, подвергающихся повышенному напряжению в течение 30 с
(таблица 24), не контролируют.
После этих испытаний трансформаторы должны быть подвергнуты повторным испытаниям в объеме приемо-сдаточных.
9.11 Испытания на устойчивость к токам короткого замыкания проводят следующим образом:
- к первичным обмоткам трансформаторов подводят напряжение, равное 0,9 - 1,05 номинального, при разомкнутых вторичных обмотках. Затем одну из вторичных обмоток с помощью специального устройства закорачивают и выдерживают режим в течение 1 с. При этом напряжение на выводах первичной обмотки должно сохраняться в указанных пределах.
Критерии оценки должны быть указаны в документации на трансформаторы конкретных типов.
При испытании электромагнитных трансформаторов и электромагнитных устройств емкостных трансформаторов напряжение допускается подводить со стороны вторичных обмоток при замкнутой накоротко первичной обмотке.
9.12 Работу емкостных трансформаторов при переходных процессах проверяют с осциллографической записью или определением показателей процесса другими методами, обеспечивающими необходимую точность измерений.
9.12.1 Испытание на затухание переходного процесса при кратковременном коротком замыкании во вторичной цепи (см.
6.13.1) проводят замыканием накоротко вводов основной вторичной обмотки трансформатора при опыте холостого хода. Падение напряжения во внешней цепи при этом должно быть не более 10% номинального значения. Длительность переходного процесса определяют десять раз. Ни в одном случае длительность переходного процесса не должна превышать 0,2 с.
9.12.2 Испытание на скорость снижения вторичного напряжения до установленного значения (см.
6.13.2) при внезапном коротком замыкании на зажимах первичной цепи проводят по два раза с наименьшей в высшем классе точности и наибольшей в низшем классе точности активно-индуктивной нагрузкой с коэффициентом мощности 0,8 и при мгновенном первичном напряжении, близком к нулевому и максимальному значениям. Эта проверка может быть проведена по схеме, изображенной на рисунке 2, соответствующей эквивалентной схеме емкостного трансформатора. Параметры эквивалентной схемы должны быть указаны в документации на трансформаторы конкретных типов.
T1 - питающий трансформатор; C - конденсатор отбора мощности
емкостного трансформатора; T2 - трансформатор напряжения
для осциллографирования; ЭУ - электромагнитное устройство
емкостного трансформатора; В - высоковольтный
короткозамыкатель; S2 - нагрузка основной вторичной обмотки
Рисунок 2 - Эквивалентная схема емкостного трансформатора
Допускается применять другие методы испытаний, которые должны быть указаны в документации на трансформаторы конкретных типов.
9.13 Методы и виды испытаний трансформаторов на устойчивость к климатическим внешним воздействующим факторам по
ГОСТ 16962.1 и механическим внешним воздействующим факторам по
ГОСТ 16962.2 должны быть указаны в документации на трансформаторы конкретных типов в зависимости от исполнения и конструктивных особенностей трансформаторов.
| | ИС МЕГАНОРМ: примечание. В официальном тексте документа, видимо, допущена опечатка: имеется в виду пункт 6.9.3, а не пункт 6.8.3. | |
При испытаниях трансформаторов категории размещения 1 на воздействие нагрузок от ветра, гололеда и тяжения проводов основание трансформатора жестко закрепляют, а к середине вывода его первичной обмотки прикладывают нагрузку, установленную в
6.8.3. Указанную нагрузку прикладывают поочередно в трех взаимно перпендикулярных направлениях: в горизонтальной плоскости по оси вывода в сторону от трансформатора, в горизонтальной плоскости в направлении, перпендикулярном к оси вывода, и в вертикальной плоскости по направлению к основанию.
Для стержневых вводов и выводов, расположенных вертикально, нагрузку прикладывают поочередно в двух направлениях: вертикально вверх и горизонтально в любом направлении.
В каждом направлении время выдержки нагрузки - 1 минута.
Трансформатор считают выдержавшим испытание, если во время и после его проведения не отмечено повреждений трансформатора или вывода, течи масла у маслонаполненных и увеличения утечки газа у газонаполненных трансформаторов.
9.14 Определение количественной утечки газа газонаполненных трансформаторов
Испытание по определению утечки проводят при температуре (25 +/- 10) °C.
Испытуемый трансформатор, заполненный до нормируемого рабочего (минимального рабочего или номинального рабочего) давления, помещают в замкнутый объем (камеру, чехол из полимерной пленки), который не должен превышать наружный объем испытуемого трансформатора более чем в 3 раза.
После установки трансформатора в замкнутый объем в последний вводят щуп чувствительного прибора (течеискателя), реагирующего на малые концентрации газа, которым заполнен испытуемый трансформатор, и фиксируют показания прибора. Через определенный промежуток времени выдержки трансформатора в замкнутом объеме (например, через 1 ч) операцию повторяют.
Годовую утечку газа q, % массы газа в испытуемом трансформаторе, определяют по формуле

, (5)
где

- разность концентрации газа в замкнутом объеме за время выдержки, г/л;
P0 - давление газа, равное 1 кгс/см2;

- разность между замкнутым и наружным объемом испытуемого трансформатора, л;
Pи - давление газа в трансформаторе при испытании (абсолютное), кгс/см2;
Vгт - объем газа в трансформаторе, л;
d - плотность газа в трансформаторе;
t - время между измерениями, ч.
Для трансформатора, заполненного элегазом, определяют по формуле

. (6)
Примечание 1 - Значения объемов, необходимых для вычисления утечки, должны быть определены с погрешностью, не превышающей 20%.
Примечание 2 - Если шкала прибора для определения утечки не калибрована непосредственно в значениях концентрации газа, г/л, эти значения находят по зависимости C = f(н) (где н - показания прибора в единицах шкалы), приложенной к свидетельству об аттестации (калибровке), проводимой в установленном порядке.
9.15 Испытание на прочность при транспортировании
9.15.1 Методы испытания на прочность при транспортировании по
ГОСТ 23216 должны быть указаны в документации на трансформаторы конкретных типов.
9.15.2 После испытания трансформаторы распаковывают, проводят внешний осмотр трансформаторов, тары, креплений, а также проверяют параметры, установленные в документации на трансформаторы конкретных типов.
9.15.3 Трансформатор и его упаковку считают выдержавшими испытание, если:
а) при внешнем осмотре упаковки не обнаружены механические повреждения тары, ведущие к потере защитных свойств, а также нарушения креплений упакованных изделий в таре. Допускается ослабление креплений изделия в таре, если это не привело к повреждению трансформатора в процессе испытания;
б) при внешнем осмотре трансформатора не обнаружены повреждения, препятствующие его работе, а результаты повторных испытаний на электрическую прочность изоляции и определение погрешностей - положительные.
9.15.4 При упаковке нескольких трансформаторов в один ящик допускается проводить проверку параметров выборочно. Число подлежащих испытанию трансформаторов должно быть указано в документации на трансформаторы конкретных типов.
9.15.5 Для крупногабаритных трансформаторов испытание допускается не проводить, а способность трансформаторов и упаковки противостоять разрушающему воздействию механических нагрузок при транспортировании оценивают по результатам транспортирования этих или аналогичных изделий потребителю.
9.16 Испытание упаковки трансформатора на сбрасывание
| | ИС МЕГАНОРМ: примечание. Взамен ГОСТ 18425-73 Приказом Росстандарта от 28.08.2018 N 538-ст с 1 июня 2019 года введен в действие ГОСТ 18425-2018. | |
9.16.1 Методы испытания упаковки трансформаторов на сбрасывание по ГОСТ 18425 должны быть указаны в документации на трансформаторы конкретных типов.
9.16.2 Испытанию подвергают упаковку суммарной массой (вместе с упакованным трансформатором) до 200 кг. Упаковку суммарной массой более 200 кг, а также упаковку, маркированную знаком "Хрупкое. Осторожно", испытанию на прочность при сбрасывании не подвергают.
9.16.3 Ящик (упаковку) с находящимся в нем трансформатором (трансформаторами) или макетом, имитирующим упакованные трансформаторы, сбрасывают один раз на площадку по ГОСТ 18425 на его торцевую сторону с высоты:
0,5 м - при суммарной массе (трансформатора и упаковки) до 100 кг включительно;
0,3 м - при суммарной массе (трансформатора и упаковки) свыше 100 до 200 кг включительно.
9.16.4 По окончании испытания проводят внешний осмотр упаковки.
9.16.5 Упаковку считают выдержавшей испытание, если при внешнем осмотре не обнаружены повреждения, ведущие к потере ее защитных свойств. Допускается ослабление отдельных креплений.
9.17 Подтверждение средней наработки до отказа проводят на основании сбора у потребителей и обработки информации о работе трансформаторов или их прототипов по методике, указанной в документации на трансформатор конкретного типа.
| | ИС МЕГАНОРМ: примечание. В официальном тексте документа, видимо, допущена опечатка: имеется в виду пункт 6.10.1.4, а не пункт 6.9.1.4. | |
9.19 Длину пути утечки внешней изоляции трансформаторов на соответствие требованиям
6.9.1.4 проверяют по
ГОСТ 9920.
9.20 Измерение сопротивления обмоток постоянному току проверяют по
ГОСТ 3484.1.
9.21 Испытание на внутреннее дуговое замыкание
Испытание проводят для проверки соответствия трансформатора требованиям
6.10.6. Трансформатор оснащают всем необходимым оборудованием и устанавливают в условиях, аналогичных условиям эксплуатации.
Основание трансформатора помещают на фундамент высотой не менее 500 мм. Для газонаполненных трансформаторов давление наполнения не должно быть меньше номинального давления наполнения при 20 °C.
При испытании на внутреннее дуговое замыкание необходимо определить границы допускаемой области вокруг тестируемого объекта, имеющего выступающие части. Диаметр данного участка должен быть равен диаметру трансформатора (по самому большому размеру) плюс высота образца, умноженная на два, с минимальным диаметром 2 м.
Испытание проводят на трансформаторе, который изначально находился при температуре окружающей среды.
Частота испытательного тока должна лежать в пределах 48 - 62 Гц.
Ток дуги во время испытаний должен иметь асимметричную форму. Действующее значение симметричной составляющей должно равняться току термической стойкости трансформатора, а первое амплитудное значение полного тока составлять 1,7 действующего значения.
Допуски следующие:
+/- 5% на среднеквадратическое значение тока;
+/- 5% на продолжительность.
Мощность источника питания должна быть достаточной для поддержания синусоидального тока дугового замыкания на протяжении всего испытания.
В качестве источника дуги через главную изоляцию внутри испытательного объекта можно использовать провод диаметром от 1 до 3 мм, размещаемый между экраном высокого и низкого напряжения, или аналогичное ему приспособление.
Место возникновения дуги должно приходиться на область максимального электростатического напряжения.
Трансформатор считается прошедшим испытание, если его эксплуатационные характеристики отвечают требованиям
6.10.6.
Если трансформатор аналогичной конструкции уже прошел квалификационные испытания (на соответствие техническим условиям), изготовитель предъявляет протокол распространения результатов испытаний типопредставителя, подтверждающий способность данного трансформатора, который не подвергался упомянутым выше испытаниям, к выдерживанию внутреннего дугового замыкания без проведения дополнительного испытания.
Допускаются другие методы испытаний, эквивалентные по энергии, выделяемой внутри трансформатора при горении дуги, которые следует указывать в документации на трансформаторы конкретных типов.
9.22 Испытание многократным срезанным импульсом на выводах первичной обмотки
Испытание проводят для подтверждения соответствия
6.12.12.
Испытание проводят с приложением многократных импульсов отрицательной полярности, срезанных близко к вершине импульса.
Испытательное напряжение прикладывают между выводами высокого напряжения первичной обмотки, выводами заземления и клеммами заземления первичной обмотки - для заземляемых трансформаторов. Корпус, магнитопровод (если предусматривается его заземление), а также все выводы вторичных обмоток должны быть заземлены.
Амплитудное значение испытательного напряжения должно составлять 70% от номинального испытательного напряжения грозового импульса. Параметры импульса - по
ГОСТ 1516-3. Фронт импульса испытательного напряжения должен представлять собой волну 1,2/50 мкс.
Время до первого перехода напряжения через ноль непосредственно после среза не должно превышать 0,5 мкс, наибольшее значение колебаний после среза должно составлять не более 30% максимального значения срезанного импульса.
Прикладывают 600 последовательных импульсов, с частотой примерно 1 импульс/мин.
Примечание - По согласованию между изготовителем и потребителем количество импульсов может быть уменьшено до 100.
Регистрируют форму волны в начале и в конце испытания, а также после приложения каждых 100 импульсов (минимум).
В основе критериев оценки результатов лежат следующие требования:
- сравнение импульсных напряжений, зафиксированных в начале и после приложения каждых 100 импульсов, не должно выявлять наличие каких-либо изменений, причиной которых могут быть частичные разряды в диэлектрике;
- уровень измеренных частичных разрядов не должен превышать значения, заданные в
таблице 19;
- измерение емкостного сопротивления и тангенса угла диэлектрических потерь до испытания и по истечении по меньшей мере двадцати часов после завершения испытания. Результаты должны быть одинаковы, за исключением погрешности, обусловленной используемой методикой испытания и воздействием пренебрежимо малых величин, которые могут влиять на результат (например, температура изоляционных материалов);
- повышение содержания растворенных газов в масле, измеряемое по истечении семидесяти двух часов после испытания, не должно выходить за рамки следующих значений:
- водород (H2): 20 мкл/л;
- метан (CH4): отсутствие;
- ацетилен (C2H2): отсутствие.
Если любое из указанных требований не выполняется, считается, что измерительный трансформатор не прошел испытание.
9.23 Испытание на степень защиты корпусов
Испытания проводят в соответствии с
ГОСТ 14254 на корпусах всех элементов оборудования в полной сборке, как в условиях эксплуатации.
9.24 Испытание на напряжение радиопомех
Испытание проводят в соответствии с
ГОСТ 1516.2 на полностью собранном трансформаторе.
| | ИС МЕГАНОРМ: примечание. В официальном тексте документа, видимо, допущена опечатка: имеется в виду пункт 6.22.1, а не пункт 6.24.1. | |
Трансформатор считается прошедшим испытание, если уровень радиопомех при напряжении

соответствует требованиям
6.24.1.
10. Транспортирование и хранение
10.1.1 Требования к транспортированию в части воздействия механических факторов по
ГОСТ 23216 и климатических факторов внешней среды по
ГОСТ 15150 должны быть указаны в документации на трансформаторы конкретных типов.
При транспортировании в транспортных контейнерах трансформаторы без индивидуальной упаковки должны быть надежно закреплены и предохранены от механических повреждений.
Допускается транспортирование трансформаторов в пределах одного города без упаковки при условии принятия необходимых мер, исключающих возможность их повреждения.
10.2 Хранение
10.2.1 Требования к хранению трансформаторов в части воздействия климатических факторов внешней среды по
ГОСТ 15150 должны быть указаны в документации на трансформаторы конкретных типов.
Газонаполненные трансформаторы наполняют до уровня, достаточного для поддержания положительного давления во время транспортировки.
11. Указания по эксплуатации
При вводе в эксплуатацию, а также в процессе эксплуатации трансформаторов следует соблюдать требования, установленные в документации на трансформаторы конкретных типов. Эти требования должны быть указаны в эксплуатационной документации.
12. Гарантии изготовителя
12.1 Изготовитель гарантирует соответствие трансформаторов требованиям настоящей документации при соблюдении условий применения, эксплуатации, хранения и транспортирования, установленных настоящим стандартом.
Гарантийный срок эксплуатации трансформаторов - пять лет с момента ввода в эксплуатацию, но не более пяти с половиной лет со дня отгрузки трансформатора с предприятия-изготовителя.
12.2 Для трансформаторов, предназначенных для экспорта, гарантийный срок эксплуатации устанавливается в соответствии с нормами, принятыми в стране-изготовителе.
(рекомендуемое)
ВЫБОР НОМИНАЛЬНЫХ МОЩНОСТЕЙ ДЛЯ ТРАНСФОРМАТОРОВ
РАЗЛИЧНЫХ КЛАССОВ ТОЧНОСТИ
Номинальные мощности для трансформаторов различных классов точности, выбираемые по
5.2, определяют, исходя из установленных предельных значений погрешностей напряжения для этих классов точности.
На рисунке А.1 приведены рекомендуемые характеристики процентного изменения вторичного напряжения трансформатора, соответствующие коэффициенту мощности вторичной нагрузки 0,8 при активно-индуктивной нагрузке типа II.
f - погрешность напряжения, %;
Sном - номинальная мощность для высшего класса точности, В·А
Верхняя характеристика соответствует приложенному первичному напряжению 0,8Uном; нижняя - напряжению 1,2Uном. Характеристики позволяют определять коэффициенты кратности номинальных мощностей для более низких классов точности по выбранной номинальной мощности для высшего класса точности. Характеристики приведены для трансформатора, имеющего высший класс точности 0,2.
Выбор кратности номинальных мощностей для классов точности 1 и 3 допускается осуществлять по
рисунку А.1 по выбранной номинальной мощности для класса точности 0,5.
Класс точности 0,5 для данного трансформатора - высший. Коэффициенты кратности мощностей приблизительно равны 1,5 и 3,5.
Выбор мощностей осуществляют по
рисунку А.1 так, чтобы характеристика погрешности трансформатора имела бы определенный запас, составляющий примерно 20% предельного значения погрешности вторичного напряжения или 5% с учетом результатов климатических испытаний, проведенных при верхнем и нижнем значениях рабочих температур окружающей среды по
ГОСТ 15150 и
ГОСТ 15543.1.
На
рисунке А.1 прямоугольник ABCD характеризует предельно допускаемую зону погрешности напряжения трансформатора при изменении вторичной нагрузки от 0,25 до номинального значения.
Погрешность напряжения f, %, определяют по формуле

, (А.1)
где Kном - номинальный коэффициент трансформации;
U1 - значение первичного напряжения, В;
U2 - значение вторичного напряжения, соответствующее приложенному напряжению U1 при данных условиях измерения, В.
(справочное)
СТРУКТУРНЫЕ ЭЛЕКТРИЧЕСКИЕ СХЕМЫ ВКЛЮЧЕНИЯ ТРАНСФОРМАТОРОВ
Схемы включения трансформаторов должны соответствовать изображенным на рисунках Б.1 -
Б.10.
Рисунок Б.1 - Схема включения однофазных незаземляемых
двухобмоточных трансформаторов в трехфазных электрических
сетях с изолированной нейтралью и напряжением 3 - 35 кВ
Рисунок Б.2 - Схема включения однофазных заземляемых
и трехфазных заземляемых двухобмоточных трансформаторов
в трехфазных электрических сетях с изолированной
нейтралью и напряжением 3 - 35 кВ
Рисунок Б.3 - Схема включения однофазных заземляемых
и трехфазных заземляемых двухобмоточных трансформаторов
в трехфазных электрических сетях с изолированной
нейтралью и напряжением 3 - 35 кВ
Рисунок Б.4 - Схема включения трехфазных трехобмоточных
трансформаторов в трехфазных электрических сетях
с изолированной нейтралью и напряжением 3 - 35 кВ
Рисунок Б.5 - Схема включения трехфазных трехобмоточных
трансформаторов в трехфазных электрических сетях
с изолированной нейтралью и напряжением 3 - 35 кВ
Рисунок Б.6 - Схема включения однофазных заземляемых
и трехфазных заземляемых трехобмоточных трансформаторов
с двумя основными вторичными обмотками в трехфазных
электрических сетях с изолированной нейтралью
и напряжением 3 - 35 кВ
Рисунок Б.7 - Схема включения однофазных заземляемых
трехобмоточных трансформаторов с двумя основными вторичными
обмотками в трехфазных электрических сетях с заземленной
нейтралью и напряжением 110 кВ и выше
Рисунок Б.8 - Схема включения однофазных заземляемых
трехобмоточных трансформаторов в трехфазных электрических
сетях с изолированной нейтралью и напряжением 3 - 35 кВ
Рисунок Б.9 - Схема включения однофазных заземляемых
трехобмоточных трансформаторов в трехфазных электрических
сетях с заземленной нейтралью и напряжением 110 кВ и выше
Рисунок Б.10 - Схема включения однофазных емкостных
трансформаторов напряжения в трехфазных электрических сетях
с заземленной нейтралью и напряжением 110 кВ и выше
Допускается заземлять непосредственно один из линейных концов вторичных обмоток вместо заземления нейтрали вторичных основных обмоток трансформаторов, соединенных по схемам, изображенным на
рисунках Б.2,
Б.4,
Б.6 -
Б.10. На схемах, изображенных на
рисунках Б.8 -
Б.10, допускается любое чередование фаз вторичных дополнительных обмоток, соединенных по схеме разомкнутый треугольник.
Схема включения трехобмоточных трансформаторов класса напряжения 110 кВ, предназначенных для работы в сетях с изолированной нейтралью, должна соответствовать изображенной на
рисунке Б.8.
[1] | | Государственная система обеспечения единства измерений. Метрология. Основные термины и определения |
[2] | IEC 60270(2000) | High-voltage test techniques - Partial discharge measurements. - Third edition, 2000-12 (МЭК 60270-2000 Методы испытаний высоким напряжением. Измерения частичных разрядов) <1> |
--------------------------------