Главная // Актуальные документы // ГОСТ Р (Государственный стандарт)СПРАВКА
Источник публикации
М.: Стандартинформ, 2014
Примечание к документу
Текст данного документа приведен с учетом
поправки, опубликованной в "ИУС", N 5, 2015.
Документ
введен в действие с 1 января 2014 года.
Название документа
"ГОСТ Р 55191-2012 (МЭК 60270:2000). Национальный стандарт Российской Федерации. Методы испытаний высоким напряжением. Измерения частичных разрядов"
(утв. и введен в действие Приказом Росстандарта от 26.11.2012 N 1183-ст)
"ГОСТ Р 55191-2012 (МЭК 60270:2000). Национальный стандарт Российской Федерации. Методы испытаний высоким напряжением. Измерения частичных разрядов"
(утв. и введен в действие Приказом Росстандарта от 26.11.2012 N 1183-ст)
Утвержден и введен в действие
агентства по техническому
регулированию и метрологии
от 26 ноября 2012 г. N 1183-ст
НАЦИОНАЛЬНЫЙ СТАНДАРТ РОССИЙСКОЙ ФЕДЕРАЦИИ
МЕТОДЫ ИСПЫТАНИЙ ВЫСОКИМ НАПРЯЖЕНИЕМ.
ИЗМЕРЕНИЯ ЧАСТИЧНЫХ РАЗРЯДОВ
High voltage test techniques. Partial discharge measurements
IEC 60270:2000 "High-voltage test techniques
partial discharge measurements"
(MOD)
ГОСТ Р 55191-2012
(МЭК 60270:2000)
Дата введения
1 января 2014 года
1 РАЗРАБОТАН ФГУП "Всероссийский научно-исследовательский институт метрологической службы" (ФГУП "ВНИИМС"), Филиалом открытого акционерного общества "Научно-технический центр Федеральной сетевой компании Единой энергетической системы" - Сибирским научно-исследовательским институтом энергетики (Филиал ОАО "НТЦ ФСК ЕЭС" - СибНИИЭ), Закрытым акционерным обществом "Группа компаний "Таврида Электрик" (ЗАО "ГК "Таврида Электрик")
2 ВНЕСЕН Федеральным агентством по техническому регулированию и метрологии (Росстандарт)
3 Утвержден и введен в действие
Приказом Федерального агентства по техническому регулированию и метрологии от 26 ноября 2012 г. N 1183-ст
4 Настоящий стандарт является модифицированным по отношению к международному стандарту IEC 60270 (2000) "Методы испытаний высоким напряжением. Измерения частичных разрядов (IEC 60270:2000 "High-voltage test techniques partial discharge measurements").
При этом дополнительные положения, учитывающие потребности национальной стандартизации (на базе
ГОСТ 20074-83 "Электрооборудование и электроустановки. Метод измерения характеристик частичных разрядов"), выделены курсивом
5 ВВЕДЕН ВПЕРВЫЕ
Правила применения настоящего стандарта установлены в ГОСТ Р 1.0-2012
(раздел 8). Информация об изменениях к настоящему стандарту публикуется в ежегодном (по состоянию на 1 января текущего года) информационном указателе "Национальные стандарты", а официальный текст изменений и поправок - в ежемесячном информационном указателе "Национальные стандарты". В случае пересмотра (замены) или отмены настоящего стандарта соответствующее уведомление будет опубликовано в ближайшем выпуске информационного указателя "Национальные стандарты". Соответствующая информация, уведомление и тексты размещаются также в информационной системе общего пользования - на официальном сайте Федерального агентства по техническому регулированию и метрологии в сети Интернет (gost.ru).
Настоящий стандарт распространяется на измерение характеристик частичных разрядов при испытании изоляции электрооборудования напряжением переменного тока промышленной частоты до 400 Гц действующим значением свыше 1000 В и напряжением постоянного тока свыше 1000 В.
Характеристики частичных разрядов измеряются для:
- определения отсутствия частичных разрядов в изоляции испытуемого объекта при нормированном напряжении, интенсивность которых равна или выше нормированного значения;
- определения характеристик частичных разрядов и их интенсивности при нормированном напряжении;
- определения напряжения возникновения и напряжения затухания частичных разрядов.
В настоящем стандарте нормируется электрический метод измерения характеристик частичных разрядов, принципиально основанный на измерении изменений зарядов элементов измерительной схемы, вызываемых частичными разрядами в изоляции испытуемого объекта.
Стандарт также рассматривает неэлектрические методы, используемые, главным образом, для определения места расположения частичного разряда (см.
приложение Е).
Рекомендации настоящего стандарта следует использовать при установлении требований, относящихся к измерению частичных разрядов в электрооборудовании.
В стандарте также даны рекомендации по диагностике электрооборудования с использованием цифровой обработки результатов измерений характеристик частичных разрядов (см.
приложение Д)
Количественные характеристики, которые должны нормироваться и использоваться для оценки качества изоляции, устанавливают в стандартах на оборудование конкретных типов.
В настоящем стандарте указаны:
- используемые термины;
- измеряемые величины;
- применяемые испытательные и измерительные схемы;
- аналоговые и цифровые методы измерения, необходимые для общего применения;
- методы калибровки и градуировки;
- методы испытания;
- рекомендации по отстройке сигналов частичных разрядов от сигналов внешних помех.
Настоящий стандарт относится в первую очередь к электрическим измерениям частичных разрядов, возникающих при испытаниях высоким напряжением переменного тока. В
разделе 11 рассматриваются частные проблемы, возникающие в ходе испытаний высоким напряжением постоянного тока.
Термины, определения, базовые испытательные схемы и методики часто применяются при испытаниях на других частотах и поэтому могут потребоваться специальные методики испытаний и характеристики систем измерения, которые не рассматриваются в настоящем стандарте.
В настоящем стандарте использованы нормативные ссылки на следующие стандарты:
ГОСТ Р 55193-2012 "Электрооборудование и электроустановки переменного тока на напряжение 3 кВ и выше. Методы измерения при испытаниях высоким напряжением"
ГОСТ Р 51320-99 "Совместимость технических средств электромагнитная. Радиопомехи индустриальные. Методы испытаний технических средств - источников индустриальных радиопомех"
Примечание - При пользовании настоящим стандартом целесообразно проверить действие ссылочных стандартов в информационной системе общего пользования - на официальном сайте Федерального агентства по техническому регулированию и метрологии в сети Интернет или по ежегодному информационному указателю "Национальные стандарты", который опубликован по состоянию на 1 января текущего года, и по выпускам ежемесячного информационного указателя "Национальные стандарты" за текущий год Если заменен ссылочный стандарт, на который дана недатированная ссылка, то рекомендуется использовать действующую версию этого стандарта с учетом всех внесенных в данную версию изменений. Если заменен ссылочный стандарт, на который дана датированная ссылка, то рекомендуется использовать версию этого стандарта с указанным выше годом утверждения (принятия). Если после утверждения настоящего стандарта в ссылочный стандарт, на который дана датированная ссылка, внесено изменение, затрагивающее положение, на которое дана ссылка, то это положение рекомендуется применять без учета данного изменения. Если ссылочный стандарт отменен без замены, то положение, в котором дана ссылка на него, рекомендуется применять в части, не затрагивающей эту ссылку.
В настоящем стандарте приняты следующие термины и определения.
3.1 частичный разряд (ЧР) (partial discharge (PD): Электрический разряд, который шунтирует лишь часть изоляции между электродами, находящимися под разными потенциалами.
Примечание 1 - Как правило, частичные разряды являются следствием локальной концентрации электрических напряжений в изоляции или на ее поверхности; такие разряды появляются в виде импульсов с длительностью меньше 1 мкс. Однако, в газообразных диэлектриках могут возникать и более продолжительные разряды, так называемые безымпульсные разряды.
Примечание 2 - Коронный разряд является формой частичного разряда, происходящего в газообразных средах вокруг проводников, удаленных от любой жидкой или твердой изоляции. Термин "корона" нельзя использовать в качестве общего термина для всех видов ЧР.
Примечание 3 - Частичные разряды сопровождаются излучением звука, света, тепла и химическими реакциями. Дополнительную информацию см. в
приложении Е.
3.2 импульс частичного разряда (импульс ЧР) (partial discharge pulse (PD pulse): Импульс тока или напряжения, возникающие под действием ЧР. Величина импульса измеряется с помощью специальных устройств (устройств присоединения), которые вводятся для этой цели в испытательную схему.
Примечание - Частичный разряд, возникающий в испытуемом объекте, создает импульс тока. Измерительный элемент (датчик), соответствующий требованиям настоящего стандарта, выдает на своем выходе сигнал тока или напряжения, пропорциональный величине заряда (токового импульса) на входе.
3.3 величины, относящиеся к импульсам частичных разрядов (характеристики ЧР) (quantities related to partial discharge pulses)
3.3.1 кажущийся заряд q (apparent charge q): Абсолютное значение такого заряда, мгновенное введении которого между электродами испытуемого объекта, установленного в испытательной схеме, могло бы дать такое же показание на измерительном приборе, как и сам импульс ЧР. Кажущийся заряд обычно выражается в кулонах (Кл).
Примечание - Кажущийся заряд не равен количественно значению заряда, локализованного в цепи разряда, значение которого невозможно измерить непосредственно.
3.3.2 скорость повторения частичных разрядов n (pulse repetition rate n): Отношение общего количества импульсов ЧР, зарегистрированных в течение выбранного интервала времени, к продолжительности этого интервала.
Примечание - На практике рассматриваются только те импульсы, которые превышают нормированные значения или находятся в установленном диапазоне значений.
3.3.3 частота повторения импульсов частичных разрядов N (pulse repetition frequency N): Число импульсов ЧР в секунду при равномерно распределенных импульсах.
Примечание 1 - Частота повторения импульсов N применима при калибровке и градуировке.
Примечание 2 - На практике рассматриваются только те импульсы, которые превышают нормированные значения или находятся в установленном диапазоне значений.
3.3.3.1 цикл измерения ЧР Tc (Tref) (PD measurement cycle): Интервал времени с начала измерения и до окончания измерения ЧР c, или nc - число периодов испытательного переменного напряжения в интервале времени измерения ЧР.
3.3.4 фазовый угол

или/и момент t
i возникновения импульса ЧР (phase angle

and time t
i of occurrence of a PD pulse)

,
где: ti - время, измеренное с момента прохождения положительного полупериода испытательного напряжения, предшествующего разряду, через нулевое значение, до момента возникновения импульса частичного разряда;
T - длительность периода испытательного напряжения.
Фазовый угол выражается в градусах (°).
3.3.5 средний ток частичного разряда I (average discharge current I): Производная величина, являющаяся суммой абсолютных значений индивидуальных амплитуд кажущихся зарядов qi в течение выбранного опорного интервала времени Tref, деленная на продолжительность этого интервала

.
Как правило, средний ток разряда выражается в кулонах в секунду (Кл/с) или в амперах (А).
3.3.6 мощность разряда P (discharge power P): Производная величина, являющаяся суммой произведений кажущихся зарядов с амплитудой qi на соответствующие мгновенные значения напряжения возникновения ЧР ui в течение интервала времени измерения ЧР Tc

,
где u1, u2... ui - значения испытательного напряжения (мгновенные значения) в моменты времени ti отдельно взятых значений разрядов кажущегося заряда qi. Необходимо учитывать знак этих отдельно взятых значений.
Мощность разряда обычно выражается в ваттах (Вт).
3.3.6.1 энергия единичного ЧР (energy of single PD, W): Производная величина, являющаяся произведением мгновенного значения напряжения возникновения ЧР Ui на его кажущийся заряд qi
Wi = Ui x qi.
Энергия единичного ЧР выражается в Джоулях (Дж).
3.3.7 квадратический параметр D (quadratic rate D): Производная величина, являющаяся суммой квадратов амплитуд отдельно взятых значений кажущихся зарядов qi интервала времени измерения ЧР Tc, деленных на продолжительность этого интервала:
Квадратический параметр выражается в (кулонах)2 в секунду (Кл2/с).
3.3.8 измеритель радиопомех (radio disturbance meter): Измерительный прибор квазипиков для частотной полосы В, соответствующий рекомендациям
ГОСТ Р 51320.
Примечание - Этот тип прибора ранее назывался измерителем наведенных (или влияющих) радиопомех.
3.3.9 напряжение радиопомех
URDV (radio disturbance voltage
URDV): Производная величина, являющаяся показанием измерителя радиопомех, когда он используется для определения только значений кажущегося заряда
q частичных зарядов. Подробная информация приведена в
4.5.6 и
приложении Г.
Напряжение радиопомех URDV обычно выражается в мкВ.
Примечание - Показатель RC находится в диапазоне от 0,0 до 1,0. Значение RC = 0,0 соответствует регистрации единичного импульсного сигнала частичного разряда (или сигнала помех); Значение RC = 1,0 соответствует зарегистрированным частичным разрядам в каждом периоде напряжения.
3.3.9.1 показатель повторения ЧР максимального значения кажущегося заряда qmax, RC (recurring PDs factor): Показатель, указывающий на отношение периодов испытательного переменного напряжения, в которых возникают ЧР максимального значения кажущегося заряда, к общему количеству периодов в одном цикле измерения.
Примечание - Показатель RC находится в диапазоне от 0,0 до 1,0. Значение RC = 0,0 соответствует регистрации единичного импульсного сигнала ЧР (или сигнала помех); Значение RC = 1,0 соответствует зарегистрированным ЧР в каждом периоде напряжения.
3.4 максимальная амплитуда повторяющегося частичного разряда (largest repeatedly occurring PD magnitude): Наибольшая амплитуда, зарегистрированная измерительной системой, имеющей достаточную передаточную характеристику в соответствии с требованиями
4.3.3.
Понятие максимальная амплитуда повторяющегося частичного разряда не применяется для испытаний на напряжении постоянного тока.
| | ИС МЕГАНОРМ: примечание. Нумерация пунктов дана в соответствии с официальным текстом документа. | |
3.5.1 нормированная интенсивность какой-либо характеристики ЧР (specified partial discharge magnitude): Максимально допустимое значение какой-либо характеристики ЧР в испытуемом объекте, устанавливаемое стандартом на электрооборудование конкретного типа при нормированной величине напряжения и при установленных условиях и методах испытания.
Примечание 1 - Амплитудное значение любой величины, относящейся к импульсу ЧР, может изменяться случайным образом (стохастически) в последовательных периодах испытательного напряжения, а также может нарастать или уменьшаться во время приложения напряжения. Поэтому нормированное значение амплитуды ЧР, методика испытания, испытательная схема и приборы должны быть корректно определены ГОСТ, ТУ на соответствующие виды оборудования.
Примечание 2 - Для испытаний на переменном напряжении нормированная амплитуда кажущегося заряда q есть максимальная амплитуда повторяющихся частичных разрядов qmax.
3.5.2 помехи: Электромагнитные процессы, воздействующие на измерительную схему, вносящие искажения в показания измерительного устройства.
3.5.2.1 внешние помехи: Фоновый шум, не зависящий от напряжения, приложенного к объекту испытаний.
3.5.2.2 внутренние помехи: Помехи, зависящие от приложенного к объекту испытаний напряжения; эти помехи обычно возрастают при увеличении напряжения и вызываются разрядами в элементах схемы. Эти разряды могут возникать, например, в испытательном трансформаторе, конденсаторе связи, на соединениях высокого напряжения, или при искрении в местах некачественного заземления близко расположенного постороннего оборудования.
3.6 фоновый шум (background noise): Сигналы, обнаруживаемые во время испытаний объекта на проверку уровня ЧР, исходящие не от испытуемого объекта.
Примечание - Фоновый шум может состоять либо из белого шума измерительной системы, либо шума радиовещания, либо от других непрерывных или импульсных сигналов. Подробную информацию см. в
приложении Ж.
3.7 значения испытательных напряжений при определении интенсивности ЧР (applied test voltages related to partial discharge quantities): Выбираются в соответствии с МЭК 60060-1. Значения данных напряжений необходимо использовать при практических испытаниях.
3.7.1 напряжение возникновения ЧР Ui (partial discharge inception voltage Ui): Наименьшее значение напряжения, при котором в испытуемом объекте интенсивность повторяющихся ЧР становится равной или превышает нормированную величину в случае, когда приложенное к объекту напряжение постепенно увеличивают от более низкого значения, при котором ЧР еще не наблюдались.
Примечание 1 - Напряжение возникновения частичных зарядов Ui является самым наименьшим напряжением, при котором амплитудное значение импульса ЧР становится равным или превышает нормированное минимальное значение.
Примечание 2 - Для испытаний под напряжением постоянного тока определение Ui требует применения методики
раздела 11.
3.7.2 напряжение погасания частичных разрядов Ue (partial discharge extinction voltage Ue): Наименьшее значение напряжения, при котором в испытуемом объекте интенсивность повторяющихся частичных разрядов становится равной или меньше нормированной величины в случае, когда приложенное к объекту напряжение постепенно уменьшают от более высокого значения, при котором наблюдались такие импульсы ЧР.
Другими словами напряжение погасания Ue является самым наименьшим напряжением, при котором амплитуда величины импульса ЧР становится равной или меньше нормированного минимального значения.
Примечание - Испытания напряжением постоянного тока для определения Ue требуют особого внимания. См.
раздел 11.
3.7.3 испытательное (нормированное) напряжение ЧР (partial discharge test voltage): Нормированное напряжение, приложенное в соответствии с установленной методикой испытания на ЧР, при котором в испытуемом объекте не должно быть ЧР с характеристиками, превышающими нормированные значения.
3.8 система измерения частичных разрядов: (partial discharge measuring system): Измерительная система, включающая соединительное устройство, систему передачи и измерительный прибор.
3.9 характеристики измерительной системы (measuring system characteristics): Определения, относящиеся к измерительным системам, установлены в
4.3.
3.9.1 частотная характеристика импеданса передачи Z(f) (transfer impedance Z(f): Отношение амплитуды выходного напряжения к неизменной амплитуде входного тока (напряжения) в зависимости от частоты f, при синусоидальном входном токе.
3.9.2 нижняя и верхняя частоты
f1 и
f2 (lower and upper limit frequencies f
1 and f
2): Частоты, для которых частотная характеристика передачи
Z(f) падает не менее, чем на 6 дБ относительно ее значения в серединной части полосы пропускания.
3.9.3 серединная частота
fm и полоса пропускания

(midband frequency
fm and bandwidth

): Для всех типов измерительных систем серединная частота определяется как
и полоса пропускания:
3.9.4 ошибка от наложения импульсов (superposition error): Ошибка измерения, возникающая, когда интервал времени между входными импульсами тока меньше, чем время реакции на одиночный импульс. Ошибка от наложения импульсов может добавляться или вычитаться в зависимости от частоты их повторения. На практике возможны оба случая из-за случайного характера частоты повторения импульсов. Однако, поскольку измерения проводятся на базе наиболее часто повторяющей амплитуды ЧР, обычно учитывают только положительные ошибки наложения.
Примечание - ошибки наложения могут доходить до 100% и более в зависимости от частоты повторения импульсов и характеристик измерительной системы.
3.9.5 разрешающее время импульсов
Tr: (pulse resolution time
Tr): Наименьший интервал времени между двумя последовательными входными импульсами очень короткой длительности, одинаковой формы, полярности и амплитуды, для которых амплитудное значение вследствие наложения импульсов не изменяется более чем на 10% относительно одиночного импульса.
Разрешающее время обычно обратно пропорционально полосе пропускания

измерительной системы. Оно является показателем возможности измерительной системы разделить следующие друг за другом импульсы ЧР.
Примечание - Рекомендуется измерять разрешающее время для всей измерительной системы в составе испытательной схемы, поскольку ошибки наложения могут вызываться и испытуемым объектом, например, отражениями от концевой заделки кабеля. Соответствующим техническим комитетам следует установить методику для обработки ошибок наложения и, особенно, поля допусков с их знаками.
3.9.6 ошибка интегрирования (integration error): Ошибка при измерении кажущегося заряда, происходящая, когда верхняя частота спектра импульса тока ЧР ниже чем верхняя частота среза широкополосной измерительной системы; или, чем серединная частота узкополосной измерительной системы.
Примечание - При необходимости для специальных приборов соответствующим техническим комитетом настоятельно рекомендуется установить более жесткие значения для f1 и f2, чтобы свести к минимуму ошибку интегрирования.
3.10 цифровые измерители частичных разрядов (digital partial discharge instruments): Приборы, рассматриваемые в настоящем стандарте, в основном базируются на аналоговых измерительных системах и приборах для измерения кажущегося заряда
q, оснащенных цифровой системой сбора и обработки данных. Цифровая часть цифрового прибора измерения ЧР используется для обработки аналоговых сигналов с целью их дальнейшей оценки, для хранения соответствующих величин и представления результатов испытания на дисплее. См. также
приложение Д.
Примечание - Цифровой прибор измерения ЧР может включать измерительный элемент (датчик) и цифровую систему сбора данных без входного блока аналоговой обработки сигнала. Настоящий стандарт не дает специальной информации о приборах такого типа.
3.11 калибровка (градуировка) измерительного прибора: Установление количественного соотношения (масштабного коэффициента) между показаниями отсчетного устройства измерительного прибора и соответствующими измеряемыми характеристиками частичных разрядов в полностью укомплектованной установке с включенным объектом
3.12 масштабный коэффициент
k (scale factor
k): Коэффициент, на который следует умножить значение, измеренное устройством присоединения измерительной системы или измерителем ЧР в виде амплитудного значения импульса напряжения, для получения значения входной величины в виде кажущегося заряда
(ГОСТ Р 55193).
3.13 калибровочное (градуировочное) устройство: Устройство, состоящее из калибратора ЧР, генерирующего калиброванные характеристики частичных разрядов, и используемое при калибровке (градуировке) измерительного прибора (системы, устройства) ЧР.
4. Испытательные установки (схемы) и измерительные системы (приборы)
Схема для испытания изоляции электрооборудования с измерением характеристик частичных разрядов должна обеспечивать испытание и измерение тех характеристик, которые предусмотрены стандартами на электрооборудование конкретного типа.
В этом разделе описываются основные испытательные схемы, измерительные системы и приборы для измерения величин, относящихся к частичным разрядам, и дана информация о принципах их работы. Полностью собранная испытательная установка, измерительные системы и приборы должны калиброваться и градуироваться согласно
разделу 5, в соответствии с требованиями
раздела 7. Также технический комитет может рекомендовать для некоторых испытуемых объектов соответствующий стандарт при этом техническому комитету рекомендуется использовать характеристики ЧР, представляющие наибольшую диагностическую информацию о процессах ЧР.
Для некоторых испытуемых объектов соответствующий технический комитет может рекомендовать особую испытательную схему. Техническому комитету рекомендуется использовать характеристики ЧР, представляющие наибольшую диагностическую информацию о процессах ЧР. Возможно применение любой из испытательных схем, указанных в
4.2, и любая из измерительных систем, установленных в
4.3, считается приемлемой, если соответствующий технический комитет не установил иначе. В каждом конкретном случае необходимо определить основные характеристики измерительной системы (f
1, f
2, T
r, см.
3.9.2 и
3.9.5).
Испытания напряжением постоянного тока представлены в
разделе 11.
4.2. Испытательные схемы на напряжении переменного тока
Большинство схем, применяемых для измерения частичных разрядов, можно получить на базе одной или нескольких основных схем, представленных в приложении Б на
рисунках Б.1,а -
Б.1,г. Некоторые варианты таких схем показаны там же на
рисунках Б.2 и
Б.3.
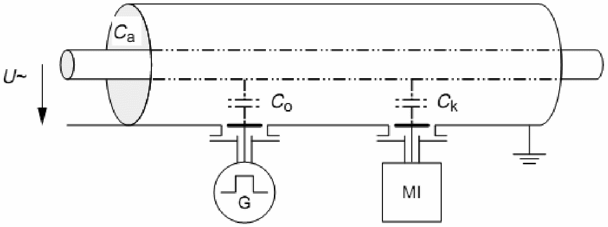
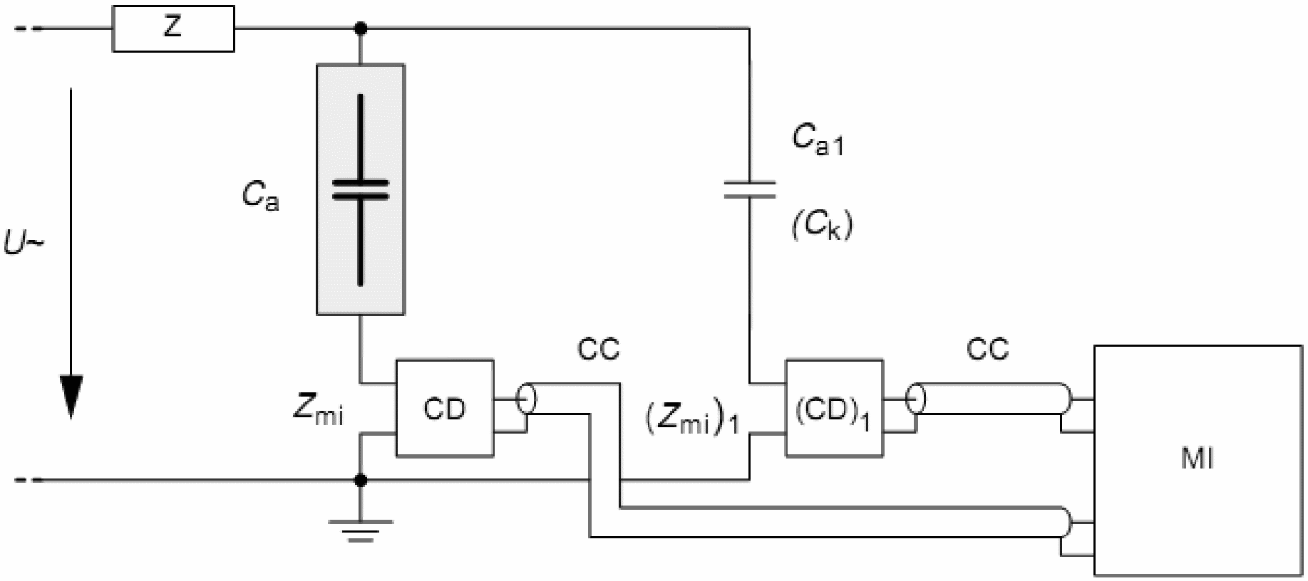
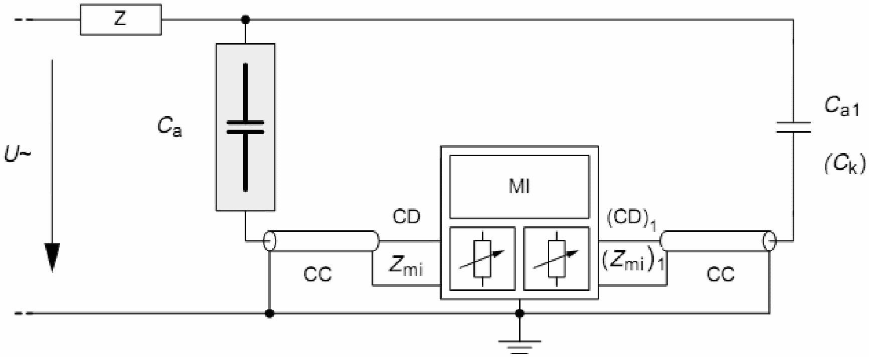
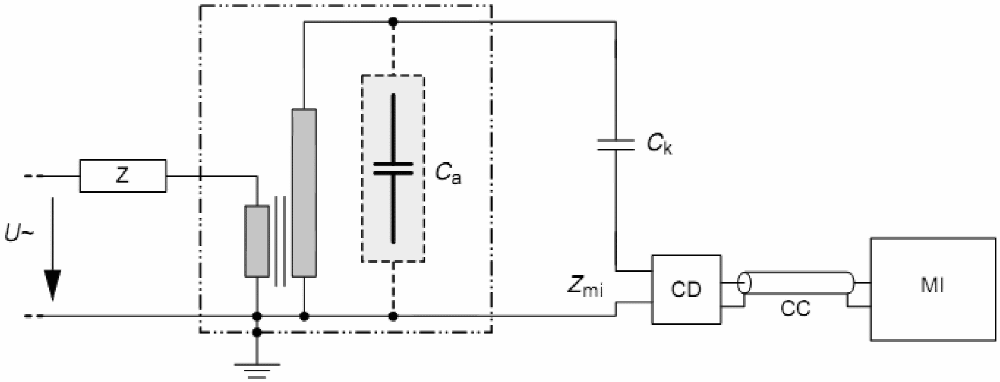
Испытательная схема состоит из следующих основных элементов:
- источника высокого напряжения, имеющего достаточно низкий уровень фонового шума (см.
раздел 9 и
10) с тем, чтобы иметь возможность измерять нормированную амплитуду частичного разряда при нормированном испытательном напряжении;
- испытуемого объекта, который можно рассматривать как емкость C
a (см.
приложение В);
- конденсатора связи Cк, имеющего малую индуктивность, или второго испытуемого объекта Ca1, аналогичного испытуемому объекту Ca (необходимо, чтобы Cк или Ca1 имели достаточно низкий уровень собственных частичных разрядов на нормированном испытательном напряжении с тем, чтобы обеспечить возможность проведения измерений частичных разрядов соответствующего кажущегося заряда; допускается повышенный уровень частичных разрядов, если измерительная система способна отличить разряды испытуемого объекта от разрядов конденсатора связи и измерить их раздельно);
- системы высоковольтных соединений (шин), имеющих достаточно низкий уровень фонового шума (см.
раздел 9 и
10) с тем, чтобы иметь частичные разряды соответствующего значения кажущегося заряда при нормированном испытательном напряжении;
- измерительной системы, состоящей из измерительного элемента, соединительного кабеля и измерительного прибора;
- защитного устройства (разрядника), подключаемого параллельно измерительному элементу;
- защитного сопротивления или фильтра нижних частот, которые могут быть встроены со стороны высокого напряжения, чтобы уменьшить фоновый шум от источника питания.
При испытании изоляции трансформаторов индуктированным напряжением испытуемый трансформатор является источником высокого испытательного напряжения.
Конденсатор может специально включаться в установку. В качестве емкости конденсатора связи также могут быть использованы емкость ввода испытуемого трансформатора, емкость второго испытуемого объекта или паразитная емкость системы соединений высокого напряжения.
Источник высокого напряжения и конденсатор связи не должны быть дополнительными источниками разрядов, мешающих измерениям характеристик частичных разрядов в объекте испытаний.
Выводы и фланцы элементов установки и соединения высокого напряжения должны быть выполнены конструктивно таким способом, чтобы исключать возникновение короны в воздухе, мешающей измерениям характеристик частичных разрядов.
Фильтры нижних частот на стороне высокого напряжения применяются только при необходимости, когда требуется ограничить влияние внешних помех на процесс измерения.
Защитное устройство (разрядник) при пробое объекта должно обеспечивать ограничение напряжения на измерительном приборе до значения, безопасного для данного измерительного устройства, но не выше допустимого по правилам техники безопасности.
Примечание - В каждой из основных испытательных схем ЧР, показанных в приложении Б на
рисунках Б.1 и
Б.3, измерительный элемент (датчик) измерительной системы может также размещаться со стороны высоковольтного вывода таким образом, что положения соединительных устройств относительно C
к и C
a меняются местами; при этом используются оптические (или иные) линии связи измерительного элемента (датчика) с прибором, как показано на
рисунке Б.1,а.
Дополнительная информация и особые характеристики разных испытательных схем рассматриваются в
приложениях Б и
Ж.
4.3. Измерительные системы
4.3.1 Общие положения
Измерительные системы характеристик частичного разряда можно разделить на несколько подсистем: измерительный элемент (датчик), систему передачи измерительного сигнала (например, соединительный кабель, оптический или радио канал основных линий связи) и измерительный прибор. В общем случае система передачи измерительного сигнала не требуется для определения характеристик схемы и поэтому не берется в расчет.
4.3.2 Измерительные компоненты
4.3.2.1 Измерительный элемент (датчик)
Измерительный элемент (датчик) имеет специальную конструкцию, обеспечивающую оптимальную чувствительность в испытательной схеме и устойчивость к электромагнитным помехам. С одним измерительным прибором могут работать различные измерительные элементы (датчики).
Обычно измерительный элемент (датчик) представляет собой активный или пассивный четырехполюсник, преобразующий входные токи в выходные сигналы напряжения. Эти сигналы передаются на измерительный прибор с помощью линии связи. Частотная характеристика измерительного элемента (датчика), определяемая отношением выходного напряжения к входному току, выбирается так, чтобы частота питающей сети и ее гармоники как можно меньше воздействовали на прибор.
Примечание 1 - Хотя индивидуальная передаточная характеристика измерительного элемента (датчика) не представляет общего интереса, в то же время его входная амплитудно-частотная характеристика является важной, поскольку она взаимодействует с Cк и Ca и составляет важную часть испытательной схемы.
Примечание 2 - Необходимо, чтобы кабели связи измерительного элемента (датчика) с испытуемым объектом были как можно короче для того, чтобы снизить до минимума их воздействие на ширину спектра детектирования.
В качестве измерительного элемента в испытательных схемах можно использовать резистор, преимущественно малоиндуктивный, или импульсный трансформатор.
Допускается применение катушки индуктивности или фильтра с более сложной схемой.
Значение сопротивления резистора выбирается от нескольких единиц до нескольких тысяч Ом. Большое значение сопротивления позволяет получить большую чувствительность измерительной схемы.
Параметры L и C контура (с учетом параметров измерительной схемы) должны выбираться таким образом, чтобы частота его настройки соответствовала частоте настройки измерительного прибора.
Индуктивность катушки L должна быть неизменной во всем диапазоне амплитуд напряжения, которые ожидаются на ней при измерениях характеристик частичных разрядов
Между измерительным элементом и входом измерительного прибора допускается включение согласующего трансформатора, частотная характеристика которого должна лежать в пределах частотной характеристики измерительного прибора.
В балансной схеме применяются два регулируемых малоиндуктивных резистора и согласующий (симметрирующий) трансформатор или усилитель с симметричным входом.
4.3.2.2 Измерительные приборы
Измерительный прибор должен измерять две основные характеристики частичных разрядов:
- кажущийся заряд q
- момент t
i возникновения импульса ЧР или фазовый угол

,
и, при необходимости, производные - n, N, I, P и D.
Для измерения одной из характеристик частичных разрядов в нескольких заданных интервалах ее значений допускается применение многоканального измерительного прибора, содержащего несколько параллельных каналов. Отдельные элементы различных каналов могут быть раздельными или общими.
Для одновременного измерения нескольких характеристик частичных разрядов допускается применение измерительного прибора, в котором отдельные элементы являются общими для нескольких измерительных каналов, каждый из которых измеряет одну из требуемых характеристик частичных разрядов.
Дополнительно для измерений могут применяться амплитудные дискриминаторы и регистрирующие приборы.
Измеритель кажущегося заряда типа амплитудного импульсного вольтметра со стрелочным отсчетным устройством должен измерять кажущийся заряд импульсов частичных разрядов, начиная с частоты их следования не более 100 импульсов в секунду. При этом измеритель должен обеспечивать регистрацию максимального кажущегося заряда неоднократно возникающих ЧР. Он должен измерять как положительные, так и отрицательные импульсы. Максимальная скорость счета измерителя частоты следования импульсов должна быть не менее 10
4 с
-1. При использовании узкополосного измерительного прибора разрешающее время счетчика выбирается равным

. Емкость счета счетчика импульсов должна быть не менее 10
5 импульсов.
В случае применения дополнительных широкополосных усилителей, предназначенных для усиления импульсов напряжения в измерительной схеме, вызванных частичными разрядами, до значений, достаточных для регистрации их измерительными приборами, рекомендуется их применение со следующими характеристиками:
- нижняя частота полосы пропускания - не менее 30 кГц;
- верхняя частота полосы пропускания - не менее 1 МГц.
Примечание - узкополосный усилитель допускается применять при больших значениях емкости объекта испытаний, а также при наличии внешних помех определенной частоты.
Рекомендуется применять узкополосный усилитель со следующими характеристиками:
- ширина полосы пропускания - 8 - 10 кГц;
- частота настройки - 20 кГц - 2 МГц;
Требуемое к усилителям разрешающее время должно быть менее 100 мкс.
Для подавления помех в низкочастотном диапазоне полосы пропускания, если это не обеспечивается характеристикой усилителя, применяется фильтр верхних частот.
Коэффициент затухания фильтра определяют условием надежного измерения требуемой минимальной интенсивности частичных разрядов при нормированном напряжении на испытуемом объекте.
4.3.3 Передаточная характеристика приборов для измерения кажущегося заряда
Если амплитуда частотного спектра входных импульсов постоянна, по крайней мере, в ширине спектра

измерительной системы (см.
рисунок 2), то передаточная характеристика прибора определяется импульсом напряжения с пиковым значением, пропорциональным заряду (однополюсному) входного импульса. Форма, длительность и пиковое значение выходного импульса определяются в зависимости от требуемой частотной характеристики импеданса передачи
Z(f) измерительной системы. Без учета данного требования форма и длительность выходного импульса могут быть полностью отличны от входного сигнала.
Визуализация отдельных импульсов выходного напряжения может облегчить распознавание происхождения частичных разрядов и отличить их от помех
(раздел 10). Импульсы напряжения следует представлять визуально либо на линейной временной развертке по испытательному напряжению, либо на синусоидальной развертке синхронизированной по частоте испытательного напряжения, либо по эллипсоидальной развертке, вращающейся синхронно с частотой испытательного напряжения.
Кроме того, рекомендуется использовать индикатор или регистратор для определения амплитуды максимального повторяющегося частичного разряда. Показание таких приборов при испытаниях напряжением переменного тока следует выполнять с помощью аналоговой схемы детектирования (обнаружения, определения) пика или путем цифрового определения пика по программе с малой постоянной времени заряда. Постоянная времени регистрируемого импульса ЧР должна быть не более 0,44 с. Независимо от типа дисплея, используемого в таких приборах, должны выполняться следующие требования:
- передаточная характеристика измерительной системы на последовательность равно и далеко отстоящих друг от друга импульсов с одинаковыми амплитудами, равными q
0, с частотой повторения
N, должна быть такой, чтобы показание
R прибора указывало амплитуды в соответствии с приведенной
таблицей 1;
- диапазоны и коэффициент усиления прибора должны быть отрегулированы таким образом, чтобы для N = 100 показание охватывало бы всю шкалу или 100%.
- калибровочное устройство, применяемое для создания импульсов, должно соответствовать требованиям
раздела 5.
Таблица 1
Характеристика чувствительности приборов
измерения ЧР при серии импульсов
N (1/с): | 1 | 2 | 5 | 10 | 50 | >= 100 |
Rмин (%): | 35 | 55 | 76 | 85 | 94 | 95 |
Rмакс (%): | 45 | 65 | 86 | 95 | 104 | 105 |
Примечание 1 - Эти характеристики чувствительности необходимы для установления соответствия между измерениями, сделанными на приборах разного типа. Требования должны быть выполнены во всех диапазонах. Приборы, уже работающие к сроку выпуска настоящего стандарта, не требуют соответствия этим требованиям, однако, следует представлять реальные значения R (N).
Примечание 2 - Измеренная величина может отображаться, например, стрелочными приборами, цифровыми дисплеями или осциллографами.
Примечание 3 - Нормированная характеристика может быть получена путем обработки сигнала, как аналогового, так и цифрового.
Примечание 4 - Характеристика чувствительности к последовательности импульсов, определенная в данном подразделе, не может быть применима при испытаниях под напряжением постоянного тока.
Примечание 5 - Соответствующий технический комитет может установить другие требования к характеристикам измерителей ЧР.
4.3.4 Широкополосные приборы измерения
Приборы, работающие в комбинации с соединительным устройством, представляют широкополосную систему измерения ЧР, которая характеризуется частотной характеристикой передачи
Z(f), имеющей фиксированные значения предельных нижних и верхних частот f
1 и f
2 с соответствующим затуханием ниже f
1 и выше f
2. Рекомендуются следующие значения для f
1, f
2 и

:
30 кГц <= f1 <= 100 кГц;
f2 <= 500 кГц;

.
Примечание - Комбинация различных соединительных устройств с измерительным прибором может изменить частотную характеристику передачи. Необходимо, чтобы общая частотная характеристика всегда соответствовала рекомендуемым значениям.
Передаточная характеристика таких приборов от импульса (не колебательного) тока частичного разряда определяется быстро затухающим колебанием. Как кажущийся заряд q, так и полярность импульса тока могут быть определены по этой характеристике. Время разрешения импульса Tr мало и составляет обычно от 1 до 5 мкс.
4.3.5 Широкополосные приборы измерения с активным интегратором
Этот тип приборов состоит из широкополосного усилителя, включенного последовательно с электронным интегратором, и характеризуется постоянной времени своей интегрирующей ячейки, состоящей из конденсатора и сопротивления. Передаточная характеристика интегратора на импульс ЧР есть сигнал напряжения, возрастающий с нарастанием суммарного заряда. Окончательная амплитуда сигнала будет пропорциональна суммарному заряду, допуская, что постоянная времени интегратора значительно превышает продолжительность импульса ЧР. На практике постоянные времени обычно составляют значения порядка 1 мкс. Требуемое разрешающее время импульса для последовательных импульсов ЧР более 10 мкс.
Примечание - В таких приборах может быть получена соответствующая их верхнему пределу частота в несколько сотен килогерц, рассчитанная по постоянной времени комбинации из усилителя и активного интегратора.
4.3.6 Узкополосные приборы измерения
Такие приборы характеризуются узкой полосой пропускания

и значением средней частоты пропускания f
m, которая может быть выбрана из диапазона частот, где амплитуда частотного спектра импульсов тока разрядов является условно постоянной. Рекомендуемые значения для

и f
m следующие:

;
50 кГц <= fm <= 1 МГц.
Кроме того рекомендуется, чтобы частотная характеристика передачи импеданса
Z(f) при частотах, равных

, была бы на 20 дБ ниже максимального значения полосы пропускания.
Примечание 1 - При измерениях кажущегося заряда применение серединных частот пропускания fm > 1 МГц не рекомендуется, если те же результаты можно получить с рекомендованными значениями fm.
Примечание 2 - Как правило, такие приборы применяются совместно с измерительными элементами (датчиками), обеспечивая высокую пропускную способность в требуемом диапазоне частот прибора. Если применяются измерительные элементы (датчики) резонансного типа, то fm настраивается и фиксируется на частоте резонанса измерительного элемента (датчика) и испытательной схемы так, чтобы получить постоянный масштабный коэффициент для схемы.
Примечание 3 - Измерители радиопомех с квазипиковой чувствительностью не квалифицируются данным стандартом для измерения кажущегося заряда q, однако, они могут применяться для обнаружения ЧР.
Передаточной характеристикой данных приборов от импульса тока частичного разряда является колебание с положительными и отрицательными пиковыми значениями, которые пропорциональны кажущемуся заряду, независимо от полярности этого заряда. Требуемое разрешающее время импульса Tr должно быть большим, как правило, выше 80 мкс.
4.4. Требования к измерениям с помощью цифровых измерителей
Минимальное требование к цифровым измерителям ЧР следующее:
- воспроизводить значение амплитуды максимального повторяющегося частичного разряда. Прибор должен соответствовать требованиям
4.3.3.
Прибор должен оценивать и регистрировать основные характеристики ЧР:
- значение кажущегося заряда qi, возникающего в момент времени ti;
- фазовый угол

в момент импульса ЧР или момент t
i возникновения импульса ЧР, мгновенное значение испытательного напряжения u
i, измеренное в момент времени t
i разряда кажущегося заряда q
i.
Примечание - Все остальные характеристики, за исключением напряжения возникновения Ui и погасания разрядов Ue, являются производными этих характеристик.
4.4.1 Требования к измерению кажущегося заряда q
Время между последовательными обновлениями цифрового дисплея не должно превышать 1 с.
Передаточная характеристика прибора обычно содержит некоторый уровень непрерывного или базового шума. Этот шум может быть вызван фоновым шумом или многочисленными частичными разрядами, амплитуда сигналов которых мала по сравнению с максимальным измеряемым уровнем. Поэтому во избежание регистрации таких сигналов может быть введен изменяющийся порог чувствительности. Если используется такой порог, то его уровень необходимо зафиксировать.
Руководящие указания по цифровому сбору измеренных аналоговых выходных сигналов приведены в
приложении Д.
4.4.2 Требования к измерению амплитуды и фазы испытательного напряжения
Если цифровой прибор предназначен для регистрации значения испытательного напряжения на частоте сети, он должен соответствовать требованиям
ГОСТ Р 55193.
Если прибор предназначен для измерения фазового угла испытательного напряжения, то необходимо убедиться, что смещение фазы находится в пределах 5° от истинного значения.
4.5. Измерительные системы для производных величин ЧР
4.5.1 Измерительный элемент (датчик)
Содержание
4.3.2 также действительно для измерительных систем для производных величин.
4.5.2 Измерение частоты следования и скорости повторения импульсов
4.5.2.1 Приборы для измерения частоты следования импульсов N
Частота следования измеряется измерительным прибором, позволяющим определять среднее количество частичных разрядов за 1 с, кажущийся заряд которых превышает заданный уровень или находится в интервале заданных уровней. Прибор для измерения частоты следования частичных разрядов должен предусматривать измерение импульсов обеих полярностей.
4.5.2.2 Приборы для измерения скорости повторения импульсов n
Прибор для определения скорости повторения импульсов должен иметь достаточную разрешающую способность по времени импульса Tr, чтобы обработать самую высокую частоту следования импульсов.
Рекомендуется подключать вход счетчика импульсов к выходу системы измерения ЧР, как описано в
4.3. Если счетчик импульсов используется с системой измерения ЧР, имеющей колебательную или двунаправленную передаточную характеристику, то нужно создать соответствующую форму импульса, во избежание получения более одного счета на импульс.
4.5.3 Приборы для измерения среднего тока разряда I
Для измерения среднего тока частичных разрядов должны применяться измерительные приборы, показания которых пропорциональны значению среднего тока разрядов, то есть сумме абсолютных значений амплитуд импульсов напряжения, поступающих на вход прибора за 1 с.
Приборы, которые измеряют среднее значение тока разряда, должны показывать после соответствующей градуировки средний ток разряда I.
Ошибки, которые могут иметь место при таком измерении, возникают в результате:
- насыщения усилителя при малой скорости повторения импульсов n;
- импульсов, имеющих время разделения меньше, чем разрешающее время Tr системы;
- слабых частичных разрядов, ниже порога обнаружения их аппаратурой сбора цифровых данных.
Такие источники ошибок необходимо учитывать при оценке измерений.
Средний ток разряда может быть также рассчитан с использованием цифровой обработки данных.
Примечание - Насыщение может произойти, когда скорость повторения импульсов n так мала, что трудно обнаружить средний ток разряда I. В таких случаях можно попытаться значительно увеличить коэффициент усиления прибора измерения ЧР (увеличивая таким образом масштабный коэффициент) до тех пор, пока не станет возможным определить ток. Это может привести к ситуации, когда динамика усиления станет такой, что не позволит получить линейной характеристики случайных импульсов ЧР. Во избежание этого прибор измерения ЧР может быть оснащен цепью предупредительной сигнализации для обнаружения нелинейных измерений, или выход измерителя ЧР может контролироваться визуально (например, на осциллографе) во время измерения среднего тока разряда.
4.5.4 Приборы для измерения мощности разряда P
Для измерения мощности разряда могут применяться различные типы аналоговых приборов в разных испытательных схемах. Их работа базируется на оценке суммы

, величина которой может измеряться площадью кривой, полученной на экране осциллографа, если по осям x-y отложены соответственно величины

и
u(t), или с помощью более сложных методов. Градуировку таких приборов в испытательных схемах осуществляют по масштабным коэффициентам для значений прикладываемого напряжения и кажущегося заряда.
Мощность разряда может быть также рассчитана с помощью цифровой обработки данных.
4.5.5 Измерение квадратического параметра D
Приборы, измеряющие среднее значение квадратов отдельных амплитуд qi кажущихся зарядов, показывают квадратический параметр D. Конструкция таких приборов базируется на характеристиках, идентичных тем, которые применяются для измерения частичного заряда.
Измерение квадратического параметра может быть получено при помощи цифровой обработки.
4.5.6 Измерители напряжения радиопомех
Измерители радиопомех - это вольтметры с частотной селекцией (селективные вольтметры). Эти приборы предназначены, главным образом, для измерения помех, создаваемых электромагнитными излучениями. Квазипиковая измерительная цепь прибора делает его показания чувствительными к скорости повторения импульсов и разрядов. Дополнительную информацию см. в
приложении Г.
4.6. Приборы со сверхширокой полосой пропускания для обнаружения ЧР
Частичные разряды могут быть также обнаружены осциллографами с очень широкими полосами пропускания или приборами с частотной селекцией (например, спектральными анализаторами) вместе с соответствующими измерительными элементами (датчиками). Целью такого применения является измерение формы или частотного спектра импульсов тока ЧР или напряжения ЧР на оборудовании с распределенными параметрами, типа кабелей, вращающихся машин или элегазовой коммутационной аппаратуры, или предоставление информации о физическом процессе или происхождении явления разряда.
Настоящий стандарт не дает никаких рекомендаций относительно методов измерения или полосы пропускания таких приборов.
5. Калибровка или/и градуировка измерительной системы в полностью укомплектованной испытательной схеме
Задачей калибровки и градуировки является проверка способности измерительной системы измерять нормированные характеристики ЧР.
Калибровка и градуировка измерительной системы в полной схеме осуществляется для определения масштабного коэффициента k, необходимого для измерения кажущегося заряда. Так как емкость Ca испытуемого объекта влияет на характеристики схемы, то градуировка должна проводиться для каждого нового объекта, емкость которого отличается от предшествующего объекта более, чем на +/- 10%. Градуировке не подвергаются подобные объекты, не подвергается ряд подобных объектов, емкости которых не отличаются от среднего значения более, чем на +/- 10%.
Калибровка и градуировка измерительной системы с испытуемым объектом в полностью укомплектованной схеме испытания выполняется путем подачи короткого импульса тока известного периодически повторяющегося заряда q
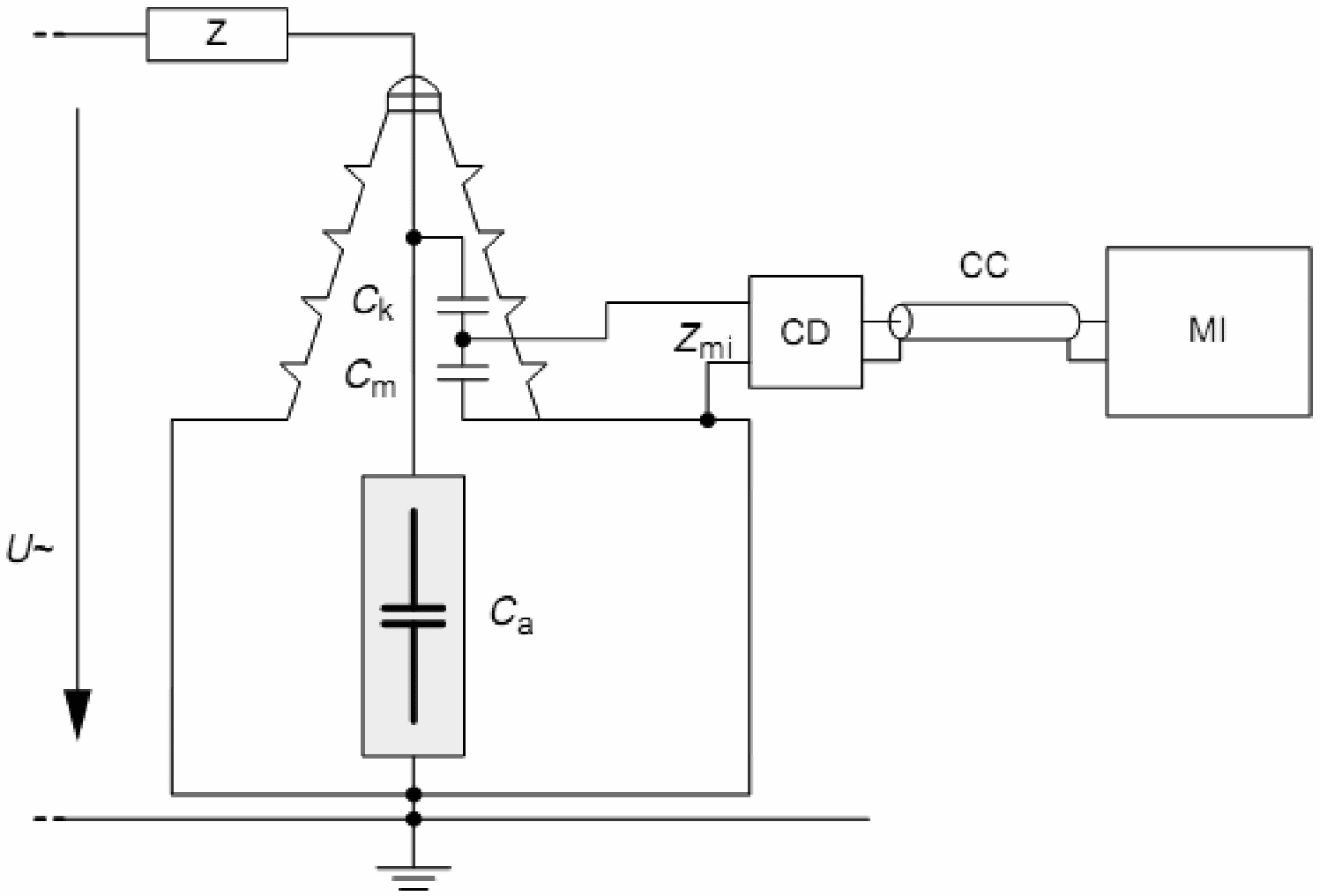
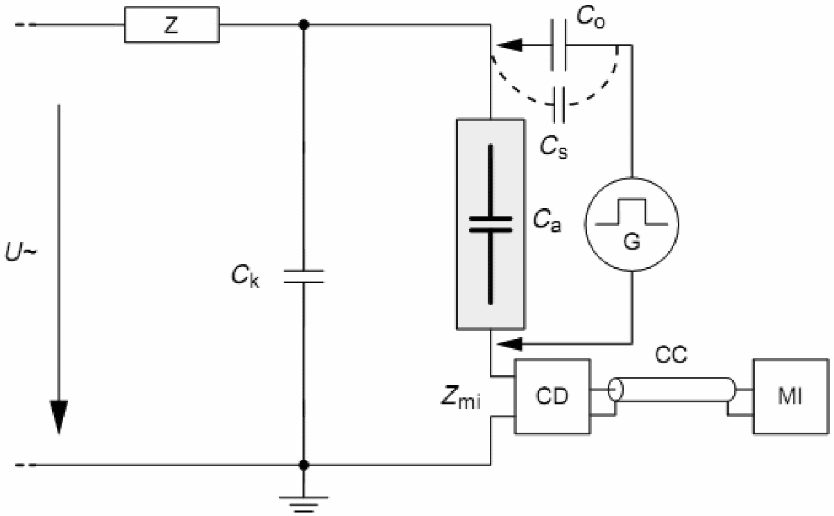
0 на зажимы испытуемого объекта, см. рисунок 1. Значение
q0 должно рассматриваться как значение, полученное в результате испытаний характеристик калибратора (см.
7.2.3).
a - Измерительный элемент (датчик) CD включен в цепь
заземления конденсатора связи
Компоненты
U~ - источник высокого напряжения; G - калибратор (генератор
со ступенчатым выходным напряжением); C0 - градуировочный
конденсатор; Zmi - входной импеданс измерительного элемента
(датчика); CC - соединительный кабель; Ca - испытуемый
объект; Ck - конденсатор связи; CD - Измерительный элемент
(датчик); Cs - паразитная емкость; MI - измерительный
прибор; Z - фильтр
b - Измерительный элемент (датчик) CD включен в цепь
заземления испытуемого объекта
Компоненты
U~ - источник высокого напряжения; MI - измерительный
прибор; Ca - испытуемый объект; Cк - конденсатор связи;
C0 - градуировочный конденсатор; G - калибратор
(генератор со ступенчатым выходным напряжением)
c - Испытательная схема для измерений в элегазовой
коммутационной аппаратуре
Рисунок 1 - Соединения для градуировки полностью
укомплектованной испытательной схемы
Обозначения
A - полоса пропускания измерительной системы; B - частотный
спектр амплитуды импульсов ЧР; C - частотный сектор амплитуд
калибровочных импульсов; f1 - нижняя предельная частота;
f2 - верхняя предельная частота
Рисунок 2 - Зависимость между амплитудой и частотой,
минимизирующая ошибки интегрирования для широкополосной
измерительной системы
Градуировка измерительной системы, предназначенной для измерения кажущегося заряда
q, выполняется путем подачи импульсов тока калибратором (генератором со ступенчатым выходным напряжением), как определено в
6.2, на зажимы испытуемого объекта, как показано на
рисунке 1. Для обеспечения высокой точности нормированной амплитуды ЧР градуировка должна выполняться на одном значении амплитуды, расположенном в рассматриваемом диапазоне.
Это значение амплитуды, при отсутствии других требований, должно находиться от 50% до 200% нормированного значения измерения амплитуды ЧР. Поскольку емкость Co часто является емкостью низковольтной, то градуировка полного комплекса осуществляется с испытуемым объектом без подачи на него высокого напряжения. Чтобы градуировка была достоверной, необходимо, чтобы емкость Co не превышала значения 0,1Ca. Если эти требования выполнены, то градуировочный импульс равен амплитуде единичного разряда q0 = CoUo.
Соответственно, конденсатор C
o должен быть удален из схемы перед подачей высокого напряжения на испытуемый объект. Однако, если C
o является высоковольтной емкостью, и она имеет достаточно слабый фоновый шум (см. также
разделы 9 и
10) при измерениях нормированного уровня ЧР на нормированном испытательном напряжении, то она может оставаться включенной в испытательную цепь.
Примечание - Требование, при котором емкость Co ниже, чем 0,1Ca, не действует, если Co является емкостью высокого напряжения и если она остается в испытательной цепи.
| | ИС МЕГАНОРМ: примечание. В официальном тексте документа, видимо, допущена опечатка: имеются в виду рисунки 1,a и 1,b, а не рисунки 1,а и 1,в. | |
Для объектов высотой в несколько метров емкость C
o должна быть расположена очень близко к высоковольтному вводу испытуемого объекта, поскольку паразитная емкость Cs (указанная на
рисунках 1,а и
1,в) может ввести недопустимую ошибку.
Необходимо, чтобы соединительный кабель между калибратором (генератором со ступенчатым выходным напряжением) и емкостью Co был экранирован и оснащен соответствующими переходниками во избежание любого искажения ступенчатого выходного напряжения.
Точностные характеристики калибраторов ЧР (а также других средств измерений, в том числе, измерительных систем, встречающихся по тексту) характеризуются стандартной неопределенностью (далее - неопределенностью).
Калибровка и градуировка осуществляется импульсами, которые обычно подают с калибраторов ЧР. Калибратор ЧР состоит из генератора импульсов ступенчатого напряжения с амплитудой Uo, соединенного последовательно с емкостью Co так, чтобы калибровочные импульсы ЧР имели заряды с повторяющей амплитудой:
qo = UoCo.
На практике невозможно получить идеальные ступени напряжения. Другие формы волны, имеющие малое время подъема tr (от 10% до 90% пикового значения) и время спада (от 90% до 10% пикового значения), могут нести такой же заряд, но при этом различные измерительные устройства или испытательные схемы могут показывать разные передаточные характеристики вследствие ошибки интегрирования, вызванной увеличением длительностей фронта и уменьшением времени спада таких калибровочных импульсов тока.
В этой связи импульсы напряжения генератора со ступенчатым выходным напряжением должны иметь время подъема tr менее чем 60 нс.
Примечание 1 - Для широкополосных приборов с верхним пределом частоты выше 500 кГц необходимо выполнять требование tr < 0,03/f2 для того, чтобы иметь почти постоянный частотный спектр, как указано на
рисунке 2.
Калибровочные импульсы могут подаваться либо в виде серии импульсов напряжения (одной или обеих полярностей), характеризуемых быстрым временем подъема (как указано выше) и медленным временем спада, либо в виде ряда прямоугольных импульсов, которые дифференцируются емкостью Co. Для первого варианта импульсов время спада td импульса напряжения должно быть больше в сравнении со значением 1/f1 измерительной системы. Для второго варианта импульсов напряжение Uo не должно меняться более чем на 5% между двумя импульсами. Для обоих вариантов импульсов временной интервал между импульсами должен быть длиннее, чем разрешающее время импульсов. Для биполярных систем амплитуда импульсов обоих полярностей должна быть одинаковой, в пределах 5%.
Для подачи градуировочных импульсов тока на объекты с распределенными электрическими компонентами таких, какой является элегазовая коммутационная аппаратура, в качестве C
o можно использовать известную емкость, расположенную между электродом-коллектором и высоковольтным проводником, к которому присоединяется источник калибровочного напряжения (см.
рисунок 1,c).
Примечание 2 - Калибраторы ЧР, соответствующие этому пункту, могут также применяться для калибровки приборов и измерительных систем кажущихся зарядов, а также приборов и систем измерения производных величин.
6.2. Калибраторы для градуировки измерительной системы в полностью укомплектованной испытательной схеме
Калибраторы могут выдавать однополярные и биполярные импульсы тока. Частота повторения импульсов N может быть либо фиксированной (например, удвоенная частота испытательного напряжения) или переменной (при условии, что интервал между импульсами превышает разрешающее время импульсов). Такие калибраторы применяются для градуировки измерительной системы в полностью укомплектованной схеме испытания для определения масштабного коэффициента измерительной системы ЧР.
Примечание 1 - Масштабный коэффициент обычно определяют по одному значению в диапазоне от 50 до 200% нормированной амплитуды ЧР.
Примечание 2 - Градуировку измерительной системы можно провести не в полной цепи, а подав калибровочный импульс в высоковольтную цепь непосредственно на измерительный элемент (датчик), отключив зажимы испытуемого объекта. Этот метод сам по себе не представляет градуировку, но если он до этого хотя бы один раз был подтвержден градуировкой измерительной системы в полностью укомплектованной схеме испытания (см.
раздел 5), то его можно использовать далее как эталонный для упрощения процедуры градуировки. Используемый калибратор должен соответствовать рекомендациям настоящего стандарта.
6.3. Калибраторы для калибровки измерительных систем
Для проверки дополнительных возможностей испытательной схемы и характеристик измерительной системы следует использовать более сложное калибровочное устройство или даже методику калибровки. Рекомендуется, чтобы такой калибратор обеспечивал характеристики следующих параметров:
- амплитуда заряда q0, меняющаяся ступенчато или непрерывно, для определения линейности масштабного коэффициента k. Изменение получают путем варьирования значения ступенчатого выходного напряжения. Линейность калибратора должна находиться в пределах +/- 5% или +/- 1 пКл, в зависимости от того, какое из значений больше;
- регулируемое время задержки между двумя последовательными импульсами одинаковой полярности для проверки времени разрешения Tr одной измерительной системы или времени разрешения всей испытательной схемы;
- два выхода, работающие в плавающем режиме, т.е. без фиксированного потенциала;
- для калибраторов, работающих от аккумуляторов, необходим индикатор состояния аккумуляторной батареи;
- биполярные импульсы для определения изменения амплитуды кажущегося заряда в зависимости от полярности импульсов тока ЧР;
- последовательность калибровочных импульсов известного количества, имеющих равные амплитуды и частоту повторения импульсов N, для проверки цифровых приборов измерения частичных разрядов.
7. Подтверждение характеристик калибраторов и измерительных систем
Эксплуатационные испытания и эксплуатационные проверки проводят для установления и подтверждения характеристик измерительных систем.
Также эксплуатационные испытания и эксплуатационные проверки проводят для установления и подтверждения характеристик калибраторов.
Изготовители калибраторов, предназначенных для калибровки величин частичных разрядов, предоставляют технические условия и руководство для проведения периодического технического обслуживания, а также рекомендации (методики) для проведения калибровки калибраторов.
Независимо от технических условий изготовителя приведенные процедуры должны быть выполнены. Результаты эксплуатационных испытаний и эксплуатационных проверок должны быть зарегистрированы в журнале характеристик.
7.1. График испытаний и периодичность калибровки
Испытания характеристик и первичная калибровка измерительных систем и калибраторов выполняется при приемо-сдаточном испытании. График квалификационных испытаний выполняется, как минимум, один раз в пять лет, а также после каждой существенной модернизации прибора.
Периодическая калибровка по контролю характеристик выполняется, как минимум, один раз в год.
Контрольные испытания могут включать как типовые (квалификационные), так и приемо-сдаточные испытания. Их график должен соответствовать рекомендациям
ГОСТ Р 55193.
7.2. Подтверждение характеристик калибраторов
7.2.1 Типовые испытания калибраторов
Типовые испытания калибраторов должны проводиться на одном калибраторе из каждой серии. Такие типовые испытания должны проводиться изготовителем калибратора. Если изготовитель не предоставил результаты типовых испытаний, то пользователь должен сам провести эти испытания для проверки своего оборудования.
В типовое испытание должны входить все необходимые для определения характеристик испытания.
7.2.2 Приемо-сдаточные испытания калибраторов
Приемо-сдаточные испытания калибраторов должны проводиться на каждом конкретном калибраторе серии. Эти испытания выполняются изготовителем калибратора. Если изготовитель не предоставил результаты таких испытаний, то пользователь должен сам провести эти испытания для проверки своего оборудования.
В плановые проверки должны входить все необходимые для определения характеристик испытания.
7.2.3 Эксплуатационные испытания калибратора
Точность измерений ЧР зависит от точности калибратора. Поэтому рекомендуется, чтобы первичное приемо-сдаточное испытание характеристик калибратора было зарегистрировано национальной организацией по стандартизации, как первичная калибровка.
При этом необходимо провести определение следующих характеристик:
- значений зарядов q0, подаваемых калибратором при всех номинальных настройках калибратора. Неопределенность, с которой должны быть определены эти значения, должна находиться в пределах +/- 5% или 1 пКл, в зависимости от того, какая из величин больше. Это именно те значения заряда калибратора, которые должны применяться при его использовании;
- времени подъема tr ступенчатого выходного напряжения U0 с неопределенностью +/- 10%;
- частоты повторения импульса N с неопределенностью +/- 1% с помощью счетчика импульсов; это требование применяется только к калибраторам, предназначенным для калибровки показаний скорости повторения импульса n.
В
приложении А описана соответствующая методика проведения таких испытаний для
q0 и
tr. Возможно применение других методик, если их легитимность подтверждена испытаниями.
Результаты всех испытаний должны храниться в паспорте на калибратор, который ведется пользователем.
7.2.4 Эксплуатационная проверка калибраторов
При периодических эксплуатационных проверках калибраторов необходимо проводить следующие процедуры (в соответствии с
таблицей 2):
- определение заряда q0, подаваемого калибратором при всех номинальных настройках калибратора. Неопределенность, с которой должны быть определены эти значения, должна находиться в пределах +/- 5% или 1 пКл, в зависимости от того, какая из величин больше.
Таблица 2
Испытания для калибраторов
Тип испытания | Ссылка на метод испытания | Классификация испытаний |
Типовые испытания | Приемо-сдаточные испытания | Испытания по определению характеристик | Контрольные проверки характеристик |
Измерение q0 | | x | x | x | x |
Измерение tr | | x | x | x | |
Измерение N | | x | x | x | |
Результаты всех испытаний следует регистрировать в паспорте данных, который ведет пользователь.
7.2.5 Паспортные данные
Паспортные данные калибратора должны содержать следующую информацию:
a) Номинальные характеристики:
1) обозначение (серийный номер, тип, и т.п.);
2) диапазон режимов работы;
3) диапазон условий применения;
4) время выхода на рабочий режим;
5) диапазон выходного заряда;
6) напряжение питания;
b) Результаты типового испытания;
c) Результаты периодической калибровки;
d) Результаты по определения характеристик:
1) дата и время проверки каждого испытания;
e) Результаты контрольных испытаний характеристик:
1) дата и время каждой контрольной калибровки;
2) результаты - приемка/отказ (в случае отказа, регистрация проделанных действий по корректировке).
7.3. Подтверждение характеристик измерительных систем
Как правило, изготовители измерительных систем или аналогичных приборов, калибруют их на измерение соответствующих величин, связанных с частичными разрядами, как установлено в
3.3, а также предоставляют технические условия для проведения периодического технического обслуживания и рекомендации (методики) для проведения периодической калибровки, предназначенных для проверки измерительных характеристик измерительной системы или прибора.
Обычно калибровке подвергаются измерительные системы или аналогичные приборы, имеющие отградуированное в единицах измеряемой характеристики отсчетное устройство.
При калибровке измерительных систем или приборов, не имеющих отградуированного в единицах измеряемой характеристики отсчетного устройства, должны определяться зависимость показаний на выходе от значения измеряемой характеристики на входе.
При изменении электрического сопротивления (активного, индуктивного или полного) измерительного элемента (датчика) или кабеля (или того и другого одновременно) калибровка измерительного устройства должна быть выполнена вновь.
Калибровка осуществляется импульсами, которые подаются на вход измерительной системы, прибора или устройства от калибратора ЧР.
При калибровке измерителя кажущегося заряда показания отсчетного устройства должны сравниваться с известными значениями заряда калибратора q0.
При калибровке измерителя среднего тока I дополнительно должна быть известна частота следования N калибровочных импульсов.
Устройство для измерения среднего тока должно калиброваться как при изменении заряда калибровочных импульсов при фиксированной частоте их следования, так и при изменении частоты следования при фиксированном значении заряда.
Длительности переднего и заднего фронта импульсов калибратора ЧР при этом должны быть одинаковыми или близкими по значению.
Измерительный прибор должен калиброваться при частотах следования калибровочных импульсов от 102 до 104 с-1, а при измерениях на напряжении постоянного тока - от 1 до 104 с-1.
При калибровке измерительного прибора для измерения частоты повторения импульсов частичных разрядов показания отсчетного устройства должны сопоставляться с частотой повторения импульсов калибратора N.
Независимо от технических условий изготовителя, нижеприведенные процедуры должны быть выполнены. При этом результаты испытаний и калибровок должны быть зарегистрированы в паспорте данных.
7.3.1 Типовые испытания измерительных систем
Типовые испытания системы измерения ЧР должны выполняться на одной измерительной системе из каждой серии. Такие типовые испытания должны проводиться изготовителем измерительной системы. Если изготовитель не представил результаты типового испытания, то пользователь должен провести испытания для проверки этого оборудования.
Типовые испытания систем измерения ЧР должны, как минимум, включать следующее:
- определение частотной зависимости импеданса передачи Z(f) и предельных нижних и верхних частот f1 и f2 в частотном диапазоне, в котором он падает на 20 дБ по отношению к максимальному значению амплитуды в полосе пропускания. Входной величиной должен быть синусоидальный ток переменной частоты;
- определение масштабного коэффициента k для калибровочных импульсов не менее трех различных амплитуд заряда, от 100 до 10% от полного диапазона, при низкой скорости n повторения импульсов (около 100/с) для каждого диапазона амплитуд. Отклонение коэффициента k не должно превышать +/- 5%, что подтверждает линейность измерительной системы;
- определение времени разрешения Tr путем приложения калибровочных импульсов с постоянным зарядом, разделенных постепенно уменьшающимися интервалами времени. Время разрешения должно определяться со всеми измерительными элементами (датчиками), с которыми предполагают использовать измерительную систему (прибор), и при минимальной и максимальной емкости, предусмотренной для каждого соединительного устройства;
- проверку соответствия изменений показания кажущегося заряда
q в зависимости от частоты повторения N импульса со значениями, указанными в
4.3.3 для испытаний напряжением переменного тока.
7.3.2 Приемо-сдаточные испытания измерительных систем
Плановые проверки измерительных систем следует проводить на каждой измерительной системе серии. Такие плановые проверки должен проводить изготовитель измерительной системы. Если изготовитель не представил результаты испытания, пользователь должен сам проверить свое оборудование.
Плановые проверки должны включать все испытания, необходимые для определения характеристик.
7.3.3 Испытания по определению характеристик измерительных систем (первичная калибровка)
При испытаниях необходимо проводить проверку следующих характеристик измерительных систем (в соответствии с
таблицей 3):
- определение частотной характеристики импеданса передачи Z(f) и предельных нижних и верхних частот f1 и f2 в частотном диапазоне, в котором он падает на 20 дБ по отношению к максимальному значению амплитуды в полосе пропускания. Входной величиной должен быть синусоидальный ток переменной частоты;
- определение линейности путем подачи сигнала от регулируемого калибратора ЧР на вход измерительной системы. Линейность масштабного коэффициента k проверяют в диапазоне от 50% минимальной нормированной амплитуды ЧР до 200% максимальной нормированной амплитуды ЧР, которые должны быть измерены. Измерительная система считается линейной, если изменение k не превышает +/- 5%.
Таблица 3
Испытания для измерительных систем (приборов)
Тип испытания | Ссылка на метод испытания | Классификация испытаний |
Типовые испытания | Приемо-сдаточные испытания | Испытания по определению характеристик | Контрольные проверки характеристик |
Определение Z(f) | | x | x | x | |
Определение Z(f) при единой частоте | | | | | x |
Определение k | | x | x | x | |
Определение Tr | | x | | | |
Отклик последовательности импульсов | 7.3.3 | x | | | |
Линейность | | x | | | |
Линейность | | | x | x | |
Результаты всех испытаний следует регистрировать в паспортных данных, которые ведет пользователь.
7.3.4 Периодическая калибровка измерительных систем
Проверке подлежит определение частотной характеристики импеданса передачи Z(f) при одной частоте в полосе пропускания. Необходимо проверить, чтобы значение не изменилось больше чем на 10% от зарегистрированного значения предыдущего испытания по определению характеристик. Входным сигналом должен быть синусоидальный ток переменной частоты.
Результаты всех испытаний должны храниться в паспортных данных, которые ведутся пользователем.
7.3.5 Проверка дополнительных возможностей цифровых измерительных систем
Положения, действующие для аналоговых измерительных систем (приборов), следует применять и к цифровым измерительным системам (приборам), но поскольку последние имеют дополнительные возможности для регистрации нескольких значений, относящихся к частичным разрядам, они должны быть проверены при дополнительных испытаниях.
Поскольку полная процедура калибровки цифровых измерительных систем измерения ЧР зависит от их специальных свойств, которые могут сильно отличаться, то, как минимум, должны быть установлены процедуры калибровки, касающиеся только измерения величин ЧР.
Для проверки диапазона, в котором цифровые системы сбора данных могут правильно регистрировать входные импульсы независимо от их частоты, применяемый калибратор должен выдавать в заданный интервал времени известное количество импульсов (например, 104) с регулируемой частотой повторения импульсов. Частота повторения импульсов калибратора должна повышаться равными ступенями от низких значений (например, 100 Гц) до более высоких, которые не должны превышать пределы разрешающей способности по времени импульсов применяемой измерительной системы. Для каждого значения частоты повторения импульсов число импульсов, измеренных в рассматриваемый интервал времени, не должно отличаться более, чем на +/- 2% от известного числа выданных калибровочных импульсов.
Для проверки диапазона измерений, в котором цифровая система сбора данных способна охватить все события, связанные с ЧР, калибратор должен работать с постоянной, хорошо известной частотой повторения импульса (например, 100 Гц); и число зарегистрированных событий необходимо сравнить с числом калибровочных импульсов, выданных калибратором за максимальное время регистрации, на которое рассчитан цифровой прибор. Допустимый максимальный разброс между этими двумя значениями составляет +/- 2%.
7.3.6 Паспортные данные
Паспортные данные измерительной системы (прибора) должны включать следующую информацию:
a) Номинальные характеристики:
1) обозначение (серийный номер, тип и т.п.);
2) диапазон режимов работы;
3) диапазон условий применения;
4) время выхода на рабочий режим;
5) диапазон измерений выходного заряда;
6) напряжение питания;
b) Результаты типового испытания;
c) Результаты периодической калибровки;
d) Результаты испытаний по определению характеристик:
1) дата и время проведения каждого испытания по определению характеристик;
e) Результаты контрольных испытаний характеристик
1) дата и время каждого контрольного испытания характеристик;
2) результаты - приемка/отказ (в случае отказа, регистрация выполненных действий по корректировке).
В данном разделе перечислены требования к испытуемому объекту и к испытательному напряжению. Дополнительные требования в случае специальных условий проведения и методов испытаний устанавливаются соответствующим техническим комитетом. Этот комитет должен также установить требования к минимальному измеряемому уровню ЧР. Информация о практических пределах минимального измеряемого уровня ЧР приведена в
приложении Ж. Для испытаний напряжением постоянного тока см.
раздел 11. Технический комитет может рекомендовать для измерения другую величину, связанную с ЧР, вместо кажущегося заряда.
| | ИС МЕГАНОРМ: примечание. В официальном тексте документа, видимо, допущена опечатка: имеется в виду приложение В, а не приложение C. | |
Примечание - Некоторые рекомендации для измерения частичных разрядов в кабелях, элегазовой коммутационной аппаратуре, силовых конденсаторах и объектах с обмотками даны в
приложении C.
8.1. Общие требования
Для получения воспроизводимых результатов испытаний частичных разрядов необходимо тщательно контролировать все, относящиеся к ним влияющие факторы. Перед любым испытанием проводят градуировку системы измерения частичных разрядов в соответствии с положениями
раздела 5.
8.2. Подготовка испытуемого объекта
Перед испытанием необходимо провести процедуру подготовки испытуемого объекта к условиям испытаний, установленным соответствующим техническим комитетом.
В частности, если не установлено иначе, то:
a) поверхность внешней изоляции испытуемых объектов должна быть чистой и сухой, так как влажность и загрязнение изолирующих поверхностей могут стать источником частичных разрядов;
b) испытуемый объект должен находиться при допустимой температуре окружающей среды во время испытания.
Механические, термические и электрические напряжения, приложенные непосредственно перед испытанием, могут повлиять на результат испытания частичных разрядов. Для гарантии воспроизводимости результатов измерений между приложением вышеуказанных напряжений и испытанием на проверку уровня частичных разрядов может быть предусмотрен "отдых" в течение необходимого интервала времени.
8.3. Выбор метода испытания
Соответствующие технические комитеты несут ответственность за разработку требований к методу испытаний конкретных типов испытуемых объектов. Они должны определить предварительную процедуру, обеспечивающую выполнение соответствующих технических условий, уровни и частоту испытательного напряжения, скорость подъема и спада подаваемого напряжения, последовательность и продолжительность подачи напряжения, а также взаимосвязь между испытаниями по измерению частичных разрядов с другими испытаниями электрической прочности изоляции.
В помощь для подготовки таких требований к испытанию в 8.3.1 и
8.3.2 приведены примеры методов испытания напряжением переменного тока.
8.3.1 Определение напряжений возникновения и погасания частичных разрядов
На испытуемый объект подается напряжение, намного ниже предполагаемого напряжения возникновения разряда, и постепенно поднимается пока частичные разряды не достигнут или превысят установленное нижнее значение. Испытательное напряжение для данного нормированного уровня ЧР принято считать напряжением возникновения частичных разрядов Ui. Затем напряжение увеличивается до нормированного уровня, а затем постепенно снижается до значения, при котором разряды становятся меньше этой же нормированной величины. Испытательное напряжение, соответствующее этому пределу, принято считать напряжением погасания частичных разрядов Ue. На значение Ui может влиять скорость подъема напряжения, а на Ue может влиять значение и продолжительность приложения напряжения, а также скорость спада напряжения.
Примечание 1 - Для некоторых типов изоляции частичные разряды имеют прерывистый характер в момент времени, когда напряжение впервые повышается до Ui; для других типов изоляции амплитуда разрядов в этот момент быстро возрастает, для следующих типов изоляции разряды гаснут, пока напряжение Ui поддерживается в течение некоторого времени. Поэтому соответствующий технический комитет должен нормировать методы данного испытания.
Ни при каких обстоятельствах прикладываемое к объекту напряжение не должно превышать номинальное значение испытательного напряжения, применяемого для кратковременного испытания прочности изоляции.
Примечание 2 - Для высоковольтной аппаратуры существует риск выхода ее из строя от повторного приложения напряжений близких к кратковременным номинальным испытательным напряжениям.
8.3.2 Измерение уровня частичных разрядов при нормированном значении испытательного напряжения
8.3.2.1 Измерение без подачи предварительного напряжения
Уровень частичных разрядов, выраженный нормированной величиной, измеряют при значении нормированного напряжения, которое может превышать предполагаемое напряжение возникновения частичных разрядов. Напряжение постепенно поднимается от низкого до нормированного значения и выдерживается при нем в течение установленного времени. Поскольку уровень ЧР может изменяться во время испытания, то его нормированная величина должна измеряться в конце этого временного интервала.
Уровни частичных разрядов могут также измеряться и регистрироваться во время подъема или падения напряжения, или в течение всей продолжительности испытания.
8.3.2.2 Измерения с подачей предварительного напряжения
Испытание проводится путем подъема испытательного напряжения от значения ниже значения нормированного испытательного напряжения возникновения частичного разряда до определенного нормированного значения, превышающего это напряжение. Затем напряжение выдерживают в течение заданного времени, после чего постепенно снижают до нормированного испытательного напряжения возникновения частичных разрядов.
На этом уровне напряжение поддерживают в течение установленного времени, и по окончании этого времени определяют нормированный уровень ЧР за определенный временной интервал или за всю продолжительность испытания.
9. Требования к точности и чувствительности измерений
На амплитуду, продолжительность и скорость повторения импульсов ЧР может значительно влиять продолжительность приложения напряжения. Измерение различных величин, относящихся к импульсам ЧР, обычно сопряжено с большими неточностями, чем при других измерениях при высоковольтных испытаниях. В этой связи, трудно подтвердить данные измерений ЧР путем повторения испытаний. Это необходимо учитывать при проведении приемо-сдаточных испытаний при проверке уровня частичных разрядов.
Измерение кажущегося заряда
q с помощью измерительной системы, соответствующей требованиям настоящего стандарта и калиброванной согласно положениям
разделов 5 и
7, должно осуществляться с неопределенностью не более +/- 10% или +/- 1 пКл, в зависимости от того, какая из величин больше.
На измерения также воздействуют помехи
(раздел 10) или фоновый шум, которые должны быть достаточно низкими для того, чтобы была обеспечена возможность проведения достаточно чувствительных и точных измерений нормированной амплитуды частичных разрядов.
Минимальная амплитуда величин, относящихся к ЧР, которая может быть измерена при данном испытании, обычно ограничена помехами. Хотя эти помехи могут быть в значительной степени исключены с помощью методов, описанных в
приложении Ж, их оставшиеся пределы определяются уровнем собственных шумов измерительных приборов и систем, физическими размерами и конфигурацией испытательной схемы.
Другой предел, влияющий на измерения минимальной величины, относящейся к ЧР, определен соотношением емкостей Ca/Ck и оптимальным значением входного импеданса измерительного элемента (датчика), а также его согласованием с используемыми измерительными приборами. Наивысшей чувствительности измерения добиваются при Ck >> Ca, т.е. при условии обычно неподходящем для проведения испытаний по причине повышения нагрузки на высоковольтное питание. Поэтому номинальное значение Ck ограничено при реальных испытаниях, а допустимой чувствительности добиваются при Ck ~= 1 нФ или выше.
Измерения при наличии помех предполагают, что они должны быть довольно слабыми, чтобы достаточно точно измерить величину ЧР. Поскольку помехи часто совпадают с импульсами ЧР и накладываются на измеряемые величины, то необходимо, чтобы уровень шума составлял менее 50% от нормированного значения амплитуды частичных разрядов, если только он не установлен иначе соответствующим техническим комитетом. При приемо-сдаточных и типовых испытаниях высоковольтного оборудования уровень шума необходимо регистрировать.
Высокие показания измерений, возникающие вследствие внешних помех, можно не учитывать.
Блокирование сигналов временными окнами, поляризационная селекция и подобные методы могут привести к потере истинных сигналов частичных разрядов, если они возникают одновременно с помехами или во время блокированной части периода. Поэтому сигнал не должен блокироваться окном с временем более 2% от каждого периода испытательного напряжения в измерительных системах напряжения переменного тока и не более 2% от суммарного времени в измерительных системах напряжения постоянного тока. Однако если в периоде присутствуют несколько источников помех, синхронных с сетевым питанием, то предельное время блокирования может быть увеличено до 10% от периода испытательного напряжения. Поэтому блокирование сигналов должно быть установлено перед подачей полного испытательного напряжения и эти установки не должны изменяться во время проведения испытания. Соответствующий технический комитет может выбирать другие временные пределы блокировки сигналов.
Примечание - Близость работы больших выпрямителей или инверторов может дать особый тип повторяемых помех, связанных с преобразованием тока в выпрямителях или инверторах.
Дополнительная информация о помехах и их подавлении приведена в
приложении Ж.
11. Измерения характеристик частичных разрядов при испытаниях высоким напряжением постоянного тока
11.1. Общие положения
Объекты с твердой или жидкой изоляцией при испытаниях высоким напряжением постоянного тока показывают очень отличающиеся характеристики частичных разрядов в сравнении с характеристиками, полученными при испытаниях напряжением переменного тока. Эти различия могут быть минимальными только для газовой изоляции.
Ниже систематизированы некоторые из этих различий:
- скорость повторений импульсов разрядов может быть очень низкой при подаче напряжения постоянного тока на твердую изоляцию, так как интервал времени между разрядами для каждого места разряда определяется постоянными времени релаксации изоляции;
- многочисленные разряды могут возникнуть, когда прикладываемое напряжение изменяется. В частности, изменение полярности во время испытания может привести к возникновению многочисленных разрядов даже при относительно низком напряжении, но затем частота повторения уменьшается до условий установившегося режима;
- в жидкой изоляции движение жидкости ведет к уменьшению времени релаксации так, что разряды становятся более частыми;
- на характеристики ЧР испытуемых объектов может влиять пульсация испытательного напряжения.
Примечание 1 - При испытаниях на напряжении постоянного тока можно заметить эффект от влияния изменений напряжения (пульсаций), в отличие от того, если бы это испытание проводилось на стабилизированном напряжении, поскольку механическое напряжение является непродолжительным и распределяется по объемному или поверхностному сопротивлению.
Примечание 2 - Соответствующий технический комитет должен установить нормированные уровни ЧР, предельные значения импульсов, а также продолжительность прикладывания напряжения.
11.2. Величины, относящиеся к частичным разрядам
Обычно при испытаниях напряжением постоянного тока можно использовать все величины, относящиеся к импульсам частичных разрядов, установленные в
3.3. Приборы, применяемые для измерения кажущегося заряда, должны иметь соответствующую передаточную характеристику к серии импульсов, не зависящую от скорости повторения импульсов частичных разрядов.
11.3. Напряжения, относящиеся к частичным разрядам
11.3.1 Напряжение возникновения и погасания разрядов
Напряжения возникновения и погасания частичных разрядов трудно определить при испытаниях напряжениями постоянного тока, поскольку они зависят от факторов, обусловленных распределениями механического напряжения при меняющихся параметрах напряжения, температуры и давления. Наиболее вероятно возникновение частичных разрядов в момент первичной подачи напряжения или при его изменении, а затем они становятся более редкими, по мере того как распределение напряжения становится чисто резистивным.
При некоторых условиях частичные разряды могут продолжаться даже после отключения испытательного напряжения. Такое явление наблюдается главным образом в комбинациях твердой, жидкой и газовой изоляции.
Примечание - В некоторых случаях применение напряжения постоянного тока к испытуемым объектам с твердой изоляцией может служить условием уменьшения частичных разрядов. Это проявляется цикличным возрастанием и падением ЧР при приложении стабилизированного напряжения до тех пор, пока после продолжительного периода времени не будет достигнуто стабильное состояние.
11.3.2 Испытательное напряжение частичных разрядов
Во время подачи испытательного напряжения частичных разрядов испытуемый объект не должен показывать величин, относящихся к импульсу ЧР, превышающих нормированный уровень. При испытаниях напряжениями переменного тока в основном учитывается только интенсивность кажущегося заряда, а при испытаниях напряжением постоянного тока необходимо, чтобы число импульсов ЧР, превышающих нормированный уровень, не было бы больше нормированной суммы, определенной в течение нормированного интервала времени при испытательном напряжении. Во время испытания могут возникать единичные импульсы ЧР большой амплитуды.
11.4. Испытательные схемы и системы измерения
Обычно испытательные схемы и измерительные приборы, используемые при испытаниях напряжениями переменного тока, применяют также и для испытаний напряжениями постоянного тока.
В случае появления прерывистых импульсов частичных разрядов, используют системы счета импульсов или цифровые приборы частичных разрядов.
Примечание 1 - При низкой скорости повторения импульсов n рекомендуется использовать устройства счета импульсов, которые показывают число частичных разрядов раздельно, селектируемых по амплитудным диапазонам для каждого временного интервала.
Примечание 2 - Передаточная характеристика прибора для разных частот повторения импульсов, приведенная в
4.3.3, неприменима для испытания напряжением постоянного тока.
11.5. Испытания
11.5.1 Выбор метода испытания
Метод определения напряжения возникновения и погасания ЧР для переменного тока обычно не применяют для испытаний постоянным током, поскольку механическое напряжение в диэлектрике в период подъема и снижения напряжения отличается от механического напряжения в течение периода, когда напряжение постоянно.
Не существует общепризнанного универсального метода измерения величин, относящихся к частичным разрядам при испытаниях напряжением постоянного тока. Независимо от применяемого метода амплитуды, относящиеся к частичным разрядам, в начале приложения напряжения могут быть отличны от амплитуд, измеренных после прохождения значительного времени, при таком же значении испытательного напряжения.
Информация, приведенная в
разделе 10, применима также и к испытаниям напряжением постоянного тока. Однако в этом случае могут иметь место регулярно повторяющиеся помехи особого типа, обусловленные коммутацией тока в выпрямителях источника напряжения постоянного тока.
(обязательное)
КАЛИБРОВКА КАЛИБРАТОРА ХАРАКТЕРИСТИК ЧР
А.1. Общие положения
Калибраторы, представленные в
разделе 6, предназначены для генерирования импульсов ЧР с заданными значениями величин, относящихся к ЧР при градуировке масштабного коэффициента
k измерительной системы. Поскольку характеристики таких калибраторов могут со временем меняться, необходимо проводить их калибровки, в частности, определять значения времени подъема t
r и точности нормированного заряда q через определенные интервалы времени и после проведенного ремонта. Для проведения данных процедур предлагаются следующие методики проверки характеристик таких калибраторов.
А.2. Метод сравнения с эталонным калибратором
Заряд, выдаваемый испытуемым калибратором, должен сравниваться с зарядом эталонного калибратора. В обоих случаях заряд должен измеряться одной и той же измерительной системой.
Эталонный калибратор должен прослеживаться по национальным стандартам.
Примечание - Используемая измерительная система может быть системой измерения ЧР, соответствующей настоящему стандарту, или цифровым осциллографом, имеющим возможность интегрирования (см.
рисунок А.1а), или электронным устройством интегрирования.
Результат этого метода определяется как среднее значение 10 измерений.
А.3. Альтернативный метод с использованием эталонного резистора и цифрового осциллографа
Метод численного интегрирования
Как показано на
рисунке А.1,а, к выходу испытуемого калибратора приложена нагрузка эталонного сопротивления R
m, а напряжение U
m(t) измеряется цифровым осциллографом, имеющим полосу пропускания не менее 50 МГц. Значение R
m выбирается от 50 до 200 Ом. Соединения между калибратором и R
m, так же как и с осциллографом должны быть очень короткими. Входное сопротивление осциллографа при его влиянии может суммироваться со значением R
m. Испытательная цепь, включая эталонный резистор R
m, должна быть такой, чтобы колебания зарегистрированной формы волны отклонялись менее чем на 2% от средней амплитуды ступени в течение времени, необходимого для интегрирования.
Результат метода определяется по среднему значению не менее чем 10 измерений.
В соответствии с
рисунком А.1,а, заряд q, выдаваемый калибратором, равен
где: i(t) - импульс тока, выдаваемый калибратором;
Um(t) - напряжение импульса, измеренное осциллографом.
Следовательно точность определения значения q зависит от точности метода интегрирования и точности значения Rm.
На
рис А.1,б представлены две типичные кривые регистрации U
m(t); они соответствуют калибратору с характеристиками C
0 = 141 пФ, Rm = 33 Ом и R
m = 200 Ом соответственно. Слишком низкие значения R
m могут вызвать осциллирующий импульс напряжения и привести к более значительным ошибкам интегрирования (и следовательно к недопустимой неточности).
Реальное время подъема tr импульса, выдаваемого калибратором, приблизительно равно длительности первого колебания напряжения (положительного), если RmC0 < tr. Это неравенство обычно выполняется для низких значений Rm, если также C0 <= 150 пФ.
Цифровой осциллограф должен быть калиброван во всех используемых диапазонах по общепринятым методикам, например, по методике, описанной в
А.2, и гарантировать отсутствие слишком большого смещения отклика на ступенчатый импульс. Наличие смещенного отклика может привести к большой неточности определения заряда, рассчитываемого с помощью цифрового интегрирования.
Примечание - Интегрирование
Um(
t) обычно делается по встроенным алгоритмам цифровых осциллографов, для которых рассчитан

. Поскольку точность такой методики интегрирования может быть неизвестна, предлагается калибровать осциллограф и алгоритм, используемый для расчета
q, путем замены испытываемого калибратора на источник ступенчатого напряжения с амплитудой
Uref, последовательно соединенный с эталонной емкостью
Cref. Следовательно, импульсы тока i(t) будут иметь такие же формы и заряды, как импульсы, подаваемые испытываемым калибратором. Поэтому
qref =
Uref·
Cref.
Эта амплитуда эталонного заряда qэт известна с неопределенностью, которая образуется только неопределенностями Uэт и Cэт. Следовательно, qэт можно использовать для проверки методики, описанной выше.
б - Калибровочные импульсы Um(t) типичного калибратора,
соединенного с образцовыми резисторами Rm = 33 Ом
и Rm = 200 Ом соответственно (q = 100 пКл).
Рисунок А.1 - Калибрование импульсов калибраторов
(справочное)
Основным назначением испытательной схемы для измерения частичных разрядов, кроме питания испытуемого объекта напряжением, является обеспечение соответствующих условий для обнаружения частичных разрядов в испытуемом объекте при нормированном напряжении. Эти условия могут считаться оптимальными, когда различные компоненты испытательной схемы скоординированы так, что импульсы тока в результате частичных разрядов имеют амплитуды и формы, наиболее удобные для обнаружения.
Существуют четыре основные схемы, на основе которых создаются все другие испытательные схемы для обнаружения и измерения частичных разрядов. Эти схемы показаны на рисунках Б.1,а -
Б.1,г и кратко описаны ниже.
Рисунок Б.1а - Измерительный элемент включен в цепь
заземления конденсатора связи
Компоненты: U~ - источник высокого напряжения; Zmi - входной
импеданс измерительной системы; CC - соединительный кабель;
OL - оптический канал; Ca - испытуемый объект;
Ck - конденсатор связи; CD - измерительный элемент;
MI - измерительный прибор; Z - фильтр
б - Измерительный элемент CD включен
в цепь заземления испытуемого объекта
г - Схема дискриминатора полярности
Компоненты: U~ - источник высокого напряжения; Zmi - входной
импеданс измерительной системы; CC - соединительный кабель;
Ca - испытуемый объект; Ck - конденсатор связи; CD -
измерительный элемент; MI - измерительный прибор; Z - фильтр
Рисунок Б.1 - Основные испытательные схемы измерения
частичных разрядов
Для основных схем минимальная амплитуда любой величины ЧР, которую можно измерить, зависит от соотношения C
k/C
a (см.
раздел 9) и ограничена помехами.
Измерительный элемент (датчик) в цепи на
рисунке Б1,а расположен со стороны заземления конденсатора связи (см.
примечание к 4.2). Преимущество этой схемы заключаются в том, что она применима для испытания объектов, имеющих один заземленный вывод, и когда испытуемый объект включается непосредственно между источником высокого напряжения и землей. Фильтр или импеданс (сопротивление), установленный между испытуемым объектом и источником высокого напряжения служит для ослабления помех от источника высокого напряжения. Он также повышает чувствительность при измерениях, препятствуя импульсам тока ЧР от испытуемого объекта частично проходить через импеданс источника высокого напряжения.
Измерительный элемент (датчик) в цепи на
рисунке Б.1,б расположен со стороны заземления испытуемого объекта. В этом случае низковольтная сторона испытуемого объекта должна иметь возможность быть изолированной от земли (см.
примечание к 4.2).
При этом в измерительном элементе должна быть предусмотрена цепь защиты от пробоя, который может иметь место в испытуемом объекте в результате его повреждения.
Схема на
рисунке Б.1,б для испытаний с низкоемкостными компонентами обеспечивает лучшую чувствительность, чем схема на
рисунке Б.1,а.
Примечание - Иногда применяется схема без отдельно стоящего конденсатора связи. Она построена по аналогии со схемой на
рисунке Б.1,б, но роль Cк выполняют паразитные емкости. Такую схему применяют, если емкость испытуемого объекта мала по сравнению с паразитной емкостью относительно земли. Такое решение также возможно в случае, когда входная емкость испытуемого трансформатора имеет тот же порядок, что и Ca, при условии, что фильтром можно пренебречь.
Схема, показанная на
рисунке Б.1,в, является балансной схемой, в которой измерительный прибор включается между двумя измерительными элементами (датчиками). Выводы низкого напряжения испытуемого объекта и конденсатора связи должны предусматривать возможность быть изолированными от земли (см.
примечание 4.2). Нет необходимости в том, чтобы их емкости были равны, но желательно, чтобы они были одного порядка. Для получения лучших результатов их коэффициенты диэлектрических потерь, особенно частотной зависимости, должны быть близкими. Преимущество схемы, работающей на ослабление синфазных токов, проходящих через Ca и Ca1, но усиливающей токи частичных разрядов, исходящих от испытуемого объекта, состоит в том, что она частично устраняет внешние помехи. Для настройки такого ослабления между высоковольтным выводом и землей может быть включен искусственный источник разрядов. После чего переменные входные импедансы балансных измерительных элементов регулируются до тех пор, пока не будет получено минимальное показание измерительного прибора. Таким образом можно получить коэффициент ослабления от 3 (для испытуемых объектов с очень разными значениями) до 1000 и даже более (для испытуемых объектов с одинаковыми значениями и хорошо экранированными).
Схема на
рисунке Б.1,г представляет собой комбинацию из двух основных схем, представленных на
рисунках Б.1,а и
Б.1,б. Она состоит из двух емкостей, одна либо обе из которых могут быть испытуемыми объектами. Эти емкости подсоединены к двум измерительным элементам (датчикам). В соединении, показанном на рисунке, стороны низкого напряжения обоих компонентов должны предусматривать возможность быть изолированными от земли (см.
примечание к 4.2). Нет необходимости в том, чтобы эти емкости были равны, но желательно, чтобы они были одного порядка. Принцип измерения не базируется на балансной схеме, а делается сравнение направлений потоков импульсных сигналов в двух измерительных элементах. (Сигналы общего типа будут детектированы как сигналы, имеющие одинаковую полярность; сигналы частичных разрядов от любого компонента будут детектированы как сигналы, имеющие противоположную полярность). Селективная система сигналов может быть использована для отделения импульсов частичных разрядов, идущих от испытуемого объекта, от помех, исходящих от других частей испытательной схемы.
На базе основных схем могут быть созданы многочисленные варианты. Схема, показанная на рисунке Б.2, применяемая для испытуемых объектов, имеющих вводы распределенной емкостью, эквивалентна схеме на
рисунке Б.1,а, за исключением того, что вместо конденсатора связи C
k используется емкость ввода. Если ввод имеет разъем, то измерительный элемент (датчик) включается в него; в этом случае относительно большая емкость C
m включается параллельно измерительному элементу, что может повлиять на чувствительность измерения.
Компоненты: U~ - источник низкого или высокого напряжения;
Zmi - входной импеданс измерительной системы; CC -
соединительный кабель; Ck - конденсатор связи; Cm - емкость
параллельная Zmi; CD - измерительный элемент; Ca -
испытуемый объект; MI - измерительный прибор; Z - фильтр
Рисунок Б.2 - Испытательная схема для измерений ЧР
в проходном изоляторе
На рисунке Б.3 показана испытательная схема, в которой испытательное напряжение наводится в испытуемом объекте, например, от силового или измерительного трансформатора.
Компоненты: U~ - источник низкого или высокого напряжения;
Zmi - входной импеданс измерительной системы;
CC - соединительный кабель; Ck - конденсатор связи;
CD - измерительный элемент; Ca - испытуемый объект;
MI - измерительный прибор; Z - фильтр
Рисунок Б.3 - Испытательная схема для объектов
с внутренним возбуждением
(справочное)
ИЗМЕРЕНИЯ ХАРАКТЕРИСТИК ЧР В КАБЕЛЯХ, ЭЛЕГАЗОВОЙ
КОММУТАЦИОННОЙ АППАРАТУРЕ, СИЛОВЫХ КОНДЕНСАТОРАХ
И ИСПЫТУЕМЫХ ОБЪЕКТАХ С ОБМОТКАМИ
В.1 Общие положения
Любую, из описанных в
приложении Б испытательных схем, можно применять при испытании объектов с распределенными емкостными и индуктивными элементами. Для некоторых из таких испытуемых объектов можно индуцировать испытательное напряжение; например, высоковольтную обмотку трансформатора можно возбудить от низковольтной обмотки (см.
рисунок Б.3).
Подробное рассмотрение измерений характеристик частичных разрядов в объектах с распределенными параметрами, в которых наблюдаются бегущие и отраженные волны или сложные явления при емкостных и индуктивных включениях, выходит за рамки настоящего стандарта. Данные испытания имеют важное значение и к сказанному ниже, им должно быть уделено внимание соответствующих технических комитетов.
В.2 Явления затухания и искажения
Вследствие затухания и искажения бегущих волн, происходящих внутри обмоток или вдоль элегазовой коммутационной аппаратуры и кабелей амплитуда кажущегося заряда, зарегистрированная на выходе испытуемого объекта, может отличаться от амплитуды в истинной точке разряда. Это различие в основном обусловлено характеристикой полосы пропускания измерительной системы. Его можно оценить, сравнивая амплитуду (и если возможно и форму волны) характеристики с калибровочным импульсом, когда он подан с другого конца испытуемого объекта и когда он подан к точке подсоединения испытуемого объекта измерительным элементом.
В.3 Резонансные явления, отражения
Амплитуда ЧР, зарегистрированная на вводах конденсатора большой мощности, обмотки, элегазовой коммутационной аппаратуры или кабеля, которые подвергаются испытаниям, может быть искажена резонансными явлениями или отражениями волны на их вводах. Это особенно важно иметь в виду, если применяется измерительный прибор с узкополосной частотной характеристикой. Явления отражения (например, в кабелях) можно учесть, применяя специальные методы градуировки, например, с помощью генераторов двойных импульсов, или избежать их вредных действий, используя специальные способы.
Примечание - При измерениях ЧР больших силовых конденсаторов могут возникнуть проблемы, связанные с получением заданной чувствительности измерения.
В.4 Место локализации разрядов
Для определения места локализации частичных разрядов в испытуемых объектах с распределенными элементами могут использоваться различные методы. Некоторые их этих методов основаны на одновременных измерениях на двух или нескольких вводах испытуемого объекта. Возможно также применение неэлектрических методов, рассмотренных в
приложении Е.
(справочное)
ПРИМЕНЕНИЕ ИЗМЕРИТЕЛЕЙ РАДИОПОМЕХ
ДЛЯ ОБНАРУЖЕНИЯ ЧАСТИЧНЫХ РАЗРЯДОВ
В настоящее время применяются приборы, соответствующие требованиям Международного специального комитета по радиопомехам IEC (CISPR) или других аналогичных организаций. Такие приборы часто измеряют напряжения, токи и поля радиопомех (см.
ГОСТ Р 51320) в широком диапазоне частот, используя разные виды обработки входных величин. В настоящем стандарте термин "измеритель радиопомех" применяется только к специальным измерителям радиопомех (возмущений), работающим в полосе частот от 150 Гц до 30 МГц (полоса В) и отвечающим требованиям квазипикового измерительного приемника.
Передаточная характеристика таких измерителей радиопомех к импульсам входного напряжения очень короткой длительности прежде всего зависит от четко определенной селективности общей полосы пропускания, т.е. от характеристики полосы пропускания фильтра, имеющего ширину полосы

, которая не зависит от средней частоты
fm. Эта передаточная характеристика затем выравнивается посредством применения квазипиковой измерительной схемы, имеющей постоянную времени электрического заряда

и постоянную времени разряда

, и посредством включения на выходе обычного вольтметра магнитоэлектрического типа с критическим демпфированием, имеющего механическую постоянную времени

. Более современные приборы обеспечивают эквивалентные показания на базе разработанных электронных интегральных схем.
Более того, при неизменном и только резистивном входном импедансе, передаточная характеристика таких приборов способна реагировать только на заряд входного импульса тока с очень короткой длительностью, чей амплитудно-частотный спектр во время измерения остается неизменным по отношению к средней частоте fm. Квазипиковая схема измерения данного прибора дает разные показания для импульсов с одинаковым зарядом, но с разными скоростями повторения импульсов.
Для входных импульсов тока с зарядом q очень короткой длительности и регулярно повторяющихся, прибор определяет URDV по формуле

,
где: N - частота повторения импульсов;

- полоса пропускания прибора (при 6 дБ);
Zm - только резистивный входной импеданс измерительного прибора;
k - масштабный коэффициент прибора (= q/URDV).
Рисунок Г.1 - Изменение показания f(N)
измерителя радиопомех СИСПР в зависимости от частоты
повторения импульсов N для постоянных импульсов
Частота повторения импульсов N не эквивалентна скорости повторения импульсов n.
Измеритель радиопомех, сконструированный как квазипиковый вольтметр, с нормированной частотной полосой (от 0,15 до 30 МГц), будет иметь полосу пропускания

при 6 дБ и постоянные времени

,

и

.
Для этого прибора короткие и неизменные импульсы 0,16 мкВс, подаваемые на прибор с регулярной частотой повторения N, равной 100 импульсов в секунду, дадут такое же показание, что и синусоидальный входной сигнал 1000 мкВ (среднеквадратическое значение), применяемый при частотной настройке. Различные вариации записи
N для этого прибора показаны на
рисунке Г.1. В частности, эти приборы показывают 1 мкВ для Z
m = 60 Ом,
N = 100 и
q ~= 3 пКл.
Примечание - Когда применяются приборы для измерения радиопомех в качестве квазипиковых вольтметров, то нет способа применения масштабных коэффициентов, в отличие от приборов, используемых для измерения кажущихся зарядов.
Если измеритель радиопомех квазипикового типа используется для измерения ЧР, то вместе с ним должен использоваться измерительный элемент (датчик), определенный в
4.3.2. Измерительная система должна быть отградуирована и проверена в реальной испытательной схеме с помощью калибратора частичных разрядов, соответствующего
разделу 5. Для этого рекомендуется подавать регулярно повторяющиеся импульсы q
0 со скоростью повторения N, примерно равной удвоенной частоте испытательного напряжения.
Это позволит настроить прибор на значения кажущегося заряда реального испытания при напряжении, близком к возникновению частичных разрядов, когда имеет место малое количество импульсов за период. Амплитуда кажущегося заряда при этих условиях приблизительно равна q0, умноженному на отношение показания прибора при испытании к его показанию при градуировке. Это отношение применимо только в ограниченном диапазоне скоростей повторения импульсов, когда мало изменение показаний прибора, определяемое функцией f(N).
В случае, если измерения выполняют с помощью измерителя радиопомех, то протокол испытания должен включать полученные значения, выраженные в микровольтах и должны быть определены эквивалентные значения кажущегося заряда в пикокулонах совместно с информацией, касательно определенного масштабного коэффициента.
(справочное)
ПО ЦИФРОВОМУ СБОРУ ДАННЫХ ВЕЛИЧИН, ОТНОСЯЩИХСЯ
К ХАРАКТЕРИСТИКАМ ЧАСТИЧНЫХ РАЗРЯДОВ
Особенность применения цифровой техники для измерения характеристик ЧР основана на регистрация импульса ЧР, определяемого, как минимум, его кажущимся зарядом q
i и мгновенным значением напряжения U
i в момент ti, а для напряжений переменного тока еще и фазовым углом разряда

за период испытательного напряжения. Поскольку качество используемого программного и аппаратного обеспечения может ограничить точность и разрешающую способность измерения этих параметров, то в этом приложении даются рекомендации, касающиеся сбора и регистрации серии разрядов.
Цели применения цифровой техники можно разбить на две составляющие:
- регистрация, хранение и оценка, по крайней мере, одной или нескольких величин, относящихся к импульсам ЧР;
- окончательная обработка зарегистрированных данных для оценки и представления дополнительных параметров и других величин (например, статистических данных в пределах временного окна или в течение времени; применение цифровой техники для снижения уровня помех; представление результатов в графической форме; оценка параметров для углубленного анализа качества изоляции испытуемого объекта, и т.п.).
Примечание - Цифровые измерительные системы часто оснащены компьютерами для хранения и оценки величин, относящихся к импульсам ЧР.
Особенность применения цифровой техники не рассматривается в настоящем стандарте. Однако эта возможность заслуживает внимания технических комитетов.
Так при анализе поведения величин ЧР во времени может применяться сжатие зарегистрированных данных. Для этого могут использоваться различные методы преобразования (редукции). При этом принципы уплотнения данных должны указываться изготовителем цифровых систем.
| | ИС МЕГАНОРМ: примечание. Нумерация пунктов дана в соответствии с официальным текстом документа. | |
Д.2. Инструкции по обработке аналоговых сигналов кажущегося заряда
Основным преимуществом цифрового прибора измерения ЧР является его способность обрабатывать однократные сигналы, передаваемые аналоговыми приборами измерения кажущегося заряда. В основном, пиковые значения этих передаваемых сигналов можно считать пропорциональными заряду q
i однократного импульса тока ЧР. Если в аналоговых приборах эти пиковые значения воспроизводят с помощью осциллографов или амплитудных вольтметров, то цифровой прибор должен непосредственно с соответствующей точностью обрабатывать и сохранять однократные пиковые значения (при возможности с их полярностью) совместно с временем ti или фазовым углом

разряда. Поскольку форма передаваемых сигналов в значительной степени зависит от характеристик измерительной системы и в некоторой степени от формы однократного импульса тока ЧР, то необходимо адаптировать методику обработки к форме передаваемых сигналов таким образом, чтобы можно было распознать пик (положительный или отрицательный), значение которого можно будет считать пропорциональным заряду q
i однократного импульса тока ЧР.
Для иллюстрации проблемы, связанной с применением различных методик обработки сигнала, на рисунке Д.1 показаны варианты трех входных сигналов напряжения, вызванных двумя последовательными частичными разрядами.
а -

, короткий сигнал входного импульса
б -

, удлиненный сигнал входного импульса
в -

; fm = 75 кГц
Рисунок Д.1 - Сигналы выходного напряжения Uout двух разных
измерителей ЧР для кажущегося заряда (двойной импульс)
На
рисунках Д.1,а и
Д.1,в показаны выходные сигналы измерительной системы широкополосного типа, частотные характеристики которой указаны под рисунком.
Выходной сигнал на
рисунке Д.1,в является типичным для простой узкополосной измерительной системы с

и fm ~= 75 кГц, для которой передаточная характеристика почти симметрична относительно базисной линии напряжения. При этом ни на один из этих трех передаваемых сигналов в значительной степени не влияет ошибка наложения (т.е. разрешающее время импульса T
r еще адекватно для обоих приборов), но в то же время правильная оценка амплитуды и полярности первого пика затруднена, поскольку присутствуют несколько пиков разной полярности. Для широкополосных систем обычно первый пик одновременно служит для определения кажущегося заряда
q и полярности импульса тока частичного разряда. Для узкополосных приборов на
рисунке Д.1,в полярность обычно нельзя определить, и самый большой пик передаваемого сигнала является наилучшим для измерения
q. Для обеих систем только одно пиковое значение (или q
i) должно оцениваться и должно быть зарегистрировано в качестве значения кажущегося заряда с импульсным временем разрешения T
r измерительной системы.
На
рисунках Д.1,а и
Д.1,в показаны некоторые трудности, которые возникают с широкополосными измерительными системами: форма и длительность входного импульса тока ЧР, на которые влияет механизм разряда и конструкция испытуемого объекта, могут быть такими, что второй пик переданного сигнала будет по амплитуде больше, чем первый. В таких случаях корректно можно определить полярность и амплитуду только первого пика, т.е. можно сказать, что передаточная характеристика цифрового прибора измерения ЧР будет зависеть от конкретного изготовителя и от его конструкции.
В этой связи изготовители цифровых приборов ЧР должны указывать принцип, используемый для сбора, оценки и регистрации для корректной оценки значений амплитуд и полярностей. Изготовитель должен продемонстрировать правильную работу прибора посредством специальных методов испытаний.
Д.3. Рекомендации для регистрации испытательного напряжения, фазового угла

и времени t
i в момент возникновения импульса ЧР
Для идентификации формы испытательного напряжения U(t) промышленной частоты цифровой прибор должен оценить это напряжение в течение хотя бы одного периода, в течение которого регистрируются значения qi. Однако рекомендуется проводить непрерывную оценку в течение каждого приложения испытательного напряжения.
Фазовый угол

или время t
i измерительных систем напряжения переменного тока должны быть оценены по эталону по моменту прохождения положительной полуволны испытательного напряжения U(t) через ноль. Это необходимо для того, чтобы измерительные системы выдавали правильное значение фазы испытательного напряжения.
Если отклонение мгновенного значения испытательного напряжения, считанное цифровым прибором измерения частичных разрядов, относительно значения, считанного эталонной измерительной системой, отличается менее, чем на 5% от пикового значения напряжения, то цифровой прибор считается способным регистрировать также и фазу испытательного напряжения. Для обеих измерительных систем напряжения должны быть применены соответствующие масштабные коэффициенты. Эталонная измерительная система должна включать соответствующий прибор, подключенный к низковольтному плечу делителя напряжения, соответствующего
ГОСТ Р 55193 для напряжения переменного тока. Также требуется независимым методом показать, что ошибка по фазе измерительной системы составляет менее 5°.
Для измерения испытательного напряжения рекомендуется минимальное номинальное разрешение 8 бит. Частота дискретизации fs должна быть не менее 100 выборок за период испытательного напряжения промышленной частоты или 4000 выборок в секунду для испытательных напряжений постоянного тока. Хотя рекомендуется периодическая дискретизация, можно использовать и интерполяцию для определения значений испытательного напряжения Ui, в специфические моменты времени ti между замерами.
(справочное)
НЕЭЛЕКТРИЧЕСКИЕ МЕТОДЫ ОБНАРУЖЕНИЯ ЧР
Е.1 Общие положения
Неэлектрические методы обнаружения частичных разрядов включают акустические, оптические и химические методы, а также наблюдения за воздействиями частичных разрядов на испытуемый объект, если это возможно.
Эти методы не пригодны для измерения количественных характеристик частичных разрядов, таких, какие определены в настоящем стандарте, и в основном используются для обнаружения и/или определения местоположения разрядов.
Е.2 Акустическое обнаружение
Определение разрядов "на слух", проводимое в помещении с низким уровнем шума, может применяться как средство обнаружения частичных разрядов. Могут также быть полезны, особенно для определения места разрядов, инструментальные акустические измерения, проводимые обычно с помощью микрофонов или других звуковых преобразователей в комбинации с соответствующими усилителями и дисплеями. С помощью селективных микрофонов, имеющих высокую чувствительность в диапазоне ультразвуковых частот, можно определять места коронного разряда в воздухе. Акустические преобразователи также используются для определения местоположения разрядов в газовой коммутационной аппаратуре или в погруженном в масло оборудовании типа трансформаторов; они располагаются в баке с маслом или снаружи.
Е.3 Визуальное или оптическое обнаружение
Визуальные наблюдения могут проводиться в темном помещении, после адаптации к темноте и при необходимости с помощью биноклей с большой апертурой. Можно применять фотографирование, но для этого требуется обычно очень большое время выдержки. Для специальных случаев иногда применяются фотоэлектронные умножители или усилители изображения.
Е.4 Химическое обнаружение
Наличие частичных разрядов в оборудовании с масляной или газовой изоляцией в некоторых случаях можно обнаружить по анализу продуктов распада, растворенных в масле или в газе. Такие продукты аккумулируются в течение длительной работы. Поэтому химический анализ может также использоваться для оценки явления разложения, вызванного частичными разрядами.
Е.5 Ссылочные документы
Дополнительную информацию см. также в:
IEC 60567:1992 Оборудование электротехническое маслонаполненное. Руководство по отбору образцов газов и масел и по анализу свободных и растворенных газов
IEC 60599:2007 Электрооборудование с пропиткой минеральным маслом при эксплуатации. Руководство по интерпретации результатов анализа растворенных и свободных газов
IEC 61181:1993 Материалы изоляционные пропитанные. Применение анализа растворенных газов (DGA) для заводских испытаний электрооборудования
(справочное)
Ж.1. Источники помех
Помехи, влияющие на показания приборов для измерения частичных зарядов, можно разделить на две категории:
- помехи, возникающие в отключенной от питания испытательной схеме. Они могут быть вызваны коммутационными процессами в других цепях, коллекторными машинами, близкими испытаниями при высоком напряжении, радиосвязью и т.п., включая собственный шум измерительного прибора. Они также могут возникать, когда источник питания подключен к испытательной цепи, а напряжение равно нулю;
- помехи, возникающие только во включенной схеме, но которые происходят не в испытуемом объекте. Интенсивность этих помех обычно возрастает при увеличении напряжения. К ним относятся, например, частичные разряды в силовом трансформаторе, на проводниках высокого напряжения или во вводах (когда они не являются частью испытуемого объекта). Помехи могут быть вызваны искрением плохо заземленных, находящихся поблизости объектов, или плохими контактами в зоне высокого напряжения (искровыми разрядами между распределительными щитами и другими проводниками высокого напряжения, подсоединенными к ним только для испытания). Помехи могут также возникать из-за высших гармоник испытательного напряжения, частоты которых лежат рядом или в полосе пропускания измерительной системы. Такие высшие гармоники часто встречаются в источниках низкого напряжения вследствие наличия коммутационных устройств на полупроводниках (тиристорах и т.п.) и передаются с шумом искрящих контактов через силовой трансформатор и другие соединения в испытательную схему измерения.
О помехах при испытаниях напряжения постоянного тока см.
11.5.2.
Ж.2. Обнаружение помех
Независящие от напряжения источники помех могут быть обнаружены по показаниям измерительного прибора, когда испытательная схема отключена от питания и/или когда источник высокого напряжения включен в испытательную схему, а напряжение равно нулю. Показание прибора является мерой этих помех.
Зависящие от напряжения источники помех могут быть обнаружены следующим образом: испытуемый объект удаляется или заменяется эквивалентным конденсатором, не дающим значительных частичных разрядов при нормированном испытательном напряжении. Схема должна быть вновь откалибрована в соответствии с методикой, указанной в
разделе 5. После этого на схему подается полное значение испытательного напряжения.
Если уровень помех превышает 50% амплитуды максимального нормированного для испытуемого объекта разряда, необходимо принять меры для снижения помех. Для этого можно воспользоваться одним или несколькими методами, описанными выше. Вычитание уровня помех из значения амплитуды измеренных частичных разрядов считается неправильным действием. Применение осциллографа в качестве отсчетного устройства или оценка данных ЧР, собранных цифровым методом, помогают оператору различать частичные разряды в испытуемом объекте от внешних помех (например, от фонового шума); иногда это позволяет определить тип помех или идентифицировать тип частичных разрядов. Другие электрические и неэлектрические методы
(приложение Е), часто используемые для определения места коронного эффекта на проводниках высокого напряжения или разрядов где-либо в зоне испытания, могут дать независимое подтверждение наличия помех или частичных разрядов в испытуемом объекте.
Ж.3. Снижение уровня помех
Ж.3.1 Экранирование и фильтрация
Снижения уровня помех можно достигнуть путем соответствующего заземления всех проводящих конструкций, расположенных поблизости от зоны испытания, в которых, кроме того, не должно быть резких выбросов, и путем фильтрации напряжения сети питания испытательной и измерительной схем. Значительное снижение уровня помех может быть получено путем проведения испытания в экранированном помещении, где все входные электрические соединения осуществляются через фильтры, подавляющие эти помехи.
Ж.3.2 Балансные схемы
Балансная схема, представленная на
рисунке Б.1,в, может ослабить упомянутые выше помехи и часто позволяет визуально различать разряды в испытуемом объекте на фоне разрядов, существующих в других частях испытательной схемы.
Ж.3.3 Электронная обработка и восстановление сигналов
Чувствительность измерения ограничивается наличием помех особенно в условиях промышленной эксплуатации. Существуют различные электронные методы, которые могут использоваться отдельно или в комбинации для разделения действительного сигнала частичного разряда от помех. Их следует применять с соблюдением предосторожности, чтобы ни в коем случае не подавить или замаскировать значительные ЧР Некоторые из этих методов описаны ниже.
Ж.3.3.1 Метод временного окна
Измерительный прибор может быть оснащен стробирующим входом, который может отпираться или запираться в заранее выбранной последовательности, пропуская или блокируя входной сигнал. Если помехи возникают с определенными интервалами, то стробирующий вход может запираться на время этих интервалов. При испытаниях напряжением переменного тока действительные сигналы разряда часто возникают только через регулярно повторяющиеся интервалы, четко определенные относительно периода приложения испытательного напряжения. Временное окно может быть привязано к фазе, чтобы стробирующий вход открывался только в определенные интервалы.
Ж.3.3.2 Методы дискриминации по полярности
Сигналы частичных разрядов, возникающие в испытуемом объекте можно отличить от помех, происходящих вне испытательной схемы, путем сравнения полярностей выходных импульсов от двух соединительных устройств, как показано на
рисунке Б.1,г. Логическая схема выполняет сравнение и управляет стробирующим входом измерительного прибора, как описано выше, пропуская импульсы заданной полярности. Поэтому регистрируют только импульсы, идущие от испытуемого объекта.
Поскольку электромагнитные наведенные помехи в контуре, образуемом Ca и Ck, нельзя отличить от частичных разрядов, то должны быть применены дополнительные средства.
Ж.3.3.3 Импульсное усреднение
Многочисленные помехи промышленных установок имеют случайный характер, в то время как частичные разряды возникают приблизительно в одной и той же фазе каждого цикла прикладываемого напряжения. Поэтому можно значительно снизить относительный уровень случайных помех, используя сигнальные процессоры.
Ж.3.3.4 Частотная селекция
Помехи, вызванные радиовещательными передачами, ограничены дискретными полосами, но все же влияют на широкополосные детекторы частичных разрядов, если частота радиопередачи находится в полосе пропускания измерительного прибора. Для снижения помех этого типа можно уменьшить коэффициент усиления усилителя измерительного прибора с помощью полосно-заграждающих фильтров, настроенных на частоты источников помех. Альтернативно можно использовать узкополосные приборы, настроенные на полосу, где уровнем помех можно пренебречь.
Ж.4. Уровни помех
Невозможно предопределить значения амплитуд помех, но в качестве общего руководящего указания можно считать, что помехи, эквивалентные амплитуде кажущегося заряда в несколько сотен пикокулон (пКл), могут встречаться в неэкранированных промышленных зонах проведения испытаний, особенно в случае испытательных схем больших размеров. Используя методы, описанные в данном приложении, такие помехи могут быть значительно снижены.
В экранированных зонах проведения испытания, применяя эффективные методы снижения помех, описанные в данном приложении, и выполняя все меры для подавления помех от источника питания и другого электрооборудования, предельным уровнем измерения является уровень самой измерительной системы или тот уровень, который определяется недостаточно полным экранированием, заземлением или фильтрацией. Обычно в таких условиях наименьший измеряемый кажущийся заряд q равен примерно 1 пКл.
(рекомендуемое
МЕТОД ИЗМЕРЕНИЯ ХАРАКТЕРИСТИК ЧАСТИЧНЫХ РАЗРЯДОВ
ПРИ ИСПЫТАНИИ ИЗОЛЯЦИИ ЭЛЕКТРООБОРУДОВАНИЯ
КОММУТАЦИОННЫМИ ИМПУЛЬСАМИ НАПРЯЖЕНИЯ
З.1. Метод измерения характеристик частичных разрядов при испытании изоляции электрооборудования коммутационными импульсами напряжения основан на общих принципах измерения частичных разрядов, изложенных в настоящем стандарте.
З.2. Требования к объекту испытаний должны соответствовать
разделу 8 настоящего стандарта и стандартам на электрооборудование конкретных типов.
З.3. Основной измеряемой характеристикой частичных разрядов при испытании изоляции коммутационными импульсами является кажущийся заряд q частичного разряда.
З.4. Требования к испытательным установкам и перечень их элементов должны соответствовать
4.2 настоящего стандарта с поправкой на испытания коммутационными импульсами.
З.5. Для измерения частичных разрядов должна применяться одна из принципиальных схем, перечисленных в
приложении Б, в соответствии сданными в нем указаниями.
В качестве измерительного элемента (датчика) следует выбирать резистор, обладающий активным электрическим сопротивлением от единиц до сотен Ом.
Значения сопротивления измерительного элемента (датчика)
Rи, емкости конденсатора связи
Cс и входной емкости измерительного устройства
Cвх должны выбираться в соответствии со значением максимального напряжения коммутационных импульсов
Uи, временем подъема импульса
Tп и длительностью импульса
Tи по
ГОСТ 1516.2-97.
Параметры элементов измерительной схемы выбираются из условий:

(З.1)
При nи = Tи/Tп постоянная времени tп рассчитывается по формуле

, (З.2)
если

, и по формуле

, (З.3)
при колебательных импульсах с nи < 3.
З.6. Измерительный прибор должен состоять из фильтра верхних частот, широкополосного усилителя и отсчетного устройства - осциллографа.
При испытаниях коммутационными импульсами напряжения должны выполняться дополнительные требования:
- нижняя частота полосы пропускания фильтра верхних частот выбирается из следующих условий:

, (З.4)
- предпочтительной является область более высоких частот этого диапазона;
- верхняя частота полосы пропускания усилителя должна соответствовать условию
f2 > f01;
- осциллограф для регистрации частичных разрядов должен быть импульсного типа, в этом случае следует использовать осциллограф с памятью.
З.7. Калибровка измерительного прибора (устройства) и градуировка схемы должны проводиться в соответствии с настоящим стандартом подачей импульсов от калибратора. При градуировке определяется градуировочный коэффициент.
З.8. Значение кажущегося заряда q каждого частичного разряда определяется по осциллограмме или по устойчивому изображению на экране (осциллограф с памятью) в соответствии с градуировкой.
З.9. Предельная чувствительность схемы qм.пред (предельный минимальный регистрируемый заряд) определяется при максимальном усилении измерительного прибора в соответствии с градуировкой из условия
где qп - кажущийся заряд, эквивалентный уровню помех. Заряд qп определяется из осциллограммы, полученной при отсутствии коммутационного импульса, по отклонению луча, вызываемого помехами.
Чувствительность схемы при измерениях (реальный минимальный регистрируемый заряд) определяется аналогично при установленном усилении из того же
условия (З.5) с помощью осциллограммы, полученной при воздействии испытательного коммутационного импульса заданного напряжения.
З.10. Результаты измерений должны оформляться документацией, содержащей данные по значениям напряжений и форме коммутационных импульсов, по измерительной схеме и градуировке, полученным значениям кажущихся зарядов, напряжению возникновения частичных разрядов, использованной аппаратуре и ее чувствительности.
IEC 60060-1:2010. Методы испытаний высоким напряжением. Часть 1. Общие определения и требования к испытаниям (IEC 60060-1:2010, High-voltage test techniques - Part 1: General definitions and test requirements).
IEC 60052:2002 Измерение напряжения посредством стандартных шаровых разрядников (IEC 60052:2002 Voltage measurement by means of standard air gaps).
IEC 60270:2000 Методы испытаний высоким напряжением. Измерения частичных разрядов. (IEC 60270:2000 High-voltage test techniques. Partial discharge measurements).
ГОСТ Р 51070-97 Измерители напряженности электрического и магнитного полей. Общие технические требования и методы испытаний.
IEC 61083-1:2001 Аппаратура и программное обеспечение, применяемые при испытаниях импульсами высокого напряжения. Часть 1. Требования к аппаратуре (IEC 61083:2001 Instruments and software used for measurements in high-voltage impulse tests. Part 1. Requirements for instruments).
IEC 61083-2:2013 Регистраторы цифровые для измерений в процессе импульсных испытаний высоким напряжением. Часть 2. Требования к программному обеспечению, используемого для определения напряжения и токов импульса (IEC 61083-2:2013 Instruments and software used for measurement in high-voltage and high-current tests - Part 2: Requirements for software for tests with impulse voltages and currents)
IEC 61180-1:1992 Техника испытаний высоким напряжением низковольтного оборудования. Часть 1. Определения, требования к испытанию и процедуре (IEC 61180-1:1992 High-voltage test techniques for low-voltage equipment; part 1: definitions, test and procedure requirements)
IEC 61180-2:1994 Техника испытаний высоким напряжением низковольтного оборудования. Часть 2. Испытательное оборудование (IEC 61180-2:1994 High-voltage test techniques for low-voltage equipment - Part 2: Test equipment)
IEC/TR2 61321-1:1994 Методы испытаний при перенапряжении с крутым фронтом импульсов. Часть 1: Измерительные системы для перенапряжений с крутым фронтом импульса в подстанциях с металлическим корпусом и газовой изоляцией (IEC/TR2 61321-1:1994 High-voltage testing techniques with very fast impulses - Part 1: Measuring systems for very fast front overvoltages generated in gas-insulated substations)