Главная // Актуальные документы // ГОСТ (Государственный стандарт)
СПРАВКА
Источник публикации
М.: Стандартинформ, 2015
Примечание к документу
Документ включен в Перечень стандартов, в результате применения которых на добровольной основе обеспечивается соблюдение требований технического регламента Таможенного союза "О безопасности железнодорожного подвижного состава", Перечень стандартов, содержащих правила и методы исследований (испытаний) измерений, в том числе правила отбора образцов, необходимых для применения и исполнения требований технического регламента Таможенного союза "О безопасности железнодорожного подвижного состава" и осуществления оценки (подтверждения) соответствия продукции, и Перечень стандартов, в результате применения которых на добровольной основе обеспечивается соблюдение требований технического регламента Таможенного союза "О безопасности высокоскоростного железнодорожного транспорта" (Решение Комиссии Таможенного союза от 15.07.2011 N 710).

Документ введен в действие с 1 июля 2015 года.

Название документа
"ГОСТ 2593-2014. Межгосударственный стандарт. Рукава соединительные железнодорожного подвижного состава. Технические условия"
(введен в действие Приказом Росстандарта от 17.02.2015 N 83-ст)

"ГОСТ 2593-2014. Межгосударственный стандарт. Рукава соединительные железнодорожного подвижного состава. Технические условия"
(введен в действие Приказом Росстандарта от 17.02.2015 N 83-ст)


Содержание


Введен в действие
Приказом Федерального
агентства по техническому
регулированию и метрологии
от 17 февраля 2015 г. N 83-ст
МЕЖГОСУДАРСТВЕННЫЙ СТАНДАРТ
РУКАВА СОЕДИНИТЕЛЬНЫЕ ЖЕЛЕЗНОДОРОЖНОГО ПОДВИЖНОГО СОСТАВА
ТЕХНИЧЕСКИЕ УСЛОВИЯ
Coupling hoses for railway rolling stock. Specifications
ГОСТ 2593-2014
МКС 45.060
Дата введения
1 июля 2015 года
Предисловие
Цели, основные принципы и основной порядок проведения работ по межгосударственной стандартизации установлены ГОСТ 1.0-92 "Межгосударственная система стандартизации. Основные положения" и ГОСТ 1.2-2009 "Межгосударственная система стандартизации. Стандарты межгосударственные, правила и рекомендации по межгосударственной стандартизации. Правила разработки, принятия, применения, обновления и отмены".
Сведения о стандарте
1. Разработан Открытым акционерным обществом "Научно-исследовательский институт вагоностроения" (ОАО "НИИ вагоностроения").
2. Внесен Межгосударственным техническим комитетом по стандартизации "Железнодорожный транспорт" МТК 524.
3. Принят Межгосударственным советом по стандартизации, метрологии и сертификации (протокол от 5 декабря 2014 г. N 46).
За принятие проголосовали:
Краткое наименование страны по МК (ИСО 3166) 004-97
Код страны по МК (ИСО 3166) 004-97
Сокращенное наименование национального органа по стандартизации
Азербайджан
AZ
Азстандарт
Армения
AM
Минэкономики Республики Армения
Беларусь
BY
Госстандарт Республики Беларусь
Казахстан
KZ
Госстандарт Республики Казахстан
Киргизия
KG
Кыргызстандарт
Молдова
MD
Молдова-Стандарт
Россия
RU
Росстандарт
Таджикистан
TJ
Таджикстандарт
Туркменистан
TM
Главгосслужба Туркменстандартлары
Узбекистан
UZ
Узстандарт
Украина
UA
Минэкономразвития Украины
4. Приказом Федерального агентства по техническому регулированию и метрологии от 17 февраля 2015 г. N 83-ст межгосударственный стандарт ГОСТ 2593-2014 введен в действие в качестве национального стандарта Российской Федерации с 1 июля 2015 г.
5. Взамен ГОСТ 2593-2009 и ГОСТ 31374-2009.
6. Настоящий стандарт может быть применен на добровольной основе для соблюдения требований технических регламентов "О безопасности железнодорожного подвижного состава" и "О безопасности высокоскоростного железнодорожного транспорта".
Информация об изменениях к настоящему стандарту публикуется в ежегодном информационном указателе "Национальные стандарты" (по состоянию на 1 января текущего года), а текст изменений и поправок - в ежемесячном информационном указателе "Национальные стандарты". В случае пересмотра (замены) или отмены настоящего стандарта соответствующее уведомление будет опубликовано в ежемесячном информационном указателе "Национальные стандарты". Соответствующая информация, уведомление и тексты размещаются также в информационной системе общего пользования - на официальном сайте Федерального агентства по техническому регулированию и метрологии в сети Интернет.
1. Область применения
Настоящий стандарт распространяется на рукава соединительные (далее - рукава), предназначенные для применения на железнодорожном подвижном составе и метрополитене.
Рукава предназначены для гибкого соединения воздушных магистралей с целью подачи сжатого воздуха давлением до 1,0 МПа, а также для разъемного соединения электрических цепей электропневматического тормоза.
2. Нормативные ссылки
В настоящем стандарте использованы нормативные ссылки на следующие межгосударственные стандарты:
ГОСТ 2.314-68 (СТ СЭВ 648-77) Единая система конструкторской документации. Указания на чертежах о маркировании и клеймении изделий
ГОСТ 2.601-2013 Единая система конструкторской документации. Эксплуатационные документы
ГОСТ 9.030-74 Единая система защиты от коррозии и старения. Резины. Методы испытаний на стойкость в ненапряженном состоянии к воздействию жидких агрессивных сред
ГОСТ 9.032-74 Единая система защиты от коррозии и старения. Покрытия лакокрасочные. Группы, технические требования и обозначения
ГОСТ 9.080-77 Единая система защиты от коррозии и старения. Смазки пластичные. Ускоренный метод определения коррозионного воздействия на металл
ГОСТ 9.301-86 Единая система защиты от коррозии и старения. Покрытия металлические и неметаллические неорганические. Общие требования
ГОСТ 15.309-98 Система разработки и постановки продукции на производство. Испытания и приемка выпускаемой продукции. Основные положения
ГОСТ 26.020-80 Единая система стандартов приборостроения. Шрифты для средств измерений и автоматизации. Начертания и основные размеры
ИС МЕГАНОРМ: примечание.
Взамен ГОСТ 38-72 Приказом Росстандарта от 08.11.2021 N 1438-ст с 01.09.2023 вводится в действие ГОСТ 38-2021.
ГОСТ 38-72 Кольца резиновые уплотнительные для соединительных головок тормозов и концевых кранов автотормозов. Технические условия
ГОСТ 166-89 (ИСО 3599-76) Штангенциркули. Технические условия
ГОСТ 427-75 Линейки измерительные металлические. Технические условия
ГОСТ 1050-88 Прокат сортовой, калиброванный, со специальной отделкой поверхности из углеродистой качественной конструкционной стали. Общие технические условия
ГОСТ 1215-79 Отливки из ковкого чугуна. Общие технические условия
ГОСТ 1335-84 Рукава резиновые с нитяным усилением для тормозной системы подвижного состава железных дорог и метрополитена без присоединительной арматуры. Технические условия
ГОСТ 2405-88 Манометры, вакуумметры, мановакуумметры, напоромеры, тягомеры и тягонапоромеры. Общие технические условия
ГОСТ 2477-65 Нефть и нефтепродукты. Метод определения содержания воды
ГОСТ 5346-78 Смазки пластичные. Методы определения пенетрации пенетрометром с конусом
ГОСТ 6357-81 Основные нормы взаимозаменяемости. Резьба трубная цилиндрическая
ГОСТ 6707-76 Смазки пластичные. Метод определения свободных щелочей и свободных органических кислот
ИС МЕГАНОРМ: примечание.
В официальном тексте документа, видимо, допущена опечатка: имеется в виду ГОСТ 6793-74, а не ГОСТ 6973-74.
ГОСТ 6973-74 Нефтепродукты. Метод определения температуры каплепадения
ГОСТ 7142-74 Смазки пластичные. Методы определения коллоидной стабильности
ГОСТ 7143-73 Смазки пластичные. Метод определения предела прочности и термоупрочнения
ГОСТ 7163-84 Нефтепродукты. Метод определения вязкости автоматическим капиллярным вискозиметром
ГОСТ 7293-85 Чугун с шаровидным графитом для отливок. Марки
ИС МЕГАНОРМ: примечание.
Взамен ГОСТ 7409-2009 Приказом Росстандарта от 27.11.2018 N 1035-ст с 1 августа 2019 года введен в действие ГОСТ 7409-2018.
ГОСТ 7409-2009 Вагоны грузовые. Требования к лакокрасочным покрытиям
ГОСТ 7462-73 Эмали НЦ-5123. Технические условия
ГОСТ 8711-93 Приборы аналоговые показывающие электроизмерительные прямого действия и вспомогательные части к ним. Часть 2. Особые требования к амперметрам и вольтметрам
ГОСТ 9151-75 Эмали марок ГФ-92. Технические условия
ГОСТ 9270-86 Масла и смазки пластичные. Метод определения механических примесей в камере для счисления
ГОСТ 14192-96 Маркировка грузов
ГОСТ 15150-69 Машины, приборы и другие технические изделия. Исполнения для различных климатических районов. Категории, условия эксплуатации, хранения и транспортирования в части воздействия климатических факторов внешней среды
ГОСТ 18321-73 Статистический контроль качества. Методы случайного отбора выборок штучной продукции
ГОСТ 23170-78 Упаковка для изделий машиностроения. Общие требования
ГОСТ 23706-93 Приборы аналоговые показывающие электроизмерительные прямого действия и вспомогательные части к ним. Часть 6. Особые требования к омметрам (приборам для измерения полного сопротивления) и приборам для измерения активной проводимости
ГОСТ 26828-86 Изделия машиностроения и приборостроения. Маркировка
ГОСТ 28379-89 Шпатлевки ЭП-0010 и ЭП-0020. Технические условия
ГОСТ 28498-90 Термометры жидкостные стеклянные. Общие технические требования. Методы испытаний
Примечание. При пользовании настоящим стандартом целесообразно проверить действие ссылочных стандартов в информационной системе общего пользования - на официальном сайте Федерального агентства по техническому регулированию и метрологии в сети Интернет или по ежегодному информационному указателю "Национальные стандарты", который опубликован по состоянию на 1 января текущего года, и по выпускам ежемесячного информационного указателя "Национальные стандарты" за текущий год. Если ссылочный стандарт заменен (изменен), то при пользовании настоящим стандартом следует руководствоваться заменяющим (измененным) стандартом. Если ссылочный стандарт отменен без замены, то положение, в котором дана ссылка на него, применяется в части, не затрагивающей эту ссылку.
3. Конструкция и размеры
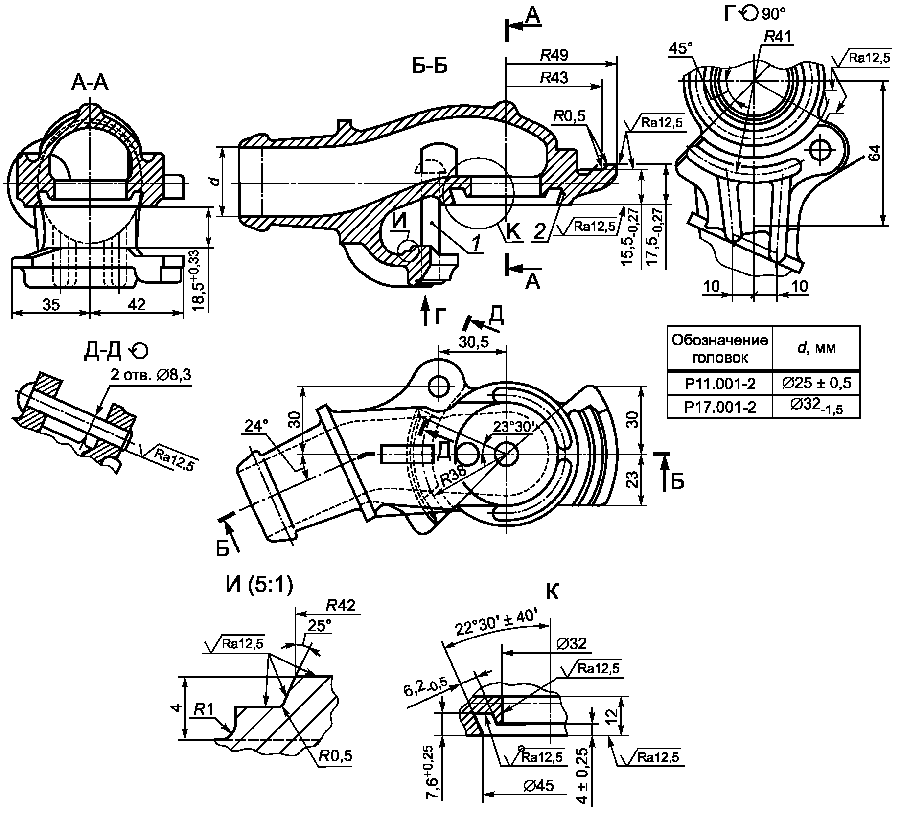
3.1. Конструкция рукавов, их типоразмеры должны соответствовать указанным в таблице 1. По требованию заказчика допускается применение других конструкций и обозначений рукавов типов Р1 и Р2, кроме головок соединительных и наконечника рукавов, указанных на рисунках 1, 2, с присвоением им других обозначений.
Таблица 1
Тип рукава
Типоразмер рукава
Рисунок
Назначение
Р1
Подтип рукава
Р1-1
Р17Б
Разъемное гибкое соединение воздухопроводов смежных единиц подвижного состава с возможностью автоматического саморасцепления от воздействия растягивающего усилия до 800 Н (81,5 кгс)
Р1-2
Р11
Разъемное гибкое соединение воздухопроводов смежных единиц подвижного состава без возможности автоматического саморасцепления под воздействием растягивающих сил
Р12
Р13
Р14
Р16
747
Р2
Р15
Разъемное гибкое соединение пневматических приборов с тормозной системой подвижного состава или промежуточное соединение воздуховодов
Р21
Р23
Р31
Р32
Р34
Р36А
Р36Б
Р36В
Р36Г
Р3
369А
Разъемное гибкое соединение воздухопроводов смежных единиц подвижного состава и разъемное соединение электрических цепей
3.2. Конструкция, габаритные и присоединительные размеры рукавов приведены на рисунках 1 - 11 и в таблице 2.
1 - головка соединительная; 2 - хомутик; 3 - рукав
по ГОСТ 1335; 4 - кольцо КУ по ГОСТ 38; 5 - наконечник
Рисунок 1
1 - головка соединительная; 2 - рукав по ГОСТ 1335;
3 - хомутик; 4 - кольцо КУ по ГОСТ 38
Рисунок 2
1 - наконечник; 2 - хомутик; 3 - рукав по ГОСТ 1335
Рисунок 3
1 - гайка накидная; 2 - наконечник; 3 - хомутик;
4 - рукав по ГОСТ 1335; 5 - чехол защитный; 6 - прокладка
Рисунок 4
1 - гайка соединительная; 2 - гайка накидная;
3 - наконечник; 4 - рукав по ГОСТ 1335; 5 - хомутик;
6 - наконечник; 7 - прокладка
Рисунок 5
1 - гайка накидная; 2 - хомутик; 3 - наконечник;
4 - рукав по ГОСТ 1335
Рисунок 6
1 - гайка соединительная; 2 - гайка накидная;
3 - наконечник; 4 - хомутик; 5 - рукав по ГОСТ 1335;
6 - прокладка
Рисунок 7
1 - ниппель; 2 - контргайка; 3 - наконечник; 4 - хомутик;
5 - рукав по ГОСТ 1335; 6 - наконечник
Рисунок 8
1 - наконечник; 2 - хомутик;
3 - рукав по ГОСТ 1335; 4 - наконечник
Рисунок 9
1 - наконечник; 2 - хомутик; 3 - рукав по ГОСТ 1335
Рисунок 10
--------------------------------
* Размеры для справок.
1 - головка соединительная; 2 - рукав по ГОСТ 1335;
3 - кабель двухпроводный; 4 - хомутик; 5 - наконечник
Рисунок 11
Таблица 2
Тип рукава
Типоразмер рукава
Размер L, мм (пред. откл. +/- 10)
Внутренний диаметр рукава, по ГОСТ 1335, d, мм
Присоединительная резьба по ГОСТ 6357, d1
Р1
Подтип рукава
Р1-1
Р17Б
710
35
Р1-2
Р11
720
28
Р12
860
28
Р13
410
28
Р14
560
28
Р16
760
28
-
747
950
35
Р2
Р15
675
28
Р21
680
25
Р23
980
25
Р31
825
28
Р32
880
25
Р34
885
25
Р36А
510
25
Р36Б
1075
25
Р36В
510
25
Р36Г
700
25
Р3
369А <*>
710
35
<*> Номинальное напряжение электропроводки должно быть 50 В постоянного тока.
Примечание. Допускается изготовление рукавов других размеров "L", отличающихся длиной рукава по ГОСТ 1335 или с защитным чехлом, с присвоением индексов - 01, 02 и т.д.
3.3. Для обеспечения соединения двух смежных рукавов и их взаимозаменяемости конструкция головки соединительной рукавов типа Р1 (кроме типоразмера 747) должна соответствовать указанной на рисунке 12.
1 - заклепка; 2 - головка соединительная
Рисунок 12
3.4. Пример условного обозначения:
- рукав типоразмера 369А, климатического исполнения УХЛ категории размещения 1:
Рукав 369А УХЛ1 ГОСТ 2593-2014
- рукав типоразмера Р17Б, климатического исполнения УХЛ категории размещения 1:
Рукав Р17Б УХЛ1 ГОСТ 2593-2014
4. Технические требования
4.1. Общие требования
4.1.1. Рукава должны соответствовать климатическому исполнению УХЛ1 по ГОСТ 15150 и обеспечивать работоспособность при температуре окружающей среды от минус 60 °C до плюс 60 °C и кратковременно (в течение 4 часов) - до плюс 80 °C.
4.1.2. Рукава должны быть герметичными при давлении сжатого воздуха 1,0+0,1 МПа.
Падение давления свыше 0,01 МПа в течение 60 с не допускается при испытании рукава на соответствие 4.1.1.
4.1.3. Рукава должны выдерживать гидравлическое давление 1,5+0,1 МПа, рукава Р17Б, 747 и 369А - давление 2,0+0,1 МПа.
Срыв деталей (наконечника и головки) при выдержке в течение 2 мин при указанном давлении не допускается.
Для рукавов типоразмеров Р17Б, 369А, 747 допустимый остаточный сдвиг наконечника и головки относительно рукава по ГОСТ 1335 - не более 2,5 мм, для рукавов остальных типоразмеров сдвиг деталей не допускается.
4.1.4. Рукава типоразмера Р17Б, соединенные между собой, должны разъединяться по головкам соединительным при воздействии растягивающего усилия. Максимальное растягивающее усилие при отсутствии давления сжатого воздуха не должно превышать 800 Н (81,5 кгс).
4.1.5. Рукава типа Р3 типоразмера 369А в сцепленном состоянии должны обеспечивать электроконтакт одноименных проводов и сопротивление изоляции между разноименными проводами не менее 10 МОм при напряжении 1000 В.
4.1.6. Рукава типа Р3 типоразмера 369А в разъединенном состоянии должны обеспечивать замыкания концов разноименных проводов в головке и сопротивление изоляции между наконечниками проводов кабеля и корпусом наконечника рукава не менее 10 МОм при напряжении 1000 В.
4.1.7. Два сцепленных рукава типоразмера 369А должны выдерживать в течение 1 мин испытательное напряжение:
- 1500 В частоты 50 Гц - в сухом состоянии;
- 1000 В частоты 50 Гц - после нахождения в водяной ванне в течение 3 мин.
4.1.8. Внутренняя поверхность и канавка наконечников должны быть зачищены от литейного нагара, а поверхности хвостовиков головок и наконечников, сопрягаемые с резиновыми рукавами, - от заливов, наростов, заусенцев и не должны иметь острых кромок. Внутренняя поверхность рукавов должна быть чистой, без заливов.
4.2. Требования к материалам
4.2.1. Материалы, применяемые при изготовлении арматуры присоединительной рукавов, должны соответствовать следующим требованиям по механическим свойствам:
- временное сопротивление разрыву, Н/мм2, - не менее 290 (30);
- относительное удлинение, %, не менее 6;
- твердость по Бринеллю НВ 100 - 163.
При изготовлении присоединительной арматуры рукавов из чугуна микроструктура чугуна должна быть ферритной или ферритно-перлитной с содержанием перлита не более 60%.
Присоединительная арматура рукавов может изготавливаться из ковкого чугуна марок КЧ30-6-Ф, КЧ33-8-Ф, КЧ35-10-Ф по ГОСТ 1215; высокопрочного чугуна ВЧ40, ВЧ45 по ГОСТ 7293. Допускается изготовление наконечников из стали марок 20, 30, 40, 45 по ГОСТ 1050.
4.3. Требования к покрытиям
ИС МЕГАНОРМ: примечание.
Взамен ГОСТ 7409-2009 Приказом Росстандарта от 27.11.2018 N 1035-ст с 1 августа 2019 года введен в действие ГОСТ 7409-2018.
4.3.1. Необработанные поверхности металлических частей рукавов должны быть защищены покрытиями по ГОСТ 7462 или ГОСТ 7409, ГОСТ 9151, ГОСТ 28379.
Внешний вид покрытий необработанных поверхностей - по классу VII ГОСТ 9.032.
4.3.2. Обработанные поверхности деталей рукавов подвергают защитному антикоррозионному покрытию по ГОСТ 9.301.
На металлические поверхности деталей рукавов, не имеющие антикоррозионных покрытий, должна быть нанесена защитная смазка.
Смазка должна удовлетворять техническим требованиям, указанным в таблице 3.
Таблица 3
Наименование показателя, ед. измерения
Показатель
Методы испытаний
Рабочий диапазон температур, °C
От минус 60 до плюс 120
-
Внешний вид
Однородная мягкая мазь от светло-серого до светло-зеленого цвета
-
Температура каплепадения, °C, не менее
200
Пенетрация при 25 °C, мм·10-1
260 - 330
Коллоидная стабильность при P = 200 г, % выделенного масла, не более
12
Предел прочности при 50 °C, Па, в пределах
100 - 350
ГОСТ 7143, метод "Б"
Содержание воды, % масс.
Отсутствие
Вязкость эффективная при минус 55 °C и среднем градиенте скорости деформации 10 с-1, Па·с, не более
1600
ГОСТ 7163
Коррозионное воздействие на металлы
Не оказывает
Содержание механических примесей диаметром более 0,125 мм
Отсутствие
Содержание свободной щелочи в пересчете на NaOH, %, не более
0,5
Изменение массы резины в течение 24 часов при 70 °C, в пределах, %
+/- 3
4.4. Показатели надежности
4.4.1. Средняя наработка до отказа за гарантийный период - 120000 циклов торможений.
Критерии отказов:
- нарушения герметичности;
- поломка деталей рукава;
- нарушение прочности резинового рукава по ГОСТ 1335;
- нарушение сопротивления изоляции проводов кабеля (для рукава 369А);
- нарушение электрической цепи контакта для рукава 369А.
4.4.2. Назначенный срок службы рукавов - 5 лет со дня ввода в эксплуатацию. По истечении назначенного срока службы рукавов их эксплуатация должна быть прекращена. Решение о возможности дальнейшей эксплуатации может быть принято по результатам обследования технического состояния каждого рукава.
4.5. Требования к маркировке
4.5.1. Каждый рукав должен иметь маркировку, содержащую:
- единый знак обращения на рынке <*>;
- условный номер предприятия-изготовителя;
- месяц и год изготовления (арабскими цифрами);
- типоразмер рукава;
- клеймо службы технического контроля.
--------------------------------
<*> Для стран Таможенного союза.
4.5.2. Маркировку производят на бирке, установленной под гайку болта крепления хомутика гравированием по ГОСТ 2.314.
Маркировку наносят шрифтом 5-Пр3 по ГОСТ 26.020.
Клеймо службы технического контроля наносят на резиновый рукав методом штамповки.
Способ нанесения маркировки должен обеспечивать ее четкость и сохранность в течение всего срока службы рукавов. Остальные требования - по ГОСТ 26828.
4.5.3. Транспортная маркировка грузов - в соответствии с ГОСТ 14192 и договором (контрактом на поставку).
4.6. Комплектность
4.6.1. В комплект поставки должны входить:
- рукав;
- паспорт на партию рукавов - по ГОСТ 2.601.
4.6.2. Партия поставляемых рукавов должна сопровождаться документами, содержащими:
- наименование и (или) товарный знак предприятия-изготовителя;
- условное обозначение рукава;
- дату отгрузки;
- количество рукавов в партии.
4.7. Упаковка
4.7.1. Перед упаковкой обработанные металлические части рукавов должны быть покрыты смазкой (4.3.2). Попадание смазки на уплотнительные элементы браковочным признаком не является.
4.7.2. Рукава типа Р1 должны быть связаны или упакованы пачками не более пяти штук, типа Р2 - не более десяти штук, а рукава типа Р3 должны быть упакованы в тару.
4.7.3. Сопроводительная документация должна быть упакована по ГОСТ 23170.
5. Требования безопасности труда и охраны окружающей среды
5.1. Установку и замену рукавов на подвижном составе следует проводить при отключенных источниках сжатого воздуха и электропитания.
5.2. Утилизация рукавов должна проводиться в местах, согласованных санитарно-эпидемиологической службой.
6. Правила приемки
6.1. Для контроля соответствия рукавов требованиям настоящего стандарта проводят приемосдаточные, периодические и типовые испытания. Основные положения и виды испытаний - по ГОСТ 15.309.
6.2. Приемосдаточные испытания
6.2.1. При приемо-сдаточных испытаниях подвергают проверке каждый рукав на соответствие 3.2 (по условиям 7.1), 4.1.2 (по методу контроля 7.4), 4.1.5, 4.1.6, 4.1.7, 4.5, 4.6.
Испытаниям на соответствие 4.1.3, 4.1.4 подвергают 1% рукавов от партии, но не менее одного рукава.
Размер партии - количество рукавов, изготовленных за смену.
6.2.2. На каждый рукав принятой партии наносят клеймо службы технического контроля изготовителя.
6.3. Периодические испытания
6.3.1. Периодическим испытаниям подвергают рукава из партии, выдержавшей приемосдаточные испытания. Периодические испытания проводят два раза в год на двух рукавах каждого типа на соответствие 4.1.2 (по методу контроля 7.10) и 3.2 (размеры L и d1 по методу контроля 7.3.1).
6.4. Типовые испытания
6.4.1. Типовым испытаниям подвергают рукава, выдержавшие приемосдаточные испытания, после внесения в конструкцию или технологию их производства изменений, которые могут повлиять на технические характеристики.
6.5. При постановке на производство испытания на работоспособность рукавов при температуре плюс 80 °C (с выдержкой при этой температуре не менее 4 часов) проводят на рукавах в количестве не менее пяти штук.
6.6. Результаты приемосдаточных испытаний оформляют протоколом или отражают в журнале; результаты периодических испытаний - актом и протоколом, который должен отражать также и результаты приемосдаточных испытаний. Результаты типовых испытаний оформляют актом с приложением протокола испытаний. Результаты проверки на работоспособность при температуре плюс 80 °C оформляют протоколом и актом.
6.7. Результаты испытаний считают отрицательными, а рукава не выдержавшими испытания, если в ходе испытаний установлено несоответствие рукава хотя бы одному требованию, заданному для испытаний данной категории.
6.8. В целях обязательного подтверждения соответствия испытаниям подвергают по два рукава каждого типа.
6.9. Отбор образцов проводят методом случайного отбора по ГОСТ 18321 от партии рукавов.
7. Методы контроля
7.1. Приемосдаточные, типовые испытания проводят при температуре (25 +/- 10) °C рабочего помещения.
7.2. Покрытия (4.3), маркировку (4.5), состояние поверхностей головок и наконечников (4.1.8) следует проверять визуально.
7.3. Контроль линейных размеров (3.2) проводят линейкой по ГОСТ 427 и штангенциркулем по ГОСТ 166 или другими средствами с погрешностью измерений +/- 0,5 мм. При наличии в конструкции рукавов резьбовых соединений контроль размеров d1 (таблица 2) проводят резьбовыми калибрами.
7.3.1. Периодические испытания проводят в два этапа:
- при температуре окружающей среды рабочего помещения;
- климатические испытания.
На первом этапе контролируют размеры L и d1 (3.2).
На втором этапе испытания проводят при температуре от минус 57 °C до минус 60 °C на соответствие 4.1.2 (по методу контроля 7.10).
7.4. Испытания рукавов на герметичность (4.1.2) проводят в водяной ванне при давлении сжатого воздуха 1,0+0,1 МПа. Один конец рукава заглушают, а другой присоединяют к источнику сжатого воздуха, при этом в течение 1 мин не должны появиться пузырьки воздуха. Допускается наличие пузырьков воздуха, если при выдержке рукава в водяной ванне не более 10 минут их появление прекращается.
7.5. Проверку электрического контакта одноименных проводов сцепленных рукавов (4.1.5) проводят напряжением 50 В постоянного тока по схеме в соответствии с Приложением А. Допускается для проверки контактов использовать напряжение переменного тока 36 В.
7.6. Контроль напряжения (4.1.5 - 4.1.7) проводят вольтметрами с пределами измерений до 75 и 2000 В класса точности не ниже 1,5 по ГОСТ 8711.
7.7. Контроль замыкания концов разноименных проводов (4.1.6) проводят напряжением не более 36 В переменного тока или 50 В постоянного тока по схеме в соответствии с Приложением Б.
Контроль электрического контакта и замыкания концов разноименных проводов проводят визуально по загоранию электрической лампы.
7.8. Контроль сопротивления изоляции (4.1.5, 4.1.6) проводят по схемам в соответствии с Приложениями В и Г мегомметром напряжением до 1000 В по ГОСТ 23706.
7.9. Устойчивость рукава к испытательному напряжению (4.1.7) контролируют следующим образом: наконечники электрического кабеля диаметром 6,1 мм одного рукава и 8,1 мм другого подключают к клеммам источника переменного тока. При достижении испытательного напряжения рукава выдерживают в течение 1 мин.
7.10. Испытания рукавов на соответствие (4.1.1) проводят в климатической камере при температуре от минус 57 °C до минус 60 °C (4.1.2) после выдержки испытываемых рукавов при вышеуказанной температуре не менее 4 ч. Один конец рукава заглушают, а другой присоединяют к источнику сжатого воздуха давлением 1,0+0,1 МПа. Отключают рукав от источника сжатого воздуха и фиксируют изменение давления в нем.
7.11. При испытании рукавов на прочность (4.1.3) один конец рукава заглушают, другой присоединяют к водяной магистрали давлением 2,0+0,1 МПа для рукавов типоразмеров Р17Б, 369А, 747 и давлением 1,5+0,1 МПа для остальных типоразмеров рукавов. Время выдержки под давлением - 2 мин, после чего давление сбрасывают.
7.12. Контроль давления при испытаниях рукавов на герметичность (4.1.2) и прочность (4.1.3) следует проводить манометрами по ГОСТ 2405 с пределами измерений соответственно:
1,6 МПа - класса точности не ниже 0,6;
2,5 МПа - класса точности не ниже 0,6.
Допускается контроль проводить другими средствами измерений класса точности не ниже 0,6.
При использовании средств измерений для контроля давления сжатого воздуха с единицей измерения кгс/см2 перевод МПа в кгс/см2 производить с точностью до 2%.
7.13. Допускается испытания на прочность и герметичность проводить без электрического кабеля рукава 369А.
7.14. Испытание рукавов типоразмера Р17Б на разъединение (4.1.4) проводят на специальном испытательном оборудовании. Один конец двух сцепленных рукавов присоединяют к неподвижному кронштейну испытательного оборудования, а другой - к подвижному и продольным растягивающим усилием разъединяют рукава. Фиксируют усилие разъединения на подвижном кронштейне.
7.15. Контроль времени при испытании на герметичность (7.10) проводят средствами измерений с погрешностью не более 1 с.
7.16. Контроль температуры в климатической камере проводят термометром по ГОСТ 28498 или другими средствами измерений класса точности не ниже 1,5.
7.17. При контроле показателей надежности (4.4.1) рукава подвергают воздействию динамической нагрузки путем циклического изменения в них давления сжатого воздуха от нуля до 0,65 МПа. Продолжительность каждого цикла - до 10 сек. По достижении наработки 120000 циклов изменения давления испытания прекращают и проводят визуальный осмотр рукавов.
После этого проводят испытания рукавов на соответствие 4.1.2 и 4.1.3.
7.18. Соответствие применяемых при изготовлении рукавов материалов (4.2, 4.3) установленным требованиям контролируют по сертификатам качества.
7.19. Применяемые средства измерений должны быть утвержденного типа и поверены/калиброваны, а испытательное оборудование - аттестовано.
8. Транспортирование и хранение
8.1. Рукава транспортируют любым видом крытого транспорта при соблюдении правил перевозок грузов, действующих на транспорте конкретного вида. В процессе погрузки и разгрузки соединительные головки рукавов следует оберегать от соударений.
8.2. Рукава следует хранить в сухих помещениях на стеллажах, которые должны быть расположены на расстоянии не менее 1 м от теплоизлучающих приборов. Не допускается попадание на рукава прямых солнечных лучей.
8.3. Не допускается хранение рукавов в помещениях с наличием в воздухе паров кислот, щелочей и других агрессивных примесей, разрушающе действующих на резиновые детали и лакокрасочные покрытия.
8.4. При хранении свыше 12 месяцев рукава подлежат осмотру. При обнаружении коррозии необходимо ее удалить, а поверхности повторно обработать смазками по 4.3.2.
8.5. Условия хранения рукавов - в соответствии с группой 2(С) по ГОСТ 15150.
9. Указания по эксплуатации
9.1. Допускается на время регулировки предохранительных клапанов локомотивов повышение давления сжатого воздуха до 1,2 МПа.
9.2. В процессе эксплуатации рукава подлежат техническому обслуживанию и ремонту. Резиновые уплотнительные кольца и прокладки подлежат замене не реже одного раза в три года, а рукава по ГОСТ 1335 - не реже одного раза в пять лет от даты их изготовления.
10. Гарантии изготовителя
10.1. Изготовитель гарантирует соответствие рукавов требованиям настоящего стандарта при соблюдении правил транспортирования, хранения и эксплуатации.
10.2. Гарантийный срок устанавливается договором между изготовителем и заказчиком, но не менее 4 лет со дня отгрузки заказчику.
10.3. Гарантийный срок хранения рукавов без переконсервации - один год.
Приложение А
(обязательное)
СХЕМА
ПРОВЕРКИ ЭЛЕКТРИЧЕСКОГО КОНТАКТА
ОДНОИМЕННЫХ ПРОВОДОВ СЦЕПЛЕННЫХ РУКАВОВ
1, 2 - жила кабеля
Рисунок А.1
Приложение Б
(обязательное)
СХЕМА
ПРОВЕРКИ ЗАМЫКАНИЯ КОНЦОВ РАЗНОИМЕННЫХ ПРОВОДОВ
1, 2 - жила кабеля
Рисунок Б.1
Приложение В
(обязательное)
СХЕМА
ПРОВЕРКИ СОПРОТИВЛЕНИЯ ИЗОЛЯЦИИ
РАЗНОИМЕННЫХ ПРОВОДОВ СЦЕПЛЕННЫХ РУКАВОВ
1, 2 - жила кабеля; 3 - мегомметр
Рисунок В.1
Приложение Г
(обязательное)
СХЕМА
ПРОВЕРКИ СОПРОТИВЛЕНИЯ МЕЖДУ НАКОНЕЧНИКАМИ
ПРОВОДОВ КАБЕЛЯ И КОРПУСОМ НАКОНЕЧНИКА
1, 2 - жила кабеля; 3 - наконечник рукава; 4 - мегомметр
Рисунок Г.1