Главная // Актуальные документы // ГОСТ Р (Государственный стандарт)СПРАВКА
Источник публикации
М.: ФГБУ "РСТ", 2021
Примечание к документу
Документ
введен в действие с 01.08.2021.
Название документа
"ГОСТ Р 59301-2021. Национальный стандарт Российской Федерации. Дороги автомобильные общего пользования. Смеси бетонные для устройства слоев оснований и покрытий. Методы испытаний"
(утв. и введен в действие Приказом Росстандарта от 21.07.2021 N 646-ст)
"ГОСТ Р 59301-2021. Национальный стандарт Российской Федерации. Дороги автомобильные общего пользования. Смеси бетонные для устройства слоев оснований и покрытий. Методы испытаний"
(утв. и введен в действие Приказом Росстандарта от 21.07.2021 N 646-ст)
Утвержден и введен в действие
Приказом Федерального
агентства по техническому
регулированию и метрологии
от 21 июля 2021 г. N 646-ст
НАЦИОНАЛЬНЫЙ СТАНДАРТ РОССИЙСКОЙ ФЕДЕРАЦИИ
ДОРОГИ АВТОМОБИЛЬНЫЕ ОБЩЕГО ПОЛЬЗОВАНИЯ
СМЕСИ БЕТОННЫЕ ДЛЯ УСТРОЙСТВА
СЛОЕВ ОСНОВАНИЙ И ПОКРЫТИЙ
МЕТОДЫ ИСПЫТАНИЙ
Automobile roads of general use.
Concrete mixes for the establishment of layers of the bases
and coverings. Methods of testing
ГОСТ Р 59301-2021
Дата введения
1 августа 2021 года
1 РАЗРАБОТАН Федеральным автономным учреждением "Российский дорожный научно-исследовательский институт" (ФАУ "РОСДОРНИИ") Министерства транспорта Российской Федерации
2 ВНЕСЕН Техническим комитетом по стандартизации ТК 418 "Дорожное хозяйство"
3 УТВЕРЖДЕН И ВВЕДЕН В ДЕЙСТВИЕ Приказом Федерального агентства по техническому регулированию и метрологии от 21 июля 2021 г. N 646-ст
4 ВВЕДЕН ВПЕРВЫЕ
Правила применения настоящего стандарта установлены в статье 26 Федерального закона от 29 июня 2015 г. N 162-ФЗ "О стандартизации в Российской Федерации". Информация об изменениях к настоящему стандарту публикуется в ежегодном (по состоянию на 1 января текущего года) информационном указателе "Национальные стандарты", а официальный текст изменений и поправок - в ежемесячном информационном указателе "Национальные стандарты". В случае пересмотра (замены) или отмены настоящего стандарта соответствующее уведомление будет опубликовано в ближайшем выпуске ежемесячного информационного указателя "Национальные стандарты". Соответствующая информация, уведомление и тексты размещаются также в информационной системе общего пользования - на официальном сайте Федерального агентства по техническому регулированию и метрологии в сети Интернет (www.gost.ru)
Настоящий стандарт распространяется на бетонные смеси крупнозернистого и мелкозернистого тяжелых дорожных бетонов, изготовляемых в соответствии с
ГОСТ Р 59300, и устанавливает правила отбора проб, методы определения удобоукладываемости, средней плотности, пористости, расслаиваемости, температуры и сохраняемости свойств бетонной смеси.
Настоящий стандарт не распространяется на бетонные смеси крупнопористого и ячеистого бетонов, полистиролбетона и самоуплотняющиеся бетонные смеси.
В настоящем стандарте использованы нормативные ссылки на следующие стандарты:
ГОСТ 12.1.007 Система стандартов безопасности труда. Вредные вещества. Классификация и общие требования безопасности
ГОСТ 12.4.252 Система стандартов безопасности труда. Средства индивидуальной защиты рук. Перчатки. Общие технические требования. Методы испытаний
ГОСТ 427 Линейки измерительные металлические. Технические условия
ГОСТ 1770 Посуда мерная лабораторная стеклянная. Цилиндры, мензурки, колбы, пробирки. Общие технические условия
ГОСТ 2789 Шероховатость поверхности. Параметры и характеристики
ГОСТ 10180 Бетоны. Методы определения прочности по контрольным образцам
ГОСТ 13646 Термометры стеклянные ртутные для точных измерений. Технические условия
ГОСТ 22685 Формы для изготовления контрольных образцов бетона. Технические условия
ГОСТ 32703 Дороги автомобильные общего пользования. Щебень и гравий из горных пород. Технические требования
ГОСТ 32722 Дороги автомобильные общего пользования. Песок природный и дробленый. Определение истинной плотности
ГОСТ 33057 Дороги автомобильные общего пользования. Щебень и гравий из горных пород. Определение средней и истинной плотности, пористости и водопоглощения
ГОСТ Р 8.568 Государственная система обеспечения единства измерений. Аттестация испытательного оборудования. Основные положения
ГОСТ Р 12.1.019 Система стандартов безопасности труда. Электробезопасность. Общие требования и номенклатура видов защиты
ГОСТ Р 53228 Весы неавтоматического действия. Часть 1. Метрологические и технические требования
ГОСТ Р 58401.16 Дороги автомобильные общего пользования. Смеси асфальтобетонные дорожные и асфальтобетон. Методы определения максимальной плотности
ГОСТ Р 58515 Кельмы, лопатки и отрезовки. Технические условия
ГОСТ Р 59300-2021 Дороги автомобильные общего пользования. Смеси бетонные для устройства слоев оснований и покрытий. Технические условия
Примечание - При пользовании настоящим стандартом целесообразно проверить действие ссылочных стандартов в информационной системе общего пользования - на официальном сайте Федерального агентства по техническому регулированию и метрологии в сети Интернет или по ежегодному информационному указателю "Национальные стандарты", который опубликован по состоянию на 1 января текущего года, и по выпускам ежемесячного информационного указателя "Национальные стандарты" за текущий год. Если заменен ссылочный стандарт, на который дана недатированная ссылка, то рекомендуется использовать действующую версию этого стандарта с учетом всех внесенных в данную версию изменений. Если заменен ссылочный стандарт, на который дана датированная ссылка, то рекомендуется использовать версию этого стандарта с указанным выше годом утверждения (принятия). Если после утверждения настоящего стандарта в ссылочный стандарт, на который дана датированная ссылка, внесено изменение, затрагивающее положение, на которое дана ссылка, то это положение рекомендуется применять без учета данного изменения. Если ссылочный стандарт отменен без замены, то положение, в котором дана ссылка на него, рекомендуется применять в части, не затрагивающей эту ссылку.
3 Правила отбора проб и проведения испытаний
3.1 Место отбора проб бетонной смеси:
- при определении характеристик во время проверки на соответствие заданным требованиям - из смесительного узла или лабораторного смесителя;
- дальнейших испытаниях смеси - на месте укладки для учета влияния условий транспортирования.
3.2 Пробы бетонной смеси для испытания при производственном контроле следует отбирать:
- при отпуске товарной бетонной смеси - на месте ее приготовления через 5 мин после ее выгрузки из смесителя в транспортное средство;
- производстве сборных изделий и монолитных конструкций - на месте укладки бетонной смеси;
- входном контроле качества бетонной смеси при изготовлении монолитных конструкций - из автобетоносмесителя после 5 мин перемешивания, но не позднее 20 мин после доставки.
3.3 Пробу бетонной смеси для испытаний на месте укладки отбирают перед началом бетонирования. Отбор пробы из автобетоносмесителя проводят за один прием. Характеристики смеси определяют на основании усредненной пробы или пробы, взятой способом случайной выборки.
3.4 При транспортировании с помощью самосвала отбор пробы проводят из кузова самосвала на месте укладки.
Для испытаний необходимо отобрать одну объединенную пробу, составленную из точечных проб. В зависимости от объема поставляемой партии отбирают три-четыре точечные пробы для одной объединенной пробы. Перед началом выполнения испытаний объединенную пробу тщательно перемешивают. Бетонные смеси, содержащие воздухововлекающие и газообразующие добавки, перед формованием образцов не следует дополнительно перемешивать. Объем пробы бетонной смеси должен превышать требуемый для выполнения всех необходимых тестов испытаний не менее чем в 1,2 раза. При отборе точечных проб из кузова автосамосвала в месте отбора предварительно снимают верхний слой смеси толщиной не менее 5 см.
3.5 Объем отобранной пробы должен обеспечивать не менее двух определений всех нормируемых и контролируемых показателей качества бетонной смеси.
3.6 Испытание бетонной смеси и изготовление контрольных образцов бетона должно быть начато не позднее, чем через 10 мин, и закончено не позднее, чем через 30 мин после отбора пробы.
3.7 Температура бетонной смеси от момента отбора пробы до момента окончания испытания не должна изменяться более чем на 5 °C.
3.8 Условия хранения пробы бетонной смеси после ее отбора до момента испытания должны исключать потерю влаги или увлажнение.
3.9 Взвешивание образцов, изготовленных из проб бетонной смеси, следует проводить с погрешностью не более 5 г.
3.10 Аттестацию испытательного оборудования следует проводить в соответствии с
ГОСТ Р 8.568.
3.11 Поверку средств измерений следует проводить в соответствии с
[1].
3.12 Результаты определения нормируемых и контролируемых показателей качества бетонной смеси должны быть занесены в журнал, в котором указывают:
- наименование организации-изготовителя и поставщика бетонной смеси;
- место отбора пробы;
- дату и время испытания;
- температуру бетонной смеси;
- результаты частных определений отдельных показателей качества бетонной смеси и средние результаты по каждому показателю;
- подпись ответственного лица, проводившего испытания.
3.13 При определении свойств бетонных смесей допускается применение других приборов и оборудования кроме приведенных в настоящем стандарте в случаях, если они соответствуют требованиям настоящего стандарта по точности и чувствительности.
Методика оценки точности и чувствительности альтернативного прибора для определения удобоукладываемости бетонной смеси приведена в ГОСТ 10181-2014
(приложение А).
3.14 Методы определения свойств бетонных смесей и применяемые при этом приборы и оборудование по
разделам 4 -
7 используют для испытания бетонных смесей с крупным заполнителем, максимальный размер зерен которого не превышает 45 мм. При применении бетонных смесей с заполнителем, максимальный размер зерен которого превышает 45 мм, следует испытывать с учетом специальных требований и ограничений в соответствии с настоящим стандартом.
4 Определение удобоукладываемости бетонной смеси по показателям подвижности, жесткости и степени уплотняемости
4.1 Определение подвижности бетонной смеси по осадке конуса
4.1.1 Общие положения
Сущность метода заключается в определении подвижности бетонной смеси по осадке конуса-формы (ОК), отформованного из бетонной смеси
(рисунок 1).
Рисунок 1 - Общий вид прибора и схема определения
подвижности бетонной смеси по осадке конуса, отформованного
из бетонной смеси марок П1, П2, П3, П4, П5
4.1.2 Условия проведения испытаний
4.1.2.1 Испытание допускается проводить при естественных погодных условиях. При этом следует исключить влияние атмосферных осадков и ветра на бетонную смесь.
4.1.2.2 Общее время испытания с начала заполнения конуса бетонной смесью при первом определении и до момента измерения осадки конуса при втором определении не должно превышать 10 мин.
4.1.2.3 Метод применяют для бетонной смеси с осадкой конуса от 10 до 250 мм. Для бетонной смеси, имеющей значения осадки конуса, превышающие указанные, приведенный метод не применим. В этом случае подвижность бетонной смеси определяют другими методами.
4.1.2.4 Данный метод не применяют, если осадка конуса продолжает меняться спустя 60 с после снятия конуса, а также если максимальный размер заполнителя бетона превышает 45 мм.
4.1.3 Средства испытаний
4.1.3.1 Конус для приготовления пробы для испытаний изготавливают из металла, устойчивого к воздействию цементного теста толщиной не менее 2,0 мм. Внутренняя поверхность формы должна быть гладкой, без выступов и впадин и иметь шероховатость не более 40 мкм по
ГОСТ 2789. Форма должна быть выполнена в виде полого конуса с внутренними размерами в соответствии с
таблицей 1.
Таблица 1
Наименование конуса | Внутренний размер конуса, мм |
d | D | H |
Нормальный | 100 | 200 | 300 |
Увеличенный | 150 | 300 | 450 |
Примечание - Допустимое отклонение заданного значения всех размеров конуса не должно быть более +/- 2 мм. |
Для определения подвижности бетонной смеси с зернами заполнителя наибольшей крупностью до 45 мм включительно применяют нормальный конус, с зернами наибольшей крупностью более 45 мм - увеличенный.
4.1.3.2 Основание и верхняя часть формы должны быть открытыми, параллельными друг другу и расположенными под прямым углом к оси конуса. Форму оснащают двумя ручками в верхней части и зажимными приспособлениями у основания для обеспечения устойчивости. Допускается использовать форму, зафиксированную на основании, при условии возможности освобождения зажимного приспособления без движения формы или вмешательства в процесс осадки.
4.1.3.3 Штыковка с круглым поперечным сечением, прямая, с закругленными концами, изготовленная из стали, диаметром (16 +/- 1) мм и длиной (600 +/- 5) мм.
4.1.3.4 Загрузочная воронка (при необходимости), выполненная из водонепроницаемого материала, устойчивого к кратковременному воздействию цементного теста, с раструбным соединением, обеспечивающим возможность расположения воронки на конусе формы.
4.1.3.5 Линейка с диапазоном измерения от 0 до 300 мм и ценой деления не более 5 мм (нулевое значение шкалы совпадает с торцом линейки) по
ГОСТ 427.
4.1.3.6 Гладкий, жесткий опорный лист размерами не менее (70 +/- 2) x (70 +/- 2) см, изготовленный из водонепроницаемого материала (металла, пластмассы и т.п.), на котором размещают конус. Конус изготавливают из листовой стали толщиной (2,0 +/- 0,1) мм.
4.1.3.7 Емкость для смешивания компонентов бетонной смеси (боек), неглубокая, жесткая, изготовленная из водонепроницаемого материала, который устойчив к кратковременному контакту с цементным тестом. Емкость должна иметь достаточные размеры для тщательного перемешивания бетонной смеси с помощью совковой прямоугольной лопаты.
4.1.3.8 Совок шириной до 100 мм и кельма типа КБ по
ГОСТ 9533.
4.1.3.9 Секундомер или часы с точностью измерения 1 с.
4.1.3.10 Лопата прямоугольной формы.
4.1.4 Подготовка к проведению испытания
При подготовке конуса и приспособлений к испытаниям все соприкасающиеся с бетонной смесью поверхности следует очистить и увлажнить.
4.1.5 Проведение испытания
4.1.5.1 Конус устанавливают на гладкий горизонтальный металлический лист и заполняют бетонной смесью марок П1, П2 или П3 через воронку в три слоя одинаковой высоты. Каждый слой уплотняют штыкованием металлическим стержнем (штыковкой) в нормальном конусе 25 раз, а в увеличенном - 56 раз. Удары распределяют равномерно по поперечному сечению каждого слоя. Для уплотнения нижнего слоя требуется незначительный наклон штыковки, и половина ударов должна выполняться по спирали к центру. Нижний слой нужно уплотнять по всей толщине, причем нужно обращать внимание на то, чтобы штыковка не касалась основания. Средний и верхний слои уплотняют по всей глубине таким образом, чтобы удары проникали в нижележащий слой. Перед заполнением и уплотнением верхнего слоя бетонную смесь накладывают выше верхнего края конуса. Если в процессе уплотнения происходит оседание бетонной смеси ниже верхнего края конуса, то для постоянного поддержания уровня смеси над верхней частью конуса добавляют бетонную смесь. После уплотнения верхнего слоя с поверхности бетонной смеси снимают излишки смеси.
Бетонной смесью марок П4 и П5 конус заполняют в один прием и штыкуют в нормальном конусе 10 раз, в увеличенном - 20 раз. Конус во время заполнения и штыкования должен быть плотно прижат или прикреплен к листу.
4.1.5.2 После уплотнения бетонной смеси снимают загрузочную воронку, избыток смеси срезают кельмой вровень с верхними краями конуса и заглаживают поверхность бетонной смеси. Время от начала заполнения конуса до его снятия не должно превышать 3 мин.
4.1.5.3 Конус плавно снимают с отформованной бетонной смеси в вертикальном направлении без его поперечного и вращающего движения и устанавливают рядом с ней. Время, затраченное на подъем конуса, должно составлять от 5 до 7 с.
Результаты испытаний считают положительными только при получении равномерной осадки, т.е. осадки, при которой испытуемая проба бетонной смеси в виде конуса является в большей степени несдвинутой и симметричной относительно вертикальной оси. Более того, если после снятия конуса бетонная смесь сильно деформируется (разваливается) или приобретает форму, затрудняющую определение ее усадки, измерение не выполняют, а повторяют испытания на новой порции бетонной смеси.
4.1.5.4 Непосредственно после снятия формы измеряют осадку конуса бетонной смеси, укладывая гладкий стержень на верхнюю поверхность конуса и измеряя расстояние от нижней поверхности стержня до наивысшей точки осевшей испытуемой пробы бетонной смеси.
Величину осадки конуса бетонной смеси, определенную в увеличенном конусе, умножают на коэффициент 0,67, приводя ее к осадке нормального конуса.
4.1.5.5 Осадку конуса бетонной смеси определяют два раза.
4.1.6 Обработка результатов испытаний
4.1.6.1 Осадку конуса бетонной смеси одной пробы вычисляют с округлением до 1,0 см как среднеарифметическое значение результатов двух определений, отличающихся между собой не более чем:
- на 1 см при осадке конуса до 9 см включительно;
- на 2 см при осадке конуса от 10 до 15 см;
- на 3 см при осадке конуса от 16 см и более.
При большем расхождении результатов, указанных выше, испытание повторяют на новой порции бетонной смеси той же пробы.
4.1.6.2 Марку бетонной смеси по удобоукладываемости определяют в соответствии с
таблицей 1 ГОСТ Р 59300-2021.
4.1.7 Оформление результатов испытаний
Регистрация результатов испытания должна быть оформлена протоколом, который должен содержать:
- условное обозначение бетонной смеси;
- наименование испытуемой пробы;
- место проведения испытания;
- дату проведения испытания;
- внешние условия проведения испытания;
- результаты испытания;
- подпись ответственного лица, проводившего испытания.
4.2 Определение жесткости бетонной смеси
4.2.1 Общие положения
4.2.1.1 Если подвижность бетонной смеси по осадке конуса равна 0, то в этом случае устанавливают жесткость бетонной смеси.
4.2.1.2 Марка бетонной смеси по жесткости определяется временем вибрации в секундах, необходимых для выравнивания бетонной смеси и появления цементного теста в отверстиях прибора по методам Вебе и прибора Красного или по выравниванию поверхности бетонной смеси по методу Скрамтаева в соответствии с
ГОСТ Р 59300.
4.2.1.3 Все данные методы обеспечивают (гарантируют) сопоставимость результатов определений марки по жесткости, полученных при использовании данных методов. При расхождении результатов определений показателя жесткости в качестве арбитражного или поверочного следует использовать метод Вебе.
4.2.2 Условия проведения испытаний
4.2.2.1 Испытание допускается проводить при естественных погодных условиях. При этом следует исключить влияние атмосферных осадков и ветра на бетонную смесь.
4.2.2.2 Общее время испытания с начала заполнения конуса или формы бетонной смесью при первом определении и до момента окончания вибрирования при втором определении не должно превышать 10 мин.
4.2.3 Средства испытаний
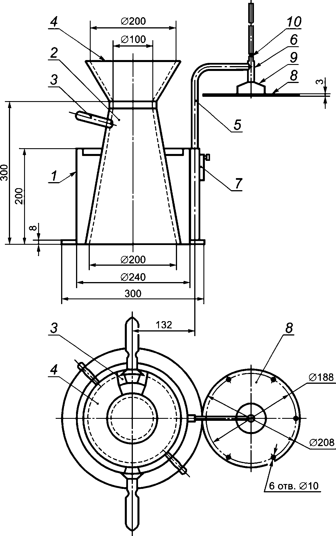
4.2.3.1 Прибор Вебе
(рисунок 2). Конструктивные элементы прибора - цилиндрический контейнер
1, конус
2, воронку
4, диск
8, шайбу
9 и штангу
10 прибора Вебе изготовляют из листовой стали. Кольцо-держатель
3 и конус
2 должны иметь гладкую внутреннюю поверхность, степень шероховатости не должна быть более 40 мкм по
ГОСТ 2789. Общая масса диска, штанги и шайбы должна быть (2750 +/- 50) г.
1 - цилиндрический контейнер с фланцем в основании высотой
20 см, диаметром 24 см; 2 - стандартный конус;
3 - кольцо-держатель с ручками; 4 - загрузочная воронка;
5 - штатив; 6 - направляющая втулка; 7 - фиксирующая втулка;
8 - прозрачный пластиковый горизонтальный диск диаметром
23 см с шестью отверстиями; 9 - стальная шайба; 10 - штанга
Рисунок 2 - Общий вид и конструктивная схема прибора Вебе
4.2.3.2 Прибор Красного
(рисунок 3) и металлическая форма ФК-100, ФК-150 или ФК-200 по
ГОСТ 22685. Прибор Красного изготовляют из стали с шероховатостью поверхности не более 40 мкм по
ГОСТ 2789. Отклонение толщины диска и диаметра отверстий прибора не должно превышать +/- 0,1 мм, остальных размеров - +/- 0,2 мм. Общая масса прибора должна составлять (435 +/- 15) г, диаметр диска 95 мм.
Рисунок 3 - Общий вид и конструктивная схема
прибора Красного
4.2.3.3 Конус для метода Скрамтаева (размеры приведены в
таблице 1) и металлическая форма ФК-200 по
ГОСТ 22685. Прибор Красного изготовляют из стали с шероховатостью поверхности не более 40 мкм по
ГОСТ 2789. Отклонение толщины диска и диаметра отверстий прибора не должно превышать +/- 0,1 мм, остальных размеров - +/- 0,2 мм. Общая масса прибора должна составлять (435 +/- 15) г, диаметр диска 95 мм.
4.2.3.4 Секундомер или часы согласно
ГОСТ Р 57810 с точностью измерения до 0,5 с.
4.2.3.5 Прямой металлический гладкий стержень диаметром 16 мм, длиной 600 мм с округленными концами.
4.2.3.6 Загрузочная воронка.
4.2.3.7 Герметически закрытые емкости для проб вместимостью до 20 дм3.
4.2.3.9 Универсальная лабораторная виброплощадка.
4.2.3.10 Емкость цилиндрической формы. Изготавливается из металла внутренним диаметром (240 +/- 5) мм и высотой (200 +/- 2) мм. Толщина стенки должна быть (3 +/- 0,1) мм, толщина основания - (7,5 +/- 0,2) мм, диаметр основания - (200 +/- 2) мм, диаметр верхней части - (100 +/- 2) мм, высота - (300 +/- 2) мм.
4.2.3.11 Лабораторная виброплощадка. Технические характеристики:
- частота колебаний стола (2900 +/- 100) об/мин;
- амплитуда вертикальных колебаний стола с пустой емкостью - (0,5 +/- 0,05) мм.
4.2.4 Проведение испытаний
4.2.4.1 Метод Вебе
а) Подготовка к проведению испытания
Прибор собирают и закрепляют на виброплощадке. Прибор Вебе жестко крепится к столу виброплощадки.
Конус крепится к внутренней части цилиндрического контейнера. Бетонную смесь укладывают в конус в три слоя одинаковой высоты. Каждый слой уплотняется отдельно 25 ударами штыковки таким образом, чтобы стержень мог проникнуть в нижележащий слой.
б) Проведение испытания
После уплотнения снимают воронку и излишек бетонной смеси срезают вровень с краями конуса, после чего кельмой заглаживают поверхность. Форму осторожно поднимают в вертикальной плоскости в течение 10 с. Поворотом штатива
5 диск
8 (рисунок 2) устанавливают над отформованным конусом бетонной смеси и плавно опускают его до соприкосновения с поверхностью смеси. Затем включается вибрационный стол и секундомер. Бетонная смесь под действием вибрации и тяжести диска выравнивается, уплотняется и оседает. Смесь вибрируют до тех пор, пока не начнется выделение цементного теста из любых двух отверстий диска
8. Время, измеренное в секундах, характеризует жесткость бетонной смеси, которое соотносят со значениями, приведенными в
таблице 2 ГОСТ Р 59300-2021, и устанавливают марку бетонной смеси по жесткости.
Время вибрирования определяется как среднее арифметическое значение результатов двух испытаний.
4.2.4.2 Метод Красного
а) Подготовка к проведению испытания
При определении жесткости бетонной смеси прибором Красного используют формы:
- ФК-100 - при наибольшей крупности зерен до 22,4 мм;
- ФК-150 - при наибольшей крупности зерен заполнителя до 45 мм;
- ФК-200 - при наибольшей крупности зерен заполнителя до 63 мм;
- либо цилиндрическую соответствующих размеров.
Установленную на виброплощадку форму заполняют бетонной смесью доверху и штыкуют, не применяя виброуплотнение. Избыток смеси срезают кельмой вровень с верхними краями формы.
б) Проведение испытания
Прибор Красного погружают в бетонную смесь ножками вниз до соприкосновения нижней поверхности диска с поверхностью смеси. Включают одновременно виброплощадку и секундомер и вибрируют смесь до тех пор, пока не начнется выделение цементного теста (цементного молока) из любых двух отверстий диска прибора. В этот момент выключают секундомер и виброплощадку.
Полученное время в секундах характеризует жесткость бетонной смеси.
Переходный коэффициент от показаний жесткости смеси по прибору Красного к прибору Вебе устанавливают экспериментально по ГОСТ 10180-2012
(приложение Л). Допускается принимать переходный коэффициент равным 1.
4.2.4.3 Определение жесткости бетонной смеси по методу Скрамтаева
а) Подготовка к проведению испытания
Жесткость бетонной смеси по методу Скрамтаева определяют в формах ФК-200 по
ГОСТ 22685.
Для определения жесткости бетонной смеси в закрепленную на виброплощадке форму помещают конус Скрамтаева и заполняют его бетонной смесью, как указано в
4.1.5.
б) Проведение испытания
Конус плавно снимают и одновременно включают виброплощадку и секундомер. Смесь вибрируют до тех пор, пока поверхность бетонной смеси не станет горизонтальной.
Жесткость бетонной смеси характеризуется временем вибрации (в секундах), необходимым для выравнивания и уплотнения предварительно отформованного конуса бетонной смеси в приборе для определения жесткости.
Переходный коэффициент от метода Скрамтаева к методу Вебе устанавливают экспериментально по ГОСТ 10180-2012
(приложение Л). Допускается принимать переходный коэффициент равным 0,7.
4.2.5 Обработка результатов испытания
4.2.5.1 Жесткость бетонной смеси одной пробы определяют два раза. Общее время испытания с начала заполнения формы при первом определении и до окончания вибрирования при втором определении не должно превышать 10 мин.
4.2.5.2 Жесткость бетонной смеси вычисляют с округлением до 1 с как среднеарифметическое значение результатов двух определений, отличающихся между собой не более чем на 20% среднего значения. При большем расхождении результатов испытание повторяют на новой пробе.
4.2.6 Оформление результатов
Регистрация результатов испытания должна быть оформлена протоколом, который должен содержать:
- условное обозначение бетонной смеси;
- наименование испытуемой пробы;
- место проведения испытания;
- дату проведения испытания;
- внешние условия проведения испытания;
- метод проведения испытания;
- результаты испытания;
- подпись ответственного лица, проводившего испытания.
4.3 Определение степени уплотняемости бетонной смеси
4.3.1 Общие положения
Степень уплотняемости бетонной смеси оценивают по разности высот бетонной смеси в форме до и после ее уплотнения.
4.3.2 Условия проведения испытаний
При выполнении испытаний должны быть соблюдены следующие условия для помещений:
- температура (22 +/- 5) °C;
- относительная влажность не более 80%.
4.3.3 Средства испытаний
4.3.3.1 Форма, изготовленная из металла или другого водонепроницаемого материала, устойчивого к износу под воздействием цементного теста, квадратного сечения
(рисунок 4) с внутренними размерами 200 x 200 x 400 мм с погрешностью по всем размерам +/- 2 мм. Дно формы может быть перфорированным для облегчения его опорожнения. В этом случае на дно формы укладывают пленку или помещают пластмассовую пластину соответствующего размера.
Рисунок 4 - Форма для определения степени уплотняемости
бетонной смеси и кельма
4.3.3.2 Лабораторная площадка по
4.2.3.11.
4.3.3.3 Металлическая линейка, нулевое значение шкалы которой совпадает с торцом линейки по
ГОСТ 427.
4.3.3.4 Штукатурная лопатка с плоской лопастью (кельма)
(рисунок 4).
4.3.3.5 Емкость для смешивания, неглубокая, жесткая, изготовленная из водонепроницаемого материала, который устойчив к кратковременному контакту с цементным тестом; емкость должна иметь достаточные размеры для тщательного перемешивания бетонной смеси с помощью совковой прямоугольной лопаты.
4.3.3.6 Совок.
4.3.3.7 Лопата прямоугольной формы.
4.3.4 Подготовка к проведению испытания
4.3.4.1 Испытуемую пробу бетонной смеси отбирают в соответствии с
разделом 3.
4.3.4.2 Перед испытанием проба должна быть перемешана, внутренняя поверхность формы должна быть очищена и увлажнена.
4.3.4.3 Бетонную смесь осторожно укладывают в емкость квадратного сечения
(рисунок 4) кельмой со всех четырех сторон поочередно на уровень немного выше верхнего края емкости, избегая уплотнения в процессе укладки. После наполнения емкости распиливающим движением стальной линейки над верхними краями емкости аккуратно срезают излишки бетонной смеси вровень с кромкой, при этом также избегая уплотнения.
4.3.5 Проведение испытания
4.3.5.1 Уплотняют бетонную смесь посредством вибрации. Расстояние от поверхности уплотненной бетонной смеси до верха емкости используют для определения степени уплотняемости.
4.3.5.2 Емкость с бетонной смесью устанавливают на виброплощадку и закрепляют ее. Уплотняют бетонную смесь по
ГОСТ 10180 до момента, когда прекращается уменьшение объема бетонной смеси и выделение пузырьков воздуха на поверхности бетонной смеси. В процессе уплотнения избегают потерь бетонной смеси в результате выплескивания или утечки.
4.3.5.3 После уплотнения измеряют среднее расстояние
S от верхнего края емкости до поверхности уплотненной бетонной смеси на каждой из четырех сторон емкости с точностью до 1 мм
(рисунок 5). Данное значение получают измерением расстояний посередине каждой из боковых граней емкости.
Рисунок 5 - Расчетная схема степени уплотняемости (бетонная
смесь в форме до и после уплотнения)
4.3.6 Обработка результатов испытания
4.3.6.1 Степень уплотняемости C рассчитывают по формуле

(1)
где h1 - внутренняя высота формы, мм;
h2 - высота бетонной смеси в форме после уплотнения, мм.
Высоту бетонной смеси в форме после уплотнения вычисляют по формуле
h2 = h1 - S, (2)
где S - среднее значение четырех измерений расстояний от поверхности уплотненной бетонной смеси до верхних краев емкости; определяют с точностью до 1 мм.
4.3.6.2 Степень уплотняемости бетонной смеси одной пробы определяют два раза. Общее время испытания не должно превышать 15 мин.
4.3.6.3 Степень уплотняемости бетонной смеси вычисляют с округлением до сотых долей как среднеарифметическое значение результатов двух определений степени уплотняемости одной пробы бетонной смеси, отличающихся между собой не более чем на 20% среднего значения. При большем расхождении результатов испытание повторяют на новой пробе.
Примечание - Удобоукладываемость бетонной смеси со временем изменяется вследствие гидратации цемента и возможной потери влаги. Если необходимо получение сопоставимых результатов, испытания различных проб следует проводить через равные промежутки времени после смешивания.
4.3.6.4 Полученные результаты соотносят со значениями, приведенными в
таблице 2 ГОСТ Р 59300-2021, и устанавливают подвижность по степени уплотнения.
4.3.7 Оформление результатов испытания
Регистрация результатов испытания должна быть оформлена протоколом, который должен содержать:
- условное обозначение бетонной смеси;
- наименование испытуемой пробы;
- место проведения испытания;
- дату проведения испытания;
- установленную степень уплотняемости;
- внешние условия проведения испытания;
- метод уплотнения;
- отклонения от стандартного метода испытаний;
- подпись ответственного лица, проводившего испытания.
5 Определение средней плотности бетонной смеси
5.1.1 Среднюю плотность бетонной смеси определяют отношением массы уплотненной бетонной смеси к ее объему.
5.1.2 Для этого бетонную смесь уплотняют в жесткой водонепроницаемой емкости с известными объемом и массой, после чего взвешивают.
5.2 Условия проведения испытаний
При выполнении испытаний должны быть соблюдены следующие условия для помещений:
- температура (22 +/- 5) °C;
- относительная влажность не более 80%.
5.3.1 Формы для изготовления контрольных образцов бетона по
ГОСТ 22685.
5.3.3 Лабораторная виброплощадка по
4.2.3.11.
5.3.5 Совок шириной около 100 мм.
5.3.6 Лопата прямоугольной формы.
5.3.7 Металлическая линейка длиной, превышающей максимальный внутренний размер верхней части емкости не менее чем на 100 мм, по
ГОСТ 427.
5.3.8 Штыковка круглого поперечного сечения, изготовленная из стали, диаметром приблизительно (16 +/- 1) мм и длиной приблизительно (600 +/- 5) мм с закругленными концами.
5.3.9 Емкость для повторного смешивания. Емкость должна иметь размеры, достаточные для тщательного повторного смешивания бетонной смеси с помощью совковой лопаты с прямой кромкой.
5.3.10 Мерные металлические цилиндрические сосуды, размеры которых принимают в зависимости от наибольшей крупности зерен фракции заполнителя по
таблице 2.
Таблица 2
Вместимость, внутренний размер сосуда в зависимости
от наибольшей крупности зерен фракции заполнителя
Наибольшая крупность зерен фракции заполнителя, мм | Вместимость сосуда, см3, не менее |
22,4 | 1000 |
45 | 5000 |
63 | 10 000 |
Допускается использовать другие емкости, которые необходимо градуировать. При этом наименьший размер емкости должен составлять минимум четыре максимальных номинальных размера крупного заполнителя бетонной смеси, но не менее 150 мм. Объем емкости должен быть не менее 5 л.
Для упрощения наполнения формы бетонной смесью применяется наполнительная насадка, плотно присоединенная к емкости.
5.4 Подготовка к проведению испытания
5.4.1 Испытуемую пробу бетонной смеси отбирают в соответствии с
разделом 3 и перемешивают, используя емкость для повторного смешивания и совковую прямоугольную лопату. Допускается применять равнозначный метод повторного смешивания, установленный в нормативных документах.
5.4.2 Перед испытанием мерный сосуд взвешивают.
5.4.3 Бетонную смесь помещают в сосуд и уплотняют в соответствии с
разделом 4. В зависимости от удобоукладываемости бетонной смеси и метода уплотнения емкость заполняют в два слоя или более до достижения полного уплотнения. При использовании наполнительной насадки контролируют, чтобы для заполнения емкости использовалось такое количество бетонной смеси, чтобы после уплотнения в загрузочной насадке толщина бетонной смеси составляла бы от 10% до 20% высоты емкости.
5.4.4 Полного уплотнения достигают механической вибрацией с использованием виброплощадки, когда на поверхности бетонной смеси перестают появляться крупные пузырьки воздуха, отсутствует избыточное расслоение, поверхность становится относительно гладкой с выделением цементного молока. Время вибрирования должно быть минимальным, но достаточным для достижения полного уплотнения бетонной смеси. Не следует допускать чрезмерного уплотнения вибрацией, которое может вызвать потерю вовлеченного воздуха. Емкость следует закреплять на столе виброплощадки.
5.4.5 Допускается уплотнение вручную с использованием штыковки. Удары штыковки равномерно распределяют по поперечному сечению емкости. Проверяют, чтобы штыковка не ударяла дно емкости при уплотнении первого слоя и значительно не проникала в нижележащий слой. Для удаления полостей захваченного, а не вовлеченного воздуха каждый слой уплотняют с помощью штыковки, при этом число ударов для бетона с удобоукладываемостью, эквивалентной маркам П1 и П2, как правило, должно составлять 25. После уплотнения каждого слоя слегка постукивают по стенкам емкости деревянным молотком до исчезновения появления крупных пузырьков воздуха на поверхности и устранения углублений, оставленных штыковкой.
5.4.6 При использовании наполнительной насадки ее убирают сразу после уплотнения, избыток бетонной смеси срезают металлической линейкой. Затем тщательно выравнивают верхний слой бетонной смеси на уровне краев мерного сосуда кельмой.
Емкость с содержимым взвешивают с погрешностью не более 5 г и определяют ее массу. Полученное значение регистрируют.
5.6 Обработка результатов испытания
5.6.1 Среднюю плотность бетонной смеси, кг/м3, рассчитывают по формуле

(3)
где m - масса мерного сосуда с бетонной смесью, г;
m1 - масса мерного сосуда без смеси, г;
V - вместимость мерного сосуда, см3.
5.6.2 Среднюю плотность каждой пробы бетонной смеси определяют два раза как среднеарифметическое значение результатов двух определений средней плотности, отличающихся между собой не более чем на 2% среднего значения. При большем расхождении результатов испытание повторяют на новой пробе бетонной смеси.
5.7 Оформление результатов испытания
Регистрация результатов испытания должна быть оформлена протоколом, который должен содержать:
- условное обозначение бетонной смеси;
- наименование испытываемой пробы;
- место проведения испытания;
- дату проведения испытания;
- внешние условия проведения испытания;
- отклонения от стандартного метода испытаний;
- расчетную плотность бетонной смеси, кг/м3;
- подпись ответственного лица, проводившего испытания.
6 Определение пористости (воздухосодержания) бетонной смеси
6.1.1 Данный метод определения содержания воздуха в уплотненной бетонной смеси применим для смесей с максимальным размером зерен заполнителя 63 мм.
6.1.2 Пористость бетонной смеси на плотных заполнителях оценивают объемом воздуха или газа, содержащегося в уплотненной бетонной смеси.
6.1.3 Объем воздуха или газа определяют экспериментальным или расчетным методом.
6.1.4 Применяются три метода определения объема воздуха в бетонной смеси:
- расчетный метод определения объема воздуха основан на сравнении теоретической и фактической плотностей бетонной смеси;
- компрессионный метод (метод измерения давления) основан на принципе компрессионной компенсации давления воздуха;
- объемный метод (метод водяного столба), или иначе метод вытеснения (при использовании прибора вытеснения), основан на разрушении бетонной смеси, покрытой водой, с выделением содержащегося воздуха и понижением уровня воды.
6.1.5 Объем воздуха или газа в смеси на плотном заполнителе определяют объемным или компрессионным методом, в каждом из которых используют приборы, принцип работы которых основан на законе Бойля-Мариотта.
6.2 Условия проведения испытания
6.2.1 Испытание допускается проводить при естественных погодных условиях. При этом следует исключить влияние атмосферных осадков и ветра на бетонную смесь.
6.2.2 Общее время испытания с начала заполнения прибора бетонной смесью при первом определении и до момента окончания испытания при втором определении не должно превышать 10 мин.
1 - металлическая пластина; 2 - ограничители; 3 - стрелка;
4 - петля; 5 - пригружающий пуансон;
6 - цилиндрический сосуд
Рисунок 6 - Общий вид и конструктивная схема объемомера
6.3.1.1 Конструкция объемомера
Объемомер состоит из металлического пустотелого сосуда, вместимость которого принимают в зависимости от наибольшей крупности зерен фракции заполнителя по
таблице 3.
Таблица 3
Показатели вместимости объемомера в зависимости
от наибольшей крупности зерен фракции заполнителя
Наибольшая крупность зерен фракции заполнителя, мм | 22,4 | 63 |
Вместимость цилиндрического сосуда, см3, не менее | 5000 | 10 000 |
Отношение высоты цилиндрического сосуда к его диаметру должно находиться в диапазоне от 1,0 до 2,0.
Пригружающий пуансон
5 (рисунок 6) должен быть выполнен в виде металлического кольца высотой 20 мм и наружным диаметром на 3 мм меньше внутреннего диаметра сосуда, иметь дно из сетки с ячейками размером 1,2 мм и проволочную петлю для извлечения его из сосуда.
Расстояние между ограничителями 2 металлической пластины 1 должно быть равным наружному диаметру сосуда. Стрелка 3 длиной 22 мм должна иметь конусообразную форму и заостренный конец.
Градуировка объемомера заключается в постоянной объемомера. В пустой цилиндрический сосуд
6 (рисунок 6) помещают пригружающий пуансон
5, устанавливают на сосуд пластину
1 со стрелкой
3 и наливают воду до тех пор, пока ее поверхность не придет в соприкосновение с острием стрелки, что фиксируют по моменту соприкосновения острия стрелки с его отражением в воде.
Постоянную объемомера Vо вычисляют по формуле

(4)
где mв - масса влитой воды, г;

- плотность воды, принимаемая равной 1 г/см
3.
1 - чаша; 2 - крышка; 3 - зажим; 4 - ручной насос;
5 - выпускной клапан; 6 - манометр
Рисунок 7 - Общий вид и конструктивная схема поромера
Таблица 4
Технические характеристики поромера
Параметр воздухомера | Переносной воздухомер лабораторный с объемом чаши, л |
5 | 8 |
Показания прибора | Прямой пересчет в % | Прямой пересчет в % |
Максимальная крупность заполнителя, мм | До 31,5 | Св. 31,5 |
Измеряемый диапазон вовлеченного воздуха, % от объема | 0 - 10 | 0 - 10 |
Отношение диаметра к высоте чаши | 1,07 | 1,07 |
6.3.4 Лабораторная виброплощадка по
4.2.3.11.
6.3.5 Противень.
6.3.8 Прямой металлический гладкий стержень длиной 600 мм, диаметром 16 мм с округленными концами.
6.4.1 Объемный метод определения объема воздуха или газа в бетонной смеси
6.4.1.1 Подготовка к проведению испытания
Отбирают пробу бетонной смеси массой mсм, г, вычисляемой по формуле

(5)
где

- плотность бетонной смеси в уплотненном состоянии, г/см
3;
Vсм - объем бетонной смеси в уплотненном состоянии, принимаемый равным (0,2 - 0,3) Vч, см3 (Vч - вместимость чаши цилиндрического сосуда).
Пробу бетонной смеси помещают в сосуд объемомера и уплотняют в соответствии с
разделом 4.
6.4.1.2 Проведение испытания
В объемомер с пробой бетонной смеси наливают взвешенное количество воды объемом в 1,5 - 2,0 раза большим, чем объем испытуемой смеси, до тех пор, пока поверхность воды не придет в соприкосновение с острием стрелки.
В течение 2 - 3 мин тщательно перемешивают бетонную смесь с водой металлическим стержнем. После перемешивания, если на поверхности воды появилась пена, допускается гасить ее путем вливания через воронку незначительного количества спирта от 1 до 3 мл (этилового, метилового или др.). Затем удаляют пену при помощи фильтровальной бумаги и помещают ее в предварительно взвешенный стеклянный стакан вместимостью 100 - 200 мл.
Перемешивание и отбор пены повторяют не менее двух раз с промежутком времени 2 - 3 мин, после чего устанавливают суммарную массу отобранной пены.
После последнего снятия пены в сосуд опускают пригружающий пуансон, на сосуд накладывают пластину со стрелкой так, чтобы ограничители соприкасались со стенками сосуда. Затем постепенно небольшой струей доливают в сосуд воду и взвешиванием определяют суммарную массу налитой в сосуд воды.
6.4.1.3 Обработка результатов
Объем воздуха или газа в бетонной смеси VВ, %, вычисляют с округлением до 0,1% по формуле

(6)
где Vсм - объем испытуемой бетонной смеси в уплотненном состоянии, см3;
mв - масса всей влитой воды, г;

- плотность воды, принимаемая равной 1 г/см
3;
Vо - постоянная объемомера, см
3, определяемая по
6.2.2;
mп - масса отобранной пены, г.
Пену в объемомере допускается гасить путем вливания от 1 до 3 мл спирта (этилового, метилового или др.). В этом случае пену допускается не собирать, а объем воздуха или газа в бетонной смеси VВ вычисляют по формуле

(7)
Объем воздуха или газа бетонной смеси вычисляют с округлением до 0,1% как среднеарифметическое значение результатов двух определений объема воздуха или газа в одной пробе бетонной смеси, отличающихся между собой не более чем на 20% среднего значения. При большем расхождении испытание повторяют на новой пробе бетонной смеси.
6.4.2 Компрессионный метод определения объема воздухововлечения
6.4.2.1 Подготовка к проведению испытания
Бетонную смесь укладывают в чашу прибора, используя загрузочную емкость для измерителя воздухововлечения, и уплотняют с помощью виброплощадки или штыковкой в соответствии с
разделом 4.
При использовании виброплощадки:
- с помощью кельмы емкость прибора наполовину заполняется бетонной смесью;
- чаша прибора устанавливается на середину стола виброплощадки, закрепляется или удерживается руками, чтобы предотвратить ее смещение, и включается режим вибрации;
- уплотнение необходимо осуществлять до тех пор, пока на поверхности бетонной смеси не будут появляться заметные пузырьки воздуха до появления цементного молочка;
- затем емкость прибора с небольшим излишком заполняется вторым слоем бетонной смеси и аналогичным образом уплотняется, предотвращая этим попадание в испытуемую бетонную смесь случайно захваченного воздуха.
При использовании штыковки: количество слоев и штыкований определяют в зависимости от удобоукладываемости бетонной смеси в соответствии с
разделом 4.
После уплотнения излишек бетонной смеси срезают металлической линейкой; фланец тщательно очищают от остатков бетонной смеси с помощью ветоши, устанавливают на чаше съемную крышку прибора и при помощи зажимных устройств прочно соединяют нижнюю и верхнюю части прибора.
Открывают оба вентиля, находящиеся на крышке прибора, к одному из вентилей подключают пластиковую емкость с водой и через трубку путем надавливания на емкость с водой осуществляют наполнение прибора водой снизу до тех пор, пока она не будет выходить без пузырьков с другой стороны прибора через второй клапан; таким образом, внутри прибора пространство между крышкой и поверхностью бетона заполняется водой.
После заполнения водой вентили закрывают и при помощи ручного насоса (мини-компрессора) в напорную камеру прибора закачивают воздух до тех пор, пока стрелка не будет находиться в зоне за красной маркировкой. Затем за счет медленного подкачивания или спускания воздуха с использованием насоса необходимо добиться начального положения стрелки манометра, отмеченного на приборе.
6.4.2.2 Проведение испытания
В зависимости от модификации прибора нажимают зеленую кнопку "Тест" или опускают рычаг рядом с манометром.
Нажатие кнопки "Тест" прибора или опускание рычага включает регулировку давления посредством уравнительного клапана. Осторожно постукивая рукой по манометру прибора или по боковой стенке прибора, необходимо дождаться, когда стрелка манометра прибора остановится и стабилизируется, что будет означать выравнивание давления в напорной камере и в сосуде с бетонной смесью.
Снижение давления воздуха в напорной камере является мерой содержания воздуха в бетоне.
6.4.2.3 Обработка результатов испытания
Процент воздуха отображается на циферблатном индикаторе прибора (VВ). Показание вовлеченного воздуха регистрируют с точностью 0,1%.
6.4.3 Расчетный метод определения объема воздуха или газа в бетонной смеси
Объем воздуха или газа в уплотненной бетонной смеси VВ, %, вычисляют с округлением до 0,1% по формуле

(8)
где Ц, П, Щ, В и В
1 - фактическая масса, кг, цемента, сухих песка и щебня (гравия), воды и раствора добавок соответственно в 1 м
3 уплотненной бетонной смеси, вычисленная по
формулам (9) -
(12);

- истинная плотность цемента, г/см
3, принимаемая равной 3,1 для портландцемента и его разновидностей, 3,0 - для шлакопортландцемента;

,

- истинная плотность зерен песка и щебня (гравия), г/см
3, определяемая для плотного заполнителя по
ГОСТ 32722 и
ГОСТ 33057 соответственно. Допускается определять истинные плотности заполнителей вакуумным пикнометром по
ГОСТ Р 58401.16.

(9)

(10)

(11)

(12)
где gц, gп, gщ, gв - масса цемента, песка (мелкого заполнителя), щебня (крупного заполнителя) и воды в замесе соответственно, кг;

- плотность бетонной смеси, кг/м
3;

- суммарная масса всех материалов в замесе, кг.
6.5 Оформление результатов испытаний
Регистрация результатов испытания должна быть оформлена протоколом, который должен содержать:
- условное обозначение бетонной смеси;
- наименование испытуемой пробы;
- место проведения испытания;
- дату проведения испытания;
- метод уплотнения;
- внешние условия проведения испытания;
- отклонения от стандартного метода испытаний;
- расчетную плотность бетонной смеси, кг/м3;
- подпись ответственного лица, проводившего испытания.
7 Определение расслаиваемости бетонной смеси
Расслаиваемость бетонной смеси оценивают показателями раствороотделения и водоотделения.
7.1 Определение раствороотделения бетонной смеси
7.1.1 Общие сведения
Раствороотделение бетонной смеси с крупным заполнителем, характеризующее ее расслаиваемость при динамическом воздействии, определяют путем сопоставления содержания растворной составляющей в нижней и верхней частях бетонной смеси, уплотненной в мерном сосуде или форме
(рисунок 8).
| |
а) Свежеприготовленная смесь | б) Расслоившаяся смесь |
1 - направление движения воды; 2 - цементно-песчаный
раствор; 3 - крупный заполнитель; 4 - вода
Рисунок 8 - Расслоение бетонной смеси
при длительных вибрационных воздействиях
7.1.2 Условия проведения испытаний
При выполнении испытаний должны быть соблюдены следующие условия для помещений:
- температура (22 +/- 5) °C;
- относительная влажность не более 80%.
7.1.3.1 Стальные формы для изготовления контрольных образцов бетона ФК-200 по
ГОСТ 22685.
7.1.3.2 Мерный сосуд вместимостью 5000 - 10 000 см3.
7.1.3.3 Лабораторная виброплощадка по
4.2.3.11.
7.1.3.4 Противень.
7.1.3.5 Металлическая линейка по
ГОСТ 427.
7.1.3.6 Сито с квадратными ячейками 4 мм.
7.1.3.7 Сушильный электрошкаф.
7.1.3.9 Цилиндрические металлические сосуды объемом сосудов 5 и 15 дм3.
7.1.3.10 Мерные стаканы, мензурки или цилиндры объемом от 50 до 200 мл и пипетка объемом до 5 мл.
7.1.4 Подготовка к проведению испытания
Бетонную смесь с известной маркой по удобоукладываемости выкладывают в мерный сосуд (форму).
7.1.5 Проведение испытания
7.1.5.1 Уложенную в сосуд бетонную смесь уплотняют в соответствии с
разделом 4. Уплотненную бетонную смесь дополнительно вибрируют на лабораторной виброплощадке в течение времени:
- жесткую смесь марок Ж1 - Ж4 - 120 с;
- подвижную смесь марок П1 и П2 - 25 с;
- марок П3, П4 и П5 - 10 с.
7.1.5.2 После дополнительного вибрирования верхний слой бетонной смеси высотой около половины высоты мерного сосуда (формы) отбирают на предварительно взвешенный противень, а смесь, оставшуюся в нижней части мерного сосуда (формы), вибрируют до выравнивания поверхности смеси. Затем измеряют с погрешностью до 5 мм высоту слоя смеси HН, оставшейся в нижней части мерного сосуда (формы), и вычисляют высоту отобранного слоя смеси HВ. Оставшуюся в форме смесь выкладывают на второй взвешенный противень.
7.1.5.3 Разделенную на две навески бетонную смесь из верхней и нижней частей мерного сосуда (формы) взвешивают с погрешностью до 10 г и подвергают мокрому рассеву на сите с номинальным размером квадратной ячейки 4 мм. При мокром рассеве каждую навеску смеси, выложенную на сито, промывают струей чистой воды до полного удаления цементно-песчаного раствора с поверхности зерен крупного заполнителя.
7.1.5.4 Отмытый крупный заполнитель из каждой навески бетонной смеси переносят на чистый противень и высушивают до постоянной массы при температуре (105 +/- 5) °C.
7.1.6 Обработка результатов испытания
7.1.6.1 Массу растворной составляющей в навесках верхней и нижней частей мерного сосуда (формы) с учетом объема отобранной пробы вычисляют по формулам:

(13)

(14)
где mр.В, mр.Н - масса растворной составляющей смеси, находившейся в верхней и нижней частях мерного сосуда (формы), г;
mсм.В, mсм.Н - масса бетонной смеси, отобранной из верхней и нижней частей мерного сосуда (формы), г;
mщ.В, mщ.Н - масса высушенного крупного заполнителя, содержащегося в навесках из верхней и нижней частей мерного сосуда (формы), г;
H - высота мерного сосуда (формы), мм;
| | ИС МЕГАНОРМ: примечание. В официальном тексте документа, видимо, допущена опечатка: пункт 7.3.3 отсутствует. | |
HВ, HН - фактическая высота верхнего и нижнего слоев смеси соответственно по 7.3.3, мм.
7.1.6.2 Раствороотделение бетонной смеси Пр, %, вычисляют по формуле

(15)
7.1.6.3 Раствороотделение каждой пробы бетонной смеси определяют два раза и вычисляют с округлением до 1% как среднеарифметическое значение результатов двух определений, отличающихся между собой не более чем на 20% среднего значения. При большем расхождении результатов испытание повторяют на новой пробе бетонной смеси.
7.1.7 Оформление результатов испытания
Регистрация результатов испытания должна быть оформлена протоколом, который должен содержать:
- условное обозначение бетонной смеси;
- наименование испытуемой пробы;
- место проведения испытания;
- дату проведения испытания;
- метод уплотнения;
- внешние условия проведения испытания;
- раствороотделение бетонной смеси;
- расчетную плотность бетонной смеси, кг/м3;
- подпись ответственного лица, проводившего испытания.
7.2 Определение водоотделения бетонной смеси
7.2.1 Общие сведения
7.2.1.1 Бетонные смеси, имеющие недостаточную связность, могут расслаиваться в состоянии покоя; при этом в первую очередь отделяется вода, отжимаемая более тяжелыми компонентами кверху. Чем больше отделяется воды, тем выше способность смеси к расслаиванию и хуже связность
(рисунок 9).
| |
а) Структура свежеприготовленной смеси | б) Структура бетонной смеси после расслоения |
1 - направление движения крупного заполнителя;
2 - направление движения отжимаемой воды; 3 - отделившаяся
вода; 4 - цементное тесто; 5 - мелкий заполнитель;
6 - крупный заполнитель
Рисунок 9 - Схема процесса водоотделения и раствороотделения
в бетонной смеси
7.2.1.2 Водоотделение бетонной смеси определяют после ее отстаивания в мерном сосуде или форме в течение определенного промежутка времени.
7.2.2 Условия проведения испытаний
При выполнении испытаний должны быть соблюдены следующие условия для помещений:
- температура (22 +/- 5) °C;
- относительная влажность не более 80%.
7.2.3 Средства испытаний
Средства испытаний - по
7.1.3.
7.2.4 Подготовка к проведению испытания
Бетонную смесь укладывают в мерный сосуд (форму), вместимость и размер которого в зависимости от наибольшей крупности зерен фракции заполнителя принимают по
таблице 3.
7.2.5 Проведение испытания
7.2.5.1 Уложенную в сосуд бетонную смесь уплотняют на виброплощадке в зависимости от удобоукладываемости смеси в соответствии с
ГОСТ 10180.
7.2.5.2 Форму (сосуд) накрывают листом паронепроницаемого материала (стекло, стальная пластина и т.п.) и оставляют на 2 ч.
7.2.5.3 Начиная с момента завершения процесса уплотнения в течение двух часов, пипеткой отбирают каждые 15 мин отделившуюся воду, собирая ее в сосуд с крышкой, и взвешивают по окончании испытания.
Примечание - Допускается отделившуюся воду отбирать с помощью фильтровальной бумаги и определять ее количество взвешиванием.
7.2.6 Обработка результатов испытания
7.2.6.1 Водоотделение бетонной смеси Пв, %, характеризуют объемом воды, выделившейся из бетонной смеси за 2 ч, отнесенным к объему бетонной смеси в мерном сосуде (форме), и вычисляют по формуле

(16)
где mв - масса отделившейся воды, г;

- плотность воды, принимаемая равной 1 г/см
3;
Vб.см - объем уплотненной бетонной смеси, см3.
7.2.6.2 Водоотделение определяют два раза для каждой пробы бетонной смеси и вычисляют с округлением до 1% как среднеарифметическое значение результатов двух определений, отличающихся между собой не более чем на 20% среднего значения. При большем расхождении результатов испытание повторяют на новой пробе бетонной смеси.
7.2.7 Оформление результатов испытания
Регистрация результатов испытания должна быть оформлена протоколом, который должен содержать:
- условное обозначение бетонной смеси;
- наименование испытываемой пробы;
- место проведения испытания;
- дату проведения испытания;
- метод уплотнения;
- внешние условия проведения испытания;
- водоотделение бетонной смеси;
- расчетную плотность бетонной смеси, кг/м3;
- подпись ответственного лица, проводившего испытания.
8 Определение температуры бетонной смеси
Для определения температуры бетонной смеси применяют стеклянные термометры по
ГОСТ 13646 или иные приборы для измерения температуры, в том числе электронные, с ценой деления не более 1,0 °C.
8.2 Подготовка к проведению испытания
Измерение температуры бетонной смеси должно быть начато не позднее чем через 2 мин после отбора пробы.
8.3.1 Прибор для измерения температуры погружают в бетонную смесь на глубину, определяемую техническим требованием к прибору для измерения температуры.
8.3.2 Температуру бетонной смеси измеряют термометром, погружая его в смесь на глубину не менее 5 см.
8.3.3 Толщина слоя бетонной смеси вокруг прибора для измерения температуры должна быть не менее 75 мм.
8.3.4 Температуру измеряют через 3 мин после погружения прибора для измерения температуры в бетонную смесь до ее стабилизации.
8.3.5 Температуру одной пробы бетонной смеси измеряют два раза с интервалом 5 мин. Разность между результатами двух определений температуры не должна превышать 2 °C. Теплообмен пробы с окружающей средой до окончания измерений должен быть минимальным.
8.4 Оформление результатов испытания
Регистрация результатов испытания должна быть оформлена протоколом, который должен содержать:
- условное обозначение бетонной смеси;
- наименование испытуемой пробы;
- место проведения испытания;
- результаты испытания;
- дату проведения испытания;
- внешние условия проведения испытания;
- подпись ответственного лица, проводившего испытания.
9 Определение сохраняемости свойств бетонной смеси
9.1.1 Оценка сохраняемости по показателям технологических свойств бетонной смеси заключается в получении и оценке данных об изменении этих свойств в течение определенного времени.
9.1.2 Сохраняемость удобоукладываемости бетонной смеси характеризуется скоростью процесса изменения удобоукладываемости бетонной смеси с течением времени в пределах марки по удобоукладываемости.
Интенсивность изменения удобоукладываемости бетонной смеси зависит от состава смеси, ее начальной удобоукладываемости, характеристик цемента, температуры смеси, применения добавок и т.д.
9.1.3 Сохраняемость удобоукладываемости бетонной смеси - это время, в течение которого смесь в процессе своего выдерживания после окончания перемешивания теряет удобоукладываемость в пределах диапазонов марок по удобоукладываемости, указанных в
таблицах 1 -
4 ГОСТ Р 59300-2021.
9.1.4 По показателю сохраняемости удобоукладываемости бетонной смеси можно определять возможное время транспортирования смеси в случае перевозки автосамосвалами, а также допустимость и продолжительность технологических перерывов при укладке бетонной смеси.
9.1.5 Сохраняемость параметров бетонной смеси определяют экспериментально, фиксируя показатели ее удобоукладываемости и объема вовлеченного воздуха при первом испытании непосредственно после окончания перемешивания смеси и в дальнейшем через каждые 15 мин. Допускается увеличивать данный интервал до 30 мин.
9.2 Условия проведения испытаний
Должны быть соблюдены условия проведения испытаний на определение соответствующего показателя бетонной смеси.
Должны быть применены средства испытаний на определение соответствующего показателя бетонной смеси.
9.4 Подготовка к проведению испытания
9.4.1 Объем порции бетонной смеси, отобранной для испытания, должен быть достаточным для изготовления из нее отдельных проб на каждый срок измерения определяемого свойства бетонной смеси.
9.4.2 Условия хранения пробы бетонной смеси от момента ее отбора до момента испытания должны соответствовать температурно-влажностным условиям транспортирования и укладки бетонной смеси.
9.4.3 Для каждого испытания следует использовать новую пробу бетонной смеси.
9.5.1 Первое испытание следует проводить непосредственно после окончания перемешивания смеси, а последующие - через (15 +/- 5) мин до окончания испытания. Допускается проводить испытания с интервалом (30 +/- 5) мин.
9.5.2 Каждую новую пробу смеси перед испытанием перемешивают за исключением случаев испытания бетонной смеси по показателю на воздухововлечение. Остальные пробы до испытания хранят накрытыми влажной тканью или полиэтиленовой пленкой.
9.5.3 Сохраняемость бетонной смеси оценивают показателями сохраняемости удобоукладываемости и воздухововлечения.
Сохраняемость удобоукладываемости бетонной смеси характеризуется изменением удобоукладываемости бетонной смеси с течением времени в пределах марки по удобоукладываемости.
Сохраняемость объема вовлеченного воздуха характеризуется изменением объема вовлеченного воздуха в пределах +/- 1% абсолютного значения от начального значения.
9.6 Обработка результатов испытания
9.6.1 Сохраняемость бетонных смесей следует указывать с точностью до (15 +/- 5) мин с соответствующей маркой.
9.6.2 За показатель сохраняемости подвижности принимают время в минутах, в течение которого смесь в процессе своего выдерживания после окончания перемешивания теряет подвижность в пределах класса по сохраняемости согласно
таблице 7 ГОСТ Р 59300-2021.
9.6.3 За показатель сохраняемости воздухововлечения принимают время в минутах, в течение которого смесь в процессе своего выдерживания после окончания перемешивания теряет от установленного начального уровня воздухововлечения на момент времени завершения приготовления с максимально допустимым отклонением +/- 1% абсолютного значения на момент в месте передачи смеси заказчику.
9.6.4 Результаты испытания, как правило, выражают кривыми потери удобоукладываемости и воздухововлечения бетонной смесью.
9.6.5 Сохраняемость бетонной смеси оценивается по каждой из характеристик отдельно.
9.6.6 В случае если сохраняемость бетонной смеси характеризуется несколькими показателями, то класс по сохраняемости назначается по показателю, сохраняемость которого ниже. Например, если удобоукладываемость бетонной смеси соответствует классу C2, а воздухововлечение классу C3, класс по сохраняемости бетонной смеси принимается C2.
Если при заказе класс сохраняемости удобоукладываемости бетонной смеси не указан, изготовитель вправе назначить класс C2 и указать его в документе о качестве.
9.7 Оформление результатов испытаний
Регистрация результатов испытания должна быть оформлена протоколом, который должен содержать:
- условное обозначение бетонной смеси;
- наименование испытуемой пробы;
- место проведения испытания;
- дату проведения испытания;
- внешние условия проведения испытания;
- марку по удобоукладываемости бетонной смеси;
- температуру бетонной смеси в процессе испытаний на сохраняемость;
- частные результаты определения параметров сохраняемости по каждой пробе и средний арифметический результат испытаний на сохраняемость;
- подпись ответственного лица, проводившего испытания.
10 Требования безопасности и охраны окружающей среды
10.2 При выполнении измерений соблюдают правила по электробезопасности по
ГОСТ Р 12.1.019 и инструкции по эксплуатации оборудования.
10.3 Материалы для приготовления смесей (щебень, песок, минеральный порошок, цемент, добавки и модификаторы цементобетона) по характеру вредности и по степени воздействия на организм человека относятся к малоопасным веществам класса опасности 4 по
ГОСТ 12.1.007.
10.4 Удельная эффективная активность естественных радионуклидов в минеральной части смесей не должна превышать значений, установленных
ГОСТ Р 59300. Удельную эффективную активность естественных радионуклидов принимают по максимальному значению удельной эффективной активности естественных радионуклидов в применяемых минеральных материалах. Эти данные указывает в документе о качестве предприятие - поставщик бетонной смеси.
11 Контроль точности результата испытания
Точность результата испытания обеспечивается:
- соблюдением требований настоящего стандарта;
- проведением периодической оценки метрологических характеристик средств измерений (весы, применяемые при испытаниях по настоящему стандарту, должны иметь действующий знак поверки и/или свидетельство о поверке);
- проведением периодической аттестации оборудования.
Лицо, проводящее измерения, должно быть ознакомлено с требованиями настоящего стандарта.
| Приказ Минпромторга от 2 июля 2015 г. N 1815 "Об утверждении Порядка проведения поверки средств измерений, требования к знаку поверки и содержанию свидетельства о поверке" |
УДК 625.84:006.354 | |
Ключевые слова: смесь бетонная, методы испытания, крупный заполнитель, прибор, дорожный бетон |