Главная // Актуальные документы // ГОСТ Р (Государственный стандарт)СПРАВКА
Источник публикации
М.: ФГБУ "Институт стандартизации", 2023
Примечание к документу
Документ
введен в действие с 01.09.2023.
Название документа
"ГОСТ Р 70876-2023. Национальный стандарт Российской Федерации. Конструкции деревянные из массивной (цельной) древесины. Общие технические условия"
(утв. и введен в действие Приказом Росстандарта от 24.08.2023 N 730-ст)
"ГОСТ Р 70876-2023. Национальный стандарт Российской Федерации. Конструкции деревянные из массивной (цельной) древесины. Общие технические условия"
(утв. и введен в действие Приказом Росстандарта от 24.08.2023 N 730-ст)
Утвержден и введен в действие
агентства по техническому
регулированию и метрологии
от 24 августа 2023 г. N 730-ст
НАЦИОНАЛЬНЫЙ СТАНДАРТ РОССИЙСКОЙ ФЕДЕРАЦИИ
КОНСТРУКЦИИ ДЕРЕВЯННЫЕ ИЗ МАССИВНОЙ (ЦЕЛЬНОЙ) ДРЕВЕСИНЫ
ОБЩИЕ ТЕХНИЧЕСКИЕ УСЛОВИЯ
Wooden structures made of solid wood. General specifications
ГОСТ Р 70876-2023
Дата введения
1 сентября 2023 года
1 РАЗРАБОТАН Акционерным обществом "Научно-исследовательский центр "Строительство" (АО "НИЦ "Строительство") - Центральным научно-исследовательским институтом строительных конструкций имени В.А. Кучеренко (ЦНИИСК им. В.А. Кучеренко)
2 ВНЕСЕН Техническим комитетом по стандартизации ТК 465 "Строительство"
3 УТВЕРЖДЕН И ВВЕДЕН В ДЕЙСТВИЕ
Приказом Федерального агентства по техническому регулированию и метрологии от 24 августа 2023 г. N 730-ст
4 ВВЕДЕН ВПЕРВЫЕ
Правила применения настоящего стандарта установлены в статье 26 Федерального закона от 29 июня 2015 г. N 162-ФЗ "О стандартизации в Российской Федерации". Информация об изменениях к настоящему стандарту публикуется в ежегодном (по состоянию на 1 января текущего года) информационном указателе "Национальные стандарты", а официальный текст изменений и поправок - в ежемесячном информационном указателе "Национальные стандарты". В случае пересмотра (замены) или отмены настоящего стандарта соответствующее уведомление будет опубликовано в ближайшем выпуске ежемесячного информационного указателя "Национальные стандарты". Соответствующая информация, уведомление и тексты размещаются также в информационной системе общего пользования - на официальном сайте Федерального агентства по техническому регулированию и метрологии в сети Интернет (www.rst.gov.ru)
Цель разработки настоящего стандарта - установление единых требований к деревянным конструкциям из массивной (цельной) древесины для промышленного выпуска строительных элементов и конструкций различного назначения.
Стандарт разработан в целях обеспечения требований Федерального
закона от 30 декабря 2009 г. N 384-ФЗ "Технический регламент о безопасности зданий и сооружений"
[1], применения единых методов классификации прочности соединений и методов ее оценки, повышения уровня гармонизации требований с европейскими нормами.
Настоящий стандарт разработан авторским коллективом АО "НИЦ "Строительство" - ЦНИИСК им. В.А. Кучеренко (руководитель организации-разработчика - д-р техн. наук И.И. Ведяков, руководитель разработки - канд. техн. наук П.Н. Смирнов, исполнитель - канд. техн. наук Ю.Ю. Славик).
1.1 Настоящий стандарт распространяется на строительные конструкции и элементы из массивной (цельной) древесины индустриального и построечного изготовления и устанавливает классификацию конструкций по основным признакам, технические требования к исходным материалам, элементам конструкций и их узловым соединениям; правилам приемки и методам контроля качества изготовления конструкций.
1.2 Требования настоящего стандарта следует применять при разработке новых и пересмотре действующих стандартов на деревянные конструкции различного назначения, разработке рабочей документации на изготовление и поставку конструкций конкретных типов и назначения.
В настоящем стандарте использованы нормативные ссылки на следующие документы:
ГОСТ 12.3.002 Система стандартов безопасности труда. Процессы производственные. Общие требования безопасности
ГОСТ 15.309 Системы разработки и постановки продукции на производство. Испытания и приемка выпускаемой продукции. Основные положения
ГОСТ 283 Гвозди проволочные. Технические условия
ГОСТ 1144 Шурупы с полукруглой головкой. Конструкция и размеры
ГОСТ 1146 Шурупы с полупотайной головкой. Конструкция и размеры
ГОСТ 2140 Видимые пороки древесины. Классификация, термины и определения, способы измерения
ГОСТ 4028 Гвозди строительные. Конструкция и размеры
ГОСТ 6449.1 Изделия из древесины и древесных материалов. Поля допусков для линейных размеров и посадки
ГОСТ 6449.2 Изделия из древесины и древесных материалов. Допуски углов
ГОСТ 6449.4 Изделия из древесины и древесных материалов. Допуски расположения осей отверстий для крепежных деталей
ГОСТ 6564 Пиломатериалы и заготовки. Правила приемки, методы контроля, маркировка и транспортирование
ГОСТ 6782.1 Пилопродукция из древесины хвойных пород. Величина усушки
ГОСТ 7798 Болты с шестигранной головкой класса точности B. Конструкция и размеры
ГОСТ 8486 Пиломатериалы хвойных пород. Технические условия
ГОСТ 9462 Лесоматериалы круглые лиственных пород. Технические условия
ГОСТ 9463 Лесоматериалы круглые хвойных пород. Технические условия
ГОСТ 19414 Конструкции деревянные клееные. Общие требования к зубчатым клеевым соединениям
| | ИС МЕГАНОРМ: примечание. В официальном тексте документа, видимо, допущена опечатка: ГОСТ 20850-2014 имеет название "Конструкции деревянные клееные несущие. Общие технические условия". | |
ГОСТ 24297 Верификация закупленной продукции. Организация проведения и методы контроля
ГОСТ 27751 Надежность строительных конструкций и оснований. Основные положения
ГОСТ 30495 Средства защитные для древесины. Общие технические условия
ГОСТ 30775 Ресурсосбережение. Обращение с отходами. Классификация, идентификация и кодирование отходов. Основные положения
ГОСТ 30974 Соединения угловые деревянных брусчатых и бревенчатых малоэтажных зданий. Классификация, конструкции, размеры
ГОСТ 31937 Здания и сооружения. Правила обследования и мониторинга технического состояния
ГОСТ 33080 Конструкции деревянные. Классы прочности конструкционных пиломатериалов и методы их определения
ГОСТ 33082 Конструкции деревянные. Методы определения несущей способности узловых соединений
ГОСТ 33120 Конструкции деревянные клееные. Методы определения прочности клеевых соединений
ГОСТ Р 50779.12 Статистические методы. Статистический контроль качества. Методы случайного отбора выборок штучной продукции
ГОСТ Р 53292 Огнезащитные составы и вещества для древесины и материалов на ее основе. Общие требования. Методы испытаний
ГОСТ Р 55658 Панели стеновые с деревянным каркасом. Технические условия
ГОСТ Р 56705 Конструкции деревянные для строительства. Термины и определения
ГОСТ Р 56711 Соединения нагельного типа для деревянных конструкций. Технические условия
ГОСТ Р 57031 Конструкции деревянные строительные. Правила сортировки по прочности пиломатериалов
ГОСТ Р 57157/EN 1075:1999 Конструкции деревянные. Методы испытаний соединения на металлических зубчатых пластинах
ГОСТ Р 57341/EN 13271:2001 Изделия крепежные для деревянных конструкций. Прочностные характеристики
ГОСТ Р 57790 Конструкции деревянные несущие. Методы испытаний на прочность и деформативность
ГОСТ Р 57998/EN 14250:2010 Конструкции деревянные. Требования к сборным несущим элементам конструкций, соединенным металлическими зубчатыми пластинами
ГОСТ Р 58459 Конструкции деревянные. Определение нормативных и расчетных значений механических свойств древесины и материалов на ее основе
ГОСТ Р 58559 Конструкции деревянные. Металлические зубчатые шпонки. Методы испытаний
ГОСТ Р 58562 Конструкции деревянные. Металлические кольцевые шпонки. Методы испытаний
ГОСТ Р 58933 Шпонки металлические кольцевые для деревянных конструкций. Технические условия
ГОСТ Р 58942 Система обеспечения точности геометрических параметров в строительстве. Технологические допуски
ГОСТ Р 58960 Шпонки металлические зубчатые для деревянных конструкций. Технические условия
ГОСТ Р 59571 Винты самонарезающие. Общие технические условия
ГОСТ Р 59600 Щиты перекрытий деревянные для малоэтажных домов. Технические условия
ГОСТ Р 59655 Детали и изделия деревянные для малоэтажных жилых и общественных зданий. Технические условия
ГОСТ Р 59893 Балки перекрытия деревянные. Технические условия
ГОСТ Р 70069 Металлические зубчатые пластины для соединений элементов деревянных конструкций. Конструкция, размеры. Технические требования
СП 2.13130 Системы противопожарной защиты. Обеспечение огнестойкости объектов защиты
СП 28.13330 "СНиП 2.03.11-85 Защита строительных конструкций от коррозии"
СП 92.13330 "СНиП II-108-78 Склады сухих минеральных удобрений и химических средств защиты растений"
СП 106.13330 "СНиП 2.10.03-84 Животноводческие, птицеводческие и звероводческие здания и помещения"
СП 299.1325800 Конструкции деревянные с узлами на винтах. Правила проектирования
СП 352.1325800 Здания жилые одноквартирные с деревянным каркасом. Правила проектирования и строительства
СП 451.1325800 Здания общественные с применением деревянных конструкций. Правила проектирования
СП 452.1325800 Здания жилые многоквартирные с применением деревянных конструкций. Правила проектирования
СП 454.1325800 Здания жилые многоквартирные. Правила оценки аварийного и ограниченно-работоспособного технического состояния
СП 516.1325800.2022 Здания из деревянных срубных конструкций. Правила проектирования и строительства
Примечание - При пользовании настоящим стандартом целесообразно проверить действие ссылочных стандартов (сводов правил) в информационной системе общего пользования - на официальном сайте Федерального агентства по техническому регулированию и метрологии в сети Интернет или по ежегодному информационному указателю "Национальные стандарты", который опубликован по состоянию на 1 января текущего года, и по выпускам ежемесячного информационного указателя "Национальные стандарты" за текущий год. Если заменен ссылочный документ, на который дана недатированная ссылка, то рекомендуется использовать действующую версию этого документа с учетом всех внесенных в данную версию изменений. Если заменен ссылочный документ, на который дана датированная ссылка, то рекомендуется использовать версию этого документа с указанным выше годом утверждения (принятия). Если после утверждения настоящего стандарта в ссылочный документ, на который дана датированная ссылка, внесено изменение, затрагивающее положение, на которое дана ссылка, то это положение рекомендуется применять без учета данного изменения. Если ссылочный документ отменен без замены, то положение, в котором дана ссылка на него, рекомендуется применять в части, не затрагивающей эту ссылку. Сведения о действии сводов правил целесообразно проверить в Федеральном информационном фонде стандартов.
4.1 В настоящем стандарте применена классификация по основным признакам деревянных конструкций из массивной (цельной) древесины (далее - конструкции) при проектировании посредством введения коэффициентов условий работы к расчетным сопротивлениям:
- функциональному назначению с учетом уровня ответственности зданий и сооружений;
- условиям эксплуатации с учетом температурно-влажностных параметров эксплуатационной среды;
- сроку службы.
4.2 При классификации следует учитывать дополнительные признаки, используемые для применения технических требований, установленных в
разделе 6 при изготовлении и эксплуатации конструкций:
- конструктивное назначение в здании;
- тип конструкций;
- тип узловых соединений элементов конструкций;
- степень агрессивности воздействия эксплуатационной среды.
4.3 Классификация по основным признакам конструкций должна соответствовать требованиям
ГОСТ 27751 и СП 64.13330.2017
(приложение А): нормальному и пониженному уровням ответственности; классам условий эксплуатации по таблице 1 с учетом рекомендуемой исходной технологической влажности древесины при изготовлении конструкций; срокам службы - не более 10, не менее 25 и не менее 50 лет.
Таблица 1
Классы условий эксплуатации конструкций
Обозначение классов условий эксплуатации по СП 64.13330 | Расчетная эксплуатационная влажность древесины, % | Относительная влажность воздуха в зоне конструкций при температуре от 12 °C до 24 °C, % | Рекомендуемая технологическая влажность древесины по ее группе состояния при изготовлении конструкций (см. 6.2.2), % |
1 (сухой) | 8 - 9 | Св. 40 до 50 включ. | До 15 (сухая) |
2 (нормальный) | 10 - 12 | Св. 50 до 60 включ. |
3 (влажный) | 13 - 15 | Св. 60 до 75 включ. | 16 - 22 (воздушно-сухая) |
4 (мокрый) | 16 и более | Св. 75 | От 23 и выше (влажная) |
4.4 По конструктивному назначению в здании выделяют следующие конструкции:
- несущие;
- ограждающие;
- совмещающие функции несущих и ограждающих.
4.5 По типу выделяют следующие конструкции:
- плоские сплошные;
- плоские сквозные;
- пространственные;
- специального назначения;
- вспомогательные.
4.6 По типу узловых соединений элементов выделяют следующие конструкции:
- на лобовых врубках;
- цилиндрических нагелях и нагельных механических связях (гвозди, болты, винты и шурупы);
- винтах, работающих на растяжение или выдергивание;
- деревянных призматических и цилиндрических шпонках;
- кольцевых и зубчатых металлических шпонках;
- штампованных металлических зубчатых пластинах (МЗП) и нагельных пластинах.
4.7 По степени воздействия эксплуатационной среды на конструкции воздействия классифицируют по требованиям
СП 28.13330 как:
- неагрессивные;
- слабоагрессивные;
- среднеагрессивные;
- сильноагрессивные.
5 Требования к производству
5.1 Конструкции следует изготовлять на предприятиях, обеспеченных необходимым оборудованием для выполнения технологических операций согласно требованиям, установленным настоящим стандартом.
5.2 На предприятиях должны быть созданы условия для проведения необходимых испытаний по контролю качества продукции и ее приемке согласно правилам приемки и методам испытаний, установленным настоящим стандартом.
5.3 Допускается изготовление конструкций и отдельных технологических операций в построечных условиях при соблюдении требований к их изготовлению и контролю качества.
5.4 Все производственные операции и их контроль должны быть зафиксированы в технологической документации предприятия-изготовителя.
6.1.1 Конструкции должны быть изготовлены в соответствии с требованиями настоящего стандарта, стандартов или технических условий на конкретные виды конструкций по рабочей проектной и технологической документации, разработанной в соответствии с действующими нормативными документами.
6.1.2 По результатам проектирования конструкции должны удовлетворять требованиям по несущей способности и жесткости, выдерживать контрольные нагрузки при их испытаниях по установленным схемам нагружения.
6.1.3 В процессе эксплуатации конструкции должны воспринимать все виды предусмотренных эксплуатационных воздействий согласно
СП 20.13330 и
СП 64.13330.
6.1.4 В зависимости от срока службы конструкции должны обладать длительной несущей способностью под действием расчетной нагрузки, учитываемой согласно требованиям
ГОСТ Р 57790 и
СП 64.13330.
6.1.5 В зависимости от температурно-влажностных условий эксплуатации по
4.3 и степени воздействия агрессивной среды на конструкции по
4.7 в необходимых случаях должны быть приняты защитные меры от биологического и химического повреждений конструкций согласно требованиям
ГОСТ 30495 и
СП 28.13330.
6.1.6 Для конструкций должны быть установлены пределы огнестойкости и классы пожарной опасности в соответствии с
[1],
[2] и
СП 2.13130.
При применении средств огнезащиты для обеспечения соответствующих пределов огнестойкости и классов пожарной опасности конструкций они должны отвечать требованиям
ГОСТ Р 53292 и
СП 2.13130.
6.1.7 Для ограждающих видов конструкций должна быть установлена их теплозащитная способность согласно
СП 50.13330.
6.2 Требования к исходным материалам
6.2.1 При изготовлении конструкций используют следующий сортамент исходных материалов: пиломатериалы (доски, брусья) из древесины хвойных пород по
ГОСТ 8486 или конструкционные пиломатериалы по
ГОСТ 33080; бревна с естественным сбегом 1-го или 2-го сорта из древесины хвойных и лиственных пород соответственно по
ГОСТ 9463 и
ГОСТ 9462 и оцилиндрованные бревна по технической документации изготовителя для срубных стен и отдельных видов несущих конструкций; деревянные детали и изделия для малоэтажных жилых и общественных зданий, в том числе из древесины лиственных пород по
ГОСТ Р 59655.
6.2.2 Влажность древесины сортамента исходных материалов при его использовании для изготовления элементов конструкций должна быть согласована с классами эксплуатационной влажности по
таблице 1 и соответствовать следующим группам состояния древесины по влажности:
I - влажность не более 15% (сухая древесина);
II - влажность от 16% до 22% (воздушно-сухая древесина);
III - влажность 23% и выше (влажная древесина).
6.2.3 Конструкционные пиломатериалы обладают гарантированными нормативной прочностью и деформативностью и должны быть отсортированы по
ГОСТ 8486 или
ГОСТ 33080 с отнесением к соответствующим классам прочности.
6.3 Требования к элементам конструкций
6.3.1 Требования к элементам несущих конструкций
6.3.1.1 В качестве несущих элементов плоских сплошных и сквозных типов конструкций необходимо использовать элементы со следующими конструктивными решениями:
- цельного сечения из конструкционных пиломатериалов, бруса или круглых лесоматериалов;
- составные по сечению, соединенные по высоте сечения на нагелях, шпонках, бобышках на гвоздях, МЗП или металлических нагельных пластинах;
- составные двутавровые с соединением поясов со стенкой на нагельных или клеевых соединениях.
Решения широко используют в качестве балочных систем сплошных типов плоских конструкций или элементов сквозных типов плоских конструкций (фермы, арки и др.).
6.3.1.2 Основные технические требования к элементам несущих конструкций - их нормированные величины прочности и деформативности.
Действующими проектными нормами показатели прочности и деформативности установлены для древесины влажностью 12%.
6.3.1.3 Элементы конструкций из конструкционных пиломатериалов должны обеспечивать нормативные значения прочности
Rн для соответствующих классов прочности С16, С18, С20, С24, С27, С30 при изгибе "на кромку" по
ГОСТ 33080, а 1-го, 2-го и 3-го сортов по
ГОСТ 8486 - классов прочности С27, С24 и С16 соответственно.
Правила сортировки по классам прочности пиломатериалов должны соответствовать требованиям
ГОСТ Р 57031.
6.3.1.4 Элементы конструкций цельного сечения из круглых лесоматериалов хвойных и лиственных пород древесины 1-го или 2-го сорта по
ГОСТ 9463 и
ГОСТ 9462 должны обеспечивать расчетные сопротивления
Rр по требованиям
СП 64.13330.
6.3.1.5 Деформативность элементов конструкций определяют нормированными величинами прогибов и перемещений согласно
СП 20.13330.
6.3.1.6 Прочность и деформативность составных по сечению элементов на нагелях следует определять по результатам их испытаний по
ГОСТ Р 56711.
6.3.1.7 Прочность и деформативность многослойных составных по сечению элементов, составных элементов на бобышках и двутавровых элементов следует определять по результатам их испытаний по
ГОСТ Р 57790.
6.3.1.8 При изготовлении составных балок им следует придавать конструктивный строительный подъем (обратный выгиб) величиной не менее 1,5f (f - расчетная величина прогиба).
6.3.1.9 При изготовлении двутавровых гвоздевых элементов с перекрестной стенкой при длине растянутых поясов элемента более 6 м в местах стыков поясов должны быть предусмотрены накладки.
Перекрестная стенка элемента (балки) должна быть изготовлена из досок, перекрестно располагаемых под углом 45° к нижнему поясу и под углом 90° между собой.
Для увеличения жесткости стенки балок между поясами должны быть предусмотрены вертикальные ребра жесткости с расстоянием между собой 1/8 - 1/10 пролета балки.
6.3.1.10 Предельные отклонения от номинальных линейных размеров элементов конструкций должны быть указаны в рабочих чертежах.
6.3.2 Требования к элементам ограждающих конструкций
6.3.2.1 Элементы ограждающих конструкций используют в бревенчатых и брусчатых срубных стенах, в качестве каркасов панелей различного конструктивного исполнения и назначения, настилов, обрешетки и ограждений.
При использовании брусчатых элементов для срубных стен при группе состояния древесины по влажности I или II для снижения продолжительности камерной или атмосферной сушки следует профилировать брус перед сушкой по сечению продольными пропилами согласно СП 516.1325800.2022
(подраздел 7.1).
6.3.2.3 Концы бревенчатых и брусчатых срубных элементов должны быть оснащены запилами для выполнения сборки стен срубов. Классификация, конструкции и размеры угловых соединений, которые могут быть выполнены в заводских или построечных условиях, должны соответствовать
ГОСТ 30974.
6.3.2.4 Настилы и обрешетки используют для различных видов кровельных покрытий. Они относятся к конструкциям пониженной ответственности, и для их изготовления используют пиломатериалы 2-го и 3-го сортов по
ГОСТ 8486.
6.3.2.5 Примеры решений элементов ограждающих конструкций приведены в
приложении Б.
6.4 Требования к узловым соединениям элементов конструкций
6.4.1 Лобовые врубки
6.4.1.1 Лобовые врубки используют в качестве узлового соединения элементов конструкций под углом.
Врубки применяют, как правило, с одним зубом или в виде лобового упора; требования к ним приведены в
таблице В.1 (пункт 1).
6.4.1.2 Врубки работают на смятие и скалывание, поэтому для применяемых деревянных элементов нормами проектирования должны быть установлены расчетные величины прочности при указанных видах напряженного состояния.
6.4.1.3 Соединяемые элементы в зоне врубки должны быть зафиксированы стяжными болтами или хомутами.
6.4.2 Нагельные соединения
6.4.2.1 К нагельным соединениям по
ГОСТ Р 56711 относят цилиндрические или пластинчатые деревянные (из древесины дуба или бука), стальные в виде штифтов, гвоздей, болтов, винтов и шурупов.
6.4.2.2 Гвозди, винты, шурупы и болты используют в соединениях на механических связях. Соединения на винтах и болтах - разборные.
Прочностные характеристики соединительных элементов следует определять по
ГОСТ Р 57341.
6.4.2.5 Методы испытания нагельных соединений должны соответствовать требованиям
ГОСТ Р 56711.
Испытания новых конструктивных решений узлов на нагельных соединениях должны соответствовать требованиям
ГОСТ 33082.
6.4.2.6 Предельные отклонения номинального расположения осей отверстий элементов конструкций следует принимать по
ГОСТ Р 58942 и
ГОСТ 6449.4.
6.4.2.7 Основные конструктивные схемы устройства нагельных соединений и требования к ним приведены в
таблице В.1 (пункт 2).
6.4.3 Соединения на шпонках
6.4.3.1 Соединения осуществляют на металлических призматических, гладких разрезных кольцевых и зубчатых шпонках.
Реже используют призматические, цилиндрические или дисковые дубовые шпонки.
6.4.3.2 Металлические шпонки различных типов, используемые для соединений, должны соответствовать
ГОСТ Р 58960 и
ГОСТ Р 58933.
6.4.3.3 Проектировать и рассчитывать соединения на шпонках следует по
СП 64.13330.
6.4.3.4 Металлические призматические, гладкие разрезные кольцевые и зубчатые шпонки допускаются к применению в элементах конструкций влажностью не выше 15% (т.е. с группой состояния древесины по влажности I) при механизированном изготовлении соединений.
6.4.3.5 Испытания соединений на металлических зубчатых и кольцевых шпонках осуществляют соответственно по
ГОСТ Р 58559 и
ГОСТ Р 58562.
6.4.3.6 При применении соединений на шпонках следует предъявлять требования к точности их изготовления и применять деревянные элементы группы состояния влажности I (сухая) для исключения негативных последствий усушки древесины.
6.4.3.7 Основные конструктивные схемы устройства соединений на шпонках и требования к ним приведены в
таблице В.1 (пункт 3).
6.4.4 Соединения на МЗП и металлических нагельных пластинах
6.4.4.1 Металлические зубчатые пластины изготавливают из тонколистовой оцинкованной стали толщиной от 0,9 до 2,5 мм размерами: ширина пластины - от 50 до 200 мм, длина - от 75 до 1200 мм. Зубья различной формы длиной от 8 до 16 мм в направлении, перпендикулярном к плоскости пластины, формируют путем штамповки.
6.4.4.3 Для изготовления металлических нагельных пластин используют стальные листы толщиной от 3 до 8 мм следующих размеров: ширина пластины - от 50 до 250 мм, длина - от 150 до 400 мм. Нагели с заостренными концами диаметром от 5 до 10 мм и длиной от 100 до 250 мм вставляют перпендикулярно к плоскости пластины в заранее просверленные отверстия с одинаковым выпуском по обе ее стороны и приваривают их.
Металлические нагельные пластины обеспечивают более высокие значения расчетной несущей способности соединений по сравнению с МЗП, и их применяют для узловых соединений элементов конструкций из бруса.
6.4.4.4 Испытания соединений на металлических нагельных пластинах осуществляют по
ГОСТ Р 56711 или
ГОСТ 33082.
6.4.4.5 Основные конструктивные схемы применения соединений на МЗП и металлических нагельных пластинах приведены в
таблице В.1 (пункт 4).
6.4.5 Стыки для сращивания сжатых и растянутых элементов
6.4.5.1 Для сращивания растянутых и сжатых элементов используют стыки на нагельных соединениях с накладками и прокладками.
В построечных условиях для стыковки элементов по длине используют лобовой упор, наращивание в полдерева, косой прируб.
6.4.5.2 Проектирование и расчет таких соединений следует выполнять по
СП 64.13330.
6.4.5.3 Конструктивные схемы применения указанных стыков и требования к ним приведены в
таблице В.1 (пункт 5).
7 Требования безопасности и охраны окружающей среды
7.1 При изготовлении комплектов зданий и сооружений из деревянных конструкций следует соблюдать правила и нормы безопасности в соответствии с требованиями
ГОСТ 30775,
[2] и
[3].
7.2 Контроль соблюдения санитарных правил и выполнения санитарно-противоэпидемиологических мероприятий (профилактика) проводят в соответствии с требованиями санитарных правил.
7.3 Монтаж конструкций следует проводить в соответствии с
ГОСТ 12.3.002.
7.4 Незащищенные деревянные конструкции относятся к пожароопасным в соответствии с
[2] и подвержены биологическому поражению в процессе эксплуатации. При их проектировании необходимо разрабатывать мероприятия по обеспечению пожарной безопасности в соответствии с
[2],
[3] и биологической безопасности.
7.5 Отходы производства деревянных конструкций утилизируют как опилки и кусковые древесные отходы.
8 Правила приемки и методы контроля
8.1 Приемку конструкций выполняют по системе приемки
ГОСТ 15.309 для подтверждения соответствия качества конструкций требованиям, установленным настоящим стандартом.
8.2 Система приемки основана на проведении следующих видов контроля:
- входной контроль качества применяемых материалов;
- периодические испытания по контролю требований к процессу изготовления элементов и узловых соединений конструкций;
- приемо-сдаточные испытания готовых элементов и узловых соединений конструкций.
8.3 Для подтверждения готовности технологического процесса предприятия к выпуску конструкций, соответствующих требованиям настоящего стандарта, при постановке продукции на производство или замене основного технологического оборудования выполняют квалификационные испытания по
ГОСТ 15.309.
8.4 Изготовленные элементы и узловые соединения конструкций должны быть приняты партиями службой технического контроля предприятия-изготовителя.
Партией считают любое их количество, оформленное одним документом о качестве.
8.5 Контролируемые параметры, методы испытаний и их периодичность при приемке конструкций приведены в таблице 2.
Таблица 2
Приемка и методы испытаний конструкций
Контролируемый параметр | Метод испытаний | Вид и периодичность испытаний |
Наименование | Значение |
1 Требования к применяемым материалам (входной контроль) |
1.1 Геометрические размеры, сорт или класс прочности, порода древесины всех видов, применяемых в производстве древесных материалов | По рабочим чертежам на конструкции и стандартам на конкретные виды материалов | | |
1.2 Влажность древесины поступающих в производство древесных материалов | По технической документации на продукцию | | |
1.3 Соответствие качества металлических элементов узловых соединений конструкций требованиям документов об их качестве | По технической документации на продукцию | По нормативным документам на продукцию | |
2 Требования к процессу изготовления конструкций (периодические испытания) |
2.1 Влажность древесины пиломатериалов после сушки (при необходимости) согласно 6.2.2 | По технической документации на конструкции | | Выборочно, при поступлении каждой партии пиломатериалов после сушки |
2.2 Вырезка недопустимых пороков древесины для обеспечения сортов или классов прочности конструкционных пиломатериалов и элементов конструкций | | По правилам сортировки пиломатериалов по ГОСТ 33080 | Сплошной контроль |
2.3 Прочность склеивания зубчатых клеевых соединений конструкционных пиломатериалов | | | |
2.4 Точность геометрических размеров узловых соединений | По технической документации на конструкции | | |
3 Требования к элементам и узловым соединениям конструкций (приемо-сдаточные испытания) |
3.1 Геометрические размеры, порода и влажность древесины готовых элементов | По стандартам и рабочим чертежам на элементы конструкций | По рабочим чертежам на конструкции | |
3.2 Нормативная величина прочности элементов конструкций по классам прочности конструкционных пиломатериалов | По технической документации на конструкции | | Выборочно, при поступлении каждой партии элементов конструкций |
3.3 Прочность узловых соединений при выпуске типовых конструкций | По технической документации на конструкции | | |
8.6 Порядок проведения контрольных испытаний должен быть установлен в технологической документации предприятия-изготовителя, утвержденной в установленном порядке.
8.7 Приемку изготовленных элементов конструкций потребителем допускается осуществлять путем верификации закупленной продукции согласно
ГОСТ 24297.
8.8 Результаты контрольных испытаний должны быть оформлены соответствующими документами (протоколами, актами). Формы протоколов и актов должны соответствовать
ГОСТ 15.309.
9 Транспортирование и хранение элементов конструкций
9.1 Перед транспортированием конструкции и детали должны быть упакованы в блок-пакеты и транспортные пакеты в соответствии с требованиями правил перевозки грузов конкретными видами транспорта.
Порядок формирования пакетов и местоположение деталей в них должны учитывать условия и последовательность их применения при сборке и монтаже строительных систем здания.
9.2 Загрузку и выгрузку пакетов следует осуществлять текстильными стропами. При использовании жестких типов строп в местах строповки на ребра пакетов устанавливают деревянные или фанерные планки для предохранения пакетов от механических повреждений.
9.3 Каждый транспортный пакет должен иметь ярлык (этикетку, бирку), содержащий:
- наименование или товарный знак предприятия-изготовителя;
- номер пакета;
- количество деталей каждого вида;
- дату изготовления;
- местонахождение (в каком пакете) комплектовочной ведомости (отгрузочной спецификации);
- знак (штамп) службы технического контроля предприятия-изготовителя.
9.4 При погрузке, транспортировании, разгрузке и хранении элементов конструкций должна быть обеспечена их защита от механических повреждений, загрязнения и атмосферных осадков.
9.5 Элементы конструкций хранят в складских помещениях или под навесами в транспортных пакетах или в штабелях для защиты их от атмосферных осадков и исключения резкого изменения влажности древесины элементов.
Под нижний транспортный пакет или под нижний ряд штабеля должны быть уложены прокладки высотой не менее 500 мм.
10 Указания по эксплуатации зданий
10.1 Проектная организация разрабатывает инструкцию по эксплуатации здания, которую прилагают к документации, сопровождающей комплект конструкций для строительства зданий.
10.2 Инструкция должна содержать:
- сведения о конструктивных решениях элементов здания, особенностях работы основных несущих конструкций;
- предельные значения нагрузок на основные конструкции;
- предельные деформации несущих конструкций при нормативных нагрузках, в том числе при аварийных состояниях работы конструкций;
- сведения об инженерных системах, входящих в здание;
- предельные значения нагрузок в электросетях.
10.3 В процессе эксплуатации зданий долговечность их конструктивных элементов неизбежно снижается из-за происходящего накопления повреждений.
Поэтому меры по обеспечению долговечности, заложенные при проектировании на период изготовления и строительства, необходимо осуществлять и в процессе эксплуатации здания постоянным освидетельствованием состояния конструкций элементов здания, ухода за ними и своевременным проведением ремонтно-восстановительных работ.
10.4 Оценку состояния конструкций в процессе эксплуатации осуществляют их осмотром и техническим обследованием.
Квалифицированные обследования должны быть проведены по
ГОСТ 31937.
10.5 Работы по оценке эксплуатационного состояния элементов здания следует выполнять при сочетании периодически приводимых обследований с непрерывным мониторингом (наблюдением с помощью приборов и датчиков) состояния конструкций по
ГОСТ 31937.
10.6 При обследованиях и мониторинге следует в первую очередь оценивать состояние перекрытий зданий, как наиболее опасных при аварийных ситуациях. При этом основной контролируемый параметр состояния перекрытий - критическое значение прогиба их несущих конструкций.
10.7 Оценку аварийного состояния отдельных видов конструкций следует осуществлять по
СП 454.1325800.
11 Указания по применению конструкций
11.1 Деревянные конструкции по сравнению с другими видами конструкций отличают такие свойства, как легкость, высокая стойкость к агрессивным средам, теплотехнические, эстетические и другие свойства, что способствует широкому их применению в различных областях строительства.
11.2 Традиционная область применения деревянных конструкций - строительство жилых и общественных зданий.
11.3 Эффективно применение конструкций для строительства производственных животноводческих одноэтажных зданий согласно
СП 106.13330 и складских одноэтажных зданий согласно
СП 56.13330.
11.4 Особенно эффективно применение деревянных конструкций в зданиях и сооружениях с агрессивными средами: склады переработки и хранения минеральных удобрений согласно
СП 92.13330, очистные сооружения и др.
В этих условиях в большинстве случаев воздействие на элементы деревянных конструкций классифицируют как неагрессивное или слабоагрессивное по
СП 28.13330.
При этом для соединения элементов конструкций следует использовать узловые соединения без открытых металлических деталей.
11.5 При применении конструкций следует соблюдать требование - равновесная влажность древесины в условиях эксплуатации должна быть не менее заданной при изготовлении конструкций. В противном случае это негативно влияет на работу нагельных и шпоночных узловых соединений, наиболее широко применяемых в различных типах конструкций из массивной древесины.
12.1 Предприятие-изготовитель гарантирует соответствие качества продукции требованиям настоящего стандарта и условиям договора на их поставку.
12.2 Гарантийный срок службы конструкций устанавливают в договоре на их поставку.
(справочное)
ПРИМЕРЫ КОНСТРУКТИВНЫХ РЕШЕНИЙ
НЕСУЩИХ ЭЛЕМЕНТОВ КОНСТРУКЦИЙ
Таблица А.1
Примеры конструктивных решений несущих элементов конструкций
Типы элементов | Конструктивные решения | Характеристика элементов |
1 Массивные (цельные): | Виды массивных (цельных) элементов | - толщина от 16 до 250 мм; - ширина от 75 до 275 мм; - длина от 0,1 до 6,5 м. |
- из бруса и пиломатериала |
- круглых лесоматериалов хвойных и лиственных пород древесины | | Круглые лесоматериалы хвойных и лиственных пород древесины в по ГОСТ 9463 или по ГОСТ 9462 размерами: - диаметр от 14 до 24 см; - длина от 3,0 до 6,5 м |
2 Составные по сечению элементы из пиломатериалов с соединениями: | Составные элементы на нагелях | Элементы широко известны как "балки Деревягина". Их сплачивают из двух или трех брусьев с помощью дубовых нагелей с  ,  . Глубина прорезей под нагели не более 1/5 высоты бруса с минимальным шагом  . Соединение элементов - податливое, поэтому при его расчете следует вводить, согласно нормам проектирования, коэффициенты, учитывающие податливость |
- на нагелях или шпонках; | Пластинчатый нагель b - длина нагеля (ширина балки); h - высота балки; f - строительный подъем; L - пролет балки; l - высота нагеля;  - толщина нагеля |
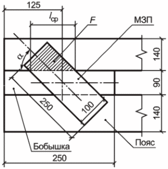
- металлических зубчатых пластинах | Узел составного элемента на МЗП | Сплачивание составных элементов на МЗП из пиломатериалов позволяет увеличивать высоту элемента при установке пиломатериалов на ребро с бобышкой или без нее. Расчет элементов по нормам проектирования предполагает определение необходимого количества и размера МЗП и бобышек по длине элемента |
- бобышках и гвоздях | Составной элемент на бобышках и гвоздях | Элементы на коротких бобышках из пиломатериалов, соединяемых на гвоздях, используют в качестве сжатых, сжато-изгибаемых элементов. Расчет элементов по нормам проектирования проводят для определения шага l1 и количества бобышек, а также необходимых размеров и количества гвоздей |
3 Двутавровые составные элементы (балки): - с перекрестной стенкой из пиломатериалов и параллельными или наклонными поясами с соединениями на гвоздях | Двутавровые составные элементы | Составной элемент (балка) с перекрестной стенкой а состоит из двух дощатых поясов (нижний растянутый должен быть повышенного качества), стенки, соединенной с поясами гвоздями, и стоек (ребер жесткости), скрепленных со стенкой и поясами гвоздями, а на опорах - и болтами. В зависимости от пролета элемента пояса могут быть стыкованы с помощью накладок и нагельных болтовых соединений |
- из досок с соединением стенки и полок на нагелях или зубчатых шипах | | Стенку и полки составных элементов выполняют из пиломатериала необходимых размеров по ГОСТ 8486 или ГОСТ 33080 и соединяют их на клею с помощью нагелей б или зубчатых шипов в |
(справочное)
ПРИМЕРЫ КОНСТРУКТИВНЫХ РЕШЕНИЙ
ОГРАЖДАЮЩИХ ЭЛЕМЕНТОВ КОНСТРУКЦИЙ
Таблица Б.1
Примеры конструктивных решений
ограждающих элементов конструкций
Типы элементов | Конструктивные решения | Характеристика элементов |
1 Бревенчатые и брусчатые элементы для срубных стен зданий: - штучные элементы с горизонтальной их укладкой в срубы (а - бревенчатые; б - брусчатые); | Бревенчатые и брусчатые элементы для срубов | Высота стены каждого этажа зданий должна быть не менее 2,5 м. Максимальное расстояние между врубками стен должно быть 8 м при раскреплении врубок по всей высоте и 6 м при устройстве врубок без раскрепления. Для исключения горизонтального сдвига элементов в стенах сруба устанавливают нагели. |
- сборные элементы из вертикально расположенных брусьев или бревен для каркасно-срубных стен | Сборные брусчатые элементы для срубов | Применение элементов с вертикальным расположением в них составных частей позволяет исключать вертикальную усадку за счет отсутствия деформаций вдоль волокон древесины при изменении ее влажности. Поперечные влажностные деформации элементов допускается регулировать и компенсировать выбором исходной влажности их составных частей и различными конструктивными решениями. Такие элементы могут быть применены в зданиях с каркасной или неполной каркасной системой |
2 Элементы каркаса ограждающих конструкций: - панелей стен (а - глухих; б - с оконным проемом) | Элементы каркаса панелей стен и перекрытий 1 - боковые стойки и пояса каркаса; 2 - внутренние стойки каркаса; 3 - 6 - вспомогательные перемычки и проставочные бруски для оконного проема | Элементы каркаса а и б для стеновых панелей - по ГОСТ Р 55658. Стойки в каркасе панелей располагают с шагом между осями не более 625 мм. Габаритные размеры панелей не должны превышать 12 м по длине и 3 м по высоте. Все деревянные поверхности каркаса панелей должны быть обработаны антисептиками не ниже класса III условий службы по ГОСТ 20022.2. Пороки деревянных заготовок каркаса ограничивают нормами для пиломатериалов 2-го сорта по ГОСТ 8486. Влажность древесины заготовок и деталей каркаса должна быть (16 +/- 2)%. |
- плит перекрытий (в - цокольных; г - междуэтажных) | | |
3 Элементы настилов и обрешетки под различные виды кровельных покрытий | Элементы настила и обрешетки кровельного покрытия | Настилы применяют в покрытиях зданий в виде основы под кровли различных типов или в качестве самостоятельных кровельных щитов заводского изготовления. Деревянные настилы служат несущими элементами деревянных ограждающих покрытий. Дощатые настилы изготовляют из досок на гвоздях и укладывают на прогоны или основные несущие конструкции расстоянием между ними не более 3 м |
(справочное)
ПРИМЕРЫ КОНСТРУКТИВНЫХ РЕШЕНИЙ
УЗЛОВЫХ СОЕДИНЕНИЙ ЭЛЕМЕНТОВ КОНСТРУКЦИЙ
Таблица В.1
Примеры конструктивных решений
узловых соединений элементов конструкций
Типы элементов | Конструктивные решения | Характеристика элементов |
| Соединение на врубке b x h - размеры сечения элементов; hвр < 1/3 h - глубина врубки;  - угол наклона между элементами; Nс - усилие сжатия; Nр - усилие растяжения; Tск - усилие скалывания; RA - опорная реакция; c - плечо приложения усилия Tск | Лобовые врубки применяют в опорных участках плоских сквозных конструкций. Основные конструктивные параметры врубок - длина плоскости скалывания lск и глубина врезки hвр. Вспомогательные элементы врубок - опорные подкладки 1, 2, 3 и связевой болт 4. Преимущества врубок - простота изготовления, отсутствие рабочих металлических элементов, что важно при воздействии агрессивных сред. Недостатки - затруднительность заводского изготовления, негативное влияние усушки древесины |
2 Нагельные соединения и соединения на механических связях: - на цилиндрических нагелях, гвоздях, шпильках; | Основные виды нагельных соединений | Нагельные соединения элементов деревянных конструкций - наиболее распространенные. Соединения могут быть выполнены на цилиндрических нагелях а, гвоздях б и шпильках с применением металлических накладок в. Для этого вида соединений важна минимальная усушка древесины по ГОСТ 6782.1. В связи с этим часто применяют стяжные болты. Расчет соединений проводят на смятие древесины и изгиб нагеля. Для этого нормируют расчетное усилие на срез нагеля. |
- на механических связях с помощью болтов | Соединение на болтах | Болтовые нагели применяют при работе элементов на растяжение и чаще болты используют в виде стяжных или монтажных. Как нагельное сопряжение они работают только при сверлении отверстий в собранном соединении точно по диаметру болта. Для этого вида соединений также важна группа исходной влажности по 6.2.2 |
- на механических связях с помощью гвоздей | Механические связи на гвоздях | Соединения на гвоздях а, винтах и шурупах б относят к нагельным соединениям на механических связях. По типу стержня различают гвозди гладкие, с кольцевой и винтовой накаткой. Гвозди с винтовой накаткой имеют более легкое вхождение в древесину, что позволяет исключить расколы пробиваемой заготовки. Гвозди с кольцевой накаткой обладают большей сопротивляемостью при выдергивании. Гвозди без накатки и термической обработки (обычные строительные гвозди) считают малоперспективными |
- на механических связях с помощью винтов и шурупов | Механические связи на винтах и шурупах | Винты и шурупы используют как самонарезающие и завинчиваемые в предварительно просверленные отверстия. Области применения винтов и шурупов - сплачивание и скрепление несущих вспомогательных деревянных элементов между собой, а также крепление к ним металлических элементов различного назначения |
- на пластинчатых нагелях | Соединения на пластинчатых нагелях | Деревянные пластинчатые нагели (из древесины дуба), указанные на рисунке ( а - сквозные; б - глухие), используют в конструктивных решениях составных элементов "балок Деревягина" (таблица А.1, пункт 2) |
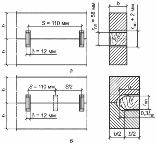
- деревянных призматических | Соединения на деревянных призматических шпонках | Деревянные призматические шпонки (а - плоские продольные; б - плоские поперечные; в - плоские наклонные; г - клиновые) требуют плотной пригонки к гнездам. Такие шпонки изготавливают со скосом 1/6 - 1/10 из сухой древесины дуба. Отношение длины шпонки к глубине врезки должно быть не менее 5, глубина врезки должна быть не менее 1/5 высоты бруса, а расстояние между шпонками - не более 10 глубин врезки. Распор шпонок должен быть воспринят стяжными болтами |
- деревянных цилиндрических | Соединения на деревянных цилиндрических шпонках | Деревянные цилиндрические шпонки также изготавливают из сухой древесины дуба и устанавливают в выемки в соединяемых элементах конструкций |
- металлических кольцевых и зубчатых | Металлические кольцевые и зубчатые шпонки | Более технологичны - металлические шпонки: а - гладкие кольцевые; б - зубчатые. Гладкие кольцевые шпонки устанавливают в желобки, выбираемые механизированным инструментом. Сама шпонка имеет разрез, позволяющий ее фиксировать в желобке. Работа этих шпонок связана с хрупким разрушением и применением сухой древесины и высокой точностью изготовления. Металлические шпонки широко применяют для соединения элементов плоских сквозных конструкций |
4 Соединения на МЗП и металлических нагельных пластинах | Соединения на металлических зубчатых а и нагельных б пластинах | Металлические зубчатые пластины используют в качестве соединений элементов из досок легких сплошных сквозных конструкций ферм крыш в домостроении. Нагельные металлические пластины применяют преимущественно для соединений элементов из бруса |
5 Растянутые стыки с накладками и прокладками | Растянутые стыки на накладках и прокладках | Растянутые стыки на накладках а и прокладках б осуществляют с помощью металлических пластин с отверстиями, устанавливаемых с помощью шпилек, нагелей, винтов и др. |
6 Стыки-врубки: - в полдерева | Стыки врубки | Стыки-врубки пригодны для стыкования конструкций построечного изготовления. Длина врубки должна быть не менее двух толщин или высот стыкуемого элемента, и ее стягивают болтом |
- косой прируб | |
| Федеральный закон от 30 декабря 2009 г. N 384-ФЗ "Технический регламент о безопасности зданий и сооружений" |
| Федеральный закон от 22 июля 2008 г. N 123-ФЗ "Технический регламент о требованиях пожарной безопасности" |
| Постановление Правительства Российской Федерации от 16 сентября 2020 г. N 1479 "Об утверждении Правил противопожарного режима в Российской Федерации" |
УДК 691.112:006.354 | |
Ключевые слова: деревянные конструкции, массивная (цельная) древесина, функциональное назначение конструкций, узловые соединения элементов конструкций, исходная влажность древесины при изготовлении конструкций, эксплуатационная влажность древесины, система приемки продукции |