Скачать Серия 1.811.1-3 Выпуск 1. Материалы для проектирования. Технические условия. Рабочие чертежи

Дата актуализации: 01.01.2021

Серия 1.811.1-3

Выпуск 1. Материалы для проектирования. Технические условия. Рабочие чертежи

Обозначение: Серия 1.811.1-3
Обозначение англ: Series 1.811.1-3
Статус:не определен законодательством
Название рус.:Выпуск 1. Материалы для проектирования. Технические условия. Рабочие чертежи
Дата добавления в базу:01.09.2013
Дата актуализации:01.01.2021
Дата введения:01.07.1989
Дата окончания срока действия:30.06.2003
Область применения:Серия 1.811.1-3 содержит материалы для проектирования, технические условия, рабочие чертежи забивных железобетонных таврового сечения свай
Оглавление:1.811.1-3.1-ПЗ Пояснительная записка
1.811.1-3.1-НИ Номенклатура изделий
1.811.1-3.1-1 Узел опирания полурамы и фундамента балки на сваю
1.811.1-3.1-2 Узел опирания полурамы и цокольной панели на сваю
1.811.1-3.1-3 Таблица 1. Ключ для подбора свай в пылевато-глинистых грунтах
1.811.1-3.1-4 Таблица 2. Ключ для подбора свай в песчаных грунтах
1.811.1-3.1-5 Таблица 3. Ключ для подбора свай в пылевато-глинистых грунтах
1.811.1-3.1-6 Таблица 4. Ключ для подбора свай в песчаных грунтах
1.811.1-3.1-ТУ Технические условия
1.811.1-3.1-1ФУ Свая СТ30.5 -… Ст60.5 - Чертеж формы
1.811.1-3.1-7 Свая СТ30.5 -… Ст60.5
1.811.1-3.1-8 Каркас КП1-1… КП1-19
1.811.1-3.1-9 Каркас КП2-1… КП2-4
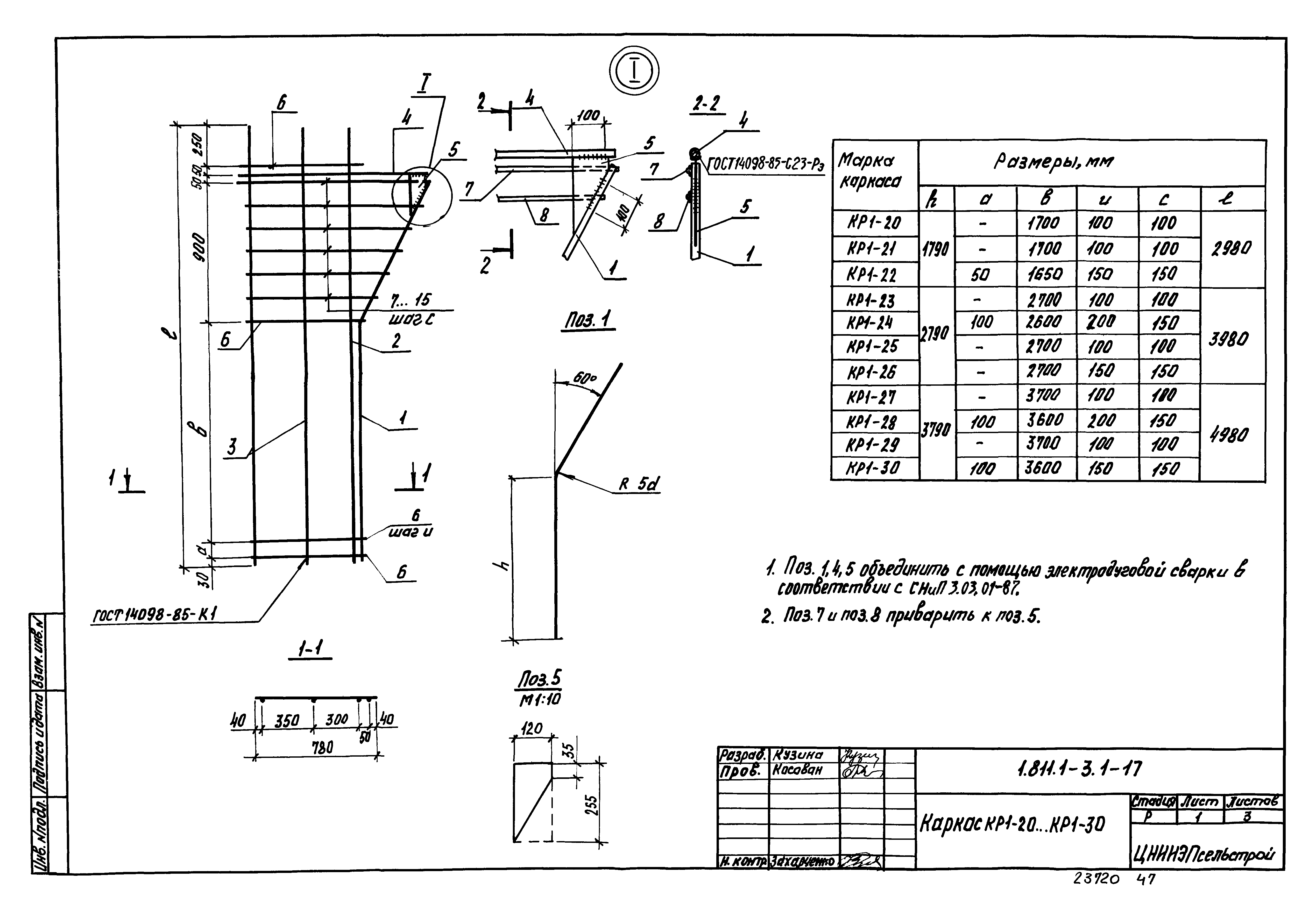
1.811.1-3.1-10 Каркас КР1-1… КР1-19
1.811.1-3.1-11 Каркас КР2-1… КР2-18
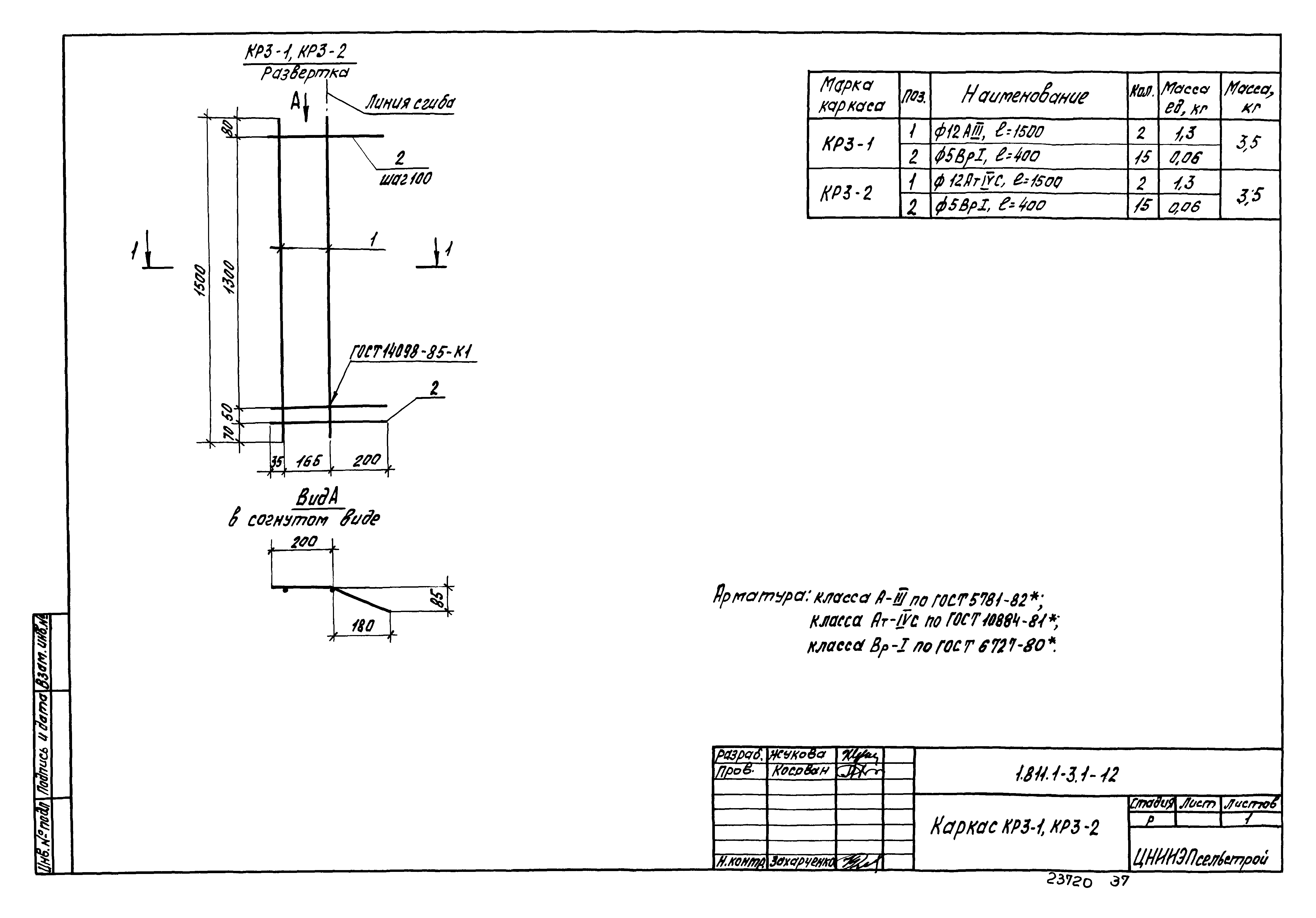
1.811.1-3.1-12 Каркас КР3-1… КР3-2
1.811.1-3.1-13 Каркас КР4-1Л, КР4-1П, КР4-2Л, КР4-2П
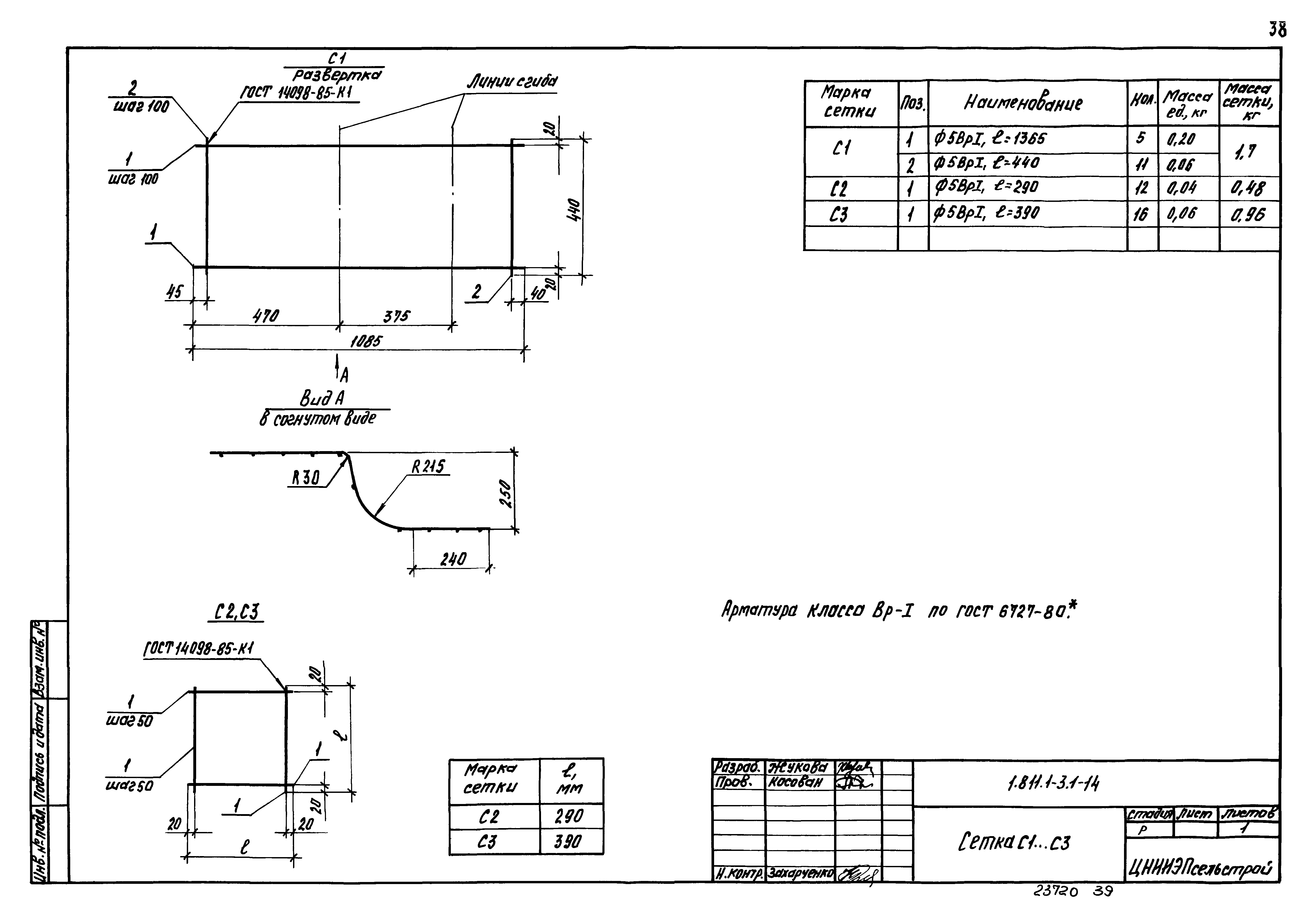
1.811.1-3.1-14 Сетка С1… С3
1.811.1-3.1-2Ф4 Свая СТ 30.8-… СТ50.8-… Чертеж формы
1.811.1-3.1-15 Свая СТ 30.8-… СТ50.8
1.811.1-3.1-16 Каркас КП1-20… КП1-34
1.811.1-3.1-17 Каркас КП1-20… КП1-30
1.811.1-3.1-18 Каркас КР2-9… КР2-19
1.811.1-3.1-19 Каркас КР3-3… КР3-6
1.811.1-3.1-20 Каркас КР4-3Л, КР4-3П, КР4-4Л, КР4-4П
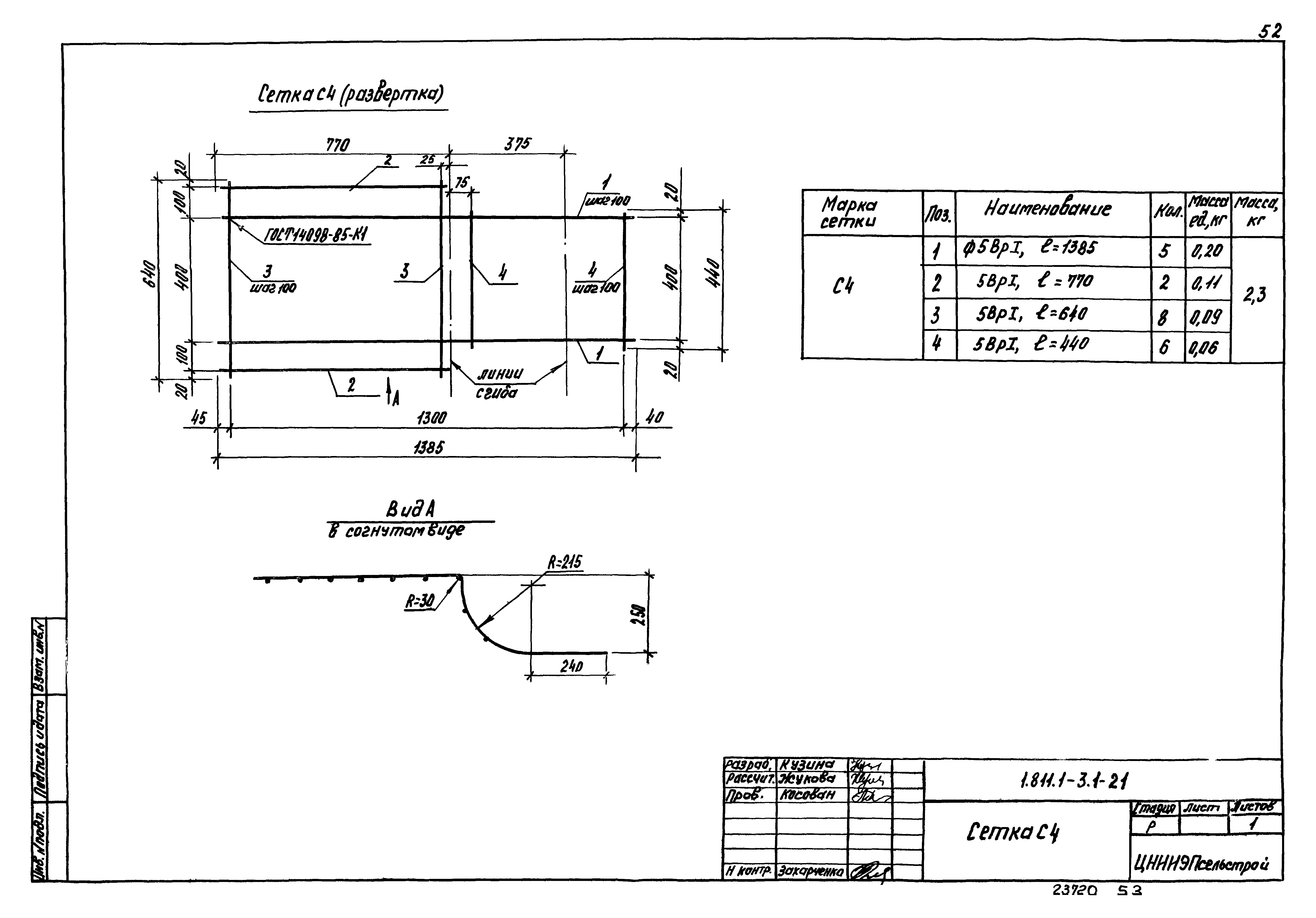
1.811.1-3.1-21 Сетка с4
1.811.1-3.1-1РС Ведомость расхода стали (с арматурой класса А-3)
1.811.1-3.1-2РС Ведомость расхода стали (с арматурой класса Ат-4С)
Разработан: ЦНИИЭПсельстрой
Утверждён:11.01.1989 Госагропром СССР (USSR Gosagroprom 807-45/4)
Издан: ЦИТП Госстроя СССР (CITP, Gosstroy (USSR) 1989 г. )
Заменяет собой:
Нормативные ссылки:
Серия 1.811.1-3Серия 1.811.1-3Серия 1.811.1-3Серия 1.811.1-3Серия 1.811.1-3Серия 1.811.1-3Серия 1.811.1-3Серия 1.811.1-3Серия 1.811.1-3Серия 1.811.1-3Серия 1.811.1-3Серия 1.811.1-3Серия 1.811.1-3Серия 1.811.1-3Серия 1.811.1-3Серия 1.811.1-3Серия 1.811.1-3Серия 1.811.1-3Серия 1.811.1-3Серия 1.811.1-3Серия 1.811.1-3Серия 1.811.1-3Серия 1.811.1-3Серия 1.811.1-3Серия 1.811.1-3Серия 1.811.1-3Серия 1.811.1-3Серия 1.811.1-3Серия 1.811.1-3Серия 1.811.1-3Серия 1.811.1-3Серия 1.811.1-3Серия 1.811.1-3Серия 1.811.1-3Серия 1.811.1-3Серия 1.811.1-3Серия 1.811.1-3Серия 1.811.1-3Серия 1.811.1-3Серия 1.811.1-3Серия 1.811.1-3Серия 1.811.1-3Серия 1.811.1-3Серия 1.811.1-3Серия 1.811.1-3Серия 1.811.1-3Серия 1.811.1-3Серия 1.811.1-3Серия 1.811.1-3Серия 1.811.1-3Серия 1.811.1-3Серия 1.811.1-3Серия 1.811.1-3Серия 1.811.1-3Серия 1.811.1-3Серия 1.811.1-3