Скачать Рекомендации по эксплуатации зданий и сооружений аэропортовДата актуализации: 01.01.2021 |
| Статус: | действует |
| Название рус.: | Рекомендации по эксплуатации зданий и сооружений аэропортов |
| Дата добавления в базу: | 01.09.2013 |
| Дата актуализации: | 01.01.2021 |
| Дата введения: | 15.03.1980 |
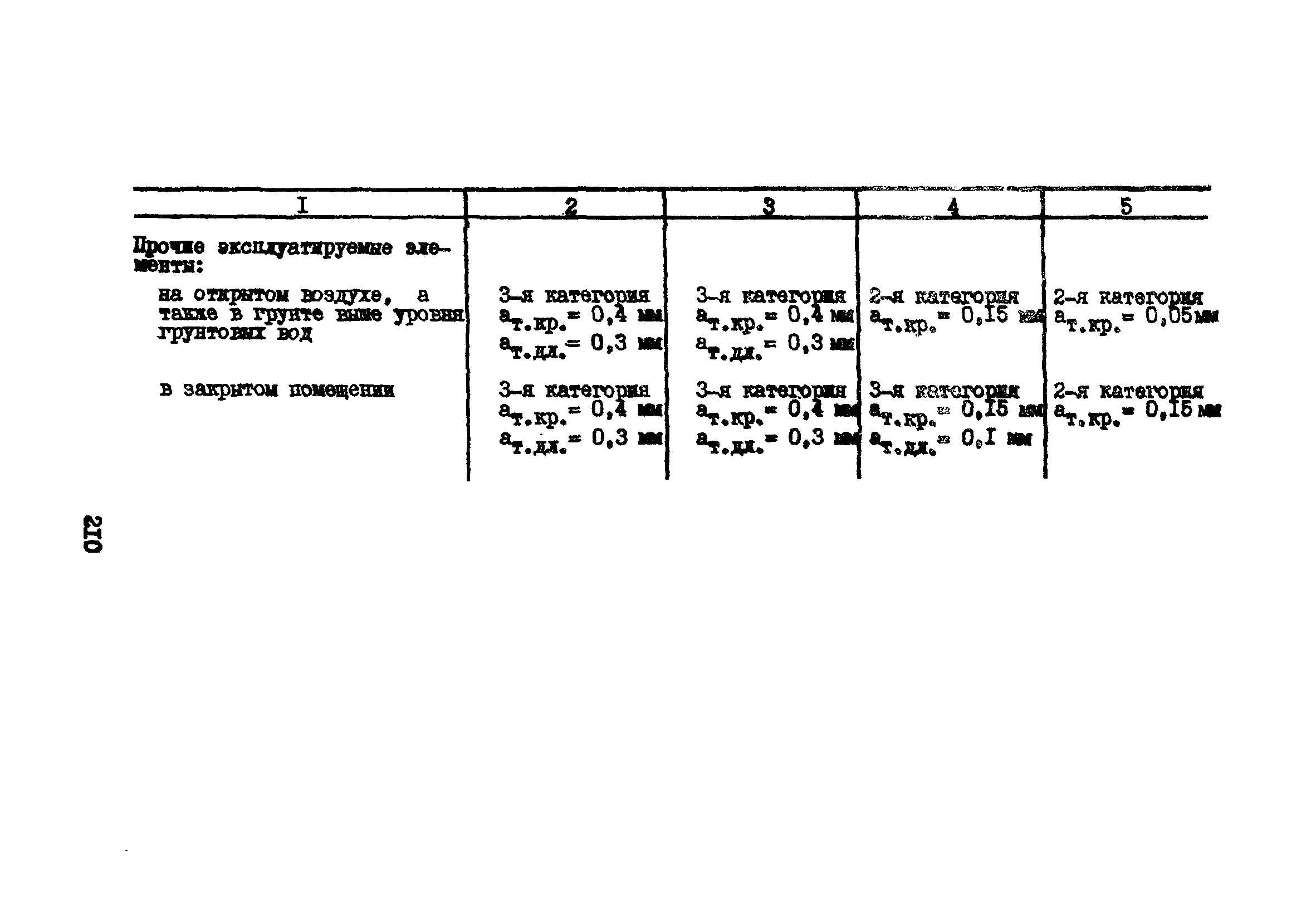
| Область применения: | В документе оснащены основные технические строительные требования, предъявляемые к эксплуатационной пригодности зданий и сооружений аэропортов гражданской авиации. Приведены значения параметров, определяющих механические, строительно-физические качества и стойкость к коррозии отдельных элементов и зданий в целом. |
| Оглавление: | 1. Общие положения 2. Технические требования к эксплуатационным качествам зданий и сооружений 2.1 Требования к основаниям и элементам зданий и сооружений Общие положения Основания Фундаменты Стены и перегородки Колонны Перекрытия Покрытия, крыши и кровли Лестницы Полы Двери, ворота, окна и фонари 2.2 Требования к эксплуатационным и физическим качествам зданий, сооружений и их конструктивных элементов Теплотехнические качества Звукоизоляционные качества, освещенность 2.3 Требования к антикоррозионной защите конструкций 3. Методика обследования зданий и сооружений по эксплуатационной пригодности 3.1 Порядок проведения обследования технического состояния зданий и сооружений 3.2 Методы и средства контроля эксплуатационной пригодности зданий и сооружений Исследование грунтов оснований Контроль прочностных и деформационных характеристик бетонов и каменных материалов Контроль прочностных и деформационных характеристик металлов Контроль перемещений конструкций Контроль армирования, наличия закладных элементов и толщины защитного слоя в железобетонных и армокаменных конструкциях Контроль дефектов и повреждений Контроль уровня шума Контроль уровня вибрации Контроль теплозащитных качеств ограждающих конструкций Контроль герметичности ограждающих конструкций Контроль агрессивности среды и степени коррозии конструкций 3.3 Обследование оснований и конструктивных элементов зданий и сооружений Основания Фундаменты Каркасы зданий Стены и перегородки Колонны Перекрытия Покрытия, крыши и кровли Лестницы Полы Двери, ворота, окна и фонари 3.4 Определение фактических нагрузок и воздействий 3.5 Проведение поверочных расчетов 3.6 Составление заключения и состоянии обследованного здания (сооружения) 4. Рекомендации по совершенствованию эксплуатационных качеств зданий и сооружений 4.1 Восстановление и улучшение эксплуатационных качеств оснований и конструктивных элементов зданий и сооружений Основания Фундаменты Стены и перегородки Колонны Перекрытия и полы Покрытия, крыши и кровли Лестницы 4.2 Улучшение физических качеств зданий и сооружений Защита наружных конструкций от увлажнения Гидроизоляция фундаментов и подвалов Герметизация ограждающих конструкций Снижение теплопотерь Звукоизоляция и виброизоляция Освещенность 4.3 Повышение коррозионной стойкости строительных конструкций Металлические конструкции Бетонные, железобетонные и каменные конструкции Приложения |
| Разработан: | ГПИ и НИИ ГА Аэропроект Киевский ордена Трудового Красного Знамени институт инженеров гражданской авиации |
| Утверждён: | 15.03.1980 Министерство гражданской авиации СССР (USSR Ministry of Civil
Aviation ) |
| Нормативные ссылки: |
|



















































































































































































































































