Скачать ГОСТ 30849.1-2002 Вилки, штепсельные розетки и соединительные устройства промышленного назначения. Часть 1. Общие требованияДата актуализации: 01.01.2021
|
| Обозначение: | ГОСТ 30849.1-2002 |
| Обозначение англ: | GOST 30849.1-2002 |
| Статус: | заменен |
| Название рус.: | Вилки, штепсельные розетки и соединительные устройства промышленного назначения. Часть 1. Общие требования |
| Название англ.: | Plugs, socket-outlets and couplers for industrial purposes. Part 1. General requirements |
| Дата добавления в базу: | 01.10.2014 |
| Дата актуализации: | 01.01.2021 |
| Дата введения: | 01.01.2014 |
| Дата окончания срока действия: | 01.07.2018 |
| Область применения: | Стандарт распространяется на вилки, штепсельные розетки, кабельные соединители и соединительные устройство на номинальное рабочее напряжение не более 690 В постоянного и переменного тока частотой до 500 Гц номинальный ток не более 250 А промышленного применения для эксплуатации внутри помещений и снаружи. Перечень предпочтительных номинальных параметров не исключает применения других номинальных параметров, требования к которым - в стадии рассмотрения. Стандарт распространяется на вилки и штепсельные розетки, кабельные соединители и соединительные устройства и их составные части, используемое при температуре окружающей среды от минус 25 до плюс 40 град. С. Соединители и их составные части предназначены только для присоединения к ним медных или из медных сплавов кабелей. Допускается применение стандарта для соединителей, используемых в строительстве, сельском хозяйстве, торговле и быту. К области применения стандарта относятся штепсельные розетки или вводные устройства, входящие в состав электрооборудования или монтируемые на нем. Стандарт распространяется также на соединители и их составные части, предназначенные для применения в установках низкого напряжения. Стандарт не распространяется на соединители и их составные части бытового и аналогичного назначения. В особых условиях, например на судах или во взрывоопасных средах. Могут понадобиться дополнительные требования. Требования стандарта являются обязательными. |
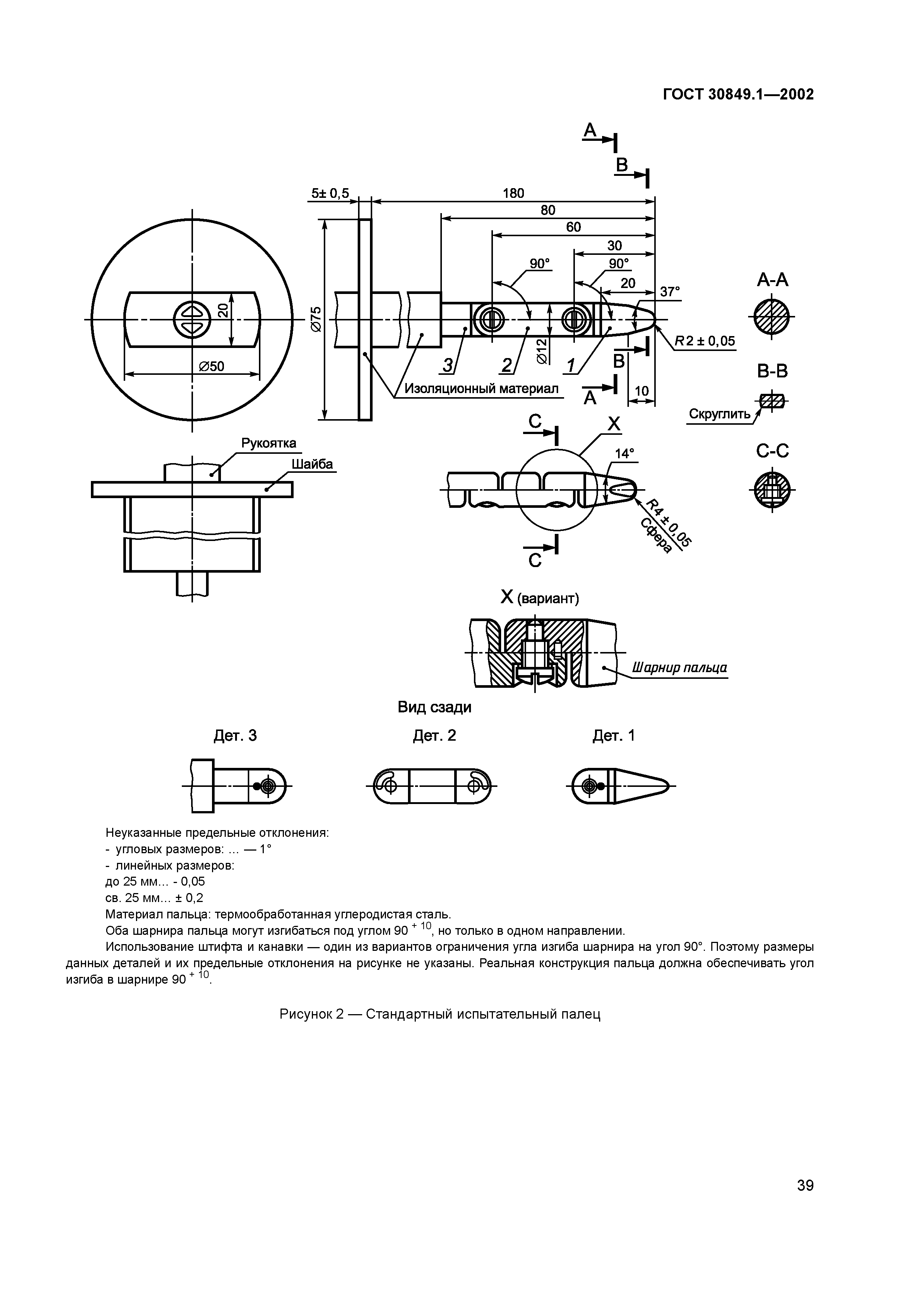
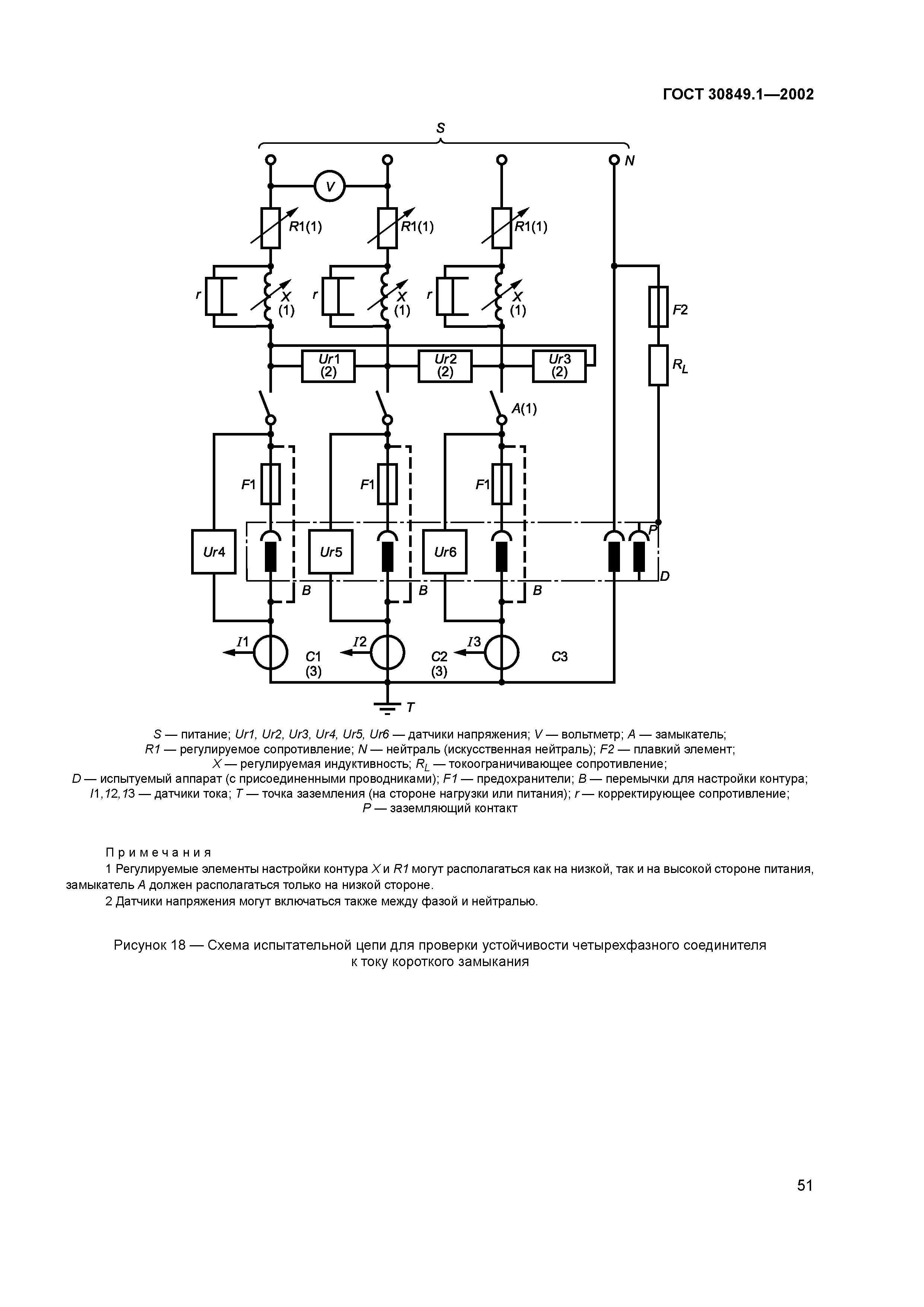
| Оглавление: | 1 Область применения 2 Нормативные ссылки 3 Определения 4 Общие указания 5 Стандартные номинальные значения 6 Классификация 7 Маркировка 8 Размеры 9 Защита от поражения электрическим током 10 Заземление 11 Зажимы 12 Блокировка 13 Стойкость деталей из резины и термопластичных материалов 14 Общие требования к конструкции 15 Конструкция штепсельных розеток 16 Конструкция вилок и переносных розеток 17 Конструкция вводных устройств 18 Степени защиты 19 Сопротивление и электрическая прочность изоляции 20 Отключающая способность 21 Условия нормальной эксплуатации 22 Превышение температуры 23 Гибкие кабели и их присоединение 24 Механическая прочность 25 Винты, токоведущие части и соединения 26 Пути утечки, воздушные зазоры и расстояния по изоляции 27 Теплостойкость, огнестойкость и трекингостойкость 28 Коррозиестойкость 29 Устойчивость к воздействию токов короткого замыкания 30 Электромагнитная совместимость Приложение А (обязательное) Принцип действия и описание испытательной установки Приложение Б (обязательное) Дополнительные требования и методы испытаний, учитывающие потребности экономики страны и требования действующих государственных стандартов Библиография |
| Разработан: | ООО ВНИИэлектроаппарат |
| Утверждён: | 06.11.2002 Межгосударственный Совет по стандартизации, метрологии и сертификации (Inter-Governmental Council on Standardization, Metrology, and Certification 22) 15.11.2012 Федеральное агентство по техническому регулированию и метрологии (834-ст) |
| Издан: | Стандартинформ (2014 г. ) |
| Нормативные ссылки: |
|





























































