Главная // Актуальные документы // Актуальные документы (обновление с 29.09.2025 по 01.11.2025) // ГОСТ (Государственный стандарт)
СПРАВКА
Источник публикации
М.: ФГБУ "Институт стандартизации", 2025
Примечание к документу
Документ вводится в действие с 01.01.2026.

Взамен ГОСТ 22930-87.
Название документа
"ГОСТ 22930-2025. Межгосударственный стандарт. Плиты железобетонные предварительно напряженные для облицовки оросительных каналов мелиоративных систем. Технические условия"
(введен в действие Приказом Росстандарта от 12.08.2025 N 869-ст)

"ГОСТ 22930-2025. Межгосударственный стандарт. Плиты железобетонные предварительно напряженные для облицовки оросительных каналов мелиоративных систем. Технические условия"
(введен в действие Приказом Росстандарта от 12.08.2025 N 869-ст)


Содержание


Введен в действие
Приказом Федерального
агентства по техническому
регулированию и метрологии
от 12 августа 2025 г. N 869-ст
МЕЖГОСУДАРСТВЕННЫЙ СТАНДАРТ
ПЛИТЫ ЖЕЛЕЗОБЕТОННЫЕ ПРЕДВАРИТЕЛЬНО НАПРЯЖЕННЫЕ
ДЛЯ ОБЛИЦОВКИ ОРОСИТЕЛЬНЫХ КАНАЛОВ МЕЛИОРАТИВНЫХ СИСТЕМ
ТЕХНИЧЕСКИЕ УСЛОВИЯ
Prestressed reinforced concrete slabs
for irrigation canal lining of melioration systems.
Specifications
ГОСТ 22930-2025
МКС 91.100.30
Дата введения
1 января 2026 года
Предисловие
Цели, основные принципы и общие правила проведения работ по межгосударственной стандартизации установлены ГОСТ 1.0 "Межгосударственная система стандартизации. Основные положения" и ГОСТ 1.2 "Межгосударственная система стандартизации. Стандарты межгосударственные, правила и рекомендации по межгосударственной стандартизации. Правила разработки, принятия, обновления и отмены"
Сведения о стандарте
1 РАЗРАБОТАН Акционерным обществом "Научно-исследовательский центр "Строительство" (АО "НИЦ "Строительство") - Научно-исследовательским, проектно-конструкторским и технологическим институтом бетона и железобетона им. А.А. Гвоздева (НИИЖБ им. А.А. Гвоздева)
2 ВНЕСЕН Техническим комитетом по стандартизации ТК 465 "Строительство"
3 ПРИНЯТ Межгосударственным советом по стандартизации, метрологии и сертификации (протокол от 24 июня 2025 г. N 67-2025)
За принятие проголосовали:
Краткое наименование страны по МК (ИСО 3166) 004-97
Код страны по МК (ИСО 3166) 004-97
Сокращенное наименование национального органа по стандартизации
Азербайджан
AZ
Азстандарт
Армения
AM
ЗАО "Национальный орган по стандартизации и метрологии" Республики Армения
Киргизия
KG
Кыргызстандарт
Россия
RU
Росстандарт
Узбекистан
UZ
Узбекское агентство по техническому регулированию
4 Приказом Федерального агентства по техническому регулированию и метрологии от 12 августа 2025 г. N 869-ст межгосударственный стандарт ГОСТ 22930-2025 введен в действие в качестве национального стандарта Российской Федерации с 1 января 2026 г.
5 ВЗАМЕН ГОСТ 22930-87
Информация о введении в действие (прекращении действия) настоящего стандарта и изменений к нему на территории указанных выше государств публикуется в указателях национальных стандартов, издаваемых в этих государствах, а также в сети Интернет на сайтах соответствующих национальных органов по стандартизации.
В случае пересмотра, изменения или отмены настоящего стандарта соответствующая информация будет опубликована на официальном интернет-сайте Межгосударственного совета по стандартизации, метрологии и сертификации в каталоге "Межгосударственные стандарты"
1 Область применения
Настоящий стандарт распространяется на предварительно напряженные железобетонные плиты, изготовляемые из тяжелого бетона и предназначенные для облицовки оросительных каналов мелиоративных систем.
Плиты применяют в каналах:
- при глубине потока воды до 3 м включительно, максимальной высоте волны 0,5 м и отсутствии ледовых нагрузок;
- сооружаемых в нескальных грунтах при неагрессивной степени воздействия на железобетонные конструкции;
- сооружаемых в несейсмических районах, а также в районах с сейсмичностью до 8 баллов включительно.
Плиты применяют в районах с расчетной температурой наружного воздуха (средней наиболее холодной пятидневки района строительства) до минус 40 °C включительно.
2 Нормативные ссылки
В настоящем стандарте использованы нормативные ссылки на следующие межгосударственные стандарты:
ГОСТ 6727 Проволока из низкоуглеродистой стали холоднотянутая для армирования железобетонных конструкций. Технические условия
ГОСТ 7348 Проволока из углеродистой стали для армирования предварительно напряженных железобетонных конструкций. Технические условия
ГОСТ 7473 Смеси бетонные. Технические условия
ГОСТ 8267 Щебень и гравий из плотных горных пород для строительных работ. Технические условия
ГОСТ 8736 Песок для строительных работ. Технические условия
ГОСТ 8829 Изделия строительные железобетонные и бетонные заводского изготовления. Методы испытаний нагружением. Правила оценки прочности, жесткости и трещиностойкости
ГОСТ 10060 Бетоны. Методы определения морозостойкости
ГОСТ 10180 Бетоны. Методы определения прочности по контрольным образцам
ГОСТ 10181 Смеси бетонные. Методы испытаний
ГОСТ 10922 Арматурные и закладные изделия, их сварные, вязаные и механические соединения для железобетонных конструкций. Общие технические условия <1>
--------------------------------
<1> В Российской Федерации действует ГОСТ Р 57997-2017 "Арматурные и закладные изделия сварные, соединения сварные арматуры и закладных изделий железобетонных конструкций. Общие технические условия".
ГОСТ 12730.0 Бетоны. Общие требования к методам определения плотности, влажности, водопоглощения, пористости и водонепроницаемости
ГОСТ 12730.3 Бетоны. Метод определения водопоглощения
ГОСТ 12730.5 Бетоны. Методы определения водонепроницаемости
ГОСТ 13015 Изделия бетонные и железобетонные для строительства. Общие технические требования. Правила приемки, маркировки, транспортирования и хранения
ГОСТ 17624 Бетоны. Ультразвуковой метод определения прочности
ГОСТ 17625 Конструкции и изделия железобетонные. Радиационный метод определения толщины защитного слоя бетона, размеров и расположения арматуры
ГОСТ 18105 Бетоны. Правила контроля и оценки прочности
ГОСТ 22362 Конструкции железобетонные. Методы измерения силы натяжения арматуры
ГОСТ 22690 Бетоны. Определение прочности механическими методами неразрушающего контроля
ГОСТ 22904 Конструкции железобетонные. Магнитный метод определения толщины защитного слоя бетона и расположения арматуры
ГОСТ 23009 Конструкции и изделия бетонные и железобетонные сборные. Условные обозначения (марки)
ГОСТ 23732 Вода для бетонов и строительных растворов. Технические условия
ГОСТ 23858 Соединения сварные стыковые арматуры железобетонных конструкций. Ультразвуковые методы контроля качества. Правила приемки
ГОСТ 24211 Добавки для бетонов и строительных растворов. Общие технические условия
ГОСТ 26134 Бетоны. Ультразвуковой метод определения морозостойкости
ГОСТ 26433.0 <1> Система обеспечения точности геометрических параметров в строительстве. Правила выполнения измерений. Общие положения
--------------------------------
<1> В Российской Федерации действует ГОСТ Р 58941-2020.
ГОСТ 26433.1 <2> Система обеспечения точности геометрических параметров в строительстве. Правила выполнения измерений. Элементы заводского изготовления
--------------------------------
<2> В Российской Федерации действует ГОСТ Р 58939-2020.
ГОСТ 26633 Бетоны тяжелые и мелкозернистые. Технические условия
ГОСТ 31108 Цементы общестроительные. Технические условия
ГОСТ 31384 Защита бетонных и железобетонных конструкций от коррозии. Общие технические требования
ГОСТ 34028 Прокат арматурный для железобетонных конструкций. Технические условия
Примечание - При пользовании настоящим стандартом целесообразно проверить действие ссылочных стандартов и классификаторов на официальном интернет-сайте Межгосударственного совета по стандартизации, метрологии и сертификации (www.easc.by) или по указателям национальных стандартов, издаваемым в государствах, указанных в предисловии, или на официальных сайтах соответствующих национальных органов по стандартизации. Если на документ дана недатированная ссылка, то следует использовать документ, действующий на текущий момент, с учетом всех внесенных в него изменений. Если заменен ссылочный документ, на который дана датированная ссылка, то следует использовать указанную версию этого документа. Если после принятия настоящего стандарта в ссылочный документ, на который дана датированная ссылка, внесено изменение, затрагивающее положение, на которое дана ссылка, то это положение применяется без учета данного изменения. Если ссылочный документ отменен без замены, то положение, в котором дана ссылка на него, применяется в части, не затрагивающей эту ссылку.
3 Термины и определения
В настоящем стандарте применены термины по ГОСТ 13015, ГОСТ 23009, а также следующие термины с соответствующими определениями:
3.1 плита: Изделие из железобетона, длина и ширина которого многократно превышают его толщину, предназначенное для облицовки оросительных каналов мелиоративных систем.
3.2 лицевая поверхность плиты: Поверхность, видимая после монтажа плиты, которая прилегает к оснастке при изготовлении плит.
3.3 нелицевая поверхность плиты: Поверхность, невидимая в условиях эксплуатации плиты.
3.4 передаточная прочность бетона: Нормируемая прочность бетона предварительно напряженных конструкций к моменту передачи на него усилия обжатия (предварительного напряжения арматуры).
4 Условные обозначения
4.1 Плиты следует маркировать в соответствии с требованиями ГОСТ 13015 и ГОСТ 23009.
4.2 Марка плиты содержит обозначение наименования конструкции (ПКН - плита крепления с напрягаемой арматурой), длину и ширину плиты, выраженные в дециметрах (значения которых округляют до целого числа).
Пример условного обозначения (марки) плиты длиной 6000 мм, шириной 2000 мм:
ПКН60.20
5 Форма и основные размеры
5.1 Плиты следует изготовлять в соответствии с требованиями настоящего стандарта, проектной и технологической документации, утвержденной в установленном порядке.
5.2 Форма и основные размеры плит должны соответствовать указанным на рисунке А.1 и в таблице А.1.
5.3 Плиты допускается изготовлять с технологическими уклонами их торцов, а плиты марок ПКН60.8 и ПКН60.10 - без технологического уклона одной из продольных граней.
5.4 В плитах предусмотрены выпуски напрягаемой арматуры для создания монолитных швов между плитами облицовки оросительных каналов. Длина выпусков арматуры устанавливается проектной документацией на конкретное сооружение и должна быть не менее 25 мм и не более 70 мм.
5.5 Конструкции плит, а также принципиальные схемы армирования плит приведены в приложении Б.
6 Технические требования
6.1 Плиты, предназначенные для эксплуатации в агрессивных средах, следует проектировать и изготавливать с учетом требований ГОСТ 31384.
6.2 Плиты следует изготовлять в формах, обеспечивающих соблюдение установленных настоящим стандартом требований к качеству и точности геометрических размеров плит.
6.3 Плиты должны иметь заводскую готовность, соответствующую требованиям настоящего стандарта.
6.4 Требования к бетону
6.4.1 Плиты следует изготовлять из тяжелого бетона средней объемной массы от 2200 до 2500 кг/м3 включительно. Бетон, материалы для его приготовления и бетонные смеси должны удовлетворять требованиям ГОСТ 26633.
6.4.2 Передачу усилий обжатия на бетон (отпуск натяжения арматуры) следует производить после достижения бетоном требуемой передаточной прочности. Значение нормируемых показателей передаточной прочности бетона в плитах следует назначать в соответствии с нормативными документами.
6.4.3 В сборных железобетонных конструкциях должна быть обеспечена установленная проектом передаточная прочность (прочность бетона при отпуске натяжения арматуры).
6.4.4 Значение нормируемой отпускной прочности бетона плит принимают равным 70% класса бетона по прочности на сжатие. При поставке плит в холодный период года значение нормируемой отпускной прочности бетона может быть повышено, но не более 80% класса бетона по прочности на сжатие. Значение нормируемой отпускной прочности бетона должно соответствовать указанному в проектной документации на конкретное сооружение и в заказе на изготовление плит согласно требованиям ГОСТ 13015.
6.4.5 Характеристики бетона плит следует принимать по таблице 1.
Таблица 1
Основные параметры бетона плит
Параметр
Минимальное значение
Класс бетона по прочности на сжатие
B22,5
Марка бетона по морозостойкости
F1200
Марка по водонепроницаемости
W6
Водопоглощение по массе
Не более 5%
6.4.6 Прочность бетона следует определять по ГОСТ 18105.
6.4.7 При наличии агрессивных сред (сульфаты, хлориды и другие) назначаются дополнительные требования к бетону согласно ГОСТ 31384.
6.4.8 Для приготовления бетонной смеси следует применять портландцемент по ГОСТ 31108 на клинкере нормированного состава без минеральных добавок типа ЦЕМ 0, портландцемент с минеральными добавками до 5%, портландцемент для бетона плит, содержащие в цементном клинкере трехкальциевого алюмината (C3A) не более 7%, оксида магния (MgO) не более 5%, щелочных оксидов в пересчете на Na2O не более 0,8% массы цемента, отвечающие требованиям ГОСТ 31108 и действующим нормативным документам и технической документации.
6.4.9 В качестве мелкого заполнителя для бетона изделий следует использовать природные, обогащенные и фракционированные, а также дробленые обогащенные пески по ГОСТ 8736, ГОСТ 31424, удовлетворяющие требованиям ГОСТ 26633.
6.4.10 В качестве крупных заполнителей для бетонов следует использовать щебень, щебень из гравия, и гравий из плотных горных пород по ГОСТ 8267, удовлетворяющие требованиям ГОСТ 26633.
Наибольший размер зерен крупного заполнителя - 15 мм.
6.4.11 Марка по прочности щебня, щебня из гравия и гравия из природного камня должна быть не ниже М600 для бетонов класса по прочности на сжатие B22,5.
6.4.12 Марка щебня по морозостойкости должна быть не ниже F200 и должна обеспечивать получение бетона проектной марки по морозостойкости.
6.4.13 Вяжущие и заполнители должны соответствовать требованиям ГОСТ 30108 по показателю удельной эффективной активности естественных радионуклидов в соответствии с заказом.
6.4.14 Добавки, применяемые для приготовления бетонной смеси, должны удовлетворять требованиям ГОСТ 24211, ГОСТ 26633 и обеспечивать получение бетона, удовлетворяющего требованиям по морозостойкости.
6.4.15 Вода для приготовления бетона должна удовлетворять требованиям ГОСТ 23732.
6.5 Требования к арматуре и арматурным изделиям
6.5.1 Для армирования плит следует применять арматурную сталь следующих видов и классов:
- в качестве напрягаемой арматуры - высокопрочную арматурную проволоку класса Вр-II по ГОСТ 7348;
- в качестве ненапрягаемой арматуры - арматурную проволоку класса Вр-I по ГОСТ 6727;
- для монтажных петель - стержневую горячекатаную гладкую арматуру из стали класса А240 по ГОСТ 34028 марок ВСт3сп2 и ВСт3пс2 диаметром 6 - 12 мм.
6.5.2 Принципиальные схемы армирования плит приведены в приложении Б.
6.5.3 Арматурные изделия должны удовлетворять требованиям ГОСТ 10922.
6.5.4 Значения действительных отклонений толщины защитного слоя бетона до арматуры плит не должны превышать, мм:
а) +3, -2 - при толщине защитного слоя бетона до поверхности арматурного стержня свыше 14 до 19 мм включительно;
б) +5, -3 - то же, свыше 19 мм.
6.6 Требования к качеству поверхностей и внешнему виду плит
6.6.1 Значения фактических отклонений геометрических параметров плит не должны превышать предельных, указанных в таблице 2.
6.6.2 Устанавливают следующие категории бетонных поверхностей плит:
- А6 - для лицевой поверхности, неотделываемой;
- А7 - для нелицевой поверхности.
6.6.3 Требования к качеству поверхностей и внешнему виду плит (в том числе требования к ширине усадочных и других технологических трещин) - по ГОСТ 13015.
Таблица 2
Предельные отклонения геометрических параметров плит
Вид отклонения геометрического параметра
Геометрический параметр и его номинальное значение, мм
Предельное отклонение, мм
Отклонение от линейного размера
Длина плиты:
- 4000
+/- 20
- 5000 и 6000
+/- 25
Ширина плиты:
- 750 и 1000
+/- 10
- 1500
+/- 12
- 2000
+/- 15
Толщина плиты
+5, -3
Размер, определяющий положение монтажных петель:
- по длине плиты
+/- 20
- ширине плиты
+/- 10
- толщине плиты
+/- 3
Отклонение от прямолинейности
Прямолинейность профиля поверхности боковых граней плиты в любом сечении на всей длине:
- 4000
+/- 12
- 5000 и 6000
+/- 15
Отклонение от равенства диагоналей
Разность длин диагоналей лицевой поверхности плиты длиной:
- 4000
+/- 16
- 5000 и 6000
+/- 20
6.6.4 Длина катета скола в углах плит не должна быть более 100 мм. Околы бетона ребра (при их суммарной длине на 1 м ребра до 100 мм) не должны превышать 10 мм по глубине, измеряемой по рабочей поверхности плиты, и 20 мм - по нерабочей поверхности плиты.
6.6.5 Размеры раковин и местных наплывов на рабочей поверхности плиты не должны превышать:
- по диаметру или наибольшему размеру раковин - 15 мм;
- по глубине раковин и высоте местных наплывов - 10 мм.
Размеры раковин на нерабочей поверхности и боковых гранях плиты не должны превышать по диаметру или наибольшему размеру 20 мм.
6.6.6 Трещины на поверхностях плит не допускаются, за исключением поверхностных усадочных и технологических шириной не более 0,1 мм и длиной не более 50 мм в количестве не более пяти на 1,5 м2 поверхности плиты.
7 Правила приемки
7.1 Плиты следует принимать партиями в соответствии с требованиями ГОСТ 13015 и настоящего стандарта.
Объем партии не должен превышать 300 шт. для каждого вида изделий.
Требования при приемке плит приведены в таблице 3.
7.2 Приемку плит проводят по результатам:
- операционного контроля - соответствия арматурных изделий, силы натяжения арматуры, прочности сварных соединений, положения арматурных изделий в форме;
- приемо-сдаточных испытаний - по показателям прочности бетона (передаточной и отпускной, классам по прочности по прочности на сжатие), точности геометрических параметров, качества поверхности, трещиностойкости, толщины защитного слоя бетона;
- периодических испытаний - по показателям морозостойкости, водонепроницаемости, водопоглощения бетона.
7.3 Партию плит по показателям их прочности и жесткости принимают, если они удовлетворяют установленным настоящим стандартом требованиям по комплексу нормируемых и проектных показателей, характеризующих прочность бетона, толщину плиты, диаметр и расположение арматуры, толщину защитного слоя бетона, основные параметры арматурных и монтажно-стыковых изделий, натяжение напрягаемой арматуры, физико-механические свойства арматурной стали, которые проверяют в процессе входного, операционного и приемочного контроля в соответствии с ГОСТ 13015.
7.4 Приемочный контроль прочности бетона (на основе результатов испытаний образцов бетона или неразрушающих методов) осуществляют в соответствии с ГОСТ 18105.
7.5 Контроль передаточной и отпускной прочности бетона на сжатие неразрушающими методами проводят на трех плитах в соответствии с ГОСТ 22690 и ГОСТ 17624.
7.6 Периодичность проверок морозостойкости и водонепроницаемости бетона плит следует проводить в соответствии с таблицей 3, кроме того, данные проверки следует выполнять при изменении технологии изготовления плит, изменении исходных материалов и состава бетонной смеси, используемых для приготовления бетона.
Таблица 3
Требования при приемке плит
Наименование показателя
Вид контроля
Объем выборки и (или) периодичность контроля
Обозначение нормативного документа
Операционный
Приемо-сдаточный
Периодический
Натяжение арматуры
+
-
-
100% постоянно
Отпускная и передаточная прочность
-
+
-
100% постоянно
Прочность бетона на сжатие
-
+
-
100% постоянно
Толщина защитного слоя
-
+
-
100% постоянно
Прочность сварных соединений
+
-
-
100% постоянно
Соответствие диаметра и количества арматурных стержней или проволок
+
-
-
100% постоянно
Соответствие рабочим чертежам по геометрическим размерам
-
+
-
100% постоянно
Внешневидовые характеристики
-
+
-
100% постоянно
Трещиностойкость плит
-
+
-
1 шт., не реже одного раза в 6 мес
Морозостойкость бетона
-
-
+
Не реже одного раза в 6 мес
Водопоглощение бетона
-
-
+
Не реже одного раза в 3 мес
Водонепроницаемость бетона
-
-
+
Не реже одного раза в 6 мес
Примечание - Знак "+" означает, что контроль проводят, знак "-" - не проводят.
7.7 Приемку арматурных изделий проводят до установки их в форму в соответствии с ГОСТ 10922 и ГОСТ 23858.
7.8 Приемку плит по показателям точности геометрических параметров, толщины защитного слоя бетона, качества поверхности, контролируемых путем измерений, следует осуществлять по результатам выборочного одноступенчатого контроля.
7.9 При приемке плит по показателям трещиностойкости от каждой партии плит отбирают для испытаний одну плиту, удовлетворяющую по другим показателям требованиям настоящего стандарта.
При неудовлетворительных результатах испытания на трещиностойкость хотя бы по одной зоне проводят дополнительное испытание двух плит данной партии. Если из двух плит хотя бы одна не выдерживает испытания, то все плиты этой партии подвергают испытанию, а приемке подлежат только плиты, выдержавшие испытания.
7.10 По результатам приемки составляют документ о качестве поставляемых плит в соответствии с ГОСТ 13015.
8 Методы контроля
8.1 Прочность бетона при ее контроле по образцам определяют на серии образцов, изготовленных из бетонной смеси рабочего состава и хранившихся в условиях согласно ГОСТ 10180.
8.2 Проверку показателей качества бетонной смеси следует проводить по ГОСТ 10181 с периодичностью в соответствии с ГОСТ 7473.
8.3 Морозостойкость бетона плит следует определять в соответствии с ГОСТ 10060, ГОСТ 26134.
8.4 Методы контроля сварных арматурных изделий следует принимать по ГОСТ 10922.
8.5 Методы контроля исходных сырьевых материалов, применяемых для изготовления плит, должны соответствовать установленным стандартами или техническими условиями на эти материалы.
8.6 Размеры, отклонения от плоскостности плиты, толщину защитного слоя бетона до арматуры, а также качество бетонных поверхностей и внешний вид плит проверяют методами, установленными ГОСТ 13015.
8.7 Испытание плит по прочности и трещиностойкости
8.7.1 Испытание плит по прочности и трещиностойкости следует проводить нагружением по ГОСТ 8829 с учетом требований настоящего стандарта.
8.7.2 Испытания плит по прочности и трещиностойкости следует проводить по схеме, приведенной на рисунке 1.
8.7.3 Испытание плит нагружением проводят после достижения бетоном плит прочности, соответствующей классу бетона по прочности на сжатие.
8.7.4 Допускается использовать для испытаний плиты с раковинами, местными наплывами и окопами бетона, размеры которых превышают допускаемые настоящим стандартом не более чем в два раза, и другими дефектами, не влияющими на прочность плит.
8.7.5 Все опоры, установленные в местах крепления монтажных петель, должны быть шаровыми, чтобы обеспечивать поворот в двух плоскостях и перемещение в плоскости плиты. Одна шаровая опора должна быть неподвижной, а также должно быть предусмотрено устройство, препятствующее вращению плиты в горизонтальной плоскости вокруг неподвижной опоры.
8.7.6 Контрольная нагрузка при испытании плит на прочность и трещиностойкость равна 1,62 кПа; нагрузка при определении ширины раскрытия трещин плит равна 85% контрольной.
8.7.7 Контрольная ширина раскрытия трещин при испытании плит по трещиностойкости не должна превышать 0,2 мм.
8.7.8 Прочность бетона плит следует определять по ГОСТ 10180 на серии образцов, изготовленных из бетонной смеси рабочего состава и хранившихся в условиях, установленных ГОСТ 18105.
8.7.9 При испытании плит неразрушающими методами фактическую передаточную и отпускную прочность бетона на сжатие следует определять ультразвуковым методом по ГОСТ 17624 или приборами механического действия по ГОСТ 22690, а также другими методами, предусмотренными стандартами на методы испытания бетона.
1 - теоретическая схема нагрузки; 2 - нагрузка;
3 - подвижная опора; 4 - неподвижная опора
Рисунок 1 - Схема испытания плит
8.7.10 Водонепроницаемость бетона следует определять по ГОСТ 12730.0 и ГОСТ 12730.5 на серии образцов, изготовленных из бетонной смеси рабочего состава.
8.7.11 Водопоглощение бетона следует определять по ГОСТ 12730.0 и ГОСТ 12730.3 на серии образцов, изготовленных из бетонной смеси рабочего состава.
8.7.12 Контроль и испытание сварных арматурных изделий следует проводить по ГОСТ 10922.
8.7.13 Измерение напряжений в напрягаемой арматуре, контролируемых по окончании натяжения, следует проводить по ГОСТ 22362.
9 Маркировка, транспортирование и хранение
9.1 Маркировку плит следует выполнять в соответствии с требованиями ГОСТ 13015.
Маркировочные надписи и знаки следует наносить на боковой или торцевой грани каждой плиты.
9.2 Требования к документу о качестве плит, поставляемых потребителю - по ГОСТ 13015.
Кроме основных фактических показателей качества, в документе дополнительно должны быть приведены:
- марка бетона по морозостойкости;
- марка бетона по водонепроницаемости;
- водопоглощение бетона.
9.3 При погрузке, транспортировании, разгрузке и хранении плит следует соблюдать требования техники безопасности в соответствии с действующими нормами.
9.4 Допускается съем плиты из металлоформы за две монтажные петли, а также одновременный съем одной траверсой двух плит.
9.5 Плиты следует транспортировать и хранить в соответствии с требованиями ГОСТ 13015 и настоящего стандарта.
9.5.1 Плиты при транспортировании и хранении следует устанавливать в вертикальном положении (или с отклонением от вертикали до 8°) на боковые грани в специальных пирамидах. Установку плит осуществляют без прокладок между ними поочередно с двух сторон пирамиды, не допуская разницы более двух плит на сторону. Плиты устанавливают на инвентарные подкладки толщиной, превышающей высоту монтажных петель не менее чем на 20 мм.
9.5.2 Допускается транспортировать и хранить плиты уложенными в горизонтальном положении в штабели на подкладки толщиной не менее 25 мм и без прокладок между плитами. Число плит в штабеле не должно быть более 10; при транспортировании железнодорожным транспортом число плит в штабеле не должно быть более 20. Транспортировать плиты в горизонтальном положении допускается только при жесткости транспортного средства, достаточной для предотвращения возникновения изгибающих моментов в плитах как в продольном, так и в поперечном направлениях.
9.5.3 Подкладки под плитами в пирамидах или штабелях следует укладывать на расстоянии 1100 - 1400 мм от торцов плит.
9.5.4 После загрузки транспортных средств плиты должны быть зафиксированы гибкими стропами. Во избежание порчи плит в местах перегибов строп следует применять прокладки из дерева или других материалов, обеспечивающих сохранность конструкций.
9.5.5 Погрузку, крепление и транспортирование плит на открытом железнодорожном подвижном составе (полувагоны и платформы) следует осуществлять в соответствии с требованиями нормативных документов <1> государств, принявших настоящий стандарт.
--------------------------------
<1> В Российской Федерации действуют Правила перевозок грузов и Технические условия размещения и крепления грузов в вагонах и контейнерах, утвержденные Министерством путей сообщения от 27 мая 2003 г. N ЦМ-943.
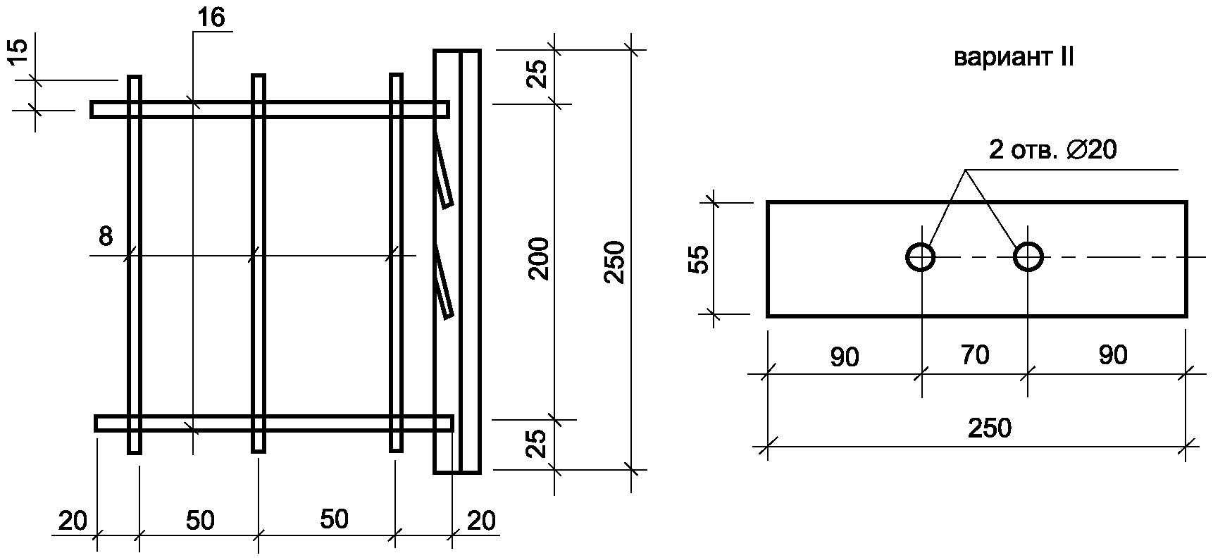
Приложение А
(обязательное)
ФОРМА И ОСНОВНЫЕ РАЗМЕРЫ ПЛИТ
1, 2 - монтажные петли
Рисунок А.1 - Плита ПКН (только для плит
при b = 750 и 1000 мм)
Таблица А.1
Основные размеры плит
Марка плиты
Основные размеры плиты, м
Расход бетона, м3
Масса плиты <*>, т
l
b
a1
a2
ПКН60.20
6000
2000
1250
1350
0,72
1,80
ПКН60.15
6000
1500
1250
1350
0,54
1,35
ПКН60.10
6000
1000
1250
1350
0,36
0,90
ПКН60.8
6000
750
1250
1350
0,27
0,67
ПКН50.20
5000
2000
1100
1200
0,60
1,50
ПКН40.20
4000
2000
830
930
0,48
1,20
<*> Размеры являются справочными.
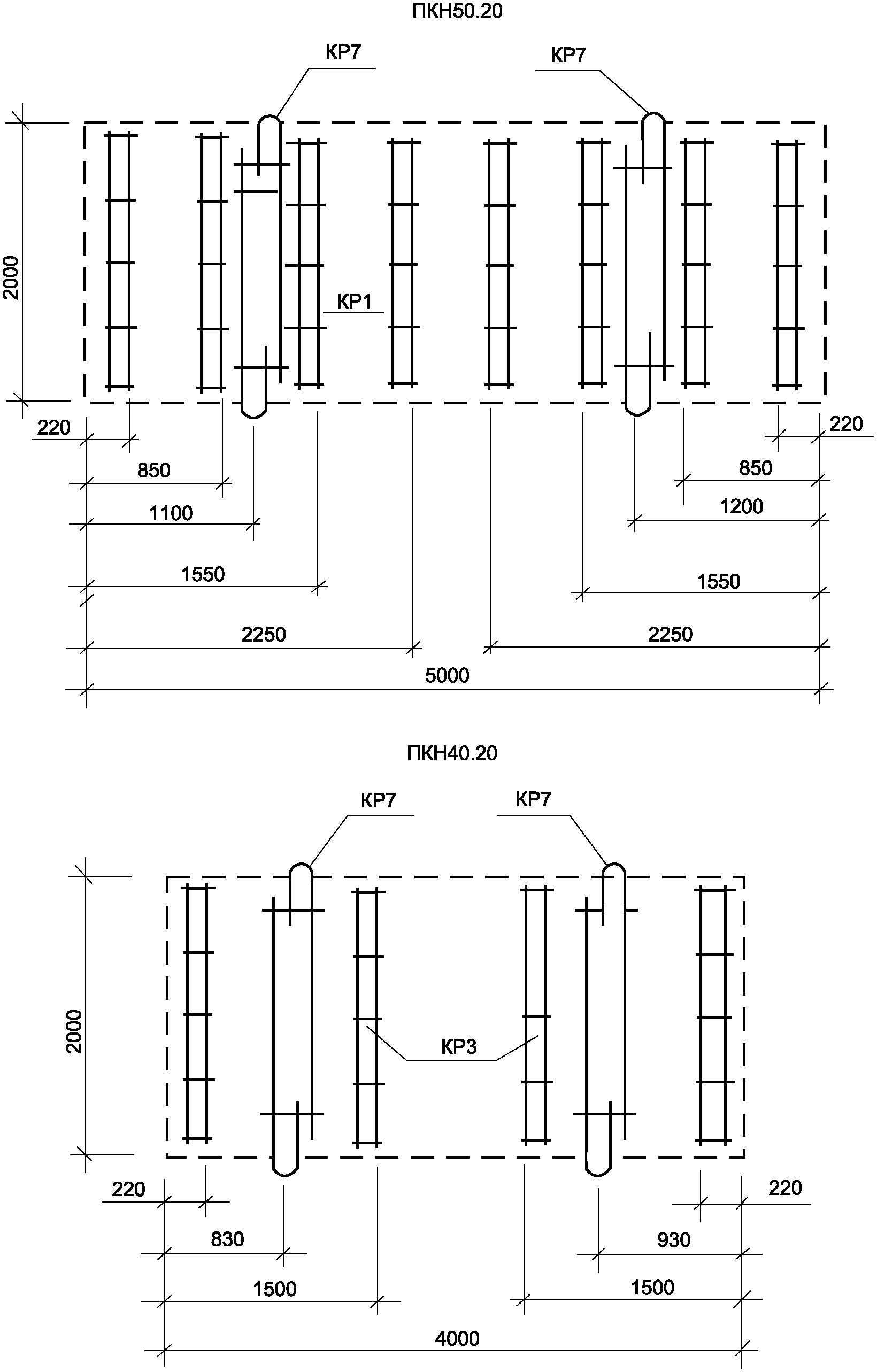
Приложение Б
(обязательное)
АРМИРОВАНИЕ ПЛИТ
Б.1 Натяжение напрягаемой арматуры следует осуществлять механическим и/или электротермическим способом на упоры. Напряжение в напрягаемой арматуре, контролируемое по окончании натяжения ее на упоры, должно быть 804,1 МПа.
Б.2 Значения действительных отклонений напряжений в напрягаемой арматуре не должны превышать при натяжении:
- механическим способом плюс 10%, минус 5%;
- электротермическим способом +/- 88,3 МПа.
Б.3 Температура нагрева напрягаемой арматуры при электротермическом способе натяжения не должна превышать 200 °C.
Б.4 Схемы армирования плит приведены на рисунках Б.1 - Б.10.
Рисунок Б.1 - Схемы армирования плит ПКН60.20, ПКН60.15,
ПКН60.10 и ПКН60.8
Рисунок Б.2 - Схемы армирования плит ПКН50.20 и ПКН40.20
Рисунок Б.3 - Схемы армирования плит. Сечения 1-1
Рисунок Б.4 - Схемы армирования плит. Узел 1.
Разрезы по каркасу КР11
Б.5 Технологические операции армирования выполняют в следующей последовательности:
- симметрично укладывают нижний ряд арматуры (позиции 1, 2, 3);
- на них каркасы;
- по уложенным каркасам укладывают верхний ряд арматуры (позиции 1, 2, 3).
Рисунок Б.5 - Схемы расположения каркасов плит ПКН60.20,
ПКН60.15, ПКН60.10 и ПКН60.8
Рисунок Б.6 - Схемы расположения каркасов плит
ПКН50.20, ПКН40.20
Б.6 Основные размеры каркасов КР1 - КР5 приведены в таблице Б.1. Основные размеры каркасов КР6 - КР10 приведены в таблице Б.2.
Таблица Б.1
Основные размеры каркасов КР1 - КР5
Марка каркаса
Позиция
Размеры, мм
n
l1
a
КР1
4
1950
55
4
КР2
6
1450
35
3
КР3
7
1950
55
4
КР4
9
950
15
2
КР5
10
700
120
1
Рисунок Б.7 - Каркасы КР1 - КР5
Таблица Б.2
Основные размеры каркасов КР6 - КР10
Марка каркаса
Позиция
Размеры, мм
l2
a1
a2
КР6
11
1400
370
20
КР7
12
1400
370
20
КР8
13
1000
320
20
КР9
14
950
400
40
КР10
15
700
300
10
Рисунок Б.8 - Каркасы КР6 - КР8
Рисунок Б.9 - Каркасы КР9, КР10
Рисунок Б.10, лист 1 - Каркас КР11.
Допускается применение полосы 17 толщиной 5 мм
и изменение ее ширины в пределах +/- 5 мм
Рисунок Б.10, лист 2
Таблица Б.3
Диаметры и класс арматурных стержней
Марка каркаса
Позиция
Эскиз
Диаметр или сечение, мм
-
1, 2, 3
5Вр-II
КР1
4, 5
5Вр-I
КР2
5, 6
5Вр-I
КР3
7, 8
4Вр-I
КР4
9, 8
4Вр-I
КР5
10, 8
4Вр-I
КР6
11
12А240
8
4Вр-I
КР7
12
10А240
8
4Вр-I
КР8
13
10А240
8
4Вр-I
КР9
14
10А240
8
4Вр-I
КР10
15
10А240
8
4Вр-I
КР11
16
10А240
8
4Вр-I
17
Полоса
4 x 55
УДК 691.328-41:006.354
МКС 91.100.30
Ключевые слова: бетон, железобетон, плита, предварительно напряженная плита, оросительный канал, мелиоративная система