Главная // Актуальные документы // Актуальные документы (обновление 2024.12.02-2025.01.05) // ГОСТ Р (Государственный стандарт)
СПРАВКА
Источник публикации
М.: ФГБУ "Институт стандартизации", 2024
Примечание к документу
Документ введен в действие с 01.11.2024.

Название документа
"ГОСТ Р 51872-2024. Национальный стандарт Российской Федерации. Документация исполнительная геодезическая. Правила выполнения"
(утв. и введен в действие Приказом Росстандарта от 22.10.2024 N 1479-ст)

"ГОСТ Р 51872-2024. Национальный стандарт Российской Федерации. Документация исполнительная геодезическая. Правила выполнения"
(утв. и введен в действие Приказом Росстандарта от 22.10.2024 N 1479-ст)


Содержание


Утвержден и введен в действие
Приказом Федерального
агентства по техническому
регулированию и метрологии
от 22 октября 2024 г. N 1479-ст
НАЦИОНАЛЬНЫЙ СТАНДАРТ РОССИЙСКОЙ ФЕДЕРАЦИИ
ДОКУМЕНТАЦИЯ ИСПОЛНИТЕЛЬНАЯ ГЕОДЕЗИЧЕСКАЯ
ПРАВИЛА ВЫПОЛНЕНИЯ
Executive geodetic documentation. Performance rules
ГОСТ Р 51872-2024
ОКС 91.010.30
Дата введения
1 ноября 2024 года
Предисловие
1 РАЗРАБОТАН Обществом с ограниченной ответственностью "Центр организации бизнеса" (ООО "Центр организации бизнеса")
2 ВНЕСЕН Техническим комитетом по стандартизации ТК 465 "Строительство"
3 УТВЕРЖДЕН И ВВЕДЕН В ДЕЙСТВИЕ Приказом Федерального агентства по техническому регулированию и метрологии от 22 октября 2024 г. N 1479-ст
4 ВЗАМЕН ГОСТ Р 51872-2019
Правила применения настоящего стандарта установлены в статье 26 Федерального закона от 29 июня 2015 г. N 162-ФЗ "О стандартизации в Российской Федерации". Информация об изменениях к настоящему стандарту публикуется в ежегодном (по состоянию на 1 января текущего года) информационном указателе "Национальные стандарты", а официальный текст изменений и поправок - в ежемесячном информационном указателе "Национальные стандарты". В случае пересмотра (замены) или отмены настоящего стандарта соответствующее уведомление будет опубликовано в ближайшем выпуске ежемесячного информационного указателя "Национальные стандарты". Соответствующая информация, уведомление и тексты размещаются также в информационной системе общего пользования - на официальном сайте Федерального агентства по техническому регулированию и метрологии в сети Интернет (www.rst.gov.ru)
1 Область применения
Настоящий стандарт распространяется на геодезическую исполнительную документацию и устанавливает требования к ее составу, содержанию, оформлению, контролю, порядку приема и хранения при строительстве, реконструкции, капитальном ремонте объектов капитального строительства, сетей инженерно-технического обеспечения.
Примечание - Форма и состав сведений межевого плана, требования к его подготовке установлены приказом [1].
2 Нормативные ссылки
В настоящем стандарте использованы нормативные ссылки на следующие документы:
ГОСТ 2.307 Единая система конструкторской документации. Нанесение размеров и предельных отклонений
ГОСТ 2.321 Единая система конструкторской документации. Обозначения буквенные
ГОСТ 21.113 Система проектной документации для строительства. Обозначения характеристик точности
ГОСТ 21.204 Система проектной документации для строительства. Условные графические обозначения и изображения элементов генеральных планов и сооружений транспорта
ГОСТ 21.508 Система проектной документации для строительства. Правила выполнения рабочей документации генеральных планов предприятий, сооружений и жилищно-гражданских объектов
ГОСТ 18599 Трубы напорные из полиэтилена. Технические условия
ГОСТ 22268 Геодезия. Термины и определения
ГОСТ 22845 Лифты. Лифты электрические. Монтаж и пусконаладочные работы. Правила организации и производства работ, контроль выполнения и требования к результатам работ
ГОСТ Р 2.308 Единая система конструкторской документации. Допуски формы и расположения поверхностей. Правила выполнения
ГОСТ Р 7.0.97 Система стандартов по информации, библиотечному и издательскому делу. Организационно-распорядительная документация. Требования к оформлению документов
ГОСТ Р 21.101-2020 Система проектной документации для строительства. Основные требования к проектной и рабочей документации
ГОСТ Р 70108 Документация исполнительная. Формирование и ведение в электронном виде
СП 31.13330 "СНиП 2.04.02-84* Водоснабжение. Наружные сети и сооружения"
СП 32.13330 "СНиП 2.04.03-85 Канализация. Наружные сети и сооружения"
СП 42.13330 "СНиП 2.07.01-89* Градостроительство. Планировка и застройка городских и сельских поселений"
СП 45.13330 "СНиП 3.02.01-87 Земляные сооружения, основания и фундаменты"
СП 48.13330.2019 "СНиП 12-01-2004 Организация строительства"
СП 70.13330 "СНиП 3.03.01-87 Несущие и ограждающие конструкции"
СП 124.13330 "СНиП 41-02-2003 Тепловые сети"
СП 126.13330.2017 "СНиП 3.01.03-84 Геодезические работы в строительстве"
СП 129.13330 "СНиП 3.05.04-85* Наружные сети и сооружения водоснабжения и канализации"
СП 134.13330 Системы электросвязи зданий и сооружений. Основные положения проектирования
СП 267.1325800 Здания и комплексы высотные. Правила проектирования
СП 471.1325800.2019 Информационное моделирование в строительстве. Контроль качества производства строительных работ
Примечание - При пользовании настоящим стандартом целесообразно проверить действие ссылочных стандартов (сводов правил) в информационной системе общего пользования - на официальном сайте Федерального агентства по техническому регулированию и метрологии в сети Интернет или по ежегодному информационному указателю "Национальные стандарты", который опубликован по состоянию на 1 января текущего года, и по выпускам ежемесячного информационного указателя "Национальные стандарты" за текущий год. Если заменен ссылочный документ, на который дана недатированная ссылка, то рекомендуется использовать действующую версию этого документа с учетом всех внесенных в данную версию изменений. Если заменен ссылочный документ, на который дана датированная ссылка, то рекомендуется использовать версию этого документа с указанным выше годом утверждения (принятия). Если после утверждения настоящего стандарта в ссылочный документ, на который дана датированная ссылка, внесено изменение, затрагивающее положение, на которое дана ссылка, то это положение рекомендуется применять без учета данного изменения. Если ссылочный документ отменен без замены, то положение, в котором дана ссылка на него, рекомендуется применять в части, не затрагивающей эту ссылку. Сведения о действии сводов правил целесообразно проверить в Федеральном информационном фонде стандартов.
3 Термины и определения
В настоящем стандарте применены термины по ГОСТ 22268, СП 126.13330, СП 267.1325800, а также следующие термины с соответствующими определениями:
3.1 геодезическая исполнительная документация: Часть исполнительной документации в виде чертежей и схем, фиксирующих значения геометрических параметров элементов и фактическое местоположение законченных конструктивных элементов, частей зданий и сооружений, участков сетей инженерно-технического обеспечения.
Примечание - Геометрическими параметрами для ведения геодезической исполнительной документации являются линейные и угловые размеры, координаты, расстояния, отметки, уклоны, сечения, диаметры, привязки и т.п.
3.2 исполнительная документация: Документация, содержащая материалы в текстовой и графической формах и отображающая фактическое исполнение функционально-технологических, конструктивных, инженерно-технических и иных решений, содержащихся в проектной и рабочей документации.
Примечание - Состав и порядок ведения исполнительной документации устанавливаются уполномоченным федеральным органом исполнительной власти.
3.3 исполнительный геодезический чертеж: Отчетный графический (цифровой) документ, выполненный на основании рабочей документации, фиксирующий геометрические параметры, фактическое местоположение и фактические отклонения конструктивных элементов, частей сооружений и участков сетей инженерно-технического обеспечения.
3.4 исполнительная геодезическая схема: Исполнительный геодезический чертеж, на котором показаны в виде условных изображений или обозначений связи между элементами (составными частями) построенной (реконструированной) подземной сети инженерных коммуникаций, возведенного здания, строения, сооружения, несущих и ограждающих конструкций.
3.5 исполнительный чертеж: Отчетный графический (цифровой) документ, отображающий результаты работ и профили участков сетей инженерно-технического обеспечения, отражающий выполненные отступления от проектной документации и согласованный с лицом, осуществляющим подготовку проектной документации.
3.6 исполнительная схема: Исполнительный чертеж, на котором показаны в виде условных изображений или обозначений связи между элементами (составными частями) построенной (реконструированной) подземной сети инженерных коммуникаций, возведенного здания, строения, сооружения, несущих и ограждающих конструкций.
3.7 контрольно-исполнительный чертеж: Чертеж, составленный по результатам контрольной геодезической съемки, выполняемой застройщиком для инструментальной проверки соответствия планового и высотного положения построенного здания, сооружения, инженерно-технической сети ее отображению на предъявляемом строительной организацией исполнительном чертеже (схеме) или исполнительном геодезическом чертеже (схеме).
3.8 геодезическая привязка: Определение положения закрепленных на местности точек, зданий и их элементов в принятой системе координат и высот.
3.9 красные линии: Линии, которые обозначают границы территорий общего пользования и подлежат установлению, изменению или отмене в документации по планировке территории.
3.10 охранная зона: Территория, предназначенная для безопасной эксплуатации надземных и подземных объектов, в пределах которой в соответствии с законодательством Российской Федерации устанавливается специальный режим охраны в целях недопущения воздействия на нее внешних негативных факторов.
Примечание - Охранная зона является разновидностью зон с особыми условиями использования территорий.
4 Общие положения
4.1 Геодезическая исполнительная документация предназначена для определения соответствия геометрических параметров строящегося, построенного, реконструируемого, подвергаемого капитальному ремонту объекта капитального строительства и сетей инженерно-технического обеспечения проектной и рабочей документации.
4.2 Геодезическую исполнительную документацию следует вести по результатам исполнительной геодезической съемки на все виды несущих, ограждающих элементов возводимых зданий и сооружений, прокладываемых сетей инженерно-технического обеспечения в соответствии с техническими и иными решениями проектной документации и соблюдением нормативных документов и правил.
На геодезической исполнительной документации должны отображаться геодезические пункты (знаки) и все геометрические параметры, предусмотренные проектом производства геодезических работ (при его наличии) в соответствии с требованиями СП 126.13330.2017 (пункты 4.10 и 4.11).
4.3 В состав исполнительной документации, установленный приказом [2], входит следующая геодезическая исполнительная документация:
- исполнительные геодезические чертежи;
- исполнительные геодезические схемы;
- исполнительные чертежи;
- исполнительные схемы.
Примечание - Результаты исполнительных геодезических съемок являются неотъемлемой частью актов освидетельствования геодезической разбивочной основы объекта капитального строительства, актов разбивки осей объекта капитального строительства на местности, актов освидетельствования скрытых работ, ответственных конструкций и участков сетей инженерно-технического обеспечения. Рекомендуемые образцы этих актов приведены в приказе [2].
4.4 Геодезическая исполнительная документация формируется на основании исполнительной геодезической съемки и содержит следующую информацию:
- числовые значения действительных размеров планово-высотного положения объектов съемки;
- условные знаки или контуры (планы, профили, разрезы, сечения) строительных конструкций, сетей инженерно-технического обеспечения с указанием их назначений, проектных и действительных размеров и значений отклонений от проектных параметров;
- технические характеристики строительных конструкций, сетей инженерно-технического обеспечения, предусмотренные СП 126.13330.2017 (приложение В).
4.5 Ведение геодезической исполнительной документации при строительстве, реконструкции, капитальном ремонте объектов капитального строительства должно осуществляться в соответствии с договором полностью или частично на бумажном носителе или в форме электронных документов без дублирования на бумажном носителе при условии выполнения требований, установленных приказом [2].
Примечание - Геодезическая исполнительная документация подлежит включению в информационную модель, если формирование и ведение информационной модели являются обязательными в соответствии с требованиями Федерального закона [3].
4.6 Оформление создаваемых текстовых документов геодезической исполнительной документации рекомендуется выполнять с соблюдением правил, установленных ГОСТ Р 7.0.97.
4.7 Геометрические параметры в геодезической исполнительной документации, проектные значения и действительные отклонения рекомендуется отражать в соответствии с ГОСТ 2.307, ГОСТ Р 2.308, ГОСТ 21.508, СП 126.13330 и требованиями и правилами других нормативных документов.
4.8 В договоре на выполнение работ по решению застройщика (технического заказчика), лица, ответственного за эксплуатацию здания, сооружения или регионального оператора <*> могут быть предусмотрены дополнительные требования к составу, содержанию и оформлению геодезической документации, не противоречащие положениям настоящего стандарта.
--------------------------------
<*> Понятия "застройщик", "технический заказчик" и "региональный оператор" определены в Федеральном законе [3].
5 Перечень, содержание и оформление геодезической исполнительной документации элементов зданий и сооружений
5.1 Документы геодезической исполнительной документации должны быть включены в перечень исполнительной документации объекта капитального строительства, утвержденный застройщиком (техническим заказчиком), лицом, ответственным за эксплуатацию здания, сооружения или региональным оператором.
Примерный перечень геодезической исполнительной документации, которая может быть включена в перечень исполнительной документации строящегося, построенного, реконструируемого, подлежащего капитальному ремонту объекта капитального строительства, приведен в приложении А.
Примечания
1 В соответствии с Федеральным законом [3] под региональным оператором понимается специализированная некоммерческая организация, которая осуществляет деятельность, направленную на обеспечение проведения капитального ремонта общего имущества в многоквартирных домах.
2 Примерный перечень геодезической исполнительной документации, формируемой на основе информационных моделей, приведен в СП 126.13330.2017 (пункт В.9) и СП 471.1325800.2019 (приложение Д).
5.2 В геодезической исполнительной документации следует указывать размещенные геодезические пункты (знаки), от которых проводился вынос в натуру, контуры зданий и сооружений или отдельных их частей, основные (главные) оси, иные ориентиры и реперы.
5.3 На исполнительных геодезических чертежах (схемах) строящихся зданий и сооружений необходимо показать положение осей элементов сборных конструкций зданий и сооружений в плане значения отклонений планово-высотного положения сборных конструкций и готовых изделий от проектного положения, допущенные в процессе строительства, действительных и проектных размеров от граней элементов монолитных конструкций до смежных конструкций или разбивочных осей с указанием привязочных размеров последних к осям сооружения (геодезические привязки следует указывать к тем же элементам, что и в проектной документации).
Примечание - При отображении высотных отметок опираются на способы указания отметок уровней поверхности, указанные в чертежах проектной и рабочей документации, где отметки могут быть указаны размерными геодезическими привязками или выносками.
Основные требования к формированию геодезической исполнительной документации приведены в СП 126.13330.2017 (приложение В) и приложении Б.
5.4 В соответствии с СП 126.13330.2017 (пункт 10.10) в состав контрольно-исполнительного чертежа, исполнительной схемы должен входить каталог координат характерных точек подземной части здания, сооружения сети инженерно-технического обеспечения, составленный в системе координат и высот субъекта Российской Федерации.
Примечание - Пример оформления каталога координат объекта капитального строительства приведен в СП 126.13330.2017 (рисунок В.1).
5.5 При наличии отклонений координат, отметок местоположения точек, элементов конструкций, их размеров на исполнительных чертежах (схемах), превышающих допустимые, должна быть выполнена надпись о согласовании отклонений лицом, осуществляющим подготовку проектной документации, включающую наименование, дату и номер документа.
5.6 В качестве основы для геодезических исполнительных чертежей (схем) допускается использовать рабочие чертежи, входящие в состав проектной документации.
В правом нижнем углу геодезического исполнительного чертежа (схемы) размещают основную надпись по форме 3 ГОСТ Р 21.101-2020.
Примечание - Содержание, структура и наполняемость геодезической исполнительной схемы (чертежа) приведены в приложении В.
5.7 При необходимости к исполнительной схеме геодезической разбивочной основы при выполнении строительных работ прилагают схемы вынесенных в натуру точек, осей и установленных знаков закрепления с необходимыми геодезическими привязками.
5.8 Исполнительные чертежи на отдельных листах следует выполнять в виде планов и схем в масштабах, не менее принятых для соответствующих рабочих чертежей. Для небольших зданий, когда соответствующие рабочие чертежи отсутствуют, допускается принимать масштаб 1:50.
5.9 Масштаб исполнительной схемы или чертежа в геодезической исполнительной документации необходимо указывать после наименования каждого изображения на разбивочном чертеже, а масштаб разбивочного плана в геодезической исполнительной документации - в штампе в правом нижнем углу чертежа.
5.10 Системы координат и высот, отображаемые в геодезической исполнительной документации, должны быть продублированы в каталоге.
Координаты и высоты указывают в метрах с двумя десятичными знаками (при более высоких требованиях в проектной документации - с тремя десятичными знаками), отделенными от целого числа запятой.
Значения уклонов поверхности следует указывать в промилле, без обозначения единиц измерения, но со стрелкой, обозначающей направления уклонов, а крутизна откосов - в виде отношения единицы высоты к горизонтальному положению.
Примечание - Горизонтальное положение - это ортогональная проекция линии местности на горизонтальную плоскость.
5.11 При большой протяженности конструкций допускается их изображение с разрывами, обозначаемыми параллельными штриховыми линиями, при условии, что в данный разрыв не попадут переломные/характерные точки конструкции.
5.12 При наличии нескольких однотипных конструкций на схеме достаточно указать проектный (типовой) разрез или узел без указания действительных данных, если все контролируемые геометрические параметры отображены на плане.
5.13 Объем использованных материалов и изделий на исполнительных схемах железобетонных и металлических конструкций (в том числе на схемах арматурных сеток, каркасов и закладных деталей) не указывают.
5.14 На исполнительных чертежах и схемах (планах расположения зданий, сооружений, сетей инженерно-технического обеспечения), отображаемых по результатам исполнительных геодезических съемок, следует наносить цифровые значения координат контуров, проектные и действительные отметки нулевых горизонтов зданий и красных линий.
6 Состав, содержание и оформление геодезической исполнительной документации сетей инженерно-технического обеспечения
6.1 Исполнительные чертежи (схемы) необходимо составлять на все виды подземных, наземных и надземных сетей: водопровод, канализацию, газопроводы, тепловые сети, дождевую канализацию, дренаж, трубопроводы специального назначения, кабельные сети, коллекторы, линии электропередачи и пр.
Исполнительные чертежи (схемы) систем инженерно-технического обеспечения внутри зданий и сооружений составляют при наличии соответствующих технических и иных решений проектной документации. При этом требования к составу, содержанию и оформлению исполнительных чертежей (схем) должны соответствовать установленным стандартом.
Примечание - Установленные требования к содержанию исполнительных чертежей подземных сетей инженерно-технического обеспечения приведены в приложении Г.
6.2 Исполнительный чертеж в соответствии с СП 126.13330.2017 (пункт 10.17) следует составлять в масштабе разбивочного чертежа проектной документации на топографическом плане М 1:500 в бумажном виде и, при необходимости, дополнительно представлять в электронном виде (в согласованном формате записи с принимающей стороной) для внесения в информационные системы градостроительной деятельности.
6.3 При соответствии действительных размеров, отметок, уклонов, сечений (диаметров), привязок и других геометрических параметров номинальным значениям (с установленными предельными отклонениями) на исполнительных чертежах (схемах) может быть выполнена надпись: "Отклонения от проекта по геометрическим параметрам отсутствуют".
6.4 Допускается совмещение исполнительных чертежей (схем) различных сетей, если информация об одной сети не может быть отнесена к другой.
6.5 При большой протяженности сетей допускается их изображение с разрывами, обозначаемыми параллельными штриховыми линиями.
6.6 Когда масштабы исполнительных чертежей не позволяют с достаточной степенью детальности показать все размеры, от соблюдения которых зависят эксплуатационные характеристики сетей, следует применять буквенные обозначения по ГОСТ 2.321.
6.7 При отображении в геодезической исполнительной документации подземных сетей инженерно-технического обеспечения следует указать: характеристики и назначение подземных сетей инженерно-технического обеспечения, их вводы в здания (сооружения), диаметр и материал труб, число кабелей и труб, смотровые люки, габариты каналов коллекторов, отметки верха труб, коллекторов, пакетов (блоков) при кабельной прокладке, низа каналов коллекторов, верха труб канализации, входящих в перепадные колодцы, входящих и выходящих труб в колодцах-отстойниках, дна и обечаек колодцев, лотков в самотечных сетях, низы фундаментных плит верха ростверков, а также отметки других элементов инфраструктуры сетей инженерно-технического обеспечения в соответствии с их наличием на каждом конкретном объекте строительства.
6.8 В геодезической исполнительной документации графические параметры, отражаемые на бумажных носителях и в электронном виде, должны содержать: направления линий трасс, точки углов поворотов, места изменения уклонов, присоединений, ответвлений и пересечений с другими сетями инженерно-технического обеспечения, охранные зоны сетей инженерно-технического обеспечения в принятой системе координат и высот.
6.9 По согласованию с застройщиком (техническим заказчиком) исполнительные чертежи (схемы), планы, продольные профили и поперечные планы подземных сетей инженерно-технического обеспечения могут создаваться в электронном виде в соответствии с ГОСТ Р 70108 в форматах, установленных приказом [2].
6.10 Координаты точек X, Y и высоты H, определенные в результате исполнительной геодезической съемки с обеспечением требуемой точности измерений относительно пунктов (знаков) разбивочной сети и реперов соответствующих классов точности, допускается прилагать к графической части документации в виде таблиц.
6.11 Точность планового и высотного положения объектов, отображаемых по результатам исполнительных геодезических съемок, должна соответствовать точности, установленной техническими и иными решениями проектной документации и проектом производства геодезических работ.
6.12 Горизонтальный и вертикальный масштабы профиля прокладки сетей инженерно-технического обеспечения должны соответствовать масштабам профиля в составе проекта.
Примеры плана и профиля прокладки приведены на рисунках Д.2 и Д.3.
6.13 На исполнительный чертеж (схему) необходимо нанести:
- оси и габариты сетей инженерно-технического обеспечения;
- данные геодезических измерений и геодезических привязок вновь построенных и существующих сетей инженерно-технического обеспечения, вскрытых при строительстве;
- участки существующих сетей, изъятых из земли или оставленных в земле, при их перекладке с указанием места и способа их отключения;
- расположения стыков относительно люков колодцев и камер газовых и тепловых сетей с указанием типа стыка;
ИС МЕГАНОРМ: примечание.
В официальном тексте документа, видимо, допущена опечатка: рисунок В.1 в Приложении В отсутствует. Возможно, имеется в виду рисунок Д.1 Приложения Д.
- пунктирными линиями с обеих сторон сетей инженерно-технического обеспечения границы охранных зон и территорий с особым режимом их использования (см. рисунок В.1), если иные требования не указаны в проектной документации;
- границы зон фактически построенных объектов.
Примечание - Требования к охранным зонам установлены:
- СП 31.13330, СП 32.13330, СП 42.13330, СП 124.13330, СП 129.13330, СП 134.13330 - охранные зоны жилых домов и общественных зданий, сетей и сооружений водопровода и канализации, тепловых сетей, кабелей и сетей связи;
- правилами [4] - охранные зоны линий и сооружений связи и радиофикации;
- правилами [5] - охранные зоны газораспределительных сетей;
- правилами [6] - [8] - охранные зоны объектов по производству и передаче электрической энергии.
6.14 К исполнительному чертежу закрытых переходов, выполненных методом горизонтального направленного бурения, в соответствии с СП 126.13330.2017 (пункт 10.15) следует прилагать протокол бурения.
6.15 Исполнительные схемы (чертежи), продольные профили, схемы расположения стыков, каталоги координат и высот (см. 5.4, 5.9 и 5.10) следует составлять для обеспечения длительного хранения на бумажном и электронном носителях (электронный файл должен соответствовать оригиналу на бумажном носителе) в масштабах проектной документации, а при внесении результатов исполнительной геодезической съемки в сводные планы сетей инженерно-технического обеспечения - в масштабе 1:500 в соответствии с требованиями правил выполнения исполнительных чертежей с действующими условными обозначениями по ГОСТ 21.204 и [9].
6.16 Объем использованных материалов на исполнительных схемах железобетонных и металлических конструкций не указывается.
6.17 Для сетей инженерно-технического обеспечения на территории производственных объектов заказчиком могут быть установлены более жесткие, чем предусмотренные настоящим стандартом, требования к полноте отображения в документации материалов исполнительной геодезической съемки.
7 Контроль геодезической исполнительной документации
7.1 Контроль при приемке геодезической исполнительной документации заключается в проверке соответствия ее состава, полноты содержания и оформления требованиям настоящего стандарта, а также в проверке полноты и оценке достоверности геодезических исполнительных чертежей (схем).
7.2 Застройщик (технический заказчик) в соответствии с СП 48.13330.2019 (пункты 9.1.9 и 9.1.34) выполняет контроль наличия и правильности ведения лицом, осуществляющим строительство, геодезической исполнительной документации, в том числе оценку достоверности геодезических исполнительных чертежей (схем) выполненных конструкций с выборочным контролем точности положения элементов. Застройщик (технический заказчик) может выполнить контроль достоверности представленных исполнителем работ исполнительных геодезических чертежей (схем). С этой целью лицо, осуществляющее строительство, должно сохранять до момента завершения приемки закрепленные в натуре разбивочные оси и монтажные ориентиры.
Примечание - Контроль геодезической исполнительной документации сетей инженерно-технического обеспечения и подземных частей зданий и сооружений осуществляется по требованиям СП 126.13330.2017 (раздел 10).
7.3 Соответствие состава, полноты содержания и оформления геодезической исполнительной документации требованиям настоящего стандарта, других действующих нормативных документов и рабочей и/или проектной документации необходимо определять визуально, путем просмотра полноты материалов исполнительных геодезических съемок и отображения на бумажных носителях цифровых и иных данных, определенных проектной документацией.
Следует также провести проверку правильности отображения в геодезической исполнительной документации материалов исполнительных геодезических съемок.
При необходимости уточнения достоверности материалов исполнительных геодезических чертежей (схем) может проводиться полевой контроль.
Примечание - Проверку правильности составления исполнительных чертежей (схем) и полевой контроль проводят по СП 126.13330.2017 (пункт 10.19).
7.4 При соответствии данных контрольно-исполнительной геодезической съемки на выполнение работ по устройству инженерно-технических сетей и данных, представленных на проверяемом документе, в правой части документа уполномоченный представитель организации, проверяющей и принимающей документацию, выполняет надпись: "Исполнительный документ составлен правильно и соответствует действительному положению элементов конструкций (сети инженерно-технического обеспечения) на местности. Недопустимые отклонения от рабочей документации отсутствуют" или "Исполнительный документ составлен правильно и соответствует действительному положению элементов конструкций (сети инженерно-технического обеспечения) на местности. Имеются согласованные (несогласованные) отклонения от рабочей документации".
Соответствующие надписи должны быть оформлены штампами с указанием регистрационного номера, подписи и даты.
8 Передача, приемка и хранение геодезической исполнительной документации
8.1 Геодезическая исполнительная документация, предусмотренная перечнем исполнительной документации объекта капитального строительства, должна храниться лицом, осуществляющим строительство, в течение всего срока эксплуатации объекта капитального строительства в соответствии с установленным порядком [2].
8.2 Геодезическая исполнительная документация в соответствии с СП 126.13330.2017 (пункт 8.10) должна быть включена в акт, подтверждающий соответствие параметров построенного, реконструированного объекта капитального строительства проектной документации.
8.3 Приемку и хранение геодезической исполнительной документации по строительству объекта капитального строительства, прокладке подземных, наземных и надземных сетей инженерно-технического обеспечения осуществляет в соответствии с Федеральным законом [3] застройщик.
8.4 Материалы и данные, представляемые в электронном виде, должны соответствовать по составу и полноте формату записи и составу сопроводительных документов требованиям региональной информационной системы обеспечения градостроительной деятельности.
8.5 Передача геодезической исполнительной документации в электронном виде осуществляется в соответствии с требованиями ГОСТ Р 70108 и приказа [2].
Приложение А
(рекомендуемое)
ПЕРЕЧЕНЬ ГЕОДЕЗИЧЕСКОЙ ИСПОЛНИТЕЛЬНОЙ ДОКУМЕНТАЦИИ
В геодезической исполнительной документации применяются следующие основные исполнительные геодезические схемы (чертежи) и исполнительные схемы (чертежи):
- исполнительная геодезическая схема выноса в натуру (разбивки) основных осей здания (сооружения);
- исполнительная геодезическая схема разбивки и закрепления оси объекта капитального строительства на местности;
- исполнительные геодезические схемы (поперечные профили) с высотными отметками;
- исполнительные геодезические схемы (чертежи) элементов конструкций и частей зданий и сооружений;
- исполнительная геодезическая схема котлована;
- исполнительная геодезическая схема (чертеж) свайного основания;
- исполнительная геодезическая схема планово-высотного положения свай до срубки;
- исполнительная геодезическая схема планово-высотного положения свай после срубки;
- исполнительная геодезическая схема ростверков;
- исполнительная геодезическая схема фундаментов;
- исполнительная схема (чертеж) анкерных болтов, закладных деталей, технологических отверстий, колодцев и других элементов;
- поярусная (поэтажная) исполнительная геодезическая схема (чертеж) планово-высотного положения колонн каркасных зданий;
- поэтажные исполнительные геодезические схемы (чертежи) планово-высотного положения несущих стен, пилонов, диафрагм жесткости многоэтажных зданий;
- поэтажные исполнительные геодезические схемы (чертежи) планово-высотного положения монолитных плит перекрытия (с указанием положения термовкладышей, технологических отверстий при их наличии в рабочей и/или проектной документации);
- высотная исполнительная схема (чертеж) площадок опирания ригелей, панелей, перекрытий и покрытий здания;
- исполнительная схема (чертеж) отклонений плоскостей, их пересечений от вертикали или проектного наклона на каждом монтажном горизонте и по всей высоте конструкций для стен зданий и сооружений, возводимых в скользящей опалубке монолитных шахт лифтов;
- исполнительная схема (чертеж) отклонений плоскостей от вертикали или проектного наклона на каждом монтажном горизонте и по всей высоте конструкций для стен зданий и сооружений, возводимых в скользящей опалубке (наружные плоскости на всю высоту возводимых зданий);
- поэтажные исполнительные схемы (чертежи) планово-высотного положения сборных железобетонных плит перекрытия с указанием предусмотренной проектом глубины опирания плит на несущие стены;
- поэтажная исполнительная геодезическая схема кирпичной кладки наружных и внутренних несущих стен с указанием смещения осей конструкций от разбивочных осей;
- исполнительная схема отклонения поверхностей и углов кладки от вертикали для кирпичных зданий;
- исполнительная схема (чертеж) подкрановых балок и путей;
- исполнительная схема (чертеж) лифтовой шахты;
- исполнительная схема полов промышленного здания;
- исполнительная схема кровли;
- исполнительная геодезическая схема территории после выполнения работ по благоустройству;
- исполнительные схемы (чертежи) резервуаров, градирен, мачт, дымовых труб и других инженерных сооружений;
- исполнительная схема благоустройства;
- исполнительные схемы и продольные профили подземных сетей инженерно-технического обеспечения;
- исполнительные геодезические чертежи наземных и надземных сетей инженерно-технического обеспечения;
- исполнительные геодезические чертежи подземных сетей инженерно-технического обеспечения и сооружений;
- исполнительные геодезические схемы (чертежи) сооружений по защите от электрокоррозии;
- исполнительная геодезическая схема разбивки и закрепления оси водопропускной трубы;
- исполнительные геодезические схемы замены грунта слабого основания;
- исполнительная геодезическая схема разбивки и закрепления оси ливневой канализации;
- исполнительная схема планово-высотного положения фундамента и закладных деталей, с указанием объемов;
- исполнительная геодезическая схема (чертеж) разбивки и закрепления оси сетчатого ограждения;
- исполнительная схема (пролет ... * ...);
- исполнительная схема (чертеж) укрупненного блока в стыках ... * ...;
- исполнительная схема (чертеж) рулонной гидроизоляции;
- исполнительные схемы кабельной канализации автоматизированной системы управления дорожным движением, типовая схема ввода труб в колодцы;
- исполнительная геодезическая схема разбивки и закрепления опор освещения;
- исполнительная геодезическая схема разбивки и закрепления оси кабельной линии;
- исполнительная схема на устройство труб методом горизонтального направленного бурения;
- исполнительная схема на обратную засыпку траншеи грунтом;
- исполнительная геодезическая схема (чертеж) разбивки и закрепления оси трубопровода;
- исполнительные схемы и профили участков сетей инженерно-технического обеспечения;
- исполнительная геодезическая схема разбивки и закрепления оси водопровода/канализации;
- исполнительная геодезическая схема разбивки и закрепления оси воздушной линии;
- исполнительная схема устройства фундамента и обратной засыпки.
Приложение Б
(справочное)
ОФОРМЛЕНИЕ ГРАФИЧЕСКОЙ ДОКУМЕНТАЦИИ
Б.1 Действительные значения линейных размеров (расстояния между осями, поверхностями и т.п.) показывают числовыми значениями, помещенными под размерной линией, над которой указан соответствующий проектный размер.
Б.2 Проектные и действительные отметки уровней (высоты, глубины) показывают: для грунтовых и других поверхностей рельефа - по ГОСТ 21.508, для прочих элементов - по ГОСТ Р 21.101. Направляющую линию соединяют с точкой поверхности, к которой относится отметка (способы обозначения отметки уровней поверхности показаны на рисунке Б.1).
а) расшифровка обозначений; б) на плане;
в) любой поверхности на разрезе
Рисунок Б.1 - Способы обозначения
отметки уровней поверхности
Б.3 Действительные отклонения от проектных отметок показывают числовым значением в миллиметрах со знаком "+" в случае превышения или "-" в случае занижения. Направляющую линию соединяют с точкой поверхности, к которой относится отклонение (см. рисунок Б.2).
- высотная отметка в абсолютных единицах (проект);
- высотная отметка от уровня чистого пола 1-го этажа (проект);
+7 - отклонение от проекта
Рисунок Б.2 - Примеры указания
действительных отклонений поверхностей
Б.4 Отклонения точек плит перекрытий и других горизонтальных (наклонных) поверхностей от их проектного положения указывают числовыми значениями в миллиметрах со знаком "-" или "+" с направляющей линией или два значения (низ и верх конструкции) с префиксом В и Н в прямоугольной рамке, где в числителе указывают значение отклонения от проектного положения верха конструкции, а в знаменателе - низа конструкции.
На исполнительных чертежах строящихся зданий и сооружений необходимо показать планово-высотное положение осей элементов сборных конструкций зданий и сооружений или значения отклонений от проектного положения сборных конструкций и готовых изделий, допущенные в процессе строительства, а также действительных размеров от граней элементов монолитных конструкций до смежных конструкций или до разбивочных осей с указанием значений геодезических привязок последних к осям сооружения (геодезические привязки следует указывать к тем же элементам, что и в проектной документации).
Б.5 Уклоны поверхностей и линейных элементов показывают по ГОСТ Р 21.101; крутизну откосов показывают по ГОСТ 21.508. При этом перед действительными числовыми значениями помещают букву "Д" в прямоугольной рамке.
Действительные отклонения осей элементов от проектного положения на планах указывают стрелками, направленными в сторону отклонения и расположенными рядом с числовым значением отклонения. При этом перед действительными числовыми значениями отклонений помещают в прямоугольной рамке букву "В" для верхнего сечения или букву "Н" для нижнего сечения элемента (см. рисунок Б.3).
а) сваи; б) колонны
Рисунок Б.3 - Примеры указания действительных отклонений
осей элементов от проектного положения в плане
Действительные расстояния от граней элемента до разбивочных осей указывают в соответствии с рисунком Б.4.
а) от граней монолитного ростверка до вынесенной оси;
б) от граней стеновой панели до разбиваемой
в натуре параллели оси
Рисунок Б.4 - Примеры указаний
действительных расстояний на плане
Действительные отклонения поверхностей элементов от вертикальности указывают стрелками, направленными в сторону отклонения, и расположенными рядом условными обозначениями нарушений вертикальности по ГОСТ 21.113 и числовыми значениями отклонений (см. рисунок Б.5).
а) на плане; б) на разрезе
Рисунок Б.5 - Примеры указания действительных отклонений
поверхностей элементов от вертикальности
Б.6 На рисунках Б.6 - Б.13 приведены примеры исполнительных схем и исполнительных геодезических схем земляных работ и устройства подземных элементов строящихся объектов.
Рисунок Б.6 - Исполнительная геодезическая схема.
Разработка котлована. Картограмма
Рисунок Б.7 - Исполнительная схема. План земляных масс.
Таблица перемещения объемов земляных масс
Рисунок Б.8 - Исполнительная схема свайного поля
Рисунок Б.9 - Исполнительная геодезическая схема.
Фундаменты под оборудование
Рисунок Б.10 - Исполнительная схема ленточных фундаментов
Рисунок Б.11 - Исполнительная схема фундаментов
стаканного типа
Рисунок Б.12 - Исполнительная геодезическая схема.
Подкрановые балки
Рисунок Б.13 - Исполнительная схема
Примеры на рисунках исполнительных схем и исполнительных геодезических схем приведены для пояснения упрощенно без полной детализации и могут не содержать всех отражаемых на схемах элементов и обозначений.
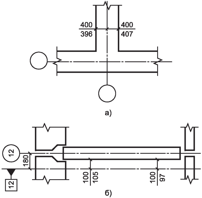
Б.7 Примеры (комплект) исполнительной геодезической документации при возведении жилого дома приведены на рисунках Б.14 - Б.17, включающих исполнительные геодезические схемы наружных стеновых панелей (см. рисунок Б.14) и внутренних стеновых панелей (см. рисунок Б.15) этажа жилого дома, а также высотное положение этажа (см. рисунок Б.16) и лестнично-лифтовый узел этажа жилого дома (см. рисунок Б.17).
Рисунок Б.14 - Исполнительная схема. Наружные стеновые
панели этажа жилого дома (плановое положение)
Рисунок Б.15 - Исполнительная схема. Внутренние стеновые
панели этажа жилого дома (плановое положение)
Рисунок Б.16 - Исполнительная схема.
Высотное положение этажа жилого дома
Рисунок Б.17 - Исполнительная схема.
Лестнично-лифтовой узел этажа жилого дома
Б.8 Пример исполнительного чертежа профиля канализационной трубы, проложенной методом горизонтального направленного бурения, приведен на рисунке Б.18.
Рисунок Б.18, лист 1
Рисунок Б.18, лист 2
Приложение В
(рекомендуемое)
СОДЕРЖАНИЕ, СТРУКТУРА И НАПОЛНЯЕМОСТЬ
ИСПОЛНИТЕЛЬНОЙ ГЕОДЕЗИЧЕСКОЙ СХЕМЫ (ЧЕРТЕЖА)
Для исключения разногласий в процессе приемки выполненных работ на исполнительных геодезических схемах (чертежах) указывают без дублирования действительной информации на разрезах и на плане:
- проектные оси с размерами между ними и обозначениями согласно проектной документации;
- проектные и действительные линейные размеры контролируемых привязок, указанные в проектной документации;
- отклонения в плане, указанные стрелками при сдаче сборных конструкций;
- если все действительные контролируемые параметры могут быть отражены на плане, то используют типовой разрез с указанием только проектных параметров (разрез имеет ознакомительный характер с конструктивными особенностями элемента);
- проектные и действительные отметки контролируемых параметров конструкций аналогично способу, используемому в проектной документации;
- типовой разрез с указанием проектных параметров (если все действительные контролируемые параметры могут быть отражены на плане);
- в примечании - сведения о геодезической разбивочной основе, геодезическом инструменте, системе координат и высот, выписки из нормативных документов предельно допустимых параметрах, а также вспомогательную информацию о проектных данных;
- в условных обозначениях все обозначения по применяемым выноскам и описанием к элементам и измеряемым параметрам должны быть в соответствии с теми, что указаны на схеме (чертеже), а также быть с указанием единиц измерения, с разделителем "запятая" (например, 117,000, мм);
- размещение условных обозначений и примечаний в любом месте схемы (чертежа) при условии отсутствия пересечений с другими элементами схемы (чертежа).
Приложение Г
(справочное)
ТРЕБОВАНИЯ К СОДЕРЖАНИЮ ИСПОЛНИТЕЛЬНЫХ ЧЕРТЕЖЕЙ
ПОДЗЕМНЫХ СЕТЕЙ ИНЖЕНЕРНО-ТЕХНИЧЕСКОГО ОБЕСПЕЧЕНИЯ
Г.1 Требования к содержанию исполнительного чертежа
Г.1.1 На исполнительный чертеж должны быть нанесены геометрические параметры следующих характерных точек и линий проложенной сети инженерно-технического обеспечения, в том числе ее надземных участков, а также существующих сетей, вскрытых при строительстве:
- центров колодцев, люков колодцев и камер;
- точек поворота сети, главных точек кривых (начало, середина и конец) при плавных поворотах в плане, точек изломов и изгибов по высоте;
- центров мест переходов из подземного положения в надземное;
- точек пересечения оси основной сети с осью присоединения или отвода;
- створных точек оси (верх прокладки) на прямолинейных участках не менее чем через 50 м (на незастроенных территориях при большом протяжении допускается наносить створные точки через 100 м);
- точек пересечения осей вводов и выпусков с наружными гранями зданий (сооружений);
- существующих сетей, пересекающихся или идущих параллельно с проложенной сетью, вскрытых при строительстве;
- концевых, переломных и поворотных точек на футлярах (кожухах);
- мест изменения диаметра и материала труб;
- расположения отключающих устройств, расположенных вне камер и колодцев.
Г.1.2 По отдельным видам сетей на исполнительный чертеж, кроме точек, указанных в Г.1.1, должны быть нанесены геометрические параметры мест расположения следующих элементов и устройств и приведена дополнительная информация:
- по водопроводам и трубопроводам специального технического назначения (продуктопроводам) - опор при надземной прокладке, пожарных гидрантов, задвижек, вантузов, аварийных выпусков, водоразборных колонок, упоров на углах поворота, заглушек, габариты колодцев и камер;
- канализации и водостоку - аварийных выпусков, оголовков выпусков водостока, дождеприемников, ливнеспусков, очистных сооружений на водостоках, упоров на углах поворота напорной канализации, габариты камер, зданий станций перекачки и насосных станций;
- подземным дренажам - тип дренажа, материал и поперечное сечение лотков и траншей для закрытых дрен, материал и поперечное сечение глухого коллектора;
- тепловым сетям - опор при надземной прокладке, компенсаторов, задвижек, неподвижных опор, габариты камер, надземных павильонов над камерами и зданий центральных тепловых пунктов, тип прокладки и канала, а также все данные сопутствующего дренажа, водоспусков из канала и всех инженерных сетей, находящихся в канале;
- газопроводам - коверов, колодцев (камер), задвижек, гидравлических затворов, контрольных трубок, конденсационных горшков, заглушек, габариты газораспределительных пунктов и станций;
- электрокабелям - линейных и тройниковых муфт, петель запаса кабеля, переводов, мест выходов на опоры и стены зданий, габариты распределительных пунктов, трансформаторов и тяговых подстанций;
- сооружениям электрозащиты от коррозии - контактных устройств, анодных заземлителей, электрозащитных установок, электрических перемычек, защитных заземлений и дренажных кабелей;
- телефонной канализации - общее число каналов на каждом пролете, размеры нестандартных колодцев и камер, мест выходов на здания и телефонные распределительные шкафы.
Г.1.3 При составлении исполнительных чертежей и профилей подземных сетей инженерно-технического обеспечения с применением программного обеспечения допускается использование встроенных классификаторов (кодификаторов), как объектов строительства, так и отдельных конструктивных элементов сети. Цифровое описание атрибутивной информации и отображение условных обозначений объектов, входящих в состав документов, должны передаваться между различными программами с идентичным описанием в соответствующих обменных форматах.
Г.1.4 При отсутствии в составе исполнительной документации продольного профиля приводят также отметки:
- обечайки смотрового люка и дна колодца;
- дна лотка самотечных и верха трубы напорных трубопроводов;
- верха труб, бронированного кабеля и пакета кабельной канализации на створных точках;
- поверхности земли (бровки траншеи) около колодцев и на створных точках.
Г.1.5 На исполнительном чертеже должны быть приведены данные о назначении сети, количестве, материале и диаметре труб, величине напряжения и марке кабелей, давлении газа.
Г.1.6 На исполнительном чертеже или прилагаемом к нему отдельном листе в масштабе, не менее принятого в проекте, изображают:
- планы и разрезы колодцев (или указывают их тип);
- все характерные сечения коллекторов, каналов, футляров, блоков кабельной канализации, кабельных пакетов;
- развертки кабельных колодцев;
- другие детали сети и сооружений на ней с указанием необходимых линейных размеров, характеризующих построенное сооружение;
- условные знаки изображенных на данном листе инженерных сетей.
На исполнительном чертеже проложенного водопровода или прилагаемом к нему отдельном листе, кроме того, изображают внемасштабную общую схему проложенной сети с указанием внешних габаритов сооружений, диаметров и материала труб, протяженности отдельных участков сети, упоров на углах поворота, задвижек, отключаемых участков существующих сетей.
Г.2 Требования к содержанию продольного профиля
Г.2.1 На продольный профиль должны быть нанесены:
- проложенная инженерная сеть, в том числе ее надземные участки;
- места пересечения с существующими подземными сетями инженерно-технического обеспечения;
- существующие подземные сети, расположенные ниже проложенной (наносят по данным топографических планов, использованных для разработки проекта).
Г.2.2 На продольном профиле указывают:
- проектные и действительные отметки поверхности земли и элементов проложенной сети, указанные в Г.1.1 и Г.1.2;
- горизонтальные расстояния между точками нивелирования (пикетаж, нумерация);
- величины и направления уклонов;
- число кабелей или труб;
- диаметры труб;
- характеристики конструкций дорожной одежды и ее основания, вскрытых при строительстве;
- футляры с указанием диаметров и материала.
Приложение Д
(рекомендуемое)
ОБРАЗЦЫ ОФОРМЛЕНИЯ ГЕОДЕЗИЧЕСКОЙ ИСПОЛНИТЕЛЬНОЙ ДОКУМЕНТАЦИИ
ПЛАНОВ С ОХРАННЫМИ ЗОНАМИ И ПРОФИЛЕЙ ТЕЛЕФОННОЙ КАНАЛИЗАЦИИ
На рисунках Д.1 - Д.3 представлены примеры оформления геодезической исполнительной документации планов с охранными зонами и профилей.
Рисунок Д.1 - План водостока с охранными зонами
Рисунок Д.2 - Исполнительный чертеж
телефонной канализации. План
Рисунок Д.3 - Исполнительный чертеж
телефонной канализации. Профиль
БИБЛИОГРАФИЯ
[1]
Приказ Федеральной службы государственной регистрации, кадастра и картографии от 14 декабря 2021 г. N П/0592 "Об утверждении формы и состава сведений межевого плана, требований к его подготовке"
[2]
Приказ Министерства строительства и жилищно-коммунального хозяйства Российской Федерации от 16 мая 2023 г. N 344/пр "Об утверждении состава и порядка ведения исполнительной документации при строительстве, реконструкции, капитальном ремонте объектов капитального строительства"
[3]
Федеральный закон от 29 декабря 2004 г. N 190-ФЗ "Градостроительный кодекс Российской Федерации"
[4]
Правила охраны линий и сооружений связи Российской Федерации (утверждены постановлением Правительства Российской Федерации от 9 июня 1995 г. N 578)
[5]
Правила охраны газораспределительных сетей (утверждены постановлением Правительства Российской Федерации от 20 ноября 2000 г. N 878)
[6]
Правила установления охранных зон объектов по производству электрической энергии и особых условий использования земельных участков, расположенных в границах таких зон (утверждены постановлением Правительства Российской Федерации от 18 ноября 2013 г. N 1033)
[7]
Правила установления охранных зон для гидроэнергетических объектов (утверждены постановлением Правительства Российской Федерации от 6 сентября 2012 г. N 884)
[8]
Правила установления охранных зон объектов электросетевого хозяйства и особых условий использования земельных участков, расположенных в границах таких зон (утверждены постановлением Правительства Российской Федерации от 24 февраля 2009 г. N 160)
[9]
Условные знаки для топографических планов масштаба 1:500 (правила начертания) (утверждены Главным управлением геодезии и картографии при Совете Министров СССР, 1979)
УДК 528.01:006.354
ОКС 91.010.30
Ключевые слова: геодезическая исполнительная документация, правила выполнения