Главная // Актуальные документы // ГОСТ Р (Государственный стандарт)СПРАВКА
Источник публикации
М.: ФГБУ "Институт стандартизации", 2023
Примечание к документу
Документ
введен в действие с 01.03.2024.
Название документа
"ГОСТ Р 2.308-2023. Национальный стандарт Российской Федерации. Единая система конструкторской документации. Допуски формы и расположения поверхностей. Правила выполнения"
(утв. и введен в действие Приказом Росстандарта от 10.11.2023 N 1373-ст)
"ГОСТ Р 2.308-2023. Национальный стандарт Российской Федерации. Единая система конструкторской документации. Допуски формы и расположения поверхностей. Правила выполнения"
(утв. и введен в действие Приказом Росстандарта от 10.11.2023 N 1373-ст)
Утвержден и введен в действие
агентства по техническому
регулированию и метрологии
от 10 ноября 2023 г. N 1373-ст
НАЦИОНАЛЬНЫЙ СТАНДАРТ РОССИЙСКОЙ ФЕДЕРАЦИИ
ЕДИНАЯ СИСТЕМА КОНСТРУКТОРСКОЙ ДОКУМЕНТАЦИИ
ДОПУСКИ ФОРМЫ И РАСПОЛОЖЕНИЯ ПОВЕРХНОСТЕЙ
ПРАВИЛА ВЫПОЛНЕНИЯ
Unified system for design documentation.
Geometric tolerances. Implementation rules
ГОСТ Р 2.308-2023
Дата введения
1 марта 2024 года
1 РАЗРАБОТАН Акционерным обществом "Научно-исследовательский центр "Прикладная Логистика" (АО НИЦ "Прикладная Логистика")
2 ВНЕСЕН Техническим комитетом по стандартизации ТК 482 "Поддержка жизненного цикла продукции"
3 УТВЕРЖДЕН И ВВЕДЕН В ДЕЙСТВИЕ
Приказом Федерального агентства по техническому регулированию и метрологии от 10 ноября 2023 г. N 1373-ст
4 ВВЕДЕН ВПЕРВЫЕ
Правила применения настоящего стандарта установлены в статье 26 Федерального закона от 29 июня 2015 г. N 162-ФЗ "О стандартизации в Российской Федерации". Информация об изменениях к настоящему стандарту публикуется в ежегодном (по состоянию на 1 января текущего года) информационном указателе "Национальные стандарты", а официальный текст изменений и поправок - в ежемесячном информационном указателе "Национальные стандарты". В случае пересмотра (замены) или отмены настоящего стандарта соответствующее уведомление будет опубликовано в ближайшем выпуске ежемесячного информационного указателя "Национальные стандарты". Соответствующая информация, уведомление и тексты размещаются также в информационной системе общего пользования - на официальном сайте Федерального агентства по техническому регулированию и метрологии в сети Интернет (www.rst.gov.ru)
Настоящий стандарт устанавливает правила выполнения допусков формы и расположения поверхностей в графических документах.
Настоящий стандарт распространяется на изделия машиностроения всех отраслей промышленности.
В настоящем стандарте использованы нормативные ссылки на следующие стандарты:
ГОСТ 2.304 Единая система конструкторской документации. Шрифты чертежные
ГОСТ 24643 Основные нормы взаимозаменяемости. Допуски формы и расположения поверхностей. Числовые значения
ГОСТ 30893.2 (ИСО 2768-2-89) Основные нормы взаимозаменяемости. Общие допуски. Допуски формы и расположения поверхностей, не указанные индивидуально
ГОСТ 31254 (ИСО 14660-1:1999, ИСО 14660-2:1999) Основные нормы взаимозаменяемости. Геометрические элементы. Общие термины и определения
ГОСТ Р 2.005 Единая система конструкторской документации. Термины и определения
ГОСТ Р 53090 (ИСО 2692:2006) Основные нормы взаимозаменяемости. Характеристики изделий геометрические. Требования максимума материала, минимума материала и взаимодействия
ГОСТ Р 53442 (ИСО 1101:2012) Основные нормы взаимозаменяемости. Характеристики изделий геометрические. Установление геометрических допусков. Допуски формы, ориентации, месторасположения и биения
Примечание - При пользовании настоящим стандартом целесообразно проверить действие ссылочных стандартов в информационной системе общего пользования - на официальном сайте Федерального агентства по техническому регулированию и метрологии в сети Интернет или по ежегодному информационному указателю "Национальные стандарты", который опубликован по состоянию на 1 января текущего года, и по выпускам ежемесячного информационного указателя "Национальные стандарты" за текущий год. Если заменен ссылочный стандарт, на который дана недатированная ссылка, то рекомендуется использовать действующую версию этого стандарта с учетом всех внесенных в данную версию изменений. Если заменен ссылочный стандарт, на который дана датированная ссылка, то рекомендуется использовать версию этого стандарта с указанным выше годом утверждения (принятия). Если после утверждения настоящего стандарта в ссылочный стандарт, на который дана датированная ссылка, внесено изменение, затрагивающее положение, на которое дана ссылка, то это положение рекомендуется применять без учета данного изменения. Если ссылочный стандарт отменен без замены, то положение, в котором дана ссылка на него, рекомендуется применять в части, не затрагивающей эту ссылку.
В настоящем стандарте применены термины по
ГОСТ Р 2.005,
ГОСТ 31254, а также следующие термины с соответствующими определениями:
3.1 допуск формы: Наибольшее допускаемое значение отклонения формы нормируемого элемента от формы номинального элемента.
3.2 допуск расположения: Наибольшее допускаемое значение отклонения расположения нормируемого элемента от номинального расположения, определяемого относительно базы (комплекта баз) и/или теоретически точных размеров (допуски расположения подразделяются на допуски ориентации, месторасположения и биения).
3.3 геометрический допуск: Допуск формы или допуск расположения.
3.4 одиночная база: База, установленная от одного базового элемента, взятая от одиночной поверхности или от размерного элемента.
3.5 общая база: База, установленная от двух или более базовых элементов, рассматриваемых одновременно.
3.6
нормируемый элемент: Элемент, для которого установлен геометрический допуск. |
3.7
база: Производный элемент, относительно которого устанавливается геометрический допуск ориентации или месторасположения рассматриваемого нормируемого элемента. |
Примечание - Данное определение справедливо для случая, когда в качестве базового элемента выбран размерный элемент. Если в качестве базового элемента выбрана поверхность или часть поверхности, то базой могут быть плоскости, прямые линии или точки, прилегающие к поверхности базового элемента (или находящиеся на нем).
3.8
базовый элемент: Реальный полный элемент, от которого произведена база. |
3.9
требование максимума материала: Требование к реальному размерному элементу, ограничивающее его материал снаружи действующей границей максимума материала (MMVC). Примечание - Требование максимума материала применяют с целью обеспечения собираемости изделия. |
3.10
требование минимума материала: Требование к реальному размерному элементу, ограничивающее его материал изнутри действующей границей минимума материала (LMVC). Примечание - Требования минимума материала устанавливают одновременно к двум элементам, например, с целью ограничения минимальной толщины стенки между двумя симметрично или соосно расположенными подобными элементами. |
3.11
поле допуска: Область на плоскости или в пространстве, ограниченная одной или несколькими идеальными линиями или поверхностями и характеризуемая равным значению допуска линейным размером. |
3.12 общее поле допуска: Поле допуска, которое применяется совместно для нескольких отдельных элементов.
Примечания
1 В общем поле допуска все соответствующие индивидуальные поля допусков должны быть ограничены в расположении и ориентации между собой с использованием либо явных теоретически точных размеров, либо неявных.
2 Допускаемые отклонения нормируемых элементов должны располагаться в области, ограниченной величиной общего поля допуска. Допускаемые отклонения рассматриваются совместно для всех нормируемых элементов.
3.13
пересекающая плоскость: Плоскость, установленная относительно выявленного элемента детали, определяющая линию на выявленной поверхности (полной или средней) или точку на выявленной линии. Примечание - Использование пересекающих плоскостей позволяет определить нормируемые элементы (элементы, для которых установлен допуск) вне зависимости от того, на какой чертежной проекции указан допуск. |
3.14
ориентирующая плоскость: Плоскость, установленная относительно выявленного элемента детали, определяющая ориентацию поля допуска. Примечания 1 Применение ориентирующей плоскости позволяет определить направление ширины поля допуска производного элемента независимо от теоретически точных размеров (случай месторасположения) или независимо от базы (случай ориентации). 2 Ориентирующую плоскость применяют только в том случае, если нормируемым элементом является средний элемент (центральная точка, средняя прямая линия) и поле допуска ограничено двумя параллельными прямыми линиями или двумя параллельными плоскостями. |
3.15
теоретически точный размер: Размер, указанный на чертеже, на который не распространяются индивидуальный или общий допуски. Примечания 1 Теоретически точные размеры могут быть линейными или угловыми. 2 Теоретически точные размеры в графических документах указывают в прямоугольной рамке. |
4.1 Общие требования к допускам формы, ориентации, месторасположения и биения (далее - геометрическим допускам), определения и интерпретация геометрических допусков и соответствующих им полей допусков, а также графические пояснения к ним установлены в
ГОСТ Р 53442.
4.2 Допуски формы и расположения поверхностей в графических документах указывают с использованием условных обозначений или текстом в технических требованиях.
4.3 Для указания вида геометрического допуска применяют графические символы (знаки) в соответствии с таблицей 1.
Группа допусков | Вид допуска | Графический символ |
Допуски формы | Допуск прямолинейности | |
Допуск плоскостности | |
Допуск круглости | |
Допуск цилиндричности | |
Допуск формы заданного профиля | |
Допуск формы заданной поверхности | |
Допуски ориентации | Допуск параллельности | |
Допуск перпендикулярности | |
Допуск наклона | |
Допуски месторасположения | Позиционный допуск | |
Допуск соосности | |
Допуск симметричности | |
Допуски биения | Допуск биения | |
Допуск полного биения | |
Примечание - В зависимости от необходимости указания базы для допусков формы заданного профиля и допусков формы заданной поверхности они могут быть отнесены к допускам формы, ориентации или месторасположения. |
4.4 При указании геометрического допуска, при необходимости, применяют дополнительные графические символы (модификаторы), приведенные в таблице 2.
Область применения | Графический символ | Пункт стандарта |
Указание среднего элемента | | |
Указание выступающего поля допуска | | - |
Указание требования максимума материала | | |
Указание требования минимума материала | | |
Указание общего поля допуска | | |
Указание пересекающей плоскости | или  , или | |
Указание ориентирующей плоскости | или  , или | |
4.5 Допускается применять дополнительные знаки и модификаторы, не описанные в настоящем стандарте, по
ГОСТ Р 53442.
4.6 Размеры графических символов, рамки допуска и базы определяют в соответствии с
приложением А.
Размеры графических символов пересекающей и ориентирующей плоскостей приведены в
ГОСТ Р 53442.
4.7 Примеры указания геометрических допусков приведены в
приложении Б.
4.8 Числовые значения геометрических допусков выбирают по
ГОСТ 24643.
4.9 В электронных геометрических моделях геометрические допуски указывают в плоскости обозначений и указаний.
4.10 Геометрические допуски допускается указывать текстом в технических требованиях.
При указании геометрических допусков в технических требованиях текст должен содержать:
- вид допуска;
- указание нормируемого элемента, для которого задается допуск с использованием буквенного обозначения или наименования элемента;
- числовое значение допуска в миллиметрах с указанием единицы величины. При круговом или цилиндрическом поле допуска перед числовым значением следует применять символ

;
- указание баз, относительно которых задается допуск (при необходимости);
- дополнительные указания (например, требования максимума или минимума материала при необходимости в соответствующих случаях).
Пример - Допуск параллельности поверхности А относительно базы Б - 0,2 мм. Для нормируемого элемента установлено требование максимума материала.
4.11 При необходимости нормирования геометрических элементов, для которых в графическом документе не указаны геометрические допуски индивидуально, в технических требованиях приводят ссылку на документ по стандартизации, в соответствии с которым задаются требования к неуказанным геометрическим допускам (например, по
ГОСТ 30893.2).
5 Указание геометрических допусков
5.1 При использовании условного обозначения данные о геометрическом допуске указывают в прямоугольной рамке, разделенной на две и более части, как показано на
рисунках 1 и
2. В рамке помещают:
- в первой части - графический символ, определяющий вид допуска, по
таблице 1;
- во второй части - числовое значение допуска в миллиметрах и, при необходимости, дополнительные символы (модификаторы);
- в третьей и последующих частях - буквенное обозначение базы, общей базы или комплекта баз в соответствии с
6.9 -
6.11.
5.2 Рамки следует выполнять сплошными тонкими линиями. Высота цифр, букв и символов, вписываемых в рамки, должна быть равна размеру шрифта размерных чисел.
5.3 Рамку располагают горизонтально. В необходимых случаях допускается вертикальное расположение рамки.
Не допускается пересекать рамку какими-либо линиями.
5.4 Рамку соединяют с нормируемым элементом сплошной тонкой линией, заканчивающейся стрелкой, как показано на рисунке 3.
Рисунок 3
Соединительная линия может быть прямой или ломаной. Направление отрезка соединительной линии, заканчивающегося стрелкой, должно соответствовать направлению измерения отклонения (как правило, перпендикулярно к нормируемому элементу), если не указаны дополнительные модификаторы.
Соединительную линию отводят от рамки, как показано на рисунке 4.
Рисунок 4
В необходимых случаях допускается:
- проводить соединительную линию от второй (последней) части рамки, как показано на
рисунке 5 а);
- заканчивать соединительную линию стрелкой со стороны материала детали, как показано на
рисунке 5 б);
- проводить соединительную линию от полки линии-выноски, которую отводят от точки, расположенной внутри границ нормируемого элемента, как показано на рисунках 5 в) и г).
5.5 Если геометрический допуск относится к полному элементу (поверхности или линии на поверхности), то рамку геометрического допуска соединяют с контурной линией поверхности или ее продолжением, при этом соединительная линия не должна быть продолжением размерной линии. Примеры оформления приведены на рисунках 6 и
7.
Рисунок 6
5.6 Если геометрический допуск относится к производному элементу (оси или плоскости симметрии), то соединительная линия должна быть продолжением размерной линии, как показано на рисунках 8 а), б), г). При недостатке места стрелку размерной линии допускается совмещать со стрелкой соединительной линии, как показано на рисунке 8 в).
Рисунок 8
Для указания геометрического допуска, относящегося к производному элементу, допускается использовать дополнительный символ

, который указывают после числового значения геометрического допуска. В этом случае соединительную линию допускается как совмещать, так и не совмещать с размерной, как показано на рисунках 9 а) и б).
Рисунок 9
5.7 Если размер элемента уже указан один раз, то на других размерных линиях данного элемента, используемых для условного обозначения геометрического допуска, размер повторно не указывают. Размерную линию без размера следует рассматривать как составную часть условного обозначения геометрического допуска. Пример показан на рисунке 10.
Рисунок 10
5.8 Если геометрический допуск относится к боковым сторонам резьбы, то рамку соединяют с изображением в соответствии с
рисунком 11 а).
Если геометрический допуск относится к оси резьбы, то рамку соединяют с изображением в соответствии с рисунком 11 б).
5.9 Повторяющиеся одинаковые виды геометрических допусков, обозначаемых одним и тем же символом, имеющих одинаковые числовые значения и относящихся к одним и тем же базам, допускается указывать один раз в рамке, от которой отходит одна соединительная линия, разветвляемая затем ко всем нормируемым элементам, как показано на рисунках 12 а) и б).
Рисунок 12
В этом случае поля допусков каждого из нормируемых элементов являются индивидуальными.
5.10 Если поле допуска является общим для нескольких различных элементов, то при указании геометрического допуска следует использовать дополнительный символ "
CZ", который указывают после числового значения допуска, как показано на рисунке 13.
Примечание - В примере, показанном на
рисунке 13 а), поле допуска распространяется на всю плоскость, прилегающую ко всем нормируемым элементам одновременно.
5.11 Перед числовым значением допуска следует указывать:
- символ

- при круговом или цилиндрическом поле допуска, как показано на
рисунке 14 а);
- символ

- при сферическом поле допуска, как показано на рисунке 14 б).
Примечание - В конструкторской документации на изделия, разрабатываемые по заказам государственного заказчика, по согласованию с заказчиком (представительством заказчика) также допускается применение других символов, определенных в документах по стандартизации.
5.12 Числовые значения геометрического допуска, указанные в рамке, относятся ко всей длине поверхности. Пример показан на
рисунке 15 а). Если геометрический допуск относится к любому участку поверхности заданной длины (или площади), то заданную длину (или площадь) указывают рядом со значением допуска и отделяют от него наклонной линией, как показано на
рисунках 15 б) и в).
Если необходимо назначить геометрический допуск на всей длине поверхности и на заданной длине, то геометрический допуск на заданной длине указывают под геометрическим допуском на всей длине согласно рисунку 15 г).
5.13 Если геометрический допуск относится к участку, расположенному в определенном месте геометрического элемента, то этот участок обозначают утолщенной штрихпунктирной линией и определяют теоретически точными размерами согласно рисунку 16. В электронных геометрических моделях такой участок рекомендуется связывать с геометрическим допуском, как показано на
рисунках 17 а) и б).
Рисунок 16
Примечание - На
рисунках 17 а) и б) для визуализации связи геометрического допуска с нормируемым участком применена штриховка.
5.14 Если необходимо задать выступающее поле допуска, то после числового значения допуска указывают символ

.
Контур выступающей части нормируемого элемента ограничивают тонкой штрихпунктирной линией с двумя точками, а длину и расположение выступающего поля допуска - теоретическими точными размерами, как показано на
рисунке 18 а).
Если начало выступающего нормируемого элемента смещено относительно опорной поверхности, то величину смещения задают теоретически точным размером согласно рисунку 18 б).
5.15 Дополнительные требования, относящиеся к геометрическому допуску, выполняют в виде надписей, которые располагают над рамкой, под рамкой или на продолжении линии, отведенной от рамки допуска согласно рисунку 19.
Рисунок 19
5.16 Если недостаточно места, то допускается размеры нормируемых элементов с предельными отклонениями размещать непосредственно над рамкой допуска. Данное правило применимо при установлении геометрического допуска к производному элементу (оси отверстия, плоскости симметрии паза и т.д.) при условии совмещения размерной линии с соединительной линией допуска, как показано на рисунке 20.
Рисунок 20
5.17 Геометрический допуск, установленный для нескольких одинаковых элементов, указывают одним из следующих способов:
- рамку геометрического допуска указывают один раз и соединяют ее с одним из элементов, а количество указывают над рамкой геометрического допуска, как показано на
рисунках 21 а) и г);
- рамку геометрического допуска указывают один раз, а соединительную линию разветвляют и подводят ко всем одинаковым элементам, как показано на
рисунке 21 б);
- геометрический допуск указывают для каждого элемента отдельно согласно
рисунку 21 в).
Для указания количества одинаковых элементов применяют запись со знаком "x", как показано на рисунке 21 а), или с наименованием конструктивного элемента, как показано на рисунке 21 г). После данной записи допускается размещать размер нормируемого элемента при выполнении условий, указанных в
5.16, как показано на рисунке 21 г).
5.18 Если для одного элемента необходимо задать два или более разных вида допуска, то допускается рамки допуска объединять и располагать их друг под другом, как показано на
рисунке 22 (верхнее обозначение).
Если для поверхности требуется установить геометрический допуск и одновременно использовать эту же поверхность в качестве базы, применяемой для нормирования другого элемента, то рамки геометрического допуска и базы допускается располагать рядом на соединительной линии, как показано на рисунке 22 (нижнее обозначение).
5.19 Если для каждого из симметрично расположенных элементов требуется задать геометрический допуск, то допуск следует указать для каждого элемента отдельно, как показано на рисунке 23.
Рисунок 23
6.1 Необходимость указания базы при назначении геометрического допуска определяют по
ГОСТ Р 53442 в зависимости от применяемого вида допуска.
6.2 Для указания геометрических допусков применяют одиночную базу, общую базу или комплект баз.
6.3 Базу обозначают прописной буквой русского или латинского алфавита, которую заключают в рамку. В чертежах букву следует располагать параллельно основной надписи. Рамку базы соединяют с базовым элементом сплошной тонкой линией, заканчивающейся зачерненным треугольником. При выполнении графического документа с использованием автоматизированных систем проектирования допускается треугольник, которым оканчивается рамка базы, не зачернять.
6.4 Если базой является полный элемент, то основание треугольника располагают на контурной линии поверхности или на ее продолжении в соответствии с
рисунком 24 а). При этом соединительная линия не должна быть продолжением размерной линии. В электронных геометрических моделях символ базы размещают на самом элементе согласно
рисунку 24 б).
6.5 Допускается размещать базу на полке линии-выноски, которую отводят от точки, расположенной внутри границ базовой поверхности, как показано на рисунках 24 в) и г).
Примечание - В электронных геометрических моделях базовую поверхность рекомендуется связывать с символом базы, если это позволяет реализовать используемая система автоматизированного проектирования.
6.6 Если базой является производный элемент (ось, плоскость симметрии или точка), то треугольник располагают на продолжении размерной линии, как показано на
рисунке 25.
При недостатке места стрелку размерной линии допускается заменять треугольником, обозначающим базу, как показано на
рисунках 25 в) и г).
Символ базы допускается размещать:
- на полке размерной линии, как показано на
рисунке 25 а) (правое обозначение);
- на рамке геометрического допуска, как показано на
рисунке 25 д).
6.7 Если базой является определенная часть элемента, то ее обозначают утолщенной штрихпунктирной линией и ограничивают теоретически точными размерами, как показано на рисунках 26 а), б).
Примечание - На
рисунке 26 б) для визуализации связи геометрического допуска с нормируемым участком применена штриховка.
6.8 Если размер элемента уже указан один раз, то на других размерных линиях данного элемента, используемых для условного обозначения базы, его не указывают. Размерную линию без размера следует рассматривать как составную часть условного обозначения базы. Пример оформления показан на рисунке 27.
Рисунок 27
6.9 Одиночную базу, образованную одним элементом, указывают в третьей части рамки допуска соответствующей прописной буквой.
6.10 Если два элемента образуют общую базу (общую ось или плоскость симметрии), то для каждого элемента указывают самостоятельный символ базы, как показано на
рисунках 25 б), в), г), а в третьей части рамки допуска записывают соответствующие прописные буквы через дефис, как показано на рисунке 28.
Рисунок 28
6.11 Если необходимо установить геометрический допуск относительно образованного двумя или тремя элементами комплекта баз, то буквенные обозначения баз указывают в отдельных частях (третьей и далее) рамки допуска. Буквенное обозначение баз указывают в порядке приоритета. Пример оформления показан на
рисунке 29.
Примечание - Порядок записи комплекта баз определяет ограничения ориентации для присоединенных (прилегаемых) элементов, образующих базы: первичная база накладывает ограничение ориентации на вторичную базу и третичную базу; вторичная база накладывает ограничения ориентации на третичную базу. Вторичная база должна быть указана, когда необходимо ограничить больше степеней свободы поля допуска, чем ограничивается первичной базой. Третичная база должна быть указана, когда необходимо ограничить большее число степеней свободы поля допуска, чем ограничивается первичной и вторичной базами.
7 Указание теоретически точных размеров
7.1 При назначении позиционного допуска, допуска наклона, допуска формы заданного профиля и допуска формы заданной поверхности номинальное расположение элемента (или группы элементов) определяют теоретически точными размерами.
7.2 Теоретически точные размеры указывают в графическом документе без предельных отклонений и заключают в прямоугольные рамки, как показано на
рисунках 29 и 30.
Рисунок 30
8 Указание требования максимума и минимума материала
8.1 Требования максимума и минимума материала учитывают взаимное влияние размера и геометрического допуска <1>. Эти требования устанавливают в том случае, если допуск размера и геометрический допуск элемента необходимо рассматривать совместно, а не независимо друг от друга.
--------------------------------
<1> По существу и способу обозначения требование максимума материала соответствует понятию и способу обозначения зависимых допусков, применявшимся согласно ранее действовавшим нормативным документам.
Примечание - Подробные сведения о требованиях максимума и минимума материала приведены в
ГОСТ Р 53090.
8.2 Символы требования максимума и минимума материала помещают:
- если требование максимума или минимума материала установлено для нормируемого элемента - после числового значения допуска, как показано на
рисунке 31 а);
- если требование максимума или минимума материала установлено для базового элемента - после буквенного обозначения базы, как показано на
рисунке 31 б);
- если требование максимума или минимума материала установлено одновременно для нормируемого и для базового элементов - после числового значения допуска и буквенного обозначения базы, как показано на рисунке 31 в).
9 Применение пересекающих и ориентирующих плоскостей
9.1 При установлении геометрических допусков в электронных геометрических моделях (в трехмерном модельном пространстве) для обеспечения однозначности интерпретации требований следует применять пересекающие и ориентирующие плоскости.
Допускается применять пересекающие и ориентирующие плоскости при указании геометрических допусков в чертежах.
9.2 Указание пересекающей плоскости применяется, если геометрический допуск относится к элементу указанной поверхности, расположенному в определенной плоскости, например допуск прямолинейности линии в плоскости, допуск заданного профиля и др.
Примечание - На чертеже пересекающей плоскостью является плоскость проекции вида, на которой указан геометрический допуск.
9.3 Пересекающие плоскости указывают в графическом документе при помощи дополнительных графических символов (по
таблице 2), которые располагают после рамки допуска.
В первой части обозначения размещают символ

("параллельно"),

("перпендикулярно") или

("содержит"), который определяет расположение пересекающей плоскости относительно базы, а во второй - буквенное обозначение соответствующей базы. Примеры применения пересекающих плоскостей показаны на рисунках 32 а), б), в), г).
Примечание - Символ

("содержит") используют, когда пересекающая плоскость содержит базовый элемент, например в качестве базового элемента принята ось отверстия, которая располагается на пересекающей плоскости [
рисунок 32 г)].
9.4 Ориентирующие плоскости применяют для указания ориентации ширины поля допуска относительно какого-либо элемента детали в случае, когда нормируемым элементом является средняя линия или средняя точка, а поле допуска ограничено по ширине двумя параллельными плоскостями.
Примечание - В чертеже ориентацию плоскостей, ограничивающих поле допуска, определяют по направлению соединительной линии рамки допуска.
9.5 Ориентирующие плоскости указывают в графическом документе при помощи дополнительных графических символов (по
таблице 2), которые располагают после рамки допуска.
В первой части обозначения размещают символ

("параллельно"),

("перпендикулярно") или

("наклон"), который определяет ориентацию ориентирующей плоскости относительно базы, а во второй - буквенное обозначение соответствующей базы.
Пример применения ориентирующей плоскости показан на рисунке 33.
Рисунок 33
(обязательное)
РАЗМЕРЫ ГРАФИЧЕСКИХ СИМВОЛОВ
Примечание - Для указания значений геометрических допусков, обозначения баз и модификаторов допускается применять шрифты с наклоном или без наклона по
ГОСТ 2.304.
h - высота шрифта размерных чисел
Рисунок А.1
(справочное)
ПРИМЕРЫ УКАЗАНИЯ ГЕОМЕТРИЧЕСКИХ ДОПУСКОВ
В ГРАФИЧЕСКИХ ДОКУМЕНТАХ
Таблица Б.1
Вид допуска | Указание геометрического допуска в графическом документе | Пояснение |
1 Допуск прямолинейности | | Допуск прямолинейности образующей конуса - 0,01 мм |
| Допуск прямолинейности оси отверстия -  |
| Допуск прямолинейности поверхности 0,25 мм на всей длине и 0,1 мм - на длине 100 мм |
| Допуск прямолинейности поверхности в поперечном направлении - 0,05 мм, в продольном направлении - 0,1 мм |
2 Допуск плоскостности | | Допуск плоскостности поверхности - 0,1 мм |
| Допуск плоскостности поверхности - 0,1 мм на площади 100 x 100 мм |
| Допуск плоскостности поверхностей - 0,1 мм. Поле допуска - общее |
| Допуск плоскостности каждой поверхности - 0,01 мм. Поля допусков - индивидуальные |
3 Допуск круглости | | Допуск круглости вала - 0,02 мм |
| Допуск круглости конуса - 0,02 мм |
4 Допуск цилиндричности | | Допуск цилиндричности вала - 0,04 мм |
| Допуск цилиндричности вала - 0,01 мм на длине 50 мм. Допуск круглости вала - 0,004 мм |
5 Допуск параллельности | | Допуск параллельности поверхности относительно базовой поверхности А - 0,02 мм |
| Допуск параллельности поверхностей относительно базовой поверхности А - 0,1 мм. Поле допуска - общее |
| Допуск параллельности каждой поверхности относительно базовой поверхности А - 0,1 мм. Поля допусков - индивидуальны |
| Допуск параллельности оси отверстия относительно базовой оси А в общей плоскости осей - 0,1 мм, в направлении, перпендикулярном к общей плоскости осей, - 0,2 мм |
| Допуск параллельности оси отверстия относительно базовой оси А -  |
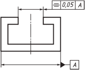
| Допуск параллельности оси отверстия относительно базовой поверхности А - 0,05 мм |
6 Допуск перпендикулярности | | Допуск перпендикулярности поверхности относительно базовой поверхности А - 0,02 мм |
| Допуск перпендикулярности оси отверстия относительно базовой оси А - 0,06 мм |
| Допуск перпендикулярности оси вала относительно базовой поверхности А -  |
| Допуск перпендикулярности оси вала относительно базовой поверхности А - 0,1 мм |
| Допуск перпендикулярности оси вала относительно базовой поверхности А в поперечном направлении - 0,2 мм, в продольном направлении - 0,1 мм |
| Допуск перпендикулярности оси отверстия относительно базовой поверхности А -  . Для нормируемого элемента установлено требование максимума материала |
7 Допуск наклона | | Допуск наклона поверхности относительно базовой поверхности А - 0,08 мм |
| Допуск наклона оси отверстия относительно базовой поверхности А - 0,08 мм |
8 Допуск соосности | | Допуск соосности отверстия относительно базовой оси А -  |
| Допуск соосности вала относительно базовой оси А -  . Для нормируемого и базового элементов установлено требование минимума материала |
9 Допуск симметричности | | Допуск симметричности паза относительно базовой плоскости симметрии А - 0,05 мм |
| Допуск симметричности оси паза относительно общей базовой плоскости симметрии А-Б, образованной базовыми элементами А и Б - 0,2 мм |
| Допуск симметричности оси отверстия относительно базовой плоскости симметрии А - 0,05 мм. Для нормируемого элемента установлено требование максимума материала |
| Допуск симметричности оси отверстия относительно общей базовой плоскости симметрии А-Б, образованной базовыми элементами А и Б, - 0,2 мм; относительно общей базовой плоскости симметрии В-Г, образованной базовыми элементами В и Г, - 0,1 мм |
10 Позиционный допуск | | Позиционный допуск оси отверстия -  |
| Позиционный допуск осей отверстий -  |
| Позиционный допуск осей отверстий относительно комплекта баз А, Б, В -  , относительно базы А -  |
| Позиционный допуск осей отверстий относительно комплекта баз А, Б в горизонтальном направлении - 0,05 мм, относительно комплекта баз А, В в вертикальном направлении - 0,1 мм |
| Позиционный допуск осей отверстий относительно базовой оси А -  . Для нормируемого и базового элементов установлено требование максимума материала |
| Позиционный допуск средних поверхностей пазов относительно комплекта баз А, Б - 0,1 мм |
11 Допуск биения | | Допуск радиального биения вала относительно базы А (оси конуса) - 0,01 мм. Примечание - Размеры конуса не показаны |
| Допуск радиального биения вала относительно общей базовой оси А-Б, образованной базовыми элементами А и Б, - 0,1 мм |
| Допуск радиального биения отверстия относительно комплекта баз А (торцевая поверхность), Б (ось вала) - 0,01 мм, допуск торцевого биения относительно того же комплекта баз - 0,016 мм |
| Допуск радиального биения участка поверхности относительно оси отверстия - 0,2 мм |
| Допуск биения торцевой поверхности на диаметре 20 мм относительно оси вала А - 0,01 мм |
| Допуск биения конуса относительно оси отверстия А в направлении, перпендикулярном к образующей конуса, - 0,01 мм |
12 Допуск полного биения | | Допуск полного биения относительно общей базовой оси А-Б, образованной базовыми элементами А и Б, - 0,1 мм |
| Допуск полного биения торцевой поверхности относительно базовой оси А - 0,1 мм |
13 Допуск формы заданного профиля | | Допуск формы заданного профиля - 0,04 мм |
| Допуск формы заданного профиля относительно комплекта баз А, Б - 0,12 мм |
14 Допуск формы заданной поверхности | | Допуск формы заданной поверхности - 0,02 мм |
| Допуск формы заданной поверхности относительно базы А - 0,1 мм |
УДК 62(084.11):006.354 | |
Ключевые слова: допуск формы, допуск ориентации, допуск месторасположения, допуск биения, базовая поверхность, нормируемый элемент, требование максимума и минимума материала, теоретически точные размеры |