Главная // Актуальные документы // ГОСТ (Государственный стандарт)СПРАВКА
Источник публикации
М.: Стандартинформ, 2012
Примечание к документу
Текст данного документа приведен с учетом
поправки, опубликованной в "ИУС", N 12, 2012;
поправки, опубликованной в "ИУС", N 10, 2014;
поправки, опубликованной в "ИУС", N 8, 2018;
поправки, опубликованной в "ИУС", N 1, 2021.
Документ
введен в действие с 01.01.2012.
Название документа
"ГОСТ 2.307-2011. Межгосударственный стандарт. Единая система конструкторской документации. Нанесение размеров и предельных отклонений"
(введен в действие Приказом Росстандарта от 03.08.2011 N 211-ст)
"ГОСТ 2.307-2011. Межгосударственный стандарт. Единая система конструкторской документации. Нанесение размеров и предельных отклонений"
(введен в действие Приказом Росстандарта от 03.08.2011 N 211-ст)
Введен в действие
от 3 августа 2011 г. N 211-ст
МЕЖГОСУДАРСТВЕННЫЙ СТАНДАРТ
ЕДИНАЯ СИСТЕМА КОНСТРУКТОРСКОЙ ДОКУМЕНТАЦИИ
НАНЕСЕНИЕ РАЗМЕРОВ И ПРЕДЕЛЬНЫХ ОТКЛОНЕНИЙ
Unified system of design documentation.
Drawing of dimensions and limit deviations
ГОСТ 2.307-2011
Группа Т52
Дата введения
1 января 2012 года
Цели, основные принципы и основной порядок проведения работ по межгосударственной стандартизации установлены
ГОСТ 1.0-92 "Межгосударственная система стандартизации. Основные положения" и
ГОСТ 1.2-2009 "Межгосударственная система стандартизации. Стандарты межгосударственные, правила и рекомендации по межгосударственной стандартизации. Правила разработки, принятия, применения, обновления и отмены".
1. Разработан Федеральным государственным унитарным предприятием "Всероссийский научно-исследовательский институт стандартизации и сертификации в машиностроении" (ФГУП "ВНИИНМАШ"), Автономной некоммерческой организацией "Научно-исследовательский центр CALS-технологий "Прикладная логистика" (АНО НИЦ CALS-технологий "Прикладная логистика").
2. Внесен Федеральным агентством по техническому регулированию и метрологии.
3. Принят Межгосударственным советом по стандартизации, метрологии и сертификации (Протокол от 12 мая 2011 г. N 39).
За принятие стандарта проголосовали:
Краткое наименование страны по МК (ИСО 3166) 004-97 | Код страны по МК (ИСО 3166) 004-97 | Сокращенное наименование национального органа по стандартизации |
Азербайджан | AZ | Азстандарт |
Армения | AM | Минэкономики Республики Армения |
Беларусь | BY | Госстандарт Республики Беларусь |
Казахстан | KZ | Госстандарт Республики Казахстан |
Кыргызстан | KG | Кыргызстандарт |
Молдова | MD | Молдова-Стандарт |
Российская Федерация | RU | Росстандарт |
Таджикистан | TJ | Таджикстандарт |
Туркмения | TM | Главгосслужба "Туркменстандартлары" |
Узбекистан | UZ | Узстандарт |
Украина | UA | Госпотребстандарт Украины |
4.
Приказом Федерального агентства по техническому регулированию и метрологии от 3 августа 2011 г. N 211-ст межгосударственный стандарт ГОСТ 2.307-2011 введен в действие в качестве национального стандарта Российской Федерации с 1 января 2012 г.
Информация о введении в действие (прекращении действия) настоящего стандарта публикуется в указателе "Национальные стандарты".
Информация об изменениях к настоящему стандарту публикуется в указателе "Национальные стандарты", а текст изменений - в информационных указателях "Национальные стандарты". В случае пересмотра или отмены настоящего стандарта соответствующая информация будет опубликована в информационном указателе "Национальные стандарты".
Настоящий стандарт устанавливает правила нанесения размеров и предельных отклонений в графических документах на изделия всех отраслей промышленности и строительства.
В настоящем стандарте использованы нормативные ссылки на следующие межгосударственные стандарты:
ГОСТ 2.052-2006. Единая система конструкторской документации. Электронная модель изделия. Общие положения
ГОСТ 2.308-2011. Единая система конструкторской документации. Указание допусков формы и расположения поверхностей
ГОСТ 2.414-75. Единая система конструкторской документации. Правила выполнения чертежей жгутов, кабелей и проводов
ГОСТ 2.417-91. Единая система конструкторской документации. Платы печатные. Правила выполнения чертежей
ГОСТ 2.419-68. Единая система конструкторской документации. Правила выполнения документации при плазовом методе производства
ГОСТ 6636-69. Основные нормы взаимозаменяемости. Нормальные линейные размеры
ГОСТ 25346-89. Основные нормы взаимозаменяемости. Единая система допусков и посадок. Общие положения, ряды допусков и основных отклонений
| | ИС МЕГАНОРМ: примечание. Взамен ГОСТ 25347-82 Приказом Росстандарта от 18.02.2014 N 29-ст с 1 июля 2015 года введен в действие ГОСТ 25347-2013. | |
ГОСТ 25347-82. Основные нормы взаимозаменяемости. Единая система допусков и посадок. Поля допусков и рекомендуемые посадки
ГОСТ 25348-81. Основные нормы взаимозаменяемости. Единая система допусков и посадок. Ряды допусков, основных отклонений и поля допусков для размеров свыше 3150 мм
ГОСТ 25349-88. Основные нормы взаимозаменяемости. Единая система допусков и посадок. Поля допусков деталей из пластмасс
ГОСТ 30893.1-2002 (ИСО 2768-1-89). Основные нормы взаимозаменяемости. Общие допуски. Предельные отклонения линейных и угловых размеров с неуказанными допусками.
Примечание. При пользовании настоящим стандартом целесообразно проверить действие ссылочных стандартов в информационной системе общего пользования - на официальном сайте Федерального агентства по техническому регулированию и метрологии в сети Интернет или по ежегодно издаваемому информационному указателю "Национальные стандарты", который опубликован по состоянию на 1 января текущего года, и по соответствующим ежемесячно издаваемым информационным указателям, опубликованным в текущем году. Если ссылочный стандарт заменен (изменен), то при пользовании настоящим стандартом следует руководствоваться заменяющим (измененным) стандартом. Если ссылочный стандарт отменен без замены, то положение, в котором дана ссылка на него, применяется в части, не затрагивающей эту ссылку.
В настоящем стандарте применены следующие термины с соответствующими определениями:
3.1.
Электронная модель изделия (модель): электронная модель детали или сборочной единицы по ГОСТ 2.102. |
|
3.2.
Электронный макет: электронная модель изделия, описывающая его внешнюю форму и размеры, позволяющая полностью или частично оценить его взаимодействие с элементами производственного и (или) эксплуатационного окружения, служащая для принятия решений при разработке изделия и процессов его изготовления и использования. |
|
3.3. Справочные размеры: размеры, не подлежащие выполнению по данному графическому документу и указываемые для большего удобства пользования этим документом.
3.4. Установочные и присоединительные размеры: размеры, определяющие величины элементов, по которым данное изделие устанавливают на месте монтажа или присоединяют к другому изделию.
3.5. Габаритные размеры: размеры, определяющие предельные внешние (или внутренние) очертания изделия.
3.6.
Общий допуск размера: предельные отклонения (допуски) линейных или угловых размеров, указываемые на чертеже или в других технических документах общей записью и применяемые в тех случаях, когда предельные отклонения (допуски) не указаны индивидуально у соответствующих номинальных размеров. |
|
3.7.
Плоскость обозначений и указаний: плоскость в модельном пространстве, на которую выводится визуально воспринимаемая информация, содержащая значения атрибутов модели, технические требования, обозначения и указания. |
|
3.8.
Предельное отклонение: алгебраическая разность между предельным и соответствующим номинальным размерами. Различают верхнее и нижнее предельные отклонения. |
|
3.9.
Размер: числовое значение линейной величины (диаметра, длины и т.п.) в выбранных единицах измерения. |
|
3.10.
Номинальный размер: размер, относительно которого определяются отклонения. |
|
3.11.
База: поверхность или выполняющее ту же функцию сочетание поверхностей, ось, точка, принадлежащая заготовке или изделию и используемая для базирования. |
[ГОСТ 21495-76, таблица, пункт 2] |
3.12.
Конструкторская база: база, используемая для определения положения детали или сборочной единицы в изделии. |
[ГОСТ 21495-76, таблица, пункт 13] |
3.13.
Основная база: конструкторская база данной детали или сборочной единицы, используемая для определения их положения в изделии. |
[ГОСТ 21495-76, таблица, пункт 14] |
3.14.
Квалитет (степень точности): совокупность допусков, рассматриваемых как соответствующие одному уровню точности для всех номинальных размеров. |
|
3.15.
Отверстие: термин, условно применяемый для обозначения внутренних элементов деталей, включая и нецилиндрические элементы. |
|
3.16.
Вал: термин, условно применяемый для обозначений наружных элементов деталей, включая и нецилиндрические элементы. |
|
4.1. Основанием для определения величины изображенного изделия и его элементов служат размерные числа, указанные в графическом документе.
Исключение составляют случаи, предусмотренные ГОСТ 2.414, ГОСТ 2.417, ГОСТ 2.419, когда величину изделия или его элементов определяют по изображениям, выполненным с достаточной степенью точности.
Основанием для определения требуемой точности изделия при изготовлении являются указанные предельные отклонения размеров, а также предельные отклонения формы и расположения поверхностей.
При визуализации (отображении) модели изделия на электронном устройстве (например, экране дисплея) размеры и предельные отклонения следует располагать в соответствии с требованиями
ГОСТ 2.052.
4.2. Общее количество размеров должно быть минимальным, но достаточным для изготовления и контроля изделия.
4.3. Справочные размеры отмечают знаком "*", а в технических требованиях записывают: "* Размеры для справок". Если все размеры справочные, их знаком "*" не отмечают, а в технических требованиях записывают: "Размеры для справок".
На строительных чертежах справочные размеры отмечают и оговаривают только в случаях, предусмотренных в соответствующих документах, утвержденных в установленном порядке.
4.4. К справочным относят следующие размеры:
а) один из размеров замкнутой размерной цепи. Предельные отклонения таких размеров на чертеже не указывают (см. рисунок 1);
--------------------------------
<*> Размеры для справок.
б) размеры, перенесенные с графических документов изделий-заготовок (см. рисунок 2);
--------------------------------
<*> Размеры для справок.
Рисунок 2
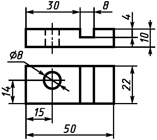
в) размеры, определяющие положение элементов детали, подлежащих обработке по другой детали (см. рисунок 3);
--------------------------------
<*> Размеры для справок.
<**> Обработать по сопрягаемой детали (или по дет...).
Рисунок 3
г) размеры на сборочном чертеже, по которым определяют предельные положения отдельных элементов конструкции, например ход поршня, ход штока клапана двигателя внутреннего сгорания и т.д.;
д) размеры на сборочном чертеже, перенесенные с чертежей деталей и используемые в качестве установочных и присоединительных;
е) габаритные размеры на сборочном чертеже, перенесенные с чертежей деталей или являющиеся суммой размеров нескольких деталей;
ж) размеры деталей (элементов) из сортового, фасонного, листового и другого проката, если они полностью определяются обозначением материала, приведенным в графе 3 основной надписи.
Примечание. Справочные размеры, указанные в
перечислениях б) -
ж), допускается наносить как с предельными отклонениями, так и без них.
4.5. В графических документах на изделия у размеров, контроль которых технически затруднен, наносят знак "*", а в технических требованиях помещают надпись "* Размеры обеспеч. инстр.".
Примечание. Указанная надпись означает, что выполнение установленного чертежом размера с предельным отклонением должно гарантироваться размером инструмента или соответствующим технологическим процессом.
При этом размеры инструмента или технологический процесс проверяют периодически в процессе изготовления изделий.
Периодичность контроля инструмента или технологического процесса устанавливает предприятие-изготовитель совместно с представительством заказчика.
4.6. Не допускается повторять размеры одного и того же элемента на разных изображениях, в технических требованиях, основной надписи и спецификации. Исключение составляют справочные размеры, приведенные в
4.4, перечисления б),
ж).
Если в технических требованиях необходимо дать ссылку на размер, нанесенный на изображение, то этот размер или соответствующий элемент обозначают буквой, а в технических требованиях помещают запись, аналогичную приведенной на рисунке 4.
Примечания. 1. Допуск параллельности осей отверстий А и Б - 0,05 мм.
2. Разность размеров В с обеих сторон - не более 0,1 мм.
Рисунок 4
На строительных чертежах размеры допускается повторять.
4.7. Линейные размеры и их предельные отклонения в графических документах и в спецификациях указывают в миллиметрах без обозначения единицы измерения.
Для размеров и предельных отклонений, приводимых в технических требованиях и пояснительных надписях на поле чертежа, обязательно указывают единицы измерения.
4.8. Если в графическом документе размеры необходимо указать не в миллиметрах, а в других единицах измерения (сантиметрах, метрах и т.д.), то соответствующие размерные числа записывают с обозначением единицы измерения (см, м) или указывают их в технических требованиях.
На строительных чертежах единицы измерения в этих случаях допускается не указывать, если они оговорены в соответствующих документах, утвержденных в установленном порядке.
4.9. Угловые размеры и предельные отклонения угловых размеров указывают в градусах, минутах и секундах с обозначением единицы измерения, например 4°; 4°30'; 12°45'30"; 0°30'40"; 0°18'; 0°5'25"; 0°0'30"; 30° +/- 1°; 30° +/- 10'.
4.10. Для размерных чисел применять простые дроби не допускается, за исключением размеров в дюймах.
4.11. Размеры, определяющие расположение сопрягаемых поверхностей, проставляют, как правило, от конструкторских баз с учетом возможностей выполнения и контроля этих размеров.
4.12. При расположении элементов предмета (отверстий, пазов, зубьев и т.п.) на одной оси или на одной окружности размеры, определяющие их взаимное расположение, наносят следующими способами:
- установлением размеров нескольких групп элементов от нескольких основных баз - см.
рисунок 5 в;
- установлением размеров между смежными элементами (цепочкой) - см.
рисунок 6.
Рисунок 5
4.13. Размеры в графическом документе не допускается наносить в виде замкнутой цепи, за исключением случаев, когда один из размеров указан как справочный (см.
рисунок 1).
На строительных чертежах размеры наносят в виде замкнутой цепи, кроме случаев, предусмотренных в соответствующих документах, утвержденных в установленном порядке.
Размеры, определяющие положение симметрично расположенных поверхностей у симметричных изделий, наносят, как показано на рисунках 7 и
8.
Рисунок 7
--------------------------------
<*> Размеры для справок.
4.14. Для всех размеров, нанесенных на рабочих графических документах, указывают предельные отклонения.
Допускается не указывать предельные отклонения:
а) для размеров, определяющих зоны различной шероховатости одной и той же поверхности, зоны термообработки, покрытия, отделки, накатки, насечки, а также диаметры накатанных и насеченных поверхностей. В этих случаях непосредственно у таких размеров наносят знак "

";
б) для размеров деталей изделий единичного производства, установленных с припуском на пригонку.
На таких чертежах в непосредственной близости от указанных размеров наносят знак "*", а в технических требованиях указывают:
"* Размеры с припуском на пригонку по дет....",
"* Размеры с припуском на пригонку по черт....",
"* Размеры с припуском на пригонку по сопрягаемой детали".
На строительных чертежах предельные отклонения размеров указывают только в случаях, предусмотренных в соответствующих документах, утвержденных в установленном порядке.
4.15. При выполнении рабочих чертежей деталей, изготовляемых отливкой, штамповкой, ковкой или прокаткой с последующей механической обработкой части поверхности детали, указывают не более одного размера по каждому координатному направлению, связывающего механически обрабатываемые поверхности с поверхностями, не подвергаемыми механической обработке (см. рисунки 9 и
10).
Рисунок 9
4.16. Если элемент изображен с отступлением от масштаба изображения, то размерное число следует подчеркнуть (см. рисунок 11).
Рисунок 11
5.1. Размеры в графических документах указывают размерными числами и размерными линиями.
5.2. При нанесении размера прямолинейного отрезка размерную линию проводят параллельно этому отрезку, а выносные линии - перпендикулярно к размерным (см. рисунок 12).
Рисунок 12
5.3. При нанесении размера угла размерную линию проводят в виде дуги с центром в его вершине, а выносные линии - радиально (см. рисунок 13).
Рисунок 13
5.4. При нанесении размера дуги окружности размерную линию проводят концентрично дуге, а выносные линии - параллельно биссектрисе угла и над размерным числом наносят знак "

" (см. рисунок 14).
Рисунок 14
Допускается располагать выносные линии размера дуги радиально и, если имеются еще концентричные дуги, необходимо указывать, к какой дуге относится размер (см. рисунок 15).
Рисунок 15
5.5. При нанесении размеров деталей, подобных изображенной на рисунке 16, размерные линии следует проводить в радиусном направлении, а выносные - по дугам окружностей (см. рисунок 16).
Рисунок 16
5.6. Размерную линию с обоих концов ограничивают стрелками, упирающимися в соответствующие линии, кроме случаев, приведенных в
5.17,
5.18,
5.21 и
5.22, и при нанесении линии радиуса, ограниченной стрелкой со стороны определяемой дуги или скругления.
На строительных чертежах взамен стрелок допускается применять засечки на пересечении размерных и выносных линий, при этом размерные линии должны выступать за крайние выносные линии от 1 до 3 мм.
5.7. В случаях, показанных на рисунке 17, размерную и выносные линии проводят так, чтобы они вместе с измеряемым отрезком образовали параллелограмм.
Рисунок 17
5.8. Допускается проводить размерные линии непосредственно к линиям видимого контура, осевым, центровым и другим линиям (см. рисунки 18 и
19).
5.9. Размерные линии предпочтительно наносить вне контура изображения.
5.10. Выносные линии должны выходить за концы стрелок размерной линии на 1 - 5 мм.
5.11. Минимальные расстояния между параллельными размерными линиями должны быть 7 мм, а между размерной и линией контура - 10 мм и выбраны в зависимости от размеров изображения и насыщенности чертежа.
5.12. Необходимо избегать пересечения размерных и выносных линий (см.
рисунок 18).
5.13. Не допускается использовать линии контура, осевые, центровые и выносные линии в качестве размерных.
5.14. Выносные линии проводят от линий видимого контура, за исключением случаев, указанных в 5.15 и
5.16, и случаев, когда при нанесении размеров на невидимом контуре отпадает необходимость в вычерчивании дополнительного изображения.
5.15. Размеры контура криволинейного профиля наносят, как показано на
рисунках 18 и
19.
5.16. Если надо показать координаты вершины скругляемого угла или центра дуги скругления, то выносные линии проводят от точки пересечения сторон скругляемого угла или центра дуги скругления (см. рисунок 20).
Рисунок 20
5.17. Если вид или разрез симметричного предмета или отдельных симметрично расположенных элементов изображают только до оси симметрии или с обрывом, то размерные линии, относящиеся к этим элементам, проводят с обрывом, и обрыв размерной линии делают дальше оси или линии обрыва предмета (см. рисунок 21).
Рисунок 21
На строительных чертежах в подобных случаях все размеры допускается указывать только до оси симметрии, а размерные линии на пересечении с осью симметрии ограничивать крестиком из засечек.
5.18. Размерные линии допускается проводить с обрывом в следующих случаях:
а) при указании размера диаметра окружности независимо от того, изображена ли окружность полностью или частично; при этом обрыв размерной линии делают дальше центра окружности (см. рисунок 22);
Рисунок 22
б) при нанесении размеров от базы, не показанной на изображении (см. рисунок 23).
Рисунок 23
5.19. При изображении изделия с разрывом размерную линию не прерывают (см. рисунок 24).
Рисунок 24
5.20. Величины элементов стрелок размерных линий выбирают в зависимости от толщины линий видимого контура и вычерчивают их приблизительно одинаковыми на всем чертеже. Форма стрелки и примерное соотношение ее элементов показаны на рисунке 25 а и 25 б.
а
б
Рисунок 25
5.21. Если длина размерной линии недостаточна для размещения на ней стрелок, то размерную линию продолжают за выносные линии (или соответственно за контурные, осевые, центровые и т.д.) и стрелки наносят, как показано на рисунке 26.
5.22. При недостатке места для стрелок на размерных линиях, расположенных цепочкой, стрелки допускается заменять засечками, наносимыми под углом 45° к размерным линиям (см. рисунок 27), или четко наносимыми точками (см.
рисунок 28).
Рисунок 27
5.23. При недостатке места для стрелки из-за близко расположенной контурной или выносной линии последние допускается прерывать (см.
рисунки 26 и 29).
Рисунок 29
5.24. Размерные числа наносят над размерной линией возможно ближе к ее середине (см. рисунок 30).
Рисунок 30
5.25. При нанесении размера диаметра внутри окружности размерные числа смещают относительно середины размерных линий.
5.26. При нанесении нескольких параллельных или концентричных размерных линий на небольшом расстоянии друг от друга размерные числа над ними рекомендуется располагать в шахматном порядке (см. рисунок 31).
Рисунок 31
5.27. Размерные числа линейных размеров при различных наклонах размерных линий располагают, как показано на рисунке 32.
Рисунок 32
Если необходимо нанести размер в заштрихованной зоне, соответствующее размерное число наносят на полке линии-выноски (см. рисунок 33).
Рисунок 33
5.28. Угловые размеры наносят так, как показано на рисунке 34. В зоне, расположенной выше горизонтальной осевой линии, размерные числа помещают над размерными линиями со стороны их выпуклости; в зоне, расположенной ниже горизонтальной осевой линии, - со стороны вогнутости размерных линий. В заштрихованной зоне наносить размерные числа не рекомендуется. В этом случае размерные числа указывают на горизонтально нанесенных полках.
Рисунок 34
Для углов малых размеров при недостатке места размерные числа помещают на полках линий-выносок в любой зоне (см. рисунок 35).
Рисунок 35
5.29. На строительных чертежах допускается линейные и угловые размерные числа и надписи наносить без полок линий-выносок.
5.30. Если для написания размерного числа недостаточно места над размерной линией, то размеры наносят, как показано на рисунке 36; если недостаточно места для нанесения стрелок, то их наносят, как показано на
рисунке 37.
Рисунок 36
Способ нанесения размерного числа при различных положениях размерных линий (стрелок) на чертеже определяют наибольшим удобством чтения.
5.31. Размерные числа и предельные отклонения не допускается разделять или пересекать какими бы то ни было линиями изображения. Не допускается разрывать линию контура для нанесения размерного числа и наносить размерные числа в местах пересечения размерных, осевых или центровых линий. В месте нанесения размерного числа осевые, центровые линии и линии штриховки прерывают (см. рисунки 38 и
39).
Рисунок 38
5.32. Размеры, относящиеся к одному и тому же конструктивному элементу (пазу, выступу, отверстию и т.д.), рекомендуется группировать в одном месте, располагая их на том изображении, на котором геометрическая форма данного элемента показана наиболее полно (см. рисунок 40).
Рисунок 40
5.33. При нанесении размера радиуса перед размерным числом помещают прописную букву R.
5.34. Если при нанесении размера радиуса дуги окружности необходимо указать размер, определяющий положение ее центра, то последний изображают в виде пересечения центровых или выносных линий.
При большом радиусе центр допускается приближать к дуге, в этом случае размерную линию радиуса показывают с изломом под углом 90° (см. рисунок 41).
Рисунок 41
5.35. Если не требуется указывать размеры, определяющие положение центра дуги окружности, то размерную линию радиуса допускается не доводить до центра и смещать ее относительно центра (см. рисунок 42).
Рисунок 42
5.36. При проведении нескольких радиусов из одного центра размерные линии любых двух радиусов не располагают на одной прямой (см. рисунок 43).
Рисунок 43
При совпадении центров нескольких радиусов их размерные линии допускается не доводить до центра, кроме крайних (см. рисунок 44).
Рисунок 44
5.37. Размеры радиусов наружных скруглений наносят, как показано на рисунке 45, внутренних скруглений - на
рисунке 46.
Рисунок 45
Радиусы скругления, размер которых не более 1 мм, на изображении не указывают и их размеры наносят, как показано на рисунке 47.
Рисунок 47
Способ нанесения размерных чисел при различных положениях размерных линий (стрелок) на изображении определяют наибольшим удобством чтения. Размеры одинаковых радиусов допускается указывать на общей полке, как показано на рисунке 48.
Рисунок 48
Если радиусы скруглений, сгибов и т.д. во всем графическом документе одинаковы или какой-либо радиус является преобладающим, то вместо нанесения размеров этих радиусов непосредственно на изображении рекомендуется в технических требованиях делать записи: "Радиусы скруглений 4 мм"; "Внутренние радиусы сгибов 10 мм"; "Неуказанные радиусы 8 мм" и т.д.
5.38. При указании размера диаметра (во всех случаях) перед размерным числом наносят знак "

".
5.39. Перед размерным числом диаметра (радиуса) сферы также наносят знак

(R) без надписи "Сфера" (см. рисунок 49). Если на изображении трудно отличить сферу от других поверхностей, то перед размерным числом диаметра (радиуса) допускается наносить слово "Сфера" или знак "

", например, "

", "

".
Рисунок 49
Диаметр знака сферы равен размеру размерных чисел.
5.40. Размеры квадрата наносят, как показано на рисунках 50 -
52.
Рисунок 50
Рисунок 51
Высота знака "

" должна быть равна высоте размерных чисел.
5.41. Перед размерным числом, характеризующим конусность, наносят знак "

", острый угол которого должен быть направлен в сторону вершины конуса (см. рисунок 53).
Рисунок 53
Знак конуса и конусность в виде соотношения следует наносить над осевой линией или на полке линии-выноски.
5.42. Уклон поверхности следует указывать непосредственно у изображения поверхности уклона или на полке линии-выноски в виде соотношения (см. рисунок 54 а), в процентах (см. рисунок 54 б) или в промилле (см. рисунок 54 в). Перед размерным числом, определяющим уклон, наносят знак "

", острый угол которого должен быть направлен в сторону уклона.
Рисунок 54
5.43. Отметки уровней (высоты, глубины) конструкции или ее элемента от какого-либо отсчетного уровня, принимаемого за "нулевой" на виде и разрезе, помещают на выносных линиях (или на линиях контура) и обозначают знаком "

", выполненным сплошными тонкими линиями, длина штрихов 2 - 4 мм под углом 45° к выносной линии или линии контура (см. рисунок 55 а), на виде сверху их следует наносить в рамке непосредственно на изображении или на линии-выноске (см. рисунок 55 б), или как показано на рисунке 55 в.
Рисунок 55
Отметки уровней указывают в метрах с точностью до третьего десятичного знака без обозначения единицы измерения.
5.44. Размеры фасок под углом 45° наносят, как показано на рисунке 56.
Рисунок 56
Допускается указывать размеры неизображенной на чертеже фаски под углом 45°, размер которой в масштабе чертежа не более 1 мм, на полке линии-выноски, проведенной от грани (см. рисунок 57).
Рисунок 57
Размеры фасок под другими углами указывают по общим правилам - линейным и угловым размерами (см. рисунки 58 а и 58 б) или двумя линейными размерами (см. рисунок 58 в).
Рисунок 58
5.45. Размеры нескольких одинаковых элементов изделия, как правило, наносят один раз с указанием на полке линии-выноски количества этих элементов (см. рисунок 59 а).
Рисунок 59
Допускается указывать количество элементов, как показано на рисунке 59 б.
5.46. При нанесении размеров элементов, равномерно расположенных по окружности изделия (например, отверстий), вместо угловых размеров, определяющих взаимное расположение элементов, указывают только их количество (см. рисунки 60 -
62).
Рисунок 60
Рисунок 61
5.47. Размеры двух симметрично расположенных элементов изделия (кроме отверстий) наносят один раз без указания их количества, группируя, как правило, в одном месте все размеры (см. рисунки 63 и
64).
Рисунок 63
--------------------------------
<*> Размеры для справок.
Количество одинаковых отверстий всегда указывают полностью, а их размеры - только один раз.
5.48. При нанесении размеров, определяющих расстояние между равномерно расположенными одинаковыми элементами изделия (например, отверстиями), рекомендуется вместо размерных цепей наносить размер между соседними элементами и размер между крайними элементами в виде произведения количества промежутков между элементами на размер промежутка (см. рисунок 65).
Рисунок 65
5.49. Допускается не наносить размеры радиуса дуги окружности сопрягающихся параллельных линий (см. рисунок 66).
Рисунок 66
5.50. При большом количестве размеров, нанесенных от общей базы, допускается наносить линейные и угловые размеры, как показано на рисунках 67 и
68, при этом проводят общую размерную линию от отметки "0" и размерные числа наносят в направлении выносных линий у их концов.
Рисунок 67
5.51. Размеры диаметров цилиндрического изделия сложной конфигурации допускается наносить, как показано на рисунке 69.
Рисунок 69
5.52. При большом количестве однотипных элементов изделия, неравномерно расположенных на поверхности, допускается указывать их размеры в сводной таблице, при этом применяют координатный способ нанесения отверстий с обозначением их арабскими цифрами (см. рисунок 70) или обозначают однотипные элементы прописными буквами (см.
рисунок 71).
Рисунок 70
В электронных моделях изделий таблицу располагают в плоскости обозначений и указаний в соответствии с
ГОСТ 2.052.
5.53. Одинаковые элементы, расположенные в разных частях изделия (например, отверстия), рассматривают как один элемент, если между ними нет промежутка (см. рисунок 72 а) или если эти элементы соединены тонкими сплошными линиями (см. рисунок 72 б).
Рисунок 72
При отсутствии этих условий указывают полное количество элементов (см. рисунок 72 в).
5.54. Если одинаковые элементы изделия (например, отверстия) расположены на разных поверхностях и показаны на разных изображениях, то количество этих элементов записывают отдельно для каждой поверхности (см. рисунок 73).
Рисунок 73
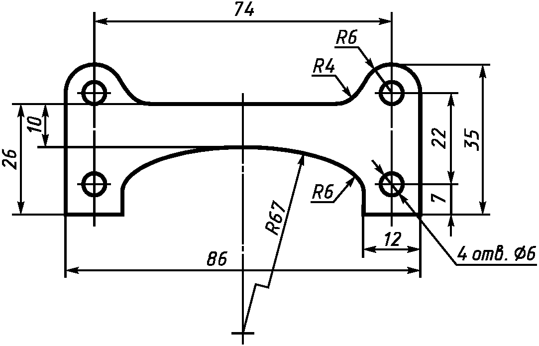
Допускается повторять размеры одинаковых элементов изделия или их групп (в том числе отверстий), лежащих на одной поверхности, только в том случае, когда они значительно удалены друг от друга и не увязаны между собой размерами (см. рисунки 74 и
75).
Рисунок 74
5.55. Если в графическом документе показано несколько групп близких по размерам отверстий, то рекомендуется отмечать одинаковые отверстия одним из условных знаков, приведенных на рисунке 76. Допускается применять и другие условные знаки.
Рисунок 76
Отверстия обозначают условными знаками на том изображении, на котором указаны размеры, определяющие положение этих отверстий.
На строительных чертежах допускается одинаковые группы отверстий обводить сплошной тонкой линией с поясняющей надписью.
5.56. При обозначении одинаковых отверстий условными знаками количество отверстий и их размеры допускается указывать в таблице (см. рисунок 77).
Рисунок 77
В электронных моделях изделий таблицу располагают в плоскости обозначений и указаний.
5.57. При изображении детали в одной проекции размер ее толщины или длины наносят, как показано на рисунке 78.
Рисунок 78
5.58. Размеры детали или отверстия прямоугольного сечения могут быть указаны на полке линии-выноски размерами сторон через знак умножения. При этом на первом месте должен быть указан размер той стороны прямоугольника, от которой проводят линию-выноску (см. рисунок 79).
Рисунок 79
6. Нанесение предельных отклонений размеров
6.1. Предельные отклонения размеров следует указывать непосредственно после номинальных размеров. Предельные отклонения линейных и угловых размеров относительно низкой точности допускается не указывать непосредственно после номинальных размеров, а оговаривать общей записью в технических требованиях чертежа при условии, что эта запись однозначно определяет значения и знаки предельных отклонений.
Общая запись о предельных отклонениях размеров с неуказанными допусками должна содержать условные обозначения предельных отклонений линейных размеров в соответствии с
ГОСТ 25346 и ГОСТ 25348 (для отклонений по квалитетам) или по
ГОСТ 30893.1 (для отклонений по классам точности). Симметричные предельные отклонения, назначаемые по квалитетам, следует обозначать +/- IT/2 с указанием номера квалитета.
Обозначения односторонних предельных отклонений по квалитетам, назначаемых только для круглых отверстий и валов, дополняются знаком диаметра

. Примеры общих записей, соответствующие вариантам по
ГОСТ 30893.1 для 14-го квалитета и (или) класса точности "средний", приведены в таблице 1.
Таблица 1
Номер варианта | Пример записи условными обозначениями |
1 | |
| |
2 | |
Примечание. В примерах указаны предельные отклонения для размеров отверстий, размеров валов и размеров элементов, не относящихся к отверстиям и валам.
6.2. Неуказанные предельные отклонения радиусов скруглений, фасок и углов не оговаривают отдельно, они должны соответствовать приведенным в
ГОСТ 30893.1 в соответствии с квалитетом или классом точности неуказанных предельных отклонений линейных размеров.
В случае необходимости дополнительного указания общих допусков линейных размеров ссылка должна содержать номер стандарта и буквенное обозначение класса точности, например для класса точности "средний":
Если все предельные отклонения линейных размеров указаны непосредственно после номинальных размеров (общая запись отсутствует), то неуказанные предельные отклонения радиусов скруглений, фасок и углов должны соответствовать приведенным в
ГОСТ 30893.1 для классов точности по
таблицам 2,
3 и в графическом документе не оговариваются.
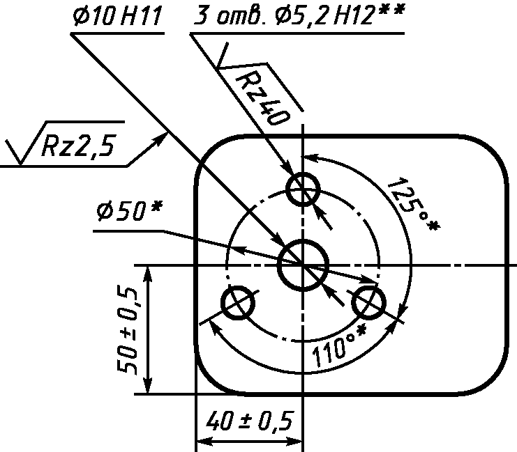
6.3. Предельные отклонения линейных размеров указывают условными обозначениями полей допусков в соответствии с ГОСТ 25436, например 18H7, 12e8 или числовыми значениями, например

,

или условными обозначениями полей допусков с указанием справа в скобках их числовых значений, например

,

.
В бумажных документах числовые значения предельных отклонений допускается указывать в таблице (см. таблицу 2), расположенной на свободном поле чертежа.
Таблица 2
В миллиметрах
Размер | Предельное отклонение |
18H7 | +0,018 |
12e8 | -0,032 -0,059 |
При указании номинальных размеров буквенными обозначениями поля допусков должны быть указаны после тире, например D - H11.
6.4. При указании предельных отклонений условными обозначениями обязательно и указание их числовых значений в следующих случаях:
а) при назначении предельных отклонений (установленных стандартами на допуски и посадки) размеров, не включенных в ряды нормальных линейных размеров по
ГОСТ 6636, например

;
| | ИС МЕГАНОРМ: примечание. Взамен ГОСТ 25347-82 Приказом Росстандарта от 18.02.2014 N 29-ст с 1 июля 2015 года введен в действие ГОСТ 25347-2013. | |
б) при назначении предельных отклонений, условные обозначения которых не предусмотрены ГОСТ 25347, например для пластмассовой детали с предельными отклонениями по
ГОСТ 25349 (см. рисунок 80);
Рисунок 80
в) при назначении предельных отклонений размеров уступов с несимметричным полем допуска (см. рисунки 81,
82).
Рисунок 81
6.5. Предельные отклонения угловых размеров указывают только числовыми значениями (см. рисунок 83).
Рисунок 83
6.6. При записи предельных отклонений числовыми значениями верхние отклонения помещают над нижними. Предельные отклонения, равные нулю, не указывают, например:

;

;

;

.
При симметричном расположении поля допуска абсолютное значение отклонений указывают один раз со знаком "+/-", при этом высота цифр, определяющих отклонения, должна быть равна высоте шрифта номинального размера, например 60 +/- 0,23.
6.7. Предельные отклонения, указываемые числовыми значениями, выраженными десятичной дробью, записывают до последней значащей цифры включительно, выравнивая количество знаков в верхнем и нижнем отклонениях добавлением нулей, например

;

.
6.8. Предельные отклонения размеров деталей, изображенных на чертеже в сборе, указывают одним из следующих способов:
а) в виде дроби, в числителе которой указывают условное обозначение поля допуска отверстия, а в знаменателе - условное обозначение поля допуска вала, например

или 50H11/h11 (см.
рисунок 84 а);
б) в виде дроби, в числителе которой указывают числовые значения предельных отклонений отверстия, а в знаменателе - числовые значения предельных отклонений вала (см.
рисунок 84 б);
в) в виде дроби, в числителе которой указывают условное обозначение поля допуска отверстия с указанием справа в скобках его числового значения, а в знаменателе - условное обозначение поля допуска вала с указанием справа в скобках его числового значения (см. рисунок 84 в);
г) в виде записи, в которой указывают предельные отклонения только одной из сопрягаемых деталей. В этом случае необходимо пояснить, к какой детали относятся эти отклонения (см. рисунок 85).
--------------------------------
<*> Размеры для справок.
Рисунок 85
6.9. Когда для участков поверхности с одним номинальным размером назначают разные предельные отклонения, границу между ними наносят сплошной тонкой линией, а номинальный размер указывают с соответствующими предельными отклонениями для каждого участка отдельно (см. рисунок 86).
Рисунок 86
Через заштрихованную часть изображения линию границы между участками проводить не следует (см. рисунок 87).
Рисунок 87
6.10. Если необходимо ограничить колебания размера одинаковых элементов одной детали в пределах части поля допуска (см. рисунок 88 а) или необходимо ограничить значение накопленной погрешности расстояния между повторяющимися элементами (см. рисунок 88 б), то эти данные указывают в технических требованиях.
Рисунок 88
6.11. Если необходимо указать только один предельный размер (второй ограничен в сторону увеличения или уменьшения каким-либо условием), то после размерного числа указывают соответственно max или min (см. рисунок 89).
Рисунок 89
Указывать предельные размеры допускается также на сборочных чертежах для зазоров, натягов, мертвых ходов и т.д., например "Осевое смещение кулачка выдержать в пределах 0,6 - 1,4 мм".
6.12. Предельные отклонения расположения осей отверстий можно указывать двумя способами:
а) позиционными допусками осей отверстий в соответствии с требованиями
ГОСТ 2.308;
б) предельными отклонениями размеров, определяющих положение осей (см. рисунки 90 -
92).
Рисунок 90
Примечания. 1. Предельные отклонения размеров между осями двух любых отверстий - +/- 0,35 мм.
2. Смещение осей отверстий от плоскости A - не более 0,18 мм.
Рисунок 91
Примечание. Предельные отклонения размеров по диагонали между осями двух любых отверстий - +/- 0,5 мм.
Если допуски расположения осей зависимые, то после предельных отклонений размеров, определяющих положение осей, следует указывать знак зависимого допуска

.