Главная // Актуальные документы // ПособиеСПРАВКА
Источник публикации
М.: Стройиздат, 1989
Примечание к документу
Название документа
"Пособие по проектированию усиления стальных конструкций (к СНиП II-23-81*)"
(утв. Приказом Укрниипроектстальконструкции Госстроя СССР от 22.10.1987 N 65)
"Пособие по проектированию усиления стальных конструкций (к СНиП II-23-81*)"
(утв. Приказом Укрниипроектстальконструкции Госстроя СССР от 22.10.1987 N 65)
Приказом Укрниипроектстальконструкции
Госстроя СССР
от 22 октября 1987 г. N 65
ПОСОБИЕ
ПО ПРОЕКТИРОВАНИЮ УСИЛЕНИЯ СТАЛЬНЫХ КОНСТРУКЦИЙ
(К СНиП II-23-81*)
Рекомендовано к изданию секцией научно-технического совета Укрниипроектстальконструкция Госстроя СССР.
Даны рекомендации, детализирующие основные положения по проектированию усиления стальных конструкций и проведению предпроектных обследований, технологии производства работ по их усилению.
Для инженерно-технических работников проектных организаций, высших учебных заведений и научно-исследовательских институтов.
Разработано Укрниипроектстальконструкция (д-р техн. наук А.В. Перельмутер, кандидаты техн. наук В.Б. Барский, Ю.С. Борисенко, В.А. Лимаренко, А.Н. Харин) при участии ЦНИИпроектстальконструкция им. Мельникова (кандидаты техн. наук И.В. Левитанский, В.И. Кудишин, Л.И. Гладштейн, И.В. Порядин, инженеры О.Н. Дмитриев, И.О. Эсаулов), ЦНИИСК им. Кучеренко (д-р техн. наук В.И. Трофимов, кандидаты техн. наук Г.Е. Бельский, Л.А. Гильденгорн), МИСИ им. Куйбышева (д-р техн. наук Е.И. Беленя, кандидаты техн. наук Б.Ю. Уваров, В.Н. Валь, П.Д. Окулов), Днепрпроектстальконструкция (инж. М.Б. Трапер), Ленпроектстальконструкция (инж. Р.С. Зекцер), Сибпроектстальконструкция (канд. техн. наук А.И. Конаков), ЛИСИ (кандидаты техн. наук Г.И. Белый, И.С. Ребров), МакИСИ (кандидаты техн. наук Е.В. Горохов, И.Р. Рухович), ДИСИ (д-р техн. наук А.В. Сильвестров, канд. техн. наук В.Д. Сургучев), НИСИ (д-р техн. наук В.В. Бирюлев, кандидаты техн. наук И.И. Крылов, А.И. Репин, инж. В.А. Чумаков), ЧПИ (кандидаты техн. наук В.Ф. Сабуров, К.А. Шишов, инж. В.И. Камбаров), ПолтИСИ (канд. техн. наук В.А. Пашинский), ЯГУ (канд. техн. наук В.В. Филиппов), Львовского политехнического института (канд. техн. наук М.Р. Бельский), Липецкого политехнического института (д-р техн. наук В.В. Горев, кандидаты техн. наук В.М. Путилин, В.И. Бабкин, инж. В.В. Зверев), СЗО Энергосетьпроект Минэнерго СССР (канд. техн. наук К.П. Крюков, инж. Е.Н. Колбанев).
1.1. Настоящее Пособие дополняет, развивает и детализирует
раздел "Дополнительные требования по проектированию конструкций зданий и сооружений при реконструкции" СНиП II-23-81* "Стальные конструкции".
Приведенные в Пособии положения распространяются на эксплуатируемые стальные конструкции, которые сохраняются (с усилением или без него) в составе несущих конструкций зданий и сооружений после их реконструкции, а также на имеющие существенный физический износ стальные конструкции, для которых усиление является мерой, обеспечивающей их соответствие требованиям дальнейшей нормальной эксплуатации.
1.2. Элементы конструкций, вводимые дополнительно или взамен демонтируемых, должны проектироваться в соответствии с указаниями действующих норм и государственных стандартов.
Сохраняемые конструкции проверяются с учетом требований
СНиП II-23-81* и дополнительных положений настоящего Пособия. В Пособии приведены отмененные нормативные документы (ГОСТы, СНиПы и др.), которые могут быть использованы только в качестве справочного материала.
1.3. При разработке проектной документации следует:
предусматривать меры по обеспечению надежности и долговечности зданий и сооружений;
принимать конструктивные решения и методы производства работ, реализуемые, как правило, без остановки производственного процесса в эксплуатируемых зданиях и сооружениях или совмещаемые по времени с технологическими остановками таких процессов;
учитывать перспективы развития производства, возможность повторных (в будущем) реконструкций и модернизаций;
принимать проектные решения, обеспечивающие экономное расходование материалов, топливных и энергетических ресурсов, снижение стоимости, трудоемкости и сокращение сроков выполнения работ по усилению;
учитывать условия производства работ по усилению (стесненность монтажной площадки, возможность использования механизмов, дополнительные мероприятия по технике безопасности и охране труда, необходимость контроля качества работ и т.п.).
1.4. Основные технические решения, принимаемые при разработке проектов реконструкции и усиления, следует обосновывать путем сравнения конкурентоспособных вариантов, учитывая при этом последствия (стесненность монтажной площадки или остановку производства на время выполнения работ по усилению).
1.5. Проектирование усиления стальных конструкций по сравнению с обычным проектированием имеет ряд существенных особенностей, которые должны учитываться как при организации проектных работ, так и в процессе разработки и оформления проектной документации.
Основные из них:
проведение большого объема изысканий, связанных с обследованием усиливаемых конструкций, выявлением их фактического состояния, характеристик металла, из которого они выполнены, анализом причин появления имеющихся дефектов и повреждений и оценкой технического состояния конструкций;
выполнение расчетов по нескольким вариантам расчетных схем для оценки возможного отрицательного влияния обычно не учитываемых факторов (податливости или несмещаемости фундаментов, возможного проявления эффектов неразрезности, участия в работе каркаса ограждающих конструкций и оборудования и т.п.);
учет уровня фактической нагруженности усиливаемых под нагрузкой конструкций в процессе выполнения работ по усилению и учет влияния действующих во время усиления напряжений на несущую способность усиливаемой конструкции;
влияние последовательности и технологии выполнения работ по усилению на поведение усиливаемой конструкции, необходимость комплексного решения вопросов конструирования и выбора способа усиления с обязательным отражением этих вопросов в проектной документации.
1.6. Проектная документация с учетом изменения параметров и свойств конструкций и режимов эксплуатации должна охватывать следующие стадии работы конструкций:
А - предшествующая началу работ по усилению, на которой требуется проверить с учетом фактического состояния возможность эксплуатации конструкций до их усиления или замены и разработать в необходимых случаях временные мероприятия по содержанию конструкций и ограничению режимов эксплуатации;
Б - соответствующая периоду выполнения работ по усилению, на которой следует разработать необходимые мероприятия, обеспечивающие работоспособность конструкций по временной схеме;
В - соответствующая режиму эксплуатации конструкций после усиления, на которой необходимо обеспечить работу конструкций в изменившихся условиях.
В необходимых случаях, с целью выявления фактического положения конструкций, возможного роста деформаций и изменения напряженного состояния, проектом должно быть предусмотрено проведение инструментальных наблюдений за состоянием конструкций на стадиях А и Б, а также с использованием приборов и специальных контрольно-сигнальных устройств - на стадии В.
2. ОЦЕНКА ТЕХНИЧЕСКОГО СОСТОЯНИЯ
ЭКСПЛУАТИРУЕМЫХ СТАЛЬНЫХ КОНСТРУКЦИЙ
2.1. Проект усиления стальных конструкций разрабатывается с учетом заключения о техническом состоянии эксплуатируемых конструкций, составленного по результатам их обследования и проверочных расчетов. В необходимых случаях для уточнения расчетной схемы, выявления особенностей работы, оценки несущей способности и уточнения свойств конструкции могут быть использованы результаты специально проведенных натурных и лабораторных экспериментов и испытаний материалов.
2.2. Обследование конструкций включает:
подготовительные работы (получение и анализ задания на проведение обследования, ознакомление с объектом обследования в натуре, подбор и анализ технической документации, составление рабочей программы и др.);
освидетельствование конструкций в натуре (обмер, определение отклонений положения конструкций и их геометрических размеров от проектных, определение отклонений от проекта конструктивного исполнения элементов и соединений, выявление повреждений элементов и соединений, составление исполнительной документации, ведомостей дефектов и повреждений, обмерочных чертежей);
определение свойств стали;
уточнение фактических и прогнозирование будущих нагрузок, воздействий и условий эксплуатации, включая температурно-влажностный режим и степень агрессивности окружающей среды;
составление заключения о техническом состоянии обследованных конструкций, нагрузках и условиях эксплуатации.
Объем и степень детализации данных обследования зависят от наличия технической и эксплуатационной документации, состояния и степени поврежденности эксплуатируемых конструкций и должны соответствовать намечаемому комплексу проектных работ.
2.3. В зависимости от цели (общее ознакомление, освидетельствование и др.) обследования могут быть выборочными или полными.
Объем выборочного обследования назначается с учетом опыта эксплуатации однотипных конструкций в аналогичных условиях. При этом обследованию подлежит не менее 20% однотипных конструкций, в том числе все элементы, находящиеся в наиболее неблагоприятных условиях по уровню напряжений, особенно в зонах возможных механических повреждений, агрессивности воздействий внешней среды, повышенной вибрации и т.п.
2.4. Выборочное обследование должно быть заменено полным, если в процессе его выполнения обнаружены:
резкая неравномерность значений измеряемых параметров технического состояния, свойств материалов, степени агрессивности окружающей среды, условий нагружений;
наличие дефектов и повреждений, существенно снижающих несущую способность и эксплуатационную пригодность конструкций (трещины, большие прогибы, существенный коррозионный износ, отсутствие элементов и соединений и т.п.).
2.5. Проверочные расчеты необходимо выполнять по фактическим расчетным схемам сооружения (конструкции, элемента) и фактическим сечениям с учетом влияния обнаруженных дефектов и повреждений, по уточненным значениям расчетных сопротивлений материала конструкций и соединений, действующих нагрузок и их сочетаний. Проверочные расчеты выполняются в объеме, обеспечивающем достоверный вывод о возможности продолжения эксплуатации сохраняемой конструкции или обоснованную рекомендацию о необходимости ее усиления (замены).
ОБСЛЕДОВАНИЕ КОНСТРУКЦИЙ, ВЫЯВЛЕНИЕ ДЕФЕКТОВ И ПОВРЕЖДЕНИЙ
2.6. Обследование эксплуатируемых стальных конструкций проводится специализированными организациями с целью получения необходимых данных для оценки технического состояния и принятия проектных решений по реконструкции объекта.
При обследовании используются результаты осмотров и наблюдений, проводимых службой эксплуатации зданий и сооружений в соответствии с действующими на предприятии ведомственными указаниями, данные проектной и исполнительной документации, имеющейся в отделе капитального строительства или иных подразделениях, а также вспомогательная информация (данные службы ремонта, инспекции Госгортехнадзора, санитарной инспекции и т.п.).
2.7. Обследование проводится с помощью физических методов контроля, в необходимых случаях применяются измерительные инструменты. Подробные указания и приемы выполнения работ при техническом освидетельствовании даны в специальных инструкциях и рекомендациях.
2.8. Дефекты стальных конструкций в основном являются следствием отступлений от правил производства работ, ошибок, допущенных при проектировании, изготовлении и монтаже конструкций. Наиболее характерные дефекты, влияющие на работоспособность и эксплуатационную пригодность конструкций:
трещины, вырезы и вырывы;
отклонения геометрических размеров от проектных;
непрямолинейность элементов;
отклонения от проектного положения конструкций и их элементов;
неточная подгонка элементов в узлах сопряжений, расцентровка;
отсутствие отдельных элементов или необходимых соединений;
некачественное выполнение сварных швов (неполномерность швов, подрезы, непровары, прожоги, трещины, шлаковые включения, поры и др.) и болтовых или заклепочных соединений (ослабление, отсутствие болтов или заклепов и др.);
дефекты антикоррозионной защиты и др.
2.9. Повреждения стальных конструкций, появляющиеся и развивающиеся во время их эксплуатации, являются, как правило, следствием грубых нарушений правил технической эксплуатации или ошибок, допущенных при проектировании. Причинами их могут быть также дефекты изготовления, транспортирования и монтажа. Характерными повреждениями, влияющими на работоспособность и эксплуатационную пригодность конструкции, считаются:
разрушение защитных покрытий и коррозии металла;
разрывы и трещины в основном металле и швах;
искривления, местные погибы, коробление;
ослабление болтовых и заклепочных соединений;
вырезы в элементах или полный демонтаж элементов;
пережоги расплавленным металлом;
деформации, вызванные перегрузками или неравномерными осадками и креном фундаментов;
абразивный износ и др.
2.10. Обнаруженные во время осмотра дефекты и повреждения должны оперативно оцениваться с точки зрения опасности разрушения конструкций. В тех случаях, когда такая опасность существует, требуется принять срочные меры по ее ликвидации (разгрузка конструкций, временное раскрепление, ремонт и т.п.).
ОЦЕНКА КАЧЕСТВА МАТЕРИАЛА КОНСТРУКЦИЙ И СОЕДИНЕНИЙ.
НАЗНАЧЕНИЕ РАСЧЕТНЫХ СОПРОТИВЛЕНИЙ
2.11. Оценку качества материалов эксплуатируемых конструкций следует проводить по рабочим чертежам, данным заводских сертификатов или по результатам испытаний образцов.
Испытания образцов проводятся при отсутствии исполнительной документации или сертификатов, а также при недостаточности имеющихся в них сведений или при обнаружении повреждений, которые могли быть вызваны низким качеством материала конструкций и соединений.
2.12. При исследовании и испытании металла следует определять следующие характеристики:
| | ИС МЕГАНОРМ: примечание. Взамен ГОСТ 22536.1-77 Постановлением Госстандарта СССР от 25.08.1988 N 3018 с 1 января 1990 года введен в действие ГОСТ 22536.1-88. | |
| | ИС МЕГАНОРМ: примечание. Взамен ГОСТ 22536.3-77 Постановлением Госстандарта СССР от 25.08.1988 N 3018 с 1 января 1990 года введен в действие ГОСТ 22536.3-88. | |
химический состав с выявлением содержания элементов, предусмотренных государственными стандартами или техническими условиями на сталь по ГОСТ 22536.1-77*,
ГОСТ 22536.2-87, ГОСТ 22536.3-77* и др.;
предел текучести, временное сопротивление и относительное удлинение при испытаниях на растяжение (рекомендуется проводить их с построением диаграммы работы стали) по
ГОСТ 1497-84*;
ударную вязкость для температур, соответствующих группе конструкций и климатическому району по
табл. 50 СНиП II-23-81*, и после механического старения в соответствии с государственными стандартами или техническими условиями на сталь.
Для конструкций 1 и 2 групп
табл. 50 СНиП II-23-81*, выполненных из кипящей стали толщиной свыше 12 мм и эксплуатирующихся при отрицательных температурах, дополнительно следует определять:
распределение сернистых включений способом отпечатка по Бауману по
ГОСТ 10243-75*;
2.13. Механические свойства стали допускается определять и другими методами, обеспечивающими надежность результатов, соответствующую испытаниям на растяжение.
При оценке прочностных свойств стали без отбора образцов (по твердости в соответствии с ГОСТ 22762-77, по срезу резьбы и т.п.) для каждого вида профиля (лист, уголок, балка и т.п.) проводятся контрольные испытания не менее трех образцов с определением предела текучести и временного сопротивления по стандартной методике. По результатам контрольных испытаний выполняется корректировка зависимостей между пределом текучести (временным сопротивлением) и параметрами, измеряемыми при испытаниях без отбора образцов (глубиной или диаметром отпечатка, по срезу резьбы и т.п.).
2.14. Испытания могут проводиться для определения свойств стали отдельных (обычно наиболее нагруженных) элементов либо для установления марки и оценки качества стали, использованной во всех конструкциях того или иного вида. В последнем случае для уточнения нормативных сопротивлений могут использоваться статистические методы обработки результатов испытаний.
2.15. Отбор проб химического анализа и образцов для механических испытаний производят из элементов конструкций отдельно для каждой партии металла.
К партии металла относятся элементы одного вида проката (по номерам профилей, толщинам и маркам стали), входящие в состав однотипных элементов конструкций (поясов ферм, решеток ферм, поясов подкрановых балок и т.п.) одной очереди строительства. Партию металла должны составлять не более 50 однотипных отправочных марок общей массой не более 60 т. Если отправочные марки представляют собой простые элементы из прокатных профилей (прогоны, балки, связи и т.п.), их количество в партии может быть до 250.
| | ИС МЕГАНОРМ: примечание. Взамен ГОСТ 7564-73 Постановлением Госстандарта России от 13.04.1998 N 118 с 1 января 1999 года введен в действие ГОСТ 7564-97. | |
Число проб и образцов от каждой партии металла должно быть не менее, чем указано в табл. 1. При отборе проб и образцов необходимо соблюдать требования ГОСТ 7564-73* и
ГОСТ 7565-81*.
Таблица 1
────────────────────────────────┬────────────┬─────────────────────────────
Вид испытаний │ Количество │ Количество проб образцов
│ элементов, ├────────────┬────────────────
│проверенных │от элемента │всего от партии
│ в партии │ │
────────────────────────────────┼────────────┼────────────┼────────────────
Химический анализ │ 3 │ 1 │ 3
Испытания на растяжение │ 2 (10 <*>) │ 1 │ 2 (10 <*>)
Испытания на ударную вязкость │ 2 <**> │ 3 <**> │ 6 <**>
Отпечаток по Бауману │ 2 │ 1 │ 2
--------------------------------
<*> При определении предела текучести стали и временного сопротивления по результатам статистической обработки данных испытаний образцов.
<**> Для каждой проверяемой температуры и для испытаний после механического старения.
Места отбора проб и образцов, а также необходимость усиления мест вырезки образцов определяются организацией, проводящей обследование конструкций.
2.16. Допускается не проводить испытания металла для конструкций, напряжения в которых не будут превышать 165 МПа (1700 кгс/см2) при расчетных температурах выше минус 30 °C для конструкций группы 3 по
табл. 50 СНиП II-23-81* и выше минус 40 °C для конструкций группы 4, а также для конструкций 3 и 4 групп при расчетных температурах выше минус 65 °C при их усилении без применения сварки. При этом конструкция должна находиться в эксплуатации не менее трех лет.
2.17. Предел текучести или временное сопротивление стали по результатам статистической обработки данных испытаний (с отбором образцов или без отбора по
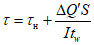
п. 2.13) вычисляется по формуле

, (1)
где

- предел текучести

или временное сопротивление

;

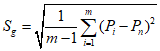
- среднее арифметическое значение предела текучести или временного сопротивления по данным испытаний;

- среднее квадратичное отклонение результатов испытаний;

- предел текучести или временное сопротивление, полученное при испытании i-го образца;

- коэффициент, учитывающий объем выборки и определяемый по табл. 2.
─────────────────────────────────┬────────────────────────────────
Количество образцов m │ Коэффициент альфа
│ s
─────────────────────────────────┼────────────────────────────────
10 │ 2,911
12 │ 2,736
14 │ 2,614
16 │ 2,524
18 │ 2,453
20 │ 2,396
25 │ 2,992
30 │ 2,220
35 │ 2,167
40 и более │ 2,125
Примечания. 1. Для промежуточных значений m коэффициент

определяется линейной интерполяцией.
2. Коэффициент

определяет нижнюю одностороннюю допустимую границу интервала, содержащую с доверительной вероятностью 0,95, то есть не менее 95% значений нормально распределенной случайной величины со средним значением

и дисперсией

.
Если отношение

, то использование результатов, полученных по
формуле (1), не допускается, поскольку такой большой разброс свойств образцов свидетельствует о том, что они не относятся к одной партии металла.
При проведении испытаний образцов для определения свойств стали отдельных элементов конструкции (см.
п. 2.14) в качестве нормативного сопротивления в рассматриваемом элементе допускается принимать минимальное значение предела текучести или временного сопротивления, полученное при испытаниях не менее двух образцов, отобранных из этих элементов.
2.18. Расчетное сопротивление проката и труб, из которых изготовлены конструкции, следует определять по формулам, приведенным в
табл. 1 СНиП II-23-81*. При этом значения предела текучести

и временного сопротивления

определяются по
п. 2.17, если выполнено достаточное число испытаний. В противном случае принимаются:
для сталей, у которых приведенные в сертификатах или полученные при контрольных испытаниях значения предела текучести и временного сопротивления удовлетворяют требованиям государственных стандартов или технических условий на сталь, действовавшим во время строительства, - по минимальному значению этих характеристик, указанных в упомянутых документах
(Прил. 1);
для сталей, у которых приведенные в сертификатах или полученные при испытаниях значения предела текучести и временного сопротивления ниже, чем предусмотренные государственными стандартами или техническими условиями на сталь, действовавшими во время строительства, - по минимальным значениям предела текучести, приведенным в сертификатах или полученным при испытаниях.
Коэффициент надежности по материалу следует принимать:
для конструкций, изготовленных до 1932 г., и сталей, у которых полученные при испытаниях значения предела текучести ниже 215 МПа (2200 кгс/см2) -

;
для конструкций, изготовленных в период с 1932 по 1982 гг., -

для сталей с пределом текучести ниже 380 МПа (3850 кгс/см2) и

- для сталей с пределом текучести выше 380 МПа (3850 кгс/см2);
для конструкций, изготовленных после 1982 г., - по
табл. 2 СНиП II-23-81*.
2.19. Для элементов конструкций, имеющих коррозионный износ с потерей более 25% площади поперечного сечения или остаточную после коррозии толщину 5 мм и менее, расчетные сопротивления снижаются путем умножения на коэффициент

, принимаемый по табл. 3.
Таблица 3
───────────────────────────────────────────────┬──────────────────
│ d
───────────────────────────────────────────────┼──────────────────
Слабоагрессивная │ 0,95
Среднеагрессивная │ 0,9
Сильноагрессивная │ 0,85
2.20. Расчетные сопротивления сварных соединений конструкций, подлежащих реконструкции или усилению, следует назначать с учетом марки стали, сварочных материалов, вида сварки, положения шва, примененных в конструкции.
При отсутствии данных, установленных нормами, допускается принимать:
для угловых швов -

,

,

,

, считая при этом

;
для растянутых стыковых швов конструкций, изготовленных до 1972 г.,

, изготовленных после 1972 г.,

.
Допускается уточнять несущую способность сварных соединений по результатам испытаний.
2.21. Расчетные сопротивления срезу и растяжению болтов, а также смятию элементов, соединяемых болтами, следует принимать по
табл. 58 и
59 СНиП II-23-81*. Если невозможно установить класс прочности болтов, то значения расчетных сопротивлений следует принимать как для болтов класса прочности 4.6 - при расчете на срез и класса прочности 4.8 - при расчете на растяжение.
Допускается уточнять расчетные сопротивления срезу и растяжению болтов по результатам испытаний болтов на разрыв. При этом должны быть испытаны не менее пяти болтов от каждой условной партии, составленной из болтов и гаек одного типоразмера, одинаковой формы исполнения, установленных в однотипных конструкциях одной очереди строительства (но не более 2000 болтов).
Расчетное сопротивление болтов растяжению

принимается по минимальному значению предела прочности, полученному при испытаниях, а расчетное сопротивление срезу

.
2.22. Расчетное сопротивление заклепочных соединений следует принимать по табл. 4. Если в исполнительной документации отсутствуют указания о способе обработки отверстий и материале заклепок и установить их не представляется возможным, расчетные сопротивления принимаются как для соединения на заклепках группы C из стали марки Ст2.
Таблица 4
──────────┬───────────────────────────────────────────────────────
Группа │ Расчетные сопротивления, МПа (кгс/см2)
соединения├─────────────────────┬───────────┬─────────────────────
│ срезу заклепок или │ смятию │ растяжению (отрыву
│ стали марок │соединяемых│ головок) заклепок
│ │ элементов │ из стали марок
├──────────┬──────────┤конструкций├──────────┬──────────
│ Ст2, Ст3 │ 09Г2 │ │ Ст2, Ст3 │ 09Г2
──────────┼──────────┼──────────┼───────────┼──────────┼──────────
B │180 (1800)│220 (2200)│ 2R │120 (1200)│150 (1500)
│ │ │ yo │ │
C │160 (1600)│ - │ 1,7R │ - │ -
│ │ │ yo │ │
Примечания. 1. К группе B относятся соединения, в которых заклепки поставлены в отверстия, просверленные в собранных элементах или в деталях по кондукторам. К группе C относятся соединения, в которых заклепки поставлены в продавленные отверстия, сверленные без кондуктора в отдельных деталях.
2. При применении заклепок с потайными или полупотайными головками расчетные сопротивления заклепочных соединений срезу и смятию понижаются умножением на коэффициент 0,8. Работа указанных заклепок на растяжение не допускается.
ОПРЕДЕЛЕНИЕ НАГРУЗОК И ВОЗДЕЙСТВИЙ
2.23. В соответствии с указаниями
СНиП 2.01.07-85 при разработке проектов реконструкции и усиления нагрузки и воздействия определяются на основе результатов обследований, при этом атмосферные нагрузки допускается принимать с учетом данных Госкомгидромета с учетом предполагаемого срока службы конструкций.
Расчетную нагрузку следует определять как произведение ее нормативного значения на коэффициент надежности по нагрузке

, определяемый по указаниям
СНиП 2.01.07-85. При наличии статистических данных допускается определять расчетные значения нагрузок непосредственно по заданной вероятности их превышения.
2.24. В случаях, когда определить значения нагрузок по данным обследований Госкомгидромета не представляется возможным или целесообразным (отсутствие наблюдений, относительно небольшая доля нагрузки в общем уровне нагружения и т.п.), они определяются по указаниям
СНиП 2.01.07-85 как для вновь проектируемых конструкций.
2.25. Нормативная нагрузка от собственного веса конструкций определяется по результатам обмеров. Коэффициенты надежности по нагрузке принимаются по указаниям
СНиП 2.01.07-85.
Собственный вес стальных конструкций допускается устанавливать по чертежам КМД с обязательными контрольными замерами сечений, а при отсутствии этих чертежей - по результатам обмеров основных элементов конструкции
(табл. 5). При этом вес определяется по формуле

, (2)
где

- вес основных элементов, кН;

- строительный коэффициент веса, принимаемый по табл. 5.
───────────────────────┬────────────────────────┬──────────────────────────
Конструкции │ Основные элементы │ Коэффициент фи
│ │ c
│ │ для конструкций
│ ├─────────────┬────────────
│ │ сварных │ клепаных
───────────────────────┼────────────────────────┼─────────────┼────────────
Фермы стропильные, │Пояса и стержни решетки │ 1,25 - 1,35 │ 1,35 - 1,4
подстропильные │ │ │
и подкрановые │ │ │
Колонны: │ │ │
сплошные │Пояса и стенка │ 1,3 │ 1,35
сквозные │Пояса │ 1,7 │ 1,8
Балки: │ │ │
прокатные │Пояса и стенка │ 1,05 │ 1,25
составные │То же │ 1,2 │ 1,25
Тормозные конструкции: │ │ │
сплошные │Пояса и тормозной лист │ 1,2 │ 1,25
сквозные │Пояс и решетка │ 1,35 │ 1,4
Примечание. Пояс подкрановой балки в состав основных элементов тормозной конструкции не включается.
2.26. Постоянные нагрузки от собственного веса стационарно установленного оборудования, трубопроводов, промышленных проводок и агрегатов определяются по паспортным данным или рабочим чертежам с учетом фактической схемы их размещения и опирания на конструкции и согласовываются со службой эксплуатации зданий и сооружений.
Данные о нагрузках от оборудования, принятые в расчете, приводятся в проектной документации и в необходимых случаях подкрепляются приводимыми в проекте усиления указаниями (рекомендациями) по эксплуатации.
Коэффициенты надежности по нагрузке для указанных выше воздействий принимаются равными единице.
2.27. Постоянные нагрузки от веса покрытий (перекрытий) принимаются с учетом результатов вскрытий кровли (ограждений) и установления состава слоев.
Нормативные значения этих нагрузок определяются взвешиванием образцов и обработкой результатов взвешивания по формуле

, (3)
где

- среднее арифметическое значение веса образцов;

- среднее квадратичное отклонение от результатов взвешивания;

- вес i-го образца, кН;
m - количество образцов (не менее 5);
t - коэффициент, учитывающий объем выборки и определяемый по табл. 6.
Таблица 6
─────────────────────────────────┬────────────────────────────────
Количество образцов m │ Коэффициент t
─────────────────────────────────┼────────────────────────────────
5 │ 2,13
6 │ 2,02
7 │ 1,94
8 │ 1,89
9 │ 1,86
12 │ 1,8
15 │ 1,76
20 │ 1,73
25 │ 1,71
30 │ 1,7
40 │ 1,68
60 и более │ 1,67
Примечания. 1. Для промежуточных значений m коэффициент t определяется линейной интерполяцией.
2. Коэффициент t определяет односторонний доверительный интервал для среднего значения нормально распределенной величины с доверительной вероятностью 0,95.
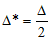
Знак "плюс" в
формуле (3) принимается при неблагоприятном действии увеличенной нагрузки, знак "минус" - при благоприятном.
Коэффициент надежности по нагрузке

к нормативной нагрузке

, определенной по
формуле (3), принимается равным единице.
2.28. Кратковременные нагрузки на площадки, переходные мостики и лестницы, в том числе нагрузки от толпы, устанавливаются по результатам обследования и анализа технологического процесса и учитываются в полном объеме только при проверке конструкций, непосредственно воспринимающих эти нагрузки.
2.29. Нормативные вертикальные нагрузки, передаваемые колесами мостовых и подвесных кранов, определяются по паспортным данным или по результатам взвешивания кранов.
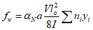
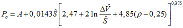
При взвешивании вертикальное расчетное давление мостового крана определяется по формуле

, (4)
где

- количество колес с одной стороны крана;

,

- собственный вес тележки и моста крана;
L - пролет моста крана;
d - минимально возможное расстояние от оси тележки до оси рассматриваемого ряда;

- максимальная величина фактически поднимаемого полезного груза на крюке крана;

- коэффициент надежности по собственному весу тележки и моста крана, принимаемый

при определении веса по результатам взвешивания и

- при определении веса по паспортным данным (если проводилось усиление конструкций крана, то следует учесть вес элементов усиления);

- коэффициент надежности по поднимаемому грузу, принимаемый по результатам специальных исследований, а при отсутствии данных по табл. 7 для мостовых крюковых кранов и по
табл. 8 для грейферных и магнитных кранов.
Таблица 7
───────────────────────┬──────────────────────────────────────────
Грузоподъемность крана,│ Коэффициент гамма для
т │ г
├────────────────┬─────────────────────────
│ режима работы │ режимной группы
│Госгортехнадзора│
├─────┬────┬─────┼──────┬──────┬────┬──────
│ Л │ С │Т, ВТ│1К, 2К│3К, 4К│ 5К │6К, 7К
───────────────────────┼─────┼────┼─────┼──────┼──────┼────┼──────
До 5 │ 1,15│1,35│ 1,5 │ 1,15 │ 1,25 │1,35│ 1,5
Св. 5 до 12,5 │ 1,1 │1,25│ 1,5 │ 1,1 │ 1,2 │1,25│ 1,5
Св. 12,5 до 20 │ 1,1 │1,2 │ 1,4 │ 1,1 │ 1,15 │1,2 │ 1,4
Св. 20 │ 1,1 │1,15│ 1,3 │ 1,1 │ 1,1 │1,15│ 1,3
─────────┬────────────────────┬──────────────┬─────────────────────────────
Грузо- │ Вид груза │ Условия │ Коэффициент гамма для
захватный│ │ перегрузки │ г
орган │ │ ├───────────┬─────────────────
│ │ │режима │ режимной группы
│ │ │Госгортех- │
│ │ │надзора │
│ │ ├───────────┼────────┬────────
│ │ │ Т, ВТ │3К - 5К │6К - 8К
─────────┼────────────────────┼──────────────┼───────────┼────────┼────────
Грейфер │Щебень, уголь, │Из штабеля │ 1,1 │ 1,1 │ 1,1
│окалина и другие ├──────────────┼───────────┼────────┼────────
│нелипкие │Из приямка или│ 1,4 │ 1,4 │ 1,4
│и не обладающие │из емкости, │ │ │
│повышенной │заполненной │ │ │
│связностью материалы│водой │ │ │
─────────┼────────────────────┼──────────────┼───────────┼────────┼────────
Подъемный│Скрап стальной, │С неметалли- │ 1,3 │ 1,3 │ 1,5
электро- │чугун в чушках │ческого │ │ │
магнит │ │основания │ │ │
│ ├──────────────┼───────────┼────────┼────────
│ │С металличес- │ 1,5 │ 1,5 │ 1,7
│ │кого основания│ │ │
├────────────────────┼──────────────┼───────────┼────────┼────────
│Стальной прокат │С решетчатого │ 1,5 │ 1,4 │ 1,6
│ │основания │ │ │
│ ├──────────────┼───────────┼────────┼────────
│ │Со сплошного │ 1,6 │ 1,6 │ 1,8
│ │металлического│ │ │
│ │основания │ │ │
Значение F, определяемое по
формуле (4), принимается не больше указанного в государственных стандартах на краны.
При определении вертикальных крановых нагрузок допускается учитывать фактическое размещение зон обслуживания кранов и приближение тележки к ряду колонн, если размещение и габариты постоянно установленного в здании оборудования таковы, что нарушение этих ограничений физически невозможно, или установлены ограничители перемещений кранов по путям и тележек по мосту крана.
2.30. Нормативные значения атмосферных нагрузок рекомендуется уточнять на основании данных организаций Госкомгидромета. Обработка данных выполняется по методикам, приведенным в
Прил. 2 и
3.
При определении ветровых нагрузок допускается учитывать фактическую ориентацию зданий и сооружений на местности и затенение от соседних стационарных зданий и сооружений.
2.31. Расчет конструкций на совместное действие нагрузок от снега, ветра и мостовых кранов допускается выполнять с использованием коэффициентов сочетания, определенных с учетом реальных статистических данных и удельного влияния действующих нагрузок.
Расчетное усилие любого вида (продольная или поперечная сила, изгибающий или крутящий момент) в сечении или элементе конструкции от одновременного действия снеговой, ветровой и крановой нагрузок рекомендуется определять по формуле

, (5)
где

и

- усилия от неблагоприятно действующих расчетных снеговой и ветровой нагрузок;

- суммарное усилие от всех неблагоприятно действующих крановых нагрузок, определенное по правилам
СНиП 2.01.07-85;

- коэффициент сочетания усилий, определяемый по формуле

,
где

,

и

- коэффициенты, зависящие от вероятностных свойств нагрузок;

,

,

- доли усилий или напряжений в сечении, учитывающие удельное влияние снеговой, ветровой и крановой нагрузок.
Коэффициенты

,

и

определяются по реальным статистическим данным о снеговой, ветровой и крановой нагрузках и обеспечивают равнонадежность элементов конструкций, запроектированных на различные комбинации усилий. В запас надежности для всех типов мостовых кранов и всей территории СССР допускается принимать

,

,

.
При вычислении коэффициента сочетания усилий

удельное влияние снеговой, ветровой и крановых нагрузок учитывается их долями
При сложных видах деформации, когда в сечении действуют несколько разнородных силовых факторов, в приведенные формулы вместо усилий

,

и

от снеговой, ветровой и крановых нагрузок следует представлять максимальные краевые напряжения в сечении от действия соответствующих расчетных нагрузок.
При расчете на другие виды нагрузок и воздействий коэффициенты сочетаний принимаются по указаниям
СНиП 2.01.07-85.
ПРОВЕРОЧНЫЙ РАСЧЕТ КОНСТРУКЦИЙ
2.32. Проверочный расчет конструкций с учетом влияния дефектов выполняется с целью установления:
возможности дальнейшей эксплуатации конструкций без каких-либо ограничений;
необходимости усиления конструкций;
возможности ограничений эксплуатации конструкций до плановых ремонтно-восстановительных работ;
необходимости немедленного прекращения эксплуатации в аварийной ситуации.
2.33. Проверку прочности элементов, имеющих ослабления в виде вырезов, вырывов, подрезов и т.п., следует проводить по площади нетто с учетом эксцентриситетов от смещения центра тяжести ослабленного сечения относительно центра тяжести первоначального сечения в соответствии с указаниями
п. 5.25 СНиП II-23-81*.
Допускается вместо
формулы (49) по СНиП II-23-81* применять формулу с использованием компенсирующих добавок усилий

,

и


, (6)
В формулах обозначено:

,

- координаты наиболее напряженной точки реального поперечного сечения, составленные относительно главных осей x-x и y-y неослабленного сечения A;

,

- геометрические характеристики неослабленного сечения;

,

- координаты центра тяжести площади ослабления

в осях x-x, y-y;

,

- моменты инерции ослабления;

- напряжение в центре тяжести площади ослабления

, вычисленное для неослабленного сечения при действии заданных усилий.
Значения n,

и

принимаются по
табл. 66 СНиП II-23-81* для неослабленного сечения.
2.34. Учет влияния коррозионных повреждений производить уменьшением расчетной площади поперечного сечения с учетом требований
пп. 2.19 и
2.46 настоящего Пособия.
При равномерном коррозионном износе элементов расчетную площадь поперечного сечения допускается определять по формуле

, (7)
где

- площадь поперечного сечения элемента без учета коррозионных повреждений;

- коэффициент слитности сечения, равный отношению периметра, контактирующего со средой к площади поперечного сечения. Приближенно величину коэффициента

можно принимать для уголков - 2/t, для замкнутых профилей - 1/t, для швеллеров и двутавров - 4/(t + d), здесь t и d - толщины полки и стенки соответственно.
Расчетный момент сопротивления для проверки прочности изгибаемых элементов допускается определять по формуле

, (8)
где

- момент сопротивления сечения без учета коррозионных повреждений;

- коэффициент изменения момента сопротивления вследствие коррозионного износа.
Коэффициенты

для некоторых типоразмеров прокатных профилей приведены в
табл. 1 Прил. 4.

- при односторонней коррозии замкнутых профилей;

- при двусторонней коррозии открытых профилей (двутавров, швеллеров, уголков и т.п.), где

- уменьшение толщины элемента, равное разнице между номинальной и фактической толщинами элемента.
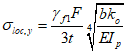
2.35. Сжатые сплошностенчатые элементы стальных конструкций, имеющие общее искривление, следует рассчитывать как внецентренно сжатые. Отличие работы искривленных стержней от внецентренно сжатых
(рис. 1) рекомендуется учитывать умножением стрелки искривления стержня

в ненагруженном состоянии на коэффициент k перехода от максимальной стрелки искривления к эквивалентному эксцентриситету, принимая

, где

.
Рис. 1. Сжатый стержень с общим искривлением
а - нагруженный; б - ненагруженный;
в - эквивалентный внецентренно сжатый
Коэффициент вычисляется по формуле

, (9)
где

- условная гибкость стержня в плоскости искривления;

- коэффициент влияния формы сечения, принимаемый по
табл. 73 СНиП II-23-81*.
2.36. Стрелка искривления стержня в ненагруженном состоянии определяется по формуле

, (10)
где

- полная стрелка искривления, замеренная при нагрузке стержня силой

(см.
рис. 1);

- коэффициент

, вычисляемый по формуле

, (11)
где

- напряжения в стержне в момент замера стрелки

;

- расчетное сопротивление стали.
Если усилие в стержне

в момент замера стрелки определить невозможно, следует принимать

.
2.37. Расчет на устойчивость сжатых стержней из двух спаренных уголков, расположенных в тавр и имеющих искривление в двух плоскостях более указанных в
табл. 2 Прил. 4, следует выполнять по формуле

, (12)
где

- коэффициент снижения несущей способности, определяемый по
табл. 3 -
5 Прил. 4 в зависимости от условной гибкости в плоскости симметрии сечения
и условных относительных стрелок искривлений в двух плоскостях

,

,
при этом для элементов решетки ферм (кроме опорных раскосов и опорных стоек) следует учитывать упругое защемление в поясах, принимая в плоскости фермы коэффициент приведения расчетной длины

и используя данные
табл. 4 Прил. 4.
При определении стрелок искривления стержня в ненагруженном состоянии

и

следует руководствоваться указаниями
п. 2.36.
Не допускается принимать значения коэффициентов

больше значений коэффициентов

для центрально-сжатых стержней, приведенных в
п. 5.3 СНиП II-23-81*.
2.38. Проверку устойчивости стержней из спаренных равнополочных уголков, имеющих кроме пространственного искривления оси еще и местные дефекты в виде вырезов или локальных погибей полок, для случая

рекомендуется выполнять по формуле

, (13)
где

- коэффициент, определяемый по
табл. 3 Прил. 4;

- коэффициент, учитывающий влияние местного выреза полки, принимаемый равным

- если вырез расположен на концевом участке стержня (в пределах узловой фасонки), по
табл. 7 Прил. 4 - если вырез расположен в пределах средней трети длины стержня, по интерполяции - в прочих случаях;

- площадь неослабленного сечения. Для стержней, не имеющих местных дефектов и повреждений, следует считать

.
Учет влияния местного дефекта в виде локального искривления полок осуществляется путем перехода к эквивалентному вырезу с параметрами

и

, определяемыми по погиби

и

(
табл. 8 Прил. 4).
2.39. Расчет сквозных стержней на устойчивость в плоскости соединительной решетки следует выполнять по общей формуле

, (14)
где

- коэффициент, характеризующий устойчивость сквозного стержня в целом;

- коэффициент, учитывающий особенности работы ветвей на участках между узлами соединительной решетки.
Влияние общих искривлений сквозного стержня в целом учитывается при определении коэффициента

, который принимается по
СНиП II-23-81* с учетом требований
п. 2.41:
при центральном сжатии - в функции от условной приведенной гибкости

; (15)
при внецентренном сжатии - в функции от условной приведенной гибкости, вычисляемой по формуле (15) и относительного эксцентриситета

, (16)
где

- расстояние от главной оси сечения, перпендикулярной плоскости изгиба, до оси наиболее сжатой ветви.
2.40. Влияние локальных дефектов и повреждений, изменяющих условия работы отдельных ветвей (погибы ветвей и решетки, вырезы, расцентровки и т.п.), учитывается при определении коэффициента

, который следует принимать по
СНиП II-23-81* в зависимости от гибкости отдельной ветви на участке между узлами соединительной решетки в случае, если ветвь работает на центральное сжатие, и в функции от условной гибкости

и приведенного относительного эксцентриситета

для ветви, работающей на сжатие с изгибом. Значения

принимаются с учетом требований
пп. 2.42 -
2.44.
Для двухветвенных колонн с ветвями двутаврового и швеллерного сечения, работающими на центральное сжатие, коэффициент

, вычисленный по
СНиП II-23-81* следует умножать на коэффициент, принимаемый:

, (17)
где

- условная гибкость ветви на участке между узлами соединительной решетки.
Для решетчатых колонн производственных зданий при отсутствии повреждений элементов решетки допускается принимать

.
2.41. Сжатые сквозные элементы стальных конструкций в случае их общего искривления в плоскости соединительной решетки следует рассчитывать по аналогии со сплошностенчатыми (см.
п. 2.35). Коэффициент k к относительному эксцентриситету вычисляется по формуле

. (18)
2.42. Проверку устойчивости сквозного стержня, имеющего местное искривление ветви или ее ослабление на участке между узлами соединительной решетки, следует выполнять по
формуле (14), причем коэффициент

должен вычисляться с учетом требований
п. 2.40. Для сквозных стержней с дефектами, уменьшающими площадь поперечного сечения ветви, в расчет следует вводить геометрические характеристики сечения нетто.
2.43. Несущая способность сквозного стержня с дефектами или повреждениями раскосов оценивается проверкой устойчивости сквозного стержня в целом по рекомендациям
п. 2.39 и дополнительной проверкой несущей способности поврежденного (дефектного) раскоса с требованиями
пп. 2.35 -
2.38. При этом для раскосов из одиночных уголков в
формулу (12) подставляются значения

, принимаемые по
табл. 6 Прил. 4.
В случае невыполнения условия устойчивости для поврежденного раскоса следует считать, что он не участвует в работе и поперечная сила воспринимается ветвями, работающими на изгиб. При этом коэффициент

в
формуле (14) должен определяться как для сжато-изогнутого элемента. Приведенный относительный эксцентриситет для определения

допускается находить в зависимости от максимального изгибающего момента в ветви

, вычисляемого по формуле

, (19)
где Q - поперечная сила в сквозном стержне;

- длина ветви, принимаемая равной расстоянию между узлами соединительной решетки.
В тех случаях, когда несущая способность раскосов не обеспечивается в двух или более смежных панелях, эксплуатация сквозного стержня не допускается независимо от результатов других проверок.
2.44. Устойчивость сквозных стержней с дефектами изготовления в виде расцентровки раскосов
(рис. 2) следует проверить по
формуле (14), при этом коэффициент

должен определяться как для сжато-изогнутого элемента с учетом изгибающего момента

, вычисляемого по формуле

, (20)
где t - величина расцентровки раскосов, равная половине расстояния между соседними пересечениями осей раскосов с осью ветви
(рис. 2);

- коэффициент, учитывающий влияние степени расцентровки

(

- проекция раскоса на ветвь) и принимаем

, (21)

- коэффициент, учитывающий влияние жесткости примыкающих раскосов, определяется по формуле

, (22)
где

- сумма погонных жесткостей элементов решетки, примыкающих к узлу;

- погонная жесткость ветви.
Рис. 2. Сквозной стержень с расцентровкой решетки
Для колонн каркаса промышленных зданий допускается принимать в
формуле (20) отношение

.
При определении коэффициентов

следует учитывать форму эпюры изгибающих моментов по длине ветви между узлами соединительной решетки.
2.45. Расчетная проверка на хрупкую прочность для центрально и внецентренно растянутых элементов, а также зон растяжения изгибаемых элементов, имеющих технологические дефекты конструктивных форм, обладающих пониженной хладостойкостью (
табл. 9 Прил. 4), выполняется, если температура при эксплуатации может быть ниже критической температуры хрупкости (
табл. 10 Прил. 4). Проверку на прочность с учетом сопротивления хрупкому разрушению следует выполнять по формуле

, (23)
где

- наибольшее растягивающее напряжение в расчетном сечении элемента, определяемое по сечению нетто без учета коэффициентов динамичности и снижения расчетных сопротивлений;

- коэффициент, учитывающий снижение конструкционной прочности стали при пониженных температурах.
Коэффициент

рекомендуется определять по формуле

, (24)
где T - расчетная отрицательная температура эксплуатации, принимаемая как средняя температура наиболее холодной пятидневки;

- критическая температура хрупкости, определяемая по
табл. 10 Прил. 4 в зависимости от толщины элемента t, типа и модификации конструктивной формы (
табл. 9 Прил. 4);

- коэффициент температурной зависимости, принимаемый

для стали марки Вст3кп,

- для стали марки 09Г2С.
Для низколегированных сталей других марок коэффициент

допускается определять по линейной интерполяции в соответствии с расчетным сопротивлением

, используя

при

и

при

.
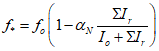
Если
условие (23) не выполняется или коэффициент

, вычисляемый по
формуле (24), оказывается меньше предельно допускаемой величины

, дальнейшая эксплуатация конструкции не разрешается без применения специальных мер повышения хладостойкости или снижения напряжений.
Специальные способы усиления конструкций с целью повышения их хладостойкости приведены в
табл. 11 Прил. 4. В случае применения специальных способов усиления, уменьшающих площадь расчетного сечения рабочего элемента, необходимо произвести проверку несущей способности элемента по ослабленному сечению. При недостаточной несущей способности площадь сечения элемента следует увеличить, соблюдая при этом требования
п. 6.8 настоящего Пособия.
2.46. Учет влияния коррозионных повреждений на снижение сопротивляемости хрупкому разрушению при пониженных температурах (при остаточной после коррозии толщине 5 мм и менее, или если коррозионный износ превышает 25%) следует производить по изменению критической температуры хрупкости

. В этом случае

, определенную по
табл. 10 Прил. 4, следует увеличить на величину смещения

, принимаемую по табл. 9 в зависимости от марки стали. Дальнейший расчет выполняется по указаниям
п. 2.45 настоящего Пособия.
Таблица 9
────────────┬────────────┬─────────────┬────────────┬─────────────
Марка стали│ Вст3 │ 09Г2 │ 10Г2С1 │ 18Г2АФпо
────────────┼────────────┼─────────────┼────────────┼─────────────
Дельта T │ 15 │ 20 │ 25 │ 30
cr│ │ │ │
РЕЗУЛЬТАТЫ ОЦЕНКИ ТЕХНИЧЕСКОГО СОСТОЯНИЯ КОНСТРУКЦИЙ
2.47. По результатам освидетельствования и проверочного расчета оценивается техническое состояние конструкций и принадлежность их к одной из групп:
работоспособное - несмотря на отступления от норм, государственных стандартов и технической документации, нормальная эксплуатация конструкций обеспечивается в конкретных условиях рассматриваемого здания или сооружения;
ограниченно работоспособное - для использования конструкций необходимо проведение специальных (допустимых условиями эксплуатации) мероприятий по контролю за состоянием конструкций, параметрами технологического процесса, нагрузками или другими условиями эксплуатации (возможно с ограничениями по продолжительности функционирования);
неработоспособное (недопустимое) - существующее или прогнозируемое по расчету состояние конструкций является одним из предельных состояний по классификации СТ СЭВ 3972-83 и без усиления конструкции не могут быть допущены к эксплуатации.
2.48. Конструкции, находящиеся в неработоспособном состоянии, должны быть усилены или заменены, при этом на стадии А (см.
п. 1.6) должен быть выполнен комплекс мероприятий, обеспечивающих ограниченно работоспособное их состояние.
2.49. Проектом должно быть предусмотрено восстановление, как правило, работоспособного состояния всех сохраняемых конструкций. При этом:
отклонения геометрической формы, размеров элементов и соединений от номинальных (предусмотренных проектом), превышающие допустимые
СНиП III-18-75, но не препятствующие нормальной эксплуатации, можно не устранять, если несущая способность конструкций обеспечивается с учетом требований
пп. 2.32 -
2.46 настоящего Пособия;
допускается не усиливать элементы конструкций, имеющие гибкость, превышающую предельные значения, установленные
пп. 6.15 и
6.16 СНиП II-23-81*, если эти элементы не имеют искривлений, превышающих допускаемые
СНиП III-18-75, и усилия в этих элементах не будут возрастать в стадии В, а также в тех случаях, когда возможность их использования проверена расчетом;
допускается не усиливать конструкции, выполненные с отступлениями от требований
пп. 12.3,
12.8,
12.9,
13.5,
13.6,
13.9,
13.14,
13.16,
13.19,
13.25,
13.27,
13.46,
15.13,
16.15 -
16.18 и
16.23 СНиП II-23-81*, если отсутствуют вызванные этими отступлениями повреждения элементов конструкций, исключены изменения в неблагоприятную сторону условий эксплуатации конструкций и их несущая способность подтверждена расчетом с учетом требований
пп. 2.32 -
2.46 настоящего Пособия.
2.50. Для конструкций допускается использовать без усиления элементы, прогибы которых превышают предельные значения по
пп. 13.1 -
13.4 СНиП II-23-81*, но не препятствуют нормальной эксплуатации (передвижению мостовых и подвесных кранов, обеспечению надежной работы ограждающих конструкций, бесперебойной эксплуатации установленного на конструкциях оборудования и т.п.).
2.51. Факт выполнения конструкций из стали, марка или свойства которой не соответствуют указаниям
табл. 50 СНиП II-23-81*, сам по себе не может служить основанием для замены или усиления конструкций.
В случаях, когда материал конструкций не удовлетворяет требованиям
табл. 50 СНиП II-23-81* для элементов рассматриваемой группы и климатического района, дальнейшая эксплуатация конструкций требует специального обоснования.
3. ОСНОВНЫЕ ПОЛОЖЕНИЯ ПО ПРОЕКТИРОВАНИЮ УСИЛЕНИЯ
СОХРАНЯЕМЫХ КОНСТРУКЦИЙ
3.1. С целью сокращения объемов работ по усилению, а в некоторых случаях и отказа от усиления необходимо выявлять и использовать резервы несущей способности сохраняемых конструкций путем:
уточнения усилий, действующих в перенапряженных элементах за счет учета пространственной работы каркаса, фактических условий соединения и закрепления, учета фактических значений нагрузок воздействий и их сочетаний;
уточнения прочностных характеристик материала конструкций и соединений, фактических размеров сечений и элементов;
включения в работу ограждающих конструкций или других вспомогательных элементов зданий и сооружений.
С этой целью рекомендуется проведение мероприятий по улучшению условий работы несущих конструкций таких, как:
изыскание возможности уменьшения нагрузок, действующих на все здание или отдельные элементы его (ограничение грузоподъемности кранов, их сближения между собой, ограничение хода тележки, изменение схемы расположения кранов на подкрановых путях, изменение конфигурации кровли для уменьшения снеговых мешков, мероприятия по борьбе с отложением промышленной пыли и т.д.);
уменьшение нагрузок от веса ограждающих конструкций путем замены их более легкими, в особенности в тех случаях, когда замена ограждающих конструкций связана с их неудовлетворительным состоянием.
Мероприятия по уменьшению крановых и других технологических нагрузок не должны ухудшать условия основного производства и должны быть обязательно согласованы со службой эксплуатации, включая приемы и методы контроля за уровнем нагрузок.
3.2. Основными способами усиления конструкций являются:
увеличение площади поперечного сечения отдельных элементов конструкции;
изменение конструктивной схемы всего каркаса или отдельных элементов его в результате чего меняется расчетная схема;
регулирование напряжений.
Каждый из этих способов может применяться самостоятельно или в комбинации с другим. При выборе способа усиления и разработке проекта усиления необходимо учитывать требования монтажной технологичности.
3.3. При конструктивном оформлении усиления путем увеличения сечений необходимо:
обеспечить надежную совместную работу элементов усиления и усиливаемой конструкции, в том числе требования по местной устойчивости (размеры свесов, отгибов) и неискажаемости сечения (установка в необходимых случаях ребер, диафрагм и т.п.);
не принимать решений, затрудняющих проведение мероприятий по антикоррозионной защите, в особенности ведущих к щелевой коррозии или образованию замкнутых полостей, применяя в необходимых случаях герметизацию щелей;
назначать места обрыва элементов усиления из условия работы неусиленных сечений при действии расчетных нагрузок в упругой стадии, не допуская резких концентраторов напряжений в указанных местах;
учитывать наличие конструктивного оформления узлов, ребер жесткости, прокладок и т.п., а также допустимость увеличения габаритов строительных конструкций;
обеспечивать технологичность производства работ по усилению, в частности, доступность сварки, возможность сверления отверстий, закручивания болтов и т.п.
3.4. При усилении конструкций путем изменения конструктивной схемы требуется:
учитывать перераспределение усилий в конструкциях, элементах, узлах, а также в опорах, включая дополнительные проверки фундаментов;
учитывать разность температур, если существующие и новые конструкции могут эксплуатироваться в разных температурных режимах, а также температурный режим при замыкании статически неопределимых систем;
предусматривать в конструктивных решениях элементов и узлов возможность компенсации несовпадения размеров существующих и новых конструкций.
3.5. Способ усиления конструкций, предусматривающий регулирование напряжений, позволяет уменьшить усилия, действующие в конструкции. Преимущество его состоит также в том, что усиление может производиться без разгрузки конструкции и остановки технологического процесса.
3.6. Элементы усиления необходимо проектировать, как правило, ориентируясь на полное изготовление их в заводских условиях. В особых случаях допускается изготовление деталей усиления с припуском и последующей обработкой на месте установки.
Присоединение деталей усиления к конструкциям выполняется с помощью сварки, на болтах класса точности А и В или высокопрочных. В случае опасности возникновения хрупкого или усталостного разрушения присоединение осуществлять на высокопрочных болтах или болтах класса точности А. При соответствующем обосновании допускается применение дюбелей и самонарезающих винтов.
3.7. Марку стали элементов усиления следует назначать по
табл. 50 СНиП II-23-81* с учетом качества стали усиливаемой конструкции. Если эти конструкции выполнены без сварки и отсутствуют данные о свариваемости стали, то для их усиления сварку можно применять только после проведения оценки свариваемости.
3.8. Применяемая для элементов усиления сталь, как правило, не должна уступать по качеству металлу усиливаемых конструкций (по механическим свойствам, вязкости и свариваемости).
При усилении конструкций, эксплуатируемых в агрессивной среде, коррозионная стойкость металла элементов усиления должна быть не ниже стойкости металла усиливаемой конструкции.
3.9. Выбор способа усиления определяется:
условиями опирания на балку элементов перекрытий или покрытий (по верхнему или нижнему поясу);
возможностью увеличения строительной высоты балки и наличием пространства для размещения элементов усиления;
возможностью выполнения работ без остановки производства или во время технологических перерывов;
технологическими возможностями изготовления и монтажа элементов усиления.
3.10. При усилении балок путем увеличения сечения
(рис. 3) наиболее рациональными по расходу стали являются двусторонние симметричные или близкие к симметричным схемы усиления "а" - "е" с расположением элементов усиления по возможности дальше от центра тяжести неусиленного сечения балки.
Рис. 3. Усиление балок путем увеличения сечений
а - к - схемы усиления
При опирании настилов по верхнему поясу балки рекомендуются схемы "в" - "к", при этом несимметричное усиление по схеме "и" эффективно только при использовании упругопластической стадии работы материала существующей конструкции или при регулировании усилий, в остальных случаях более целесообразна схема одностороннего усиления "к" со значительным увеличением высоты сечения. Усиление составных сварных балок, имеющих ребра жесткости, с использованием схемы "в" и "г" требует либо вырезки ребер, либо подгонки элементов усиления, поэтому более рациональны в данном случае схемы "д" и "е", а при необходимости увеличения прочности верхней части стенки (например, в случае передачи сосредоточенных нагрузок) может быть рекомендована схема "ж".
3.11. Усиление балок путем изменения конструктивной схемы
(рис. 4) мало зависит от места опирания плит настила, однако при усилении по схемам "а" и "б" путем превращения разрезной конструкции в неразрезную требуется возможность доступа к узлам сопряжения.
Рис. 4. Усиление балок путем изменения
их конструктивной схемы
а - л - схемы усиления
Установка дополнительных подкосов (схемы "в" и "г") возможна при наличии свободного пространства под балками.
Использование этих схем зависит также от способов усиления колонн и фундаментов.
При наличии свободного пространства под центральной частью балки эффективными могут быть схемы "д" и "е" с одно- или двустоечным шпренгелем. При использовании этих схем следует обеспечить конструктивные методы раскрепления точек перегиба шпренгеля из плоскости системы.
Рекомендуется также способы усиления балок с помощью дополнительных затяжек (схемы "ж" и "з") и подведения дополнительных балочных конструкций (схемы "и", "к"), для усиления прогонов рациональна схема "л" с подведением дополнительных опор, передающих нагрузку на параллельно устанавливаемые двухконсольные подпруги.
Практически во всех случаях усиления с изменением конструктивных схем целесообразно использование методов активного регулирования усилий для включения в работу новых элементов.
3.12. Если при увеличении нагрузок не обеспечена прочность стенки по срезу или ее устойчивость, то рекомендуется установка дополнительные поперечных, продольных или наклонных ребер жесткости. Наклонные ребра жесткости
(рис. 5) могут использоваться как без пригонки к поясам балки, так и с пригонкой: в первом случае они считаются не работающими на поперечную силу и служат только для обеспечения местной устойчивости, во втором - значительно снижают касательные напряжения в стенке.
Рис. 5. Установка наклонных ребер жесткости
а - д - без пригонки к поясам; б - г, е - с пригонкой
При проверке дополнительных ребер рекомендуется использовать одностороннее расположение ребер и швы минимального катета. Диагональные ребра, пригнанные к поясам, рекомендуется проектировать парными (двусторонними) из полосовой стали или уголков с креплением к полкам и вертикальным ребрам по типу схем "в" и "е" на
рис. 5 и устанавливать их вдоль сжатой диагонали отсека.
ОСОБЕННОСТИ УСИЛЕНИЯ ПОДКРАНОВЫХ БАЛОК
3.13. Усиление подкрановых балок для кранов с режимами работы 7К и 8К, имеющих повреждения в виде усталостных трещин, рекомендуется лишь в качестве временной меры при невозможности остановки производства для замены балок.
При кранах с другими режимами работы повреждения, связанные с эксплуатацией подкрановых балок, обычно незначительны, усиление таких балок целесообразно и экономически оправдано. При этом могут быть использованы схемы усиления
рис. 4.
3.14. При усилении подкрановых балок без тормозных конструкций при небольшом увеличении крановых нагрузок (на 5 - 10%) может быть использована схема усиления по
рис. 6, а, при большем увеличении нагрузок необходимо также усиление и нижнего пояса по схеме "б". Эти схемы не сложны и могут быть выполнены без остановки технологического процесса, а приварка элементов усиления в нижнем положении позволяет обеспечить качественное выполнение швов.
Рис. 6. Усиление подкрановых балок
а - е - схемы усиления
При усилении подкрановых балок с тормозными конструкциями могут использоваться схемы "в", "г", "д". Усиление по схемам "г" и "д" может быть выполнено без остановки технологического процесса, при усилении по схеме "в" требуется демонтаж кранового рельса, при этом для обеспечения постоянного уровня головки рельса усиление верхнего пояса должно быть выполнено по всей длине балки.
3.15. Для повышения местной прочности и устойчивости стенки подкрановых балок легкого и среднего режимов работы (группы режимов 1К - 6К) рекомендуется усиление ламелями по схеме "г" на
рис. 6, а также конструктивные решения по
п. 7.2. Для предотвращения выпучивания ламелей при сварке целесообразно выполнить стяжку пакета болтами диаметрами 16 - 18 мм, шаг которых не должен превышать 12d или

, где d - диаметр отверстия под болты, а

- толщина ламели. Кромку ламелей необходимо плотно подогнать к верхнему пояску балки, а для пропуска поясных швов снять фаску (возможно и решение с подкладными листами по
рис. 6, д).
Для подкрановых балок тяжелого режима работы (группы режимов 7К и 8К) при необходимости увеличения их ресурса по выносливости рекомендуется устанавливать ламели к верхнему поясу по схеме "е" на
рис. 6. Крепление ламелей к поясу в этом случае выполняется конструктивным швом или плотной подгонкой без сварки с прижатием крючьями, установленными в отверстия для крепления рельса, а к поперечным ребрам жесткости - расчетным швом с полным проплавлением. Допускается постановка односторонней ламели со стороны кранового моста, если постановка парной затруднительна.
Высоту ламели

(
рис. 6, е) следует принимать в пределах a/8 - a/10 (a - расстояние между ребрами жесткости балки), но не менее 150 мм. Расстояние d принимается максимальным по фактической ширине ребер жесткости и с учетом расположения отверстий для крепления рельса. Минимальная толщина ламели назначается в соответствии с
п. 7.24 СНиП II-23-81* как для неокаймленного свеса.
3.16. Усиление верхних поясов подкрановых балок путем постановки дополнительных вертикальных или наклонных пластин следует проводить с использованием методов снижения концентрации напряжений в концах монтажных швов и постановки остающихся подкладок с выводом швов на эти подкладки, выполнения закруглений, обварки торцов и т.п.
3.17. При необходимости увеличения ресурса балки по усталостной прочности рекомендуется проверить расчетную долговечность в соответствии с указаниями
Прил. 5 и в случае, если она не удовлетворяет требованиям длительной безотказной эксплуатации, провести усиление с помощью ламелей по
рис. 6, а.
Одновременно с усилением подкрановых балок для увеличения их ресурса рекомендуется использовать эффективные способы крепления рельса к балке, в частности - постановку упругих прокладок или тангенциальную прокладку.
УСИЛЕНИЕ СТРОПИЛЬНЫХ ФЕРМ
3.18. При усилении стропильных ферм путем увеличения сечений стержней следует стремиться к сохранению центровки в узлах ферм. При усилении сжатых стержней элементы усиления целесообразно располагать таким образом, чтобы максимально увеличить радиус инерции сечения, при этом их можно не заводить на фасонки, если обеспечена прочность неусиленного сечения. Элементы усиления растянутых стержней заводят на фасонки на длину, достаточную для передачи воспринимаемой ими части усилия.
3.19. При усилении прямолинейных стержней путем увеличения сечений
(рис. 7) для сжатых стержней наиболее рациональны схемы "а", "в", "г". Удобна схема "б", поскольку швы выполняются в нижнем положении, но при этом существенно смещается центр тяжести сечения и, кроме того, при необходимости завести уголок усиления на фасонку (например, при усилении раскосов) в нем необходимо устроить прорезь. Использование схем "б" и "д" для усиления верхнего пояса может оказаться невозможным из-за опирания прогонов или панелей покрытия.
Рис. 7. Усиление элементов стропильных ферм
а - м - схемы усиления
При усилении искривленных стержней могут быть использованы схемы "л" и "м", не требующие подгонки элементов усиления.
3.20. Усиление сварных швов в узлах крепления стержней стропильных ферм можно выполнять в необходимых случаях с использованием дополнительных фасонок (рис. 8, а, б). Усиление узлов клепаных ферм целесообразно производить с помощью сварки (если позволяет качество металла и швы воспримут все усилие) или же способом передачи усилия на уголковый коротыш и затем на фасонку через болты класса точности А (рис. 8, в).
Рис. 8. Усиление узлов крепления стержней стропильных ферм
3.21. При усилении стропильных ферм путем изменения конструктивной схемы
(рис. 9) обычно требуется и усиление отдельных стержней за счет увеличения их сечений.
Рис. 9. Усиление стропильных ферм путем изменения
их конструктивной схемы
а - к - схемы усиления
Установка шпренгелей по схеме "а" уменьшает расчетные длины элементов верхнего пояса в плоскости фермы, но не влияет на их устойчивость из плоскости. При этом часто требуется провести усиление растянутых стержней.
Усиление по схеме "б" существенно снижает усилия во всех стержнях, за исключением двух средних раскосов, однако применение этой схемы очень ограниченно.
Превращение разрезных стропильных ферм в неразрезные (схема "в") с устройством стыков на опорах требует разборки кровли. Эту схему усиления целесообразно использовать при трех пролетах и более.
При наличии фонаря по среднему ряду колонн его элементы могут быть включены в совместную работу с фермами (схема "г"). Такое решение, как правило, требует усиления стоек и раскосов фонаря. Его эффективность зависит от относительной ширины фонаря. Схема "д" применяется в случаях, когда затруднены работы внутри здания.
Усиление ферм одно- или двустоечным шпренгелем (схемы "е" и "ж"), а также усиление затяжкой по нижнему поясу (схема "и") рационально при использовании в качестве затяжек высокопрочных элементов (например, стальных канатов).
3.22. Применение продольной распределительной конструкции (
рис. 9, к) может быть рекомендовано при установке новых подвесных кранов, когда продольные вертикальные связи включают в работу на восприятие локальных нагрузок соседние стропильные фермы. Кроме того, установка дополнительных вертикальных связей по всей длине покрытия повышает надежность стропильных ферм, выполненных из кипящих сталей и эксплуатирующихся при отрицательных температурах.
УСИЛЕНИЕ КОЛОНН И ПОПЕРЕЧНИКА В ЦЕЛОМ
3.23. Усиление колонн необходимо, как правило, при значительном увеличении нагрузок, в случае существенного коррозионного износа или при значительных локальных повреждениях. Ввиду сложности разгрузки колонн их усиление обычно выполняется под нагрузкой, что в основном определяет выбор способа усиления.
3.24. При усилении колонн путем увеличения сечений
(рис. 10) используются симметричные и несимметричные схемы усиления.
Рис. 10. Усиление колонн путем увеличения сечений
а - симметричные без смещения центра тяжести;
б - несимметричные со смещением центра тяжести
При усилении центрально-сжатых колонн и стоек рекомендуются симметричные схемы усиления или схемы, обеспечивающие минимальное смещение центра тяжести усиленного сечения от линии действия сжимающих усилий.
При усилении внецентренно сжатых колонн с преобладающими моментами одного знака рационально использование несимметричной схемы усиления со смещением центра тяжести усиленного сечения в сторону действия момента.
При выборе способа усиления следует учитывать условия, затрудняющие производство работ:
устройство подмостей для приварки элементов усиления;
разборку стеновых ограждений при усилении колонн крайних рядов.
3.25. При усилении колонн путем изменения конструктивной схемы
(рис. 11) могут быть использованы различные схемы.
Рис. 11. Усиление колонн и поперечника в целом
путем изменения конструктивной схемы
а - д - схемы усиления
В высоких однопролетных зданиях с кровлей малой жесткости (например, из волнистых листов асбофанеры) целесообразно ужесточение связей по нижним поясам (схема "а") для увеличения эффекта пространственной работы. Этот прием рекомендуется для относительно коротких зданий с жесткими торцами.
Расчетная длина колонн из плоскости рамы может быть уменьшена постановкой дополнительных распорок (схема "б"), а в плоскостях рамы - установкой подкосов (схема "г").
Целесообразно использование дополнительных стоек и подкосов для снижения продольных усилий в колоннах. Кроме случаев, указанных в
п. 3.11, рекомендуется также установка подкрановых стоек, соединенных с основной колонной гибкими связями (схема "в").
3.26. При значительном увеличении крановых нагрузок целесообразно устройство отдельной крановой эстакады, воспринимающей все вертикальные нагрузки от крана.
3.27. Для усиления колонн и стоек могут применяться предварительно напряженные шпренгельные системы, основным назначением которых является уменьшение расчетной длины сжатых элементов конструкции и увеличение момента инерции колонны или стойки в целом.
Недостатком этой схемы является передача на усиливаемый сжатый элемент дополнительных сжимающих напряжений от гибких предварительно напряженных элементов шпренгеля.
При усилении колонн и стоек могут быть использованы приемы регулирования усилий с частичной разгрузкой усиливаемого элемента и одновременным увеличением расчетного сечения
(рис. 12). Наиболее целесообразно усиление постановкой предварительно изогнутых или изгибаемых в процессе монтажа элементов (
рис. 12, а, б, в), которые при несмещаемых концах выпрямляются путем приложения поперечных воздействий и скрепляются с колонной. Можно также усиливать путем подведения телескопических напрягаемых стоек (
рис. 12, г) из трубчатых или других жестких профилей.
Рис. 12. Усиление сплошных колонн
а - в - предварительно изогнутыми элементами
с последующим выпрямлением; г - предварительно
напряженным элементом
3.28. Усиление колонн, стоек и других сжато-изогнутых элементов также может осуществляться введением в существующую схему дополнительных шарниров, если это уменьшит напряжение в усиливаемых конструкциях
(рис. 13). При этом необходимо учитывать как возможное уменьшение изгибающих моментов, так и увеличение расчетной длины сжатого элемента. Используют также схемы усиления колонн и поперечника в целом, заключающиеся в замыкании шарниров.
Рис. 13. Усиление путем введения в схему
дополнительных элементов жесткости и шарниров
а - поперечный разрез; б, в - расчетные схемы
соответственно до и после усиления;
1 - элементы жесткости; 2 - увеличение сечений;
3 - шарниры
3.29. При значительных горизонтальных нагрузках на здание и большом количестве перенапряженных колонн усиление их рекомендуется производить путем введения горизонтальных жестких конструкций (специально устраиваемых или используемых), передающих нагрузки на торцы здания. Конструкции торцов здания должны быть рассчитаны и законструированы с учетом восприятия нагрузок от всего здания. При длине здания более двух пролетов следует специально устраивать дополнительные поперечные вертикальные конструкции или связи, воспринимающие горизонтальные нагрузки и передающие их на фундаменты.
3.30. При увеличении усилий в колоннах требуется проверить несущую способность фундаментов и оснований.
При недостаточной несущей способности опорной плиты ее усиление целесообразнее всего выполнять путем установки дополнительных ребер, уменьшающих размеры участков плиты.
При перенапряжении анкеров рекомендуется устанавливать дополнительные фундаментные болты, закрепив их в фундаментах или в дополнительной набетонке.
УСИЛЕНИЕ ЭСТАКАД, ТРАНСПОРТЕРНЫХ ГАЛЕРЕЙ
И ОПОР ТРУБОПРОВОДОВ
3.31. Колонны открытых крановых эстакад усиливаются такими же способами, как и колонны производственных зданий. Эффективным методом усиления является установка дополнительных горизонтальных связей в уровне тормозных конструкций с целью получения неразрезной системы, создающей пространственную схему для передачи горизонтальных нагрузок, или замыкание колонн рамной надстройки. В последнем случае имеется возможность превращения открытой эстакады в крытую.
3.32. Способы усиления ферм пролетных строений транспортерных галерей не отличаются от способов усиления ферм покрытий производственных зданий.
Целесообразным методом усиления пролетных строений является установка шпренгеля или устройство дополнительных опор, если такой метод допускается объемно-планировочным решением. При этом, как правило, необходимо усиление решетки в зоне примыкания дополнительной стойки.
3.33. Плоские опоры транспортерных галерей и трубопроводов могут быть усилены путем устройства шпренгельных систем, уменьшающих свободную длину поясов из плоскости (рис. 14) и изменением схемы решетки для уменьшения гибкости поясов в плоскости опоры.
Рис. 14. Усиление плоских опор транспортерных галерей
и трубопровода путем уменьшения свободной длины поясов
с помощью шпренгельных систем
а - решетчатой; б - рамной
(при невозможности установки решетки)
УСИЛЕНИЕ ОПОР ВОЗДУШНЫХ ЛИНИЙ ЭЛЕКТРОПЕРЕДАЧИ
3.34. Усиление свободно стоящих рядовых опор воздушных линий электропередачи и открытых распределительных устройств выполняется путем уменьшения свободной длины панелей за счет установки дополнительных элементов решетки или увеличением сечений поясов. В последнем случае стыки поясов, выполняющиеся по условиям монтажа болтовыми, при усилении работают как сварные.
3.35. При усилении рядовых портальных опор на оттяжках рекомендуется увеличить количество канатов в оттяжке, а при усилении одностоечных опор на оттяжках устанавливать дополнительный ярус оттяжек.
3.36. Усиление переходных опор анкерного типа рекомендуется выполнять путем изменения схемы перехода и замены анкерного крепления проводов подвеской на поддерживающих гирляндах с роликовым креплением. При этом требуется уменьшение стрелы провеса, достигаемое установкой новых проводов, допускающих большее тяжение, а также заменой или усилением концевых опор.
ТРЕБОВАНИЯ, ПРЕДЪЯВЛЯЕМЫЕ К ТЕХНОЛОГИИ
ВЫПОЛНЕНИЯ РАБОТ ПО УСИЛЕНИЮ
3.37. При разработке проекта усиления необходимо выбрать и отразить в рабочих чертежах принципиальные положения производства работ:
последовательность выполнения работ по усилению конструкции в целом и ее отдельных элементов, если эта последовательность сказывается на напряженно-деформированном состоянии конструкции;
увязку работ по усилению с технологическим процессом (ограничения по нагрузкам и воздействиям) и условиями их проведения (например, температурный режим);
меры по обеспечению прочности и устойчивости конструкций на всех этапах производства работ, включая указания об устройстве временных опор и раскреплений и требования к значениям монтажных нагрузок и воздействий;
перечень конкретных зон, узлов, конструктивных элементов и технологических операций, для которых требуется соблюдение определенной последовательности и параметров технологических процессов (режим сварки, регламент предварительного напряжения и т.п.);
перечень работ и операций, которые следует принимать по актам на скрытые работы, или требующих промежуточного контроля.
Эти указания детально рассматриваются в проекте производства работ, исходя из возможностей исполнителя и согласуются с авторами проекта усиления.
3.38. Усиление конструкций с использованием способов (схем), впервые внедряемых в производство или впервые осваиваемых монтажной организацией, а также конструкций, перечисленных в разд.
СНиП 1.06.05-85, должно производиться при авторском надзоре. Необходимость авторского надзора может быть указана в проектной документации, также могут быть даны указания об обязательном участии авторов проекта в отработке технологии работ и (или) ее опытной проверке.
3.39. При разработке проекта усиления конструкций, эксплуатирующихся в сложных условиях, способствующих накоплению повреждений (интенсивные динамические или термоциклические воздействия, развивающаяся коррозия и т.п.), обязательно требуется указать предельный срок реализации проекта, после которого проектные решения должны быть уточнены или пересмотрены.
3.40. При усилении конструкции путем регулирования усилий (напряжений) в проектной документации должны быть указаны допустимые отклонения усилий регулирования или задаваемых перемещений, а также места и способы контроля параметров регулирования и напряженно деформированного состояния конструкций.
3.41. Технология работ при усилении конструкций под нагрузкой должна обеспечивать минимально возможное ослабление сечений усиливаемых элементов, которое может быть вызвано нагревом при сварке или рассверловкой дополнительных отверстий.
3.42. При усилении элементов конструкций путем увеличения сечений с помощью сварки рекомендуется соблюдать следующий порядок работы:
присоединение (прижатие) элементов усиления по всей их длине к усиливаемой конструкции с помощью струбцин, оттяжек и т.п.;
приварка элементов усиления на сварочных прихватах длиной 20 - 30 мм и шагом 300 - 500 мм;
сварка концевых участков, включающих в работу элементы усиления;
наложение связывающих швов, обеспечивающих совместную работу усиливаемого стержня и элементов усиления.
При усилении путем увеличения сечений двух или более элементов (пролетов) статически неопределимых конструкций (рам, неразрезных балок и т.п.) вначале следует присоединить элементы усиления ко всем усиливаемым стержням системы на сварочных прихватках и лишь затем приступать к сварке концевых участков и связующих швов. Сварку швов усиливаемых стержней следует выполнять последовательно, начиная с наименее нагруженного стержня (пролета) конструкции, с учетом рекомендаций пп. 3.43 -
3.45.
3.43. При двусторонних схемах увеличения сечений вначале следует приваривать элементы усиления, расположенные со стороны растянутых волокон, затем - со стороны сжатых. Знак напряжений (растяжение, сжатие) при переменном на участке усиления эпюре моментов определяется по сечению с наибольшим по абсолютной величине значением изгибающего момента. При наличии заделки на одном из концов стержня приварку растянутых элементов усиления следует начинать от противоположного конца элемента к заделке, для сжатых элементов - обратное направление.
3.44. С целью уменьшения прогибов гибких сжатых стержней в процессе сварки связывающие швы каждого из элементов усиления следует накладывать участками небольшой протяженности (до 7 см), выдерживая перерывы между сваркой участков 2 - 5 мин. Парные симметричные (относительно плоскости действия сил) швы следует накладывать параллельно. При наличии более двух швов в одном сечении с целью уменьшения ослаблений сечений следует использовать перекрестное наложение швов.
При двусторонних схемах усиления балок вначале рекомендуется приваривать нижний (растянутый) элемент усиления, затем верхний.
В момент усиления должны быть исключены все подвижные нагрузки, передающие на усиливаемые конструкции удары и вибрации.
3.45. При невысоком уровне начального нагружения усиливаемых конструкций (

- см.
п. 4.11) порядок выполнения усиления и последовательность сварки незначительно влияют на напряженное состояние конструкций и возможны отступления от указаний
пп. 3.42 -
3.44, вызванные условиями организации производства работ.
3.46. При присоединении элементов усиления на болтах необходимо вести работы с минимально возможным ослаблением усиливаемого элемента. С этой целью после завершения сборки на струбцинах следует вначале одним или двумя болтами прикрепить концы элементов усиления, затем, направляясь к середине, установить остальные. Каждое последующее отверстие начинают сверлить только после установки болта в предыдущее. После установки всех промежуточных болтов заканчивают прикрепление концов элемента.
4. РАСЧЕТ КОНСТРУКЦИЙ ПРИ УСИЛЕНИИ ИХ
ПУТЕМ УВЕЛИЧЕНИЯ СЕЧЕНИЙ
4.1. Расчетная схема конструкции должна отражать условия их работы и фактическое состояние, установленные данными обследований. В необходимых случаях следует выполнять расчет с использованием нескольких вариантов расчетных схем и распределения жесткостей, а также учитывать прогнозируемый износ.
4.2. Расчет выполняется только для тех частей зданий и сооружений, на которые влияют усиление, изменение режима эксплуатации, дефекты и повреждения.
Для конструкций, не имеющих дефектов и повреждений, расчет допускается ограничивать сопоставлением значений внутренних усилий (моментов, поперечных сил и т.п.) от расчетных нагрузок со значениями усилий, приведенными в первоначальной технической документации, а при изменении только нагрузок без изменения их характера и способа приложения - сопоставлением их значений.
4.3. При расчете конструкций, усиление которых выполняется под нагрузкой, необходимо учитывать напряжения, существующие в сохраняемых конструкциях в момент усиления, и последовательность включения в работу дополнительных конструкций, деталей усиления и раскрепления.
4.4. При расчете усиливаемых под нагрузкой элементов на устойчивость и деформативность следует учитывать начальные и дополнительные их деформации, возникающие на стадии усиления (в частности, дополнительные прогибы, возникающие при усилении с помощью сварки).
Искривления от сварки при проверке устойчивости сжатых и внецентренно сжатых элементов и элементов, работающих на сжатие с изгибом, допускается учитывать введением дополнительного коэффициента условий работы

. В необходимых случаях проводится уточненный расчет в соответствии с рекомендациями
пп. 4.26 -
4.30 настоящего Пособия. При этом использование указанных методов расчета требует обязательного соблюдения указаний
пп. 3.42 -
3.46 по технологии производства работ.
4.5. При расчете усиления элементов конструкций на прочность и деформативность коэффициенты условий работы принимаются в соответствии с указаниями
разд. 4 СНиП II-23-81*. В расчетах на общую устойчивость коэффициент условий работы

принимается равным 0,9, если только
табл. 5 СНиП II-23-81* не определено меньшее значение

.
4.6. Коэффициент надежности по назначению

принимается в соответствии с
Правилами учета степени ответственности зданий и сооружений при проектировании конструкций. При этом для зданий и сооружений III класса ответственности на стадиях А и Б (см.
п. 1.6) допускается принимать

(как для временных зданий и сооружений), если продолжительность пребывания конструкций в этих стадиях не превышает трех лет.
4.7. Для стадии А работы конструкции (на период не более трех лет) также допускается:
уменьшить значение снеговых, ветровых, гололедных и климатических температурных нагрузок и воздействий в соответствии с указаниями
п. 1.3 СНиП 2.01.07-85 как для периода возведения при новом строительстве;
принимать только пониженные нормативные значения нагрузок в тех случаях, когда
СНиП 2.01.07-85 определены их два (полное и пониженное) значения;
принимать нормативные значения эквивалентных равномерно распределенных нагрузок от оборудования и складируемых материалов по фактическим величинам, в том числе менее 3 КПа (300 кгс/м2) для плит и второстепенных балок и менее 2 КПа (200 кгс/м2) для ригелей, колонн и фундаментов.
Нормативные значения временных, кратковременных и особых нагрузок для стадии В определяются в соответствии с требованиями
СНиП 2.01.07-85.
4.8. В зависимости от условий работы усиливаемые элементы конструкции разделены на четыре класса, отличающиеся нормой допустимых предельных пластических деформаций:
I. Сварные конструкции, работающие в особо тяжелых условиях эксплуатации (подкрановые балки для кранов режима работы 7К, 8К, элементы конструкции бункерных и разгрузочных эстакад, непосредственно воспринимающие нагрузки от подвижных составов). Расчеты прочности элементов условно выполняются в предположении упругой работы стали.
II. Элементы конструкций, непосредственно воспринимающие подвижные, динамические или вибрационные нагрузки и не входящие в группу I. Норма предельных пластических деформаций

.
III. Элементы конструкций, работающих при статических нагрузках, кроме элементов, относящихся к классу IV,

.
IV. Элементы конструкций, работающие при статических нагрузках и удовлетворяющие требованиям
пп. 5.19 -
5.21,
7.1 -
7.24 СНиП II-23-81* по обеспечению общей и местной устойчивости при развитых пластических деформациях,

.
4.9. Для усиливаемых статически нагруженных элементов конструкций (особенно при использовании асимметричных односторонних схем усиления) критерий малых упругопластических деформаций

определяет зачастую значительно меньшие значения предельной несущей способности, чем критерии развитых пластических деформаций

. Поэтому при усилении конструкции III класса целесообразно использовать дополнительные конструктивные мероприятия, обеспечивающие общую и местную устойчивость элементов и возможность отнесения конструкции к IV классу (путем введения дополнительных связей, постановки дополнительных ребер жесткости и т.п.).
4.10. Статический расчет конструкций, усиливаемых путем увеличения сечений без полной разгрузки, необходимо выполнять:
на нагрузки, действующие на конструкции во время усиления (начальное нагружение);
на нагрузки, которые будут действовать на конструкции после их усиления, с выбором невыгодных вариантов их сочетания.
4.11. Уровень начального нагружения элементов ограничивается с целью обеспечения их несущей способности в процессе усиления в зависимости от нормы предельных пластических деформаций в соответствии с их классом по
п. 4.8. Этот уровень начального нагружения характеризуется коэффициентом

, представляющим собой абсолютную величину отношения наибольшего напряжения в усиливаемом элементе в момент усиления к его расчетному сопротивлению

. В общем случае сжатия (растяжения) с изгибом значения

определяются формулой

, (25)
где

,

,

- продольная сила и изгибающие моменты в наиболее нагруженном сечении элемента.
При расчете усиления гибких сжато-изогнутых или внецентренно сжатых стержней моменты

вычисляются по деформированной схеме с учетом прогибов стержня

, (26)
где

- начальный эксцентриситет продольной силы;

- расчетное значение момента, вычисляемое по недеформированной схеме;

, (27)

- начальный прогиб элемента.
В случае

необходимо учитывать малые случайные эксцентриситеты произвольного направления, определяемые формулой

, (28)
где

- случайное значение начального относительного эксцентриситета, принимаемое в функции гибкости

, по графику рис. 15;

- момент сопротивления неусиленного сечения.
Рис. 15. Случайные эксцентриситеты
Расчетное значение

принимается не менее замеренного при натурном обследовании конструкций. При усилении искривленных центрально-сжатых стержней направление

определяется направлением их начального прогиба.
4.12. Предельный уровень начального нагружения элементов для конструкций, усиливаемых с помощью сварки, в зависимости от класса конструкций по
п. 4.8 ограничивается, как правило, условиями:

для I класса;

" II " ;

" III и IV классов.
Если указанные условия не выполняются, то необходима либо предварительная разгрузка конструкций, либо использование специальных технологических мероприятий при усилении, обеспечивающих ограничение деформаций конструкций (в частности, сварочных).
ПРИСОЕДИНЕНИЕ ЭЛЕМЕНТОВ УСИЛЕНИЯ
4.13. При использовании сварки необходимо предусматривать меры по уменьшению и регулированию сварочных деформаций. Катеты швов для этого следует принимать минимально допустимыми по расчету (с учетом требований
п. 12.8 СНиП II-23-81*). Рекомендуется также использование односторонних швов.
4.14. При усилении статически нагруженных конструкций III и IV классов, эксплуатируемых при температуре выше минус 30 °C в неагрессивной среде, рекомендуется использовать прерывистые (шпоночные) швы (
рис. 16, а). Шаг шпонок следует принимать максимально допустимым по расчету, но не свыше

в растянутых и

в сжатых элементах усиления. Здесь

- минимальный радиус инерции элемента усиления относительно его собственной центральной оси.
Рис. 16. Присоединение элементов усиления
а - прерывистыми швами; б - сплошными швами;
в - на болтах
Для конструкций I и II классов использование прерывистых швов не допускается.
4.15. Расчет непрерывных участков шпоночных швов осуществляется на сдвигающее усилие

, (29)
где

- наибольшая поперечная сила в пределах длины элементов усиления.
Для сжатых стержней

, где

- условная поперечная сила для усиленного стержня, определяемая по
п. 5.8 СНиП II-23-81*;

- статический момент элемента усиления относительно центральной оси усиленного сечения;
4.16. Минимальные длины участков шпоночных швов определяют по выражению

, (30)
где

- коэффициент, характеризующий распределение усилий между швами, прикрепляющими элемент усиления к основному стержню и равный доле общего усилия T, относящийся к рассматриваемому шву. Здесь и далее под

,

и

подразумеваются значения

и

,

и

,

и

, принимаемые по
п. 11.2 СНиП II-23-81* для двух расчетных сечений. Длину участка шпоночного шва следует принимать не менее 50 мм.
Концевые участки шпоночных швов присоединения элемента усиления к основному стержню или узловым фасонкам должны обеспечивать передачу продольных усилий на элементы усиления и вовлечение их в совместную с основным стержнем работу. Их толщина может назначаться большей, чем толщина связующих швов. Минимальные длины концевых участков подсчитываются по формуле

, (31)
где

;

- площадь поперечного сечения элемента усиления.
При усилении изгибаемых элементов (N = 0) следует принимать

.
4.17. Минимальный катет сплошных швов (
рис. 16, б), крепящих элементы усиления, определяется выражением

. (32)
Концевые участки швов могут назначаться с увеличенным катетом, а их прочность (при расчетной длине

) проверяется по формуле

. (33)
4.18. Применение болтов (
рис. 16, в) для присоединения элементов усиления рекомендуется в случаях, когда:
болтовые соединения технологически более удобны;
материал усиливаемого элемента не допускает применения сварки;
желательно избежать возникновения дополнительных сварочных напряжений и деформаций.
Проектировать соединения следует с учетом минимального ослабления сечений. С этой целью диаметр болтов следует принимать минимальным, а их размещение задавать со сбитым шагом по отношению к существующим болтам или заклепкам. Шаг промежуточных соединений принимается не более 40i в сжатых и 80i в растянутых элементах усиления и определяется по формуле

, (34)
где

- минимальная несущая способность болта (по сдвигу, срезу или смятию определяемая по
п. 3.5 СНиП II-23-81*).
Прочность концевых участков соединений элемента усиления проверяется по формуле

, (35)
где n - количество болтов на концевом участке соединения (см.
рис. 16, в);

- расчетный шаг болтов.
РАСЧЕТНОЕ ОПРЕДЕЛЕНИЕ ПРОГИБОВ ЭЛЕМЕНТОВ,
ВОЗНИКАЮЩИХ ПРИ УСИЛЕНИИ И СВАРКЕ
4.19. Дополнительные прогибы, возникающие при присоединении элементов усиления (их прижатия к криволинейным усиливаемым элементам или приварке), следует учитывать в расчетах изгибаемых элементов конструкций на деформативность и в расчетах сложных элементов на устойчивость.
4.20. Деформации при прижатии элементов усиления к криволинейным выпуклым и вогнутым поверхностям усиливаемого элемента приводят к их изгибу.
Значение прогиба после присоединения элементов усиления допускается определять по формуле

, (36)
где

- начальный прогиб усиливаемого элемента. В расчетах сжатых стержней на устойчивость значение

определяется по указаниям
п. 4.11 от расчетных начальных нагрузок; в расчетах на деформативность - от нормативных начальных нагрузок;

- сумма моментов инерции элементов усиления, присоединяемых одновременно, относительно их собственных центральных осей, перпендикулярных плоскости изгиба;

- коэффициент, учитывающий влияние продольной силы.
При расчете изгибаемых элементов

.
| | ИС МЕГАНОРМ: примечание. При публикации в издании М.: Стройиздат, 1989 допущен типографский брак. Текст, не пропечатанный в официальном тексте документа, в электронной версии данного документа выделен треугольными скобками. | |
При малых значениях собственных моментов инерции элементов усиления

допустимо не учитывать деформации при усилении и принимать <...>.
При присоединении элементов усиления к плоским поверхностям усиливаемого элемента, например, параллельным плоскости изгиба, принимается <...>.
4.21. Дополнительный остаточный прогиб, возникающий вследствие приварки элементов усиления, определяется по формуле

, (37)
где a - средний коэффициент прерывности шпоночного шва с учетом протяженности концевых его участков (при сплошных швах a = 1);
V = 0,04k - параметр продольного укорочения элемента от наложения одиночного шва;

- катет связующих швов в см;

- расчетная длина элемента в плоскости изгиба (для однопролетных балок

- пролет балки);

- расстояние от i-го шва до центральной оси усиленного сечения, принимаемое со своим знаком;

- коэффициент, учитывающий начальное напряженно-деформированное состояние элемента и схему его усиления;

- коэффициент, характеризующий уровень начальных напряжений в зоне i-го шва в наиболее нагруженном сечении элемента;
u принимается равным: при швах, расположенных в растянутой зоне сечения, u = 1,5; при швах, расположенных в сжатой зоне, в расчетах на устойчивость u = 0,5; в расчетах на деформативность - u = 0,7 при схемах усиления, связанных с наложением двусторонних швов, расположенных в растянутой и сжатой зонах сечения, допускается для всех швов принимать u = 1. Зависимости

показаны на
рис. 17.
Рис. 17. Зависимости

(сплошными линиями обозначены
рекомендуемые значения, пунктирными - допускаемые)

определяются по
формуле (25) при характеристиках брутто; положительными считаются напряжения сжатия. Для сжатых элементов

подсчитываются по
формуле (26) при подстановке в нее

вместо

.
РАСЧЕТ УСИЛЕННЫХ ЭЛЕМЕНТОВ НА ПРОЧНОСТЬ
4.22. Проверку прочности элементов в зависимости от их класса по
п. 4.8 осуществляют:
для элементов I, II и III классов - по критерию краевой текучести. В случае усиления под нагрузкой указанный критерий является чисто условным, ибо начальные и сварочные деформации неизбежно обусловливают упругопластическую работу усиленных элементов. Фактически рассматриваемый критерий обеспечивает ограничение уровня пластических деформаций нормой, указанной в
п. 4.8;
для элементов IV класса - по критерию развитых пластических деформаций. Оценка прочности осуществляется исходя из оценки несущей способности усиленных сечений по критерию пластического шарнира, но с введением специальных понижающих коэффициентов

и

, гарантирующих ограничение уровня пластических деформаций нормой

;

и

принимаются в зависимости от схемы усиления, соотношения прочностных характеристик материалов, уровня и условий нагружения усиливаемого элемента.
4.23. Проверка прочности элементов по критерию краевой текучести выполняется по формулам:
центрально-растянутые или сжатые симметрично усиленные элементы

, (38)
где

- коэффициент, учитывающий уровень и знак начальной осевой силы; для растянутых и сжатых элементов, усиленных без использования сварки

; для сжатых элементов, усиленных с помощью сварки, -

;
изгибаемые элементы

, (39)
сжато- и растянуто-изогнутые элементы

. (40)
В формулах (39) и (40) для элементов I класса принимается

; для элементов II и III классов -

. При

значения

принимаются равными

.
Проверка прочности центрально-растянутых или сжатых несимметрично усиленных элементов осуществляется по формуле (40), при этом изгибающие моменты подсчитываются относительно осей x и y усиленного сечения.
4.24. Проверка прочности элементов по критерию развитых пластических деформаций выполняется по формулам:
центрально-растянутые или сжатые симметрично усиленные элементы

; (41)
изгибаемые элементы

, (42)
где

- поправочный коэффициент, учитывающий влияние поперечных сил и определяемый для двутавровых сечений по формуле
сжато- и растянуто-изогнутые элементы

, (43)
где n принимается по
табл. 66 СНиП II-23-81* в зависимости от формы усиленного сечения.
[N] определяется по формуле

, (44)
где

;

- для растянутых элементов или сжатых элементов, усиленных без использования сварки;

- для сжатых элементов, усиленных с помощью сварки.
[M] определяется по формуле

, (45)
где

- площадь нетто сжатой зоны сечения усиливаемого элемента;

- то же, растянутой зоны;

,

- площади нетто элементов усиления, расположенных соответственно со стороны сжатой и растянутой зон сечения (рис. 18, а). Для несимметричных односторонних схем усиления (например, по схеме
рис. 3, и) со стороны сжатых или растянутых волокон принимается соответственно

или

;

,

,

,

- абсолютные величины расстояний от центров тяжести сжатых и растянутых площадей до центральной оси усиливаемого сечения (рис. 18, б).
Рис. 18. К определению момента внутренних сил
в усиленном сечении при развитии шарнира пластичности
а - схема усиления; б - расположение сжатых
(заштриховано) и растянутых зон в сечении;
в - эпюр напряжений
при симметричном двустороннем усилении элементов симметричного сечения

;
при несимметричном двустороннем или одностороннем усилении элементов со стороны растянутых волокон

;
при одностороннем усилении элементов со стороны сжатых волокон

.
Использование
формулы (43) допустимо при

, в противном случае проверка прочности при сжатии-растяжении с изгибом выполняется по
формуле (40).
4.25. Проверку прочности изгибаемых и сжато- или растянуто-изогнутых элементов по касательным, местным и приведенным напряжениям производят обычным способом по указаниям
разд. 5 СНиП II-23-81* с учетом изменившихся геометрических характеристик сечения.
РАСЧЕТ УСИЛЕННЫХ ЭЛЕМЕНТОВ НА УСТОЙЧИВОСТЬ
4.26. Расчет на устойчивость сжатых элементов сплошного сечения в плоскости действия моментов выполняется по формуле

, (46)
где

- коэффициент, определяемый по
табл. 74 СНиП II-23-81* в зависимости от условной гибкости усиленного элемента

и приведенного относительного эксцентриситета

;
A - площадь усиленного сечения;

- коэффициент влияния формы сечения по
табл. 73 СНиП II-23-81*

, (47)
где

- эквивалентный эксцентриситет, учитывающий особенности работы усиленного стержня и определяемый по
п. 4.27;

- момент сопротивления для наиболее сжатого волокна;

- осредненное значение расчетного сопротивления, принимаемое по
п. 4.28;

- коэффициент условий работы, принимаемый не более 0,9 (см.
п. 4.5).
Устойчивость центрально-сжатых симметрично усиленных элементов проверяется в плоскости их наибольшей гибкости

. Если отношение гибкостей после усиления изменилось

, но

, то проверка устойчивости по
формуле (46) выполняется относительно обеих главных осей сечения.
4.27. Расчетное значение эквивалентного эксцентриситета определяется по формуле

, (48)
Если сварочный прогиб

является разгружающим фактором (знак

не совпадает со знаком суммы

) и приводит к уменьшению абсолютной величины эквивалентного эксцентриситета, то значение

принимается равным 0,5; в противном случае

.
В
формуле (48) e - эксцентриситет продольной силы относительно центральной оси усиленного сечения после усиления. В тех случаях, когда эксцентриситет продольной силы остается неизменным, его значение определяется выражением

, где

- смещение центра тяжести сечения при усилении, принимаемое со своим знаком (рис. 19, а и б).
Рис. 19. К определению эксцентриситета продольной силы
при положительном (а) и отрицательном (б) значениях
В общем случае сжатия с изгибом, а также в случае приложения дополнительных продольных или поперечных сил после усиления, величина e определяется выражением e = M/N, где M - расчетный момент относительно центральной оси усиленного сечения.
При несимметричном усилении центрально-сжатого (первоначально) элемента в качестве

учитывается случайный эксцентриситет в соответствии с указаниями
п. 4.11 настоящего Пособия, при этом знак случайного эксцентриситета принимается таким, чтобы учесть наиболее неблагоприятный случай.
4.28. В случае использования элементов усиления из стали, расчетное сопротивление которой

близко к расчетному сопротивлению стали усиливаемого элемента

, значение

допускается принимать равным

.
При

усредненное расчетное сопротивление бистального элемента определяется по формуле

, (49)
где

;

;

, I - моменты инерции для той оси, относительно которой выполняется проверка устойчивости.
4.29. Проверка устойчивости сжатых элементов сплошного сечения из плоскости действия моментов выполняется в соответствии с
п. 5.30 СНиП II-23-81*, причем при изгибе элемента в плоскости его наибольшей жесткости

относительный эксцентриситет m определяется по
формуле (47). При подсчете

прогибы

и

учитываются только в том случае, если они увеличивают расчетное значение эквивалентного эксцентриситета.
4.30. Проверка устойчивости сплошностенчатых стержней, сжатых с двухосным эксцентриситетом, осуществляется по
п. 5.34 СНиП II-23-81*, при этом значения

и

подсчитываются по
формуле (47), а прогибы

и

учитываются только в том случае, если они увеличивают расчетные значения относительных эксцентриситетов.
4.31. При высоком уровне начального нагружения

устойчивость сжатых элементов в процессе их усиления с помощью сварки должна быть проверена по
формуле (46). N принимается равным

; эквивалентный эксцентриситет определяется по
формуле (48) при

. Временный сварочный прогиб

вычисляется по
формуле (37) и принимается с тем знаком, который увеличит расчетное значение

.
4.32. Расчет на устойчивость усиленных внецентренно сжатых и сжато-изогнутых стержней с решетками, расположенными в плоскостях, параллельных плоскости изгиба, совпадающей с плоскостью симметрии, следует выполнять по формуле

, (50)
где

,

- коэффициенты снижения несущей способности всего сечения и отдельной ветви, принимаемые по п. 4.33 и
4.34;
A - площадь поперечного сечения усиленных ветвей.
4.33. Коэффициент

следует принимать по
табл. 75 СНиП II-23-81* в зависимости от условной приведенной гибкости

и относительно эксцентриситета m, определяемых по формулам:

; (51)

, (52)
где

- гибкость усиленного стержня относительно оси, перпендикулярной плоскости изгиба;

- коэффициент, определяемый по
табл. 7 СНиП II-23-81*;

- площадь усиленного сечения раскосов (при крестовой схеме решетки - двух раскосов), лежащих в плоскости изгиба;

- расстояние от оси усиленного сечения, перпендикулярной плоскости изгиба, до оси наиболее сжатой ветви;

- расчетный эксцентриситет продольной силы,

;

- остаточный сварочный прогиб сквозного стержня;
M - изгибающий момент с учетом смещения центра тяжести усиленного сечения.
4.34. Коэффициент

следует определять по
табл. 74 СНиП II-23-81* в зависимости от условной гибкости усиленного сечения ветви

и приведенного относительного эксцентриситета

, вычисляемых по формулам:

; (53)

, (54)
где

- расстояние между узлами решетки;

- радиус инерции сечения усиленной ветви относительно оси, перпендикулярной плоскости изгиба.
4.35. Ветви сквозных стержней следует дополнительно проверить на устойчивость как внецентренно сжатые стержни сплошного сечения с учетом начальных и сварочных деформаций. Продольные силы в ветвях внецентренно сжатого стержня определяются по указаниям
п. 5.33 СНиП II-23-81*.
4.36. Расчет на устойчивость усиленных балок двутаврового сечения, изгибаемых в плоскости стенки, выполняется по
п. 5.15 СНиП II-23-81* с учетом указаний
п. 4.6. Устойчивость балки не требуется проверять при выполнении требований
п. 5.16 СНиП II-23-81*.
ОЦЕНКА ДЕФОРМАТИВНОСТИ УСИЛЕННЫХ ЭЛЕМЕНТОВ
4.37. Перемещения (прогибы, отклонения от вертикали) усиленных элементов конструкций следует определять в общем случае по формуле

, (55)
где

- начальное перемещение, определяемое по данным обследования либо расчетом для нагрузок, действовавших в момент усиления, по характеристикам брутто усиливаемого элемента;

- дополнительное перемещение (прогиб) при усилении элемента с использованием сварки, определяемое по
п. 4.21;

- приращение перемещения от нормативных нагрузок, приложенных после усиления, определяемое расчетом по характеристикам брутто усиленного элемента.
4.38. Дополнительные перемещения от сварки допускается не учитывать:
при уровне начального нагружения

;
при несимметричном одностороннем усилении элементов со стороны растянутых волокон;
при усилении неразрезных многопролетных элементов (например, неразрезных балок) либо элементов рамных конструкций, имеющих жесткие узлы сопряжения с примыкающими элементами.
4.39. В случае усиления изгибаемых элементов (балок) на части их длины значения

могут быть уточнены по формуле

, (56)
где l - пролет балки;

- длина элемента усиления, прочие обозначения - по
п. 4.21.
4.40. Перемещения f усиленных конструкций не должны препятствовать нормальной эксплуатации, а приращения перемещений

- превышать значений, рекомендуемых
пп. 13.1 -
13.4 СНиП II-23-81*.
ОСОБЕННОСТИ СТАТИЧЕСКОГО РАСЧЕТА КОНСТРУКЦИЙ
ПРИ УСИЛЕНИИ ИХ ЭЛЕМЕНТОВ С ПОМОЩЬЮ СВАРКИ
4.41. При усилении элементов статически неопределимых конструкций необходимо учитывать возможность неблагоприятного перераспределения усилий в системе в процессе сварки.
Приварка элементов усиления под нагрузкой вызывает приращение:
продольной деформации

(57)
и кривизны

, (58)
где

и

- параметры, определяемые по указаниям
п. 4.21.
4.42. Для учета влияния приращений

и

на напряженно-деформированное состояние статически неопределимой системы необходимо знать последовательность выполнения работ по приварке элементов усиления или проверить несколько вариантов такой последовательности, принимая для проверки несущей способности наихудший из полученных результатов.
4.43. При уровне начального нагружения

статический расчет конструкций допускается выполнять без учета перераспределения усилий в процессе сварки.
5. ОСОБЕННОСТИ ПРОЕКТИРОВАНИЯ И РАСЧЕТА
ОТДЕЛЬНЫХ ВИДОВ УСИЛЕНИЯ
5.1. При необходимости увеличения местной прочности и устойчивости стенки рекомендуется выполнять усиление с помощью ламелей по
рис. 6, г, в том числе для повышения дополнительно усталостной прочности - по
рис. 6, е.
Высота сечения ламелей

по
рис. 6, г назначается в пределах

, а толщина ламелей

- из условия прочности верхней зоны стенки от местной нагрузки. Для ламелей по
рис. 6, е высота

принимается в пределах

, где a - расстояние между ребрами жесткости, минимальная толщина ламелей назначается в соответствии с указаниями
п. 7.24 СНиП II-23-81* как для неокаймленного свеса.
5.2. Местные напряжения в стенке, усиленной ламелями по схеме
рис. 6, г, от давления колеса крана определяются по формуле

, (59)
где

- коэффициент неравномерности давлений колес крана, принимаемый по указаниям
СНиП 2.01.07-85;

- условная длина распределения давления колеса;

,

- толщина стенки и ламели;

- момент инерции рельса и верхнего пояса.
Напряжения от местного крутящего момента

по верхней кромке ламели определяются по формуле

, (60)
где

- коэффициент усиления;

;

- сумма собственных моментов инерции кручения для рельса, верхнего пояса и усиленной части стенки.
Напряжения в стенке под нижней кромкой ламелей определяются по формуле

, (61)
где

- относительная площадь усиления;

- суммарная площадь тавра, включающего верхний пояс, ламели и часть стенки высотой

;

- условная длина;

- сумма моментов инерции рельса и тавра.
5.3. Проверка прочности стенки, усиленной ламелями по схеме
рис. 6, г, на совместное действие крутящего момента и давления колеса крана производится по формуле

. (62)
Стенка усиленной балки проверяется на местную устойчивость по указаниям
СНиП II-23-81*, но с учетом эквивалентной высоты

. (63)
При этом коэффициент условий работ

.
5.4. При усилении подкрановых балок по схеме
рис. 6, е необходимо оценить ресурс

по выносливости одностороннего сварного шва, прикрепляющего ламель к ребру жесткости.
Расчетный ресурс

определяется по
табл. 10 в зависимости от коэффициента


, (64)
где

(338 кг/см2) - расчетное сопротивление усталости данного соединения;

, (65)
где компоненты напряжений определяются следующими зависимостями

; (66)

. (67)
───────────┬──────────┬─────────┬──────────┬──────────┬─────────┬──────────
альфа │ 2,55 │ 2,15 │ 1,84 │ 1,71 │ 1,61 │ 1,53
л │ │ │ │ │ │
───────────┼──────────┼─────────┼──────────┼──────────┼─────────┼──────────
-8 │ │ │ │ │ │
N x 10 │ 0,3 │ 0,5 │ 0,8 │ 1 │ 1,2 │ 1,4
л │ │ │ │ │ │
───────────┼──────────┼─────────┼──────────┼──────────┼─────────┼──────────
───────────┼──────────┼─────────┼──────────┼──────────┼─────────┼──────────
альфа │ 1,46 │ 1,36 │ 1,26 │ 1,19 │ 1,08 │ 1
л │ │ │ │ │ │
───────────┼──────────┼─────────┼──────────┼──────────┼─────────┼──────────
-8 │ │ │ │ │ │
N x 10 │ 1,6 │ 2 │ 2,5 │ 3 │ 4 │ 5
л │ │ │ │ │ │

, (68)
где e - фактический эксцентриситет (принимается по материалам обследования, но не менее 15 мм);
c - расстояние до центра кручения усиленного верхнего пояса

, (69)
где

.
В
формулу (68) подставляется абсолютная величина разности

, где

- сумма собственных моментов инерции кручения рельса и верхнего пояса с ламелями,

; (70)

- для кранов, имеющих на концевой балке 2 колеса, для многоколесных кранов, при минимальном расстоянии между колесами на концевой балке меньше шага поперечных ребер, величины

,

принимаются в зависимости от шага ребер (a) (табл. 11).
Таблица 11
────────────────┬───────────────┬────────────────┬────────────────
a, м │ 1,2 │ 1,5 │ 2
────────────────┼───────────────┼────────────────┼────────────────
бета │ 1,05 │ 1,28 │ 1,56
a │ │ │
────────────────┼───────────────┼────────────────┼────────────────
бета │ 1,1 │ 1,43 │ 1,65
t │ │ │
Коэффициент

принимается в зависимости от отношения a/2r по табл. 12.
─────────┬────────┬─────────┬────────┬─────────┬────────┬────────┬─────────
a/2r │ 0,2 │ 0,4 │ 0,5 │ 0,6 │ 0,7 │ 0,8 │ 0,9
─────────┼────────┼─────────┼────────┼─────────┼────────┼────────┼─────────
бета │ 0,059 │ 0,116 │ 0,145 │ 0,173 │ 0,2 │ 0,226 │ 0,252
л │ │ │ │ │ │ │
─────────┼────────┼─────────┼────────┼─────────┼────────┼────────┼─────────
гамма │ 0,2 │ 0,38 │ 0,462 │ 0,537 │ 0,604 │ 0,664 │ 0,716
л │ │ │ │ │ │ │
─────────┼────────┼─────────┼────────┼─────────┼────────┼────────┼─────────
─────────┼────────┼─────────┼────────┼─────────┼────────┼────────┼─────────
a/2r │ 1 │ 1,2 │ 1,4 │ 1,6 │ 1,8 │ 2 │ 3
─────────┼────────┼─────────┼────────┼─────────┼────────┼────────┼─────────
бета │ 0,277 │ 0,325 │ 0,369 │ 0,409 │ 0,446 │ 0,479 │ 0,598
л │ │ │ │ │ │ │
─────────┼────────┼─────────┼────────┼─────────┼────────┼────────┼─────────
гамма │ 0,762 │ 0,834 │ 0,885 │ 0,921 │ 0,947 │ 0,964 │ 1
л │ │ │ │ │ │ │
Проверка прочности и выносливости стенки балки выполняется по указаниям
СНиП II-23-81* с учетом изменившихся геометрических характеристик сечения, при этом напряжение

определяется по формуле

,
где

- коэффициент, принимаемый по
табл. 12.
УСИЛЕНИЕ СТЕНОК БАЛОК НАКЛОННЫМИ РЕБРАМИ
5.5. Усиление стенки балки наклонными ребрами (см.
рис. 5) рекомендуется выполнять в приопорных зонах.
Размеры наклонного ребра (ширина, толщина, момент инерции) должны удовлетворять условиям:

;

;

.
Момент инерции определяется для расчетного сечения, включающего сечение ребра жесткости и полосы стенки шириной

с каждой стороны ребра. Расчетная длина наклонного ребра принимается равной длине диагонали отсека балки.
5.6. Усилия, возникающие в наклонных ребрах, определяются по формулам:

, (72)
где

; (73)
| | ИС МЕГАНОРМ: примечание. Формула дана в соответствии с официальным текстом документа. | |

. (74)

,

- приращения поперечных сил на границах отсека при возрастании нагрузки после усиления (
рис. 20, а и б);
A,

- площадь и момент инерции поперечного сечения балки в отсеке;
h - расстояние между центрами тяжести полок;

- площадь стенки;

- площадь сечения наклонных ребер (

при двусторонних ребрах из листа);

- коэффициент Пуассона.
Рис. 20. К расчету наклонных ребер
а, б - схемы соответственно до усиления
и после усиления и увеличения нагрузок
5.7. Приращения усилий в сечениях в пределах отсека, усиленного наклонными ребрами, определяются выражениями:

; (75)

; (76)

, (77)
где

,

- приращения момента и поперечной силы в сечении z от нагрузки, приложенной после усиления, без учета наклонных ребер;

,

- то же, при учете наклонных ребер.
Напряжения в сечениях балки в пределах усиленного отсека определяются выражениями:

; (78)

, (79)
где I, S, A - геометрические характеристики усиленной балки;

и

- начальные нормальные и касательные напряжения от нагрузок, приложенных до усиления.
5.8. Проверка прочности сечений балки, усиленной наклонными ребрами, выполняется по формулам

(80)
при этом приведенные напряжения

вычисляются для точек, расположенных на уровне поясных швов.
Местная устойчивость стенки, усиленной наклонным ребром вдоль сжатой диагонали отсека, проверяется по указаниям
СНиП II-23-81*, но при этом критическое напряжение сдвига определяется по формуле

. (81)
Рекомендуется установка наклонных ребер вдоль сжатой диагонали отсека. Они проверяются на устойчивость по формуле

, (82)
где

- площадь сечения ребра и примыкающей к нему части стенки шириной

;

- коэффициент продольного изгиба, зависящий от гибкости ребер из плоскости стенки.
Существующие вертикальные ребра также проверяются на прочность и устойчивость по усилию

.
ИЗМЕНЕНИЕ СПОСОБА КРЕПЛЕНИЯ ПОДКРАНОВОГО РЕЛЬСА
5.9. При усилении подкрановых конструкций рекомендуется оценить расчетную долговечность (ресурс) в соответствии с указаниями
Прил. 5 и в тех случаях, когда остаточный ресурс конструкции недостаточен, одновременно с усилением конструкции целесообразно изменить способ крепления подкранового рельса, применив тангенциальные или низкомодульные упругие прокладки (
рис. 21, а и б).
Рис. 21. Крепление подкранового рельса
а - с использованием тангенциальной прокладки;
б - на низкомодульной упругой прокладке
5.10. При креплении подкранового рельса с использованием тангенциальной прокладки (см. рис. 21, а) к значению местного крутящегося момента

вводится понижающий коэффициент

, вычисляемый по формуле

, (83)
где F - нормативное вертикальное давление на каток;

- радиус поверхности качения головки рельса;

- радиус основания подкладки;

- общая высота рельса с подкладкой;

- крутящий момент от упругого единичного поворота рельса

, (84)
где

,

,

- длина, ширина и толщина амортизатора под прижимной планкой;

- модуль упругости амортизатора для транспортерной ленты

;

- коэффициент ослабления амортизатора отверстиями.
При вычислении

по
формуле (147) СНиП II-23-81* эксцентриситет e следует принимать 5 мм.
5.11. Низкомодульные прокладки выбираются в зависимости от расчетного давления колеса крана по табл. 13. Резиновые смеси для их изготовления принимаются марок КР408 и КР432 на основе натурального каучука или марок 9831 и 3825 на основе синтетического (бутадиен-нитрильного каучука) СКН-26 и СКН-40.
Расчетное давление колеса крана, кН | Схема | Высота слоя резины h и радиус рифли r, мм | Упругая характеристика  (кН/см3) при твердости резины Ha по ГОСТ 263-75* |
Ha-70 | Ha-75 | Ha-80 | Ha-85 | Ha-90 |
200 - 250 | | h = 4 | 7 | 7,5 | 9 | 10 | 11,5 |
h = 6 | 4,5 | 5,3 | 6 | 6,5 | 7,5 |
300 - 400 | | h = 6, r = 1 | 3 | 3,3 | 3,7 | 4,1 | 4,7 |
h = 8, r = 2 | 1,7 | 2 | 2,3 | 2,5 | 2,7 |
500 - 700 | | h = 5, r = 2 | 2 | 2,3 | 2,7 | 3 | 3,3 |
При использовании низкомодульных прокладок местное напряжение сжатия в стенке балки

вычисляется по формуле

, (85)
где b - ширина подошвы рельса;

- жесткость рельса на изгиб;

- упругая характеристика резино-металлической прокладки, определяемая в зависимости от конструкции прокладки и твердости резины Ha по данным
табл. 13.
Местные напряжения от изгиба

определяются по
п. 13.34 СНиП II-23-81* с умножением на коэффициент

, определяемый по табл. 14, в зависимости от типа кранового рельса, упругой характеристики

и расстояния между поперечными ребрами жесткости.
───────────────┬────────────┬──────────────────────────────────────────────
Упругая │Длина панели│ Коэффициент альфа при крановом рельсе
характеристика │балки a, мм │ u
k , кН/см3 │ ├────────┬─────────┬────────┬────────┬─────────
o │ │ КР70 │ КР80 │ КР100 │ КР120 │ КР140
───────────────┼────────────┼────────┼─────────┼────────┼────────┼─────────
1 │ 2 │ 3 │ 4 │ 5 │ 6 │ 7
───────────────┼────────────┼────────┼─────────┼────────┼────────┼─────────
1,5 │ 1000 │ - │ - │ 0,06 │ 0,05 │ 0,04
│ 1500 │ │ │ 0,14 │ 0,12 │ 0,1
│ 2000 │ │ │ 0,24 │ 0,2 │ 0,17
───────────────┼────────────┼────────┼─────────┼────────┼────────┼─────────
2 │ 1000 │ - │ - │ 0,08 │ 0,06 │ 0,05
│ 1500 │ │ │ 0,18 │ 0,15 │ 0,13
│ 2000 │ │ │ 0,3 │ 0,25 │ 0,22
───────────────┼────────────┼────────┼─────────┼────────┼────────┼─────────
2,5 │ 1000 │ - │ - │ 0,1 │ 0,08 │ 0,06
│ 1500 │ │ │ 0,22 │ 0,18 │ 0,15
│ 2000 │ │ │ 0,34 │ 0,3 │ 0,26
───────────────┼────────────┼────────┼─────────┼────────┼────────┼─────────
3 │ 1000 │ 0,19 │ 0,16 │ 0,12 │ 0,09 │ 0,07
│ 1500 │ 0,36 │ 0,32 │ 0,25 │ 0,21 │ 0,18
│ 2000 │ 0,51 │ 0,46 │ 0,39 │ 0,34 │ 0,3
───────────────┼────────────┼────────┼─────────┼────────┼────────┼─────────
3,5 │ 1000 │ 0,22 │ 0,18 │ 0,13 │ 0,1 │ 0,08
│ 1500 │ 0,4 │ 0,35 │ 0,28 │ 0,24 │ 0,2
│ 2000 │ 0,55 │ 0,5 │ 0,42 │ 0,37 │ 0,33
───────────────┼────────────┼────────┼─────────┼────────┼────────┼─────────
4 │ 1000 │ 0,24 │ 0,2 │ 0,15 │ 0,12 │ 0,1
│ 1500 │ 0,43 │ 0,38 │ 0,31 │ 0,26 │ 0,23
│ 2000 │ 0,58 │ 0,53 │ 0,46 │ 0,4 │ 0,36
───────────────┼────────────┼────────┼─────────┼────────┼────────┼─────────
4,5 │ 1000 │ 0,26 │ 0,22 │ 0,17 │ 0,13 │ 0,11
│ 1500 │ 0,46 │ 0,41 │ 0,34 │ 0,29 │ 0,25
│ 2000 │ 0,61 │ 0,56 │ 0,49 │ 0,43 │ 0,39
───────────────┼────────────┼────────┼─────────┼────────┼────────┼─────────
5 │ 1000 │ 0,28 │ 0,24 │ 0,18 │ 0,14 │ 0,12
│ 1500 │ 0,49 │ 0,44 │ 0,36 │ 0,31 │ 0,27
│ 2000 │ 0,64 │ 0,59 │ 0,51 │ 0,46 │ 0,41
───────────────┼────────────┼────────┼─────────┼────────┼────────┼─────────
5,5 │ 1000 │ 0,3 │ 0,26 │ 0,2 │ 0,16 │ 0,13
│ 1500 │ 0,51 │ 0,46 │ 0,38 │ 0,33 │ 0,29
│ 2000 │ 0,66 │ 0,61 │ 0,54 │ 0,48 │ 0,44
───────────────┼────────────┼────────┼─────────┼────────┼────────┼─────────
│ 1000 │ 0,32 │ 0,27 │ 0,21 │ 0,17 │ 0,14
6 │ 1500 │ 0,54 │ 0,48 │ 0,4 │ 0,35 │ 0,3
│ 2000 │ 0,68 │ 0,63 │ 0,56 │ 0,58 │ 0,46
───────────────┼────────────┼────────┼─────────┼────────┼────────┼─────────
6,5 │ 1000 │ 0,34 │ 0,29 │ 0,22 │ 0,18 │ 0,15
│ 1500 │ 0,56 │ 0,5 │ 0,42 │ 0,37 │ 0,32
│ 2000 │ 0,7 │ 0,65 │ 0,58 │ 0,52 │ 0,48
───────────────┼────────────┼────────┼─────────┼────────┼────────┼─────────
7 │ 1000 │ 0,36 │ 0,31 │ 0,24 │ 0,19 │ 0,16
│ 1500 │ 0,57 │ 0,52 │ 0,44 │ 0,38 │ 0,34
│ 2000 │ 0,71 │ 0,66 │ 0,6 │ 0,54 │ 0,5
───────────────┼────────────┼────────┼─────────┼────────┼────────┼─────────
7,5 │ 1000 │ 0,37 │ 0,32 │ 0,25 │ 0,2 │ 0,17
│ 1500 │ 0,59 │ 0,54 │ 0,46 │ 0,4 │ 0,35
│ 2000 │ 0,72 │ 0,68 │ 0,61 │ 0,56 │ 0,51
───────────────┼────────────┼────────┼─────────┼────────┼────────┼─────────
9 │ 1000 │ 0,42 │ 0,36 │ 0,29 │ 0,23 │ 0,19
│ 1500 │ 0,63 │ 0,58 │ 0,5 │ 0,45 │ 0,4
│ 2000 │ 0,76 │ 0,72 │ 0,65 │ 0,6 │ 0,56
───────────────┼────────────┼────────┼─────────┼────────┼────────┼─────────
10 │ 1000 │ 0,44 │ 0,39 │ 0,31 │ 0,25 │ 0,21
│ 1500 │ 0,66 │ 0,61 │ 0,53 │ 0,47 │ 0,42
│ 2000 │ 0,78 │ 0,74 │ 0,69 │ 0,63 │ 0,58
───────────────┼────────────┼────────┼─────────┼────────┼────────┼─────────
11,5 │ 1000 │ 0,48 │ 0,42 │ 0,34 │ 0,28 │ 0,24
│ 1500 │ 0,69 │ 0,64 │ 0,56 │ 0,51 │ 0,46
│ 2000 │ 0,8 │ 0,76 │ 0,71 │ 0,66 │ 0,62
Примечания. 1. Для промежуточных значений

и длины панели коэффициент определяется интерполяцией.
2. Минимальное значение

для рельсов КР70, КР80 -

, КР100, КР120, КР140 -

.
УМЕНЬШЕНИЕ РАСЧЕТНОЙ ДЛИНЫ СЖАТЫХ ЭЛЕМЕНТОВ
5.12. При значительных гибкостях

сжатых стержней наиболее рациональным способом усиления является уменьшение их расчетной длины путем установки дополнительных стержней, раскрепляющих усиливаемый элемент (рис. 22).
Рис. 22. Усиление сжатого элемента
путем уменьшения расчетной длины
5.13. Для обеспечения несмещаемости дополнительных узлов на раскрепляемом элементе (точка K на рис. 22) элемент усиления должен иметь достаточную жесткость, для чего достаточно выполнить условия

, (86)
где

- меньшая из величин

и

;
I - момент инерции раскрепляемого стержня;
c - податливость системы, развязывающей стержень, равная ее перемещению от действия единичной силы P = 1, направленной перпендикулярно раскрепляемому элементу.
Для схемы (см.
рис. 22) податливость c определяется формулой

, (87)
где

и

- площадь и длина раскрепляющего стержня.
Сечение поддерживающего стержня и прикрепления должны быть проверены на действие силы N, равной условной поперечной силе

, где

- усилие в поддерживаемом стержне (см.
рис. 22).
5.14. Если раскрепляемый стержень имел искривление со стрелкой

, то проверка несущей способности и его участков

и

выполняется с учетом стрелок

и

. В случае

можно принять

.
6. УСИЛЕНИЕ СОЕДИНЕНИЙ И ПРИСОЕДИНЕНИЕ ЭЛЕМЕНТОВ УСИЛЕНИЯ
6.1. Усиление сварных соединений осуществляется путем увеличения длины или толщины сварных швов. Усиление швов путем увеличения их длины предпочтительнее, так как короткие швы способствуют концентрации напряжений.
Длина и толщина усиливаемых швов, а также толщина наплавленного слоя на усиливаемые швы определяется разностью расчетного усилия в сварном соединении от расчетной нагрузки, действующей после усиления, и расчетной несущей способностью существующего соединения. При определении расчетного усилия, приходящегося на шов, следует учитывать смещение его относительно центра тяжести сечения элемента.
Усиление соединений элементов путем увеличения длины сварных швов может выполняться как с введением дополнительных деталей, так и без него, последний способ следует применять во всех случаях, когда есть место для наложения новых швов.
Для комбинированных сварных соединений, растянутых элементов, в состав которых входят лобовые и фланговые швы (рис. 23), отношение общей расчетной площади фланговых швов в усиленном соединении к расчетной площади лобовых швов не должно быть больше 4,5.
Рис. 23. Усиление сварного соединения доваркой лобовых швов
1 - фланговые швы; 2 - лобовые швы
6.2. Усиление сварных соединений путем увеличения толщины швов наплавкой новых слоев рекомендуется применять при отсутствии места для наложения новых швов. В случае необходимости одновременного усиления путем увеличения длины и толщины сварных швов начинать следует с первого.
6.3. При невозможности усиления швов путем увеличения их длины или толщины допускается применять дополнительные детали (см.
рис. 8). Дополнительные фасонки приваривают стыковыми сварными швами к основным присоединяемым элементам, эти швы должны обеспечить передачу той доли усилия, которая воспринимается расположенными на них дополнительными швами.
6.4. В усиливаемых под нагрузкой конструкциях следует избегать наложения швов, расположенных поперек действующих усилий. В случае невозможности выполнения этого требования необходимо разработать специальные технологические меры, обеспечивающие безопасную сварку таких швов.
6.5. Усиление сварных соединений путем увеличения длины сварных швов (кроме поперечных) может выполняться под нагрузками, при которых напряжения в существующих швах не превышают их расчетного сопротивления, и в металле соединяемых конструкций значений

, приведенных в
разд. 3. Прочность сварных соединений повышается при этом пропорционально увеличению площади сечения швов.
Увеличивать длину рабочих швов в сварных соединениях следует электродами диаметром не более 4 мм на сварочном токе, не превышающем 220 А, со скоростью, обеспечивающей за один проход шов толщиной (катетом) не более 4 мм. В случае необходимости выполнения швов толщиной (катетом) более 4 мм их наплавляют дополнительными слоями по 2 мм до требуемой толщины.
Тип электрода для сварки рекомендуется применять по
табл. 55 СНиП II-23-81*. Сварку каждого последующего шва разрешается производить только после полного охлаждения ранее выполненного шва до температуры, не превышающей 100 °C. Сварку спокойной и полуспокойной стали производят при температуре окружающего воздуха не ниже минус 15 °C - для толщин до 30 мм и не более 0 °C - для толщин св. 30 мм. Сварка кипящей стали производится при температуре более 5 °C.
6.6. Усиление швов наплавкой дополнительных слоев с целью увеличения их толщин допускается выполнять под нагрузкой, при которой действующее усилие на шов не превышает неравенства

,
где

- расчетное сопротивление усиливаемого шва срезу по металлу шва;

- коэффициент условия работы шва, равный единице во всех случаях, кроме конструкций, возводимых в климатических районах

,

,

и

, для которых

для металла шва с нормативным сопротивлением

(4200 кгс/см2);

- коэффициент условия работы;

- коэффициент, принимаемый при сварке элементов из стали с пределом текучести до 580 МПа (5900 кгс/см2) - по
табл. 34 СНиП II-23-81*, св. 580 МПа - независимо от вида сварки, положения шва и диаметра сварочной проволоки

;

- катет углового шва до усиления;

- длина усиливаемого шва;
D - длина участка шва, не участвующего в момент усиления в результате перехода металла шва в пластическое состояние.

,
где m - коэффициент, учитывающий связь между толщиной свариваемой детали и увеличением катета усиливающего шва, принимаемый по табл. 15;

- площадь поперечного сечения наплавляемого слоя шва, см2;

- толщина свариваемого металла (для решетчатых конструкций - толщина фасонки), см.
Таблица 15
──────────────────┬────────────────────────────────────────────────────────
Наплавляемый слой,│ Коэффициент m при толщине элемента, мм
мм ├─────────────┬──────────────┬─────────────┬─────────────
│ 8 │ 12 │ 16 │ 20
──────────────────┼─────────────┼──────────────┼─────────────┼─────────────
6 - 8 │ 1 │ 1,08 │ 1,24 │ 1,5
7 - 8 │ 1 │ 1,06 │ 1,19 │ 1,4
8 - 10 │ 1 │ 1,04 │ 1,14 │ 1,33
──────────────────────┬────────────────────────────────────────────────────
Диаметр электрода, │Рекомендуемый сварочный ток, А, при положении сварки
мм ├────────────────┬─────────────────┬─────────────────
│ нижнем │ вертикальном │ потолочном
──────────────────────┼────────────────┼─────────────────┼─────────────────
4 │ 160 - 200 │ 120 - 160 │ 110 - 150
5 │ 200 - 250 │ - │ -
Длина участка шва D для наиболее часто встречающихся случаев может быть определена по графику
(рис. 24) в зависимости от суммарной толщины свариваемого металла

и толщины усиливаемого шва

. Для решетчатых конструкций за толщину свариваемого металла принимается суммарная толщина фасонки и толщина полки элемента (уголка, швеллера и т.д.).
Рис. 24. Зависимость D от

и

6.7. При разработке технологии усиления сварных соединений рекомендуется соблюдать следующие условия:
при наплавке дополнительных слоев необходимо вносить возможно меньшее количество тепла в детали конструкций;
наплавку усиливаемого слоя следует начинать в местах дефектов усиливаемого шва (подрезы, наплавы, кратеры и др.), если они имеются, в противном случае с любого удобного сварщику места;
работы по усилению сварных швов должны выполнять высококвалифицированные сварщики (не менее 5-го разряда).
После наложения усиливаемого шва с одного конца по перу одного из парных уголков следует перейти к усилению шва второго парного уголка с обратной стороны той же фасонки или с противоположного конца элемента. После наложения всех швов по перу уголков следует переходить к наложению швов по обушку уголков в той же последовательности.
6.8. Для снижения опасности хрупкого разрушения сварных соединений при пониженных температурах новые сварные швы на конструкциях следует располагать по возможности в наименее напряженных сечениях, как можно дальше от мест изменения сечения, вырезов, ребер. Следует избегать скученности сварных швов, пересечений их под острым углом, а также близкого расположения параллельных стыковых и угловых швов; для этого следует руководствоваться некоторыми требованиями
(рис. 25):
расстояние между двумя параллельными стыковыми швами должно быть не менее 200 мм, а между параллельными стыковыми угловыми швами не менее 75 мм;
угол между двумя стыковыми швами должен быть не менее 60°;
расстояние между новыми стыковыми швами и существующими креплениями элементов (ребра, фасонки, стыковые накладки и швы) должны быть не менее 100 мм;
в остальных случаях расстояние между швами должно быть не менее 4,5t, где t - толщина элемента, к которому приваривается новая деталь;
при сварке стыков нижнего пояса балок в местах пересечения этих швов со стенкой необходимо предусматривать вырез в стенке, обеспечивающий качественное выполнение шва;
в местах пересечения сварных швов следует выполнять отверстия диаметром 20 мм.
Рис. 25. Конструктивные требования
к взаимному расположению швов
Толщина сварных швов должна быть минимальной, предпочтение следует отдавать тонким и длинным швам.
Швы следует располагать симметрично относительно главных осей с минимальным удалением от центра тяжести конструкции.
При выполнении усиления по рекомендациям
табл. 11 Прил. 4, по модификациям Б1а, Е1б, Б1в, Б2а, Б3а, Б3б, Б3в, Д1а, Д2а, Д3а и Д4а выкружки следует выполнять таким образом, чтобы на рабочий элемент они выходили по касательной, для чего рекомендуется зачищать начало выкружки заподлицо с плоскостью рабочего элемента. В модификациях усиления Б1в и Б3в привариваемые листовые детали с выкружками должны быть одинаковой толщины с фасонкой и иметь разделку кромок с целью избежания непровара в вершинах деталей.
ЗАКЛЕПОЧНЫЕ И БОЛТОВЫЕ СОЕДИНЕНИЯ
6.9. Усиление заклепочных соединений постановкой дополнительных новых или заменой существующих ослабленных заклепок связано с трудоемкими, малопроизводительными работами, поэтому заклепочные соединения рекомендуется усиливать высокопрочными болтами по
ГОСТ 22356-77* и болтами класса точности А по
ГОСТ 7805-70*.
6.10. Усиление заклепочных и болтовых соединений с помощью сварки не рекомендуется из-за разных жесткостных характеристик этих соединений: оно может применяться, как исключение, в тех случаях, когда сварные швы усилений будут рассчитаны на восприятие всей нагрузки в узле (без учета работы заклепок, болтов).
Высокопрочные болты следует применять в соответствии со
СНиП II-23-81*.
6.11. При работе болтовых и заклепочных соединений на знакопеременную нагрузку усталостные разрушения соединений обычно происходят по крайним отверстиям, в которых концентрация напряжений усугубляется тем, что крайние болты (заклепки) нагружены больше, чем средние. Наиболее рациональным способом повышения усталостной прочности клепаных (болтовых) соединений является замена крайних заклепок (болтов) высокопрочными болтами, при этом значительная часть усилия в соединении воспринимается высокопрочными болтами, а оставшиеся заклепки, особенно ближайшие к высокопрочным болтам, значительно разгружаются. При этом происходит снижение концентрации напряжений около отверстий, заполненных высокопрочными болтами.
6.12. Применение высокопрочных болтов в узлах с передачей на болт одновременно со сдвигающими отрывающих усилий, как правило, не допускается.
6.13. Комбинированные соединения разной жесткости, например, заклепочные или болтовые на обычных болтах совместно со сварными применять не рекомендуется.
6.14. Не рекомендуется применять высокопрочные болты в агрессивных средах (сильной и средней агрессивности).
ПРИСОЕДИНЕНИЕ ДЕТАЛЕЙ УСИЛЕНИЯ
6.15. Присоединение деталей усиления к усиливаемой конструкции рекомендуется, как правило, выполнять с помощью механизированной сварки в углекислом газе или ручной - штучными электродами.
6.16. Расположение новых сварных швов, а также взаимное расположение швов, присоединяющих детали усиления, и существующих швов должно удовлетворять требованиям
п. 6.8 настоящего Пособия.
6.17. В стыковых соединениях листов разной толщины, если разница между толщинами стыкуемых элементов более 4 мм, а уступ более 1/8 толщины листа, следует предусматривать на самом толстом листе устройство переходного скоса с уклоном не менее чем 1:5.
6.18. При необходимости усиления конструкций группы I по
табл. 50 СНиП II-23-81* с помощью накладных листов рекомендуется обеспечивать плавное изменение жесткости накладок при переходе к основному сечению (рис. 26, а - г), а при толщине накладного листа 12 мм и более необходима обработка скоса листа (см. рис. 26, г).
Рис. 26. Формы концов накладного листа
7. УСТРАНЕНИЕ ДЕФЕКТОВ И ПОВРЕЖДЕНИЙ
7.1. Дефекты и повреждения в виде трещин в основном металле или сварных швах могут быть устранены такими способами, как:
заварка трещин (при соответствующем обосновании трещина может быть остановлена при условии деконцентрации напряжений в ее устье);
замена дефектных мест;
усиление конструктивного элемента;
замена конструктивного элемента.
В качестве мер, препятствующих дальнейшему распространению обнаруженных трещин, следует применять:
элементы усиления, изменяющие силовые потоки в зонах охрупчивания металла (места появления хрупких трещин), например в форме накладок (рис. 27), представляющих собой "энергетический мостик";
мероприятия, снижающие напряжения в верхней зоне стенки подкрановых балок при наличии в них усталостных трещин (установка тангенциальных или упругих низкомодульных прокладок, усиление ламелями, не связанными со стенкой).
Рис. 27. Установка "энергетического мостика"
для предотвращения распространения трещины
а - до усиления; б - после заварки шва и усиления
При выборе способа устранения дефекта или повреждения необходимо иметь в виду, что заварка трещин не препятствует образованию новых хрупких или усталостных трещин, если не устранена основная причина их появления.
7.2. Заварку трещин рекомендуется производить в такой последовательности:
зачистка зоны до чистого металла по ширине не менее 80 мм и выявление концов трещины с помощью пенетрантов, а в необходимых случаях с использованием ультразвука, цветной или магнитной дефектоскопии или другими способами;
сверловка в концах трещины на расстоянии 15 - 20 мм по ходу ее распространения отверстий-ловителей диаметром 8 - 12 мм
(рис. 28);
разделка кромок трещины под сварку;
подогрев концевых участков трещины пламенем газовой горелки до температуры 100 - 150 °C и поддержание ее в течение всего времени заварки трещины;
заварка шва обратноступенчатым методом напроход (
рис. 29, а - г) с одновременной проковкой каждого прохода, кроме первого и последнего, пневмозубилом с радиусом закругления ударной части 2 - 4 мм;
обработка заваренной поверхности шлифовальной машинкой для снятия усиления шва до высоты 2 мм над поверхностью основного металла и рассверловка отверстий-ловителей диаметром 20 - 25 мм;
сплошной контроль швов заваренной трещины физическими методами.
Рис. 28. Подготовка трещины к заварке
Рис. 29. Последовательность заварки трещин
а, б - выходящих на свободную кромку;
в, г - в средней части листа;
1 - 10 - последовательность наложения швов
При заварке трещин, расположенных в верхней части стенки и ребер жесткости подкрановых балок, целесообразно выполнение жесткого усиления (
рис. 30, а - в), при этом для уменьшения концентрации напряжений рекомендуется сделать вырезы в ребрах жесткости по схеме
рис. 30, а, б.
Рис. 30. Усиление верхней зоны подкрановых балок
а - в - варианты усилений
7.3. Дефектные места в стенках балок и колонн (разветвления трещин, вырывы, прожоги и т.п.) удаляют в виде вырезов, предпочтительно прямоугольной формы с закругленными углами (рис. 31) по высоте и ширине на 100 мм больше в каждую сторону дефектного участка.
Рис. 31. Вырез дефектного участка
Вырез усиливают с помощью вставки или накладки.
Вварка вставок должна выполняться с компенсацией сварочных деформаций. На участке замыкания швов необходимо устранить причины, вызывающие охрупчивание металла (дефекты в стыке, науглероживание, попадание влаги и т.п.). Рекомендуется вваривать вставки с использованием подогрева (рис. 32), при этом по двум кромкам устанавливается зазор 2 - 4 мм. Шов заваривается обратноступенчатым методом в направлении от середины к углам вставки. После его остывания нагреваются участки основного металла А и тем же методом выполняются швы 2 и 3. В последнюю очередь нагреваются участки Б и обратноступенчатым методом наносится шов 4 в направлении от Б к середине.
Рис. 32. Участки подогрева
и последовательность вварки вставки
7.4. При усилении элементов конструкций в местах местных повреждений (вырывов, локальной погиби, смаловки и размаловки и т.п.) рекомендуется использовать конструктивные решения, не требующие выполнения работ по подгонке деталей усиления путем их выгиба для фигурного реза
(рис. 33).
Рис. 33. Устранение дефектов в местах локальной погиби
7.5. При замене дефектных заклепок высокопрочными болтами допускается не рассверливать отверстия, подбирая наружный диаметр болта на 1 - 3 мм меньше диаметра отверстия под заклепку (рис. 34).
Рис. 34. Замена заклепок высокопрочными болтами
Не рекомендуется создавать клепано-болтовые соединения с болтами, расположенными по одну сторону от оси симметрии прикрепленного элемента. В необходимых случаях следует заменять и бездефектные заклепки для создания симметрично работающего соединения (см. рис. 34).
При частичной замене заклепок высокопрочными болтами с целью повышения выносливости соединения замене подлежат заклепки в двух-трех поперечных рядах от края фасонки.
Примеры расчета с использованием рекомендаций настоящего Пособия приведены в
Прил. 6. Основные обозначения величин, используемых в формулах, даны в
Прил. 7.
Справочное
ДАННЫЕ ИЗ РАНЕЕ ДЕЙСТВОВАВШИХ ГОСУДАРСТВЕННЫХ СТАНДАРТОВ
И ТЕХНИЧЕСКИХ УСЛОВИЙ НА СТАЛЬ
Таблица 1
Минимальные значения временного сопротивления

и предела текучести

для сталей,
выплавлявшихся в 1931 - 1980 гг.
────────────────┬──────────────────┬────────────┬──────┬───────┬───────────
Марка стали │ ГОСТ │ Толщина │ R , │ R , │ Пункт
│ ОСТ │проката, мм,│ un │ yn │примечания
│ ТУ │ или разряд │кг/мм2│кг/мм2 │
│ │ толщин │ │ │
────────────────┼──────────────────┼────────────┼──────┼───────┼───────────
1 │ 2 │ 3 │ 4 │ 5 │ 6
────────────────┼──────────────────┼────────────┼──────┼───────┼───────────
Ст0С │ГОСТ 380-41 │ 4 - 40 │ 32 │ 19 │
│ГОСТ 380-50 │ │ │ │
Ст1 │ОСТ 4125 │ 4 - 40 │ 32 │ 19 │
Ст2 │ОСТ 4125 │ │ 34 │ 19 │
│ГОСТ 880-41 │ 4 - 40 │ 34 │ 21 │
│ГОСТ 380-50 │ │ 34 │ 22 │
Ст3 │ОСТ 4125 │ │ 38 │ 22 │
│ГОСТ 380-41 │ 4 - 40 │ 38 │ 22 │
│ГОСТ 380-50 │ │ 38 │ 24 │
│ГОСТ 380-57 │ Разряд 1 │ 38 │24 (25)│ 1, 2
│ГОСТ 380-60 │ " 2 │ 38 │23 (24)│ 1, 2
│ГОСТ 380-60 │ " 3 │ 38 │ 21/22 │ 1, 3
│ГОСТ 380-71 │ До 20 │37/38 │ 23/24 │ 3
│ГОСТ 380-71 │ 21 - 40 │37/38 │ 22/23 │ 3
│ │ 41 - 100 │37/38 │ 21/22 │ 3
│ │ Св. 100 │37/38 │ 19/20 │ 3
Ст3 │ОСТ 12535-33 │ 4 - 40 │ 38 │ 23 │
Мостовая │ГОСТ 6713-53 │ 4 - 40 │ 38 │ 23 │
Ст4 │ОСТ 4125 │ 4 - 40 │ 42 │ 23 │
│ГОСТ 380-50 │ │ 42 │ 26 │
│ГОСТ 380-60 │ Разряд 1 │ 42 │ 26 │ 1
│ГОСТ 380-60* │ " 2 │ 42 │ 25 │ 1
│ │ " 3 │ 42 │ 24 │ 1
Ст5 │ОСТ 4125 │ 4 - 40 │ 50 │ 23 │
│ГОСТ 380-50 │ │ 50 │ 28 │
│ГОСТ 380-60 │ Разряд 1 │ 50 │ 28 │ 1
│ГОСТ 380-60* │ " 2 │ 50 │ 27 │ 1
│ │ " 3 │ 50 │ 26 │ 1
│ │ │ │ │
СХЛ-2 │ ТУ │ 4 - 40 │ 48 │ 33 │
│----303 │ │ │ │
│НКЧМ │ │ │ │
│ │ │ │ │
НЛ-1 │ГОСТ 5058-49 │ 4 - 40 │ 42 │ 30 │
НЛ-2 │ГОСТ 5058-49 │ 4 - 40 │ 48 │ 34 │
МстТ │ГОСТ 9458-60 │ 6 - 40 │ 44 │ 30 │
│ │ │ │ │
МГ2 │ ЧМТУ │ 4 - 20 │ 47 │ 34 │
│------54-58 │ 21 - 32 │ 46 │ 33 │
│ЦНИИЧМ │ │ │ │
│ │ │ │ │
09Г2 │ГОСТ 5058-57 │ 4 - 10 │ 46 │ 31 │
09Г2Д │ │ 11 - 24 │ 44 │ 30 │
│ │ 25 - 30 │ 45 │ 30 │
│ГОСТ 19281-73 │ 4 - 20 │ 45 │ 31 │ 4
│ГОСТ 19282-73 │ 21 - 32 │ 45 │ 30 │ 4
09Г2С │ГОСТ 5058-65 │ 4 - 9 │ 50 │ 35 │
09Г2СД │ГОСТ 19281-73 │ 10 - 20 │ 48 │ 33 │
│ГОСТ 19282-73 │ 21 - 32 │ 47 │ 31 │
│ │ 33 - 60 │ 46 │ 29 │
09Г2С │ГОСТ 5058-65 │ 10 - 32 │ 54 │ 40 │
термоупрочненная│ │ │ │ │
│ │ │ │ │
10Г2С │ ЧМТУ │ 4 - 10 │ 52 │ 36 │
│------246-61 │ 11 - 32 │ 50 │ 35 │
│ЦНИИЧМ │ │ │ │
│ГОСТ 5058-65 │ 33 - 60 │ 48 │ 34 │
10Г2СД │ГОСТ 5058-57 │ 4 - 32 │ 50 │ 35 │
10Г2С1 │ГОСТ 5058-65 │ 10/40 │ 54 │ 40 │ 4
термоупрочненная│ │ │ │ │
10Г2С1 │ГОСТ 5058-65 │ 4 - 10 │ 52 │ 36 │
10Г2С1Д │ГОСТ 5058-65 │ 11 - 32 │ 50 │ 35 │
│ │ 33 - 60 │ 48 │ 34 │
│ГОСТ 19281-73 │ 4 - 9 │ 50 │ 35 │
│ГОСТ 19282-73 │ 10 - 32 │ 48 │ 33 │
│ │ 33 - 60 │ 46 │ 33 │
14Г2 │ГОСТ 5058-65 │ 4 - 9 │ 47 │ 34 │
│ГОСТ 19281-73 │ │ │ │
│ГОСТ 19282-73 │ 10 - 32 │ 46 │ 33 │
14Г2 │ГОСТ 5058-65 │ 10 - 32 │ 54 │ 40 │
термоупрочненная│ │ │ │ │
15ХСНД (СХЛ-1) │ГОСТ 5058-57 │ │ │ │
│ГОСТ 5058-65 │ │ │ │
НЛ-2 │ГОСТ 19281-73 │ 4 - 32 │ 50 │ 35 │
│ГОСТ 19282-73 │ │ │ │
10ХСНД (СХЛ-4) │ГОСТ 5058-57 │ 4 - 32 │ 54 │ 40 │
│ │ 33 - 40 │ 51 │ 37 │
│ГОСТ 5058-65 │ 4 - 32 │ 54 │ 40 │
│ГОСТ 19281-73 │ │ │ │
│ГОСТ 19281-73 │ 33 - 40 │ 52 │ 40 │
15ХСНД │ГОСТ 5058-65 │ 10 - 32 │ 60 │ 50 │
термоупрочненная│ │ │ │ │
Примечания. 1. Разряд толщин проката по ГОСТ 380-60 и ГОСТ 380-60* определяется по
табл. 2 Прил. 1.
2. В скобках даны возможные повышения значения механических характеристик при поставке проката с дополнительной гарантией по пределу текучести.
3. Над чертой приведены данные для механических характеристик для кипящих сталей, а под чертой - для спокойной и полуспокойной.
4. Данные приведены для листового, сортового и фасонного проката.
Таблица 2
Разряд толщин проката по ГОСТ 380-60 и ГОСТ 380-60*
───────────┬──────────────────────────────────────────────────────
Разряд │ Толщина проката, мм
├─────────────────┬─────────────────┬──────────────────
│ листового │ сортового │ фасонного
───────────┼─────────────────┼─────────────────┼──────────────────
1 │ 4 - 20 │ До 40 │ До 15
2 │ 21 - 40 │ 40 - 100 │ 16 - 20
3 │ 42 - 60 │ Более 100 │ Более 20
Рекомендуемое
ОПРЕДЕЛЕНИЕ СНЕГОВЫХ НАГРУЗОК
Общие указания
Рекомендации предназначены для уточнения расчетной снеговой нагрузки и основываются на анализе данных местных метеостанций о запасе воды в снежном покрове за пятисуточные интервалы времени.
Для анализа используют данные ближайших к зданию метеостанций, обладающих наиболее длительным рядом снегосъемок, как правило, на защищенном участке местности.
Основным источником этих данных являются справки, выдаваемые по запросу заказчика территориальными управлениями Госкомгидромета и его специализированными организациями (гидрометеорологические институты, обсерватории, ВНИИгидрометеорологической информации). Кроме того, можно пользоваться данными, содержащимися в метеорологических ежегодниках "Снегомерные съемки", которые комплектуются и издаются территориальными гидрометеорологическими организациями.
В справке должны быть указаны:
название и места расположения (географические координаты) метеостанции, характеристика условий защищенности участка снегосъемок;
продолжительность непрерывного ряда наблюдений пятисуточных запасов воды в снежном покрове (не менее 8 лет).
Снеговая нагрузка на поверхности земли P, кН/м2, определяется по формуле

, (1)
где

- запас воды в снежном покрове, мм.
Если станции не располагают данными о запасе воды

, допускается использовать результаты замеров высоты снежного покрова, определенной по трем рейкам на защищенном участке местности и средней плотности снега за рассматриваемый интервал времени

, (2)
где

- высота снежного покрова, см;

- плотность снежного покрова, г/см3.
В многоснежных районах интервал снегосъемок может быть увеличен до 10 сут. В этом случае для получения однородной информации определяется пятисуточное значение снеговой нагрузки

как промежуточное

, (3)
где

- время, сут;
i - порядковый номер года наблюдений.
Вычисление расчетной снеговой нагрузки на земле
Исходный статистический материал обрабатывается в таком порядке:
1. Выписываются пятисуточные запасы воды в снежном покрове

, мм (

- индекс пятисуточного периода, i - индекс года наблюдения).
2. Вычисляются средние по всем годам запасы воды по пятисуточным интервалам

, (4)
где T - количество лет наблюдения.
3. Определяется максимальная нагрузка A, кН/м2, из средних по пятисуточным интервалам

. (5)
4. Определяются случайные отклонения

, мм, запаса воды в снежном покрове от многолетних средних значений

(6)
и определяется стандарт отклонения запаса воды

, мм,

, (7)
где

- количество пятисуточных интервалов наблюдений в i-м году;

- общее число реализаций пятисуточных запасов воды в снежном покрове за T лет наблюдения.
5. Вычисляются приращения случайных отклонений

, мм, между их последовательными значениями

(8)
и определяется стандарт приращений запаса воды, мм/сут,

. (9)
6. Определяется среднее значение произведений

(10)
и коэффициент корреляции

. (11)
7. Определяется средняя продолжительность действия снеговой нагрузки

. (12)
Расчетная снеговая нагрузка на земле определяется по формуле

. (13)
Нагрузка на покрытие
Нормативная снеговая нагрузка на покрытие здания определяется как

, (14)
Расчетная снеговая нагрузка на покрытие здания определяется как

, (15)
где

- коэффициент, учитывающий отношение нормативного собственного веса покрытия (включая вес подвесного стационарного оборудования) к расчетной снеговой нагрузке на земле, определяемый по табл. 1;
c - коэффициент перехода от веса снегового покрова земли к снеговой нагрузке на покрытие, принимаемый в соответствии со
СНиП 2.01.07-85;
P - расчетная снеговая нагрузка на земле (по
формуле 13).
Таблица 1
Коэффициент
 <*> | 0,2 | 0,3 | 0,4 | 0,5 | 0,6 | 0,7 и более |
| 1 | 0,99 | 0,97 | 0,94 | 0,91 | 0,88 |
--------------------------------
<*> Для промежуточных значений

допускается определять по линейной интерполяции.
Пример. В
табл. 2 приведены данные наблюдений за запасом воды в снеговом покрове в течение восьми сезонов (T = 8). Средние по пятидневкам значения

подсчитаны и записаны в последнем столбце этой же таблицы. Максимальное из средних значение нагрузки A = 0,01 x 88 = 0,88 кН/м2 соответствует третьей пятидневке марта.
Таблица 2
Данные о запасе воды в снежном покрове
Месяц | Дни наблюдений |  , мм, по сезонам | |
65/66 | 66/67 | 68/69 | 69/70 | 70/71 | 71/72 | 72/73 | 73/74 |
Ноябрь | 5 | - | - | - | - | - | - | - | - | - |
10 | - | - | - | - | - | - | - | - | - |
15 | 5 | - | - | - | - | - | - | - | - |
20 | 10 | - | - | - | - | - | - | 19 | - |
25 | 16 | - | - | - | - | - | - | 18 | - |
30 | 26 | - | - | - | - | - | - | 10 | - |
Декабрь | 5 | 20 | - | - | - | 7 | - | - | 51 | 10 |
10 | 46 | - | - | - | 10 | - | - | 60 | 15 |
15 | 62 | 17 | - | 18 | 18 | - | - | 68 | 23 |
20 | 75 | 29 | 15 | 36 | 22 | - | - | 74 | 31 |
25 | 80 | 37 | 23 | 40 | 29 | 10 | - | 47 | 37 |
30 | 94 | 40 | 20 | 44 | 25 | 24 | - | 78 | 41 |
Январь | 5 | 99 | 51 | 29 | 51 | 29 | 29 | - | 81 | 46 |
10 | 99 | 60 | 38 | 50 | 33 | 30 | - | 80 | 49 |
15 | 105 | 68 | 41 | 62 | 42 | 31 | - | 72 | 53 |
20 | 110 | 74 | 42 | 68 | 42 | 32 | - | 61 | 54 |
25 | 120 | 83 | 47 | 78 | 30 | 32 | 4 | 63 | 57 |
30 | 128 | 90 | 48 | 78 | 27 | 32 | 8 | 69 | 60 |
Февраль | 5 | 129 | 96 | 59 | 77 | 31 | 40 | 12 | 73 | 65 |
10 | 135 | 101 | 66 | 77 | 38 | 42 | 26 | 82 | 70 |
15 | 144 | 103 | 72 | 90 | 31 | 44 | 29 | 84 | 73 |
20 | 150 | 95 | 76 | 90 | 25 | 46 | 27 | 88 | 75 |
25 | 160 | 99 | 80 | 90 | 44 | 44 | 29 | 85 | 79 |
30 | 167 | 99 | 79 | 90 | 55 | 48 | 32 | 83 | 81 |
Март | 5 | 166 | 91 | 79 | 90 | 54 | 46 | 36 | 87 | 81 |
10 | 173 | 84 | 89 | 101 | 65 | 48 | 52 | 86 | 87 |
15 | 178 | 68 | 94 | 94 | 90 | 32 | 55 | 96 | 88 |
20 | 175 | 43 | 94 | 94 | 96 | 30 | 48 | 96 | 85 |
25 | 194 | 42 | 94 | 86 | 108 | 33 | 39 | 90 | 86 |
30 | 172 | 27 | 86 | 105 | 100 | 16 | 16 | 86 | 76 |
Апрель | 5 | 152 | 10 | 99 | 87 | 81 | - | 16 | 82 | 64 |
10 | 79 | - | 80 | 90 | 46 | - | - | 26 | 40 |
15 | 85 | - | 51 | 54 | 20 | - | - | 20 | 28 |
20 | 82 | - | - | 35 | 7 | - | - | - | 16 |
25 | 53 | - | - | - | - | - | - | - | - |
30 | - | - | - | - | - | - | - | - | - |

Случайные отклонения от среднего значения

определены по
формуле (6) и приведены в табл. 3. Стандарт отклонения запаса воды вычислен по
формуле (7) при N = 8 x 28 = 224 и составил

. Приращения случайных отклонений
(табл. 4) имеют стандарт

.
Таблица 3
Случайные отклонения запаса воды от многолетнего среднего
Месяц | Дни наблюдений |  , мм, по сезонам |
65/66 | 66/67 | 68/69 | 69/70 | 70/71 | 71/72 | 72/73 | 73/74 |
Ноябрь | 5 | - | - | - | - | - | - | - | - |
10 | - | - | - | - | - | - | - | - |
15 | - | - | - | - | - | - | - | - |
20 | - | - | - | - | - | - | - | - |
25 | - | - | - | - | - | - | - | - |
30 | - | - | - | - | - | - | - | - |
Декабрь | 5 | 10 | -10 | -10 | -10 | -3 | -10 | -10 | 41 |
10 | 31 | -15 | -15 | -15 | -3 | -15 | -15 | 45 |
15 | 39 | -6 | -23 | -5 | -5 | -5 | -5 | 45 |
20 | 44 | -2 | -16 | 5 | -9 | -31 | -31 | 43 |
25 | 43 | 0 | -14 | 3 | -8 | -27 | -37 | 40 |
30 | 53 | -1 | -21 | 3 | -16 | -17 | -41 | 37 |
Январь | 5 | 53 | 5 | -17 | 5 | -17 | -17 | -46 | 35 |
10 | 50 | 11 | -11 | 1 | -16 | -19 | -49 | 31 |
15 | 52 | 15 | -12 | 9 | -11 | -22 | -53 | 19 |
20 | 56 | 20 | -12 | 14 | -12 | -22 | -54 | 7 |
25 | 63 | 26 | -10 | 21 | -27 | -25 | -53 | 6 |
30 | 68 | 30 | -12 | 18 | -33 | -28 | -52 | 9 |
Февраль | 5 | 64 | 31 | -6 | 12 | -34 | -15 | -52 | 8 |
10 | 65 | 31 | -4 | 7 | -32 | -28 | -53 | 12 |
15 | 71 | 30 | -1 | 17 | -42 | -29 | -44 | 11 |
20 | 75 | 20 | 1 | 15 | -50 | -29 | -44 | 13 |
25 | 81 | 20 | 1 | 11 | -35 | -35 | -48 | 6 |
30 | 86 | 18 | -2 | 9 | -26 | -33 | -50 | 2 |
Март | 5 | 85 | 10 | -2 | 9 | -27 | -35 | -49 | 6 |
10 | 86 | -3 | 2 | 14 | -22 | -39 | -45 | -1 |
15 | 90 | -20 | 6 | 6 | 2 | -56 | -35 | 8 |
20 | 90 | -42 | 9 | 9 | 11 | -55 | -33 | 11 |
25 | 108 | -44 | 8 | 0 | 22 | -53 | -37 | 4 |
30 | 96 | -49 | 10 | 29 | 24 | -60 | -47 | 10 |
Апрель | 5 | 88 | -54 | 35 | 23 | 17 | -64 | -60 | -18 |
10 | 39 | -40 | 40 | 50 | 6 | -40 | -64 | -14 |
15 | 57 | -28 | 23 | 26 | -8 | -28 | -40 | -8 |
20 | 66 | -16 | -16 | 19 | -9 | -16 | -28 | -16 |
25 | - | - | - | - | - | - | -16 | - |
30 | - | - | - | - | - | - | - | - |
Таблица 4
Приращения случайных отклонений наблюдений
Месяц | Дни наблюдений |  , мм, по сезонам |
65/66 | 66/67 | 68/69 | 69/70 | 70/71 | 71/72 | 72/73 | 73/74 |
Ноябрь | 5 | - | - | - | - | - | - | - | - |
10 | - | - | - | - | - | - | - | - |
15 | - | - | - | - | - | - | - | - |
20 | - | - | - | - | - | - | - | - |
25 | - | - | - | - | - | - | - | - |
30 | - | - | - | - | - | - | - | - |
Декабрь | 5 | 10 | -10 | -10 | -10 | -3 | -10 | -10 | -41 |
10 | 21 | -5 | -5 | -5 | -2 | -5 | -5 | 4 |
15 | 8 | -8 | -8 | 10 | 0 | 10 | 10 | 0 |
20 | 5 | -4 | 7 | 10 | -4 | -26 | -26 | -2 |
25 | 1 | 2 | 2 | 2 | 1 | 4 | -6 | -3 |
30 | 10 | -1 | -7 | 0 | -8 | 10 | -4 | 30 |
Январь | 5 | 0 | 6 | 4 | 2 | -1 | 0 | -5 | -2 |
10 | -3 | 6 | 6 | -4 | 1 | -2 | -3 | -4 |
15 | 2 | 4 | -1 | 8 | 5 | -3 | -4 | -12 |
20 | 4 | 5 | 0 | 5 | -1 | 0 | -4 | -12 |
25 | 7 | 6 | 2 | 7 | -15 | -3 | 1 | -1 |
30 | 5 | 4 | 2 | -3 | -6 | -3 | 1 | 3 |
Февраль | 5 | -4 | 1 | 6 | -6 | -1 | 13 | 1 | -1 |
10 | 1 | 0 | 2 | 5 | -2 | -13 | 9 | 4 |
15 | 6 | -1 | 3 | 10 | -10 | -1 | 0 | -1 |
40 | 4 | -10 | 2 | -2 | 8 | 0 | -4 | 2 |
25 | 6 | 0 | 0 | -4 | 15 | -6 | -2 | -7 |
30 | 5 | -2 | -3 | -2 | 9 | 2 | -1 | -4 |
Март | 5 | -1 | -8 | 0 | 0 | -1 | -2 | 4 | 4 |
10 | 1 | -13 | 4 | 5 | 5 | -4 | 10 | -7 |
15 | 4 | -17 | 4 | -8 | 24 | -17 | 2 | 9 |
20 | 0 | -22 | 3 | 3 | 9 | 1 | -4 | 3 |
25 | 18 | -2 | 1 | -9 | 11 | 2 | -10 | -7 |
30 | 12 | -5 | 2 | 29 | 2 | -7 | -10 | 6 |
Апрель | 5 | -8 | -5 | 25 | -6 | -7 | -4 | -13 | -28 |
10 | -49 | 0 | 5 | 27 | -9 | 24 | -4 | -4 |
15 | 18 | 0 | -17 | -24 | -14 | 12 | -12 | 6 |
20 | 9 | 0 | -39 | -7 | -1 | 12 | -12 | -8 |
25 | - | - | - | - | - | - | -12 | - |
30 | - | - | - | - | - | - | - | - |
Произведения
(табл. 5) имеют среднее значение

, коэффициент корреляции между величиной нагрузки и ее приращением 0,2 x 62,7 / (35,2 x 2,06) = 0,173.
Средняя продолжительность действия снеговой нагрузки Дельта = 0,05 x 1539 / 8,8 = 87,5 сут.
Расчетная снеговая нагрузка на земле
Таблица 5
Произведения случайных отклонений от среднего на приращения
Месяц | Дни наблюдений |  , мм2, по сезонам |
65/66 | 66/67 | 68/69 | 69/70 | 70/71 | 71/72 | 72/73 | 73/74 |
Ноябрь | 5 | - | - | - | - | - | - | - | - |
10 | - | - | - | - | - | - | - | - |
15 | - | - | - | - | - | - | - | - |
20 | - | - | - | - | - | - | - | - |
25 | - | - | - | - | - | - | - | - |
30 | - | - | - | - | - | - | - | - |
Декабрь | 5 | 100 | 100 | 100 | 100 | 9 | 100 | 100 | 168 |
10 | 651 | 75 | 75 | 75 | 10 | 75 | 75 | 180 |
15 | 312 | -54 | 184 | -50 | 0 | -50 | -50 | 0 |
20 | 220 | 8 | -112 | 50 | 36 | 606 | 806 | -86 |
25 | -43 | 0 | -28 | 6 | -8 | -108 | 222 | -120 |
30 | 530 | 1 | 147 | 0 | 128 | 170 | 164 | -111 |
Январь | 5 | 0 | 30 | -68 | 10 | -17 | 0 | 230 | -70 |
10 | -150 | 66 | -66 | -4 | -16 | 36 | 147 | -124 |
15 | 104 | 60 | 12 | 72 | -55 | 66 | 212 | -226 |
20 | 224 | 100 | 0 | 70 | 12 | 0 | 54 | -84 |
25 | 441 | 208 | -20 | 147 | 405 | 75 | -53 | -6 |
30 | 340 | 120 | 24 | -54 | 198 | 84 | -52 | 27 |
Февраль | 5 | -256 | 31 | -36 | -72 | 34 | -195 | 53 | 8 |
10 | 65 | 0 | -8 | -35 | -64 | 364 | -396 | 48 |
15 | 426 | -30 | -3 | 170 | 420 | 29 | 0 | -11 |
20 | -300 | -200 | 2 | -30 | 400 | 0 | 192 | 26 |
25 | 486 | 0 | 0 | -44 | -525 | 210 | 100 | -42 |
30 | 430 | -36 | 6 | -18 | -234 | -66 | -49 | -8 |
Март | 5 | -85 | -80 | 0 | 0 | 27 | 70 | -180 | 24 |
10 | 86 | 39 | 8 | 70 | -110 | 156 | -350 | -7 |
15 | 360 | 340 | 24 | -48 | 48 | 952 | -66 | 72 |
20 | 0 | 924 | 27 | 27 | 99 | -55 | 148 | 33 |
25 | 194 | 88 | -8 | 0 | 242 | -106 | 470 | -28 |
30 | -115 | 245 | 20 | 841 | 46 | 420 | 780 | 60 |
Апрель | 5 | -704 | 270 | 875 | -138 | -119 | 256 | 258 | 504 |
10 | -191 | -560 | 201 | 135 | -54 | -960 | -960 | -56 |
15 | 103 | -330 | -391 | -624 | 112 | -336 | -336 | -48 |
20 | 594 | -192 | 624 | -133 | 9 | -192 | -192 | -128 |
25 | - | - | - | - | - | - | - | - |
30 | - | - | - | - | - | - | - | - |
| | 4341 | 1217 | 1588 | 1069 | 1463 | 1324 | 1327 | 1745 |
Рекомендуемое
ОПРЕДЕЛЕНИЕ НАГРУЗОК ОТ ВЕТРА
Общие указания
Рекомендации предназначены для уточнения ветровой нагрузки на здания с учетом местных метеорологических данных о скорости ветра.
Данные о скорости ветра следует принимать от ближайших к зданию метеостанций, расположенных на открытом незащищенном месте или находящихся в аналогичных со зданием условиях по степени защищенности и типу местности.
Основным источником этих данных являются справки, выдаваемые по запросу заказчика территориальными управлениями Госкомгидромета и его специализированными организациями (гидрометеорологические институты, обсерватории, ВНИИгидрометеорологической информации).
В справке должны быть указаны:
название и место расположения метеостанции, характеристика условий ее защищенности и типа местности;
способ и условия измерения скорости ветра - тип ветроизмерительного прибора (флюгер с легкой или тяжелой доской, анемометр), высота его установки над уровнем земли, интервал осреднения скорости ветра (2 мин или 10 мин), число срочных наблюдений скорости ветра в сутки;
продолжительность непрерывного ряда наблюдений скорости ветра (не менее 15 лет);
расчетные данные о наибольшей скорости ветра

с пятилетним периодом повторяемости (период, в течение которого указанная скорость ветра появляется или превышается в среднем один раз);
статистические данные о скорости ветра, необходимые для установления функции распределения ветра и уточнения скорости

.
Примечание. В тех случаях, когда условия измерения скорости ветра на метеостанции не учитывают в полной мере местных особенностей ветрового режима в районе расположения здания (влияние рельефа местности, крупных водохранилищ и т.п.) или высота установки ветроизмерительного прибора отличается от стандартной (10 м) более чем на 2 м, организациями Госкомгидромета должны устанавливаться соответствующие поправки скорости, полученной по данным метеостанции.
Нормативный скоростной напор ветра

, Па (кгс/м2), на высоте 10 м над поверхностью земли определяется по формуле

(1)
где нормативная скорость ветра

, м/с, принимается по данным:
флюгера с двухминутным осреднением скорости

;

,
но не более 1;
анемометра с двухминутным осреднением скорости

;
анемометра с десятиминутным осреднением скорости

.
Значения скорости ветра с пятилетним периодом повторяемости

, м/с, принимаются на основании обработки статистических данных о скорости ветра с учетом расчетных данных организаций Госкомгидромета.
Изменение нормативного скоростного напора ветра с высотой над поверхностью земли учитывается умножением

на коэффициент k, принимаемый по
табл. 6 СНиП 2.01.07-85, при этом:

(как для местности типа А), если и метеостанция, и здание находятся в открытом незащищенном месте;

(как для местности типа Б), если метеостанция находится в открытом незащищенном месте, а здание - в условиях, характерных для местности типа Б.
В тех случаях, когда и здание, и метеостанция находятся в условиях, характерных для местности типа Б, коэффициент k следует принимать для высоты не более 10 м равным 1, а для большей высоты

.
Коэффициент перегрузки (коэффициент надежности по ветровой нагрузке) следует принимать равным 1,2.
Предварительная обработка статистических данных
Статистическая информация о скорости ветра за T лет метеорологических наблюдений может быть получена в виде выборок:
скоростей ветра по результатам всех срочных наблюдений (объем выборки N = 365wT, где w - число срочных наблюдений скорости ветра в каждые сутки, w = 4; 8; 24);
месячных максимумов скорости ветра (N = 12T);
годовых максимумов скорости ветра (N = T).
При наблюдениях по флюгеру целесообразно использовать выборку месячных максимумов, по анометру - месячных или годовых (объем выборки годовых максимумов должен быть не менее 20).
Выборки скоростей ветра по результатам всех срочных наблюдений могут быть использованы при условии, что они предварительно сгруппированы и соответствующие им статистические ряды имеются в климатических архивах или опубликованы в справочниках (в частности, данные срочных наблюдений по флюгеру приведены в табл. 5 части III "Ветер" Справочника по климату СССР. - М., 1967 - 1968 гг.).
Данные всех наблюдений скорости ветра по флюгеру представляются в виде таблицы повторяемости (относительная частота появления в %) по интервалам скорости ветра, соответствующая шкале измерений флюгера (табл. 1).
Таблица 1
Данные наблюдений скорости ветра
─────────┬───┬───┬───┬───┬───┬────┬────┬────┬────┬────┬───────┬────┬────┬────┬────────
Номер │ 1 │ 2 │ 3 │ 4 │ 5 │ 6 │ 7 │ 8 │ 9 │ 10 │ 11 │ 12 │ 13 │ 14 │ 15
интервала│ │ │ │ │ │ │ │ │ │ │ │ │ │ │
─────────┼───┼───┼───┼───┼───┼────┼────┼────┼────┼────┼───────┼────┼────┼────┼────────
Интервал,│0 -│2 -│4 -│6 -│8 -│10 -│12 -│14 -│16 -│18 -│21 - 24│25 -│29 -│35 -│ 40
м/с │ 1│ 3│ 5│ 7│ 9│ 11│ 13│ 15│ 17│ 20│ │ 28│ 34│ 40│
─────────┼───┼───┼───┼───┼───┼────┼────┼────┼────┼────┼───────┼────┼────┼────┼────────
Повторяе-│P │P │P │P │P │ P │ P │ P │ P │P │ P │P │P │P │ P
мость, % │ 1 │ 2 │ 3 │ 4 │ 5 │ 6 │ 7 │ 8 │ 9 │ 10 │ 11 │ 12 │ 13 │ 14 │ 15
│ │ │ │ │ │ │ │ │ │ │P > 20│ │ │ │P > 40
│ │ │ │ │ │ │ │ │ │ │ V │ │ │ │ v
─────────┴───┴───┴───┴───┴───┴────┴────┴────┴────┴────┴───────┴────┴────┴────┴────────
────────────────────┬─────┬─────┬───┬───┬───┬───┬──┬────┬──┬──────┬──┬────┬───┬───────
Номер границы │ 1 │ 2 │ 3 │ 4 │ 5 │ 6 │7 │ 8 │9 │ 10 │11│ 12 │13 │ 14
интервала K │ │ │ │ │ │ │ │ │ │ │ │ │ │
────────────────────┼─────┼─────┼───┼───┼───┼───┼──┼────┼──┼──────┼──┼────┼───┼───────
Скорость на границе │ 2 │ 4 │5,5│7,5│9,5│11 │13│15,5│18│ 21 │25│29,5│35 │ 41
интервала v , м/с │ │ │ │ │ │ │ │ │ │ │ │ │ │
k │ │ │ │ │ │ │ │ │ │ │ │ │ │
────────────────────┼─────┼─────┼───┼───┼───┼───┼──┼────┼──┼──────┼──┼────┼───┼───────
k │ │ │ │ │ │ │ │ │ │ │ │ │ │
F*(v ) = Сумма P , %│F(v )│F(v )│ - │ - │ - │ - │- │ - │- │F(v )│- │ - │ - │F(v )
k i = 1 i │ 1 │ 2 │ │ │ │ │ │ │ │ 10 │ │ │ │ 14
Наблюдениям по флюгеру с легкой доской с верхним пределом шкалы измерений 20 м/с соответствуют интервалы 1 - 10 (см.
табл. 1), если же в первичных журналах наблюдений имеются записи "скорости ветра более 20 м/с", суммарная относительная частота таких случаев указывается в интервале 11. Наблюдениям по флюгеру с тяжелой доской с верхним пределом шкалы измерений 40 м/с соответствуют интервалы 11 - 14
(табл. 1), а суммарная относительная частота случаев скорости ветра более 40 м/с отмечается в интервале 15.
Последовательным суммированием повторяемости

от наименьших значений скорости к наибольшим определяется интегральная повторяемость, %, которая является статистической оценкой

.
Функции распределения скорости ветра относятся к значению скорости

на верхней границе соответствующего интервала.
Значения

рекомендуется принимать по
табл. 1. Отметим, что данные срочных наблюдений скорости ветра по анометру также представляются в виде
табл. 1, однако выбор интервалов и границ между ними не обусловлен особенностями шкалы прибора.
Выборки месячных и годовых максимумов скорости ветра (по флюгеру или анометру) представляются в виде упорядоченной по возрастанию скорости последовательности наблюдаемых значений

, ...,

, ...,

, ...,

. Если в этой последовательности некоторые значения скорости встречаются в наблюдениях по нескольку раз, каждому наблюдаемому значению присваивается отдельный порядковый номер.
Статистическая оценка

функции распределения месячных или годовых максимумов скорости ветра определяется для каждого члена выборки по формуле

, (2)
где m - порядковый номер члена выборки;
N - объем выборки за весь срок наблюдений.
Следует отметить, что для ускорения обработки выборки месячных максимумов скорости ветра результаты наблюдений предварительно группируются по интервалам, при этом для наблюдений по флюгеру принимаются интервалы с соответствующими им границами

по
табл. 1, а для наблюдений по анометру интервалы длиной 1 или 2 м/с с границами

, кратными 0,5 м/с.
Повторяемость месячных максимумов в интервале i вычисляется по формуле

, (3)
где

- число месячных максимумов скорости ветра, относящихся к интервалу i.
Статистическая оценка

функции распределения месячных максимумов для скорости

на границе интервала

. (4)
Для того, чтобы сохранить при ускоренной обработке месячных максимумов действительный характер статистического распределения наибольших скоростей, целесообразно для наибольших членов (где T - число лет наблюдений), т.е. в отсеченной справа 1/12 части упорядоченной выборки определять индивидуальные значения

по
формуле (2), а остальные члены выборки группировать по интервалам.
Сглаживание статистических данных и определение
скорости ветра с пятилетним периодом повторяемости
Для сглаживания статистической функции

срочных наблюдений скорости ветра применяется функция распределения Вейбулла

(5)
где F(v) - вероятность того, что в произвольно выбранном интервале наблюдения

скорость ветра будет меньше v;

,

- параметры масштаба и формы распределения.
Для сглаживания статистической функции распределения месячных или годовых максимумов скорости ветра применяется функция распределения Гумбеля:

(6)
где F(v) - вероятность того, что в произвольно выбранном месяце (году) скорость ветра будет меньше v;

, u - параметры масштаба и положения распределения.
Сглаживание статистических данных выполняется с помощью вероятностной бумаги выбранного распределения
(5) или
(6), на которой теоретическое распределение изображается прямой линией.
Статистические данные наносятся на вероятностную бумагу в виде точек, отвечающих парам значений

,

для срочных наблюдений скорости ветра или

,

и

,

для месячных или годовых максимумов скорости ветра (рис. 1 и
2).
Рис. 1. Использование вероятностной бумаги
распределения Вейбулла
Рис. 2. Использование вероятностной бумаги
распределения Гумбеля
Если совокупность опытных точек группируется около некоторой прямой и отклонения от нее носят случайный характер, выбранная функция распределения удовлетворительно согласуется с данными наблюдений. Слаживающая прямая с достаточной для практических целей точностью выбирается визуально с помощью прозрачной линейки.
Допускается проводить сглаживающую прямую по 4 - 5 крайним точкам, расположенным в области наибольших наблюдаемых скоростей ветра, если выбранное теоретическое распределение не согласуется со всей совокупностью опытных точек.
Необходимо иметь в виду:
1. Вероятностная бумага имеет равномерный масштаб: для распределения Вейбулла - по осям

и v, для распределения Гумбеля - по оси

.
2. При наличии в
табл. 1 данных по повторяемости скоростей ветра больше 20 м/с (для флюгера с легкой доской) и больше 40 м/с (для флюгера с тяжелой доской) соответствующие значения

и

могут быть отнесены условно к значениям скорости на границе интервалов

и

.
Скорость ветра

с пятилетним периодом повторяемости (t = 5 лет) устанавливается по сглаживающей прямой как значение скорости, вероятность непревышения которой равна

, (7)
где

- интервал времени, представителем которого является одно наблюдение в выборке рассматриваемого вида (например, при четырех срочных наблюдениях в сутки

).
Вероятности

приведены в табл. 1а.
Таблица 1а
Значение вероятностей

─────────────┬────────────────────┬────────────────────┬───────────────────
Вид выборки │ Срочные наблюдения │ Месячные максимумы │ Годовые максимумы
│ 4 раза в сутки │ │
─────────────┼────────────────────┼────────────────────┼───────────────────
P(v ), % │ 99,9863 │ 98,33 │ 80
5 │ │ │
Пример 1. Определение скорости

по срочным наблюдениям по флюгеру 4 раза в сутки для метеостанции "Магнитогорск".
Статистические данные приняты по табл. 5 части III "Ветер" Справочника по климату СССР (М.: Гидрометеоиздат, 1967), годы наблюдений 1936 - 1960, и приведены в табл. 2.
Таблица 2
Статистические данные скорости ветра
────────────────────┬─────┬─────┬─────┬─────┬─────┬────┬────┬────┬────┬────
Интервал, м/с │0 - 1│2 - 3│4 - 5│6 - 7│8 - 9│10 -│12 -│14 -│16 -│18 -
│ │ │ │ │ │ 11│ 13│ 15│ 17│ 20
────────────────────┼─────┼─────┼─────┼─────┼─────┼────┼────┼────┼────┼────
Повторяемость, % │32,3 │14,8 │16,3 │12,2 │ 8,2 │4,4 │6,6 │1,8 │2,7 │ 0
Граница интервала │ 2 │ 4 │ 5,5 │ 7,5 │ 9,5 │ 11 │ 13 │15,5│ 18 │ -
v , м/с │ │ │ │ │ │ │ │ │ │
k │ │ │ │ │ │ │ │ │ │
│ │ │ │ │ │ │ │ │ │
F*(v ), % │32,3 │47,1 │63,4 │75,6 │83,8 │88,2│94,8│96,6│99,3│ -
k │ │ │ │ │ │ │ │ │ │

,

нанесены на вероятностную бумагу распределения Вейбулла (см.
рис. 1). Сглаживание выполнено визуально по 5 крайним правым точкам. Экстраполяцией сглаживающей прямой до значения

установлено значение скорости

.
Пример 2. Определение скорости ветра

по месячным максимумам по флюгеру для метеостанции "Магнитогорск".
Статистические данные приведены в табл. 3.
Таблица 3
Статистические данные скорости ветра
───────────────────────┬─────┬────┬─────┬─────┬─────┬─────┬────┬─────┬─────
Интервал, м/с │8 - 9│10 -│12 - │14 - │16 - │18 - │21 -│25 - │29 -
│ │ 11│ 13│ 15│ 17│ 20│ 24│ 28│ 34
───────────────────────┼─────┼────┼─────┼─────┼─────┼─────┼────┼─────┼─────
Число случаев n │ 2 │ 10 │ 40 │ 26 │ 101 │ 105 │ 9 │ 2 │ 3
i │ │ │ │ │ │ │ │ │
Повторяемость │0,67 │3,34│13,37│ 8,7 │33,75│35,16│3,01│0,67 │ 1
n │ │ │ │ │ │ │ │ │
i │ │ │ │ │ │ │ │ │
P = ----- 100% │ │ │ │ │ │ │ │ │
N + 1 │ │ │ │ │ │ │ │ │
Граница интервала v , │ 9,5 │ 11 │ 13 │15,5 │ 18 │ 21 │ 25 │29,5 │ 33
k │ │ │ │ │ │ │ │ │
м/с │ │ │ │ │ │ │ │ │
k │ │ │ │ │ │ │ │ │
P(v ) = Сумма P │0,67 │4,01│17,38│26,08│59,83│94,99│ 98 │98,67│99,67
k i = 1 i │ │ │ │ │ │ │ │ │

,

нанесены на вероятностную бумагу распределением Гумбеля (см.
рис. 2). Сглаживание выполнено по 4 крайним правым точкам. Интерполяцией при значении

установлено значение скорости

.
Рекомендуемое
ТАБЛИЦЫ ДЛЯ РАСЧЕТА УСИЛЕНИЯ СТАЛЬНЫХ КОНСТРУКЦИЙ
С УЧЕТОМ ВЛИЯНИЯ ДЕФЕКТОВ И ПОВРЕЖДЕНИЙ
Таблица 1
Коэффициенты

,

для различных
прокатных профилей, мм
| | ИС МЕГАНОРМ: примечание. Взамен ГОСТ 8239-72 Постановлением Госстандарта СССР от 27.09.1989 N 2940 с 1 июля 1990 года введен в действие ГОСТ 8239-89. | |
| | ИС МЕГАНОРМ: примечание. Взамен ГОСТ 8240-72 Постановлением Госстандарта СССР от 27.09.1989 N 2939 с 1 июля 1990 года введен в действие ГОСТ 8240-89. | |
────────────────────────┬────────────────────────┬─────────────────────────
Швеллеры │ Двутавры │ Двутавры широкополочные
ГОСТ 8240-72* │ ГОСТ 8239-72* │ ТУ 14.2224-72
────────┬───────┬───────┼────────┬───────┬───────┼────────┬────────┬───────
Номер │ k │ k │ Номер │ k │ k │ Номер │ k │ k
профиля │ swx │ swy │профиля │ swx │ swy │профиля │ swx │ swy
────────┼───────┼───────┼────────┼───────┼───────┼────────┼────────┼───────
12 │ 0,29 │ 0,27 │ 20 │ 0,26 │ 0,24 │ 20ш │ 0,33 │ 0,27
14 │ 0,28 │ 0,26 │ 22 │ 0,25 │ 0,23 │ 23ш │ 0,29 │ 0,27
16 │ 0,27 │ 0,25 │ 24 │ 0,24 │ 0,21 │ 23ш2 │ 0,2 │ 0,18
16а │ 0,25 │ 0,24 │ 27 │ 0,23 │ 0,2 │ 26ш │ 0,25 │ 0,25
18 │ 0,26 │ 0,25 │ 27а │ 0,22 │ 0,2 │ 30ш │ 0,22 │ 0,21
20 │ 0,25 │ 0,24 │ 30 │ 0,22 │ 0,2 │ 35ш │ 0,2 │ 0,18
22 │ 0,24 │ 0,23 │ 30а │ 0,21 │ 0,19 │ 40ш │ 0,17 │ 0,16
24 │ 0,23 │ 0,22 │ 36 │ 0,18 │ 0,16 │ 50ш │ 0,17 │ 0,16
27 │ 0,22 │ 0,2 │ 40 │ 0,17 │ 0,15 │ 60ш │ 0,16 │ 0,15
30 │ 0,21 │ 0,19 │ 50 │ 0,15 │ 0,13 │ 70ш │ 0,15 │ 0,14
36 │ 0,18 │ 0,17 │ 60 │ 0,13 │ 0,11 │ - │ - │ -
Таблица 2
Допустимые относительные искривления элементов ферм
из парных уголков
────────────┬────────────┬─────────────────────────────────────────────────
V │ Параметры │ Предельно допустимые значения
-------- │ │
фи A R │ │
o yo │ │
────────────┼────────────┼──────┬──────┬───────┬──────┬──────┬──────┬──────
│ _ │ │ │ │ │ │ │
0,9 │ u │ 0,125│ 0,105│ 0,08 │ 0,065│ 0,055│ 0,045│ 0,04
│ o │ │ │ │ │ │ │
│ _ │ │ │ │ │ │ │
│ v │ 0,005│ 0,03 │ 0,04 │ 0,05 │ 0,055│ 0,06 │ 0,065
│ o │ │ │ │ │ │ │
────────────┼────────────┼──────┼──────┼───────┼──────┼──────┼──────┼──────
│ _ │ │ │ │ │ │ │
0,8 │ u │ 0,21 │ 0,16 │ 0,125 │ 0,105│ 0,08 │ 0,065│ 0,055
│ o │ │ │ │ │ │ │
│ _ │ │ │ │ │ │ │
│ v │ 0,005│ 0,03 │ 0,055 │ 0,06 │ 0,07 │ 0,08 │ 0,090
│ o │ │ │ │ │ │ │
────────────┼────────────┼──────┼──────┼───────┼──────┼──────┼──────┼──────
│ _ │ │ │ │ │ │ │
0,7 │ u │ 0,3 │ 0,2 │ 0,16 │ 0,125│ 0,105│ 0,08 │ 0,04
│ o │ │ │ │ │ │ │
│ _ │ │ │ │ │ │ │
│ v │ 0,005│ 0,04 │ 0,07 │ 0,09 │ 0,105│ 0,125│ 0,13
│ o │ │ │ │ │ │ │
────────────┼────────────┼──────┼──────┼───────┼──────┼──────┼──────┼──────
│ _ │ │ │ │ │ │ │
0,6 │ u │ 0,315│ 0,21 │ 0,16 │ 0,105│ 0,065│ 0,045│ 0,04
│ o │ │ │ │ │ │ │
│ _ │ │ │ │ │ │ │
│ v │ 0,005│ 0,105│ 0,125 │ 0,16 │ 0,175│ 0,185│ 0,19
│ o │ │ │ │ │ │ │
Таблица 3
Коэффициент

для стержней из равнополочных уголков,
шарнирно закрепленных в двух главных плоскостях
(

,

)
──────────┬─────────┬──────────────────────────────────────────────────────
______ │ _ │ __ _
лямбда │ u │ Коэффициенты фи при v , равном
x │ o │ uv o
│ ├────┬────┬────┬────┬────┬────┬────┬────┬────┬────┬────
│ │-0,5│-0,4│-0,3│-0,2│-0,1│ 0 │+0,1│+0,2│+0,3│+0,4│+0,5
──────────┼─────────┼────┼────┼────┼────┼────┼────┼────┼────┼────┼────┼────
1 │ 2 │ 3 │ 4 │ 5 │ 6 │ 7 │ 8 │ 9 │ 10 │ 11 │ 12 │ 13
──────────┼─────────┼────┼────┼────┼────┼────┼────┼────┼────┼────┼────┼────
0,5 │ 0,05 │860 │883 │906 │928 │952 │957 │925 │872 │825 │783 │744
│ 0,1 │851 │871 │893 │917 │939 │951 │927 │872 │825 │783 │744
│ 0,2 │829 │852 │871 │894 │915 │924 │931 │874 │826 │784 │745
│ 0,3 │810 │828 │848 │868 │887 │900 │932 │876 │828 │784 │746
│ 0,4 │792 │810 │826 │848 │861 │871 │903 │881 │830 │786 │748
│ 0,5 │772 │792 │804 │822 │843 │846 │975 │891 │833 │789 │749
──────────┼─────────┼────┼────┼────┼────┼────┼────┼────┼────┼────┼────┼────
1 │ 0,05 │725 │761 │799 │842 │889 │896 │842 │752 │680 │620 │571
│ 0,1 │709 │744 │780 │820 │864 │885 │843 │753 │680 │620 │571
│ 0,2 │682 │710 │743 │779 │816 │835 │852 │756 │682 │622 │572
│ 0,3 │652 │680 │708 │740 │772 │790 │843 │762 │685 │624 │574
│ 0,4 │625 │649 │678 │705 │734 │747 │792 │774 │690 │628 │576
│ 0,5 │604 │625 │651 │675 │698 │711 │752 │681 │699 │632 │580
──────────┼─────────┼────┼────┼────┼────┼────┼────┼────┼────┼────┼────┼────
1,5 │ 0,05 │602 │644 │688 │726 │814 │824 │754 │640 │558 │496 │447
│ 0,1 │586 │624 │664 │718 │774 │810 │755 │641 │558 │496 │447
│ 0,2 │555 │588 │624 │666 │712 │734 │768 │644 │561 │498 │448
│ 0,3 │526 │555 │586 │620 │642 │674 │745 │653 │565 │501 │450
│ 0,4 │500 │525 │551 │567 │611 │628 │680 │673 │571 │504 │453
│ 0,5 │475 │498 │521 │545 │571 │585 │627 │659 │582 │510 │456
──────────┼─────────┼────┼────┼────┼────┼────┼────┼────┼────┼────┼────┼────
2 │ 0,05 │494 │541 │591 │653 │712 │753 │661 │538 │459 │402 │359
│ 0,1 │480 │521 │567 │621 │688 │729 │664 │540 │460 │402 │359
│ 0,2 │451 │485 │522 │564 │613 │641 │676 │544 │462 │403 │359
│ 0,3 │425 │453 │483 │504 │542 │563 │648 │552 │466 │406 │361
│ 0,4 │401 │425 │450 │476 │507 │523 │577 │575 │472 │409 │363
│ 0,5 │379 │400 │421 │444 │465 │480 │510 │545 │482 │414 │366
──────────┼─────────┼────┼────┼────┼────┼────┼────┼────┼────┼────┼────┼────
2,5 │ 0,05 │404 │451 │502 │563 │647 │667 │569 │451 │380 │330 │293
│ 0,1 │395 │434 │479 │532 │598 │628 │572 │452 │380 │330 │293
│ 0,2 │370 │402 │437 │477 │524 │550 │585 │458 │382 │331 │294
│ 0,3 │347 │374 │402 │433 │468 │487 │559 │464 │385 │333 │295
│ 0,4 │327 │348 │372 │397 │423 │438 │486 │482 │390 │336 │297
│ 0,5 │308 │326 │346 │366 │386 │397 │429 │454 │399 │340 │299
──────────┼─────────┼────┼────┼────┼────┼────┼────┼────┼────┼────┼────┼────
3 │ 0,05 │331 │361 │422 │481 │562 │580 │481 │379 │317 │275 │243
│ 0,1 │323 │350 │404 │454 │517 │559 │486 │380 │317 │275 │243
│ 0,2 │306 │335 │368 │405 │447 │473 │497 │383 │319 │276 │244
│ 0,3 │288 │312 │337 │363 │387 │404 │483 │388 │322 │277 │245
│ 0,4 │270 │290 │311 │333 │355 │369 │413 │400 │325 │279 │246
│ 0,5 │255 │271 │288 │306 │323 │333 │361 │379 │331 │282 │248
──────────┼─────────┼────┼────┼────┼────┼────┼────┼────┼────┼────┼────┼────
3,5 │ 0,05 │270 │307 │352 │409 │482 │481 │408 │320 │268 │232 │205
│ 0,1 │266 │300 │340 │387 │446 │485 │412 │320 │268 │232 │205
│ 0,2 │255 │282 │312 │346 │383 │421 │418 │323 │269 │233 │206
│ 0,3 │241 │263 │286 │311 │331 │354 │421 │328 │271 │234 │207
│ 0,4 │227 │245 │263 │283 │503 │315 │354 │334 │274 │235 │208
│ 0,5 │214 │229 │244 │260 │275 │284 │309 │323 │277 │237 │209
──────────┼─────────┼────┼────┼────┼────┼────┼────┼────┼────┼────┼────┼────
4 │ 0,05 │223 │253 │293 │342 │411 │416 │338 │272 │228 │198 │176
│ 0,1 │221 │250 │285 │329 │383 │418 │347 │272 │228 │198 │176
│ 0,2 │214 │238 │266 │297 │332 │354 │354 │274 │229 │198 │176
│ 0,3 │204 │224 │245 │267 │292 │302 │363 │277 │230 │199 │177
│ 0,4 │194 │209 │226 │243 │257 │267 │308 │278 │232 │200 │177
│ 0,5 │183 │196 │209 │218 │232 │240 │266 │277 │233 │201 │178
──────────┼─────────┼────┼────┼────┼────┼────┼────┼────┼────┼────┼────┼────
4,5 │ 0,05 │186 │211 │244 │288 │349 │351 │295 │233 │196 │171 │152
│ 0,1 │185 │209 │240 │280 │321 │353 │295 │233 │196 │171 │152
│ 0,2 │181 │202 │227 │256 │288 │307 │299 │235 │297 │171 │152
│ 0,3 │174 │192 │211 │232 │254 │267 │308 │236 │198 │172 │153
│ 0,4 │166 │181 │196 │207 │228 │236 │269 │238 │199 │172 │153
│ 0,5 │158 │170 │182 │193 │206 │213 │233 │238 │199 │173 │153
──────────┼─────────┼────┼────┼────┼────┼────┼────┼────┼────┼────┼────┼────
5 │ 0,05 │158 │178 │205 │242 │295 │298 │246 │202 │171 │149 │133
│ 0,1 │157 │177 │203 │238 │283 │299 │254 │202 │171 │149 │133
│ 0,2 │155 │173 │195 │222 │251 │268 │256 │203 │171 │149 │133
│ 0,3 │150 │166 │184 │202 │223 │234 │259 │204 │172 │149 │133
│ 0,4 │144 │157 │171 │185 │200 │204 │233 │204 │172 │150 │133
│ 0,5 │138 │148 │159 │170 │181 │187 │205 │202 │172 │150 │133
──────────┼─────────┼────┼────┼────┼────┼────┼────┼────┼────┼────┼────┼────
5,5 │ 0,05 │136 │152 │175 │205 │249 │255 │218 │176 │150 │131 │117
│ 0,1 │135 │151 │174 │203 │243 │256 │219 │176 │150 │131 │117
│ 0,2 │134 │149 │169 │192 │220 │230 │220 │176 │150 │131 │117
│ 0,3 │131 │144 │160 │178 │196 │206 │221 │177 │150 │131 │117
│ 0,4 │126 │138 │150 │163 │177 │184 │212 │177 │150 │131 │117
│ 0,5 │121 │131 │140 │150 │160 │166 │182 │174 │149 │131 │117
──────────┼─────────┼────┼────┼────┼────┼────┼────┼────┼────┼────┼────┼────
6 │ 0,05 │118 │132 │151 │176 │212 │220 │190 │155 │132 │116 │104
│ 0,1 │118 │132 │150 │175 │209 │221 │190 │155 │132 │116 │104
│ 0,2 │117 │130 │147 │168 │193 │207 │190 │155 │132 │116 │104
│ 0,3 │115 │127 │141 │157 │170 │183 │191 │155 │132 │116 │104
│ 0,4 │111 │122 │133 │145 │157 │163 │188 │154 │132 │116 │104
│ 0,5 │107 │116 │126 │134 │143 │148 │163 │149 │131 │116 │104
Примечание. Значения коэффициента

в таблице увеличены в 1000 раз.
Таблица 4
Коэффициент

для стержней из равнополочных уголков
упругозащемленных в плоскости симметрии
и шарнирно закрепленных из этой плоскости
(

,

)
──────────┬─────────┬──────────────────────────────────────────────────────
______ │ _ │ __ _
лямбда │ u │ фи при v , равном
x │ o │ uv o
│ ├────┬────┬────┬────┬────┬────┬────┬────┬────┬────┬────
│ │-0,5│-0,4│-0,3│-0,2│-0,1│ 0 │+0,1│+0,2│+0,3│+0,4│+0,5
──────────┼─────────┼────┼────┼────┼────┼────┼────┼────┼────┼────┼────┼────
0,5 │ 0,05 │830 │854 │880 │910 │938 │945 │907 │944 │789 │740 │698
│ 0,1 │818 │841 │868 │894 │923 │936 │908 │944 │789 │741 │698
│ 0,2 │791 │819 │839 │865 │890 │903 │914 │945 │790 │742 │699
│ 0,3 │767 │789 │815 │839 │881 │871 │911 │850 │792 │743 │700
│ 0,4 │748 │768 │787 │811 │829 │845 │877 │856 │796 │745 │701
│ 0,5 │723 │744 │760 │782 │806 │812 │844 │872 │801 │749 │704
──────────┼─────────┼────┼────┼────┼────┼────┼────┼────┼────┼────┼────┼────
ИС МЕГАНОРМ: примечание.
При публикации в издании М.: Стройиздат, 1989 допущен типографский
брак. Цифра, не пропечатанная в официальном тексте документа, в электронной
версии данного документа заменена символом "!".
1 │ 0,05 │674 │713 │756 │804 │854 │871 │809 │707 │629 │566 │51!
│ 0,1 │657 │693 │732 │777 │826 │852 │811 │708 │630 │566 │51!
│ 0,2 │623 │656 │691 │727 │768 │789 │825 │712 │631 │568 │51!
│ 0,3 │593 │620 │652 │684 │718 │735 │793 │721 │636 │571 │51!
│ 0,4 │565 │592 │618 │645 │674 │689 │737 │745 │645 │575 │52!
│ 0,5 │543 │564 │587 │611 │635 │648 │688 │717 │654 │581 │52!
──────────┼─────────┼────┼────┼────┼────┼────┼────┼────┼────┼────┼────┼────
1,5 │ 0,05 │546 │590 │640 │699 │772 │799 │715 │591 │506 │444 │39!
│ 0,1 │528 │567 │612 │664 │725 │759 │717 │593 │507 │445 │39!
│ 0,2 │493 │525 │562 │602 │647 │672 │755 │598 │510 │446 │39!
│ 0,3 │462 │491 │520 │552 │587 │606 │654 │610 │515 │449 │40!
│ 0,4 │435 │459 │484 │510 │538 │553 │586 │633 │523 │454 │40!
│ 0,5 │411 │431 │452 │474 │494 │506 │534 │568 │542 │460 │40!
──────────┼─────────┼────┼────┼────┼────┼────┼────┼────┼────┼────┼────┼────
2 │ 0,05 │443 │478 │541 │604 │638 │704 │623 │494 │413 │357 │31!
│ 0,1 │428 │468 │512 │561 │627 │646 │626 │496 │414 │357 │31!
│ 0,2 │395 │427 │461 │498 │541 │562 │647 │502 │417 │359 │31!
│ 0,3 │367 │383 │420 │448 │480 │497 │552 │515 │422 │362 │31!
│ 0,4 │343 │364 │386 │408 │423 │445 │475 │511 │431 │366 │32!
│ 0,5 │321 │399 │357 │375 │392 │402 │420 │440 │460 │373 │325
──────────┼─────────┼────┼────┼────┼────┼────┼────┼────┼────┼────┼────┼────
2,5 │ 0,05 │360 │406 │457 │517 │596 │643 │526 │413 │343 │293 │256
│ 0,1 │349 │387 │430 │478 │537 │571 │542 │416 │343 │293 │257
│ 0,2 │322 │351 │382 │415 │445 │473 │548 │422 │345 │295 │258
│ 0,3 │298 │321 │344 │367 │394 │403 │456 │436 │350 │398 │26!
│ 0,4 │277 │295 │314 │333 │352 │362 │386 │413 │358 │301 │26!
│ 0,5 │259 │274 │289 │303 │318 │325 │341 │358 │366 │306 │26!
──────────┼─────────┼────┼────┼────┼────┼────┼────┼────┼────┼────┼────┼────
3 │ 0,05 │294 │337 │386 │433 │514 │560 │459 │450 │287 │245 │21!
│ 0,1 │286 │322 │361 │406 │450 │489 │465 │351 │287 │245 │21!
│ 0,2 │266 │293 │320 │349 │381 │392 │457 │357 │290 │246 │21!
│ 0,3 │247 │266 │287 │307 │324 │342 │374 │370 │294 │249 │21!
│ 0,4 │229 │245 │260 │277 │287 │301 │325 │338 │300 │252 │21!
│ 0,5 │213 │226 │239 │251 │262 │269 │284 │293 │295 │255 │22!
──────────┼─────────┼────┼────┼────┼────┼────┼────┼────┼────┼────┼────┼────
3,5 │ 0,05 │240 │278 │325 │377 │433 │482 │393 │298 │244 │208 │182
│ 0,1 │236 │269 │306 │347 │392 │419 │396 │299 │244 │208 │182
│ 0,2 │223 │247 │271 │297 │324 │338 │392 │303 │246 │209 │183
│ 0,3 │207 │225 │243 │261 │275 │289 │320 │312 │250 │211 │184
│ 0,4 │193 │206 │220 │234 │247 │254 │272 │281 │253 │213 │185
│ 0,5 │180 │191 │201 │208 │221 │226 │238 │243 │243 │215 │186
──────────┼─────────┼────┼────┼────┼────┼────┼────┼────┼────┼────┼────┼────
4 │ 0,05 │200 │231 │272 │322 │379 │412 │336 │255 │209 │179 │157
│ 0,1 │197 │226 │260 │291 │330 │359 │339 │251 │205 │179 │157
│ 0,2 │188 │210 │233 │250 │273 │319 │335 │260 │212 │180 │157
│ 0,3 │177 │193 │208 │224 │235 │248 │273 │266 │214 │181 │158
│ 0,4 │165 │177 │185 │199 │212 │213 │232 │237 │216 │183 │159
│ 0,5 │154 │163 │172 │181 │190 │193 │202 │206 │204 │183 │160
──────────┼─────────┼────┼────┼────┼────┼────┼────┼────┼────┼────┼────┼────
4,5 │ 0,05 │168 │194 │229 │268 │324 │343 │287 │216 │182 │156 │136
│ 0,1 │166 │191 │222 │256 │290 │210 │290 │221 │182 │156 │136
│ 0,2 │161 │180 │201 │221 │240 │251 │286 │224 │183 │156 │137
│ 0,3 │152 │167 │181 │194 │203 │214 │230 │227 │185 │157 │138
│ 0,4 │143 │153 │164 │174 │183 │188 │200 │202 │185 │158 │138
│ 0,5 │133 │142 │150 │157 │164 │167 │174 │177 │174 │157 │138
──────────┼─────────┼────┼────┼────┼────┼────┼────┼────┼────┼────┼────┼────
5 │ 0,05 │143 │164 │193 │233 │275 │298 │248 │192 │159 │137 │120
│ 0,1 │142 │163 │190 │221 │252 │268 │250 │193 │159 │137 │120
│ 0,2 │139 │156 │175 │193 │209 │218 │247 │195 │160 │137 │120
│ 0,3 │132 │145 │158 │169 │181 │184 │203 │196 │161 │138 │121
│ 0,4 │125 │134 │143 │152 │157 │164 │171 │175 │160 │138 │121
│ 0,5 │117 │124 │131 │137 │144 │146 │150 │154 │150 │137 │121
──────────┼─────────┼────┼────┼────┼────┼────┼────┼────┼────┼────┼────┼────
5,5 │ 0,05 │124 │142 │166 │198 │242 │255 │215 │168 │140 │121 │107
│ 0,1 │123 │141 │164 │192 │220 │230 │217 │169 │140 │121 │107
│ 0,2 │121 │136 │153 │170 │184 │192 │214 │171 │138 │121 │107
│ 0,3 │116 │128 │139 │150 │160 │165 │178 │170 │142 │122 │107
│ 0,4 │110 │119 │127 │134 │139 │144 │152 │153 │140 │122 │107
│ 0,5 │104 │110 │116 │121 │125 │129 │134 │135 │131 │120 │107
──────────┼─────────┼────┼────┼────┼────┼────┼────┼────┼────┼────┼────┼────
6 │ 0,05 │108 │123 │114 │117 │209 │220 │188 │149 │125 │108 │095
│ 0,1 │108 │123 │142 │167 │192 │205 │189 │249 │125 │108 │095
│ 0,2 │107 │120 │135 │150 │163 │169 │187 │150 │125 │108 │095
│ 0,3 │103 │113 │124 │133 │142 │146 │156 │149 │126 │108 │096
│ 0,4 │098 │106 │113 │120 │123 │129 │135 │135 │123 │108 │096
│ 0,5 │092 │098 │104 │109 │113 │115 │119 │120 │116 │106 │095
Примечание. Значения коэффициента

в таблице увеличены в 1000 раз.
Таблица 5
Коэффициенты

для стержней из неравнополочных уголков
шарнирно закрепленных в двух главных плоскостях
──────────┬─────────┬──────────────────────────────────────────────────────
______ │ _ │ __ _
лямбда │ u │ фи при v , равном
x │ o │ uv o
│ ├────┬────┬────┬────┬────┬────┬────┬────┬────┬────┬────
│ │-0,5│-0,4│-0,3│-0,2│-0,1│ 0 │+0,1│+0,2│+0,3│+0,4│+0,5
──────────┼─────────┼────┼────┼────┼────┼────┼────┼────┼────┼────┼────┼────
0,5 │ 0,05 │840 │862 │887 │909 │933 │945 │936 │890 │848 │810 │755
│ 0,1 │825 │845 │866 │889 │911 │922 │939 │890 │848 │810 │775
│ 0,2 │795 │807 │827 │849 │867 │878 │907 │893 │850 │811 │776
│ 0,3 │760 │776 │789 │813 │826 │837 │863 │882 │853 │812 │777
│ 0,4 │729 │745 │761 │778 │789 │801 │823 │840 │856 │816 │779
│ 0,5 │707 │718 │732 │744 │756 │760 │787 │800 │816 │830 │785
──────────┼─────────┼────┼────┼────┼────┼────┼────┼────┼────┼────┼────┼────
1 │ 0,05 │680 │714 │751 │788 │833 │821 │860 │778 │711 │655 │608
│ 0,1 │655 │685 │717 │753 │790 │806 │872 │779 │712 │656 │607
│ 0,2 │609 │633 │659 │668 │714 │725 │768 │796 │716 │658 │609
│ 0,3 │569 │589 │610 │631 │653 │663 │696 │719 │734 │662 │612
│ 0,4 │533 │551 │568 │584 │601 │609 │620 │649 │663 │678 │618
│ 0,5 │501 │515 │529 │542 │555 │561 │577 │590 │600 │608 │614
──────────┼─────────┼────┼────┼────┼────┼────┼────┼────┼────┼────┼────┼────
1,5 │ 0,05 │543 │577 │621 │667 │726 │757 │776 │670 │591 │530 │481
│ 0,1 │514 │545 │564 │614 │660 │679 │753 │671 │592 │530 │482
│ 0,2 │466 │489 │514 │540 │565 │566 │622 │652 │597 │533 │484
│ 0,3 │427 │445 │453 │482 │490 │508 │526 │557 │568 │541 │488
│ 0,4 │393 │408 │422 │435 │439 │454 │473 │485 │493 │494 │487
│ 0,5 │364 │375 │385 │395 │404 │407 │419 │429 │435 │435 │432
──────────┼─────────┼────┼────┼────┼────┼────┼────┼────┼────┼────┼────┼────
2 │ 0,05 │437 │458 │508 │554 │609 │640 │686 │568 │489 │432 │388
│ 0,2 │407 │434 │464 │500 │539 │558 │624 │570 │490 │432 │388
│ 0,3 │363 │382 │404 │415 │446 │430 │495 │514 │498 │436 │390
│ 0,4 │300 │304 │322 │332 │338 │339 │358 │365 │367 │364 │355
│ 0,5 │275 │283 │291 │299 │305 │308 │316 │320 │321 │329 │314
──────────┼─────────┼────┼────┼────┼────┼────┼────┼────┼────┼────┼────┼────
2,5 │ 0,05 │355 │384 │418 │459 │506 │532 │598 │478 │406 │355 │317
│ 0,1 │330 │351 │370 │406 │439 │454 │490 │482 │407 │356 │318
│ 0,2 │290 │305 │323 │332 │357 │368 │391 │401 │395 │358 │319
│ 0,3 │255 │271 │284 │288 │307 │312 │324 │330 │329 │320 │305
│ 0,4 │237 │245 │253 │262 │268 │270 │277 │282 │281 │277 │270
│ 0,5 │216 │223 │229 │234 │236 │240 │243 │246 │246 │244 │239
──────────┼─────────┼────┼────┼────┼────┼────┼────┼────┼────┼────┼────┼────
3 │ 0,05 │293 │319 │346 │379 │415 │424 │480 │402 │330 │296 │264
│ 0,1 │271 │289 │311 │334 │357 │369 │403 │401 │441 │297 │264
│ 0,2 │236 │250 │262 │269 │290 │290 │313 │317 │309 │289 │262
│ 0,3 │211 │221 │230 │239 │248 │251 │252 │262 │259 │251 │240
│ 0,4 │192 │199 │205 │211 │216 │217 │221 │224 │222 │218 │212
│ 0,5 │175 │180 │185 │189 │192 │192 │193 │196 │195 │193 │189
──────────┼─────────┼────┼────┼────┼────┼────┼────┼────┼────┼────┼────┼────
3,5 │ 0,05 │244 │261 │290 │316 │337 │358 │383 │333 │285 │249 │222
│ 0,1 │221 │239 │254 │276 │289 │305 │326 │321 │285 │249 │222
│ 0,2 │196 │206 │213 │229 │240 │244 │255 │255 │247 │233 │215
│ 0,3 │176 │183 │187 │198 │203 │206 │211 │212 │209 │202 │190
│ 0,4 │159 │165 │170 │174 │178 │179 │182 │182 │181 │177 │172
│ 0,5 │145 │149 │152 │154 │158 │155 │160 │160 │157 │157 │154
──────────┼─────────┼────┼────┼────┼────┼────┼────┼────┼────┼────┼────┼────
4 │ 0,05 │207 │225 │245 │265 │287 │295 │312 │287 │244 │213 │190
│ 0,1 │191 │204 │218 │232 │246 │254 │266 │260 │239 │212 │190
│ 0,2 │166 │175 │183 │192 │196 │203 │210 │209 │202 │192 │179
│ 0,3 │148 │154 │157 │166 │171 │172 │175 │175 │172 │167 │167
│ 0,4 │135 │139 │143 │147 │149 │150 │152 │152 │150 │147 │142
│ 0,5 │123 │126 │129 │131 │131 │131 │131 │134 │133 │131 │128
──────────┼─────────┼────┼────┼────┼────┼────┼────┼────┼────┼────┼────┼────
4,5 │ 0,05 │173 │192 │204 │220 │240 │241 │256 │235 │209 │183 │164
│ 0,1 │163 │163 │185 │193 │207 │213 │220 │215 │199 │175 │163
│ 0,2 │139 │146 │156 │164 │170 │172 │177 │175 │169 │160 │150
│ 0,3 │127 │132 │137 │141 │145 │146 │149 │148 │145 │140 │134
│ 0,4 │115 │119 │122 │125 │127 │128 │128 │129 │127 │124 │120
│ 0,5 │105 │108 │110 │112 │113 │111 │112 │114 │112 │101 │106
──────────┼─────────┼────┼────┼────┼────┼────┼────┼────┼────┼────┼────┼────
5 │ 0,05 │158 │163 │175 │188 │204 │209 │214 │200 │180 │160 │143
│ 0,1 │141 │147 │156 │168 │173 │181 │186 │180 │168 │154 │142
│ 0,2 │123 │129 │135 │140 │146 │148 │149 │147 │143 │135 │125
│ 0,3 │110 │112 │119 │122 │122 │126 │127 │126 │123 │119 │115
│ 0,4 │096 │103 │106 │106 │108 │110 │111 │110 │109 │103 │100
│ 0,5 │092 │093 │095 │097 │098 │098 │098 │097 │096 │094 │093
──────────┼─────────┼────┼────┼────┼────┼────┼────┼────┼────┼────┼────┼────
5,5 │ 0,05 │133 │144 │155 │165 │174 │178 │180 │170 │156 │139 │129
│ 0,1 │123 │131 │139 │146 │158 │155 │159 │153 │144 │133 │121
│ 0,2 │105 │110 │117 │122 │127 │128 │130 │127 │123 │117 │108
│ 0,3 │097 │100 │101 │107 │109 │109 │110 │109 │107 │108 │099
│ 0,4 │088 │090 │098 │095 │096 │096 │097 │096 │094 │092 │089
│ 0,5 │080 │082 │082 │085 │086 │086 │086 │086 │085 │083 │081
──────────┼─────────┼────┼────┼────┼────┼────┼────┼────┼────┼────┼────┼────
6 │ 0,05 │117 │126 │135 │144 │147 │153 │154 │143 │135 │121 │111
│ 0,1 │108 │115 │122 │127 │133 │135 │136 │132 │121 │116 │107
│ 0,2 │095 │099 │108 │107 │111 │112 │113 │110 │106 │102 │096
│ 0,3 │084 │088 │091 │094 │094 │096 │096 │095 │093 │090 │086
│ 0,4 │077 │078 │082 │084 │085 │085 │085 │084 │083 │081 │078
│ 0,5 │071 │072 │074 │075 │075 │075 │076 │076 │075 │073 │072
Примечание. Значения коэффициента

в таблице увеличены в 1000 раз.
Таблица 6
Коэффициент

для внецентренно сжатых шарнирно
закрепленных стержней из одиночных уголков

,

────────┬────────────┬─────────────────────────────────────────────────────
______ │ _ │
лямбда │ f │ фи при v, равном
x │ o │ uv
│ _ ├─────┬─────┬─────┬─────┬─────┬─────┬─────┬─────┬─────
│(f = f /f )│ 0 │пи/8 │ пи/4│3пи/8│пи/2 │5пи/8│3пи/4│7пи/8│ пи
│ o o x │ │ │ │ │ │ │ │ │
────────┼────────────┼─────┼─────┼─────┼─────┼─────┼─────┼─────┼─────┼─────
0,5 │ 0,25 │ 838 │ 837 │ 870 │ 925 │ 851 │ 810 │ 810 │ 810 │ 808
│ 0,5 │ 699 │ 717 │ 766 │ 855 │ 749 │ 695 │ 667 │ 675 │ 700
│ 0,75 │ 602 │ 623 │ 680 │ 781 │ 675 │ 601 │ 572 │ 576 │ 600
│ 1 │ 529 │ 550 │ 604 │ 706 │ 615 │ 533 │ 498 │ 503 │ 526
│ 1,25 │ 407 │ 488 │ 540 │ 647 │ 570 │ 480 │ 440 │ 443 │ 465
│ 1,5 │ 419 │ 433 │ 490 │ 595 │ 526 │ 432 │ 394 │ 396 │ 414
────────┼────────────┼─────┼─────┼─────┼─────┼─────┼─────┼─────┼─────┼─────
1 │ 0,25 │ 796 │ 814 │ 844 │ 891 │ 831 │ 804 │ 782 │ 781 │ 759
│ 0,5 │ 676 │ 682 │ 734 │ 828 │ 739 │ 683 │ 653 │ 655 │ 664
│ 0,75 │ 574 │ 593 │ 652 │ 763 │ 672 │ 597 │ 560 │ 560 │ 571
│ 1 │ 505 │ 524 │ 584 │ 705 │ 605 │ 527 │ 489 │ 487 │ 501
│ 1,25 │ 449 │ 466 │ 527 │ 654 │ 559 │ 472 │ 435 │ 433 │ 444
│ 1,5 │ 401 │ 418 │ 479 │ 607 │ 509 │ 427 │ 391 │ 387 │ 398
────────┼────────────┼─────┼─────┼─────┼─────┼─────┼─────┼─────┼─────┼─────
1,5 │ 0,25 │ 744 │ 755 │ 793 │ 850 │ 809 │ 774 │ 745 │ 742 │ 742
│ 0,5 │ 619 │ 635 │ 686 │ 777 │ 726 │ 654 │ 619 │ 610 │ 617
│ 0,75 │ 536 │ 554 │ 613 │ 711 │ 652 │ 568 │ 531 │ 523 │ 533
│ 1 │ 471 │ 483 │ 541 │ 660 │ 591 │ 504 │ 464 │ 461 │ 467
│ │ │ │ 489 │ 605 │ 540 │ 451 │ 413 │ 409 │ 417
│ │ │ │ 443 │ 566 │ 500 │ 411 │ 372 │ 367 │ 372
────────┼────────────┼─────┼─────┼─────┼─────┼─────┼─────┼─────┼─────┼─────
2 │ 0,25 │ 689 │ 694 │ 735 │ 797 │ 791 │ 732 │ 698 │ 682 │ 675
│ 0,5 │ 563 │ 575 │ 624 │ 719 │ 699 │ 616 │ 567 │ 566 │ 563
│ 0,75 │ 484 │ 500 │ 549 │ 654 │ 629 │ 533 │ 493 │ 482 │ 482
│ 1 │ 430 │ 442 │ 491 │ 597 │ 570 │ 473 │ 434 │ 423 │ 427
│ 1,25 │ 380 │ 394 │ 442 │ 552 │ 552 │ 426 │ 388 │ 379 │ 380
│ 1,5 │ 344 │ 360 │ 402 │ 509 │ 484 │ 389 │ 350 │ 341 │ 344
────────┼────────────┼─────┼─────┼─────┼─────┼─────┼─────┼─────┼─────┼─────
2,5 │ 0,25 │ 617 │ 634 │ 661 │ 728 │ 759 │ 682 │ 641 │ 622 │ 616
│ 0,5 │ 503 │ 517 │ 558 │ 644 │ 671 │ 570 │ 527 │ 506 │ 506
│ 0,75 │ 435 │ 446 │ 491 │ 584 │ 594 │ 495 │ 451 │ 436 │ 434
│ 1 │ 385 │ 394 │ 440 │ 536 │ 548 │ 440 │ 399 │ 387 │ 386
│ 1,25 │ 344 │ 356 │ 398 │ 494 │ 504 │ 398 │ 359 │ 348 │ 344
│ 1,5 │ 313 │ 325 │ 363 │ 460 │ 464 │ 366 │ 326 │ 313 │ 313
────────┼────────────┼─────┼─────┼─────┼─────┼─────┼─────┼─────┼─────┼─────
3 │ 0,25 │ 590 │ 619 │ 650 │ 751 │ 753 │ 623 │ 575 │ 551 │ 546
│ 0,5 │ 445 │ 459 │ 493 │ 635 │ 642 │ 520 │ 473 │ 452 │ 448
│ 0,75 │ 387 │ 399 │ 467 │ 571 │ 584 │ 457 │ 410 │ 391 │ 386
│ 1 │ 344 │ 354 │ 391 │ 476 │ 540 │ 407 │ 363 │ 346 │ 344
│ 1,25 │ 309 │ 321 │ 361 │ 440 │ 494 │ 367 │ 329 │ 313 │ 308
│ 1,5 │ 283 │ 291 │ 326 │ 407 │ 450 │ 336 │ 299 │ 286 │ 286
────────┼────────────┼─────┼─────┼─────┼─────┼─────┼─────┼─────┼─────┼─────
3,5 │ 0,25 │ 518 │ 538 │ 575 │ 653 │ 703 │ 549 │ 508 │ 487 │ 478
│ 0,5 │ 393 │ 408 │ 434 │ 555 │ 641 │ 464 │ 424 │ 399 │ 396
│ 0,75 │ 344 │ 354 │ 383 │ 498 │ 586 │ 418 │ 366 │ 350 │ 344
│ 1 │ 307 │ 314 │ 348 │ 449 │ 529 │ 369 │ 328 │ 311 │ 307
│ 1,25 │ 279 │ 286 │ 317 │ 424 │ 467 │ 336 │ 297 │ 281 │ 277
│ 1,5 │ 254 │ 265 │ 304 │ 400 │ 456 │ 308 │ 273 │ 258 │ 255
────────┼────────────┼─────┼─────┼─────┼─────┼─────┼─────┼─────┼─────┼─────
4 │ 0,25 │ 452 │ 464 │ 489 │ 524 │ 578 │ 480 │ 438 │ 419 │ 414
│ 0,5 │ 364 │ 372 │ 416 │ 471 │ 534 │ 411 │ 372 │ 352 │ 350
│ 0,75 │ 303 │ 310 │ 360 │ 435 │ 499 │ 371 │ 328 │ 307 │ 305
│ 1 │ 273 │ 281 │ 328 │ 403 │ 464 │ 337 │ 295 │ 276 │ 274
│ 1,25 │ 248 │ 257 │ 293 │ 371 │ 441 │ 310 │ 267 │ 252 │ 249
│ 1,5 │ 229 │ 238 │ 272 │ 348 │ 411 │ 282 │ 248 │ 233 │ 228
────────┼────────────┼─────┼─────┼─────┼─────┼─────┼─────┼─────┼─────┼─────
4,5 │ 0,25 │ 388 │ 395 │ 408 │ 435 │ 463 │ 406 │ 375 │ 361 │ 356
│ 0,5 │ 304 │ 307 │ 349 │ 401 │ 443 │ 360 │ 324 │ 308 │ 306
│ 0,75 │ 270 │ 275 │ 294 │ 369 │ 424 │ 327 │ 289 │ 274 │ 268
│ 1 │ 243 │ 254 │ 271 │ 341 │ 403 │ 300 │ 263 │ 248 │ 243
│ 1,25 │ 223 │ 231 │ 258 │ 323 │ 385 │ 279 │ 242 │ 226 │ 225
────────┼────────────┼─────┼─────┼─────┼─────┼─────┼─────┼─────┼─────┼─────
5 │ 0,25 │ 326 │ 331 │ 342 │ 362 │ 380 │ 349 │ 321 │ 310 │ 310
│ 0,5 │ 279 │ 285 │ 285 │ 337 │ 368 │ 312 │ 282 │ 268 │ 265
│ 0,75 │ 243 │ 246 │ 275 │ 318 │ 356 │ 288 │ 259 │ 242 │ 239
│ 1 │ 217 │ 222 │ 239 │ 300 │ 344 │ 264 │ 235 │ 221 │ 219
│ 1,25 │ 201 │ 204 │ 228 │ 277 │ 330 │ 249 │ 219 │ 203 │ 200
│ 1,5 │ 186 │ 196 │ 215 │ 267 │ 318 │ 234 │ 202 │ 190 │ 187
────────┼────────────┼─────┼─────┼─────┼─────┼─────┼─────┼─────┼─────┼─────
5,5 │ 0,25 │ 263 │ 279 │ 290 │ 303 │ 347 │ 295 │ 276 │ 270 │ 269
│ 0,5 │ 240 │ 253 │ 262 │ 287 │ 308 │ 272 │ 248 │ 236 │ 235
│ 0,75 │ 214 │ 224 │ 240 │ 270 │ 300 │ 253 │ 225 │ 215 │ 212
│ 1 │ 196 │ 200 │ 228 │ 253 │ 292 │ 235 │ 211 │ 198 │ 195
│ 1,25 │ 180 │ 186 │ 204 │ 246 │ 284 │ 222 │ 198 │ 183 │ 181
────────┼────────────┼─────┼─────┼─────┼─────┼─────┼─────┼─────┼─────┼─────
6 │ 0,25 │ 238 │ 243 │ 248 │ 258 │ 290 │ 253 │ 239 │ 233 │ 232
│ 0,5 │ 213 │ 218 │ 227 │ 246 │ 278 │ 235 │ 217 │ 208 │ 206
│ 0,75 │ 188 │ 193 │ 210 │ 223 │ 256 │ 221 │ 200 │ 192 │ 187
│ 1 │ 174 │ 178 │ 197 │ 221 │ 251 │ 208 │ 188 │ 175 │ 174
│ 1,25 │ 163 │ 168 │ 176 │ 215 │ 244 │ 199 │ 177 │ 165 │ 163
│ 1,5 │ 151 │ 157 │ 171 │ 205 │ 236 │ 188 │ 166 │ 155 │ 152
Примечание. Коэффициенты

в таблице увеличены в 1000 раз.
Таблица 7
Коэффициент

, учитывающий влияние краевого выреза
на устойчивость шарнирно закрепленного стержня
из спаренных уголков
Параметры выреза:

,
─────────┬────────┬────────────────────────────────────────────────────────
______ │ │
лямбда │ f │ k при v, равном
x │ o │ осл
│ ├──────┬──────┬──────┬───────┬──────┬──────┬──────┬──────
│ │ 0 │ пи/4 │ пи/2 │ 3пи/4 │ пи │5пи/4 │3пи/2 │7пи/4
─────────┴────────┴──────┴──────┴──────┴───────┴──────┴──────┴──────┴──────

;

──────────┬────────┬──────┬──────┬──────┬──────┬──────┬──────┬──────┬──────
1 │ 0,1 │ 0,78 │ 0,84 │ 0,89 │ 0,93 │ 0,93 │ 0,81 │ 0,77 │ 0,73
│ 0,3 │ 0,78 │ 0,99 │ 1 │ 1 │ 1 │ 0,98 │ 0,76 │ 0,76
│ 0,5 │ 0,77 │ 1 │ 1 │ 1 │ 1 │ 1 │ 0,74 │ 0,76
──────────┼────────┼──────┼──────┼──────┼──────┼──────┼──────┼──────┼──────
3 │ 0,1 │ 0,88 │ 1 │ 1 │ 0,95 │ 0,9 │ 1 │ 0,81 │ 0,84
│ 0,3 │ 0,87 │ 1 │ 0,96 │ 1 │ 1 │ 1 │ 0,89 │ 0,85
│ 0,5 │ 0,85 │ 1 │ 0,94 │ 1 │ 1 │ 1 │ 0,82 │ 0,83
──────────┼────────┼──────┼──────┼──────┼──────┼──────┼──────┼──────┼──────
5 │ 0,1 │ 0,97 │ 1 │ 0,92 │ 0,95 │ 0,96 │ 0,93 │ 0,9 │ 0,93
│ 0,3 │ 0,97 │ 1 │ 0,86 │ 1 │ 1 │ 1 │ 0,86 │ 0,92
│ 0,5 │ 0,98 │ 1 │ 0,93 │ 1 │ 1 │ 1 │ 0,92 │ 0,91
──────────┴────────┴──────┴──────┴──────┴──────┴──────┴──────┴──────┴──────

;

──────────┬────────┬──────┬──────┬──────┬──────┬──────┬──────┬──────┬──────
1 │ 0,1 │ 0,92 │ 0,85 │ 0,79 │ 0,75 │ 0,74 │ 0,75 │ 0,79 │ 0,83
│ 0,3 │ 0,99 │ 1 │ 0,89 │ 0,74 │ 0,74 │ 0,74 │ 0,89 │ 1
│ 0,5 │ 0,99 │ 1 │ 0,93 │ 0,73 │ 0,73 │ 0,73 │ 0,93 │ 1
──────────┼────────┼──────┼──────┼──────┼──────┼──────┼──────┼──────┼──────
3 │ 0,1 │ 1 │ 1 │ 0,97 │ 0,79 │ 0,84 │ 0,79 │ 0,96 │ 1
│ 0,3 │ 0,95 │ 1 │ 1 │ 0,8 │ 0,84 │ 0,8 │ 1 │ 1
│ 0,5 │ 0,91 │ 1 │ 1 │ 0,84 │ 0,82 │ 0,84 │ 1 │ 1
──────────┼────────┼──────┼──────┼──────┼──────┼──────┼──────┼──────┼──────
5 │ 0,1 │ 0,98 │ 0,97 │ 0,9 │ 0,85 │ 0,85 │ 0,85 │ 0,9 │ 0,97
│ 0,3 │ 1 │ 0,98 │ 0,92 │ 0,9 │ 0,91 │ 0,9 │ 0,95 │ 1
│ 0,5 │ 0,96 │ 0,99 │ 1 │ 0,91 │ 0,89 │ 0,91 │ 1 │ 0,99
──────────┴────────┴──────┴──────┴──────┴──────┴──────┴──────┴──────┴──────

;

──────────┬────────┬──────┬──────┬──────┬──────┬──────┬──────┬──────┬──────
1 │ 0,1 │ 0,58 │ 0,63 │ 0,66 │ 0,71 │ 0,7 │ 0,64 │ 0,58 │ 0,57
│ 0,3 │ 0,58 │ 0,73 │ 0,84 │ 1 │ 1 │ 0,74 │ 0,58 │ 0,57
│ 0,5 │ 0,6 │ 0,84 │ 0,97 │ 1 │ 1 │ 0,81 │ 0,57 │ 0,57
──────────┼────────┼──────┼──────┼──────┼──────┼──────┼──────┼──────┼──────
3 │ 0,1 │ 0,69 │ 0,84 │ 1 │ 1 │ 1 │ 0,93 │ 0,68 │ 0,69
│ 0,3 │ 0,7 │ 1 │ 0,91 │ 1 │ 1 │ 1 │ 0,66 │ 0,66
│ 0,5 │ 0,71 │ 1 │ 0,8 │ 1 │ 1 │ 1 │ 0,65 │ 0,65
──────────┼────────┼──────┼──────┼──────┼──────┼──────┼──────┼──────┼──────
5 │ 0,1 │ 0,86 │ 0,93 │ 0,92 │ 0,93 │ 0,91 │ 0,91 │ 0,87 │ 0,82
│ 0,3 │ 0,86 │ 1 │ 0,75 │ 0,98 │ 1 │ 0,9 │ 0,66 │ 0,77
│ 0,5 │ 0,82 │ 1 │ 0,78 │ 0,96 │ 1 │ 1 │ 0,7 │ 0,75
──────────┴────────┴──────┴──────┴──────┴──────┴──────┴──────┴──────┴──────

;

──────────┬────────┬──────┬──────┬──────┬──────┬──────┬──────┬──────┬──────
1 │ 0,1 │ 0,71 │ 0,69 │ 0,61 │ 0,57 │ 0,57 │ 0,57 │ 0,61 │ 0,69
│ 0,3 │ 0,99 │ 1 │ 0,69 │ 0,56 │ 0,56 │ 0,56 │ 0,69 │ 1
│ 0,5 │ 0,97 │ 1 │ 0,78 │ 0,57 │ 0,56 │ 0,57 │ 0,78 │ 1
──────────┼────────┼──────┼──────┼──────┼──────┼──────┼──────┼──────┼──────
3 │ 0,1 │ 1 │ 1 │ 0,79 │ 0,64 │ 0,68 │ 0,64 │ 0,79 │ 1
│ 0,3 │ 0,93 │ 1 │ 1 │ 0,68 │ 0,67 │ 0,68 │ 1 │ 1
│ 0,5 │ 0,82 │ 0,98 │ 1 │ 0,66 │ 0,64 │ 0,66 │ 1 │ 1
──────────┼────────┼──────┼──────┼──────┼──────┼──────┼──────┼──────┼──────
5 │ 0,1 │ 0,97 │ 0,95 │ 0,87 │ 0,76 │ 0,75 │ 0,76 │ 0,87 │ 0,95
│ 0,3 │ 0,89 │ 0,94 │ 0,88 │ 0,78 │ 0,74 │ 0,78 │ 0,87 │ 0,94
│ 0,5 │ 0,82 │ 0,91 │ 1 │ 0,75 │ 0,71 │ 0,75 │ 1 │ 0,91
──────────┴────────┴──────┴──────┴──────┴──────┴──────┴──────┴──────┴──────

;

──────────┬────────┬──────┬──────┬──────┬──────┬──────┬──────┬──────┬──────
1 │ 0,1 │ 0,44 │ 0,47 │ 0,49 │ 0,53 │ 0,53 │ 0,48 │ 0,44 │ 0,43
│ 0,3 │ 0,44 │ 0,55 │ 0,65 │ 0,75 │ 0,75 │ 0,56 │ 0,44 │ 0,43
│ 0,5 │ 0,44 │ 0,63 │ 0,81 │ 1 │ 1 │ 0,62 │ 0,44 │ 0,43
──────────┼────────┼──────┼──────┼──────┼──────┼──────┼──────┼──────┼──────
3 │ 0,1 │ 0,54 │ 0,67 │ 0,82 │ 0,96 │ 0,91 │ 0,7 │ 0,52 │ 0,53
│ 0,3 │ 0,55 │ 0,78 │ 0,84 │ 0,9 │ 1 │ 0,95 │ 0,52 │ 0,52
│ 0,5 │ 0,56 │ 0,98 │ 0,72 │ 0,87 │ 0,99 │ 0,94 │ 0,5 │ 0,51
──────────┼────────┼──────┼──────┼──────┼──────┼──────┼──────┼──────┼──────
5 │ 0,1 │ 0,74 │ 0,86 │ 0,9 │ 0,9 │ 0,85 │ 0,96 │ 0,66 │ 0,68
│ 0,3 │ 0,71 │ 0,95 │ 0,66 │ 0,87 │ 0,95 │ 0,97 │ 0,51 │ 0,62
│ 0,5 │ 0,72 │ 1 │ 0,67 │ 0,8 │ 0,93 │ 1 │ 0,56 │ 0,6
──────────┴────────┴──────┴──────┴──────┴──────┴──────┴──────┴──────┴──────

;

──────────┬────────┬──────┬──────┬──────┬──────┬──────┬──────┬──────┬──────
1 │ 0,1 │ 0,63 │ 0,6 │ 0,54 │ 0,51 │ 0,5 │ 0,51 │ 0,54 │ 0,6
│ 0,3 │ 0,87 │ 0,93 │ 0,62 │ 0,51 │ 0,51 │ 0,5 │ 0,62 │ 0,88
│ 0,5 │ 0,89 │ 0,94 │ 0,7 │ 0,5 │ 0,51 │ 0,5 │ 0,68 │ 0,9
──────────┼────────┼──────┼──────┼──────┼──────┼──────┼──────┼──────┼──────
3 │ 0,1 │ 0,96 │ 1 │ 0,75 │ 0,58 │ 0,63 │ 0,58 │ 0,75 │ 1
│ 0,3 │ 0,89 │ 1 │ 0,93 │ 0,62 │ 0,62 │ 0,62 │ 0,9 │ 1
│ 0,5 │ 0,81 │ 0,96 │ 1 │ 0,61 │ 0,6 │ 0,61 │ 1 │ 0,89
──────────┼────────┼──────┼──────┼──────┼──────┼──────┼──────┼──────┼──────
5 │ 0,1 │ 0,96 │ 0,95 │ 0,87 │ 0,73 │ 0,71 │ 0,73 │ 0,86 │ 0,95
│ 0,3 │ 0,87 │ 0,92 │ 0,84 │ 0,73 │ 0,71 │ 0,73 │ 0,86 │ 0,94
│ 0,5 │ 0,8 │ 0,88 │ 1 │ 0,7 │ 0,67 │ 0,7 │ 1 │ 0,89
──────────┴────────┴──────┴──────┴──────┴──────┴──────┴──────┴──────┴──────
Продолжение табл. 7
Параметры выреза:

,

─────────┬────────┬────────────────────────────────────────────────────────
______ │ _ │
лямбда │ f │ k при v, равном
x │ o │ осл
│ ├──────┬──────┬───────┬──────┬──────┬──────┬──────┬──────
│ │ 0 │ пи/4 │ пи/2 │3пи/4 │ пи │5пи/4 │3пи/2 │7пи/4
─────────┼────────┼──────┼──────┼───────┼──────┼──────┼──────┼──────┼──────
2 │ 0,05 │ 0,81 │ 0,88 │ 0,91 │ 0,98 │ 1 │ 0,89 │ 0,8 │ 0,81
│ 0,1 │ 0,82 │ 0,93 │ 1 │ 1 │ 1 │ 0,93 │ 0,79 │ 0,78
│ 0,2 │ 0,82 │ 1 │ 1 │ 0,99 │ 1 │ 1 │ 0,79 │ 0,79
│ 0,3 │ 0,82 │ 1 │ 0,95 │ 1 │ 1 │ 1 │ 0,78 │ 0,78
│ 0,5 │ 0,82 │ 1 │ 0,88 │ 1 │ 1 │ 1 │ 0,77 │ 0,77
─────────┼────────┼──────┼──────┼───────┼──────┼──────┼──────┼──────┼──────
3 │ 0,05 │ 0,88 │ 0,91 │ 1 │ 0,91 │ 0,98 │ 0,94 │ 0,81 │ 0,83
│ 0,1 │ 0,87 │ 1 │ 1 │ 0,93 │ 0,96 │ 0,92 │ 0,8 │ 0,82
│ 0,2 │ 0,88 │ 1 │ 1 │ 0,98 │ 1 │ 1 │ 0,8 │ 0,8
│ 0,3 │ 0,86 │ 1 │ 0,99 │ 1 │ 1 │ 1 │ 0,79 │ 0,84
│ 0,5 │ 0,84 │ 1 │ 0,9 │ 1 │ 1 │ 1 │ 0,78 │ 0,82
─────────┼────────┼──────┼──────┼───────┼──────┼──────┼──────┼──────┼──────
4 │ 0,05 │ 0,92 │ 0,92 │ 0,95 │ 0,93 │ 0,93 │ 0,95 │ 0,85 │ 0,87
│ 0,1 │ 0,92 │ 0,98 │ 0,97 │ 0,91 │ 0,97 │ 0,88 │ 0,81 │ 0,87
│ 0,2 │ 0,92 │ 1 │ 0,89 │ 0,96 │ 0,98 │ 0,86 │ 0,77 │ 0,83
│ 0,3 │ 0,88 │ 1 │ 1 │ 1 │ 1 │ 0,97 │ 0,8 │ 0,82
│ 0,5 │ 0,88 │ 1 │ 0,93 │ 1 │ 1 │ 1 │ 0,83 │ 0,89
─────────┼────────┼──────┼──────┼───────┼──────┼──────┼──────┼──────┼──────
5 │ 0,05 │ 0,94 │ 0,95 │ 0,96 │ 0,9 │ 0,9 │ 0,91 │ 0,94 │ 0,92
│ 0,1 │ 0,94 │ 0,97 │ 0,92 │ 0,88 │ 0,92 │ 0,92 │ 0,88 │ 0,9
│ 0,2 │ 0,91 │ 1 │ 0,83 │ 0,95 │ 1 │ 0,93 │ 0,79 │ 0,88
│ 0,3 │ 0,91 │ 1 │ 0,83 │ 1 │ 1 │ 0,98 │ 0,73 │ 0,86
│ 0,5 │ 0,87 │ 1 │ 0,93 │ 1 │ 0,98 │ 1 │ 0,81 │ 0,89
Продолжение табл. 7

;

─────────┬────────┬────────────────────────────────────────────────────────
______ │ _ │
лямбда │ f │ k при v, равном
x │ o │ осл
│ ├──────┬──────┬──────┬───────┬──────┬──────┬──────┬──────
│ │ 0 │ пи/4 │ пи/2 │ 3пи/4 │ пи │5пи/4 │3пи/2 │7пи/4
─────────┼────────┼──────┼──────┼──────┼───────┼──────┼──────┼──────┼──────
2 │ 0,05 │ 0,6 │ 0,65 │ 0,7 │ 0,77 │ 0,77 │ 0,68 │ 0,6 │ 0,59
│ 0,1 │ 0,6 │ 0,72 │ 0,8 │ 0,91 │ 0,9 │ 0,75 │ 0,61 │ 0,6
│ 0,2 │ 0,61 │ 0,83 │ 1 │ 1 │ 1 │ 0,87 │ 0,61 │ 0,6
│ 0,3 │ 0,62 │ 0,87 │ 0,92 │ 1 │ 1 │ 0,89 │ 0,61 │ 0,59
│ 0,5 │ 0,62 │ 1 │ 0,82 │ 0,99 │ 1 │ 0,97 │ 0,59 │ 0,59
─────────┼────────┼──────┼──────┼──────┼───────┼──────┼──────┼──────┼──────
3 │ 0,05 │ 0,66 │ 0,74 │ 0,82 │ 0,97 │ 0,92 │ 0,75 │ 0,63 │ 0,65
│ 0,1 │ 0,67 │ 0,84 │ 0,99 │ 0,89 │ 1 │ 0,91 │ 0,65 │ 0,65
│ 0,2 │ 0,68 │ 0,96 │ 0,95 │ 0,94 │ 1 │ 0,94 │ 0,66 │ 0,66
│ 0,3 │ 0,68 │ 1 │ 0,88 │ 1 │ 1 │ 1 │ 0,66 │ 0,65
│ 0,5 │ 0,69 │ 1 │ 0,78 │ 0,96 │ 1 │ 1 │ 0,63 │ 0,63
─────────┼────────┼──────┼──────┼──────┼───────┼──────┼──────┼──────┼──────
4 │ 0,05 │ 0,75 │ 0,83 │ 0,89 │ 0,89 │ 0,9 │ 0,93 │ 0,85 │ 0,72
│ 0,1 │ 0,75 │ 0,89 │ 0,93 │ 0,93 │ 0,94 │ 0,92 │ 0,69 │ 0,72
│ 0,2 │ 0,75 │ 0,99 │ 0,85 │ 0,92 │ 0,91 │ 0,9 │ 0,66 │ 0,71
│ 0,3 │ 0,76 │ 1 │ 0,79 │ 0,98 │ 1 │ 0,98 │ 0,69 │ 0,69
│ 0,5 │ 0,77 │ 1 │ 0,76 │ 0,93 │ 0,99 │ 1 │ 0,66 │ 0,68
─────────┼────────┼──────┼──────┼──────┼───────┼──────┼──────┼──────┼──────
5 │ 0,05 │ 0,83 │ 0,88 │ 0,94 │ 0,9 │ 0,88 │ 0,91 │ 0,85 │ 0,81
│ 0,1 │ 0,83 │ 0,92 │ 0,91 │ 0,84 │ 0,85 │ 0,92 │ 0,77 │ 0,78
│ 0,2 │ 0,82 │ 0,95 │ 0,77 │ 0,93 │ 0,96 │ 0,83 │ 0,66 │ 0,75
│ 0,3 │ 0,83 │ 0,95 │ 0,72 │ 0,93 │ 0,94 │ 1 │ 0,62 │ 0,74
│ 0,5 │ 0,81 │ 1 │ 0,75 │ 0,88 │ 0,92 │ 1 │ 0,68 │ 0,73
Продолжение табл. 7

;

─────────┬────────┬────────────────────────────────────────────────────────
______ │ _ │
лямбда │ f │ k при v, равном
x │ o │ осл
│ ├──────┬──────┬──────┬───────┬──────┬──────┬──────┬──────
│ │ 0 │ пи/4 │ пи/2 │ 3пи/4 │ пи │5пи/4 │3пи/2 │7пи/4
─────────┼────────┼──────┼──────┼──────┼───────┼──────┼──────┼──────┼──────
2 │ 0,05 │ 0,45 │ 0,48 │ 0,52 │ 0,55 │ 0,56 │ 0,5 │ 0,45 │ 0,44
│ 0,1 │ 0,46 │ 0,53 │ 0,6 │ 0,70 │ 0,7 │ 0,55 │ 0,46 │ 0,44
│ 0,2 │ 0,46 │ 0,62 │ 0,77 │ 1 │ 0,92 │ 0,64 │ 0,46 │ 0,45
│ 0,3 │ 0,47 │ 0,69 │ 0,78 │ 1 │ 1 │ 0,7 │ 0,46 │ 0,45
│ 0,5 │ 0,48 │ 0,77 │ 0,79 │ 0,85 │ 0,99 │ 0,74 │ 0,46 │ 0,46
─────────┼────────┼──────┼──────┼──────┼───────┼──────┼──────┼──────┼──────
3 │ 0,05 │ 0,49 │ 0,58 │ 0,59 │ 0,65 │ 0,73 │ 0,55 │ 0,47 │ 0,49
│ 0,1 │ 0,51 │ 0,63 │ 0,77 │ 0,95 │ 0,92 │ 0,65 │ 0,49 │ 0,5
│ 0,2 │ 0,52 │ 0,77 │ 0,89 │ 0,9 │ 0,96 │ 0,84 │ 0,5 │ 0,5
│ 0,3 │ 0,52 │ 0,77 │ 0,83 │ 0,93 │ 0,98 │ 0,82 │ 0,5 │ 0,5
│ 0,5 │ 0,54 │ 0,93 │ 0,69 │ 0,8 │ 0,92 │ 0,92 │ 0,49 │ 0,49
─────────┼────────┼──────┼──────┼──────┼───────┼──────┼──────┼──────┼──────
4 │ 0,05 │ 0,59 │ 0,65 │ 0,69 │ 0,89 │ 0,86 │ 0,74 │ 0,51 │ 0,56
│ 0,1 │ 0,6 │ 0,73 │ 0,83 │ 0,82 │ 0,84 │ 0,9 │ 0,52 │ 0,57
│ 0,2 │ 0,59 │ 0,85 │ 0,76 │ 0,85 │ 0,83 │ 0,91 │ 0,51 │ 0,56
│ 0,3 │ 0,61 │ 0,88 │ 0,76 │ 0,82 │ 0,9 │ 1 │ 0,53 │ 0,54
│ 0,5 │ 0,62 │ 0,98 │ 0,66 │ 0,78 │ 0,84 │ 1 │ 0,52 │ 0,54
─────────┼────────┼──────┼──────┼──────┼───────┼──────┼──────┼──────┼──────
5 │ 0,05 │ 0,71 │ 0,77 │ 0,9 │ 0,91 │ 0,89 │ 0,93 │ 0,67 │ 0,67
│ 0,1 │ 0,69 │ 0,8 │ 0,87 │ 0,84 │ 0,84 │ 0,93 │ 0,6 │ 0,64
│ 0,2 │ 0,68 │ 0,87 │ 0,71 │ 0,84 │ 0,87 │ 0,96 │ 0,51 │ 0,61
│ 0,3 │ 0,69 │ 0,89 │ 0,63 │ 0,84 │ 0,85 │ 1 │ 0,49 │ 0,59
│ 0,5 │ 0,68 │ 0,95 │ 0,65 │ 0,78 │ 0,83 │ 1 │ 0,54 │ 0,58
Продолжение табл. 7

;

─────────┬────────┬────────────────────────────────────────────────────────
______ │ _ │
лямбда │ f │ k при v, равном
x │ o │ осл
│ ├──────┬──────┬──────┬───────┬──────┬──────┬──────┬──────
│ │ 0 │ пи/4 │ пи/2 │ 3пи/4 │ пи │5пи/4 │3пи/2 │7пи/4
─────────┼────────┼──────┼──────┼──────┼───────┼──────┼──────┼──────┼──────
2 │ 0,05 │ 0,97 │ 0,94 │ 0,81 │ 0,77 │ 0,79 │ 0,77 │ 0,81 │ 0,94
│ 0,1 │ 0,99 │ 1 │ 0,86 │ 0,78 │ 0,79 │ 0,78 │ 0,86 │ 1
│ 0,2 │ 0,97 │ 1 │ 0,95 │ 0,78 │ 0,76 │ 0,78 │ 0,95 │ 1
│ 0,3 │ 0,96 │ 1 │ 1 │ 0,75 │ 0,78 │ 0,75 │ 1 │ 1
│ 0,5 │ 0,91 │ 1 │ 0,98 │ 0,74 │ 0,75 │ 0,74 │ 1 │ 1
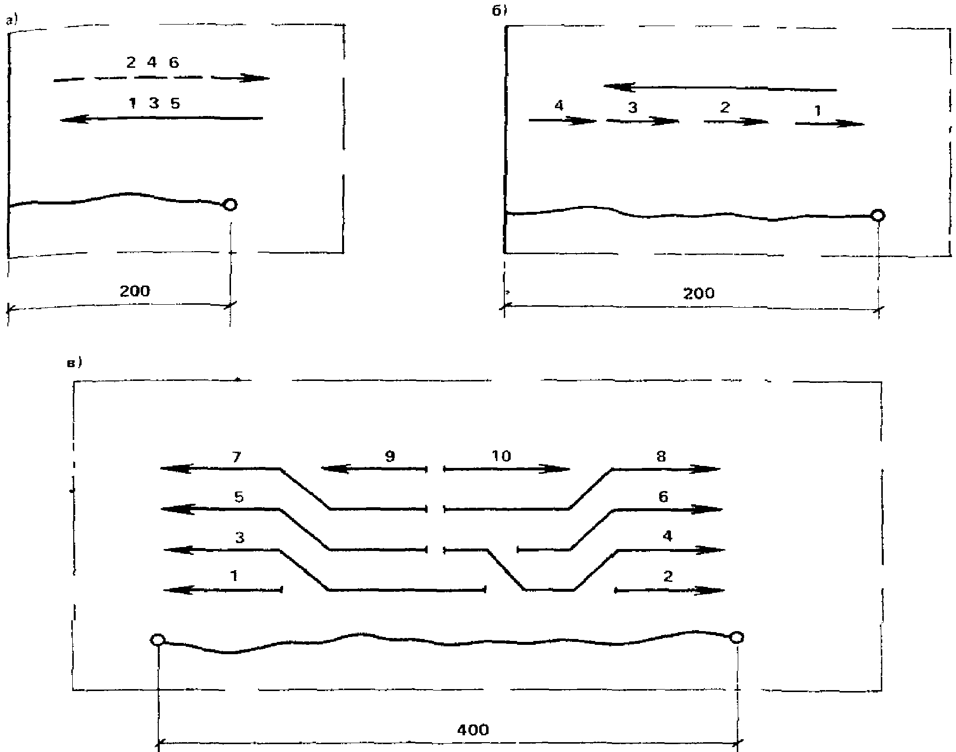
─────────┼────────┼──────┼──────┼──────┼───────┼──────┼──────┼──────┼──────
3 │ 0,05 │ 0,98 │ 1 │ 0,86 │ 0,75 │ 0,83 │ 0,75 │ 0,87 │ 0,98
│ 0,1 │ 0,95 │ 0,97 │ 0,93 │ 0,77 │ 0,82 │ 0,77 │ 0,91 │ 1
│ 0,2 │ 0,95 │ 1 │ 1 │ 0,82 │ 0,78 │ 0,82 │ 0,93 │ 0,98
│ 0,3 │ 0,92 │ 0,94 │ 0,97 │ 0,79 │ 0,78 │ 0,8 │ 1 │ 1
│ 0,5 │ 0,95 │ 0,93 │ 0,91 │ 0,81 │ 0,81 │ 0,81 │ 0,9 │ 0,94
─────────┼────────┼──────┼──────┼──────┼───────┼──────┼──────┼──────┼──────
4 │ 0,05 │ 0,95 │ 0,93 │ 0,91 │ 0,81 │ 0,81 │ 0,81 │ 0,9 │ 0,94
│ 0,1 │ 0,95 │ 0,93 │ 0,92 │ 0,8 │ 0,81 │ 0,81 │ 0,9 │ 0,97
│ 0,2 │ 0,94 │ 1 │ 0,92 │ 0,78 │ 0,8 │ 0,78 │ 0,89 │ 0,92
│ 0,3 │ 0,92 │ 0,99 │ 1 │ 0,82 │ 0,84 │ 0,82 │ 1 │ 1
│ 0,5 │ 0,89 │ 0,98 │ 1 │ 0,84 │ 0,83 │ 0,84 │ 1 │ 0,99
─────────┼────────┼──────┼──────┼──────┼───────┼──────┼──────┼──────┼──────
5 │ 0,05 │ 0,95 │ 0,95 │ 0,94 │ 0,87 │ 0,85 │ 0,87 │ 0,94 │ 0,95
│ 0,1 │ 0,94 │ 0,92 │ 0,87 │ 0,82 │ 0,82 │ 0,82 │ 0,88 │ 0,92
│ 0,2 │ 0,91 │ 0,94 │ 0,8 │ 0,83 │ 0,87 │ 0,83 │ 0,77 │ 0,94
│ 0,3 │ 0,87 │ 0,94 │ 0,82 │ 0,84 │ 0,84 │ 0,84 │ 0,8 │ 0,95
│ 0,5 │ 0,85 │ 0,95 │ 1 │ 0,86 │ 0,8 │ 0,86 │ 1 │ 0,95
Продолжение табл. 7

;

─────────┬────────┬────────────────────────────────────────────────────────
______ │ _ │
лямбда │ f │ k при v, равном
x │ o │ осл
│ ├──────┬──────┬──────┬───────┬──────┬──────┬──────┬──────
│ │ 0 │ пи/4 │ пи/2 │ 3пи/4 │ пи │5пи/4 │3пи/2 │7пи/4
─────────┼────────┼──────┼──────┼──────┼───────┼──────┼──────┼──────┼──────
2 │ 0,05 │ 0,77 │ 0,73 │ 0,63 │ 0,59 │ 0,6 │ 0,59 │ 0,63 │ 0,73
│ 0,1 │ 1 │ 0,95 │ 0,68 │ 0,59 │ 0,6 │ 0,59 │ 0,68 │ 0,98
│ 0,2 │ 0,97 │ 1 │ 0,77 │ 0,6 │ 0,6 │ 0,6 │ 0,77 │ 1
│ 0,3 │ 0,95 │ 1 │ 0,86 │ 0,6 │ 0,6 │ 0,6 │ 0,86 │ 0,95
│ 0,5 │ 0,91 │ 1 │ 0,88 │ 0,59 │ 0,59 │ 0,59 │ 0,88 │ 1
─────────┼────────┼──────┼──────┼──────┼───────┼──────┼──────┼──────┼──────
3 │ 0,05 │ 0,97 │ 1 │ 0,69 │ 0,58 │ 0,65 │ 0,58 │ 0,69 │ 1
│ 0,1 │ 0,95 │ 1 │ 0,77 │ 0,62 │ 0,66 │ 0,62 │ 0,77 │ 1
│ 0,2 │ 0,95 │ 1 │ 0,88 │ 0,66 │ 0,64 │ 0,66 │ 0,86 │ 1
│ 0,3 │ 0,89 │ 1 │ 0,87 │ 0,65 │ 0,65 │ 0,65 │ 0,86 │ 1
│ 0,5 │ 0,8 │ 0,96 │ 1 │ 0,64 │ 0,64 │ 0,64 │ 1 │ 0,99
─────────┼────────┼──────┼──────┼──────┼───────┼──────┼──────┼──────┼──────
4 │ 0,05 │ 0,95 │ 0,92 │ 0,75 │ 0,68 │ 0,68 │ 0,68 │ 0,75 │ 0,92
│ 0,1 │ 0,95 │ 0,92 │ 0,82 │ 0,68 │ 0,69 │ 0,68 │ 0,8 │ 0,94
│ 0,2 │ 0,92 │ 0,97 │ 0,8 │ 0,66 │ 0,67 │ 0,66 │ 0,82 │ 0,97
│ 0,3 │ 0,87 │ 0,95 │ 0,97 │ 0,71 │ 0,69 │ 0,71 │ 0,99 │ 0,97
│ 0,5 │ 0,75 │ 0,89 │ 1 │ 0,7 │ 0,67 │ 0,7 │ 1 │ 0,93
─────────┼────────┼──────┼──────┼──────┼───────┼──────┼──────┼──────┼──────
5 │ 0,05 │ 0,94 │ 0,94 │ 0,89 │ 0,77 │ 0,76 │ 0,77 │ 0,89 │ 0,94
│ 0,1 │ 0,92 │ 0,91 │ 0,84 │ 0,73 │ 0,73 │ 0,73 │ 0,84 │ 0,92
│ 0,2 │ 0,86 │ 0,89 │ 0,78 │ 0,73 │ 0,76 │ 0,73 │ 0,78 │ 0,9
│ 0,3 │ 0,83 │ 0,88 │ 0,81 │ 0,75 │ 0,73 │ 0,75 │ 0,81 │ 0,89
│ 0,5 │ 0,77 │ 0,86 │ 1 │ 0,72 │ 0,7 │ 0,72 │ 1 │ 0,86
Продолжение табл. 7

;

─────────┬────────┬────────────────────────────────────────────────────────
______ │ _ │
лямбда │ f │ k при v, равном
x │ o │ осл
│ ├──────┬──────┬──────┬───────┬──────┬──────┬──────┬──────
│ │ 0 │ пи/4 │ пи/2 │ 3пи/4 │ пи │5пи/4 │3пи/2 │7пи/4
─────────┼────────┼──────┼──────┼──────┼───────┼──────┼──────┼──────┼──────
2 │ 0,05 │ 0,67 │ 0,65 │ 0,56 │ 0,53 │ 0,54 │ 0,53 │ 0,55 │ 0,65
│ 0,1 │ 0,93 │ 0,81 │ 0,61 │ 0,54 │ 0,54 │ 0,54 │ 0,61 │ 0,82
│ 0,2 │ 0,9 │ 0,99 │ 0,69 │ 0,54 │ 0,54 │ 0,54 │ 0,69 │ 0,94
│ 0,3 │ 0,89 │ 0,97 │ 0,79 │ 0,54 │ 0,54 │ 0,54 │ 0,8 │ 0,94
│ 0,5 │ 0,87 │ 0,97 │ 0,89 │ 0,54 │ 0,54 │ 0,54 │ 0,86 │ 0,95
─────────┼────────┼──────┼──────┼──────┼───────┼──────┼──────┼──────┼──────
3 │ 0,05 │ 0,94 │ 0,96 │ 0,63 │ 0,53 │ 0,6 │ 0,53 │ 0,62 │ 0,97
│ 0,1 │ 0,91 │ 0,95 │ 0,74 │ 0,56 │ 0,61 │ 0,56 │ 0,73 │ 0,94
│ 0,2 │ 0,91 │ 1 │ 0,85 │ 0,61 │ 0,59 │ 0,61 │ 0,84 │ 0,99
│ 0,3 │ 0,88 │ 0,96 │ 0,89 │ 0,6 │ 0,6 │ 0,6 │ 0,83 │ 0,98
│ 0,5 │ 0,78 │ 0,94 │ 1 │ 0,6 │ 0,59 │ 0,59 │ 0,96 │ 0,96
─────────┼────────┼──────┼──────┼──────┼───────┼──────┼──────┼──────┼──────
4 │ 0,05 │ 0,95 │ 0,92 │ 0,7 │ 0,64 │ 0,63 │ 0,64 │ 0,7 │ 0,92
│ 0,1 │ 0,95 │ 0,97 │ 0,77 │ 0,63 │ 0,63 │ 0,63 │ 0,77 │ 0,94
│ 0,2 │ 0,89 │ 0,96 │ 0,8 │ 0,62 │ 0,61 │ 0,62 │ 0,8 │ 0,96
│ 0,3 │ 0,83 │ 0,94 │ 0,94 │ 0,67 │ 0,65 │ 0,67 │ 0,92 │ 0,96
│ 0,5 │ 0,74 │ 0,91 │ 1 │ 0,65 │ 0,61 │ 0,65 │ 1 │ 0,92
─────────┼────────┼──────┼──────┼──────┼───────┼──────┼──────┼──────┼──────
5 │ 0,05 │ 0,64 │ 0,94 │ 0,87 │ 0,74 │ 0,72 │ 0,73 │ 0,88 │ 0,94
│ 0,1 │ 0,9 │ 0,91 │ 0,83 │ 0,7 │ 0,68 │ 0,7 │ 0,83 │ 0,92
│ 0,2 │ 0,85 │ 0,88 │ 0,8 │ 0,7 │ 0,72 │ 0,7 │ 0,8 │ 0,9
│ 0,3 │ 0,82 │ 0,88 │ 0,8 │ 0,72 │ 0,69 │ 0,72 │ 0,8 │ 0,89
│ 0,5 │ 0,75 │ 0,84 │ 1 │ 0,68 │ 0,65 │ 0,68 │ 1 │ 0,84
Продолжение табл. 7

;

─────────┬────────┬────────────────────────────────────────────────────────
______ │ _ │
лямбда │ f │ k при v, равном
x │ o │ осл
│ ├──────┬──────┬──────┬───────┬──────┬──────┬──────┬──────
│ │ 0 │ пи/4 │ пи/2 │ 3пи/4 │ пи │5пи/4 │3пи/2 │7пи/4
─────────┼────────┼──────┼──────┼──────┼───────┼──────┼──────┼──────┼──────
2 │ 0,05 │ 0,79 │ 0,84 │ 0,91 │ 0,99 │ 1 │ 0,9 │ 0,78 │ 0,76
│ 0,1 │ 0,8 │ 0,89 │ 0,91 │ 0,99 │ 1 │ 0,96 │ 0,78 │ 0,76
│ 0,2 │ 0,79 │ 0,92 │ 0,96 │ 0,99 │ 1 │ 1 │ 0,78 │ 0,76
│ 0,3 │ 0,8 │ 0,97 │ 0,86 │ 0,99 │ 1 │ 1 │ 0,77 │ 0,75
│ 0,5 │ 0,8 │ 0,98 │ 0,85 │ 0,98 │ 0,99 │ 0,98 │ 0,77 │ 0,76
─────────┼────────┼──────┼──────┼──────┼───────┼──────┼──────┼──────┼──────
3 │ 0,05 │ 0,82 │ 0,88 │ 1 │ 0,89 │ 0,98 │ 0,93 │ 0,79 │ 0,79
│ 0,1 │ 0,83 │ 0,98 │ 0,99 │ 0,9 │ 0,97 │ 0,94 │ 0,78 │ 0,78
│ 0,2 │ 0,83 │ 1 │ 0,96 │ 0,88 │ 0,99 │ 0,98 │ 0,78 │ 0,79
│ 0,3 │ 0,83 │ 1 │ 0,89 │ 0,86 │ 1 │ 0,96 │ 0,77 │ 0,8
│ 0,5 │ 0,82 │ 0,98 │ 0,86 │ 0,86 │ 1 │ 0,95 │ 0,76 │ 0,8
─────────┼────────┼──────┼──────┼──────┼───────┼──────┼──────┼──────┼──────
4 │ 0,05 │ 0,86 │ 0,89 │ 0,92 │ 0,92 │ 0,85 │ 0,94 │ 0,8 │ 0,82
│ 0,1 │ 0,86 │ 0,97 │ 1 │ 0,9 │ 0,89 │ 0,89 │ 0,78 │ 0,84
│ 0,2 │ 0,86 │ 1 │ 0,88 │ 0,92 │ 0,92 │ 0,83 │ 0,74 │ 0,81
│ 0,3 │ 0,85 │ 0,98 │ 0,88 │ 1 │ 0,99 │ 0,89 │ 0,78 │ 0,8
│ 0,5 │ 0,83 │ 0,99 │ 0,88 │ 0,98 │ 0,99 │ 1 │ 0,72 │ 0,81
─────────┼────────┼──────┼──────┼──────┼───────┼──────┼──────┼──────┼──────
5 │ 0,05 │ 0,9 │ 0,91 │ 0,92 │ 0,87 │ 0,87 │ 0,87 │ 0,9 │ 0,87
│ 0,1 │ 0,9 │ 0,94 │ 0,9 │ 0,83 │ 0,84 │ 0,87 │ 0,87 │ 0,86
│ 0,2 │ 0,87 │ 0,9 │ 0,75 │ 0,89 │ 0,98 │ 0,85 │ 0,71 │ 0,84
│ 0,3 │ 0,87 │ 0,96 │ 0,77 │ 0,95 │ 0,96 │ 0,98 │ 0,69 │ 0,82
│ 0,5 │ 0,86 │ 0,99 │ 0,87 │ 0,94 │ 0,97 │ 1 │ 0,77 │ 0,82
Продолжение табл. 7

;

─────────┬────────┬────────────────────────────────────────────────────────
______ │ _ │
лямбда │ f │ k при v, равном
x │ o │ осл
│ ├──────┬──────┬──────┬───────┬──────┬──────┬──────┬──────
│ │ 0 │ пи/4 │ пи/2 │ 3пи/4 │ пи │5пи/4 │3пи/2 │7пи/4
─────────┼────────┼──────┼──────┼──────┼───────┼──────┼──────┼──────┼──────
2 │ 0,05 │ 0,57 │ 0,62 │ 0,66 │ 0,71 │ 0,73 │ 0,65 │ 0,6 │ 0,56
│ 0,1 │ 0,58 │ 0,68 │ 0,8 │ 0,91 │ 0,89 │ 0,71 │ 0,57 │ 0,57
│ 0,2 │ 0,59 │ 0,78 │ 0,91 │ 0,92 │ 1 │ 0,82 │ 0,58 │ 0,57
│ 0,3 │ 0,59 │ 0,85 │ 0,88 │ 0,98 │ 0,98 │ 0,88 │ 0,58 │ 0,57
│ 0,5 │ 0,6 │ 1 │ 0,78 │ 0,93 │ 0,98 │ 0,97 │ 0,57 │ 0,57
─────────┼────────┼──────┼──────┼──────┼───────┼──────┼──────┼──────┼──────
3 │ 0,05 │ 0,61 │ 0,68 │ 0,73 │ 0,83 │ 0,93 │ 0,68 │ 0,58 │ 0,61
│ 0,1 │ 0,62 │ 0,77 │ 0,97 │ 0,94 │ 1 │ 0,83 │ 0,5 │ 0,62
│ 0,2 │ 0,63 │ 0,88 │ 0,97 │ 0,85 │ 0,94 │ 0,96 │ 0,61 │ 0,62
│ 0,3 │ 0,64 │ 0,97 │ 0,79 │ 0,83 │ 0,98 │ 1 │ 0,61 │ 0,62
│ 0,5 │ 0,66 │ 0,99 │ 0,74 │ 0,89 │ 0,95 │ 1 │ 0,6 │ 0,61
─────────┼────────┼──────┼──────┼──────┼───────┼──────┼──────┼──────┼──────
4 │ 0,05 │ 0,68 │ 0,75 │ 0,81 │ 0,85 │ 0,87 │ 0,99 │ 0,61 │ 0,66
│ 0,1 │ 0,7 │ 0,84 │ 0,92 │ 0,84 │ 0,88 │ 0,84 │ 0,62 │ 0,67
│ 0,2 │ 0,7 │ 0,91 │ 0,78 │ 0,84 │ 0,84 │ 0,88 │ 0,61 │ 0,67
│ 0,3 │ 0,72 │ 0,98 │ 0,78 │ 0,92 │ 0,9 │ 1 │ 0,64 │ 0,66
│ 0,5 │ 0,74 │ 1 │ 0,71 │ 0,87 │ 0,9 │ 1 │ 0,62 │ 0,65
─────────┼────────┼──────┼──────┼──────┼───────┼──────┼──────┼──────┼──────
5 │ 0,05 │ 0,77 │ 0,81 │ 0,8 │ 0,95 │ 0,86 │ 0,89 │ 0,75 │ 0,74
│ 0,1 │ 0,76 │ 0,86 │ 0,89 │ 0,82 │ 0,83 │ 0,88 │ 0,72 │ 0,72
│ 0,2 │ 0,76 │ 0,88 │ 0,73 │ 0,84 │ 0,92 │ 0,88 │ 0,61 │ 0,7
│ 0,3 │ 0,79 │ 0,95 │ 0,7 │ 0,87 │ 0,92 │ 0,9 │ 0,68 │ 0,71
│ 0,5 │ 0,78 │ 1 │ 0,73 │ 0,82 │ 0,92 │ 1 │ 0,65 │ 0,69
Продолжение табл. 7

,

─────────┬────────┬────────────────────────────────────────────────────────
______ │ _ │
лямбда │ f │ k , при v, равном
x │ o │ осл
│ ├──────┬──────┬──────┬───────┬──────┬──────┬──────┬──────
│ │ 0 │ пи/4 │ пи/2 │ 3пи/4 │ пи │5пи/4 │3пи/2 │7пи/4
─────────┼────────┼──────┼──────┼──────┼───────┼──────┼──────┼──────┼──────
2 │ 0,05 │ 0,42 │ 0,45 │ 0,48 │ 0,52 │ 0,52 │ 0,47 │ 0,42 │ 0,41
│ 0,1 │ 0,43 │ 0,5 │ 0,55 │ 0,64 │ 0,64 │ 0,51 │ 0,42 │ 0,42
│ 0,2 │ 0,44 │ 0,58 │ 0,74 │ 1 │ 0,91 │ 0,59 │ 0,43 │ 0,43
│ 0,3 │ 0,44 │ 0,64 │ 0,93 │ 0,94 │ 1 │ 0,65 │ 0,43 │ 0,43
│ 0,5 │ 0,45 │ 0,74 │ 0,73 │ 0,83 │ 0,94 │ 0,73 │ 0,43 │ 0,43
─────────┼────────┼──────┼──────┼──────┼───────┼──────┼──────┼──────┼──────
3 │ 0,05 │ 0,45 │ 0,5 │ 0,52 │ 0,56 │ 0,65 │ 0,48 │ 0,43 │ 0,44
│ 0,1 │ 0,46 │ 0,57 │ 0,69 │ 0,97 │ 0,9 │ 0,58 │ 0,44 │ 0,46
│ 0,2 │ 0,48 │ 0,69 │ 0,82 │ 0,84 │ 0,93 │ 0,75 │ 0,46 │ 0,47
│ 0,3 │ 0,49 │ 0,77 │ 0,73 │ 0,86 │ 0,9 │ 0,82 │ 0,46 │ 0,47
│ 0,5 │ 0,51 │ 0,86 │ 0,65 │ 0,75 │ 0,88 │ 0,84 │ 0,46 │ 0,46
─────────┼────────┼──────┼──────┼──────┼───────┼──────┼──────┼──────┼──────
4 │ 0,05 │ 0,53 │ 0,58 │ 0,59 │ 0,9 │ 0,87 │ 0,63 │ 0,45 │ 0,51
│ 0,1 │ 0,53 │ 0,64 │ 0,83 │ 0,81 │ 0,87 │ 0,75 │ 0,47 │ 0,51
│ 0,2 │ 0,55 │ 0,75 │ 0,74 │ 0,75 │ 0,79 │ 0,85 │ 0,46 │ 0,51
│ 0,3 │ 0,57 │ 0,8 │ 0,72 │ 0,8 │ 0,86 │ 0,95 │ 0,48 │ 0,5
│ 0,5 │ 0,57 │ 0,89 │ 0,63 │ 0,74 │ 0,83 │ 0,93 │ 0,48 │ 0,5
─────────┼────────┼──────┼──────┼──────┼───────┼──────┼──────┼──────┼──────
5 │ 0,05 │ 0,62 │ 0,67 │ 0,76 │ 0,87 │ 0,88 │ 0,84 │ 0,58 │ 0,59
│ 0,1 │ 0,62 │ 0,71 │ 0,82 │ 0,8 │ 0,82 │ 0,86 │ 0,53 │ 0,58
│ 0,2 │ 0,62 │ 0,79 │ 0,66 │ 0,8 │ 0,85 │ 0,96 │ 0,46 │ 0,55
│ 0,3 │ 0,63 │ 0,84 │ 0,6 │ 0,79 │ 0,84 │ 0,95 │ 0,44 │ 0,55
│ 0,5 │ 0,65 │ 0,89 │ 0,61 │ 0,75 │ 0,81 │ 0,9 │ 0,49 │ 0,55
Продолжение табл. 7

;

─────────┬────────┬────────────────────────────────────────────────────────
______ │ _ │
лямбда │ f │ k при v, равном
x │ o │ осл
│ ├──────┬──────┬──────┬───────┬──────┬──────┬──────┬──────
│ │ 0 │ пи/4 │ пи/2 │ 3пи/4 │ пи │5пи/4 │3пи/2 │7пи/4
─────────┼────────┼──────┼──────┼──────┼───────┼──────┼──────┼──────┼──────
2 │ 0,05 │ 0,97 │ 0,89 │ 0,82 │ 0,77 │ 0,76 │ 0,77 │ 0,82 │ 0,88
│ 0,1 │ 0,98 │ 1 │ 0,84 │ 0,75 │ 0,77 │ 0,75 │ 0,85 │ 1
│ 0,2 │ 0,97 │ 0,99 │ 0,9 │ 0,74 │ 0,73 │ 0,74 │ 0,89 │ 1
│ 0,3 │ 0,91 │ 0,97 │ 0,96 │ 0,73 │ 0,74 │ 0,73 │ 0,95 │ 0,99
│ 0,5 │ 0,91 │ 0,98 │ 0,93 │ 0,73 │ 0,74 │ 0,73 │ 0,91 │ 0,98
─────────┼────────┼──────┼──────┼──────┼───────┼──────┼──────┼──────┼──────
3 │ 0,05 │ 0,95 │ 0,97 │ 0,85 │ 0,7 │ 0,78 │ 0,7 │ 0,85 │ 0,98
│ 0,1 │ 0,94 │ 0,96 │ 0,91 │ 0,73 │ 0,78 │ 0,73 │ 0,91 │ 0,97
│ 0,2 │ 0,9 │ 0,98 │ 0,96 │ 0,77 │ 0,75 │ 0,77 │ 0,96 │ 1
│ 0,3 │ 0,88 │ 0,96 │ 0,99 │ 0,76 │ 0,76 │ 0,76 │ 0,97 │ 0,98
│ 0,5 │ 0,85 │ 0,94 │ 0,9 │ 0,76 │ 0,77 │ 0,76 │ 0,9 │ 0,95
─────────┼────────┼──────┼──────┼──────┼───────┼──────┼──────┼──────┼──────
4 │ 0,05 │ 0,91 │ 0,91 │ 0,82 │ 0,76 │ 0,78 │ 0,76 │ 0,81 │ 0,91
│ 0,1 │ 0,9 │ 0,92 │ 0,91 │ 0,76 │ 0,77 │ 0,76 │ 0,91 │ 0,92
│ 0,2 │ 0,89 │ 0,91 │ 0,84 │ 0,75 │ 0,74 │ 0,75 │ 0,85 │ 0,92
│ 0,3 │ 0,87 │ 0,9 │ 0,93 │ 0,8 │ 0,79 │ 0,8 │ 0,63 │ 0,89
│ 0,5 │ 0,83 │ 0,9 │ 1 │ 0,78 │ 0,77 │ 0,78 │ 1 │ 0,91
─────────┼────────┼──────┼──────┼──────┼───────┼──────┼──────┼──────┼──────
5 │ 0,05 │ 0,9 │ 0,91 │ 0,88 │ 0,81 │ 0,81 │ 0,81 │ 0,87 │ 0,91
│ 0,1 │ 0,9 │ 0,88 │ 0,83 │ 0,78 │ 0,78 │ 0,78 │ 0,84 │ 0,89
│ 0,2 │ 0,86 │ 0,87 │ 0,78 │ 0,8 │ 0,83 │ 0,8 │ 0,79 │ 0,88
│ 0,3 │ 0,84 │ 0,87 │ 0,8 │ 0,81 │ 0,81 │ 0,81 │ 0,8 │ 0,88
│ 0,5 │ 0,82 │ 0,88 │ 0,98 │ 0,78 │ 0,8 │ 0,8 │ 0,99 │ 0,89
Продолжение табл. 7

;

─────────┬────────┬────────────────────────────────────────────────────────
______ │ _ │
лямбда │ f │ k при v, равном
x │ o │ осл
│ ├──────┬──────┬──────┬───────┬──────┬──────┬──────┬──────
│ │ 0 │ пи/4 │ пи/2 │ 3пи/4 │ пи │5пи/4 │3пи/2 │7пи/4
─────────┼────────┼──────┼──────┼──────┼───────┼──────┼──────┼──────┼──────
2 │ 0,05 │ 0,73 │ 0,7 │ 0,6 │ 0,56 │ 0,57 │ 0,56 │ 0,6 │ 0,7
│ 0,1 │ 0,97 │ 0,9 │ 0,65 │ 0,57 │ 0,57 │ 0,57 │ 0,65 │ 0,92
│ 0,2 │ 0,93 │ 1 │ 0,74 │ 0,57 │ 0,58 │ 0,58 │ 0,74 │ 0,97
│ 0,3 │ 0,9 │ 0,97 │ 0,87 │ 0,57 │ 0,59 │ 0,57 │ 0,86 │ 0,95
│ 0,5 │ 0,87 │ 0,94 │ 0,9 │ 0,58 │ 0,57 │ 0,58 │ 0,88 │ 0,98
─────────┼────────┼──────┼──────┼──────┼───────┼──────┼──────┼──────┼──────
3 │ 0,05 │ 0,96 │ 0,95 │ 0,64 │ 0,55 │ 0,61 │ 0,54 │ 0,63 │ 0,89
│ 0,1 │ 0,93 │ 0,96 │ 0,74 │ 0,57 │ 0,63 │ 0,57 │ 0,74 │ 0,87
│ 0,2 │ 0,89 │ 0,96 │ 0,83 │ 0,63 │ 0,61 │ 0,61 │ 0,83 │ 1
│ 0,3 │ 0,85 │ 0,95 │ 0,89 │ 0,63 │ 0,62 │ 0,63 │ 0,89 │ 0,97
│ 0,5 │ 0,75 │ 0,9 │ 0,9 │ 0,62 │ 0,61 │ 0,62 │ 0,79 │ 0,86
─────────┼────────┼──────┼──────┼──────┼───────┼──────┼──────┼──────┼──────
4 │ 0,05 │ 0,91 │ 0,89 │ 0,67 │ 0,63 │ 0,62 │ 0,63 │ 0,67 │ 0,89
│ 0,1 │ 0,89 │ 0,9 │ 0,76 │ 0,63 │ 0,63 │ 0,63 │ 0,75 │ 0,92
│ 0,2 │ 0,88 │ 0,94 │ 0,79 │ 0,62 │ 0,62 │ 0,62 │ 0,8 │ 0,91
│ 0,3 │ 0,78 │ 0,85 │ 0,85 │ 0,68 │ 0,68 │ 0,68 │ 0,82 │ 0,87
│ 0,5 │ 0,72 │ 0,85 │ 0,91 │ 0,66 │ 0,65 │ 0,66 │ 0,91 │ 0,87
─────────┼────────┼──────┼──────┼──────┼───────┼──────┼──────┼──────┼──────
5 │ 0,05 │ 0,87 │ 0,88 │ 0,84 │ 0,7 │ 0,69 │ 0,7 │ 0,76 │ 0,89
│ 0,1 │ 0,86 │ 0,88 │ 0,8 │ 0,68 │ 0,67 │ 0,68 │ 0,8 │ 0,88
│ 0,2 │ 0,84 │ 0,84 │ 0,78 │ 0,7 │ 0,72 │ 0,7 │ 0,76 │ 0,84
│ 0,3 │ 0,78 │ 0,82 │ 0,78 │ 0,72 │ 0,71 │ 0,72 │ 0,74 │ 0,82
│ 0,5 │ 0,72 │ 0,78 │ 0,98 │ 0,7 │ 0,67 │ 0,7 │ 0,98 │ 0,8
Продолжение табл. 7

;

─────────┬────────┬────────────────────────────────────────────────────────
______ │ _ │
лямбда │ f │ k при v, равном
x │ o │ осл
│ ├──────┬──────┬──────┬───────┬──────┬──────┬──────┬──────
│ │ 0 │ пи/4 │ пи/2 │ 3пи/4 │ пи │5пи/4 │3пи/2 │7пи/4
─────────┼────────┼──────┼──────┼──────┼───────┼──────┼──────┼──────┼──────
2 │ 0,05 │ 0,65 │ 0,62 │ 0,54 │ 0,51 │ 0,51 │ 0,51 │ 0,54 │ 0,62
│ 0,1 │ 0,91 │ 0,8 │ 0,58 │ 0,52 │ 0,52 │ 0,52 │ 0,58 │ 0,8
│ 0,2 │ 0,91 │ 0,94 │ 0,67 │ 0,52 │ 0,53 │ 0,52 │ 0,67 │ 0,9
│ 0,3 │ 0,9 │ 0,92 │ 0,78 │ 0,53 │ 0,53 │ 0,53 │ 0,78 │ 0,9
│ 0,5 │ 0,86 │ 0,91 │ 0,77 │ 0,53 │ 0,53 │ 0,52 │ 0,8 │ 0,92
─────────┼────────┼──────┼──────┼──────┼───────┼──────┼──────┼──────┼──────
3 │ 0,05 │ 0,93 │ 0,97 │ 0,58 │ 0,51 │ 0,57 │ 0,5 │ 0,58 │ 0,92
│ 0,1 │ 0,91 │ 0,93 │ 0,67 │ 0,53 │ 0,58 │ 0,53 │ 0,66 │ 0,93
│ 0,2 │ 0,88 │ 0,94 │ 0,85 │ 0,59 │ 0,56 │ 0,59 │ 0,85 │ 0,94
│ 0,3 │ 0,85 │ 0,92 │ 0,79 │ 0,59 │ 0,58 │ 0,58 │ 0,84 │ 0,93
│ 0,5 │ 0,74 │ 0,89 │ 0,74 │ 0,58 │ 0,57 │ 0,57 │ 0,81 │ 0,91
─────────┼────────┼──────┼──────┼──────┼───────┼──────┼──────┼──────┼──────
4 │ 0,05 │ 0,91 │ 0,89 │ 0,63 │ 0,59 │ 0,59 │ 0,59 │ 0,63 │ 0,89
│ 0,1 │ 0,89 │ 0,9 │ 0,73 │ 0,59 │ 0,6 │ 0,59 │ 0,73 │ 0,9
│ 0,2 │ 0,88 │ 0,93 │ 0,77 │ 0,59 │ 0,59 │ 0,59 │ 0,77 │ 0,9
│ 0,3 │ 0,77 │ 0,85 │ 0,81 │ 0,63 │ 0,62 │ 0,63 │ 0,79 │ 0,87
│ 0,5 │ 0,7 │ 0,83 │ 0,92 │ 0,62 │ 0,6 │ 0,62 │ 0,96 │ 0,87
─────────┼────────┼──────┼──────┼──────┼───────┼──────┼──────┼──────┼──────
5 │ 0,05 │ 0,87 │ 0,88 │ 0,78 │ 0,69 │ 0,67 │ 0,69 │ 0,77 │ 0,89
│ 0,1 │ 0,86 │ 0,88 │ 0,79 │ 0,65 │ 0,65 │ 0,65 │ 0,8 │ 0,88
│ 0,2 │ 0,84 │ 0,84 │ 0,75 │ 0,66 │ 0,67 │ 0,66 │ 0,7 │ 0,84
│ 0,3 │ 0,77 │ 0,82 │ 0,76 │ 0,67 │ 0,67 │ 0,67 │ 0,73 │ 0,82
│ 0,5 │ 0,7 │ 0,78 │ 0,98 │ 0,66 │ 0,62 │ 0,66 │ 0,97 │ 0,8
Таблица 8
Эквивалентный переход от сечения с местной погибью

(параметры погиби

,

) к сечению с краевым вырезом

(параметры

,

)
──────────┬─────────────┬──────────────────────────────────────────────────
│ │ _ _
Длина │ Параметры │ Стрелка местной погиби f (f = f /b)
местного │ выреза │ ом ом ом
ослабления│_ ├────┬─────┬─────┬─────┬─────┬─────┬────┬─────┬────
погибью │l = l /b│0,1 │ 0,2 │ 0,3 │ 0,4 │ 0,5 │ 0,6 │0,7 │ 0,8 │0,9
l = l /b │ осл осл │ │ │ │ │ │ │ │ │
м м │_ │ │ │ │ │ │ │ │ │
│b = b /b│ │ │ │ │ │ │ │ │
│ осл осл │ │ │ │ │ │ │ │ │
──────────┼─────────────┼────┼─────┼─────┼─────┼─────┼─────┼────┼─────┼────
│ _ │ │ │ │ │ │ │ │ │
0,5 │ l │0,37│0,32 │0,3 │0,26 │ - │ - │ - │ - │ -
│ осл │ │ │ │ │ │ │ │ │
│ _ │ │ │ │ │ │ │ │ │
│ b │0,2 │0,4 │0,5 │0,6 │ - │ - │ - │ - │ -
│ осл │ │ │ │ │ │ │ │ │
──────────┼─────────────┼────┼─────┼─────┼─────┼─────┼─────┼────┼─────┼────
│ _ │ │ │ │ │ │ │ │ │
0,1 │ l │0,71│0,63 │0,6 │0,72 │0,59 │0,52 │0,54│0,5 │0,47
│ осл │ │ │ │ │ │ │ │ │
│ _ │ │ │ │ │ │ │ │ │
│ b │0,2 │0,4 │0,5 │0,5 │0,6 │0,7 │0,7 │0,8 │0,9
│ осл │ │ │ │ │ │ │ │ │
──────────┼─────────────┼────┼─────┼─────┼─────┼─────┼─────┼────┼─────┼────
│ _ │ │ │ │ │ │ │ │ │
1,5 │ l │0,94│0,91 │0,88 │1,07 │0,87 │0,77 │0,8 │0,74 │0,7
│ осл │ │ │ │ │ │ │ │ │
│ _ │ │ │ │ │ │ │ │ │
│ b │0,2 │0,4 │0,5 │0,5 │0,6 │0,7 │0,7 │0,8 │0,9
│ осл │ │ │ │ │ │ │ │ │
──────────┼─────────────┼────┼─────┼─────┼─────┼─────┼─────┼────┼─────┼────
│ _ │ │ │ │ │ │ │ │ │
2 │ l │1,57│1,57 │1,58 │1,38 │1,14 │1,26 │1,06│0,99 │0,94
│ осл │ │ │ │ │ │ │ │ │
│ _ │ │ │ │ │ │ │ │ │
│ b │0,1 │0,3 │0,4 │0,5 │0,6 │0,6 │0,7 │0,8 │0,9
│ осл │ │ │ │ │ │ │ │ │
──────────┼─────────────┼────┼─────┼─────┼─────┼─────┼─────┼────┼─────┼────
│ _ │ │ │ │ │ │ │ │ │
2,5 │ l │0,0 │1,55 │1,77 │1,61 │1,35 │1,52 │1,31│1,35 │1,25
│ осл │ │ │ │ │ │ │ │ │
│ _ │ │ │ │ │ │ │ │ │
│ b │0,00│0,3 │0,4 │0,5 │0,6 │0,6 │0,7 │0,7 │0,8
│ осл │ │ │ │ │ │ │ │ │
──────────┼─────────────┼────┼─────┼─────┼─────┼─────┼─────┼────┼─────┼────
│ _ │ │ │ │ │ │ │ │ │
3 │ l │0,00│0,0 │0,3 │0,4 │0,5 │0,5 │0,6 │0,7 │0,7
│ осл │ │ │ │ │ │ │ │ │
│ _ │ │ │ │ │ │ │ │ │
│ b │0,0 │0,0 │2,01 │2,19 │1,97 │2,3 │1,84│1,56 │1,62
│ осл │ │ │ │ │ │ │ │ │
Таблица 9
Конструктивные формы, обладающие низкой хладостойкостью
Таблица 10
Критическая температура

для конструктивных форм,
обладающих низкой хладостойкостью
───────────┬───────────────────────────────────────────────────────────────
│ o
Толщина │ T , для конструктивных форм в конструкциях из стали марок
элементов, │ cr
├───────────────────────────────┬───────────────────────────────
│ Ст3сп │ 09Г2С
├──────────┬─────────┬──────────┼──────────┬─────────┬──────────
│ А1 │ В1, Д1, │ Г1 │ А1, А2, │ Д1, Д3 │ А1, А2,
│ │ Д3 │ │ Б2, Б3, │ │ Б1, Б3,
│ │ │ │ Д2, Д1 │ │ Б2, Д2,
│ │ │ │ │ │ Д4
───────────┼──────────┼─────────┼──────────┼──────────┼─────────┼──────────
10 │ -35 │ -35 │ -39 │ -43 │ -51 │ -
15 │ -22 │ -25 │ -29 │ -33 │ -40 │ -75
20 │ -13 │ -16 │ -19 │ -24 │ -28 │ -64
25 │ -4 │ -7 │ - │ -14 │ -16 │ -52
30 │ +6 │ +3 │ - │ -4 │ -5 │ -40
35 │ +16 │ +12 │ - │ +5 │ +7 │ -29
Таблица 11
Приемы специального усиления элементов конструкций
с целью повышения их хладостойкости
Продолжение табл. 11
Рекомендуемое
ОЦЕНКА ДОЛГОВЕЧНОСТИ СВАРНЫХ ПОДКРАНОВЫХ БАЛОК
Оценка долговечности сварных подкрановых балок может быть получена из усталостного ресурса верхней зоны стенки у поясного шва по формуле

,
где

- допустимое число нагружений расчетного сечения сварной подкрановой балки (расчетный ресурс);

- количество нагружений, соответствующее точке перелома кривой усталостных отказов сварных подкрановых балок (рисунок);

- предельное напряжение сварных подкрановых балок, характеризующее неограниченную долговечность балок;
m = 761,39 - параметр кривой усталостных отказов сварных подкрановых балок;

- среднестатическое напряжение в верхней зоне стенки от эксплуатационной крановой нагрузки.
Кривая усталостных отказов сварной подкрановой балки
За цикл нагружения принимается проезд над расчетным сечением одного катка крана.
Напряжение в верхней зоне стенки от эксплуатационной нагрузки определяется по формуле

,
где

;

;

;

;

.
Здесь обозначения напряжений силовых и геометрических факторов приняты по
п. 13.34 СНиП II-23-81*.
Напряжение

вычисляется от среднестатической крановой нагрузки, характеризуемой давлениями колес

. Эксплуатационные давления колес могут быть определены как среднестатические измерения за 2 - 7 сут. Допускается эксплуатационные давления определять умножением нормативных значений на коэффициенты вертикальной крановой нагрузки n = 0,7.
Для подкрановых балок, расположенных со стороны основных железнодорожных путей, по которым в отделения раздевания слитков, а также в пролеты нагревательных колодцев на колоннады копровых цехов подаются составы с изложницами и вагоны с металлоломом, коэффициент вертикальной крановой нагрузки n = 0,8.
Число циклов нагружений балок на исследуемом производственном участке

устанавливается наблюдениями частоты местного нагружения расчетного сечения балок в течение 15 - 30 сут, умноженной на весь период их эксплуатации. Для прогноза числа циклов нагружений при проектировании частоту местных нагружений балок допускается определять умножением частоты проездов кранов

на количество катков

на концевой балке моста крана. В таблице приведены значения

для основных зданий металлургической промышленности.
────────────────────────────┬──────────┬───────────────────────────────────
Пролеты цехов, │n проездов│ Примечание
технологические переделы, │ в сутки │
отделения и т.п. │ │
────────────────────────────┼──────────┼───────────────────────────────────
Разливочная │ 100 │
Раздевания слитков │ 200 │
Печные │ 300 │
Шлаковые дворы │ 600 │
────────────────────────────┼──────────┼───────────────────────────────────
Шихтовые │ │Повышенная частота нагружения
Колоннады копровых цехов │ 600/1000 │принимается на участках пролетов
Дворы сборки изложниц │ │соответственно в зоне шихтовых
Нагревательные колодцы │ │бадей и весов, пакетирующих
Распределительные пролеты │ 1200 │прессов, стеллажей сборки сифонов
При определении

и среднестатических давлений колес следует учитывать фактическое или расчетное повышение интенсивности эксплуатации кранового оборудования.
Пригодность конструкции подкрановых балок определяется сравнением эксплуатационного числа нагружений

с расчетным ресурсом балки

.
Справочное
Пример 1
Из нижних поясов подкрановых балок здания мартеновского цеха, построенного в 1951 г., отобрано и испытано 14 образцов металла. Значения предела текучести, полученные при испытаниях образцов, приведены в таблице, там же выполнен подсчет величин, входящих в выражения для

и

.
─────────┬─────────────┬──────────────────┬────────────────────┬───────────
│ │ │ 2 │
Номер │ сигма , МПа │ сигма - сигма │(сигма - сигма ) │Примечание
образца │ i │ i n │ i in │
─────────┼─────────────┼──────────────────┼────────────────────┼───────────
1 │ 279 │ 6 │ 36 │Балка БП-1
2 │ 265 │ -8 │ 64 │ То же
3 │ 285 │ 12 │ 144 │ "
4 │ 291 │ 18 │ 254 │
5 │ 253 │ -20 │ 400 │
6 │ 273 │ 0 │ 0 │
7 │ 287 │ 14 │ 196 │
8 │ 243 │ -30 │ 900 │
9 │ 275 │ 2 │ 4 │
10 │ 274 │ 1 │ 1 │
11 │ 293 │ 20 │ 400 │
12 │ 307 │ 34 │ 1156 │
13 │ 246 │ -27 │ 729 │
14 │ 261 │ -12 │ 144 │
─────────┴─────────────┴──────────────────┴────────────────────┴───────────
Итого 3832 - 4428

и

подсчитываются по формулам
п. 2.17 
,

.
| | ИС МЕГАНОРМ: примечание. В официальном тексте документа, видимо, допущена опечатка: имеются в виду таблица 2, а не таблица 12. | |
Коэффициент надежности по материалу в соответствии с указаниями
п. 2.18 
. Расчетное сопротивление

.
Заметим, что для балки БП-1 можно принять нормативное сопротивление равным 265 МПа, а

.
Пример 2
Стойка высотой 6,4 м, поддерживающая конструкцию газопровода, изготовлена из двутавра N 27а по
ОСТ 10016-39 (A = 54,6 см2;

;

). Расчетная нагрузка N = 520 кН. Нагрузка от собственного веса поддерживаемых конструкций, при которой выполнялись обмеры,

. Материал конструкции имеет расчетное сопротивление

.
При обследованиях обнаружено общее искривление стойки со стрелкой

и коррозионный износ, равномерный по поперечному сечению с глубиной проникновения коррозии

.

;
(коэффициент

принят по
табл. 1 Прил. 4, d = 8,5 мм, t = 13,7 мм).
Приведенное значение радиуса инерции

.
Вычисляем условную гибкость

и напряжение в момент замера искривления

.
По
формуле (11) коэффициент

, а, следовательно, стрелка искривления в исходном состоянии, вычисляемая по
формуле (10), составит

.
Относительный эксцентриситет

, коэффициент влияния формы сечения по
табл. 73 СНиП II-23-81* равен

.
Коэффициент перехода от стрелки искривления к эквивалентному эксцентриситету определяем по
формуле (9)

,
откуда

. По
табл. 74 СНиП II-23-81* для

и

имеем

.
Проверка по
формуле (51) СНиП II-23-81* показывает, что 520/0,594 x 39,84 = 21,98 кН/см2 = 21,98 МПа > 200 x 0,9 = 180 МПа.
Стойку необходимо усилить.
Раскос фермы (неопорный) длиной 226 см изготовлен из спаренных уголков 75 x 75 x 6. При обследовании фермы обнаружены искривления

и

, которые ввиду малости напряжения

при замере стрелок принимаем равными

и

.
Кроме того, обследованиями обнаружена локальная погибь полки с параметрами
(рис. 1) 
,

, расположенная примерно посередине длины. Расчетная нагрузка N = 95 кН, расчетное сопротивление

.
Безразмерные относительные стрелки искривления

;

.
Условная гибкость в плоскости симметрии

.
Для найденных значений

,

и

по
табл. 4 Прил. 4 (

,

по указаниям
п. 2.37) определяем

.
Используя данные о безразмерной величине местной погиби

,

, по
табл. 8 Прил. 4 определяем эквивалентные размеры краевого выреза

,

.
Определяем угол v направления суммарной погиби

,

, и ее величину

. По
табл. 7 Прил. 4 определяем

.
Проверка по
формуле (13) 95/0,35 x 0,77 x 17,56 = 20,2 кН/см2 < 210 МПа показывает, что элемент может быть оставлен без усиления.
На стойку сквозного сечения
(рис. 2) с поясами из двутавров N 36а по
ОСТ 10016-39 и раскосной решеткой из равнополочных уголков 75 x 8 по
ОСТ 10014-39 действует сила N = 1400 кН, приложенная с эксцентриситетом 0,2 м. Материал конструкций имеет расчетное сопротивление

. Стойка имеет общее искривление со стрелкой

(измерена в нагруженном состоянии).
Геометрические характеристики сечения:
Приведенная гибкость (см.
табл. 7 СНиП II-23-81*):

;

;

;

.
Для определения эксцентриситета, эквивалентного стрелке искривления

, вычисляем

и по
формуле (18) имеем:

.
Суммарный относительный эксцентриситет силы N в изогнутой стойке m = (0,885 x 8 + 20) x 152,6 x 30/138900 = 0,893.

.
Окончательное значение условной приведенной гибкости определяется по
формуле (15)

.
Проверяем по
формуле (14) 1400/0,94 x 0,484 x 152,6 = 20,2 кН/см2 = 220 МПа < 210 МПа, т.е. усиление не требуется.
В нижней части ступенчатой колонны
(рис. 3) при обследовании обнаружены следующие дефекты:
расцентровка узлов крепленая раскосов к подкрановой ветви t = 64 мм;
общее искривление нижней панели наружной ветви в плоскости рамы

.
Требуется проверить устойчивость нижней части колонн в плоскости рамы на действие расчетных комбинаций усилий, нагружающих ветви:
подкрановую

,

;
наружную

,

;
расчетная поперечная сила

.
Материал колонн - сталь марки ВСт3кп2 с расчетным сопротивлением

для фасонного проката и

для листового проката толщиной до 20 мм. Коэффициент приведения расчетной длины для нижней части колонны

.
А. Проверим устойчивость колонн на действие комбинаций усилий, нагружающих подкрановую ветвь, при этом будем учитывать местный изгиб ветви в соответствии с требованиями
п. 2.44

.
Вычислив приближенно (по недеформированной схеме) усилие в подкрановой ветви, найдем относительный эксцентриситет приложения продольной силы в узле подкрановой ветви

.
Условная гибкость ветви в плоскости наименьшей жесткости

.
Приведенный относительный эксцентриситет

. Здесь

- коэффициент влияния формы поперечного сечения из
табл. 73 СНиП II-23-81*.
По известным значениям

и

из
табл. 76 СНиП II-23-81* найдем соответствующее значение приведенного относительного эксцентриситета

, учитывающего кососимметричную форму эпюры изгибающих моментов на подкрановой ветви в пределах панели. Затем по
табл. 74 СНиП II-23-81* определим коэффициент

, учитывающий местный изгиб ветви.
Для определения коэффициента

, характеризующего устойчивость колонны в целом, предварительно вычислим геометрические характеристики полного сечения

,

,

,

.
Приведенная гибкость нижней части колонны

.
Здесь

- коэффициент, учитывающий угол наклона раскоса к ветви (см.
табл. 7 СНиП II-23-81*);

- площадь сечения раскосов.
Определив условную приведенную гибкость

и относительный эксцентриситет m по
формулам (15) и
(16)

;

,
из
табл. 75 СНиП II-23-81* найдем

и проверим устойчивость колонны

.
Б. Проверим устойчивость колонны на действие комбинации усилий, нагружающих наружную ветвь, с учетом ее искривления в нижней панели.
Геометрические характеристики наружной ветви

,

,

,

.
Условная гибкость ветви на участке между узлами соединительной решетки

.

.
Поскольку напряженное состояние ветви в момент измерения стрелки искривления неизвестно, принимаем

. Относительная стрелка

.
Коэффициент перехода к внецентренному сжатию

.
Здесь

- коэффициент влияния формы поперечного сечения, определенный по
табл. 73 СНиП II-23-81* в зависимости от

и

.
Приведенный относительный эксцентриситет

.
В зависимости от полученных значений

и

по
табл. 74 СНиП II-23-81* находим

.
Для нахождения коэффициента

для сквозной колонны как единого стержня предварительно вычисляем

;

.
По
табл. 75 СНиП II-23-81* находим

и проверяем устойчивость колонны

.
Устойчивость колонны не обеспечена, требуется усиление поврежденной ветви.
На опорный раскос стропильной фермы, состоящий из двух уголков 125 x 8, действует сжимающая сила

. Материал конструкций имеет расчетное сопротивление 240 МПа. Расчетная длина стержня

. Класс конструкций по
п. 4.8 - третий.
Требуется проверить возможность эксплуатации элемента при увеличении усилия в нем с 300 до 550 кН.
Характеристики основного сечения

,

,

,

,

,

,

.
Гибкость

,

.
Проверка 550/(0,488 x 39,4) = 28,6 кН/см2 = 286 МПа > 240 МПа указывает на необходимость усиления, которое выполняем по схеме рис. 4.
Определим расчетную величину начального прогиба стержня. Расчетное значение случайного относительного эксцентриситета при

,

.
Эйлерова сила

.
Случайный эксцентриситет и прогиб положительного направления

,

.
Случайный эксцентриситет и прогиб отрицательного направления

,

.
Проверка возможности усиления стержня при действии продольного сжимающего усилия, действующего во время работ по усилению

:
по прочности при случайном эксцентриситете положительного направления
при случайном эксцентриситете отрицательного направления
по условию устойчивости

.
Поскольку

, то по
п. 4.12 можно выполнять усиление без разгрузки.
Характеристики сечения после усиления

;

;

;

;

;

;

;

;

.
Определим прогиб стержня после присоединения элементов усиления:
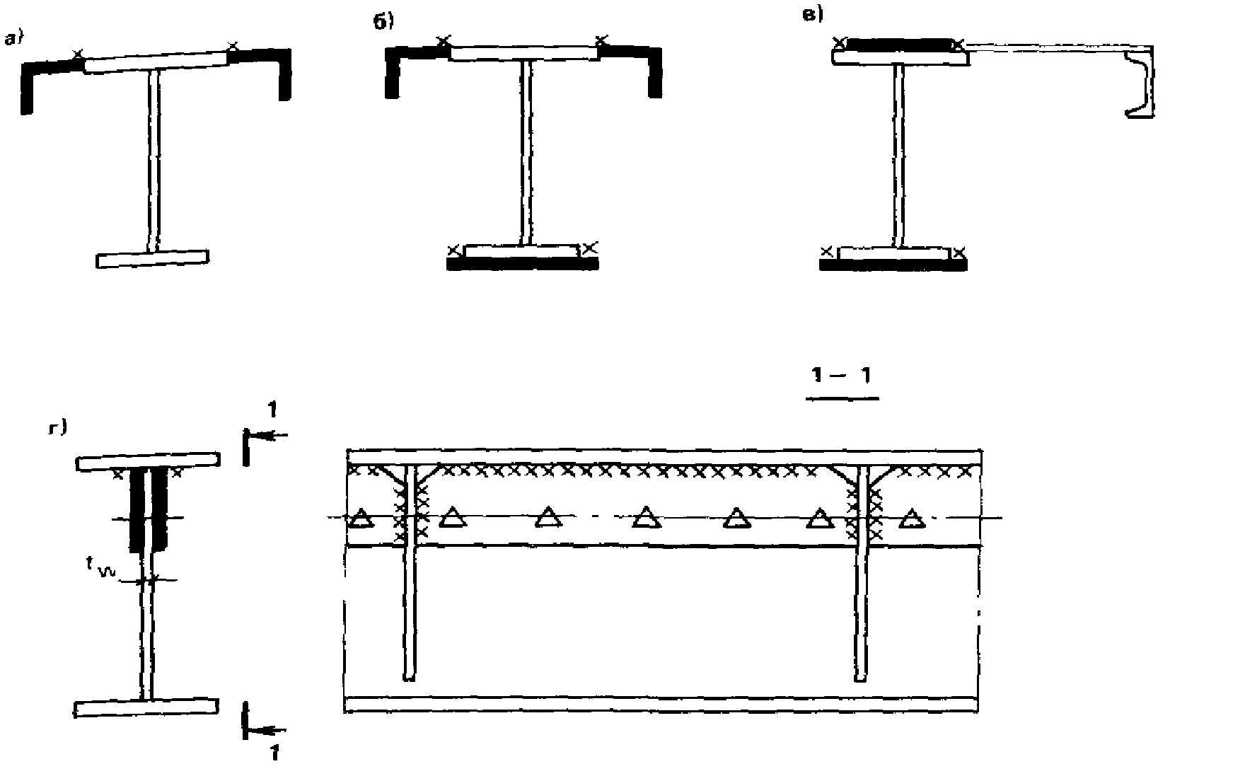
при положительном случайном эксцентриситете
при отрицательном случайном эксцентриситете

.
Расчет сварных швов на воздействие условной поперечной силы

.
Статический момент элемента усиления относительно нейтральной оси:

.
Максимальный шаг шпоночного шва

.
Принимаем

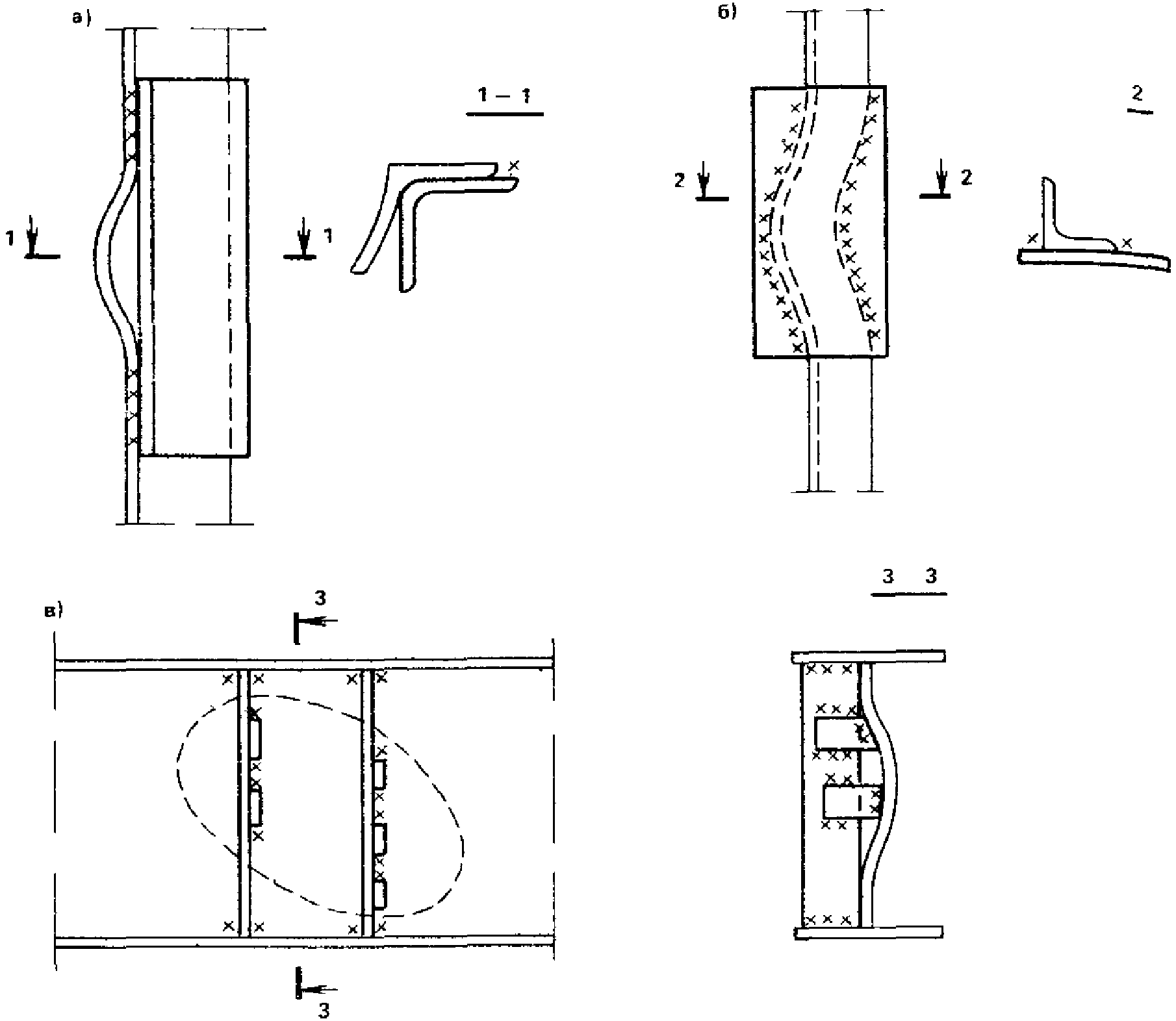
, t = 0,6 м. Сварка производится электродами Э42;

.
Расчет непрерывных участков шпоночных швов осуществляется на сдвигающее усилие

.
Минимальная длина участков шпоночного шва

.
Длину участков шпоночных швов принимаем 5 см. Концевые швы элементов усиления принимаем с катетом

.
Нормальное усилие, передаваемое на элемент усиления

.
Длина концевых швов

.
Длину швов принимаем 6 см.
Определяем остаточный сварочный прогиб элемента

;

;

;

.
Коэффициент, учитывающий начальное напряженно-деформированное состояние элемента и схему его усиления

,
где

- коэффициент, характеризующий уровень начальных напряжений в зоне i-го шва.
Напряжения в зоне нижних швов при случайном эксцентриситете:
положительного направления
отрицательного направления
Напряжения в зоне верхних швов при случайном эксцентриситете:
положительного направления
отрицательного направления

.
Остаточный сварочный прогиб при случайном эксцентриситете:
положительного направления
отрицательного направления
Расчетный эквивалентный эксцентриситет

, при случайном эксцентриситете:
положительного направления

;

;
отрицательного направления

;

.
Проверка устойчивости усиленного стержня в плоскости изгиба при случайном эксцентриситете
положительного направления

;

;

;
отрицательного направления

;

;

;

;

.
В связи с увеличением грузоподъемности кранов производится усиление ступенчатых колонн каркаса
(рис. 5). Усиление выполнено путем увеличения сечения с присоединением элементов усиления сплошными швами

. Основное сечение колонны и элементы усиления изготовлены из стали марки Вст3пс6 с расчетным сопротивлением

. Усиление производилось при отсутствии крановых нагрузок, когда действующие усилия составляли

,

. Коэффициент приведения длины нижней части колонны

.
Требуется проверить устойчивость нижней части колонны в плоскости рамы на действие расчетных комбинаций усилий, нагружающих ветви:
подкрановую

,

;
наружную

,

;
максимально поперечная сила Q = 468 кН.
А. Геометрические характеристики сечения усиленной колонны
подкрановая ветвь

,

,

,

;
наружная ветвь

,

,

,

;
полное сечение

, A = 157,3 + 165,2 = 322,5 см2,

,

,

.
Б. Проверка устойчивости колонны на действие комбинации усилий, нагружающих подкрановую ветвь
Для нахождения сварочного прогиба ветви на участке между узлами решетки определим коэффициенты

, учитывающие начальное напряженно деформированное состояние подкрановой ветви для при пятой схемы усиления (номера швов - см.
рис. 5, б), а также параметры V и

.
Начальные напряжения в зоне швов 1, 2

.
По формулам
п. 4.21 вычислим величины коэффициентов

и


;

.
Параметр продольного укорочения

.

.
Здесь

- для растянутого элемента;
a = 1 - для сплошного шва.
Для определения эксцентриситета продольной силы в подкрановой ветви, обусловленного расцентровкой раскосов <1>, предварительно вычислим узловой момент

и продольную силу

от действия расчетных нагрузок

,

.
--------------------------------
<1> Расцентровка раскосов возникает вследствие смещения оси ветви на

.
Поскольку

, принимаем в качестве расчетного

.
| | ИС МЕГАНОРМ: примечание. Формула дана в соответствии с официальным текстом документа. | |
Относительный эксцентриситет

.
Коэффициент продольного изгиба

находим как для центрально-сжатого элемента гибкостью

по
табл. 72 СНиП II-23-81*.
Определим сварочный прогиб нижней части колонны как единого стержня

,

,

,

,

,

,

.
Здесь

;

.
Для определения коэффициента

, характеризующего устойчивость всей колонны, по
формулам (51),
(52) вычислим условную приведенную гибкость

и относительный эксцентриситет m

;

.
Здесь

- гибкость колонны;

.
По
табл. 75 СНиП II-23-81* находим

и проверяем устойчивость колонны

.
В. Проверка устойчивости колонны на действие комбинации усилий, нагружающих наружную ветвь
Для нахождения сварочного прогиба наружной ветви определим продольную силу

, действующую на ветвь во время усиления, и коэффициент

, учитывающий влияние этой силы на сварочный прогиб

;

.
Здесь

.

.
Ввиду малости прогиба определяем

как для центрально-сжатого стержня.
Гибкость ветви

.
Для определения коэффициента

вычислим относительный эксцентриситет

.
Здесь

.
Поскольку величина

практически не изменилась, оставляем

; по
табл. 75 СНиП II-23-81* находим

и проверяем устойчивость колонны

.
Устойчивость колонны в плоскости рамы обеспечена.
Двутавровая балка рабочей площадки с сечением поясов 300 x 20 мм и стенки 120 x 10 мм изготовлена из стали с расчетным сопротивлением

. Балка несет постоянную нагрузку от собственного веса оборудования, соответствующий изгибающий момент в ней

.
При изменении технологии на балку передается дополнительный изгибающий момент

. Усиление решено выполнить без демонтажа ранее установленного оборудования по схеме рис. 6.
Геометрические характеристики неусиленного сечения:
Необходимость усиления следует из проверки

.
Уровень начального нагружения:

;

.
Для конструкции IV класса

, т.е. усиление под нагрузкой возможно.
Материал элемента усиления - сталь марки 09Г2С с расчетным сопротивлением

, коэффициент

.
Определяем площади сжатой и растянутой зон:

;

.
Предельный изгибающий момент в пластическом шарнире определяется по
формуле (45) при

:

.
На стойку из двутавра N 20, поддерживающую рабочую площадку, действует продольная сила

и изгибающий момент

. Расчетные длины стойки:

и

. Материал стойки имеет расчетное сопротивление

.
После реконструкции расчетные комбинации нагрузок на стойку будут давать усилия и моменты:
1-я комбинация - N = 500 кН,

;
2-я " - N = 350 кН,

.
Схема усиления принята симметричной по рис. 7 с приваркой швеллеров N 12 из стали марки Вст3пс6-2 с расчетным сопротивлением

.
Геометрические характеристики сечения:
до усиления
после усиления
Определяем параметры деформированной схемы, относящиеся к исходному состоянию:

;

;

.
Уровень начального нагружения определяется напряжением

;

- для выполнения работ по усилению требуется разгрузить стойку или временно ее раскрепить (принято последнее).
Определяем приведенное расчетное сопротивление по
формуле (49):

,

,

.
Сварные швы, крепящие элементы усиления, рассчитываем на условную поперечную силу

,

,

,

.
Принимаем шаг шпоночного шва

.

.
Минимальная длина участка шпоночного шва при


.
Принимаем

.
Определяем остаточный сварочный прогиб элемента
a = 5/50 = 0,1,

,

,

,

,

,

.

.
Деформации, возникающие за счет прижатия элементов усиления, учтем по
формуле (36):

.
Определяем расчетные эксцентриситеты:
по комбинации 1

,

;
по комбинации 2:

,

.
Проверяем устойчивость элемента в плоскости изгиба по
формуле (46). Приведенная гибкость

;
по комбинации 1

,

,

,

;
по комбинации 2

,

,

,

.
Устойчивость из плоскости действия момента проверяется по
п. 5.30 СНиП II-23-81*:
по комбинации 1
c = 1/1 + 0,7 x 0,958 = 0,598;

,

,

;
по комбинации 2
a = 1 - (0,35 - 0,05 x 1,366) = 0,718;
c = 1/1 + 0,718 x 1,366 = 0,505;

.
Пример 10
Расчет выполнен для подкрановых балок открытой крановой эстакады копрового цеха. Колоннада построена в 1962 г., шаг колонн 12 м, эксплуатируются магнитно-грейферные мостовые краны грузоподъемностью Q = 15 т. Ниже приведены технические характеристики мостовых кранов и подкрановых балок.
────────┬─────────────┬───────────────────────────────────┬────────┬───────
│ Рельс Р-43 │ │ │
│ -60 x 2,2 │l = 1200 см │ │
│ -160 x 1,4 │a = 150 см н │ сигма, │ R,
│ -60 x 2,2 │I = 2214356,6 см3 F = 42m│ кН/см2 │кН/см2
│ │ x │ │
────────────────────────────────────────────────────────┬────────┬─────────
нп │ │
Нормальное напряжение в нижнем поясе сигма │ 9,25 │ 21
x │ │
Касательное напряжение тау в сечении │ 1,63 │ 12,76
xy │ │
Приведенные напряжения в стенке балки согласно (
п. 13.34│ 12,96 │ 25,3
СНиП II-23-81*) │ │
Расчет выносливости стенки балки (
п. 13.35 │ 6,42 │ 7,65
СНиП II-23-81*) │ │
Согласно расчету прочность и выносливость обеспечены. Однако в этих балках после шести лет эксплуатации были обнаружены усталостные трещины.
Б. Проверим выносливость балки по разработанной методике.
В результате исследования выявлены среднестатистические характеристики крановых нагрузок:

,

(1039 пр./тыс. т продукции).
Оценим нагруженность верхней зоны стенки по приведенным напряжениям с учетом приведенных выше зависимостей:

,

.
Из уравнения кривой усталостных отказов определим расчетный ресурс балки, соответствующий ее нагруженности

.
Накопленное за шесть лет эксплуатации балок при интенсивности выпуска продукции 1158,737 тыс. т/год число циклов нагружений

.
Поскольку

, то повреждения появились вполне закономерно и обусловлены прежде всего условиями технологической нагруженности.
В. Оценим допустимую нагруженность балки в заданных условиях эксплуатации с учетом требуемой долговечности.
Пусть требуемый ресурс

балок с учетом наращивания объемов выпуска продукции после выхода пролета на проектную мощность за счет интенсификации производства и соответственно повышения интенсивности эксплуатации конструкций при прогнозируемом сроке эксплуатации 30 лет равен

.
Определим расчетное сопротивление балки по выносливости с учетом требуемого ресурса и долговечности, преобразовав выражение для


.
Пути снижения нагруженности могут быть разными: увеличение числа катков и соответственно снижение давлений F, использование рельсов повышенной жесткости по

и низкомодульных прокладок, увеличение металлоемкости верхней зоны балки или шага колонн с постановкой фахверковых промежуточных стоек между колоннами и т.д.
Обеспечим долговечность за счет постановки крана с четырехкатковой базой и применения рельса КР-100, в результате нормативное давление понизится в два раза и составит P = 21 т, соответственно

;

, что в два раза больше, чем у рельса Р-43 и соответственно


.
Долговечность обеспечена, т.е. исключены все затраты на ремонт и замену балок сроком на T = 30 лет.
Пример 11
Принято решение об установке низкомодульных упругих прокладок на подкрановой балке пролетом 6 м под кран грузоподъемностью Q = 300/50 кН.
Требуется оценить местные напряжения в стенке подкрановой балки. Размеры элементов:
верхний пояс - 450 x 18 мм;
стенка - 1240 x 10 мм;
расстояние между ребрами жесткости - 1500 мм;
крановый рельс - КР-70.
Расчетное давление на колесо

.
Геометрические характеристики:

;

;

;

.
Для варианта без прокладки по
п. 13.34 СНиП II-23-81* имеем:

;

;

;

;

.
Для варианта с прокладкой, конструкция которой принимается в соответствии с давлением колеса крана по
табл. 13 СНиП II-23-81* (тип II, h = 6 мм, r = 1 мм). Для рельса КР-70 выбираем резину с Ha = 80, для нее

(резина на основе каучука СКН-40).

.
По
табл. 14 настоящего Пособия для a = 1,5 м и

определяем

;

;

, что соответствует только 42% напряжения для конструкции без упругой прокладки.
Пример 12
Подкрановые балки цеха листового и трубного производства эксплуатируются 8 лет, пролет обслуживается двумя кранами грузоподъемностью 80 и 20 т режима 7к. При обследовании в балках обнаружены усталостные трещины в верхней зоне.
Исходные данные для расчета приведены ниже.
Расчет верхней зоны стенки на выносливость осуществляется в соответствии с
п. 13.35 СНиП II-23-81*

; Q' = 224 кН;

; F = 336 кН.
Местный крутящий момент с учетом фактического эксцентриситета (по результатам обследования e = 30 мм)

;

;
Выносливость верхней зоны стенки не обеспечивается, следовательно, появление в ней трещин является закономерным.
Из расчета видно, что доля напряжений от местного кручения составляет 29%, таким образом, исключение стенки из работы на местное кручение является целесообразным.
Применяем схему усиления (по
рис. 6, е). Исходя из шага поперечных ребер жесткости назначается

. Принимаем

. В соответствии с
п. 7.24 СНиП II-23-81*

(для стали марки ВСт3сп5),

.
Принимаем

.
Учитывая расположение отверстий для крепления рельса, d = 100 мм.
Напряжение в шве, прикрепляющем ламель к ребру жесткости,

.
После усиления крутящий момент определяем по формуле

,
c = 11,5 см, M = 10,46 кН x м, r = 49,5 см,

,

,

,

,

.
Определим расчетный ресурс

.
По данным исследования число проходов крана на наиболее нагруженном участке составляет 382 тыс. в год. На концевой балке крана расположены две пары колес, но так как расстояние между колесами в паре меньше расстояния между поперечными ребрами жесткости, то один проход крана следует считать за два цикла загружения. Количество циклов загружения в год n = 382000 x 2 = 764000.
При расчетном ресурсе

долговечность соединения ламели с ребром составляет около 2,5 лет, что достаточно для изготовления новых балок.
Для выполнения проверки выносливости верхней зоны стенки, определяются изменившиеся геометрические характеристики балки

,

.
| | ИС МЕГАНОРМ: примечание. В официальном тексте документа, видимо, допущена опечатка: формула (71) отсутствует. | |
Напряжения от местного кручения определяются по формуле (71)

.
Снижение локальных напряжений

незначительно и в расчете не учитывается.
По
формуле (148) СНиП II-23-81* получим 2,493 + 2,526 + 0,827 = 5,846 < 7,65 кН/см2 = R.
Требование по выносливости выполняется. В результате усиления напряжения снижены почти на 40%.
Справочное
ОСНОВНЫЕ БУКВЕННЫЕ ОБОЗНАЧЕНИЯ ВЕЛИЧИН
A,

- расчетные площади сечения брутто и нетто;

- приведенная площадь сечения с учетом коррозии;

,

- площади неусиленного сечения брутто и нетто;

,

- площади сжатой и растянутой зон неусиленного сечения в пластическом шарнире;

,

- площади сечения элементов усиления брутто и нетто;

,

- площади сжатой и растянутой зон элементов усиления в пластическом шарнире;

,

- расчетные моменты инерции сечения брутто относительно осей x-x и y-y;

,

- то же, сечения нетто;

,

- моменты инерции неусиленного сечения брутто относительно осей

и

;

,

- то же, сечения нетто;

,

- моменты инерции сечения брутто элементов усиления относительно их собственных центральных осей;

,

- изгибающие моменты относительно осей

и

, действующие на неусиленное сечение во время работ по усилению;

,

- то же, вычисленные по недеформированной схеме;
N - продольная сила;

- то же, при выполнении работ по усилению;

- продольная сила, действующая на неусиленное сечение в момент измерения стрелки погиби;

- эйлерова сила для неусиленного стержня

;

- часть продольной силы, воспринимаемой элементами усиления;

- расчетное сопротивление стали усиливаемого (существующего) элемента сдвигу;

- расчетное сопротивление усиливаемого (существующего) элемента растяжению, сжатию, изгибу по временному сопротивлению стали;

- временное сопротивление стали усиливаемого (существующего) элемента разрыву;

,

- расчетные сопротивления угловых швов срезу (условному) по металлу шва и металлу границы сплавления соответственно;

- нормативное сопротивление металла шва по временному сопротивлению;

- расчетное сопротивление стыковых сварных швов;

- предел текучести стали усиливаемого (существующего) элемента;

- расчетное сопротивление стали усиливаемого (существующего) элемента растяжению, сжатию, изгибу по пределу текучести;

- расчетное сопротивление стали элементов усиления по пределу текучести;

- осредненное значение расчетного сопротивления усиленного элемента;

- статический момент сдвигаемой части сечения элементов усиления относительно нейтральной оси;
T - расчетная отрицательная температура эксплуатации;

,

- критическая температура хрупкости и ее смещение при коррозионных повреждениях;

- сдвигающее усилие в шпоночном шве;
V - параметр продольного укорочения элемента от наложения сварного шва;

- момент сопротивления неусиленного сечения;

- приведенный момент сопротивления с учетом коррозии;

- стрелка прогиба ненагруженного стержня;
f' - стрелка прогиба стержня в момент измерения под нагрузкой N';

- прогиб, вызываемый присоединением элементов усиления;

- остаточный прогиб, вызываемый приваркой элементов усиления;
k - коэффициент перехода от стрелки прогиба к эксцентриситету силы;

,

- коэффициент слитности сечения по площади и моменту сопротивления;

,

- коэффициенты приведения расчетных сопротивлений бистального сечения;

,

- относительные стрелки прогибов в направлении осей

и

;

- отношение расчетных сопротивлений

;

- уровень начального нагружения;

,

- коэффициенты для расчета углового шва соответственно по металлу шва и металлу границы сплавления;

- коэффициент условий работы;

- коэффициент надежности по назначению;

- коэффициент надежности по материалу;

- коэффициент надежности по нагрузке;

- коэффициент снижения расчетного сопротивления за счет коррозии;

- коэффициент надежности по материалу шва;

,

- дополнительные коэффициенты надежности, учитывающие особенности напряженного состояния и способ выполнения усиления;

- норма пластической деформации;

- гибкость

;

- условная гибкость

;

- приведенная гибкость стержня сквозного сечения;

- условная приведенная гибкость стержня сквозного сечения

;

- коэффициент снижения расчетных сопротивлений при внецентренном сжатии.
СПИСОК СПРАВОЧНЫХ ДОКУМЕНТОВ
Государственные стандарты и стандарты СЭВ
1.
ГОСТ 263-75* (СТ СЭВ 1198-78). Резина. Метод определения твердости по Шору А.
| | ИС МЕГАНОРМ: примечание. ГОСТ 1759-70 утратил силу с 01.01.1983 в части допусков и методов контроля размеров и отклонений формы и расположения поверхностей, в части дефектов поверхности болтов, винтов и шпилек и методов их контроля в связи с введением в действие ГОСТ 1759.1-82, ГОСТ 1759.2-82 (Постановления Госстандарта СССР от 29.07.1982 N 2954, 2955), с 01.01.1984 в части дефектов поверхности гаек и методов их контроля в связи с введением в действие ГОСТ 1759.3-83 (Постановление Госстандарта СССР от 23.06.1983 N 2662), с 01.01.1989 в части технических требований и маркировки крепежных изделий, в части механических свойств и методов испытаний болтов, винтов и шпилек и методов контроля гаек в связи с введением в действие ГОСТ 1759.0-87, ГОСТ 1759.4-87, ГОСТ 1759.5-87 (Постановления Госстандарта СССР от 30.12.1987 N 5111, 5112). | |
3. ГОСТ 1759-70** (СТ СЭВ 607-77, СТ СЭВ 1018-78). Болты, винты, шпильки и гайки Технические требования.
4.
ГОСТ 5639-82* (СТ СЭВ 1959-79). Стали и сплавы. Методы выявления и определения величины зерна.
| | ИС МЕГАНОРМ: примечание. Взамен ГОСТ 7564-73 Постановлением Госстандарта России от 13.04.1998 N 118 с 1 января 1999 года введен в действие ГОСТ 7564-97. | |
5. ГОСТ 7564-73* (СТ СЭВ 2859-81). Сталь. Общие правила отбора проб, заготовок и образцов механических и технологических испытаний.
6.
ГОСТ 7565-81* (СТ СЭВ 466-77). Чугун, сталь и сплавы. Метод отбора проб для химического состава.
7.
ГОСТ 7805-70* (СТ СЭВ 4727-84). Болты с шестигранной головкой класса точности А. Конструкция и размеры.
8.
ГОСТ 9454-78* (СТ СЭВ 472-77, СТ СЭВ 473-77). Металлы. Метод испытаний на ударный изгиб при пониженной, комнатной и повышенных температурах.
9.
ГОСТ 10243-75* (СТ СЭВ 2837-71). Сталь. Метод испытаний и оценки макроструктуры.
10.
ГОСТ 18321-73* (СТ СЭВ 1934-79). Статистический контроль качества. Методы случайного отбора выборок штучной продукции.
11.
ГОСТ 18442-80*. Контроль неразрушающий. Капиллярные методы. Общие требования.
| | ИС МЕГАНОРМ: примечание. Взамен ГОСТ 22536.1-77 Постановлением Госстандарта СССР от 25.08.1988 N 3018 с 1 января 1990 года введен в действие ГОСТ 22536.1-88. | |
12. ГОСТ 22536.1-77*. Сталь углеродистая и чугун нелегированный. Методы определения содержания общего углерода и графита.
13.
ГОСТ 22536.2-87. Сталь углеродистая и чугун нелегированный. Методы определения серы.
| | ИС МЕГАНОРМ: примечание. Взамен ГОСТ 22536.3-77 Постановлением Госстандарта СССР от 25.08.1988 N 3018 с 1 января 1990 года введен в действие ГОСТ 22536.3-88. | |
14. ГОСТ 22536.3-77*. Сталь углеродистая и чугун нелегированный. Метод определения содержания фосфора.
| | ИС МЕГАНОРМ: примечание. Взамен ГОСТ 22536.4-77 Постановлением Госстандарта СССР от 25.08.1988 N 3018 с 1 января 1990 года введен в действие ГОСТ 22536.4-88. | |
15. ГОСТ 22536.4-77*. Стать углеродистая и чугун нелегированный. Методы определения содержания кремния.
16.
ГОСТ 22536.5-87. Сталь углеродистая и чугун нелегированный. Методы определения содержания марганца.
| | ИС МЕГАНОРМ: примечание. Взамен ГОСТ 22536.6-77 Постановлением Госстандарта СССР от 25.08.1988 N 3018 с 1 января 1990 года введен в действие ГОСТ 22536.6-88. | |
17. ГОСТ 22536.6-77*. Сталь углеродистая и чугун нелегированный. Метод определения содержания мышьяка.
18. ГОСТ 22762-77. Металлы и сплавы. Метод измерения твердости на пределе текучести вдавливанием шара.
20. ГОСТ 25997-83. Сварка металлов плавлением. Статистическая оценка качества по результатам неразрушающего контроля.
Нормативные документы
21.
СНиП 1.06.05-85. Положение об авторском надзоре проектных организаций за строительством предприятий, зданий и сооружений.
28.
ТП 101-81*. Технические правила по экономному расходованию основных строительных материалов.
| | ИС МЕГАНОРМ: примечание. С 10 января 2001 года введены в действие Правила устройства и безопасной эксплуатации грузоподъемных кранов ПБ 10-382-00 (Постановление Госгортехнадзора России от 04.11.2000 N 63). | |
29. Правила устройства и безопасной эксплуатации грузоподъемных кранов.
Положения, пособия, рекомендации
30.
Положение о проведении планово-предупредительного ремонта производственных зданий и сооружений/Госстрой СССР - М.: Стройиздат, 1974.
31.
Рекомендации по учету влияния дефектов и повреждений на эксплуатационную пригодность стальных конструкций производственных зданий - М.: ЦНИИпроектстальконструкция им. Мельникова, 1987.
32.
Рекомендации по расчету стальных конструкций на прочность по критериям ограниченных пластических деформаций - М.: ЦНИИпроектстальконструкция им. Мельникова, 1985.
33. Рекомендации по обследованию и методике оценки технического состояния стальных конструкций производственных зданий - М.: ЦНИИпроектстальконструкция, 1987.
34.
Пособие по расчету и конструированию сварных соединений стальных конструкций (к
СНиП II-23-81*)/ЦНИИСК им. Кучеренко - М.: Стройиздат, 1984.
35. Рекомендации по кодированию информации о дефектах и повреждениях металлических конструкций - М.: ЦНИИпроектстальконструкция им. Мельникова, 1984.
36. Рекомендации по оценке монтажной технологичности проектных решений усиления стальных конструкций в реконструируемых производственных зданиях ВНИПИпромстальконструкция/ЦНИИпроектстальконструкция им. Мельникова - М., 1987.