Главная // Актуальные документы // ПереченьСПРАВКА
Источник публикации
М.: Стройиздат, 1985
Примечание к документу
ИС МЕГАНОРМ: примечание:
Название документа
"Пособие по расчету и проектированию естественного, искусственного и совмещенного освещения (к СНиП II-4-79)"
(утв. Приказом НИИСФ Госстроя СССР от 20.11.1984 N 93-й)
"Пособие по расчету и проектированию естественного, искусственного и совмещенного освещения (к СНиП II-4-79)"
(утв. Приказом НИИСФ Госстроя СССР от 20.11.1984 N 93-й)
Приказом НИИСФ Госстроя СССР
от 20 ноября 1984 г. N 93-й
ПОСОБИЕ
ПО РАСЧЕТУ И ПРОЕКТИРОВАНИЮ ЕСТЕСТВЕННОГО,
ИСКУССТВЕННОГО И СОВМЕЩЕННОГО ОСВЕЩЕНИЯ
Рекомендовано к изданию решением секции строительной светотехники Научно-технического совета НИИСФ Госстроя СССР.
Содержит основные методические положения по выбору (определению) нормируемых значений показателей естественного, искусственного и совмещенного освещения, методы их расчета при проектировании производственных, общественных и жилых зданий, а также установок наружного освещения.
Для инженерно-технических работников проектных и строительных организаций, а также работников службы эксплуатации осветительных установок.
Разработано НИИСФ Госстроя СССР (кандидаты техн. наук М.И. Краснов -
разд. 2,
6,
9, Н.Н. Киреев -
разд. 1 -
4, Г.А. Тищенко -
разд. 5,
6,
7,
9, М.Н. Марусова -
разд. 9, Н.М. Беляева -
разд. 5, В.А. Земцов -
разд. 2,
4; инженеры В.М. Сорокин -
разд. 2, Л.А. Обросова -
разд. 3, Т.А. Кузина, А.Н. Паршин -
разд. 4, Н.И. Котлярова -
разд. 6, И.А. Шмаров -
разд. 7, Л.Н. Фадеев -
разд. 5, В.М. Карачев -
разд. 10) совместно с ВНИСИ Минэлектротехпрома (кандидаты техн. наук Ц.И. Кроль, Е.И. Мясоедова -
разд. 5, М.А. Фаермарк -
разд. 5,
7); ЦНИИПромзданий Госстроя СССР (кандидаты техн. наук Ю.П. Александров, Т.И. Смирнова -
разд. 2,
3); ЦНИИЭП инженерного оборудования Госгражданстроя (канд. техн. наук Г.В. Каменская, инженеры В.П. Зобов, Л.А. Подгорных, Л.И. Петрова -
разд. 10); АКХ им. К.Д. Памфилова МКХ РСФСР (канд. техн. наук О.Г. Корягин, инж. Г.А. Добрякова -
разд. 10); ВЦНИИОТ ВЦСПС (канд. техн. наук Е.А. Никитина -
разд. 8); Харьковским филиалом Гипронииавиапрома (инж. А.В. Шаповал -
Прил. 1) под общей редакцией заслуженного деятеля науки и техники РСФСР, д-ра техн. наук, проф. В.А. Дроздова.
ОУ - осветительная установка;
МО - местное освещение;
УНО - установки наружного освещения;
УРП - условная рабочая поверхность;
ГЛВД - газоразрядные лампы высокого давления;
ДРЛ - ртутные лампы высокого давления;
МГЛ - металлогалоидные лампы;
НЛВД - натриевые лампы высокого давления;
ЛЛ - люминесцентные лампы;
ЛН - лампы накаливания;
КСС - кривые силы света.
ОСНОВНЫЕ ОБОЗНАЧЕНИЯ, ПРИНЯТЫЕ В ПОСОБИИ
A - площадь, м2;

- площадь пола помещения, м2;

- площадь светового проема окна, м2;

- суммарная площадь световых проемов окон, м2;

- площадь светового проема фонаря, м2;

- суммарная площадь световых проемов фонарей, м2;
a - длина, м;

- длина помещения, м;

- длина светового проема, м;
b - ширина, м;

- ширина помещения, м;

- ширина окна, м;

- суммарная ширина окон, м;

- ширина проезжей части улицы, м;
h - высота, м;

- высота окна, м;

- высота помещения, м;

- расчетная высота от условной рабочей поверхности до выходного отверстия светильника (фонаря), м;

- высота установки светильников над поверхностью дороги, улицы, м;
d - глубина, м;

- глубина помещения, м;

- шаг установки фонарей, м;
E - освещенность, лк;

- освещенность в вертикальной плоскости, лк;

- освещенность в горизонтальной плоскости, лк;

- освещенность рабочей поверхности, лк;

- уровень нормируемой освещенности при системе комбинированного освещения, лк;

- максимальное значение освещенности, лк;

- минимальное значение освещенности, лк;

- освещенность, создаваемая светильниками местного освещения, лк;

- нормируемые значения освещенности, лк;

- освещенность от общего освещения, лк;
e - коэффициент естественной освещенности (КЕО), %;

- нормируемое значение коэффициента естественной освещенности, %;

- нормируемое значение коэффициента естественной освещенности при совмещенном освещении, %;

- среднее значение коэффициента естественной освещенности, %;
I - сила света;

- индекс помещения;

- индекс светового проема фонаря;

- коэффициент, зависящий от типа заполнения светопроема;

- поправочный коэффициент, зависящий от размеров помещения;

- коэффициент светопередачи;

- коэффициент запаса;

- коэффициент пульсации освещенности;

- коэффициент пульсации светового потока источника света;
L - яркость, кд/м2;

- нормируемое значение яркости, кд/м2;
l - расстояние, м;

- расстояние между светильниками, м;

- расстояние между светильниками в ряду, м;

- расстояние между рядами светильников, м;
m - коэффициент светового климата;

- количество светильников;

- количество фонарей;
P - показатель ослепленности;
C - коэффициент солнечности климата;
Ф - световой поток, лм;

- световой поток источника света;

- коэффициент использования светового потока осветительной установки;

- коэффициент использования светового потока светильника;

- коэффициент использования светового потока источника света;

- коэффициент использования светового потока источника света по освещенности (дорожного покрытия);

- коэффициент использования светового потока источника света по яркости (дорожного покрытия);

- коэффициент отражения;

- средневзвешенный коэффициент отражения внутренних поверхностей помещения;

- общий коэффициент светопропускания;

- коэффициент яркости;

- коэффициент яркости дорожных покрытий;

- стоимость единицы тепловой энергии, руб./ГДж;

- стоимость единицы электрической энергии, руб./(кВт x ч);

- коэффициент оценки неравномерности распределения освещенности по рабочей поверхности;

- коэффициент оценки неравномерности распределения яркости по рабочей поверхности.
ОСНОВНЫЕ РЕКОМЕНДАЦИИ ПО ПРОЕКТИРОВАНИЮ ОСВЕЩЕНИЯ
1.1. При проектировании освещения объектов различного назначения, мест производства работ вне зданий, улиц, дорог и площадей населенных пунктов и городов следует руководствоваться нормативными требованиями к освещению
СНиП II-4-79 "Естественное и искусственное освещение",
Правилами устройства электроустановок, Правилами технической эксплуатации электроустановок потребителей, инструкциями и отраслевыми нормами по проектированию освещения, утвержденными в установленном порядке, а также рекомендациями настоящего Пособия.
При разработке проектов освещения следует предпочитать варианты, которые позволяют обеспечивать нормативные требования с наименьшими энергетическими и материальными затратами.
1.2. Спроектированная осветительная установка (ОУ) здания должна обеспечивать:
нормированные значения КЕО и освещенности на рабочих местах и в проходах между оборудованием при рабочем и аварийном режимах;
регламентируемые значения качественных показателей ОУ - показателей ослепленности P и дискомфорта M, коэффициента пульсации освещенности -

, а также требования к равномерности распределения КЕО и освещенности в рабочих зонах помещения;
нормированное значение коэффициента запаса.
1.3. В проектах освещения должны быть предусмотрены меры, обеспечивающие возможность рационального монтажа и эксплуатации ОУ, а именно:
по согласованию с заказчиком учтены в смете передвижные средства доступа к световым проемам и светильникам или выданы задания на их изготовление силами заказчика;
выданы задания строителям (в случае необходимости) на устройство рациональных средств для обслуживания световых проемов и светильников;
выданы задания строителям на устройство мастерских для ремонта и чистки светильников;
сделан расчет потребного эксплуатационного персонала - ИТР и электромонтеров;
для экономии электроэнергии разработаны схемы управления освещением, обеспечивающие возможность полного или частичного включения ОУ, а также максимальное время использования естественного света и выключения ОУ во время обеденного перерыва;
разработаны меры по ограничению перенапряжений в ОУ;
выданы задания строителям на различные проемы, закладные устройства и детали для прокладки осветительных сетей, крепления электрооборудования и светильников, а также на конструктивные чертежи для установки светильников и другого оборудования.
1.4. При разработке проектов внутреннего и наружного освещения рекомендуется производить повариантные расчеты проектных решений для выбора наиболее эффективного и экономичного варианта, удовлетворяющего требованиям нормативных документов, указанных в
п. 1.1.
2. ЕСТЕСТВЕННОЕ ОСВЕЩЕНИЕ
2.1. Согласно
СНиП II-4-79 территория страны зонирована на пять поясов светового климата СССР; перечень административных районов, входящих в пояса светового климата, приведен в табл. 1.
─────────┬─────────────────────────────────────────────────────────────────
Пояс │ Административные районы
светового│
климата │
─────────┼─────────────────────────────────────────────────────────────────
I │Мурманская обл. Карельской АССР, Архангельская обл. (севернее
│64° с.ш.), Ненецкий авт. округ (севернее 66° с.ш.), Ямало-
│Ненецкий авт. округ (севернее 68° с.ш.), Таймырский авт. округ
│(севернее 73° с.ш.), Чукотский авт. округ (севернее 67° с.ш.)
─────────┼─────────────────────────────────────────────────────────────────
II │Литовская ССР, Латвийская ССР, Эстонская ССР, Псковская,
│Новгородская, Калининская, Ленинградская, Костромская,
│Вологодская, Архангельская области (южнее 64° с.ш.)
─────────┼─────────────────────────────────────────────────────────────────
III │Белорусская ССР, Смоленская, Брянская, Калужская, Московская,
│Орловская, Тульская, Курская, Липецкая, Воронежская, Рязанская,
│Владимирская, Ивановская, Горьковская области, Мордовская,
│Чувашская, Татарская, Марийская, Башкирская, Удмуртская АССР,
│Пензенская, Тамбовская, Кировская, Ульяновская, Куйбышевская,
│Саратовская, Пермская, Свердловская, Челябинская, Оренбургская,
│Тюменская, Курганская, Омская, Новосибирская, Кемеровская
│области, Томская обл., Красноярский край (южнее 63° с.ш.),
│Иркутская обл., Якутская АССР (южнее 63° с.ш.), Хабаровский край
│(севернее 55° с.ш.), Камчатская обл.
─────────┼─────────────────────────────────────────────────────────────────
IV │Украинская ССР, Молдавская ССР, Белгородская обл., Ростовская,
│Волгоградская области, Калмыцкая АССР, Астраханская область,
│Казахская ССР, Алтайский край, Тувинская АССР, Бурятская АССР,
│Читинская, Амурская области, Хабаровский край (южнее 55° с.ш.),
│Приморский край, Сахалинская обл.
─────────┼─────────────────────────────────────────────────────────────────
V │Крымская обл., Краснодарский, Ставропольский края и все южнее
│на Кавказе; Туркменская ССР, Узбекская ССР, Таджикская ССР,
│Киргизская ССР
2.2. Нормированные значения КЕО при естественном освещении в производственных зданиях, расположенных в разных поясах светового климата СССР, принимаются при верхнем освещении с прямоугольными светоаэрационными фонарями по табл. 2, с зенитными фонарями - по
табл. 3, при боковом освещении - по
табл. 4 и в некоторых помещениях жилых и общественных зданий - по
табл. 5. Нормированные значения КЕО в остальных помещениях общественных и жилых зданий, а также в производственных зданиях с фонарями шед следует принимать в соответствии с
СНиП II-4-79.
Таблица 2
───────────────┬───────────────────────────────────────────────────────────
Пояс светового │ КЕО, %, при разряде зрительной работы
климата ├─────┬─────┬─────┬─────┬─────┬─────┬─────┬─────┬─────┬─────
│ I │ II │ III │ IV │ V │ VI │ VII │VIIIа│VIIIб│VIIIв
───────────────┼─────┼─────┼─────┼─────┼─────┼─────┼─────┼─────┼─────┼─────
I │ 12 │ 8,4 │ 6,0 │ 4,8 │ 3,6 │ 2,4 │ 3,6 │ 1,2 │ 0,8 │ 0,6
II │ 11 │ 7,7 │ 5,5 │ 4,4 │ 3,3 │ 2,2 │ 3,3 │ 1,1 │ 0,8 │ 0,6
III │ 10 │ 7,0 │ 5,0 │ 4,0 │ 3,0 │ 2,0 │ 3,0 │ 1,0 │ 0,7 │ 0,5
IV │ │ │ │ │ │ │ │ │ │
а) севернее │ 8,1 │ 5,7 │ 4,1 │ 3,2 │ 2,5 │ 1,6 │ 2,5 │ 0,8 │ 0,6 │ 0,4
50° с.ш. │ │ │ │ │ │ │ │ │ │
б) 50° с.ш. │ 7,7 │ 5,4 │ 3,9 │ 3,1 │ 2,3 │ 1,5 │ 2,3 │ 0,8 │ 0,5 │ 0,4
и южнее │ │ │ │ │ │ │ │ │ │
V │ │ │ │ │ │ │ │ │ │
а) севернее │ 6,4 │ 4,5 │ 3,2 │ 2,6 │ 1,9 │ 1,3 │ 1,9 │0,64 │ 0,5 │ 0,3
40° с.ш. │ │ │ │ │ │ │ │ │ │
б) 40° с.ш. │ 6,0 │ 4,2 │ 3,0 │ 2,4 │ 1,8 │ 1,2 │ 1,8 │ 0,6 │ 0,4 │ 0,3
и южнее │ │ │ │ │ │ │ │ │ │
───────────────┬───────────────────────────────────────────────────────────
Пояс светового │ КЕО, %, при разряде зрительной работы
климата ├─────┬─────┬─────┬─────┬─────┬─────┬─────┬─────┬─────┬─────
│ I │ II │ III │ IV │ V │ VI │ VII │VIIIа│VIIIб│VIIIв
───────────────┼─────┼─────┼─────┼─────┼─────┼─────┼─────┼─────┼─────┼─────
I │12,0 │ 8,4 │ 6,0 │ 4,8 │ 3,6 │ 2,4 │ 3,6 │ 1,2 │ 0,8 │ 0,6
II │11,0 │ 7,7 │ 5,5 │ 4,4 │ 3,3 │ 2,2 │ 3,3 │ 1,1 │ 0,8 │ 0,6
III │10,0 │ 7,0 │ 5,0 │ 4,0 │ 3,0 │ 2,0 │ 3,0 │ 1,0 │ 0,7 │ 0,5
IV │ │ │ │ │ │ │ │ │ │
а) севернее │ 8,1 │ 5,7 │ 4,0 │ 3,2 │ 2,4 │ 1,6 │ 2,4 │ 0,8 │ 0,6 │ 0,4
50° с.ш. │ │ │ │ │ │ │ │ │ │
б) 50° с.ш. │ 7,6 │ 5,3 │ 3,8 │ 3,0 │ 2,3 │ 1,5 │ 2,3 │ 0,8 │ 0,5 │ 0,4
и южнее │ │ │ │ │ │ │ │ │ │
V │ │ │ │ │ │ │ │ │ │
а) севернее │ 6,0 │ 4,2 │ 3,0 │ 2,4 │ 1,8 │ 1,2 │ 1,8 │ 0,6 │ 0,4 │ 0,3
40° с.ш. │ │ │ │ │ │ │ │ │ │
б) 40° с.ш. │ 5,2 │ 3,6 │ 2,6 │ 2,1 │ 1,6 │ 1,0 │ 1,6 │ 0,5 │ 0,4 │ 0,3
и южнее │ │ │ │ │ │ │ │ │ │
──────────────────┬──────────┬─────────────────────────────────────────────
Пояс светового │Ориентация│ КЕО, %, при разряде зрительной работы
климата │ световых ├───┬───┬───┬───┬───┬───┬───┬─────┬─────┬─────
│проемов по│ I │II │III│IV │ V │VI │VII│VIIIа│VIIIб│VIIIв
│ сторонам │ │ │ │ │ │ │ │ │ │
│горизонта,│ │ │ │ │ │ │ │ │ │
│ град. │ │ │ │ │ │ │ │ │ │
──────────────────┼──────────┼───┼───┼───┼───┼───┼───┼───┼─────┼─────┼─────
I │ │ │ │ │ │ │ │ │ │ │
а) в зоне │136 - 225 │3,0│2,2│1,7│1,3│0,9│0,4│0,9│ 0,2 │ 0,2 │ 0,1
с устойчивым │226 - 315 │3,2│2,3│1,8│1,4│0,9│0,5│0,9│ 0,2 │ 0,2 │ 0,1
снежным покровом │и 46 - 135│ │ │ │ │ │ │ │ │ │
│ 316 - 45 │3,4│2,4│1,9│1,4│1,0│0,5│1,0│ 0,2 │ 0,2 │ 0,1
│ │ │ │ │ │ │ │ │ │ │
б) на остальной │136 - 225 │3,8│2,7│2,2│1,6│1,1│0,5│1,1│ 0,3 │ 0,2 │ 0,1
территории пояса │226 - 315 │4,0│2,8│2,3│1,7│1,1│0,6│1,7│ 0,3 │ 0,2 │ 0,1
│и 47 - 135│ │ │ │ │ │ │ │ │ │
│ 316 - 45 │4,2│3,0│2,4│1,8│1,2│0,6│1,2│ 0,4 │ 0,2 │ 0,1
II │ │ │ │ │ │ │ │ │ │ │
а) в зоне с │136 - 225 │2,6│1,9│1,5│1,1│0,8│0,4│0,8│ 0,2 │ 0,2 │ 0,1
устойчивым снежным│226 - 315 │2,8│2,0│1,6│1,2│0,8│0,4│0,8│ 0,2 │ 0,2 │ 0,1
покровом │и 46 - 135│ │ │ │ │ │ │ │ │ │
│ 316 - 45 │3,1│2,2│1,8│1,3│0,9│0,4│0,9│ 0,2 │ 0,2 │ 0,1
│ │ │ │ │ │ │ │ │ │ │
б) на остальной │136 - 225 │3,3│2,4│1,9│1,4│0,9│0,5│0,9│ 0,3 │ 0,2 │ 0,1
территории пояса │226 - 315 │3,5│2,5│2,0│1,5│1,0│0,5│ 1 │ 0,3 │ 0,2 │ 0,1
│и 46 - 135│ │ │ │ │ │ │ │ │ │
│ 316 - 45 │3,8│2,8│2,2│1,6│1,1│0,6│1,1│ 0,3 │ 0,2 │ 0,1
III │ │ │ │ │ │ │ │ │ │ │
а) в зоне │136 - 225 │2,8│2,0│1,6│1,2│0,8│0,4│0,8│ 0,2 │ 0,2 │ 0,1
с устойчивым │226 - 315 │2,8│2,0│1,6│1,2│0,8│0,4│0,8│ 0,2 │ 0,2 │ 0,1
снежным покровом │и 46 - 135│ │ │ │ │ │ │ │ │ │
│ 316 - 45 │2,8│2,0│1,6│1,2│0,8│0,4│0,8│ 0,2 │ 0,2 │ 0,1
б) на остальной │136 - 225 │3,5│2,5│ 2 │1,5│ 1 │0,5│ 1 │ 0,3 │ 0,2 │ 0,1
территории пояса │226 - 315 │3,5│2,5│ 2 │1,5│ 1 │0,5│ 1 │ 0,3 │ 0,2 │ 0,1
│и 46 - 135│ │ │ │ │ │ │ │ │ │
│ 316 - 45 │3,5│2,5│ 2 │1,5│ 1 │0,5│ 1 │ 0,3 │ 0,2 │ 0,1
IV │ │ │ │ │ │ │ │ │ │ │
а) севернее │136 - 225 │2,4│1,7│1,4│1,0│0,7│0,3│0,7│ 0,2 │ 0,1 │ 0,1
50° с.ш. │226 - 315 │2,5│1,8│1,4│1,1│0,7│0,4│0,7│ 0,2 │ 0,1 │ 0,1
│и 46 - 135│ │ │ │ │ │ │ │ │ │
│ 316 - 45 │3,2│2,2│1,8│1,4│0,9│0,4│0,9│ 0,3 │ 0,2 │ 0,1
│ │ │ │ │ │ │ │ │ │ │
б) 50° с.ш. │136 - 225 │2,2│1,6│1,3│0,9│0,6│0,3│0,6│ 0,2 │ 0,2 │ 0,1
и южнее │226 - 315 │2,4│1,7│1,4│1,0│0,7│0,3│0,7│ 0,2 │ 0,1 │ 0,1
│и 46 - 135│ │ │ │ │ │ │ │ │ │
│ 316 - 45 │3,0│2,2│1,7│1,3│0,9│0,4│0,9│ 0,3 │ 0,2 │ 0,1
V │ │ │ │ │ │ │ │ │ │ │
а) севернее │136 - 225 │1,8│1,3│1,0│0,8│0,5│0,3│0,5│ 0,2 │ 0,1 │ 0,1
40° с.ш. │225 - 315 │2,0│1,4│1,1│0,8│0,6│0,3│0,6│ 0,2 │ 0,1 │ 0,1
│и 46 - 135│ │ │ │ │ │ │ │ │ │
│ 316 - 45 │2,5│1,8│1,4│1,1│0,7│0,4│0,7│ 0,2 │ 0,1 │ 0,1
│ │ │ │ │ │ │ │ │ │ │
б) 40° с.ш. │136 - 225 │1,7│1,2│1,0│0,7│0,5│0,2│0,5│ 0,1 │ 0,1 │ 0,1
и южнее │226 - 315 │1,8│1,3│1,0│0,8│0,5│0,3│0,5│ 0,2 │ 0,1 │ 0,1
│и 46 - 135│ │ │ │ │ │ │ │ │ │
│ 136 - 45 │2,4│1,7│1,4│1,0│0,7│0,3│0,7│ 0,2 │ 0,1 │ 0,1
─────────────┬──────────┬──────────────────────────────────────────────────
Пояс │Ориентация│ КЕО, %
светового │ световых ├─────────┬──────┬──────┬──────┬──────┬────────────
климата │проемов по│в рабочих│в │в │в вы- │в чи- │в проектных
│ сторонам │кабинетах│школь-│жилых │ста- │таль- │залах,
│горизонта,│зданий │ных │поме- │вочных│ных │чертежно-
│ град │управле- │клас- │щениях│залах │залах │конструк-
│ │ния │сах │ │ │ │торских бюро
─────────────┼──────────┼─────────┼──────┼──────┼──────┼──────┼────────────
I │ │ │ │ │ │ │
а) в зоне │136 - 225 │ 0,9 │ 1,3 │ 0,4 │ 1,3 │ 0,9 │ 1,7
с устойчивым │226 - 315 │ 0,9 │ 1,4 │ 0,5 │ 1,4 │ 0,9 │ 1,8
снежным │и 46 - 135│ │ │ │ │ │
покровом │ 316 - 45 │ 1,0 │ 1,4 │ 0,5 │ 1,4 │ 1,0 │ 1,9
│ │ │ │ │ │ │
б) на │136 - 225 │ 1,1 │ 1,6 │ 0,5 │ 1,6 │ 1,1 │ 2,2
остальной │226 - 315 │ 1,1 │ 1,7 │ 0,6 │ 1,7 │ 1,1 │ 2,3
территории │и 47 - 135│ │ │ │ │ │
пояса │ 316 - 45 │ 1,2 │ 1,8 │ 0,6 │ 1,8 │ 1,2 │ 2,4
II │ │ │ │ │ │ │
а) в зоне │136 - 225 │ 0,8 │ 1,1 │ 0,4 │ 1,1 │ 0,8 │ 1,5
с устойчивым │226 - 315 │ 0,8 │ 1,2 │ 0,4 │ 1,1 │ 0,8 │ 1,6
снежным │и 46 - 135│ │ │ │ │ │
покровом │ 316 - 45 │ 0,9 │ 1,3 │ 0,4 │ 1,3 │ 0,9 │ 1,8
│ │ │ │ │ │ │
б) на │136 - 225 │ 0,9 │ 1,4 │ 0,5 │ 1,4 │ 0,9 │ 1,9
остальной │226 - 315 │ 1,0 │ 1,5 │ 0,5 │ 1,5 │ 1,0 │ 2
территории │и 46 - 135│ │ │ │ │ │
пояса │ 316 - 45 │ 1,1 │ 1,6 │ 0,6 │ 1,6 │ 1,1 │ 2,2
III │ │ │ │ │ │ │
а) в зоне │136 - 225 │ 0,8 │ 1,2 │ 0,4 │ 1,2 │ 0,8 │ 1,6
с устойчивым │226 - 315 │ 0,8 │ 1,2 │ 0,4 │ 1,2 │ 0,8 │ 1,6
снежным │и 46 - 135│ │ │ │ │ │
покровом │ 316 - 45 │ 0,8 │ 1,2 │ 0,4 │ 1,2 │ 0,8 │ 1,6
│ │ │ │ │ │ │
б) на │136 - 225 │ 1,0 │ 1,5 │ 0,5 │ 1,5 │ 1,0 │ 2,0
остальной │226 - 315 │ 1,0 │ 1,5 │ 0,5 │ 1,5 │ 1,0 │ 2,0
территории │и 46 - 135│ │ │ │ │ │
пояса │ 316 - 45 │ 1,0 │ 1,5 │ 0,5 │ 1,0 │ 1,0 │ 2,0
IV │ │ │ │ │ │ │
а) севернее │136 - 225 │ 0,7 │ 1,0 │ 0,5 │ 1,0 │ 0,7 │ 1,4
50° с.ш. │226 - 315 │ 0,7 │ 1,1 │ 0,4 │ 1,1 │ 0,7 │ 1,4
│и 46 - 135│ │ │ │ │ │
│ 316 - 45 │ 0,9 │ 1,4 │ 0,4 │ 1,4 │ 0,9 │ 1,8
│ │ │ │ │ │ │
б) 50° с.ш. │136 - 225 │ 0,6 │ 0,9 │ 0,3 │ 0,9 │ 0,6 │ 1,3
и южнее │226 - 315 │ 0,7 │ 1,0 │ 0,3 │ 1,0 │ 0,7 │ 1,4
│и 46 - 135│ │ │ │ │ │
│ 316 - 45 │ 0,9 │ 1,3 │ 0,4 │ 1,3 │ 0,9 │ 1,7
V │ │ │ │ │ │ │
а) севернее │136 - 225 │ 0,5 │ 0,8 │ 0,3 │ 0,8 │ 0,5 │ 1,0
40° с.ш. │225 - 315 │ 0,6 │ 0,8 │ 0,3 │ 0,8 │ 0,6 │ 1,1
│и 46 - 135│ │ │ │ │ │
│ 316 - 45 │ 0,7 │ 1,1 │ 0,4 │ 1,1 │ 0,7 │ 1,4
│ │ │ │ │ │ │
б) 40° с.ш. │136 - 225 │ 0,5 │ 0,7 │ 0,2 │ 0,7 │ 0,5 │ 1,0
и южнее │226 - 315 │ 0,5 │ 0,8 │ 0,3 │ 0,8 │ 0,5 │ 1,0
│и 46 - 135│ │ │ │ │ │
│ 136 - 45 │ 0,7 │ 1,0 │ 0,3 │ 1,0 │ 0,7 │ 1,4
2.3. Нормированные значения КЕО увязываются с нормируемыми значениями освещенности

от искусственного освещения при различных зрительных работах через критические наружные освещенности по формуле

, (1)
где e - коэффициент естественной освещенности;

- критическая наружная освещенность.
ПРОЕКТИРОВАНИЕ ЕСТЕСТВЕННОГО ОСВЕЩЕНИЯ
2.4. Проектирование естественного освещения зданий должно базироваться на детальном изучении технологических или иных трудовых процессов, выполняемых в помещениях, а также на светоклиматических особенностях места строительства зданий. При этом должны быть определены следующие характеристики:
характеристика зрительной работы, наименьший размер объекта различения, разряд зрительной работы, контраст объекта различения с фоном, характеристика фона;
местонахождение здания на карте светового климата;
нормированное значение КЕО

с учетом характера зрительной работы и светоклиматических особенностей места расположения зданий;
требуемая равномерность естественного освещения;
габаритные размеры и расположение оборудования, возможное затенение им рабочих поверхностей;
желательное направление падения светового потока на рабочую поверхность;
продолжительность использования естественного освещения в течение суток для разных месяцев года с учетом назначения помещения, режима работы и светового климата местности;
необходимость защиты помещения от слепящего действия прямого солнечного света;
дополнительные требования к освещению, вытекающие из специфики технологического процесса и архитектурных требований к интерьеру (требования к спектральному составу искусственного света, постоянство освещенности во времени, насыщенность помещения светом, распределение яркости в поле зрения, соотношение освещенности на вертикальной и горизонтальной поверхностях).
2.5. Проектирование естественного освещения зданий целесообразно осуществлять в следующей последовательности:
1-й этап - определение требований к естественному освещению помещений; определение нормированного значения КЕО по разряду преобладающих в помещении зрительных работ;
выбор систем освещения;
выбор типов светового проема и светопропускающего материала;
выбор средств для ограничения слепящего действия прямого солнечного света;
учет ориентации зданий и световых проемов по сторонам горизонта;
2-й этап - выполнение предварительного расчета естественного освещения помещений (определение необходимой площади световых проемов);
уточнение параметров световых проемов и помещений;
3-й этап - выполнение проверочного расчета естественного освещения помещений;
определение помещений, зон и участков, имеющих недостаточное по нормам естественное освещение;
определение требований к дополнительному искусственному освещению помещений, зонам и участкам с недостаточным естественным освещением;
определение требований к эксплуатации световых проемов (необходимость устройства подходов к остеклению);
4-й этап - внесение необходимых коррективов в проект естественного освещения и повторный проверочный расчет (при необходимости).
2.6. Систему естественного освещения зданий (боковое, верхнее или комбинированное) рекомендуется выбирать с учетом следующих факторов:
назначения и принятого архитектурно-планировочного, объемно-пространственного и конструктивного решения зданий;
требований к естественному освещению помещений, учитывающих особенности технологии и характера зрительной работы;
климатических и светоклиматических особенностей места строительства;
экономичности естественного освещения (по приведенным затратам).
2.7. Верхнее и комбинированное естественное освещение следует применять преимущественно в производственных одноэтажных многопролетных зданиях промышленных и сельскохозяйственных предприятий, в одноэтажных общественных зданиях большой площади (крытые рынки, стадионы, выставочные павильоны и т.п.), а также в зданиях с крупногабаритными технологическими объемами, в частности, производственных транспортных предприятий, предназначенных для ввода подвижного состава.
2.8. Боковое естественное освещение следует применять в многоэтажных производственных, общественных и жилых зданиях, одноэтажных жилых зданиях, а также в одноэтажных общественных и производственных зданиях, в которых отношение глубины помещений к высоте окон над условной рабочей поверхностью не превышает 8.
Глубокие производственные помещения, в которых невозможно обеспечить требуемые условия освещения на всей площади, допускается делить по глубине на три зоны: зону с достаточным естественным освещением, зону с совмещенным освещением и зону без естественного освещения. Границы зон определяются на основе расчета значений КЕО в точках характерного разреза помещения и сопоставления их с наименьшим нормированным КЕО соответственно для естественного и совмещенного освещения. Без естественного освещения считается зона, в пределах которой КЕО в точках характерного разреза помещения составляет менее 30% нормированного КЕО для естественного освещения. При этом размеры световых проемов и их заполнение выбираются исходя из требований технологии условий климата места строительства и технико-экономических требований.
2.9. При выборе окон, фонарей и светопропускающих материалов следует учитывать:
требования к естественному освещению помещений;
назначение, объемно-пространственное и конструктивное решение здания;
ориентацию здания по сторонам горизонта;
климатические и светоклиматические особенности места строительства;
необходимость защиты помещений от инсоляции;
степень загрязнения воздуха;
необходимость обеспечения наименьших приведенных и энергетических затрат.
2.10. Для устройства верхнего естественного освещения помещений производственных зданий следует применять, как правило, светоаэрационные или зенитные фонари, номенклатура которых приведена в табл. 6. При проектировании целесообразно использовать типовые конструкции фонарей.
Таблица 6
─────────────┬─────────┬───────────────────────────────┬───────┬───────────
Профиль │ Размер │Вид заполнения светового проема│ Тип │ Номер
фонаря │светового│ фонаря │ покры-│ типовой
│ проема, ├─────────────────┬─────────────┤ тия │ серии
│ мм │ материал │ переплет │ │
─────────────┴─────────┴─────────────────┴─────────────┴───────┴───────────
а) Фонари прямоугольные светоаэрационные
П-образный │ 6 x 84 │Листовое стекло, │Открывающийся│ЖБ и ПН│ 1.464-11
одноярусный │ (макс.) │одинарное │ │ │
│ 12 x 84 │ │ │ │
│ (макс.) │ │ │ │
─────────────┼─────────┼─────────────────┼─────────────┼───────┼───────────
П-образный │ 12 x 84 │То же │ То же │ЖБ и ПН│ 1.464-13
двухъярусный │ (макс.) │ │ │ │
─────────────┴─────────┴─────────────────┴─────────────┴───────┴───────────
б) Фонари зенитные
Криволинейный│1,2 x 1,4│Двухслойный │ Глухой │ЖБ и ПН│ 1.464-1
│1,4 x 6,0│элемент из орга- │ │ │
│ │нического стекла │ │ │
─────────────┼─────────┼─────────────────┼─────────────┼───────┼───────────
Криволинейный│1,1 x 1,1│То же │ Глухой │ЖБ и ПН│ 1.464-15
│1,5 x 1,7│ │открывающийся│ │
│2,6 x 2,6│ │ │ │
│1,5 x 6,0│ │ │ │
─────────────┼─────────┼─────────────────┼─────────────┼───────┼───────────
Односкатный │1,0 x 1,5│Стеклопакет │Открывающийся│ ПН │ 1.464-10
Двухскатный │3,0 x 3,0│двухслойный │ Глухой │ │
Односкатный │1,5 x 1,5│Профильное стекло│ То же │ │
│1,5 x 3,0│швеллерное, │ │ │
│1,5 x 6,0│двухслойное │ │ │
─────────────┼─────────┼─────────────────┼─────────────┼───────┼───────────
Односкатный │1,5 x 1,7│Стеклопакет │Открывающийся│ЖБ и ПН│1.464.2-14,
│ │двухслойный │ │ │ вып. 1
─────────────┼─────────┼─────────────────┼─────────────┼───────┼───────────
Двухскатный │2,7 x 2,7│Стеклопакет │ Глухой │ ЖБ │1.464.2-17,
│ │двухслойный │ │ │ вып. 1
─────────────┼─────────┼─────────────────┼─────────────┼───────┼───────────
Двухскатный │2,9 x 5,9│То же │ То же │ЖБ и ПН│1.464.2-18,
│ │ │ │ │ вып. 1
─────────────┼─────────┼─────────────────┼─────────────┼───────┼───────────
Односкатный │1,5 x 1,7│Стеклопакет │ " │ЖБ и ПН│1.464.2-21
│ │трехслойный │ │ │
Примечание. ЖБ - железобетонное покрытие; ПН - профилированный настил.
В случае необходимости применения для верхнего естественного освещения конструкций фонарей, не входящих в номенклатуру, следует использовать рекомендации табл. 7.
Таблица 7
────────────────┬──────────────────────────────────────────────────────────
Фонари │ Область преимущественного использования по условиям
├───────────────────┬────────────────────────┬─────────────
│ зрительной работы │ климатического района │ внутреннего
│ │ места строительства │ режима
│ │ │производства
────────────────┼───────────────────┼────────────────────────┼─────────────
Прямоугольные │Для IV - VII разр. │Для II - IV строи- │Характеризу-
светоаэрационные│ │тельно-климатических │емых
│ │районов (при располо- │избытками
│ │жении зданий южнее │явного тепла
│ │55° с.ш. остекление │от 23
│ │фонарей следует ориен- │до 50 Вт/м3
│ │тировать на С и Ю) │
Трапециевидные │Для II, III и IV │Для I (южнее 60° с.ш.) │То же
светоаэрационные│разр. │строительно-климати- │
│ │ческого района (остек- │
│ │ление фонарей следует │
│ │ориентировать на С и Ю) │
Зенитные │Для I - VII разря- │Для I, II, III и IV │С суммарными
"точечные" │дов зрительной │строительно-климатичес- │избытками
и панельные │работы; для крупно-│ких районов (при распо- │явного тепла
│пролетных зданий │ложении зданий южнее │не свыше
│(при равномерном │55° с.ш. заполнение │23 Вт/м3
│размещении световых│фонарей необходимо │и с незначи-
│проемов по │выполнять из свето- │тельными
│покрытию) │рассеивающих или │выделениями
│ │теплозащитных стекол) │пыли и копоти
Зенитные со │Для II - VI разря- │Для всех строительно- │С нормальной
светопроводными │дов зрительной │климатических районов │средой
шахтами │работы; для произ- │(при расположении │и конди-
│водственных │зданий южнее 55° с.ш. │ционированным
│и общественных │и неглубоких шахтах │режимом
│зданий с техничес- │заполнение фонарей │
│кими этажами и │следует выполнять из │
│подвесными │светорассеивающих или │
│потолками │теплозащитных стекол) │
При выборе светопропускающих материалов для световых проемов следует руководствоваться табл. 8.
Таблица 8
─────────┬───────────────────────────────────────────────────────────┬──────────────────
Светопро-│ Область использования по условиям │ Область,
пускающий├────────────────┬───────────────┬──────────────────────────┤где использование
материал │ конструкции │ климата места │ внутренней среды │ не допускается
│ расположения │ строительства │ помещения │или ограничивается
│светового проема│ │ │
─────────┼────────────────┼───────────────┼──────────────────────────┼──────────────────
Стекло │Для остекления │Во всех │В производственных │В помещениях
листовое │окон, балконных │климатических │и вспомогательных зданиях │с агрессивной
│дверей, фонарей │зонах │промышленных и │средой, вызывающей
│и перегородок │ │сельскохозяйственных │коррозию стекла,
│ │ │предприятий │и с повышенной
│ │ │ │влажностью воздуха
Стеклопа-│Для остекления │То же │То же │То же
кеты │окон и зенитных │ │ │
│фонарей │ │ │
Стекло │Для остекления │Во всех │В производственных │В помещениях
листовое │окон и дверей с │климатических │и вспомогательных зданиях │с агрессивной
армиро- │целью обеспече- │зонах │промышленных и │средой, вызывающей
ванное │ния механической│ │сельскохозяйственных │коррозию стекла,
│прочности │ │предприятий, а также │и с повышенной
│заполнения │ │общественных зданий │влажностью воздуха
Стекло │Для остекления │В III и IV │В производственных и │То же
теплоза- │окон и фонарей │строительно- │общественных зданиях с │
щитное │ │климатических │кондиционированным режимом│
│ │районах │или повышенными требовани-│
│ │ │ями постоянства │
│ │ │температурно-влажностного │
│ │ │режима, с постоянным │
│ │ │пребыванием людей │
Профиль- │Для заполнения │Во всех │В производственных │В производственных
ное │глухих участков │климатических │и вспомогательных зданиях │зданиях с кранами
стекло │световых проемов│районах │промышленных и │тяжелого и весьма
│в стенах и │ │сельскохозяйственных │тяжелого режимов
│покрытиях │ │предприятий, предприятий │работы, а также
│ │ │транспорта и связи, │во взрывоопасных
│ │ │складов, общественных │помещениях
│ │ │зданий │и перегородках,
│ │ │ │ограждающих пути
│ │ │ │эвакуации
Стекло │Для остекления │Во всех │В помещениях с уменьшенным│В производственных
узорчатое│окон, │климатических │слепящим действием прямого│помещениях с
│перегородок │районах │солнечного света │умеренным и значи-
│дверей │ │ │тельным выделени-
│ │ │ │ями пыли и копоти
Органи- │Для заполнения │Во всех │В производственных зданиях│В производственных
ческое │проемов зенитных│климатических │со средой, вызывающей │помещениях с
стекло │фонарей │районах (в III │коррозию силикатного │умеренным и значи-
│ │и IV строи- │стекла; в производственных│тельным загрязне-
│ │тельно-климати-│зданиях с кранами тяжелого│нием стекла пылью
│ │ческих районах │и весьма тяжелого режимов │и копотью. В
│ │должны быть │работы │производственных
│ │предусмотрены │ │помещениях
│ │солнцезащитные │ │с повышенной
│ │устройства) │ │пожароопасностью
Пустоте- │Для заполнения │В зданиях, │В производственных помеще-│Во взрывоопасных
лые стек-│световых проемов│расположенных │ниях с сухим и нормальным │производственных
лянные │в стенах, │в I и II │режимом внутреннего │помещениях
блоки │а также для │строительно- │воздуха; в производствен- │
│устройства │климатических │ных помещениях с повышен- │
│внутренних │районах, а │ными требованиями к защите│
│перегородок │также в южных │от слепящего действия │
│зданий │районах │прямого солнечного света; │
│ │ │в производственных │
│ │ │помещениях и общественных │
│ │ │зданиях с повышенными │
│ │ │гигиеническими требовани- │
│ │ │ями (например, спортивных │
│ │ │сооружениях); в помеще- │
│ │ │ниях с повышенными │
│ │ │требованиями по пожарной │
│ │ │безопасности (например, │
│ │ │складах горючих материалов│
│ │ │и т.п.) │
Стекло │Для заполнения │В зданиях, │В производственных помеще-│В тех частях
матовое │световых проемов│расположенных │ниях с постоянным пребыва-│световых проемов,
│при верхнем │в III и IV │нием людей, в которых │которые должны
│освещении │строительно- │предъявляются повышенные │обеспечивать
│ │климатических │требования к защите от │зрительную связь
│ │районах │слепящего действия прямого│с наружным
│ │ │солнечного света │пространством
Примечание. В наклонных и горизонтальных световых проемах для верхнего освещения под стеклами необходимо устраивать металлические сетки.
2.11. Прямоугольные светоаэрационные фонари шириной 6 или 12 м с одним или двумя ярусами остекления следует применять, как правило, в производственных зданиях со значительными (свыше 23 Вт/м3) избытками явного тепла. В зданиях с избытками явного тепла до 23 Вт/м3 прямоугольные светоаэрационные фонари допускается применять при соответствующем технико-экономическом обосновании.
2.12. Для обеспечения требуемого воздухообмена рекомендуется применять следующие светоаэрационные фонари:
а) в помещениях с пролетами шириной 18 м и избытками явного тепла до 50 Вт/м3 - одноярусные прямоугольные шириной 6 м;
б) в помещениях с пролетами шириной 24, 30 и 36 м и избытками явного тепла до 50 Вт/м3 - одноярусные прямоугольные шириной 12 м.
Примечания. 1. Применение двухъярусных светоаэрационных фонарей для обеспечения требуемого воздухообмена в помещениях допускается при соответствующем технико-экономическом обосновании.
2. В производствах, характеризующихся избытками явного тепла свыше 50 Вт/м3, следует применять аэрационные шахты или аэрационные фонари.
2.13. При размещении прямоугольных светоаэрационных фонарей в покрытиях зданий расстояние между торцами фонарей и между торцом фонаря и наружной стеной должно быть равным или кратным шагу строительных конструкций. Длина фонаря не должна превышать 84 м.
2.14. Зенитные фонари следует применять, как правило, в производственных зданиях с сухим или нормальным влажностным режимом и незначительными до 23 Вт/м3 избытками явного тепла.
2.15. Зенитные фонари со светопропускающим заполнением из полимерных материалов (органического стекла, полиэфирных стеклопластиков и др.) допускается применять в зданиях не ниже 11-й степени огнестойкости с производствами, относимыми по пожарной опасности к категориям Г и Д при условии применения в покрытии несгораемых или трудносгораемых утеплителей и устройстве по всей кровле защитного слоя из мелкого гравия толщиной 10 - 15 мм.
2.16. При размещении в покрытиях зданий зенитных фонарей со светопропускающим заполнением из полимерных материалов следует соблюдать следующие правила пожарной безопасности:
а) общая площадь проемов фонарей должна быть не менее 15% площади покрытия здания, при этом площадь светопропускающего заполнения одного фонаря не должна превышать 10 м2;
б) расстояние (в свету) между фонарями следует принимать не менее 3 м при площади светового проема фонаря до 5 м2 и не менее 4,5 м - при площади более 5 м2; при этом, применяя фонари с площадью светового проема от 5 до 10 м2, можно допускать уменьшение расстояния между фонарями в поперечном направлении до 3 м, если расстояние между фонарями в продольном направлении составляет 6 м и более. Такое уменьшение расстояний между фонарями допускается при устройстве в поперечном направлении разрывов шириной (в свету) не менее 6 м через каждые четыре фонаря;
в) фонари разрешается совмещать в группы с общей площадью, не превышающей 10 м2, принимая их за один фонарь и размещая согласно
п. 2.16 б настоящего Пособия;
г) между фонарями через каждые 54 м следует устраивать противопожарные разрывы шириной не менее 6 м;
д) расстояние фонарей от противопожарных стен должно составлять не менее 5 м;
е) для обеспечения удаления дыма из помещения в случае пожара следует часть фонарей с общей площадью световых проемов не менее 0,2% площади помещения оборудовать устройством ручного и автоматического открывания и размещать равномерно по площади покрытия.
2.17. При проектировании естественного или совмещенного освещения выбор зенитных фонарей следует производить с учетом площади светового проема, руководствуясь данными табл. 9.
Таблица 9
───────────────┬───────────────────────────────────────────────────────────
Площадь │ Пояс светового климата
светового ├─────────────────────────────┬─────────────────────────────
проема фонаря,│ I - III │ IV, V
м2 ├─────────────────────────────┴─────────────────────────────
│ Высота помещений до низа несущих конструкций, м
├─────────┬─────────┬─────────┬─────────┬─────────┬─────────
│6 и менее│ от 6 │ свыше │6 и менее│ от 6 │ свыше
│ │ до 10,8 │ 10,8 │ │ до 10,8 │ 10,8
───────────────┼─────────┼─────────┼─────────┼─────────┼─────────┼─────────
2,2 - 3,0 │ + │ - │ - │ + │ - │ -
───────────────┼─────────┼─────────┼─────────┼─────────┼─────────┼─────────
8,0 - 9,0 │ + │ + │ + │ - │ + │ +
───────────────┼─────────┼─────────┼─────────┼─────────┼─────────┼─────────
16,0 - 18,0 │ - │ + │ + │ - │ + │ +
───────────────┼─────────┼─────────┼─────────┼─────────┼─────────┼─────────
свыше 18,0 │ - │ - │ + │ - │ - │ +
Примечание. Знаки "+" и "-" - соответственно рекомендуемые и нерекомендуемые области применения фонарей.
2.18. При устройстве естественного освещения с помощью зенитных фонарей в помещениях производственных зданий с незначительными избытками явного тепла при разности расчетных температур внутреннего воздуха и средней температуры наиболее холодной пятидневки до 25 °C следует применять однослойное, от 25 до 49 °C - двухслойное, а свыше 49 °C - трехслойное остекление.
2.19. При проектировании бокового естественного освещения следует применять, как правило, типовые конструкции окон, разработанные на основе единой для всех видов строительства номенклатуры окон из дерева, стали и алюминиевых сплавов, приведенные в табл. 10.
Таблица 10
─────────────────┬─────────────────────────────────────────────────────────
Номер типовой │ Координационный размер окна (высота/ширина), м
серии или ГОСТ │
─────────────────┼────────────────────────────┬────────────────────────────
1.436.2-15 │ 0,6/1,8; 2,4; 3 │ 1,2/1,8; 2; 2,4; 3; 4,8; 6
│ 1,8/1,8; 2; 2,4; 3; 4,8; 6 │ 2,4/1,8; 2; 2,4; 3; 4,8; 6
─────────────────┼────────────────────────────┼────────────────────────────
1.436.3-16 │ 1,2/1,8; 2; 2,4; 3 │ 1,8/1,8; 2; 2,4; 3
│ 2,4/1,8; 2; 2,4; 3 │
─────────────────┼────────────────────────────┼────────────────────────────
1.436.2-17 │ 0,6/1,8; 2,4; 3 │ 1,2/1,8; 2; 2,4; 3; 4,8; 6
│ 1,8/1,8; 2; 2,4; 3; 4,8; 6 │ 2,4/1,8; 2; 2,4; 3; 4,8; 6
─────────────────┼────────────────────────────┼────────────────────────────
Примечание. Над чертой - высота окна, под чертой - его ширина.
В производственных зданиях промышленных предприятий следует использовать типовые конструкции окон со стальными переплетами следующих серий:
1.436.2-15 - Окна с переплетами из спаренных прямоугольных стальных труб и механизмы открывания.
1.436.3-16 - Окна с переплетами из гнутых профилей, изготовленных из тонколистовой стали, и механизмы открывания.
1.436.2-17 - Окна с переплетами из одинарных прямоугольных стальных труб и механизмы открывания.
В производственных и вспомогательных зданиях промышленных и сельскохозяйственных предприятий могут применяться окна с деревянными переплетами в соответствии с
ГОСТ 12506-81 и табл. 11.
Продолжение табл. 11
Продолжение табл. 11
Продолжение табл. 11
1 - рамы и коробки оконных переплетов;
2 - створки, фрамуги и форточки открывающихся оконных переплетов;
3 - жалюзийная решетка;
4 - окна, применяемые в жилых зданиях;
5 - окна, применяемые в общественных и вспомогательных зданиях промышленных и сельскохозяйственных предприятиях различных отраслей народного хозяйства;
6 - окна, применяемые в производственных зданиях промышленных и сельскохозяйственных предприятий;
7 - окна, применяемые в сельских жилых и общественных зданиях;
8 - окна, применяемые в животноводческих, птицеводческих и других сельскохозяйственных зданиях;
9 - окна с переплетами из дерева;
10 - окна с переплетами из стали;
11 - окна с переплетами из алюминиевых сплавов;
12 - окна с деревоалюминиевыми переплетами.
Конструкции окон с одно- и двухслойным остеклением следует выбирать в зависимости от разности температур внутреннего и наружного воздуха в соответствии со
СНиП II-3-79. При многоярусной установке окон в соответствии с сериями: 1.436.2-15, 1.436.2-17 и
ГОСТ 12506-81 общая высота остекления не должна превышать 7,2 м; серия 1.436.3-16 - 6 м.
2.20. При проектировании бокового естественного освещения в производственных зданиях высоту окон следует принимать в зависимости от глубины помещения и точности выполняемых зрительных работ. При этом в помещениях с высотой 7,2 м и менее целесообразно окна размещать в один ярус, а в помещениях с высотой свыше 7,2 м - в два яруса, соответственно в нижней и в верхней зонах стены, в соответствии с расчетом.
2.21. При проектировании бокового естественного освещения следует учитывать затенение, создаваемое противостоящими зданиями (при разрывах между зданиями меньше нормативных). Учет затенения производится в соответствии с требованиями
СНиП II-4-79 и настоящего Пособия.
2.22. Количество слоев остекления в окнах и фонарях зданий принимается в соответствии с требованиями
СНиП II-3-79.
2.23. С целью уменьшения теплопоступлений в помещения от солнечной радиации плоскость остекления фонарей следует ориентировать:
в зданиях с прямоугольными и трапециевидными фонарями, расположенными в III и IV поясах светового климата, - на С и Ю;
в зданиях с фонарями типа шед, располагаемыми в IV и V поясах светового климата, - на северную четверть горизонта (ССЗ - ССВ).
2.24. При боковом освещении помещений производственных и общественных зданий с повышенными требованиями к постоянству естественного освещения и защите от инсоляции (например, сборочные цехи часовых заводов и прецизионной аппаратуры, помещения сортировки материалов по оттенкам цвета, картинные галереи и т.п.) остекление световых проемов следует ориентировать на северную четверть горизонта (ССЗ - ССВ).
2.25. Выбор устройств для защиты от слепящего действия прямого солнечного света в промышленных зданиях следует производить согласно "
Руководству по проектированию и применению солнцезащитных средств в промышленных зданиях" (Москва, 1980).
Солнцезащитные устройства в общественных и жилых зданиях следует предусматривать в соответствии с СНиП по проектированию этих зданий.
2.26. При односменном рабочем (учебном) процессе и при эксплуатации помещений в основном в первой половине дня (например, лекционные аудитории), когда помещения ориентированы на западную четверть горизонта, применение солнцезащитных средств необязательно.
РАСЧЕТ ЕСТЕСТВЕННОГО ОСВЕЩЕНИЯ
2.27. Достаточность размеров и расположение световых проемов в помещении, а также соблюдение требований норм естественного освещения помещений определяются предварительным и проверочным расчетами.
2.28. Для предварительного расчета площадей световых проемов при верхнем освещении следует применять графики для следующих фонарей: зенитных - рис. 1, с вертикальным двухсторонним остеклением (прямоугольных) -
рис. 2, с наклонным двухсторонним остеклением (трапециевидным) -
рис. 3, с вертикальным односторонним остеклением (шед) -
рис. 4, с наклонным односторонним остеклением (шед) -
рис. 5.
Рис. 1. График для определения среднего значения
КЕО в производственных помещениях с зенитными фонарями
с глубиной проема до 0,7 м и размерами в плане, м
1 - 2,9 x 5,9; 2 - 2,7 x 2,7; 2,9 x 2,9;
1,5 x 5,9; 3 - 1,5 x 1,7
Рис. 2. График для определения среднего значения КЕО
в производственных помещениях с прямоугольными фонарями
1 - три пролета и более; 2 - два пролета; 3 - один пролет
Рис. 3. График для определения среднего значения КЕО
в производственных помещениях с трапециевидными фонарями
1 - три пролета и более; 2 - два пролета; 3 - один пролет
Рис. 4. График для определения среднего
значения КЕО в производственных помещениях
с фонарями шед, имеющими вертикальное остекление
1 - три пролета и более; 2 - два пролета; 3 - один пролет
Рис. 5. График для определения среднего
значения КЕО в производственных помещениях
с фонарями шед, имеющими наклонное остекление
1 - три пролета и более; 2 - два пролета; 3 - один пролет
Площадь световых проемов фонарей

, % от площади пола помещения

, определяется по
рис. 1 - 5 в такой последовательности:
а) в зависимости от разряда зрительной работы или назначения помещения и пояса светового климата по
табл. 1 -
5 определяется нормированное значение КЕО для рассматриваемого помещения;
б) на ординате графика определяют точку, соответствующую нормированному значению КЕО, через найденную точку проводят горизонталь до пересечения с соответствующей кривой
(рис. 1), по абсциссе точки пересечения определяют значение

;
в) разделив значение

на 100 и умножив на площадь пола, находят площадь световых проемов в м2.
2.29. Для предварительного расчета размеров световых проемов при боковом освещении следует применять графики: для жилых помещений - рис. 6, для помещений общественных и производственных зданий -
рис. 7 и школьных классов -
рис. 8.
Рис. 6. График для определения относительной
площади световых проемов

при боковом
освещении в жилых помещениях
Рис. 7. График для определения КЕО при боковом освещении
помещений общественных и производственных зданий
Рис. 8. График для определения площади световых проемов

при боковом освещении в рабочих кабинетах
2.30. В случаях, когда размеры и расположение световых проемов в проекте зданий были выбраны по архитектурно-строительным соображениям, предварительный расчет значений КЕО в помещениях с верхним освещением следует производить по
рис. 1 -
5, с боковым освещением - по
рис. 6 - 8.
Значения КЕО определяются по
рис. 1 -
5 в такой последовательности:
а) по строительным чертежам находят суммарную площадь световых проемов в свету (фонарей)

, освещаемую площадь пола помещений

и определяют значение

;
б) с учетом типа светового проема и количества пролетов в помещении выбирают соответствующие рисунок и прямую на нем;
в) по значениям

на выбранной прямой находят точку

.
Значения КЕО определяются по
рис. 6 -
8 в такой последовательности:
а) по строительным чертежам находят суммарную площадь световых проемов (в свету)

и освещаемую площадь пола помещения

и определяют значение

;
б) определяют глубину помещения

и высоту верхней грани световых проемов над уровнем условной рабочей поверхности

и по ним значение

;
в) с учетом типа помещений выбирают соответствующий рисунок (
рис. 6 -
8);
г) по значениям

и

находят точку с соответствующим значением e.
Графики (
рис. 1 -
5) разработаны применительно к наиболее часто встречающимся в практике проектирования габаритным схемам производственных зданий и типовому решению светопрозрачных конструкций: зенитных фонарей
(рис. 1) - стеклопакетами в металлических одинарных глухих переплетах; прямоугольных, трапециевидных и фонарей шед (
рис. 2 -
5) - одним слоем оконного стекла в металлических одинарных открывающихся переплетах; окон - двумя слоями листового оконного стекла в спаренных металлических
(рис. 7) и деревянных (
рис. 6 -
8) открывающихся переплетах.
Если в проекте здания приняты другие типы заполнений световых проемов, то найденные по
рис. 1 -
8 значения относительной площади световых проемов следует делить, а значение КЕО - умножать на значение коэффициента

согласно табл. 12.
Таблица 12
───────────────────────────────────────────────┬───────────────────────────
Тип заполнения │ Значения коэффициентов
│ K для рисунков N
│ 1
├──────┬──────┬──────┬──────
───────────────────────────────────────────────┼──────┼──────┼──────┼──────
Один слой оконного стекла в стальных одинарных │ 1,10 │ 1,20 │ - │ 1,26
глухих переплетах │ │ │ │
То же, в открывающихся переплетах │ 0,94 │ 1,00 │ - │ 1,05
Один слой оконного стекла в деревянных │ - │ - │ 1,13 │ 1,05
одинарных открывающихся переплетах │ │ │ │
Три слоя оконного стекла в раздельно-спаренных │ 0,73 │ - │ - │ 0,82
металлических открывающихся переплетах │ │ │ │
То же, в деревянных переплетах │ - │ - │ 0,63 │ 0,59
Два слоя оконного стекла в стальных двойных │ 0,67 │ 0,72 │ - │ 0,75
открывающихся переплетах │ │ │ │
То же, в глухих переплетах │ 1 │ 1,05 │ - │ -
Стеклопакеты (два слоя остекления) │ 0,83 │ 0,88 │ - │ 1,00
в стальных одинарных открывающихся переплетах │ │ │ │
То же, в глухих переплетах │ 1,00 │ 1,06 │ - │ 1,15
Стеклопакеты (три слоя остекления) │ 0,89 │ - │ - │ 1,00
в стальных глухих спаренных переплетах │ │ │ │
Пустотелые стеклянные блоки │ - │ - │ - │ 0,70
В случаях, когда при верхнем освещении длина помещения меньше 72 м или высота свыше 10 м, найденное по
рис. 1 -
5 значение относительной площади световых проемов следует делить, а значение КЕО - умножать на значение коэффициента

: при устройстве фонарей прямоугольных, трапециевидных и шед согласно табл. 13 и зенитных - согласно
табл. 14.
Таблица 13
──────────────────┬────────────────────────────────────────────────────────
Высота, м, до низа│ Значение K при длине помещения a , м
остекления фонаря │ 2 п
├────────────┬──────────┬──────────┬──────────┬──────────
│ 72 и более │ 60 │ 48 │ 36 │ 24
──────────────────┼────────────┼──────────┼──────────┼──────────┼──────────
10 │ 1,00 │ 0,95 │ 0,90 │ 0,80 │ 0,70
15 │ 0,85 │ 0,83 │ 0,80 │ 0,70 │ 0,55
25 │ 0,65 │ 0,60 │ 0,55 │ 0,45 │ 0,32
35 │ 0,55 │ 0,48 │ 0,45 │ 0,32 │ 0,18
45 │ 0,50 │ 0,43 │ 0,45 │ 0,23 │ 0,12
55 │ 0,47 │ 0,40 │ 0,32 │ 0,20 │ 0,10
──────────────────────────────┬────┬────┬────┬────┬────┬────┬────┬────┬────
Высота, м, от расчетной │ 15 │ 20 │ 25 │ 30 │ 35 │ 40 │ 45 │ 50 │ 55
плоскости до низа остекления │ │ │ │ │ │ │ │ │
──────────────────────────────┼────┼────┼────┼────┼────┼────┼────┼────┼────
Значение K │0,95│0,91│0,87│0,84│0,77│0,73│0,68│0,64│0,60
2 │ │ │ │ │ │ │ │ │
2.31. Проверочный расчет КЕО в помещениях следует производить согласно указаниям
СНиП II-4-79 и
Прил. 1 настоящего Пособия.
2.32. Проверочный расчет КЕО в точках характерного разреза помещения

от зенитных фонарей следует выполнять в соответствии с методикой, приведенной в
[16], по формуле

; (2)

, (3)
где

- коэффициент, учитывающий возрастание светопередачи светового проема зенитного фонаря за счет распределения яркости облачного неба МКО, определяемый по
рис. 9;

- коэффициент, корректирующий погрешность расчета КЕО при замене реального проема точечным источником света, определяемый по
рис. 10;
e' - значение КЕО от одного зенитного фонаря под центром светового проема;

- количество зенитных фонарей в ряду;

- световая компонента ряда зенитных фонарей, определяемая по
рис. 11 -
14 соответственно для точек характерного разреза под световыми проемами и между ними;
j и i - соответственно номера расчетной точки характерного разреза и ряда зенитных фонарей.
Рис. 9. График зависимости коэффициента

,
учитывающего возрастание светопередачи светового проема
зенитного фонаря за счет распределения яркости облачного
неба МКО, от индекса светового проема


;

и

- соответственно длина, ширина и высота фонаря
Рис. 10. График для определения коэффициента

,
учитывающего погрешность расчета КЕО при замене реального
проема точечным источником света в зависимости от

Рис. 11. Зависимость световой компоненты

ряда
зенитных фонарей со световыми проемами размерами, м:
2,7 x 2,7; 2,9 x 2,9 и 2,9 x 5,9 в точках
характерного разреза по осям зенитных фонарей от

Рис. 12. Зависимость световой компоненты

ряда
зенитных фонарей со световыми проемами размерами, м:
2,7 x 2,7; 2,9 x 2,9 и 2,9 x 5,9 в точках
характерного разреза между зенитными фонарями от

Рис. 13. Зависимость световой компоненты

ряда
зенитных фонарей со световыми проемами размерами, м:
1,5 x 1,7; 1,5 x 2,9; 1,5 x 3,9; 1,5 x 5,9 в точках
характерного разреза по осям зенитных фонарей от

Рис. 14. Зависимость световой компоненты

ряда
зенитных фонарей со световыми проемами размерами, м:
1,5 x 1,7; 1,5 x 2,9; 1,5 x 3,9; 1,5 x 5,9 в точках
характерного разреза между зенитными фонарями от

Пример расчета. Требуется определить значения и неравномерность распределения КЕО по характерному разрезу четырехпролетного цеха с зенитными фонарями при совмещенном освещении.
Работы, выполняемые в цехе, относятся к IV разряду зрительных работ. Нормированный КЕО = 2,4%. Исходные данные: ширина пролета

; ширина помещения

; длина

; высота помещения от условной рабочей поверхности до низа светового проема

. Зенитный фонарь принят с размерами светового проема

,

, высотой светового проема

. Остекление - двухслойные стеклопакеты; переплеты - стальные; коэффициенты отражения: граней световых проемов

; потолка, ферм

; стен и колонн

; пола

; покрытие и несущие конструкции - из сборных железобетонных элементов; расположение зенитных фонарей: в поперечном направлении с шагом

, в продольном - с шагом

.
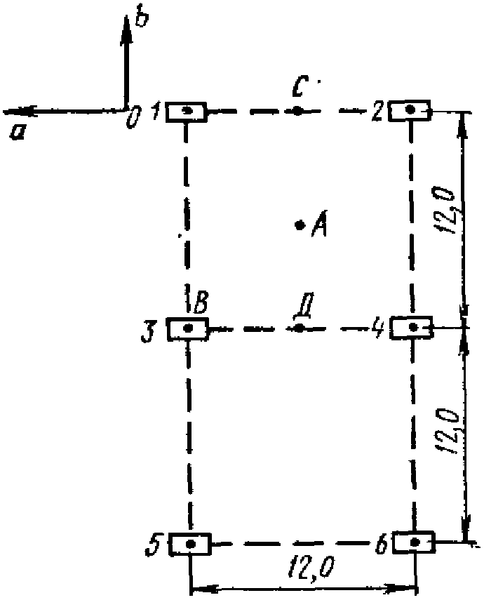
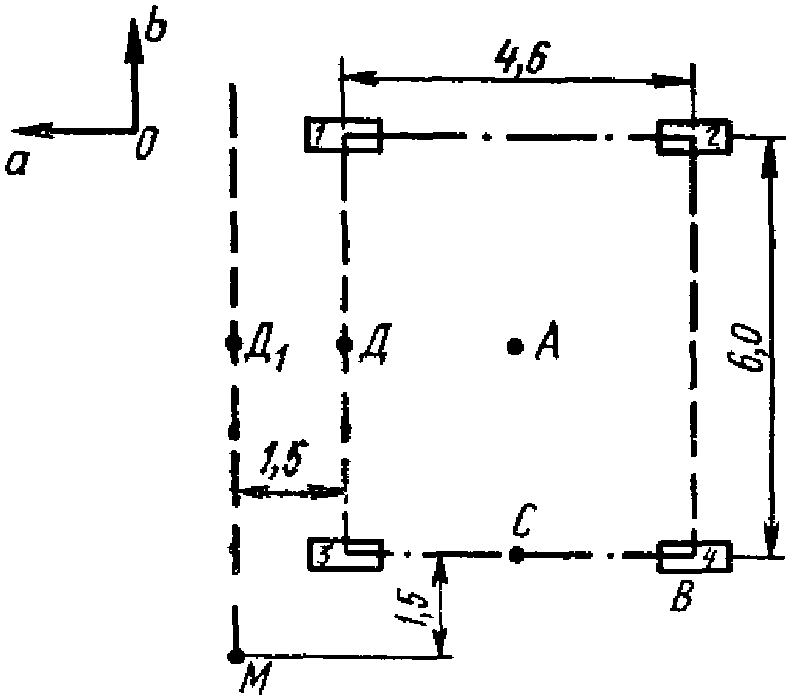
Расположение зенитных фонарей и расчетные точки характерного разреза приведены на рис. 15.
Рис. 15. Расположение зенитных фонарей
и расчетных точек в покрытии здания
i - номера рядов зенитных фонарей;
j - номера расчетных точек характерного разреза
Решение. 1. По формулам
СНиП II-4-79 находим общий коэффициент светопропускания зенитного фонаря

и коэффициент запаса

.
2. Определяем средневзвешенный коэффициент отражения

поверхностей помещения (потолка, стен, пола):

.
3. По

и

в
табл. 33 СНиП II-4-79 находим коэффициент, учитывающий увеличение КЕО за счет света, отраженного от поверхностей помещения,

.
4. По индексу светового проема

с помощью графика
рис. 9 определяем коэффициент, учитывающий возрастание светопередачи светового проема зенитного фонаря за счет распределения яркости облачного неба МКО,

.
5. По соотношению

(

- сторона квадрата, равновеликого световому проему) с помощью графика
рис. 10 определяем коэффициент

.
6. По графику
рис. 11 в зависимости от отношения

и

(где

- расстояние в плане от расчетной точки до оси ряда зенитных фонарей,

- шаг фонарей в ряду) для расчетных точек находим значения световой компоненты

от рядов зенитных фонарей.
При

значение

принимаем равным нулю. Значения световой компоненты от разных рядов зенитных фонарей для расчетных точек характерного разреза помещения записываем в табл. 15.
Таблица 15
Номер расчетных точек | Относительное расстояние до ряда фонарей | Значения световой компоненты от ряда зенитных фонарей | |
Номера рядов фонарей i |
световая компонента | 1 | 2 | 3 | 4 | 5 | 6 |
1 | | 3,75 | 2,5 | 1,25 | 0 | 1,25 | 2,5 | 2,08 |
| 0 | 0,045 | 0,27 | 1,45 | 0,27 | 0,045 |
2 | | 4,375 | 3,125 | 1,875 | 0,625 | 0,625 | 1,875 | 1,57 |
| 0 | 0,020 | 0,085 | 0,68 | 0,68 | 0,085 |
3 | | 5,0 | 3,75 | 2,5 | 1,35 | 0 | 1,25 | 2,04 |
| 0 | 0 | 0,045 | 0,27 | 1,45 | 0,27 |
4 | | 5,625 | 4,375 | 3,125 | 1,825 | 0,625 | 0,625 | 1,47 |
| 0 | 0 | 0,020 | 0,085 | 0,68 | 0,68 |
5 | | 6,25 | 5,0 | 3,75 | 2,5 | 1,25 | 0 | 1,77 |
| 0 | 0 | 0 | 0,045 | 0,27 | 1,45 |
6 | | 6,875 | 5,625 | 4,375 | 3,125 | 1,875 | 0,625 | 0,79 |
| 0 | 0 | 0 | 0,020 | 0,085 | 0,68 |
7 | | 7,5 | 6,25 | 5,0 | 3,75 | 2,5 | 1,25 | 0,32 |
| 0 | 0 | 0 | 0 | 0,045 | 0,27 |
7. По
формуле (3) определяем значение КЕО от одного зенитного фонаря e' под центром светового проема

.
8. По
формуле (2) определяем значение КЕО, %, в расчетных точках:

.
На
рис. 15 по I-I изображена кривая КЕО, построенная по найденным значениям

в расчетных точках.
9. Находим среднее значение КЕО

помещения:

,
где

- количество расчетных точек, в которых определяется КЕО.

.
10. Определяем значение неравномерности естественного освещения в точке 7

.
Из-за затемненных зон, образовавшихся в крайних пролетах, среднее значение КЕО по характерному разрезу помещения оказалось несколько ниже нормируемой величины, а значения неравномерности естественного освещения в точке 7 значительно превышают допустимые.
Для обеспечения требуемого среднего значения КЕО и равномерности освещения в крайних пролетах помещения необходимо устроить дополнительные ряды зенитных фонарей.
2.33. Расчет значений КЕО в точках характерного разреза помещения при верхнем освещении

от шахтных фонарей следует выполнять по формуле

, (4)
где

- площадь верхнего основания светопроводной шахты фонаря;

- количество шахтных фонарей;

- коэффициент, учитывающий неравномерную яркость облачного неба МКО и определяемый по
рис. 16;

- угол между прямой, соединяющей расчетную точку с центром нижнего основания светопроводной шахты, и нормалью к этому основанию;

- коэффициент светопередачи светопроводной шахты фонаря, определяемый для фонарей с диффузным отражением стенок шахты по
рис. 17, для фонарей с направленным отражением стенок шахты - по
рис. 18;

- среднее значение условного геометрического КЕО.
Рис. 16. График для определения
коэффициента

в зависимости от угла

1 - в зоне с устойчивым снежным покровом;
2 - на остальной территории СССР
Рис. 17. График для определения коэффициента светопередачи

фонарей с диффузным отражением стенок шахты
5 -

;

- индекс шахтного фонаря
Рис. 18. График для определения коэффициента светопередачи

фонарей с направленным отражением стенок шахты
5 -

;

- индекс шахтного фонаря
Расчет КЕО по
формуле (4) следует выполнять в такой последовательности:
а) вычисляют значение условного геометрического КЕО в первой точке характерного разреза помещения по формуле

; (5)
б) повторяют вычисления в соответствии с подпунктом "а" для всех точек характерного разреза помещения до

включительно (где

- количество точек, в которых производится расчет КЕО);
в) определяют

по формуле

; (6)
г) последовательно для всех точек вычисляют прямую, составляющую КЕО

, по формуле

; (7)
д) отраженную составляющую КЕО

, значение которой одинаково для всех точек, определяют по формуле

; (8)
е) определяют расчетное значение КЕО в каждой точке характерного разреза

с учетом отраженного от поверхностей помещения света по формуле

; (9)
д) расчет среднего значения КЕО

в плоскости характерного разреза помещения с шахтными фонарями выполняют по формуле

. (10)
3.1. Совмещенное освещение помещений производственных и общественных зданий рекомендуется применять в следующих случаях:
а) при технико-экономических преимуществах по сравнению с естественным освещением;
б) в помещениях, в которых выполняются зрительные работы I и II разрядов точности;
в) когда выбранные по условиям технологии и организации производства объемно-планировочные решения зданий не позволяют обеспечить достаточное по нормам естественное освещение помещений;
г) при строительстве зданий в районах СССР с суровыми климатическими условиями (северные строительно-климатические районы), в которых с целью снижения теплопотерь целесообразно сокращать до минимума площадь световых проемов;
д) в цехах с крупногабаритным оборудованием, затеняющим естественный свет;
е) при повышенных требованиях к интенсивности, качеству и постоянству освещения на рабочих местах, которые трудно или невозможно удовлетворить при одном естественном освещении;
ж) когда по условиям выбора рациональных объемно-планировочных решений общественных зданий и вспомогательных помещений промышленных предприятий предусматриваются помещения большой глубины с боковым освещением.
ВЫБОР ЗНАЧЕНИЙ КЕО И ОСВЕЩЕННОСТИ
3.2. Нормированные значения КЕО при совмещенном освещении в производственных помещениях, расположенных в разных поясах светового климата СССР при верхнем освещении с использованием зенитных и светоаэрационных фонарей, следует принимать по табл. 16,
17, при боковом освещении - по
табл. 18 и в некоторых помещениях общественных зданий - по
табл. 19.
──────────────────────┬────────────────────────────────────────────────────
Пояс светового климата│ Значение КЕО, %, при разряде зрительной работы
├────┬────┬────┬────┬────┬────┬────┬─────┬─────┬─────
│ I │ II │III │ IV │ V │ VI │VII │VIIIа│VIIIб│VIIIв
──────────────────────┼────┼────┼────┼────┼────┼────┼────┼─────┼─────┼─────
I │7,2 │5,0 │3,6 │2,9 │2,2 │1,4 │2,2 │ 0,8 │ 0,6 │ 0,4
II │6,6 │4,6 │3,3 │2,6 │2,0 │1,3 │ 2 │ 0,8 │ 0,6 │ 0,3
III │ 6 │4,2 │ 3 │2,4 │1,8 │1,2 │1,8 │ 0,7 │ 0,7 │ 0,3
IV │ │ │ │ │ │ │ │ │ │
а) севернее 50° с.ш. │4,9 │3,4 │2,4 │1,9 │1,5 │1,0 │1,5 │ 0,6 │ 0,4 │ 0,2
б) 50° с.ш. и южнее │4,6 │3,2 │2,3 │1,8 │1,4 │0,9 │1,4 │ 0,5 │ 0,4 │ 0,2
ИС МЕГАНОРМ: примечание.
Нумерация дана в соответствии с официальным текстом документа.
а) севернее 40° с.ш. │3,6 │2,5 │1,8 │1,4 │1,1 │0,7 │1,1 │ 0,4 │ 0,3 │ 0,2
б) 40° с.ш. и южнее │3,1 │2,2 │1,6 │1,2 │0,9 │0,6 │0,9 │ 0,4 │ 0,3 │ 0,2
──────────────────────┬────────────────────────────────────────────────────
Пояс светового климата│ КЕО, %, при разряде зрительной работы
├────┬────┬────┬────┬────┬────┬────┬─────┬─────┬─────
│ I │ II │III │ IV │ V │ VI │VII │VIIIа│VIIIб│VIIIв
──────────────────────┼────┼────┼────┼────┼────┼────┼────┼─────┼─────┼─────
I │7,2 │5,0 │3,6 │2,9 │2,2 │1,4 │2,2 │ 0,8 │ 0,6 │ 0,4
II │6,6 │4,6 │3,3 │2,6 │2,0 │1,3 │ 2 │ 0,8 │ 0,6 │ 0,3
III │ 6 │4,2 │ 3 │2,4 │1,8 │1,2 │1,8 │ 0,7 │ 0,7 │ 0,3
IV │ │ │ │ │ │ │ │ │ │
а) севернее 50° с.ш. │4,9 │3,4 │2,5 │1,9 │1,5 │1,0 │1,5 │ 0,6 │ 0,4 │ 0,3
б) 50° с.ш. и южнее │4,6 │3,2 │2,3 │1,8 │1,4 │0,9 │1,4 │ 0,5 │ 0,4 │ 0,2
V │ │ │ │ │ │ │ │ │ │
а) севернее 40° с.ш. │3,8 │2,7 │1,9 │1,5 │1,2 │0,8 │1,2 │ 0,6 │ 0,3 │ 0,2
б) 40° с.ш. и южнее │3,6 │2,5 │1,8 │1,4 │1,1 │0,7 │1,1 │ 0,4 │ 0,3 │ 0,2
─────────────────┬───────────┬─────────────────────────────────────────────
Пояс светового │Ориентация │ КЕО, %, при разряде зрительной работы
климата │ световых ├───┬───┬───┬───┬───┬───┬───┬─────┬─────┬─────
│ проемов │ I │II │III│IV │ V │VI │VII│VIIIа│VIIIб│VIIIв
│по сторонам│ │ │ │ │ │ │ │ │ │
│горизонта, │ │ │ │ │ │ │ │ │ │
│ град │ │ │ │ │ │ │ │ │ │
─────────────────┼───────────┼───┼───┼───┼───┼───┼───┼───┼─────┼─────┼─────
I │ │ │ │ │ │ │ │ │ │ │
а) в зоне │ 136 - 225 │1,8│1,3│1,1│0,8│0,5│0,3│0,5│ 0,2 │ 0,2 │ 0,1
с устойчивым │ 226 - 315 │1,9│1,4│1,1│0,8│0,6│0,3│0,6│ 0,2 │ 0,2 │ 0,1
снежным покровом │и 46 - 135 │ │ │ │ │ │ │ │ │ │
│ 316 - 45 │ 2 │1,4│1,2│0,8│0,6│0,4│0,6│ 0,2 │ 0,2 │ 0,1
│ │ │ │ │ │ │ │ │ │ │
б) на остальной │ 136 - 225 │2,2│1,6│1,3│1,0│0,6│0,3│0,6│ 0,2 │ 0,2 │ 0,1
территории пояса │ 226 - 315 │2,3│1,7│1,4│1,0│0,7│0,3│0,7│ 0,2 │ 0,2 │ 0,1
│и 47 - 135 │ │ │ │ │ │ │ │ │ │
│ 316 - 45 │2,4│1,8│1,4│1,1│0,7│0,4│0,7│ 0,2 │ 0,2 │ 0,1
II │ │ │ │ │ │ │ │ │ │ │
а) в зоне │ 136 - 225 │1,6│1,1│0,9│0,7│0,5│0,3│0,5│ 0,2 │ 0,2 │ 0,1
с устойчивым │ 226 - 315 │1,7│1,2│1,0│0,7│0,5│0,3│0,5│ 0,2 │ 0,2 │ 0,1
снежным покровом │и 46 - 135 │ │ │ │ │ │ │ │ │ │
│ 316 - 45 │1,9│1,3│1,1│0,8│0,6│0,3│0,6│ 0,2 │ 0,2 │ 0,1
│ │ │ │ │ │ │ │ │ │ │
б) на остальной │ 136 - 225 │1,9│1,4│1,3│0,8│0,6│0,3│0,6│ 0,2 │ 0,2 │ 0,1
территории пояса │ 226 - 315 │2,0│1,5│1,2│0,9│0,6│0,3│0,6│ 0,2 │ 0,2 │ 0,1
│и 46 - 135 │ │ │ │ │ │ │ │ │ │
│ 316 - 45 │2,2│1,6│1,3│1,0│0,7│0,3│0,7│ 0,2 │ 0,2 │ 0,1
III │ │ │ │ │ │ │ │ │ │ │
а) в зоне │ 136 - 225 │1,7│1,2│1,0│0,7│0,5│0,3│0,5│ 0,2 │ 0,2 │ 0,1
с устойчивым │ 226 - 315 │1,7│1,2│1,0│0,7│0,5│0,3│0,5│ 0,2 │ 0,2 │ 0,1
снежным покровом │и 46 - 135 │ │ │ │ │ │ │ │ │ │
│ 316 - 45 │1,7│1,2│1,0│0,7│0,5│0,3│0,5│ 0,2 │ 0,2 │ 0,1
│ │ │ │ │ │ │ │ │ │ │
б) на остальной │ 136 - 225 │2,0│1,5│1,2│0,9│0,6│0,3│0,6│ 0,2 │ 0,2 │ 0,1
территории пояса │ 226 - 315 │2,0│1,5│1,2│0,9│0,6│0,3│0,6│ 0,2 │ 0,2 │ 0,1
│и 46 - 135 │ │ │ │ │ │ │ │ │ │
│ 316 - 45 │2,0│1,5│1,2│0,9│0,6│0,3│0,6│ 0,2 │ 0,2 │ 0,1
IV │ │ │ │ │ │ │ │ │ │ │
а) севернее │ 136 - 225 │1,4│1,0│0,8│0,6│0,4│0,2│0,4│ 0,1 │ 0,1 │ 0,1
50° с.ш. │ 226 - 315 │1,4│1,1│0,9│0,6│0,4│0,2│0,4│ 0,1 │ 0,1 │ 0,1
│и 46 - 135 │ │ │ │ │ │ │ │ │ │
│ 316 - 45 │1,8│1,4│1,1│0,8│0,5│0,3│0,5│ 0,2 │ 0,2 │ 0,1
│ │ │ │ │ │ │ │ │ │ │
б) 50° с.ш. │ 136 - 225 │1,3│0,9│0,8│0,6│0,4│0,2│0,4│ 0,1 │ 0,1 │ 0,1
и южнее │ 226 - 315 │1,4│1,0│0,8│0,6│0,4│0,2│0,4│ 0,1 │ 0,1 │ 0,1
│и 46 - 135 │ │ │ │ │ │ │ │ │ │
│ 316 - 45 │1,7│1,3│1,0│0,8│0,5│0,3│0,5│ 0,2 │ 0,2 │ 0,1
V │ │ │ │ │ │ │ │ │ │ │
а) севернее │ 136 - 225 │1,0│0,8│0,6│0,5│0,3│0,2│0,3│ 0,1 │ 0,1 │ 0,1
40° с.ш. │ 226 - 315 │1,1│0,8│0,7│0,5│0,3│0,2│0,3│ 0,1 │ 0,1 │ 0,1
│и 46 - 135 │ │ │ │ │ │ │ │ │ │
│ 316 - 45 │1,4│1,1│0,9│0,4│0,4│0,2│0,4│ 0,1 │ 0,1 │ 0,1
│ │ │ │ │ │ │ │ │ │ │
б) 40° с.ш. │ 136 - 225 │1,0│0,7│0,6│0,4│0,3│0,2│0,3│ 0,1 │ 0,1 │ 0,1
и южнее │ 226 - 315 │1,0│0,8│0,6│0,5│0,3│0,2│0,3│ 0,1 │ 0,1 │ 0,1
│и 46 - 135 │ │ │ │ │ │ │ │ │ │
│ 316 - 45 │1,4│1,0│0,8│0,6│0,4│0,2│0,4│ 0,1 │ 0,1 │ 0,1
──────────────────┬──────────┬─────────────────────────────────────────────
Пояс светового │Ориентация│ КЕО, %, для
климата │ световых ├────────┬───────┬──────┬──────┬──────────────
│проемов по│торговых│рабочих│выста-│чита- │проектных
│ сторонам │залов │кабине-│вочных│тель- │залов, конст-
│горизонта,│магази- │тов │залов │ных │рукторских и
│ град │нов │ │ │залов │чертежных бюро
──────────────────┼──────────┼────────┼───────┼──────┼──────┼──────────────
I │ │ │ │ │ │
а) в зоне с │136 - 225 │ 0,3 │ 0,5 │ 0,8 │ 0,5 │ 1,1
устойчивым снежным│226 - 315 │ 0,3 │ 0,5 │ 0,8 │ 0,5 │ 1,1
покровом │и 46 - 135│ │ │ │ │
│ 316 - 45 │ 0,4 │ 0,6 │ 0,8 │ 0,6 │ 1,2
│ │ │ │ │ │
б) на остальной │136 - 225 │ 0,3 │ 0,6 │ 1,0 │ 0,6 │ 1,3
территории пояса │226 - 315 │ 0,3 │ 0,7 │ 1,0 │ 0,7 │ 1,4
│и 46 - 135│ │ │ │ │
│ 316 - 45 │ 0,4 │ 0,7 │ 1,1 │ 0,7 │ 1,4
II │ │ │ │ │ │
а) в зоне с │136 - 225 │ 0,3 │ 0,5 │ 0,7 │ 0,5 │ 0,4
устойчивым снежным│226 - 315 │ 0,3 │ 0,5 │ 0,7 │ 0,5 │ 1,0
покровом │и 46 - 135│ │ │ │ │
│ 316 - 45 │ 0,3 │ 0,6 │ 0,8 │ 0,6 │ 1,1
│ │ │ │ │ │
б) на остальной │136 - 225 │ 0,3 │ 0,6 │ 0,8 │ 0,6 │ 1,3
территории пояса │226 - 315 │ 0,3 │ 0,6 │ 0,9 │ 0,6 │ 1,2
│и 46 - 135│ │ │ │ │
│ 316 - 45 │ 0,3 │ 0,7 │ 1,0 │ 0,7 │ 1,3
III │ │ │ │ │ │
а) в зоне │136 - 225 │ 0,3 │ 0,5 │ 0,7 │ 0,5 │ 1,0
с устойчивым │226 - 315 │ 0,3 │ 0,5 │ 0,7 │ 0,5 │ 1,0
снежным покровом │и 46 - 135│ │ │ │ │
│ 316 - 45 │ 0,3 │ 0,5 │ 0,7 │ 0,5 │ 1,0
│ │ │ │ │ │
б) на остальной │136 - 225 │ 0,3 │ 0,6 │ 0,9 │ 0,6 │ 1,2
территории пояса │226 - 315 │ 0,3 │ 0,6 │ 0,9 │ 0,6 │ 1,2
│и 46 - 135│ │ │ │ │
│ 316 - 45 │ 0,3 │ 0,6 │ 0,9 │ 0,6 │ 1,2
IV │ │ │ │ │ │
а) севернее │136 - 225 │ 0,2 │ 0,4 │ 0,6 │ 0,4 │ 0,8
50° с.ш. │226 - 315 │ 0,2 │ 0,4 │ 0,6 │ 0,4 │ 0,9
│и 46 - 135│ │ │ │ │
│ 316 - 45 │ 0,3 │ 0,5 │ 0,8 │ 0,5 │ 1,1
│ │ │ │ │ │
б) 50° с.ш. │136 - 225 │ 0,2 │ 0,4 │ 0,6 │ 0,4 │ 0,8
и южнее │226 - 315 │ 0,2 │ 0,4 │ 0,6 │ 0,4 │ 0,8
│и 46 - 135│ │ │ │ │
│ 316 - 45 │ 0,3 │ 0,5 │ 0,8 │ 0,5 │ 1,0
V │ │ │ │ │ │
а) севернее │136 - 225 │ 0,2 │ 0,3 │ 0,5 │ 0,3 │ 0,6
40° с.ш. │226 - 315 │ 0,2 │ 0,3 │ 0,5 │ 0,3 │ 0,7
│и 46 - 135│ │ │ │ │
│ 316 - 45 │ 0,2 │ 0,4 │ 0,4 │ 0,4 │ 0,9
│ │ │ │ │ │
б) 40° с.ш. │136 - 225 │ 0,2 │ 0,3 │ 0,4 │ 0,3 │ 0,6
и южнее │226 - 315 │ 0,2 │ 0,3 │ 0,5 │ 0,3 │ 0,6
│и 46 - 135│ │ │ │ │
│ 316 - 45 │ 0,2 │ 0,4 │ 0,6 │ 0,4 │ 0,8
3.3. При совмещенном освещении производственных помещений с целью уменьшения приведенных и суммарных энергетических затрат на системы освещения допускается снижать расчетные КЕО до значений, указанных в табл. 20. Проектирование совмещенного освещения со значениями КЕО, ниже указанных в табл. 20, не допускается.
──────────────────────┬────────────────────────────────────────────────────
Пояс светового климата│ КЕО, %, при разряде зрительной работы
├────┬────┬────┬────┬────┬────┬────┬─────┬─────┬─────
│ I │II │III │ IV │ V │ VI │VII │VIIIа│VIIIб│VIIIв
──────────────────────┼────┼────┼────┼────┼────┼────┼────┼─────┼─────┼─────
I │ │ │ │ │ │ │ │ │ │
а) в зоне с устойчи- │3,6 │ 3 │2,4 │1,8 │1,2 │0,8 │1,2 │ 0,4 │ 0,3 │ 0,2
вым снежным покровом │--- │--- │--- │--- │--- │--- │--- │ --- │ --- │ ---
│1,1 │0,9 │0,7 │0,4 │0,2 │0,2 │0,2 │ 0,1 │ 0,1 │ 0,1
│ │ │ │ │ │ │ │ │ │
б) на остальной │3,6 │ 3 │2,4 │1,8 │1,2 │0,8 │1,2 │ 0,4 │ 0,3 │ 0,2
территории пояса │--- │--- │--- │--- │--- │--- │--- │ --- │ --- │ ---
│1,3 │1,1 │0,8 │0,6 │0,3 │0,2 │0,3 │ 0,1 │ 0,1 │ 0,1
II │ │ │ │ │ │ │ │ │ │
а) в зоне с устойчи- │3,3 │2,7 │2,2 │1,6 │1,1 │0,8 │1,1 │ 0,4 │ 0,3 │ 0,2
вым снежным покровом │--- │--- │--- │--- │--- │--- │--- │ --- │ --- │ ---
│0,9 │0,7 │0,6 │0,4 │0,2 │0,2 │0,2 │ 0,1 │ 0,1 │ 0,1
│ │ │ │ │ │ │ │ │ │
б) на остальной │3,3 │2,7 │2,2 │1,6 │1,1 │0,8 │1,1 │ 0,3 │ 0,2 │ 0,2
территории пояса │--- │--- │--- │--- │--- │--- │--- │ --- │ --- │ ---
│1,1 │0,9 │0,7 │0,5 │0,5 │0,2 │0,3 │ 0,1 │ 0,1 │ 0,1
III │ │ │ │ │ │ │ │ │ │
а) в зоне с устойчи- │ 3 │2,5 │2,0 │1,5 │1,0 │0,7 │1,0 │ 0,3 │ 0,2 │ 0,2
вым снежным покровом │--- │--- │--- │--- │--- │--- │--- │ --- │ --- │ ---
│1,0 │0,8 │0,6 │0,4 │0,2 │0,2 │0,2 │ 0,1 │ 0,1 │ 0,1
│ │ │ │ │ │ │ │ │ │
б) на остальной │ 3 │2,5 │2,0 │1,5 │1,0 │0,7 │1,0 │ 0,3 │ 0,2 │ 0,2
территории пояса │--- │--- │--- │--- │--- │--- │--- │ --- │ --- │ ---
│1,2 │1,0 │0,7 │0,5 │0,5 │0,2 │0,3 │ 0,1 │ 0,1 │ 0,1
IV │ │ │ │ │ │ │ │ │ │
а) севернее 50° с.ш. │2,4 │ 2 │1,6 │1,2 │0,8 │0,6 │0,8 │ 0,2 │ 0,2 │ 0,2
│--- │--- │--- │--- │--- │--- │--- │ --- │ --- │ ---
│0,8 │0,7 │0,5 │0,3 │0,3 │0,2 │0,3 │ 0,1 │ 0,1 │ 0,1
│ │ │ │ │ │ │ │ │ │
б) 50° с.ш. и южнее │2,3 │1,9 │1,5 │1,1 │0,7 │0,5 │0,7 │ 0,2 │ 0,2 │ 0,2
│--- │--- │--- │--- │--- │--- │--- │ --- │ --- │ ---
│0,7 │0,6 │0,4 │0,3 │0,2 │0,2 │0,2 │ 0,1 │ 0,1 │ 0,1
V │ │ │ │ │ │ │ │ │ │
а) севернее 40° с.ш. │1,8 │1,5 │1,2 │0,9 │0,6 │0,4 │0,6 │ 0,2 │ 0,2 │ 0,2
│--- │--- │--- │--- │--- │--- │--- │ --- │ --- │ ---
│0,6 │0,5 │0,4 │0,3 │0,2 │0,7 │0,2 │ 0,1 │ 0,1 │ 0,1
│ │ │ │ │ │ │ │ │ │
б) 40° с.ш. и южнее │1,6 │1,3 │ 1 │0,8 │0,5 │0,4 │0,5 │ 0,2 │ 0,2 │ 0,2
│--- │--- │--- │--- │--- │--- │--- │ --- │ --- │ ---
│0,6 │0,5 │0,3 │0,2 │0,2 │0,1 │0,2 │ 0,1 │ 0,1 │ 0,1
Примечание. Над чертой указаны допустимые средние значения КЕО при верхнем и комбинированном освещении, под чертой - минимальные значения при боковом освещении.
3.4. При снижении расчетных значений КЕО согласно
п. 3.3 освещенность от системы общего искусственного освещения следует повышать в соответствии с требованиями
СНиП II-4-79.
ПРОЕКТИРОВАНИЕ СОВМЕЩЕННОГО ОСВЕЩЕНИЯ
3.5. Проектирование совмещенного освещения основывается на предварительном изучении объемно-планировочного решения здания, технологических или функциональных процессов, протекающих в помещениях, расположения крупногабаритного оборудования, светоклиматических и климатических особенностей места строительства.
3.6. Проектирование совмещенного освещения целесообразно выполнять в такой последовательности:
а) в соответствии с исходными данными и требованиями
СНиП II-4-79 определяется разряд преобладающих в помещении зрительных работ, по разряду зрительной работы устанавливаются нормированные значения КЕО и освещенности от искусственного освещения;
б) определяются характеристики системы естественного освещения и ограждений здания: тип, размеры, заполнение и расположение световых проемов, стоимостные, светотехнические и теплотехнические параметры заполнения световых проемов; стоимостные и теплотехнические параметры глухих ограждений здания;
в) определяются характеристики системы общего искусственного освещения: тип, количество и световой поток источников света; тип и количество светильников, их стоимостные и светотехнические характеристики, время использования искусственного освещения;
г) определяется место расположения здания на карте строительно-климатического районирования территории и устанавливаются основные климатические параметры: средняя температура наиболее холодной пятидневки, средняя температура наружного воздуха за отопительный период; продолжительность отопительного периода; продолжительность вентиляционного периода; среднесуточные значения суммарной солнечной радиации на различно ориентированные поверхности;
д) выполняется расчет приведенных энергетических затрат для следующих трех вариантов расчетных значений КЕО;
первый - расчетное значение КЕО, равное нормированному при естественном освещении
(табл. 3);
второй - расчетное значение КЕО, равное нормированному при совмещенном освещении
(табл. 16);
третий - расчетное значение КЕО, равное минимальному допустимому значению КЕО
(табл. 20);
е) выбирается вариант, обеспечивающий минимум приведенных затрат и удовлетворяющий требованиям
СНиП II-4-79. Равноэкономичные (различающиеся не более чем на 5%) по приведенным затратам варианты освещения следует сравнить по суммарным энергозатратам и выбрать наименее энергоемкий.
РАСЧЕТ ПРИВЕДЕННЫХ ЗАТРАТ НА ОСВЕЩЕНИЕ
3.7. Годовые приведенные затраты на освещение 1 м2 площади производственного помещения

следует определять по формуле

, (11)
где

- приведенные затраты (разностные) на сооружение и эксплуатацию светопрозрачных ограждающих конструкций, руб./(м2 x год);

- приведенные затраты (разностные) на отопление, обусловленные влиянием теплопотерь через фонари и окна на микроклимат помещения, руб./(м2 x год);

- приведенные затраты (разностные) на вентиляцию, обусловленные влиянием теплопоступлений через фонари и окна на микроклимат помещения, руб./(м2 x год);

- приведенные затраты на искусственное освещение помещения, руб./(м2 x год).
3.8. Приведенные затраты на изготовление и эксплуатацию фонарей и окон, руб./(м2 x год), следует рассчитывать по формуле
[2]

, (12)
где

- нормативный коэффициент эффективности капитальных вложений, принимаемый равным 0,12 (для районов Крайнего Севера

) в соответствии с "Инструкцией по определению экономической эффективности капитальных вложений в строительстве"
(СН 423-71);

- сметная стоимость 1 м2 светопрозрачной конструкции (соответственно фонаря или окна), руб./м2, принимаемая по данным проекта;
C - сметная стоимость 1 м2 ограждающей конструкции (соответственно покрытия или стены), руб./м2, заменяемая светопрозрачной конструкцией и принимаемая по данным проекта;

, a,

- годовые отчисления на амортизацию и текущий ремонт, %, соответственно, светопрозрачных конструкций, покрытия или стен, сантехнических систем (систем отопления и вентиляции), принимаемые по
табл. 21;

- годовые расходы на очистку остекления светопроемов, руб./(м2 x год), принимаемые по
табл. 22;

- площадь светопрозрачной конструкции в покрытии или стене, м2;
b - отношение площади светового проема к площади светопрозрачной конструкции в покрытии или стене, отн. ед.;

- количество светопрозрачных конструкций, шт.
──────────────────────────────┬────────────────────────────────────────────
Тип конструкций │Отчисления на амортизацию и текущий ремонт,
│ % сметной стоимости, при производственной
│ среде
├────────┬───────────┬───────────┬───────────
│нормаль-│слабо- │средне- │сильно-
│ной │агрессивной│агрессивной│агрессивной
──────────────────────────────┼────────┼───────────┼───────────┼───────────
Стены │ │ │ │
Кирпичные: │ │ │ │
неоштукатуренные │ 1,8 │ 3,0 │ 3,9 │ 4,6
оштукатуренные и мелкоблочные│ 1,6 │ 2,8 │ 3,7 │ 4,4
Панельные: │ │ │ │
однослойные │ 1,5 │ 2,7 │ 3,6 │ 4,3
многослойные │ 1,5 │ 2,8 │ 3,6 │ 4,3
из листовых материалов │ 1,5 │ 7,7 │ 13,8 │ 20,2
(алюминия, асбестоцемента │ │ │ │
и т.п.) с эффективным │ │ │ │
утеплителем │ │ │ │
│ │ │ │
Фонари и окна │ │ │ │
В металлических переплетах │ │ │ │
с остеклением: │ │ │ │
одинарным │ 9,5 │ 15,0 │ 20,6 │ 26,3
двойным │ 9,4 │ 14,9 │ 20,5 │ 26,2
тройным или стеклопакетами │ 9,3 │ 14,8 │ 20,4 │ 26,1
В деревянных переплетах │ │ │ │
с остеклением: │ │ │ │
одинарным │ 12,5 │ 13,7 │ 14,6 │ 15,3
двойным │ 12,4 │ 13,6 │ 14,5 │ 15,2
тройным или стеклопакетами │ 12,3 │ 13,5 │ 14,4 │ 15,1
│ │ │ │
Покрытия │ │ │ │
С рулонной 3 - 5-слойной │ │ 6,0 │ │
кровлей по железобетонному │ │ │ │
основанию или стяжке │ │ │ │
Шиферные │ │ 7,0 │ │
Системы отопления и вентиляция│ 12,0 │ 13,0 │ 16,0 │ 20,0
────────────────────────┬───────────────────┬──────────────────────────────
Содержание пыли, дыма, │Высота расположения│ Годовые расходы M ,
копоти в воздушной среде│ светопроемов, м │ оч
помещения, мг/м3 │ │ руб./(м2 x год), на очистку
│ │ остекления
│ ├───────────────┬──────────────
│ │ одинарного │ двойного
────────────────────────┼───────────────────┼───────────────┼──────────────
Менее 1 │ 6 │ 0,09 │ 0,17
│ 10 │ 0,11 │ 0,21
│ 16 и выше │ 0,12 │ 0,23
│ В покрытии │ 0,31 │ 0,62
────────────────────────┼───────────────────┼───────────────┼──────────────
От 1 до 5 │ 6 │ 0,13 │ 0,25
│ 10 │ 0,16 │ 0,32
│ 16 и выше │ 0,18 │ 0,35
│ В покрытии │ 0,46 │ 0,92
────────────────────────┼───────────────────┼───────────────┼──────────────
Св. 5 │ 6 │ 0,17 │ 0,33
│ 10 │ 0,21 │ 0,42
│ 16 и выше │ 0,23 │ 0,47
│ В покрытии │ 0,62 │ 1,24
Примечания. 1. Показатели даны для работы в условиях Московской области. Для других районов вводятся коэффициенты, принимаемые по
прил. 8 СНиП IV-5-82 "Указания по применению единых районных единичных расценок на строительные конструкции и работы (ЕРЕР-84)".
2. Показатели предусматривают двухсменный режим работы в помещении. При односменной работе применяется коэффициент 0,7, при трехсменной 1,3.
3.9. Приведенные затраты на отопление

, руб./(м2 x год), компенсирующее разность теплопотерь через фонари и окна по сравнению с такой же площадью покрытия и стен соответственно, следует определять по формуле
[2]

. (13)
Капитальные затраты на систему отопления

, руб./м2, следует определять по формуле

. (14)
Стоимость тепловой и электрической энергии, расходуемой на отопление,

, руб./(м2 x год), следует определять по формуле

. (15)
Расход тепловой энергии на отопление

, ГДж/(м2 x год), при использовании дежурного отопления в нерабочее время, следует определять по формуле

(16)
1,1 - коэффициент, учитывающий бесполезные теплопотери в системах отопления, отн. ед.; 3,6 - коэффициент пересчета единиц, кДж/(Вт x ч);
1,3 - коэффициент, учитывающий потери тепла на нагревание наружного воздуха, поступающего через светопроемы путем инфильтрации, отн. ед.;
| | ИС МЕГАНОРМ: примечание. Взамен СНиП II-33-75 Постановлением Госстроя СССР от 15.12.1986 N 49 с 1 января 1988 года введены в действие СНиП 2.04.05-86. | |

- коэффициент, учитывающий добавочные потери тепла светопрозрачными конструкциями, отн. ед., и принимаемый по табл. 2, прил. 5*, СНиП II-33-75*;

- удельная стоимость устройства системы отопления, руб. x ч/кДж, принимаемая по
табл. 24;

- сопротивление теплопередаче светопрозрачной конструкции, м2 x °C/Вт, принимаемое по
табл. 25;

- экономически целесообразное сопротивление теплопередаче глухой части покрытия (при расчете теплопотерь через фонари) или стены (при расчете теплопотерь через окна), м2 x °C/Вт, определяемое по
СНиП II-3-79;

- средняя температура наиболее холодной пятидневки, °C;

- средняя температура наружного воздуха за отопительный период, °C;
t - расчетная зимняя температура воздуха внутри помещения в рабочее время, °C, определяемая по
п. 3.10 настоящего Пособия;

- температура воздуха внутри помещения в нерабочее время, °C, определяемая по
п. 3.10 настоящего Пособия;

- коэффициент, учитывающий изменение стоимости тепловой энергии на перспективу и принимаемый равным 1,2 для производственных зданий;
T - продолжительность рабочего времени за год, принимаемая равной 2150 ч - при работе в одну смену; 4300 ч - при работе в две смены; 6500 ч - при работе в три смены;

- продолжительность отопительного периода, сут, определяемая по
п. 3.11;

- удельный расход электроэнергии в системе отопления (принимаемый равным 7,1 кВт x ч/ГДж в системах воздушного отопления и равным нулю в других системах отопления)
[4].
──────────────────────────────────────────────┬────────────────────────────
Вид отопления │ Удельная стоимость системы
│ отопления C , руб. x ч/кДж
│ т
──────────────────────────────────────────────┼────────────────────────────
Водяное с радиаторами или бетонными │ 0,0040
отопительными приборами │
То же, с конвекторами │ 0,0031
Воздушное с отопительными агрегатами │ 0,0020
То же, совмещенное с приточной вентиляцией │ 0,0012
─────────────────────────────────────┬─────────────────┬───────────────────
Заполнение светового проема │ Сопротивление │Интегральный коэф-
│ теплопередаче │фициент пропускания
│R , м2 x °C/Вт │тау , отн. ед.
│ с.к │ е
─────────────────────────────────────┼─────────────────┼───────────────────
Одинарное остекление в деревянных │ 0,17 │ 0,83
переплетах │ │
То же, в металлических │ 0,15 │ 0,83
Двойное остекление в деревянных │ 0,34 │ 0,69
спаренных переплетах │ │
То же, в металлических │ 0,31 │ 0,69
То же, в деревянных раздельных │ 0,38 │ 0,69
То же, в металлических │ 0,34 │ 0,69
Тройное остекление в деревянных │ 0,52 │ 0,57
переплетах (спаренный и одинарный) │ │
То же, в металлических │ 0,48 │ 0,57
Блоки стеклянные пустотелые размером │ 0,31 │ 0,64
194 x 194 x 98 мм с шириной швов 6 мм│ │
То же, размером 244 x 244 x 98 мм │ 0,33 │ 0,64
Профильное стекло швеллерного сечения│ 0,16 │ 0,78
То же, коробчатого │ 0,34 │ 0,61
Органическое стекло одинарное │ 0,19 │ 0,87
То же, двойное │ 0,36 │ 0,76
То же, тройное │ 0,52 │ 0,66
Двухслойные стеклопакеты в деревянных│ 0,34 │ 0,69
переплетах │ │
То же, в металлических │ 0,31 │ 0,69
Двухслойные стеклопакеты и одинарное │ 0,52 │ 0,57
остекление в раздельных деревянных │ │
переплетах │ │
То же, в металлических │ 0,48 │ 0,57
3.10. За расчетную температуру воздуха внутри здания или помещения t, °C, при определении потерь тепла через ограждающие конструкции следует принимать
[3]:
1) для помещений высотой до 4 м

; (17)
2) для помещений высотой свыше 4 м с учетом изменения температуры по высоте при использовании для обогрева:
нагревательных приборов

; (18)
систем воздушного отопления:
а) для вертикальных ограждающих конструкций, расположенных высоте до 4 м от пола, в соответствии с
формулой (17);
б) для покрытий и фонарей

; (19)
в) для вертикальных ограждающих конструкций, расположенных выше 4 м от пола

. (20)

- температура воздуха в рабочей зоне помещения, °C;

- градиент температуры по высоте в зависимости от теплонапряженности помещения;
H - высота от пола до расчетной точки, м.
Температура воздуха внутри помещения в нерабочее время

при дежурном отоплении принимается равной 5 °C по всему объему, а при работе основной системы отопления - равной температуре воздуха t в рабочее время.
3.11. Продолжительность отопительного периода

, сут, следует принимать равной
[2],
[4]:
для помещений с производственными тепловыделениями:

; (21)

; (22)
для помещений с производственными тепловыделениями:

; (23)

; (24)
для помещений с производственными тепловыделениями;

; (25)

, (26)
где

- нормированная продолжительность отопительного периода, сут.
3.12. Годовые приведенные затраты на вентиляцию

, руб./(м2 x год) в летний период, предназначенную для удаления из помещения избыточных теплопоступлений от проходящей через светопроемы солнечной радиации, следует рассчитывать по формуле
[2]:

. (27)
Удельные капитальные затраты на систему вентиляции и адиабатического охлаждения приточного воздуха

, руб./м2 площади пола, следует рассчитывать по формуле

. (28)
Производительность системы вентиляции

, м3/ч на 1 м2 площади пола, с учетом средней теплоинерционности помещения, следует рассчитывать по формуле

. (29)
Удельная стоимость электроэнергии на вентиляцию и охлаждение приточного воздуха

, руб./(м2 x год), следует определять по формуле

. (30)
Удельное количество электроэнергии на вентиляцию

, кВт x ч/м2, и охлаждение

, кВт x ч/м2, приточного воздуха следует определять по формулам:

; (31)

. (32)
0,72 - доля рабочих дней за месяц, отн. ед.;

,

- удельная стоимость систем приточной и вытяжной вентиляции, руб. x ч/м2, принимаемая по
табл. 26 [2]:

- удельная стоимость системы адиабатического охлаждения воздуха, руб. x ч/м3, принимаемая по
табл. 26;
c = 1 кДж/кг x °C - удельная теплоемкость воздуха;

= 1,2 кг/м3 - плотность воздуха;

- удельный расход электроэнергии на приточную вентиляцию;

- удельный расход электроэнергии на вытяжную вентиляцию;

- удельный расход электроэнергии на подачу воды в приточные камеры при адиабатическом охлаждении воздуха;

- расчетная летняя температура воздуха в рабочей зоне помещения, °C, определяемая в соответствии с
п. 3.13 настоящего Пособия;

- температура приточного воздуха, °C, определяемая в соответствии с
п. 3.13 настоящего Пособия;

- количество дней в месяце со среднесуточной температурой наружного воздуха выше 20 °C, сут;

- количество дней в месяце с максимальной температурой наружного воздуха выше 28 °C, сут;

,

- время начала и конца работы, ч;

,

- время начала и конца работы системы охлаждения приточного воздуха, определяемое в соответствии с
п. 3.16 настоящего Пособия;

- наибольшее значение теплопоступлений в рабочую зону, Вт/м2, от солнечной радиации, прошедшей через светопроемы, определяемое в соответствии с
п. 3.14 настоящего Пособия.
────────────────────────┬──────────────────────────────────────────────────
Производительность │ Удельная стоимость, руб. x ч/м3, системы
системы, тыс. м3/ч ├────────────────┬────────────────┬────────────────
│ приточной │ вытяжной │адиабатического
│ вентиляции C │ вентиляции C │ охлаждения C
│ п.в│ в.в│ а
────────────────────────┼────────────────┼────────────────┼────────────────
10 - 20 │ 0,095 │ 0,055 │ 0,026
25 - 70 │ 0,070 │ 0,045 │ 0,020
75 - 150 │ 0,040 │ 0,020 │ 0,014
3.13. При расчетной летней температуре воздуха

не более 27 °C (параметры А) для удаления радиационных теплоизбытков предусматривается общеобменная вентиляция с механическим побуждением. При определении производительности системы общеобменной вентиляции по
формуле (29) расчетная разность температур

принимается равной 3 или 5 °C в зависимости от теплонапряженности помещения
[3].
При расчетной летней температуре воздуха

свыше 27 °C для удаления теплоизбытков и обеспечения допустимых норм температуры в рабочей зоне предусматривается система вентиляции с испарительным (адиабатическим) охлаждением приточного воздуха. Температура воздуха в рабочей зоне помещения

принимается равной 28 °C, а температура приточного воздуха

определяется с помощью i - d-диаграммы по исходным параметрам А наружного воздуха
[3], обработанного до относительной влажности

.
3.14. Наибольшее значение радиационных теплопоступлений в рабочую зону

, Вт/м2 площади помещения, определяется максимальным значением суммарной солнечной радиации, падающей на плоскость светопроема в течение суток, и в зависимости от вида светопрозрачной конструкции рассчитывается по формулам:
для зенитных фонарей

; (33)
для прямоугольных фонарей

; (34)
для окон

; (35)
где

,

- наибольшее значение прямой солнечной радиации в июле при безоблачном небе соответственно на горизонтальную и вертикальную поверхности разной ориентации, Вт/м2, определяемое по
СНиП 2.01.01-82;

,

- наибольшее значение рассеянной солнечной радиации в июле при безоблачном небе соответственно на горизонтальную и вертикальную поверхности разной ориентации, Вт/м2, определяемое по
СНиП 2.01.01-82;

- коэффициент пропускания солнечной радиации светопрозрачным заполнением светопроемов, отн. ед., принимаемый по
табл. 25;

- коэффициент, учитывающий потери света в переплетах светопроема, отн. ед., определяемый по
табл. 28 СНиП II-4-79;
| | ИС МЕГАНОРМ: примечание. Взамен СНиП II-33-75 Постановлением Госстроя СССР от 15.12.1986 N 49 с 1 января 1988 года введены в действие СНиП 2.04.05-86. | |

- коэффициент, учитывающий снижение теплопоступлений за счет загрязнения стекла, отн. ед., принимаемый по табл. 5 Приложения 12* СНиП II-33-75*;
| | ИС МЕГАНОРМ: примечание. В официальном тексте документа, видимо, допущена опечатка: имеется в виду приложение 8 СНиП II-3-79, а не пункт 8. | |

- коэффициент теплопропускания солнцезащитных устройств, отн. ед. (
п. 8, СНиП II-3-79);

- коэффициент, определяющий долю теплоизбытков помещения, влияющих на температуру воздуха в рабочей зоне, и принимаемый по рис. 19
[4].
Рис. 19. Коэффициент

, учитывающий долю
теплоизбытков, влияющую на температуру рабочей
зоны помещения, в зависимости от его высоты
3.15. Продолжительность периода работы системы вентиляции

и системы охлаждения приточного воздуха

для каждого месяца определяется по кривой среднесуточных температур, построенной по данным среднемесячных температур наружного воздуха, с учетом значений средней суточной амплитуды температуры наружного воздуха, приведенных в
СНиП 2.01.01-82.
3.16. Для каждого месяца время начала

и конца

работы системы охлаждения приточного воздуха при постоянном воздухообмене

определяется моментами времени, когда температура воздуха внутри помещения достигает 25 °C, которая под действием теплопоступлений от солнечной радиации описывается следующими зависимостями:
для зенитных фонарей

(36)
для прямоугольных фонарей

(37)
для окон
| | ИС МЕГАНОРМ: примечание. Формула дана в соответствии с официальным текстом документа. | |

(38)
где

- продолжительность поступления прямой солнечной радиации, принимаемая равной 8 ч для В и З ориентации светопроемов, 10 ч - для ЮВ, ЮЗ и Ю ориентации, 16 ч - для зенитных фонарей;

,

- среднее количество тепла, Вт/м2, поступающее от суммарной солнечной радиации, соответственно, на горизонтальную и вертикальную поверхности разной ориентации (табл. 27);

,

- доля прямой солнечной радиации в суммарной на горизонтальную и вертикальные поверхности при действительных условиях облачности, отн. ед., принимаемые по табл. 27;

- время до момента наступления максимума прямой солнечной радиации, ч, отсчитываемое относительно полудня и определяемое в соответствии с
табл. 28.
Таблица 27
───────────┬────────┬──────────────────────────────────────────────────────
Город │Ориента-│ Среднесуточное количество тепла от суммарной
│ция │солнечной радиации Q , Вт/м2, и доля прямой радиации
│свето- │ ср
│проема │ в суммарной f, отн. ед., по месяцам
│ ├──────────┬──────────┬──────────┬──────────┬──────────
│ │ май │ июнь │ июль │ август │ сентябрь
│ ├────┬─────┼────┬─────┼────┬─────┼────┬─────┼────┬─────
│ │ Q │ f │ Q │ f │ Q │ f │ Q │ f │ Q │ f
│ │ ср│ │ ср│ │ ср│ │ ср│ │ ср│
───────────┼────────┼────┼─────┼────┼─────┼────┼─────┼────┼─────┼────┼─────
Астрахань │ гориз. │255 │0,63 │291 │0,67 │255 │0,66 │236 │0,70 │179 │0,68
│ В, З │ 71 │0,50 │ 85 │0,52 │ 75 │0,52 │ 79 │0,57 │ 63 │0,57
│ ЮВ, ЮЗ │ 77 │0,52 │ 78 │0,50 │ 71 │0,51 │ 89 │0,60 │ 94 │0,66
│ Ю │ 45 │0,39 │ 55 │0,41 │ 54 │0,44 │ 82 │0,58 │106 │0,69
───────────┼────────┼────┼─────┼────┼─────┼────┼─────┼────┼─────┼────┼─────
Волгоград │ гориз. │255 │0,63 │274 │0,65 │264 │0,63 │230 │0,65 │167 │0,61
│ В, З │ 77 │0,51 │ 81 │0,52 │ 74 │0,50 │ 74 │0,54 │ 58 │0,54
│ ЮВ, ЮЗ │ 81 │0,53 │ 77 │0,51 │ 75 │0,50 │ 88 │0,58 │ 86 │0,64
│ Ю │ 68 │0,49 │ 57 │0,43 │ 59 │0,44 │ 82 │0,56 │ 95 │0,66
───────────┼────────┼────┼─────┼────┼─────┼────┼─────┼────┼─────┼────┼─────
Махачкала │ гориз. │256 │0,58 │282 │0,64 │264 │0,65 │232 │0,62 │170 │0,60
│ В, З │ 76 │0,49 │ 73 │0,49 │ 71 │0,53 │ 75 │0,45 │ 75 │0,46
│ ЮВ, ЮЗ │ 65 │0,45 │ 66 │0,46 │ 65 │0,47 │ 72 │0,52 │ 76 │0,60
│ Ю │ 49 │0,38 │ 42 │0,35 │ 45 │0,38 │ 64 │0,49 │ 81 │0,61
───────────┼────────┼────┼─────┼────┼─────┼────┼─────┼────┼─────┼────┼─────
Куйбышев │ гориз. │238 │0,61 │262 │0,64 │244 │0,61 │202 │0,60 │133 │0,56
│ В, З │ 70 │0,50 │ 74 │0,50 │ 73 │0,50 │ 68 │0,53 │ 41 │0,37
│ ЮВ, ЮЗ │ 81 │0,54 │ 74 │0,50 │ 79 │0,52 │ 87 │0,59 │ 67 │0,61
│ Ю │ 68 │0,50 │ 58 │0,43 │ 63 │0,47 │ 80 │0,57 │ 76 │0,64
───────────┼────────┼────┼─────┼────┼─────┼────┼─────┼────┼─────┼────┼─────
Саратов │ гориз. │244 │0,58 │267 │0,59 │249 │0,58 │210 │0,56 │150 │0,57
│ В, З │ 73 │0,49 │ 76 │0,49 │ 78 │0,50 │ 63 │0,48 │ 51 │0,52
│ ЮВ, ЮЗ │ 76 │0,50 │ 76 │0,48 │ 73 │0,48 │ 74 │0,52 │ 79 │0,63
│ Ю │ 66 │0,47 │ 57 │0,42 │ 52 │0,40 │ 73 │0,52 │ 91 │0,66
───────────┼────────┼────┼─────┼────┼─────┼────┼─────┼────┼─────┼────┼─────
Донецк │ гориз. │226 │0,53 │254 │0,59 │256 │0,61 │223 │0,63 │163 │0,62
│ В, З │130 │0,42 │143 │0,46 │144 │0,48 │132 │0,51 │102 │0,53
│ ЮВ, ЮЗ │135 │0,44 │141 │0,45 │145 │0,48 │145 │0,56 │129 │0,63
│ Ю │123 │0,39 │122 │0,37 │128 │0,42 │138 │0,55 │140 │0,67
───────────┼────────┼────┼─────┼────┼─────┼────┼─────┼────┼─────┼────┼─────
Кировоград │ гориз. │215 │0,53 │246 │0,58 │249 │0,59 │204 │0,61 │154 │0,60
│ В, З │128 │0,39 │140 │0,44 │147 │0,45 │122 │0,48 │ 99 │0,56
│ ЮВ, ЮЗ │131 │0,41 │137 │0,43 │143 │0,44 │133 │0,54 │124 │0,65
│ Ю │121 │0,36 │120 │0,36 │132 │0,38 │132 │0,52 │125 │0,68
───────────┼────────┼────┼─────┼────┼─────┼────┼─────┼────┼─────┼────┼─────
Одесса │ гориз. │252 │0,61 │279 │0,65 │283 │0,68 │240 │0,68 │182 │0,65
│ В, З │134 │0,45 │145 │0,46 │152 │0,53 │136 │0,54 │105 │0,54
│ ЮВ, ЮЗ │141 │0,48 │145 │0,46 │156 │0,54 │155 │0,59 │141 │0,65
│ Ю │128 │0,43 │125 │0,38 │134 │0,46 │147 │0,57 │152 │0,68
───────────┼────────┼────┼─────┼────┼─────┼────┼─────┼────┼─────┼────┼─────
Херсон │ гориз. │244 │0,57 │271 │0,61 │274 │0,65 │240 │0,64 │176 │0,62
│ В, З │141 │0,44 │152 │0,46 │152 │0,49 │138 │0,52 │108 │0,52
│ ЮВ, ЮЗ │143 │0,46 │148 │0,45 │151 │0,48 │152 │0,56 │137 │0,61
│ Ю │132 │0,40 │144 │0,44 │129 │0,39 │148 │0,54 │147 │0,64
───────────┼────────┼────┼─────┼────┼─────┼────┼─────┼────┼─────┼────┼─────
Ташкент │ гориз. │269 │0,71 │308 │0,78 │314 │0,81 │283 │0,81 │226 │0,78
│ В, З │146 │0,56 │166 │0,62 │169 │0,63 │162 │0,63 │133 │0,65
│ ЮВ, ЮЗ │148 │0,56 │154 │0,58 │160 │0,62 │169 │0,68 │174 │0,72
│ Ю │121 │0,46 │114 │0,47 │121 │0,50 │148 │0,64 │183 │0,74
───────────┼────────┼────┼─────┼────┼─────┼────┼─────┼────┼─────┼────┼─────
Алма-Ата │ гориз. │238 │0,61 │263 │0,66 │274 │0,71 │241 │0,69 │197 │0,69
│ В, З │138 │0,50 │145 │0,51 │155 │0,57 │133 │0,56 │119 │0,60
│ ЮВ, ЮЗ │141 │0,51 │137 │0,48 │150 │0,56 │147 │0,60 │157 │0,70
│ Ю │121 │0,43 │113 │0,47 │121 │0,46 │136 │0,57 │163 │0,71
───────────┼────────┼────┼─────┼────┼─────┼────┼─────┼────┼─────┼────┼─────
Форт- │ гориз. │272 │0,66 │279 │0,69 │268 │0,68 │246 │0,71 │189 │0,68
Шевченко │ В, З │164 │0,46 │168 │0,49 │158 │0,48 │150 │0,52 │125 │0,53
│ ЮВ, ЮЗ │169 │0,48 │158 │0,46 │155 │0,47 │163 │0,55 │157 │0,63
│ Ю │150 │0,41 │134 │0,36 │134 │0,39 │155 │0,53 │162 │0,64
───────────┼────────┼────┼─────┼────┼─────┼────┼─────┼────┼─────┼────┼─────
Джезказган │ гориз. │273 │0,65 │290 │0,68 │275 │0,67 │247 │0,70 │197 │0,70
│ В, З │152 │0,51 │157 │0,53 │155 │0,53 │145 │0,57 │125 │0,60
│ ЮВ, ЮЗ │162 │0,54 │155 │0,50 │154 │0,53 │158 │0,61 │160 │0,70
│ Ю │143 │0,48 │132 │0,42 │133 │0,45 │152 │0,60 │175 │0,71
───────────┼────────┼────┼─────┼────┼─────┼────┼─────┼────┼─────┼────┼─────
Кзыл-Орда │ гориз. │300 │0,73 │321 │0,76 │286 │0,71 │268 │0,75 │205 │0,73
│ В, З │165 │0,58 │183 │0,62 │151 │0,55 │155 │0,59 │125 │0,63
│ ЮВ, ЮЗ │171 │0,60 │165 │0,58 │152 │0,56 │169 │0,64 │163 │0,71
│ Ю │148 │0,53 │136 │0,49 │107 │0,37 │160 │0,62 │175 │0,73
───────────┼────────┼────┼─────┼────┼─────┼────┼─────┼────┼─────┼────┼─────
Тбилиси │ гориз. │228 │0,60 │265 │0,66 │260 │0,65 │238 │0,67 │178 │0,65
│ В, З │122 │0,45 │134 │0,50 │129 │0,45 │115 │0,46 │ 94 │0,47
│ ЮВ, ЮЗ │125 │0,47 │132 │0,48 │132 │0,45 │132 │0,52 │123 │0,59
│ Ю │114 │0,41 │109 │0,39 │115 │0,38 │129 │0,52 │137 │0,64
───────────┼────────┼────┼─────┼────┼─────┼────┼─────┼────┼─────┼────┼─────
Кировабад │ гориз. │239 │0,55 │263 │0,63 │258 │0,62 │241 │0,62 │174 │0,58
│ В, З │127 │0,40 │144 │0,47 │141 │0,47 │129 │0,47 │100 │0,46
│ ЮВ, ЮЗ │130 │0,40 │175 │0,57 │173 │0,58 │138 │0,50 │123 │0,57
│ Ю │119 │0,33 │105 │0,31 │109 │0,33 │129 │0,46 │125 │0,57
───────────┼────────┼────┼─────┼────┼─────┼────┼─────┼────┼─────┼────┼─────
Нахичевань │ гориз. │286 │0,66 │330 │0,73 │323 │0,75 │291 │0,76 │240 │0,77
│ В, З │152 │0,49 │173 │0,56 │169 │0,57 │151 │0,58 │136 │0,62
│ ЮВ, ЮЗ │150 │0,49 │159 │0,52 │155 │0,53 │156 │0,60 │177 │0,51
│ Ю │129 │0,40 │121 │0,36 │126 │0,42 │143 │0,55 │177 │0,71
───────────┼────────┼────┼─────┼────┼─────┼────┼─────┼────┼─────┼────┼─────
Кишинев │ гориз. │235 │0,55 │269 │0,57 │274 │0,62 │233 │0,61 │171 │0,60
│ В, З │131 │0,42 │157 │0,45 │152 │0,47 │136 │0,50 │110 │0,53
│ ЮВ, ЮЗ │136 │0,44 │154 │0,44 │156 │0,48 │152 │0,55 │142 │0,64
│ Ю │121 │0,36 │129 │0,34 │136 │0,40 │143 │0,53 │149 │0,65
───────────┼────────┼────┼─────┼────┼─────┼────┼─────┼────┼─────┼────┼─────
Душанбе │ гориз. │275 │0,65 │326 │0,70 │330 │0,70 │295 │0,71 │244 │0,70
│ В, З │147 │0,49 │173 │0,53 │175 │0,52 │156 │0,53 │140 │0,56
│ ЮВ, ЮЗ │143 │0,48 │157 │0,48 │172 │0,51 │162 │0,55 │176 │0,65
│ Ю │123 │0,40 │119 │0,32 │131 │0,36 │146 │0,51 │178 │0,65
───────────┼────────┼────┼─────┼────┼─────┼────┼─────┼────┼─────┼────┼─────
Ереван │ гориз. │290 │0,67 │328 │0,72 │297 │0,75 │291 │0,75 │234 │0,74
│ В, З │152 │0,50 │175 │0,56 │167 │0,57 │152 │0,57 │134 │0,58
│ ЮВ, ЮЗ │150 │0,50 │158 │0,51 │150 │0,53 │163 │0,61 │173 │0,68
│ Ю │128 │0,41 │121 │0,38 │119 │0,39 │148 │0,56 │175 │0,68
───────────┼────────┼────┼─────┼────┼─────┼────┼─────┼────┼─────┼────┼─────
Ашхабад │ гориз. │280 │0,66 │312 │0,70 │309 │0,71 │290 │0,74 │240 │0,71
│ В, З │150 │0,50 │165 │0,54 │162 │0,54 │151 │0,56 │136 │0,57
│ ЮВ, ЮЗ │145 │0,49 │150 │0,48 │148 │0,48 │156 │0,57 │171 │0,65
│ Ю │122 │0,39 │112 │0,31 │120 │0,36 │138 │0,52 │171 │0,65
───────────┼────────┼────┼─────┼────┼─────┼────┼─────┼────┼─────┼────┼─────
Чарджоу │ гориз. │217 │0,70 │350 │0,76 │336 │0,79 │311 │0,82 │253 │0,76
│ В, З │166 │0,53 │169 │0,54 │176 │0,58 │162 │0,61 │144 │0,61
│ ЮВ, ЮЗ │165 │0,52 │170 │0,55 │163 │0,55 │170 │0,63 │186 │0,70
│ Ю │141 │0,44 │125 │0,39 │128 │0,42 │151 │0,58 │186 │0,71
────────────────┬──────────────┬───────────────────────────────────────────
Месяц │ Ориентация │ Значения Дельта x, ч,
│ светопроема │ для географической широты, град
│ ├──────────┬──────────┬──────────┬──────────
│ │ 40 │ 45 │ 50 │ 55
────────────────┼──────────────┼──────────┼──────────┼──────────┼──────────
Июнь │ В, З │ 3,7 │ 3,8 │ 4,0 │ 4,2
│ ЮВ, ЮЗ │ 3,1 │ 3,1 │ 3,1 │ 3,2
│ Ю │ 0 │ 0 │ 0 │ 0
────────────────┼──────────────┼──────────┼──────────┼──────────┼──────────
Май, июль │ В, З │ 3,6 │ 3,7 │ 3,9 │ 4,0
│ ЮВ, ЮЗ │ 3,0 │ 3,0 │ 3,0 │ 3,0
│ Ю │ 0 │ 0 │ 0 │ 0
────────────────┼──────────────┼──────────┼──────────┼──────────┼──────────
Апрель, август │ В, З │ 3,3 │ 3,4 │ 3,5 │ 3,6
│ ЮВ, ЮЗ │ 2,5 │ 2,4 │ 2,4 │ 2,4
│ Ю │ 0 │ 0 │ 0 │ 0
────────────────┼──────────────┼──────────┼──────────┼──────────┼──────────
Март, сентябрь │ В, З │ 3,0 │ 3,0 │ 3,0 │ 3,0
│ ЮВ, ЮЗ │ 1,9 │ 1,8 │ 1,8 │ 1,7
│ Ю │ 0 │ 0 │ 0 │ 0
Примечание. При восточной и юго-восточной ориентации поверхности время до наступления максимума принимается со знаком "минус", при западной и юго-западной - со знаком "плюс".
3.17. Приведенные затраты для установок внутреннего искусственного освещения

, руб./(м2 x год), определяются отдельно для светильников каждого типа или мощности ламп по формуле (39), а затем суммируются:

. (39)
Удельные капитальные затраты

, руб./м2, для светильников каждого типа рассчитываются по формуле

. (40)
Удельные эксплуатационные расходы

, руб./(м2 x год), для светильников каждого типа рассчитываются по формуле

. (41)
Количество светильников

, шт., одного типа в установке общего освещения рассчитывается на основе метода коэффициента использования
[1] по формуле

. (42)

- коэффициент запаса при искусственном освещении;
z - коэффициент, учитывающий неравномерность освещенности и принимаемый равным 1,15 для светильников с лампами накаливания, ДРЛ и ДРИ и 1,1 - для светильников с люминесцентными лампами
[1];

- световой поток лампы, принимаемый по
табл. 29;

- количество ламп в одном светильнике, шт.;

- мощность лампы, Вт, принимаемая по
табл. 29;

- коэффициент использования светового потока светильника
[1];

- коэффициент, учитывающий потери энергии в пускорегулирующих аппаратах газоразрядных ламп, принимаемый по
табл. 30;

- коэффициент, учитывающий потери в сетях, принимаемый по
табл. 30;

- составляющая стоимости статических конденсаторов, устанавливаемых для повышения коэффициента мощности, руб., принимаемая по
табл. 30 [11];

- стоимость одной лампы, руб.;

- стоимость арматуры одного осветительного прибора, руб.;

- стоимость монтажа одного светильника, руб.;

- стоимость монтажа электрической части осветительной установки на 1 кВт установленной мощности ламп и потерь в ПРА, руб./кВт, ориентировочно принимаемая 100 руб./кВт;

,

- стоимость соответственно одной чистки светильника и индивидуальной замены лампы, руб., принимается по
табл. 31 [11];

- количество чисток светильников в год;

- срок службы лампы, ч, принимаемый по табл. 29;

- продолжительность работы установки общего искусственного освещения за год, ч, принимаемая по
табл. 32 -
34;
E - уровень освещенности, лк, определяемый по
п. 3.18.
──────────────┬─────────────┬──────────────┬──────────────┬────────────────
Тип лампы │ Номинальная │ Номинальный │Средняя про- │ Номер ГОСТа
│ мощность │световой поток│должительность│
│ P , Вт │
<*> Ф , лм │горения T , ч │
│ л │ л │ л │
──────────────┼─────────────┼──────────────┼──────────────┼────────────────
ИС МЕГАНОРМ: примечание.
Взамен ГОСТ 6825-74 Постановлением Госстандарта СССР от 22.03.1991
ЛДЦ 40 │ 40 │ 2100 │ 12000 │ГОСТ 6825-74
ЛД 40 │ │ 2340 │ │(СТ СЭВ 3181-81)
ЛХБ 40 │ │ 2780 │ │
ЛТБ 40 │ │ 2780 │ │
ЛБ │ │ 3000 │ │
──────────────┼─────────────┼──────────────┼──────────────┼────────────────
ЛДЦ 65 │ 65 │ 3050 │ 12000 │ГОСТ 6825-74
ЛД 65 │ │ 3570 │ │(СТ СЭВ 3181-81)
ЛХБ 65 │ │ 4100 │ │
ЛТБ 65 │ │ 4200 │ │
ЛБ 65 │ │ 4550 │ │
──────────────┼─────────────┼──────────────┼──────────────┼────────────────
ЛДЦ 80 │ 80 │ 3560 │ 12000 │ГОСТ 6825-74
ЛД 80 │ │ 4070 │ │(СТ СЭВ 3181-81)
ЛХБ 80 │ │ 4600 │ │
ЛТБ 80 │ │ 4720 │ │
ЛБ 80 │ │ 5220 │ │
──────────────┼─────────────┼──────────────┼──────────────┼────────────────
ДРЛ 125 (6) │ 125 │ 5400 │ 8000 │ГОСТ 16354-77
ДРЛ 126 (10) │ 125 │ 6000 │ 8000 │(СТ СЭВ 1122-78)
ДРЛ 250 (6) │ 250 │ 12000 │ 8000 │
ДРЛ 250 (10) │ 250 │ 13000 │ 8000 │
ДРЛ 400 (6) │ 400 │ 23000 │ 12000 │
ДРЛ 400 (10) │ 400 │ 23000 │ 12000 │
ДРЛ 700 (6) │ 700 │ 38000 │ 12000 │
ДРЛ 700 (10) │ 700 │ 39000 │ 12000 │
ДРЛ 1000 (6) │ 1000 │ 55000 │ 12000 │
ДРЛ 1000 (10) │ 1000 │ 55000 │ 12000 │
──────────────┼─────────────┼──────────────┼──────────────┼────────────────
ДРИ 250 │ 250 │ 19000 │ 10000 │ГОСТ 24424-80
ДРИ 400 │ 400 │ 34000 │ 10000 │
ДРИ 700 │ 700 │ 60000 │ 9000 │
ДРИ 1000 │ 1000 │ 90000 │ 9000 │
ДРИ 2000 │ 2000 │ 190000 │ 2000 │
──────────────┼─────────────┼──────────────┼──────────────┼────────────────
ДНаТ250 │ 250 │ 25000 <**> │ 10000 │ГОСТ 24169-80
ДНаТ400 │ 400 │ 47000 <**> │ 15000 │
ДНаТ700 │ 700 │ 84000 <**> │ 10000 │
ДНаТ1000 │ 1000 │ 125000 <**> │ 10000 │
--------------------------------
<*> Значения светового потока приведены для ламп I категории.
<**> Номинальный световой поток после 100 ч горения.
───────────┬───────────────────────────────────────────────────────────────
Коэффициент│ Лампы
├───────────┬──────────────┬────────────────────────────────────
│накаливания│люминесцентные│ ДРЛ и ДРЛ
│ │ ├────────────────┬───────────────────
│ │ │ без │ с конденсаторами
│ │ │ конденсаторов │на групповых линиях
───────────┼───────────┼──────────────┼────────────────┼───────────────────
альфа │ 1 │ 1,2 │ 1,1 │ 1,1
бета │ 0,03 │ 0,037 │ 0,12 │ 0,078
омега │ 0 │ 0 │ 0 │ 2,6 (ДРЛ)
│ │ │ │ 4,0 (ДРИ)
──────────────────────────┬────────────────────────────────────────────────
Средства доступа │ Стоимость, руб.
к светильникам ├──────────────────────────┬─────────────────────
для обслуживания │ одной чистки C │индивидуальной замены
│ ч │ C ламп
│ светильника с лампами │ з
├───────────┬─────┬────────┼────────────┬────────
│накаливания│ДРЛ │люминес-│накаливания,│люминес-
│ │и ДРИ│центными│ ДРЛ, ДРИ │центных
──────────────────────────┼───────────┼─────┼────────┼────────────┼────────
Лестницы, стремянки │ 0,4 │ 0,5 │ 0,6 │ 0,3 │ 0,5
Напольные передвижные │ 0,5 │ 0,6 │ 0,75 │ - │ -
подъемные устройства │ │ │ │ │
(вышки) несамоходные │ │ │ │ │
То же, самоходные │ 0,6 │ 0,8 │ 1,0 │ - │ -
Мостовые технологические │ │ │ │ │
краны и технологические │ │ │ │ │
краны-балки с прицепным │ │ │ │ │
мостиком при их технологи-│ │ │ │ │
ческой загрузке, %, до: │ │ │ │ │
25 │ 0,75 │ 1,0 │ 1,25 │ 0,24 │ 0,35
40 │ 0,9 │ 1,2 │ 1,5 │ - │ -
60 │ 1,2 │ 1,6 │ 2,0 │ - │ -
Мостовые ремонтные краны, │ 0,7 │ 0,9 │ 1,1 │ - │ -
ремонтные краны-балки │ │ │ │ │
с прицепным мостиком │ │ │ │ │
Стационарные мостики, │ 0,3 │ 0,4 │ 0,5 │ 0,12 │ 0,17
галереи, площадки │ │ │ │ │
─────────────┬─────────────┬───────────────────────────────────────────────
Пояс │Нормированная│ Продолжительность работы установки T , ч,
светового │освещенность │ и
климата │ E , лк │ при односменной работе и значениях КЕО, %
│ н ├─────┬─────┬─────┬─────┬─────┬─────┬─────┬─────
│ │ 1,5 │ 2,0 │ 2,5 │ 3,0 │ 3,5 │ 4 │ 5 │ 7
─────────────┼─────────────┼─────┼─────┼─────┼─────┼─────┼─────┼─────┼─────
I │ 150 │1150 │ 960 │ 850 │ 770 │ 720 │ 680 │ 620 │ 560
│ 200 │1480 │1210 │1050 │ 940 │ 870 │ 810 │ 730 │ 640
│ 300 │2150 │1730 │1470 │1300 │1170 │1080 │ 950 │ 800
│ 400 │2150 │2150 │1890 │1650 │1480 │1350 │1170 │ 960
│ 500 │2150 │2150 │2150 │2000 │1780 │1620 │1390 │1130
─────────────┼─────────────┼─────┼─────┼─────┼─────┼─────┼─────┼─────┼─────
II │ 150 │ 980 │ 790 │ 690 │ 620 │ 570 │ 530 │ 480 │ 420
│ 200 │1300 │1030 │ 870 │ 770 │ 700 │ 640 │ 570 │ 490
│ 300 │1940 │1510 │1250 │1080 │ 970 │ 880 │ 760 │ 630
│ 400 │2150 │1990 │1630 │1400 │1230 │1110 │ 950 │ 760
│ 500 │2150 │2150 │2010 │1710 │1500 │1350 │1140 │ 900
─────────────┼─────────────┼─────┼─────┼─────┼─────┼─────┼─────┼─────┼─────
III │ 150 │ 820 │ 640 │ 530 │ 470 │ 420 │ 390 │ 340 │ 300
│ 200 │1110 │ 850 │ 700 │ 600 │ 540 │ 490 │ 420 │ 350
│ 300 │1740 │1300 │1050 │ 890 │ 770 │ 690 │ 580 │ 470
│ 400 │2150 │1740 │1390 │1180 │1010 │ 900 │ 750 │ 580
│ 500 │2150 │2150 │1740 │1450 │1250 │1100 │ 910 │ 700
─────────────┼─────────────┼─────┼─────┼─────┼─────┼─────┼─────┼─────┼─────
IV │ 150 │ 550 │ 480 │ 380 │ 320 │ 280 │ 250 │ 220 │ 170
│ 200 │ 940 │ 680 │ 540 │ 450 │ 390 │ 340 │ 280 │ 220
│ 300 │1530 │1090 │ 850 │ 700 │ 590 │ 520 │ 420 │ 320
│ 400 │2120 │1500 │1160 │ 950 │ 800 │ 700 │ 560 │ 420
│ 500 │2150 │1920 │1480 │1200 │1010 │ 880 │ 700 │ 510
─────────────┼─────────────┼─────┼─────┼─────┼─────┼─────┼─────┼─────┼─────
V │ 150 │ 380 │ 210 │ 140 │ 90 │ 70 │ 50 │ 40 │ 20
│ 200 │ 600 │ 340 │ 220 │ 160 │ 120 │ 90 │ 60 │ 40
│ 300 │1050 │ 600 │ 400 │ 290 │ 220 │ 170 │ 120 │ 80
│ 400 │1490 │ 860 │ 570 │ 410 │ 310 │ 250 │ 180 │ 120
│ 500 │1940 │1120 │ 740 │ 540 │ 410 │ 330 │ 240 │ 160
─────────────┬─────────────┬───────────────────────────────────────────────
Пояс │Нормированная│ Продолжительность работы установки T , ч,
светового │освещенность │ и
климата │ E , лк │ при двухсменной работе и значениях КЕО, %
│ н ├─────┬─────┬─────┬─────┬─────┬─────┬─────┬─────
│ │ 1,5 │ 2,0 │ 2,5 │ 3,0 │ 3,5 │ 4 │ 5 │ 7
─────────────┼─────────────┼─────┼─────┼─────┼─────┼─────┼─────┼─────┼─────
I │ 150 │3100 │2820 │2630 │2490 │2380 │2300 │2180 │2020
│ 200 │3480 │3130 │2910 │2740 │2620 │2520 │2370 │2180
│ 300 │4220 │3770 │3470 │3250 │3080 │2950 │2750 │2500
│ 400 │4300 │4300 │4030 │3750 │3550 │3380 │3130 │2820
│ 500 │4300 │4300 │4300 │4260 │4010 │3820 │3520 │3140
─────────────┼─────────────┼─────┼─────┼─────┼─────┼─────┼─────┼─────┼─────
II │ 150 │2940 │2640 │2440 │2300 │2190 │2110 │1990 │1840
│ 200 │3300 │2930 │2700 │2530 │2400 │2300 │2150 │1970
│ 300 │4010 │3520 │3200 │2980 │2810 │2680 │2480 │2240
│ 400 │4300 │4100 │3710 │3430 │3220 │3060 │2810 │2510
│ 500 │4300 │4300 │4230 │3890 │3640 │3440 │3140 │2780
─────────────┼─────────────┼─────┼─────┼─────┼─────┼─────┼─────┼─────┼─────
III │ 150 │2820 │2470 │2270 │2130 │2020 │1950 │1830 │1690
│ 200 │3130 │2750 │2500 │2340 │2210 │2110 │1970 │1810
│ 300 │3810 │3290 │2970 │2740 │2570 │2440 │2260 │2030
│ 400 │4300 │3840 │3430 │3150 │2940 │2780 │2540 │2260
│ 500 │4300 │4300 │3900 │3560 │3310 │3110 │2830 │2490
─────────────┼─────────────┼─────┼─────┼─────┼─────┼─────┼─────┼─────┼─────
IV │ 150 │2580 │2240 │2030 │1900 │1800 │1720 │1620 │1500
│ 200 │2900 │2480 │2230 │2060 │1940 │1860 │1730 │1590
│ 300 │3520 │2960 │2620 │2400 │2240 │2120 │1950 │1750
│ 400 │4150 │3440 │3010 │2730 │2530 │2380 │2160 │1920
│ 500 │4300 │3930 │3410 │3070 │2820 │2640 │2380 │2090
─────────────┼─────────────┼─────┼─────┼─────┼─────┼─────┼─────┼─────┼─────
V │ 150 │2400 │2040 │1840 │1710 │1620 │1560 │1470 │1370
│ 200 │2680 │2250 │2000 │1840 │1740 │1660 │1550 │1430
│ 300 │3260 │2670 │2340 │2120 │1970 │1860 │1720 │1560
│ 400 │3840 │3100 │2670 │2400 │2210 │2070 │1880 │1680
│ 500 │4300 │3520 │3000 │2670 │2440 │2280 │2050 │1810
─────────────┬─────────────┬───────────────────────────────────────────────
Пояс │Нормированная│ Продолжительность работы установки T , ч,
светового │освещенность │ и
климата │ E , лк │ при трехсменной работе и значениях КЕО, %
│ н ├─────┬─────┬─────┬─────┬─────┬─────┬─────┬─────
│ │ 1,5 │ 2,0 │ 2,5 │ 3,0 │ 3,5 │ 4 │ 5 │ 7
─────────────┼─────────────┼─────┼─────┼─────┼─────┼─────┼─────┼─────┼─────
I │ 150 │5210 │4900 │4690 │4540 │4420 │4320 │4170 │3980
│ 200 │5550 │5200 │4960 │4790 │4650 │4580 │4370 │4150
│ 300 │6240 │5810 │5510 │5290 │5120 │4980 │4770 │4490
│ 400 │6500 │6410 │6060 │5790 │5580 │5420 │5170 │4830
│ 500 │6500 │6500 │6500 │6290 │6050 │5860 │5570 │5180
─────────────┼─────────────┼─────┼─────┼─────┼─────┼─────┼─────┼─────┼─────
II │ 150 │5040 │4700 │4480 │4320 │4190 │4100 │3950 │3760
│ 200 │5370 │4980 │4730 │4540 │4400 │4290 │4120 │3900
│ 300 │6040 │5550 │5230 │5000 │4820 │4680 │4460 │4190
│ 400 │6500 │6120 │5730 │5450 │5240 │5020 │4810 │4480
│ 500 │6500 │6500 │6240 │5900 │5650 │5450 │5160 │4770
─────────────┼─────────────┼─────┼─────┼─────┼─────┼─────┼─────┼─────┼─────
III │ 150 │4890 │4520 │4290 │4120 │4000 │3900 │3760 │3590
│ 200 │5200 │4790 │4520 │4330 │4190 │4080 │3910 │3710
│ 300 │5840 │5320 │4980 │4740 │4560 │4420 │4210 │3950
│ 400 │6480 │5850 │5440 │5150 │4930 │4760 │4510 │4200
│ 500 │6500 │6380 │5900 │5560 │5310 │5110 │4780 │4440
─────────────┼─────────────┼─────┼─────┼─────┼─────┼─────┼─────┼─────┼─────
IV │ 150 │4730 │4360 │4120 │3960 │3840 │3740 │3610 │3450
│ 200 │5040 │4610 │4330 │4140 │4000 │3900 │3740 │3510
│ 300 │5660 │5100 │4760 │4520 │4340 │4200 │4000 │3760
│ 400 │6270 │5600 │5180 │4890 │4670 │4500 │4260 │3970
│ 500 │6500 │6100 │5610 │5260 │5010 │4810 │4520 │4180
─────────────┼─────────────┼─────┼─────┼─────┼─────┼─────┼─────┼─────┼─────
V │ 150 │4520 │4120 │3880 │3720 │3600 │3520 │3400 │3260
│ 200 │4810 │4340 │4060 │3870 │3740 │3640 │3500 │3340
│ 300 │5380 │4780 │4420 │4180 │4010 │3880 │3700 │3490
│ 400 │5950 │5220 │4780 │4490 │4280 │4120 │3900 │3650
│ 500 │6500 │5660 │5140 │4790 │4550 │4360 │4100 │3800
3.18. Освещенность от светильников общего искусственного освещения в зависимости от системы освещения и расчетного значения КЕО в помещении следует принимать по табл. 35.
─────────────┬─────────────────────────────────────────────────────────────
Разряд │ Нормируемые уровни общей освещенности E, лк,
зрительной │ производственных помещений в зависимости
работы │ от системы освещения и расчетного значения КЕО
├──────────────────────────────┬──────────────────────────────
│ e <= e <= e │ e <= e < e
│ н.с н │ мин н.с
├───────────────┬──────────────┼───────────────┬──────────────
│комбинированное│ общее │комбинированное│ общее
─────────────┼───────────────┼──────────────┼───────────────┼──────────────
Iа │ 500 │ 1500 │ 600 │ 1500
Iб │ 400 │ 1250 │ 500 │ 1250
Iв │ 300 │ 750 │ 400 │ 750
Iг │ 150 │ 400 │ 200 │ 500
─────────────┼───────────────┼──────────────┼───────────────┼──────────────
IIа │ 400 │ 1250 │ 500 │ 1250
IIб │ 300 │ 750 │ 400 │ 750
IIв │ 200 │ 500 │ 300 │ 600
IIг │ 150 │ 300 │ 200 │ 400
─────────────┼───────────────┼──────────────┼───────────────┼──────────────
IIIа │ 200 │ 500 │ 300 │ 600
IIIб │ 150 │ 300 │ 200 │ 400
IIIв │ 150 │ 300 │ 200 │ 400
IIIг │ 150 │ 200 │ 200 │ 300
─────────────┼───────────────┼──────────────┼───────────────┼──────────────
IVа │ 150 │ 300 │ 200 │ 400
IVб │ 150 │ 200 │ 200 │ 300
IVв │ 150 │ 200 │ 200 │ 300
IVг │ 150 │ 150 │ 200 │ 200
─────────────┼───────────────┼──────────────┼───────────────┼──────────────
Vа │ 150 │ 200 │ 200 │ 300
Vб │ 150 │ 150 │ 200 │ 200
3.19. Суммарные энергозатраты, переведенные в условное топливо,

, кг/м2 площади помещения, характеризуют работу систем естественного

и искусственного

освещения помещения в целом и определяются по формуле

. (43)
3.20. Суммарные затраты тепловой и электрической энергии, характеризующие систему естественного освещения и переведенные в условное топливо,

, кг/м2, слагаются из энергозатрат на отопление, вентиляцию и холодоснабжение, компенсирующих повышенные теплопотери помещения в холодный период года и избыточные теплопоступления от солнечной радиации в теплый период года через светопрозрачные конструкции, и определяются по формуле

, (44)
где

и

- удельный расход условного топлива на электростанциях общего использования на 1 ГДж тепловой энергии и на 1 кВт x ч электроэнергии
[18];

- удельный годовой расход тепловой энергии, обусловленный теплопотерями через фонари и окна, ГДж/(м2 x год), и определяемый по
формуле (16);

- удельный годовой расход электроэнергии на отопление, кВт x ч/(м2 x год), принимаемый равным
[4]:

(45)
для систем воздушного отопления и равным нулю для других систем отопления;

- удельный годовой расход электроэнергии в системе вентиляции, обусловленный избыточными теплопоступлениями солнечной радиации через фонари и окна, кВт x ч/(м2 x год), и определяемый по
формуле (31);

- удельный годовой расход электроэнергии в системе охлаждения приточного воздуха, кВт x ч/(м2 x год), определяемый по
формуле (32).
3.21. Энергозатраты на искусственное освещение, переведенные в условное топливо,

, кг/м2, рекомендуется определять по формуле

, (46)
где

- удельный годовой расход электроэнергии на искусственное освещение, кВт x ч/(м2 x год), определяемый по формуле

. (47)
4. ПРОЕКТИРОВАНИЕ ЕСТЕСТВЕННОГО И СОВМЕЩЕННОГО
ОСВЕЩЕНИЯ НЕКОТОРЫХ ТИПОВЫХ ПОМЕЩЕНИЙ
ОСНОВНЫЕ ПОМЕЩЕНИЯ ПРЕДПРИЯТИЙ МАШИНОСТРОЕНИЯ
4.1. Проектирование естественного и совмещенного освещения предприятий машиностроения должно осуществляться с учетом особенностей технологии. Краткая характеристика технологического процесса, зрительных работ и требования к освещению даны в табл. 36.
Таблица 36
─────────────┬───────────────┬──────────┬────────┬─────────────────────────
Цех │Технологическое│ Перечень │Преобла-│ Требования к освещению
│ оборудование │ основных │дающие │
│ │ работ │разряды │
│ │ │зритель-│
│ │ │ной │
│ │ │работы │
─────────────┼───────────────┼──────────┼────────┼─────────────────────────
Заготовитель-│Металлорежущие,│Резка, │ V │Условия работы требуют
ный │металлодавящие │штамповка,│ │равномерного естествен-
│станки и │раскрой │ │ного освещения по всей
│машины, │металла │ │рабочей площади и общего
│автоматические │ │ │искусственного освещения
│машины для │ │ │с локализованным размеще-
│плазменной │ │ │нием светильников. Ряды
│резки, гибочные│ │ │светильников общего
│машины, │ │ │освещения рекомендуется
│механические │ │ │располагать над линиями
│ножницы │ │ │станков; на механических
│ │ │ │ножницах требуется
│ │ │ │установка светильников
│ │ │ │местного освещения для
│ │ │ │освещения режущей кромки
│ │ │ │ножниц и измерительных
│ │ │ │линеек
Кузнечно- │На заготови- │Резка, │ V │То же
прессовый │тельных участ- │штамповка │ │
│ках то же, что │и раскрой,│ │
│и в заготови- │прессовка │ │
│тельных цехах; │и ковка │ │
│на участках │металла │ │
│прессовки - │ │ │
│прессы, штампы,│ │ │
│кузнечный молот│ │ │
│ │ │ │
Сварочный │Сварочные: │Сварка │IV, V и │Условия освещения
│машины, │узлов и │ VII │выбираются так, чтобы
│автоматы и │деталей │ │снизить слепящее действие
│полуавтоматы, │ │ │дуги при сварке;
│клещи и т.п. │ │ │естественное освещение -
│ │ │ │равномерное, верхнее;
│ │ │ │искусственное - комбини-
│ │ │ │рованное; светильники
│ │ │ │местного освещения встра-
│ │ │ │иваются в оборудование
Механический:│ │ │ │
крупно- │Крупные машины │Механичес-│ III │Равномерное естественное
механический │с дистанцион- │кая │ │освещение и
│ным, автомати- │обработка │ │комбинированное
│ческим и │крупных │ │искусственное освещение
│программным │деталей │ │
│управлением │и узлов │ │
мелко- │Расточные, │То же, │ I и II │Для освещения пультов
механический │строгальные, │отдельных │ │управления станков
│шлифовальные │узлов │ │используются ряды
│станки │и деталей │ │светильников общего
│ │ │ │освещения, светильник
│ │ │ │целесообразно располагать
│ │ │ │не над суппортом станка,
│ │ │ │а сдвигать на 0,5 - 1 м
│ │ │ │в сторону от станка
Сборочный и │Сборочные │Сборка │II, III │Равномерное верхнее
сборочно- │конвейеры, │узлов │ и VII │естественное освещение и
сварочный │верстаки │и изделий │ │комбинированное искусст-
│ │из плос- │ │венное освещение; при
│ │костных и │ │сборке плоских элементов
│ │объемных │ │требуется обеспечить
│ │элементов │ │горизонтальное освещение;
│ │ │ │при сборке объемных
│ │ │ │элементов и крупных
│ │ │ │изделий на подвесных
│ │ │ │конвейерах требуется
│ │ │ │обеспечить вертикальную
│ │ │ │освещенность, с этой
│ │ │ │целью рекомендуется
│ │ │ │предусматривать установку
│ │ │ │дополнительных светильни-
│ │ │ │ков на стойках, колоннах
│ │ │ │или светильников типа
│ │ │ │"кососвет"
Окрасочный │Подвесные │Окраска │ IV │Равномерное естественное
│конвейеры, │деталей, │ │и общее искусственное
│окрасочные │узлов │ │освещение; основное
│камеры │и изделий │ │требование к освещению -
│ │ │ │обеспечение правильной
│ │ │ │цветопередачи
Метало- │Гальванические │Металло- │ IV │Равномерное естественное
покрытий │ванны │покрытие │ │и общее искусственное
│ │деталей, │ │освещение с локализован-
│ │узлов │ │ным размещением
│ │и изделий │ │светильников над ваннами
Литейный │Формовочные, │Формовка, │V - VII │Равномерное естественное
│литейные машины│литье │ │и общее искусственное
│ │ │ │освещение с равномерным
│ │ │ │размещением светильников
Термический │Печи, ванны │Термо- │V - VII │Равномерное естественное
│ │обработка,│ │и общее искусственное
│ │пропитка │ │освещение с локализован-
│ │ │ │ным размещением
│ │ │ │светильников
4.2. При выборе конструктивного решения и количества слоев остекления в зависимости от климата, месторасположения зданий и характера внутренней среды производственных помещений рекомендуется руководствоваться табл. 37.
─────────────┬─────────────────┬───────────────────┬───────────┬───────────
Категория │ Характеристика │Примерный перечень │(t - t )│Количество
помещения по │внутренней среды │ помещений │ в з.5 │ слоев
внутренней │ │ │ │остекления
─────────────┼─────────────────┼───────────────────┼───────────┼───────────
С нормальным │Избыток │Цехи: механические │ До 35 │ 1
температурно-│тепловыделений - │и инструментальные;│От 35 до 49│ 2
влажностным │не более │сварных конструкций│ Св. 49 │ 3
режимом │23,2 Вт/м3 │(заготовительные, │ │
│[20 ккал/ │механические и │ │
│(м3 x ч)], │сборочно-сварные │ │
│температура │отделения); │ │
│в рабочей зоне │ремонтно-строитель-│ │
│16 - 18 °C, │ные (станочно- │ │
│относительная │заготовительные, │ │
│влажность │сборочные и заточ- │ │
│50 - 60%, │ные отделения); │ │
│скорость движения│металлопокрытий │ │
│воздуха в рабочей│(полировочное и │ │
│зоне 0,3 м/с │машинное отделе- │ │
│ │ния); окрасочные │ │
С повышенным │ │ │ │
температурно-│ │ │ │
влажностным │ │ │ │
режимом: │ │ │ │
с горячей │Избыток │Чугунолитейные │ Любая │ 1
<**>
сухой средой │тепловыделений │и сталелитейные │ │
│свыше 23,2 Вт/м3,│(комплексно- │ │
│температура в │механизированные │ │
│рабочей зоне │участки литейного │ │
│20 - 25 °C, │производства); │ │
│относительная │кузнечные; │ │
│влажность менее │термические; │ │
│50%, скорость │плавильные; склады │ │
│движения воздуха │горячих заготовок │ │
│0,5 м/с │ │ │
с горячей │Избыток │Травильные; │ До 49 │ 1
<**>
влажной │тепловыделений │гальванические; │ Св. 49 │ 2
<**>
средой │свыше 23,2 Вт/м3,│электролиза меди и │ │
│температура в │никеля; сушильные │ │
│рабочей зоне │ │ │
│18 - 20 °C, отно-│ │ │
│сительная влаж- │ │ │
│ность 60 - 75%, │ │ │
│скорость движения│ │ │
│воздуха 0,5 м/с │ │ │
с влажной │Избыток │Никелировочные │ До 35 │ 2
средой и не- │тепловыделений │ │ Св. 35 │ 3
значительными│менее 23,2 Вт/м3,│ │ │ (при
тепловыделе- │температура в │ │ │обеспечении
ниями │рабочей зоне │ │ │мер защиты
│16 - 18 °C, отно-│ │ │ от
│сительная влаж- │ │ │ выпадения
│ность 60 - 75%, │ │ │конденсата)
│скорость движения│ │ │
│воздуха в рабочей│ │ │
│зоне 0,3 м/с │ │ │
Со строго │Избыток │Точного │ До 49 │ 2
заданными │тепловыделений │машиностроения, │ Св. 49 │ 3
параметрами │менее 23,2 Вт/м3;│приборостроения, │ │(при влаж-
микроклимата │остальные │сборки │ │ности свыше
(постоянные │параметры среды │радиоэлектронной │ │60% необхо-
температура, │определяются │аппаратуры, оптико-│ │димы меры
влажность │технологическими │механических и │ │защиты от
и чистота │требованиями │электроизмеритель- │ │выпадения
воздуха) │ │ных приборов │ │конденсата)
С внутренней │Ограничения по │Склады сырья, полу-│ Любая │ 1
средой, │температуре и │фабрикатов, готовой│ │
зависящей │влажности уста- │продукции, гаражи и│ │
от условий │навливаются в │производственные │ │
внешней среды│зависимости от │помещения без │ │
│технологических │постоянного пребы- │ │
│требований и │вания в них людей; │ │
│физических │цехи металлических │ │
│свойств материа- │конструкций и │ │
│лов и изделий │металлозаготови- │ │
│ │тельные │ │
--------------------------------
<*> Разность температуры внутреннего воздуха и средней температуры наиболее холодной пятидневки, °C.
<**> Целесообразно применять светоаэрационные фонари.
4.3. Для верхнего естественного освещения помещений с нормальным температурно-влажностным режимом
(табл. 37) следует применять зенитные фонари.
Выбор типоразмеров унифицированных зенитных фонарей рекомендуется производить в зависимости от разряда зрительной работы и высоты производственных помещений согласно табл. 38.
Таблица 38
──────────────────────────┬────────────────────────┬───────────────────────
Высота здания │ Разряд │ Размеры фонарей
(до низа ферм), м │ зрительной работы │ в плане, м
──────────────────────────┼────────────────────────┼───────────────────────
До 6 │ I - III │ 1,5 x 5,9
│ │ 2,7 x 2,7
│ │ 2,9 x 2,9
├────────────────────────┼───────────────────────
│ IV - VIII │ 1,5 x 1,7
│ │ 1,5 x 2,9
│ │ 1,5 x 3,9
──────────────────────────┼────────────────────────┼───────────────────────
6 - 12,6 │ I - III │ 2,7 x 2,7
│ │ 2,9 x 2,9
│ │ 2,9 x 3,9
│ │ 2,9 x 5,9
├────────────────────────┼───────────────────────
│ IV - VIII │ 1,5 x 3,9
│ │ 1,5 x 5,9
──────────────────────────┼────────────────────────┼───────────────────────
Св. 12,6 │ I - V │ 2,9 x 5,9
├────────────────────────┼───────────────────────
│ VI - VIII │ 1,5 x 5,9
│ │ 2,7 x 2,7
│ │ 2,9 x 2,9
│ │ 2,9 x 3,9
4.4. При проектировании зданий, располагаемых в III и IV строительно-климатических районах (со среднемесячной температурой наружного воздуха за июль месяц выше +21 °C), в зенитных фонарях следует предусматривать солнцезащиту.
4.5. Выбор площади и расположения зенитных фонарей в покрытии здания производится по преобладающему в помещении разряду зрительной работы с учетом:
а) результатов технико-экономического расчета освещения согласно
п. 3.7;
б) возможности сохранения равноценных условий освещения при изменении расположения технологического оборудования, перепланировке помещения и т.п.
4.6. В целях сокращения теплопотерь через боковые светопрозрачные ограждения в производственных помещениях с зенитными фонарями площадь окон в крайних пролетах (если технологический процесс и оборудование не предъявляют специальных требований к боковому освещению) рекомендуется выбирать, как правило, минимальной, исходя из требований зрительной связи с наружным пространством, которая обеспечивается окнами высотой не более 1,8 м и шириной до 4,8 м, располагаемыми в ряд.
4.7. В том случае, если значения КЕО в помещениях меньше значений, указанных в
табл. 16,
17,
18, нормированное значение освещенности от искусственного освещения повышается на одну ступень по шкале освещенностей согласно
СНиП II-4-79.
Для экономии электроэнергии освещенность от искусственного освещения целесообразно повышать на одну ступень только в зоне расположения технологического оборудования и рабочих мест, исключая проходы и проезды.
4.8. Выбор источников света и светильников при проектировании совмещенного освещения рекомендуется производить в зависимости от разряда зрительной работы, особенностей технологии и высоты производственных помещений согласно табл. 39. Ряды светильников рекомендуется располагать параллельно световым проемам в наружных стенах или параллельно расположению технологического оборудования.
Таблица 39
──────────┬──────────┬─────────────────────────────────────────────────────
Разряд │ Высота │ Источники света и светильники
зрительной│помещений,│
работы │ м │
──────────┼──────────┼─────────────────────────────────────────────────────
I - IV │ До 6 │Люминесцентные лампы типов ЛД, ЛХБ, ЛБ в светильниках
│ │типов ОД, ЛСП01, ЛСП02, ЛСП06 и т.п. в помещениях с
│ │повышенными требованиями к микроклимату и при наличии
│ │подвесного потолка - светильники типов ВЛК, ВЛН и ЛВП
│От 6 до 11│Люминесцентные лампы типов ЛД, ЛХБ, ЛБ в светильниках
│ │типов ПУ-23, ПУ-25, ЛСП-13 и т.п. Металлогалогенные
│ │лампы типа ДРИ в светильниках ГСП
│ Св. 11 │Металлогалогенные лампы типа ДРИ в светильниках ГСП
──────────┼──────────┼─────────────────────────────────────────────────────
V - VIII │ До 6 │Люминесцентные лампы типа ЛБ в светильниках типов ОД,
│ │ЛСП01, ЛСП02, ЛСП06 и т.п.
│ │Лампы типа ДРЛ в светильниках РСП
│От 6 до 11│Лампы типа ДРЛ в светильниках РСП
│ Св. 11 │Лампы типа ДРИ или ДРЛ в светильниках РСП или ГСП
4.9. Отделку потолков, стен, перегородок и других поверхностей помещений, а также технологического оборудования следует осуществлять, как правило, материалами с высокими коэффициентами отражения, обеспечивающими повышение освещенности рабочих мест за счет отраженного света. Основным поверхностям интерьера следует придавать матовую фактуру, а коэффициент отражения поверхностей принимать в следующих пределах:
0,6 - 0,8 - для верхней зоны интерьера - потолков, открытых ферм, балок, ригелей, участков стен и перегородок в межферменном пространстве, подъемно-транспортных средств, мостовых кранов и т.п.;
0,4 - 0,7 - для средней зоны интерьеров - стен, перегородок, колонн, антресолей, этажерок, ворот, дверей и т.п.;
0,3 - 0,5 - для производственного оборудования - станков, машин, аппаратов, приборов, средств внутрицехового транспорта и т.п.;
0,2 - 0,45 - для нижней зоны интерьера - полов, цокольных участков стен и перегородок, фундаментов машин и аппаратов.
Пример проектирования совмещенного освещения производственного здания. Требуется определить наиболее экономичную систему совмещенного освещения здания машиностроительного предприятия с естественным освещением через зенитные фонари, расположенного в Смоленской области.
Исходные данные
1. Климатические условия района строительства:
строительно-климатический район ............................. IIв
территориальный район ....................................... I
географическая широта ................................. - 54,5° с.ш.
географическая долгота ................................ - 32,5° в.д.
снеговой район ............................................ - III
пояс светового климата .................................... - III
температура наиболее холодной пятидневки ................

продолжительность периода со средней суточной
температурой воздуха менее 10 °C .......................

средняя температура наружного воздуха за отопительный
период .................................................

продолжительность вентиляционного периода .................

2. Характеристика здания и конструкций:
длина .................................................... - 1071 м
ширина ................................................... - 336 м
площадь пола ...................................

сетка колонн ............................................ - 12 x 24 м
высота до покрытия ...................................... - 11,2 м
высота до низа ферм ..................................... - 8,4 м
тип зенитного фонаря - 3ФГ - М 3 x 6 с 2-слойным
остеклением конструкции "Главспецлегконструкция"
площадь фонаря в покрытии ...............................

сметная стоимость 1 м2 глухой части покрытия ....... - C = 11,5 руб./м2
сметная стоимость 1 м2 проекции фонаря ............. -

3. Условия внутренней среды:
по агрессивности .................................... - нормальная
по пылевыделениям ................................... - от 1 до 5 мг/м3
4. Характеристика системы общего искусственного освещения:
светильники общего освещения ......................... - ЛСП01 - 2 x 80
стоимость светильника ................................ -

стоимость монтажа светильника ........................ -

тип ламп ............................................. - ЛБ-80
стоимость лампы .......................................-

5. Тарифы на энергию:
стоимость 1 ГДж тепловой энергии ................... -

стоимость 1 кВт x ч электрической энергии ....... -

коэффициент, учитывающий изменение стоимости
тепловой энергии на перспективу ..........................

6. Работа выполняется в две смены.
7. В здании размещаются 13 технологических цехов и отделений, схема размещения которых на плане здания показана на рис. 20.
Рис. 20. Схема размещения технологических цехов и участков
1 - термокузнечный цех; 2 - заготовительное отделение;
3 - цех коленчатых валов; 4 - автоматный цех; 5 - участок
приспособлений и вспомогательного оборудования; 6 - цех
механизмов управления; 7 - цех пресс-форм; 8 - цех сборки
двигателей; 9 - отделение координатно-расточных станков;
10 - цех алюминиевых деталей; 11 - цех чугунных деталей;
12 - цех мелких деталей; 13 - склад внешней кооперации
Решение
1. На основании изучения технологического процесса, задания технологов и отраслевых норм искусственного освещения проводим классификацию технологических операций по разрядам точности зрительных работ:
разряд Iв - в отделении координатно-расточных станков (9);
IIв - в цехах алюминиевых (10), чугунных (11) и мелких (12) деталей;
IIIб - в цехах коленчатых валов (3), автоматном (4) и на участке приспособлений и вспомогательного оборудования (5); механизмов управления (6), пресс-форм (7), сборки двигателей (8);
разряды Vа, Vб - в термокузнечном цехе (1) и заготовительном отделении (2);
разряд VIII - на складе внешней кооперации (13).
Относительное распределение площади здания по работам различной точности, %: с разрядом Iв - 4; IIв - 33; IIIб - 57; Vа и Vб - 3; VIII - 3.
2. Естественное освещение всего здания принимается по преобладающему IIIб разряду работы с нормированным значением КЕО 5%.
В соответствии с
п. 3.6 расчет освещения производится для трех вариантов:
1-й вариант - естественное освещение при нормируемом значении КЕО,

;
2-й - совмещенное освещение при нормируемом значении КЕО,

;
3-й - совмещенное освещение при минимально-допустимом значении КЕО для II разряда работ

.
3. Расчет естественного освещения проводим в соответствии со
СНиП II-4-79.
По исходным данным определяем отношение выходного отверстия фонаря

к сумме площадей боковой поверхности

и входного отверстия фонаря

.

.
4. Определяем индекс помещения

.
5. По найденным значениям

и индексу помещения находим значение световой характеристики зенитных фонарей

.
6. Определяем отношение высоты помещения до покрытия к ширине пролета

, где

.
7. Определяем средневзвешенное значение коэффициента отражения поверхностей

.
8. По найденным значениям

и

в
СНиП II-4-79 находим значение коэффициента

, учитывающего повышение КЕО за счет света, отраженного от поверхностей помещения,

.
9. Определяем общий коэффициент пропускания зенитных фонарей

.
10. По
СНиП II-4-79 определяем, что для горизонтально расположенных светопропускающих элементов в помещениях с выделением пыли от 1 до 5 мг/м3 коэффициент запаса

.
11. Значение коэффициента фонаря

для штучных световых проемов в плоскости покрытия принимаем по
СНиП II-4-79,

.
12. Определяем суммарную площадь фонарей

и их количество

для всего здания:

;

.
Суммарная площадь фонарей и их количество для трех вариантов составляет:
1-й вариант -

.
2-й -

.
3-й -

.
13. После размещения фонарей на плане кровли с учетом строительного решения здания и симметричного заполнения всех рядов имеем количество фонарей в покрытии:
1-й вариант -

, КЕО = 5,1%;
2-й -

, КЕО = 3,1%;
3-й -

, КЕО = 2,5%.
14. Проводим технико-экономическое сопоставление вариантов освещения в соответствии с
пп. 3.7 -
3.17.
15. Приведенные затраты, руб./(м2 x год), связанные с устройством естественного освещения

, рассчитываются по
формуле (12), значения коэффициентов принимаем

, a = 6%
(табл. 21) и
(табл. 22).
Значения

по вариантам составляют:
1-й вариант -

;
2-й -

;
3-й -

.
16. Приведенные затраты, руб./(м2 x год), на систему воздушного отопления

рассчитываются по
формуле (13). Предварительно определяются капитальные затраты на систему воздушного отопления по
формуле (14) и стоимость энергии, расходуемой на отопление, по
формулам (15) и
(16). В расчетах принимаются следующие значения коэффициентов:
(табл. 24);

;
(табл. 21);
(табл. 25);

; t = 18 + 3 = 21 °C;

;

.
Приведенные затраты на воздушное отопление

, руб./м2 x год, по вариантам составляют:
1-й вариант -

;
2-й -

;
3-й -

.
Затраты на вентиляцию, связанную с естественным освещением помещения, не учитываются, так как средняя суточная температура (в данном районе) не поднимается выше 20 °C.
17. Необходимое количество светильников ЛСП01-2x80 с лампами типа ЛБ80 рассчитывается для общего освещения по
формуле (42) для каждого помещения в отдельности, принимая значения освещенности E по
табл. 35, а затем суммируется.
Коэффициент использования светового потока светильника ЛСП01-2x80 при средневзвешенном коэффициенте отражения поверхностей

и индексе помещения

равен:

.
Время использования общего освещения при двухсменной работе и расчетных значениях КЕО в зависимости от нормированной освещенности определяется по
табл. 33.
18. Приведенные затраты на общее искусственное освещение

определяются в соответствии с
п. 3.17, принимая

; Z = 1,1;

;

;

;
(табл. 30);

;

;
(табл. 29),

;
(табл. 31),

, причем удельная стоимость системы общего освещения

и затраты на амортизацию

рассчитываются для суммарного по каждому варианту количества светильников N, а затраты на обслуживание

и электроэнергию

определяются с учетом разного времени использования общего освещения

и на участках выполнения работ разной точности.
Приведенные затраты на искусственное освещение, руб./(м2 x год), по вариантам составляют:

;

;

.
19. Суммарные приведенные затраты на освещение, руб./(м2 x год), соответственно составляют:

;

;

.
Разница приведенных затрат 2-го и 3-го вариантов меньше 5%, что позволяет считать их равноэкономичными.
Для окончательного выбора варианта освещения проводится энергетическая оценка вариантов.
20. Расчет годовых энергозатрат выполняем согласно
п. 3.19. Расход тепла, ГДж/(м2 x год), рассчитанный по
формуле (16), составляет:

;

;

.
Расход электроэнергии на воздушное отопление, кВт x ч/(м2 x год), в соответствии с
формулой (45) составляет:

;

;

.
Расход электроэнергии на общее искусственное освещение, кВт x ч/(м2 x год), с учетом относительного распределения площади корпуса по разрядам зрительной работы и разного времени использования искусственного освещения, в соответствии с
формулой (47) составляет:

;

;

.

;

;

.
| | ИС МЕГАНОРМ: примечание. Нумерация пунктов дана в соответствии с официальным текстом документа. | |
15. Результаты технико-экономических расчетов приведены в
табл. 40. Анализ данных
табл. 40 показывает, что наилучшим является 2-й вариант освещения: по сравнению с 1-м вариантом он на 18% экономичнее по приведенным затратам и на 12% экономичнее по суммарным энергозатратам. Экономия приведенных затрат, руб./(м2 x год), составляет:

.
────────────────────────────────────────────────────────┬──────────────────
Наименование показателей │Варианты освещения
├──────┬─────┬─────
│ I │ II │ III
────────────────────────────────────────────────────────┼──────┼─────┼─────
Расчетное значение КЕО, % │ 5,1 │ 3,1 │ 2,5
Количество фонарей, шт. │ 4220 │2580 │2060
Относительная площадь светопроемов, % │ 18,6 │11,4 │ 9,1
Приведенные затраты на естественное освещение - П , │ 1,06 │0,65 │0,52
стр │ │ │
руб./(м2 x год) │ │ │
Приведенные затраты на отопление П , руб./(м2 x год) │ 0,77 │0,47 │0,38
от │ │ │
Приведенные затраты на искусственное освещение - П , │ 0,89 │1,12 │ 1,3
иск │ │ │
руб./(м2 x год) │ │ │
Суммарные приведенные затраты - П, руб./(м2 x год) │ 2,72 │2,24 │2,20
Расход тепла - омега, ГДж/(м2 x год) │0,207 │0,127│0,101
Расход эл. энергии на отопление - омега, │ 1,47 │0,90 │0,72
кВт x ч/(м2 x год) │ │ │
Расход эл. энергии на искусственное освещение - омега, │ 14,2 │19,9 │24,4
кВт x ч/(м2 x год) │ │ │
Расход условного топлива w, кг/(м2 x год) │ 13,7 │12,09│12,45
Экономия условного топлива, кг/(м2 x год):

.
16. Количество фонарей и размещение их в покрытии принимаем по 2-му варианту согласно схеме (рис. 21).
Рис. 21. Схема размещения зенитных фонарей размером
3 x 6 м в ячейке размером 48 x 72 м (КЕО = 3,1%)
ПОМЕЩЕНИЯ С ШАХТНЫМИ ФОНАРЯМИ
4.10. К помещениям с шахтными фонарями рекомендуется относить производственные помещения с межферменным этажом или подвесными потолками, а также читальные, лекционные, выставочные, торговые и обеденные залы с подвесными потолками.
Размещать шахтные фонари следует с учетом конструктивных элементов покрытия, инженерных коммуникаций и инженерного оборудования, размещаемых в межферменном этаже или пространстве подвесного потолка, а также в увязке с расположением светильников и с учетом требований равномерности освещения:
а) в плане квадратные и круглые фонари рекомендуется размещать по углам квадрата, а прямоугольные - по углам прямоугольника с соотношением сторон в поперечном и продольном направлениях, соответствующим соотношению сторон основания светопроводной шахты;
б) в целях обеспечения равномерности освещения размеры выходных отверстий фонарей должны быть не более 0,25 - 0,5 высоты помещения, а расстояние между крайним рядом фонарей и стеной для светопроема не должно превышать 0,5 расстояния между средними рядами;
в) фонари рекомендуется размещать между фермами покрытия на площади, свободной от инженерных коммуникаций и оборудования.
4.11. Шахтные фонари рекомендуется устраивать на базе типовых решений зенитных фонарей. Верхнее основание светопроводной шахты стыкуется с нижним основанием зенитного фонаря, выходное отверстие светопроводной шахты должно быть на уровне потолка основного помещения.
4.12. Отделку внутренних полостей шахтных фонарей диффузного света выполняют белыми красками по тщательно подготовленной, выровненной грунтовкой поверхности.
4.13. Светопроводные шахты направленного света конструктивно выполняются следующим образом:
а) стенки шахты из листовой стали с антикоррозионным покрытием облицовываются алюминиевой технической фольгой толщиной не менее 0,2 мм и крепятся по контуру алюминиевыми накладками и самонарезающими винтами;
б) стенки шахты из асбоцементных листов обклеиваются алюминиевой фольгой толщиной 0,05 - 0,08 мм. Для наклеивания фольги целесообразно использовать каучуковые клеи типов 88-Н, 88-НП и 78-БУС. Асбоцементные листы с наклеенной фольгой крепятся к каркасу шахты с помощью алюминиевых фасонных профилей и самонарезающих винтов;
в) каркас шахты из алюминиевого профиля облицовывается листами алюминиевой технической фольги толщиной 0,5 мм, которые крепятся болтами после предварительного натяжения.
4.14. Выбор шахтных фонарей в зависимости от назначения зданий, высоты помещения и разряда зрительной работы рекомендуется производить согласно табл. 41.
Таблица 41
────────────────────┬──────────────┬───────────────────────────────────────
Тип здания │Высота помеще-│ Характеристика шахтного фонаря
│ния до подвес-├─────────────┬──────────────┬──────────
│ного потолка │Вид отражения│ Форма │ Размеры
│или техничес- │светопровод- │светопроводных│ в плане,
│кого этажа, м │ных шахт │ шахт │ м
────────────────────┼──────────────┼─────────────┼──────────────┼──────────
Производственное с │До 8,4 │Направленное │Прямоугольный │1,5 x 1,7;
техническим этажом │ │ │параллелепипед│2,7 x 2,7;
│ │ │ │2,9 x 2,9
То же │Св. 8,4 │То же │То же │2,9 x 3,9;
│ │ │ │2,9 x 5,9;
│ │ │ │2,7 x 5,6
Инженерно- │Независимо │Диффузное │Усеченная │1,5 x 1,7;
административное с │от высоты │ │пирамида │2,7 x 2,7
подвесными потолками│ │ │ │
Общественное с │То же │Направленное │Прямоугольный │1,5 x 1,7;
техническим этажом │ │ │параллелепипед│2,7 x 2,7
│ │ │Цилиндр │ Диаметр
│ │ │ │ 1,2; 1,5
Общественное с │ " │Диффузное │Усеченная │1,5 x 1,7;
подвесными потолками│ │ │пирамида │2,7 x 2,7
│ │ │Усеченный │ Диаметр
│ │ │конус │1,2 x 1,5
4.15. В производственных зданиях с кондиционированным режимом выходное основание светопроводной шахты рекомендуется заполнять армированным стеклом.
4.16. При расположении зданий в III и IV климатических районах в шахтных фонарях, у которых

, необходимо применять солнцезащитные устройства.
4.17. Суммарная площадь шахтных фонарей в зданиях не должна превышать, как правило, 20% освещаемой площади пола.
Пример расчета естественного освещения помещения с шахтными фонарями. Определить значения КЕО в точках характерного разреза в производственном цехе с шахтными фонарями.
1. Исходные данные. Цех размером в плане 18 x 18 м; высота цеха от условной рабочей поверхности до подвесного потолка 10 м; шахтные фонари направленного света размером в плане 1,5 x 1,5 м и высотой

.
2. Средневзвешенный коэффициент диффузного отражения потолка, стен и пола

; коэффициент направленного отражения стенок фонаря

; световой проем фонаря заполнен двойным листовым стеклом по металлическим переплетам.
3. Загрязнение остекления незначительное - воздушная среда в цехе содержит менее 1 мг/м3 пыли, дыма и копоти.
Решение.
1. На плане размещения фонарей в цехе нумеруем расчетные точки и фонари (рис. 22).
Рис. 22. Схема размещения шахтных фонарей
2. По плану с учетом масштаба рис. 22 определяем расстояние

от каждой из расчетных точек до центров шахтных фонарей и заносим в табл. 42.
N расчетной точки | N фонаря | Высота помещения  от условной рабочей поверхности до низа фонаря, м | Расстояние  в плане от расчетной точки до центра фонаря, м | |  , град, с | | | | |  , % |  , % |  , % |  , % |
А | 1, 7 | 10 | 6,3 | 0,63 | 32°12' | 1,16 | 0,32 | 0,360 | 2,5 | 1,8 | 0,73 | 0,33 | 1,06 |
2, 8 | 10 | 10,0 | 1,00 | 45° | 1,07 | 0,08 | 0,085 | - | - | - | - | - |
3, 9 | 10 | 15,1 | 1,51 | 56°30' | 0,91 | 0,03 | 0,027 | - | - | - | - | - |
4 | 10 | 2,0 | 0,20 | 11°18' | 1,28 | 0,88 | 1,130 | - | - | - | - | - |
5 | 10 | 6,0 | 0,60 | 31° | 1,16 | 0,34 | 0,390 | - | - | - | - | - |
6 | 10 | 12,0 | 1,20 | 50°12' | 0,98 | 0,04 | 0,039 | - | - | - | - | - |
Б | 1, 5, 7 | 10 | 6,0 | 0,60 | 31° | 1,16 | 0,34 | 0,390 | 2,80 | 2,0 | 0,76 | 0,33 | 1,09 |
2, 8 | 10 | 8,5 | 0,35 | 40°24' | 1,08 | 0,13 | 0,122 | - | - | - | - | - |
3, 9 | 10 | 13,5 | 1,35 | 53°30' | 0,95 | 0,06 | 0,257 | - | - | - | - | - |
4 | 10 | 0 | 0 | 0 | 1,29 | 1,00 | 1,290 | - | - | - | - | - |
6 | 10 | 12,0 | 1,20 | 50°12' | 0,98 | 0,04 | 0,039 | - | - | - | - | - |
В | 1, 7 | 10 | 6,3 | 0,63 | 32°12' | 1,16 | 0,32 | 0,360 | 2,70 | 1,9 | 0,75 | 0,33 | 1,08 |
2, 8 | 10 | 2,3 | 0,73 | 36°6' | 1,12 | 0,21 | 0,235 | - | - | - | - | - |
3, 9 | 10 | 11,7 | 1,17 | 49°30' | 0,99 | 0,04 | 0,040 | - | - | - | - | - |
4 | 10 | 2,0 | 0,02 | 11°18' | 1,28 | 0,88 | 1,130 | - | - | - | - | - |
5 | 10 | 4,0 | 0,40 | 21°48' | 1,21 | 0,59 | 0,215 | - | - | - | - | - |
6 | 10 | 10,0 | 1,00 | 45° | 1,07 | 0,08 | 0,085 | - | - | - | - | - |
Г | 1, 7 | 10 | 7,3 | 0,73 | 36°6' | 1,12 | 0,21 | 0,235 | 2,89 | 2,1 | 0,81 | 0,33 | 1,14 |
2, 8 | 10 | 6,3 | 0,63 | 32°12' | 1,16 | 0,32 | 0,360 | - | - | - | - | - |
3, 9 | 10 | 10,0 | 1,00 | 45° | 1,07 | 0,08 | 0,085 | - | - | - | - | - |
4 | 10 | 4,0 | 1,21 | 21°48' | 0,59 | 0,215 | 0,127 | - | - | - | - | - |
5 | 10 | 2,0 | 0,20 | 11°18' | 1,28 | 0,88 | 1,130 | - | - | - | - | - |
6 | 10 | 8,0 | 0,80 | 38°36' | 1,09 | 0,17 | 0,185 | - | - | - | - | - |
Д | 1, 3, 7, 9 | 10 | 8,5 | 0,85 | 40°24' | 1,08 | 0,13 | 0,122 | 3,34 | 2,4 | 0,02 | 0,33 | 1,25 |
2, 4, 6, 8 | 10 | 6,0 | 0,60 | 31° | 1,16 | 0,34 | 0,390 | - | - | - | - | - |
5 | 10 | 0 | 0 | 0 | 1,29 | 1,00 | 1,290 | - | - | - | - | - |
Примечание. Значения величин

,

,

,

, для точек Е, Ж, З, И
(рис. 22) аналогичны значениям, рассчитанным соответственно для точек Г, В, Б, А.
3. По заданной высоте помещения

и расстояниям

вычисляем

и заносим их в
табл. 42.
4. По

определяем значение угла

.
5. Определяем по
рис. 16 значения

для всех расчетных точек и фонарей и заносим их в
табл. 42.
6. Определяем индекс шахтного фонаря

по формуле

.
7. Определяем коэффициент светопередачи шахтного фонаря по
рис. 18. Для шахтного фонаря с индексом

и коэффициентом направленного отражения


.
8. Определяем показатель степени косинуса m по формуле

.
9. Вычисляем

для всех расчетных точек и фонарей и заносим их в гр. 8
табл. 42.
10. Вычисляем произведение

для всех расчетных точек и фонарей и заносим в гр. 9
табл. 42.
11. Вычисляем для каждой расчетной точки сумму

и заносим ее в гр. 10
табл. 42.
13. По заданным параметрам остекления по главе
СНиП II-4-79 находим, что коэффициент светопропускания двух слоев стекла

; коэффициент, учитывающий потери света в металлических двойных глухих переплетах,

; коэффициент, учитывающий потери света в защитной сетке,

; коэффициент запаса

.
14. Определяем общий коэффициент светопропускания фонаря

.
15. Рассчитываем прямую составляющую КЕО в точках характерного разреза по
формуле (7) и записываем результаты расчета в гр. 12
табл. 42.
16. Находим отношение

.
17. По заданному

и

по
СНиП II-4-79 находим, что коэффициент, учитывающий увеличение КЕО за счет света, отраженного от поверхностей помещения,

.
18. Определяем среднее значение геометрического КЕО по
формуле (6) 
.
19. Определяем отраженную составляющую КЕО в точках характерного разреза по
формуле (8) 
и записываем результат расчета в гр. 13
табл. 42.
20. Суммированием прямой

и отраженной

составляющих определяем результирующие значения КЕО в точках характерного разреза помещения и записываем результаты в гр. 14
табл. 42.
РАБОЧИЕ КАБИНЕТЫ ЗДАНИЙ УПРАВЛЕНИЯ
4.18. Освещение рабочих кабинетов должно проектироваться на основе следующих требований:
а) создания необходимых условий освещения на рабочих столах, расположенных в глубине помещения при выполнении разнообразных зрительных работ (чтение типографского и машинописного текстов, светокопий и рукописных материалов, различение деталей графических материалов и дефектов типографского текста);
б) обеспечения зрительной связи с наружным пространством;
в) защита помещений от слепящего и теплового действия инсоляции;
г) благоприятное распределение яркостей в поле зрения.
4.19. Боковое естественное освещение рабочих кабинетов должно осуществляться отдельными световыми проемами (одно окно на каждый кабинет). С целью снижения необходимой площади световых проемов высота подоконника над уровнем пола должна приниматься не менее 1 м.
4.20. При расположении здания в I - III поясах светового климата нормированное значение КЕО принимается:
при глубине рабочих кабинетов свыше 5 м - по
табл. 19, менее 5 м -
табл. 5.
4.21. Для обеспечения зрительного контакта с наружным пространством заполнение световых проемов должно, как правило, выполняться светопрозрачным оконным стеклом.
4.22. Для ограничения слепящего действия солнечной радиации в рабочих кабинетах необходимо предусматривать шторы и легкие регулируемые жалюзи. При проектировании зданий управления для II и IV строительно-климатических районов следует предусматривать оборудование световых проемов, ориентированных на сектор горизонта в пределах 200 - 290°, солнцезащитными устройствами.
4.23. В помещениях коэффициенты отражения поверхностей должны быть не менее:
потолка и верхних частей стен ......... 0,8
нижних частей стен .................... 0,5
пола .................................. 0,25
мебели ................................ 0,3
Пример расчета естественного освещения рабочего кабинета. Требуется определить необходимую площадь окна в рабочих кабинетах здания управления, располагаемого в Москве.
Исходные данные. Глубина помещений 5,9 м, высота 3 м, длина 3 м, площадь 17,7 м2. Заполнение световых проемов двойным остеклением по спаренным алюминиевым переплетам; толщина наружных стен 0,35 м. Коэффициенты отражения потолка

; стен

; пола

. Затенение противостоящими зданиями отсутствует.
Решение
1. Поскольку глубина помещения

свыше 5 м, по
табл. 19 находим, что нормированное значение КЕО равно 0,6%.
2. Производим предварительный расчет естественного освещения: по исходной глубине помещения

м и высоте верхней грани светового проема над условной рабочей поверхностью

м определяем, что

.
3. На
рис. 7 на соответствующей кривой находим точку с ординатой 0,6, по абсциссе этой точки определяем, что необходимая относительная площадь светового проема

.
4. Площадь светового проема

определяем по формуле

. Следовательно, ширина светового проема

при его высоте 1,8 м составляет

.
Принимаем оконный блок размером 1,8 x 2,1 м.

.
Поскольку противостоящих зданий нет,

.
Рис. 23. План и разрез рабочего кабинета
6. Накладываем график I для расчета коэффициента естественной освещенности методом А.М. Данилюка на поперечный разрез помещения (рис. 23), совмещая полюс графика I - 0 с точкой M, а нижнюю линию с условной рабочей поверхностью; подсчитываем количество лучей по графику I, проходящих через поперечный разрез светового проема,

.
7. Отмечаем, что через точку C на разрезе помещения (рис. 23) проходит концентрическая полуокружность 26 графика I.
8. Накладываем график II для расчета методом А.М. Данилюка на план помещения
(рис. 23) таким образом, чтобы его вертикальная ось и горизонталь 26 проходили через точку C; подсчитываем по графику II количество лучей, проходящих от неба через световой проем,

.
9. Определяем значение геометрического КЕО по формуле

.
10. На поперечном разрезе помещения (М 1:50) (рис. 24) определяем, что середина участка неба, видимого из расчетной точки М через световой проем, находится под углом

; по значению угла q по
СНиП II-4-79 линейной интерполяцией находим коэффициент, учитывающий неравномерную яркость облачного неба МКО, q = 0,59.
Рис. 24. План и разрез жилой комнаты
11. По размерам помещения и светового проема находим, что

;

;

.
12. Находим площади поверхностей потолка

, стен

и пола

и определяем средневзвешенный коэффициент отражения

по формуле

.
13. По найденным значениям

;

;

в
СНиП II-4-79 линейной интерполяцией находим, что

.
14. Для спаренного алюминиевого переплета с двойным остеклением находим общий коэффициент светопропускания

по формуле

.
15. По
СНиП II-4-79 находим, что коэффициент запаса для окон общественных зданий

.
16. Определяем КЕО в точке M, подставляя значения коэффициентов

, q,

,

и

в формулу

.
Следовательно, выбранные размеры светового проема обеспечивают требования норм по совмещенному освещению рабочего кабинета.
4.24. Для обеспечения естественного освещения жилых помещений, отвечающего требованиям
СНиП II-4-79, отношение глубины помещения

к высоте верхней грани светового проема над полом
(рис. 24), не должно, как правило, превышать 2,5. При этом прямой свет от неба должен проникать не менее чем на половину глубины помещения, считая по характерному разрезу помещения, на уровне пола.
4.25. Нормированные значения КЕО в жилых зданиях, располагаемых в разных поясах светового климата, следует принимать по
табл. 5.
При разработке типовых проектов жилых зданий, предназначенных для расположения в I, II, IV и V поясах светового климата, ориентация которых по сторонам горизонта неизвестна, нормированное значение КЕО следует определять по
СНиП II-4-79, при этом коэффициент солнечности климата C следует принимать по табл. 43.
────────────────────────┬──────┬──────┬──────────────────┬─────────────────
Пояс светового климата │ I │ II │ IV │ V
│ │ ├────────┬─────────┼────────┬────────
│ │ │севернее│50° с.ш. │севернее│40° с.ш.
│ │ │50° с.ш.│ и южнее │40° с.ш.│и южнее
────────────────────────┼──────┼──────┼────────┼─────────┼────────┼────────
Значение коэффициента C │ 0,95 │ 0,90 │ 0,85 │ 0,80 │ 0,75 │ 0,70
4.26. При разработке типовых проектов жилых зданий, когда неизвестно расположение противостоящих зданий, значение относительной площади окна

, полученное по формуле
СНиП II-4-79, необходимо делить, а значение КЕО - умножать на коэффициент

, учитывающий среднестатистическое затенение световых проемов в жилых помещениях первого или второго (в случае расположения на первом этаже магазинов, библиотек, ателье и т.п.) этажа противостоящими зданиями согласно табл. 44.
─────────────────────────┬────────────┬────────────┬───────────┬───────────
Глубина помещения, м │ от 2 до 3 │ от 3 до 4 │ от 4 до 5 │ от 5 до 6
─────────────────────────┼────────────┼────────────┼───────────┼───────────
Значение коэффициента K │ 1,00 │ 0,75 │ 0,60 │ 0,50
зд│ │ │ │
| | ИС МЕГАНОРМ: примечание. В официальном тексте документа, видимо, допущена опечатка: имеется в виду рисунок 6, а не 6, а. | |
4.27. Значение требуемой площади световых проемов на предварительной стадии проектирования здания следует определять по графику
рис. 6, а; проверочный расчет КЕО - согласно
СНиП II-4-79.
4.28. Для увеличения коэффициента использования естественного освещения следует применять, как правило, светлую отделку фасадов зданий и поверхностей жилых помещений, располагаемых на нижних этажах зданий.
4.29. В жилых зданиях высотой в 3 этажа и более, располагаемых в III и IV климатических районах, световые проемы, а в IV районе также проемы лоджий и веранд, обращенные на сектор горизонта 200 - 290°, должны быть оборудованы наружными регулируемыми солнцезащитными устройствами.
Пример расчета естественного освещения жилой комнаты. Требуется определить площадь светового проема в наиболее глубоких жилых комнатах.
Исходные данные. Глубина помещения

, ширина помещения

, площадь помещения 17 м2, толщина наружной стены 0,35 м, высота подоконника 0,8 м, высота окна 1,5 м; переплеты спаренные деревянные с двумя слоями остекления, средневзвешенный коэффициент отражения поверхностей помещение

, коэффициент запаса

; здание располагается в III поясе светового климата (в европейской части).
Решение
1. По
табл. 4 находим, что нормированное значение КЕО равно 0,5%.
2. Выполняем предварительный расчет естественного освещения: по глубине помещения

и высоте верхней грани окна над условной рабочей поверхностью

определяем, что

.
3. На
рис. 6 на соответствующей кривой находим точку с абсциссой 3,7; по ординате этой точки определяем, что необходимая относительная площадь светового проема

составляет 22,5%.
4. Площадь светового проема определяем по формуле

. Следовательно, ширина светового проема при высоте 1,5 м должна составлять

.
Принимаем оконный блок размером 1,5 x 2,4 м.
5. Производим проверочный расчет по формуле

.
7. Накладываем график I для расчета коэффициента естественной освещенности методом А.М. Данилюка на поперечный разрез помещения
(рис. 24), совмещая полюс графика О с точкой А, а нижнюю линию графика совмещаем с полом; подсчитываем количество лучей по графику I, проходящих через поперечный разрез светового проема,

.
8. Отмечаем, что через точку C на разрезе помещения проходит концентрическая полуокружность 25 графика I.
9. На поперечном разрезе помещения
(рис. 24) определяем, что угол

, под которым видна середина светового проема из расчетной точки А, равен 19°30', по
СНиП II-4-79 линейной интерполяцией находим, что для этого угла коэффициент q = 0,71.
10. По размерам помещения находим, что

;

.
11. По значениям

;

;

;

в
СНиП II-4-79 линейной интерполяцией находим

.
12. Учитывая, что глубина помещения

, по
табл. 44 находим

.
13. Для спаренного деревянного переплета с двойным остеклением определяем общий коэффициент светопропускания

.
14. Подставляя значения коэффициентов

;

;

;

и

в формулу, определяем значение

.
15. Накладываем график II для расчета методом А.М. Данилюка на план помещения
(рис. 24) таким образом, чтобы ось графика и горизонталь 25 проходили через точку C; на внешней поверхности наружной стены отмечаем точки пересечения 12-го луча выше (точка М) и ниже оси графика (точка Д с линией x-x; измеряем расстояние между точками М и Д, т.е. d' = 1,3 см.
16. Учитывая, что жилая комната изображена на
рис. 24 в масштабе М1:155, определяем требуемую ширину окна

.
Окончательно принимаем стандартный оконный блок размером 1,5 x 2,1 м.
4.30. При проектировании естественного освещения учебных помещений в общеобразовательных школах должны обеспечиваться нормированные значения КЕО; благоприятная свето-цветовая среда; направление светового потока с левой стороны; зрительная связь с наружным пространством; минимизация слепящего и теплового действия прямой солнечной радиации; оптимальная цветовая отделка помещений с учетом ориентации и климатических условий, снижение теплопотерь через световые проемы.
4.31. В школьных классах следует применять левостороннее боковое освещение, при котором окна в наружных стенах располагаются с левой стороны от учащихся.
Во всех остальных помещениях (включая рекреационные) следует устраивать, как правило, боковое освещение через световые проемы в наружных стенах, которые должны обеспечивать зрительную связь с наружным пространством. Кабинеты для черчения и рисования, а также кабинеты, оборудованные техническими средствами обучения, расположенные на верхних этажах зданий, допускается проектировать с одним верхним освещением через световые проемы в покрытии.
4.32. Нормированные значения КЕО в классах следует принимать согласно
табл. 5.
При разработке типовых проектов школ, ориентация которых по сторонам горизонта при строительстве может быть разной, нормированное значение КЕО следует определять по
СНиП II-4-79, а коэффициент солнечности климата C - по
табл. 43.
4.33. Нормированное значение КЕО в классах обеспечивается выбором размеров и расположения световых проемов, площадь которых

определяется по формуле

, (54)
где

- относительная ширина световых проемов;

- высота оконных блоков, м.
При высоте оконных блоков

, применяемых при заполнении световых проемов, относительная ширина

вычисляется по формуле

(55)
При высоте оконных блоков


(56)
4.34. В учебных помещениях коэффициенты отражения поверхностей не должны быть менее:
потолков .................................................. 0,7
верхних частей стен ....................................... 0,6
панелей стен .............................................. 0,5
мебели .................................................... 0,35
полов ..................................................... 0,25
4.35. Для цветовой отделки поверхностей интерьера рекомендуются зеленый, желтый, сине-зеленый и белый цвета. При южной ориентации световых проемов рекомендуются холодные тона, при северной - более теплые. В лабораториях, кабинетах черчения и рисования, где важно правильное различение цвета, пол, стены и мебель должны быть окрашены в ахроматические цвета.
4.36. В школах, проектируемых для строительства во II, III и IV климатических районах, должны предусматриваться солнцезащитные устройства для устранения слепящего действия прямой и отраженной блескости и перегрева от инсоляции.
Пример расчета естественного освещения школьного класса. Требуется определить размеры световых проемов класса.
Исходные данные. Район расположения школы - II пояс светового климата СССР (Ленинградская область); глубина классов

; ширина

; высота

; высота световых проемов

(высота подоконника

), остекление двойное в спаренных деревянных переплетах; коэффициенты отражения: потолка

; стен

; пола

.
Решение. Предварительный расчет относительной ширины световых проемов производится по графикам рис. 25 -
28.
Рис. 25. График для определения относительной ширины
световых проемов

в учебных помещениях
при одностороннем боковом освещении и спаренных переплетах
(

;

)
Рис. 26. Графики для определения относительной ширины
световых проемов

в учебных помещениях
при одностороннем боковом освещении

а - раздельные переплеты

;
б - переплеты с тройным остеклением

Рис. 27. График для определения относительной ширины
световых проемов

в учебных помещениях
при одностороннем боковом освещении и спаренных переплетах
(

;

)
Рис. 28. Графики для определения относительной ширины
световых проемов

в учебных помещениях
при одностороннем боковом освещении

а - раздельные переплеты

;
б - переплеты с тройным остеклением

1. Определяем площади потолка

; стен

; пола

и вычисляем значение средневзвешенного коэффициента отражения внутренних поверхностей помещения по формуле

.
2. Находим отношение ширины помещения

к глубине

-

.
3. Определяем для спаренных переплетов

.
4. По графику
рис. 27 для блоков

и

на соответствующей кривой

находим точку с абсциссой 0,45, по ординате этой точки определяем

.
5. Вычисляем площадь световых проемов по
формуле (54) 
при суммарной ширине

.
| | ИС МЕГАНОРМ: примечание. С 1 марта 2004 года Постановлением Госстроя России от 20.06.2003 N 75 введен в действие ГОСТ 11214-2003. | |
6. По ГОСТ 11214-78 принимаем два блока размером 2,1 x 1,8 м один блок размером 2,1 x 2,4 м.
1. Аналитическим путем находим относительную ширину световых проемов по
формуле (56)
2. Определяем площадь световых проемов

.
3. Суммарная ширина световых проемов

.
4. По ГОСТ 11214-78 принимаем два блока размером 2,1 x 1,8 и один блок размером 2,1 x 2,4 м.
Окончательно принимаем два блока размером 2,1 x 1,8 м в один блок размером 2,1 x 2,4 м. План и разрез школьного класса представлены на рис. 29.
Рис. 29. План и разрез школьного класса
4.38. Одной из главных задач освещения выставочных помещений является обеспечение благоприятных условий восприятия экспонатов, определяемых как освещением самих экспонатов, так и освещением окружающего пространства.
Освещение экспонатов характеризуется средним значением КЕО в выставочной зоне помещения, равномерностью освещенности в выставочной зоне и направлением падения светового потока на плоскость выставочной зоны.
При освещении окружающего пространства должны обеспечиваться требуемое распределение освещенности в помещении; ограничение слепящего действия световых проемов; устранение инсоляции помещения; требуемое распределение яркости в помещении.
4.39. Среднее значение КЕО и предельно допустимое значение неравномерности освещенности в выставочной зоне в зависимости от вида экспозиции устанавливаются в соответствии с табл. 45.
Таблица 45
─────────────────────────────────────────┬────────┬────────────────────────
Экспозиционные помещения │Средние │Отношение максимального
│значения│ значения КЕО к
│ КЕО, % │ минимальному, не более
─────────────────────────────────────────┼────────┼────────────────────────
Выставок монументальной и станковой │ 1,5 │ 1,3
живописи, гравюр, плакатов, ковров, │ │
тканей и т.п. │ │
Выставок скульптуры, архитектуры, мебели │ 1,5 │ 2,0
Политических, антропологических, │ 1,0 │ 2,0
археологических, этнографических выставок│ │
Исторических и военно-исторических │ 1,0 │ 3,0
выставок │ │
Машин, агрегатов, установок и т.п. │ 3,0 │ 3,0
4.40. Направление падения светового потока на выставочную зону зависит от расположения световых проемов относительно выставочной зоны и характеризуется углом
(рис. 30). Угол падения прямого света на плоские экспонаты (картины, плакаты, гравюры, ткани и т.п.) при расположении их на стенах помещения или вертикальных стендах выбирается в пределах от 45 до 75° (по отношению к горизонтали). При углах, больших 75°, на экспонатах создаются тени (от рамок и фактуры), искажающие облик экспонатов, при углах менее 45° отблески от экспонатов с блестящей фактурой будут попадать в глаза посетителей.
Рис. 30. Поперечный разрез выставочного помещения

- защитный угол;

- угол падения прямого света
на середину выставочной зоны
Угол падения прямого света на объемные экспонаты выбирается в пределах от 30 до 50°; такое направление падения света в наилучшей степени выявляет форму и детали объемных экспонатов.
4.41. В выставочных помещениях световые проемы по возможности не должны попадать в поле зрения посетителей при обзоре экспонатов; для ограничения слепящего действия световых проемов необходимо применять жалюзи и экраны.
При нормальном удалении посетителя от экспонатов (равном 1,5 высоты экспозиционной зоны) и ориентации глаз на середину выставочной зоны угол, под которым виден нижний край светопроема, должен быть не менее 30°. При обычном расположении окон (т.е. при высоте подоконников не более 1,2 м от пола) наружная стена (простенок) не должна использоваться для экспозиции.
4.42. В помещениях, предназначенных для экспозиции живописи, графики, тканей, ковров, гобеленов и т.п., прямой солнечный свет должен быть исключен вследствие его разрушающего действия на красители, ткани и бумагу.
Для устранения инсоляции в этих помещениях целесообразно выбирать ориентацию световых проемов на С-В, С, С-З. При другой ориентации световых проемов в этих помещениях необходимо применять регулируемые междурамные или наружные жалюзи.
В экспозиционных помещениях с объемными экспонатами (скульптурами, архитектурой, машинами и т.п.) инсоляция желательна, так как прямой солнечный свет в наилучшей степени выявляет форму и детали экспонатов. Для этих помещений ориентацию световых проемов следует выбирать на Ю-В, Ю, Ю-З.
4.43. Дополнительное искусственное освещение целесообразно использовать в следующих случаях:
а) при недостаточном естественном освещении;
б) при необходимости интенсивного местного освещения экспонатов (машины, агрегаты, витрины и стеклянные шкафы с мелкими экспонатами);
в) при необходимости выделить световыми акцентами отдельные экспонаты или их группы из общего объема интерьера (скульптуры, панно, картины и т.п.);
г) при неблагоприятном распределении естественной освещенности в помещении (например, когда часть экспозиционной площади находится в тени).
Искусственное освещение необходимо осуществлять преимущественно источниками света, излучение которых по спектру приближается к дневному. Для подсвета должна применяться специальная осветительная арматура, которая размещается, как правило, скрыто от посетителей (за подвесными потолками, встраивается в мебель или экспозиционное оборудование). При этом необходимо тщательно выбирать направление световых потоков, чтобы исключить, с одной стороны, возможность попадания в поле зрения посетителей незащищенных источников света, а с другой - возможность появления ярких бликов на экспонатах с полированными поверхностями.
При подсвете неравномерность распределения яркостей в поле зрения не должна превышать 40:1.
4.44. Отделка внутренних поверхностей экспозиционных помещений должна отвечать следующим требованиям:
а) соответствовать назначению помещения, содержанию и характеру экспозиции (спокойная - в картинных галереях, эмоциональная - в промышленных, строительных и выставках);
б) быть увязанной с выбранной системой освещения, причем поверхности, находящиеся в тени, должны иметь более светлую отделку по сравнению с интенсивно освещенными;
в) создавать необходимый контрастирующий фон для экспонатов (резкие контрасты нежелательны). В оформлении помещения не должно быть пестроты.
Коэффициенты отражения поверхностей выставочных помещений следует принимать согласно табл. 46.
Таблица 46
────────────────────────────────────┬──────────────────────────────────────
Выставочное помещение │ Коэффициенты отражения
├───────────┬─────────────┬────────────
│ потолка │ стен │ пола
────────────────────────────────────┼───────────┼─────────────┼────────────
Картинные галереи и выставки │ 0,8 │ 0,20 - 0,35 │ 0,1 - 0,3
Скульптурные залы │ 0,8 │ 0,25 - 0,5 │ 0,25 - 0,4
Политехнические и научные музеи │ 0,75 │ 0,2 - 0,65 │ 0,15 - 0,5
Промышленные и сельскохозяйственные │ 0,7 │ 0,8 - 0,7 │ 0,15 - 0,5
выставки │ │ │
5. ИСКУССТВЕННОЕ ОСВЕЩЕНИЕ ПОМЕЩЕНИЙ
ПРОИЗВОДСТВЕННЫХ ЗДАНИЙ
5.1. Разработке светотехнической части проекта освещения промышленного предприятия должно предшествовать тщательное изучение:
зрительных работ, проводимых в основных цехах;
технологического процесса, размещения производственного оборудования, конструктивных особенностей его применительно к устройству освещения: плоскости расположения рабочих мест, возможности их затенения и т.п.;
условий воздушной среды освещаемых помещений;
строительных решений зданий (помещений).
При проектировании освещения новых технологических производств их изучение может проводиться путем обследования аналогичных процессов на действующих предприятиях, а также по литературным источникам.
5.2. В проекте ОУ должно быть предусмотрено рабочее, аварийное и эвакуационное освещение.
5.3. В больших производственных помещениях, требующих периодического осмотра пожарной или военизированной охраной во внерабочее время, следует устраивать дежурное освещение, обеспечивающее условия для общего осмотра помещения. Для устройства дежурного освещения может быть использовано минимальное количество светильников любого вида освещения, преимущественно эвакуационного или аварийного; в отдельных случаях используются дополнительно установленные маломощные светильники. В помещениях с непрерывной или круглосуточной работой дежурное освещение не устраивается.
5.4. Разработка проекта искусственного ультрафиолетового облучения рабочих (при необходимости его устройства в соответствии с санитарными нормами проектирования промышленных предприятий) должна производиться совместно с проектированием ОУ (см.
разд. 8).
5.5. Систему комбинированного освещения следует, как правило, применять для освещения точных и особо точных работ:
в помещениях, где производятся зрительные работы, относящиеся к разрядам I, IIа и IIб;
в помещениях, где производятся зрительные работы, относящиеся к разрядам IIв, IIг, III и IV и связанные:
а) с различением объемных объектов наблюдения для создания на них благоприятного микрораспределения яркости, например, при сборке приборов и аппаратов высокой и средней точности, в наборных и других цехах типографий, на браковочных операциях в ОТК и т.п. работах;
б) с работами на блестящих поверхностях металлов, стекла и других материалов, когда устройство местного освещения позволяет снизить или исключить отраженную блескость.
Система комбинированного освещения является, как правило, более эффективной для точных зрительных работ по энергетическим и материальным затратам, однако с увеличением плотности расположения рабочих мест снижается экономическая целесообразность использования системы комбинированного освещения
[5].
При технической невозможности или нецелесообразности устройства местного освещения допускается использование системы общего освещения. Например, при протяженных рабочих местах (прядильные и крутильные цехи в текстильной промышленности, прокатные цехи в металлургии), а также во взрывоопасных помещениях.
5.6. Общее освещение в системе комбинированного должно обеспечивать повышение равномерности распределения яркости по помещению в целом, а также освещение рабочих зон, включающих, например, управление станком, машиной и т.п. При этом регламентируемые для него уровни освещенности могут быть повышены, т.е. составлять свыше 10% уровня нормируемой освещенности для системы комбинированного освещения, что должно предусматриваться отраслевыми указаниями, утвержденными в установленном порядке (например, для механических цехов 300 лк вместо 200).
5.7. Общее освещение в системе комбинированного выполняется, как правило, равномерным размещением светильников. В ряде случаев применяется также их локализованное размещение, например:
при наличии дополнительных рабочих поверхностей (зона управления станком, машиной и т.п.), не освещаемых светильниками местного освещения или затененных конструктивными элементами технологического оборудования (прессы, прецизионные станки, типографские печатные машины и т.п.);
при наличии работ с блестящими поверхностями, когда для снижения отраженной блескости рекомендуется размещать ряды светильников в проходах между оборудованием, расположенных вдоль линии зрения работающих (сборка электронных приборов в скафандрах, наборные цехи машинного и ручного набора в типографиях и т.п.);
при загруженности верхних перекрытий или потолка коммуникациями технических устройств (вентиляция, отопление, сжатый воздух, верхний транспорт, подвесные склады и т.д.), если равномерное размещение светильников технически невыполнимо.
5.8. Система общего освещения должна использоваться, как правило, для освещения помещений, в которых выполняется зрительная работа, относящаяся к V - VIII разрядам; при выполнении работ других разрядов система общего освещения используется в случаях, не предусмотренных
п. 5.5.
5.9. Система общего освещения может выполняться равномерно или локализованно размещенными светильниками общего освещения.
Локализованное размещение светильников используется, как правило:
для освещения вертикально расположенных рабочих поверхностей, например, каландров и т.п. машин;
при наличии оборудования, организованного в линии с рядами однотипно расположенных рабочих мест, с протяженными рабочими поверхностями - конвейеров, конвейерных или поточных сборок узлов и механизмов, пошива швейных и обувных изделий и т.п.;
при необходимости создания определенного направления светового потока для повышения видимости объектов различения, например, в прядильных, ткацких и других цехах текстильной промышленности, где линии люминесцентных светильников размещаются вдоль линии зрения работающих, в намоточных цехах кабельного производства и т.п.;
в случаях, указанных в
п. 5.7.
5.10. Во вспомогательных помещениях применяют обычно систему общего освещения с равномерным размещением светильников.
ВЫБОР УРОВНЯ ОСВЕЩЕННОСТИ
5.11. Норма освещенности при проектировании устанавливается по отраслевым нормативным документам (при их наличии), утвержденным в установленном порядке, а также по табл. 47 настоящего Пособия, включающей основные распространенные технологические операции наиболее массовых отраслей промышленности.
Таблица 47
────────────────────────────────────────────┬──────────┬───────────────────
Наименование цеха, участка, │ Разряд │ Освещенность, лк,
производственной операции, оборудования │зрительной│ при системе
│ работы ├─────────┬─────────
│ по СНиП │комбини- │ одного
│ │освещения│освещения
────────────────────────────────────────────┴──────────┴─────────┴─────────
ОБЩЕПРОМЫШЛЕННЫЕ ПРОИЗВОДСТВА
Обработка и приготовление материалов │ │ │
1. Обработка сырья и материалов, │ │ │
приготовление электролита, клеев, лаков │ │ │
и т.д. (элеваторы, сушилки, мельницы, │ │ │
смесители, вальцы, сита, бегуны и т.д.): │ │ │
а) для работы │ VIIIа │ - │ 75
б) для наладки и ремонта оборудования │ IVб │ - │ 200
│ │ │
Литейные цехи │ │ │
2. Подготовка шихты, смесеприготовительное, │ VI │ - │ 150
смесеподготовительное отделения │ │ │
3. Изготовление форм и стержней: │ │ │
а) I класса точности │ IIб │ 3000 │ 750
б) II и III классов точности │ IIIб │ 1000 │ 300
4. Сушка стержней │ IVб │ - │ 200
5. Сборка опок, вторичная обрубка и очистка │ IIIб │ 1000 │ 300
литья │ │ │
6. Плавильно-заливочное отделение │ VII │ - │ 200
7. Первичная обрубка и очистка литья │ Vа │ - │ 200
│ │ │
Кузнечные цехи │ │ │
8. Механические гильотинные ножницы, │ Vб │ - │ 200
<2>
дисковые пилы │ │ │
9. Ковочное отделение │ VII │ - │ 200
│ │ │
Холодно-штамповочные цехи │ │ │
10. Прессы холодной штамповки, гибочные │ Vа │ - │ 200
машины │ │ │
│ │ │
Термические цехи │ │ │
11. Общий уровень освещенности по цеху │ - │ - │ 200
12. Печи для разогрева деталей │ VII │ - │ 200
13. Закалка током высокой частоты │ VI │ - │ 150
14. ОТК │ IIв │ 2000 │ -
│ │ │
Цехи металлопокрытий │ │ │
15. Автоматические линии металлопокрытия, │ IVб │ - │ 300
<3>
ванны (травление, мойка, металлопокрытие) │ │ │
16. Контроль качества покрытия │ IIв │ 2000 │ -
17. Полировальные станки │ IIв │1500
<4> │ 200
│ │ │
Механические и инструментальные цехи │ │ │
18. Общий уровень освещенности │ - │ - │ 300
19. Металлорежущие станки: │ │ │
а) токарные, фрезерные, зубо- и резьбо- │ IIв │ 2000 │
шлифовальные, заточные, прецизионные и т.п. │ │ │ -
б) отрезные, долбежные, станки-автоматы, │ IIв │ 750
<4> │ -
автоматические линии, станки с роботами │ │ │
при постоянном пребывании людей │ │ │
в) станки с роботами при периодическом │ IIв │ 500
<4> │ -
пребывании людей │ │ │
20. Разметочные плиты, слесарные, лекальные │ IIв │ 2000 │ -
и граверные работы, ОТК, измерительные │ │ │
лаборатории │ │ │
│ │ │
Сварка, пайка │ │ │
21. Сварка электродуговая и газовая, грубая │ IIIв │ 750 │ 300
пайка │ │ │
22. Точечная конденсаторная сварка, точная │ IIв │ 2000 │ 500
пайка │ │ │
│ │ │
Сборочные цехи │ │ │
23. Очень точная сборка (монтаж микросхем, │ Iб │ 4000 │ -
микроэлементов, сборка женских наручных │ │ │
часов и т.п.) │ │ │
24. Точная сборка (мужских наручных часов, │ IIб │ 3000 │ 750
малых электрических машин и т.п.) │ │ │
25. Сборка средней точности (станков, │ IIIб │ 1000 │ 300
светильников, больших электродвигателей │ │ │
и т.п.) │ │ │
26. Сборка малой точности (крупных изделий │ IVб │ 500 │ 200
из блоков, тележек вагонов, мебели и т.п.) │ │ │
│ │ │
Окраска изделий при требованиях │ │ │
к качеству окраски │ │ │
27. Пониженных (модели, станки и т.п.) │ IVб │ 500 │ 200
28. Средних (бытовые машины и т.п.) │ IIIб │ 1000 │ 300
29. Высоких (автомобили и т.п.) │ IIIа │ 2000 │ 500
│ │ │
Деревообработка (столярное производство, │ │ │
изготовление мебели, моделей и т.п.) │ │ │
30. Общее освещение лесопильного отделения, │ - │ - │ 200
столярного, окончательной обработки │ │ │
древесных плит │ │ │
31. Станки круглопильные, стружечные, │ IVб │ - │ 200
слесарные установки, прессование и обрезка │ │ │
древесных плит │ │ │
32. Общее освещение отделений сушки шпона, │ - │ - │ 150
сортировки пиломатериалов, изготовления │ │ │
стружки │ │ │
33. Общее освещение модельных цехов, │ - │ - │ 300
отделений раскроя, ребросклеивания, механи- │ │ │
ческих, обойки и монтажа мебели, окрашива- │ │ │
ния, лакировки, облагораживания и т.п. │ │ │
34. Станки кромкофуговальные, │ IIIв │ 750 │ 300
ребросклеивающие, деревообрабатывающие, │ │ │
верстаки, раскрой и пошив тканей, оконча- │ │ │
тельная обработка и отделка древесных плит │ │ │
35. Станки шлифовальные, ленточные, │ IIIб │ 1000 │ -
кромкошлифовальные, полировальные │ │ │
36. Линия шлифовки, полировки пластей │ IIIа │ - │ 500
37. Ремонт, ретушировка и контроль пластей │ IIIа │ 2000 │ -
38. Производство моделей │ IIв │ 2000 │ 500
39. Изготовление деревянной тары │ IVв │ 400 │ 200
│ │ │
Производство резиновых │ │ │
технических изделий │ │ │
40. Разогрев и листование резиновой смеси │ Vа │ 300 │ 200
на вальцах │ │ │
41. Вулканизация резиновых изделий │ Vа │ 200 │ 150
42. Работа на каландрах │ IVб │ 500 │ 200
43. Раскрой кордной ткани на станках │ IVв │ 400 │ 300
<1>
│ │ │
Механическая обрезка рукавов │ │ │
44. Раскрой резины на полосы, сборка │ Vа │ 300 │ 200
рукавов, стыковка полос, изготовление │ │ │
браслетов, сборка шин, комплектация покрышек│ │ │
камерами │ │ │
45. Оплетение и навивка нитей. Наложение │ IVв │ 400 │ 200
на рукава свинцовой оболочки │ │ │
46. Изготовление ремней и транспортерных │ IVб │ 500 │ 200
лент │ │ │
47. Участок обработки гуммированных изделий │ IVа │ 750 │ 300
(обточка, шлифовка и контроль качества │ │ │
поверхности) │ │ │
48. Экструзия и коагуляция нитей из латекса,│ IVб │ 500 │ 200
вулканизация нитей, разбраковка и упаковка │ │ │
готовой продукции │ │ │
49. Производство губчатых изделий │ Vб │ - │ 150
и гобеленовых ковров, изготовление камерных │ │ │
рукавов, механическая стыковка камер │ │ │
50. Настил, разметка и раскрой ткани │ IIIа │ - │ 500
и деталей при производстве резиновой обуви │ │ │
51. Раскрой деталей резиновой обуви, │ IVб │ 500 │ 200
вставка фурнитуры, лакирование │ │ │
52. Контроль обрезиненного корда, раскрой │ IIIа │ 2000 │ 500
корда │ │ │
│ │ │
Производство пластмасс │ │ │
53. Изготовление и обработка пластмасс: │ │ │
а) темных │ IVа │ 750 │ 300
б) светлых │ IVв │ 400 │ 200
│ │ │
Ремонтно-механические цехи │ │ │
54. Общий уровень освещенности по цеху │ - │ - │ 400
горны, ковочные молоты, наковальни) │
(гильотины, механические пилы) │
электроискровой обработки металла │
58. Сборка оборудования │ IIIб │ - │ 300
│ │ │
Электроремонтные цехи │ │ │
59. Общий уровень освещенности по цеху │ - │ │ 300
60. Разборка и сборка моторов, сборка щитов │ IIIб │ 1000 │ 300
и панелей управления, монтажные верстаки │ │ │
│ │ │
Светотехнические мастерские │ │ │
(ремонт и чистка светильников) │ │ │
61. Общий уровень освещенности по мастерской│ - │ - │ 300
62. Станочное оборудование и монтажные столы│ IIIв │ 750 │ 300
63. Помещение мойки светильников │ IVб │ - │ 200
Легкая промышленность
Трикотажное производство │ │ │
64. Машины мотальные и бобинажно- │ IIа │ - │ 750
<4>
перемоточные │ │ │
65. Машины резиноокруточные, сновальные, │ Iв │ - │ 750
основовязальные (класса 20 и выше), │ │ │
катонные для чулок и круглочулочные │ │ │
автоматы (класса 18 и выше) │ │ │
66. Машины однофонтурные и двухфонтурные │ IIв │ - │ 500
(класса 6 и выше), краеобметочные, │ │ │
круглочулочные автоматы (до 18-го класса), │ │ │
плоскофанговые автоматы и полуавтоматы │ │ │
для штучных изделий верхнего трикотажа, │ │ │
перчаток, беретов (класса 6 и выше) │ │ │
67. Двухфонтурные машины (до 6-го класса), │ IIIв │ - │ 400
<1>
плоскофанговые автоматы и полуавтоматы │ │ │
для штучных изделий верхнего трикотажа, │ │ │
перчаток, беретов (до 6-го класса) │ │ │
68. Аппараты для крашения трикотажного │ VI │ - │ 200
<4>
полотна, чулочных изделий и пряжи в бобинах │ │ │
69. Браковочно-накатная машина │ IIIа │ 2000 │ -
70. Машины для отделки трикотажного полотна,│ Vа │ - │ 300
<4>
декантовочная, для разрезания и расправки │ │ │
полотна, сушильная для сушки пряжи, │ │ │
чулочно-носочная формировочная, аппарат │ │ │
для крашения пряжи в мотках │ │ │
71. Машины ворсовальная и стригальная │ IVа │ - │ 300
72. Рабочее место браковки изделий │ IIIа │ 2000 │ 500
│ │ │
Производство искусственного меха │ │ │
73. Машины чесальные, отделочные для укладки│ IVа │ - │ 400
<1>
ворса щетками, стригальные │ │ │
74. Линия отделки меха, браковочные столы │ IIIа │ - │ 600
<1>
75. Художественные мастерские и мастерские │ IIв │ - │ 500
для нанесения рисунка на шаблоны │ │ │
76. Тумблерная машина для отделки меха │ Vа │ - │ 200
│ │ │
Производство искусственных кож │ │ │
и пленочных материалов │ │ │
77. Общее освещение подготовительных │ - │ - │ 150
участков │ │ │
78. Краскотерки, вальцы разогревательные, │ Vб │ - │ 200
<2>
питательные и др. │ │ │
79. Мешалки планетные и бегуны │ Vа │ - │ 200
80. Швейные и обметочные машины │ IIIб │ 1000 │ -
81. Участки нанесения покрытий: │ │ │
а) общее освещение по участкам │ - │ - │ 150
б) пастонаносные устройства │ Vб │ 200 │ -
в) крашение │ Vа │ 300 │ -
82. Общее освещение участка нанесения │ - │ - │ 200
каучукового покрытия на искусственную кожу │ │ │
и технические ткани │ │ │
83. Нанесение покрытий и тиснильный узел │ Vа │ 300 │ -
84. Общее освещение участка нанесения │ - │ - │ 300
поливинилхлоридного покрытия на │ │ │
искусственную кожу и технические ткани │ │ │
на тканевой и трикотажной основах │ │ │
85. Тиснильные и отделочные узлы агрегатов │ IVа │1000
<1> │ -
покрытия │ │ │
86. Общее освещение участков производства │ │ │
синтетической кожи с полиуретановым │ │ │
покрытием: │ │ │
а) подготовка основы и сортировка готовой │ - │ - │ 150
продукции │ │ │
б) нанесения покрытий │ - │ - │ 300
87. Иглопробивная машина и устройство │ - │ - │ 200
для наметки и резки материала │ │ │
88. Нанесение лицевого покрытия │ IVа │ 750 │ 300
89. Машины ленточная и шлифовальная │ IIIг │ 500
<1> │ 300
<1>
90. Сортировочные столы │ IVа │1000
<1> │ -
91. Общее освещение экструзионно- │ - │ - │ 300
тиснильного участка производства пленочных │ │ │
поливинилхлоридных материалов │ │ │
92. Отделочные узлы машин для нанесения │ IVб │ 500 │ -
лицевого слоя и многоцветных гравировальных │ │ │
печатных машин │ │ │
93. Общее освещение участков подготовки │ - │ - │ 200
тканей, нанесения покрытий производства │ │ │
плащевых тканей │ │ │
94. Агрегат "Доуса" │ Vб │ 200 │ -
95. Общее освещение участков производства │ │ │
искусственного каракуля и смушки: │ │ │
а) изготовления синели │ - │ - │ 300
б) изготовления каракуля и смушки, │ - │ - │ 200
обработки смушки │ │ │
в) контроля и сортировки │ - │ - │ 150
96. Зона шпрендирования и самоконтроля │ Vа │ 300 │ -
на шпрединг-машинах │ │ │
97. Зона укладки укладочной машины, │ IVа │1000
<1> │ -
сортировка каракуля и смушки │ │ │
98. Зона ножевого вала, выхода ткани │ IVб │ 500 │ -
и самоконтроля │ │ │
99. Ручная обработка каракуля │ IVб │ 600
<1> │ -
100. Общее освещение участков производства │ │ │
подошвенной резины: │ │ │
а) вулканизации │ - │ - │ 150
б) обработки сырья, контроля │ - │ - │ 200
в) обрезки заусениц, изготовления низа │ - │ - │ 300
обуви │ │ │
101. Зона вырубки деталей на штампах- │ - │ 400 │ -
полуавтоматах │ │ │
102. Вулканизационные прессы │ - │ 750 │ -
(поверхность матриц), двоильные машины, │ │ │
сортировка и контроль подошвенной резины │ │ │
103. Машины для выравнивания деталей низа │ IVа │1000
<1> │ -
обуви │ │ │
104. Общее освещение участков производства │ │ │
обувного картона и деталей из него: │ │ │
а) подготовительного │ - │ - │ 200
б) мокрого размола │ - │ - │ 150
105. Общее освещение участков производства │ │ │
многослойного картона: │ │ │
а) отлива │ - │ - │ 300
б) сушки и пролежки │ - │ - │ 100
в) каландрирования, контроля и сортировки │ - │ - │ 200
106. Общее освещение участков производства │ - │ - │ 150
однослойного картона │ │ │
107. Разрез полотна на листы │ Vб │ - │ 200
<2>
108. Формовка задников: │ │ │
а) рабочая зона автомата │ Vб │ 200 │ -
б) зона матриц полуавтомата │ Vб │ - │ 200
<2>
109. Зона выгрузки и контроль продукции │ Vа │ - │ 200
на прессах отлива картона типа "Пашке" │ │ │
110. Вырубка заготовок на прессах │ IVв │ 500
<1> │ -
111. Шерфовка заготовок │ IVб │ - │ 300
<1>
112. Сортировка деталей │ IVа │ 750 │ 300
113. Общее освещение участков производства │ │ │
пласткожи: │ │ │
а) подготовки и обработки сырья │ - │ - │ 150
б) вальцовочного и сушильного │ - │ - │ 200
114. Сортировка сырья │ Vа │ - │ 200
115. Сортировка пласткож и изделий вырубки │ IVа │1000
<1> │ -
116. Общее освещение участков │ │ │
производственного регенерата: │ │ │
а) сырья, вальцовки, контроля и сортировки │ - │ - │ 150
б) девулканизации │ - │ - │ 200
117. Сортировка и очистка сырья, вальцы │ Vа │ - │ 200
дробильные │ │ │
118. Вальцы листовальные │ IVа │ 750 │ -
119. Брекер-вальцы и рафинировочные, │ IVа │1000
<1> │ -
сортировка, маркировка и опудривание │ │ │
регенерата │ │ │
│ │ │
Швейные фабрики │ │ │
120. Приготовление лекал │ IIIв │ - │ 500
<3>
121. Столы настила и раскроя ткани, │ IIIа │ - │ 600
<1>
стегальные машины, ручная утюжка │ │ │
122. Работы на швейных машинах (прямостроч- │ IIа │2000
<4> │ 750
<4>
ных, челночных, специального назначения). │ │ │
Контроль и приемка готовой продукции │ │ │
123. Работа на швейных машинах │ IIб │2000
<4> │ 750
(многониточных, краеобметочных, обметывания │ │ │
петель и пришивания пуговиц, двухигольных │ │ │
для вышивки) │ │ │
124. Машины (полуавтоматы) для обработки │ IIв │ - │ 750
<4>
деталей одежды, вышивальные автоматы │ │ │
125. Машины и автоматы для заполнения │ IVв │ 500
<4> │ -
товарных ярлыков, склады сырья и готовых │ │ │
изделий │ │ │
126. Прессы, отпарочные аппараты, гладильные│ Vа │ - │ 200
машины, паровоздушные манекены, стол для │ │ │
формования шляп, сушильные шкафы (аппараты) │ │ │
│ │ │
Производство обуви │ │ │
127. Общее освещение на складах │ - │ - │ 200
128. Подбор производственных партий кож: │ │ │
а) для верха обуви │ IVа │ 750 │ 300
б) " низа " │ IVб │ - │ 200
129. Общее освещение участков раскроя │ - │ - │ 150
и обработки деталей низа обуви │ │ │
130. Вырубка, сортировка и обработка деталей│ IVб │ 600
<1> │ -
низа обуви, контроль качества обработанных │ │ │
деталей │ │ │
131. Общее освещение участков раскроя верха │ - │ - │ 300
обуви и сборки заготовок обуви │ │ │
132. Вырубка деталей верха обуви │ IIIа │ 2000 │ -
133. Контроль и сортировка деталей верха │ IIIа │2500
<1> │ -
обуви и сборка заготовок │ │ │
134. Общее освещение участков сборки обуви │ - │ - │ 300
и приготовления красок │ │ │
135. Обработка деталей │ IVа │1000
<1> │ -
136. Приклеивание, крепление подошв │ IVа │ 750 │ -
и каблуков гвоздями или винтами, отделка │ │ │
верха и низа обуви │ │ │
137. Участки ремонта электрооборудования │ IVа │ 750 │ 300
и механических узлов обувных машин │ │ │
138. Пришивание рантов и подошв, │ IIIа │ 2000 │ -
приготовление красок │ │ │
139. Крепление резинового низа вулканизацией│ IVа │ - │ 300
140. Заделка дефектов и контроль качества │ IIIа │2500
<1> │ -
готовой продукции │ │ │
│ │ │
Меховое производство │ │ │
141. Общее освещение по цеху подготовки │ - │ - │ 300
сырья │ │ │
142. Приемка сырья и подбор производственных│ IIIа │2500
<1> │ -
партий │ │ │
143. Общее освещение сырейно-красильных │ - │ - │ 200
цехов │ │ │
144. Сырая разбивка на скобах │ IVб │ - │ 300
<1>
145. Мездрение: │ │ │
а) машинное │ IIIб │ - │ 300
б) ручное │ IIIб │ - │ 400
<1>
146. Участок верхового крашения │ Vа │ - │ 300
<1>
147. Общее освещение по участку кожевенной │ - │ - │ 100
ткани │ │ │
148. Разбивка машинная и ручная │ IVа │ - │ 300
149. Общее освещение участка отделки │ - │ - │ 300
волосяного покрова │ │ │
150. Межоперационный контроль │ IIIа │2500
<1> │ -
151. Глажение волосяного покрова │ IVа │ 750 │ -
152. Общее освещение участка изготовления │ - │ - │ 150
меха на тканевой основе │ │ │
153. Двоение │ IVа │ - │ 300
154. Сортировка и расценка меха │ IIIа │2500
<1> │ -
155. Общее освещение участка меховых скроев │ - │ - │ 300
одежды, головных уборов, воротников │ │ │
156. Приемка полуфабрикатов │ IIIа │ 2000 │ -
157. Сортировка, межоперационный контроль │ IIIа │2500
<1> │ -
и контроль качества сырья │ │ │
158. Вырубка и раскрой меха, кожи, │ IVа │1000
<1> │ 400
<1>
подкладки, сшивание, комплектация партий │ │ │
159. Общее освещение сборочно-пошивочного │ - │ - │ 300
отделения │ │ │
160. Комплектация производственных партий, │ IVа │1000
<1> │ 400
<1>
шитье на швейных и скорняжных машинах, │ │ │
ручные швейные операции │ │ │
161. Контроль качества изделий │ IIIа │2500
<1> │ -
162. Приготовление и разварка красителей, │ Vб │ - │ 150
солей, экстрактов, кислот и щелочей │ │ │
163. Скорняжные лаборатории │ IIIа │ - │ 600
<1>
│ │ │
Кожевенное производство │ │ │
164. Общее освещение отмочно-зольных цехов │ - │ - │ 150
165. Сгонка шерсти, мездрение и кантовка │ Vа │ - │ 300
голья, чистка лица │ │ │
166. Раскрой голья │ Vб │ - │ 200
167. Сортировка голья │ IVа │ 750 │ -
168. Общее освещение по дубильно-красильным │ - │ - │ 200
цехам │ │ │
169. Строгание кож на машине │ IVб │ - │ 300
170. Сортировка кож перед крашением │ IIIб │ 1250 │ -
171. Общее освещение сушильно-отделочных │ - │ - │ 300
цехов │ │ │
172. Аппретирование, крашение, лощение │ IVа │ 750 │ 300
и прессование кожи, нарезка мерии │ │ │
173. Сортировка и маркировка кож │ IIIа │2500
<1> │ -
174. Общее освещение в помещениях │ - │ - │ 100
клееварочного производства и отделений │ │ │
по обработке шерсти │ │ │
175. Отжим влаги на вальцах и центрифугах │ VI │ - │ 150
и сушка шерсти │ │ │
176. Сортировка шерсти и щетины │ Vа │ - │ 200
│ │ │
Валяльно-войлочное производство │ │ │
177. Приемка шерсти по качеству │ IVа │ 750 │ 300
178. Приготовление красителей, щелочей, │ Vа │ 300 │ 200
кислот, эмульсий и других растворов │ │ │
│ │ │
Производство валяной обуви │ │ │
179. Трепальные, расчесывающие и кисловочные│ VI │ - │ 150
машины, сушка валяной обуви, запарка │ │ │
перед насадкой на колодки, отжим влаги │ │ │
на роликовой машине и крашение │ │ │
180. Уплотнение на катальных или плитных │ Vа │ 300 │ 200
машинах и расправка основы, насадка обуви │ │ │
на колодки и оправка, контроль полуфабриката│ │ │
181. Сортировка, приемка готовой обуви │ IVа │1000
<1> │ -
и ручное клеймение │ │ │
│ │ │
Производство войлоков │ │ │
182. Дублирование войлоков, универсальные │ Vа │ 300 │ 200
свойлачивающие машины, плотнение войлоков на│ │ │
прессах, обрезка войлока, сортировка войлока│ │ │
по толщине, изготовление деталей на прессах │ │ │
и штампах; резальные, раскройные, спильные │ │ │
и скосорезальные машины, настильно-закатная │ │ │
машина и стол настила войлока │ │ │
183. Молотовые и леноговаличные машины, │ VI │ - │ 150
закатка и распрямление войлока, хромирование│ │ │
войлока. Сушка │ │ │
184. ОТК │ Vа │ 400
<1> │ 300
<1>
│ │ │
Производство фетровых головных уборов │ │ │
185. Резка шкурок на дисковом ноже, │ IVб │ 500 │ 200
щеточно-расчищальные и стригальные машины, │ │ │
уплотнение, оправка и выравнивание колпаков │ │ │
на машине │ │ │
186. Расчистка волоса, прессование шкурок │ Vб │ 200 │ 150
на гидропрессе, кардочесание, обсадка │ │ │
и крашение колпаков, замочка, разрыхление │ │ │
и замасливание шерсти │ │ │
187. Сортировка шкурок по цвету, разбраковка│ IVб │ 600
<1> │ 300
<1>
колпаков, чистильно-шлифовальные │ │ │
и бимсовочные станки, разборка шерсти │ │ │
188. Обрезка полей шляп, туровочные │ IVа │ 750 │ 300
и виброшлифовальные станки, раскрой │ │ │
текстильных и других материалов, фасонное │ │ │
тиснение канта и гофрирование скосов │ │ │
189. Контроль, браковка и маркировка │ IIIб │1250
<1> │ 400
<1>
ПРОИЗВОДСТВО ФУРНИТУРЫ
Производство металлической фурнитуры │ │ │
190. Приемка металла (ОТК), автоматы │ IIIб │ 1000 │ 300
для изготовления и сборки пуговиц, пряжек, │ │ │
навивки пружин и т.п. │ │ │
191. Резка и гальваническая обработка │ IVб │ - │ 200
металла │ │ │
192. Рихтовка ленты и проволоки, прессы │ IVб │ 500 │ -
кривошипные, эксцентриковые с усилием │ │ │
до 25 т с автоматической подачей, травление,│ │ │
промывка, известкование и сушка проволоки, │ │ │
автоматы проволочно-гвоздильные и гибочные, │ │ │
изготовление ручного текста из ленты │ │ │
194. Точечная сварка, лакокрасочные покрытия│ IIIб │ 1000 │ -
пульверизатором │ │ │
195. Волочильные станки, обрубочные, │ │ │
сварочные и остригальные аппараты │ │ │
а) грубое волочение │ IVб │ - │ 200
б) среднее волочение │ IIIб │ - │ 300
в) тонкое волочение │ IIб │ 3000 │ -
г) тончайшее волочение │ Iб │ 4000 │ -
196. Термические цехи, обезжиривание, │ IVб │ - │ 200
травление, анодирование, деканирование, │ │ │
полирование, лакокрасочные покрытия, │ │ │
изготовление коробок и маркировка этикеток │ │ │
197. Сборка отдельных изделий на винтовых │ IIIб │1250
<1> │ -
и других прессах с ручной и ножной подачей, │ │ │
машины винтонакатанные │ │ │
198. Сборка изделий │ IVб │ 500 │ 200
│ │ │
Производство пластмассовой фурнитуры │ │ │
199. Подготовка сырья к переработке, │ Vа │ - │ 200
таблетирование, экструдирование │ │ │
с гранулированием │ │ │
200. Размол, дробление облоя, вальцевание, │ Vб │ - │ 150
просеивание, галтовка в барабанах, промывка │ │ │
201. Распиловка, вырезка пуговиц │ IVа │ 750 │ -
(заготовок), зачистка заусенцев, заточка │ │ │
поверхности заготовок, фрезерование, │ │ │
сверление, прокол, прессование │ │ │
202. Шлифование и полирование │ IIIб │1250
<1> │ -
203. Литье под давлением, нанесение │ IVа │ - │ 300
грунтовочного лакопокрытия и защитного лака,│ │ │
металлизация в вакууме │ │ │
204. Разбраковка отливок, отпрессовок, │ IIIa │2500
<1> │ -
вырезок, выборочный контроль │ │ │
│ │ │
Производство стеклянных пуговиц │ │ │
205. Общее освещение по площади цехов │ - │ - │ 200
206. Приготовление шихты (просеивание, │ Vб │ - │ 150
смешивание), печи подогрева стекломассы, │ │ │
отжига пуговиц и выжигания │ │ │
207. Граверные работы (вырезание знаков и │ IIIa │2500
<1> │ -
рисунков на металлических поверхностях) │ │ │
208. Изготовление пуговиц на полуавтоматах │ Vб │ - │ 200
<2>
(прессование) │ │ │
209. Разрисовка вручную (участок живописи), │ IIб │1250
<1> │ -
контроль качества декорированных изделий │ │ │
(по оттенкам), рабочее место для контроля │ │ │
и приемки готовой продукции, сортировка │ │ │
│ │ │
Цех по изготовлению зонтов │ │ │
210. Общее освещение по цеху │ - │ - │ 200
211. Автоматы для навивки пружин, обработки │ IVа │ 750 │ -
торцов пружины │ │ │
212. Разметка и раскрой ткани, сборка зонтов│ IIIa │ 2000 │ 500
213. Контроль качества кроя и готовых │ IIIa │2500
<1> │ -
изделий, швейные машины │ │ │
│ │ │
Производство кожгалантереи │ │ │
214. Сортировка материалов на складе │ IVа │1000
<1> │ -
215. Общее освещение раскройных цехов │ - │ - │ 300
216. Разметка материалов, ручной раскрой │ IVа │1000
<1> │ 400
<1>
кожи и деталей из делюжек │ │ │
217. Механизированный раскрой кожи, раскрой │ IVа │ 750 │ 300
настила на делюжки, комплектование │ │ │
производственных партий │ │ │
218. Контроль качества кроя │ IIIб │1250
<1> │ -
219. Общее освещение в подготовительных │ - │ - │ 300
и заготовительных цехах │ │ │
220. Глажение, нанесение рисунка искусст- │ IVа │ 750 │ 300
венной мереи, раскрашивание, перфорация, │ │ │
шкурение, отделка деталей, изделий │ │ │
221. Разрисовка деталей вручную, контроль │ IVа │1000
<1> │ 400
<1>
качества шкурения и устранение дефектов, │ │ │
отделка краев изделий оплеткой │ │ │
222. Загибка краев деталей │ │ │
а) ручная │ IIIб │1250
<1> │ -
б) механизированная │ IIIб │ 1000 │ -
223. Общее освещение в сборочно-пошивочном │ - │ - │ 300
цехе │ │ │
224. Сшивные операции на швейных машинах, │ IIIa │ 2000 │ -
ручная художественная отделка перчаток │ │ │
и других изделий │ │ │
225. Пошив перчаток, выстрочка и машинная │ IIIa │2500
<1> │ -
отделка рисунка на них, контроль качества │ │ │
готовых изделий │ │ │
226. Покрытие готовых изделий нитролаком │ IVа │ 600
<6> │ -
227. Общее освещение фурнитурных цехов │ - │ - │ 200
228. Шлифовка деталей фурнитуры │ IIв │ 2000 │ -
229. Рихтовка, сборка и точечная к сварка │ IVа │ - │ 300
деталей фурнитуры │ │ │
230. Приготовление красок │ IIIa │ 2000 │ -
231. Контроль готовых изделий │ IIIв │ - │ 400
<1>
ФАРФОРО-ФАЯНСОВОЕ ПРОИЗВОДСТВО
232. Глинорезки, мешалки, шпатомойки, │ VIIIa │ - │ 75
фильтропрессы, шаровые краскотерки, │ │ │
глиномялки, варочные котлы │ │ │
233. Дробилки, бегуны, смесители, │ VIIIa │ - │ 100
<1>
массомяльные машины, пласторезки, │ │ │
резательные аппараты, туннельные печи │ │ │
1-го и 2-го обжига │ │ │
234. Шаровые мельницы, стиральная машина, │ VI │ - │ 150
пропиточные ванны, печатные линии для │ │ │
изготовления гипсовых форм, индивидуальные │ │ │
рабочие столы для отливки форм │ │ │
235. Формовочные станки и полуавтоматы, │ Vв │ - │ 200
<1>
гидравлические и фрикционные прессы │ │ │
236. Зачистные станки, столы для чистки, │ IIIб │ 1000 │ -
оправки и приставки деталей к изделиям │ │ │
237. Столы первичной сортировки изделий, │ IIв │ - │ 500
раскраски (ручной, штампами и методами │ │ │
шелкографии и декалькомании) │ │ │
238. Столы граверов │ IIIв │ 2000 │ -
239. Столы и конвейеры для сортировки │ IIв │ - │ 750
<1>
и контроля готовых изделий │ │ │
240. Станки периодического и непрерывного │ IIIв │ 750 │ -
действия для приготовления печатных рисунков│ │ │
241. Участок обжига раскрашенных изделий │ IVв │ - │ 300
<1>
(муфельный) │ │ │
ПИЩЕВАЯ ПРОМЫШЛЕННОСТЬ
Булочно-кондитерское производство │ │ │
242. Замес, передняя часть полок │ IVа │ - │ 300
<3>
(вертикальная плоскость) │ │ │
243. Внутри емкости │ IIIв │ - │ 400
<3>
244. Помещение для брожения, изготовления │ IVв │ - │ 300
<3>
хлеба │ │ │
245. Изготовление сладкой дрожжевой │ IIIв │ - │ 400
<3>
продукции │ │ │
246. Выпечка │ IVв │ - │ 300
<3>
247. Украшение изделий │ IIIв │ 750 │ 400
<3>
248. Изготовление шоколада и конфет │ IIIв │ - │ 400
<3>
249. Изготовление коробок │ IVб │ 500 │ 200
│ │ │
Предприятия молочной промышленности │ │ │
250. Производство мороженого, молочных │ Vб │ - │ 150
консервов, сухого молока и ЗЦМ, молочного │ │ │
сахара, сухой и сгущенной сыворотки, │ │ │
плавленого сыра, приемо-моечный цех │ │ │
251. Отделение восстановления сухого молока,│ Vб │ - │ 200
<3>
выпечки вафель, цех расфасовки сгущенного │ │ │
молока, выработки масла │ │ │
252. Платформа для приема и выдачи готовой │ VI │ - │ 150
продукции и тары, подготовительное отделение│ │ │
мороженого и обсушки сыра, камеры созревания│ │ │
и хранения сыра │ │ │
253. Творожный и сыродельный цеха │ IVг │ - │ 200
<3>
254. Заквасочное отделение │ IVг │ - │ 150
255. Лаборатории (бактериологическая, │ IIIв │ - │ 300
средоварочная, аналитическая), моечная │ │ │
256. Термостат, хладостат, закалочная камера│ VIIIa │ - │ 30
<6>
│ │ │
Мясоптицеперерабатывающее производство │ │ │
257. Камеры охлаждения, замораживания │ VIIIa │ - │ 75
и хранения мяса, жира, тушек, субпродуктов │ │ │
и мясных изделий │ │ │
258. Загоны для скота, предубойная бухта │ VIIIв │ - │ 30
<6>
259. Дефростация мяса, осадочная камера, │ VIIIв │ - │ 50
<3>
замораживание пельменей, сушильная кишок │ │ │
и колбасных изделий │ │ │
260. Альбуминный цех, варочная непищевых │ VI │ - │ 150
продуктов, производство желатина, │ │ │
технических жиров, замораживание продуктов, │ │ │
каныга и дробление костей, размол и │ │ │
просеивание кормовой муки, обработка шкур и │ │ │
технического сырья, перообработка, прием и │ │ │
сортировка живой птицы, топочная коптильных │ │ │
и обжарочных камер, прием и сортировка яиц, │ │ │
ледогенераторная, упаковка технической │ │ │
продукции │ │ │
261. Аммиачная холодильная станция, │ VI │ - │ 100
<5>
дымогенераторная, изоляторы для скота │ │ │
и птицы │ │ │
262. Прием битой птицы, приготовление │ VI │ - │ 200
<3>
рассола, обработка рогов и копыт, обжарка и │ │ │
копчение (термическое отделение), экспедиция│ │ │
мясных продуктов, посолочная мясных │ │ │
продуктов, подготовка и сушка пищевой тары, │ │ │
упаковка мясных продуктов │ │ │
263. Обработка волоса и щетины, техническая │ Vб │ 200 │ 150
обработка крови, сортировка непищевых │ │ │
продуктов │ │ │
264. Приготовление блочного мяса, вытопка │ Vб │ 300 │ 200
<3>
жира из кости, производство пищевых жиров, │ │ │
сортировка мяса и мясных продуктов, кишечный│ │ │
цех, обработка пищевой крови, птицы, │ │ │
субпродуктов, формовка и расфасовка │ │ │
пельменей, потрошение тушек птицы и их │ │ │
сортировка и расфасовка, санбойня, │ │ │
приготовление специй, студня, убой скота │ │ │
и птицы │ │ │
265. Приготовление котлет и кулинарии, │ IVб │ 600
<3> │ 300
<3>
расфасовка мяса, исполнительное отделение │ │ │
консервного цеха, обработка сырья │ │ │
птицеперерабатывающего цеха, приготовление │ │ │
продукции из яиц │ │ │
266. Цеховая лаборатория, ветеринарный │ IIIб │ 1000 │ 300
и санитарный контроль │ │ │
│ │ │
Винодельческое и коньячное производство │ │ │
267. Переработка винограда и мезги, │ Vб │ - │ 150
бродильно-нейтрализационное отделение, │ │ │
приготовление ликеров, дрожжевой цех, │ │ │
шампанизация, хранение виноматериалов │ │ │
268. Обработка виноматериалов теплом │ Vв │ - │ 100
<6>
и холодом, аппаратное и сливное отделения │ │ │
при переработке отходов, хранение коньячных │ │ │
спиртов, выдержка ликеров, приготовление │ │ │
спиртовочных вод, сахарного сиропа │ │ │
и колора, розлив коньяка в бочки │ │ │
269. Обработка пробок, варка клея, посудный │ Vв │ - │ 150
цех, приемно-отпускное отделение розлива │ │ │
виноматериалов и вин │ │ │
270. Контроль стеклотары │ IIIб │ - │ 1000
271. Моечно-разливочный цех, коллекционное │ IVб │ 500 │ 200
отделение │ │ │
272. Дегустационное отделение │ IIIб │ - │ 300
│ │ │
Производство пива, │ │ │
безалкогольных напитков и солода │ │ │
273. Приготовление соков, экстрактов, кваса,│ Vб │ - │ 150
сиропа, сухих напитков, бродильно-лагерный │ │ │
цех, бондарно-осмолочная мастерская, │ │ │
посудный цех │ │ │
274. Приготовление спиртованных настоев, │ Vв │ - │ 100
<6>
производство солода │ │ │
275. Моечно-разливочный цех │ IVб │ 500 │ 200
277. Машинное отделение варницы, │ VI │ - │ 150
углекислотная станция │ │ │
278. Помещение приема бочек, силосные │ VIIIa │ - │ 30
<6>
корпуса, элеватор, помещения топок, сушилок │ │ │
│ │ │
Производство папирос, сигарет, табака │ │ │
279. Сортировка табака │ IIIв │ - │ 300
280. Фермокамера, отделение старения, │ VIIIa │ - │ 30
<6>
отлежки │ │ │
281. Помещение сбора пыли │ - │ - │ 20
<6>
282. Помещение фильтров │ Vв │ - │ 75
<6>
283. Переработка отходов, товарная │ Vб │ - │ 150
мастерская, ферментизация и обработка табака│ │ │
ПОЛИГРАФИЧЕСКОЕ ПРОИЗВОДСТВО
284. Общее освещение отделений машинного │ - │ - │ 300
и ручного набора │ │ │
285. Верстаки на линотипах, отливка текста │ IIб │ 3000 │ -
на монотипах, наборная касса, верстка │ │ │
и правка набора │ │ │
286. Оригиналы при ручном и машинном наборе │ IIг │ 1000 │ -
и клавиатуры наборных машин, корректурные │ │ │
станки и столы корректоров │ │ │
287. Отливка шрифта на монотипах, шрифто- │ IIIб │ 1000 │ -
литейных и крупнокегельных машинах, отливка │ │ │
линеек и пробельного материала, вязка набора│ │ │
288. Общее освещение отделения │ - │ - │ 200
матрицирования │ │ │
289. Проверка стереотипов по росту, │ IIв │ 2000 │ -
матрицирование │ │ │
290. Общее освещение гартоплавильного │ - │ - │ 300
отделения и отделения отливки стереотипов │ │ │
291. Отделка стереотипов вручную │ IIв │ 2000 │ 500
и на станках │ │ │
292. Ретушерское отделение │ IIIб │ 1000 │ -
293. Формные цехи - отделения нанесения │ Vг │ - │ 75
<6>
светочувствительного слоя, темные │ │ │
лаборатории, копировальные рамы и машины │ │ │
294. Общее освещение отделений подготовки │ │ │
форм печати: │ │ │
а) офсетной │ - │ - │ 300
б) глубокой │ - │ - │ 200
295. Травильные ванны для форм офсетной │ IIIб │ 1000 │ -
печати, пластин в цинкографии, пробопечатные│ │ │
станки офсетной печати │ │ │
296. Участок хромирования и меднения, │ IIв │ 2000 │ -
полировки, шлифовки, станки травления форм │ │ │
для глубокой печати, столы травильщиков │ │ │
и столы для выкрывания в цинкографии │ │ │
297. Граверные работы │ IIб │ 3000 │ -
298. Общее освещение печатных цехов │ - │ - │ 300
299. Приправочные столы в цехах высокой │ IIв │ 2000 │ -
печати │ │ │
300. Тигельные машины │ IIв │ - │ 500
301. Талер плоскопечатных машин, формные │ IIIб │ 1000 │ -
цилиндры ротационных, офсетных машин и машин│ │ │
глубокой печати │ │ │
302. Приемные столы машин всех видов печати │ IIIб │1250
<1> │ -
303. Контроль качества продукции │ IIб │ 3000 │ -
(столы печатников всех видов машин) │ │ │
304. Общее освещение брошюровочно- │ - │ - │ 300
переплетных цехов │ │ │
305. Резальные, листоподборочные, │ IIIв │ 750 │ -
ниткошвейные, фальцевальные и т.п. машины │ │ │
306. Проволокошвейные машины, позолотные │ IIIб │ 1000 │ -
прессы, столы для ручных работ │ │ │
307. Контроль готовой продукции │ IIIа │ 2000 │ -
ПРЕДПРИЯТИЯ ПРОМЫШЛЕННОСТИ СТРОИТЕЛЬНЫХ МАТЕРИАЛОВ
Цементное производство │ │ │
308. Общее освещение цехов и отделений │ - │ - │ 75
309. Обжиговая печь (площадка машинистов) │ VIIIб │ - │ 50
310. Расфасовка и упаковка цемента │ Vб │ - │ 150
│ │ │
Асбестоцементное производство │ │ │
311. Бегуны, голендер-гидропушитель, участок│ VIIIa │ - │ 75
твердения плоских листов и труб, площадка │ │ │
гидравлического испытания труб │ │ │
312. Листоформовочная и трубоформовочная │ Vб │ - │ 150
машины, участок прессования листов │ │ │
313. Место контроля и маркировки изделий │ Vб │ 300
<1> │ 200
<1>
всех видов │ │ │
314. Обточные и сверлильные станки │ IVб │ 500 │ 200
│ │ │
Производство кровельных │ │ │
и гидроизоляционных материалов │ │ │
315. Приемные столы сырья, роллы, массные │ VIIIa │ - │ 75
бассейны, пропиточные ванны, агрегаты │ │ │
склейки картона, смесители, каландры, │ │ │
термические печи │ │ │
316. Картоноделательная и вальцовочная │ Vб │ - │ 150
машины, сушильные цилиндры, перемоточные │ │ │
станки │ │ │
317. Место контроля и упаковки │ Vб │ 200 │ 150
│ │ │
Производство сборных железобетонных │ │ │
и бетонных конструкций и деталей │ │ │
318. Правильно-отрезной станок, станок для │ VI │ - │ 150
гнутья сеток и петель, вальцовочный станок │ │ │
319. Место сборки объемных каркасов │ Vа │ - │ 200
320. Сварочные аппараты, контактные машины, │ VII │ - │ 200
одноточечные автоматы │ │ │
321. Ручная доводка изделий при помощи │ IVб │ - │ 200
шлифовальной машины, распалубка и устранение│ │ │
мелких дефектов, формовочное отделение, ОТК │ │ │
│ │ │
Производство строительных материалов │ │ │
и изделий из полимерного сырья │ │ │
322. Краскотерка, смеситель, эмульгазатор, │ VIIIa │ - │ 75
дозатор, экструдер, сушильные камеры │ │ │
и емкости │ │ │
323. Грунтовальная, вальцово-каландровая │ IIIв │ 750 │ 300
машина, вулканизационный пресс, швейная, │ │ │
кашировальная машина, стол для обрезки │ │ │
и отбраковки выпрессовок плитки │ │ │
324. Сварка ковров и очистка основы │ IVб │ - │ 200
325. Экструдерная машина, прессы │ IVв │ 400 │ 200
326. Отрезное устройство для резки │ IVб │ 600
<1> │ 300
<1>
линолеума, браковка и сортировка пенопласта,│ │ │
литьевых и прессовых изделий │ │ │
327. Форма для пенопласта, литьевая машина, │ Vб │ - │ 150
машина для изготовления пленки, сборка │ │ │
пленки, ковровая машина │ │ │
328. Участок изготовления синтетического │ - │ - │ 200
ворсового ковра │ │ │
│ │ │
Производство строительной керамики │ │ │
329. Печи-дезинтеграторы, смесители, сетки │ VIIIa │ - │ 75
для провеса шамота │ │ │
330. Сушильно-глазуровочный конвейер, │ IVв │ 400 │ 150
конвейерная линия изготовления плиток, │ │ │
матрица шнекового пресса │ │ │
331. Места сортировки и столы для браковки │ IVб │ 600
<2> │ -
и набора плиток в ковры │ │ │
332. Брикетные вальцы и очистительные │ VI │ - │ 150
машины, полуавтоматы для приготовления │ │ │
валюшки │ │ │
333. Шлифовальные и сверлильные станки, │ IIIв │ 750 │ 300
место контроля и упаковки изделий │ │ │
│ │ │
Производство теплоизоляционных │ │ │
материалов │ │ │
334. Прессы, сушильные печи и камеры, зоны │ VIIIa │ - │ 75
обслуживания емкостей для эмульсии, электро-│ │ │
двигателей и насосов, печи варки стекла │ │ │
335. Конвейеры полимеризации и цепной │ VI │ - │ 150
336. Прошивочная машина, шлифовальный и │ Vв │ - │ 150
сверлильный станки, станок для снятия фаски │ │ │
337. Формовочная и прессовочная машины │ Vа │ - │ 200
│ │ │
Производство строительного стекла │ │ │
338. Общее освещение цехов │ - │ - │ 200
339. Печи варки стекла │ VIIIa │ - │ 75
340. Место слива, формования и прокатки │ VII │ - │ 200
стекла │ │ │
341. Механический отломщик │ IVв │ 400 │ 200
342. Стеклорез │ IIIв │ 750 │ -
343. Стол контроля, резка стекла по копиру │ IVб │ 500 │ -
и шаблону │ │ │
│ │ │
Производство технического фаянса │ │ │
и фарфора │ │ │
344. Общее освещение помещений │ - │ - │ 200
345. Места сборки, заливки и разъема форм │ IVв │ - │ 200
346. Печь обжига │ VIIIa │ - │ 75
347. Контроль │ IIIв │ 750 │ -
ПРОИЗВОДСТВО СТРОИТЕЛЬНЫХ РАБОТ
348. Автомобильные дороги на строительной │ │ │
площадке при интенсивности движения в обоих │ │ │
направлениях, ед./ч: │ │ │
а) более 400 │ - │ - │ 3
б) от 200 до 400 │ - │ - │ 1
в) менее 200 │ - │ - │ 0,5
349. Подходы к рабочим местам (лестницы, │ - │ - │ 5
леса и т.д.), земляные работы, проводимые │ │ │
землеройными механизмами │ │ │
350. Строительная площадка в районе │ - │ - │ 2
производства строительных и монтажных работ,│ │ │
места немеханизированной разгрузки и │ │ │
погрузки конструкций, деталей и материалов, │ │ │
склады нерудных материалов │ │ │
351. Погрузка, установка, подъем, разгрузка │ - │ - │ 10
оборудования, строительных конструкций, │ │ │
деталей и материалов грузоподъемными │ │ │
кранами, устройство траншей для фундаментов,│ │ │
коммуникаций и т.д., разработка грунта │ │ │
бульдозерами, скреперами, катками и др., │ │ │
кладка из крупных бетонных блоков, кирпичная│ │ │
кладка, монтаж сборных фундаментов │ │ │
352. Монтаж конструкций стальных │ - │ - │ 30
железобетонных и деревянных (каркасы зданий,│ │ │
мосты, эстакады, колонны, фермы, балки и │ │ │
т.п.), сборка арматуры (стыковка, сварка, │ │ │
вязка каркасов и т.п.), установка опалубки, │ │ │
лесов и ограждений, бетонирование колонн, │ │ │
покрытий и перекрытий и т.п., работы │ │ │
по устройству полов, песчаных, щебеночных, │ │ │
гравийных, глинобетонных, бетонных │ │ │
и асфальтобетонных подстилающих слоев, │ │ │
устройство земляных, щебеночных, гравийных, │ │ │
глинобитных и булыжных покрытий │ │ │
из брусчатки, кровельные работы, │ │ │
штукатурные работы под открытым небом │ │ │
353. Стационарные сварочные аппараты, │ - │ - │ 50
механические ножницы, гибочные станки │ │ │
для заготовки арматуры, сборка и пригонка │ │ │
готовых столярных изделий (оконных │ │ │
переплетов, дверных полотен и т.п.), работы │ │ │
по устройству полов, асфальтобетонных, │ │ │
кирпичных, дощатых, бетонных, мозаичных │ │ │
и др., настила паркета и линолеума, │ │ │
штукатурные работы в помещениях, монтаж │ │ │
и сборка энергетического оборудования │ │ │
354. Стекольные работы │ - │ - │ 75
355. Малярные работы (шпатлевка, грунтовка, │ - │ - │ 100
окраска, накатка рисунков валиками и т.п.), │ │ │
облицовочные работы и оклейка стен обоями, │ │ │
разделка электрических кабелей, монтаж │ │ │
высоковольтного оборудования и схем │ │ │
вторичной коммутации │ │ │
ПРЕДПРИЯТИЯ СВЯЗИ
Почтовые предприятия │ │ │
356. Залы операционные, обработка │ - │ 500
<1> │ 300
<1>
газетно-журнальной корреспонденции и посылок│ │ │
357. Сортировка писем и бандеролей │ IIIв │1000
<1> │ 400
<1>
358. Штемпелевание │ IVг │ 300 │ 150
359. Сортировка мешков │ IVв │ 400 │ 200
360. Помещения номенклатурно-адресовальных │ - │ - │ 300
машин │ │ │
│ │ │
Телеграфные предприятия │ │ │
361. Прием, передача и сортировка телеграмм │ IIIг │ 500
<1> │ 300
<1>
362. Стол посетителей │ IIIг │ 400 │ 200
363. Аппаратный цех │ IIIв │1000
<1> │ 400
<1>
│ │ │
Телефонные и радиостанции │ │ │
364. Коммутаторный и автоматный залы │ IVб │ 500 │ 200
365. Передающие и приемные радиостанции, │ IIIг │ 400 │ 200
передающие радиотелевизионные станции, │ │ │
радиорелейные станции, земные станции │ │ │
спутниковой связи │ │ │
366. Ремонт и регулировка аппаратуры │ IIIб │ 1000 │ 300
МЕСТНАЯ ПРОМЫШЛЕННОСТЬ
Производство сувениров │ │ │
367. Механическая обработка кости, дерева │ IIIв │ 750 │ 300
и т.п. │ │ │
368. Грунтовка, лакировка, комплектование │ IVв │ 400 │ 200
изделий │ │ │
369. Ручная роспись средней точности │ IVб │ 500 │ -
(значки и т.п.) │ │ │
370. Ручная роспись мелкая и точная │ IIIб │ 1000 │ -
(финифть, чеканка, резьба по кости и дереву │ │ │
и т.п.) │ │ │
│ │ │
Производство музыкальных инструментов │ │ │
371. Пайка голосовых машинок, │ IIIб │ 1000 │ 300
предварительная и окончательная сборка │ │ │
деревянных и духовых музыкальных │ │ │
инструментов, склейка корпусов │ │ │
372. Меховой участок │ IVб │ 500 │ 200
373. Окончательная настройка │ IIIб │1250
<1> │ 400
374. Комната прослушивания │ - │ - │ 200
375. Пошив чехлов │ IIб │2000
<4> │ 750
│ │ │
Производство игрушек │ │ │
376. Промер и браковка тканей, прессы, │ Vа │ - │ 200
механические ножницы, вальцы │ │ │
377. Раскрой ткани и пошив деталей игрушек │ IIIa │ 2000 │ 500
на машине кл. 22 │ │ │
378. Машинный раскрой ткани, контроль │ IVа │ 750 │ 300
готовой продукции │ │ │
379. Сборка деталей игрушек │ IIIб │ - │ 300
380. Механическая и ручная роспись игрушек │ IVв │ 400 │ -
из пенолатекса │ │ │
381. Мешалки, мельницы, сушильные камеры │ IVв │ - │ 150
382. Вулканизационные котлы, формование │ IVг │ - │ 150
и термостатирование деталей │ │ │
383. Механизированная и ручная роспись │ IIIв │ 750 │ -
игрушек из ПВХ │ │ │
384. Контроль готовой продукции │ IVб │ - │ 300
<1>
│ │ │
БЫТОВАЯ ХИМИЯ
Производство моющих, чистящих средств, │ │ │
химикалиев, олифы, красок │ │ │
385. Контроль сырья │ Vб │ 200 │ 150
386. Составление рецепта │ IVг │ 300 │ 150
(рецептура, загрузочная рецептура) │ │ │
387. Основное производство (шаровые │ VI │ - │ 150
мельницы, смесители, вальцы, реакторы, печи,│ │ │
оксидаторы, краскотерочные машины и т.п.) │ │ │
388. Расфасовка, упаковка, маркировка │ Vб │ 200 │ 150
389. Мойка бутылок │ VI │ - │ 150
390. Контроль чистоты бутылок │ IVг │ 300 │ 150
391. Производство полиэтиленовой и │ IVв │ 400 │ 200
поливинилхлоридной пленки, сварка пакетов │ │ │
│ │ │
Производство фотохимикалиев │ │ │
392. Подготовка сырья │ IVв │ 400 │ 200
393. Составление рецепта │ IVг │ 400
<2> │ 200
<3>
394. Основное производство (смешение, сушка,│ IVв │ 400 │ 200
гранулирование, таблетирование, упаковка │ │ │
на автомате) │ │ │
395. Упаковка в коробки │ VI │ - │ 150
ПРОИЗВОДСТВО ШКОЛЬНО-ПИСЬМЕННЫХ ПРИНАДЛЕЖНОСТЕЙ
Производство карандашей │ │ │
396. Контроль карандашной дощечки │ IIIб │ 1000 │ -
397. Сушка дощечки │ VI │ - │ 150
398. Производство белого карандаша, │ IIIв │ 750 │ 300
грунтовка, окраска, покрытие лаком, накатка │ │ │
рисунка │ │ │
399. Упаковка в наборы │ IVв │ - │ 200
400. Упаковка в коробки │ VI │ - │ 150
│ │ │
Стержневое отделение │ │ │
401. Приготовление стержневой массы, │ VI │ - │ 150
пропитка, сушка стержня │ │ │
402. Изготовление стержня │ Vа │ 300 │ -
│ │ │
Производство авторучек │ │ │
403. Изготовление корпуса, механическая │ IVа │ 750 │ 300
обработка корпуса │ │ │
404. Изготовление металлических деталей │ IIв │ 2000 │ -
405. Сборка авторучек ручная, контроль │ IIIб │ 1250 │ -
406. Сборка авторучек на полуавтоматах │ IIIб │ - │ 300
│ │ │
Изготовление угольников и линеек │ │ │
407. Изготовление пластмассовых угольников │ IVб │ 500 │ 200
и линеек │ │ │
408. Нанесение делений, окраска делений │ IIIб │ 1000 │ 300
409. Изготовление деревянных угольников, │ IIIв │ 750 │ 300
нанесение делений │ │ │
│ │ │
Изготовление картонных коробок │ │ │
410. Раскрой картона │ Vб │ - │ 200 <2>
411. Сшивка коробок машинная │ Vб │ 200 │ 150
412. Склейка коробок │ VI │ - │ 150
-----------------------------
<1> Освещенность повышена согласно
п. 4.5 а СНиП II-4-79.
<2> Освещенность повышена согласно
п. 4.5 б СНиП II-4-79.
<3> Освещенность повышена согласно
п. 4.5 в СНиП II-4-79.
<4> Освещенность снижена с целью ограничения отраженной блескости или установлена экспериментально.
<5> Освещенность снижена согласно
п. 4.6 СНиП II-4-79.
<6> Освещенность приведена для ламп накаливания (рекомендуемый источник света).
При отсутствии указанных документов уровень нормируемой освещенности устанавливается в соответствии со
СНиП II-4-79 "Естественное и искусственное освещение".
5.12. Для определения разряда зрительной работы по
СНиП II-4-79 необходимо определить минимальный размер объектов различения для технологических операций, наиболее характерных в данном помещении.
По наименьшему размеру объекта различения определяется разряд зрительной работы.
Глаз различает объекты по их угловым, а не линейным размерам. Линейный размер в 0,1 мм соответствует примерно 1' при расстоянии объекта различения от глаза, равном 0,35 м. При увеличении этого расстояния сверх 0,5 м разряд зрительной работы в соответствии со
СНиП II-4-79 необходимо определять по отношению

, где

- минимальный размер объекта различения, а l - расстояние до глаза работающего.
Подразряд работ определяется по отражающим свойствам объекта различения и фона, на котором он рассматривается.
5.13. Уровень нормируемой освещенности для производственных и вспомогательных помещений следует устанавливать по
СНиП II-4-79 с учетом:
выбранного источника света;
используемой системы освещения;
отсутствия или наличия естественного света, а также требований совмещенному освещению, если оно используется;
требований норм к освещению помещений с полностью автоматизированным технологическим процессом;
особых случаев, требующих изменения освещенности на 1 ступень (напряженная зрительная работа в течение всего рабочего дня, отсутствие естественного освещения и т.п.).
5.14. Уровень освещенности, нормируемый для системы комбинированного освещения, слагается из значений освещенности, создаваемой светильниками общего и местного освещения.
5.15. В цехах с полностью автоматизированным технологическим процессом следует предусматривать раздельное управление ОУ, предназначенными для выполнения ремонтно-наладочных работ и функционирующими при нормальном режиме. Уровень освещенности, создаваемой этой частью установки, должен составлять не более 100 лк.
5.16. Для компенсации спада освещенности в процессе эксплуатации ОУ следует при ее расчете вводить коэффициент запаса, значение которого принимается по отраслевым нормам, составленным на основе
СНиП II-4-79 и утвержденным в установленном порядке, а при их отсутствии - по указаниям
СНиП II-4-79 в зависимости от условий среды в освещаемом помещении и типа используемого источника света. Коэффициент запаса предусматривается только для общего освещения независимо от выбранной системы освещения.
5.17. При применении в помещениях с тяжелыми условиями среды светильников, имеющих высокие эксплуатационные характеристики
[1], следует снижать расчетное значение коэффициента запаса. Эксплуатационная группа светильника может быть взята из
[1] либо определена с помощью
приложения 4 к СНиП II-4-79, если известны конструктивно-светотехническая схема и вид материала (или покрытия) отражателя и рассеивателя светильника.
РАВНОМЕРНОСТЬ РАСПРЕДЕЛЕНИЯ ОСВЕЩЕННОСТИ
5.18. При проектировании общего освещения производственного интерьера (независимо от системы освещения) должна быть обеспечена равномерность распределения освещенности, регламентируемая нормами, в той части помещения, где расположены рабочие места; при этом не учитывается освещенность в проходах. Увеличение неравномерности распределения освещенности приводит, как правило, к повышению установленной мощности.
5.19. Неравномерность распределения освещенности по помещению зависит от светораспределения светильников, их размещения в пространстве, определяемого относительными расстояниями между светильниками

и

. Чем концентрированнее светораспределение при одинаковом размещении светильников, тем больше неравномерность распределения освещенности. Как правило, чрезмерное увеличение и уменьшение относительных расстояний между светильниками приводит к увеличению неравномерности распределения освещенности.
5.20. Неравномерность распределения освещенности определяется на начальной стадии проектирования по распределению относительной освещенности

, которая определяется точечным методом расчета освещенности в рассматриваемых вариантах ОУ.
Неравномерность распределения освещенности определяется в одном из средних модулей помещения, поскольку неизбежное снижение освещенности в торцевых модулях должно компенсироваться установкой дополнительных светильников, если в этих зонах помещения расположены рабочие места. В ОУ с ЛЛ неравномерность распределения освещенности зависит в основном от значения отношения

.
На рис. 31 (схемы 12 - 16),
32 (схемы 3 - 5),
33 (схема 4) показаны неравномерные размещения светильников, обеспечивающие во многих случаях снижение неравномерности распределения освещенности.
Рис. 31. Схемы размещения светильников с газоразрядными
лампами высокого давления (МГЛ, ДРЛ и ДНаТ)
1 - 6 - двухрядное расположение светильников;
7 - 16 - трехрядное расположение светильников;
"+" - колонна; О - светильник; А, В, С - фазы питающей сети
Рис. 32. Схемы четырехрядного размещения светильников
с газоразрядными лампами высокого давления (МГЛ, ДРЛ и ДНаТ)
О - светильник; А, В, С - фазы питающей сети
Рис. 33. Схемы размещения линий светильников с ЛЛ
1 - 3 - равномерное размещение линий по помещению;
4 - линии сдвинуты к стенам
5.21. При проектировании освещения производственного помещения следует обеспечивать требования норм по ограничению ослепленности. Регламентируемый нормами показатель ослепленности P является функцией параметров ОУ (высоты подвеса светильников над рабочей поверхностью

и относительного расстояния между светильниками

и

); характеристик светильников (их светораспределения по
ГОСТ 17677-82, яркости, защитного угла и цветности излучения); габаритных размеров освещаемого помещения (длины, ширины и высоты); коэффициента отражения рабочей поверхности.
Показатель ослепленности определяется в точке между первым и вторым светильниками среднего ряда (при двухрядном расположении светильников - под одним из рядов в той же точке).
5.22. Показатель ослепленности возрастает с увеличением относительного расстояния между рядами светильников

и с увеличением длины помещения. Он зависит также от кривой силы света светильников - чем концентрированнее светораспределение, тем меньше P при одинаковом размещении светильников; изменение высоты подвеса светильников

оказывает меньшее влияние на значение P, чем значение относительного расстояния между светильниками

.
5.23. При проектировании освещения следует, как правило, пользоваться инженерным методом определения слепящего действия ОУ, разработанным ВНИСИ, с учетом
[1] и
п. 7.17 настоящего Пособия. Этот метод позволяет по параметрам запроектированной ОУ определить ее соответствие требованиям норм по ограничению ослепленности.
5.24. Инженерный метод определения P (см. п. 5.23) составлен для квадратных полей размещения светильников. При другом их расположении, в частности, при использовании схем, приведенных на
рис. 31 -
33,

определяется следующим образом:
при прямоугольном или шахматном размещении независимо от числа светильников, установленных в одной точке,

;
при уменьшении числа круглосимметричных светильников в среднем ряду по сравнению с крайними рядами

принимается равным расстоянию между крайними рядами, а

- расстоянию между светильниками в этих рядах;
в ОУ, выполненных светильниками с ЛЛ, расстояние

принимается равным

- расстоянию между рядами этих светильников при условии, что расстояние между светильниками в ряду не превышает 0,5 от высоты их подвеса над уровнем рабочей поверхности

;
при трехрядном размещении светильников с разрывом между светильниками в среднем ряду свыше

принимается равным расстоянию между крайними рядами светильников.
5.25. Если проектируемая ОУ отвечает всем требованиям норм по остальным показателям, но не обеспечивает регламентированные значения P, определенного инженерным методом, следует произвести непосредственный расчет значения P по формуле, приведенной в
[1] и в
п. 7.16 настоящего Пособия. Этот расчет целесообразен, если параметры ОУ не соответствуют значениям, принятым при составлении инженерного метода по проверке ослепленности, а именно:
коэффициент отражения рабочей поверхности больше 0,1 для подразряда "а" разрядов работ I - V, VIII, а также разряда VII;
коэффициент отражения рабочей поверхности больше 0,2 для подразряда работ "б, в", разрядов работ I - V;
светильники с ЛЛ размещены в линии с разрывом,

0,5 высоты подвеса над рабочей поверхностью в помещениях, где работа относится к III - VIII разрядам зрительной работы по
СНиП II-4-79.
5.26. При проектировании ОУ для помещений высотой 2,5 м и менее, где производятся грубые работы, нормируемые значения P обеспечиваются в соответствии со
СНиП II-4-79 путем ограничения мощности светильников.
КОЭФФИЦИЕНТ ПУЛЬСАЦИИ ОСВЕЩЕННОСТИ
5.27. При проектировании ОУ общего и местного освещения с газоразрядными источниками света следует ограничить пульсацию освещенности, оцениваемую коэффициентом пульсации освещенности
[1],
[26].
Коэффициент пульсации освещенности

в ОУ зависит от коэффициента пульсации светового потока источника света

, светораспределения светильников и их размещения в пространстве освещаемого помещения, а также от схемы их включения в сеть трехфазного электрического тока. Повышение концентрации светового потока светильника и увеличение относительного расстояния между светильниками

приводит при прочих равных условиях к увеличению

. Присоединение рядом установленных светильников к разным фазам сети переменного тока снижает

.
5.28. В приведенных на
рис. 31 и
32 схемах размещения светильников с лампами ГЛВД указаны целесообразные способы расфазировки светильников. При этом следует проверять, удовлетворяет ли заданная ОУ требованиям норм при конкретных параметрах установки (светораспределение светильников, их размещение, коэффициент пульсации источника света).
5.29. Инженерный метод расчета

изложен в [
1,
26] и
п. 7.15 настоящего Пособия. Осветительная установка всегда соответствует требованиям норм по ограничению пульсации освещенности:
если она выполнена двухламповыми светильниками с ЛЛ типа ЛБ, снабженными ПРА с IУБИ + IУБЕ;
при установке в одной световой точке трех светильников с любыми источниками и присоединенных к трем фазам сети переменного тока;
при питании газоразрядных ламп переменным током с частотой 400 Гц и выше.
5.30. Для создания эффективных ОУ следует, как правило, предусматривать в проектах этих установок газоразрядные источники света ГЛ, высокого
[20] и низкого давления, используя их с учетом экономически и энергетически выгодной области применения. Основные цветовые и энергетические характеристики ГЛ и ЛН приведены в табл. 48.
Таблица 48
───────────────────┬────────────────┬─────────────────┬────────────────────
Тип источника света│ Средняя
<*> │Цветовая темпе- │Индекс цветопередачи
│световая отдача,│ратура, T , К │ R , не менее
│ лм/Вт │ цв │ a
───────────────────┴────────────────┴─────────────────┴────────────────────
Люминесцентные лампы
ЛБ, ЛБР, ЛБА │ 70,0
<**> │ 3500 │ 57
ЛХБ, ЛХБР │ 65,0
<*> │ 4300 │ 62
ЛДЦ, ЛДЦР, ЛДЦА │ 50
<**> │ 6000 │ 92
ЛБЦТ
<***> │ 75 │ 4000 │ 83
ЛДЦТ
<***> │ 87 │ 6000 │ 83
Газоразрядные лампы высокого давления
МГЛ │ 83 │ 3000 - 5000 │ 55
ДРЛ │ 50 │ 3800 │ 40
НЛВД │ 100 │ 2100 │ 25
Лампы накаливания
Общего назначения │ 15,3 │ 2800 │ 100
Галогенные (КГ) │ 22 │ 3200 │ 100
-----------------------------
<*> Усреднено для данного типа источников света разной мощности.
<**> Для ламп ЛБР, ЛХБР, ЛДЦР световая отдача на 15% ниже указанной.
<***> Лампы с узкополосным спектром.
5.31. Для общего освещения промышленных зданий, независимо от принятой системы освещения, следует применять, как правило, следующие типы ЛЛ:
белого света в нормальном исполнении ЛБ, амальгамные ЛБА и рефлекторные ЛБР;
холодно-белого света в нормальном исполнении ЛХБ, рефлекторные ЛХБР;
дневного света с исправленной цветностью ЛДЦ, амальгамные ЛДЦА и рефлекторные ЛДЦР.
Для обеспечения освещения производственных помещений следует использовать энергоэкономичные лампы мощностью 36 и 58 В, обладающие повышенной световой отдачей, либо лампы мощностью 40 и 65 Вт <*>. В закрытых светильниках, когда лампы находятся в условиях повышенной температуры, предпочтение следует отдавать амальгамным лампам типа ЛБА. В светильниках без отражателей с целью концентрации светового потока в нижнюю полусферу следует использовать ЛЛ с рефлекторным слоем типа ЛБР.
-----------------------------
<*> Люминесцентные лампы мощностью 80 Вт, вследствие их малой экономичности, будут выпускаться промышленностью только для замены в действующих ОУ.
5.32. Для общего освещения производственных помещений средней и большой высоты следует применять различные ГЛВД: ДРЛ, МГЛ, НЛВД. Наибольшее распространение имеют лампы типа ДРЛ мощностью от 50 до 2000 Вт с красным отношением 6%, имеющие индекс цветопередачи 40.
Лампы МГЛ выпускаются мощностью 125 - 2000 Вт. На основе ламп МГЛ (ДРИ) выпускаются лампы-светильники типа ДРИЗ с внутренним зеркально-отражающим покрытием. Лампы ДРИЗ 700-1 предназначены для применения в осветительных устройствах со щелевыми световодами (КОУ), а лампы типа ДРИЗ мощностью 700, 400 или 250 Вт с индексами 2 или 3 - для использования в предназначенной для них арматуре (например, типа ССП-02) при освещении помещений с тяжелыми условиями среды.
Для освещения производственных помещений, где выполняются грубые зрительные работы, а также работы малой и средней точности (разряды IV и ниже по
СНиП II-4-79) рекомендуется применять НЛВД
[22], имеющие высокую световую отдачу. Ввиду специфичности спектра излучения НЛВД и низкого индекса цветопередачи при освещении помещений, где выполняются зрительные работы высокой точности, целесообразно использовать НЛВД совместно с МГЛ либо с ДРЛ.
5.33. Выбор типа источников света должен производиться в зависимости от технических требований и ограничений, имеющих место для конкретного технологического процесса, совместно с используемым осветительным прибором на основе технико-экономических и энергетических сопоставлений светотехнически равноценных вариантов освещения. Предпочтение следует отдавать тем источникам, которые обеспечивают в заданных условиях наименьшие приведенные годовые затраты на освещение и (или) минимум расхода электроэнергии.
При выборе типа источника света для помещений разной высоты необходимо учитывать, что:
в низких помещениях (не выше 6 - 8 м) наиболее экономичны ОУ с ЛЛ;
в помещениях средней высоты (от 6 до 8 - 15 м) и очень высоких (от 20 м) наиболее выгодны ОУ с ДРИ;
в высоких помещениях (от 8 - 10 до 20 м) наименьшие затраты имеют место для ОУ с ДРЛ, хотя энергетически они менее выгодны, так как установленная мощность в ОУ с ДРЛ, больше, чем в ОУ с ДРИ;
ОУ с НЛВД (250 и 400 Вт) ввиду высокой пульсации освещенности могут применяться (при использовании двух-, трех- и четырехрядных схем размещения
[5]) только в помещениях высотой не менее 6 - 8 м (при условии выполнения там зрительных работ не выше IV разряда по
СНиП II-4-79)
[22];
ОУ с НЛВД в сочетании с ДРЛ или ДРИ также энергоэкономичны и могут применяться в помещениях высотой от 5 - 7 м (при условии выполнения там зрительных работ не выше разряда IIIб, в, г по
СНиП II-4-79);
применение ЛН ограничено и возможно при условии технической или технико-экономической целесообразности их использования.
5.34. Выбор источников света по цветовым характеристикам производится с учетом требований технологического процесса к цветопередаче и цветоразличению, а также - необходимости обеспечения комфортности световой среды. Требуемый уровень цветоразличения или цветопередачи обеспечивается путем выбора источника света с обусловленным сочетанием цветовой температуры и индекса цветопередачи. Комфортность световой среды зависит от соответствия цветовой температуры источника света уровню нормируемой освещенности и особенностям светового климата района расположения освещаемого объекта
[6].
Рекомендации по выбору источников света с целью обеспечения изложенных требований приведены для системы общего освещения в табл. 49а, для системы комбинированного освещения - в
табл. 49б. Рекомендуемые соотношения мощностей разноспектральных источников света при смешанном общем освещении, обеспечивающие комфортность световой среды не меньшую, чем в ОУ с ДРЛ, приведены в
табл. 49в.
─────────────────────────────┬────────┬──────────┬────────────┬────────────
Характеристика зрительной │Освещен-│Минималь- │ Диапазон │ Примерные
работы по требованиям │ ность, │ный индекс│ цветовой │ типы
к цветоразличению │ лк │цветопере-│температуры │ источников
│ │дачи │ источников │ света
│ │источников│света T , К│
│ │света, R │ цв │
│ │ a │ │
─────────────────────────────┼────────┼──────────┼────────────┼────────────
Требования к цветоразличению │ 500 и │ 50 │3500 - 6000 │ЛВ (ЛХБ),
отсутствуют (механическая │ более │ │ │МГЛ
обработка металлов, │ 300, │ 40 │3500 - 5000 │ЛБ (ЛХБ),
пластмасс, сборка машин, │ 400 │ │ │МГЛ (ДРЛ),
инструментов и т.п.) │ │ │ │НЛВД+МГЛ
│ 150, │ 29 │2600 - 4500 │ЛБ (ЛХБ),
│ 200 │ │ │МГЛ (ДРЛ),
│ │ │ │НЛВД+МГЛ,
│ │ │ │НЛВД+ДРЛ
│ Менее │ 25 │2400 - 3500 │ЛБ, ДРЛ,
│ 150 │ │ │НЛВД (ЛН,
│ │ │ │КГ)
─────────────────────────────┼────────┼──────────┼────────────┼────────────
Различение цветных объектов │ 500 и │ 50 │3500 - 6000 │ЛБ (ЛХБ),
при невысоких требованиях │ более │ │ │МГЛ
к цветоразличению (сборка │ 300, │ 50 │3500 - 5500 │ЛБ (ЛХБ),
радиоаппаратуры, прядение, │ 400 │ │ │МГЛ,
наметка проводов и т.п.) │ │ │ │НЛВД+МГЛ
│ 150, │ 45 │3000 - 4500 │ЛБ (ЛХБ),
│ 200 │ │ │НЛВД+МГЛ
│ Менее │ 40 │2700 - 3500 │ЛБ, ДРЛ,
│ 150 │ │ │НЛВД+МГЛ
│ │ │ │(ЛН, КГ)
─────────────────────────────┼────────┼──────────┼────────────┼────────────
Сопоставление цветов │ 300 и │ 85 │3500 - 6000 │ЛБЦТ, ЛДЦ,
с высокими требованиями к │ более │ │ │ЛДЦ УФ
цветоразличению (ткачество, │ │ │ │
швейное производство, цветная│ │ │ │
печать и т.п.) │ │ │ │
─────────────────────────────┼────────┼──────────┼────────────┼────────────
Контроль цвета с очень │ 300 и │ 90 │5000 - 6000 │ЛДЦ, ЛДЦ
высокими требованиями │ более │ │ │УФ (ЛХЕ)
к цветоразличению (контроль │ │ │ │
готовой продукции на швейных │ │ │ │
фабриках, тканей на текстиль-│ │ │ │
ных фабриках, сортировка │ │ │ │
кожи, подбор красок │ │ │ │
для цветной печати и т.п.) │ │ │ │
──────────────────────┬───────┬────────────┬─────────────┬─────────────────
Характеристика │Общее │Минимальный │ Диапазон │ Примерные типы
зрительной работы │освеще-│индекс │ цветовой │источников света
по требованиям │ние при│цветопере- │ температуры │ для освещения
к цветоразличению │системе│дачи │ источников │
│комби- │источников │ света T │
│ниро- │света R для│ цв,│
│ванно- │ а │ К, для │
│го, лк │освещения │ освещения │
│ ├─────┬──────┼──────┬──────┼─────────┬───────
│ │обще-│мест- │общего│мест- │ общего │мест-
│ │го │ного │ │ного │ │ного
──────────────────────┼───────┼─────┼──────┼──────┼──────┼─────────┼───────
Требования │ 500 │ 50 │ 50 │3500 -│2800 -│ЛБ (ЛХБ),│ЛБ ЛХБ,
к цветоразличению │ │ │ │ 6000│ 5500│МГЛ, │(ЛН)
отсутствуют │ │ │ │ │ │НЛВД+МГЛ │
(механическая │ 300, │ 35 │ 50 │3200 -│2800 -│ЛБ (ЛХБ),│ЛБ ЛХБ,
обработка металлов, │ 400 │ │ │ 5000│ 5000│МГЛ, ДРЛ,│(ЛН)
пластмасс, сборка │ │ │ │ │ │НЛВД+МГЛ │
машин и инструментов │ 150, │ 25 │ 50 │2400 -│2800 -│ЛБ (ЛХБ),│ЛБ ЛХБ,
и т.п.) │ 200 │ │ │ 4500│ 4500│НЛВД, │(ЛН)
│ │ │ │ │ │МГЛ, ДРЛ,│
│ │ │ │ │ │НЛВД+МГЛ,│
│ │ │ │ │ │НЛВД+ДРЛ │
──────────────────────┼───────┼─────┼──────┼──────┼──────┼─────────┼───────
Различение цветных │ 500 │ 50 │ 50 │3500 -│3500 -│ЛБ (ЛХБ),│ЛБ ЛХБ,
объектов при невысоких│ │ │ │ 5500│ 5500│МГЛ, │(ЛН)
требованиях │ │ │ │ │ │НЛВД+МГЛ │
к цветоразличению │ 300, │ 40 │ 50 │3200 -│2800 -│ЛБ (ЛХБ),│ЛБ ЛХБ,
(сборка │ 400 │ │ │ 5000│ 5000│МГЛ, │(ЛН)
радиоаппаратуры, │ │ │ │ │ │НЛВД+МГЛ,│
прядение, намотка │ │ │ │ │ │ДРЛ │
проводов и т.п.) │ 150, │ 35 │ 50 │3000 -│2800 -│ЛБ (ЛХБ),│ЛБ ЛХБ,
│ 200 │ │ │ 4500│ 5000│МГЛ, │(ЛДЦ)
│ │ │ │ │ │НЛВД+МГЛ,│
│ │ │ │ │ │ДРЛ │
──────────────────────┼───────┼─────┼──────┼──────┼──────┼─────────┼───────
Сопоставление цветов с│ 150 и │ 50 │ 85 │3500 -│3500 -│ЛБ (ЛХБ),│ЛБЦТ
высокими требованиями │ более │ │ │ 5000│ 6000│МГЛ │
к цветоразличению │ │ │ │ │ │ │
(ткачество, швейное │ │ │ │ │ │ │
производство, цветная │ │ │ │ │ │ │
печать и т.п.) │ │ │ │ │ │ │
──────────────────────┼───────┼─────┼──────┼──────┼──────┼─────────┼───────
Контроль цвета с очень│ 150 и │ 85 │ 90 │5000 -│5000 -│ЛБЦТ │ЛДЦ,
высокими требованиями │ более │ │ │ 6000│ 6000│(ЛДЦ) │ЛДЦ УФ
к цветоразличению │ │ │ │ │ │ │(ЛХЕ)
(контроль готовой │ │ │ │ │ │ │
продукции на швейных │ │ │ │ │ │ │
фабриках, тканей на │ │ │ │ │ │ │
текстильных фабриках, │ │ │ │ │ │ │
сортировка кожи, │ │ │ │ │ │ │
подбор красок для │ │ │ │ │ │ │
цветной печати и т.п.)│ │ │ │ │ │ │
Примечания. к
табл. 49а,
б: 1. Совокупное применение разноспектральных источников света в одном помещении допускается для работ разрядов IIIб - г, IV - VIIIа (см.
табл. 49в).
2. Применение ламп НЛВД допускается для работ разрядов IVа, б, в, г; Vа, б, в; VI, VII, VIIIа.
3. Для помещений без естественного света при работе с невысокими требованиями к цветоразличению указанный в
табл. 49а,
б диапазон цветовых температур следует ограничить пределами 3500 - 5000 К при уровнях E >= 300 лк.
4. При расположении здания в I - II поясах (по карте светового климата СССР) из диапазонов цветовых температур следует отдавать предпочтение значениям, близким к нижней, а в V поясе - к верхней границе диапазона.
5. Люминесцентные лампы ЛДЦ УФ имеют в ультрафиолетовой области спектра состав излучения, близкий к естественному, что важно при контроле тканей и бумаги, изготовленных с оптическим отбеливателем.
6. В скобках указаны энергетически менее эффективные источники света.
──────────────┬────────┬────────────────────┬───────────────────────┬────────────────────
Характеристика│Освещен-│ Разряд работ по │Рекомендуемые сочетания│ Примеры выполнения
зрительной │ность, │ нормам при системе │ источников света │ рекомендаций,
работы по │лк │ освещения │ по мощности, % │ мощность, Вт
требованиям │ ├──────────┬─────────┼───────┬───────┬───────┼────┬───────┬───────
к цвето- │ │ общего │комбини- │ МГЛ │ НЛВД │ ДРЛ │МГЛ │ НЛВД │ ДРЛ
различению │ │ │рованного│ │ │ │ │ │
──────────────┼────────┼──────────┼─────────┼───────┼───────┼───────┼────┼───────┼───────
Требования │ 300 │ IIIб, в; │ - │ │ │ │1000│ 400 │ -
к цветораз- │ │ IVа │ │60 - 70│40 - 30│ - │700 │ 400 │ -
личению │ │ │ │ │ │ │400 │ 250 │ -
отсутствуют │ │ │ │ - │10 - 20│90 - 80│ - │ 250 │ 1000
(механическая │ │ │ │ │ │ │ - │ 250 │700+700
обработка ├────────┼──────────┼─────────┼───────┼───────┼───────┼────┼───────┼───────
металлов, │ 150, │ IIIг, │ - │ │ │ │700 │400+400│ -
пластмасс, │ 200 │IVб, в, г;│ │40 - 50│60 - 50│ - │400 │ 400 │ -
сборка машин, │ │Vа, б, в; │ │ │ │ │400 │250+250│
инструментов │ │ VI, VII │ │ - │25 - 35│75 - 65│ - │ 400 │ 1000
и т.п.) │ │ │ │ │ │ │ - │ 400 │400+400
├────────┼──────────┼─────────┼───────┼───────┼───────┼────┼───────┼───────
│ 150, │ - │III, IV, │ - │ 100 │ 100 │ - │ Любая │Любая
│ 200 │ │ Vа, б │ │ │ │ │ │
├────────┼──────────┼─────────┼───────┼───────┼───────┼────┼───────┼───────
│ Менее │Vг, VIIIа │ - │ - │ 100 │ 100 │ - │ Любая │Любая
│ 150 │ │ │ │ │ │ │ │
──────────────┼────────┼──────────┼─────────┼───────┼───────┼───────┼────┼───────┼───────
Различение │ 300 │ IIIб, в, │ - │70 - 80│30 - 20│ - │1000│ 400 │ -
цветных │ │ IVа │ │ │ │ - │700 │ 250 │ -
объектов при ├────────┼──────────┼─────────┼───────┼───────┼───────┼────┼───────┼───────
невысоких │150, 200│IIIг, IVб,│ - │60 - 70│40 - 30│ - │700 │ 400 │ -
требованиях │ │ в, г; │ │ │ │ - │400 │ 250 │ -
к цветораз- │ │Vа, б, в, │ │ │ │ │ │ │
личению │ │ VI, VII │ │ │ │ │ │ │
(сборка ├────────┼──────────┼─────────┼───────┼───────┼───────┼────┼───────┼───────
радиоаппара- │150, 200│ - │III, IV, │40 - 50│60 - 50│ - │700 │400+400│ -
туры, │ │ │Vа, б │ │ │ │400 │ 400 │ -
прядение, │ │ │ │ │ │ │400 │250+250│ -
намотка │ │ │ │ - │25 - 35│75 - 65│ - │ 400 │ 1000
проводов │ │ │ │ │ │ │ - │ 400 │400+400
и т.п.) ├────────┼──────────┼─────────┼───────┼───────┼───────┼────┼───────┼───────
│ Менее │Vг, VIIIa │ - │ │ │ │700 │400+400│ -
│ 150 │ │ │40 - 50│60 - 50│ - │400 │ 400 │ -
│ │ │ │ │ │ │400 │250+250│ -
│ │ │ │ │25 - 35│75 - 65│ - │ 400 │ 1000
│ │ │ │ │ │ │ - │ 400 │400+400
Окончательный выбор источника света для общего освещения производственного помещения с учетом энергетических и материальных затрат производится одновременно с выбором типа светильника, составной частью которого он является.
ВЫБОР СВЕТИЛЬНИКОВ ОБЩЕГО ОСВЕЩЕНИЯ
5.35. При выборе типа светильника в первую очередь следует установить условия среды в помещении, для которого проектируется ОУ. Определение условий среды в помещении (пыльная, влажная, химически агрессивная и т.п., а также пожаро- или взрывоопасная) должно производиться в соответствии с
ПУЭ технологами совместно с электриками проектирующей и эксплуатирующей организации.
Возможность использования какого-либо конструктивного исполнения светильника в помещении с заданными условиями среды определяется по степени его защиты, обозначаемой двумя цифрами. Рекомендации по выбору исполнения светильников для помещений с тяжелыми условиями среды приведены в табл. 50,
51 и в [
7,
21].
Таблица 50
| | ИС МЕГАНОРМ: примечание. Взамен ГОСТ 14254-80 Постановлением Госстандарта России от 18.10.1996 N 601 с 1 января 1997 года введен в действие ГОСТ 14254-96. | |
─────────┬─────────────────────────────────────────────────┬───────────────────────────────────────
Тип │ Минимальная степень защиты светильников │ Исполнения светильников по
ПУЭ-76 и
источника│ по
ГОСТ 17677-82 и ГОСТ 14254-80, необходимая │минимальная степень защиты светильников
света в │ в ОУ различного назначения при пожароопасных │ по
ГОСТ 17677-82 и ГОСТ 14254-80;
светиль- │ зонах классов │ необходимые (независимо от типа
нике ├───────────┬─────────────┬────────────────┬──────┤ источника света) в помещениях
│производст-│производст- │ складские │наруж-│ со взрывоопасными зонами классов
│венные и │венные │ │ные │
│складские │ │ │ │
─────────┼─────┬─────┼─────────────┼─────┬──────────┼──────┼───────┬────────┬───────┬──────┬───────
│ П-I │П-II │П-IIа, П-II │П-IIа│ П-IIа │П-III │ B-I │ В-Iа, │ В-Iб │ B-II │ В-IIа
│ │ │(при наличии │ │(с ценными│ │ │ В-Iг │ │ │
│ │ │общеобменной │ │сгораемыми│ │ │ │ │ │
│ │ │вентиляции │ │материала-│ │ │ │ │ │
│ │ │и местного │ │ми в │ │ │ │ │ │
│ │ │нижнего отсо-│ │сгораемой │ │ │ │ │ │
│ │ │са отходов) │ │упаковке) │ │ │ │ │ │
─────────┼─────┼─────┼─────────────┼─────┼──────────┼──────┼───────┼────────┼───────┼──────┼───────
Лампы │IP5Х │IP5Х │ 2'Х │ 2'Х │ 2'Х │ 2'3 │Взрыво-│Повышен-│Без │Повы- │Без
накалива-│ │ │
<1> │
<1> │
<1> │
<1> │безо- │ной │средств│шенной│средств
ния │ │ │ │ │ │ │пасное │надеж- │взрыво-│надеж-│взрыво-
│ │ │ │ │ │ │IP5Х │ности │защиты │ности │защиты
Лампы │IP5Х │IP5Х │ IP2Х │IP2Х │ IP2Х │ IP23 │ │против │IP5Х │против│
<5>
ДРЛ, МГЛ,│ │ │
<2> │
<2> │
<2> │
<2> │ │взрыва │ │взрыва│IP5Х
НЛВД │ │ │ │ │ │ │ │IP5Х │ │
<5> │
│ │ │ │ │ │ │ │ │ │IP5Х │
Люминес- │ 5'Х │ 5'Х │ IP2Х │IP2Х │ IP2Х │ IP23 │ │ │ │ │
лампы │ │ │ │ │ │ │ │ │ │ │
-----------------------------
<1> При наличии сплошного защитного стекла или рассеивателя из силикатного стекла.
<2> При наличии металлической сетки или приспособления, препятствующего выпадению ламп.
<3> При выполнении ввода в светильник проводом с негорючей оболочкой или в стальной трубе.
<4> Применение светильников, имеющих рассеиватели или отражатели из горючих материалов запрещается.
<5> Во взрывоопасных зонах классов В-II и В-IIа рекомендуется применять электрооборудование, предназначенное для взрывоопасных зон со смесями горючих пылей или волокон с воздухом. При отсутствии такого электрооборудования допускается во взрывоопасных зонах класса В-II применять взрывозащищенное электрооборудование, предназначенное для работы в средах со взрывоопасными смесями газов и паров с воздухом, а в зонах класса В-IIа - электрооборудование общего назначения (без взрывозащиты), но имеющее соответствующую защиту оболочки от проникновения пыли, при условии, если температура поверхности электрооборудования, на которую могут осесть горючие пыли или волокна (при работе электрооборудования с номинальной нагрузкой и без наслоения пыли), будет не меньше, чем на 50° ниже температуры тления (для тлеющих пылей) или не более двух третей температуры самовоспламенения (для нетлеющих пылей).
Примечание. В обозначении степени защиты буква "Х" может иметь значения от 1 до 8 в зависимости от степени защиты светильников от попадания воды.
──────────────┬─────────────┬───────────────────────────────────────────────────
Степень защиты│ Тип │ Характеристика помещений
светильников │ источника ├───┬───┬─────┬──────┬─────────┬─────────┬──────────
по ГОСТ │ света │ Н │ В │ С │ОС
<1>│Х <
1,
4> │ П
<7> │ Ж
──────────────┼─────────────┼───┼───┼─────┼──────┼─────────┼─────────┼──────────
IP20 │ ЛЛ │ + │ x │ - │ - │ x
<8> │ x
<8> │ +
<10>
│ГЛВД, ЛН │ + │ x │x
<2>│ - │ - │ x
<8> │ +
IP23 │ЛЛ, ГЛВД, ЛН │(-)│ + │x
<3>│x
<3> │x <
3,
12>│ x
<8> │ x
2'0 │ ЛЛ │ + │ x │ (-) │ - │ - │ - │ x
<10>
│ГЛВД, ЛН │ + │ x │ (-) │ - │ - │ - │ x
<11>
5'0 │ГЛВД, ЛН │(-)│(-)│x
<2>│ - │ x │+ <
9,
13>│ +
5'4 │ ЛЛ │(-)│(-)│ + │ + │ + │ + │ +
<10>
│ ЛЛ │(-)│(-)│ + │ + │ + │ + │ x
<10>
IP54 │ГЛВД │(-)│(-)│ + │ + │ + │ + │ x
│ ЛН │(-)│(-)│ + │ + │ +
<5> │ + │ x
<11>
IP60 │ЛЛ, ГЛВД, ЛН │(-)│(-)│ + │ + │ + │ + │x <
10,
11>
IP64 │ЛЛ, ГЛВД, ЛН │(-)│(-)│ + │ + │ + │ + │x <
10,
11>
-----------------------------
<1> Предпочтительны светильники с корпусами и отражателями из влагостойкой пластмассы, фарфора, покрытые силикатной эмалью.
<2> Допускаются при отсутствии капель воды, падающих на светильник, и при наличии фарфорового патрона.
<3> При наличии брызг воды (раствора), падающих на светильник под углом свыше 60° к вертикали, установка светильников с ГЛВД и ЛН со степенями защиты IP23 и 5'3 запрещается.
<4> Рекомендуются светильники, специально предназначенные для химически активной среды.
<5> В условиях частых заливов (водой, растворами) рекомендуются светильники с боковым вводом проводов.
<6> При наличии брызг воды (и растворов), падающих на светильник под углом свыше 15° к вертикали, светильники со степенью защиты IP51 (с нетермостойким стеклом) допускаются при условии установки в них ламп меньшей мощности, чем номинальная для данного светильника.
<7> В пыльных помещениях рекомендуется применение в светильниках ламп с внутренним отражающим слоем и не рекомендуется применение светильников с экранирующими решетками, сетками и подобными элементами, способствующими запылению.
<8> Светильники со степенями защиты IP20, IP23 допускаются при ограниченном количестве пыли в зоне установки светильников.
<9> Светильники со степенью защиты 5'X предпочтительнее светильников со степенью защиты IP5Х, в частности, когда: количество пыли мало, пыль светлая, светильники располагаются в местах, неудобных для обслуживания, помещение жаркое. При гидроудалении пыли степень защиты должна быть, как правило, не ниже IP55 или 5'5 (временно допускаются светильники с исполнителями IP54 и 5'4).
<10> Рекомендуется применение амальгамных ЛЛ.
<11> Рекомендуется установка в светильниках со степенями защиты IP5Х, IP6Х и 2'Х ламп меньшей мощности, чем номинальная для данного светильника.
<12> Только при условии выполнения деталей светильников, контактов патронов и цоколей ламп из материала, неподверженного воздействию данной химически активной среды.
<13> Преимущественно с лампами-светильниками или рефлекторными ЛЛ.
Примечание. В таблице приняты следующие условные обозначения: а) условий среды в помещениях: Н - нормальная среда, В - влажная, С - сырая, ОС - особо сырая, Х - химически активная, П - пыльная; Ж - жаркая; б) целесообразности использования светильников: + - рекомендуются, x - допускаются, - - запрещаются; (-) - применение возможно, но нецелесообразно.
5.36. Выбор типа светильника из числа пригодных для заданных условий среды производится с учетом энергетической и экономической эффективности ОУ. При этом эффективность общего освещения независимо от принятой системы освещения должна определяться с учетом:
уровня нормируемой освещенности;
требований норм к качественным показателям освещения, в том числе ограничения отраженной блескости;
плоскости размещения основных рабочих поверхностей (горизонтальная, вертикальная, наклонная);
требований к цветопередаче или цветоразличению;
требований к равномерности распределения освещенности по рабочей зоне освещаемого помещения;
строительных решений освещаемого помещения (размер модуля, высота);
эксплуатационных характеристик светильников.
5.37. Одной из основных характеристик светильника является его светораспределение. В первую очередь следует определить для заданных условий наиболее эффективную кривую силы света.
ГОСТ 17677-82 устанавливает следующие основные типы кривых силы света (в любой полусфере): К - концентрированная, Г - глубокая, Д - косинусная, Л - полуширокая, М - равномерная, Ш - широкая, С - синусная. Для освещения производственных помещений используются в основном кривые типа К, Г, Д, Л.
Классификация выпускаемых промышленных светильников по светораспределению приведена в
[8],
[9].
5.38. При выборе типа светильников по светораспределению рекомендуется учитывать, что:
а) с увеличением высоты подвеса светильников следует, как правило, использовать светильники с более концентрированным светораспределением;
б) значения качественных показателей ОУ зависят от светораспределения светильников и схем их размещения. При одинаковом размещении светильников в пространстве освещаемого помещения чем концентрированнее их светораспределение, тем больше значения коэффициента пульсации освещенности и показателя неравномерности и тем меньше уровень слепящего действия ОУ. При любом светораспределении значения качественных показателей ОУ зависят от схем размещения световых приборов и, в частности, от относительного расстояния между ними -

и

. С увеличением отношений

и

значения показателя ослепленности и коэффициента пульсации освещенности возрастают, а равномерность распределения освещенности может изменяться неоднозначно. Поэтому выбор светораспределения светильников связан со строительными решениями помещений и должен учитывать технически возможное расположение светильников в пространстве освещаемого помещения;
в) при наличии в помещении требований к цветопередаче выбор типа светильника определяется рекомендуемым источником света по требованиям к цветопередаче. Как видно из
табл. 49, при очень высоких требованиях к цветопередаче желательно использовать в ОУ только ЛЛ;
г) при работах с блестящими изделиями (обработанные металлические поверхности, некоторые сорта пластмасс и стекла, шелковые нити или искусственные волокна и изделия из них и т.д.) уменьшить слепящее действие отраженной блескости можно как снижением яркости выходных отверстий светильников, так и их расположением, обеспечивающим направленность отраженных бликов вне поля зрения работающих. В отдельных случаях следует совмещать оба оказанных способа.
Изменения яркости выходного отверстия светильника связано, как правило, с применением рассеивателей, снижающих КПД светильников, что приводит к повышению расхода электроэнергии. При равномерном размещении рядов рабочих мест по помещению, что однозначно определяет направление линии зрения работающих, более эффективным способом снижения отраженной блескости является установка рядов светильников над проходами между оборудованием вдоль основной линии зрения работающих.
При освещении вертикальных или наклонных поверхностей целесообразно использовать светильники с более широким светораспределением (типа Л или Д). Однако при этом следует учитывать, что в высоких помещениях светильники с такими кривыми силы света малоэффективны.
При выборе типа светильника по исполнению следует учитывать его эксплуатационные качества. При наличии нескольких типов светильников, допустимых по исполнению, следует выбирать тот, который при прочих равных условиях имеет наивысшую эксплуатационную группу
[10].
5.39. Окончательный выбор типа светильника общего освещения ЛЛ, ДРЛ или МГЛ, удовлетворяющего всем требованиям норм к ОУ, необходимо производить по наименьшим приведенным затратам и (или) расходу электроэнергии. Для этого следует либо пользоваться типовыми решениями, либо проводить многовариантные светотехнические расчеты проектируемой ОУ с последующей технико-экономической и энергетической оценкой светотехнически равноценных вариантов. Для сокращения объема перебора можно пользоваться обобщенными рекомендациями
[5], разработанными для помещений с нормальными условиями среды

при условии размещения светильников по фермам. При ином расположении светильников (тросы, короба, мостики) эти рекомендации могут быть использованы, если расстояния между светильниками равны принятым в рекомендациях (например, для модуля 12 x 24 м при размещении светильников в ряду через 6 м можно использовать рекомендации для модуля 6 x 24 м).
Выбор технико-экономически и энергетически эффективного светораспределения светильников с ГЛВД зависит от нормируемой освещенности и строительных параметров освещаемого помещения. Для ОУ с нормируемыми освещенностями от 150 до 500 лк можно воспользоваться следующими обобщенными рекомендациями
[5]:
светильники с ДРЛ мощностью от 250 до 2000 Вт, имеющие КСС Д, целесообразно применять в помещениях высотой до 6 - 7 м при строительном модуле 6 x 6 м и до 9 - 12 м при строительных модулях 6 x 12, 6 x 18 и 6 x 24 м;
светильники с ДРЛ от 250 до 2000 Вт, имеющие КСС Г, целесообразно использовать в соответственно более высоких помещениях: при строительном модуле 6 x 6 м - до высот 10 - 11 м, при модуле 6 x 12 м - до 12 - 13 м, при модулях 6 x 18, 12 x 18 и 6 x 24 м - до 18 - 20 м;
при необходимости освещения еще более высоких помещений надо использовать светильники с КСС К;
светильники с лампами ДРИ (мощностью от 250 до 2000 Вт), имеющие КСС Д, целесообразно применять в помещениях высотой 6 - 7 м при строительных модулях 6 x 6, 6 x 12, 6 x 18, 6 x 24 м и высотой до 9 м при строительном модуле 12 x 18 м;
светильники с лампами ДРИ (от 250 до 2000 Вт), имеющие КСС Г, целесообразно использовать в соответственно более высоких помещениях: при строительном модуле 6 x 6 м - до высоты 11 м, при строительном модуле 6 x 12 м - до высоты 14,5 м, при модулях 6 x 18, 12 x 18 и 6 x 24 м - до высот 16 - 20 м;
при необходимости освещения еще более высоких помещений надо использовать светильники с ДРИ, имеющие КСС К.
Более детальные рекомендации по выбору технико-экономически и энергетически эффективных светораспределений при использовании в ОУ светильников с ДРЛ или ДРИ приведены в
[5].
5.40. Светильники с НЛВД (250, 400 Вт), вследствие высокой пульсации их светового потока и специфического спектра излучения при использовании двух-, трех- и четырехрядных схем размещения
[5] могут быть рекомендованы для освещения помещений высотой свыше 6 - 8 м при условии выполнения в них зрительных работ средней, малой и очень малой точности (разряды IV - VI, VIIIа по
СНиП II-4-79). Для освещения зрительных работ, относящихся к разрядам IIIб, в, г и IV НЛВД рекомендуется применять также в сочетании с МГЛ или с ДРЛ (в соответствии с рекомендациями
табл. 49в). Разноспектральные источники света могут применяться в одной ОУ как в отдельных светильниках, так и в специальных двухламповых светильниках с разноспектральными ГЛВД.
5.41. Светильники с лампами накаливания общего освещения применяются:
для освещения помещений с тяжелыми условиями среды и взрывоопасных, если отсутствуют средства освещения с ГЛ;
в помещениях, где выполняются работы VI и VIII разрядов в случае технико-экономической целесообразности;
в помещениях (независимо от выполняемых в них работ), где необходимо исключение радиопомех;
для эвакуационного и аварийного освещения, когда рабочее освещение выполнено лампами ГЛВД; при этом, если единичная мощность светильника составляет 1000 Вт и более, рекомендуется использовать светильники с галогенными лампами накаливания типа КГ;
при освещении тоннелей, галерей, площадок, помещений с временным пребыванием людей, если ОУ с ЛН технико-экономически выгодны.
5.42. Во взрыво- и пожароопасных помещениях, а также в помещениях, где доступ к светильникам для их обслуживания затруднен, рекомендуется применять осветительные устройства со щелевыми светильниками-световодами (ЩСС), в которых вводное устройство с источниками света может быть расположено вне освещаемого помещения. Это существенно упрощает эксплуатацию. Краткое описание ЩСС и целесообразные области их использования проведены в [
11 -
14].
РАЗМЕЩЕНИЕ СВЕТИЛЬНИКОВ ОБЩЕГО ОСВЕЩЕНИЯ
5.43. Окончательный экономически и энергетически целесообразный выбор типов светильников при проведении повариантных расчетов должен производиться с учетом их размещения в освещаемом помещении.
5.44. Размещение светильников общего освещения (независимо от принятой системы освещения) может быть равномерным или локализованным. Общие рекомендации по применению локализованного размещения светильников изложены в
п. 5.9 настоящего Пособия. Рекомендации по принципам локализации светильников должны приводиться в отраслевых документах.
5.45. Под равномерным размещением светильников понимается повторяющееся в каждом строительном модуле одно и то же расположение световых точек или светящих линий для протяженных светильников; расстояние между соседними светильниками в модуле может быть неодинаковым по длине и ширине помещения.
Равномерность распределения освещенности по освещаемой горизонтальной поверхности зависит от схемы расположения светильников и размещения их по длине и ширине помещения. Равномерность распределения освещенности зависит от принятого в проекте расстояния крайних рядов светильников от стен или ряда колонн - а в продольном сечении - от расстояния между светильниками в ряду

по длине помещения. Расстояние между круглосимметричными светильниками в рядах определяется, как правило, шагом колонн.
5.46. При равномерном размещении светильников число рядов круглосимметричных светильников или линий светильников с ЛЛ в освещаемом помещении определяется уровнем нормируемой освещенности, требованиями к качественным показателям ОУ, строительными параметрами помещения и светораспределением светового прибора.
При этом желательно учитывать, что:
увеличение числа рядов круглосимметричных светильников с ГЛВД и ЛН приводит к снижению единичной мощности световых приборов, а следовательно, как правило, к увеличению числа светильников и повышению капитальных затрат на ОУ и увеличению расходов на сети и монтажные работы, при этом снижается эффективность источников света, так как световая отдача для этих типов ламп возрастает с увеличением мощности;
при больших уровнях освещенности и высоких требованиях к качеству освещения, следует устанавливать в одной световой точке два или три светильника, а не увеличивать число их рядов;
расстояние крайних рядов светильников от стен (колонн) A следует, как правило, принимать равным 0,3 - 0,5 от расстояния между рядами светильников, независимо от принятой системы освещения; расстояние A выбирается тем меньше, чем ближе к стенам размещено технологическое оборудование: при наличии проходов у стен расстояние A следует увеличивать, так как в проходах освещенность может быть снижена по сравнению с нормируемым уровнем освещенности для рабочих зон;
сокращение числа рядов светильников с ЛЛ достигается сдваиванием светящих линий; увеличение числа маломощных светильников в ряду приводит к увеличению материальных затрат, однако расход электроэнергии при этом снижается, так как световая отдача ЛЛ возрастает с уменьшением их мощности.
5.47. Рекомендуется применять двух-, трех-, четырехрядное расположение люминесцентных и круглосимметричных светильников в помещении (
рис. 31 -
33); при необходимости светильники в световой точке могут быть сдвоены или даже утроены. Расположение круглосимметричных светильников на фермах (в строительных модулях) повторяется. Обычно принято располагать светильники в вершинах прямоугольников - равномерное размещение (схемы 1 - 3, 7, 8
рис. 31 и 1, 2
рис. 32) или параллелограммов - шахматное размещение (схемы 4 - 6, 9 - 11
рис. 31). При шахматном размещении светильников увеличиваются значения коэффициента пульсации освещенности и показателя неравномерности. Высокая единичная мощность светильников с ГЛВД и дискретные значения световых стоков в типоразмерном ряду ламп (250, 400, 700, 1000, 2000 Вт) приводят к тому, что для ОУ с наиболее часто встречающимися на практике уровнями освещенности (150, 200 и 300 лк) число светильников, необходимых для обеспечения нормативных требований, уменьшается. При этом значимость каждого светильника в установке возрастает. Поэтому использование только равномерных или шахматных размещений светильников ограничивает возможности повышения эффективности ОУ.
Освещенность в каждой точке рабочей поверхности для помещений высотой 6 м и более определяется суммарным действием светильников, расположенных на пяти - семи соседних фермах. В этой ситуации соблюдение требований равномерности распределения освещенности приводит к необходимости применять неравномерное размещение светильников по фермам, что позволяет получить дополнительные энергетически выгодные схемы их размещения. Неравномерное размещение создается либо за счет различного числа светильников в одной световой точке, либо разного расстояния между светильниками в рядах (см. схемы 12 - 16
рис. 31 и 3 - 5
рис. 32). Такие схемы условно называются неравномерными. Повышение энергетической эффективности осветительных установок за счет неравномерных схем имеет место в тех случаях, когда использование равномерного размещения приводит к значительному отклонению расчетной освещенности от нормированной. В этом же направлении действует в некоторых случаях и снижение неравномерности распределения освещенности, которое при использовании неравномерных схем получить значительно легче.
При необходимости снижения освещенности в центральной части пролета, где часто бывает расположен проход, прибегают к раздвижению рядов светильников в сторону колонн, что при использовании равномерных схем размещения дает ограниченный эффект, особенно малый при нечетном числе их рядов, когда центральный ряд сместить нельзя. В этом случае могут оказаться полезными неравномерные схемы размещения, менее загруженные в центре (схемы 12 - 16
рис. 31, 3 - 5
рис. 32). Как видно, разгрузка получается либо за счет пропуска части светильников в среднем ряду (расположение их через ферму), либо за счет размещения в этом ряду по одному светильнику в точке вместо двух, как это имеет место в крайних рядах. При необходимости снижения освещенности по оси помещения в широких пролетах могут быть полезны четырехрядные схемы размещения (см.
рис. 32, схемы 3 - 5), так как их средние ряды загружены меньше крайних.
5.48. Разработку проектов общего освещения (независимо от принятой системы освещения) в ОУ основных крупных цехов предприятия, обеспечивающих выполнение требований норм по количественным и качественным показателям, необходимо производить на основе рекомендаций [
5,
7] с использованием типовых проектных решений (или соответствующих указаний в отраслевых документах по освещению). При отсутствии таких материалов разработку проекта рекомендуется производить в следующей последовательности:
определить строительные характеристики освещаемого помещения и размещение технологического оборудования;
определить точность зрительных работ (разряд устанавливается по
СНиП II-4-79), уровень нормируемой освещенности и регламентируемые значения неравномерности

коэффициента пульсации

и показателя ослепленности P;
выявить специфические требования к освещению, связанные с особенностями технологии производственного процесса или оборудования, а также спецификой зрительных задач (например, в процессе работы требуется различение цветов или объемных объектов, имеется возможность затенения рабочих мест элементами оборудования и т.д.);
выбрать тип источника света;
выбрать тип светильника по исполнению и светораспределению с учетом условий среды и возможной высоты его подвеса;
выбрать наиболее пригодные для рассматриваемого объекта схемы размещения светильников, пользуясь
рис. 31 -
33;
выбрать местоположение контрольных точек для расчета освещенности, разместив их в одном из средних модулей помещения;
рассчитать в каждой контрольной точке условную горизонтальную освещенность

и ее слагаемые

,

,

при условии включения светильников в разные фазы трехфазного тока;
рассчитать

можно на ЭВМ (при наличии соответствующей программы) или любым точечным методом, из числа изложенных в
разд. 7; при расчете условной горизонтальной освещенности в каждой контрольной точке следует учитывать действие всех тех светильников, условная освещенность от которых в данной расчетной точке составляет не менее 3 - 5% ее суммарной величины;
рассчитать

как отношение максимального значения

к ее минимальному значению

из расчетных значений

в контрольных точках;
определить

в каждой контрольной точке с учетом рассчитанных для нее значений

,

и

, пользуясь методом, изложенным в
разд. 7, и проверить, удовлетворяют ли полученные расчетные значения

нормативным требованиям по ограничению пульсации освещенности (кроме ОУ с ЛЛ типа ЛБ);
определить мощность светильников, при которой выполняются требования норм по обеспечению необходимой освещенности и коэффициента запаса;
проверить для круглосимметричных светильников по инженерному методу расчета соответствие P требованиям норм; в случае, если по всем параметрам, кроме P, расчетный вариант ОУ соответствует требованиям норм и имеются предпосылки, изложенные в
п. 5.25, поверочный расчет коэффициента ослепленности следует произвести по
формуле (94) после определения мощности светильников в ОУ; определение P для установок с ЛЛ по инженерному методу расчета следует производить после установления мощности светильников и типа ЛЛ по спектру;
окончательный выбор варианта ОУ из нескольких светотехнически равноценных производится на последней стадии проектирования по приведенным затратам и (или) по минимальному расходу электроэнергии.
УСТРОЙСТВО МЕСТНОГО ОСВЕЩЕНИЯ (МО)
5.49. Уровень освещенности, создаваемый светильниками местного освещения

в системе комбинированного, зависит от значения освещенности, регламентируемого для общего освещения

, так как

, где

- уровень нормируемой освещенности при системе комбинированного освещения. Поскольку нормами ограничивается нижний предел

в системе комбинированного, то относительные значения

изменяются, но не должны превышать 90%

при выполнении общего освещения светильниками с газоразрядными источниками света.
5.50. Коэффициент запаса для МО при проектировании не предусматривается, так как эти установки легко очищаются, а лампы в них, в случае необходимости, могут быть быстро заменены.
5.51. В установках местного освещения должны предусматриваться меры по ограничению слепящего действия, вызываемого прямой или отраженной блескостью. Прямая блескость ограничивается регламентируемым защитным углом светильника. Требования к этому параметру светильника могут быть снижены, если светильник расположен ниже уровня глаз наблюдателя.
При работе с блестящими изделиями необходимо принимать меры по ограничению ослепленности, возникающей за счет наличия отраженной блескости. С целью устранения или снижения действия отраженной блескости необходимо:
располагать светильник МО таким образом, чтобы отраженный блестящей поверхностью блик не попадал в глаза работающего;
применять светильники, имеющие меньшую яркость выходного отверстия (например, светильник с люминесцентными лампами, перекрытий светорассеивающим стеклом).
5.52. В светильниках МО, выпускаемых отечественной промышленностью, используются ЛЛ либо ЛН
[15]. Светильники серий ЛНП01 (с ЛЛ типа ЛБ мощностью 2 x 15, 2 x 20 либо 2 x 30УВт) и МЛ2 x 40 рекомендуется применять для освещения работ различной точности, выполняемых на конвейерах, верстаках и отдельных рабочих местах, расположенных в помещениях с нормальными условиями среды.
Светильники серий ЛКС01 с маломощными ЛЛ (2 x 4, 2 x 6 либо 2 x 8 Вт) предназначены, в основном, для освещения рабочих мест на универсальных шлифовальных станках. Для освещения рабочей зоны токарных, фрезерных и других станков, расположенных в помещениях с нормальными условиями среды, рекомендуется использовать светильники серии СГС-1 или НКС01 с ЛН. При возможности значительного загрязнения отражателя (работа с эмульсиями) следует использовать в них ЛН с внутренним отражающим слоем типа МОД или МОЗ. Деревообрабатывающие станки могут быть освещены светильниками НКП01, пригодными для работы в пожароопасных помещениях, а рабочие зоны прессов - светильниками типа НВП01 и НКП01.
Для высвечивания рабочей поверхности в зоне иглы швейной машины предусмотрены светильники типа НКПО2-25. Пульты управления различных агрегатов и машин могут быть освещены с помощью светильника С-2ХБ (С-2ХБМ).
Ручные переносные светильники типов ПЛ-64; СПЛ-2 с линзой, СПЛ-2М могут быть использованы для освещения рабочих зон на машинах и агрегатах, типов ПЛТ-50, ПЛТ-67А, ПЛТМ - при ремонте и осмотре оборудования; ПР-60В, РВ042, БП-62-ВМ, ВРН-60 - при временных работах во взрывоопасных помещениях.
При выборе типа светильника МО для освещения конкретных рабочих мест необходимо одновременно учитывать конструктивные возможности крепления светильника в рабочей зоне, конструкцию кронштейна и шарниров, а также выбирать его оптимальное размещение в рабочей зоне.
5.53. Местное освещение в зависимости от технологии производства и характера организации рабочих мест может быть реализовано двумя способами: индивидуальным и групповым. При первом способе на каждое рабочее место устанавливается индивидуальный светильник МО. Второй способ пригоден для освещения группы или нескольких однотипных рабочих мест, компактно расположенных в помещении: конвейеров, поточных линий сборки, цепочек или групп столов и стендов, либо сдвоенных или многоместных столов и верстаков. В этих случаях первый способ освещения также может применяться, но приводит к менее эффективным установкам МО. Более выгодным с энергетической и экономической точки зрения является освещение группы компактно расположенных рабочих мест с помощью линии светильников МО (или группы светильников), рассчитанной на освещение всех рабочих мест комплекса совместно [
23,
25].
При выборе расположения светильника или группы светильников МО в каждом конкретном случае надо учитывать не только нормативные требования к МО, но и специфические требования и ограничения, которые могут быть связаны с:
малым размером рабочей зоны;
невозможностью значительного приближения светильников МО к рабочей поверхности (различаемому объекту) ввиду больших габаритов изготовляемых изделий или особенностей технологического процесса (установка деталей на рабочее место с помощью крана и т.п.);
необходимостью обеспечения заданного направления падения светового потока;
необходимостью устранения отраженных бликов;
целесообразностью размещения светильника справа от работающего и т.п.
При массовом проектировании МО рекомендуется пользоваться "Альбомом типовых решений установок местного освещения (материалы для проектирования)" и [
24,
25]. Примеры решений МО (для единичных слесарных верстаков, расположенных у стены, с подачей деталей на них с помощью мостового крана, кран-балки и т.п., а также для одиночных столов сборки и контроля, где выполняются зрительные работы высокой точности), взятые из указанного Альбома, приведены на рис. 34 -
36.
Рис. 34. Местное освещение одиночных слесарных верстаков,
расположенных у стены, с подачей на них деталей мостовым
краном, кран-балкой и т.п.
1 - светильник ЛД-2 x 65 с ЛЛ типа ЛБ;
2 - светильник НКС01 x 100 с ЛН;
3 - уголок К236; 4 - защитный экран
Рис 35. Местное освещение индивидуально расположенных
столов сборки и контроля для выполнения работы
высокой точности
1 - светильник ЛНП01-2 x 30 с ЛЛ типа ЛБУ;
2 - блок управления с ПРА; 3 - коробка осветительная У994;
4 - металлорукав РЗ-Ц-Х-22; А - центр рабочей зоны
Рис. 36. Местное освещение индивидуально расположенных
столов сборки, где выполняются зрительные работы высокой
точности, требующие направленного освещения
1 - светильник НКС01 x 100/П20-01-У4 с ЛН;
2 - коробка осветительная У994;
3 - металлорукав РЗ-Ц-Х-22; А - центр рабочей зоны
Работы, проводимые на слесарных верстаках, связаны иногда с обработкой крупногабаритных изделий, подающихся на верстак при помощи кран-балки или мостового крана. Светильник с ЛЛ для предохранения МО от возможных повреждений при установке изделия на верстак краном отодвинут к заднему краю стола; светильник с ЛН выбран такой конструкции, которая позволяет при необходимости быстро наклонить его, освободив ручкой фиксатор шарнира в основании. Расположив светильник параллельно горизонтальной поверхности верстака, можно свободно установить обрабатываемое изделие в тиски или рядом - на рабочее место
(рис. 34).
Индивидуальные столы сборщиков и контролеров изделий бывают расположены как индивидуально, так и внутри поточной линии или конвейера
(рис. 35). Рекомендуемый тип светильника и предложенная схема его размещения позволяют обеспечить нормируемый уровень освещенности в рабочей зоне при возможности изменения в случае необходимости высоты расположения выходного отверстия светильника. Установка дополнительного защитного козырька позволяет избежать ослепления человека, работающего на соседнем рабочем месте.
При некоторых видах сборки и контроля, особенно когда монтаж ведется внутри объема изделия, для освещения удобно использовать светильники направленного света
(рис. 36). Концентрированный световой поток позволяет наилучшим образом высветить элементы, расположенные внутри объема, практически в любой плоскости. Для обеспечения нормируемого уровня освещенности из серийно выпускаемых светильников рекомендуется использовать светильник типа НКС01 с лампой типа МОЗ, что обеспечивает возможность ориентации сконцентрированного светового потока в нужном при работе направлении. Каждый рисунок в Альбоме представлен на двух-трех листах и содержит необходимый для проектирования набор информации о рекомендуемой установке МО, включающий:
краткую светотехническую характеристику зрительных задач и осложняющих обстоятельств, а также основные технические параметры серийно выпускаемого светильника (светильников), рекомендуемого к использованию;
размещение светильника (светильников) на рабочем месте с необходимыми для этого конструктивными элементами;
схему подключения установки МО к электропитанию;
спецификацию изделий, необходимых для комплектации осветительной установки МО.
Наличие такого комплекта сведений для каждой рекомендуемой ОУ МО позволяет не только пользоваться предлагаемым решением в условиях, для которого оно рекомендовано, но и компоновать в некоторых случаях новые решения из отдельных элементов установок МО, представленных в Альбоме, с учетом имеющей место конкретной специфики
[23] -
[25].
ПРИМЕРЫ ОСВЕТИТЕЛЬНЫХ УСТАНОВОК
5.54. Приведенные примеры ОУ производственных помещений характерны для многих отраслей промышленности. Выбор ОУ для заданного производственного помещения производится по минимуму энергетических или материальных затрат. Более полные рекомендации по освещению производственных помещений в разных отраслях промышленности приведены в
[1].
ОСВЕЩЕНИЕ МЕХАНИЧЕСКИХ ЦЕХОВ
5.55. Для механических цехов используется, как правило, система комбинированного освещения. Для цехов серийного выпуска деталей уровень нормируемой освещенности составляет 2000 лк (разряд IIв). При этом общее освещение должно создавать на уровне 0,8 м от пола 300 лк с коэффициентом запаса

. Для этого разряда работ качественные показатели ОУ не должны превышать следующих значений: коэффициент неравномерности при освещении, выполненном ЛЛ - 1,5; при ГЛВД - 2; показатель ослепленности - 20; коэффициент пульсации - 20% для общего освещения в системе комбинированного освещения и 10% для местного освещения.
В качестве источников света рекомендуются ЛЛ типа ЛБ в светильниках с косинусным светораспределением при высоте подвеса не более 5 - 7 м над уровнем рабочей поверхности. При

высотах подвеса должны использоваться зеркальные светильники с ЛЛ, либо диффузные светильники с ДРЛ или МГЛ.
Пример 1. Необходимо осветить механический цех с нормальными условиями среды, расположенный в помещении с достаточным по нормам естественным светом; сетка колонн размером 6 x 18 м, высота помещения 10 м (см. рис. 37). Оборудование цеха расположено в четыре ряда.
Рис. 37. Размещение светильников в помещении
механического цеха со строительным модулем 6 x 18 м,
высотой 10 м
а - светильники с лампами типа ДРИ, размещенные
по схеме 7
рис. 31; б - светильники с лампами типа ДРЛ,
Для лучшего освещения механизмов управления станками рекомендуется линии светильников устанавливать не над суппортами станков, а сдвигать их в сторону механизмов управления на 0,5 - 1 м, т.е. устанавливать их над проходами.
Рассмотрим несколько возможных вариантов устройства освещения для этого цеха, представленных в табл. 52 и показанных на
рис. 37. Все они обеспечивают заданные требования норм по количественным и качественным показателям освещения.
─────┬──────┬───────────────────┬─────┬────────┬────────┬──────────────────
N │Тип │ Светильник │Номер│Число │Удельная│ Затраты
вари-│источ-│ │схемы│светиль-│установ-│на 1 модуль, руб.
анта │ника ├─────┬──────┬──────┤ (по │ников на│ленная ├─────┬─────┬──────
ОУ │света │ тип │свето-│мощ- │рис. │модуль, │мощ- │капи-│экс- │приве-
│ │ │рас- │ность,│
31) │шт. │ность, │таль-│плуа-│денные
│ │ │преде-│Вт │ │ │Вт/м2 │ные │таци-│годо-
│ │ │ление │ │ │ │ │ │онные│вые
─────┼──────┼─────┼──────┼──────┼─────┼────────┼────────┼─────┼─────┼──────
1 │ ДРЛ │РСП05│ Г │ 700 │ 12 │ 2,5 │ 16,0 │ 303 │ 104 │ 150
2 │ " │РСП05│ К │ 400 │ 15 │ 4,5 │ 16,7 │ 356 │ 117 │ 170
3 │ ДРИ │ГСП18│ Г │ 400 │ 7 │ 3,0 │ 11,1 │ 356 │ 96 │ 149
Примечания. 1. Варианты 1 и 3 являются более экономичными по сравнению с вариантом 2.
2. При расчете приведенных затрат здесь и в
табл. 54 -
58 коэффициент окупаемости принимался равным 0,15.
3. Число светильников на модуль равно полусумме светильников, установленных на двух соседних фермах.
Анализ
табл. 52 показывает, что наиболее эффективным по энергетическим и материальным затратам является вариант 3 с лампами МГЛ; при невозможности использовать этот вариант следует применять вариант 1 с лампами ДРЛ.
Пример 2. Механический цех расположен в помещении со строительным модулем 6 x 12 м, высотой 6 м. Рассмотрим также 3 возможных варианта ОУ с разными источниками света, представленных в табл. 53 и на
рис. 38.
─────┬──────┬─────────────────────┬─────┬──────┬────────┬──────────────────
N │Тип │ Светильник │Номер│Число │Удельная│ Затраты
вари-│источ-│ │схемы│све- │установ-│на 1 модуль, руб.
анта │ника ├───────┬──────┬──────┤ (по │тиль- │ленная ├─────┬─────┬──────
ОУ │света │ тип │свето-│мощ- │рис. │ников │мощ- │капи-│экс- │приве-
│ │ │рас- │ность,│
31, │на мо-│ность, │таль-│плуа-│денные
│ │ │преде-│Вт │
33) │дуль, │Вт/м2 │ные │таци-│годо-
│ │ │ление │ │ │шт. │ │ │онные│вые
─────┼──────┼───────┼──────┼──────┼─────┼──────┼────────┼─────┼─────┼──────
1 │ ЛЛ │ ЛСП02 │ Д │2 x 65│ 1 │ 7,2 │ 13 │ 294 │ 75 │ 119
│ типа │(откры-│ │ │ │ │ │ │ │
│ ЛБ │тый) │ │ │ │ │ │ │ │
2 │ ДРЛ │РСП05; │ Д │ 400 │ 13 │ 3,5 │ 19 │ 256 │ 91 │ 132
│ │УПДДРЛ │ │ │ │ │ │ │ │
3 │ МГЛ │ ГСП18 │ Д │ 400 │ 12 │ 2,5 │ 13,9 │ 296 │ 80 │ 124
Рис. 38. Размещение светильников в помещении
механического цеха со строительным модулем 6 x 12 м
а - с лампами типа ДРЛ по схеме 13
рис. 31;
б - то же, с лампами типа ДРИ по схеме 12
рис. 31;
Анализ вариантов, приведенных в
табл. 53, показывает преимущество 1-ого и 3-его из них (с МГЛ). По спектральным характеристикам эти лампы вполне могут конкурировать с ЛЛ типа ЛБ. Поэтому при наличии соответствующих светильников им следует отдать предпочтение. Сравнивая между собой первые два варианта, можно отметить, что по капитальным затратам 1 вариант дороже 2 на 15%, по приведенным расходам он дешевле, чем второй, на 10%, а по расходу электроэнергии (с учетом потерь в ПРА) на 33% экономичнее, чем второй. Поэтому при выборе между первым и вторым вариантами следует отдать предпочтение установке с ЛЛ, обеспечивающей лучший спектральный состав излучения, возможность снижения затенений и экономию электроэнергии более чем на 30%.
Станочное оборудование в механических цехах поставляется, как правило, укомплектованным светильниками местного освещения. Кроме станков в механических цехах имеются слесарные верстаки, разметочные плиты и другое оборудование, на рабочих местах которого в проектной документации на искусственное освещение должно предусматриваться местное освещение. Рекомендации по этому вопросу имеются в настоящем Пособии.
ОСВЕЩЕНИЕ СБОРОЧНЫХ ЦЕХОВ
5.56. Сборочные цехи имеются во многих отраслях промышленности (станкостроение, машиностроение, приборостроение, электромашиностроение и другие подотрасли электротехнической промышленности, деревообрабатывающая промышленность и т.д.). В зависимости от размеров собираемых объектов сборочные цехи могут располагаться в многоэтажных зданиях, высота помещений 3,5 - 5 м, (например, сборка приборов, инструмента, часов и т.п.) и в одноэтажных зданиях различной высоты (вплоть до 20 м и более).
В сборочных цехах может использоваться система комбинированного освещения (например, сборка часов, приборов и т.п. и узловая сборка в машиностроении) или система общего освещения (общая сборка станков, машин разного назначения и т.п.).
По точности и сложности выполняемых работ и по характеру зрительных задач помещения сборки могут относиться ко II - IV разрядам работ по нормам. Соответственно изменяются и требования к количественным и качественным нормируемым показателям ОУ.
В сборочных цехах могут быть применены в зависимости от нормативных требований и строительных решений все типы газоразрядных ламп (ЛЛ и ГЛВД), а также световые приборы с различным светораспределением. Рассмотрим примеры освещения сборочных цехов различного назначения.
Пример 3. Цех узловой сборки машиностроительного завода расположен в помещении со строительным модулем 6 x 18 м, высотой 8 м. По роду выполняемых работ в этом цехе требований к цветопередаче не имеется и отраженная блескость отсутствует. Рабочие столы расположены по цеху любым образом (неорганизованно). Рассмотрим ОУ, выполненную системой комбинированного освещения. Зрительная работа в цехе относится к разряду IIIб; нормируемая освещенность 1000 лк. Освещенность от общего освещения по цеху на уровне 0,8 м от пола в горизонтальной плоскости 300 лк (с учетом необходимости подсвечивания разноориентированных плоскостей в зоне работ). Качественные показатели для этого цеха не должны превышать: неравномерность для установок с ЛЛ - 1,5, с ГЛВД - 2; показатель ослепленности - 40, коэффициент пульсации - 15%.
Размещение светильников принимается равномерным по помещению. Возможные варианты ОУ, обеспечивающие выполнение всех нормативных требований с учетом коэффициента запаса 1,5, представлены в табл. 54 и на
рис. 39.
─────┬──────┬─────────────────────┬─────┬──────┬────────┬──────────────────
N │Тип │ Светильник │Номер│Число │Удельная│ Затраты
вари-│источ-│ │схемы│све- │установ-│на 1 модуль, руб.
анта │ника ├───────┬──────┬──────┤ (по │тиль- │ленная ├─────┬─────┬──────
ОУ │света │ тип │свето-│мощ- │рис. │ников │мощ- │капи-│экс- │приве-
│ │ │рас- │ность,│
31, │на мо-│ность, │таль-│плуа-│денные
│ │ │преде-│Вт │
33) │дуль, │Вт/м2 │ные │таци-│годо-
│ │ │ление │ │ │шт. │ │ │онные│вые
─────┼──────┼───────┼──────┼──────┼─────┼──────┼────────┼─────┼─────┼──────
1 │ ЛЛ │ ЛСП22 │ Д │2 x 65│ 2 │ 11,5 │ 13,9 │ 471 │ 119 │ 190
│ │(откры-│ │ │ │ │ │ │ │
│ │тый) │ │ │ │ │ │ │ │
2 │ ДРЛ │УПДДРЛ │ Д │ 400 │ 2 │ 4,0 │ 15,0 │ 306 │ 104 │ 150
│ │ РСП05 │ │ │ │ │ │ │ │
3 │ МГЛ │ГСП18, │ Д │ 400 │ 13 │ 3,5 │ 13,0 │ 415 │ 112 │ 174
│ │ ГСП05 │ │ │ │ │ │ │ │
Рис. 39. Размещение светильников на участке узловой сборки,
расположенном в помещении со строительным модулем 6 x 18 м
высотой 8 м: условные обозначения см. на
рис. 37 и
38
а - с ЛЛ по схеме 2
рис. 33; б - с лампами типа ДРЛ
по схеме 2
рис. 31; в - с лампами типа ДРИ
Анализ вариантов, приведенных в
табл. 54, показывает, что наиболее эффективным является вариант 3. При невозможности использования ламп МГЛ из первых двух вариантов следует отдать предпочтение первому, так как он по качественным показателям (затенение рабочих поверхностей, спектр излучения) лучше, а по расходу электроэнергии они равноценны (с учетом потерь в ПРА). По физиолого-гигиеническим соображениям для освещения точных зрительных работ не рекомендуется применять лампы ДРЛ в невысоких помещениях.
Местное освещение для этого помещения выбирается в соответствии с рекомендациями настоящего пособия и в зависимости от протяженности рабочих столов и их устройства.
Пример 4. Цех сборки крупных станков размещен в одноэтажном здании высотой 18 м со строительным модулем 6 x 24, с достаточным по нормам естественным светом и нормальными условиями среды. Рекомендуется использовать систему общего освещения с равномерным размещением светильников. Зрительная работа в цехе относится к разряду IIIб. Общий уровень освещенности по цеху должен составлять 300 лк с коэффициентом запаса 1,5. Для ОУ в помещениях, где производятся работы этого разряда, при использовании ламп ГЛВД регламентируются: неравномерность - не более 2; показатель ослепленности - не более 40; коэффициент пульсации освещенности - не более 15%.
В этом помещении в качестве источника света можно использовать лампы ДРЛ и МГЛ. Из вариантов ОУ в качестве оптимальных для этих источников света выбраны приведенные в табл. 55 и на
рис. 40 варианты, удовлетворяющие нормативным требованиям по всем показателям освещения.
─────┬──────┬─────────────────────┬─────┬──────┬────────┬──────────────────
N │Тип │ Светильник │Номер│Число │Удельная│ Затраты
вари-│источ-│ │схемы│све- │установ-│на 1 модуль, руб.
анта │ника ├───────┬──────┬──────┤ (по │тиль- │ленная ├─────┬─────┬──────
ОУ │света │ тип │свето-│мощ- │рис. │ников │мощ- │капи-│экс- │приве-
│ │ │рас- │ность,│
31) │на мо-│ность, │таль-│плуа-│денные
│ │ │преде-│Вт │ │дуль, │Вт/м2 │ные │таци-│годо-
│ │ │ление │ │ │шт. │ │ │онные│вые
─────┼──────┼───────┼──────┼──────┼─────┼──────┼────────┼─────┼─────┼──────
1 │ ДРЛ │ РСП05 │ К │ 400 │ 16 │ 5,0 │ 14,0 │ 395 │ 130 │ 189
2 │ МГЛ │ ГСП18 │ К │ 400 │ 13 │ 3,5 │ 9,7 │414,7│111,7│173,9
Рис. 40. Размещение светильников в сборочном цехе
со строительным модулем 6 x 24 м, высотой 18 м
а - с лампами ДРЛ по схеме 16
рис. 31;
б - то же, с лампами типа ДРИ по схеме 13
рис. 31
Анализ указанных в
табл. 55 вариантов показывает, что по капитальным затратам вариант 2 превышает первый на 5%, а по эксплуатационным - экономичнее примерно на 15%; по приведенным годовым затратам они практически равны. Расход электроэнергии в варианте 2 меньше, чем в первом примерно на 45%. Таким образом, предпочтение следует отдать ОУ с лампами МГЛ. Приведенный технико-экономический анализ надлежит при использовании вариантов уточнять с учетом цен на изделия, действующих в данный период времени.
ГАЛЬВАНИЧЕСКИЕ ЦЕХИ, УЧАСТКИ МЕТАЛЛОПОКРЫТИЙ
5.57. Для нанесения металлопокрытий изделия последовательно погружаются в специальные ванны с различными растворами, расположенные, как правило, рядами. Наиболее современным технологическим оборудованием являются автоматизированные линии, включающие в себя весь цикл металлизации. При этом ванны располагаются выше уровня пола и обслуживаются со специальных помостов. Контроль качества покрытия осуществляется на выходе изделий из ванн. Операции контроля изделий производятся на отдельных рабочих местах, а иногда выносятся за пределы помещения с ваннами.
На участке металлопокрытий следует, как правило, использовать систему общего освещения с установкой, в случае необходимости, светильников местного освещения на рабочих местах контроля изделий, если они находятся в том же помещении. При выборе исполнения светильников следует учитывать химически активную среду этих цехов.
Пример 5. Участок металлопокрытий станкостроительного завода расположен в помещении высотой 4 м со строительным модулем 6 x 9 м. Для этого помещения, относящегося по зрительным работам к разряду IVб + 1, нормируется освещенность 300 лк при системе общего освещения с коэффициентом запаса 1,8. В указанном помещении следует использовать из газоразрядных ламп только ЛЛ, так как на этой высоте подвеса лампы ДРЛ и МГЛ применять нецелесообразно.
Использование светильников 5 - 7 эксплуатационных групп позволяет снизить коэффициент запаса на 0,2, и его значение в этом случае будет равно 1,6. В табл. 56 и на
рис. 41 представлены различные варианты освещения светильниками для ЛЛ, имеющими защиту от внешней среды не менее 5'0.
─────┬──────┬─────────────────────────┬─────┬──────┬────────┬──────────────────
N │Тип │ Светильник │Номер│Число │Удельная│ Затраты
вари-│источ-│ │схемы│све- │установ-│на 1 модуль, руб.
анта │ника ├───────────┬──────┬──────┤ (по │тиль- │ленная ├─────┬─────┬──────
ОУ │света │тип и коэф-│свето-│мощ- │рис. │ников │мощ- │капи-│экс- │приве-
│ │фициент │рас- │ность,│
33) │на мо-│ность, │таль-│плуа-│денные
│ │запаса K │преде-│Вт │ │дуль, │Вт/м2 │ные │таци-│годо-
│ │ з │ление │ │ │шт. │ │ │онные│вые
─────┼──────┼───────────┼──────┼──────┼─────┼──────┼────────┼─────┼─────┼──────
1 │ ЛБ │ ПВЛП или │ Д │2 x 40│ 1 │ 17 │ 25,2 │808,0│151,8│ 272
│ │ ЛСП-14 │ │ │ │ │ │ │ │
│ │(К = 1,6) │ │ │ │ │ │ │ │
│ │ з │ │ │ │ │ │ │ │
2 │ ЛБР │ ПВЛМ │ Д │2 x 80│ 1 │ 10 │ 29,6 │447,8│ 120 │ 187
│ │(К = 1,6) │ │ │ │ │ │ │ │
│ │ з │ │ │ │ │ │ │ │
3 │ ЛБ │ ПВЛМ-ДО │ Д │2 x 65│ 1 │ 10,2 │ 24,6 │ 448 │ 109 │ 176,5
│ │(К = 1,8) │ │ │ │ │ │ │ │
│ │ з │ │ │ │ │ │ │ │
Примечание. Во всех вариантах все светящие линии сдвоенные и располагаются на расстоянии 2 м от стен.
Рис. 41. Размещение светильников с ЛЛ на участке
металлопокрытий, расположенном в помещении
со строительным модулем 6 x 9 м, высотой 4 м:
условные обозначения см. на
рис. 38
(размещение сдвоенных линий светильников типа ПВЛП-2 x 40
либо светильников типа ПВЛМ-2 x 80 с ЛБР
или ПВЛМ-ДО-2 x 65 по схеме 1
рис. 33)
Анализ вариантов освещения участка металлопокрытий, приведенных в
табл. 56, показывает, что использование открытых светильников ПВЛМ-ДО (это возможно при отсутствии опасности возникновения отраженной блескости) с относительно высоким КПД более эффективно, несмотря на более высокое значение

.
Вариант 2 по материальным затратам более экономичен, чем первый, но приводит к перерасходу электроэнергии на 17%. При наличии отраженной блескости его применять не следует.
Пример 6. Участок металлопокрытий расположен, как и в
примере 5, в помещении со строительным модулем 6 x 9 м, но высотой 8 м. Возможные варианты освещения представлены в табл. 57 и на
рис. 42.
─────┬──────┬─────────────────────────┬─────┬──────┬────────┬───────────────────
N │Тип │ Светильник │Номер│Число │Удельная│ Затраты
вари-│источ-│ │схемы│све- │установ-│ на 1 модуль, руб.
анта │ника ├───────────┬──────┬──────┤ (по │тиль- │ленная ├──────┬─────┬──────
ОУ │света │тип и коэф-│свето-│мощ- │рис. │ников │мощ- │капи- │экс- │приве-
│ │фициент │рас- │ность,│
33) │на мо-│ность, │таль- │плуа-│денные
│ │запаса K │преде-│Вт │ │дуль, │Вт/м2 │ные │таци-│годо-
│ │ з │ление │ │ │шт. │ │ │онные│вые
─────┼──────┼───────────┼──────┼──────┼─────┼──────┼────────┼──────┼─────┼──────
1 │ ЛБР │ ПВЛМ │ Д │2 x 80│ 1 │ 13,8 │ 40,8 │618,0 │165,6│ 258
│ │(К = 1,6) │ │ │ │ │ │ │ │
│ │ з │ │ │ │ │ │ │ │
2 │ ЛБ │ ПВЛМ-ДО │ Д │2 x 65│ 1 │ 13 │ 31,2 │571,0 │ 139 │224,9
│ │(К = 1,8) │ │ │ │ │ │ │ │
│ │ з │ │ │ │ │ │ │ │
3 │ ЛБ │ ПВЛП или │ Д │2 x 40│ 1 │ 21,2 │ 31,4 │1001,0│189,3│339,2
│ │ ЛСП-14 │ │ │ │ │ │ │ │
│ │(К = 1,6) │ │ │ │ │ │ │ │
│ │ з │ │ │ │ │ │ │ │
Примечания. 1. Вариант 3 приведен для автоматизированных участков и рассчитан для высоты установки светильников над полом 6 м (поскольку ванны подняты на помост).
3. Расстояние линий от стен составляет 2 м.
Рис. 42. Размещение светильников с ЛЛ на участке
металлопокрытий, расположенном в помещении со строительным
модулем 6 x 9 м высотой 8 м (размещение сдвоенных линий
светильников типа ПВЛМ-2 x 80 с лампами ЛБР или светильников
ПВЛМ-ДО с лампами ЛБ либо утроенных линий светильников
типа ПВЛП-2 x 40 по схеме 1
рис. 33)
Анализ
табл. 57 показывает, что практически равноценными по годовым затратам являются варианты 1 и 2. Однако применение обоих вариантов ограничено при наличии отраженной блескости. В этом случае следует использовать вариант 3 со светильниками ПВЛП или ЛСП-14 мощностью 2 x 40 Вт, расположенными в два ряда (схема 1
рис. 33).
ПРИМЕРЫ ВЫБОРА СИСТЕМ ОСВЕЩЕНИЯ
ПО ТЕХНИКО-ЭКОНОМИЧЕСКИМ ПОКАЗАТЕЛЯМ
5.58. В производственном помещении проводится зрительная работа, относящаяся к разряду IIIб, для которой нормированная освещенность при системе общего освещения составляет 300 лк, а при системе комбинированного - 1000 лк (при этом от общего в системе комбинированного нормируется 150 лк). Зрительная работа не требует определенного направления света и не создает отраженной блескости.
Вариант 1. Участок обдирки заусенцев в литейном цехе станкостроительного завода расположен в пыльном помещении высотой 8 м со строительным модулем 6 x 18 м. Для указанной работы отраслевыми нормами рекомендованы обе системы освещения. В зависимости от особенностей технологического процесса в цехе может располагаться 30 или 20 рабочих мест на каждые 100 м2 освещаемой площади <*>. Общее освещение выполнено светильниками УПДДРЛ-700. При системе общего освещения для создания освещенности 300 лк требуется 3,85 светильника на модуль. При системе комбинированного освещения общее освещение создает 150 лк, для чего требуется 3,2 светильника УПДДРЛ-400 на модуль. Местное освещение выполнено светильниками с люминесцентными лампами типа ЛКС01-2 x 8.
--------------------------------
<*> Весь последующий расчет производился для освещаемой площади 100 м2.
Вариант 2. Зрительная работа в аналогичном помещении относится к разряду IIIб, условия среды в цехе нормальные. Для общего освещения использованы светильники ЛД-2 x 80. Для системы общего освещения при освещенности 300 лк на 100 м2 требуется 13,5 светильников. При системе комбинированного освещения освещенность 150 лк обеспечивается на этой же площади 6,75 светильниками. Местное освещение выполнено светильниками НКС01 с лампой мощностью 60 Вт.
В табл. 58 представлены полные годовые затраты на ОУ при различной плотности расположения станков на 100 м2 рассматриваемого помещения и разных светильниках общего и местного освещения, используемых в вариантах 1 и 2 соответственно.
─────┬───────────────┬─────────────────────────────────────────────────────
N │Система общего │ Система комбинированного освещения
вари-│ освещения ├───────────────┬─────────────────────────────────────
анта │ │общее освещение│ общее + местное
ОУ ├──────┬────────┤ ├──────────────────┬──────────────────
│ Q, │C , руб.├──────┬────────┤ 30 светильников │ 20 светильников
│ руб. │ э │ Q, │ C , │местного освещения│местного освещения
│ │ │ руб. │ э ├──────┬───────────┼──────┬───────────
│ │ │ │ руб. │ Q, │ C , руб. │ Q, │ C , руб.
│ │ │ │ │ руб. │ э │ руб. │ э
─────┼──────┼────────┼──────┼────────┼──────┼───────────┼──────┼───────────
1 │ 214 │ 100 │ 110 │ 48,9 │ 221 │ 69,3 │ 184 │ 62,5
2 │ 264 │ 90 │ 132 │ 45,1 │ 354 │ 107,8 │ 280 │ 67,2
Примечание. В таблице принято: Q - полные годовые затраты,

- стоимость электроэнергии.
при малой мощности светильников местного освещения (16 Вт) и их невысокой стоимости (вариант 1) при обеих плотностях расположения рабочих мест по помещению можно считать, что система комбинированного освещения выгоднее, особенно по расходу электроэнергии;
с увеличением мощности светильника местного освещения использование системы общего освещения становится целесообразным по всем видам затрат при большой плотности рабочих мест; с уменьшением числа рабочих мест полные годовые затраты практически не меняются (разница составляет 6%), а расход электроэнергии снижается на 35%.
6. ИСКУССТВЕННОЕ ОСВЕЩЕНИЕ ПОМЕЩЕНИЙ ОБЩЕСТВЕННЫХ ЗДАНИЙ
6.1. Основные требования к ОУ помещений общественных зданий должны определяться исходя из нормированных показателей освещения и функционального назначения помещения.
Конкретные приемы освещения помещений должны выбираться совместно светотехником и архитектором.
6.2. Совместная работа архитектора и светотехника должна осуществляться в следующей последовательности:
в соответствии с общим архитектурным замыслом выбираются система освещения и тип источников света, ориентировочно определяется мощность ламп и рассматривается ряд возможных для использования типов светильников и вариантов их размещения (применение нестандартных специальных светильников возможно только в исключительных случаях для уникальных объектов или при отсутствии подходящих стандартных светильников);
производится окончательный выбор типа светильников и их размещение.
6.3. Технико-экономические сопоставления проводятся при необходимости выбора одного из вариантов ОУ и могут служить основанием для принятия решения только при равных осветительных условиях, обеспечивающих одинаковую работоспособность в основных рабочих помещениях и равных условиях восприятия интерьеров в помещениях с повышенными требованиями к архитектурно-художественному оформлению интерьера. Методика проведения технико-экономического расчета приведена в
разд. 3.
6.4. Для освещения помещений общественных зданий предусматривается рабочее, аварийное, эвакуационное и дежурное освещение.
6.5. Аварийное освещение следует предусматривать в помещениях диспетчерских, операторских, киноаппаратных, узлов связи, электрощитовых, здравпунктов, аккумуляторных, дежурных пожарных постов, на постах постоянной охраны, в гардеробах с числом мест хранения 300 и более, а также в главных кассах, в детских комнатах и дебаркадерах крупных магазинов, в помещениях торговых залов магазинов самообслуживания, в вестибюлях гостиниц, залах ресторанов и помещениях спасательного фонда гостиниц.
В помещениях насосных, тепловых пунктов и бойлерных аварийное освещение предусматривается только при постоянном пребывании дежурного персонала или если токоприемники данных помещений относятся к нагрузкам I категории надежности электроснабжения.
6.6. Эвакуационное освещение предусматривается в проходах и на лестницах, служащих для эвакуации людей из зданий, где пребывает одновременно свыше 50 чел., а также из здравпунктов, книго- и архивохранилищ, независимо от числа лиц, пребывающих там; в плавательных бассейнах, спортивных и актовых залах, рекреациях, гардеробных, проходных помещениях, коридорах и на лестницах общеобразовательных школ, профтехучилищ и средних специальных учебных заведений; в групповых, игральных - столовых, приемных, раздевальных, коридорах и на лестничных клетках, а также в кухнях и стирально-разборочных помещениях детских дошкольных учреждений; в ожидальных, раздевальных, мыльных, душевых помещениях бассейнов и парильных бань; в помещениях, где одновременно могут находиться свыше 100 чел. (большие аудитории, обеденные залы, актовые залы и т.п.); в торговых залах и на путях выхода из них, в магазинах с торговыми залами общей площадью 90 м2 и более, в транспортных туннелях торговых предприятий; в помещениях с постоянно работающими в них людьми, если вследствие отключения рабочего освещения и продолжения при этом работы производственного оборудования может возникнуть опасность травматизма (производственные помещения предприятий общественного питания, бытового обслуживания населения и т.п.).
6.7. Световые указатели "Выход" должны быть установлены у выходов из помещений обеденных и актовых залов, больших аудиторий, конференц-залов и других помещений, рассчитанных на одновременное пребывание свыше 100 чел., а также коридоров, к которым примыкают помещения, где могут одновременно находиться свыше 50 чел., у выходов из торговых залов общей площадью 180 м2 и более, во всех магазинах и из торговых залов общей площадью 110 м2 и более, в магазинах самообслуживания, у выходов с эстрад, конференц- и актовых залов.
6.8. В помещениях общественных зданий I, II, III и IV групп, как правило, следует применять систему общего освещения.
В производственных помещениях общественных зданий (ремонт одежды, часов, телевизоров, радиоаппаратуры и т.д.) следует применять систему комбинированного освещения (общее + местное).
6.9. Для освещения основных помещений общественных зданий рекомендуется использовать ЛЛ типа ЛБ. Для помещений с повышенными требованиями к цветоразличению рекомендуется применять лампы типов ЛДЦ, ЛЕЦ, ЛХЕЦ, ЛДЦУФ.
6.10. В помещениях с повышенными требованиями к оформлению интерьера (II и III группа) могут быть использованы одновременно ЛЛ и ЛН в различных приемах освещения. Например, потолочные светильники с ЛЛ могут сочетаться с подвесными светильниками с ЛН.
6.11. Лампы накаливания могут быть использованы в отдельных помещениях лечебных и детских учреждений, в установках архитектурного освещения, а также в помещениях технического назначения без постоянного пребывания людей.
6.12. Выбор светильников проводится с учетом их светотехнических параметров, конструктивного исполнения, внешнего вида и экономических соображений.
6.13. В рабочих помещениях общественных зданий распространенными и достаточно экономичными являются светильники прямого, преимущественно прямого и рассеянного света.
6.14. Для уменьшения контрастов яркости в поле зрения коэффициенты отражения ограждающих поверхностей и мебели должны иметь следующие значения: потолка 0,7 - 0,75; стен 0,4 - 0,5; пола 0,3; мебели 0,4.
6.15. Светильники отраженного света по условиям ограничения слепящего действия являются наилучшими, так как полностью исключают блескость и не создают теней. Эксплуатация установок отраженного освещения значительно дороже и сложнее, чем установок прямого и рассеянного света. Потребляемая мощность при отраженном освещении возрастает в два-три раза по сравнению с мощностью прямого освещения. Монотонность отраженного освещения может быть устранена с помощью дополнительных светильников иного светораспределения или специальных декоративных светильников.
6.16. Размещение светильников общего освещения, как правило, равномерное.
Локализованное размещение светильников применяется в торговых залах магазинов, книгохранилищах, архивах, выставочных помещениях с постоянно фиксированными плоскостями экспозиции и т.п.
6.17. Для основных помещений общественных зданий размещение светильников прежде всего определяется отношением расстояния между светильниками к высоте подвеса

. Уменьшение этой величины удорожает устройство и обслуживание освещения и часто приводит к применению ламп с пониженной световой отдачей, а чрезмерное увеличение ведет к резкой неравномерности освещенности и возрастанию расхода электроэнергии.
В табл. 59 приведены рекомендуемые значения

для светильников с типовыми кривыми силы света (КСС).
Таблица 59
───────────────────────────┬──────────────────┬───────────────────
Наименование типа КСС │ лямбда │ лямбда
│ с │ э
───────────────────────────┼──────────────────┼───────────────────
Косинусная │ 1,4 │ 1,6
Полуширокая │ 1,6 │ 1,8
Равномерная │ 2,0 │ 2,6
Если увеличение расстояния между светильниками не сопровождается повышением единичной мощности и световой отдачи ламп, следует руководствоваться значениями

(светотехнически наивыгоднейшее расположение), а в остальных случаях -

(энергетически наивыгоднейшее расположение).
При размещении светильников общего освещения для сохранения равномерности распределения освещенности по помещению расстояние от крайнего ряда светильников до стен не должно превышать 0,25 - 0,3 расстояния между рядами светильников.
6.18. В помещениях с повышенными требованиями к оформлению интерьера размещение светильников должно быть увязано с архитектурным ритмом, который определяется оконными проемами, простенками между ними, колоннами, кессонами и т.п. Размещение осветительных приборов должно подчеркивать этот ритм, т.е. они должны размещаться, например, между колоннами, простенками и т.д.
6.19. Архитектурно-художественное освещение помещений II и III групп может быть выполнено:
светильниками (встраиваемыми, потолочными, подвесными, настенными и напольными);
светящими потолками и панелями (рис. 43).
Рис. 43. Основные светотехнические схемы светящих потолков
1 - отражающая поверхность;
2 - рассеивающая светопропускающая поверхность;
а - рассеивающие светящие потолки;
б - отражающие светящие потолки
6.20. При освещении архитектурных элементов интерьера следует учитывать, что в зависимости от способа освещения архитектурная форма воспринимается совершенно различно. Например, плоская поверхность (потолок, пол) только тогда воспринимается плоской, когда она освещается равномерно. Уменьшение яркости в центре потолка создает впечатление его провисания, а потолок, имеющий повышенную яркость в центре, воспринимается в виде свода. Усилением яркости в центре можно придать куполу кажущуюся большую кривизну, создать иллюзию повышения высоты помещения. Увеличение яркости по периметру, наоборот, вызовет ощущение понижения купола (обычно результат неправильного устройства световых карнизов).
Вертикально вогнутые членения (каннелюры, ниши и др.) также не должны освещаться равномерно. Односторонние мягкие тени способствуют правильному восприятию их формы. Так при системе отраженного освещения пилястры почти незаметны и дорогостоящая отделочная работа оказывается бесполезной. При использовании в том же помещении редко расположенных подвесных светильников создаются односторонние тени, блики, что хорошо выявляет раскреповку пилястр, и способствует восприятию их формы и фактуры. Освещение системы крупных кессонов решается удовлетворительно, когда число светильников принимается равным числу кессонов. Размещение светильников через два-три кессона (в случае мелких кессонов) приводит к образованию в промежуточных кессонах неприятных теней. В этом случае наилучший результат может быть достигнут при освещении кессонированного потолка напольными светильниками, установленными в соответствии с модулем кессонов. Для освещения настенного декора (фризов, лепки) рекомендуется создавать неравномерное распределение яркости, снижающееся сверху вниз, поэтому при наличии декоративных поясов в верхней части стен светильники следует располагать непосредственно у потолков или применять систему отраженного освещения. Однако необходимо учитывать, что при мелком рельефе лепной отделки отраженное освещение ухудшает восприятие лепки. Особые требования предъявляются к помещениям, в которых располагается скульптура: для правильного выявления формы и фактуры скульптурных произведений освещение должно создавать мягкие односторонние тени, направленные под некоторым углом сверху вниз.
6.21. При использовании светильников художественный эффект может быть достигнут соответствующим их расположением в композиционные схемы и применением в одном помещении различных осветительных приборов.
6.22. Используемые в практике освещения светящие поверхности равномерной яркости могут быть выполнены в виде установок отраженного света
(рис. 44) или светящих панелей. Основные требования, предъявляемые к ним, заключаются в обеспечении заданной освещенности в расчетной плоскости, равномерном распределении яркости по светящей поверхности и в поле зрения. Соблюдение этих требований определяется размещением светящих поверхностей в поле зрения, а также расположением источников света или светильников относительно отражающей поверхности в установках отраженного света или относительно рассеивателя в светящих панелях.
Рис. 44. Способы устройства отраженного освещения
а - напольные светильники отраженного света;
б - "парящий" потолок; в - накладной и вырезанный потолки;
г - ступенчатый потолок; д - падуги
6.23. В ОУ отраженного света со световыми карнизами основными отражающими поверхностями являются потолок и часть стен, расположенная выше карниза. Основное требование к таким установкам заключается в обеспечении равномерного распределения яркости вдоль светящего карниза, значительно меньшие требования предъявляются к распределению яркости в плоскости, перпендикулярной к светящему карнизу. Источники света и отражатели светильников, расположенные в карнизе, должны быть полностью экранированы от поля зрения наблюдателя, находящегося в освещаемом помещении. Установки отраженного света могут быть выполнены не только в виде светящего потолка, но и в виде отдельных светящих ниш, расположенных в плоскости потолка или стен. В первом случае световые карнизы с осветительными средствами размещаются вдоль всех четырех стен помещения или вдоль двух продольных стен на определенном расстоянии от потолка.
Значение КПД ОУ отраженного света зависит от значений коэффициентов отражения карниза, потолка и стен помещения, расположенных выше карниза, а также формы карниза (карниз должен быть достаточно широким и по возможности неглубоким). При этом лампы и другое оборудование карниза следует располагать ниже визирной линии
(рис. 45), проведенной через верхний край козырька карниза и глаза человека, расположенного на наибольшем удалении от карниза. Кроме того, козырек карниза не должен экранировать прямых лучей, падающих на потолок от лампы или светильника, т.е. не должен быть выше створной линии, соединяющей нижнюю точку светящего элемента лампы или светильника (трубки люминесцентной лампы, нити лампы накаливания) с противоположным краем потолка или при наличии двухсторонних карнизов - с продольной осевой линией потолка.
1 - створная линия; 2 - визирная линия;
3 - дополнительный створ
Равномерность распределения яркости по отражающей поверхности зависит от типа источника света (светильника) и их размещения в световом карнизе, ширины помещения

, высоты размещения потолка над световыми карнизами (над световым центром лампы)

, от типа светового карниза (одно-, двухсторонний, замкнутый); расстояния от центра ближайшей лампы до стены a; расстояния между световыми центрами соседних ламп

; расстояния между рядами люминесцентных ламп (между осями ламп) c; максимального расстояния карниза от стены f; расстояния между люминесцентными лампами

(
рис. 45,
47). Люминесцентные лампы обычно монтируются на панелях, на которых размещаются ПРА, патроны и стартеродержатели. Отражателями являются панель, поверхность карниза, стена и потолок. Требуемая равномерность распределения яркости обеспечивается при

при двухстороннем и

- при одностороннем карнизе. Эти условия трудноосуществимы, поэтому для увеличения соотношений используют плоские зеркальные вставки, которые позволяют увеличить значение

соответственно до 7 и 3. Расположение и размер зеркальной вставки определяются согласно
рис. 46. Створная линия составляет угол

с горизонталью, проведенной через центр лампы. Края зеркальной вставки определяются построением, указанным на
рис. 46, на котором углы

и

образуются пересечением касательной к лампе с основанием карниза. При этом минимальная ширина зеркала определяется параллельными прямыми AB и CD, максимальная CE - углом

. Увеличение размера зеркальной вставки до СЕ означает, что сила света будет усилена в пределах большего угла. При этом зеркальная вставка не должна быть видна из любых точек наблюдения в помещении. Так, лучшие результаты достигаются при использовании криволинейных зеркал или зеркальных ламп. Значительно проще создать требуемое распределение яркости при наличии сферических или цилиндрических сводов. При таких условиях удовлетворительное распределение яркости наблюдается при любых значениях

. Достаточная равномерность распределения яркости при этом обеспечивается при

. Даже при увеличении этого соотношения распределение яркости может считаться допустимым, однако увеличение соотношения приводит к резкому снижению коэффициента использования. Практика показала, что значения расстояния от лампы до стены (a) при однорядном расположении ламп должно находиться в пределах 120 - 150 мм, при многорядном - составлять не менее 75 мм. Чтобы избежать при многорядном расположении ламп возможного снижения яркости стены напротив разрыва между лампами используется сдвиг рядов ламп на 80 - 100 мм по длине карниза
(рис. 47).

Рис. 46. Расположение зеркальной вставки
1 - зеркало; 2 - направление к четверти ширины потолка;
3 - направление на удаленный край или центр потолка
Рис. 47. Двухрядное размещение
люминесцентных ламп в карнизе
Зеркальные лампы концентрированного светораспределения нашли применение при карнизном освещении. Они позволяют создавать равномерное распределение яркости по поверхности потолка освещаемого помещения ближе к его центру, что особенно важно для широких помещений. Недостатком применения таких ламп является наличие ярких пятен, создаваемых на потолке вблизи карниза, для исключения которых необходимо располагать карниз возможно дальше от потолка

. Для сокращения ширины карниза f лампы следует устанавливать возможно ближе к стене. Ось лампы должна быть направлена на противоположный край потолка как при одностороннем, так и при двухстороннем расположении карнизов (рис. 48); соотношение

при зеркальных лампах и двухстороннем расположении карниза увеличивается до 7,5. Зеркальные лампы устанавливаются со значительными разрывами, достигающими 2 м, поэтому чаще всего при их использовании применяется одиночная установка патронов на скобах, обеспечивающих регулирование угла наклона лампы.

Рис. 48. Использование зеркальных ламп в световых карнизах
Лампы накаливания общего назначения также используются в карнизах. Требования по применению ЛЛ справедливы и для ЛН. Расстояние от стены a желательно по возможности увеличивать, минимальное значение a = 150 мм. Применение ЛН в матированной колбе незначительно повышает равномерность распределения яркости. Максимальное отношение

не должно превышать 1,5. При горизонтальном расположении ламп в карнизе

допускается увеличивать до 2 при лампах в прозрачной колбе. Минимальная мощность ламп, применяемых в карнизе, 40 - 60 Вт.
Коэффициент использования ОУ карнизного освещения

при расчете освещенности на полу или на любой горизонтальной поверхности определяется по формуле

, (57)
где

- коэффициент использования установки карнизного освещения;

- коэффициент использования светового потока карниза;

- КПД карниза.
КПД карниза с ЛН или с ЛЛ определяется с учетом формы свода по формуле

, (58)
где

- доля светового потока источников, падающая на отражающую поверхность карниза, равная отношению двухгранного угла, в пределах которого поток падает на эту поверхность к 360°;

- коэффициент отражения поверхности карниза;

- площадь выходного отверстия карниза;

- площадь отражающей поверхности карниза.
Практика расчета и эксплуатации карнизов показала, что КПД карнизов имеет значение, близкое к 60%. Значение

рекомендуется принимать равным 0,5, учитывая в карнизах наличие проводов и плохо отражающих конструктивных частей. При карнизном освещении коэффициент z, характеризующий неравномерность освещения, не учитывается, так как этот вид освещения создает достаточно высокую равномерность и рассчитывается по средней освещенности.
6.24. В настоящее время нашли применение световые потолки рассеянного света, через которые в светлое время суток осуществляется естественное освещение помещения, а в вечернее и ночное - искусственное от светильников, расположенных в полости фонарей. Часто встречаются световые потолки только искусственного света, наполненные светильниками с люминесцентными лампами или только одними лампами, расположенными за плоскостью светового потолка.
6.25. Световые потолки могут выполняться в виде сплошной поверхности или световых полос. Для светящих потолков используются источники света, установленные в коробе, перекрытом рассеивателем (молочным органическим стеклом), или светильники, расположенные в технической полости над рассеивателем такого же типа.
При ширине светящей панели, превышающей 2 м, и достаточной высоте над рассеивателем целесообразно использовать светильники, так как это увеличивает КПД светового устройства. Основное требование к светящим потолкам заключается в равномерном распределении яркости по светящей поверхности. Предельно допустимым значением яркости для светящего потолка следует считать 2000 кд/м2 в высоких и 1000 кд/м2 - в низких помещениях (при высоте менее 6 м). Чем равномернее распределение яркости по светящему потолку, тем благоприятнее он воспринимается глазом.
При наличии над световым потолком высокой технической полости применяются светильники прямого света с ЛЛ, реже с ЛН, подвешиваемые над светящей поверхностью. Расположение светильников или рядов светильников должно быть таким, чтобы обеспечивалось равномерное распределение яркости по светящему потолку. Для выполнения этого условия наибольшее относительное расстояние между соседними излучателями или их сплошными рядами не должно превышать значений, указанных в табл. 60.
Таблица 60
────────────────┬───────────────────┬──────────────────────────────────────
Излучатель │ Тип кривой силы │ Значения отношения l /h
│ света излучателя │ св св
│ ├───────────────────┬──────────────────
│ │ рекомендуемое │ допустимое
────────────────┼───────────────────┼───────────────────┼──────────────────
Точечный │Глубокая │ 0,7 │ 0,9
Точечный │Косинусная │ 1,0 │ 1,5
Точечный │Равномерная │ 1,2 │ 1,8
Линейный │Косинусная │ 1,2 │ 1,8
Линейный │Равномерная │ 1,4 │ 2,4
При подвесных потолках лампы обычно устанавливаются без арматуры, роль отражателя играет побеленная поверхность несущего перекрытия. Такое устройство удобно применять с ЛЛ. Для светящего потолка или светящих полос следует использовать светильники-блоки прямого света с открытыми ЛЛ, например, серии ЛПО09. Светильники с ЛЛ следует устанавливать сплошными рядами над рассеивающим стеклом панели. На чердаке светильники могут крепиться непосредственно к кровле, подвешиваться на тросах или устанавливаться на металлических стойках, используемых для натяжки проводов электрической сети.
6.26. Для обслуживания ОУ на чердаках над остеклением устраиваются переходные мостики, по которым можно подойти к светильнику. Мостики, расположенные близко к остеклению, могут создавать затенения под ними, а расположенные на достаточной высоте над остеклением, мало удобны для обслуживания светильников, поэтому для обслуживания светильников используются передвижные мостики или укладываются доски на время обслуживания светильников. При обслуживании со стороны помещения стекло рассеивателя, имеющее малую массу, легко сдвигается в сторону. Кроме молочного органического стекла находят широкое применение рифленые рассеиватели.
При большой мощности ламп, размещенных в световом потолке, выделяется значительное количество тепла, для устранения которого необходимо устройство вентиляции чердака или полости, где размещены лампы.
6.27. Световые устройства, встроенные в стены (окна, ниши и т.п.), выполняются на тех же основаниях, которые выше рассмотрены для световых потолков.
С помощью световых окон с ЛЛ легко имитировать дневное освещение в помещениях без естественного света. Глубина световых окон обычно ограничена строительными решениями, а слепящее действие их сказывается значительно больше, чем при устройстве светового потолка той же яркости, поэтому яркость световых окон не должна превышать 250 - 500 кд/м2 и лишь в отдельных наиболее благоприятных случаях (светлый окружающий фон) - 1000 кд/м2. Наиболее благоприятное равномерное распределение яркости по светящему окну достигается при соблюдении требований
п. 6.25. Хороший результат получается при использовании ниш отраженного света.
6.28. Наряду с рассеивающим органическим стеклом в световых потолках применяются экранирующие решетки, использование которых приводит к значительному снижению температуры воздуха в зоне расположения ламп. Решетки изготавливаются литьем из пластмасс или собираются из различных элементов. Для литья используется прозрачный или замутненный полистирол, литьевое оргстекло или другие материалы. Решетку отливают в виде отдельных секций.
Экономичность осветительного устройства мало зависит от материала решетки и соотношения его коэффициентов пропускания и отражения. Значение имеет только коэффициент поглощения.
Определяющим при расчете размеров элементов решетки является заданный защитный угол. Для помещений общественных зданий защитный угол принимается равным 30° и 45°. Решетки с защитным углом 45° лучше экранируют лампы и другие монтажные элементы, поэтому имеют более декоративный вид, хотя несколько снижают КПД установки. Так как защитный угол в основном определяется отношением высоты и ширины элемента решетки, то при изменении этих элементов в равном отношении значение защитного угла остается постоянным, КПД светового потолка также не изменяется. Это позволяет выбирать размеры решеток по архитектурным и конструктивным показателям. Отметим, что мелкие ячейки создают концентрированное светораспределение, более крупные и высокие - широкое.
Основным требованием к взаимному расположению ламп и решеток, является равномерное распределение яркости по поверхности решетки, для этого необходимо, чтобы каждая планка решетки была освещена с двух сторон. При соблюдении этого требования и защитных углов решетка может иметь любой произвольный рисунок, что предоставляет широкие возможности архитекторам для создания разнообразных решеток.
6.29. Расчет светового потолка начинается с определения коэффициента использования светового потока источников света

, установленных над световым потолком, по формуле

или

, (59)
где

- коэффициент полезного действия светильников, расположенных над рассеивателем светового потолка;

- коэффициент использования светового потока светильников относительно отражающих поверхностей, ограничивающих пространство расположения светильников;

- отношение светопрозрачной части потолка к его общей площади, включая непрозрачные части переплетов;

- коэффициент пропускания светопрозрачного материала;

- коэффициент использования светового потока, прошедшего через световой потолок относительно горизонтальной расчетной поверхности;

- относительно стен.
Для определения

и

пользуются графиками зависимости коэффициента первичного использования

от индекса помещения i
(рис. 49), построенными для различных показателей m, характеризующих светораспределение элементов потолка. Кривая m = 1 предназначена для потолков из рассеивающих стекол, m = 2 - при решетках с защитным углом 30° и m = 4 - при решетках с защитным углом 45°. Коэффициент первичного использования светового потока относительно стен

определяется по формуле

. (60)
Рис. 49. График зависимости коэффициента
первичного использования
Для определения значений

и

пользуются следующими формулами:

; (61)

, (62)
где

- коэффициент первичного использования светового потока относительно расчетной поверхности;

- коэффициент использования светового потока, падающего на расчетную поверхность, относительно расчетной поверхности;

- коэффициент использования светового потока, падающего на стены, относительно расчетной поверхности;

- коэффициент использования светового потока, падающего на стены, относительно стен;

- коэффициент использования светового потока, падающего на расчетную поверхность относительно стен.
Однако значения

и

могут быть получены и более простым путем

и

.
Так как коэффициенты использования потока, падающего на потолок относительно расчетной поверхности,

или стен -

, могут рассматриваться как произведения коэффициента отражении потолка на коэффициент использования отраженного потока в расчетной поверхности или стен (

или

). Оба эти метода равноценные,

- даются только для диффузных поверхностей, при потолках из экранирующих решеток следует пользоваться
формулами (61) и
(62).
В
формуле (59) первые четыре множителя определяются конструкцией светового потолка;

- коэффициент использования излучателей, установленных над световым потолком, относительно потолка. Расчет этого произведения для нетиповых светильников не вызывает затруднения, а для типовых может быть определен по таблицам на основании индекса помещения, в котором используются светильники. Если i > 5, то при светильниках прямого света произведение

можно принимать равным КПД светильника. При высоте помещения, во много раз меньшей длины или ширины помещения, и коэффициенте отражения 0,6 и более значение

можно считать равным 0,8. Значение коэффициента

рассчитывается по конструктивным чертежам потолка. Если между отдельными секциями со светопрозрачными элементами отсутствуют непрозрачные промежутки, то

. Значение коэффициента

определяется свойствами светопрозрачного материала или защитным углом решетки. Его значения составят:
для молочного органического стекла - 0,63;
для экранирующей решетки с защитным углом 30° - 0,6;
то же, с защитным углом 45° - 0,45.
ПОМЕЩЕНИЯ ЗДАНИЙ УПРАВЛЕНИЯ И ПРОЕКТНЫХ ОРГАНИЗАЦИЙ
6.30. В конструкторских, чертежных, машинописных и машиносчетных бюро, проектных залах и кабинетах, читальных залах и рабочих комнатах и других помещениях I группы следует предусмотреть сеть штепсельных розеток для осветительных приборов местного освещения.
6.31. Для устранения отраженной блескости, возникающей на полированной поверхности столешницы, кальке или глянцевой бумаге при конторской или чертежной работе, расположение светильников общего освещения следует выбирать в зависимости от расположения рабочих мест. Поэтому в помещениях таких зданий следует предусматривать локализованное относительно рабочих мест размещение светильников.
Светильники размещают таким образом, чтобы отраженная блескость не попадала в поле зрения работающих. Рекомендуемое расположение светильников в помещениях конторского типа показано на рис. 50 (светильники располагаются параллельными рядами). При таком расположении светящих линий обеспечивается необходимый защитный угол.
Рис. 50. Размещение светильников
в помещениях конторского типа
1 - линии светильников с ЛЛ; 2 - рабочее место
Продольное размещение светильников параллельно стене с окнами предпочтительно выбирать при значительной глубине заложения помещения, что позволяет включением наиболее удаленного от окна ряда светильников обеспечивать необходимую для работы освещенность для зон помещений с недостаточным естественным светом.
При произвольном расположении рабочих мест, когда линии зрения работающих направлены в разные стороны помещения, следует применять светильники отраженного света (как исключение допускается применять световые потолки).
В случаях, когда опасность отраженной блескости особенно велика (работы на кальке), оптимальной можно считать схему освещения, показанную на рис. 51. Светильники одностороннего светораспределения располагаются поперечными рядами по всей ширине помещения и излучают свет в сторону направления линии зрения работающих.
Рис. 51. Освещение столов для работы на кальке
1 - линии светильников с ЛЛ; 2 - рабочее место
Для общего освещения помещений проектных и административных зданий следует использовать ЛЛ (в основном, типа ЛБ).
6.32. В кабинетах и рабочих помещениях, где устранение бликов не вызывает особых затруднений, рекомендуется использовать светильники массового производства: при высоте помещения до 3 м потолочные светильники с рассеивателями, при большей высоте - подвесные светильники рассеянного света.
При выборе потолочных светильников предпочтение необходимо отдавать тем, у которых не менее 10 - 15% светового потока направляется в верхнюю полусферу.
6.33. В машинописных бюро устранение блескости от клавиатуры машинки и дискомфорта, вызванного частой переадаптацией, может быть достигнуто выбором взаимного расположения машинки, светильников, текста и линии зрения работающего.
ПОМЕЩЕНИЯ УЧЕБНЫХ ЗАВЕДЕНИЙ И ДЕТСКИХ ДОШКОЛЬНЫХ УЧРЕЖДЕНИЙ
6.34. Осветительная установка помещений учебных зданий и детских дошкольных учреждений предназначается не только для обеспечения утилитарных требований: требуемых освещенности и качественных показателей, нормируемых
СНиП II-4-79, но и для создания благоприятных условий формирования организма учащихся.
6.35. Значения коэффициентов отражения парт, потолка, стен и пола должны быть не менее 0,4; 0,7; 0,5; 0,3.
6.36. Классная доска, деки парт и игровые столы для дошкольников не должны быть темными. Соотношения яркостей между отдельными поверхностями, находящимися в поле зрения учащихся, не должны превышать следующих соотношений: между книгой, тетрадью и декой парты 3:1, между тетрадью, книгой и дальним фоном (стеной, полом) - 10:1, между светильником и его фоном - 20:1.
6.37. Для обеспечения комфортных условий в помещении из поля зрения учащихся следует исключать зеркально отражающие поверхности.
6.38. В помещениях учебных заведений и детских дошкольных учреждений, как правило, следует применять систему общего освещения.
В кабинетах и комнатах преподавателей, в комнатах кружков, читальных залах для МО следует предусматривать штепсельные розетки.
6.39. Для дежурного освещения вестибюлей и коридоров следует, как правило, выделять часть светильников рабочего освещения с питанием от самостоятельной групповой линии или использовать светильники аварийного освещения. Для дежурного (ночного) освещения спальных помещений, помещений для заболевших детей и в палатах изоляторов детских садов-яслей и школ-интернатов следует применять специальные светильники со стеклом синего цвета и экранирующей решеткой, присоединенные к сети аварийного освещения. При установке этих светильников (вблизи от выходов) на высоте, доступной для детей, должно применяться напряжение не более 42 В.
6.40. Для освещения помещений учебных заведений и детских дошкольных учреждений следует применять ЛЛ типа ЛБ.
Для освещения выставочных помещений, кабинетов изобразительного искусства (рисования, лепки и т.д.), где существенна цветопередача, рекомендуется применять лампы типов ЛДЦ и ЛХЕЦ.
Для освещения обеденных и актовых залов необходимо применять ЛЛ типов ЛБ и ЛТБЦ.
Освещение помещений пионерских лагерей, используемых только в летнее время, следует, как правило, выполнять ЛН.
6.41. Для освещения учебных помещений школ, профессионально-технических училищ и средних специальных учебных заведений, групповых, игральных-столовых, комнат для музыкальных и гимнастических занятий детских яслей-садов следует применять светильники рассеянного света с ЛЛ, а также светильники, направляющие в верхнюю полусферу не менее 15% излучаемого ими светового потока. К таким светильникам можно отнести, например, светильники серий ЛСО02, ЛПО01, ЛПО028. На рис. 52 -
58 показано типовое расположение светильников в помещениях различного назначения. Высота всех помещений, за исключением актового зала, 3 м, высота актового зала - 6 м.
Рис. 52. Схема размещения светильников в классе
300 лк - нормированная освещенность;

- 2 светильника типа ЛПО02 с одной лампой
мощностью 40 Вт, установленных на высоте 2,2 м от пола
(в случае прочерка светильник устанавливается на перекрытии)
Рис. 53. Схема размещения светильников
в кабинете черчения и рисования
Рис. 54. Схема размещения светильников в актовом зале
Рис. 55. Схема размещения светильников
в столярной мастерской
Рис. 56. Схема размещения светильников в спальне-веранде
Рис. 57. Схема размещения светильников в комнате
для музыкальных занятий
Рис. 58. Схема размещения светильников в групповой малышей
6.42. Для освещения классной доски устанавливаются специальные светильники типов ЛПО12 1 x 40 (на кронштейнах над доской) или светильники типа ЛПО13 2 x 40 на потолке, обеспечивающие требуемую освещенность в вертикальной плоскости доски.
6.43. В спортивных залах школ, профессионально-технических училищ и средних специальных учебных заведений следует предусматривать меры, исключающие возможность повреждения светильников от ударов мяча, например, защитные решетки.
Потолочные светильники с ЛЛ, применяемые для освоения спортзалов, должны направлять в верхнюю полусферу не менее 10% светового потока.
6.44. В учебных помещениях, спортивных залах общеобразовательных школ, детских яслях-садах и детских домах, расположенных в Заполярье, следует предусматривать устройство эритемных облучательных установок в соответствии с "Указаниями к проектированию и эксплуатации установок искусственного ультрафиолетового облучения на промышленных предприятиях" Министерства здравоохранения СССР.
6.45. Освещение эстрад актовых залов учебных заведений следует выполнять потолочными светильниками. Горизонтальная освещенность на планшете эстрады в этом случае принимается на две ступени выше освещенности зала (400 лк при ЛЛ). Для дополнительного освещения эстрады в случаях торжественных заседаний и театрализованных представлений следует, как правило, предусматривать осветительные приборы, устанавливаемые на боковых стенах актового зала или на потолке и создающие совместно с потолочными светильниками вертикальную освещенность не менее 300 лк на высоте 1,75 м от планшета.
На эстраде следует устанавливать штепсельные разъемы для подключения переносной осветительной аппаратуры.
ПОМЕЩЕНИЯ ЛЕЧЕБНО-ПРОФИЛАКТИЧЕСКИХ УЧРЕЖДЕНИЙ
6.46. Освещение лечебно-профилактических учреждений следует проектировать в соответствии с требованиями СНиП по проектированию лечебно-профилактических учреждений.
6.47. Световая среда лечебных учреждений помимо обеспечения условий работы медицинского персонала должна удовлетворять требованиям психофизиологического климата, способствующего выздоровлению больных. Одним из этих требований является обеспечение комфортности освещения палат: пятна повышенной яркости (источники света и блеские части светильников) не должны попадать в поле зрения больных, находящихся в горизонтальном положении. Это обеспечивается использованием схемы распределения света светильниками, показанной на
рис. 59. Выполнение схемы осуществляется применением системы комбинированного освещения, практически рекомендуемой для всех помещений палат, за исключением послеоперационных, детских и психиатрических отделений. Световой поток направляется на потолок и вниз в центр комнаты, а зона изголовий кровати остается затененной. Дополнительно над кроватями на стенах устанавливаются светильники с отражателями
(рис. 60). Каждый светильник состоит из двух отражателей, свет от одного из которых направляется на потолок для общего отраженного освещения, а другого используется для МО изголовий. Удобны светильники, прикрепляемые непосредственно к кровати. Такие светильники могут быть использованы и как переносные при осмотре больных. Светильники, изображенные на
рис. 60 обеспечивают больным возможность читать в лежачем положении.

Рис. 59. Схема распределения света в палате
лечебного учреждения
Рис. 60. Схема светильников для
больничных палат
6.48. Для обеспечения нормированной освещенности в помещениях больничного комплекса применяется система общего освещения, при которой светильники общего освещения могут размещаться на потолке и на стенах равномерно или локализованно. Система общего освещения с равномерным расположением светильников применяется в кабинетах врачей, процедурных, регистратуре и др. Система общего локализованного освещения используется в помещениях, где требуется повышенная освещенность отдельных участков.
Светильники МО предназначаются только для освещения рабочих мест и могут быть стационарными и переносными. Стационарные светильники устанавливаются в процедурных, смотровых, операционных, кабинетах физиотерапии и т.п.
6.49. Специальные требования предъявляются к освещению операционных: создание высокой освещенности и одновременно исключение теней от рук и головы хирурга и недопущение теплового нагрева оперируемого и головы хирурга.
Для освещения операционных широкое распространение получили светильники типа "Свет-15"
(рис. 61), в которых каждый источник света перекрыт теплопоглощающим фильтром. Такие светильники обеспечивают на операционном поле освещенность 10000 - 50000 лк. Освещенность может регулироваться изменением расстояния от светильника до оперируемого больного. Высокая освещенность обеспечивает возможность получить качественные изображения на телеэкране. При применении бестеневых светильников типов СРСА-6, СМ-36 и СМТ-34 пульт управления устанавливается в аппаратной.
Рис. 61. Светильник типа "Свет-15"
Кроме специального освещения стола операционная должна иметь общее освещение. Оно может создаваться потолочными светильниками как с ЛН (например, НПО16), так и с ЛЛ (типа ЛПО25). Кроме общего освещения для подключения специальных передвижных осветительных приборов предусматривается установка двухполюсной розетки на высоте 1,6 м.
Для продолжения операции при аварийном отключении рабочего освещения следует предусматривать аварийное освещение включением части ламп светильника "Свет-15" в сеть аварийного освещения. Питание аварийного освещения осуществляется от независимого источника энергии, обычно от аккумуляторных батарей, на которые автоматически переключается сеть аварийного освещения, при аварии с основным источником электроснабжения.
6.50. Кроме операционной аварийное освещение следует предусматривать в реанимационных, родовых, перевязочных, манипуляционных, приемных отделениях, лабораториях для срочных анализов и на постах дежурных медицинских сестер. Аварийное освещение осуществляется стационарными светильниками с ЛН или ЛЛ. Для ночного дежурного освещения палат, кроме палат психиатрических отделений, следует предусматривать светильники (например, типа ДС-19), расположенные в специальных нишах на высоте 0,3 м от пола.
6.51. Для освещения помещений, предназначенных для осмотра больных (инфекционных, дерматологических, дерматовенерологических, операционных, хирургических, терапевтических, педиатрических и т.д.) следует использовать ЛЛ типов ЛДЦ и ЛХБЦ.
6.52. Для освещения помещений, предназначенных для приготовления пищи, административных, коридоров, вестибюлей и других помещений следует применять ЛЛ типа ЛБ.
6.53. В кабинетах хирургов, травматологов, педиатров, дерматовенерологов, инфекционистов, аллергологов, стоматологов, врачей-лаборантов рекомендуется применять потолочные полностью закрытые (например, ЛПО02, НПО18) светильники. В кабинетах врачей - специалистов функциональной диагностики рекомендуются светильники преимущественно с ЛН, например, НПО18. Для местного освещения используются настольные или настенные светильники (например НБО06).
Освещение помещений, предназначенных для осмотра больных, административных помещений, коридоров, вестибюлей, лестничных клеток и т.п. обеспечивается потолочными или встраиваемыми светильниками с ЛЛ, монтируемыми отдельно или полосами. Для выполнения гигиенических и светотехнических требований светильники должны быть перекрыты сплошными рассеивателями во избежание запыления и для обеспечения стерильных условий (например, типов ЛПО31, ЛПО02, ЛПО01 и др.).
6.54. Общее освещение рентгенодиагностического кабинета, кабинетов рентгенобронхоскопии, лапароскопии, ангиографии выполняется светильниками с ЛН (например НПО18), кроме того, кабинеты оборудуются настенными светильниками (НБО06). Кабинет рентгенодиагностического отделения оборудуются световой сигнализацией (светильник арт. 135).
6.55. Для обеззараживания воздуха в операционных, перевязочных, инфекционных отделениях больниц, в приемных родильных домов следует устанавливать бактерицидные облучатели (например, типа ОБП-300).
Для массовых помещений лечебных учреждений на рис. 62 -
64 показано рекомендуемое расположение светильников и нормируемая освещенность. Высота всех помещений 3 м.
Рис. 62. Освещение кабинета врача
Рис. 63. Освещение кабинета массажа
Рис. 64. Освещение кабинета флюорографии
6.56. Основными освещаемыми объектами в магазинах являются прилавки, витрины закрытые и со свободным доступом покупателей к ним, а также кассы. Во всех случаях основное внимание должно уделяться их освещению и светильники желательно располагать ближе к витринам, прилавкам и кассам.
6.57. Для освещения прилавков, стендов, шкафов следует применять зеркальные светильники с шарнирным креплением, позволяющие изменять направление осевой силы света и создавать на прилавках и стендах высокую освещенность на требуемых поверхностях.
6.58. В торговых залах следует, как правило, применять систему общего освещения (локализованного или равномерного) с использованием светильников с ЛЛ.
В торговых залах магазинов самообслуживания светильники следует располагать по центрам проходов между рядами торгового оборудования.
6.59. Над кассовыми аппаратами должна устанавливаться самостоятельная линия светильников с ЛЛ.
6.60. Для витрин готового верхнего платья, расположенного в вертикальной плоскости, следует обеспечить требуемую освещенность в этой плоскости.
6.61. Освещение примерочных кабин в магазинах готового платья следует осуществлять светильниками, установленными на потолке или на стенах выше зеркала. Светильники на потолке устанавливаются таким образом, чтобы свет падал на покупателя спереди под углом 30 - 40° на уровне груди.
Наилучший способ освещения кабины - применение светового потолка с яркостью 3000 - 4000 кд/м2.
6.62. Требование к источникам света для освещения торговых залов магазинов основывается на обеспечении хорошей цветопередачи. На цветность источников света следует обращать особое внимание при освещении продуктовых магазинов (продажа мяса, фруктов, кондитерских изделий), а также магазинов готового платья (продажа тканей, мехов и т.п. товаров).
Эти требования могут быть удовлетворены при использовании ЛЛ типов ЛДЦ, ЛХБ, ЛДЦУФ и ЛЕЦ.
6.63. В ювелирных магазинах, магазинах по продаже хрусталя и художественного стекла более пригодны ЛН, так как они вызывают "игру" света в бриллиантах, драгоценных камнях, в полированном драгоценном металле, что способствует лучшему показу товаров.
6.64. В булочных, магазинах по продаже хозяйственных товаров и т.п. цветность излучения не является основным требованием и поэтому выбор источников света может быть основан на определении минимума приведенных затрат.
6.65. При общей площади торговых залов 180 м2 и более, а также магазинах самообслуживания при площади 110 м2 и более все выходы должны быть отмечены световыми указателями.
6.66. Аварийное освещение следует устраивать над кассовыми аппаратами.
ТЕАТРЫ, КИНОТЕАТРЫ, КЛУБЫ
6.67. Освещение зрительной части зрелищных сооружений (зрительный зал, фойе, вестибюли, гардеробы, буфеты, кулуары) осуществляется в соответствии с творческими установками архитектора - автора здания и представляет собой одну из разновидностей архитектурного освещения интерьеров.
6.68. Освещение артистических и гримерных должно выполняться светильниками с ЛН.
6.69. Для освещения кинопроекционной и перемоточной следует использовать светильники с защитным стеклом.
6.70. В зрительных залах кинотеатров предусматривается автоматическое включение светильников, создающих 15 - 20% нормируемой освещенности в случае аварийного прекращения кинопроекции; для проведения работ дежурного персонала должно быть обеспечено включение 15 - 20% светильников общего освещения.
6.71. Аварийное освещение в зрелищных сооружениях осуществляется в помещениях касс, администратора, гардероба, постов охраны и пожарного, регуляторной, кинопроекционной и звукоаппаратной, трансформаторной подстанции, телефонной станции.
6.72. В зрительном зале, фойе, буфете и распределительных кулуарах должно быть предусмотрено дежурное освещение из расчета до 30% общего освещения этих помещений с управлением освещения зрительного зала - из зала и аппаратной, в остальных помещениях - из этих помещений.
ПРЕДПРИЯТИЯ ОБЩЕСТВЕННОГО ПИТАНИЯ
6.73. Освещение залов ресторанов, кафе, баров, чайных, закусочных, буфетов, столовых и т.д., вестибюлей и других помещений с повышенными требованиями к архитектурно-художественному оформлению интерьера может быть общим равномерным или локализованным и выполняться как ЛЛ (типов ЛБ, ЛХБ, ЛДЦ и др.), ЛН, так и их различными комбинациями в зависимости от архитектурного решения.
6.74. Освещение производственных помещений (горячие, холодные, заготовочные, доготовочные, кондитерские и другие цехи) должно быть общим равномерным или локализованным в зависимости от расположения технологического оборудования. В качестве источников света рекомендуется применять ЛЛ (типа ЛБ).
6.75. В складских помещениях следует использовать светильники с ЛЛ типа ЛБ или с ЛН. В кладовых сгораемой тары лампы накаливания в светильниках должны быть перекрыты силикатным стеклом. Запрещается применять светильники с отражателями или рассеивателями из горючих материалов.
6.76. Конструкция светильников, используемых в помещениях для приготовления и раздачи пищи, должна исключать возможность выпадения из них ламп.
6.77. В качестве дежурного освещения обеденных залов, вестибюлей и коридоров могут быть использованы светильники эвакуационного освещения или часть светильников рабочего освещения (минимальное число, необходимое для осмотра помещения) с питанием их от отдельной групповой сети.
ПРЕДПРИЯТИЯ БЫТОВОГО ОБСЛУЖИВАНИЯ
6.78. В помещениях для посетителей, в производственных помещениях для изготовления и ремонта одежды, меховых и трикотажных изделий, головных уборов, в производственных помещениях химической чистки, в парикмахерских залах следует применять ЛЛ типов ЛДЦ и ЛХБ. В моечных, душевых, парильных в банях следует применять ЛН. Для остальных помещений рекомендуется использовать ЛЛ типа ЛБ.
6.79. Светильники в мокрых и влажных помещениях должны быть герметическими и брызгозащищенными.
6.80. Над гладильными установками и рабочими столами для сортировки и раскладки грязного и чистого белья следует предусматривать локализованное размещение светильников на высоте 2 - 2,5 м от рабочих поверхностей. Локализованное размещение светильников следует предусматривать также в пошивочных и ремонтных мастерских.
6.81. В помещениях граверных работ, ремонта часов, телевизоров, радиоаппаратуры, обуви, металлоизделий, в химчистке на столе приемщицы следует применять систему комбинированного освещения.
6.82. В производственных цехах прачечных, в вестибюлях, коридорах, ожидальных, раздевальных, мыльных, душевых, парильных, помещениях бассейнов и на лестничных клетках необходимо предусматривать эвакуационное освещение.
6.83. Для охранного освещения следует использовать светильники эвакуационного освещения.
6.84. Освещение основных помещений гостиниц следует, как правило, выполнять ЛЛ. При специальном архитектурном решении помещения допускается применение ЛН.
6.85. В номерах гостиниц следует предусматривать дополнительное местное освещение (бра, настольная лампа, торшер и т.д.). Использование для общего освещения номеров гостиниц и других помещений напольных светильников (торшеров) допускается как исключение.
6.86. В ванной комнате рекомендуется устанавливать светильники-плафоны с ЛН или ЛЛ типа ЛТБЦ над зеркалом, в уборной с ЛН над дверью. У умывальников должны устанавливаться штепсельные розетки для электробритв.
6.87. В ванных комнатах и уборных светильники должны иметь корпус из изолирующих влагостойких материалов.
6.88. Для освещения жилой комнаты рекомендуется применять систему комбинированного освещения. Для светильника общего освещения должна быть предусмотрена возможность установки его на потолке посредине комнаты. Освещение зоны отдыха может быть выполнено настенными или напольными светильниками (торшером, бра), рабочей зоны - различными настольными лампами, для которых следует предусмотреть штепсельные розетки из расчета не менее одной на каждые полные и неполные 6 м2 площади комнаты.
6.89. Штепсельные розетки для светильников местного освещения, предназначенных для чтения, должны быть установлены в спальных комнатах. Следует предусматривать не менее одной штепсельной розетки на полные и неполные 10 м2 коридора и не менее четырех розеток для бытового электрооборудования и местного освещения в кухне.
6.90. Освещение ванных комнат и уборных выполняется согласно
пп. 6.86 и
6.87.
7. РАСЧЕТ ИСКУССТВЕННОГО ОСВЕЩЕНИЯ
7.1. Расчет искусственного освещения заключается в определении числа и мощности источников света, обеспечивающих нормированную (с учетом коэффициентов запаса) освещенность, либо в определении по заданному размещению светильников и мощности источников света, используемых в них, создаваемой ими освещенности на указанных в нормах рабочих поверхностях.
7.2. Освещенность

на рабочей поверхности создается световым потоком, поступающим непосредственно от светильников (прямая составляющая освещенности

) и отраженным, падающим на расчетную поверхность в результате многократных отражений от стен, потолка, пола, оборудования (отраженная составляющая освещенности

):

.
7.3. Прямая составляющая освещенности рассчитывается на основе кривой силы света светильника и расположения светильников относительно выбранной точки на рабочей поверхности и поэтому ее значения на отдельных участках рабочей поверхности могут быть различными.
7.4. Отраженная составляющая освещенности определяется световым потоком, падающим на отражающие поверхности непосредственно от светильников, т.е. определяется светораспределением светильников, отражающими свойствами ограждающих поверхностей, а также соотношением размеров освещаемого помещения.
7.5. Метод расчета прямой составляющей освещенности выбирается в зависимости от применяемых светящих элементов проектируемой ОУ. В зависимости от соотношения размеров светящих элементов и расстояний их до освещаемой поверхности все разновидности светящих элементов можно разделить на три группы: точечные, линейные и светящие поверхности.
Точечность светящего элемента определяется его относительными размерами по отношению к расстоянию до освещаемой точки пространства. Практически принято считать светящее тело точечным, если его размеры не превышают 0,2 расстояния до освещаемой точки.
В практике расчета точечный светильник принимается за светящую точку с условно выбранным световым центром, характеризуемым силой света по всем направлениям (рис. 65).
Рис. 65. Координаты, определяющие положение точечного
светящего элемента относительно расчетной точки
К точечным светящим элементам относятся: прожекторы, светильники с ЛН и газоразрядными лампами типов ДРЛ, ДРИ, НЛВД, НЛНД и т.п.
К линейным светящим элементам относятся светящие элементы, имеющие несоизмеримо малые размеры по одной из осей по сравнению с размерами по другой оси.
В практике расчета к светящим линиям относятся излучатели, длина которых превышает половину расчетной высоты

. К светящим линиям относятся люминесцентные светильники, расположенные непрерывными линиями или линиями с разрывами, а также протяженные светящие панели, длина которых соизмерима с расстоянием до освещаемой поверхности. Основной характеристикой линейных источников является удельная сила света, под которой понимают силу света, излучаемую единицей длины источника (1 м) в плоскости, перпендикулярной его оси, и кривые силы света в продольной и поперечной плоскостях. Положение светящей линии относительно точки расчета определяется:

- высотой расположения светящей линии относительно расчетной точки и двумя углами;

в поперечной плоскости, перпендикулярной оси лампы и проходящей через точку расчета, и углом

, под которым видна светящая линия из точки расчета (рис. 66).
Рис. 66. Координаты, определяющие положение линейного
светящего элемента относительно расчетной точки
К светящим поверхностям, для которых нельзя применить закон квадратов расстояний из-за значительной погрешности, возникающей в расчете, относятся установки отраженного света в виде световых потолков или ниш, панели, перекрытые рассеивателями или экранирующими решетками. Размеры этих светящих элементов соизмеримы с расстоянием до расчетной точки. Светящие элементы этой группы характеризуются следующими показателями: формой и размером светящей поверхности, распределением яркости по различным направлениям пространства и по самой светящей поверхности. Световые потолки в установках отраженного света, а также световые потолки и панели, перекрытые рассеивателями, обладают практически одинаковой яркостью по всем направлениям пространства. Исключение составляют светящие поверхности, перекрытые экранирующими решетками, защитный угол которых может существенно влиять на распределение яркости в пространстве. При расчете ОУ этого типа можно принимать яркость светящей поверхности, равной ее среднему значению.
Наибольшее применение при проектировании получили светящие элементы первой и второй групп.
Использование светящих поверхностей, требующих значительной установленной мощности, может быть оправданным в установках архитектурного освещения, когда кроме утилитарных требований, предъявляются также дополнительные архитектурно-художественные требования.
Необходимо иметь в виду, что в зависимости от условий применения светящий элемент может быть отнесен к различным группам. Так, линейный светящий элемент может рассматриваться как точечный, если его длина в два раза меньше расстояния до точки, в которой определяется создаваемая им освещенность, при этом погрешность при расчете не превышает 5%. Аналогичное допущение может быть принято для светящего равнояркого круга, если расстояние, на котором определяется освещенность, в 2,5 раза превышает диаметр круга.
Подход к расчету отраженной составляющей является общим для всех трех групп светящих элементов, он заключается в определении первоначально попавшего от светильников светового потока на отражающие поверхности ограждающих помещение конструкций.
ОБЩИЕ ПОЛОЖЕНИЯ ДЛЯ РАСЧЕТА ОСВЕЩЕННОСТИ
ОТ ТОЧЕЧНОГО СВЕТЯЩЕГО ЭЛЕМЕНТА
7.6. Положение симметричного светильника относительно расчетной точки в общем случае определяется:

- высотой расположения светильника относительно расчетной плоскости;

и

- углами, определяющими направление силы света в расчетную точку
(рис. 65).
Если светильник находится на расстоянии от расчетной поверхности, соизмеримом с его размером, его нельзя рассматривать как точечный. Светораспределение такого светильника определяется не кривой силы света, а кривыми равной освещенности в расчетной плоскости. Поэтому расположение светильника МО относительно расчетной точки будет определяться

и d, где d - расстояние от проекции оси светильника на освещаемую поверхность до расчетной точки.
Прямая составляющая освещенности

от точечного излучателя с симметричным светораспределением в точке A
(рис. 67) определяется по формуле

, (63)
где

- угол наклона расчетной плоскости по отношению к плоскости, перпендикулярной оси симметрии светильника (горизонтальная плоскость);

- угол между направлением силы света к расчетной точке и осью симметрии светильника

;

- кратчайшее расстояние от проекции оси симметрии светильника на горизонтальную плоскость, проходящую через точку расчета до следа пересечения последней с расчетной плоскостью (рис. 67).
Рис. 67. К расчету освещенности от точечного светящего
элемента с симметричным светораспределением
Для упрощения расчетных операций обычно пользуются графиком зависимости
для постоянных значений

(рис. 68). Определяя значения

,

и

, находим из графиков

(сплошные линии) или

(пунктирные линии).
Рис. 68. Номограмма для определения

Обычно ось симметрии светильников перпендикулярна расчетной горизонтальной плоскости (рис. 69), в этом случае освещенность горизонтальной плоскости в точке A -

равна:

. (64)
Рис. 69. К расчету освещенности в горизонтальной плоскости
При оси симметрии светильника, параллельной расчетной плоскости
(рис. 70) 
, освещенность в вертикальной плоскости

равна:

. (65)
Рис. 70. К расчету освещенности в вертикальной плоскости
РАСЧЕТ ПРЯМОЙ СОСТАВЛЯЮЩЕЙ ОСВЕЩЕННОСТИ ОТ ТОЧЕЧНЫХ
СВЕТЯЩИХ ЭЛЕМЕНТОВ С СИММЕТРИЧНЫМ СВЕТОРАСПРЕДЕЛЕНИЕМ
7.7. При расчете освещенности от симметричных светильников необходимо соблюдать следующую последовательность:
1. По отношению

определяется

, а следовательно, и угол

и

, где d - расстояние от расчетной точки до проекции оси симметрии светильника на плоскость, ей перпендикулярную и проходящую через расчетную точку.
2. По кривой силы света для выбранного типа светильника и углу

определяется

.
3. По
(63) -
(65) рассчитываются освещенности в горизонтальной, вертикальной или наклонной плоскостях.
Пример 1. Помещение площадью 100 м2 высотой 5 м освещается четырьмя светильниками типа УПД ДРЛ с лампами типа ДРЛ мощностью 400 Вт

, имеющими кривую силы света при условной лампе со световым потоком

, дискретные значения которой даны в табл. 61.
──────────────────────────┬───────────────────────────────────────
альфа, град │ Сила света I , кд
│ альфа
──────────────────────────┼───────────────────────────────────────
0 │ 284
──────────────────────────┼───────────────────────────────────────
5 │ 280
──────────────────────────┼───────────────────────────────────────
15 │ 277
──────────────────────────┼───────────────────────────────────────
25 │ 258
──────────────────────────┼───────────────────────────────────────
35 │ 228
──────────────────────────┼───────────────────────────────────────
45 │ 181
──────────────────────────┼───────────────────────────────────────
55 │ 106
──────────────────────────┼───────────────────────────────────────
65 │ 56
──────────────────────────┼───────────────────────────────────────
75 │ 26
──────────────────────────┼───────────────────────────────────────
85 │ 6
──────────────────────────┼───────────────────────────────────────
90 │ 2
──────────────────────────┼───────────────────────────────────────
95 │ 4
──────────────────────────┼───────────────────────────────────────
105 │ 4
──────────────────────────┼───────────────────────────────────────
115 │ 4
──────────────────────────┼───────────────────────────────────────
125 │ 5
──────────────────────────┼───────────────────────────────────────
135 │ 5
──────────────────────────┼───────────────────────────────────────
145 │ 5
──────────────────────────┼───────────────────────────────────────
155 │ 4
──────────────────────────┼───────────────────────────────────────
165 │ 4
──────────────────────────┼───────────────────────────────────────
175 │ 3
──────────────────────────┼───────────────────────────────────────
180 │ 3
Светильники располагаются по углам квадрата со стороной 5 м. Высота подвеса светильников

. Определить освещенность горизонтальной, вертикальной и наклонной (под углом

) плоскостей, расположенных на пересечении диагоналей поля светильников
(рис. 71). Расчет освещенности производим в указанной выше последовательности:

.
2. Определяем

и

:

,

.
3. Определяем

.
Рис. 71. Расположение светильников общего освещения
По
табл. 61 находим силу света при

для светильника с условной лампой

(интерполируем между значениями силы света для угла

и 45°); сила света при


.
4. Рассчитываем освещенность в горизонтальной плоскости.
Принимая коэффициент запаса

для одного светильника, имеем:

.
Так как каждый из четырех светильников создает в расчетной точке одинаковую освещенность, то суммарная освещенность равна:

.
5. Рассчитываем освещенность в вертикальной плоскости.
Так как расчетная точка, лежащая в вертикальной плоскости, освещается только двумя светильниками, то освещенность вертикальной плоскости будет равна:

.
6. Рассчитываем освещенность в наклонной плоскости:

.
Использование элементарных кривых освещенности E = f(d) значительно сокращает и упрощает расчет ОУ с большим числом одинаковых светильников общего освещения, расположенных на одной и той же высоте. Такие кривые приведены для заданного типа светильника на рис. 72. Для разных высот установки светильников

дана зависимость освещенности E, лк, от расстояния проекции оси симметрии светильника до расчетной точки d, м. Кривые, как правило, строятся для условной лампы, имеющей световой поток 1000 лм.
Рис. 72. Элементарные кривые освещенности
Для расчета ОУ часто используют пространственные изолюксы горизонтальной освещенности. Построение таких кривых осуществляется для каждого типа светильника, при этом световой поток ламп (при многоламповых светильниках - суммарный поток лампы) принимается равным 1000 лм. Создаваемая в этом случае освещенность называется относительной и обозначается

. Значение

зависит от светораспределения светильника и значений d и
(рис. 67). Для определения

служат пространственные изолюксы условной горизонтальной освещенности (для светильников типов У, УПМ-15, УП-24, Астра-1, 11 и 12 (они показаны на рис. 73), на которых находится точка с заданными d и

(значение d, как правило, определяется обмером по масштабному плану) и

находится путем интерполирования между значениями, указанными у ближайших изолюкс. Аналогичные графики, но построенные по данным измерений, могут применяться для расчета МО.
Рис. 73. Пространственные изолюксы условной горизонтальной
освещенности. Светильники У, УПМ-15, УП-24, Астра 1, 11, 12
При отсутствии изолюкс для светильника используется график для излучателя, имеющего по всем направлениям силу света, равную 100 кд (рис. 74), значение условной освещенности определяется так же, как указано выше. По кривой силы света светильника в данном направлении и значении

несложно вычислить

:

. (66)
Рис. 74. Пространственные изолюксы горизонтальной
освещенности (сила света светильника по всем
направлениям 100 кд)
Если суммарное действие "ближайших" светильников создает в расчетной точке относительную освещенность

, то действие более удаленных светильников и отраженную составляющую учитывают с помощью коэффициента

. Тогда для получения в расчетной точке нормированной освещенности

при коэффициенте запаса

световой поток лампы в каждом светильнике должен быть равен:

. (67)
По значению Ф выбирается ближайшая стандартная лампа, поток которой

должен находиться в пределах

. Если эти пределы при выборе лампы не выполняются, то корректируется расположение светильников.
По формуле (67) может быть определена освещенность при известном световом потоке. Характерные расчетные точки расчета для общего равномерного освещения показаны на рис. 75.
Рис. 75. Характерные расчетные точки
для общего равномерного освещения
При часто встречающемся расположении светильников, как, например, рядами вдоль светотехнических мостиков, расчетная точка выбирается между рядами на расстоянии, примерно равном расчетной высоте от торцевой стены. Не следует отыскивать точку минимальной освещенности у стен или в углах, если в этих точках имеются рабочие места, то доведение в них освещенности до требуемого значения может быть осуществлено увеличением мощности ближайших светильников или установкой дополнительных светильников. Часто в процессе расчетов возникают затруднения в определении числа светильников, которые необходимо учитывать при определении

. Обычно в расчет принимаются светильники, расположенные на трех наименьших расстояниях d. На
рис. 75 расчетные точки соединены линиями с теми светильниками, от которых обычно определяются значения

. В общем случае, чем меньше значение

и чем шире светораспределение светильника, тем большую роль играют удаленные светильники и тем тщательнее следует их учитывать. При определении

не должны учитываться светильники, реально не создающие освещенности в контрольной точке из-за затенений оборудованием или корпусом работающего.
Пример 2. В помещении, часть которого показана на
рис. 75, а, необходимо обеспечить освещенность 100 лк при коэффициенте запаса

, используя светильники типа УПМ-15, установленные на высоте 3 м. Расстояние между светильниками в ряду 4 м, расстояние между рядами светильников 6 м. Определить мощность лампы.
Расстояние d от светильника до расчетной точки определяется обмером по масштабному плану. Значение

находим по графику
рис. 73. Расчеты сводим в табл. 62.
Таблица 62
───────┬─────────────┬───────────┬────────────────────────────────
Точка │ Номера │Расстояние,│ Условная освещенность, лк
│светильников │ м ├───────────────┬────────────────
│ │ │ от одного │ от всех
│ │ │ светильника │ светильников
───────┼─────────────┼───────────┼───────────────┼────────────────
А │ 1, 2, 3, 4 │ 3,6 │ 4,5 │ 18
│ 5, 6 │ 6,7 │ 0,9 │ 1,8
│ 7, 8 │ 9,2 │ 0,3 │ 0,6
───────┼─────────────┼───────────┼───────────────┴────────────────
│ │ │ сумма эпсилон = 20,4
│ │ │
Б │ 1, 3 │ 3 │ 7 │ 14
│ 2, 4 │ 5 │ 2 │ 4
│ 5, 6 │ 8,5 │ 0,4 │ 0,8
│ 7 │ 9 │ 31 │ 0,31
───────┼─────────────┼───────────┼──────────────┴─────────────────
│ │ │ сумма эпсилон = 19,1
Наихудшей является точка Б, по освещенности в которой определяем необходимый поток, принимая

:

;
по
ГОСТ 2239-79 (с изм.) выбираем лампу накаливания 500 Вт на напряжение 220 В со световым потоком 8300 лм.
РАСЧЕТ ПРЯМОЙ СОСТАВЛЯЮЩЕЙ ОСВЕЩЕННОСТИ ОТ ТОЧЕЧНЫХ
СВЕТЯЩИХ ЭЛЕМЕНТОВ С НЕСИММЕТРИЧНЫМ СВЕТОРАСПРЕДЕЛЕНИЕМ
7.8. В отличие от расчета освещенности от светильников с симметричным светораспределением расположение точки расчета A при освещении несимметричным светильником O характеризуется тремя параметрами: расстоянием

и углами

и

, отсчитываемыми от плоскости симметрии светильника OBC (рис. 76). Согласно рис. 76 значения

и

могут быть определены из формул:

;

. (68)
Рис. 76. К расчету освещенности от точечного светящего
элемента с несимметричным светораспределением
С учетом

и

по кривой силы света определяем силу света

по направлению к расчетной точке, а следовательно, и освещенность

в этой точке

. (69)
Расчет освещенности от большого числа светильников с несимметричным светораспределением удобно производить по кривым равных значений относительной освещенности

, построенным в полярной системе координат

и

или

(рис. 77).
Рис. 77. Пространственные кривые равной относительной
освещенности для светильника с несимметричным
светораспределением
Построение таких кривых для данного типа светильника осуществляется по кривым относительной освещенности для различных продольных плоскостей

. По значению

определяется значение

, соответствующее выбранным значениям

, которые определяют положение точек

на соответствующих прямых

полярной системы координат. Соединение между собой точек позволяет получить кривую равной относительной освещенности с источником света, световой поток которого

при

.
Расчет освещенности при использовании указанных кривых следует производить в следующем порядке:
1. По положению светильника относительно расчетной точки определяются:
2. По кривым равной относительной освещенности и значениям

и

определяется
(рис. 77).
3. По значению

рассчитывается освещенность

:

.
Пример 3. Определить освещенность в расчетной точке на горизонтальной плоскости от светильника "Кососвет", расположенного на высоте

над расчетной плоскостью. В светильнике установлена лампа накаливания 150 Вт, 220 В

. Коэффициент запаса

.

;

;

.
2. Определяем относительную освещенность по графику
(рис. 77):
3. Определяем освещенность в расчетной точке

.
РАСЧЕТ ПРОЖЕКТОРНОГО ОСВЕЩЕНИЯ
7.9. Расчет прожекторного освещения имеет свою специфику, как правило, прожекторы устанавливаются наклонно, под некоторым углом к горизонту, определяемом расположением освещаемой зоны, высотой установки прожекторов и нормируемой освещенностью. Прожекторы дальнего действия имеют малые углы рассеяния (3 - 5°), и поэтому малейшие неточности в определении углов максимального значения силы света могут привести к значительным ошибкам.
Прожектор заливающего света, установленный на высоте

от плоскости расположения расчетной точки A
(рис. 78), имеет осевую силу света

и силу света

в направлении точки A.
Направление

определяется углами

и

в двух взаимно перпендикулярных плоскостях. Согласно
рис. 78 значения этих углов могут быть определены из следующих уравнений:

;

. (70)
Рис. 78. К расчету освещенности от прожектора
заливающего света
Зная

и

, по кривым силы света определяем силу света по направлению к расчетной точке A

и затем освещенность

:

, (71)
где

- угол между направлением силы света в расчетную точку и нормалью к освещаемой поверхности.
При расчете освещенности от большего числа прожекторов обычно пользуются вспомогательными графиками и таблицами.
Широкое распространение в практике проектирования получил метод кривых равных значений относительной освещенности. Кривые равных значений относительной освещенности построены на плоскости, перпендикулярной оптической оси прожектора и удаленной от его светового центра на расстояние 1 м. Эти кривые строятся в прямоугольной системе координат

и

(рис. 79).
Рис. 79. Кривые равной относительной освещенности.
Прожектор ПЗР-400 с лампой ДРЛ-400
Для прожекторов, обладающих двумя плоскостями симметрии (горизонтальной и вертикальной), достаточно иметь такие кривые, расположенные только в одной четверти прямоугольных координатной системы.
Для определения освещенности в точке A горизонтальной плоскости строится вспомогательная плоскость Q, проходящая через расчетную точку A и перпендикулярная оптической оси прожектора
(рис. 80). Освещенность в точке A плоскости

определится по формуле

, (72)
где

- относительная освещенность, определенная по кривым равных значений относительной освещенности для заданных координат

и

;
r - расстояние от прожектора до плоскости, перпендикулярной оптической оси прожектора.
Рис. 80. К расчету освещенности от прожектора заливающего
света методом кривых равной относительной освещенности
Освещенность определится по формуле

;

.

. (73)
Соответственно, освещенность в вертикальной плоскости, проходящей через точку A, будет иметь значение

, (74)
где a - расстояние от проекции светового центра прожектора на расчетную плоскость до следа пересечения вертикальной плоскости с плоскостью Q.
Согласно
уравнениям (73) и (74) для определения

и

необходимо иметь значение относительной освещенности

, которое определяется на графике по координатам

и

.
Согласно
рис. 80 из треугольника OBK и LMK получим:

.
Из треугольника AOM

. (75)
Так как в общем случае расчетная точка может быть смещена в горизонтальной плоскости на некоторое расстояние b от плоскости симметрии прожектора OB, то ее положение будет определяться и второй координатой

:

. (76)
Полученные соотношения можно привести к виду, удобному для расчетов. Для этой цели обе части
формул (75) и (76) разделим на

и обозначим соотношение

через

.
Тогда получим
Соответственно, освещенность в горизонтальной и вертикальной плоскостях будет равна:

;

. (78)
Приведенные соотношения позволяют определить освещенность в любой точке расчетной плоскости, если задана высота расположения прожектора

и угол наклона его оптической оси

.
Пример 4. Прожектор типа ПЗР-400 с лампой ДРЛ-400 установлен на высоте 15 м над освещаемой территорией. Определить освещенность горизонтальной плоскости в точке A (рис. 81), если угол наклона оптической оси прожектора

, коэффициент запаса

. Расчет следует вести методом кривых равных значений относительной освещенности.
Рис. 81. Расположение прожектора относительно
Определяем значения

,

и

:

;

;

.
По кривым равной относительной освещенности
(рис. 79) находим

.
Освещенность в горизонтальной плоскости

равна:

.
Рассматриваемый метод позволяет решить и обратную задачу - определить координаты точек a и b по заданной освещенности и выбранной высоте установки прожектора, т.е. получить необходимые данные для построения кривых равных значений освещенности, необходимых для расчета прожекторного освещения.
Для облегчения построения таких кривых рассчитаны таблицы значений
<*> 
,

, и

в зависимости от

и отношения

. Порядок расчета кривых равных значений освещенности сводится к следующему:
1. Задаваясь значением a, определяют

.
2. По таблице находят

,

, и

для данного отношения

и заданного

.
3. Задаваясь значениями

и

, по
формуле (78) определяют относительную освещенность.
4. По найденным значениям

и

пользуясь графиком относительной освещенности, определяют

.
5. По найденному значению

и известным

и

находят вторую координату точки кривой равной освещенности.
--------------------------------
<*> Справочная книга для проектирования электрического освещения. Под ред. Г.М. Кнорринга. - Л.: Энергия, 1976 - 384 с.
Найденные координаты a и b определяют положение пары точек кривой для выбранной освещенности E, симметричных относительно следа оптической оси прожектора. Проводя аналогичные расчеты, находят для различных значений

положения точек, соединяя которые между собой, получают кривую заданной освещенности

.
РАСЧЕТ ОСВЕЩЕННОСТИ ОТ ЛИНЕЙНЫХ СВЕТЯЩИХ ЭЛЕМЕНТОВ
7.10. Прямая составляющая освещенности

от линейных светящих элементов, расположенных параллельно расчетной плоскости
(рис. 82), определяется по формуле

; (79)
где

- среднее значение силы света с единицы длины светящей части светильника под углом

, лежащим в плоскости, перпендикулярной оси лампы;

- угол, под которым видна светящая линия из точки расчета;

- высота расположения светящей линии над освещаемой поверхностью.
Рис. 82. К расчету освещенности от линейного светящего
элемента
Уравнение (79) применимо, когда расчетная точка совпадает с проекцией конца светящей линии на расчетную плоскость. В более общем случае освещенность в расчетных точках

и
(рис. 83) будет равна:

;

,
где

,

,

- значения освещенности от участков светящей линии.
Рис. 83. Варианты расположения расчетной точки относительно
линейного светящего элемента
В упрощенных методах расчета значение

определяется графически (рис. 84) в зависимости от

, где

- длина светящей линии; l - расстояние от светящей линии до расчетной точки. Когда расстояние, на котором определяется освещенность, в три раза меньше длины светящей линии, линия может рассматриваться как бесконечно протяженная.
Рис. 84. График функции

для расчета освещенности
от светящей линии
Пример 5. Люминесцентная лампа типа ЛБ мощностью 80 Вт, напряжением 220 В, имеющая световой поток 5220 лм, расположена на высоте

параллельно расчетной плоскости. Определить освещенность в точке A расчетной плоскости, отстоящей на 2 м от проекции конца линии на расчетную плоскость. Принимая лампу за светящую линию

, определим силу света с единицы длины в плоскости, перпендикулярной оси лампы:

.

.

.
Светильники с люминесцентными лампами, как правило, располагаются параллельно рядами вдоль наружной стены со светопроемами. Каждый ряд светильников представляет собой непрерывную (светильники вплотную примыкают один к другому) или прерывистую линию, когда светильники располагаются с некоторыми интервалами вдоль ряда
(рис. 85). Если в прерывистой линии отношение расстояния между торцами светильников к высоте их подвеса над расчетной поверхностью

не превышает 0,5, распределение освещенности по расчетной плоскости вдоль ряда светильников можно практически считать равномерным. Снижение освещенности на краях ряда можно компенсировать уплотнением светильников на конце прерывистого ряда или установкой дополнительных светильников на конце ряда при сплошных светящих линиях.
Рис. 85. К расчету освещенности от светящей линии
с разрывами
Наибольшее распространение при расчете освещенности от светящей линии нашел метод кривых равной относительной освещенности. Сущность этого метода заключается в следующем.
Уравнение (79) при использовании светящей прерывистой линии может быть записано в виде

,
где

,

- число светильников в линии.

,
где

.
Введем понятие условной силы света линейного светящего элемента с источником света, световой поток которого равен 1000 лм,

, (80)
где

- световой поток лампы в светильнике.
Подставляя выражение

и

из уравнения (80), получим:

. (81)
Полученное выражение можно представить в виде

, (82)
где
(

- относительная освещенность от светящей линии).
Заменяя в уравнении углы линейными размерами, а также уменьшая число переменных для получения удобных графиков, приняв

и заменив координаты a и

относительными координатами

и

, можно построить кривые равных значений относительной освещенности.
Для построения кривых равных значений относительной освещенности строят предварительно кривые относительной освещенности

для

. Задаваясь определенными значениями

, по относительной освещенности определяют

, соответствующее каждому значению

, и наносят их на сетку в прямоугольной системе координат.
Значительно облегчает построение кривых относительной освещенности использование вспомогательного графика, приведенного на
рис. 86. По оси абсцисс на нем отложена относительная длина светящей линии

, а по оси ординат - функция

, определяемая согласно
уравнению (81) размером и положением светящей линии относительно расчетной точки

.
Рис. 86. Вспомогательный график для построения кривых
равных значений относительной освещенности
Задаваясь значением

, из графика находим значение

и углы

, соответствующие разным значениям

. Относительная освещенность для заданных

и

определяется как произведение

и значения силы света светильника

, найденное по его продольной кривой силы света для соответствующего угла

. На рис. 87 приведены кривые равных значений относительной освещенности для подвесных светильников серии ЛСО02 с люминесцентными лампами. По оси ординат отложены относительные размеры светящей линии

, а по оси абсцисс - относительные расстояния от проекции оси линии

.
Рис. 87. Кривые равных значений относительной освещенности
для светильников серии ЛСО02
Пример 6. Светильники серии ЛСО02 с двумя люминесцентными лампами типа ЛБ 40 мощностью по 40 Вт расположены в один ряд параллельно расчетной плоскости на высоте

. Полная длина ряда 18 м, длина светильника

, интервалы между смежными рядами светильников 1 м. Определить освещенность в точке A (рис. 88), приняв коэффициент запаса

.
Рис. 88. Расположение светильника относительно расчетной
Определим относительные параметры
| | ИС МЕГАНОРМ: примечание. Формула дана в соответствии с официальным текстом документа (д.б. 2/4 и 4/4). | |
На
рис. 87 по относительным параметрам находим

;

.
Определим фактическую освещенность
РАСЧЕТ ОСВЕЩЕННОСТИ ОТ СВЕТЯЩИХ ПОВЕРХНОСТЕЙ
РАВНОМЕРНОЙ ЯРКОСТИ
7.11. Освещенность E в точке A расчетной плоскости, создаваемая светящей поверхностью размером a x b
(рис. 89) определяется из уравнения

, (83)
где

- яркость по нормали к светящей поверхности.
Рис. 89. Номограмма для расчета освещенности от равнояркого
светящего прямоугольника, параллельного расчетной плоскости
При равномерной и одинаковой во всех направлениях

и телесном угле в стерадианах значение светимости M определяется по формуле

;

.
E = Mq. (84)
На основании уравнения (84) построены номограммы для определения освещенности на плоскости, параллельной и перпендикулярной светящей поверхности. По осям абсцисс и ординат номограммы отложены относительные размеры светящего прямоугольника (

и

) и построены кривые равных значений q.
Номограмма
рис. 89 позволяет определить коэффициент освещенности от светящего прямоугольника, параллельного расчетной плоскости. Номограмма рис. 90 предназначена для определения коэффициента освещенности от светящих прямоугольников, перпендикулярных расчетной плоскости.
Рис. 90. Номограмма для расчета освещенности
от равнояркого светящего прямоугольника,
перпендикулярного расчетной плоскости
Расчет освещенности с помощью приведенных номограмм допустим лишь в частном случае, когда проекция вершины светящего прямоугольника совпадает с расчетной точкой. Однако к этому частному случаю можно свести любой случай, встречающийся на практике. Светящий прямоугольник может быть разбит на отдельные прямоугольники, вершина которых совпадает с точкой расчета A
(рис. 91). В этом случае q при светящем прямоугольнике, расположенном, как показано на
рис. 91, а, будет иметь значение

;
для ситуации, показанной на рис. 91, б,

.
Рис. 91. Варианты размещения светящих прямоугольников
Для определения q могут применяться также измерительные номограммы. На
рис. 92 приводится одна из таких номограмм, рассчитанная для светораспределения

, которая предназначена для определения q при расчете освещенности от потолков и панелей, перекрытых экранирующими решетками с защитным углом около 45°.
Рис. 92 представляет собой один из четырех квадрантов номограммы, которая в полном объеме содержит 500 элементов (четырехугольных, у вершины - треугольных). Элементы, ограниченные с одной стороны штриховой дугой, считаются за 0,5. На горизонтальной освещаемой плоскости произвольно выбирается направление осей координат x, y с началом в расчетной точке. Контуры излучателя наносятся на сетке номограммы по координатам их вершин

;

.
Рис. 92. Измерительная номограмма для расчета освещенности
от светящих поверхностей при светораспределении светящего
элемента

Если в пределах этих контуров вмещается z элементов графика, то q = z/500. Измерительная номограмма пригодна для определения освещенности от поверхностей любой формы.
Пример 7. Прямоугольное помещение площадью 20 x 40 м2 и высотой 4 м освещается светящей панелью, расположенной в плоскости потолка помещения (рис. 93). Размеры панели 8 x 16 м2. Светимость панели 200 лм/м2. Определить освещенность в центре помещения на уровне пола, принимая коэффициент запаса

.
Рис. 93. Расположение светящей панели в помещении
Разбиваем светящий прямоугольник на четыре части так, чтобы проекция одной из вершин каждой из них совпала с расчетной точкой. Стороны полученных прямоугольников находим на рис. 93: a = 4 м, b = 8 м.
Соответственно относительные размеры сторон

;

.
По номограмме
рис. 89 находим значение q для одного такого прямоугольника: q = 16,5%.
Так как размеры всех четырех прямоугольников одинаковы, то освещенность в расчетной точке A равна:

.
РАСЧЕТ ОСВЕЩЕННОСТИ С УЧЕТОМ МНОГОКРАТНЫХ ОТРАЖЕНИЙ
7.12. Освещаемый объем помещения ограничивается ограждающими поверхностями, отражающими значительную часть светового потока, попадающего на них от источников света. В установках внутреннего освещения отражающими поверхностями являются пол, потолок, стены и оборудование, установленное в помещении. В тех случаях, когда поверхности, ограничивающие пространство, имеют высокие значения коэффициентов отражения, отраженная составляющая освещенности может иметь также большое значение и ее учет необходим, поскольку отраженные потоки могут быть сравнимы с прямыми и их недооценка может привести к значительным погрешностям в расчетах.
Расчет ОУ с учетом прямой и отраженной составляющей освещенности наиболее прост, если распределение светового потока по расчетной плоскости близко к равномерному. Это условие практически обеспечивается в случаях, когда размещение светильников близко к оптимальному. В этом случае можно ориентироваться на среднюю освещенность расчетной плоскости и ввести понятие

- коэффициента использования ОУ, под которым принято понимать отношение светового потока, падающего на расчетную плоскость, к световому потоку источников света

, (85)
где

- световой поток, падающий на расчетную плоскость;
n - число источников света.
Коэффициент использования ОУ, характеризующий эффективность использования светового потока источников света, определяется, с одной стороны, светораспределением и размещением светильников, а с другой - соотношением размеров освещаемого помещения и отражающими свойствами его поверхностей.
На
рис. 94 приведены кривые зависимости коэффициента использования ОУ для светильника рассеянного света от индекса помещения

, определяемого соотношением размеров освещаемого помещения:

. (86)
Рис. 94. График зависимости коэффициента использования ОУ
от индекса помещения
Значение

обычно определяют по таблицам. В зависимости от относительных размеров помещения и расчетной высоты находится значение индекса помещения.
Согласно
рис. 94 при увеличении

наблюдается рост

, что объясняется увеличением светового потока, непосредственно падающего от светильника на расчетную плоскость, с уменьшением высоты подвеса при неизменной площади помещения. С увеличением значений коэффициентов отражения, поверхностей, ограничивающих помещение, растет коэффициент использования ОУ, так как при этом уменьшаются потери светового потока при многократных отражениях.
При известном значении

среднюю освещенность

можно определить из следующего уравнения:

, (87)
где

- площадь расчетной поверхности.
Уравнение (87) используется также для решения обратной задачи - определения светового потока источников света, необходимого для создания заданной средней освещенности:

. (88)
В связи с тем, что нормирование искусственного освещения осуществляется по минимальному, а не по среднему значению освещенности, а также учитывая, что в практических условиях неизбежно неравномерное распределение освещенности на расчетной поверхности, в
уравнения (87) и (88) вводится коэффициент z, значение которого равно:

.
Значение z является функцией многих переменных и в наибольшей степени зависит от отношения расстояния между светильниками к расчетной высоте. При отношении

, не превышающем рекомендуемых значений, можно принимать z = 1,15 для ламп накаливания и типа ДРЛ и 1,1 - для ЛЛ при расположении светильников в виде светящих линий. Для отраженного освещения z = 1,0.
С учетом z световой поток источников света Ф, необходимый для создания нормированной освещенности, определится по формуле:

. (89)
По рассчитанному значению светового потока и напряжению сети выбирается ближайшая стандартная лампа, световой поток которой не должен отличаться от расчетного значения больше чем на (-10 - +20%). При невозможности обеспечения этого условия корректируется число светильников

.
При расчете люминесцентного освещения первоначально вместо числа светильников используется число рядов светильников N, которое подставляется в уравнение (89) вместо n. Тогда число светильников в ряду определится как

, где

- поток ламп в каждом светильнике.
При расчетах возможны различные случаи, когда:
суммарная длина светильников превышает длину помещения, при этом необходимо использовать более мощные лампы, увеличивать число рядов, компоновать ряды из сдвоенных, строенных и т.п. светильников;
суммарная длина светильников равна длине помещения, в этом случае рекомендуется устройство непрерывного ряда светильников;
суммарная длина светильников меньше длины помещения, при этом принимается ряд светильников с равномерно распределенными между светильниками разрывами

. На основе технико-экономических сопоставлений выбирается лучший вариант. Рекомендуется, чтобы значение

не превышало 0,5 расчетной высоты (кроме случая использования многоламповых светильников в помещениях общественных и административных зданий).
При расчете ОУ со стандартными светильниками

определяется из справочных таблиц
<*> с учетом коэффициентов отражения стен, потолка, пола и индекса помещения.
7.13. Для расчета ОУ при равномерном размещении светильников общего освещения широкое распространение получил метод удельной мощности. Удельная мощность освещения определяется отношением суммарной мощности ламп к освещаемой площади и является одним из важнейших энергетических показателей ОУ.
p - мощность одной лампы, Вт; w - удельную мощность; Вт/м2;

- световую отдачу, лм/Вт, тогда

;

. (90)
На основании формулы (90) можно заключить, что w зависит от освещенности, световой отдачи применяемых источников света и других факторов, т.е. от тех же показателей, которые оказывают влияние и на коэффициент использования ОУ.
На всех стадиях проектирования допускается вместо полного светотехнического расчета определять мощность и число ламп по таблицам удельной мощности
<*> в пределах данных, для которых они составлены. При этом к учитываемым параметрам относятся: тип светильника, освещенность, коэффициент запаса (при его значениях, отличающихся от указанных в таблицах, допускается пропорциональный пересчет значений удельной мощности), коэффициенты отражения ограждающих поверхностей помещения (для светильников прямого света таблицы рассчитаны для

,

,

и для них допускается при более светлых поверхностях уменьшать, а при более темных увеличивать значение удельной мощности на 10%), значения расчетной высоты, площадь помещения, коэффициент z, напряжение ламп накаливания. Так, табличные значения удельной мощности для ЛН соответствуют напряжению 220 В, при напряжении 127 В значения w, взятые из таблиц, должны быть умножены на коэффициент 0,86.
--------------------------------
<*> Справочная книга для проектирования электрического освещения. Под ред. Г.М. Кнорринга. - Л.: Энергия, 1976 - 384 с.
Для светильников с ЛЛ, кроме указанного, имеются следующие отличия: таблицы приводятся для освещенности 100 лк, в них указываются тип и мощность ламп с учетом их световой отдачи.
Таблицы удельной мощности для светильников с лампами типа ДРЛ составляются также для освещенности 100 лк (с пропорциональным пересчетом при других освещенностях), так как световая отдача ламп различной мощности практически одинакова.
При составлении таблиц значений w не учитывается форма помещения. Индекс помещения

определяется по формуле

, (91)
имеющей достаточную точность при

:

.
При пользовании таблицами для удлиненных помещений следует определять значения w для условной площади, равной

и распространить его на всю площадь помещения.
Порядок пользования таблицами при ЛН и лампах типа ДРЛ следующий:
1. Выбираются параметры ОУ, включая число светильников.
2. По соответствующей таблице находится удельная мощность ОУ.
3. Определяется единичная мощность лампы по формуле

. Выбирается ближайшая к этому значению лампа.
При ЛЛ выбираются все решения по осветительным установкам, включая число рядов светильников N и тип лампы.
1. По соответствующей таблице находят значения w для ламп данной мощности.
2. Определяют необходимое число светильников n в ряде делением произведения

на мощность одного светильника.
Графики Гурова и Прохорова <*>, предназначенные для определения числа светильников с ЛЛ в функции площади помещения при условии соблюдения всех других параметров установки, обеспечивают получение более точных результатов, чем по таблицам удельной мощности. На
рис. 95,
96 даны графики для наиболее распространенных светильников.
--------------------------------
<*> Справочная книга для проектирования электрического освещения. Под ред. Г.М. Кнорринга. - Л.: Энергия, 1976 - 384 с.
Рис. 95. График для определения числа светильников
ЛСО02/Р = 0,1; 0,2; 0,3 с лампами ЛБ-40
Рис. 96. График для определения числа светильников
УСП 3, 5, 11, 18, 31, 35 с лампами ЛБ-40
7.14. Все применяемые методы расчета освещения можно свести к двум основным: точечному и методу светового потока, называемому методом коэффициента использования.
В принципе, оба метода равноправны, области их применения в значительной степени пересекаются, но между ними есть существенные различия.
Точечным методом можно определить среднюю освещенность, но в основном он предназначен для нахождения освещенности в точках, и, следовательно, наиболее пригоден для расчета минимальной освещенности, регламентируемой нормами для большинства освещаемых объектов. Этот метод позволяет приближенно определить дополнительную освещенность, создаваемую отраженным светом.
Метод коэффициента использования предназначен для определения средней освещенности и при расчете этим методом минимальная освещенность оценивается лишь приближенно, без выявления точек, в которых она имеет место. Средняя освещенность может быть рассчитана на как угодно расположенной поверхности, но наиболее употребительные формы этого метода предназначены для расчета только горизонтальной освещенности.
Точечный метод может быть рекомендован для использования в следующих случаях:
1. При отсутствии необходимости в учете отражений составляющей освещенности.
2. Когда не предъявляются требования к равномерности распределения освещенности по помещению.
3. При определении освещенности наклонных поверхностей.
4. При необходимости учитывать возможные затенения.
Метод коэффициента использования целесообразен во всех случаях, когда расчет ведется по средней освещенности и, в частности, для расчета общего равномерного освещения административно-конторских и вспомогательных бытовых помещений для расчета общего равномерного освещения производственных помещений светильниками, не относящимися к классу прямого света.
Применение точечного метода целесообразно для расчета ОУ с повышенной неравномерностью распределения освещенности (локализованное освещение светильниками прямого света, наружное освещение, рассчитываемое на минимальную освещенность, аварийное освещение и т.п.), а также для расчета освещения наклонных поверхностей, создаваемого светильниками прямого света.
Общее равномерное освещение производственных помещений светильниками прямого света может быть рассчитано любым методом. Однако в ответственных случаях предпочтение следует отдавать точечному методу, так как он позволяет проанализировать распределение освещенности по площади помещения. При использовании концентрированного светораспределения необходимо применять только точечный метод.
Имеются случаи, в которых ни один из указанных методов расчета в отдельности не дает точных результатов. К таковым относится расчет локализованного освещения или освещения наклонных поверхностей в помещениях, освещаемых светильниками, не относящимися к классу прямого света. В этих случаях прямую составляющую освещенности определяют точечным методом, а дополнительную отраженную - методом коэффициента использования.
Необходимо отметить, что упрощенные формы метода коэффициента использования (таблицы удельной мощности, графики Гурова и Прохорова) нашли широкое применение в практике проектирования, когда не требуется обеспечивать высокую точность расчета ОУ.
ИНЖЕНЕРНЫЕ МЕТОДЫ РАСЧЕТА КАЧЕСТВЕННЫХ ПОКАЗАТЕЛЕЙ
ОСВЕТИТЕЛЬНЫХ УСТАНОВОК
7.15. Коэффициент пульсации светового потока источников света определяется по формуле

, (92а)
где

и

- соответственно максимальное и минимальное значения светового потока за период колебания;

- среднее значение светового потока за тот же период.
Значения

для наиболее распространенных источников света приведены в табл. 63 и
64.
─────────┬─────────────────────────────────────────────────────────────────
Тип ЛЛ │ Значение K , % от
│ п.и
├───────┬─────────────────────────────────────────────────────────
│ одной │ установленных в одной световой точке
│ лампы ├───────────────────────┬───────────────┬─────────────────
│ │ двух ламп при схеме │ двух ламп, │ трех ламп,
│ │ питания отстающим │ питаемых │ питаемых
│ │ и опережающим током │ от разных фаз │ от разных фаз
─────────┼───────┼───────────────────────┼───────────────┼─────────────────
ЛБ, ЛТБ │ 25 │ 10,5 │ 10 │ 2,2
ЛХБ │ 35 │ 15 │ 15 │ 3,1
ЛДЦ │ 40 │ 17 │ 17 │ 3,5
ЛД │ 55 │ 23 │ 23 │ 5,0
───────────────────┬───────────────────────────────────────────────────────
Тип ГЛВД │ Значение K , % от
│ п.и
├───────┬───────────────────────────────────────────────
│ одной │ установленных в одной световой точке
│ лампы ├───────────────────────┬───────────────────────
│ │ двух ламп, питаемых │ трех ламп, питаемых
│ │ от разных фаз │ от разных фаз
───────────────────┼───────┼───────────────────────┼───────────────────────
ДРЛ │ 65 │ 32 │ 5,2
───────────────────┼───────┼───────────────────────┼───────────────────────
ДРИ │ 45 │ 23 │ 3,5
(двухкомпонентные) │ │ │
───────────────────┼───────┼───────────────────────┼───────────────────────
ДНаТ │ 80 │ 39,5 │ 6,3
───────────────────┼───────┼───────────────────────┼───────────────────────
ДКсТ │ 130 │ 65 │ 5,0
Как видно из
табл. 63,
64, ограничение значений

может быть достигнуто применением специальных схем включения источников света в светильнике или расфазированием светильников в ОУ.
Этими же средствами обеспечивается ограничение коэффициента пульсации освещенности

на рабочих местах, определяемого по формуле

, (92б)
где

и

- соответственно, максимальное и минимальное значения освещенности за период колебания;

- среднее значение освещенности за тот же период.
Ограничение

достигается:
в двух- и четырехламповых светильниках с ЛЛ применением компенсированных пускорегулирующих аппаратов, когда питание одной половины ламп в светильнике осуществляется отстающим током, а другой половины - опережающим;
поочередным присоединением соседних светильников в ряду или соседних рядов к разным фазам сети;
установкой в одной световой точке двух или трех светильников с ГЛВД типов ДРЛ, ДРИ, ДНаТ, присоединенных к разным фазам сети;
питанием различных ламп в многоламповых светильниках с ЛЛ от разных фаз сети.
В табл. 65 приведены условия, при которых нормированные значения

соблюдаются и проверка их выполнения в ОУ с ЛЛ не требуется.
───────────────────────────────────────────────────────┬───────────────────
Расположение светильников с ЛЛ │ Нормированное
и схема включения ламп │ значение К , %,
│ п
│ не более
├────┬────┬────┬────
│ 10 │ 15 │ 20 │ 30
───────────────────────────────────────────────────────┼────┼────┼────┼────
При любом расположении светильников: число ламп │ + │ + │ + │ +
в светильнике, кратное трем, с равномерным │ │ │ │
распределением между фазами сети │ │ │ │
Число ламп в светильнике, кратное двум, с включением │ │ │ │
половины ламп по схеме опережающего и половины - │ │ │ │
по схеме отстающего тока: │ │ │ │
лампы ЛБ и ЛТБ │ + │ + │ + │ +
лампы ЛХБ │ - │ + │ + │ +
лампы ЛДЦ │ - │ - │ + │ +
лампы ЛД │ - │ - │ + │ +
Любое число ламп в светильнике и любая схема │ - │ - │ - │ +
включения: лампы ЛБ и ЛТБ │ │ │ │
При сплошных линиях светильников и высоте подвеса │ │ │ │
h >= 2 м трехфазные линии с поочередным включением │ │ │ │
р │ │ │ │
светильников на разные фазы сети │ │ │ │
любые лампы и схемы │ + │ + │ + │ +
то же, но двухфазные линии: │ │ │ │
лампы ЛБ и ЛТБ │ + │ + │ + │ +
лампы ЛХБ │ - │ + │ + │ +
лампы ЛДЦ и ЛД │ - │ - │ + │ +
Двухфазные линии с поочередным включением светильников │ + │ + │ + │ +
на разные фазы сети, число ламп в светильнике, кратное │ │ │ │
двум, с включением половины ламп по схеме опережающего │ │ │ │
и половины - по схеме отстающего тока, лампы всех │ │ │ │
типов │ │ │ │
--------------------------------
<*> Условия, при которых соблюдаются нормированные значения коэффициента пульсации, отмечены знаком "+".
Для наиболее распространенных светильников с ГЛВД типа ДРЛ в
табл. 66 и
67 указаны различные случаи расположения и расфазировки светильников и предельные значения отношения расстояния между светильниками

к расчетной высоте

, при которых соблюдаются нормированные значения

(через b в таблице обозначено расстояние между рядами светильников; если численное значение величины

приведено в виде дроби, то числитель относится к полям прямоугольной формы, а знаменатель - к шахматному расположению светильников).
───────────────────┬───────────────────────┬───────────────────────────────
Тип ГЛВД │Количество светильников│ Нормированное значение K , %,
│ в световой точке, │ п
│ подключенных к разным │ не более
│ фазам ├───────┬───────┬───────┬───────
│ │ 10 │ 15 │ 20 │ 30
───────────────────┼───────────────────────┼───────┼───────┼───────┼───────
ДРЛ │ 2 │ - │ - │ - │ +
│ 3 │ + │ + │ + │ +
───────────────────┼───────────────────────┼───────┼───────┼───────┼───────
ДРИ │ 2 │ - │ - │ - │ +
(двухкомпонентная) │ 3 │ + │ + │ + │ +
───────────────────┼───────────────────────┼───────┼───────┼───────┼───────
ДНаТ │ 2 │ - │ - │ - │ -
│ 3 │ + │ + │ + │ +
| | ИС МЕГАНОРМ: примечание. В официальном тексте документа, видимо, допущена опечатка: имеется в виду сноска к таблице 65. | |
───────┬──────────────────┬─────┬──────────────────────────────────────────
Число │ Расположение │ b/h │ Наибольшие значения l /h , при которых
рядов │ и расфазировка │ р│ св р
│светильников
<*> │ │ обеспечивается K , %, не более
│ │ │ п
│ │ ├──────────┬──────────┬──────────┬─────────
│ │ │ 10 │ 15 │ 20 │ 30
───────┴──────────────────┴─────┴──────────┴──────────┴──────────┴─────────
Светильники с типовой кривой Д (СД2, УПД и т.д.)
1 │Одиночные │ │ │ │ │
│светильники │ │ │ │ │
│A-B-C-A-B-C │ - │ 0,45 │ 0,6 │ 0,7 │ 0,9
│Сдвоенные │ │ │ │ │
│светильники │ │ │ │ │
│AB-CA-BC-AB-CA-BC │ - │ 0,8 │ 1,1 │ 1,3 │ 1,8
2 │Одиночные │ 0,3 │ 0,7/0,9 │ 1,0/1,1 │ 1,2/1,4 │ 1,8
и более│светильники: │ │ │ │ │
│ первый ряд │ 0,6 │ 0,6 │ 0,9 │ 1,1 │ 1,6
│ A-B-C-A-B-C │ 0,9 │ 0,35/0,5 │ 0,7 │ 0,95 │ 1,2/1,3
│ второй ряд │ 1,2 │ 0,3/0,5 │ 0,65 │ 0,8 │ 1,1
│ B-C-A-B-C-A │ 1,8 │ 0,2/0,45 │ 0,6 │ 0,75 │ 1,0
│Сдвоенные │ 0,3 │ 0,8/0,4 │ 1,2/1,4 │ 1,8 │ 1,8
│светильники: │ │ │ │ │
│ первый ряд │ 0,6 │ 0,8/0,4 │ 1,2 │ 1,8 │ 1,8
│ AB-CA-BC-AB-CA-BC│ 0,9 │ 0,8/0,4 │ 1,15 │ 1,7/1,8 │ 1,8
│ второй ряд │ 1,2 │ 0,8/0,4 │ 1,1 │ 1,6/1,7 │ 1,8
│ BC-AB-CA-BC-AB-CA│ 1,8 │ 0,8/0,4 │ 1,1 │ 1,4/1,6 │ 1,8
Светильники с типовой кривой Г (ГсР, С34 и т.д.)
1 │Одиночные │ - │ 0,45 │ 0,5 │ 0,6 │ 0,7
│светильники │ │ │ │ │
│A-B-C-A-B-C │ │ │ │ │
│Сдвоенные │ │ │ │ │
│светильники │ │ │ │ │
│AB-CA-BC-AB-CA-BC │ - │ 0,55 │ 0,75 │ 0,95 │ 1,2
2 │Одиночные │ 0,3 │0,55/0,75 │ 0,7/0,9 │ 0,9/1,0 │ 1,2
и более│светильники: │ │ │ │ │
│ первый ряд │ 0,45│ 0,5/0,65 │ 0,65/0,75│ 0,8/0,9 │ 1,2
│ A-B-C-A-B-C │ 0,6 │ 0,5 │ 0,65 │ 0,75 │ 1,1
│ второй ряд │ 0,75│ 0,45 │ 0,6 │ 0,7 │ 0,85
│ B-C-A-B-C-A │ 0,9 │ 0,4 │ 0,5 │ 0,65 │ 0,8
│ и т.д. │ 1,2 │ 0,4 │ 0,45 │ 0,6 │ 0,7
│Сдвоенные │ 0,3 │ 0,6/0,5 │ 0,9/0,7 │ 1,2/1,0 │ 1,2
│светильники: │ │ │ │ │
│ первый ряд │ 0,45│ 0,6/0,5 │ 0,85/0,7 │ 1,2/1,0 │ 1,2
│ AB-CA-BC-AB-CA-BC│ 0,6 │ 0,6/0,5 │ 0,85/0,7 │ 1,2/1,0 │ 1,2
│ второй ряд │ 0,9 │ 0,6/0,5 │ 0,8/0,7 │ 1,1/1,0 │ 1,2
│ BC-AB-CA-BC-AB-CA│ 1,2 │ 0,6/0,5 │ 0,7 │ 1,0 │ 1,2
--------------------------------
<*> A, B, C - фазы питающего напряжения.
В случаях, не указанных в
табл. 65 -
67, производится вычисление значения

в той точке расположения рабочих мест, где

имеет максимальное значение. Для этого в указанной точке отдельно определяются относительные освещенности, создаваемые светильниками, питаемыми от каждой из трех фаз. Наибольшее из значений принимается за 100%, а остальные два выражаются в долях от него. Соответственно полученным долям по
табл. 68 для ОУ с ЛЛ и по
табл. 69 для ОУ с ГЛВД определяется

, которое представляет собой пульсацию освещенности в ОУ, если лампы имеют условный

. Коэффициент пульсации в ОУ с источником света, имеющим реальную пульсацию светового потока

, определяется по соотношению:

. (93)
─────────┬─────────────────────────────────────────────────────────────────
Освещен- │ Значение K в ОУ с ЛЛ при освещенности от ламп
ность │ п. табл.
от ламп │ второй фазы, %
третьей ├─────┬─────┬─────┬─────┬─────┬─────┬─────┬─────┬─────┬─────┬─────
фазы, % │ 100 │ 90 │ 80 │ 70 │ 60 │ 50 │ 40 │ 30 │ 20 │ 10 │ 0
─────────┼─────┼─────┼─────┼─────┼─────┼─────┼─────┼─────┼─────┼─────┼─────
0 │42,3 │45,0 │48,0 │51,2 │54,5 │59,9 │64,9 │71,5 │79,3 │88,5 │ 100
10 │37,4 │39,4 │41,8 │44,9 │47,8 │52,3 │56,9 │62,6 │69,0 │77,4 │ -
20 │32,3 │34,4 │36,8 │39,4 │41,5 │45,2 │49,5 │54,8 │68,8 │ - │ -
30 │27,8 │30,0 │32,3 │34,8 │36,9 │40,2 │44,2 │48,9 │ - │ - │ -
40 │23,4 │25,9 │27,9 │30,2 │32,6 │35,4 │39,2 │ - │ - │ - │ -
50 │19,8 │22,2 │24,2 │26,3 │28,5 │31,4 │ - │ - │ - │ - │ -
60 │17,2 │19,2 │21,2 │23,4 │25,7 │ - │ - │ - │ - │ - │ -
70 │14,8 │16,6 │18,4 │20,9 │ - │ - │ - │ - │ - │ - │ -
80 │12,4 │14,2 │16,3 │ - │ - │ - │ - │ - │ - │ - │ -
90 │10,4 │12,3 │ - │ - │ - │ - │ - │ - │ - │ - │ -
100 │ 8,9 │ - │ - │ - │ - │ - │ - │ - │ - │ - │ -
─────────┬─────────────────────────────────────────────────────────────────
Освещен- │ Значение K в ОУ с ГЛВД при освещенности от ламп
ность │ п. табл.
от ламп │ второй фазы, %
третьей ├─────┬─────┬─────┬─────┬─────┬─────┬─────┬─────┬─────┬─────┬─────
фазы, % │ 100 │ 90 │ 80 │ 70 │ 60 │ 50 │ 40 │ 30 │ 20 │ 10 │ 0
─────────┼─────┼─────┼─────┼─────┼─────┼─────┼─────┼─────┼─────┼─────┼─────
0 │49,9 │50,3 │50,9 │52,4 │53,9 │56,5 │61,0 │67,1 │74,2 │85,5 │ 100
10 │40,0 │40,5 │41,0 │41,5 │43,0 │46,0 │51,0 │56,0 │62,5 │69,9 │ -
20 │33,0 │33,5 │34,0 │35,3 │37,1 │39,5 │43,1 │48,4 │55,5 │ - │ -
30 │28,1 │28,3 │28,6 │29,2 │30,4 │31,9 │35,4 │41,6 │ - │ - │ -
40 │22,8 │23,0 │23,5 │24,5 │28,0 │28,1 │31,0 │ - │ - │ - │ -
50 │18,0 │18,4 │19,4 │20,5 │22,4 │24,5 │ - │ - │ - │ - │ -
60 │15,0 │15,2 │15,5 │16,5 │19,6 │ - │ - │ - │ - │ - │ -
70 │11,6 │12,0 │12,6 │13,7 │ - │ - │ - │ - │ - │ - │ -
80 │ 9,3 │ 9,7 │10,6 │ - │ - │ - │ - │ - │ - │ - │ -
90 │ 8,8 │ 9,0 │ - │ - │ - │ - │ - │ - │ - │ - │ -
100 │ 7,9 │ - │ - │ - │ - │ - │ - │ - │ - │ - │ -
Пример 8. Помещение освещается одноламповыми светильниками с ЛЛ типа ЛБ, включенными поочередно в три фазы

. Определить

в расчетной точке ОУ, если лампы, включенные в разные фазы питающей сети, создают в этой точке соответственно относительные освещенности 300, 120 и 60 лк.
Выражая освещенности в процентах от наибольшего значения (300), получаем: 100, 40 и 20%. По
табл. 68 находим для источника света с

значение

. Коэффициент пульсации освещенности в ОУ с ЛЛ типа ЛБ находим по
соотношению (93):

.
7.16. Показатель ослепленности промышленных осветительных установок P определяется по формуле

, (94)
где a - коэффициент, учитывающий спектр излучения источника света - для ЛН, принимаемый равным 1, для МГЛ - 1,1, для ДРЛ - 1,6, для ЛЛ, ЛБ, ЛХБ, ЛТБ и ЛЕ - 1,4, для ламп ЛД и ЛДЦ - 1,7;
k - коэффициент, учитывающий максимальную яркость светильника, принимаемую равной максимальной яркости источника света; для ламп накаливания и ДРИ k = 9,46, для ламп ДР и ЛЛ

(

- максимальная яркость лампы); для ДРЛ k можно принимать независимо от мощности равным 6,46 (ошибка не превышает 7%); для ЛЛ k может быть рассчитан исходя из следующих соображений - для лампы ЛБ-40

, для остальных ламп 40 Вт яркость изменяется прямо пропорционально их световым потокам относительно лампы ЛБ-40, так же как и для любых ламп 65 и 80 Вт - прямо пропорционально их световым потокам относительно лампы ЛБ-80, для которой

;

- яркость равномерно диффузно отражающей рабочей поверхности, определяемая по формуле

, (95)
где E - освещенность, создаваемая светильниками общего освещения в расчетной точке на уровне 0,8 м от пола, без учета отраженных световых потоков, кд/м2;

- коэффициент отражения рабочей поверхности;

- сила света i-го светильника по направлению к глазу наблюдателя;

- угол действия i-го блеского источника, град;

- расстояние i-го блеского источника от глаза наблюдателя, м. При определении P по
формуле (94) выражение в скобках (пропорциональное яркости вуалирующей пелены) рассчитывается от каждого светильника, находящегося в поле зрения в пределах угла

, а затем суммируется в соответствии с
формулой (94).
7.17. Для определения соответствия ОУ производственного помещения требованиям норм по ограничению ослепленности можно применить инженерный метод
[1], пользование которым сводится к следующему. На основе классификации светильников по совокупности их светотехнических параметров по
табл. 70 определяется номер, присвоенный каждой группе светильников. Для каждой группы светильников по присвоенному ей номеру в
табл. 71 -
74 определяются максимально допустимые значения

в зависимости от показателя ослепленности P, разряду и подразряду работ по
СНиП "Естественное и искусственное освещение. Нормы проектирования" и высоты подвеса светильников над рабочей поверхностью

. Для светильников с ЛЛ значение

зависит также от мощности ламп.
──────┬──────────────┬─────────────────────┬───────────────────────────────
Номер │ Тип кривой │Защитный угол, град, │ Светильники
группы│силы света (по│не менее, в плоскости│
│ │поперечной│продольной│
──────┴──────────────┴──────────┴──────────┴───────────────────────────────
А. Светильники с люминесцентными лампами
1 │ К, Г-2 │ 30 │ - │ПУ-25, ЛСП13 (005 - 008)
2 │ Д-1 │ 15 │ - │ЛД, ЛДО, ОД, ОДО, ПВЛМ-Д, ЛСП02
│ │ │ │(01 - 09), ЛСП06 (05; 013)
3 │ Д-1 │ 15 │ 15 │ЛДР, ЛДОР, ОДР, ОДОР, ПВЛМ-ДОР,
│ │ │ │ПВЛМ-ДР, ЛСП02 (10 - 18),
│ │ │ │ЛСП06 (06; 15)
4 │ Д │ 30 │ 30 │ШОД, ЛПР, ЛСО02
│ │(условный)│ │
5 │ Д-1, Д-2 │ 90 │ 90 │ВЛВ, ВЛО, ПВЛ, ПВЛП, УСП35,
│ │(условный)│(условный)│ЛВП (31 - 33), ЛПО02
6 │ Д-1 │ 15 │ 15 │ПВЛМ с лампами токов ЛБР и ЛХБР
│ │(условный)│ │
7 │ Д-1 │ 15 │ 15 │ПВЛМ-Р с лампами типов ЛБР
│ │(условный)│ │и ЛХБР
8 │ Л │ 30 │ 30 │ЛСП13 (001 - 002), ПУ-23
Б. Светильники с лампами накаливания, ДРЛ и ДРИ
11 │ К │ 30 │ 30 │ГК, ГСП10/К
12 │ К │ 15 │ 15 │С35ДРЛ, РСП05/К, РСП13-003,
│ │ │ │РСП18-003
13 │ Г-1 │ 30 │ 30 │ГС, ГСУ, ГСП10/Г, НСП17
14 │ Г-1 │ 15 │ 15 │С34ДРЛ, РСП05/Г, РСП08/Г,
│ │ │ │РСП13-002, РСП18-002
15 │ Г-2 │ 30 │ 30 │ППД2, УПД
16 │ Д-2, Г-1 │ 15 │ 15 │"Астра-1, 11, 12", СД2ДРЛ,
│ │ │ │РСП08/Д, РСП05/Д, РСП13-001,
│ │ │ │РСП18-001
18 │ Л │ 15 │ 15 │РСП08/Л
19 │М (с молочным │ 90 │ 90 │ПО-02, ПО-21, НСО-02
│рассеивателем)│(условный)│(условный)│
В. Лампы-светильники
24 │ Д │ - │ - │ДРЛР
──────┬─────┬──────────────────────────────────────────────────────────────────────────
Номер │h , м│ Максимальное допустимое значение l /h
группы│ р │ св р
(по │ ├─────────────────────────────┬─────────────────────────────┬──────────────
табл. │ │ P = 20 │ P = 40 │ P = 60
70) │ ├─────────────────────────────┴─────────────────────────────┴──────────────
│ ├──────────────┬──────────────┬──────────────┬──────────────┬──────────────
│ │ Iа; IIа │ Iб, в, г; │IIIа; IVа; Vа │ IIIб, в, г; │ VI; VIIIа
│ │ │ IIб, в, г │ │ IVб, в, г; │
│ │ │ │ │ Vб, в, г │
│ ├──────────────┴──────────────┴──────────────┴──────────────┴──────────────
│ │ Мощность лампы, Вт
│ ├───┬──────┬───┬───┬──────┬───┬───┬──────┬───┬───┬──────┬───┬───┬──────┬───
│ │40 │65, 80│150│40 │65, 80│150│40 │65, 80│150│40 │65, 80│150│40 │65, 80│150
──────┼─────┼───┼──────┼───┼───┼──────┼───┼───┼──────┼───┼───┼──────┼───┼───┼──────┼───
1 │ 1,7 │ - │ - │ - │0,9│ 0,8 │ - │0,8│ - │ - │ + │ 1,2 │1,1│1,1│ 1,0 │0,8
│ 2,4 │ - │ - │ - │ + │ 1,1 │1,0│1,1│ - │ - │ + │ + │ + │ + │ + │1,2
│ 2,8 │ - │ - │ - │ + │ + │1,2│1,2│ 0,8 │ - │ + │ + │ + │ + │ + │ +
│ 3,4 │ - │ - │ - │ + │ + │ + │ + │ 1,2 │ - │ + │ + │ + │ + │ + │ +
│ 4,0 │ - │ - │ - │ + │ + │ + │ + │ + │ - │ + │ + │ + │ + │ + │ +
│ 4,8 │0,9│ - │ - │ + │ + │ + │ + │ + │1,0│ + │ + │ + │ + │ + │ +
│ 5,2 │ + │ - │ - │ + │ + │ + │ + │ + │ + │ + │ + │ + │ + │ + │ +
│ 5,8 │ + │ - │ - │ + │ + │ + │ + │ + │ + │ + │ + │ + │ + │ + │ +
│ 6,4 │ + │ - │ - │ + │ + │ + │ + │ + │ + │ + │ + │ + │ + │ + │ +
│ 7,6 │ + │ 0,9 │ - │ + │ + │ + │ + │ + │ + │ + │ + │ + │ + │ + │ +
│ 8,8 │ + │ 1,2 │ - │ + │ + │ + │ + │ + │ + │ + │ + │ + │ + │ + │ +
│10,0 │ + │ + │ - │ + │ + │ + │ + │ + │ + │ + │ + │ + │ + │ + │ +
│12,0 │ + │ + │1,1│ + │ + │ + │ + │ + │ + │ + │ + │ + │ + │ + │ +
──────┼─────┼───┼──────┼───┼───┼──────┼───┼───┼──────┼───┼───┼──────┼───┼───┼──────┼───
2 │ 2,4 │ - │ - │ - │1,1│ 0,8 │ - │ - │ - │ - │ + │ + │1,3│1,6│ 1,4 │ -
│ 2,8 │ - │ - │ - │1,8│ 1,3 │ - │ - │ - │ - │ + │ + │1,5│ + │ 1,7 │0,9
│ 3,4 │ - │ - │ - │ + │ 1,8 │ - │ - │ - │ - │ + │ + │ + │ + │ + │0,9
│ 4,0 │ - │ - │ - │ + │ + │ - │ - │ - │ - │ + │ + │ + │ + │ + │0,9
│ 4,8 │ - │ - │ - │ + │ + │0,7│0,7│ - │ - │ + │ + │ + │ + │ + │0,9
│ 5,2 │ - │ - │ - │ + │ + │ + │0,8│ - │ - │ + │ + │ + │ + │ + │1,1
│ 5,8 │ - │ - │ - │ + │ + │ + │1,0│ - │ - │ + │ + │ + │ + │ + │1,3
│ 6,4 │ - │ - │ - │ + │ + │ + │1,2│ 0,7 │ - │ + │ + │ + │ + │ + │ +
│ 7,6 │ - │ - │ - │ + │ + │ + │ + │ 0,8 │ - │ + │ + │ + │ + │ + │ +
│ 8,8 │ - │ - │ - │ + │ + │ + │ + │ 1,1 │ - │ + │ + │ + │ + │ + │ +
│10,0 │ - │ - │ - │ + │ + │ + │ + │ 1,3 │ - │ + │ + │ + │ + │ + │ +
│12,0 │ - │ - │ - │ + │ + │ + │ + │ + │ - │ + │ + │ + │ + │ + │ +
──────┼─────┼───┼──────┼───┼───┼──────┼───┼───┼──────┼───┼───┼──────┼───┼───┼──────┼───
3 │ 1,7 │ - │ - │ - │1,0│ 0,8 │ - │ - │ - │ - │ + │ + │ + │1,4│ 1,2 │ -
│ 2,4 │ - │ - │ - │1,4│ 1,3 │ - │1,0│ 0,7 │ - │ + │ + │ + │1,7│ 1,4 │1,1
│ 2,8 │ - │ - │ - │1,7│ 1,6 │ - │1,3│ 0,9 │ - │ + │ + │ + │ + │ 1,7 │1,3
│ 3,4 │ - │ - │ - │ + │ + │ + │1,5│ 1,1 │ - │ + │ + │ + │ + │ + │1,5
│ 4,0 │ - │ - │ - │ + │ + │ + │ + │ 1,4 │ - │ + │ + │ + │ + │ + │1,6
│ 4,8 │ - │ - │ - │ + │ + │ + │ + │ + │ - │ + │ + │ + │ + │ + │ +
──────┼─────┼───┼──────┼───┼───┼──────┼───┼───┼──────┼───┼───┼──────┼───┼───┼──────┼───
4 │ 1,7 │ - │ - │ - │ - │ - │ - │ - │ - │ - │1,3│ 0,9 │ - │0,7│ - │ -
│ 2,4 │ - │ - │ - │1,0│ 0,8 │ - │ - │ - │ - │1,7│ 1,5 │1,3│1,3│ 1,1 │0,7
│ 2,8 │ - │ - │ - │1,6│ 1,4 │0,7│1,0│ 0,7 │ - │ + │ + │ + │ + │ 1,6 │1,1
│ 3,4 │ - │ - │ - │ + │ 1,6 │1,1│1,3│ 1,0 │0,7│ + │ + │ + │ + │ + │ +
│ 4,0 │0,7│ - │ - │ + │ + │ + │ + │ 1,3 │0,9│ + │ + │ + │ + │ + │ +
│ 4,8 │1,2│ 1,0 │ - │ + │ + │ + │ + │ + │ + │ + │ + │ + │ + │ + │ +
│ 5,2 │ + │ + │ - │ + │ + │ + │ + │ + │ + │ + │ + │ + │ + │ + │ +
──────┼─────┼───┼──────┼───┼───┼──────┼───┼───┼──────┼───┼───┼──────┼───┼───┼──────┼───
5 │ 1,7 │ - │ - │ - │1,0│ - │ - │ - │ - │ - │1,4│ 1,2 │0,7│0,9│ - │ -
│ 2,4 │ - │ - │ - │1,4│ 0,9 │ - │0,7│ - │ - │ + │ + │1,3│1,4│ 1,3 │1,0
│ 2,8 │ - │ - │ - │1,6│ 1,2 │1,1│1,3│ 1,0 │0,7│ + │ + │ + │ + │ + │1,3
│ 3,4 │ - │ - │ - │ + │ 1,3 │1,3│1,5│ 1,2 │1,0│ + │ + │ + │ + │ + │1,7
│ 4,0 │0,7│ - │ - │ + │ 1,5 │ + │ + │ + │1,2│ + │ + │ + │ + │ + │ +
│ 4,8 │0,8│ 0,6 │ - │ + │ + │ + │ + │ + │ + │ + │ + │ + │ + │ + │ +
│ 5,2 │1,0│ 0,7 │ - │ + │ + │ + │ + │ + │ + │ + │ + │ + │ + │ + │ +
│ 5,8 │1,2│ 0,9 │ - │ + │ + │ + │ + │ + │ + │ + │ + │ + │ + │ + │ +
│ 6,4 │1,5│ 1,1 │0,7│ + │ + │ + │ + │ + │ + │ + │ + │ + │ + │ + │ +
│ 7,6 │ + │ 1,3 │1,0│ + │ + │ + │ + │ + │ + │ + │ + │ + │ + │ + │ +
│ 8,8 │ + │ + │1,3│ + │ + │ + │ + │ + │ + │ + │ + │ + │ + │ + │ +
──────┼─────┼───┼──────┼───┼───┼──────┼───┼───┼──────┼───┼───┼──────┼───┼───┼──────┼───
6 │ 2,8 │ - │ - │ - │ - │ - │ - │ - │ - │ - │1,1│ 0,7 │ - │ - │ - │ -
│ 3,4 │ - │ - │ - │ - │ - │ - │ - │ - │ - │1,4│ 1,1 │ - │0,7│ - │ -
│ 4,0 │ - │ - │ - │1,0│ 0,7 │ - │ - │ - │ - │1,7│ 1,5 │ - │1,2│ 0,9 │ -
│ 4,8 │ - │ - │ - │ + │ 1,5 │ - │ - │ - │ - │ + │ + │ + │ + │ + │ -
│ 5,2 │ - │ - │ - │ + │ + │0,7│ - │ - │ - │ + │ + │ + │ + │ + │ -
│ 6,4 │ - │ - │ - │ + │ + │1,0│ - │ - │ - │ + │ + │ + │ + │ + │ -
│ 7,6 │ - │ - │ - │ + │ + │1,3│ - │ - │ - │ + │ + │ + │ + │ + │0,7
│ 8,8 │ - │ - │ - │ + │ + │ + │ - │ - │ - │ + │ + │ + │ + │ + │ +
──────┼─────┼───┼──────┼───┼───┼──────┼───┼───┼──────┼───┼───┼──────┼───┼───┼──────┼───
7 │ 2,4 │ - │ - │ - │1,0│ 0,7 │ - │ - │ - │ - │1,7│ 1,4 │1,1│1,3│ 0,9 │ -
│ 2,8 │ - │ - │ - │1,1│ 0,8 │ - │ - │ - │ - │ + │ 1,7 │1,4│1,7│ 1,1 │ -
│ 3,4 │ - │ - │ - │1,3│ 0,9 │ - │ - │ - │ - │ + │ + │1,6│ + │ 1,5 │ -
│ 4,0 │ - │ - │ - │ + │ 1,2 │ - │ - │ - │ - │ + │ + │1,7│ + │ 1,7 │ -
│ 4,8 │ - │ - │ - │ + │ + │ - │ - │ - │ - │ + │ + │ + │ + │ + │ -
│ 5,2 │ - │ - │ - │ + │ + │0,7│ - │ - │ - │ + │ + │ + │ + │ + │0,9
│ 5,8 │ - │ - │ - │ + │ + │1,0│ - │ - │ - │ + │ + │ + │ + │ + │1,0
│ 6,4 │ - │ - │ - │ + │ + │1,2│ - │ - │ - │ + │ + │ + │ + │ + │1,1
│ 7,6 │ - │ - │ - │ + │ + │1,6│ - │ - │ - │ + │ + │ + │ + │ + │1,2
│ 8,8 │ - │ - │ - │ + │ + │ + │ - │ - │ - │ + │ + │ + │ + │ + │1,6
──────┼─────┼───┼──────┼───┼───┼──────┼───┼───┼──────┼───┼───┼──────┼───┼───┼──────┼───
8 │ 1,7 │ - │ - │ - │ - │ - │ - │ - │ - │ - │1,1│ 1,0 │ - │ - │ - │ -
│ 2,4 │ - │ - │ - │1,1│ 1,1 │ - │1,0│ - │ - │1,5│ 1,4 │1,2│1,3│ 1,1 │1,0
│ 2,8 │ - │ - │ - │1,3│ 1,1 │1,0│1,1│ 1,0 │ - │1,6│ 1,5 │1,3│1,4│ 1,3 │1,2
│ 3,4 │ - │ - │ - │1,4│ 1,3 │1,2│1,2│ 1,1 │1,0│ + │ 1,7 │1,5│1,5│ 1,4 │1,3
│ 4,8 │1,1│ 1,0 │ - │1,7│ 1,5 │1,4│1,4│ 1,3 │1,2│ + │ + │1,7│1,7│ 1,6 │1,5
│ 5,8 │1,2│ 1,1 │1,0│ + │ 1,6 │1,5│1,5│ 1,3 │1,2│ + │ + │ + │ + │ 1,7 │1,6
│ 6,4 │1,3│ 1,1 │1,0│ + │ 1,7 │1,6│1,5│ 1,4 │1,3│ + │ + │ + │ + │ + │1,6
│ 7,6 │1,4│ 1,2 │1,1│ + │ + │1,7│1,6│ 1,5 │1,3│ + │ + │ + │ + │ + │1,7
│ 8,8 │1,5│ 1,3 │1,2│ + │ + │ + │1,6│ 1,5 │1,4│ + │ + │ + │ + │ + │ +
Примечание. Знак "-" означает, что применение светильников данной группы не допускается, а знак "+", что применение светильников данной группы допускается при любых значениях

.
Таблица 72
| | ИС МЕГАНОРМ: примечание. Шапка таблицы дана в соответствии с официальным текстом документа. | |
─────────────┬─────┬───────────────────────────────────────────────────────
Номер группы │h , м│ Максимальное допустимое значение l /h
│ ├───────────────────────────┬───────────────────────────
│ │ P = 20 │ P = 40
│ ├───────────────────────────┴───────────────────────────
│ ├───────────────────────────────────────────────────────
│ │ Мощность лампы, Вт
│ ├──────┬──────┬──────┬──────┬──────┬──────┬──────┬──────
│ │ 40 │65, 80│ 40 │65, 80│ 40 │65, 80│ 40 │65, 80
─────────────┼─────┼──────┼──────┼──────┼──────┼──────┼──────┼──────┼──────
1 │ 1,7 │ - │ - │ 0,8 │ - │ - │ - │ 1,2 │ 2,0
│ 2,4 │ - │ - │ 1,1 │ - │ - │ - │ + │ +
│ 2,8 │ - │ - │ + │ 0,9 │ 0,8 │ - │ + │ +
│ 3,4 │ - │ - │ + │ + │ 1,2 │ - │ + │ +
│ 4,8 │ - │ - │ + │ + │ + │ - │ + │ +
│ 5,8 │ - │ - │ + │ + │ + │ 1,0 │ + │ +
│ 6,4 │ - │ - │ + │ + │ + │ + │ + │ +
│ 7,6 │ 0,9 │ - │ + │ + │ + │ + │ + │ +
│ 8,8 │ 1,2 │ - │ + │ + │ + │ + │ + │ +
│10,0 │ + │ - │ + │ + │ + │ + │ + │ +
│12,0 │ + │ 0,8 │ + │ + │ + │ + │ + │ +
─────────────┼─────┼──────┼──────┼──────┼──────┼──────┼──────┼──────┼──────
2 │ 2,4 │ - │ - │ - │ - │ - │ - │ 1,7 │ 1,2
│ 2,8 │ - │ - │ - │ - │ - │ - │ + │ -
│ 3,4 │ - │ - │ 1,0 │ - │ - │ - │ + │ +
│ 4,0 │ - │ - │ 1,1 │ - │ - │ - │ + │ +
│ 4,8 │ - │ - │ 1,2 │ - │ - │ - │ + │ +
│ 5,2 │ - │ - │ 1,5 │ 0,7 │ - │ - │ + │ +
│ 5,8 │ - │ - │ 1,7 │ 0,8 │ - │ - │ + │ +
│ 6,4 │ - │ - │ + │ 1,1 │ - │ - │ + │ +
│ 7,6 │ - │ - │ + │ + │ - │ - │ + │ +
─────────────┼─────┼──────┼──────┼──────┼──────┼──────┼──────┼──────┼──────
3 │ 1,7 │ - │ - │ - │ - │ - │ - │ 1,4 │ 1,3
│ 2,4 │ - │ - │ 0,9 │ 0,7 │ - │ - │ 1,7 │ 1,5
│ 2,8 │ - │ - │ 1,3 │ 1,0 │ - │ - │ + │ +
│ 3,4 │ - │ - │ 1,4 │ 1,3 │ - │ - │ + │ +
│ 4,0 │ - │ - │ + │ + │ - │ - │ + │ +
│ 4,8 │ - │ - │ + │ + │ - │ - │ + │ +
─────────────┼─────┼──────┼──────┼──────┼──────┼──────┼──────┼──────┼──────
4 │ 1,7 │ - │ - │ - │ - │ - │ - │ 0,7 │ -
│ 2,4 │ - │ - │ - │ - │ - │ - │ 1,4 │ 1,1
│ 2,8 │ - │ - │ 1,0 │ 0,7 │ - │ - │ + │ 1,7
│ 3,4 │ - │ - │ 1,3 │ 1,1 │ 0,7 │ - │ + │ +
│ 4,0 │ - │ - │ 1,7 │ 1,5 │ 1,0 │ 0,7 │ + │ +
│ 4,8 │ - │ - │ + │ + │ 1,2 │ 1,1 │ + │ +
│ 5,2 │ - │ - │ + │ + │ 1,5 │ 1,3 │ + │ +
│ 5,8 │ - │ - │ + │ + │ + │ 1,5 │ + │ +
│ 6,4 │ - │ - │ + │ + │ + │ + │ + │ +
─────────────┼─────┼──────┼──────┼──────┼──────┼──────┼──────┼──────┼──────
5 │ 1,7 │ - │ - │ 0,8 │ - │ 0,8 │ - │ 1,6 │ 1,2
│ 2,4 │ - │ - │ 1,3 │ 1,1 │ 1,3 │ 1,0 │ + │ 1,6
│ 2,8 │ - │ - │ 1,6 │ 1,4 │ 1,3 │ 1,1 │ + │ +
│ 3,4 │ - │ - │ + │ 1,6 │ 1,4 │ 1,2 │ + │ +
│ 4,0 │ - │ - │ + │ + │ 1,4 │ 1,3 │ + │ +
│ 4,8 │ - │ - │ + │ + │ 1,5 │ 1,4 │ + │ +
│ 5,8 │ - │ - │ + │ + │ 1,5 │ 1,4 │ + │ +
│ 6,4 │ 0,7 │ 0,7 │ + │ + │ 1,6 │ 1,5 │ + │ +
│ 7,6 │ 0,9 │ 0,8 │ + │ + │ + │ 1,5 │ + │ +
│ 8,8 │ 1,1 │ 1,0 │ + │ + │ + │ 1,6 │ + │ +
│10,0 │ 1,3 │ 1,2 │ + │ + │ + │ + │ + │ +
─────────────┼─────┼──────┼──────┼──────┼──────┼──────┼──────┼──────┼──────
6 │ 2,8 │ - │ - │ - │ - │ - │ - │ - │ -
│ 3,4 │ - │ - │ - │ - │ - │ - │ 0,7 │ -
│ 4,0 │ - │ - │ 0,6 │ - │ - │ - │ 1,4 │ 0,9
│ 4,8 │ - │ - │ 1,1 │ 0,7 │ - │ - │ + │ 1,6
│ 5,2 │ - │ - │ 1,6 │ 1,1 │ - │ - │ + │ +
│ 5,8 │ - │ - │ + │ 1,7 │ 0,7 │ - │ + │ +
│ 6,4 │ - │ - │ + │ + │ 0,9 │ 0,7 │ + │ +
│ 7,6 │ 0,7 │ - │ + │ + │ 1,1 │ 0,9 │ + │ +
│ 8,8 │ 0,9 │ 0,7 │ + │ + │ 1,3 │ 1,1 │ + │ +
│10,0 │ 1,1 │ 0,9 │ + │ + │ 1,5 │ 1,2 │ + │ +
─────────────┼─────┼──────┼──────┼──────┼──────┼──────┼──────┼──────┼──────
7 │ 2,4 │ - │ - │ - │ - │ - │ - │ + │ 1,3
│ 2,8 │ - │ - │ - │ - │ - │ - │ + │ 1,5
│ 3,4 │ - │ - │ - │ - │ - │ - │ + │ 1,6
│ 4,0 │ - │ - │ 0,7 │ - │ 0,7 │ - │ + │ +
│ 4,8 │ - │ - │ 0,8 │ - │ 1,2 │ 0,7 │ + │ +
│ 5,2 │ - │ - │ 1,0 │ - │ 1,3 │ 0,9 │ + │ +
│ 5,8 │ - │ - │ 1,2 │ 0,7 │ 1,4 │ 1,1 │ + │ +
│ 6,4 │ 0,7 │ - │ 1,6 │ 1,0 │ 1,6 │ 1,5 │ + │ +
│ 7,6 │ 0,9 │ 0,7 │ + │ 1,3 │ + │ + │ + │ +
│ 8,8 │ 1,0 │ 0,8 │ + │ + │ + │ + │ + │ +
│10,0 │ 1,2 │ 1,0 │ + │ + │ + │ + │ + │ +
─────────────┼─────┼──────┼──────┼──────┼──────┼──────┼──────┼──────┼──────
8 │ 1,7 │ - │ - │ - │ - │ - │ - │ - │ -
│ 2,4 │ - │ - │ 1,0 │ - │ - │ - │ 1,3 │ 1,2
│ 2,8 │ - │ - │ 1,1 │ 1,0 │ - │ - │ 1,4 │ 1,3
│ 3,4 │ - │ - │ 1,2 │ 1,1 │ 1,0 │ - │ 1,5 │ 1,4
│ 4,8 │ - │ - │ 1,5 │ 1,3 │ 1,2 │ 1,1 │ 1,7 │ 1,6
│ 5,8 │ - │ - │ 1,6 │ 1,4 │ 1,3 │ 1,1 │ + │ 1,7
│ 6,4 │ - │ - │ 1,6 │ 1,5 │ 1,3 │ 1,2 │ + │ +
│ 7,6 │ - │ - │ 1,7 │ 1,6 │ 1,4 │ 1,3 │ + │ +
│ 8,8 │ - │ - │ + │ + │ 1,4 │ 1,3 │ + │ +
Примечание. Знак "-" означает, что применение светильников данной группы не допускается, а знак "+", что применение светильников данной группы допускается при любых значениях

.
Таблица 73
──────┬──────────┬─────────────────────────────────────────────────────────
Номер │ h , м │ Максимальное допустимое значение l /h
группы│ р │ св р
(по │ ├─────────────────────┬───────────────────────┬───────────
табл. │ │ P = 20 │ P = 40 │ P = 60
70) │ ├─────────────────────┴───────────────────────┴───────────
│ ├─────────┬───────────┬───────────┬───────────┬───────────
│ │ Iа; IIа │ Iб, в, г;│IIIа; IVа; │IIIб, в, г;│ VI; VIIIа
│ │ │ IIб, в, г │ Vа │ IVб, в, г;│
│ │ │ │ │ Vб, в, г │
──────┼──────────┼─────────┼───────────┼───────────┼───────────┼───────────
12 │ 1,7 │ 0,7 │ + │ + │ + │ +
│ 2,4 │ 0,8 │ + │ + │ + │ +
│ 3,4 - 10 │ 1,0 │ + │ + │ + │ +
│ 12,0 │ + │ + │ + │ + │ +
──────┼──────────┼─────────┼───────────┼───────────┼───────────┼───────────
14 │ 1,7 │ 0,6 │ 1,1 │ 1,1 │ + │ +
│ 2,4 │ 0,7 │ 1,2 │ 1,2 │ + │ +
│ 3,4 │ 0,9 │ 1,3 │ 1,3 │ + │ +
│ 4,8 - 10 │ 1,0 │ + │ + │ + │ +
│ 12,0 │ + │ + │ + │ + │ +
──────┼──────────┼─────────┼───────────┼───────────┼───────────┼───────────
16 │ 1,7 │ - │ 1,0 │ 1,0 │ + │ 1,4
│ 2,4 │ - │ 1,1 │ 1,0 │ + │ 1,5
│ 3,4 │ 0,7 │ 1,3 │ 1,3 │ + │ +
│ 4,8 │ 0,7 │ 1,3 │ 1,3 │ + │ +
│ 6,4 │ 0,8 │ 1,4 │ 1,4 │ + │ +
│ 7,6 │ 1,0 │ + │ + │ + │ +
│ 8,8 │ 1,2 │ + │ + │ + │ +
│ 10,0 │ + │ + │ + │ + │ +
──────┼──────────┼─────────┼───────────┼───────────┼───────────┼───────────
18 │ 1,7 │ - │ - │ - │ 1,5 │ 1,2
│ 2,4 │ - │ 0,9 │ 0,9 │ 1,7 │ 1,4
│ 3,4 │ - │ 1,1 │ 1,1 │ 1,9 │ 1,6
│ 4,0 │ - │ 1,1 │ 1,1 │ + │ 1,6
│ 4,8 │ - │ 1,2 │ 1,2 │ + │ 1,6
│ 5,8 │ - │ 1,2 │ 1,2 │ + │ 1,7
Примечание. Знак "-" означает, что применение светильников данной группы не допускается, а знак "+", что применение светильников данной группы допускается при любых значениях

.
───────┬──────────┬────────────────────────────────────────────────────────
Номер │ h , м │ Максимальное допустимое значение l /h
группы │ р │ св р
(по │ ├────────────────────┬───────────────────────┬───────────
табл. │ │ P = 20 │ P = 40 │ P = 60
70) │ ├────────────────────┴───────────────────────┴───────────
│ ├─────────┬──────────┬───────────┬───────────┬───────────
│ │ Iа; IIа │ Iб, в, г;│IIIа; IVа; │IIIб, в, г;│ VI; VIIIа
│ │ │IIб, в, г │ Vа │ IVб, в, г;│
│ │ │ │ │ Vб, в, г │
───────┼──────────┼─────────┼──────────┼───────────┼───────────┼───────────
11 │ 1,7 │ + │ + │ + │ + │ +
───────┼──────────┼─────────┼──────────┼───────────┼───────────┼───────────
12 │ 1,7 │ 0,6 │ + │ + │ + │ +
│ 2,4 │ 0,7 │ + │ + │ + │ +
│ 3,4 │ 0,8 │ + │ + │ + │ +
│ 4,0 │ 0,8 │ + │ + │ + │ +
│ 4,8 │ 0,8 │ + │ + │ + │ +
│ 5,2 │ 0,9 │ + │ + │ + │ +
│ 7,6 │ 0,9 │ + │ + │ + │ +
│ 8,8 │ 0,9 │ + │ + │ + │ +
│ 10,0 │ + │ + │ + │ + │ +
───────┼──────────┼─────────┼──────────┼───────────┼───────────┼───────────
13 │ 1,7 │ 0,8 │ 1,2 │ 1,2 │ + │ +
│ 2,4 │ 0,9 │ 1,3 │ 1,3 │ + │ +
│ 3,4 │ 1,0 │ 1,3 │ 1,3 │ + │ +
│ 4,8 │ 1,0 │ 1,4 │ 1,4 │ + │ +
│ 7,4 │ 1,0 │ 1,4 │ 1,4 │ + │ +
│ 7,6 │ 1,0 │ 1,5 │ 1,5 │ + │ +
│ 8,8 │ 1,1 │ + │ + │ + │ +
│ 10,0 │ + │ + │ + │ + │ +
───────┼──────────┼─────────┼──────────┼───────────┼───────────┼───────────
14 │ 1,7 │ 0,5 │ 1,1 │ 1,1 │ + │ 1,4
│ 2,4 │ 0,6 │ 1,2 │ 1,2 │ + │ 1,5
│ 3,4 │ 0,7 │ 1,3 │ 1,3 │ + │ +
│ 4,8 │ 0,8 │ 1,3 │ 1,3 │ + │ +
│ 6,4 │ 0,8 │ 1,3 │ 1,3 │ + │ +
│ 7,6 │ 0,9 │ 1,4 │ 1,4 │ + │ +
│ 8,8 │ 0,9 │ 1,4 │ 1,4 │ + │ +
│ 10,0 │ + │ + │ + │ + │ +
───────┼──────────┼─────────┼──────────┼───────────┼───────────┼───────────
15 │ 1,7 │ - │ 1,0 │ 1,0 │ + │ +
│ 2,4 │ - │ 1,2 │ 1,2 │ + │ +
│ 2,8 │ - │ 1,2 │ 1,2 │ + │ +
│ 3,4 │ - │ 1,2 │ 1,2 │ + │ +
│ 5,2 │ - │ 1,3 │ 1,3 │ + │ +
│ 6,4 │ - │ 1,3 │ 1,3 │ + │ +
│ 7,6 │ - │ 1,3 │ 1,3 │ + │ +
│ 8,8 │ - │ 1,4 │ 1,4 │ + │ +
│ 10,0 │ - │ 1,4 │ 1,4 │ + │ +
───────┼──────────┼─────────┼──────────┼───────────┼───────────┼───────────
16 │ 1,7 │ - │ - │ - │ + │ 1,1
│ 2,4 │ - │ - │ - │ + │ 1,2
│ 3,4 │ - │ 0,8 │ 0,8 │ + │ 1,2
│ 5,2 │ - │ 0,9 │ 0,9 │ + │ 1,3
│ 6,4 │ - │ 0,9 │ 0,9 │ + │ 1,4
│ 7,6 │ - │ 0,9 │ 0,9 │ + │ 1,4
│ 8,8 │ - │ 1,0 │ 1,0 │ + │ 1,4
───────┼──────────┼─────────┼──────────┼───────────┼───────────┼───────────
17 │ 1,7 │ - │ 1,0 │ 1,0 │ + │ +
│ 2,4 │ - │ 1,2 │ 1,2 │ + │ +
│ 2,8 │ - │ 1,2 │ 1,2 │ + │ +
│ 3,4 │ - │ 1,2 │ 1,2 │ + │ +
│ 4,8 │ - │ 1,3 │ 1,3 │ + │ +
│ 5,8 │ - │ 1,3 │ 1,3 │ + │ +
│ 6,4 │ - │ 1,3 │ 1,3 │ + │ +
───────┼──────────┼─────────┼──────────┼───────────┼───────────┼───────────
19 <*> │ 1,7 │ - │ 1,5 │ 1,5 │ + │ +
│ 2,4 │ 0,7 │ 1,6 │ 1,6 │ + │ +
│ 2,8 │ 0,9 │ 1,8 │ 1,8 │ + │ +
│ 3,4 │ 1,1 │ 2,0 │ 2,0 │ + │ +
│ 4,0 │ 1,2 │ + │ + │ + │ +
│ 4,8 │ 1,3 │ + │ + │ + │ +
───────┼──────────┼─────────┼──────────┼───────────┼───────────┼───────────
19 <**>│ 1,7 │ - │ 1,0 │ 1,0 │ + │ 1,6
│ 2,4 │ - │ 1,1 │ 1,1 │ + │ 1,7
│ 3,4 │ 0,7 │ 1,2 │ 1,2 │ + │ 2,0
│ 4,8 │ 0,9 │ 1,5 │ 1,5 │ + │ 2,4
│ 5,8 │ 1,0 │ 1,8 │ 1,8 │ + │ 2,6
│ 6,4 │ 1,1 │ + │ + │ + │ +
───────┼──────────┼─────────┼──────────┼───────────┼───────────┼───────────
21 │ 1,7 │ 0,5 │ 0,9 │ 0,9 │ + │ +
│ 2,4 │ 0,6 │ 1,0 │ 1,0 │ + │ +
│ 2,8 │ 0,6 │ 1,1 │ 1,1 │ + │ +
│ 3,4 │ 0,6 │ 1,1 │ 1,1 │ + │ +
│ 4,0 │ 0,6 │ 1,1 │ 1,1 │ + │ +
│4,8 - 12,0│ 0,7 │ 1,2 │ 1,2 │ + │ +
───────┼──────────┼─────────┼──────────┼───────────┼───────────┼───────────
22 │ 1,7 │ + │ + │ + │ + │ +
───────┼──────────┼─────────┼──────────┼───────────┼───────────┼───────────
23 │ 1,7 │ 0,9 │ + │ + │ + │ +
│ 2,4 │ 1,0 │ + │ + │ + │ +
│ 2,8 │ 1,1 │ + │ + │ + │ +
│ 3,4 │ 1,1 │ + │ + │ + │ +
│ 4,0 │ 1,1 │ + │ + │ + │ +
│ 4,8 │ 1,2 │ + │ + │ + │ +
--------------------------------
<*> Лампы накаливания мощностью 60 - 100 Вт.
<**> Лампы накаливания мощностью 200 Вт.
Примечание. Знак "-" означает, что применение светильников данной группы не допускается, а знак "+", что применение светильников данной группы допускается при любых значениях

.
Метод может быть использован для расчета наиболее массовых ОУ, в которых линия зрения работающих в рабочем положении направлена горизонтально или ниже горизонта.
В приведенном методе контроля слепящего действия промышленных ОУ приняты следующие допущения: метод составлен для типовых КСС по
ГОСТ 17677-82; значение

указывается для такого направления линии зрения, при котором P наибольший; при расчете яркости рабочей поверхности не учитывался отраженный световой поток; для подразрядов зрительных работ по СНиП "б" - "г" принят коэффициент отражения рабочей поверхности

; не учтено соотношение сторон освещаемого помещения; для осветительных установок со светильниками с ЛЛ, при работах разрядов I и II предполагалось, что для создания нормируемой освещенности необходимы сплошные линии светильников, а при работах разрядов III и VIII - линии с разрывами (в расчетах принята длина разрывов, равная половине высоты подвеса светильников над рабочей поверхностью); значения

в
табл. 69 и
70 приведены для квадратных полей расположения световых точек; при их расположении прямоугольными и ромбическими полями

, где

и

- расстояние между светильниками соответственно по длине и ширине помещения.
Порядок пользования методом:
1. По
табл. 70 определяется номер группы светильника по типовой кривой силы света и значению защитного угла (в таблице, как пример, приведены типы выпускаемых светильников, относящихся к каждой группе).
2. По
табл. 71 -
74 для данной группы светильников определяются максимальные допустимые по слепящему действию значения

с учетом разряда и подразряда зрительной работы (по главе
СНиП II-4-79) и высоты установки светильников над рабочей поверхностью. При этом необходимо учитывать следующее:
а) величины

приведены для квадратных полей расположения световых точек, при прямоугольных или ромбических полях

, где

и

- расстояния между светильниками соответственно по ширине и длине помещения;
б) значения

в
табл. 71 -
74 указаны для нормируемых показателей ослепленности P, равных 20, 40 и 60. При P = 80 все светильники при любых

удовлетворяют требованиям норм по ограничению ослепленности, если

;
в) светильники с люминесцентными лампами групп 4 и 8 при расположении вдоль линии зрения удовлетворяют требованиям норм по ограничению ослепленности при любых значениях P,

и

;
г) при необходимости установки светильников на высоте, не указанной в
табл. 71 -
74, допустимое значение

может быть найдено линейной интерполяцией.
7.18. Проверка ОУ общественных зданий на соответствие регламентируемым значениям показателя дискомфорта M производится согласно табл. 75 и
76 в зависимости от светораспределения светильника
(рис. 97) и распределения светового потока светильника в верхнюю и нижнюю полусферы, а также его геометрических размеров.
| | Подгруппа | Группа светильников и светораспределение |
I | II | III | IV |
| | | |
0,76 - 1,00 | 1,1 | а | - | - | Л201Б420-01 | - |
1,2 | б | Л201Б420-03, Л201Б420-18, Л201Б420-24 | Л201Г220-22, Л201Б420-22, ЛПО13-2x40/П-01, ЛВО13-2x40/П-01, ЛПО02-4x20/П-01, УСП-35-2x20 | - | - |
1,3 | в | Л201Б420-04, Л201Б420-05, Л201Б440-22, Л201Г220-24, ЛПО13-4x40/П-01, ЛВО13-4x40/П-01 | Л201Б420-02 | Л201Б440-01, УСП-35-4x20 | - |
1,4 | г | Л201Б640-18, Л201Г220-23, Л201Г240-04М, Л201Г240-15М, УСП-11-4x20, ЛПО28-2x40, ЛВО01-2x40 | Л201Б440-02, УСП-4-2x20, УСП-4-4x20 УСП-5-4x20, УСП-9-4x20, УСП-18-4x20 | ЛВО01-4x40 УСП-35-6x20 УСП-35-6x20 | - |
1,5 | д | Л201Г240-03М, Л201Б465-03М, Л201Б440-04М, Л201Г265-16М, ЛПО13-2x65/П-01, ЛПО13-4x65/П-01, ЛПО02-2x20/П-01, ЛПО28-2x65, ЛВО13-2x65/П-01, ЛВО13-4x65/П-01, УСП-4-6x20, УСП-9-2x20, УСП-11-2x20, УСП-11-6x20 | Л201Г240-02М, УСП-5-6x20, УСП-18-2x20, УСП-18-4x20 | - | |
| 1,2 | е | Л201Б440-03М, Л201Г265-15М, Л201Б440-15М, Л201Б640-15М, ЛВО01-1x40, ЛВО03-2x40-001, ЛВО03-2x40-002, ЛВО03-2x65-002 | Л201Г265-01М, Л201Г265-02М | Л201Б640-01, Л201Б440-01М, УСП-5-2x40, ЛВО31-2x80Б/П-03, ЛВО03-4x40-001, ЛВО03-4x40-002 | - |
0,76 - 1,00 | 1,7 1,8 | ж | Л201Б440-03, Л201Б640-04, Л201Б440-04М, Л201Б440-05, Л201Г265-03М, Л201Б465-04М, Л201Б240-21, Л201Б440-21, Л201Б465-19М, Л201Б465-15М, Л201Г240-22, Л201Б420-23, УСП-11-2x40, УСП-18-2x40, УСП-18-4x40, УСП-18-6x40, ЛПО02-2x40/П-01 | Л201Б465-16М, Л201Б440-02М, Л201Б640-02М, УСП-4-2x40 УСП-4-4x40, УСП-4-6x40 УСП-5-4x40, УСП-5-6x40 | Л201Б640-01М, Л201Б465-01М, ЛПО02-4x40/П-01 ЛПО02-4x40/П-02, УСП-9-2x40, УСП-9-4x40, УСП-9-6x40, УСП-11-4x40, УСП-11-6x40, УСП-35-2x40, УСП-35-4x40, УСП-35-6x40, ЛВО03-4x65-002 | - - - |
| 1,9 | з | Л201Б465-03М, ЛПО02-2x40/П-02 | Л201Б465-02М | - | - |
| 2,4 | и | - | - | - | СВП 1x200 |
| 2,9 | к | - | - | - | НВ 1x100 |
| 3,3 | л | - | - | - | СВП 1x100 |
| 3,6 | м | - | - | - | СВП 1x500 |
0,51 - 0,75 | 1,2 | н | - | - | ШОД-2x40 ШОД-2x80 ЛСО02-2x40/Р-01 ЛСО02-2x40/Р-02 ЛСО02-2x65/Р-01 | - |
0,51 - 0,75 | | | ЛСО02-2x65/Р-02 | - | ЛСО02-2x65/Р-02 ЛСО02-4x40/Р-02 ЛСО02-2x40-003 ЛСО04-2x40-004 ЛСО04-2x65-003 ЛСО04-2x65-004 ЛСО04-4x40-003 ЛСО04-4x40-004 | - |
| 1,3 | о | - | - | ЛСО02-2x40/Р-03 ЛСО04-2x40-002 ЛСО04-2x40-055 | - |
| 1,4 | п | - | - | ЛСО02-2x65/Р-03 ЛСО04-2x65-002 ЛСО04-2x65-005 | - |
0,5 и менее | 0,9 1,1 | р | ПКР-300, СК-300 | - | - | - |
────────────────┬──────────────────────────────────────────────────────────
Группа │ Значение индекса помещения i
и подгруппа │ т
светильников ├──────────────────────────────────────────────────────────
│ Максимально допустимое значение M
├─────────┬───────────────────┬───────────────────┬────────
│ 15 │ 25 │ 40 │ 60
────────────────┼────┬────┼────┬────┬────┬────┼────┬────┬────┬────┼────────
ро │0,5 │0,5 │0,5 │0,5 │0,3 │0,3 │0,5 │0,5 │0,3 │0,3 │ 0,3
с │ │ │ │ │ │ │ │ │ │ │
────────────────┼────┼────┼────┼────┼────┼────┼────┼────┼────┼────┼────────
ро │0,3 │0,1 │0,3 │0,1 │0,3 │0,1 │0,3 │0,1 │0,3 │0,1 │ 0,1
п │ │ │ │ │ │ │ │ │ │ │
────────────────┼────┼────┼────┼────┼────┼────┼────┼────┼────┼────┼────────
Iб │ - │ - │2,2 │1,5 │1,1 │1,0 │ + │ + │4,2 │2,4 │ +
Iв │ - │ - │1,5 │1,3 │1,0 │ - │ + │ + │2,6 │2,1 │ +
Iг │ - │ - │1,3 │1,2 │ - │ - │ + │4,2 │2,2 │1,4 │ +
Iд │ - │ - │1,2 │1,1 │ - │ - │ + │3,1 │1,4 │1,3 │ +
Iе │ - │ - │1,2 │1,2 │ - │ - │4,2 │2,5 │1,3 │1,2 │ 3,8
Iж │ - │ - │1,1 │1,0 │ - │ - │2,6 │2,2 │1,2 │1,1 │ 2,5
Iз │ - │ - │1,1 │1,0 │ - │ - │1,9 │1,5 │1,2 │1,1 │ 2,2
Iм │1,6 │1,4 │ + │ + │ + │ + │ + │ + │ + │ + │ +
Iр │1,4 │1,1 │ + │ + │ + │ + │ + │ + │ + │ + │ +
IIб │1,0 │ - │ + │2,4 │1,2 │1,1 │ + │ + │ + │ + │ +
IIв │ - │ - │2,7 │2,0 │1,1 │1,0 │ + │ + │ + │ + │ +
IIг │ - │ - │2,1 │1,4 │1,0 │ - │ + │ + │ + │2,4 │ +
IIд │ - │ - │1,4 │1,2 │ - │ - │ + │ + │ + │1,5 │ +
IIе │ - │ - │1,2 │1,0 │ - │ - │ + │ + │2,1 │1,3 │ +
IIж │ - │ - │1,1 │1,0 │ - │ - │ + │3,5 │1,4 │1,2 │ +
IIз │ - │ - │1,1 │1,0 │ - │ - │ + │2,3 │1,2 │1,1 │ 4,0
IIIа │ - │ - │ + │ + │ + │ + │ + │ + │ + │ + │ +
IIIв │ - │ - │ + │ + │ + │1,1 │ + │ + │ + │ + │ +
IIIг │ - │ - │ + │ + │1,1 │ - │ + │ + │ + │ + │ +
IIIе │ - │ - │1,2 │1,1 │ - │ - │ + │ + │2,3 │1,4 │ +
IIIж │ - │ - │ + │1,1 │ - │ - │ + │ + │ + │ + │ +
IIIн │4,5 │1,2 │ + │ + │ + │ + │ + │ + │ + │ + │ +
III │1,2 │1,0 │4,0 │2,4 │1,3 │1,1 │ + │ + │ + │3,9 │ +
IIIп │1,0 │ - │2,4 │1,6 │1,2 │1,1 │ + │ + │ + │2,4 │ +
IVи │ - │ - │ + │ - │ - │ - │ + │ + │ + │ - │ +
IVк │ - │ - │ - │ - │ - │ - │2,0 │1,1 │ - │ - │ 1,3
IVл │ - │ - │ - │ - │ - │ - │ + │ + │ + │ - │ +
IVм │ - │ - │ - │ - │ - │ - │ + │ - │ - │ - │ -
Примечание. Знак "+" означает, что M не превышает регламентируемого значения при любых

; знак "-" - M превышает регламентируемое значение при любых

.
Рис. 97. Типовые кривые силы света светильников

Определение соответствия ОУ требованиям норм по M осуществляется в следующей последовательности.
По светораспределению светильника устанавливается группа светильника. По
табл. 75 по доле светового потока, падающего в нижнюю полусферу, определяется подгруппа светильника. При этом коэффициент

определяется по формуле

,
где

- световой поток светильника в нижнюю полусферу, тыс. л;

- площадь выходного отверстия светильника, м2 (подсчитывается по фактическим размерам светильника).
Согласно рис. 98 по площади и высоте помещения определяется индекс помещения

.
Рис. 98. Зависимость индекса помещения от его площади
при различной расчетной высоте

1 - 1,8; 2 - 2,1; 3 - 2,7; 4 - 3,6; 5 - 4,5
По
табл. 76 согласно группе и подгруппе светильников, коэффициентам отражения стен

и пола

определяется значение индекса помещения

, при котором обеспечивается регламентируемое максимальное допустимое значение показателя дискомфорта M.
Оценка соответствия ОУ требованиям по ограничению слепящего действия по дискомфорту производится сравнением значений

и

. При

ОУ соответствует требованиям по дискомфорту; при

- не соответствует.
Табл. 76 составлена для помещений с коэффициентом отражения потолка 0,5 и 0,7. Нормируемое значение показателя дискомфорта M = 90 обеспечивается при условиях, для которых составлена таблица. Нормируемое значение M, равное 60, обеспечивается при всех сочетаниях

и

, кроме

и

. Нормируемое значение M = 15 не обеспечивается при сочетаниях

и

, равных 0,3 и 0,1 (кроме подгруппы светильников Iм, для которых

).
Пример 9. Для освещения конструкторского бюро площадью 6 x 18 м2, высотой 3 м коэффициенты отражения стен, потолка и пола которого, соответственно равны 0,5; 0,7 и 0,1, выбраны люминесцентные светильники типов Л201Б465-03М и ЛСО02-2x65/Р-01. Требуется оценить возможность использования указанных светильников для данной ОУ, исходя из требований к ограничению слепящего действия по дискомфорту. Регламентируемое значение M = 40.
По
табл. 75 определяем группу и подгруппу светильников, соответственно, Iз и IIIн.
По
табл. 76 определяем максимально допустимые значения индекса помещения:

для светильников типа Л201Б465-03М, а для ЛСО02-2x65/Р-01 значение M не превышает регламентируемого значения при любых размерах помещения.
По
рис. 98 определяем

. Так как

, то светильники типа Л201Б465-03М не обеспечивают регламентируемого значения M в данной ОУ.
ЦИЛИНДРИЧЕСКАЯ ОСВЕЩЕННОСТЬ
7.19. Цилиндрическая освещенность

есть средняя освещенность боковой поверхности вертикального цилиндра, размеры которого стремятся к нулю.
Цилиндрическая освещенность от отдельных светильников легко определяется делением вертикальной освещенности

в плоскости, перпендикулярной проекции луча, на

.
В инженерном методе расчета для определения значения

принимаются следующие допущения.
1. Ограждающие поверхности помещения (пол, потолок, стены) принимаются диффузными, равнояркими по всей поверхности.
2. Светильники заменяются равнояркой поверхностью, каждый элемент которой имеет светораспределение, соответствующее светораспределению светильника.
3. Светораспределение светильника равно:

,
где

- сила света в направлении вертикали;

- сила света под углом

с вертикалью.
Значение m определяется по формуле

,
где

- световой поток светильника в нижнюю полусферу, равный для светильников прямого света 1000 x к.п.д. светильника.
Для расчетов предложены графики значений m, равных 1; 1,4; 2; 3, в которых приводятся отношения

в зависимости от общепринятого индекса помещения и коэффициентов отражения стен

и расчетной поверхности

(рис. 99).
Рис. 99. Графики для расчета цилиндрической освещенности
а - m = 1; б - m = 1,4; в - m = 2; г - m = 3
На всех графиках рис. 99 кривая 1 соответствует

,

; кривая 2 -

,

; кривая 3 -

;

; кривая 4 -

;

.
Инженерный метод расчета справедлив при световых потоках в верхнюю полусферу менее 15%, в других случаях применение этого метода может привести к значительным погрешностям.
Пример 10. В помещении фойе кинотеатра размером 32 x 20 м2, высотой 3,8 м на потолке установлены люминесцентные светильники прямого света, имеющие к.п.д. 70% и силу света

. Коэффициенты отражения ограждающих поверхностей стен и потолка соответственно равны 0,5 и 0,3.
Требуется определить, на какую горизонтальную освещенность должно быть рассчитано освещение помещения, чтобы получить цилиндрическую освещенность 150 лк. Для данного светильника

.
Индекс помещения

. На
рис. 99 находим

, откуда

. Коэффициент запаса учтен при составлении графиков.
8. УСТАНОВКИ ИСКУССТВЕННОГО УЛЬТРАФИОЛЕТОВОГО ОБЛУЧЕНИЯ
8.1. Установки искусственного ультрафиолетового (УФ) облучения следует предусматривать в детских учреждениях (яслях, детских садах, классных комнатах и учебных кабинетах общеобразовательных школ, школ-интернатов), а также в помещениях производственных и административных зданий с постоянным пребыванием людей, расположенных: севернее Северного полярного круга независимо от наличия в них достаточного по нормам естественного освещения; южнее Северного полярного круга и севернее 45° с.ш., если коэффициент естественной освещенности (КЕО) в указанных помещениях (или зонах помещений) менее 0,1% при боковом освещении или 0,3% при верхнем или верхнем и боковом освещении.
8.2. Применение источников УФ облучения, содержащих излучение с длиной волны короче 280 нм, не допускается, поэтому установки УФ облучения в настоящее время оборудуются люминесцентными эритемными лампами.
8.3. УФ облучательные установки используются в осенне-зимний и ранний весенний периоды года. В районах севернее 60° с.ш. установки должны работать с 1 ноября по 1 апреля, в средней полосе (50 - 60° с.ш.) - с 1 ноября по 1 марта, в южных районах (50 - 45° с.ш.) - с 1 декабря по 1 марта.
8.4. УФ облучение осуществляется двумя системами:
установками длительного действия, когда облучатели устанавливаются непосредственно в помещении и находящиеся там люди облучаются в течение всего рабочего дня УФ потоком небольшой интенсивности;
установками кратковременного действия, когда облучение осуществляется в специально выделенных помещениях (фотариях) в течение нескольких минут при высокой эритемной облученности.
В отношении оздоравливающего и профилактического эффекта облучательные установки длительного действия считаются более эффективными, чем фотарии. Установки длительного действия не рекомендуется применять в цехах с интенсивным пылевыделением, а также в производственных помещениях с химически активной средой и материалами.
ОБЛУЧАТЕЛЬНЫЕ УСТАНОВКИ ДЛИТЕЛЬНОГО ДЕЙСТВИЯ
8.5. Облучательные установки длительного действия должны создавать в горизонтальной плоскости на уровне 1 м от пола эритемную облученность и дозу (количество облучения), соответствующие данным, приведенным в табл. 77. Для установок длительного действия нормируются минимально и максимально допустимые уровни облученности во избежании недооблучения и переоблучения.
────────────┬──────────────────────────────┬───────────────────────────────
Длительность│ Облученность, мэр/м2 │Доза облучения за 1 сут, мэр/м2
облучения, ч├─────────┬──────────┬─────────┼──────────┬──────────┬─────────
│минималь-│максималь-│рекомен- │минималь- │максималь-│рекомен-
│ное │ное │дуемое │ное │ное │дуемое
────────────┼─────────┼──────────┼─────────┼──────────┼──────────┼─────────
8 │ 1,5 │ 7,5 │ 5,0 │ 12 │ 60 │ 40
8.6. Защитный угол облучателя в поперечной и продольной плоскостях должен составлять не менее 25°. Применение открытых ламп не допускается.
8.7. Облучательные установки длительного действия следует оборудовать облучателями прямого излучения. Выходное отверстие облучателя нельзя перекрывать рассеивателями, так как они могут значительно поглощать УФ излучение, особенно эритемное.
8.8. Расчет эритемной облученности производится аналогично расчету освещенности в ОУ.
При расчете облученности в установках длительного действия следует применять точечный метод, т.е. определять облученность по силе излучения или по относительной облученности. Это обусловлено необходимостью получения максимального и минимального значения облученности, а также низкими коэффициентами отражения потолков и стен в эритемных излучениях.
Значения относительной эритемной облученности

, создаваемые люминесцентной эритемной лампой ЛЭ, приведены в табл. 78, а типа ЛЭР40 с отражающим слоем - в
табл. 79.
────┬─────────────────────────────────────────────────────────────────────────────
b/h │ Значения эпсилон, мэр/м2, при a/h , равном
р│ р
├─────┬─────┬─────┬─────┬─────┬─────┬─────┬─────┬─────┬─────┬─────┬─────┬─────
│ 0 │ 0,1 │ 0,2 │ 0,3 │ 0,4 │ 0,5 │ 0,6 │ 0,7 │ 0,8 │ 0,9 │ 1,0 │ 1,1 │ 1,2
────┼─────┼─────┼─────┼─────┼─────┼─────┼─────┼─────┼─────┼─────┼─────┼─────┼─────
0 │100 │ 98,0│ 92,4│ 84,2│ 74,3│ 64,0│ 54,1│ 45,0│ 37,2│ 30,5│ 25,0│ 20,5│ 16,8
0,1 │ 98,5│ 96,6│ 91,0│ 83,0│ 73,0│ 63,4│ 53,6│ 44,7│ 36,8│ 30,3│ 24,9│ 20,4│ 16,8
0,2 │ 94,2│ 92,3│ 87,6│ 80,1│ 70,8│ 61,2│ 52,0│ 43,6│ 36,2│ 29,8│ 24,5│ 20,2│ 16,6
0,3 │ 87,9│ 86,2│ 81,7│ 75,1│ 66,8│ 57,2│ 49,7│ 41,8│ 34,9│ 28,9│ 23,9│ 19,7│ 16,3
0,4 │ 79,9│ 78,5│ 74,9│ 68,9│ 61,7│ 54,1│ 46,5│ 39,5│ 33,2│ 27,7│ 23,0│ 19,2│ 15,9
0,5 │ 71,6│ 70,5│ 67,1│ 62,1│ 56,3│ 49,7│ 43,1│ 37,0│ 31,3│ 26,3│ 22,1│ 18,5│ 15,4
0,6 │ 63,2│ 62,2│ 59,4│ 55,6│ 50,4│ 44,9│ 39,5│ 34,0│ 29,1│ 24,8│ 20,8│ 17,7│ 14,9
0,7 │ 54,9│ 54,1│ 52,0│ 48,7│ 44,7│ 40,3│ 36,7│ 31,2│ 26,8│ 23,0│ 19,7│ 16,8│ 14,2
0,8 │ 47,6│ 47,0│ 45,4│ 42,8│ 39,4│ 35,8│ 32,0│ 28,2│ 24,6│ 21,4│ 18,4│ 15,8│ 13,5
0,9 │ 41,1│ 40,6│ 39,4│ 38,2│ 34,6│ 31,7│ 28,6│ 25,3│ 22,4│ 19,6│ 17,0│ 14,7│ 12,8
1,0 │ 35,4│ 34,9│ 34,0│ 32,4│ 30,2│ 28,0│ 25,4│ 22,8│ 20,8│ 18,0│ 15,6│ 13,7│ 11,9
1,1 │ 30,4│ 30,2│ 29,4│ 28,1│ 26,5│ 24,5│ 22,5│ 20,4│ 18,3│ 16,3│ 14,4│ 12,7│ 11,2
1,2 │ 26,2│ 26,0│ 25,4│ 24,5│ 23,1│ 21,6│ 20,0│ 18,1│ 16,5│ 14,8│ 13,2│ 11,7│ 10,4
1,3 │ 22,7│ 22,5│ 22,0│ 21,7│ 20,2│ 18,9│ 17,6│ 16,2│ 14,8│ 13,4│ 12,0│ 10,8│ 9,6
1,4 │ 19,7│ 19,5│ 19,1│ 18,5│ 17,6│ 16,7│ 15,7│ 14,4│ 13,2│ 12,1│ 10,9│ 9,9│ 8,9
1,5 │ 17,1│ 17,0│ 16,7│ 16,2│ 15,5│ 14,7│ 13,8│ 12,6│ 11,9│ 10,9│ 10,0│ 9,1│ 8,2
1,6 │ 14,9│ 14,8│ 14,5│ 14,2│ 13,6│ 13,0│ 12,3│ 11,5│ 10,7│ 9,9│ 9,1│ 8,3│ 7,5
1,7 │ 13,0│ 13,0│ 12,8│ 12,4│ 12,0│ 11,5│ 10,9│ 10,3│ 9,6│ 8,9│ 8,2│ 7,6│ 6,9
1,8 │ 11,5│ 11,4│ 11,2│ 11,0│ 10,6│ 10,2│ 9,7│ 9,2│ 8,7│ 8,1│ 7,7│ 6,9│ 6,4
1,9 │ 10,1│ 10,1│ 9,9│ 9,7│ 9,4│ 9,1│ 8,7│ 8,2│ 7,8│ 7,3│ 6,8│ 6,3│ 5,9
2,0 │ 8,9│ 8,9│ 8,8│ 8,5│ 8,4│ 8,0│ 7,8│ 7,4│ 7,1│ 6,6│ 6,2│ 5,8│ 5,4
2,1 │ 7,9│ 7,9│ 7,8│ 7,7│ 7,5│ 7,3│ 7,0│ 6,7│ 6,4│ 6,0│ 5,7│ 5,3│ 5,0
2,2 │ 7,1│ 7,1│ 7,0│ 6,9│ 6,7│ 6,5│ 6,3│ 6,0│ 5,8│ 5,5│ 5,2│ 4,9│ 4,6
2,3 │ 6,3│ 6,3│ 6,3│ 6,2│ 6,0│ 5,9│ 5,7│ 5,5│ 5,2│ 5,0│ 4,7│ 4,5│ 4,2
2,4 │ 5,7│ 5,7│ 5,6│ 5,5│ 5,4│ 5,3│ 5,1│ 4,9│ 4,7│ 4,5│ 4,2│ 4,1│ 3,9
2,5 │ 5,1│ 5,1│ 5,1│ 5,0│ 4,9│ 4,8│ 4,6│ 4,5│ 4,3│ 4,1│ 4,0│ 3,8│ 3,6
2,6 │ 4,6│ 4,6│ 4,6│ 4,5│ 4,4│ 4,3│ 4,2│ 4,1│ 3,9│ 3,8│ 3,6│ 3,5│ 3,3
2,7 │ 4,2│ 4,2│ 4,1│ 4,1│ 4,0│ 3,9│ 3,8│ 3,7│ 3,6│ 3,5│ 3,3│ 3,2│ 3,0
2,8 │ 3,8│ 3,8│ 3,8│ 3,7│ 3,7│ 3,6│ 3,5│ 3,4│ 3,3│ 3,2│ 3,1│ 2,9│ 2,8
2,9 │ 3,5│ 3,5│ 3,4│ 3,4│ 3,4│ 3,3│ 3,2│ 3,1│ 3,0│ 2,9│ 2,8│ 2,7│ 2,6
3,0 │ 3,2│ 3,2│ 3,1│ 3,1│ 3,1│ 3,0│ 2,9│ 2,9│ 2,8│ 2,7│ 2,6│ 2,5│ 2,4
3,1 │ 2,9│ 2,9│ 2,9│ 2,8│ 2,8│ 2,8│ 2,7│ 2,6│ 2,6│ 2,5│ 2,4│ 2,3│ 2,2
3,2 │ 2,7│ 2,6│ 2,6│ 2,6│ 2,6│ 2,5│ 2,5│ 2,4│ 2,4│ 2,3│ 2,2│ 2,2│ 2,1
3,3 │ 2,4│ 2,4│ 2,4│ 2,4│ 2,4│ 2,3│ 2,3│ 2,2│ 2,2│ 2,1│ 2,1│ 2,0│ 2,0
Продолжение табл. 78
────┬──────────────────────────────────────────────────────────────────────
b/h │ Значения эпсилон, мэр/м2, при a/h , равном
р│ р
├────┬────┬────┬────┬────┬────┬────┬────┬────┬────┬────┬────┬────┬─────
│1,3 │1,4 │1,5 │1,6 │1,7 │1,8 │1,9 │2,0 │2,1 │2,2 │2,3 │2,4 │2,5 │ 2,6
────┼────┼────┼────┼────┼────┼────┼────┼────┼────┼────┼────┼────┼────┼─────
0 │13,8│11,4│ 9,5│ 7,9│ 6,6│ 5,6│ 4,7│ 4,0│ 3,4│ 2,9│ 2,5│ 2,2│ 1,9│ 1,7
0,1 │13,8│11,4│ 9,5│ 7,9│ 6,6│ 5,6│ 4,7│ 4,0│ 3,4│ 2,9│ 2,5│ 2,2│ 1,9│ 1,7
0,2 │13,7│11,3│ 9,4│ 7,9│ 6,6│ 5,6│ 4,7│ 4,0│ 3,4│ 2,9│ 2,5│ 2,2│ 1,9│ 1,7
0,3 │13,5│11,2│ 9,4│ 7,9│ 6,6│ 5,6│ 4,7│ 4,0│ 3,4│ 2,9│ 2,5│ 2,2│ 1,9│ 1,7
0,4 │13,3│11,0│ 9,3│ 7,8│ 6,6│ 5,5│ 4,7│ 4,0│ 3,4│ 2,9│ 2,5│ 2,2│ 1,9│ 1,7
0,5 │12,9│10,9│ 9,1│ 7,7│ 6,5│ 5,5│ 4,7│ 4,0│ 3,4│ 2,9│ 2,5│ 2,2│ 1,9│ 1,7
0,6 │12,5│10,6│ 8,9│ 7,6│ 6,5│ 5,5│ 4,7│ 4,0│ 3,4│ 2,9│ 2,5│ 2,2│ 1,9│ 1,7
0,7 │12,1│10,2│ 8,7│ 7,5│ 6,4│ 5,5│ 4,7│ 4,0│ 3,4│ 2,9│ 2,5│ 2,2│ 1,9│ 1,7
0,8 │11,6│ 9,9│ 8,5│ 7,3│ 6,2│ 5,4│ 4,6│ 4,0│ 3,4│ 2,9│ 2,5│ 2,2│ 1,9│ 1,7
0,9 │11,0│ 9,5│ 8,2│ 7,0│ 6,1│ 5,3│ 4,6│ 4,0│ 3,4│ 2,9│ 2,5│ 2,2│ 1,9│ 1,7
1,0 │10,4│ 9,1│ 7,8│ 6,8│ 5,9│ 5,1│ 4,5│ 3,9│ 3,4│ 2,9│ 2,5│ 2,2│ 1,9│ 1,7
1,1 │ 9,8│ 8,6│ 7,5│ 6,5│ 5,7│ 5,0│ 4,4│ 3,8│ 3,4│ 2,9│ 2,5│ 2,2│ 1,9│ 1,7
1,2 │ 9,2│ 8,2│ 7,1│ 6,2│ 5,5│ 4,8│ 4,3│ 3,8│ 3,3│ 2,9│ 2,5│ 2,2│ 1,9│ 1,7
1,3 │ 8,5│ 7,6│ 6,7│ 5,9│ 5,3│ 4,6│ 4,2│ 3,7│ 3,3│ 2,9│ 2,5│ 2,2│ 1,9│ 1,7
1,4 │ 8,0│ 7,1│ 6,3│ 5,6│ 5,0│ 4,4│ 4,0│ 3,5│ 3,2│ 2,8│ 2,5│ 2,2│ 1,9│ 1,7
1,5 │ 7,4│ 6,6│ 6,0│ 5,3│ 4,8│ 4,3│ 3,8│ 3,4│ 3,1│ 2,8│ 2,5│ 2,2│ 1,9│ 1,7
1,6 │ 6,8│ 6,2│ 5,6│ 5,0│ 4,5│ 4,1│ 3,7│ 3,3│ 3,0│ 2,7│ 2,4│ 2,2│ 1,9│ 1,7
1,7 │ 6,3│ 5,8│ 5,2│ 4,7│ 4,3│ 3,9│ 3,5│ 3,2│ 2,9│ 2,6│ 2,3│ 2,1│ 1,9│ 1,7
1,8 │ 5,9│ 5,4│ 4,9│ 4,5│ 4,0│ 3,7│ 3,3│ 3,0│ 2,7│ 2,5│ 2,3│ 2,1│ 1,9│ 1,7
1,9 │ 5,4│ 5,0│ 4,6│ 4,2│ 3,8│ 3,5│ 3,2│ 2,9│ 2,6│ 2,4│ 2,2│ 2,0│ 1,8│ 1,7
2,0 │ 5,0│ 4,6│ 4,2│ 3,9│ 3,6│ 3,3│ 3,0│ 2,8│ 2,5│ 2,3│ 2,1│ 1,9│ 1,8│ 1,6
2,1 │ 4,7│ 4,3│ 4,0│ 3,7│ 3,4│ 3,1│ 2,8│ 2,6│ 2,4│ 2,2│ 2,0│ 1,9│ 1,7│ -
2,2 │ 4,3│ 4,0│ 3,7│ 3,4│ 3,2│ 2,9│ 2,7│ 2,5│ 2,3│ 2,1│ 1,9│ 1,7│ 1,6│ -
2,3 │ 3,9│ 3,7│ 3,4│ 3,2│ 3,0│ 2,8│ 2,6│ 2,4│ 2,2│ 2,0│ 1,9│ 1,7│ 1,6│ -
2,4 │ 3,6│ 3,4│ 3,2│ 3,0│ 2,8│ 2,6│ 2,4│ 2,2│ 2,1│ 1,9│ 1,8│ 1,7│ - │ -
2,5 │ 3,4│ 3,2│ 3,0│ 2,8│ 2,6│ 2,4│ 2,3│ 2,1│ 2,0│ - │ - │ - │ - │ -
2,6 │ 3,1│ 2,9│ 2,8│ 2,6│ 2,5│ 2,3│ 2,2│ 2,0│ - │ - │ - │ - │ - │ -
2,7 │ 2,9│ 2,7│ 2,6│ 2,4│ 2,3│ 2,2│ 2,0│ - │ - │ - │ - │ - │ - │ -
2,8 │ 2,7│ 2,6│ 2,4│ 2,3│ 2,2│ 2,0│ - │ - │ - │ - │ - │ - │ - │ -
2,9 │ 2,5│ 2,4│ 2,3│ 2,1│ 2,0│ - │ - │ - │ - │ - │ - │ - │ - │ -
3,0 │ 2,3│ 2,2│ 2,1│ 2,0│ - │ - │ - │ - │ - │ - │ - │ - │ - │ -
3,1 │ 2,2│ 2,1│ 2,0│ - │ - │ - │ - │ - │ - │ - │ - │ - │ - │ -
3,2 │ 2,0│ 1,9│ - │ - │ - │ - │ - │ - │ - │ - │ - │ - │ - │ -
3,3 │ - │ - │ - │ - │ - │ - │ - │ - │ - │ - │ - │ - │ - │ -
────┬──────────────────────────────────────────────────────────────────────
b/h │ Значения эпсилон, мэр/м2, при a/h , равном
р│ р
├─────┬─────┬─────┬─────┬─────┬─────┬────┬────┬────┬────┬────┬────┬────
│ 0 │ 0,1 │ 0,2 │ 0,3 │ 0,4 │ 0,5 │0,6 │0,7 │0,8 │0,9 │1,0 │1,1 │1,2
────┼─────┼─────┼─────┼─────┼─────┼─────┼────┼────┼────┼────┼────┼────┼────
0 │153,6│150,8│143,3│131,4│117,6│103,3│89,6│75,3│63,8│53,6│45,1│37,9│32,0
0,1 │150,8│148,2│140,4│129,4│116,5│102,5│88,3│74,6│63,0│53,4│44,6│37,8│31,6
0,2 │143,3│140,4│134,2│123,0│110,7│ 97,9│84,8│71,6│61,1│51,5│43,6│36,7│31,0
0,3 │131,4│129,4│123,0│115,3│102,4│ 91,6│79,3│67,9│58,0│49,1│41,7│35,3│29,8
0,4 │117,6│116,5│110,7│102,4│ 95,4│ 83,6│73,1│63,2│54,0│45,9│39,4│33,4│28,5
0,5 │103,3│102,5│ 97,9│ 91,6│ 83,6│ 74,7│65,8│57,5│49,6│42,8│35,9│31,4│26,6
0,6 │ 89,6│ 88,3│ 84,8│ 79,3│ 73,1│ 65,8│58,7│51,5│45,1│39,1│33,8│29,1│25,0
0,7 │ 75,3│ 74,6│ 71,6│ 67,9│ 63,2│ 57,5│51,5│45,3│40,4│35,4│30,7│26,7│23,0
0,8 │ 63,8│ 63,0│ 61,1│ 58,0│ 54,0│ 49,6│45,1│40,4│35,3│31,6│27,7│24,1│21,3
0,9 │ 53,6│ 53,4│ 51,5│ 49,1│ 45,9│ 42,8│39,1│35,4│31,6│28,1│24,8│21,9│19,3
1,0 │ 45,1│ 44,6│ 43,6│ 41,7│ 39,4│ 35,9│33,8│30,7│27,7│24,8│22,4│19,7│17,6
1,1 │ 37,9│ 37,8│ 36,7│ 35,3│ 33,4│ 31,4│29,1│26,7│24,1│21,9│19,7│17,4│15,8
1,2 │ 32,0│ 31,6│ 31,0│ 29,8│ 28,5│ 26,6│25,0│23,0│21,3│19,3│17,6│15,8│14,4
1,3 │ 26,7│ 26,5│ 26,0│ 25,2│ 24,3│ 23,0│21,6│20,1│18,5│16,9│15,7│14,1│12,8
1,4 │ 22,8│ 22,6│ 22,1│ 21,6│ 20,7│ 19,7│18,6│17,5│16,2│14,9│13,7│12,6│11,4
1,5 │ 19,4│ 19,2│ 18,9│ 18,4│ 17,8│ 17,0│16,1│15,1│14,2│13,1│12,2│11,2│10,3
1,6 │ 16,5│ 16,4│ 16,2│ 15,4│ 15,3│ 14,6│14,0│13,2│12,4│11,6│10,8│10,0│ 9,2
1,7 │ 14,2│ 14,1│ 13,9│ 13,6│ 13,2│ 12,7│12,1│11,5│10,9│10,2│ 9,5│ 8,9│ 8,2
1,8 │ 12,2│ 12,1│ 12,0│ 11,8│ 11,4│ 10,9│10,6│10,1│ 9,6│ 9,0│ 8,5│ 7,9│ 7,4
1,9 │ 10,6│ 10,4│ 10,3│ 10,2│ 10,0│ 9,9│ 9,4│ 8,9│ 8,5│ 8,0│ 7,8│ 7,1│ 6,6
2,0 │ 9,2│ 9,1│ 9,0│ 8,9│ 8,7│ 8,5│ 8,2│ 7,9│ 7,5│ 7,1│ 6,8│ 6,4│ 6,0
2,1 │ 8,0│ 8,0│ 7,9│ 7,8│ 7,6│ 7,4│ 7,2│ 6,9│ 6,6│ 6,2│ 6,3│ 5,7│ 5,4
2,2 │ 7,0│ 7,0│ 7,0│ 6,9│ 6,7│ 6,6│ 6,4│ 6,2│ 5,9│ 5,7│ 5,4│ 5,2│ 4,9
2,3 │ 6,2│ 6,2│ 6,2│ 6,2│ 5,9│ 5,8│ 5,7│ 5,5│ 5,3│ 5,1│ 4,9│ 4,6│ 4,4
2,4 │ 5,5│ 5,5│ 5,5│ 5,4│ 5,3│ 5,2│ 5,1│ 4,9│ 4,7│ 4,6│ 4,4│ 4,2│ 3,9
2,5 │ 4,9│ 4,9│ 4,9│ 4,8│ 4,7│ 4,6│ 4,5│ 4,4│ 4,3│ 4,1│ 4,0│ 3,9│ 3,6
Продолжение табл. 79
────┬──────────────────────────────────────────────────────────────────────
b/h │ Значения эпсилон, мэр/м2, при a/h , равном
р│ р
├─────┬─────┬─────┬─────┬─────┬─────┬────┬────┬────┬────┬────┬────┬────
│ 1,3 │ 1,4 │ 1,5 │ 1,6 │ 1,7 │ 1,8 │1,9 │2,0 │2,1 │2,2 │2,3 │2,4 │2,5
────┼─────┼─────┼─────┼─────┼─────┼─────┼────┼────┼────┼────┼────┼────┼────
0 │26,7 │22,8 │19,4 │16,5 │14,2 │12,2 │10,6│9,2 │8,0 │7,0 │6,2 │5,5 │4,9
0,1 │26,5 │22,6 │19,2 │16,4 │14,1 │12,1 │10,4│9,1 │8,0 │7,0 │6,2 │5,5 │4,9
0,2 │26,0 │22,1 │18,9 │16,2 │13,9 │12,0 │10,3│9,0 │7,9 │7,0 │6,2 │5,5 │4,9
0,3 │25,2 │21,6 │18,4 │15,4 │13,6 │11,8 │10,2│8,9 │7,8 │6,9 │6,2 │5,4 │4,8
0,4 │24,3 │20,7 │17,8 │15,3 │13,2 │11,4 │10,0│8,7 │7,6 │6,7 │5,9 │5,3 │4,7
0,5 │23,0 │19,7 │17,0 │14,6 │12,7 │10,9 │9,9 │8,5 │7,4 │6,6 │5,8 │5,2 │4,6
0,6 │21,6 │18,6 │16,1 │14,0 │12,1 │10,6 │9,4 │8,2 │7,2 │6,4 │5,7 │5,1 │4,5
0,7 │20,1 │17,5 │15,1 │13,2 │11,5 │10,1 │8,9 │7,9 │6,9 │6,2 │5,5 │4,9 │4,4
0,8 │18,5 │16,2 │14,2 │12,4 │10,9 │ 9,6 │8,5 │7,5 │6,6 │5,9 │5,3 │4,7 │4,3
0,9 │16,9 │14,9 │13,1 │11,6 │10,2 │ 9,0 │8,0 │7,1 │6,3 │5,7 │5,1 │4,6 │4,1
1,0 │15,7 │13,7 │12,2 │10,8 │ 9,5 │ 8,5 │7,8 │6,8 │6,2 │5,4 │4,9 │4,4 │4,0
1,1 │14,1 │12,6 │11,2 │10,0 │ 8,9 │ 7,9 │7,1 │6,4 │5,7 │5,2 │4,6 │4,2 │3,9
1,2 │12,8 │11,4 │10,3 │ 9,2 │ 8,2 │ 7,4 │6,6 │6,0 │5,4 │4,9 │4,4 │3,9 │3,6
1,3 │10,8 │10,4 │ 9,4 │ 8,5 │ 7,6 │ 6,9 │6,2 │5,6 │5,1 │4,6 │4,2 │3,8 │3,5
1,4 │10,4 │ 9,3 │ 8,6 │ 7,8 │ 7,0 │ 6,4 │5,8 │5,3 │4,8 │4,3 │4,0 │3,6 │3,3
1,5 │ 9,4 │ 8,6 │ 7,6 │ 7,1 │ 6,5 │ 5,9 │5,4 │4,9 │4,5 │4,1 │3,8 │3,4 │3,2
1,6 │ 8,5 │ 7,8 │ 7,1 │ 6,4 │ 6,0 │ 5,5 │5,0 │4,6 │4,2 │3,9 │3,6 │3,2 │3,0
1,7 │ 7,6 │ 7,0 │ 6,5 │ 6,0 │ 5,6 │ 5,1 │4,6 │4,3 │3,9 │3,6 │3,3 │3,1 │2,8
1,8 │ 6,9 │ 6,4 │ 5,9 │ 5,5 │ 5,1 │ 4,8 │4,3 │4,0 │3,7 │3,4 │3,1 │2,9 │2,7
1,9 │ 6,2 │ 5,8 │ 5,4 │ 5,0 │ 4,6 │ 4,3 │4,2 │3,7 │3,4 │3,2 │2,9 │2,7 │2,6
2,0 │ 5,6 │ 5,3 │ 4,9 │ 4,6 │ 4,3 │ 4,0 │3,7 │3,6 │3,2 │3,0 │2,8 │2,6 │2,4
2,1 │ 5,1 │ 4,8 │ 4,5 │ 4,2 │ 3,9 │ 3,7 │3,4 │3,2 │3,0 │2,8 │2,6 │2,4 │2,2
2,2 │ 4,6 │ 4,3 │ 4,1 │ 3,9 │ 3,6 │ 3,4 │3,2 │3,0 │2,8 │2,6 │2,4 │2,3 │2,1
2,3 │ 4,2 │ 4,0 │ 3,8 │ 3,6 │ 3,3 │ 3,1 │3,0 │2,8 │2,6 │2,4 │2,3 │2,1 │2,0
2,4 │ 3,8 │ 3,6 │ 3,4 │ 3,2 │ 3,1 │ 2,9 │2,7 │2,6 │2,4 │2,3 │2,1 │2,0 │1,9
2,5 │ 3,5 │ 3,3 │ 3,2 │ 3,0 │ 2,8 │ 2,7 │2,5 │2,4 │2,2 │2,1 │2,0 │1,9 │1,8
Значения

приведены в зависимости от отношений

и

, где a и b - координаты контрольной точки относительно проекции облучателя на расчетную плоскость.
Расчет эритемной облученности
(рис. 100), создаваемой лампами типа ЛЭ, производится по формуле

, (96)
где

- сила излучения эритемной лампы в плоскости, перпендикулярной ее оси, мэр/ср;

- относительная облученность, мэр/м2, определяемая по
табл. 76.
Рис. 100. К расчету эритемной облученности
Расчет эритемной облученности, создаваемой лампами типа ЛЭР40, производится по формуле

. (97)
Значения

в
табл. 87 приведены для ламп типа ЛЭР40 с силой эритемного излучения

. При другом значении силы излучения лампы значения

, приведенные в
табл. 77, следует пересчитать пропорционально значению

.
Коэффициент запаса, учитывающий снижение эритемной облученности в процессе эксплуатации облучательной установки, вводится только при расчете минимально допустимого уровня облученности, равного 1,5 мэр/м2, и принимается равным 1,5.
При проектировании установки длительного действия облученность должна приниматься не более 7,5 и не менее 2,25 мэр/м2 (произведение минимальной нормы облученности 1,5 мэр/м2 на коэффициент запаса, равный 1,5).
При проектировании облучательной установки рекомендуется предварительно проверить правильность выбора типа эритемной лампы и облучателя на соответствие облученности максимальной норме 7,5 мэр/м2. Для этого определяют облученность под облучателем


. (98)
Если окажется, что значение

меньше 7,5 мэр/м2, выбор типа лампы сделан правильно.
Характеристики эритемных люминесцентных ламп приведены в табл. 80.
Таблица 80
──────────────────────┬───────┬──────┬──────┬─────┬────────────────┬───────
Наименование лампы │ Тип │Мощ- │Напря-│Срок │Сила эритемного │Эритем-
│ │ность,│жение │служ-│ излучения в │ный
│ │Вт │сети, │бы, ч│ вертикальной │поток,
│ │ │В │ │ плоскости под │мэр
│ │ │ │ │углом 0°, мэр/ср│
──────────────────────┼───────┼──────┼──────┼─────┼────────────────┼───────
Люминесцентная │ЛЭ30-1;│ 30; │ 220; │5000 │ 75; │ 750
эритемная │ ЛЭ30 │ 30 │ 220 │ │ 45 │
Люминесцентная │ЛЭР30; │ 30; │ 220; │3000;│ 130; │ 1000;
эритемная с отражающим│ ЛЭР40 │ 40 │ 220 │1500 │ 156 │ 1600
слоем (рефлекторная) │ │ │ │ │ │
При установке облучателей на небольшой высоте (3 - 5 м) рекомендуется использовать облучатели с эмалированными отражателями, так как эмаль почти не отражает эритемного потока. В этом случае могут также использоваться светильники с эмалированными отражателями, предназначенные для обыкновенных люминесцентных ламп. Расчет облученности в этом случае производится, как для эритемной лампы, по
формуле (96) с использованием данных
табл. 78.
Пример 1. Облучательная установка выполняется лампами типа ЛЭ, мощностью 30 Вт, установленными в эмалированных облучателях (светильниках). Расположение облучателей показано на рис. 101. Высота подвеса облучателей над полом составляет 4 м, т.е.

. Коэффициент запаса равен 1,5. Определить значения эритемной облученности в контрольных точках.
Рис. 101. Взаимное расположение расчетных точек
Для выбора типа лампы на соответствие максимально допустимой эритемной облученности определяем облученность под облучателем по
формуле (98) для ламп типов ЛЭ30-1 и ЛЭ30. Значение

лампы типа ЛЭ30-1 составляет 75 мэр/ср. Следовательно, под облучателем облученность только от одной лампы будет равна

. Лампа этого типа не может быть использована.
Облученность под облучателем с лампой типа ЛЭ30 равна

. Следовательно, можно принять эритемные лампы типа ЛЭ30.
Определяем на плане помещения координаты контрольных точек относительно облучателей
(рис. 100) и находим отношения

и

. По этим отношениям определяем значения относительной облученности по данным
табл. 76, после чего находим значения облученности по
формуле (96). Подробный порядок расчета приведен в табл. 81.
Таблица 81
──────┬─────┬────────┬───┬───┬────┬────┬────────┬──────────┬────────┬──────
Конт- │Об- │Число │a, │b, │a/h │b/h │эпсилон,│n эпсилон,│сумма n │ E,
роль- │луча-│облуча- │ м │ м │ р│ р│ мэр/м2 │ мэр/м2 │эпсилон,│мэр/м2
ная │тели │телей n,│ │ │ │ │ │ │ мэр/м2 │
точка │ │шт. │ │ │ │ │ │ │ │
──────┼─────┼────────┼───┼───┼────┼────┼────────┼──────────┼────────┼──────
A │ 1 │ 4 │2,4│3,0│0,8 │1,0 │ 20,3 │ 81,2 │ 81,2 │ 4,1
│ 2 │ │ │ │ │ │ │ │ │
│ 3 │ │ │ │ │ │ │ │ │
│ 4 │ │ │ │ │ │ │ │ │
──────┼─────┼────────┼───┼───┼────┼────┼────────┼──────────┼────────┼──────
B │ 1 │ 4 │4,8│6,0│1,6 │2,0 │ 3,9 │ 3,9 │ 120,7 │ 6,0
│ 2 │ │ 0 │6,0│ 0 │2,0 │ 8,9 │ 8,9 │ │
│ 3 │ │4,8│ 0 │1,6 │ 0 │ 7,9 │ 7,9 │ │
│ 4 │ │ 0 │ 0 │ 0 │ 0 │ 100,0 │ 100,0 │ │
──────┼─────┼────────┼───┼───┼────┼────┼────────┼──────────┼────────┼──────
C │ 3 │ 4 │2,4│ 0 │0,8 │ 0 │ 37,2 │ 74,4 │ 88,6 │ 4,4
│ 4 │ │ │ │ │ │ │ │ │
│ 1 │ │2,4│6,0│0,8 │2,0 │ 7,1 │ 14,2 │ │
│ 2 │ │ │ │ │ │ │ │ │
──────┼─────┼────────┼───┼───┼────┼────┼────────┼──────────┼────────┼──────
Д │ 1 │ 4 │ 0 │3,0│ 0 │1,0 │ 35,7 │ 70,2 │ 83,8 │ 4,2
│ 3 │ │ │ │ │ │ │ │ │
│ 2 │ │4,8│3,0│1,6 │1,0 │ 6,8 │ 13,6 │ │
│ 4 │ │ │ │ │ │ │ │ │
──────┼─────┼────────┼───┼───┼────┼────┼────────┼──────────┼────────┼──────
Д │ 1 │ 4 │1,5│3,0│0,5 │1,0 │ 28,0 │ 56,0 │ 62,8 │ 3,1
1 │ 2 │ │ │ │ │ │ │ │ │
│ 3 │ │6,3│3,0│2,1 │1,0 │ 3,4 │ 6,8 │ │
│ 4 │ │ │ │ │ │ │ │ │
──────┼─────┼────────┼───┼───┼────┼────┼────────┼──────────┼────────┼──────
M │ 1 │ 4 │1,5│7,5│0,5 │2,5 │ 4,8 │ 4,8 │ 59,9 │ 3,0
│ 2 │ │6,3│7,5│2,1 │2,5 │ 2,0 │ 2,0 │ │
│ 3 │ │1,5│1,5│0,5 │0,5 │ 49,7 │ 49,7 │ │
│ 4 │ │6,3│1,5│2,1 │0,5 │ 3,4 │ 3,4 │ │
В контрольных точках эритемная облученность соответствует нормам. С учетом коэффициента запаса облученность выше минимальной нормы, но не достигает максимально допустимой 7,5 мэр/м2.
При проектировании облучательных установок нет необходимости определять уровни облученности в таком количестве точек, как это сделано в данном примере, достаточно определить эритемную облученность в двух-трех точках.
8.9. В высоких помещениях следует применять облучатели с отражателями из объярченного алюминия, так как алюминий хорошо отражает эритемный поток, могут быть также использованы люминесцентные эритемные лампы с отражающим слоем типа ЛЭР, которые можно устанавливать в светильниках.
Пример 2. Облучательная установка снабжена лампами типа ЛЭР40. Расположение ламп показано на схеме рис. 102. Высота установки ламп над расчетной плоскостью составляет 9 м. Коэффициент запаса равен 1,5. Определить эритемную облученность в контрольных точках.
Так как

, принятый тип ламп обеспечивает облученность, не превышающую максимально допустимую 7,5 мэр/м2.
Порядок расчета приведен в табл. 82.
Таблица 82
─────┬─────┬──────┬────┬────┬────┬────┬────────┬──────────┬────────┬───────────────
Конт-│Об- │Число │a, м│b, м│a/h │b/h │эпсилон,│n эпсилон,│сумма n │Облученность E,
роль-│луча-│облу- │ │ │ р│ р│ мэр/м2 │ мэр/м2 │эпсилон,│ мэр/м2, при
ная │тели │чате- │ │ │ │ │ │ │ мэр/м2 │количестве ламп
точка│ │лей n,│ │ │ │ │ │ │ │ в облучателе
│ │шт. │ │ │ │ │ │ │ ├───────┬───────
│ │ │ │ │ │ │ │ │ │ одной │ двух
─────┼─────┼──────┼────┼────┼────┼────┼────────┼──────────┼────────┼───────┼───────
A │ 1 │ 6 │6,0 │6,0 │0,67│0,67│ 51,8 │ 207,2 │ 223,4 │ 2,8 │ 5,6
│ 2 │ │ │ │ │ │ │ │ │ │
│ 3 │ │ │ │ │ │ │ │ │ │
│ 4 │ │ │ │ │ │ │ │ │ │
│ 5 │ │6,0 │18,0│0,67│2,0 │ 8,1 │ 16,2 │ │ │
│ 6 │ │ │ │ │ │ │ │ │ │
─────┼─────┼──────┼────┼────┼────┼────┼────────┼──────────┼────────┼───────┼───────
B │ 1 │ 6 │ 0 │12,0│ 0 │1,33│ 24,8 │ 49,6 │ 197,2 │ 2,4 │ 4,8
│ 5 │ │ │ │ │ │ │ │ │ │
│ 3 │ │ 0 │ 0 │ 0 │ 0 │ 100,0 │ 100,0 │ │ │
│ 4 │ │12,0│ 0 │1,33│ 0 │ 24,8 │ 24,8 │ │ │
│ 2 │ │12,0│12,0│1,33│1,33│ 11,4 │ 22,8 │ │ │
│ 6 │ │ │ │ │ │ │ │ │ │
─────┼─────┼──────┼────┼────┼────┼────┼────────┼──────────┼────────┼───────┼───────
C │ 1 │ 6 │6,0 │ 0 │0,67│ 0 │ 82,4 │ 164,8 │ 211,6 │ 2,6 │ 5,2
│ 2 │ │ │ │ │ │ │ │ │ │
│ 3 │ │6,0 │12,0│0,67│1,33│ 19,4 │ 38,8 │ │ │
│ 4 │ │ │ │ │ │ │ │ │ │
│ 5 │ │6,0 │24,0│0,67│2,67│ 4,0 │ 8,0 │ │ │
│ 6 │ │ │ │ │ │ │ │ │ │
─────┼─────┼──────┼────┼────┼────┼────┼────────┼──────────┼────────┼───────┼───────
Д │ 3 │ 6 │6,0 │ 0 │0,67│ 0 │ 82,4 │ 164,8 │ 242,4 │ 3,0 │ 6,0
│ 4 │ │ │ │ │ │ │ │ │ │
│ 1 │ │6,0 │12,0│0,67│1,33│ 19,4 │ 77,6 │ │ │
│ 2 │ │ │ │ │ │ │ │ │ │
│ 5 │ │ │ │ │ │ │ │ │ │
│ 6 │ │ │ │ │ │ │ │ │ │
Нормы эритемной облученности при принятом расположении облучателей обеспечиваются как при установке в облучателе одной, так и двух ламп. Однако из санитарно-гигиенических соображений предпочтительнее в облучателях устанавливать по две лампы, так как при этом значение облученности ближе к рекомендуемому значению 5 мэр/м2.
ОБЛУЧАТЕЛЬНЫЕ УСТАНОВКИ КРАТКОВРЕМЕННОГО ДЕЙСТВИЯ (ФОТАРИИ)
8.10. Установки УФ облучения кратковременного действия (фотарии) следует предусматривать в случаях, когда установки длительного действия устраивать недопустимо или нецелесообразно по производственным, технико-экономическим и гигиеническим показателям.
8.11. Фотарии должны выполняться отдельными для мужчин и для женщин. Фотарии следует размещать в отдельных помещениях, смежных с гардеробами домашней одежды или с общим гардеробом (при совместном хранении всех видов одежды).
8.12. При фотарии должны быть предусмотрены помещения для медицинского персонала из расчета 3,6 м2 на 100 облучающихся в максимальную смену, но не менее 8 м2. Фотарии, обслуживающие рабочих промышленных предприятий, находятся в ведении здравпунктов.
8.13. В фотариях необходимо предусматривать механическую приточно-вытяжную вентиляцию. Температура воздуха в фотарии должна находиться в пределах 23 - 25 °С. В помещении фотария следует предусматривать искусственное освещение, создающее освещенность на полу не менее 50 лк.
8.14. В фотариях используются вертикально установленные люминесцентные эритемные лампы, нижний край которых располагают на высоте 0,5 м от пола.
Эритемная облученность в фотариях нормируется в вертикальной плоскости на уровне 1 м от пола. Нормируемые значения вертикальной облученности и дозы следует принимать в соответствии с данными табл. 83.
Таблица 83
───────────────────────────────┬───────────────────────────────┬───────────
Облученность, мэр/м2 │Доза облучения за 1 сут, мэр/м2│Длитель-
─────────┬──────────┬──────────┼─────────┬──────────┬──────────┤ность
минималь-│максималь-│рекоменду-│минималь-│максималь-│рекоменду-│облучения,
ная │ная │емая │ная │ная │емая │мин
─────────┼──────────┼──────────┼─────────┼──────────┼──────────┼───────────
120 │ 600 │ 400 │ 6 │ 30 │ 20 │ 2,5 - 3
8.15. Количество рабочих и служащих, подлежащих облучению в фотариях, определяют из выражений

и

, (99)
где M - списочное количество работающих в максимальную смену (мужчины и женщины отдельно);

- коэффициент, учитывающий противопоказания к УФ облучению в фотариях у мужчин, равный 0,8;

- то же, но у женщин, равный 0,7.
8.16. Фотарии устраиваются кабинного и проходного типа. Фотарии кабинного типа для индивидуального облучения могут состоять из одной, двух, четырех и более смежных одноместных кабин, стенками которых служат вертикально расположенные лампы типа ЛЭ30. Расстояние между лампами обычно составляет 160 мм.
8.17. Облучение в кабине осуществляется с трех сторон.
Количество мужских и женских кабин при проектировании фотарием кабинного типа определяется из выражения:

, (100)
где N - количество рабочих и служащих;
m - пропускная способность кабины, составляющая 20 - 22 чел./ч;

- коэффициент, учитывающий продолжительность работы фотария после смены (30 мин), равный 0,5.
8.18. Фотарий проходного типа предназначен для облучения потока людей, движущегося в специально огражденном проходе (прямолинейном или с поворотами) общей длиной 30 м. Ширина прохода в фотарии равна 1,2 - 1,5 м. Лампы ЛЭ30 крепятся вертикально на стенах и внутренних перегородках. Расстояние между лампами обычно составляет 250 мм. Лампы, установленные на стенках, снабжаются алюминиевыми отражателями (могут быть использованы также лампы типа ЛЭР30); для облучения двух проходов на перегородках лампы устанавливаются без отражателей. Облучение в проходе осуществляется с двух сторон.
Пропускная способность фотария проходного типа определяется из выражения
m = 60l/dt, (101)
где l - длина пути в фотарии, м;
d - расстояние между облучаемыми, м;
t - продолжительность облучения, мин.
Например, если l = 30 м, d = 0,3 м, t = 2,5 мин, то m = 900 чел./ч.
В качестве фотария проходного типа может быть рекомендован фотарий-лабиринт, состоящий из четырех проходов. Размеры фотария 7,5 м. Общая длина проходов 30 м.
9. ОСВЕЩЕНИЕ МЕСТ ПРОИЗВОДСТВА РАБОТ ВНЕ ЗДАНИЙ
И ТЕРРИТОРИЙ ПРОМЫШЛЕННЫХ ПРЕДПРИЯТИЙ
9.1. При проектировании освещения строительных площадок и открытых карьеров по добыче полезных ископаемых следует соблюдать требования "Инструкции по проектированию электрического освещения строительных площадок" (СН 81-80) и "Инструкции по проектированию электрического освещения предприятий нерудных строительных материалов" (СН 466-74).
9.2. Дополнительно к требованиям по выбору источников света и светильников, указанным в СН 81-80 и СН 466-74, для площадок шириной до 200 м наиболее экономичными будут светильники с натриевыми лампами высокого давления.
9.3. Искусственное освещение необходимо начинать проектировать при разработке проектов организации строительства и проекта производства работ. Ориентировочно выявляются разряды зрительных работ и их распределение по территории строительства. Составляется карта дислокации строительных участков (зонирование) по разрядам зрительной работы, а следовательно, и освещенности (рис. 103).
Рис. 103. Пример зонирования строительной площадки
по разрядам зрительной работы и освещенности
1 - склад ж/б конструкций (XIII разр. 5 лк);
2 - объект строительства (IX разр. 50 лк);
3 - сборка арматуры (X разр. 30 лк);
4 - растворный узел (XII разр. 10 лк)
9.4. Для прожекторного освещения применяются мачты высотой от 10 до 50 м. Они выполняются из дерева, металла, железобетона и из сплавов алюминия. По способу установки мачты делятся на стационарные и передвижные.
Рекомендуемая высота установки металлических мачт по чертежам институтов ВНИПИ "Тяжпромэлектропроект" (Ленинград) - 48 м; Мосгипротранса (Москва) - 45, 35, 28, 21 м; Гипроруда (Ленинград) - 25, 20, 15 и 10 м; Союзспортпроекта (Москва) - 33 и 20 м для установки большого числа прожекторов.
Металлические мачты
(рис. 104) (разработка института Мосгипротранс) высотой 28 и 21 м собираются соответственно из четырех и из трех секций длиной 6,8 м. Секции обеих мачт одинаковые и представляют собой решетчатую пространственную ферму (квадрат в плане). Секции соединяются наружными накладками из уголков сваркой. Верхняя площадка, предназначенная для установки прожекторов, запроектирована в двух вариантах - для установки 16 и 27 прожекторов.
Рис. 104. Металлическая прожекторная мачта
Фундаменты выполняются сборными железобетонными из отдельных блоков массой в зависимости от грунта и высоты мачты от 5 до 15 т каждый.
Питание к прожекторным мачтам может подводиться кабелем или воздушной линией. Внизу на металлоконструкциях мачт устанавливаются кабельные ящики типа Я3124-26 с трехполюсными автоматами. При подводе питания к мачтам кабелем дополнительно устанавливаются кабельные ящики типа А1220, в которых выполняется сухая разделка кабелей. Мачты заземляются присоединением нулевого провода, металлических частей мачты и устанавливаемой аппаратуры, нормально не находящихся под напряжением, к самостоятельному заземляющему контуру с сопротивлением заземления не более 10 Ом.
Передвижные мачты монтируются на санях и передвигаются на буксире или автомашиной. Они рассчитаны на 8 прожекторов типа ПЗС-35 с лампами мощностью 500 Вт. Масса мачт из дерева 1800 кг, из металла - 1200 кг.
Деревянные мачты
(рис. 105) применяются для установки небольшого числа прожекторов и, как правило, являются временными сооружениями. Деревянная мачта высотой 15 м рассчитана на установку 6 прожекторов и выполняется из трех бревен (два длиной по 8,5 м, одно 11 м). Для обслуживания прожекторов предусматривается лестница.
Рис. 105. Деревянная прожекторная мачта
В отдельных случаях рекомендуется применять подвеску светильников на тросовых перекидках, натянутых над освещаемой территорией на высоте 100 - 150 м.
9.5. Расстояние между мачтами, предназначенными для установки прожекторов, должно быть в пределах 5-, 8-кратной высоты мачт. Увеличение расстояния между ними допускается, если освещение обеспечивает только необходимые условия для передвижения транспорта и пешеходов, т.е. допускается значительная неравномерность распределения освещенности.
9.6. Расстояние между мачтами может сокращаться в случае неровного рельефа строительной площадки или карьера, а также наличия затеняющих объектов (зданий или рельефа).
Однорядное линейное размещение прожекторных мачт
(рис. 106, а) применяется при освещении узких участков территории строительной площадки шириной до 100 - 150 м, двухрядное (рис. 106, б, в) - создает лучшие осветительные условия, исключая резкие тени на вертикальных поперечных плоскостях. При двух-, трехрядной установке (рис. 106, г) мачт следует выбирать шахматное расположение, которое является более рациональным, так как увеличивает равномерность распределения освещенности.
Рис. 106. Варианты размещения прожекторных мачт
а - однорядное; б - двухрядное прямоугольное;
в - двухрядное шахматное; г - комбинированное
Расстояние между мачтами одного и того же ряда определяется на основе конкретных исходных данных технико-экономического и светотехнического расчетов.
9.7. При прямоугольном расположении мачт точка минимальной освещенности

находится в горизонтальной плоскости в центре прямоугольника, на пересечении его диагоналей. Освещенность в ней создается от прожекторов, расположенных на четырех мачтах, т.е. E = 4e, где e - освещенность, лк, в расчетной точке от прожекторов, находящихся на каждой из мачт. Поэтому для обеспечения нормируемой освещенности

необходимо, чтобы прожекторы каждой мачты на расстоянии, равном половине диагонали прямоугольника, по вершинам которого установлены мачты, создавали освещенность

.
Расстояние между мачтами b одного и того же ряда определяется из соотношения

,
где l - расстояние между мачтами, при котором обеспечивается освещенность

, определяемое по графикам (например, рис. 107), м;
a - расстояние между рядами мачт, м.
Рис. 107. Кривая распределения освещенности в зависимости
от расстояния от прожекторной мачты (для каждого прожектора
или группы прожекторов зависимость строится отдельно)
9.8. Угол наклона прожектора, при котором площадь, ограниченная кривой, равной освещенности, имеет максимальное значение, определяемое по формуле

, (102)
где H - высота установки прожектора над освещаемой поверхностью, м;
m, n - постоянные, зависящие от углов рассеяния прожектора в горизонтальной и вертикальной плоскостях (табл. 84).
─────────────┬───────────────────────────────────┬─────────────────────────
Тип │ Мощность, Вт, и напряжение, В, │ Значение коэффициента
прожектора │ на лампе ├────────────┬────────────
│ │ m │ n
─────────────┼───────────────────────────────────┼────────────┼────────────
ПЗС-35 │ 500 - 220 │ 365 │ 16,9
│ 500 - 127 │ 193 │ 14,8
ПЗС-45 │ 1000 - 220 │ 467 │ 10,9
│ 1000 - 127 │ 303 │ 9,2
Продолжение
─────────────┬─────────────────────────────────────────────────────────────
│ 2
Тип │ Значение эпсилон H
прожектора ├─────────────────────────────────────────────────────────────
│ при угле наклона прожекторов, град
├───────────┬───────────┬───────────┬────────────┬────────────
│ 8 │ 10 │ 12 │ 18 │ 24
─────────────┼───────────┼───────────┼───────────┼────────────┼────────────
ПЗС-35 │ 75 - 120 │ 120 - 190 │ 190 - 300 │ 400 - 680 │ 900 - 1400
│ 90 - 150 │ 150 - 230 │ 230 - 320 │ 500 - 900 │1100 - 1700
ПЗС-45 │ 150 - 200 │ 200 - 280 │ 280 - 430 │ 600 - 1000 │1800 - 3000
│ 150 - 230 │ 230 - 280 │ 280 - 450 │ 750 - 1400 │1800 - 3000
9.9. Число прожекторов, необходимое для освещения заданной территории, и общую установленную мощность установки прожекторного освещения предварительно можно определить упрощенным методом светового потока или удельной мощности.
9.10. Методом светового потока число прожекторов определяется по формуле

; (103)
где

- освещаемая площадь, м2;

- КПД прожектора, отн. ед.;
u - коэффициент использования светового потока прожектора;
z - коэффициент неравномерности распределения освещенности, равный

.
9.11. Удельная мощность прожекторного освещения P равна:

, (104)
где

- суммарная мощность ламп прожекторов, Вт.
Принимая число прожекторов n = 1 и

,

, (105)
где

- мощность лампы, Вт.
Если принять

и

, где

- световая отдача лампы, лм/Вт, и

, то

. (106)
Значение коэффициента m приведено в
табл. 84.
Выбор типов источника света и прожектора однозначно определяют световую отдачу

и

независимо от параметров и назначения освещаемой площади.
Рассчитав удельную мощность P, находят общее число прожекторов, необходимых для создания заданной освещенности на расчетной площади:

. (107)
9.12. Расчет прожекторного освещения методом компоновки изолюкс производится в следующей последовательности.
Намечаются на освещаемой территории возможные места размещения прожекторных мачт, выясняется возможность установки прожекторов на высотных сооружениях или естественных возвышенностях.
Для выбранных типов прожекторов изготавливается набор шаблонов, имеющих форму изолюкс, для нескольких высот установки прожектора и углов наклона

в масштабе плана освещаемой территории. Применяя шаблоны, определяется наиболее выгодное размещение прожекторов на плане строительных участков. При этом необходимо добиваться полного покрытия шаблонами всей освещаемой площади и избегать излишнего перекрытия одного светового пятна другим (рис. 108).
Рис. 108. Способ построения изолюкс
от группы прожекторов по шаблону
Таблица 85
───────────────────┬───────────────┬───────────┬───────────────────────────
Тип источника света│Тип прожектора │ Ширина │Значение коэффициента m при
│или светильника│освещаемой │расчетной освещенности, лк
│ │площадки, м├─────────────┬─────────────
│ │ │ 0,5 - 1,5 │ 2,0 - 3,0
───────────────────┼───────────────┼───────────┼─────────────┼─────────────
Лампы накаливания │ПЗС, ПСМ │ 175 - 150 │ 0,90 │ 0,30
│ │ 175 - 300 │ 0,50 │ 0,25
Лампы накаливания │ПКН, ИСУ │ 75 - 125 │ 0,35 │ 0,20
с йодным циклом │ │ 150 - 350 │ 0,20 │ 0,15
Лампы типа ПЗС, ДРЛ│ПЗМ │ 75 - 250 │ 0,25 │ 0,13
│ │ 250 - 350 │ 0,30 │ 0,15
Лампы типа ПЗС, ДРИ│ПСМ │ 75 - 150 │ 0,30 │ 0,10
│ │ 175 - 350 │ 0,16 │ 0,06
Ксеноновая лампа │ОУКсН │ 200 - 275 │ 0,50 │ 0,35
типа │(H = 50 м) │ 300 - 400 │ 0,40 │ 0,20
ДКсТ-20000 │ОУКсН │ 150 - 175 │ 0,75 │ 0,50
│(H = 30 м) │ 200 - 350 │ 0,50 │ 0,40
│"Аревик" │ 175 - 225 │ 0,70 │ 0,50
│(H = 50 м) │ 250 - 400 │ 0,55 │ 0,40
│"Аревик" │ 150 - 175 │ 0,90 │ 0,70
│(H = 30 м) │ 200 - 250 │ 0,70 │ 0,50
Ксеноновая лампа │СКсН │ 100 - 150 │ 0,55 │ 0,45
типа ДКсТ-1000 │(H = 20 - 30 м)│ 175 - 250 │ 0,40 │ 0,35
При выборе изолюкс для изготовления шаблона следует иметь в виду, что освещенность, соответствующая этой кривой, должна быть равна

, где E - требуемая освещенность. На первом этапе расчета составляются кривые относительных изолюкс (кривые, соединяющие точки равной расчетной освещенности в плоскости, перпендикулярной оптической оси прожектора). Координатами каждой точки этих кривых являются значения

и

, численно равные тангенсам углов, при этом ось

соответствует оси x в системе прямоугольных координат, а

- оси y.
Расчеты производятся по формулам

; (108)

; (109)

; (110)

, (111)
где

- относительная освещенность;
E - освещенность в расчетной точке, лк;

- вспомогательный коэффициент.
9.13. Расчет освещенности от группы прожекторов, установленных на одной и той же мачте, на одинаковой высоте от уровня освещаемой поверхности и имеющие одинаковый угол наклона

в вертикальной плоскости, производится на основе следующих исходных данных.
Если оптические оси группы рядом расположенных прожекторов смещены на угол
(рис. 108), то количество прожекторов в группе определяют из соотношения

, (112)
где

- необходимый угол действия прожекторов группы.
Кривые равной освещенности от группы прожекторов строятся по изолюксам от каждого прожектора методом наложения соответственно углу
(рис. 108).
9.14. На строительных площадках следует исключать ослепленность работающих. Не рекомендуется использовать лампы без арматуры. При проектировании освещения строительных площадок необходимо придерживаться метода светотехнического зонирования по точности выполняемых зрительных работ, что позволяет применять световые приборы с лампами малой мощности. Прожекторы локализованного освещения следует устанавливать так, чтобы направление осевой силы света находилось под углом 5 - 15° к предполагаемой линии зрения работающих. При выполнении этого условия допускается уменьшать согласно СН 81-80 высоту установки прожектора с 65 - 50 м на 25 - 15 м и с 45 - 30 м на 10 - 5 м.
Кроме того, для уменьшения слепящего действия источников света и световых приборов рекомендуется применять жалюзийные насадки с небольшими углами рассеяния (до 3°).
При направлении осевой силы света на рабочие места (по направлению линии зрения работающих), когда технически невозможно создать требуемые условия по ограничению чрезмерной блескости, допускается увеличивать нормируемую освещенность на этих рабочих местах на 25%.
9.15. Для освещения складов, в которых материалы размещаются штабелями (например, склад лесоматериалов), прожекторные мачты рекомендуется устанавливать с обеих сторон линии штабеля в шахматном порядке. Для освещения штабелей высотой до 10 м выбираются мачты высотой 15 - 20 м при расстоянии между ними 50 - 60 м. При большем расстоянии высота мачт должна быть увеличена.
Склады, размещаемые вблизи производственных зданий, следует освещать прожекторами, размещаемыми непосредственно на этих зданиях.
9.16. Освещение карьеров создается системами общего и локализованного прожекторного освещения.
Общее освещение осуществляется прожекторами или светильниками прожекторного типа, которые устанавливаются на опорах вдоль периметра карьера за пределами призмы обрушения породы.
В зоне производства работ освещенность должна быть 2 лк, в остальной части карьера, где в основном происходит передвижение транспорта, - 0,5 лк.
Машины и механизмы должны быть снабжены светильниками или прожекторами для создания локализованного и местного освещения.
В карьерах шириной до 150 м рекомендуется применять прожекторы типа ИСУ с лампами типа КГ мощностью 2000 - 5000 Вт, а также прожекторы с лампами ДРЛ.
Карьеры шириной 150 - 300 м рационально освещать прожекторами с лампами типов ДРИ и КГ; для широких карьеров (свыше 300 м) - светильниками с мощными лампами типа КГ и ксеноновыми лампами типа ДКсТ мощностью 20 кВт, прожекторами ПГП-М с лампами ДРИ 2; 3,5 кВт.
9.17. При размещении световых приборов в карьерах следует учитывать возможность проведения взрывных работ, безопасное расстояние ОУ в отношении действия взрывной волны определяется по формуле

, (113)
где l - безопасное расстояние;
m - масса взрывчатого вещества, кг;
K - коэффициент, учитывающий расположение заряда (K = 10).
9.18. При эксплуатации ОУ рекомендуется использовать автоматическое управление, для которого рекомендуются, например, автоматы типа АОН-79 (рис. 109).
Рис. 109. Принципиальная электрическая схема
автомата типа АОН-79
9.19. Прожекторные мачты высотой 50 м и более должны иметь световое ограждение. Для обеспечения безопасности полетов самолетов и вертолетов минимальная высота мачты, подлежащая светоограждению, устанавливается территориальными управлениями авиации.
На верхней площадке прожекторных мачт следует устанавливать не менее двух одновременно работающих светильников с колпаками красного цвета (цветовые характеристики стекла: длина волны 610 нм, насыщенность 95%). Мощность лампы в светильнике не менее 100 Вт. Светильники - в водонепроницаемом исполнении типов РН-100 или 30Л-2М.
Светильники светового ограждения надлежит питать самостоятельно от вводного щита. Они должны включаться в темное время суток, а также при плохих условиях видимости (тумане, снеге и т.д.). Светильники ограждения снабжаются также включающими фотоавтоматами.
9.20. На территориях промышленных предприятий объектами освещения являются: автодороги, пешеходные дорожки, подъезды к зданиям, предзаводские участки, не относящиеся к территории города, дворы, открытые рабочие площадки, отдельные железнодорожные пути, линия границы территории (охранная зона). Освещение, как правило, устраивается общим и должно обеспечивать свободное перемещение людей и транспорта. Освещенность следует принимать согласно
табл. 17 СНиП II-4-79.
9.21. Нормы освещенности для наружного освещения установлены без учета типа источников света, что обусловливает в первую очередь применение газоразрядных источников света, как более экономичных. Люминесцентные лампы, в основном, следует применять в южных районах страны и только в светильниках. Лампы ДРЛ могут применяться как в светильниках, так и в прожекторах (ПЗР-400). Рекомендуется применять также прожекторы с лампами накаливания типа КГ (прожекторы типа ПКН-1000, ПКН-1500).
9.22. Для освещения автодорог, пешеходных дорожек, отдельных железнодорожных путей на территориях промышленных предприятий целесообразно применять светильники, предназначенные для освещения улиц и дорог (см.
разд. 10).
Необходимость устройства освещения проходов определяется их назначением и протяженностью. Примеры схем освещения проходов и проездов даны в
разд. 10.
Освещение внутренних, служебно-хозяйственных и пожарных проездов, хозяйственных площадок, автостоянок, как правило, выполняется светильниками прямого и преимущественно прямого света.
9.23. Прожекторное освещение следует применять при освещении открытых площадок на территории предприятий, когда на них выполняются технологические процессы производства или проводятся строительные работы (складирование материалов или изделий; работы по ремонту зданий; погрузка-разгрузка оборудования или стройматериалов; прокладка коммуникаций и пр.), а также на тех участках, где по местным условиям невозможно или сложно установить светильники.
9.24. Для ограничения слепящего действия наружного освещения территорий предприятий высота установки светильников над уровнем земли должна быть:
а) для светильников с защитным углом менее 15° - не менее указанной в
табл. 18 СНиП II-4-79;
б) для светильников с защитным углом 15° и более - не менее 3,5 м при любых источниках света.
Для прожекторов типа ПЗС или ПСМ в целях ограничения слепящего действия угол поворота от вертикальной оси вверх должен быть не более 20 - 25°.
Высоту подвеса светильников можно не ограничивать на площадках для прохода людей, а также при установке у входа в здание, при защитном угле светильников не менее 15°.
При выборе мест расположения осветительной установки следует учитывать геометрию территории предприятия и габариты оборудования, вынесенного за пределы здания.
9.25. Светильники и прожекторы следует устанавливать на зданиях и различных высотных конструкциях технологического оборудования. При невозможности использования таких мест для установки осветительных приборов или при освещении отдаленных от зданий участков территории, осветительные приборы устанавливаются на специально возводимых мачтах или железобетонных опорах. В проектах должны применяться типы опор, изготавливаемые на местных заводах железобетонных изделий. Кроме того, при небольших расстояниях между зданиями (30 - 40 м) светильники подвешиваются на тросах на высоте 6 - 10 м (рис. 110). Тросы для подвеса светильников и электросети разрешается крепить к ограждающим конструкциям зданий с обязательным применением амортизаторов и проведением проверочных расчетов на прочность этих конструкций.
Рис. 110. Схемы размещения светильников на улицах и дорогах
а - однорядная односторонняя; б - двухрядная шахматная;
в - двухрядная прямоугольная; г - двухрядная прямоугольная
по оси улицы или дороги; д - двухрядная прямоугольная
по осям движения; е - осевая
9.26. Для территорий промышленных предприятий предусматривается, в основном, рабочее освещение. Аварийное освещение необходимо на открытых пространствах, если прекращение работы из-за отключения рабочего освещения может вызвать взрыв, пожар и т.п.
Эвакуационное освещение должно устраиваться в местах проведения работ на открытых пространствах, где эвакуация связана с опасностью травматизма.
9.27. Охранное освещение должно устраиваться при наличии ограды и постоянных постов охраны. Для него нормируется горизонтальная освещенность 0,5 лк или такая же освещенность с одной стороны вертикальной плоскости ограды. Охранное освещение выполняется светильниками с лампами накаливания. Опоры со светильниками целесообразно совмещать со стойками ограждений.
9.28. В случае ведения строительных работ на территории промышленных предприятий следует пользоваться рекомендациями для освещения строительных площадок.
10. НАРУЖНОЕ ОСВЕЩЕНИЕ ГОРОДОВ, ПОСЕЛКОВ
И СЕЛЬСКИХ НАСЕЛЕННЫХ ПУНКТОВ
ВЫБОР НОРМИРУЕМЫХ ЗНАЧЕНИЙ ПОКАЗАТЕЛЕЙ
УСТАНОВОК НАРУЖНОГО ОСВЕЩЕНИЯ (УНО)
10.1. Нормы, регламентирующие количественные и качественные показатели наружного освещения, должны приниматься одинаковыми при любых типах источников света в соответствии с указаниями
СНиП II-4-79 и обеспечиваться при любых типах дорожного покрытия.
10.2. Для улучшения параметров наружных ОУ магистральных улиц и скоростных дорог их проектирование рекомендуется по возможности выполнять комплексно с проектированием дорожного покрытия, предусматривая на этих объектах:
укладку шероховатого или осветленного шероховатого покрытия с дорсилом в населенных пунктах с повышенным количеством жидких атмосферных осадков (см.
п. 10.9);
укладку осветленного шероховатого покрытия с дорсилом в транспортных тоннелях, на улицах, дорогах и площадях категории А с нормированной средней яркостью покрытия 1,2 - 1,6 кд/м2.
Примечание. В качестве осветляющих добавок помимо дорсила могут использоваться естественные каменные материалы - природный кварц, высокопрочный известняк и т.п.
10.3. На улицах с разделительной полосой и тремя полосами движения в одном направлении рекомендуется укладывать осветленное шероховатое дорожное покрытие в следующем процентном соотношении: ближайшая полоса к линии расположения светильников должна содержать дорсила 33%; вторая полоса - 38%, третья - 43%, что дает возможность снизить установленную мощность до 25% и повысить равномерность распределения яркости на 40% по сравнению с шероховатым асфальтобетоном.
10.4. Для расчета средней яркости шероховатого осветленного покрытия с дорсилом рекомендуется применять коэффициенты использования светильников при шероховатом покрытии увеличенные: в 1,2 раза - при содержании дорсила в смеси 33%; в 1,4 раза - при 38%; в 1,6 раза - при 43%.
10.5. Светильники на улицах и дорогах рекомендуется, как правило, располагать в соответствии со схемами, приведенными на
рис. 110. При этом по условиям обеспечения нормируемой равномерности распределения яркости или освещенности дорожного покрытия рекомендуется применять следующие схемы:
одностороннюю а при ширине проезжей части до 12 м;
двухрядную шахматную б - при ширине проезжей части до 18 м;
двухрядную прямоугольную в - при ширине проезжей части до 32 м;
двухрядную по оси улицы или дороги г - при ширине проезжей части до 12 м в одном направлении;
двухрядную прямоугольную по осям движения д - при ширине проезжей части до 36 м;
осевую е - при ширине проезжей части до 18 м.
Приведенные максимальные значения ширины проезжей части, допустимые для различных схем расположения светильников, являются ориентировочными и не исключают необходимости проверочного расчета равномерности распределения яркости или освещенности.
Отношение шага светильников к высоте их подвеса на улицах и дорогах всех категорий должно быть не более 5:1 при односторонней (а), осевой (е) или прямоугольной (в) схемах размещения светильников и не более 7:1 - при шахматной (б) схеме.
10.6. На закруглениях улиц и дорог с радиусом в плане по оси проезжей части от 60 до 250 м светильники при одностороннем их расположении должны, как правило, размещаться по внешней стороне дороги в соответствии с рис. 111, а. При невозможности размещения светильников по внешней стороне закругления допускается расположение опор по внутренней стороне с дополнительным уменьшением шага светильников согласно рис. 111, б.
Рис. 111. Схемы размещения светильников
на закруглениях улиц и дорог
а - по внешней стороне дороги; б - то же, по внутренней
При наличии на улицах и дорогах категорий А и Б продольных уклонов свыше 40% рекомендуется на длине уклона уменьшать принятый для ОУ шаг светильников на 10 - 15%.
10.7. Освещение железнодорожных переездов и пешеходных переходов в одном уровне, как правило, должно обеспечиваться светильниками, размещаемыми по схеме рис. 112.
Рис. 112. Схемы размещения светильников
Ш - автоматический шлагбаум;
а и б - на железнодорожных переездах;
в - на пешеходном переходе
При числе пересекаемых железнодорожных путей свыше четырех, ОУ переезда в пределах путей должна быть дополнена светильниками или прожекторами ОУ железной дороги.
10.8. Пересечения улиц и дорог в одном уровне следует освещать в соответствии со схемами, приведенными на рис. 113. При одностороннем расположении светильников на обеих пересекающихся улицах в зоне перекрестка (рис. 113, а) необходимо устанавливать не менее двух дополнительных светильников.
Рис. 113. Схемы размещения светильников
на пересечениях в одном уровне
1, 2 - дополнительные светильники;
а, б, д - на четырехсторонних пересечениях;
в, г - на примыканиях
На примыканиях улиц (рис. 113, в и 113, г) один из светильников основной улицы или дороги независимо от схемы расположения светильников на ней должен размещаться на противоположной стороне перекрестка по линии зрения подъезжающего водителя.
10.9. В проектах освещения улиц и дорог категорий А и Б с интенсивностью движения свыше 1000 ед./ч городов и поселков со средним количеством жидких атмосферных осадков свыше 600 мм в год
(Прил. 2) целесообразно учитывать особенности отражения света влажными дорожными покрытиями, предусматривая:
применение светильников, имеющих полуширокую или широкую с направлением максимальной силы света не более 60° кривую силы света в вертикальной плоскости и боковой тип кривой в горизонтальной плоскости, если отношение ширины проезжей части к высоте установки светильников

при одностороннем и

- при двухстороннем их расположении;
установку светильников под углом не более 15° к горизонту;
применение, как правило, шахматной или прямоугольной двухрядных схем расположения при

;
окрашивание цокольной части опор белой краской.
На указанных улицах и дорогах не допускается использовать венчающие светильники с синусной кривой силы света в вертикальной плоскости.
Если количество жидких осадков превышает 700 мм в год, а интенсивность движения на указанных категориях улиц и дорог превышает 2000 ед./ч, в дополнение к указанным мерам следует, как правило, предусматривать установку двухламповых светильников или двух светильников на опоре с целью работы одного светильника на каждой опоре при снижении освещенности в ночное время. Во всех установках с прямоугольным или двухрядным прямоугольным по оси движения размещением светильников не допускается отключение в ночное время двух светильников, расположенных на одной линии вдоль или поперек оси дороги.
10.10. Яркость водяных струй, являющихся главным архитектурным элементом фонтана, в наиболее ярком месте следует принимать не менее 300 кд/м2. При этом отношение суммарной мощности погруженных в воду осветителей к суммарной мощности насосов фонтана должно приниматься не менее: при высоте струи до 3 м - 0,7; от 3 до 5 м - 1,0; свыше 5 м - 2,0.
10.11. Среднюю яркость транспарантной светящейся панели следует принимать не менее 300 кд/м2, при этом отношение максимальной яркости к минимальной должно быть не свыше 3:1.
10.12. Среднюю освещенность поверхности освещаемой афиши, плаката или стенда следует принимать в пределах 400 - 1000 и 250 - 400 лк при коэффициентах отражения полотна соответственно 0,5 - 0,2 и 0,8 - 0,5. Отношение максимальной освещенности полотна к минимальной должно быть не свыше 5:1.
10.13. Максимальная яркость рекламного знака в наиболее ярком месте не должна превышать значений, приведенных в табл. 86.
Таблица 86
─────────────────────────┬─────────────────────────────────────────────────
Площадь рекламного знака,│ Значение максимальной яркости знака, кд/м2,
м2 │ на улицах и площадях категорий
├────────────────────────┬────────────────────────
│ А и Б │ В
─────────────────────────┼────────────────────────┼────────────────────────
Менее 1 │ 2600 │ 1000
От 1 до 5 │ 1800 │ 600
Свыше 5 │ 1200 │ 400
10.14. Все части газосветных установок, расположенные вне витрин, должны находиться на высоте не менее 3 м над уровнем дороги и не менее 0,5 м - над поверхностями крыш и других строительных конструкций.
Наименьшая высота расположения источников света в установках световой рекламы должна соответствовать данным, приведенным в табл. 87.
────────────────────────────────────────────────┬──────────────────────────
Источник света │Наименьшая высота распо-
│ложения источников света
│над уровнем дороги, м
────────────────────────────────────────────────┼──────────────────────────
Лампы накаливания │
Мощностью менее 100 Вт, закрытые густой │ Не ограничивается
рассеивающей оболочкой (коэффициент пропускания │
0,3 - 0,55) или без рассеивающей оболочки, │
включенные на напряжение, не превышающее 60% │
номинального │
Мощностью менее 100 Вт, закрытые матовой │ 4
рассеивающей оболочкой (коэффициент пропускания │
0,7 - 0,85) или лампы 100 Вт и более, закрытые │
густой рассеивающей оболочкой (коэффициент │
пропускания 0,3 - 0,55) │
Мощностью менее 100 Вт без рассеивающей оболочки│ 6
или лампы 100 Вт и более, закрытые матовой │
рассеивающей оболочкой (коэффициент │
пропускания 0,7 - 0,85) │
Мощностью 100 Вт и более без рассеивающей │ 10
оболочки │
│
Газосветные трубки │
Тлеющие неоновые трубки │ Не ограничивается
Яркостью менее 2000 кд/м2 всех цветов, │ 3
за исключением близких к насыщенным синему, │
красному и зеленому │
Яркостью свыше 2000 кд/м2 всех цветов, │ 4
за исключением близких к насыщенным синему, │
красному и зеленому │
Цветов, близких к насыщенным синему, красному │ 8
и зеленому │
ПРОЕКТИРОВАНИЕ УСТАНОВОК НАРУЖНОГО ОСВЕЩЕНИЯ (УНО)
10.15. При проектировании и устройстве наружного освещения должны обеспечиваться надежность работы ОУ, удобство обслуживания и управления ими, безопасность обслуживающего персонала и населения.
Используемые в ОУ оборудование и материалы должны соответствовать требованиям стандартов и техническим условиям, утвержденным в установленном порядке, номинальному напряжению сети и условиям окружающей среды.
10.16. Проектирование наружного освещения селитебной территории города предусматривает комплексное решение следующих вопросов:
обеспечение нормируемых количественных и качественных показателей освещения наиболее рациональными методами;
достижение выразительного архитектурно-художественного облика населенного пункта или его отдельных зон путем сочетания наружного освещения улиц, дорог и площадей с архитектурным освещением ансамблей, зданий, сооружений, зеленых насаждений и фонтанов, а также устройством рекламного освещения;
увязку установок архитектурного освещения и световой рекламы с архитектурой и масштабами зданий и сооружений с учетом восприятия зданий и их окружения в дневное и вечернее время;
обеспечение централизованного управления всеми установками, в том числе архитектурным освещением.
10.17. Установки наружного освещения следует выполнять стационарными, рассчитанными на систематическое включение. Режим работы архитектурного освещения объектов и световой рекламы допускается осуществлять по различным программам.
ОСВЕЩЕНИЕ УЛИЦ, ДОРОГ И ПЛОЩАДЕЙ
10.18. Выбор значений нормируемых светотехнических характеристик установок утилитарного наружного освещения производится в зависимости от категории улиц, дорог и площадей, в пределах населенного пункта, а также планируемой интенсивности движения механизированного транспорта по ним (с перспективой на 10 лет).
10.19. Проектирование освещения улиц, дорог и площадей при нормировании средней яркости дорожного покрытия должно выполняться на основе учета характеристик светоотражения покрытий, по которым асфальтобетонные покрытия разделяются на гладкие и шероховатые; коэффициенты яркости указанных типов покрытий приведены в табл. 88,
89. При шероховатых покрытиях (по сравнению с гладкими) требуется определенное увеличение мощности ОУ.
──────────────────────┬──────────────────────────────────────────────────────
Отношение ширины рас- │ Значение коэффициента яркости мелкозернистого
четной полосы к высоте│ асфальтобетонного (гладкого) покрытия
установки светильников│ при угле падения альфа, град
b'/h , b"/h , b'/h ├─────┬─────┬─────┬─────┬─────┬────┬────┬────┬────┬────
1 св 2 св 2 св│ 85 │ 84 │ 83 │ 82 │ 80 │ 78 │ 76 │ 74 │ 72 │ 70
──────────────────────┼─────┼─────┼─────┼─────┼─────┼────┼────┼────┼────┼────
0 │22,40│20,40│18,20│16,40│13,00│8,40│5,00│3,30│2,19│1,77
0,25 │18,80│16,60│13,60│12,00│ 9,00│5,17│3,16│2,11│1,75│1,46
0,5 │14,60│11,60│ 9,50│ 7,00│ 4,50│2,98│1,98│1,47│1,25│1,04
0,75 │11,00│ 8,00│ 5,30│ 4,00│ 2,55│1,80│1,25│0,98│0,83│0,68
1,0 │ 6,90│ 4,50│ 3,60│ 2,56│ 1,62│1,20│0,88│0,77│0,60│0,46
1,25 │ 4,56│ 3,40│ 2,60│ 1,50│ 1,13│0,85│0,70│0,56│0,46│0,36
1,5 │ 3,50│ 2,55│ 1,90│ 1,34│ 0,93│0,75│0,55│0,45│0,36│0,31
1,75 │ 2,80│ 1,95│ 1,45│ 1,10│ 0,80│0,62│0,45│0,36│0,31│0,26
2,0 │ 2,25│ 1,53│ 1,15│ 0,92│ 0,68│0,53│0,40│0,32│0,26│0,22
2,25 │ 1,80│ 1,25│ 0,97│ 0,80│ 0,62│0,45│0,35│0,26│0,22│0,19
2,5 │ 1,50│ 1,05│ 0,90│ 0,72│ 0,57│0,40│0,32│0,24│0,19│0,16
2,75 │ 1,25│ 0,95│ 0,80│ 0,65│ 0,50│0,37│0,28│0,20│ - │ -
3,0 │ 1,10│ 0,90│ 0,75│ 0,62│ 0,44│0,32│0,24│0,18│ - │ -
4,0 │ 0,80│ 0,60│ 0,45│ 0,37│ 0,30│0,22│ - │ - │ - │ -
5,0 │ 0,60│ 0,50│ 0,35│ 0,32│ 0,23│0,16│ - │ - │ - │ -
Продолжение табл. 88
──────────────────────┬────────────────────────────────────────────────────
Отношение ширины рас- │ Значение коэффициента яркости мелкозернистого
четной полосы к высоте│ асфальтобетонного (гладкого) покрытия
установки светильников│ при угле падения альфа, град
b'/h , b"/h , b'/h ├─────┬─────┬─────┬────┬────┬────┬────┬────┬────┬────
1 св 2 св 2 св│ 65 │ 60 │ 55 │ 50 │ 45 │ 40 │ 30 │ 20 │ 10 │ 0
──────────────────────┼─────┼─────┼─────┼────┼────┼────┼────┼────┼────┼────
0 │1,20 │0,83 │0,57 │0,38│0,26│0,22│0,18│0,14│0,10│0,10
0,25 │0,96 │0,64 │0,44 │0,29│0,21│0,18│0,13│0,11│0,11│ -
0,5 │0,64 │0,40 │0,27 │0,20│0,16│0,14│0,11│ - │ - │ -
0,75 │0,42 │0,27 │0,19 │0,15│0,12│0,11│ - │ - │ - │ -
1,0 │0,29 │0,2 │0,15 │0,12│ - │ - │ - │ - │ - │ -
1,25 │0,23 │0,16 │0,12 │ - │ - │ - │ - │ - │ - │ -
1,5 │0,19 │0,14 │ - │ - │ - │ - │ - │ - │ - │ -
1,75 │0,16 │ - │ - │ - │ - │ - │ - │ - │ - │ -
2,0 │0,13 │ - │ - │ - │ - │ - │ - │ - │ - │ -
2,25 │ - │ - │ - │ - │ - │ - │ - │ - │ - │ -
2,5 │ - │ - │ - │ - │ - │ - │ - │ - │ - │ -
2,75 │ - │ - │ - │ - │ - │ - │ - │ - │ - │ -
3,0 │ - │ - │ - │ - │ - │ - │ - │ - │ - │ -
4,0 │ - │ - │ - │ - │ - │ - │ - │ - │ - │ -
5,0 │ - │ - │ - │ - │ - │ - │ - │ - │ - │ -
──────────────────────┬────────────────────────────────────────────────────
Отношение ширины рас- │ Значение коэффициента яркости
четной полосы к высоте│ шероховатого асфальтобетонного покрытия
установки светильников│ при угле падения альфа, град
b'/h , b"/h , b'/h ├────┬────┬─────┬─────┬─────┬────┬────┬────┬────┬────
1 св 2 св 2 св│ 85 │ 84 │ 83 │ 82 │ 80 │ 78 │ 76 │ 74 │ 72 │ 70
──────────────────────┼────┼────┼─────┼─────┼─────┼────┼────┼────┼────┼────
0 │7,00│6,40│5,70 │4,90 │3,60 │2,34│1,80│1,52│1,34│1,18
0,25 │6,20│5,04│4,10 │3,40 │1,94 │1,50│1,22│1,02│0,85│0,73
0,5 │4,60│3,60│2,70 │1,90 │1,40 │1,10│0,90│0,74│0,60│0,51
0,75 │3,50│2,20│1,70 │1,48 │1,12 │0,87│0,67│0,54│0,44│0,38
1,0 │2,20│1,64│1,48 │1,21 │0,90 │0,65│0,50│0,40│0,33│0,28
1,25 │1,70│1,42│1,19 │0,99 │0,72 │0,50│0,39│0,32│0,28│0,25
1,5 │1,51│1,20│1,00 │0,84 │0,59 │0,41│0,35│0,27│0,24│0,23
2,0 │1,12│0,80│0,73 │0,58 │0,39 │0,31│0,25│0,24│0,23│0,22
2,5 │0,96│0,72│0,53 │0,42 │0,31 │0,29│0,24│0,22│0,20│0,17
3,0 │0,78│0,54│0,39 │0,32 │0,27 │0,24│0,22│0,19│0,17│ -
4,0 │0,48│0,34│0,29 │0,27 │0,24 │0,20│ - │ - │ - │ -
5,0 │0,36│0,28│0,27 │0,24 │0,19 │0,17│ - │ - │ - │ -
Продолжение табл. 89
──────────────────────┬────────────────────────────────────────────────────
Отношение ширины рас- │ Значение коэффициента яркости
четной полосы к высоте│ шероховатого асфальтобетонного покрытия
установки светильников│ при угле падения альфа, град
b'/h , b"/h , b'/h ├─────┬─────┬─────┬────┬────┬────┬────┬────┬────┬────
1 св 2 св 2 св│ 65 │ 60 │ 55 │ 50 │ 45 │ 40 │ 30 │ 20 │ 10 │ 0
──────────────────────┼─────┼─────┼─────┼────┼────┼────┼────┼────┼────┼────
0 │0,90 │0,71 │0,56 │0,44│0,36│0,32│0,24│0,18│0,14│0,10
0,25 │0,51 │0,39 │0,32 │0,27│0,21│0,20│0,17│0,13│ - │ -
0,5 │0,38 │0,28 │0,24 │0,23│0,20│0,19│0,13│ - │ - │ -
0,75 │0,28 │0,23 │0,22 │0,20│0,18│0,14│ - │ - │ - │ -
1,0 │0,23 │0,22 │0,20 │0,17│ - │ - │ - │ - │ - │ -
1,25 │0,20 │0,19 │0,16 │ - │ - │ - │ - │ - │ - │ -
1,5 │0,20 │0,17 │ - │ - │ - │ - │ - │ - │ - │ -
2,0 │0,16 │ - │ - │ - │ - │ - │ - │ - │ - │ -
2,5 │ - │ - │ - │ - │ - │ - │ - │ - │ - │ -
3,0 │ - │ - │ - │ - │ - │ - │ - │ - │ - │ -
4,0 │ - │ - │ - │ - │ - │ - │ - │ - │ - │ -
5,0 │ - │ - │ - │ - │ - │ - │ - │ - │ - │ -
10.20. При разработке технического задания на проектирование или при планировании объектов работ по наружному освещению на перспективу для предварительных укрупненных расчетов капитальных затрат на строительство наружных ОУ улиц и дорог рекомендуется использовать приведенные по данным ГПИ Гипрокоммунэнерго графики зависимости капитальных затрат на сооружение 1 км установки от шага опор в пределах 30 - 50 м при одностороннем их размещении для воздушной и кабельной распределительной сети. Усредненные кривые общей стоимости сооружения ОУ, распределительных сетей и устройств управления построены для светильников с лампами типа ДНаТ на железобетонных опорах или с лампами типа ДРЛ различной мощности - на железобетонных или деревянных опорах с металлическими кронштейнами. Предусмотрены варианты установок с кабельной и воздушной сетью и с монтажом светильников на специально устанавливаемых опорах наружного освещения или на существующих опорах, предназначенных для других целей. Графики построены в относительных единицах. За единицу принята стоимость строительства наружной ОУ наиболее распространенного типа с воздушной распределительной сетью и светильниками с лампами типа ДРЛ мощностью 250 - 400 Вт, расположенными на железобетонных опорах с шагом 30 м. Общая стоимость строительства 1 км такой установки в средней полосе страны ориентировочно составляет 10 тыс. руб., поэтому при заданном варианте установки (и шаге светильников) капитальные затраты на ее строительство K определяются по формуле

, (114)
где K - общая стоимость строительства заданного типа установки, тыс. руб.;

- удельные капитальные затраты на заданную установку, определенные по соответствующей кривой рис. 114, отн. ед.;

- длина осветительной установки, км.
Рис. 114. Зависимость удельных капитальных затрат
на сооружение установки от шага светильников для вариантов:
1а - опоры железобетонные и воздушная распределительная
сеть (ВРС), светильники с лампами типа ДРЛ мощностью
250 - 400 Вт; 1б - то же, с лампами типа ДНаТ; 2а - опоры
железобетонные и кабельная распределительная сеть (КРС);
2б - то же, с лампами ДНаТ; 3а - опоры деревянные и ВРС,
светильники с лампами типа ДРЛ 125 Вт и менее; 3б - то же,
с лампами типа ДРЛ 250 - 400 Вт; 4а - опоры железобетонные
других организаций и ВРС, светильники с лампами ДНаТ;
4б - то же, с лампами типа ДРЛ 250 - 400 Вт; 5а - опоры
железобетонные других организаций и КРС, светильники
с лампами типа ДРЛ 250 - 400 Вт; 5б - то же, с лампами ДНаТ;
6а - опоры деревянные других организаций и ВРС, светильники
с лампами типа ДРЛ 125 Вт и менее; 6б - то же, с лампами
типа ДРЛ 250 - 400 Вт
Если схема расположения светильников двухрядная, полученное значение K удваивается.
Примечание. Капитальные затраты на ОУ, в которых используются светильники с лампами типа ДРИ, определяются как среднее арифметическое между значениями K, найденными при данном шаге светильников для вариантов со светильниками с лампами типов ДНаТ и ДРЛ большой мощности и аналогичных по виду сетей и типу опор.
10.21. В установках наружного освещения рекомендуется преимущественно применять высокоэкономичные газоразрядные источники света высокого давления:
натриевые лампы высокого давления (НЛВД) - на улицах и дорогах при норме средней яркости 0,4 - 1,6 кд/м2 или средней освещенности 4 лк и выше, а также в транспортных тоннелях;
лампы ДРИ - на улицах и площадях всех категорий со значительным пешеходным движением при норме средней яркости 0,6 кд/м2 и выше или средней освещенности 10 лк и выше;
лампы ДРЛ различной мощности - на улицах и дорогах всех категорий, а также в транспортных и пешеходных тоннелях.
10.22. Освещение улиц и дорог категорий А и Б с интенсивностью движения свыше 2000 ед./ч, а также улиц и дорог в зонах высокой запыленности (свыше 0,4 мг/м3) должно, как правило, выполняться светильниками в исполнении IP53 <*>.
В тоннелях должны применяться только закрытые светильники, причем в транспортных, как правило, в исполнении IP65 <*>.
--------------------------------
| | ИС МЕГАНОРМ: примечание. Взамен ГОСТ 14254-80 Постановлением Госстандарта России от 18.10.1996 N 601 с 1 января 1997 года введен в действие ГОСТ 14254-96. | |
<*> Обозначение степени защиты светильников согласно ГОСТ 14254-80 и
ГОСТ 17677-82.
10.23. Освещение улиц и дорог с нормированной средней яркостью 0,4 кд/м2 и выше или средней освещенностью 4 лк и выше должно выполняться светильниками с оптическими системами, обеспечивающими широкое или полуширокое светораспределение.
10.24. Освещение аллей, пешеходных и прогулочных дорожек, а также центральных входов в парки, сады, стадионы, выставки, больницы, госпитали, санатории, пансионаты и дома отдыха следует, как правило, выполнять светильниками рассеянного света или преимущественно прямого света.
Освещение внутренних, служебно-хозяйственных и пожарных проездов, автостоянок, хозяйственных площадок и площадок при мусоросборниках в микрорайонах следует, как правило, выполнять светильниками прямого или преимущественно прямого света.
Освещение площадок массовых игр, площадок перед эстрадами и аттракционами следует осуществлять светильниками широкого светораспределения.
10.25. Опора наружного освещения не должна устанавливаться между пожарным гидрантом и проезжей частью улицы или дороги.
10.26. При выборе конструкций опор следует руководствоваться требованиями "Технических
правил по экономному расходованию основных строительных материалов" (ТП 101-81).
В городах, поселках и сельских населенных пунктах, расположенных в многолесных районах страны, рекомендуется использовать деревянные опоры для установок наружного освещения. Железобетонные опоры в этих районах допускается применять в виде исключения в городах союзного и республиканского значения (включая автономные республики), краевых и областных центрах. В остальных районах страны для осветительных установок используются железобетонные опоры.
Примечание. К многолесным районам относятся в Северо-Западном регионе - Архангельская, Вологодская, Мурманская области, Карельская АССР, Коми АССР; в Центральном регионе Европейской части страны - Костромская область; в Поволжском - Башкирская АССР, в Уральском - Пермская и Свердловская области; в Западно-Сибирском - Алтайский край, Томская и Тюменская области, в Восточно-Сибирском - Красноярский край, Иркутская и Читинская области, Бурятская АССР, Тувинская АССР, в Дальневосточном - Приморский и Хабаровский края, Амурская, Камчатская, Магаданская и Сахалинская области, Якутская АССР.
10.27. Рекомендуется применять конструкции деревянных опор, разработанные ВГПИ и НИИ Сельэнергопроект и представленные в типовой серии 3.407-125 "Деревянные опоры ВЛ 0,38 кВ для уличного освещения сельских населенных пунктов".
В качестве конструкций железобетонных опор рекомендуется применять центрифугированные стойки, отвечающие требованиям ГОСТ 21052-75, и вибрированные стойки, разработанные ВГПИ и НИИ Сельэнергопроект и представленные в типовой серии 3.407-122 "Опоры ВЛ 0,4 кВ на базе железобетонных вибрированных стоек".
Конструкции кронштейнов рекомендуется принимать в соответствии с типовым проектом серии 3.320-1 "Опоры наружного освещения и контактных сетей городского транспорта", разработанным СКТБ Главпромстройматериалов, а также с указанными типовыми проектами Сельэнергопроекта.
10.28. С целью уменьшения числа опор, устанавливаемых на улицах и дорогах с трамвайным и троллейбусным движением, светильники наружного освещения следует, как правило, размещать на опорах контактной сети, а при наличии воздушной электрической сети общего пользования 0,4 кВ - на опорах этой сети. Шаг опор в этих случаях при новом строительстве должен определяться с учетом требований наружных ОУ.
Светильники во всех случаях следует размещать на кронштейнах, устанавливаемых, как правило, выше проводов электрической сети общего пользования или по другую сторону опоры на уровне проводов, при этом расстояние в плане от края светильника до ближайшего провода должно быть не менее 0,6 м.
10.29. Консольные светильники для освещения проезжей части улиц, дорог и площадей следует, как правило, устанавливать под углом 15° к горизонту. При размещении светильников согласно схемам "б" и "в"
рис. 110 на улицах и дорогах с шириной проезжей части свыше 21 м допускается увеличивать угол их наклона до 30°.
10.30. Опоры установок наружного освещения улиц, дорог и площадей должны располагаться на расстоянии не менее 0,6 м от лицевой грани бортового камня до внешней поверхности цоколя опоры. Это расстояние на улицах в жилых кварталах допускается уменьшать до 0,3 м при условии отсутствия автобусного или троллейбусного движения, а также движения грузовых машин.
Опоры светильников для освещения улиц и дорог допускается устанавливать на центральной разделительной полосе при ее ширине 5 м и более, а также на разделительной полосе шириной 4 м при наличии стационарного ограждения и размещения опор в створе этого ограждения.
На улицах и дорогах, оборудованных кюветами, разрешается устанавливать опоры на берме за кюветом, если расстояние от опоры до ближайшей границы проезжей части не превышает 4 м.
10.31. Опоры на пересечениях и примыканиях улиц и дорог, как правило, должны устанавливаться не ближе 1,5 м до начала закругления тротуаров, не нарушая единого строя линии установки опор.
Опоры на инженерных сооружениях (мостах, путепроводах, эстакадах и т.п.) следует устанавливать в створе ограждений в стальных станинах или на фланцах, прикрепляемых к несущим элементам инженерного сооружения.
10.32. Расстояние между опорами и подземными коммуникациями и способы защиты опор от наезда должны приниматься согласно требованиям СНиП по проектированию планировки и застройки городов, поселков и сельских населенных пунктов; СНиП по канализации, наружным сетям и сооружениям; СНиП по газоснабжению, внутренним и наружным устройствам, а также СНиП по организации, производству и приемке работ по электротехническим устройствам и
ПУЭ.
10.33. При смещении линии установки опор наружного освещения от ближайшей границы проезжей части на расстояние, превышающее длину кронштейна светильника (например, по требованиям механизированной снегоуборки в районах с высоким объемом снегопереноса или из-за наличия кювета), расстояние от проекции светильника на дорогу до ближайшей границы освещаемой полосы

не должно быть больше половины высоты установки светильников (рис. 115, б).
Рис. 115. Допустимые схемы расположения опор
а - за кюветом; б - со смещением от проезжей части;

- допустимая высота установки светильника на границе
проезжей части по условиям ограничения слепящего действия;
в - смещение светильника от границы проезжей части;

- допустимая высота смещенного светильника;

- расстояние от опоры до границы проезжей части
В этом случае минимальную высоту установки светильников

допускается уменьшать (но не ниже чем до 6,5 м) в соответствии с условием

, (115)
где

- допустимая высота установки светильников согласно требованиям
СНиП II-4-79.
10.34. Опоры на аллеях и пешеходных дорогах должны располагаться вне пешеходной части.
Опоры с венчающими светильниками или световыми комплексами из них рекомендуется размещать по односторонней схеме при ширине пешеходной части до 10 м, а при большей ширине - по двухрядной прямоугольной или шахматной схеме. Допускается неравномерное размещение опор, а также изменение высоты крепления светильников на опорах в зависимости от принятого архитектурного решения, если обеспечивается нормируемая освещенность в среднем для установки и отношение максимальной освещенности к средней увеличивается не более чем в два раза.
10.35. Освещение улиц, дорог и площадей территорий микрорайонов следует, как правило, выполнять светильниками, располагаемыми на опорах или тросах.
Освещение тротуаров-подъездов на территории микрорайонов (допускается выполнять светильниками, располагаемыми на стенах или над козырьками подъездов зданий, если приведенные годовые затраты при этом не выше, чем при установке аналогичных светильников на опорах. При этом должны обеспечиваться: возможность обслуживания светильников автоподъемниками, централизованное управление включением и отключением светильников, исключение засветки окон жилых помещений и повреждения светильников при падении с крыш снега и льда.
Примечание. Светильники, устанавливаемые под козырьками подъездов зданий, не следует учитывать при расчете освещения тротуаров-подъездов и проездов микрорайона.
10.36. Тросы для подвеса светильников и электрической сети разрешается крепить к ограждающим конструкциям зданий, с обязательным применением амортизаторов и проведением поверочных расчетов на прочность этих конструкций.
10.37. В ОУ транспортных развязок и городских площадей допускается использовать специальные высокие опоры (20 м и выше) при обеспечении удобства обслуживания светильников и соответствующем технико-экономическом обосновании.
Размещать светильники в парапетах и ограждениях мостов и эстакадах на высоте 0,9 - 1,3 м над проезжей частью допускается только в том случае, если другие, более экономичные решения, исключаются.
10.38. При необходимости максимального сохранения сложившейся системы озеленения, включающей деревья и высокие кустарники, и при невозможности соблюдения расстояния от опор наружного освещения до деревьев в соответствии с нормами, предусмотренными
СНиП по проектированию "Планировки и застройки городов, поселков и сельских населенных пунктов", рекомендуется:
использовать тросовый подвес светильников или удлиненные кронштейны, позволяющие вынести светильники за пределы крон деревьев;
снижать шаг светильников не менее, чем в 1,2 раза или соответственно увеличивать световой поток светильников заменой источника света на более мощный или устанавливать дополнительный светильник на опоре.
Выбор варианта должен производиться на основе технико-экономического сопоставления по приведенным годовым затратам.
10.39. Светильники в транспортных тоннелях устанавливаются, как правило, на стенах и в углах перекрытия. На въезде допускается увеличивать число рядов светильников. Светильники на въезде рекомендуется стыковать в светящие линии. Высота расположения светильников должна быть не менее 4 м.
Рекомендуется предусматривать автоматические способы регулирования освещения на въезде в тоннели в зависимости от характеристик естественного освещения.
В пешеходных тоннелях светильники рекомендуется устанавливать по оси перекрытия при ребристом потолке или на стенах в углах перекрытия при гладком потолке.
10.40. В транспортных тоннелях для улучшения условий зрительной работы водителей помимо обеспечения нормируемой освещенности рекомендуется предусматривать дополнительные мероприятия, относящиеся к строительному светотехническому обустройству:
а) для снижения яркости адаптации водителя в предпортальной зоне:
устройство защитных экранов (люверс), снижающих естественную освещенность;
зрительное увеличение высоты портала (за счет установки транспарантов и т.п.);
окраску стен рампы и порталов в черный цвет;
б) для повышения уровней яркости поверхностей в закрытой части тоннелей:
облицовку стен белой плиткой;
устройство осветленного дорожного покрытия.
10.41. Освещение служебных помещений при тоннелях следует выполнять в соответствии с требованиями
СНиП II-4-79.
В пешеходных тоннелях длиной свыше 80 м или имеющих ответвления рекомендуется устанавливать световые указатели направления движения. Указатели необходимо размещать на стенах или колоннах на высоте не менее 1,8 м от пола.
АРХИТЕКТУРНОЕ ОСВЕЩЕНИЕ И СВЕТОВАЯ РЕКЛАМА
10.42. Проектирование архитектурного освещения зданий и сооружений и световой рекламы должно выполняться в соответствии с архитектурой этих объектов, их значимостью, местоположением, зоной обзора и наиболее вероятными направлениями линии зрения водителей и пешеходов.
При этом могут применяться следующие способы освещения зданий и сооружений:
равномерное всего фасада здания или сооружения;
части фасада или отдельных элементов архитектуры здания;
комбинированное (равномерное освещение фасада и усиленное его отдельных элементов);
создание определенного светового рисунка на фасаде здания включением по заданной программе внутреннего освещения помещений, просматриваемых через остекленные световые проемы;
создание светового орнамента декоративными настенными уличными светильниками.
10.43. Решения по архитектурному освещению зданий, сооружений и световой рекламе, располагаемой на них, должны, как правило, предусматриваться в проектах этих зданий и сооружений.
В строительной части проектов зданий и сооружений следует предусматривать закладные детали, ниши и другие устройства, необходимые для установки световых приборов, электроконструкций и прокладки осветительной сети.
10.44. При проектировании ОУ архитектурного освещения коэффициенты отражения строительных и облицовочных материалов рекомендуется принимать по табл. 90.
Таблица 90
─────────────────────────────────────────────────────────────┬─────────────
Материал │ Коэффициент
│ отражения
─────────────────────────────────────────────────────────────┼─────────────
Белая фасадная краска, белая керамическая плитка, │ 0,7
белый мрамор, матовый алюминий, нержавеющая сталь │
Светло-серый бетон, белый силикатный кирпич, очень светлые │ 0,6
фасадные краски и керамические плитки │
Серый бетон, известняк, травертин, желтый песчаник, голубая, │ 0,5
светло-зеленая, бежевая, светло-серая фасадные краски │
и керамические плитки, светлые породы мрамора │
Серый офактуренный бетон, серая фасадная краска │ 0,4
и керамическая плитка, светлое дерево │
Розовый и зеленый силикатный кирпич, темно-голубая, темно- │ 0,3
бежевая, светло-коричневая фасадные краски и керамические │
плитки, потемневшее дерево │
Темно-серый мрамор, гранит, габбро, темно-коричневая, синяя, │ 0,2
темно-зеленая, красная фасадные краски и керамические плитки,│
глиняный кирпич │
Черный гранит, мрамор и керамическая плитка │ 0,1
10.45. При освещении фасадов зданий и сооружений рекомендуется учитывать характер отражения света облицовочными и строительными материалами в соответствии с табл. 91.
Таблица 91
────────────┬──────────────────────────────────────────┬───────────────────
Отражение │ Материалы │Характер распреде-
света │ │ления яркости при
│ │углах падения света
│ │более 45°
────────────┼──────────────────────────────────────────┼───────────────────
Диффузное │С гладкой поверхностью, покрытой │Одинаковая яркость
│фасадными полимерными красками │по всем
│ │направлениям
Направленно-│ I группа │
рассеянное │С гладкой матовой поверхностью: │Наибольшая яркость
│шлифованные мрамор, гранит, травертин; │в направлении,
│лицевой силикатный и керамический кирпич; │соответствующем
│фасадная неглазурованная плитка; гладкий │зеркальному
│бетон │отражению
│ II группа │
│С шероховатой или офактуренной матовой │Наибольшая яркость
│поверхностью: бетон с нерегулярной │в направлении
│фактурой и ячеистый, штукатурка "набрызг" │к источнику света
│с поверхностью, облицованной полимер- │
│цементным составом с мелкозернистым напол-│
│нителем (песок, каменная крошка и т.п.) │
│ III группа │
│С шероховатой блестящей поверхностью: │Наибольшая яркость
│облицованные блестящей крошкой (кварцевый │как в направлении
│песок, стекло и т.п.); тесаный гранит │к источнику, так и
│и подобные ему камни с обнаженной │в направлении, со-
│кристаллической структурой и т.п. │ответствующем зер-
│ │кальному отражению
Смешанное │С гладкой блестящей поверхностью: │Значительная
│полированный гранит, мрамор и подобные │яркость (блик) в
│полированные камни, глазурованная фасадная│направлении зер-
│плитка и эмалированное стекло (стемалит) │кального отражения
10.46. Материалы с направленно-рассеянным отражением могут быть приняты за диффузные в подавляющем большинстве случаев, а именно:
для углов падения света менее 45° при любых условиях наблюдения;
при освещении объектов с облицовкой из материалов I группы осветительными приборами, световые потоки которых направлены снизу на освещаемую поверхность (например, когда прожекторы установлены на земле). Угол падения света не ограничивается;
при освещении объектов с облицовкой из материалов II группы осветительными приборами, световой поток которых направлен сверху на освещаемую поверхность (приборы расположены на близлежащих зданиях и высоких опорах). Угол падения света не ограничивается.
10.47. Материалы с направленно-рассеянным отражением не могут считаться диффузными для углов наблюдения объекта

более 45° и углов между плоскостями падения и наблюдения

менее 30 - 45° в следующих случаях
(рис. 116):
при освещении объектов с облицовкой из материалов I и III групп осветительными приборами, световые потоки которых направлены сверху на освещаемую поверхность под

углами

;
при освещении объектов с облицовкой из материалов II группы осветительными приборами, световые потоки которых направлены снизу на освещаемую поверхность под

углами

.
Рис. 116. Определение углов падения света

, наблюдения

и угла

между плоскостями падения и наблюдения
в условиях архитектурного освещения
1 - плоскость освещаемого фасада; 2 - плоскость наблюдения;
3 - плоскость падения света
Перечисленные случаи встречаются в практике архитектурного освещения редко и их, по возможности, следует избегать, чтобы не получать большой неравномерности распределения яркости на освещаемом объекте.
10.48. В установках архитектурного освещения могут применяться газоразрядные лампы типов ДРЛ, ДРИ, ДНаТ, ДРШ, а также лампы накаливания различных типов, включая галогенные; в установках световой рекламы - газосветные, лампы типа ДРЛ и лампы накаливания.
При выборе источника света следует учитывать его экономичность, надежность, цветопередающие свойства и срок службы.
При равных условиях преимущество следует отдавать газоразрядным лампам.
10.49. Для цветового освещения рекомендуется использовать источники света различного спектрального состава с учетом цвета облицовочных материалов, ведущего тона окраски растений и т.п.
Цветные светофильтры в светильниках и прожекторах целесообразно применять только при декоративном и праздничном освещении. Например, в осенний период рекомендуется применять желтые светофильтры при акцентированном освещении деревьев (кроме ели и сосны).
10.50. При выборе источника света следует принимать во внимание изменения цвета облицовочного материала. Наибольшее изменение цвета отделочных материалов наблюдается при освещении лампами накаливания и НЛВД типа ДНаТ, наименьшее - при лампах типов ДРЛ и ДРИ. Рекомендуется освещать: серо-бежевые и темно-зеленые материалы лампами накаливания, темно-зеленые - лампами типов ДРИ и ДРЛ; серо-бежевые - типа ДНаТ.
10.51. Для того, чтобы цвет материала при искусственном освещении мало отличался от цвета при дневном освещении, рекомендуется освещать: светло-голубые, темно-голубые и темно-зеленые материалы лампами накаливания и типов ДРЛ, ДРИ; темно-синие - типа ДРИ; серо-бежевые - типов ДРЛ, ДРИ, ДНаТ; светло-зеленые - типа ДРЛ, ДРИ.
10.52. Заколонные пространства, ниши, порталы, лоджии и т.п. допускается освещать источниками света, отличающимися по цветности от источников для освещения фасада, например, лампами накаливания при освещении фасада лампами типа ДРЛ.
10.53. Для архитектурного освещения зданий и сооружений необходимо применять, как правило, осветительные приборы прожекторного типа.
10.54. Для освещения относительно удаленных объектов и высоких сооружений, а также при "скользящей" подсветке высоких сооружений (например, торцевых стен высотных зданий, башен и т.п.) рекомендуются прожекторы с большой осевой силой света и небольшими углами рассеяния (типов ПФС-45-1 и ПСМ-50-А2 с прожекторными лампами; типа ПФР-45-1 с ртутными лампами типа ДРШ 500).
10.55. Для освещения шпилей, флагов на башнях и других удаленных объектов, имеющих сравнительно небольшие размеры, рекомендуется применять прожекторы типа ПФР-45-1 с лампами типа ДРШ 500.
10.56. Равномерное освещение фасадов зданий следует осуществлять прожекторами с большими углами рассеяния света типа ПСМ с лампами накаливания и ДРЛ, типа ПЗР с лампами типа ДРЛ, типа ПЗС с лампами накаливания, типа ПКН с галогенными лампами накаливания и типа ПФС с прожекторными лампами. При выборе типа прожектора необходимо учитывать геометрию фасада. Так, для равномерного освещения фасада здания, длина которого значительно превышает высоту, необходимо применять прожекторы с большим углом рассеяния в горизонтальной плоскости (типа ПКН), а для фасада, высота которого больше длины, прожекторы с большим углом рассеяния в вертикальной плоскости (типа ПФС).
10.57. Для дополнительного освещения отдельных элементов фасада здания рекомендуется применять прожекторы с небольшими углами рассеяния типа ПСМ с прожекторными лампами накаливания, типа ПФС-45-1 с прожекторными лампами.
10.58. Освещение фасадов зданий с близкого расстояния, а также заколонного пространства, ниш, лоджий и т.п. элементов зданий может осуществляться светильниками типа СЗЛ с зеркальными лампами накаливания.
10.59. Проходы под зданиями на колоннах рекомендуется освещать светильниками для улиц и пешеходных дорог (например, венчающими), располагаемыми в линию на расстоянии 1,5 - 2 м от ряда колонн со стороны движения пешеходов. При этом обеспечивается повышенная вертикальная освещенность опорных конструкций, что создает эффект приподнятости здания, если горизонтальная освещенность прохода не менее 10 лк.
10.60. Осветительные приборы рекомендуется размещать скрыто. Они могут располагаться:
на уровне земли (на невысоких бетонных основаниях или металлических рамах);
ниже уровня земли в специальных нишах;
непосредственно на освещаемом сооружении;
на крышах соседних зданий;
на опорах уличного освещения или специальных мачтах.
10.61. При освещении зданий, перед фасадами которых имеются деревья и ограды, осветительные приборы рекомендуется размещать между зелеными насаждениями и зданиями вблизи деревьев. При этом световые приборы должны быть скрыты от наблюдателей.
10.62. При освещении зданий, расположенных на берегу водоема, для достижения художественного эффекта, световые приборы рекомендуется располагать на уровне земли или ниже, с тем чтобы их световые лучи не отражались в воде, а отражалось только само здание.
10.63. При освещении высоких круглых башен, обозреваемых с разных сторон, прожекторы с узким светораспределением необходимо располагать, как правило, на земле, либо в двух диаметрально противоположных точках, либо в трех точках, одинаково удаленных от оснований башен и друг от друга (рис. 117).
Рис. 117. Варианты освещения высоких круглых башен
1 - башня; 2 - прожекторы
10.64. При освещении фасадов зданий с вертикальными выступами (пилястры, несущие конструкции и т.д.) световые приборы рекомендуется располагать справа и слева от главного направления наблюдения. Для смягчения теней могут быть использованы световые приборы с широким пучком света, параллельным главному направлению наблюдения.
10.65. При освещении фасадов зданий с небольшими горизонтальными выступающими деталями (декоративные пояса, балки и т.п.) для исключения образования широкой полосы тени над выступами, световые приборы, устанавливаемые на земле, не рекомендуется располагать близко к зданию.
10.66. При освещении фасадов зданий с сильно выступающими горизонтальными конструкциями (балконы, парапеты и т.п.), а также нишами или углублениями типа лоджий, световые приборы рекомендуется размещать на значительном расстоянии, чтобы избежать больших затенений частей фасада (рис. 118).
Рис. 118. Освещение зданий
а - с выступающими горизонтальными конструкциями;
б - с углублениями типа лоджий;
1 - освещаемое здание; 2 - прожекторы архитектурного
освещения; 3 - дополнительные осветительные приборы
10.67. В заколонном пространстве световые приборы (встроенные или пристроенные) должны быть установлены за колоннами. Рекомендуется освещать стену таким образом, чтобы ее яркость была больше яркости фасада. Снаружи колонны можно освещать отдельными дополнительными выносными световыми приборами малой мощности.
10.68. Для башен типа колоколен помимо прожекторов общего освещения рекомендуется использовать дополнительные световые приборы с целью освещения внутреннего пространства, в том числе с источниками света, отличающимися по цвету от установленных в прожекторах общего освещения.
10.69. При освещении объектов, облицованных материалами с направленно-рассеянным отражением, световые приборы предпочтительно размещать таким образом, чтобы углы между плоскостями падения и преимущественного наблюдения составляли 45 - 60°.
10.70. При освещении объектов, облицованных материалами с направленно-рассеянным отражением III группы световые приборы рекомендуется располагать так, чтобы световые потоки были направлены снизу на освещаемый объект и угол падения света не превышал 45°.
10.71. При освещении зданий и сооружений, облицованных гладкими блестящими материалами (полированный мрамор, гранит, глазурованная плитка и т.п.), а также зданий со значительным остеклением нижних этажей, световые приборы, как правило, рекомендуется устанавливать на земле для исключения попадания зеркального блика в поле зрения наблюдателя (рис. 119).
Рис. 119. Освещение фасадов зданий со значительным
остеклением или облицованных гладкими блестящими материалами
а - неправильное расположение прожектора (возможно
ослепление); б - то же, правильное;
1 - освещаемое здание; 2 - прожектор; (2' - зеркальное
изображение прожектора); 3 - остекление
10.72. В фонтане следует, как правило, освещать водяные струи, поверхность воды, скульптуру и отдельные архитектурные элементы фонтана. Подсвет вертикальных или наклонных струй необходимо, как правило, осуществлять световыми приборами с концентрированной кривой силы света, расположенными под водой непосредственно у насадки. Освещение наклонных струй, падающих вниз, следует осуществлять световыми приборами с косинусной или полуширокой кривой силы света, расположенными в зоне падения струй. Световые приборы должны, как правило, располагаться скрыто.
10.73. Освещение фонтана может быть одноцветным или многоцветным. Система освещения фонтана может быть статической или динамической, изменяющейся во времени по интенсивности, объему или цвету. Выбор приема освещения фонтана определяется его художественным содержанием, композицией, гидродинамическими данными, а также характером окружающего ансамбля.
10.74. Допускается использовать поверхность воды с волнами, создаваемыми падением водяных струй, в качестве рассеивателей света осветительных приборов, размещаемых под водой.
10.75. При освещении зеленых насаждений следует применять прием интенсивного подсвета отдельных деревьев, кустарников и цветников, создавая достаточный контраст между освещенными объектами и фоном. Отдельные деревья, кулисно расположенные опушки, высокие кустарники рекомендуется освещать прожекторами заливающего света с лампами типа ДРЛ и лампами накаливания. Лиственные деревья и кустарники целесообразно освещать снизу, вдоль стволов, ели - со стороны аллей и открытых пространств. Для освещения клумб, цветников и газонов рекомендуется использовать специальные низкорасполагаемые (не выше 1,3 м) декоративные светильники с лампами типа ДРЛ и лампами накаливания, которые должны быть удалены не менее чем на 10 м от светильников, освещающих аллеи, площадки и т.п. Применение для этой цели светильников уличного освещения не допускается.
10.76. В световых приборах подсвета зелени для ограничения ослепленности следует применять защитные решетки и экраны или размещать световые приборы так, чтобы их световые пучки не были направлены в стороны наблюдателей.
Низкорасположенные световые приборы для подсвета газонов, цветников и клумб должны иметь защитный угол не менее 10° и суммарный световой поток источников света не более 6000 лм.
10.77. Проектирование установок световой рекламы должно осуществляться в соответствии с принятым принципом светового решения, по которому они разделяются на следующие группы:
установки с надписью или художественным изображением, набранные из открытых источников света - газосветовых трубок или ламп накаливания;
транспарантные установки с лицевой поверхностью из светорассеивающего материала, подсвечиваемого изнутри газосветными трубками, люминесцентными лампами или лампами накаливания, с надписями и изображениями, видимыми силуэтно;
установки типа афиши, плаката, стенда, освещаемые извне осветительной аппаратурой.
10.78. Рекламные установки на улицах, дорогах и площадях, совпадающие по своей форме и цвету с формой и цветом сигналов светофоров, не допускается размещать на уровне ниже 8 м от поверхности дорог.
10.79. Световые приборы, освещающие афишу, плакат или стенд, необходимо размещать таким образом, чтобы зеркальная составляющая светового потока, отраженная от освещаемой поверхности, не попадала в поле зрения смотрящего на афишу, плакат или стенд. При этом для исключения попадания прямого света световых приборов в поле зрения смотрящего на афишу, плакат или стенд, а также пешеходов и водителей транспорта, следует предусматривать необходимый защитный угол осветительных приборов или оборудовать их соответствующими экранирующими решетками.
10.80. Установки световой рекламы, периодически включаемые, а также динамические должны удовлетворять следующим требованиям:
длительность одного цикла работы должна быть не менее 10 с;
в витринах должно периодически включаться не более 50% (по световому потоку) источников света;
в установках, расположенных на фасадах и над крышами зданий, допускается плавное изменение яркости источников света либо одновременное включение их частями не более чем по 200 Вт при высоте установки до 10 м и не более чем по 800 Вт при

высоте над уровнем дороги.
Эти требования необязательны для установок, выполненных тлеющими неоновыми лампами или лампами накаливания, включенными на напряжение, не превышающее 60% номинального.
10.81. Решения по наружному освещению архитектурных объектов следует, как правило, апробировать на макетах (моделях) или с помощью опытно-экспериментальных установок непосредственно на освещаемых объектах.
При создании уникальных ОУ выполнение этого требования является обязательным.
10.82. При разработке макета (модели) должна быть предусмотрена возможность создания нескольких вариантов освещения с последующим выбором оптимального.
Рекомендуется использовать для моделирования метод полипроекции с применением установки ЦНИИЭП инженерного оборудования, обеспечивающей точность воспроизведения объекта и его окружения, широкий диапазон яркостей, большое разнообразие светлотно-цветовых композиций и позволяет выбрать оптимальный вариант с относительно небольшими затратами труда и времени.
МЕТОДЫ РАСЧЕТА СВЕТОТЕХНИЧЕСКИХ ПОКАЗАТЕЛЕЙ
И ТЕХНИКО-ЭКОНОМИЧЕСКОЙ ОЦЕНКИ УСТАНОВОК
НАРУЖНОГО ОСВЕЩЕНИЯ
10.83. Среднюю горизонтальную освещенность

и среднюю яркость

дорожного покрытия рекомендуется рассчитывать с применением коэффициентов использования светового потока источников света по освещенности или яркости дорожного покрытия по следующим формулам:

; (116)

, (117)
где

- шаг светильников, м;

- ширина проезжей части улицы или дороги, м;

- коэффициент запаса, равный 1,5 для газоразрядных источников света, 1,3 - для ламп накаливания;
M - число рядов светильников вдоль освещаемой полосы (каждый ряд должен состоять из однотипных светильников);

- световой поток ламп светильника i-го ряда;

- число светильников на одной опоре, относящихся к i-му ряду;

и

- коэффициенты использования светового потока источников света в светильниках i-ого ряда соответственно по освещенности и яркости;

и

для данного ряда светильников определяются в зависимости от взаиморасположения этого ряда и освещаемой полосы по формулам:
при расположении ряда светильников над освещаемой полосой (
рис. 120, а)
для освещенности:

; (118)
для яркости:

; (119)
при расположении ряда светильников вне освещаемой полосы (
рис. 120, б)
для освещенности:

; (120)
для яркости:

, (121)
где

- значение коэффициента использования по освещенности для данного типа светильников в направлении

при отношении ширины освещаемой части улицы или дороги к высоте установки светильников, равном

;

- то же, в направлении

при отношении

;

- то же, в направлении

при отношении

;

- значения коэффициента использования светового потока источников света по яркости для данного типа светильников в направлении

при отношении ширины освещаемой части улицы к высоте установки светильников, равном

;

- то же, в направлении

при отношении

;

- то же, в направлении

при отношении

.
Рис. 120. Схема отсчета углов при расположении светильника
а - над освещаемой полосой; б - вне освещаемой полосы
Значения

и

для типовых светильников, производство которых освоено отечественной промышленностью, представлены в табл. 93 и
94 соответственно.
| | ИС МЕГАНОРМ: примечание. Нумерация таблиц дана в соответствии с официальным текстом документа. | |
─────────────────┬────────┬──────┬─────────────────────────────────────────
Тип светильника │Угол │ Угол │ Коэффициент использования светильников
│наклона │бета, │ по освещенности при отношении ширины
│светиль-│ град │ расчетной освещаемой полосы к высоте
│ника │ │ установки светильников
│фи, град│ ├─────┬─────┬─────┬─────┬─────┬─────┬─────
│ │ │ 0,5 │ 1,0 │ 1,5 │ 2,0 │ 2,5 │ 3,0 │ 4,0
─────────────────┼────────┼──────┼─────┼─────┼─────┼─────┼─────┼─────┼─────
СПО-200 │ 0 │0; 180│0,116│0,194│0,226│0,253│0,268│0,274│0,284
─────────────────┼────────┼──────┼─────┼─────┼─────┼─────┼─────┼─────┼─────
НКУ01-200/Д23-01 │ 15 │ 0 │0,145│0,228│0,282│0,316│0,335│0,342│0,355
│ │ 180 │0,120│0,185│0,215│0,230│0,240│0,240│0,240
─────────────────┼────────┼──────┼─────┼─────┼─────┼─────┼─────┼─────┼─────
РТУ01-125/С53-02 │ 0 │0; 180│0,081│0,137│0,163│0,184│0,197│0,203│0,214
─────────────────┼────────┼──────┼─────┼─────┼─────┼─────┼─────┼─────┼─────
СПОР-250 │ 0 │0; 180│0,106│0,182│0,217│0,243│0,257│0,264│0,274
─────────────────┼────────┼──────┼─────┼─────┼─────┼─────┼─────┼─────┼─────
РТУ02-250-08 │ 0 │0; 180│0,041│0,075│0,094│0,110│0,120│0,126│0,135
─────────────────┼────────┼──────┼─────┼─────┼─────┼─────┼─────┼─────┼─────
СЗПР-250М(б) │ 0 │ 0 │0,094│0,159│0,198│0,218│0,247│0,256│0,270
│ │ 180 │0,083│0,149│0,186│0,217│0,234│0,244│0,256
─────────────────┼────────┼──────┼─────┼─────┼─────┼─────┼─────┼─────┼─────
СЗПР-250М(ц) │ 0 │0; 180│0,093│0,157│0,194│0,224│0,242│0,250│0,262
─────────────────┼────────┼──────┼─────┼─────┼─────┼─────┼─────┼─────┼─────
РКУ01-125-008 │ 15 │ 0 │0,154│0,259│0,308│0,343│0,365│0,376│0,393
│ │ 180 │0,140│0,223│0,250│0,261│0,265│0,266│0,267
─────────────────┼────────┼──────┼─────┼─────┼─────┼─────┼─────┼─────┼─────
РКУ01-250-011 │ 0 │0; 180│0,208│0,303│0,333│0,351│0,359│0,362│0,367
│ │ │ │ │ │ │ │ │
│ 15 │ 0 │0,228│0,362│0,411│0,441│0,456│0,462│0,472
│ │ 180 │0,165│0,225│0,241│0,248│0,250│0,250│0,250
│ │ │ │ │ │ │ │ │
│ 30 │ 0 │0,201│0,365│0,434│0,479│0,503│0,515│0,533
│ │ 180 │0,110│0,142│0,146│0,147│0,148│0,149│0,152
─────────────────┼────────┼──────┼─────┼─────┼─────┼─────┼─────┼─────┼─────
РКУ01-400-012 │ 0 │0; 180│0,192│0,289│0,323│0,343│0,354│0,358│0,365
│ │ │ │ │ │ │ │ │
│ 15 │ 0 │0,201│0,327│0,377│0,408│0,425│0,434│0,446
│ │ 180 │0,160│0,226│0,247│0,257│0,261│0,263│0,264
│ │ │ │ │ │ │ │ │
│ 30 │ 0 │0,186│0,329│0,393│0,434│0,463│0,477│0,495
│ │ 180 │0,117│0,158│0,166│0,169│0,172│0,175│0,180
─────────────────┼────────┼──────┼─────┼─────┼─────┼─────┼─────┼─────┼─────
РКУ01-400-010 │ 0 │0; 180│0,185│0,289│0,330│0,354│0,363│0,367│0,371
│ │ │ │ │ │ │ │ │
│ 15 │ 0 │0,195│0,319│0,372│0,408│0,430│0,440│0,454
│ │ 180 │0,161│0,241│0,260│0,265│0,267│0,267│0,267
│ │ │ │ │ │ │ │ │
│ 30 │ 0 │0,181│0,320│0,384│0,428│0,454│0,469│0,490
│ │ 180 │0,132│0,169│0,170│0,171│0,172│0,173│0,175
─────────────────┼────────┼──────┼─────┼─────┼─────┼─────┼─────┼─────┼─────
ГКУ02-250-004 │ 0 │0; 180│0,216│0,304│0,334│0,351│0,360│0,364│0,369
│ │ │ │ │ │ │ │ │
│ 15 │ 0 │0,236│0,371│0,418│0,444│0,457│0,465│0,476
│ │ 180 │0,161│0,216│0,233│0,240│0,242│0,242│0,242
│ │ │ │ │ │ │ │ │
│ 30 │ 0 │0,205│0,370│0,444│0,486│0,508│0,521│0,536
│ │ 180 │0,102│0,134│0,137│0,138│0,139│0,141│0,142
─────────────────┼────────┼──────┼─────┼─────┼─────┼─────┼─────┼─────┼─────
ГКУ02-250-003 │ 0 │0; 180│0,178│0,256│0,283│0,299│0,307│0,311│0,316
│ │ │ │ │ │ │ │ │
│ 15 │ 0 │0,204│0,317│0,358│0,382│0,395│0,401│0,411
│ │ 180 │0,138│0,189│0,205│0,213│0,215│0,216│0,216
│ │ │ │ │ │ │ │ │
│ 30 │ 0 │0,175│0,318│0,376│0,414│0,433│0,444│0,458
│ │ 180 │0,091│0,122│0,127│0,128│0,129│0,130│0,132
─────────────────┼────────┼──────┼─────┼─────┼─────┼─────┼─────┼─────┼─────
ГКУ02-400-001 │ 0 │0; 180│0,173│0,254│0,283│0,300│0,309│0,314│0,320
│ │ │ │ │ │ │ │ │
│ 15 │ 0 │0,187│0,298│0,340│0,366│0,380│0,387│0,398
│ │ 180 │0,137│0,192│0,210│0,219│0,222│0,222│0,222
│ │ │ │ │ │ │ │ │
│ 30 │ 0 │0,168│0,299│0,357│0,394│0,415│0,426│0,440
│ │ 180 │0,097│0,131│0,137│0,138│0,139│0,140│0,142
─────────────────┼────────┼──────┼─────┼─────┼─────┼─────┼─────┼─────┼─────
ЖКУ02-250-004 │ 0 │0; 180│0,208│0,298│0,331│0,350│0,360│0,366│0,372
│ │ │ │ │ │ │ │ │
│ 15 │ 0 │0,230│0,359│0,408│0,434│0,450│0,458│0,470
│ │ 180 │0,157│0,218│0,239│0,248│0,250│0,250│0,250
│ │ │ │ │ │ │ │ │
│ 30 │ 0 │0,200│0,361│0,429│0,470│0,493│0,505│0,522
│ │ 180 │0,107│0,145│0,150│0,151│0,152│0,153│0,155
─────────────────┼────────┼──────┼─────┼─────┼─────┼─────┼─────┼─────┼─────
ЖКУ02-250-003 │ 0 │0; 180│0,177│0,255│0,284│0,300│0,309│0,314│0,319
│ │ │ │ │ │ │ │ │
│ 15 │ 0 │0,193│0,305│0,346│0,370│0,384│0,391│0,401
│ │ 180 │0,136│0,189│0,207│0,216│0,218│0,219│0,219
│ │ │ │ │ │ │ │ │
│ 30 │ 0 │0,171│0,307│0,365│0,402│0,421│0,432│0,446
│ │ 180 │0,093│0,126│0,131│0,132│0,133│0,134│0,136
─────────────────┼────────┼──────┼─────┼─────┼─────┼─────┼─────┼─────┼─────
ЖКУ02-400-002 │ 0 │0; 180│0,203│0,293│0,326│0,344│0,353│0,357│0,363
│ │ │ │ │ │ │ │ │
│ 15 │ 0 │0,224│0,350│0,398│0,426│0,442│0,450│0,460
│ │ 180 │0,155│0,215│0,233│0,242│0,245│0,245│0,245
│ │ │ │ │ │ │ │ │
│ 30 │ 0 │0,195│0,352│0,418│0,459│0,483│0,495│0,512
│ │ 180 │0,108│0,141│0,146│0,147│0,148│0,149│0,151
─────────────────┼────────┼──────┼─────┼─────┼─────┼─────┼─────┼─────┼─────
ЖКУ02-400-001 │ 0 │0; 180│0,173│0,252│0,282│0,299│0,308│0,313│0,318
│ │ │ │ │ │ │ │ │
│ 15 │ 0 │0,191│0,299│0,340│0,366│0,380│0,387│0,397
│ │ 180 │0,134│0,189│0,208│0,217│0,220│0,221│0,227
│ │ │ │ │ │ │ │ │
│ 30 │ 0 │0,166│0,300│0,357│0,393│0,413│0,424│0,437
│ │ 180 │0,095│0,130│0,136│0,137│0,138│0,140│0,142
─────────────────┼────────┼──────┼─────┼─────┼─────┼─────┼─────┼─────┼─────
ГКУ02-400-002 │ 0 │0; 180│0,206│0,298│0,332│0,351│0,361│0,365│0,370
│ │ │ │ │ │ │ │ │
│ 15 │ 0 │0,226│0,354│0,404│0,433│0,449│0,458│0,468
│ │ 180 │0,158│0,221│0,241│0,249│0,252│0,252│0,252
│ │ │ │ │ │ │ │ │
│ 30 │ 0 │0,197│0,356│0,424│0,465│0,480│0,503│0,520
│ │ 180 │0,111│0,148│0,152│0,153│0,154│0,155│0,158
Примечания. 1.

- угол, определяющий направление меридиональной плоскости.
2. Коэффициенты использования светового потока источников света по освещенности для консольных светильников приведены при их установке под углом к горизонту

, равным 0; 15 и 30°, а для подвесных светильников под углом наклона

.
────────────────┬───────┬──────┬──────┬─────────────────────────────────────────
Тип светильника │Покры- │Угол │ Угол │ Коэффициент использования светильников
│тие │накло-│ бета,│по яркости при отношении ширины расчетной
│ │на фи,│ град │ полосы к высоте установки светильников
│ │град │ ├─────┬─────┬─────┬─────┬─────┬─────┬─────
│ │ │ │ 0,5 │ 1,0 │ 1,5 │ 2,0 │ 2,5 │ 3,0 │ 4,0
────────────────┼───────┼──────┼──────┼─────┼─────┼─────┼─────┼─────┼─────┼─────
СПО-200 │Гладкое│ 0 │0; 180│0,026│0,041│0,047│0,050│0,053│0,054│0,055
│ │ │ │ │ │ │ │ │ │
│Шерохо-│ 0 │0; 180│0,023│0,035│0,040│0,044│0,046│0,048│0,049
│ватое │ │ │ │ │ │ │ │ │
────────────────┼───────┼──────┼──────┼─────┼─────┼─────┼─────┼─────┼─────┼─────
НКУ01-200/Д23-01│Гладкое│ 15 │ 0 │0,034│0,049│0,056│0,061│0,065│0,066│0,067
────────────────┼───────┼──────┼──────┼─────┼─────┼─────┼─────┼─────┼─────┼─────
РТУ01-125/С53-02│Гладкое│ 0 │0; 180│0,023│0,038│0,043│0,045│0,048│0,049│0,050
│ │ │ │ │ │ │ │ │ │
│Шерохо-│ 0 │0; 180│0,018│0,028│0,032│0,035│0,037│0,039│0,040
│ватое │ │ │ │ │ │ │ │ │
────────────────┼───────┼──────┼──────┼─────┼─────┼─────┼─────┼─────┼─────┼─────
СПОР-250 │Гладкое│ 0 │0; 180│0,026│0,043│0,049│0,052│0,055│0,056│0,057
│ │ │ │ │ │ │ │ │ │
│Шерохо-│ 0 │0; 180│0,022│0,035│0,040│0,044│0,046│0,047│0,049
│ватое │ │ │ │ │ │ │ │ │
────────────────┼───────┼──────┼──────┼─────┼─────┼─────┼─────┼─────┼─────┼─────
РТУ02-250-08 │Гладкое│ 0 │0; 180│0,017│0,029│0,033│0,034│0,036│0,037│0,039
│ │ │ │ │ │ │ │ │ │
│Шерохо-│ 0 │0; 180│0,012│0,018│0,022│0,024│0,026│0,027│0,028
│ватое │ │ │ │ │ │ │ │ │
────────────────┼───────┼──────┼──────┼─────┼─────┼─────┼─────┼─────┼─────┼─────
СЗПР-250М(б) │Гладкое│ 0 │ 0 │0,032│0,052│0,060│0,065│0,068│0,070│0,072
│ │ │ 180 │0,030│0,048│0,055│0,060│0,064│0,065│0,066
│ │ │ │ │ │ │ │ │ │
│Шерохо-│ 0 │ 0 │0,024│0,036│0,043│0,048│0,051│0,052│0,055
│ватое │ │ 180 │0,022│0,033│0,040│0,045│0,047│0,049│0,051
────────────────┼───────┼──────┼──────┼─────┼─────┼─────┼─────┼─────┼─────┼─────
СЗПР-250Н(ц) │Гладкое│ 0 │0; 180│0,033│0,053│0,060│0,064│0,067│0,068│0,070
│ │ │ │ │ │ │ │ │ │
│Шерохо-│ 0 │0; 180│0,024│0,036│0,043│0,047│0,050│0,051│0,053
│ватое │ │ │ │ │ │ │ │ │
────────────────┼───────┼──────┼──────┼─────┼─────┼─────┼─────┼─────┼─────┼─────
РКУ01-125-008 │Гладкое│ 15 │ 0 │0,041│0,063│0,075│0,082│0,085│0,086│0,088
│ │ │ 180 │0,036│0,055│0,057│0,059│0,059│0,059│0,059
────────────────┼───────┼──────┼──────┼─────┼─────┼─────┼─────┼─────┼─────┼─────
РКУ01-250-011 │Гладкое│ 0 │0; 180│0,042│0,059│0,064│0,067│0,068│0,069│0,070
│ │ │ │ │ │ │ │ │ │
│ │ 15 │ 0 │0,046│0,070│0,078│0,083│0,086│0,087│0,089
│ │ │ 180 │0,033│0,043│0,047│0,047│0,047│0,047│0,047
│ │ │ │ │ │ │ │ │ │
│ │ 30 │ 0 │0,041│0,070│0,081│0,090│0,094│0,096│0,099
│ │ │ 180 │0,022│0,027│0,027│0,027│0,027│0,028│0,028
│ │ │ │ │ │ │ │ │ │
│Шерохо-│ 0 │0; 180│0,040│0,055│0,060│0,062│0,064│0,064│0,065
│ватое │ │ │ │ │ │ │ │ │
│ │ 15 │ 0 │0,044│0,065│0,073│0,077│0,080│0,081│0,082
│ │ │ 180 │0,032│0,041│0,043│0,044│0,045│0,045│0,045
│ │ │ │ │ │ │ │ │ │
│ │ 30 │ 0 │0,039│0,064│0,076│0,082│0,087│0,089│0,091
│ │ │ 180 │0,021│0,025│0,026│0,026│0,026│0,027│0,027
────────────────┼───────┼──────┼──────┼─────┼─────┼─────┼─────┼─────┼─────┼─────
РКУ01-400-012 │Гладкое│ 0 │0; 180│0,044│0,064│0,070│0,073│0,074│0,075│0,076
│ │ │ │ │ │ │ │ │ │
│ │ 15 │ 0 │0,046│0,072│0,081│0,086│0,089│0,091│0,093
│ │ │ 180 │0,035│0,049│0,053│0,054│0,055│0,055│0,055
│ │ │ │ │ │ │ │ │ │
│ │ 30 │ 0 │0,042│0,072│0,084│0,092│0,097│0,099│0,103
│ │ │ 180 │0,026│0,034│0,035│0,035│0,036│0,036│0,037
│ │ │ │ │ │ │ │ │ │
│Шерохо-│ 0 │0; 180│0,040│0,055│0,060│0,063│0,065│0,066│0,067
│ватое │ │ │ │ │ │ │ │ │
│ │ 15 │ 0 │0,041│0,062│0,070│0,075│0,078│0,079│0,081
│ │ │ 180 │0,033│0,043│0,046│0,048│0,048│0,049│0,049
│ │ │ │ │ │ │ │ │ │
│ │ 30 │ 0 │0,038│0,061│0,072│0,079│0,084│0,086│0,089
│ │ │ 180 │0,024│0,030│0,031│0,032│0,032│0,032│0,033
────────────────┼───────┼──────┼──────┼─────┼─────┼─────┼─────┼─────┼─────┼─────
РКУ01-400-010 │Гладкое│ 0 │0; 180│0,042│0,062│0,068│0,071│0,073│0,073│0,074
│ │ │ │ │ │ │ │ │ │
│ │ 15 │ 0 │0,045│0,070│0,079│0,085│0,089│0,091│0,093
│ │ │ 180 │0,035│0,048│0,050│0,051│0,051│0,051│0,051
│ │ │ │ │ │ │ │ │ │
│ │ 30 │ 0 │0,041│0,070│0,082│0,090│0,095│0,098│0,102
│ │ │ 180 │0,026│0,031│0,031│0,031│0,031│0,031│0,032
│ │ │ │ │ │ │ │ │ │
│Шерохо-│ 0 │0; 180│0,098│0,054│0,061│0,064│0,065│0,066│0,067
│ватое │ │ │ │ │ │ │ │ │
│ │ 15 │ 0 │0,040│0,061│0,069│0,075│0,078│0,080│0,082
│ │ │ 180 │0,032│0,044│0,047│0,047│0,048│0,048│0,048
│ │ │ │ │ │ │ │ │ │
│ │ 30 │ 0 │0,037│0,060│0,071│0,078│0,082│0,085│0,088
│ │ │ 180 │0,025│0,030│0,030│0,030│0,030│0,031│0,031
────────────────┼───────┼──────┼──────┼─────┼─────┼─────┼─────┼─────┼─────┼─────
ГКУ02-250-004 │Гладкое│ 0 │0; 180│0,060│0,082│0,088│0,090│0,092│0,093│0,093
│ │ │ │ │ │ │ │ │ │
│ │ 15 │ 0 │0,065│0,099│0,109│0,115│0,117│0,119│0,121
│ │ │ 180 │0,046│0,057│0,060│0,061│0,061│0,061│0,061
│ │ │ │ │ │ │ │ │ │
│ │ 30 │ 0 │0,058│0,098│0,115│0,125│0,130│0,133│0,136
│ │ │ 180 │0,027│0,032│0,032│0,032│0,032│0,033│0,033
│ │ │ │ │ │ │ │ │ │
│Шерохо-│ 0 │0; 180│0,050│0,066│0,070│0,073│0,075│0,075│0,076
│ватое │ │ │ │ │ │ │ │ │
│ │ 15 │ 0 │0,054│0,079│0,087│0,092│0,094│0,095│0,097
│ │ │ 180 │0,039│0,047│0,050│0,051│0,051│0,051│0,051
│ │ │ │ │ │ │ │ │ │
│ │ 30 │ 0 │0,048│0,078│0,091│0,099│0,103│0,106│0,109
│ │ │ 180 │0,023│0,028│0,028│0,028│0,028│0,029│0,029
────────────────┼───────┼──────┼──────┼─────┼─────┼─────┼─────┼─────┼─────┼─────
ГКУ02-250-003 │Гладкое│ 0 │0; 180│0,050│0,071│0,076│0,078│0,080│0,081│0,081
│ │ │ │ │ │ │ │ │ │
│ │ 15 │ 0 │0,055│0,084│0,093│0,098│0,100│0,102│0 104
│ │ │ 180 │0,040│0,053│0,055│0,056│0,056│0,056│0,056
│ │ │ │ │ │ │ │ │ │
│ │ 30 │ 0 │0,049│0,084│0,097│0,104│0,109│0,112│0,115
│ │ │ 180 │0,026│0,033│0,034│0,034│0,034│0,034│0,034
│ │ │ │ │ │ │ │ │ │
│Шерохо-│ 0 │0; 180│0,041│0,055│0,060│0,062│0,063│0,064│0,065
│ватое │ │ │ │ │ │ │ │ │
│ │ 15 │ 0 │0,046│0,066│0,074│0,078│0,080│0,081│0,083
│ │ │ 180 │0,033│0,041│0,044│0,045│0,045│0,045│0,045
│ │ │ │ │ │ │ │ │ │
│ │ 30 │ 0 │0,040│0,066│0,077│0,083│0,087│0,089│0,091
│ │ │ 180 │0,021│0,026│0,027│0,027│0,027│0,028│0,028
────────────────┼───────┼──────┼──────┼─────┼─────┼─────┼─────┼─────┼─────┼─────
ГКУ02-400-002 │Гладкое│ 0 │0; 180│0,056│0,081│0,088│0,092│0,094│0,095│0,096
│ │ │ │ │ │ │ │ │ │
│ │ 15 │ 0 │0,060│0,093│0,105│0,111│0,115│0,117│0,119
│ │ │ 180 │0,047│0,062│0,066│0,067│0,068│0,067│0,067
│ │ │ │ │ │ │ │ │ │
│ │ 30 │ 0 │0,055│0,093│0,109│0,118│0,124│0,128│0,131
│ │ │ 180 │0,032│0,039│0,040│0,040│0,040│0,041│0,041
│ │ │ │ │ │ │ │ │ │
│Шерохо-│ 0 │0; 180│0,047│0,064│0,070│0,073│0,075│0,076│0,076
│ватое │ │ │ │ │ │ │ │ │
│ │ 15 │ 0 │0,051│0,074│0,083│0,088│0,091│0,093│0,095
│ │ │ 180 │0,038│0,049│0,052│0,053│0,054│0,054│0,054
│ │ │ │ │ │ │ │ │ │
│ │ 30 │ 0 │0,045│0,074│0,086│0,094│0,098│0,101│0,104
│ │ │ 180 │0,026│0,032│0,033│0,033│0,033│0,033│0,034
────────────────┼───────┼──────┼──────┼─────┼─────┼─────┼─────┼─────┼─────┼─────
ГКУ02-400-001 │Гладкое│ 0 │0; 180│0,049│0,071│0,077│0,080│0,082│0,083│0,084
│ │ │ │ │ │ │ │ │ │
│ │ 15 │ 0 │0,051│0,081│0,091│0,096│0,099│0,101│0,102
│ │ │ 180 │0,041│0,056│0,059│0,060│0,060│0,060│0,060
│ │ │ │ │ │ │ │ │ │
│ │ 30 │ 0 │0,048│0,081│0,095│0,102│0,107│0,110│0,113
│ │ │ 180 │0,029│0,037│0,038│0,038│0,038│0,038│0,039
│ │ │ │ │ │ │ │ │ │
│Шерохо-│ 0 │0; 180│0,040│0,055│0,060│0,063│0,064│0,065│0,066
│ватое │ │ │ │ │ │ │ │ │
│ │ 15 │ 0 │0,042│0,062│0,071│0,075│0,077│0,079│0,081
│ │ │ 180 │0,033│0,043│0,046│0,047│0,047│0,048│0,048
│ │ │ │ │ │ │ │ │ │
│ │ 30 │ 0 │0,039│0,063│0,073│0,080│0,084│0,086│0,089
│ │ │ 180 │0,023│0,029│0,030│0,030│0,030│0,030│0,031
────────────────┼───────┼──────┼──────┼─────┼─────┼─────┼─────┼─────┼─────┼─────
ЖКУ02-250-004 │Гладкое│ 0 │0; 180│0,058│0,081│0,088│0,091│0,093│0,094│0,095
│ │ │ │ │ │ │ │ │ │
│ │ 15 │ 0 │0,064│0,098│0,109│0,114│0,118│0,120│0,122
│ │ │ 180 │0,045│0,058│0,062│0,063│0,063│0,063│0,063
│ │ │ │ │ │ │ │ │ │
│ │ 30 │ 0 │0,056│0,097│0,112│0,122│0,128│0,131│0,134
│ │ │ 180 │0,028│0,036│0,036│0,036│0,036│0,037│0,038
│ │ │ │ │ │ │ │ │ │
│Шерохо-│ 0 │0; 180│0,048│0,064│0,069│0,073│0,074│0,075│0,076
│ватое │ │ │ │ │ │ │ │ │
│ │ 15 │ 0 │0,053│0,076│0,085│0,090│0,092│0,094│0,096
│ │ │ 180 │0,037│0,047│0,050│0,052│0,052│0,052│0,052
│ │ │ │ │ │ │ │ │ │
│ │ 30 │ 0 │0,056│0,075│0,088│0,095│0,100│0,102│0,105
│ │ │ 180 │0,025│0,030│0,031│0,031│0,031│0,031│0,032
────────────────┼───────┼──────┼──────┼─────┼─────┼─────┼─────┼─────┼─────┼─────
ЖКУ02-250-003 │Гладкое│ 0 │0; 180│0,051│0,072│0,078│0,081│0,083│0,084│0,085
│ │ │ │ │ │ │ │ │ │
│ │ 15 │ 0 │0,055│0,086│0,095│0,100│0,103│0,105│0,106
│ │ │ 180 │0,041│0,054│0,057│0,058│0,059│0,059│0,059
│ │ │ │ │ │ │ │ │ │
│ │ 30 │ 0 │0,049│0,085│0,099│0,107│0,111│0,114│0,117
│ │ │ 180 │0,028│0,035│0,036│0,036│0,036│0,036│0,036
│ │ │ │ │ │ │ │ │ │
│Шерохо-│ 0 │0; 180│0,041│0,055│0,060│0,063│0,064│0,065│0,066
│ватое │ │ │ │ │ │ │ │ │
│ │ 15 │ 0 │0,045│0,065│0,073│0,077│0,079│0,081│0,083
│ │ │ 180 │0,033│0,042│0,045│0,046│0,046│0,046│0,046
│ │ │ │ │ │ │ │ │ │
│ │ 30 │ 0 │0,040│0,065│0,076│0,082│0,086│0,088│0,091
│ │ │ 180 │0,022│0,027│0,028│0,028│0,029│0,029│0,030
────────────────┼───────┼──────┼──────┼─────┼─────┼─────┼─────┼─────┼─────┼─────
ЖКУ02-400-002 │Гладкое│ 0 │0; 180│0,052│0,073│0,079│0,083│0,084│0,085│0,086
│ │ │ │ │ │ │ │ │ │
│ │ 15 │ 0 │0,056│0,086│0,096│0,102│0,105│0,107│0,109
│ │ │ 180 │0,041│0,054│0,057│0,058│0,059│0,059│0,059
│ │ │ │ │ │ │ │ │ │
│ │ 30 │ 0 │0,050│0,085│0,098│0,107│0,113│0,116│0,119
│ │ │ 180 │0,028│0,033│0,034│0,034│0,034│0,035│0,035
│ │ │ │ │ │ │ │ │ │
│Шерохо-│ 0 │0; 180│0,044│0,060│0,066│0,068│0,070│0,071│0,071
│ватое │ │ │ │ │ │ │ │ │
│ │ 15 │ 0 │0,045│0,070│0,079│0,084│0,086│0,088│0,090
│ │ │ 180 │0,035│0,045│0,048│0,049│0,049│0,049│0,049
│ │ │ │ │ │ │ │ │ │
│ │ 30 │ 0 │0,043│0,070│0,081│0,087│0,093│0,095│0,098
│ │ │ 180 │0,024│0,029│0,030│0,030│0,030│0,030│0,031
────────────────┼───────┼──────┼──────┼─────┼─────┼─────┼─────┼─────┼─────┼─────
ЖКУ02-400-001 │Гладкое│ 0 │0; 180│0,049│0,071│0,077│0,080│0,082│0,083│0,084
│ │ │ │ │ │ │ │ │ │
│ │ 15 │ 0 │0,053│0,082│0,092│0,097│0,100│0,102│0,104
│ │ │ 180 │0,040│0,055│0,058│0,059│0,059│0,059│0,059
│ │ │ │ │ │ │ │ │ │
│ │ 30 │ 0 │0,047│0,082│0,096│0,103│0,108│0,110│0,114
│ │ │ 180 │0,028│0,036│0,037│0,037│0,037│0,037│0,038
│ │ │ │ │ │ │ │ │ │
│Шерохо-│ 0 │0; 180│0,040│0,054│0,060│0,062│0,063│0,065│0,066
│ватое │ │ │ │ │ │ │ │ │
│ │ 15 │ 0 │0,043│0,063│0,071│0,075│0,078│0,079│0,081
│ │ │ 180 │0,032│0,042│0,045│0,046│0,047│0,047│0,047
│ │ │ │ │ │ │ │ │ │
│ │ 30 │ 0 │0,039│0,063│0,073│0,080│0,083│0,086│0,088
│ │ │ 180 │0,023│0,028│0,029│0,030│0,030│0,030│0,031
В случае применения светильника, не включенного в
табл. 93 или
94,
<*> и

определяются следующим образом:
| | ИС МЕГАНОРМ: примечание. Формула дана в соответствии с официальным текстом документа. | |

; (122)

, (123)
где

- сила света светильника в направлении

,

,

,

(меридиональная плоскость

направлена в сторону проезжей части перпендикулярно оси дороги);

- телесный угол, опирающийся на площадку j-ого элемента i-й зоны для

, где телесный угол i-й зоны

;

- коэффициент яркости дорожного покрытия средней точки j-ого элемента i-й зоны, характеризуемой параметрами

и

;

определяется по кривым
табл. 88,
89 соответственно для гладкого и шероховатого асфальтобетона;

. (124)
--------------------------------
<*> Значения

при

для новых отечественных светильников даются заводами-изготовителями при проведении аттестации светильников.
Следует иметь в виду, что при наклоне светильников изменяется доля светового потока, падающего на дорогу. Поэтому при расчете коэффициентов использования светильников, расположенных наклонно под углом

к горизонту, необходимо учитывать наклон под углом

всего фотометрического тела, образованного векторами сил света светильника.
Так, при наклоне светильника под углом

в рассматриваемую точку будут падать лучи, характеризуемые углами

и

, которые связаны с углами

и

следующими соотношениями:

; (125)

. (126)
По углам

и

определяются силы света светильника в направлении к рассматриваемой точке.
Коэффициенты яркости выбираются с учетом угла

, а не

.
10.84. Равномерность распределения горизонтальной освещенности и ярких дорожных покрытий определяются отношениями:

(127)
или

, (128)
где

- максимальное значение горизонтальной освещенности на участке дороги db;

- средняя горизонтальная освещенность на участке дороги

.
Значения

,

и

определяются точечным методом из совокупности значений распределений освещенности и яркости дорожного покрытия на участке дороги

(рис. 121).
Рис. 121. К расчету параметров ОУ улицы точечным методом
K1 - K4 - номера светильников;

- ширина элементарного
участка;

- то же, длина;

- элементарный участок
Распределение освещенности и яркости дорожного покрытия на участке

определяется путем расчета

и L в отдельных равномерно расположенных точках покрытия (с шагом не свыше 5 м), рекомендуется производить такие расчеты с использованием ЭВМ <*>.
--------------------------------
<*> Для расчета распределения яркости дорожного покрытия в ЦНИИЭП инженерного оборудования разработана программа "Ряд" для ЭВМ ЕС 1033 на языке "PLI" в ДОС (адрес: 117279, Москва, Профсоюзная ул., 93а).
В ЭВМ в виде массивов чисел (таблиц) вводятся данные по светораспределению светильников и отражательным характеристикам дорожного покрытия, а также следующие параметры, м: ширина проезжей части дороги (улицы)

, шаг установки светильников

и высота их подвеса

.
Горизонтальная освещенность

, лк, и яркость

, кд/м2, в i-й точке дорожного покрытия, характеризуемой координатами

и

, равны:

; (129)

, (130)
где K - число светильников, учитываемых в расчете относительно i-й точки;

- горизонтальная освещенность в i-й точке, создаваемая j-м светильником, лк;

- яркость в i-й точке, создаваемая j-м светильником, кд/м2;

; (131)

; (132)

- сила света j-го светильника в направлении i-й точки, кд;

- угол падения лучей в i-ю точку от j-го светильника, град;

- коэффициент яркости дорожного покрытия в направлении наблюдателя при действии j-го светильника в i-ю точку.
Светораспределение светильника

представляется при расчетах в виде двухмерного массива чисел с определенным шагом по

и

, а круглосимметричное светораспределение

- в виде одномерного массива чисел.
Отражательные характеристики покрытий представляются в виде двухмерного массива

или как

с соответствующими шагами по

и

или

.
Угловые координаты

,

i-й точки относительно j-го светильника определяются следующим образом:

; (133)

. (134)
Значения силы света

светильников, действующих в направлении наблюдателя, и коэффициенты яркости

для соответствующих углов

,

определяют линейной интерполяцией. Значения силы света светильников, действующих в направлении, противоположном наблюдателю, учитываются с коэффициентом яркости r = 0,1.
Коэффициенты яркости гладких асфальтобетонных покрытий приведены в
табл. 88, а шероховатых - в
табл. 89.
Результаты расчета сводятся в таблицы значений освещенности и яркости в отдельных равномерно расположенных точках участка дороги площадью

. Значения средней горизонтальной освещенности

и средней яркости

этого участка определяются как среднее арифметическое

и L в отдельных точках.
Расчеты горизонтальной освещенности и яркости дорожных покрытий от наклонно расположенных (консольных) светильников должны проводиться с учетом угла их наклона к горизонту в соответствии с
п. 10.83 настоящего Пособия.
10.85. Методика расчета показателя ослепленности. Показатель ослепленности P определяется по формуле

, (135)
где

- коэффициент неэквивалентности, равный для ламп накаливания - 1,0; для люминесцентных ламп и типа ДРЛ - 1,3; для ламп типа ДРИ - 1,1; для натриевых ламп высокого давления - 0,9;

- коэффициент, зависящий от яркости фона, определяемый по графику
рис. 122;

- суммарная яркость вуалирующей пелены, кд/м2;

; (136)
M - число рядов светильников;

- яркость вуалирующей пелены, создаваемая i-м рядом светильников.
Рис. 122. График зависимости коэффициента

от средней
яркости дорожного покрытия для расчета
показателя ослепленности
Яркость вуалирующей пелены от каждого ряда светильников определяется для наблюдателя, находящегося на продольной линии посредине проезжей части данного направления движения, и рассчитывается по формуле

(137)
где

- высота глаз наблюдателя над уровнем проезжей части, принимаемая равной 1,5 м;

- расстояние между линией i-го ряда светильников и средней продольной линией проезжей части данного направления движения, м;

;

;

;

- сила света светильников i-го ряда в плоскости

соответственно под углами

, равными 75°, 80°, 85° и 90°, кд;
m - число светильников опоры, относящихся к i-му ряду.
10.86. Необходимое число опор

, располагаемых равномерно по периметру больших площадей, рассчитывается по формуле

, (138)
где

- максимальный коэффициент использования по освещенности для данного типа светильников в направлении

, принимаемый в расчетах для

;

- освещаемая площадь, м2;

- ширина освещаемой площади, м.
Среднее расстояние (шаг) между опорами определяется как отношение длины периметра к числу опор.
При расчете шага опор или отдельных светильников следует проверять соответствие требованию по обеспечению отношения максимальной освещенности к средней.
Средняя освещенность

рассчитывается по формуле

, (139)
где

- принятый шаг опор или отдельных светильников, м.
Максимальную освещенность

необходимо рассчитывать точечным методом по формуле

, (140)
где

- сила света светильника в направлении к точке максимальной освещенности для условной лампы со световым потоком 1000 лм;

- число светильников, действующих в точку максимальной освещенности.
Для консольных и подвесных светильников максимальная освещенность обычно создается в направлении

, а для венчающих - в направлении

по линии размещения светильников.
Значения отношений, полученных по
формулам (127) и
(128), не должны превышать регламентируемых
[1]. В противном случае необходимо изменить параметры установки, размещение светильников и произвести повторный расчет ОУ.
10.87. В качестве основы при проектировании наружных ОУ рекомендуется использовать типовые решения освещения улиц и дорог (см.
пп. 10.91 -
10.92 и
Прил. 3), рассчитанные в наиболее рациональных вариантах для типовых профилей дорог и методикам, приведенным в
пп. 10.83 -
10.85.
Вариант освещения дороги, имеющей типовой профиль (или отличающийся от типового в пределах, допустимых согласно
п. 10.92), выбирается из числа типовых решений (или с изменением согласно
п. 10.92), исходя из полных приведенных годовых затрат на ОУ.
Для дорог и улиц с нетиповым профилем расчет производится в следующем порядке:
по установленной норме освещения (

или

) и заданному поперечному профилю улицы, пользуясь типовыми решениями для дорог с наиболее близкими к заданному профилями, подбираются тип светильника и ориентировочная высота его установки;
для выбранного светильника с учетом ширины проезжей части, расположения тротуаров и т.д. уточняются угол наклона и расстояние от края проезжей части (длина кронштейна);
исходя из
формулы (116) или
(117), рассчитывается шаг светильников, который не должен превышать 50 м при высоте их установки до 14 м;
для выбранного варианта ОУ проверяются качественные показатели освещения - равномерность распределения яркости (освещенности) и показатель ослепленности (последний - для улиц, дорог и площадей категорий А и Б с нормируемой яркостью).
Если по результатам проверочного расчета какой-либо из качественных показателей не удовлетворяет норме, расчет повторяется при соответственно измененной высоте установки светильников.
10.88. Расчет ОУ архитектурного освещения зданий по заданной яркости для объектов, облицованных материалами с диффузным и направленно-рассеянным отражением, удовлетворяющих требованиям
п. 10.46, необходимо произвести в следующей последовательности:
определяется значение освещенности E, создаваемой на объекте

, (141)
выбираются тип светильника и место его установки;
далее расчет освещения больших поверхностей (фасады зданий и сооружений) следует производить методом компоновки изолюкс, а высоких и узких конструкций (башни, трубы, колокольни и т.д.) и отдельных элементов зданий - точечным методом по силе света светильника.
10.89. По условиям различимости размеры букв светорекламного текста определяются из следующих соотношений:
ширина букв должна быть не менее 2/3 высоты;
высота букв из открыто установленных газосветных трубок или набранных из одного ряда ламп накаливания должна быть равна:

, (142)
где h - высота буквы, м;

- максимальное расстояние наблюдения, м.
Высота букв светорекламного текста, набранного из нескольких рядов ламп накаливания, должна быть равна:

, (143)
где

- толщина буквы (расстояние между осями крайних рядов ламп, образующих толщину буквы), м.
При наблюдении световой рекламы с расстояний, больших 75 м, размер между осями соседних рядов ламп накаливания в рядах ламп, образующих толщину буквы, должен отвечать соотношению

, (144)
где

- расстояние между осями соседних рядов ламп, м;

- минимальное расстояние наблюдения светорекламы, м.
В случае обзора рекламы с расстояний менее 75 м, размер между осями соседних рядов ламп накаливания должен быть возможно наименьшим, допускаемым конструкцией ламп, а также условиями их эксплуатации.
Высота букв в транспарантах на фоне светящей панели определяется по формуле

. (145)
Буквы рекомендуется выбирать толщиной не менее 1/7 их высоты.
10.90. Сравнительная технико-экономическая оценка вариантов наружных осветительных установок производится по следующей методике.
1. Оценка различных вариантов наружных ОУ производится по полным приведенным годовым затратам

и удельной установленной мощности на 1 м2 проезжей части улиц, дорог и площадей.
Наиболее экономичный вариант выявляется по минимуму приведенных годовых затрат на ОУ.
Удельная установленная мощность

на 1 м2 проезжей части определяется по формуле

, (146)
где

- мощность лампы в светильнике и потери в ПРА, Вт.
2. При определении приведенных годовых затрат учитываются приведенные годовые эксплуатационные расходы и соответствующие капитальные затраты, включающие стоимость оборудования и его монтажа.
Допускается в случае одинаковых капитальных затрат на сети, опоры, кронштейны или другое оборудование исключать эти составляющие из сравнительных расчетов.
Рекомендуется производить раздельный расчет приведенных эксплуатационных расходов и приведенных капитальных затрат.
3. Полные приведенные годовые затраты рекомендуется сопоставлять для равноценных по светотехническому эффекту установок, когда их средние значения яркости или освещенности отличаются не более чем на 10%, а качественные показатели установок (равномерность распределения освещенности или яркости, коэффициент ослепленности) не превышают допустимые нормируемые значения.
4. Приведенные годовые затраты Q для наружных ОУ складываются из приведенной суммы эксплуатационных расходов на содержание установок Э и 15% стоимости приведенных капитальных затрат на приобретение оборудования и его монтаж K.
Q = Э + 15K/100. (147)
5. Капитальные затраты складываются из стоимости светильников

, ламп

, опор

, кронштейнов

, монтажа светильников

и опор кронштейнов

| | ИС МЕГАНОРМ: примечание. Формула дана в соответствии с официальным текстом документа. | |

. (148)
Стоимость электрической сети в сопоставительных расчетах для равноценных по исполнению и пропускной способности сетей, как правило, может не учитываться.
6. Приведенные годовые эксплуатационные расходы Э на содержание ОУ определяются по формуле

, (149)
где

;

;

;

- приведенная стоимость соответственно электроэнергии, заменяемых ламп и обслуживания за год, руб./м2;

- приведенные амортизационные отчисления, руб./м2.

;

;

; и

определяются по формулам:

; (150)

; (151)

; (152)

, (153)
где

- коэффициент, учитывающий потери мощности в сети, принимаемый равным 1,03;
T - число часов горения светильников в год, ч;

- стоимость 1 кВтч электроэнергии, руб.;

- срок службы ламп, ч;

- стоимость обслуживания одного светильника в год, включая стоимость чисток и замены ламп (принимается по данным эксплуатационной организации, при отсутствии таких данных допускается пользоваться данными, приведенными в табл. 95);

- доля отчислений на амортизацию от стоимости светильников;

- доля отчислений на амортизацию суммарной стоимости опор с кронштейнами, принимаемая для опор: металлических и железобетонных - 3,6%; деревянных из пропитанной древесины и на железобетонных пасынках - 5,7%; деревянных из непропитанной древесины - 8%.
Таблица 95
────────────────────────┬──────────────────────────────────────────────────
Лампы │ Стоимость обслуживания светильника, руб./год
├────────────────────────┬─────────────────────────
│ открытого при степени │ закрытого при степени
│ запыленности среды │ запыленности среды
├───────┬────────┬───────┼────────┬────────┬───────
│сильной│средней │слабой │сильной │средней │слабой
────────────────────────┼───────┼────────┼───────┼────────┼────────┼───────
Газоразрядные высокого │ 4,5 │ 3,0 │ 1,6 │ 1,9 │ 1,2 │ 0,7
давления │ │ │ │ │ │
Накаливания │ 2,6 │ 2,3 │ 1,8 │ - │ - │ -
ТИПОВЫЕ РЕШЕНИЯ ОСВЕЩЕНИЯ УЛИЦ И ДОРОГ
10.91. Для сокращения затрат труда и времени на проектирование наружных ОУ и повышения качества проектирования их светотехнической части рекомендуется использовать типовые решения освещения улиц и дорог, приведенные в
Прил. 3.
Типовые решения позволяют определять основные параметры ОУ улиц и дорог населенных пунктов в зависимости от средней освещенности или яркости дорожного покрытия без проведения трудоемких расчетов средней яркости (освещенности), распределения яркости (освещенности) по покрытию и показателя ослепленности, а также оценивать и сравнивать различные установки по энергетическим затратам. В зависимости от нормируемых показателей и ширины проезжей части в типовых решениях приведены схемы расположения светильников, определены возможные типы светильников и источников света, для которых указаны высота размещения и шаг, установленная мощность на 1 км улицы или дороги (кВт/км) и установленная мощность на 1 м2 покрытия (Вт/м2). Установленная мощность приведена с учетом потерь в пускорегулирующих аппаратах светильников.
Типовые решения рассчитаны на применение наиболее распространенной системы освещения, при которой светильники устанавливаются на опорах или подвешиваются на тросе на высоте 6,5 - 13,5 м в соответствии с рекомендуемыми схемами размещения
(п. 10.5).
Типовые решения основываются на типовых профилях и покрытиях улиц и дорог, серийно выпускаемых светильниках и источниках света, а также типовых стойках и кронштейнах.
За расчетные световые потоки ламп приняты их номинальные потоки с коэффициентом 0,95, характеризующим средний световой поток группы ламп, согласно ГОСТ 16354-77 - для ламп типа ДРЛ, ГОСТ 24169-80 - для ламп типа ДРИ, ТУ 16-545.350-81 - для ламп типа ДНаТ и
ГОСТ 2239-79 - для ламп накаливания.
10.92. В
Прил. 3 приведены решения ОУ при нормировании средней яркости дорожного покрытия из гладкого и шероховатого асфальтобетона, а также при нормировании средней освещенности. В
Прил. 3 даны примеры выполнения ОУ улиц и дорог с наиболее характерными сложными поперечными профилями, которые базируются на указанных решениях.
При необходимости решения освещения для профилей, отличающихся от типовых (приведенных в
Прил. 3), допускается, не учитывая изменения коэффициентов использования светильников, применять следующие формулы:

и

, (154)
где

,

,

,

- соответственно средняя яркость, освещенность, шаг светильников и ширина проезжей части в типовых решениях;

,

,

,

- то же, при данном нетиповом профиле.
Указанные формулы могут быть применены, если значения

и

и

и

отличаются между собой не более чем на 10%. При этом при проведении уточняющих расчетов необходимо базироваться на типовом варианте с шириной проезжей части большей, чем в решаемом варианте, с тем, чтобы гарантированно выдерживались требования по равномерности распределения яркости или освещенности.
При использовании в светильниках газоразрядных ламп со световыми потоками меньшими, чем в указанных в
п. 10.91 нормативных документах, пересчет шага

может быть произведен по формуле

, (155)
где

- шаг светильников, приведенный в типовых решениях при световом потоке источника

;

- шаг светильников, соответствующий пониженному световому потоку источника света

.
"СВЕТ-I" ДЛЯ РАСЧЕТА КЕО В ПОМЕЩЕНИЯХ ПРОИЗВОДСТВЕННЫХ,
ОБЩЕСТВЕННЫХ, И ЖИЛЫХ ЗДАНИЙ НА ЭВМ СМ-3 (ЯЗЫК ФОРТРАН-IV)
Описание программы
Программой определяется КЕО в производственных и жилых помещениях от бокового и верхнего освещения (через зенитные и светоаэрационные фонари).
Предусмотрена возможность расчета при совместном использовании бокового и верхнего освещения.
Минимальные размеры помещения 2 x 2 м. Максимальные - не ограничены.
Определение КЕО производится для любой точки помещения с шагом, кратным глубине и длине помещения. Число точек по глубине и длине помещения задается пользователем программы таким образом, чтобы можно было получить распределение КЕО в интересующем сечении или целом ряде сечений по длине и глубине помещения.
Максимальное число точек по глубине помещения - 50, по длине - 10. Укрупненная блок-схема программы показана на рисунке.
Рис. Прил. 1. Укрупненная блок-схема программы
Программу "Свет-I" на перфоленте можно получить по адресу: 127238, Москва, Локомотивный проезд, д. 21, НИИСФ или 310023, Харьков, Харьковский филиал ГипроНИИАвиапрома.
ГОРОДОВ СО СРЕДНИМ КОЛИЧЕСТВОМ ЖИДКИХ АТМОСФЕРНЫХ ОСАДКОВ
СВЫШЕ 600 ММ В ГОД
──────────────────────────────────────────────────────┬────────────────────
Республика, город │ Среднегодовое
│ количество жидких
│ осадков, мм
──────────────────────────────────────────────────────┼────────────────────
РСФСР │
│
Владивосток, Выборг, Калининград, Корсаков, Краснодар,│700 и выше
Курильск, Майкоп, Находка, Новороссийск, Орджоникидзе,│
Поронайск, Сочи, Советская Гавань, Туапсе, │
Усть-Лабинск, Южно-Сахалинск │
│
Армавир, Аян, Березники, Вологда, Волоколамск, Вязьма,│От 600 до 700
Гагарин, Гдов, Горно-Алтайск, Иваново, Калинин, │
Калуга, Кизел, Курск, Липецк, Можайск, Опочка, Пермь, │
Петропавловск-Камчатский, Ржев, Смоленск, Углич, │
Холмск, Череповец, Ярославль │
│
УССР │
│
Дерегово, Львов, Мукачево, Ужгород │700 и выше
│
Ивано-Франковск, Тернополь │От 600 до 700
│
БССР │
│
Барановичи, Минск │700 и выше
│
Бобруйск, Борисов, Брест, Вилейка-Витебск, Гомель, │От 600 до 700
Лида, Могилев, Молодечно, Пинск, Слуцк │
│
Грузинская ССР │
│
Батуми, Гагра, Зугдиди, Кутаиси, Поти, Самтредиа, │700 и выше
Сухуми, Чиатура │
│
Рустави │От 600 до 700
│
АзССР │
│
Ленкорань │700 и выше
│
Литовская ССР │
│
Клайпеда │700 и выше
│
Каунас │От 600 до 700
│
Латвийская ССР │
│
Вентспилс, Даугавпилс │От 600 до 700
│
Таджикская ССР │
│
Душанбе │От 600 до 700
│
Армянская ССР │
│
Горис │От 600 до 700
│
ЭССР │
│
Валга, Вильянди, Кохтла-Ярве, Нарва, Пярну │От 600 до 700
ОСВЕЩЕНИЯ УЛИЦ И ДОРОГ
Таблица 1
Светильники, используемые в типовых решениях
освещения улиц и дорог
───────────────────┬───────────────────┬───────────────────────────┬───────
Тип светильника │Тип источника света│ Светораспределение │Степень
│ │ светильника в плоскости │защиты
│ ├────────────┬──────────────┤
│ │вертикальной│горизонтальной│
───────────────────┼───────────────────┼────────────┼──────────────┼───────
ЖКУ-400-001 │ДНаТ400 │ Ш
<*> │ Б │IP53
ЖКУ02-400-002 │ДНаТ400 │ Ш │ Б │IP23
ЖКУ02-400-003 │ДНаТ250 │ Ш │ Б │IP53
ЖКУ02-400-004 │ДНаТ250 │ Ш │ Б │IP23
ГКУ02-400-001 │ДРИ400 │ Ш │ Б │IP53
ГКУ02-400-002 │ДРИ400 │ Ш │ Б │IP23
│ │ │ │
ГКУ02-250-003 │ДРИ250 │ Ш │ Б │IP53
ГКУ02-250-004 │ДРИ250 │ Ш │ Б │IP23
РКУ01-400-010 │ДРЛ400, ДРЛ250 │ Ш │ Б │IP23
РКУ01-400-012 │ДРЛ400 │ Ш │ Б │IP23
РКУ01-400-011 │ДРЛ250 │ Ш │ Б │IP23
РКУ01-125-008 │ДРЛ125, ДРЛ80 │ Ш │ Б │IP23
│ │ │ │
СЗПР-250(б)-М │ДРЛ250 │ Ш │ Б │IP53
СЗПР-250(ц)-М │ДРЛ250 │ Ш │ Б │IP53
СПОР-250 │ДРЛ250 │ Д │ КС │IP53
РТУ01x125 │ДРЛ125, ДРЛ80 │ С │ КС │IP53
РТУ02-250-08 │ДРЛ250 │ С │ КС │IP53
НКУ01-200/Д23-01 │ЛН, 200 Вт │ Д │ Б │IP23
СПО-200-1 │ЛН, 200 Вт │ Д │ КС │IP23
--------------------------------
<*> Условные обозначения:
Ш - широкое; Б - боковое; Д - косинусное; С - синусное.
Таблица 2
Параметры осветительных установок при норме средней яркости
шероховатого асфальтобетонного дорожного покрытия 1,6 кд/м2
──────────┬────────────┬──────────────┬─────────┬────────┬────────┬─────────┬────────┬────────────
Ширина │ Схема │ Тип │ Тип │Число │Угол │Высота │Шаг │ Удельная
проезжей │расположения│ светильника │источника│светиль-│наклона │светового│светиль-│ мощность
части, м │светильников│ │ │ников на│светиль-│центра │ника, м │ установки
│ │ │ │опоре, │ника, │светиль- │ ├──────┬─────
│ │ │ │шт. │град │ников, м │ │кВт/км│Вт/м2
──────────┼────────────┼──────────────┼─────────┼────────┼────────┼─────────┼────────┼──────┼─────
15 │Прямо- │РКУ01-400-010 │ДРЛ400 │ 1 │ 15 │ 10 │ 31 │ 27,5 │1,83
│угольная │РКУ01-400-012 │ДРЛ400 │ 1 │ 15 │ 10 │ 32 │ 26,5 │1,76
│ │ГКУ02-250-004 │ДРИ250 │ 1 │ 15 │ 8,5 │ 34 │ 15,9 │1,06
│ │ГКУ02-250-003 │ДРИ250 │ 1 │ 15 │ 8,5 │ 30 │ 18,0 │1,20
│ │ │ │ │ │ │ │ │
│Шахматная │ГКУ02-400-002 │ДРИ400 │ 1 │ 15 │ 10 │ 55 │ 15,4 │1,03
│ │ │ │ │ │ │ │ │
│Прямо- │ГКУ02-400-001 │ДРИ400 │ 1 │ 15 │ 10 │ 49 │ 17,4 │1,16
│угольная │ЖКУ02-250-004 │ДНаТ250 │ 1 │ 15 │ 10 │ 43 │ 12,8 │0,85
│ │ЖКУ02-250-003 │ДНаТ250 │ 1 │ 15 │ 10 │ 39 │ 14,1 │0,94
──────────┼────────────┼──────────────┼─────────┼────────┼────────┼─────────┼────────┼──────┼─────
22,5 │Прямо- │РКУ01-400-010 │ДРЛ400 │ 2 │ 15 │ 12 │ 43 │ 39,4 │1,75
│угольная │РКУ01-400-012 │ДРЛ400 │ 2 │ 15 │ 12 │ 44 │ 36,8 │1,64
│ │ГКУ02-400-002 │ДРИ400 │ 1 │ 15 │ 10 │ 38 │ 22,4 │1,00
│ │ГКУ02-400-001 │ДРИ400 │ 1 │ 15 │ 10 │ 33 │ 25,8 │1,14
│ │ЖКУ02-400-002 │ДНаТ400 │ 1 │ 15 │ 12 │ 50 │ 17,3 │0,77
│ │ЖКУ02-400-001 │ДНаТ400 │ 1 │ 15 │ 12 │ 46 │ 18,9 │0,84
──────────┼────────────┼──────────────┼─────────┼────────┼────────┼─────────┼────────┼──────┼─────
11,25 x 2 │Двухрядная │ГКУ02-400-002 │ДРИ400 │ 2 │ 30 │ 12 │ 30 │ 28,4 │1,26
│по оси* │ЖКУ02-400-002 │ДНаТ400 │ 2 │ 30 │ 13,5 │ 38 │ 22,8 │1,02
│ │ЖКУ02-400-001 │ДНаТ400 │ 2 │ 30 │ 13,5 │ 35 │ 24,8 │1,10
│ │ │ │ │ │ │ │ │
│Прямо- │РКУ01-400-010 │ДРЛ400 │ 2 │ 30 │ 12 │ 40 │ 42,8 │1,89
│угольная* │РКУ01-400-012 │ДРЛ400 │ 2 │ 30 │ 12 │ 41 │ 39,5 │1,76
│ │ГКУ02-400-002 │ДРИ400 │ 1 │ 30 │ 10 │ 37 │ 23,0 │1,02
│ │ГКУ02-400-001 │ДРИ400 │ 1 │ 30 │ 10 │ 33 │ 25,7 │1,14
│ │ЖКУ02-400-002 │ДНаТ400 │ 1 │ 30 │ 12 │ 45 │ 19,1 │0,85
│ │ЖКУ02-400-001 │ДНаТ400 │ 1 │ 30 │ 12 │ 43 │ 20,1 │0,89
──────────┼────────────┼──────────────┼─────────┼────────┼────────┼─────────┼────────┼──────┼─────
15 x 2 │Прямо- │РКУ01-400-010 │ДРЛ400 │ 2 │ 30 │ 12 │ 32 │ 26,6 │0,89
│угольная* │РКУ01-400-012 │ДРЛ400 │ 2 │ 30 │ 12 │ 33 │ 25,8 │0,86
│ │ЖКУ02-400-002 │ДНаТ400 │ 1 │ 30 │ 12 │ 38 │ 22,8 │0,76
│ │ЖКУ02-400-001 │ДНаТ400 │ 1 │ 30 │ 12 │ 34 │ 25,5 │0,85
Таблица 3
Параметры осветительных установок при норме средней яркости
шероховатого асфальтобетонного дорожного покрытия 1,2 кд/м2
─────────┬────────────┬──────────────┬─────────┬────────┬────────┬─────────┬────────┬────────────
Ширина │ Схема │ Тип │ Тип │Число │Угол │Высота │Шаг │ Удельная
проезжей │расположения│ светильника │источника│светиль-│наклона │светового│светиль-│ мощность
части, м │светильников│ │ света │ников на│светиль-│центра │ников, м│ установки
│ │ │ │опоре, │ника, │светиль- │ ├──────┬─────
│ │ │ │шт. │град │ника, м │ │кВт/км│Вт/м2
─────────┼────────────┼──────────────┼─────────┼────────┼────────┼─────────┼────────┼──────┼─────
15 │Прямо- │РКУ01-400-010 │ДРЛ400 │ 1 │ 15 │ 10 │ 41 │ 20,7 │1,38
│угольная │РКУ01-400-012 │ДРЛ400 │ 1 │ 15 │ 10 │ 43 │ 19,7 │1,32
│ │РКУ01-400-010 │ДРЛ250 │ 2 │ 15 │ 11 │ 44 │ 24,6 │1,64
│ │РКУ01-400-011 │ДРЛ250 │ 2 │ 15 │ 11 │ 46 │ 23,6 │1,57
│ │ГКУ02-250-002 │ДРИ250 │ 1 │ 15 │ 10 │ 41 │ 13,2 │0,88
│ │ГКУ02-250-001 │ДРИ250 │ 1 │ 15 │ 10 │ 36 │ 15,0 │1,00
│ │ │ │ │ │ │ │ │
│Шахматная │ЖКУ02-250-004 │ДНаТ250 │ 1 │ 15 │ 10 │ 57 │ 9,7 │0,65
│ │ЖКУ02-250-003 │ДНаТ250 │ 1 │ 15 │ 10 │ 51 │ 10,8 │0,72
─────────┼────────────┼──────────────┼─────────┼────────┼────────┼─────────┼────────┼──────┼─────
22,5 │Прямо- │РКУ01-400-010 │ДРЛ400 │ 1 │ 15 │ 10 │ 31 │ 27,5 │1,22
│угольная │РКУ01-400-012 │ДРЛ400 │ 1 │ 15 │ 10 │ 32 │ 26,5 │1,18
│ │РКУ01-400-010 │ДРЛ250 │ 2 │ 15 │ 11 │ 33 │ 32,7 │1,45
│ │РКУ01-400-012 │ДРЛ250 │ 2 │ 15 │ 11 │ 34 │ 31,9 │1,42
│ │ГКУ02-250-004 │ДРИ250 │ 1 │ 15 │ 10 │ 31 │ 17,5 │0,78
│ │ГКУ02-250-003 │ДРИ250 │ 1 │ 15 │ 10 │ 28 │ 18,7 │0,83
│ │ │ │ │ │ │ │ │
│Шахматная │ГКУ02-400-002 │ДРИ400 │ 1 │ 15 │ 10 │ 53 │ 16,1 │0,72
│ │ │ │ │ │ │ │ │
│Прямо- │ГКУ02-400-001 │ДРИ400 │ 1 │ 15 │ 10 │ 47 │ 18,0 │0,80
│угольная │ЖКУ02-250-004 │ДНаТ250 │ 1 │ 15 │ 10 │ 41 │ 13,4 │0,60
│ │ЖКУ02-250-003 │ДНаТ250 │ 1 │ 15 │ 10 │ 37 │ 14,8 │0,66
─────────┼────────────┼──────────────┼─────────┼────────┼────────┼─────────┼────────┼──────┼─────
11,25 x 2│Двухрядная │ГКУ02-400-002 │ДРИ400 │ 2 │ 30 │ 12 │ 40 │ 21,2 │0,94
│по оси* │ГКУ02-400-002 │ДРИ400 │ 2 │ 30 │ 12 │ 36 │ 23,6 │1,05
│ │ЖКУ02-250-004 │ДНаТ250 │ 2 │ 30 │ 12 │ 31 │ 17,8 │0,79
│ │ЖКУ02-250-003 │ДНаТ250 │ 2 │ 30 │ 12 │ 28 │ 19,1 │0,85
│ │ │ │ │ │ │ │ │
│Прямо- │РКУ01-400-010 │ДРЛ400 │ 1 │ 15 │ 10 │ 29 │ 29,4 │1,30
│угольная* │РКУ01-400-012 │ДРЛ400 │ 1 │ 15 │ 10 │ 29 │ 29,4 │1,30
│ │ГКУ02-250-004 │ДРИ250 │ 1 │ 15 │ 10 │ 29 │ 18,7 │0,83
│ │ГКУ02-400-002 │ДРИ400 │ 1 │ 15 │ 12 │ 47 │ 18,0 │0,80
│ │ГКУ02-400-001 │ДРИ400 │ 1 │ 15 │ 12 │ 42 │ 20,2 │0,90
│ │ЖКУ02-250-004 │ДНаТ250 │ 1 │ 15 │ 10 │ 39 │ 14,1 │0,62
│ │ЖКУ02-250-003 │ДНаТ250 │ 1 │ 15 │ 10 │ 35 │ 15,7 │0,70
│ │ │ │ │ │ │ │ │
│Шахматная* │ЖКУ02-400-002 │ДНаТ400 │ 1 │ 15 │ 12 │ 61 │ 14,2 │0,63
│ │ЖКУ02-400-001 │ДНаТ400 │ 1 │ 15 │ 12 │ 55 │ 15,8 │0,70
─────────┼────────────┼──────────────┼─────────┼────────┼────────┼─────────┼────────┼──────┼─────
15 x 2 │Прямо- │РКУ01-400-010 │ДРЛ400 │ 2 │ 15 │ 12 │ 45 │ 37,8 │1,25
│угольная* │РКУ01-400-012 │ДРЛ400 │ 2 │ 15 │ 12 │ 45 │ 37,8 │1,26
│ │ГКУ02-400-002 │ДРИ400 │ 1 │ 30 │ 12 │ 37 │ 23,0 │0,77
│ │ГКУ02-400-001 │ДРИ400 │ 1 │ 30 │ 12 │ 33 │ 25,8 │0,86
│ │ЖКУ02-250-004 │ДНаТ250 │ 1 │ 30 │ 12 │ 31 │ 17,8 │0,60
│ │ЖКУ02-400-002 │ДНаТ400 │ 1 │ 30 │ 12 │ 50 │ 17,3 │0,58
│ │ЖКУ02-400-001 │ДНаТ400 │ 1 │ 30 │ 12 │ 46 │ 18,9 │0,63
Таблица 4
Параметры осветительных установок при норме средней яркости
шероховатого асфальтобетонного дорожного покрытия 1,0 кд/м2
─────────┬────────────┬──────────────┬─────────┬────────┬────────┬─────────┬────────┬────────────
Ширина │ Схема │ Тип │ Тип │Число │Угол │Высота │Шаг │ Удельная
проезжей │расположения│ светильника │источника│светиль-│наклона │светового│светиль-│ мощность
части, м │светильников│ │ света │ников на│светиль-│центра │ников, м│ установки
│ │ │ │опоре, │ника, │светиль- │ ├──────┬─────
│ │ │ │шт. │град │ника, м │ │кВт/км│Вт/м2
─────────┼────────────┼──────────────┼─────────┼────────┼────────┼─────────┼────────┼──────┼─────
15 │Прямо- │РКУ01-400-010 │ДРЛ250 │ 1 │ 15 │ 8,5 │ 30 │ 18,0 │1,20
│угольная │РКУ01-250-011 │ДРЛ250 │ 1 │ 15 │ 8,5 │ 31 │ 17,5 │1,17
│ │ │ │ │ │ │ │ │
│Шахматная │РКУ01-400-010 │ДРЛ400 │ 1 │ 15 │ 10 │ 50 │ 17,0 │1,13
│ │РКУ01-400-012 │ДРЛ400 │ 1 │ 15 │ 10 │ 52 │ 16,4 │1,09
│ │ГКУ02-250-004 │ДРИ250 │ 1 │ 15 │ 10 │ 50 │ 10,8 │0,72
│ │ │ │ │ │ │ │ │
│Прямо- │ГКУ02-250-003 │ДРИ250 │ 1 │ 15 │ 10 │ 45 │ 12,0 │0,80
│угольная │ │ │ │ │ │ │ │
│ │ │ │ │ │ │ │ │
│Шахматная │ЖКУ02-250-003 │ДНаТ250 │ 1 │ 15 │ 10 │ 60 │ 9,2 │0,61
─────────┼────────────┼──────────────┼─────────┼────────┼────────┼─────────┼────────┼──────┼─────
22,5 │Прямо- │РКУ01-400-010 │ДРЛ400 │ 1 │ 30 │ 10 │ 38 │ 22,4 │1,00
│угольная │РКУ01-400-012 │ДРЛ400 │ 1 │ 30 │ 10 │ 39 │ 21,7 │0,97
│ │РКУ01-400-010 │ДРЛ250 │ 2 │ 30 │ 10 │ 42 │ 25,7 │1,14
│ │РКУ01-250-011 │ДРЛ250 │ 2 │ 30 │ 10 │ 44 │ 24,6 │1,09
│ │ГКУ02-250-004 │ДРИ250 │ 1 │ 30 │ 10 │ 37 │ 14,6 │0,65
│ │ГКУ02-250-003 │ДРИ250 │ 1 │ 30 │ 10 │ 33 │ 16,3 │0,73
│ │ │ │ │ │ │ │ │
│Шахматная │ГКУ02-400-002 │ДРИ400 │ 1 │ 30 │ 10 │ 66 │ 12,9 │0,57
│ │ГКУ02-400-001 │ДРИ400 │ 1 │ 30 │ 10 │ 58 │ 14,7 │0,65
│ │ │ │ │ │ │ │ │
│Прямо- │ЖКУ02-250-004 │ДНаТ250 │ 1 │ 30 │ 10 │ 50 │ 11,0 │0,73
│угольная │ЖКУ02-250-003 │ДНаТ250 │ 1 │ 30 │ 10 │ 45 │ 12,2 │0,54
─────────┼────────────┼──────────────┼─────────┼────────┼────────┼─────────┼────────┼──────┼─────
7,5 x 2 │Двухрядная │РКУ01-400-010 │ДРЛ400 │ 2 │ 30 │ 10 │ 34 │ 25,0 │1,67
│по оси* │РКУ01-400-012 │ДРЛ400 │ 2 │ 30 │ 10 │ 36 │ 23,6 │1,58
│ │ГКУ02-250-004 │ДРИ250 │ 2 │ 30 │ 10 │ 37 │ 14,6 │0,98
│ │ГКУ02-250-003 │ДРИ250 │ 2 │ 30 │ 10 │ 32 │ 16,8 │1,12
│ │ │ │ │ │ │ │ │
│Прямо- │РКУ01-250-011 │ДРЛ250 │ 2 │ 15 │ 10 │ 49 │ 22,0 │1,47
│угольная* │РКУ01-400-010 │ДРЛ250 │ 2 │ 15 │ 10 │ 48 │ 22,4 │1,50
│ │РКУ01-400-010 │ДРЛ400 │ 1 │ 15 │ 10 │ 43 │ 19,7 │1,31
│ │РКУ01-400-012 │ДРЛ400 │ 1 │ 15 │ 10 │ 44 │ 19,4 │1,29
│ │ГКУ02-250-004 │ДРИ250 │ 1 │ 15 │ 10 │ 42 │ 12,8 │0,86
│ │ГКУ02-250-003 │ДРИ250 │ 1 │ 15 │ 10 │ 38 │ 13,8 │0,92
│ │ │ │ │ │ │ │ │
│Шахматное* │ЖКУ02-250-004 │ДНаТ250 │ 1 │ 15 │ 10 │ 59 │ 9,3 │0,62
│ │ЖКУ02-250-003 │ДНаТ250 │ 1 │ 15 │ 10 │ 54 │ 10,2 │0,68
─────────┼────────────┼──────────────┼─────────┼────────┼────────┼─────────┼────────┼──────┼─────
11,25 x 2│Двухрядная │РКУ01-400-010 │ДРЛ400 │ 2 │ 30 │ 10 │ 29 │ 29,4 │1,31
│по оси* │РКУ02-400-012 │ДРЛ400 │ 2 │ 30 │ 10 │ 30 │ 28,4 │1,26
│ │ГКУ02-250-004 │ДРИ250 │ 2 │ 30 │ 10 │ 31 │ 17,5 │0,78
│ │ГКУ02-400-002 │ДРИ400 │ 2 │ 30 │ 12 │ 48 │ 17,7 │0,79
│ │ГКУ02-400-001 │ДРИ400 │ 2 │ 30 │ 12 │ 44 │ 19,4 │0,86
│ │ЖКУ02-250-004 │ДНаТ250 │ 2 │ 30 │ 12 │ 37 │ 14,9 │0,66
│ │ЖКУ02-250-003 │ДНаТ250 │ 2 │ 30 │ 12 │ 32 │ 17,1 │0,76
│ │ │ │ │ │ │ │ │
│Прямо- │РКУ01-400-010 │ДРЛ400 │ 1 │ 15 │ 10 │ 34 │ 25,0 │1,11
│угольная* │РКУ01-400-012 │ДРЛ400 │ 1 │ 15 │ 10 │ 35 │ 24,3 │1,08
│ │ГКУ02-250-004 │ДРИ250 │ 1 │ 15 │ 10 │ 33 │ 16,3 │0,73
│ │ГКУ02-250-003 │ДРИ250 │ 1 │ 15 │ 10 │ 29 │ 18,7 │0,83
│ │ │ │ │ │ │ │ │
│Шахматная* │ГКУ02-400-002 │ДРИ400 │ 1 │ 15 │ 10 │ 60 │ 14,2 │0,63
│ │ГКУ02-400-001 │ДРИ400 │ 1 │ 15 │ 10 │ 54 │ 15,7 │0,70
│ │ │ │ │ │ │ │ │
│Прямо- │ЖКУ02-250-004 │ДНаТ250 │ 1 │ 15 │ 10 │ 46 │ 12,0 │0,53
│угольная* │ЖКУ02-250-003 │ДНаТ250 │ 1 │ 15 │ 10 │ 42 │ 13,1 │0,58
Таблица 5
Параметры осветительных установок при норме средней яркости
гладкого асфальтобетонного дорожного покрытия 1,6 кд/м2
─────────┬────────────┬──────────────┬─────────┬────────┬────────┬─────────┬────────┬────────────
Ширина │ Схема │ Тип │ Тип │Число │Угол │Высота │Шаг │ Удельная
проезжей │расположения│ светильника │источника│светиль-│наклона │светового│светиль-│ мощность
части, м │светильников│ │ света │ников на│светиль-│центра │ников, м│ установки
│ │ │ │опоре, │ника, │светиль- │ ├──────┬─────
│ │ │ │шт. │град │ника, м │ │кВт/км│Вт/м2
─────────┼────────────┼──────────────┼─────────┼────────┼────────┼─────────┼────────┼──────┼─────
7,5 │Одно- │РКУ01-400-010 │ДРЛ400 } │ 1 │ 15 │ 10 │ 42 │ 16,6 │2,20
│сторонняя │РКУ01-400-010 │ДРЛ250 | │ 1 │ 15 │ │ │ │
│ │РКУ01-400-012 │ДРЛ400 } │ 1 │ 15 │ 10 │ 42 │ 16,6 │2,20
│ │РКУ01-250-011 │ДРЛ250 | │ 1 │ 15 │ │ │ │
│ │РКУ01-250-011 │ДРЛ250 │ 2 │ 15 │ 11 │ 30 │ 18,0 │2,40
│ │ГКУ02-250-004 │ДРИ250 │ 1 │ 15 │ 10 │ 31 │ 8,8 │1,16
│ │ГКУ02-250-003 │ДРИ250 │ 2 │ 15 │ 11 │ 51 │ 10,6 │1,42
│ │ГКУ02-400-002 │ДРИ400 │ 1 │ 15 │ 10 │ 45 │ 9,5 │1,26
│ │ГКУ02-400-001 │ДРИ400 │ 1 │ 15 │ 10 │ 41 │ 10,4 │1,37
│ │ЖКУ02-250-004 │ДНаТ250 │ 1 │ 15 │ 10 │ 40 │ 6,9 │0,92
│ │ЖКУ02-250-003 │ДНаТ250 │ 1 │ 15 │ 10 │ 37 │ 7,4 │0,99
─────────┼────────────┼──────────────┼─────────┼────────┼────────┼─────────┼────────┼──────┼─────
11,25 │Одно- │РКУ01-400-010 │ДРЛ400 │ 2 │ 15 │ 13,5 │ 38 │ 22,5 │2,00
│сторонняя │РКУ01-400-012 │ДРЛ400 │ 2 │ 15 │ 13,5 │ 39 │ 21,8 │1,94
│ │ГКУ02-250-004 │ДРИ250 │ 2 │ 15 │ 12 │ 46 │ 11,8 │1,05
│ │ГКУ02-250-003 │ДРИ250 │ 2 │ 15 │ 12 │ 39 │ 13,9 │1,23
│ │ЖКУ02-250-003 │ДНаТ250 │ 2 │ 15 │ 13,5 │ 48 │ 11,4 │1,01
│ │ЖКУ02-250-004 │ДНаТ250 │ 2 │ 15 │ 13,5 │ 51 │ 10,8 │0,96
│ │ЖКУ02-400-002 │ДНаТ400 │ 1 │ 15 │ 13,5 │ 45 │ 9,6 │0,85
│ │ЖКУ02-400-001 │ДНаТ400 │ 1 │ 15 │ 13,5 │ 43 │ 10,0 │0,89
│ │ │ │ │ │ │ │ │
│Прямо- │РКУ01-400-010 │ДРЛ400 │ 1 │ 15 │ 10 │ 42 │ 20,2 │1,80
│угольная │РКУ01-400-012 │ДРЛ400 │ 1 │ 25 │ 10 │ 42 │ 20,2 │1,80
│ │ГКУ02-250-004 │ДРИ250 │ 1 │ 15 │ 10 │ 48 │ 11,3 │1,00
│ │ГКУ02-250-003 │ДРИ250 │ 1 │ 15 │ 10 │ 41 │ 13,2 │1,17
│ │ │ │ │ │ │ │ │
│Шахматная │ЖКУ02-250-004 │ДНаТ250 │ 1 │ 15 │ 10 │ 69 │ 8,0 │0,71
│ │ЖКУ02-250-003 │ДНаТ250 │ 1 │ 15 │ 10 │ 61 │ 9,0 │0,80
─────────┼────────────┼──────────────┼─────────┼────────┼────────┼─────────┼────────┼──────┼─────
15 │Прямо- │РКУ01-400-010 │ДРЛ400 │ 1 │ 15 │ 10 │ 36 │ 23,7 │1,58
│угольная │РКУ01-400-012 │ДРЛ400 │ 1 │ 15 │ 10 │ 36 │ 23,7 │1,58
│ │ГКУ02-250-004 │ДРИ250 │ 1 │ 15 │ 10 │ 38 │ 14,2 │0,96
│ │ГКУ02-250-003 │ДРИ250 │ 1 │ 15 │ 10 │ 34 │ 16,0 │1,07
│ │ │ │ │ │ │ │ │
│Шахматная │ГКУ02-400-002 │ДРИ400 │ 1 │ 15 │ 10 │ 68 │ 12,5 │0,83
│ │ГКУ02-400-001 │ДРИ400 │ 1 │ 15 │ 10 │ 62 │ 13,7 │0,91
│ │ │ │ │ │ │ │ │
│Прямо- │ЖКУ02-250-004 │ДНаТ250 │ 1 │ 15 │ 10 │ 52 │ 10,6 │0,71
│угольная │ЖКУ02-250-003 │ДНаТ250 │ 1 │ 15 │ 10 │ 46 │ 12,1 │0,80
─────────┼────────────┼──────────────┼─────────┼────────┼────────┼─────────┼────────┼──────┼─────
22,5 │Прямо- │РКУ01-400-010 │ДРЛ400 │ 2 │ 15 │ 12 │ 50 │ 34,0 │1,51
│угольная │РКУ01-400-012 │ДРЛ400 │ 2 │ 15 │ 12 │ 51 │ 33,4 │1,49
│ │ГКУ02-250-004 │ДРИ250 │ 2 │ 15 │ 10 │ 51 │ 21,2 │0,94
│ │ГКУ02-250-003 │ДРИ250 │ 2 │ 15 │ 10 │ 48 │ 22,4 │1,00
│ │ГКУ02-400-002 │ДРИ400 │ 1 │ 30 │ 10 │ 50 │ 17,0 │0,76
│ │ГКУ02-400-001 │ДРИ400 │ 1 │ 30 │ 10 │ 44 │ 19,4 │0,86
│ │ЖКУ02-250-004 │ДНаТ250 │ 1 │ 30 │ 10 │ 40 │ 13,7 │0,61
│ │ЖКУ02-250-003 │ДНаТ250 │ 1 │ 30 │ 10 │ 35 │ 15,7 │0,70
│ │ │ │ │ │ │ │ │
│Шахматная │ЖКУ02-400-002 │ДНаТ400 │ 1 │ 15 │ 12 │ 61 │ 14,2 │0,69
│ │ЖКУ02-400-001 │ДНаТ400 │ 1 │ 15 │ 12 │ 59 │ 14,7 │0,66
─────────┼────────────┼──────────────┼─────────┼────────┼────────┼─────────┼────────┼──────┼─────
7,5 x 2 │Двухрядная │ГКУ02-400-002 │ДРИ400 │ 2 │ 15 │ 11,5 │ 55 │ 15,5 │1,03
│по оси* │ГКУ02-400-001 │ДРИ400 │ 2 │ 15 │ 11,5 │ 49 │ 17,3 │1,15
│ │ЖКУ02-250-004 │ДНаТ250 │ 2 │ 15 │ 11,5 │ 45 │ 12,5 │0,81
│ │ЖКУ02-250-003 │ДНаТ250 │ 2 │ 15 │ 11,5 │ 40 │ 13,8 │0,92
│ │ │ │ │ │ │ │ │
│Прямо- │РКУ01-400-010 │ДРЛ400 │ 1 │ 15 │ 10 │ 30 │ 28,4 │1,99
│угольная* │РКУ01-400-012 │ДРЛ400 │ 1 │ 15 │ 10 │ 30 │ 28,4 │1,89
│ │ГКУ02-250-004 │ДРИ250 │ 1 │ 15 │ 10 │ 32 │ 16,9 │1,12
│ │ГКУ02-250-003 │ДРИ250 │ 1 │ 15 │ 10 │ 28 │ 19,3 │1,28
│ │ГКУ02-400-002 │ДРИ400 │ 1 │ 15 │ 10 │ 35 │ 15,5 │1,03
│ │ГКУ02-400-001 │ДРИ400 │ 1 │ 15 │ 10 │ 48 │ 17,7 │1,18
│ │ЖКУ02-250-004 │ДНаТ250 │ 1 │ 15 │ 10 │ 45 │ 12,2 │0,81
│ │ЖКУ02-250-003 │ДНаТ250 │ 1 │ 15 │ 10 │ 41 │ 13,4 │0,89
│ │ │ │ │ │ │ │ │
│Шахматная* │ЖКУ02-400-002 │ДНаТ400 │ 1 │ 15 │ 12,0 │ 63 │ 13,7 │0,91
│ │ЖКУ02-400-001 │ДНаТ400 │ 1 │ 15 │ 12,0 │ 62 │ 13,9 │0,93
─────────┼────────────┼──────────────┼─────────┼────────┼────────┼─────────┼────────┼──────┼─────
11,25 x 2│Двухрядная │ГКУ02-400-002 │ДРИ400 │ 2 │ 30 │ 13,5 │ 36 │ 23,6 │1,05
│по оси* │ЖКУ02-400-002 │ДНаТ400 │ 2 │ 15 │ 13,5 │ 52 │ 16,7 │0,74
│ │ЖКУ02-400-001 │ДНаТ400 │ 2 │ 15 │ 13,5 │ 49 │ 17,7 │0,79
│ │ │ │ │ │ │ │ │
│Прямо- │РКУ01-400-012 │ДРЛ400 │ 2 │ 15 │ 12 │ 47 │ 36,2 │1,60
│угольная* │РКУ01-400-010 │ДРЛ400 │ 2 │ 15 │ 12 │ 46 │ 37,0 │1,65
│ │ГКУ02-400-002 │ДРИ400 │ 1 │ 30 │ 12 │ 41 │ 20,8 │0,92
│ │ГКУ02-400-001 │ДРИ400 │ 1 │ 30 │ 12 │ 38 │ 22,5 │1,00
│ │ЖКУ02-400-002 │ДНаТ400 │ 1 │ 30 │ 12 │ 52 │ 15,7 │0,74
│ │ЖКУ02-400-001 │ДНаТ400 │ 1 │ 30 │ 12 │ 50 │ 17,3 │0,77
─────────┼────────────┼──────────────┼─────────┼────────┼────────┼─────────┼────────┼──────┼─────
15 x 2 │Прямо- │РКУ01-400-010 │ДРЛ400 │ 2 │ 30 │ 12 │ 38 │ 44,8 │1,49
│угольная* │РКУ01-400-012 │ДРЛ400 │ 2 │ 30 │ 12 │ 37 │ 46,0 │1,53
│ │ГКУ02-400-002 │ДРИ400 │ 1 │ 30 │ 12 │ 37 │ 23,0 │0,76
│ │ГКУ02-400-001 │ДРИ400 │ 1 │ 30 │ 12 │ 35 │ 24,3 │0,81
│ │ЖКУ02-400-002 │ДНаТ400 │ 1 │ 30 │ 12 │ 45 │ 19,2 │0,64
│ │ЖКУ02-400-001 │ДНаТ400 │ 1 │ 30 │ 12 │ 43 │ 20,1 │0,67
Таблица 6
Параметры осветительных установок при норме средней яркости
гладкого асфальтобетонного дорожного покрытия 1,2 кд/м2
─────────┬────────────┬──────────────┬─────────┬────────┬────────┬─────────┬────────┬────────────
Ширина │ Схема │ Тип │ Тип │Число │Угол │Высота │Шаг │ Удельная
проезжей │расположения│ светильника │источника│светиль-│наклона │светового│светиль-│ мощность
части, м │светильников│ │ света │ников на│светиль-│центра │ников, м│ установки
│ │ │ │опоре, │ника, │светиль- │ ├──────┬─────
│ │ │ │шт. │град │ника, м │ │кВт/км│Вт/м2
─────────┼────────────┼──────────────┼─────────┼────────┼────────┼─────────┼────────┼──────┼─────
7,5 │Одно- │РКУ01-400-010 │ДРЛ-400 │ 1 │ 15 │ 10 │ 34 │ 12,5 │1,66
│сторонняя │РКУ01-400-012 │ДРЛ-400 │ 1 │ 15 │ 10 │ 35 │ 12,2 │1,63
│ │РКУ01-250-011 │ДРЛ250 │ 2 │ 15 │ 11 │ 40 │ 13,5 │1,80
│ │ГКУ02-250-004 │ДРИ250 │ 1 │ 15 │ 10 │ 41 │ 6,6 │0,88
│ │ГКУ02-250-003 │ДРИ250 │ 1 │ 15 │ 10 │ 36 │ 7,5 │1,00
│ │ЖКУ02-250-004 │ДНаТ250 │ 1 │ 15 │ 10 │ 54 │ 5,1 │0,68
│ │ЖКУ02-250-003 │ДНаТ250 │ 1 │ 15 │ 10 │ 49 │ 5,6 │0,75
─────────┼────────────┼──────────────┼─────────┼────────┼────────┼─────────┼────────┼──────┼─────
11,25 │Одно- │РКУ01-250-011 │ДРЛ250 │ 2 │ 15 │ 12 │ 30 │ 18,0 │1,60
│сторонняя │ГКУ02-400-002 │ДРИ400 │ 1 │ 30 │ 12 │ 45 │ 9,4 │0,84
│ │ГКУ02-400-001 │ДРИ400 │ 1 │ 30 │ 12 │ 43 │ 9,8 │0,88
│ │ЖКУ02-250-004 │ДНаТ250 │ 1 │ 30 │ 12 │ 37 │ 7,4 │0,66
│ │ЖКУ02-250-003 │ДНаТ250 │ 1 │ 30 │ 12 │ 35 │ 7,9 │0,70
│ │ │ │ │ │ │ │ │
│Прямо- │РКУ01-400-010 │ДРЛ250 │ 1 │ 15 │ 10 │ 33 │ 16,4 │1,46
│угольная │РКУ01-250-011 │ДРЛ250 │ 1 │ 15 │ 10 │ 34 │ 15,9 │1,41
│ │ │ │ │ │ │ │ │
│Шахматная │ГКУ02-250-003 │ДРИ250 │ 1 │ 15 │ 10 │ 56 │ 9,7 │0,86
│ │ГКУ02-250-004 │ДРИ250 │ 1 │ 15 │ 10 │ 62 │ 8,7 │0,77
─────────┼────────────┼──────────────┼─────────┼────────┼────────┼─────────┼────────┼──────┼─────
15 │Прямо- │РКУ01-400-010 │ДРЛ400 │ 1 │ 15 │ 10 │ 48 │ 17,7 │1,18
│угольная │РКУ01-400-012 │ДРЛ400 │ 1 │ 15 │ 10 │ 49 │ 17,4 │1,16
│ │ГКУ02-250-004 │ДРИ250 │ 1 │ 15 │ 10 │ 53 │ 10,2 │0,68
│ │ГКУ02-250-003 │ДРИ250 │ 1 │ 15 │ 10 │ 48 │ 11,2 │0,75
│ │РКУ01-250-011 │ДРЛ250 │ 2 │ 15 │ 11 │ 50 │ 21,6 │1,44
─────────┼────────────┼──────────────┼─────────┼────────┼────────┼─────────┼────────┼──────┼─────
22,5 │Прямо- │РКУ01-400-010 │ДРЛ400 │ 1 │ 15 │ 10 │ 37 │ 23,0 │1,02
│угольная │РКУ01-400-012 │ДРЛ400 │ 1 │ 15 │ 10 │ 38 │ 22,5 │1,00
│ │ГКУ02-250-004 │ДРИ250 │ 1 │ 15 │ 10 │ 38 │ 14,3 │0,95
│ │ГКУ02-250-003 │ДРИ250 │ 1 │ 15 │ 10 │ 33 │ 16,4 │1,09
│ │ │ │ │ │ │ │ │
│Шахматная │ГКУ02-400-002 │ДРИ400 │ 1 │ 15 │ 12 │ 63 │ 13,9 │0,60
│ │ГКУ02-400-001 │ДРИ400 │ 1 │ 15 │ 12 │ 56 │ 15,2 │0,67
│ │ │ │ │ │ │ │ │
│Прямо- │ЖКУ02-250-004 │ДНаТ250 │ 1 │ 15 │ 10 │ 51 │ 10,8 │0,48
│угольная │ЖКУ02-250-003 │ДНаТ250 │ 1 │ 15 │ 10 │ 46 │ 12,0 │0,53
─────────┼────────────┼──────────────┼─────────┼────────┼────────┼─────────┼────────┼──────┼─────
7,5 x 2 │Двухрядная │РКУ01-400-010 │ДРЛ400 │ 2 │ 15 │ 11 │ 37 │ 23,0 │1,53
│по оси* │РКУ01-400-012 │ДРЛ400 │ 2 │ 15 │ 11 │ 38 │ 22,5 │1,50
│ │ГКУ02-250-004 │ДРИ250 │ 2 │ 15 │ 11 │ 39 │ 13,8 │0,92
│ │ГКУ02-250-003 │ДРИ250 │ 2 │ 15 │ 11 │ 36 │ 15,0 │1,00
│ │ │ │ │ │ │ │ │
│Прямо- │РКУ01-400-010 │ДРЛ400 │ 1 │ 15 │ 10 │ 40 │ 21,3 │1,42
│угольная* │РКУ01-400-012 │ДРЛ400 │ 1 │ 15 │ 10 │ 41 │ 20,8 │1,38
│ │ГКУ02-250-004 │ДРИ250 │ 1 │ 15 │ 10 │ 42 │ 12,9 │0,86
│ │ГКУ02-250-003 │ДРИ250 │ 1 │ 15 │ 10 │ 38 │ 14,3 │0,95
─────────┼────────────┼──────────────┼─────────┼────────┼────────┼─────────┼────────┼──────┼─────
11,25 x 2│Двухрядная │ГКУ02-250-004 │ДРИ250 │ 2 │ 30 │ 12 │ 30 │ 18,0 │0,80
│по оси* │ЖКУ02-250-004 │ДНаТ250 │ 2 │ 30 │ 12 │ 40 │ 13,8 │0,61
│ │ЖКУ02-250-003 │ДНаТ250 │ 2 │ 30 │ 12 │ 36 │ 15,3 │0,68
│ │ │ │ │ │ │ │ │
│Прямо- │РКУ01-400-010 │ДРЛ400 │ 1 │ 15 │ 10 │ 32 │ 26,5 │1,18
│угольная* │РКУ01-400-012 │ДРЛ400 │ 1 │ 15 │ 10 │ 33 │ 25,8 │1,14
│ │ГКУ02-250-004 │ДРИ250 │ 1 │ 15 │ 10 │ 34 │ 16,0 │0,71
│ │ГКУ02-250-003 │ДРИ250 │ 1 │ 15 │ 10 │ 30 │ 18,0 │0,80
│ │ГКУ02-400-002 │ДРИ400 │ 1 │ 15 │ 12 │ 56 │ 15,2 │0,68
│ │ГКУ02-400-001 │ДРИ400 │ 1 │ 15 │ 12 │ 50 │ 17,0 │0,78
│ │ЖКУ02-250-004 │ДНаТ250 │ 1 │ 15 │ 12 │ 48 │ 11,4 │0,51
│ │ЖКУ02-250-003 │ДНаТ250 │ 1 │ 15 │ 12 │ 44 │ 12,6 │0,56
─────────┼────────────┼──────────────┼─────────┼────────┼────────┼─────────┼────────┼──────┼─────
ИС МЕГАНОРМ: примечание.
Значение в графе 9 дано в соответствии с официальным текстом документа.
15 x 2 │Прямо- │РКУ01-400-012 │ДРЛ400 │ 2 │ 15 │ 12 │ 52 │ 3218 │1,09
│угольная* │РКУ01-400-010 │ДРЛ400 │ 2 │ 15 │ 12 │ 50 │ 34,0 │1,13
│ │ГКУ02-400-002 │ДРИ400 │ 1 │ 30 │ 12 │ 49 │ 19,4 │0,65
│ │ГКУ02-400-001 │ДРИ400 │ 1 │ 30 │ 12 │ 43 │ 19,7 │0,66
│ │ЖКУ02-250-004 │ДНаТ250 │ 1 │ 15 │ 12 │ 37 │ 14,9 │0,50
│ │ЖКУ02-250-003 │ДНаТ250 │ 1 │ 15 │ 12 │ 33 │ 16,7 │0,56
│ │ │ │ │ │ │ │ │
│Шахматная* │ЖКУ02-400-002 │ДНаТ400 │ 1 │ 15 │ 12 │ 55 │ 15,7 │0,52
│ │ЖКУ02-400-001 │ДНаТ400 │ 1 │ 15 │ 12 │ 52 │ 18,6 │0,62
│ │ЖКУ02-400-002 │ДНаТ400 │ 1 │ 30 │ 12 │ 60 │ 14,5 │0,48
│ │ЖКУ02-400-001 │ДНаТ400 │ 1 │ 30 │ 12 │ 57 │ 15,2 │0,51
│ │ │ │ │ │ │ │ │
Таблица 7
Параметры осветительных установок при норме средней яркости
гладкого асфальтобетонного дорожного покрытия 1,0 кд/м2
─────────┬────────────┬──────────────┬─────────┬────────┬────────┬─────────┬────────┬────────────
Ширина │ Схема │ Тип │ Тип │Число │Угол │Высота │Шаг │ Удельная
проезжей │расположения│ светильника │источника│светиль-│наклона │светового│светиль-│ мощность
части, м │светильника │ │ света │ников на│светиль-│центра │ников, м│ установки
│ │ │ │опоре, │ника, │светиль- │ ├──────┬─────
│ │ │ │шт. │град │ника, м │ │кВт/км│Вт/м2
─────────┼────────────┼──────────────┼─────────┼────────┼────────┼─────────┼────────┼──────┼─────
7,5 │Одно- │РКУ01-400-010 │ДРЛ400 │ 1 │ 15 │ 10 │ 41 │ 10,2 │1,36
│сторонняя │РКУ01-400-012 │ДРЛ400 │ 1 │ 15 │ 10 │ 42 │ 10,1 │1,35
│ │РКУ01-250-011 │ДРЛ250 │ 2 │ 15 │ 11 │ 45 │ 12,0 │1,60
│ │ГКУ02-250-004 │ДРИ250 │ 1 │ 15 │ 10 │ 50 │ 5,4 │0,72
│ │ГКУ02-250-003 │ДРИ250 │ 1 │ 15 │ 10 │ 41 │ 6,6 │0,88
─────────┼────────────┼──────────────┼─────────┼────────┼────────┼─────────┼────────┼──────┼─────
11,25 │Одно- │РКУ01-250-011 │ДРЛ250 │ 2 │ 15 │ 12 │ 36 │ 15,0 │1,33
│сторонняя │ЖКУ02-250-004 │ДНаТ250 │ 1 │ 30 │ 12 │ 47 │ 5,8 │0,52
│ │ЖКУ02-250-004 │ДНаТ250 │ 1 │ 30 │ 12 │ 41 │ 6,7 │0,60
│ │ЖКУ02-250-004 │ДНаТ250 │ 1 │ 15 │ 13,5 │ 45 │ 6,1 │0,54
│ │ЖКУ02-250-003 │ДНаТ250 │ 1 │ 15 │ 13,5 │ 42 │ 6,5 │0,58
│ │ │ │ │ │ │ │ │
│Прямо- │РКУ01-250-011 │ДРЛ250 │ 1 │ 15 │ 10 │ 40 │ 13,5 │1,20
│угольная │РКУ01-400-010 │ДРЛ250 │ 1 │ 15 │ 10 │ 39 │ 13,9 │1,23
─────────┼────────────┼──────────────┼─────────┼────────┼────────┼─────────┼────────┼──────┼─────
15 │Прямо- │РКУ01-400-010 │ДРЛ400 │ 1 │ 15 │ 10 │ 57 │ 15,0 │1,00
│угольная │РКУ01-400-012 │ДРЛ400 │ 1 │ 15 │ 10 │ 58 │ 14,7 │0,98
│ │РКУ01-400-010 │ДРЛ250 │ 1 │ 15 │ 10 │ 30 │ 18,0 │1,20
│ │РКУ01-250-011 │ДРЛ250 │ 1 │ 15 │ 10 │ 31 │ 17,4 │1,16
│ │ГКУ02-250-003 │ДРИ250 │ 1 │ 15 │ 10 │ 53 │ 10,2 │0,68
│ │ │ │ │ │ │ │ │
│Шахматная │ГКУ02-250-004 │ДРИ250 │ 1 │ 15 │ 10 │ 62 │ 8,7 │0,58
─────────┼────────────┼──────────────┼─────────┼────────┼────────┼─────────┼────────┼──────┼─────
22,5 │Прямо- │РКУ01-400-010 │ДРЛ400 │ 1 │ 15 │ 10 │ 43 │ 19,8 │0,88
│угольная │РКУ01-400-012 │ДРЛ400 │ 1 │ 15 │ 10 │ 44 │ 19,3 │0,86
│ │РКУ01-250-011 │ДРЛ250 │ 2 │ 15 │ 11 │ 48 │ 22,4 │1,00
│ │ГКУ02-250-004 │ДРИ250 │ 1 │ 15 │ 10 │ 43 │ 12,6 │0,56
│ │ГКУ02-250-003 │ДРИ250 │ 1 │ 15 │ 10 │ 39 │ 13,8 │0,61
│ │ │ │ │ │ │ │ │
│Шахматная │ЖКУ02-250-003 │ДНаТ250 │ 1 │ 15 │ 10 │ 55 │ 10,0 │0,44
─────────┼────────────┼──────────────┼─────────┼────────┼────────┼─────────┼────────┼──────┼─────
7,5 x 2 │Двухрядная │РКУ01-400-010 │ДРЛ400 │ 2 │ 30 │ 11 │ 36 │ 23,6 │1,57
│по оси* │РКУ01-400-012 │ДРЛ400 │ 2 │ 30 │ 11 │ 39 │ 21,8 │1,45
│ │ГКУ02-250-004 │ДРИ250 │ 2 │ 30 │ 10 │ 43 │ 12,5 │0,83
│ │ГКУ02-250-003 │ДРИ250 │ 2 │ 30 │ 10 │ 37 │ 14,6 │0,97
│ │ │ │ │ │ │ │ │
│Прямо- │РКУ01-400-010 │ДРЛ400 │ 1 │ 15 │ 10 │ 48 │ 17,7 │1,18
│угольная* │РКУ01-250-011 │ДРЛ250 │ 1 │ 15 │ 10 │ 29 │ 18,7 │1,24
│ │РКУ01-400-012 │ДРЛ400 │ 1 │ 15 │ 10 │ 49 │ 17,4 │1,16
│ │ГКУ02-250-003 │ДРИ250 │ 1 │ 15 │ 10 │ 44 │ 12,3 │0,82
│ │ГКУ02-250-004 │ДРИ250 │ 1 │ 15 │ 10 │ 50 │ 10,8 │0,72
─────────┼────────────┼──────────────┼─────────┼────────┼────────┼─────────┼────────┼──────┼─────
11,25 x 2│Двухрядная │РКУ01-400-010 │ДРЛ400 │ 2 │ 30 │ 10 │ 31 │ 27,6 │1,22
│по оси* │РКУ01-400-012 │ДРЛ400 │ 2 │ 30 │ 10 │ 34 │ 25,0 │1,11
│ │ГКУ02-250-004 │ДРИ250 │ 2 │ 30 │ 12 │ 35 │ 15,5 │0,69
│ │ГКУ02-250-003 │ДРИ250 │ 2 │ 30 │ 12 │ 30 │ 18,0 │0,80
│ │ЖКУ02-250-004 │ДНаТ250 │ 2 │ 30 │ 13,5 │ 44 │ 12,6 │0,56
│ │ЖКУ02-250-003 │ДНаТ250 │ 2 │ 30 │ 13,5 │ 42 │ 13,1 │0,58
│ │ │ │ │ │ │ │ │
│Прямо- │РКУ01-400-010 │ДРЛ400 │ 1 │ 15 │ 10 │ 38 │ 22,4 │1,00
│угольная* │РКУ01-400-012 │ДРЛ400 │ 1 │ 15 │ 10 │ 39 │ 21,8 │0,97
│ │ГКУ02-250-003 │ДРИ250 │ 1 │ 15 │ 10 │ 35 │ 15,5 │0,69
│ │ГКУ02-250-004 │ДРИ250 │ 1 │ 15 │ 10 │ 41 │ 13,2 │0,59
│ │ЖКУ02-250-003 │ДНаТ250 │ 1 │ 15 │ 12 │ 51 │ 10,8 │0,48
─────────┼────────────┼──────────────┼─────────┼────────┼────────┼─────────┼────────┼──────┼─────
15 x 2 │Прямо- │РКУ01-400-010 │ДРЛ400 │ 1 │ 30 │ 10 │ 35 │ 24,2 │0,81
│угольная* │РКУ01-400-012 │ДРЛ400 │ 1 │ 15 │ 10 │ 36 │ 23,6 │0,79
│ │ГКУ02-400-002 │ДРИ400 │ 1 │ 15 │ 12 │ 56 │ 15,2 │0,51
│ │ГКУ02-400-001 │ДРИ400 │ 1 │ 15 │ 12 │ 48 │ 17,7 │0,59
│ │ЖКУ02-250-004 │ДНаТ250 │ 1 │ 15 │ 12 │ 44 │ 12,5 │0,42
│ │ЖКУ02-250-003 │ДНаТ250 │ 1 │ 15 │ 12 │ 40 │ 13,8 │0,46
Таблица 8
Параметры осветительных установок при норме средней яркости
гладкого асфальтобетонного дорожного покрытия 0,8 кд/м2
─────────┬────────────┬──────────────┬─────────┬────────┬────────┬─────────┬────────┬────────────
Ширина │ Схема │ Тип │ Тип │Число │Угол │Высота │Шаг │ Удельная
проезжей │расположения│ светильника │источника│светиль-│наклона │светового│светиль-│ мощность
части, м │светильника │ │ света │ников на│светиль-│центра │ников, м│ установки
│ │ │ │опоре, │ника, │светиль- │ ├──────┬─────
│ │ │ │шт. │град │ника, м │ │кВт/км│Вт/м2
─────────┼────────────┼──────────────┼─────────┼────────┼────────┼─────────┼────────┼──────┼─────
ИС МЕГАНОРМ: примечание.
Обозначение типа светильников дано в соответствии с официальным текстом
документа.
7,5 │Одно- │РКУ-400-010 │ДРЛ250 │ 1 │ 15 │ 8,5 │ 32 │ 8,4 │1,12
│сторонняя │РКУ01-250-011 │ДРЛ250 │ 1 │ 15 │ 8,5 │ 34 │ 8,0 │1,06
│ │ГКУ02-250-003 │ДРИ250 │ 1 │ 15 │ 10 │ 50 │ 5,4 │0,72
─────────┼────────────┼──────────────┼─────────┼────────┼────────┼─────────┼────────┼──────┼─────
11,25 │Шахматная │РКУ01-250-011 │ДРЛ250 │ 1 │ 15 │ 8,5 │ 53 │ 10,2 │0,91
│ │РКУ01-400-010 │ДРЛ250 │ 1 │ 15 │ 8,5 │ 52 │ 10,4 │0,93
│ │ │ │ │ │ │ │ │
│Прямо- │СПОР250 │ДРЛ250 │ 1 │ 0 │ 8,5 │ 32 │ 16,8 │1,50
│угольная │СЗПР250М(б) │ДРЛ250 │ 1 │ 0 │ 8,5 │ 38 │ 14,2 │1,26
─────────┼────────────┼──────────────┼─────────┼────────┼────────┼─────────┼────────┼──────┼─────
15 │Прямо- │РКУ01-400-010 │ДРЛ250 │ 1 │ 15 │ 8,5 │ 44 │ 12,3 │0,83
│угольная │РКУ01-250-011 │ДРЛ250 │ 1 │ 15 │ 8,5 │ 45 │ 12,0 │0,80
│ │СЗПР250М(б) │ДРЛ250 │ 1 │ 0 │ 8,5 │ 32 │ 16,8 │1,12
│ │СПОР250 │ДРЛ250 │ 1 │ 0 │ 8,5 │ 27 │ 20,5 │1,36
─────────┼────────────┼──────────────┼─────────┼────────┼────────┼─────────┼────────┼──────┼─────
22,5 │Прямо- │РКУ01-250-011 │ДРЛ250 │ 1 │ 30 │ 8,5 │ 32 │ 16,8 │0,75
│угольная │РКУ01-400-010 │ДРЛ250 │ 1 │ 30 │ 8,5 │ 32 │ 16,8 │0,75
│ │РКУ01-400-010 │ДРЛ400 │ 1 │ 30 │ 10 │ 54 │ 15,7 │0,70
│ │РКУ01-400-012 │ДРЛ400 │ 1 │ 30 │ 10 │ 54 │ 15,7 │0,70
│ │ │ │ │ │ │ │ │
│Шахматная* │ГКУ02-250-004 │ДРИ250 │ 1 │ 30 │ 8,5 │ 55 │ 9,9 │0,44
│ │ГКУ02-250-003 │ДРИ250 │ 1 │ 30 │ 8,5 │ 53 │ 10,2 │0,45
─────────┼────────────┼──────────────┼─────────┼────────┼────────┼─────────┼────────┼──────┼─────
7,5 x 2 │Прямо- │РКУ01-400-010 │ДРЛ250 │ 1 │ 15 │ 8,5 │ 37 │ 14,6 │0,97
│угольная* │РКУ01-250-011 │ДРЛ250 │ 1 │ 15 │ 8,5 │ 37 │ 14,6 │0,97
│ │ │ │ │ │ │ │ │
│Шахматная* │РКУ01-400-010 │ДРЛ400 │ 1 │ 15 │ 10 │ 60 │ 14,2 │0,95
│ │РКУ01-400-012 │ДРЛ400 │ 1 │ 15 │ 10 │ 62 │ 13,7 │0,91
│ │ГКУ02-250-004 │ДРИ250 │ 1 │ 15 │ 10 │ 63 │ 8,6 │0,57
│ │ГКУ02-250-003 │ДРИ250 │ 1 │ 15 │ 10 │ 61 │ 8,9 │0,59
│ │ │ │ │ │ │ │ │
│Двухрядная │РКУ01-400-010 │ДРЛ250 │ 2 │ 30 │ 10 │ 28 │ 19,2 │1,28
│по оси* │РКУ01-250-011 │ДРЛ250 │ 2 │ 30 │ 10 │ 29 │ 18,6 │1,24
─────────┼────────────┼──────────────┼─────────┼────────┼────────┼─────────┼────────┼──────┼─────
11,25 x 2│Прямо- │РКУ01-400-010 │ДРЛ400 │ 1 │ 15 │ 10 │ 49 │ 17,3 │0,77
│угольная* │РКУ01-400-012 │ДРЛ400 │ 1 │ 15 │ 10 │ 51 │ 16,6 │0,74
│ │ГКУ02-250-004 │ДРИ250 │ 1 │ 15 │ 10 │ 52 │ 9,9 │0,44
│ │ГКУ02-250-003 │ДРИ250 │ 1 │ 15 │ 10 │ 50 │ 10,8 │0,48
─────────┼────────────┼──────────────┼─────────┼────────┼────────┼─────────┼────────┼──────┼─────
15 x 2 │Прямо- │РКУ01-400-010 │ДРЛ400 │ 1 │ 30 │ 10 │ 40 │ 21,2 │0,71
│угольная │РКУ01-400-012 │ДРЛ400 │ 1 │ 30 │ 10 │ 41 │ 20,8 │0,69
│ │ГКУ02-250-004 │ДРИ250 │ 1 │ 30 │ 10 │ 40 │ 13,5 │0,45
│ │ГКУ02-250-003 │ДРИ250 │ 1 │ 30 │ 10 │ 37 │ 14,6 │0,49
│ │ │ │ │ │ │ │ │
│Шахматная* │ЖКУ02-250-004 │ДНаТ250 │ 1 │ 30 │ 10 │ 58 │ 9,5 │0,32
│ │ЖКУ02-250-003 │ДНаТ250 │ 1 │ 30 │ 10 │ 54 │ 10,0 │0,33
Таблица 9
Параметры осветительных установок при норме средней яркости
гладкого асфальтобетонного дорожного покрытия 0,6 кд/м2
─────────┬────────────┬──────────────┬─────────┬────────┬────────┬─────────┬────────┬────────────
Ширина │ Схема │ Тип │ Тип │Число │Угол │Высота │Шаг │ Удельная
проезжей │расположения│ светильника │источника│светиль-│наклона │светового│светиль-│ мощность
части, м │светильника │ │ света │ников на│светиль-│центра │ников, м│ установки
│ │ │ │опоре, │ника, │светиль- │ ├──────┬─────
│ │ │ │шт. │град │ника, м │ │кВт/км│Вт/м2
─────────┼────────────┼──────────────┼─────────┼────────┼────────┼─────────┼────────┼──────┼─────
7,5 │Одно- │РКУ01-250-011 │ДРЛ250 │ 1 │ 15 │ 10 │ 40 │ 6,8 │0,90
│сторонняя │РКУ01-400-010 │ДРЛ250 │ 1 │ 15 │ 10 │ 38 │ 7,1 │0,95
│ │СПОР250 │ДРЛ250 │ 1 │ 0 │ 8,5 │ 26 │ 10,4 │1,39
│ │СЗПР250М(б) │ДРЛ250 │ 1 │ 0 │ 8,5 │ 32 │ 8,4 │1,12
─────────┼────────────┼──────────────┼─────────┼────────┼────────┼─────────┼────────┼──────┼─────
11,25 │Прямо- │РКУ01-125-008 │ДРЛ125 │ 1 │ 15 │ 8,5 │ 30 │ 9,2 │0,82
│угольная │СПОР250 │ДРЛ250 │ 1 │ 0 │ 8,5 │ 43 │ 12,5 │1,11
│ │ │ │ │ │ │ │ │
│Шахматная │СЗПР250М(б) │ДРЛ250 │ 1 │ 0 │ 8,5 │ 52 │ 10,4 │0,92
─────────┼────────────┼──────────────┼─────────┼────────┼────────┼─────────┼────────┼──────┼─────
15 │Прямо- │СПОР250 │ДРЛ250 │ 1 │ 0 │ 8,5 │ 36 │ 15,0 │1,00
│угольная │СЗПР250М(б) │ДРЛ250 │ 1 │ 0 │ 8,5 │ 43 │ 12,5 │0,83
│ │ │ │ │ │ │ │ │
│Шахматная │РКУ01-400-010 │ДРЛ250 │ 1 │ 15 │ 8,5 │ 56 │ 9,7 │0,64
│ │РКУ01-250-011 │ДРЛ250 │ 1 │ 15 │ 8,5 │ 57 │ 9,5 │0,63
─────────┼────────────┼──────────────┼─────────┼────────┼────────┼─────────┼────────┼──────┼─────
22,5 │Прямо- │СЗПР250М(б) │ДРЛ250 │ 1 │ 0 │ 8,5 │ 31 │ 17,5 │0,78
│угольная │РКУ01-250-011 │ДРЛ250 │ 1 │ 15 │ 8,5 │ 41 │ 13,2 │0,59
│ │РКУ01-400-010 │ДРЛ250 │ 1 │ 15 │ 8,5 │ 40 │ 13,5 │0,60
─────────┼────────────┼──────────────┼─────────┼────────┼────────┼─────────┼────────┼──────┼─────
7,5 x 2 │Двухрядная │РКУ01-400-010 │ДРЛ250 │ 2 │ 15 │ 10 │ 42 │ 12,9 │0,86
│по оси* │РКУ01-250-011 │ДРЛ250 │ 2 │ 15 │ 10 │ 43 │ 12,5 │0,83
│ │ │ │ │ │ │ │ │
│Прямо- │РКУ01-400-010 │ДРЛ250 │ 1 │ 15 │ 8,5 │ 48 │ 11,2 │0,75
│угольная* │РКУ01-250-011 │ДРЛ250 │ 1 │ 15 │ 8,5 │ 50 │ 10,8 │0,72
│ │СЗПР250М(б) │ДРЛ250 │ 1 │ 0 │ 8,5 │ 36 │ 15,0 │ 1,0
│ │СПОР250 │ДРЛ250 │ 1 │ 0 │ 8,5 │ 27 │ 20,0 │1,33
─────────┼────────────┼──────────────┼─────────┼────────┼────────┼─────────┼────────┼──────┼─────
11,25 x 2│Прямо- │РКУ01-400-010 │ДРЛ250 │ 1 │ 15 │ 8,5 │ 38 │ 14,3 │0,63
│угольная* │РКУ01-250-011 │ДРЛ250 │ 1 │ 15 │ 8,5 │ 39 │ 13,8 │0,61
│ │СЗПР250М(б) │ДРЛ250 │ 1 │ 0 │ 8,5 │ 28 │ 19,3 │0,86
─────────┼────────────┼──────────────┼─────────┼────────┼────────┼─────────┼────────┼──────┼─────
15 x 2 │Прямо- │РКУ01-400-010 │ДРЛ400 │ 1 │ 15 │ 10 │ 52 │ 16,4 │0,55
│угольная* │РКУ01-400-012 │ДРЛ400 │ 1 │ 15 │ 10 │ 53 │ 16,1 │0,54
│ │РКУ01-400-010 │ДРЛ250 │ 1 │ 15 │ 8,5 │ 30 │ 18,0 │0,60
│ │РКУ01-250-011 │ДРЛ250 │ 1 │ 15 │ 8,5 │ 31 │ 17,5 │0,58
│ │ГКУ02-250-004 │ДРИ250 │ 1 │ 15 │ 10 │ 53 │ 10,2 │0,34
│ │ГКУ02-250-003 │ДРИ250 │ 1 │ 15 │ 10 │ 48 │ 11,2 │0,37
Таблица 10
Параметры осветительных установок при норме средней яркости
гладкого асфальтобетонного дорожного покрытия 0,4 кд/м2
| | ИС МЕГАНОРМ: примечание. Шапка таблицы дана в соответствии с официальным текстом документа. | |
────────┬────────────┬──────────────┬─────────┬────────┬────────┬─────────┬────────┬────────────
Ширина │ Схема │ Тип │ Тип │Число │Угол │Высота │Шаг │ Удельная
проезжей│расположения│ светильника │источника│светиль-│наклона │светового│светиль-│ мощность
части, м│светильника │ │ света │ников на│светиль-│центра │ников, м│ установки
│ номер │ │ │опоре, │ника, │светиль- │ ├──────┬─────
│ рисунка │ │ │шт. │град │ника, м │ │кВт/км│Вт/м2
────────┼────────────┼──────────────┼─────────┼────────┼────────┼─────────┼────────┼──────┼─────
6 │Одно- │РКУ01-125-008 │ДРЛ125 │ 1 │ 15 │ 8,5 │ 33 │ 4,2 │0,69
│сторонняя │ │ │ │ │ │ │ │
────────┼────────────┼──────────────┼─────────┼────────┼────────┼─────────┼────────┼──────┼─────
7,5 │Одно- │РКУ01-125-008 │ДРЛ125 │ 1 │ 15 │ 8,5 │ 27 │ 5,2 │0,69
│сторонняя │ │ │ │ │ │ │ │
────────┼────────────┼──────────────┼─────────┼────────┼────────┼─────────┼────────┼──────┼─────
11,25 │Однорядная │РКУ01-125-008 │ДРЛ125 │ 1 │ 15 │ 8,5 │ 23 │ 5,6 │0,50
│ │ │ │ │ │ │ │ │
│Прямо- │РКУ01-125-008 │ДРЛ125 │ 1 │ 15 │ 8,5 │ 46 │ 3,95 │0,53
│угольная │ │ │ │ │ │ │ │
│ │ │ │ │ │ │ │ │
│Осевая │СЗПР250М(ц) │ДРЛ250 │ - │ 0 │ 8,5 │ 48 │ 5,6 │0,50
│ │СПОР250 │ДРЛ250 │ - │ 0 │ 8,5 │ 37 │ 7,3 │0,65
────────┼────────────┼──────────────┼─────────┼────────┼────────┼─────────┼────────┼──────┼─────
15 │Прямо- │РКУ01-125-008 │ДРЛ125 │ 1 │ 15 │ 8,5 │ 38 │ 7,3 │0,49
│угольная │ │ │ │ │ │ │ │
│Осевая │СЗПР250М(ц) │ДРЛ250 │ - │ 0 │ 8,5 │ 43 │ 6,3 │0,42
────────┼────────────┼──────────────┼─────────┼────────┼────────┼─────────┼────────┼──────┼─────
22,5 │Прямо- │РКУ01-125-008 │ДРЛ125 │ 1 │ 15 │ 8,5 │ 27 │ 10,3 │0,46
│угольная │СПОР250 │ДРЛ250 │ 1 │ 0 │ 8,5 │ 38 │ 14,2 │0,63
│ │СЗПР250(б) │ДРЛ250 │ 1 │ 0 │ 8,5 │ 47 │ 11,4 │0,51
│ │ │ │ │ │ │ │ │
│Шахматная │РКУ01-250-011 │ДРЛ250 │ 1 │ 15 │ 10 │ 59 │ 9,2 │0,41
Таблица 11
Параметры осветительных установок при норме средней яркости
гладкого асфальтобетонного дорожного покрытия 0,2 кд/м2
────────┬────────────┬──────────────┬──────────┬────────┬────────┬─────────┬────────┬────────────
Ширина │ Схема │ Тип │ Тип │Число │Угол │Высота │Шаг │ Удельная
проезжей│расположения│ светильника │источника │светиль-│наклона │светового│светиль-│ мощность
части, м│светильника │ │ света │ников на│светиль-│центра │ников, м│ установки
│ │ │ │опоре, │ника, │светиль- │ ├──────┬─────
│ │ │ │шт. │град │ника, м │ │кВт/км│Вт/м2
────────┼────────────┼──────────────┼──────────┼────────┼────────┼─────────┼────────┼──────┼─────
3,5 │Одно- │РКУ01-125-008 │ДРЛ80 │ 1 │ 15 │ 8,5 │ 35 │ 2,6 │0,74
│сторонняя │НКУ200 │ЛН, 200 Вт│ 1 │ 15 │ 8,5 │ 26 │ 7,7 │2,20
────────┼────────────┼──────────────┼──────────┼────────┼────────┼─────────┼────────┼──────┼─────
6 │Одно- │НКУ200 │ЛН, 200 Вт│ 1 │ 15 │ 7,5 │ 30 │ 6,7 │1,11
│сторонняя │РКУ01-125-008 │ДРЛ80 │ 1 │ 15 │ 8,5 │ 37 │ 2,4 │0,42
────────┼────────────┼──────────────┼──────────┼────────┼────────┼─────────┼────────┼──────┼─────
7,5 │Одно- │РКУ01-125-008 │ДРЛ80 │ 1 │ 15 │ 8,5 │ 32 │ 2,8 │0,37
│сторонняя │ │ │ │ │ │ │ │
────────┼────────────┼──────────────┼──────────┼────────┼────────┼─────────┼────────┼──────┼─────
9 │Одно- │РКУ01-125-008 │ДРЛ80 │ 1 │ 15 │ 8,5 │ 28 │ 3,2 │0,36
│сторонняя │РКУ01-125-008 │ДРЛ125 │ 1 │ 15 │ 8,5 │ 50 │ 2,7 │0,31
────────┼────────────┼──────────────┼──────────┼────────┼────────┼─────────┼────────┼──────┼─────
11,25 │Одно- │РКУ01-125-008 │ДРЛ125 │ 1 │ 15 │ 8,5 │ 46 │ 3,0 │0,27
│сторонняя │ │ │ │ │ │ │ │
────────┼────────────┼──────────────┼──────────┼────────┼────────┼─────────┼────────┼──────┼─────
15 │Прямо- │РКУ01-125-008 │ДРЛ125 │ 1 │ 15 │ 8,5 │ 42 │ 3,3 │0,22
│угольная │РКУ01-125-008 │ДРЛ80 │ 1 │ 15 │ 8,5 │ 43 │ 3,7 │0,25
│ │НКУ200 │ЛН, 200 Вт│ 1 │ 15 │ 7,5 │ 35 │ 11,4 │0,76
Таблица 12
Параметры осветительных установок для средней
освещенности дорожного покрытия 20 лк
─────────┬────────────┬──────────────┬─────────┬────────┬────────┬─────────┬────────┬────────────
Ширина │ Схема │ Тип │ Тип │Число │Угол │Высота │Шаг │ Удельная
проезжей │расположения│ светильника │источника│светиль-│наклона │светового│светиль-│ мощность
части, м │светильника │ │ света │ников на│светиль-│центра │ников, м│ установки
│ │ │ │опоре, │ника, │светиль- │ ├──────┬─────
│ │ │ │шт. │град │ника, м │ │кВт/км│Вт/м2
─────────┼────────────┼──────────────┼─────────┼────────┼────────┼─────────┼────────┼──────┼─────
11,25 │Одно- │РКУ01-400-012 │ДРЛ400ХЛ │ 2 │ 15 │ 11 │ 39 │ 21,8 │1,93
│сторонняя │ГКУ02-250-003 │ДРИ250 │ 2 │ 15 │ 12 │ 36 │ 15,0 │1,33
│ │ЖКУ02-400-001 │ДНаТ400 │ 1 │ 15 │ 12 │ 40 │ 10,8 │0,96
│ │ГКУ02-400-001 │ДРИ400 │ 1 │ 15 │ 10 │ 32 │ 13,3 │1,18
│ │ │ │ │ │ │ │ │
│Прямо- │РКУ01-400-012 │ДРЛ400ХЛ │ 1 │ 15 │ 10 │ 39 │ 21,8 │1,93
│угольная │РКУ01-400-010 │ДРЛ400ХЛ │ 1 │ 15 │ 10 │ 39 │ 21,8 │1,93
│ │ГКУ02-250-003 │ДРИ250 │ 1 │ 15 │ 10 │ 40 │ 13,5 │1,20
│ │ │ │ │ │ │ │ │
│Шахматная │ЖКУ02-250-003 │ДНаТ250 │ 1 │ 15 │ 10 │ 54 │ 10,2 │0,91
─────────┼────────────┼──────────────┼─────────┼────────┼────────┼─────────┼────────┼──────┼─────
15 │Прямо- │РКУ01-400-010 │ДРЛ400ХЛ │ 1 │ 15 │ 10 │ 33 │ 25,8 │1,72
│угольная │РКУ01-400-012 │ДРЛ400ХЛ │ 1 │ 15 │ 10 │ 33 │ 25,8 │1,72
│ │ГКУ02-250-003 │ДРИ250 │ 1 │ 15 │ 10 │ 32 │ 16,8 │1,12
│ │ЖКУ02-250-003 │ДНаТ250 │ 1 │ 15 │ 10 │ 44 │ 12,5 │0,84
─────────┼────────────┼──────────────┼─────────┼────────┼────────┼─────────┼────────┼──────┼─────
22,5 │Прямо- │ГКУ02-250-003 │ДРИ250 │ 2 │ 15 │ 19 │ 49 │ 22,0 │0,98
│угольная │ЖКУ02-250-003 │ДНаТ250 │ 1 │ 30 │ 10 │ 34 │ 16,2 │0,72
│ │ГКУ02-400-001 │ДРИ400 │ 1 │ 30 │ 10 │ 42 │ 20,2 │0,90
│ │ │ │ │ │ │ │ │
│Шахматная │ЖКУ02-400-001 │ДНаТ400 │ 1 │ 15 │ 12 │ 54 │ 16,0 │0,71
─────────┼────────────┼──────────────┼─────────┼────────┼────────┼─────────┼────────┼──────┼─────
11,25 x 2│Двухрядная │ГКУ02-400-001 │ДРИ400 │ 2 │ 30 │ 11 │ 35 │ 24,3 │1,08
│по оси* │ЖКУ02-400-001 │ДНаТ400 │ 2 │ 15 │ 12 │ 44 │ 19,8 │0,88
│ │ │ │ │ │ │ │ │
│Прямо- │ГКУ02-400-001 │ДРИ400 │ 1 │ 30 │ 11 │ 36 │ 23,6 │1,05
│угольная* │ЖКУ02-400-001 │ДНаТ400 │ 1 │ 30 │ 12 │ 48 │ 18,0 │0,80
─────────┼────────────┼──────────────┼─────────┼────────┼────────┼─────────┼────────┼──────┼─────
15 x 2 │Прямо- │ГКУ02-400-001 │ДРИ400 │ 1 │ 30 │ 11 │ 35 │ 24,4 │0,81
│угольная* │ЖКУ02-400-001 │ДНаТ400 │ 1 │ 30 │ 12 │ 41 │ 21,1 │0,70
Таблица 13
Параметры осветительных установок при норме
средней освещенности дорожного покрытия 15 лк
─────────┬────────────┬──────────────┬─────────┬────────┬────────┬─────────┬────────┬────────────
Ширина │ Схема │ Тип │ Тип │Число │Угол │Высота │Шаг │ Удельная
проезжей │расположения│ светильника │источника│светиль-│наклона │светового│светиль-│ мощность
части, м │светильника │ │ света │ников на│светиль-│центра │ников, м│ установки
│ │ │ │опоре, │ника, │светиль- │ ├──────┬─────
│ │ │ │шт. │град │ника, м │ │кВт/км│Вт/м2
─────────┼────────────┼──────────────┼─────────┼────────┼────────┼─────────┼────────┼──────┼─────
7,5 │Одно- │РКУ01-400-010 │ДРЛ400ХЛ │ 1 │ 15 │ 10 │ 30 │ 14,2 │1,90
│сторонняя │РКУ01-400-012 │ДРЛ400ХЛ │ 1 │ 15 │ 10 │ 31 │ 13,8 │1,84
│ │ГКУ02-250-003 │ДРИ250 │ 1 │ 15 │ 10 │ 33 │ 8,2 │1,09
│ │ЖКУ02-250-003 │ДНаТ250 │ 1 │ 15 │ 10 │ 45 │ 6,1 │0,82
─────────┼────────────┼──────────────┼─────────┼────────┼────────┼─────────┼────────┼──────┼─────
11,25 │Прямо- │ГКУ02-400-001 │ДРИ400 │ 1 │ 30 │ 12 │ 40 │ 10,6 │0,94
│угольная │РКУ01-250-011 │ДРЛ250ХЛ │ 1 │ 15 │ 10 │ 36 │ 15,0 │1,33
│ │ │ │ │ │ │ │ │
│Шахматная │ГКУ02-250-003 │ДРИ250 │ 1 │ 15 │ 10 │ 48 │ 11,2 │1,00
─────────┼────────────┼──────────────┼─────────┼────────┼────────┼─────────┼────────┼──────┼─────
15 │Прямо- │РКУ01-400-010 │ДРЛ400ХЛ │ 1 │ 15 │ 10 │ 44 │ 19,4 │1,29
│угольная │РКУ01-400-012 │ДРЛ400ХЛ │ 1 │ 15 │ 10 │ 46 │ 18,8 │1,26
│ │ГКУ02-250-003 │ДРИ250 │ 1 │ 15 │ 10 │ 44 │ 12,3 │0,82
─────────┼────────────┼──────────────┼─────────┼────────┼────────┼─────────┼────────┼──────┼─────
22,5 │Прямо- │ГКУ02-250-003 │ДРИ250 │ 1 │ 30 │ 10 │ 32 │ 16,8 │0,75
│угольная │ЖКУ02-250-003 │ДНаТ400 │ 1 │ 15 │ 10 │ 44 │ 12,5 │0,56
│ │ │ │ │ │ │ │ │
│Шахматная │ГКУ02-400-001 │ДРИ400 │ 1 │ 15 │ 12 │ 52 │ 16,4 │0,73
─────────┼────────────┼──────────────┼─────────┼────────┼────────┼─────────┼────────┼──────┼─────
7,5 x 2 │Двухрядная │РКУ01-400-010 │ДРЛ400ХЛ │ 2 │ 15 │ 11 │ 36 │ 23,6 │1,57
│по оси* │РКУ01-400-012 │ДРЛ400ХЛ │ 2 │ 15 │ 11 │ 36 │ 23,6 │1,57
│ │ГКУ02-250-003 │ДРИ250 │ 2 │ 15 │ 11 │ 39 │ 13,8 │0,92
│ │ │ │ │ │ │ │ │
│Прямо- │РКУ01-400-010 │ДРЛ400ХЛ │ 1 │ 15 │ 10 │ 38 │ 22,4 │1,49
│угольная* │РКУ01-400-012 │ДРЛ400ХЛ │ 1 │ 15 │ 10 │ 39 │ 21,8 │1,45
│ │ГКУ02-250-003 │ДРИ250 │ 1 │ 15 │ 10 │ 36 │ 15,0 │1,00
─────────┼────────────┼──────────────┼─────────┼────────┼────────┼─────────┼────────┼──────┼─────
11,25 x 2│Двухрядная │ЖКУ02-250-003 │ДНаТ250 │ 2 │ 30 │ 11 │ 40 │ 13,7 │0,61
│по оси* │ │ │ │ │ │ │ │
│ │ │ │ │ │ │ │ │
│Прямо- │ГКУ02-400-001 │ДРИ400 │ 1 │ 15 │ 11 │ 48 │ 17,7 │0,79
│угольная* │ЖКУ02-250-003 │ДНаТ250 │ 1 │ 15 │ 11 │ 42 │ 13,1 │0,58
─────────┼────────────┼──────────────┼─────────┼────────┼────────┼─────────┼────────┼──────┼─────
15 x 2 │Прямо- │РКУ01-400-010 │ДРЛ400ХЛ}│ 1 │ 15 │ 12 │ 37 │ 37,8 │1,26
│угольная* │РКУ01-250-009 │ДРЛ250ХЛ|│ │ │ │ │ │
│ │ГКУ02-400-001 │ДРИ400 │ 1 │ 30 │ 11 │ 40 │ 21,2 │0,71
│ │ЖКУ02-250-003 │ДНаТ250 │ 1 │ 15 │ 11 │ 34 │ 16,2 │0,54
│ │ │ │ │ │ │ │ │
│Шахматная* │ЖКУ02-400-001 │ДНаТ400 │ 1 │ 15 │ 12 │ 50 │ 17,3 │0,58
Таблица 14
Параметры осветительных установок при норме
средней освещенности дорожного покрытия 10 лк
─────────┬────────────┬──────────────┬─────────┬────────┬────────┬─────────┬────────┬────────────
Ширина │ Схема │ Тип │ Тип │Число │Угол │Высота │Шаг │ Удельная
проезжей │расположения│ светильника │источника│светиль-│наклона │светового│светиль-│ мощность
части, м │светильников│ │ света │ников на│светиль-│центра │ников, м│ установки
│ │ │ │опоре, │ника, │светиль- │ ├──────┬─────
│ │ │ │шт. │град │ника, м │ │кВт/км│Вт/м2
─────────┼────────────┼──────────────┼─────────┼────────┼────────┼─────────┼────────┼──────┼─────
7,5 │Одно- │РКУ01-250-011 │ДРЛ250 │ 1 │ 15 │ 10 │ 41 │ 6,6 │0,88
│сторонняя │РКУ01-250-011 │ДРЛ250ХЛ │ 1 │ 15 │ 10 │ 35 │ 9,5 │1,26
─────────┼────────────┼──────────────┼─────────┼────────┼────────┼─────────┼────────┼──────┼─────
11,25 │Одно- │РКУ01-250-011 │ДРЛ250 │ 1 │ 15 │ 10 │ 33 │ 8,7 │0,73
│сторонняя │РКУ01-400-012 │ДРЛ400ХЛ │ 1 │ 15 │ 10 │ 39 │ 10,8 │0,97
│ │ГКУ02-250-004 │ДРИ250 │ 1 │ 15 │ 10 │ 38 │ 7,2 │0,64
│ │ГКУ02-250-003 │ДРИ250 │ 1 │ 15 │ 10 │ 36 │ 7,4 │0,66
─────────┼────────────┼──────────────┼─────────┼────────┼────────┼─────────┼────────┼──────┼─────
15 │Прямо- │РКУ01-250-011 │ДРЛ250 │ 1 │ 15 │ 10 │ 38 │ 14,3 │0,94
│угольная │РКУ01-250-011 │ДРЛ250ХЛ │ 1 │ 15 │ 10 │ 34 │ 15,7 │1,04
│ │ │ │ │ │ │ │ │
│Одно- │ГКУ02-250-004 │ДРИ250 │ 1 │ 15 │ 10 │ 33 │ 8,2 │0,55
│сторонняя │ГКУ02-250-003 │ДРИ250 │ 1 │ 15 │ 10 │ 32 │ 8,4 │0,56
─────────┼────────────┼──────────────┼─────────┼────────┼────────┼─────────┼────────┼──────┼─────
22,5 │Прямо- │РКУ01-250-011 │ДРЛ250 │ 1 │ 15 │ 10 │ 38 │ 14,3 │0,64
│угольная │РКУ01-400-012 │ДРЛ400ХЛ │ 1 │ 15 │ 11 │ 50 │ 17,0 │0,76
─────────┼────────────┼──────────────┼─────────┼────────┼────────┼─────────┼────────┼──────┼─────
22,5 │Прямо- │ГКУ02-250-004 │ДРИ250 │ 1 │ 15 │ 11 │ 49 │ 11,0 │0,49
│угольная │ГКУ02-250-003 │ДРИ250 │ 1 │ 15 │ 11 │ 48 │ 11,2 │0,50
─────────┼────────────┼──────────────┼─────────┼────────┼────────┼─────────┼────────┼──────┼─────
7,5 x 2 │Двухрядная │РКУ01-250-011 │ДРЛ250 │ 2 │ 15 │ 11 │ 39 │ 13,8 │0,92
│по оси* │РКУ01-250-011 │ДРЛ250ХЛ │ 2 │ 15 │ 10 │ 34 │ 15,9 │1,06
─────────┼────────────┼──────────────┼─────────┼────────┼────────┼─────────┼────────┼──────┼─────
11,25 x 2│Двухрядная │РКУ01-250-011 │ДРЛ250 │ 2 │ 15 │ 10 │ 34 │ 15,9 │0,71
│по оси │РКУ01-250-011 │ДРЛ250ХЛ │ 2 │ 15 │ 10 │ 30 │ 18,0 │0,80
─────────┼────────────┼──────────────┼─────────┼────────┼────────┼─────────┼────────┼──────┼─────
15 x 2 │Двухрядная │ГКУ02-50-004 │ДРИ250 │ 2 │ 15 │ 10 │ 38 │ 14,3 │0,48
│по оси* │ГКУ02-250-003 │ДРИ250 │ 2 │ 15 │ 10 │ 34 │ 15,9 │0,53
│ │ │ │ │ │ │ │ │
│Прямо- │РКУ01-250-011 │ДРЛ250 │ 1 │ 30 │ 10 │ 33 │ 16,4 │0,55
│угольная* │ГКУ02-250-004 │ДРИ250 │ 1 │ 15 │ 10 │ 46 │ 11,8 │0,39
│ │ГКУ02-250-003 │ДРИ250 │ 1 │ 15 │ 10 │ 44 │ 12,3 │0,41
Таблица 15
Параметры осветительных установок при норме
средней освещенности дорожного покрытия 6 лк
────────┬────────────┬──────────────┬─────────┬────────┬────────┬─────────┬────────┬────────────
Ширина │ Схема │ Тип │ Тип │Число │Угол │Высота │Шаг │ Удельная
проезжей│расположения│ светильника │источника│светиль-│наклона │светового│светиль-│ мощность
части, м│светильников│ │ света │ников на│светиль-│центра │ников, м│ установки
│ │ │ │опоре, │ника, │светиль- │ ├──────┬─────
│ │ │ │шт. │град │ника, м │ │кВт/км│Вт/м2
────────┼────────────┼──────────────┼─────────┼────────┼────────┼─────────┼────────┼──────┼─────
6 │Одно- │РКУ01-250-011 │ДРЛ250 │ 1 │ 15 │ 10 │ 45 │ 6,0 │ 1,0
│сторонняя │ │ │ │ │ │ │ │
────────┼────────────┼──────────────┼─────────┼────────┼────────┼─────────┼────────┼──────┼─────
7,5 │Одно- │СПОР 250 │ДРЛ250 │ 1 │ 0 │ 8,0 │ 33 │ 8,16 │1,09
│сторонняя │РКУ01-250-011 │ДРЛ250ХЛ │ 1 │ 15 │ 10 │ 45 │ 6,0 │ 0,8
│ │СЗПР 250М(б) │ДРЛ250 │ 1 │ 0 │ 8,0 │ 30 │ 8,9 │1,19
────────┼────────────┼──────────────┼─────────┼────────┼────────┼─────────┼────────┼──────┼─────
11,25 │Прямо- │РКУ01-125-008 │ДРЛ125 │ 1 │ 15 │ 8,5 │ 34 │ 8,0 │0,71
│угольная │СПОР250 │ДРЛ250 │ 1 │ 0 │ 8,0 │ 52 │ 10,4 │0,93
│ │СЗПР250М(б) │ДРЛ250 │ 1 │ 0 │ 8,0 │ 48 │ 11,2 │ 1,0
│ │ │ │ │ │ │ │ │
│Одно- │РКУ01-250-011 │ДРЛ250ХЛ │ 1 │ 15 │ 10 │ 44 │ 6,2 │0,55
│сторонняя │ │ │ │ │ │ │ │
────────┼────────────┼──────────────┼─────────┼────────┼────────┼─────────┼────────┼──────┼─────
15 │Одно- │РКУ01-250-011 │ДРЛ250 │ 1 │ 15 │ 10 │ 44 │ 6,2 │0,41
│сторонняя │ │ │ │ │ │ │ │
│ │ │ │ │ │ │ │ │
│Прямо- │РКУ01-125-008 │ДРЛ125 │ 1 │ 15 │ 8 │ 30 │ 9,1 │ 0,6
│угольная │СЗПР250М(б) │ДРЛ250 │ 1 │ 0 │ 8 │ 38 │ 14,2 │0,95
│ │СПОР250 │ДРЛ250ХЛ │ 1 │ 0 │ 8 │ 39 │ 14,6 │0,97
────────┼────────────┼──────────────┼─────────┼────────┼────────┼─────────┼────────┼──────┼─────
15 │Осевая │СПОР250 │ДРЛ250ХЛ │ 1 │ 0 │ 8 │ 27 │ 10,0 │0,70
────────┼────────────┼──────────────┼─────────┼────────┼────────┼─────────┼────────┼──────┼─────
22,5 │Прямо- │РКУ01-250-011 │ДРЛ250ХЛ │ 1 │ 15 │ 11 │ 50 │ 10,8 │0,49
│угольная │ │ │ │ │ │ │ │
│ │ │ │ │ │ │ │ │
│Шахматная │РКУ01-250-011 │ДРЛ250 │ 1 │ 15 │ 11 │ 58 │ 9,3 │0,42
Таблица 16
Параметры осветительных установок
транспортно-пешеходной сети улиц и дорог
при нормировании средней освещенности дорожного покрытия
─────────┬────────┬────────────┬─────────────┬──────────┬─────────┬────────┬────────────
Нормиро- │ Ширина │ Схема │ Тип │ Тип │Высота │Шаг │ Удельная
ванное │проезжей│расположения│ светильника │источника │светового│светиль-│ мощность
значение │части, м│светильника │ │ света │центра │ников, м│ установки
средней │ │ │ │ │светиль- │ ├──────┬─────
освещен- │ │ │ │ │ника, м │ │кВт/км│Вт/м2
ности, лк│ │ │ │ │ │ │ │
─────────┼────────┼────────────┼─────────────┼──────────┼─────────┼────────┼──────┼─────
4 │ 3,5 │Одно- │НКУ01-200 │ЛН, 200 Вт│ 7 │ 26 │ 7,7 │2,21
│ │сторонняя │РКУ01-125-008│ДРЛ125 │ 8 │ 38 │ 3,6 │1,00
│ │ │РКУ01-125-008│ДРЛ125ХЛ │ 8 │ 35 │ 3,9 │1,18
│ │ │РТУ01-125 │ДРЛ125 │ 4,5 │ 30 │ 4,5 │1,29
│ │ │РТУ04-125 │ДРЛ125 │ 4,5 │ 28 │ 4,9 │1,39
│ │ │ │ │ │ │ │
│ 5 │ │РКУ01-125-008│ДРЛ125 │ 8 │ 37 │ 3,7 │0,70
│ │ │РТУ01-125 │ДРЛ125 │ 4,5 │ 26 │ 5,3 │1,06
│ │ │РТУ04-125 │ДРЛ125 │ 4,5 │ 24 │ 5,7 │1,14
│ │ │РТУ02-250 │ДРЛ250 │ 4,5 │ 35 │ 7,7 │1,54
│ │ │ │ │ │ │ │
│ 7,5 │Одно- │СЗПР250М(б) │ДРЛ250ХЛ │ 8 │ 40 │ 6,7 │0,90
│ │сторонняя │ │ │ │ │ │
│ │ │РКУ01-125-008│ДРЛ125 │ 8,5 │ 35 │ 3,9 │0,52
│ │ │ │ │ │ │ │
│ 11,25 │ │СЗПР250М(б) │ДРЛ250ХЛ │ 8 │ 32 │ 8,4 │0,76
│ │ │РКУ01-250-011│ДРЛ250ХЛ │ 10 │ 40 │ 6,8 │0,60
─────────┼────────┼────────────┼─────────────┼──────────┼─────────┼────────┼──────┼─────
2 │1,5 - 3 │Одно- │РТУ01-125 │ДРЛ125 │ 4,5 │ 40 │ 3,4 │2,00
│ │сторонняя │РТУ04-125 │ДРЛ80 │ 4,5 │ 36 │ 2,5 │1,50
│ │ │ │ │ │ │ │
│ 3,5 │ │НКУ01-200 │ЛН, 200 Вт│ 8 │ 36 │ 5,5 │1,58
│ │ │РКУ01-125-008│ДРЛ80 │ 8 │ 48 │ 1,9 │0,54
│ │ │СПО-200 │ЛН, 200 Вт│ 6,5 │ 30 │ 6,6 │1,89
│ │ │ │ │ │ │ │
│ 4,5 │ │РТУ01-125 │ДРЛ125 │ 4,5 │ 40 │ 3,9 │0,86
│ │ │РТУ04-125 │ДРЛ80 │ 4,5 │ 30 │ 3,0 │0,66
│ │ │ │ │ │ │ │
│ 5 │ │НКУ01-200 │ЛН, 200 Вт│ 7,5 │ 32 │ 6,3 │1,25
│ │ │РКУ01-125-008│ДРЛ80 │ 8 │ 50 │ 1,8 │0,36
│ │ │СПО-200 │ЛН, 200 Вт│ 6,5 │ 28 │ 7,1 │1,42
│ │ │ │ │ │ │ │
│ 7,5 │ │НКУ01-200 │ЛН, 200 Вт│ 7,5 │ 32 │ 6,2 │0,83
│ │ │РКУ01-125-008│ДРЛ80 │ 8,5 │ 31 │ 2,9 │0,38
─────────┼────────┼────────────┼─────────────┼──────────┼─────────┼────────┼──────┼─────
1 │ 3,5 │Одно- │НКУ01-200 │ЛН, 200 Вт│ 7,5 │ 40 │ 5,0 │1,43
│ │сторонняя │СПО-200 │ЛН, 200 Вт│ 6,5 │ 35 │ 5,8 │1,83
│ │ │РТУ01-125 │ДРЛ80 │ 4,5 │ 30 │ 3,0 │0,85
─────────┼────────┼────────────┼─────────────┼──────────┼─────────┼────────┼──────┼─────
1 │ 6 │Одно- │РКУ01-125-008│ДРЛ80 │ 8,5 │ 50 │ 1,8 │0,30
│ │сторонняя │НКУ01-200 │ЛН, 150 Вт│ 7,5 │ 38 │ 4,0 │0,66
│ │ │СПО-200 │ЛН, 150 Вт│ 6,5 │ 46 │ 3,3 │0,55
Примечания. 1. Схемы расположения светильников даны в соответствии с
рис. 110.
2. Знак * обозначает поперечный профиль улицы с разделительной полосой, шириной 6 м.
ПРИМЕРЫ ОСВЕЩЕНИЯ УЛИЦ
──────────────┬───────────────────────────────────────────────┬────────────
Тип свето- │ Проезжая часть при яркости, кд/м2 │ Тротуар,
технического ├───────────────────────────────┬───────────────┤освещенность
оборудования, │ основной магистрали │ местных │ 4 лк
параметры его │ │ проездов │
размещения, ├───────────────┬───────────────┴───────────────┤
показатели │ шероховатое │ гладкое покрытие │
│ покрытие │ │
├───────┬───────┼───────┬───────┬───────┬───────┤
│ 1,6 │ 1,0 │ 1,6 │ 1,0 │ 0,8 │ 0,6 │
──────────────┼───────┼───────┼───────┼───────┼───────┼───────┼────────────
Светильники │ЖКУ02- │ЖКУ02- │ЖКУ02- │ЖКУ02- │РКУ01- │РКУ01- │Норма
│400-002│250-004│400-002│250-004│250-012│250-012│обеспе-
Источники │ДНаТ400│ДНаТ250│ДНаТ400│ДНаТ250│ДРЛ250 │ДРЛ250 │чивается
света │ │ │ │ │ │ │во всех
Наклон │ 30 │ 30 │ 30 │ 30 │ 30 │ 30 │вариантах
светильников, │ │ │ │ │ │ │
град │ │ │ │ │ │ │
Высота │ 13,5 │ 12,0 │ 13,5 │ 13,5 │ 8,5 │ 8,5 │
светильников, │ │ │ │ │ │ │
м │ │ │ │ │ │ │
Шаг │ 38 │ 38 │ 52 │ 44 │ 33 │ 38 │
светильников, │ │ │ │ │ │ │
м │ │ │ │ │ │ │
Удельная │ │ │ │ │ │ │
мощность │ │ │ │ │ │ │
установки: │ │ │ │ │ │ │
кВт/км │ 11,4 │ 7,2 │ 8,3 │ 6,2 │ 8,2 │ 7,1 │
Вт/м2 │ 1,01 │ 0,64 │ 0,74 │ 0,56 │ 1,09 │ 1,95 │
Продолжение прил. 4
──────────────┬───────────────────────────────────────────────┬────────────
Тип свето- │ Проезжая часть при яркости, кд/м2 │ Тротуар,
технического ├───────────────────────────────┬───────────────┤освещенность
оборудования, │ основной магистрали │ местных │ 4 лк
параметры его │ │ проездов │
размещения, ├───────────────┬───────────────┴───────────────┤
показатели │ шероховатое │ гладкое покрытие │
│ покрытие │ │
├───────┬───────┼───────┬───────┬───────┬───────┤
│ 1,6 │ 1,2 │ 1,6 │ 1,2 │ 0,8 │ 0,6 │
──────────────┼───────┼───────┼───────┼───────┼───────┼───────┼────────────
Светильники │ЖКУ02- │ЖКУ02- │ЖКУ02- │ЖКУ02- │РКУ01- │РКУ01- │Норма
│400-002│250-004│400-002│250-004│400-010│400-010│обеспе-
Источники │ДНаТ400│ДНаТ250│ДНаТ400│ДНаТ250│ДРЛ250 │ДРЛ250 │чивается
света │ │ │ │ │ │ │во всех
Наклон │ 30 │ 30 │ 30 │ 30 │ 15 │ 15 │вариантах
светильников, │ │ │ │ │ │ │
град │ │ │ │ │ │ │
Высота │ 12 │ 12 │ 12 │ 12 │ 8,5 │ 8,5 │
установки │ │ │ │ │ │ │
светильников, │ │ │ │ │ │ │
м │ │ │ │ │ │ │
Шаг │ 38 │ 31 │ 45 │ 37 │ 32 │ 40 │
светильников, │ │ │ │ │ │ │
м │ │ │ │ │ │ │
Удельная │ │ │ │ │ │ │
мощность │ │ │ │ │ │ │
установки: │ │ │ │ │ │ │
кВт/км │ 11,4 │ 8,9 │ 9,6 │ 7,4 │ 8,4 │ 6,8 │
Вт/м2 │ 0,76 │ 0,59 │ 0,64 │ 0,50 │ 1,13 │ 0,90 │
Продолжение прил. 4
─────────────┬───────────────────────────────────────────────────────┬────────────
Тип свето- │ Проезжая часть при яркости, кд/м2 │ Тротуар,
технического ├───────────────────────────┬───────────────────────────┤освещенность
оборудования,│ основной магистрали │ местных проездов │ 4 лк
параметры его├─────────────┬─────────────┼─────────────┬─────────────┤
размещения, │ 1,2 │ 1,0 │ 0,8 │ 0,6 │
показатели │ │ │ │ │
─────────────┼─────────────┼─────────────┼─────────────┼─────────────┼────────────
Светильники │РКУ01-400-010│РКУ01-400-010│РКУ01-400-010│РКУ01-400-010│Норма
Источники │ ДРЛ400 │ ДРЛ400 │ ДРЛ250 │ ДРЛ250 │обеспе-
света │ │ │ │ │чивается
Наклон │ 15 │ 15 │ 15 │ 15 │во всех
светильников,│ │ │ │ │вариантах
град │ │ │ │ │
Высота │ 10 │ 10 │ 8,5 │ 8,5 │
установки │ │ │ │ │
светильников,│ │ │ │ │
м │ │ │ │ │
Шаг │ 37 │ 43 │ 32 │ 40 │
светильников,│ │ │ │ │
м │ │ │ │ │
Удельная │ │ │ │ │
мощность │ │ │ │ │
установки: │ │ │ │ │
кВт/км │ 11,5 │ 9,9 │ 8,4 │ 6,8 │
Вт/м2 │ 0,98 │ 0,86 │ 1,13 │ 0,90 │
Продолжение прил. 4
─────────────┬───────────────────────────┬─────────────┬───────────────────
Тип свето- │Проезжая часть при яркости,│ Трамвайное │ Тротуар,
технического │ кд/м2 │ полотно, │ освещенность 4 лк
оборудования,├─────────────┬─────────────┤освещенность ├─────────┬─────────
параметры его│ основной │ местных │ 4 лк │ левый │ правый
размещения, │ магистрали │ проездов │ │ │
показатели ├─────────────┼─────────────┤ │ │
│ 1,0 │ 0,4 │ │ │
─────────────┼─────────────┼─────────────┼─────────────┼─────────┼─────────
Светильники │РКУ01-400-010│РКУ01-125-008│РКУ01-400-010│Норма │РТУ02-250
Источники │ ДРЛ400 │ ДРЛ125 │ ДРЛ250 │обеспе- │ ДРЛ250
света │ │ │ │чивается │
Наклон │ 15 │ 15 │ 15 │во всех │ 4,5
светильников,│ │ │ │вариантах│
град │ │ │ │ │
Высота │ 10 │ 8,5 │ 10 │ │ -
установки │ │ │ │ │
светильников,│ │ │ │ │
м │ │ │ │ │
Шаг │ 43 │ 27 │ 43 │ │ 32
светильников,│ │ │ │ │
м │ │ │ │ │
Удельная │ │ │ │ │
мощность │ │ │ │ │
установки: │ │ │ │ │
кВт/км │ 9,9 │ 5,1 │ 6,3 │ │ 8,45
Вт/м2 │ 0,88 │ 0,68 │ 0,72 │ │ 1,41
Продолжение прил. 4
─────────────┬───────────────────────────┬─────────────┬───────────────────
Тип свето- │Проезжая часть при яркости,│ Трамвайное │ Тротуар,
технического │ кд/м2 │ полотно, │ освещенность 2 лк
оборудования,├─────────────┬─────────────┤освещенность ├─────────┬─────────
параметры его│ основной │ местных │ 4 лк │ левый │ правый
размещения, │ магистрали │ проездов │ │ │
показатели │ │ │ │ │
─────────────┼─────────────┼─────────────┼─────────────┼─────────┼─────────
Светильники │РКУ01-250-011│РКУ01-125-008│РКУ01-125-008│Норма │РТУ02-250
Источники │ ДРЛ250 │ ДРЛ125 │ ДРЛ125 │обеспе- │ ДРЛ250
света │ │ │ │чивается │
Наклон │ 15 │ 15 │ 15 │во всех │
светильников,│ │ │ │вариантах│
град │ │ │ │ │
Высота │ 8,5 │ 8,5 │ 8,5 │ │ 4,5
установки │ │ │ │ │
светильников,│ │ │ │ │
м │ │ │ │ │
Шаг │ 32 │ 27 │ 32 │ │ 32
светильников,│ │ │ │ │
м │ │ │ │ │
Удельная │ │ │ │ │
мощность │ │ │ │ │
установки: │ │ │ │ │
кВт/км │ 8,4 │ 5,1 │ 4,3 │ │ 8,4
Вт/м2 │ 0,75 │ 0,68 │ 0,49 │ │ 1,41
Продолжение прил. 4
─────────────┬──────────────────────────┬────────────┬─────────────────────
Тип свето- │ Проезжая часть │ Трамвайное │Тротуар, освещенность
технического │ при яркости, кд/м2 │ полотно, │ 4 лк
оборудования,├─────────────┬────────────┤освещенность├─────────┬───────────
параметры его│ основной │ местных │ │ левый │ правый
размещения, │ магистрали │ проездов │ │ │
показатели ├─────────────┼────────────┤ │ │
│ 1,2 │ 0,6 │ │ │
─────────────┼─────────────┼────────────┼────────────┼─────────┼───────────
Светильники │РКУ01-400-012│СЗПР-250М(б)│Норма │РТУ04-125│Норма
Источники │ ДРЛ400 │ ДРЛ250 │обеспе- │ ДРЛ125 │обеспе-
света │ │ │чивается │ │чивается
Наклон │ 30 │ 0 │во всех │ - │во всех
светильников,│ │ │вариантах │ │вариантах
град │ │ │ │ │
Высота │ 10 │ 8,5 │ │ 4,5 │
установки │ │ │ │ │
светильников,│ │ │ │ │
м │ │ │ │ │
Шаг │ 32 │ 32 │ │ 24 │
светильников,│ │ │ │ │
м │ │ │ │ │
Удельная │ │ │ │ │
мощность │ │ │ │ │
установки: │ │ │ │ │
кВт/км │ 13,3 │ 8,4 │ │ 5,7 │
Вт/м2 │ 1,19 │ 1,13 │ │ 1,27 │
Продолжение прил. 4
─────────────┬───────────────────────────┬────────────┬────────────────────
Тип свето- │Проезжая часть при яркости,│ Трамвайное │ Тротуар,
технического │ кд/м2 │ полотно, │ освещенность 2 лк
оборудования,├─────────────┬─────────────┤освещенность├─────────┬──────────
параметры его│ основной │ местных │ │ левый │ правый
размещения, │ магистрали │ проездов │ │ │
показатели ├─────────────┼─────────────┤ │ │
│ 0,8 │ 0,4 │ │ │
─────────────┼─────────────┼─────────────┼────────────┼─────────┼──────────
Светильники │РКУ01-400-012│РКУ01-125-008│Норма │РТУ04-125│Норма
Источники │ ДРЛ400 │ ДРЛ125 │обеспе- │ ДРЛ125 │обеспе-
света │ │ │чивается │ │чивается
Наклон │ 30 │ 15 │во всех │ - │во всех
светильников,│ │ │вариантах │ │вариантах
град │ │ │ │ │
Высота │ 10 │ 8,5 │ │ 4,5 │
установки │ │ │ │ │
светильников,│ │ │ │ │
м │ │ │ │ │
Шаг │ 52 │ 26 │ │ 24 │
светильников,│ │ │ │ │
м │ │ │ │ │
Удельная │ │ │ │ │
мощность │ │ │ │ │
установки: │ │ │ │ │
кВт/км │ 8,2 │ 5,3 │ │ 5,7 │
Вт/м2 │ 0,73 │ 0,7 │ │ 1,27 │
Продолжение прил. 4
───────────────────┬──────────────┬───────────────┬────────────────────────
Тип │Проезжая часть│ Трамвайное │ Тротуар, освещенность
светотехнического │ магистрали │ полотно, │ 4 лк
оборудования, │ при яркости │ освещенность ├──────────┬─────────────
параметры │ 1,0 кд/м2 │ 4 лк │ левый │ правый
его размещения, │ │ │ │
показатели │ │ │ │
───────────────────┼──────────────┼───────────────┼──────────┼─────────────
Светильники │РКУ01-250-011 │ РКУ01-125-008 │РТУ04-125 │РКУ01-125-008
Источники света │ ДРЛ250 │ ДРЛ125 │ ДРЛ125 │ ДРЛ125
Наклон │ 15 │ 15 │ - │ 15
светильников, град │ │ │ │
Высота │ 8,5 │ 8,5 │ 4,5 │ 8,5
установки │ │ │ │
светильников, м │ │ │ │
Шаг светильников, м│ 35 │ 35 │ 25 │ 35
Удельная мощность │ │ │ │
установки: │ │ │ │
кВт/км │ 7,7 │ 3,9 │ 5,5 │ 3,9
Вт/м2 │ 1,03 │ 0,45 │ 1,22 │ 0,65
Продолжение прил. 4
────────────────────────────┬───────────────────────────────┬──────────────
Тип светотехнического │ Проезжая часть магистрали │ Тротуар,
оборудования, │ при яркости, кд/м2 │освещенность
параметры его размещения, ├───────────────┬───────────────┤ 4 лк
показатели │ 1,2 │ 0,8 │
────────────────────────────┼───────────────┼───────────────┼──────────────
Светильники │ ЖКУ02-250-004 │ РКУ01-400-010 │Норма
Источники света │ ДНаТ250 │ ДРЛ400 │обеспечивается
Наклон светильников, град │ 15 │ 15 │во всех
Высота установки │ 10 │ 10 │вариантах
светильников, м │ │ │
Шаг светильников, м │ 39 │ 40 │
Удельная мощность установки:│ │ │
кВт/км │ 7,1 │ 10,6 │
Вт/м2 │ 0,47 │ 0,71 │
Продолжение прил. 4
──────────────────────┬───────────────────────────┬────────────────────────
Тип светотехнического │Проезжая часть магистрали │ Тротуар, освещенность
оборудования, │ при яркости, кд/м2 │ 2 лк
параметры его ├─────────────┬─────────────┼──────────────┬─────────
размещения, показатели│ 0,6 │ 0,4 │ Левый │ Правый
──────────────────────┼─────────────┼─────────────┼──────────────┼─────────
Светильники │РКУ01-250-011│РКУ01-125-008│Норма │РТУ01-125
Источники света │ ДРЛ250 │ ДРЛ125 │обеспечивается│ ДРЛ80
Наклон светильников, │ 15 │ 15 │во всех │ -
град │ │ │вариантах │
Высота установки │ 10 │ 8,5 │ │ 4,5
светильников, м │ │ │ │
Шаг светильников, м │ 34 │ 24 │ │ 24
Удельная мощность │ │ │ │
установки: │ │ │ │
кВт/км │ 8,0 │ 5,7 │ │ 3,8
Вт/м2 │ 0,71 │ 0,51 │ │ 1,25
Продолжение прил. 4
─────────────┬──────────────────────────────────────────────────────┬───────────
Тип свето- │ Проезжая часть при яркости, кд/м2 │Тротуар,
технического ├───────────────────────────┬──────────────────────────┤освещен-
оборудования,│ основной магистрали │ местных проездов │ность
параметры его├─────────────┬─────────────┼─────────────┬────────────┤4 лк
размещения, │ 1,0 │ 0,8 │ 0,6 │ 0,6 │
показатели │ │ │ │ │
─────────────┼─────────────┼─────────────┼─────────────┼────────────┼───────────
Светильники │РКУ01-400-010│РКУ01-400-010│РКУ01-400-010│СЭПР-250М(б)│Норма
Источники │ ДРЛ400 │ ДРЛ400 │ ДРЛ250 │ ДРЛ250 │обеспе-
света │ │ │ │ │чивается
Наклон │ 15 │ 15 │ 15 │ 0 │во всех
светильников,│ │ │ │ │вариантах
град │ │ │ │ │
Высота │ 10 │ 10 │ 10 │ 8,5 │
установки │ │ │ │ │
светильников,│ │ │ │ │
м │ │ │ │ │
Шаг │ 39 │ 49 │ 39 │ 32 │
светильников,│ │ │ │ │
м │ │ │ │ │
Удельная │ │ │ │ │
мощность │ │ │ │ │
установки: │ │ │ │ │
кВт/км │ 10,9 │ 8,7 │ 6,9 │ 8,4 │
Вт/м2 │ 0,97 │ 0,78 │ 0,92 │ 1,13 │
ТЕРМИНЫ И ОПРЕДЕЛЕНИЯ, ИСПОЛЬЗОВАННЫЕ В ПОСОБИИ
1. Блескость, отраженная - характеристика отражения светового потока от рабочей поверхности в направлении глаз работающего, определяющая снижение видимости вследствие чрезмерного увеличения яркости рабочей поверхности и вуалирующего действия, снижающего контраст между объектом и фоном.
2. Дорсил - отечественный светлый искусственный стеклокристаллический материал, полученный на основе утилизации мартеновских шлаков и используемый в качестве щебня в дорожных шероховатых асфальтобетонных покрытиях с целью улучшения показателей ОУ и состояния воздушной среды в летнее время.
3. Климат световой - совокупность условий естественного освещения в той или иной местности (освещенность и количество освещения на горизонтальной и различно ориентированных по сторонам горизонта вертикальных плоскостях, создаваемых рассеянным светом неба и прямым светом солнца, продолжительность солнечного сияния и альбедо подстилающей поверхности за период более десяти лет.
4. Комплекс световой - группа светильников (два и более) одинакового назначения, установленных на одной опоре.
5. Контраст объекта различения с фоном K определяется отношением абсолютной величины разности между яркостью объекта и фона к яркости фона.
Контраст объекта различения с фоном считается:

- при значении K свыше 0,5 (объект и фон резко отличаются по яркости); средним - при значениях K от 0,2 до 0,5 (объект и фон заметно отличаются по яркости); малым - при значениях K менее 0,2 (объект и фон мало отличаются по яркости).
6. Коэффициент запаса

- расчетный коэффициент, учитывающий снижение КЕО и освещенности или яркости в процессе эксплуатации вследствие загрязнения и старения светопрозрачных заполнений в световых проемах, источников света (ламп) и светильников, а также снижение отражающих свойств поверхностей помещения.
7. Коэффициент естественной освещенности - (КЕО) - отношение естественной освещенности, создаваемой в некоторой точке заданной плоскости внутри помещения светом неба (непосредственным или после отражений), к одновременному значению наружной горизонтальной освещенности, создаваемой светом полностью открытого небосвода; выражается в процентах.
8. Коэффициент естественной освещенности геометрический - отношение естественной освещенности, создаваемой в рассматриваемой точке заданной плоскости внутри помещения светом, прошедшим через незаполненный проем световой, и исходящим непосредственно от равномерно яркого неба к одновременному значению наружной освещенности горизонтальной под открытым полностью небосводом, при этом участие прямого солнечного света в создании той и другой освещенности исключается; выражается в процентах.
9. Коэффициент естественной освещенности условный геометрический - прямая составляющая естественной освещенности в расчетной точке от неба с учетом многократных отражений от стенок светопроводных шахт.
10. Коэффициент пульсации освещенности - критерий оценки относительной глубины колебаний освещенности в результате изменения во времени светового потока газоразрядных ламп при питании их переменным током; выражается в процентах.
11. Коэффициент светового климата - коэффициент, учитывающий особенности светового климата.
12. Коэффициент солнечного климата - коэффициент, учитывающий дополнительный световой поток, проникающий через проемы в помещение за счет прямого и отраженного от подстилающей поверхности солнечного света в течение года.
13. Небо облачное МКО (по определению Международной комиссии по освещению - МКО) - небо, полностью закрытое облаками и удовлетворяющее условию, при котором отношение его яркости на высоте

над горизонтом к яркости в зените равно

.
14. Неравномерность естественного освещения - отношение среднего значения к наименьшему значению КЕО в пределах характерного разреза помещения.
15. Объект различения - рассматриваемый предмет, отдельная его часть или дефект, которые требуется различать в процессе работы.
16. Освещение аварийное - освещение для продолжения работы при аварийном отключении рабочего освещения.
17. Освещение дежурное - освещение в нерабочее время.
18. Освещение естественное - освещение помещений светом неба (прямым или отраженным), проникающим через световые проемы в наружных ограждающих конструкциях.
19. Освещение естественное боковое - естественное освещение помещения через световые проемы в наружных стенах.
20. Освещение естественное верхнее - естественное освещение помещения через фонари, световые проемы в покрытии, а также через проемы в стенах в местах перепада высот здания.
21. Освещение естественное комбинированное - сочетание верхнего и бокового естественного освещения.
22. Освещение комбинированное - освещение, при котором к общему искусственному освещению добавляется местное.
23. Освещение местное - освещение, дополнительное к общему, создаваемое светильниками, концентрирующими световой поток непосредственно на рабочих местах.
24. Освещение общее - освещение, при котором светильники размещаются в верхней зоне помещения равномерно (общее равномерное освещение) или применительно к расположению оборудования (общее локализованное освещение).
25. Освещение совмещенное - освещение, при котором недостаточное по нормам естественное освещение дополняется искусственным.
26. Освещение эвакуационное (аварийное освещение для эвакуации) - освещение для эвакуации людей из помещения при аварийном отключении рабочего освещения.
27. Освещенность средняя, улиц, дорог и площадей - освещенность средневзвешенная по площади.
28. Освещенность наружная критическая - естественная освещенность на горизонтальной площадке под открытым небосводом, при которой естественная освещенность внутри помещения становится равной нормированному значению освещенности от искусственного освещения.
29. Поверхность рабочая - поверхность, на которой производится работа и на которой нормируется или измеряется регламентируемый фотометрический показатель осветительной установки.
30. Поверхность рабочая условная - условно принятая горизонтальная поверхность, расположенная на высоте 0,8 м от пола.
31. Покрытия гладкие асфальтобетонные - покрытия с пониженным содержанием щебня (или без щебня), имеющие среднюю высоту выступающих частей менее 1,5 мм и коэффициент сцепления менее 0,5.
32. Покрытия шероховатые асфальтобетонные - покрытия с повышенным содержанием щебня, имеющие среднюю высоту выступающих частей более 1,5 мм и коэффициент сцепления более 0,5.
33. Разрез помещения характерный - поперечный разрез посредине помещения, плоскость которого перпендикулярна плоскости остекления световых проемов (при боковом освещении) или к продольной оси пролетов помещения. В характерный разрез помещения должны попадать участки с наибольшим числом рабочих мест, а также точки рабочей зоны, наиболее удаленные от световых проемов.
34. Фон - поверхность, прилегающая непосредственно к объекту различения, на которой он рассматривается.
Фон считается светлым - при коэффициенте отражения поверхности свыше 0,4; средним - при коэффициенте отражения поверхности от 0,2 до 0,4; темным - при коэффициенте отражения поверхности менее 0,2.
35. Шаг светильников - расстояние между светильниками или их комплексами в одном ряду по линии их расположения вдоль улицы.
36. Яркость дорожной поверхности средняя - средневзвешенная по площади яркость сухих дорожных покрытий в направлении глаз наблюдателя, находящегося на оси движения транспорта.
1. Справочная книга по светотехнике/Под ред. Ю.Б. Айзенберга. -М.: Энергоиздат, 1983 - 472 с.
2. Рекомендации по технико-экономической оценке освещения производственных зданий/НИИСФ Госстроя СССР. - М.: Стройиздат, 1983 - 40 с.
3. Справочник проектировщика. Внутренние санитарно-технические устройства. В 2-х ч. Под ред. И.Г. Староверова. Изд. 3-е. Ч. 2. Вентиляция и кондиционирование воздуха. - М.: Стройиздат, 1978 - 509 с.
4.
Руководство по применению прямоугольных светоаэрационных и зенитных фонарей в производственных зданиях/ЦНИИПромзданий Госстроя СССР. - М.: Стройиздат, 1981 - 31 с.
5. Инструкция по рациональному использованию электроэнергии и снижению затрат в промышленных осветительных установках (внутреннее освещение) - Светотехника, 1981, N 5, с. 4 - 13.
6.
Руководство по выбору цветности и цветопередачи источников света при проектировании искусственного освещения. - М.: Стройиздат, 1980 - 41 с.
7. Кунгс Я.Л., Фаермарк М.А. Экономия электрической энергии в осветительных установках. Энергоатомиздат, М., 1984, 160 с.
8. Семенова Н.Н. Номенклатура и характеристики светильников с люминесцентными лампами для производственных помещений. - "Светотехника", 1981, N 4, с. 3 - 4 обложки.
9. Семенова Н.В. Номенклатура и характеристики светильников с газоразрядными лампами высокого давления для производственных помещений. - Светотехника, 1981, N 5, с. 3 - 4 обложки.
10. Фаермарк М.А. О возможностях экономии электроэнергии за счет выбора светильников с учетом их эксплуатационных групп - Светотехника, 1983, N 2, с. 16 - 18.
11. Кнорринг Г.М. Осветительные установки. - Л.: Энергоиздат, Л.О., 1981 - 288 с.
12. Айзенберг Ю.Б., Бухман Г.Б. и др. Состояние и задачи развития работ по щелевым световодам. - Светотехника, 1981, N 11, с. 3 - 5.
13. Айзенберг Ю.Б., Бухман Г.Б. и др. Комплектные осветительные устройства типа КОУ со щелевыми световодами - Светотехника, 1981, N 11, с. 20 - 23.
14. Никитонкин В.Н. О целесообразности применения осветительных устройств со щелевыми световодами в текстильной промышленности. Светотехника, 1981, N 11, с. 18 - 20.
15. Семенова Н.В. Номенклатура и основные характеристики светильников местного освещения и переносных светильников. Светотехника, 1981, N 2, с. 23.
16. Киреев Н.Н., Сорокин В.М. Новый метод расчета КЕО в производственных зданиях с зенитными фонарями. - Промышленное строительство, 1983, N 10, с. 40 - 42.
17. Годин А.М. Естественное освещение транспортных зданий, предназначенных для ввоза подвижного состава. - Транспортное строительство, 1982, N 8, с. 54 - 56.
18. Народное хозяйство СССР. 1922 - 1982. Юбилейный статистический ежегодник/ЦСУ СССР. - М., Финансы и статистика, 1982, с. 624.
19. Тищенко Г.А. Осветительные установки. - Высшая школа, 1984.
20. Ефимкина В.Ф., Софронов Н.Н. Светильники с газоразрядными лампами высокого давления. - М.: Энергоатомиздат, 1984, с. 104.
21. Азалиев В.В., Варсанофьева Г.Д., Кроль Ц.И. Эксплуатация осветительных установок промышленных предприятий. - М.: Энергоатомиздат, 1984, с. 160.
22. Гусева Л.С., Мясоедова Е.И., Фаермарк М.А. О расширении области применения ламп типа ДНаТ в промышленном освещении. Светотехника, 1984, N 9, с. 14 - 16.
23. Фаермарк М.А. Экономия электроэнергии при расширении области применения местного освещения. Светотехника, 1982, N 4, с. 6 - 10.
24. Смирнов Г.К., Фаермарк М.А. Местное освещение слесарных верстаков. Светотехника, 1983, N 5, с. 13 - 16.
25. Смирнов Г.К., Фаермарк М.А. Местное и локализованное освещение сборочных работ. Светотехника, 1983, N 6, с. 14 - 17.
26. Гусева Л.С., Смирнов Г.К., Фаермарк М.А. Пульсация освещенности в установках с лампами типов ДРИ и ДНаТ. Светотехника, 1984, N 10, с. 1 - 3