Главная // Актуальные документы // КлассификацияСПРАВКА
Источник публикации
М., 2017
Примечание к документу
Документ включен в
Перечень документов в области стандартизации, в результате применения которых на добровольной основе обеспечивается соблюдение требований Федерального
закона от 30.12.2009 N 384-ФЗ "Технический регламент о безопасности зданий и сооружений" (
Приказ Росстандарта от 02.04.2020 N 687).
Документ включен в
Перечень документов в области стандартизации, в результате применения которых на добровольной основе обеспечивается соблюдение требований Федерального
закона от 30.12.2009 N 384-ФЗ "Технический регламент о безопасности зданий и сооружений" (
Приказ Росстандарта от 17.04.2019 N 831).
Документ
введен в действие с 15 мая 2018 года.
Название документа
"СП 354.1325800.2017. Свод правил. Фундаменты опор мостов в районах распространения многолетнемерзлых грунтов. Правила проектирования и строительства"
(утв. и введен в действие Приказом Минстроя России от 14.11.2017 N 1543/пр)
"СП 354.1325800.2017. Свод правил. Фундаменты опор мостов в районах распространения многолетнемерзлых грунтов. Правила проектирования и строительства"
(утв. и введен в действие Приказом Минстроя России от 14.11.2017 N 1543/пр)
Утвержден и введен в действие
и жилищно-коммунального хозяйства
Российской Федерации
от 14 ноября 2017 г. N 1543/пр
СВОД ПРАВИЛ
ФУНДАМЕНТЫ ОПОР МОСТОВ В РАЙОНАХ РАСПРОСТРАНЕНИЯ
МНОГОЛЕТНЕМЕРЗЛЫХ ГРУНТОВ
ПРАВИЛА ПРОЕКТИРОВАНИЯ И СТРОИТЕЛЬСТВА
Foundations of bridge supports in areas
of permafrost soils. Design and construction rules
СП 354.1325800.2017
Дата введения
15 мая 2018 года
Сведения о своде правил
1 ИСПОЛНИТЕЛЬ - ООО "Лаборатория инженерной теплофизики" (ООО "ЦЛИТ")
2 ВНЕСЕН Техническим комитетом по стандартизации ТК 465 "Строительство"
3 ПОДГОТОВЛЕН к утверждению Департаментом градостроительной деятельности и архитектуры Министерства строительства и жилищно-коммунального хозяйства Российской Федерации (Минстрой России)
4 УТВЕРЖДЕН
приказом Министерства строительства и жилищно-коммунального хозяйства Российской Федерации от 14 ноября 2017 г. N 1543/пр и введен в действие с 15 мая 2018 г.
5 ЗАРЕГИСТРИРОВАН Федеральным агентством по техническому регулированию и метрологии (Росстандарт)
6 ВВЕДЕН ВПЕРВЫЕ
В случае пересмотра (замены) или отмены настоящего свода правил соответствующее уведомление будет опубликовано в установленном порядке. Соответствующая информация, уведомление и тексты размещаются также в информационной системе общего пользования - на официальном сайте разработчика (Минстрой России) в сети Интернет
Настоящий свод правил разработан в соответствии с Федеральным
законом от 30 декабря 2009 г. N 384-ФЗ "Технический регламент о безопасности зданий и сооружений", Федеральным
законом от 22 июля 2008 г. N 123-ФЗ "Технический регламент о требованиях пожарной безопасности", Федеральным
законом от 23 ноября 2009 г. N 261-ФЗ "Об энергосбережении и о повышении энергоэффективности и о внесении изменений в отдельные законодательные акты Российской Федерации", Федеральным
законом от 27 декабря 2002 г. N 184-ФЗ "О техническом регулировании"
Настоящий свод правил подготовлен авторским коллективом АО ЦНИИС (руководитель - д-р техн. наук А.А. Цернант, канд. техн. наук В.П. Рыбчинский, канд. техн. наук И.А. Бегун), ООО "Лаборатория инженерной теплофизики" (ответственный исполнитель - д-р техн. наук В.В. Пассек, канд. техн. наук Н.А. Цуканов, канд. техн. наук В.П. Величко, канд. техн. наук Вяч.В. Пассек, канд. техн. наук В.Г. Дубинин).
Настоящий свод правил распространяется на проектирование и устройство фундаментов опор постоянных мостов, путепроводов и эстакад на железных и автомобильных дорогах, сооружаемых в районах распространения многолетнемерзлых грунтов.
В настоящем своде правил использованы нормативные ссылки на следующие документы:
ГОСТ 14098-2014 Соединения сварные арматуры и закладных изделий железобетонных конструкций. Типы, конструкции и размеры
СП 14.13330.2014 "СНиП II-7-81* Строительство в сейсмических районах" (с изменением N 1)
СП 25.13330.2012 "СНиП 2.02.04-88 Основания и фундаменты на вечномерзлых грунтах" (с изменением N 1)
СП 47.13330.2016 "СНиП 11-02-96 Инженерные изыскания для строительства. Основные положения"
СП 63.13330.2012 "СНиП 52-01-2003 Бетонные и железобетонные конструкции. Основные положения" (с изменениями N 1, N 2, N 3)
СП 70.13330.2012 "СНиП 3.03.01-87 Несущие и ограждающие конструкции" (с изменениями N 1, N 3)
СП 131.13330.2012 "СНиП 23-01-99* Строительная климатология" (с изменениями N 1, N 2)
Примечание - При пользовании настоящим сводом правил целесообразно проверить действие ссылочных документов в информационной системе общего пользования - на официальном сайте федерального органа исполнительной власти в сфере стандартизации в сети Интернет или по ежегодному информационному указателю "Национальные стандарты", который опубликован по состоянию на 1 января текущего года, и по выпускам ежемесячного информационного указателя "Национальные стандарты" за текущий год. Если заменен ссылочный документ, на который дана недатированная ссылка, то рекомендуется использовать действующую версию этого документа с учетом всех внесенных в данную версию изменений. Если заменен ссылочный документ, на который дана датированная ссылка, то рекомендуется использовать версию этого документа с указанным выше годом утверждения (принятия). Если после утверждения настоящего свода правил в ссылочный документ, на который дана датированная ссылка, внесено изменение, затрагивающее положение, на которое дана ссылка, то это положение рекомендуется применять без учета данного изменения. Если ссылочный документ отменен без замены, то положение, в котором дана ссылка на него, рекомендуется применять в части, не затрагивающей эту ссылку. Сведения о действии сводов правил целесообразно проверить в Федеральном информационном фонде стандартов.
В настоящем своде правил применены следующие термины с соответствующими определениями:
3.1 глубина нулевых годовых амплитуд температур в грунте:
Глубина, на которой температура грунта остается неизменной в течение всего годового периода независимо от сезонных колебаний температуры воздуха на поверхности.
3.2 грунт засоленный: Грунт, содержащий водорастворимые соли.
3.3
грунт мерзлый: Грунт, имеющий отрицательную или нулевую температуру, содержащий в своем составе видимые ледяные включения и (или) лед-цемент и характеризующийся криогенными структурными связями. |
3.4 |
грунт многолетнемерзлый: Грунт, находящийся в мерзлом состоянии постоянно в течение трех и более лет. |
3.5 грунт пластично-мерзлый: Грунт с большим содержанием незамерзшей воды, находящийся при температуре ниже 0 °C, но выше температуры замерзания; обладает пластическими свойствами и может деформироваться под нагрузкой.
3.6 грунт сухомерзлый: Песчаный грунт с суммарной влажностью до 6%, гравийно-песчаный грунт с влажностью заполнителя до 6%.
3.7 грунт сыпучемерзлый: Крупнообломочный и песчаный грунт, имеющий отрицательную температуру, но не сцементированный льдом и не обладающий силами сцепления.
3.8 грунт твердомерзлый: Прочно смерзшийся, практически несжимаемый грунт, находящийся при температуре ниже границы замерзания.
3.9 деградация мерзлоты: Многолетний процесс постепенного повышения среднегодовой температуры многолетнемерзлого грунта, приводящий со временем к понижению верхней поверхности мерзлоты, разобщению ее от слоя сезонного промерзания и росту зоны постоянно талого грунта между ними.
3.10 |
мостовое сооружение (мост): Искусственное сооружение над различными препятствиями для пропуска различных видов транспорта и пешеходов, а также водотоков, селей, скота, коммуникаций различного назначения - порознь или в различных комбинациях. |
3.11 |
мостовой переход: Комплекс сооружений, включающий мост, участки подходов в пойме реки, регуляционные и другие укрепления. |
3.12 приведенная температура воздуха: Температура наружного воздуха, полученная на метеостанции и откорректированная с учетом солнечной радиации и испарения с поверхности.
3.13 растепление мерзлоты: Повышение температуры многолетнемерзлого грунтового массива.
3.14 сезоннодействующие охлаждающие установки; СОУ: Замкнутые теплообменные устройства различного типа с газообразным, жидким или парожидкостным теплоносителем, применяемые для охлаждения и замораживания грунта за счет действия естественной разности температур грунта и окружающего воздуха.
3.15 слой сезонного оттаивания: Поверхностный слой грунта, оттаивающий в летний период.
3.16 среднегодовая температура многолетнемерзлых грунтов: Температура грунта на глубине нулевых годовых амплитуд (10 - 15 м).
3.17 талик: Толща талых и немерзлых пород в зоне вечной мерзлоты, распространенная с поверхности или ниже слоя сезонного промерзания и существующая более одного года.
3.18 температура замерзания: Температура, при которой в грунте замерзает более 90% воды.
3.19 температура начала замерзания (оттаивания): Температура, при которой в порах грунта появляется (исчезает) лед.
3.20 температурное поле: Совокупность температур в каждой точке расчетной области грунта на рассматриваемый момент времени.
3.21 термокарст: Образование просадочных и провальных форм рельефа и подземных пустот вследствие вытаивания подземного льда или оттаивания мерзлого грунта.
3.22 температурный режим грунтов; ТР: Изменение температурных полей во времени.
3.23 уширенная площадка: Насыпь с горизонтальной поверхностью, размеры которой в плане существенно превосходят ее высоту, устраиваемая около какого-либо сооружения (опора моста, насыпь железной или автомобильной дороги) с целью понижения температуры грунтового основания основного сооружения.
4.1 Настоящий свод правил предназначен для применения при проектировании, устройстве и контроле по сооружению фундаментов опор мостов (путепроводов, эстакад), возводимых на многолетнемерзлых грунтах.
4.2 При проектировании фундаментов опор на многолетнемерзлых грунтах в зависимости от их конструктивных и технологических особенностей и мерзлотно-грунтовых условий применяется один из следующих принципов использования грунтов в качестве основания:
- принцип I - грунты основания используют в мерзлом состоянии, сохраняемом в течение всего периода эксплуатации сооружения. При этом грунты могут быть мерзлыми до строительства или замораживаемыми в процессе строительства;
- принцип II - грунты основания используют в талом или оттаивающем состоянии.
Рекомендуется применять принцип I. Применение принципа II связано с более значительными неопределенностями с нарушением равновесия среды, в частности, с протаиванием смежных массивов, расположенных рядом или внизу, что может привести к линейной деформации или сдвигу больших массивов.
4.3 В своде правил приведены требования, необходимые для учета характерных особенностей проектирования и сооружения на многолетнемерзлых грунтах безростверковых опор, свайных и мелкого заложения фундаментов с использованием типовых или апробированных на практике и рекомендованных для широкого применения проектов, а также для разработки индивидуальных конструктивно-технологических решений опор.
Общие положения, относящиеся к вопросам проектирования и устройства фундаментов опор мостов как на используемых в мерзлом или талом состоянии многолетнемерзлых грунтах, так и на немерзлых грунтах в части проектирования и сооружения фундаментов и надфундаментной части опор, отсыпки и укрепления конусов, укрепления русел и т.п. следует принимать в соответствии с действующими нормативными документами.
4.4 Проектирование и сооружение фундаментов опор мостов должно осуществляться с учетом требований к охране окружающей среды и защиты от опасных природных процессов.
4.5 При прогнозировании температурного режима грунтов оснований следует учитывать, что зона теплового влияния на грунт, находящийся непосредственно у каждой опоры, распространяется на расстояние в плане радиусом 50 м и более, поэтому необходимо проводить расчеты для всего мостового перехода, включая участки подходного земляного полотна и формировать территорию всего мостового перехода с учетом ее теплового влияния на зону непосредственно у опор.
При проектировании конструкции и технологии возведения искусственного сооружения должны быть определены особенности не только самого сооружения, но и полосы отвода (характер растительности, возможность возведения других сооружений и т.п.). Эти особенности должны быть учтены при разработке проекта сооружения и схемы мониторинга. При этом должны быть учтены следующие главные факторы, влияющие на изменение температурного режима: снегоотложения, изменение уровня грунтовых или поверхностных вод, изменение растительного покрова (его ликвидация при строительстве или, наоборот, в локальных зонах таликов рост кустарника или деревьев, вызывающих повышенные снежные заносы).
На снегозаносимых участках граница полосы отвода устанавливается с учетом расположения снегозадерживающих сооружений.
5 Проектирование фундаментов опор мостов
5.1.1 При выборе конструктивно-технологического решения фундаментов опор мостов, проектируемых на многолетнемерзлых грунтах, следует ориентироваться на применение безростверковых конструкций устоев и промежуточных опор или опор с ростверком, расположенным выше поверхности грунта, а в пределах водотоков - выше или ниже уровня первой подвижки льда. Опоры с фундаментами мелкого заложения допускается применять в тех случаях, когда оттаивание мерзлых грунтов не приведет к появлению недопустимых по условиям нормальной эксплуатации мостов деформаций опор в соответствии с
СП 35.13330.
5.1.2 При проектировании фундаментов опор на многолетнемерзлых грунтах, используемых по принципу I, необходимо предусматривать мероприятия, направленные на поддержание в течение всего периода эксплуатации мостового перехода расчетной отрицательной температуры грунтов основания. С этой целью следует свести до минимума нарушения мохорастительного покрова, природного режима течения поверхностных и подземных вод на мостовом переходе, предусмотреть мероприятия по искусственному поддержанию расчетных температур путем использования специальных конструктивно-технологических решений опор и применения охлаждающих устройств.
Выбор вышеуказанных мероприятий, а также самого конструктивного решения, следует проводить на основании теплофизического расчета и указаний
раздела 7, а также
приложения А.
5.1.3 Для сохранения естественного водного режима на мостовом переходе, грунты основания фундаментов опор которого используются по принципу I, необходимо исключить или свести к минимуму:
- пропуск воды под одним мостом от нескольких соседних постоянных или периодических водотоков (за исключением протоков одного водотока);
- застой воды в пересыпанных протоках;
- длительную аккумуляцию воды под мостами и на подходах;
- срезки дна водотоков без укрепления против размыва;
- срезку русла со вскрытием сильнольдистых грунтов или подземных льдов;
- отвалы грунта, приводящие к застою воды под мостом и увеличению снегозаносимости;
- погружение свай с использованием метода протаивания грунтов основания.
5.1.4 На участках залегания большой толщи (свыше 15 м) сильнольдистых грунтов (с относительной осадкой при оттаивании более 0,03) или подземных льдов, в местах наличия криопегов, в пределах водотоков с наледями, на неустойчивых косогорах и в других сложных условиях решение о месте расположения, типе и конструкции опор следует принимать индивидуально для каждого проектируемого мостового перехода. При этом рекомендуется обследовать целесообразность переноса места расположения мостового перехода, увеличения глубины заложения фундаментов, обеспечения мерзлого состояния грунтов в основаниях опор с помощью охлаждающих устройств или других мер.
5.1.5 Основания и фундаменты опор следует проектировать с использованием результатов инженерно-геологических, мерзлотных, гидрогеологических, гидрологических и геодезических изысканий, выполненных в соответствии с требованиями
СП 47.13330. Требования к инженерно-геологическим изысканиям приведены в
[5].
5.1.6 Материалы инженерно-мерзлотных изысканий должны содержать:
- данные о мерзлотно-грунтовых условиях на строительной площадке, в том числе об особенностях распространения по площади и глубине залегания многолетнемерзлых грунтов, их генезисе, литологическом и гранулометрическом составах, криогенном строении, особенностях напластования, температуре, максимальных толщинах слоев сезонного промерзания и оттаивания, средней годовой температуре грунта на глубине 10 - 15 м, мерзлотных процессах (наледях, буграх пучения, термокарсте, солифлюкционно-оползневых образованиях и др.), степени засоленности грунтов, наличии включений концентрированных солевых растворов (криопегов) и их напоре;
- результаты полевых и лабораторных исследований и испытаний грунтов, отражающие литологические типы, криогенное строение, физические, теплофизические и механические свойства в талом и мерзлом состояниях: для нескальных грунтов - плотность, влажность, льдистость, просадочность при оттаивании, угол внутреннего трения, сцепление, теплоемкость, коэффициент теплопроводности; для скальных грунтов - степень выветрелости и трещиноватости, временное сопротивление на одноосное сжатие, коэффициент размягчаемости в воде и др.;
- дополнительные данные, необходимые для прогнозирования возможных изменений мерзлотных условий на строительной площадке, в том числе данные о продолжительности периодов и среднемноголетних значениях положительных и отрицательных температур воздуха, толщине снежного покрова, мохорастительном и торфяном покровах, а также о характерных особенностях проектируемого мостового перехода и производства работ по возведению опор моста и т.п.;
- исходные данные и требования, необходимые для разработки мероприятий по охране окружающей среды и защите от опасных природных процессов, подлежащие включению в проект опор моста, а также в проект организации и производства строительных работ (с целью обеспечения максимальной сохранности мохорастительного покрова, минимальных нарушений естественных условий напластования грунтов и протекания водотоков).
5.1.7 Материалы гидрогеологических и гидрологических изысканий должны содержать данные о времени и уровнях появления и установления подземных вод; химическом составе подземных вод с целью определения основных показателей их агрессивности по отношению к бетону или стальным оболочкам фундаментов; характере гидравлической связи подземных вод с водами открытых водоемов (рек, водохранилищ или озер).
Кроме сведений о подземных водах должны быть получены данные о наземных (поверхностных) водах, включающие расчетные уровень и расход воды; в водотоке рабочие уровни для каждого месяца в году; уровни высокой и низкой межени; графики среднемноголетней продолжительности стояния характерных уровней воды; сведения о датах начала и конца ледостава и ледохода, толщине льда, уровнях ледостава и ледохода, возможных заторах льда; сведения о характере и степени агрессивности воды.
В дополнение к перечисленным сведениям необходимо учитывать специфические особенности водотоков, характеризующие:
- прохождение паводков поверх ледяного покрова, обычно образующегося на перекатах при промерзании водотоков до дна, а также в местах появления наледей или ледяных заторов, возникающие при таких паводках подпоры воды и связанное с ними повышение ее уровней;
- возможные деформации русла в результате прохода паводков по ледяному покрову или по наледям (спрямления русла, глубинные, боковые размывы русла и т.п.).
5.1.8 В комплекс изысканий, выполняемых для разработки проекта опор мостов, рекомендуется включать обзор и систематизацию данных по материалам ранее проведенных изысканий, в том числе связанных с поиском полезных ископаемых, нефти и газа, обзор сведений по опыту строительства и эксплуатации ранее построенных мостов и других сооружений разного назначения в районах проектируемых дорог, обращая особое внимание на характер и причины изменений температуры многолетнемерзлых грунтов, если такие изменения были выявлены.
5.1.9 Номенклатуру грунтов оснований в описанных результатах изысканий и проектах фундаментов следует принимать согласно
ГОСТ 25100, а характеристики многолетнемерзлых грунтов - согласно
СП 25.13330.
5.1.10 Количество и глубину разведочных скважин следует назначать, исходя из необходимости получения достоверных данных, требуемых для обоснованного принятия рациональных конструктивно-технологических решений фундаментов опор с учетом сложности мерзлотных и гидрологических условий в месте проектируемого мостового перехода.
В зависимости от принципа использования грунтов в качестве оснований глубина скважин должна не менее чем на 5 м превышать глубину заложения фундаментов при применении принципа I и не менее чем на 5 м - подошву возможной чаши оттаивания грунтов под фундаментом при применении принципа II.
В местах распространения засоленных мерзлых грунтов с включением линз криопегов количество скважин должно соответствовать, как минимум, количеству опор моста. При этом подлежат четкому определению абсолютные отметки залегания линз криопегов и их мощность, а также наличие напора высокоминерализованных вод на момент проходки скважин.
5.1.11 При выборе принципа использования многолетнемерзлых грунтов в качестве основания фундаментов опор мостов следует исходить из условий обеспечения надежности и долговечности, а также минимальных затрат материалов, труда и времени на их возведение.
5.1.12 Многолетнемерзлые грунты в основании фундаментов глубокого заложения опор с ростверком или безростверковых рекомендуется использовать по принципу I при соблюдении следующих условий и требований:
- мерзлые грунты должны быть преимущественно сливающегося типа, температура которых в течение всего периода эксплуатации моста не будет превышать значений, принятых в расчетах несущей способности основания;
- в местах сильных снежных заносов продольный профиль дороги должен обеспечивать в пределах перехода наличие просвета под мостом, с учетом требований
приложения К;
- для предотвращения наледей рекомендуется с верховой стороны моста на расстоянии 50 - 100 м осуществлять перехват подруслового потока, например, с помощью мерзлотной завесы, устраиваемой с использованием охлаждающих устройств. Для предотвращения появления термокарста следует предусматривать меры по исключению возможности длительного застоя воды у подходной насыпи и под мостом, а также существенного повреждения мохорастительного покрова в зоне мостового перехода;
- дно русла в местах его возможного значительного размыва должно быть укреплено на длине не менее 15 м в верховую и низовую стороны от оси моста;
- промежуточные опоры рекомендуется размещать вне пределов меженного русла;
- свайные элементы (сваи разных типов) фундаментов следует погружать в мерзлые грунты ниже уровня максимально возможного их оттаивания на глубину, обеспечивающую восприятие расчетных нагрузок, включая силы морозного выпучивания;
- низ свайных элементов необходимо располагать не менее чем на 4 м выше поверхности подземного льда или сильнольдистых грунтов. Если это условие невыполнимо, такие грунты должны быть прорезаны свайными элементами, а при невозможности этого - решение об использовании сильнольдистых грунтов в качестве оснований следует принимать индивидуально.
5.1.13 В качестве оснований фундаментов, используемых по принципу II, пригодны любые крупнообломочные грунты, плотные и средней плотности пески, твердые, полутвердые и тугопластичные глинистые грунты, а также другие малосжимаемые при оттаивании грунты (характеризуемые относительной осадкой при оттаивании не более 0,03) при условии обеспечения предусмотренной проектом несущей способности оснований и перемещений верха опор в пределах допусков, установленных
СП 35.13330.
5.1.14 Твердомерзлые грунты следует использовать преимущественно по принципу I. При этом для фундаментов железнодорожных мостов необходимо обеспечить на весь период эксплуатации температуры мерзлых грунтов основания на 0,5 °C ниже расчетных температур для песков и супесей и на 1 °C - для суглинков и глин.
5.1.15 Пластично-мерзлые грунты в основаниях фундаментов рекомендуется использовать по принципу I, если в течение всего периода эксплуатации сооружения с помощью комплекса мер (например, охлаждающих устройств, каменных набросок, проветриваемых полостей и других мероприятий) будет сохранена температура грунтов не выше принятой в расчетах несущей способности по прочности и деформативности основания.
5.1.16 Допускается применение различных принципов использования многолетнемерзлых грунтов для оснований фундаментов соседних опор с учетом требований
СП 35.13330.
Для грунтов в основании фундамента отдельной опоры совместное использование двух принципов не допускается.
5.2 Особенности проектирования и расчета фундаментов опор и грунтовых оснований
5.2.1 Во всех регионах распространения многолетнемерзлых грунтов, где это по условиям надежности и долговечности допустимо, экономически оправдано и практически осуществимо, рекомендуется для автодорожных и железнодорожных мостов применять безростверковые опоры с использованием буровых (буроопускных, бурообсадных) и забивных свай, расположенных преимущественно в один-два ряда по фасаду моста.
Безростверковые опоры для железнодорожных мостов допускается применять в обсыпных устоях, а в промежуточных опорах - на суходолах для малых и средних мостов.
5.2.2 В регионах распространения засоленных мерзлых грунтов разрешается применение в устоях фундаментов безростверкового типа с плитой, расположенной в уровне подошвы конуса и опирающейся на грунты, поддерживаемые в твердомерзлом состоянии с помощью охлаждающих устройств и специальных конструктивно-технологических мероприятий.
5.2.3 Подошву ростверка свайных фундаментов рекомендуется располагать над поверхностью грунта или над уровнем первой подвижки льда. Фундаменты с заглубленным ниже уровня первой подвижки льда ростверком допускается применять в сложных ледовых условиях на незарегулированных реках с интенсивным русловым процессом. Для железнодорожных мостов фундаменты промежуточных опор рекомендуется проектировать с ростверком, расположенным ниже уровня первой подвижки льда или ледохода.
5.2.4 Для автодорожных мостов допускается применять устои диванного типа при условии осуществления мер по предотвращению появления недопустимых деформаций, а также обеспечению устойчивости на плоский и глубокий сдвиги.
5.2.5 В безростверковых опорах и фундаментах опор с ростверком рекомендуется применять в качестве стоек или элементов фундамента железобетонные столбы круглого и прямоугольного сечения, буровые сваи и стальные трубы диаметром 1 - 1,4 м и более.
5.2.6 При проектировании оснований и фундаментов опор мостов, возводимых на многолетнемерзлых грунтах, следует выполнять теплофизические расчеты основания и расчеты основания и фундаментов на силовые воздействия с учетом принятого принципа использования мерзлых грунтов в качестве основания.
5.2.7 Основания и фундаменты опор следует рассчитывать по двум группам предельных состояний:
- по несущей способности оснований, устойчивости положения фундаментов опор против опрокидывания и сдвига (плоского или глубокого), устойчивости фундамента на действие сил морозного пучения грунта;
- деформациям оснований и фундаментов (осадкам, кренам, горизонтальным смещениям).
5.2.8 Расчеты по материалу конструкций железобетонных опор необходимо проводить согласно
СП 35.13330.
Элементы железобетонных конструкций фундаментов рассчитывают на трещиностойкость.
Предельно допустимую ширину раскрытия трещин в железобетонных свайных элементах опор и фундаментов на стадии эксплуатации в неагрессивной среде от воздействия постоянных и временных нагрузок принимают согласно
СП 35.13330.
Для железобетонных элементов опор, расположенных в агрессивной среде, допустимую ширину раскрытия трещин принимают согласно
СП 28.13330.
5.2.9 Расчет оснований фундаментов опор мостов следует проводить при использовании:
- твердомерзлых грунтов по принципу I - по несущей способности;
- многолетнемерзлых грунтов по принципу II, а пластично-мерзлых по принципу I - по несущей способности и деформациям.
5.2.10 Значения нормативных и расчетных глубин сезонного оттаивания и сезонного промерзания следует определять по
СП 25.13330.
Значения расчетных глубин сезонного оттаивания или промерзания грунтов в основании опор рекомендуется принимать:
- для промежуточных опор, расположенных в пределах суши, пойменных участков и в руслах промерзающих до дна водотоков - соответственно от поверхности грунта, предварительной срезки (планировки) или от поверхности льда;
- обсыпных устоев - от поверхности конуса, считая по нормали к ней.
5.2.11 Нагрузки и воздействия на фундаменты опор мостов принимают в соответствии с требованиями
СП 35.13330.
5.2.12 Несущую способность используемых по принципу I мерзлых грунтов в основании сжатого осевой нагрузкой железобетонного, стального или сталебетонного свайного элемента необходимо проверять по условию

(5.1)
где Nmax - наибольшее сжимающее продольное усилие в верхнем сечении элемента, кН (тс);
G - собственный вес элемента, кН (т);
m = 1 - коэффициент условий работы;

- коэффициент надежности, принимаемый для используемых по принципу I мерзлых грунтов равным 1,4 независимо от количества свайных элементов в фундаменте и от положения подошвы ростверка по отношению к поверхности грунта, а для грунтов, используемых по принципу II - согласно
СП 24.13330 (как для немерзлых грунтов);
При определении несущей способности
Fu допускается учитывать влияние кратковременного характера действия подвижных нагрузок (согласно
СП 25.13330), приняв следующие значения дополнительного повышающего коэффициента для части, относящейся к учету воздействия временных вертикальных и горизонтальных нагрузок в расчетах несущей способности оснований свайных элементов опор: железнодорожных мостов при одновременном действии сжимающих вертикальных постоянных и временных вертикальных нагрузок - 1,35; то же, но совместно с временными горизонтальными нагрузками (включая сейсмические нагрузки) - 1,5; автодорожных мостов - соответственно 1,5 и 1,75. Для железнодорожных мостов на станционных и подъездных путях, а также других мостов, на которых возможны систематические остановки поездов или автомобилей на неопределенное время, не допускается повышать значение
Fu за счет учета временного характера действия подвижной нагрузки.
5.2.13 При работе свайного элемента на выдергивание из грунтов, используемых по принципу I, должно удовлетворяться условие

(5.2)
где Pdu - наибольшее выдергивающее продольное усилие в верхнем сечении элемента, кН (т);
Fdu - несущая способность элемента на выдергивание, кН (т).
Передача выдергивающих усилий на основание свайных элементов от одних постоянных нагрузок и воздействий не допускается.
5.2.14 В расчетах несущей способности буроопускных свайных элементов (столбов), воспринимающих сжимающие и выдергивающие усилия на основаниях, используемых по принципу I или II, в качестве расчетного размера диаметра элементов в грунте допускается принимать диаметр скважин (0,8 - 1 м) при условии, что свайные элементы с рифленой боковой поверхностью омоноличены в скважинах цементно-песчаным, цементно-шламовым или другим раствором марки не ниже: 150 - на высоту не менее 1 м от нижнего конца элемента в скальных и крупнообломочных грунтах; 100 - на высоту не менее 2 м в тех же грунтах; 50 - не менее 3 м в остальных грунтах.
5.2.15 При допущении оттаивания в период эксплуатации мостов, возводимых по принципу II, несущую способность свайных элементов по грунту, за исключением свай-стоек, опираемых на скальные, крупнообломочные и твердые глинистые грунты, определяют без учета отрицательного трения.
5.2.16 Несущую способность оснований фундаментов мелкого заложения, а также устойчивость таких фундаментов против опрокидывания и плоского сдвига на мерзлых грунтах, используемых по принципу II, следует определять как для талых грунтов, в соответствии с
СП 35.13330.
5.2.17 Независимо от принятого принципа использования многолетнемерзлых грунтов в качестве основания, фундаменты опор необходимо рассчитывать на действие сил морозного выпучивания, за исключением фундаментов:
- всех типов в местах, где слой сезонного промерзания-оттаивания состоит из крупного песка и крупнообломочных грунтов с содержанием глинистого заполнителя не более 10%;
- обсыпных устоев в местах, где сезонное промерзание-оттаивание грунта конуса не достигает его основания, сложенного с поверхности пучинистыми грунтами, или подошвы непучинистого грунта, уложенного в основании конуса взамен удаленного естественного пучинистого грунта;
- промежуточных опор, расположенных в пределах не промерзающих до дна водотоков.
5.2.18 Устои и промежуточные опоры, проектируемые на крутых склонах, особенно когда под несущим слоем основания расположены пласт талого или оттаивающего глинистого грунта или прослойка насыщенного водой песка, подстилаемого глинистым грунтом, следует обязательно проверить на устойчивость против глубокого сдвига (смещения фундамента совместно с грунтом) по круглоцилиндрической или другой неблагоприятной поверхности скольжения.
Кроме того, для указанных условий следует проверить возможность появления локальных (местных) оползневых сдвигов на ранее устойчивых склонах вследствие дополнительного их нагружения весом насыпи и опоры, нарушения устойчивости пластов грунта в процессе производства работ или изменения режима (уровня и скорости течения) подземных и поверхностных вод, нарушения растительного покрова.
5.2.19 Осадки проектируемых оснований фундаментов опор допускается не определять для мостов:
- всех систем и пролетов в случаях опирания фундаментов на используемые по принципу I мерзлые грунты, за исключением пластично-мерзлых глинистых;
- внешне статически определимых систем железнодорожных (пролетами до 55 м) и автодорожных (пролетами до 105 м) мостов при опирании на используемые по принципу II малосжимаемые при оттаивании скальные, плотные крупнообломочные и песчаные грунты, твердые и полутвердые глинистые или суглинистые грунты.
Осадки опор на основаниях из оттаивающих (в период эксплуатации мостов) грунтов, используемых по принципу II, определяют согласно
СП 25.13330, рассматривая фундаменты из свайных элементов как условно массивные.
5.2.20 Основания и фундаменты опор мостов на засоленных грунтах при использовании их в качестве основания по принципу I следует проектировать согласно
СП 25.13330 с учетом следующих особенностей:
- засоленные мерзлые грунты отличаются пониженной прочностью и малыми значениями сопротивлений сдвигу по поверхности смерзания свай и столбов;
- температура начала замерзания засоленных грунтов ниже температуры аналогичных видов незасоленных грунтов; при значительной степени засоленности грунты могут находиться при отрицательной температуре в "охлажденном" (немерзлом) состоянии;
- температурный интервал нахождения в пластично-мерзлом состоянии сильно засоленных грунтов может составлять несколько градусов, так как переход таких грунтов в твердомерзлое состояние происходит при более низких температурах, чем аналогичных незасоленных грунтов;
- при вскрытии скважинами, пробуренными для устройства свай или столбов фундаментов, линз грунтов, сильно насыщенных высокоминерализованными (в том числе напорными) водами, происходит смачивание стенок скважины таким раствором, что приводит к резкому снижению, а при определенных условиях почти к полной потере смерзания по боковой поверхности элемента фундамента.
5.2.21 Для более полного использования сопротивления засоленных мерзлых грунтов нормальному давлению при проектировании и устройстве фундаментов следует ориентироваться на применение столбчатых элементов, свай с уширенной пятой и др., а также на способы понижения температуры грунта в зоне заделки опор.
5.2.22 Расчетные сопротивления засоленных мерзлых грунтов нормальному давлению и сдвигу по поверхности смерзания следует принимать по опытным данным или в соответствии с
СП 25.13330.
5.2.24 В сейсмических районах фундаменты опор мостов допускается проектировать на любых грунтах, используемых в качестве основания по принципу I.
Если грунты используются по принципу II, то следует предусматривать опирание подошвы фундаментов или нижних концов свай и столбов преимущественно на скальные или другие малосжимаемые при оттаивании грунты.
5.2.25 Для контроля температурного режима грунтов основания фундамента, используемых по принципу I, в каждой опоре должны быть установлены согласно проекту термометрические трубки в количестве не менее двух на глубину, превышающую на 2 - 5 м отметку заложения концов свай или столбов. В качестве термотрубок рекомендуется использовать стальные трубы диаметром два дюйма, устанавливаемые как совместно с элементами фундамента (в сваи-стойки из стальных труб, в зазор между столбом и стенкой скважины и т.п.), так и в специально пробуренные скважины, местоположение которых определяется проектом.
Для контроля температурного режима грунтов в основании фундаментов мелкого заложения или поверхностного типа глубину термометрических трубок следует назначать не менее 10 - 15 м.
5.3 Конструирование фундаментов опор мостов
5.3.1 При конструировании фундаментов глубокого заложения, в том числе безростверковых опор, на мерзлых грунтах, используемых по принципу I, следует применять сваи (сваи-столбы), устраиваемые путем бурения скважин с уширением или без него, опускания в скважину цилиндрических или призматических железобетонных элементов сплошного сечения, стальных труб (оболочек) из стали, удовлетворяющей требованиям нормальной эксплуатации при низких отрицательных температурах (минус 40 °C и ниже), полых, заполненных бетоном или песчано-цементной смесью, с омоноличиванием их в скважине цементно-песчаным (цементно-шламовым) раствором.
5.3.2 Свайные элементы фундаментов промежуточных опор, верх которых расположен не менее чем на диаметр элемента ниже расчетной глубины сезонного промерзания-оттаивания грунтов или нижней поверхности льда при низком ледоставе, а также элементы устоев в непромерзающем грунте конуса насыпи, допускается проектировать из стальных оболочек и буровых свай-столбов (буроопускных или комбинированных железобетонных свайных элементов, заполненных бетоном, или полых железобетонных оболочек) без осуществления дополнительных мер по обеспечению трещиностойкости бетона таких элементов от неблагоприятного воздействия отрицательных температур окружающей среды.
5.3.3 Глубину заложения подошвы фундаментов или низа свайных элементов от уровня естественной поверхности грунта, срезки или размыва дна водотока следует назначать по результатам расчета несущей способности оснований, учитывающего влияние следующих наиболее важных факторов:
- мерзлотно-грунтовых, гидрогеологических и гидрологических условий в местах возведения опор;
- прогнозируемого температурного режима грунтов оснований;
- принципа использования мерзлых грунтов в качестве оснований;
- глубин сезонного промерзания и оттаивания грунтов;
- возможности пучения грунтов при промерзании и осадки основания при оттаивании;
- наличия льдонасыщенных грунтов и подземных льдов;
- принятых расчетных нагрузок на фундаменты;
- характерных особенностей конструкции и технологии постройки фундаментов.
5.3.4 Глубину заложения свайных элементов, а также расстояние в плане между ними назначают в нескальных мерзлых грунтах, используемых по принципу I, руководствуясь требованиями
СП 25.13330, а в грунтах, используемых по принципу II, -
СП 24.13330.
Глубину заделки низа свайных элементов в скальные грунты определяют на основании расчетов на сжатие или выдергивание согласно
5.2.12 и
5.2.13 и принимают в зависимости от предела прочности на одноосное сжатие
Rc и степени выветрелости грунта: для свайных элементов, воспринимающих преимущественно сжимающие усилия, в слабовыветрелых грунтах с
Rc свыше 15 МПа (1500 тс/м
2) - не менее 0,5 м, а в остальных грунтах - не менее 1 м; для элементов, воспринимающих выдергивающие усилия, во всех грунтах - не менее 2 м, а в слабовыветрелых грунтах с
Rc свыше 15 МПа (1500 тс/м
2) - не менее 1 м.
5.3.5 Для уменьшения глубины заложения свайных элементов в необрушающиеся немерзлые или мерзлые нескальные грунты, используемые по принципу II, рекомендуется устраивать уширенные пяты.
Расстояние в свету между уширенными пятами свайных элементов в уровне наибольшего диаметра пят должно быть не менее 0,5 м во всех мерзлых грунтах, за исключением сыпучемерзлых, в которых уширения разбуриванием не устраивают.
В засоленных необрушающихся мерзлых грунтах, используемых по принципу I, допускается устраивать уширение в основании столбов при условии принятия мер по уменьшению влияния экзотермии цемента на растепление окружающего грунта (температура бетонной смеси не выше плюс 5 °C, наличие встроенных в свайный элемент охлаждающих устройств и т.п.).
5.3.6 Фундаменты свайные и мелкого заложения допускается опирать на немерзлый грунт, расположенный между подошвой сезонно-промерзающего слоя и поверхностью многолетнемерзлого, используемого по принципу II малосжимаемого при оттаивании грунта, если толщина слоя немерзлого грунта под подошвой свайных элементов или фундаментов будет не менее 1,5 м при обеспечении требуемой их несущей способности на сжатие и на выдергивание.
5.3.7 Подошву ростверка свайных фундаментов на суше и в русле периодических водотоков следует располагать вне слоя сезонного промерзания пучинистых грунтов (ниже уровня промерзания не менее чем на 0,25 м или выше поверхности грунта на 1 м и более - для промежуточных опор, на 0,5 м и более - для устоев).
Заглубление подошвы фундаментов мелкого заложения в используемые по принципу II мерзлые грунты назначают по расчету несущей способности и устойчивости согласно
СП 35.13330 с учетом
СП 22.13330.
5.3.8 Подошву ростверка свайных фундаментов или фундаментов мелкого заложения в крупнообломочных грунтах, гравелистых и крупных песках, содержащих до 10% глинистого заполнителя, рекомендуется располагать (по отношению к поверхности грунтов) независимо от глубины сезонного промерзания-оттаивания, если слой таких грунтов простирается ниже этой глубины более чем на 1 м и отсутствует вероятность образования линзового льда под ростверком или фундаментом, в том числе и от напорных вод.
5.3.9 Подошву фундаментов мелкого заложения необходимо заглубить в несущий пласт (из любого грунта, кроме скального) не менее чем на 1 м от поверхности пласта, в скальные слабовыветрелые грунты - не менее 0,1 м, а в выветрелые - не менее 0,25 м.
5.3.10 Ростверк свайных фундаментов в русле постоянных водотоков, не промерзающих до дна, допускается располагать на любом уровне по отношению к поверхности воды при условии обеспечения надежности и долговечности фундаментов в соответствии с требованиями
СП 35.13330.
5.3.11 Железобетонные свайные элементы устоев и промежуточных опор, постоянно находящиеся в толще многолетнемерзлых или немерзлых грунтов (ниже половины глубины промерзания), допускается изготавливать из бетона класса не ниже B25 при марке по водонепроницаемости не ниже W4 и ненормируемой морозостойкости.
Для свайных элементов фундаментов и безростверковых опор в пределах зоны переменного уровня воды согласно
СП 35.13330 рекомендуется использовать бетон класса не ниже B35 при марках по водонепроницаемости не ниже W6 и по морозостойкости не ниже F300.
5.3.12 Толщина защитного слоя бетона (в свету до продольной арматуры) должна составлять в буровых сваях не менее 10 см, а в остальных свайных элементах - не менее 5 см.
5.3.13 Соединения верха железобетонных свайных элементов со сборной или монолитной подферменной плитой (насадкой) безростверковых опор или с ростверком фундаментов, а также отдельных секций свайных элементов или стоек безростверковых опор между собой следует осуществлять с помощью выпусков арматуры, сварными, болтовыми, клеештыревыми или других конструкций стыками.
Для омоноличивания стыков сборных элементов следует использовать бетон класса B35 с характеристикой по морозостойкости F300.
5.3.14 Конструкция стыков должна обеспечивать возможность надежного и долговечного соединения подферменной плиты или ростверка со свайными элементами. Отклонения свайных элементов в плане на уровне подошвы плиты от проектного положения не должны превышать:
при монолитной насадке - 5 см;
при сборной насадке и омоноличиваемых стыках - 3 см.
Для тех же конструкций отклонения по высоте не должны превышать:
при монолитной насадке - 10 см;
при сборной насадке и омоноличиваемых стыках - 3 см.
Допуски на сварные, болтовые, клеештыревые и другие стыки следует назначать в проекте опор в зависимости от особенностей конструкции стыков.
Предельно допустимые отклонения свайных элементов от вертикали не должны превышать 1:200 для однорядных по фасаду моста опор и 1:100 для двухрядных опор. Если отклонения превышают приведенные значения допусков, следует проверить расчетом несущую способность фундаментов, опор и их оснований.
5.3.15 На боковой поверхности нижнего конца буроопускных столбов на длине минимум 2 м от их подошвы рекомендуется делать искусственные неровности (рифление), выпуски арматуры и т.п. для обеспечения качественного сцепления элементов с омоноличивающим раствором прочностью не менее 5 МПа.
5.3.16 При заглублении нижних концов забивных свай в немерзлые грунты, прикрытые слоем сезонно-мерзлых или многолетнемерзлых песчаных грунтов, следует предусматривать установку этих свай в заранее пробуренные на всю глубину мерзлой толщи скважины, засыпку зазоров между поверхностями скважины и сваи песком и последующую добивку до расчетного отказа свай в несущий слой немерзлого грунта. При этом расчетное сопротивление грунта сдвигу в пределах скважины следует принимать не менее 10 кПа (1 тс/м).
5.3.17 Диаметр скважин, предназначенных для свободного опускания и омоноличивания в них цилиндрических свайных элементов, должен на 20 см превышать их диаметр, а призматических - на 5 см диагональ поперечного сечения.
5.3.18 Для омоноличивания буроопускных свайных элементов в скважинах ниже подошвы слоя сезонного промерзания-оттаивания или в пределах высоты расчетной заделки в скальных и нескальных грунтах следует применять растворы марок по прочности на сжатие согласно
5.2.14.
Зазор между свайным элементом и стенкой скважины от верха расчетной заделки свайных элементов в разные грунты и до подошвы слоя сезонного промерзания-оттаивания допускается заполнять сухой цементно-песчаной смесью в пропорции 1:7, а также цементно-шламовым раствором марки 50 (в толще глинистых грунтов) и уплотняемым в процессе заполнения зазора песком (в песчаных и гравийных грунтах), а у добиваемых свай - засыпанным сухим песком.
5.3.19 В пределах слоя сезонного промерзания-оттаивания зазор между свайными элементами и боковой поверхностью скважин следует заполнять уплотняемым по мере укладки грунтом, извлеченным при разбуривании этого слоя. Для заполнения такого зазора в песчаных грунтах допускается использовать песок, а при глинистых грунтах того же слоя - уплотняемую по мере укладки сухую смесь цемента с песком в пропорции 1:7.
На чертежах фундаментов опор, свайные элементы которых подлежат заглублению в грунт буроопускным способом, необходимо указать вид раствора, омоноличивающего элементы в скважинах до верха расчетной заделки, и требуемую его прочность к началу безопасного пропуска нагрузок по мосту.
6 Устройство фундаментов опор мостов
6.1.2 Выбор рациональных конструктивно-технологических решений фундаментов опор следует осуществлять с учетом местных условий перехода, в том числе:
- характеристик многолетнемерзлых грунтов (глубины сезонного оттаивания, состава, типа, особенностей залегания, температурного режима и т.п.);
- принципа использования мерзлых грунтов в качестве оснований;
- наличия подземных льдов и термокарста;
- наличия наледей, бугров пучения и их режима;
- климатических условий района: температуры воздуха, радиационного режима, мощности и времени установления снежного покрова и характера снежных отложений, количества и периода выпадения осадков, продолжительности зимнего и летнего периодов, а также светлого времени суток;
- уровней и продолжительности прохода паводковых и ливневых вод, характерных особенностей ледохода и карчехода;
- размеров и конструктивных особенностей элементов опор;
- необходимости выполнения специальных мероприятий, предусмотренных при составлении проекта постройки опор (последовательности работ, поддержания определенного теплового режима твердеющего бетона, обеспечения требуемой прочности раствора в зазоре омоноличивания буроопускных столбов и т.п.);
- необходимости сохранения растительного покрова на строительных площадках и в полосе отвода трассы при возведении опор моста.
6.1.3 В местах наличия подземных льдов, наледей, бугров пучения, сильнольдистых грунтов, оттаивание которых может привести к появлению недопустимых деформаций, фундаменты следует устраивать в сроки, предусмотренные проектной документацией на производство работ.
6.1.4 При выборе технологии строительства безростверковых опор и свайных фундаментов в используемых по принципам I и II многолетнемерзлых грунтах необходимо ориентироваться на широкое применение способа погружения свайных элементов в предварительно пробуренные в мерзлых грунтах обсаженные или необсаженные скважины. Способ непосредственной забивки свай в мерзлый грунт может быть использован в редких случаях только для заглубления свай в пластично-мерзлые глинистые и суглинистые грунты без твердых включений и больших прослоек песка, при условии подтверждения его эффективности положительными результатами пробной забивки свай в конкретных местных условиях. Кроме данных способов допускается сооружать свайные элементы по технологии устройства буровых, бурозабивных с краткосрочным растеплением тонкого слоя стенок лидерной скважины меньшего, чем свая, размера (см.
приложение Б) или комбинированных (сочетающих сваи-оболочки в верхней части и буровые - в нижней части) свай при условии соблюдения требований по обеспечению их надежности и экономичности.
6.1.5 При освоении строительных площадок для возведения опор мостов через постоянные или периодические водотоки на многолетнемерзлых грунтах, используемых по принципу I, требуется:
- строительные площадки для постройки опор мостов располагать преимущественно с низовой стороны подходных насыпей;
- подъезды к строительной площадке устраивать в зимний период на подсыпках толщиной не менее 1 м из песчаных грунтов или крупнообломочного материала;
- использовать для установки бурового станка, крана и другого оборудования в пределах строительной площадки, устроенные в зимний период по ненарушенному мохорастительному покрову подсыпки толщиной до 1 м из песка или крупнообломочного материала или укладывать на песчаные подсыпки толщиной 0,5 м переносные железобетонные плиты, настилы из бревен;
- площадки, предназначенные для размещения складов, временных бесфундаментных зданий и сооружений, в зимний период перекрывать по ненарушенному напочвенному покрову подсыпкой толщиной до 1 м из песка или крупнообломочного материала и планировать с образованием уклонов для стока поверхностных вод;
- водотоки в пределах строительной площадки размещать в трубах, деревянных лотках или в ограждающих банкетках из глинистых грунтов.
Независимо от температуры воздуха грунты и шлам, удаляемый при устройстве скважин, следует размещать в насыпях при минимально возможных нарушениях естественных условий протекания водотока.
6.1.6 На основаниях, используемых по принципу I, необходимо: обустроить опоры согласно проекту термометрическими трубками для контроля за температурным режимом грунтов в эксплуатационный период моста; после завершения постройки опор и отсыпки конусов очистить русло от завалов грунта с целью исключения застоев воды под мостами и вблизи них.
6.1.7 В проектной документации необходимо предусматривать осуществление мер по обеспечению:
- принятого принципа использования грунтов основания и расчетного температурного режима мерзлых грунтов в периоды строительства и эксплуатации сооружений;
- максимальной сохранности мохорастительного покрова и нормального пропуска водотоков в пределах строительной площадки;
- защиты возводимых конструкций опор, а также вспомогательных сооружений и устройств от неблагоприятного воздействия паводковых и ливневых вод, ледохода, наледей, карчехода и повышенных снежных отложений и др.;
- высокого качества опор мостов;
- требований техники безопасности, производственной санитарии и пожарной безопасности.
6.1.8 В проекте производства работ (ППР) по устройству фундаментов глубокого заложения (в том числе безростверковых опор) должны быть указаны способы:
- бурения скважин в мерзлых грунтах;
- очистки боковой поверхности и дна скважин от наледей и шлама;
- установки в скважины столбов или других элементов фундамента, закрепления их в проектном положении (в плане и по высоте);
- заделки столбов или свай в скважине с обеспечением восстановления нарушенного температурного режима мерзлоты в зоне заделки;
- устройства сборной или монолитной плиты ростверка (насадки).
6.2.1 Увеличение или уменьшение диаметра разбуриваемых скважин должно быть в пределах допусков, указанных в технологических регламентах на сооружение фундамента.
Отклонение от проектного положения продольной оси скважины в плане в уровне поверхности грунта не должно превышать допустимого
СП 46.13330.
Недобур скважин по глубине (предусмотренной в проекте фундамента) запрещается, перебур в скальных и крупнообломочных грунтах допускается не более 0,1, а в остальных грунтах - не более 0,2 м.
6.2.2 После проверки соответствия фактических размеров скважины проектным и записи полученных результатов в журнале буровых работ каждая пробуренная скважина, независимо от принципа использования грунтов, до начала работ по установке свайного элемента или заполнения ее бетонной смесью должна быть принята по акту, с оформлением паспорта скважины.
6.2.3 При применении принципа I бурение скважин под столбы должно осуществляться по технологии, исключающей попадание высокоминерализованных вод за пределы напластований, в которых они разведаны.
В качестве способа, с помощью которого можно осуществить перехват высокоминерализованных вод (в том числе напорных), рекомендуется затирание нижней части обсадной трубы в расположенных ниже горизонта криопег связных пластично-мерзлых или талых (тугопластичной - текучепластичной консистенции) грунтах с выбором технологии последующей проходки в зависимости от геокриологических условий.
6.2.4 Технология бурения скважин в засоленных многолетнемерзлых грунтах, используемых в качестве основания по принципу II, с включением линз криопегов и охлажденных неустойчивых массивов должна обеспечить в последующем, после установки столба, качественную его заделку в грунте.
6.3 Устройство свайных фундаментов
6.3.1 В мерзлые грунты свайные элементы сплошного сечения или полые с закрытым нижним концом следует заглублять путем опускания их в предварительно пробуренные скважины (диаметр которых превышает наибольший размер поперечного сечения элементов) с омоноличиванием пазух раствором. Вид и требуемая прочность раствора должны соответствовать требованиям
5.2.14 и быть указаны в проекте опор.
В пластично-мерзлые глинистые и суглинистые грунты свайные элементы сплошного сечения допускается заглублять до проектного уровня путем забивки их в предварительно пробуренные скважины диаметром, меньшим на 5 - 10 см размера наибольшего сечения элемента, а полые элементы с открытым нижним концом, в том числе железобетонные и стальные сваи-оболочки - путем забивки или вибропогружения в скважины меньшего на 5 - 20 см диаметра, которые бурят предварительно на требуемую глубину или циклами, чередуя бурение с принудительным осаживанием элементов и удалением грунта сквозь их полость (см.
приложение Б).
6.3.2 Свайные элементы с закрытым концом рекомендуется устанавливать сразу после окончания бурения скважин. В период положительных температур воздуха перерыв между окончанием бурения скважин и установкой в них элементов не должен превышать одних суток. При этом перед установкой свайного элемента скважина должна быть освидетельствована и принята в соответствии с
6.6.3.
6.3.3 Обнаруженные в скважинах в результате визуального освидетельствования и замера их глубины намерзший на их боковой поверхности лед, обрушившийся грунт или замерзший буровой шлам на забое должны быть удалены непосредственно перед опусканием элементов в скважины.
Особое внимание должно быть обращено на сопоставление замеров глубины скважин, выполненных сразу после окончания буровых работ и непосредственно перед установкой элементов, с целью исключения случаев оставления в забое скважины замерзшего шлама или обрушившегося грунта.
6.3.4 Независимо от принципа использования мерзлых грунтов частичное омоноличивание свайных, в основном железобетонных элементов, следует осуществлять путем вытеснения раствора, предварительно залитого в скважины, с последующей доливкой раствора до проектной отметки.
6.3.5 В скальных породах для омоноличивания кроме цементно-песчаных растворов, допускается использовать цементно-песчано-шламовые и цементно-шламовые растворы, при условии обеспечения требуемой прочности и долговечности растворов.
Не рекомендуется превышать температуру бетонной смеси, применяемой для устройства буровых свай и заполнения свай-оболочек, или омоноличивающего раствора, находящегося в скважине, в используемых по принципу I мерзлых грунтах плюс 5 °C, а по принципу II - плюс 40 °C. Прочность омоноличивающего раствора к моменту его замерзания следует определять заранее теплофизическим расчетом.
6.3.6 Для ускорения твердения бетонной смеси или омоноличивающего раствора при устройстве свайных элементов в используемых по принципу II многолетнемерзлых грунтах допускается вводить в смесь или раствор противоморозные добавки.
Применение химических добавок для ускорения твердения бетона (раствора), уложенного в распор с мерзлым грунтом, используемым по принципу I, без устройства экранирующего слоя, исключающего возможность миграций солей из бетона (раствора) в грунт, не рекомендуется.
6.3.7 Дозировку добавок, приготовление и укладку бетонной смеси или раствора с добавками следует проводить по
СП 70.13330, указаниям бетонной лаборатории строительной организации в зависимости от вида применяемых на стройке добавок, цемента, а также температур воздуха, грунта, смеси или раствора в момент укладки и в период твердения.
6.3.8 При сложном характере напластования инженерно-геологических элементов в основании, используемом по принципу I, когда ниже линзы криопега залегают связные пластично-мерзлые или талые тугопластичной - текучепластичной консистенции грунты, устройство столбов, опирающихся на прочные грунты, рекомендуется осуществлять путем погружения в них нижнего конца обсадной трубы на глубину не менее ее диаметра с последующей проходкой скважины насухо без обсадки стенок скважины, установкой и заделкой в ней столба или же погружением стальной трубы с открытым нижним концом с выборкой грунта до проектной отметки, устройством бетонной пробки и заполнением зазора цементно-песчаной смесью.
6.3.9 Устройство столбов в засоленных мерзлых грунтах с включением линз криопегов и неустойчивых охлажденных массивов, используемых по принципу II, должно предусматривать:
- бурение скважины в обсадке с откачиванием, при необходимости, воды (рассола), удалением грунта и наплывающей пульпы;
- погружение обсадной трубы до проектной отметки;
- разбуривание в устойчивых грунтах уширения, если это предусмотрено проектом;
- укладка бетонной смеси в уширение насухо, если удалось перекрыть приток рассола путем затирания нижнего конца обсадной трубы в кровле связных грунтов и откачать его, или же методом вертикально-перемещаемой трубы (ВПТ) - при наличии рассола в уширении; бетонная смесь укладывается до отметки, превышающей на 1 м отметку кромки ножа обсадной трубы;
- удаление воды из скважины и немедленная установка столба;
- заполнение зазора омоноличивающим цементно-песчаным раствором до уровня, превышающего на 2 - 3 м отметку кромки ножа обсадной трубы;
- вытягивание обсадной трубы с одновременным заполнением зазора раствором, при сохранении заданного перепада в уровнях поверхности раствора и кромки ножа обсадной трубы;
- предварительное частичное (для пригрузки) заполнение бетонной смесью полости столба.
6.3.10 Бетонные и сварочные работы по наращиванию элементов и стыкованию их со сборными или монолитными насадками выполняют в соответствии с
СП 46.13330 и
СП 70.13330.
6.3.11 Выпуски арматуры и закладные детали стыков допускается сваривать при температуре окружающего воздуха не ниже минус 20 °C. При более низких температурах наружного воздуха сварочные работы следует выполнять в соответствии с
СП 70.13330 и
ГОСТ 14098.
6.4 Устройство фундаментов мелкого заложения
6.4.1 Технология устройства фундаментов мелкого заложения, поверхностного типа и заглубленных в грунт плит фундаментов из столбов или свай на многолетнемерзлых грунтах должна учитывать принятый принцип использования грунтов в качестве основания, времени года выполнения работ, мерзлотно-грунтовых условий площадки, физико-механических свойств грунтов, наличия и характера грунтовых вод и других факторов.
6.4.2 Котлован под фундамент, запроектированный на сохранение грунтов основания в мерзлом состоянии, необходимо разрабатывать с наступлением зимнего периода при устойчивых среднесуточных температурах воздуха ниже 0 °C.
6.4.3 Котлован должен иметь надежное ограждение от возможного поступления грунтовой и поверхностной воды. В качестве ограждений котлованов используют стальной шпунт, деревянные закладные крепления, бездонные железобетонные и деревянные колодцы.
В зимний период котлованы допускается разрабатывать без крепления, используя естественное промораживание грунтов.
6.4.4 Технологический процесс разработки котлованов включает рыхление грунтов с помощью взрывчатых веществ или механических рыхлителей, удаление разрыхленных грунтов и подготовку основания.
К устройству фундаментов разрешается приступать только после освидетельствования и приемки котлована.
6.4.5 Блоки сборных фундаментов следует укладывать на подготовленное основание (на очищенную от разрушенного грунта, выровненную поверхность дна и уплотненную выравнивающую подсыпку).
6.4.6 Бетонные поверхности сборных элементов фундамента в местах их омоноличивания должны быть очищены от грунта, снега и льда, а подлежащие сварке выпуски арматуры и кромки закладных деталей - от грунта и раствора.
6.4.7 Для омоноличивания швов между бетонными блоками и железобетонными элементами рекомендуется применять растворы с использованием быстротвердеющих цементов марки не ниже 400 и мелких песков.
6.4.8 Для заполнения вертикальных швов между блоками следует применять растворы, имеющие осадку конуса 11 - 13 см, а для заполнения горизонтальных швов - 8 - 10 см.
6.4.9 Особенности производства бетонных работ по устройству монолитных фундаментов мелкого заложения в зимний период приведены в
разделе 6.5.
6.4.10 Пазухи между стенками котлована и боковыми поверхностями фундамента, построенного на грунтах, используемых по принципу I, следует засыпать связным грунтом.
Засыпку проводят талым маловлажным суглинком или глиной слоями толщиной не более 20 см с трамбованием каждого слоя до обеспечения плотности не менее 0,95. Допускается при отрицательной температуре воздуха засыпать пазухи котлована смесью 60% по объему талого и 40% мерзлого местного грунта без комьев с послойным трамбованием и промораживанием.
6.4.11 В случае использования в качестве охлаждающих устройств парожидкостных систем, устанавливаемых под плитой фундамента поверхностного типа в виде змеевиков, технология устройства фундамента должна предусматривать:
- разработку котлована под охлаждающую систему;
- отсыпку щебеночной подушки и ее уплотнение;
- укладку труб охлаждающей системы с одновременной засыпкой их песчаным грунтом и его уплотнением;
- досыпку котлована с послойным уплотнением;
- установку фундаментных блоков и их объединение.
Отсыпку конуса и участка подходной насыпи рекомендуется проводить в зимний период.
Поверхностную термоизоляцию откосов конуса и берм, устраиваемую в сочетании с охлаждающими устройствами, рекомендуется осуществлять из слоя торфа толщиной 0,4 - 0,5 м, укрепленного на откосах каменной наброской мощностью до 1 м, на площадках - слоем камня толщиной 0,3 м.
6.5 Особенности производства бетонных работ
6.5.1 Бетонные и железобетонные работы по возведению фундаментов в зимний период следует производить, руководствуясь
СП 70.13330, в соответствии с ППР, в котором, кроме технологии приготовления и укладки бетонной смеси, должны быть приведены:
- способ и температурно-влажностный режим выдерживания бетона;
- данные о материале опалубки с учетом требуемых теплоизоляционных показателей;
- данные о теплоизоляционном укрытии неопалубленных поверхностей;
- схема размещения точек, в которых следует измерять температуру бетона, и наименования приборов для ее измерения;
- требуемая прочность бетона конструкций к началу их загружения;
- сроки и порядок распалубливания и загружения конструкции.
В случае применения электротермообработки бетона в технологических картах дополнительно указывают:
- схемы размещения и подключения греющих проводов, электродов или электронагревателей;
- режим прогрева;
- требуемую электрическую мощность, напряжение, силу тока;
- тип понижающего трансформатора, сечение и длину проводов.
6.5.2 Прочность омоноличивающего раствора или бетона к началу возможного замерзания должна указываться в проекте конструкции фундаментов или в ППР и составлять от проектной прочности для бетонных и железобетонных свайных элементов фундаментов не менее 70%, а для железобетонных ростверков и верхней части свайных элементов, расположенных над грунтом, - не менее 80% при условии, что до начала пропуска эксплуатационных нагрузок раствор или бетон наберет проектную прочность в результате последующего твердения.
6.6 Контроль качества работ
6.6.2 До приема скрытых работ запрещается производить последующие работы, в том числе до приемки пробуренных скважин не допускается устанавливать и омоноличивать или бетонировать в скважинах свайные элементы.
Максимально допустимые перерывы между окончанием скрытых работ, их приемкой и началом последующих работ должны назначаться, исходя из условий недопущения в законченных элементах фундаментов изменений, которые могли бы оказать отрицательное воздействие на надежность и долговечность опор.
Если после приемки скрытых работ последующие работы начаты после длительного перерыва, необходимо назначить повторную приемку, например скважин, на боковой поверхности и на дне которых образовалась наледь или замерзший буровой шлам.
6.6.3 Для обеспечения качественного устройства свайных элементов должны быть проконтролированы и документально оформлены:
- соответствие фактических размеров проектным значениям диаметра и глубины скважин и свайных элементов, подлежащих заглублению в грунт;
- качество очистки элементов от снега, грунта и масляных пятен;
- качество очистки пробуренных скважин от бурового шлама и наледей;
- соответствие фактически пройденных слоев грунта слоям, указанным в проекте, с фиксацией отмеченных отклонений;
- состав, температура и консистенция омоноличивающего раствора, применяемого для заполнения зазоров между элементами и поверхностью скважин или бетонной смеси, предназначенной для укладки в сваи-оболочки или скважины;
- способ и качество заполнения раствором или бетонной смесью скважин до уровня, предусмотренного проектом фундамента;
- соответствие фактического положения свайных элементов или арматурных каркасов проектному;
- наличие термометрических трубок с целью контроля за изменениями температуры используемых по принципу I многолетнемерзлых грунтов основания;
- своевременность заполнения журналов работ и другой исполнительной документации.
6.6.4 На разных стадиях строительства следует руководствоваться
СП 63.13330.
Значения относительной прочности омоноличивающих растворов или бетонов должны уточняться экспериментально в зависимости от их состава, марки применяемого цемента и продолжительности твердения образцов.
6.6.5 Сведения о требуемой к началу загружения опор прочности омоноличивающего раствора и мерзлого грунта в заделке элементов должны быть приведены на чертеже опор или в ППР по их возведению.
6.6.6 При производстве работ по устройству фундаментов опор мостов следует соблюдать правила техники безопасности и производственной санитарии, изложенные в действующих нормативных документах и в ППР по сооружению конкретного объекта.
7 Учет специфики опасных природных процессов в зоне распространения многолетнемерзлых грунтов
7.1.1 Проектирование мостов следует осуществлять с учетом требований к охране окружающей среды. В связи с этим, по возможности, следует применять конструкции, вписывающиеся в природу, т.е., с одной стороны, использовать охлаждающие эффекты, создаваемые самой природой (например, оголенные от снега поверхности), а с другой, - учитывать опасные процессы, например заносимость снегом выемок и стесненных неровностями поверхностей.
Расчетный температурный режим должен обеспечивать с учетом конструктивно-технологических мероприятий:
- требуемую несущую способность грунтов;
- устойчивость к нарушениям в результате действий непредвиденных природных или техногенных воздействий.
| | ИС МЕГАНОРМ: примечание. В официальном тексте документа, видимо, допущена опечатка: приложение Л отсутствует. | |
Рекомендации по обеспечению этих требований приведены в
приложениях Г - Л.
7.1.2 Полосу отвода следует назначать с учетом ширины зоны теплового взаимовлияния сооружения с окружающей территорией
[1]. Необходимо также обеспечить площади отвода на период строительства, местоположение и размеры которых должны учитывать размещение объектов строительной инфраструктуры: поселков, баз, складов, а также возможность проведения временных снегоуборочных, водоотводных и других работ.
7.1.3 Проектирование и строительство защитных сооружений и проведение мероприятий по защите от заново проявляющихся опасных геологических процессов (ОГП), возникающих в процессе термодинамической стабилизации техногенных и нарушенных естественных грунтовых массивов, проводится по данным мониторинга.
Замену средств временной защиты от ОГП на постоянные устройства рекомендуется проводить по данным мониторинга на базе не менее пятилетних рядов наблюдений.
7.2 Особенности проектирования и строительства
7.2.1 При проектировании сооружений в зоне мостового перехода на многолетнемерзлых грунтах необходимо учитывать следующие природные особенности:
- смерзание по боковой поверхности столбов фундаментов с грунтом. До 80% несущей способности столбов обеспечивается за счет смерзания по боковой поверхности. Технологически это смерзание должно быть обеспечено за счет применения эффективных способов погружения столбов (см.
приложение Б) и методов контроля несущей способности (см.
приложение В). Недоучет обеспечения должного смерзания может привести к осадкам опор;
- горизонтальное пучение грунтов. При расположении фундаментов опор на границе по горизонтали талых и мерзлых массивов за счет подсоса влаги к фронту промерзания происходит формирование линз льда и, как следствие, горизонтальные деформации опор. Для исключения подобных деформаций рекомендуется возводить фундаменты опор в симметричном в плане мерзлотном состоянии либо в процессе возведения опор перемораживать талые массивы технологическими способами (например, установкой временных термосифонов);
- характерное для зоны распространения многолетнемерзлых грунтов расположение в верхних слоях слабых грунтов. В этом случае условная заделка столбов фундаментов располагается достаточно глубоко, что ухудшает восприятие столбом горизонтальных нагрузок. Для учета этого явления рекомендуется на промежуточных опорах неподвижные опорные части устанавливать на опорах с лучшими грунтовыми условиями, а устои делать, например, раздельного типа, где столбы воспринимают только вертикальные нагрузки, а давление насыпи воспринимается шкафной частью коробчатого типа;
- залегание высокольдистых грунтов (зачастую с наличием погребенных льдов) в верхних слоях грунта в сочетании с пересеченным, холмистым рельефом местности. Данное залегание встречается особенно в приарктических регионах. В этом случае оказывается опасным нарушение поверхностных слоев с растительным покровом. Опасным является образование вертикальных протаивающих поверхностей с оттоком протаивающей жижи. Протаивание формируется в горизонтальном направлении с разрушением очень крупных массивов за короткий период, целых холмов и сплыванием протаивающей массы на дорожное полотно. Меры борьбы - минимальное нарушение естественной поверхности, а в случае начала протаивания - засыпка маловлажными грунтами и укрепление сетками узлов начала протаивания. В ППР и правилах эксплуатации должны быть разработаны мероприятия быстрого реагирования на начинающиеся процессы горизонтального протаивания;
- залегание засоленных грунтов, криопегов. Данное залегание существенно затрудняет обеспечение смерзания столбов по боковой поверхности. В этих случаях рекомендуется рассматривать варианты неглубоких фундаментов (до глубины 8 - 10 м грунты, как правило, не засолены) или фундаментов поверхностного типа.
7.2.2 В регионах с сильным снегопереносом при проектировании мостового перехода рядом с существующим рекомендуется учитывать следующее:
- смежные дороги (земляное полотно подходной части) рекомендуется либо располагать совместно с основными площадками на одном уровне, либо не ближе критического расстояния bкр, т.е. минимального расстояния между бровками смежных дорог, при котором снегоотложения у откосов насыпи независимы, вычисляемого по формуле
bкр = i(h1 + h2 - 2h3), (8.1)
где 1:
i - уклон верхней границы снегоотложений перед дорогой (
таблица К.1 приложения К);
h1, h2 - высота насыпей, м;
h3 - высота снежного покрова в ненарушенной зоне;
- в условиях сильного снегопереноса не рекомендуется смежную дорогу делать в виде бермы к первой;
- при проектировании дорог, разъединенных на небольшое расстояние, рекомендуется теплоизолировать пазуху;
- если в пределах подходной части земляного полотна имеются выемки, то они должны быть сделаны в регионах с сильным снегопереносом с откосом 1:i, либо должны быть применены выемки тоннельного типа, а в регионах с отсутствием снегопереноса допускается делать выемки с любым откосом, вплоть до вертикального, который способствует подкачке холода в грунты;
- если в составе перехода имеется путепровод для пропуска под ним дороги, то в условиях снегопереноса для обеспечения незаносимости снегом дороги рекомендуется учитывать положения
приложения К.
7.3 Особенности эксплуатации
7.3.1 В условиях снегопереноса не рекомендуется устраивать снегозащитные сооружения рядом с выемками при наличии сильнольдистых грунтов и погребенных льдов. Под скоплениями снега формируются талики, которые могут привести к деформациям массивов грунтов. В таких случаях рекомендуется проектировать выемки тоннельного типа.
7.3.2 Для обеспечения пожаробезопасности на мостах рекомендуется принимать дополнительные меры по проверке поездов с горючими грузами, в частности, устраивать на станциях габаритные рамы.
7.3.3 В условиях сильного снегопереноса рекомендуется в процессе эксплуатации дороги соблюдать правила расчистки путем продольного или поперечного (за пределами проезжей части) уплотнения снега. Создание снеговых валов недопустимо, поскольку способствует их ускоренному нарастанию с резким увеличением зоны заносов.
ПРИНЦИПИАЛЬНЫЕ СХЕМЫ И КОНСТРУКТИВНЫЕ РЕШЕНИЯ ОПОР МОСТОВ
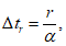
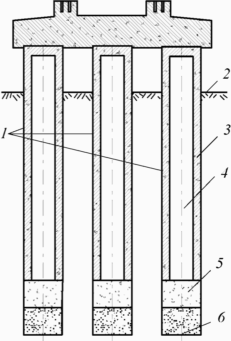
А.1 Рекомендуется применять четыре типа фундаментов
(рисунок А.1): глубокого заложения (30 - 40 м), среднего заложения (15 - 20 м), мелкого заложения (до 15 м), поверхностного типа. Целесообразность применения типа фундамента зависит от конкретных местных условий, имеющегося оборудования и других факторов.
Основным преимуществом фундамента глубокого заложения (
рисунок А.1, а) является тепловая инерционность глубинных слоев многолетнемерзлого грунта, поэтому при колебаниях тепловых условий на естественной поверхности грунта изменение температуры грунта в уровне нижних частей фундамента происходит через многие годы или вообще не происходит. Можно отметить два недостатка. Во-первых, при бурении скважин могут быть нарушены криопеги, при этом рассол, вырвавшись наружу, вызовет засоление грунта в зоне стенок скважины и тем самым ухудшит прочность грунтов по смерзанию со стенками столба. Во-вторых, в глубинных слоях гораздо сложнее восстановить растепление грунта, образовавшееся при бурении скважин и твердении бетона заполнения столба имеющимися искусственными приемами. Второе обстоятельство надолго может задержать момент формирования расчетной несущей способности столба.
Недостатком фундаментов среднего и мелкого заложения (
рисунки А.1, б, в) по сравнению с предыдущей схемой является меньшая несущая способность столба и, следовательно, необходимость большего числа столбов в опоре. Другим недостатком по сравнению с предыдущей схемой является меньшая тепловая инерционность, т.е. более резкое растепление грунтов при ухудшении условий на поверхности. Оба эти недостатка могут быть компенсированы применением пустотелых столбов - термоопор
(приложение Д), теплоизоляции и других мероприятий. Преимущества этой схемы по сравнению с предыдущей можно отметить два. Во-первых, для погружения столбов требуется менее мощное (следовательно, менее дорогое и более маневренное) оборудование. Во-вторых, технологические нарушения мерзлоты гораздо легче устранить имеющимися в настоящее время средствами.
Преимуществом фундамента поверхностного типа (
рисунок А.1, г) является отсутствие необходимости затрагивать естественные природные условия залегания многолетнемерзлых грунтов, сложившиеся веками и легко ранимые иногда без достаточно ясных последствий. В ряде случаев особо сложных грунтовых условий с засоленными, текучими при оттаивании грунтами, погребенными льдами и т.п. этот тип фундамента может оказаться единственно возможным.
А.2 Для промежуточных опор рекомендуется схема, приведенная на
рисунках А.2, а, б.
В зоне ледохода, кроме этого, рекомендуется также схема, приведенная на
рисунках А.2, в, г.
А.3 При наличии в зоне устоя слабых грунтов, требующих для обеспечения требуемой несущей способности столбов глубокого заложения, рекомендуется устой раздельного типа, где на столбы передается только вертикальная нагрузка, а горизонтальное давление со стороны насыпи воспринимается коробчатым элементом или стеной с горизонтальной плитой
(рисунок А.3).
А.4 При наличии засоленных грунтов, криопегов, особенно в приарктической зоне с низкими температурами воздуха рекомендуются устои со столбчатыми фундаментами мелкого заложения (верхние 8 - 10 м, как правило, не засолены) или устои с фундаментами поверхностного типа (
рисунки А.4 и
А.5).
А.5 При использовании грунтов по принципу I рекомендуется в промежуточных и береговых опорах применять пустотелые столбы с использованием принципа охлаждения грунтов термоопорой сквозного или коаксиального типов (
рисунки А.6 и
А.7).
а - схема глубокого заложения из сплошных столбов;
б - схема среднего заложения с использованием термоопор;
в - схема мелкого заложения с использованием сочетания
уширенных площадок и термоопор; г - схема поверхностного
типа с использованием уширенных площадок
Рисунок А.1 - Принципиальные схемы типов фундаментов
опор мостов на вечной мерзлоте по глубинам заложения
а - столбчатая безростверковая опора, фасад; б - то же,
вид вдоль оси моста; в - массивная с высоким ростверком
опора, фасад; г - то же, вид вдоль оси моста
1 - столбы; 2 - массивная надфундаментная часть опоры;
3, 4 - пролетные строения соответственно с ездой поверху
и понизу
Рисунок А.2 - Схемы промежуточных опор мостов
а
б
а - фасад оси моста со стороны пролета;
б - вид вдоль оси моста со стороны пролета
1 - подходная часть насыпи; 2 - пролетное строение;
3 - безростверковая опора, воспринимающая нагрузку
от пролетного строения; 4 - стенка с горизонтальной плитой,
воспринимающая нагрузку со стороны насыпи
Рисунок А.3 - Схема береговой опоры (устоя) моста
раздельного типа
1 - тело устоя; 2 - столбы фундамента длиной до 15 м;
3 - уширенная площадка; 4 - пролетное строение;
5 - подходная часть насыпи; 6 - естественная
поверхность грунта
Рисунок А.4 - Схема устоя со столбчатыми фундаментами
мелкого заложения
1 - устой; 2 - подходная часть насыпи; 3 - уширенная
площадка; 4 - пролетное строение; 5 - естественная
поверхность грунта
Рисунок А.5 - Схема устоя с фундаментами
поверхностного типа
1 - столбы с заглублением более 15 - 20 м; 2 - полость
внутри столбов; 3 - бетонная пробка; 4 - коаксиальная
вставка для регулирования конвективных потоков воздуха
в зимний период; 5 - естественная поверхность грунта;
6 - технологическая площадка
Рисунок А.6 - Схема промежуточной пойменной опоры
с фундаментом среднего заложения
1 - металлические трубы; 2 - поверхность грунта;
3 - железобетонная рубашка; 4 - воздушная полость;
5 - бетонная пробка; 6 - грунтовое заполнение
Рисунок А.7 - Схема промежуточной опоры глубокого заложения
ПОГРУЖЕНИЕ БУРОЗАБИВНЫМ МЕТОДОМ СТАЛЬНЫХ ТРУБ
ДЛЯ МОСТОВЫХ ОПОР
Б.1 Для погружения стальных труб диаметрами от 630 до 3000 мм, которые находят широкое применение для устройства столбов мостовых опор, рекомендуется применение бурозабивного метода погружения в сочетании с тепловыми воздействиями на грунты основания в процессе этого погружения
(рисунок Б.1).
Б.2 Технология устройства бурозабивного столба опоры включает в себя бурение направляющей скважины, бурение лидерной скважины, свободную установку в направляющую скважину металлической трубы, прогрев металлической трубы и стенок лидерной скважины, принудительное погружение трубы до проектной отметки, извлечение шлама.
После этого выполняют сопутствующие работы, к которым относятся устройство бетонной пробки, заполнение пазухи между столбом и стенками направляющей скважины. В зависимости от конструкции опоры возможно заполнение полости столба бетоном или армированным бетоном.
Полый столб после установки его в направляющую скважину фиксируют в проектном положении. Перед монтажом внутреннюю и внешнюю поверхности столба тщательно очищают от снега, грязи и наледи.
Принудительное погружение столба осуществляют до проектной отметки механизмами ударного или вибрационного действия. Поскольку погружение столба осуществляется до достижения расчетного отказа, то низ столба может быть расположен ниже дна скважины.
Перед погружением и в процессе погружения полости столба и лидерной скважины прогревают путем принудительной подачи в эти полости горячего воздуха или пара или с помощью электрического обогревателя, размещенного внутри полости.
С помощью бурового оборудования и насоса проводят извлечение из скважины шлама и воды, находящейся в скважине в результате конденсата от паропрогрева.
В зависимости от климатических и производственных условий в процессе теплообогрева полостей рациональным решением может быть теплоизоляция той части столба, которая выступает над уровнем грунта.
1, 2 - скважины соответственно лидерная и направляющая;
3 - металлическая труба; 4 - полость трубы; 5 - механизм
ударного или вибрационного действия; 6 - устройство
для подачи тепла (холода) в полость; dст - диаметр столба;
dв - диаметр направляющей скважины; dн - диаметр лидерной
скважины; l1 - длина направляющей скважины;
l2 - длина лидерной скважины
Рисунок Б.1 - Схема погружения металлической трубы
бурозабивным методом
ИСПЫТАНИЯ ПОЛЫХ СТОЛБОВ МЕТОДОМ УРАВНОВЕШЕННЫХ СОСТАВЛЯЮЩИХ
В.1 Для испытания полых столбов рекомендуется использовать метод уравновешенных составляющих.
Способ и устройство для испытания могут быть применены в талых и многолетнемерзлых грунтах. Испытания могут быть проведены на промежуточной стадии погружения полых столбов, когда они еще не находятся на проектной отметке, что важно для уточнения длины свай.
В.2 Сущность способа испытания заключается в одновременном испытании несущей способности в основании (давление на штамп) и по боковой поверхности (выдергивающая нагрузка на сваю).
Устройство для испытания 1 полой сваи 2, погруженной в грунт 3
(рисунок В.1), включает в себя трубу 4, в нижней части которой имеется штамп 5, выполненный в виде днища, вваренного в трубу 4. Внешний диаметр штампа 5 принимается в диапазоне от 2 до 4 см меньше диаметра полости испытываемого столба, чтобы трубу 4 можно было без трения опустить в его основание. В верхней части трубы 4 имеется опорная площадка 7, предназначенная для установки на ней домкратов 8. Верхняя часть полой сваи 2 оборудована упорной балкой 9 с анкерными тягами 10, предназначенной для упора в нее гидравлических домкратов 8. Вне силового контура обустройства смонтирована реперная рама 11, на которой установлена измерительная оснастка 12 для определения перемещений трубы 4 от вдавливающей нагрузки и измерительная оснастка 13 для определения перемещений полой сваи 2 от выдергивающей нагрузки.
Сложение составляющих и получение суммарной несущей способности по торцу и по боковой поверхности проводят в соответствии с нормативными документами.
1 - устройство для испытания; 2 - полая свая; 3 - грунт;
4 - труба; 5 - штамп; 6 - устройство жесткости;
7 - опорная площадка; 8 - домкрат; 9 - упорная балка;
10 - анкерные тяги; 11 - реперная рама; 12 - измерительная
оснастка для штампа; 13 - измерительная оснастка для сваи;
dк - диаметр штампа 5; d0 - диаметр полости столба
Рисунок В.1 - Схема испытания полых столбов
ОБЕСПЕЧЕНИЕ РАСЧЕТНОГО ТЕМПЕРАТУРНОГО РЕЖИМА
ГРУНТОВ ОСНОВАНИЙ
При расчете допускается условно принимать: холодный период времени с 1 октября по 31 марта; теплый период времени с 1 апреля по 30 сентября.
Г.1 Расчетный температурный режим должен обеспечить с учетом конструктивно-технологических мероприятий:
- требуемую несущую способность грунтов;
- устойчивость к нарушениям, в результате действия непредвиденных природных или техногенных воздействий.
Г.2 При проведении расчетов по прогнозированию температурного режима грунтов оснований должны быть учтены в соответствии с
СП 131.13330:
- климатические воздействия;
- мерзлотно-грунтовые условия в зоне мостового перехода;
- рельеф, растительность;
- различные физические процессы (например, фильтрация воды), имеющие место в зоне мостового перехода;
- возможные изменения природных и техногенных условий за время эксплуатации моста.
Г.3 Ширину полосы отвода рекомендуется назначать не менее ширины зоны теплового влияния, определяемой в соответствии с настоящим приложением.
Г.4 При проведении изысканий, проектировании, строительстве и в процессе мониторинга следует проводить оценку следующих особенностей:
- процесса растепления (усиления) мерзлоты, т.е. повышения (понижения) ее температуры;
- процесса деградации (аградации) мерзлоты, т.е. переход фазового состояния грунта из мерзлого в талое (из талого в мерзлое);
- зоны теплового взаимовлияния отдельных частей мостового перехода;
- скорости и характера намораживания для различных конструктивно-технологических мероприятий.
Г.5 Прогнозирование температурного режима многолетнемерзлых грунтов оснований следует осуществлять с учетом трехмерности тепловых процессов.
Г.6 При проектировании искусственных сооружений необходимо учитывать изменение температурного режима многолетнемерзлых грунтов оснований, которое может произойти на всем протяжении их расчетного срока службы на всех стадиях жизненного цикла. Необходимую для расчетов несущей способности и устойчивости оснований температуру многолетнемерзлых грунтов следует определять, учитывая три характерных состояния их температурных полей: начальное, временное и предельное.
Начальному состоянию соответствует температурное поле перед началом строительства моста, определяемое обычно по данным изысканий.
Временному состоянию соответствует температурное поле в процессе строительства и эксплуатации сооружения. Это промежуточное состояние между начальным и предельным.
Предельному состоянию соответствует температурное поле в последний год расчетной эксплуатации мостового сооружения.
Г.7 Расчетную температуру (т.е. температуру, по которой рассчитывается несущая способность грунтов) в узловых точках массива грунтов оснований
tр, °C (см.
Г.21), определяют, исходя из того, что начальное и временное состояния могут быть как менее благоприятными, чем предельное, так и более благоприятными, и вычисляют по формуле

(Г.1)
где tвр, tпр - температура грунта соответственно при временном и предельном температурных состояниях, °C;

- температурная добавка, принимаемая для песчаных грунтов 0,5 °C, а для глинистых 1 °C.
Примечание - Расчетная температура должна быть выше, чем при временном и предельном состояниях.
Г.8 За расчетную температуру по
Г.7 принимается температура грунта на момент окончания теплого периода года - при определении несущей способности грунтов, и на момент окончания холодного периода - при определении глубины сезонного промерзания в талых грунтах.
Г.9 При прогнозировании температурного режима грунтов оснований и обеспечения в процессе эксплуатации условий для сохранения температурного режима следует правильно учитывать размеры территории в плане, которые являются зоной теплового влияния для мостового перехода. Для этого рекомендуется использовать приближенную зависимость:
R = 2h, (Г.2)
где R - радиус зоны влияния для любой точки мостового перехода, м;
h - глубина от дневной поверхности (т.е. для опоры моста - от естественной поверхности грунта, для насыпи - от поверхности насыпи и т.п.), на которой определяется температура, м.
Общие размеры в плане зоны теплового влияния для всего мостового перехода определяют огибающей линией для зон влияния отдельных узловых точек (опор, подходных насыпей, регуляционных сооружений). Допускается принимать ширину B зоны теплового влияния равной B = 5b в зоне насыпей подходов, и B = 5h в зоне моста, где b - ширина заложения подошвы насыпи, а h - глубина заложения опоры.
Г.10 При определении зоны теплового влияния по
Г.9 следует учитывать, что на температуры грунта ниже 10 - 20 м существенное влияние оказывают соседние, смежные с сооружением территории, поэтому рекомендуется при проектировании оценивать их тепловое влияние, даже если они и не входят непосредственно в эту зону теплового влияния (рекомендуется оценивать, как проектируемое сооружение оказывает влияние на соседние зоны). В связи с этим, рекомендуется прогноз температурного режима больших в плане объектов осуществлять в три стадии:
- оценка температурного режима территории до строительства с учетом имеющейся растительности, водотоков и водоемов и т.п.;
- оценка температурного режима территории после строительства с учетом изменения растительности, вырубки леса, переформирования водных объектов, искусственных отсыпок и т.п.;
- расчет температурного режима конкретного объекта с учетом изменяющегося фонового предельного температурного состояния.
Г.11 Расчеты температурного режима следует проводить в трехмерной постановке, исходя из сложного трехмерного температурного состояния грунтов. Для отдельных частей и конструктивных элементов допускаются расчеты в одномерной и двумерной постановках.
Г.12 Прогноз температурного режима рекомендуется производить двумя методами: приближенным и точным с сопоставлением и взаимопроверкой результатов (см.
приложение Д).
Г.13 При назначении исходных данных для расчета следует учитывать, что главное влияние на правильность результатов расчета оказывают граничные условия: температура воздуха и условия теплообмена на поверхности.
Г.14 При расчете термического сопротивления на поверхности следует прежде всего учитывать снежные отложения, растительный покров и искусственные покрытия (пеноплекс и др.).
Г.15 При определении температуры воздуха следует учитывать солнечную радиацию и испарения с поверхности для освещенных солнцем поверхностей с учетом их ориентации.
Расчетную величину среднемесячной приведенной температуры воздуха tпр, °C, вычисляют по формуле

(Г.3)
где t - среднемесячная температура воздуха, определяемая по данным, имеющимся в климатологических справочниках;

- поправка к среднемесячным температурам воздуха за счет солнечной радиации, °C, вычисляемая по формуле

(Г.4)
здесь r - среднемесячная сумма радиационного баланса для рассматриваемого элемента поверхности, ккал/м2·мес;

- коэффициент теплообмена на поверхности грунта, ккал/(м
2·ч·°C), приближенно вычисляемый по формуле

(Г.5)
здесь v - скорость ветра, м/с;

- поправка к среднемесячным температурам воздуха за счет испарения, °C, вычисляемая по формуле

(Г.6)
здесь k - коэффициент, учитывающий характер поверхности, принимаемый в первом приближении равным 0,8 для естественной поверхности и 0,3 - для оголенной.
При отсутствии достаточных данных допускается в теплый период года учитывать суммарную поправку путем прибавления к среднемесячным значениям температуры воздуха с апреля по сентябрь добавки

.
Г.16 В случае если температурное поле, рассчитанное в соответствии с
Г.11 -
Г.15, не соответствует требованиям прочности и устойчивости грунтов оснований, необходимо применять конструктивно-технологические мероприятия по охлаждению грунтов, направленные на обеспечение возможности повышения несущей способности мерзлых грунтов, используемых по принципу I, и в ряде случаев - на образование мерзлых зон в талых грунтах (см.
приложение Е).
Г.17 Положение верхней границы мерзлоты определяется комплексом глубин
hi сезонного протаивания в характерных точках, а параметры ТР определяются температурами
ti грунта в характерных контрольных точках (см.
Г.21).
В проекте сооружения и в ППР по его строительству должны быть охарактеризованы эти параметры и обеспечена их связь с последующим мониторингом.
Г.18 Наблюдения за динамикой криогенных процессов в непосредственной близости от мостов выполняют по термометрическим скважинам, закладываемым по программе изысканий геотехнического мониторинга. Точность измерения - не менее 0,1 °C. Время измерения определяют в соответствии с
Г.8.
Г.19 Количество и глубину разведочных скважин следует назначать, исходя из условия получения достоверных данных (см.
Г.17), необходимых для надежных конструктивно-технологических решений опор с учетом сложности мерзлотно-грунтовых условий. Рекомендуется расстояние между скважинами вдоль моста в пределах мостового перехода (всей зоны теплового влияния) назначать не более 20 м, при этом число скважин должно быть не менее числа опор. Размеры в плане зоны теплового влияния следует определять в соответствии с
Г.9.
Г.20 В процессе глобального потепления возможны деформации и другие негативные последствия существующих сооружений. Меры по восстановлению несущей способности сооружения в этом случае рекомендуется назначать в соответствии с общими правилами. В данном пункте изложена специфика проектирования новых сооружений.
На выбор конструкции сооружения и способа его возведения следует учитывать две группы факторов:
- климатические;
- мерзлотно-грунтовые.
По специфике климатических и мерзлотно-грунтовых характеристик территория с распространением многолетнемерзлых грунтов может быть разделена на три зоны:
- северная (в основном арктическое побережье), которая характеризуется низкими температурами воздуха, грунтами со значительной степенью засоленности, криопегами, значительной льдистостью, наличием погребенных льдов;
- южная (южная граница распространения многолетнемерзлых грунтов), которая характеризуется более высокими, хотя и отрицательными температурами воздуха, грунтами малозасоленными или вообще незасоленными, небольшим распространением погребенных льдов;
- промежуточная, расположенная между северным и южным регионами.
В данном пункте приведены некоторые особенности проектирования мостов для северной и южной зон. Проектирование в промежуточной зоне рекомендуется осуществлять по рекомендациям для северной и южной, но с учетом местной специфики.
Для южной зоны рекомендуется применение технических решений с использованием глубинной системы охлаждения, например термоопор (см.
приложение И).
Для северной зоны рекомендуется оценивать возможность применения технических решений с использованием поверхностной системы охлаждения, например, уширенных площадок (см.
приложение Ж). Одновременно рекомендуется рассматривать конструктивные решения с неглубокими фундаментами или с фундаментами поверхностного типа, поскольку внизу залегают сильнозасоленные грунты, криопеги, погребенные льды, а верхние 5 - 10 м в большинстве незасоленные.
В фундаментах поверхностного типа (см.
приложение А) целесообразно устраивать неглубокие термоопоры в пределах высоты подходной насыпи или тела насыпной площадки или заглубленных на глубину до 10 м.
В северной зоне следует обращать особое внимание на участки пересеченной местности с залеганием высокольдистых грунтов и погребенных льдов. На этих участках опасно нарушение естественной поверхности. Рекомендуется выявлять узлы резкого изменения профиля с предварительным их укреплением сетками и искусственными засыпками.
Скорость растепления или деградации мерзлоты следует прогнозировать, используя численные методы расчета.
Г.21 Для правильного понимания температурного режима грунтовых массивов в зоне мостового перехода (в грунтах оснований устоев и промежуточных опор, теле подходной части насыпи и т.п.) рекомендуется при прогнозе в процессе проектирования и при мониторинге определять температуру в характерных точках, которые являются узловыми в температурном поле в характерные моменты времени. В соответствии с этими рекомендациями необходимо обустраивать термометрические скважины.
Для осуществления прогноза температурного режима в процессе проектирования и при мониторинге рекомендуется определять температуру, учитывая размеры территории в соответствии с
Г.9.
В зоне береговой или промежуточной опоры рекомендуется контролировать температуру до глубины ниже 10 м от подошвы фундамента. Замеры по высоте должны быть осуществлены не реже, чем через 2 м, а глубина сезонного протаивания определена с точностью 0,2 м.
Температуру грунтов следует измерять для каждой мостовой опоры.
Для подходных участков земляного полотна характерные точки температурного поля рекомендуется назначать в соответствии с
рисунком Г.1.
Если по оси пути нет возможности измерить температуру (например, в процессе мониторинга при интенсивном движении), то допускается глубины протаивания h и температуры t определять в пределах бровки основной площадки.
Измерение температур проводят для обеих половин поперечного сечения земляного полотна или массива у опоры. Допускается проводить измерение одной половины в случае обоснования тепловой симметрии по отношению к оси пути.
В метрах
а
б
а - насыпь; б - выемка
1 - естественная поверхность грунта; 2 - откос насыпи
или выемки; 3 - положение верхней границы мерзлоты (ВГМ)
на момент окончания теплого периода года;
4 - основание выемки
Рисунок Г.1 - Характерные точки температурного поля
подходной части земляного полотна
ПРОГНОЗ МНОГОЛЕТНИХ ИЗМЕНЕНИЙ ТЕМПЕРАТУРЫ МНОГОЛЕТНЕМЕРЗЛЫХ
ГРУНТОВ ОСНОВАНИЙ ВСЛЕДСТВИЕ НАРУШЕНИЯ УСЛОВИЙ ТЕПЛООБМЕНА
ПОСЛЕ ПОСТРОЙКИ МОСТОВ
Д.1 Расчеты температурных полей следует проводить, исходя из трехмерного распределения температур в грунтах оснований, характеризуемого тремя видами эпюр изменения температур по глубине
(рисунок Д.1):
эпюра 1 (сечения I-I) характеризует распределение температур в зоне большой площади с одинаковыми условиями на поверхности. В этом случае к концу теплого периода года образуется талая зона в пределах деятельного слоя с соответствующей глубиной оттаивания, далее до глубины 10 м температура плавно изменяется, а ниже глубины 10 м остается постоянной;
эпюра 2 (сечения II-II) характеризует распределение температур в грунте русловой части, где имеется талик. В этом случае к концу теплого периода года образуется сплошная талая зона до низа талика, далее температура грунта плавно изменяется на глубину до 40 м, а глубже 40 м температуру можно считать постоянной. В отдельных случаях глубина талой зоны может превышать 40 м, при этом зона постоянной температуры существенно понижается;
эпюра 3 (сечения III-III) характеризует распределение температур в пределах береговой части рядом с руслом. В этом случае до глубины 40 м температура может изменяться по различным законам: например, может образовываться мерзлая зона в верхней части, а ниже, до определенной глубины, образовываться талик.
Д.2 Прогноз температурного режима рекомендуется проводить двумя методами: приближенным и точным с сопоставлением и взаимопроверкой результатов. Для точного расчета рекомендуется использовать программы для ЭВМ, основанные на использовании численных методов (разностных методов, методов конечных элементов и др.). Сущность приближенного метода изложена ниже.
Д.3 Для приближенного расчета температурных полей следует:
- площадь мостового перехода разделить на зоны, в пределах которых можно считать постоянными граничные условия, характеризуемые температурой среды (воздуха или воды) с учетом солнечной радиации, испарений и условий теплообмена (при наличии или отсутствии растительного или снежного покрова и т.п.). Неровностями поверхности пренебречь, и рассматривать только горизонтальную проекцию. Эта операция одинакова как для приближенных расчетов, отражаемых в настоящем пункте, так и для точных методов, что обеспечивает единство подхода и возможность взаимоконтроля;
- для каждой зоны аналитическим или численным методом или на основании натурных данных построить эпюру распределения температуры грунта по глубине (эпюра 1 на
рисунке Д.1) в условиях полной изолированности данной зоны от соседних. Для каждого климатического района рекомендуется заранее подсчитать требуемое количество эпюр;
- определить характер распределения температуры
t по глубине основания в пределах любой зоны перехода через водоток, суммируя эпюры отдельных зон. Для этого на плане перехода намечают точку О (одну или несколько)
(рисунок Д.2), в которой на глубине
h вычисляют температуру
t по формуле

(Д.1)
где ti - температура грунта на глубине h, определяемая по одномерной эпюре для i-й зоны;
Ai - площадь i-й зоны;
n - число зон в участке радиусом 2h.
Д.4 Если температура, вычисленная по
формуле (Д.1), выше расчетной (см.
Г.1 приложения Г), то необходимо расчет повторить с учетом конструктивно-технологических мероприятий.
Пример расчета приведен в
К.7 приложения К.
УВ - уровень воды
Рисунок Д.1 - Характерное температурное поле и эпюры
изменения температуры на конец теплого периода года
по глубине залегания грунтов в естественных условиях
вдоль оси мостового перехода
1 - опоры моста; 2 - русловая часть; 3 - основная площадка
насыпи; 4; 5; 6; 7 - границы зон разных граничных условий
Рисунок Д.2 - Схемы для приближенного расчета температуры
грунта в точке О
КЛАССИФИКАЦИЯ СПОСОБОВ И УСТРОЙСТВ УПРАВЛЕНИЯ
ТЕМПЕРАТУРНЫМ РЕЖИМОМ ГРУНТОВЫХ МАССИВОВ
Е.1 Управление температурным режимом многолетнемерзлых грунтов оснований инженерных сооружений следует проводить в соответствии с рекомендациями
главы 7 и материалами данного приложения.
Е.2 В зависимости от конструкций инженерных сооружений и местных климатических и мерзлотно-грунтовых условий рекомендуется использовать четыре группы способов управления температурным режимом и устройств для осуществления этих способов, выполняющих функции:
- тепловых экранов (4 вида);
- тепловых амортизаторов (3 вида);
- тепловых диодов (3 вида);
- тепловых трансформаторов (3 вида).
Е.3 С помощью тепловых экранов осуществляется управление температурным режимом четырьмя видами физических процессов:
- регулированием интенсивности поглощения поверхностью сооружения коротковолновой солнечной радиации с помощью навесов, изменением цвета поверхности, применением зеркальных поверхностей и т.п. (тепловые экраны типа I, ТЭ-I);
- регулированием интенсивности длинноволнового эффективного излучения поверхностью сооружения с помощью укладки на поверхность сооружения прозрачной пленки с воздушной прослойкой между поверхностью и пленкой или составной прозрачной пленки с внутренними полостями и т.п. (тепловые экраны типа II, ТЭ-II);
- регулированием интенсивности конвективного теплообмена поверхностью сооружения путем изменения эффективного коэффициента теплопередачи, т.е. за счет изменения шероховатости поверхности, укладки покрытий и т.п. (тепловые экраны типа III, ТЭ-III);
- регулированием интенсивности процессов испарения с поверхности сооружения путем изменения пористости поверхности, биомассы растений на поверхности грунта и т.п. (тепловые экраны типа IV, ТЭ-IV).
Е.4 С помощью тепловых амортизаторов осуществляется управление температурным режимом тремя видами физических процессов:
- регулированием термического сопротивления на поверхности сооружения и в самом массиве путем размещения в массиве, включая его поверхность, элементов с малым коэффициентом теплопроводности, например пенопласта (тепловой амортизатор типа I, ТА-I);
- регулированием теплоемкости массива сооружения путем размещения в массиве, включая его поверхность, элементов с высокой теплоемкостью, например грунтовых прослоек высокой плотности (тепловой амортизатор типа II, ТА-II);
- регулированием теплоты фазовых превращений в массиве сооружения путем размещения в нем элементов с большим содержанием скрытых теплот, например грунтовых прослоек с большим влагосодержанием (тепловой амортизатор типа III, ТА-III).
Е.5 С помощью тепловых диодов осуществляется управление температурным режимом тремя видами физических процессов:
- регулированием фазовой асимметрии коэффициентов кондуктивной теплопроводности грунта в слое сезонного промерзания-протаивания путем размещения влагоемких грунтов, например торфа (тепловой диод типа I, ТД-I);
- регулированием межсезонной асимметрии коэффициентов эффективной теплопроводности путем изменения конвективной составляющей теплопереноса вследствие обратной плотностной стратификации незамерзающих теплоносителей, например в жидкостных охлаждающих установках, термоопорах, каменных набросках (тепловой диод типа II, ТД-II);
- регулированием межсезонной асимметрии коэффициентов эффективной теплопроводности при фазовых превращениях теплоносителя, например в парожидкостных термосифонах (тепловой диод типа III, ТД-III).
Е.6 С помощью тепловых трансформаторов осуществляется управление температурным режимом тремя видами физических процессов:
- регулированием интенсивности переноса тепла жидкостями или газообразными теплоносителями путем их циклического перекачивания через полости или поры грунтового массива без фазовых превращений, например прокачкой в холодный период холодного воздуха по трубам, расположенными в массиве грунта (тепловой трансформатор типа I, ТТ-I);
- регулированием интенсивности переноса тепла жидкостями или газообразными теплоносителями путем их циклического перекачивания через полости или поры грунтового массива с предварительным формированием в замкнутых контурах охлажденного хладагента с учетом фазовых превращений, например с использованием рефрижераторов, тепловых массивов, турбохолодильных установок (тепловой трансформатор типа II, ТТ-II);
- регулированием интенсивности переноса тепла за счет массообменных процессов и фазовых превращений внутри массива сооружения, например с помощью жидкого азота (тепловой трансформатор типа III, ТТ-III).
Е.7 В зависимости от конкретных условий рекомендуется для повышения эффективности формировать системы, т.е. использовать одновременно два и более мероприятия.
Ж.1 Для обеспечения поверхностного охлаждения грунтов оснований как устоев, так и промежуточных опор рекомендуется уширенная площадка.
Уширенная площадка является эффективным средством поверхностного охлаждения грунтов тела и основания насыпей. Применение уширенных площадок основано на особенностях снегопереноса в полярных регионах, при которых благодаря сильным ветрам снег сдувается с повышенных мест рельефа местности. Вследствие этого развитая поверхность основной площадки насыпи, оголенная от снежного покрова или при незначительной его толщине, обеспечивает за холодный период интенсивное охлаждение грунтов основания.
Ж.2 Принципиальная схема уширенной площадки представлена на
рисунке Ж.1. Участку насыпи на подходе к искусственному сооружению придается уширение 2, центр которого примерно совмещен с центром фундамента искусственного сооружения 1. Земляное полотно в зоне уширения состоит из двух ярусов по высоте: нижнего 3, опирающегося на естественное основание 4, и верхнего 5, располагающегося на нижнем и являющегося непосредственной опорой для верхнего строения пути. Верхний ярус включает в себя главную часть насыпи 6, ограниченную сверху основной площадкой с шириной, обеспечивающей размещение верхнего строения пути и переходных зон 7. Высота нижнего яруса 3 в зависимости от местных условий может приниматься в пределах от 0,8 до 4,0 м. Радиус уширения
R вычисляют по формуле
R = 2m·h, (Ж.1)
где h - расстояние от низа ядра 8 из твердомерзлого грунта до поверхности уширенной площадки;
m 
1 - коэффициент влияния местных условий, принимаемый менее единицы при наличии теплофизического обоснования, а без обоснования - равным единице.
Ж.3 При соблюдении указанного выше значения радиуса R в зоне ядра 8 обеспечивается поддержание многолетнемерзлых грунтов в твердомерзлом состоянии с температурой tуп, вычисляемой по формуле

(Ж.2)
где tв - среднегодовая приведенная (т.е. с учетом солнечной радиации и испарения) температура воздуха, °C;
tг - температура грунта на глубине нулевых амплитуд на окружающей территории в естественных условиях, °C.
Ниже ядра 8 расположены грунты с температурой tг, а верхняя граница этого ядра расположена на 5 м ниже поверхности уширенной площадки.
Ж.4
Формулу (Ж.2) допускается применять для предварительной оценки температуры грунта при проектировании на стадии сравнения вариантов технических решений, при которых проверяется возможность обеспечения требуемого температурного режима. На стадии рабочего проектирования рекомендуется проводить компьютерное моделирование с учетом трехмерности процессов теплообмена в расчетной области.
Ж.5 Скорость формирования расчетного температурного режима грунтов зависит, главным образом, от их начального температурного состояния. Применение уширенных площадок при наличии в основании насыпи таликов или мерзлых грунтов с температурой выше минус 0,5 °C требует предварительного разового технологического промораживания основания другими средствами.
Понижение температуры грунтов основания уширенной площадки с начальной температурой ниже минус 0,5 °C происходит за один-два холодных сезона.
Ж.6 Применение уширенных площадок целесообразно также при устройстве промежуточных опор, особенно на суходолах, а также при строительстве поверхностных фундаментов вместо заглубленных на засоленных грунтах.
Ж.7 Основными неблагоприятными факторами, снижающими охлаждающий эффект уширенных площадок, являются: нарушение при строительстве геометрии, заложенной в проекте, загромождение территории, приводящее к образованию снежных отложений, плохо организованный водоотвод с прилегающей территории и ветровая тень, создаваемая рельефом и близко расположенной лесной растительностью.
1 - центр фундамента сооружения; 2 - уширение;
3 - нижний ярус; 4 - естественное основание;
5 - верхний ярус; 6 - насыпь; 7 - переходная зона;
8 - мерзлое ядро
Рисунок Ж.1 - Принципиальная схема уширенной площадки
И.1 В качестве несущих элементов фундаментов опор мостов рекомендуется применение термоопор.
Принципиальные схемы термоопор приведены на
рисунке И.1. Термоопоры представляют собой охлаждающие системы глубинного действия. Принцип их работы основан на свободной конвекции воздуха внутри полости в холодный период года и отсутствии этой конвекции в теплый период. Термоопоры могут быть двух типов: сквозные (
рисунок И.1, а), т.е. с единой полостью, и коаксиальные (
рисунок И.1, б), т.е. с наличием в полости вставки для разделения потоков холодного и теплого воздуха.
а - сквозная термоопора; б - коаксиальная термоопора
1 - замкнутая с обоих торцов труба с высотой подземной
части hнс и hнк и высотой надземной части hвс и hвк
соответственно для сквозного и коаксиального типов;
2 - коаксиальная вставка; 3 - закрывающиеся отверстия
для датчиков измерения температур внутри полости
Рисунок И.1 - Принципиальные схемы термоопор
И.2 Принцип сезонности работы термоопор следует учитывать при проектировании сооружений с их применением. То, что за холодный период намораживается, в теплый период частично "растекается" в стороны. Остается к концу теплого периода только часть. Эта часть и принимается в расчет, т.е. по величине остаточного охлаждения на момент окончания теплого периода года определяется прочность многолетнемерзлых грунтов и несущая способность столбчатых опор. В связи с этим рекомендуется при проектировании учитывать "растекаемость" замороженных массивов.
И.3 "Растекаемость" в теплый период намороженных за зиму массивов определяется размером массива. Зависимость степени растепления массива, замороженного за холодный период, от его радиуса r приведена на рисунке И.2. При радиусе замороженного массива 20 м температура в его центре практически остается к концу теплого периода неизменной. В малых намороженных мерзлых массивах радиусом до 3 - 4 м к концу теплого периода практически весь холод "растекается" в стороны.
Рисунок И.2 - "Растекаемость" намороженных локальных
массивов за теплый период года - отношение температуры t
на начало холодного периода к температуре tн на начало
теплого периода года при фоновой температуре минус 0 °C
(кривая 1) и плюс 0 °C (кривая 2)
И.4 Расчет эффективности охлаждения термоопорами массивов многолетнемерзлых грунтов рекомендуется проводить численным методом. В принятой расчетной области поверхность полости рассматривается как зона действия граничного условия третьего рода, т.е. когда исходными данными для расчета являются температура воздуха в полости и коэффициенты теплоотдачи на поверхности полости. При этом температура воздуха в полости принимается в соответствии с
рисунком И.3. Расчетную температуру воздуха в полости сквозной термоопоры
tпс в уровне естественной поверхности грунта вычисляют по формуле
tпс = tф + tпсв, (И.1)
где tф - фоновая температура грунта на глубине 10 м, которая сформируется после строительства моста без учета термоопор (в первом приближении принимается температура, полученная по данным изысканий);
tпсв - температурная добавка за счет разности температур воздуха tв и tф, вычисляемая по формуле
tпсв = 0,4(tв - tф), (И.2)
здесь tв - средняя температура наружного воздуха за декабрь, январь, февраль.
На глубине hнс, равной 20 диаметрам полости термоопоры, температура воздуха в полости tнс равна
tнс = tф. (И.3)
Расчетную температуру воздуха в полости коаксиальной термоопоры tпк в уровне естественной поверхности грунта вычисляют по формуле
tпк = tф + tпкв, (И.4)
где tпкв = tпсв. (И.5)
На глубине hнк, равной 25 диаметров полости термоопоры, температура воздуха tнк равна
tнк = tф + tнкв, (И.6)
где tнкв = 0,3(tв - tф), (И.7)
при этом tпкв и tнкв - температурные добавки за счет разности температуры воздуха tв и фоновой температуры грунта tф соответственно на уровне естественной поверхности грунта и на глубине hнк.
При глубине подземной части термоопоры
H менее 20 и 25 диаметров соответственно для сквозного и коаксиального типов температура воздуха в полости в уровне естественной поверхности не меняется, а на глубине
H принимается в соответствии с
рисунком И.3.
В течение года расчет проводят при следующих значениях граничных условий в пределах полости: в течение ноября - марта в расчете учитывают температуры воздуха в соответствии с
рисунком И.3 при коэффициенте теплоотдачи

. В остальное время года температура воздуха принимается 0 °C, а коэффициент теплоотдачи

, что соответствует отсутствию тепловых потоков через поверхность термоопоры.
а - сквозная термоопора; б - коаксиальная термоопора
Рисунок И.3 - Расчетные эпюры температур воздуха
в полости сквозной и коаксиальной термоопор
И.5 Расчетные эпюры разности температур
В результате теплофизических расчетов, основные исходные данные для которых сформулированы выше, получаем температурные поля в расчетной области в расчетный момент времени. Для определения несущей способности столбов опор определяют температуры на контакте поверхности столба с окружающим грунтом. На
рисунке И.4 представлено в качестве примера такое распределение температур по глубине
H.
H - глубина подземной части термоопоры
Рисунок И.4 - Пример распределения температур
по глубине H грунта на контакте поверхности смерзания
на момент окончания теплого периода
И.6 Рекомендации по конструкции сводятся к тому, чтобы конкретные конструктивные решения термоопор обеспечивали их работу и контроль за их состоянием в процессе эксплуатации. Для этого, прежде всего, должна быть обеспечена необходимая высота теплообменника (не менее 1/10 глубины заложения термоопоры сквозного типа и 1/6 - для коаксиального типа).
И.7 Рекомендации по технологии сводятся к тому, чтобы перед смерзанием обеспечить протаивание слоя грунта, контактирующего с внешней поверхностью термоопоры, иначе сцепление по боковой поверхности столба обеспечить невозможно. Наличие полости в столбе позволяет ввести в нее тепловой источник и обеспечить это протаивание.
И.8 Рекомендации по температурным наблюдениям
Температурные наблюдения проводят с помощью термометрических скважин в грунте, которые представляют собой трубки диаметром около 5 см. Эти трубки в течение нескольких лет могут выйти из строя. Наличие полости в термоопоре позволяет проводить замеры непосредственно в полости. Поэтому при проектировании сооружений с применением термоопор необходимо предусматривать доступ с термодатчиками в полость.
Температура воздуха в полости в холодный период характеризует эффективность охлаждения, а в теплый период равна температуре грунта на контакте с термоопорой.
ОСОБЕННОСТИ СНЕГООТЛОЖЕНИЙ В ЗОНЕ МОСТОВЫХ ПЕРЕХОДОВ
К.1 При прогнозировании температурного режима многолетнемерзлых грунтов оснований следует учитывать, что снегоотложения являются одним из основных факторов, определяющих условия теплообмена на поверхности. Правильность учета снегоотложений определяет не только точность, но и правильность теплофизических расчетов, при этом необходимо знать толщину снежных отложений

и его плотность
P.
К.2 Следует учитывать, что в зону теплового влияния грунтов оснований конкретной опоры (см.
приложение Д) в плане находятся участки со снегоотложениями, которые могут быть разделены на 2 группы:
- снегоотложения

в ненарушенной территории;
- снегоотложения, которые формируются в результате влияния на них сооружений мостового перехода (подходных насыпей, пролетных строений, тела опор и т.п.).
Характеристика снегоотложений

первой группы определяется по нормативно-техническим документам или по материалам изысканий.
Характеристика снегоотложений второй группы приведена в данном приложении, и ее следует принимать в зависимости от снегопереноса в соответствии с К.3 -
К.6.
К.3 При отсутствии снегопереноса характер снегоотложений представлен на
рисунках К.1 и
К.2. Снег по прилегающей территории и по откосу насыпи или выемки равномерно распределяется по площади, и снежный покров имеет толщину

(первая группа), которая определяется по данным нормативных документов или по материалам изысканий. Эта зона равномерных снегоотложений на
рисунках К.1 и
К.2 обозначена зоной 5. Под пролетным строением (зона 4) снег распространен только на ширине 0,5
h (
h - высота подмостового габарита) и толщиной

. Остальная часть поверхности под пролетным строением (зона 3) оголена от снега. Поверхность проезжей части (зона 1) покрыта уплотненным при движении транспорта снегом толщиной

. При железнодорожном проезде эта зона будет оголена. Зона 2 содержит естественные снежные отложения, увеличенные за счет снега от расчистки зоны 1.

-

- зоны с различным снегоотложением;

- границы зон с различным снегоотложением;
1, 2 - основная площадка и откос подходной части насыпи
соответственно; 3 - ненарушенная территория; 4 - устой;
5 - промежуточная опора; 6 - продольная ось моста
Рисунок К.1 - Схема снежных отложений в пределах мостового
перехода при отсутствии снегопереноса

-

- зоны с различным снегоотложением;

- границы зон с различным снегоотложением;
1 - пролетное строение моста; 2, 3 - основная площадка
и откос насыпи соответственно; 4 - ось симметрии;
P - плотность снега
Рисунок К.2 - Схема снежных отложений в пределах
мостового перехода при отсутствии снегопереноса
К.4 При наличии снегопереноса характер снегоотложений представлен на
рисунках К.3 и
К.4. Основной особенностью снегоотложений является то, что снег скапливается перед препятствием, образуя призму с уклоном
i, значение которого определяется по
таблице К.1 в зависимости от снегопереноса
Q. Значение снегопереноса определяется по нормативным документам. Характеристика зон снегозаносимости следующая:
- зона 1 - верхняя поверхность насыпи;
- зона 2 - призма снежных отложений в зоне откоса насыпи с уклоном i верхней поверхности;
- зона 3 - отложения снега рядом с пролетными строениями;
- зона 4 - зона повышенных снежных отложений (суммируются отложения зон 2 и 3);
- зона 5 - зона пониженных снежных отложений;
- зона 6 - отложения снега непосредственно под пролетным строением;
- зона 7 - отложения снега в ненарушенной территории.
На ненарушенной территории (зона 7) толщина снежных отложений принимается

(первая группа), которая определяется по данным нормативных документов. В остальных зонах значения толщины снежных отложений принимают по формулам:

- определяется в соответствии с откосом
i;

(К.1)

(К.2)

(К.3)

(К.4)
где
k - коэффициент, учитывающий высоту
hм подмостового пространства, определяется по
таблице К.2;
m - коэффициент, учитывающий снегоперенос, вычисляемый по формуле

(К 5)

-

- зоны с различным снегоотложением;

- границы зон с различным снегоотложением;
1, 2 - основная площадка и откос подходной части насыпи
соответственно; 3 - ненарушенная территория; 4 - устой;
5 - промежуточная опора; 6 - продольная ось моста
Рисунок К.3 - Схема снежных отложений в пределах
мостового перехода при наличии снегопереноса

-

- зоны с различным снегоотложением;

- границы зон с различным снегоотложением;
1 - пролетное строение моста; 2, 3 - основная площадка
и откос насыпи соответственно; 4 - ось симметрии;
5 - очертание снежных заносов в высоких и длинных мостах;
6 - то же, в коротких и низких мостах; P - плотность снега
Рисунок К.4 - Схема снежных отложений в пределах
мостового перехода при наличии снегопереноса
Таблица К.1
Естественные уклоны
i снежных отложений у
препятствий в зависимости от снегопереноса Q
Снегоперенос Q, м3/м | Уклон снегоотложений 1:i |
200 | 1:3 |
400 | 1:5 |
600 | 1:7 |
1000 - 1200 | 1:10 |
Таблица К.2
Коэффициент
k, учитывающий высоту
h
подмостового пространства
Высота подмостового пространства hм, м | Коэффициент k |
 2 | 4 |
5 | 2 |
10 | 1 |
 15 | 0 |
К.5 Изменение характера снегоотложений в зависимости от снегопереноса.
Крайние значения снегопереноса отражены на
рисунках К.1 -
К.4. При наличии снегопереноса формируется зона снегоотложений шириной
B (рисунок К.4) за пределами подошвы откоса насыпи. Эта зона продолжается в пределах самого моста. По мере увеличения снегопереноса изменяется значение
i (см.
таблицу К.1) и увеличивается значение
B. При уменьшении снегопереноса значение
B уменьшается. При снегопереносе появляются в зоне моста дополнительные снегоотложения, характеризуемые параметрами
k и
m. При уменьшении снегопереноса эти коэффициенты уменьшаются, и характер снегоотложений, изображенных на
рисунках К.3 и
К.4, автоматически постепенно переходит в характер снегоотложений, изображенных на
рисунках К.1 и
К.2.
К.6 Изменение характера снегоотложений в зависимости от конструкции элементов мостового перехода.
Мост имеет два параметра, определяющих основной характер снегозаносимости при наличии снегопереноса: высота подмостового пространства и расстояние между устоями. При высоте подмостового пространства более 15 м снежные отложения приближаются к тем, которые имеют место в естественных условиях. При уменьшении высоты формируются снегоотложения в соответствии с
рисунком К.4, а. В зоне моста верхняя поверхность снежных отложений характеризуется линией 5. При уменьшении высоты примерно до 2 м подмостовое пространство полностью перекрывается и верхняя поверхность снегоотложений характеризуется линией 6 (
рисунок К.4, а).
Расстояние между устоями сказывается на характере снегоотложений следующим образом: зоны 4
(рисунок К.3) у противоположных устоев смыкаются, и при любой высоте подмостового пространства возможно формирование верхней поверхности по линии 6 (
рисунок К.4, а).
По мере уменьшения снегопереноса влияние конструкции моста на характер снегоотложений уменьшается, и при отсутствии снегоотложений это влияние сводится на нет.
Для подходной части насыпи в случае отсутствия снегопереноса характер снегоотложений приведен на
рисунке К.2, б и не зависит от высоты насыпи. При наличии снегопереноса характер снегоотложений отражен на
рисунке К.4, б и по мере увеличения высоты насыпи объем снегоотложений резко увеличивается. Это происходит до определенной высоты насыпи (порядка 6,0 м). Далее объем снегоотложений увеличивается незначительно (на рисунках К.5, в, г высота снегоотложений у подошвы откоса насыпи и зона
b4 снегоотложений для насыпей высотой 6 и 12 м одинакова), за исключением случая, когда насыпь расположена в логе (рисунок К.5, д).
а, б, в, г - для насыпей с высотой 1,5; 3,0; 6,0;
12,0 м соответственно, расположенных в условиях равнины;
д - для насыпи высотой 12,0 м, расположенной в логе
Рисунок К.5 - Сопоставление характера снегозаносимости
для различных высот насыпи при снегопереносе Q = 1000 м3/м
К.7 Пример приближенного расчета температуры грунтов
Расчет проводим в соответствии с
Д.3 приложения Д:
- площадь мостового перехода разделяют на зоны, в пределах которых можно считать постоянными граничные условия, характеризуемые температурой среды (воздуха или воды) с учетом солнечной радиации, испарений и условий теплообмена (при наличии или отсутствии растительного или снежного покрова и т.п.). Разбивка на зоны приведена на
рисунке К.6;
- для каждой зоны аналитическим или численным методом с учетом толщины снежных отложений

и его плотности
P (таблица К.3) или на основании натурных данных строят эпюру распределения температуры грунта по глубине в условиях полной изолированности данной зоны от соседних. Эпюры приведены на
рисунке К.7;
- определяют характер распределения температуры
t по глубине основания в пределах любой зоны перехода через водоток, суммируя эпюры отдельных зон. Для этого на плане перехода намечают точку О
(рисунок К.6), в которой вычисляют температуру на глубине
h, применяя
формулу (Д.1).
Значение
h принимаем 3 м и 5 м. Расчет проводим с помощью
таблиц К.4 и
К.5. Результаты расчета показывают, что на глубине 3 м температура

, а на глубине 5 м температура

.
Таблица К.3
Плотность снега
P для различных зон снегозаносов
Обозначение | Характеристика | Значение P, кг/м3 |
P1 | Снег в ненарушенной зоне при отсутствии снегопереноса | 100 - 150 |
P2 | Уплотненный снег после расчистки | 250 - 350 |
P3 | Уплотненный снег на проезжей части | 650 - 750 |
P4 | Снег в ненарушенной зоне при снегопереносе | 250 - 300 |
P5 | Снег в зоне скоплений у препятствий | 280 - 350 |
На глубине нулевых амплитуд (10 м) в расчет будет включаться ненарушенная зона 7. И от того, какая там температура, будет зависеть и температура в точке О на глубине 10 м.
Следует отметить, что общая оценка температур может быть выполнена с помощью
рисунка К.6 без таблиц по тем же значениям температур на глубине 10 м.

- зоны с различным снегоотложением;

- границы зон с различным снегоотложением;

- границы зон теплового влияния в точке О
для глубины 3 и 5 м;
1, 2 - основная площадка и откос подходной части насыпи
соответственно; 3 - ненарушенная территория; 4 - устой;
5 - промежуточная опора; 6 - продольная ось моста;
7, 8 - зоны теплового влияния в точке О для глубины
соответственно 3 и 5 м
Рисунок К.6 - Схема для определения температуры грунта
в точке О (задняя грань устоя) на глубине 3 и 5 м
Рисунок К.7 - Распределение температуры
t грунта
по глубине
h для изолированных зон 1 - 6 на
рисунке К.6
на момент окончания теплого периода года
(данные для примера расчета)
Таблица К.4
Расчет температуры грунта в точке О на глубине 3,0 м
Зона | Ai, м2 | ti, °C | Ai·ti, м2·°C |
1 | 36 | 0 | 0 |
2 | 24 | +3,5 | +84,0 |
4 | 14 | +4,3 | +60,2 |
5 | 12 | 0 | 0 |
6 | 4 | +3,0 | +12,0 |
| | | +156,2 |
Таблица К.5
Расчет температуры грунта в точке О на глубине 5,0 м
Зона | Ai, м2 | ti, °C | Ai·ti, м2·°C |
1 | 60 | -3,0 | -180,0 |
2 | 118 | +2,0 | +236,0 |
3 | 8 | +2,4 | +16,8 |
4 | 48 | +4,0 | +192,0 |
5 | 12 | -0,4 | -4,8 |
6 | 20 | +1,2 | +24,0 |
| | +284,0 |
К.8 При прогнозировании температурного режима рекомендуется также учитывать следующие особенности снежных отложений:
- в зоне при небольшом снежном покрове имеет место существенное суммарное охлаждение за год
(рисунок К.8). Но уже при увеличении высоты
hкр снежного покрова примерно до 0,5 м (это зависит от плотности снега и др. условий) охлаждающий эффект исчезает. При дальнейшем увеличении температура грунта на глубине нулевых амплитуд асимптотически стремится к
tmax (примерно 2 °C - 4 °C);
- среднюю плотность снежного покрова допускается принимать для отдельных зон (
рисунки К.1 -
К.4) в соответствии с
таблицей К.3. При этом следует учитывать, что от осени к весне по отношению к средним значениям средняя плотность изменяется соответственно примерно на 10% в ту или другую сторону;
- при наличии снегопереноса охлаждающей поверхностью является основная площадка подходной насыпи; при отсутствии снегопереноса охлаждающими поверхностями являются: основная площадка насыпи, подмостовое пространство (зона 3), а также все вертикальные поверхности (например, передняя грань устоя).
Рисунок К.8 - Зависимость температуры
t грунта на глубине
нулевых амплитуд (10 - 20 м) в установившемся режиме
от высоты hсн снежного покрова
[1]
Приказ Минтранса России от 6 августа 2008 г. N 126 "Об утверждении Норм отвода земельных участков, необходимых для формирования полосы отвода железных дорог, а также норм расчета охранных зон железных дорог"
[2]
СП 11-105-97 Инженерно-геологические изыскания для строительства. Часть 4. Правила производства работ в районах распространения многолетнемерзлых грунтов
[3]
ВСН 83-92 Технические указания по проектированию бетонов и цементно-песчаных растворов, твердеющих на морозе, при строительстве искусственных сооружений
[4]
ВСН 165-85 Устройство свайных фундаментов мостов (из буровых свай)
[5]
ВСН 156-88 Инженерно-геологические изыскания железнодорожных, автодорожных и городских мостовых переходов
[6] ВСН 203-89 Нормы и технические условия на проектирование и строительство железных дорог на полуострове Ямал
[7]
СНиП 12-03-2001 Безопасность труда в строительстве. Часть 1. Общие требования
[8]
СНиП 12-04-2002 Безопасность труда в строительстве. Часть 2. Строительное производство