Главная // Актуальные документы // ГОСТ (Государственный стандарт)СПРАВКА
Источник публикации
М.: Стандартинформ, 2014
Примечание к документу
Документ
введен в действие с 1 января 2014 года.
Название документа
"ГОСТ 32029-2012 (EN 257:1992). Межгосударственный стандарт. Термостаты (терморегуляторы) механические для газовых приборов. Общие технические требования и методы испытаний"
(введен в действие Приказом Ростехрегулирования от 06.09.2013 N 984-ст)
"ГОСТ 32029-2012 (EN 257:1992). Межгосударственный стандарт. Термостаты (терморегуляторы) механические для газовых приборов. Общие технические требования и методы испытаний"
(введен в действие Приказом Ростехрегулирования от 06.09.2013 N 984-ст)
агентства по техническому
регулированию и метрологии
от 6 сентября 2013 г. N 984-ст
МЕЖГОСУДАРСТВЕННЫЙ СТАНДАРТ
ТЕРМОСТАТЫ (ТЕРМОРЕГУЛЯТОРЫ) МЕХАНИЧЕСКИЕ
ДЛЯ ГАЗОВЫХ ПРИБОРОВ
ОБЩИЕ ТЕХНИЧЕСКИЕ ТРЕБОВАНИЯ И МЕТОДЫ ИСПЫТАНИЙ
Mechanical thermostats (thermoregulators) for gas
appliances. General technical requirements and test methods
(EN 257:1992/A1:1996, MOD)
ГОСТ 32029-2012
(EN 257:1992)
Дата введения
1 января 2014 года
Цели, основные принципы и порядок проведения работ по межгосударственной стандартизации установлены
ГОСТ 1.0-92 "Межгосударственная система стандартизации. Основные положения" и
ГОСТ 1.2-2009 "Межгосударственная система стандартизации. Стандарты межгосударственные, правила и рекомендации по межгосударственной стандартизации. Правила разработки, принятия, применения, обновления и отмены".
1. Подготовлен Федеральным государственным унитарным предприятием "Всероссийский научно-исследовательский институт стандартизации и сертификации в машиностроении" (ВНИИНМАШ).
2. Внесен Федеральным агентством по техническому регулированию и метрологии.
3. Принят Межгосударственным советом по стандартизации, метрологии и сертификации по переписке (Протокол от 3 декабря 2012 г. N 54-П).
За принятие проголосовали:
Краткое наименование страны по МК (ИСО 3166) 004-97 | Код страны по МК (ИСО 3166) 004-97 | Сокращенное наименование национального органа по стандартизации |
Кыргызстан | KG | Кыргызстандарт |
Россия | RU | Росстандарт |
Узбекистан | UZ | Узстандарт |
4. Настоящий стандарт является модифицированным по отношению к европейскому региональному стандарту EN 257:1992/A1:1996. Mechanical thermostats for gas burning appliances (Терморегуляторы механические для газовых приборов) путем изменения отдельных фраз (слов, ссылок), которые выделены курсивом.
Наименование настоящего стандарта приведено в соответствие с правилами, установленными в ГОСТ 1.5-2001
(подраздел 3.6).
При применении настоящего стандарта рекомендуется использовать вместо ссылочного международного (регионального) стандарта соответствующий межгосударственный стандарт, сведения о котором приведены в Приложении ДБ.
Степень соответствия - модифицированный (MOD).
5.
Приказом Федерального агентства по техническому регулированию и метрологии от 6 сентября 2013 г. N 984-ст межгосударственный стандарт ГОСТ 32029-2012 введен в действие в качестве национального стандарта Российской Федерации с 1 января 2014 г.
6. Введен впервые.
Информация об изменениях к настоящему стандарту публикуется в ежегодном информационном указателе "Национальные стандарты", а текст изменений и поправок - в ежемесячном информационном указателе "Национальные стандарты". В случае пересмотра (замены) или отмены настоящего стандарта соответствующее уведомление будет опубликовано в ежемесячном информационном указателе "Национальные стандарты". Соответствующая информация, уведомление и тексты размещаются также в информационной системе общего пользования - на официальном сайте Федерального агентства по техническому регулированию и метрологии в сети Интернет.
Настоящий стандарт устанавливает требования к конструкции и функциональные требования к механическим терморегуляторам (далее - терморегуляторы) для газовых аппаратов, определяет терминологию, маркировку и методы проведения испытаний.
Стандарт распространяется на механические терморегуляторы, которые прямо или косвенно осуществляют регулирование температуры с помощью встроенного газового клапана и не нуждаются в подводе электрической энергии от внешнего источника.
Настоящий стандарт распространяется на механические терморегуляторы с номинальным диаметром условного прохода до 50 мм и максимальным давлением на входе до 50 кПа (500 мбар).
Требования настоящего стандарта применимы к терморегуляторам всех газовых аппаратов, применяемым для нагрева или охлаждения, работающим на природном и (или) сжиженном газах.
Настоящий стандарт распространяется на терморегуляторы, которые встраивают в газовые аппараты, устанавливаемые в закрытом помещении.
Механические терморегуляторы, на которые распространяется настоящий стандарт, предназначены для поддержания температуры в установленных пределах.
В настоящем стандарте использованы ссылки на следующие стандарты:
ГОСТ 9.030-74. Единая система защиты от коррозии и старения материалов и изделий. Резины. Методы испытаний на стойкость в ненапряженном состоянии к воздействию жидких агрессивных сред
ГОСТ 617-2006. Трубы медные и латунные круглого сечения. Технические условия
ГОСТ 3262-75. Трубы стальные водогазопроводные. Технические условия
ГОСТ 6211-81. Основные нормы взаимозаменяемости. Резьба трубная коническая
ГОСТ 6357-81. Основные нормы взаимозаменяемости. Резьба трубная цилиндрическая
ГОСТ 12815-80. Фланцы арматуры, соединительных частей и трубопроводов на Pу от 0,1 до 20,0 МПа (от 1 до 200 кгс/см2). Типы. Присоединительные размеры и размеры уплотнительных поверхностей
ГОСТ 14254-96 (МЭК 529-89). Степени защиты, обеспечиваемые оболочками (Код IP)
ГОСТ 16093-2004. Основные нормы взаимозаменяемости. Резьба метрическая. Допуски. Посадки с зазором
ГОСТ 24705-2004. Основные нормы взаимозаменяемости. Резьба метрическая. Основные размеры
ГОСТ 27570.0-87 (МЭК 335-1-76). Безопасность бытовых и аналогичных электрических приборов. Общие требования и методы испытаний
ГОСТ МЭК 730-1-95. Автоматические электрические управляющие устройства бытового и аналогичного назначения. Общие требования и методы испытаний.
Примечание. При пользовании настоящим стандартом целесообразно проверить действие ссылочных стандартов в информационной системе общего пользования - на официальном сайте Федерального агентства по техническому регулированию и метрологии в сети Интернет или по ежегодно издаваемому информационному указателю "Национальные стандарты", который опубликован по состоянию на 1 января текущего года, и по соответствующим выпускам ежемесячно издаваемого информационного указателя за текущий год. Если ссылочный стандарт заменен (изменен), то при пользовании настоящим стандартом следует руководствоваться замененным (измененным) стандартом. Если ссылочный стандарт отменен без замены, то положение, в котором дана ссылка на него, применяется в части, не затрагивающей эту ссылку.
В настоящем стандарте применяют следующие термины с соответствующими определениями:
3.1. Терморегулятор: устройство, работающее без подвода вспомогательной энергии от внешнего источника, регулирующее температуру в пределах заданного диапазона посредством установки расхода газа, соответствующего температуре датчика.
3.2. Виды терморегуляторов
3.2.1. Настраиваемый терморегулятор: терморегулятор, необходимое значение температуры на котором может быть задано пользователем в пределах между минимальным и максимальным значениями.
3.2.2. Терморегулятор с фиксированной установкой: терморегулятор с заранее заданной температурой, которая не может быть изменена пользователем.
3.2.3. Двухпозиционный терморегулятор: терморегулятор, имеющий только две установки расхода "открыто-закрыто", "открыто-малый расход" или "малый расход-закрыто".
3.2.4. Терморегулятор непрерывного действия: терморегулятор, регулирующий расход газа таким образом, чтобы его изменение соответствовало определенному значению температуры.
3.2.5. Терморегулятор непрерывного действия с дополнительным двухпозиционным режимом работы: терморегулятор, который между положениями "закрыто" и "малый расход" работает как двухпозиционный регулятор, а между положениями "малый расход" и "открыто" работает как терморегулятор непрерывного действия.
3.3. Исполнительный элемент: подвижная деталь, которая изменяет расход газа через терморегулятор.
3.4. Вентиляционное отверстие: отверстие, с помощью которого в пространстве с переменным объемом поддерживают атмосферное давление.
3.5. Устройство предварительной настройки: устройство, с помощью которого проводят предварительную настройку режимов работы.
Примечания:
1. Это устройство может иметь тип нерегулируемой или свободной настройки.
2. Предварительная настройка может быть осуществлена плавно (регулировочным винтом) или ступенчато (заменой дросселя).
3. Предварительную настройку может осуществлять только уполномоченное лицо.
3.6. Устройство предварительной настройки с фиксированной установкой: нерегулируемое устройство предварительной настройки, например фиксированный байпас, который обеспечивает минимальный расход газа через терморегулятор.
3.7. Устройство настройки байпаса: регулировочный винт или сменная диафрагма, которая устанавливает минимальный расход газа через терморегулятор; доступ к диафрагме может быть осуществлен только с помощью специального инструмента.
3.8. Температурный датчик: устройство, которое измеряет температуру регулируемой или контролируемой среды.
3.9. Герметичность
3.9.1. Внешняя герметичность: герметичность внутреннего газопроводящего пространства по отношению к атмосфере.
3.9.2. Внутренняя герметичность (терморегулятор с нулевым закрытием): герметичность исполнительного элемента, находящегося в закрытом положении и уплотняющего газопроводящее пространство по отношению к другому пространству или выходному отверстию.
Примечание. Внутренняя герметичность характеризует суммарную утечку исполнительных элементов в закрытом состоянии.
3.10. Давление
3.10.1. Общие сведения
Все виды давления представляют собой статическое избыточное давление по отношению к атмосферному давлению, измеренное перпендикулярно к направлению потока газа.
3.10.2. Входное давление: давление на входе терморегулятора.
3.10.3. Максимальное рабочее давление: наибольшее давление на входе, указанное изготовителем, при котором разрешается применять терморегулятор.
3.10.4. Минимальное рабочее давление: наименьшее давление на входе, указанное изготовителем, при котором разрешается применять терморегулятор.
3.10.5. Выходное давление: давление на выходе терморегулятора.
3.10.6. Испытательное давление: давление, при котором проводят испытания.
3.10.7. Перепад давления: разность между давлениями на входе и выходе терморегулятора при полностью открытом исполнительном элементе.
3.11. Расход: объем воздуха, проходящий через терморегулятор в единицу времени.
3.12. Номинальный расход: расход воздуха, заданный изготовителем для стандартных значений температуры и давления, при перепаде давления, равном 0,25 кПа, и полностью открытом исполнительном элементе.
3.13. Эксплуатационная характеристика: графическое представление расхода как функции от температуры датчика при заданной температуре.
3.14. Механический люфт: разность между углами положения установочной ручки, соответствующая калибровочному расходу воздуха крана при постоянной температуре датчика, при установке ручки в эту точку из положения "закрыто" и положения "максимально открыто".
3.15. Максимальная частота переключений: указанное изготовителем число циклов переключений в единицу времени, которое нельзя превышать во время работы устройства.
3.16. Монтажное(-ые) положение(-ия): задаваемое(-ые) изготовителем положение(-ия) для монтажа терморегулятора.
3.17. Установочная ручка (или винт): деталь терморегулятора, которую применяют для установки температуры.
3.18. Температура
3.18.1. Максимальная температура окружающей среды: максимально допустимая температура окружающего воздуха, задаваемая изготовителем, при которой разрешается эксплуатация терморегулятора.
3.18.2. Минимальная температура окружающей среды: минимально допустимая температура окружающего воздуха, задаваемая изготовителем, при которой разрешается эксплуатация терморегулятора.
3.18.3. Температурная установка: любое значение температуры, выбранное в пределах диапазона регулирования терморегулятора.
3.18.4. Диапазон температурных установок: регулируемый диапазон, расположенный между минимальным и максимальным значениями температуры (задается с помощью установочной ручки).
3.18.5. Калибровочный расход: расход, заданный изготовителем, для выполнения регулирования.
3.18.6. Установка калибровки: значение температуры, при которой должен достигаться (обеспечиваться) калибровочный расход при перемещении установочной ручки из данного изготовителем положения в указанном направлении.
3.18.7. Разность между температурами включения и выключения: разность между температурами, которая необходима для изменения расхода при заданной установке.
3.19. Отклонение при регулировании: максимальное указанное изготовителем отклонение от заданного значения температуры.
3.20. Дрейф: продолжительное смещение характеристики терморегулятора.
3.21. Стандартные условия: температура окружающей среды 15 °C, атмосферное давление 101,3 кПа.
Терморегуляторы классифицируют по устойчивости к изгибающей нагрузке, которую они должны выдерживать.
4.1. Группы терморегуляторов
Терморегуляторы подразделяют на группы:
- 1 - терморегуляторы, предназначенные для установки без воздействия на них изгибающих моментов от трубопроводов, например с помощью крепления их на кронштейнах;
- 2 - терморегуляторы, предназначенные для установки снаружи или внутри аппарата без дополнительного крепления.
Терморегулятор, удовлетворяющий требованиям группы 2, также должен удовлетворять требованиям, предъявляемым к терморегуляторам группы 1.
5. Технические требования
5.1. Требования к конструкции
5.1.1. Механические терморегуляторы должны быть спроектированы, изготовлены и собраны таким образом, чтобы при установке и эксплуатации в соответствии с указаниями изготовителя они нормально функционировали.
5.1.2. Терморегуляторы не должны иметь острых кромок, которые могут вызвать повреждение других деталей, нарушение нормального режима работы, а также привести к травме персонала.
5.1.3. Отверстия для винтов, штифтов и т.п., применяемых для монтажа деталей и их крепления, не должны выходить в газосодержащую полость.
Толщина стенок между этими отверстиями и газовыми каналами - не менее 1 мм.
5.1.4. Технологические отверстия, соединяющие газосодержащие полости с окружающей средой, но не влияющие на работу терморегулятора, должны быть надежно герметизированы металлом.
При этом дополнительно можно применять подходящий уплотняющий материал.
5.1.5. Герметичность соединений деталей терморегулятора, которые подвергаются воздействию при выполнении технического обслуживания, установки и замены, должна быть обеспечена в соответствии с требованиями
6.2 механическими средствами (например, с помощью уплотнения "металл-металл", уплотнительных колец). При этом исключается возможность применения таких уплотнительных материалов, как жидкие материалы, пасты и ленты. Герметичность должна быть обеспечена после каждой новой разборки и сборки.
Уплотнительные средства, применяемые для свободных соединений, должны оставаться эффективными при нормальных условиях эксплуатации.
Уплотнения, которые при выполнении технического обслуживания, установки и замены нельзя ослаблять, должны быть маркированы таким образом (например, с помощью лака), чтобы была очевидность невмешательства в конструкцию.
5.1.6. Детали, которые подвергают демонтажу (например, для выполнения технического обслуживания), необходимо демонтировать и устанавливать с применением стандартных инструментов.
Конструкцией или маркировкой съемных деталей должна быть исключена возможность их неправильной сборки во время повторной сборки.
Если в соответствии с указаниями изготовителя терморегулятор должен быть демонтирован для проведения технического обслуживания, то подобное действие не должно приводить к изменению его настройки.
Резьбовые соединения, которые можно ослаблять при выполнении технического обслуживания, должны иметь метрическую резьбу по
ГОСТ 24705 (допуски на резьбу по
ГОСТ 16093), если для обеспечения безупречного функционирования и установки терморегулятора не предусмотрено применение резьбы другого типа.
Не допускается применять самонарезающие винты, образующие стружку, для соединений газосодержащих или съемных деталей, которые следует демонтировать при техническом обслуживании.
Допускается применять самонарезающие винты, не образующие стружку. При условии возможности их замены на винты с метрической резьбой по
ГОСТ 24705.
5.1.7. Монтаж устройства предварительной настройки следует осуществлять только с помощью специального инструмента. К устройству должен быть обеспечен свободный доступ, его установка не должна изменяться самопроизвольно.
Устройство предварительной настройки должно быть защищено от несанкционированного доступа, например с помощью лака.
Устройство предварительной настройки, соединяющее газосодержащую полость с атмосферой, должно быть герметизировано, например уплотнительным кольцом.
Устройство предварительной настройки не должно попадать в газосодержание полости терморегулятора. Если защиту от атмосферного воздействия выполняют с помощью уплотнительного кольца или аналогичного приспособления, то при демонтаже устройство предварительной настройки не должно быть вытеснено давлением газа в соответствии с
7.2 и терморегулятор должен оставаться герметичным.
Если устройство предварительной настройки применяют для различных семейств (групп) газов, то оно должно иметь нерегулируемое минимальное отверстие.
Колпачки устройств предварительной настройки следует надевать и снимать специальным инструментом, они не должны влиять на установку температурного диапазона.
5.1.8. Случайные смещения подвижных деталей не должны наносить ущерб работе других частей терморегулятора.
5.1.9. Вентиляционные отверстия терморегулятора с мембранами, не подключенными к продувочному трубопроводу, должны быть рассчитаны таким образом, чтобы при повреждении мембраны при максимальном рабочем давлении скорость утечки не превышала 70 дм3/ч.
Это требование считается выполненным, если при максимальном рабочем давлении газа 3,0 кПа диаметр вентиляционного отверстия не превышает 0,7 мм.
Вентиляционные отверстия должны быть защищены от засорения и расположены так, чтобы их нельзя было легко закрыть. Мембрана не должна быть повреждена при попадании через вентиляционные отверстия острых предметов.
5.2. Требования к материалам
5.2.1. Общие требования к материалам
Материалы и покрытия деталей, методы сборки узлов терморегулятора должны обеспечивать их надежную и безопасную работу в период установленного срока службы при соблюдении указанных разработчиком условий эксплуатации, периодическом обслуживании и предусмотренном регулировании.
5.2.2. Цинковые сплавы
Цинковые сплавы разрешается применять для деталей терморегулятора с входным отверстием номинальным диаметром до 50 мм при максимальном рабочем давлении не более 50,0 кПа, если температура нагрева деталей не превышает 80 °C.
Для резьбовых соединений основных входных и выходных отверстий на деталях из цинковых сплавов разрешается только наружная резьба.
Детали корпуса, непосредственно отделяющие газосодержащие полости терморегулятора от окружающей атмосферы, должны быть изготовлены из металла.
Допускается изготовлять детали корпуса из неметаллических материалов при условии, что после разрушения этих деталей скорость утечки воздуха не превысит 30 дм3/ч при максимальном рабочем давлении.
Требования не распространяются на уплотнительные кольца, прокладки и уплотнения других видов.
5.2.4. Защита от коррозии
Пружины и другие детали, которые входят в контакт с газом или окружающей атмосферой, должны быть изготовлены из коррозионно-стойких материалов или должны иметь антикоррозионное покрытие.
Защитное покрытие пружин и других перемещающихся деталей не должно быть повреждено при эксплуатации.
5.2.5. Пропитка
В конструкции терморегулятора допускается применение соответствующих уплотняющих материалов с вакуумной пропиткой или пропиткой под давлением.
5.3. Присоединительные элементы
5.3.1. Общие сведения
Соединения терморегуляторов с трубопроводами могут быть резьбовыми или фланцевыми. Размеры присоединительных элементов приведены в таблице 1.
Таблица 1
Размеры присоединительных элементов
Номинальный диаметр входного отверстия DN, мм | | Условный проход фланцевого соединения по ГОСТ 12815, мм | Наружный диаметр труб для присоединения с помощью фитингов DN, мм |
6 | 1/8 | 6 | От 2 до 5 включит. |
8 | 1/4 | 8 | " 6 " 8 " |
10 | 3/8 | 10 | " 10 " 12 " |
15 | 1/2 | 15 | " 14 " 16 " |
20 | 3/4 | 20 | " 18 " 20 " |
25 | 1 | 25 | " 25 " 28 " |
32 | | 32 | " 30 " 32 " |
40 | | 40 | " 35 " 40 " |
50 | 2 | 50 | " 42 " 50 " |
5.3.2. Резьбовые соединения
5.3.2.1. Соединение терморегуляторов с трубопроводами следует осуществлять стандартным инструментом, обеспечивающим удобство монтажа, например гаечным ключом.
5.3.2.2. Если на входе и выходе из терморегулятора есть трубная резьба, то она должна соответствовать
ГОСТ 6211 или
ГОСТ 6357.
5.3.3. Фланцы
Присоединительные фланцы по
ГОСТ 12815. Допускаются фланцы другой конструкции, других исполнений уплотнительных поверхностей с обязательным соблюдением присоединительных размеров.
5.3.4. Резьбовые трубные соединения
Для трубных соединений допускается применять медные трубы по
ГОСТ 617. Перед выполнением соединения у монтажника не должно возникать необходимости в изменении формы трубы. Материал и размеры стяжных колец должны подходить для тех труб, для которых их применяют. Несимметричные стяжные кольца можно применять только в тех случаях, когда исключена возможность неправильной сборки.
5.4. Сальниковые уплотнения для движущихся деталей
Уплотнения движущихся деталей, которые выходят из корпуса в атмосферу, и уплотнения исполнительного элемента следует изготовлять из прочных материалов, которые не деформируются в течение длительного времени. Сальники, регулируемые вручную, не следует применять для уплотнения движущихся деталей. Устанавливаемый изготовителем сальник, который имеет блокировку регулирования, не должен устанавливаться снова и не считается регулируемым.
Применение сильфона в качестве единственного элемента уплотнения по отношению к окружающей среде является недопустимым.
5.5. Штуцеры для измерения давления
Штуцеры для измерения давления (при их наличии) должны иметь наружный диаметр, равный

и полезную длину не менее 10 мм для присоединения шланга присоединительного прибора. Диаметр отверстия - не более 1 мм.
5.6. Электрическое оборудование
5.6.1. Общие требования к электрическому оборудованию - по
ГОСТ МЭК 730-1, раздел 9.
5.6.2. Требования к изоляционным материалам, токопроводящим деталям и неразъемным соединениям - по
ГОСТ МЭК 730-1, 11.1.
5.6.3. Требования к контактной защите - по
ГОСТ МЭК 730-1, раздел 8, 11.2.
5.6.4. Степень защиты терморегулятора изготовитель указывает в соответствии с
ГОСТ 14254.
5.6.5. Требования к вводным отверстиям - по
ГОСТ МЭК 730-1, 11.9.
5.6.6. Требования к путям утечки, границам, допускам и расстояниям по изоляции -
по ГОСТ МЭК 730-1, 20.1 и
20.2.
5.6.7. Требования к электрическим подключениям - согласно
ГОСТ 27570.0, приложение В.
5.6.8. Электрические подключения могут быть выполнены в следующих вариантах:
- винтовые клеммы;
- невинтовые клеммы;
- штекерные соединения.
5.6.9. Требования к сопротивлению изоляции и электрической прочности - по
ГОСТ МЭК 730-1, 13.1 и
13.2.
Проверку соответствия вышеуказанным требованиям проводят после испытаний на влагостойкость по
ГОСТ МЭК 730-1, 2.2.
5.7. Характеристика расхода
Байпас для малого расхода следует устанавливать с помощью регулируемого или нерегулируемого устройства предварительной настройки.
Байпас или устройство установки байпаса должно обеспечивать доступ для выполнения чистки без изменения калибровочной температурной установки.
Открывание и закрывание исполнительного элемента терморегулятора должно выполняться скачкообразно между положением "закрыто" и положением "малый расход".
Характеристики терморегулятора непрерывного действия, двухпозиционного терморегулятора и терморегулятора непрерывного действия с двухпозиционным режимом приведены на
рисунке 2.
Значение расхода в момент скачкообразного переключения не должно быть меньше значения, заданного изготовителем.
5.8. Установка температуры
5.8.1. Установка диапазона
Крайние положения диапазона температурных установок должны иметь ограничители. Там, где это является существенным, изготовитель должен задавать границы, в пределах которых можно устанавливать температурный диапазон с помощью соответствующего инструмента. Ограничители температурного диапазона не могут самопроизвольно изменять свое положение.
5.8.2. Температурные установки
Если установочную ручку поставляют вместе с терморегулятором, то место ее расположения должно быть легко различимо. Должно быть обозначено, в каком направлении вращения происходит повышение или понижение температуры. Если на ручке расположены числа, то возрастающая последовательность чисел должна указывать на повышение температуры, за исключением регулирования температуры в холодильнике, где возрастающая последовательность чисел должна указывать на понижение температуры.
В пределах заданного изготовителем диапазона температуры окружающей среды должна быть предусмотрена возможность выбора каждой установки во всем температурном диапазоне путем настройки положения установочной ручки или регулировочного винта.
Детали механизма настройки температурной установки не должны самопроизвольно изменять свое положение.
5.8.3. Терморегулятор с фиксированной установкой
Если терморегулятор с фиксированной установкой имеет устройство настройки, то оно должно быть опечатано (например, с помощью лака).
6.1. Размещение терморегулятора
Функционирование терморегулятора в процессе проведения испытаний в соответствии с условиями
раздела 7 должно быть удовлетворительным во всех положениях терморегулятора, указанных изготовителем.
6.2.1. Терморегулятор должен быть герметичным.
Терморегулятор считают герметичным в том случае, если утечки не превышают значений, приведенных в таблице 2, при проведении испытаний по
7.2.
Таблица 2
Значения максимально допустимой утечки воздуха
Номинальный диаметр входного отверстия DN, мм | Максимально допустимая утечка воздуха, см3/ч, для |
наружная герметичность | внутренняя герметичность <1> |
DN < 10 | 20 | 60 |
10 =< DN <= 15 | 40 | 60 |
15 < DN <= 25 | 40 | 80 |
25 < DN <= 50 | 60 | 120 |
<1> Для терморегуляторов с нулевым закрытием. |
6.2.2. При проведении испытаний по
7.2.2 герметичность соединений терморегулятора должна обеспечиваться после двухкратной разборки и сборки.
6.3. Установка калибровки
При проведении испытаний по
7.3 отклонение установки калибровки при постоянной температуре окружающей среды не должно превышать значения, указанного изготовителем.
Механический люфт при проведении испытаний устройства по
7.4 не должен превышать 5%.
6.5. Скорость открытия двухпозиционного терморегулятора
Общий расход воздуха двухпозиционного терморегулятора или терморегулятора непрерывного действия, или терморегулятора непрерывного действия с двухпозиционным режимом работы за период времени от момента быстрого переключения до момента начала закрывания не должен превышать 1 дм3 при проведении испытаний по
7.5.
6.6. Диапазон рабочих давлений терморегулятора
При проведении испытаний по
7.6 терморегулятор должен открываться и закрываться в диапазоне между минимальным значением давления и значением давления, равным 1,2-кратному максимальному рабочему давлению, заданному изготовителем, но не менее 5,0 кПа.
6.7. Номинальный и минимальный расход
Номинальный расход и значение минимального расхода следует измерять в соответствии с
7.7. Номинальный расход
(3.12) должен составлять не менее 90% расхода, указанного изготовителем.
Минимальный расход должен быть установлен для настраиваемого терморегулятора в пределах всего диапазона, заданного изготовителем. Для терморегуляторов с фиксированной установкой расход в минимальном положении должен быть в пределах, заданных изготовителем.
6.8. Эксплуатационные характеристики терморегулятора
При проведении испытаний в соответствии с
7.8 проверяют:
- значение расхода воздуха внутри диапазона, заданного изготовителем, с учетом отклонения;
- разность между температурами включения и выключения двухпозиционного терморегулятора или терморегулятора непрерывного действия с двухпозиционным режимом работы в пределах диапазона, заданного изготовителем;
- границы пропорционального регулирования в пределах диапазона, заданного изготовителем.
6.9. Температура
6.9.1. Диапазон температур среды, окружающей корпус терморегулятора
Терморегулятор должен быть работоспособным в диапазоне температур окружающей среды, заданном изготовителем.
Максимальное значение температуры окружающей среды - не менее плюс 60 °C, минимальное значение температуры окружающей среды - не выше 0 °C. Отклонение температурной установки вследствие изменения температуры корпуса терморегулятора не должно превышать максимального значения, заданного изготовителем, при проведении испытаний по
7.9.1.
6.9.2. Влияние температур хранения и транспортирования
При проведении испытаний устройства в соответствии с
7.9.2 терморегулятор должен выдерживать окружающую температуру от минус 15 °C до плюс 60 °C, оставаясь при этом в пределах допусков, заданных изготовителем.
Область температур окружающей среды для терморегуляторов отопительных и охлаждающих аппаратов должна быть от минус 15 °C до плюс 50 °C.
6.9.3. Термическая перегрузка температурного датчика
Температурный датчик должен выдерживать термические перегрузки, составляющие 15% температурного диапазона, но не менее чем на 25 °C выше своей максимальной рабочей температуры, при этом терморегулятор должен оставаться в пределах допусков, заданных изготовителем, при проведении испытаний по
7.9.3.
Допустимая термическая перегрузка температурного датчика:
- до 110 °C, если датчик применяют при нагревании воды;
- до 50 °C, если датчик применяют в обогревателях и холодильных установках.
Термическая перегрузка может превышать данные значения, если это указано изготовителем.
6.10. Момент вращения установочной ручки (или винта)
При проведении испытаний терморегуляторов в соответствии с
7.10 вращающий момент, требуемый для поворота установочной ручки (винта) из закрытого положения или в закрытое положение, должен быть не более 0,5 Н x м.
6.11. Крутящий и изгибающий моменты
6.11.1. Общие сведения
Терморегулятор должен быть выполнен таким образом, чтобы он был в состоянии выдерживать механические нагрузки, которые воздействуют на него во время установки и функционирования.
6.11.2. Крутящий момент (терморегуляторы групп 1 и 2 с резьбовыми соединениями)
Испытания терморегуляторов проводят по методике
7.11.2 с применением крутящего момента, значения которого приведены в таблице 3. После испытаний не допускается остаточная деформация терморегуляторов, а утечка не должна превышать максимально допустимое значение, приведенное в
6.2.
Таблица 3
Значение крутящих и изгибающих моментов для испытаний
Номинальный диаметр входного отверстия DN <1>, мм | Крутящий момент <2>, Н x м, для групп 1 и 2 | Изгибающий момент, Н x м, для группы |
1 | 2 |
Время приложения нагрузки, с |
10 | 10 | 900 | 10 |
6 | 15 (7) | 15 | 7 | 25 |
8 | 20 (10) | 20 | 10 | 35 |
10 | 35 (15) | 35 | 20 | 70 |
15 | 50 (15) | 70 | 40 | 105 |
20 | 85 | 90 | 50 | 225 |
25 | 125 | 160 | 80 | 340 |
32 | 160 | 260 | 130 | 475 |
40 | 200 | 350 | 175 | 610 |
50 | 250 | 520 | 260 | 1100 |
<1> Соответствующие присоединительные размеры приведены в таблице 1. <2> Значения, указанные в скобках, необходимо применять при проведении испытаний терморегуляторов с фланцево-хомутовыми и клеммно-хомутовыми соединениями на входе газа в случае их соединения с газовыми коллекторами приборов для приготовления пищи. |
6.11.3. Крутящий момент (терморегуляторы групп 1 и 2 с трубными соединениями)
Испытания терморегуляторов проводят по
7.11.3 с применением крутящего момента, значения которого приведены в
таблице 3. После испытаний не допускается остаточная деформация терморегуляторов, а утечка не должна превышать максимально допустимое значение, приведенное в
6.2.
6.11.4. Изгибающий момент
Испытания терморегуляторов проводят по
7.11.4.1 с применением изгибающего момента, значения которого приведены в
таблице 3. После испытаний не допускается остаточная деформация терморегуляторов, а утечка не должна превышать максимально допустимое значение, приведенное в
6.2. Для терморегуляторов группы 1 проводят дополнительное испытание по
7.11.4.2.
Испытание изгибающим моментом не распространяется на терморегуляторы с фланцево-хомутовыми и клеммно-хомутовыми соединениями на входе газа в случае их соединения с газовыми коллекторами приборов для приготовления пищи.
6.11.5. Терморегуляторы с входными и выходными соединениями различного номинального диаметра
Для терморегуляторов группы 1, входные и выходные соединения которых имеют различные номинальные диаметры, каждое соединение испытывают в соответствии с
7.11.5 с применением крутящих и изгибающих моментов, значения которых приведены в
таблице 3.
6.12.1. Неметаллические материалы
6.12.1.1. Общие сведения
Неметаллические материалы, применяемые для изготовления уплотнений и мембран, применяемых в терморегуляторах, должны быть однородными, не должны содержать "пузырьков", пористых участков и посторонних включений. При визуальном контроле дефекты поверхности не допускаются.
6.12.1.2. Маслостойкость
Стойкость неметаллических материалов к воздействию смазочных материалов проверяют погружением в испытательное масло в соответствии с
7.12.1.2. После испытаний изменение массы - от минус 10% до плюс 15%.
6.12.1.3. Газостойкость
Стойкость неметаллических материалов к воздействию углеводородных газов проверяют погружением в пентан. После этого испытания изменение массы образца должно быть от минус 15% до плюс 5%.
6.12.2. Маркировка
Наклеивающиеся этикетки и все другие виды маркировки
(8.1) должны быть стойкими к трению, влажности, температуре и не должны отклеиваться и обесцвечиваться. В особенности это касается маркировки на ручке, которая подвержена истиранию в результате воздействия руки пользователя.
Проверку соответствия маркировки приведенным требованиям следует осуществлять в соответствии с
7.12.2.
6.12.3. Работоспособность
После проведения механических и термических циклов переключения в соответствии с
7.12.3 терморегулятор должен быть работоспособным.
6.12.4. Прочность лакокрасочного покрытия
Поверхности, защищенные только лакокрасочным покрытием, должны выдерживать испытание на прочность по
7.12.4 до и после испытания на влагостойкость
(7.12.5) без проникания шарика сквозь защитный слой краски до обнаженного металла.
Материалы и покрытия деталей и узлов терморегулятора должны выдерживать испытание на влагостойкость в соответствии с
7.12.5, при этом любые признаки коррозии, отслоения или вспучивания, видимые невооруженным глазом, не допускаются.
7.1. Общие сведения
7.1.1. Предмет и последовательность проведения испытаний
Предприятие-изготовитель представляет на испытания два образца терморегуляторов. Испытания проводят в последовательности, изложенной в таблице 4.
Таблица 4
Последовательность проведения испытаний
Пункт требований | Проверяемый параметр |
| |
| Влияние температуры хранения и температуры транспортирования |
| Термическая перегрузка температурного датчика |
| Установка калибровки |
| Диапазон температуры среды, окружающей корпус терморегулятора |
| Механический люфт |
| Номинальный расход воздуха и минимальный расход воздуха |
| Эксплуатационные характеристики терморегулятора |
| Открывание двухпозиционного терморегулятора с нулевым закрыванием |
| Давление открывания и давление закрывания терморегулятора |
| Момент вращения установочной ручки (или винта) |
| Крутящий и изгибающий моменты |
| |
| Работоспособность/цикличность |
| Температурная цикличность |
| Момент приведения в действие установочной ручки |
| Механический люфт |
| Герметичность при разрушении неметаллических деталей корпуса (за исключением 5.2.3/ 7.2.4) |
| Установка калибровки |
| Прочность лакокрасочного покрытия и влагостойкость |
| Контроль калибровки |
| Неметаллические части корпуса (герметичность) |
Примечание. Терморегуляторы, которые при замене деталей могут перестраиваться на другие газы, следует поставлять с этими деталями. |
7.1.2. Проведение испытаний
Испытания терморегуляторов проводят сухим воздухом температурой (20 +/- 5) °C при температуре окружающей среды (20 +/- 5) °C, если иные условия не указаны изготовителем.
Все измеренные значения расхода воздуха следует привести к стандартным условиям: температура 15 °C, давление 101,325 кПа, воздух - сухой.
7.1.3. Монтажное положение
Испытания терморегуляторов проводят в монтажном положении, указанном изготовителем. Если указано несколько монтажных положений, то испытания проводят в наименее благоприятном положении, чтобы проверить выполнение требований
6.1.
7.2.1. Проверку герметичности следует проводить:
- объемным методом
(Приложение A) - для испытательного давления до 15 кПа включительно;
- методом падения давления
(Приложение B) - для испытательного давления более 15 кПа.
При испытании на герметичность выход терморегулятора подключают к устройству для проверки герметичности. Воздух подают на вход терморегулятора. Испытания выполняют сначала при давлении 0,6 кПа, а затем при 1,5-кратном максимальном рабочем давлении, но не менее 15 кПа.
Для терморегуляторов, предназначенных для газов третьего семейства (сжиженных) с номинальным давлением 11,2 кПа или 14,8 кПа, испытательное давление должно быть не менее 22 кПа.
Предельно допустимая погрешность измерения устройств для проверки герметичности не должна превышать 1 см3 (объемный метод) или 10 Па (метод падения давления).
Точность измерения утечки - в пределах 5 см3/ч.
Допускается применение других методов определения герметичности, обеспечивающих необходимую точность измерения.
Пересчет данных измерений утечки методом падения давления в интенсивность утечки приведен в
Приложении B.
7.2.2. Наружная герметичность
На вход терморегулятора подают испытательное давление в соответствии с
7.2.1 и измеряют утечку.
Повторную проверку наружной герметичности
(6.2.2) проводят после двухкратной разборки и сборки терморегулятора.
7.2.3. Внутренняя герметичность в закрытом состоянии
Это испытание следует проводить только для терморегуляторов с нулевой герметизацией. Установочная ручка должна быть расположена посередине температурного диапазона, а температурный датчик должен постепенно нагреваться (при регулировании холодильных установок - охлаждаться) при закрытом положении исполнительного элемента. После этого температуру датчика увеличивают (для холодильной установки - уменьшают) на значение, составляющее 10% заданного значения температурного диапазона терморегулятора.
Проверяют герметичность терморегулятора испытательным давлением, подаваемым в указанном для газового потока направлении.
7.2.4. Герметичность при разрушении неметаллических деталей корпуса
Если терморегулятор содержит неметаллические детали корпуса, то эти детали удаляют или разрушают и измеряют утечку, которая не должна превышать значение, приведенное в
5.2.3. Это испытание является завершающим
(таблица 4), так как терморегулятор подвергается разрушению.
7.3. Установка калибровки
Корпус должен находиться при температуре окружающей среды (20 +/- 2) °C, а установочную ручку следует поворачивать в направлении установки, указанном изготовителем. Характеристика терморегулятора - в соответствии с
7.8.
Температуру датчика следует поддерживать постоянной, соответствующей примерно среднему значению температурного диапазона.
Давление воздуха на входе в терморегулятор поддерживают равным 2,0 кПа. Когда все исполнительные элементы находятся в полностью открытом состоянии, перепад давления должен быть равен 0,25 кПа.
При проведении испытаний температуру среды, окружающей корпус терморегулятора, следует поддерживать постоянной, с допуском +/- 1 °C.
Установочную ручку (винт) поворачивают от минимальной температурной установки до достижения калибровочного значения расхода. Это положение фиксируют. Установочную ручку (винт) поворачивают далее до достижения максимального расхода воздуха, затем поворачивают в обратную сторону до повторного достижения калибровочного расхода. Это положение фиксируют. Измеряют механический люфт - угловую разность между двумя положениями установочной ручки.
Настоящее испытание распространяется только на регуляторы непрерывного действия.
7.5. Скорость открывания двухпозиционного регулятора
На терморегулятор подается воздух давлением 2,0 кПа. При полностью открытых исполнительных элементах перепад давления должен быть 0,25 кПа.
При проведении испытаний температуру среды, окружающей корпус терморегулятора, следует поддерживать постоянной, с допуском +/- 1 °C.
Терморегулятор должен быть настроен изготовителем. Температурный датчик погружают в ванну с водой, температура которой увеличивается со скоростью 0,5 °C/мин, до момента закрывания исполнительного элемента. Затем температура уменьшается со скоростью 0,5 °C/мин до тех пор, пока терморегулятор не откроется. В процессе уменьшения температуры измеряют полный расход от значения температуры, при которой происходит быстрое переключение, до значений температуры, при которой начал закрываться исполнительный механизм.
При проверке терморегулятора холодильной установки указанные температурные изменения происходят в обратном порядке.
7.6. Давление открытия и закрытия терморегулятора с нулевой герметизацией
На вход терморегулятора с помощью устройства, изображенного на
рисунке 1, подают воздух давлением, равным 1,2-кратному максимально допустимому рабочему давлению, но не менее 5,0 кПа. Падение давления при полностью открытом исполнительном элементе устанавливают 0,25 кПа. Выполняют проверку свободного открытия и закрытия исполнительного элемента при изменении температуры датчика.
7.7. Номинальный расход воздуха и минимальный расход воздуха
Номинальный и минимальный расходы воздуха определяют по характеристике, указанной в
7.8. Температуру среды, окружающей корпус терморегулятора, следует поддерживать постоянной, с допуском +/- 1 °C.
Для приведения измеренного расхода к стандартным условиям

, м3/ч, применяют формулу:
| | ИС МЕГАНОРМ: примечание. Формула дана в соответствии с официальным текстом документа. | |

, (1)
где q - измеренное значение расхода, м3/ч;
P - испытательное давление, кПа;

- атмосферное давление, кПа;
t - температура воздуха, °C.
Приведенные значения номинального и минимального расходов воздуха должны соответствовать требованиям
6.7.
7.8. Эксплуатационные характеристики терморегулятора
Испытания проводят при давлении воздуха на входе в терморегулятор, равном 2,0 кПа, на стенде, схема которого приведена на
рисунке 1.
1 - регулятор давления; 2 - термометр; 3 - расходомер;
4, 5 - манометры; 6 - дифференциальный манометр;
7 - испытуемый образец; 8 - регулировочный кран;
9 - температурный датчик; 10 - камера с регулируемой
температурой
Деталь А
Номинальный диаметр входного отверстия DN, мм | Внутренний диаметр  , мм |
6 | 6 |
8 | 9 |
10 | 13 |
15 | 16 |
20 | 22 |
25 | 28 |
32 | 35 |
40 | 41 |
50 | 52 |
| | ИС МЕГАНОРМ: примечание. Обозначение диаметра дано в соответствии с официальным текстом документа. | |
d - внутренний диаметр с фактически измеренным значением
Рисунок 1. Стенд для измерения расхода терморегулятора
Погрешность измерения расхода воздуха +/- 2%.
Регулировочным краном 8 устанавливают перепад давления, равный 0,25 кПа, при открытом исполнительном элементе. В процессе испытаний изменение давления не допускается.
Измеренный расход сравнивают с номинальным расходом, указанным изготовителем.
Терморегулятор непрерывного действия настраивают на минимальный расход воздуха, равный 20% максимального расхода, или на расход, указанный изготовителем, при закрытом исполнительном элементе. В процессе проведения испытаний изменение настройки не допускается.
Строят кривые зависимости расхода воздуха от температуры
(рисунок 2) для минимальных и максимальных температурных установок сначала при понижении температуры, а затем при ее повышении.
a) Терморегулятор непрерывного действия
b) Двухпозиционный терморегулятор
c) Терморегулятор непрерывного действия
с двухпозиционным режимом работы
Рисунок 2. Типовые характеристики терморегуляторов
Таким же образом строят кривую для установки калибровки, если она отличается от минимальной или максимальной температурной установки
(7.3). Для каждой температурной установки выбирают потенциально максимальный расход из значений, измеренных при данной установке.
В области пропорционального регулирования или в диапазоне регулирования по разности между температурами включения и выключения терморегулятора скорость изменения температуры должна составлять максимум 1 °C в минуту.
Для определения области пропорционального регулирования через две точки характеристической кривой, соответствующие 75% и 25% номинального расхода, проводят прямую линию. Эта прямая линия экстраполируется от минимального расхода A до номинального расхода B,
рисунки 2a) и
2c).
Область пропорционального регулирования

представляет собой разность температур между A и B,
рисунки 2a) и
2c).
Разность температур включения и выключения

для двухпозиционного терморегулятора показана на
рисунке 2b).
7.9. Температура
7.9.1. Диапазон температуры среды, окружающей корпус терморегулятора
После проведения испытаний по
7.3 терморегулятор помещают в климатическую камеру и устанавливают максимальную температуру, указанную изготовителем, но не менее (60 +/- 2) °C.
Установку калибровки определяют по достижении установившегося температурного режима по
7.9.4.
7.9.2. Влияние температуры хранения и температуры транспортирования
Терморегулятор, включая капиллярные трубки и датчик, выдерживают в климатической камере в течение 2 ч при температуре минус (15 +/- 2) °C, а затем в течение 2 ч при температуре (60 +/- 2) °C, и, в случае регулирования системы отопления помещений или холодильных установок, при температуре (50 +/- 2) °C.
После охлаждения терморегулятора до температуры помещения проверяют установку калибровки в соответствии с
7.9.4.
7.9.3. Термическая перегрузка температурного датчика
Терморегулятор устанавливают на максимальную установку. Температурный датчик в течение часа находится в состоянии термической перегрузки в соответствии с
6.9.3, при этом температуру корпуса терморегулятора устанавливают равной температуре помещения. После этого контролируют установку калибровки в соответствии с 7.9.4.
7.9.4. Контроль калибровки
При положении установочной ручки по
7.3 определяют изменение калибровки по
7.8.
7.10. Момент приведения в действие установочной ручки (или винта)
Момент вращения измеряют динамометрическим ключом с точностью измерения +/- 10% при угловой скорости движения 1,5 рад/с.
Момент вращения измеряют при температуре терморегулятора, соответствующей его максимальной рабочей температуре, и при температуре окружающей среды. Каждое испытание состоит из пяти измерений. За окончательный результат принимают максимальное измеренное значение.
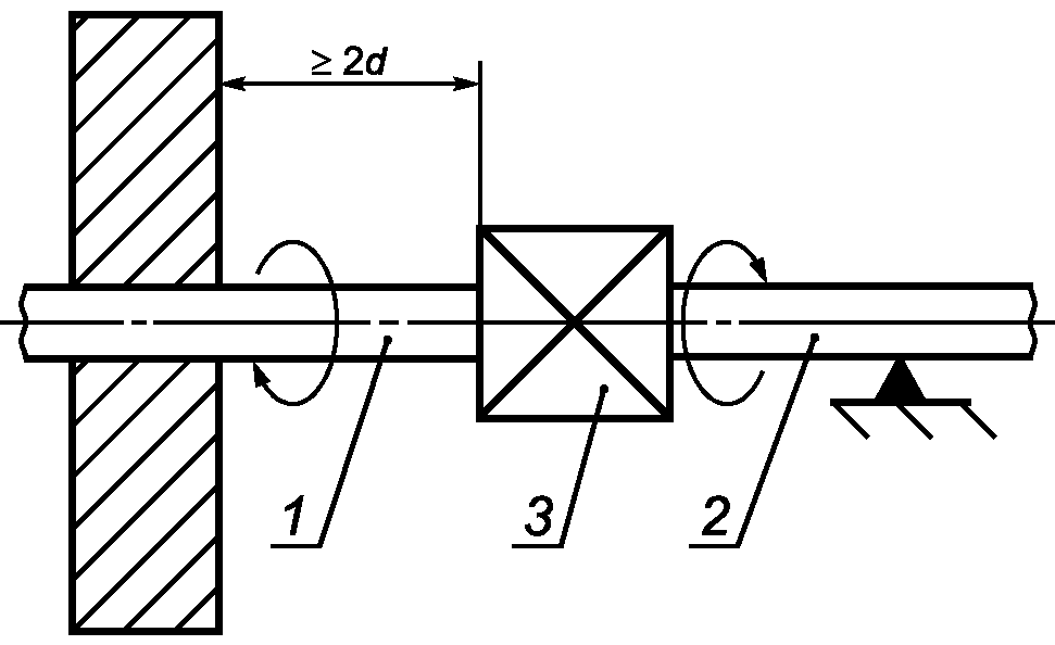
7.11. Крутящий и изгибающий моменты
7.11.1. Общие положения
Трубы, применяемые для проведения испытаний по
7.11.2 и
7.11.3, должны соответствовать требованиям
ГОСТ 3262, а их минимальная длина должна в 40 раз превышать их номинальный диаметр.
Для уплотнения соединения терморегулятора с испытательными трубами применяют только незатвердевающие герметизирующие материалы.
Испытания фланцевых соединений следует проводить аналогично испытаниям резьбовых соединений.
Крутящий момент, необходимый для затяжки болтов фланцевого соединения по
ГОСТ 12815, - по таблице 5.
Таблица 5
Номинальный диаметр входного отверстия DN, мм | 6 | 8 | 10 | 15 | 20 | 25 | 32 | 40 | 50 |
Крутящий момент, Нм | 20 | 30 | 50 |
Перед следующим испытанием необходимо проконтролировать наружную и внутреннюю герметичность терморегулятора в соответствии с
таблицей 2.
7.11.2. Испытание крутящим моментом терморегуляторов групп 1 и 2 с резьбовыми соединениями проводят в течение 10 с в следующей последовательности:
- трубу 1 заворачивают в терморегулятор крутящим моментом, не превышающим значений, приведенных в
таблице 3, и закрепляют на расстоянии не менее 2d от терморегулятора
(рисунок 3);
- трубу 2 заворачивают в терморегулятор крутящим моментом, не превышающим значений, приведенных в
таблице 3, и проверяют герметичность соединений;
- опору трубы 2 выполняют так, чтобы изгибающий момент не передавался на терморегулятор;
- к трубе 2 прилагают крутящий момент в течение 10 с, постепенно увеличивая его, но не превышая значений, приведенных в
таблице 3. Последние 10% крутящего момента прилагают в течение 1 мин. Превышение значения крутящего момента, приведенного в
таблице 3, не допускается;
- снимают нагрузку и визуально проверяют сборочный узел на наличие деформации, затем терморегулятор испытывают на внешнюю герметичность и внутреннюю герметичность
(таблица 2);
- если входной и выходной патрубки терморегулятора смещены относительно общей оси, то присоединения меняют местами и испытание повторяют.
d - наружный диаметр трубы; 1 - первая труба;
2 - вторая труба; 3 - испытуемый терморегулятор
Рисунок 3. Устройство для проведения испытаний
терморегуляторов крутящим моментом
7.11.3. Испытания крутящим моментом
Испытания крутящим моментом терморегуляторов 1-й и 2-й групп с двумя резьбовыми трубными соединениями проводят в течение 10 с.
7.11.3.1. Соединения с зажимными кольцами
Для испытания соединений с зажимными кольцами применяют стальную трубу с обрезным или двусторонним конусным кольцом из медно-цинкового сплава (латуни). Испытания проводят в следующей последовательности:
- корпус терморегулятора закрепляют неподвижно и к каждой гайке трубопровода в течение 10 с прикладывают крутящий момент по
таблице 3;
- испытания выполняют для соединений всех видов;
- контролируют герметичность терморегулятора. Наличие деформации на терморегуляторе проверяют визуально, не принимая во внимание деформацию места установки вкладыша или сопряженных поверхностей от приложенного крутящего момента.
7.11.3.2. Соединения с отбортовкой
Для испытаний соединений с отбортовкой применяют короткий участок стальной трубы с отбортованным концом и выполняют действия по
7.11.3.1.
Деформации в местах нажима конуса или сопряженной детали, которые образуются при приложении крутящего момента, не принимают во внимание.
7.11.3.3. Терморегулятор с фланцево-хомутовыми и клеммно-хомутовыми соединениями на входе газа, соединенными с газовыми коллекторами приборов для приготовления пищи
Терморегулятор в соответствии с рекомендациями изготовителя подключают к газовому коллектору, крепежные винты затягивают. Фланцево-хомутовые и клеммно-хомутовые соединения устанавливают и затягивают с применением крутящего момента, указанного в
таблице 3 (в скобках), в соответствии со способами, описанными в
7.11.3.1 или
7.11.3.2.
7.11.4. Испытания изгибающим моментом
7.11.4.1. Испытания терморегуляторов групп 1 и 2 изгибающим моментом следует проводить на терморегуляторе, прошедшем испытание крутящим моментом.
На расстоянии 40DN от центра терморегулятора, как показано на рисунке 4, в течение 10 с прилагают силу, необходимую для получения изгибающего момента для терморегуляторов группы 1 или 2, учитывая массу трубы.
Снимают приложенную нагрузку, проверяют внешнюю и внутреннюю герметичность терморегулятора в соответствии с
таблицей 2 и визуально проверяют сборочный узел на наличие деформации.
Если входной и выходной патрубки терморегулятора смещены относительно общей оси, то присоединения меняют местами и испытания повторяют.
d - наружный диаметр трубы; 1 - первая труба;
2 - вторая труба; 3 - испытуемый терморегулятор
Рисунок 4. Устройство для испытаний терморегуляторов
изгибающим моментом
7.11.4.2. Испытание терморегуляторов группы 1 изгибающим моментом в течение 900 с
Испытания проводят на том же терморегуляторе, что и испытания крутящим моментом.
На расстоянии 40DN от центра терморегулятора, как показано на рисунке 4, прилагают силу в течение 900 с, необходимую для достижения требуемого изгибающего момента, учитывая массу трубы.
Не снимая приложенного усилия, проверяют сборочный узел на внутреннюю и внешнюю герметичность.
Если входной и выходной патрубки терморегулятора смещены относительно общей оси, то присоединения меняют местами и испытание повторяют.
7.11.5. Терморегуляторы с входными и выходными патрубками различного номинального диаметра
При испытаниях терморегуляторов группы 1, входные и выходные патрубки которых имеют различные номинальные диаметры, корпус терморегулятора закрепляют и к каждому соединению прикладывают требуемый крутящий или изгибающий момент в соответствии с
7.11.2,
7.11.3 и (или)
7.11.4.
После испытания проверяют герметичность и контролируют отсутствие деформации.
7.12. Надежность
7.12.1. Надежность неметаллических материалов
7.12.1.1. Общие положения
Испытания проводят на готовом изделии или на деталях готового изделия.
Испытание на маслостойкость проводят по ГОСТ 9.030
(метод А) определением изменения массы предварительно взвешенных деталей после погружения их на (168 +/- 2) ч в стандартное масло СЖР-2 при максимальной рабочей температуре терморегулятора.
Относительное изменение массы испытуемого образца

, %, вычисляют по формуле

, (2)
где

- масса испытуемого образца на воздухе после погружения в масло, г;

- начальная масса испытуемого образца в воздухе, г.
7.12.1.3. Газостойкость
Стойкость неметаллических деталей к воздействию углеводородных газов проверяют в следующем порядке:
- предварительно взвешенные детали из неметаллических материалов погружают в жидкий пентан на (72 +/- 2) ч при температуре (23 +/- 2) °C так, чтобы они были полностью покрыты жидкой фазой пентана и не касались друг друга;
- детали извлекают из пентана, помещают в сушильный шкаф и выдерживают (168 +/- 2) ч при температуре (40 +/- 2) °C и атмосферном давлении, затем детали еще раз взвешивают.
Относительное изменение массы деталей

, %, вычисляют по формуле

, (3)
где

- масса испытуемого образца на воздухе, извлеченного из сушильного шкафа, г;

- начальная масса испытуемого образца на воздухе, г.
7.12.3. Работоспособность
Каждый цикл механических переключений состоит из движения установочного механизма по всей области установки и его возвращения в исходное положение.
Выполняется примерно десять циклов в минуту.
Испытательное устройство должно обеспечивать равномерное перемещение установочного механизма без оказания воздействия на режим работы терморегулятора. Прикладываемый момент не должен превышать значение, заданное изготовителем.
Во время полного цикла переключения ось не должна быть в канавке, чтобы не было захвата штифта.
Общее число механических переключений N определяют по таблице 6 в зависимости от предполагаемого применения терморегулятора, если изготовитель не указал большее число циклов.
Таблица 6
Число механических переключений
Вид терморегулятора | Число переключений терморегулятора N |
для приборов для приготовления пищи и проточных водонагревателей | для отопительных аппаратов и холодильных установок |
Без устройства регулирования | 5000 | 1000 |
С встроенным устройством регулирования с фиксированной установкой | 30000 | 5000 |
Сначала выполняется N/2 (половина) циклов при максимальной температуре среды, окружающей корпус регулятора, затем N/2 (половина) циклов при температуре (20 +/- 5) °C.
Во время испытаний чувствительный элемент выдерживают при температуре, примерно на 2/3 выше минимального заданного значения.
При испытаниях дополнительные процедуры смазки или настройки не допускаются.
7.12.3.2. Температурная цикличность
Каждый цикл термического переключения состоит из изменения температуры датчика, выше и ниже значения

, и возвращения к исходной температуре.
Ручку управления терморегулятором устанавливают на значение температуры

, °C, вычисленное по формуле

, (4)
где

- устанавливаемое максимальное значение температуры, °C;

- устанавливаемое минимальное значение температуры, °C.
На терморегулятор подают воздух под давлением 2,0 кПа.
Испытания проводят при температуре (60 +/- 2) °C или при более высокой температуре, указанной изготовителем.
Число циклов - 10000.
Изменение температуры выполняют следующим образом:
- для терморегулятора непрерывного действия во всей области пропорционального регулирования;
- для двухпозиционного терморегулятора между температурами включения и выключения;
- для терморегулятора непрерывного действия с двухпозиционным режимом в области пропорционального регулирования и, дополнительно, между температурами включения и выключения.
7.12.4. Прочность лакокрасочного покрытия
Механическую прочность лакокрасочного покрытия определяют приспособлением, схема которого приведена на рисунке 5. Жестко закрепленным стальным шариком диаметром 1 мм проводят вдоль испытуемой поверхности терморегулятора со скоростью от 30 до 40 мм/с и с силой контакта 10 Н.
1 - пружина; 2 - рабочая точка
(стальной шарик диаметром 1 мм)
Рисунок 5. Приспособление для проверки
механической прочности лакокрасочного покрытия
Испытание выполняют дважды - до и после испытания на влагостойкость.
Терморегулятор помещают на 48 ч в климатическую камеру при температуре (40 +/- 2) °C и относительной влажности более 95%. Затем терморегулятор извлекают из камеры и визуально определяют отсутствие признаков коррозии, вспучивания или образования пузырей на лакокрасочном покрытии. Затем терморегулятор выдерживают в течение 24 ч при температуре окружающей среды, указанной в
7.1.1, и повторно проводят внешний осмотр.
8. Маркировка, инструкция по монтажу и эксплуатации
8.1. Маркировка корпуса терморегулятора
На видном месте каждого терморегулятора прикрепляют табличку по
ГОСТ 12969 или наносят маркировку, содержащую:
- знак обращения на рынке;
- наименование предприятия-изготовителя и (или) торговую марку;
- модель (тип) оборудования;
- дату изготовления;
- серийный номер;
- вид и номинальное давление используемого газа;
- направление потока газа.
Направление потока газа должно быть четко обозначено (литьем или рельефной стрелкой). Выполнение этого условия не требуется, если терморегулятор предназначен для применения с газовыми аппаратами одного типа и ошибка в этом случае невозможна.
8.2. Инструкция по монтажу и эксплуатации
С каждой партией изделий поставляют набор инструкций на языке(ах) страны, в которую поставляют терморегуляторы.
Инструкции должны содержать:
- описание изделия;
- максимальное рабочее давление;
- номинальный расход;
- минимальное и максимальное значения температуры окружающей среды;
- монтажное положение устройства;
- термическую перегрузку температурного датчика;
- переключение на газы других семейств;
- разность между температурами включения и выключения терморегулятора, область пропорционального регулирования, температурный диапазон и т.п.;
- данные об устройстве предварительной настройки;
- другие параметры терморегулятора, например минимальный расход, допустимое отклонение от установки и т.п.;
- тип газа, для которого предназначен данный терморегулятор.
8.3. Предупредительное уведомление
Предупредительное уведомление должно содержать указание: "Изучите руководство по эксплуатации перед применением. Терморегулятор устанавливают в соответствии с действующим руководством". Уведомление прилагают к каждой партии терморегуляторов.
(рекомендуемое)
ОБЪЕМНЫЙ МЕТОД ОПРЕДЕЛЕНИЯ ГЕРМЕТИЧНОСТИ
Устройство для проверки герметичности объемным методом приведено на рисунке A.1.
1 - сжатый воздух; 2 - градуированная шкала;
3 - испытуемый образец; 4 - измерительная бюретка;
5 - сосуд с постоянным уровнем; 6 - сосуд с водой;
7, 14 - сосуды для слива лишней воды; 8 - 13 - краны
Рисунок A.1. Устройство для проверки герметичности
газового тракта объемным методом
Устройство заполнено водой. Расстояние L между уровнем воды в сосуде с постоянным уровнем 5 и концом трубки в измерительном сосуде 4 регулируют таким образом, чтобы эта высота уровня воды соответствовала и испытательному давлению.
Порядок испытаний
Давление сжатого воздуха на входе в кран 8 регулируют до испытательного.
Краны 8 - 13 закрыты.
Испытуемый образец 3 подсоединен к системе.
Открывают кран 9, когда вода в сосуде с постоянным уровнем 5 перетечет в сосуд для слива лишней жидкости 7, кран закрывают.
Открывают краны 8 и 11. Подают сжатый воздух и устанавливают давление в измерительной бюретке 4 и образце для испытаний 3.
Открывают кран 10. Подают в течение 15 мин, чтобы воздух в испытательном устройстве и образце достиг теплового равновесия.
На наличие какой-либо утечки указывает вода, переливающаяся из трубки в измерительную бюретку 4.
(рекомендуемое)
МЕТОД ОПРЕДЕЛЕНИЯ ГЕРМЕТИЧНОСТИ ПО ПОТЕРЕ ДАВЛЕНИЯ
| | ИС МЕГАНОРМ: примечание. Нумерация рисунков дана в соответствии с официальным текстом документа. | |
Устройство для проверки герметичности по потере давления изображено на рисунке Б.1.
1 - трубка со шкалой, мм; 2 - теплоизолированный сосуд
под давлением; 3 - трехходовой кран; 4 - кран;
5 - патрубок для присоединения испытуемого образца;
6 - компрессор; 7 - воздушная камера объемом 1 дм3;
8 - вода; 9 - теплоизоляция; 10 - напорная трубка
Рисунок Б.1. Устройство для проверки герметичности
газового тракта методом потери давления
Устройство состоит из теплоизолированного сосуда под давлением 2, который заполнен водой таким образом, что объем воздуха над уровнем воды составляет 1 дм3. Стеклянная трубка 1 наружным диаметром 5 мм открыта сверху, а нижний ее конец находится в воде в теплоизолированном сосуде под давлением 2. Эта трубка служит для измерения потери давления.
Испытательное давление прикладывают к трубке 10, входящей в воздушную камеру 7. К патрубку 5 подсоединяют образец для испытаний посредством гибкой трубки длиной 1 м и внутренним диаметром 5 мм.
Порядок испытаний
Регулируют давление воздуха, создаваемое компрессором 6, через трехходовой кран 3 до испытательного давления. Подъем уровня воды в измерительной трубке 1 соответствует испытательному давлению.
Подсоединяют образец для испытаний к патрубку 5 и регулируют давление посредством открывания трехходового крана 3.
Следует подождать в течение 10 мин, пока не установится тепловое равновесие, после чего начинается 5-минутный период испытаний. В конце этого периода потери давления считывают по измерительной трубке со шкалой 1.
(рекомендуемое)
ПЕРЕСЧЕТ ПОТЕРИ ДАВЛЕНИЯ В ИНТЕНСИВНОСТЬ УТЕЧЕК
Интенсивность утечек

, см3/ч, в зависимости от потери давления вычисляют по формуле

,
где

- суммарный внутренний объем установки для испытаний с краном, см3;
p' - абсолютное давление воздуха в начале испытания, кПа;
p" - абсолютное давление воздуха в конце испытания, кПа.
Потери давления измеряют за период времени, равный 5 мин, и пересчитывают в интенсивность утечки за час.
(справочное)
СВЯЗЬ МЕЖДУ НАСТОЯЩИМ СТАНДАРТОМ, ТЕХНИЧЕСКИМ РЕГЛАМЕНТОМ
ТАМОЖЕННОГО СОЮЗА ТР ТС 016/2011 "О БЕЗОПАСНОСТИ АППАРАТОВ,
РАБОТАЮЩИХ НА ГАЗООБРАЗНОМ ТОПЛИВЕ", УТВЕРЖДЕННЫМ РЕШЕНИЕМ
КОМИССИИ ТАМОЖЕННОГО СОЮЗА ОТ 9 ДЕКАБРЯ 2011 Г.
И ДИРЕКТИВОЙ ЕС 90/396/EWG
Разделы настоящего стандарта затрагивают существенные требования технического
регламента Таможенного союза ТР ТС 016/2011 "О безопасности аппаратов, работающих на газообразном топливе", утвержденного решением Комиссии Таможенного союза от 9 декабря 2011 г. и Директивы ЕС 90/396/EWG.
ПРЕДУПРЕЖДЕНИЕ - К товарам, подпадающим под действие настоящего стандарта, могут также применять прочие технические регламенты и прочие директивы ЕС.
В следующих разделах настоящего стандарта выполняются требования технического
регламента Таможенного союза ТР ТС 016/2011 "О безопасности аппаратов, работающих на газообразном топливе", и Директивы ЕС 90/396/EWG.
Таблица ДА.1
Связь между настоящим стандартом, техническим регламентом
Таможенного союза ТР ТС 016/2011 "О безопасности аппаратов,
работающих на газообразном топливе"
и Директивой ЕС 90/396/EWG
Существенные требования ТР ТС | Существенные требования директивы | Предмет | Соответствующий раздел стандарта |
1. Общие условия эксплуатации |
| 1.1 | Безопасность при эксплуатации | Весь стандарт |
| 1.2 | Инструкции и Предупреждения | |
| 1.2.1 | Руководство по монтажу | |
| 1.2.2 | Руководство по эксплуатации и обслуживанию | |
| 1.2.3 | Предупредительные надписи | |
| 1.3 | Эксплуатационные требования | |
2. Материалы |
| 2.1 | Виды материалов | |
| 2.2 | Характеристики материалов | |
3. Проектирование и конструирование |
| 3.1.1 | Механическая прочность | |
| 3.1.2 | Конденсация | отсутствует |
| 3.1.3 | Взрывоопасность | |
| 3.1.4 | Проникание воздуха/воды | отсутствует |
| 3.1.5 | Нормальные колебания вспомогательной энергии | отсутствует |
| 3.1.6 | Ненормальные колебания вспомогательной энергии | отсутствует |
| | ИС МЕГАНОРМ: примечание. В официальном тексте документа, видимо, допущена опечатка: пункт 3.1.6 отсутствует. | |
|
| 3.1.7 | Электрическая опасность | 3.1.6 |
| 3.1.8 | Детали, работающие под давлением | |
| 3.1.9 | Отказ устройств безопасности и регулировки | отсутствует |
| 3.1.10 | Безопасное регулирование | отсутствует |
| 3.1.11 | Защита предварительно настроенных устройств регулирования | |
| 3.1.12 | Устройства регулирования | |
| 3.2 | Выход несгоревшего газа | |
| 3.2.1 | Герметичность газопроводящих деталей | |
| 3.2.2 | Выход газа во время поджигания, тушения, повторного поджигания | отсутствует |
| 3.2.3 | Сбор несгоревшего газа | отсутствует |
| 3.3 | Воспламенение | отсутствует |
| 3.4.1 | Стабильность пламени | отсутствует |
| 3.4.2 | Выход отработанного газа: нормальный режим работы | отсутствует |
| 3.5 | Рациональное использование энергии | отсутствует |
| 3.6 | Температура | отсутствует |
| 3.7 | Продовольствие и вода | отсутствует |
(справочное)
СВЕДЕНИЯ О СООТВЕТСТВИИ ССЫЛОЧНЫХ МЕЖГОСУДАРСТВЕННЫХ
СТАНДАРТОВ МЕЖДУНАРОДНЫМ СТАНДАРТАМ
Таблица ДБ.1
Обозначение и наименование международного стандарта | Степень соответствия | Обозначение и наименование межгосударственного стандарта |
ISO 1817:1985. Резина вулканизированная. Определение воздействия жидкостей | NEQ | ГОСТ 9.030-74. Единая система защиты от коррозии и старения. Резины. Методы испытаний на стойкость в ненапряженном состоянии к воздействию жидких агрессивных сред |
ISO 274:1975. Трубы медные круглого сечения. Размеры | NEQ | |
ISO 65:1985. Трубы из углеродистой стали для нарезки резьбы по ISO 7-1 | NEQ | ГОСТ 3262-75. Трубы стальные водогазопроводные. Технические условия |
EN 10226-1:2004. Трубная резьба для соединений, уплотняемых по резьбе - Часть 1: Конусная наружная резьба и цилиндрическая внутренняя резьба - Размеры, допуски и маркировка | NEQ | ГОСТ 6211-81. Основные нормы взаимозаменяемости. Резьба трубная коническая |
EN 10226-1:2004. Трубная резьба для соединений, уплотняемых по резьбе - Часть 1: Конусная наружная резьба и цилиндрическая внутренняя резьба - Размеры, допуски и маркировка | NEQ | ГОСТ 6357-81. Основные нормы взаимозаменяемости. Резьба трубная цилиндрическая |
ISO 7005-2-88. Металлические фланцы. Часть 1. Стальные фланцы | NEQ | ГОСТ 12815-80. Фланцы арматуры, соединительных частей и трубопроводов на Pу от 0,1 до 20,0 МПа (от 1 до 200 кгс/см кв.). Типы. Присоединительные размеры и размеры уплотнительных поверхностей |
EN 60529-91. Степени защиты, обеспечиваемые оболочками (код IP) | IDT | ГОСТ 14254-96. Степени защиты, обеспечиваемые оболочками (код IP) |
| | ИС МЕГАНОРМ: примечание. Взамен ГОСТ 16093-81 Приказом Ростехрегулирования от 02.03.2005 N 39-ст с 1 июля 2005 года введен в действие ГОСТ 16093-2004. | |
|
ISO 228-1-94. Трубная резьба с герметичными соединениями не на резьбе. Часть 1. Размеры, допуски и обозначения | NEQ | ГОСТ 16093-81. Основные нормы взаимозаменяемости. Резьба метрическая. Допуски. Посадки с зазором |
ISO 262:1973. Резьбы метрические общего назначения по ISO. Выбранные размеры для винтов, болтов и гаек | NEQ | ГОСТ 24705-2004. Основные нормы взаимозаменяемости. Резьба метрическая. Основные размеры |
IEC 730-1:1986. Устройства автоматические электрические управляющие бытового или аналогичного назначения. Часть 1. Общие требования | IDT | ГОСТ МЭК 730-1. Автоматические электрические управляющие устройства бытового и аналогичного назначения. Общие требования и методы испытаний |
Примечание. В настоящей таблице использованы следующие условные обозначения степени соответствия стандартов: - IDT - идентичные стандарты; - NEQ - неэквивалентные стандарты. |