Главная // Актуальные документы // ГОСТ (Государственный стандарт)СПРАВКА
Источник публикации
М.: Стандартинформ, 2012
Примечание к документу
По сведениям, размещенным на Информационном портале Росстандарта по адресу https://uvedns.gostinfo.ru/, данный документ утрачивает силу с 01.01.2025 в связи с изданием Приказа Росстандарта от 11.10.2023 N 1105-ст. Взамен вводится в действие
ГОСТ 34989-2023.
Документ включен в
Перечень международных и региональных (межгосударственных) стандартов, а в случае их отсутствия - национальных (государственных) стандартов, содержащих правила и методы исследований (испытаний) и измерений, в том числе правила отбора образцов, необходимые для применения и исполнения требований технического
регламента Евразийского экономического союза "О безопасности мяса птицы и продукции его переработки" (ТР ЕАЭС 051/2021) и осуществления оценки соответствия объектов технического регулирования (
Решение Коллегии Евразийской экономической комиссии от 29.11.2022 N 188).
Текст данного документа приведен с учетом
поправки, введенной в действие с 05.04.2023, опубликованной в "ИУС", N 7, 2023;
поправки, введенной в действие с 06.09.2023, опубликованной в "ИУС", N 12, 2023.
Документ
введен в действие с 01.07.2013.
Название документа
"ГОСТ 31500-2012. Межгосударственный стандарт. Мясо и мясные продукты. Гистологический метод определения растительных углеводных добавок"
(введен в действие Приказом Росстандарта от 10.10.2012 N 480-ст)
"ГОСТ 31500-2012. Межгосударственный стандарт. Мясо и мясные продукты. Гистологический метод определения растительных углеводных добавок"
(введен в действие Приказом Росстандарта от 10.10.2012 N 480-ст)
Введен в действие
по техническому регулированию
и метрологии
от 10 октября 2012 г. N 480-ст
МЕЖГОСУДАРСТВЕННЫЙ СТАНДАРТ
МЯСО И МЯСНЫЕ ПРОДУКТЫ
ГИСТОЛОГИЧЕСКИЙ МЕТОД ОПРЕДЕЛЕНИЯ
РАСТИТЕЛЬНЫХ УГЛЕВОДНЫХ ДОБАВОК
Meat and meat products. Histological method
of identification of plant carbohydrates additives
ГОСТ 31500-2012
Дата введения
1 июля 2013 года
Цели, основные принципы и основной порядок проведения работ по межгосударственной стандартизации установлены
ГОСТ 1.0-92 "Межгосударственная система стандартизации. Основные положения" и
ГОСТ 1.2-2009 "Межгосударственная система стандартизации. Стандарты межгосударственные, правила и рекомендации по межгосударственной стандартизации. Правила разработки принятия, применения, обновления и отмены"
1 РАЗРАБОТАН Государственным научным учреждением Всероссийским научно-исследовательским институтом мясной промышленности им. В.М. Горбатова Российской академии сельскохозяйственных наук (ГНУ ВНИИМП им. В.М. Горбатова Россельхозакадемии)
2 ВНЕСЕН Федеральным агентством по техническому регулированию и метрологии
3 ПРИНЯТ Межгосударственным советом по стандартизации, метрологии и сертификации (протокол N 41 от 23 - 24 мая 2012 г.)
За принятие проголосовали:
Краткое наименование страны по МК (ИСО 3166) 004-97 | Код страны по МК (ИСО 3166) 004-97 | Сокращенное наименование национального органа по стандартизации |
Азербайджан | AZ | Азстандарт |
Армения | AM | Минэкономики Республики Армения |
Кыргызстан | KG | Кыргызстандарт |
Казахстан | KZ | Госстандарт Республики Казахстан |
Молдова | MD | Молдова-Стандарт |
Таджикистан | TJ | Таджикстандарт |
Российская Федерация | RU | Росстандарт |
Узбекистан | UZ | Узстандарт |
4
Приказом Федерального агентства по техническому регулированию и метрологии от 10 октября 2012 г. N 480-ст межгосударственный стандарт ГОСТ 31500-2012 введен в действие в качестве национального стандарта Российской Федерации с 1 июля 2013 г.
5 Стандарт подготовлен на основе применения ГОСТ Р 53222-2008
6 ВВЕДЕН ВПЕРВЫЕ
Информация о введении в действие (прекращении действия) настоящего стандарта публикуется в указателе "Национальные стандарты".
Информация об изменениях к настоящему стандарту публикуется в указателе "Национальные стандарты", а текст изменений - в информационных указателях "Национальные стандарты". В случае пересмотра или отмены настоящего стандарта соответствующая информация будет опубликована в информационном указателе "Национальные стандарты"
Настоящий стандарт устанавливает гистологический метод определения растительных углеводных добавок для следующих видов мяса и мясопродуктов:
- мясо всех видов убойных животных и птицы;
- мясо механической обвалки и дообвалки, в том числе мясо птицы;
- мясные и мясосодержащие полуфабрикаты (кусковые, рубленые, фарш, пельмени), в том числе с использованием мяса птицы;
- продукты из мяса, в том числе мяса птицы;
- колбасные изделия, в том числе с использованием мяса птицы;
- мясные и мясосодержащие (включая мясорастительные) консервы, в том числе с использованием мяса птицы.
Метод основан на идентификации растительных компонентов углеводного происхождения в различных видах мясных сырья и продуктов в соответствии с их микроструктурными особенностями, с использованием гистологических препаратов.
В настоящем стандарте использованы нормативные ссылки на следующие межгосударственные стандарты:
ГОСТ 8.423-81 Государственная система обеспечения единства измерения. Секундомеры механические. Методы и средства поверки.
ГОСТ 12.1.007-76 Система стандартов безопасности труда. Вредные вещества. Классификация и общие требования безопасности
ГОСТ 12.1.018-93 Система стандартов безопасности труда. Пожаровзрывобезопасность статического электричества. Общие требования
ГОСТ 12.1.019-79 Система стандартов безопасности труда. Электробезопасность. Общие требования и номенклатура видов защиты
ГОСТ 61-75 Реактивы. Кислота уксусная. Технические условия
ГОСТ 4329-77 Реактивы. Квасцы алюмокалиевые. Технические условия
ГОСТ 5962-67 Спирт этиловый ректификованный. Технические условия
ГОСТ 6309-93 Нитки швейные хлопчатобумажные и синтетические. Технические условия
ГОСТ 6672-75 Стекла покровные для микропрепаратов. Технические условия
ГОСТ 6824-96 Глицерин дистиллированный. Общие технические условия
ГОСТ 8030-80 Иглы для шитья вручную. Технические условия
ГОСТ 8756.0-70 Продукты пищевые консервированные. Отбор проб и подготовка их к испытанию
ГОСТ 9284-75 Стекла предметные для микропрепаратов. Технические условия
ГОСТ 10752-79 Бумага фотографическая "Унибром". Технические условия
ГОСТ 12026-76 Бумага фильтровальная лабораторная. Технические условия
ГОСТ 19126-2007 Инструменты медицинские металлические. Общие технические условия
ГОСТ 21239-93 (ИСО 7741-86) Инструменты хирургические. Ножницы. Общие требования и методы испытаний
ГОСТ 21240-89 Скальпели и ножи медицинские. Общие технические требования и методы испытаний
ГОСТ 21241-89 Пинцеты медицинские. Общие технические требования и методы испытаний
ГОСТ 23932-90 Посуда и оборудование лабораторные стеклянные. Общие технические условия
ГОСТ 24226-80 Пасты чернильные. Технические условия
ГОСТ 25336-82 Посуда и оборудование лабораторные стеклянные. Типы, основные параметры и размеры
ГОСТ 28498-90 Термометры жидкостные стеклянные. Общие технические требования. Методы испытаний
ГОСТ 31479-2012 Мясо и мясные продукты. Метод гистологической идентификации состава
ГОСТ 31796-2012 Мясо и мясные продукты. Ускоренный гистологический метод определения структурных компонентов состава.
Примечание - При пользовании настоящим стандартом целесообразно проверить действие ссылочных стандартов по указателю "Национальные стандарты", составленному по состоянию на 1 января текущего года, и по соответствующим информационным указателям, опубликованным в текущем году. Если ссылочный стандарт заменен (изменен), то при пользовании настоящим стандартом следует руководствоваться заменяющим (измененным) стандартом. Если ссылочный стандарт отменен без замены, то положение, в котором дана ссылка на него, применяется в части, не затрагивающей эту ссылку.
В настоящем стандарте применены следующие термины с соответствующими определениями:
3.1 проба: Продукт или его часть, направляемая на исследование.
3.2 образец: Часть пробы размером 30 x 30 x 30 мм, используемая для дальнейших исследований.
3.3 кусочек: Часть образца размером 15 x 15 x 4 мм, используемая для изготовления гистологического препарата.
3.4 гистологический препарат: Тонкий срез биологического объекта, доступный для изучения в проходящем свете микроскопа, окрашенный дифференцирующими красителями для выявления особенностей его структур и помещенный на предметное стекло.
3.5 растительные углеводные добавки: Растительные компоненты углеводной природы, добавляемые в мясные продукты в процессе их изготовления в целях изменения их технологических и органолептических характеристик.
4. Требования безопасности
При выполнении работ необходимо соблюдать требования техники безопасности при работе с химическими реактивами по
ГОСТ 12.1.007, требования пожарной безопасности по
ГОСТ 12.1.018 и электробезопасности при работе с электроустановками по
ГОСТ 12.1.019, а также требования, изложенные в технической документации на микротом и микроскоп.
5. Требования к квалификации оператора
К проведению гистологических исследований допускаются специалисты, имеющие высшее или среднее специальное медицинское, биологическое или ветеринарное образование, владеющие техникой гистологического анализа.
6. Отбор проб и подготовка образцов
Отбор проб и подготовку образцов проводят по
ГОСТ 31479.
7. Средства измерений, вспомогательное оборудование, реактивы и материалы
Для проведения гистологических исследований применяются следующие средства измерений, вспомогательное оборудование, реактивы и материалы:
Микротом криостатный любой, с набором микротомных ножей и принадлежностей для точки микротомных ножей (два камня - арканзас и аспидный, ремень для правки бритв, шлифовальная паста) или станком для точки микротомных ножей, либо с одноразовыми микротомными ножами.
Термостат, позволяющий поддерживать температуру (60,0 +/- 0,4) °C.
Холодильник бытовой электрический, с температурой охлаждения морозильной камеры до минус 18 °C.
Вытяжной шкаф различной конструкции.
Микроскоп биологический световой любой в комплекте с осветителем или отдельно, предпочтительно бинокулярная насадка с фотовидеовыходом.
Термометр жидкостной стеклянный, диапазон измерений от 0 °C до 100 °C, цена деления 1 °C по
ГОСТ 28498.
Линейки чертежные.
Иглы препаровальные или зубоврачебные по
ГОСТ 19126.
Тушь черная по ГОСТ 24226.
Стекла предметные для микропрепаратов по
ГОСТ 9284.
Стекла покровные для микропрепаратов по
ГОСТ 6672.
Стаканчики стеклянные с крышками размером 40 x 20 x 85 мм вместимостью 35 см
3 или стаканчики для взвешивания (бюксы) типа СВ 34/12 по
ГОСТ 25336.
Чашки кристаллизационные цилиндрические ЧКЦ-1(2)-100 по
ГОСТ 25336.
Бумага фотографическая по ГОСТ 10752.
Карандаш простой графитный 2М - 4М.
Нитки белые хлопчатобумажные швейные по
ГОСТ 6309.
Иглы швейные по ГОСТ 8030.
Гематоксилин, ч.д.а., 93,8%-ный раствор.
Фенол чистый для анализа.
Кислота соляная по
ГОСТ 3118, ч.д.а., плотностью 1,19 г/см
3.
Кислота уксусная ледяная по
ГОСТ 61, х.ч.
Эозин Н, ч.д.а., 1%-ый раствор.
Весы лабораторные с пределом абсолютной погрешности однократного взвешивания не более +/- 0,01 г по
ГОСТ 24104.
Баня комбинированная лабораторная, позволяющая поддерживать температуру 100 °C.
Допускается применение других средств измерений с метрологическими характеристиками и вспомогательное оборудование с техническими характеристиками, а также реактивов - по чистоте и материалов - по качеству не ниже указанных.
8. Приготовление растворов
8.1 Приготовление 1%-ного раствора соляной кислоты
В коническую колбу вместимостью 250 см3 наливают 97,73 см3 воды, добавляют 2,27 см3 концентрированного раствора соляной кислоты плотностью 1,19 г/см3 и перемешивают.
8.2 Приготовление смеси яичного белка с глицерином и обработка предметных стекол - по
ГОСТ 31479.
8.3 Приготовление раствора желатина - по
ГОСТ 31479.
8.4 Приготовление раствора глицерин-желатина - по
ГОСТ 31479.
8.5 Приготовление гематоксилина Эрлиха - по
ГОСТ 31479.
8.6 Приготовление раствора эозина - по
ГОСТ 31479.
8.7 Приготовление раствора Люголя - по
ГОСТ 31479.
9. Подготовка к исследованию
10. Проведение исследования и обработка результатов
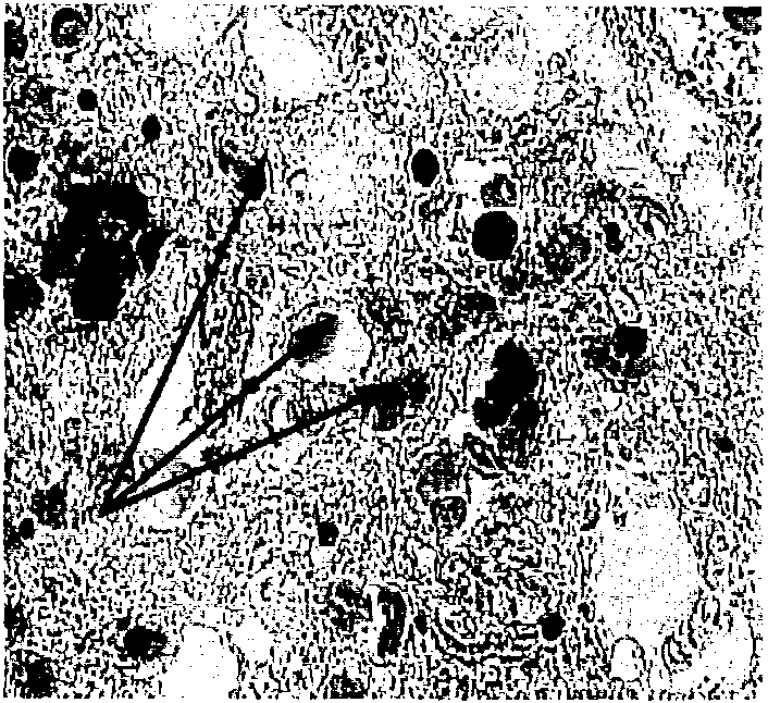
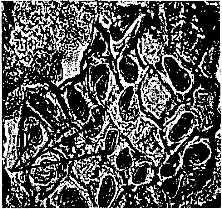
10.1 Приготовленные гистологические препараты рассматривают под любым световым микроскопом проходящего света. Сначала используют обзорные план-объективы - 10-кратный или меньше, а затем объективы со средним увеличением - до 40-кратного. Окуляры применяют с 10- или 16-кратным увеличением. Для получения достоверных результатов необходимо исследовать не менее чем по два среза с каждого из трех кусочков, отобранных от каждого образца.
10.2 Растительные углеводные добавки на основании их морфологических особенностей идентифицируют с помощью таблицы 1 и
рис. 1 -
12.
Таблица 1
Определительная таблица для идентификации
растительных добавок углеводной природы
Наименование показателя | Компонент |
Крахмалсодержащие добавки | Каррагинан | Камеди гуара и рожкового дерева | Пряно-ароматические добавки | Целлюлоза |
Крахмал | Мука | Ферментированный рис | Полуочищенный | Очищенный |
Форма частиц | Форма: свернутый жгут; округлая с темной точкой в центре | Округлые частицы объединены в крупные агрегаты | Мелкие округлые частицы с темной точкой в середине | Частицы имеют неправильную форму округлой "кляксы", характеризуются неоднородностью | Частицы имеют неправильную форму, более однородны | Отдельно лежащие растительные клетки или группы клеток. Каждая клетка окружена четко видимой неокрашиваемой цитоплазматической оболочкой | Частицы чаще неправильной формы, расположены единично. Форма клеток зависит от вида пряности | Частицы имеют цилиндрическую форму, встречаются волокнистые структуры |
Размер | Нативный от 3 до 5 мкм, гидратированный - до 100 мкм | В соответствии с помолом | От 5 до 20 мкм | От 60 до 140 мкм | От 60 до 140 мкм | Размер одной клетки - от 5 до 15 мкм | От 5 до 200 мкм | Длина от 5 до 70 мкм, ширина от 1 до 20 мкм |
Структура при окраске раствором Люголя | Черно-синие частицы | Окраска в бурый цвет | Нет окраски | Возможна окраска в темно-коричневый цвет | Нет окраски |
Структура при окраске гематоксилином и эозином | Нет окраски | Нет окраски | Нет окраски | Лилово-сиреневые стеклоподобные конгломераты, включающие в себя выраженную неоднородность, сотоподобную структурированность | Лилово-сиреневые стеклоподобные структуры. Неоднородность выражается только в разной плотности окраски | Округлое компактное эозинофильное вещество, окруженное широким не окрашиваемым светлым пространством | Соответствует структуре клеток листа, коры или плода использованного пряно-ароматического растения | Нет окраски |

Рисунок 1 - Крахмал (окраска раствором Люголя)
Рисунок 2 - Крахмал (окраска гематоксилином и эозином)
Рисунок 3 - Рисовый крахмал (окраска гематоксилином
и эозином)
Рисунок 4 - Мука (окраска гематоксилином и эозином)
Рисунок 5 - Каррагинан полуочищенный
(окраска гематоксилином и эозином)
Рисунок 6 - Каррагинан очищенный
(окраска гематоксилином и эозином)
Рисунок 7 - Камедь (окраска гематоксилином и эозином)
Рисунок 8 - Камедь (окраска гематоксилином и эозином)
Рисунок 9 - Перец душистый
(окраска гематоксилином и эозином)
Рисунок 10 - Красный перец
(окраска гематоксилином и эозином)
Рисунок 11 - Лук (окраска гематоксилином и эозином)
Рисунок 12 - Целлюлоза (окраска гематоксилином и эозином)
10.3 На первом этапе исследования используют окраску в соответствии с ГОСТ 31479-2012
(пункт 8.5.1). Начинают рассматривать препараты, изготовленные из участков продукта, отличающихся от общей массы изучаемого объекта цветом или фактурой. На втором этапе исследования продукта применяют красители в соответствии с ГОСТ 31479-2012
(пункт 8.5.3).
От растительных углеводных добавок следует дифференцировать соевые белковые добавки - в клеточных комплексах преобладает окрашиваемое в розовый цвет эозином вещество:
соевый изолированный белок - частицы округлые, с отверстием внутри, имеют форму гантели или цветка;
соевый концентрат - частицы состоят из клеток цилиндрических (продольный срез) или округлых (поперечный срез), окруженных узким ровным неокрашиваемым просветом - целлюлозной оболочкой;
текстурированный соевый белковый продукт - волокнистый компонент - тонкие рыхлые пучки волокон и неокрашиваемые узкие цилиндрические клетки, собранные в стопки;
10.4 В ходе визуальной оценки гистологического препарата под световым микроскопом определяется наличие растительных углеводных добавок.
10.5 На основании данных, полученных в результате гистологического исследования, выявляют присутствие растительных углеводных добавок, проводят их качественную идентификацию и делают заключение о соответствии фактического состава анализируемого продукта с указанием в действующей документации (ГОСТ) или на этикетке.
10.6 После проведения исследования препараты с окраской срезов гематоксилином Эрлиха и эозином хранят в комнатных условиях до трех лет. Препараты, окрашенные раствором Люголя, не заключаются под покровное стекло и хранению свыше 10 дней не подлежат.