Главная // Актуальные документы // ГОСТ (Государственный стандарт)
СПРАВКА
Источник публикации
М.: ИПК Издательство стандартов, 2002
Примечание к документу
Документ утратил силу с 1 июля 2017 года в связи с изданием Приказа Росстандарта от 22.11.2016 N 1734-ст. Взамен введен в действие ГОСТ 475-2016.

С 1 июля 2003 года до вступления в силу технических регламентов акты федеральных органов исполнительной власти в сфере технического регулирования носят рекомендательный характер и подлежат обязательному исполнению только в части, соответствующей целям, указанным в пункте 1 статьи 46 Федерального закона от 27.12.2002 N 184-ФЗ.

Документ введен в действие с 1 июля 1985 года.

Взамен ГОСТ 14624-69 и ГОСТ 17324-71.
Название документа
"ГОСТ 14624-84. Межгосударственный стандарт. Двери деревянные для производственных зданий. Типы, конструкция и размеры"
(утв. и введен в действие Постановлением Госстроя СССР от 13.03.1984 N 22)

"ГОСТ 14624-84. Межгосударственный стандарт. Двери деревянные для производственных зданий. Типы, конструкция и размеры"
(утв. и введен в действие Постановлением Госстроя СССР от 13.03.1984 N 22)


Содержание


Утвержден и введен в действие
Постановлением
Государственного комитета СССР
по делам строительства
от 13 марта 1984 г. N 22
МЕЖГОСУДАРСТВЕННЫЙ СТАНДАРТ
ДВЕРИ ДЕРЕВЯННЫЕ ДЛЯ ПРОИЗВОДСТВЕННЫХ ЗДАНИЙ
ТИПЫ, КОНСТРУКЦИЯ И РАЗМЕРЫ
Wood doors for industrial buildings.
Types, construction and dimensions
ГОСТ 14624-84
Группа Ж32
ОКП 53 6138
Дата введения
1 июля 1985 года
ИНФОРМАЦИОННЫЕ ДАННЫЕ
1. Разработан и внесен Центральным научно-исследовательским и проектно-экспериментальным институтом промышленных зданий и сооружений (ЦНИИпромзданий) Госстроя СССР.
2. Утвержден и введен в действие Постановлением Государственного комитета СССР по делам строительства от 13 марта 1984 г. N 22.
3. Взамен ГОСТ 14624-69 и 17324-71.
4. Ссылочные нормативно-технические документы
Обозначение НТД, на который дана ссылка
Номер пункта, раздела
5. Переиздание. Январь 2002 г.
Настоящий стандарт распространяется на деревянные внутренние и наружные двери для производственных зданий промышленных и сельскохозяйственных предприятий.
Стандарт не распространяется на двери специального исполнения (трудносгораемые, несгораемые, звукоизолирующие).
1. ТИПЫ И РАЗМЕРЫ
1.1. В зависимости от назначения двери подразделяют на:
В - внутренние;
Н - наружные.
1.2. В зависимости от конструкции двери подразделяют на следующие типы:
Г - с притвором в четверть, с глухими полотнами;
О - с притвором в четверть, с остекленными полотнами;
К - с остекленными качающимися полотнами.
1.3. Двери типа В изготовляют щитовыми со сплошным или мелкопустотным (решетчатым) заполнением дверных полотен.
1.4. Двери типа Н изготовляют со сплошными щитовыми или рамочными полотнами. Щитовые полотна допускается изготовлять без обшивки или с реечной обшивкой.
Двери типа Н относят к изделиям повышенной влагостойкости.
1.5. Двери типов Г и О изготовляют правыми и левыми, с порогом и без порога. Двери типа К изготовляют только двупольными остекленными.
1.6. Типы и размеры дверных блоков должны соответствовать указанным на черт. 1 и 2. Допускается изготовление дверей с габаритными размерами в модулях по ГОСТ 6629 и ГОСТ 24698 при конструктивном исполнении по настоящему стандарту.
ТИПЫ И РАЗМЕРЫ ВНУТРЕННИХ ДВЕРЕЙ
Тип Г
Тип О
Тип К
Черт. 1
ТИПЫ И РАЗМЕРЫ НАРУЖНЫХ ДВЕРЕЙ
Черт. 2
Примечание к черт. 1 и 2. Над схемами дверей указаны координационные размеры высоты и ширины в модулях.
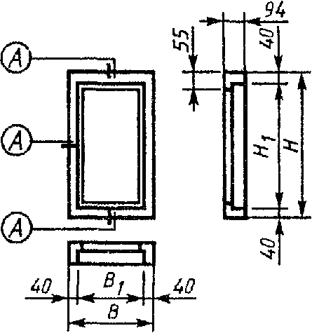
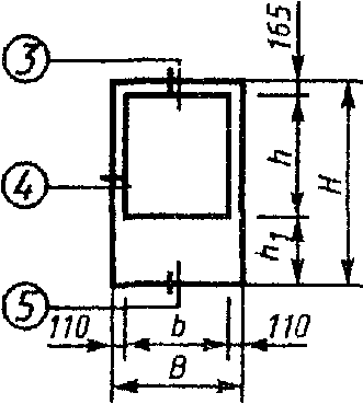
1.7. Размеры полотен и коробок внутренних дверей, форма, размеры элементов и сечений их деталей должны соответствовать указанным на черт. 3, 5, 7, 8, а наружных - на черт. 4, 6, 9 - 11.
РАЗМЕРЫ ПОЛОТЕН ВНУТРЕННИХ ДВЕРЕЙ
В миллиметрах
Тип двери
Схема полотна
Размер полотна
Размер стекла
H
B
h
b
Высота
Ширина
Г
1800
800
-
-
-
-
-
2000
600; 700; 900
О
2000
700
1305
530
480
1300
475
900
680
675
К
2000
700
1305
530
480
1300
475
900
680
675
Черт. 3
Примечание. Сечение полотен - на черт. 7 и 8.
РАЗМЕРЫ ПОЛОТЕН НАРУЖНЫХ ДВЕРЕЙ
В миллиметрах
Тип двери
Схема полотна
Размер полотна
Размер стекла
H
B
h
b
Высота
Ширина
Г
2000
800; 900
-
-
-
-
-
2300
О
2000
800
1305
530
580
1300
575
900
680
675
2300
800
1755
380
580
1750
575
900
680
675
Черт. 4
Примечание. Сечения полотен - на черт. 9 - 11.
РАЗМЕРЫ КОРОБОК ВНУТРЕННИХ ДВЕРЕЙ
В миллиметрах
Вид дверной коробки
Схема дверной коробки
H
B
С порогом
1871
870
1805
804
2071
1272
2005
1206
1472
1406
1872
1806
Без порога
2071
1472
2038
1406
1872
1806
Для качающихся полотен
2071
1498
2026
1408
1898
1808
Черт. 5
Примечание. Сечения полотен - на черт. 7 и 8.
РАЗМЕРЫ КОРОБОК НАРУЖНЫХ ДВЕРЕЙ
В миллиметрах
Вид дверной коробки
Схема дверной коробки
H
B
С порогом
2085
884
2005
804
984
904
2385
884
2305
804
984
904
Без порога
2078
884
2038
804
984
904
2378
884
2338
804
984
904
Черт. 6
Примечание. Сечения полотен - на черт. 9 - 11.
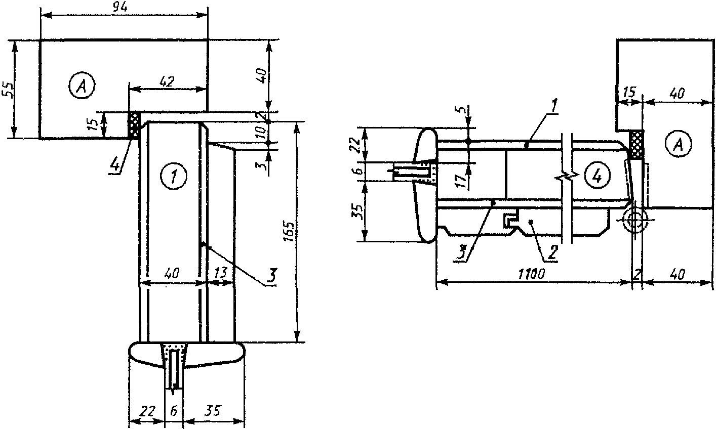
СЕЧЕНИЯ ПО ПРИТВОРАМ ВНУТРЕННИХ ДВЕРЕЙ
1 - пружинная петля ПН9-130 по ГОСТ 5088;
2 - монтажная доска
Черт. 7
СЕЧЕНИЯ ПО СРЕДНИМ ПРИТВОРАМ ВНУТРЕННИХ ДВЕРЕЙ
Нащельники показаны для правой двери,
для левой - в зеркальном изображении.
СЕЧЕНИЯ ЭЛЕМЕНТОВ ПОЛОТЕН ПО КРОМКАМ
ВНУТРЕННИХ И НАРУЖНЫХ ДВЕРЕЙ
Остекленные двери (тип О)
Двери остекленные с качающимися полотнами (тип К)
1 - бруски каркаса щита;
2 - заполнение или остекление; 3 - обкладка
Каркас дверей должен быть собран на сквозной открытый шип.
Черт. 8
СЕЧЕНИЯ ДЕТАЛЕЙ НАРУЖНЫХ ДВЕРЕЙ
1 - уплотняющая прокладка по ГОСТ 10174;
2 - облицовка ДВП марки СТ или Т-В по ГОСТ 4598;
3 - рейка 12 x 12 мм; 4 - прокладка из пористой резины
толщиной 2 мм по ГОСТ 7338;
5 - шуруп 1 - 3 x 30 по ГОСТ 1144, шаг 200 мм;
6 - монтажная доска
Черт. 9
СЕЧЕНИЯ ПО СРЕДНИМ ПРИТВОРАМ
1 - уплотняющая прокладка по ГОСТ 10174;
2 - облицовка ДВП марки СТ или Т-В по ГОСТ 4598
Черт. 10
ДВЕРИ ЩИТОВЫЕ С ОБШИВКОЙ
1 - облицовка ДВП марки Т группы А по ГОСТ 4598;
2 - обшивка типа О-2 по ГОСТ 8242;
3 - пергамин по ГОСТ 2697;
4 - уплотняющая прокладка по ГОСТ 10174;
5 - раскладка
Черт. 11
Размеры проемов приведены в Приложении 1.
1.8. Устанавливают следующую структуру условного обозначения дверей:
X X X X - X X X
│ │ │ │ │ │ │
│ │ │ │ │ │ └─── Обозначение настоящего стандарта
│ │ │ │ │ └─────── Буквы, обозначающие: Л - левую дверь
│ │ │ │ │ (правая - без обозначения); П - дверь
│ │ │ │ │ с порогом; О-1 и О-2 - типы обшивки
│ │ │ │ └─────────── Ширина проема, дм
│ │ │ └─────────────── Высота проема, дм
│ │ └─────────────────── Тип двери по п. 1.2 (Г, О или К)
│ └─────────────────────── Назначение двери по п. 1.1 (В или Н)
└─────────────────────────── Вид изделия: Д - дверь
Примеры условных обозначений
Дверь внутренняя, глухая, для проема высотой 19 и шириной 9 дм, с правой навеской полотна, с порогом:
ДВГ 19-9 П ГОСТ 14624-84
То же, с левой навеской полотна:
ДВГ 19-9 ЛП ГОСТ 14624-84
То же, наружная остекленная, для проема высотой 21 и шириной 9 дм, с левой навеской полотна, с порогом:
ДНО 21-9 ЛП ГОСТ 14624-84
То же, с качающимися полотнами, для проема высотой 21 и шириной 15 дм, с обшивкой типа О-1:
ДНК 21-15 О1 ГОСТ 14624-84.
2. ТРЕБОВАНИЯ К КОНСТРУКЦИИ
2.1. Двери следует изготовлять в соответствии с требованиями ГОСТ 475 и настоящего стандарта по рабочим чертежам, утвержденным в установленном порядке.
2.2. Сплошное и мелкопустотное заполнения щитов полотен выполняют в соответствии с требованиями и схемами, указанными в ГОСТ 6629.
Рамочные конструкции остекленных полотен выполняют по ГОСТ 24698.
2.3. При повышенных требованиях к прочности следует изготовлять глухие распашные двери со сплошным заполнением щитов деревянными рейками, а при повышенных требованиях к тепло- и звукоизоляции дополнительно следует уплотнять притворы прокладками по ГОСТ 10174 или из пористой резины по ГОСТ 7338.
2.4. Наружные двери облицовывают древесноволокнистыми плитами (ДВП) марки СТ или Т-В по ГОСТ 4598.
Допускается применять для облицовки щитов наружных дверей ДВП марки Т по ГОСТ 4598 и клееную фанеру, при условии сплошной обшивки полотен профильными рейками по ГОСТ 8242, устанавливаемыми по слою пергамина по ГОСТ 2697.
Рейки крепят шурупами по ГОСТ 1144 или гвоздями по ГОСТ 4028 с антикоррозионным покрытием. Максимальный шаг креплений - 500 мм. Крепления в каждом ряду следует располагать на одном уровне по всей ширине полотна.
2.5. Нижние части полотен наружных дверей должны быть защищены деревянными планками толщиной 16 - 19 мм или полосами из декоративного бумажно-слоистого пластика толщиной 1,3 - 2,5 мм по ГОСТ 9590, сверхтвердых ДВП толщиной 3,2 - 4,0 мм по ГОСТ 4598, тонколистовой оцинкованной стали или алюминия.
Защитные накладки устанавливают на водостойких клеях и шурупах с головками, имеющими антикоррозионное покрытие, с шагом не более 100 мм.
2.6. Коробку без порога расшивают внизу монтажной доской с креплением гвоздями к торцам вертикальных брусков. Допускается шиповое соединение монтажной доски с брусками коробки с просветом между доской и полотном не более 50 мм.
2.7. В коробках наружных дверей пороги следует укреплять стальной полосой 14 х 4 мм на шурупах, имеющих антикоррозионное покрытие и устанавливаемых с шагом не более 100 мм.
2.8. Площадь дверных блоков определяют по наружным размерам коробок без учета монтажной доски.
2.9. Расположение приборов и примеры установки защитных ограждений приведены в Приложении 2.
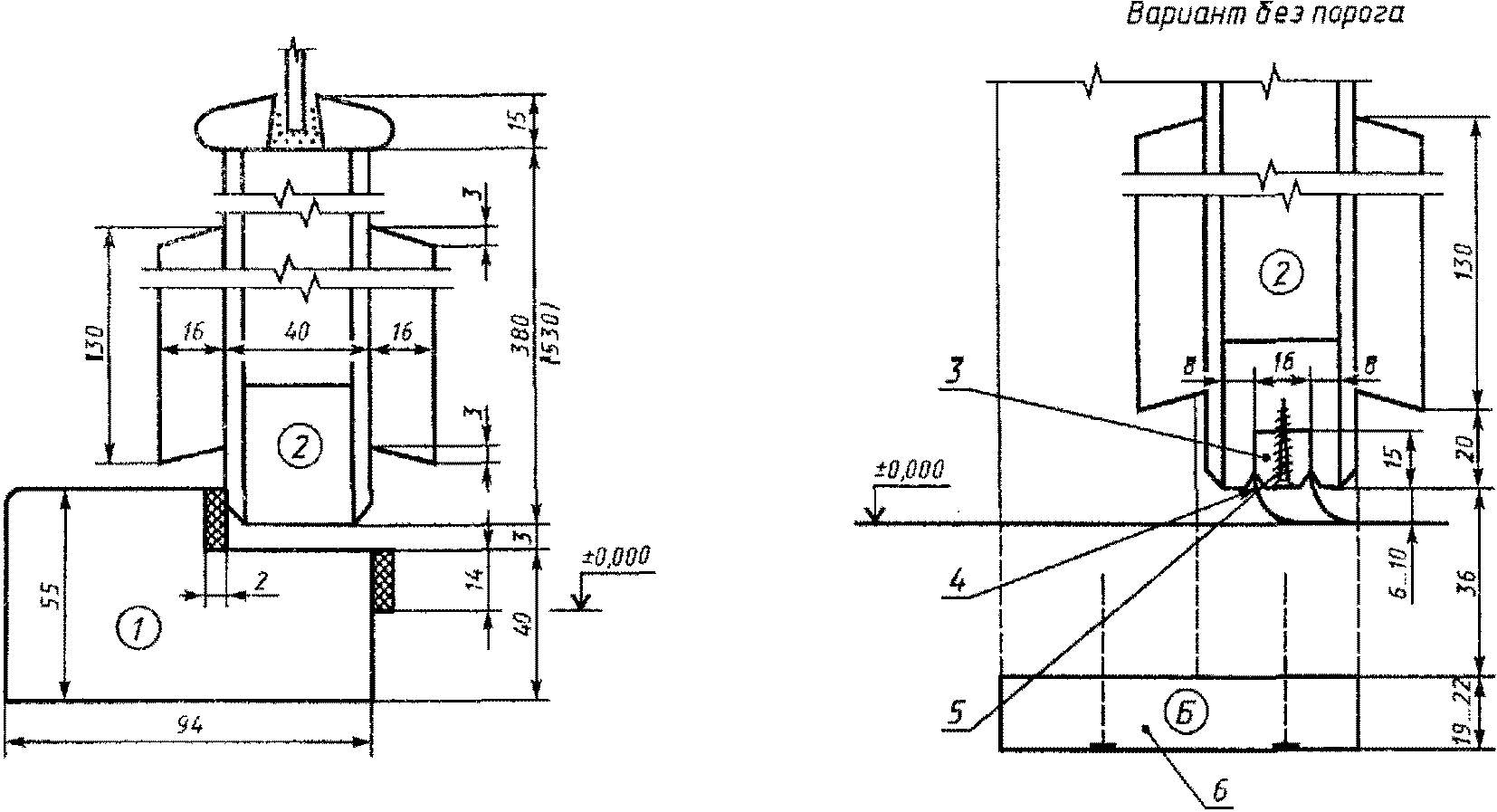
Приложение 1
Справочное
РАЗМЕРЫ ДВЕРНЫХ ПРОЕМОВ В СТЕНАХ
Для внутренних дверей
Для наружных дверей
Примечание. Над схемами проемов указаны координационные размеры высоты и ширины в модулях.
Приложение 2
Обязательное
РАСПОЛОЖЕНИЕ ПРИБОРОВ
Замок по ГОСТ 5089 для наружных дверей 3В1А, для внутренних - 3В4.
Петли по ГОСТ 5088: для наружных дверей ПН1-110, для внутренних - ПН4, для качающихся - ПН9-130-1.
ПРИЕМЫ УСТАНОВКИ ЗАЩИТНЫХ ОГРАЖДЕНИЙ ДЛЯ НАРУЖНЫХ ДВЕРЕЙ
Деревянные ограждения
Металлические ограждения
1 - деревянные планки из твердолиственных пород;
2 - крепежная планка из полосовой стали;
3 - стальной пруток