Главная // Актуальные документы // ГОСТ (Государственный стандарт)СПРАВКА
Источник публикации
М.: Издательство стандартов, 1985
Примечание к документу
Документ утратил силу с 1 января 1992 года в связи с изданием Постановления Госстроя СССР от 03.04.1991 N 13. Взамен введен в действие
ГОСТ 6665-91.
Документ
введен в действие с 1 января 1983 года.
Взамен ГОСТ 6665-74.
Название документа
"ГОСТ 6665-82*. Государственный стандарт Союза ССР. Камни бортовые бетонные и железобетонные. Технические условия"
(введен Постановлением Госстроя СССР от 31.12.1981 N 286)
(ред. от 01.05.1985)
"ГОСТ 6665-82*. Государственный стандарт Союза ССР. Камни бортовые бетонные и железобетонные. Технические условия"
(введен Постановлением Госстроя СССР от 31.12.1981 N 286)
(ред. от 01.05.1985)
Государственного комитета
по делам строительства СССР
от 31 декабря 1981 г. N 286
ГОСУДАРСТВЕННЫЙ СТАНДАРТ СОЮЗА ССР
КАМНИ БОРТОВЫЕ БЕТОННЫЕ И ЖЕЛЕЗОБЕТОННЫЕ
ТЕХНИЧЕСКИЕ УСЛОВИЯ
Concrete and reinforced concrete curbs. Specifications
ГОСТ 6665-82*
| | Список изменяющих документов (в ред. Изменения N 1, утв. Постановлением Госстандарта СССР от 07.05.1985 N 63) | |
ОКП 58 470
Взамен ГОСТ 6665-74
Постановлением Государственного комитета СССР по делам строительства от 31 декабря 1981 г. N 286 срок введения установлен
с 1 января 1983 года
* Переиздание (сентябрь 1985 г.) с Изменением N 1, утвержденным в мае 1985 г.; Пост. N 63 от 07.05.85 (ИУС N 8-85).
Настоящий стандарт распространяется на бетонные и железобетонные бортовые камни для городских дорог.
Бортовые камни изготовляют из тяжелого мелкозернистого бетона (песчаный бетон) плотной структуры и тяжелого бетона на крупном заполнителе и предназначают для отделения:
проезжей части магистральных улиц от тротуаров, газонов, площадок - остановок общественного транспорта и обособленного полотна трамвайных путей;
проезжей части дорог от разделительных полос;
проезжей части дорог от тротуаров на мостах, путепроводах, съездах и в тоннелях;
проезжей части внутриквартальных проездов от тротуаров и газонов;
пешеходных дорожек и тротуаров от газонов в городских парках, скверах и бульварах.
Бортовые камни применяют для дорог в районах с расчетной температурой атмосферного воздуха, в соответствии с утвержденными Госстроем СССР нормами и правилами строительной климатологии, до минус 40 °C включительно.
При применении бортовых камней в климатическом подрайоне IVА должны учитываться дополнительные требования к конструкциям, предназначенным для эксплуатации в этом районе, в соответствии с нормами и правилами по проектированию бетонных и железобетонных конструкций, утвержденными Госстроем СССР.
Допускается применение данных бортовых камней для дорог в районах с расчетной температурой атмосферного воздуха ниже минус 40 °C при соблюдении требований, предъявляемых к конструкциям для этих условий строительными нормами и правилами по проектированию бетонных и железобетонных конструкций, утвержденными Госстроем СССР.
Бетонные и железобетонные бортовые камни применяют на дорогах, эксплуатируемых в условиях неагрессивной и слабоагрессивной сред.
1. ТИПЫ, ОСНОВНЫЕ ПАРАМЕТРЫ И РАЗМЕРЫ
1.1. Бортовые камни подразделяют на типы:
БР - прямые рядовые;
БУ - прямые с уширением;
БУП - прямые с прерывистым уширением;
БЛ - прямые с лотком;
БВ - въездные;
БК - криволинейные.
1.2. Марки и размеры камней должны соответствовать указанным на черт. 1 -
8 и в
табл. 1.
Бортовые камни типа БР 100
Черт. 1
Бортовые камни типа БР 300
Черт. 2
Бортовые камни типа БР 600
Черт. 2а
Бортовой камень типа БР 100.20.8
Черт. 3
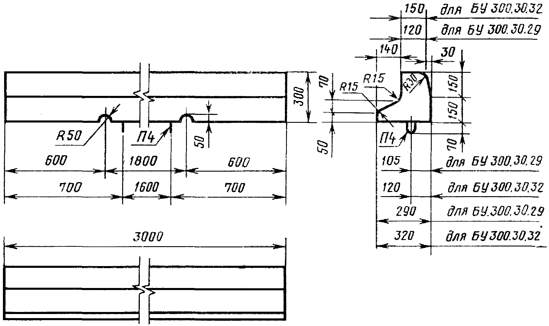
Бортовые камни типа БУ 300
Черт. 4
Бортовые камни типа БУП 300
Черт. 5
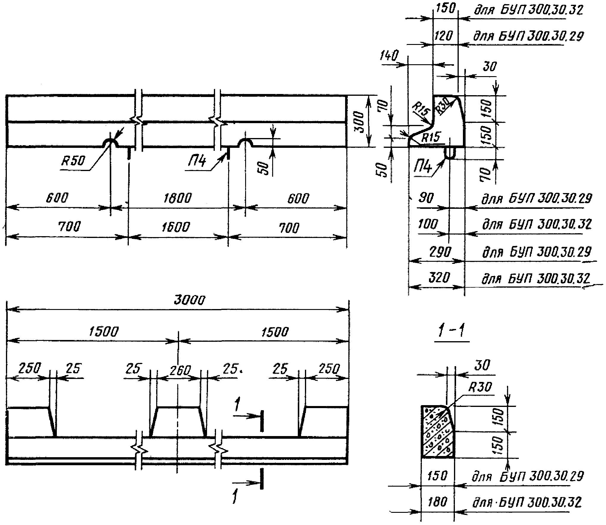
Бортовые камни типа БЛ 300
Черт. 6
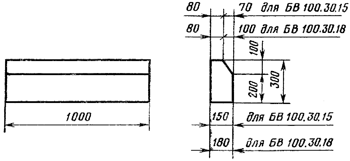
Бортовые камни типа БВ 100
Черт. 7
Бортовые камни типа БК 100
Таблица 1
Номенклатура бортовых камней
Марки | Форма | Размеры, мм | Радиус кривизны R, м | Справочная масса т | Назначение камней |
h | h1 | h2 | h3 | h4 | h5 | b | b1 | b2 | b3 | Длина |
1 | 2 | 3 | 4 | 5 | 6 | 7 | 8 | 9 | 10 | 11 | 12 | 13 | 14 | 15 | 16 |
БР 100.30.15 | | 300 | 150 | 150 | - | - | - | 150 | 30 | 120 | - | 1000 | - | 0,10 | Для отделения проезжей части внутриквартальных проездов от тротуаров, газонов |
БР 300.30.15 | 300 | 150 | 150 | - | - | - | 150 | 30 | 120 | - | 3000 | - | 0,32 |
БР 100.30.18 | 300 | 150 | 150 | - | - | - | 180 | 30 | 150 | - | 1000 | - | 0,12 | Для отделения проезжей части магистральных улиц от тротуаров, газонов, площадок - остановок общественного транспорта и обособленного полотна трамвайных путей |
БР 300.30.18 | 300 | 150 | 150 | - | - | - | 180 | 30 | 150 | - | 3000 | - | 0,38 |
БР 300.45.18 | 450 | 300 | 150 | - | - | - | 180 | 30 | 150 | - | 3000 | - | 0,58 | Для отделения проезжей части дорог от тротуаров на съездах, в тоннелях и от распределительных полос |
БР 300.60.20 | 600 | 450 | 150 | - | - | - | 200 | 30 | 170 | - | 3000 | - | 0,88 | Для отделения проезжей части дорог от тротуаров на мостах |
БР 600.30.18 | | 300 | 150 | 150 | - | - | - | 180 | 30 | 150 | - | 6000 | - | 0,77 | Для отделения проезжей части магистральных улиц от тротуаров, газонов, площадок - остановок общественного транспорта и обособленного полотна трамвайных путей |
БР 600.45.18 | 450 | 300 | 150 | - | - | - | 180 | 30 | 150 | - | 6000 | - | 1,17 | Для отделения проезжей части дорог от тротуаров на съездах, в тоннелях и от распределительных полос |
БР 600.60.20 | 600 | 450 | 150 | - | - | - | 200 | 30 | 170 | - | 6000 | - | 1,76 | Для отделения проезжей части дорог от тротуаров на мостах |
БР 100.20.8 | | 200 | 185 | 15 | - | - | - | 80 | 15 | 65 | - | 1000 | - | 0,04 | Для отделения переходных дорожек и тротуаров от газонов |
БУ 300.30.29 | | 300 | 150 | 150 | 50 | 70 | 180 | 290 | 30 | 120 | 140 | 3000 | - | 0,40 | Для отделения проезжей части внутриквартальных проездов от тротуаров и газонов |
БУП 300.30.29 | 300 | 150 | 150 | 50 | 70 | 180 | 290 | 30 | 120 | 140 | 3000 | - | 0,34 |
БУ 300.30.32 | 300 | 150 | 150 | 50 | 70 | 180 | 320 | 30 | 150 | 140 | 3000 | - | 0,47 | Для отделения проезжей части магистральных улиц от тротуаров и газонов |
БУП 300.30.32 | 300 | 150 | 150 | 50 | 70 | 180 | 320 | 30 | 150 | 140 | 3000 | - | 0,41 |
БЛ 300.32.68 | | 320 | 170 | 50 | - | - | - | 680 | 30 | 150 | 500 | 3000 | - | 1,05 | На дорогах с полосами безопасности для отделения проезжей части магистральных улиц от тротуаров и газонов |
БЛ 300.32.93 | 320 | 170 | 50 | - | - | - | 930 | 30 | 150 | 750 | 3000 | - | 1,37 |
БВ 100.30.15 | | 300 | 200 | 100 | - | - | - | 150 | 70 | 80 | - | 1000 | - | 0,10 | Для отделения проезжей части внутриквартальных проездов при устройстве въездов на тротуары в сочетании с камнями марок БР 100.30.15 и БР 300.30.15 |
БВ 100.30.18 | 300 | 200 | 100 | - | - | - | 180 | 100 | 80 | - | 1000 | - | 0,12 | Для отделения проезжей части магистральных улиц при устройстве въездов на тротуары в сочетании с камнями марок БР 100.30.18 и БР 300.30.18 |
БК 5.100.30.18 | | 300 | 150 | 150 | - | - | - | 180 | 30 | 120 | 30 | 1000 | 5 | 0,12 | Для отделения проезжей части внутриквартальных проездов от тротуаров и газонов на закруглениях в сочетании с камнями марок БР 100.30.15 и БР 300.30.15 |
БК 8.100.30.18 | 300 | 150 | 150 | - | - | - | 180 | 30 | 120 | 30 | 1000 | 8 | 0,12 |
БК 12.100.30.18 | 300 | 150 | 150 | - | - | - | 180 | 30 | 120 | 30 | 1000 | 12 | 0,12 |
БК 15.100.30.18 | 300 | 150 | 150 | - | - | - | 180 | 30 | 120 | 30 | 1000 | 15 | 0,12 |
БК 5.100.30.21 | 300 | 150 | 150 | - | - | - | 210 | 30 | 150 | 30 | 1000 | 5 | 0,14 | Для отделения проезжей части магистральных улиц от тротуаров и газонов на закруглениях в сочетании с камнями марок БР 100.30.18 и БР 300.30.18 |
БК 8.100.30.21 | 300 | 150 | 150 | - | - | - | 210 | 30 | 150 | 30 | 1000 | 8 | 0,14 |
БК 12.100.30.21 | 300 | 150 | 150 | - | - | - | 210 | 30 | 150 | 30 | 1000 | 12 | 0,14 |
Примечания:
1. Допускается изготовление камней марки БР 100.20.8 длиной 600 мм.
1а. Допускается изготовление камней марок БР 100.30.15 и БР 100.30.18 с установкой монтажных петель в соответствии со справочным
приложением 3.
2. Камни марок БР 300.30.15, БР 300.30.18 и БР 300.45.18 допускается изготовлять с вертикальным гребнем (с одной стороны) и пазом (с другой) на торцевых гранях.
3. Камни марок БВ и БК допускается изготовлять с закруглением верхней части лицевой стороны радиусом 30 мм.
4. На внутренней поверхности камней допускается делать выемку (кессонного типа) глубиной не более 50 мм.
5. Длину криволинейных камней измеряют по верхнему краю выпуклой стороны.
6. Камни марок БУ, БУП (с прерывистым уширением) и БЛ (с лотком) рекомендуется устанавливать на песчаное основание.
7. При изготовлении бортовых камней допускаются непринципиальные изменения формы и размеров нелицевой стороны камней, связанные с технологией производства (размеров фасок, радиусов закруглений, технологических уклонов и т.д.).
(Измененная редакция, Изм. N 1).
1.3. Верхние, нижние и боковые грани камней должны быть взаимно перпендикулярны. Допускается изготовлять камни с технологическим уклоном нелицевых вертикальных граней; при этом уширение камней по низу не должно быть больше 8 мм.
1.4. Камни всех марок длиной 1 м должны изготовлять, как правило, по технологии вибропрессования из тяжелого мелкозернистого бетона (песчаный бетон) плотной структуры без армирования, камни длиной 3 м - из железобетона на крупном заполнителе или из мелкозернистого армированного бетона плотной структуры.
Примечание. Допускается изготовление бортовых камней длиной 1 м из тяжелого бетона с крупным заполнителем.
В условном обозначении марок камней буквы и цифры означают: первая группа из букв - тип камней; вторая группа из цифр - длину, высоту и ширину камней в сантиметрах. В обозначении марок криволинейных камней после первой группы букв указывают радиус кривой в метрах. Для предварительно напряженных камней во второй группе условного обозначения марки приводят также класс напрягаемой арматурной стали.
Пример условного обозначения марки камня типа БР (прямого рядового) длиной 1000 мм, высотой 300 мм и шириной 180 мм:
БР 100.30.18
То же, типа БР (прямого рядового) длиной 6000 мм, высотой 300 мм, шириной 180 мм с напрягаемой арматурой класса А-IV:
БР 600.30.18.АIV
То же, типа БЛ (прямого с лотком) длиной 3000 мм, высотой 320 мм и шириной 930 мм:
БЛ 300.32.93
То же, типа БК (криволинейного) с радиусом кривизны 8 м, длиной 1000 мм, высотой 300 мм и шириной 180 мм:
БК 8.100.30.18
(Измененная редакция, Изм. N 1).
2. ТЕХНИЧЕСКИЕ ТРЕБОВАНИЯ
2.1. Камни следует изготовлять в соответствии с требованиями настоящего стандарта.
2.2. Камни должны изготовлять в стальных формах, удовлетворяющих требованиям ГОСТ 18886-73, или в матрицах.
2.3.1. Бетон камней всех марок, за исключением марки БР 100.20.8, должен иметь прочность, соответствующую классу бетона по прочности на сжатие В30 (М400) и марке по прочности на растяжение при изгибе Р50, а бетон камней марки БР 100.20.8 - соответственно В22,5 (М300) и Р40.
Допускается применять бетоны более высоких классов по прочности на сжатие и марок по прочности на растяжение при изгибе.
(Измененная редакция, Изм. N 1).
2.3.2. Отпускная прочность мелкозернистого бетона должна быть не менее 100% проектной марки бетона на сжатие в любое время года.
2.3.3. Отпускная прочность бетона на крупном заполнителе должна быть не менее 100% проектной марки на сжатие - в холодное время года (в районах со средней температурой наиболее холодной пятидневки менее минус 5 °C) и не менее 70% проектной марки по прочности на сжатие - в остальное время года и в районах со средней температурой наиболее холодной пятидневки более минус 5 °C, при условии достижения бетоном проектной марки в возрасте 28 сут.
2.3.4. Марку бетона камней по морозостойкости устанавливает проектная организация в зависимости от расчетной температуры наружного воздуха в районе строительства. Марку по морозостойкости указывают в заказе на изготовление камней и должна быть не ниже приведенной в табл. 2.
Расчетная температура наружного воздуха, °C (средняя температура наиболее холодной пятидневки) | Марка бетона по морозостойкости |
Ниже минус 40 | Мрз 300 |
Ниже минус 20 до минус 40 | Мрз 200 |
Ниже минус 5 до минус 20 | Мрз 150 |
Минус 5 и выше | Мрз 100 |
Для камней высшей категории качества морозостойкость бетона должна быть на 50 циклов выше, чем указано в
табл. 2.
2.3.5. Мелкозернистый бетон для бортовых камней должен иметь водоцементное отношение не более 0,35, бетон с крупным заполнителем - не более 0,4.
2.3.6. Водопоглощение бетона камней не должно превышать:
6% по массе - для камней из мелкозернистого бетона;
5% по массе - для камней из бетона на крупном заполнителе.
2.3.7. Жесткость бетонной смеси по стандартному вискозиметру для мелкозернистого бетона должна быть не менее 60 с, для бетона на крупном заполнителе - не менее 20 с, количество вовлеченного воздуха - не более 5%.
2.3.8. При тепловлажностной обработке отформованных бортовых камней должны соблюдаться мягкие режимы твердения (при температуре не выше 70 °C).
| | ИС МЕГАНОРМ: примечание. Взамен ГОСТ 10178-76 Постановлением Госстроя СССР от 10.07.1985 N 116 с 1 января 1987 года введен в действие ГОСТ 10178-85. | |
2.3.9. Для приготовления бетонной смеси должны применяться бездобавочные портландцемент, гидрофобный или пластифицированный портландцемент, портландцемент с минеральными добавками до 5% или портландцемент для бетонов дорожных и аэродромных покрытий марки не ниже 400, содержащий в цементном клинкере не более 8% трехкальциевого алюмината, отвечающие требованиям ГОСТ 10178-76.
2.3.10. Для улучшения качества смеси и повышения долговечности бетона следует вводить в бетонную смесь добавки, указанные в справочном
приложении 1.
Виды и количество вводимых добавок уточняют опытным путем в зависимости от вида и качества исходных материалов, применяемых для приготовления бетонной смеси, и режимов твердения.
(Измененная редакция, Изм. N 1).
2.3.11. При изготовлении камней из мелкозернистого бетона без армирования следует применять в качестве ускорителя твердения в количестве до 3% от массы цемента хлористый кальций по
ГОСТ 450-77 или нитрит-нитрат-хлорид кальция по нормативно-технической документации, утвержденной в установленном порядке.
2.3.12. Для приготовления бетона для камней в качестве мелкого заполнителя следует применять природные, обогащенные и фракционированные, а также дробленые обогащенные пески, отвечающие требованиям ГОСТ 8736-77 и
ГОСТ 10268-80. При изготовлении камней из бетона на крупном заполнителе должны применяться пески с модулем крупности не менее 2,0, а из мелкозернистого бетона - с модулем крупности не менее 2,5.
2.3.13. В качестве крупного заполнителя следует применять щебень из естественного камня, щебень из гравия, щебень из доменного шлака, отвечающие требованиям ГОСТ 8267-82, ГОСТ 10260-82,
ГОСТ 3344-83 и
ГОСТ 10268-80.
Наибольший размер зерен крупного заполнителя для бетона камней - 20 мм.
2.3.14. Марка щебня по прочности на сжатие должна быть не ниже 1000.
2.3.15. Морозостойкость щебня должна быть не менее Мрз 100.
2.3.16. Вода, применяемая для приготовления бетонной смеси, должна удовлетворять требованиям
ГОСТ 23732-79.
2.3.17. Для камней высшей категории качества партионный коэффициент вариации прочности бетона на сжатие должен быть не более 8%.
2.4. Арматурные изделия
2.4.1. В качестве напрягаемой арматуры предварительно напряженных бортовых камней следует применять стержневую арматурную сталь классов А-V, А-IV.
Допускается применение термомеханически и термически упрочненной стержневой арматурной стали классов Ат-V; Ат-IV, а также высокопрочной арматурной проволоки классов Вр-II и В-II при установке ее с площадью рабочего сечения, эквивалентной по прочности стержневой арматурной стали класса А-V или А-IV.
2.4.2. В качестве ненапрягаемой арматуры следует применять арматурную проволоку класса Вр-I и стержневую арматурную сталь классов А-III и А-I.
При расчетной температуре атмосферного воздуха до минус 40 °C включительно следует применять стали марок ВСт3сп2 и ВСт3пс2, а также ВСт5сп2 и ВСт5пс2, но последние при температуре атмосферного воздуха ниже минус 30 °C при вязаных каркасах и сетках.
2.4.3. Арматурная сталь должна удовлетворять следующим требованиям: стержневая арматурная сталь классов А-V, А-IV, А-III и А-I -
ГОСТ 5781-82; термомеханически и термически упроченная сталь классов Ат-V и Ат-IV - ГОСТ 10884-81; арматурная проволока класса Вр-I -
ГОСТ 6727-80, классов Вр-II и В-II -
ГОСТ 7348-81.
2.4.4. Значения напряжений в напрягаемой арматуре, контролируемые по окончании натяжения на упоры, должны быть:
для камней марок БР 600.45.18АV,
БР 600.60.20АV - 695,8 МПа (7100 кгс/см2)
" " " БР 600.30.18АIV, БР 600.45.18АIV,
БР 600.60.20АIV - 499,8 МПа (5100 кгс/см2)
Предельные отклонения напряжений в напрягаемой арматуре при натяжении от контрольных значений не должны превышать: минус 5 и плюс 10% - при механическом способе; +/- 88,2 МПа (900 кгс/см2) - при электротермическом способе.
(Измененная редакция, Изм. N 1).
2.4.6. Для монтажных петель следует применять стержневую горячекатаную гладкую арматуру из стали класса А-I марок ВСт3сп2 и ВСт3пс2 диаметром 6 - 12 мм. Допускается применение арматуры периодического профиля класса А-II марки 10ГТ диаметром 10 мм по
ГОСТ 5781-82.
2.4.7. Арматурные чертежи и спецификации арматурных изделий приведены в обязательном
приложении 2.
2.4.5 - 2.4.7. (Введены дополнительно, Изм. N 1).
2.5. Точность изготовления бортовых камней
2.5.1. Значения фактических отклонений геометрических параметров не должны превышать предельных отклонений, указанных в табл. 2а.
Таблица 2а
мм
Наименование отклонения геометрического параметра | Наименование геометрического параметра и его номинальное значение | Значение предельного отклонения |
Отклонения от линейного размера | Длина камней: | |
1000 | +/- 6,0 |
3000 | +/- 8,0 |
6000 | +/- 10,0 |
Ширина и высота камней: | |
до 120 | +/- 2,0 |
св. 120 до 500 | +/- 3,0 |
" 500 | +/- 4,0 |
Отклонения от прямолинейности | Прямолинейность профиля в верхней поверхности камня в любом сечении по всей длине: | |
1000 | 4,0 |
3000 | 8,0 |
6000 | 10,0 |
Отклонение от перпендикулярности | Перпендикулярность торцевых смежных им граней | 2,0 |
2.5.2. Отклонение от толщины защитного слоя бетона не должно превышать +/- 3 мм.
2.5.1, 2.5.2. (Измененная редакция, Изм. N 1).
2.5.3. (Исключен, Изм. N 1).
2.5.4. Отклонение лицевой поверхности криволинейных камней от номинальной кривизны не должно превышать 5 мм.
2.6. Качество поверхностей и внешний вид камней
2.6.1. Категория лицевой бетонной поверхности - А6, нелицевой - А7. На любом участке бетонной поверхности камня площадью 1 м
2 не должно быть более трех раковин и трех местных наплывов. Требования к качеству поверхности и внешнему виду камней - по
ГОСТ 13015.0-83 и настоящему стандарту.
2.6.2. Трещины на поверхности камней не допускаются, за исключением поверхностных шириной не более 0,1 мм и длиной не более 50 мм в количестве не более 5 на 1 м2 поверхности камня.
2.6.1, 2.6.2. (Измененная редакция, Изм. N 1).
2.6.3. Открытые поверхности монтажных петель должны быть очищены от наплывов бетона.
2.6.4. На поверхности камней высшей категории качества не допускаются раковины диаметром более 5 мм, глубиной более 2 мм и околы на лицевой поверхности камней.
2.6.5. Технические показатели камней приведены в
табл. 4 обязательного приложения 2.
3.2. В состав партии должны входить камни одного типоразмера, изготовленные предприятием по одной технологии из материалов одного вида и качества. Объем партии устанавливают в количестве, равном суточной выработке технологической линии.
3.3. Контроль прочности бетона камней и периодичность отбора серий проб производят по ГОСТ 18105.0-80, ГОСТ 18105.1-80.
3.4. При освоении производства камней, изменении технологии их изготовления, вида или качества применяемых материалов прочность и трещиностойкость бортовых камней длиной 3,0 и 6,0 м оценивают по ГОСТ 8829-85 с учетом требований
разд. 4 настоящего стандарта.
(Измененная редакция, Изм. N 1).
3.5. Если отпускная прочность бетона не удовлетворяет требованиям, указанным в
п. 2.3, приемку камней не производят до достижения бетоном отпускной прочности.
3.6. Испытание бетона на морозостойкость следует производить на изготовленных из бетонной смеси образцах, выпиленных или высверленных из готовых изделий, не реже одного раза в 6 мес, а также при освоении производства камней, изменении состава бетона, технологии, вида и качества материалов, применяемых для приготовления бетона.
3.7. Испытание бетона камней на водопоглощение должно производиться не реже одного раза в 3 мес.
3.8. Жесткость смеси проверяют не реже одного раза в смену.
3.9. Количество вовлеченного воздуха в бетоне проверяют один раз в смену.
3.10. Проверку внешнего вида камней, точности геометрических размеров и наличия монтажных петель проводят для каждой партии в соответствии с
ГОСТ 23616-79 и
ГОСТ 13015.1-81 по плану двухступенчатого контроля, приведенному в табл. 3.
Таблица 3
Объем партии, шт. | Выборка | Объем выборки, шт. | Приемочное число | Браковочное число |
шт. дефектных единиц |
До 90 | Первая | 3 | 0 | 2 |
Вторая | 3 | 1 | 2 |
От 91 до 150 | Первая | 5 | 0 | 3 |
Вторая | 5 | 3 | 4 |
От 151 до 280 | Первая | 8 | 1 | 4 |
Вторая | 8 | 4 | 5 |
От 281 до 500 | Первая | 13 | 2 | 5 |
Вторая | 13 | 6 | 7 |
От 501 до 1200 | Первая | 20 | 3 | 7 |
Вторая | 20 | 8 | 9 |
От 1201 до 3200 | Первая | 32 | 5 | 9 |
Вторая | 32 | 12 | 13 |
Св. 3200 | Первая | 50 | 7 | 11 |
Вторая | 50 | 18 | 19 |
3.11. Приемка камней из партии, не принятой в результате выборочного контроля, должна производиться поштучно. При этом камень следует контролировать только по тем показателям, по которым партия не была принята.
3.12. Наличие и соответствие расположения арматуры чертежам, а также толщину защитного слоя бетона проверяют на 2% камней, отобранных из партии.
4. МЕТОДЫ КОНТРОЛЯ И ИСПЫТАНИЙ
| | ИС МЕГАНОРМ: примечание. Взамен ГОСТ 10180-78 с 1 января 1991 года в части определения прочности бетона по контрольным образцам Постановлением Госстроя СССР от 29.12.1989 N 168 введен в действие ГОСТ 10180-90, в части определения прочности по образцам, отобранным из конструкций, Постановлением Госстроя СССР от 24.05.1990 N 50 введен в действие ГОСТ 28570-90. | |
4.1. Прочность на сжатие и растяжение при изгибе бетонных и железобетонных образцов следует определять по ГОСТ 10180-78.
Допускается определять прочность на растяжение при изгибе прямых камней длиной до 1 м непосредственно на бетонных камнях. Нагрузки при испытании размещают по схеме, принятой в разд. 2 ГОСТ 10180-78.
(Измененная редакция, Изм. N 1).
4.1а. Испытание камней длиной 3,0 и 6,0 м по прочности и трещиностойкости
4.1а.1. Испытания камней по прочности и трещиностойкости следует проводить в соответствии с ГОСТ 8829-85 по схеме, приведенной на черт. 9 и в
табл. 4.
P - контрольная нагрузка
Черт. 9
Марка камня | Положение камня при испытании | l, мм | a, мм |
БР 300.30.15 | | 3000 | 750 |
БР 300.30.18 |
БР 600.30.18 | | 6000 | 1500 |
БР 600.45.18 | |
БР 600.60.20 |
БУ 300.30.29 | | 3000 | 750 |
БУ 300.30.32 |
БУП 300.30.29 |
БУП 300.30.32 |
4.1а.2. Испытания камней нагружением проводят после достижения камнями прочности, соответствующей классу бетона по прочности на сжатие на 28 сут.
4.1а.3. Значения контрольной нагрузки P при испытании камней по прочности и трещиностойкости приведены в табл. 5.
Таблица 5
Марка камня | Контрольная нагрузка P (без учета собственного веса камня), кН (тс), при испытании камней |
по прочности | по трещиностойкости |
БР 300.30.15 | 11,86 (1,21) | 6,47 (0,66) |
БР 300.30.18 | 11,47 (1,17) | 6,27 (0,64) |
БР 300.45.18 | 7,45 (0,76) | 4,12 (0,42) |
БР 300.60.20 | 7,64 (0,78) | 4,21 (0,43) |
БР 600.30.18 АIV | 6,27 (0,64) | 3,43 (0,35) |
БР 600.45.18 АIV | 8,72 (0,89) | 4,80 (0,49) |
БР 600.45.18 АV | 7,84 (0,80) | 4,31 (0,44) |
БР 600.60.20 АIV | 13,33 (1,36) | 7,35 (0,75) |
БР 600.60.20 АV | 13,33 (1,36) | 7,35 (0,75) |
БУ 300.30.29 | 11,27 (1,15) | 6,17 (0,63) |
БУ 300.30.32 | 10,78 (1,10) | 5,98 (0,61) |
БУП 300.30.29 | 11,66 (1,19) | 6,47 (0,66) |
БУП 300.30.32 | 11,27 (1,15) | 6,17 (0,63) |
4.1а.4. Максимальная и контрольная ширина раскрытия трещин при испытании камней по трещиностойкости не должна превышать 0,2 мм.
4.1а.5. Ширину раскрытия трещин измеряют в местах ее наибольшего раскрытия при помощи отсчетного микроскопа типа МПБ-2 с ценой деления 0,05 мм по ГОСТ 14968-69 и набора щупов по ГОСТ 882-75.
4.1а; 4.1а.1 - 4.1а.5. (Введены дополнительно, Изм. N 1).
4.2. Контроль и оценку прочности и однородности бетона следует производить по ГОСТ 18105.0-80 и ГОСТ 18105.1-80.
4.3. Испытание на морозостойкость бетонных образцов, насыщенных 5%-ным раствором хлористого натрия, производят по ГОСТ 10060-76.
4.4. Испытание образцов, изготовленных из бетонной смеси, камней на водопоглощение производят по
ГОСТ 12730.3-78. Кроме того, должно производиться испытание на водопоглощение образцов-кубов или равновеликих цилиндрических образцов, выпиленных или высверленных из камней (наибольший размер верхней грани образца 7 x 7 см, диаметр цилиндра - 7,85 см).
4.5. Удобоукладываемость и жесткость бетонной смеси определяют по ГОСТ 10181.0-81, ГОСТ 10181.1-81.
4.6. Количество вовлеченного в бетоне воздуха определяют по ГОСТ 10181.0-81 и ГОСТ 10181.3-81.
(Измененная редакция, Изм. N 1).
4.6а. Контроль и испытание сварных арматурных изделий следует проводить в соответствии с
ГОСТ 10922-75.
4.6б. Измерение напряжений в напрягаемой арматуре, контролируемых по окончании натяжения, следует проводить по
ГОСТ 22362-77.
4.6а, 4.6б. (Введены дополнительно, Изм. N 1).
4.7. Определение качественных показателей материалов проводят:
щебня - по ГОСТ 8269-76;
песка - по ГОСТ 8735-75.
4.8. Отклонение от прямолинейности лицевых поверхностей прямых камней проверяют путем прикладывания к ним ребра металлической рейки и измерения наибольших просветов под рейкой щупами 2-го класса точности по ГОСТ 882-75.
4.9. Отклонение от перпендикулярности торцевых и продольных граней камней измеряют металлическим угольником со сторонами длиной 300 и 200 мм. Длинную сторону угольника прикладывают к лицевой горизонтальной поверхности, короткую - к торцевой грани камня. Зазоры измеряют между короткой стороной угольника и торцевой гранью камня.
4.7 - 4.9. (Измененная редакция, Изм. N 1).
4.10. Закругление криволинейных бортовых камней проверяют путем прикладывания метрового металлического шаблона к лицевой стороне вертикальной грани камня и замера просвета под шаблоном щупами 2-го класса точности по ГОСТ 882-75.
4.11. Размеры камней, качество поверхностей и внешний вид проверяют по ГОСТ 13015-75 и
ГОСТ 13015.1-81.
(Измененная редакция, Изм. N 1).
4.12. Расположение арматуры в бетоне и толщину защитного слоя проверяют просвечиванием ионизирующими излучениями по
ГОСТ 17625-83, ГОСТ 22904-78 или другими неразрушающими методами, обеспечивающими измерение толщины защитного слоя бетона с точностью до +/- 1 мм.
5. МАРКИРОВКА, ХРАНЕНИЕ И ТРАНСПОРТИРОВАНИЕ
5.1. На торцевой грани 10% камней при помощи трафарета или штампа должны быть нанесены несмываемой краской следующие маркировочные знаки:
товарный знак предприятия-изготовителя или его краткое наименование:
марка камня;
штамп ОТК;
дата изготовления камня;
масса камня;
изображение государственного Знака качества по ГОСТ 1.9-67 для камней высшей категории качества.
5.2. Документ о качестве камней, поставляемых потребителю, должен быть оформлен в соответствии с требованиями
ГОСТ 13015.3-81. При этом, кроме основных фактических показателей качества, в документе должны быть приведены марки бетона по морозостойкости и водопоглощению бетона.
По требованию потребителя в документе о качестве следует указывать результаты контрольных испытаний камней по прочности и трещиностойкости.
5.1, 5.2. (Измененная редакция, Изм. N 1)
5.3. Камни должны храниться на специально оборудованных складах грузоотправителей и грузополучателей в штабелях высотой не более 2 м рассортированными по маркам.
5.4. Между рядами камней должны быть уложены деревянные прокладки прямоугольного сечения толщиной не менее 20 мм, расположенные строго по вертикали одно над другим на расстоянии 0,2 длины камня от его торца.
Нижний ряд камней следует укладывать на поперечные подкладки, имеющие ширину опорных плоскостей не менее 80 мм, расположенные на плотном и тщательно выровненном основании.
(Измененная редакция, Изм. N 1).
5.5. При транспортировании камней в открытых вагонах, полувагонах, на грузовых автомобилях и т.п. их следует укладывать на деревянные подкладки в соответствии с
п. 5.4.
5.6. Все операции, связанные с погрузкой, разгрузкой и складированием камней, должны производиться с соблюдением мер, исключающих возможность их повреждения. Выгрузка и перевозка камней навалом и разгрузка их сбрасыванием запрещаются.
Перевозка камней марки 100.20.8 длиной 600 мм должна производиться в контейнерах.
| | ИС МЕГАНОРМ: примечание. Нумерация пунктов дана в соответствии с официальным текстом документа. | |
5.1. Погрузку и крепление груза на открытом подвижном составе производят в соответствии с Правилами перевозки грузов и техническими условиями погрузки и крепления грузов, действующих на железных дорогах СССР.
Справочное
ПОВЕРХНОСТНО-АКТИВНЫХ ДОБАВОК, КОТОРЫЕ СЛЕДУЕТ
ПРИМЕНЯТЬ ПРИ ПРИГОТОВЛЕНИИ БЕТОНА ДЛЯ ПРОИЗВОДСТВА
БОРТОВЫХ БЕТОННЫХ КАМНЕЙ
а) пластифицирующие - сульфитно-дрожжевая бражка СДБ по ОСТ 8179-74 и лигносульфонаты ЛСТМ-2 по ТУ 13-04-600-81 в количестве до 0,2 и 0,25 - 0,3% соответственно от массы цемента в пересчете на сухое вещество;
б) воздухововлекающие - смола нейтрализованная воздухововлекающая (СНВ) по ТУ 8105-75-74 в количестве 0,01 - 0,02% от массы цемента в пересчете на сухое вещество;
в) пластифицирующе-воздухововлекающие - мылонафт и асидол по ГОСТ 13302-77 в количестве не менее 0,02% от массы цемента, кремнийорганические жидкости ГКЖ-10 и ГКЖ-11 по МРТУ 6-02-271-63 в количестве до 0,2% от массы цемента в пересчете на сухое вещество;
г) газообразующие - гидрофобизирующая жидкость ГКЖ-94 по
ГОСТ 10834-76 в количестве 0,1% от массы цемента;
д) суперпластификаторы С-3 по ТУ 6-14-60-25-80, 10-03 по ТУ 3-505-81 МО СССР в количестве 0,3 - 0,7 и 0,6 - 0,9% соответственно от массы цемента в пересчете на сухое вещество.
(Измененная редакция, Изм. N 1).
Обязательное
АРМАТУРНЫЕ ЧЕРТЕЖИ И СПЕЦИФИКАЦИИ АРМАТУРНЫХ ИЗДЕЛИЙ
1. Расположение арматуры в камнях длиной 3 м указано на
черт. 1;
1а;
1 -
11.
2. Спецификация арматурных изделий на один камень и на одно арматурное изделие и выборка стали на один камень приведены в
табл. 1 -
3.
3. Технические показатели камней приведены в
табл. 4.
Армирование бортовых камней марок БР 300.30.15,
БР 300.30.18, БР 300.45.18 и БР 300.60.20
Армирование бортовых камней марок БР 600.30.18,
БР 600.45.18 и БР 600.60.20
Армирование бортовых камней марок
БУ 300.30.29 и БУ 300.30.32
Черт. 2
Армирование бортовых камней марок
БУП 300.30.29 и БУП 300.30.32
Черт. 3
Армирование бортовых камней марок
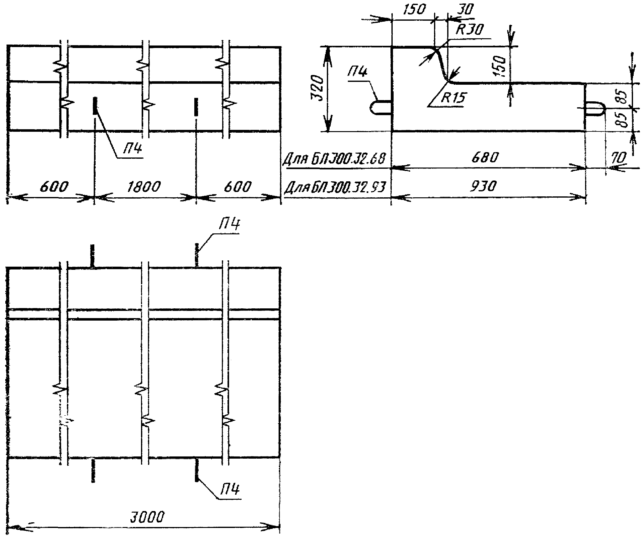
БЛ 300.32.68 и БЛ 300.32.93
Черт. 4
Детали армирования бортовых камней
Черт. 5
Арматурные сетки С1 и С2
Черт. 6
Арматурные сетки С3 и С4
Черт. 7
Арматурные каркасы К1, К2 и К3
Черт. 8
Арматурные каркасы К4, К5 и К6
Черт. 9
Монтажные петли П1, П2, П3, П4 и хомуты Х1, Х2
Марка изделия | a, мм | b, мм |
П1 | 120 | 190 |
П2 | 150 | 220 |
П3 | 170 | 240 |
Х1 | 80 | 190 |
Х2 | 110 | 220 |
Черт. 10
Монтажная петля П5 и спираль Сп1
Таблица 1
Спецификация арматурных изделий на один бортовой камень
Марка бортового камня | Сетка | Каркас | Хомут | Спираль | Отдельные стержни | Петля |
Марка | Количество | Марка | Количество | Марка | Количество | Марка | Количество | Позиция | Количество | Марка | Количество |
БР 300.30.15 | - | - | К1 | 2 | - | - | - | - | 11 | 5 | П1 | 2 |
12 | 9 |
БР 300.30.18 | - | - | К1 | 2 | - | - | - | - | 12 | 5 | П2 | 2 |
22 | 9 |
БР 300.45.18 | - | - | К2 | 2 | - | - | - | - | 12 | 5 | П2 | 2 |
22 | 9 |
БР 300.60.20 | - | - | К3 | 2 | - | - | - | - | 22 | 5 | П3 | 2 |
23 | 9 |
БР 600.30.18АIV | - | - | - | - | - | - | Сп1 | 4 | 25 | 2 | П3 | 2 |
БР 600.45.18АIV | - | - | - | - | - | - | Сп1 | 4 | 26 | 2 | П3 | 2 |
БР 600.45.18АV | - | - | - | - | - | - | Сп1 | 4 | 28 | 2 | П3 | 2 |
БР 600.60.20АIV | - | - | - | - | - | - | Сп1 | 4 | 27 | 2 | П5 | 2 |
БР 600.60.20АV | - | - | - | - | - | - | Сп1 | 4 | 29 | 2 | П5 | 2 |
БУ 300.30.29 | - | - | - | - | Х1 | 9 | - | - | 6 | 4 | П4 | 2 |
БУ 300.30.32 | - | - | - | - | Х2 | 9 | - | - | 6 | 4 | П4 | 2 |
БУП 300.30.29 | - | - | К4 | 1 | Х1 | 6 | - | - | 7 | 8 | П4 | 2 |
К5 | 24 | 3 |
БУП 300.30.32 | - | - | К5 | 1 | Х2 | 6 | - | - | 7 | 8 | П4 | 2 |
К6 | 24 | 3 |
БЛ 300.32.68 | С1 | 1 | - | - | - | - | - | - | - | - | П4 | 4 |
С2 |
БЛ 300.32.93 | С3 | 1 | - | - | - | - | - | - | - | - | П4 | 4 |
С4 |
Таблица 2
Спецификация и выборка стали на одно арматурное изделие
Марка изделия | Позиция | Диаметр, мм | Длина, мм | Количество, шт. | Общая длина, м | Масса, кг | Выборка стали |
Диаметр, мм | Масса, кг | Масса изделия, кг |
С1 | 1 | 5ВрI | 2980 | 4 | 11,92 | 1,66 | 5ВрI | 1,66 | 3,83 |
2 | 8АIII | 660 | 16 | 10,56 | 4,17 | 8АIII | 4,17 |
С2 | 1 | 5ВрI | 2980 | 5 | 14,90 | 2,07 | 5ВрI | 2,07 | 7,51 |
3 | 8АIII | 860 | 16 | 13,76 | 5,44 | 8АIII | 5,44 |
С3 | 1 | 5ВрI | 2980 | 5 | 14,90 | 2,07 | 5ВрI | 2,07 | 7,82 |
4 | 8АIII | 910 | 16 | 14,56 | 5,75 | 8АIII | 5,75 |
С4 | 1 | 5ВрI | 2980 | 6 | 17,88 | 2,49 | 5ВрI | 2,49 | 9,51 |
5 | 8АIII | 1110 | 16 | 17,76 | 7,02 | 8АIII | 7,02 |
К1 | 6 | 6АIII | 2980 | 2 | 5,96 | 1,32 | 6АIII | 1,32 | 1,88 |
7 | 6АI | 280 | 9 | 2,52 | 0,56 | 6АI | 0,56 |
К2 | 8 | 8АI | 2980 | 3 | 8,94 | 3,53 | 8АI | 3,53 | 4,39 |
9 | 6АI | 430 | 9 | 3,87 | 0,83 | 6АI | 0,86 |
К3 | 8 | 8АI | 2980 | 3 | 8,94 | 3,53 | 8АI | 3,53 | 4,69 |
10 | 6АI | 580 | 9 | 5,22 | 1,16 | 6АI | 1,16 |
К4 | 6 | 6АIII | 2980 | 2 | 5,96 | 1,32 | 6АIII | 1,32 | 1,54 |
11 | 6АI | 100 | 10 | 1,00 | 0,32 | 6АI | 0,22 |
К5 | 6 | 6АIII | 2980 | 2 | 5,96 | 1,32 | 6АIII | 1,32 | 1,61 |
12 | 6АI | 130 | 10 | 1,30 | 0,29 | 6АI | 0,29 |
К6 | 6 | 6АIII | 2980 | 2 | 5,96 | 1,32 | 6АIII | 1,32 | 1,68 |
13 | 6АI | 160 | 10 | 1,60 | 0,36 | 6АI | 0,36 |
Х1 | 14 | 6АI | 850 | 1 | 0,85 | 0,19 | 6АI | 0,19 | 0,19 |
Х2 | 15 | 6АI | 910 | 1 | 0,91 | 0,20 | 6АI | 0,20 | 0,20 |
П1 | 16 | 8АI | 890 | 1 | 0,89 | 0,35 | 8АI | 0,35 | 0,35 |
П2 | 17 | 8АI | 950 | 1 | 0,95 | 0,38 | 8АI | 0,38 | 0,38 |
П3 | 18 | 10АI | 1000 | 1 | 1,00 | 0,62 | 10АI | 0,62 | 0,62 |
П4 | 19 | 10АI | 890 | 1 | 0,89 | 0,55 | 10АI | 0,55 | 0,55 |
П5 | 20 | 12АI | 1060 | 1 | 1,06 | 0,94 | 12АI | 0,94 | 0,94 |
Сп1 | 21 | 3ВрI | 1290 | 1 | 1,29 | 0,07 | 3ВрI | 0,07 | 0,07 |
Отдельные стержни | 6 | 6АIII | 2980 | 1 | 2,98 | 0,66 | 6АIII | 0,66 | 0,66 |
7 | 6АI | 280 | 1 | 0,28 | 0,06 | 6АI | 0,03 | 0,06 |
11 | 6АI | 100 | 1 | 0,10 | 0,02 | 6АI | 0,02 | 0,02 |
12 | 6АI | 130 | 1 | 0,13 | 0,03 | 6АI | 0,03 | 0,03 |
22 | 6АI | 150 | 1 | 0,15 | 0,03 | 6АI | 0,03 | 0,03 |
23 | 6АI | 180 | 1 | 0,18 | 0,04 | 6АI | 0,04 | 0,04 |
24 | 6АI | 230 | 1 | 0,23 | 0,05 | 6АI | 0,05 | 0,05 |
25 | 10АIV | 6000 | 1 | 6,00 | 3,70 | 10АIV | 3,70 | 3,70 |
26 | 12АIV | 6000 | 1 | 6,00 | 5,33 | 12АIV | 5,33 | 5,33 |
27 | 14АIV | 6000 | 1 | 6,00 | 7,26 | 14АIV | 7,26 | 7,26 |
28 | 10АV | 6000 | 1 | 6,00 | 3,70 | 10АV | 3,70 | 3,70 |
29 | 12АV | 6000 | 1 | 6,00 | 5,33 | 12АV | 5,33 | 5,33 |
Таблица 3
Выборка стали на один бортовой камень, кг
Марка бортового камня | | | Всего |
Класс А-V | Класс А-IV | Класс А-III | Класс А-I | Класс Вр-I |
Диаметр, мм | Итого | Диаметр, мм | Итого | Диаметр, мм | Итого | Диаметр, мм | Итого | Диаметр, мм | Итого |
10 | 12 | 10 | 12 | 14 | 6 | 8 | 6 | 8 | 10 | 12 | 3 | 5 |
БР 300.30.15 | - | - | - | - | - | - | - | 2,64 | - | 2,64 | 1,49 | 0,70 | - | - | 2,19 | - | - | - | 4,83 |
БР 300.30.18 | - | - | - | - | - | - | - | 2,64 | - | 2,64 | 1,54 | 0,76 | - | - | 2,30 | - | - | - | 4,94 |
БР 300.45.18 | - | - | - | - | - | - | - | - | - | - | 2,14 | 7,82 | - | - | 9,96 | - | - | - | 9,96 |
БР 300.60.20 | - | - | - | - | - | - | - | - | - | - | 2,83 | 7,06 | 1,24 | - | 11,13 | - | - | - | 11,13 |
БР 600.30.18АIV | - | - | - | 7,4 | - | - | 7,4 | - | - | - | - | - | 1,24 | - | 1,24 | 0,28 | - | 0,28 | 8,92 |
БР 600.45.18АIV | - | - | - | - | 10,66 | - | 10,66 | - | - | - | - | - | 1,24 | - | 1,24 | 0,28 | - | 0,28 | 12,18 |
БР 600.60.20АIV | - | - | - | - | - | 14,52 | 14,52 | - | - | - | - | - | - | 1,88 | 1,88 | 0,28 | - | 0,28 | 16,68 |
БР 600.45.18АV | 7,40 | - | 7,40 | - | - | - | - | - | - | - | - | - | 1,24 | - | 1,24 | 0,28 | - | 0,28 | 8,92 |
БР 600.60.20АV | - | 10,66 | 10,66 | - | - | - | - | - | - | - | - | - | - | 1,88 | 1,88 | 0,28 | - | 0,28 | 12,82 |
БУ 300.30.29 | - | - | - | - | - | - | - | 2,64 | - | 2,64 | 1,71 | - | 1,10 | - | 2,81 | - | - | - | 5,45 |
БУ 300.30.32 | - | - | - | - | - | - | - | 2,64 | - | 2,64 | 1,80 | - | 1,10 | - | 2,90 | - | - | - | 5,54 |
БУП 300.30.29 | - | - | - | - | - | - | - | 2,64 | - | 2,64 | 2,28 | - | 1,10 | - | 3,38 | - | - | - | 6,02 |
БУП 300.30.32 | - | - | - | - | - | - | - | 2,64 | - | 2,64 | 2,48 | - | 1,10 | - | 3,58 | - | - | - | 6,22 |
БЛ 300.32.68 | - | - | - | - | - | - | - | - | 9,61 | 9,61 | - | - | 2,20 | - | 2,20 | - | 3,73 | 3,73 | 15,54 |
БЛ 300.32.93 | - | - | - | - | - | - | - | - | 12,77 | 12,77 | - | - | 2,20 | - | 2,20 | - | 4,56 | 4,56 | 19,53 |
Примечание. Допускается замена в камнях БР 300.30.15; БР 300.30.18; БУ 300.30.29; БУ 300.30.32; БУП 300.30.29; БУП 300.30.32 стержневой горячекатаной арматуры периодического профиля класса А-III диаметром 6 мм на арматурную проволоку периодического профиля Вр-I площадью рабочего сечения, эквивалентной классу А-III.
Таблица 4
Технические показатели бортовых камней
Марка бортового камня | Марка бетона | Расход материалов |
по прочности на сжатие | по прочности на растяжение при изгибе | по морозостойкости | Бетон на изделие, м3 | Сталь, кг |
На изделие | На 1 м3 бетона |
БР 100.30.15 | В30 | Р50 | | 0,043 | - | - |
БР 300.30.15 | 0,126 | 4,83 | 38,33 |
БР 100.30.18 | 0,052 | - | - |
БР 300.30.18 | 0,153 | 4,94 | 32,29 |
БР 300.45.18 | 0,234 | 9,96 | 42,56 |
БР 300.60.20 | 0,351 | 11,13 | 31,71 |
БР 100.20.8 | В22,5 | Р40 | 0,016 | - | - |
БР 600.30.18АIV | В30 | Р50 | 0,307 | 8,92 | 29,06 |
БР 600.45.18АIV | 0,469 | 12,18 | 25,97 |
БР 600.60.20.АIV | 0,704 | 16,68 | 23,69 |
БР 600.45.18АV | 0,469 | 8,92 | 19,02 |
БР 600.60.20.АV | 0,704 | 12,82 | 18,21 |
БУ 300.30.29 | 0,161 | 5,45 | 33,85 |
БУ 300.30.32 | 0,188 | 5,54 | 29,47 |
БУП 300.30.29 | 0,135 | 6,02 | 44,26 |
БУП 300.30.32 | 0,163 | 6,22 | 38,16 |
БЛ 300.32.68 | 0,421 | 15,54 | 36,91 |
БЛ 300.32.93 | 0,548 | 19,53 | 35,64 |
БВ 100.30.15 | 0,042 | - | - |
БВ 100.30.18 | 0,049 | - | - |
БК 5.100.30.18 | 0,049 | - | - |
БК 8.100.30.18 | 0,049 | - | - |
БК 12.100.30.18 | 0,049 | - | - |
БК 15.100.30.18 | 0,049 | - | - |
БК 5.100.30.21 | 0,058 | - | - |
БК 8.100.30.21 | 0,058 | - | - |
БК 12.100.30.21 | 0,058 | - | - |
(Измененная редакция, Изм. N 1).
Справочное
УСТАНОВКА МОНТАЖНЫХ ПЕТЕЛЬ БОРТОВЫХ КАМНЕЙ ТИПА БР 100
Спецификация арматуры на бортовой камень
Марка арматурного изделия | Позиция | Диаметр, мм | Длина, мм | Количество, шт. | Общая длина, мм | Общая масса, кг | Масса арматурного изделия, кг |
на марку арматурного изделия | на камень |
П1 | 1 | 6А1 | 710 | 1 | 2 | 1420 | 0,32 | 0,16 |
(Введено дополнительно, Изм. N 1).