Главная // Актуальные документы // ГОСТ (Государственный стандарт)СПРАВКА
Источник публикации
М.: Издательство стандартов, 1989
Примечание к документу
Утратил силу с 1 января 2013 года в связи с изданием
Приказа Росстандарта от 24.05.2012 N 76-ст. Взамен введен в действие
ГОСТ 6482-2011.
С 1 июля 2003 года до вступления в силу технических регламентов акты федеральных органов исполнительной власти в сфере технического регулирования носят рекомендательный характер и подлежат обязательному исполнению только в части, соответствующей целям, указанным в
пункте 1 статьи 46 Федерального закона от 27.12.2002 N 184-ФЗ.
Введен в действие с 1 января 1990 года.
Взамен ГОСТ 6482.0-79, ГОСТ 6482.1-79.
Название документа
"ГОСТ 6482-88. Трубы железобетонные безнапорные. Технические условия"
(утв. Постановлением Госстроя СССР от 30.09.1988 N 200)
"ГОСТ 6482-88. Трубы железобетонные безнапорные. Технические условия"
(утв. Постановлением Госстроя СССР от 30.09.1988 N 200)
Утвержден и введен в действие
Постановлением Госстроя СССР
от 30 сентября 1988 г. N 200
ГОСУДАРСТВЕННЫЙ СТАНДАРТ СОЮЗА ССР
ТРУБЫ ЖЕЛЕЗОБЕТОННЫЕ БЕЗНАПОРНЫЕ
ТЕХНИЧЕСКИЕ УСЛОВИЯ
Reinforced concrete non-pressure pipes.
Specifications
ГОСТ 6482-88
Взамен ГОСТ 6482.0-79,
ГОСТ 6482.1-79
Дата введения
1 января 1990 года
Разработан и внесен Всесоюзным научно-исследовательским институтом заводской технологии сборных железобетонных конструкций и изделий (ВНИИжелезобетон) Госстроя СССР.
Исполнители: В.И. Мелихов, канд. техн. наук; К.А. Маврин, канд. техн. наук (руководители темы); Ю.А. Куприков; Э.И. Гомзина; Н.К. Козеева; Л.П. Фомичева; А.Л. Ционский, канд. техн. наук; А.Е. Шмурнов, канд. техн. наук; В.С. Широков, канд. техн. наук; М.Г. Коревицкая, канд. техн. наук; М.И. Токарь, канд. техн. наук; Т.А. Клейман; А.Г. Зорич; Л.П. Хлюпин; Н.Л. Рипс; В.П. Пономарев; В.М. Варешкин; Г.А. Хау; П.И. Кривошеев; В.Я. Бачинский; Д.Г. Вальчук; Е.В. Рудемино-Дусятский; Р.М. Колтовская; В.И. Пименова; В.И. Деньщиков.
Утвержден и введен в действие Постановлением Государственного строительного комитета СССР от 30.09.88 N 200.
Ссылочные нормативно-технические документы
────────────────────────────────────┬─────────────────────────────
Обозначение НТД, на который дана │ Номер пункта, подпункта,
ссылка │ приложения
────────────────────────────────────┼─────────────────────────────
ИС МЕГАНОРМ: примечание.
Взамен ГОСТ 8.326-78 Постановлением Госстандарта СССР
от 15.12.1989 N 3554 с 1 января 1991 года введен в действие
ГОСТ 8.326-89. ГОСТ 8.326-89 утратил силу на территории
Российской Федерации с 1 декабря 2001 года, взамен действуют
от 27.09.2001 N 394-ст).
ИС МЕГАНОРМ: примечание.
Постановлением Госстандарта РФ от 27.07.1999 N 220-ст
ИС МЕГАНОРМ: примечание.
N 18-39 с 1 января 1998 года введен в действие
ИС МЕГАНОРМ: примечание.
05.03.1996 N 18-17 с 1 сентября 1996 года введены в действие
ИС МЕГАНОРМ: примечание.
ГОСТ 10180-78 последовательно заменен с 1 января 1991 года на
24.05.1990 N 50.
ИС МЕГАНОРМ: примечание.
В официальном тексте документа, видимо, допущена опечатка:
имеется в виду ГОСТ 13015.2-81, а не ГОСТ 13015.2-83.
ИС МЕГАНОРМ: примечание.
Взамен ГОСТ 14098-85 Постановлением Госстроя СССР от
28.11.1991 N 19 с 1 июля 1992 года введен в действие
ИС МЕГАНОРМ: примечание.
В официальном тексте документа, видимо, допущена опечатка:
возможно, имеется в виду пункт 1.3.12, а не пункт 1.13.4.
ГОСТ 22690.0-77 - ГОСТ 22690.4-77 │
3.3
ИС МЕГАНОРМ: примечание.
Взамен ГОСТ 22904-78 с 1 января 1995 года Межгосударственной
научно-технической комиссией по стандартизации и техническому
нормированию в строительстве (МНТКС) 10 ноября 1993 года принят
ИС МЕГАНОРМ: примечание.
Взамен ГОСТ 26633-85 Постановлением Госстроя СССР от
16.05.1991 N 21 с 1 января 1992 года введен в действие
Настоящий стандарт распространяется на железобетонные безнапорные раструбные и фальцевые трубы (далее - трубы) с круглым отверстием, изготовляемые из тяжелого бетона и предназначенные для прокладки подземных трубопроводов, транспортирующих самотеком бытовые жидкости и атмосферные сточные воды, а также подземные воды и производственные жидкости, не агрессивные к железобетону и уплотняющим резиновым кольцам.
Если транспортируемая жидкость или грунты являются агрессивными по отношению к железобетону или уплотняющим резиновым кольцам, то трубы и резиновые кольца должны удовлетворять дополнительным требованиям, установленным в проекте трубопровода.
Стандарт не распространяется на железобетонные водопропускные трубы, укладываемые под насыпями железных и автомобильных дорог.
1. ТЕХНИЧЕСКИЕ ТРЕБОВАНИЯ
1.1. Трубы следует изготовлять в соответствии с требованиями настоящего стандарта по технологической документации, утвержденной в установленном порядке.
1.2. Основные параметры и размеры
1.2.1. Трубы подразделяют на типы:
Т - цилиндрические раструбные со стыковыми соединениями, уплотняемыми герметиками или другими материалами;
ТП - то же, с подошвой;
ТБ - цилиндрические раструбные с упорным буртиком на стыковой поверхности втулочного конца трубы и стыковыми соединениями, уплотняемыми резиновыми кольцами;
ТБП - то же, с подошвой;
ТС - цилиндрические раструбные со ступенчатой стыковой поверхностью втулочного конца трубы и стыковыми соединениями, уплотняемыми резиновыми кольцами;
ТСП - то же, с подошвой;
ТФП - цилиндрические фальцевые с подошвой и стыковыми соединениями, уплотняемыми герметиками или другими материалами.
1.2.2. Форма, размеры и показатели материалоемкости труб должны соответствовать указанным в
Приложении 1.
1.2.3. Трубы подразделяют на три группы по несущей способности:
первую - при расчетной высоте засыпки грунтом 2 м;
вторую - " " " " " 4 м;
третью " " " " " 6 м.
Допускается для конкретных условий строительства трубопровода применять трубы при другой расчетной высоте засыпки грунтом.
1.2.4. Прочностные характеристики труб должны обеспечивать их эксплуатацию при расчетной высоте засыпки грунтом в усредненных условиях, которым соответствуют:
основание под трубой - грунтовое плоское для труб без подошвы диаметрами условного прохода (

) до 500 мм включ. и труб с подошвой всех диаметров или грунтовое профилированное с углом охвата 90° для труб без подошвы

более 500 мм;
засыпка - грунтом плотностью 1,8 т/м3 с нормальным уплотнением для труб без подошвы

до 800 мм включ. и труб с подошвой всех диаметров или повышенным уплотнением для труб без подошвы

более 800 мм;
временная нагрузка на поверхности земли НГ-60.
1.2.5. Армирование труб, в зависимости от их несущей способности, а также арматурные изделия труб приведены в
Приложении 2.
1.2.6. Резиновые кольца круглого сечения, применяемые для стыковых соединений, изготовляют в соответствии с требованиями нормативно-технической документации (НТД) на эти кольца. Размеры колец в нерастянутом состоянии должны соответствовать указанным в табл. 1.
Таблица 1
мм
───────────────────┬──────────────────────────────────────────────
D │ Размеры резиновых колец для стыков труб
у ├──────────────────┬───────────────────────────
│Внутренний диаметр│Диаметр поперечного сечения
───────────────────┼──────────────────┼───────────────────────────
400 │450 │24
500 │545 │
600 │660 │
800 │835 │
1000 │1035 │
1200 │1230 │
1400 │1440 ├───────────────────────────
1600 │1650 │30
2000 │2070 │
2400 │2480 │
1.2.7. Трубы обозначают марками в соответствии с требованиями
ГОСТ 23009. Марка труб состоит из буквенно-цифровых групп, разделенных дефисом.
Первая группа содержит обозначение типа трубы, ее диаметр условного прохода в сантиметрах и полезную длину в дециметрах.
Во второй группе указывают несущую способность, обозначаемую арабской цифрой.
Пример условного обозначения марки трубы типа Т,

600 мм, полезной длиной 5000 мм, третьей группы по несущей способности:
Т60.50-3
То же, трубы типа ТС,

1000 мм, полезной длиной 3500 мм, второй группы по несущей способности:
ТС100.35-2
1.3.1. Трубы должны быть прочными и трещиностойкими и при испытании их нагружением выдерживать контрольные нагрузки, указанные в табл. 2.
─────┬───────────────────────────────────────────────────────────────────────
D , │ Контрольная равномерно распределенная нагрузка на метр полезной
у │ длины трубы, кН/м (тс/м)
мм ├──────────────────────────────────────┬────────────────────────────────
│ по проверке прочности │ по проверке трещиностойкости
├──────────────────────────────────────┴────────────────────────────────
│ Группа по несущей способности
├────────────┬────────────┬────────────┬──────────┬──────────┬──────────
│ первая │ вторая │ третья │ первая │ вторая │ третья
─────┼────────────┼────────────┼────────────┼──────────┼──────────┼──────────
400 │- │32,4 (3,3) │47,1 (4,8) │- │17,8 (1,8)│25,9 (2,6)
500 │- │41,2 (4,2) │53,0 (5,4) │- │22,7 (2,3)│29,2 (3,0)
600 │- │42,2 (4,3) │53,9 (5,5) │- │23,2 (2,4)│29,6 (3,0)
800 │- │62,8 (6,4) │78,5 (8,0) │- │34,5 (3,5)│43,2 (4,4)
1000 │- │66,7 (6,8) │92,2 (9,4) │- │36,7 (3,7)│50,7 (5,2)
1200 │51,0 (5,2) │80,4 (8,2) │127,5 (13,0)│28,0 (2,9)│44,2 (4,5)│70,1 (7,1)
1400 │61,8 (6,3) │93,2 (9,5) │133,4 (13,6)│34,0 (3,5)│51,3 (5,2)│73,4 (7,5)
1600 │74,5 (7,6) │104,0 (10,6)│156,9 (16,0)│41,0 (4,2)│57,2 (5,8)│86,3 (8,8)
2000 │99,0 (10,1) │132,4 (13,5)│- │54,5 (5,6)│72,8 (7,4)│-
2400 │127,5 (13,0)│156,9 (16,0)│- │70,1 (7,1)│86,3 (8,8)│-
1.3.2. Трубы должны быть водонепроницаемыми и выдерживать внутреннее испытательное гидростатическое давление, равное 0,05 МПа (0,5 кгс/см2).
по показателям фактической прочности бетона (в проектном возрасте и отпускной);
по морозостойкости бетона;
по отклонению от толщины защитного слоя бетона до арматуры;
к маркам стали для арматурных изделий.
| | ИС МЕГАНОРМ: примечание. Взамен ГОСТ 26633-85 Постановлением Госстроя СССР от 16.05.1991 N 21 с 1 января 1992 года введен в действие ГОСТ 26633-91. | |
1.3.4. Трубы следует изготовлять из тяжелого бетона по ГОСТ 26633 класса по прочности на сжатие В25.
1.3.5. Нормируемую отпускную прочность бетона труб принимают равной 70% класса бетона по прочности на сжатие.
Указанную нормируемую отпускную прочность бетона на сжатие допускается уменьшать или увеличивать в соответствии с требованиями
ГОСТ 13015.0.
1.3.6. Водонепроницаемость бетона труб должна соответствовать марке по водонепроницаемости W4.
1.3.7. Водопоглощение бетона труб не должно быть более 6% по массе.
1.3.8. Для армирования труб следует применять:
стержневую горячекатаную арматурную сталь классов A-I и A-III по
ГОСТ 5781;
1.3.9. Форма и размеры арматурных изделий и их положение в трубах должны соответствовать указанным в
Приложении 2.
1.3.10. Сварные арматурные изделия должны удовлетворять требованиям
ГОСТ 10922 и настоящего стандарта.
1.3.11. Отклонения от номинального диаметра н длины каркаса, шаг спиральной арматуры не должны превышать +/- 5 мм.
Отклонения по числу шагов спиральной арматуры каркасов не должны превышать:
+/- 2 - для труб полезной длины 5 м;
+/- 1 " " " " 2,5 или 3,5 м.
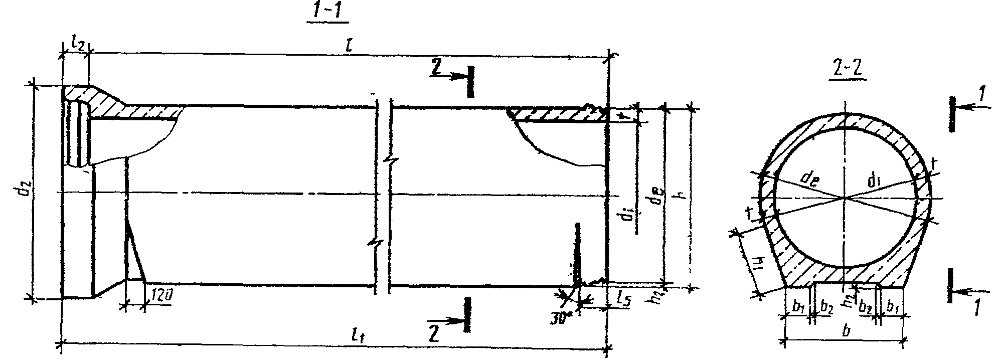
1.3.12. Значения действительных отклонений геометрических параметров труб не должны превышать предельных, указанных в табл. 3.
Таблица 3
мм
─────┬─────────────────────────────────────────────────────────────────────
D │ Пред. откл. номинального значения
у ├───────┬─────┬─────┬───────┬────────┬───────────┬─────┬───────┬──────
│внут- │тол- │дли- │наруж- │наружно-│внутреннего│глу- │диамет-│глу-
│реннего│щины │ны │ного │го диа- │ диаметра │бины │ра ко- │бины
│диамет-│стен-│тру- │диамет-│метра │ раструба │раст-│нусной │фаль-
│ра тру-│ки │бы l │ра вту-│втулоч- │труб типов │руба │части │цев
│бы d │трубы│ 1│лочного│ного │ │трубы│фальцев│l , l
│ i │t │ │конца │конца и │ │l │d , d ,│ 2 3
│ │ │ │труб │буртика ├─────┬─────┤ 2 │ 1 2 │
│ │ │ │типов Т│труб ти-│Т и │ТБ, │ │d , d │
│ │ │ │и ТП │пов ТБ, │ТП │ТС, │ │ 3 4 │
│ │ │ │d │ТБП, ТС │d │ТБП, │ │ │
│ │ │ │ e │и ТСП │ 1 │ТСП │ │ │
│ │ │ │ │d , d , │ │d │ │ │
│ │ │ │ │ e 3 │ │ 1 │ │ │
│ │ │ │ │d , d │ │ │ │ │
│ │ │ │ │ 4 5 │ │ │ │ │
─────┼───────┼─────┼─────┼───────┼────────┼─────┼─────┼─────┼───────┼──────
1 │ 2 │ 3 │ 4 │ 5 │ 6 │ 7 │ 8 │ 9 │ 10 │ 11
─────┼───────┼─────┼─────┼───────┼────────┼─────┼─────┼─────┼───────┼──────
400 │+/- 4 │-4 │+20 │+/- 4 │+/- 2 │+/- 4│+/- 2│+ 10 │- │-
500 │ │+5 │-10 │ │ │ │ │- 5 │ │
─────┼───────┤ │ ├───────┤ ├─────┤ │ │ │
600 │+/- 5 │ │ │+/- 5 ├────────┤+/- 5├─────┤ ├───────┼──────
800 │ │ │ │ │+/- 3 │ │+/- 3│ │+/- 2 │+/- 2
1000 │ │ │ │ │ │ │ │ │ │
─────┼───────┼─────┤ ├───────┤ ├─────┤ │ │ │
│ │-5 │ │ │ │ │ │ │ │
1200 │+/- 6 │+6 │ │+/- 6 │ │+/- 6│ │ │ │
1400 │ │ │ │ │ │ │ │ │ │
1600 │ │ │ │ │ │ │ │ │ │
─────┼───────┼─────┤ ├───────┤ ├─────┤ │ ├───────┤
2000 │+/- 8 │-6 │ │+/- 8 │ │+/- 8│ │ │+/- 4 │
2400 │ │+8 │ │ │ │ │ │ ├───────┤
│ │ │ │ │ │ │ │ │+/- 6 │
Примечания. 1. Размеры труб, которые не приведены в табл. 3, являются справочными для изготовления форм.
2. Для труб типа Т,

1600 мм допускается принимать предельные отклонения геометрических параметров, отличные от указанных в табл. 3, на основании расчета точности стыкового соединения по
ГОСТ 21780-83 и при обеспечении выполнения требований настоящего стандарта по прочности и трещиностойкости труб.
1.3.13. Отклонения от перпендикулярности торцевой поверхности к продольной оси фальцевых труб не должны превышать, мм:
10 - для труб диаметрами условного прохода 1000 - 1600 мм;
12 " " " " " 2000 - 2400 мм.
1.3.14. Размеры раковин, местных наплывов и впадин на поверхности труб и их торцах, а также околов бетона не должны превышать указанных в табл. 4.
Таблица 4
мм
───────────┬───────────┬────────────┬────────────┬────────────────
Вид поверх-│Диаметр или│Высота мест-│Глубина око-│Суммарная длина
ности трубы│наибольший │ного наплыва│лов бетона │ околов бетона
│ размер │(выступа) │торцов │ торцов на 1 м
│ раковины │или глубины │ │ ребра
│ │впадины │ │
───────────┼───────────┼────────────┼────────────┼────────────────
Наружная и│15 │5 │- │-
внутренняя │ │ │ │
Стыковая │6 │3 (впадины) │- │-
для труб │ │2 (наплыва) │ │
типов ТБ, │ │ │ │
ТБП, ТС, │ │ │ │
ТСП │ │ │ │
Торцевая │15 │5 │5 │50
Примечание. Раковины на трубах, размеры которых превышают указанные в табл. 4, устраняют путем заделки раствором состава по массе 1:2 (цемент:песок).
1.3.16. Трещины на поверхностях труб не допускают, за исключением усадочных шириной не более 0,05 мм.
1.4.1. Трубы типов ТБ, ТБП, ТС и ТСП поставляют потребителю в комплекте с резиновыми уплотняющими кольцами.
Маркировочные надписи следует наносить на наружную поверхность раструба или одного из концов фальцевой трубы.
2.1. Приемка труб - по
ГОСТ 13015.1 и настоящему стандарту. При этом трубы принимают:
по результатам периодических испытаний - по показателям прочности трещиностойкости и водонепроницаемости труб, а также морозостойкости, водонепроницаемости и водопоглощения бетона;
по результатам приемосдаточных испытаний - по показателям прочности бетона (классу бетона по прочности на сжатие и отпускной прочности), соответствия арматурных изделий рабочим чертежам, прочности сварных соединений, точности геометрических параметров, толщины защитного слоя бетона до арматуры, качества бетонной поверхности, ширины усадочных трещин.
В процессе серийного производства периодические испытания труб нагружением для контроля их прочности и трещиностойкости могут не проводиться, если осуществляется неразрушающий контроль этих показателей по
ГОСТ 13015.1.
2.2. Периодические испытания труб по прочности и трещиностойкости проводят:

400 - 1600 мм - раз в 3 мес,

2000 и 2400 мм - раз в 6 мес.
2.3. Периодические испытания труб на водонепроницаемость, а также бетона труб на водонепроницаемость и водопоглощение проводят раз в 3 мес.
2.4. Трубы по показателям точности геометрических параметров, качества поверхностей (кроме стыковой поверхности раструба и втулочной части труб типов ТБ, ТС, ТБП и ТСП) и толщины защитного слоя бетона до арматуры следует принимать по результатам выборочного контроля.
Трубы типов ТБ, ТС, ТБП и ТСП по размерам и качеству стыковой поверхности раструба и втулочной части следует принимать по результатам сплошного контроля. Допускается осуществлять приемку этих труб по размерам стыковой поверхности раструба и втулочной части по результатам выборочного контроля, если осуществляется операционный контроль соответствующих размеров собранных форм перед формованием.
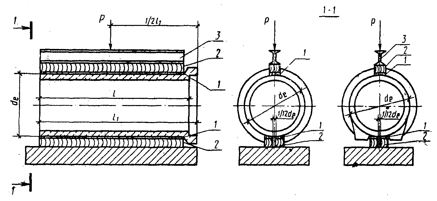
3.1. Испытания труб нагружением для контроля их прочности и трещиностойкости проводят в соответствии с требованиями ГОСТ 8829 и настоящего стандарта.
3.1.1. Испытанию подвергают целую трубу или вырезанный из ее цилиндрической части отрезок длиной не менее 1 м.
Для испытания может быть использована труба, прошедшая гидростатическое испытание на водонепроницаемость.
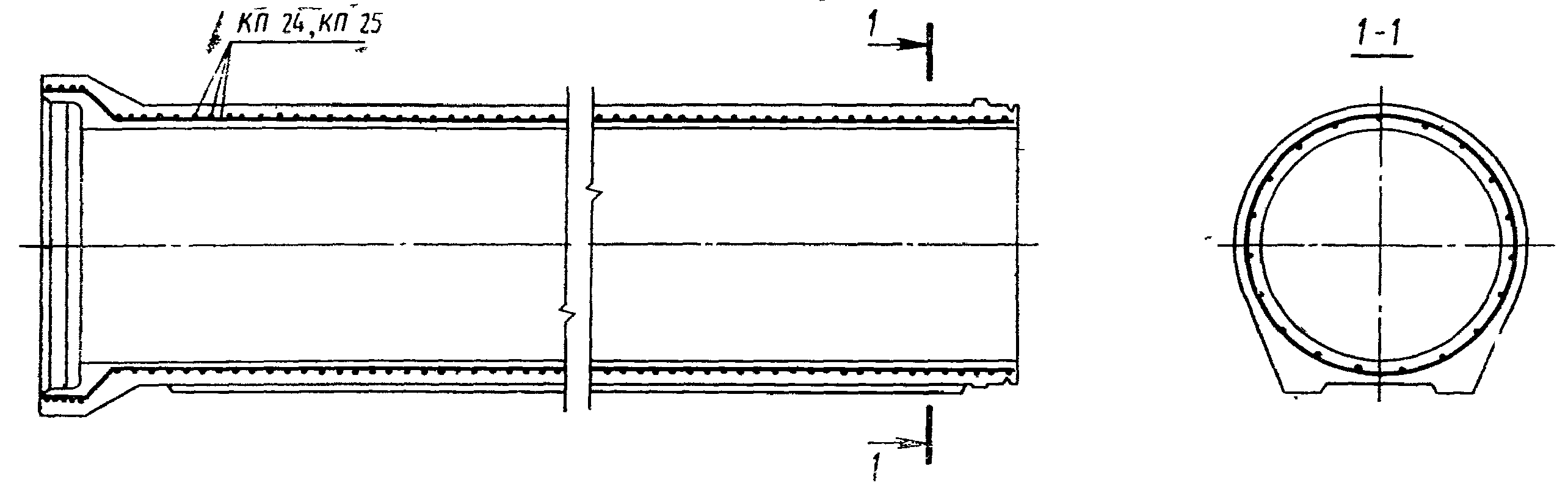
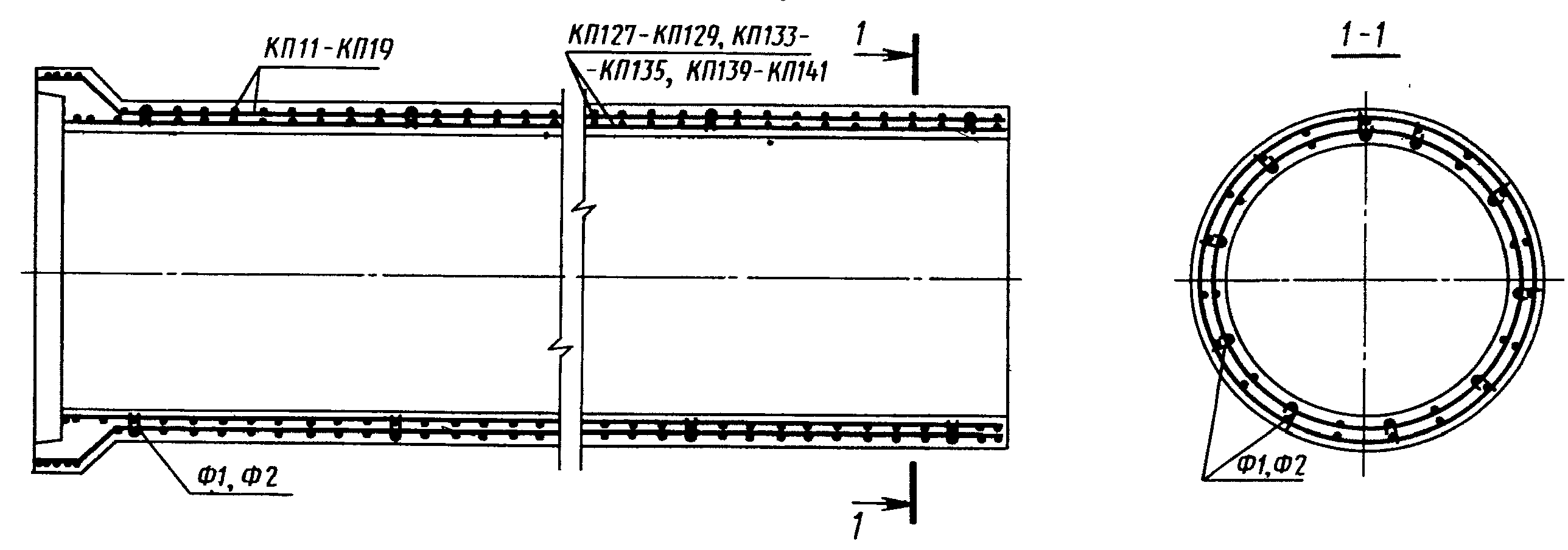
3.1.2. Схемы опирания и нагружения труб приведены:
раструбных - на черт. 1;
Схема испытания раструбной трубы
1 - резиновая прокладка или цементный раствор;
2 - деревянные бруски; 3 - стальная траверса
Черт. 1.
Схема испытания фальцевой трубы
1 - резиновая прокладка или цементный раствор;
2 - деревянные бруски; 3 - стальная траверса
Трубу устанавливают горизонтально на два деревянных бруса, уложенных параллельно продольной оси трубы на неподвижное основание. Сверху на трубу устанавливают деревянный брус вдоль верхней образующей цилиндрической части, на него ставят стальную траверсу.
С целью равномерной передачи нагрузки на трубу под верхний брус и на нижние бруски укладывают выравнивающий слой цементного раствора или полосы листовой резины толщиной 20 - 30 мм. Резиновые полосы должны иметь твердость по Шору от 45 до 60.
Деревянные бруски должны быть сечением 100 x 100 мм.
Жесткость траверсы должна быть такой, чтобы ее прогиб при максимальном нагружении не превышал 1/720 длины испытываемой трубы.
3.1.3. Испытательное оборудование должно обеспечивать погрешность измерения нагрузки не более 3%.
3.1.4. Нагружение при испытании проводят ступенями равномерно, наращивая нагрузку в течение 2 - 3 мин до достижения 0,1 контрольной (по проверке прочности), указанной в
табл. 2, и поддерживая ее в течение 10 мин. При достижении нагрузки, равной контрольной (по проверке трещиностойкости), измеряют наибольшую ширину раскрытия трещин измерительными лупами по
ГОСТ 25706-83 или микроскопами по ГОСТ 14968.
3.1.5. Прочность труб оценивают значением нагрузки, вызывающей одно из нижеследующих состояний, которые свидетельствуют, что сопротивление трубы действию этой нагрузки исчерпано:
1) текучесть спиральной арматуры, что в трубах с двойным каркасом характеризуется шириной раскрытия трещин более 1,5 мм; в трубах с одинарным каркасом - шириной раскрытия трещин более 2,0 мм;
2) раздробление бетона от сжатия;
3) разрыв спиральной арматуры;
4) отрыв арматуры в шелыге или лотке трубы.
3.1.6. Трубу считают выдержавшей испытание на прочность, если разрушение ее не произошло при контрольной нагрузке, указанной в
табл. 2.
3.1.7. Трубу считают выдержавшей испытание на трещиностойкость, если наибольшая ширина раскрытия трещин на поверхности трубы при нагрузке, указанной в
табл. 2, окажется не более 0,2 мм.
3.2. Гидростатическое испытание труб типов ТБ, ТБП, ТС, ТСП на водонепроницаемость следует проводить на установках, имеющих заглушки со стыками, конструкция которых аналогична конструкции стыкового соединения, принятого для труб указанных типов.
Испытание труб типов Т, ТП и ТФП следует проводить на установках с плоскими заглушками.
3.2.1. Для испытания на водонепроницаемость отобранную трубу герметически закрывают с обоих концов заглушками и наполняют водой, не допуская образования "воздушных мешков", затем в течение 1 мин равномерно повышают давление до 0,05 МПа (0,5 кгс/см2) и выдерживают трубу под этим давлением 10 мин.
Значение давления определяют на уровне шелыги трубы манометром по ГОСТ 2405. Допускается перед испытанием замачивать трубы в течение 48 ч в ванне или на испытательном стенде путем заполнения их водой.
3.2.2. Трубы считают выдержавшими испытание на водонепроницаемость, если к моменту его окончания не будет обнаружено просачивание воды сквозь стенку в виде течи или отдельных капель.
Появление сырых пятен на наружной поверхности трубы не может служить основанием для браковки трубы.
| | ИС МЕГАНОРМ: примечание. ГОСТ 10180-78 последовательно заменен с 1 января 1991 года на ГОСТ 10180-90, утв. Постановлением Госстроя СССР от 29.12.1989 N 168 и на ГОСТ 28570-90, утв. Постановлением Госстроя СССР от 24.05.1990 N 50. | |
3.3. Прочность бетона на сжатие следует определять по ГОСТ 10180.
При испытании труб неразрушающими методами фактическую отпускную прочность бетона на сжатие следует определять ультразвуковым методом по
ГОСТ 17624 или приборами механического действия по ГОСТ 22690.0 - ГОСТ 22690.4.
3.4. Для оценки прочности бетона труб результаты испытаний вибрированных образцов-кубов умножают на переводной коэффициент, значение которого устанавливают опытным путем, в зависимости от технологии изготовления труб.
3.5. Водонепроницаемость бетона следует определять по
ГОСТ 12730.0 и
ГОСТ 12730.5 на образцах, изготовленных вибрированием из бетонной смеси рабочего состава.
3.6. Водопоглощение бетона труб следует определять по
ГОСТ 12730.0 и
ГОСТ 12730.3 на образцах, отобранных из разных мест трубы. Допускается использовать образцы трубы, испытанной на прочность. Образцы должны быть без видимых трещин.
3.7. Морозостойкость бетона следует определять по ГОСТ 10060 на образцах, изготовленных вибрированием из бетонной смеси рабочего состава.
3.8. Сварные арматурные изделия следует контролировать по
ГОСТ 10922.
| | ИС МЕГАНОРМ: примечание. Взамен ГОСТ 22904-78 с 1 января 1995 года Межгосударственной научно-технической комиссией по стандартизации и техническому нормированию в строительстве (МНТКС) 10 ноября 1993 года принят ГОСТ 22904-93. | |
3.9. Размеры и положение арматурных каркасов, а также толщину защитного слоя бетона до арматуры следует определять по
ГОСТ 17625 и ГОСТ 22904.
3.10. Размеры, отклонения от перпендикулярности торцевых плоскостей и качество поверхностей труб проверяют методами, установленными
ГОСТ 26433.0 и
ГОСТ 26433.1.
| | ИС МЕГАНОРМ: примечание. Постановлением Госстандарта РФ от 27.07.1999 N 220-ст с 1 июля 2000 года введен в действие ГОСТ 7502-98. | |
3.11. Геометрические размеры контролируют металлическими рулетками по ГОСТ 7502, штангенциркулем по
ГОСТ 166, нутромером по
ГОСТ 868.
Все применяемые средства измерения должны быть не ниже 2-го класса точности.
| | ИС МЕГАНОРМ: примечание. Взамен ГОСТ 8.326-78 Постановлением Госстандарта СССР от 15.12.1989 N 3554 с 1 января 1991 года введен в действие ГОСТ 8.326-89. ГОСТ 8.326-89 утратил силу на территории Российской Федерации с 1 декабря 2001 года, взамен действуют ПР 50.2.009-94 "ГСИ. Порядок проведения испытаний и утверждения типа средств измерений" (Постановление Госстандарта РФ от 27.09.2001 N 394-ст). | |
Допускается применять специальные нестандартизованные средства измерения геометрических размеров, прошедшие метрологическую аттестацию в соответствии с ГОСТ 8.326.
3.12. Размеры труб проверяют следующим образом:
толщину стенок на концах труб измеряют в четырех местах по двум взаимно перпендикулярным диаметрам;
наружные диаметры втулочного конца раструбных труб и их буртика, внутренний диаметр и глубину раструба измеряют по двум взаимно перпендикулярным диаметрам (максимальному и минимальному). Внутренний диаметр раструба следует измерять в средней части его глубины (

);
внутренний диаметр цилиндрической части труб измеряют по двум взаимно перпендикулярным диаметрам - максимальному и минимальному - на расстоянии 0,2 - 0,4 м от торца трубы;
диаметры и глубину фальцев в фальцевых трубах измеряют по двум взаимно перпендикулярным диаметрам. Диаметры фальцев измеряют в середине глубины фальцев (

,

);
высоту буртика труб измеряют в четырех местах по двум взаимно перпендикулярным диаметрам;
длину трубы измеряют по четырем образующим в двух диаметрально противоположных сечениях.
4. ТРАНСПОРТИРОВАНИЕ И ХРАНЕНИЕ
4.2. Трубы следует хранить на складе готовой продукции в штабелях рассортированными по маркам.
Примечание. Трубы полезной длиной менее 5 м допускается хранить в вертикальном положении при обеспечении их устойчивости.
4.2.1. Число рядов труб по высоте должно быть не более указанного в табл. 5.
Таблица 5
────────────────────────────────┬─────────────────────────────────
D , мм │ Число рядов труб по высоте
у │
────────────────────────────────┼─────────────────────────────────
От 400 до 1000 включ. │4
1200 │3
От 1400 до 2400 включ. │2
4.2.2. Под нижний ряд труб штабеля должны быть уложены параллельно друг другу две подкладки на расстоянии 0,2 м длины трубы от ее торцев. Конструкция подкладок не должна позволять раскатываться нижнему ряду труб.
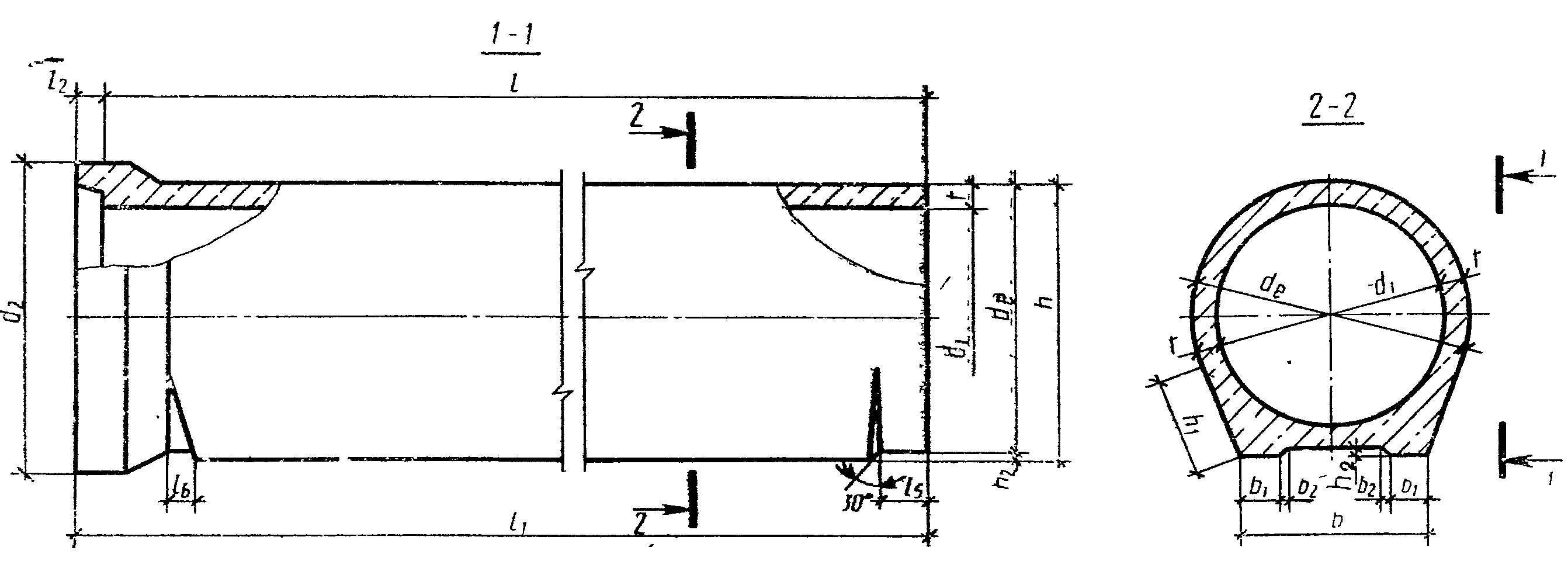
Обязательное
РАЗМЕРЫ И ПОКАЗАТЕЛИ МАТЕРИАЛОЕМКОСТИ ТРУБ
1. Форма и параметры труб приведены:
Трубы типов ТС и ТСП полезной длиной 2500 и 3500 мм изготовляют по технологии, допускающей полную немедленную распалубку.
Примечания. 1. Трубы всех типов могут изготовляться большей полезной длины, чем указано в
табл. 6 -
12.
2. Трубы

1600 - 2400 мм допускается по согласованию с потребителем этих труб изготовлять меньшей полезной длины, чем указано в
табл. 6,
7,
9,
10,
12, но не менее 2500 мм.
3. Допускается до 01.01.91 на действующем оборудовании изготовлять фальцевые цилиндрические трубы

400 - 2400 мм и раструбные

2000 и 2400 мм, а также трубы типов ТБ, ТС, ТБП и ТСП с размерами стыковых поверхностей, отличными от указанных в
табл. 7,
8,
10,
11.
4. Трубы типов ТБ и ТБП допускается изготовлять технологическим уклоном стыковой поверхности раструба и втулочного конца до 2°.
5. По технологическим условиям допускается изготовлять трубы с размерами раструбов

и

, отличными от указанных в
табл. 6 -
11, при соблюдении минимальной толщины стенки раструба, установленной настоящим стандартом.
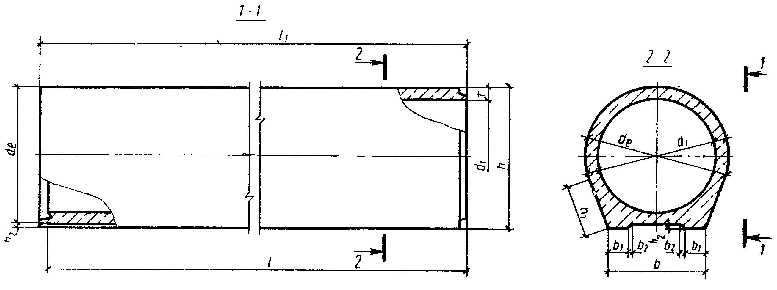
Трубы типа Т
Продольный разрез стенки трубы
Трубы типа Т
────┬───────┬─────────────────────────────────────────────┬──────
D , │Типо- │ Размеры труб, мм │Спра-
у │размер ├────┬────┬────┬────┬───┬────┬────┬───┬───┬───┤вочная
мм │трубы │ d │ d │ d │ d │ t │ l │ l │l │l │l │масса
│ │ i │ e │ 1 │ 2 │ │ │ 1 │ 2 │ 3 │ 4 │трубы,
│ │ │ │ │ │ │ │ │ │ │ │т
────┼───────┼────┼────┼────┼────┼───┼────┼────┼───┼───┼───┼──────
400 │Т40.50 │400 │500 │530 │650 │50 │5000│5100│100│150│75 │0,95
────┼───────┼────┼────┼────┼────┼───┤ │ │ │ ├───┼──────
500 │Т50.50 │500 │620 │650 │790 │60 │ │ │ │ │85 │1,4
────┼───────┼────┼────┼────┼────┤ │ │ │ │ │ ├──────
600 │Т60.50 │600 │720 │750 │890 │ │ │ │ │ │ │1,7
────┼───────┼────┼────┼────┼────┼───┤ ├────┼───┼───┼───┼──────
800 │Т80.50 │800 │960 │990 │1170│80 │ │5110│110│200│105│3,0
────┼───────┼────┼────┼────┼────┼───┤ │ │ │ ├───┼──────
1000│Т100.50│1000│1200│1230│1450│100│ │ │ │ │125│4,8
────┼───────┼────┼────┼────┼────┼───┤ │ │ │ ├───┼──────
1200│Т120.50│1200│1420│1450│1690│110│ │ │ │ │135│6,0
────┼───────┼────┼────┼────┼────┤ │ │ │ │ │ ├──────
1400│Т140.50│1400│1620│1650│1890│ │ │ │ │ │ │7,0
────┼───────┼────┼────┼────┼────┼───┤ │ │ │ ├───┼──────
1600│Т160.50│1600│1840│1870│2130│120│ │ │ │ │145│8,7
Трубы типа ТБ
Продольный разрез стенки трубы
Трубы типа ТБ
────┬────────┬─────────────────────────────────────────────────────────────────────┬──────
D , │Типо- │ Размеры труб, мм │Спра-
у │размер ├────┬────┬────┬────┬────┬───┬─────┬──┬────┬────┬───┬───┬───┬───┬──┬──┤вочная
мм │трубы │ d │ d │ d │ d │ d │ t │ t │a │ l │ l │l │l │l │ h │h │h │масса
│ │ i │ e │ 1 │ 2 │ 3 │ │ 1 │ │ │ 1 │ 2 │ 3 │ 4 │ │ 1│ 2│трубы,
│ │ │ │ │ │ │ │ │ │ │ │ │ │ │ │ │ │т
────┼────────┼────┼────┼────┼────┼────┼───┼─────┼──┼────┼────┼───┼───┼───┼───┼──┼──┼──────
400 │ТБ40.50 │400 │500 │531 │684 │522 │50 │76,5 │44│5000│5145│145│365│102│92 │11│6 │0,95
────┼────────┼────┼────┼────┼────┼────┼───┼─────┼──┤ ├────┼───┼───┼───┼───┤ │ ├──────
500 │ТБ50.50 │500 │620 │651 │834 │642 │60 │91,5 │59│ │5160│160│425│105│107│ │ │1,5
────┼────────┼────┼────┼────┼────┼────┤ │ │ │ │ │ │ │ │ │ │ ├──────
600 │ТБ60.50 │600 │720 │751 │934 │742 │ │ │ │ │ │ │ │ │ │ │ │1,7
────┼────────┼────┼────┼────┼────┼────┼───┼─────┤ │ │ │ ├───┤ ├───┤ │ ├──────
800 │ТБ80.50 │800 │960 │991 │1210│982 │80 │109,5│ │ │ │ │482│ │125│ │ │3,0
────┼────────┼────┼────┼────┼────┼────┼───┼─────┤ │ │ │ ├───┤ ├───┤ ├──┼──────
1000│ТБ100.50│1000│1200│1231│1498│1222│100│133,5│ │ │ │ │590│ │149│ │7 │4,8
────┼────────┼────┼────┼────┼────┼────┼───┼─────┼──┤ ├────┼───┼───┼───┼───┤ │ ├──────
1200│ТБ120.50│1200│1420│1451│1740│1442│110│144,5│69│ │5170│170│634│115│160│ │ │6,3
────┼────────┼────┼────┼────┼────┼────┤ ├─────┼──┤ ├────┼───┤ │ ├───┼──┤ ├──────
1400│ТБ140.50│1400│1620│1651│1946│646 │ │147,5│74│ │5175│175│ │ │163│13│ │7,3
────┼────────┼────┼────┼────┼────┼────┼───┼─────┼──┤ ├────┼───┼───┼───┼───┤ │ ├──────
1600│ТБ160.50│1600│1840│1878│2196│1866│120│159 │84│ │5185│185│654│125│178│ │ │9,0
Трубы типа ТС
Продольный разрез стенки трубы
Трубы типа ТС
────┬────────┬─────────────────────────────────────────────────────────────────────────────────────────────┬──────
D , │Типораз-│ Размеры труб, мм │Спра-
у │мер ├────┬────┬────┬────┬────┬─────┬────┬────┬───┬─────┬────┬────┬───┬───┬───┬──┬─────┬──┬──┬──┬──┤воч-
мм │трубы │ d │ d │ d │ d │ d │ d │ d │ d │ t │ t │ l │ l │l │l │l │l │ h │a │r │r │r │ная
│ │ i │ e │ 1 │ 2 │ 3 │ 4 │ 5 │ 6 │ │ 1 │ │ 1 │ 2 │ 3 │ 4 │ 5│ │ │ 1│ 2│ 3│масса
│ │ │ │ │ │ │ │ │ │ │ │ │ │ │ │ │ │ │ │ │ │ │трубы,
│ │ │ │ │ │ │ │ │ │ │ │ │ │ │ │ │ │ │ │ │ │ │т
────┼────────┼────┼────┼────┼────┼────┼─────┼────┼────┼───┼─────┼────┼────┼───┼───┼───┼──┼─────┼──┼──┼──┼──┼──────
400 │TC40.25 │400 │500 │510 │687 │501 │477 │470 │465 │50 │88,5 │2500│2650│150│365│70 │25│93,5 │15│4 │2 │4 │0,52
├────────┤ │ │ │ │ │ │ │ │ │ ├────┼────┤ │ │ │ │ │ │ │ │ ├──────
│TC40.50 │ │ │ │ │ │ │ │ │ │ │5000│5150│ │ │ │ │ │ │ │ │ │0,95
────┼────────┼────┼────┼────┼────┼────┼─────┼────┼────┼───┼─────┼────┼────┼───┼───┤ │ ├─────┤ │ │ ├──┼──────
500 │TC50.25 │500 │620 │631 │837 │621 │596 │589 │584 │60 │103 │2500│2660│160│425│ │ │108,5│ │ │ │5 │0,78
├────────┤ │ │ │ │ │ │ │ │ │ ├────┼────┤ │ │ │ │ │ │ │ │ ├──────
│TC50.50 │ │ │ │ │ │ │ │ │ │ │5000│5160│ │ │ │ │ │ │ │ │ │1,5
────┼────────┼────┼────┼────┼────┼────┼─────┼────┼────┤ │ ├────┼────┤ │ │ │ │ │ ├──┤ │ ├──────
600 │TC60.25 │600 │720 │731 │937 │721 │696 │689 │684 │ │ │2500│2660│ │ │ │ │ │ │5 │ │ │0,92
├────────┤ │ │ │ │ │ │ │ │ │ ├────┼────┤ │ │ │ │ │ │ │ │ ├──────
│TC60.50 │ │ │ │ │ │ │ │ │ │ │5000│5160│ │ │ │ │ │ │ │ │ │1,7
────┼────────┼────┼────┼────┼────┼────┼─────┼────┼────┼───┼─────┼────┼────┤ ├───┤ │ ├─────┤ │ │ │ ├──────
800 │TC80.35 │800 │960 │971 │1213│961 │936 │929 │924 │80 │121 │3500│3660│ │482│ │ │126,5│ │ │ │ │2,2
├────────┤ │ │ │ │ │ │ │ │ │ ├────┼────┤ │ │ │ │ │ │ │ │ ├──────
│TC80.50 │ │ │ │ │ │ │ │ │ │ │5000│5160│ │ │ │ │ │ │ │ │ │3,0
────┼────────┼────┼────┼────┼────┼────┼─────┼────┼────┼───┼─────┼────┼────┼───┼───┤ ├──┼─────┼──┤ │ │ ├──────
1000│TC100.35│1000│1200│1212│1499│1202│1176 │1169│1164│100│143,5│3500│3670│170│590│ │30│149,5│20│ │ │ │3,5
├────────┤ │ │ │ │ │ │ │ │ │ ├────┼────┤ │ │ │ │ │ │ │ │ ├──────
│TC100.50│ │ │ │ │ │ │ │ │ │ │5000│5170│ │ │ │ │ │ │ │ │ │4,8
────┼────────┼────┼────┼────┼────┼────┼─────┼────┼────┼───┼─────┼────┼────┼───┼───┤ │ ├─────┤ ├──┼──┤ ├──────
1200│ТС120.35│1200│1420│1433│1742│1422│1397 │1390│1385│110│154,5│3500│3675│175│634│ │ │161 │ │6 │3 │ │4,5
├────────┤ │ │ │ │ │ │ │ │ │ ├────┼────┤ │ │ │ │ │ │ │ │ ├──────
│ТС120.50│ │ │ │ │ │ │ │ │ │ │5000│5175│ │ │ │ │ │ │ │ │ │6,3
────┼────────┼────┼────┼────┼────┼────┼─────┼────┼────┤ ├─────┼────┼────┼───┤ ├───┤ ├─────┤ │ │ │ ├──────
1400│TC140.35│1400│1620│1633│1948│1621│1597 │1591│1577│ │157,5│3500│3690│190│ │75 │ │164 │ │ │ │ │5,3
├────────┤ │ │ │ │ │ │ │ │ │ ├────┼────┤ │ │ │ │ │ │ │ │ ├──────
│TC140.50│ │ │ │ │ │ │ │ │ │ │5000│5190│ │ │ │ │ │ │ │ │ │7,3
────┼────────┼────┼────┼────┼────┼────┼─────┼────┼────┼───┼─────┼────┼────┤ ├───┤ │ ├─────┤ │ │ │ ├──────
1600│ТС160.35│1600│1840│1854│2172│1842│1811 │1805│1791│120│159 │3500│3690│ │654│ │ │166 │ │ │ │ │6,5
├────────┤ │ │ │ │ │ │ │ │ │ ├────┼────┤ │ │ │ │ │ │ │ │ ├──────
│ТС160.50│ │ │ │ │ │ │ │ │ │ │5000│5190│ │ │ │ │ │ │ │ │ │9,0
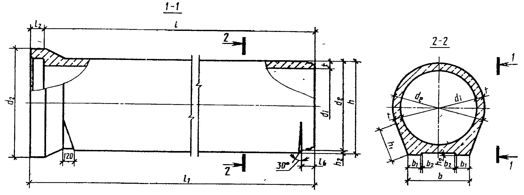
Трубы типа ТП
Продольный разрез стенки трубы
Трубы типа ТП
────┬────────┬───────────────────────────────────────────────────────────────────────────────┬──────
D ,│Типо- │ Размеры труб, мм │Спра-
у │размер ├────┬────┬────┬────┬───┬────┬────┬───┬───┬───┬───┬───┬────┬───┬───┬────┬───┬───┤вочная
мм │трубы │ d │ d │ d │ d │ t │ l │ l │l │l │l │l │l │ h │h │h │ b │b │b │масса
│ │ i │ e │ 1 │ 2 │ │ │ 1 │ 2 │ 3 │ 4 │ 5 │ 6 │ │ 1 │ 2 │ │ 1 │ 2 │трубы,
│ │ │ │ │ │ │ │ │ │ │ │ │ │ │ │ │ │ │ │т
────┼────────┼────┼────┼────┼────┼───┼────┼────┼───┼───┼───┼───┼───┼────┼───┼───┼────┼───┼───┼──────
1000│ТП100.50│1000│1200│1230│1450│100│5000│5110│110│200│125│210│120│1230│440│30 │800 │160│30 │5,5
────┼────────┼────┼────┼────┼────┼───┤ │ │ │ ├───┤ │ ├────┼───┤ ├────┼───┤ ├──────
1200│ТП120.50│1200│1420│1450│1690│110│ │ │ │ │135│ │ │1450│520│ │960 │190│ │7,3
────┼────────┼────┼────┼────┼────┤ │ │ │ │ │ │ │ ├────┼───┼───┼────┼───┼───┼──────
1400│ТП140.50│1400│1620│1650│1890│ │ │ │ │ │ │ │ │1660│650│40 │1200│240│40 │8,8
────┼────────┼────┼────┼────┼────┼───┤ │ │ │ ├───┤ │ ├────┼───┤ │ │ │ ├──────
1600│ТП160.50│1600│1840│1870│2130│120│ │ │ │ │145│ │ │1880│660│ │ │ │ │10,5
────┼────────┼────┼────┼────┼────┼───┼────┼────┼───┼───┼───┼───┼───┼────┼───┼───┼────┼───┼───┼──────
2000│ТП200.45│2000│2260│2300│2580│130│4500│4630│130│220│160│230│150│2310│730│50 │1300│260│50 │12,5
────┼────────┼────┼────┼────┼────┼───┼────┼────┼───┼───┼───┼───┤ ├────┼───┤ ├────┼───┤ ├──────
2400│ТП240.30│2400│2700│2740│3060│150│3000│3140│140│240│180│240│ │2750│880│ │1600│320│ │12,0
Трубы типа ТБП
Продольный разрез стенки трубы
Трубы типа ТБП
────┬─────────┬──────────────────────────────────────────────────────────────────────────────────────────────┬──────
D , │Типораз- │ Размеры труб, мм │Спра-
у │мер трубы├────┬────┬────┬────┬────┬───┬─────┬──┬────┬────┬───┬───┬───┬───┬────┬───┬──┬───┬──┬────┬───┬──┤вочная
мм │ │ d │ d │ d │ d │ d │ t │ t │a │ l │ l │l │l │l │l │ h │h │h │h │h │ b │b │b │масса
│ │ i │ e │ 1 │ 2 │ 3 │ │ 1 │ │ │ 1 │ 2 │ 3 │ 4 │ 5 │ │ 1 │ 2│ 3 │ 4│ │ 1 │ 2│трубы,
│ │ │ │ │ │ │ │ │ │ │ │ │ │ │ │ │ │ │ │ │ │ │ │т
────┼─────────┼────┼────┼────┼────┼────┼───┼─────┼──┼────┼────┼───┼───┼───┼───┼────┼───┼──┼───┼──┼────┼───┼──┼──────
1000│ТБП100.50│1000│1200│1231│1430│1220│100│99,5 │59│5000│5160│160│220│105│210│1230│440│30│115│10│800 │160│30│5,3
────┼─────────┼────┼────┼────┼────┼────┼───┼─────┼──┤ ├────┼───┤ ├───┼───┼────┼───┤ ├───┤ ├────┼───┤ ├──────
1200│ТБП120.50│1200│1420│1451│1670│1440│110│109,5│69│ │5170│170│ │115│220│1450│520│ │125│ │960 │190│ │6,8
────┼─────────┼────┼────┼────┼────┼────┤ ├─────┼──┤ ├────┼───┤ │ │ ├────┼───┼──┼───┼──┼────┼───┼──┼──────
1400│ТБП140.50│1400│1620│1651│1876│1646│ │112,5│74│ │5175│175│ │ │ │1660│650│40│128│13│1200│240│40│8,5
────┼─────────┼────┼────┼────┼────┼────┼───┼─────┼──┤ ├────┼───┼───┼───┼───┼────┼───┤ ├───┤ │ │ │ ├──────
1600│ТБП160.50│1600│1840│1878│2116│1866│120│119 │84│ │5185│185│230│125│230│1880│660│ │138│ │ │ │ │10,0
Трубы типа ТСП
Продольный разрез стенки трубы
Трубы типа ТСП
────┬─────────┬──────────────────────────────────────────────────────────────────────────────────────────────────────────────────┬──────
D , │Типораз- │ Размеры труб, мм │Сум-
у │мер трубы├────┬────┬────┬────┬────┬────┬────┬────┬───┬─────┬────┬────┬───┬───┬──┬──┬───┬────┬───┬──┬───┬────┬───┬──┬──┬──┬──┤марная
мм │ │ d │ d │ d │ d │ d │ d │ d │ d │ t │ t │ l │ l │l │l │l │l │l │ h │h │h │h │ b │b │b │r │r │r │масса
│ │ i │ e │ 1 │ 2 │ 3 │ 4 │ 5 │ 6 │ │ 1 │ │ 1 │ 2 │ 3 │ 4│ 5│ 6 │ │ 1 │ 2│ 3 │ │ 1 │ 2│ 1│ 2│ 3│трубы,
│ │ │ │ │ │ │ │ │ │ │ │ │ │ │ │ │ │ │ │ │ │ │ │ │ │ │ │ │т
────┼─────────┼────┼────┼────┼────┼────┼────┼────┼────┼───┼─────┼────┼────┼───┼───┼──┼──┼───┼────┼───┼──┼───┼────┼───┼──┼──┼──┼──┼──────
1000│ТСП100.35│1000│1200│1212│1430│1202│1176│1169│1164│100│109 │3500│3670│170│220│70│30│180│1230│440│30│115│800 │160│30│5 │2 │5 │4,0
├─────────┤ │ │ │ │ │ │ │ │ │ ├────┼────┤ │ │ │ │ │ │ │ │ │ │ │ │ │ │ ├──────
│ТСП100.50│ │ │ │ │ │ │ │ │ │ │5000│5170│ │ │ │ │ │ │ │ │ │ │ │ │ │ │ │5,5
────┼─────────┼────┼────┼────┼────┼────┼────┼────┼────┼───┼─────┼────┼────┼───┤ │ │ │ ├────┼───┤ ├───┼────┼───┤ ├──┼──┤ ├──────
1200│ТСП120.35│1200│1420│1433│1670│1422│1397│1390│1385│110│118,5│3500│3675│175│ │ │ │ │1450│520│ │125│960 │190│ │6 │3 │ │5,0
├─────────┤ │ │ │ │ │ │ │ │ │ ├────┼────┤ │ │ │ │ │ │ │ │ │ │ │ │ │ │ ├──────
│ТСП120.50│ │ │ │ │ │ │ │ │ │ │5000│5175│ │ │ │ │ │ │ │ │ │ │ │ │ │ │ │7,0
────┼─────────┼────┼────┼────┼────┼────┼────┼────┼────┤ ├─────┼────┼────┼───┤ ├──┤ ├───┼────┼───┼──┼───┼────┼───┼──┤ ├──┼──┼──────
1400│ТСП140.35│1400│1620│1633│1876│1621│1597│1591│1577│ │121,5│3500│3690│190│ │75│ │195│1660│650│40│128│1200│240│40│ │ │ │6,3
├─────────┤ │ │ │ │ │ │ │ │ │ ├────┼────┤ │ │ │ │ │ │ │ │ │ │ │ │ │ │ ├──────
│ТСП140.50│ │ │ │ │ │ │ │ │ │ │5000│5190│ │ │ │ │ │ │ │ │ │ │ │ │ │ │ │9,0
────┼─────────┼────┼────┼────┼────┼────┼────┼────┼────┼───┼─────┼────┼────┤ ├───┤ │ │ ├────┼───┤ ├───┤ │ │ │ ├──┼──┼──────
1600│ТСП160.35│1600│1840│1854│2116│1842│1811│1805│1791│120│131 │3500│3690│ │230│ │ │ │1880│660│ │138│ │ │ │ │ │ │7,5
├─────────┤ │ │ │ │ │ │ │ │ │ ├────┼────┤ │ │ │ │ │ │ │ │ │ │ │ │ │ │ ├──────
│ТСП160.50│ │ │ │ │ │ │ │ │ │ │5000│5190│ │ │ │ │ │ │ │ │ │ │ │ │ │ │ │10,5
Трубы типа ТФП
Продольный разрез стенки трубы
Трубы типа ТФП
────┬─────────┬───────────────────────────────────────────────────────────────────────────────────────┬──────
D , │Типо- │ Размеры труб, мм │Спра-
у │размер ├────┬────┬────┬────┬────┬────┬───┬────┬────┬──┬───┬────┬───┬──┬──┬───┬──┬──┬────┬───┬──┤вочная
мм │трубы │ d │ d │ d │ d │ d │ d │ t │ l │ l │l │l │ h │h │h │h │h │h │h │ b │b │b │масса
│ │ i │ e │ 1 │ 2 │ 3 │ 4 │ │ │ 1 │ 2│ 3 │ │ 1 │ 2│ 3│ 4 │ 5│ 6│ │ 1 │ 2│трубы,
│ │ │ │ │ │ │ │ │ │ │ │ │ │ │ │ │ │ │ │ │ │ │т
────┼─────────┼────┼────┼────┼────┼────┼────┼───┼────┼────┼──┼───┼────┼───┼──┼──┼───┼──┼──┼────┼───┼──┼──────
1000│ТФП100.50│1000│1200│1078│1118│1074│1126│100│5000│5070│55│80 │1230│440│30│41│39 │37│37│800 │160│30│5,3
────┼─────────┼────┼────┼────┼────┼────┼────┼───┤ ├────┼──┼───┼────┼───┤ ├──┼───┼──┼──┼────┼───┤ ├──────
1200│ТФП120.50│1200│1420│1280│1324│1280│1334│110│ │5090│75│100│1450│520│ │48│40 │43│40│960 │190│ │6,8
────┼─────────┼────┼────┼────┼────┼────┼────┤ │ │ │ │ ├────┼───┼──┤ │ │ │ ├────┼───┼──┼──────
1400│ТФП140.50│1400│1620│1480│1524│1480│1534│ │ │ │ │ │1660│650│40│ │ │ │ │1200│240│40│8,5
────┼─────────┼────┼────┼────┼────┼────┼────┼───┤ │ │ │ ├────┼───┤ ├──┼───┼──┼──┤ │ │ ├──────
1600│ТФП160.50│1600│1840│1700│1740│1690│1750│120│ │ │ │ │1880│660│ │50│50 │45│45│ │ │ │10,0
────┼─────────┼────┼────┼────┼────┼────┼────┼───┼────┼────┤ │ ├────┼───┼──┤ ├───┤ ├──┼────┼───┼──┼──────
2000│ТФП200.45│2000│2260│2108│2160│2100│2170│130│4500│4590│ │ │2310│730│50│ │54 │ │50│1300│260│50│11,8
────┼─────────┼────┼────┼────┼────┼────┼────┼───┼────┼────┼──┼───┼────┼───┤ ├──┼───┼──┼──┼────┼───┤ ├──────
2400│ТФП240.30│2400│2700│2510│2570│2514│2590│150│3000│3110│95│120│2750│880│ │65│55 │55│57│1600│320│ │11,0
2. Марки и показатели материалоемкости (расход бетона и стали) труб в зависимости от их несущей способности приведены в табл. 13.
Марки и показатели материалоемкости
───────────────────────┬──────────────────────────────────────────
Марка трубы │ Расход материалов
├───────────────────┬──────────────────────
│ Бетон, м3 │ Сталь, кг
───────────────────────┼───────────────────┼──────────────────────
Т40.50-2 │0,38 │20,0
───────────────────────┤ ├──────────────────────
Т40.50-3 │ │25,6
───────────────────────┼───────────────────┼──────────────────────
Т50.50-2 │0,56 │27,3
───────────────────────┤ ├──────────────────────
Т50.50-3 │ │32,3
───────────────────────┼───────────────────┼──────────────────────
Т60.50-2 │0,66 │36,7
───────────────────────┤ ├──────────────────────
Т60.50-3 │ │43,2
───────────────────────┼───────────────────┼──────────────────────
Т80.50-2 │1,2 │68,6
───────────────────────┤ ├──────────────────────
Т80.50-3 │ │84,7
───────────────────────┼───────────────────┼──────────────────────
Т100.50-2 │1,9 │88,6
───────────────────────┤ ├──────────────────────
Т100.50-3 │ │125,6
───────────────────────┼───────────────────┼──────────────────────
Т120.50-1 │2,4 │132,3
───────────────────────┤ ├──────────────────────
Т120.50-2 │ │189,4
───────────────────────┤ ├──────────────────────
Т120.50-3 │ │273,7
───────────────────────┼───────────────────┼──────────────────────
Т140.50-1 │2,8 │194,3
───────────────────────┤ ├──────────────────────
Т140.50-2 │ │278,2
───────────────────────┤ ├──────────────────────
Т140.50-3 │ │379,3
───────────────────────┼───────────────────┼──────────────────────
Т160.50-1 │3,5 │251,6
───────────────────────┤ ├──────────────────────
Т160.50-2 │ │342,2
───────────────────────┤ ├──────────────────────
Т160.50-3 │ │497,3
───────────────────────┼───────────────────┼──────────────────────
ТБ40.50-2 │0,38 │19,9
───────────────────────┤ ├──────────────────────
ТБ40.50-3 │ │25,4
───────────────────────┼───────────────────┼──────────────────────
ТБ50.50-2 │0,58 │26,9
───────────────────────┤ ├──────────────────────
ТБ50.50-3 │ │32,3
───────────────────────┼───────────────────┼──────────────────────
ТБ60.50-2 │0,68 │36,6
───────────────────────┤ ├──────────────────────
ТБ60.50-3 │ │43,6
───────────────────────┼───────────────────┼──────────────────────
ТБ80.50-2 │1,2 │68,3
───────────────────────┤ ├──────────────────────
ТБ80.50-3 │ │85,6
───────────────────────┼───────────────────┼──────────────────────
ТБ100.50-2 │1,9 │88,2
───────────────────────┤ ├──────────────────────
ТБ100.50-3 │ │123,7
───────────────────────┼───────────────────┼──────────────────────
ТБ120.50-1 │2,5 │132,5
───────────────────────┤ ├──────────────────────
ТБ120.50-2 │ │188,4
───────────────────────┤ ├──────────────────────
ТБ120.50-3 │ │278,4
───────────────────────┼───────────────────┼──────────────────────
ТБ140.50-1 │2,9 │197,2
───────────────────────┤ ├──────────────────────
ТБ140.50-2 │ │280,5
───────────────────────┤ ├──────────────────────
ТБ140.50-3 │ │388,6
───────────────────────┼───────────────────┼──────────────────────
ТБ160.50-1 │3,6 │256,3
───────────────────────┤ ├──────────────────────
ТБ160.50-2 │ │346,9
───────────────────────┤ ├──────────────────────
ТБ160.50-3 │ │513,1
───────────────────────┼───────────────────┼──────────────────────
ТС40.25-2 │0,21 │10,4
───────────────────────┤ ├──────────────────────
ТС40.25-3 │ │13,3
───────────────────────┼───────────────────┼──────────────────────
ТС40.50-2 │0,38 │19,9
───────────────────────┤ ├──────────────────────
ТС40.50-3 │ │25,4
───────────────────────┼───────────────────┼──────────────────────
ТС50.25-2 │0,31 │14,2
───────────────────────┤ ├──────────────────────
ТС50.25-3 │ │16,9
───────────────────────┼───────────────────┼──────────────────────
ТС50.50-2 │0,58 │26,9
───────────────────────┤ ├──────────────────────
ТС50.50-3 │ │32,3
───────────────────────┼───────────────────┼──────────────────────
ТС60.25-2 │0,37 │19,1
───────────────────────┤ ├──────────────────────
ТС60.25-3 │ │22,7
───────────────────────┼───────────────────┼──────────────────────
ТС60.50-2 │0,68 │36,6
───────────────────────┤ ├──────────────────────
ТС60.50-3 │ │43,6
───────────────────────┼───────────────────┼──────────────────────
ТС80.35-2 │0,88 │48,8
───────────────────────┤ ├──────────────────────
ТС80.35-3 │ │61,1
───────────────────────┼───────────────────┼──────────────────────
ТС80.50-2 │1,2 │68,3
───────────────────────┤ ├──────────────────────
ТС80.50-3 │ │85,6
───────────────────────┼───────────────────┼──────────────────────
ТС100.35-2 │1,4 │63,2
───────────────────────┤ ├──────────────────────
ТС100.35-3 │ │88,8
───────────────────────┼───────────────────┼──────────────────────
ТС100.50-2 │1,9 │88,4
───────────────────────┤ ├──────────────────────
ТС100.50-3 │ │123,9
───────────────────────┼───────────────────┼──────────────────────
ТС120.35-1 │1,8 │104,5
───────────────────────┤ ├──────────────────────
ТС120.35-2 │ │144,7
───────────────────────┤ ├──────────────────────
ТС120.35-3 │ │207,5
───────────────────────┼───────────────────┼──────────────────────
ТС120.50-1 │2,5 │141,5
───────────────────────┤ ├──────────────────────
ТС120.50-2 │ │196,8
───────────────────────┤ ├──────────────────────
ТС120.50-3 │ │286,1
───────────────────────┼───────────────────┼──────────────────────
ТС140.35-1 │2,1 │151,5
───────────────────────┤ ├──────────────────────
ТС140.35-2 │ │210,9
───────────────────────┤ ├──────────────────────
ТС140.35-3 │ │286,5
───────────────────────┼───────────────────┼──────────────────────
ТС140.50-1 │2,9 │207,8
───────────────────────┤ ├──────────────────────
ТС140.50-2 │ │289,4
───────────────────────┤ ├──────────────────────
ТС140.50-3 │ │396,5
───────────────────────┼───────────────────┼──────────────────────
ТС160.35-1 │2,6 │195,4
───────────────────────┤ ├──────────────────────
ТС160.35-2 │ │259,3
───────────────────────┤ ├──────────────────────
ТС160.35-3 │ │375,5
───────────────────────┼───────────────────┼──────────────────────
ТС160.50-1 │3,6 │269,5
───────────────────────┤ ├──────────────────────
ТС160.50-2 │ │356,8
───────────────────────┤ ├──────────────────────
ТС160.50-3 │ │521,2
───────────────────────┼───────────────────┼──────────────────────
ТП100.50-2 │2,2 │88,6
───────────────────────┤ ├──────────────────────
ТП100.50-3 │ │125,6
───────────────────────┼───────────────────┼──────────────────────
ТП120.50-1 │2,9 │132,3
───────────────────────┤ ├──────────────────────
ТП120.50-2 │ │189,4
───────────────────────┤ ├──────────────────────
ТП120.50-3 │ │273,4
───────────────────────┼───────────────────┼──────────────────────
ТП140.50-1 │3,5 │194,3
───────────────────────┤ ├──────────────────────
ТП140.50-2 │ │278,2
───────────────────────┤ ├──────────────────────
ТП140.50-3 │ │379,3
───────────────────────┼───────────────────┼──────────────────────
ТП160.50-1 │4,2 │251,6
───────────────────────┤ ├──────────────────────
ТП160.50-2 │ │342,2
───────────────────────┤ ├──────────────────────
ТП160.50-3 │ │497,3
───────────────────────┼───────────────────┼──────────────────────
ТП200.45-1 │5,0 │450,9
───────────────────────┤ ├──────────────────────
ТП200.45-2 │ │562,5
───────────────────────┼───────────────────┼──────────────────────
ТП240.30-1 │4,8 │456,4
───────────────────────┤ ├──────────────────────
ТП240.30-2 │ │547,0
───────────────────────┼───────────────────┼──────────────────────
ТБП100.50-2 │2,1 │89,4
───────────────────────┤ ├──────────────────────
ТБП100.50-3 │ │126,7
───────────────────────┼───────────────────┼──────────────────────
ТБП120.50-1 │2,7 │133,5
───────────────────────┤ ├──────────────────────
ТБП120.50-2 │ │191,3
───────────────────────┤ ├──────────────────────
ТБП120.50-3 │ │276,2
───────────────────────┼───────────────────┼──────────────────────
ТБП140.50-1 │3,4 │196,1
───────────────────────┤ ├──────────────────────
ТБП140.50-2 │ │279,9
───────────────────────┤ ├──────────────────────
ТБП140.50-3 │ │381,8
───────────────────────┼───────────────────┼──────────────────────
ТБП60.50-1 │4,0 │253,6
───────────────────────┤ ├──────────────────────
ТБП60.50-2 │ │344,8
───────────────────────┤ ├──────────────────────
ТБП60.50-3 │ │501,4
───────────────────────┼───────────────────┼──────────────────────
ТСП100.35-2 │1,6 │64,3
───────────────────────┤ ├──────────────────────
ТСП100.35-3 │ │91,8
───────────────────────┼───────────────────┼──────────────────────
ТСП100.50-2 │2,2 │89,5
───────────────────────┤ ├──────────────────────
ТСП100.50-3 │ │126,9
───────────────────────┼───────────────────┼──────────────────────
ТСП120.35-1 │2,0 │105,6
───────────────────────┤ ├──────────────────────
ТСП120.35-2 │ │147,5
───────────────────────┤ ├──────────────────────
ТСП120.35-3 │ │205,3
───────────────────────┼───────────────────┼──────────────────────
ТСП120.50-1 │2,8 │142,5
───────────────────────┤ ├──────────────────────
ТСП120.50-2 │ │199,8
───────────────────────┤ ├──────────────────────
ТСП120.50-3 │ │283,9
───────────────────────┼───────────────────┼──────────────────────
ТСП140.35-1 │2,5 │150,0
───────────────────────┤ ├──────────────────────
ТСП140.35-2 │ │210,4
───────────────────────┤ ├──────────────────────
ТСП140.35-3 │ │280,0
───────────────────────┼───────────────────┼──────────────────────
ТСП140.50-1 │3,6 │205,4
───────────────────────┤ ├──────────────────────
ТСП140.50-2 │ │289,1
───────────────────────┤ ├──────────────────────
ТСП140.50-3 │ │390,0
───────────────────────┼───────────────────┼──────────────────────
ТСП160.35-1 │3,0 │191,7
───────────────────────┤ ├──────────────────────
ТСП160.35-2 │ │257,1
───────────────────────┤ ├──────────────────────
ТСП160.35-3 │ │363,9
───────────────────────┼───────────────────┼──────────────────────
ТСП160.50-1 │4,2 │264,3
───────────────────────┤ ├──────────────────────
ТСП160.50-2 │ │354,7
───────────────────────┤ ├──────────────────────
ТСП160.50-3 │ │509,6
───────────────────────┼───────────────────┼──────────────────────
ТФП100.50-2 │2,1 │84,2
───────────────────────┤ ├──────────────────────
ТФП100.50-3 │ │117,9
───────────────────────┼───────────────────┼──────────────────────
ТФП120.50-1 │2,8 │126,9
───────────────────────┤ ├──────────────────────
ТФП120.50-2 │ │180,1
───────────────────────┤ ├──────────────────────
ТФП120.50-3 │ │266,0
───────────────────────┼───────────────────┼──────────────────────
ТФП140.50-1 │3,4 │188,6
───────────────────────┤ ├──────────────────────
ТФП140.50-2 │ │268,0
───────────────────────┤ ├──────────────────────
ТФП140.50-3 │ │371,1
───────────────────────┼───────────────────┼──────────────────────
ТФП160.50-1 │4,0 │246,0
───────────────────────┤ ├──────────────────────
ТФП160.50-2 │ │331,5
───────────────────────┤ ├──────────────────────
ТФП160.50-3 │ │490,0
───────────────────────┼───────────────────┼──────────────────────
ТФП200.45-1 │4,7 │438,1
───────────────────────┤ ├──────────────────────
ТФП200.45-2 │ │552,4
───────────────────────┼───────────────────┼──────────────────────
ТФП240.30-1 │4,4 │442,8
───────────────────────┤ ├──────────────────────
ТФП240.30-2 │ │537,5
Обязательное
1. Армирование труб приведено:
Примечания. 1. При формовании труб в вертикальном положении допускается опирать цилиндрические арматурные каркасы на поддон форм.
2. Для раструбных труб допускается раздельное армирование раструба и цилиндрической части трубы, при этом цилиндрический каркас должен устанавливаться на всю длину трубы.
3. В трубах типов ТС и ТСП с двойными каркасами допускается армирование втулочной части выполнять по
черт. 28.
4. Допускается при соответствующем технико-экономическом обосновании армирование труб

1200 мм по другим, утвержденным в установленном порядке рабочим чертежам, которое обеспечивает выполнение требований настоящего стандарта по трещиностойкости, прочности и водонепроницаемости труб без увеличения материалоемкости, в том числе расхода стали.
АРМИРОВАНИЕ ТРУБ ТИПА Т

= 400 - 1000 мм
Разрез по продольной оси трубы
Деталь армирования стенки трубы

= 1200 - 1600 мм
Разрез по продольной оси трубы
Деталь армирования стенки трубы
АРМИРОВАНИЕ ТРУБ ТИПА ТБ

= 400 - 1000 мм
Разрез по продольной оси трубы
Деталь армирования стенки трубы

= 1200 - 1600 мм
Разрез по продольной оси трубы
Деталь армирования стенки трубы
АРМИРОВАНИЕ ТРУБ ТИПА ТС

= 400 - 1000 мм
Разрез по продольной оси трубы
Деталь армирования стенки трубы

= 1200 - 1600 мм
Разрез по продольной оси трубы
Деталь армирования стенки трубы
АРМИРОВАНИЕ ТРУБ ТИПА ТП

= 1000 мм
Разрез по продольной оси трубы
Деталь армирования стенки трубы

= 1200 - 1600 мм
Разрез по продольной оси трубы
Деталь армирования стенки трубы
Черт. 18.

= 2000 - 2400 мм
Разрез по продольной оси трубы
Деталь армирования стенки трубы
АРМИРОВАНИЕ ТРУБ ТИПА ТБП

= 1000 мм
Разрез по продольной оси трубы
Деталь армирования стенки трубы

= 1200 - 1600 мм
Разрез по продольной оси трубы
Деталь армирования стени трубы
АРМИРОВАНИЕ ТРУБ ТИПА ТСП

= 1000 мм
Разрез по продольной оси трубы
Деталь армирования стенки трубы

= 1200 - 1600 мм
Разрез по продольной оси трубы
Деталь армирования стенки трубы
АРМИРОВАНИЕ ТРУБ ТИПА ТФП

= 1000 мм
Разрез по продольной оси трубы
Деталь армирования стенки трубы

= 1200 - 1600 мм
Разрез по продольной оси трубы
Деталь армирования стенки трубы
Черт. 25.

= 2000 - 2400 мм
Разрез по продольной оси трубы
Деталь армирования стенки трубы
Черт. 26.
Вариант армирования труб типов ТС и ТСП
Для

= 1200 мм
Для

= 1400 и 1600 мм
2. Спецификация арматурных изделий и расход стали на одну трубу диаметром условного прохода до 1000 мм включ. приведены в табл. 14, а диаметром условного прохода 1200 и более - в
табл. 15.
Таблица 14
Спецификация арматурных изделий и расход стали (кг)
на одну трубу

до 1000 мм включ.
───────────┬────────────┬─────────────────────────────────────────────────────────────
Марка трубы│ Каркас │ Изделия арматурные
├─────┬──────┼──────────────────────────────────────────────────────┬──────
│Марка│Коли- │ Арматура класса │Всего
│ │чество├─────────────────────┬────────────┬───────────────────┤
│ │ │ А-III │ А-I │ Вр-I │
│ │ ├─────────────────────┴────────────┼───────────────────┤
│ │ ├─────┬──────┬────────┬──────┬─────┼──────┬──────┬─────┤
│ │ │Диа- │Диа- │ Итого │Диа- │Итого│Диа- │Диа- │Итого│
│ │ │метр │метр 8│ │метр │ │метр 4│метр 5│ │
│ │ │6 │ │ │6 │ │ │ │ │
───────────┼─────┼──────┼─────┼──────┼────────┼──────┼─────┼──────┼──────┼─────┼──────
Т40.50-2 │КП1 │1 │- │- │- │10,2 │10,2 │9,8 │- │9,8 │20,0
Т40.50-3 │КП2 │1 │- │- │- │10,2 │10,2 │- │15,4 │15,4 │25,6
Т50.50-2 │КП3 │1 │- │- │- │10,3 │10,3 │- │17,0 │17,0 │27,3
Т50.50-3 │КП4 │1 │- │- │- │10,3 │10,3 │- │22,0 │22,0 │32,3
Т60.50-2 │КП5 │1 │- │- │- │12,5 │12,5 │- │24,2 │24,2 │36,7
Т60.50-3 │КП6 │1 │- │- │- │12,5 │12,5 │- │30,7 │30,7 │43,2
Т80.50-2 │КП7 │1 │53,7 │- │53,7 │14,9 │14,9 │- │- │- │68,6
Т80.50-3 │КП8 │1 │69,8 │- │69,8 │14,9 │14,9 │- │- │- │84,7
Т100.50-2 │КП9 │1 │66,8 │- │66,8 │21,8 │21,8 │- │- │- │88,6
Т100.50-3 │КП10 │1 │- │103,8 │103,8 │21,8 │21,8 │- │- │- │125,6
ТБ40.50-2 │КП59 │1 │- │- │- │10,3 │10,3 │9,6 │- │9,6 │19,9
ТБ40.50-3 │КП60 │1 │- │- │- │10,3 │10,3 │- │15,1 │15,1 │25,4
ТБ50.50-2 │КП63 │1 │- │- │- │10,3 │10,3 │- │16,6 │16,6 │26,9
ТБ50.50-3 │КП64 │1 │- │- │- │10,3 │10,3 │- │22,0 │22,0 │32,3
ТБ60.50-2 │КП67 │1 │- │- │- │12,6 │12,6 │- │24,0 │24,0 │36,6
ТБ60.50-3 │КП68 │1 │- │- │- │12,6 │12,6 │- │31,0 │31,0 │43,6
ТБ80.50-2 │КП71 │1 │53,4 │- │53,4 │14,9 │14,9 │- │- │- │68,3
ТБ80.50-3 │КП72 │1 │70,7 │- │70,7 │14,9 │14,9 │- │- │- │85,6
ТБ100.50-2 │КП75 │1 │66,4 │- │66,4 │21,8 │21,8 │- │- │- │88,2
ТБ100.50-3 │КП76 │1 │- │101,9 │101,9 │21,8 │21,8 │- │- │- │123,7
ТС40.25-2 │КП57 │1 │- │- │- │5,3 │5,3 │5,1 │- │5,1 │10,4
ТС40.25-3 │КП58 │1 │- │- │- │5,3 │5,3 │- │8,0 │8,0 │13,3
ТС40.50-2 │КП59 │1 │- │- │- │10,3 │10,3 │9,6 │- │9,6 │19,9
ТС40.50-3 │КП60 │1 │- │- │- │10,3 │10,3 │- │15,1 │15,1 │25,4
ТС50.25-2 │КП61 │1 │- │- │- │5,3 │5,3 │- │8,9 │8,9 │14,2
ТС50.25-3 │КП62 │1 │- │- │- │5,3 │5,3 │- │11,6 │11,6 │16,9
ТС50.50-2 │КП63 │1 │- │- │- │10,3 │10,3 │- │16,6 │16,6 │26,9
ТС50.50-3 │КП64 │1 │- │- │- │10,3 │10,3 │- │22,0 │22,0 │32,3
ТС60.25-2 │КП65 │1 │- │- │- │6,5 │6,5 │- │12,6 │12,6 │19,1
ТС60.25-3 │КП66 │1 │- │- │- │6,5 │6,5 │- │16,2 │16,2 │22,7
ТС60.50-2 │КП67 │1 │- │- │- │12,6 │12,6 │- │24,0 │24,0 │36,6
ТС60.50-3 │КП68 │1 │- │- │- │12,6 │12,6 │- │31,0 │31,0 │43,6
ТС80.35-2 │КП69 │1 │38,2 │- │38,2 │10,6 │10,6 │- │- │- │48,8
ТС80.35-3 │КП70 │1 │50,5 │- │50,5 │10,6 │10,6 │- │- │- │61,1
ТС80.50-2 │КП71 │1 │53,4 │- │53,4 │14,9 │14,9 │- │- │- │68,3
ТС80.50-3 │КП72 │1 │70,7 │- │70,7 │14,9 │14,9 │- │- │- │85,6
ТС100.35-2 │КП73 │1 │47,7 │- │47,7 │15,5 │15,5 │- │- │- │63,2
ТС100.35-3 │КП74 │1 │- │73,3 │73,3 │15,5 │15,5 │- │- │- │88,8
ТС100.50-2 │КП77 │1 │66,6 │- │66,6 │21,8 │21,8 │- │- │- │88,4
ТС100.50-3 │КП78 │1 │- │102,1 │102,1 │21,8 │21,8 │- │- │- │123,9
ТП100.50-2 │КП9 │1 │66,8 │- │66,8 │21,8 │21,8 │- │- │- │88,6
ТП100.50-3 │КП10 │1 │- │103,8 │103,8 │21,8 │21,8 │- │- │- │125,6
ТБП100.50-2│КП24 │1 │67,4 │- │67,4 │22,0 │22,0 │- │- │- │89,4
ТБП100.50-3│КП25 │1 │- │104,7 │104,7 │22,0 │22,0 │- │- │- │126,7
ТСП100.35-2│КП35 │1 │48,6 │- │48,6 │15,7 │15,7 │- │- │- │64,3
ТСП100.35-3│КП36 │1 │- │76,1 │76,1 │15,7 │15,7 │- │- │- │91,8
ТСП100.50-2│КП37 │1 │67,5 │- │67,5 │22,0 │22,0 │- │- │- │89,5
ТСП100.50-3│КП38 │1 │- │104,9 │104,9 │22,0 │22,0 │- │- │- │126,9
ТФП100.50-2│КП146│1 │63,2 │- │63,2 │21,0 │21,0 │- │- │- │84,2
ТФП100.50-3│КП147│1 │- │96,9 │96,9 │21,0 │21,0 │- │- │- │117,9
Спецификация арматурных изделий и расход стали (кг)
на одну трубу

1200 мм и более
───────────┬───────────────────────┬──────────────────────┬──────────┬─────────────────────────────────────────────────
Марка трубы│ Основной каркас │ Каркас │ Фиксатор │ Изделия арматурные
├───────────┬───────────┼──────────┬───────────┤ ├───────────────────────────────────────────┬─────
│ наружный │внутренний │ втулочной│поперечного│ │ Арматура класса │Всего
├─────┬─────┼─────┬─────┤ части │армирования│ ├─────────────────┬───────────────┬─────────┤
│Марка│Коли-│Марка│Коли-│ │ │ │ А-III │ А-I │ Вр-I │
│ │чест-│ │чест-├────┬─────┼─────┬─────┼────┬─────┼─────────────────┴───────────────┼─────────┤
│ │ │ │ │ка │чест-│ │чест-│ка │чест-├─────┬─────┬─────┬────┬────┬─────┼────┬────┤
│ │ │ │ │ │во │ │во │ │во │Диа- │Диа- │Итого│Диа-│Диа-│Итого│Диа-│Ито-│
│ │ │ │ │ │ │ │ │ │ │метр │метр │ │метр│метр│ │метр│го │
│ │ │ │ │ │ │ │ │ │ │6 │8 │ │6 │8 │ │5 │ │
───────────┼─────┼─────┼─────┼─────┼────┼─────┼─────┼─────┼────┼─────┼─────┼─────┼─────┼────┼────┼─────┼────┼────┼─────
Т120.50-1 │КП11 │1 │КП127│1 │- │- │- │- │Ф1 │60 │87,0 │- │87,0 │42,9│- │42,9 │2,4 │2,4 │132,3
Т120.50-2 │КП12 │1 │КП128│1 │- │- │- │- │Ф1 │60 │- │144,1│144,1│42,9│- │42,9 │2,4 │2,4 │189,4
Т120.50-3 │КП13 │1 │КП129│1 │- │- │- │- │Ф1 │60 │- │228,4│228,4│42,9│- │42,9 │2,4 │2,4 │273,7
Т140.50-1 │КП14 │1 │КП133│1 │- │- │- │- │Ф1 │72 │139,5│- │139,5│51,9│- │51,9 │2,9 │2,9 │194,3
Т140.50-2 │КП15 │1 │КП134│1 │- │- │- │- │Ф1 │72 │- │223,4│223,4│51,9│- │51,9 │2,9 │2,9 │278,2
Т140.50-3 │КП16 │1 │КП135│1 │- │- │- │- │Ф1 │72 │- │324,5│324,5│51,9│- │51,9 │2,9 │2,9 │379,3
Т160.50-1 │КП17 │1 │КП139│1 │- │- │- │- │Ф2 │78 │192,1│- │192,1│56,4│- │56,4 │3,1 │3,1 │251,6
Т160.50-2 │КП18 │1 │КП140│1 │- │- │- │- │Ф2 │78 │- │282,7│282,7│56,4│- │56,4 │3,1 │3,1 │342,2
Т160.50-3 │КП19 │1 │КП141│1 │- │- │- │- │Ф2 │78 │- │437,8│437,8│56,4│- │56,4 │3,1 │3,1 │497,3
ТБ120.50-1 │КП82 │1 │КП109│1 │- │- │- │- │Ф1 │60 │86,5 │- │86,5 │43,6│- │43,6 │2,4 │2,4 │132,5
ТБ120.50-2 │КП83 │1 │КП110│1 │- │- │- │- │Ф1 │60 │- │142,4│142,4│43,6│- │43,6 │2,4 │2,4 │188,4
ТВ120.50-3 │КП84 │1 │КП111│1 │- │- │- │- │Ф1 │60 │- │232,4│232,4│43,6│- │43,6 │2,4 │2,4 │278,4
ТБ140.50-1 │КП91 │1 │КП115│1 │- │- │- │- │Ф1 │72 │141,3│- │141,3│53,0│- │53,0 │2,9 │2,9 │197,2
ТБ140.50-2 │КП92 │1 │КП116│1 │- │- │- │- │Ф1 │72 │- │224,6│224,6│53,0│- │53,0 │2,9 │2,9 │280,5
ТБ140.50-3 │КП93 │1 │КП117│1 │- │- │- │- │Ф1 │72 │- │332,7│332,7│53,0│- │53,0 │2,9 │2,9 │388,6
ТБ160.50-1 │КП100│1 │КП121│1 │- │- │- │- │Ф2 │78 │195,6│- │195,6│57,6│- │57,6 │3,1 │3,1 │256,3
ТБ160.50-2 │КП101│1 │КП122│1 │- │- │- │- │Ф2 │78 │- │286,2│286,2│57,6│- │57,6 │3,1 │3,1 │346,9
ТБ160.50-3 │КП102│1 │КП123│1 │- │- │- │- │Ф2 │78 │- │452,4│452,4│57,6│- │57,6 │3,1 │3,1 │513,1
ТС120.35-1 │КП79 │1 │КП106│1 │К1 │1 │- │- │Ф1 │50 │61,7 │8,8 │70,5 │32,0│- │32,0 │2,0 │2,0 │104,5
ТС120.35-2 │КП80 │1 │КП107│1 │К1 │1 │- │- │Ф1 │50 │- │110,7│110,7│32,0│- │32,0 │2,0 │2,0 │144,7
ТС120.35-3 │КП81 │1 │КП108│1 │К1 │1 │- │- │Ф1 │50 │- │173,5│173,5│32,0│- │32,0 │2,0 │2,0 │207,5
ТС120.50-1 │КП85 │1 │КП109│1 │К1 │1 │- │- │Ф1 │60 │85,7 │8,8 │94,5 │44,6│- │44,6 │2,4 │2,4 │141,5
ТС120.50-2 │КП86 │1 │КП110│1 │К1 │1 │- │- │Ф1 │60 │- │149,8│149,8│44,6│- │44,6 │2,4 │2,4 │196,8
ТС120.50-3 │КП87 │1 │КП111│1 │К1 │1 │- │- │Ф1 │60 │- │239,1│239,1│44,6│- │44,6 │2,4 │2,4 │286,1
ТС140.35-1 │КП88 │1 │КП112│1 │К2 │1 │- │- │Ф1 │60 │100,3│10,0 │110,3│38,8│- │38,8 │2,4 │2,4 │151,5
ТС140.35-2 │КП89 │1 │КП113│1 │К2 │1 │- │- │Ф1 │60 │- │169,7│169,7│38,8│- │38,8 │2,4 │2,4 │210,9
ТС140.35-3 │КП90 │1 │КП114│1 │К2 │1 │- │- │Ф1 │60 │- │245,3│245,3│38,8│- │38,8 │2,4 │2,4 │286,5
ТС140.50-1 │КП94 │1 │КП115│1 │К2 │1 │- │- │Ф1 │72 │140,8│10,0 │150,8│54,1│- │54,1 │2,9 │2,9 │207,8
ТС140.50-2 │КП95 │1 │КП116│1 │К2 │1 │- │- │Ф1 │72 │- │232,4│232,4│54,1│- │54,1 │2,9 │2,9 │289,4
ТС140.50-3 │КП96 │1 │КП117│1 │К2 │1 │- │- │Ф1 │72 │- │339,5│339,5│54,1│- │54,1 │2,9 │2,9 │396,5
ТС160.35-1 │КП97 │1 │КП118│1 │К3 │1 │- │- │Ф2 │65 │139,1│11,4 │150,5│42,3│- │42,3 │2,6 │2,6 │195,4
ТС160.35-2 │КП98 │1 │КП119│1 │К3 │1 │- │- │Ф2 │65 │- │214,4│214,4│42,3│- │42,3 │2,6 │2,6 │259,3
ТС160.35-3 │КП99 │1 │КП120│1 │К3 │1 │- │- │Ф2 │65 │- │330,6│330,6│42,3│- │42,3 │2,6 │2,6 │375,5
ТС160.50-1 │КП103│1 │КП121│1 │К3 │1 │- │- │Ф2 │78 │196,1│11,4 │207,5│58,9│- │58,9 │3,1 │3,1 │269,5
ТС160.50-2 │КП104│1 │КП122│1 │К3 │1 │- │- │Ф2 │78 │- │294,8│294,8│58,9│- │58,9 │3,1 │3,1 │356,8
ТС160.50-3 │КП105│1 │КП123│1 │К3 │1 │- │- │Ф2 │78 │- │459,2│459,2│58,9│- │58,9 │3,1 │3,1 │521,2
ТП120.50-1 │КП11 │1 │КП127│1 │- │- │- │- │Ф1 │60 │87,0 │- │87,0 │42,9│- │42,9 │2,4 │2,4 │132,3
ТП120.50-2 │КП12 │1 │КП128│1 │- │- │- │- │Ф1 │60 │- │144,1│144,1│42,9│- │42,9 │2,4 │2,4 │189,4
ТП120.50-3 │КП13 │1 │КП129│1 │- │- │- │- │Ф1 │60 │- │228,4│228,4│42,9│- │42,9 │2,4 │2,4 │273,4
ТП140.50-1 │КП14 │1 │КП133│1 │- │- │- │- │Ф1 │72 │139,5│- │139,5│51,9│- │51,9 │2,9 │2,9 │194,3
ТП140.50-2 │КП15 │1 │КП134│1 │- │- │- │- │Ф1 │72 │- │223,4│223,4│51,9│- │51,9 │2,9 │2,9 │278,2
ТП140.50-3 │КП16 │1 │КП135│1 │- │- │- │- │Ф1 │72 │- │324,5│324,5│51,9│- │51,9 │2,9 │2,9 │379,3
ТП160.50-1 │КП17 │1 │КП139│1 │- │- │- │- │Ф2 │78 │192,1│- │192,1│56,4│- │56,4 │3,1 │3,1 │251,6
ТП160.50-2 │КП18 │1 │КП140│1 │- │- │- │- │Ф2 │78 │- │282,7│282,7│56,4│- │56,4 │3,1 │3,1 │342,2
ТП160.50-3 │КП19 │1 │КП141│1 │- │- │- │- │Ф2 │78 │- │437,8│437,8│56,4│- │56,4 │3,1 │3,1 │497,3
ТП200.45-1 │КП20 │1 │КП142│1 │- │- │К4 │40 │Ф2 │96 │- │336,3│336,3│72,8│38,0│110,8│3,8 │3,8 │450,9
ТП200.45-2 │КП21 │1 │КП143│1 │- │- │К4 │40 │Ф2 │96 │- │447,9│447,9│72,8│38,0│110,8│3,8 │3,8 │562,5
ТП240.30-1 │КП22 │1 │КП144│1 │- │- │К5 │28 │Ф3 │76 │- │363,3│363,3│57,7│31,6│89,3 │3,8 │3,8 │456,4
ТП240.30-2 │КП23 │1 │КП145│1 │- │- │К5 │28 │Ф3 │76 │- │453,9│453,9│57,7│31,6│89,3 │3,8 │3,8 │547,0
ТБП120.50-1│КП26 │1 │КП127│1 │- │- │- │- │Ф1 │60 │88,0 │- │88,0 │43,1│- │43,1 │2,4 │2,4 │133,5
ТБП120.50-2│КП27 │1 │КП128│1 │- │- │- │- │Ф1 │60 │- │145,8│145,8│43,1│- │43,1 │2,4 │2,4 │191,3
ТБП120.50-3│КП28 │1 │КП129│1 │- │- │- │- │Ф1 │60 │- │230,7│230,7│43,1│- │43,1 │2,4 │2,4 │276,2
ТБП140.50-1│КП29 │1 │КП133│1 │- │- │- │- │Ф1 │72 │141,0│- │141,0│52,2│- │52,2 │2,9 │2,9 │196,1
ТБП140.50-2│КП30 │1 │КП134│1 │- │- │- │- │Ф1 │72 │- │224,8│224,8│52,2│- │52,2 │2,9 │2,9 │279,9
ТБП140.50-3│КП31 │1 │КП135│1 │- │- │- │- │Ф1 │72 │- │326,7│326,7│52,2│- │52,2 │2,9 │2,9 │381,8
ТБП160.50-1│КП32 │1 │КП139│1 │- │- │- │- │Ф2 │78 │193,7│- │193,7│56,8│- │56,8 │3,1 │3,1 │253,6
ТБП160.50-2│КП33 │1 │КП140│1 │- │- │- │- │Ф2 │78 │- │284,9│284,9│56,8│- │56,8 │3,1 │3,1 │344,8
ТБП160.50-3│КП34 │1 │КП141│1 │- │- │- │- │Ф2 │78 │- │441,5│441,5│56,8│- │56,8 │3,1 │3,1 │501,4
ТСП120.35-1│КП39 │1 │КП124│1 │К1 │1 │- │- │Ф1 │50 │63,4 │8,8 │72,2 │31,4│- │31,4 │2,0 │2,0 │105,6
ТСП120.35-2│КП40 │1 │КП125│1 │К1 │1 │- │- │Ф1 │50 │- │114,1│114,1│31,4│- │31,4 │2,0 │2,0 │147,5
ТСП120.35-3│КП41 │1 │КП126│1 │К1 │1 │- │- │Ф1 │50 │- │171,9│171,9│31,4│- │31,4 │2,0 │2,0 │205,3
ТСП120.50-1│КП42 │1 │КП127│1 │К1 │1 │- │- │Ф1 │60 │87,2 │8,8 │96,0 │44,1│- │44,1 │2,4 │2,4 │142,5
ТСП120.50-2│КП43 │1 │КП128│1 │К1 │1 │- │- │Ф1 │60 │- │153,3│153,3│44,1│- │44,1 │2,4 │2,4 │199,8
ТСП120.50-3│КП44 │1 │КП129│1 │К1 │1 │- │- │Ф1 │60 │- │237,4│237,4│44,1│- │44,1 │2,4 │2,4 │283,9
ТСП140.35-1│КП45 │1 │КП130│1 │К2 │1 │- │- │Ф1 │60 │99,6 │10,0 │109,6│38,0│- │38,0 │2,4 │2,4 │150,0
ТСП140.35-2│КП46 │1 │КП131│1 │К2 │1 │- │- │Ф1 │60 │- │170,0│170,0│38,0│- │38,0 │2,4 │2,4 │210,4
ТСП140.35-3│КП47 │1 │КП132│1 │К2 │1 │- │- │Ф1 │60 │- │239,6│239,6│38,0│- │38,0 │2,4 │2,4 │280,0
ТСП140.50-1│КП48 │1 │КП133│1 │К2 │1 │- │- │Ф1 │72 │139,2│10,0 │149,2│53,3│- │53,3 │2,9 │2,9 │205,4
ТСП140.50-2│КП49 │1 │КП134│1 │К2 │1 │- │- │Ф1 │72 │- │232,9│232,9│53,3│- │53,3 │2,9 │2,9 │289,1
ТСП140.50-3│КП50 │1 │КП135│1 │К2 │1 │- │- │Ф1 │72 │- │333,8│333,8│53,3│- │53,3 │2,9 │2,9 │390,0
ТСП160.35-1│КП51 │1 │КП136│1 │К3 │1 │- │- │Ф2 │65 │136,3│11,4 │147,7│41,4│- │41,4 │2,6 │2,6 │191,7
ТСП160.35-2│КП52 │1 │КП137│1 │К3 │1 │- │- │Ф2 │65 │- │213,1│213,1│41,4│- │41,4 │2,6 │2,6 │257,1
ТСП160.35-3│КП53 │1 │КП138│1 │К3 │1 │- │- │Ф2 │65 │- │319,9│319,9│41,4│- │41,4 │2,6 │2,6 │363,9
ТСП160.50-1│КП54 │1 │КП139│1 │К3 │1 │- │- │Ф2 │78 │191,8│11,4 │203,2│58,0│- │58,0 │3,1 │3,1 │264,3
ТСП160.50-2│КП55 │1 │КП140│1 │К3 │1 │- │- │Ф2 │78 │- │293,6│293,6│58,0│- │58,0 │3,1 │3,1 │354,7
ТСП160.50-3│КП56 │1 │КП141│1 │К3 │1 │- │- │Ф2 │78 │- │448,5│448,5│58,0│- │58,0 │3,1 │3,1 │509,6
ТФП120.50-1│КП148│1 │КП161│1 │- │- │- │- │Ф1 │60 │82,4 │- │82,4 │42,1│- │42,1 │2,4 │2,4 │126,9
ТФП120.50-2│КП149│1 │КП162│1 │- │- │- │- │Ф1 │60 │- │135,6│135,6│42,1│- │42,1 │2,4 │2,4 │180,1
ТФП120.50-3│КП150│1 │КП163│1 │- │- │- │- │Ф1 │60 │- │221,5│221,5│42,1│- │42,1 │2,4 │2,4 │266,0
ТФП140.50-1│КП151│1 │КП164│1 │- │- │- │- │Ф1 │72 │134,6│- │134,6│51,1│- │51,1 │2,9 │2,9 │188,6
ТФП140.50-2│КП152│1 │КП165│1 │- │- │- │- │Ф1 │72 │- │214,0│214,0│51,1│- │51,1 │2,9 │2,9 │268,0
ТФП140.50-3│КП153│1 │КП166│1 │- │- │- │- │Ф1 │72 │- │317,1│317,1│51,1│- │51,1 │2,9 │2,9 │371,1
ТФП160.50-1│КП154│1 │КП167│1 │- │- │- │- │Ф2 │78 │187,4│- │187,4│55,5│- │55,5 │3,1 │3,1 │246,0
ТФП160.50-2│КП155│1 │КП168│1 │- │- │- │- │Ф2 │78 │- │272,9│272,9│55,5│- │55,5 │3,1 │3,1 │331,5
ТФП160.50-3│КП156│1 │КП169│1 │- │- │- │- │Ф2 │78 │- │431,4│431,4│55,5│- │55,5 │3,1 │3,1 │490,0
ТФП200.45-1│КП157│1 │КП170│1 │- │- │К4 │40 │Ф2 │96 │- │324,8│324,8│71,5│38,0│109,5│3,8 │3,8 │438,1
ТФП200.45-2│КП158│1 │КП171│1 │- │- │К4 │40 │Ф2 │96 │- │439,1│439,1│71,5│38,0│109,5│3,8 │3,8 │552,4
ТФП240.30-1│КП159│1 │КП172│1 │- │- │К5 │28 │Ф3 │76 │- │351,5│351,5│55,9│31,6│87,5 │3,8 │3,8 │442,8
ТФП240.30-2│КП160│1 │КП173│1 │- │- │К5 │28 │Ф3 │76 │- │446,2│446,2│55,9│31,6│87,5 │3,8 │3,8 │537,5
3. Форма и размеры арматурных каркасов приведены на черт. 29 -
37 и в
табл. 16,
17.
Каркасы КП1 - КП23
Черт. 29.
Каркасы КП24 - КП56
Черт. 30.
Каркасы КП57 - КП78
Черт. 31.
Каркасы КП79 - КП105
Черт. 32.
Каркасы 106 - КП123
Черт. 33.
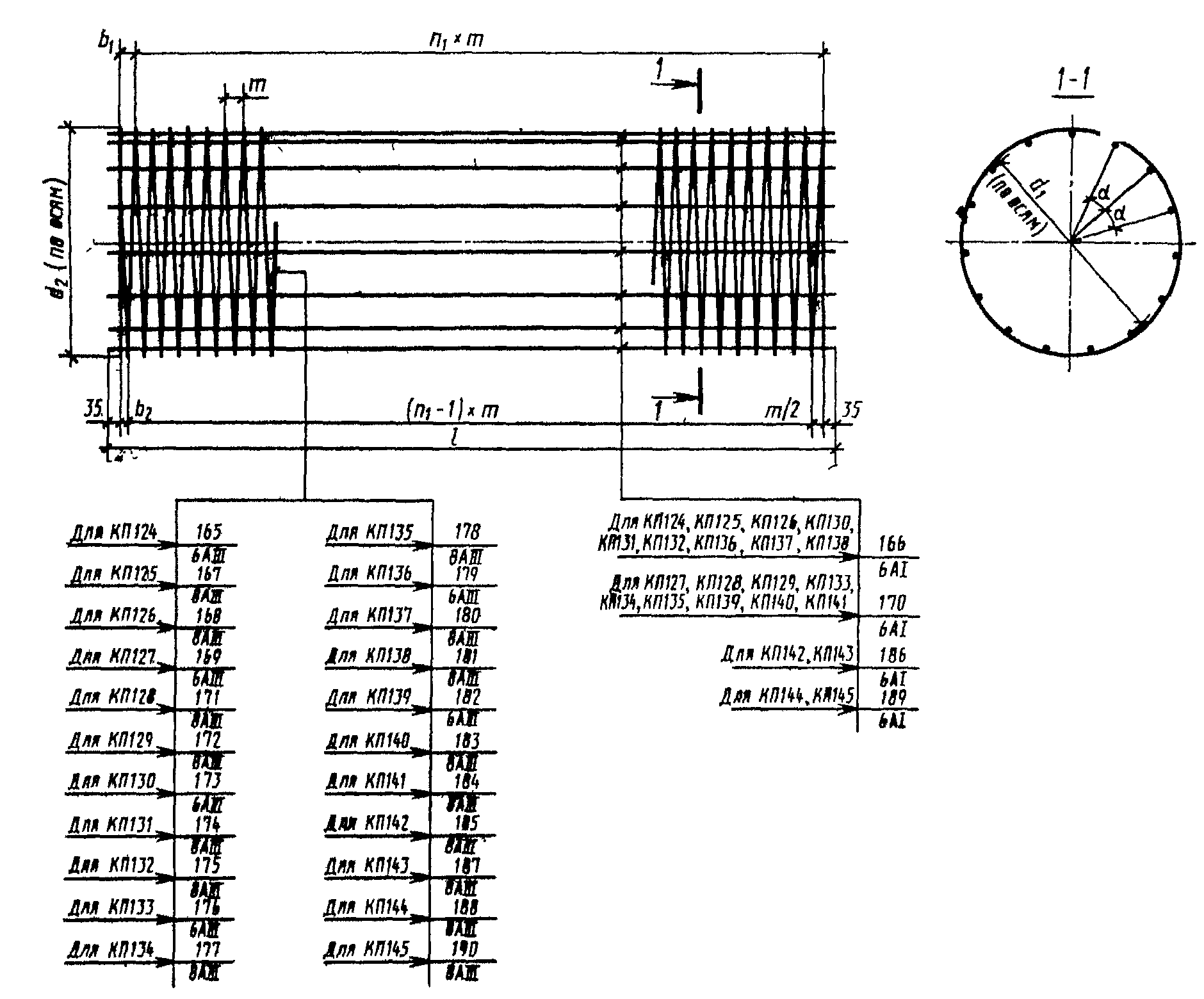
Каркасы КП124 - КП145
Черт. 34.
Каркасы КП146 - КП173
Черт. 35.
Каркасы К1 - К3
Черт. 36.
Каркасы К4, К5
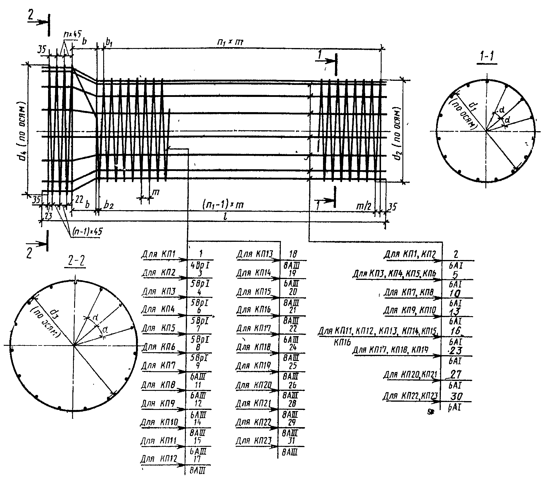
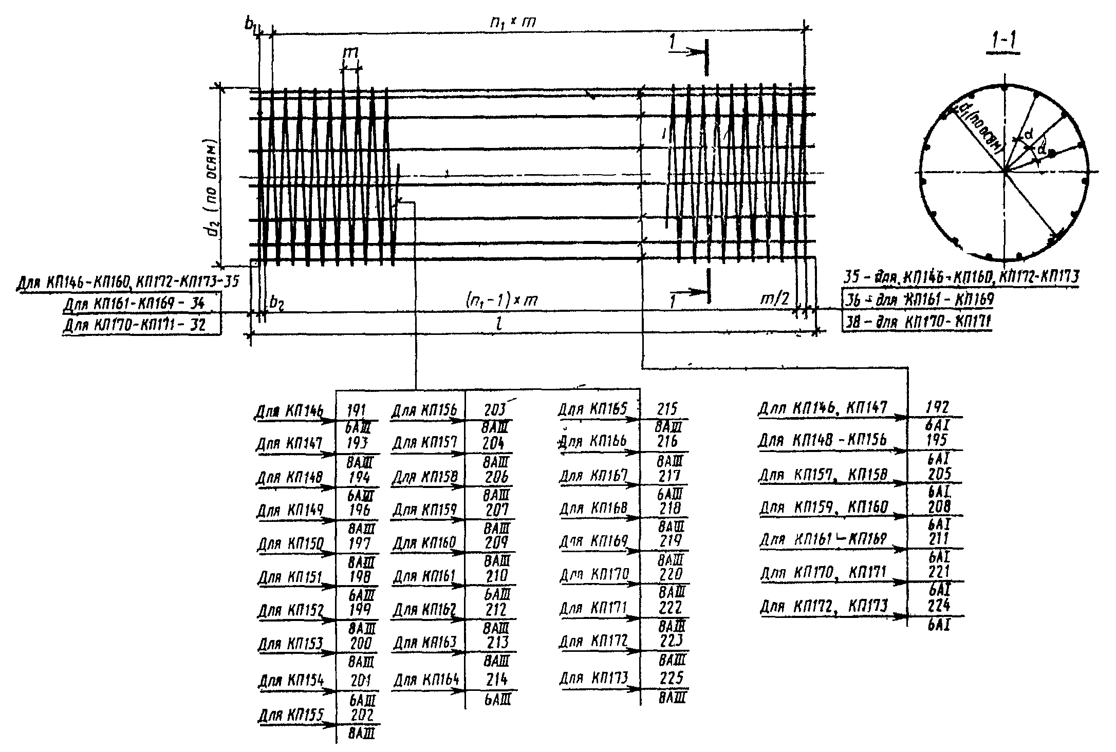
Размеры арматурных каркасов КП1 - КП173
Размеры, мм
──────┬────┬────┬────┬────┬───┬───┬───┬───┬────┬───────────┬──────
Марка │ d │ d │ d │ d │ m │ b │b │b │ l │Число шагов│альфа
карка-│ 1 │ 2 │ 3 │ 4 │ │ │ 1 │ 2 │ │спиральной │
са │ │ │ │ │ │ │ │ │ │ арматуры │
│ │ │ │ │ │ │ │ │ ├─────┬─────┤
│ │ │ │ │ │ │ │ │ │ n │ n │
│ │ │ │ │ │ │ │ │ │ │ 1 │
──────┼────┼────┼────┼────┼───┼───┼───┼───┼────┼─────┼─────┼──────
КП1 │430 │440 │580 │590 │70 │90 │15 │50 │5095│2 │69 │40°
──────┤ ├────┤ ├────┤ │ │ │ │ │ │ │
КП2 │ │441 │ │591 │ │ │ │ │ │ │ │
──────┼────┼────┼────┼────┼───┼───┼───┼───┤ │ ├─────┤
КП3 │540 │551 │710 │721 │80 │100│35 │75 │ │ │60 │
──────┤ │ │ │ ├───┤ │ ├───┤ │ ├─────┤
КП4 │ │ │ │ │60 │ │ │65 │ │ │80 │
──────┼────┼────┼────┼────┼───┼───┼───┼───┤ │ ├─────┼──────
КП5 │640 │651 │810 │821 │65 │95 │30 │63 │ │ │74 │32°44'
──────┤ │ │ │ ├───┤ ├───┼───┤ │ ├─────┤
КП6 │ │ │ │ │50 │ │40 │65 │ │ │96 │
──────┼────┼────┼────┼────┼───┼───┼───┼───┼────┼─────┼─────┼──────
КП7 │858 │870 │1068│1080│60 │120│40 │70 │5105│3 │79 │27°42'
──────┤ │ │ │ ├───┤ ├───┼───┤ │ ├─────┤
КП8 │ │ │ │ │45 │ │10 │33 │ │ │106 │
──────┼────┼────┼────┼────┼───┼───┼───┼───┤ │ ├─────┼──────
КП9 │1068│1080│1318│1330│60 │135│25 │55 │ │ │79 │24°
──────┤ ├────┤ ├────┼───┤ ├───┼───┤ │ ├─────┤
КП10 │ │1082│ │1332│70 │ │75 │110│ │ │67 │
──────┼────┼────┼────┼────┼───┼───┼───┼───┤ │ ├─────┼──────
КП11 │1358│1370│1628│1640│115│155│30 │88 │ │ │41 │18°57'
──────┤ ├────┤ ├────┼───┤ ├───┼───┤ │ ├─────┤
КП12 │ │1372│ │1642│125│ │120│183│ │ │37 │
──────┤ │ │ │ ├───┤ ├───┼───┤ │ ├─────┤
КП13 │ │ │ │ │75 │ │20 │57 │ │ │63 │
──────┼────┼────┼────┼────┼───┼───┼───┼───┤ │ ├─────┼──────
КП14 │1558│1570│1828│1840│80 │155│25 │65 │5105│3 │59 │15°39'
──────┤ ├────┤ ├────┼───┤ ├───┼───┤ │ ├─────┤
КП15 │ │1572│ │1842│90 │ │65 │110│ │ │52 │
──────┤ │ │ │ ├───┤ │ ├───┤ │ ├─────┤
КП16 │ │ │ │ │60 │ │ │95 │ │ │78 │
──────┼────┼────┼────┼────┼───┼───┼───┼───┤ │ ├─────┼──────
КП17 │1778│1790│2068│2080│65 │165│55 │88 │ │ │72 │14°24'
──────┤ ├────┤ ├────┼───┤ ├───┼───┤ │ ├─────┤
КП18 │ │1792│ │2082│80 │ │15 │55 │ │ │59 │
──────┤ │ │ │ ├───┤ ├───┼───┤ │ ├─────┤
КП19 │ │ │ │ │50 │ │35 │60 │ │ │94 │
──────┼────┼────┼────┼────┼───┼───┼───┼───┼────┤ ├─────┼──────
КП20 │2194│2208│2514│2528│75 │185│35 │73 │4625│ │56 │11°37'
──────┤ │ │ │ ├───┤ ├───┼───┤ │ ├─────┤
КП21 │ │ │ │ │55 │ │- │28 │ │ │77 │
──────┼────┼────┼────┼────┼───┼───┼───┼───┼────┼─────┼─────┼──────
КД22 │2634│2648│2994│3008│55 │190│- │28 │3135│4 │49 │9°44'
──────┤ │ │ │ ├───┤ ├───┼───┤ │ ├─────┤
КП23 │ │ │ │ │43 │ │29 │51 │ │ │62 │
──────┼────┼────┼────┼────┼───┼───┼───┼───┼────┼─────┼─────┼──────
КП24 │1068│1080│1298│1310│60 │135│15 │45 │5155│3 │80 │24°
──────┤ ├────┤ ├────┼───┤ ├───┼───┤ │ ├─────┤
КП25 │ │1082│ │1312│70 │ │55 │90 │ │ │68 │
──────┼────┼────┼────┼────┼───┼───┼───┼───┼────┤ ├─────┼──────
КП26 │1358│1370│1608│1620│115│145│100│158│5165│ │41 │18°57'
──────┤ ├────┤ ├────┼───┤ ├───┼───┤ │ ├─────┤
КП27 │ │1372│ │1622│125│ │65 │128│ │ │38 │
──────┤ │ │ │ ├───┤ ├───┼───┤ │ ├─────┤
КП28 │ │ │ │ │75 │ │15 │53 │ │ │64 │
──────┼────┼────┼────┼────┼───┼───┼───┼───┼────┤ ├─────┼──────
КП29 │1558│1570│1814│1826│80 │150│15 │55 │5170│ │60 │15°39'
──────┤ ├────┤ ├────┼───┤ ├───┼───┤ │ ├─────┤
КП30 │ │1572│ │1828│90 │ │45 │90 │ │ │53 │
──────┤ │ │ │ ├───┤ ├───┼───┤ │ ├─────┤
КП31 │ │ │ │ │60 │ │15 │45 │ │ │80 │
──────┼────┼────┼────┼────┼───┼───┼───┼───┼────┤ ├─────┼──────
КП32 │1778│1790│2054│2066│65 │155│10 │43 │5180│ │74 │14°24'
──────┤ ├────┤ ├────┼───┤ ├───┼───┤ │ ├─────┤
КП33 │ │1792│ │2068│80 │ │20 │60 │ │ │60 │
──────┤ │ │ │ ├───┤ │ ├───┤ │ ├─────┤
КП34 │ │ │ │ │50 │ │ │45 │ │ │96 │
──────┼────┼────┼────┼────┼───┼───┼───┼───┼────┤ ├─────┼──────
КП35 │1068│1080│1298│1310│60 │135│25 │55 │3665│ │55 │24°
──────┤ ├────┤ ├────┼───┤ ├───┼───┤ │ ├─────┤
КП36 │ │1082│ │1312│70 │ │35 │70 │ │ │47 │
──────┤ ├────┤ ├────┼───┤ ├───┼───┼────┤ ├─────┤
КП37 │ │1080│ │1310│60 │ │25 │55 │5165│ │80 │
──────┤ ├────┤ ├────┼───┤ ├───┼───┤ │ ├─────┤
КП38 │ │1082│ │1312│70 │ │65 │100│ │ │68 │
──────┼────┼────┼────┼────┼───┼───┼───┼───┼────┤ ├─────┼──────
КП39 │1358│1370│1608│1620│115│145│- │58 │3570│ │28 │18°57'
──────┤ ├────┤ ├────┼───┤ ├───┼───┤ │ ├─────┤
КП40 │ │1372│ │1622│125│ │95 │158│ │ │25 │
──────┤ │ │ │ ├───┤ ├───┼───┤ │ ├─────┤
КП41 │ │ │ │ │75 │ │70 │108│ │ │42 │
──────┤ ├────┤ ├────┼───┤ ├───┼───┼────┤ ├─────┤
КП42 │ │1370│ │1620│115│ │120│178│5070│ │40 │
──────┤ ├────┤ ├────┼───┤ ├───┼───┤ │ ├─────┤
КП43 │ │1372│ │1622│125│ │95 │158│ │ │37 │
──────┤ │ │ │ ├───┤ ├───┼───┤ │ ├─────┤
КП44 │ │ │ │ │75 │ │70 │108│ │ │62 │
──────┼────┼────┼────┼────┼───┼───┼───┼───┼────┤ ├─────┼──────
КП45 │1558│1570│1814│1826│80 │150│25 │65 │3580│ │40 │15°39'
──────┤ ├────┤ ├────┼───┤ ├───┼───┤ │ ├─────┤
КП46 │ │1572│ │1828│90 │ │75 │120│ │ │35 │
──────┤ │ │ │ ├───┤ ├───┼───┤ │ ├─────┤
КП47 │ │ │ │ │60 │ │45 │75 │ │ │53 │
──────┤ ├────┤ ├────┼───┤ ├───┼───┼────┤ ├─────┤
КП48 │ │1570│ │1826│80 │ │85 │125│5080│ │58 │
──────┤ ├────┤ ├────┼───┤ ├───┼───┤ │ ├─────┤
КП49 │ │1572│ │1828│90 │ │45 │90 │ │ │52 │
──────┤ │ │ │ ├───┤ │ ├───┤ │ ├─────┤
КП50 │ │ │ │ │60 │ │ │75 │ │ │78 │
──────┼────┼────┼────┼────┼───┼───┼───┼───┼────┤ ├─────┼──────
КП51 │1778│1790│2054│2066│65 │155│35 │88 │3580│ │49 │14°24'
──────┤ ├────┤ ├────┼───┤ ├───┼───┤ │ ├─────┤
КП52 │ │1792│ │2068│80 │ │20 │60 │ │ │40 │
──────┤ │ │ │ ├───┤ │ ├───┤ │ ├─────┤
КП53 │ │ │ │ │50 │ │ │45 │ │ │64 │
──────┤ ├────┤ ├────┼───┤ ├───┼───┼────┤ ├─────┤
КП54 │ │1790│ │2066│65 │ │40 │73 │5080│ │72 │
──────┼────┼────┼────┼────┼───┤ ├───┼───┤ │ ├─────┤
КП55 │430 │1792│622 │2068│80 │ │- │40 │ │ │59 │
──────┤ │ │ │ ├───┤ ├───┼───┤ │ ├─────┤
КП56 │ │ │ │ │50 │ │20 │45 │ │ │94 │
──────┤ ├────┤ ├────┼───┼───┼───┼───┼────┼─────┼─────┼──────
КП57 │ │440 │ │614 │70 │- │47 │85 │2637│- │36 │40°
──────┤ ├────┤ ├────┤ │ │ │ │ │ │ │
КП58 │ │441 │ │615 │ │ │ │ │ │ │ │
──────┤ ├────┤ ├────┤ │ ├───┼───┼────┤ ├─────┤
КП59 │ │440 │ │614 │ │ │25 │60 │5135│ │72 │
──────┤ ├────┤ ├────┤ │ │ │ │ │ │ │
КП60 │ │441 │ │615 │ │ │ │ │ │ │ │
──────┼────┼────┼────┼────┼───┤ ├───┤ ├────┤ ├─────┤
КП61 │540 │551 │762 │755 │80 │ │20 │ │2650│ │32 │
──────┤ │ │ │ ├───┤ ├───┼───┤ │ ├─────┤
КП62 │ │ │ │ │60 │ │- │30 │ │ │43 │
──────┤ │ │ │ ├───┤ ├───┼───┼────┤ ├─────┤
КП63 │ │ │ │ │80 │ │40 │80 │5150│ │63 │
──────┤ │ │ │ ├───┤ │ ├───┤ │ ├─────┤
КП64 │ │ │ │ │60 │ │ │70 │ │ │84 │
──────┼────┼────┼────┼────┼───┤ ├───┼───┼────┤ ├─────┼──────
КП65 │640 │651 │862 │855 │65 │ │45 │78 │2650│ │39 │32°44'
──────┤ │ │ │ ├───┤ ├───┼───┤ │ ├─────┤
КП66 │ │ │ │ │50 │ │30 │55 │ │ │51 │
──────┤ │ │ │ ├───┤ ├───┼───┼────┤ ├─────┤
КП67 │ │ │ │ │65 │ │10 │43 │5150│ │78 │
──────┤ │ │ │ ├───┤ ├───┼───┤ │ ├─────┤
КП68 │ │ │ │ │50 │ │30 │55 │ │ │101 │
──────┼────┼────┼────┼────┼───┤ ├───┼───┼────┤ ├─────┼──────
КП69 │858 │870 │1108│1102│60 │ │40 │70 │3650│ │59 │27°42'
──────┤ │ │ │ ├───┤ ├───┼───┤ │ ├─────┤
КП70 │ │ │ │ │45 │ │25 │48 │ │ │79 │
──────┤ │ │ │ ├───┤ ├───┼───┼────┤ ├─────┤
КП71 │ │ │ │ │60 │ │40 │70 │5150│ │84 │
──────┤ │ │ │ ├───┤ │ ├───┤ │ ├─────┤
КП72 │ │ │ │ │45 │ │ │63 │ │ │112 │
──────┼────┼────┼────┼────┼───┤ ├───┼───┼────┤ ├─────┼──────
КП73 │1068│1080│1374│1366│60 │ │50 │80 │3660│ │59 │24°
──────┤ ├────┤ ├────┼───┤ ├───┼───┤ │ ├─────┤
КП74 │ │1082│ │1368│70 │ │20 │55 │ │ │51 │
──────┤ ├────┤ ├────┼───┤ ├───┼───┼────┤ ├─────┤
КП75 │ │1080│ │1366│60 │ │40 │70 │5150│ │84 │
──────┤ ├────┤ ├────┼───┤ ├───┼───┤ │ ├─────┤
КП76 │ │1082│ │1368│70 │ │40 │75 │ │ │72 │
──────┤ ├────┤ ├────┼───┤ ├───┼───┼────┤ ├─────┤
КП77 │ │1080│ │1366│60 │ │50 │58 │5160│ │84 │
──────┤ ├────┤ ├────┼───┤ │ ├───┤ │ ├─────┤
КП78 │ │1082│ │1368│70 │ │ │85 │ │ │72 │
──────┼────┼────┼────┼────┼───┤ ├───┼───┼────┤ ├─────┼──────
КП79 │1358│1370│1686│1680│115│ │42 │100│3562│ │30 │18°57'
──────┤ ├────┤ ├────┼───┤ ├───┼───┤ │ ├─────┤
КП80 │ │1372│ │1682│125│ │117│180│ │ │27 │
──────┤ │ │ │ ├───┤ ├───┼───┤ │ ├─────┤
КП81 │ │ │ │ │75 │ │42 │80 │ │ │46 │
──────┤ ├────┤ ├────┼───┤ ├───┼───┼────┤ ├─────┤
КП82 │ │1370│ │1680│115│ │30 │88 │5160│ │44 │
──────┤ ├────┤ ├────┼───┤ ├───┼───┤ │ ├─────┤
КП83 │ │1372│ │1682│125│ │90 │153│ │ │40 │
──────┤ │ │ │ ├───┤ ├───┼───┤ │ ├─────┤
КП84 │ │ │ │ │75 │ │65 │103│ │ │67 │
──────┤ ├────┤ ├────┼───┤ ├───┼───┼────┤ ├─────┤
КП85 │ │1370│ │1680│115│ │47 │105│5062│ │43 │
──────┤ ├────┤ ├────┼───┤ ├───┼───┤ │ ├─────┤
КП86 │ │1372│ │1682│125│ │117│180│ │ │39 │
──────┤ │ │ │ ├───┤ ├───┼───┤ │ ├─────┤
КП87 │ │ │ │ │75 │ │42 │80 │ │ │66 │
──────┼────┼────┼────┼────┼───┤ ├───┼───┼────┤ ├─────┼──────
КП88 │1558│1570│1886│1880│80 │ │62 │102│3567│ │43 │15°39'
──────┤ ├────┤ ├────┼───┤ ├───┼───┤ │ ├─────┤
КП89 │ │1572│ │1882│90 │ │82 │127│ │ │38 │
──────┤ │ │ │ ├───┤ ├───┼───┤ │ ├─────┤
КП90 │ │ │ │ │60 │ │22 │52 │ │ │58 │
──────┤ ├────┤ ├────┼───┤ ├───┼───┼────┤ ├─────┤
КП91 │ │1570│ │1880│80 │ │65 │105│5165│ │63 │
──────┤ ├────┤ ├────┼───┤ │ ├───┤ │ ├─────┤
КП92 │ │1572│ │1882│90 │ │ │110│ │ │56 │
──────┤ │ │ │ ├───┤ │ ├───┤ │ ├─────┤
КП93 │ │ │ │ │60 │ │ │95 │ │ │84 │
──────┼────┼────┼────┼────┼───┤ ├───┼───┼────┤ ├─────┼──────
КП94 │1558│1570│2116│1880│80 │ │42 │82 │5067│ │62 │15°39'
──────┤ ├────┤ ├────┼───┤ ├───┼───┤ │ ├─────┤
КП95 │ │1572│ │1882│90 │ │52 │97 │ │ │56 │
──────┤ │ │ │ ├───┤ ├───┼───┤ │ ├─────┤
КП96 │ │ │ │ │60 │ │22 │52 │ │ │83 │
──────┼────┼────┤ ├────┼───┤ ├───┼───┼────┤ ├─────┼──────
КП97 │1778│1790│ │2110│65 │ │57 │90 │3572│ │53 │14°24'
──────┤ ├────┤ ├────┼───┤ ├───┼───┤ │ ├─────┤
КП98 │ │1792│ │2112│80 │ │62 │102│ │ │43 │
──────┤ │ │ │ ├───┤ ├───┼───┤ │ ├─────┤
КП99 │ │ │ │ │50 │ │52 │77 │ │ │69 │
──────┤ ├────┤ ├────┼───┤ ├───┼───┼────┤ ├─────┤
КП100 │ │1790│ │2110│65 │ │35 │68 │5175│ │78 │
──────┤ ├────┤ ├────┼───┤ ├───┼───┤ │ ├─────┤
КП101 │ │1792│ │2112│80 │ │65 │105│ │ │63 │
──────┤ │ │ │ ├───┤ ├───┼───┤ │ ├─────┤
КП102 │ │ │ │ │50 │ │55 │80 │ │ │101 │
──────┤ ├────┤ ├────┼───┤ ├───┼───┼────┤ ├─────┤
КП103 │ │1790│ │2110│65 │ │35 │68 │5072│ │78 │
──────┤ ├────┤ ├────┼───┤ ├───┼───┤ │ ├─────┤
КП104 │ │1792│ │2112│80 │ │42 │82 │ │ │62 │
──────┤ │ │ │ ├───┤ ├───┼───┤ │ ├─────┤
КП105 │ │ │ │ │59 │ │52 │77 │ │ │99 │
──────┼────┼────┼────┼────┼───┤ ├───┼───┼────┤ ├─────┼──────
КП106 │1250│1262│1578│1572│115│ │27 │85 │3662│ │31 │18°57'
──────┤ ├────┤ ├────┼───┤ ├───┼───┤ │ ├─────┤
КП107 │ │1264│ │1574│125│ │92 │155│ │ │28 │
──────┤ │ │ │ ├───┤ ├───┼───┤ │ ├─────┤
КП108 │ │ │ │ │75 │ │67 │105│ │ │47 │
──────┤ ├────┤ ├────┼───┤ ├───┼───┼────┤ ├─────┤
КП109 │ │1262│ │1572│115│ │30 │88 │5160│ │44 │
──────┤ ├────┤ ├────┼───┤ ├───┼───┤ │ ├─────┤
КП110 │ │1264│ │1574│125│ │90 │153│ │ │40 │
──────┤ │ │ │ ├───┤ ├───┼───┤ │ ├─────┤
КП111 │ │ │ │ │75 │ │65 │103│ │ │67 │
──────┼────┼────┼────┼────┼───┤ ├───┼───┼────┤ ├─────┼──────
КП112 │1450│1462│1778│1772│80 │ │87 │127│3672│ │44 │15°39'
──────┤ ├────┤ ├────┼───┤ ├───┼───┤ │ ├─────┤
КП113 │ │1464│ │1774│90 │ │97 │142│ │ │39 │
──────┤ │ │ │ ├───┤ ├───┼───┤ │ ├─────┤
КП114 │ │ │ │ │60 │ │67 │97 │ │ │59 │
──────┤ ├────┤ ├────┼───┤ ├───┼───┼────┤ ├─────┤
КП115 │ │1462│ │1772│80 │ │65 │105│5165│ │63 │
──────┤ ├────┤ ├────┼───┤ │ ├───┤ │ ├─────┤
КП116 │ │1464│ │1774│90 │ │ │110│ │ │56 │
──────┤ │ │ │ ├───┤ │ ├───┤ │ ├─────┤
КП117 │ │ │ │ │60 │ │ │95 │ │ │84 │
──────┼────┼────┼────┼────┼───┤ ├───┼───┼────┤ ├─────┼──────
КП118 │1650│1662│1988│1982│65 │ │32 │65 │3677│ │55 │14°24'
──────┤ ├────┤ ├────┼───┤ ├───┼───┤ │ ├─────┤
КП119 │ │1664│ │1984│80 │ │87 │127│ │ │44 │
──────┤ │ │ │ ├───┤ ├───┼───┤ │ ├─────┤
КП120 │ │ │ │ │50 │ │57 │82 │ │ │71 │
──────┤ ├────┤ ├────┼───┤ ├───┼───┼────┤ ├─────┤
КП121 │ │1662│ │1982│65 │ │35 │68 │5175│ │78 │
──────┤ ├────┤ ├────┼───┤ ├───┼───┤ │ ├─────┤
КП122 │ │1664│ │1984│80 │ │65 │105│ │ │68 │
──────┤ │ │ │ ├───┤ ├───┼───┤ │ ├─────┤
КП123 │ │ │ │ │50 │ │55 │80 │ │ │101 │
──────┼────┼────┼────┼────┼───┤ ├───┼───┼────┤ ├─────┼──────
КП124 │1250│1262│- │- │115│ │90 │148│3495│ │29 │18°57'
──────┤ ├────┤ │ ├───┤ ├───┼───┤ │ ├─────┤
КП125 │ │1264│ │ │125│ │50 │113│ │ │27 │
──────┤ │ │ │ ├───┤ │ ├───┤ │ ├─────┤
КП126 │ │ │ │ │75 │ │ │88 │ │ │45 │
──────┤ ├────┤ │ ├───┤ ├───┼───┼────┤ ├─────┤
КП127 │ │1262│ │ │115│ │95 │153│4995│ │42 │
──────┤ ├────┤ │ ├───┤ ├───┼───┤ │ ├─────┤
КП128 │ │1264│ │ │125│ │50 │113│ │ │39 │
──────┤ │ │ │ ├───┤ │ ├───┤ │ ├─────┤
КП129 │ │ │ │ │75 │ │ │88 │ │ │65 │
──────┼────┼────┤ │ ├───┤ ├───┼───┼────┤ ├─────┼──────
КП130 │1450│1462│ │ │80 │ │65 │105│3495│ │42 │15°39'
──────┤ ├────┤ │ ├───┤ ├───┼───┤ │ ├─────┤
КП131 │ │1464│ │ │90 │ │95 │140│ │ │37 │
──────┤ │ │ │ ├───┤ ├───┼───┤ │ ├─────┤
КП132 │ │ │ │ │60 │ │65 │95 │ │ │56 │
──────┤ ├────┤ │ ├───┤ ├───┼───┼────┤ ├─────┤
КП133 │ │1462│ │ │80 │ │45 │85 │4995│ │61 │
──────┼────┼────┤ │ ├───┤ ├───┼───┼────┤ ├─────┤
КП134 │1450│1464│ │ │90 │ │65 │110│4995│ │54 │
──────┤ │ │ │ ├───┤ │ ├───┤ │ ├─────┤
КП135 │ │ │ │ │60 │ │ │95 │ │ │81 │
──────┼────┼────┤ │ ├───┤ ├───┼───┼────┤ ├─────┼──────
КП136 │1650│1662│ │ │65 │ │45 │78 │3495│ │52 │14°24'
──────┤ ├────┤ │ ├───┤ │ ├───┤ │ ├─────┤
КП137 │ │1664│ │ │80 │ │ │105│ │ │42 │
──────┤ │ │ │ ├───┤ ├───┼───┤ │ ├─────┤
КП138 │ │ │ │ │50 │ │25 │50 │ │ │68 │
──────┤ ├────┤ │ ├───┤ ├───┼───┼────┤ ├─────┤
КП139 │ │1662│ │ │65 │ │50 │83 │4995│ │75 │
──────┤ ├────┤ │ ├───┤ ├───┼───┤ │ ├─────┤
КП140 │ │1664│ │ │80 │ │45 │85 │ │ │61 │
──────┤ │ │ │ ├───┤ ├───┼───┤ │ ├─────┤
КП141 │ │ │ │ │50 │ │25 │50 │ │ │98 │
──────┼────┼────┤ │ ├───┤ ├───┼───┼────┤ ├─────┼──────
КП142 │2066│2080│ │ │75 │ │- │38 │4495│ │59 │11°37'
──────┤ │ │ │ ├───┤ ├───┼───┤ │ ├─────┤
КП143 │ │ │ │ │55 │ │25 │53 │ │ │80 │
──────┼────┼────┤ │ │ │ ├───┼───┼────┤ ├─────┼──────
КП144 │2466│2480│ │ │ │ │65 │93 │2995│ │52 │9°44'
──────┤ │ │ │ ├───┤ ├───┼───┤ │ ├─────┤
КП145 │ │ │ │ │43 │ │- │22 │ │ │68 │
──────┼────┼────┤ │ ├───┤ ├───┼───┼────┤ ├─────┼──────
КП146 │1068│1080│ │ │60 │ │55 │85 │4985│ │81 │24°
──────┤ ├────┤ │ ├───┤ ├───┼───┤ │ ├─────┤
КП147 │ │1082│ │ │70 │ │15 │50 │ │ │70 │
──────┼────┼────┤ │ ├───┤ ├───┼───┼────┤ ├─────┼──────
КП148 │1358│1370│ │ │115│ │110│168│5010│ │42 │18°57'
──────┤ ├────┤ │ ├───┤ ├───┼───┤ │ ├─────┤
КП149 │ │1372│ │ │125│ │65 │190│ │ │39 │
──────┤ │ │ │ ├───┤ │ ├───┤ │ ├─────┤
КП150 │ │ │ │ │75 │ │ │103│ │ │65 │
──────┼────┼────┤ │ ├───┤ ├───┼───┤ │ ├─────┼──────
КП151 │1558│1570│ │ │80 │ │60 │100│ │ │61 │15°39'
──────┤ ├────┤ │ ├───┤ ├───┼───┤ │ ├─────┤
КП152 │ │1572│ │ │90 │ │80 │125│ │ │54 │
──────┤ │ │ │ ├───┤ ├───┼───┤ │ ├─────┤
КП153 │ │ │ │ │60 │ │20 │50 │ │ │82 │
──────┼────┼────┤ │ ├───┤ ├───┼───┤ │ ├─────┼──────
КП154 │1778│1790│ │ │65 │ │- │33 │ │ │76 │14°24'
──────┤ ├────┤ │ ├───┤ ├───┼───┤ │ ├─────┤
КП155 │ │1792│ │ │80 │ │60 │100│ │ │61 │
──────┤ │ │ │ ├───┤ ├───┼───┤ │ ├─────┤
КП156 │ │ │ │ │50 │ │40 │65 │ │ │98 │
──────┼────┼────┤ │ ├───┤ ├───┼───┼────┤ ├─────┼──────
КП157 │2194│2208│ │ │75 │ │15 │53 │4510│ │59 │11°37'
──────┤ │ │ │ ├───┤ ├───┼───┤ │ ├─────┤
КП158 │ │ │ │ │55 │ │40 │67 │ │ │80 │
──────┼────┼────┤ │ │ │ ├───┼───┼────┤ ├─────┼──────
КП159 │2634│2648│ │ │ │ │25 │53 │3010│ │53 │9°44'
──────┤ │ │ │ ├───┤ ├───┼───┤ │ ├─────┤
КП160 │ │ │ │ │43 │ │16 │37 │ │ │68 │
──────┼────┼────┤ │ ├───┤ ├───┼───┼────┤ ├─────┼──────
КП161 │1250│1262│ │ │115│ │90 │148│4990│ │42 │18°57'
──────┤ ├────┤ │ ├───┤ ├───┼───┤ │ ├─────┤
КП162 │ │1264│ │ │125│ │45 │107│ │ │39 │
──────┤ │ │ │ ├───┤ │ ├───┤ │ ├─────┤
КП163 │ │ │ │ │75 │ │ │82 │ │ │65 │
──────┼────┼────┤ │ ├───┤ ├───┼───┤ │ ├─────┼──────
КП164 │1450│1462│ │ │80 │ │40 │80 │ │ │61 │15°39'
──────┤ ├────┤ │ ├───┤ ├───┼───┤ │ ├─────┤
КП165 │ │1464│ │ │90 │ │60 │105│ │ │54 │
──────┤ │ │ │ ├───┤ ├───┼───┤ │ ├─────┤
КП166 │ │ │ │ │60 │ │- │30 │ │ │82 │
──────┼────┼────┤ │ ├───┤ ├───┼───┤ │ ├─────┼──────
КП167 │1650│1662│ │ │65 │ │45 │78 │ │ │75 │14°24'
──────┤ ├────┤ │ ├───┤ ├───┼───┤ │ ├─────┤
КП168 │ │1664│ │ │80 │ │40 │80 │ │ │61 │
──────┤ │ │ │ ├───┤ ├───┼───┤ │ ├─────┤
КП169 │ │ │ │ │50 │ │20 │45 │ │ │98 │
──────┼────┼────┤ │ ├───┤ ├───┼───┼────┤ ├─────┼──────
КП170 │2066│2080│ │ │75 │ │65 │103│4485│ │58 │11°37'
──────┤ │ │ │ ├───┤ ├───┼───┤ │ ├─────┤
КП171 │ │ │ │ │55 │ │15 │42 │ │ │80 │
──────┼────┼────┤ │ │ │ ├───┼───┼────┤ ├─────┼──────
КП172 │2466│2480│ │ │ │ │- │28 │2985│ │53 │9°44'
──────┤ │ │ │ ├───┤ ├───┼───┤ │ ├─────┤
КП173 │ │ │ │ │43 │ │34 │55 │ │ │67 │
Размеры, мм
───────────────┬──────────────┬────────────────┬──────────────────
Марка каркаса │ с │ l │ Число шагов n
───────────────┼──────────────┼────────────────┼──────────────────
К1 │25 │4450 │22
───────────────┼──────────────┼────────────────┼──────────────────
К2 │40 │5080 │25
───────────────┼──────────────┼────────────────┼──────────────────
К3 │85 │5770 │28
Примечания. 1. Допускается изготовление двухзаходной спирали при условии обеспечения замкнутого витка на концах каркаса.
2. Допускается по согласованию с институтом "Мосинжпроект" Главмосархитектуры Мосгорисполкома изменение арматуры каркасов труб при условии сохранения формы, диаметра и длины каркаса и без увеличения расхода стали.
Спецификация и расход стали на арматурные изделия приведены в табл. 18.
Таблица 18
Спецификация и расход стали на одно арматурное изделие
Марка изделия | Позиция | Эскиз стержня (размеры в мм) | Диаметр, мм | Длина, мм | Количество | Общая длина, м | Расход стали |
Диаметр, мм | Масса позиции, кг | Масса изделия, кг |
КП1 | 1 | | 4ВрI | 106660 | 1 | 106,7 | 4ВрI | 9,8 | 20,0 |
2 | | 6AI | 5126 | 9 | 46,1 | 6AI | 10,2 |
КП2 | 3 | | 5ВрI | 106900 | 1 | 106,9 | 5ВрI | 15,4 | 25,6 |
2 | См. КП1 | 6AI | 5126 | 9 | 46,1 | 6AI | 10,2 |
КП3 | 4 | | 5ВрI | 118140 | 1 | 118,1 | 5ВрI | 17,0 | 27,3 |
5 | | 6AI | 5131 | 9 | 46,2 | 6AI | 10,3 |
КП4 | 6 | | 5ВрI | 153010 | 1 | 153,0 | 5ВрI | 22,0 | 32,3 |
5 | См. КП3 | 6AI | 5131 | 9 | 46,2 | 6AI | 10,3 |
КП5 | 7 | | 5ВрI | 167850 | 1 | 167,8 | 5ВрI | 24,2 | 36,7 |
5 | См. КП3 | 6AI | 5131 | 11 | 56,4 | 6AI | 12,5 |
КП6 | 8 | | 5ВрI | 213540 | 1 | 213,5 | 5ВрI | 30,7 | 43,2 |
5 | См. КП3 | 6AI | 5131 | 11 | 56,4 | 6AI | 12,5 |
КП7 | 9 | | 6AIII | 241710 | 1 | 241,7 | 6AIII | 53,7 | 68,7 |
10 | | 6AI | 5148 | 13 | 66,9 | 6AI | 14,9 |
КП8 | 11 | | 6AIII | 314290 | 1 | 314,3 | 6АIII | 69,8 | 84,7 |
10 | См. КП7 | 6AI | 5148 | 13 | 66,9 | 6AI | 14,9 |
КП9 | 12 | | 6AIII | 300930 | 1 | 300,9 | 6АIII | 66,8 | 88,6 |
13 | | 6AI | 5157 | 19 | 98,0 | 6AI | 21,8 |
КП10 | 14 | | 8AIII | 262870 | 1 | 262,9 | 8AIII | 103,8 | 125,6 |
13 | См. КП9 | 6AI | 5157 | 19 | 98,0 | 6AI | 21,8 |
КП11 | 15 | | 6AIII | 214320 | 1 | 214,3 | 6AIII | 47,6 | 69,4 |
16 | | 6AI | 5161 | 19 | 98,1 | 6AI | 21,8 |
КП12 | 17 | | 8AIII | 200385 | 1 | 200,4 | 8AIII | 79,2 | 101,0 |
16 | См. КП11 | 6AI | 5161 | 19 | 98,1 | 6AI | 21,8 |
КП13 | 18 | | 8AIII | 309455 | 1 | 309,5 | 8AIII | 122,3 | 144,1 |
16 | См. КП11 | 6AI | 5161 | 19 | 98,1 | 6AI | 21,8 |
КП14 | 19 | | 6AIII | 336660 | 1 | 336,7 | 6AIII | 74,7 | 101,1 |
16 | См. КП11 | 6AI | 5161 | 23 | 118,7 | 6AI | 26,4 |
КП15 | 20 | | 8AIII | 304505 | 1 | 304,5 | 8AIII | 120,3 | 146,7 |
16 | См. КП11 | 6AI | 5161 | 23 | 118,7 | 6AI | 26,4 |
КП16 | 21 | | 8AIII | 434770 | 1 | 434,8 | 8AIII | 171,7 | 198,1 |
16 | См. КП11 | 6AI | 5161 | 23 | 118,7 | 6AI | 26,4 |
КП17 | 22 | | 6AIII | 459610 | 1 | 459,6 | 6AIII | 102,0 | 130,7 |
23 | | 6AI | 5165 | 25 | 129,1 | 6AI | 28,7 |
КП18 | 24 | | 8AIII | 383285 | 1 | 383,3 | 8AIII | 151,4 | 180,1 |
23 | См. КП17 | 6AI | 5165 | 25 | 129,1 | 6AI | 28,7 |
КП19 | 25 | | 8AIII | 583115 | 1 | 583,1 | 8AIII | 230,3 | 259,0 |
23 | См. КП17 | 6AI | 5165 | 25 | 129,1 | 6AI | 28,7 |
КП20 | 26 | | 8AIII | 452820 | 1 | 452,8 | 8AIII | 178,9 | 211,2 |
27 | | 6AI | 4691 | 31 | 145,4 | 6AI | 32,3 |
КП21 | 28 | | 8AIII | 595255 | 1 | 595,3 | 8AIII | 235,1 | 267,4 |
27 | См. КП20 | 6AI | 4691 | 31 | 145,4 | 6AI | 32,3 |
КП22 | 29 | | 8AIII | 489910 | 1 | 489,9 | 8AIII | 193,5 | 219,9 |
30 | | 6AI | 3210 | 37 | 118,8 | 6AI | 26,4 |
КП23 | 31 | | 8AIII | 603895 | 1 | 603,9 | 8AIII | 238,5 | 264,9 |
30 | См. КП22 | 6AI | 3210 | 37 | 118,8 | 6AI | 26,4 |
КП24 | 32 | | 6AIII | 303400 | 1 | 303,4 | 6AIII | 67,4 | 89,4 |
33 | | 6AI | 5203 | 19 | 98,9 | 6АI | 22,0 |
К25 | 34 | | 8AIII | 264980 | 1 | 265,0 | 8AIII | 104,7 | 126,7 |
33 | См. КП24 | 6AI | 5203 | 19 | 98,9 | 6AI | 22,0 |
КП26 | 35 | | 6AIII | 218960 | 1 | 219,0 | 6AIII | 48,6 | 70,6 |
36 | | 6AI | 5217 | 19 | 99,1 | 6AI | 22,0 |
КП27 | 37 | | 8AIII | 204820 | 1 | 204,8 | 8AIII | 80,9 | 102,9 |
36 | См. КП26 | 6AI | 5217 | 19 | 99,1 | 6AI | 22,0 |
КП28 | 38 | | 8AIII | 315500 | 1 | 315,5 | 8AIII | 124,6 | 146,6 |
36 | См. КП26 | 6AI | 5217 | 19 | 99,1 | 6AI | 22,0 |
КП29 | 39 | | 6AIII | 343190 | 1 | 343,2 | 6AIII | 76,2 | 102,9 |
40 | | 6AI | 5223 | 23 | 120,1 | 6AI | 26,7 |
КП30 | 41 | | 8AIII | 308115 | 1 | 308,1 | 8AIII | 121,7 | 148,4 |
40 | См. КП29 | 6AI | 5223 | 23 | 120,1 | 6AI | 26,7 |
КП31 | 42 | | 8AIII | 440210 | 1 | 440,2 | 8AIII | 173,9 | 200,6 |
40 | См. КП29 | 6AI | 5223 | 23 | 120,1 | 6AI | 26,7 |
КП32 | 43 | | 6AIII | 466720 | 1 | 466,7 | 6AIII | 103,6 | 132,7 |
44 | | 6AI | 5237 | 25 | 130,9 | 6AI | 29,1 |
КП33 | 45 | | 8AIII | 388955 | 1 | 389,0 | 8AIII | 153,6 | 182,7 |
44 | См. КП32 | 6AI | 5237 | 25 | 130,9 | 6AI | 29,1 |
КП34 | 46 | | 8AIII | 592440 | 1 | 592,4 | 8AIII | 234,0 | 263,1 |
44 | См. КП32 | 6AI | 5237 | 25 | 130,9 | 6AI | 29,1 |
КП35 | 47 | | 6AIII | 219145 | 1 | 219,1 | 6AIII | 48,6 | 64,3 |
48 | | 6AI | 3713 | 19 | 70,5 | 6AI | 15,7 |
КП36 | 49 | | 8AIII | 192620 | 1 | 192,6 | 8AIII | 76,1 | 91,8 |
48 | См. КП35 | 6AI | 3713 | 19 | 70,5 | 6AI | 15,7 |
КП37 | 50 | | 6AIII | 303970 | 1 | 304,0 | 6AIII | 67,5 | 89,5 |
51 | | 6AI | 5213 | 19 | 99,1 | 6AI | 22,0 |
КП38 | 52 | | 8AIII | 265460 | 1 | 265,5 | 8AIII | 104,9 | 126,9 |
51 | См. КП37 | 6AI | 5213 | 19 | 99,1 | 6AI | 22,0 |
КП39 | 53 | | 6AIII | 159260 | 1 | 159,3 | 6AIII | 35,4 | 50,7 |
54 | | 6AI | 3622 | 19 | 68,8 | 6AI | 15,3 |
КП40 | 55 | | 8AIII | 149825 | 1 | 149,8 | 8AIII | 59,2 | 74,5 |
54 | См. КП39 | 6AI | 3622 | 19 | 68,8 | 6AI | 15,3 |
КП41 | 56 | | 8AIII | 223825 | 1 | 223,8 | 8AIII | 88,4 | 103,7 |
54 | См. КП39 | 6AI | 3622 | 19 | 68,8 | 6AI | 15,3 |
КП42 | 57 | | 6AIII | 215385 | 1 | 215,4 | 6AIII | 47,8 | 69,4 |
58 | | 6AI | 5122 | 19 | 97,3 | 6AI | 21,6 |
КП43 | 59 | | 8AIII | 201545 | 1 | 201,5 | 8AIII | 79,6 | 101,2 |
58 | См. КП42 | 6AI | 5122 | 19 | 97,3 | 6AI | 21,6 |
КП44 | 60 | | 8AIII | 310025 | 1 | 310,0 | 8AIII | 122,5 | 144,1 |
58 | См. КП42 | 6AI | 5122 | 19 | 97,3 | 6AI | 21,6 |
КП45 | 61 | | 6AIII | 242700 | 1 | 242,7 | 6AIII | 53,9 | 72,5 |
62 | | 6AI | 3633 | 23 | 83,6 | 6AI | 18,6 |
КП46 | 63 | | 8AIII | 220860 | 1 | 220,9 | 8AIII | 87,3 | 105,9 |
62 | См. КП45 | 6AI | 3633 | 23 | 83,6 | 6AI | 18,6 |
КП47 | 64 | | 8AIII | 309335 | 1 | 309,3 | 8AIII | 122,2 | 140,8 |
62 | См. КП45 | 6AI | 3633 | 23 | 83,6 | 6AI | 18,6 |
КП48 | 65 | | 6AIII | 335175 | 1 | 335,2 | 6AIII | 74,4 | 100,6 |
66 | | 6AI | 5133 | 23 | 118,1 | 6AI | 26,2 |
КП49 | 67 | | 8AIII | 303175 | 1 | 303,2 | 8AIII | 119,8 | 146,0 |
66 | См. КП48 | 6AI | 5133 | 23 | 118,1 | 6AI | 26,2 |
КП50 | 68 | | 8AIII | 432805 | 1 | 432,8 | 8AIII | 171,0 | 197,2 |
66 | См. КП48 | 6AI | 5133 | 23 | 118,1 | 6AI | 26,2 |
КП51 | 69 | | 6AIII | 328305 | 1 | 328,3 | 6AIII | 72,9 | 93,1 |
70 | | 6AI | 3637 | 25 | 90,9 | 6AI | 20,2 |
КП52 | 71 | | 8AIII | 276380 | 1 | 276,4 | 8AIII | 109,2 | 129,4 |
70 | См. КП51 | 6AI | 3637 | 25 | 90,9 | 6AI | 20,2 |
КП53 | 72 | | 8AIII | 412320 | 1 | 412,3 | 8AIII | 162,9 | 183,1 |
70 | См. КП51 | 6AI | 3637 | 25 | 90,9 | 6AI | 20,2 |
КП54 | 73 | | 6AIII | 458070 | 1 | 458,1 | 6AIII | 101,7 | 130,2 |
74 | | 6AI | 5137 | 25 | 128,4 | 6AI | 28,5 |
КП55 | 75 | | 8AIII | 381920 | 1 | 381,9 | 8AIII | 150,9 | 179,4 |
74 | См. КП54 | 6AI | 5137 | 25 | 128,4 | 6AI | 28,5 |
КП56 | 76 | | 8AIII | 581190 | 1 | 581,2 | 8AIII | 229,6 | 258,1 |
74 | См. КП54 | 6AI | 5137 | 25 | 128,4 | 6AI | 28,5 |
КП57 | 77 | | 4ВрI | 55410 | 1 | 55,4 | 4ВрI | 5,1 | 10,4 |
78 | | 6AI | 2652 | 9 | 23,9 | 6AI | 5,3 |
КП58 | 79 | | 5ВрI | 55530 | 1 | 55,5 | 5ВрI | 8,0 | 13,3 |
78 | См. КП57 | 6AI | 2652 | 9 | 23,9 | 6AI | 5,3 |
КП59 | 80 | | 4ВрI | 104680 | 1 | 104,7 | 4ВрI | 9,6 | 19,9 |
81 | | 6AI | 5147 | 9 | 46,3 | 6AI | 10,3 |
КП60 | 82 | | 5ВрI | 104915 | 1 | 104,9 | 5ВрI | 15,1 | 25,4 |
81 | См. КП59 | 6AI | 5147 | 9 | 46,3 | 6AI | 10,3 |
КП61 | 83 | | 5ВрI | 61550 | 1 | 61,6 | 5ВрI | 8,9 | 14,2 |
84 | | 6AI | 2664 | 9 | 24,0 | 6AI | 5,3 |
КП62 | 85 | | 5ВрI | 80780 | 1 | 80,8 | 5ВрI | 11,6 | 16,9 |
84 | См. КП61 | 6AI | 2664 | 9 | 24,0 | 6AI | 5,3 |
КП63 | 86 | | 5ВрI | 115640 | 1 | 115,6 | 5ВрI | 16,6 | 26,9 |
87 | | 6AI | 5164 | 9 | 46,5 | 6AI | 10,3 |
КП64 | 88 | | 5ВрI | 152820 | 1 | 152,8 | 5ВрI | 22,0 | 32,3 |
87 | См. КП63 | 6AI | 5164 | 9 | 46,5 | 6AI | 10,3 |
КП65 | 89 | | 5ВрI | 87830 | 1 | 87,8 | 5ВрI | 12,6 | 19,1 |
84 | См. КП61 | 6AI | 2664 | 11 | 29,3 | 6AI | 6,5 |
КП66 | 90 | | 5ВрI | 112830 | 1 | 112,8 | 5ВрI | 16,2 | 22,7 |
84 | См. КП61 | 6AI | 2664 | 11 | 29,3 | 6AI | 6,5 |
КП67 | 91 | | 5ВрI | 166490 | 1 | 166,5 | 5ВрI | 24,0 | 36,6 |
87 | См. КП63 | 6AI | 5164 | 11 | 56,8 | 6AI | 12,6 |
КП68 | 92 | | 5ВрI | 215090 | 1 | 215,1 | 5ВрI | 31,0 | 43,6 |
87 | См. КП63 | 6AI | 5164 | 11 | 56,8 | 6AI | 12,6 |
КП69 | 93 | | 6AIII | 172190 | 1 | 172,2 | 6AIII | 38,2 | 48,8 |
94 | | 6AI | 3666 | 13 | 47,7 | 6AI | 10,6 |
КП70 | 95 | | 6AIII | 227280 | 1 | 227,3 | 6AIII | 50,5 | 61,1 |
94 | См. КП69 | 6AI | 3666 | 13 | 47,7 | 6AI | 10,6 |
КП71 | 96 | | 6AIII | 240520 | 1 | 240,5 | 6AIII | 53,4 | 68,3 |
97 | | 6AI | 5166 | 13 | 67,2 | 6AI | 14,9 |
КП72 | 98 | | 6AIII | 318390 | 1 | 318,4 | 6AIII | 70,7 | 85,6 |
97 | См. КП71 | 6AI | 5166 | 13 | 67,2 | 6AI | 14,9 |
КП73 | 99 | | 6AIII | 214955 | 1 | 215,0 | 6AIII | 47,7 | 63,2 |
100 | | 6AI | 3679 | 19 | 69,9 | 6AI | 15,5 |
КП74 | 101 | | 8AIII | 185620 | 1 | 185,6 | 8AIII | 73,3 | 88,8 |
100 | См. КП73 | 6AI | 3679 | 19 | 69,9 | 6AI | 15,5 |
КП75 | 102 | | 6AIII | 299235 | 1 | 299,2 | 6AIII | 66,4 | 88,2 |
103 | | 6AI | 5169 | 19 | 98,2 | 6AI | 21,8 |
КП76 | 104 | | 8AIII | 257960 | 1 | 258,0 | 8AIII | 101,9 | 123,7 |
103 | См. КП75 | 6AI | 5169 | 19 | 98,2 | 6AI | 21,8 |
КП77 | 105 | | 6AIII | 299780 | 1 | 299,8 | 6AIII | 66,6 | 88,4 |
106 | | 6AI | 5179 | 19 | 98,4 | 6AI | 21,8 |
КП78 | 107 | | 8AIII | 258455 | 1 | 258,5 | 8AIII | 102,1 | 123,9 |
106 | См. КП77 | 6AI | 5179 | 19 | 98,4 | 6AI | 21,8 |
КП79 | 108 | | 6AIII | 142730 | 1 | 142,7 | 6AIII | 31,7 | 46,8 |
109 | | 6AI | 3582 | 19 | 68,1 | 6AI | 15,1 |
КП80 | 110 | | 8AIII | 132405 | 1 | 132,4 | 8AIII | 52,3 | 67,4 |
109 | См. КП79 | 6AI | 3582 | 19 | 68,1 | 6AI | 15,1 |
КП81 | 111 | | 8AIII | 214250 | 1 | 214,3 | 8AIII | 84,6 | 99,7 |
109 | См. КП79 | 6AI | 3582 | 19 | 68,1 | 6AI | 15,1 |
КП82 | 112 | | 6AIII | 202500 | 1 | 202,5 | 6AIII | 45,0 | 66,8 |
113 | | 6AI | 5180 | 19 | 98,4 | 6AI | 21,8 |
КП83 | 114 | | 8AIII | 187490 | 1 | 187,5 | 8AIII | 74,1 | 95,9 |
113 | См. КП82 | 6AI | 5180 | 19 | 98,4 | 6AI | 21,8 |
КП84 | 115 | | 8AIII | 306095 | 1 | 306,1 | 8AIII | 120,9 | 142,7 |
113 | См. КП82 | 6AI | 5180 | 19 | 98,4 | 6AI | 21,8 |
КП85 | 116 | | 6AIII | 198855 | 1 | 198,9 | 6AIII | 44,2 | 65,6 |
117 | | 6AI | 5082 | 19 | 96,6 | 6AI | 21,4 |
КП86 | 118 | | 8AIII | 184125 | 1 | 184,1 | 8AIII | 72,7 | 94,1 |
117 | См. КП85 | 6AI | 5082 | 19 | 96,6 | 6AI | 21,4 |
КП87 | 119 | | 8AIII | 300450 | 1 | 300,5 | 8AIII | 118,7 | 140,1 |
117 | См. КП85 | 6AI | 5082 | 19 | 96,6 | 6AI | 21,4 |
КП88 | 120 | | 6AIII | 230640 | 1 | 230,6 | 6AIII | 51,2 | 69,5 |
121 | | 6AI | 3587 | 23 | 82,5 | 6AI | 18,3 |
КП89 | 122 | | 8AIII | 206340 | 1 | 206,3 | 8AIII | 81,5 | 99,8 |
121 | См. КП88 | 6AI | 3587 | 23 | 82,5 | 6AI | 18,3 |
КП90 | 123 | | 8AIII | 304110 | 1 | 304,1 | 8AIII | 120,1 | 138,4 |
121 | См. КП88 | 6AI | 3587 | 23 | 82,5 | 6AI | 18,3 |
КП91 | 124 | | 6AIII | 329465 | 1 | 329,5 | 6AIII | 73,1 | 99,6 |
125 | | 6AI | 5185 | 23 | 119,3 | 6AI | 26,5 |
КП92 | 126 | | 8AIII | 294285 | 1 | 294,3 | 8AIII | 116,2 | 142,7 |
125 | См. КП91 | 6AI | 5185 | 23 | 119,3 | 6AI | 26,5 |
КП93 | 127 | | 8AIII | 436000 | 1 | 436,0 | 8AIII | 172,2 | 198,7 |
125 | См. КП91 | 6AI | 5185 | 23 | 119,3 | 6AI | 26,5 |
КП94 | 128 | | 6AIII | 327115 | 1 | 327,1 | 6AIII | 72,6 | 98,6 |
129 | | 6AI | 5087 | 23 | 117,0 | 6AI | 26,0 |
КП95 | 130 | | 8AIII | 288655 | 1 | 288,7 | 8AIII | 114,0 | 140,0 |
129 | См. КП94 | 6AI | 5087 | 23 | 117,0 | 6AI | 26,0 |
КП96 | 131 | | 8AIII | 427555 | 1 | 427,6 | 8AIII | 168,9 | 194,9 |
129 | См. КП94 | 6AI | 5087 | 23 | 117,0 | 6AI | 26,0 |
КП97 | 132 | | 6AIII | 320230 | 1 | 320,2 | 6AIII | 71,1 | 91,1 |
133 | | 6AI | 3593 | 25 | 89,8 | 6AI | 20,0 |
КП98 | 134 | | 8AIII | 202695 | 1 | 262,7 | 8AIII | 103,8 | 123,8 |
133 | См. КП97 | 6AI | 3593 | 25 | 89,8 | 6AI | 20,0 |
КП99 | 135 | | 8AIII | 412905 | 1 | 412,9 | 8AIII | 163,1 | 183,1 |
133 | См. КП97 | 6AI | 3593 | 25 | 89,8 | 6AI | 20,0 |
КП100 | 136 | | 6AIII | 456895 | 1 | 456,9 | 6AIII | 101,4 | 130,2 |
137 | | 6AI | 5196 | 25 | 129,9 | 6AI | 28,8 |
КП101 | 138 | | 8AIII | 375445 | 1 | 375,4 | 8AIII | 148,3 | 177,1 |
137 | См. КП100 | 6AI | 5196 | 25 | 129,9 | 6AI | 28,8 |
КП102 | 139 | | 8AIII | 593373 | 1 | 593,4 | 8AIII | 234,4 | 263,2 |
137 | См. КП100 | 6AI | 5196 | 25 | 129,9 | 6AI | 28,8 |
КП103 | 140 | | 6AIII | 458910 | 1 | 458,9 | 6AIII | 101,9 | 130,2 |
141 | | 6AI | 5093 | 25 | 127,3 | 6AI | 28,3 |
КП104 | 142 | | 8AIII | 368240 | 1 | 368,2 | 8AIII | 145,5 | 173,8 |
141 | См. КП103 | 6AI | 5093 | 25 | 127,3 | 6AI | 28,3 |
КП105 | 143 | | 8AIII | 581775 | 1 | 581,8 | 8AIII | 229,8 | 258,1 |
141 | См. КП103 | 6AI | 5093 | 25 | 127,3 | 6AI | 28,3 |
КП106 | 144 | | 6AIII | 135160 | 1 | 135,2 | 6AIII | 30,0 | 45,5 |
145 | | 6AI | 3682 | 19 | 70,0 | 6AI | 15,5 |
КП107 | 146 | | 8AIII | 125435 | 1 | 125,4 | 8AIII | 49,6 | 65,1 |
145 | См. КП106 | 6AI | 3682 | 19 | 70,0 | 6AI | 15,5 |
КП108 | 147 | | 8AIII | 203000 | 1 | 203,0 | 8AIII | 80,2 | 95,7 |
145 | См. КП106 | 6AI | 3682 | 19 | 70,0 | 6AI | 15,5 |
КП109 | 148 | | 6AIII | 186800 | 1 | 186,8 | 6AIII | 41,5 | 63,3 |
113 | См. КП82 | 6AI | 5180 | 19 | 98,4 | 6AI | 21,8 |
КП110 | 149 | | 8AIII | 173010 | 1 | 173,1 | 8AIII | 68,3 | 90,1 |
113 | См. КП82 | 6AI | 5180 | 19 | 98,4 | 6AI | 21,8 |
КП111 | 150 | | 8AIII | 282410 | 1 | 282,4 | 8AIII | 111,6 | 133,4 |
113 | См. КП82 | 6AI | 5180 | 19 | 98,4 | 6AI | 21,8 |
КП112 | 151 | | 6AIII | 221145 | 1 | 221,1 | 6AIII | 49,1 | 68,0 |
152 | | 6AI | 3692 | 23 | 84,9 | 6AI | 18,9 |
КП113 | 153 | | 8AIII | 197895 | 1 | 197,9 | 8AIII | 78,2 | 97,1 |
152 | См. КП112 | 6AI | 3692 | 23 | 84,9 | 6AI | 18,9 |
КП114 | 154 | | 8AIII | 291750 | 1 | 291,8 | 8AIII | 115,2 | 134,1 |
152 | См. КП112 | 6AI | 3692 | 23 | 84,9 | 6AI | 18,9 |
КП115 | 155 | | 6AIII | 307145 | 1 | 307,1 | 6AIII | 68,2 | 94,7 |
125 | См. КП91 | 6AI | 5185 | 23 | 119,3 | 6AI | 26,5 |
КП116 | 156 | | 8AIII | 274440 | 1 | 274,4 | 8AIII | 108,4 | 134,9 |
125 | См. КП91 | 6AI | 5185 | 23 | 119,3 | 6AI | 26,5 |
КП117 | 157 | | 8AIII | 406570 | 1 | 406,6 | 8AIII | 160,6 | 187,1 |
125 | См. КП91 | 6AI | 5185 | 23 | 119,3 | 6AI | 26,5 |
КП118 | 158 | | 6AIII | 306200 | 1 | 306,2 | 6AIII | 68,0 | 88,5 |
159 | | 6AI | 3698 | 25 | 92,5 | 6AI | 20,5 |
КП119 | 160 | | 8AIII | 251180 | 1 | 251,2 | 8AIII | 99,2 | 119,7 |
159 | См. КП118 | 6AI | 3698 | 25 | 92,5 | 6AI | 20,5 |
КП120 | 161 | | 8AIII | 394990 | 1 | 395,0 | 8AIII | 156,0 | 176,5 |
159 | См. КП118 | 6AI | 3698 | 25 | 92,5 | 6AI | 20,5 |
КП121 | 162 | | 6AIII | 424520 | 1 | 424,5 | 6AIII | 94,2 | 123,0 |
137 | См. КП100 | 6AI | 5196 | 25 | 129,9 | 6AI | 28,8 |
КП122 | 163 | | 8AIII | 349050 | 1 | 349,1 | 8AIII | 137,9 | 166,7 |
137 | См. КП100 | 6AI | 5196 | 25 | 129,9 | 6AI | 28,8 |
КП123 | 164 | | 8AIII | 551620 | 1 | 551,6 | 8AIII | 217,9 | 246,7 |
137 | См. КП100 | 6AI | 5196 | 25 | 129,9 | 6AI | 28,8 |
КП124 | 165 | | 6AIII | 125975 | 1 | 126,0 | 6AIII | 28,0 | 42,7 |
166 | | 6AI | 3495 | 19 | 66,4 | 6AI | 14,7 |
КП125 | 167 | | 8AIII | 116750 | 1 | 116,8 | 8AIII | 46,1 | 60,8 |
166 | | 6AI | 3495 | 19 | 66,4 | 6AI | 14,7 |
КП126 | 168 | | 8AIII | 189300 | 1 | 189,3 | 8AIII | 74,8 | 89,5 |
166 | | 6AI | 3495 | 19 | 66,4 | 6AI | 14,7 |
КП127 | 169 | | 6AIII | 177710 | 1 | 177,7 | 6AIII | 39,4 | 60,5 |
170 | | 6AI | 4995 | 19 | 94,9 | 6AI | 21,1 |
КП128 | 171 | | 8AIII | 164400 | 1 | 164,4 | 8AIII | 64,9 | 86,0 |
170 | | 6AI | 4995 | 19 | 94,9 | 6AI | 21,1 |
КП129 | 172 | | 8AIII | 268705 | 1 | 268,7 | 8AIII | 106,1 | 127,2 |
170 | | 6AI | 4995 | 19 | 94,9 | 6AI | 21,1 |
КП130 | 173 | | 6AIII | 205820 | 1 | 205,8 | 6AIII | 45,7 | 63,5 |
166 | | 6AI | 3495 | 23 | 80,4 | 6AI | 17,8 |
КП131 | 174 | | 8AIII | 184275 | 1 | 184,3 | 8AIII | 72,8 | 90,6 |
166 | | 6AI | 3495 | 23 | 80,4 | 6AI | 17,8 |
КП132 | 175 | | 8AIII | 271785 | 1 | 271,8 | 8AIII | 107,4 | 125,2 |
166 | | 6AI | 3495 | 23 | 80,4 | 6AI | 17,8 |
КП133 | 176 | | 6AIII | 291945 | 1 | 291,9 | 6AIII | 64,8 | 90,3 |
170 | | 6AI | 4995 | 23 | 114,9 | 6AI | 25,5 |
КП134 | 177 | | 8AIII | 260910 | 1 | 260,9 | 8AIII | 103,1 | 128,6 |
170 | | 6AI | 4995 | 23 | 114,9 | 6AI | 25,5 |
КП135 | 178 | | 8AIII | 386860 | 1 | 386,9 | 8AIII | 152,8 | 178,3 |
170 | | 6AI | 4995 | 23 | 114,9 | 6AI | 25,5 |
КП136 | 179 | | 6AIII | 285545 | 1 | 285,5 | 6AIII | 63,4 | 82,8 |
166 | | 6AI | 3495 | 25 | 87,4 | 6AI | 19,4 |
КП137 | 180 | | 8AIII | 234265 | 1 | 234,3 | 8AIII | 92,5 | 111,9 |
166 | | 6AI | 3495 | 25 | 87,4 | 6AI | 19,4 |
КП138 | 181 | | 8AIII | 368580 | 1 | 368,6 | 8AIII | 145,6 | 165,0 |
166 | | 6AI | 3495 | 25 | 87,4 | 6AI | 19,4 |
КП139 | 182 | | 6AIII | 406030 | 1 | 406,0 | 6AIII | 90,1 | 117,8 |
170 | | 6AI | 4995 | 25 | 124,9 | 6AI | 27,7 |
КП140 | 183 | | 8AIII | 332500 | 1 | 332,5 | 8AIII | 131,3 | 159,0 |
170 | | 6AI | 4995 | 25 | 124,9 | 6AI | 27,7 |
КП141 | 184 | | 8AIII | 525415 | 1 | 525,4 | 8AIII | 207,5 | 235,2 |
170 | | 6AI | 4995 | 25 | 124,9 | 6AI | 27,7 |
КП142 | 185 | | 8AIII | 398635 | 1 | 398,6 | 8AIII | 157,4 | 188,3 |
186 | | 6AI | 4495 | 31 | 139,3 | 6AI | 30,9 |
КП143 | 187 | | 8AIII | 538810 | 1 | 538,8 | 8AIII | 212,8 | 243,7 |
186 | | 6AI | 4495 | 31 | 139,3 | 6AI | 30,9 |
КП144 | 188 | | 8AIII | 429910 | 1 | 429,9 | 8AIII | 169,8 | 194,4 |
189 | | 6AI | 2995 | 37 | 110,8 | 6AI | 24,6 |
КП145 | 190 | | 8AIII | 545370 | 1 | 545,4 | 8AIII | 215,4 | 240,0 |
189 | | 6AI | 2995 | 37 | 110,8 | 6AI | 24,6 |
КП146 | 191 | | 6AIII | 284730 | 1 | 284,7 | 6AIII | 63,2 | 84,2 |
192 | | 6AI | 4985 | 19 | 94,7 | 6AI | 21,0 |
КП147 | 193 | | 8AIII | 245440 | 1 | 245,4 | 8AIII | 96,9 | 117,9 |
192 | | 6AI | 4985 | 19 | 94,7 | 6AI | 21,0 |
КП148 | 194 | | 6AIII | 193510 | 1 | 193,5 | 6AIII | 43,0 | 64,1 |
195 | | 6AI | 5010 | 19 | 95,2 | 6AI | 21,1 |
КП149 | 196 | | 8AIII | 178870 | 1 | 178,9 | 8AIII | 70,7 | 91,8 |
195 | | 6AI | 5010 | 19 | 95,2 | 6AI | 21,1 |
КП150 | 197 | | 8AIII | 292520 | 1 | 292,5 | 8AIII | 115,5 | 136,6 |
195 | | 6AI | 5010 | 19 | 95,2 | 6AI | 21,1 |
КП151 | 198 | | 6AIII | 314415 | 1 | 314,4 | 6AIII | 69,8 | 95,4 |
195 | | 6AI | 5010 | 23 | 115,2 | 6AI | 25,6 |
КП152 | 199 | | 8AIII | 280920 | 1 | 280,9 | 8AIII | 111,0 | 136,6 |
195 | | 6AI | 5010 | 23 | 115,2 | 6AI | 25,6 |
КП153 | 200 | | 8AIII | 416440 | 1 | 416,4 | 8AIII | 164,5 | 190,1 |
195 | | 6AI | 5010 | 23 | 115,2 | 6AI | 25,6 |
КП154 | 201 | | 6AIII | 438595 | 1 | 438,6 | 6AIII | 97,4 | 125,2 |
195 | | 6AI | 5010 | 25 | 125,3 | 6AI | 27,8 |
КП155 | 202 | | 8AIII | 358850 | 1 | 358,9 | 8AIII | 141,8 | 169,6 |
195 | | 6AI | 5010 | 25 | 125,3 | 6AI | 27,8 |
КП156 | 203 | | 8AIII | 567405 | 1 | 567,4 | 8AIII | 224,1 | 251,9 |
195 | | 6AI | 5010 | 25 | 125,3 | 6AI | 27,8 |
КП157 | 204 | | 8AIII | 424605 | 1 | 424,6 | 8AIII | 167,7 | 198,7 |
205 | | 6AI | 4510 | 31 | 139,8 | 6AI | 31,0 |
КП158 | 206 | | 8AIII | 573980 | 1 | 574,0 | 8AIII | 226,7 | 257,7 |
205 | | 6AI | 4510 | 31 | 139,8 | 6AI | 31,0 |
КП159 | 207 | | 8AIII | 461345 | 1 | 461,3 | 8AIII | 182,2 | 206,9 |
208 | | 6AI | 3010 | 37 | 111,4 | 6AI | 24,7 |
КП160 | 209 | | 8AIII | 585730 | 1 | 585,7 | 8AIII | 231,4 | 256,1 |
208 | | 6AI | 3010 | 37 | 111,4 | 6AI | 24,7 |
КП161 | 210 | | 6AIII | 177510 | 1 | 177,5 | 6AIII | 39,4 | 60,4 |
211 | | 6AI | 4990 | 19 | 94,8 | 6AI | 21,0 |
КП162 | 212 | | 8AIII | 164240 | 1 | 164,2 | 8AIII | 64,9 | 85,9 |
211 | | 6AI | 4990 | 19 | 94,8 | 6AI | 21,0 |
КП163 | 213 | | 8AIII | 268440 | 1 | 268,4 | 8AIII | 106,0 | 127,0 |
211 | | 6AI | 4990 | 19 | 94,8 | 6AI | 21,0 |
КП164 | 214 | | 6AIII | 291655 | 1 | 291,7 | 6AIII | 64,8 | 90,3 |
211 | | 6AI | 4990 | 23 | 114,8 | 6AI | 25,5 |
КП165 | 215 | | 8AIII | 260820 | 1 | 260,8 | 8AIII | 103,0 | 128,5 |
211 | | 6AI | 4990 | 23 | 114,8 | 6AI | 25,5 |
КП166 | 216 | | 8AIII | 386400 | 1 | 386,4 | 8AIII | 152,6 | 178,1 |
211 | | 6AI | 4990 | 23 | 114,8 | 6AI | 25,5 |
КП167 | 217 | | 6AIII | 405630 | 1 | 405,6 | 6AIII | 90,0 | 117,7 |
211 | | 6AI | 4990 | 25 | 124,8 | 6AI | 27,7 |
КП168 | 218 | | 8AIII | 332000 | 1 | 332,0 | 8AIII | 131,1 | 158,8 |
211 | | 6AI | 4990 | 25 | 124,8 | 6AI | 27,7 |
КП169 | 219 | | 8AIII | 524890 | 1 | 524,9 | 8AIII | 207,3 | 235,0 |
211 | | 6AI | 4990 | 25 | 124,8 | 6AI | 27,7 |
КП170 | 220 | | 8AIII | 397785 | 1 | 397,8 | 8AIII | 157,1 | 188,0 |
221 | | 6AI | 4485 | 31 | 139,0 | 6AI | 30,9 |
КП171 | 222 | | 8AIII | 537830 | 1 | 537,8 | 8AIII | 212,4 | 243,3 |
221 | | 6AI | 4485 | 31 | 139,0 | 6AI | 30,9 |
КП172 | 223 | | 8AIII | 428505 | 1 | 428,5 | 8AIII | 169,3 | 193,8 |
224 | | 6AI | 2985 | 37 | 110,4 | 6AI | 24,5 |
КП173 | 225 | | 8AIII | 543810 | 1 | 543,8 | 8AIII | 214,8 | 239,3 |
224 | | 6AI | 2985 | 37 | 110,4 | 6AI | 24,5 |
К1 | 226 | | 8AIII | 4450 | 5 | 22,3 | 8AIII | 8,8 | 10,2 |
227 | | 6AI | 280 | 23 | 16,4 | 6AI | 1,4 |
К2 | 228 | | 8AIII | 5080 | 5 | 25,4 | 8AIII | 10,0 | 11,6 |
227 | | 6AI | 280 | 26 | 7,3 | 6AI | 1,6 |
К3 | 229 | | 8AIII | 5770 | 5 | 28,9 | 8AIII | 11,4 | 13,2 |
227 | | 6AI | 280 | 29 | 8,1 | 6AI | 1,8 |
К4 | 230 | | 8AI | 220 | 11 | 2,4 | 8AI | 0,95 | 1,19 |
231 | | 6AI | 1100 | 1 | 1,1 | 6AI | 0,24 |
К5 | 232 | | 8AI | 260 | 11 | 2,9 | 8AI | 1,13 | 1,37 |
231 | | 6AI | 1100 | 1 | 1,1 | 6AI | 0,24 |
Ф1 | 233 | | 5ВрI | 235 | 1 | 0,24 | 5ВрI | 0,04 | 0,04 |
Ф2 | 234 | | 5ВрI | 255 | 1 | 0,26 | 5ВрI | 0,04 | 0,04 |
Ф3 | 235 | | 5ВрI | 295 | 1 | 0,30 | 5ВрI | 0,05 | 0,05 |
4. Каркасы К4 и К5, устанавливаемые в лотке и шелыге труб

2000 и 2400 мм, должны быть равномерно распределены по длине трубы.
5. Для обеспечения проектной толщины защитного слоя бетона до арматуры к каркасу следует прикреплять пластмассовые или бетонные фиксаторы.
Фиксаторы следует устанавливать по периметру каркаса на расстоянии 500 - 600 мм, но не менее 4 шт. под углом 90° друг к другу, а по длине - не реже чем через 1000 мм.
Допускается применение фиксаторов из отходов арматурной стали.
| | ИС МЕГАНОРМ: примечание. Взамен ГОСТ 14098-85 Постановлением Госстроя СССР от 28.11.1991 N 19 с 1 июля 1992 года введен в действие ГОСТ 14098-91. | |
6. Изготовление арматурных изделий следует производить контактной точечной сваркой в соответствии с требованиями ГОСТ 14098-85.
7. Спиральную и продольную арматуру цилиндрических каркасов следует сваривать между собой в каждом пересечении или через одно пересечение при обязательном шахматном расположении сварных соединений.
8. Фиксаторы Ф1 - Ф3, предназначенные для соединения арматурных цилиндрических каркасов между собой, следует устанавливать по периметру каркасов через два шага продольных стержней, а по длине:
в 6 рядов - для труб полезной длиной 4,5 и 5 м;
в 5 рядов " " " " 3,5 м;
в 4 ряда " " " " 3 м.
Допускается применение других фиксаторов, обеспечивающих взаимную фиксацию каркасов без увеличения расхода стали.
9. По требованию потребителя в трубах устанавливают два закладных изделия марки М1, предназначенных для защиты трубопроводов от электрокоррозии.
Конструкция закладного изделия и его положение в трубе приведены на черт. 38. При этом закладные изделия должны располагаться по одной образующей наружной поверхности трубы, а в трубах с подошвой эта образующая должна быть в верхней части трубы.
Закладное изделие М1
Пример установки закладного изделия М1
в трубах типа ТБ
Черт. 38
Спецификация и расход стали на одно закладное изделие М1 приведены в табл. 19. При изготовлении труб с этими закладными изделиями общий расход стали на одну трубу, указанный в
табл. 13, должен быть увеличен на 0,3 кг.
Таблица 19
Спецификация и выборка стали на одно закладное изделие
Позиция | Эскиз | Диаметр или сечение, мм | Длина, мм | Количество | Общая длина, м | Выборка стали |
Диаметр или сечение, мм | Масса, кг | Масса изделия, кг |
236 | | 25 х 5 | 50 | 2 | 0,1 | 25 x 5 | 0,1 | 0,16 |
237 | | - | - | 2 | - | Метизы | 0,02 |
238 | | - | - | 2 | - | - | - |
239 | | - | - | 2 | - | - | - |
240 | | 3ВрI | 350 | 1 | 0,35 | 3ВрI | 0,02 |
241 | | - | - | 1 | - | Гайка | 0,02 |
10. На наружной и внутренней поверхностях труб

2000 и 2400 мм без подошвы (см.
п. 1 Приложения 1) вдоль образующих цилиндрической части труб, проходящих посередине зон установки каркасов поперечного армирования, должны быть нанесены несмываемой краской фиксирующие полосы с надписями "лоток" и на диаметрально противоположной стороне - "шелыга".