Главная // Актуальные документы // ГОСТ (Государственный стандарт)СПРАВКА
Источник публикации
М.: Стандартинформ, 2014
Примечание к документу
Документ утратил силу с 01.01.2023 в связи с изданием
Приказа Росстандарта от 20.07.2022 N 658-ст. Взамен введен в действие
ГОСТ IEC 60320-1-2021.
Документ включен в
Перечень международных и региональных (межгосударственных) стандартов, а в случае их отсутствия - национальных (государственных) стандартов, в результате применения которых на добровольной основе обеспечивается соблюдение требований технического
регламента Таможенного союза "О безопасности низковольтного оборудования" (ТР ТС 004/2011) и в
Перечень международных и региональных (межгосударственных) стандартов, а в случае их отсутствия - национальных (государственных) стандартов, содержащих правила и методы исследований (испытаний) и измерений, в том числе правила отбора образцов, необходимые для применения и исполнения требований технического
регламента Таможенного союза "О безопасности низковольтного оборудования" (ТР ТС 004/2011) и осуществления оценки соответствия объектов технического регулирования (
Решение Коллегии Евразийской экономической комиссии от 11.05.2023 N 55).
Отдельные положения данного документа включены в
Перечень документов в области стандартизации, в результате применения которых на добровольной основе обеспечивается соблюдение требований Федерального
закона от 22.07.2008 N 123-ФЗ "Технический регламент о требованиях пожарной безопасности" (
Приказ Росстандарта от 14.07.2020 N 1190).
Отдельные положения данного документа включены в
Перечень документов в области стандартизации, в результате применения которых на добровольной основе обеспечивается соблюдение требований Федерального
закона от 22.07.2008 N 123-ФЗ "Технический регламент о требованиях пожарной безопасности" (
Приказ Росстандарта от 03.06.2019 N 1317).
Документ включен в
Перечень стандартов, в результате применения которых на добровольной основе обеспечивается соблюдение требований технического
регламента Таможенного союза "О безопасности низковольтного оборудования" (ТР ТС 004/2011) и в
Перечень стандартов, содержащих правила и методы исследований (испытаний) и измерений, в том числе правила отбора образцов, необходимые для применения и исполнения требований технического
регламента Таможенного союза "О безопасности низковольтного оборудования" (ТР ТС 004/2011) и осуществления оценки соответствия объектов технического регулирования (
Решение Комиссии Таможенного союза от 16.08.2011 N 768).
Документ был включен в
Перечень национальных стандартов, содержащих правила и методы исследований (испытаний) и измерений, в том числе правила отбора образцов, необходимых для применения и исполнения Федерального
закона от 22.07.2008 N 123-ФЗ "Технический регламент о требованиях пожарной безопасности" и осуществления оценки соответствия (
Распоряжение Правительства РФ от 10.03.2009 N 304-р).
Документ
введен в действие с 01.01.2014.
Название документа
"ГОСТ 30851.1-2002 (МЭК 60320-1:1994). Межгосударственный стандарт. Соединители электрические бытового и аналогичного назначения. Часть 1. Общие требования и методы испытаний"
(введен в действие Приказом Росстандарта от 15.11.2012 N 825-ст)
"ГОСТ 30851.1-2002 (МЭК 60320-1:1994). Межгосударственный стандарт. Соединители электрические бытового и аналогичного назначения. Часть 1. Общие требования и методы испытаний"
(введен в действие Приказом Росстандарта от 15.11.2012 N 825-ст)
агентства по техническому
регулированию и метрологии
от 15 ноября 2012 г. N 825-ст
МЕЖГОСУДАРСТВЕННЫЙ СТАНДАРТ
СОЕДИНИТЕЛИ ЭЛЕКТРИЧЕСКИЕ БЫТОВОГО И АНАЛОГИЧНОГО НАЗНАЧЕНИЯ
ЧАСТЬ 1
ОБЩИЕ ТРЕБОВАНИЯ И МЕТОДЫ ИСПЫТАНИЙ
Residual current operated circuit-breakers without integral
overcurrent protection for household and similar uses
(RCCB'S). Part 1. General rules
(IEC 60320-1:1994, MOD)
ГОСТ 30851.1-2002
(МЭК 60320-1:1994)
Дата введения
1 января 2014 года
Цели, основные принципы и основной порядок проведения работ по межгосударственной стандартизации установлены
ГОСТ 1.0-92 "Межгосударственная система стандартизации. Основные положения" и
ГОСТ 1.2-2009 "Межгосударственная система стандартизации. Стандарты межгосударственные, правила и рекомендации по межгосударственной стандартизации. Правила разработки, принятия, применения, обновления и отмены".
1. Подготовлен АНО НТЦ "Энергия".
2. Внесен Федеральным агентством по техническому регулированию и метрологии.
3. Принят Межгосударственным советом по стандартизации, метрологии и сертификации (Протокол от 6 ноября 2002 г. N 22).
За принятие проголосовали:
Краткое наименование страны по МК (ИСО 3166) 004-97 | Код страны по МК (ИСО 3166) 004-97 | Сокращенное наименование национального органа по стандартизации |
Азербайджан | AZ | Азстандарт |
Армения | AM | Минэкономики Республики Армения |
Беларусь | BY | Госстандарт Республики Беларусь |
Казахстан | KZ | Госстандарт Республики Казахстан |
Киргизия | KG | Кыргызстандарт |
Молдова | MD | Молдова-Стандарт |
Россия | RU | Росстандарт |
Таджикистан | TJ | Таджикстандарт |
Туркменистан | TM | Главгосслужба "Туркменстандартлары" |
4.
Приказом Федерального агентства по техническому регулированию и метрологии от 15 ноября 2012 г. N 825-ст межгосударственный стандарт ГОСТ 30851.1-2002 (МЭК 60320-4:1994) введен в действие в качестве национального стандарта Российской Федерации с 1 января 2014 г.
5. Настоящий стандарт модифицирован по отношению к международному стандарту IEC 60320-1:1994. Appliance couplers for household and similar general purposes. Part 1. General requirements and methods of tests (Соединители электрические бытового и аналогичного назначения. Часть 1. Общие требования и методы испытаний) с учетом изменений N 1 (1995) и N 2 (1996) и представляет собой его полный аутентичный текст с дополнительными требованиями, учитывающими потребности национальной экономики указанных выше государств.
Методы испытаний в тексте стандарта выделены курсивом.
Дополнительные требования, учитывающие потребности экономики страны, приведены в
Приложении ДА.
Степень соответствия - модифицированная (MOD).
Настоящий стандарт подготовлен на основе применения
ГОСТ Р 51325.1-99 (МЭК 60320-1-94).
6. Введен впервые.
Информация об изменениях к настоящему стандарту публикуется в ежегодном информационном указателе "Национальные стандарты", а текст изменений и поправок - в ежемесячном информационном указателе "Национальные стандарты". В случае пересмотра (замены) или отмены настоящего стандарта соответствующее уведомление будет опубликовано в ежемесячном информационном указателе "Национальные стандарты". Соответствующая информация, уведомление и тексты размещаются также в информационной системе общего пользования - на официальном сайте Федерального агентства по техническому регулированию и метрологии в сети Интернет.
Настоящий стандарт распространяется на электрические двухполюсные соединители (далее - соединители) к приборам классов I и II, на номинальное напряжение не выше 250 В и номинальный ток не более 16 А для бытовых и аналогичных целей, предназначенные для присоединения шнуров к электрическим приборам и аппаратам, работающим на частоте 50 или 60 Гц.
Примечания
1. Настоящий стандарт распространяется также на соединительные комплекты и присоединительные провода, оснащенные розетками вышеизложенных соединителей, и на вилки соединителей, встроенные в электрические приборы и аппараты или вмонтированные в них.
Настоящий стандарт устанавливает основные размеры соединителей, технические требования и методы испытаний.
2. Максимально допустимая температура нагрева штырей соединителей может быть:
70 °C - для холодных условий;
120 °C - для горячих условий;
155 °C - для очень горячих условий.
3. Соединители, соответствующие настоящему стандарту, пригодны для работы при температуре окружающей среды до плюс 25 °C с допустимым временным увеличением до плюс 35 °C.
4. Соединители, предназначенные для присоединения электрических приборов без конкретной защиты от влаги, должны соответствовать стандартным листам настоящего стандарта. При присоединении приборов других типов и для приборов, у которых при обычной эксплуатации расплескивается жидкость, необходимы дополнительные требования.
5. Стандарт не распространяется на соединители:
- встраиваемые в приборы, предназначенные для эксплуатации в местах с особыми условиями, например на морском и сухопутном транспорте и т.п.;
- в помещениях пожароопасных, взрывоопасных и с химически активной средой.
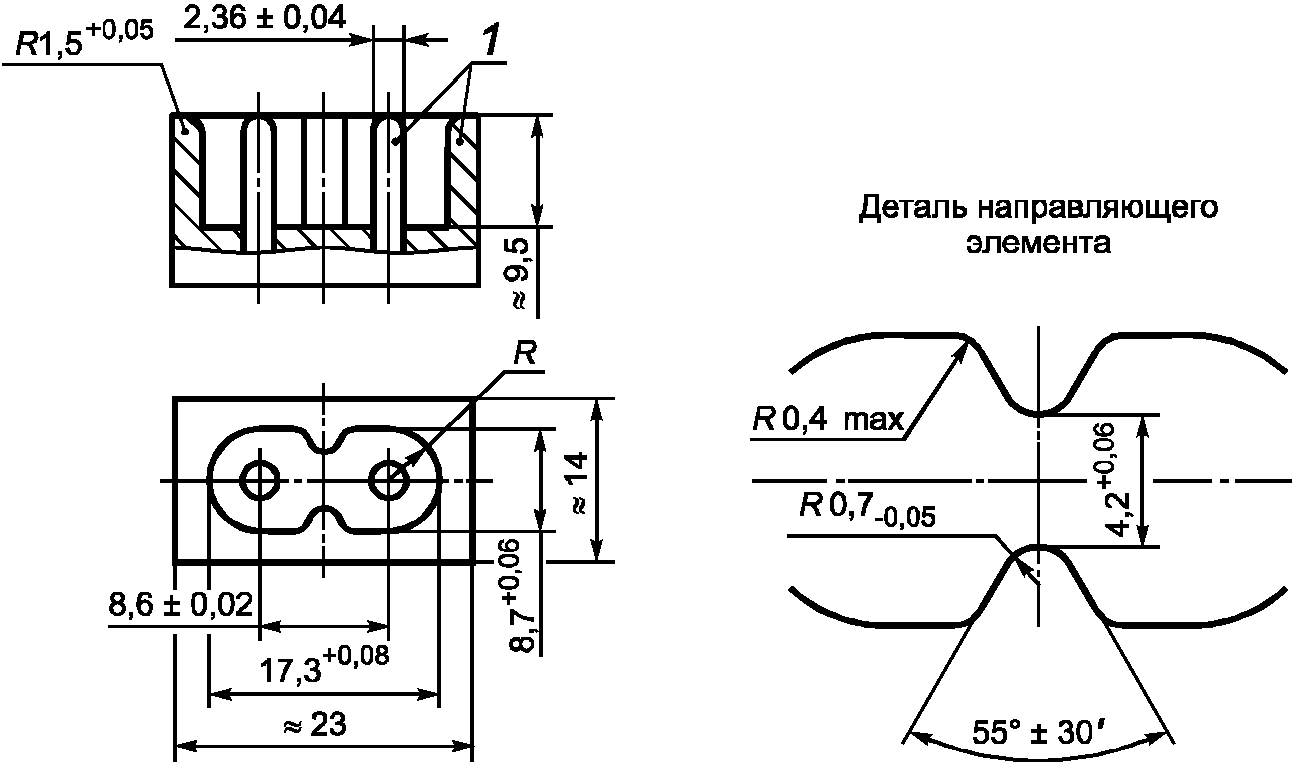
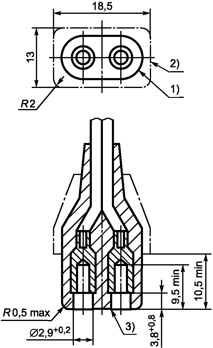
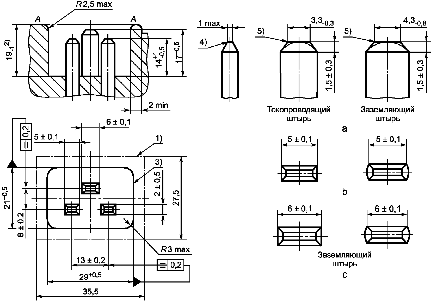
Настоящий стандарт включает в себя стандартные листы, полностью соответствующие международному стандарту МЭК 60320-1-94 и предназначенные для использования при разработке рабочих чертежей приборных штепсельных соединителей и приспособлений для их проверки и испытаний.
В настоящем стандарте использованы ссылки на следующие стандарты.
ГОСТ 2.307-2011. Единая система конструкторской документации. Нанесение размеров и предельных отклонений
ГОСТ 9.301-86. Единая система защиты от коррозии и старения. Покрытия металлические и неметаллические неорганические. Общие требования
ГОСТ 7396.1-89 (МЭК 83-75). Соединители штепсельные бытового и аналогичного назначения. Основные размеры
ГОСТ 8724-81. Основные нормы взаимозаменяемости. Резьба метрическая. Диаметры и шаги
ГОСТ 24643-81. Основные нормы взаимозаменяемости. Допуски формы и расположения поверхностей. Числовые значения
ГОСТ 25346-89. Основные нормы взаимозаменяемости. Единая система допусков и посадок. Общие положения, ряды допусков и основных отклонений
ГОСТ 27473-87 (МЭК 112-79). Материалы электроизоляционные твердые. Метод определения сравнительного и контрольного индексов трекингостойкости во влажной среде
ГОСТ 27483-87 (МЭК 695-2-1-80). Испытания на пожароопасность. Методы испытаний. Испытания нагретой проволокой
ГОСТ МЭК 730-2-1-95. Автоматические электрические управляющие устройства бытового и аналогичного назначения. Дополнительные требования к электрическим управляющим устройствам для бытовых электроприборов и методы испытаний
ГОСТ МЭК 730-2-10-2002. Автоматические электрические управляющие устройства бытового и аналогичного назначения. Дополнительные требования к пусковым реле электродвигателей и методы испытаний
ГОСТ IEC 60227-1-2011. Кабели с поливинилхлоридной изоляцией на номинальное напряжение до 450/750 В включительно. Общие требования
ГОСТ IEC 60227-2-2012. Кабели с поливинилхлоридной изоляцией на номинальное напряжение до 450/750 В включительно. Методы испытаний
ГОСТ IEC 60245-1-2011. Кабели с резиновой изоляцией на номинальное напряжение до 450/750 В включительно. Общие требования
ГОСТ IEC 60245-2-2011. Кабели с резиновой изоляцией на номинальное напряжение до 450/750 В включительно. Методы испытаний
ГОСТ IEC 60245-4-2011. Кабели с резиновой изоляцией на номинальное напряжение до 450/750 В включительно. Шнуры и гибкие кабели
ГОСТ Р МЭК 536-94. Классификация электротехнического и электронного оборудования по способу защиты от поражения электрическим током
| | ИС МЕГАНОРМ: примечание. ГОСТ IEC 60730-1-2011 утратил силу с 01.07.2017 в связи с введением в действие ГОСТ IEC 60730-1-2016 (Приказ Росстандарта от 11.10.2016 N 1371-ст). | |
ГОСТ IEC 60730-1-2011. Автоматические электрические управляющие устройства бытового и аналогичного назначения. Общие требования и методы испытаний
ГОСТ IEC 60730-2-2-2011. Автоматические электрические управляющие устройства бытового и аналогичного назначения. Дополнительные требования к устройствам тепловой защиты двигателей и методы испытаний
ГОСТ IEC 60730-2-4-2011. Автоматические электрические управляющие устройства бытового и аналогичного назначения. Дополнительные требования к устройствам тепловой защиты двигателей, мотор-компрессоров герметичного и полугерметичного типов и методы испытаний
ГОСТ IEC 60730-2-7-2011. Автоматические электрические управляющие устройства бытового и аналогичного назначения. Дополнительные требования к таймерам и временным выключателям и методы испытаний
ГОСТ IEC 60730-2-9-2011. Автоматические электрические управляющие устройства бытового и аналогичного назначения. Дополнительные требования к термочувствительным устройствам и методы испытаний
ГОСТ МЭК 61058-1-2002. Выключатели для электроприборов. Часть 1. Общие требования и методы испытаний.
Примечание. При пользовании настоящим стандартом целесообразно проверить действие ссылочных стандартов в информационной системе общего пользования - на официальном сайте Федерального агентства по техническому регулированию и метрологии в сети Интернет или по ежегодному информационному указателю "Национальные стандарты", который опубликован по состоянию на 1 января текущего года, и по выпускам ежемесячного информационного указателя "Национальные стандарты" за текущий год. Если ссылочный стандарт заменен (изменен), то при пользовании настоящим стандартом следует руководствоваться заменяющим (измененным) стандартом. Если ссылочный стандарт отменен без замены, то положение, в котором дана ссылка на него, применяется в части, не затрагивающей эту ссылку.
При отсутствии других указаний под понятиями "напряжение" и "ток" подразумевают средние квадратические значения этих величин.
В настоящем стандарте применяют следующие определения.
Термин "соединитель" употребляется в общем смысле и охватывает приборные розетки и/или вилки.
3.1. Соединитель для электроприбора: комплект, состоящий из двух частей - приборных розетки и вилки - и предназначенный для электрической связи гибкого кабеля с электрическим прибором или другим электрическим оборудованием.
3.2. Подвижная приборная розетка (далее - розетка): часть соединителя, выполненная заодно с гибким кабелем или шнуром или присоединяемая к проводу или шнуру.
Главной частью розетки являются контактные гнезда.
3.3. Неподвижная приборная вилка (далее - вилка): часть соединителя, составляющая встроенную (интегральную) часть электрического прибора или предназначенная для прикрепления к нему (дно и стенки вилки находятся внутри корпуса прибора).
Главной частью вилки являются штыревые контакты.
Примечания
1. Приборная вилка, представляющая единое целое с прибором или электрическим оборудованием, - это вилка, у которой корпусная часть (боковые стенки, основание) образована элементами корпуса или других деталей прибора или оборудования.
2. Приборная вилка, встроенная в прибор или оборудование, представляет собой отдельный узел, встроенный в прибор или прикрепленный к электроприбору или оборудованию.
3.4. Разборная вилка или розетка: изделие, допускающее замену гибкого кабеля или шнура.
3.5. Неразборная вилка или розетка: изделие, образующее единый блок с гибким кабелем посредством технологии его производства и не допускающее замены гибкого кабеля без сохранения их дальнейшей пригодности к работе.
Эти изделия должны отвечать следующим требованиям:
- присоединенный гибкий кабель или шнур невозможно было отделить от розетки или вилки без его повреждения;
- розетку или вилку невозможно разобрать вручную или с применением инструмента, например отвертки.
Примечание. Розетку или вилку считают полностью испорченной, если для ее повторной сборки необходимо использовать детали и материалы, кроме тех, из которых она изготовлена.
3.6. Соединительный комплект: комплект, состоящий из гибкого кабеля или шнура, неразборной вилки и неразборной розетки, предназначенный для присоединения электрического прибора к электрической сети.
3.7. Основание контактного штыря: часть штыря, расположенная в конце рабочей контактной поверхности при полном сочленении вилки с розеткой.
3.8. Запорное устройство: механическое приспособление, обеспечивающее фиксацию частей соединителя в сочлененном положении и предотвращающее их самопроизвольное разъединение.
3.9. Номинальное напряжение: значение напряжения, установленное изготовителем для соединителя.
3.10. Номинальный ток: значение тока, установленное изготовителем для соединителя.
3.11. Зажим: устройство, обеспечивающее разборное контактное соединение путем прижатия проводника к рабочей контактной поверхности вывода винтом или гайкой.
3.12. Вывод: часть контакта, к которой неразъемно подсоединяется токопроводящая жила провода.
3.13. Винтовой зажим: зажим, обеспечивающий соединение и последующее отсоединение жилы провода путем прижатия жилы проводника или кабельного наконечника, закрепленного на проводнике, к рабочей контактной поверхности вывода винтом или гайкой.
3.14. Торцевой зажим: зажим под винт, в который провод вводится в отверстие или полость и зажимается нижней частью винта. Усилие, зажимающее провод, может прилагаться к нему непосредственно нижней частью винта или через промежуточную прижимную деталь, которая воспринимает усилие от нижней части винта.
3.15. Зажим с крепежной головкой: зажим, в котором провод зажимается под головкой винта. Прижимное усилие прилагается к проводу непосредственно головкой винта или через промежуточную деталь, например прокладку, прижимную пластинку или специальную прижимную деталь.
3.16. Зажим под гайку: зажим, в котором провод зажимается под гайкой. Прижимное усилие может прилагаться к проводу непосредственно поверхностью гайки или через промежуточную деталь, например прокладку, прижимную пластинку или специальную прижимную деталь.
3.17. Безвинтовой зажим: устройство для соединения и последующего разъединения провода. Соединение может быть прямое или непрямое и выполнено при помощи пружин, деталей в виде уголка, эксцентрической или конической формы и других подобных деталей.
3.18. Самонарезающий винт: винт, изготовленный из материала с высоким сопротивлением деформации, ввинчиваемый в отверстие, выполненное в материале с меньшим сопротивлением деформации.
Примечание. Винт имеет коническую резьбу с уменьшением диаметра резьбы на конце винта. Надежная резьба, выполненная винтом, образуется только после достаточного числа произведенных оборотов, превышающих число витков на коническом участке винта.
3.19. Самонарезающий формующий винт: самонарезающий винт с непрерывной резьбой, не предназначенной для удаления материала из отверстия.
Примечание. Пример самонарезающего формующего винта приведен на
рисунке 28.
3.20. Самонарезающий режущий винт: самонарезающий режущий винт с непрерывной резьбой, предназначенной для удаления материала из отверстия.
Примечание. Пример самонарезающего режущего винта приведен на
рисунке 29.
3.21. Типовое испытание: испытание одного или нескольких устройств определенной конструкции на соответствие конструкции определенным требованиям.
3.22. Приемо-сдаточное испытание: испытание, которому подвергается каждое отдельное устройство во время и/или после изготовления на соответствие определенным критериям.
Конструкцией соединителей должна быть предусмотрена безопасность потребителя при нормальной работе.
Соответствие проверяют проведением всех предписанных испытаний.
Примечание. Считают, что соединители должны удовлетворять всем требованиям и выдержать все испытания, указанные в настоящем стандарте.
5. Общие требования к испытаниям
5.1. Испытания следует проводить на соответствие требованиям, содержащимся в настоящем стандарте, по мере применимости.
Проводят следующие испытания:
- типовые - на отобранных образцах каждого соединителя (см. 5.2 -
5.7);
- приемо-сдаточные - на каждом соединителе, изготовленном в соответствии с настоящим стандартом, по применимости.
5.2. Если нет других указаний, образцы испытывают в состоянии поставки в нормальном рабочем режиме при температуре окружающей среды (20 +/- 5) °C; испытания проводят при переменном токе частотой 50 или 60 Гц.
Неразборные розетки, кроме являющихся частью соединительного комплекта, представляют к испытанию с гибким кабелем или шнуром длиной не менее 1 м.
5.3. Если нет других указаний, испытания проводят по порядку пунктов настоящего стандарта.
5.4. Если нет других указаний, розетки и приборные вилки испытывают соответственно приборной вилкой или розеткой, удовлетворяющей настоящему стандарту.
5.5. Для приборных вилок испытания проводят на трех образцах.
Для всех розеток необходимо представить девять образцов (одиннадцать, если в них использованы эластомерные или термопластичные материалы):
- третий комплект из трех образцов испытывают по
22.4;
- четвертый комплект из двух образцов из эластомерных или термопластичных материалов подвергают испытанию по
22.4 (в т.ч. при температурных условиях по
разделу 16).
Для проведения испытаний неразборных переносных розеток с индикатором по
разделу 15 необходимы три дополнительных образца с отсоединенным полюсом индикатора.
5.6. Приборные вилки, выполненные как одно целое с приборами или встроенные в них, испытывают в условиях эксплуатации приборов, причем число образцов приборов должно соответствовать числу образцов приборов, указанных в соответствующем стандарте на данный прибор.
5.7. Переносные розетки и приборные вилки считают не соответствующими настоящему стандарту, если имеется более одного образца, не выдержавшего одного из испытаний. Если один из образцов не выдерживает одно из испытаний, то данное испытание, а также все предшествующие ему испытания, которые могли повлиять на результат испытаний, повторяют на другом комплекте образцов, число которых указано в
5.5; все образцы должны выдержать повторные испытания.
Испытание, которое привело к повреждению, нуждается в повторении только в том случае, если:
a) повреждение не произошло в одном из трех образцов второго комплекта, указанного в
5.5, при испытаниях по
разделам 19,
20 или
21; в этом случае испытания по
5.5 для второго комплекта повторяют, начиная от
раздела 16 и далее;
b) повреждение не произошло в одном из трех образцов первого комплекта, указанного в
5.5, при испытаниях по
разделам 22 или
23 (за исключением
22.4); в этом случае испытания по
5.5 для первого комплекта повторяют, начиная от
раздела 18 и далее.
Вместе с первым комплектом потребитель может представить дополнительный комплект образцов на случай, если один из образцов не выдержит испытания.
В этом случае испытательный центр без дополнительного запроса должен испытывать дополнительные образцы. При отрицательных результатах повторных испытаний образцы бракуют. При непредставлении дополнительной партии образцы бракуют, если хотя бы один из них не выдержал какого-либо испытания.
6.1. Значение номинального напряжения - 250 В.
6.2. Значения номинальных токов: 0,2; 2,5; 6; 10 и 16 А, как указано в
9.1.
Соответствие требованиям 6.1 и 6.2 проверяют путем внешнего осмотра маркировки.
7.1. Соединители классифицируют:
7.1.1. По максимальной температуре основания штырей приборной вилки - на соединители, предназначенные для работы в условиях:
- низкой температуры (температура штырей не более 70 °C),
- средней температуры (температура штырей не более 120 °C),
- высокой температуры (температура штырей не более 155 °C);
7.1.2. По типу подсоединяемых приборов:
- для приборов класса I,
- для приборов класса II.
7.2. Переносные розетки, кроме того, классифицируются согласно способу подсоединения проводников на:
- разборные,
- неразборные.
Примечания
1. На
рисунке 1 представлены различные типы стандартных соединителей и их применение.
2. Соединители на ток 0,2 А предназначены только для подсоединения к ручным приборам класса защиты II, если это не противоречит требованиям соответствующего стандарта на прибор.
3. Приборные вилки, предназначенные для работы в условиях низкой температуры, не могут применяться для нагревательных приборов, имеющих наружные металлические части, превышение температуры которых в нормальных условиях эксплуатации может быть более 75 °C и которых может касаться шнур.
4. Соединители, предназначенные для работы в условиях средней температуры, могут также применяться для низких температур; соединители, предназначенные для работы в условиях высокой температуры, могут также использоваться для работы при низкой или средней температуре.
8.1. Маркировка розетки должна содержать следующие обозначения:
- номинальный ток в амперах, за исключением переносных розеток на 0,2 А;
- номинальное напряжение в вольтах;
- род тока;
- наименование или товарный знак изготовителя или распространителя изделия;
- тип.
Примечание. Для обозначения типа может использоваться каталожный номер.
8.2. На приборных вилках соединителей, кроме встроенных или вмонтированных в электрические приборы, должны быть указаны: наименование или товарный знак изготовителя или распространителя изделия, ссылка на тип, которая не должна быть видна после правильного монтажа розетки соединителя или должна быть видна с выключенной розеткой. Маркировка типа приборных вилок на 0,2 и 2,5 А после монтажа вилки или присоединения к ней розетки может быть видна в том случае, если она не ставит под сомнение указания маркировки самого используемого прибора.
Примечание. Вместо типа может быть указан каталожный номер.
8.3. Розетки и вилки для приборов класса II не должны маркироваться символом класса И.
8.4. Применяют следующие символы:
амперы .......................................... А;
вольты .......................................... В;
переменный ток .................................. ~;
заземление ......................................

или

.
Примечание. Предпочтителен символ заземления в круге.
Для обозначения номинальных тока и напряжения можно использовать только числовые значения: номинальное значение тока располагают перед или над номинальным значением напряжения и отделяют от него чертой. Символ тока должен помещаться сразу после маркировки номинального тока и номинального напряжения.
Примечания
1. Примерная запись маркировки тока, напряжения и рода тока:
10 А 250 В ~ или 10/250 ~, или

, или

.
2. Линии от оснастки нельзя рассматривать частью маркировки.
8.5. Маркировка, указанная в
8.1, должна легко различаться, когда розетка оснащена шнуром и готова к эксплуатации.
Примечание. Термин "готовность к эксплуатации" не означает, что розетка сочленена с приборной вилкой.
8.6. В случае применения розеток без изменения полярности, положения контактов устанавливают на лицевой поверхности розетки, как показано на
рисунке 1, и их размещение должно быть следующее:
- заземляющий контакт - вверху в середине;
- фазовый контакт - внизу справа;
- нейтральный контакт - внизу слева.
В разборных розетках без изменения полярности гнезда маркируют следующими символами:
- заземляющее гнездо ............................

или

- нейтральное гнездо ............................ N.
В неразборных розетках без изменения полярности нет необходимости маркировать контакты, но жилы проводов должны присоединяться в соответствии с требованиями
22.1.
Зажимы вилок, не являющихся встроенной частью электрического аппарата или прибора и не прикрепленных к нему, но предназначенных для работы с розетками по настоящему стандарту, должны маркироваться согласно требованиям настоящего стандарта.
Маркировка зажимов не должна быть расположена на винтах, шайбах или других съемных деталях.
Примечание. Требование, касающееся маркировки зажимов и присоединения проводов, введено для стран, где уже применяют систему расположения контактов, в целях будущего введения унифицированной системы расположения контактов соединителей. Всем странам рекомендовано, начиная с даты введения настоящего стандарта, соблюдать данные требования.
Разборные розетки должны снабжаться следующими инструкциями, содержащими:
a) рисунок, иллюстрирующий способ подсоединения проводников, в частности запас длины заземляющего проводника и действие устройства крепления шнура;
b) рисунок, показывающий длину снятой изоляции;
c) размеры и типы используемых шнуров.
Примечания
1. Существенно, чтобы присоединение заземляющего проводника было показано в инструкции, предпочтительно на рисунке.
2. В инструкции нет необходимости для переносных розеток, поставляемых непосредственно изготовителю оборудования.
8.7. Маркировка должна быть прочной и легкоразличимой.
8.8. Соответствие требованиям
8.1 - 8.7 проверяют осмотром и протиранием маркировки вручную в течение 15 с тканью, смоченной водой, а затем в течение 15 с - тканью, смоченной бензином.
Примечания
1. Обозначение типа можно наносить краской или чернилами и, при необходимости, покрывать лаком.
2. Следует использовать бензин на основе гексана с максимальным содержанием ароматизаторов:
0,1% по объему, каури-бутаноловым числом 29, начальной температурой кипения ~= 65 °C, конечной температурой испарения ~= 69 °C и плотностью ~= 0,68 г/см3.
3. Пересмотр испытаний по проверке прочности маркировки - в стадии рассмотрения.
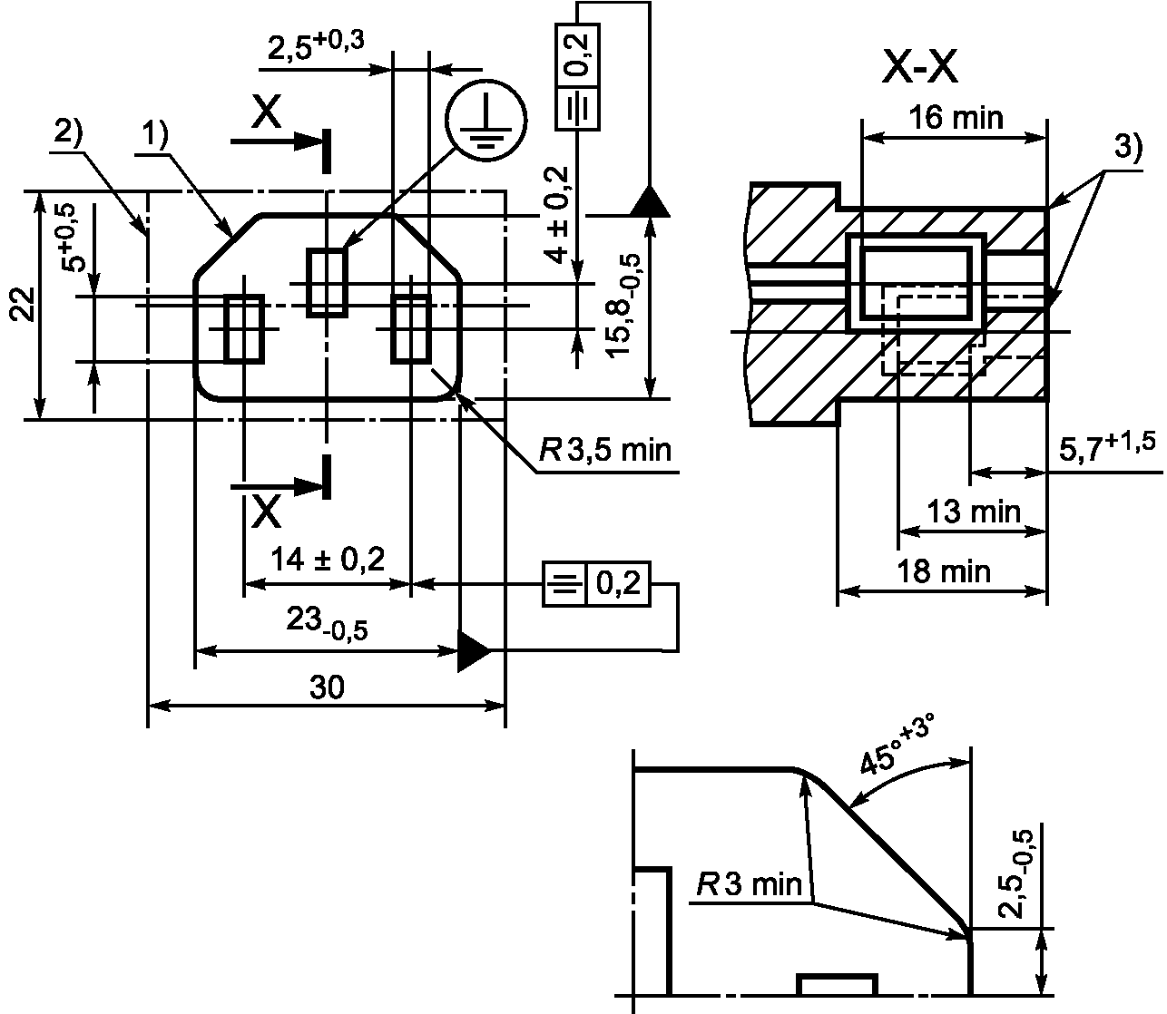
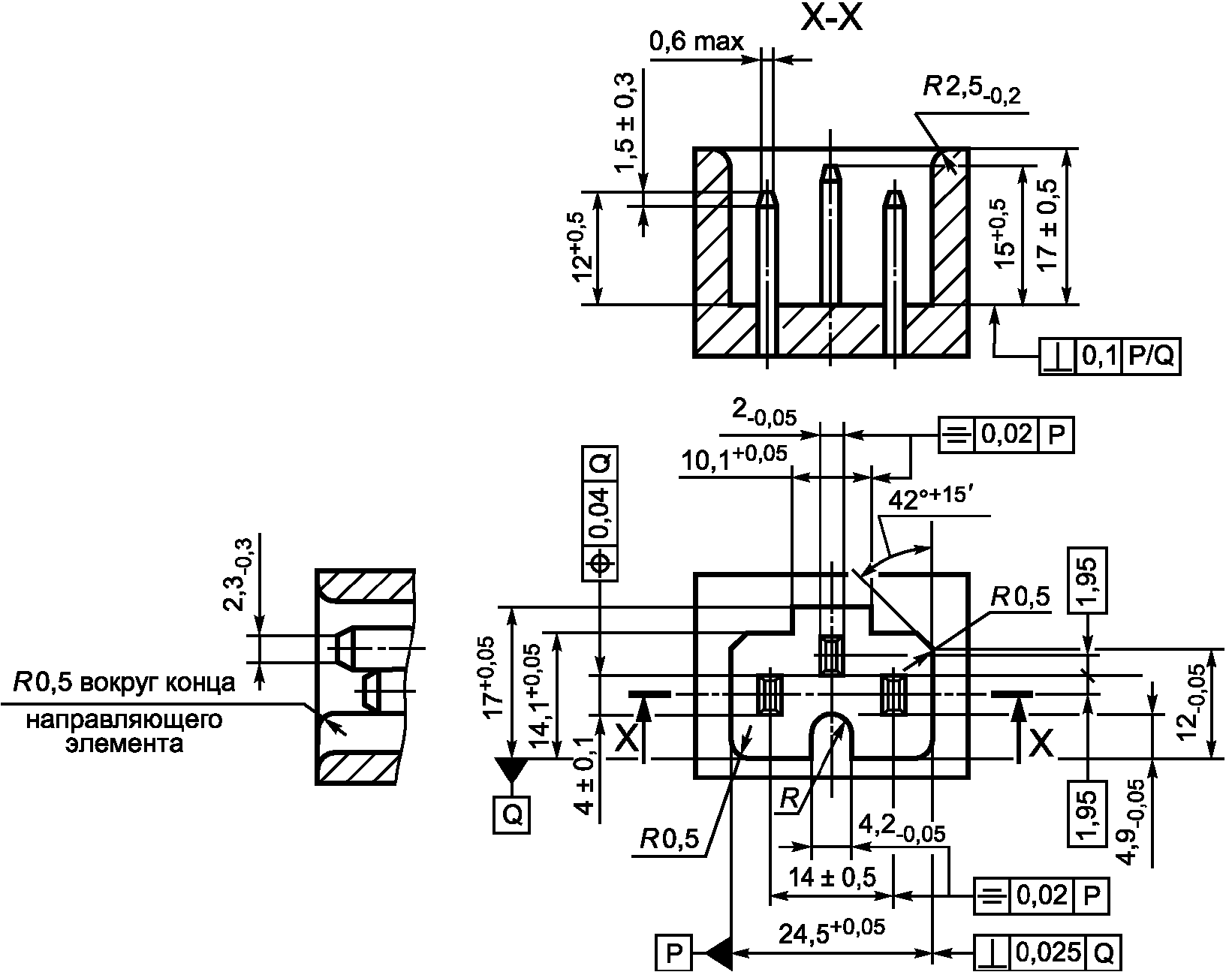
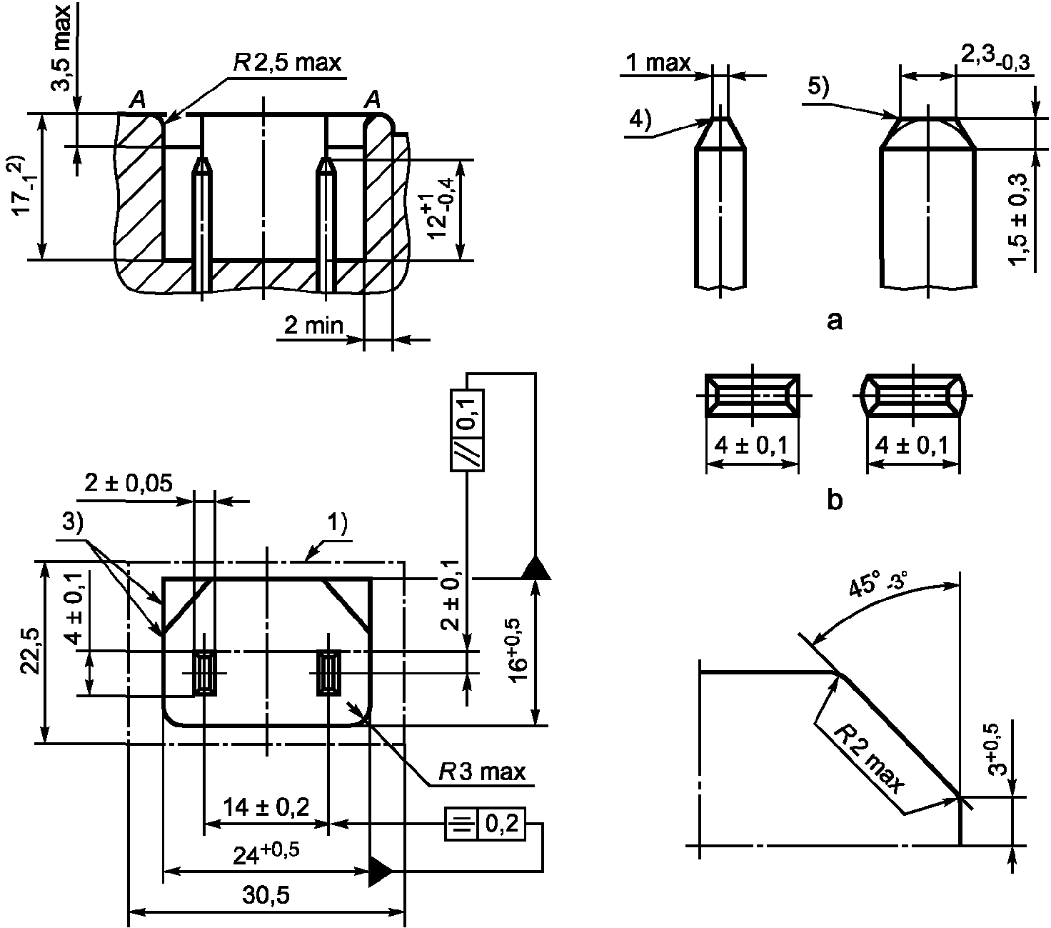
9. Размеры и их соответствие
9.1. Соединители для электроприборов должны соответствовать следующим стандартным листам, за исключением указанных в
9.6:
- соединитель на 0,2 А, 250 В для приборов класса защиты II и работы при низкой температуре:
- соединитель на 2,5 А, 250 В для приборов класса защиты I и работы при низкой температуре:
- соединитель на 2,5 А, 250 В для приборов класса защиты II и работы при низкой температуре:
вилка приборная для альтернативного присоединения оборудования на два различных напряжения главных цепей -
лист С8B;
- соединитель на 6 А, 250 В для приборов класса защиты II и работы при низкой температуре:
- соединитель на 10 А, 250 В для приборов класса защиты I и работы при низкой температуре:
- соединитель на 10 А, 250 В для приборов класса защиты I и работы при средней температуре:
- соединитель на 10 А, 250 В для приборов класса защиты I и работы при высокой температуре:
- соединитель на 10 А, 250 В для приборов класса защиты II и работы при низкой температуре:
- соединитель на 16 А, 250 В для приборов класса защиты I и работы при низкой температуре:
- соединитель на 16 А, 250 В для приборов класса защиты I и работы при высокой температуре:
- соединитель на 16 А, 250 В для приборов класса защиты II и работы при низкой температуре:
Размеры проверяют при помощи калибров или измерением. В случае сомнения - используют соответствующие калибры.
Испытание соединителей проводят при температуре окружающей среды (25 +/- 5) °C. Образцы, приборы и калибры должны иметь такую же температуру. Используемые калибры показаны:
| | ИС МЕГАНОРМ: примечание. В официальном тексте документа, видимо, допущена опечатка: рисунок 5 отсутствует. | |
Расстояние между поверхностью розетки соединителя и местом первоначального контакта с гнездами розетки проверяют соответствующими калибрами, представленными на
рисунке 27.
Примечание. Размеры для фиксации приборных вилок изучаются.
9.2. Если для удержания розетки в приборной вилке предусмотрено запорное устройство, то оно должно соответствовать требованиям
стандартного листа С25.
Соответствие проверяют измерением.
9.3. Не допускается возможность однополюсного контакта между розетками и приборными вилками.
Приборные вилки не должны допускать нежелательного соединения с розетками удлинителей, соответствующих
ГОСТ 7396.1.
Розетки не должны допускать нежелательных соединений с вилками, соответствующими
ГОСТ 7396.1.
Соответствие проверяют испытанием вручную.
Примечания
1. "Нежелательные соединения" - однополюсные соединения или любые другие соединения, не соответствующие требованиям к защите от поражения электрическим током.
2. Соответствие стандартам листам обеспечивает выполнение этих требований.
9.4. Не допускается возможность введения:
- розеток для приборов класса защиты II в вилки для других приборов;
- розеток для холодных условий в вилки для горячих условий или очень горячих условий;
- розеток для горячих условий в вилки для очень горячих условий;
- розеток в вилки на номинальный ток выше номинального тока розетки.
-
Соответствие проверяют осмотром и при помощи калибров, представленных на рисунках 6 - 9.
- Для розеток и приборных вилок соединителей на 6, 10 и 16 А контроль проводят при помощи калибров на
рисунках 9A -
9T.
Испытание проводят при температуре окружающей среды (35 +/- 2) °C; образцы и калибры должны иметь эту же температуру.
Примечание. Соответствие гарантирует удовлетворение этим требованиям, кроме проверяемых при помощи калибров, представленных на
рисунках 6 -
9.
9.5. Если приборные вилки встраивают в наружную поверхность прибора и эта поверхность изгибается или наклоняется по сравнению с осью вилки, устройство должно быть таким, чтобы ни в коем случае концы штырей не выходили за поверхность, ограниченную буртиком.
Для проверки соответствия этому требованию соединяют все штыри, включая возможный заземляющий, с одним из полюсов индикатора контакта, другой полюс которого соединен с прямой металлической линейкой более широкой, чем самый большой внутренний размер приборной вилки. Потом эту линейку размещают во всех возможных положениях на отверстии основания. Не должно быть контакта между линейкой и штырями.
Примечания
1. Испытание приборных вилок на 10 и 16 А для приборов класса защиты II проводят с имитированным заземляющим штырем.
2. Для указания наличия контакта с испытуемой частью применяют электрический индикатор на напряжение 40 - 50 В.
9.6. Отклонения от размеров, указанных в стандартных листах, могут допускаться в случаях, когда они обеспечивают технические преимущества и не ухудшают технических характеристик соединителей, соответствующих стандартным листам, особенно в части взаимозаменяемости и незаменяемости.
Соединители с этими отклонениями должны соответствовать всем остальным требованиям настоящего стандарта, относящимся к ним.
Примечания
1. Под "техническим преимуществом" понимают, например, соединитель с предусмотренными значениями, размеры которого увеличены для размещения некоторых электроустановочных изделий, например выключателя или термовыключателя, или если по какой-нибудь причине необходимо исключить использование стандартизованной розетки с гибким кабелем или шнуром обычной длины или типа.
2. Не допускается изменение конструкции, уменьшающее зажимную силу контактов.
3. Такой нестандартизованный прибор (см.
раздел 11) не должен включаться в дополнительный прибор, соответствующий стандартным листам, на другой предусмотренный ток. Не допускается включение такого прибора в дополнительный стандартизованный прибор на тот же предусмотренный ток, если включение делает активные детали более доступными, чем со стандартизованным прибором на тот же предусмотренный ток или если сочетание нестандартизованного и дополнительного стандартизованного приборов не соответствует требованиям настоящего стандарта, кроме размеров, указанных в стандартных листах.
10. Защита от поражения электрическим током
10.1. Соединители должны иметь такую конструкцию, чтобы части, находящиеся под напряжением и заземляющие контакты вилки не были доступны при частичном или полном сочленении с розеткой.
Конструкция розетки должна исключать доступ к контактным частям, находящимся под напряжением, к заземляющим контактам, а также соединенным с ними частям при правильном монтаже розетки на гибком проводе.
Проверку проводят внешним осмотром и, при необходимости, испытанием.
Испытание осуществляют с помощью стандартного испытательного пальца, показанного на рисунке 10, который прикладывают во всех возможных направлениях, и возможные контакты с соответствующими частями обнаруживают электрически.
Для розеток с корпусом из резины или термопластичного материала испытательный палец прикладывают с силой 20 Н в течение 30 с ко всем точкам, где прогиб или разрушение изоляционного материала может вызвать нарушение безопасности. Это испытание следует проводить при температуре окружающей среды (35 +/- 2) °C.
Примечания
1. Стандартный испытательный палец должен быть изготовлен так, чтобы каждый из его сегментов был ориентирован на угол 90° по отношению к оси пальца в одном направлении.
2. Электрический индикатор с рабочим напряжением 40 - 50 В следует использовать для визуального обнаружения контактов с вышеописанными деталями.
3. Соответствие стандартным листам обеспечивает соблюдение требований по недоступности контактных элементов во время включения розетки в приборную вилку.
10.2. Не допускается возможность установления контакта между одним штырем вилки и гнездом розетки, в то время как другой штырь оказывается доступным для прикосновения.
Контроль осуществляют испытанием вручную и по
10.1.
Примечание. Соответствие стандартным листам обеспечивает соблюдение этого требования.
10.3. Не допускается возможность снятия без инструмента частей устройства, закрывающих доступ к частям под напряжением. Детали, крепящие эти части, должны быть изолированы от частей под напряжением.
Гильзы, расположенные около отверстий для входа штырей, должны быть прочно закреплены. Не допускается возможность их снятия без разборки розетки.
Контроль осуществляется осмотром и испытанием вручную.
10.4. Наружные элементы розетки, за исключением крепящих винтов и аналогичных элементов, должны выполняться из изоляционного материала. Кожух и корпус вилок без защитного контакта, а также кожух вилок на 2,5 А с защитным контактом должны быть из изоляционного материала.
Контроль осуществляют осмотром.
Примечания
1. Качество изоляционного материала проверяют испытанием по
разделу 15.
2. Лак или эмаль не считают изолирующим материалом в отношении требований
10.1 -
10.4.
11.1. Заземляющие зажимы должны соответствовать требованиям
раздела 12.
Контроль осуществляют осмотром и испытаниями по разделу 12.
11.2. Соединители с заземляющим контактом должны иметь такую конструкцию, чтобы в момент включения розетки заземление обеспечивалось до того, как токоведущие контакты приборной вилки окажутся под напряжением.
При выведении розетки из вилки токонесущие контакты должны разъединяться раньше отключения заземляющего контакта.
В случае соединителей, не соответствующих стандартным листам, контроль осуществляют осмотром и сличением с чертежами с учетом отклонений, а также сравнением образцов с этими чертежами.
Примечание. Соответствие стандартным листам обеспечивает соблюдение этого требования.
Требования этого раздела относятся только к розеткам.
Для приборных вилок соединителей соединительных комплектов, не встроенных или вмонтированных в электрические приборы, частные требования изучаются.
К приборным вилкам, встроенным или вмонтированным в электрические приборы, следует применять требования стандарта на этот прибор.
12.1. Общие положения
12.1.1. Разборные розетки должны иметь контактные зажимы, в которых присоединение выполняют при помощи винтов, гаек или других аналогичных эффективных приспособлений.
Винтовые зажимы должны быть торцевого типа (с крепежной головкой под гайку и колпачок) или другого эффективного типа.
Винты и гайки, предназначенные для соединения жил проводов, не должны служить для крепления других элементов.
Неразборные розетки должны иметь электрические соединения, выполненные сваркой, пайкой, обжатием или другими способами, которые должны исключать возможность отсоединения жилы проводника. Винтовые соединения не допускаются.
Не допускается повышение жесткости конца гибкого проводника предварительной пайкой в тех местах, где проводник подвергается контактному давлению, за исключением случая, когда конструкция зажима исключает опасность плохого контакта из-за холодного расплывания напайки.
12.1.2. Устройства, фиксирующие зажимы, не должны служить для закрепления других деталей, но они должны фиксировать зажимы на месте и не давать им проворачиваться.
12.1.3. Разборные розетки на номинальный ток не выше 16 А должны быть снабжены зажимами размера 1, к которым следует подсоединять провода наименьшего диаметра с жилами номинальным сечением не менее 0,7 и не более 1,5 мм2.
Примечания
1. Наибольший диаметр гибкого провода номинальным сечением 1,5 мм2 составляет 1,73 мм.
Контроль осуществляют осмотром, измерением и применением жил сечением 0,75 и 1,50 мм2.
12.2. Винтовые зажимы
12.2.1. Винтовые зажимы должны обеспечивать присоединение провода без специальной подготовки.
Контроль осуществляют осмотром.
Примечание. Под термином "специальная подготовка" подразумевают пропайку проволок жилы провода, использование кабельных наконечников, устройство петли на конце провода и т.п., но не изменение формы провода перед помещением его в зажим или скручивание гибкого провода для закрепления его конца.
12.2.2. Винтовые зажимы должны быть механически прочными.
Винты и гайки для зажима проводов должны иметь стандартную метрическую резьбу.
Винты не должны быть изготовлены из мягкого или ползучего металла, например цинка или алюминия.
Контроль осуществляют осмотром и испытанием по 12.2.4 и 12.2.8.
12.2.3. Винтовые зажимы должны быть стойкими к коррозии.
Проверку проводят соответствующими испытаниями.
Примечания
1. Если корпус винта изготовлен из меди или медного сплава, как указано в
25.6, зажимы считают соответствующими этому требованию.
2. Зажимы, изготовленные из других материалов, подвергают испытанию на коррозию (испытание - на рассмотрении).
12.2.4. Винтовые зажимы должны быть сконструированы таким образом, чтобы прочно зажимать жилу провода между металлическими поверхностями.
Контроль осуществляют осмотром и следующим испытанием.
В зажимы вставляют твердые скрученные жилы провода наименьшего и наибольшего сечений, указанных в 12.1.3. Винты зажима затягивают с усилием, равным двум третям указанного в таблице 8.
Далее каждую жилу проводника подвергают растяжению, равному:
40 Н - для зажима размера 1,
50 Н - для зажима размера 2,
прикладываемому плавно в течение 1 мин в направлении оси жилы проводника.
Во время испытания не должно быть видимого перемещения жилы провода в зажиме.
12.2.5. Винтовые зажимы должны быть сконструированы таким образом, чтобы зажимать жилу, не повреждая ее.
Контроль осуществляют осмотром жил после того, как жилы с наибольшим и наименьшим сечениями, указанными в 12.1.3, зажаты и разжаты один раз с усилием, равным двум третям указанного в таблице 8.
Примечание. Гибкие скрученные жилы провода считают поврежденными, если более 10% проволок разорвано (значение 10% временное).
12.2.6. Винтовые зажимы должны иметь такую конструкцию или такое расположение, чтобы проволоки гибкой жилы не могли бы выскользнуть из зажима при затягивании его винтами или гайками.
Контроль осуществляют при помощи испытания, указанного выше.
В зажим вводят жилы, соответствующие указанным в таблице 1.
Таблица 1
Размер зажима | Номинальное сечение жилы, мм2 | Число и номинальный диаметр проволоки гибкой жилы, мм |
1 | 1,5 | 30 x 0,25 |
2 | 2,5 | 50 x 0,25 |
Перед введением гибких жил в зажимное устройство их скручивают в одном направлении так, чтобы обеспечивать равномерную скрутку с одним полным оборотом на длине около 1 см.
Жилу вводят в зажимающее устройство зажима на минимальное предусмотренное расстояние или в случае, когда не предусмотрено никакое расстояние, пока жила не появится на противоположном конце зажима в наиболее благоприятном положении для соскальзывания проволоки. Зажимной винт блокируют с усилием, равным двум третям указанного в таблице 8.
Испытание повторяют на новой жиле, которая скручена, как указано выше, но в противоположном направлении.
После испытания ни одна проволока жилы не должна выскользнуть из зажимного устройства.
12.2.7. Винтовые зажимы должны быть сконструированы и расположены таким образом, чтобы при обычной эксплуатации температурный нагрев, проявляющийся в точке, где зажимается жила, не был чрезмерным; кроме того, он не должен достигать значений, при которых нарушаются изолирующие свойства прилегающих деталей или изоляция жил повреждается.
Контроль осуществляют испытанием на нагревание, указанным в разделе 21.
12.2.8. Винтовые зажимы должны быть зафиксированы или расположены в розетке так, что когда зажимные винты или гайки затянуты или ослаблены, зажимы не должны перемещаться, а пути утечки и воздушные зазоры не должны уменьшаться ниже указанных пределов.
Примечания
1. Это требование не означает, что конструкция зажимов должна исключать возможность их вращения или смещения, однако всякое перемещение должно быть достаточно лимитировано, чтобы исключить несоответствие настоящему стандарту.
2. Оболочку из смолы или уплотняющего компаунда считают достаточной для того, чтобы помешать зажиму двигаться, при условии, что:
- смола или уплотняющий компаунд не подвергаются нагрузкам при нормальной эксплуатации;
- на смолу или уплотняющий компаунд не влияют температуры, которых достигает зажим в наиболее неблагоприятных условиях, указанных в настоящем стандарте.
Контроль осуществляют осмотром, измерениями и следующим испытанием.
Сплошную жесткую медную жилу сечением 1,5 мм2 (диаметр 1,45 мм) помещают в зажим. Винты и гайки зажимают и разжимают пять раз при помощи отвертки или соответствующего испытательного ключа. Усилие, приложенное в момент зажатия, равно указанному в таблице 8.
Жилу перемещают каждый раз, как только ослабляется винт или гайка.
Во время испытания зажимы не должны двигаться и не должно быть таких повреждений, как поломка винта или повреждение шлица головки, резьбы, шайбы, которые могли бы помешать дальнейшему использованию зажимов.
Для колпачковых зажимов номинальный диаметр винта равен диаметру стержня с разрезом.
Форма лезвия испытательной отвертки должна соответствовать шлицу головки испытуемого винта.
Винты и гайки не должны закручиваться резко.
12.2.9. Заземляющие винтовые зажимы должны иметь тот же размер, что и зажимы для основных жил.
Контроль осуществляют осмотром.
12.2.10. Зажимные винты или гайки заземляющих винтовых зажимов должны иметь надежный фиксатор против случайного ослабления; они не могут быть ослаблены без специального инструмента.
Контроль осуществляют осмотром и испытанием вручную.
Примечание. Как правило, винты или гайки, используемые для токоведущих зажимов, кроме торцевых зажимов некоторых типов, обеспечивают достаточную упругость, которая удовлетворяет вышеуказанному требованию.
Для других конструкций могут быть предусмотрены специальные меры, такие как использование достаточно упругой детали, которая не будет смещаться.
12.2.11. Заземляющие винтовые зажимы должны быть защищены от коррозии.
Принято, что зажимы, изготовленные из меди или медного сплава такой же стойкости к коррозии, удовлетворяют этому требованию.
Контроль осуществляют осмотром.
Примечания
1. Винты или гайки из стали с покрытием, выдержавшие испытание на коррозию, считают такими же антикоррозионными, как винты или гайки из меди и медных сплавов.
2. Испытание на стойкость к коррозии - на рассмотрении.
12.2.12. Для торцевых зажимов расстояние между зажимным винтом и концом жилы, когда она полностью введена в зажим, должно быть не менее указанного в
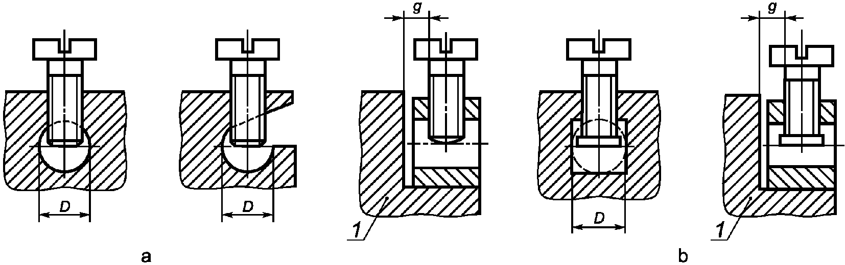
стандартном листе С26.
Минимальное расстояние между зажимным винтом и концом жилы относится только к торцевым зажимам, в которых жила не может проходить насквозь.
| | ИС МЕГАНОРМ: примечание. В официальном тексте документа, видимо, допущена опечатка: стандартный лист С28 отсутствует. | |
Для зажимов под колпачок расстояние между неподвижной деталью и концом жилы, когда она введена полностью в зажим, должно быть не менее указанного в стандартном листе С28.
Контроль осуществляют измерением после того, как сплошная жила сечением 1,5 мм2 (диаметр 1,45 мм) будет полностью вставлена в зажим и зажата.
13.1. Конструкцией соединителей должна быть исключена возможность случайного контакта между заземляющим штырем вилки и токопроводящими контактами розетки.
Контроль осуществляют осмотром.
Примечание. Соответствие стандартным листам обеспечивает выполнение этого требования.
13.2. Винты, крепящие части соединителя, обеспечивающие защиту от прикосновения к частям, находящимся под напряжением (например деталь, окружающая гнезда розетки), должны быть эффективно защищены от ослабления.
13.3. Штыри приборных вилок и контакты розеток не должны проворачиваться.
Контроль осуществляют осмотром и испытанием вручную.
Примечание. Зажимные винты могут одновременно защищать от проворачивания.
13.4. Штыри приборных вилок должны закрепляться надежно и иметь достаточную механическую прочность, а также должна быть обеспечена возможность их демонтажа только при помощи инструмента. Контактные штыри должны быть защищены буртиком после монтажа на прибор.
Примечание. Допускаются ограниченно плавающие штыри при условии соблюдения требований настоящего стандарта.
Контроль осуществляют осмотром и испытанием вручную.
В случае применения несплошных штифтов проводят следующее испытание, проводимое после всех остальных:
- буртик приборной вилки снимают, штифт помещают на опору, как указано на рисунке 11;
- к штырю в течение 1 мин прикладывают усилие 100 Н в направлении, перпендикулярном к его оси, при помощи стального стержня диаметром 4,8 мм, ось которого тоже перпендикулярна оси штыря.
После испытания штыри не должны быть заметно деформированы.
Надежность удержания штыря проверяют осмотром, а в сомнительных случаях - при помощи следующего испытания.
Образец нагревают до соответствующей ему температуры нагрева штырей, приведенной в 7.1.1, в течение 1 ч и сохраняют эту температуру на всем протяжении испытания, включая и пятиминутный период после снятия испытательной нагрузки.
Ввод прибора прочно удерживают таким образом, чтобы не было никаких ненормальных сдавливаний или деформаций корпуса, и это удерживающее приспособление не должно помогать штырям сохранять исходное положение.
На каждый штырь действует сила (60 +/- 0,6) Н, которую прикладывают без рывков вдоль оси штыря и сохраняют в течение 60 с.
Для всех штырей силу прикладывают сначала в направлении от основания ввода прибора, а затем в направлении к основанию.
Крепление штырей считают удовлетворительным, если при испытании любого штыря не было смещения более 2,5 мм, и при условии, что в течение 5 мин после окончания действия выталкивающей испытательной силы все штыри остаются в пределах допусков, установленных в соответствующем стандартном листе.
13.5. Контактные гнезда розеток должны обладать достаточной упругостью для обеспечения необходимого контактного нажатия.
Пружинящие свойства гнезд не должны зависеть от сборки корпуса и упругости изоляционного материала, за исключением розеток на ток 0,2 А.
Контроль осуществляют осмотром и испытаниями по разделам 16 - 21.
13.6. Корпус разборных розеток должен состоять из нескольких деталей и полностью закрывать контактные гнезда и концы гибкого провода или шнура.
Примечание. Детали корпуса, соединенные между собой упругими элементами, считают независимыми деталями.
Конструкция корпуса должна обеспечивать правильное присоединение провода и удержание жил в положении, исключающем возможность соприкосновения и в том случае, когда розетка смонтирована, как при нормальной эксплуатации:
- жилы провода не могли контактировать друг с другом;
- жила провода, соединенная с зажимом под напряжением, не касается доступных металлических деталей;
- жила провода, соединенная с заземляющим контактом, не касается деталей под напряжением.
13.7. Не допускается возможность сборки разборных розеток таким образом, чтобы винтовые зажимы были закрыты, а контактные гнезда доступны.
Примечание. Это требование исключает использование отдельных фронтальных деталей, закрывающих только контактные гнезда.
13.8. Детали корпуса розеток должны надежно крепиться друг к другу и не допускать разборки без инструмента.
В разборных розетках крепление и положение одной детали корпуса по отношению к другой обеспечивается двумя независимыми друг от друга средствами, одно из которых (например, один винт) не может быть ослаблено без инструмента; самонарезающие винты для этого не должны применяться.
Сборка корпуса не должна влиять на пружинящие свойства гнезд.
Частичное ослабление винтов или другого элемента крепления не должно допускать разделение частей, обеспечивающих защиту от соприкосновения с токоведущими частями.
Соответствие требованиям 13.6 - 13.8 проверяют осмотром и испытанием по 23.7.
Примечания
1. Из требования о необходимости разборки розеток инструментом не следует, что составные части должны быть прикреплены к кожуху.
2. Требования, относящиеся к креплению и взаимному расположению деталей, не исключают использования различных способов крепления и ориентации деталей.
13.9. В розетках защитный контакт должен быть прикреплен к корпусу. Если элементы защитной цепи выполнены не как одно целое, то они должны быть надежно соединены между собой клепкой, пайкой или другими способами, обеспечивающими аналогичную безопасность.
Соединение должно быть осуществлено деталями из некоррозирующего металла.
Контроль осуществляют осмотром и, если необходимо, специальными испытаниями.
Примечания
1. Данное требование не исключает умеренно плавающих заземляющих контактов.
2. Пределы допустимого плавания контактов проверяют при помощи калибров.
13.10. Контактные зажимы разборных розеток должны быть расположены и выводы соединителей должны иметь такое размещение или такую защиту, чтобы выскальзывание проволок проводника из зажима соединителя не создавало опасности поражения электрическим током.
Для неразборных опрессованных соединителей должно быть предусмотрено устройство, не допускающее при свободных проволоках проводника уменьшения минимального расстояния по изоляции ниже требуемого между этими проволоками и всеми доступными наружными поверхностями соединителя, за исключением контактной поверхности ввода.
Соответствие проверяют следующим образом:
- для разборных соединителей - испытанием по 13.10.1;
- для неразборных неопрессованных соединителей - испытанием по 13.10.2;
- для неразборных опрессованных соединителей - проверкой и осмотром по 13.10.3.
13.10.1.
С конца гибкого проводника сечением 0,75 мм2 снимают изоляцию по длине 6 мм. Одну проволоку проводника оставляют свободной, а оставшиеся проволоки полностью вводят в зажим и зажимают, как при нормальной эксплуатации.
Свободную проволоку изгибают во всех возможных направлениях, не нарушая изоляции и не делая острых сгибов через перегородки.
Примечание. Запрет на острые сгибы через перегородки не означает, что свободная проволока должна оставаться ровной во время испытания. Более того, острые сгибы возможны, если считают, что они могут произойти при нормальной сборке соединителя, например при установке крышки.
Свободная проволока проводника, подсоединенного к зажиму, находящемуся под напряжением, не должна касаться доступных металлических частей или выходить из оболочки после монтажа соединителя.
Свободная проволока проводника, подсоединенного к заземляющему зажиму, не должна касаться токоведущих частей.
При необходимости испытание повторяют со свободной проволокой в другом положении.
13.10.2.
С конца гибкого проводника, имеющего соответствующее сечение, снимают изоляцию по длине, равной максимально установленной изготовителем плюс 2 мм. Одну проволоку гибкого проводника оставляют свободной в самом неблагоприятном положении, а остальные проволоки зажимают способом, предусмотренным конструкцией соединителя.
Свободную проволоку изгибают во всех возможных направлениях, не нарушая изоляции и не делая острых сгибов через перегородки.
Примечание. Запрет на острые сгибы через перегородки не означает, что свободная проволока должна оставаться ровной во время испытания. Более того, острые сгибы возможны, если считают, что они могут произойти при нормальной сборке соединителя, например при установке крышки.
Свободная проволока проводника, подсоединенного к выводу, находящемуся под напряжением, не должна касаться доступных металлических частей или уменьшать расстояние утечки или расстояние через впадину, обусловленную конструкцией, до наружной поверхности менее 1,5 мм.
Свободная проволока проводника, подсоединенного к заземляющему выводу, не должна касаться токоведущих частей.
13.10.3.
Неразборные впрессованные соединители следует проверять на наличие устройств, не позволяющих свободным проволокам проводника и/или токоведущим частям снижать минимальное расстояние через изоляцию до доступных наружных поверхностей (за исключением контактной поверхности вводов) менее 1,5 мм.
Примечание. Для проверки устройств может потребоваться проверка конструкции или способа монтажа изделия.
13.11. Переносные розетки без заземляющего контакта и розетки на 2,5 А с заземляющим контактом должны быть частью соединительного шнура.
Соответствие проверяют осмотром.
13.12. В розетки, соответствующие стандартным листам, не допускается встраивание плавких предохранителей, реле, терморегуляторов и термовыключателей.
Плавкие предохранители, реле, терморегуляторы и термовыключатели, встроенные в приборные вилки, должны удовлетворять требованиям соответствующих стандартов.
Выключатели и регуляторы энергии, встроенные в переносные розетки или приборные вилки, должны удовлетворять требованиям ГОСТ МЭК 61058-1 и комплексу стандартов ГОСТ МЭК 730 и ГОСТ IEC 60730 соответственно.
Если приборная вилка представляет единое целое или встроена в прибор или оборудование, то часть, которую можно рассматривать как ее составляющую, при ссылке на соответствующий лист стандартизации, должна отвечать требованиям настоящего стандарта.
Соответствие проверяют осмотром и испытанием выключателей, плавких предохранителей, реле, терморегуляторов, термовыключателей и регуляторов энергии согласно подходящим стандартам.
Соединители должны обладать достаточной стойкостью к воздействию влаги, имеющей место в условиях нормальной эксплуатации.
Примечание. Если подобные соединители используют с приборами, на которые в обычных условиях может попадать жидкость, защита от проникновения влаги должна обеспечиваться прибором.
Соответствие проверяют испытанием на воздействие влаги, описанное в данном пункте, которое проводят сразу после испытаний по разделу 15.
При испытании на влагостойкость соединители должны быть в расчлененном положении, разборные розетки - без шнура.
Испытание проводят в камере влажности с относительной влажностью воздуха, поддерживаемой от 91 до 95%. Температуру воздуха в любом месте, где помещают образцы, поддерживают с погрешностью +/- 1 °C при любом значении t от 20 до 30 °C.
Перед помещением в камеру образцы доводят до температуры от t до (t + 4) °C.
Образцы выдерживают в камере в течение:
- 168 ч (7 сут) - для розеток с заземляющим контактом и для приборных вилок с заземляющим контактом, представляемых на испытание как отдельные аппараты, не встроенные в электрооборудование;
- 48 ч (2 сут) - для всех других соединителей.
Примечания
1. Перед проведением испытания на влагостойкость, образцы в большинстве случаев выдерживают при указанной температуре не менее 4 ч.
2. Относительную влажность воздуха от 91 до 95% получают, помещая в камеру емкость с насыщенным раствором сульфата натрия

или нитрата калия

в воде, имеющую достаточно большую поверхность соприкосновения с воздухом.
3. Для получения в камере заданных условий необходимо использовать камеру с термоизоляцией и постоянной циркуляцией воздуха.
После этого испытания образцы не должны иметь никаких повреждений и соответствовать требованиям настоящего стандарта.
15. Сопротивление и электрическая прочность изоляции
15.1. Соединители должны обладать соответствующими сопротивлением и электрической прочностью изоляции.
Соответствие проверяют испытаниями по 15.2 и 15.3. Испытания проводят непосредственно после испытания по разделу 14 в камере влажности или в помещении, где образцы доводились до предписанной температуры.
Перед испытанием по 15.2 и 15.3 индикаторы, которые могут быть повреждены, например неоновые лампы, необходимо разъединить в одном полюсе.
15.2. Сопротивление изоляции измеряют при напряжении постоянного тока приблизительно 500 В. Показания снимают по истечении 1 мин после приложения напряжения.
Сопротивление изоляции измеряют:
a) для приборных вилок, соединенных с переносными розетками, - между всеми токоведущими штырями, соединенными вместе, и корпусом;
b) для приборных вилок, соединенных с переносными розетками, - поочередно между каждым токоведущим штырем и другим штырем, соединенным с корпусом;
c) для переносных розеток - между всеми токоведущими контактами, соединенными вместе, и корпусом;
d) для переносных розеток - поочередно между каждым токоведущим контактом и другим контактом, соединенным с корпусом;
e) для разборных переносных розеток - между любой металлической частью устройства крепления шнура, включая зажимные винты, и заземляющим контактом или заземляющим зажимом;
f) для разборных переносных розеток - между любой металлической частью устройства крепления шнура, исключая зажимные винты, и металлическим стержнем с максимальным диаметром присоединяемого шнура, вставленным на его место.
Сопротивление изоляции должно быть не менее 5 МОм.
В
перечислениях a) - d) под термином "корпус" понимают все доступные металлические части, крепежные винты, сборочные наружные винты или аналогичные детали, заземляющие зажимы, заземляющие штыри или заземляющие контакты, при их наличии, и металлическую фольгу, контактирующую с наружной поверхностью внешних частей из изоляционного материала, включая рабочую поверхность переносных розеток по
перечислениям c) и
d).
Металлическая фольга, соприкасающаяся с внешней стороной наружных частей из изоляционного материала, не должна вдавливаться в отверстия.
Примечание. Максимальные диаметры шнуров представлены в таблице 2.
Таблица 2
Тип шнура | Число жил и номинальное сечение, мм2 | Максимальный диаметр, мм |
60227 IEC 53 | 3 x 0,75 3 x 1,00 3 x 1,50 | 8,0; 8,4; 9,8 |
245 IEC 53 | 8,8; 9,2; 11,0 |
15.3.
Напряжение практически синусоидальной формы частоты 50 - 60 Гц прикладывают в течение 1 мин между частями, указанными в 15.2. Испытательное напряжение 4000 В прикладывают согласно перечислениям a) - c) между частями приборных вилок для оборудования класса защиты II и 2000 В - между всеми остальными частями.
Первоначально прикладывают не более половины указанного напряжения, затем его быстро увеличивают до полного значения.
Примечания
1. Трансформатор высокого напряжения, используемый для испытания, должен иметь такую конструкцию, чтобы при короткозамкнутых выходных зажимах при выходном напряжении установленного испытательного значения выходной ток был не менее 200 мА. Максимальное реле тока не должно срабатывать при выходном токе менее 100 мА.
2. Действующее значение испытательного напряжения следует измерять с точностью +/- 3%.
3. Тлеющие разряды без падения напряжения не учитывают.
16. Усилия сочленения и расчленения соединителя
16.1. Конструкция соединителей для приборов должна позволять легко вводить и извлекать переносную розетку и не допускать ее самопроизвольного выпадания при нормальной эксплуатации.
Соответствие проверяют только для розеток испытаниями:
- по 16.2 - для проверки того, что максимальное усилие, необходимое для извлечения розетки из приборной вилки, не более указанного в таблице 3;
- по 16.3 - для проверки того, что минимальное усилие, необходимое для извлечения одноконтактного калибра из отдельного контактного узла, не менее указанного в таблице 3.
Тип розетки на номинальный ток, А | Извлекающее усилие, Н |
Многоконтактный калибр (максимальное) | Одноконтактный калибр (минимальное) |
0,2; 2,5; 6,0 и 10,0 | 50 | 1,5 |
16,0 | 60 | 2 |
Испытание повторяют после испытаний по разделу 21.
Соединители с удерживающими устройствами испытывают в нерабочем состоянии удерживающего устройства.
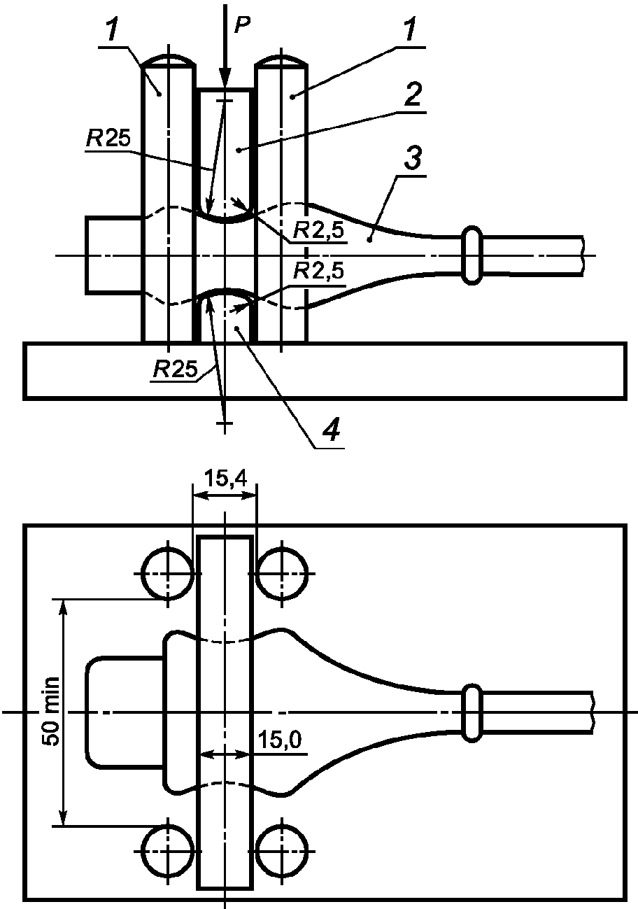
16.2. Проверка минимального извлекающего усилия
Приборную вилку прикрепляют к монтажной плите установки, показанной на рисунке 11, так, чтобы оси штырей приборной вилки были вертикальны, а свободные концы штырей направлены вниз.
Для испытаний переносных розеток при средних и высоких температурах предусмотрено нагревательное устройство, на котором монтируют приборную вилку.
Приборная вилка должна иметь хорошо заземленные штыри из закаленной стали с шероховатостью поверхности не более 0,8 мкм по их активной длине, при номинальном межосевом расстоянии с допуском плюс 0,2 мм.
Штыри имеют максимальные размеры с допуском минус 0,01 мм, однако допуск на длину должен соответствовать стандартному листу, а внутренние размеры буртика имеют минимальные значения с допуском плюс 0,1 мм, указанные в соответствующем стандартном листе.
Перед каждым испытанием штыри обрабатывают обезжиривающей жидкостью.
Примечания
1. Максимальное значение - это номинальное значение плюс максимальный допуск. Минимальное значение - это номинальное значение минус максимальный допуск.
2. При пользовании жидкостью, предназначенной для испытания, следует избегать вдыхания ее паров.
Розетку вводят на полную длину и извлекают из соответствующей приборной вилки 10 раз. Затем вновь вводят и прикрепляют к ней с помощью соответствующего зажима держатель основного и дополнительного груза. Дополнительный груз оказывает усилие, равное одной десятой максимального извлекающего усилия, указанного в таблице 3, дополнительный груз должен быть одним целым.
| | ИС МЕГАНОРМ: примечание. Сноска дана в соответствии с официальным текстом документа. | |
Основной груз подвешивают к переносной розетке без рывков, а дополнительный <*> - сбрасывают с высоты 5 см на основной груз. Розетка не должна остаться в приборной вилке.
16.3. Проверка максимального извлекающего усилия
| | ИС МЕГАНОРМ: примечание. В официальном тексте документа, видимо, допущена опечатка: рисунок 30 отсутствует. | |
Испытательный штыревой калибр, как показано на рисунке 30, прикладывают к каждому отдельному контакту переносной розетки с осями контактов, расположенными вертикально, и калибром, подвешенным вертикально вниз.
Калибр испытательного штыря выполнен из закаленной стали, имеет шероховатость поверхности не более 0,8 мкм по всей активной длине.
Штыревая часть калибра должна иметь размеры, удовлетворяющие минимальным размерам, указанным в стандартном листе на соответствующую приборную вилку, с допуском плюс 0,01 мм, однако длина штыря должна иметь допуск, приведенный на соответствующем стандартном листе.
Общая масса калибра должна развивать усилие, указанное в таблице 3.
Перед каждым испытанием штырь обезжиривают.
Примечание. При пользовании жидкостью, предназначенной для испытания, следует избегать вдыхания ее паров.
Затем испытательный штыревой калибр вводят в каждый контактный узел.
Калибр прикладывают осторожно, так чтобы не разрушить образец при измерении минимального извлекающего усилия.
Калибр не должен выпасть из контактного узла в течение 3 с.
17. Работа контактов и сопротивление цепей
Гнезда розеток и штыри приборных вилок должны создавать скользящие контакты, обеспечивать достаточное контактное нажатие и не должны выходить из строя при нормальной эксплуатации.
Цепи, создаваемые соединителями, в частности, цепи защиты, должны иметь достаточно низкое сопротивление.
Контактное нажатие между гнездами и штырями защиты не должно зависеть от упругости изоляционного материала, на котором они крепятся.
Соответствие требованиям проверяют осмотром и испытаниями по разделам 16, 18 - 21.
18. Нагревостойкость соединителей для горячих
и очень горячих условий
18.1. Соединители для горячих и очень горячих условий должны быть стойкими к нагреванию, которому они могут подвергаться при нормальной эксплуатации.
Розетки для горячих и очень горячих условий должны иметь конструкцию, обеспечивающую защиту наружной оболочки провода от чрезмерного нагрева.
Контроль осуществляют испытанием по 18.2 для розеток и по 18.3 для приборных вилок.
18.2.
Приборные розетки снабжают гибким трехжильным кабелем или шнуром с резиновой изоляцией сечением 1,5 мм2, а неразборные розетки испытывают в состоянии поставки.
Розетку вводят в соответствующую приборную вилку испытуемого прибора (рисунок 13), где она остается в течение 4 сут. В течение всего этого времени температуру основания штырей поддерживают равной (120 +/- 2) °C для розеток для горячих условий и (155 +/- 2) °C - для очень горячих условий.
Для розеток на 10 А приборная вилка монтируется внутри и имеет изолирующий буртик.
Для розеток на 16 А приборная вилка монтируется снаружи и снабжается металлическим буртиком.
Приборные вилки должны удовлетворять типу испытуемых розеток и иметь латунные штыри с размерами, указанными в стандартных листах настоящего стандарта на соответствующие вилки и розетки.
Во время испытания превышение температуры в точке разветвления жил гибкого провода или шнура не должно быть более 50 °C.
Температура должна измеряться термопарами.
После того как розетку сняли с испытательного прибора, ее охлаждают до температуры окружающей среды, после чего ее 10 раз сочленяют и расчленяют с вилкой.
После испытания розетка не должна иметь повреждений, нарушающих требования настоящего стандарта.
В частности, испытуемый образец не должен иметь:
- повреждений, представляющих опасность при прикосновении к деталям, находящимся под напряжением;
- отделений или ослаблений электрических контактов или механических повреждений;
- трещин, разбуханий, усадок и т.п.
Примечания
1. Испытание должно проводиться в неподвижном воздухе. Рекомендуется испытание проводить в камере тепла, имеющей достаточный объем.
2. Точкой разветвления жил считают ту, за которой жилы гибкого провода не могут касаться друг друга, даже если розетка получит толчок или упадет с некоторой высоты.
3. Если изоляция жил гибкого провода или шнура неразборной розетки может выдерживать температуру св. 75 °C, в точке разветвления может допускаться более высокое нагревание, лишь бы температура не превышала значения, считающегося допустимым для этой изоляции провода.
4. Требования к испытанию находятся на рассмотрении.
18.3.
Приборные вилки соединителей для горячих и очень горячих условий, кроме выполненных как одно целое с электроприбором или вмонтированных в электроприборы, в течение 4 сут выдерживают в печи, температуру в которой поддерживают равной (120 +/- 2) °C - для приборных вилок для горячих условий, (155 +/- 2) °C - для очень горячих условий.
После испытания на образце не должно быть никаких повреждений, влияющих на их последующее использование.
Примечание. Приборные вилки, вмонтированные или закрепленные на электроприборах, испытывают вместе с ними.
19. Коммутационная способность
Соединители должны обладать достаточной коммутационной способностью.
Проверку розеток, кроме розеток на 0,2 А, проводят следующим испытанием: розетку закрепляют на установке, указанной на рисунке 14, содержащей испытательную приборную вилку со стальными закаленными полированными штырями, размеры которых соответствуют стандартному листу.
Приборную вилку располагают таким образом, чтобы плоскость, проходящая через оси штырей, была горизонтальной, а заземляющий штырь, при его наличии, находился сверху.
Для розеток на 10 и 16 А с заземляющим контактом буртик приборной вилки металлический, в остальных случаях - из изолирующего материала.
Розетку сочленяют с вилкой в течение 50 циклов (100 движений штыря) с частотой 30 раз в минуту. Длина хода испытательной установки - 50 - 60 мм.
Период времени, в течение которого пропускают испытательный ток в паузе между сочленением и последующим расчленением соединителя, - 1,5+0,5 с.
Схема соединения при испытаниях приведена на рисунке 15. Испытательное напряжение должно быть 275 В, испытательный ток должен быть в 1,25 раз больше номинального, коэффициент мощности не менее 0,95 для приборных розеток на 10 и 16 А и 0,6 +/- 0,05 - для остальных розеток.
Ток должен пропускаться через цепь защиты при ее наличии.
Цепь защиты и доступные металлические части присоединяют через селекторный переключатель С к одному из полюсов источника питания для одной половины испытательных циклов и к другому полюсу - для другой половины циклов.
При применении индуктивного сопротивления без стального сердечника параллельно ему присоединяют активное сопротивление, забирающее ~= 1% тока, проходящего через индуктивность.
Индуктивности с железным сердечником можно применять только при условии, что ток практически синусоидальный по форме.
Во время испытания не должен проходить электрический разряд ни между токоведущими частями разной полярности, ни между этими частями и частями контакта заземления, если они имеются, а также не должна наблюдаться устойчивая электрическая дуга.
После испытания образцы не должны иметь никаких повреждений, препятствующих их дальнейшей работе. Входные отверстия гнезд розеток не должны иметь серьезных следов повреждений.
Примечания
1. В случае сомнения приборную вилку испытательного прибора оснащают новыми штырями с шероховатостью поверхности, равной или ниже 0,8 мкм по всей рабочей длине. Если новая партия из трех образцов выдерживает повторное испытание с новыми штырями, розетку считают выдержавшей испытание.
2. Изменение положения соответствует включению или выключению розетки.
3. Приборные вилки и розетки на 0,2 А на коммутационную способность не испытывают.
20. Работоспособность соединителей
Соединители без чрезмерного износа или других неблагоприятных результатов должны выдерживать механические, электрические и термические нагрузки, проявляющиеся при нормальной эксплуатации.
Контроль осуществляют испытанием на установке, описанной в разделе 19.
Розетки на 0,2 А сочленяют и расчленяют с вилкой в течение 2000 циклов (4000 раз) без тока.
Остальные розетки сочленяют и расчленяют с вилкой в течение 1000 циклов (2000 раз) с номинальным током и сочленяют и расчленяют с вилкой в течение 3000 циклов (6000 раз) без тока.
Схема соединения и другие условия испытания указаны в разделе 19, кроме испытательного напряжения, которое должно быть 250 В.
Переключатель С (рисунок 15) соединяет цепь защиты и доступные металлические детали с одним из полюсов источника питания для одной половины циклов испытаний и с другим полюсом - для другой половины циклов.
После испытания образец должен выдержать испытание на электрическую прочность по 15.3, но с меньшим испытательным напряжением, равным 1500 В.
В результате испытаний на образцах не должно быть:
- износа, который препятствовал бы их дальнейшей работе;
- ухудшения качества кожуха или перегородок;
- повреждения вводных отверстий для штырей вилок, которое препятствовало бы их дальнейшей работе;
- ослабления электрических или механических соединений;
- утечки заливочной массы.
Примечания
1. Испытание на влагостойкость не повторяют перед электрическим испытанием по настоящему разделу.
2. Приборные вилки на работоспособность не испытывают.
21. Превышение температуры токоведущих частей
Конструкция контактов и других токоведущих частей должна исключать чрезмерный нагрев при нормальной эксплуатации.
Для всех розеток, кроме розеток на 0,2 А, проверку осуществляют следующим испытанием.
Разборные розетки оснащают гибким проводом с поливинилхлоридной изоляцией длиной 1 м, сечением 1 мм2 для розеток на 10 А и 1,5 мм2 - для розеток на 16 А, при этом винты контактных зажимов затягивают с крутящим моментом, равным 2/3 указанного в таблице 8.
Неразборные розетки испытывают с гибким проводом в состоянии поставки.
Розетку вводят в соответствующую приборную вилку с латунными штырями с минимальными размерами, указанными в подходящем стандартном листе с отклонением плюс 0,02 мм; межосевое расстояние штырей удовлетворяет стандартному листу.
По токоведущим контактам пропускают переменный ток, равный 1,25 номинального, в течение 1 ч.
Для розеток с заземляющим контактом в течение 1 ч пропускают ток по одному токоведущему и заземляющему контакту.
Температуру определяют при помощи термопар, которые выбирают и располагают таким образом, чтобы они оказывали минимальное влияние на тепловой режим образцов.
Превышение температуры контактов или выводов и контактов не должно быть более 45 °C.
После этого испытания первая партия из трех образцов, указанная в 5.5, должна выдержать испытание по разделу 16.
Примечания
1. Приборные вилки и розетки на 0,2 А не подвергают испытанию на нагревание.
2. Во время испытания розетку не подвергают воздействию наружного источника тепла.
22. Гибкие кабели или шнуры и их присоединение
Гибкие провода не должны быть более легкого типа и должны иметь сечение не менее указанного в таблице 4.
Таблица 4
Тип розетки на номинальный ток, А | Тип шнура | Номинальное сечение, мм2 |
0,2 | | - |
2,5 для приборов класса защиты I | 60227 IEC 52 | 0,75 |
2,5 для приборов класса защиты II | |
6,0 | 0,75 |
10,0 для работы при низких температурах | 60227 IEC 53 или 245 IEC 53 | |
10,0 для работы при средних температурах | 245 IEC 51 или 245 IEC 53 |
10,0 для работы при высоких температурах |
16,0 для работы при низких температурах | 60227 IEC 53 или 245 IEC 53 | |
16,0 для работы при высоких температурах | 245 IEC 51 или 245 IEC 53 |
<2> При длине шнура не более 2 м допускается номинальное сечение 0,5 мм2. <3> При длине шнура более 2 м номинальное сечение должно быть: - 1,0 мм2 - для розеток на 10 А; - 1,5 мм2 - для розеток на 16 А. |
Неразборные розетки с заземляющим контактом должны быть снабжены гибким трехжильным кабелем или шнуром.
В случае использования неразборных розеток без изменения полярности жилы гибкого кабеля или шнура следует присоединять следующим образом:
- зелено-желтая - к заземляющему контакту;
- коричневая - к фазовому контакту;
- светло-голубая - к нейтральному контакту.
| | ИС МЕГАНОРМ: примечание. В официальном тексте документа, видимо, допущена опечатка: стандарты имеют номера ГОСТ IEC 60227-1, ГОСТ IEC 60245-1 и ГОСТ IEC 60245-4, а не ГОСТ МЭК 60227-1, ГОСТ МЭК 60245-1 и ГОСТ МЭК 60245-4 соответственно. | |
22.2. Розетки должны быть снабжены устройствами для защиты от натяжения и скручивания так, чтобы жилы не подвергались никакому натяжению или скручиванию, когда они присоединены к зажимам или выводам, и чтобы наружная оболочка провода была защищена от изнашивания.
Примечание. Защитные устройства от натяжения и скручивания проводников типа "лабиринт" допускаются к применению, если они выдерживают предусмотренные испытания.
22.3. Для разборных розеток:
- должен быть очевидным способ защиты от натяжения и скручивания;
- защитное устройство или по крайней мере часть его должно быть выполнено заодно с одним из элементов розетки или прикреплено к нему;
- не допускается применять такие временные средства, как связывание провода или шнура узлом или перевязывание их концов проволокой;
- устройства защиты от натяжения и скручивания должны быть эффективными для гибких проводов или шнуров разных типов, которые могут быть присоединены. Их эффективность не должна зависеть от сборки деталей корпуса;
- устройства защиты от натяжения и скручивания должны изготавливаться из изоляционного материала или иметь стабильное изолирующее покрытие, нанесенное на металлические части;
- должна быть исключена возможность контакта гибкого провода или шнура с крепежным винтом устройства защиты, определяемого с помощью испытательного пальца, показанного на
рисунке 10, или другого электрического индикатора;
- металлические детали устройства, защищающего от натяжения и скручивания, включая их винты, должны быть изолированы от цепи защиты.
Соответствие требованиям 22.2 и 22.3 проверяют осмотром и испытанием на натяжение в приборе, показанном на рисунке 16, с последующим испытанием на скручивание.
Неразборные розетки испытывают с гибким проводом или шнуром в состоянии поставки, разборные розетки испытывают сначала с одним, потом с другим типом гибкого провода или шнура, указанного в таблице 5.
Тип розетки на номинальный ток, А | Тип шнура | Номинальное сечение, мм2 |
10 для работы при низких температурах | 60227 IEC 53 | 0,75 1,00 |
10 для работы при средних температурах | 245 IEC 53 |
10 для работы при высоких температурах |
16 для работы при низких температурах | 60227 IEC 53 | 1,00 |
16 для работы при высоких температурах | 245 IEC 53 | 1,50 |
Жилы провода или шнура разборных розеток вводят в контактные зажимы, при этом контактные винты затягиваются так, чтобы исключалась возможность легкого изменения положения жил в зажимах.
Зажимные винты устройства для защиты проводов от натяжения и скручивания затягивают с крутящим моментом, равным двум третям значения, указанного в таблице 8. После переборки образца его составные части должны быть плотно соединены, чтобы исключить возможность проталкивания провода внутрь розетки на значительное расстояние.
Образец закрепляют в испытательном приборе так, чтобы ось провода или шнура была вертикальной в месте входа в розетку.
Далее к гибкому проводу или шнуру 100 раз плавно, каждый раз на 1 с, прикладывают растягивающее усилие 50 Н для розеток на ток не выше 2,5 А и 60 Н - для остальных розеток.
Сразу вслед за испытанием на растяжение провод подвергают испытанию на скручивание крутящим моментом, равным:
0,1 Н·м - для всех проводов номинальным сечением не более 0,50 мм2, за исключением плоских двухжильных проводов для легких ручных аппаратов;
0,15 Н·м - для гибких двухжильных проводов номинальным сечением 0,75 мм2;
0,25 Н·м - во всех остальных случаях.
Во время испытаний гибкий провод или шнур не должен быть поврежден.
После испытаний не должно быть замечено перемещения гибкого провода или шнура более чем на 2 мм.
В разборных розетках концы жил не должны быть заметно сдвинуты в зажимах; в неразборных розетках не должно быть нарушено ни одно электрическое соединение.
Чтобы измерить продольное перемещение перед испытаниями на гибком проводе или шнуре, подверженном предварительному усилию натяжения указанного значения, на расстоянии 2 см от конца розетки или защитного устройства делают отметку. Если в случае использования неразборных розеток конец розетки или защитного устройства четко не определен, делают дополнительную отметку на корпусе розетки и измеряют расстояние между этими отметками.
После испытания измеряют перемещение отметки на гибком проводе по отношению к розетке или защитному устройству, гибкий провод натягивают с усилием, соответствующим одному из указанных выше значений.
Примечание. Розетки на плоских двухжильных проводах для легких ручных приборов не должны подвергаться испытанию на скручивание.
22.4. Розетки должны быть устроены так, чтобы гибкий провод в месте входа в розетку не подвергался чрезмерному изгибу.
Устройства для этих целей должны быть из изоляционного материала и установлены соответствующим способом.
Примечание. Спиральные металлические пружины без покрытия или с изолирующим покрытием не должны использоваться для защиты шнура.
Контроль осуществляют осмотром и следующим испытанием.
Для разборных розеток защитные устройства должны подвергаться испытанию на ускоренное старение:
- по
24.2.1, если они выполнены из резины;
- по
24.2.2, если они выполнены из поливинилхлорида или аналогичного материала.
Розетки подвергают испытанию на изгиб в установке с качающимся элементом, приведенной на рисунке 17.
Разборные розетки монтируют гибким проводом типа, указанного в таблице 6, соответствующей длины и наибольшим стандартизованным диаметром проволок жилы для провода данного типа. Защитное устройство должно быть на своем месте.
Таблица 6
Тип розетки на номинальный ток, А | Тип шнура | Номинальное сечение, мм2 |
10 для работы при низких температурах | 60227 IEC 53 | 1,0 |
10 для работы при средних температурах | 245 IEC 53 |
10 для работы при высоких температурах |
16 для работы при низких температурах | 60227 IEC 53 | 1,5 |
16 для работы при высоких температурах | 245 IEC 53 |
Неразборные розетки испытывают с проводом в состоянии поставки.
Образец закрепляют на качающемся элементе установки таким образом, чтобы при прохождении его через середину траектории ось гибкого провода была вертикальной в месте входа в розетку и проходила через ось качания.
Часть розетки, которую при обычной эксплуатации вводят в приборную вилку, закрепляют на установке.
Далее качающуюся часть регулируют так, что расстояние d, показанное на рисунке 17, изменяют, получая минимальное боковое перемещение гибкого провода или шнура, когда качающаяся часть (головка) перемещается с максимальной амплитудой.
Образцы с плоским гибким проводом устанавливают так, чтобы главная ось сечения гибкого провода была параллельна оси качания.
Гибкий провод или шнур нагружают грузом, обеспечивающим следующие усилия:
- 20 Н - для разборных розеток и неразборных розеток с проводом, номинальное сечение которого более 0,75 мм2;
- 10 Н - для других неразборных розеток.
Через провода пропускают ток, равный номинальному для розетки при номинальном напряжении.
Через проводник защиты, если он есть, ток не пропускают. Качающийся элемент совершает переменные движения с двойной амплитудой 90° (45° в обе стороны от вертикали). Таким образом производят 10000 изгибов для разборных розеток и 20000 изгибов для неразборных розеток с частотой 60 изгибов в минуту.
Образцы с гибким проводом круглого сечения поворачивают на 90° в качающемся элементе после проведения половины предусмотренного числа изгибов. Образцы с плоским гибким проводом подвергают изгибам только в одном направлении, перпендикулярном плоскости, в которой находятся оси проводников.
Во время испытания не должны происходить ни разрыв испытательного тока, ни короткое замыкание между проводниками.
После испытания не должно быть повреждений образцов, нарушающих требования настоящего стандарта, отделения устройства защиты от буртика и повреждения изоляции гибкого провода.
Для неразборных розеток допускается разрыв отдельных проволок провода без выхода их из оболочки.
Примечания
1. Изгибом считают движение в одном или другом направлении.
2. Это испытание проводят на образцах, не прошедших другие испытания.
3. Коротким замыканием между проводниками гибкого провода считают момент, когда ток достигает двойного значения номинального тока для данной розетки.
23. Механическая прочность
23.1. Соединители должны иметь достаточную механическую прочность.
Проверку проводят:
- на розетках - испытаниями по 23.2 и 23.3;
- на вилках с металлическим буртиком - испытанием по 23.4;
- на вилках с буртиком из изоляционного материала - испытанием по 24.5.
Примечания
1. Буртики приборных вилок, предназначенных для монтажа в электроприбор, не должны подвергаться испытаниям по
23.4 и
23.5.
2. Испытания механической прочности этих приборных вилок изучаются.
23.2. Розетки должны испытываться во вращающемся барабане, приведенном на рисунке 18. Разборные розетки испытывают с гибким проводом, указанным в таблице 5, с минимальным сечением и длиной 100 мм, измеренной от наружного конца устройства защиты.
| | ИС МЕГАНОРМ: примечание. Текст дан в соответствии с официальным текстом документа. | |
Контактные и сборочные винты должны затягиваться крутящим моментом, равным УЗ значения, указанного в таблице 8.
Неразборные розетки испытывают в состоянии поставки, длина гибкого провода должна составлять 100 мм от конца устройства защиты.
Образцы сбрасывают с высоты 500 мм на стальную пластину толщиной 3 мм, при этом число падений должно быть:
500 - если масса образца без провода и устройства защиты не превышает 200 г;
100 - во всех остальных случаях.
Частота вращения барабана - 5 оборотов в мин, что составляет 10 падений в минуту.
Испытанию подвергают по одному экземпляру образцов.
После испытания не должно быть повреждений, нарушающих требования настоящего стандарта, особенно отделения или ослабления элементов.
Примечания:
1. Во время проверки особое внимание должно уделяться соединению гибкого провода. Допускаются небольшие зазубрины и сколы при условии сохранения требований защиты от поражения электрическим током.
2. Повреждение покрытия и небольшие вмятины, не приводящие к уменьшению путей тока утечки или воздушных зазоров ниже минимальных значений, указанных в
разделе 26, не учитывают.
23.3.
После испытания по 23.2 розетку на номинальный ток св. 0,2 А вводят в приборную вилку, тип которой удовлетворяет типу испытуемой розетки и отвечает требованиям соответствующего стандартного листа.
Вилку монтируют на испытательной установке, показанной на рисунке 19, штырями вверх. Размер (40 +/- 2) мм должен быть выдержан.
К шнуру прикладывают боковое натяжение, приведенное в таблице 7, в начале в направлении, перпендикулярном плоскости осей токоведущих штырей, и сразу же снимают.
Таблица 7
Номинальный ток переносной розетки, А | Натяжение, Н |
2,5 | 6 |
6,0; 10,0 | 35 |
16,0 | 50 |
Такую операцию выполняют 50 раз в одном направлении и 50 раз - в противоположном.
Затем боковое натяжение с таким же усилием прикладывают в направлении, параллельном плоскости осей токоведущих штырей и контактной поверхности розетки. Натяжение сразу же снимают. Такую операцию выполняют 50 раз в одном направлении и 50 раз - в противоположном.
При необходимости розетку удерживают от выпадения из приборной вилки, однако она должна свободно перемещаться к стенке приборной вилки.
Во время испытания защитное устройство шнура, если имеется, не должно отделяться от корпуса.
После испытания розетка должна соответствовать требованиям настоящего стандарта. В частности, образцы должны отвечать требованиям к минимальному извлекающему усилию и выдерживать испытание по 16.3.
Примечание. Устройство, приведенное на
рисунке 19, может использоваться для розеток, у которых ось совпадает с осью гибкого провода (прямые розетки). Для розеток остальных типов устройство должно быть приспособлено так, чтобы натяжение действовало в наиболее неблагоприятном направлении.
23.4.
Вилки, предназначенные для монтажа снаружи и имеющие металлический буртик, должны испытываться в устройстве, приведенном на рисунке 20. Сферический конец зажимных приспособлений должен иметь радиус (20 +/- 1) мм. Усилие (40 +/- 2) Н прикладывают в течение (60 +/- 6) с в наименее благоприятной точке наружной поверхности буртика посредине его длины и перпендикулярно оси буртика.
После испытания не должно быть никакой деформации или отделения буртика, влияющих на дальнейшее использование вилки.
23.5.
Вилки, имеющие буртик, выступающий на применяемом приборе, из изоляционного материала, кроме резины, термопластичного или другого упругого материала, испытывают при помощи контрольного ударного устройства, аналогичного указанному на рисунке 21.
Устройство имеет три основные части: корпус, ударный элемент и пусковой конус, взведенный при помощи пружины.
Корпус состоит из кожуха, ударного элемента, механизма блокировки и других частей, жестко прикрепленных к нему. Масса корпуса должна быть 1250 г.
Ударный элемент состоит из головки молотка, стержня и кнопки взвода. Масса ударного элемента должна быть 250 г.
Головка молотка имеет полукруглую форму радиусом 10 мм и изготавливается из полиамида с твердостью 100 HRC. Она крепится к стержню ударного элемента так, чтобы расстояние между ее концом и фронтальной плоскостью конуса было 20 мм, когда положение ударного элемента находится на стадии пуска.
Масса конуса равна 60 г, а пружина его устроена так, чтобы создавать усилие 20 Н в момент, предшествующий высвобождению ударного элемента.
Пружину ударного элемента регулируют так, чтобы произведение сжатия в миллиметрах на силу в ньютонах равнялось 1000, а длина сжатия пружины должна быть равна приблизительно 20 мм. При такой регулировке энергия удара составляет (0,5 +/- 0,05) Дж.
Пружины механизма зацепления регулируют таким образом, чтобы они создавали усилие, достаточное для удержания зажимов спускового механизма в состоянии зацепления.
Устройство взводят оттягиванием кнопочной рукоятки до тех пор, пока зажимы колодки не войдут в канавку, расположенную на тяговом стержне.
Удары наносят, прикладывая спусковой конус к образцу в направлении, перпендикулярном поверхности в испытуемой точке.
Давление постепенно увеличивают до тех пор, пока конус не отойдет назад и не придет в соприкосновение со спусковыми стержнями, которые при перемещении приводят в действие механизм зацепления, освобождающий ударный элемент.
Образец устанавливают на жесткой опоре и наносят 12 ударов в четырех точках (по три удара в каждую точку), выбранных в наиболее уязвимых местах.
После испытания на образце не должно быть повреждений, нарушающих соответствие настоящему стандарту.
23.6. Для розеток на 2,5 А, предназначенных для приборов класса защиты II, соответствующих
стандартному листу С7, участок розетки, который может касаться кулачков выключателя, должен обладать достаточной стойкостью к деформации.
Соответствие проверяют следующим испытанием с применением устройства с прямоугольным резцом, как показано на рисунке 22. Испытание проводят, последовательно прикладывая резцы A и B к корпусу розетки в испытуемой зоне с силой 10 Н, как указано на рисунке 22.
Устройство с установленным образцом помещают в нагревательную камеру и выдерживают в течение 2 ч при температуре (70 +/- 2) °C.
Затем образец снимают с устройства и охлаждают приблизительно до температуры окружающего воздуха в течение 10 с, погружая его в холодную воду.
Сразу же замеряют толщину корпуса розетки в точке давления. Разница между значениями толщины до и после испытания не должна быть более 0,2 мм.
23.7. Наружные части розетки с отдельной фронтальной частью, в которой расположены контакты, должны быть надежно скреплены друг с другом.
Соответствие проверяют следующим испытанием.
Фронтальную часть и заднюю часть розетки прочно крепят к двум захватам, которые устроены так, что они могут отделять одну часть от другой по прямой линии. На захваты в осевом направлении без рывков действует сила (100 +/- 2) Н в течение 1 мин.
После испытания две части розетки не должны отделяться одна от другой, тем более не должно быть ослабления деталей, обеспечивающих защиту от поражения электрическим током, и создания доступа к токоведущим частям.
Примечание. Применение силы в других направлениях - в стадии рассмотрения.
24. Стойкость к нагреву и старению
24.1. Соединители должны иметь достаточную стойкость к нагреву.
Соответствие проверяют испытаниями по 24.1.1 - 24.1.3, что применяется.
24.1.1. Образцы переносных розеток и приборных вилок, кроме тех, которые представляют единое целое или встраиваются в прибор или электрооборудование, выдерживают в течение 1 ч в нагревательной камере при температуре (100 +/- 2) °C.
Во время испытания не должно произойти изменений образца, влияющих на его дальнейшее использование, не должен плавиться компаунд до такой степени, чтобы оголять токоведущие части.
Примечания
1. Если розетки и вилки представлены на испытание вместе, то их надо испытывать в сочлененном виде.
2. Небольшим вытеканием компаунда можно пренебречь, если при этом не нарушается соответствие требованиям стандарта на электробезопасность.
24.1.2. Детали из изоляционного материала вилок, не являющихся неотъемлемой частью прибора или не предназначенных для встраивания в прибор или электрооборудование, и переносных розеток должны подвергаться испытанию давлением с помощью устройства, представленного на
рисунке 23.
Этому испытанию не подвергают части устройства крепления шнура, устройства защиты шнура от натяжения и скручивания, части, непосредственно не окружающие гнездовые контакты розеток, впрессованные вместе со шнуром, и керамические детали.
Перед началом испытания шарик и опору, на которой должен устанавливаться образец, выдерживают при заданной температуре. Испытуемую часть помещают на стальную пластину толщиной 3 мм в непосредственном контакте с ней так, чтобы на нее было направлено испытательное усилие. Если невозможно провести испытание на самом образце, испытание проводят на образце из того же материала толщиной не менее 2 мм.
Поверхность испытуемой части образца располагают горизонтально, стальной шарик диаметром 5 мм вдавливают в поверхность с силой 20 Н.
Испытание проводят в нагревательной камере при температуре:
(155 +/- 2) °C - для соединителей, предназначенных для работы при высокой температуре;
(125 +/- 2) °C - для соединителей, предназначенных для работы при средней температуре, а также для частей соединителей, предназначенных для работы при низкой температуре, которые поддерживают токоведущие части и части заземляющей цепи соединителей;
(75 +/- 2) °C - для остальных частей соединителей, предназначенных для работы при низкой температуре, и всех частей соединителей на ток 0,2 А.
Через 1 ч шарик убирают с образца, который затем охлаждают приблизительно до температуры окружающего воздуха в течение 10 с погружением в холодную воду.
Диаметр оттиска шарика измеряют, он не должен быть более 2 мм.
24.1.3. Розетки из термопластичного материала испытывают на сжатие в установке, представленной на
рисунке 24. Испытание проводят в нагревательной камере при температуре (100 +/- 2) °C.
Образец зажимают между стальными кулачками цилиндрической формы радиусом 25 мм, шириной 15 мм и длиной 50 мм. Углы кулачка закруглены радиусом 2,5 мм.
Образец зажимают между кулачками таким образом, чтобы они оказывали давление, как при нормальной эксплуатации; центральная линия кулачков должна совпадать по возможности с центром испытуемой площади образца.
Сила давления кулачков - 20 Н.
Через 1 ч кулачки снимают с образца; образец не должен иметь повреждений, нарушающих соответствие требованиям настоящего стандарта.
24.2. Розетки из эластомера или термопластичного материала должны обладать достаточной стойкостью к старению.
Соответствие проверяют:
- розетки из термопластичного материала - испытаниями по 24.2.2 и 24.2.3.
Для проведения испытаний по 24.2.1 - 24.2.3 используют два новых образца, предварительно прошедших испытания по разделу 16.
Примечания
1. Для испытаний по
24.2.1 и
24.2.2 рекомендуется применять камеру с электрическим обогревом.
2. Естественную циркуляцию воздуха могут обеспечивать отверстия в стенках камеры.
3. Температуру можно измерять термометрами.
24.2.1. Розетки из эластомера испытывают на ускоренное старение в атмосфере, имеющей такой же состав и давление, что и окружающий воздух. Образцы свободно подвешивают в нагревательной камере с естественной циркуляцией воздуха и выдерживают их при температуре (70 +/- 2) °C в течение 240 ч (10 сут).
24.2.2. Розетки из термопластичных материалов подвергают ускоренному старению в атмосфере, имеющей такой же состав и давление, как окружающий воздух.
Образцы свободно подвешивают в нагревательной камере с естественной циркуляцией воздуха и выдерживают их при температуре (80 +/- 2) °C в течение 168 ч (7 сут).
Во время испытания переносные розетки и приборные вилки должны быть в сочлененном положении согласно соответствующему стандартному листу.
24.2.3. После проведенных испытаний по
24.2.1 или
24.2.2 образцы охлаждают приблизительно до температуры окружающего воздуха, затем проводят их осмотр. Они не должны иметь трещин, видимых невооруженным глазом, их поверхность не должна быть липкой и жирной.
Проверку последнего требования проводят следующим образом.
На указательный палец наматывают сухую грубую ткань и надавливают им на образец с силой 5 Н.
На испытуемом образце не должно остаться следов ткани, а сама ткань не должна прилипать к образцу.
После этого испытания образец не должен иметь повреждений, ведущих к несоответствию настоящему стандарту.
Примечание. Усилие 5 Н достигают следующим образом.
Образец помещают на одну чашу весов, а другую чашу нагружают грузом, равным весу образца плюс 500 г. Равновесие чаш весов восстанавливают нажатием на образец пальцем, обмотанным тканью.
25. Винты, токоведущие части и соединения
25.1. Электрические и механические соединения должны выдерживать механические нагрузки, возникающие при нормальной эксплуатации.
Винты и гайки, передающие контактное давление и предназначенные для подсоединения и монтажа соединителя при его установке и/или используемые в процессе его эксплуатации, должны ввинчиваться в металлическую резьбу.
Винты для присоединения проводников не должны быть самонарезающего типа.
Винты и гайки, применяемые при монтаже соединителя и/или его эксплуатации, не должны быть самонарезающего режущего типа.
Примечание. К винтам или гайкам, применяемым при монтаже соединителя, относят винты для крепления крышек, закрывающих пластин и т.д.; к ним не относят винты для крепления основания приборной вилки.
Соответствие проверяют осмотром, а для винтов и гаек, передающих контактное давление и используемых для подсоединения и монтажа соединителя при установке и/или используемых при эксплуатации соединителя - следующим испытанием.
Винты и гайки затягивают и отпускают:
10 раз - для металлических винтов, ввинчиваемых в резьбу из изоляционного материала, и для винтов из изоляционного материала;
5 раз - для всех остальных винтов.
Винты или гайки, ввинчиваемые в резьбу из изоляционного материала, и винты из изоляционного материала каждый раз полностью снимают и ввинчивают вновь. Испытание проводят с помощью специальной испытательной отвертки или соответствующего ключа с приложением крутящего момента, указанного в таблице 8.
Примечание. Форма лезвия испытательной отвертки должна соответствовать шлицу головки испытуемого винта.
Номинальный диаметр резьбы, мм | Крутящий момент, Н·м |
| |
До 2,8 включ. | 0,20 | 0,4 |
Св. 2,8 до 3,0 включ. | 0,25 | 0,5 |
" 3,0 " 3,2 " | 0,30 | 0,6 |
" 3,2 " 3,6 " | 0,40 | 0,8 |
" 3,6 " 4,1 " | 0,70 | 1,2 |
" 4,1 " 4,7 " | 0,80 | 1,8 |
" 4,7 " 5,3 " | 0,80 | 2,0 |
При испытании винтов зажимов переносных розеток в зажим вводят гибкий проводник. После каждого ослабления винта или гайки проводник каждый раз перемещают.
Номинальное сечение проводника 1 мм2 для розеток на 10 А и 1,5 мм2 для розеток на 16 А.
Винты и гайки следует затягивать плавно.
В графе I указаны значения для винтов без головок, которые после ввинчивания не выступают за поверхность краев отверстия, а также для других винтов, которые не могут быть затянуты отверткой, лезвие которой шире диаметра винта.
В графе II указаны значения крутящего момента для других винтов и гаек.
Для винтов, имеющих шестигранную головку со шлицем, испытание проводят только с помощью отвертки.
Во время испытания в затянутых соединениях не должно быть расслаблений, не должно возникать повреждений, например изломов винтов, повреждений шлица головки, повреждений резьбы, шайб или хомутиков, препятствующих дальнейшему их использованию.
Примечание. Винтовые соединения частично проверяют испытаниями по
разделам 20 и
23.
25.2. Для винтов, ввинчивающихся в изоляционный материал, и винтов из изоляционного материала, предназначенных для монтажа соединителей и/или используемых в процессе эксплуатации, должен быть обеспечен их правильный ввод в резьбовое отверстие или гайку.
Не допускается применение винтов из изоляционного материала, если при их замене на металлические винты происходит ухудшение изоляционных свойств соединителя.
Соответствие проверяют осмотром и испытанием вручную.
Примечание. Требование к правильному введению винта может быть соблюдено при наличии направляющего устройства на фиксируемой части, применении утопленной гаечной резьбы или винтов со снятой начальной резьбой.
25.3. Конструкция электрических соединений должна быть такова, чтобы контактное давление не передавалось через изоляционный материал, кроме керамики или другого материала с аналогичными свойствами.
Это требование не распространяется на соединители, предназначенные для работы при низких температурах, когда металлические детали обладают достаточной упругостью для компенсации возможной усадки и сжатия изоляционного материала.
Примечание. Пригодность применяемых материалов рассматривают относительно стабильности их размеров.
Соответствие проверяют осмотром.
Примечание. Данное требование не исключает создания электрических соединений с плоским мишурным шнуром на ток до 0,2 А, когда контактное давление получают через изоляционный материал, обладающий такими свойствами, которые обеспечивают постоянное и надежное контактирование при нормальной эксплуатации, учитывая, в частности, усадку, деформацию под нагрузкой, старение или холодное растекание изолирующих материалов.
25.4. Винты и заклепки, применяемые одновременно для электрических и механических соединений, должны иметь устройства, препятствующие их ослаблению или самоотвинчиванию.
Соответствие проверяют осмотром и испытанием вручную.
Примечания
1. В качестве устройства от ослабления и самоотвинчивания может служить пружинная шайба.
2. Для заклепок достаточно применения некруглой ножки или канавки.
3. Компаунд, который при нагревании размягчается, может служить эффективным средством от самоотвинчивания тех винтовых соединений, которые при нормальной эксплуатации не подвергаются воздействию крутящего момента.
25.5. Соединения между зажимами и другими частями должны быть такими, чтобы при нормальной эксплуатации они не могли смещаться.
Соответствие проверяют осмотром и испытанием вручную.
25.6. Токоведущие части и заземляющие контакты должны быть из металла, имеющего механическую прочность, электропроводность и коррозиестойкость, соответствующие условиям эксплуатации соединителя.
Соответствие проверяют осмотром и, при необходимости, химическим анализом.
Примерами подходящих металлов, работающих в пределах допустимых температур при нормальных условиях химического загрязнения, являются:
- медь;
- сплав, содержащий не менее 58% меди для частей, изготавливаемых из холоднокатаных листов, или не менее 50% меди для других частей;
- нержавеющая сталь, содержащая не менее 13% хрома и не более 0,09% углерода;
- сталь, имеющая гальваническое цинковое покрытие в соответствии с
ГОСТ 9.301 толщиной не менее 5 мкм (рабочие условия N 1);
- сталь, имеющая гальваническое никелевое и хромовое покрытие в соответствии с
ГОСТ 9.301 толщиной не менее 20 мкм (рабочие условия N 2);
- сталь, имеющая гальваническое оловянное покрытие в соответствии с
ГОСТ 9.301 толщиной не менее 12 мкм (рабочие условия N 2).
Части, которые могут подвергаться механическому износу в процессе эксплуатации, недопустимо изготавливать из стали с гальваническим покрытием.
Допускается применение стали с гальваническим цинковым покрытием только для первичных токоведущих частей, если не предусматривается выполнение стационарных электрических соединений. В соединениях цинковое покрытие допустимо только для частей, которые непосредственно не участвуют в проведении тока, например винтов или шайб, применяемых в зажимах некоторых типов, где они передают только контактное давление.
Примечания
1. Требования данного пункта не распространяются на магнитные цепи, нагревательные и биметаллические элементы, шунты, части электронных устройств и т.д.
2. Винты, гайки, шайбы, зажимные пластины и подобные части зажимов не относят к токоведущим частям.
3. Новые требования, проверенные испытаниями для определения коррозиестойкости, - в стадии рассмотрения. Эти требования должны позволить применение других материалов с соответствующим покрытием.
25.7. Во влажных условиях металлы, имеющие большую разность электрохимического потенциала по отношению друг к другу, не должны использоваться в контакте друг с другом.
25.8. Штыри вилок, предназначенных для работы при высокой температуре, должны быть покрыты никелем или другим материалом, обладающим достаточной коррозиестойкостью. Последнее требование не относится к штырям вилок, представляющих единое целое или встроенных в прибор или другое оборудование, для которых температура не должна превышать 140 °C при нормальной эксплуатации.
Соответствие проверяют осмотром.
26. Пути утечки, воздушные зазоры и расстояния по изоляции
Значения путей утечки, воздушных зазоров и расстояний по изоляции розеток и вилок, не представляющих единого целого и не встроенных в прибор или оборудование, не должны быть менее значений, указанных в таблице 9.
Таблица 9
Пути утечки и воздушные зазоры | Значение, мм |
Между токоведущими частями различной полярности | 3 |
Между токоведущими частями и: | |
- доступными металлическими частями | |
- наружными недоступными винтами или другими аналогичными элементами (только для розеток) | 3 |
Между частями заземляющей цепи и: | |
- токоведущими частями | 4 |
- доступными винтами или другими аналогичными элементами | 3 |
- наружными недоступными винтами или другими аналогичными элементами (только для розеток) | 1,5 |
- устройством защиты шнура от скручивания и натяжения, включая зажимные винты | 1,5 |
Толщина изоляционного материала между доступными металлическими частями и частями, находящимися под напряжением | 1,5 |
Примечания 1. Для розеток термин "доступные металлические части" включает в себя металлическую фольгу, соприкасающуюся с наружной поверхностью из изоляционного материала. 2. Недоступные винты - это винты, которых не может коснуться стандартный испытательный палец. |
-------------------------------- <1> Это значение не применяют в случаях, когда размеры, указанные в соответствующем стандартном листе, приводят к меньшему расстоянию. |
Для цепей индикаторов, имеющих сопротивление, при котором ток повреждения никогда не превышает 0,25 А, если один из каких-либо путей утечки тока или расстояний по изоляции этих цепей соединен мостиком, то указанное значение может быть сокращено до 1 мм. Более того, сопротивление в цепи индикатора не должно действовать при значении не более 75% указанного изготовителем и заявленного номинального рассеяния.
Соответствие проверяют измерением.
Измерения проводят на образцах разборных розеток, оснащенных проводниками с максимальным сечением, указанным в таблице 5, а также без проводников.
Для неразборных розеток измерения проводят на образцах со шнуром в состоянии поставки.
Розетки испытывают в соединенном положении с вилкой, а затем в разъединенном положении.
Примечание. При рассмотрении влияния на расстояние утечки паза шириной менее 1 мм учитывают только его ширину. При подсчете общего значения воздушный зазор менее 1 мм не учитывают.
27. Теплостойкость, огнестойкость и трекингостойкость
27.1. Части из изоляционного материала, которые могут испытывать термические нагрузки под действием электрического тока и нарушение которых может привести к снижению безопасности соединителя, не должны подвергаться чрезмерному нагреву с образованием огня внутри аппарата.
Для соединителей на номинальный ток более 0,2 А соответствие проверяют испытанием раскаленной проволокой по 27.1.1 - 27.1.10.
Вилки, представляющие единое целое или встроенные в прибор или другое оборудование, испытывают в соответствии с требованиями стандарта на данное оборудование.
Испытание раскаленной проволокой является проверкой того, что испытательная проволока, нагретая с помощью электрического тока, в определенных условиях испытания не вызовет загорания изолирующих частей, или часть из изоляционного материала, которая при определенных условиях может воспламениться от нагретой проволоки, будет гореть непродолжительное время, а огонь не перейдет в постоянное пламя и не произойдет выпадания из испытуемой детали горящих частиц или капель.
27.1.2. Общие требования к испытанию
Испытания проводят на одном образце.
При возникновении сомнения испытание повторяют на двух дополнительных образцах. Испытание проводят, прикладывая один раз раскаленную проволоку. Во время испытания образец следует устанавливать в наиболее неблагоприятном положении (испытуемая поверхность должна находиться в вертикальном положении).
Конец раскаленной проволоки прикладывают к поверхности испытуемого образца, учитывая при этом условия предполагаемого использования, при которых нагретый элемент мог бы войти в контакт с образцом.
Если испытание нельзя провести на собранном образце, то испытанию подвергают вырезанную из него часть.
Если испытания необходимо выполнить в нескольких местах на одном и том же образце, то следует проверить, чтобы любой дефект, возникший во время предыдущих испытаний, не повлиял на результаты следующего испытания.
Малогабаритные детали, такие как прокладки, не подлежат испытанию.
27.1.3. Требования к испытательной аппаратуре
По
разделу 4 ГОСТ 27483. Для испытания применяют сосновую доску, покрытую слоем папиросной бумаги.
27.1.4. Степень жесткости
Применяют следующие испытательные температуры, выбранные из предпочтительного ряда температур, указанного в разделе 5 ГОСТ 27483.
750 °C - для частей из изоляционного материала, на которых закрепляют токоведущие части и части заземляющей цепи;
650 °C - для всех остальных частей из изоляционного материала.
27.1.5. Калибровка термопары
27.1.6. Предварительное кондиционирование
27.1.7. Предварительные измерения
27.1.8. Порядок проведения испытания
27.1.9. Наблюдения и измерения
27.1.10. Оценка результатов испытаний
27.2. Изолирующие части (удерживающие токоведущие части или соприкасающиеся с ними) соединителей, предназначенных для работы при средней и высокой температурах, должны быть изготовлены из трекингостойкого материала.
Это требование не распространяется на вилки, представляющие единое целое или встроенные в прибор или оборудование.
Для материалов, кроме керамики, соответствие проверяют следующим испытанием.
27.2.1. Испытуемые образцы
По разделу 3 ГОСТ 27473. Образцы для испытаний выбирают из деталей аппаратов, отобранных для испытаний.
27.2.2. Кондиционирование
27.2.3. Испытательная аппаратура
5.1. Электроды применяют;
5.2. Испытательную цепь применяют;
5.3. Капельницу применяют;
5.4. Раствор для испытаний - применяют раствор А.
27.2.4. Метод испытаний
6.1. Общие положения применяют;
6.2. Определение сравнительного индекса трекингостойкости (СИТ) не проводят;
6.3. Контрольное испытание трекингостойкости - применяют КИТ 175 В;
6.4. Определение эрозии не проводят.
Металлические части должны быть надежно защищены от коррозии.
Соответствие проверяют следующим испытанием.
Смазочные вещества удаляют с испытуемых частей путем погружения их на 10 мин в обезжиривающее химическое вещество, например раствор трихлорэтана или петролейный эфир; затем части погружают на 10 мин в 10%-ный раствор нашатырного спирта с водой при температуре (20 +/- 5) °C.
После того как испытуемые части будут просушены в термокамере при температуре (100 +/- 5) °C в течение 10 мин, на их поверхности не должно быть следов коррозии.
Примечания
1. Не учитывают следы коррозии на острых кромках и желтоватую пленку, которую удаляют простым протиранием.
2. Слой смазки, наносимый на небольшие пружины и аналогичные детали, а также на закрытые части, подверженные истиранию, может служить защитой от коррозии. Указанные детали подвергают испытанию только в том случае, если возникнет сомнение относительно эффективности смазочной пленки, и испытание в данном случае проводят без предварительного удаления смазки с детали.
Меры предосторожности
При испытании с применением указанных жидкостей необходимо принять меры предосторожности от попадания паров в дыхательные пути.
29. Требования к электромагнитной совместимости
Примечание. Требования к соединителям, содержащим электронные компоненты, не содержатся в настоящем стандарте, поскольку до сих пор в этом не было необходимости.
29.1. Устойчивость к электромагнитным помехам
29.1.1. Соединители, не содержащие электронные компоненты
Такие соединители не чувствительны к обычным электромагнитным помехам, и поэтому не требуется испытаний на устойчивость.
29.2. Электромагнитные излучения
29.2.1. Соединители, не содержащие электронные компоненты
Примечание. Такие соединители могут только генерировать электромагнитные помехи во время эпизодических операций сочленения и расчленения соединителей. Частота, уровень и последовательность этих излучений считают частью нормальной электромагнитной среды.
Розетка на 0,2 А, 250 В для приборов класса II
для холодных условий (только неразборная)
1) Контур передней части не должен быть увеличен или уменьшен в любой точке, расположенной на расстоянии менее 10,5 мм от поверхности введения.
2) Контур задней части не должен быть превышен ни в одном сечении, перпендикулярном оси розетки, кроме розеток с боковым вводом провода или комбинированных с другой арматурой, когда этот предел не применяется в направлении оси провода или переключателя.
3) Край может быть слегка закруглен.
Межосевое расстояние и конфигурация гнезд, а также размеры и форма передней части должны быть такими, чтобы:
толщина изоляции вокруг гнезд была не менее 1,5 мм.
Допускается применять плавающие контакты.
Чертеж не определяет конструкцию, за исключением указанных размеров.
Приборная вилка на 0,2 А, 250 В для приборов класса II
для холодных условий
Контур 3) должен находиться на расстоянии (10 +/- 5) мм от поверхности введения в нижней части входного отверстия. Расстояние нижней части от поверхности введения входного отверстия в плоскости A-A должно быть меньше, чем где-нибудь в другом месте в пределах зоны 1). Плоскость A-A не обязательно должна распространяться на внешний контур относительно зоны 1). Ободок, который огибает верхнюю часть, допускает округлую выточку, если ее толщина составляет по крайней мере 2 мм.
Нахождение фиксирующего устройства или части его возможно в пределах зоны 1). Никакие остальные части входного отверстия не должны выступать за пределы плоскости A-A.
Для приборных вилок, встроенных в наружную поверхность прибора, если поверхность 2) вогнута или наклонена по отношению к оси приборной вилки, этот размер не должен превышать 10,5 мм; его минимальное значение следует определять в соответствии с
8.5.
Концы штырей могут иметь сферическую форму.
Чертеж не определяет конструкцию, за исключением указанных размеров.
| | ИС МЕГАНОРМ: примечание. Нумерация стандартных листов дана в соответствии с официальным текстом документа. | |
Розетка на 2,5 А, 250 В для приборов класса I
для холодных условий (только неразборная)
1) Контур передней части не должен быть увеличен или уменьшен в любой точке, расположенной на расстоянии менее 12,5 мм от поверхности введения.
2) Контур задней части не должен быть превышен ни в одном сечении, перпендикулярном оси розетки, кроме розеток с боковым вводом провода или комбинированных с другой арматурой, когда этот предел не применяется в направлении оси провода или переключателя.
3) Край может быть слегка закруглен.
Межосевое расстояние и конфигурация гнезд, а также размеры и форма передней части должны быть такими, чтобы:
- толщина изоляции вокруг гнезд была не менее 1,5 мм.
Допускается применять плавающие контакты.
Чертеж не определяет конструкцию, за исключением указанных размеров.
Приборная вилка на 2,5 А, 250 В для приборов класса I
для холодных условий
a - заземляющий штырь; b - токопроводящий штырь
Контур 3) должен находиться на расстоянии (10 +/- 5) мм от поверхности введения в нижней части входного отверстия. Расстояние нижней части от поверхности введения входного отверстия в плоскости A-A должно быть меньше, чем где-нибудь в другом месте в пределах зоны 1). Плоскость A-A не обязательно должна распространяться на внешний контур относительно зоны 1). Ободок, который огибает верхнюю часть, допускает округлую выточку, если ее толщина составляет по крайней мере 2 мм. Нахождение фиксирующего устройства или части его возможно в пределах зоны 1). Никакие остальные части входного отверстия не должны выступать за пределы плоскости A-A.
Для приборных вилок, встроенных в наружную поверхность прибора, если эта поверхность вогнута или наклонена по отношению к оси приборной вилки, этот размер 2) не должен превышать 10,5 мм; его минимальное значение следует определять в соответствии с
8.5.
Концы штырей могут иметь сферическую форму.
Чертеж не определяет конструкцию, за исключением указанных размеров.
Розетка на 2,5 А, 250 В для приборов класса II
для холодных условий (только неразборная)
1) Контур передней части не должен быть увеличен или уменьшен в любой точке, расположенной на расстоянии менее 16 мм от поверхности введения.
2) Контур задней части не должен быть превышен ни в одном сечении, перпендикулярном оси розетки, кроме розеток с боковым вводом провода или комбинированных с другой арматурой, когда этот предел не применяется в направлении оси провода или переключателя.
3) Внутри этой зоны розетка должна соответствовать требованиям
23.6.
4) Край может быть слегка закруглен.
Межосевое расстояние и конфигурация гнезд, а также размеры и форма передней части должны быть такими, чтобы:
| | ИС МЕГАНОРМ: примечание. В официальном тексте документа, видимо, допущена опечатка: рисунок 5 отсутствует. | |
- розетка могла входить в калибры по рисункам 5 и
5A и не могла входить в калибр по
рисункам 7 и
8;
- толщина изоляции вокруг гнезд была не менее 1,5 мм.
Допускается применять плавающие контакты.
Чертеж не определяет конструкцию, за исключением указанных размеров.
5) Цель этого рисунка - указать размер 20 min от поверхности введения до "хвоста" приборной розетки. Он не исключает конструкций с боковым вводом, в которых ось провода располагается не в плоскости, по которой проходят оси гнезд (как указано), а перпендикулярно к этой плоскости.
Приборная вилка на 2,5 А, 250 В для приборов класса II
для холодных условий <*>
--------------------------------
<*> Приборная вилка этого типа стандартизована для типов розеток с расстоянием 10,5 мм между поверхностью введения и краем.
a - вариант исполнения конца штырей;
b - деталь направляющего элемента
Контур 3) должен находиться на расстоянии (10 +/- 5) мм от поверхности введения в нижней части входного отверстия. Расстояние нижней части от поверхности введения входного отверстия в плоскости A-A должно быть меньше, чем где-нибудь в другом месте в пределах зоны 1). Плоскость A-A не обязательно должна распространяться на внешний контур относительно зоны 1). Ободок, который огибает верхнюю часть, допускает округлую выточку, если ее толщина составляет по крайней мере 2 мм. Нахождение фиксирующего устройства или части его возможно в пределах зоны 1). Никакие остальные части входного отверстия не должны выступать за пределы плоскости A-A.
Для приборных вилок, встроенных в наружную поверхность прибора, если эта поверхность вогнута или наклонена по отношению к оси приборной вилки, размер 2) не должен превышать 10,5 мм; его минимальное значение следует определять в соответствии с
8.5.
Концы штырей могут иметь сферическую или коническую форму.
Положения кулачка переключателя
--------------------------------
<*> Минимальные размеры кулачка переключателя.
Переключатель должен срабатывать на расстоянии 1,5 мм до полного введения розетки.
Там, где кулачок имеется, направляющий элемент не требуется.
Приборная вилка на 2,5 А, 250 В для приборов класса II
для холодных условий
Контур 3) должен находиться на расстоянии (10 +/- 5) мм от поверхности введения в нижней части входного отверстия. Расстояние нижней части от поверхности введения входного отверстия в плоскости A-A должно быть меньше, чем где-нибудь в другом месте в пределах зоны 1). Плоскость A-A не обязательно должна распространяться на внешний контур относительно зоны 1). Ободок, который огибает верхнюю часть, допускает округлую выточку, если ее толщина составляет по крайней мере 2 мм. Нахождение фиксирующего устройства или части его возможно в пределах зоны 1). Никакие остальные части входного отверстия не должны выступать за пределы плоскости A-A.
Приборная вилка не должна монтироваться на наружной поверхности прибора, выгнутой или наклоненной по отношению к оси приборной вилки.
Концы штырей могут иметь сферическую или коническую форму.
Чертеж не определяет конструкцию, за исключением указанных размеров.
Приборная вилка на 2,5 А, 250 В для приборов класса II
для холодных условий (переменное соединение)
Контур 3) должен находиться на расстоянии (10 +/- 5) мм от поверхности введения в нижней части входного отверстия. Расстояние нижней части от поверхности введения входного отверстия в плоскости A-A должно быть меньше, чем где-нибудь в другом месте в пределах зоны 1). Плоскость A-A не обязательно должна распространяться на внешний контур относительно зоны 1). Ободок, который огибает верхнюю часть, допускает округлую выточку, если ее толщина составляет по крайней мере 2 мм. Нахождение фиксирующего устройства или части его возможно в пределах зоны 1). Никакие остальные части входного отверстия не должны выступать за пределы плоскости A-A.
Отверстие детали P не должно иметь направляющих элементов.
Отверстие детали Q должно представлять собой овал размерами

и не должно иметь направляющего элемента.
2) Деталь Q может отсутствовать, если деталь P закрепляется другим способом (например если это заменяемая деталь, фиксируемая винтами). В этом случае толщина детали P должна быть такой, чтобы были соблюдены размеры (10 +/- 0,5) мм и (15,5 +/- 0,5) мм, расстояния между основанием приборной вилки и плоскостью A-A (являющейся наружной поверхностью детали P).
Приборная вилка не должна монтироваться на наружной поверхности прибора, выгнутой или наклоненной по отношению к оси приборной вилки.
Концы штырей могут иметь сферическую или коническую форму.
Чертеж не определяет конструкцию, за исключением указанных размеров.
Розетка на 6 А, 250 В для приборов класса II
для холодных условий (только неразборная)
1) Контур передней части не должен быть увеличен или уменьшен в любой точке, расположенной на расстоянии менее 15 мм от поверхности введения.
2) Контур задней части не должен быть превышен ни в одном сечении, перпендикулярном оси подвижной розетки, кроме розеток с боковым вводом провода или комбинированных с другой арматурой, когда этот предел не применяется в направлении оси провода или переключателя.
3) Края могут быть слегка закруглены.
Межосевое расстояние и конфигурация гнезд, а также размеры и форма передней части должны быть такими, чтобы:
- толщина изоляции вокруг гнезд была не менее 1,5 мм.
Допускается применять плавающие контакты.
Чертеж не определяет конструкцию, за исключением указанных размеров.
Обозначения отклонений по форме или положению - по
ГОСТ 24643.
Приборная вилка на 6 А, 250 В для приборов класса II
для холодных условий
a - вариант исполнения конца штырей;
b - варианты формы штырей
Контур 3) должен находиться на расстоянии (10 +/- 5) мм от поверхности введения в нижней части входного отверстия. Расстояние нижней части от поверхности введения входного отверстия в плоскости A-A должно быть меньше, чем где-нибудь в другом месте в пределах зоны 1). Плоскость A-A не обязательно должна распространяться на внешний контур относительно зоны 1). Ободок, который огибает верхнюю часть, допускает округлую выточку, если ее толщина составляет по крайней мере 2 мм. Нахождение фиксирующего устройства или части его возможно в пределах зоны 1). Никакие остальные части входного отверстия не должны выступать за пределы плоскости A-A.
Для приборных вилок, вмонтированных в наружную поверхность прибора, если эта поверхность вогнута или наклонена по отношению к оси приборной вилки, размер 2) не должен превышать 14 мм; его минимальное значение должно определяться в соответствии с
9.5.
4) Край может быть слегка закруглен.
5) Кромка закруглена.
Приборная вилка не должна монтироваться на наружной поверхности прибора, выгнутой или наклоненной по отношению к оси приборной вилки.
Чертеж не определяет конструкцию, за исключением указанных размеров.
Обозначения отклонений по форме или положению - по
ГОСТ 24643.
| | ИС МЕГАНОРМ: примечание. Нумерация стандартных листов дана в соответствии с официальным текстом документа. | |
Розетка на 10 А, 250 В для приборов класса I
для холодных условий
1) Контур передней части не должен быть увеличен или уменьшен в любой точке, расположенной на расстоянии менее 18 мм от поверхности введения.
2) Контур задней части не должен быть превышен ни в одном сечении, перпендикулярном оси розетки, кроме розеток с боковым вводом провода или комбинированных с другой арматурой, когда этот предел не применяется в направлении оси провода или переключателя.
3) Края могут быть слегка закруглены.
Допускается применять плавающие контакты.
Чертеж не определяет конструкцию, за исключением указанных размеров.
Обозначения отклонений по форме или положению - по
ГОСТ 24643.
Приборная вилка на 10 А, 250 В для приборов класса I
для холодных условий
a - вариант исполнения конца штырей;
b - варианты формы штырей
Контур 3) должен находиться на расстоянии (10 +/- 5) мм от поверхности введения в нижней части входного отверстия. Расстояние нижней части от поверхности введения входного отверстия в плоскости A-A должно быть меньше, чем где-нибудь в другом месте в пределах зоны 1). Плоскость A-A не обязательно должна распространяться на внешний контур относительно зоны 1). Ободок, который огибает верхнюю часть, допускает округлую выточку, если ее толщина составляет по крайней мере 2 мм. Нахождение фиксирующего устройства или части его возможно в пределах зоны 1). Никакие остальные части входного отверстия не должны выступать за пределы плоскости A-A.
Для приборных вилок, вмонтированных в наружную поверхность прибора, если эта поверхность вогнута или наклонена по отношению к оси приборной вилки, размер 2) не должен превышать 17 мм; его минимальное значение должно определяться в соответствии с
9.5.
4) Край может быть слегка закруглен.
5) Кромка закруглена.
Приборная вилка не должна монтироваться на наружной поверхности прибора, выгнутой или наклоненной по отношению к оси приборной вилки.
Чертеж не определяет конструкцию, за исключением указанных размеров.
Обозначения отклонений по форме или положению - по
ГОСТ 24643.
Розетка на 10 А, 250 В для приборов класса I
для горячих условий
1) Контур передней части не должен быть увеличен или уменьшен в любой точке, расположенной на расстоянии менее 18 мм от поверхности введения.
2) Контур задней части не должен быть превышен ни в одном сечении, перпендикулярном оси розетки, кроме розеток с боковым вводом провода или комбинированных с другой арматурой, когда этот предел не применяется в направлении оси провода или переключателя.
3) Края могут быть слегка закруглены.
Допускается применять плавающие контакты.
Чертеж не определяет конструкцию, за исключением указанных размеров.
Обозначения отклонений по форме или положению - по
ГОСТ 24643.
Розетка на 10 А, 250 В для приборов класса I
для очень горячих условий
1) Контур передней части не должен быть увеличен или уменьшен в любой точке, расположенной на расстоянии менее 18 мм от поверхности введения.
2) Контур задней части не должен быть превышен ни в одном сечении, перпендикулярном оси розетки, кроме розеток с боковым вводом провода или комбинированных с другой арматурой, когда этот предел не применяется в направлении оси провода или переключателя.
3) Края могут быть слегка закруглены.
Допускается применять плавающие контакты.
Чертеж не определяет конструкцию, за исключением указанных размеров.
Обозначения отклонений по форме или положению - по
ГОСТ 24643.
Приборная вилка на 10 А, 250 В для приборов класса I
для горячих условий
a - вариант исполнения конца штырей; b - варианты
формы штырей; c - деталь направляющего элемента
Контур 3) должен находиться на расстоянии

от поверхности введения в нижней части входного отверстия. Расстояние нижней части от поверхности введения входного отверстия в плоскости A-A должно быть меньше, чем где-нибудь в другом месте в пределах зоны 1). Плоскость A-A не обязательно должна распространяться на внешний контур относительно зоны 1). Ободок, который огибает верхнюю часть, допускает округлую выточку, если ее толщина составляет по крайней мере 2 мм. Нахождение фиксирующего устройства или части его возможно в пределах зоны 1). Никакие остальные части входного отверстия не должны выступать за пределы плоскости A-A.
Для приборных вилок, вмонтированных в наружную поверхность прибора, если эта поверхность вогнута или наклонена по отношению к оси приборной вилки, размер 2) не должен превышать 17 мм; его минимальное значение должно определяться в соответствии с
9.5.
4) Край может быть слегка закруглен.
5) Кромка закруглена.
Чертеж не определяет конструкцию, за исключением указанных размеров.
Обозначения отклонений по форме или положению - по
ГОСТ 24643.
Приборная вилка на 10 А, 250 В для приборов класса I
для очень горячих условий
a - вариант исполнения конца штырей; b - варианты формы
штырей; c - деталь направляющего элемента
Контур 3) должен находиться на расстоянии

от поверхности введения в нижней части входного отверстия. Расстояние нижней части от поверхности введения входного отверстия в плоскости A-A должно быть меньше, чем где-нибудь в другом месте в пределах зоны 1). Плоскость A-A не обязательно должна распространяться на внешний контур относительно зоны 1). Ободок, который огибает верхнюю часть, допускает округлую выточку, если ее толщина составляет по крайней мере 2 мм. Нахождение фиксирующего устройства или части его возможно в пределах зоны 1). Никакие остальные части входного отверстия не должны выступать за пределы плоскости A-A.
2) Для приборных вилок, вмонтированных в наружную поверхность прибора, если эта поверхность вогнута или наклонена по отношению к оси приборной вилки, этот размер не должен превышать 17 мм; его минимальное значение должно определяться в соответствии с
9.5.
4) Край может быть слегка закруглен.
5) Кромка закруглена.
Чертеж не определяет конструкцию, за исключением указанных размеров.
Обозначения отклонений по форме или положению - по
ГОСТ 24643.
Розетка на 10 А, 250 В для приборов класса II
для холодных условий
1) Контур передней части не должен быть увеличен или уменьшен в любой точке, расположенной на расстоянии менее 18 мм от поверхности введения.
2) Контур задней части не должен быть превышен ни в одном сечении, перпендикулярном оси розетки, кроме розеток с боковым вводом провода или комбинированных с другой арматурой, когда этот предел не применяется в направлении оси провода или переключателя.
3) Края могут быть слегка закруглены.
Допускается применять плавающие контакты.
Чертеж не определяет конструкцию, за исключением указанных размеров.
Обозначения отклонений по форме или положению - по
ГОСТ 24643.
Приборная вилка на 10 А, 250 В для приборов класса II
для холодных условий
a - вариант исполнения концов штырей;
b - варианты формы штырей
Контур 3) должен находиться на расстоянии

от поверхности введения в нижней части входного отверстия. Расстояние нижней части от поверхности введения входного отверстия в плоскости A-A должно быть меньше, чем где-нибудь в другом месте в пределах зоны 1). Плоскость A-A не обязательно должна распространяться на внешний контур относительно зоны 1). Ободок, который огибает верхнюю часть, допускает округлую выточку, если ее толщина составляет по крайней мере 2 мм. Нахождение фиксирующего устройства или части его возможно в пределах зоны 1). Никакие остальные части входного отверстия не должны выступать за пределы плоскости A-A.
2) Для приборных вилок, вмонтированных в наружную поверхность прибора, если эта поверхность вогнута или наклонена по отношению к оси приборной вилки, этот размер не должен превышать 17 мм; его минимальное значение должно определяться в соответствии с
9.5.
4) Край может быть слегка закруглен.
5) Кромка закруглена.
Чертеж не определяет конструкцию, за исключением указанных размеров.
Обозначения отклонений по форме или положению - по
ГОСТ 24643.
Розетка на 16 А, 250 В для приборов класса I
для холодных условий
1) Контур передней части не должен быть увеличен или уменьшен в любой точке, расположенной на расстоянии менее 18 мм от поверхности введения.
2) Контур задней части не должен быть превышен ни в одном сечении, перпендикулярном оси розетки, кроме розеток с боковым вводом провода или комбинированных с другой арматурой, когда этот предел не применяется в направлении оси провода или переключателя.
3) Края могут быть слегка закруглены.
Допускается применять плавающие контакты.
Чертеж не определяет конструкцию, за исключением указанных размеров.
Обозначения отклонений по форме или положению - по
ГОСТ 24643.
Приборная вилка на 16 А, 250 В для приборов класса I
для холодных условий
a - вариант исполнения концов штырей; b - варианты
формы штырей; c - токопроводящие штыри
Контур 3) должен находиться на расстоянии

от поверхности введения в нижней части входного отверстия. Расстояние нижней части от поверхности введения входного отверстия в плоскости A-A должно быть меньше, чем где-нибудь в другом месте в пределах зоны 1). Плоскость A-A не обязательно должна распространяться на внешний контур относительно зоны 1). Ободок, который огибает верхнюю часть, допускает округлую выточку, если ее толщина составляет по крайней мере 2 мм. Нахождение фиксирующего устройства или части его возможно в пределах зоны 1). Никакие остальные части входного отверстия не должны выступать за пределы плоскости A-A.
2) Для приборных вилок, вмонтированных в наружную поверхность прибора, если эта поверхность вогнута или наклонена по отношению к оси приборной вилки, этот размер не должен превышать 19 мм; его минимальное значение должно определяться в соответствии с
9.5.
4) Край может быть слегка закруглен.
5) Кромка закруглена.
Чертеж не определяет конструкцию, за исключением указанных размеров.
Обозначения отклонений по форме или положению - по
ГОСТ 24643.
Розетка на 16 А, 250 В для приборов класса I
для очень горячих условий
1) Контур передней части не должен быть увеличен или уменьшен в любой точке, расположенной на расстоянии менее 18 мм от поверхности введения.
2) Контур задней части не должен быть превышен ни в одном сечении, перпендикулярном оси розетки, кроме розеток с боковым вводом провода или комбинированных с другой арматурой, когда этот предел не применяется в направлении оси провода или переключателя.
3) Края могут быть слегка закруглены.
Допускается применять плавающие контакты.
Чертеж не определяет конструкцию, за исключением указанных размеров.
Обозначения отклонений по форме или положению - по
ГОСТ 24643.
Приборная вилка на 16 А, 250 В для приборов класса I
для очень горячих условий
a - вариант исполнения концов штырей; b - варианты формы
штырей; c - токопроводящие штыри
Контур 3) должен находиться на расстоянии

от поверхности введения в нижней части входного отверстия. Расстояние нижней части от поверхности введения входного отверстия в плоскости A-A должно быть меньше, чем где-нибудь в другом месте в пределах зоны 1). Плоскость A-A не обязательно должна распространяться на внешний контур относительно зоны 1). Ободок, который огибает верхнюю часть, допускает округлую выточку, если ее толщина составляет по крайней мере 2 мм. Нахождение фиксирующего устройства или части его возможно в пределах зоны 1). Никакие остальные части входного отверстия не должны выступать за пределы плоскости A-A.
2) Для приборных вилок, вмонтированных в наружную поверхность прибора, если эта поверхность вогнута или наклонена по отношению к оси приборной вилки, этот размер не должен превышать 19 мм; его минимальное значение должно определяться в соответствии с
9.5.
4) Край может быть слегка закруглен.
5) Кромка закруглена.
Чертеж не определяет конструкцию, за исключением указанных размеров.
Обозначения отклонений по форме или положению - по
ГОСТ 24643.
Розетка на 16 А, 250 В для приборов класса II
для холодных условий (только неразборная)
1) Контур передней части не должен быть увеличен или уменьшен в любой точке, расположенной на расстоянии менее 20 мм от поверхности введения.
2) Контур задней части не должен быть превышен ни в одном сечении, перпендикулярном оси розетки, кроме розеток с боковым вводом провода или комбинированных с другой арматурой, когда этот предел не применяется в направлении оси провода или переключателя.
3) Края могут быть слегка закруглены.
Допускается применять плавающие контакты.
Чертеж не определяет конструкцию, за исключением указанных размеров.
Обозначения отклонений по форме или положению - по
ГОСТ 24643.
Приборная вилка на 16 А, 250 В для приборов класса II
для холодных условий
a - вариант исполнения концов штырей;
b - варианты формы штырей
Контур 3) должен находиться на расстоянии

от поверхности введения в нижней части входного отверстия. Расстояние нижней части от поверхности введения входного отверстия в плоскости A-A должно быть меньше, чем где-нибудь в другом месте в пределах зоны 1). Плоскость A-A не обязательно должна распространяться на внешний контур относительно зоны 1). Ободок, который огибает верхнюю часть, допускает округлую выточку, если ее толщина составляет по крайней мере 2 мм. Нахождение фиксирующего устройства или части его возможно в пределах зоны 1). Никакие остальные части входного отверстия не должны выступать за пределы плоскости A-A.
2) Для приборных вилок, вмонтированных в наружную поверхность прибора, если эта поверхность вогнута или наклонена по отношению к оси приборной вилки, этот размер не должен превышать 19 мм; его минимальное значение должно определяться в соответствии с
9.5.
4) Край может быть слегка закруглен.
5) Кромка закруглена.
Чертеж не определяет конструкцию, за исключением указанных размеров.
Обозначения отклонений по форме или положению - по
ГОСТ 24643.
Расположение блокирующих устройств
--------------------------------
<*> Этот размер до поверхности введения не должен превышать:
28 мм - для розеток на 6 А;
31 мм - " " " 10 А;
40 мм - " " " 16 А.
Свободная высота над блокирующим выступом должна быть не менее 5 мм.
Чертеж не определяет конструкцию, за исключением указанных размеров.
Торцевые зажимы
1 - деталь прибора с выемкой для зажима;
a - зажим без прижимной пластинки;
b - зажим с прижимной пластинкой
Условный размер ввода зажима | Минимальный диаметр D выемки, мм | Минимальное расстояние g между крепежным винтом и концом жилы, введенным до отказа, мм |
1 | 2,5 | 1,5 |
2 <*> | 3,0 |
<*> Размер для информации. |
Часть детали с отверстием, имеющим резьбу, и часть штифта, к которой винтом прижимается жила, могут представлять собой две разные детали, как, например, у штифта с хомутиком.
Форма выемки для жилы может отличаться от представленных, но в нее должна вписываться окружность диаметром D.
Зажимы с крепежной головкой и гайкой
Зажимы с крепежной головкой
Зажимы с крепежной гайкой
1 - возможный вариант; a - зажим без специальной
прижимной детали; b - зажим с шайбой (пластиной);
c - зажим без прокладки, прижимной пластинки; d - зажим,
требующий применения прокладки, прижимной пластинки
(детали); e - зажим под гайку с шайбой; f - зажим под гайку
со специальной прижимной деталью: A - неподвижная часть;
B - прокладка или пластинка; C - специальная прижимная
деталь (фасонная шайба); E - болт с зажимом под гайку
Условный размер ввода зажима | Минимальный диаметр D выемки для жилы, мм |
1 | 1,7 |
2 <*> | 2,0 |
<*> Размер для информации. |
Деталь, фиксирующая провод с жилой, может быть из изолирующего материала, но давление, необходимое для зажатия жилы, не должно передаваться через изолирующий материал.
| | ИС МЕГАНОРМ: примечание. В официальном тексте документа, видимо, допущена опечатка: стандарты имеют номера ГОСТ IEC 60227-1 и ГОСТ IEC 60245-1, а не ГОСТ МЭК 60227-1 и ГОСТ МЭК 60245-1 соответственно. | |
Номинальный ток соединителя, А | Класс прибора | Максимально допустимая температура штырей, °C | Тип соединителя | Гибкий провод или шнур | Вилка |
Номер стандартного листа | Допустимость разборной конструкции | | Максимальное сечение жил провода, мм2 | |
Приборная вилка | Розетка |
0,2 | II | 70 °C | | Нет | 60227 IEC 41 | | B CS |
2,5 | I | 70 °C | | Нет | 60227 IEC 52 | 0,75 | |
II | | | |
6 | II | 70 °C | | Нет | 60227 IEC 52 | 0,75 | |
10 | I | 70 °C | | Да | 60227 IEC 53 или 245 IEC 53 | | |
II | 120 °C | | 245 IEC 53 или 245 IEC 51 | |
I | 155 °C | | Да | | |
II | 70 °C | | Нет | 60227 IEC 53 или 254 IEC 53 | |
16 | I | 70 °C | | Да | 60227 IEC 53 или 245 IEC 53 | | |
155 °C | | 245 IEC 53 или 245 IEC 51 | |
II | 70 °C | | Нет | 60227 IEC 53 или 254 IEC 53 | |
<1> Только для небольших ручных приборов длиной не более 2 м, если разрешено соответствующим стандартом. <2> Сечение 0,5 мм2 разрешено для длин не более 2 м. <3> Минимально допустимая легкость. |
Рисунок 1. Различные типы соединителей
1 - твердая сталь
Розетка должна входить полностью в калибр с усилием не более 60 Н.
Для проверки полного введения розетки рекомендуется делать отверстие в калибре.
Рисунок 2. Калибр "проходной" для розеток
1 - твердая сталь
Розетка должна входить полностью в калибр с усилием не более 60 Н.
Для проверки полного введения розетки рекомендуется делать отверстие в калибре.
| | ИС МЕГАНОРМ: примечание. Нумерация рисунков дана в соответствии с официальным текстом документа. | |
Рисунок 4. Калибр "проходной" для розеток
1 - твердая сталь
Розетка должна входить полностью в калибр с усилием не более 60 Н.
Для проверки полного введения розетки рекомендуется делать отверстие в калибре.
Рисунок 5A. Калибр "проходной" для розеток
Розетка должна входить полностью в калибр с усилием не более 60 Н.
Для проверки полного введения розетки рекомендуется делать отверстие в калибре.
Рисунок 5B. Калибр "проходной" для розеток с боковым вводом
1 - твердая сталь
Розетка не должна входить в калибр с усилием не более 60 Н.
Рисунок 6. Калибр "непроходной" для розеток
1 - твердая сталь
Розетка не должна входить в калибр с усилием не более 60 Н.
Рисунок 7. Калибр "непроходной" для розеток
1 - твердая сталь
Рисунок 8. Калибр "непроходной" для розеток
P - усилие
Калибр не должен приходить в контакт с основанием вилки при введении его в приборную вилку с усилием 30 Н.
Рисунок 9. Калибр "непроходной" для приборных вилок
Калибры и штыри - из твердой стали
Розетка не должна входить в калибр с усилием не более 60 Н.
Для проверки полного введения розетки рекомендуется делать отверстие в калибре.
Обозначение отклонений по форме или положению - по
ГОСТ 24643.
Рисунок 9A. Калибр "проходной" для розеток
Калибры и штыри - из твердой стали
Розетка не должна входить в калибр с усилием 60 Н.
Обозначение отклонений по форме или положению - по
ГОСТ 24643.
Рисунок 9B. Калибр "непроходной" для розеток
Калибр - из твердой стали
Толщина пластинки калибра K, а также номинальные значения размеров s и t рукоятки и отверстия в пластинке калибра не лимитированы, но отклонения h7 и F8 необходимо соблюдать.
Калибр должен полностью входить в приборную вилку с усилием не выше 60 Н. Плоскость A-A приборной вилки должна располагаться между плоскостями B-B и C-C калибра.
Далее пластинку калибра K опускают на рукоятку для проверки свободной зоны вокруг отверстия приборной вилки.
Обозначения отклонений по форме или положению - по
ГОСТ 24643.
Обозначения отклонений по размерам - по
ГОСТ 2.307.
Рисунок 9C. Калибр "проходной" для приборных вилок
Калибры и штыри - из твердой стали
Розетка должна полностью входить в калибр с усилием не более 60 Н.
Для проверки полного введения розетки рекомендуется делать отверстие в калибре.
Обозначение отклонений по форме или положению - по
ГОСТ 24643.
| | ИС МЕГАНОРМ: примечание. Нумерация рисунков дана в соответствии с официальным текстом документа. | |
Рисунок 9F. Калибр "проходной" для розеток
Калибры и штыри - из твердой стали
Приборная розетка не должна входить в калибр с усилием 60 Н.
Обозначение отклонений по форме или положению - по
ГОСТ 24643.
Рисунок 9G. Калибр "непроходной" для розеток
Калибр - из твердой стали
Толщина пластинки калибра K, а также номинальные значения размеров s и t рукоятки и отверстия в пластинке калибра не лимитированы, но отклонения h7 и F8 необходимо соблюдать.
Калибр должен полностью входить в приборную вилку с усилием не выше 60 Н. Плоскость A-A приборной вилки должна располагаться между плоскостями B-B и C-C калибра.
Далее пластинку калибра K опускают на рукоятку для проверки свободной зоны вокруг отверстия приборной вилки.
Обозначения отклонений по форме или положению - по
ГОСТ 24643.
Обозначения отклонений по размерам - по
ГОСТ 2.307.
Рисунок 9H. Калибр "проходной" для приборных вилок
Калибры и штыри - из твердой стали
Приборная розетка не должна входить в калибр с усилием 60 Н.
Для проверки полного введения розетки рекомендуется делать отверстие в калибре.
Обозначение отклонений по форме или положению - по
ГОСТ 24643.
Рисунок 9J. Калибр "проходной" для розеток
Калибры и штыри - из твердой стали
Розетка должна полностью входить в калибр с усилием не более 60 Н.
Обозначение отклонений по форме или положению - по
ГОСТ 24643.
Рисунок 9K. Калибр "проходной" для розеток
Калибры и штыри - из твердой стали
Розетка должна полностью входить в калибр с усилием не более 60 Н. Для проверки полного введения розетки рекомендуется делать отверстие в калибре.
Обозначение отклонений по форме или положению - по
ГОСТ 24643.
Рисунок 9L. Калибр "проходной" для розеток
Калибр - из твердой стали
Толщина пластинки калибра K, а также номинальные значения размеров s и t рукоятки и отверстия в пластинке калибра не лимитированы, но отклонения h7 и F8 необходимо соблюдать.
Калибр должен полностью входить в приборную вилку с усилием не более 60 Н. Плоскость A-A приборной вилки должна располагаться между плоскостями B-B и C-C калибра.
Далее пластинку калибра K опускают на рукоятку для проверки свободной зоны вокруг отверстия приборной вилки.
Обозначения отклонений по форме или положению - по
ГОСТ 24643.
Обозначения отклонений по размерам - по
ГОСТ 2.307.
Рисунок 9M. Калибр "проходной" для приборных вилок
Калибры и штыри - из твердой стали
Приборная розетка не должна входить в калибр с усилием 60 Н.
Для проверки полного введения розетки рекомендуется делать отверстие в калибре.
Обозначение отклонений по форме или положению - по
ГОСТ 24643.
Рисунок 9N. Калибр "проходной" для розеток
Калибры и штыри - из твердой стали
Розетка должна полностью входить в калибр с усилием не более 60 Н.
Для проверки полного введения розетки рекомендуется делать отверстие в калибре.
Обозначение отклонений по форме или положению - по
ГОСТ 24643.
| | ИС МЕГАНОРМ: примечание. Нумерация рисунков дана в соответствии с официальным текстом документа. | |
Рисунок 9Q. Калибр "проходной" для розеток
Калибр - из твердой стали
Толщина пластинки калибра K, а также номинальные значения размеров s и t рукоятки и отверстия в пластинке калибра не лимитированы, но отклонения h7 и F8 необходимо соблюдать.
Калибр должен полностью входить в приборную вилку с усилием не более 60 Н. Плоскость A-A приборной вилки должна располагаться между плоскостями B-B и C-C калибра.
Далее пластинку калибра K опускают на рукоятку для проверки свободной зоны вокруг отверстия приборной вилки.
Обозначения отклонений по форме или положению - по
ГОСТ 24643.
Обозначения отклонений по размерам - по
ГОСТ 2.307.
Рисунок 9P. Калибр "проходной" для приборных вилок
Калибры и штыри - из твердой стали
Приборная розетка не должна входить в калибр с усилием 60 Н.
Обозначение отклонений по форме или положению - по
ГОСТ 24643.
Рисунок 9R. Калибр "непроходной" для розеток
Калибры и штыри - из твердой стали
Розетка должна полностью входить в калибр с усилием не более 60 Н.
Для проверки полного введения розетки рекомендуется делать отверстие в калибре.
Обозначение отклонений по форме или положению - по
ГОСТ 24643.
Рисунок 9S. Калибр "проходной" для розеток
Калибр - из твердой стали
Толщина пластинки калибра K, а также номинальные значения размеров s и t рукоятки и отверстия в пластинке калибра не лимитированы, но отклонения h7 и F8 необходимо соблюдать.
Калибр должен полностью входить в приборную вилку с усилием не более 60 Н. Плоскость A-A приборной вилки должна располагаться между плоскостями B-B и C-C калибра.
Далее пластинку калибра K опускают на рукоятку для проверки свободной зоны вокруг отверстия приборной вилки.
Обозначения отклонений по форме или положению - по
ГОСТ 24643.
Обозначения отклонений по размерам - по
ГОСТ 2.307.
Рисунок 9T. Калибр "проходной" для приборных вилок
1 - упор; 2 - рукоятка; 3 - упорная пластинка;
4 - изоляционный материал; 5 - шарниры
Рисунок 10. Стандартный испытательный палец
1 - опора; 2 - стальной стержень; 3 - груз
Рисунок 11. Испытательное устройство для несплошных штифтов
1 - опора; 2 - соединительная вилка; 3 - нагревательное
устройство; 4 - образец; 5 - зажим; 6 - дополнительный
груз; 7 - основной груз; 8 - пластина
Рисунок 12. Установка для проверки усилия расчленения
1 - стальная граненая пластинка
Рисунок 13. Прибор для электрического нагревания
1 - розетка; 2 - приборная вилка
Пружины A должны быть изготовлены из рояльной струны класса II жесткого типа диаметром 0,7 мм.
Каждая пружина включает в себя 34 витка, намотанных с наружным диаметром 10,6 мм.
Пружины должны быть отрегулированы так, чтобы в нерабочем положении они оказывали на опору розетки усилие, равное 90% соответствующего минимального усилия разъединения, определенного в
разд. 15.
Для двух пружин усилие в момент разъединения должно быть (9 +/- 0,25) Н, при этом пружины сжимаются до (26 +/- 0,2) мм.
Испытательная установка должна быть изготовлена и отрегулирована так, чтобы она как можно лучше имитировала разъединение розеток при нормальной эксплуатации.
Рисунок 14. Установка для определения коммутационной
способности и работоспособности соединителей
Рисунок 15. Схема цепи для испытания на коммутационную
1 - образец; 2 - кривошип; 3 - эксцентрик
Рисунок 16. Прибор для испытания устройства защиты
от растяжения и скручивания (ссылка - в
22.3)
1 - образец; 2 - груз (масса); 3 - деталь качающейся части,
на которой закреплен образец; 4 - высота юбки розетки
Рисунок 17. Установка для испытания на изгиб
1 - металл с покрытием листовым пластиком;
2 - резиновый блок; 3 - стальная пластина;
4 - деревянный брусок
Корпус вращающегося барабана изготовлен из стального листа толщиной 1,5 мм.
Рисунок 18. Вращающийся барабан (ссылка - в
23.2)
1 - динамометр; 2 - поворотная пластина
Рисунок 19. Установка для испытания на натяжение
1 - образец; 2 - регулируемая высота
Рисунок 20. Прибор для испытания буртиков приборных вилок
на сжатие (ссылка - в
23.4)
1 - оттягивающийся пусковой конус; 2 - закрепляющий
стержень; 3 - пружина механизма зацепления; 4 - зажим;
5 - кнопка взвода; 6 - стержень ударного элемента;
7 - пружина ударного элемента;
8 - головка молотка
Рисунок 21. Прибор для испытания на удар (ссылка - в
23.5)
P - усилие 10 Н;

- усилие 5 Н
Рисунок 22. Резцы для испытания сопротивления деформации
1 - стальной шарик; 2 - образец
Рисунок 23. Устройство для испытания шариком
1 - направляющие элементы; 2 - скользящий зажим;
3 - образец; 4 - неподвижный зажим; P - усилие
Рисунок 24. Устройство для испытания розеток на сжатие
Калибр для приборных розеток соединителя на 0,2 и 2,5 А
Калибр для приборных розеток соединителя на 6, 10 и 16 А
Размеры калибров при различных номинальных токах розеток
Размеры в миллиметрах
Размер | Пред. откл. | Номинальный ток приборной розетки, А | Размер | Пред. откл. | Номинальный ток приборной розетки, А |
0,2; 2,5 | 6 | 10 | 16 | 0,2; 2,5 | 6 | 10 | 16 |
| +0,05 0 | - | 3,9 | 3,9 | | | 0 -0,05 | - | 5,0 | 5,0 | 6,0 |
| +0,05 0 | - | 1,95 | 1,95 | 1,95 | | 0 -0,05 | - | 2,5 | 2,5 | 2,5 |
| +0,02 0 | 2,32 | - | - | - | | 0 -0,02 | 2,9 | - | - | - |
| +0,05 0 | 3,8 | 5,5 | 7,2 | 8,0 | | +/- 0,025 | 2,95 | 3,95 | 5,65 | 6,45 |
<1> Для проверки заземляющего контакта приборных розеток соединителя на 2,5 А. <2> Для проверки заземляющего контакта приборных розеток соединителя на 16 А. |
Штыри калибров должны быть изготовлены из проводящего материала.
Соответствующий калибр должен вставляться во входное отверстие каждого гнезда приборной розетки соединителя с усилием, не превышающим 5 Н.
Когда этот калибр полностью вставлен, самая длинная вилка ("калибр - контакт") должна устанавливать контакт, а самая короткая вилка ("калибр - неконтакт") не должна устанавливать контакт.
Электрический индикатор на напряжение 40 - 50 В используют для визуального наблюдения за установлением контакта с гнездом розетки соединителя.
"Калибр - контакт" и "калибр - неконтакт" могут быть разъединены.
| | ИС МЕГАНОРМ: примечание. Нумерация рисунков дана в соответствии с официальным текстом документа. | |
Рисунок 27. Калибр для проверки расстояния
между поверхностью сочленения приборной розетки
соединителя и местом первоначального контакта
Рисунок 28. Самонарезающий резьбоформующий винт
Рисунок 29. Самонарезающий резьборежущий винт
(обязательное)
ДОПОЛНИТЕЛЬНЫЕ ТРЕБОВАНИЯ
К СОЕДИНИТЕЛЯМ, УСТАНАВЛИВАЕМЫЕ В СТАНДАРТАХ И ТЕХНИЧЕСКИХ
УСЛОВИЯХ НА СОЕДИНИТЕЛИ КОНКРЕТНЫХ ТИПОВ
ДА.1. Требования стойкости к внешним воздействующим факторам
ДА.1.1. Номинальные и предельные значения климатических факторов, отличающиеся от приведенных в настоящем стандарте, должны соответствовать
ГОСТ 15543.1 и
ГОСТ 15150.
| | ИС МЕГАНОРМ: примечание. В официальном тексте документа, видимо, допущена опечатка: возможно, имеется в виду ГОСТ 17516.1-90, а не ГОСТ 17515.1-90. | |
ДА.1.2. Конкретные требования по воздействию механических факторов, отличающиеся от приведенных в настоящем стандарте, должны соответствовать группам условий эксплуатации по
ГОСТ 17515.1.
ДА.2. Требования к консервации, упаковке, транспортированию и хранению
ДА.2.1. Требования к консервации и упаковке - по
ГОСТ 23216.
ДА.2.2. Условия транспортирования устанавливают в зависимости от назначения соединителей по
ГОСТ 23216 и
ГОСТ 15150.
ДА.3. Требования к защитным покрытиям
Металлические детали соединителей должны иметь защитные покрытия в соответствии со стандартами Единой системы защиты от коррозии и старения материалов и изделий.
Контактные участки выводов соединителей должны иметь защитные покрытия по
ГОСТ 9.005.
ДА.4. Защита от поражения электрическим током
ДА.4.1. Конструкция соединителей должна соответствовать требованиям
ГОСТ 12.1.004,
ГОСТ 12.2.007.0, ГОСТ 12.2.007.6 и должна быть пожаробезопасной и безопасной для людей.
ДА.4.2. Классы соединителей по способу защиты человека от поражения электрическим током должны быть установлены в стандартах или технических условиях на соединители конкретных типов в соответствии с
ГОСТ 12.2.007.0.
ДА.4.3. Дополнительные требования безопасности соединителей должны быть указаны в стандартах или технических условиях на соединители конкретных типов.
ДА.5. Виды испытаний и правила приемки
ДА.5.1. В настоящем стандарте программа типовых испытаний является основой для установления программ контрольных испытаний любых видов по
ГОСТ 16504.
ДА.5.2. Соединители подвергают квалификационным, периодическим, приемо-сдаточным и типовым испытаниям. Порядок их проведения должен соответствовать
ГОСТ 15.001. Периодичность испытаний, программы испытаний и условия их проведения должны устанавливаться в стандартах и технических условиях на соединители конкретных типов.
Программы приемочных и квалификационных испытаний соединителей должны включать в себя полную программу типовых испытаний по настоящему стандарту, а также испытания на стойкость к внешним воздействующим факторам, проверку защитных покрытий, испытания на надежность по
ГОСТ 27.003 и
ГОСТ 27.410.
ДА.5.3. Правила приемки соединителей должны устанавливаться в стандартах и технических условиях на соединители конкретных типов.
ДА.6. Требования к гарантии
Изготовитель должен гарантировать надежную работу соединителей в течение определенного срока эксплуатации, который должен быть не менее пяти лет с момента ввода в эксплуатацию.
ДА.7. Рекомендации по учету дополнительных требований
При разработке, изготовлении и эксплуатации соединителей учет требований действующих государственных стандартов должен осуществляться на основе опросных листов, в которых должен быть определен и согласован с потребителем перечень дополнительных требований и требований, изменяющих положения настоящего стандарта исходя из условий функционирования и эксплуатации соединителей.
ДА.8. Нормативные ссылки
В настоящем приложении использованы ссылки на следующие стандарты:
ГОСТ 9.005-72. Единая система защиты от коррозии и старения. Металлы, сплавы, металлические и неметаллические неорганические покрытия. Допустимые и недопустимые контакты с металлами и неметаллами
ГОСТ 12.1.004-91. Система стандартов безопасности труда. Пожарная безопасность. Общие требования
ГОСТ 12.2.007.0-75. Система стандартов безопасности труда. Изделия электротехнические. Общие требования безопасности
ГОСТ 12.2.007.6-93. Система стандартов безопасности труда. Аппараты электрические коммутационные на напряжение до 1000 В. Требования безопасности
ГОСТ 15.001-88. Система разработки и постановки продукции на производство. Продукция производственно-технического назначения
ГОСТ 27.003-90. Надежность в технике. Состав и общие правила задания требований по надежности
ГОСТ 27.410-87. Надежность в технике. Методы контроля показателей надежности и планы контрольных испытаний на надежность
ГОСТ 15150-69. Машины, приборы и другие технические изделия. Исполнения для различных климатических районов. Категории, условия эксплуатации, хранения и транспортирования в части воздействия климатических факторов внешней среды
ГОСТ 15543.1-89. Изделия электротехнические. Общие требования в части стойкости к климатическим внешним воздействующим факторам
ГОСТ 16504-81. Система государственных испытаний продукции. Испытания и контроль качества продукции. Основные термины и определения
| | ИС МЕГАНОРМ: примечание. В официальном тексте документа, видимо, допущена опечатка: стандарт имеет номер ГОСТ 17516.1-90, а не ГОСТ 17515.1-90. | |
ГОСТ 17515.1-90. Изделия электротехнические. Общие требования в части стойкости к механическим внешним воздействующим факторам
ГОСТ 23216-78. Изделия электротехнические. Общие требования к хранению, транспортированию, временной противокоррозионной защите и упаковке.
(справочное)
СВЕДЕНИЯ О СООТВЕТСТВИИ МЕЖГОСУДАРСТВЕННЫХ СТАНДАРТОВ
ССЫЛОЧНЫМ МЕЖДУНАРОДНЫМ СТАНДАРТАМ
Таблица ДБ.1
Обозначение и наименование международного стандарта (международного документа) | Степень соответствия | Обозначение и наименование межгосударственного стандарта |
IEC 83:1975. Штепсели и розетки бытового и аналогичного общего назначения, стандартизованные в странах-членах МЭК | MOD | ГОСТ 7396.1-89 (МЭК 83-75). Соединители штепсельные бытового и аналогичного назначения. Основные размеры |
IEC 112:1975. Материалы электроизоляционные твердые. Методы определения нормативного и сравнительного индексов трекингостойкости | MOD | ГОСТ 27473-87 (МЭК 112-79). Материалы электроизоляционные твердые. Метод определения сравнительного и контрольного индексов трекингостойкости во влажной среде |
IEC 536:1976. Классификация электротехнического и электронного оборудования по способу защиты от поражения электрическим током | IDT | ГОСТ Р МЭК 536-94. Классификация электротехнического и электронного оборудования по способу защиты от поражения электрическим током |
IEC 695-2-1:1991. Испытание на пожарную опасность. Часть 2-10. Методы испытания с применением накаленной/нагретой проволоки. Аппаратура и общие положения методики испытания накаленной проволокой | NEQ | ГОСТ 27483-87 (МЭК 695-2-1-80). Испытания на пожароопасность. Методы испытаний. Испытания нагретой проволокой (NEQ) |
IEC 60227. Кабели с поливинилхлоридной изоляцией на номинальные напряжения до 450/750 В включительно | IDT | ГОСТ IEC 60227-1-2011. Кабели с поливинилхлоридной изоляцией на номинальное напряжение до 450/750 В включительно. Общие требования ГОСТ IEC 60227-2-2012. Кабели с поливинилхлоридной изоляцией на номинальное напряжение до 450/750 В включительно. Методы испытаний |
IEC 60245. Кабели с резиновой изоляцией на номинальное напряжение до 450/750 В включительно | IDT | ГОСТ IEC 60245-1-2011. Кабели с резиновой изоляцией на номинальное напряжение до 450/750 В включительно. Общие требования ГОСТ IEC 60245-2-2011. Кабели с резиновой изоляцией на номинальное напряжение до 450/750 В включительно. Методы испытаний ГОСТ IEC 60245-4-2011. Кабели с резиновой изоляцией на номинальное напряжение до 450/750 В включительно. Шнуры и гибкие кабели |
IEC 60730. Устройства управления автоматические электрические бытового и аналогичного назначения | IDT | ГОСТ МЭК 730-2-1-95. Автоматические электрические управляющие устройства бытового и аналогичного назначения. Дополнительные требования к электрическим управляющим устройствам для бытовых электроприборов и методы испытаний |
IDT | ГОСТ МЭК 730-2-10-2002. Автоматические электрические управляющие устройства бытового и аналогичного назначения. Дополнительные требования к пусковым реле электродвигателей и методы испытаний |
IDT | ГОСТ IEC 60730-2-2-2011. Автоматические электрические управляющие устройства бытового и аналогичного назначения. Дополнительные требования к устройствам тепловой защиты двигателей и методы испытаний |
IDT | ГОСТ IEC 60730-2-4-2011. Автоматические электрические управляющие устройства бытового и аналогичного назначения. Дополнительные требования к устройствам тепловой защиты двигателей, мотор-компрессоров герметичного и полугерметичного типов и методы испытаний |
| | ИС МЕГАНОРМ: примечание. ГОСТ IEC 60730-1-2011 утратил силу с 01.07.2017 в связи с введением в действие ГОСТ IEC 60730-1-2016 (Приказ Росстандарта от 11.10.2016 N 1371-ст). | |
|
IEC 60730. Устройства управления автоматические электрические бытового и аналогичного назначения | IDT | ГОСТ IEC 60730-1-2011. Автоматические электрические управляющие устройства бытового и аналогичного назначения. Общие требования и методы испытаний |
IDT | ГОСТ IEC 60730-2-7-2011. Автоматические электрические управляющие устройства бытового и аналогичного назначения. Дополнительные требования к таймерам и временным выключателям и методы испытаний |
IDT | ГОСТ IEC 60730-2-9-2011. Автоматические электрические управляющие устройства бытового и аналогичного назначения. Дополнительные требования к термочувствительным устройствам и методы испытаний |
IEC 61058. Выключатели для электроприборов. Часть 1: Общие требования | IDT | ГОСТ МЭК 61058-1-2002. Выключатели для электроприборов. Часть 1. Общие требования и методы испытаний |
ISO 286:1962. Обозначения отклонений размеров | NEQ | ГОСТ 2.307-2011. Единая система конструкторской документации. Нанесение размеров и предельных отклонений |
ISO 286-1:1983. Геометрические характеристики изделий. Система кодов ISO для допусков к линейным размерам. Часть 1. База допусков, отклонений и посадок | NEQ | ГОСТ 25346-89. Основные нормы взаимозаменяемости. Единая система допусков и посадок. Общие положения, ряды допусков и основных отклонений |
| | ИС МЕГАНОРМ: примечание. Обозначение стандарта дано в соответствии с официальным текстом документа. | |
|
ISO 1101:1983. Геометрические характеристики изделий (GPS). Установление геометрических допусков. Допуски на форму, ориентацию, расположение и биение | NEQ | ГОСТ 24643. Основные нормы взаимозаменяемости. Допуски формы и расположение поверхности. Числовые значения (MOD) |
ISO 1456:1988. Покрытия металлические. Электролитические покрытия из никель-хрома, медь-никеля и медь-никель-хрома | NEQ | ГОСТ 9.301-86. Единая система защиты от коррозии и старения. Покрытия металлические и неметаллические неорганические. Общие требования (NEQ) |
ISO 2081:1986. Покрытия металлические. Электролитические покрытия цинком по железу или стали | NEQ | ГОСТ 9.301-86. Единая система защиты от коррозии и старения. Покрытия металлические и неметаллические неорганические. Общие требования (NEQ) |
ISO 2093-1:1986. Покрытия электролитические оловянные. Технические требования и методы испытаний | NEQ | ГОСТ 9.301-86. Единая система защиты от коррозии и старения. Покрытия металлические и неметаллические неорганические. Общие требования |
Примечание. В настоящей таблице использованы следующие условные обозначения степени соответствия стандартов: - IDT - идентичные стандарты; - MOD - модифицированные стандарты; - NEQ - неэквивалентные стандарты. |