Главная // Актуальные документы // ГОСТ (Государственный стандарт)СПРАВКА
Источник публикации
М.: Стандартинформ, 2013
Примечание к документу
Документ утратил силу с 1 января 2016 года в связи с изданием
Приказа Росстандарта от 09.09.2014 N 1025-ст. Взамен введен в действие
ГОСТ IEC 60947-1-2014.
Документ включен в
Перечень стандартов, в результате применения которых на добровольной основе обеспечивается соблюдение требований технического
регламента Таможенного союза "О безопасности низковольтного оборудования" (ТР ТС 004/2011) и в
Перечень стандартов, содержащих правила и методы исследований (испытаний) и измерений, в том числе правила отбора образцов, необходимые для применения и исполнения требований технического
регламента Таможенного союза "О безопасности низковольтного оборудования" (ТР ТС 004/2011) и осуществления оценки (подтверждения) соответствия продукции (
Решение Комиссии Таможенного союза от 16.08.2011 N 768).
Документ
введен в действие с 1 января 2014 года.
Название документа
"ГОСТ 30011.1-2012 (IEC 60947-1:2004). Межгосударственный стандарт. Аппаратура распределения и управления низковольтная. Часть 1. Общие требования"
(введен в действие Приказом Росстандарта от 15.11.2012 N 827-ст)
"ГОСТ 30011.1-2012 (IEC 60947-1:2004). Межгосударственный стандарт. Аппаратура распределения и управления низковольтная. Часть 1. Общие требования"
(введен в действие Приказом Росстандарта от 15.11.2012 N 827-ст)
агентства по техническому
регулированию и метрологии
от 15 ноября 2012 г. N 827-ст
МЕЖГОСУДАРСТВЕННЫЙ СТАНДАРТ
АППАРАТУРА РАСПРЕДЕЛЕНИЯ И УПРАВЛЕНИЯ НИЗКОВОЛЬТНАЯ
ЧАСТЬ 1
ОБЩИЕ ТРЕБОВАНИЯ
Low-voltage switchgear and controlgear.
Part 1. General rules
(IEC 60947-1:2004, MOD)
ГОСТ 30011.1-2012
(IEC 60947-1:2004)
Дата введения
1 января 2014 года
Цели, основные принципы и основной порядок проведения работ по межгосударственной стандартизации установлены
ГОСТ 1.0-92 "Межгосударственная система стандартизации. Основные положения" и
ГОСТ 1.2-2009 "Межгосударственная система стандартизации. Стандарты межгосударственные, правила и рекомендации по межгосударственной стандартизации. Правила разработки, принятия, применения, обновления и отмены".
1. Подготовлен ОАО "Всероссийский научно-исследовательский институт сертификации" (ОАО "ВНИИС").
2. Внесен Федеральным агентством по техническому регулированию и метрологии (Росстандарт).
3. Принят Межгосударственным советом по стандартизации, метрологии и сертификации (Протокол от 24 мая 2012 г. N 41).
За принятие проголосовали:
| | Сокращенное наименование национального органа по стандартизации |
Азербайджан | AZ | Азстандарт |
Армения | AM | Минэкономики Республики Армения |
Беларусь | BY | Госстандарт Республики Беларусь |
Казахстан | KZ | Госстандарт Республики Казахстан |
Киргизия | KG | Кыргызстандарт |
Россия | RU | Росстандарт |
Таджикистан | TJ | Таджикстандарт |
Узбекистан | UZ | Узстандарт |
4.
Приказом Федерального агентства по техническому регулированию и метрологии от 15 ноября 2012 г. N 827-ст межгосударственный стандарт ГОСТ 30011.1-2012 (IEC 60947-1:2004) введен в действие в качестве национального стандарта Российской Федерации с 1 января 2014 г.
| | ИС МЕГАНОРМ: примечание. Дополнительные положения, выделенные курсивом в официальном тексте документа, в электронной версии документа отмечены знаком "&". | |
5. Настоящий стандарт является модифицированным по отношению к международному стандарту IEC 60947-1:2004 Low-voltage switchgear and controlgear - Part 1: General rules (Аппаратура распределения и управления низковольтная. Часть 1: Общие требования). При этом дополнительные положения, учитывающие потребности национальных экономик стран - участниц Таможенного союза, включенные в текст стандарта, выделены курсивом.
Степень соответствия - модифицированная (MOD).
6. Введен впервые.
Информация об изменениях к настоящему стандарту публикуется в ежегодном информационном указателе "Национальные стандарты", а текст изменений и поправок - в ежемесячном информационном указателе "Национальные стандарты". В случае пересмотра (замены) или отмены настоящего стандарта соответствующее уведомление будет опубликовано в ежемесячном информационном указателе "Национальные стандарты". Соответствующая информация, уведомление и тексты размещаются также в информационной системе общего пользования - на официальном сайте Федерального агентства по техническому регулированию и метрологии в сети Интернет.
Настоящий стандарт содержит аутентичный текст IEC 60947-1:2004 с дополнительными требованиями, учитывающими потребности производителей и экономики стран - участниц Таможенного союза.
Настоящий стандарт является основополагающим стандартом комплекса межгосударственных стандартов на конкретные группы и виды аппаратов, на основе прямого применения стандартов &ГОСТ 30011.2, ГОСТ 30011.3,
ГОСТ 30011.5.1; ГОСТ 30011.5.2, ГОСТ 30011.5.5, ГОСТ 30011.6.1, ГОСТ 30011.6.2,
ГОСТ 30011.7.1,
ГОСТ 30011.7.2&.
Настоящий стандарт может быть использован при оценке соответствия электротехнических изделий требованиям технических регламентов.
Настоящий межгосударственный стандарт взаимосвязан с техническим
регламентом Таможенного союза "О безопасности низковольтного оборудования", принятым Комиссией Таможенного союза 16 августа 2011 г. N ТР ТС 004/2011, и реализует его существенные требования безопасности.
Соответствие взаимосвязанному межгосударственному стандарту обеспечивает выполнение существенных требований безопасности технического регламента.
Настоящий стандарт предназначен для гармонизации правил и требований общего характера, относящихся к низковольтной аппаратуре распределения и управления (далее - аппараты), с целью их унификации для соответствующих классов аппаратов и устранения необходимости испытаний по различным стандартам.
В настоящем стандарте сведены все требования стандартов на различные аппараты, которые можно считать общими, специфические проблемы широкого диапазона применения, например превышение температуры, электроизоляционные свойства и т.п.
Требования и испытания для каждого конкретного типа низковольтных аппаратов распределения и управления определяются двумя стандартами:
1) данным основополагающим стандартом, определяемым в стандартах, относящихся к конкретным видам низковольтных аппаратов распределения и управления как "Часть 1";
2) стандартом на конкретный вид (тип) низковольтных аппаратов распределения и управления, обозначаемым ниже как "стандарт на конкретный аппарат" или "стандарт на изделие".
Если для стандарта на конкретный вид (тип) аппарата действительно общее требование по настоящему стандарту, это должно быть четко оговорено в стандарте на конкретный вид (тип) аппарата со ссылкой на соответствующий пункт настоящего стандарта, например, "7.2.3 ч. 1".
Отдельные требования настоящего стандарта могут не относиться к какому-то стандарту на аппарат конкретного вида (типа), в этом случае на неприменимое требование в стандарте на аппарат конкретного вида (типа) не ссылаются.
Если требование настоящего стандарта оценивается как недостаточное в конкретном случае, но не может нарушаться без серьезного технического обоснования, стандарт на аппарат конкретного вида (типа) дополняют другими требованиями.
Настоящий стандарт распространяется на низковольтные аппараты распределения и управления (далее - аппараты), предназначенные для эксплуатации в электрических цепях номинальным напряжением до 1000 В переменного тока или до 1500 В постоянного тока.
Требования настоящего стандарта распространяются на аппараты конкретного вида (типа) при наличии в стандартах на эти аппараты соответствующих ссылок.
Настоящий стандарт не распространяется на низковольтные комплектные устройства распределения и управления, которые подпадают под действие &
ГОСТ Р 51321-1&.
Примечание. В некоторых пунктах настоящего стандарта аппараты, на которые он распространяется, обозначены как "устройства".
Настоящий стандарт устанавливает правила и требования общего характера для аппаратов согласно
1.1, включая:
- определения;
- характеристики;
- информацию, прилагаемую к аппарату;
- нормальные условия эксплуатации, монтажа и транспортирования;
- требования к конструкции и работоспособности;
- проверку характеристик и работоспособности.
В настоящем стандарте использованы ссылки на следующие стандарты:
&
ГОСТ 2.755-87. Единая система конструкторской документации. Обозначения условные графические в электрических схемах. Устройства коммутационные и контактные соединения
ГОСТ 2.767-89 (МЭК 617-7-83). Единая система конструкторской документации. Обозначения условные графические в электрических схемах. Реле защиты
ГОСТ 12.1.004-91. Система стандартов безопасности труда. Пожарная безопасность. Общие требования
ГОСТ 12.2.007.0-75. Система стандартов безопасности труда. Изделия электротехнические. Общие требования безопасности
ГОСТ 12.2.007.6-93. Система стандартов безопасности труда. Аппараты коммутационные низковольтные. Требования безопасности
ГОСТ 15.201-2000. Система разработки и постановки продукции на производство. Продукция производственно-технического назначения
ГОСТ 11478-88. Аппаратура радиоэлектронная бытовая. Нормы и методы испытаний на воздействие внешних механических и климатических факторов
ГОСТ 14254-96 (МЭК 529-89). Степени защиты, обеспечиваемой оболочками (код IP)
ГОСТ 15150-69. Машины, приборы и другие технические изделия. Исполнения для различных климатических районов. Категории, условия эксплуатации, хранения и транспортирования в части воздействия климатических факторов внешней среды
ГОСТ 15543.1-89. Изделия электротехнические. Общие требования в части стойкости к климатическим внешним воздействующим факторам
ГОСТ 16504-81. Система государственных испытаний продукции. Испытания и контроль качества продукции. Основные термины и определения
ГОСТ 16962.1-89. Изделия электротехнические. Методы испытаний на устойчивость к климатическим внешним воздействующим факторам
ГОСТ 16962.2-90. Изделия электротехнические. Методы испытаний на стойкость к механическим внешним воздействующим факторам
ГОСТ 17516.1-90. Изделия электротехнические. Общие требования в части стойкости к механическим внешним воздействующим факторам
ГОСТ 23216-78. Изделия электротехнические. Хранение, транспортирование, временная противокоррозионная защита, упаковка. Общие требования и методы испытаний
ГОСТ 27473-87 (МЭК 60112-79). Материалы электроизоляционные твердые. Метод определения сравнительного и контрольного индексов трекингостойкости во влажной среде
ГОСТ 27484-87 (МЭК 695-2-2-80). Испытания на пожароопасность. Методы испытаний. Испытания горелкой с игольчатым пламенем
ГОСТ 28201-89. Основные методы испытаний на воздействие внешних факторов. Часть 2. Испытания. Испытание Ca: Влажное тепло, постоянный режим
ГОСТ 30011.2-2002 (МЭК 60947-2:1998). Аппаратура распределения и управления низковольтная. Часть 2. Автоматические выключатели
ГОСТ 30011.3-2002 (МЭК 60947-3:1999). Аппаратура распределения и управления низковольтная. Часть 3. Выключатели, разъединители, выключатели-разъединители и комбинации их с предохранителями
ГОСТ 30011.5.1-2012 (IEC 60947-5-1:2003). Аппаратура распределения и управления низковольтная. Часть 5. Аппараты и коммутационные элементы цепей управления. Глава 1. Электромеханические аппараты для цепей управления
ГОСТ 30011.5.2-2012 (IEC 60947-5-2:1997). Аппаратура распределения и управления низковольтная. Часть 5-2. Аппараты и коммутационные элементы цепей управления. Бесконтактные датчики
ГОСТ 30011.5.5-2012 (IEC 60947-5-5:1997). Аппаратура распределения и управления низковольтная. Часть 5-5. Аппараты и коммутационные элементы цепей управления. Электрические устройства срочного останова с функцией механического защелкивания
ГОСТ 30011.6.1-2012 (IEC 60947-6-1:1989). Аппаратура распределения и управления низковольтная. Часть 6. Аппаратура многофункциональная. Раздел 1. Аппаратура коммутационная автоматического переключения
ГОСТ 30011.7.1-2012 (IEC 60947-7-1:2002). Аппаратура распределения и управления низковольтная. Часть 7. Электрооборудование вспомогательное. Раздел 1. Клеммные колодки для медных проводников
ГОСТ 30011.7.2-2012 (IEC 60947-7-2:2002). Аппаратура распределения и управления низковольтная. Часть 7. Электрооборудование вспомогательное. Раздел 2. Клеммные колодки защитных проводников для присоединения медных проводников
ГОСТ 31196.0-2012 (IEC 60269-1:1986). Плавкие предохранители низковольтные. Общие требования
ГОСТ 31196.2-2012 (IEC 60269-2:1986). Плавкие предохранители низковольтные. Часть 2. Дополнительные требования к плавким предохранителям промышленного назначения
ГОСТ 31637-2012 (IEC 61095:1992). Контакторы электромеханические бытового и аналогичного назначения
ГОСТ IEC 61140-2012. Защита от поражения электрическим током. Общие положения безопасности установок и оборудования
ГОСТ Р 50030.6.2-2011 (МЭК 60947-6-2:2002). Аппаратура распределения и управления низковольтная. Часть 6. Аппаратура многофункциональная. Раздел 2. Коммутационные устройства (или оборудование) управления и защиты
ГОСТ Р 50648-94 (МЭК 61000-4-8:1993). Совместимость технических средств электромагнитная. Устойчивость к магнитному полю промышленной частоты. Технические требования и методы испытаний
ГОСТ Р 51317.3.3-99 (МЭК 61000-3-3:1994). Совместимость технических средств электромагнитная. Колебания напряжения и фликер, вызываемые техническими средствами с потребляемым током не более 16 А (в одной фазе), подключенными к низковольтным системам электроснабжения. Нормы и методы испытаний
ГОСТ Р 51317.4.2-99 (МЭК 61000-4-2:1995). Совместимость технических средств электромагнитная. Устойчивость к электростатическим разрядам. Требования и методы испытаний
ГОСТ Р 51317.4.3-99 (МЭК 61000-4-3:1995). Совместимость технических средств электромагнитная. Устойчивость к радиочастотному электромагнитному полю. Требования и методы испытаний
ГОСТ Р 51317.4.4-99 (МЭК 61000-4-4:1995). Совместимость технических средств электромагнитная. Устойчивость к наносекундным импульсным помехам. Требования и методы испытаний
ГОСТ Р 51317.4.5-99 (МЭК 61000-4-5:1995). Совместимость технических средств электромагнитная. Устойчивость к микросекундным импульсным помехам большой энергии. Требования и методы испытаний
ГОСТ Р 51317.4.6-99 (МЭК 61000-4-6:1996). Совместимость технических средств электромагнитная. Устойчивость к кондуктивным помехам, наведенным радиочастотными электромагнитными полями. Требования и методы испытаний
ГОСТ Р 51318.11-99 (СИСПР 11-97). Совместимость технических средств электромагнитная. Радиопомехи индустриальные от промышленных, научных, медицинских и бытовых (ПНМБ) высокочастотных устройств. Нормы и методы испытаний
ГОСТ Р 51321-1-2007 (МЭК 60439-1:2004). Устройства комплектные низковольтные распределения и управления. Часть 1. Устройства, испытанные полностью или частично
ГОСТ Р 51362-99 (ИСО 7000:1989). Машины для химической чистки одежды. Символы графические органов управления и других устройств
ГОСТ Р МЭК 60073-2000. Интерфейс человекомашинный. Маркировка и обозначение органов управления и контрольных устройств. Правила кодирования информации
ГОСТ Р МЭК 60447-2000. Интерфейс человекомашинный. Принципы приведения в действие
ГОСТ Р ИСО 14040-99. Управление окружающей средой. Оценка жизненного цикла. Принципы и структура.&
Примечание. При пользовании настоящим стандартом целесообразно проверить действие ссылочных стандартов в информационной системе общего пользования - на официальном сайте Федерального агентства по техническому регулированию и метрологии в сети Интернет или по ежегодному информационному указателю "Национальные стандарты", который опубликован по состоянию на 1 января текущего года, и по выпускам ежемесячного информационного указателя "Национальные стандарты" за текущий год. Если ссылочный стандарт заменен (изменен), то при пользовании настоящим стандартом следует руководствоваться заменяющим (измененным) стандартом. Если ссылочный стандарт отменен без замены, то положение, в котором дана ссылка на него, применяется в части, не затрагивающей эту ссылку.
Примечание. Большинство терминов и определений, перечисленных в настоящем разделе, приведены в соответствии с Международным электротехническим словарем (МЭС). В таких случаях в скобках после термина приводится ссылка на МЭС (первая группа из трех цифр означает ссылку на главу МЭС). Если в определение из МЭС внесена поправка, ссылка на МЭС приведена не после термина, а в примечании.
2.1.1. Аппаратура распределения и управления: общий термин для коммутационных аппаратов и их комбинации с относящимися к ним устройствами управления, измерения, защиты и регулирования, а также узлов, в которых такие аппараты и устройства сочетаются с соединительными проводниками, вспомогательными устройствами, оболочками и каркасами.
2.1.2. Аппаратура распределения: общий термин для коммутационных аппаратов и их комбинаций с относящимися к ним устройствами управления, измерения, защиты и регулирования, а также для узлов, в которых такие аппараты и устройства сочетаются с соединительными проводниками, вспомогательными устройствами, оболочками и каркасами, предназначенными, главным образом, для использования в системах производства, передачи, распределения и преобразования электрической энергии.
[МЭС 441-11-02]
2.1.3. Аппаратура управления: общий термин для коммутационных аппаратов и их комбинаций с относящимися к ним устройствами управления, измерения, защиты и регулирования, а также для узлов, в которых такие аппараты и устройства сочетаются с соединительными проводниками, вспомогательными устройствами, оболочками и каркасами, предназначенными, главным образом, для управления оборудованием, потребляющим электрическую энергию.
[МЭС 441-11-03]
2.1.4. Сверхток: любой ток, превышающий номинальный.
[МЭС 441-11-06]
2.1.5. Короткое замыкание: случайное или преднамеренное соединение двух или нескольких токопроводящих частей между собой, приводящее к тому, что разность потенциалов этих частей становится равной или близкой к нулю.
2.1.6. Ток короткого замыкания: сверхток, появляющийся в результате короткого замыкания, вызываемого повреждением или неправильным соединением в электрической цепи.
[МЭС 441-11-07]
2.1.7. Перегрузка: условия функционирования не поврежденной электрической цепи, вызывающие сверхток.
[МЭС 441-11-08]
2.1.8. Ток перегрузки: сверхток, возникающий в неповрежденной электрической цепи.
2.1.9. Температура окружающего воздуха: определенная при предписанных условиях температура воздуха, окружающего весь коммутационный аппарат или плавкий предохранитель.
[МЭС 441-11-13]
Примечание. Для коммутационных аппаратов или предохранителей, установленных внутри оболочки, это температура воздуха вне оболочки.
2.1.10. Токопроводящая часть: часть аппарата, способная проводить ток, но не обязательно предназначенная для проведения рабочего тока в условиях эксплуатации.
[МЭС 441-11-09]
2.1.11. Открытая токопроводящая часть: токопроводящая часть аппарата, которой легко коснуться и которая в нормальных условиях не находится под напряжением, но может оказаться под напряжением в аварийных условиях.
[МЭС 441-11-10]
Примечание. К типичным открытым токопроводящим частям относятся стенки оболочек, ручки управления и т.п.
2.1.12. Наружная токопроводящая часть: токопроводящая часть, не входящая в конструкцию аппарата, однако несущая потенциал, как правило, земли.
2.1.13. Токоведущая часть: проводник или токопроводящая часть, находящаяся под напряжением в нормальных условиях эксплуатации, в том числе нулевой рабочий проводник, но не проводник PEN (защитный нулевой провод).
[МЭС 826-03-01]
Примечание. Термин не обязательно подразумевает опасность электрического удара.
2.1.14. Защитный проводник (условное обозначение PE): проводник, необходимый в некоторых случаях для защиты от электрического удара при электрическом присоединении какой-либо из следующих частей:
- открытой токопроводящей части аппарата;
- наружной токопроводящей части аппарата;
- главного вывода заземления аппарата;
- электрода заземления;
- заземляемой точки источника питания или искусственной нейтрали.
[МЭС 826-04-05]
2.1.15. Нулевой рабочий проводник (условное обозначение N): проводник, присоединенный к нейтральной точке системы и способствующий передаче электрической энергии.
[МЭС 826-01-03]
Примечание. В некоторых случаях и в установленных условиях возможно объединение функций нулевого рабочего и защитного проводников в одном проводнике с условным обозначением PEN.
2.1.16. Оболочка: часть аппарата, обеспечивающая оговоренные степени защиты аппарата от некоторых внешних воздействий и от приближения или контакта с токоведущими частями или подвижными частями.
Примечание. Данное определение аналогично формулировке МЭС (441-13-01), относящейся к узлам.
2.1.17. Неотделимая оболочка: оболочка, составляющая неотъемлемую часть аппарата.
2.1.18. Категория применения (коммутационного аппарата или плавкого предохранителя): комбинация требований, относящихся к состоянию, в котором коммутационный аппарат или плавкий предохранитель выполняет свои функции, отобранных в качестве типичных для характерной группы практических применений.
[МЭС 441-17-19]
Примечание. Данные требования могут затрагивать, например значения включающей способности (при ее наличии), отключающей способности и другие характеристики, подключенные цепи, условия эксплуатации и поведения аппарата.
2.1.19. Разъединение (функция): действие, направленное на отключение питания всей установки или ее отдельной части путем отсоединения этой установки или ее части от любого источника электрической энергии по соображениям безопасности.
2.1.20. Электрический удар: патофизиологический эффект, обусловленный прохождением электрического тока через тело человека или животного.
[МЭС 826-03-04]
2.2. Коммутационные аппараты
2.2.1. Коммутационный аппарат: аппарат, предназначенный для включения или отключения тока в одной или нескольких электрических цепях.
[МЭС 441-14-01]
Примечание. Коммутационный аппарат может выполнять одну из этих операций или обе.
2.2.2. Контактный коммутационный аппарат: коммутационный аппарат, предназначенный для замыкания и размыкания одной или нескольких цепей с помощью размыкаемых контактов.
[МЭС 441-14-02]
Примечание. Любой контактный коммутационный аппарат можно характеризовать средой, в которой размыкаются и замыкаются его контакты, например воздушной, элегазовой, масляной.
2.2.3. Полупроводниковый коммутационный аппарат: коммутационный аппарат, предназначенный для включения и/или отключения тока в электрической цепи посредством воздействия на регулируемую проводимость полупроводника.
Примечание. Данное определение отличается от формулировки, приведенной в МЭС (441-14-03), поскольку полупроводниковый коммутационный аппарат рассчитан также на отключение тока.
2.2.4. Плавкий предохранитель: аппарат, посредством расплавления одного или нескольких специально спроектированных и калиброванных элементов размыкающий цепь, в которую он включен, и отключающий ток, когда тот превышает заданное значение в течение достаточного времени. Плавкий предохранитель содержит все части, образующие укомплектованный аппарат.
[МЭС 441-18-01]
2.2.5. Плавкая вставка: часть плавкого предохранителя (с одним или несколькими плавкими элементами), рассчитанная на замену после срабатывания плавкого предохранителя.
[МЭС 441-18-09]
2.2.6. Плавкий элемент: часть плавкой вставки, рассчитанная на расплавление под воздействием тока, превышающего определенное значение на протяжении заданного периода времени.
[МЭС 441-18-08]
2.2.7. Комбинация с плавким предохранителем: комбинация контактного коммутационного аппарата и одного или нескольких плавких предохранителей в сборном устройстве, собранном изготовителем или по его инструкциям.
[МЭС 441-14-04]
2.2.8. Разъединитель: контактный коммутационный аппарат, в разомкнутом положении соответствующий требованиям к функции разъединения.
Примечание. Данное определение отличается от формулировки, приведенной в МЭС (441-14-05), поскольку требования к функции разъединения не ограничиваются соблюдением изолирующего промежутка.
2.2.9. Выключатель (контактный): контактный коммутационный аппарат, способный включать, проводить и отключать токи в нормальных условиях цепи, в том числе при оговоренных рабочих перегрузках, а также в течение установленного времени проводить ток в оговоренных аномальных условиях, например, при коротком замыкании.
[МЭС 441-14-10]
Примечание. Выключатель может быть способен включать, но не отключать ток короткого замыкания.
2.2.10. Выключатель-разъединитель: выключатель, в разомкнутом положении соответствующий требованиям, предъявляемым к разъединителю.
[МЭС 441-14-12]
2.2.11. Автоматический выключатель: контактный коммутационный аппарат, способный включать, проводить и отключать токи при нормальных условиях в цепи, а также включать, проводить в течение заданного времени и отключать токи при оговоренных аномальных условиях в цепи, например короткое замыкание.
[МЭС 441-14-20]
2.2.12. Контактор (контактный): контактный коммутационный аппарат с единственным положением покоя, с управлением не вручную, способный включать, проводить и отключать токи при нормальных условиях в цепи, в том числе при рабочих перегрузках.
[МЭС 441-14-33]
Примечание. Контакторы можно характеризовать способом, которым обеспечивается создание усилия для замыкания главных контактов.
2.2.13. Полупроводниковый контактор: аппарат, выполняющий функции контактора посредством использования полупроводникового коммутационного аппарата.
Примечание. Полупроводниковый контактор может также содержать контактные коммутационные аппараты.
2.2.14. Контакторное реле: контактор, используемый в качестве аппарата управления.
[МЭС 441-14-35]
2.2.15. Пускатель: комбинация всех коммутационных устройств, необходимых для пуска и остановки электродвигателя, в сочетании с защитой от перегрузок.
[МЭС 441-14-38]
Примечание. Пускатели можно характеризовать способом, которым обеспечивается создание усилия для замыкания главных контактов.
2.2.16. Аппарат для цепи управления: электрическое устройство, предназначенное для управления, сигнализации, блокировки и т.п. в системах аппаратуры распределения и управления.
Примечание. В состав аппаратов для цепей управления могут входить связанные с ними устройства, рассматриваемые в других стандартах, типа контрольно-измерительных приборов, потенциометров, реле, если они используются для установленных целей.
2.2.17. Аппарат управления (для цепей управления и вспомогательных цепей): контактный коммутационный аппарат для управления аппаратурой распределения или управления, в том числе для сигнализации, электрической блокировки и т.п.
[МЭС 441-14-46]
Примечание. Аппарат управления состоит из одного или нескольких контактных элементов с общей системой приведения в действие.
2.2.18. Вспомогательный выключатель: аппарат не ручного управления, приводимый в действие установленными значениями управляющего параметра.
[МЭС 441-14-48]
Примечание. Управляющим параметром может быть давление, температура, скорость, уровень жидкости, промежуток времени и т.п.
2.2.19. Нажимная кнопка: орган управления, предназначенный для оперирования усилием, создаваемым частью человеческого тела, обычно ладонью или пальцем руки, и имеющий устройство возврата накопленной энергии (пружину).
[МЭС 441-14-53]
2.2.20. Клеммная колодка: изолирующая часть, служащая носителем для одной или нескольких изолированных друг от друга групп выводов и предназначенная для крепления на опоре.
2.2.21. Устройство для защиты от коротких замыканий (УЗКЗ): устройство, предназначенное для защиты цепи или частей цепи от токов короткого замыкания путем их отключения.
2.2.22. Импульсный разрядник: устройство, предназначенное для защиты электрической аппаратуры от высоких переходных напряжений и ограничения длительности, а часто и амплитуды последующего тока.
2.3. Части коммутационных аппаратов
2.3.1. Полюс коммутационного аппарата: часть коммутационного аппарата, связанная исключительно с одним электрически независимым токопроводящим путем главной цепи, за исключением элементов, обеспечивающих крепление и совместное функционирование полюсов.
[МЭС 441-15-01]
Примечание. Коммутационный аппарат называется однополюсным при наличии только одного полюса. Если число полюсов больше одного, аппарат можно назвать многополюсным (двух-, трехполюсным и т.п.) при условии, что эти полюса соединены или могут быть соединены для совместного оперирования.
2.3.2. Главная цепь (коммутационного аппарата): все токопроводящие части коммутационного аппарата, входящие в цепь, которую аппарат предназначен замыкать или размыкать.
[МЭС 441-15-02]
2.3.3. Цепь управления (коммутационного аппарата): все токопроводящие части (кроме главной цепи) коммутационного аппарата, входящие в цепь, используемую для замыкания или размыкания аппарата, либо того и другого.
[МЭС 441-15-03]
2.3.4. Вспомогательная цепь (коммутационного аппарата): все токопроводящие части коммутационного аппарата, предназначенные для включения в цепь, кроме главной цепи и цепи управления аппарата.
[МЭС 441-15-04]
Примечание. Некоторые вспомогательные цепи выполняют дополнительные функции (сигнализация, блокировка и т.д.), и поэтому они могут входить в состав цепи управления другого коммутационного аппарата.
2.3.5. Контакт (контактного коммутационного аппарата): токопроводящие части, предназначенные для установления непрерывности цепи при их соприкосновении и в результате их движения относительно друг друга в процессе оперирования размыкающие или замыкающие цепь либо, если это шарнирные или скользящие контакты, поддерживающие непрерывность цепи.
[МЭС 441-15-05]
2.3.6. Контакт-деталь: одна из токопроводящих частей, образующих контакт.
[МЭС 441-15-06]
2.3.7. Главный контакт: контакт, включенный в главную цепь контактного коммутационного аппарата, предназначенный для проведения в замкнутом положении тока главной цепи.
[МЭС 441-15-07]
2.3.8. Дугогасительный контакт: контакт, рассчитанный на образование на нем дуги.
[МЭС 441-15-08]
Примечание. Дугогасительный контакт может служить как главным контактом, так и отдельным контактом, спроектированным так, чтобы он размыкался после и замыкался раньше другого контакта, защищаемого им от повреждения.
2.3.9. Контакт управления: контакт, входящий во вспомогательную цепь контактного коммутационного аппарата и механически приводимый в действие этим аппаратом.
[МЭС 441-15-09]
2.3.10. Вспомогательный контакт: контакт, входящий во вспомогательную цепь контактного коммутационного аппарата и механически приводимый в действие этим аппаратом.
[МЭС 441-15-10]
2.3.11. Блок-контакт (контактного коммутационного аппарата): выключатель с одним или несколькими контактами управления и/или вспомогательными контактами, механически приводимый в действие коммутационным аппаратом.
[МЭС 441-15-11]
2.3.12. Контакт "a" - замыкающий контакт: контакт управления или вспомогательный контакт, который замкнут, когда замкнуты главные контакты контактного коммутационного аппарата, и разомкнут, когда главные контакты разомкнуты.
[МЭС 441-15-12]
2.3.13. Контакт "b" - размыкающий контакт: контакт управления или вспомогательный контакт, который разомкнут, когда замкнуты главные контакты контактного коммутационного аппарата, и замкнут, когда главные контакты разомкнуты.
[МЭС 441-15-13]
2.3.14. Реле (электрическое): аппарат, предназначенный для создания резких заданных изменений в одной или нескольких электрических выходных цепях, когда выполняются определенные условия в электрических входных цепях, управляющих этим аппаратом.
[МЭС 441-11-01]
2.3.15. Расцепитель (контактного коммутационного аппарата): устройство, механически связанное с контактным коммутационным аппаратом, которое освобождает удерживающие приспособления, тем самым допускает размыкание или замыкание коммутационного аппарата.
[МЭС 441-15-17]
Примечание. Возможны расцепители мгновенного действия с задержкой времени и т.п. Разные типы расцепителей определены в
2.4.24 -
2.4.35.
2.3.16. Система управления (контактным коммутационным аппаратом): все устройства оперирования контактным коммутационным аппаратом, передающие усилие управления контакт-деталям.
Примечание. Устройства оперирования системы управления могут быть механическими, электромагнитными, гидравлическими, пневматическими, термическими и т.д.
2.3.17. Орган управления: часть системы управления, к которой прикладывается извне усилие управления.
[МЭС 441-15-22]
Примечание. Орган управления может иметь форму рукоятки, ручки, нажимной кнопки, ролика, плунжера и т.д.
2.3.18. Индикатор положения: часть контактного коммутационного аппарата, показывающая, находится ли он в разомкнутом, замкнутом или в заземленном положении.
[МЭС 441-15-25]
2.3.19. Сигнальная лампочка: световой сигнал, передающий информацию тем, что загорается или гаснет.
2.3.20. Устройство защиты от повторного включения: устройство, препятствующее повторному замыканию после осуществления замыкания - размыкания так долго, пока сохраняется команда на замыкание.
[МЭС 441-16-48]
2.3.21. Блокирующее устройство: устройство, обеспечивающее зависимость срабатывания коммутационного аппарата от положения срабатывания одного или нескольких других аппаратов.
[МЭС 441-16-49]
2.3.22. Вывод: токопроводящая часть аппарата, предназначенная для электрического соединения с внешними цепями.
2.3.23. Резьбовой вывод: вывод, предназначенный для присоединения и отсоединения проводников или взаимного соединения двух или нескольких проводников с выполнением соединения прямо или косвенно с помощью винтов или гаек любого типа.
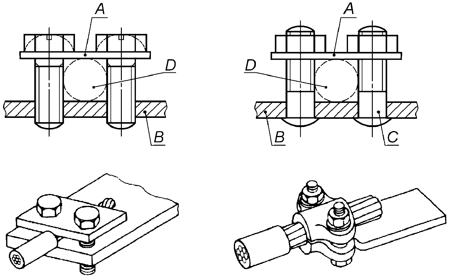
Примечание. Примеры резьбовых выводов приведены в
Приложении D.
2.3.24. Безрезьбовый вывод: вывод, предназначенный для присоединения и отсоединения проводников или взаимного соединения двух или нескольких проводников с выполнением соединения прямо или косвенно с помощью пружин, клиньев, эксцентриков, конусов и т.п.
Примечание. Примеры безрезьбовых выводов приведены в
Приложении D.
2.3.25. Зажим: часть или части вывода, необходимые для механического крепления и электрического присоединения одного или нескольких проводников.
2.3.26. Неподготовленный проводник: проводник, отрезанный и с удаленной изоляцией для вставки в вывод.
Примечание. К неподготовленным относят проводники, форма которых изменена для вставки в вывод или жилы которых скручены для упрочнения конца.
2.3.27. Подготовленный проводник: проводник, жилы которого спаяны или конец которого снабжен кабельным наконечником, ушком и т.п.
2.4. Функционирование коммутационных аппаратов
2.4.1. Срабатывание (контактного коммутационного аппарата): перемещение одного или нескольких подвижных контактов из одного положения в другое.
[МЭС 441-16-01]
Примечания
1. Например, для автоматического выключателя это может быть замыкание или размыкание.
2. Если необходимо различие, срабатывание под нагрузкой (например включение или отключение тока) обозначает коммутацию, а без нагрузки (например замыкание или размыкание цепи без тока) - механическое срабатывание.
2.4.2. Цикл срабатываний (контактного коммутационного аппарата): последовательность переходов из одного положения в другое и обратно в первое через все прочие положения (если имеются).
[МЭС 441-16-02]
2.4.3. Последовательность срабатываний (контактного коммутационного аппарата): последовательность установленных срабатываний с заданными интервалами времени.
[МЭС 441-16-03]
2.4.4. Ручное управление: управление срабатыванием с участием человека.
[МЭС 441-16-04]
2.4.5. Автоматическое управление: управление срабатыванием без участия человека при возникновении заданных условий.
[МЭС 441-16-05]
2.4.6. Местное управление: управление срабатыванием в точке, находящейся на управляемом коммутационном аппарате или близ него.
[МЭС 441-16-06]
2.4.7. Дистанционное управление: управление срабатыванием из точки, отдаленной от управляемого коммутационного аппарата.
[МЭС 441-16-07]
2.4.8. Замыкание (контактного коммутационного аппарата): срабатывание, в результате которого аппарат переводится из разомкнутого положения в замкнутое.
[МЭС 441-16-08]
2.4.9. Размыкание (контактного коммутационного аппарата): срабатывание, в результате которого аппарат переводится из замкнутого положения в разомкнутое.
[МЭС 441-16-09]
2.4.10. Принудительное размыкание (контактного коммутационного аппарата): размыкание, обеспечивающее согласно соответствующим требованиям разомкнутое положение всех главных контактов, когда орган управления находится в положении, соответствующем разомкнутому положению аппарата.
[МЭС 441-16-11]
2.4.11. Принудительное оперирование: операция, рассчитанная на то, чтобы согласно предъявленным требованиям обеспечить такое положение вспомогательных контактов контактного коммутационного аппарата, которое соответствует разомкнутому или замкнутому положению главных контактов.
[МЭС 441-16-12]
2.4.12. Ручное управление (контактным коммутационным аппаратом) при наличии привода зависимого действия: управление исключительно путем прямого приложения физической энергии человека, так что скорость и усилие оперирования зависят от действия оператора.
[МЭС 441-16-13]
2.4.13. Двигательное управление (контактным коммутационным аппаратом) при наличии привода зависимого действия: управление путем приложения энергии, кроме физической энергии, когда завершение срабатывания зависит от непрерывности подачи энергии (в соленоиды, электрические или пневматические двигатели и т.п.).
[МЭС 441-16-14]
2.4.14. Оперирование (контактного коммутационного аппарата) за счет запасенной энергии: управление путем приложения энергии, накопленной в самом механизме до завершения оперирования и достаточной для доведения его до конца в заданных условиях.
[МЭС 441-16-15]
Примечание. Данный вид управления можно характеризовать:
1) способом накопления энергии (применением пружины, груза и т.п.);
2) происхождением энергии (ручной, электрической и т.п.);
3) способом высвобождения энергии (ручным, электрическим и т.п.).
2.4.15. Ручное управление (контактным коммутационным аппаратом) при наличии привода независимого действия: управление с применением физической энергии человека, накапливаемой и высвобождаемой в процессе непрерывного оперирования, так что скорость и усилие срабатывания не зависят от действия оператора.
[МЭС 441-16-16]
2.4.16. Двигательное управление (контактным коммутационным аппаратом) при наличии привода независимого действия: управление с помощью поступления накопленной энергии из внешнего источника и ее высвобождения в процессе непрерывного оперирования, так что скорость и усилие срабатывания не зависят от действия оператора.
2.4.17. Усилие (момент) управления: усилие (момент), прикладываемое к органу управления, необходимое для завершения предполагаемого оперирования.
[МЭС 441-16-17]
2.4.18. Усилие (момент) взвода: усилие (момент), затрачиваемое на возврат органа управления или контактного элемента в начальное положение.
[МЭС 441-16-19]
2.4.19. Ход (контактного коммутационного аппарата или его части): смещение (поступательное движение или вращение) точки на подвижном элементе.
[МЭС 441-16-21]
Примечание. Следует различать предварительный ход, избыточный ход и т.д.
2.4.20. Замкнутое положение (контактного коммутационного аппарата): положение, при котором обеспечена непрерывность главной цепи аппарата.
[МЭС 441-16-22]
2.4.21. Разомкнутое положение (контактного коммутационного аппарата): положение, при котором удовлетворяются требования к заданному выдерживаемому напряжению по изоляции между разомкнутыми контактами в главной цепи аппарата.
Примечание. Данное определение отличается от формулировки, содержащейся в МЭС 441-16-23, с учетом требований к электроизоляционным свойствам.
2.4.22. Расцепление (операция): размыкание контактного коммутационного аппарата, инициируемое реле или расцепителем.
2.4.23. Контактный коммутационный аппарат со свободным расцеплением: контактный коммутационный аппарат, подвижные контакты которого возвращаются в разомкнутое положение и остаются в нем, если операция размыкания (т.е. расцепления) начинается после начала операции замыкания, даже если сохраняется команда на замыкание.
Примечания:
1. Для того чтобы обеспечить нужное отключение тока, который мог бы установиться, может потребоваться мгновенное достижение контактами замкнутого положения.
2. Формулировка, содержащаяся в МЭС 441-16-31, была дополнена словом ("расцепление"), так как управление размыканием контактного коммутационного аппарата со свободным расцеплением осуществляется автоматически.
2.4.24. Реле или расцепитель мгновенного действия: реле или расцепитель, срабатывающий без заданной выдержки времени.
2.4.25. Максимальное реле или максимальный расцепитель тока: реле или расцепитель, вызывающий размыкание контактного коммутационного аппарата с выдержкой времени или без нее, когда ток в реле или расцепителе превысит заданное значение.
Примечание. В некоторых случаях данное значение может зависеть от скорости нарастания тока.
2.4.26. Максимальное реле или максимальный расцепитель тока с независимой выдержкой времени: максимальное реле или максимальный расцепитель тока, срабатывающий с определенной выдержкой времени, которая может регулироваться, но не зависит от значения сверхтока.
2.4.27. Максимальное реле или максимальный расцепитель тока с обратно зависимой выдержкой времени: максимальное реле или максимальный расцепитель тока, срабатывающий с выдержкой времени, находящейся в обратно пропорциональной зависимости от значения сверхтока.
Примечание. Такие реле или расцепители могут быть спроектированы так, чтобы при высоких значениях сверхтока выдержка времени достигала конкретного минимального значения.
2.4.28. Максимальное реле или максимальный расцепитель тока прямого действия: максимальное реле или максимальный расцепитель тока, непосредственно возбуждаемый током главной цепи коммутационного аппарата.
2.4.29. Максимальное реле или максимальный расцепитель тока косвенного действия: максимальное реле или максимальный расцепитель тока, питаемый током главной цепи коммутационного аппарата через трансформатор тока или шунт.
2.4.30. Реле перегрузки или расцепитель перегрузки: максимальное реле или максимальный расцепитель тока, предназначенный для защиты от перегрузок.
2.4.31. Тепловое реле или расцепитель перегрузки: реле или расцепитель перегрузки с обратно зависимой выдержкой времени, срабатывание которого (в том числе выдержка времени) зависит от теплового действия тока, проходящего через это реле или расцепитель.
2.4.32. Электромагнитное реле или расцепитель перегрузки: реле или расцепитель перегрузки, срабатывание которого зависит от усилия, создаваемого током главной цепи, возбуждающим катушку электромагнита.
Примечание. У таких реле или расцепителей выдержка времени обычно обратно пропорциональна току.
2.4.33. Независимый расцепитель: расцепитель, возбуждаемый источником напряжения.
[МЭС 441-16-41]
Примечание. Источник напряжения может быть независим от напряжения в главной цепи.
2.4.34. Минимальное реле или минимальный расцепитель напряжения: реле или расцепитель, допускающий размыкание или замыкание контактного коммутационного аппарата с выдержкой времени или без нее, если напряжение на выводах реле или расцепителя падает ниже заданного значения.
2.4.35. Реле или расцепитель обратного тока (только для постоянного тока): реле или расцепитель, допускающий размыкание контактного коммутационного аппарата с выдержкой времени или без нее, если ток проходит в обратном направлении и превышает заданное значение.
2.4.36. Ток срабатывания (максимального реле или расцепителя тока): значение тока, при котором и выше которого срабатывает реле или расцепитель.
2.4.37. Ток уставки (максимального реле или максимального расцепителя тока или реле перегрузки или расцепителя перегрузки): значение тока в главной цепи, к которому отнесены характеристики реле или расцепителя и на которые отрегулировано реле или расцепитель.
Примечание. Реле или расцепитель могут характеризоваться несколькими токовыми уставками, устанавливаемыми с помощью регулятора со шкалой, сменных нагревателей и т.п.
2.4.38. Диапазон токовых уставок (максимального реле или максимального расцепителя тока или реле перегрузки или расцепителя перегрузки): диапазон между минимальным и максимальным значениями, в котором можно регулировать уставку тока реле или расцепителя.
2.5. Параметры и характеристики
2.5.1. Паспортное значение: значение величины, используемое для обозначения и идентификации детали, аппарата, устройства или системы.
[МЭС 151-16-09]
Примечание. Паспортное - обычно приближенное значение.
2.5.2. Предельное значение: наибольшее или наименьшее допустимое значение характеристики, указанное в технических условиях на деталь, аппарат, устройство или систему.
[МЭС 151-16-10]
2.5.3. Номинальное значение: количественное значение, указанное для обозначения определенных рабочих состояний детали, аппарата, устройства или системы.
[МЭС 151-16-08]
2.5.4. Номинальный параметр: совокупность номинальных значений и рабочих условий.
[МЭС 151-16-11]
2.5.5. Ожидаемый ток (цепи по отношению к коммутационному аппарату или плавкому предохранителю): ток, который протекал бы в цепи, если каждый полюс коммутационного аппарата или плавкий предохранитель заменить проводником с пренебрежимо малым сопротивлением.
[МЭС 441-17-01]
Примечание. Метод оценки и выражения ожидаемого тока должен быть уточнен в стандарте на аппарат конкретного вида.
2.5.6. Ожидаемый пиковый ток: пиковое значение ожидаемого тока в переходный период после появления.
[МЭС 441-17-02]
Примечание. Данное определение подразумевает, что ток включается идеальным коммутационным аппаратом, т.е. с мгновенным переходом от бесконечного к нулевому значению полного сопротивления. Для цепей, в которых ток может проходить по нескольким путям, например многофазных цепей, предполагается также, что ток включается одновременно во всех полюсах, даже если рассматривается ток только в одном полюсе.
2.5.7. Ожидаемый симметричный ток (в цепи переменного тока): ожидаемый ток, возникающий в такой момент, когда его появление не сопровождается переходными явлениями.
[МЭС 441-17-03]
Примечания
1. В многофазных цепях требуемое отсутствие переходного периода может быть достигнуто в каждый момент только в одном полюсе.
2. Ожидаемый симметричный ток выражается его действующим значением.
2.5.8. Максимальный ожидаемый пиковый ток (в цепи переменного тока): ожидаемый пиковый ток, когда он возникает в момент, обусловливающий его наибольшее возможное значение.
[МЭС 441-17-04]
Примечание. В многофазной цепи многополюсного аппарата максимальный ожидаемый ток характеризует только один полюс.
2.5.9. Ожидаемый ток включения (для одного полюса коммутационного аппарата): ожидаемый ток, возникающий в заданных условиях.
[МЭС 441-17-05]
Примечание. Заданные условия могут относиться к способу возбуждения, например применение идеального коммутационного аппарата, или моменту возбуждения, например, обусловливающему максимальный ожидаемый пиковый ток в цепи переменного тока, или максимальной скорости нарастания. Условия уточняются в стандартах на аппараты конкретного вида.
2.5.10. Ожидаемый ток отключения (для одного полюса коммутационного аппарата или плавкого предохранителя): ожидаемый ток, оцениваемый в момент, соответствующий моменту начала процесса отключения.
[МЭС 441-17-06]
Примечание. Данные, касающиеся начального момента процесса размыкания, приводятся в стандарте на аппарат конкретного вида. Для контактных коммутационных аппаратов или плавких предохранителей это обычно момент возникновения дуги в процессе отключения.
2.5.11. Ток отключения (коммутационного аппарата или плавкого предохранителя): ток в одном полюсе коммутационного аппарата или в плавком предохранителе в момент возникновения дуги в процессе отключения.
[МЭС 441-17-07]
Примечание. Для переменного тока это симметричное действующее значение периодической составляющей.
2.5.12. Отключающая способность (коммутационного аппарата или плавкого предохранителя): значение ожидаемого тока отключения, который способен отключать коммутационный аппарат или плавкий предохранитель при установленном напряжении в предписанных условиях эксплуатации и поведения.
[МЭС 441-17-08]
Примечания
1. Напряжение устанавливается и условия предписываются в стандарте на аппарат конкретного вида.
2. Для переменного тока это симметричное действующее значение периодической составляющей.
3. Определение наибольшей отключающей способности см. в
2.5.14.
2.5.13. Включающая способность (коммутационного аппарата): значение ожидаемого тока включения, который способен включать коммутационный аппарат при установленном напряжении в предписанных условиях эксплуатации и поведения.
[МЭС 441-17-9]
Примечания
1. Напряжение устанавливается и условия предписываются в стандарте на аппарат конкретного вида.
2. Определение наибольшей включающей способности см. в 2.5.15.
2.5.14. Наибольшая отключающая способность: отключающая способность, для которой к числу предписанных условий относится короткое замыкание на выводах коммутационного аппарата.
[МЭС 441-17-11]
2.5.15. Наибольшая включающая способность: включающая способность, для которой к числу предписанных условий относится короткое замыкание на выводах коммутационного аппарата.
[МЭС 441-17-10]
2.5.16. Критический ток нагрузки: значение тока отключения в пределах диапазона условий эксплуатации, при котором время дуги заметно увеличивается.
2.5.17. Критический ток короткого замыкания: значение тока отключения ниже номинальной наибольшей отключающей способности, при котором энергия дуги значительно выше, чем при номинальной наибольшей отключающей способности.
2.5.18. Интеграл Джоуля

: интеграл квадрата силы тока по данному интервалу времени.

.
[МЭС 441-18-23]
2.5.19. Ток отсечки - сквозной ток: максимальное мгновенное значение тока, достигаемое в процессе отключения тока коммутационным аппаратом или плавким предохранителем.
[МЭС 441-17-12]
Примечание. Данное понятие особенно важно, когда коммутационный аппарат или плавкий предохранитель срабатывает так, что ожидаемый пиковый ток цепи не достигается.
2.5.20. Время-токовая характеристика: кривая, отражающая зависимость времени, например преддугового или рабочего, от ожидаемого тока в указанных условиях эксплуатации.
[МЭС 441-17-13]
2.5.21. Характеристика тока отсечки - характеристика сквозного тока: кривая, отражающая зависимость тока отсечки от ожидаемого тока в указанных условиях эксплуатации.
[МЭС 441-17-14]
Примечание. В случае переменного тока значения токов отсечки - это максимальные значения, которые могут быть достигнуты при любой степени асимметрии; в случае постоянного тока значения токов отсечки - это максимальные значения, достигнутые при указанной постоянной времени.
2.5.22. Координация по сверхтоку устройств для защиты от сверхтоков: координация двух или нескольких устройств, соединенных последовательно, для обеспечения селективности при сверхтоках и/или резервной защиты.
2.5.23. Селективность по сверхтокам: координация рабочих характеристик двух или нескольких устройств для защиты от сверхтоков с таким расчетом, чтобы в случае возникновения сверхтоков в пределах указанного диапазона срабатывало только устройство, предназначенное для оперирования в данном диапазоне, а прочие не срабатывали.
[МЭС 441-17-15]
Примечание. Различают последовательную селективность, когда через различные устройства для защиты от сверхтоков проходит практически один и тот же сверхток, и параллельная селективность, когда через тождественные защитные устройства проходят разные доли сверхтока.
2.5.24. Резервная защита: координация по сверхтокам двух устройств для защиты от сверхтока, соединенных последовательно, когда защитное устройство, расположенное, как правило, но необязательно, на входной стороне, осуществляет защиту от сверхтока с помощью или без помощи второго защитного устройства и предохраняет последнее от чрезмерной нагрузки.
2.5.25. Ток координации: токовая координата точки пересечения время-токовых характеристик двух устройств для защиты от сверхтоков.
[МЭС 441-17-16]
2.5.26. Кратковременная выдержка: любая преднамеренная задержка срабатывания в диапазоне предельных значений номинального кратковременно допустимого тока.
2.5.27. Кратковременно допустимый ток: ток, который цепь или коммутационный аппарат способен проводить в замкнутом положении в течение установленного короткого периода в заданных условиях эксплуатации и поведения.
[МЭС 441-17-17]
2.5.28. Пиковый допустимый ток: значение пикового тока, который может выдерживать цепь или коммутационный аппарат в замкнутом положении в заданных условиях эксплуатации и поведения.
[МЭС 441-17-18]
2.5.29. Условный ток короткого замыкания (в цепи или коммутационном аппарате): ожидаемый ток, который цепь или коммутационный аппарат, защищенный заданным устройством для защиты от коротких замыканий, способны удовлетворительно выдерживать в течение всего времени срабатывания защитного устройства в указанных условиях эксплуатации и поведения.
Примечания
1. В настоящем стандарте устройством для защиты от коротких замыканий служит, как правило, автоматический выключатель или плавкий предохранитель.
2. Данное определение отличается от формулировки, приведенной в МЭС 441-17-20, расширением определения токоограничивающего аппарата до устройства для защиты от коротких замыканий, функция которого не сводится только к токоограничению.
2.5.30. Условный ток нерасцепления (максимального реле или расцепителя тока): установленное значение тока, который реле или расцепитель способен проводить, не срабатывая, в течение заданного (условного) времени.
2.5.31. Условный ток расцепления (максимального реле или расцепителя тока): установленное значение тока, вызывающего срабатывание реле или расцепителя в течение заданного (условного) времени.
2.5.32. Напряжение до включения (коммутационного аппарата): напряжение между выводами полюса коммутационного аппарата непосредственно перед включением тока.
[МЭС 441-17-24]
Примечание. Данное определение действительно для однополюсного аппарата. Для многополюсного аппарата это межфазное напряжение на входных выводах аппарата.
2.5.33. Восстанавливающееся и возвращающееся напряжение: напряжение, появляющееся между выводами полюса коммутационного аппарата или плавкого предохранителя после отключения тока.
[МЭС 441-17-25]
Примечания
1. Данное напряжение может рассматриваться на протяжении двух последовательных промежутков времени, во время первого из которых существует переходное восстанавливающееся напряжение, а во время последующего второго промежутка времени существует только возвращающееся напряжение промышленной частоты.
2. Определение действительно для однополюсного аппарата. Для многополюсного аппарата это межфазное напряжение на входных выводах аппарата.
2.5.34. Восстанавливающееся напряжение: напряжение между выводами коммутационного аппарата в период, когда оно носит существенно переходный характер.
[МЭС 441-17-26]
Примечание. Переходное напряжение может быть колебательным или неколебательным, или носить смешанный характер в зависимости от характеристик цепи, коммутационного аппарата или плавкого предохранителя. Оно включает в себя сдвиг напряжения нейтрали многофазной цепи.
2.5.35. Возвращающееся напряжение: напряжение после окончания переходного процесса.
[МЭС 441-17-27]
2.5.36. Установившееся возвращающееся напряжение постоянного тока: напряжение в цепи постоянного тока после исчезновения переходных явлений, выраженное средним значением при наличии пульсации.
[МЭС 441-17-28]
2.5.37. Ожидаемое восстанавливающееся напряжение (цепи): напряжение после отключения ожидаемого симметричного тока идеальным коммутационным аппаратом.
[МЭС 441-17-29]
Примечание. Определение подразумевает, что коммутационный аппарат или плавкий предохранитель, для которого оценивается ожидаемое восстанавливающееся напряжение, заменен идеальным коммутационным аппаратом, т.е. с мгновенным переходом от нулевого к бесконечному полному сопротивлению в самый момент уменьшения тока до нуля, т.е. при "естественном" нуле. Для цепей, в которых ток может проходить по нескольким разным путям, например для многофазной цепи, это определение подразумевает также, что ток отключается идеальным коммутационным аппаратом только в рассматриваемом полюсе.
2.5.38. Пиковое напряжение дуги (в контактном коммутационном аппарате): максимальное мгновенное значение напряжения, появляющегося в заданных условиях на выводах полюса контактного коммутационного аппарата во время горения дуги.
[МЭС 441-17-30]
2.5.39. Время размыкания (контактного коммутационного аппарата): интервал времени от установленного начального момента размыкания до момента разъединения дугогасительных контактов во всех полюсах.
[МЭС 441-17-36]
Примечание. Начальный момент размыкания, т.е. подача команды на размыкание (например возбуждение расцепителя и т.п.) устанавливается в стандарте на аппарат конкретного вида.
2.5.40. Время дуги (в полюсе или плавком предохранителе): интервал времени между моментом образования дуги в полюсе или плавком предохранителе и моментом ее окончательного гашения в этом полюсе или плавком предохранителе.
[МЭС 441-17-37]
2.5.41. Время дуги (в многополюсном коммутационном аппарате): интервал времени между моментом первого появления дуги и моментом окончательного угасания дуг во всех полюсах.
[МЭС 441-17-38]
2.5.42. Время отключения: интервал времени от начала размыкания контактного коммутационного аппарата (или преддугового времени плавкого предохранителя) до конца горения дуги.
[МЭС 441-17-39]
2.5.43. Время включения: интервал времени от начала замыкания до момента появления тока в главной цепи.
[МЭС 441-17-40]
2.5.44. Время замыкания: интервал времени от начала замыкания до момента соприкосновения контактов во всех полюсах.
[МЭС 441-17-41]
2.5.45. Время включения-отключения: интервал времени от момента появления тока в одном полюсе до момента окончательного угасания дуг во всех полюсах при возбуждении размыкающего расцепителя в момент появления тока в главной цепи.
[МЭС 441-17-43]
2.5.46. Воздушный зазор: кратчайшее расстояние между двумя токопроводящими частями.
[МЭС 441-17-31]
2.5.47. Воздушный зазор между полюсами: воздушный зазор между любыми токопроводящими частями смежных полюсов.
[МЭС 441-17-32]
2.5.48. Воздушный зазор относительно земли: воздушный зазор между любыми токопроводящими частями и любыми заземленными или предназначенными для заземления частями.
[МЭС 441-17-33]
2.5.49. Воздушный зазор между разомкнутыми контактами (раствор): общий воздушный зазор между контактами или любыми токоведущими частями, соединенными с контактами полюса контактного коммутационного аппарата в разомкнутом положении.
[МЭС 441-17-34]
2.5.50. Изолирующий промежуток (полюса контактного коммутационного аппарата): воздушный зазор между разомкнутыми контактами, отвечающий требованиям безопасности, предъявляемым к разъединителям.
[МЭС 441-17-35]
2.5.51. Расстояние утечки: кратчайшее расстояние по поверхности изоляционного материала между двумя токопроводящими частями.
Примечание. Стык между двумя частями из изоляционного материала считают частью поверхности.
2.5.52. Эксплуатационное напряжение: наибольшее действующее значение напряжения переменного или наибольшее значение напряжения постоянного тока по конкретной изоляции, которое может возникать при номинальном напряжении питания.
Примечания
1. Переходные явления не учитывают.
2. С учетом условий разомкнутой цепи и нормальных рабочих условий.
2.5.53. Временное перенапряжение: перенапряжение относительно большой длительности (несколько секунд), установившееся в данном месте между фазой и землей, между фазой и нейтралью или между фазами.
2.5.54. Переходные перенапряжения: к переходным перенапряжениям относят:
2.5.54.1. Коммутационное перенапряжение: переходное перенапряжение на конкретном участке системы, обусловленное конкретной операцией коммутирования или повреждением.
2.5.54.2. Грозовое перенапряжение: переходное перенапряжение на конкретном участке системы, обусловленное конкретным грозовым разрядом.
[МЭК 60060-1]
[5], [МЭК 60071-1]
[6]
2.5.54.3. Функциональное перенапряжение: намеренно созданное перенапряжение, необходимое для функционирования аппарата.
2.5.55. Импульсное выдерживаемое напряжение: наибольшее пиковое значение импульсного напряжения предписанной формы и полярности, не вызывающее пробоя в заданных условиях испытания.
2.5.56. Выдерживаемое напряжение промышленной частоты: действующее значение синусоидального напряжения промышленной частоты, не вызывающее пробоя в заданных условиях испытания.
2.5.57. Загрязнение: любое добавление инородных веществ, твердых, жидких или газообразных (ионизированных газов), которые могли бы уменьшить электрическую прочность изоляции или поверхностное удельное сопротивление.
2.5.58. Степень загрязнения (окружающей среды): условное число, основанное на количестве токопроводящей или гигроскопической пыли, ионизированных газов или солей и относительной влажности и частоте появления ее значений, обусловливающих гигроскопическую абсорбцию или конденсацию влаги, ведущую к снижению электрической прочности изоляции и/или поверхностного удельного сопротивления.
Примечания
1. Степень загрязнения, воздействию которого подвергается аппарат, может отличаться от степени загрязнения микросреды, в которой установлен этот аппарат, вследствие защиты, обеспечиваемой оболочкой, или внутреннего нагрева, препятствующего абсорбции или конденсации влаги.
2. Для целей настоящего стандарта рассматривают степень загрязнения микросреды.
2.5.59. Микросреда (воздушного зазора или расстояния утечки): условия окружающей среды вокруг рассматриваемого воздушного зазора или расстояния утечки.
Примечание. Эффективность изоляции определяется микросредой расстояния утечки или воздушного зазора, а не макросредой аппарата. Эта микросреда может быть лучше или хуже макросреды аппарата. К ней относятся факторы, влияющие на изоляцию: климатические и электромагнитные условия, образование загрязнения и т.п.
2.5.60. Категория перенапряжения (в цепи или электрической системе): условное число, зависящее от ограничения (или регулирования) значений ожидаемых переходных напряжений, возникающих в цепи (или электрической системе с различными номинальными напряжениями), и зависящее от способов воздействия на перенапряжения.
Примечание. В электрической системе переход от одной категории перенапряжения к другой, более низкой, достигается средствами, совместимыми с требованиями к переходным участкам, например с помощью устройства для защиты от перенапряжений или последовательно-параллельного присоединения полного сопротивления, способного рассеять, поглотить или отклонить энергию соответствующего импульсного тока с целью снижения переходного перенапряжения до желаемой меньшей категории перенапряжения.
2.5.61. Координация изоляции: соотношение изоляционных свойств электрического аппарата с ожидаемыми перенапряжениями и характеристиками устройств для защиты от перенапряжений и предполагаемой микросредой и способами защиты от загрязнений.
2.5.62. Однородное поле: электрическое поле с практически постоянным градиентом напряжения между электродами как между двумя сферами, радиус каждой из которых больше расстояния между ними.
2.5.63. Неоднородное поле: электрическое поле без практически постоянного градиента напряжения между электродами.
2.5.64. Образование путей утечки (трекинг): прогрессирующее образование токопроводящих путей на поверхности твердого электроизоляционного материала в результате комбинированных воздействий электрической нагрузки и электролитического загрязнения этой поверхности.
2.5.65. Показатель относительной стойкости против тока утечки (сравнительный индекс трекингостойкости (СИТ)): числовое значение максимального напряжения в вольтах, при котором материал выдерживает 50 капель испытательного раствора без образования токопроводящих путей.
Примечания
1. Значение каждого испытательного напряжения и СИТ должно делиться на 25.
2.6.1. Типовое испытание: испытание одного или нескольких аппаратов одной конкретной конструкции на соответствие конкретным техническим условиям.
2.6.2. Контрольное испытание: испытание, которому подвергают каждый отдельный аппарат во время и/или после его изготовления на соответствие конкретным критериям.
2.6.3. Выборочное испытание: испытание некоторого числа аппаратов, случайно отобранных из партии.
2.6.4. Специальное испытание: испытание, проводимое дополнительно к типовым и контрольным испытаниям по усмотрению изготовителя или по соглашению между изготовителем и потребителем.
В настоящем разделе приводятся характеристики аппаратов согласно информации, предоставленной изготовителем, без обязательной проверки испытаниями. Данный раздел не является обязательным в стандартах на аппараты конкретного вида, тем не менее, в этих стандартах при необходимости указываются критерии классификации.
Ниже приведен алфавитный перечень характеристик (номинальных и не номинальных), их условное обозначение и номера пунктов настоящего стандарта, в которых приводится их описание:
восьмичасовой режим . . . . . . . . . . . . . . . . . . . .
4.3.4.1
категория применения . . . . . . . . . . . . . . . . . . . .
4.4
кратковременный режим . . . . . . . . . . . . . . . . . . .
4.3.4.4
номинальная включающая способность . . . . . . . . . . . . .
4.3.5.2
номинальная наибольшая включающая способность

. . . . .
4.3.6.2
номинальная наибольшая отключающая способность

. . . . .
4.3.6.3
номинальная отключающая способность . . . . . . . . . . . .
4.3.5.3
номинальная предельная наибольшая отключающая
способность

. . . . . . . . . . . . . . . . . . . . . .
<*>
номинальная рабочая мощность . . . . . . . . . . . . . . . .
4.3.2.3
номинальная частота . . . . . . . . . . . . . . . . . . . .
4.3.3
номинальная эксплуатационная наибольшая
отключающая способность

. . . . . . . . . . . . . . . . .
<*>
номинальное импульсное выдерживаемое напряжение

. . . .
4.3.1.3
номинальное напряжение в цепи управления

. . . . . . . .
4.5.1
номинальное напряжение изоляции

. . . . . . . . . . . . .
4.3.1.2
номинальное напряжение изоляции ротора

. . . . . . . . .
<*>
номинальное напряжение изоляции статора

. . . . . . . . .
<*>
номинальное питающее напряжение управления

. . . . . . .
4.5.1
номинальное пусковое напряжение
автотрансформаторного пускателя . . . . . . . . . . . . . .
<*>
номинальное рабочее напряжение

. . . . . . . . . . . . .
4.3.1.1
номинальное рабочее напряжение ротора

. . . . . . . . . .
<*>
номинальное рабочее напряжение статора

. . . . . . . . .
<*>
номинальный длительный ток

. . . . . . . . . . . . . . .
4.3.2.4
номинальный кратковременно допустимый ток

. . . . . . . .
4.3.6.1
номинальный рабочий ток

. . . . . . . . . . . . . . . . .
4.3.2.3
номинальный рабочий ток ротора

. . . . . . . . . . . . .
<*>
номинальный рабочий ток статора

. . . . . . . . . . . . .
<*>
номинальный ток

. . . . . . . . . . . . . . . . . . . . .
<*>
номинальный условный ток короткого замыкания . . . . . . . .
4.3.6.4
периодический режим . . . . . . . . . . . . . . . . . . . .
4.3.4.5
повторно-кратковременный режим . . . . . . . . . . . . . . .
4.3.4.3
предельный ток селективности

. . . . . . . . . . . . . . .
<*>
продолжительный режим . . . . . . . . . . . . . . . . . . .
4.3.4.2
тепловой ток ротора

. . . . . . . . . . . . . . . . . . .
2.5.25
тепловой ток статора

. . . . . . . . . . . . . . . . . . <*>
ток координации

. . . . . . . . . . . . . . . . . . . . . <*>
условный тепловой ток в оболочке

. . . . . . . . . . . . .
4.3.2.2
условный тепловой ток на открытом воздухе

. . . . . . . .
4.3.2.1.
--------------------------------
<*> Определение характеристики приводится в стандарте на конкретный аппарат.
Примечание. Вышеприведенный перечень не является исчерпывающим.
В стандарте на аппарат конкретного вида должны указываться применимые к аппарату характеристики:
- тип аппарата (см.
4.2);
- номинальные и предельные значения параметров главной цепи (см.
4.3);
- категория применения (см.
4.4);
- цепи управления (см.
4.5);
- вспомогательные цепи (см.
4.6);
- реле и расцепители (см.
4.7);
- координация с устройствами для защиты от коротких замыканий (см.
4.8);
- коммутационные перенапряжения (см.
4.9).
В стандарте в обозначении типа аппарата следует указывать:
- вид аппарата, например контактор, автоматический выключатель и т.п.;
- число полюсов;
- род тока;
- среду, в которой происходит отключение;
- рабочие условия (способ оперирования, способ управления и т.д.).
Примечание. Вышеприведенное перечисление не является исчерпывающим.
4.3. Номинальные и предельные значения параметров главной цепи
Номинальные значения параметров главной цепи устанавливаются изготовителем. Их следует указывать в соответствии с 4.3.1 -
4.3.6 согласно требованиям стандарта на аппарат конкретного вида, но не обязательно все нижеперечисленные параметры.
4.3.1. Номинальные напряжения
Аппарат характеризуют следующие номинальные напряжения:
Примечание. Аппараты некоторых типов могут характеризоваться более чем одним номинальным напряжением или диапазоном номинальных напряжений.
4.3.1.1. Номинальное рабочее напряжение

Номинальное рабочее напряжение аппарата - значение напряжения, в сочетании с номинальным рабочим током определяющее его назначение, на которые ориентируются при проведении соответствующих испытаний и установлении категории применения.
Для однополюсного аппарата номинальное рабочее напряжение, как правило, устанавливается как напряжение на полюсе.
Для многополюсного аппарата - как межфазное напряжение.
Примечания
1. Для некоторых аппаратов и областей применения возможен другой способ назначения

, который должен быть установлен в стандарте на соответствующий аппарат.
2. В применении к многополюсным аппаратам для многофазных цепей следует различать:
a) аппараты для систем, в которых одно замыкание на землю не приводит к появлению на полюсе полного межфазного напряжения (т.е. для систем без заземления или с заземленной нейтралью);
b) аппараты для систем, в которых одно замыкание на землю приводит к появлению на полюсе полного межфазного напряжения (т.е. для систем с заземлением фазы).
3. Для аппарата можно установить ряд комбинаций номинальных рабочих напряжений и номинальных рабочих токов или мощностей для различных режимов и категорий применения.
4. Для аппарата можно установить ряд номинальных рабочих напряжений и значений включающей и отключающей способностей для различных режимов и категорий применения.
5. Следует учитывать, что рабочее напряжение аппарата может отличаться от его эксплуатационного напряжения (см.
2.5.52).
4.3.1.2. Номинальное напряжение изоляции

Номинальное напряжение изоляции аппарата - значение напряжения, по которому определяют испытательное напряжение при испытании электроизоляционных свойств и расстояний утечки.
Максимальное значение номинального рабочего напряжения аппарата не должно превышать наибольшего значения номинального напряжения изоляции.
Примечание. Не установленное номинальное напряжение изоляции аппарата следует принимать как наибольшее значение номинального напряжения.
4.3.1.3. Номинальное импульсное выдерживаемое напряжение

Номинальное импульсное выдерживаемое напряжение - пиковое значение импульсного напряжения заданной формы и полярности, которое может выдержать аппарат без повреждений в установленных условиях испытания, и к которому отнесены значения воздушных зазоров.
Номинальное импульсное выдерживаемое напряжение аппарата не должно быть ниже значений переходного перенапряжения, случающегося в цепи, в которую включен аппарат.
Примечание. Предпочтительными являются значения номинального импульсного выдерживаемого напряжения согласно
таблице 12.
4.3.2. Токи
Аппараты характеризуют следующие токи:
4.3.2.1. Условный тепловой ток на открытом воздухе

Условный тепловой ток на открытом воздухе - максимальное значение испытательного тока, используемого при проверке превышения температуры аппаратов открытого исполнения (см.
8.3.3.3) на открытом воздухе.
Значение условного теплового тока на открытом воздухе должно превышать или в крайнем случае равняться максимальному номинальному рабочему току (см.
4.3.2.3) аппарата открытого исполнения в восьмичасовом режиме (см.
4.3.4.1).
Под открытым воздухом подразумевают нормальную атмосферу в помещении без сквозняков и внешней радиации.
Примечания
1. Условный тепловой ток на открытом воздухе не является номинальным параметром, его не обязательно маркировать на аппарате.
2. Аппарат открытого исполнения - это аппарат, поставляемый изготовителем без оболочки или с неотделимой оболочкой, не предназначенной служить единственной защитной оболочкой аппарата.
4.3.2.2. Условный тепловой ток в оболочке

Условный тепловой ток в оболочке - указанное изготовителем значение тока, который должен использоваться для испытаний на превышение температуры аппарата, смонтированного в предусмотренной для него оболочке.
Такие испытания проводят по
8.3.3.3 и в каталогах изготовителя аппарат обязательно обозначают как "применяемый в оболочке", он предназначается для эксплуатации в одной или нескольких оболочках установленного типа и размера (см.
примечание 2).
Значение условного теплового тока в оболочке должно, по крайней мере, равняться максимальному значению номинального рабочего тока (см.
4.3.2.3) аппарата в оболочке в восьмичасовом режиме (см.
4.3.4.1).
Если аппарат предназначен для эксплуатации в нестандартных оболочках, проводить испытание необязательно, в случае если уже проводилось испытание с условным тепловым током на открытом воздухе

. В этом случае изготовитель должен сообщить значение условного теплового тока в оболочке или понижающий коэффициент.
Примечания
1. Условный тепловой ток в оболочке не является номинальным параметром, его не обязательно маркировать на аппарате.
2. Условный тепловой ток в оболочке допускается определять для невентилируемого аппарата. В этом случае размеры оболочки, используемой для испытаний, должны соответствовать минимальным размерам, указанным изготовителем в качестве допустимых при эксплуатации. При наличии информации изготовителя значение условного теплового тока в оболочке альтернативно может относиться к вентилируемому аппарату.
3. Аппарат закрытого исполнения - аппарат, предназначенный для использования в оболочке конкретного типа и размера или в оболочках разных типов и размеров.
4.3.2.3. Номинальный рабочий ток

или номинальная рабочая мощность
Номинальный рабочий ток аппарата - ток, указанный изготовителем с учетом номинального рабочего напряжения (см.
4.3.1.1), номинальной частоты (см.
4.3.3), номинального режима (см.
4.3.4), категории применения (см.
4.4) и типа защитной оболочки (при наличии).
Для аппарата, осуществляющего прямую коммутацию отдельных двигателей, наряду с номинальным рабочим током или вместо него допускается указывать максимальную номинальную выходную мощность (при конкретном номинальном рабочем напряжении) двигателя, для которого предназначен этот аппарат. При необходимости изготовитель должен указать соотношение между рабочим током и рабочей мощностью (при наличии).
4.3.2.4. Номинальный длительный ток

Номинальный длительный ток - значение тока, указанное изготовителем, который может проводить аппарат в продолжительном режиме (см.
4.3.4.2).
4.3.3. Номинальная частота
Частота тока питания, на которую рассчитан аппарат, которой соответствуют его характеристики.
Примечание. Для одного и того же аппарата может быть установлен диапазон номинальных частот переменного тока либо он может работать как на переменном, так и на постоянном токе.
4.3.4. Номинальные режимы
К стандартным номинальным режимам относят:
4.3.4.1. Восьмичасовой режим
Режим, в котором главные контакты аппарата остаются замкнутыми, проводя установившийся ток достаточно долго для того, чтобы аппарат достиг теплового равновесия, но не более 8 ч без перерыва.
Примечания
1. Восьмичасовой режим является основным для определения условных тепловых токов

и

.
2. Перерыв означает отключение тока путем оперирования аппаратом.
4.3.4.2. Продолжительный режим
Продолжительный режим - режим нагрузки, в котором главные контакты аппарата остаются замкнутыми, проводя установившийся ток, без перерыва более 8 ч (в течение недель, месяцев, лет).
Примечание. Такой режим эксплуатации отличается от восьмичасового, поскольку на контактах могут накапливаться оксиды и грязь, вызывая постепенное увеличение их нагрева. При продолжительном режиме либо вводится коэффициент снижения номинальной мощности, либо применяется специальная конструкция (например серебряные контакты).
4.3.4.3. Повторно-кратковременный периодический или повторно-кратковременный режим
Режим, в котором периоды нагрузки, когда контакты остаются замкнутыми, находятся в соотношении с периодами нулевой нагрузки, но те и другие интервалы времени недостаточны для того, чтобы аппарат успел достичь теплового равновесия.
Повторно-кратковременный режим характеризуется значением тока, длительностью его прохождения и коэффициентом нагрузки, который представляет собой отношение времени нахождения аппарата под нагрузкой к полному времени цикла, как правило, выраженное в процентах. Стандартные значения коэффициента нагрузки 15%, 25%, 40% и 60%.
По числу циклов оперирования, которое они могут выполнять за один час, аппараты подразделяют на следующие классы:
Класс Цикл/ч
12 . . . . . . . . . . . . . . . . . . . . . . . . . . . . . . 12
30 . . . . . . . . . . . . . . . . . . . . . . . . . . . . . . 30
120 . . . . . . . . . . . . . . . . . . . . . . . . . . . . 120
300 . . . . . . . . . . . . . . . . . . . . . . . . . . . . 300
1200 . . . . . . . . . . . . . . . . . . . . . . . . . . . . 1200
3000 . . . . . . . . . . . . . . . . . . . . . . . . . . . . 3000
12000 . . . . . . . . . . . . . . . . . . . . . . . . . . . 12000
30000 . . . . . . . . . . . . . . . . . . . . . . . . . . . 30000
120000 . . . . . . . . . . . . . . . . . . . . . . . . . . 120000
300000 . . . . . . . . . . . . . . . . . . . . . . . . . . 300000
Для повторно-кратковременного режима с большим числом циклов оперирования за 1 ч изготовитель должен указать в реальных циклах (если известно) или в условных циклах по его усмотрению значения номинальных рабочих токов, которые должны соответствовать неравенству

(что применимо),
где T - полная длительность цикла оперирования.
Примечание. Вышеприведенная формула не учитывает энергию коммутационной дуги.
Коммутационный аппарат, рассчитанный на повторно-кратковременный режим, допускается характеризовать параметрами этого режима.
&Пример. Повторно-кратковременный режим класса 12, в котором ток 100 А проходит в течение 2 мин из каждых 5 мин, можно обозначить: 100 А, класс 12, 40%.&
4.3.4.4. Кратковременный режим
Режим, в котором главные контакты аппарата остаются замкнутыми в течение периодов времени, не достаточных для достижения аппаратом теплового равновесия, которые чередуются с периодами нулевой нагрузки достаточной длительности для восстановления равенства температуры аппарата с температурой охлаждающей среды.
Стандартизированные значения для кратковременного режима: 3, 10, 30, 60 и 90 мин при замкнутых контактах.
4.3.4.5. Периодический режим
Режим, предусматривающий регулярное повторение срабатывания аппарата при постоянной либо при переменной нагрузке.
4.3.5. Характеристики нормальной нагрузки и перегрузки
В настоящем пункте приведены общие требования, касающиеся номинальных параметров аппарата при нормальной нагрузке и в условиях перегрузки.
Примечание. Требования к работоспособности аппарата в условиях перегрузки могут включаться в категории применения, описанные в
4.4.
Подробные требования в соответствии с
7.2.4.
4.3.5.1. Способность выдерживать коммутационные токи перегрузки двигателя
Аппарат, предназначенный для коммутации двигателя, должен быть способен выдерживать тепловые нагрузки, обусловленные пуском и разгоном двигателя до нормальной скорости и рабочими перегрузками.
Подробные требования, связанные с удовлетворением этих условий, содержатся в стандарте на аппарат конкретного вида.
4.3.5.2. Номинальная включающая способность
Номинальная включающая способность аппарата - указанное изготовителем значение тока, который аппарат может удовлетворительно включать в установленных условиях включения.
К условиям включения следует отнести:
- напряжение до включения (см.
2.5.32);
- характеристики испытательной цепи.
Номинальную включающую способность указывают применительно к номинальному рабочему напряжению и номинальному рабочему току согласно стандарту на аппарат конкретного вида.
Примечание. Если необходимо, в стандарте на соответствующий аппарат указывается взаимосвязь между номинальной включающей способностью и категорией применения.
На переменном токе номинальная включающая способность выражается действующим значением симметричной составляющей тока, которое принимается за постоянное.
Примечание. На переменном токе пиковое значение тока в первые полупериоды после замыкания главных контактов может оказаться значительно выше пикового значения тока в установившемся режиме, используемого при определении включающей способности в зависимости от коэффициента мощности цепи и момента на волне напряжения, когда происходит замыкание.
Аппарат должен включать ток, периодическая составляющая которого равна определяющей его номинальную включающую способность при любом значении непериодической составляющей в пределах, обусловленных коэффициентами мощности, указанными в стандарте на аппарат конкретного вида.
4.3.5.3. Номинальная отключающая способность
Номинальная отключающая способность аппарата - указанное изготовителем значение тока, который аппарат может удовлетворительно отключать в заданных условиях отключения.
К заданным условиям отключения относят:
- характеристики испытательной цепи;
- восстанавливающееся напряжение промышленной частоты.
Номинальная отключающая способность указывается применительно к номинальному рабочему напряжению и номинальному рабочему току согласно стандарту на аппарат конкретного вида.
Аппарат должен отключать любой ток до установленной номинальной отключающей способности включительно.
Примечание. У коммутационного аппарата может быть несколько значений номинальной отключающей способности, каждое из которых соответствует рабочему напряжению и категории применения.
На переменном токе номинальная отключающая способность выражается действующим значением симметричной составляющей тока.
Примечание. По возможности в стандарте на аппарат конкретного вида указывают взаимосвязь между номинальной отключающей способностью и категорией применения.
4.3.6. Характеристики при коротких замыканиях
В настоящем пункте приведены общие требования к номинальным параметрам в условиях короткого замыкания.
4.3.6.1. Номинальный кратковременно допустимый ток

Номинальный кратковременно допустимый ток - установленное изготовителем значение кратковременно допустимого тока, который аппарат может проводить без повреждений в условиях испытаний, оговоренных в стандарте на аппарат конкретного вида.
4.3.6.2. Номинальная наибольшая включающая способность

Номинальная наибольшая включающая способность аппарата - установленное изготовителем для конкретного аппарата значение наибольшей включающей способности при данных значениях номинального рабочего напряжения, номинальной частоты и указанном коэффициенте мощности для переменного тока или постоянной времени для постоянного тока. Она выражается как максимальный ожидаемый пиковый ток в заданных условиях.
4.3.6.3. Номинальная наибольшая отключающая способность

Номинальная наибольшая отключающая способность аппарата - установленное изготовителем для этого аппарата значение наибольшей отключающей способности при данных значениях номинального рабочего напряжения, номинальной частоты и указанном коэффициенте мощности для переменного тока или постоянной времени для постоянного тока. Она выражается значением ожидаемого тока отключения (действующим значением периодической составляющей для переменного тока) в заданных условиях.
4.3.6.4. Номинальный условный ток короткого замыкания
Номинальный условный ток короткого замыкания аппарата - указанное изготовителем значение ожидаемого тока, который этот аппарат, оснащенный предусмотренным изготовителем устройством для защиты от коротких замыканий, может удовлетворительно выдерживать в течение времени срабатывания этого устройства в условиях испытания, оговоренных в стандарте на аппарат конкретного вида.
Детальное описание устройства для защиты от коротких замыканий должно быть представлено изготовителем.
Примечания
1. На переменном токе номинальный условный ток короткого замыкания выражается действующим значением периодической составляющей.
2. Устройство для защиты от коротких замыканий может составлять неотъемлемую часть конкретного аппарата либо быть автономным.
4.4. Категория применения
Категория применения аппарата определяет предполагаемую область его использования и должна указываться в стандарте на аппарат конкретного вида. Она характеризуется одним или несколькими из условий эксплуатации:
- ток (токи), кратный номинальному рабочему току;
- напряжение (напряжения), кратное номинальному рабочему напряжению;
- коэффициент мощности или постоянная времени;
- работоспособность в условиях короткого замыкания;
- селективность;
- прочие условия эксплуатации в меру применимости.
Примеры категорий применения низковольтной аппаратуры распределения и управления приведены в
Приложении A.
4.5.1. Электрические цепи управления
К характеристикам цепей управления относят:
- род тока;
- номинальную частоту, если ток переменный;
- номинальное напряжение в цепи управления

(род тока и частоту, если ток переменный);
- номинальное питающее напряжение управления

(род тока и частоту, если ток переменный), если применимо.
Примечание. Из упомянутых выше различают напряжение в цепи управления, т.е. напряжение, появляющееся на контактах "a" (см.
2.3.12) в цепи управления, и питающее напряжение управления, подаваемое на входные выводы цепи управления аппарата, которое может отличаться от напряжения в цепи управления из-за наличия встроенных трансформаторов, выпрямителей, сопротивлений и т.п.
Рабочие характеристики и характеристики превышения температуры цепей управления устанавливаются при номинальном напряжении и номинальной частоте (для переменного тока). Заданные условия работы обеспечиваются при питающем напряжении управления от 85% до 110% его номинального значения при максимальном значении тока в цепи управления.
Примечание. При необходимости изготовитель должен указать значения тока, протекающего по цепям управления, при номинальном питающем напряжении управления.
4.5.2. Питающие воздухопроводы (пневматические или электропневматические)
Питающие воздухопроводы характеризуются:
- номинальным давлением и его предельными значениями;
- расходом воздуха при атмосферном давлении для осуществления каждой операции замыкания и каждой операции размыкания.
Номинальным давлением питания пневматического или электропневматического воздухопровода служит давление воздуха, на котором основываются рабочие характеристики пневматической системы управления.
4.6. Вспомогательные цепи
Вспомогательные цепи характеризуются числом и родом контактов (контакт "a", контакт "b" и т.д.) в каждой из этих цепей и номинальными параметрами согласно
&ГОСТ 30011.5.1& (см.
примечание к разделу 1).
Характеристики вспомогательных контактов и выключателей должны отвечать требованиям
&ГОСТ 30011.5.1&.
Если требуется, в стандарте на аппарат конкретного вида должны указываться следующие характеристики реле и расцепителей:
- тип реле или расцепителя;
- номинальные значения;
- уставка тока или диапазон уставок;
- время-токовые характеристики (см. 4.8);
- влияние температуры окружающего воздуха.
4.8. Координация с устройствами защиты от коротких замыканий (УЗКЗ)
Изготовитель должен указать тип или характеристики УЗКЗ, подлежащих использованию в сочетании с данными аппаратами или в составе данных аппаратов, в зависимости от конкретных условий, и максимальный ожидаемый ток короткого замыкания, на который рассчитан конкретный аппарат, в том числе УЗКЗ, при одном или нескольких указанных значениях рабочего напряжения.
| | ИС МЕГАНОРМ: примечание. В официальном тексте документа, видимо, допущена опечатка: графики на рисунках 1 - 7 ГОСТ 31196.2.1-2012 отсутствуют. | |
Примечание. Рекомендуется на графиках в логарифмических зависимостях по оси абсцисс откладывать ток, кратный уставке тока, а по оси ординат - время в секундах. Построение графика должно выполняться согласно &ГОСТ 31196.0, пункт 5.6.4& и &
ГОСТ 31196.2.1, рисунки 1 - 7&.
4.9. Коммутационные перенапряжения
Изготовитель должен указать максимальное значение коммутационного перенапряжения, вызываемого срабатыванием коммутационного аппарата (если этого требует стандарт на аппарат конкретного вида).
Это значение не должно превышать значения номинального импульсного выдерживаемого напряжения (см.
4.3.1.3).
5. Информация об аппарате
В соответствии с требованиями стандарта на аппарат конкретного вида изготовитель должен предоставить следующую информацию:
- идентификацию:
наименование изготовителя или торговую марку, типовое обозначение или серийный номер,
обозначение стандартов, о соответствии которым заявляет изготовитель;
- характеристики:
категорию применения и номинальные рабочие токи (или номинальные мощности, или номинальные длительные токи) при номинальных рабочих напряжениях аппарата (см.
4.3.1.1,
4.3.2.3,
4.3.2.4 и
4.4). В некоторых случаях эта информация может дополняться значением контрольной температуры окружающего воздуха, при которой аппарат калиброван,
значение номинальной частоты (частот) (например 50 или 50/60 Гц) и/или обозначение "d.c." или условное обозначение

номинальный режим (для повторно-кратковременного режима с указанием класса, см.
4.3.4),
номинальную включающую и/или отключающую способности. Если требуется, эти данные можно заменить указанием категории применения,
номинальное напряжение изоляции (см.
4.3.1.2),
номинальное импульсное выдерживаемое напряжение (см.
4.3.1.3),
коммутационное перенапряжение (см.
4.9),
номинальный кратковременно допустимый ток с указанием его длительности, если требуется (см.
4.3.6.1),
номинальную наибольшую включающую и/или отключающую способности, при их наличии (см.
4.3.6.2 и
4.3.6.3),
номинальный условный ток короткого замыкания, если требуется (см.
4.3.6.4), код IP для аппаратов в оболочках (см.
Приложение C), степень загрязнения (см.
6.1.3.2),
тип и максимальные значения параметров устройства для защиты от коротких замыканий, при его наличии,
номинальное напряжение в цепи управления, род тока и частоту,
номинальное питающее напряжение управления, род тока и частоту, если они иные, чем у катушки управления,
номинальное давление воздуха на входе и пределы его колебаний (для аппаратов, управляемых давлением воздуха),
пригодность для разъединения.
Примечание. Данное перечисление не является исчерпывающим.
Информация, приведенная в
5.1, подлежащая маркировке на аппарате, должна быть указана в стандарте на аппарат конкретного вида.
Маркировка должна быть нестираемой и легко читаемой.
Наименование изготовителя или торговая марка, а также обозначение типа или серийный номер обязательно маркируют на аппарате, предпочтительно на фирменной табличке (если имеется) для получения от изготовителя полной информации.
Примечание. В США и Канаде номинальное рабочее напряжение

допускается маркировать различными способами:
a) на аппарате, предназначенном для использования в трехфазных системах с четырьмя проводами, маркируют напряжение между фазой и землей и межфазное напряжение, например 277/480 В;
b) на аппарате, предназначенном для использования в трехфазных системах с тремя проводами, маркируют межфазное напряжение, например 480 В.
Маркировка должна быть видна также после установки аппарата. Вышесказанное относится и к следующей информации:
- направление движения органа управления (см.
7.1.4.2), если требуется;
- индикация положения органа управления (см. также
7.1.5.1 и
7.1.5.2);
- знак одобрения или сертификации (при его наличии);
- для миниатюризированных аппаратов условное обозначение, цветовой или буквенный код;
- идентификационное обозначение выводов (см.
7.1.7.4);
- код IP и класс защиты от электрического удара, если требуется (по возможности маркируют на аппарате);
- пригодность для разъединения (если требуется) символом функции разъединения по &
ГОСТ 2.755&, дополненным символом функции конкретного аппарата, например:

для автоматического выключателя, пригодного для разъединения

для выключателя-разъединителя, пригодного для разъединения
Символ должен иметь четкую маркировку и быть видимым после установки аппарата, смонтированного как для обычной эксплуатации с доступом к органу управления.
Данное требование относится как к аппаратам в оболочке, так и без оболочки по
7.1.10.
Настоящее требование также действует, если символ функции разъединения введен в схему цепи и является единственной маркировкой, указывающей на пригодность к разъединению.
5.3. Инструкции по монтажу, эксплуатации и обслуживанию
Изготовитель в своих документах или каталогах должен указать предъявляемые к аппарату условия монтажа, эксплуатации и обслуживания в нормальных условиях эксплуатации и в аварийных условиях. При необходимости изготовитель должен указать меры, предпринимаемые по ЭМС.
Для аппаратов, пригодных только для окружающей среды A, изготовитель в своей документации обязан предусмотреть следующую запись:
┌─────────────────────────────────────────────────────────────────────────┐
│ ПРЕДУПРЕЖДЕНИЕ │
│ │
│ Данное изделие предназначено для применения в окружающей среде A.│
│Применение данного изделия в условиях окружающей среды B может вызвать│
│нежелательные электромагнитные помехи. В этом случае потребителю может│
│потребоваться принятие адекватных противодействующих мер. │
└─────────────────────────────────────────────────────────────────────────┘
При необходимости в инструкциях по транспортированию, монтажу и эксплуатации аппарата могут быть указаны основные требования, обеспечивающие его правильную установку, пуск, эксплуатацию и оперирование.
В вышеупомянутых инструкциях следует уточнить объем и частоту обслуживания (если требуется).
Примечание. Не все аппараты, на которые распространяется настоящий стандарт, спроектированы в расчете на обслуживание.
При необходимости в инструкциях по транспортированию, монтажу и эксплуатации аппарата могут быть указаны основные требования, обеспечивающие его правильную установку, пуск, эксплуатацию и оперирование.
6. Нормальные условия эксплуатации, монтажа
и транспортирования
6.1. Нормальные условия эксплуатации
Аппараты, соответствующие требованиям настоящего стандарта, должны быть работоспособны в нормальных (стандартных) условиях эксплуатации, приведенных в настоящем разделе.
Примечание. О нестандартных условиях эксплуатации см. в
Приложении B. Эксплуатация в нестандартных условиях может потребовать заключение соглашения между изготовителем и потребителем.
6.1.1. Температура окружающего воздуха
Температура окружающего воздуха не должна превышать плюс 40 °C, а ее среднее значение в течение 24 ч - плюс 35 °C.
Нижний предел температуры окружающего воздуха - минус 5 °C.
Температуру окружающего воздуха определяют вблизи аппарата, если он поставляется без оболочки или вблизи оболочки при поставке аппарата в оболочке.
1. Аппараты для эксплуатации при температуре окружающего воздуха свыше плюс 40 °C (например в кузнях, котельных, в тропических странах) или ниже минус 5 °C, например при минус 25 °C, в соответствии с &
ГОСТ Р 51321.1& для устройств распределения и управления, монтируемых вне помещения, должны проектироваться специально для этих условий или (если это целесообразно) эксплуатироваться согласно стандарту на аппарат конкретного вида при соглашении между изготовителем и потребителем по отдельным вопросам. Заменой такого соглашения может служить информация изготовителя, приведенная в технической документации.
2. Стандартная контрольная температура воздуха для некоторых типов аппаратов, например автоматических выключателей или реле перегрузки для пускателей, указывается в стандарте на аппарат конкретного вида.
6.1.2. Высота над уровнем моря
Высота установки аппарата над уровнем моря не должна превышать 2000 м.
Примечание. Если аппарат будет эксплуатироваться на высоте более 2000 м, необходимо учитывать снижение электрической прочности изоляции и охлаждающее воздействие воздуха. Аппарат для эксплуатации в этих условиях должен иметь специальную конструкцию или использоваться по согласованию между изготовителем и потребителем.
6.1.3. Атмосферные условия
6.1.3.1. Влажность
Относительная влажность воздуха, в котором эксплуатируют аппарат, не должна превышать 50% при максимальной температуре 40 °C. При более низких температурах допускается более высокая относительная влажность, например 90% при 20 °C. В случае возможной конденсации влаги из-за колебаний температуры может потребоваться принятие специальных мер.
Примечание. Более точно состояние окружающей среды определяется степенью загрязнения по 6.1.3.2.
6.1.3.2. Степень загрязнения
Степень загрязнения (см.
2.5.58) относится к условиям окружающей среды, для которой предназначается конкретный аппарат.
Примечание. На изоляцию влияет микросреда расстояний утечки или воздушных зазоров, а не среда, в которой находится аппарат. Эта микросреда может быть лучше или хуже окружающей аппарат среды. Она включает в себя все факторы, влияющие на изоляцию: климатические и электромагнитные, загрязнение и т.п.
Для аппаратов, предназначенных для эксплуатации в оболочках или снабженных неотделимыми оболочками, действительна степень загрязнения среды в оболочке.
Для оценки воздушных зазоров и расстояний утечки установлены четыре степени загрязнения микросреды (соответствие воздушных зазоров и расстояний утечки степеням загрязнения представлено в
таблицах 13 и
15).
Степень загрязнения 1:
отсутствие загрязнения или наличие только сухого, нетокопроводящего загрязнения.
Степень загрязнения 2:
нормальным является только нетокопроводящее загрязнение. Однако следует допустить возможность временной проводимости из-за конденсации влаги.
Степень загрязнения 3:
допустимо токопроводящее загрязнение или сухое, нетокопроводящее загрязнение, которое становится токопроводящим вследствие ожидаемой конденсации влаги.
Степень загрязнения 4:
загрязнение обусловливает устойчивую проводимость, вызванную, например токопроводящей пылью или дождем или снегом.
Стандартная степень загрязнения промышленной среды:
аппараты промышленного применения предназначаются для использования в среде со степенью загрязнения 3 при отсутствии других указаний в стандарте на аппарат конкретного вида.
Однако в зависимости от конкретной области применения или микросреды допускаются также другие степени загрязнения.
Примечание. На степень загрязнения микросреды аппарата может влиять то, что он смонтирован в оболочке.
Степень загрязнения в бытовом и аналогичных секторах:
при отсутствии других указаний в стандарте на соответствующий аппарат, аппараты для бытового и аналогичных секторов, как правило, предназначаются для использования в среде со степенью загрязнения 2.
6.1.4. Толчки и вибрации
Стандартные характеристики толчков и вибраций, воздействию которых могут подвергаться аппараты, находятся в стадии рассмотрения.
6.2. Условия транспортирования и хранения
Если условия транспортирования и хранения отличаются от указанных в
6.1, необходимо специальное соглашение между потребителем и изготовителем, исключением является то, что при отсутствии других рекомендаций диапазон температур во время транспортирования и хранения аппаратов составляет от минус 25 °C до плюс 55 °C, а на короткие периоды не более 24 ч - не более плюс 70 °C.
Аппараты, подвергающиеся воздействию вышеуказанных предельных температур в нерабочем состоянии, не должны иметь повреждений, препятствующих их дальнейшей работе в предназначенных условиях эксплуатации.
Монтаж аппаратов должен производиться в соответствии с инструкциями изготовителя.
7. Требования к конструкции и работоспособности
7.1. Требования к конструкции
Конструкция аппарата с неотделимой или демонтируемой оболочкой (при ее наличии) должна выдерживать нагрузки, происходящие при монтаже и нормальной эксплуатации, и, кроме того, обеспечивать необходимую степень стойкости к аномальному нагреву и огню.
7.1.1. Материалы
Пригодность применяемых в конструкции материалов проверяют испытаниями:
a) аппарата или
b) частей аппарата или
c) образцов применяемого материала, имеющих поперечное сечение, как у частей аппарата.
Пригодность материала определяют с точки зрения стойкости к аномальному нагреву и огню.
Если применяемый материал поперечного сечения, подобного уже выдержавшему одно из испытаний на соответствие требованиям по
8.2.1, то эти испытания не повторяют.
7.1.1.1. Стойкость к аномальному нагреву и огню
Части из изоляционного материала, которые могут подвергаться тепловым нагрузкам вследствие электромагнитных процессов и повреждение которых может вызвать снижение безопасности аппарата, не должны подвергаться неблагоприятному воздействию нагрева и огня. Проверку аппаратов проводят испытанием раскаленной проволокой по МЭК 60695-2-10
[7] и МЭК 60695-2-11
[8].
Части аппарата из изоляционного материала, удерживающие токоведущие части, должны выдержать испытания раскаленной проволокой по
8.2.1.1.1 при испытательной температуре 850 °C или 960 °C в зависимости от предполагаемого воздействия огня. Стандарты на аппараты конкретных видов должны определять соответствующее значение испытательной температуры, учитывая МЭК 60695-2-11
[8], приложение A.
Части из изоляционного материала, кроме названных выше, должны соответствовать требованиям испытания по
8.2.1.1.1 при температуре 650 °C.
Примечание. Для небольших деталей по МЭК 60695-2-11
[8] в стандарте на аппарат конкретного вида допустимо указывать другое испытание (например, испытание игольчатым пламенем согласно &
ГОСТ 27484&). Эту же методику можно использовать по другим причинам, например, если металлическая часть велика по сравнению с частью из изоляционного материала (например, в клеммных колодках).
Испытание материалов следует проводить в соответствии с их классификацией по воспламеняемости раскаленной проволокой и, если возможно, горением дуги, как указано в
8.2.1.1.2.
Стандарт на аппарат конкретного вида должен определять требуемую категорию воспламеняемости по МЭК 60695-11-10
[9].
Испытания проводят согласно
Приложению M. Соответствия испытательных значений при испытаниях раскаленной проволокой (ИРП) и горением электрической дуги (ЭД) категориям воспламенения твердых материалов - по Приложению M,
таблица M.1.
Изготовитель может предоставить данные от поставщика изоляционного материала для подтверждения соответствия требованиям испытания.
7.1.2. Токопроводящие части и их соединения
Токопроводящие части должны характеризоваться необходимой механической прочностью и токопроводящей способностью, соответствующей их предполагаемому назначению.
В электрических соединениях контактное давление не должно передаваться через изоляционный материал, кроме керамики или другого материала с аналогичными характеристиками, если металлические части не обладают достаточной упругостью для компенсации любой возможной усадки или пластичности изоляционного материала.
Соответствие проверяют осмотром и проведением испытания согласно стандарту на соответствующий аппарат.
В случае если контактное давление передается через изоляционные материалы, за исключением керамики, максимальное поперечное сечение проводников ограничено до 6 мм2 (10 AWG) и соответствие следует проверять дополнительными испытаниями по
8.2.6.
Примечание. В США применение зажимов, в которых давление передается через изоляционные материалы, за исключением керамики, допускается только в случаях, если:
1) зажим является частью клеммной колодки;
2) испытание на превышение температуры показывает, что пределы температур изоляционных материалов и выводов в соответствии с требованиями стандарта на аппарат не превышены;
3) упругий металл, применяемый в конструкции зажима, компенсирует снижение контактного давления вследствие усадки или деформации изоляционного материала.
7.1.3. Воздушные зазоры и расстояния утечки
Требования к электроизоляционным свойствам - в соответствии с
7.2.3.
Для всех прочих случаев минимальные значения параметров приведены в стандарте на аппарат конкретного вида.
7.1.4. Орган управления
7.1.4.1. Изоляция
Орган управления аппаратом следует изолировать от частей, находящихся под напряжением, с учетом номинального напряжения изоляции и, если требуется, номинального импульсного выдерживаемого напряжения.
Кроме того, если орган управления выполнен из металла, он должен быть пригоден для надежного присоединения к защитному проводнику (если не снабжен дополнительной надежной изоляцией), а если из изоляционного материала или покрыт таким материалом, то любая внутренняя металлическая часть, которая может оказаться доступной в случае повреждения изоляции, также должна быть изолирована от находящихся под напряжением частей с учетом номинального напряжения изоляции.
7.1.4.2. Направление движения
Направление движения органа управления должно соответствовать требованиям &ГОСТ Р МЭК 60447&. Если устройства не соответствуют этим требованиям, например устройства специального назначения или при наличии различных монтажных положений, они должны иметь четкую маркировку, исключающую ошибочную идентификацию положений "I" и "О" и направления движения органа управления.
7.1.5. Указание положения контактов
7.1.5.1. Средства индикации
Если аппарат снабжен средствами индикации замкнутого и разомкнутого положения, они должны быть выполнены так, чтобы при считывании показаний они были четкими и ясными. Для этой цели используют указатель положения (см.
2.3.18).
Примечание. На аппарате закрытого исполнения индикация не обязательно должна быть видна снаружи оболочки.
В стандарте на аппарат конкретного вида может уточняться, следует ли оснащать его таким указателем.
В случае если используются условные обозначения, замкнутое и разомкнутое положения указывают соответственно символами согласно МЭК 60417-2
[10]:
"I" - включенное положение (5007 МЭК 60417-2)
[10],
"О" - отключенное положение (5008 МЭК 60417-2)
[10].
У аппаратов с кнопочным управлением только нажимная кнопка, предназначенная для размыкания, должна быть красной или маркирована символом "О".
Красный цвет не может использоваться для другой кнопки.
Цвет других нажимных кнопок, подсветка и сигнальные лампочки должны соответствовать
&ГОСТ Р МЭК 60073&.
7.1.5.2. Индикация с помощью органа управления
Если для указания положения контактов используется орган управления, он должен автоматически доводиться до упора, а по освобождении оставаться неподвижным в положении, соответствующем положению подвижных контактов; в этом случае у органа управления должны быть два четко различающихся положения покоя, как у подвижных контактов, но для автоматического размыкания может предусматриваться третье четко отличающееся положение органа управления.
7.1.6. Дополнительные требования к аппаратам, пригодным для разъединения
7.1.6.1. Дополнительные требования к конструкции
Примечание. В США аппараты, соответствующие дополнительным требованиям, не считают обеспечивающими сами по себе функцию разъединения. Требования к разъединению и методика содержатся в соответствующих национальных нормах и стандартах на обслуживание.
Аппарат, пригодный для разъединения, должен обеспечивать в разомкнутом положении (см.
2.4.21) изолирующий промежуток в соответствии с требованиями к выполнению функции разъединения (см.
7.2.3.1 и
7.2.7). Указание положения главных контактов должно обеспечиваться одним из следующих средств индикации:
- положением органа управления;
- специальным механическим индикатором;
- возможностью визуального осмотра подвижных контактов - или их совокупностью.
Эффективность каждого из средств индикации, предусмотренных на аппарате, и их механическую прочность проверяют по
8.2.5.
Если изготовителем предусмотрено или указано устройство блокировки аппарата в разомкнутом положении, блокировка в этом положении должна быть возможна, только если главные контакты находятся в разомкнутом положении. Проверяют по
8.2.5.
Конструкция аппарата должна быть такой, чтобы установленные на аппарате орган управления, фронтальная панель или крышка обеспечивали правильное указание положения контактов и блокировки (если предусмотрена).
Примечания
1. Для специальных назначений аппарата допускается блокировка в замкнутом положении.
2. Если для блокировки используются вспомогательные контакты, изготовитель должен указать время срабатывания вспомогательных и главных контактов. Более специфичные требования могут содержаться в соответствующем стандарте на аппарат.
7.1.6.2. Дополнительные требования к аппаратам, снабженным средствами электрической блокировки с контакторами или автоматическими выключателями
Если аппарат, пригодный для разъединения, снабжен блок-контактом для электрической блокировки с контактором или автоматическим выключателем и предназначен для применения в цепях двигателей, но не предназначен для категории применения АС-23, применяют следующие требования.
Номинальные параметры блок-контакта, указанные изготовителем, должны соответствовать
&ГОСТ 30011.5.1&.
Временной интервал между размыканием блок-контакта и контактов главных полюсов должен быть достаточным, чтобы сблокированный с ним контактор или автоматический выключатель отключил ток до размыкания контактов главных полюсов аппарата.
При отсутствии иных указаний изготовителя временной интервал должен быть не менее 20 мс, если аппарат оперируется согласно указаниям изготовителя.
Соответствие следует проверять измерением временного интервала между моментом размыкания блок-контакта и моментом размыкания контактов главных полюсов в обесточенном состоянии, если аппарат оперируется согласно инструкциям изготовителя.
Во время операции замыкания блок-контакт должен замыкаться после или одновременно с контактами главных полюсов.
Удобный интервал времени размыкания может обеспечиваться также средним положением (между положениями "вкл." и "откл."), при котором контакт(ы) электрической блокировки находится(ятся) в разомкнутом положении, а контакты главных полюсов остаются замкнутыми.
7.1.6.3. Дополнительные требования к аппаратам, снабженным устройствами для блокировки навесными замками в разомкнутом положении
Конструкция устройств блокировки должна быть такой, чтобы их невозможно было снять с установленными навесными замками. Если аппарат блокирован даже одним навесным замком, то не должно быть возможно, оперируя органом управления, снизить воздушный зазор между разомкнутыми контактами до пределов несоответствия требованиям
7.2.3.1, перечисление b).
Конструкцией могут быть предусмотрены устройства блокировки навесными замками, препятствующие доступу к органу управления.
Соответствие требованиям к замыканию органа управления следует проверять с использованием навесного замка, указанного изготовителем, или эквивалентного запора, обеспечивающего самые неблагоприятные условия для имитации блокировки. Усилие F, указанное в
8.2.5.2.1, следует приложить к органу управления при попытке перевести аппарат из разомкнутого положения в замкнутое. Во время прикладывания усилия F на разомкнутые контакты аппарата должно подаваться испытательное напряжение. Аппарат должен быть способен выдержать испытательное напряжение согласно
таблице 14, соответствующее номинальному импульсному выдерживаемому напряжению.
7.1.7. Выводы
7.1.7.1. Требования к конструкции
Части выводов, поддерживающие контакт и проводящие ток, должны изготавливаться из металла достаточной механической прочности.
Соединения выводов должны обеспечивать возможность присоединения проводников с помощью винтов, пружин или других эквивалентных приспособлений, создающих необходимое контактное давление.
Конструкция выводов должна допускать зажим проводников между предусмотренными для этого поверхностями без нанесения значительного повреждения проводникам или выводам.
Выводы не должны допускать смещения проводников или сами смещаться так, чтобы нарушалась работа аппарата, а напряжение изоляции не должно снижаться ниже номинальных значений. Согласно назначению проводники могут подсоединяться к выводам с помощью кабельных наконечников, предназначенных исключительно для медных проводников.
Примечание. Примеры габаритных размеров кабельных наконечников для прямого подсоединения к штифтовым выводам приведены в
Приложении P.
Соблюдение требований данного подпункта следует проверять испытаниями по
8.2.4.2 -
8.2.4.4, что применимо.
Примечание. В США, Канаде предъявляются особые требования к выводам, пригодным для алюминиевых проводников, и наносится маркировка с указанием возможности использования алюминиевых проводников.
7.1.7.2. Способность к присоединению
Изготовитель должен указать тип (жесткие - одножильные, многожильные или гибкие), минимальное и максимальное поперечные сечения проводников, для которых пригоден данный вывод, и, если требуется, число проводников, одновременно подсоединяемых к выводу.
Максимальное поперечное сечение должно быть не менее указанного в
8.3.3.3 для испытания на превышение температуры, и вывод должен быть пригоден для проводников того же типа (жестких - одножильных, многожильных или гибких) как минимум на два размера меньше, чем в соответствующей графе
таблицы 1.
Примечания
1. Стандарты на аппараты конкретных видов могут допускать применение проводников с поперечным сечением менее минимального.
2. Из-за падения напряжения и по другим соображениям в стандарты на аппараты конкретных видов допускается включать требования о пригодности выводов для проводников большего поперечного сечения, чем установлено для испытания на превышение температуры. Взаимосвязь между поперечными сечениями проводников и номинальными токами может быть указана в стандартах на аппараты конкретных видов.
Стандартные значения поперечного сечения круглых медных проводников (в системах метрической ISO и AWG/kcmil) сведены в
таблицу 1, отражающую также приблизительное соотношение между системами мер.
7.1.7.3. Присоединение
Выводы аппарата для присоединения внешних проводников должны быть легко доступными во время монтажа.
Зажимные винты и гайки не должны служить для закрепления каких-либо других деталей, хотя могут удерживать выводы на месте или предотвращать их проворачивание.
7.1.7.4. Идентификация и маркировка выводов
Выводы аппарата следует четко и однозначно идентифицировать согласно МЭК 60445
[11] и
Приложению L настоящего стандарта, если нет иных указаний в стандарте на аппарат конкретного вида.
Выводы, предназначенные исключительно для нулевого рабочего проводника, должны обозначаться буквой N в соответствии с МЭК 60445
[11].
Защитный вывод заземления должен идентифицироваться по
7.1.9.3.
7.1.8. Дополнительные требования к аппаратам с нейтральным полюсом
Если один из полюсов аппарата предназначен исключительно для присоединения нейтрали, его следует четко обозначить буквой N (см.
7.1.7.4).
Коммутируемый нейтральный полюс должен отключать ток не раньше и включать не позже других полюсов.
Если полюс, обладающий соответствующей наибольшей отключающей и включающей способностью (см.
2.5.14 и
2.5.15), используют в качестве нейтрального полюса, тогда все полюса, в том числе нейтральный полюс, могут срабатывать практически одновременно.
Примечание. Нейтральный полюс может быть оснащен максимальным расцепителем тока.
Для аппаратов с условным тепловым током (в оболочке или без оболочки, см.
4.3.2.1 и
4.3.2.2) не выше 63 А значение тока должно быть одинаковым для всех полюсов.
При более высоких значениях условного теплового тока условный тепловой ток нейтрального полюса может отличаться от условного теплового тока других полюсов, но быть не менее 50% условного теплового тока или 63 А.
7.1.9. Меры по защитному заземлению
7.1.9.1. Требования к конструкции
Открытые токопроводящие части (например рама, корпус и стационарные части металлических оболочек), за исключением не представляющих опасности, должны быть электрически связаны между собой и присоединены к защитному выводу заземления для подключения к заземляющему электроду или внешнему защитному проводнику.
Данному требованию соответствуют стандартные конструкционные элементы, обеспечивающие достаточную электрическую непрерывность, это требование действует независимо от того, используется ли аппарат автономно или встраивается в систему.
Примечание. При необходимости требования и испытания могут уточняться в стандарте на аппарат конкретного вида.
Открытые токопроводящие части считают не представляющими опасности, если к ним невозможно прикоснуться на большой поверхности или схватить рукой, либо если их размеры невелики (приблизительно 50 x 50 мм) или расположены так, что исключается любой их контакт с частями, находящимися под напряжением.
Примерами открытых токопроводящих частей служат винты, заклепки, фирменные таблички, сердечники трансформаторов, электромагниты коммутационных аппаратов и некоторые части расцепителей, независимо от их размеров.
7.1.9.2. Защитный вывод заземления
Защитный вывод заземления должен быть легко доступным и находиться в таком месте, чтобы при удалении крышки или любой другой съемной части сохранялось соединение аппарата с электродом заземления или защитным проводником.
Защитный вывод заземления должен быть эффективно защищен от коррозии.
Для аппаратов с токопроводящими конструкциями, оболочками и т.п. следует (если требуется) принять меры для обеспечения электрической непрерывности между открытыми токопроводящими частями аппарата и металлическими оболочками соединительных проводников.
Защитный вывод заземления не должен выполнять других функций, если только он не предназначается для присоединения к проводнику PEN (см.
2.1.15, примечание).
В этом случае защитный вывод заземления должен не только соответствовать требованиям, предъявляемым к защитному выводу заземления, но и выполнять функцию вывода нейтрали.
7.1.9.3. Маркировка и идентификация защитного вывода заземления
Защитный вывод заземления должен на протяжении всего срока службы сохранять четкую маркировку.
Идентификация маркировки обеспечивается цветом (желто-зеленым) или обозначением PE или PEN (что применимо) по МЭК 60445
[11], подпункт 5.3 или графическим символом, наносимым на аппарат.
Использованию подлежит графический символ 5019

защитного заземления по МЭК 60417-2
[10].
Примечание. Рекомендованный ранее символ 5017

по МЭК 60417-2
[10] должен постепенно замениться указанным выше предпочтительным символом 5019 по МЭК 60417-2
[10].
7.1.10. Оболочки аппаратов
Следующие требования относятся только к оболочкам, поставляемым или предназначенным для использования совместно с аппаратом.
7.1.10.1. Конструкция
Оболочка аппарата должна быть сконструирована так, чтобы при ее открывании и удалении других защитных приспособлений (если они предусмотрены) части, к которым требуется доступ для монтажа и обслуживания по инструкциям изготовителя, были легкодоступными.
Внутри оболочки должно быть достаточно места для прокладки внешних проводников от их входа в оболочку до выводов, обеспечивающих нужное присоединение.
Неподвижные части металлической оболочки должны быть электрически присоединены к другим открытым токопроводящим частям аппарата и подключены к выводу, обеспечивающему их заземление, или защитному проводнику.
Съемная металлическая часть оболочки аппарата ни в коем случае не должна быть изолирована от части, снабженной выводом заземления, когда съемная часть находится на своем месте.
Съемные части оболочки аппарата должны быть прочно скреплены с неподвижными частями таким приспособлением, чтобы не могли случайно отсоединиться или разболтаться в результате срабатывания аппарата или под воздействием вибрации.
Если оболочка сконструирована так, что крышки можно открыть без помощи инструментов, необходимо принять меры во избежание потери крепежных деталей.
Неотделимая оболочка рассматривается как несъемная часть аппарата.
Если на оболочке монтируются нажимные кнопки, удалить их извне должно быть возможно лишь с помощью специального инструмента.
7.1.10.2. Изоляция
Если во избежание случайного контакта между металлической оболочкой и частями аппарата, находящимися под напряжением, оболочка частично или полностью застилается изнутри изоляционным материалом, этот материал должен быть надежно прикреплен к оболочке.
7.1.11. Степени защиты аппаратов в оболочках
Степени защиты аппаратов в оболочках и соответствующие испытания указаны в
Приложении C.
7.1.12. Вытягивание, кручение, изгиб стальных труб для проводников
Оболочки аппаратов из полимерных материалов, неотделимые или демонтируемые и снабженные резьбовыми вводами, предназначенными для присоединения жестких стальных труб с резьбой по концам для сверхтяжелого режима применения согласно МЭК 60981
[12], должны выдерживать нагрузки при монтаже, а именно: вытягивание, кручение, изгиб.
Соответствие проверяют испытанием по
8.2.7.
7.2. Требования к работоспособности
При отсутствии в стандарте на аппарат конкретного вида других указаний последующие требования относятся к чистому новому аппарату.
7.2.1. Рабочие условия
Оперирование аппаратом должно осуществляться согласно инструкциям изготовителя или стандарту на аппарат конкретного вида, особенно при ручном управлении с приводом зависимого действия, в том случае когда включающая и отключающая способность может зависеть от квалификации оператора.
7.2.1.2. Пределы срабатывания аппарата с двигательным приводом
При отсутствии в стандарте на аппарат конкретного вида других указаний электромагнитный и электропневматический аппараты должны замыкаться при любом питающем напряжении управления от 85% до 110% его номинального значения

и температуре окружающего воздуха от минус 5 °C до плюс 40 °C.
Эти пределы действительны как для постоянного, так и для переменного тока, по обстоятельствам.
Для пневматических и электропневматических аппаратов при отсутствии других указаний пределы давления воздуха на входе составляют 85% и 110% номинального давления.
Если указывается диапазон рабочих значений, 85% должно относиться к нижнему пределу диапазона, 110% - к верхнему.
Примечание. Для аппаратов с защелкой пределы срабатывания подлежат согласованию между изготовителем и потребителем.
Для электромагнитных и электропневматических аппаратов напряжение отпадания должно быть не выше 75% номинального питающего напряжения управления

и не ниже 20%

на переменном токе при номинальной частоте или 10%

- на постоянном токе.
Пневматические и электропневматические аппараты при отсутствии других указаний должны размыкаться при давлении от 75% до 10% номинального давления.
Если указывается диапазон рабочих значений, верхнему его пределу может соответствовать значение 20% или 10%, по обстоятельствам, нижнему - 75%.
Для катушки предельное значение отпадания действительно, если сопротивление цепи катушки равно достигнутому при минус 5 °C, что можно проверить с помощью расчетов, основанных на значениях, определенных при нормальной температуре окружающего воздуха.
7.2.1.3. Пределы срабатывания минимальных реле и расцепителей напряжения
a) Рабочее напряжение
Минимальное реле или минимальный расцепитель напряжения в комбинации с коммутационным аппаратом должны срабатывать на размыкание аппарата даже на медленно падающем напряжении от 70% до 35% его номинального напряжения.
Примечание. Особый вариант минимального расцепителя напряжения представляет собой расцепитель нулевого напряжения с рабочим напряжением от 35% до 10% номинального питающего напряжения.
Минимальное реле или минимальный расцепитель напряжения должны предотвращать замыкание аппарата при питающем напряжении ниже 35% номинального напряжения реле или расцепителя и допускать замыкание аппарата при питающем напряжении не ниже 85% номинального. При отсутствии других указаний в стандарте на аппарат конкретного вида верхний предел питающего напряжения должен составлять 110% номинального значения.
Вышеприведенные значения действительны для постоянного тока и переменного тока при номинальной частоте.
b) Рабочее время
Для минимального реле или расцепителя напряжения с выдержкой времени выдержку времени следует измерять с момента достижения напряжением рабочего значения до момента воздействия реле или расцепителя на расцепляющее устройство аппарата.
7.2.1.4. Пределы срабатывания независимых расцепителей
Независимый размыкающий расцепитель должен вызывать расцепление в любых рабочих условиях, если питающее напряжение независимого расцепителя, измеренное во время расцепления, остается в пределах от 70% до 110% номинального питающего напряжения управления и при номинальной частоте, если ток переменный.
7.2.1.5. Пределы срабатывания реле и расцепителей, оперируемых током
Пределы срабатывания реле и расцепителей, оперируемых током, должны указываться в стандарте на аппарат конкретного вида.
Примечание. Термин "реле и расцепители, оперируемые током" относится к максимальным реле или расцепителям тока, реле или расцепителям перегрузки, реле или расцепителям обратного тока и т.п.
7.2.2. Превышение температуры
Превышение температуры частей аппарата, которое определяют в ходе испытания по
8.3.3.3, не должно превышать значений, содержащихся в
8.3.3.3.
Примечания
1. Превышение температуры в нормальных условиях эксплуатации может отличаться от испытательных значений в зависимости от условий монтажа и размеров присоединенных проводников.
2. Пределы превышения температуры, указанные в
таблицах 2 и
3, относятся к новым аппаратам. В стандартах на аппараты конкретного вида могут быть указаны другие значения в зависимости от условий испытания, а также для малогабаритных аппаратов, но эти значения не должны превышать приведенных в вышеуказанных таблицах значений более чем на 10 К.
Превышение температуры выводов аппаратов не должно выходить за пределы, указанные в
таблице 2.
Превышение температуры доступных частей аппаратов не должно выходить за пределы значений, указанных в
таблице 3.
Примечание. Пределы превышения температуры других частей аппаратов приведены в
7.2.2.8.
7.2.2.3. Температура окружающего воздуха
Пределы превышения температуры аппаратов приведены в
таблицах 2 и
3 для температуры окружающего воздуха, указанной в
6.1.1.
7.2.2.4. Главная цепь
Главная цепь аппарата должна быть способна проводить условный тепловой ток аппарата так, чтобы превышение температуры не выходило за пределы, указанные в
таблицах 2 и
3, при испытаниях согласно
8.3.3.3.4.
Цепи управления аппарата, в т.ч. аппараты для цепей управления, предназначенные для замыкания и размыкания аппарата, должны обеспечивать работу в нормальных режимах по
4.3.4. При этом превышения температуры, определенные при испытании по
8.3.3.3.5, не должны превышать значений, указанных в
таблицах 2 и
3.
7.2.2.6. Обмотки катушек и электромагнитов
При прохождении тока по главной цепи обмотки катушек и электромагнитов должны выдерживать их номинальное напряжение так, чтобы превышение температуры не выходило за пределы, установленные в
7.2.2.8 при испытаниях по
8.3.3.3.6.
Примечание. Данный подпункт не распространяется на катушки, оперируемые импульсным током, рабочие условия для которых определяются изготовителем.
7.2.2.7. Вспомогательные цепи
Вспомогательные цепи аппарата, в том числе блок-контакты, должны быть способны проводить условный тепловой ток, так чтобы превышение температуры вспомогательных цепей не выходило за пределы, установленные в
таблицах 2 и
3, при испытаниях по
8.3.3.3.7.
Примечание. Если вспомогательная цепь составляет неотъемлемую часть аппарата, достаточно подвергнуть ее испытаниям одновременно с основным аппаратом, но на фактическом эксплуатационном токе.
Превышения температуры во время испытания не должны вызывать повреждений токопроводящих или соседних частей аппарата. В частности, для изоляционных материалов изготовитель соответствие данному требованию должен доказать, сославшись на показатель температуры изоляции (определенный, например, методами по МЭК 60216
[13]) или на соответствие МЭК 60085
[14].
7.2.3. Электроизоляционные свойства
Требования к электроизоляционным свойствам основаны на принципах электробезопасности по МЭК 60664-1
[15] и &
ГОСТ IEC 61140&.
a) Нижеприведенные требования представляют механизм достижения координации изоляции аппарата с условиями внутри установки.
b) Аппарат должен выдерживать испытания на:
- номинальное импульсное выдерживаемое напряжение (см.
4.3.1.3) в соответствии с категориями перенапряжения, приведенными в
Приложении H;
- импульсное выдерживаемое напряжение на разомкнутых контактах аппаратов, пригодных для разъединения, в соответствии с
таблицей 14;
- выдерживаемое напряжение промышленной частоты.
Примечание. Соотношение между номинальным напряжением системы питания и номинальным импульсным выдерживаемым напряжением аппарата приведено в
Приложении H.
Номинальное импульсное выдерживаемое напряжение для данного номинального рабочего напряжения (см.
примечания 1 и
2 к 4.3.1.1) не должно быть меньше того, что в
Приложении H соответствует номинальному напряжению системы питания цепи в точке, где должен использоваться аппарат, и категории перенапряжения.
c) Требования данного пункта следует проверить испытаниями по
8.3.3.4.
7.2.3.1. Импульсное выдерживаемое напряжение:
1) главной цепи:
a) Зазоры между частями, находящимися под напряжением, и частями, предназначенными для заземления, а также между полюсами должны выдерживать испытательное напряжение, указанное в
таблице 12, соответственно номинальному импульсному выдерживаемому напряжению.
b) Зазоры между разомкнутыми контактами должны выдерживать:
- импульсное напряжение, установленное (если требуется) в стандарте на аппарат конкретного вида;
- в аппарате, характеризуемом как пригодный для разъединения, испытательное напряжение, указанное в
таблице 14, соответственно номинальному импульсному выдерживаемому напряжению;
Примечание. Твердую изоляцию аппаратов с воздушными зазорами следует подвергнуть испытанию импульсным напряжением согласно
перечислениям a) и/или
b), что применимо.
2) вспомогательных цепей и цепей управления:
| | ИС МЕГАНОРМ: примечание. В официальном тексте документа, видимо, допущена опечатка: примечание 1 в пункте 7.2.3.1 отсутствует. Возможно, имеется в виду примечание в пункте 7.2.3.1. | |
b) Вспомогательные цепи и цепи управления, не оперируемые приводом от главной цепи, могут выдерживать перенапряжения, отличные от перенапряжений главной цепи. Воздушные зазоры и твердая изоляция таких цепей переменного или постоянного тока должны выдерживать напряжение согласно
Приложению H.
7.2.3.2. Выдерживаемое напряжение промышленной частоты главной цепи, вспомогательных цепей и цепей управления
a) Испытание напряжением промышленной частоты проводят при:
- испытаниях на электрическую прочность изоляции в качестве типовых для проверки твердой изоляции;
- проверке электрической прочности изоляции в качестве критерия отбраковки после типовых коммутационных испытаний или испытаний на короткое замыкание;
- контрольных испытаниях.
b) Типовые испытания электроизоляционных свойств
Испытания электроизоляционных свойств в качестве типовых испытаний следует проводить в соответствии с
8.3.3.4.
Для аппарата, пригодного для разъединения, максимальный ток утечки должен соответствовать
7.2.7, испытания следует проводить в соответствии с
8.3.3.4.
c) Проверка электрической прочности изоляции после коммутационных испытаний или испытаний на короткое замыкание
Проверку электрической прочности изоляции после коммутационных испытаний или испытаний на короткое замыкание в качестве критерия для отбраковки всегда проводят при напряжении промышленной частоты согласно
8.3.3.4.1, перечисление 4).
Для аппарата, пригодного для разъединения, максимальный ток утечки должен соответствовать
7.2.7, испытания проводят в соответствии с
8.3.3.4, ток утечки не должен превышать значений, указанных в стандарте на аппарат конкретного вида.
d) Свободное
e) Проверка электрической прочности изоляции во время контрольных испытаний
Испытания на обнаружение дефектов в материалах и при изготовлении изделий проводят при напряжении промышленной частоты согласно
8.3.3.4.2, перечисление 2).
7.2.3.3. Воздушные зазоры
Размеры воздушных зазоров должны быть достаточными для того, чтобы аппарат мог противостоять номинальному импульсному выдерживаемому напряжению согласно
7.2.3.1.
Размеры воздушных зазоров должны быть больше указанных в
таблице 13, случай B (для однородного поля см.
2.5.62) и проверяться посредством выборочного испытания по
8.3.3.4.3. Данное испытание не требуется, если воздушные зазоры, соотнесенные с номинальным импульсным выдерживаемым напряжением и степенью загрязнения, больше указанных в
таблице 13 (случай A для неоднородного поля).
7.2.3.4. Расстояния утечки
a) Расчет размеров
При степенях загрязнения 1 и 2 расстояния утечки должны быть не менее соответствующих воздушных зазоров, выбранных по
7.2.3.3. При степенях загрязнения 3 и 4 расстояния утечки должны быть не менее воздушных зазоров в случае A (см.
таблицу 13) для того, чтобы снизить риск пробивных разрядов вследствие перенапряжений, даже если эти воздушные зазоры меньше допускаемых для случая A в соответствии с
7.2.3.3.
Расстояния утечки должны соответствовать степени загрязнения согласно
6.1.3.2 (или стандарту на аппарат конкретного вида) и группе материалов при номинальном напряжении изоляции (или эксплуатационном напряжении), указанном в
таблице 15.
Группы материалов определяют по диапазону значений показателя относительной стойкости против токов утечки (СИТ) (см.
2.5.65):
- группа I - 600 <= СИТ;
- группа II - 400 <= СИТ < 600;
- группа IIIa - 175 <= СИТ < 400;
- группа IIIb - 100 <= СИТ < 175.
Примечания
1. Приведенные выше значения СИТ получены по &
ГОСТ 27473, метод A&, для применяемого изоляционного материала.
2. Для неорганических изоляционных материалов (стекло или керамика), на которых токи утечки не оставляют следов, расстояния утечки не должны быть более соответствующих воздушных зазоров. Однако следует учитывать опасность пробивных разрядов.
b) Использование ребер
Расстояние утечки можно уменьшить до 0,8 соответствующего значения по
таблице 15, используя ребра высотой не менее 2 мм, независимо от числа ребер.
Минимальное основание ребра определяется его механическими параметрами (см. Приложение G,
раздел G.2).
c) Специальные области применения
В аппаратах для некоторых областей применения, для которых следует учитывать серьезные последствия повреждения изоляции, следует использовать один или несколько влияющих факторов в соответствии с
таблицей 15 (расстояния утечки, изоляционные материалы, загрязнения микросреды) так, чтобы достичь более высокого напряжения изоляции, чем номинальное напряжение изоляции аппарата, указанное в
таблице 15.
7.2.3.5. Твердая изоляция
Твердую изоляцию следует проверять либо испытаниями напряжением промышленной частоты согласно
8.3.3.4.1, перечисление 3), либо испытаниями на постоянном токе для аппаратов постоянного тока.
Расчет расстояний утечки для твердой изоляции и испытательные напряжения постоянного тока находятся в стадии рассмотрения.
7.2.3.6. Расстояние между отдельными цепями
Для определения размеров воздушных зазоров, расстояний утечки и твердой изоляции между отдельными цепями следует использовать наибольшие параметры напряжения (номинальное импульсное выдерживаемое напряжение для воздушных зазоров и связанной с ними твердой изоляции и номинальное напряжение изоляции или эксплуатационное напряжение - для расстояний утечки).
7.2.3.7. Требования к аппаратам с защитным разделением
Требования к аппаратам с защитным разделением приведены в
Приложении N.
7.2.4. Способность включать, проводить и отключать ток при нулевой, нормальной нагрузке и перегрузке
7.2.4.1. Включающая и отключающая способности
Аппарат должен включать и отключать токи нагрузки и перегрузки без отказа в условиях, указанных в стандарте на аппарат конкретного вида для требуемой категории применения и числа срабатываний, указанного в стандарте на аппарат конкретного вида (см. также общие условия испытания по
8.3.3.5).
7.2.4.2. Работоспособность
Испытания на работоспособность аппарата предназначены для проверки его способности включать, проводить и отключать без отказа токи, проходящие по его главной цепи в условиях, соответствующих установленной категории применения, где применимо.
Особые требования и условия испытания должны быть оговорены в стандарте на аппарат конкретного вида и могут касаться работоспособности аппарата:
- при отсутствии нагрузки, испытываемой в условиях, когда в цепь управления ток поступает, а в главную цепь - не поступает для доказательства того, что аппарат соответствует требованиям к срабатыванию при верхнем и нижнем предельных питающих напряжениях и/или при давлении или напряжении и давлении, установленных для цепи управления во время замыкания и размыкания;
- при прохождении тока, если аппарат должен включать и отключать установленный ток, где нужно, соответственно его категории применения при числе срабатываний, указанном в стандарте на аппарат конкретного вида.
Проверку на работоспособность в обесточенном состоянии и при прохождении тока можно совмещать в одном цикле испытаний, если это предусмотрено в стандарте на аппарат конкретного вида.
7.2.4.3. Износостойкость
Примечание. Термин "износостойкость" ("durability") выбран для обеспечения ожидаемого числа циклов оперирования, которые выдерживает аппарат до ремонта или замены частей. Также широко используемый в значении "износостойкость" термин "endurance" обычно относится также и к понятию "работоспособность" по
7.2.4.2, поэтому было решено не применять его в настоящем стандарте во избежание смешивания двух понятий.
7.2.4.3.1. Механическая износостойкость
По стойкости к механическому износу аппарат характеризуется указанным в стандарте на аппарат конкретного вида числом циклов оперирования без нагрузки (т.е. при обесточенных главных контактах), которые он должен осуществить, прежде чем возникнет необходимость обслуживания или замены каких-либо механических частей; однако допускается нормальное (по инструкциям изготовителя) обслуживание аппаратов (в случае, если это предусмотрено).
Каждый цикл оперирования состоит из одного замыкания контактов с последующим размыканием.
Для проведения испытания аппарат монтируют по инструкции изготовителя.
Предпочтительное число циклов оперирования аппарата в обесточенном состоянии должно устанавливаться в стандарте на аппарат конкретного вида.
7.2.4.3.2. Коммутационная износостойкость
По стойкости к коммутационному износу контакты аппарата характеризуются числом циклов оперирования при прохождении тока в соответствии с условиями эксплуатации, указанными в стандарте на аппарат конкретного вида, которые аппарат должен осуществить без ремонта или замены частей.
Предпочтительное число циклов оперирования под нагрузкой должно быть указано в стандарте на аппарат конкретного вида.
7.2.5. Способность включать, проводить и отключать токи короткого замыкания
Аппараты в соответствии с конструкцией, в условиях, установленных в стандарте на аппарат конкретного вида, должны выдерживать термические, динамические и электрические нагрузки, обусловленные токами короткого замыкания. В частности, аппараты должны соответствовать требованиям
8.3.4.1.8.
Токи короткого замыкания могут возникать при:
- включении тока;
- прохождении тока в замкнутом положении контактов аппарата;
- отключении тока.
Способность аппарата включать, проводить и отключать токи короткого замыкания определяется одним или несколькими следующими номинальными параметрами:
- номинальной наибольшей включающей способностью (см.
4.3.6.2);
- номинальной наибольшей отключающей способностью (см.
4.3.6.3);
- номинальным кратковременно допустимым током (см.
4.3.6.1).
Для аппаратов, координируемых с устройствами для защиты от коротких замыканий (УЗКЗ), - следующими параметрами:
a) номинальным условным током короткого замыкания (см.
4.3.6.4);
b) другими типами координации, указанными только в стандарте на аппарат конкретного вида.
Для номинальных и предельных значений по вышеуказанным перечислениям a) и b) изготовитель должен указать тип и характеристики (например номинальный ток, отключающую способность, ток отсечки,

) УЗКЗ, необходимых для защиты аппаратов.
7.2.6. Коммутационные перенапряжения
В стандарте на аппарат конкретного вида могут быть установлены испытания на коммутационные перенапряжения (при необходимости).
В этом случае методика испытания и требования должны быть определены в стандарте на аппарат конкретного вида.
7.2.7. Токи утечки аппаратов, пригодных для разъединения
Для аппарата, пригодного для разъединения, с номинальным рабочим напряжением

свыше 50 В ток утечки измеряют на каждом полюсе при разомкнутых контактах.
Значение тока утечки при испытательном напряжении, равном 1,1 номинального рабочего напряжения, не должно превышать:
0,5 мА на полюс - для нового аппарата;
2 мА на полюс - для аппарата, уже подвергавшегося операциям включения и отключения в соответствии с требованиями к испытанию, указанными в стандарте на аппарат конкретного вида.
Ток утечки 6 мА при 1,1 номинального рабочего напряжения является предельным значением для аппарата, пригодного для разъединения, причем это значение не должно быть превышено. Испытания на проверку соответствия данному требованию могут содержаться в стандарте на аппарат конкретного вида.
7.3. Электромагнитная совместимость (ЭМС)
7.3.1. Общие положения
Для аппаратов, подпадающих под область применения настоящего стандарта, рассматривают две группы условий окружающей среды:
a) группа A;
b) группа B.
Группа A условий окружающей среды касается низковольтных не коммунальных или промышленных сетей/электроустановок, в том числе источников сильных электромагнитных помех.
Примечание. Группа A условий окружающей среды соответствует аппаратуре класса A по
&ГОСТ Р 51318.11&.
Группа B условий окружающей среды касается низковольтных коммунальных сетей, например бытовых, коммерческих и осветительных промышленных сетей/электроустановок. Источники сильных электромагнитных помех, например, аппараты дуговой сварки, к данной группе не относятся.
Примечание. Группа B условий окружающей среды соответствует аппаратуре класса B по
&ГОСТ Р 51318.11&.
7.3.2. Устойчивость к электромагнитным помехам
7.3.2.1. Аппараты, не содержащие электронные цепи
Аппараты, не содержащие электронные цепи, не чувствительны к электромагнитным помехам в нормальных условиях эксплуатации и поэтому их не подвергают испытаниям на устойчивость к электромагнитным помехам.
7.3.2.2. Аппараты, содержащие электронные цепи
Аппараты, содержащие электронные цепи, должны обладать достаточной устойчивостью к электромагнитным помехам.
В данном пункте термин "электронные цепи" не распространяется на цепи, в которых все компоненты пассивны (например диоды, резисторы, варисторы, конденсаторы, подавители импульсов, индукторы).
Испытание на соответствие вышеуказанному требованию - по
8.4.
Специфический критерий работоспособности, основанный на критериях соответствия, приведенных в
таблице 24, должен содержаться в стандарте на аппарат конкретного вида.
7.3.3. Помехоэмиссия
7.3.3.1. Аппараты, не содержащие электронные цепи
В аппаратах, не содержащих электронные цепи, электромагнитные помехи могут излучаться только во время случайных коммутаций. Длительность электромагнитных помех измеряется в миллисекундах.
Частоту, уровень и последовательность таких излучений считают принадлежностью нормальной электромагнитной среды низковольтных электроустановок.
При этом считается, что требования к излучению электромагнитных помех соблюдены, и испытания не проводят.
7.3.3.2. Аппараты, содержащие электронные цепи
7.3.3.2.1. Пределы высокочастотных излучаемых помех
Аппараты, содержащие электронные цепи (например источники тока коммутируемого типа, цепи, содержащие микропроцессоры с высокочастотными таймерами), могут излучать длительные электромагнитные помехи.
Такие излучения не должны выходить за пределы, указанные в стандарте на аппарат конкретного вида, основанные на
&ГОСТ Р 51318.11& для условий окружающей среды групп A и B.
Испытания проводят только для вспомогательных цепей и цепей управления, содержащих элементы с основными коммутируемыми частотами свыше 9 Кгц.
Стандарт на аппарат конкретного вида содержит описание методики испытаний.
7.3.3.2.2. Пределы низкочастотных излучаемых помех
К аппаратам, излучающим низкочастотные гармоники, если необходимо, применяют требования МЭК 61000-3-2
[16].
К аппаратам, вызывающим низкочастотные колебания напряжения, если необходимо, применяют требования
&ГОСТ Р 51317.3.3&.
Для подтверждения соответствия аппаратов требованиям настоящего стандарта (если применимы) и стандарта на аппарат конкретного вида проводят следующие испытания:
- типовые (см.
2.6.1) на характерных образцах каждого конкретного аппарата;
- контрольные (см.
2.6.2), которым подвергают каждый аппарат, изготовленный в соответствии с требованиями настоящего стандарта (если применим) и стандартом на аппарат конкретного вида;
- выборочные (см.
2.6.3), выполняемые в соответствии с требованиями стандарта на аппарат конкретного вида. Выборочные испытания для проверки воздушных зазоров см.
8.3.3.4.3.
Данные испытания могут состоять из циклов согласно требованиям стандарта на аппарат конкретного вида.
Если циклы испытаний указаны в стандарте на аппарат конкретного вида, то испытания, на результат которых не повлияли предыдущие испытания и которые не имеют значения для последующих испытаний данного цикла, могут быть опущены в этом цикле испытаний и по согласованию с изготовителем проведены отдельно на новых образцах.
В стандарте на аппарат конкретного вида должны быть указаны такие испытания (где применимо).
Эти испытания должен проводить изготовитель на своем производстве или в любой лаборатории по его усмотрению.
Если требуется в стандарте на аппарат конкретного вида и по соглашению между изготовителем и потребителем, могут проводиться также специальные испытания (см.
2.6.4).
8.1.2. Типовые испытания
Типовые испытания проводят для проверки соответствия конструкции конкретного аппарата требованиям настоящего стандарта (если применим) и стандарта на аппарат конкретного вида.
Типовые испытания могут включать в себя (по необходимости) проверку:
- выполнения требований к конструкции;
- превышения температуры частей аппарата;
- электроизоляционных свойств (см.
8.3.3.4.1, если применимо);
- включающей и отключающей способностей;
- наибольшей включающей и отключающей способностей аппарата;
- пределов работоспособности аппарата;
- работоспособности;
- степени защиты аппаратов в оболочках;
- соответствия требованиям ЭМС.
Примечание. Данное перечисление не является исчерпывающим.
Типовые испытания, которым следует подвергать аппарат, результаты и (если предусматриваются) циклы испытаний и число образцов должны быть указаны в стандарте на аппарат конкретного вида.
8.1.3. Контрольные испытания
Контрольные испытания проводят для обнаружения дефектов материалов, изготовления, а также для подтверждения правильного функционирования аппарата. Контрольным испытаниям следует подвергать каждый отдельный аппарат.
К контрольным испытаниям могут относиться:
a) функциональные испытания;
b) испытания электроизоляционных свойств материалов.
Методы контрольных испытаний и условия их проведения должны уточняться в стандарте на аппарат конкретного вида.
8.1.4. Выборочные испытания
Если технико-статистический анализ показывает, что контрольные испытания (каждого аппарата) не требуются, их можно заменить выборочными испытаниями (если это оговаривается в стандарте на аппарат конкретного вида).
К выборочным испытаниям могут относиться:
a) функциональные испытания;
b) испытания электроизоляционных свойств.
Выборочные испытания могут также проводиться для проверки специфических свойств или характеристик аппарата по инициативе самого изготовителя или по соглашению между изготовителем и потребителем.
8.2. Соответствие требованиям к конструкции
Проверке на соответствие требованиям к конструкции аппаратов, изложенным в
7.1, подлежат, например:
- материалы;
- аппараты;
- степени защиты оболочек;
- механические свойства выводов;
- органы управления;
- индикаторы положения (см.
2.3.18).
8.2.1.1. Испытание на стойкость к аномальному нагреву и огню
8.2.1.1.1. Испытание (аппарата) раскаленной проволокой
Испытание раскаленной проволокой следует проводить по МЭК 60695-2-10
[7], разделы 4-10 и МЭК 60695-2-11
[8] согласно условиям, указанным в
7.1.1.1.
Для данного испытания защитный проводник токоведущей частью не считают.
Примечание. Если данное испытание следует проводить в нескольких местах одного и того же образца, необходимо следить за тем, чтобы повреждения, вызванные предыдущими испытаниями, не повлияли на результаты дальнейших испытаний.
8.2.1.1.2. Испытания (материалов) на воспламеняемость, испытания раскаленной проволокой и горением дуги
Образцы материалов аппарата подвергают следующим испытаниям:
a) испытанию на воспламеняемость согласно МЭК 60695-11-10
[9];
b) испытанию раскаленной проволокой (ИРП) согласно
Приложению M;
Испытание по перечислению c) необходимо только если образец материала расположен на расстоянии 13 мм от зоны воздействия дуги или частей аппарата под напряжением, находящихся в зоне ослабления электрических соединений. Образцы материала аппарата, расположенные в 13 мм от зоны воздействия дуги, исключают изданного испытания, если аппарат подвергают коммутационным испытаниям.
8.2.2. Аппарат
Охватывается требованиями по подпунктам
8.2.
8.2.3. Оболочки аппарата
8.2.4. Механические свойства выводов аппарата
Настоящий подпункт не относится к алюминиевым выводам и выводам, предназначенным для присоединения алюминиевых проводников.
8.2.4.1. Общие условия испытаний
При отсутствии других указаний изготовителя каждое испытание следует проводить на чистых и новых выводах.
Если для испытаний используют круглые медные проводники, они должны выполняться из меди по МЭК 60028
[17].
Если для испытаний используют плоские медные проводники, они должны иметь следующие характеристики:
- чистота - не менее 99,5%;
- предельная прочность на растяжение - 200 - 280 Н/мм2;
- твердость по Виккерсу - 40 - 65 HV.
8.2.4.2. Испытание выводов аппарата на механическую прочность
Для испытаний используют проводники соответствующего типа с максимальной площадью поперечного сечения.
Проводник следует подсоединять к выводу и отсоединять пять раз.
Усилие затягивания резьбовых выводов должно соответствовать
таблице 4 или составлять 110% крутящего момента, указанного изготовителем (выбирают большее). Испытание следует проводить с двумя раздельными зажимами.
Если винт имеет шестигранную головку с насечкой под отвертку, а значения в графах II и III различны, испытание проводят дважды: первый раз к шестигранной головке прилагают крутящий момент в соответствии с графой III, затем на другом комплекте образцов - по графе II с применением отвертки.
Если значения в графах II и III одинаковы, проводят только испытание отверткой.
Каждый раз, когда винт или гайка откручивается, для испытания на затягивание следует использовать новый проводник.
Во время испытания зажимы и выводы не должны ослабляться, не должно быть повреждений, например поломки винта, повреждения резьбы или насечки на головке винта, деформации шайбы или скобы, что препятствовало бы дальнейшему использованию резьбовых соединений выводов.
8.2.4.3. Испытание на повреждение и случайное ослабление проводников (на изгиб)
Данному испытанию подвергают выводы для присоединения неподготовленных круглых медных проводников, число, поперечное сечение и тип которых (гибкие и/или жесткие, многожильные и/или одножильные) указывает изготовитель.
Примечание. Соответствующее испытание плоских медных проводников допускается проводить по соглашению между изготовителем и потребителем.
Испытанию на двух новых образцах аппарата подвергают:
a) максимальное число проводников наименьшего поперечного сечения, присоединяемого к выводу;
b) максимальное число проводников наибольшего поперечного сечения, присоединяемого к выводу;
c) максимальное число проводников наименьшего и наибольшего поперечных сечений, присоединяемых к выводу.
Выводы, предназначенные для присоединения гибких или жестких (одножильных и/или многожильных) проводников, следует испытывать с проводниками каждого типа на различных комплектах образцов аппарата.
Выводы, предназначенные для присоединения и гибких, и жестких (одножильных и/или многожильных) проводников одновременно, следует испытывать в соответствии с перечислением c).
Для испытания выводов следует использовать испытательное устройство, представленное на
рисунке 1. К выводу аппарата следует присоединить установленное число проводников. Длина испытуемых проводников должна на 75 мм превышать высоту H (значения указаны в
таблице 5). Зажимные винты следует затягивать с приложением крутящего момента по
таблице 4 или инструкции изготовителя.
Испытуемый образец должен быть закреплен в соответствии с
рисунком 1.
Каждый проводник подвергают круговому движению следующим образом.
Конец испытуемого проводника пропускают сквозь соответствующего размера гильзу в пластине, расположенной ниже вывода аппарата на высоте H в соответствии с
таблицей 5. Прочие проводники следует отогнуть, чтобы они не влияли на результаты испытания. Гильзу вставляют в горизонтальную пластину, так чтобы проводник проходил через нее по ее центру. Гильзу смещают так, чтобы она описывала круг диаметром 75 мм вокруг своей оси в горизонтальной плоскости со скоростью (10 +/- 2) об/мин. Расстояние между зажимным концом вывода и верхним краем гильзы не должно отличаться от значения "H" по
таблице 5 более чем на 13 мм. Во избежание застревания, скручивания или проворачивания изолированного проводника гильзу следует смазывать. К концу проводника подвешивают груз, создающий тянущее усилие, указанное в
таблице 5. В течение испытания следует совершить 135 непрерывных вращений.
При испытании проводник не должен выскальзывать из вывода, а также ломаться возле зажима.
Непосредственно после испытания на изгиб каждый испытуемый проводник должен подвергаться в испытательном устройстве испытанию по 8.2.4.4 (на вытягивание).
8.2.4.4. Испытание на вытягивание
8.2.4.4.1. Круглые медные проводники
После испытания по
8.2.4.3 к испытанному проводнику аппарата прикладывают тянущее усилие по
таблице 5.
Перед этим испытанием зажимные винты подтягивать не допускается.
Тянущее усилие прилагают без рывков в течение 1 мин.
Во время испытания проводник не должен выскальзывать из вывода, а также ломаться возле зажима.
8.2.4.4.2. Плоские медные проводники
Проводник нужной длины закрепляют в выводе аппарата и в течение 1 мин без рывков прилагают тянущее усилие по
таблице 6 в направлении, противоположном тому, в котором вставляли проводник.
Во время испытания проводник не должен выскальзывать из вывода, а также ломаться возле зажима.
8.2.4.5. Испытание на возможность вставить в зажим неподготовленные круглые медные проводники с максимальным установленным поперечным сечением
8.2.4.5.1. Методика испытания
Испытание проводят с применением щупов формы A или B в соответствии с
таблицей 7. Рабочий элемент щупа должен проникать в отверстие вывода аппарата под собственным весом этого щупа на полную глубину вывода (см. также
примечание к таблице 7).
8.2.4.5.2. Конструкция щупа
Размеры a и b щупа и предельные допустимые отклонения от размеров приведены в
таблице 7.
Рабочий элемент щупа следует изготавливать из инструментальной стали.
8.2.4.6. Испытание на возможность вставлять в зажим плоский проводник прямоугольного сечения (в стадии изучения)
8.2.5. Проверка эффективности указателя положения главных контактов аппарата, пригодного для разъединения
Оценкой эффективности указателя положения главных контактов в соответствии с требованиями
7.1.6 является продолжение правильного выполнения своих функций всеми средствами индикации положения контактов после типовых испытаний на работоспособность и специальных испытаний на температурный износ (если проводят).
8.2.5.1. Состояние аппарата, предназначенного для испытаний
Состояние аппарата для всех испытаний должно быть указано в стандарте на аппарат конкретного вида.
8.2.5.2. Методика испытания
8.2.5.2.1. Ручное управление аппаратом при наличии привода зависимого и независимого действия. В первую очередь определяют нормальное управляющее усилие F, прикладываемое к концу органа управления, необходимое для перевода аппарата в разомкнутое положение контактов.
При замкнутом положении контактов аппарата подвижный контакт полюса, для которого выбраны наиболее жесткие условия испытания, должен быть зафиксирован вместе с неподвижным контактом, например приварен к нему.
Орган управления аппаратом подвергают воздействию испытательным усилием 3F, которое должно быть не менее минимального и не более максимального значений, указанных в
таблице 17, в зависимости от типа органа управления аппаратом.
Испытательное усилие следует прикладывать равномерно на конце органа управления аппаратом в течение 10 с в направлении размыкания контактов.
Направление приложения испытательного усилия по отношению к органу управления, как показано на
рисунке 16, должно сохраняться на протяжении испытания.
8.2.5.2.2. Двигательное управление аппаратом при наличии привода зависимого действия
При замкнутом положении аппарата подвижный контакт полюса, для которого выбраны наиболее жесткие условия испытания, должен быть зафиксирован вместе с неподвижным, например приварен к нему.
Напряжение питания должно подаваться к источнику управляющей энергии при 110% его нормального номинального значения при попытке размыкания контактной системы аппарата.
Три попытки управления аппаратом должны быть сделаны двигательным приводом с интервалом в 5 мин, в течение 5 с каждая, если имеющееся защитное устройство двигательного привода не ограничивает время управления более коротким периодом.
Примечание. В Канаде и США аппараты, соответствующие данным требованиям, не считают обеспечивающими сами по себе разъединение.
8.2.5.2.3. Двигательное управление при наличии привода независимого действия
При замкнутом положении аппарата подвижный контакт полюса, для которого выбраны наиболее жесткие условия испытания, должен быть зафиксирован вместе с неподвижным, например приварен к нему.
Запасенная энергия двигательного привода независимого действия аппарата должна освобождаться для размыкания контактной системы аппарата.
Должны быть сделаны три попытки управления аппаратом за счет освобожденной запасенной энергии.
Примечание. В Канаде и США аппараты, соответствующие данным требованиям, не считают обеспечивающими сами по себе разъединение.
8.2.5.3. Состояние аппарата во время и после испытаний
8.2.5.3.1. Ручное управление при наличии привода зависимого и независимого действия
По окончании испытания, когда испытательное усилие не прикладывают к органу управления аппаратом и он остается свободным, ни одно из средств индикации, которыми оснащен аппарат, не должно указывать на разомкнутое положение контактов, а аппарат - иметь повреждений, нарушающих его нормальную эксплуатацию.
Если аппарат оснащен средствами блокировки в разомкнутом положении, должна быть исключена возможность его блокировки во время приложения испытательного усилия.
8.2.5.3.2. Двигательное управление при наличии привода зависимого и независимого действия
Во время и после испытания ни одно из средств индикации, которыми оснащен аппарат, не должно указывать на разомкнутое положение контактов, и аппарат не должен иметь повреждений, нарушающих его нормальную эксплуатацию.
Если аппарат оснащен средствами блокировки в разомкнутом положении, должна быть исключена возможность его блокировки во время испытания.
8.2.7. Испытания вводов для стальных трубопроводов на вытягивание, кручение, изгиб
Данное испытание следует проводить со стальной трубкой длиной (300 +/- 10) мм.
Оболочки из полимерных материалов монтируют согласно инструкциям изготовителя в наиболее неблагоприятном положении.
Испытания следует проводить на одном и том же вводе для трубок; ввод должен быть самым не удобным.
Испытания проводят в соответствии с 8.2.7.1 -
8.2.7.3.
8.2.7.1. Испытание на вытягивание
Трубка по
8.2.7 должна плавно вкручиваться во ввод крутящим моментом, равным двум третям значений, указанных в
таблице 22. В течение 5 мин к трубке прикладывают тянущее усилие без рывков в прямом направлении.
При отсутствии иных указаний в стандарте на аппарат конкретного вида тянущее усилие должно соответствовать
таблице 20.
После испытания смещение трубки относительно ввода должно составлять не более одного оборота резьбы, и не должно быть повреждений, нарушающих дальнейшую эксплуатацию оболочки.
8.2.7.2. Испытание на изгиб
К свободному концу трубки возрастающий момент изгиба следует прикладывать без рывков, равномерно.
Когда приложенный момент приведет к изгибу трубки длиной 25 мм на 300 мм ее длины или значение момента изгиба достигнет приведенного в
таблице 21, это значение момента сохраняют в течение 1 мин. Затем испытание повторяют в перпендикулярном к первому направлении.
После испытания не должно быть повреждений, влияющих на дальнейшую эксплуатацию оболочки.
8.2.7.3. Испытание на крутящий момент
Стальная трубка для проводников должна затягиваться без рывков крутящим моментом по
таблице 22.
Испытание на крутящий момент не проводят для оболочек аппаратов, не оснащенных предварительно смонтированным вводом, а согласно инструкции ввод следует механически подсоединять к трубке до присоединения к оболочке.
Для оболочек, снабженных единственным вводом для подсоединения до 16 Н включительно, значение затягивающего крутящего момента снижают до 25 Нм.
После испытания должно быть невозможно выкрутить трубку из ввода и не должно быть повреждений, нарушающих эксплуатацию оболочки.
8.3.1. Циклы испытаний
Циклы испытаний, которым должен быть подвергнут аппарат, должны быть указаны в стандарте на аппарат конкретного вида.
8.3.2. Общие условия испытаний
Примечание. Испытания на соблюдение требований настоящего стандарта не отрицают необходимости в дополнительных испытаниях, касающихся оборудования в составе комплектных устройств согласно &
ГОСТ Р 51321-1&.
8.3.2.1. Общие требования
Подлежащий испытанию аппарат должен во всех основных деталях соответствовать типу конструкции, к которому он относится.
При отсутствии других указаний в стандарте на аппарат конкретного вида любое испытание, отдельное или в цикле, должно проводиться на чистом и новом аппарате.
При отсутствии других указаний испытания следует проводить на токе того же рода (а если ток переменный, при той же номинальной частоте и равном числе фаз), как в предполагаемых условиях эксплуатации.
Значения испытательных параметров, не установленные в настоящем стандарте, должны указываться в стандарте на аппарат конкретного вида.
Если для удобства испытания представляется желательным усилить его жесткость (например, увеличить частоту оперирования, чтобы сократить длительность испытания), что допускается только с согласия изготовителя.
Испытуемый аппарат в укомплектованном виде следует монтировать на его собственном основании или эквивалентной опоре и присоединять, как в нормальных условиях эксплуатации, в соответствии с инструкциями изготовителя и условиями окружающей среды, указанными в
6.1.
Затягивающие крутящие моменты, прикладываемые к винтам зажимов, должны соответствовать инструкциям изготовителя или, при их отсутствии,
таблице 4.
Аппарат в неотделимой оболочке (см.
2.1.17) должен быть смонтирован в укомплектованном виде, и все отверстия, закрытые в нормальных условиях эксплуатации, должны быть закрыты на время испытаний.
Аппарат, предназначенный для использования в отдельной оболочке, следует испытывать в наименьшей оболочке, указанной изготовителем.
Примечание. Отдельная оболочка - это оболочка, предназначенная только для одного аппарата и соответственно рассчитанная.
Все другие аппараты следует испытывать на открытом воздухе. Если аппарат может быть также использован в специальных отдельных оболочках и после испытания на открытом воздухе, для него следует провести дополнительные специальные испытания в наименьшей из оболочек, указанных изготовителем; специальные испытания должны быть указаны в стандарте на аппарат конкретного вида и протоколе испытаний.
Однако, если аппарат может также использоваться в специальных отдельных оболочках и испытания проводят в наименьшей из оболочек, указанных изготовителем, то испытания на открытом воздухе не проводят при условии, что эта оболочка металлическая без изоляции.
Описание испытания, в том числе размеры оболочки, следует указывать в протоколе испытаний.
Для испытаний на открытом воздухе (при отсутствии других указаний в стандарте на аппарат конкретного вида) на время испытаний на включающую и отключающую способности и работоспособность в условиях короткого замыкания во всех точках аппарата, которые могут оказаться источником внешних эффектов, способных вызвать пробой, в соответствии с компоновкой и расстояниями, установленными изготовителем, помещают металлический экран (например, проволочную сетку). Детали испытаний, в том числе расстояние между испытуемым аппаратом и металлическим экраном указывают в протоколе испытания.
Характеристики металлического экрана:
- структура: проволочная сетка или металлический лист с отверстиями, или развальцованный металлический лист;
- материал - сталь;
- соотношение площади отверстий и общей площади должно быть 0,45 - 0,65;
- размер отверстия не более 30 мм2;
- покрытие - без покрытия или с токоведущим покрытием;
Обслуживание или замена частей не допускается, если нет других указаний в стандарте на аппарат конкретного вида.
До начала испытаний аппаратом можно оперировать без нагрузки.
В ходе испытаний системой управления контактными коммутационными аппаратами следует оперировать как в предполагаемых условиях эксплуатации, указанных изготовителем, и при номинальных значениях управляющего параметра (напряжения или давления) при отсутствии других указаний в настоящем стандарте или соответствующем стандарте на аппарат.
8.3.2.2. Испытательные параметры
8.3.2.2.1. Значения испытательных параметров
Все испытания должны проводиться при значениях испытательных параметров, соответствующих номинальным значениям, указанным изготовителем, в соответствии с таблицами и данными стандарта на аппарат конкретного вида.
8.3.2.2.2. Допуски по испытательным параметрам
Значения допусков, зафиксированные в протоколе испытаний, не должны выходить за пределы, приведенные в
таблице 8, при отсутствии других указаний в других пунктах. Однако с согласия изготовителя можно проводить испытания в более жестких условиях, чем установленные.
8.3.2.2.3. Восстанавливающееся и возвращающееся напряжение
a) Возвращающееся напряжение
При испытаниях на отключающую способность и наибольшую отключающую способность значение возвращающегося напряжения должно составлять 1,05 номинального рабочего напряжения, установленного изготовителем или в стандарте на аппарат конкретного вида.
Примечания
1. Значение, равное 1,05 номинального рабочего напряжения для возвращающегося напряжения при допуске по
таблице 8, фактически учитывает колебания сетевого напряжения в нормальных условиях эксплуатации в соответствии с
&ГОСТ 29322&.
2. Может потребоваться увеличение напряжения до включения, но ожидаемый пиковый ток включения без согласия изготовителя не должен быть превышен.
3. С согласия изготовителя допускается повышение верхнего предела возвращающегося напряжения (см.
8.3.2.2.2).
b) Восстанавливающееся напряжение
В соответствующем стандарте на аппарат конкретного вида восстанавливающееся напряжение определяют (если требуется) по
8.3.3.5.2.
8.3.2.3. Оценка результатов испытания
Поведение аппарата во время испытаний и его состояние после испытаний должны соответствовать требованиям стандарта на аппарат конкретного вида.
8.3.2.4. Протоколы испытаний
Изготовитель должен представить протоколы типовых испытаний, подтверждающие соответствие аппарата требованиям стандарта на аппарат конкретного вида. В протоколах испытаний должны содержаться следующие сведения: тип и размеры оболочки (при ее наличии); размеры проводников; расстояние от частей, находящихся под напряжением, до оболочки или до частей, нормально заземленных при эксплуатации; способы действия системы управления и т.д.
Протокол испытания должен содержать перечень испытательных параметров и их значений.
8.3.3. Работоспособность при нулевой и нормальной нагрузках и перегрузке
8.3.3.1. Срабатывание
Испытания проводят для проверки правильности работы оборудования в соответствии с требованиями
7.2.1.1.
8.3.3.2. Пределы срабатывания
8.3.3.2.1. Аппарат с двигательным приводом
Следует убедиться, что аппарат правильно замыкается и размыкается при предельных значениях следующих управляющих параметров: напряжение; ток; давление воздуха; температуры, установленные в стандарте на аппарат конкретного вида. При отсутствии других указаний испытания проводят с обесточенной главной цепью.
8.3.3.2.2. Реле и расцепители
Пределы срабатывания реле и расцепителей должны соответствовать требованиям
7.2.1.3 -
7.2.1.5 и проверяться испытаниями по методике, указанной в стандарте на аппарат конкретного вида.
Пределы срабатывания минимальных реле и расцепителей напряжения см.
7.2.1.3.
Пределы срабатывания независимых расцепителей см.
7.2.1.4.
Пределы срабатывания реле и расцепителей, оперируемых током, см.
7.2.1.5.
8.3.3.3. Превышение температуры
8.3.3.3.1. Температура окружающего воздуха
В последнюю четверть периода испытания не менее двух датчиков температуры (например термометры или термопары), установленных равномерно вокруг аппарата приблизительно на середине его высоты и на расстоянии около 1 м от него, записывают температуру окружающего воздуха. Датчики температуры должны быть защищены от воздушных потоков, теплового излучения и ошибок, обусловленных резкими изменениями температуры.
Во время испытаний температура окружающего воздуха должна быть от 10 °C до 40 °C и не должна изменяться более чем на 10 °C.
Но если изменение температуры окружающего воздуха превысит 3 °C, к измеренной температуре частей аппарата применяют поправочный коэффициент, зависящий от тепловой постоянной времени данного аппарата.
8.3.3.3.2. Измерение температуры частей аппарата
Температуру различных частей аппарата, кроме катушек, измеряют пригодными для этого датчиками температуры в точках наибольшей вероятности максимальной температуры; эти точки следует указать в протоколе испытания.
Температуру масла в маслонаполненных аппаратах измеряют в верхней части масляной заливки; данные измерения допускается проводить термометром.
Датчик температуры не должен заметно влиять на превышение температуры частей аппарата. Для этого необходимо обеспечить хорошую теплопроводность между датчиками температуры и поверхностью испытуемой части аппарата.
Температуру электромагнитных катушек, как правило, определяют по изменению их сопротивления. Применение других методов допускается только в случае неприменимости резистантного метода.
Температура катушек перед началом испытания не должна отличаться от температуры окружающей среды более чем на 3 °C.
Для медных проводников температуру в нагретом состоянии

можно рассчитать по температуре в холодном состоянии

как функцию отношения сопротивлений в нагретом состоянии

и в холодном состоянии

по формуле

,
где

и

- температура, °C.
Длительность испытания должна быть достаточной для достижения установившегося значения превышения температуры, но не более 8 ч.
Установившееся значение считают достигнутым, если изменение не превышает 1 °C/ч.
8.3.3.3.3. Превышение температуры части аппарата
Превышение температуры части аппарата равно разности между температурой измеряемой части, измеренной по
8.3.3.3.2, и температурой окружающего воздуха, измеренной по
8.3.3.3.1.
8.3.3.3.4. Превышение температуры главной цепи аппарата
Аппарат монтируют по
8.3.2.1 и защищают от аномального внешнего нагрева или охлаждения.
Аппарат с неотделимой оболочкой или предназначенный для использования только в оболочке установленного типа на условный тепловой ток испытывают в такой же оболочке. Наличие отверстий, создающих ненужную вентиляцию, не допускается.
Аппараты, предназначенные для использования в оболочке более чем одного типа, испытывают либо в наименьшей из оболочек, указанных изготовителем, либо без оболочки. В случае испытания без оболочки изготовитель должен, при необходимости, сообщить значение условного теплового тока в оболочке (см.
4.3.2.2).
При испытаниях на многофазных токах ток следует уравновесить в каждой фазе в пределах +/- 5%, и среднее значение многофазных токов должно быть не менее соответствующего испытательного тока.
При отсутствии других указаний в стандарте на аппарат конкретного вида главную цепь аппарата испытывают на превышение температуры при одном или обоих условных тепловых токах согласно
4.3.2.1,
4.3.2.2 и любом удобном напряжении.
Если возможны значительные эффекты взаимного нагрева главной цепи, цепей управления и вспомогательных цепей аппарата, испытания на превышение температуры по
8.3.3.3.4 -
8.3.3.3.7 следует проводить одновременно (по применимости) и согласно стандарту на аппарат конкретного вида.
Аппарат для работы на постоянном токе для удобства можно испытывать на переменном токе, но только с согласия изготовителя.
Многополюсный аппарат с идентичными полюсами, испытываемый на переменном токе, допускается с согласия изготовителя испытывать однофазным током, последовательно соединив все полюса (если можно пренебречь магнитными эффектами).
Испытания трехполюсного аппарата с одним нейтральным полюсом, отличным от фазовых полюсов, должны включать в себя:
- испытание трех идентичных полюсов трехфазным током;
- испытание однофазным током нейтрального полюса, соединенного последовательно с соседним полюсом, при условии, что значения испытательных параметров определяют в зависимости от условного теплового тока (в оболочке или без оболочки) нейтрального полюса (см.
7.1.8).
Аппарат, снабженный устройствами для защиты от коротких замыканий, следует испытывать в соответствии с требованиями стандарта на аппарат конкретного вида.
В конце испытания превышение температуры отдельных частей главной цепи не должно быть более значений, указанных в
таблицах 2 и
3 (при отсутствии других указаний в стандарте на аппарат конкретного вида).
В зависимости от значения условного теплового тока (в оболочке или без оболочки) применяют следующую систему испытательных соединений:
1) при испытательных токах до 400 А включительно:
a) соединения должны осуществляться одножильными медными проводниками с поперечными сечениями по
таблице 9 в поливинилхлоридной изоляции;
b) присоединяемые проводники должны прокладываться на открытом воздухе на расстоянии друг от друга, равном расстоянию между выводами;
c) минимальная длина любого временного соединения между выводом аппарата и другим выводом или источником испытательного тока, или вершиной звезды при испытаниях одно- или многофазным током должна быть:
1 м - при поперечных сечениях проводников до 35 мм2 (или AWG 2) включительно;
2 м - при поперечных сечениях проводников свыше 35 мм2 (или AWG 2).
2) При испытательных токах свыше 400 А, но не более 800 А:
a) соединения должны осуществляться одножильными медными проводниками с площадью поперечного сечения по
таблице 10 в поливинилхлоридной изоляции или эквивалентными медными шинами по
таблице 11 согласно рекомендациям изготовителя;
b) присоединяемые по перечислению a) проводники должны располагаться на расстоянии друг от друга, приблизительно равном расстоянию между выводами. Медные шины должны быть окрашены в матовый черный цвет. Несколько параллельных проводников, подключенных к одному выводу, должны быть собраны в пучок с воздушными зазорами между проводниками около 10 мм. Несколько медных шин, присоединенных к одному выводу, должны быть удалены друг от друга на расстояние, приблизительно равное толщине шины. Если указанные размеры поперечного сечения шин для выводов непригодны или недоступны, можно использовать другие шины равного поперечного сечения и с равной или меньшей поверхностью охлаждения. Медные провода или шины не должны быть слоистыми;
c) минимальная длина любого временного соединения между выводом аппарата и другим выводом или источником испытательного тока при испытаниях одно- или многофазным током должна быть 2 м. Минимальную длину соединения с вершиной звезды можно уменьшить до 1,2 м.
3) При испытательных токах свыше 800 А, но не более 3150 А:
a) соединения должны выполняться медными шинами размеров, указанных в
таблице 11, если аппарат не рассчитан исключительно на кабельные соединения. В этом случае размеры и компоновка кабелей должны соответствовать инструкциям изготовителя;
b) расстояния между медными шинами должны быть приблизительно равны расстоянию между выводами. Медные шины должны быть окрашены в матовый черный цвет. Медные шины, параллельно присоединенные к одному выводу, должны располагаться на расстоянии друг от друга, приблизительно равном толщине шины.
Если указанные размеры шин несовместимы с размерами выводов или отсутствуют, можно использовать другие шины с приблизительно равной или меньшей площадью поверхности охлаждения. Медные шины не должны быть слоистыми;
c) минимальная длина любого временного соединения между выводом аппарата и другим выводом или источником питания при испытаниях одно- или многофазным током должна быть 3 м, но ее можно сократить до 2 м при условии, что превышение температуры на сетевом конце соединения не более чем на 5 °C ниже превышения температуры на середине длины соединения между выводом аппарата и другим выводом или источником питания. Минимальная длина соединения с вершиной звезды должна быть равна 2 м.
4) При испытательных токах свыше 3150 А.
Изготовитель и потребитель должны прийти к соглашению обо всех важных характеристиках испытания: типу источника питания, числе фаз и частоте (если требуется), поперечных сечениях испытательных соединений и т.п. Эта информация должна быть внесена в протокол испытания.
8.3.3.3.5. Превышение температуры цепей управления
Испытания цепей управления на превышение температуры должны проводиться при указанном токе, а в случае переменного тока и при номинальной частоте. Цепи управления следует испытывать при их номинальном напряжении.
Цепи, предназначенные для работы в длительном режиме, следует испытывать достаточно долго с тем, чтобы превышение температуры успело достичь устойчивого значения.
Цепи для работы в повторно-кратковременном режиме следует испытывать в соответствии со стандартом на аппарат конкретного вида.
По завершении данных испытаний превышение температуры различных частей цепей управления не должно превышать значений, указанных в
7.2.2.5 (при отсутствии других указаний в стандарте на аппарат конкретного вида).
8.3.3.3.6. Превышение температуры катушек электромагнитов
Катушки и электромагниты следует испытывать в условиях по
7.2.2.6.
Их следует испытывать достаточно долго, для того чтобы превышение температуры успело достичь устойчивого значения.
Температуру измеряют по достижении теплового равновесия как в главной цепи, так и в катушке электромагнита.
Катушки и электромагниты аппаратов, рассчитанных на работу в повторно-кратковременном режиме, испытывают в соответствии со стандартом на аппарат конкретного вида.
По завершении данных испытаний превышение температуры различных частей не должно превышать значений, указанных в
7.2.2.6.
8.3.3.3.7. Превышение температуры вспомогательных цепей
Вспомогательные цепи испытывают на превышение температуры в условиях по
8.3.3.3.5, но при любом удобном напряжении.
В конце этих испытаний превышение температуры вспомогательных цепей не должно превышать значений, указанных в
7.2.2.7.
8.3.3.4. Электроизоляционные свойства
8.3.3.4.1. Типовые испытания
1) Общие условия испытаний на выдерживаемое напряжение
Испытуемый аппарат должен соответствовать общим требованиям по
8.3.2.1.
Если аппарат предназначен для использования без оболочки, он должен быть смонтирован на металлической плите, к которой присоединяют все открытые токопроводящие части (корпус и т.п.), в нормальных условиях заземляемые.
Когда основание аппарата выполнено из изоляционного материала, во всех точках крепления согласно условиям нормальной установки аппарата помещают металлические части, и эти части считают частью корпуса аппарата.
Любой орган управления, выполненный из изоляционного материала, и неотделимая неметаллическая оболочка аппарата, предназначенного для использования без дополнительной оболочки, должны быть покрыты металлической фольгой и соединены с корпусом и монтажной плитой. Фольгой должны быть закрыты только те поверхности, которых можно коснуться стандартным испытательным щупом при эксплуатации или регулировке аппарата.
Если изолирующей части неотделимой оболочки аппарата нельзя коснуться стандартным испытательным щупом из-за дополнительной оболочки, фольгу не применяют.
Примечание. Речь идет о доступных для оператора при нормальной эксплуатации или регулировке частях (например органе управления нажимной кнопкой).
В случае, если электрическая прочность изоляции аппарата зависит от покрытия проводов или применения специальной изоляции, при испытаниях также используют покрытия и специальную изоляцию.
Примечание. Испытания на электрическую прочность изоляции для полупроводниковых устройств - в стадии рассмотрения.
2) Проверка импульсным выдерживаемым напряжением
Аппарат должен соответствовать требованиям, изложенным в
7.2.3.1.
Изоляцию проверяют испытанием при номинальном импульсном выдерживаемом напряжении.
В случае, если аппарат содержит элементы, на электроизоляционные свойства которых не влияет высота над уровнем моря (например оптопары, герметизированные детали и т.п.), проверку изоляции проводят альтернативным испытанием при номинальном импульсном выдерживаемом напряжении без коэффициента поправки на высоту над уровнем моря. Затем вышеуказанные элементы отсоединяют и оставшуюся часть аппарата испытывают при номинальном импульсном выдерживаемом напряжении, применяя коэффициент поправки на высоту над уровнем моря.
Воздушные зазоры, равные или превышающие указанные для класса A в
таблице 13, можно проверить методом измерения в соответствии с
Приложением G.
b) Испытательное напряжение
Испытательное напряжение должно соответствовать указанному в
7.2.3.1.
Для аппаратов, оснащенных устройствами для подавления перенапряжений, энергосодержание испытательного тока не должно превышать номинального энергетического параметра устройства для подавления перенапряжений. Указанный выше параметр должен быть удобен для применения.
Примечание. Подобные вышеуказанному параметры находятся в стадии рассмотрения.
Испытательное оборудование калибруют на подачу импульса 1,2/50 мкс, как указано в МЭК 61180
[18]. Затем к выходным выводам испытательного устройства подсоединяют испытуемый аппарат и для каждой полярности с минимальным интервалом 1 с пять раз подают импульс. Влияние испытуемого аппарата на форму волны (при наличии) не учитывают.
Если в ходе испытания потребуется повторное испытание на электрическую прочность изоляции, его условия должны устанавливаться в стандарте на аппарат конкретного вида.
Примечание. Испытательное оборудование находится в стадии рассмотрения.
c) Подача испытательного напряжения
После установки и подготовки аппарата в соответствии с
перечислением a) испытательное напряжение подают в следующем порядке:
i) между всеми выводами главной цепи, соединенными между собой (с присоединением к главной цепи вспомогательных цепей и цепей управления), и оболочкой или монтажной плитой при всех нормальных рабочих положениях контактов;
ii) между каждым полюсом главной цепи и соединенными между собой другими полюсами и оболочкой или монтажной плитой при всех нормальных рабочих положениях контактов;
iii) между каждой цепью управления и вспомогательной цепью, нормально не присоединенными к главной цепи, и:
- главной цепью,
- прочими цепями,
- открытыми токопроводящими частями,
- оболочкой или монтажной плитой, которые (если требуется) могут быть соединены между собой;
iv) между полюсами главной цепи для аппарата, пригодного для разъединения. При этом соединяются между собой отдельно входные и отдельно выходные выводы.
Испытательное напряжение подают между входными и выходными выводами аппарата при разомкнутых контактах, а его значение должно соответствовать
7.2.3.1, пункт 1) перечисления b).
Для аппаратов, непригодных для разъединения, требования к испытанию при разомкнутых контактах - в соответствии со стандартом на аппарат конкретного вида.
d) Критерии соответствия
Во время испытаний не должно возникать непреднамеренных пробивных разрядов.
Примечания
1. Исключением является преднамеренный пробивной разряд с целью, например, подавления переходного перенапряжения.
2. Термин "пробивной разряд" относится к явлениям, связанным с повреждением изоляции под электрической нагрузкой, когда разряд полностью перекрывает испытуемую изоляцию, сводя напряжение между электродами практически к нулю.
3. Если пробивной разряд возникает в газообразном или жидком диэлектрике, применяется термин "перекрытие" ("sparkover" от слова "spark" - искра).
4. Если пробивной разряд происходит в газообразной или жидкой среде, применяется термин "перекрытие" ("flashover" от слова "flash" - вспышка).
5. Если пробивной разряд проходит сквозь твердый диэлектрик, применяется термин "пробой" ("puncture").
6. Пробивной разряд в твердом диэлектрике приводит к устойчивой утрате электрической прочности изоляции, в жидкостном или газообразном диэлектрике такая утрата может оказаться временной.
3) Проверка твердой изоляции выдерживаемым напряжением промышленной частоты
a) Общие требования
Данное испытание касается проверки твердой изоляции и способности выдерживать временные перенапряжения.
b) Испытательное напряжение
Форма волны испытательного напряжения должна быть практически синусоидальной и частота должна быть от 45 до 65 Гц.
Конструкция применяемого при испытании высоковольтного трансформатора должна быть такой, чтобы, когда выходные выводы накоротко замкнуты после того, как выходное напряжение отрегулировано до соответствующего испытательного значения, выходной ток был не менее 200 мА.
Максимальное реле тока не должно сработать при выходном токе менее 100 мА.
Значение испытательного напряжения должно быть следующим:
i) для главной цепи, цепей управления и вспомогательных цепей в соответствии с
таблицей 12А погрешность измерения испытательного напряжения не должна выходить за пределы +/- 3%;
ii) если проведение испытания напряжением переменного тока невозможно, например, из-за наличия фильтра электромагнитных помех, допускается проведение испытания напряжением постоянного тока с использованием значений, приведенных в
таблице 12А, третья графа. Погрешность измерения испытательного напряжения не должна выходить за пределы +/- 3%.
Испытательное напряжение до включения должно иметь отклонение +/- 3%.
c) Подача испытательного напряжения
При испытании электрической прочности изоляции между фазами все цепи между этими фазами могут быть отсоединены на время испытания.
Примечание. Целью данного испытания является проверка исключительно основной и дополнительной изоляции.
Если цепи аппарата, содержащие, например двигатели, станки, щелчковые выключатели, конденсаторы и полупроводниковые устройства, которые в соответствии с их техническими условиями подвергают напряжению при испытаниях на электрическую прочность изоляции, значение которого ниже указанных в
перечислении b), в данном испытании такие устройства следует отсоединять от цепи.
При испытании на электрическую прочность изоляции между фазой и землей все цепи должны быть подсоединены.
Примечание. Целью данного испытания является проверка основной и дополнительной изоляции, а также способности выдерживать временные перенапряжения.
В отдельных случаях, например для аппаратов, имеющих более одного разомкнутого положения контактов или полупроводниковых устройств и т.д., подробные требования к испытаниям могут содержаться в стандартах на аппараты конкретных видов.
При испытании изоляции печатные платы и модули с многоконтактными разъемами могут быть сняты, отсоединены и заменены макетами.
Однако это не относится к вспомогательным цепям, в которых в случае повреждения изоляции под напряжением могут оказаться доступные части, не соединенные с корпусом аппарата, либо высокое напряжение из высоковольтной части может попасть в низковольтную часть, например во вспомогательных трансформаторах, измерительных приборах, импульсных трансформаторах, в которых нагрузка на изоляцию эквивалентна нагрузке в главной цепи.
Во время испытания не должно происходить пробивных разрядов, внутренних и внешних пробоев изоляции или демонстрации других признаков пробоев. Тлеющим разрядом следует пренебречь.
Элементы цепи, присоединенные между фазой и землей, могут получить повреждение во время испытания, однако подобное повреждение не должно создать условия, способные привести к опасной ситуации. В стандартах на аппараты конкретных видов должны быть приведены особые критерии соответствия.
Примечание. Уровни напряжения на землю приведены в соответствии с МЭК 60664-1
[15], исходя из наихудших условий (которые в практике не встречаются).
4) Проверка выдерживаемым напряжением промышленной частоты после коммутационных испытаний и испытаний на короткое замыкание
a) Общие требования
Данное испытание следует проводить на смонтированном аппарате после коммутационных испытаний или испытаний на короткое замыкание.
Если по какой-то причине это неосуществимо, аппарат можно отсоединить и отделить от испытательной цепи, тем не менее следует принять меры, чтобы это отсоединение не повлияло на результат испытания.
b) Испытательное напряжение
Действуют требования
пункта 3), перечисление b), за исключением того, что значение испытательного напряжения должно быть

, но не менее 1000 В (действующее значение переменного тока).
Примечание. Стандарты на аппараты конкретных видов при переиздании должны быть откорректированы в соответствии с данным требованием.
c) Подача испытательного напряжения
d) Критерии соответствия
5) Свободный.
6) Проверка выдерживаемым напряжением постоянного тока
На рассмотрении.
7) Проверка расстояний утечки
Следует измерять кратчайшие расстояния между фазами, между проводниками цепи при различных напряжениях и частями, находящимися под напряжением, и открытыми токопроводящими частями. Измеренное расстояние утечки с учетом группы материала и степени загрязнения должно соответствовать требованиям
7.2.3.4.
8) Проверка тока утечки аппарата, пригодного для разъединения
Испытания должны быть приведены в стандарте на аппарат конкретного вида.
8.3.3.4.2. Контрольные испытания
1) Импульсное выдерживаемое напряжение
Испытательное напряжение должно быть не менее 30% номинального импульсного выдерживаемого напряжения (без коэффициента поправки на высоту над уровнем моря) или удвоенного номинального напряжения изоляции (2U) - выбирают, что больше.
2) Выдерживаемое напряжение промышленной частоты
a) Испытательное напряжение
Испытательное оборудование должно быть такое же, как указано в
8.3.3.4.1, пункт 3), перечисление b), за исключением того, что максимальный расцепитель тока должен иметь уставку 25 мА.
Однако, по усмотрению изготовителя, в целях безопасности может быть применена испытательная установка меньшей мощности или меньшее значение уставки расцепителя. Тем не менее, ток короткого замыкания испытательной установки должен быть не менее 8-кратного номинального значения уставки расцепителя максимального реле тока, например для трансформатора с током короткого замыкания 40 мА максимальная уставка расцепителя максимального реле тока должна быть (5 +/- 1) мА.
Примечание. Допускается учитывать емкостное сопротивление аппарата.
Испытательное напряжение должно быть

, но не менее 1000 В переменного тока (действующее значение).
Примечание. В случае нескольких значений

относится к наибольшему значению, маркированному на аппарате или приведенному в документации изготовителя.
b) Подача испытательного напряжения
В качестве альтернативы возможно испытание по упрощенной методике, если изоляцию подвергают эквивалентным испытательным нагрузкам.
c) Критерии соответствия
Максимальное реле тока не должно сработать.
3) Комбинированное импульсное выдерживаемое напряжение и выдерживаемое напряжение промышленной частоты
В стандартах на аппарат конкретного вида может содержаться указание о возможности замены испытаний по
8.3.3.4.2, пункты 1) и
2), одним испытанием на выдерживаемое напряжение промышленной частоты, если пиковое значение синусоидальной волны тока соответствует значению, указанному в
8.3.3.4.2, пункты 1) или
2), выбирают большее значение.
4) Применение металлической фольги ни в одном из случаев согласно
8.3.3.4.1, пункт 1) не требуется.
8.3.3.4.3. Выборочные испытания для проверки воздушных зазоров
1) Общие требования
Данные испытания предназначены для проверки соблюдения требований к конструкции в части воздушных зазоров и проводятся только на аппаратах с воздушными зазорами менее соответствующих
таблице 13, случай A.
2) Испытательное напряжение
Испытательное напряжение должно соответствовать номинальному импульсному выдерживаемому напряжению.
Программа и методика отбора образцов для испытаний должны устанавливаться в стандарте на аппарат конкретного вида.
3) Подача испытательного напряжения
4) Критерии соответствия
Во время испытаний не должны возникать пробивные разряды.
8.3.3.4.4. Испытания аппаратов с разной степенью защиты по изоляции
Испытания аппаратов с разной степенью защиты по изоляции приведены в
Приложении N.
8.3.3.5. Включающая и отключающая способности
8.3.3.5.1. Общие условия испытания
Испытания на проверку включающей и отключающей способностей проводят в соответствии с общими условиями испытаний по
8.3.2.
Допуски для отдельных фаз должны соответствовать указанным в
таблице 8 (если нет иных указаний).
Четырехполюсный аппарат испытывают как трехполюсный с неиспользуемым полюсом, который в аппарате с нейтральным полюсом является нейтральным полюсом, присоединенным к корпусу.
Если все полюса одинаковы, достаточно одного испытания на трех соседних полюсах. В противном случае требуется дополнительное испытание между нейтральным и ближайшим к нему полюсами (см.
рисунок 4) при номинальном токе нейтрального полюса и напряжении между фазой и нейтралью, тогда как два других неиспользуемых полюса присоединяют к корпусу.
Значения восстанавливающегося напряжения при испытаниях на отключающую способность в условиях нормальной нагрузки и перегрузки указывают в стандарте на аппарат конкретного вида.
8.3.3.5.2. Испытательная цепь
a) На
рисунках 3 -
6 представлены следующие схемы цепей, используемых при испытаниях:
- однополюсного аппарата однофазным переменным или постоянным током (см.
рисунок 3);
- двухполюсного аппарата однофазным переменным или постоянным током (см.
рисунок 4);
- трехполюсного аппарата или трех однополюсных аппаратов трехфазным переменным током (см.
рисунок 5);
- четырехполюсного аппарата трехфазным переменным током в четырехпроводной схеме (см.
рисунок 6).
Подробная схема цепи, использованной для испытания, должна быть приведена в протоколе испытания.
b) Ожидаемый ток на входных выводах аппарата должен быть не менее одного из двух значений:
десятикратного испытательного тока или 50 кА; выбирают меньшее значение.
c) Испытательная цепь включает в себя источник питания, аппарат D, подвергающийся испытанию, и цепь нагрузки.
d) В цепь нагрузки должны входить сопротивления и реакторы с воздушными сердечниками, соединенные последовательно. Реакторы с воздушными сердечниками в любой фазе должны быть шунтированы сопротивлениями, отводящими около 0,6% тока, проходящего через реактор.
Однако в случаях, когда указывается значение восстанавливающегося напряжения, шунтирующие сопротивления, отводящие 0,6% тока, следует заменить параллельными нагрузке сопротивлениями и конденсаторами, так чтобы вся цепь нагрузки приняла вид в соответствии с
рисунком 8.
Примечание. При испытании на постоянном токе, когда значение L/R превышает 10 мс, можно использовать реактор с железным сердечником и последовательно соединенными резисторами, проверяя при необходимости осциллографом, что значение L/R равно вышеуказанному значению с отклонением, не превышающим +/- 15%, и время, при котором достигается 95% установившегося тока, равно 3 x L/R +/- 20%.
Если устанавливается переходный пусковой ток (например в категориях применения AC-5b, AC-6 и DC-6), стандарт на аппарат конкретного вида может рекомендовать другую нагрузку.
e) Нагрузку следует регулировать так, чтобы при заданном напряжении обеспечивалось:
- значения тока и коэффициента мощности или постоянной времени, установленные в стандарте на аппарат конкретного вида;
- заданное значение возвращающегося напряжения;
- частота колебаний восстанавливающегося напряжения и коэффициент

(если указаны).
Коэффициенту

- отношение значения

наибольшего пикового восстанавливающегося напряжения к мгновенному значению

(в момент прохождения тока через нуль) составляющей возвращающегося напряжения промышленной частоты (см.
рисунок 7).
f) Испытательная цепь должна быть заземлена только в одной точке. Эта точка должна находиться либо со стороны нагрузки вершины звезды, либо со стороны питания вершины звезды. Положение этой точки должно быть указано в протоколе испытаний.
Примечание. Последовательность присоединения R и X (см.
рисунки 8 а и
8 б) не допускается менять в период между регулировкой и испытанием.
g) Все части аппаратов, нормально заземляемые в условиях эксплуатации, в том числе оболочка или экран, должны быть изолированы от земли и присоединены в одной точке, как показано на
рисунках 3 -
5 или
6.
Соединение F должно представлять собой плавкий элемент, содержащий медную проволоку диаметром 0,8 мм и длиной не менее 50 мм, или эквивалентный ему плавкий элемент для обнаружения аварийного тока.
Ожидаемый аварийный ток в цепи этого плавкого элемента должен быть 1500 А +/- 10%, за исключением случаев, оговоренных в
примечаниях 2 и
3. Если необходимо, следует использовать сопротивление, ограничивающее ток этим значением.
Примечания
1. Медная проволока диаметром 0,8 мм расплавляется при переменном токе 1500 А приблизительно за один полупериод при частоте от 45 до 67 Гц (или за 0,01 с при постоянном токе).
2. По соглашению с изготовителем в системе питания с искусственной нейтралью допускается более низкий ожидаемый аварийный ток с проводом меньшего диаметра в соответствии с нижеприведенным соотношением.
Диаметр медной проволоки, мм/ожидаемый аварийный ток в цепи плавкого предохранителя, А: 0,1/50; 0,2/150; 0,3/300; 0,4/500; 0,5/800; 0,8/1500.
3. Значение сопротивления плавкого элемента - по
8.3.2.1.
8.3.3.5.3. Характеристики восстанавливающегося напряжения
Для того, чтобы моделировать условия в цепях индивидуальных двигателей (индуктивных нагрузок), регулируют колебательную частоту цепи нагрузки f, кГц, до уровня

,
где

- ток отклонения, А;

- номинальное рабочее напряжение, В.
Коэффициент

следует отрегулировать так, чтобы

.
Значение реактивного сопротивления, необходимое для этого испытания, можно обеспечить, соединив параллельно несколько реакторов при условии, что восстанавливающемуся напряжению можно по-прежнему приписывать только одну колебательную частоту. Это фактически тот случай, когда у таких реакторов постоянная времени практически одинаковая.
Выходные выводы аппарата следует присоединить как можно ближе к выводам отрегулированной цепи нагрузки. Такая регулировка должна производиться после установки этих соединений на место.
Два способа регулирования цепи нагрузки в зависимости от положения заземления приведены в
Приложении E.
8.3.3.5.4. Свободный
8.3.3.5.5. Методика испытания на включающую и отключающую способности
Число операций, время прохождения тока, длительность обесточенного состояния и условия окружающей среды должны соответствовать рекомендациям стандарта на аппарат конкретного вида.
8.3.3.5.6. Состояние аппарата во время и после испытания на включающую и отключающую способности
Критерии соответствия во время и после испытания должны быть указаны в стандарте на аппарат конкретного вида.
8.3.3.6. Работоспособность
Проводят испытания для проверки соответствия требованиям
7.2.4.2.
Условия испытания должны быть подробно описаны в стандарте на аппарат конкретного вида.
8.3.3.7. Износостойкость
Испытания на износостойкость предназначаются для проверки числа циклов оперирования, которое способен выдержать аппарат без ремонта или замены частей.
Испытания на износостойкость служат основанием для статистической оценки срока эксплуатации аппарата, если допускают производственные параметры.
8.3.3.7.1. Механическая износостойкость
Во время данного испытания в главной цепи не должно быть напряжения и тока. Перед испытанием аппарат допускается смазывать, если смазка предусмотрена нормальными условиями эксплуатации.
Ток в цепь управления должен подаваться при ее номинальном напряжении и (если требуется) при номинальной частоте.
В пневматические и электропневматические аппараты сжатый воздух должен подаваться под номинальным давлением.
Оперировать аппаратом с ручным управлением следует как в нормальных условиях эксплуатации.
Число циклов оперирования должно быть не менее предписанного стандартом на аппарат конкретного вида.
Для аппаратов, оснащенных размыкающими реле или расцепителями, общее число операций размыкания, которые должны выполнить такие реле или расцепители, должно быть указано в стандарте на аппарат конкретного вида.
Способ оценки результатов испытаний должен устанавливаться в стандарте на аппарат конкретного вида.
8.3.3.7.2. Коммутационная износостойкость
Условия испытания должны быть такими же, как в
8.3.3.7.1, но в главную цепь подается ток согласно требованиям стандарта на аппарат конкретного вида.
Способ оценки результатов испытания устанавливается в стандарте на аппарат конкретного вида.
8.3.4. Работоспособность в условиях короткого замыкания
В данном пункте определены условия испытаний для проверки соблюдения номинальных и предельных значений по
7.2.5. Дополнительные требования, касающиеся методики испытания, оперирования и циклов испытаний, состояния аппаратов после испытаний и испытаний на координацию аппаратов с устройствами для защиты от коротких замыканий (УЗКЗ), приводятся в стандарте на аппарат конкретного вида.
8.3.4.1. Общие условия испытаний на короткое замыкание
8.3.4.1.1. Общие требования
Действительны общие требования по
8.3.2.1. Условия оперирования механизмом управления указывают в стандарте на аппарат конкретного вида. Питание электрической или пневматической системы управления должно осуществляться при минимальном напряжении или минимальном давлении в соответствии со стандартом на аппарат конкретного вида. Следует удостовериться, что в этих условиях обесточенный аппарат срабатывает правильно.
Дополнительные условия испытания могут быть установлены в стандарте на аппарат конкретного вида.
8.3.4.1.2. Испытательная цепь
a) На
рисунках 9 -
12 приведены следующие схемы цепей, применяемых при испытаниях:
- однополюсного аппарата однофазным переменным или постоянным током (см.
рисунок 9);
- двухполюсного аппарата однофазным переменным или постоянным током (см.
рисунок 10);
- трехполюсного аппарата трехфазным переменным током (см.
рисунок 11);
- четырехполюсного аппарата трехфазным переменным током в четырехпроводной схеме (см.
рисунок 12).
Подробную схему использованной цепи приводят в протоколе испытаний.
Примечание. Для комбинаций с УЗКЗ взаимная компоновка УЗКЗ и аппарата, подлежащего испытанию, должна быть указана в стандарте на аппарат конкретного вида.
b) Источник питания S подает ток в цепь, включающую сопротивления

реакторы X и испытуемый аппарат D.
В любом случае мощность источника питания аппарата должна быть достаточной для проверки характеристик, указанных изготовителем.
Активное и реактивное сопротивления должны быть регулируемыми с тем, чтобы соответствовать указанным условиям испытания. Реактор X должен быть с воздушным сердечником. Реакторы следует соединять последовательно с сопротивлениями R, а требуемое значение реактивного сопротивления следует обеспечить путем последовательного соединения отдельных реакторов; допускается также параллельное соединение реакторов, если у них практически одинаковая постоянная времени.
Поскольку характеристики восстанавливающегося напряжения испытательных цепей, включающих в себя большие реакторы с воздушными сердечниками, не типичны для обычных условий эксплуатации, реактор с воздушным сердечником в каждой фазе должен быть шунтирован сопротивлением, отводящим приблизительно 0,6% тока, проходящего через реактор, при отсутствии иного соглашения между изготовителем и потребителем.
c) В каждую испытательную цепь (см.
рисунки 9 -
12) вводят сопротивления и реакторы между источником питания S и испытуемым аппаратом D. Положения замыкающего аппарата A и датчиков тока

,

,

могут быть различными. Соединения испытуемого аппарата с испытательной цепью должны характеризоваться в стандарте на аппарат конкретного вида.
Если для испытаний используется ток ниже номинального, на выходной стороне аппарата между ним и короткозамыкателем следует вставить дополнительное требуемое полное сопротивление, однако можно установить его на входной стороне, но это следует указать в протоколе испытаний.
Это не относится к испытаниям на кратковременно допустимый ток (см.
8.3.4.3).
При отсутствии специального соглашения между изготовителем и потребителем, подробности которого фиксируют в протоколе испытаний, схема испытательной цепи должна соответствовать
рисункам 9 -
12.
Заземлять следует одну и только одну точку испытательной цепи: короткозамкнутое звено испытательной цепи или нейтральную точку источника питания, или любую другую удобную точку, но способ заземления следует указать в протоколе испытания.
d) Все части аппарата, нормально заземленные при эксплуатации, в том числе оболочка и экраны, должны быть изолированы от земли и присоединены к одной точке, как показано на
рисунках 9 -
12.
Соединение F должно представлять собой медную проволоку диаметром 0,8 мм и длиной не менее 50 мм или эквивалентный ей плавкий элемент для обнаружения аварийного тока.
Значение ожидаемого аварийного тока в цепи с плавким элементом должно составлять 1500 А +/- 10%, за исключением случаев, оговоренных в
примечаниях 2 и
3. Если необходимо, следует использовать сопротивление, ограничивающее ток до этого значения.
Примечания
1. Медная проволока диаметром 0,8 мм при значении тока 1500 А расплавится приблизительно за полупериод при частоте от 45 до 67 Гц (или за 0,01 с при постоянном токе).
2. В случае применения источника питания с искусственной нейтралью допускается более низкое значение ожидаемого аварийного тока по соглашению с изготовителем. В этом случае применяют медную проволоку меньшего диаметра в соответствии с нижеприведенным соотношением.
Диаметр медной проволоки, мм/ожидаемый аварийный ток в цепи плавкого предохранителя, А: 0,1/50; 0,2/150; 0,3/300; 0,4/500; 0,5/800; 0,8/1500.
3. Значение сопротивления плавкого элемента см.
8.3.2.1.
8.3.4.1.3. Коэффициент мощности испытательной цепи
На переменном токе коэффициент мощности каждой фазы испытательной цепи следует определять каким-либо из способов, который указывают в протоколе испытания. Два способа приведены в
Приложении F.
Коэффициент мощности многофазной цепи рассчитывают как среднее значение коэффициентов мощности каждой фазы.
Коэффициент мощности должен соответствовать значениям, указанным в
таблице 16.
Разница между средним и максимальным и минимальным значениями коэффициентов мощности в отдельных фазах не должна выходить за пределы +/- 0,05.
8.3.4.1.4. Постоянная времени испытательной цепи
На постоянном токе постоянную времени испытательной цепи допускается определять методом в соответствии с Приложением F,
раздел F.2. Постоянная времени должна соответствовать значениям, указанным в
таблице 16.
8.3.4.1.5. Калибровка испытательной цепи
Для калибровки испытательной цепи временные соединения B с ничтожно малым полным сопротивлением помещают по возможности близко к выводам, предусмотренным для присоединения испытуемого аппарата.
На переменном токе сопротивления R и реакторы X регулируют так, чтобы при данном напряжении до включения обеспечить ток, равный номинальной наибольшей отключающей способности, и коэффициент мощности согласно
8.3.4.1.3.
Для определения по осциллограмме калибровки наибольшей включающей способности испытуемого аппарата калибруют цепь в расчете на достижение в одной из фаз ожидаемого тока включения.
Примечание. Напряжение до включения - это напряжение в разомкнутой цепи, необходимое для получения заданного возвращающегося напряжения (см. также
8.3.2.2.3, примечание 1).
На постоянном токе сопротивления R и реакторы X регулируют так, чтобы при данном испытательном напряжении обеспечить ток, максимальное значение которого равняется номинальной наибольшей отключающей способности, и постоянную времени по
8.3.4.1.4.
Ток одновременно подают во все полюса испытательной цепи, и токовую характеристику записывают в течение не менее 0,1 с.
В коммутационных аппаратах постоянного тока контакты разъединяются до достижения пикового значения по калибровочной кривой. Калибровочной диаграммы (при наличии дополнительного активного сопротивления в цепи) достаточно для доказательства того, что скорость нарастания тока в амперах в секунду равна скорости нарастания испытательного тока при указанной постоянной времени (см.
рисунок 15).
Это дополнительное сопротивление должно быть таким, чтобы пиковое значение тока по калибровочной кривой по крайней мере равнялось пиковому значению тока отключения. Для самого испытания это сопротивление следует убрать [см.
8.3.4.1.8, перечисление b)].
8.3.4.1.6. Методика испытания
После калибровки испытательной цепи по
8.3.4.1.5 временные соединения заменяют испытуемым аппаратом с соединительными кабелями (при их наличии).
Испытания на работоспособность в условиях короткого замыкания проводят согласно требованиям стандарта на аппарат конкретного вида.
8.3.4.1.7. Поведение аппарата во время испытаний на включение и отключение в условиях короткого замыкания
Не должны образовываться дуга, перекрытие между полюсами или между полюсами и корпусом, не должен расплавляться предохранитель F в цепи обнаружения утечки (см.
8.3.4.1.2).
Дополнительные требования могут содержаться в стандарте на аппарат конкретного вида.
8.3.4.1.8. Интерпретация записей
a) Определение напряжения до включения и возвращающегося напряжения
Напряжение до включения и возвращающееся напряжение определяют по записи, сделанной во время испытания на отключение конкретного испытуемого аппарата и оцененной в соответствии с
рисунком 13 для переменного тока и
рисунком 14 для постоянного тока.
Напряжение на входной стороне следует измерять в течение первого полного периода после гашения дуги во всех полюсах и подавления высокочастотных колебаний (см.
рисунок 13).
Если требуется дополнительная информация, например, о напряжении на контактах отдельных полюсов, времени дуги, энергии дугообразования, коммутационным перенапряжении и т.п., ее можно получить с помощью дополнительных датчиков на каждом полюсе, причем сопротивление каждой такой измерительной цепи должно быть не ниже 100 Ом/В действующего значения напряжения на отдельных полюсах; данное значение должно быть внесено в протокол испытания.
b) Определение ожидаемого тока отключения
Ожидаемый ток отключения определяют сопоставлением токовых характеристик, полученных в период калибровки цепи и во время испытания аппарата на отключение (см.
рисунок 13).
На переменном токе периодическая составляющая ожидаемого тока отключения предполагается равной действующему значению периодической составляющей тока калибровки в момент разъединения дугогасительных контактов (что соответствует

на
рисунке 13 a). Ожидаемый ток отключения рассчитывают как среднее значение ожидаемых токов во всех фазах с допуском по
таблице 8.
Ожидаемый ток в каждой фазе не должен отличаться более чем на +/- 10% номинального значения.
Примечание. По согласованию с изготовителем ток в каждой фазе не может отличаться более чем на +/- 10% среднего значения ожидаемого тока.
На постоянном токе ожидаемый ток отключения считают равным максимальному значению

, определенному по калибровочной кривой аппарата, отключающего ток до достижения им максимального значения, и значению A для аппарата, отключающего ток после прохождения максимума [см.
рисунки 14 a) и b)].
Испытание аппарата на постоянном токе, проверенного в соответствии с требованиями
8.3.4.1.5, когда калибровка испытательной цепи проводилась при токе I ниже номинальной отключающей способности, считается недостоверным, если фактический ток отключения

выше, чем

, и должно быть проведено повторно после калибровки при токе

, более высоком, чем

(см.
рисунок 15).
Ожидаемый ток отключения

определяют расчетом сопротивления R испытательной цепи на основании сопротивлений R соответствующих калибровочных цепей. Постоянную времени испытательной цепи определяют по формуле

.
Допуски должны соответствовать значениям, указанным в
таблице 8.
c) Определение ожидаемого пикового тока включения
Ожидаемый пиковый ток включения определяют по калибровочной записи и считают равным

(см.
рисунок 13 a) на переменном токе и

(см.
рисунок 14) на постоянном токе. При испытаниях трехфазным током его приравнивают к наибольшему из трех значений

, установленных по записи.
Примечание. При испытаниях однополюсных аппаратов ожидаемый пиковый ток включения, определяемый по калибровочной записи, может отличаться от фактического тока включения в ходе испытания из-за различия моментов включения.
8.3.4.1.9. Состояние аппарата после испытаний
После испытаний аппарат должен соответствовать требованиям стандарта на аппарат конкретного вида.
8.3.4.2. Наибольшая включающая и отключающая способности
Методика испытаний на проверку номинальной наибольшей включающей и отключающей способностей аппарата - в соответствии со стандартом на аппарат конкретного вида.
8.3.4.3. Проверка способности аппарата проводить номинальный кратковременно допустимый ток
Испытанию подвергают замкнутый аппарат при ожидаемом токе, равном номинальному кратковременно допустимому току, и соответствующем рабочем напряжении в общих условиях по
8.3.4.1.
Если затруднительно проводить такое испытание при рабочем напряжении, его разрешается проводить при любом удобном более низком напряжении. В этом случае фактический испытательный ток должен быть равен номинальному кратковременно допустимому току

, что должно быть оговорено в протоколе испытания. Но если в ходе испытания наблюдается кратковременный отброс контактов, испытание следует повторить при номинальном рабочем напряжении.
Для этого испытания следует заблокировать любой максимальный расцепитель тока (при наличии), способный сработать во время испытания.
a) Испытание на переменном токе
Данные испытания следует проводить при номинальной частоте тока с допускаемым отклонением +/- 25% и коэффициенте мощности, соответствующем номинальному кратковременно допустимому току в соответствии с
таблицей 16.
Значение тока во время калибровки - среднее из действующих значений периодической составляющей во всех фазах (см.
4.3.6.1). Среднее действующее значение периодической составляющей должно быть равно номинальному значению в пределах допусков, указанных в
таблице 8.
В каждой фазе ток не должен выходить за пределы +/- 5% номинального значения.
Если испытание проводят при номинальном значении рабочего напряжения, ток калибровки - ожидаемый ток, если испытание проводят при каком-либо более низком значении напряжения - фактический испытательный.
Ток следует подавать в течение установленного времени, на протяжении которого действующее значение его периодической составляющей должно оставаться постоянным.
Примечание. С согласия изготовителя значение тока в каждой фазе может быть +/- 10% среднего значения при затруднениях испытательной станции.
Наибольшее пиковое значение тока на протяжении его первого периода должно быть не ниже n-кратного номинального значения кратковременно допустимого тока, где n соответствует соотношению по
таблице 16.
При невозможности по каким-либо причинам выполнить эти требования допускаются другие значения тока при условии, что

,
где

- длительность испытания;

- калибровочный ток, если периодическая составляющая не является постоянной или больше

;
I - фактический калибровочный ток, которому приписывается постоянная по значению составляющая;

- постоянная времени.
Если на имеющемся источнике питания ток короткого замыкания убывает настолько, что за номинальное время невозможно получить номинальный кратковременно допустимый ток, не подавая изначально чрезмерно высокий ток, можно допустить уменьшение действующего значения этого тока за время испытания до уровня ниже установленного и соответственно увеличить длительность подачи тока при условии, что значение наибольшего пикового тока будет не менее установленного.
Если для достижения требуемого пикового тока действующее значение данного тока приходится увеличить до уровня выше установленного, следует соответственно сократить время проведения испытания.
b) Испытание на постоянном токе
Ток следует подавать в течение установленного времени, а его среднее значение, определенное по записи, должно быть равно по крайней мере заданному.
Если при испытании невозможно в течение заданного времени обеспечить соответствие данным требованиям, не подавая изначально чрезмерно высокий ток, допускается уменьшение значения этого тока за время испытания до уровня ниже установленного и соответствующее увеличение длительности с условием, чтобы максимальное значение этого тока было не меньше установленного.
Если невозможно проводить эти испытания на постоянном токе, то по соглашению между изготовителем и потребителем допускается проводить их на переменном токе, если принять нужные меры предосторожности для того, чтобы, например, пиковое значение тока не превышало допустимое.
c) Состояние аппарата во время и после испытания
Состояние аппарата во время испытания определяют в соответствии со стандартом на аппарат конкретного вида.
После испытания должно быть возможно оперирование аппаратом с применением нормальных органов управления.
8.3.4.4. Координация с устройствами для защиты от короткого замыкания и номинальный условный ток короткого замыкания
Условия и методика испытаний по применению должны быть изложены в стандарте на аппарат конкретного вида.
Испытания на устойчивость к электромагнитным помехам и помехоэмиссию являются типовыми и должны проводиться в характерных условиях эксплуатации и окружающей среды согласно инструкциям изготовителя по монтажу.
Испытания проводят в соответствии со стандартами на ЭМС, однако в стандарте на аппарат конкретного вида должны быть указаны дополнительные условия для проверки аппарата на соответствие критериям работоспособности.
8.4.1. Устойчивость к электромагнитным помехам
8.4.1.1. Аппараты, не содержащие электронные цепи
Испытания не проводят. См.
7.3.2.1.
8.4.1.2. Аппараты, содержащие электронные цепи
Для аппаратов, содержащих электронные цепи, все компоненты которых пассивны (например диоды, резисторы, варисторы, конденсаторы, подавители импульсов, индукторы и т.п.), испытания не проводят. Испытания проводят по
таблице 23, если иной уровень испытания не оговорен в стандарте на аппарат конкретного вида.
Критерии работоспособности, основанные на критериях соответствия, указанных в
таблице 24, приведены в стандарте на аппарат конкретного вида.
8.4.2. Излучение помех
8.4.2.1. Аппараты, не содержащие электронные цепи
Испытания не проводят. См.
7.3.3.1.
8.4.2.2. Аппараты, содержащие электронные цепи
Стандарт на аппарат конкретного вида должен содержать методику испытаний. См.
7.3.3.2.
Таблица 1
Стандартные поперечные сечения круглых медных проводников
Номинальное поперечное сечение, мм2 | Размер в системе AWG/kcmil | Сечение в метрической системе, эквивалентное размеру в системе AWG/kcmil, мм2 |
0,20 | 24 | 0,205 |
0,34 | 22 | 0,324 |
0,50 | 20 | 0,519 |
0,75 | 18 | 0,820 |
1,00 | - | - |
1,50 | 16 | 1,300 |
2,50 | 14 | 2,100 |
4,00 | 12 | 3,300 |
6,00 | 10 | 5,300 |
10,00 | 8 | 8,400 |
16,00 | 6 | 13,300 |
25,00 | 4 | 21,200 |
35,00 | 2 | 33,600 |
- | 1 | 42,400 |
50,00 | 0 | 53,500 |
70,00 | 00 | 67,400 |
95,00 | 000 | 85,000 |
- | 0000 | 107,200 |
120 | 250 kcmil | 127,000 |
150 | 300 kcmil | 152,000 |
185 | 350 kcmil | 177,000 |
- | 400 kcmil | 203,000 |
240 | 500 kcmil | 253,000 |
300 | 600 kcmil | 304,000 |
Примечания 1. Прочерк означает размер при оценке способности к присоединению (см. 7.1.7.2). 2. AWG - американский сортамент проводов - система идентификации проводов, где значения диаметров находятся в геометрической прогрессии между размерами 36 и 0000. kcmil: 1000 круговых мил означает единицу площади круга 1 kcmil = 0,50607 мм2. |
Таблица 2
Пределы превышения температуры выводов
Материал выводов | Пределы превышения температуры, °C <1>, <3> |
Медь без покрытия | 60 |
Латунь без покрытия | 65 |
Медь или латунь, покрытые оловом | 65 |
Медь или латунь, покрытые серебром или никелем | 70 |
Прочие материалы | <2> |
<1> При применении проводников значительно меньшего сечения, чем указано в таблицах 9 и 10, может произойти перегрев деталей зажима, вывода и соседствующих частей аппарата, применение таких проводников требует дополнительного согласования с изготовителем аппарата. <2> Пределы превышения температуры должны устанавливаться на основе опыта эксплуатации аналогичных аппаратов или по результатам испытания на износостойкость, но значение превышения температуры не должно превышать 65 °C. <3> В стандартах на аппараты конкретных видов могут быть установлены другие значения, исходя из условий испытаний и малых размеров аппаратов, но не превышающие более чем на 10 °C значений, приведенных в данной таблице. |
Таблица 3
Пределы превышения температуры доступных частей
Доступная часть | Пределы превышения температуры, °C <1> |
Элементы для оперирования рукой или пальцем: | |
- металлические | 15 |
- неметаллические | 20 |
Части, доступные для прикосновения при оперировании, но не оперируемые рукой: | |
- металлические | 30 |
- неметаллические | 40 |
Части, при нормальном оперировании не доступные для прикосновения <2> | |
- наружная поверхность оболочек близ ввода кабеля: | |
- металлическая | 40 |
- неметаллическая | 50 |
Наружные поверхности оболочек для сопротивлений | |
Воздух, выбрасываемый из вентиляционных отверстий оболочек для сопротивлений | |
<1> В стандартах на аппараты конкретных видов могут быть установлены другие значения, исходя из условий испытаний и малых размеров аппаратов, но не превышающие более чем на 10 °C значений, приведенных в данной таблице. <2> Данный аппарат следует изолировать от контакта с горючими материалами или случайных прикосновений персонала. Предел 200 °C может быть превышен, если это допускается изготовителем. Необходимые ограждения и место установки аппарата определяют при его монтаже. Изготовитель должен предоставить соответствующую информацию согласно 5.3. |
Таблица 4
| | ИС МЕГАНОРМ: примечание. В официальном тексте документа, видимо, допущена опечатка: пункт 8.2.6.2 отсутствует. | |
Крутящие моменты для проверки механической прочности
Диаметр резьбы, мм | Крутящий момент при затягивании, Н x м |
Стандартное значение | Диапазон значений | I | II | III |
1,6 | До 1,6 | 0,05 | 0,1 | 0,1 |
2,0 | Св. 1,6 " 2,0 | 0,10 | 0,2 | 0,2 |
2,5 | " 2,0 " 2,8 | 0,20 | 0,4 | 0,4 |
3,0 | " 2,8 " 3,0 | 0,25 | 0,5 | 0,5 |
- | " 3,0 " 3,2 | 0,30 | 0,6 | 0,6 |
3,5 | Св. 3,2 до 3,6 | 0,40 | 0,8 | 0,8 |
4,0 | " 3,6 " 4,1 | 0,70 | 1,2 | 1,2 |
4,5 | " 4,1 " 4,7 | 0,80 | 1,8 | 1,8 |
5,0 | " 4,7 " 5,3 | 0,80 | 2,0 | 2,0 |
6,0 | " 5,3 " 6,0 | 1,20 | 2,5 | 3,0 |
8,0 | " 6,0 " 8,0 | 2,50 | 3,5 | 6,0 |
10,0 | " 8,0 " 10,0 | - | 4,0 | 10,0 |
12,0 | " 10,0 " 12,0 | - | - | 14,0 |
14,0 | " 12,0 " 15,0 | - | - | 19,0 |
16,0 | " 15,0 " 20,0 | - | - | 25,0 |
20,0 | " 20,0 " 24,0 | - | - | 36,0 |
24,0 | " 24,0 | - | - | 50,0 |
Примечание. Значения, приведенные в графе I, распространяются на винты без головок, в затянутом виде не выступающие из отверстий, и другие винты, которые не могут быть затянуты отверткой с лезвием шириной более диаметра головки винта. Значения, приведенные в графе II, распространяются на гайки и винты, затягиваемые отверткой. Значения, приведенные в графе III, распространяются на гайки и винты, затягиваемые другим инструментом. |
Таблица 5
Испытательные параметры при испытаниях на изгиб
и вытягивание круглых медных проводников
Поперечное сечение проводника | Диаметр отверстия в гильзе <1>, <2>, мм | | Масса, кг | Тянущее усилие, Н |
мм2 | AWG/kcmil |
0,20 | 24 | 6,5 | 260 | 0,2 | 10 |
0,34 | 22 | 15 |
0,50 | 20 | 0,3 | 20 |
0,75 | 18 | 0,4 | 30 |
1,00 | - | 0,4 | 35 |
1,50 | 16 | 40 |
2,50 | 14 | 9,5 | 280 | 0,7 | 50 |
4,00 | 12 | 0,9 | 60 |
6,00 | 10 | 1,4 | 80 |
10,00 | 8 | 2,0 | 90 |
16,00 | 6 | 13,0 | 300 | 2,9 | 100 |
25,00 | 4 | 4,5 | 135 |
- | 3 | 14,5 | 320 | 5,9 | 156 |
35,00 | 2 | 6,8 | 190 |
- | 1 | 15,9 | 343 | 8,6 | 236 |
50,00 | 0 | 9,5 |
70,00 | 00 | 19,1 | 368 | 10,4 | 285 |
95,00 | 000 | 14,0 | 351 |
- | 0000 | 427 |
120,00 | 250 | 22,2 | 406 | 15,0 | 427 |
150,00 | 300 |
185,00 | 350 | 25,4 | 432 | 16,8 | 503 |
- | 400 |
240,00 | 500 | 28,6 | 464 | 20,0 | 578 |
300,00 | 600 | 22,7 |
<1> Допуски: на высоту H - +/- 15 мм, диаметр отверстия гильзы - +/- 2 мм. <2> Если гильза с указанным диаметром отверстия не обеспечивает пропускания проводника без заедания, допускается использовать гильзу со следующим в сторону увеличения значением диаметра. |
Таблица 6
Параметры при испытаниях на вытягивание плоских медных
Максимальная ширина плоских проводников, мм | Тянущее усилие, Н |
12 | 100 |
14 | 120 |
16 | 160 |
20 | 180 |
25 | 220 |
30 | 280 |
Таблица 7
Максимальные поперечные сечения проводников и размеры
Размеры в миллиметрах
Площадь поперечного сечения проводников, мм2 | |
гибкого | жесткого (одно- или многожильного) | Форма A | Форма B | Предельные отклонения по размерам a, b |
Маркировка | Диаметр a | Ширина b | Маркировка | Диаметр a |
1,5 | 1,5 | A1 | 2,4 | 1,5 | B1 | 1,9 | |
2,5 | 2,5 | A2 | 2,8 | 2,0 | B2 | 2,4 | 0 |
2,5 | 4 | A3 | 2,8 | 2,4 | B3 | 2,7 | -0,05 |
4 | 6 | A4 | 3,6 | 3,1 | B4 | 3,5 | |
6 | 10 | A5 | 4,3 | 4,0 | B5 | 4,4 | 0 |
10 | 16 | A6 | 5,4 | 5,1 | B6 | 5,3 | -0,06 |
16 | 25 | A7 | 7,1 | 6,3 | B7 | 6,9 | |
25 | 35 | A8 | 8,3 | 7,8 | B8 | 8,2 | 0 |
35 | 50 | A9 | 10,2 | 9,2 | B9 | 10,0 | -0,07 |
50 | 70 | A10 | 12,3 | 11,0 | B10 | 12,0 | |
70 | 95 | A11 | 14,2 | 13,1 | B11 | 14,0 | |
95 | 120 | A12 | 16,2 | 15,1 | B12 | 16,0 | 0 |
120 | 150 | A13 | 18,2 | 17,0 | B13 | 18,0 | -0,08 |
150 | 185 | A14 | 20,2 | 19,0 | B14 | 20,0 | |
185 | 240 | A15 | 22,2 | 21,0 | B15 | 22,0 | 0 |
240 | 300 | A16 | 26,5 | 24,0 | B16 | 26,0 | -0,09 |
Примечание. При значениях поперечных сечений проводников, отличающихся от указанных в таблице, в качестве щупа можно использовать неподготовленный проводник соответствующего поперечного сечения. При этом усилие ввода его в вывод не должно превышать 5 Н. |
Таблица 8
Предельные отклонения испытательных параметров
Все испытания | Испытания при нулевой и нормальной нагрузке и перегрузке | Испытание в условиях короткого замыкания |
Ток +5% | Коэффициент мощности +/- 0,05% | Коэффициент мощности 0,05% |
Напряжение (в т.ч. возвращающееся напряжение промышленной частоты) +5% | Постоянная времени +15%, частота +/- 5% | Постоянная времени +25%, частота +/- 5% |
Примечания 1. Указанные допуски недействительны, если в стандарте на аппарат конкретного вида установлены максимальные, минимальные или те и другие предельные отклонения. 2. По соглашению между изготовителем и потребителем испытания, проведенные при частоте 50 Гц, могут считаться действительными для оперирования при частоте 60 Гц и наоборот. |
Таблица 9
Поперечные сечения медных проводников для испытательных
Диапазон испытательных токов <1>, А | |
мм2 | AWG/kcmil |
От 0 до 8 | 1,0 | 18 |
" 8 " 12 | 1,5 | 16 |
" 12 " 15 | 2,5 | 14 |
" 15 " 20 | 2,5 | 12 |
" 20 " 25 | 4,0 | 10 |
" 25 " 32 | 6,0 | 10 |
" 32 " 50 | 10 | 8 |
" 50 " 65 | 16 | 6 |
" 65 " 85 | 25 | 4 |
" 85 " 100 | 35 | 3 |
" 100 " 115 | 35 | 2 |
" 115 " 130 | 50 | 1 |
" 130 " 150 | 50 | 0 |
" 150 " 175 | 70 | 00 |
" 175 " 200 | 95 | 000 |
" 200 " 225 | 95 | 0000 |
" 225 " 250 | 120 | 250 |
" 250 " 275 | 150 | 300 |
" 275 " 300 | 185 | 350 |
" 300 " 350 | 185 | 400 |
" 350 " 400 | 240 | 500 |
|
Таблица 10
Поперечные сечения медных проводников для испытательных
Диапазон испытательных токов <1>, А | |
Метрическая система | Система kcmil |
Число, шт. | Поперечное сечение, мм2 | Число, шт. | Размер kcmil |
От 400 до 500 включительно | 2 | 150 | 2 | 250 |
От 500 до 630 включительно | 185 | 350 |
От 630 до 800 включительно | 240 | 3 | 300 |
|
Таблица 11
Размеры медных шин для испытательных токов
св. 400 до 3150 А включительно (см.
8.3.3.3.4)
Диапазон испытательных токов <1>, А | |
Число, шт. | Размеры, мм | Размеры, дюйм |
От 400 до 500 включительно | 2 | 30 x 5 | 1,00 x 0,250 |
От 500 до 630 включительно | 40 x 5 | 1,25 x 0,250 |
50 x 5 | 1,50 x 0,250 |
От 630 до 800 включительно | 60 x 5 | 2,00 x 0,250 |
80 x 5 | 2,50 x 0,250 |
От 800 до 1000 включительно | 100 x 5 | 3,00 x 0,250 |
От 1000 до 1250 включительно |
От 1250 до 1600 включительно |
От 1600 до 2000 включительно | 3 | | |
От 2000 до 2500 включительно | 4 | | |
От 2500 до 3150 включительно | 3 | 100 x 10 | 6,00 x 0,250 |
<1> Нижний предел диапазона испытательного тока должен превышать меньшее значение тока, указанного в таблице, а верхний предел - быть меньше или равным большему значению. <2> Для удобства испытания по соглашению с изготовителем допускается использовать проводники с меньшим поперечным сечением, чем указано в таблице для соответствующего диапазона испытательного тока. <3> Для проводов приведены размеры в метрической системе и в системе AWG/kcmil, а для шин - в миллиметрах и дюймах. Сравнение размеров метрической системы и системы AWG/kcmil приведены в таблице 1. <4> Для заданного диапазона испытательных токов допускается использовать проводник любого из двух размеров, указанных для этого диапазона. <5> Предполагается, что шины устанавливают большей гранью по вертикали. Расположение большей гранью по горизонтали возможно по инструкции изготовителя. <6> В случае использования четырех шин их располагают попарно двумя группами с расстоянием между центрами групп не более 100 мм. |
Таблица 12
Выдерживаемые импульсные напряжения при испытаниях
электрической прочности изоляции
Напряжение в киловольтах
Номинальное импульсное выдерживаемое напряжение  | Испытательное напряжение  на высоте над уровнем моря |
0 м | 200 м | 500 м | 1000 м | 2000 м |
0,33 | 0,35 | 0,34 | 0,33 |
0,50 | 0,55 | 0,54 | 0,53 | 0,52 | 0,50 |
0,80 | 0,91 | 0,90 | 0,85 | 0,80 |
1,50 | 1,75 | 1,70 | 1,60 | 1,50 |
2,50 | 2,95 | 2,80 | 2,70 | 2,50 |
4,00 | 4,80 | 4,70 | 4,40 | 4,00 |
6,00 | 7,30 | 7,20 | 7,00 | 6,70 | 6,00 |
8,00 | 9,80 | 9,60 | 9,30 | 9,00 | 8,00 |
12,00 | 14,80 | 14,50 | 14,00 | 13,30 | 12,00 |
Примечание. В таблице используют характеристики однородного поля (см. 2.5.62, случай B) |
Таблица 12А
Выдерживаемое напряжение при испытании
электрической прочности изоляции в соответствии
с номинальным напряжением изоляции
Напряжение в вольтах
Номинальное напряжение изоляции  | Напряжение для испытания электрической прочности изоляции |
Действующее значение переменного тока | Напряжение постоянного тока <2>, <3> |
| 1000 | 1415 |
| 1500 | 2120 |
| 1890 | 2670 |
| 2000 | 2830 |
| 2200 | 3110 |
 <1> | - | 3820 |
<1> Только для постоянного тока. <2> Испытательные напряжения - в соответствии с МЭК 60664-1 [15], пункт 4.1.2.3.1, третий абзац. <3> При испытании допускается использовать только напряжение постоянного тока, если напряжение переменного тока не применимо. |
Таблица 13
Минимальные воздушные зазоры
Номинальное импульсное выдерживаемое напряжение | Минимальные воздушные зазоры, мм |
Случай A. Неоднородное поле (см. 2.5.63) | Случай B. Идеальное однородное поле (см. 2.5.62) |
Степень загрязнения |
1 | 2 | 3 | 4 | 1 | 2 | 3 | 4 |
0,33 | 0,01 | 0,2 | 0,8 | 1,6 | 0,01 | 0,2 | 0,8 | 1,6 |
0,50 | 0,04 | 0,04 |
0,80 | 0,10 | 0,1 |
1,50 | 0,50 | 0,5 | 0,3 |
2,50 | 1,50 | 1,5 | 0,6 |
4,00 | 3,00 | 3,0 | 1,2 |
6,00 | 5,50 | 5,5 | 2,0 |
8,00 | 8,00 | 8,0 | 3,0 |
12,00 | 14,00 | 14,0 | 4,5 |
Примечание. Значения минимальных воздушных зазоров рассчитаны для импульсного напряжения 1,2/50 мкс при барометрическом давлении 80 кПа, эквивалентном нормальному атмосферному давлению на высоте 2000 м над уровнем моря. |
Таблица 14
Испытательное напряжение на разомкнутых контактах
аппаратов, пригодных для разъединения
Напряжение в киловольтах
Номинальное импульсное выдерживаемое напряжение | Испытательные напряжения при  соответственно высоте над уровнем моря |
0 м | 200 м | 500 м | 1000 м | 2000 м |
0,33 | 1,8 | 1,7 | 1,6 | 1,5 |
0,50 |
0,80 |
1,50 | 2,3 | 2,2 | 2,0 |
2,50 | 3,5 | 3,4 | 3,2 | 3,0 |
4,00 | 6,2 | 6,0 | 5,8 | 5,6 | 5,0 |
6,00 | 9,8 | 9,6 | 9,3 | 9,0 | 8,0 |
8,00 | 12,3 | 12,1 | 11,7 | 11,1 | 10,0 |
12,00 | 18,5 | 18,1 | 17,5 | 16,7 | 15,0 |
Таблица 15
Минимальные расстояния утечки
Номинальное напряжение изоляции аппарата или рабочее напряжение переменного (действующее значение) или постоянного тока <4>, В | Расстояния утечки для аппаратов, испытывающих длительные нагрузки, мм |
Степень загрязнения |
| | 1 | 2 |
Группа материалов |
| | | I | II | | |
10,0 | 0,025 | 0,040 | 0,080 | 0,40 |
12,5 | 0,090 | 0,42 |
16,0 | 0,100 | 0,45 |
20,0 | 0,110 | 0,48 |
25,0 | 0,125 | 0,50 |
32,0 | 0,140 | 0,53 |
40,0 | 0,160 | 0,56 | 0,80 | 1,10 |
50,0 | 0,180 | 0,60 | 0,85 | 1,20 |
63,0 | 0,040 | 0,063 | 0,200 | 0,63 | 0,90 | 1,25 |
80,0 | 0,063 | 0,100 | 0,220 | 0,67 | 0,95 | 1,30 |
100,0 | 0,100 | 0,160 | 0,250 | 0,71 | 1,00 | 1,40 |
125,0 | 0,160 | 0,250 | 0,280 | 0,75 | 1,05 | 1,50 |
160,0 | 0,250 | 0,400 | 0,320 | 0,80 | 1,10 | 1,60 |
200,0 | 0,400 | 0,063 | 0,420 | 1,00 | 1,40 | 2,00 |
| 0,560 | 1,000 | 0,560 | 1,25 | 1,80 | 2,50 |
320,0 | 0,750 | 1,600 | 0,750 | 1,60 | 2,20 | 3,20 |
400,0 | 1,000 | 2,000 | 1,000 | 2,00 | 2,80 | 4,00 |
500,0 | 1,300 | 2,500 | 1,300 | 2,50 | 3,60 | 5,00 |
630,0 | 1,800 | 3,200 | 1,800 | 3,20 | 4,50 | 6,30 |
800,0 | 2,400 | 4,000 | 2,400 | 4,00 | 5,60 | 8,00 |
1000,0 | 3,200 | 5,000 | 3,200 | 5,00 | 7,10 | 10,00 |
1250,0 | | | 4,200 | 6,30 | 9,00 | 12,50 |
1600,0 | | | 5,600 | 8,00 | 11,00 | 16,00 |
2000,0 | | | 7,500 | 10,00 | 14,00 | 20,00 |
2500,0 | | | 10,000 | 12,50 | 18,00 | 25,00 |
3200,0 | | | 12,500 | 16,00 | 22,00 | 32,00 |
4000,0 | | | 16,000 | 20,00 | 28,00 | 40,00 |
5000,0 | | | 20,000 | 25,00 | 36,00 | 50,00 |
6300,0 | | | 25,000 | 32,00 | 45,00 | 63,00 |
8000,0 | | | 32,000 | 40,00 | 56,00 | 80,00 |
10000,0 | | | 40,000 | 50,00 | 71,00 | 100,00 |
Продолжение таблицы 15
Номинальное напряжение изоляции аппарата или рабочее напряжение переменного (действующее значение) или постоянного тока <4>, В | Расстояния утечки для аппаратов, испытывающих длительные нагрузки, мм |
Степень загрязнения |
3 | 4 |
Группа материалов |
I | II | | | I | II | | |
10,0 | 1,00 | 1,60 | |
12,5 | 1,05 |
16,0 | 1,10 |
20,0 | 1,20 |
25,0 | 1,25 | 1,70 |
32,0 | 1,30 | 1,80 |
40,0 | 1,40 | 1,60 | 1,80 | 1,90 | 2,40 | 3,00 |
50,0 | 1,50 | 1,70 | 1,90 | 2,00 | 2,50 | 3,20 |
63,0 | 1,60 | 1,80 | 2,00 | 2,10 | 2,60 | 3,40 |
80,0 | 1,70 | 1,90 | 2,10 | 2,20 | 2,80 | 3,60 |
100,0 | 1,80 | 2,00 | 2,20 | 2,40 | 3,00 | 3,80 |
125,0 | 1,90 | 2,10 | 2,40 | 2,50 | 3,20 | 4,00 |
160,0 | 2,00 | 2,20 | 2,50 | 3,2 | 4,0 | 5,0 |
200,0 | 2,50 | 2,80 | 3,20 | 4,0 | 5,0 | 6,3 |
250,06> | 3,20 | 3,60 | 4,00 | 5,0 | 6,3 | 8,0 |
320,0 | 4,00 | 4,50 | 5,00 | 6,3 | 8,0 | 10,0 |
400,0 | 5,00 | 5,60 | 6,30 | 8,0 | 10,0 | 12,5 |
500,0 | 6,30 | 7,10 | 8,00 | 10,0 | 12,5 | 16,0 |
630,0 | 8,00 | 9,00 | 10,00 | 12,5 | 16,0 | 20,0 |
800,0 | 10,00 | 11,00 | 12,50 | | 16,0 | 20,0 | 25,0 |
1000,0 | 12,50 | 14,00 | 16,00 | 20,0 | 25,0 | 32,0 |
1250,0 | 16,00 | 18,00 | 20,00 | 25,0 | 32,0 | 40,0 |
1600,0 | 20,00 | 22,00 | 25,00 | 32,0 | 40,0 | 50,0 |
2000,0 | 25,00 | 28,00 | 32,00 | 40,0 | 50,0 | 63,0 |
2500,0 | 32,00 | 36,00 | 40,00 | 50,0 | 63,0 | 80,0 |
3200,0 | 40,00 | 45,00 | 50,00 | 63,0 | 80,0 | 100,0 |
4000,0 | 50,00 | 56,00 | 63,00 | 80,0 | 100,0 | 125,0 |
5000,0 | 63,00 | 71,00 | 80,00 | 100,0 | 125,0 | 160,0 |
6300,0 | 80,00 | 90,00 | 100,00 | 125,0 | 160,0 | 200,0 |
8000,0 | 100,0 | 110,00 | 125,00 | 160,0 | 200,0 | 250,0 |
10000,0 | 125,0 | 140,00 | 160,00 | 200,0 | 250,0 | 320,0 |
<1> Группы материалов I, II,  ,  . <2> Группы материалов I, II,  . <3> Для этих материалов значения расстояний утечки не установлены. Группа материалов  не рекомендуется для применения при степени загрязнения 3, если напряжение свыше 630 В, и при степени загрязнения 4. <4> В порядке исключения при номинальных напряжениях изоляции 127, 208, 415/440, 660/690 и 830 В можно использовать расстояния утечки, соответствующие более низким значениям 125, 200, 400, 630 и 800 В соответственно. <5> Значения, приведенные в этих двух графах, относятся к расстояниям утечки в печатных схемах. <6> Значения расстояний утечки, указанные для 250 В, можно использовать для 230 В +/- 10 %. |
Примечания 1. Обычно при эксплуатационных напряжениях 32 В и ниже на изоляции отсутствуют следы токов утечки или эрозии. Однако следует учитывать возможность электролитической коррозии, поэтому рекомендуются минимальные расстояния утечки. 2. Значения напряжения выбраны из ряда R10 предпочтительных чисел. |
Таблица 16
Значения коэффициентов мощности и постоянных времени
в зависимости от испытательных токов и соотношения n между
пиковым и действующим значениями тока
Испытательный ток I, А | Коэффициент мощности | Постоянная времени, мс | Соотношение n |
I < 1500 | 0,95 | 5 | 1,41 |
1500 < I < 3000 | 0,90 | | 1,42 |
3000 < I < 4500 | 0,80 | | 1,47 |
4500 < I < 6000 | 0,70 | | 1,53 |
6000 < I < 10000 | 0,50 | | 1,70 |
10000 < I < 20000 | 0,30 | 10 | 2,00 |
20000 < I < 50000 | 0,25 | 15 | 2,10 |
50000 < I | 0,20 | | 2,20 |
Таблица 17
Пределы испытательного усилия, которым подвергают данные
Тип органа управления <*> | Усилие, Н |
Нижний предел | Верхний предел |
Нажимная кнопка (a) | 50 | 150 |
Оперируемый одним пальцем (b) |
Оперируемый двумя пальцами (c) | 100 | 200 |
Оперируемый одной рукой (d, e) | 150 | 400 |
Оперируемый двумя руками (f, g) | 200 | 600 |
|
Таблицы 18, 19 свободны.
Примечание. Нумерация таблиц в настоящем стандарте принята аналогичной нумерации таблиц в международном стандарте.
Таблица 20
Значения для испытаний на вытягивание металлических труб
Режимы применения труб по МЭК 60981 [12] | Диаметр труб, мм | Вытягивающее усилие, Н |
внутренний | наружный |
12 Н | 12,5 | 17,1 | 900 |
От 16 до 41 Н | От 16,1 до 41,2 | От 21,3 до 48,3 |
От 53 до 155 Н | От 52,9 до 154,8 | От 60,3 до 168,3 |
Таблица 21
Значения для испытаний труб на изгиб (см.
8.2.7.2)
Режимы применения труб по МЭК 60981 [12] | Диаметр труб, мм | Вытягивающее усилие, Н x м |
внутренний | наружный |
12 Н | 12,5 | 17,1 | |
От 16 до 41 Н | От 16,1 до 41,2 | От 21,3 до 48,3 | 70 |
| | ИС МЕГАНОРМ: примечание. Текст дан в соответствии с официальным текстом документа. | |
|
От 16 до 41 Н | От 16,1 до 41,2 | От 21,3 до 48,3 | 70 |
<1> Данное значение понижается до 17 Н x м для оболочек, имеющих оснащение только для входных труб. |
Таблица 22
Значения для испытаний металлических труб на кручение
Режимы применения труб по МЭК 60981 [12] | Диаметр труб, мм | Крутящий момент, Н x м |
внутренний | наружный |
12 Н | 12,5 | 17,1 | 90 |
От 16 до 41 Н | От 16,1 до 41,2 | От 21,3 до 48,3 | 120 |
От 53 до 155 Н | От 52,9 до 154,8 | От 60,3 до 168,3 | 180 |
Таблица 23
Испытания на ЭМС. Устойчивость к электромагнитным помехам
Тип испытания | Требуемый уровень жесткости |
| 8 кВ/воздушный разряд или 4 кВ/контактный разряд |
Испытание на устойчивость к излучаемым радиочастотным электромагнитным полям (от 80 МГц до 1 ГГц) | 10 В/м |
Испытание на устойчивость к импульсным наносекундным помехам по & ГОСТ Р 51317.4.4& | 2 кВ со стороны питания <1> |
1 кВ со стороны нагрузки <2> |
Испытание на устойчивость к импульсам напряжения/тока 1,2/50 мкс - 8/20 мкс | 2 кВ (фаза-земля) |
1 кВ (фаза-фаза) |
Испытание на устойчивость к кондуктивным помехам, наведенным радиочастотными электромагнитными полями (от 150 кГц до 80 МГц) | 10 В |
Испытание на устойчивость к электромагнитным полям промышленной частоты по &ГОСТ Р 50648& <4> | 30 А/м |
Испытание на устойчивость к динамическим изменениям напряжения электропитания по МЭК 61000-4-11 [19] | Снижение до: |
30% на 0,5 цикла; |
60% на 5 и 50 циклов; |
100% на 250 циклов |
Испытание на устойчивость к гармоникам в сетях питания | Требования отсутствуют <5> |
<1> Силовой вывод - точка подсоединения к аппарату проводника или кабеля, несущего первичное электропитание, необходимое для срабатывания аппарата или согласованного аппарата. <2> Сигнальный вывод - точка подсоединения к аппарату проводника или кабеля, несущего информацию для передачи данных или сигналов. Применение выводов обозначено в стандарте на аппарат конкретного вида. <3> Не используют для выводов на номинальное напряжение 24 В постоянного тока и ниже. <4> Применяют только для аппаратов, содержащих компоненты, чувствительные к действию электромагнитных полей промышленной частоты. |
Таблица 24
Критерии соответствия при наличии электромагнитных помех
Функция | Критерии соответствия (критерии работоспособности при испытаниях) |
A | B | C |
Общая работоспособность | Отсутствие заметных изменений рабочих характеристик | Временная деградация или потеря работоспособности, которая самовосстанавливается | Временная деградация или потеря работоспособности, если требуется вмешательство оператора или переустановка системы <1> |
Функционирование силовых цепей и цепей управления | Нормальное функционирование | Временная деградация или потеря работоспособности, которая самовосстанавливается <1> | Временная деградация или потеря работоспособности, если требуется вмешательство оператора или переустановка системы <1> |
Работа дисплеев и панелей управления | Отсутствие изменений в информации на дисплее. | Временные видимые изменения или потеря информации. | Отключение или постоянное погасание дисплея. |
Легкие флуктуации светодиодов или легкое дрожание изображения | Непредусмотренное свечение светодиодов | Искажение информации и/или переход в незапланированный режим, что очевидно либо следует из предусмотренной индикации. Отсутствие самовосстановления |
Обработка и считывание информации | Связь, свободная от помех, и обмен данными с внешними источниками | Временные помехи в связи с внутренними и внешними источниками с сообщениями об ошибках связи <1> | Неправильная обработка информации. Потеря данных и/или информации. Ошибки в связи. Отсутствие самовосстановления |
<1> Особые требования должны содержаться в стандарте на аппарат конкретного вида. |

1 - узел фиксации; 2 - гильза; 3 - диск; 4 - груз
Рисунок 1. Установка для испытания проводников на изгиб
S - источник питания;

,

- датчики напряжения;
V - вольтметр;

- токоограничивающее сопротивление;
D - испытуемый аппарат (с присоединенными проводниками);
Примечание. Пунктиром обозначен металлический экран или оболочка.
B - перемычки для настройки контура;
T - точка заземления (на стороне нагрузки или питания);

- датчик тока
Рисунок 3. Схема испытательной цепи для проверки
включающей и отключающей способностей однополюсного
аппарата в однофазной цепи переменного
или постоянного тока
S - источник питания;

,

,

- датчики напряжения;
V - вольтметр;
N - нейтраль (искусственная);

- токоограничивающее сопротивление;
D - испытуемый аппарат (с присоединенными проводниками);
Примечание. Пунктиром обозначен металлический экран или оболочка.
B - перемычки для настройки контура;

,

- датчики тока;
T - точка заземления (на стороне нагрузки или питания).
--------------------------------
<1>

могут альтернативно присоединяться между фазой и нейтралью.
<2> Если аппарат предназначен для применения в фазно-заземленных системах или если данную схему применяют для испытания нейтрали и смежного с ней полюса четырехполюсного аппарата, F следует присоединять к одной фазе источника питания.
<3> В США и Канаде F следует присоединять:
- к одной фазе источника питания для аппарата, маркированного единственным значением

;
- к нейтрали для аппарата, маркированного двойным напряжением (см.
примечание к 5.2).
Рисунок 4. Схема испытательной цепи для проверки включающей
и отключающей способностей двухполюсного аппарата
в однофазной цепи переменного или постоянного тока
S - источник питания;

,

,

,

,

,

- датчики напряжения;
V - вольтметр;
N - нейтраль (искусственная);
B - перемычки для настройки контура;

- токоограничивающее сопротивление;
D - испытуемый аппарат (с присоединенными проводниками);
Примечание. Пунктиром обозначен металлический экран или оболочка.
T - точка заземления (на стороне нагрузки или питания).
--------------------------------
<1>

,

,

могут альтернативно присоединяться между фазой и нейтралью.
<2> Если аппарат предназначен для применения в фазно-заземленных системах или если данную схему применяют для испытания нейтрали и смежного с ней полюса четырехполюсного аппарата, F следует присоединять к одной фазе источника питания. На постоянном токе F следует присоединять к отрицательному полюсу источника питания.
<3> В США и Канаде F следует присоединять:
- к одной фазе источника питания для аппарата, маркированного единственным значением

;
- к нейтрали для аппарата, маркированного двойным напряжением (см.
примечание к 5.2).
Рисунок 5. Схема испытательной цепи для проверки включающей
и отключающей способностей трехполюсного аппарата
S - источник питания;

,

,

,

,

,

- датчики напряжения;
V - вольтметр;
N - нейтраль (искусственная);
B - перемычки для настройки контура;

- токоограничивающее сопротивление;
D - испытуемый аппарат (с присоединенными проводниками);
Примечание. Пунктиром обозначен металлический экран или оболочка.
T - точка заземления (на стороне нагрузки или питания).
--------------------------------
<1>

,

,

могут альтернативно присоединяться между фазой и нейтралью.
Рисунок 6. Схема испытательной цепи для проверки включающей
и отключающей способностей четырехполюсного аппарата
Рисунок 7. Схема возвращающегося напряжения на контактах
первой отключаемой фазы в идеальных условиях
S - источник питания;
D - испытуемый аппарат;
C - переключатель выбора фазы;
B - диод;
A - регистрирующий прибор;

- резистор;
G - высокочастотный генератор;
R - активные сопротивления цепи нагрузки;

- параллельные активные сопротивления;

- параллельные конденсаторы;
Примечание. Взаимное расположение высокочастотного генератора G и диода должно быть, как показано на схеме. Указанная точка заземления T должна быть единственной.
S - источник питания;
D - испытуемый аппарат;
C - переключатель выбора фазы;
B - диод;
A - регистрирующий прибор;

- резистор;
G - высокочастотный генератор;
R - активные сопротивления цепи нагрузки;

- параллельные активные сопротивления;

- параллельные конденсаторы;
Примечания:
1. Взаимное расположение высокочастотного генератора G и диода B должно быть, как показано на схеме. Указанная точка заземления T должна быть единственной.
2. На данной схеме в качестве примера переключатель C находится в положении, соответствующем регулировке фазы 1 (первой настраиваемой фазы), соединенной последовательно с фазами 2 и 3, соединенными параллельно.
Рисунок 8. Схема метода регулировки цепи нагрузки: с точкой
заземления со стороны нагрузки на вершине звезды
S - источник питания;

,

- датчики напряжения;
V - вольтметр;
A - замыкающее устройство;

- регулируемое активное сопротивление;
X - регулируемая катушка индуктивности;

- ограничительное сопротивление;
D - испытуемый аппарат с соединительными проводниками;
Примечание. Пунктиром обозначен металлический экран или оболочка.
B - перемычки для калибровки;

- датчик тока;
T - земля - с одной точкой заземления (со стороны нагрузки или питания);
Примечание. Регулируемые нагрузки X и

могут располагаться как с высоковольтной, так и с низковольтной стороны цепи питания, замыкающее устройство A располагается с низковольтной стороны.
Рисунок 9. Схема испытательной цепи для проверки наибольшей
включающей и отключающей способностей однополюсного
аппарата в однофазной цепи переменного или постоянного тока
S - источник питания;

,

,

- датчики напряжения;
V - вольтметр;
A - замыкающее устройство;

- регулируемое активное сопротивление;
N - нейтраль (искусственная);
| | ИС МЕГАНОРМ: примечание. В официальном тексте документа, видимо, допущена опечатка: пункт 8.9.3.4.1.2 отсутствует. | |
F - предохранитель [см. 8.9.3.4.1.2, перечисление d)];
X - регулируемая катушка индуктивности;

- ограничительное сопротивление;
D - испытуемый аппарат (с соединительными проводниками);
Примечание. Пунктиром обозначен металлический экран или оболочка.
B - перемычки для калибровки;

,

- датчики тока;
T - земля - с одной точкой заземления (со стороны нагрузки или питания);
--------------------------------
<1> Регулируемые нагрузки X и

могут располагаться как с высоковольтной, так и с низковольтной стороны цепи питания, замыкающее устройство A располагается с низковольтной стороны.
<2>

могут альтернативно присоединяться между фазой и нейтралью.
<3> Если аппарат предназначен для применения в фазно-заземленных системах или если данную схему применяют для испытания нейтрали и смежного с ней полюса четырехполюсного аппарата, F следует присоединять к одной фазе источника питания. На постоянном токе F следует присоединять к отрицательному полюсу источника питания.
<4> В США и Канаде F следует присоединять:
- к одной фазе источника питания для аппарата, маркированного единственным значением

;
- к нейтрали для аппарата, маркированного двойным напряжением (см.
примечание к 5.2).
Рисунок 10. Схема испытательной цепи для проверки
наибольшей включающей и отключающей способностей
двухполюсного аппарата в однофазной цепи переменного
S - источник питания;

,

,

,

,

,

- датчики напряжения;
V - вольтметр;
A - замыкающее устройство;

- регулируемое активное сопротивление;
N - нейтраль (искусственная нейтраль);
X - регулируемая катушка индуктивности;

- ограничительное сопротивление;
D - испытуемый аппарат;
Примечание. Пунктиром обозначен металлический экран или оболочка.
B - перемычки для калибровки;
T - земля - с одной точкой заземления (со стороны нагрузки или питания);
--------------------------------
<1> Регулируемые нагрузки X и R могут располагаться как с высоковольтной, так и с низковольтной стороны цепи питания, замыкающее устройство A располагается с низковольтной стороны.
<2>

,

,

могут альтернативно присоединяться между фазой и нейтралью.
<3> Если аппарат предназначен для применения в фазно-заземленных системах или если данную схему применяют для испытания нейтрали и смежного с ней полюса четырехполюсного аппарата, F следует присоединять к одной фазе источника питания.
<4> в США и Канаде F следует присоединять:
- к одной фазе источника питания для аппарата, маркированного единственным значением

;
- к нейтрали для аппарата, маркированного двойным напряжением (см.
примечание к 5.2).
Рисунок 11. Схема испытательной цепи для проверки
наибольшей включающей и отключающей способностей
S - источник питания;

,

,

,

,

,

- датчики напряжения;
A - замыкающее устройство;

- регулируемое активное сопротивление;
N - нейтраль источника питания;
X - регулируемая катушка индуктивности;

- ограничительное сопротивление;
D - испытуемый аппарат;
Примечание. Пунктиром обозначен металлический экран или оболочка.
B - перемычки для калибровки;
T - земля - с одной точкой заземления (со стороны нагрузки или питания).
--------------------------------
<1> Регулируемые нагрузки X и R могут располагаться как с высоковольтной, так и с низковольтной стороны цепи питания, замыкающее устройство A располагается с низковольтной стороны.
<2>

,

,

могут альтернативно присоединяться между фазой и нейтралью.
<3> При необходимости проведения дополнительного испытания между нейтралью и смежным с ним полюсами соединения

и

убирают.
Рисунок 12. Схема испытательной цепи для проверки
наибольшей включающей и отключающей способностей
a) Калибровка цепи:

- ожидаемый симметричный ток отключения (действующее значение);

- напряжение до включения (действующее значение).
b) Операция "О" или "ВО":

- напряжение источника питания (действующее значение);

- включающая способность (пиковое значение);
Примечания
1. Амплитуда записи напряжения после подачи испытательного тока изменяется в зависимости от положения замыкающего устройства, регулируемых полных сопротивлений, датчиков напряжения и в соответствии с испытательной схемой.
2. Предполагают, что момент включения одинаковый для калибровки и испытания.
Рисунок 13. Пример записи осциллограмм тока и напряжения
при испытаниях на наибольшую включающую и отключающую
способность однополюсным автоматическим выключателем
в однофазной цепи переменного тока (см.
8.3.4.1.8)
a) - калибровка цепи
Ожидаемый пиковый ток включения

b) - осциллограмма, соответствующая отключению после того, как ток прошел свое максимальное значение
Наибольшая отключающая способность:
ток I = A при напряжении

Наибольшая включающая способность:
ток

при напряжении U = B
c) - осциллограмма, соответствующая отключению до того, как ток достигнет своего максимального значения
Наибольшая отключающая способность:
ток

при напряжении

Наибольшая включающая способность:
ток

при напряжении U = B
Рисунок 14. Проверка наибольшей включающей и отключающей
способностей при постоянном токе (см.
8.3.4.1.8)

- первая калибровка;

- фактический ток отключения;

- вторая калибровка;

- отключающая способность
Рисунок 15. Определение ожидаемого тока отключения после
проведения первой калибровки при токе, меньшем номинальной
Рисунок 16. Испытательное усилие, прикладываемое к органу
(рекомендуемое)
НОРМАЛЬНЫЕ РЕЖИМЫ ПРИМЕНЕНИЯ НИЗКОВОЛЬТНОЙ АППАРАТУРЫ
РАСПРЕДЕЛЕНИЯ И УПРАВЛЕНИЯ
Нормальные режимы применения низковольтной аппаратуры распределения и управления приведены в таблице A.1
Таблица A.1
Род тока | Режим (категория) | Типичные области применения | Стандарт на аппарат конкретного вида |
Переменный | AC-20 | Соединение и разъединение при нулевой нагрузке | &ГОСТ 30011.3& |
AC-21 | Коммутация омических нагрузок, в том числе умеренных перегрузок |
AC-22 | Коммутация смешанных омических и индуктивных нагрузок, в том числе умеренных перегрузок |
AC-23 | Управление двигателями и другими высокоиндуктивными нагрузками |
AC-1 | Неиндуктивные или слабоиндуктивные нагрузки, печи сопротивления | &МЭК 60947-4-1& |
AC-2 | Электродвигатель с фазным ротором: пуск, отключение |
AC-3 | Электродвигатель с короткозамкнутым ротором: пуск, отключение |
AC-4 | Электродвигатель с короткозамкнутым ротором: пуск, торможение противовключением <1>, толчковый режим <2> |
AC-5a | Коммутация разрядных электроламп |
AC-5b | Коммутация ламп накаливания |
AC-6a | Коммутация трансформаторов |
AC-6b | Коммутация батарей конденсаторов |
AC-8a | Управление двигателями герметичных компрессоров холодильников с ручным взводом расцепителей перегрузки |
AC-8b | Управление двигателями герметичных компрессоров холодильников с автоматическим взводом расцепителей перегрузки |
AC-52a | Управление фазным ротором электродвигателя: 8-часовой режим под нагрузкой - пуск, разгон, работа | |
AC-52b | Управление фазным ротором электродвигателя: повторно-кратковременный режим |
AC-53a | Управление электродвигателем с короткозамкнутым ротором: 8-часовой режим под нагрузкой - пуск, разгон, работа |
AC-53b | Управление электродвигателем с короткозамкнутым ротором: повторно-кратковременный режим |
AC-58a | Управление двигателями герметичных компрессоров холодильников с автоматическим взводом расцепителей перегрузки: 8-часовой режим под нагрузкой - пуск, разгон, работа |
AC-58b | Управление двигателями герметичных компрессоров холодильников с автоматическим взводом расцепителей перегрузки: повторно-кратковременный режим |
AC-51 | Неиндуктивные или слабоиндуктивные нагрузки, печи сопротивления | |
AC-55a | Коммутация разрядных электроламп |
AC-55b | Коммутация ламп накаливания |
AC-56a | Коммутация трансформаторов |
AC-56b | Коммутация батарей конденсаторов |
AC-12 | Управление омическими и статическими изолированными нагрузками посредством оптронов | |
AC-13 | Управление статическими изолированными нагрузками посредством трансформаторов |
AC-14 | Управление слабыми электромагнитными нагрузками |
AC-15 | Управление электромагнитными нагрузками переменного тока |
AC-12 | Управление омическими и статическими изолированными нагрузками посредством оптронов | &ГОСТ 30011.5.2& |
AC-140 | Управление слабыми электромагнитными нагрузками с током соленоида < 0,2 А, например контакторное реле |
AC-31 | Неиндуктивные или слабоиндуктивные нагрузки | &ГОСТ 30011.6.1& |
AC-33 | Двигательные нагрузки или смешанные нагрузки, в т.ч. двигательные, омические и до 30 % нагрузки ламп накаливания |
AC-35 | Нагрузки разрядных электроламп |
AC-36 | Нагрузки ламп накаливания |
AC-40 | Распределительные цепи со смешанными омическими и реактивными нагрузками с результирующим индуктивным сопротивлением | &ГОСТ 30011.6.2& |
AC-41 | Неиндуктивные или слабоиндуктивные нагрузки, печи сопротивления |
AC-42 | Электродвигатель с фазным ротором: пуск, отключение |
AC-43 | Электродвигатель с короткозамкнутым ротором: пуск, отключение во время работы |
AC-44 | Электродвигатель с короткозамкнутым ротором: пуск, торможение противовключением <1>, толчковый режим <2> |
AC-45a | Коммутация разрядных электроламп |
AC-45b | Коммутация ламп накаливания |
AC-7a | Слабоиндуктивные нагрузки в бытовых и аналогичных секторах | &ГОСТ 31637& |
AC-7b | Двигатели в бытовом секторе |
Переменный и постоянный | A | Защита цепей без номинального кратковременно допустимого тока | &ГОСТ 30011.2& |
B | Защита цепей с номинальным кратковременно допустимым током |
Постоянный | DC-20 | Соединение и разъединение при нулевой нагрузке | &ГОСТ 30011.3& |
DC-21 | Коммутация омических нагрузок, в том числе умеренных перегрузок |
DC-22 | Коммутация смешанных омических и индуктивных нагрузок, в том числе умеренных перегрузок |
DC-23 | Коммутация высокоиндуктивных нагрузок (например сериесных двигателей) |
DC-1 | Неиндуктивные или слабоиндуктивные нагрузки, печи сопротивления | &МЭК 60947-4-1& |
DC-3 | Двигатели параллельного возбуждения: пуск, торможение противовключением <1>, толчковый режим <2>, динамическое отключение |
DC-5 | Двигатели последовательного возбуждения: пуск, торможение противовключением <1>, толчковый режим <2>, динамическое отключение |
DC-6 | Коммутация ламп накаливания |
DC-12 | Управление омическими нагрузками и полупроводниковыми изолированными оптронами | |
DC-13 | Управление электромагнитами |
DC-14 | Управление нагрузками электромагнитов постоянного тока с экономичными сопротивлениями в цепи |
DC-12 | Управление омическими нагрузками и полупроводниковыми изолированными оптронами | &МЭК 60948-5-2& |
DC-13 | Управление электромагнитами |
DC-31 | Омические нагрузки | &ГОСТ 30011.6.1& |
DC-33 | Нагрузки двигателей или смешанные, в т.ч. двигателей |
DC-36 | Нагрузки ламп накаливания |
DC-40 | Распределительные цепи со смешанными омическими и реактивными нагрузками с результирующим индуктивным сопротивлением | &ГОСТ 30011.6.2& |
DC-41 | Неиндуктивные или слабоиндуктивные нагрузки, печи сопротивления |
DC-43 | Двигатели параллельного возбуждения: пуск, торможение противовключением <1>, толчковый режим <2>, динамическое отключение |
DC-45 | Двигатели последовательного возбуждения: пуск, торможение противовключением <1>, толчковый режим <2>, динамическое отключение |
DC-46 | Коммутация ламп накаливания |
<1> Под торможением противовключением подразумевается остановка или быстрое реверсирование двигателя путем переключения питающих соединений двигателя во время его работы. <2> Под толчковым режимом подразумевается кратковременное однократное или повторное возбуждение двигателя с целью незначительных смещений приводимого механизма. |
(рекомендуемое)
ПРИГОДНОСТЬ АППАРАТОВ ДЛЯ ЭКСПЛУАТАЦИИ
В НЕСТАНДАРТНЫХ УСЛОВИЯХ
Если условия эксплуатации и назначение аппаратов отличаются от стандартных, потребитель должен установить отклонения и согласовать с изготовителем возможность использования аппаратов в нестандартных условиях.
B.1. Примеры условий, отличающихся от нормальных
B.1.1. Температура окружающего воздуха
Ожидаемые предельные температуры окружающего воздуха могут быть ниже минус 5 °C или выше плюс 40 °C.
B.1.2. Высота над уровнем моря
Высота места установки аппарата над уровнем моря более 2000 м.
B.1.3. Состояние атмосферы
Относительная влажность атмосферы, в которой должен быть помещен аппарат, допускается выше указанной в
6.1.3 или в атмосфере допускается повышенное содержание пыли, кислот, агрессивных газов и т.п., например при установке аппарата вблизи моря.
B.1.4. Условия монтажа
Аппарат допускается устанавливать на подвижном устройстве, или его опора постоянно или временно может занимать наклонное положение (например, на борту судна) или в процессе эксплуатации подвергаться аномальным толчкам и вибрации.
B.2. Соединения с другими аппаратами
Потребитель должен информировать изготовителя о типе и размерах электрических соединений с другими аппаратами с тем, чтобы дать ему возможность предусмотреть оболочки и выводы, соответствующие условиям монтажа и превышению температуры, в соответствии с настоящим стандартом и стандартом на аппарат конкретного вида, а также, при необходимости, предусмотреть место для прокладки проводников внутри оболочки аппарата.
B.3. Вспомогательные контакты
Потребитель должен указать число и тип вспомогательных контактов, необходимых для выполнения функций сигнализации, блокировки и т.п.
B.4. Специальные функции
Потребитель должен согласовать с изготовителем возможность использования аппарата для выполнения специальных функций, не охватываемых настоящим стандартом и стандартом на аппарат конкретного вида.
(обязательное)
СТЕПЕНИ ЗАЩИТЫ АППАРАТОВ В ОБОЛОЧКАХ
Введение
| | ИС МЕГАНОРМ: примечание. В официальном тексте документа, видимо, допущена опечатка: рисунок C.1 отсутствует. | |
Если степень защиты IP аппарата в оболочке или аппарата с неотъемлемой оболочкой указана изготовителем, то она должна соответствовать требованиям &
ГОСТ 14254&, а также дополнительным требованиям, содержащимся в данном приложении.
Примечание. Информация для облегчения понимания обозначения IP по &
ГОСТ 14254 представлена на рисунке C.1&.
В настоящем приложении подробно описаны пункты и разделы &
ГОСТ 14254&, относящиеся к аппаратам в оболочке.
Нумерация пунктов и разделов настоящего приложения соответствует &
ГОСТ 14254&.
C.1. Область применения
Настоящее приложение относится к степеням защиты аппарата в оболочке с номинальным напряжением не более 1000 В переменного или 1500 В постоянного тока (далее - аппарат).
C.2. Цель
По &ГОСТ 14254,
раздел 2&, с дополнительными требованиями, указанными в настоящем приложении.
C.3. Определения
"Часть аппарата, имеющая указанную степень защиты от определенных внешних воздействий и приближения или соприкосновения с частями, находящимися под напряжением, и подвижными частями".
Примечание. Данное определение, содержащееся в
2.1.16 настоящего стандарта, аналогично определению, содержащемуся в МЭК 60050 (441-13-01)
[1], которое относится к комплектным устройствам.
C.4. Обозначения
По &ГОСТ 14254,
раздел 4&, за исключением обозначений H, M и S.
C.5. Степени защиты от соприкосновения с частями, находящимися под напряжением, и проникновения инородных твердых тел, соответствующих первой цифровой характеристике
C.6. Степени защиты от проникновения воды, соответствующие второй цифровой характеристике
C.7. Степени защиты от соприкосновения с частями, находящимися под напряжением, соответствующие дополнительным буквенным обозначениям
C.8. Дополнительные буквенные обозначения
По &ГОСТ 14254,
раздел 8&, за исключением обозначений H, M и S.
C.9. Примеры обозначения степени защиты IP
C.10. Маркировка
По &ГОСТ 14254,
раздел 10&, со следующим дополнением:
Если степень защиты предназначена для указания единственного положения изделия при монтаже, то оно должно иметь обозначение &0623& по &
ГОСТ Р 51362&, расположенное непосредственно после обозначения IP и указывающее соответствующее положение изделия, например вертикальное:
C.11. Общие требования к испытаниям
Все испытания должны проводиться в обесточенном состоянии аппарата.
Некоторые аппараты (например кнопочного типа) могут быть проверены визуальным осмотром.
Нагрев образца при испытании не должен более чем на 5 °C превышать температуру окружающей среды.
Если изделие вмонтировано в оболочку, которая уже имеет степень защиты IP (см. &ГОСТ 14254,
подраздел 11.5&), то применяют следующие требования:
a) Для IP1X - IP4X с дополнительными обозначениями от A до D
Соответствие данному требованию проверяют визуальным осмотром на соответствие инструкциям изготовителя оболочки.
b) При испытании на пыленепроницаемость IP6X
Соответствие данному требованию проверяют визуальным осмотром на соответствие инструкциям изготовителя.
c) При испытании на пыленепроницаемость IP5X и водонепроницаемость от IPX1 до IPX8
Испытание образца в оболочке требуется только в случае, если проникновение воды или пыли может повлиять на работоспособность аппарата.
Примечание. При испытании на пыленепроницаемость IPX5 и водонепроницаемость IPX1 - IPX8 допускается проникновение некоторого количества пыли и влаги, не влияющего на эксплуатацию аппарата.
Необходимо проверять все элементы внутренней конфигурации аппарата.
Дренажные и вентиляционные отверстия рассматривают как нормальные отверстия.
C.11.5. Если оболочку используют как одну из составляющих частей аппарата в оболочке, то применяют &ГОСТ 14254,
подраздел 11.5&.
C.12. Испытание защиты от доступа к опасным токоведущим частям аппарата, соответствующей первой цифровой характеристике
C.13. Испытание защиты от попадания внешних твердых предметов, соответствующей первой цифровой характеристике
По &ГОСТ 14254,
раздел 13&, со следующими дополнениями:
C.13.4. Испытание на пылепроницаемость по первым цифровым характеристикам 5 и 6
Аппарат со степенью защиты IP5X следует испытывать по категории 2 по &ГОСТ 14254,
подраздел 13.4&.
Примечание. В стандарте на аппарат конкретного вида для аппарата, имеющего степень защиты IP5X, может потребоваться проведение испытания по категории 1 по &ГОСТ 14254,
подраздел 13.4&.
Аппарат со степенью защиты IP6X следует испытывать по категории 1 по &ГОСТ 14254,
подраздел 13.4&.
Примечание. Для аппарата в оболочке в соответствии с требованиями настоящего стандарта степень защиты IP5X является достаточной.
C.13.5.2. Оценка результатов испытаний, соответствующих первой цифровой характеристике 5
Дополнение.
Если скопления пыли могут вызвать нарушение нормальной работы и безопасности аппарата, то проводят предварительное испытание и испытание на электрическую прочность изоляции следующим образом.
Предварительное испытание после испытания на пылепроницаемость проводят согласно испытанию Cab - продолжительное испытание на влажное тепло в соответствии с &ГОСТ 11478,
ГОСТ 28201& при указанных ниже условиях.
Образец аппарата должен быть подготовлен так: предварительно открывают все крышки и снимают все части, которые могут быть сняты без помощи инструмента, и затем образец с осевшей пылью подвергают испытанию.
Перед испытанием и помещением образцов в испытательную камеру они должны быть предварительно выдержаны при температуре окружающей среды в течение 4 ч.
Продолжительность непрерывного испытания - 24 ч. После этого образец вынимают из испытательной камеры и по истечении 15 мин испытывают на электрическую прочность изоляции в течение 1 мин напряжением промышленной частоты, равным от

, до минимального напряжения 1000 В.
C.14. Испытание защиты от воды, соответствующей второй цифровой характеристике
Аппараты подвергают испытанию на электрическую прочность изоляции в течение 1 мин напряжением промышленной частоты от максимального

до минимального 1000 В.
C.15. Испытание защиты от доступа к опасным токоведущим частям с дополнительным буквенным обозначением
C.16. Области ответственности соответствующих технических комитетов
В стандартах на аппараты конкретного вида приведена подробная информация, указанная в &ГОСТ 14254,
приложение Б&, с учетом дополнений, содержащихся в настоящем приложении.
Следующая таблица дает представление о принятых обозначениях степеней защиты (коды IP).
Таблица C.1
Принятые обозначения степеней защиты (коды IP)
C.1а. Первая цифра |
Защита от проникновения твердых тел | Защита персонала от соприкосновения с частями, находящимися под напряжением |
IP | Краткое описание | Обозначение |
0 | Без защиты | | Без защиты |
1 | Не допускается проникновение твердых тел диаметром 50 мм, а также соприкосновение с частями, находящимися под напряжением | | Тыльная сторона руки |
2 | Не допускается проникновение твердых тел диаметром 12,5 мм. Испытательный палец должен находиться на достаточном расстоянии от частей, находящихся под напряжением | | Испытательный палец |
3 | Не допускается проникновение твердых тел диаметром 2,5 мм | | Инструмент |
4 | Не допускается проникновение твердых тел диаметром 1 мм | | Проволока |
5 | Допускается ограниченное проникновение пыли (в количестве, не препятствующем нормальной работе аппарата) | | Проволока |
6 | Полностью исключает проникновение пыли | | Проволока |
Продолжение таблицы C.1
C.1b. Вторая цифра |
Защита от проникновения воды, влияющей на нормальную работу аппарата | Защита от воды |
IP | Краткое описание | Обозначение |
0 | Без защиты | | Без защиты |
1 | Защита от капель воды, падающих вертикально. Допускается ограниченное проникновение воды, не влияющее на нормальную работу аппарата | | Капли воды, падающие вертикально |
2 | Защита от капель воды, падающих под углом 15° от вертикали. Допускается ограниченное проникновение воды, не влияющее на нормальную работу аппарата | | Капли воды, падающие под углом 15° от вертикали |
3 | Защита от водяных струй, падающих под углом 60° от вертикали. Допускается ограниченное проникновение воды, не влияющее на нормальную работу аппарата | | Водяные струи |
4 | Защита от брызг воды в любом направлении. Допускается ограниченное проникновение воды, не влияющее на нормальную работу аппарата | | Брызги воды во всех направлениях |
5 | Защита от водяного потока со слабым напором. Допускается ограниченное проникновение воды, не влияющее на нормальную работу аппарата | | Поток воды, выбрасываемый соплом со слабым напором |
6 | Защита от водяного потока с сильным напором. Допускается ограниченное проникновение воды, не влияющее на нормальную работу аппарата | | Поток воды, выбрасываемый соплом с сильным напором во всех направлениях |
7 | Защита от погружения на глубину от 0,15 до 1,00 м | | Временное погруженное состояние |
8 | Защита при продолжительном погружении с давлением воды | | Продолжительное погруженное состояние |
Окончание таблицы C.1
C.1c. Дополнительное буквенное обозначение (необязательно) |
IP | Краткое описание | Обозначение | Защита от соприкосновения с частями, находящимися под напряжением |
A Добавляется к первой цифре 0 | Не допускается проникновение шара диаметром 50 мм до соприкосновения с частями, находящимися под напряжением | | Тыльная сторона руки |
B Добавляется к первым цифрам 0 и 1 | При введении испытательного пальца длиной 80 мм не допускается его соприкосновение с частями, находящимися под напряжением | | Палец |
C Добавляется к первым цифрам 1 и 2 | При частичном введении щупа диаметром 2,5 и длиной 100,0 мм не допускается его соприкосновение с частями, находящимися под напряжением | | Инструмент |
D Добавляется к первым цифрам 2 и 3 | При частичном введении провода диаметром 1 и длиной 100 мм не допускается его соприкосновение с частями, находящимися под напряжением | | Проволока |
(рекомендуемое)
A - неподвижная часть; B - шайба или прокладка;
C - устройство, препятствующее выскальзыванию проводников;
D - место для проводника
Примечание. Приведенные примеры не означают запрета на разделение проводника по любой стороне винта.
Резьбовыми называют выводы, в которых проводник зажат под головкой одного или нескольких винтов.
Давление зажима может создаваться непосредственно головкой винта или передаваться через промежуточную часть типа шайбы, прокладки или устройства, препятствующего выскальзыванию проводника.
Рисунок D.1. Резьбовые выводы
A - неподвижная часть; B - зажим; D - место для проводника
Примечание. Вывод с отверстием - вывод резьбового типа, в котором проводник вставляется в отверстие или полость и зажимается одним или несколькими винтами. Давление зажима может передаваться непосредственно от винта или через промежуточную часть, на которую передается давление от винта.
Рисунок D.2. Выводы с отверстиями
Примечание. Часть, удерживающая проводник на месте, может выполняться из изоляционного материала, если давление, необходимое для зажима проводника, не передается через этот изоляционный материал.
Штифтовой вывод - резьбовой вывод, в котором проводник зажимается под одной или двумя гайками.
Давление зажима может передаваться или непосредственно гайкой соответствующей формы, или через промежуточную часть типа шайбы, прокладки или устройства, препятствующего выскальзыванию проводника.
Рисунок D.3. Штифтовой вывод
A - прокладка; B - шайба для прокладки; C - штифт;
D - место для провода
Примечание. Вывод с прокладками - резьбовой вывод, в котором проводник зажимается под прокладкой с помощью двух или нескольких винтов или гаек.
Рисунок D.4. Выводы с прокладками
A - запорное устройство; B - кабельный наконечник или шина;
E - неподвижная часть; F - штифт
Примечание. Резьбовой или штифтовой вывод предназначен для зажима кабельного наконечника или шины с помощью винта или гайки.
Примеры габаритных размеров кабельных наконечников приведены в
Приложении P.
Рисунок D.5. Выводы с наконечником
A - неподвижная часть; D - место для проводника
Примечание. Вывод резьбового типа, в котором проводник зажимается основанием прорези в резьбовом штифте с помощью гайки. Прижатие проводника осуществляется соответствующей формы шайбой под гайку или центральной шпилькой, если гайка колпачковая, или устройством равной эффективности, передающим давление от гайки проводнику внутри прорези.
Рисунок D.6. Вывод с крышкой
Рисунок D.7. Безрезьбовые выводы
(рекомендуемое)
ОПИСАНИЕ МЕТОДА РЕГУЛИРОВАНИЯ ЦЕПИ НАГРУЗКИ
| | ИС МЕГАНОРМ: примечание. В официальном тексте документа, видимо, допущена опечатка: пункт 9.3.3.5.3 отсутствует. | |
Для того, чтобы отрегулировать цепь нагрузки для получения характеристик в соответствии с 9.3.3.5.3, на практике применяют несколько способов. Один из них представлен на
рисунке 8.
Частота колебаний f восстанавливающегося напряжения и значение коэффициента в основном определяются собственной частотой и затуханием цепи нагрузки.
Так как данные параметры не зависят от напряжения до включения и частоты тока, в процессе регулирования допускается питание цепи нагрузки от источника переменного тока, напряжение и частота которого могут отличаться от напряжения и частоты источника питания, использованного при испытаниях аппарата. При проведении тока через ноль цепь размыкают диодом и наблюдают колебания восстанавливающегося и возвращающегося напряжения на экране осциллографа, частота развертки которого синхронизирована с частотой источника питания (см. рисунок E.1).
Рисунок E.1. Определение фактического значения
коэффициента

Для получения надежных результатов измерений питание цепи нагрузки осуществляют с помощью генератора высокой частоты G, подающего напряжение, пригодное для диода. Частоту генератора выбирают равной:
a) 2 кГц - для испытательных токов до 1000 А включительно;
b) 4 кГц - для испытательных токов выше 1000 А.
Последовательно с генератором подсоединяют:
- демпфирующее сопротивление, значение которого

выше по сравнению с полным сопротивлением цепи нагрузки (

,
где

,
где

или

) для случаев по перечислениям a) и b) соответственно;
- переключающий диод с мгновенной блокировкой B; переключающие диоды, обычно используемые в компьютерах, например, кремниевые переключающие диоды с диффузным переходом с током не выше 1 А подходят для данного применения.
Из-за значения частоты генератора G цепь нагрузки является практически чисто индуктивной, и в момент прохождения тока через ноль напряжение до включения в цепи нагрузки достигает пикового значения.
Для того, чтобы убедиться в пригодности компонентов цепи нагрузки, необходимо проверить на экране осциллографа, имеет ли кривая восстанавливающегося напряжения в своей начальной точке (см. точку A на
рисунке E.1) практически горизонтальную касательную.
Фактический коэффициент

- соотношение

;

считывают с экрана осциллографа;

- между координатой точки A и ординатой линии развертки, когда генератор уже не питает цепь нагрузки (см.
рисунок E.1).
При наблюдении восстанавливающегося напряжения в цепи нагрузки без параллельного сопротивления резистора

или параллельного конденсатора

на экране можно определить собственную частоту колебаний цепи нагрузки. Следует предпринять меры предосторожности, чтобы входная емкость осциллографа или его соединительных проводников не влияла на резонансную частоту цепи нагрузки.
Если эта собственная частота превышает предельное значение требуемой величины f, можно получить нужные значения частоты и коэффициента

, подсоединив параллельно конденсаторы

и сопротивления

соответствующей величины. Сопротивления

не должны быть индуктивными.
В зависимости от подсоединения заземления для регулирования цепи нагрузки рекомендуется применять два способа.
a) При соединении заземления с цепью нагрузки (соединение звездой), как показано на
рисунке 8 а), каждую из трех фаз цепи нагрузки необходимо регулировать отдельно.
b) При соединении заземления с источником питания (соединение звездой), как показано на
рисунке 8 б), одну фазу соединяют последовательно с двумя другими фазами, соединенными параллельно. Регулирование производят при последовательном подключении трех фаз к генератору высокой частоты во всех возможных комбинациях.
Примечания
1. Более высокое значение частоты, полученное от генератора G, облегчает наблюдения на экране и повышает разрешающую способность.
2. Допускается также использование других способов определения частоты и коэффициента

(например подача в цепь нагрузки тока с прямоугольной формой волны).
3. Соединение нагрузки звездой допускается осуществлять или через сопротивление R, или с помощью реактивного сопротивления X, при этом способ соединения звездой (при наличии или отсутствия заземления) не должен меняться при регулировании и испытании.
В зависимости от способа соединения нагрузки звездой частота колебаний может быть разной.
4. При этом необходимо обращать внимание на то, чтобы емкость утечки на землю генератора высокой частоты не оказывала бы влияния на собственную частоту колебаний цепи нагрузки.
(рекомендуемое)
ОПРЕДЕЛЕНИЕ КОЭФФИЦИЕНТА МОЩНОСТИ ИЛИ ПОСТОЯННОЙ ВРЕМЕНИ
ПРИ КОРОТКИХ ЗАМЫКАНИЯХ
Точного метода определения коэффициента мощности или постоянной времени в условиях короткого замыкания не существует, но для целей, предусмотренных настоящим стандартом, определение коэффициента мощности или постоянной времени испытательной цепи возможно одним из методов, установленных в настоящем приложении.
F.1. Определение коэффициента мощности при коротком замыкании
Метод I. Определение по непериодической составляющей
Угол

допускается определять по кривой непериодической составляющей волны асимметричного тока в интервале между моментами короткого замыкания и разъединения контактов.
1) Постоянную времени L/R определяют по формуле непериодической составляющей:

,
где

- значение непериодической составляющей в момент t;

- значение непериодической составляющей в принятый начальный момент времени;
L/R - постоянная времени цепи, с;
t - время, прошедшее с начального момента, с;
e - основание натурального логарифма.
Постоянная времени L/R может быть определена:
a) измерением значения

в момент короткого замыкания и значения

в другой момент t перед разъединением контактов;
b) значением

при делении

;
c) значением -x, соответствующим отношению

по таблице значений

;
По этому значению x, соответствующему

, рассчитывают R/L.
2) Угол

определяют по формуле

, где

в

раза больше фактической частоты.
Данный метод не должен быть использован, если токи измеряют трансформаторами тока и не приняты меры предосторожности во избежание погрешностей, обусловленных:
- постоянной времени трансформатора и его нагрузкой в соотношении с нагрузкой первичной цепи,
- магнитным насыщением, которое возможно вследствие переходного магнитного потока в сочетании с потенциальной остаточной намагниченностью.
Метод II. Определение с помощью задающего генератора
Если применяют задающий генератор, смонтированный на одном валу с испытательным генератором, напряжение этого задающего генератора можно сравнить на осциллограмме по фазе вначале с напряжением испытательного генератора, а затем - с током испытательного генератора.
Разность между фазовыми углами напряжений задающего генератора и главного генератора, с одной стороны, и напряжения задающего генератора и тока испытательного генератора - с другой позволяет установить фазовый угол между напряжением и током испытательного генератора, а из него определить коэффициент мощности.
F.2. Определение постоянной времени короткого замыкания (осциллографический метод)
Значению постоянной времени отвечает абсцисса, соответствующая ординате

восходящей ветви кривой на осциллограмме калибровки цепи (см.
рисунок 14).
(рекомендуемое)
ИЗМЕРЕНИЕ РАССТОЯНИЙ УТЕЧКИ И ВОЗДУШНЫХ ЗАЗОРОВ
G.1. Основные принципы
Зависимость ширины желобков от степени загрязнения в соответствии с таблицей G.1 практически применима для
примеров 1 -
11.
Таблица G.1
Степень загрязнения | Минимальная ширина желобков, мм |
1 | 0,25 |
2 | 1,00 |
3 | 1,50 |
4 | 2,50 |
Для измерения расстояний утечки между подвижными и неподвижными контактодержателями из изоляционного материала не требуется минимального значения X между изолирующими частями, движущимися относительно друг друга (см.
рисунок G.2).
H - минимальная высота ребра 2 мм; B - минимальная ширина
основания, соответствующая требованиям
к механической прочности
Рисунок G.1. Размеры ребер
1 - подвижный контактный мостик; 2 - неподвижные контакты
Рисунок G.2. Расстояние утечки между подвижными
и неподвижными контактодержателями
из изоляционного материала
Если воздушный зазор менее 3 мм, минимальную ширину желобка допускается уменьшить до трети этого зазора.
Методы измерения расстояний утечки и воздушных зазоров показаны на
примерах 1 -
11. В них не делают различия между зазорами контактов, желобками и типами изоляции.
Кроме того:
- предполагают, что каждый угол перекрывается изолирующей вставкой шириной X мм, находящейся в самом неблагоприятном положении (см.
пример 3);
- если расстояние между верхними кромками желобка равно X мм или более, расстояние утечки измеряют по контурам желобка (см.
пример 2);
- расстояния утечки и воздушные зазоры, измеренные между частями, движущимися относительно друг друга, измеряют в самом неблагоприятном положении этих частей.
Благодаря влиянию на загрязнения и повышению эффективности сушки ребра заметно уменьшают образование тока утечки. Поэтому расстояние утечки можно сократить до 0,8 требуемого значения, если минимальная высота ребра равна 2 мм.
Условие: рассматриваемый путь утечки охватывает желобок с параллельными или сходящимися боковыми стенками любой глубины при ширине менее X мм.
Правило: расстояние утечки и воздушный зазор измеряют по прямой линии поверх желобка, как показано на схеме.
Условие: рассматриваемый путь охватывает желобок с параллельными боковыми стенками любой глубины шириной X мм или более.
Правило: воздушный зазор определяют по прямой. Расстояние утечки проходит по контуру желобка.
Условие: рассматриваемый путь охватывает клиновидный желобок шириной более X мм.
Правило: воздушный зазор определяют по прямой. Расстояние утечки проходит по контуру желобка, но замыкает накоротко его дно по вставке шириной X мм.
Пример 4
Условие: рассматриваемый путь охватывает ребро.
Правило: воздушный зазор - кратчайшее расстояние по воздуху над вершиной ребра. Путь тока утечки проходит по контуру ребра.
Пример 5
Условие: рассматриваемый путь включает не скрепленный стык с желобками шириной менее X мм по обе стороны от него.
Правило: воздушный зазор и путь тока утечки определяют по прямой.
Пример 6
Условие: рассматриваемый путь охватывает не скрепленный стык с желобками шириной X мм или более по обе стороны от него.
Правило: воздушный зазор определяют по прямой. Путь тока утечки проходит по контуру желобков.
Пример 7
Условие: рассматриваемый путь охватывает не скрепленный стык с желобком шириной менее X мм с одной стороны и желобком шириной X мм и более с другой стороны.
Правило: воздушный зазор и путь утечки соответствуют схеме.
Пример 8
Условие: путь утечки поперек не скрепленного стыка меньше, чем поверх барьера.
Правило: воздушный зазор равен кратчайшему пути в воздухе поверх барьера.
Пример 9
Условие: зазор между головкой винта и стенкой паза достаточно широкий, чтобы принять его во внимание.
Правило: воздушный зазор и путь утечки соответствуют схеме.
Пример 10
Условие: зазор между головкой винта и стенкой паза слишком узкий, чтобы принимать его во внимание.
Правило: расстояние утечки измеряют от винта до стенки, если оно равно X мм.
Воздушный зазор равен d + D.
Расстояние утечки равно d + D.
C - свободно движущаяся часть.
Примечание. Условные обозначения для
примеров 1 - 11:

- расстояния утечки;

- воздушные зазоры
(рекомендуемое)
СООТВЕТСТВИЕ МЕЖДУ ПАСПОРТНЫМ НАПРЯЖЕНИЕМ СИСТЕМЫ ПИТАНИЯ
И НОМИНАЛЬНЫМ ИМПУЛЬСНЫМ ВЫДЕРЖИВАЕМЫМ НАПРЯЖЕНИЕМ АППАРАТА
Введение
В настоящем приложении приведена информация, необходимая для выбора аппарата, предназначенного для использования в электрической цепи (сети) или части этой цепи.
Примеры соответствия между номинальным напряжением системы питания и номинальным импульсным выдерживаемым напряжением аппарата приведены в таблице H.1.
Таблица H.1
Соответствие между паспортным напряжением системы питания
и номинальным импульсным выдерживаемым напряжением аппарата
в случае защиты от перенапряжений, осуществляемой с помощью
разрядников согласно МЭК 60099-1
[23]
Максимальное номинальное рабочее напряжение относительно земли переменного (действующее значение) или постоянного тока, В | Паспортное напряжение системы питания, В (меньше или равно номинальному напряжению изоляции аппарата) |
Действующее значение | Переменный (действующее значение) или постоянный ток |
| | | |
50 | - | - | 12,5; 24; 25; 30; 42; 48 | 60 - 30 |
100 | 66/115 | 66 | 60 | - |
150 | 120/208 127/220 | 115, 120 127 | 110, 120 | 220 - 110, 240 - 120 |
300 | 220/380, 230/400 240/415, 260/440 277/480 | 220, 230 240, 260 277 | 220 | 440 - 220 |
600 | 347/600, 380/660 400/690, 415/720 480/830 | 347, 380, 400 415, 440, 480 500, 577, 600 | 480 | 960 - 480 |
1000 | - | 660 690, 720 830, 1000 | 1000 | - |
Окончание таблицы H.1
Максимальное номинальное рабочее напряжение относительно земли переменного (действующее значение) или постоянного тока, В | Предпочтительные значения номинального импульсного выдерживаемого напряжения, кВ (1,2/50 мкс) на высоте 2000 м |
Категория перенапряжения |
IV | III | II | I |
Начало системы (ввод потребителя) | Распределительные цепи | Нагрузка (бытовой электроприбор, аппарат) | Особо защищенный уровень |
50 | 1,5 | 0,8 | 0,5 | 0,33 |
100 | 2,5 | 1,5 | 0,8 | 0,5 |
150 | 4,0 | 2,5 | 1,5 | 0,8 |
300 | 6,0 | 4,0 | 2,5 | 1,5 |
600 | 8,0 | 6,0 | 4,0 | 2,5 |
1000 | 12,0 | 8,0 | 6,0 | 4,0 |
Значения номинального импульсного выдерживаемого напряжения, указанные в
таблице H.1, основываются на характеристиках разрядников.
Следует учитывать, что управление перенапряжениями относительно значений, указанных в
таблице H.1, допускается осуществлять подбором подходящего полного сопротивления или питания кабеля.
Для управления перенапряжением устройствами, отличными от разрядников, руководство по соответствию между паспортным напряжением системы питания и номинальным импульсным выдерживаемым напряжением аппарата приведены в МЭК 60364-4-44
[22].
(рекомендуемое)
ВОПРОСЫ, ТРЕБУЮЩИЕ СОГЛАСОВАНИЯ МЕЖДУ ИЗГОТОВИТЕЛЕМ
И ПОТРЕБИТЕЛЕМ
Примечание. В настоящем приложении термин "согласование" применен в широком смысле; термин "потребитель" может означать также "испытательные лаборатории".
Таблица J.1
Пункт настоящего стандарта | Вопрос |
| Специальные испытания |
| |
| Аппараты, предназначенные для эксплуатации при температуре окружающего воздуха от минус 5 °C до плюс 40 °C |
| Аппараты, предназначенные для эксплуатации на высоте более 2000 м над уровнем моря |
| Условия транспортирования и хранения, если они отличаются от указанных в 6.2 |
| Пределы срабатывания аппаратов с защелками |
| Использование при эксплуатации проводников с поперечным сечением, значительно менее указанного в таблицах 9 и 10 |
| Информация, предоставляемая изготовителем, о пределах превышения температуры сопротивлений для оболочек |
| Условия работы катушек на импульсном токе (определяемые изготовителем) |
| Соответствие аппарата (изоляционных материалов) МЭК 60085 [14] и/или МЭК 60216 [13] (должно быть доказано изготовителем) |
| Специальные испытания |
| Выборочные испытания |
| Испытания на изгиб плоских медных проводников |
| Увеличение степени жесткости испытания для его удобства. Испытание в наименьшей из оболочек аппарата, предназначенного для эксплуатации в оболочках нескольких типов или размеров |
| Повышение жесткости условий испытаний (с согласия изготовителя). Соответствие аппаратов, испытанных при 50 Гц для эксплуатации при 60 Гц (или наоборот). См. примечание 2 к таблице 8 |
8.3.3.3.4, испытание на превышение температуры главной цепи | Испытание на переменном токе аппаратов, предназначенных для работы на постоянном токе (с согласия изготовителя). Испытание многополюсных аппаратов однофазным током. Испытательные соединения для испытательных токов свыше 3150 А. Использование проводников с поперечным сечением менее указанных в таблицах 9 - 11 (с согласия изготовителя). См. примечание 2 к таблицам 9 - 11 |
| Испытание на электрическую прочность изоляции при напряжении промышленной частоты или на постоянном токе (с согласия изготовителя) |
| | ИС МЕГАНОРМ: примечание. В официальном тексте документа, видимо, допущена опечатка: примечание 3 в пунктах 8.3.3.5.2 и 8.3.4.1.2 отсутствует. | |
|
| Условия соответствия при ожидаемом аварийном токе < 1500 А (с согласия изготовителя): b) в испытательной цепи при испытании на короткое замыкание шунтирование реактора с воздушным сердечником сопротивлениями, отличающимися от указанных в перечислении b); c) схема испытательной цепи при испытании на короткое замыкание, если она отличается от приведенных на рисунках 9 - 12 |
| Повышение значения испытательного тока при испытании I. Проверка способности проводить I на переменном токе для аппаратов, работающих на постоянном токе |
(обязательное)
МАРКИРОВКА И ОТЛИЧИТЕЛЬНОЕ ЦИФРОВОЕ ОБОЗНАЧЕНИЕ
КОНТАКТНЫХ ВЫВОДОВ
Целью идентификации контактных выводов коммутационных аппаратов является предоставление информации о функции каждого вывода или его положения относительно других выводов или их использования для других нужд.
Маркировка контактных выводов производится изготовителем, она должна быть безошибочной, т.к. проводится для каждого элемента только один раз. Спаренные контактные выводы могут иметь одинаковую маркировку.
Маркировка разных контактных выводов одного элемента цепи должна указывать на то, что они относятся только к одной токопроводящей цепи.
Маркировка контактных выводов полного сопротивления должна быть буквенно-цифровой и содержать одну или две буквы, указывающие на его функциональное назначение, за которыми должны следовать цифры.
Буквы должны быть только латинскими прописными, а цифры - арабскими.
Один из выводов контактных элементов должен маркироваться нечетным числом, другие выводы того же контактного элемента - четным числом на единицу больше.
Контактные выводы на входе и выходе одного элемента должны иметь специальное обозначение, а именно: меньшее число должно относиться к выводу на входе (например на входе - 11, на выходе - 12; на входе - A1, на выходе - A2).
Примечания
1. Аппараты в соответствии с
L.1 и L.2 должны иметь графические обозначения по &
ГОСТ 2.767&. Однако эти символы, предусмотренные для маркировки выводов, не должны наноситься на аппарат.
2. Расположение контактных выводов на приведенных ниже примерах представлено ориентировочно и не должно определять требований к реальному расположению выводов на аппаратах.
L.2. Маркировка контактных выводов полного сопротивления (буквенно-цифровая)
L.2.1. Катушки
L.2.1.1. Два контактных вывода катушки с электромагнитным управлением должны иметь маркировку A1 и A2.
Пример
L.2.1.2. При наличии отводов в катушке выводы отводов должны иметь маркировку A3, A4 и т.д.
Примеры:
L.2.1.3. Если катушка имеет две обмотки, выводы первой должны иметь маркировку A1, A2, второй - B1, B2.
Пример
L.2.2. Электромагнитные расцепители
L.2.2.1. Независимый расцепитель
Оба вывода катушки независимого расцепителя должны иметь маркировку C1 и C2.
Пример
Примечание. Если в аппарате предусмотрено два независимых расцепителя (например, с разными номинальными параметрами), то выводы второго расцепителя обычно имеют маркировку C3, C4.
L.2.2.2. Минимальный расцепитель напряжения
Два контактных вывода катушки, предназначенной только для применения в качестве расцепителя минимального напряжения, должны иметь маркировку D1 и D2.
Пример
Примечание. Для аппарата с двумя независимыми расцепителями (например, с разными номинальными параметрами) выводы второго расцепителя обычно имеют маркировку D3 и D4.
L.2.3. Электромагнитная блокировка
Два вывода электромагнитной блокировки должны иметь маркировку E1 и E2.
Пример
L.2.4. Система сигнальных ламп
Два вывода системы сигнальных ламп должны иметь маркировку X1 и X2.
Пример
Примечание. Термин "Система сигнальных ламп" включает в себя также понятия встроенный резистор или трансформатор.
L.3. Маркировка выводов контактов аппаратов с двумя коммутационными положениями (цифровая)
L.3.1. Контакты главных цепей (главные контакты)
Выводы главных контактов должны иметь числовую маркировку.
Каждый вывод, маркированный нечетным числом, связан с выводом, маркированным четным числом в порядке возрастания.
Примеры:
Если аппарат имеет более пяти главных контактов, то применяют буквенно-числовую маркировку, указанную в МЭК 60445
[11].
L.3.2. Контакты вспомогательных цепей
Выводы вспомогательных контактов должны иметь числовую двузначную маркировку:
- знак единиц - функциональное назначение;
- знак десятков - порядковый номер.
L.3.2.1. Цифра функционального назначения
L.3.2.1.1. Размыкающие контакты обозначают цифрами функционального назначения 1 и 2, замыкающие контакты - цифрами 3 и 4 (контакты замыкающие и размыкающие согласно определениям МЭК 60050(441))
[1].
Пример
Выводы контактов переключателей на два направления обозначают цифрами функционального назначения 1, 2 и 4.
Пример
L.3.2.1.2. Вспомогательные контакты, имеющие специальное назначение, например вспомогательные контакты с выдержкой времени, обозначают цифрами функционального назначения 5 и 6, 7 и 8 для размыкающих и замыкающих контактов соответственно.
Пример
Выводы контактов переключателей на два направления, имеющих специальное назначение, обозначают цифрами функционального назначения 5, 6 и 8.
Пример
L.3.2.2. Порядковый номер
Выводы, относящиеся к одному и тому же контакту, обозначают той же самой порядковой цифрой.
Все контактные элементы, выполняющие одну и ту же функцию, должны иметь разные порядковые номера.
Примеры:
| | ИС МЕГАНОРМ: примечание. Нумерация пунктов дана в соответствии с официальным текстом документа. | |
L.3.2.2.2. Порядковые номера могут не проставляться на выводах только в случае, если имеется дополнительная информация, предоставленная изготовителем или потребителем, позволяющая четко определить порядковый номер.
Примеры:
Примечание. Примеры, представленные в
L.3.2, предназначены только для лучшего наглядного понимания и не применяются на практике.
L.4. Маркировка контактных выводов аппаратов с защитой от перегрузок
Выводы контактов главных цепей аппаратов с защитой от перегрузок должны иметь такую же маркировку, что и выводы главных контактов.
Пример
В аппаратах с защитой от перегрузок выводы вспомогательного контакта имеют ту же маркировку, что и контакт специального назначения (см.
L.3.2.1.2), но с порядковым номером 9.
Если требуется второй порядковый номер, то к первому следует добавить 0.
Пример
L.5. Отличительные обозначения
Аппарат с заданным числом замыкающих и размыкающих контактов может иметь отличительную маркировку, состоящую из двух цифр.
Первая цифра указывает на число замыкающих контактов, вторая - на число размыкающих.
Пример
(обязательное)
ИСПЫТАНИЕ НА ВОСПЛАМЕНЯЕМОСТЬ
M.1. Испытание нагретой проволокой
M.1.1. Следует испытывать пять образцов каждого материала. Образцы материала должны быть длиной 150, шириной 13 мм и одинаковой толщины, указанной изготовителем.
Края материала не должны иметь заусенцев.
M.1.2. Применяют проволоку из нихрома (80% никеля, 20% хрома, без примеси железа) длиной (250 +/- 5) мм, диаметром приблизительно 0,5 мм с удельным электрическим сопротивлением в холодном состоянии приблизительно 5,28 Ом/м. Прямой отрезок проволоки присоединяют к источнику тока, отрегулированному так, чтобы вызвать в проволоке в течение 8 - 12 с рассеяние энергии 0,26 Вт/мм. После охлаждения проволоку навивают на образец, образовав пять полных витков, с расстоянием между витками 6 мм.
M.1.3. Образец с навитой проволокой устанавливают в горизонтальное положение, концы проволоки присоединяют к регулируемому источнику тока, снова отрегулированному на рассеяние энергии в проволоке 0,26 Вт/мм (см. рисунок M.1).
Рисунок M.1. Приспособление для испытания материала
нагретой проволокой
M.1.4. Испытание начинают подачей питания в цепь так, чтобы при прохождении тока через нагреваемую проволоку можно было получить линейную удельную мощность 0,26 Вт/мм.
M.1.5. Нагревание продолжают до воспламенения испытуемого образца. Когда воспламенение происходит, питание отключают и записывают время воспламенения.
Если в течение 120 с воспламенения не происходит, испытание прерывают. Для образцов, которые плавятся от проволоки, не воспламеняясь, испытание прерывают, когда образец уже не находится в непосредственном контакте со всеми пятью витками навитой проволоки.
M.1.6. Испытание следует повторить на оставшихся образцах.
M.1.7. Время воспламенения материала при испытании нагретой проволокой следует записывать как среднее время воспламенения испытуемых образцов, а также записывать толщину испытуемых образцов.
M.2. Испытание на воспламеняемость электрической дугой
M.2.1. Следует испытывать пять образцов каждого материала. Длина образцов должна быть 150, ширина 13 мм, толщина должна быть одинаковой и указана изготовителем. Края материала не должны иметь заусенцев.
M.2.2. Испытание проводят с использованием пары испытательных электродов, полного сопротивления индуктивной регулируемой нагрузки, соединенных последовательно с источником питания напряжением 230 В переменного тока, частотой 50 или 60 Гц (см. рисунок M.2).
Рисунок M.2. Схема испытания на воспламеняемость
электрической дугой
M.2.3. Один электрод должен быть неподвижным, другой - подвижным. Неподвижный электрод должен представлять собой жесткий медный провод сечением от 8 до 10 мм2, имеющий конец со срезом под углом 30°, горизонтально расположенный на образце. Подвижный электрод должен представлять собой пруток из нержавеющей стали диаметром 3 мм с концом симметричной конической формы с общим углом 60°, движущийся по своей оси. Радиус скругления концов электродов в начале испытания не должен превышать 0,1 мм. Электроды должны быть расположены напротив друг друга под углом 45° относительно горизонтали. После замыкания электродов накоротко устанавливают ток 33 А с коэффициентом мощности 0,5 регулировкой полного индуктивного сопротивления нагрузки.
M.2.4. Во время испытания испытуемый образец должен удерживаться в горизонтальном положении в воздухе так, чтобы электроды контактировали с его поверхностью и друг с другом. Подвижный электрод должен управляться вручную или любым другим способом так, чтобы можно было обеспечить его движение для замыкания и размыкания с неподвижным электродом для создания целой серии дуг приблизительно по 40 дуг в минуту со скоростью (250 +/- 25) мм/с.
M.2.5. Испытание продолжают до тех пор, пока не произойдет воспламенения образца и образования выжженного отверстия на образце или до 200 циклов.
M.2.6. Число электрических дуг для достижения воспламенения и толщину материала следует записывать как среднеарифметическое испытуемых образцов.
Характеристики испытаний на воспламеняемость раскаленным проводом (ИРП) и электрической дугой (ЭД) в зависимости от категории воспламеняемости материала приведены в таблице M.1.
Таблица M.1
Категория воспламеняемости | FV0 | FV1 | FV2 | FH1 | FH3 < 40 мм/мин | FH3 < 75 мм/мин |
Толщина материала, мм | Любая | Любая | Любая | Любая | > 3 | < 3 |
ИРП, минимальное время воспламеняемости, с | 7 | 15 | 30 | 30 | 30 | 30 |
ЭД, минимальное число дуг для воспламеняемости | 15 | 30 | 30 | 60 | 60 | 60 |
Пример - Материалу с категорией воспламеняемости FV1 любой толщины должно соответствовать значение ИРП, равное 15 с, при применении 30 электрических дуг.
В каждой графе таблицы представлены значения ИРП и ЭД в зависимости от категории воспламеняемости.
(обязательное)
И ИСПЫТАНИЯ АППАРАТОВ С РАЗДЕЛЬНОЙ
СТЕПЕНЬЮ ЗАЩИТЫ ПО ИЗОЛЯЦИИ
Данное приложение распространяется на аппараты, одна или несколько цепей которых могут быть использованы в цепях SELV (PELV) (этот аппарат может не относиться к классу III - см. &ГОСТ IEC 61140,
подраздел 7.4&).
N.1. Общие положения
Целью данного приложения является приведение, по мере возможности, в соответствие правил и требований, относящихся к низковольтной аппаратуре, имеющей раздельную степень защиты между частями, предусмотренными для использования в цепях SELV (PELV) и других цепях, для унификации требований и методов испытаний.
N.2. Определения
N.2.1. Функциональная изоляция: изоляция между токопроводящими частями, необходимая только для нормальной работы аппарата.
N.2.2. Основная изоляция: изоляция рабочих частей, находящихся под напряжением, для создания основной защиты от поражения электрическим током.
Примечание. Термин "основная изоляция" не относится к изоляции, используемой исключительно в функциональных цепях (см. N.2.1).
N.2.3. Дополнительная изоляция: отдельная (независимая) изоляция, предусмотренная для усиления основной изоляции в цепях обеспечения защиты от поражения электрическим током в случае пробоя основной изоляции.
N.2.4. Двойная изоляция: изоляция, состоящая одновременно из основной и дополнительной изоляции.
N.2.5. Усиленная изоляция: изоляция рабочих частей, находящихся под напряжением, обеспечивающая степень защиты от поражения электрическим током, эквивалентная двойной изоляции.
Примечание. Усиленная изоляция может состоять из нескольких слоев, которые невозможно испытать отдельно как основную или дополнительную.
N.2.6. Разделение защиты по изоляции: разделение цепей с помощью:
- основной защиты (основная изоляция) и
- защиты от пробоя (дополнительная изоляция или защитное экранирование) или
- эквивалентных мер защиты (например усиленная изоляция).
N.2.7. Цепи SELV: электрическая цепь:
- в которой напряжение не может быть выше сверхнизкого напряжения и
- с отдельной защитой цепей, кроме SELV и
- без заземления цепи SELV и ее токоведущих частей и
- с простым отделением от земли.
N.2.8. Цепи PELV: электрическая цепь:
- в которой напряжение не может быть выше сверхнизкого напряжения и
- с отдельной защитой цепей, отличающихся от PELV, и
- с заземлением цепи PELV или ее токоведущих частей, или того и другого.
N.3. Требования
Общие положения
Если не имеется других требований, то настоящий стандарт должен содержать:
- единственный метод, рассматриваемый в настоящем стандарте, - создание раздельной защиты, основанной на двойной (или усиленной) изоляции между цепями SELV (PELV) и другими цепями;
- рассмотрение воздействия на изоляцию электрических дуг, возникающих обычно в дугогасительных камерах аппаратов с учетом определения размеров расстояний утечки, при этом отпадает необходимость в специальной проверке.
Воздействие частичных зарядов во внимание не принимают.
N.3.1. Требования к электрической прочности изоляции
N.3.1.1. Расстояния утечки
Необходимо проверить, чтобы расстояния утечки между цепями SELV (PELV) и другими цепями были равны или в два раза превышали значения по основной изоляции, указанные в
таблице 15, и соответствовали значению номинального напряжения, определенному для SELV (PELV) (согласно требованиям 3.2.3 МЭК 60664-1
[15]).
Расстояния утечки проверяют по
N.4.2.1.
N.3.1.2. Воздушные зазоры
Необходимо определить размеры воздушных зазоров между цепью SELV (PELV) и другими цепями аппарата, чтобы он мог выдерживать импульсное напряжение, как это указано в
Приложении H для основной изоляции особой категории применения. Это значение напряжения должно быть на порядок выше в ряду значений (или равно 160% значения напряжения, требуемого для основной изоляции) в соответствии с 3.1.5 МЭК 60664-1
[15].
Условия испытаний приведены в
N.4.2.2.
N.3.2. Требования к конструкции
При разработке конструкции необходимо принимать во внимание:
- применение материалов с учетом их старения;
- тепловые нагрузки или возможность механических повреждений, влияющих на изоляцию между цепями;
- возникновение электрического контакта между различными цепями при случайном отсоединении провода.
Примеры опасных факторов, которые необходимо учитывать при разработке конструкции, приведены в
N.4.3.
N.4. Испытания
N.4.1. Общие положения
Испытания аппаратов с раздельной степенью защиты по изоляции обычно проводят как типовые. Если конструкция по своему замыслу не гарантирует надежность изоляции, предусмотренной для раздельной защиты в условиях производства, то по указанию изготовителя или требованиям стандарта на аппарат конкретного вида эти испытания или часть их допускается проводить как контрольные испытания.
Подлежат испытаниям цепи SELV (PELV) и каждая из других цепей, например главные цепи, цепи управления и вспомогательные цепи.
Испытания проводят в рабочем состоянии аппарата: положениях отключения, включения, срабатывания.
N.4.2. Испытания на электрическую прочность изоляции
N.4.2.1. Проверка расстояний утечки
N.4.2.2. Проверка воздушных зазоров
N.4.2.2.1. Состояние аппаратов для испытаний
Испытания аппаратов проводят как для условий эксплуатации с электропроводкой, на аппаратах в сухом и чистом состоянии.
N.4.2.2.2. Подача испытательного напряжения
При испытании каждой цепи испытуемого аппарата внешние выводы должны быть соединены друг с другом.
N.4.2.2.3. Испытательное импульсное напряжение
Форма волны испытательного импульсного напряжения должна быть 1,2/50 мкс в соответствии с
8.3.3.4.1, значение напряжения определено в
N.3.1.2.
N.4.2.2.4. Испытания
Воздушные зазоры проверяют при подаче испытательного напряжения по N.4.2.2.3. Испытания проводят не менее чем тремя импульсными волнами каждой полярности с интервалом в соответствии с
8.3.3.4.1 между импульсами не менее 1 с.
Испытательное напряжение можно не применять, если воздушные зазоры равны или больше указанных в
таблице 13 для конкретного значения испытательного напряжения.
N.4.2.2.5. Результаты испытаний
При подаче напряжения испытание считают выдержанным, если нет пробоя или перекрывающего изоляцию разряда.
N.4.3. Применяемые меры предосторожности, относящиеся к конструкции аппарата
Следует принять меры, чтобы механические повреждения, например изгиб припаянного провода, повреждения припоя, обрыв обмотки (катушки), ослабление или выпадение винта не повлияли на изоляционные свойства в такой степени, что они перестали бы соответствовать требованиям к основной изоляции; конструкция аппарата должна исключать возникновение двух или более повреждений изоляции одновременно.
Примеры мер предосторожности, относящихся к конструкции аппарата:
- достаточная механическая прочность;
- использование механических перегородок;
- использование стопорения винтов;
- пропитка или заливка компонентов;
- установка проводов в изоляционной защите;
- исключение соприкосновения проводов с острыми краями.
(рекомендуемое)
ЭКОЛОГИЧЕСКИЕ АСПЕКТЫ ПРОДУКЦИИ
Введение
Во всех странах мира признана необходимость снижения воздействия на естественную окружающую среду изделий производства (в частности электрических аппаратов) во всех циклах - от производства материалов до изготовления продукции, ее распределения, использования, повторной утилизации, рециклинга, сбыта. Производимый отбор образцов изделий определяет факторы воздействия продукции в течение всего ее жизненного цикла. Однако существует ряд обстоятельств, усложняющих решение экологических вопросов, связанных с производством изделий. Например, выбор вариантов проектирования, снижающих воздействие производства на окружающую среду, может осложнить сбыт продукции, к примеру вызвать снижение воспроизводства для повышения энергоэффективности производства.
Постоянное внедрение новых изделий и материалов усложняет оценку, поскольку требует вовлечения дополнительных мер для оценки воздействия на окружающую среду изделия или материала на протяжении их жизненного цикла. Более того, в настоящее время имеется недостаточно информации о воздействии существующих материалов на окружающую среду. Тем не менее, вся информация, которой мы располагаем, используется как основа для усовершенствования изделий с учетом их воздействия на окружающую среду.
Принципы оценки воздействия на окружающую среду (ОВОС) и проектирования для окружающей среды (ПОС) являются дополнительными инструментами, используемыми в направлении охраны окружающей среды. Настоящее приложение содержит информацию о некоторых принципах ОВОС.
Чем больше объем информации, которой располагает изготовитель, тем точнее результаты оценки воздействия производства на окружающую среду (ОВОС), выбор специфики проектирования и вытекающих из всего этого последствий. Сведения, полученные при подборе вариантов проектирования, могут также содействовать рециклингу и размещению продукции в конце жизненного цикла (КЖЦ).
Настоящее приложение может быть полезно в той мере, насколько позволяет уровень развития производства. Чем больше проведено исследований и накоплено информации, тем выше оценка жизненного цикла и возможность выбора лучших вариантов проектирования изделий, уменьшающих воздействие на окружающую среду. Рекомендуется осторожный, профессионально взвешенный, критический подход в применении настоящего приложения.
O.1. Область применения
Настоящее приложение предназначено для определения экологических аспектов, связанных с воздействием на естественную окружающую среду аппаратов, на которые распространяется действие &ГОСТ МЭК 60947-1&.
Определение окружающей среды, применяемое в настоящем приложении, отличается от определения, применяемого в стандартах, касающихся воздействия условий окружающей среды на электротехнические изделия.
Примечание. Воздействие условий окружающей среды на характеристики аппаратов &(см. ГОСТ 11478)&.
O.2. Термины и определения
В настоящем приложении применяют следующие термины и определения:
O.2.1. "Естественная" окружающая среда (далее - окружающая среда): элементы, влияющие на качество жизни, включая качество воды, воздуха и земли, следовательно, на сохранение энергии и материалов и уменьшение количества отходов.
O.2.2. Жизненный цикл: последовательные и взаимосвязанные стадии и непосредственно связанные с ними значительные входные и выходные потоки продукционной системы от приобретения сырья или разработки природных ресурсов до окончательного удаления всех материалов в качестве безвозвратных отходов либо рассеянной энергии.
O.2.3. Оценка жизненного цикла (ОЖЦ): набор мер для систематического собирания и оценки входных и выходных потоков материалов и энергии, а также потенциальных воздействий на окружающую среду со стороны продукционной системы на всех стадиях жизненного цикла продукции.
O.2.4. Загрязнение окружающей среды: любое изменение окружающей среды, постоянно или временно выражающееся потерей природных ресурсов или порчей природных качеств воздуха, воды или земли.
O.2.5. Воздействие на окружающую среду: последствия входных и выходных потоков продукционной системы для здоровья человека, благополучия растительного и животного мира, будущего сохранения природных ресурсов.
O.2.6. Оценка воздействия на окружающую среду (ОВОС): процесс, направленный на определение величины и значительности потенциальных воздействий на протяжении жизненного цикла продукции, результаты оценки которых увязывают с поставленной целью и областью применения изделий.
O.2.7. Рециклинг: совокупность процессов по размещению в производство с целью превращения в полезный продукт производства материалов, которые в противном случае могли бы попасть в отходы.
O.2.8. Пригодность к рециклингу: свойство веществ, материалов или частей материалов быть способными к рециклингу.
O.2.9. Конец жизненного цикла: состояние продукции, когда она окончательно изымается из оборота.
O.2.10. Проектирование для окружающей среды (ПОС): комплекс процедур, направленных на проектирование продукции с целью оптимизации ее экологических качеств в существующих технических и экономических условиях.
O.3. Общие положения
Следует убедиться в том, что соблюдение следующих условий всегда ведет к уменьшению воздействия на окружающую среду со стороны изделий на протяжении их жизненного цикла:
- консервация материалов для сохранения природных ресурсов;
- эффективность использования энергии и природных ресурсов;
- снижение числа выбросов и количества отходов;
- минимальная материалоемкость аппаратов (включая упаковочный материал);
- снижение числа применяемых материалов;
- замена или сокращение использования вредных веществ;
- повторное применение/возврат сборочных узлов или комплектующих;
- проектирование для удобства обслуживания, демонтажа и пригодности к рециклингу (при наличии);
- нанесение покрытия или другие комбинации материалов, снижающие пригодность изделий к рециклингу;
- наличие соответствующей инструкции по применению/информации для потребителя, касающейся окружающей среды.
O.4. Учитываемые входные и выходные потоки продукционной системы
O.4.1. Общие положения
На
рисунке O.1 представлена схема, отражающая взаимосвязь между основными этапами жизненного цикла продукционной системы в окружающей среде, ее функционирование, проектирование, характеристики и другие внешние элементы, составленная Рабочей группой 1 Технического комитета 207 ИСО. Перечислены также основные задачи стандартизации окружающей среды, а именно: потребление материалов и энергии, выбросы в окружающую среду, пригодность к рециклингу и демонтажу. На каждом этапе жизненного цикла продукции необходимо соблюдение баланса материалов и энергии. При сборе данных изучают весь жизненный цикл продукции от начала до конца. На
рисунке O.1 также представлено усовершенствование экологических аспектов продукции, ведущее к защите окружающей среды от загрязнения и сохранению природных ресурсов.
Примечания
1. Данный рисунок отражает деятельность Технического комитета 207 ИСО.
2. В области электротехники термин "другие выбросы" означает электромагнитные выбросы, ионизирующее и неионизирующее излучение и выбросы в землю.
Рисунок O.1. Экологические аспекты продукции на протяжении
ее жизненного цикла
O.4.2. Входные и выходные потоки
Воздействие на окружающую среду со стороны продукции в большей степени определяют используемые входные потоки и накапливаемые на всех стадиях жизненного цикла продукции выходные потоки продукционной системы. Изменение лишь одного входного потока, будь то замена материалов или применяемого вида энергии, либо воздействие на один выходной поток может оказать влияние на другие входные и выходные потоки (см. рисунок O.1).
O.4.3. Входные потоки материалов и энергии
O.4.3.1. Следует учитывать входные потоки материалов, применяемых в производстве продукции. Подобные воздействия могут включать в себя исчерпание пополняемых и непополняемых ресурсов; землепользование, наносящее ущерб; подвергание природы и человека воздействию опасных материалов. Входные потоки материалов могут также способствовать накоплению отходов, выбросов в воздушную среду, сбросов в водную среду и других выбросов. Входные потоки материалов, связанные с приобретением сырья, производством, транспортированием (включая упаковку и хранение), применением/обслуживанием, повторным использованием/рециклингом и отходами продукции, могут вызвать различные воздействия на окружающую среду.
O.4.3.2. Входные потоки энергии необходимы на большинстве этапов жизненного цикла продукционной системы. Источники энергии могут быть ископаемыми, ядерными, утилизированными, гидроэлектрическими, геотермальными, солнечными, ветровыми и другими. Каждый источник энергии оказывает определенные воздействия на окружающую среду.
O.4.4. Выходные потоки
O.4.4.1. Выходные потоки, генерируемые на протяжение жизненного цикла продукционной системы, обычно включают в себя собственно продукцию, промежуточную продукцию, побочную продукцию, выбросы в воздушную среду, сбросы в водную среду, отходы материалов и другие выбросы.
O.4.4.2. Выбросы в воздушную среду включают в себя выбросы газов, паров или частиц. Выбросы токсичных, коррозионных, воспламеняемых, взрывоопасных, кислотных или пахучих веществ могут нанести вред флоре, фауне, человеку, зданиям и т.д. или способствовать таким воздействиям на окружающую среду, как повреждение озонового слоя или образование смога. Выбросы в воздушную среду включают в себя выбросы, сосредоточенные в одном месте, а также из рассеянных источников, обработанные и необработанные выбросы, выбросы при нормальной работе производства и выбросы в аварийных случаях.
O.4.4.3. Сбросы в водную среду включают в себя сброс веществ в проточные воды, а также на поверхность водоемов или в подземные источники. Сброс питательных или токсичных веществ, коррозионных, радиоактивных, стойких, накапливающихся или уничтожающих кислород веществ может увеличить вредные воздействия на окружающую среду, в том числе различные загрязнения водной экосистемы, отравления природных источников воды. Сбросы в водную среду включают в себя сбросы, сосредоточенные в одном месте, а также из рассеянных источников, обработанные и необработанные сбросы, сбросы при нормальной работе производства и сбросы в аварийных случаях.
O.4.4.4. Отходы материалов могут быть твердыми или жидкими и содержать продукты утилизации. Отходы материалов могут образовываться на всех стадиях жизненного цикла продукции. Отходы материалов подвергаются рециклингу, обработке, восстановлению или утилизации, связанными с дальнейшими входными и выходными потоками материалов, которые могут привести к неблагоприятным воздействиям на окружающую среду.
O.4.4.5. К другим выбросам могут также относиться выбросы в землю, шумы, вибрации, излучения и выделение тепла.
O.5. Методы идентификации продукции и оценки ее воздействий на окружающую среду
O.5.1. Точная идентификация продукции и оценка ее воздействия на окружающую среду - сложный процесс, требующий особой тщательности и привлечения консультаций экспертов. Идентификацию продукции и оценку ее воздействия на окружающую среду проводят по специальной методике. Овладение данной методикой и выявление ее характерных ограничений требует накопления значительного опыта и приобретения знаний в области экологии, однако она дает общее представление о порядке воздействия на окружающую среду со стороны продукционной системы.
O.5.2. Одним из примеров воздействия продукции на окружающую среду служит оценка жизненного цикла (ОЖЦ), являющаяся целью деятельности Подкомитета 5 Технического комитета 207 ИСО и рассматриваемая &
ГОСТ Р ИСО 14040&.
ОЖЦ - это метод оценки экологических аспектов продукции и потенциальных воздействий на окружающую среду со стороны продукционной системы, включающий в себя три этапа:
1) инвентаризационный анализ, известный также как инвентаризация жизненного цикла (ИЖЦ), - идентификация и подсчет применяемых материалов и энергии и общего количества выбросов в окружающую среду, происходящих на протяжении всего жизненного цикла продукции;
2) оценка потенциальных воздействий применяемых материалов и энергии, а также воздействий конечного продукта, кроме этого, отдельных или всех выбросов в окружающую среду на протяжении всего жизненного цикла продукции;
3) оценка улучшения - выбор возможностей для улучшения экологических характеристик и последующего проведения изменений, позволяющих достигнуть улучшения качества продукции.
Посредством метода ОЖЦ исследуют экологические аспекты и потенциальные воздействия на протяжении всего жизненного цикла продукции ("cradle-to-grave") от приобретения сырья до производства, эксплуатации и утилизации. Основными категориями воздействий на окружающую среду являются использование ресурсов, здоровье человека и экологические последствия.
| | ИС МЕГАНОРМ: примечание. Обозначение метода дано в соответствии с официальным текстом документа. | |
Метод ОЦЖ дает возможность:
- улучшения экологических аспектов продукции в различные моменты ее жизненного цикла;
- принятия решений в промышленных, государственных или негосударственных организациях (например, при стратегическом планировании, определении приоритетов, проектировании и перепроектировании изделия или процесса);
- выбора соответствующих показателей экологической эффективности, включая методы измерений;
- маркетинга (например, при заявлении об экологическом иске, связанном с системой экологической маркировки или декларацией об экологической чистоте продукции).
Кроме метода ОЖЦ изготовитель должен проинформировать о проектировании для окружающей среды (ПОС) с учетом аварийных ситуаций.
O.6. Технические комитеты, подкомитеты и рабочие группы ИСО, имеющие отношение к области применения данного приложения
ТК 61 Пластмассы.
ТК 79 Легкие металлы и их сплавы.
ТК 122 Упаковка.
ТК 146 Качество воздуха.
ТК 147 Качество воды.
ТК 190 Качество земли.
ТК 203 Технические энергосистемы.
ТК 205 Проектирование окружающей среды интерьера зданий.
ТК 207 Управление окружающей средой.
ПК 1 Системы управления окружающей средой.
ПК 2 Экологический аудит и связанные с ним исследования состояния окружающей среды.
ПК 3 Этикетирование окружающей среды.
ПК 4 Оценка характеристик окружающей среды.
ПК 5 Оценка жизненного цикла.
ПК 6 Термины и определения.
РГ 1 Экологические аспекты в стандартах на изделия.
O.7. Руководящие указания по принципам оценки воздействия на окружающую среду (ВОС)
На рассмотрении.
O.8. Руководящие указания по принципам проектирования для окружающей среды (ПОС)
На рассмотрении.
O.9. Нормативные ссылки
Сведения о нормативных документах, на которые в настоящем приложении имеются ссылки, приведены в
подразделе 1.2 настоящего стандарта.
(рекомендуемое)
КАБЕЛЬНЫЕ НАКОНЕЧНИКИ ДЛЯ МЕДНЫХ ПРОВОДНИКОВ,
ПРИСОЕДИНЯЕМЫХ К ВЫВОДАМ НИЗКОВОЛЬТНОЙ АППАРАТУРЫ
РАСПРЕДЕЛЕНИЯ И УПРАВЛЕНИЯ
Таблица P.1
Примеры размеров кабельных наконечников для медных
проводников, присоединяемых к выводам низковольтной
аппаратуры распределения и управления
Площадь поперечного сечения проводника, мм | | Диаметр отверстия монтажного болта |
гибкого | одно- или многожильного | | | | | | | H |
6 | 10 | 22 | 6 | 10 | | 12 | 6 | M5 |
10 | 16 | 26 | 6 | 10 | | 12 | 6 | M5 |
16 | 25 | 28 | 6 | 10 | | 12 | 6 | M5 |
25 | 35 | 33 | 7 | 12 | 12,5 | 17 | 7 | M6 |
35 | 50 | 38 | 7 | 12 | 12,5 | 17 | 7 | M6 |
50 | 70 | 41 | 7 | 12 | 12,5 | 17 | 7 | M6 |
70 | 95 | 48 | 8,5 | 16 | 16,5 | 20 | 8,5 | M8 |
95 | 120 | 51 | 10,5 | 20 | 20,5 | 25 | 10,5 | M10 |
120 | 150 | 60 | 10,5 | 20 | 20,5 | 25 | 10,5 | M10 |
150 | 185 | 72 | 11 | 25 | 25,5 | 25 | 11 | M10 |
185 | 240 | 78 | 12,5 | 31 | 32,5 | 31 | 12,5 | M12 |
240 | 300 | 89 | 12,5 | 31 | 32,5 | 31 | 12,5 | M12 |
300 | 400 | 105 | 17 | 40 | 40,5 | 40 | 17 | M16 |
400 | 500 | 110 | 17 | 40 | 40,5 | 40 | 17 | M16 |
Примечание. Применимы другие размеры кабельных наконечников. |
(обязательное)
ДОПОЛНИТЕЛЬНЫЕ ТРЕБОВАНИЯ,
УЧИТЫВАЮЩИЕ ПОТРЕБНОСТИ ЭКОНОМИКИ ТАМОЖЕННОГО СОЮЗА
И ТРЕБОВАНИЯ МЕЖГОСУДАРСТВЕННЫХ СТАНДАРТОВ
НА ЭЛЕКТРОТЕХНИЧЕСКИЕ ИЗДЕЛИЯ
Виды климатических исполнений и номинальные значения климатических факторов устанавливают в стандартах и технических условиях на аппараты конкретных серий и типов.
R.2. Номинальные значения механических внешних воздействующих факторов - по
ГОСТ 17516.1; устанавливают в стандартах и технических условиях на аппараты конкретных серий и типов.
При необходимости, в стандартах и технических условиях на аппараты конкретных видов устанавливают дополнительные требования по сейсмостойкости.
R.3. Маркировка аппаратов должна соответствовать требованиям настоящего стандарта и
ГОСТ 18620.
R.4. В стандартах на аппараты, традиционно эксплуатирующиеся в странах - участниках Таможенного союза, имеющих широкое распространение алюминиевых проводников, должны быть изложены требования по обязательному или допустимому применению алюминиевых проводников. При этом сечение подсоединенных проводников должно обеспечить нормальную работу аппаратов во всем диапазоне токов эксплуатации. Контактные поверхности выводов должны иметь гальванические покрытия (например оловом), исключающие корродирование алюминиевого провода или поверхности вывода в процессе эксплуатации. Контактные зажимы должны иметь средства стабилизации контактного давления, компенсирующее усадку алюминиевых жил при циклических воздействиях нагрева - охлаждения жилы проводника, происходящее при эксплуатации.
Необходимые дополнительные испытания аппаратов с алюминиевыми проводниками могут быть изложены в стандартах на аппараты конкретных видов.
R.5. Конструкция аппаратов должна соответствовать требованиям
ГОСТ 12.2.007.6, ГОСТ Р МЭК 60447; усилие оперирования на рукоятке управления -
ГОСТ 12.2.007.0.
Проверка соответствия аппаратов требованию пожарной безопасности осуществляется на стадии постановки на производство. Метод проверки указывается в стандартах и технических условиях на аппараты конкретных серий и типов и должен соответствовать требованию ГОСТ 12.1.004,
приложение 5.
R.6. Транспортирование и хранение аппаратов - по
ГОСТ 23216.
Условия транспортирования и хранения и допустимые сроки сохраняемости должны устанавливаться в стандартах и технических условиях на аппараты конкретных серий и типов.
R.7. Упаковка и временная противокоррозионная защита для условий транспортирования и хранения - по
ГОСТ 23216 должна устанавливаться в стандартах и технических условиях на аппараты конкретных серий и типов.
Программа типовых испытаний в соответствии с требованиями настоящего стандарта является основой для установления программ любых видов контрольных испытаний по
ГОСТ 16504.
Аппараты подвергают квалификационным, периодическим, приемо-сдаточным и типовым испытаниям; порядок их проведения должен соответствовать
ГОСТ 15.001; периодичность испытаний, программы испытаний и условия их проведения должны устанавливаться в стандартах и технических условиях на аппараты конкретных серий и типов.
R.9. Программы приемочных и квалификационных испытаний аппаратов должны включать в себя полную программу типовых испытаний по настоящему стандарту, а также испытания на стойкость к внешним воздействующим факторам по
ГОСТ 16962.1,
ГОСТ 16962.2,
ГОСТ 17516.1.
R.10. Правила приемки аппаратов должны устанавливаться в стандартах и технических условиях на аппараты конкретных серий и типов.
R.11. Изготовитель должен гарантировать соответствие аппаратов требованиям настоящего стандарта, а также стандартов и технических условий на аппараты конкретных серий и типов при условии соблюдения правил эксплуатации, транспортирования и хранения, устанавливаемых техническими условиями на аппараты конкретных серий и типов.
Гарантийный срок эксплуатации аппаратов - не менее двух лет со дня ввода в эксплуатацию и устанавливается в технических условиях на аппараты конкретных серий и типов.&
(обязательное)
АЛФАВИТНЫЙ ПЕРЕЧЕНЬ ОПРЕДЕЛЕНИЙ
Примечание. Алфавитный перечень номинальных параметров, характеристик, их условное обозначение приведены в
разделе 4.
А | |
Автоматический выключатель | |
Автоматическое управление | |
Аппарат для цепей управления | |
Аппарат управления (для цепей управления и вспомогательных цепей) | |
Аппаратура распределения | |
Аппаратура распределения и управления | |
Аппаратура управления | |
Б | |
Безрезьбовой вывод | |
Блокирующее устройство | |
Блок-контакт (контактного коммутационного аппарата) | |
В | |
Включающая способность (коммутационного аппарата) | |
Возвращающееся напряжение | |
Воздушный зазор | |
Воздушный зазор между полюсами | |
Воздушный зазор между разомкнутыми контактами (раствор) | |
Воздушный зазор относительно земли | |
Восстанавливающееся и возвращающееся напряжение | |
Восстанавливающееся напряжение | |
Временное перенапряжение | |
Время включения | |
Время включения-отключения | |
Время дуги (в многополюсном коммутационном аппарате) | |
Время дуги (для полюса или плавкого предохранителя) | |
Время замыкания | |
Время отключения | |
Время размыкания (контактного коммутационного аппарата) | |
Время-токовая характеристика | |
Вспомогательная цепь (коммутационного аппарата) | |
Вспомогательный выключатель | |
Вспомогательный контакт | |
Выборочное испытание | |
Вывод | |
Выдерживаемое напряжение промышленной частоты | |
Выключатель (контактный) | |
Выключатель-разъединитель | |
Г | |
Главная цепь (коммутационного аппарата) | |
Главный контакт | |
Грозовое перенапряжение | |
Д | |
Двигательное управление (контактным коммутационным аппаратом) при наличии привода зависимого действия | |
Двигательное управление (контактным коммутационным аппаратом) при наличии привода независимого действия | |
Диапазон токовых уставок (максимального реле или максимального расцепителя тока или реле перегрузки или расцепителя перегрузки) | |
Дистанционное управление | |
Дугогасительный контакт | |
З | |
Загрязнение | |
Зажим | |
Замкнутое положение (контактного коммутационного аппарата) | |
Замыкание (контактного коммутационного аппарата) | |
Замыкающий контакт | |
Защитный проводник (условное обозначение PE) | |
И | |
Изолирующий промежуток (полюса контактного коммутационного аппарата) | |
Импульсное выдерживаемое напряжение | |
Индикатор положения | |
Интеграл Джоуля  | |
К | |
Категория перенапряжения (в цепи или электрической системе) | |
Категория применения (коммутационного аппарата или плавкого предохранителя) | |
Клеммная колодка | |
Комбинация с плавким предохранителем | |
Коммутационное перенапряжение | |
Коммутационный аппарат | |
Контакт (контактного коммутационного аппарата) | |
Контакт a | |
Контакт b | |
Контакт-деталь | |
Контактор (контактный) | |
Контакторное реле | |
Контакт управления | |
Контактный коммутационный аппарат | |
Контактный коммутационный аппарат со свободным расцеплением | |
Контрольное испытание | |
Координация изоляции | |
Координация по сверхтоку устройств для защиты от сверхтоков | |
Короткое замыкание | |
Кратковременная выдержка | |
Кратковременно допустимый ток | |
Критический ток короткого замыкания | |
Критический ток нагрузки | |
М | |
Максимальное реле или максимальный расцепитель тока | |
Максимальное реле или максимальный расцепитель тока с независимой выдержкой времени | |
Максимальное реле или максимальный расцепитель тока с обратно зависимой выдержкой времени | |
Максимальное реле или максимальный расцепитель тока прямого действия | |
Максимальное реле или максимальный расцепитель тока косвенного действия | |
Максимальный ожидаемый пиковый ток (цепи переменного тока) | |
Местное управление | |
Микросреда (воздушного зазора или расстояния утечки) | |
Минимальное реле или минимальный расцепитель напряжения | |
Н | |
Нажимная кнопка | |
Наибольшая включающая способность | |
Наибольшая отключающая способность | |
Напряжение до включения (коммутационного аппарата) | |
Наружная токопроводящая часть | |
Независимый расцепитель | |
Неоднородное поле | |
Неотделимая оболочка | |
Неподготовленный проводник | |
Номинальное значение | |
Номинальный параметр | |
Нулевой рабочий проводник (условное обозначение N) | |
О | |
Оболочка | |
Образование путей утечки (трекинг) | |
Однородное поле | |
Ожидаемое восстанавливающееся напряжение (цепи) | |
Ожидаемый пиковый ток | |
Ожидаемый симметричный ток (цепи переменного тока) | |
Ожидаемый ток (цепи и по отношению к коммутационному аппарату или плавкому предохранителю) | |
Ожидаемый ток включения (для одного полюса коммутационного аппарата) | |
Ожидаемый ток отключения (для одного полюса коммутационного аппарата или плавкого предохранителя) | |
Оперирование (контактного коммутационного аппарата) за счет запасенной энергии | |
Орган управления | |
Отключающая способность (коммутационного аппарата или плавкого предохранителя) | |
Открытая токопроводящая часть | |
П | |
Паспортное значение | |
Перегрузка | |
Переходные перенапряжения | |
Пиковое напряжение дуги (в контактном коммутационном аппарате) | |
Пиковый допустимый ток | |
Плавкая вставка | |
Плавкий предохранитель | |
Плавкий элемент | |
Подготовленный проводник | |
Показатель относительной стойкости против тока утечки [сравнительный индекс трекингостойкости (СТИ)] | |
Полупроводниковый коммутационный аппарат | |
Полупроводниковый контактор | |
Полюс коммутационного аппарата | |
Последовательность срабатывания (контактного коммутационного аппарата) | |
Предельное значение | |
Принудительное оперирование | |
Принудительное размыкание (контактного коммутационного аппарата) | |
Пускатель | |
Р | |
Размыкание (контактного коммутационного аппарата) | |
Размыкающий контакт | |
Разомкнутое положение (контактного коммутационного аппарата) | |
Разрядник импульсный | |
Разъединение (функция) | |
Разъединитель | |
Расстояние утечки | |
Расцепитель (контактного коммутационного аппарата) | |
Расцепление (операция) | |
Резервная защита | |
Резьбовой вывод | |
Реле (электрическое) | |
Реле или расцепитель мгновенного действия | |
Реле или расцепитель обратного тока (только для постоянного тока) | |
Реле перегрузки или расцепитель перегрузки | |
Ручное управление | |
Ручное управление (контактным коммутационным аппаратом) при наличии привода зависимого действия | |
Ручное управление (контактным коммутационным аппаратом) при наличии привода независимого действия | |
С | |
Сверхток | |
Селективность | |
Селективность по сверхтокам | |
Сигнальная лампочка | |
Система управления (контактным коммутационным аппаратом) | |
Сквозной ток | |
Специальное испытание | |
Срабатывание (контактного коммутационного аппарата) | |
Степень загрязнения (окружающей среды) | |
Т | |
Температура окружающего воздуха | |
Тепловое реле или расцепитель перегрузки | |
Типовое испытание | |
Ток координации | |
Ток короткого замыкания | |
Ток уставки (максимального реле или максимального расцепителя тока или реле перегрузки или расцепителя перегрузки) | |
Токоведущая часть | |
Токопроводящая часть | |
Ток отключения (коммутационного аппарата или плавкого предохранителя) | |
Ток отсечки | |
Ток перегрузки | |
Ток срабатывания (максимального реле или расцепителя тока) | |
У | |
Усилие (момент) взвода | |
Усилие (момент) управления | |
Условный ток короткого замыкания (в цепи или коммутационном аппарате) | |
Условный ток нерасцепления (максимального реле или расцепителя тока) | |
Условный ток расцепления (максимального реле или расцепителя тока) | |
Установившееся возвращающееся напряжение постоянного тока | |
Устройство для защиты от коротких замыканий (УЗКЗ) | |
Ф | |
Функциональное перенапряжение | |
Х | |
Характеристика тока отсечки - характеристика сквозного тока | |
Ход (контактного коммутационного аппарата или его части) | |
Ц | |
Цепь управления (коммутационного аппарата) | |
Цикл срабатываний (контактного коммутационного аппарата) | |
Э | |
Эксплуатационное напряжение | |
Электрический удар | |
Электромагнитное реле или расцепитель перегрузки | |
(справочное)
СВЕДЕНИЯ О СООТВЕТСТВИИ ССЫЛОЧНЫХ НАЦИОНАЛЬНЫХ СТАНДАРТОВ
РОССИЙСКОЙ ФЕДЕРАЦИИ ССЫЛОЧНЫМ МЕЖДУНАРОДНЫМ СТАНДАРТАМ,
ИСПОЛЬЗОВАННЫМ В НАСТОЯЩЕМ СТАНДАРТЕ В КАЧЕСТВЕ
НОРМАТИВНЫХ ССЫЛОК
Таблица T.1
Обозначение ссылочного национального стандарта Российской Федерации | Обозначение и наименование ссылочного международного стандарта и условное обозначение степени его соответствия ссылочному национальному стандарту |
ГОСТ Р 50030.2-2000 | МЭК 60947-1:1988. Низковольтная аппаратура распределения и управления - Часть 2. Автоматические выключатели (MOD) |
ГОСТ Р 50030.3-99 | МЭК 60947-3:1999. Низковольтная аппаратура распределения и управления - Часть 3: Выключатели, разъединители, выключатели-разъединители и комбинации с предохранителями (MOD) |
| МЭК 60947-4-1:1990. Низковольтная аппаратура распределения и управления - Часть 4: Контакторы и пускатели - Раздел 1: Электромеханические контакторы и пускатели (MOD) |
ГОСТ Р 50030.5.1-2005 | МЭК 60947-5-1:2003. Низковольтная аппаратура распределения и управления - Часть 5-1: Аппараты и коммутационные элементы цепей управления. Электромеханические аппараты для цепей управления (MOD) |
ГОСТ Р 50030.5.2-99 | МЭК 60947-5-2:1997. Низковольтная аппаратура распределения и управления - Часть 5-2: Аппараты и коммутационные элементы цепей управления. Бесконтактные датчики (MOD) |
ГОСТ Р 50030.6.1-99 | МЭК 60947-6-1:1989. Низковольтная аппаратура распределения и управления - Часть 6: Аппаратура многофункциональная - Раздел 1: Аппаратура коммутационная автоматического переключения (MOD) |
ГОСТ Р 50030.6.2-2000 | МЭК 60947-6-2:1989. Низковольтная аппаратура распределения и управления - Часть 6: Аппаратура многофункциональная - Раздел 2: Коммутационные устройства (или оборудование) управления и защиты (MOD) |
ГОСТ Р 50339.0-92 | МЭК 60269-1:1998. Предохранители плавкие низковольтные - Часть 1: Общие требования (MOD) |
| МЭК 60269-2:1986. Предохранители плавкие низковольтные - Часть 2: Дополнительные требования к плавким предохранителям, используемым квалифицированным персоналом (главным образом общепромышленного назначения) (MOD) |
| МЭК 61000-4-8:1993. Электромагнитная совместимость (ЭМС) - Часть 4: Технические требования и методы испытаний - Раздел 8: Устойчивость к электромагнитным полям промышленной частоты. Базовая публикация на ЭМС (MOD) |
| МЭК 60439-1:1999. Устройства комплектные низковольтные распределения и управления - Часть 1: Устройства испытанные полностью или частично (MOD) |
| СИСПР 11:2003. Совместимость технических средств электромагнитная. Радиопомехи индустриальные от промышленных, научных, медицинских и бытовых (ПНМБ) высокочастотных устройств. Нормы и методы испытаний (MOD) |
ГОСТ Р 51317.3.2-99 | МЭК 61000-3-2:2000. Электромагнитная совместимость (ЭМС) - Часть 3-2. Эмиссия гармонических составляющих тока техническими средствами с потребляемым током не более 16 А (в одной фазе) (MOD) |
| МЭК 61000-3-3:1994. Электромагнитная совместимость (ЭМС) - Часть 3-3. Колебания напряжения и фликер, вызываемые техническими средствами с потребляемым током не более 16 А (в одной фазе) (MOD) |
| МЭК 61000-4-2:1995. Электромагнитная совместимость (ЭМС) - Часть 4: Технические требования и методы испытаний - Раздел 2: Испытания на устойчивость к электростатическим разрядам - Базовая публикация на ЭМС (MOD) |
| МЭК 61000-4-3:2002. Электромагнитная совместимость (ЭМС) - Часть 4: Технические требования и методы испытаний - Раздел 3: Испытания на устойчивость к радиочастотным электромагнитным полям (MOD) |
| МЭК 61000-4-4:1995. Электромагнитная совместимость (ЭМС) - Часть 4: Технические требования и методы испытаний - Раздел 4: Испытания на устойчивость к наносекундным импульсным помехам - Базовая публикация на ЭМС (MOD) |
| МЭК 61000-4-5:1995. Электромагнитная совместимость (ЭМС) - Часть 4: Технические требования и методы испытаний - Раздел 5: Испытания на устойчивость к импульсам напряжения/тока (MOD) |
| МЭК 61000-4-6:1996. Электромагнитная совместимость (ЭМС) - Часть 4: Технические требования и методы испытаний - Раздел 6: Устойчивость к кондуктивным помехам, наведенным радиочастотными электромагнитными полями (MOD) |
| МЭК 61000-4-11:1994. Электромагнитная совместимость (ЭМС) - Часть 4: Технические требования и методы испытаний - Раздел 11: Устойчивость к динамическим изменениям напряжения электропитания (MOD) |
| | ИС МЕГАНОРМ: примечание. Взамен ГОСТ Р 51731-2001 Приказом Росстандарта от 30.11.2010 N 719-ст с 1 января 2012 года введен в действие ГОСТ Р 51731-2010. | |
|
ГОСТ Р 51731-2001 | МЭК 61095:1992. Электромеханические контакторы бытового и аналогичного назначения (MOD) |
| МЭК 60073:2002. Основные принципы и принципы безопасности интерфейсов пользователя; маркировка и идентификация. Принципы кодирования индикаторов и кнопок управления (IDT) |
| МЭК 61140:2001. Защита от поражения электрическим током. Общие аспекты электроустановок и электрооборудования (IDT) |
ГОСТ Р МЭК 60447-2000 | МЭК 60447:1993. Интерфейс пользователя (ИП). Принципы управления (IDT) |
| ИСО 14040:1997. Управление окружающей средой. Оценка жизненного цикла. Принципы и структура (IDT) |
| ИСО 7000:1989. Графические символы, наносимые на оборудование. Указатель и обзор символов (MOD) |
| МЭК 60617-7-DB:2001. Графические обозначения для схем ("DB" означает электронная версия) (MOD) |
| МЭК 60529:1989. Степени защиты, обеспечиваемой оболочками (Код IP) (MOD) |
| МЭК 60112:1979. Метод определения сравнительного и контрольного индексов трекингостойкости твердых электроизоляционных материалов во влажной среде (NEQ) |
| МЭК 60695-2-2:1991. Испытания на огнестойкость - Часть 2: Методы испытаний - Раздел 1: Испытания на пламя горелкой с игольчатым пламенем (MOD) |
| МЭК 60038-83. Стандартные напряжения (MOD) |
Примечание. В настоящей таблице использованы следующие условные обозначения степени соответствия стандартов: - IDT - идентичные стандарты; - MOD - модифицированные стандарты; - NEQ - неэквивалентные стандарты. |
| МЭК 60050(441):1984 | Международный электротехнический словарь (МЭС) - Глава 441: Коммутационная аппаратура. Аппаратура управления и предохранители. Изменение 1 (2000) |
| МЭК 60050(151):2001 | Международный электротехнический словарь (МЭС) - Глава 151: Электрические и магнитные устройства |
| МЭК 60050(826):1982 | Международный электротехнический словарь (МЭС) - Глава 826: Электрические установки зданий. Изменение 1 (1990), Изменение 2 (1995), Изменение 3 (1999) |
| МЭК 60050(604):1987 | Международный электротехнический словарь (МЭС) - Глава 604: Производство, передача и распределение электрической энергии. Производство |
| МЭК 60060-1:1989 | Техника высоковольтных испытаний. Часть 1. Общие термины, требования к испытаниям |
| МЭК 60071-1:1993 | Координация изоляции - Часть 1: Терминология, определения, принципы и правила |
| МЭК 60695-2-10:2000 | Испытания на огнестойкость. Части 2-10: Методы испытания раскаленной/нагретой проволокой. Испытательная установка и общая методика испытаний |
| МЭК 60695-2-11:2000 | Испытания на огнестойкость. Части 2-11: Методы испытания. Методика испытания раскаленной проволокой на воспламеняемость конечного продукта |
| МЭК 60695-11-10:1999 | Испытания на огнестойкость. Часть 11-10: Испытания пламенем. Методика испытания горизонтальным и вертикальным пламенем мощностью 50 Вт |
| МЭК 60417-2:98 | Графические символы для применения в оборудовании. Часть 2. Образцы символов |
| МЭК 60445:1999 | Основные принципы и принципы безопасности интерфейсов пользователя; маркировка и идентификация. Обозначение выводов и концевых выводных устройств некоторых проводов, общие правила буквенно-цифровой системы |
| МЭК 60981:1989 | Жесткий стальной трубопровод для проводов в электроустановках сверхтяжелого режима |
| МЭК 60216:2001 | Руководство по определению характеристик нагревостойкости электроизоляционных материалов |
| МЭК 60085:1984 | Оценка нагревостойкости и классификация электрической изоляции |
| МЭК 60664-1:1992 | Координация изоляции в оборудовании низковольтных систем - Часть 1: Принципы построения, требования и испытания. Основы безопасности. Изменение 1 (2000), Изменение 2 (2002) |
| МЭК 61000-3-2:2000 | Электромагнитная совместимость (ЭМС) - Часть 3-2. Эмиссия гармонических составляющих тока техническими средствами с потребляемым током не более 16 А (в одной фазе). Изменение 1 (2001) |
| МЭК 60028:1925 | Международные нормы на сопротивление меди |
| МЭК 61180 (все части) | Методика высоковольтных испытаний низковольтного электрооборудования |
| МЭК 61000-4-11:1994 | Электромагнитная совместимость (ЭМС) - Часть 4: Технические требования и методы испытаний - Раздел 11. Устойчивость к динамическим изменениям напряжения электропитания. Изменение 1 (2000) |
| МЭК 60947-4-2:2007 | Контакторы и пускатели двигателей. Полупроводниковые контролеры и пускатели двигателей для переменного тока |
| МЭК 60947-4-3:2007 | Контакторы и пускатели двигателей. Полупроводниковые контролеры и пускатели для недвигательных нагрузок для переменного тока |
| МЭК 60364-4-44:2001 | Электрические установки зданий - Часть 4-44: Защита для обеспечения безопасности. Защита от импульсных перенапряжений и электромагнитных помех. Изменение 1 (2003) |
| МЭК 60099-1:1991 | Разрядники. Часть 1. Разрядники нелинейного сопротивления с искровым промежутком для применения в системах переменного тока. |