Главная // Актуальные документы // ГОСТ Р (Государственный стандарт)СПРАВКА
Источник публикации
М.: ИПК Издательство стандартов, 2000
Примечание к документу
По сведениям, размещенным на Информационном портале Росстандарта по адресу https://uvedns.gostinfo.ru/, данный документ утрачивает силу с 01.09.2025 в связи с изданием Приказа Росстандарта от 29.08.2024 N 1133-ст. Взамен вводится в действие ГОСТ IEC 61000-4-6-2022.
Отдельные положения данного документа включены в Перечень международных и региональных (межгосударственных) стандартов (
п. п. 123,
165), а в случае их отсутствия - национальных (государственных) стандартов, содержащих правила и методы исследований (испытаний) и измерений, в том числе правила отбора образцов, необходимые для применения и исполнения требований технического
регламента Евразийского экономического союза "О безопасности продукции, предназначенной для гражданской обороны и защиты от чрезвычайных ситуаций природного и техногенного характера" (ТР ЕАЭС 050/2021) и осуществления оценки соответствия объектов технического регулирования (
Решение Коллегии Евразийской экономической комиссии от 30.05.2023 N 78).
Документ включен в
Перечень национальных стандартов, содержащих правила и методы исследований (испытаний) и измерений, в том числе правила отбора образцов, необходимые для применения и исполнения технического
регламента о безопасности объектов внутреннего водного транспорта и осуществления оценки соответствия (
Распоряжение Правительства Российской Федерации от 29 июня 2011 г. N 1100-р).
С 1 июля 2003 года до вступления в силу технических регламентов акты федеральных органов исполнительной власти в сфере технического регулирования носят рекомендательный характер и подлежат обязательному исполнению только в части, соответствующей целям, указанным в
пункте 1 статьи 46 Федерального закона от 27.12.2002 N 184-ФЗ.
Документ
введен в действие с 1 января 2002 года.
Название документа
"ГОСТ Р 51317.4.6-99 (МЭК 61000-4-6-96). Государственный стандарт Российской Федерации. Совместимость технических средств электромагнитная. Устойчивость к кондуктивным помехам, наведенным радиочастотными электромагнитными полями. Требования и методы испытаний"
(принят и введен в действие Постановлением Госстандарта России от 22.12.1999 N 559-ст)
"ГОСТ Р 51317.4.6-99 (МЭК 61000-4-6-96). Государственный стандарт Российской Федерации. Совместимость технических средств электромагнитная. Устойчивость к кондуктивным помехам, наведенным радиочастотными электромагнитными полями. Требования и методы испытаний"
(принят и введен в действие Постановлением Госстандарта России от 22.12.1999 N 559-ст)
Принят и введен в действие
России
от 22 декабря 1999 г. N 559-ст
ГОСУДАРСТВЕННЫЙ СТАНДАРТ РОССИЙСКОЙ ФЕДЕРАЦИИ
СОВМЕСТИМОСТЬ ТЕХНИЧЕСКИХ СРЕДСТВ ЭЛЕКТРОМАГНИТНАЯ
УСТОЙЧИВОСТЬ К КОНДУКТИВНЫМ ПОМЕХАМ, НАВЕДЕННЫМ
РАДИОЧАСТОТНЫМИ ЭЛЕКТРОМАГНИТНЫМИ ПОЛЯМИ
ТРЕБОВАНИЯ И МЕТОДЫ ИСПЫТАНИЙ
Electromagnetic compatibility of technical equipment.
Immunity to conducted disturbance induced
by radio-frequency fields. Requirements and test methods
ГОСТ Р 51317.4.6-99
(МЭК 61000-4-6-96)
Группа Э02
Дата введения
1 января 2002 года
1. Разработан и внесен Техническим комитетом по стандартизации в области электромагнитной совместимости технических средств (ТК 30).
2. Принят и введен в действие
Постановлением Госстандарта России от 22 декабря 1999 г. N 559-ст.
3. Настоящий стандарт содержит аутентичный текст международного стандарта МЭК 61000-4-6 (1996-03), изд. 1 "Электромагнитная совместимость (ЭМС). Часть 4. Методы испытаний и измерений. Раздел 6. Устойчивость к кондуктивным помехам, наведенным радиочастотными полями" с дополнительными требованиями, отражающими потребности экономики страны.
4. Введен впервые.
Настоящий стандарт является частью стандартов МЭК серии 61000 согласно следующей структуре:
Часть 1 Основы
Общее рассмотрение (введение, фундаментальные принципы)
Определения, терминология
Часть 2 Электромагнитная обстановка
Описание электромагнитной обстановки
Классификация электромагнитной обстановки
Уровни электромагнитной совместимости
Часть 3 Нормы
Нормы помехоэмиссии
Нормы помехоустойчивости (в тех случаях, когда они не являются предметом рассмотрения техническими комитетами, разрабатывающими стандарты на продукцию)
Часть 4 Методы испытаний и измерений
Методы измерений
Методы испытаний
Часть 5 Руководства по установке и помехоподавлению
Руководства по установке
Руководства по помехоподавлению
Часть 6 Общие стандарты
Часть 9 Разное
Каждая часть подразделяется на разделы, которые могут быть опубликованы как международные стандарты либо как технические отчеты.
Настоящий стандарт распространяется на электротехнические, электронные и радиоэлектронные изделия и оборудование (далее в тексте - технические средства) и устанавливает требования устойчивости технических средств (ТС) к кондуктивным электромагнитным помехам (далее в тексте - помехи), вызываемым излучениями преимущественно радиопередающих устройств в полосе частот от 150 кГц до 80 МГц.
Стандарт применяется для ТС, имеющих хотя бы один подключенный (подключаемый при эксплуатации ТС) проводник (кабель): электропитания, передачи сигналов, управления, заземления и т.д.
Примечание. Методы испытаний установлены в настоящем стандарте для оценки эффектов воздействия на ТС кондуктивных помех. Моделирование и измерение параметров помех не обеспечивают достаточной точности для количественного определения указанных эффектов. Установленные методы испытаний предназначены, в первую очередь, для обеспечения достаточной воспроизводимости результатов, полученных с использованием различных средств испытаний, при качественном анализе эффектов.
Настоящий стандарт не устанавливает испытаний, применяемых для конкретных ТС или систем. Его главной задачей является обеспечение всех заинтересованных технических комитетов по стандартизации, разрабатывающих стандарты на продукцию, общими ссылочными данными. Технические комитеты по стандартизации (или изготовители ТС) несут ответственность за выбор видов и степеней жесткости испытаний, применяемых для ТС.
Степени жесткости испытаний на устойчивость к кондуктивным помехам, наведенным радиочастотными электромагнитными полями в определенной полосе (полосах) частот, и методы испытаний устанавливают в стандартах на ТС конкретного вида и в технической документации на ТС в соответствии с настоящим стандартом.
При установлении требований к ТС по устойчивости к воздействию радиочастотных электромагнитных излучений настоящий стандарт применяют совместно с
ГОСТ Р 51317.4.3.
Требования настоящего стандарта являются обязательными.
Содержание стандарта МЭК 61000-4-6-96 набрано прямым шрифтом, дополнительные требования к стандарту МЭК 61000-4-6, отражающие потребности экономики страны, - курсивом.
В настоящем стандарте использованы ссылки на следующие стандарты:
ГОСТ Р 51317.4.3-99 (МЭК 61000-4-3-95) Совместимость технических средств электромагнитная. Устойчивость к радиочастотному электромагнитному полю. Требования и методы испытаний
ГОСТ Р 51318.14.1-99 (СИСПР 14-1-93) Совместимость технических средств электромагнитная. Радиопомехи индустриальные от бытовых приборов, электрических инструментов и аналогичных устройств. Требования и методы испытаний
Источниками помех, применительно к которым в настоящем стандарте регламентированы требования помехоустойчивости ТС, являются, в основном, электромагнитные поля, создаваемые радиопередающими устройствами. Указанные электромагнитные поля могут воздействовать на проводники, подключенные к ТС, установленным в местах эксплуатации.
Размеры ТС, являющихся в большинстве случаев составными частями больших систем, полагают малыми в сравнении с длиной волны электромагнитного поля. Подключенные к ТС проводники, в том числе кабели электропитания, линии связи, кабели, соединяющие блоки, могут рассматриваться как пассивные приемные антенны.
Наведенные в указанных проводниках напряжения вызывают токи, протекающие через ТС. При проведении испытаний на помехоустойчивость предполагают, что подключенные к ТС проводники являются диполями (длиной

,

). Указанные диполи заменяют устройствами связи/развязки (УСР), имеющими полное сопротивление общего вида по отношению к пластине заземления, равное 150 Ом.
В соответствии с регламентированным в настоящем стандарте методом воздействие электромагнитных полей на испытуемое ТС (ИТС) и подключенные к нему проводники имитируют электрическими и магнитными полями (E и H), образуемыми напряжениями и токами, создаваемыми на рабочем месте для испытаний, как показано на
рисунке 1а.
Метод испытаний основан на использовании устройств связи/развязки, с помощью которых помеху вводят в каждый момент времени в один проводник, подключенный к ИТС, в то время как на остальные подключенные проводники помеху не подают (см.
рисунок 1б). Такой метод является приближенным, так как в реальной обстановке электромагнитные поля воздействуют с различными амплитудами и фазами на все подключенные к ТС проводники одновременно.

- полное сопротивление общего вида устройств связи/развязки, измеряемое в точке подключения ИТС;

- выходное напряжение ИГ в режиме холостого хода;

- общее несимметричное напряжение между ИТС и пластиной заземления;

- общий несимметричный ток, протекающий через ИТС;

- токи на проводящих поверхностях и в проводниках ИТС; E, H - электрические и магнитные поля
Примечание. Резисторы 100 Ом включены в устройства связи/развязки. К левому разъему подключен резистор 50 Ом, к правому подключен ИГ.
Рисунок 1а. Схема образования электромагнитных полей
вблизи ИТС при протекании токов в кабелях
T - нагрузка 50 Ом;

- аттенюатор (6 дБ)
Рисунок 1б. Схема рабочего места для испытаний
на устойчивость к радиочастотным кондуктивным помехам
Рисунок 1. Испытания на устойчивость к радиочастотным
кондуктивным помехам
Требования к устройствам связи/развязки установлены в
6.2. Любые устройства связи/развязки, удовлетворяющие требованиям, установленным в
6.2, могут быть применены при проведении испытаний ТС на устойчивость к кондуктивным помехам, наведенным радиочастотными электромагнитными полями.
4.1. Эквивалент руки - электрическое устройство, моделирующее полное сопротивление человеческого тела в типичных условиях между ТС, которое держат в руках, и землей.
Примечание. Конструкция эквивалента руки должна соответствовать требованиям, установленным в
ГОСТ Р 51318.14.1.
4.2. Вспомогательное ТС - ТС, применяемое для создания сигналов, обеспечивающих нормальное функционирование ИТС, или для проверки качества функционирования ИТС.
4.3. Ввод помехи с применением клещей связи - способ ввода помехи в кабель (проводник) с помощью электрического устройства, охватывающего кабель.
4.3.1. Токовые клещи связи - клещи связи в виде трансформатора, вторичной обмоткой которого является кабель, в который вводится помеха.
4.3.2. Электромагнитные клещи связи - клещи связи с комбинированной емкостной и индуктивной связью для ввода помехи в кабель.
Примечание. Сведения о вводе помехи с применением клещей связи приведены в
Приложении А.
4.4. Полное сопротивление общего вида (общее несимметричное сопротивление) - отношение общего несимметричного напряжения к общему несимметричному току для определенного порта ТС.
4.4.1. Общее несимметричное напряжение - среднее значение фазных напряжений между каждым из проводников, входящих в определенную группу, и землей (плоскостью заземления).
4.4.2. Общий несимметричный ток - сумма токов, протекающих в проводниках, входящих в определенную группу.
4.4.3. Порт - граница между ТС и внешней электромагнитной средой (зажим, разъем, клемма, стык связи и т.п.).
Примечание. Полное сопротивление общего вида может быть определено в результате деления напряжения, поданного между зажимом (соединенными вместе зажимами) или экраном определенного порта ТС и пластиной заземления, на измеренную величину суммарного тока, протекающего через вышеуказанный зажим (соединенные вместе зажимы) или экран (см. также
6.3,
6.4).
4.5. Испытательный генератор (ИГ) - устройство, предназначенное для создания сигналов с установленными параметрами при испытаниях ТС на устойчивость к кондуктивным помехам, наведенным радиочастотными электромагнитными полями, включающее генератор высокочастотных сигналов, источник модулирующего сигнала, аттенюаторы, широкополосный усилитель мощности и фильтры (см. рисунок 2).

- генератор высокочастотных сигналов;

- аттенюатор;

- переключатель; PA - широкополосный усилитель мощности; LPF/HPF - фильтры низких и/или высоких частот;

- аттенюатор с фиксированным затуханием (6 дБ)
Рисунок 2. Испытательный генератор
4.6. Устройство связи - электрическое устройство, имеющее определенное полное сопротивление, предназначенное для передачи помехи из одной цепи в другую.
4.7. Устройство развязки - электрическое устройство, предназначенное для предотвращения воздействия помехи, подаваемой на ИТС, на вспомогательные ТС и другие устройства, не подвергаемые испытаниям.
Примечание. Устройство связи и устройство развязки могут быть объединены в одном корпусе (устройство связи/развязки) или могут представлять собой отдельные устройства (как правило, при вводе помехи с помощью клещей связи).
4.8. Коэффициент связи - отношение напряжения, создаваемого ИГ в режиме холостого хода на разъемах устройства связи/развязки, предназначенных для подключения ИТС (далее в тексте - разъемы "ИТС"), к напряжению на выходе ИГ.
5. СТЕПЕНИ ЖЕСТКОСТИ ИСПЫТАНИЙ
Требования помехоустойчивости при воздействии кондуктивных помех, наводимых излучениями радиопередающих устройств в полосе частот от 9 до 150 кГц, не устанавливают.
Таблица 1
Степени жесткости испытаний в полосе частот
от 150 кГц до 80 МГц
Степень жесткости испытаний | Испытательное напряжение |
 относительно 1 мкВ | |
1 | 120 | 1 |
2 | 130 | 3 |
3 | 140 | 10 |
x | Специальное |
Знак "x" представляет собой открытый класс. Соответствующая степень жесткости испытаний может быть установлена в стандартах на ТС конкретного вида и в технической документации на ТС |
В
таблице 1 приведены среднеквадратичные значения напряжения немодулированного испытательного сигнала (помехи), создаваемого ИГ в режиме холостого хода на разъемах "ИТС" устройства связи/развязки (см.
6.4.1). При испытаниях ТС указанный испытательный сигнал должен быть модулирован по амплитуде синусоидальным напряжением частотой 1 кГц при глубине модуляции 80% для того, чтобы воспроизвести реальные условия воздействия помех.
Примечания
1. Методы установления требований к ТС по устойчивости к излученной электромагнитной энергии регламентированы также в
ГОСТ Р 51317.4.3.
Указанный стандарт охватывает частоты выше 80 МГц. Техническими комитетами по стандартизации требования и методы испытаний, регламентированные в настоящем стандарте и
ГОСТ Р 51317.4.3, могут быть установлены для частот выше и ниже 80 МГц соответственно (см.
Приложение Б).
Применение метода испытаний, установленного в настоящем стандарте, на частотах выше 150 МГц находится на рассмотрении. Степени жесткости испытаний (значения испытательного напряжения) на частотах выше 80 МГц должны быть установлены в стандартах на ТС конкретного вида.
2. Техническими комитетами по стандартизации могут быть установлены альтернативные схемы модуляции.
3. Погрешность измерения испытательного напряжения должна составлять не более +/- 10%.
Рекомендации по выбору степеней жесткости испытаний приведены в
Приложении В.
6. ИСПЫТАТЕЛЬНОЕ ОБОРУДОВАНИЕ
| | ИС МЕГАНОРМ: примечание. В официальном тексте документа, видимо, допущена опечатка: пункт 4.9 в тексте документа отсутствует. | |
ИГ должен включать элементы, обеспечивающие создание помехи требуемого уровня на разъемах "ИТС" каждого устройства связи/развязки. В состав ИГ входят следующие элементы, которые могут быть объединены в одной конструкции или применяться по отдельности (см. 4.9 и
рисунок 3):
а - немодулированный радиочастотный сигнал (амплитудное
значение напряжения

; среднеквадратическое значение
напряжения

);
б - модулированный радиочастотный сигнал при глубине
модуляции 80% (

; пиковое значение напряжения

)
Рисунок 3. Определение формы колебаний на разъемах "ИТС"
устройства связи/развязки (напряжение в режиме холостого
хода ИГ, степень жесткости испытаний 1)
- генератор(ы) высокочастотных сигналов G1, обеспечивающий перекрытие заданной полосы частот и возможность амплитудной модуляции сигнала синусоидальным напряжением частотой 1 кГц при глубине модуляции 80%. Форма модулированных колебаний приведена на
рисунке 3. Высокочастотный генератор(ы) должен иметь возможность автоматизированной перестройки частоты со скоростью не более

и (или) ручную перестройку частоты. В случае применения синтезаторов частоты высокочастотные генераторы должны быть программируемыми для установки необходимых значений шага перестройки частоты и времени задержки на частоте;
- аттенюатор T1 (типичное значение вносимого затухания от 0 до 40 дБ) для регулирования уровня выходного сигнала в требуемой полосе частот. Аттенюатор может быть включен в конструкцию генератора высокочастотных сигналов;
- высокочастотный переключатель S1, предназначенный для включения и выключения сигнала при оценке помехоустойчивости ИТС. Переключатель может быть включен в конструкцию генератора высокочастотных сигналов или представлять собой отдельное устройство;
- широкополосный усилитель(и) мощности PA, который применяют для усиления сигнала, если выходная мощность генератора высокочастотных сигналов недостаточна;
- фильтры низких (LPF) и (или) высоких (HPF) частот, применение которых может быть необходимо для исключения воздействия гармоник (субгармоник) испытательного сигнала на ИТС, обладающие высокой восприимчивостью к радиочастотным сигналам, например, радиоприемные устройства. При необходимости фильтры низких и (или) высоких частот включают между широкополосным усилителем мощности и аттенюатором;
- аттенюатор T2 с фиксированным вносимым затуханием, равным или большим 6 дБ и сопротивлением

, имеющий достаточную мощность рассеяния. Аттенюатор T2 предназначен для уменьшения рассогласования между широкополосным усилителем мощности и испытуемой цепью ТС и должен быть расположен как можно ближе к устройству связи.
Примечание. Аттенюатор с фиксированным вносимым затуханием 6 дБ может быть включен в состав устройства связи/развязки. Указанный аттенюатор не применяют, если выходное сопротивление широкополосного усилителя мощности находится в установленных пределах при любых условиях нагрузки.
Характеристики ИГ в отсутствие модуляции сигнала должны соответствовать указанным в таблице 2.
Таблица 2
Характеристики ИГ
Наименование характеристики | Значение характеристики |
Выходное сопротивление ИГ, Ом | 50 |
КСВН, отн. единиц, не более | 1,2 |
Коэффициент нелинейных искажений, отн. единиц, не более | 15 |
Амплитудная модуляция выходного сигнала | Внутренняя или внешняя модуляция при глубине модуляции (80 +/- 5)%, частоте модулирующего синусоидального сигнала 1 кГц +/- 10% |
Уровень выходного сигнала | Должен обеспечивать установленную степень жесткости испытаний (см. также Приложение Д) |
6.2. Устройства связи/развязки
Устройства связи/развязки применяют для ввода помехи в заданной полосе частот в различные проводники (кабели), подключенные к ИТС. Устройства связи/развязки могут представлять собой отдельные блоки или быть объединены в одном корпусе. Основным параметром устройства связи/развязки является значение модуля полного сопротивления общего вида

, измеренного на разъемах "ИТС". Требования к указанному параметру установлены в таблице 3. Правила выбора метода ввода помехи установлены ниже и в
7.1. Примеры устройств связи/развязки, имеющихся в наличии, приведены в
Приложении Г.
Таблица 3
Основной параметр устройства связи/развязки
Параметр | Полоса частот, МГц |
0,15 - 26 | 26 - 80 |
Модуль полного сопротивления общего вида  | 150 +/- 20 | |
Примечания |
1. Приведенные требования к погрешности  должны удовлетворяться для случаев, когда разъемы для подключения вспомогательного ТС (далее в тексте - разъемы "Вспомогательное ТС") устройства связи/развязки не нагружены и когда указанные разъемы короткозамкнуты на землю (пластину заземления). |
2. Значения аргумента  и коэффициента развязки между разъемами "ИТС" и "Вспомогательное ТС" устройства связи/развязки не регламентируют. Эти характеристики совместно регламентированы установленным в таблице требованием к допустимым отклонениям  для случаев, когда разъемы "Вспомогательное ТС" не нагружены и когда указанные разъемы короткозамкнуты на землю (пластину заземления). |
3. При вводе помехи с помощью клещей связи, установленные в таблице требования к  могут не удовлетворяться. В этом случае допускается применение клещей связи в соответствии с правилами, установленными в 7.3. |
6.2.1. Непосредственный ввод помехи
Помеху, поступающую от ИГ, подают на экраны кабелей через резистор 100 Ом. Между вспомогательным ТС и точкой ввода помехи включают устройство развязки (см.
6.2.4), располагаемое возможно ближе к точке ввода помехи (см.
рисунки 4а,
4б). Для некоторых экранированных кабелей простых видов устройство развязки может быть объединено в одном корпусе с резистором 100 Ом (см.
рисунок Г.1 Приложения Г).
6.2.2. Основные типы устройств связи/развязки
Схемы устройств связи/развязки основных типов (УСР-С1, УСР-С2, УСР-С3, УСР-Т2, УСР-Т4, УСР-Т8, УСР-НС) приведены в
Приложении Г. Устройства связи/развязки применяют для ввода помехи в неэкранированные кабели. Принципы ввода помехи в неэкранированные кабели и развязки показаны на
рисунках 4в и
4г. Устройства связи/развязки не должны оказывать неблагоприятного влияния на прохождение сигналов. Дополнительные требования к конструкции устройств связи/развязки устанавливают, при необходимости, в стандартах на ТС конкретного вида.
| - 50-омный коаксиальный кабель |
| - кабель электропитания или передачи сигналов |
| - нагрузка 50 Ом для коаксиального кабеля |
| - переходное устройство 150 - 50 Ом (коробка с резистором 100 Ом, включенным между разъемами "150 Ом" и "50 Ом", см. 6.3.1) |
| - источник высокочастотных сигналов с выходным сопротивлением 50 Ом |
| - измерительный прибор с входным сопротивлением 50 Ом, например, селективный вольтметр |
| - аттенюатор с входным сопротивлением 50 Ом, затуханием 10 дБ |
| - устройство связи/развязки, имеющее разъемы "ИТС", "ИГ", "Вспомогательное ТС" |
Рисунок 4а. Перечень символов, применяемых в приведенных
ниже схемах рабочих мест для испытаний
Рисунок 4б. Принцип непосредственного ввода помехи
в экранированные кабели
n - число проводников в кабеле
Рисунок 4в. Принцип ввода помехи в неэкранированные кабели
Примечания
1. Общая индуктивность L >= 280 мкГн на частоте 150 кГц.
2.

(только для неэкранированных кабелей).
3. Низкочастотная катушка индуктивности: 17 витков на ферритовом кольце, материал NiZn,

.
4. Высокочастотная катушка индуктивности: 2 - 4 ферритовых кольца (образующие трубку), материал NiZn,

.
Рисунок 4г. Принципы развязки
Рисунок 4. Принципы связи и развязки
6.2.2.1. Устройства связи/развязки для ввода помех в кабели электропитания
Для ввода помех в кабели электропитания всех видов рекомендуется применять устройства связи/развязки. Вместе с тем в случаях, когда питание ТС осуществляется от однофазной сети переменного (постоянного) тока при потребляемом токе более 16 А в одной фазе, от трехфазной сети, а также одновременно от нескольких источников с различными напряжениями, допускается применение других методов ввода помехи.
Для ввода помехи в однопроводные, двухпроводные и трехпроводные кабели электропитания применяют устройства связи/развязки типов УСР-С1, УСР-С2, УСР-С3 соответственно (см.
рисунок Г.2 Приложения Г). Аналогичные устройства могут быть применены для трехфазных систем электропитания.
Если в условиях эксплуатации подключаемые к ТС провода электропитания проложены раздельно друг от друга, для ввода помехи применяют устройства связи/развязки типа УСР-С1 и помеху подают на каждую цепь электропитания отдельно. Если ИТС имеет зажимы заземления, то их соединяют с пластиной заземления через устройство связи/развязки типа УСР-С1, если это допустимо по условиям эксплуатации. В этом случае электропитание ТС осуществляют через устройство связи/развязки типа УСР-С3. Если включение устройства связи/развязки УСР-С1 в заземляющий проводник не представляется возможным (например, когда при этом нарушается работа средства радиосвязи), зажим заземления ИТС должен быть соединен непосредственно с плоскостью заземления. В этом случае устройство связи/развязки типа УСР-С3 заменяют на устройство типа УСР-С2 для предотвращения короткого замыкания испытательного сигнала на землю через заземляющий проводник.
Примечание. Конденсаторы, применяемые в устройствах связи/развязки, подключены к проводникам, находящимся под напряжением. В результате могут возникнуть значительные токи утечки. Поэтому применение заземляющего проводника, соединяющего устройство связи/развязки с плоскостью заземления, является обязательным.
6.2.2.2. Устройства связи/развязки для ввода помех в симметричные неэкранированные линии
Для ввода помех в симметричные неэкранированные линии применяют устройства связи/развязки типов УСР-Т2, УСР-Т4 или УСР-Т8. Схемы указанных устройств приведены на
рисунках Г.4 -
Г.6 Приложения Г.
Указанные устройства связи/развязки применяют:
- УСР-Т2 - для кабелей, содержащих одну симметричную пару (два провода);
- УСР-Т4 - для кабелей, содержащих две симметричных пары (четыре провода);
- УСР-Т8 - для кабелей, содержащих четыре симметричных пары (восемь проводов).
Примечание. Для ввода помехи в неэкранированные кабели, содержащие иное число симметричных пар, применяют устройства связи/развязки других типов, удовлетворяющие в необходимой полосе частот требованиям, установленным в
6.2.
Для ввода помехи в кабели, содержащие значительное число симметричных пар, целесообразно применять клещи связи.
6.2.2.3. Устройства связи/развязки для ввода помех в несимметричные неэкранированные линии
Для ввода помехи в несимметричные неэкранированные линии, содержащие два провода, применяют устройства связи/развязки типа УСР-НС2 (
рисунок Г.3 Приложения Г). Для ввода помехи в неэкранированные кабели с большим числом несимметричных пар целесообразно применять клещи связи.
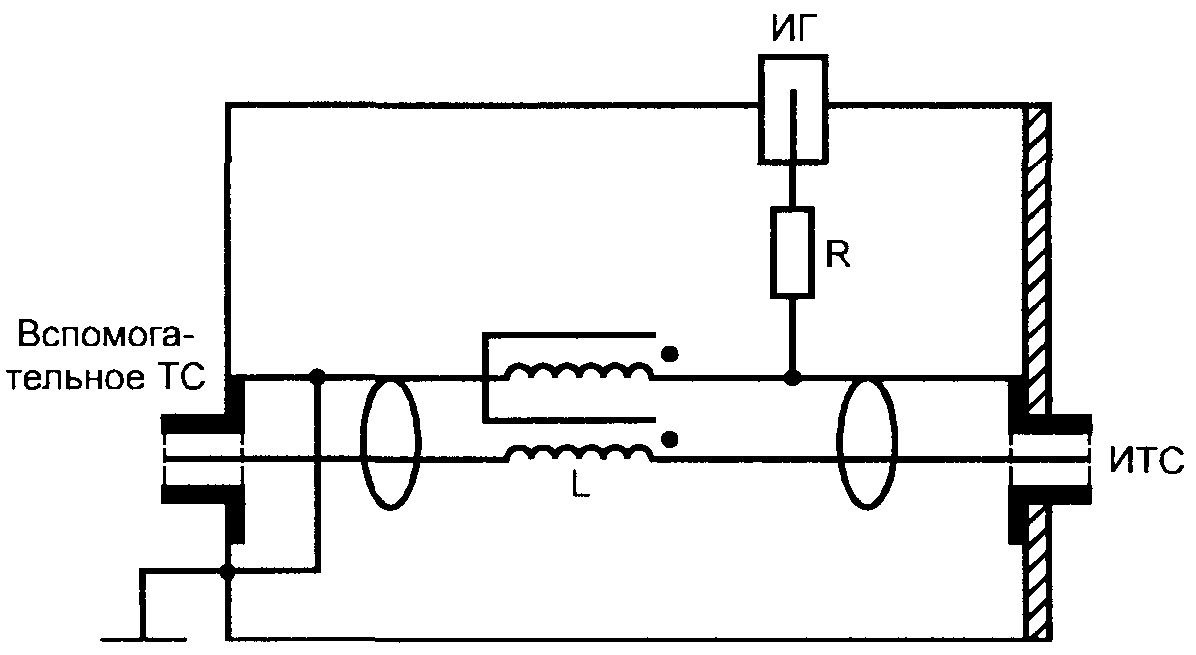
6.2.3. Ввод помехи с применением клещей связи
При вводе помехи с применением клещей связи функции связи и функции развязки разделены. Связь обеспечивается за счет клещей связи. Значение модуля полного сопротивления общего вида

и функции развязки обеспечиваются за счет подключенного вспомогательного ТС. Следовательно, вспомогательное ТС является в этом случае составной частью устройства связи/развязки (см.
рисунок 5). Правила применения клещей связи установлены в
7.2. Если при применении токовых клещей связи или электромагнитных клещей связи требования, установленные в
6.2 и
7.2, не могут быть выполнены, применяют метод, приведенный в
7.3. При этом уровни подаваемой помехи устанавливают, как указано в
6.4.1. Кроме того, постоянно контролируют и корректируют величину результирующего тока.
Примечание. Устройства связи/развязки, подключенные к вспомогательному ТС, например, УСР-С1, подключенное к зажиму защитного заземления, или УСР-С3, должны быть нагружены на разъемах "ИГ" сопротивлением 50 Ом.
Рисунок 5. Принципы связи и развязки при вводе помехи
с применением клещей связи
6.2.3.1. Токовые клещи связи
Токовые клещи связи обеспечивают индуктивную связь с проводником, подключенным к ИТС. Учитывая коэффициент трансформации клещей связи, можно пренебречь вносимым в проводник сопротивлением источника помехи в сравнении с сопротивлением 150 Ом, обеспечиваемым при подключении вспомогательного ТС. Например, при коэффициенте трансформации клещей связи 5:1 выходное сопротивление ИГ (50 Ом) трансформируется в сопротивление, равное 2 Ом.
Примечания
1. При использовании токовых клещей связи на низких частотах необходимо убедиться, что уровень высших гармоник сигнала, создаваемого усилителем мощности PA (см.
рисунок 2) на разъемах ИТС, не превышает уровня сигнала на основной частоте.
2. Для минимизации емкостной связи кабель, в который вводится помеха, должен проходить по центру токовых клещей связи.
6.2.3.2. Электромагнитные клещи связи
Электромагнитные клещи связи устанавливают одновременно емкостную и индуктивную связь с проводником, подключенным к ИТС.
Сведения о применении электромагнитных клещей связи приведены в
Приложении А.
6.2.4. Устройства развязки
Устройства развязки применяют при непосредственном вводе помехи, а также подключают ко всем кабелям ИТС, не подвергаемым воздействию помех.
Устройства развязки должны содержать несколько катушек индуктивности и ферритовые материалы для того, чтобы обеспечить в установленной полосе частот высокое полное сопротивление. Величина общей индуктивности устройства развязки должна быть не менее 280 мкГн на частоте 150 кГц. Индуктивное сопротивление устройства развязки должно составлять не менее 260 Ом на частотах до 26 МГц и не менее 150 Ом на частотах выше 26 МГц. Это может быть достигнуто либо намоткой нескольких витков на ферритовые кольца, либо путем использования нескольких ферритовых колец, надетых на кабель в виде ферритовой трубки (см.
рисунок 4г).
6.3. Проверка полного сопротивления общего вида устройств связи/развязки
Для обеспечения воспроизводимости результатов испытаний устройства связи/развязки должны удовлетворять установленным в
таблице 3 требованиям к значению модуля полного сопротивления общего вида

, измеряемого на разъемах "ИТС". Для проверки характеристик полного сопротивления устройств связи/развязки применяют установку в соответствии с
рисунком 6а. Устройство связи/развязки и стандартную пластину связи размещают на пластине заземления, размеры которой должны превышать размеры проекции установки с каждой стороны не менее чем на 0,2 м. Для проведения проверки используют измеритель полных сопротивлений. Измеритель полных сопротивлений должен быть калиброван при установке на пластине заземления.
Погрешность измерения сопротивления измерителем полных сопротивлений должна составлять не более 5%.
Необходимо, чтобы длина соединения между точкой подключения к стандартной пластине связи и разъемом "ИТС" устройства связи/развязки не превышала 30 мм. Проверку значения

осуществляют в соответствии с
рисунками 6а и
6б.
Примечание. Точка измерения

на
рисунке 6а является общей точкой в соответствии с подразделом
6.4.
Устройства связи/развязки должны удовлетворять требованиям к значению модуля полного сопротивления общего вида

, установленным в
таблице 3, когда разъемы "ИГ" нагружены на сопротивление 50 Ом, для случаев, когда разъемы "Вспомогательное ТС" не нагружены и когда указанные разъемы короткозамкнуты на землю (пластину заземления), как показано на
рисунке 6б. Выполнение этого требования обеспечивает необходимое значение коэффициента развязки, при котором подключение вспомогательного ТС, независимо от того, имеет ли оно заземленный или изолированный от земли выход, не будет влиять на результаты испытаний.
Если применяют методы ввода помехи с использованием клещей связи или непосредственного ввода помехи, нет необходимости проводить проверку значения модуля полного сопротивления общего вида для каждого вспомогательного ТС, подключенного к ИТС. В этом случае применяют положения, установленные в
7.2. Если положения, установленные в
7.2, не могут быть выполнены, допускается применение метода, установленного в
7.3.
6.3.1. Переходное устройство 150 Ом - 50 Ом
При установке уровней выходных сигналов ИГ применяют два переходных устройства 150 Ом - 50 Ом одинаковой конструкции (
рисунки 6в и
6г). Указанные устройства размещают на плоскости заземления.
Примечания
1. Размеры стандартной пластины связи должны составлять 0,1 x 0,1 м.
2. Пластину заземления и стандартную пластину связи изготавливают из меди, латуни или алюминия. Указанные пластины должны иметь хороший контакт, особенно на высоких частотах.
Рисунок 6а. Конструкция установки для проверки полного
сопротивления общего вида устройств связи/развязки
Примечание. Требования к модулю полного сопротивления общего вида должны удовлетворяться при замкнутом и разомкнутом ключе П (см.
6.3).
Рисунок 6б. Схема установки для проверки полного
сопротивления общего вида устройств связи/развязки
Примечание. Резистор на металлической пленочной основе, P >= 2,5 Вт.
Рисунок 6в. Схема переходного устройства 150 Ом - 50 Ом
Примечание. Конструкция переходного устройства идентична конструкции стандартной пластины связи на
рисунке 6а. Добавлен резистор 100 Ом.
Рисунок 6г. Конструкция переходного устройства
150 Ом - 50 Ом
Рисунок 6. Установка для проверки характеристик устройства
связи/развязки и переходное устройство 150 Ом - 50 Ом
6.4. Установка уровней помехи
Установку уровней помехи осуществляют в соответствии с
6.4.1. При этом ИГ, устройства связи/развязки и переходные устройства 150 Ом - 50 Ом должны удовлетворять требованиям, приведенным в
6.1,
6.2 и
6.3.1 соответственно. Оборудование размещают на пластине заземления, размеры которой должны превышать размеры проекции установленного оборудования с каждой стороны не менее чем на 0,2 м.
Примечание. При установке уровней помехи все кабели, подключенные к разъемам "ИТС" и "Вспомогательное ТС" устройств связи/развязки, не задействованных в процессе установки, отключают (см.
рисунок 7).
Установку уровней помехи (см. 6.4.1) проводят при немодулированной несущей. После установки уровней осуществляют амплитудную модуляцию помехи синусоидальным сигналом частотой 1 кГц. Глубину модуляции контролируют с помощью осциллографа. Испытания ТС проводят при модулированной помехе.
6.4.1. Порядок установки уровней помехи на разъемах "ИТС" устройств связи/развязки
Порядок установки уровней помехи при использовании устройств связи/развязки всех типов приведен на
рисунке 7. ИГ подключают к высокочастотному входному разъему устройства связи/развязки. К разъему "ИТС" через переходное устройство 150 Ом - 50 Ом подключают измерительный прибор с входным сопротивлением 50 Ом. Разъем "Вспомогательное ТС" должен быть нагружен на переходное устройство 150 Ом - 50 Ом, последовательно с которым подключают дополнительный резистор 50 Ом. Подключение переходных устройств к разъемам устройств связи/развязки осуществляется через общие точки в соответствии с рисунками 7а,
7б.
n - число проводников
Рисунок 7а. Определение общей точки при использовании
неэкранированных кабелей
Рисунок 7б. Определение общей точки при использовании
экранированных кабелей
Примечание. Нагрузку 150 Ом на зажимах "Вспомогательное ТС" устройства связи/развязки, например, согласующее переходное устройство 150 Ом - 50 Ом с дополнительным резистором 50 Ом, применяют только в случае неэкранированных кабелей (экран экранированного кабеля соединен с пластиной заземления на стороне вспомогательного ТС).
Рисунок 7в. Схема установки испытательных уровней
на зажимах "ИТС" устройств связи/развязки
Рисунок 7. Установка испытательных уровней (см.
6.4.1)
Примечания
1. При непосредственном вводе помехи устройство 150 Ом - 50 Ом и дополнительный резистор 50 Ом к разъему "Вспомогательное ТС" устройства связи/развязки не подключают, так как экран кабеля соединен с пластиной заземления со стороны этого разъема (см.
рисунок Г.1 Приложения Г).
2. Рекомендуется проводить установку уровней помехи на рабочем месте для испытаний ТС (см.
раздел 7).
При использовании схемы, приведенной на
рисунке 7в, уровни помехи устанавливают таким образом, чтобы были получены следующие показания измерительного прибора:

(в линейных величинах)
или

(в логарифмических величинах).
Установка уровней помехи должна быть проведена для каждого применяемого при испытаниях ТС устройства связи/развязки. Контрольные параметры ИГ (уровень выходного сигнала ИГ для каждого шага изменения частоты, установки аттенюатора и др.) должны быть зафиксированы и воспроизведены при проведении испытаний.
Примечания
1.

- испытательное напряжение, приведенное в
таблице 1,

- измеренное напряжение в соответствии с
рисунком 7в.
2. Величина коэффициента 6 (15,6 дБ) определяется тем, что напряжение на согласованной нагрузке (при подключении к разъемам "ИТС" переходного устройства 150 Ом - 50 Ом и измерительного прибора с сопротивлением 50 Ом) составляет половину величины

, а напряжение на измерительном приборе с сопротивлением 50 Ом, подключенном к переходному устройству 150 Ом - 50 Ом, уменьшается в отношении 3:1.
3. Допускается проводить установку уровней помехи при измерении силы тока на нагрузке 150 Ом.
Установка уровней помехи при использовании токовых клещей связи может быть проведена с применением испытательного блока сопротивлением 50 Ом (см.
Приложение А) при измерении напряжения или силы тока. При использовании испытательного блока сопротивлением 50 Ом измеряемое напряжение

будет на 6 дБ меньше испытательного напряжения, приведенного в
таблице 1.
При установке уровней помехи с применением испытательного блока сопротивлением 50 Ом измеряемое напряжение

или результирующий ток в испытательном блоке

должны быть равны:

(в линейных величинах)
или

(в логарифмических величинах);

(в линейных величинах)
или

(в логарифмических величинах).
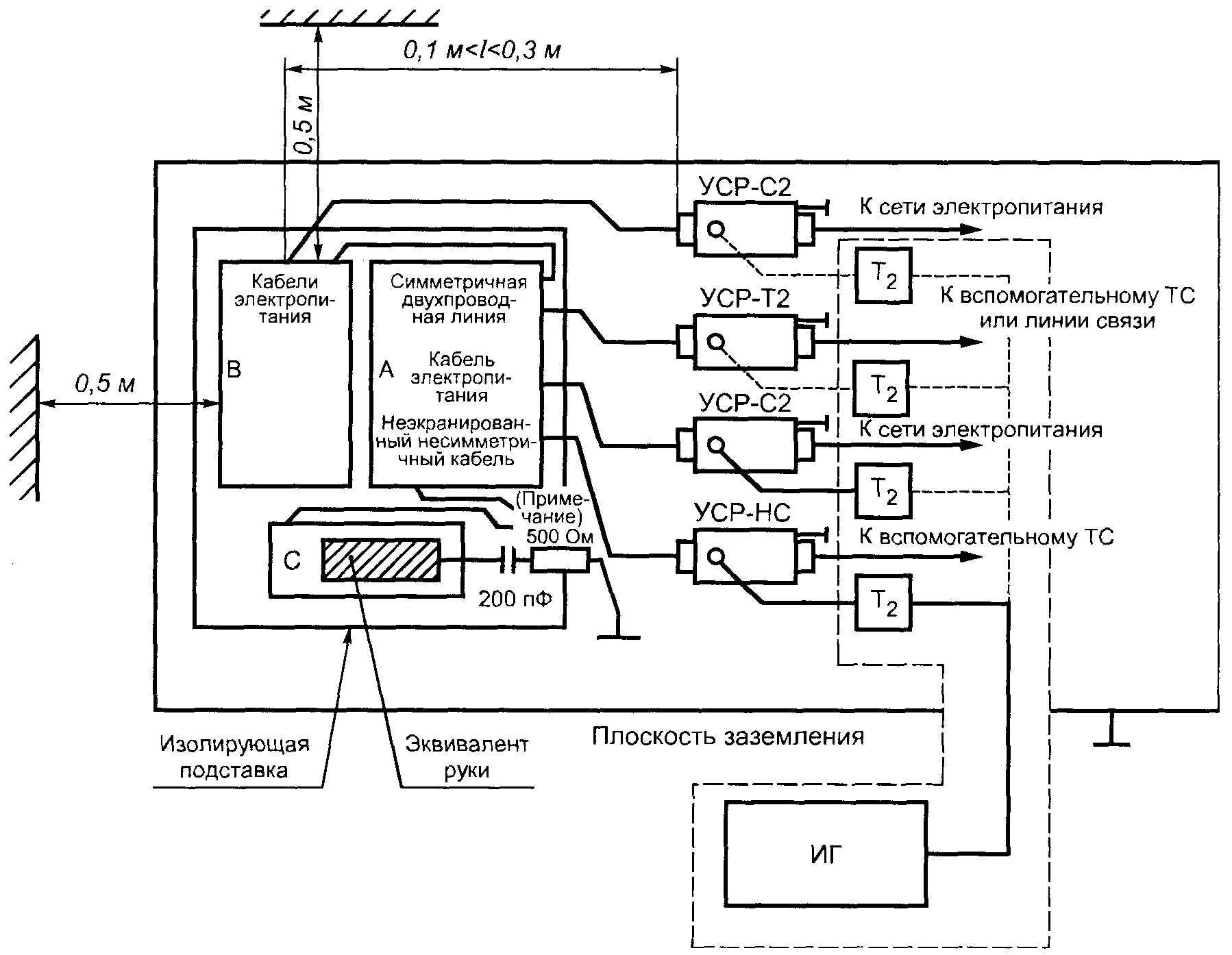
7. РАБОЧИЕ МЕСТА ДЛЯ ИСПЫТАНИЙ НАСТОЛЬНЫХ И НАПОЛЬНЫХ ТС
Для проведения испытаний ИТС размещают на изолирующей подставке толщиной 0,1 м, расположенной на пластине заземления. Все кабели, подключаемые к ИТС, должны быть снабжены соответствующими устройствами связи/развязки, размещенными на расстоянии от 0,1 до 0,3 м от контуров проекции ИТС на пластину заземления (
рисунки 8 и
9).
Примечания. Удаление ИТС от любых металлических предметов, исключая пластину заземления и устройства связи/развязки, должно составлять не менее 0,5 м. К разъемам "ИГ" устройств связи/развязки, на которые не подается сигнал от ИГ, подключают резисторы нагрузки сопротивлением 50 Ом.
Рисунок 8. Пример рабочего места для испытаний ТС,
представляющего собой отдельное изделие
Примечания. Удаление ИТС от любых металлических предметов, исключая пластину заземления и устройства связи/развязки, должно составлять не менее 0,5 м. К разъемам "ИГ" устройств связи/развязки, на которые не подается сигнал от ИГ, подключают резисторы нагрузки сопротивлением 50 Ом. Кабели длиной не более 1 м, соединяющие блоки ИТС, укладывают на изоляционной подставке.
Рисунок 9. Пример рабочего места для испытаний ТС,
представляющего собой несколько соединенных
друг с другом изделий
Пластина заземления должна представлять собой медный или алюминиевый металлический лист толщиной не менее 0,25 мм. Допускается использовать другие металлы, но при этом толщина листа должна быть не менее 0,65 мм. Минимальные размеры пластины заземления должны составлять 1 x 1 м. Фактические размеры зависят от размеров ИТС. Пластина заземления должна выступать не менее чем на 0,2 м с каждой стороны за контуры оборудования, устанавливаемого в соответствии с
рисунками 8,
9 на пластине заземления. Пластину заземления соединяют с защитным заземлением.
Дополнительные сведения о размещении ИТС приведены в 7.1 -
7.5.
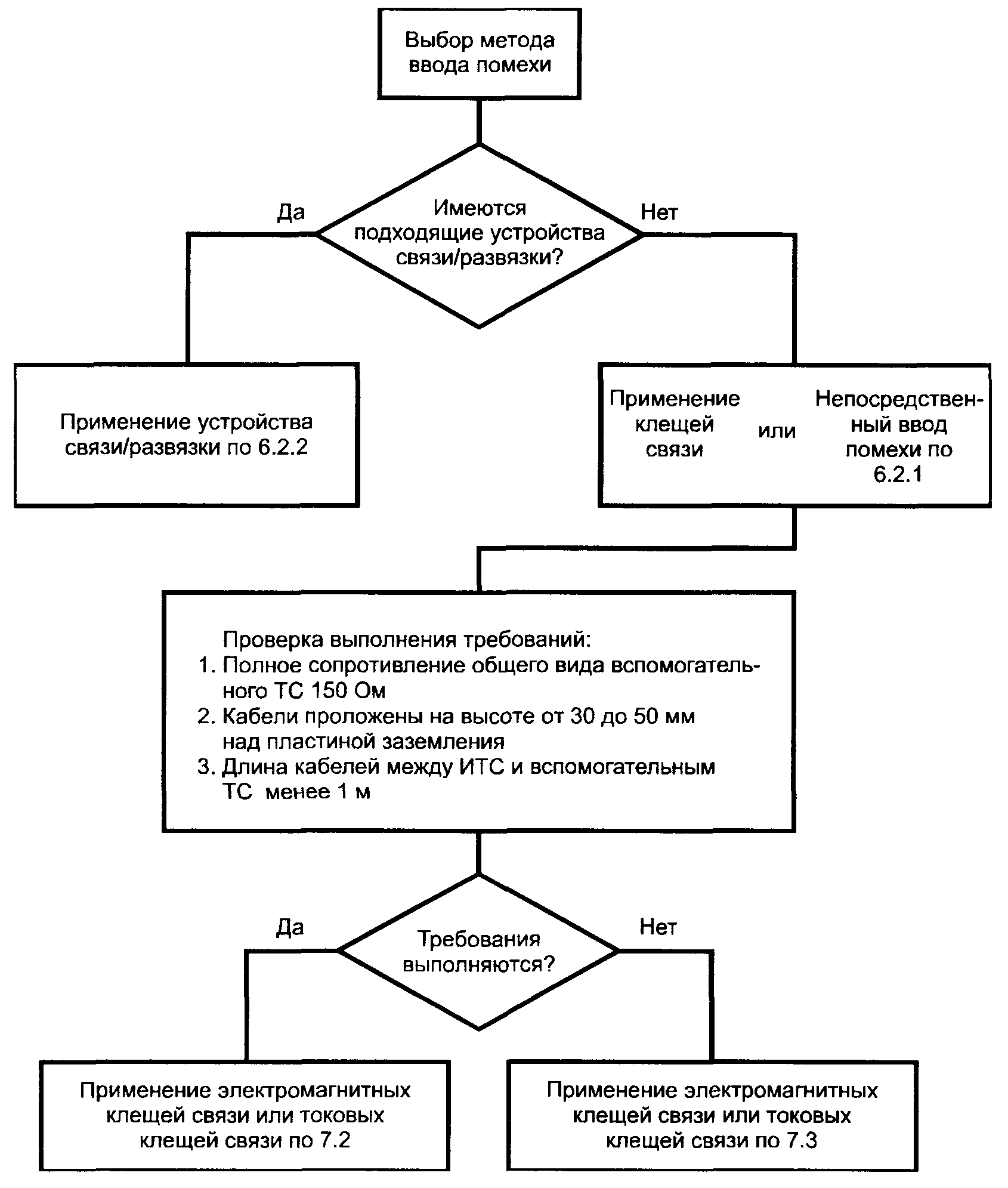
7.1. Правила выбора метода ввода помехи и испытательных точек
Для выбора типов и числа кабелей, в которые должна быть введена помеха с использованием устройств связи/развязки, необходимо рассмотреть расположение оборудования в типичных условиях эксплуатации и определить вероятные длины подключаемых кабелей.
7.1.1. Выбор метода ввода помехи
Порядок выбора метода ввода помех приведен на
рисунке 10.
Рисунок 10. Правила выбора метода ввода помехи
Все кабели, выбранные для ввода помехи, должны быть подключены к сети электропитания, источникам сигналов, защитному заземлению, вспомогательным ТС и т.п. и расположены с максимальным приближением к их расположению в условиях эксплуатации ТС. Допускается применение устройств связи/развязки типов, не указанных в настоящем стандарте, удовлетворяющих требованиям настоящего стандарта. Если несколько кабелей, подключенных к ИТС, проложены рядом на расстоянии более 10 м или проложены от ИТС к другому оборудованию в общем кабельном канале, их рассматривают как один кабель и для ввода помехи применяют клещи связи.
7.1.2. Выбор испытательных точек
Для того, чтобы исключить проведение излишних испытаний, руководствуются следующими правилами.
При проведении испытаний, как правило, достаточно возбуждать ограниченное число n наведенных токов, протекающих через ИТС (2 <= n <= 5). Для этого из общего числа подключенных к ИТС кабелей (проводников) необходимо выбрать n кабелей (проводников), к вводу помех в которые ИТС является наиболее восприимчивым. Этот выбор осуществляют, как правило, по результатам предварительных испытаний. Остальные кабели при проведении испытаний должны быть отключены от ИТС, если это допустимо по условиям функционирования ИТС. В противном случае к ним должны быть подключены устройства развязки.
7.2. Порядок ввода помехи с помощью клещей связи
При вводе помехи с применением клещей связи значение модуля полного сопротивления общего вида

, которое обеспечивается при подключении вспомогательного ТС, должно соответствовать требованиям, приведенным в
таблице 3. Для этого принимают следующие меры:
- каждое вспомогательное ТС, используемое при вводе помехи с помощью клещей связи, устанавливают на изолирующей подставке толщиной 0,1 м над пластиной заземления;
- все кабели, подключенные к каждому вспомогательному ТС, кроме тех, которые соединяют указанное вспомогательное ТС с ИТС, должны быть обеспечены устройствами развязки (см.
6.2.4). Эти устройства развязки устанавливают на расстоянии, не превышающем 0,3 м от вспомогательного ТС. Кабели между вспомогательным ТС и устройствами развязки или между вспомогательными ТС и клещами связи прокладывают над пластиной заземления на высоте от 30 до 50 мм, не допуская их скручивания
(рисунок 5);
- для улучшения воспроизводимости результатов испытаний на высоких частотах (выше 30 МГц) длина кабеля между вспомогательными ТС и клещами связи не должна превышать 0,3 м. При использовании электромагнитных клещей связи это требование не применяют, так как полное сопротивление общего вида на частотах выше 10 МГц определяется, в основном, электромагнитными клещами связи;
- в каждом вспомогательном ТС выбирают подключенный кабель, ближайший к кабелю, соединяющему указанное вспомогательное ТС с ИТС. Устройство развязки, к которому подключен указанный кабель, должно быть нагружено на разъемах "ИГ" сопротивлением 50 Ом. Общее сопротивление между вспомогательным ТС и пластиной заземления составит при этом 150 Ом. В тех случаях, когда вспомогательное ТС имеет отдельный зажим заземления, этот зажим подключают к пластине заземления через устройство связи/развязки типа УСР-С1, нагруженное на разъемах "ИГ" сопротивлением 50 Ом.
Если положения настоящего раздела не могут быть выполнены, применяют правила, установленные в 7.3. При этом на остальных кабелях, подключенных к ИГ, устанавливают устройства развязки.
7.3. Порядок ввода помехи с помощью клещей связи, если требования к полному сопротивлению не удовлетворяются
Если при вводе помехи с применением клещей связи требования к полному сопротивлению общего вида не могут быть выполнены с применением вспомогательного ТС, необходимо, чтобы значение модуля полного сопротивления общего вида для того порта ИТС, на который подается помеха, было не менее значения модуля полного сопротивления общего вида, обеспечиваемого вспомогательным ТС. Если это условие не выполняется, к разъемам вспомогательного ТС подключают конденсаторы развязки, величина емкости которых должна обеспечить указанное выше соотношение между полными сопротивлениями общего вида ИТС и вспомогательного ТС. При использовании этого метода необходимо учитывать приведенные ниже отличия от порядка ввода помехи, установленного в
7.2:
- ИТС и вспомогательные ТС при испытаниях должны быть соединены с пластиной заземления либо установлены на изолирующей подставке (
рисунки А.3 и
А.4) в соответствии с условиями их установки при эксплуатации;
- между клещами связи и ИТС необходимо дополнительно установить токосъемник для измерения величины тока при вводе помехи.
Сопротивление, вносимое токосъемником в измеряемую цепь, должно быть не более 0,5 Ом. Погрешность измерения силы тока не должна превышать +/- 10%.
Напряжение помехи устанавливают в соответствии с
6.4.1. Если сила тока превышает максимальное значение для испытываемого порта ТС, равное
напряжение сигнала ИГ уменьшают до тех пор, пока сила указанного тока не станет равной

.
Уровни измененного напряжения сигнала ИГ отражают в протоколе испытаний. Для обеспечения воспроизводимости испытаний расположение оборудования на рабочем месте для испытаний должно быть указано в протоколе испытаний.
Сведения о мощности сигнала на выходе широкополосного усилителя, необходимой для получения испытательного напряжения 10 В, приведены в
Приложении Д.
7.4. ИТС, представляющее собой отдельное изделие
ИТС устанавливают на изолирующей подставке толщиной 0,1 м над пластиной заземления. Для настольных ТС пластину заземления размещают на столе (см.
рисунок 8). Ко всем кабелям, выбранным для проведения испытаний, подключают устройства связи/развязки. Устройства связи/развязки размещают на пластине заземления, обеспечивая прямой контакт с ней, на расстоянии от 0,1 до 0,3 м от ИТС. Кабели между устройствами связи/развязки и ИТС должны быть максимально короткими и не должны быть объединены в пучок или скручены. Кабели прокладывают на высоте от 30 до 50 мм над пластиной заземления.
Если ИТС имеет отдельный зажим заземления, он должен быть соединен, если это допустимо по условиям функционирования ИТС, с пластиной заземления в соответствии с
6.2.2.1 через устройство связи/развязки типа УСР-С1. В этом случае разъем "Вспомогательное ТС" устройства связи/развязки должен быть подключен к пластине заземления.
Если в состав ИТС входит клавиатура или вспомогательное устройство, которое при эксплуатации держат в руках, применяют эквивалент руки. Эквивалент руки соединяют с пластиной заземления.
Вспомогательные ТС, необходимые для обеспечения функционирования ИТС (средства связи, модемы, принтеры, устройства сенсорного управления и т.д.), а также вспомогательные ТС, необходимые для подачи на ИТС сигналов и оценки качества его функционирования, при испытаниях должны быть подключены к ИТС через устройства связи/развязки.
Число кабелей, предназначенных для ввода помехи, допускается ограничивать в соответствии с
7.1.
7.5. ИТС, представляющее собой несколько соединенных друг с другом изделий
При испытаниях ТС, состоящих из нескольких изделий, соединенных друг с другом (
рисунок 9, изделия A, B, C), применяют один из следующих двух методов.
Основной метод. Каждое изделие, входящее в состав ИТС, должно быть подготовлено к испытаниям и испытано как отдельное ТС (см.
7.4). Остальные изделия при этом рассматривают как вспомогательные ТС. Устройства связи/развязки подключают к кабелям (проводникам) изделий в соответствии с
7.1. Все изделия испытывают поочередно.
Альтернативный метод. Изделия, входящие в состав ТС, постоянно соединенные друг с другом кабелями (проводниками), имеющими длину меньше 1 м, рассматривают в совокупности как ИТС. Ввод помехи в кабели межблоковых соединений не осуществляют. Изделия, являющиеся частями указанного ИТС, размещают как можно ближе друг к другу (исключая прямой контакт между ними) на изолирующей подставке толщиной 0,1 м над пластиной заземления. Кабели, соединяющие указанные изделия, также размещают на изолирующей подставке. Устройства связи/развязки подключают ко всем остальным кабелям ИТС, например, кабелям электропитания и кабелям, подключаемым к вспомогательным ТС (см.
7.1).
ТС должно быть испытано в режимах функционирования и при климатических условиях, соответствующих назначению ТС. Температура и относительная влажность при испытаниях должны быть указаны в протоколе испытаний.
Испытания на соответствие требованиям настоящего стандарта проводят при нормальных климатических условиях:
- температуре окружающего воздуха (25 +/- 10) °C;
- относительной влажности воздуха 45 - 80%;
- атмосферном давлении 84 - 106,7 кПа (630 - 800 мм рт. ст.), если иные требования не установлены в стандартах на группы ТС или ТС конкретного вида.
Если уровни излучаемых радиопомех при испытаниях превышают установленные нормы, должны быть использованы экранированные помещения.
Примечание. Испытания на устойчивость к кондуктивным помехам, наведенным радиочастотными электромагнитными полями, в основном могут быть проведены без применения экранированных помещений. Это объясняется тем, что уровни создаваемых испытательных сигналов и состав рабочих мест для испытаний таковы, что излучение значительных уровней энергии, особенно на низких частотах, маловероятно.
Испытания проводят при подключении ИГ к каждому устройству связи/развязки по очереди. При этом разъемы "ИГ" устройств связи и развязки, на которые не подают испытательный сигнал, должны быть нагружены на сопротивления 50 Ом.
При испытаниях выбирают режимы функционирования ИТС из предусмотренных технической документацией на ИТС, обеспечивающие наименьшую устойчивость к помехе.
Для предотвращения влияния гармоник (субгармоник) испытательного сигнала на ИТС, при необходимости, применяют фильтры низких и высоких частот. Фильтр высокой частоты с граничной частотой 100 кГц рекомендуется применять на выходе генератора высокой частоты. Характеристики фильтра низких частот должны быть такими, чтобы обеспечивать подавление гармоник ИГ до уровней, при которых они не будут влиять на результаты испытаний. Установку уровней помехи в соответствии с
6.4.1 проводят после включения фильтров в состав ИГ.
Полоса перестройки частоты должна составлять от 150 кГц до 80 МГц при заранее установленных уровнях помехи, модулированной по амплитуде синусоидальным напряжением 1 кГц при глубине модуляции 80%. Для установки уровней помехи и переключения устройств связи/развязки в ходе испытаний делают паузы. Скорость перестройки частоты не должна превышать

. Если применяется шаговая перестройка частоты, шаг не должен превышать 1% предыдущего значения частоты. Время воздействия помехи на каждой частоте должно быть не меньше времени, необходимого для анализа функционирования ИТС и выявления его реакции. Частоты, на которых ИТС имеет пониженную устойчивость к помехе, анализируют отдельно. В ходе испытаний качество функционирования ИТС проверяют во всех режимах, выбранных для испытаний. При этом рекомендуется применение специальных тестовых программ.
Испытания проводят в соответствии с программой испытаний, в которой устанавливают следующие сведения:
- размеры ИТС;
- условия функционирования ИТС;
- осуществляются ли испытания ИТС как отдельного изделия или как нескольких соединенных друг с другом изделий;
- типы используемых средств испытаний и расположение ИТС (в том числе, изделий, входящих в состав ИТС), вспомогательных ТС и устройств связи/развязки;
- типы соединительных кабелей, используемых при испытаниях, характеристики портов ИТС, к которым они подключаются;
- полоса частот испытаний;
- скорость перестройки частоты, время воздействия помехи на каждой частоте, значение шага перестройки частоты;
- степени жесткости испытаний;
- критерии качества функционирования ИТС;
- описание метода оценки функционирования ИТС при испытаниях.
Для обоснования программы испытаний, при необходимости, проводят предварительные испытания. Документация об испытаниях должна содержать условия испытаний, сведения об аттестации испытательного оборудования и результаты испытаний.
9. РЕЗУЛЬТАТЫ ИСПЫТАНИЙ И ПРОТОКОЛ ИСПЫТАНИЙ
Данный раздел определяет порядок оценки результатов испытаний и подготовки протокола испытаний, относящихся к настоящему стандарту.
Многообразие и различия ТС и систем, подлежащих испытаниям, затрудняют установление результатов воздействия электромагнитного излучения на ТС и системы.
Результаты испытаний должны быть классифицированы на основе приведенных ниже критериев качества функционирования, если иные требования не установлены в стандартах на ТС конкретного вида или в технической документации на ТС.
A. Нормальное функционирование в соответствии с установленными требованиями.
B. Временное ухудшение качества функционирования или прекращение выполнения установленной функции с последующим восстановлением нормального функционирования, осуществляемым без вмешательства оператора.
C. Временное ухудшение качества функционирования или прекращение выполнения установленной функции, которые требуют вмешательства оператора или перезапуска системы.
D. Ухудшение качества функционирования или прекращение выполнения установленной функции, которые не могут быть восстановлены из-за повреждения оборудования (компонентов), нарушения программного обеспечения или потери данных.
ИТС не должно становиться опасным или ненадежным в результате воздействия помех видов, регламентированных в настоящем стандарте. В случае приемочных и сертификационных испытаний программа испытаний и порядок оценки результатов испытаний должны быть регламентированы в соответствующем стандарте на ТС конкретного вида.
Протокол испытаний должен включать условия испытаний и результаты испытаний.
(обязательное)
СВЕДЕНИЯ О ВВОДЕ ПОМЕХИ С ПОМОЩЬЮ КЛЕЩЕЙ СВЯЗИ
Метод ввода помехи с помощью токовых клещей связи или электромагнитных клещей связи в соответствии с
7.2 и
7.3 настоящего стандарта применим для большинства видов кабелей и ТС.
А.1. Ввод помехи с помощью токовых клещей связи
Токовые клещи связи применяют, в основном, для ввода помехи в отдельные проводники (кабели) или в жгуты кабелей, соединяющих два блока.
Уровни помехи, вводимой токовыми клещами связи, устанавливают перед проведением испытаний. Целесообразно применять метод установки уровней помехи, приведенный в
6.4.1 настоящего стандарта (см.
рисунок 7). Если установка уровней помехи не может быть выполнена в системе с сопротивлением 150 Ом (в соответствии с
рисунком 7), допускается их установка с применением испытательного блока сопротивлением 50 Ом.
Схема для установки уровней помехи при использовании испытательного блока сопротивлением 50 Ом приведена на
рисунке А.1. Конструкция испытательного блока сопротивлением 50 Ом, используемого при установке уровней помехи, приведена на
рисунке А.2. Потери при передаче сигнала в испытательном блоке не должны превышать 1 дБ. При установке уровней помехи с использованием испытательного блока применяют следующие правила:
- экран кабеля, соединенный с входным разъемом токовых клещей связи, должен быть соединен с пластиной заземления испытательного блока проводником минимально возможной длины;
- испытательный блок должен быть на одном конце нагружен на 50-омную коаксиальную нагрузку, другим концом - подключен к измерительному прибору с входным сопротивлением 50 Ом;
- уровень сигнала ИГ увеличивают до тех пор, пока измеряемое прибором напряжение не достигнет значения на 6 дБ меньшего, чем требуемое значение, установленное в
таблице 1 (см.
6.4.1 настоящего стандарта).
- уровень сигнала ИГ фиксируют для каждого значения частоты и воспроизводят при испытаниях ТС.
Рисунок А.1. Схема установки уровней помехи с применением
испытательного блока сопротивлением 50 Ом
Рисунок А.2. Конструкция испытательного блока
сопротивлением 50 Ом
А.2. Ввод помехи с помощью электромагнитных клещей связи
Применение электромагнитных клещей связи иллюстрируют рисунки А.3 и
А.4. Установку уровней помехи при использовании электромагнитных клещей связи выполняют в системе с сопротивлением 150 Ом в соответствии с
6.4.1 настоящего стандарта (см.
рисунок 7).
Рисунок А.3. Общая схема рабочего места для испытаний
с использованием клещей связи
Примечание. Удаление ИТС от любых металлических предметов (исключая пластину заземления и устройства связи/развязки) должно составлять не менее 0,5 м. К разъемам устройств связи/развязки, на которые не подается сигнал от ИГ, подключают сопротивление 50 Ом.
Рисунок А.4. Пример размещения ИТС на пластине заземления
при вводе помехи с использованием клещей связи
(вид сверху)
А.3. Рабочее место для испытаний
Для проведения испытаний клещи связи устанавливают на испытываемые кабели. На клещи подают сигнал от ИГ, уровень которого должен соответствовать предварительно установленному значению. При испытаниях экран входного разъема токовых клещей связи или зажим заземления электромагнитных клещей связи должен быть соединен с пластиной заземления (см.
рисунки А.3,
А.4). Если измеряемая величина тока при использовании токовых клещей связи или электромагнитных клещей связи превышает максимальное значение для испытываемой цепи ТС (см.
7.3), выходное напряжение ИГ должно быть соответственно уменьшено. Уменьшенное значение напряжения на выходе ИГ должно быть отражено в протоколе испытаний.
(справочное)
КРИТЕРИИ ВЫБОРА ПОЛОСЫ ЧАСТОТ ПРИ ИСПЫТАНИЯХ
Настоящий стандарт устанавливает требования к ТС по устойчивости к кондуктивным помехам, наведенным радиочастотными электромагнитными полями, и методы испытаний в полосе от 150 кГц до 80 МГц. Необходимая полоса частот при испытаниях ТС зависит от вида ТС, условий его установки и эксплуатации. Например, для ТС размерами менее 0,4 м, получающего питание от батарей, при отсутствии каких-либо подключенных к нему проводников или кабелей нет необходимости в испытаниях на частотах ниже 80 МГц, так как маловероятно, чтобы наведенные электромагнитными полями помехи могли нарушить функционирование указанного ТС.
Верхняя граничная частота испытаний, регламентированная в настоящем стандарте, в основном, должна составлять 80 МГц. В некоторых случаях, применительно к ТС малых размеров (

, где

- длина волны, соответствующая верхней граничной частоте испытаний), стандарты для ТС конкретного вида могут предусматривать увеличение граничной частоты испытаний (но не более чем до 230 МГц). В этом случае характеристики устройств связи/развязки (см.
таблицу 3) должны быть распространены до частоты 230 МГц. Если метод испытаний, регламентированный в настоящем стандарте, применять для частот выше 230 МГц, на результаты испытаний будут оказывать влияние размеры оборудования, типы используемых соединительных кабелей, конструкции устройств связи/развязки.
Примечание. Характеристики устройств связи/развязки для ввода помехи на частотах выше 150 МГц находятся на рассмотрении.
Нижняя граничная частота испытаний зависит от степени восприимчивости ТС (совместно с подключенными кабелями) к воздействующим электромагнитным полям. При этом рассматривают три различных случая:
а) ТС размерами

, получающие питание от батарей, не имеющие заземляющих проводников и соединений с любыми другими ТС и не применяемые по назначению в период зарядки батарей от электрической сети. Указанные ТС не подлежат испытаниям на соответствие требованиям настоящего стандарта. Если ТС эксплуатируют в период зарядки батарей от электрической сети, применяют правила, приведенные в
перечислениях б) или
в).
Для ТС размерами

(с учетом максимальной длины подключенных кабелей) и питанием от батарей нижнюю граничную частоту испытаний определяют в соответствии с
рисунком Б.1;

- нижняя граничная частота испытаний;

;
I = длина кабеля + наибольший размер ТС
Рисунок Б.1. Зависимость нижней граничной частоты
испытаний от длины кабеля и размеров ТС
б) ТС, получающие питание от электрической сети, не имеющие подключенных кабелей, за исключением кабеля электропитания. Нижняя граничная частота испытаний составляет в этом случае 150 кГц;
в) ТС, подключаемые к сети электропитания, к другим ТС и имеющие подключенные линии связи и управления. Нижняя граничная частота испытаний составляет 150 кГц.
Примеры:
- для клавиатуры персонального компьютера с питанием от батарей, подключаемой с помощью кабеля, представляющего собой свитый в спираль проводник длиной 4 м, нижняя граничная частота испытаний должна быть равна 6,67 МГц (см.
рисунок Б.1). Клавиатура должна быть соединена с эквивалентом руки;
- для мыши, имеющей кабель длиной 2 м, нижняя граничная частота испытаний составляет 15 МГц;
- ручной калькулятор с блоком питания, подключаемым к сети электропитания переменного тока, должен быть испытан при вводе помехи в кабель электропитания при нижней граничной частоте 150 кГц. Калькулятор должен быть соединен с эквивалентом руки;
- сетевой проигрыватель, который может быть подключен к радиовещательному приемнику и звуковым колонкам, должен быть испытан при вводе помехи в кабель электропитания и соединительные кабели при нижней граничной частоте 150 кГц;
- устройство охранной сигнализации с одиночными датчиками различных видов, установленными в здании, для которых длины соединительных кабелей в соответствии с технической документацией на устройство сигнализации (датчики) могут превышать 200 м, должно быть испытано при подаче помехи в указанные соединительные кабели при нижней граничной частоте 150 кГц.
(справочное)
ВЫБОР СТЕПЕНЕЙ ЖЕСТКОСТИ ИСПЫТАНИЙ
Степени жесткости испытаний выбирают в соответствии с ожидаемыми уровнями электромагнитных излучений, которые могут оказывать влияние на ТС и подключенные к ним кабели в условиях эксплуатации. При этом необходимо принимать во внимание возможные последствия нарушений функционирования ТС при воздействии помех. В случае, если последствия нарушений функционирования ТС могут быть значительными, выбирают более высокие степени жесткости испытаний.
Если места, где будут эксплуатироваться ТС, известны, ожидаемые уровни электромагнитных полей, которые могут оказать влияние на ТС, устанавливают на основе анализа местных источников радиочастотных излучений. Если мощности источников неизвестны, измеряют напряженности поля в местах предполагаемой установки ТС.
В остальных случаях при выборе испытательных уровней учитывают приведенную ниже классификацию условий электромагнитной обстановки при эксплуатации ТС.
Номер класса соответствует степени жесткости испытаний, установленной в
разделе 5 настоящего стандарта.
Класс 1 - обстановка, характеризующаяся низким уровнем электромагнитных излучений. Соответствует случаю расположения маломощных радиовещательных и телевизионных передатчиков на расстоянии более 1 км от места эксплуатации ТС.
Класс 2 - обстановка, характеризующаяся средним уровнем электромагнитных излучений. Соответствует случаю применения переносных радиостанций мощностью менее 1 Вт при ограничении их работы в непосредственной близости от ТС.
Класс 3 - обстановка, характеризующаяся высоким уровнем электромагнитных излучений. Соответствует случаю применения переносных радиостанций мощностью более 1 Вт в непосредственной близости от ТС (но не менее 1 м), а также близкому расположению мощных радиовещательных и телевизионных передатчиков и промышленных, научных и медицинских высокочастотных установок. Класс 3 соответствует типичной промышленной обстановке.
Класс X - особые условия электромагнитной обстановки при эксплуатации ТС, которые оговариваются в стандартах на ТС конкретного вида или в технических условиях на ТС.
При некоторых условиях эксплуатации применение специальных защитных мероприятий может быть более предпочтительным, чем установление более высокого уровня устойчивости ТС к электромагнитному полю.
(справочное)
СВЕДЕНИЯ ОБ УСТРОЙСТВАХ СВЯЗИ/РАЗВЯЗКИ
Г.1. Основные особенности устройств связи/развязки
Устройства связи/развязки должны обеспечивать:
- подачу помехи к ИТС;
- постоянное значение модуля полного сопротивления общего вида, измеряемого на разъемах "ИТС", независимо от полного сопротивления вспомогательного ТС;
- развязку вспомогательного ТС от помех для предотвращения нарушений его функционирования;
- незначительное снижение уровня полезного сигнала.
Требуемые параметры устройств связи/развязки в полосе частот от 150 кГц до 80 МГц установлены в
6.2. Примеры устройств связи/развязки для неэкранированных и экранированных кабелей приведены в
разделе Г.2.
На схемах, приведенных в
разделе Г.2, требуемое в соответствии с
6.2 значение модуля полного сопротивления общего вида

устройств связи/развязки обеспечивается за счет внутреннего сопротивления ИГ, равного 50 Ом, и применения n резисторов (последовательно с каждой возбуждаемой линией) так, чтобы их эквивалентное сопротивление было равно 100 Ом
(рисунок 4в). При использовании индуктивности L, удовлетворяющей условию

(

, f - частота помехи) элемент развязки

не должен влиять на величину полного сопротивления общего вида

.
Центр разъема "ИТС" устройства связи/развязки должен быть расположен на высоте 30 мм над пластиной заземления. При этом кабель между устройством связи/развязки и ИТС может представлять собой линию передачи с характеристическим сопротивлением около 150 Ом.
Для неэкранированных кабелей существенно, чтобы конденсатор

не оказывал влияния на прохождение полезного сигнала. Недопустимо также, чтобы на характеристики устройств связи/развязки оказывал неблагоприятное влияние полезный сигнал, например, при насыщении ферритовых фильтров.
Примечание. Так как конденсаторы

и

могут шунтировать элементы устройств связи/развязки, находящиеся под напряжением сети электропитания, необходимо применять высококачественные конденсаторы. Из-за наличия тока утечки зажим заземления устройств связи/развязки типов УСР-С2, УСР-С3 должен быть постоянно подключен к плоскости заземления.
Г.2. Примеры устройств связи/развязки
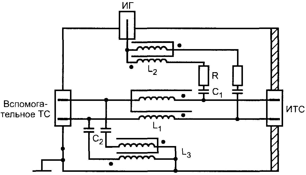
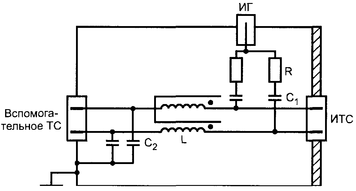
Учитывая, что обеспечить различные функциональные требования в одном устройстве связи/развязки не представляется возможным, на
рисунках Г.1 -
Г.6 приведены несколько возможных схем указанных устройств. Значения емкостей конденсаторов, являющихся элементами схем, могут быть уточнены при разработке конкретных устройств.
Примечание. R = 100 Ом, L >= 280 мГн на частоте 150 кГц.
Рисунок Г.1. Упрощенная схема устройства связи/развязки
типа УСР-Н1, применяемого при вводе помехи
в экранированные кабели (см.
6.2.1)
Примечания
- для УСР-С1:

,

, R = 100 Ом, L >= 280 мкГн на частоте 150 кГц;
- для УСР-С2:

,

, R = 200 Ом, L >= 280 мкГн на частоте 150 кГц;
- для УСР-С3:

,

, R = 300 Ом, L >= 280 мкГн на частоте 150 кГц.
Рисунок Г.2. Упрощенная схема устройств связи/развязки
типов УСР-С1, УСР-С2, УСР-С3, применяемых при вводе помехи
в неэкранированные кабели электропитания (см.
6.2.2.1)
Примечание.

,

, R = 200 Ом, L >= 280 мкГн на частоте 150 кГц.
Рисунок Г.3. Упрощенная схема устройства связи/развязки
типа УСР-НС2, применяемого при вводе помехи
в неэкранированные несимметричные линии (см.
6.2.2.3)
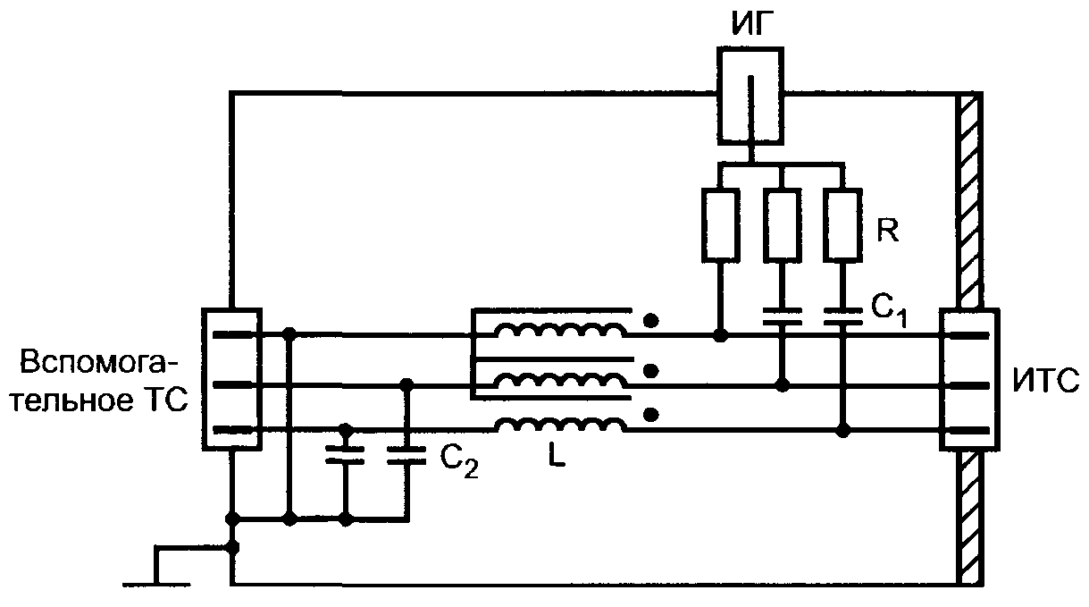
Примечание.

,

, R = 200 Ом, L >= 280 мкГн на частоте 150 кГц,

(когда

и

не используют, то

).
Рисунок Г.4. Упрощенная схема устройства связи/развязки
типа УСР-Т2, применяемого при вводе помехи
в неэкранированные симметричные двухпроводные линии
Примечание. C = 5,6 нФ, R = 400 Ом,

на частоте 150 кГц,

.
Рисунок Г.5. Упрощенная схема устройства связи/развязки
типа УСР-Т4, применяемого при вводе помехи
в неэкранированные симметричные четырехпроводные линии
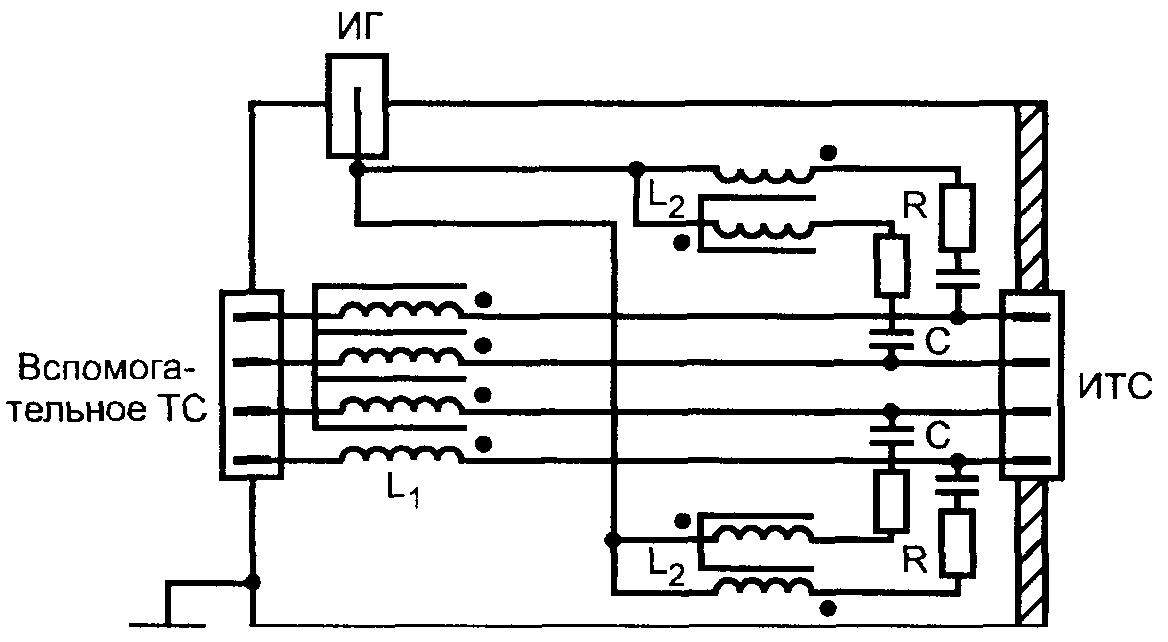
Примечание. C = 2,2 нФ, R = 800 Ом, L >> 280 мкГн на частоте 150 кГц.
Рисунок Г.6. Упрощенная схема устройства связи/развязки
типа УСР-Т8, применяемого при вводе помехи
в неэкранированные симметричные восьмипроводные линии
(справочное)
Необходимая при испытаниях выходная мощность широкополосного усилителя PA (см.
рисунок 2) может быть определена, если принять во внимание ослабление в аттенюаторе

(6 дБ), глубину амплитудной модуляции (80%, см.
рисунок 3) и минимальное значение коэффициента связи используемых устройств связи/развязки или клещей связи.
В таблице Д.1 приведены значения мощности сигнала на выходе усилителя, необходимой в соответствии с
таблицей 1 для получения испытательного напряжения 10 В.
Таблица Д.1
Выходная мощность широкополосного усилителя, необходимая
для получения испытательного напряжения 10 В
Устройство ввода помехи | Минимальное значение коэффициента связи, дБ | Мощность сигнала на выходе усилителя, Вт |
Устройство связи/развязки | 0 | 7 |
Токовые клещи связи при отношении числа витков 5:1 | -14 | 176 |
Электромагнитные клещи связи | -6 | 28 |
Примечание. Коэффициент связи определен в 4.8 настоящего стандарта. Величина коэффициента связи может быть измерена с использованием схемы установки уровней помехи (см. рисунок 7в). Коэффициент связи представляет собой отношение напряжения  , полученного, если устройство связи/развязки соединено последовательно с переходным устройством 150 Ом - 50 Ом, к напряжению  , полученному при использовании двух последовательно соединенных переходных устройств 150 Ом - 50 Ом. |