Главная // Актуальные документы // ГОСТ Р (Государственный стандарт)СПРАВКА
Источник публикации
М.: ФГБУ "Институт стандартизации", 2022
Примечание к документу
Документ
введен в действие с 01.07.2023.
Название документа
"ГОСТ Р МЭК 60601-1-2022. Национальный стандарт Российской Федерации. Изделия медицинские электрические. Часть 1. Общие требования безопасности с учетом основных функциональных характеристик"
(утв. и введен в действие Приказом Росстандарта от 22.11.2022 N 1335-ст)
"ГОСТ Р МЭК 60601-1-2022. Национальный стандарт Российской Федерации. Изделия медицинские электрические. Часть 1. Общие требования безопасности с учетом основных функциональных характеристик"
(утв. и введен в действие Приказом Росстандарта от 22.11.2022 N 1335-ст)
Утвержден и введен в действие
Приказом Федерального агентства
по техническому регулированию
и метрологии
от 22 ноября 2022 г. N 1335-ст
НАЦИОНАЛЬНЫЙ СТАНДАРТ РОССИЙСКОЙ ФЕДЕРАЦИИ
ИЗДЕЛИЯ МЕДИЦИНСКИЕ ЭЛЕКТРИЧЕСКИЕ
ЧАСТЬ 1
ОБЩИЕ ТРЕБОВАНИЯ БЕЗОПАСНОСТИ
С УЧЕТОМ ОСНОВНЫХ ФУНКЦИОНАЛЬНЫХ ХАРАКТЕРИСТИК
Medical electrical equipment. Part 1. General requirements
for basic safety and essential performance
(IEC 60601-1:2020, IDT)
ГОСТ Р МЭК 60601-1-2022
Дата введения
1 июля 2023 года
1 ПОДГОТОВЛЕН Обществом с ограниченной ответственностью "Медтехстандарт" (ООО "Медтехстандарт") на основе собственного перевода на русский язык англоязычной версии стандарта, указанного в
пункте 4
2 ВНЕСЕН Техническим комитетом по стандартизации ТК 011 "Медицинские приборы, аппараты и оборудование"
3 УТВЕРЖДЕН И ВВЕДЕН В ДЕЙСТВИЕ Приказом Федерального агентства по техническому регулированию и метрологии от 22 ноября 2022 г. N 1335-ст
4 Настоящий стандарт идентичен международному стандарту МЭК 60601-1:2020 "Изделия медицинские электрические. Часть 1. Общие требования безопасности с учетом основных функциональных характеристик" (IEC 60601-1:2020 "Medical electrical equipment - Part 1: General requirements for basic safety and essential performance", IDT).
При применении настоящего стандарта рекомендуется использовать вместо ссылочных международных стандартов соответствующие им национальные и межгосударственные стандарты, сведения о которых приведены в дополнительном
приложении ДА
Правила применения настоящего стандарта установлены в статье 26 Федерального закона от 29 июня 2015 г. N 162-ФЗ "О стандартизации в Российской Федерации". Информация об изменениях к настоящему стандарту публикуется в ежегодном (по состоянию на 1 января текущего года) информационном указателе "Национальные стандарты", а официальный текст изменений и поправок - в ежемесячном информационном указателе "Национальные стандарты". В случае пересмотра (замены) или отмены настоящего стандарта соответствующее уведомление будет опубликовано в ближайшем выпуске ежемесячного информационного указателя "Национальные стандарты". Соответствующая информация, уведомление и тексты размещаются также в информационной системе общего пользования - на официальном сайте Федерального агентства по техническому регулированию и метрологии в сети Интернет (www.rst.gov.ru)
В 1976 г. подкомитет МЭК 62A опубликовал первую редакцию IEC/TR 60513 Основные аспекты безопасности электрических изделий, используемых в медицинской практике, ставшую основой для разработки:
- первой редакции МЭК 60601-1 (исходного стандарта безопасности для МЕДИЦИНСКИХ ЭЛЕКТРИЧЕСКИХ ИЗДЕЛИЙ);
- серии дополнительных стандартов МЭК 60601-1-XX на МЕДИЦИНСКИЕ ЭЛЕКТРИЧЕСКИЕ ИЗДЕЛИЯ;
- серии частных стандартов МЭК 60601-2-XX на МЕДИЦИНСКИЕ ЭЛЕКТРИЧЕСКИЕ ИЗДЕЛИЯ отдельных типов;
- серии стандартов МЭК 60601-3-XX на функциональные характеристики МЕДИЦИНСКИХ ЭЛЕКТРИЧЕСКИХ ИЗДЕЛИЙ отдельных типов.
Зная о необходимости и безотлагательности принятия настоящего стандарта, охватывающего требования безопасности электрических изделий, используемых в медицинской практике, большая часть Национальных комитетов проголосовала в 1977 г. за принятие первой редакции МЭК 60601-1, основанной на проекте, который в то время представлял первый подход к этой проблеме. Широта области применения, сложность рассматриваемых изделий и специфичность некоторых мер защиты и соответствующих испытаний для их проверки потребовали долгих лет усилий для подготовки первой редакции (1977 г.) настоящего стандарта, который, как уже можно утверждать, с момента своей публикации стал универсальной основой.
Однако частое применение первой редакции выявило необходимость усовершенствований, внесение которых стало особенно желательным ввиду значительного успеха, который имел этот стандарт с момента его публикации.
Тщательная работа по пересмотру стандарта, предпринятая впоследствии и продолжавшаяся в течение нескольких лет, закончилась в 1988 г. публикацией второй редакции, в которой были обобщены все поступившие к этому времени усовершенствования. После этого стандарт постоянно дорабатывался. Во вторую редакцию были внесены изменения сначала в 1991 г., а затем - в 1995 г.
Первоначальный подход МЭК состоял в подготовке раздельных стандартов - стандартов на требования к ОСНОВНОЙ БЕЗОПАСНОСТИ и стандартов на требования к функциональным характеристикам МЕДИЦИНСКИХ ЭЛЕКТРИЧЕСКИХ ИЗДЕЛИЙ. Это стало бы естественным расширением подхода, исторически принятого на национальном и международном уровнях в отношении других стандартов на электрические изделия (например, на бытовые). В них требования к ОСНОВНОЙ БЕЗОПАСНОСТИ регулируются обязательными стандартами, однако требования к функциональным характеристикам регулируются конъюнктурой рынка. В этом контексте можно сказать, что "Способность электрического чайника кипятить воду не является определяющей для его безопасного использования!".
Теперь признано, что эта ситуация не относится ко многим МЕДИЦИНСКИМ ЭЛЕКТРИЧЕСКИМ ИЗДЕЛИЯМ и ОТВЕТСТВЕННЫЕ ОРГАНИЗАЦИИ должны применять стандарты, содержащие требования как к ОСНОВНОЙ БЕЗОПАСНОСТИ, так и к ОСНОВНЫМ ФУНКЦИОНАЛЬНЫМ ХАРАКТЕРИСТИКАМ, таким как точность регулирования отдаваемой энергии, вводимых терапевтических веществ ПАЦИЕНТУ или обработки и отображения физиологических данных, влияющих на лечение ПАЦИЕНТА.
Это означает, что разделение требований к ОСНОВНОЙ БЕЗОПАСНОСТИ и требований к ОСНОВНЫМ ФУНКЦИОНАЛЬНЫМ ХАРАКТЕРИСТИКАМ является неподходящим с точки зрения оценки ОПАСНОСТЕЙ, возникающих из-за неадекватного проектирования МЕДИЦИНСКИХ ЭЛЕКТРИЧЕСКИХ ИЗДЕЛИЙ. Многие частные стандарты серии МЭК 60601-2-XX включают требования к ОСНОВНЫМ ФУНКЦИОНАЛЬНЫМ ХАРАКТЕРИСТИКАМ, которые не могут быть непосредственно оценены ОТВЕТСТВЕННОЙ ОРГАНИЗАЦИЕЙ без применения этих стандартов. (Тем не менее действующие серии стандартов МЭК 60601 включают меньше требований к ОСНОВНЫМ ФУНКЦИОНАЛЬНЫМ ХАРАКТЕРИСТИКАМ, чем к ОСНОВНОЙ БЕЗОПАСНОСТИ.)
До подготовки третьей редакции МЭК 60601-1 подкомитет МЭК 62A подготовил вторую редакцию IEC/TR 60513
[12] <1> в 1994 г. Она послужила руководством при разработке настоящей редакции МЭК 60601-1, а также серий стандартов МЭК 60601-1-XX и МЭК 60601-2-XX.
--------------------------------
<1> Числа в квадратных скобках относятся к номерам в
библиографии.
Для достижения согласованности с международными стандартами, удовлетворения существующих ожиданий медицинского сообщества и сближения с разработками стандартов серии МЭК 60601-2-XX в IEC/TR 60513 были внесены два новых принципиальных изменения:
- первое изменение связано с расширением понятия "БЕЗОПАСНОСТЬ" и включения в него требований к ОСНОВНЫМ ФУНКЦИОНАЛЬНЫМ ХАРАКТЕРИСТИКАМ (например, точности аппаратуры для контроля физиологических параметров). Это привело к изменению названия публикации: вместо названия "Изделия медицинские электрические. Часть 1. Общие требования безопасности", использованного во второй редакции, применено название "Изделия медицинские электрические. Часть 1. Общие требования безопасности с учетом основных функциональных характеристик";
- второе изменение обусловлено тем, что при определении минимальных требований безопасности необходимо оценивать адекватность ПРОЦЕССА проектирования изделий. Это практически единственный метод оценки безопасности некоторых изделий, в частности с использованием программируемых электронных систем. В результате были введены общие требования к выполнению ПРОЦЕССА МЕНЕДЖМЕНТА РИСКА. Параллельно с разработкой третьей редакции МЭК 60601-1 объединенный проект с техническим комитетом ISO/TC 210 закончился публикацией общего стандарта МЕНЕДЖМЕНТА РИСКА для медицинских изделий. В соответствии с настоящей редакцией МЭК 60601-1 требуется, чтобы ИЗГОТОВИТЕЛЬ использовал ПРОЦЕСС МЕНЕДЖМЕНТА РИСКА, отвечающий требованиям разделов ИСО 14971 (см.
4.2).
Настоящий стандарт содержит требования к ОСНОВНОЙ БЕЗОПАСНОСТИ и ОСНОВНЫМ ФУНКЦИОНАЛЬНЫМ ХАРАКТЕРИСТИКАМ, что в общем случае применимо к МЕДИЦИНСКИМ ЭЛЕКТРИЧЕСКИМ ИЗДЕЛИЯМ. Для изделий некоторых типов эти требования либо добавлены, либо заменены специальными требованиями дополнительного или частного стандарта. При наличии частных стандартов настоящий стандарт не должен использоваться без них.
Изменение 1 к настоящему стандарту предназначено для решения следующих вопросов:
- проблемы, выявленные национальными комитетами и другими заинтересованными сторонами после публикации МЭК 60601-1:2005;
- способ, которым МЕНЕДЖМЕНТ РИСКА был введен в МЭК 60601-1:2005;
- способ использования концепции ОСНОВНЫХ ФУНКЦИОНАЛЬНЫХ ХАРАКТЕРИСТИК в МЭК 60601-1:2005.
В настоящем стандарте содержится множество ссылок и требований, включенных в стандарт МЭК 60950-1. Некоторые из этих требований взяты из стандарта МЭК 60950-1, например требования к пространствам, заполненным изоляционным составом, в
8.9.3. В других случаях требования включены в нормативную ссылку на МЭК 60950-1:2005, например требования к твердой изоляции, образующей СРЕДСТВО ЗАЩИТЫ ОПЕРАТОРА, в
8.5.1.3. Требования, включенные путем ссылки, в основном содержатся в
пункте 8 настоящего стандарта, включая многие таблицы, используемые для определения требований к СРЕДСТВАМ ЗАЩИТЫ, в первую очередь к СРЕДСТВАМ ЗАЩИТЫ ОПЕРАТОРА и КООРДИНАЦИИ ИЗОЛЯЦИИ. Требования, включенные путем ссылки, рассматриваются в Изменении 2. Взятые из МЭК 60950-1 требования будут рассмотрены в ходе разработки четвертой редакции этого документа.
Третья редакция МЭК 60601-1 была опубликована в 2005 г. На момент публикации было получено 94 замечания национальных комитетов на второй CDV (Проект для голосования) и FDIS (Окончательный проект международного стандарта), которые были отложены до будущего изменения/пересмотра. Каждое из этих замечаний было зафиксировано в Информационном листе секретариатом подкомитета 62A. К моменту встречи в Окленде в апреле 2008 г. подкомитеты разработали ведомости разъяснений, а секретариат подкомитета 62A получил еще 15 замечаний от национальных комитетов и других заинтересованных сторон.
На совещании в Окленде технический комитет IEC/TC 62 одобрил проект по разработке первого изменения к МЭК 60601-1:2005, основанного на нерешенных в то время проблемах. ТК одобрил разработку первой поправки с целью решения ряда вопросов, в том числе:
- вопросы, указанные в документах 62A/593/DC и 62A/602/INF;
- способ МЕНЕДЖМЕНТА РИСКА в МЭК 60601-1:2005;
- способ использования концепции основных функциональных характеристик в МЭК 60601-1:2005.
С момента встречи в Окленде секретариат получил 73 дополнительных замечания от национальных комитетов или других заинтересованных сторон, что составило в общей сложности 182 бюллетеня по вопросам. Изменение 1 к стандарту предназначено для разъяснения указанных вопросов.
Третья редакция МЭК 60601-1 была опубликована в 2005 г. и изменена в 2012 г. С момента публикации МЭК 60601-1:2005/AMD1:2012 секретариат подкомитета IEC/SC 62A собирает вопросы из различных источников, включая комментарии национальных комитетов и вопросы, представленные в IEC/SC 62A/Рабочая группа (WG) 14. На совещании IEC/SC 62A в ноябре 2015 г. в Кобе, Япония, подкомитет инициировал процесс определения приоритетных вопросов, которые необходимо рассмотреть в Изменении 2 и не следует дожидаться четвертой редакции МЭК 60601-1, планируемой к опубликованию ориентировочно после 2024 г.
Те вопросы, которые были выбраны для включения в окончательный "краткий список", подлежащий рассмотрению в Изменении 2, были одобрены большинством в 2/3 национальных комитетов, присутствующих и участвующих в голосовании на Франкфуртском совещании подкомитета SC 62A. На заседании, состоявшемся 10 октября 2016 г., присутствующим национальным комитетам было представлено 109 пунктов. В общей сложности 78 пунктов получили требуемое большинство в 2/3 голосов присутствующих и участвующих в голосовании национальных комитетов и были включены в "короткий список" для рассмотрения при подготовке Изменения 2. Все оставшиеся вопросы были включены в "длинный список" для рассмотрения в четвертой редакции МЭК 60601-1.
"Краткий список" проблем был задокументирован в спецификации проекта для Изменения 2. Ответственным группам экспертов было поручено рассмотреть каждый вопрос, поставленный перед ними в пункте 6 технического задания на проектирование, и разработать соответствующее решение для выявленной проблемы. Это окончательное решение в этой поправке может включать любое техническое решение, предложенное автором проблемы, или другое решение, разработанное группой экспертов. Группа экспертов также могла бы рекомендовать, чтобы никакое изменение стандарта не было оправдано поставленной проблемой.
Поскольку это только Изменение к редакции МЭК 60601-1:2005, к нему был применен стиль оформления, действовавший на момент публикации МЭК 60601-1. Стиль, определенный в Директивах ИСО/МЭК, Часть 2:2018, применялся только в том случае, если внедрение нового руководства по стилю оформления не приведет к дополнительным редакционным изменениям. Например, примечания к определениям в
пункте 3 обозначаются как "Примечание", а не "Примечание к статье".
Пользователи настоящего стандарта должны учитывать, что при построении датированных ссылок на конкретные элементы стандарта, такие как определения, ссылки на изменения делаются только в том случае, если они изменили цитируемый текст. Например, если ссылка сделана на определение, которое не было затронуто изменением, то ссылка на изменение не включается в датированную ссылку.
Объединенное издание официального стандарта МЭК и изменений к нему было подготовлено для удобства пользователей.
Настоящий стандарт МЭК 60601-1 (редакция 3.2) содержит третью редакцию стандарта (2005-12) [документы 62A/505A/FDIS и 62A/512/RVD], ее Изменение 1 (2012-07) [документы 62A/805/FDIS и 62A/820/RVD] и Изменение 2 (2020-08) [документы 62A/1389/FDIS и 62A/1404/RVD].
Объединенное издание включает содержание исправлений 1 (2006-12) и 2 (2007-12), содержание исправления к Изменению 1 (2014-07), а также листы толкования 1 (2008-04), 2 (2009-01) и 3 (2013-05).
Международный стандарт МЭК 60601-1 подготовлен Подкомитетом МЭК 62A "Общие аспекты электрического оборудования, применяемого в медицинской практике" Технического комитета МЭК 62 "Электрическое оборудование в медицинской практике".
Третье издание отменяет и заменяет второе издание, опубликованное в 1988 г., его Изменение 1 (1991) и Изменение 2 (1995), второе издание МЭК 60601-1-1, опубликованное в 2000 г. и первое издание МЭК 60601-1-4, опубликованное в 1996 г. и его Изменение 1 (1999). Третье издание представляет собой технический пересмотр. Третье издание было значительно реструктурировано. Требования в пункте, касающемся электричества, были дополнительно согласованы с требованиями к оборудованию для информационных технологий, охватываемыми МЭК 60950-1, а также были добавлены требования, включающие ПРОЦЕСС МЕНЕДЖМЕНТА РИСКА. Более подробное описание указанных изменений приведены в
приложении A.3.
Редакция международного стандарта была подготовлена в соответствии с Директивами ИСО/МЭК, Часть 2.
В настоящем стандарте приняты следующие шрифтовые выделения:
- требования и определения - прямой шрифт;
- методы испытаний - курсив;
- информационный материал, приведенный вне таблиц (примечания, примеры и справочная информация), а также нормативный текст таблиц - шрифт уменьшенного размера;
- ТЕРМИНЫ, ИСПОЛЬЗУЕМЫЕ В ТЕКСТЕ НАСТОЯЩЕГО СТАНДАРТА, ОПРЕДЕЛЕННЫЕ В
ПУНКТЕ 3 И ПРЕДСТАВЛЕННЫЕ В
УКАЗАТЕЛЕ ТЕРМИНОВ, - ЗАГЛАВНЫЕ БУКВЫ.
В настоящем стандарте термины означают:
- "пункт" - одна из 17 частей стандарта, указанных в содержании, включая все подпункты; например,
пункт 7 включает его
подпункты 7.1,
7.2 и т.д.;
Перед ссылкой на пункт и перед его номером в настоящем стандарте будет стоять слово "пункт", а ссылка на подпункт будет ограничиваться лишь его номером.
В настоящем стандарте союз "или" будет использоваться как включающее "или", т.е. утверждение будет истинным при любой комбинации условий.
Глагольные формы, используемые в настоящем стандарте, совпадают по форме с описанными в приложении G Директив ИСО/МЭК (часть 2).
Значение вспомогательных глаголов:
- "должен" - соответствие требованиям или испытаниям обязательно для соответствия настоящему стандарту;
- "следует" - соответствие требованиям или испытаниям рекомендовано, но не обязательно для соответствия настоящему стандарту;
- "может" - описание допустимых путей достижения соответствия требованиям или испытаниям.
Знак звездочки (*) у номера пункта, подпункта или заголовка таблицы указывает, что в
приложении A приведены соответствующие рекомендации или пояснения к этим элементам текста.
1 Область применения, дополнительные и частные стандарты
1.1* Область распространения
Настоящий стандарт распространяется на ОБЩИЕ ТРЕБОВАНИЯ БЕЗОПАСНОСТИ с учетом ОСНОВНЫХ ФУНКЦИОНАЛЬНЫХ ХАРАКТЕРИСТИК к МЕДИЦИНСКИМ ЭЛЕКТРИЧЕСКИМ ИЗДЕЛИЯМ и МЕДИЦИНСКИМ ЭЛЕКТРИЧЕСКИМ СИСТЕМАМ, в дальнейшем именуемым как "МЭ ИЗДЕЛИЯ" <1> и "МЭ СИСТЕМЫ" <1> соответственно.
--------------------------------
<1> В ряде стандартов серий МЭК 60601 и МЭК 80601 используются термины "ME ИЗДЕЛИЕ" и "ME СИСТЕМА" соответственно.
Если какой-либо пункт или подпункт настоящего стандарта применим исключительно к МЭ ИЗДЕЛИЮ или же исключительно к МЭ СИСТЕМАМ, то об этом будут свидетельствовать название и содержание этого пункта или подпункта, в противном случае данный пункт или подпункт применим и к МЭ ИЗДЕЛИЮ, и к МЭ СИСТЕМАМ.
ОПАСНОСТИ, связанные с физиологическими эффектами, вызванными воздействием МЭ ИЗДЕЛИЯ или МЭ СИСТЕМЫ, не рассматриваются в настоящем стандарте, за исключением
7.2.13 и
8.4.1.
Примечание 1 - См. также
4.2.
Стандарты серии МЭК 60601 не распространяются:
- на лабораторно-диагностическое оборудование, не подпадающее под определение МЭ ИЗДЕЛИЯ и на которое распространяются стандарты серии МЭК 61010
[61];
- имплантируемые части активных имплантатов, охватываемых стандартами серии ИСО 14708
[69], или
- системы подачи медицинских газов, охватываемые стандартом ИСО 7396-1
[68].
Примечание 2 - ИСО 7396-1 использует требования МЭК 60601-1-8 к постоянному (непрерывному) мониторингу и СИГНАЛАМ ТРЕВОГИ.
1.2 Цель
Целью настоящего стандарта является установление общих требований и обеспечение основы для разработки частных стандартов.
1.3* Дополнительные стандарты
В сериях стандартов МЭК 60601 дополнительные стандарты определяют требования к ОСНОВНОЙ БЕЗОПАСНОСТИ и ОСНОВНЫМ ФУНКЦИОНАЛЬНЫМ ХАРАКТЕРИСТИКАМ, применимые:
- к подгруппе МЭ ИЗДЕЛИЙ (например, радиологическому оборудованию);
- определенной характеристике всех МЭ ИЗДЕЛИЙ, которая не полностью отражена в настоящем стандарте.
Применимые дополнительные стандарты необходимо использовать вместе с настоящим стандартом.
Примечание 1 - При оценке соответствия МЭК 60601-1 допускается независимо оценивать соответствие дополнительным стандартам.
Примечание 2 - При декларировании соответствия МЭК 60601-1 декларирующий это должен специально перечислить дополнительные применимые стандарты, что позволяет всем заинтересованным лицам понимать, какие дополнительные стандарты были частью оценки.
Примечание 3 - Дополнительные стандарты в семействе МЭК 60601 нумеруют следующим образом: МЭК 60601-1-XX. МЭК ведет каталог действующих международных стандартов. Пользователям настоящего стандарта следует обращаться к этому каталогу на электронном ресурсе http://webstore.iec.ch для поиска опубликованных дополнительных стандартов.
В сериях стандартов МЭК 60601 частные стандарты определяют требования к ОСНОВНОЙ БЕЗОПАСНОСТИ и ОСНОВНЫМ ФУНКЦИОНАЛЬНЫМ ХАРАКТЕРИСТИКАМ к конкретным МЭ ИЗДЕЛИЯМ и МЭ СИСТЕМАМ. Частные стандарты могут изменять, заменять или удалять требования, содержащиеся в настоящем стандарте и применимых дополнительных стандартах, соответствующие определенному МЭ ИЗДЕЛИЮ и МЭ СИСТЕМЕ.
Примечание - Частные стандарты в семействе МЭК 60601 нумеруют следующим образом: МЭК 60601-2-XX. Кроме того, частные стандарты, разработанные в рамках совместных проектов между ИСО и МЭК, могут нумероваться как МЭК 80601-2-XX либо ИСО 80601-2-XX в зависимости от того, какой комитет управляет проектом. МЭК и ИСО поддерживают каталоги действующих международных стандартов. Пользователям настоящего стандарта следует обращаться к этим каталогам, расположенным по электронным адресам http://webstore.iec.ch и http://www.iso.org/iso/store.htm, чтобы определить, какие из стандартов были опубликованы.
Требования частного стандарта обладают приоритетом над требованиями настоящего стандарта и применимых дополнительных стандартов.
В настоящем стандарте использованы нормативные ссылки на следующие стандарты [для датированных ссылок применяют только указанное издание ссылочного стандарта, для недатированных - последнее издание (включая все изменения)]:
ВНИМАНИЕ! Дополнительные стандарты серии МЭК 60601, выпущенные после публикации настоящего стандарта, используются вместе с настоящим стандартом, если применимо. Они должны рассматриваться как включенные в нормативные ссылки (см. 1.3).
IEC 60065:2001 <1>, Audio, video and similar electronic apparatus - Safety requirements (Аудио-, видео- и аналогичная электронная аппаратура. Требования безопасности)
Amendment 1:2005
Amendment 2:2010
--------------------------------
<1> Существует объединенное издание 7.2, которое включает IEC 60065:2001, Изменение 1 (2005) и Изменение 2 (2010) к нему.
IEC 60068-2-2:2007, Environmental testing - Part 2-2: Tests - Test B: Dry heat (Испытания на воздействие внешних факторов. Часть 2-2: Испытания. Испытание B: Сухое тепло)
IEC 60079-0, Electrical apparatus for explosive gas atmospheres - Part 0: General requirements (Взрывоопасные среды. Часть 0. Оборудование. Общие требования)
IEC 60079-2, Electrical apparatus for explosive gas atmospheres - Part 2: Pressurized enclosures "p" (Взрывоопасные среды. Часть 2. Вид взрывозащиты оборудования "оболочка под избыточным давлением "p")
IEC 60079-5, Electrical apparatus for explosive gas atmospheres - Part 5: Powder filling "q" (Взрывоопасные среды. Часть 5. Оборудование с видом взрывозащиты "кварцевое заполнение "q")
IEC 60079-6, Electrical apparatus for explosive gas atmospheres - Part 6: Oil-immersion "o" (Взрывоопасные среды. Часть 6. Оборудование с видом взрывозащиты "масляное заполнение оболочки "o")
IEC 60083, Plugs and socket-outlets for domestic and similar general use standardized in member countries of IEC (Штепсели и розетки бытового и аналогичного общего назначения, стандартизованные в странах - членах IEC)
IEC 60085, Electrical insulation - Thermal classification (Электрическая изоляция. Классификация по термическим свойствам)
IEC 60086-4, Primary batteries - Part 4: Safety of lithium batteries (Батареи первичные. Часть 4. Безопасность литиевых батарей)
IEC 60112, Method for the determination of the proof and the comparative tracking indices of solid insulating materials (Материалы электроизоляционные твердые. Метод определения контрольного и сравнительного индексов трекингостойкости)
IEC 60127-1, Miniature fuses - Part 1: Definitions for miniature fuses and general requirements for miniature fuse-links (Предохранители плавкие миниатюрные. Часть 1. Определения для миниатюрных плавких предохранителей и общие требования к миниатюрным плавким вставкам)
IEC 60227-1:2007, Polyvinyl chloride insulated cables of rated voltages up to and including 450/750 V - Part 1: General requirements (Кабели с поливинилхлоридной изоляцией на номинальные напряжения до 450/750 В включительно. Часть 1. Общие требования)
IEC 60245-1:2003 <1>, Rubber insulated cables - Rated voltages up to and including 450/750 V - Part 1: General requirements (Кабели с резиновой изоляцией на номинальное напряжение до 450/750 В включительно. Часть 1. Общие требования)
Amendment 1:2007
--------------------------------
<1> Существует объединенное издание 4.1, которое включает IEC 60245:2001 и Изменение 1 (2007) к нему.
IEC 60252-1, AC motor capacitors - Part 1: General - Performance, testing and rating - Safety requirements - Guide for installation and operation (Конденсаторы двигателей переменного тока. Часть 1. Общие положения. Эксплуатационные характеристики, испытания и номинальные значения. Требования безопасности. Руководство по установке и применению)
IEC 60320-1, Appliance couplers for household and similar general purposes - Part 1: General requirements (Соединители электрические бытового и аналогичного назначения. Часть 1. Общие требования)
IEC 60335-1:2010, Household and similar electrical appliances - Safety - Part 1: General requirements (Безопасность бытовых и аналогичных электрических приборов. Часть 1. Общие требования)
IEC 60364-4-41, Electrical installations of buildings - Part 4-41: Protection for safety - Protection against electric shock (Электрические установки зданий. Часть 4-41. Защита для обеспечения безопасности. Защита от электрического удара)
IEC 60384-14:2005, Fixed capacitors for use in electronic equipment - Part 14: Sectional specification: Fixed capacitors for electromagnetic interference suppression and connection to the supply mains (Конденсаторы постоянной емкости для электронной аппаратуры. Часть 14. Групповые технические условия. Конденсаторы постоянной емкости для подавления радиопомех и подключения к питающей магистрали)
IEC 60417, Graphical symbols for use on equipment. Доступно на: <http://www.graphical-symbols.info/equipment> (Графические обозначения, применяемые на оборудовании.)
IEC 60445, Basic and safety principles for man-machine interface, marking and identification - Identification of equipment terminals and of terminations of certain designated conductors, including general rules for an alphanumeric system (Основные принципы и правила обеспечения безопасности для интерфейса "человек-машина", маркировка и идентификация. Идентификация выводов электрооборудования, оконечных устройств проводников и самих проводников)
IEC 60447, Basic and safety principles for man-machine interface, marking and identification - Actuating principles (Интерфейс человек-машина. Основные принципы безопасности, маркировка и идентификация. Принципы включения)
IEC 60529:1989 <2>, Degrees of protection provided by enclosures (IP Code) [Степени защиты, обеспечиваемые оболочками (Код IP)]
Amendment 1:1999
--------------------------------
<2> Существует объединенное издание 2.1, которое включает IEC 60529:1989 и Изменение 1 (1999) к нему.
IEC 60601-1-2:2014, Medical electrical equipment - Part 1-2: General requirements for basic safety and essential performance - Collateral standard: Electromagnetic disturbances - Requirements and tests (Изделия медицинские электрические. Часть 1-2. Общие требования безопасности с учетом основных функциональных характеристик. Дополнительный стандарт. Электромагнитные возмущения. Требования и испытания)
Amendment 1:2020
IEC 60601-1-3:2008, Medical electrical equipment - Part 1-3: General requirements for basic safety and essential performance. Collateral standard: Radiation protection in diagnostic X-ray equipment (Изделия медицинские электрические. Часть 1-3. Общие требования безопасности с учетом основных функциональных характеристик. Дополнительный стандарт. Защита от излучения в диагностических рентгеновских аппаратах)
Amendment 1:2013
IEC 60601-1-6:2010, Medical electrical equipment - Part 1-6: General requirements for basic and essential performance - Collateral standard: Usability (Изделия медицинские электрические. Часть 1-6. Общие требования безопасности с учетом основных функциональных характеристик. Дополнительный стандарт. Эксплуатационная пригодность)
Amendment 1:2013
Amendment 2:2020
IEC 60601-1-8:2006, Medical electrical equipment - Part 1-8: General requirements for basic safety and essential performance - Collateral standard: General requirements, tests and guidance for alarm systems in medical electrical equipment and medical electrical systems (Изделия медицинские электрические. Часть 1-8. Общие требования безопасности с учетом основных функциональных характеристик. Дополнительный стандарт. Общие требования, испытания и руководящие указания по применению систем сигнализации медицинских электрических изделий и медицинских электрических систем)
Amendment 1:2012
Amendment 2:2020
IEC 60664-1:2007, Insulation coordination for equipment within low-voltage systems - Part 1: Principles, requirements and tests (Координация изоляции для оборудования в низковольтных системах. Часть 1. Принципы, требования и испытания)
IEC 60695-11-10, Fire hazard testing - Part 11-10: Test flames - 50 W horizontal and vertical flame test methods (Испытания на пожароопасность. Часть 11-10. Испытательное пламя. Методы испытания горизонтальным и вертикальным пламенем мощностью 50 Вт)
IEC 60730-1:2010, Automatic electrical controls for household and similar use - Part 1: General requirements (Устройства управления автоматические электрические бытового и аналогичного назначения. Часть 1. Общие требования)
IEC 60747-5-5:2007, Semiconductor devices - Discrete devices - Part 5-5: Optoelectronic devices - Photocouplers (Приборы полупроводниковые. Дискретные устройства. Часть 5-5. Оптоэлектронные приборы. Оптроны)
IEC 60825-1:2014, Safety of laser products - Part 1: Equipment classification and requirements (Безопасность лазерной аппаратуры. Часть 1. Классификация и требования к аппаратуре)
IEC 60851-3:2009, Winding wires - Test methods - Part 3: Mechanical properties (Провода обмоточные. Методы испытаний. Часть 3. Механические свойства)
IEC 60851-5:2008, Winding wires - Test methods - Part 5: Electrical properties (Провода обмоточные. Методы испытаний. Часть 5. Электрические свойства)
IEC 60851-6:1996, Winding wires - Test methods - Part 6: Thermal properties (Провода обмоточные. Методы испытаний. Часть 6. Термические свойства)
Amendment 1:1997
IEC 60884-1, Plugs and socket-outlets for household and similar purposes - Part 1: General requirements (Соединители электрические штепсельные бытового и аналогичного назначения. Часть 1. Общие требования и методы испытаний)
IEC 60950-1:2005, Information technology equipment - Safety - Part 1: General requirements (Оборудование информационных технологий. Безопасность. Часть 1. Общие требования)
Amendment 1:2009
Amendment 2:2013
IEC 61058-1:2000 <1>, Switches for appliances - Part 1: General requirements (Выключатели для электроприборов. Часть 1. Общие требования)
Amendment 1:2001
Amendment 2:2007
--------------------------------
<1> Существует объединенное издание 3.2, которое включает IEC 61058-1:2000, Изменение 1 (2001) и Изменение 2 (2007) к нему.
IEC 61558-2-1, Safety transformers, power supply units and similar - Part 2-1: Particular requirements for separating transformers for general use (Безопасность силовых трансформаторов, реакторов, источников питания и аналогичных изделий. Часть 2-1. Частные требования и методы испытаний отделяющих трансформаторов и источников питания, встроенных в отделяющие трансформаторы общего назначения)
IEC 61672-1, Electroacoustics - Sound level meters - Part 1: Specifications (Электроакустика. Шумомеры. Часть 1. Технические требования)
IEC 61672-2, Electroacoustics - Sound level meters - Part 2: Pattern evaluation tests (Электроакустика. Измерители уровня звука. Часть 2. Оценочные испытания типа)
IEC 61965, Mechanical safety of cathode ray tubes (Механическая безопасность электронно-лучевых трубок)
IEC 62133, Secondary cells and batteries containing alkaline or other non-acid electrolytes - Safety requirements for portable sealed secondary cells, and for batteries made from them, for use in portable applications (Аккумуляторы и батареи, содержащие щелочи или другие некислотные электролиты. Требования безопасности к портативным герметичным аккумуляторам и к состоящим из них батареям, для использования, переносные)
IEC 62133-2, Secondary cells and batteries containing alkaline or other non-acid electrolytes - Safety requirements for portable sealed secondary lithium cells, and for batteries made from them, for use in portable applications - Part 2: Lithium systems (Аккумуляторы и аккумуляторные батареи, содержащие щелочной или другие некислотные электролиты. Требования безопасности портативных герметичных аккумуляторов и батарей из них при портативном применении. Часть 2. Системы на основе лития)
IEC 62304:2006, Medical device software - Software life cycle processes (Программное обеспечение медицинских изделий. Процессы жизненного цикла программного обеспечения)
Amendment 1:2015
IEC 62368-1:2018, Audio/video, information and communication technology equipment - Part 1: Safety requirements (Аудио-, видеоаппаратура, оборудование информационных технологий и техники связи. Часть 1. Требования безопасности)
ISO 780, Packaging - Pictorial marking for handling of goods (Упаковка. Графические обозначения, применяемые для обработки и хранения товаров)
ISO 1853, Conducting and dissipative rubbers, vulcanized or thermoplastic - Measurement of resistivity (Резины и термоэластопласты, токопроводящие и токорассеивающие. Измерение удельного сопротивления)
ISO 2878, Rubber, vulcanized - Antistatic and conductive products - Determination of electrical resistance (Резина или каучук термопластичный. Антистатические и проводящие изделия. Определение электрического сопротивления)
ISO 2882 <2>, Rubber, vulcanized - Antistatic and conductive products for hospital use - Electrical resistance limits (Резина. Изделия из антистатической и токопроводящей резины, используемые для больниц. Пределы электрического сопротивления)
--------------------------------
<2> ISO 2878 был отменен 1 февраля 2005 г., заменяющий стандарт не был определен.
ISO 3746, Acoustics - Determination of sound power levels of noise sources using sound pressure - Survey method using an enveloping measurement surface over a reflecting plane (Акустика. Определение уровня звуковой мощности источников шума по звуковому давлению. Контрольный метод с использованием огибающей поверхности измерения над плоскостью отражения)
ISO 3864-1:2002, Graphical symbols - Safety colours and safety signs - Part 1: Design principles for safety signs in workplaces and public areas (Символы графические. Сигнальные цвета и знаки безопасности. Часть 1. Принципы проектирования знаков и сигнальной разметки)
ISO 5349-1, Mechanical vibration - Measurement and evaluation of human exposure to hand-transmitted vibration - Part 1: General requirements (Вибрация механическая. Измерение и оценка воздействия на человека вибрации, передаваемой через руки. Часть 1. Общие требования)
ISO 7000, Graphical symbols for use on equipment (Графические символы, наносимые на оборудование. Зарегистрированные символы)
ISO 7010:2019, Graphical symbols - Safety colours and safety signs - Registered safety signs (Символы графические. Цвета и знаки безопасности. Зарегистрированные знаки безопасности)
ISO 9614-1, Acoustics - Determination of sound power levels of noise sources using sound intensity - Measurement at discrete points. Part 1 (Акустика. Определение уровней звуковой мощности источников шума по интенсивности звука. Часть 1. Измерение в дискретных точках)
ISO 10993 (all parts), Biological evaluation of medical devices [Изделия медицинские. Оценка биологического действия (все части)]
ISO 11135-1:2007, Sterilization of health care products - Ethylene oxide - Part 1: Requirements for development, validation and routine control of a sterilization process for medical devices (Стерилизация медицинской продукции. Этиленоксид. Часть 1. Требования к разработке, валидации и текущему контролю процесса стерилизации медицинских изделий)
ISO 11137-1:2006, Sterilization of health care products - Radiation - Part 1: Requirements for development, validation and routine control of a sterilization process for medical devices (Стерилизация медицинской продукции. Радиационная стерилизация. Часть 1. Требования к разработке, валидации и текущему контролю процесса стерилизации медицинских изделий)
ISO 13857:2008, Safety of machinery - Safety distances to prevent hazard zones being reached by the upper and lower limbs (Безопасность машин. Безопасные расстояния для предохранения верхних и нижних конечностей от попадания в опасную зону)
ISO 14971:2019, Medical devices - Application of risk management to medical devices (Изделия медицинские. Применение менеджмента риска к медицинским изделиям)
ISO 15223-1:2016, Medical devices - Symbols to be used with medical device labels, labelling and information to be supplied - Part 1: General requirements (Изделия медицинские. Символы, применяемые при маркировании медицинских изделий, на этикетках и в сопроводительной документации. Часть 1. Основные требования)
ISO 17665-1:2006, Sterilization of health care products - Moist heat - Part 1: Requirements for the development, validation and routine control of a sterilization process for medical devices (Стерилизация медицинской продукции. Стерилизация паром. Часть 1. Требования к разработке, валидации и текущему контролю процесса стерилизации медицинских изделий)
ISO 23529, Rubber - General procedures for preparing and conditioning test pieces for physical test methods (Резина. Общие процедуры приготовления и кондиционирования образцов для физических методов испытаний)
ISO 80000-1:2009, Quantities and units - Part 1: General (Величины и единицы. Часть 1. Общие положения)
В настоящем стандарте применены следующие термины с соответствующими определениями:
Примечание 1 - Там, где в настоящем стандарте применяют термины "напряжение" и "ток", подразумевают их среднеквадратические значения постоянного, переменного напряжения или тока (или напряжения, или тока сложной формы), если не оговорено иное.
Примечание 2 - Термин "электрическое изделие" используют для обозначения МЭ ИЗДЕЛИЯ (см.
3.63) или другого электрического изделия. В настоящем стандарте термин "изделие" также используют для обозначения МЭ ИЗДЕЛИЯ и другого электрического или неэлектрического изделия при их применении в МЭ СИСТЕМЕ (см.
3.64)
Примечание 3 - Если термин "безопасность" приводится в настоящем стандарте прямым шрифтом или курсивом, подразумевают не "безопасность", как определено в ИСО 14971, а скорее "состояние защиты или защиты от вреда или травмы; устранение опасности".
Примечание 4 -
Указатель терминов приведен в конце настоящего стандарта.
3.1
СМОТРОВАЯ КРЫШКА (ACCESS COVER): Часть КОРПУСА или ЗАЩИТНОГО УСТРОЙСТВА, обеспечивающая возможность доступа к МЭ ИЗДЕЛИЮ для его регулировки, осмотра, ремонта или замены компонентов.
3.2
ДОСТУПНАЯ ЧАСТЬ (ACCESSIBLE PART): Часть электрического изделия, за исключением РАБОЧЕЙ ЧАСТИ, к которой можно прикоснуться стандартным испытательным пальцем.
3.3
ПРИНАДЛЕЖНОСТЬ (ACCESSORY): Дополнительный компонент, предназначенный для его использования вместе с изделием:
- для обеспечения ПРЕДУСМОТРЕННОГО ПРИМЕНЕНИЯ,
- определенного специального применения,
- облегчения использования изделия,
- расширения функциональных характеристик или
- объединения функций одного изделия с функциями другого изделия.
[МЭК 60788:2004, rm-83-06, изменен]
3.4
ЭКСПЛУАТАЦИОННЫЙ ДОКУМЕНТ (ACCOMPANYING DOCUMENT): Документ, прилагаемый к МЭ ИЗДЕЛИЮ, МЭ СИСТЕМЕ или ПРИНАДЛЕЖНОСТИ и содержащий информацию для ОТВЕТСТВЕННОЙ ОРГАНИЗАЦИИ или ОПЕРАТОРА, в особенности относительно ОБЩИХ ТРЕБОВАНИЙ БЕЗОПАСНОСТИ и ОСНОВНЫХ ФУНКЦИОНАЛЬНЫХ ХАРАКТЕРИСТИК.
3.5
ВОЗДУШНЫЙ ЗАЗОР (AIR CLEARANCE): Кратчайшее расстояние по воздуху между двумя токопроводящими частями.
Примечание - Измененный термин, заимствованный из МЭК 60664-1:2007 (определение 3.2).
3.6
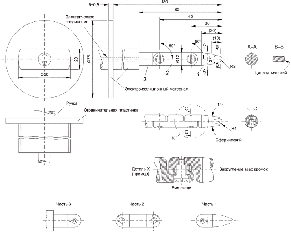
ПРИБОРНЫЙ СОЕДИНИТЕЛЬ (APPLIANCE COUPLER): Устройство, обеспечивающее соединение гибкого шнура с электрическим изделием без применения ИНСТРУМЕНТА и состоящее из двух частей: ПРИБОРНОЙ РОЗЕТКИ и ПРИБОРНОЙ ВИЛКИ.
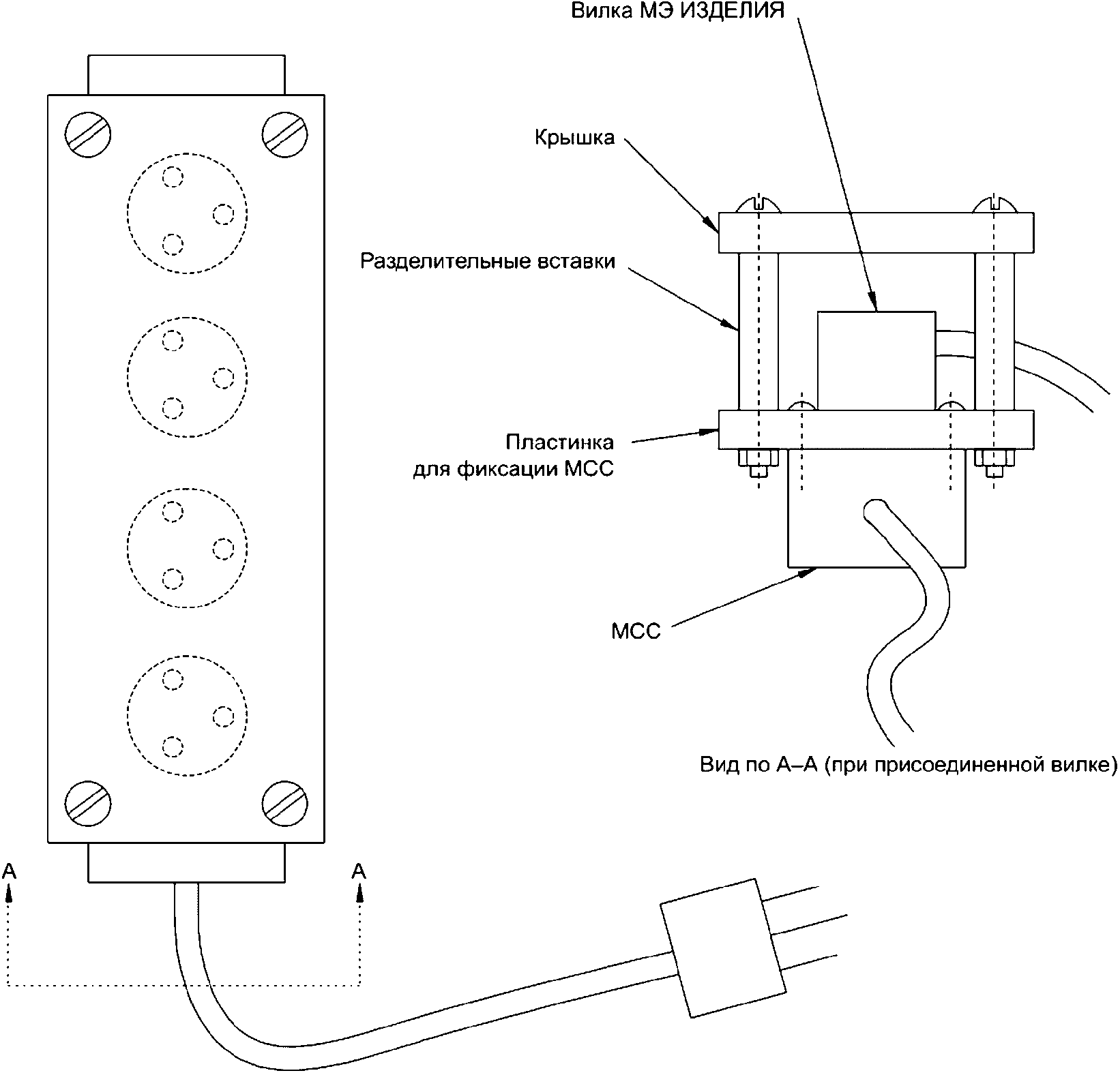
1 - ПРИБОРНЫЙ СОЕДИНИТЕЛЬ; 2 - ПРИБОРНАЯ ВИЛКА; 3 - СЪЕМНЫЙ
ШНУР ПИТАНИЯ; 4 - МЭ ИЗДЕЛИЕ; 5 - стационарная сетевая
розетка/МНОГОРОЗЕТОЧНЫЙ СЕТЕВОЙ СОЕДИНИТЕЛЬ (МСС);
6 - ПРИБОРНАЯ РОЗЕТКА; 7 - СЕТЕВАЯ ВИЛКА
Рисунок 1 - Съемный шнур сетевого питания (см. определения)
3.7
ПРИБОРНАЯ ВИЛКА (APPLIANCE INLET): Часть ПРИБОРНОГО СОЕДИНИТЕЛЯ, встроенная в электрическое изделие или ЗАКРЕПЛЕННАЯ на нем.
1 - ПРИБОРНАЯ ВИЛКА (см. также
рисунок 1);
2 - СОЕДИНЕНИЕ
С ПАЦИЕНТОМ; 3 - изоляционная трубка; 4 - СЪЕМНЫЙ ШНУР
ПИТАНИЯ; 5 - КОРПУС; 6 - ЗАКРЕПЛЕННЫЙ провод; 7 - ПРОВОД
РАБОЧЕГО ЗАЗЕМЛЕНИЯ; 8 - ЗАЖИМ РАБОЧЕГО ЗАЗЕМЛЕНИЯ;
9 - СИГНАЛЬНЫЙ ВХОД/ВЫХОД; 10 - РОЗЕТКА ПРИБОРНАЯ;
11 - СЕТЕВАЯ ЧАСТЬ; 12 - СЕТЕВОЕ ПРИСОЕДИНИТЕЛЬНОЕ
УСТРОЙСТВО; 13 - ШНУР ПИТАНИЯ; 14 - ПРОВОД ЗАЩИТНОГО
ЗАЗЕМЛЕНИЯ; 15 - ЗАЖИМ ЗАЩИТНОГО ЗАЗЕМЛЕНИЯ; 16 - СЕТЕВАЯ
ВИЛКА; 17 - ПРОВОД ВЫРАВНИВАНИЯ ПОТЕНЦИАЛОВ; 18 - зажим
для подсоединения ПРОВОДА ВЫРАВНИВАНИЯ ПОТЕНЦИАЛОВ
Рисунок 2 - Пример определяемых зажимов и проводов
(см. определения)
3.8*
РАБОЧАЯ ЧАСТЬ (APPLIED PART): Часть МЭ ИЗДЕЛИЯ, которая при НОРМАЛЬНОЙ ЭКСПЛУАТАЦИИ МЭ ИЗДЕЛИЯ или МЭ СИСТЕМЫ обязательно должна входить в непосредственный контакт с ПАЦИЕНТОМ для выполнения требуемых функций.
Примечание 2 - См. также
4.6 относительно идентификации частей, которые не подпадают под определение РАБОЧИХ ЧАСТЕЙ, но которые, однако, необходимо рассматривать как РАБОЧИЕ ЧАСТИ в результате применения ПРОЦЕССА МЕНЕДЖМЕНТА РИСКА.
Примечание 3 - См. также
3.78 для определения связанного с этим термином термина "СОЕДИНЕНИЕ С ПАЦИЕНТОМ".
1 - СЕТЕВАЯ ВИЛКА с контактом защитного заземления;
2 - СЪЕМНЫЙ ШНУР ПИТАНИЯ; 3 - ПРИБОРНЫЙ СОЕДИНИТЕЛЬ;
4 - контакт и штырек защитного заземления; 5 - ЗАЖИМ
РАБОЧЕГО ЗАЗЕМЛЕНИЯ; 6 - ОСНОВНАЯ ИЗОЛЯЦИЯ; 7 - КОРПУС;
8 - ВТОРИЧНАЯ ЦЕПЬ; 9 - СЕТЕВАЯ ЧАСТЬ; 10 - РАБОЧАЯ ЧАСТЬ;
11 - двигатель; 12 - экран с ЗАЩИТНЫМ ЗАЗЕМЛЕНИЕМ;
13 - ДОПОЛНИТЕЛЬНАЯ ИЗОЛЯЦИЯ; 14 - вал двигателя, который
является ДОСТУПНОЙ ЧАСТЬЮ
Рисунок 3 - Пример МЭ ИЗДЕЛИЯ КЛАССА I (см. определения)
1 - СЕТЕВАЯ ВИЛКА; 2 - ШНУР ПИТАНИЯ; 3 - ОСНОВНАЯ ИЗОЛЯЦИЯ;
4 - ДОПОЛНИТЕЛЬНАЯ ИЗОЛЯЦИЯ; 5 - КОРПУС; 6 - ЗАЖИМ РАБОЧЕГО
ЗАЗЕМЛЕНИЯ; 7 - СЕТЕВАЯ ЧАСТЬ; 8 - РАБОЧАЯ ЧАСТЬ;
9 - УСИЛЕННАЯ ИЗОЛЯЦИЯ; 10 - двигатель
Рисунок 4 - Пример МЭ ИЗДЕЛИЯ КЛАССА II с металлическим
КОРПУСОМ (см. определения)
3.9*
ОСНОВНАЯ ИЗОЛЯЦИЯ (BASIC INSULATION): Изоляция частей, находящихся под напряжением, обеспечивающая основную защиту от поражения электрическим током.
[IEV 826-12-14
[4], изменен]
Примечание - ОСНОВНАЯ ИЗОЛЯЦИЯ обеспечивает только одно СРЕДСТВО ЗАЩИТЫ.
3.10*
ОСНОВНАЯ БЕЗОПАСНОСТЬ (BASIC SAFETY); Устранение недопустимого РИСКА, непосредственно вызванного физическими ОПАСНОСТЯМИ, когда МЭ ИЗДЕЛИЕ используется в НОРМАЛЬНОМ СОСТОЯНИИ или при УСЛОВИИ ЕДИНИЧНОГО НАРУШЕНИЯ.
3.11
КАТЕГОРИЯ AP (CATEGORY AP): Классификация МЭ ИЗДЕЛИЯ или его частей, соответствующих определенным требованиям к конструкции, маркировке и документации, которые обеспечивают предотвращение возникновения источников поджига ВОСПЛАМЕНЯЮЩЕЙСЯ СМЕСИ АНЕСТЕТИКОВ С ВОЗДУХОМ.
3.12
КАТЕГОРИЯ APG (CATEGORY APG): Классификация МЭ ИЗДЕЛИЯ или его частей, соответствующих определенным требованиям к конструкции, маркировке и документации, которые обеспечивают предотвращение возникновения источников поджига ВОСПЛАМЕНЯЮЩЕЙСЯ СМЕСИ АНЕСТЕТИКОВ С КИСЛОРОДОМ ИЛИ ЗАКИСЬЮ АЗОТА.
3.13
КЛАСС I (CLASS I): Термин, относящийся к электрическим изделиям, в которых защита от поражения электрическим током обеспечивается не только ОСНОВНОЙ ИЗОЛЯЦИЕЙ, но и дополнительными мерами безопасности с использованием средств, обеспечивающих соединение металлических ДОСТУПНЫХ ЧАСТЕЙ или внутренних металлических частей с ЗАЩИТНЫМ ЗАЗЕМЛЕНИЕМ.
3.14
КЛАСС II (CLASS II): Термин, относящийся к электрическим изделиям, в которых защита от поражения электрическим током обеспечивается не только ОСНОВНОЙ ИЗОЛЯЦИЕЙ, но и дополнительными мерами безопасности, такими как ДВОЙНАЯ или УСИЛЕННАЯ ИЗОЛЯЦИЯ, и при этом отсутствуют устройства для защитного заземления или защита, обеспечиваемая условиями установки.
Примечание 2 - Изделие КЛАССА II может быть снабжено ЗАЖИМОМ РАБОЧЕГО ЗАЗЕМЛЕНИЯ или ПРОВОДОМ РАБОЧЕГО ЗАЗЕМЛЕНИЯ. См. также
8.6.8 и
8.6.9.
3.15*
ЧЕТКО РАЗЛИЧИМАЯ (CLEARLY LEGIBLE): Маркировка, которую может правильно различать человек с нормальным зрением.
Примечание - См. испытание в
7.1.2.
3.16
ХОЛОДНОЕ СОСТОЯНИЕ (COLD CONDITION): Состояние, которого электрическое изделие достигает после снятия питания в течение достаточно долгого времени для достижения им температуры окружающей среды.
3.17*
КОМПОНЕНТ С ВЫСОКОЙ СТЕПЕНЬЮ НАДЕЖНОСТИ (COMPONENT WITH HIGH-INTEGRITY CHARACTERISTICS): Компонент, для которого одна или более характеристик гарантируют безотказность его функционирования с точки зрения требований безопасности, указанных в настоящем стандарте, в течение ОЖИДАЕМОГО СРОКА СЛУЖБЫ МЭ ИЗДЕЛИЯ при его НОРМАЛЬНОЙ ЭКСПЛУАТАЦИИ и разумно прогнозируемой неправильной эксплуатации.
3.18*
ПРОДОЛЖИТЕЛЬНЫЙ РЕЖИМ РАБОТЫ (CONTINUOUS OPERATION): Работа при НОРМАЛЬНОЙ ЭКСПЛУАТАЦИИ в течение неограниченного времени без превышения предусмотренных значений температуры.
3.19
ПУТЬ УТЕЧКИ (CREEPAGE DISTANCE): Наикратчайшее расстояние по поверхности изоляционного материала между двумя токопроводящими частями изделия.
[IEV 151-15-50
[1], изменен]
3.20*
РАБОЧАЯ ЧАСТЬ С ЗАЩИТОЙ ОТ РАЗРЯДА ДЕФИБРИЛЛЯТОРА (DEFIBRILLATION-PROOF APPLIED PART): РАБОЧАЯ ЧАСТЬ МЭ ИЗДЕЛИЯ, имеющая защиту от воздействия разряда кардиодефибриллятора на ПАЦИЕНТА.
3.21*
СЪЕМНЫЙ ШНУР ПИТАНИЯ (DETACHABLE POWER SUPPLY CORD): Гибкий шнур, предназначенный для подсоединения к электрическому изделию с помощью ПРИБОРНОГО СОЕДИНИТЕЛЯ с целью обеспечения сетевым питанием.
3.22*
ПРЯМОЕ ПРИМЕНЕНИЕ НА СЕРДЦЕ (DIRECT CARDIAC APPLICATION): Использование РАБОЧЕЙ ЧАСТИ, которая обеспечивает прямой контакт с сердцем ПАЦИЕНТА.
3.23*
ДВОЙНАЯ ИЗОЛЯЦИЯ (DOUBLE INSULATION): Изоляция, состоящая из ОСНОВНОЙ ИЗОЛЯЦИИ и ДОПОЛНИТЕЛЬНОЙ ИЗОЛЯЦИИ.
[IEV 195-06-08]
Примечание - ДВОЙНАЯ ИЗОЛЯЦИЯ обеспечивает два СРЕДСТВА ЗАЩИТЫ.
3.24*
РАБОЧИЙ ЦИКЛ (DUTY CYCLE): Максимальное время активации (вкл.), за которым следует минимальное время деактивации (выкл.), необходимое для безопасной эксплуатации МЭ ИЗДЕЛИЯ.
3.25
ТОК УТЕЧКИ НА ЗЕМЛЮ (EARTH LEAKAGE CURRENT): Ток, протекающий от СЕТЕВОЙ ЧАСТИ изделия через изоляцию или по ней на ПРОВОД ЗАЩИТНОГО ЗАЗЕМЛЕНИЯ или на функциональное заземленное соединение согласно
8.6.9.
3.26*
КОРПУС (ENCLOSURE): Внешняя поверхность электрического изделия или его частей.
Примечание - С целью испытаний согласно настоящему стандарту металлическая фольга определенных размеров, приведенная в контакт с частями внешней поверхности КОРПУСА, выполненного из материала с низкой проводимостью или из изоляционного материала, должна считаться частью КОРПУСА (см.
рисунки 2 -
4).
3.27*
ОСНОВНЫЕ ФУНКЦИОНАЛЬНЫЕ ХАРАКТЕРИСТИКИ (ESSENTIAL PERFORMANCE): Не относящиеся к ОСНОВНОЙ БЕЗОПАСНОСТИ характеристики клинической функции, отсутствие или ухудшение которых сверх установленных ИЗГОТОВИТЕЛЕМ пределов приводит к недопустимому РИСКУ.
Примечание - ОСНОВНЫЕ ФУНКЦИОНАЛЬНЫЕ ХАРАКТЕРИСТИКИ изделия определяются возможным возникновением недопустимого РИСКА при их отсутствии или ухудшении.
3.28
ОЖИДАЕМЫЙ СРОК СЛУЖБЫ (EXPECTED SERVICE LIFE): Временной интервал, указываемый ИЗГОТОВИТЕЛЕМ, в течение которого МЭ ИЗДЕЛИЕ или МЭ СИСТЕМА остается безопасным(ой) для использования (т.е. поддерживается ОСНОВНАЯ БЕЗОПАСНОСТЬ и ОСНОВНЫЕ ФУНКЦИОНАЛЬНЫЕ ХАРАКТЕРИСТИКИ).
Примечание - В течение ОЖИДАЕМОГО СРОКА СЛУЖБЫ может потребоваться техническое обслуживание.
3.29
ИЗОЛИРОВАННАЯ ("ПЛАВАЮЩАЯ") РАБОЧАЯ ЧАСТЬ ТИПА F (далее - РАБОЧАЯ ЧАСТЬ ТИПА F) [F-TYPE ISOLATED (FLOATING) APPLIED PART (herein F-TYPE APPLIED PART)]: РАБОЧАЯ ЧАСТЬ, в которой СОЕДИНЕНИЯ С ПАЦИЕНТОМ изолированы от других частей МЭ ИЗДЕЛИЯ в такой степени, что по ним не будет протекать ток, превышающий допустимый ТОК УТЕЧКИ НА ПАЦИЕНТА, при непреднамеренном соединении внешнего источника напряжения с ПАЦИЕНТОМ, которое, следовательно, оказывается приложенным между СОЕДИНЕНИЯМИ С ПАЦИЕНТОМ и землей.
Примечание - РАБОЧИЕ ЧАСТИ ТИПА F являются либо РАБОЧЕЙ ЧАСТЬЮ ТИПА BF, либо РАБОЧЕЙ ЧАСТЬЮ ТИПА CF.
3.30
ЗАКРЕПЛЕННОЕ (FIXED): Термин, означающий закрепление (фиксирование), на определенном месте либо постоянно, либо таким образом, что это закрепление может быть устранено только с использованием ИНСТРУМЕНТА.
Пример 1 - Часть МЭ ИЗДЕЛИЯ, постоянно закрепляемая методом сварки и т.д.
Пример 2 - Часть МЭ ИЗДЕЛИЯ, закрепляемая с помощью крепежа (винтов, гаек и т.д.); ее удаление/открытие невозможно без применения ИНСТРУМЕНТА.
3.31
ВОСПЛАМЕНЯЮЩАЯСЯ СМЕСЬ АНЕСТЕТИКА С ВОЗДУХОМ (FLAMMABLE ANAESTETHIC MIXTURE WITH AIR): Смесь воспламеняющихся паров анестетика с воздухом в такой концентрации, при которой в определенных условиях может происходить возгорание этой смеси.
3.32
ВОСПЛАМЕНЯЮЩАЯСЯ СМЕСЬ АНЕСТЕТИКА С КИСЛОРОДОМ ИЛИ ЗАКИСЬЮ АЗОТА (FLAMMABLE ANAESTETHIC MIXTURE WITH OXYGEN OR NITROUS OXIDE): Смесь воспламеняющихся паров анестетика с кислородом или с закисью азота в такой концентрации, при которой в определенных условиях может происходить возгорание этой смеси.
3.33*
ФУНКЦИОНАЛЬНОЕ СОЕДИНЕНИЕ (FUNCTIONAL CONNECTION): Электрическое или иное соединение, в том числе предназначенное для передачи сигналов, энергии или веществ.
Примечание - Соединение с ЗАКРЕПЛЕННОЙ сетевой розеткой ПИТАЮЩЕЙ СЕТИ (с одной или с несколькими) не будет считаться ФУНКЦИОНАЛЬНЫМ СОЕДИНЕНИЕМ.
3.34
ПРОВОД РАБОЧЕГО ЗАЗЕМЛЕНИЯ (FUNCTIONAL EARTH CONDUCTOR): Провод, присоединяемый к ЗАЖИМУ РАБОЧЕГО ЗАЗЕМЛЕНИЯ.
3.35*
ЗАЖИМ РАБОЧЕГО ЗАЗЕМЛЕНИЯ (FUNCTIONAL EARTH TERMINAL): Зажим, непосредственно соединенный с цепью или экранирующей частью изделия, который предназначен для заземления в функциональных целях.
3.36
ОГРАЖДЕНИЕ (GUARD): Часть изделия, специально используемая для обеспечения защиты посредством установки физических преград.
Примечание - В зависимости от конструкции МЭ ИЗДЕЛИЯ ОГРАЖДЕНИЕМ можно считать кожух, укрытие, экран, дверцу, защитный корпус и т.д.
ОГРАЖДЕНИЕ может действовать:
- самостоятельно, тогда оно эффективно только при его установке на определенном месте;
- в сочетании с устройством блокировки с фиксацией ограждения или без нее, в этом случае защита обеспечивается независимо от положения ОГРАЖДЕНИЯ.
3.37
РУЧНОЕ (HAND-HELD): Термин, относящийся к изделию, которое после установки и ввода в эксплуатацию удерживается в руках (поддерживается рукой).
Примечание 1 - Изделие может относиться к ПРИНАДЛЕЖНОСТЯМ или частям изделия.
3.38*
ВРЕД (HARM): Травма, ущерб здоровью людей или животных, ущерб имуществу или окружающей среде.
[ИСО 14971:2019, определение 3.3, изменено. Добавлено "или животных"]
3.39
ОПАСНОСТЬ (HAZARD): Потенциальный источник ВРЕДА.
[ИСО 14971:2019, определение 3.4]
3.40*
ОПАСНАЯ СИТУАЦИЯ (HAZARDOUS SITUATION): Обстоятельства, при которых люди, имущество или окружающая среда могут подвергаться одной или нескольким ОПАСНОСТЯМ.
[ИСО 14971:2019, определение 3.5, изменено. Примечание удалено]
3.41
ВЫСОКОЕ НАПРЯЖЕНИЕ (HIGH VOLTAGE): Любое напряжение, превышающее 1000 В переменного тока, 1500 В постоянного тока или 1500 В пикового значения напряжения сложной формы.
3.42
ИСПЫТАТЕЛЬНОЕ ГИДРАВЛИЧЕСКОЕ ДАВЛЕНИЕ (HYDRAULIC TEST PRESSURE): Давление, прикладываемое для проверки сосудов или их частей.
3.43
КООРДИНАЦИЯ ИЗОЛЯЦИИ (INSULATION COORDINATION): Взаимная корреляция характеристик изоляции электрических изделий, учитывающая ожидаемую микросреду и другие влияющие воздействия.
Примечание - Относится к типам изоляции, ПУТЯМ УТЕЧКИ, ВОЗДУШНЫМ ЗАЗОРАМ, расстоянию от изоляции, покрытиям, герметизации, аспектам внешней среды и т.д.
3.44
ПРЕДУСМОТРЕННОЕ ПРИМЕНЕНИЕ/ПРЕДУСМОТРЕННОЕ НАЗНАЧЕНИЕ (INTENDED USE/INTENDED PURPOSE): Применение, для которого процесс, продукция или услуга предусмотрен(а) в соответствии со спецификациями, инструкциями и информацией, предоставленными ИЗГОТОВИТЕЛЕМ.
Примечание 1 - Предполагаемые медицинские показания, популяция пациентов, часть тела или тип ткани, с которой происходит взаимодействие, профиль пользователя, условия использования и принцип действия являются типичными элементами предполагаемого использования.
Примечание 2 - ПРЕДУСМОТРЕННОЕ ПРИМЕНЕНИЕ не следует путать с НОРМАЛЬНОЙ ЭКСПЛУАТАЦИЕЙ. Несмотря на то, что оба этих термина относятся к использованию изделия по назначению, указанному ИЗГОТОВИТЕЛЕМ, ПРЕДУСМОТРЕННОЕ ПРИМЕНЕНИЕ делает акцент на достижение медицинской цели, тогда как НОРМАЛЬНАЯ ЭКСПЛУАТАЦИЯ подразумевает не только достижение медицинской цели, но и техническое обслуживание, транспортирование и т.д. изделия.
[ИСО 14971:2019, определение 3.6, изменено. Добавлено
примечание 2]
3.45
ВНУТРЕННИЙ ИСТОЧНИК ПИТАНИЯ (INTERNAL ELECTRICAL POWER SOURCE): Источник, обеспечивающий работу изделия и являющийся его частью, преобразующий другие формы энергии в электрический ток.
Пример - Химический, механический, солнечный или ядерный источник электропитания.
Примечание - ВНУТРЕННИЙ ИСТОЧНИК ПИТАНИЯ может находиться в основной части изделия, крепиться снаружи или находиться в отдельном КОРПУСЕ.
3.46
ИЗДЕЛИЕ С ВНУТРЕННИМ ИСТОЧНИКОМ ПИТАНИЯ (INTERNALLY POWERED): Термин, относящийся к электрическому изделию, которое способно работать от ВНУТРЕННЕГО ИСТОЧНИКА ПИТАНИЯ.
3.47
ТОК УТЕЧКИ (LEAKAGE CURRENT): Ток, который не является рабочим.
Примечание - Определены следующие ТОКИ УТЕЧКИ: ТОК УТЕЧКИ НА ЗЕМЛЮ, ТОК УТЕЧКИ НА ДОСТУПНУЮ ЧАСТЬ и ТОК УТЕЧКИ НА ПАЦИЕНТА.
3.48
ПРИБОРНАЯ РОЗЕТКА (MAINS CONNECTOR): Часть ПРИБОРНОГО СОЕДИНИТЕЛЯ, составляющая единое целое или присоединяемая к гибкому шнуру, предназначенному для соединения с ПИТАЮЩЕЙ СЕТЬЮ.
Примечание - ПРИБОРНАЯ РОЗЕТКА предназначена для соединения с ПРИБОРНОЙ ВИЛКОЙ электрического изделия (см.
рисунки 1 и
2).
3.49*
СЕТЕВАЯ ЧАСТЬ (MAINS PART): Часть электрического изделия, образующая цепь, предназначенную для присоединения к ПИТАЮЩЕЙ СЕТИ.
Примечание 1 - СЕТЕВАЯ ЧАСТЬ содержит все проводящие части, которые не отделены от ПИТАЮЩЕЙ СЕТИ по крайней мере одним СРЕДСТВОМ ЗАЩИТЫ.
Примечание 2 - В рамках данного определения ПРОВОД ЗАЩИТНОГО ЗАЗЕМЛЕНИЯ не должен рассматриваться как СЕТЕВАЯ ЧАСТЬ изделия (см.
рисунки 2 и
3).
3.50*
СЕТЕВАЯ ВИЛКА (MAINS PLUG): Часть, составляющая единое целое или присоединяемая к ШНУРУ ПИТАНИЯ электрического изделия, предназначенная для соединения с сетевой розеткой.
Примечание 2 - См. также IEC/TR 60083 и МЭК 60309-1
[8].
3.51
СЕТЕВОЙ ТРАНСФОРМАТОР (MAINS SUPPLY TRANSFORMER): Статическая часть изделия с двумя или несколькими обмотками, которая за счет электромагнитной индукции преобразует переменное напряжение и ток СЕТЕВОГО ПИТАНИЯ в напряжение и ток, как правило, различных значений на той же частоте.
3.52
СЕТЕВОЕ ПРИСОЕДИНИТЕЛЬНОЕ УСТРОЙСТВО (MAINS TERMINAL DEVICE): ПРИСОЕДИНИТЕЛЬНОЕ УСТРОЙСТВО, с помощью которого осуществляется подсоединение к ПИТАЮЩЕЙ СЕТИ.
3.53
СЕТЕВОЕ ПЕРЕХОДНОЕ НАПРЯЖЕНИЕ (MAINS TRANSIENT VOLTAGE): Максимальное пиковое напряжение, ожидаемое на входе питания электрического изделия и появляющееся вследствие внешних переходных процессов в ПИТАЮЩЕЙ СЕТИ.
3.54
СЕТЕВОЕ НАПРЯЖЕНИЕ (MAINS VOLTAGE): Напряжение ПИТАЮЩЕЙ СЕТИ между двумя линейными проводами в многофазной системе или напряжение между линейным и нулевым проводами в однофазной системе.
3.55
ИЗГОТОВИТЕЛЬ (MANUFACTURER): Физическое или юридическое лицо, ответственное за проектирование, изготовление, упаковывание или маркирование МЭ ИЗДЕЛИЙ, сборку МЭ СИСТЕМ, или модификацию МЭ ИЗДЕЛИЯ или МЭ СИСТЕМЫ независимо от того, выполняет ли эти операции вышеупомянутое лицо или другое(ие) лицо(а) по его поручению.
Примечание 1 - ИСО 13485
[30] определяет "маркировку" как "этикетку, руководство по эксплуатации и любую другую информацию, связанную с идентификацией, техническим описанием, назначением и предусмотренным применением МЭ ИЗДЕЛИЯ или МЭ СИСТЕМЫ, за исключением транспортных документов".
Примечание 2 - Процесс модификации включает внесение существенных изменений в МЭ ИЗДЕЛИЕ или МЭ СИСТЕМУ уже при их эксплуатации.
Примечание 3 - В некоторых судопроизводствах ОТВЕТСТВЕННУЮ ОРГАНИЗАЦИЮ допускается рассматривать как ИЗГОТОВИТЕЛЯ, если она привлечена к указанным операциям.
Примечание 4 - Измененное определение 3.9 ИСО 14971:2019.
3.56*
МАКСИМАЛЬНОЕ СЕТЕВОЕ НАПРЯЖЕНИЕ (MAXIMUM MAINS VOLTAGE): Напряжение, используемое для испытательных целей, связанных с напряжением ПИТАЮЩЕЙ СЕТИ, и прикладываемое к определенным частям МЭ ИЗДЕЛИЯ.
Примечание - Значение МАКСИМАЛЬНОГО СЕТЕВОГО НАПРЯЖЕНИЯ определено согласно
8.5.3.
3.57*
МАКСИМАЛЬНО ДОПУСТИМОЕ РАБОЧЕЕ ДАВЛЕНИЕ (MAXIMUM PERMISSIBLE PRESSURE): Максимальное давление, допускаемое для компонента изделия, указанное изготовителем данного компонента.
3.58*
СРЕДСТВА ЗАЩИТЫ ОПЕРАТОРА; СЗО (MEANS OF OPERATOR PROTECTION, MOOP): СРЕДСТВА ЗАЩИТЫ, предназначенные для снижения РИСКА поражения электрическим током всех лиц, за исключением ПАЦИЕНТА.
3.59*
СРЕДСТВА ЗАЩИТЫ ПАЦИЕНТА; СЗП (MEANS OF PATIENT PROTECTION, MOPP): СРЕДСТВА ЗАЩИТЫ, предназначенные для снижения РИСКА поражения электрическим током ПАЦИЕНТА.
3.60*
СРЕДСТВА ЗАЩИТЫ; СЗ (MEANS OF PROTECTION, MOP): Средства, предназначенные для снижения РИСКА поражения электрическим током в соответствии с требованиями настоящего стандарта.
Примечание - СРЕДСТВА ЗАЩИТЫ включают изоляцию, ВОЗДУШНЫЕ ЗАЗОРЫ, ПУТИ УТЕЧКИ, импедансы и СОЕДИНЕНИЯ С ЗАЩИТНЫМ ЗАЗЕМЛЕНИЕМ.
3.61
МЕХАНИЧЕСКАЯ ОПАСНОСТЬ (MECHANICAL HAZARD): ОПАСНОСТЬ, связанная с механической силой или производимая механической силой.
3.62
МЕХАНИЧЕСКОЕ ЗАЩИТНОЕ УСТРОЙСТВО (MECHANICAL PROTECTIVE DEVICE): Устройство, которое позволяет исключить или снизить механический РИСК до допустимого уровня и которое срабатывает в случае возникновения УСЛОВИЯ ЕДИНИЧНОГО НАРУШЕНИЯ.
3.63*
МЕДИЦИНСКОЕ ЭЛЕКТРИЧЕСКОЕ ИЗДЕЛИЕ; МЭ ИЗДЕЛИЕ (MEDICAL ELECTRICAL EQUIPMENT; ME EQUIPMENT): Электрическое изделие, имеющее РАБОЧУЮ ЧАСТЬ, передающее энергию к ПАЦИЕНТУ или от него либо обнаруживающее передачу этой энергии к ПАЦИЕНТУ или от него и которое:
a) имеет не более одного соединения с ПИТАЮЩЕЙ СЕТЬЮ и
b) предназначено его ИЗГОТОВИТЕЛЕМ:
1) для диагностики, лечения или контроля состояния ПАЦИЕНТА или
2) компенсации или облегчения заболеваний, ранений и утраты работоспособности.
Примечание 1 - МЭ ИЗДЕЛИЕ включает те ПРИНАДЛЕЖНОСТИ, которые определены ИЗГОТОВИТЕЛЕМ и необходимы для НОРМАЛЬНОЙ ЭКСПЛУАТАЦИИ МЭ ИЗДЕЛИЙ.
Примечание 2 - Не все электрические изделия, используемые в медицинской практике, подпадают под это определение (например, некоторые виды лабораторного диагностического оборудования).
Примечание 3 - Имплантируемые части активных медицинских устройств могут подпадать под это определение, однако они исключены из области применения настоящего стандарта (см. соответствующую формулировку в
пункте 1).
Примечание 4 - В настоящем стандарте термин "электрическое изделие" используется для обозначения МЭ ИЗДЕЛИЯ или других электрических изделий.
3.64*
МЕДИЦИНСКАЯ ЭЛЕКТРИЧЕСКАЯ СИСТЕМА; МЭ СИСТЕМА (MEDICAL ELECTRICAL SYSTEM; ME SYSTEM): Совокупность изделий, определенная ИЗГОТОВИТЕЛЕМ, в которой по крайней мере одно изделие является МЭ ИЗДЕЛИЕМ и изделия связаны между собой ФУНКЦИОНАЛЬНЫМИ СОЕДИНЕНИЯМИ или путем использования МНОГОРОЗЕТОЧНОГО СЕТЕВОГО СОЕДИНИТЕЛЯ.
Примечание - Изделия, упоминаемые в настоящем стандарте, должны включать МЭ ИЗДЕЛИЕ.
3.65
ПЕРЕДВИЖНОЕ (MOBILE): Термин, связанный с ТРАНСПОРТИРУЕМЫМ ИЗДЕЛИЕМ, которое после установки и ввода в эксплуатацию предназначено для перемещения из одного места в другое на собственных колесах или с использованием эквивалентных средств.
3.66*
ОБОЗНАЧЕНИЕ МОДЕЛИ ИЛИ ТИПА (MODEL OR TYPE REFERENCE): Комбинация цифр, букв или цифр и букв, используемая для обозначения определенной модели изделия или ПРИНАДЛЕЖНОСТИ.
3.67*
МНОГОРОЗЕТОЧНЫЙ СЕТЕВОЙ СОЕДИНИТЕЛЬ; МСС (MULTIPLE SOCKET-OUTLET, MSO): Одна или более сетевых розеток, предназначенных для соединения с гибким шнуром питания или составляющих с ним одно целое и обеспечивающих СЕТЕВЫМ ПИТАНИЕМ МЭ ИЗДЕЛИЯ и другие электрические изделия.
Примечание - МНОГОРОЗЕТОЧНЫЙ СЕТЕВОЙ СОЕДИНИТЕЛЬ может быть отдельным изделием или неотъемлемой частью электрического изделия.
3.68*
СЕТЕВЫЕ/ИНФОРМАЦИОННЫЕ СРЕДСТВА СВЯЗИ (NETWORK/DATA COUPLING): Любые средства для передачи или приема информации от другого изделия в соответствии со спецификацией ИЗГОТОВИТЕЛЯ.
3.69
НОМИНАЛЬНОЕ (значение) [NOMINAL (value)]: Значение, относительно которого задаются допускаемые отклонения.
Пример - Номинальное значение СЕТЕВОГО НАПРЯЖЕНИЯ или НОМИНАЛЬНЫЙ диаметр винта.
3.70
НОРМАЛЬНОЕ СОСТОЯНИЕ (NORMAL CONDITION): Состояние, при котором все средства, предусмотренные для защиты от ОПАСНОСТЕЙ, исправны.
3.71
НОРМАЛЬНАЯ ЭКСПЛУАТАЦИЯ (NORMAL USE): Эксплуатация изделия, включая плановый осмотр и регулировку ОПЕРАТОРОМ, а также режим ожидания, согласно инструкции по эксплуатации.
Примечание - ПРЕДУСМОТРЕННОЕ ПРИМЕНЕНИЕ не следует путать с НОРМАЛЬНОЙ ЭКСПЛУАТАЦИЕЙ. Несмотря на то, что оба этих термина относятся к использованию изделия по назначению, указанному ИЗГОТОВИТЕЛЕМ, ПРЕДУСМОТРЕННОЕ ПРИМЕНЕНИЕ делает акцент на достижение медицинской цели, тогда как НОРМАЛЬНАЯ ЭКСПЛУАТАЦИЯ подразумевает не только достижение медицинской цели, но и хранение, транспортирование и т.д.
3.72
ОБЪЕКТИВНОЕ СВИДЕТЕЛЬСТВО (OBJECTIVE EVIDENCE): Данные, подтверждающие существование или истинность чего-либо.
Примечание - Объективное свидетельство может быть получено посредством наблюдения, измерения, испытания или другими способами.
[ИСО 14971:2019, определение 3.11]
3.73*
ОПЕРАТОР (OPERATOR): Лицо, работающее с изделием.
Примечание - См. также
3.101.
3.74
АВТОМАТИЧЕСКИЙ ВЫКЛЮЧАТЕЛЬ МАКСИМАЛЬНОГО ТОКА (OVER-CURRENT RELEASE): Защитное устройство, которое вызывает размыкание электрической цепи с временной задержкой или без нее, если ток в этом устройстве превышает предустановленное значение.
[IEV 441-16-33, изменен]
3.75*
СРЕДА С ПОВЫШЕННЫМ СОДЕРЖАНИЕМ КИСЛОРОДА (OXYGEN RICH ENVIRONMENT): Среда, в которой концентрация кислорода:
a) превышает 25% при атмосферном давлении до 110 кПа или
b) парциальное давление кислорода превышает 27,5 кПа при атмосферном давлении выше 110 кПа.
3.76
ПАЦИЕНТ (PATIENT): Живое существо (человек или животное), подвергающееся медицинскому обследованию или лечению.
Примечание - ПАЦИЕНТ может быть ОПЕРАТОРОМ.
3.77*
ДОПОЛНИТЕЛЬНЫЙ ТОК В ЦЕПИ ПАЦИЕНТА (PATIENT AUXILIARY CURRENT): Ток, протекающий через ПАЦИЕНТА при НОРМАЛЬНОЙ ЭКСПЛУАТАЦИИ между любым СОЕДИНЕНИЕМ С ПАЦИЕНТОМ и всеми другими СОЕДИНЕНИЯМИ С ПАЦИЕНТОМ, не предназначенный для создания физиологического воздействия.
3.78*
СОЕДИНЕНИЕ С ПАЦИЕНТОМ (PATIENT CONNECTION): Соединение в РАБОЧЕЙ ЧАСТИ, через которое может протекать ток между ПАЦИЕНТОМ и МЭ ИЗДЕЛИЕМ в НОРМАЛЬНОМ СОСТОЯНИИ или при УСЛОВИИ ЕДИНИЧНОГО НАРУШЕНИЯ.
3.79*
СРЕДА ПАЦИЕНТА (PATIENT ENVIRONMENT): Любое пространство, в котором может возникать намеренный или непреднамеренный контакт между ПАЦИЕНТОМ и частями МЭ ИЗДЕЛИЯ или МЭ СИСТЕМЫ либо между ПАЦИЕНТОМ и другими лицами, находящимися в контакте с МЭ ИЗДЕЛИЕМ или МЭ СИСТЕМОЙ.
3.80
ТОК УТЕЧКИ НА ПАЦИЕНТА (PATIENT LEAKAGE CURRENT): Ток:
- протекающий от СОЕДИНЕНИЙ С ПАЦИЕНТОМ через ПАЦИЕНТА на землю или
- возникающий из-за непредусмотренного появления напряжения от внешнего источника на ПАЦИЕНТЕ и протекающий от СОЕДИНЕНИЙ С ПАЦИЕНТОМ в РАБОЧЕЙ ЧАСТИ ТИПА F на землю.
3.81*
ПИКОВОЕ РАБОЧЕЕ НАПРЯЖЕНИЕ (PEAK WORKING VOLTAGE): Максимальное значение переменного или постоянного РАБОЧЕГО НАПРЯЖЕНИЯ, включая периодические импульсы напряжения, возникающие в электрическом изделии, за исключением внешних переходных процессов.
[МЭК 60950-1:2005, определение 1.2.9.8, изменено]
3.82
ЖИЗНЕННЫЙ ЦИКЛ РАЗРАБОТКИ ПЭМС (PEMS DEVELOPMENT LIFE-CYCLE): Период времени, начинающийся на стадии принятия концепции проекта и заканчивающийся по завершении стадии ПРОВЕРКИ СООТВЕТСТВИЯ ПЭМС.
Примечание - См. также
3.90.
3.83
ПРОВЕРКА СООТВЕТСТВИЯ (ВАЛИДАЦИЯ) ПЭМС (PEMS VALIDATION): ПРОЦЕСС оценки характеристик ПЭМС или компонентов в ходе или по окончании ПРОЦЕССА разработки этой системы с целью определения соответствия ПЭМС требованиям ее ПРЕДУСМОТРЕННОГО ПРИМЕНЕНИЯ.
Примечание - См. также
3.90.
3.84
ИЗДЕЛИЕ С ПОСТОЯННЫМ ПРИСОЕДИНЕНИЕМ К ПИТАЮЩЕЙ СЕТИ (PERMANENTLY INSTALLED): Изделие, присоединяемое к ПИТАЮЩЕЙ СЕТИ с помощью постоянного соединения, которое может быть отсоединено только с помощью ИНСТРУМЕНТА.
3.85
ПЕРЕНОСНОЕ (PORTABLE): Термин, относящийся к ТРАНСПОРТИРУЕМОМУ изделию, которое после установки и ввода в эксплуатацию предназначено для перемещения из одного места в другое одним или несколькими лицами.
Примечание 1 - Изделие может относиться к аксессуарам или частям изделия.
3.86
ПРОВОД ВЫРАВНИВАНИЯ ПОТЕНЦИАЛА (POTENTIAL EQUALIZATION CONDUCTOR): Провод, не являющийся ПРОВОДОМ ЗАЩИТНОГО ЗАЗЕМЛЕНИЯ или нулевым проводом, который обеспечивает непосредственное соединение электрического изделия с шиной выравнивания потенциалов электропроводки помещения.
3.87
ШНУР ПИТАНИЯ (POWER SUPPLY CORD): Гибкий шнур, ЗАКРЕПЛЕННЫЙ или подключаемый к электрическому изделию для соединения с ПИТАЮЩЕЙ СЕТЬЮ.
3.88
ПРОЦЕДУРА (PROCEDURE): Установленный способ осуществления деятельности или ПРОЦЕССА.
[ИСО 14971:2019, определение 3.13, изменено. Примечание удалено]
3.89
ПРОЦЕСС (PROCESS): Совокупность взаимосвязанных и взаимодействующих видов деятельности, в которых используются входные данные для достижения намеченного результата.
Примечание 1 - Будет ли намеченный результат ПРОЦЕССА называться результатом, продуктом или услугой, зависит от контекста ссылки.
Примечание 2 - Входные данные для ПРОЦЕССА обычно являются выходными данными других ПРОЦЕССОВ, а выходные данные ПРОЦЕССА обычно являются входными данными для других ПРОЦЕССОВ.
Примечание 3 - Два или более взаимосвязанных и взаимодействующих последовательно ПРОЦЕССА также могут называться ПРОЦЕССОМ.
[ИСО 14971:2019, определение 3.14]
3.90
ПРОГРАММИРУЕМАЯ ЭЛЕКТРИЧЕСКАЯ МЕДИЦИНСКАЯ СИСТЕМА; ПЭМС (PROGRAMMABLE ELECTRICAL MEDICAL SYSTEM, PEMS): МЭ ИЗДЕЛИЕ или МЭ СИСТЕМА, содержащее(ая) одну или несколько ПРОГРАММИРУЕМЫХ ЭЛЕКТРОННЫХ ПОДСИСТЕМ (ПЭПС).
3.91
ПРОГРАММИРУЕМАЯ ЭЛЕКТРОННАЯ ПОДСИСТЕМА; ПЭПС (PROGRAMMABLE ELECTRONIC SUBSYSTEM, PESS): Система, основанная на использовании одного или нескольких центральных процессоров, включая их программное обеспечение и интерфейсы.
3.92
ПРАВИЛЬНО УСТАНОВЛЕННОЕ (PROPERLY INSTALLED): Установленное в соответствии с ЭКСПЛУАТАЦИОННЫМИ ДОКУМЕНТАМИ.
3.93
ПРОВОД ЗАЩИТНОГО ЗАЗЕМЛЕНИЯ (PROTECTIVE EARTH CONDUCTOR): Провод, соединяющий ЗАЖИМ ЗАЩИТНОГО ЗАЗЕМЛЕНИЯ с внешней системой защитного заземления.
3.94
СОЕДИНЕНИЕ С ЗАЩИТНЫМ ЗАЗЕМЛЕНИЕМ (PROTECTIVE EARTH CONNECTION): Соединение с ЗАЖИМОМ ЗАЩИТНОГО ЗАЗЕМЛЕНИЯ, предназначенное для целей защиты и соответствующее требованиям настоящего стандарта.
3.95
ЗАЖИМ ЗАЩИТНОГО ЗАЗЕМЛЕНИЯ (PROTECTIVE EARTH TERMINAL): Зажим, соединенный с токопроводящими частями изделия КЛАССА I для обеспечения безопасности. Этот зажим предназначен для соединения с внешней системой защитного заземления с помощью ПРОВОДА ЗАЩИТНОГО ЗАЗЕМЛЕНИЯ.
3.96
ЗАЗЕМЛЕННАЯ С ЦЕЛЬЮ ЗАЩИТЫ (PROTECTIVELY EARTHED): Часть, соединенная с целью защиты с ЗАЖИМОМ ЗАЩИТНОГО ЗАЗЕМЛЕНИЯ с помощью средств, отвечающих требованиям настоящего стандарта.
3.97
НОРМИРОВАННОЕ (значение) [RATED (value)]: Указанное ИЗГОТОВИТЕЛЕМ значение характеристик изделия.
3.98
ЗАПИСЬ (RECORD): Документ, подтверждающий достигнутые результаты или свидетельства осуществленной деятельности.
Примечание 1 - Записи могут применяться, например, для формализации прослеживаемости и предоставления свидетельств верификации, предупреждающих и корректирующих действий.
Примечание 2 - Как правило, на ЗАПИСИ не должно распространяться управление изменениями.
[ИСО 14971:2019, определение 3.16]
3.99*
УСИЛЕННАЯ ИЗОЛЯЦИЯ (REINFORCED INSULATION): Единая система изоляции, которая обеспечивает два СРЕДСТВА ЗАЩИТЫ.
3.100
ОСТАТОЧНЫЙ РИСК (RESIDUAL RISK): РИСК, остающийся после выполнения мер по УПРАВЛЕНИЮ РИСКОМ.
[ИСО 14971:2019, определение 3.17]
3.101
ОТВЕТСТВЕННАЯ ОРГАНИЗАЦИЯ (RESPONSIBLE ORGANIZATION): Юридическое или физическое лицо, ответственное за эксплуатацию и обслуживание МЭ ИЗДЕЛИЯ или МЭ СИСТЕМЫ.
Примечание 1 - Ответственным физическим или юридическим лицом может быть, например, больница, отдельный клиницист или непрофессионал. При эксплуатации электрического изделия на дому ПАЦИЕНТ, ОПЕРАТОР и ОТВЕТСТВЕННАЯ ОРГАНИЗАЦИЯ могут быть одним и тем же лицом.
Примечание 2 - Образование и обучение включены в эксплуатацию МЭ ИЗДЕЛИЯ или МЭ СИСТЕМЫ.
3.102
РИСК (RISK): Сочетание вероятности причинения ВРЕДА и ТЯЖЕСТИ этого ВРЕДА.
[ИСО 14971:2019, определение 3.18]
3.103
АНАЛИЗ РИСКА (RISK ANALYSIS): Систематическое использование имеющейся информации для выявления ОПАСНОСТЕЙ и определения РИСКА.
[ИСО 14971:2019, определение 3.19]
3.104
ОЦЕНКА РИСКА (RISK ASSESSMENT): Полный ПРОЦЕСС АНАЛИЗА РИСКА и ОЦЕНИВАНИЯ РИСКА.
[ИСО 14971:2019, определение 3.20]
3.105
УПРАВЛЕНИЕ РИСКОМ (RISK CONTROL): ПРОЦЕСС принятия решений и выполнения мер по уменьшению РИСКОВ до установленных уровней или их поддержанию на установленных уровнях.
[ИСО 14971:2019, определение 3.21]
3.106
ОЦЕНИВАНИЕ РИСКА (RISK EVALUATION): ПРОЦЕСС сравнения РИСКА, который уже определен, с установленными критериями РИСКА для определения допустимости РИСКА.
[ИСО 14971:2019, определение 3.23]
3.107
МЕНЕДЖМЕНТ РИСКА (RISK MANAGEMENT): Систематическое применение политики, ПРОЦЕДУР и практических методов менеджмента для решения задач анализа, оценивания, управления и мониторинга РИСКА.
Примечание - Для целей настоящего стандарта МЕНЕДЖМЕНТ РИСКА содержит планирование или мониторинг производственной и постпроизводственной информации; тогда как это требуется для соответствия требованиям ИСО 14971 (см.
4.2.2).
[ИСО 14971:2019, определение 3.24, изменено. Добавлено
примечание]
3.108
ФАЙЛ МЕНЕДЖМЕНТА РИСКА (RISK MANAGEMENT FILE): Совокупность ЗАПИСЕЙ и других документов, создаваемых при МЕНЕДЖМЕНТЕ РИСКА.
Примечание - Вся связанная с безопасностью информация, включая расчеты ИЗГОТОВИТЕЛЯ, результаты испытаний и т.д., считается частью ФАЙЛА МЕНЕДЖМЕНТА РИСКА. См. также
4.2.
[ИСО 14971:2019, определение 3.25, изменено. Добавлено
примечание]
3.109
БЕЗОПАСНАЯ РАБОЧАЯ НАГРУЗКА (SAFE WORKING LOAD): Максимальная внешняя механическая нагрузка (масса) на изделие или его часть, которая допускается при НОРМАЛЬНОЙ ЭКСПЛУАТАЦИИ.
3.110*
ВТОРИЧНАЯ ЦЕПЬ (SECONDARY CIRCUIT): Цепь, которая отделена от СЕТЕВОЙ ЧАСТИ изделия по крайней мере одним СРЕДСТВОМ ЗАЩИТЫ и получает электропитание от трансформатора, конвертера или эквивалентного им изолирующего устройства, или же от ВНУТРЕННЕГО ИСТОЧНИКА ПИТАНИЯ.
3.111
САМОВОССТАНАВЛИВАЮЩИЙСЯ ТЕРМОВЫКЛЮЧАТЕЛЬ (SELF-RESETTING THERMAL CUT-OUT): ТЕРМОВЫКЛЮЧАТЕЛЬ, который автоматически восстанавливает подачу тока после охлаждения соответствующей части электрического изделия.
3.112*
РАЗДЕЛИТЕЛЬНОЕ УСТРОЙСТВО (SEPARATION DEVICE): Компонент или совокупность компонентов, имеющих входные/выходные части, которые в целях безопасности предотвращают передачу нежелательного напряжения или тока между частями МЭ СИСТЕМЫ.
3.113
ОБСЛУЖИВАЮЩИЙ ПЕРСОНАЛ (SERVICE PERSONAL): Физические или юридические лица, являющиеся ОТВЕТСТВЕННОЙ ОРГАНИЗАЦИЕЙ и осуществляющие установку, сборку, техническое обслуживание или ремонт МЭ ИЗДЕЛИЯ или МЭ СИСТЕМЫ.
3.114
ТЯЖЕСТЬ (SEVERITY): Мера возможных последствий ОПАСНОСТИ.
[ИСО 14971:2019, определение 3.27]
3.115*
СИГНАЛЬНЫЙ ВХОД/ВЫХОД; SIP/SOP (SIGNAL INPUT/OUTPUT PART, SIP/SOP): Часть МЭ ИЗДЕЛИЯ, не являющаяся РАБОЧЕЙ ЧАСТЬЮ, предназначенная для передачи сигналов другому электрическому изделию или для приема сигналов от него, например, с целью отображения, регистрации или обработки данных.
3.116
УСЛОВИЕ ЕДИНИЧНОГО НАРУШЕНИЯ (SINGLE FAULT CONDITION): Состояние МЭ ИЗДЕЛИЯ, при котором одно средство для снижения РИСКА имеет дефект или существует одно ненормальное условие.
3.117
БЕЗОПАСНОЕ ПРИ ЕДИНИЧНОМ НАРУШЕНИИ (SINGLE FAULT SAFE): Характеристика МЭ ИЗДЕЛИЯ или его частей, благодаря которой отсутствует недопустимый РИСК при УСЛОВИИ ЕДИНИЧНОГО НАРУШЕНИЯ на протяжении всего ОЖИДАЕМОГО СРОКА СЛУЖБЫ.
3.118
СТАЦИОНАРНОЕ (STATIONARY): Термин, относящийся к изделию, которое после установки и ввода в эксплуатацию не предназначено для перемещения с одного места в другое.
3.119
ДОПОЛНИТЕЛЬНАЯ ИЗОЛЯЦИЯ (SUPPLEMENTARY INSULATION): Независимая изоляция, применяемая в дополнение к ОСНОВНОЙ ИЗОЛЯЦИИ для обеспечения защиты от поражения электрическим током при нарушении ОСНОВНОЙ ИЗОЛЯЦИИ.
[IEV 826-12-15, изменен]
Примечание - ДОПОЛНИТЕЛЬНАЯ ИЗОЛЯЦИЯ обеспечивает лишь одно СРЕДСТВО ЗАЩИТЫ.
3.120*
ПИТАЮЩАЯ СЕТЬ (SUPPLY MAINS): Источник электрической энергии, не являющийся частью МЭ ИЗДЕЛИЯ или МЭ СИСТЕМЫ.
Примечание - Этот термин относится также к аккумуляторным и преобразовательным системам, устанавливаемым в санитарных машинах и т.п.
3.121
КОЭФФИЦИЕНТ БЕЗОПАСНОСТИ (ЗАПАС ПРОЧНОСТИ) ПРИ РАСТЯЖЕНИИ (TENSILE SAFETY FACTOR): Отношение ПРЕДЕЛА ПРОЧНОСТИ ПРИ РАСТЯЖЕНИИ к механическому напряжению при ПОЛНОЙ НАГРУЗКЕ.
3.122
ПРЕДЕЛ ПРОЧНОСТИ ПРИ РАСТЯЖЕНИИ (TENSILE STRENGTH): Максимальное механическое напряжение, возникающее при растяжении испытываемого образца непосредственно перед его разрывом.
3.123
ПРИСОЕДИНИТЕЛЬНОЕ УСТРОЙСТВО (TERMINAL DEVICE): Часть электрического изделия, с помощью которого проводится электрическое соединение.
Примечание - ПРИСОЕДИНИТЕЛЬНОЕ УСТРОЙСТВО может содержать несколько отдельных контактов.
3.124
ТЕРМОВЫКЛЮЧАТЕЛЬ (THERMAL CUT-OUT): Устройство, которое при ненормальных условиях работы позволяет ограничивать температуру электрического изделия или его частей путем автоматического размыкания электрической цепи или уменьшения тока через нее, причем его уставка не может быть никем изменена, за исключением квалифицированного ОБСЛУЖИВАЮЩЕГО ПЕРСОНАЛА.
3.125
ТЕМПЕРАТУРНАЯ СТАБИЛИЗАЦИЯ (THERMAL STABILITY): Состояние, при котором температура объекта не может увеличиваться более чем на 2 °C в течение 1 ч.
3.126
ТЕРМОРЕГУЛЯТОР (THERMOSTAT): Чувствительное к температуре устройство, предназначенное для поддержания температуры в определенном диапазоне или выше/ниже предварительно установленного значения.
3.127
ИНСТРУМЕНТ (TOOL): Обособленный предмет, который может быть использован для закрепления или ослабления креплений или выполнения регулировок.
Примечание - В рамках настоящего стандарта монеты и ключи также могут считаться ИНСТРУМЕНТАМИ.
3.128
ПОЛНАЯ НАГРУЗКА (TOTAL LOAD): Максимальная общая нагрузка на деталь, включающая максимальную БЕЗОПАСНУЮ РАБОЧУЮ НАГРУЗКУ, где она применима, и статические и динамические силы, возникающие при НОРМАЛЬНОЙ ЭКСПЛУАТАЦИИ изделия.
Примечание 1 - Примером динамических сил могут служить силы, возникающие при ускорении или замедлении движущихся масс.
Примечание 2 - В случае когда нагрузка разделена между несколькими параллельными деталями, поддерживающими пациента, а распределение нагрузки между этими частями однозначно не определено, необходимо принимать в расчет наименее благоприятную ситуацию.
3.129
ТОК УТЕЧКИ НА ДОСТУПНУЮ ЧАСТЬ (TOUCH CURRENT): ТОК УТЕЧКИ, протекающий от КОРПУСА или его частей, за исключением СОЕДИНЕНИЙ С ПАЦИЕНТОМ, доступных при НОРМАЛЬНОЙ ЭКСПЛУАТАЦИИ ОПЕРАТОРУ или ПАЦИЕНТУ, через внешние токопроводящие пути, отличные от ПРОВОДА ЗАЩИТНОГО ЗАЗЕМЛЕНИЯ, на землю или на другую часть КОРПУСА.
Примечание - Смысл этого термина аналогичен смыслу термина "ток утечки на корпус" в первой и второй редакциях настоящего стандарта. Этот термин был изменен для приведения в соответствие с МЭК 60950-1 и отражает тот факт, что измерение теперь будет относиться также к частям, которые обычно являются СОЕДИНЕННЫМИ С ЗАЩИТНЫМ ЗАЗЕМЛЕНИЕМ частями.
3.130
ТРАНСПОРТИРУЕМОЕ (TRANSPORTABLE): Термин, относящийся к изделию, которое после установки и ввода в эксплуатацию предназначено для легкого перемещения без существенного ограничения по положению с одного места в другое, будучи присоединенным к источнику питания или без присоединения к нему.
Пример - ПЕРЕДВИЖНОЕ изделие, ПЕРЕНОСНОЕ изделие, НОСИМОЕ НА ТЕЛЕ изделие.
3.131
ЗОНА ЗАХВАТА (TRAPPING ZONE): Доступное место на МЭ ИЗДЕЛИИ, МЭ СИСТЕМЕ, внутри него (нее) или в пространстве, окружающем изделие, в котором тело человека или его часть может подвергаться ОПАСНОСТИ захвата, сдавливания, рассечения, удара, пореза, втягивания, укола и прокалывания.
3.132*
РАБОЧАЯ ЧАСТЬ ТИПА B (TYPE B APPLIED PART): РАБОЧАЯ ЧАСТЬ, соответствующая требованиям настоящего стандарта по обеспечению защиты от поражения электрическим током, в особенности - требованиям к допустимому ТОКУ УТЕЧКИ НА ПАЦИЕНТА и ДОПОЛНИТЕЛЬНОМУ ТОКУ В ЦЕПИ ПАЦИЕНТА.
Примечание 2 - РАБОЧАЯ ЧАСТЬ ТИПА B не предназначена для ПРЯМОГО ПРИМЕНЕНИЯ НА СЕРДЦЕ пациента.
Примечание 3 - См. также
4.6, относящийся к обработке частей, которые не подпадают под определение РАБОЧИХ ЧАСТЕЙ, но которые необходимо рассматривать как таковые в результате применения ПРОЦЕССА МЕНЕДЖМЕНТА РИСКА.
3.133*
РАБОЧАЯ ЧАСТЬ ТИПА BF (TYPE BF APPLIED PART): РАБОЧАЯ ЧАСТЬ ТИПА F, соответствующая требованиям настоящего стандарта по обеспечению более высокой степени защиты от поражения электрическим током, чем РАБОЧАЯ ЧАСТЬ ТИПА B.
Примечание 2 - РАБОЧАЯ ЧАСТЬ ТИПА BF не предназначена для ПРЯМОГО ПРИМЕНЕНИЯ НА СЕРДЦЕ пациента.
Примечание 3 - См. также
4.6, относящийся к обработке частей, которые не подпадают под определение РАБОЧИХ ЧАСТЕЙ, но которые необходимо рассматривать как таковые в результате применения ПРОЦЕССА МЕНЕДЖМЕНТА РИСКА.
3.134*
РАБОЧАЯ ЧАСТЬ ТИПА CF (TYPE CF APPLIED PART): РАБОЧАЯ ЧАСТЬ ТИПА F, соответствующая требованиям настоящего стандарта по обеспечению более высокой степени защиты пациента от поражения электрическим током, чем РАБОЧАЯ ЧАСТЬ ТИПА BF.
Примечание 2 - См. также
4.6, относящийся к обработке частей, которые не подпадают под определение РАБОЧИХ ЧАСТЕЙ, но которые необходимо рассматривать как таковые в результате применения ПРОЦЕССА МЕНЕДЖМЕНТА РИСКА.
Примечание 3 - См.
обоснование определения ПРИМЕНЕНИЕ НА СЕРДЦЕ ПРЯМОЕ (3.22) в отношении применяемых частей, которые должны относиться к типу РАБОЧАЯ ЧАСТЬ ТИПА CF.
3.135
ТИПОВОЕ ИСПЫТАНИЕ (TYPE TEST): Испытание на представительном образце изделия с целью определения того, насколько разработанное и изготовленное изделие соответствует требованиям настоящего стандарта
3.136
ЭКСПЛУАТАЦИОННАЯ ПРИГОДНОСТЬ (USABILITY): Характеристика интерфейса ОПЕРАТОРА, которая облегчает использование и тем самым обеспечивает эффективность, оперативность и удовлетворенность ОПЕРАТОРА в условиях предназначенного применения.
[МЭК 62366-1:2015, определение 3.16, изменено. В двух местах термин "пользователь" заменен на термин "ОПЕРАТОР", примечания удалены]
3.137
ПРОЕКТИРОВАНИЕ ЭКСПЛУАТАЦИОННОЙ ПРИГОДНОСТИ/ЭРГОНОМИКА (USABILITY ENGINEERING/HUMAN FACTORS ENGINEERING): Применение знаний о поведении, возможностях, ограничениях человека и других характеристиках, относящихся к конструкции МЭ ИЗДЕЛИЙ (включая программное обеспечение), для достижения достаточной ЭКСПЛУАТАЦИОННОЙ ПРИГОДНОСТИ.
[МЭК 62366-1:2007, определение 3.17, изменено. Термин "медицинских изделий" заменен на термин "МЭ ИЗДЕЛИЙ", примечания удалены]
3.138
ВЕРИФИКАЦИЯ (VERIFICATION): Подтверждение на основе представления ОБЪЕКТИВНЫХ СВИДЕТЕЛЬСТВ того, что установленные требования выполнены.
Примечание 1 - ОБЪЕКТИВНОЕ СВИДЕТЕЛЬСТВО, необходимое для ВЕРИФИКАЦИИ, может быть результатом экспертизы или других форм выяснения, таких как выполнение альтернативных расчетов или изучение документов.
Примечание 2 - Деятельность, осуществляемая в целях ВЕРИФИКАЦИИ, иногда называется ПРОЦЕССОМ квалификации.
Примечание 3 - Термин "верифицировано" используют для обозначения соответствующего статуса.
[ИСО 14971:2019, определение 3.31]
3.139*
РАБОЧЕЕ НАПРЯЖЕНИЕ (WORKING VOLTAGE): Наибольшее напряжение, которому подвергается или может быть подвергнут(а) рассматриваемый(ая) компонент или изоляция при работе оборудования в условиях НОРМАЛЬНОЙ ЭКСПЛУАТАЦИИ.
[МЭК 60950-1:2005, определение 1.2.9.6]
3.140
ВОЗДУШНАЯ КЕРМА (AIR KERMA) К: Отношение d
Etr к d
m, где d
Etr - сумма начальных кинетических энергий всех заряженных частиц, освобожденных незаряженными частицами в массе воздуха d
m.

.
Единицей измерения ВОЗДУШНОЙ КЕРМЫ является джоуль на килограмм (Дж·кг-1).
Единица ВОЗДУШНОЙ КЕРМЫ имеет специальное наименование "грей" (Гр).
[МЭК 60601-1-3:2008, определение 3.4]
3.141
ТРЕВОЖНАЯ СИТУАЦИЯ (ALARM CONDITION): Такое состояние СИСТЕМЫ СИГНАЛИЗАЦИИ, при котором существует потенциальная или действительная ОПАСНАЯ СИТУАЦИЯ, для которой требуется осведомленность или реакция ОПЕРАТОРА.
Примечание 1 - ТРЕВОЖНАЯ СИТУАЦИЯ может быть ложной, т.е. ложно положительной ТРЕВОЖНОЙ СИТУАЦИЕЙ.
Примечание 2 - ТРЕВОЖНАЯ СИТУАЦИЯ может быть пропущена, т.е ложно отрицательной ТРЕВОЖНОЙ СИТУАЦИЕЙ.
[МЭК 60601-1-8:2006/Amendment 1 (2012), определение 3.1]
3.142
СИГНАЛ ТРЕВОГИ (ALARM SIGNAL): Тип сигнала, генерируемый СИСТЕМОЙ СИГНАЛИЗАЦИИ для обозначения наличия (или отсутствия) ТРЕВОЖНОЙ СИТУАЦИИ.
[МЭК 60601-1-8:2006, определение 3.9]
3.143
СИСТЕМА СИГНАЛИЗАЦИИ (ALARM SYSTEM): Части МЭ ИЗДЕЛИЯ или МЭ СИСТЕМЫ, которые определяют ТРЕВОЖНЫЕ СИТУАЦИИ и в случае необходимости генерируют СИГНАЛЫ ТРЕВОГИ.
[МЭК 60601-1-8:2006, определение 3.11]
3.144
НОСИМОЕ НА ТЕЛЕ (BODY-WORN): Термин, относящийся к ТРАНСПОРТИРУЕМОМУ ИЗДЕЛИЮ, ПРЕДУСМОТРЕННОЕ ПРИМЕНЕНИЕ которого подразумевает ношение на теле ПАЦИЕНТА или на одежде ПАЦИЕНТА.
Примечание 1 - ТРАНСПОРТИРУЕМОЕ изделие может быть как НОСИМЫМ НА ТЕЛЕ, так и РУЧНЫМ.
[МЭК 60601-1-11:2010, определение 3.1]
3.145
ИТ-СЕТЬ (INFORMATION TECHNOLOGY NETWORK, IT-NETWORK): Система или системы, состоящие из взаимодействующих узлов и каналов передачи данных, предназначенные для обеспечения проводной или беспроводной передачи данных между двумя или более установленными узлами коммуникации.
[МЭК 80001-1:2010, определение 2.12]
3.146
ОСНОВНАЯ РАБОЧАЯ ФУНКЦИЯ (PRIMARY OPERATING FUNCTION): Функция, которая предполагает вмешательство ОПЕРАТОРА и которая относится к безопасности МЭ ИЗДЕЛИЯ.
[МЭК 62366-1:2015, определение 3.11, изменено. Термин "пользователь" заменен на термин "ОПЕРАТОР", "медицинское изделие" - на "МЭ ИЗДЕЛИЕ", примечания 1 и 2 удалены]
3.147
ФАЙЛ ПРОЕКТИРОВАНИЯ С УЧЕТОМ ЭКСПЛУАТАЦИОННОЙ ПРИГОДНОСТИ (USABILITY ENGINEERING FILE): Комплект ЗАПИСЕЙ и других документов, созданных в ПРОЦЕССЕ ПРОЕКТИРОВАНИЯ С УЧЕТОМ ЭКСПЛУАТАЦИОННОЙ ПРИГОДНОСТИ.
[МЭК 62366-1:2015, определение 3.18]
3.148
ЭЛЕКТРОМАГНИТНОЕ ВОЗМУЩЕНИЕ (ELECTROMAGNETIC DISTURBANCE; EM DISTURBANCE): Любое электромагнитное явление, которое может ухудшить производительность изделия, оборудования или системы.
Примечание - ЭЛЕКТРОМАГНИТНОЕ ВОЗМУЩЕНИЕ может быть электромагнитным шумом, нежелательным сигналом или изменением самой среды распространения.
[МЭК 60601-1-2:2014, определение 3.3]
3.149
ВЫСОКИЙ ПРИОРИТЕТ (HIGH PRIORITY): Указание на то, что требуется немедленный ответ ОПЕРАТОРА.
Примечание 1 - Приоритет определяется по результатам АНАЛИЗА РИСКА.
Примечание 2 - "Немедленный" означает, что ожидается прерывание текущего рабочего процесса.
[МЭК 60601-1-8:2006 и МЭК 60601-1-8:2006/Amd2:2020, определение 3.22, изменено. Удалена внутренняя ссылка на 6.1.2 МЭК 60601-1-8 в
примечании 1, а из
примечания 2 удалены библиографические ссылки]
3.150*
ИНФОРМАЦИОННЫЙ СИГНАЛ (INFORMATION SIGNAL): Любой сигнал, не являющийся СИГНАЛОМ ТРЕВОГИ или сигналом напоминания.
Пример 1 - Форма сигнала ЭКГ.
Пример 2 - Тональность SpO2.
Пример 3 - Индикатор пучка флюроскопа.
Примечание - Рекомендация - это разновидность информационного сигнала.
[МЭК 60601-1-8:2006 и МЭК 60601-1-8:2006/Amd2:2020, определение 3.23]
3.151
НИЗКИЙ ПРИОРИТЕТ (LOW PRIORITY): Указание на то, что требуется осведомленность ОПЕРАТОРА и, возможно, потребуются дальнейшие действия.
Примечание 1 - Приоритет определяется по результатам АНАЛИЗА РИСКА.
Примечание 2 - Осведомленность подразумевает, что ожидается планирование будущего рабочего процесса.
[МЭК 60601-1-8:2006/Amd2:2020, определение 3.27, изменено. Удалена внутренняя ссылка на 6.1.2 МЭК 60601-1-8 в
примечании 1, а из
примечания 2 удалены библиографические ссылки]
3.152*
МАКСИМАЛЬНОЕ ДАВЛЕНИЕ В ИЗДЕЛИИ (MAXIMUM EQUIPMENT PRESSURE): Максимальное манометрическое давление, которому может подвергаться часть МЭ ИЗДЕЛИЯ в НОРМАЛЬНОМ СОСТОЯНИИ и в УСЛОВИЯХ ЕДИНИЧНОГО НАРУШЕНИЯ.
3.153
СРЕДНИЙ ПРИОРИТЕТ (MEDIUM PRIORITY): Указание на то, что требуется своевременный ответ ОПЕРАТОРА.
Примечание 1 - Приоритет определяется по результатам АНАЛИЗА РИСКА.
Примечание 2 - Своевременность подразумевает, что ожидается перепланировка текущего рабочего процесса.
[МЭК 60601-1-8:2006 и МЭК 60601-1-8:2006/Amd2:2020, определение 3.28, изменено. Удалена внутренняя ссылка на 6.1.2 МЭК 60601-1-8 в
примечании 1, а из
примечания 2 удалены библиографические ссылки]
3.154
ЗНАК БЕЗОПАСНОСТИ (SAFETY SIGN): Знак, дающий общее сообщение о безопасности, получаемое комбинацией цвета и геометрической формы и который путем добавления графического символа предоставляет общее или конкретное сообщение о безопасности.
[ИСО 7010:2019, определение 3.3, изменено. Замена формулировки "предоставляет конкретное сообщение о безопасности" на формулировку "предоставляет общее или конкретное сообщение о безопасности"]
4.1* Условия применения требований к МЭ ИЗДЕЛИЮ или МЭ СИСТЕМЕ
Если не оговорено иное, то требования настоящего стандарта должны применяться при НОРМАЛЬНОЙ ЭКСПЛУАТАЦИИ МЭ ИЗДЕЛИЯ или МЭ СИСТЕМЫ и при отклонениях от НОРМАЛЬНОЙ ЭКСПЛУАТАЦИИ, которые можно предвидеть в разумных пределах.
При применении требований настоящего стандарта к МЭ ИЗДЕЛИЮ или МЭ СИСТЕМЕ, предназначенных для компенсации или облегчения заболеваний, травм или нетрудоспособности, определения и требования, в которых используется термин "ПАЦИЕНТ", должны считаться относящимися к лицам, для которых это МЭ ИЗДЕЛИЕ или МЭ СИСТЕМА предназначено(а).
4.2* ПРОЦЕСС МЕНЕДЖМЕНТА РИСКА для МЭ ИЗДЕЛИЯ или МЭ СИСТЕМЫ
4.2.1 Введение в МЕНЕДЖМЕНТ РИСКА
В подпункте 4.2 определен ПРОЦЕСС МЕНЕДЖМЕНТА РИСКА, который необходим для обеспечения соответствия требованиям настоящего стандарта. Реализация данного ПРОЦЕССА МЕНЕДЖМЕНТА РИСКА необходима для достижения следующих целей:
a) определения, затрагивают ли нормативные требования, указанные в
пунктах 5 -
17 настоящего стандарта, в совокупности с требованиями применимых дополнительных и частных стандартов, все ОПАСНОСТИ, связанные с конкретным(ой) рассматриваемым(ой) МЭ ИЗДЕЛИЕМ или МЭ СИСТЕМОЙ;
b) определения способа соотнесения некоторых конкретных видов испытаний, определенных настоящим стандартом, с конкретными МЭ ИЗДЕЛИЕМ и МЭ СИСТЕМОЙ;
c) определения, не приводят ли конкретные ОПАСНОСТИ или ОПАСНЫЕ СИТУАЦИИ, для которых настоящий стандарт не содержит конкретных критериев допустимости, к возникновению каких-либо РИСКОВ для конкретного(ой) МЭ ИЗДЕЛИЯ или МЭ СИСТЕМЫ, и определения для них в этом случае допустимых уровней РИСКА и оценки ОСТАТОЧНОГО РИСКА;
d) проведения оценки допустимости альтернативных стратегий УПРАВЛЕНИЯ РИСКОМ путем сравнения ОСТАТОЧНОГО РИСКА с тем, что достигается путем полного соответствия требованиям настоящего стандарта.
Несмотря на то что ПРОЦЕСС МЕНЕДЖМЕНТА РИСКА, описанный в настоящем стандарте, необходим для соответствия требованиям ИСО 14971:2019, настоящий стандарт не содержит все требования, необходимые для соответствия ИСО 14971. Например, ПРОЦЕСС МЕНЕДЖМЕНТА РИСКА, необходимый для соответствия настоящему стандарту, не содержит контроль производства и постпроизводства, содержащийся в ИСО 14971:2019. Кроме того, верификация соответствия МЕНЕДЖМЕНТА РИСКА требованиям настоящего стандарта может быть выполнена путем изучения ЗАПИСЕЙ и другой документации, требуемой настоящим стандартом, а также путем анализа описанных в настоящем стандарте процессов, но при этом не требует аудита ПРОЦЕССА МЕНЕДЖМЕНТА РИСКА.
4.2.2 Общие требования к МЕНЕДЖМЕНТУ РИСКА
Необходимо осуществлять ПРОЦЕСС МЕНЕДЖМЕНТА РИСКА, соответствующий требованиям ИСО 14971. Для соответствия требованиям настоящего стандарта необходимо соблюдение соответствия ПРОЦЕССА МЕНЕДЖМЕНТА РИСКА всем требованиям, содержащимся в ИСО 14971:2019, за исключением:
- планирования и выполнения производственного и постпроизводственного мониторинга [подпункт 4.1, четвертый абзац (перечисление), подпункт 4.4, перечисление g) и пункт 10 стандарта ИСО 14971:2019];
- периодического пересмотра соответствия ПРОЦЕССА МЕНЕДЖМЕНТА РИСКА [подпункт 4.2, третий абзац (перечисление) стандарта ИСО 14971].
При применении любого из требований ИСО 14971:
- термин "медицинское устройство" должен иметь такое же значение, как и МЭ ИЗДЕЛИЕ или МЭ СИСТЕМА;
- термин "условия отказа", используемый в ИСО 14971, должен содержать (но не ограничиваться им) УСЛОВИЕ ЕДИНИЧНОГО НАРУШЕНИЯ, определенное в настоящем стандарте.
Примечание 1 - Настоящий стандарт определяет требования, которые обычно применимы к РИСКАМ, связанным с МЭ ИЗДЕЛИЕМ или МЭ СИСТЕМОЙ. Эти требования предназначены для облегчения ПРОЦЕССА МЕНЕДЖМЕНТА РИСКА. ПРОЦЕСС МЕНЕДЖМЕНТА РИСКА направлен на выявление не только тех ОПАСНОСТЕЙ, которые описаны в настоящем стандарте, но и всех ОПАСНОСТЕЙ и связанных с ними РИСКОВ и мер УПРАВЛЕНИЯ РИСКОМ.
Примечание 2 - Состояния или неисправности, которые могут привести к ОПАСНЫМ СИТУАЦИЯМ, определены в пунктах настоящего стандарта. В описанных ситуациях часто бывает необходимо выполнить ПРОЦЕСС МЕНЕДЖМЕНТА РИСКА для того, чтобы определить фактические ОПАСНЫЕ СИТУАЦИИ и те испытания, выполнение которых должно продемонстрировать, что идентифицированные ОПАСНЫЕ СИТУАЦИИ не возникают при указанных обстоятельствах.
Примечание 3 - Признается, что ИЗГОТОВИТЕЛЬ не сможет в полной мере следовать всем ПРОЦЕССАМ, указанным в настоящем стандарте, для каждой составной части МЭ ИЗДЕЛИЯ или МЭ СИСТЕМЫ. Такими составными частями могут являться запатентованные компоненты, подсистемы немедицинского происхождения, заимствованные стандартные изделия. В этом случае ИЗГОТОВИТЕЛЬ должен будет вести особый учет дополнительных мер УПРАВЛЕНИЯ РИСКОМ.
Примечание 4 - В случае когда требования настоящего стандарта указывают на отсутствие недопустимого РИСКА, допустимость или недопустимость данного РИСКА определяется ИЗГОТОВИТЕЛЕМ в соответствии с политикой ИЗГОТОВИТЕЛЯ по определению допустимого РИСКА.
Примечание 5 - Не для всех РИСКОВ, связанных с МЭ ИЗДЕЛИЕМ или МЭ СИСТЕМОЙ, в настоящем стандарте рассмотрены требования (см.
1.1).
Соответствие проверяют путем:
- рассмотрения политики ИЗГОТОВИТЕЛЯ для определения критериев допустимости РИСКА;
- рассмотрения плана МЕНЕДЖМЕНТА РИСКА для конкретного МЭ ИЗДЕЛИЯ или МЭ СИСТЕМЫ;
- подтверждения того, что ИЗГОТОВИТЕЛЬ подготовил ФАЙЛ МЕНЕДЖМЕНТА РИСКА, содержащий ЗАПИСИ МЕНЕДЖМЕНТА РИСКА или другую документацию, требуемую настоящим стандартом для рассматриваемого МЭ ИЗДЕЛИЯ или МЭ СИСТЕМЫ.
Примечание 6 - Полезно вести перечень, содержащий ссылки или указатели на ЗАПИСИ МЕНЕДЖМЕНТА РИСКА и другую документацию, требуемую настоящим стандартом.
4.2.3 Оценивание РИСКА
4.2.3.1 ОПАСНОСТИ, идентифицированные в серии стандартов МЭК 60601
При оценивании РИСКА требования настоящего стандарта должны применяться следующим образом:
a) в тех случаях, когда настоящий стандарт или его дополнительные или частные стандарты определяют требования, касающиеся конкретных ОПАСНОСТЕЙ или ОПАСНЫХ СИТУАЦИЙ вместе с конкретными критериями допустимости, считается, что соблюдение данных требований устанавливает следующее: ОСТАТОЧНЫЕ РИСКИ уменьшены до допустимых уровней, если отсутствует опровергающее это утверждение ОБЪЕКТИВНОЕ СВИДЕТЕЛЬСТВО.
Соответствие проверяют путем рассмотрения соответствия требованиям настоящего стандарта, его дополнительных и частных стандартов;
b) в тех случаях, когда настоящий стандарт или его дополнительные или частные стандарты определяют требования, касающиеся конкретных ОПАСНОСТЕЙ или ОПАСНЫХ СИТУАЦИЙ, но не предоставляют конкретных критериев допустимости, ИЗГОТОВИТЕЛЬ должен предоставить критерии допустимости, определенные в плане МЕНЕДЖМЕНТА РИСКА. Данные критерии допустимости должны обеспечивать допустимость ОСТАТОЧНОГО РИСКА в соответствии с критериями РИСКА, заявленными в плане МЕНЕДЖМЕНТА РИСКА.
Пример 3 - Подпункт 9.8.3.3 Динамические усилия от нагрузок, создаваемых людьми.
| | ИС МЕГАНОРМ: примечание. В официальном тексте документа, видимо, допущена опечатка: имеется в виду пп. 11.6.3, а не 11.6.2.3. | |
Соответствие проверяют путем подтверждения того, что после выполнения требований настоящего стандарта ЗАПИСИ в ФАЙЛЕ МЕНЕДЖМЕНТА РИСКА демонстрируют соответствие определенному ИЗГОТОВИТЕЛЕМ критерию допустимости. Рассматривают только соответствующие части ФАЙЛА МЕНЕДЖМЕНТА РИСКА, например расчеты или результаты испытаний ИЗГОТОВИТЕЛЯ или определение допустимости РИСКА;
c) в тех случаях, когда настоящий стандарт или его дополнительные или частные стандарты определяют конкретные ОПАСНОСТИ или ОПАСНЫЕ СИТУАЦИИ, которые должны быть исследованы без предоставления специальных технических требований:
- ИЗГОТОВИТЕЛЬ должен определить, существуют ли такие ОПАСНОСТИ или ОПАСНЫЕ СИТУАЦИИ для конкретного МЭ ИЗДЕЛИЯ или МЭ СИСТЕМЫ;
- ИЗГОТОВИТЕЛЬ оценивает и (при необходимости) контролирует РИСКИ в ходе ПРОЦЕССА МЕНЕДЖМЕНТА РИСКА, указанного в
4.2.2, в тех случаях, когда такие ОПАСНОСТИ или ОПАСНЫЕ СИТУАЦИИ существуют для конкретного МЭ ИЗДЕЛИЯ или МЭ СИСТЕМЫ.
Пример 5 - Подпункт 10.2 Альфа-, бета-, гамма-излучение, нейтронное излучение и излучение других частиц.
Соответствие проверяют путем подтверждения того, что при использовании критерия допустимости РИСКА, определенного в плане МЕНЕДЖМЕНТА РИСКА, ЗАПИСИ в ФАЙЛЕ МЕНЕДЖМЕНТА РИСКА демонстрируют допустимость ОСТАТОЧНОГО РИСКА, т.е. отсутствие недопустимого РИСКА. Рассматривают только соответствующие части ФАЙЛА МЕНЕДЖМЕНТА РИСКА, например расчеты, результаты испытаний ИЗГОТОВИТЕЛЯ или определение допустимости РИСКА.
Примечание - В случае если МЭ ИЗДЕЛИЕ или МЭ СИСТЕМА были разработаны таким образом, что для определенного типа ОПАСНОСТИ не создается ОПАСНАЯ СИТУАЦИЯ, ОЦЕНКА РИСКА для ОПАСНОСТИ не требуется. Это может быть подтверждено испытаниями или проверками.
4.2.3.2 ОПАСНОСТИ, не указанные в серии стандартов МЭК 60601
Для ОПАСНОСТЕЙ или ОПАСНЫХ СИТУАЦИЙ, идентифицированных для конкретного(ой) МЭ ИЗДЕЛИЯ или МЭ СИСТЕМЫ, но не конкретизированных в настоящем стандарте или его дополнительных или частных стандартах, ИЗГОТОВИТЕЛЬ должен рассмотреть эти ОПАСНОСТИ в ПРОЦЕССЕ МЕНЕДЖМЕНТА РИСКА, как указано в
4.2.2.
Пример - МЭ ИЗДЕЛИЕ или МЭ СИСТЕМА, для которых существуют особые РИСКИ, но не существуют соответствующие частные стандарты.
Соответствие проверяют рассмотрением ФАЙЛА МЕНЕДЖМЕНТА РИСКА.
4.3* ОСНОВНЫЕ ФУНКЦИОНАЛЬНЫЕ ХАРАКТЕРИСТИКИ
В ходе АНАЛИЗА РИСКА ИЗГОТОВИТЕЛЬ должен определить клиническую(ие) функциональную(ые) характеристику(и) МЭ ИЗДЕЛИЯ или МЭ СИСТЕМЫ, отличную(ые) от тех, которые связаны с ОСНОВНОЙ БЕЗОПАСНОСТЬЮ, и необходимую(ые) для достижения ПРЕДУСМОТРЕННОГО ПРИМЕНЕНИЯ или влияющую(их) на безопасность МЭ ИЗДЕЛИЯ или МЭ СИСТЕМЫ.
ИЗГОТОВИТЕЛЬ должен указать предельный диапазон различий между функциональными характеристиками при полноценном функционировании и при полной утрате идентифицированных функциональных характеристик как в НОРМАЛЬНОМ СОСТОЯНИИ, так и при УСЛОВИИ ЕДИНИЧНОГО НАРУШЕНИЯ.
ИЗГОТОВИТЕЛЬ должен оценить РИСК, возникающий при утрате или ухудшении идентифицированных функциональных характеристик ниже предела, установленного ИЗГОТОВИТЕЛЕМ. Если полученное значение РИСКА недопустимо, то идентифицированные функциональные характеристики составляют ОСНОВНЫЕ ФУНКЦИОНАЛЬНЫЕ ХАРАКТЕРИСТИКИ МЭ ИЗДЕЛИЯ или МЭ СИСТЕМЫ.
ИЗГОТОВИТЕЛЬ должен принимать меры по УПРАВЛЕНИЮ РИСКОМ для уменьшения до допустимого уровня РИСКА от утраты или ухудшения идентифицированных функциональных характеристик.
Примечание 1 - Функциональные характеристики мер по УПРАВЛЕНИЮ РИСКОМ вполне могут стать составляющей ОСНОВНЫХ ФУНКЦИОНАЛЬНЫХ ХАРАКТЕРИСТИК МЭ ИЗДЕЛИЯ или МЭ СИСТЕМЫ. Например, генерация СИГНАЛА ОПАСНОСТИ, указывающего на перебой в ПИТАЮЩЕЙ СЕТИ, может быть "основной" функцией, если оставленный незамеченным перебой в ПИТАЮЩЕЙ СЕТИ может привести к недопустимому РИСКУ.
ИЗГОТОВИТЕЛЬ должен указывать методы, используемые для проверки эффективности мер по УПРАВЛЕНИЮ РИСКОМ. В них должна входить любая оценка, проводимая для определения необходимости проверки.
Примечание 2 - Следуя принципам МЕНЕДЖМЕНТА РИСКА, ИЗГОТОВИТЕЛЬ обязан проверять эффективность каждой меры по УПРАВЛЕНИЮ РИСКОМ. Это может включать демонстрацию того, что мера по УПРАВЛЕНИЮ РИСКОМ будет действовать при наличии условий, приводящих к утрате или ухудшению функциональных характеристик.
Пример 1 - Если ОСНОВНЫЕ ФУНКЦИОНАЛЬНЫЕ ХАРАКТЕРИСТИКИ утрачены в результате перебоя в ПИТАЮЩЕЙ СЕТИ, СИСТЕМА СИГНАЛИЗАЦИИ, предназначенная для оповещения ОПЕРАТОРА о перебое в ПИТАЮЩЕЙ СЕТИ, должна иметь резервный источник питания для того, чтобы генерация СИГНАЛА ОПАСНОСТИ не зависела от ПИТАЮЩЕЙ СЕТИ.
Пример 2 - Если отказ составной части приводит к утрате ОСНОВНЫХ ФУНКЦИОНАЛЬНЫХ ХАРАКТЕРИСТИК, то конструкцию МЭ ИЗДЕЛИЯ или МЭ СИСТЕМЫ следует реализовывать таким образом, чтобы отказ составной части не снижал эффективность любых мер по УПРАВЛЕНИЮ РИСКОМ, принятых для уменьшения РИСКА от утраты ОСНОВНЫХ ФУНКЦИОНАЛЬНЫХ ХАРАКТЕРИСТИК.
Примечание 3 - Каждый дополнительный или частный стандарт серии МЭК/ИСО 60601 или МЭК/ИСО 80601 может содержать потенциальные ОСНОВНЫЕ ФУНКЦИОНАЛЬНЫЕ ХАРАКТЕРИСТИКИ для того, чтобы ИЗГОТОВИТЕЛЬ руководствовался ими при определении конкретных ОСНОВНЫХ ФУНКЦИОНАЛЬНЫХ ХАРАКТЕРИСТИК в соответствии с 4.3.
Соответствие проверяют рассмотрением ФАЙЛА МЕНЕДЖМЕНТА РИСКА.
Если настоящий стандарт содержит требования к поддержанию ОСНОВНЫХ ФУНКЦИОНАЛЬНЫХ ХАРАКТЕРИСТИК после проведения определенного испытания, соответствие требованию определяют путем проверки и, при необходимости, путем проведения функционального(ых) испытания(й), демонстрирующего(их), что предельные значения, указанные в спецификации ИЗГОТОВИТЕЛЯ, поддерживаются или МЭ ИЗДЕЛИЕ или МЭ СИСТЕМА переходят в безопасное состояние, определенное ИЗГОТОВИТЕЛЕМ.
4.4* ОЖИДАЕМЫЙ СРОК СЛУЖБЫ
ИЗГОТОВИТЕЛЬ должен в ФАЙЛЕ МЕНЕДЖМЕНТА РИСКА указывать ОЖИДАЕМЫЙ СРОК СЛУЖБЫ МЭ ИЗДЕЛИЯ или МЭ СИСТЕМЫ.
Соответствие проверяют рассмотрением ФАЙЛА МЕНЕДЖМЕНТА РИСКА.
4.5* Альтернативные меры по УПРАВЛЕНИЮ РИСКОМ или методы испытаний для МЭ ИЗДЕЛИЯ или МЭ СИСТЕМЫ
Даже в случае когда в настоящем стандарте указаны определенные меры по УПРАВЛЕНИЮ РИСКОМ и методы испытаний, допускается использование альтернативных мер по УПРАВЛЕНИЮ РИСКОМ или методов испытаний при условии, что ИЗГОТОВИТЕЛЬ сможет продемонстрировать с помощью научных данных, клинического заключения или сравнительных исследований, что ОСТАТОЧНЫЙ РИСК, который возникает в результате применения альтернативных мер по УПРАВЛЕНИЮ РИСКОМ или методов испытаний, остается допустимым и сопоставимым с ОСТАТОЧНЫМ РИСКОМ, возникающим в результате применения требований настоящего стандарта.
Сравнительные исследования в данном контексте означают исследования, проводимые для сравнения влияния альтернативных мер по УПРАВЛЕНИЮ РИСКОМ или методов испытаний и мер по УПРАВЛЕНИЮ РИСКОМ или методов испытаний, указанных в настоящем стандарте.
Примечание - Использование альтернативных мер УПРАВЛЕНИЯ РИСКОМ может приводить к допустимому превышению пределов, указанных в настоящем стандарте или его дополнительных или частных стандартах, при условии, что предусмотрены дополнительные меры для компенсации.
Соответствие проверяют рассмотрением ФАЙЛА МЕНЕДЖМЕНТА РИСКА.
4.6* Части МЭ ИЗДЕЛИЯ или МЭ СИСТЕМЫ, находящиеся в контакте с ПАЦИЕНТОМ
ПРОЦЕСС МЕНЕДЖМЕНТА РИСКА должен включать оценку того, должны ли на части, которые могут приходить в контакт с ПАЦИЕНТОМ, но не подпадают под определение РАБОЧИХ ЧАСТЕЙ, распространяться требования, предъявляемые к РАБОЧИМ ЧАСТЯМ. Для соответствующих частей необходимо применять требования к РАБОЧЕЙ ЧАСТИ ТИПА B, если при оценке соответствия не будет определена необходимость применения требований к РАБОЧЕЙ ЧАСТИ ТИПА BF или РАБОЧЕЙ ЧАСТИ ТИПА CF.
Если ПРОЦЕСС МЕНЕДЖМЕНТА РИСКА выявит, что на части такого рода распространяются требования, предъявляемые к РАБОЧИМ ЧАСТЯМ, то в этом случае необходимо применять все соответствующие требования и проводить испытания, предусмотренные настоящим стандартом, а также дополнительными и частными стандартами, за исключением
7.2.10, который не применяется к таким частям.
Соответствие проверяют рассмотрением ФАЙЛА МЕНЕДЖМЕНТА РИСКА.
4.7* УСЛОВИЕ ЕДИНИЧНОГО НАРУШЕНИЯ для МЭ ИЗДЕЛИЯ
МЭ ИЗДЕЛИЕ должно быть сконструировано и изготовлено таким образом, чтобы оно оставалось БЕЗОПАСНЫМ ПРИ УСЛОВИИ ЕДИНИЧНОГО НАРУШЕНИЯ или чтобы РИСК оставался допустимым, как это определено при применении
4.2.
Примечание 1 - НОРМАЛЬНЫЕ СОСТОЯНИЯ, указанные в
8.1 a) принимаются во внимание при оценке соответствия любому требованию настоящего стандарта, к которому они могут иметь отношение.
МЭ ИЗДЕЛИЕ считают БЕЗОПАСНЫМ ПРИ УСЛОВИИ ЕДИНИЧНОГО НАРУШЕНИЯ, если:
a) оно использует единственное средство снижения РИСКА, обладающее незначительной вероятностью нарушения (например, УСИЛЕННУЮ ИЗОЛЯЦИЮ, подвешенные массы без МЕХАНИЧЕСКИХ ЗАЩИТНЫХ УСТРОЙСТВ с применением КОЭФФИЦИЕНТА БЕЗОПАСНОСТИ 8X, КОМПОНЕНТА С ВЫСОКОЙ СТЕПЕНЬЮ НАДЕЖНОСТИ), или
b) УСЛОВИЕ ЕДИНИЧНОГО НАРУШЕНИЯ возникает, но:
- начальное нарушение будет обнаружено в течение ОЖИДАЕМОГО СРОКА СЛУЖБЫ МЭ ИЗДЕЛИЯ и до нарушения второго средства снижения РИСКА (например, подвешенные массы с МЕХАНИЧЕСКИМИ ЗАЩИТНЫМИ УСТРОЙСТВАМИ) или
- вероятность того, что второе средство уменьшения РИСКА будет нарушено в течение ОЖИДАЕМОГО СРОКА СЛУЖБЫ МЭ ИЗДЕЛИЯ, пренебрежимо мала.
В случае когда одно УСЛОВИЕ ЕДИНИЧНОГО НАРУШЕНИЯ приводит к другому, эти два нарушения должны рассматриваться как одно УСЛОВИЕ ЕДИНИЧНОГО НАРУШЕНИЯ.
В процессе любого испытания при УСЛОВИИ ЕДИНИЧНОГО НАРУШЕНИЯ должно применяться только одно нарушение.
Примечание 2 - Нарушения по вероятности их возникновения в общем случае могут быть разделены на три категории:
a) настолько маловероятные нарушения, что их можно не принимать в расчет. РИСКИ, возникающие в результате этих нарушений, могут считаться допустимыми;
b) достаточно вероятные нарушения, которые необходимо принимать в расчет, но недостаточно вероятные, чтобы считать их возникающими поочередно (единичное нарушение). Нарушения этой категории будут включать все выявленные согласно этому стандарту нарушения, возникающие при УСЛОВИИ ЕДИНИЧНОГО НАРУШЕНИЯ, а также любые другие нарушения, выявляемые согласно ИСО 14971, которые соответствуют критерию УСЛОВИЯ ЕДИНИЧНОГО НАРУШЕНИЯ;
c) настолько вероятные, насколько непрогнозируемые или невыявляемые, поэтому они рассматриваются как НОРМАЛЬНОЕ СОСТОЯНИЕ и должны учитываться как по отдельности, так и совместно.
Результаты АНАЛИЗА РИСКА необходимо использовать для определения того, какие нарушения нужно проверять. Одно нарушение любого одного компонента, которое может приводить к ОПАСНОЙ СИТУАЦИИ, включая упоминаемую в
13.1, должно моделироваться - физически или теоретически. При оценке необходимости моделирования нарушения компонента необходимо принимать во внимание РИСК, связанный с нарушением компонента в течение ОЖИДАЕМОГО СРОКА ЖИЗНИ МЭ ИЗДЕЛИЯ. Эта оценка должна завершаться применением принципов МЕНЕДЖМЕНТА РИСКА и учитывать такие факторы, как надежность, КОЭФФИЦИЕНТ БЕЗОПАСНОСТИ и нормированные значения компонентов. Кроме того, при моделировании УСЛОВИЙ ЕДИНИЧНОГО НАРУШЕНИЯ должны моделироваться и нарушения компонентов, которые можно считать достаточно вероятными или невыявляемыми.
Это требование и соответствующие испытания недопустимо применять к нарушениям ДВОЙНОЙ или УСИЛЕННОЙ ИЗОЛЯЦИИ или КОМПОНЕНТОВ С ВЫСОКОЙ СТЕПЕНЬЮ НАДЕЖНОСТИ.
Соответствие определяют путем применения установленных требований и испытаний для УСЛОВИЙ ЕДИНИЧНОГО НАРУШЕНИЯ, указанных в 13.2, а также испытаний для нарушений, определенных исходя из результатов АНАЛИЗА РИСКА. Соответствие подтверждается, если введение любого из УСЛОВИЙ ЕДИНИЧНОГО НАРУШЕНИЯ, указанного в 13.2, не будет непосредственно приводить к возникновению ОПАСНЫХ СИТУАЦИЙ, указанных в 13.1, или к любому иному результату, приводящему к недопустимому РИСКУ.
4.8* Компоненты МЭ ИЗДЕЛИЯ
Все компоненты, включая проводные соединения, нарушения которых могут приводить к возникновению ОПАСНОЙ СИТУАЦИИ, необходимо применять в соответствии с их нормированными характеристиками, если в настоящем стандарте или в ПРОЦЕССЕ МЕНЕДЖМЕНТА РИСКА не сделаны исключения. Надежность компонентов, которые используются в качестве СРЕДСТВА ЗАЩИТЫ, необходимо оценивать при условиях их применения в МЭ ИЗДЕЛИЯХ. Компоненты должны соответствовать одному из следующих требований (см. также
4.5):
a) они выполнены по требованиям безопасности соответствующих стандартов МЭК или ИСО.
Примечание 1 - Для этих компонентов, уже прошедших проверку на соответствие стандартам на компоненты, нет необходимости в выполнении идентичных или эквивалентных испытаний;
b) в отсутствие соответствующего стандарта МЭК или ИСО необходимо применять требования настоящего стандарта.
Примечание 2 - В отсутствие как требований настоящего стандарта, так и требований стандартов МЭК или ИСО для подтверждения соответствия ПРОЦЕССУ МЕНЕДЖМЕНТА РИСКА может использоваться любой другой нормативный документ (например, стандарты на устройства других типов, национальные стандарты).
Рисунок 5 - Блок-схема оценки компонентов (см. 4.8)
Соответствие этим требованиям настоящего стандарта проверяют осмотром и при необходимости - соответствующим испытанием. Испытания двигателей (см. 13.2.8 и 13.2.13.3) и трансформаторов (см. 15.5.3), согласно настоящему стандарту, должны быть всеобъемлющими и проводиться вместе с оценкой качества системы изоляции трансформатора или двигателя в соответствии с таблицей 22, в которой указаны все требуемые настоящим стандартом испытания. Компоненты МЭ СИСТЕМЫ, которые обеспечивают изоляцию от изделий немедицинского назначения, рассмотрены в пункте 16.
4.9* Использование в МЭ ИЗДЕЛИЯХ КОМПОНЕНТОВ С ВЫСОКОЙ СТЕПЕНЬЮ НАДЕЖНОСТИ
КОМПОНЕНТ С ВЫСОКОЙ СТЕПЕНЬЮ НАДЕЖНОСТИ необходимо использовать в тех случаях, когда нарушение работы того или иного компонента может приводить к недопустимому РИСКУ. КОМПОНЕНТЫ С ВЫСОКОЙ СТЕПЕНЬЮ НАДЕЖНОСТИ необходимо отбирать и оценивать с учетом условий их применения и отклонений от этих условий, которые можно предвидеть в разумных пределах в течение ОЖИДАЕМОГО СРОКА СЛУЖБЫ МЭ ИЗДЕЛИЯ.
Соответствие проверяют рассмотрением ФАЙЛА МЕНЕДЖМЕНТА РИСКА и критериев отбора КОМПОНЕНТОВ С ВЫСОКОЙ СТЕПЕНЬЮ НАДЕЖНОСТИ.
4.10.1 Источник питания для МЭ ИЗДЕЛИЯ
МЭ ИЗДЕЛИЕ должно быть пригодно для присоединения к ПИТАЮЩЕЙ СЕТИ, к отдельному источнику питания или питаться от ВНУТРЕННЕГО ИСТОЧНИКА ПИТАНИЯ. В других вариантах может использоваться комбинированное питание от указанных источников.
Соответствие проверяют рассмотрением ЭКСПЛУАТАЦИОННЫХ ДОКУМЕНТОВ.
4.10.2 ПИТАЮЩАЯ СЕТЬ для МЭ ИЗДЕЛИЯ и МЭ СИСТЕМЫ
Для МЭ ИЗДЕЛИЙ, предназначенных для работы от ПИТАЮЩЕЙ СЕТИ, НОРМИРОВАННЫЕ напряжения не должны превышать следующих значений:
- 250 В - для РУЧНЫХ МЭ ИЗДЕЛИЙ;
- 250 В постоянного тока или однофазного переменного тока либо 500 В многофазного переменного тока - для МЭ ИЗДЕЛИЙ и МЭ СИСТЕМ с НОРМИРОВАННОЙ потребляемой мощностью не более 4 кВ·А или
- 500 В - для всех других МЭ ИЗДЕЛИЙ и МЭ СИСТЕМ.
В настоящем стандарте предполагается, что ПИТАЮЩАЯ СЕТЬ должна иметь следующие характеристики:
-
категория II по перенапряжению при переходных процессах в сети, если более высокая категория не установлена ИЗГОТОВИТЕЛЕМ;
- отсутствие напряжений свыше 110% или ниже 90% от НОМИНАЛЬНОГО значения напряжения между любыми проводами системы или между любым из проводов и землей (см.
7.9.3.1).
Примечание 1 - МЭК 60601-1-2 содержит требования и испытания при наличии провалов, кратковременных прерываний и изменений напряжения ПИТАЮЩЕЙ СЕТИ (см. также
1.3);
- практически синусоидальное напряжение и практически симметричное при многофазной системе электропитания;
- частота - не более 1 кГц;
- отклонение частоты - не более 1 Гц при НОМИНАЛЬНОЙ частоте до 100 Гц и не более 1% от НОМИНАЛЬНОЙ частоты - в диапазоне от 100 Гц до 1 кГц;
- средства защиты - согласно МЭК 60364-4-41.
Примечание 2 - Если МЭ ИЗДЕЛИЕ или МЭ СИСТЕМА предназначено(а) для работы от ПИТАЮЩЕЙ СЕТИ с характеристиками, отличающимися от указанных выше, то могут понадобиться дополнительные меры безопасности;
- постоянное напряжение (измеренное магнитоэлектрическим измерительным прибором с подвижной катушкой или эквивалентным ему прибором) имеет размах пульсаций не более 10% от среднего значения напряжения.
В случае когда размах пульсаций превышает 10% от среднего значения напряжения, необходимо указывать пиковое значение напряжения.
4.11 Потребляемая мощность
Установившееся значение потребляемой мощности МЭ ИЗДЕЛИЯ или МЭ СИСТЕМЫ при НОРМИРОВАННОМ напряжении и установках органов управления, указанных в инструкции по эксплуатации, не должно превышать более чем на 10% значение, указанное на маркировке (см.
7.2.7).
Соответствие проверяют осмотром и с помощью следующих испытаний:
- МЭ ИЗДЕЛИЕ или МЭ СИСТЕМА работает согласно инструкции по эксплуатации до достижения установившегося значения потребляемой мощности. Измеряют потребляемую мощность и сравнивают ее с маркировкой и данными, приведенными в техническом описании;
- МЭ ИЗДЕЛИЕ или МЭ СИСТЕМУ, промаркированные как работающие в одном или нескольких диапазонах НОРМИРОВАННЫХ напряжений, проверяют на нижних и верхних границах диапазонов. Если указанная в маркировке НОРМИРОВАННАЯ входная мощность относится к среднему значению соответствующего диапазона напряжений, то испытание проводят при напряжении, равном его среднему значению в этом диапазоне;
- установившееся значение тока измеряют с использованием прибора, обеспечивающего показания действительного среднеквадратического значения.
Потребляемую мощность, если она выражается в вольт-амперах, измеряют с помощью ампервольтметра или определяют как произведение установившегося тока (измеренного указанным выше методом) и напряжения питания.
Примечание 1 - Технические характеристики прибора для измерения действительного среднеквадратического значения тока приведены в МЭК 62354
[66].
Примечание 2 - Информацию, предоставляемую поставщиком, допускается использовать для дополнения вышеуказанных измерений или в качестве спецификации потребляемой мощности.
5* Общие требования к испытаниям МЭ ИЗДЕЛИЯ
Испытания, указанные в настоящем стандарте, являются ТИПОВЫМИ ИСПЫТАНИЯМИ. Испытания, которым должно подвергаться МЭ ИЗДЕЛИЕ, определяют с учетом требований
пункта 4, особенно требований
4.2.
Испытания не проводят, если анализ показывает, что состояние, подлежащее проверке, адекватно оценено другими испытаниями или методами.
Сочетание одновременных независимых отказов, которые могут привести к ОПАСНОЙ СИТУАЦИИ, должно быть задокументировано в ФАЙЛЕ МЕНЕДЖМЕНТА РИСКА (см. также
4.7). Когда проведение испытания необходимо для подтверждения того, что ОСНОВНАЯ БЕЗОПАСНОСТЬ и ОСНОВНЫЕ ФУНКЦИОНАЛЬНЫЕ ХАРАКТЕРИСТИКИ сохраняются при одновременном возникновении независимых отказов, соответствующее испытание может быть ограничено ситуациями наихудшего случая.
Примечание 1 - Результаты испытаний могут потребовать корректировки АНАЛИЗА РИСКА.
Примечание 2 - При принятии решения о проведении испытаний, описанных в настоящем стандарте как стандартные, см. приложение K IEC/TR 62354 (испытания производственной линии) или МЭК 62353 (периодические испытания в процессе эксплуатации).
5.2* Число образцов для испытаний
ТИПОВЫЕ ИСПЫТАНИЯ проводят на одном представительном образце проверяемого изделия.
Примечание - Одновременно для испытаний могут использовать несколько образцов, если это не будет существенно влиять на достоверность получаемых результатов.
5.3 Температура окружающей среды, влажность, атмосферное давление
a) После того как подлежащее испытанию МЭ ИЗДЕЛИЕ установлено в режим НОРМАЛЬНОЙ ЭКСПЛУАТАЦИИ (согласно
5.7), испытания проводят в диапазоне условий окружающей среды, указанном в техническом описании (см.
7.9.3.1).
b) МЭ ИЗДЕЛИЕ должно быть защищено от других воздействий (например, сквозняка), которые могут влиять на достоверность результатов испытаний.
c) В случаях когда температура окружающей среды не может поддерживаться, условия испытаний соответствующим образом изменяют, а результаты испытаний корректируют.
5.4 Прочие условия испытаний
a) В отсутствие иных указаний в настоящем стандарте МЭ ИЗДЕЛИЕ испытывают при наименее благоприятных условиях эксплуатации. Рабочие условия указаны в ЭКСПЛУАТАЦИОННЫХ ДОКУМЕНТАХ. Наименее благоприятные рабочие условия должны быть задокументированы для каждого испытания, проведенного в этих условиях.
b) МЭ ИЗДЕЛИЯ, обладающие рабочими параметрами, которые могут регулироваться или устанавливаться любым лицом, не являющимся ОБСЛУЖИВАЮЩИМ ПЕРСОНАЛОМ, в процессе испытаний регулируют с установкой на значения, наименее благоприятные для соответствующего испытания, но в соответствии с инструкцией по эксплуатации.
c) Если на результаты испытаний оказывают влияние давление на входе, расход или химический состав охлаждающей жидкости, то эти параметры при проведении испытаний должны находиться в пределах, указанных в техническом описании.
d) В случаях когда требуется водяное охлаждение МЭ ИЗДЕЛИЯ, используют питьевую воду.
5.5 Питающее напряжение, род тока, вид питания, частота
a) Если на результаты испытаний влияют отклонения характеристик ПИТАЮЩЕЙ СЕТИ от их НОРМИРОВАННЫХ значений, то влияние таких отклонений должно приниматься в расчет.
Значения в процессе испытаний устанавливают согласно
4.10.2 или согласно маркировке, нанесенной на МЭ ИЗДЕЛИЕ (см.
7.2.6), в зависимости от того, какое из них наименее благоприятно.
Примечание 1 - Для НОРМИРОВАННОГО(ЫХ) значения(ий), приведенного(ых) для МЭ ИЗДЕЛИЯ, отклонения характеристик ПИТАЮЩЕЙ СЕТИ от указанных в
4.10.2 должны испытываться только в том случае, если отклонения имеют отрицательное влияние на ОСНОВНУЮ БЕЗОПАСНОСТЬ или на ОСНОВНЫЕ ФУНКЦИОНАЛЬНЫЕ ХАРАКТЕРИСТИКИ.
b) МЭ ИЗДЕЛИЕ, имеющее СЕТЕВУЮ ЧАСТЬ, предназначенную для соединения с ПИТАЮЩЕЙ СЕТЬЮ переменного тока, испытывают на переменном токе при НОРМИРОВАННОЙ частоте. МЭ ИЗДЕЛИЕ, для которого указан диапазон НОРМИРОВАННЫХ частот, испытывают на наименее благоприятной частоте, содержащейся в этом диапазоне.
c) МЭ ИЗДЕЛИЕ, предназначенное для работы при нескольких НОРМИРОВАННЫХ напряжениях как на переменном, так и на постоянном токе или с использованием как внешнего источника питания, так и ВНУТРЕННЕГО ИСТОЧНИКА ПИТАНИЯ, испытывают при условиях, описанных в
5.4, при наименее благоприятном напряжении и виде питания, например числе фаз (кроме однофазного питания) и роде тока. При этом может понадобиться проведение нескольких испытаний для установления того, какое сочетание параметров питания является наименее благоприятным.
d) МЭ ИЗДЕЛИЕ, имеющее СЕТЕВУЮ ЧАСТЬ, предназначенную для подсоединения к ПИТАЮЩЕЙ СЕТИ постоянного тока, испытывают только на постоянном токе. При проведении испытаний принимают во внимание возможное влияние полярности электропитания на работу МЭ ИЗДЕЛИЯ в соответствии с инструкцией по эксплуатации (см. также
8.2.2).
e) МЭ ИЗДЕЛИЕ, для которого предусмотрено использование разных ПРИНАДЛЕЖНОСТЕЙ или компонентов, указанных в ЭКСПЛУАТАЦИОННЫХ ДОКУМЕНТАХ (см.
7.9.2.14 и
7.9.3.2), проверяют с такими ПРИНАДЛЕЖНОСТЯМИ или компонентами, которые обеспечивают наименее благоприятные условия испытаний.
f) Если в инструкции по эксплуатации указано, что МЭ ИЗДЕЛИЕ предназначено для получения электропитания от обособленного источника, то его подсоединяют к этому источнику электропитания (см. также
7.2.5 и
8.2.1).
Примечание 2 - То, что в первой и второй редакциях настоящего стандарта называлось "специальным источником питания", теперь рассматривается как другая часть того же самого МЭ ИЗДЕЛИЯ либо как другое изделие в МЭ СИСТЕМЕ.
5.6 Ремонт и внесение изменений
При необходимости ремонта или внесения изменений после нарушений или возможных нарушений в процессе испытаний испытательная лаборатория и поставщик МЭ ИЗДЕЛИЯ могут договориться о представлении нового образца, на котором должны быть снова проведены все испытания, которые влияют на результаты, либо, что более предпочтительно, о проведении всех необходимых ремонтных работ или изменений, после чего должны быть повторены только соответствующие испытания.
5.7* Предварительное воздействие влагой
До испытаний согласно
8.7.4 и
8.8.3 все МЭ ИЗДЕЛИЯ или их части подвергают предварительному воздействию влагой.
МЭ ИЗДЕЛИЕ или его части необходимо подвергать этому испытанию в собранном виде (или, если это необходимо, частями). Упаковка, используемая при транспортировании и хранении, должна быть снята.
Испытанию подвергают только те части МЭ ИЗДЕЛИЯ, на которые могут влиять климатические факторы, моделируемые при этом испытании.
Части МЭ ИЗДЕЛИЯ, которые могут отделяться от него без помощи ИНСТРУМЕНТА, отделяют и подвергают воздействию влагой одновременно с основной частью МЭ ИЗДЕЛИЯ.
СМОТРОВЫЕ КРЫШКИ, которые могут открываться или сниматься без помощи ИНСТРУМЕНТА, должны быть открыты и сняты.
Предварительное воздействие влагой на МЭ ИЗДЕЛИЕ проводят в камере влаги, содержащей воздух при относительной влажности (93 +/- 3)% во всех местах возможного расположения МЭ ИЗДЕЛИЯ или его частей. Относительная влажность в других местах в камере может изменяться на +/- 6%. Температуру воздуха в этой камере во всех местах возможной установки МЭ ИЗДЕЛИЯ или его частей необходимо поддерживать с точностью +/- 2 °C при любом требуемом значении температуры T, лежащем в диапазоне от 20 °C до 30 °C. Перед помещением МЭ ИЗДЕЛИЯ и его частей в камеру влаги их температуру доводят до значения, лежащего в диапазоне от T до T + 4 °C, и выдерживают при этой температуре не менее 4 ч до начала воздействия влагой.
МЭ ИЗДЕЛИЕ и его части, КОРПУС которых соответствует классу IPX0, выдерживают в камере влаги в течение 48 ч.
МЭ ИЗДЕЛИЕ и его части, КОРПУС которых разработан с целью обеспечения более высокой защиты от проникновения жидкостей, выдерживают в камере влаги в течение 168 ч.
После проведения испытания МЭ ИЗДЕЛИЕ при необходимости повторно собирают.
5.8 Последовательность испытаний
Если не оговорено иное, то испытания, согласно настоящему стандарту, проводят в такой последовательности, чтобы результаты любого испытания не оказывали влияния на результаты последующих испытаний.
Примечание - Рекомендуется проводить все испытания в последовательности, указанной в
приложении B.
5.9* Определение РАБОЧИХ ЧАСТЕЙ и ДОСТУПНЫХ ЧАСТЕЙ
5.9.1 РАБОЧИЕ ЧАСТИ
РАБОЧИЕ ЧАСТИ определяют внешним осмотром и рассмотрением ЭКСПЛУАТАЦИОННЫХ ДОКУМЕНТОВ (см. также
4.6).
5.9.2 ДОСТУПНЫЕ ЧАСТИ
5.9.2.1* Испытательный палец
Части МЭ ИЗДЕЛИЯ, которые должны считаться ДОСТУПНЫМИ ЧАСТЯМИ, определяют при внешнем осмотре и при необходимости - с помощью испытаний. В случае возникновения сомнений доступность определяют испытанием, проводимым с помощью стандартного испытательного пальца, показанного на
рисунке 6, прикладываемого в согнутом или прямом положении:
- при всех положениях МЭ ИЗДЕЛИЯ при его НОРМАЛЬНОЙ ЭКСПЛУАТАЦИИ;
- после открытия СМОТРОВЫХ КРЫШЕК и удаления частей МЭ ИЗДЕЛИЯ, включая лампы, плавкие предохранители и их держатели, без помощи ИНСТРУМЕНТА или согласно инструкции по эксплуатации.
Стандартный испытательный палец применяют без приложения излишних усилий при каждом возможном положении МЭ ИЗДЕЛИЯ, за исключением случая, когда МЭ ИЗДЕЛИЕ в напольном исполнении с массой при любых режимах работы более 45 кг не наклоняют. МЭ ИЗДЕЛИЕ, которое, согласно техническому описанию, предназначено для монтажа в шкаф (стойку), испытывают в смонтированном состоянии.
Отверстия, в которые стандартный испытательный палец не входит (см. рисунок 6), механически проверяют с помощью прямого разъединенного испытательного пальца тех же размеров, прикладываемого с усилием 30 Н. Если этот палец проходит через отверстие, то испытание со стандартным испытательным пальцем (см. рисунок 6) повторяют и при необходимости продавливают его через отверстие.
Линейные размеры даны в мм
Допуски на размеры (без специальных допусков):
- на углы 14° и 37°: +/- 15'
- на радиусы: +/- 0,1 мм
- на линейные размеры:
<= 15 мм: | 0 0,1 | мм |
> 15 мм и <= 25 мм: | +/- 0,1 мм |
> 25 мм: | +/- 0,3 мм |
Материал пальца: например, закаленная сталь.
Оба звена этого пальца могут сгибаться под углом

, но только в одном и том же направлении.
Примечание 1 - Использование штырька или канавки является одним из возможных конструктивных решений для ограничения угла изгиба пальца до 90°, поэтому их размеры и допуски на рисунке не приведены. Реальная конструкция испытательного пальца должна гарантировать его изгиб с предельным отклонением от 0° до 10°.
Примечание 2 - Размеры в круглых скобках приведены для справки.
Примечание 3 - Конструкция испытательного пальца соответствует МЭК 60950-1:2005 (рисунок 2A) и основана на МЭК 61032 <1> (рисунок 2 испытательного пальца B). В ряде случаев указанные выше допуски могут быть иными.
--------------------------------
<1> IEC 61032:1997, Protection of persons and equipment by enclosures - Probes for verification.
Рисунок 6 - Стандартный испытательный палец (см. 5.9.2.1)
5.9.2.2 Испытательный крюк
Отверстия в МЭ ИЗДЕЛИИ механически проверяют с помощью испытательного крюка (см.
рисунок 7), если он входит в отверстия.
Размеры в миллиметрах
Материал - сталь
Рисунок 7 - Испытательный крюк (см. 5.9.2.2)
Испытательный крюк вставляют во все рассматриваемые отверстия и затем за него тянут с усилием 20 Н в течение 10 с в направлении, строго перпендикулярном к поверхности, в которой имеется соответствующее отверстие. Любые дополнительные части, которые становятся доступными, определяют с помощью стандартного испытательного пальца (см. рисунок 6) или наружным осмотром.
5.9.2.3 Приводные механизмы
Токопроводящие части приводных механизмов органов управления, которые становятся доступными после снятия рукояток, кнопок, рычагов и т.п., считают ДОСТУПНЫМИ ЧАСТЯМИ. Токопроводящие части приводных механизмов не считают ДОСТУПНЫМИ ЧАСТЯМИ, если для снятия рукояток, кнопок, рычагов и т.п. необходимо применять ИНСТРУМЕНТЫ.
6* Классификация МЭ ИЗДЕЛИЙ и МЭ СИСТЕМ
6.1 Общие положения
В настоящем стандарте МЭ ИЗДЕЛИЯ или их части, включая РАБОЧИЕ ЧАСТИ, классифицируют следующим образом.
6.2* Защита от поражения электрическим током
МЭ ИЗДЕЛИЕ, работающее от внешнего источника электропитания, необходимо классифицировать как МЭ ИЗДЕЛИЕ КЛАССА I или МЭ ИЗДЕЛИЕ КЛАССА II (см.
7.2.6). Все остальные МЭ ИЗДЕЛИЯ необходимо классифицировать как МЭ ИЗДЕЛИЕ С ВНУТРЕННИМ ИСТОЧНИКОМ ПИТАНИЯ.
МЭ ИЗДЕЛИЕ С ВНУТРЕННИМ ИСТОЧНИКОМ ПИТАНИЯ, имеющее средства соединения с ПИТАЮЩЕЙ СЕТЬЮ, должно соответствовать требованиям к МЭ ИЗДЕЛИЯМ КЛАССА I или КЛАССА II, когда оно соединено с ПИТАЮЩЕЙ СЕТЬЮ, или требованиям к МЭ ИЗДЕЛИЯМ С ВНУТРЕННИМ ИСТОЧНИКОМ ПИТАНИЯ в отсутствие указанного соединения.
РАБОЧИЕ ЧАСТИ необходимо классифицировать как РАБОЧИЕ ЧАСТИ ТИПА B, РАБОЧИЕ ЧАСТИ ТИПА BF или РАБОЧИЕ ЧАСТИ ТИПА CF (см.
7.2.10 и
8.3). РАБОЧИЕ ЧАСТИ могут быть также классифицированы как РАБОЧИЕ ЧАСТИ С ЗАЩИТОЙ ОТ РАЗРЯДА ДЕФИБРИЛЛЯТОРА (см.
8.5.5).
6.3* Защита от опасного проникания воды или твердых частиц
КОРПУСА необходимо классифицировать по степени их защиты от проникания воды и твердых частиц в соответствии с МЭК 60529 (см.
7.2.9 и
11.6.5).
Примечание 1 - Кодирование согласно этой классификации имеет вид IPN1N2, где:
- N1 - целое число, указывающее на степень защиты от проникания твердых частиц, или буква X.
- N2 - целое число, указывающее на степень защиты от проникания воды, или буква X.
6.4 Метод (методы) стерилизации
МЭ ИЗДЕЛИЕ или его части, предназначенные для стерилизации, необходимо классифицировать в соответствии с методами стерилизации, указанными в инструкции по эксплуатации (см.
7.9.2.12 и
11.6.7).
Пример 1 - Газовая стерилизация оксидом этилена.
Пример 2 - Радиационная стерилизация, например, гамма-излучением.
Пример 3 - Паровая стерилизация, например, в автоклаве.
Пример 4 - Другие методы, проверенные и рекомендованные ИЗГОТОВИТЕЛЕМ.
6.5 Пригодность для эксплуатации в СРЕДЕ С ПОВЫШЕННЫМ СОДЕРЖАНИЕМ КИСЛОРОДА
МЭ ИЗДЕЛИЕ и МЭ СИСТЕМУ, предназначенные для работы в СРЕДЕ С ПОВЫШЕННЫМ СОДЕРЖАНИЕМ КИСЛОРОДА, необходимо классифицировать в соответствии с таким использованием (см.
11.2.2).
МЭ ИЗДЕЛИЕ необходимо классифицировать для ПРОДОЛЖИТЕЛЬНОГО РЕЖИМА РАБОТЫ либо для НЕПРОДОЛЖИТЕЛЬНОГО РЕЖИМА РАБОТЫ (см.
7.2.11).
7 Идентификация, маркировка и документация МЭ ИЗДЕЛИЙ
Примечание -
Приложение C содержит рекомендации, облегчающие поиск требований к маркировке МЭ ИЗДЕЛИЙ и МЭ СИСТЕМ, содержащихся в других пунктах настоящего стандарта.
7.1.1* ЭКСПЛУАТАЦИОННАЯ ПРИГОДНОСТЬ идентификации, маркировки и документации
7.1.2* Различимость маркировки
Маркировка, требуемая согласно
7.2,
7.3,
7.4,
7.5 и
7.6, должна быть ЧЕТКО РАЗЛИЧИМОЙ при следующих условиях:
- для предупреждающих надписей, инструкций, ЗНАКОВ БЕЗОПАСНОСТИ и рисунков, наносимых на наружные поверхности МЭ ИЗДЕЛИЯ, - из предусмотренного положения персонала, выполняющего соответствующую функцию;
- для ЗАКРЕПЛЕННОГО МЭ ИЗДЕЛИЯ - из положения, используемого при НОРМАЛЬНОЙ ЭКСПЛУАТАЦИИ смонтированного МЭ ИЗДЕЛИЯ;
- для ТРАНСПОРТИРУЕМОГО и СТАЦИОНАРНОГО (но не ЗАКРЕПЛЕННОГО) МЭ ИЗДЕЛИЯ, - из положения НОРМАЛЬНОЙ ЭКСПЛУАТАЦИИ, или после отодвигания МЭ ИЗДЕЛИЯ от стены, или после поворачивания МЭ ИЗДЕЛИЯ из его положения при НОРМАЛЬНОЙ ЭКСПЛУАТАЦИИ, а в случае демонтируемых блоков стойки - после их снятия со стойки;
- для маркировки внутри МЭ ИЗДЕЛИЯ или внутри частей МЭ ИЗДЕЛИЯ, - из предусмотренного положения персонала, выполняющего соответствующую функцию.
Соответствие проверяют с помощью следующего испытания.
МЭ ИЗДЕЛИЕ или его часть размещают таким образом, чтобы точка наблюдения находилась в заданном инструкцией положении ОПЕРАТОРА. Если предполагаемое положение ОПЕРАТОРА не указано и его позиция не очевидна, точка наблюдения должна находиться на расстоянии 1 м в любом месте на основании конуса с углом 30° и с осью, перпендикулярной плоскости маркировки. Внешнее освещение МЭ ИЗДЕЛИЯ выбирают наименее благоприятным с освещенностью в диапазоне от 100 до 1500 лк.
Наблюдатель должен иметь остроту зрения (с коррекцией при необходимости), соответствующую:
- 0 по логарифмической шкале минимальной разрешающей способности по углу или 6/6 (20/20) и
- способности читать N 6 тестовой карты Jaeger
в нормальных условиях освещения помещения (приблизительно 500 лк).
Наблюдатель должен правильно различать маркировку с заданной точки наблюдения.
7.1.3* Долговечность маркировки
Маркировку, требуемую согласно
7.2,
7.3,
7.4,
7.5 и
7.6, необходимо удалять только с применением ИНСТРУМЕНТА или с приложением значительных усилий и быть достаточно долговечной, оставаясь ЧЕТКО РАЗЛИЧИМОЙ на протяжении всего ОЖИДАЕМОГО СРОКА СЛУЖБЫ МЭ ИЗДЕЛИЯ. При оценке долговечности маркировки необходимо принимать во внимание режим НОРМАЛЬНОЙ ЭКСПЛУАТАЦИИ МЭ ИЗДЕЛИЯ.
Соответствие проверяют внешним осмотром МЭ ИЗДЕЛИЯ и проведением следующих испытаний:
a) после проведения всех испытаний согласно настоящему стандарту (см. в приложении B рекомендованную последовательность проведения испытаний):
- проверяют маркировку на соответствие требованиям 7.1.2 и
- убеждаются в том, что наклеиваемые этикетки не отошли от поверхности, а кромки этикеток не свернулись по краям;
b) для маркировки, требуемой согласно 7.2, 7.4, 7.5 и 7.6, необходимо проводить дополнительное испытание на долговечность. При этом маркировку протирают вручную, без излишнего нажима, сначала в течение 15 с с использованием матерчатой салфетки, смоченной дистиллированной водой, далее в течение 15 с - матерчатой салфеткой, смоченной 96%-ным этанолом, и, наконец, в течение следующих 15 с - матерчатой салфеткой, смоченной изопропиловым спиртом.
7.2 Маркировка на наружных поверхностях МЭ ИЗДЕЛИЯ или частей МЭ ИЗДЕЛИЯ (см. также таблицу C.1)
7.2.1 Минимальные требования к маркировке МЭ ИЗДЕЛИЯ и его взаимозаменяемых частей
Если размеры МЭ ИЗДЕЛИЯ, его частей либо ПРИНАДЛЕЖНОСТЕЙ или конструкция КОРПУСА не позволяют наносить на них маркировку согласно
7.2.2 до
7.2.20 включительно, то маркировку необходимо наносить по крайней мере согласно
7.2.2,
7.2.5 и
7.2.6 (не для МЭ ИЗДЕЛИЙ с постоянным присоединением к ПИТАЮЩЕЙ СЕТИ),
7.2.10 и
7.2.13 (если применимо), а остальную маркировку необходимо полностью приводить в ЭКСПЛУАТАЦИОННЫХ ДОКУМЕНТАХ. В случае когда нанесение маркировки на МЭ ИЗДЕЛИЕ нецелесообразно, она может наноситься на индивидуальную упаковку МЭ ИЗДЕЛИЯ.
Любые материалы, компоненты, ПРИНАДЛЕЖНОСТИ или МЭ ИЗДЕЛИЯ, предназначенные для одноразового применения, или их упаковки необходимо маркировать надписью "Только для однократного применения", "Повторно не использовать" или символом ИСО 7000-1051 (2004-01)
[79] (см.
таблицу D.1, символ 28).
Маркировка МЭ ИЗДЕЛИЯ должна содержать:
- наименование или товарный знак, а также контактную информацию ИЗГОТОВИТЕЛЯ;
- ОБОЗНАЧЕНИЕ МОДЕЛИ ИЛИ ТИПА;
- серийный номер, код или номер партии;
- дату изготовления или срок годности, если применимо.
Примечание - В ИСО 15223-1 приведены символы обозначения ИЗГОТОВИТЕЛЯ, серийного номера, кода или номера партии, даты изготовления и срока годности.
Серийный номер, код или номер партии и дата изготовления могут быть предоставлены в считываемом человеком коде или с помощью технологии автоматической идентификации, такой как штрихкоды или радиочастотные метки.
За исключением случаев, когда неправильная идентификация не приводит к недопустимому РИСКУ, маркировка съемных компонентов МЭ ИЗДЕЛИЯ должна содержать:
- наименование или товарный знак ИЗГОТОВИТЕЛЯ;
- ОБОЗНАЧЕНИЕ МОДЕЛИ ИЛИ ТИПА.
Программное обеспечение, которое входит в состав ПЭМС, необходимо идентифицировать с помощью индивидуального идентификатора, такого как номер версии или дата ее выпуска. Идентификация должна быть доступна для определенного круга лиц, например для ОБСЛУЖИВАЮЩЕГО ПЕРСОНАЛА. Эти идентификационные данные необязательно наносить на наружные поверхности МЭ ИЗДЕЛИЙ.
7.2.3* Обращение к ЭКСПЛУАТАЦИОННЫМ ДОКУМЕНТАМ
Когда ИЗГОТОВИТЕЛЬ использует обращение к ЭКСПЛУАТАЦИОННЫМ ДОКУМЕНТАМ в качестве основной меры по УПРАВЛЕНИЮ РИСКОМ для конкретного РИСКА (например, руководство по эксплуатации содержат информацию о безопасности) и в ПРОЦЕССЕ ПРОЕКТИРОВАНИЯ ЭКСПЛУАТАЦИОННОЙ ПРИГОДНОСТИ определяется, что маркировка МЭ ИЗДЕЛИЯ необходима для эффективности УПРАВЛЕНИЯ РИСКОМ, МЭ ИЗДЕЛИЕ должно быть помечено ЗНАКОМ БЕЗОПАСНОСТИ обязательного действия - изучение руководства по эксплуатации/буклета - ИСО 7010-M002 (см.
таблицу D.2, ЗНАК БЕЗОПАСНОСТИ 10).
В противном случае символ ИСО 7000-1641 (2004-01) (см.
таблицу D.1, символ 11) можно использовать для информирования ОПЕРАТОРА о местоположении инструкций по использованию или для ознакомления с ЭКСПЛУАТАЦИОННЫМИ ДОКУМЕНТАМИ.
7.2.4* Маркировка ПРИНАДЛЕЖНОСТЕЙ
Маркировка ПРИНАДЛЕЖНОСТЕЙ должна содержать:
- наименование или товарный знак, а также контактную информацию ИЗГОТОВИТЕЛЯ;
- ОБОЗНАЧЕНИЕ МОДЕЛИ ИЛИ ТИПА;
- серийный номер, код или номер партии;
- дату изготовления или срок годности, если применимо.
Примечание - В ИСО 15223-1 приведены символы для указания ИЗГОТОВИТЕЛЯ, серийного номера, кода или номера партии, даты изготовления и срока годности.
Серийный номер, код или номер партии и дата изготовления могут быть предоставлены в считываемом человеком коде или с помощью технологии автоматической идентификации, такой как штрихкоды или RFID радиочастотные метки.
Если нанесение маркировки на ПРИНАДЛЕЖНОСТИ нецелесообразно, маркировка может быть нанесена на отдельную упаковку.
7.2.5 Маркировка МЭ ИЗДЕЛИЯ, предназначенного для питания от другого изделия
Если МЭ ИЗДЕЛИЕ предназначено для питания от другого электрического изделия в составе МЭ СИСТЕМЫ и соблюдение требований настоящего стандарта зависит и от этого оборудования, должно быть предусмотрено выполнение одного из следующих вариантов маркировки:
- нанесение рядом с соответствующей точкой подключения наименования или товарного знака изготовителя другого электрического оборудования с указанием ОБОЗНАЧЕНИЯ МОДЕЛИ ИЛИ ТИПА данного оборудования;
- размещение ЗНАКА БЕЗОПАСНОСТИ ИСО 7010-M002 (см.
таблицу D.2, ЗНАК БЕЗОПАСНОСТИ 10) рядом с соответствующей точкой подключения и перечисление требуемых уточняющих сведений в инструкциях по эксплуатации;
- использование специального типа электрического соединителя, не являющегося общедоступным на рынке, и перечисление требуемых уточняющих сведений в инструкциях по эксплуатации.
7.2.6 Соединение с ПИТАЮЩЕЙ СЕТЬЮ
МЭ ИЗДЕЛИЕ должно маркироваться с указанием следующей информации:
- НОРМИРОВАННОГО напряжения (напряжений) источника питания или НОРМИРОВАННОГО диапазона (диапазонов) напряжения источника, к которому оно может быть подсоединено. НОРМИРОВАННЫЙ диапазон напряжений питания должен иметь тире (-) между минимальным и максимальным значениями напряжения. При указании нескольких нормированных напряжений или нескольких НОРМИРОВАННЫХ диапазонов напряжений питания они должны разделяться косой чертой (/).
Пример 1 - НОРМИРОВАННЫЙ диапазон напряжения питания: 100 - 240 В. Это означает, что МЭ ИЗДЕЛИЕ предназначено для подсоединения к ПИТАЮЩЕЙ СЕТИ, имеющей НОМИНАЛЬНОЕ напряжение в диапазоне от 100 до 240 В.
Пример 2 - Наличие нескольких НОРМИРОВАННЫХ напряжений электропитания: 120/220/240 В. Это означает, что МЭ ИЗДЕЛИЕ предназначено для подсоединения к ПИТАЮЩЕЙ СЕТИ, имеющей НОМИНАЛЬНОЕ напряжение 120, или 220, или 240 В.
Примечание 1 - Маркировка НОРМИРОВАННОГО напряжения питания по МЭК 61293 <1>;
--------------------------------
<1> IEC 61293:1994, Marking of electrical equipment with ratings related to electrical supply - Safety requirements.
- особенностей питания, например числа фаз (за исключением однофазного) и вида тока. Для этой цели можно использовать символы МЭК 60417-5032, 5032-1, 5032-2, 5031 и 5033 (все 2002-10), см. также
таблицу D.1, символы 1,
2,
3,
4 и
5.
Примечание 2 - В случае переменного тока указания НОРМИРОВАННОЙ частоты (в Гц) достаточно для определения вида тока.
- НОРМИРОВАННОЙ частоты электропитания или диапазона НОРМИРОВАННЫХ частот (в Гц);
Пример 3 - НОРМИРОВАННЫЙ диапазон частоты питания 50 - 60 Гц. Это означает, что МЭ ИЗДЕЛИЕ предназначено для подсоединения к ПИТАЮЩЕЙ СЕТИ, имеющей НОМИНАЛЬНУЮ частоту в диапазоне от 50 до 60 Гц.
За исключением МЭ ИЗДЕЛИЙ С ПОСТОЯННЫМ ПРИСОЕДИНЕНИЕМ К ПИТАЮЩЕЙ СЕТИ, эту маркировку необходимо наносить на наружные поверхности частей МЭ ИЗДЕЛИЯ, которые содержат соединение с ПИТАЮЩЕЙ СЕТЬЮ, и желательно вблизи места соединения. Для МЭ ИЗДЕЛИЯ С ПОСТОЯННЫМ ПРИСОЕДИНЕНИЕМ К ПИТАЮЩЕЙ СЕТИ маркировку НОМИНАЛЬНОГО напряжения или диапазона напряжений питания, к которому оно подсоединяется, можно наносить на внутренние или наружные поверхности МЭ ИЗДЕЛИЯ и желательно вблизи места соединения с ПИТАЮЩЕЙ СЕТЬЮ.
7.2.7 Потребляемая от ПИТАЮЩЕЙ СЕТИ мощность
НОРМИРОВАННЫЕ значения параметров ПИТАЮЩЕЙ СЕТИ должны быть нанесены на МЭ ИЗДЕЛИЕ. НОРМИРОВАННЫЕ значения должны быть указаны:
- в амперах или вольт-амперах или
- если коэффициент мощности превышает 0,9 - в амперах, вольт-амперах или ваттах.
Если МЭ ИЗДЕЛИЕ работает в одном или нескольких диапазонах НОРМИРОВАННОГО напряжения, то НОРМИРОВАННАЯ потребляемая мощность должна быть указана для высшей и низшей границ диапазона или диапазонов, если границы отличаются от их среднего значения более чем на +/- 10%.
Если границы диапазонов не отличаются более чем на 10% от среднего значения, то достаточно маркировки потребляемой мощности для среднего значения диапазона.
Если НОРМИРУЕМЫЕ характеристики МЭ ИЗДЕЛИЯ включают значения как длительного, так и кратковременного тока или мощности (в В·А), то маркировка должна содержать как длительное, так и наиболее характерное кратковременное значение мощности (в В·А), с четкой идентификацией и указанием в ЭКСПЛУАТАЦИОННЫХ ДОКУМЕНТАХ.
Маркировка потребления МЭ ИЗДЕЛИЯ, снабженного средствами для питания другого электрического изделия, должна включать НОРМИРОВАННУЮ (и нанесенную маркировкой) выходную мощность этих средств.
7.2.8 Выходные соединители
7.2.8.1 Выходная сетевая мощность
О маркировке МНОГОРОЗЕТОЧНОГО СЕТЕВОГО СОЕДИНИТЕЛЯ, который является неотъемлемой частью МЭ ИЗДЕЛИЯ, см.
16.9.2.1 b).
7.2.8.2 Другие источники мощности
За исключением МНОГОРОЗЕТОЧНОГО СЕТЕВОГО СОЕДИНИТЕЛЯ или соединителей, предназначенных только для определенного изделия, частей изделия или ПРИНАДЛЕЖНОСТЕЙ, выходные соединители МЭ ИЗДЕЛИЯ, предназначенные для передачи мощности, необходимо маркировать с указанием следующих характеристик:
- НОРМИРОВАННОГО выходного напряжения;
- НОРМИРОВАННОГО тока или мощности (если применимо);
- выходной частоты (если применимо).
МЭ ИЗДЕЛИЕ или его части необходимо маркировать символом, использующим буквы IP, за которыми должны следовать обозначения, приведенные в МЭК 60529, согласно классификации в
6.3 (см.
таблицу D.3, код 2).
Если классификация IP корпуса МЭ ИЗДЕЛИЯ или его частей не определена (т.е. IPXX) или указана как IP00, IPX0 или IP0X, то МЭ ИЗДЕЛИЕ или его части маркировать этими символами необязательно.
Данное требование не применяют к частям, идентифицированным согласно
4.6.
Степень защиты от поражения электрическим током, согласно классификации
6.2, необходимо маркировать соответствующим символом для всех РАБОЧИХ ЧАСТЕЙ, т.е. РАБОЧИЕ ЧАСТИ ТИПА B - символом МЭК 60417-5840, РАБОЧИЕ ЧАСТИ ТИПА BF - символом МЭК 60417-5333, РАБОЧИЕ ЧАСТИ ТИПА CF - символом МЭК 60417-5335 (все согласно 2002-10); см.
таблицу D.1, символы 19,
20 и
21.
Для РАБОЧИХ ЧАСТЕЙ С ЗАЩИТОЙ ОТ РАЗРЯДА ДЕФИБРИЛЛЯТОРА необходимо использовать символы МЭК 60417-5841, МЭК 60417-5334 или МЭК 60417-5336 (все согласно 2002-10); см.
таблицу D.1, символы 25,
26 и
27.
Соответствующий символ необходимо наносить на соединитель РАБОЧЕЙ ЧАСТИ или рядом с ним, за исключением случаев:
- такой соединитель отсутствует; при этом маркировка должна наноситься на саму РАБОЧУЮ ЧАСТЬ либо
- один соединитель используется для подсоединения нескольких РАБОЧИХ ЧАСТЕЙ, имеющих различную классификацию по степени защиты; в этом случае каждая РАБОЧАЯ ЧАСТЬ должна маркироваться собственным символом защиты.
Для четкого отличия символа МЭК 60417-5333 от символа МЭК 60417-5840 последний не должен наноситься таким образом, чтобы создавалось впечатление, что он помещен в прямоугольную рамку (см.
таблицу D.1, символы 19 и
20).
Если устройство защиты от разряда дефибриллятора частично находится в кабеле ПАЦИЕНТА, то ЗНАК БЕЗОПАСНОСТИ по ИСО 7010-W001 необходимо наносить вблизи соответствующего выхода (см.
таблицу D.2, ЗНАК БЕЗОПАСНОСТИ 2). В инструкции по эксплуатации должно даваться пояснение о том, что защита МЭ ИЗДЕЛИЯ от разряда дефибриллятора зависит от используемых кабелей.
В отсутствие на МЭ ИЗДЕЛИИ специальной маркировки предполагается, что оно предназначено для ПРОДОЛЖИТЕЛЬНОГО РЕЖИМА РАБОТЫ. Для МЭ ИЗДЕЛИЯ, не предназначенного для ПРОДОЛЖИТЕЛЬНОГО РЕЖИМА РАБОТЫ, с помощью соответствующей маркировки должен указываться РАБОЧИЙ ЦИКЛ, содержащий сведения о максимальном времени активации (вкл.) и минимальном времени деактивации (выкл.).
7.2.12* Плавкие предохранители
В случае когда держатель плавкого предохранителя является ДОСТУПНОЙ ЧАСТЬЮ, тип и полные нормированные характеристики плавкого предохранителя (напряжение, ток, скорость срабатывания) необходимо указывать вблизи держателя плавкого предохранителя.
7.2.13 Физиологические эффекты (ЗНАКИ БЕЗОПАСНОСТИ и предупреждающие надписи)
МЭ ИЗДЕЛИЯ, вызывающие физиологические эффекты, которые не очевидны для ОПЕРАТОРА и могут причинять ВРЕД ПАЦИЕНТУ или ОПЕРАТОРУ, должны иметь соответствующий ЗНАК БЕЗОПАСНОСТИ (см.
7.5) на видном месте, чтобы он был ЧЕТКО РАЗЛИЧИМЫМ на ПРАВИЛЬНО УСТАНОВЛЕННОМ МЭ ИЗДЕЛИИ при НОРМАЛЬНОЙ ЭКСПЛУАТАЦИИ.
В инструкции по эксплуатации должны быть описаны характер ОПАСНОСТИ и меры предосторожности для ее предотвращения или минимизации связанного с ней РИСКА.
7.2.14 ПРИСОЕДИНИТЕЛЬНЫЕ УСТРОЙСТВА ВЫСОКОГО НАПРЯЖЕНИЯ
ПРИСОЕДИНИТЕЛЬНЫЕ УСТРОЙСТВА ВЫСОКОГО НАПРЯЖЕНИЯ, находящиеся на внешней стороне МЭ ИЗДЕЛИЯ и доступные без помощи ИНСТРУМЕНТА, необходимо маркировать символом МЭК 60417-5036 (2002-10); см.
таблицу D.1, символ 24.
Примечание - ПУТЬ УТЕЧКИ и ВОЗДУШНЫЙ ЗАЗОР между контактами с высоким напряжением и стандартным испытательным пальцем подчиняются требованиям
8.9.
7.2.15 Условия охлаждения
Маркировка должна содержать требования к охлаждению МЭ ИЗДЕЛИЯ (например, подаче воды или воздуха).
7.2.16 Механическая устойчивость
О требованиях к маркировке МЭ ИЗДЕЛИЙ с ограниченной устойчивостью см.
9.4.
Если при транспортировании или хранении МЭ ИЗДЕЛИЯ должны быть предприняты специальные меры, то упаковку необходимо соответствующим образом маркировать (см. ИСО 780).
Допустимые условия транспортирования и хранения МЭ ИЗДЕЛИЯ должны быть размещены в маркировке, наносимой на внешней стороне упаковки (см.
7.9.3.1 и ИСО 15223-1).
В случае когда преждевременная распаковка МЭ ИЗДЕЛИЯ или его части может приводить к недопустимому РИСКУ, упаковку необходимо маркировать соответствующим ЗНАКОМ БЕЗОПАСНОСТИ (см.
7.5).
Пример 1 - Чувствительные к действию влажности МЭ ИЗДЕЛИЯ.
Пример 2 - МЭ ИЗДЕЛИЯ, содержащие опасные вещества и материалы.
Упаковку МЭ ИЗДЕЛИЯ или его ПРИНАДЛЕЖНОСТЕЙ, поставляемых в стерильном состоянии, необходимо маркировать как стерильную с обозначением способа стерилизации (см. ИСО 15223-1).
7.2.18 Внешний источник давления
Рядом с каждым входным соединителем на МЭ ИЗДЕЛИИ должна быть нанесена маркировка, содержащая:
- сведения относительно максимального НОРМИРОВАННОГО давления, создаваемого внешним источником;
- НОРМИРОВАННЫЙ расход, требуемый для поддержания ОСНОВНОЙ БЕЗОПАСНОСТИ или ОСНОВНЫХ ФУНКЦИОНАЛЬНЫХ ХАРАКТЕРИСТИК.
7.2.19 ЗАЖИМ РАБОЧЕГО ЗАЗЕМЛЕНИЯ
ЗАЖИМ РАБОЧЕГО ЗАЗЕМЛЕНИЯ необходимо маркировать символом МЭК 60417-5017 (2006-08); см.
таблицу D.1, символ 7.
7.2.20 Съемные защитные средства
Если МЭ ИЗДЕЛИЕ предназначено для выполнения альтернативных функций, требующих удаления защитных средств, то эти защитные средства должны быть маркированы с указанием необходимости установки их на место, когда соответствующая альтернативная функция больше не требуется. При наличии блокировки маркировка не требуется.
Соответствие требованиям 7.2 проверяют внешним осмотром МЭ ИЗДЕЛИЯ и применением испытаний и критериев согласно 7.1.2 и 7.1.3.
7.2.21* Масса ПЕРЕДВИЖНОГО МЭ ИЗДЕЛИЯ
На ПЕРЕДВИЖНОЕ МЭ ИЗДЕЛИЕ необходимо наносить маркировку, содержащую его массу, включая БЕЗОПАСНУЮ РАБОЧУЮ НАГРУЗКУ в килограммах. Маркировку необходимо выполнять таким образом, чтобы было очевидно, что она применима ко всему ПЕРЕДВИЖНОМУ МЭ ИЗДЕЛИЮ при приложении БЕЗОПАСНОЙ РАБОЧЕЙ НАГРУЗКИ. Также маркировка должна быть отдельной и отличимой от любой маркировки, связанной с требованиями по максимальной загрузке контейнера, полки или ящика.
7.3 Маркировка внутри МЭ ИЗДЕЛИЯ или частей МЭ ИЗДЕЛИЯ (см. также
таблицу C.2)
7.3.1 Нагревательные элементы и патроны нагревательных ламп
Максимальную мощность нагревательных элементов и патронов нагревательных ламп необходимо указывать в маркировке, наносимой вблизи нагревателя или на нем самом.
Для нагревательных элементов и патронов нагревательных ламп, которые могут заменяться только ОБСЛУЖИВАЮЩИМ ПЕРСОНАЛОМ с помощью ИНСТРУМЕНТА, достаточно идентифицирующей маркировки со ссылкой на информацию, содержащуюся в ЭКСПЛУАТАЦИОННЫХ ДОКУМЕНТАХ.
7.3.2* Части под ВЫСОКИМ НАПРЯЖЕНИЕМ
7.3.3 Батареи и аккумуляторы
Тип батареи или аккумулятора и порядок их установки (если применимо) необходимо указывать на маркировке (см.
15.4.3.2).
Для батарей или аккумуляторов, предназначенных для замены только ОБСЛУЖИВАЮЩИМ ПЕРСОНАЛОМ с помощью ИНСТРУМЕНТА, достаточно идентифицирующей маркировки со ссылкой на информацию в ЭКСПЛУАТАЦИОННЫХ ДОКУМЕНТАХ.
В тех случаях, когда установлены литиевые батареи или топливные элементы и когда неправильная замена (например, обратная полярность) может привести к ОПАСНОЙ СИТУАЦИИ (такой как чрезмерная температура, пожар или взрыв), в дополнение к идентификационной маркировке, ссылающейся на информацию, приведенную в ЭКСПЛУАТАЦИОННЫХ ДОКУМЕНТАХ, должно быть предупреждение о том, что замена недостаточно подготовленным персоналом может привести к такой ОПАСНОЙ СИТУАЦИИ.
7.3.4* Плавкие предохранители, ТЕРМОВЫКЛЮЧАТЕЛИ и АВТОМАТИЧЕСКИЕ ВЫКЛЮЧАТЕЛИ МАКСИМАЛЬНОГО ТОКА
Плавкие предохранители, сменные ТЕРМОВЫКЛЮЧАТЕЛИ и АВТОМАТИЧЕСКИЕ ВЫКЛЮЧАТЕЛИ МАКСИМАЛЬНОГО ТОКА, которые становятся доступными только с помощью ИНСТРУМЕНТА, необходимо идентифицировать либо спецификациями рядом с компонентом (напряжение, ток, скорость, размер и отключающая способность), либо путем ссылки на ЭКСПЛУАТАЦИОННЫЕ ДОКУМЕНТЫ.
Может быть использована номенклатура МЭК 60127-1.
7.3.5* ЗАЖИМЫ ЗАЩИТНОГО ЗАЗЕМЛЕНИЯ
ЗАЖИМЫ ЗАЩИТНОГО ЗАЗЕМЛЕНИЯ необходимо маркировать символом МЭК 60417-5019 (2006-08); см.
таблицу D.1, символ 6, за исключением случая, когда ЗАЖИМ ЗАЩИТНОГО ЗАЗЕМЛЕНИЯ находится в ПРИБОРНОЙ ВИЛКЕ согласно МЭК 60320-1.
Маркировку, наносимую на ЗАЖИМЫ ЗАЩИТНОГО ЗАЗЕМЛЕНИЯ или рядом с ними, не допускается наносить на части МЭ ИЗДЕЛИЯ, которые могут сниматься для выполнения соединений. Маркировка должна быть видна после выполнения соединений.
7.3.6 ЗАЖИМЫ РАБОЧЕГО ЗАЗЕМЛЕНИЯ
ЗАЖИМЫ РАБОЧЕГО ЗАЗЕМЛЕНИЯ необходимо маркировать символом МЭК 60417-5017 (2006-08); см.
таблицу D.1, символ 7.
Маркировку зажимов для проводов питания необходимо наносить вблизи этих зажимов.
Если МЭ ИЗДЕЛИЕ является настолько малогабаритным, что маркировка зажимов не может быть нанесена, то соответствующие обозначения необходимо указать в ЭКСПЛУАТАЦИОННЫХ ДОКУМЕНТАХ.
Зажимы, предназначенные исключительно для подсоединения нулевого провода питания в МЭ ИЗДЕЛИИ С ПОСТОЯННЫМ ПРИСОЕДИНЕНИЕМ К ПИТАЮЩЕЙ СЕТИ, необходимо маркировать соответствующим кодом согласно МЭК 60445 (см.
таблицу D.3, код 1).
При необходимости маркировки трехфазного соединения ее необходимо наносить согласно МЭК 60445.
Маркировку, наносимую в местах электрических соединений или вблизи них, не допускается наносить на части, которые должны сниматься для выполнения соединений. Маркировка должна быть видна после выполнения соединений.
7.3.8 Температура зажимов питания
Если температура любой точки в распределительной коробке или в отсеке для проводов, предназначенных для питания МЭ ИЗДЕЛИЯ С ПОСТОЯННЫМ ПРИСОЕДИНЕНИЕМ К ПИТАЮЩЕЙ СЕТИ (включая также и сами провода) превышает 75 °C при НОРМАЛЬНОЙ ЭКСПЛУАТАЦИИ и в НОРМАЛЬНОМ СОСТОЯНИИ при максимальной температуре окружающей среды, указанной в техническом описании (см.
7.9.3.1), то МЭ ИЗДЕЛИЕ необходимо маркировать с использованием следующей или эквивалентной ей надписи:
"Для подключения питания используйте провода,
предназначенные для работы при температурах не менее X °C",
где X должно превышать максимальную температуру, возникающую в распределительной коробке или отсеке для проводов при НОРМАЛЬНОЙ ЭКСПЛУАТАЦИИ и в НОРМАЛЬНОМ СОСТОЯНИИ. Эту надпись необходимо наносить в местах подсоединения питания или вблизи них, но не на частях МЭ ИЗДЕЛИЯ, которые должны удаляться для выполнения соединений. Эта надпись должна оставаться ЧЕТКО РАЗЛИЧИМОЙ после выполнения соединений.
Соответствие требованиям 7.3 проверяют внешним осмотром МЭ ИЗДЕЛИЯ, проведением испытаний и применением критериев 7.1.2 и 7.1.3.
7.4 Маркировка органов управления и измерительных приборов (см. также
таблицу C.3)
7.4.1* Выключатели питания
Выключатели, используемые для коммутации питания МЭ ИЗДЕЛИЯ, включая сетевые выключатели, должны иметь положения "вкл." и "выкл.", которые:
- индицируются установленным рядом световым индикатором или
- указаны иными однозначно воспринимаемыми средствами.
Выключатели, используемые для коммутации питания частей МЭ ИЗДЕЛИЯ, должны иметь положения "вкл." и "выкл.", которые:
- маркированы символами, указанными выше, или
- индицируются установленным рядом световым индикатором или
- указаны иными однозначно воспринимаемыми средствами.
Выключатель, который переводит МЭ ИЗДЕЛИЕ в состояние ожидания (stand-by), может быть обозначен символом МЭК 60417-5009 (2015-03); см.
таблицу D.1, символ 29.
При использовании нажимной кнопки с двумя фиксированными положениями:
- ее состояние должно индицироваться установленным рядом световым индикатором или
- состояние этого выключателя необходимо указывать иными однозначно воспринимаемыми средствами.
При использовании нажимной кнопки без фиксации положения:
- ее состояние должно индицироваться установленным рядом световым индикатором или
- состояние этого выключателя необходимо указывать иными однозначно воспринимаемыми средствами.
Различные положения органов управления и выключателей МЭ ИЗДЕЛИЯ должны индицироваться пиктограммами, буквами или другими визуальными средствами.
Если при НОРМАЛЬНОЙ ЭКСПЛУАТАЦИИ изменение установки органа управления может приводить к возникновению недопустимого РИСКА для ПАЦИЕНТА, то этот орган должен быть также снабжен:
- соответствующим устройством индикации, например измерительным прибором или шкалой, или
- указателем направления изменения значения данной функции (см. также
15.4.6.2).
7.4.3 Единицы измерения
Числовые значения параметров, указываемые на МЭ ИЗДЕЛИИ, должны выражаться в единицах системы СИ в соответствии с ИСО 80000-1, за исключением величин в перечне
таблицы 1, которые могут выражаться в единицах, не входящих в систему СИ.
Таблица 1
Единицы, не входящие в систему СИ, которые могут быть
использованы для маркировки МЭ ИЗДЕЛИЙ
Величина | Единица измерения |
Наименование | Обозначение |
Международное | Русское |
Плоский угол | Оборот | r | об |
Град | gon (grade) | град (гон) |
Градус | ° | ° |
Угловая минута | ' | ' |
Угловая секунда | " | " |
Время | Минута | min | мин |
Час | h | ч |
Сутки | d | сут |
Энергия | Электрон-вольт | eV | эВ |
Объем | Литр | | л |
Давление респираторных газов, крови и других жидкостей организма | Миллиметр ртутного столба | mmHg | мм рт. ст. |
Сантиметр водяного столба | cmH2O | см вод. ст. |
Давление газов | Бар | bar | бар |
Миллибар | mbar | мбар |
<a> Для согласованности с международными стандартами объем обозначают буквой l (L прописная), хотя в международном стандарте ИСО 80000-1 приводится обозначение L. |
Применение единиц измерения СИ, кратных им величин и некоторых других единиц измерения нужно осуществлять согласно ИСО 80000-1.
Соответствие требованиям 7.4 настоящего стандарта проверяют внешним осмотром МЭ ИЗДЕЛИЯ, проведением испытаний и применением критериев 7.1.2 и 7.1.3.
В рамках настоящего пункта маркировку, используемую для предупреждений, запрещений или обязательных действий, уменьшающих РИСК, который недостаточно очевиден для ОПЕРАТОРА, необходимо выполнять в виде ЗНАКОВ БЕЗОПАСНОСТИ, выбираемых в соответствии с ИСО 7010. Если ЗНАК БЕЗОПАСНОСТИ с установленным значением используется надлежащим образом, использование общего предупредительного знака ИСО 7010:2003-W001 (см.
таблицу D.2, ЗНАК БЕЗОПАСНОСТИ 2) не требуется.
Примечание 1 - В данном контексте "предупреждение" означает "Существует определенная опасность", "запрещение" означает "Вы не должны ..." и "обязательные действия" означает "Вы должны ...".
При отсутствии ЗНАКА БЕЗОПАСНОСТИ соответствующего значения применяют один из следующих методов:
b) используют общий предупреждающий знак согласно ИСО 7010:2003-W001 (см.
таблицу D.2, ЗНАК БЕЗОПАСНОСТИ 2) вместе с дополнительным символом или текстом. Текст должен иметь форму утвердительного заявления (т.е. указания безопасности) и описывать прогнозируемые РИСКИ, например "Возможность ожогов", "Риск взрыва" и т.д.;
c) используют общий запрещающий знак ИСО 7010:2003-P001 (см.
таблицу D.2, ЗНАК БЕЗОПАСНОСТИ 4) вместе с дополнительным символом или текстом. Текст должен иметь форму утвердительного заявления (т.е. указания безопасности) и описывать, что запрещается, например "Не открывать!", "Не бросать!" и т.д.;
d) используют общий знак для обязательных действий ИСО 7010:2003-M001 (см.
таблицу D.2, ЗНАК БЕЗОПАСНОСТИ 9) вместе с дополнительным символом или текстом. Текст должен иметь форму утвердительного заявления (т.е. указания безопасности) и описывать обязательные действия в виде команды на их исполнение, например "Надеть защитные перчатки", "Очистить перед введением" и т.д.
В отсутствии места на МЭ ИЗДЕЛИИ для нанесения указания вместе со ЗНАКОМ БЕЗОПАСНОСТИ это указание может быть приведено в инструкции по эксплуатации.
Примечание 2 - Цвета ЗНАКОВ БЕЗОПАСНОСТИ определены в ИСО 3864-1, которые всегда необходимо использовать.
Примечание 3 - Уведомление об опасности должно включать и соответствующие меры предосторожности или инструкции по снижению РИСКА (например, типа "Не использовать для...", "Держать вдали от..." и т.д.).
ЗНАКИ БЕЗОПАСНОСТИ, включая любые дополнительные символы или надписи, необходимо сопровождать пояснениями в инструкции по эксплуатации (см.
7.9.2).
В случае если дополнительный текст размещается вместе со ЗНАКАМИ БЕЗОПАСНОСТИ, дополнительный текст должен быть написан на языке, понятном для предполагаемого ОПЕРАТОРА.
Примечание 4 - В некоторых странах требуется использовать больше, чем один язык.
Соответствие проверяют внешним осмотром МЭ ИЗДЕЛИЯ.
7.6.1 Объяснение символов
Смысл символов, используемых для маркировки, необходимо объяснять в инструкции по эксплуатации.
Символы, используемые в настоящем стандарте, должны соответствовать требованиям, приведенным в цитируемых публикациях МЭК или ИСО. Для получения оперативной справки в
приложении D приведены графические символы и их описание.
7.6.3 Символы для маркировки органов управления и функций
Символы, используемые для маркировки органов управления и функций, должны, где это применимо, соответствовать требованиям стандартов МЭК и ИСО, в которых данные символы определены (см. также
7.2.13).
Примечание - В МЭК 60878
[60] приведена сводка наименований, описаний и графических форм символов, предназначенных для маркировки электрический изделий, используемых в медицинской практике.
Соответствие требованиям 7.6 проверяют внешним осмотром.
7.7 Цвета изоляции проводов
7.7.1 ПРОВОД ЗАЩИТНОГО ЗАЗЕМЛЕНИЯ
ПРОВОД ЗАЩИТНОГО ЗАЗЕМЛЕНИЯ должен идентифицироваться по всей его длине изоляцией желтого и зеленого цветов.
7.7.2 СОЕДИНЕНИЯ С ЗАЩИТНЫМ ЗАЗЕМЛЕНИЕМ
Изоляцию любых проводников МЭ ИЗДЕЛИЯ, которые формируют СОЕДИНЕНИЯ С ЗАЩИТНЫМ ЗАЗЕМЛЕНИЕМ, необходимо маркировать желтым и зеленым цветами хотя бы на концах проводников.
Пример - Провода в многожильных шнурах, соединенные параллельно с целью уменьшения сопротивления СОЕДИНЕНИЙ С ЗАЩИТНЫМ ЗАЗЕМЛЕНИЕМ до допустимого значения, должны быть с изоляцией только желтого и зеленого цветов.
7.7.3 Изоляция желтого и зеленого цветов
Идентификацию проводов с помощью изоляции желтого и зеленого цветов необходимо использовать только:
- для ПРОВОДОВ ЗАЩИТНОГО ЗАЗЕМЛЕНИЯ (см.
8.6.2);
- проводов, указанных в
7.7.2;
Примечание - В других стандартах безопасности, таких как МЭК 60950-1, внутренние соединения между токопроводящими частями и основным защитным заземлением называют защитными соединительными проводниками.
- ПРОВОДОВ ВЫРАВНИВАНИЯ ПОТЕНЦИАЛОВ (см.
8.6.7);
- ПРОВОДОВ РАБОЧЕГО ЗАЗЕМЛЕНИЯ (см.
8.6.9).
7.7.4 Нулевой провод
Изоляция проводов в ШНУРАХ ПИТАНИЯ, предназначенных для соединения с нулевым проводом системы электропитания, в соответствии с МЭК 60227-1 или МЭК 60245-1 должна быть светло-голубого цвета.
7.7.5 Провода в ШНУРАХ ПИТАНИЯ
Цвета проводов в ШНУРАХ ПИТАНИЯ должны соответствовать МЭК 60227-1 или МЭК 60245-1.
Соответствие требованиям 7.7 проверяют внешним осмотром.
7.8* Световые индикаторы и органы управления
7.8.1* Цвета световых индикаторов
Цвета световых индикаторов и их значение должны соответствовать указанным в
таблице 2.
Примечание - МЭК 60601-1-8 содержит специальные требования к цвету, частоте и РАБОЧЕМУ ЦИКЛУ световых индикаторов тревожной сигнализации.
Точечно-матричные и другие буквенно-цифровые дисплеи не считаются световыми индикаторами.
Таблица 2
Цвета световых индикаторов и их значение для МЭ ИЗДЕЛИЙ
Наименование | Условия | | Свечение индикатора опасности | Сопутствующий звук | Требования к оператору |
| Следует избегать ОПАСНОЙ СИТУАЦИИ | Красный, без мигания | - | | Предотвращение ОПАСНОЙ СИТУАЦИИ, которая может привести к смерти или серьезным травмам |
| Следует избегать ОПАСНОЙ СИТУАЦИИ | Желтый, без мигания | - | - | Предотвращение ОПАСНОЙ СИТУАЦИИ, которая может привести к травмам легкой или средней степени тяжести или повреждению оборудования |
Готовность к применению | МЭ ИЗДЕЛИЕ готово к работе | Зеленый | - | - | - |
ТРЕВОЖНАЯ СИТУАЦИЯ ВЫСОКОГО ПРИОРИТЕТА | Необходимо прервать текущий рабочий процесс | - | | | Немедленные действия по предотвращению вреда |
ТРЕВОЖНАЯ СИТУАЦИЯ СРЕДНЕГО ПРИОРИТЕТА | Необходимо перепланировать текущий рабочий процесс | - | | | Оперативные действия по предотвращению вреда |
ТРЕВОЖНАЯ СИТУАЦИЯ НИЗКОГО ПРИОРИТЕТА | Необходимо планирование будущего рабочего процесса | - | Желтый или бирюзовый, без мигания <d> | | Информированность о будущих действиях |
Другое | Ситуации, отличные от ситуаций красного, желтого или зеленого | Любой цвет, кроме красного, желтого, бирюзового или зеленого | - | - | - |
<a> Эти индикаторы являются информационными сигналами, и МЭК 60601-1-8 требует, чтобы они воспринимались как отличные от визуальных СИГНАЛОВ ТРЕВОГИ. <b> Такие предупреждения и предостережения часто сопровождаются ЗНАКОМ БЕЗОПАСНОСТИ. <c> Звук может быть использован, но МЭК 60601-1-8 требует, чтобы он воспринимался иначе, чем звуковые СИГНАЛЫ ТРЕВОГИ. <d> Как установлено в МЭК 60601-1-8. |
7.8.2 Цвета органов управления
Красный цвет органов управления необходимо использовать только для тех органов, с помощью которых выполнение какой-либо функции должно прерываться в случае возникновения срочной необходимости.
Соответствие требованию 7.8 проверяют внешним осмотром (см. также 15.4.4).
7.9 ЭКСПЛУАТАЦИОННЫЕ ДОКУМЕНТЫ
МЭ ИЗДЕЛИЕ необходимо комплектовать документацией, содержащей, по крайней мере, инструкцию по эксплуатации и техническое описание. ЭКСПЛУАТАЦИОННЫЕ ДОКУМЕНТЫ необходимо рассматривать как часть МЭ ИЗДЕЛИЯ.
Примечание - Назначение ЭКСПЛУАТАЦИОННЫХ ДОКУМЕНТОВ состоит в обеспечении безопасной эксплуатации МЭ ИЗДЕЛИЯ в течение его ОЖИДАЕМОГО СРОКА СЛУЖБЫ.
ЭКСПЛУАТАЦИОННЫЕ ДОКУМЕНТЫ должны идентифицировать МЭ ИЗДЕЛИЕ путем включения в них следующих сведений (если применимо):
- наименования или торговой марки ИЗГОТОВИТЕЛЯ, а также контактной информации, по которой ОТВЕТСТВЕННАЯ ОРГАНИЗАЦИЯ может обращаться к нему;
- ОБОЗНАЧЕНИЯ МОДЕЛИ ИЛИ ТИПА МЭ ИЗДЕЛИЯ (см.
7.2.2).
ЭКСПЛУАТАЦИОННЫЕ ДОКУМЕНТЫ могут предоставляться электронно, например, как файл на CD-ROM. Если ЭКСПЛУАТАЦИОННЫЕ ДОКУМЕНТЫ предоставлены электронно, то ПРОЦЕСС ПРОЕКТИРОВАНИЯ ЭКСПЛУАТАЦИОННОЙ ПРИГОДНОСТИ должен включать рассмотрение вопроса о том, какую информацию следует предоставить также в виде твердой копии или в виде маркировки на МЭ ИЗДЕЛИИ (см.
12.2).
Пример - Информация о том, какие действия следует предпринять в чрезвычайной ситуации.
Примечание - Предоставление в электронном виде ЭКСПЛУАТАЦИОННЫХ ДОКУМЕНТОВ может быть недопустимым во всех юрисдикциях.
В ЭКСПЛУАТАЦИОННЫХ ДОКУМЕНТАХ необходимо указывать соответствующую квалификацию, уровень знаний и специальные навыки, требуемые ОПЕРАТОРУ или ОТВЕТСТВЕННОЙ ОРГАНИЗАЦИИ, а также все ограничения на выбор местоположения или условий внешней среды, в которой это МЭ ИЗДЕЛИЕ может использоваться.
ЭКСПЛУАТАЦИОННЫЕ ДОКУМЕНТЫ необходимо составлять на уровне, соответствующем образованию, обучению и знаниям лиц, для которых они предназначены.
Соответствие проверяют рассмотрением ЭКСПЛУАТАЦИОННЫХ ДОКУМЕНТОВ и, в случае их предоставления в электронном виде, как указано в МЭК 60601-1-6.
7.9.2 Инструкция по эксплуатации (см. также
таблицу C.5)
В инструкции по эксплуатации необходимо указывать:
- назначение МЭ ИЗДЕЛИЯ, предусмотренное ИЗГОТОВИТЕЛЕМ;
- наиболее часто используемые функции;
- любые известные противопоказания к применению данного МЭ ИЗДЕЛИЯ;
- те части МЭ ИЗДЕЛИЯ, которые не должны подвергаться сервисному или техническому обслуживанию во время использования с ПАЦИЕНТОМ.
В случае если предполагаемым ОПЕРАТОРОМ является ПАЦИЕНТ, в инструкции по эксплуатации необходимо указывать:
- сведения о том, что ПАЦИЕНТ является предполагаемым ОПЕРАТОРОМ;
- предупреждение о недопустимости сервисного и технического обслуживания, выполняемого во время использования МЭ ИЗДЕЛИЯ;
- функции, которые ПАЦИЕНТ может безопасно использовать и, если применимо, функции, которые ПАЦИЕНТ не может безопасно использовать;
- вид обслуживания, которое может выполнять ПАЦИЕНТ (например, замена батарей).
Примечание 1 - Для МЭ ИЗДЕЛИЯ, в котором ПРЕДУСМОТРЕННОЕ ПРИМЕНЕНИЕ содержит частичное или полное управление МЭ ИЗДЕЛИЯ ПАЦИЕНТОМ, ПАЦИЕНТ становится ОПЕРАТОРОМ.
Примечание 2 - Для МЭ ИЗДЕЛИЯ, в котором ПАЦИЕНТУ разрешено ограниченное обслуживание, ПАЦИЕНТ становится ОБСЛУЖИВАЮЩИМ ПЕРСОНАЛОМ.
В инструкции по эксплуатации необходимо указывать:
- наименование или товарный знак и адрес ИЗГОТОВИТЕЛЯ;
- ОБОЗНАЧЕНИЕ МОДЕЛИ ИЛИ ТИПА.
Инструкция по эксплуатации должна включать все применимые классификации, указанные в
пункте 6, все маркировки, указанные в
7.2, и пояснения ЗНАКОВ БЕЗОПАСНОСТИ и символов, нанесенных на МЭ ИЗДЕЛИЕ.
Примечание 3 - Инструкция по эксплуатации предназначена для ОПЕРАТОРА и ОТВЕТСТВЕННОЙ ОРГАНИЗАЦИИ и может содержать только информацию, максимально полезную для ОПЕРАТОРА или ОТВЕТСТВЕННОЙ ОРГАНИЗАЦИИ. Дополнительные сведения могут содержаться в техническом описании (см. также
7.9.3).
Примечание 4 - Рекомендации для подготовки инструкций по эксплуатации содержатся в МЭК 62079
[25], а рекомендации для подготовки материалов для обучения работе с МЭ ИЗДЕЛИЕМ - в IEC/TR 61258
[24].
Инструкция по эксплуатации должна быть написана на языке, понятном для предполагаемого ОПЕРАТОРА.
Примечание 5 - В некоторых странах требуется использовать больше, чем один язык.
7.9.2.2* Предупреждения и указания по безопасности
Инструкция по эксплуатации должна содержать все предупреждения и указания по безопасности.
Примечание - Общие предупреждения и указания по безопасности следует включать в определенный пункт инструкции по эксплуатации, который должен предшествовать собственно инструкциям.
Для МЭ ИЗДЕЛИЙ КЛАССА I инструкция по эксплуатации должна содержать предупреждение следующего содержания: "ОСТОРОЖНО! Во избежание риска поражения электрическим током изделие должно присоединяться только к сети питания, имеющей защитное заземление".
В инструкцию по эксплуатации необходимо включать предупреждения для ОПЕРАТОРА или ОТВЕТСТВЕННОЙ ОРГАНИЗАЦИИ относительно любых серьезных РИСКОВ возникновения взаимовлияния из-за присутствия МЭ ИЗДЕЛИЯ при определенных исследованиях или лечении.
Инструкция по эксплуатации должна содержать информацию относительно возможности возникновения взаимных электромагнитных помех или других взаимодействий между МЭ ИЗДЕЛИЕМ и другими устройствами вместе с рекомендациями относительно способов их ликвидации или минимизации.
Если МЭ ИЗДЕЛИЕ оснащено встроенным МНОГОРОЗЕТОЧНЫМ СЕТЕВЫМ СОЕДИНИТЕЛЕМ (МСС), то в инструкцию по эксплуатации необходимо поместить предупреждение о том, что подсоединение электрических изделий к МСС фактически приводит к созданию МЭ СИСТЕМЫ, что в результате может снижать уровень безопасности. Для выполнения требований, которые применимы к МЭ СИСТЕМЕ, ОТВЕТСТВЕННАЯ ОРГАНИЗАЦИЯ должна ссылаться на настоящий стандарт.
7.9.2.3 МЭ ИЗДЕЛИЯ, предназначенные для подсоединения к отдельному источнику питания
Если МЭ ИЗДЕЛИЕ предназначено для подсоединения к отдельному источнику питания, то в этом случае либо источник питания должен считаться частью МЭ ИЗДЕЛИЯ, либо их сочетание должно считаться МЭ СИСТЕМОЙ, что необходимо указывать в инструкции по эксплуатации.
Для работающего от сети МЭ ИЗДЕЛИЯ с дополнительным источником питания, не обеспечивающего автоматическое поддержание его работоспособности, инструкция по эксплуатации должна содержать предупреждение относительно необходимости периодической проверки или замены этого дополнительного источника питания.
Если утечка из батарей или аккумуляторов может приводить к возникновению недопустимого РИСКА, то в инструкцию по эксплуатации необходимо включать предупреждение относительно удаления батарей или аккумуляторов, если МЭ ИЗДЕЛИЕ не предполагается использовать в течение определенного промежутка времени.
Если ВНУТРЕННИЙ ИСТОЧНИК ПИТАНИЯ является съемным и допускающим замену, то его характеристики необходимо указывать в инструкции по эксплуатации.
Если выход из строя источника питания может приводить к возникновению недопустимого РИСКА, то инструкция по эксплуатации должна содержать предупреждение о том, что в этом случае МЭ ИЗДЕЛИЕ необходимо подсоединять к соответствующему источнику питания.
Пример - Встроенный или внешний аккумулятор, блок бесперебойного питания (ИБП) или резервный генератор.
7.9.2.5 Описание МЭ ИЗДЕЛИЯ
Инструкция по эксплуатации должны включать:
- краткое описание МЭ ИЗДЕЛИЯ;
- порядок функционирования МЭ ИЗДЕЛИЯ;
- наиболее важные физические и функциональные характеристики МЭ ИЗДЕЛИЯ.
Когда это применимо, в описании необходимо указывать возможные положения ОПЕРАТОРА, ПАЦИЕНТА и других лиц относительно МЭ ИЗДЕЛИЯ при его НОРМАЛЬНОЙ ЭКСПЛУАТАЦИИ (см.
9.2.2.3).
Инструкция по эксплуатации должна включать информацию относительно материалов или компонентов, воздействию которых может подвергаться ПАЦИЕНТ или ОПЕРАТОР, если это воздействие может приводить к возникновению недопустимого РИСКА (см.
11.7).
В инструкции по эксплуатации необходимо указывать все ограничения на использование других изделий или СЕТЕВЫХ/ИНФОРМАЦИОННЫХ СРЕДСТВ СВЯЗИ, к которым может подсоединяться СИГНАЛЬНЫЙ ВХОД/ВЫХОД, кроме тех, которые формируют часть МЭ СИСТЕМЫ.
В инструкции по эксплуатации необходимо указывать все РАБОЧИЕ ЧАСТИ.
При необходимости монтажа МЭ ИЗДЕЛИЯ или его частей инструкция по эксплуатации должна содержать:
- ссылки на документ, в котором может быть найдена инструкция по монтажу (например, в техническом описании), или
- контактную информацию относительно квалифицированного персонала, определенного ИЗГОТОВИТЕЛЕМ для выполнения монтажа.
7.9.2.7* Изоляция от ПИТАЮЩЕЙ СЕТИ
При использовании ПРИБОРНОГО СОЕДИНИТЕЛЯ или СЕТЕВОЙ ВИЛКИ или другого съемного штепселя в качестве средства изоляции, удовлетворяющего требованиям
8.11.1, перечисление a), инструкция по эксплуатации должна содержать указание о размещении МЭ ИЗДЕЛИЯ таким образом, чтобы не создавать трудностей при работе с разъединительным устройством.
7.9.2.8 ПРОЦЕДУРА запуска
Инструкция по эксплуатации должна содержать необходимую для ОПЕРАТОРА информацию относительно порядка ввода МЭ ИЗДЕЛИЯ в эксплуатацию, включая все исходные параметры управления, соединение или размещение ПАЦИЕНТА и т.д.
В инструкции по эксплуатации должно быть подробное описание всех подготовительных действий, необходимых перед использованием МЭ ИЗДЕЛИЯ, его частей или ПРИНАДЛЕЖНОСТЕЙ.
Пример - Перечень предварительных проверочных операций.
7.9.2.9 Порядок работы
Инструкция по эксплуатации должна содержать все сведения, необходимые для обеспечения работы МЭ ИЗДЕЛИЯ в соответствии с его характеристиками, включая описание всех функций органов управления, дисплеев и сигналов, последовательности операций управления, порядка подключения и отключения съемных частей и ПРИНАДЛЕЖНОСТЕЙ, замены материалов, расходуемых при его работе.
В инструкции по эксплуатации необходимо пояснять значения рисунков, символов, предупреждающих надписей, сокращений и световых индикаторов, имеющихся на МЭ ИЗДЕЛИИ.
7.9.2.10 Сообщения
Инструкция по эксплуатации должна содержать перечень всех системных сообщений, сообщений об ошибках и нарушениях, за исключением случая, когда сообщения не требуют пояснений.
Примечание 1 - Эти перечни могут разделяться на группы.
Этот перечень должен включать пояснения к сообщениям с указанием наиболее важных причин, а также возможных действий ОПЕРАТОРА (если таковые вообще предусмотрены), которые необходимы для устранения ситуаций, указанных в сообщениях.
Примечание 2 - Требования и руководящие принципы для сообщений, формируемых СИСТЕМОЙ СИГНАЛИЗАЦИИ, содержатся в МЭК 60601-1-8.
7.9.2.11 ПРОЦЕДУРА завершения работы
Инструкция по эксплуатации должна содержать необходимую ОПЕРАТОРУ информацию для безопасного завершения работы МЭ ИЗДЕЛИЯ.
7.9.2.12 Очистка, дезинфекция и стерилизация
Для частей МЭ ИЗДЕЛИЯ или ПРИНАДЛЕЖНОСТЕЙ, которые могут быть загрязнены из-за контакта с ПАЦИЕНТОМ или с биологическими жидкостями организма или испускаемыми газами при НОРМАЛЬНОЙ ЭКСПЛУАТАЦИИ, в инструкцию по эксплуатации необходимо включать:
- подробные сведения относительно методов очистки и дезинфекции или стерилизации, которые могут при этом использоваться;
- перечень допустимых параметров, таких как температура, давление, влажность, временные пределы и число рабочих циклов, которые данные части МЭ ИЗДЕЛИЯ или ПРИНАДЛЕЖНОСТИ могут выдерживать.
Данное требование не относится ни к какому материалу, компоненту, ПРИНАДЛЕЖНОСТИ или МЭ ИЗДЕЛИЮ, которые промаркированы для одноразового использования, за исключением случая, когда ИЗГОТОВИТЕЛЬ указывает, что материал, компонент, ПРИНАДЛЕЖНОСТЬ или МЭ ИЗДЕЛИЕ должны подвергаться очистке, дезинфекции или стерилизации перед применением (см.
7.2.1).
Инструкция по эксплуатации должна содержать достаточно подробные сведения для ОПЕРАТОРА или ОТВЕТСТВЕННОЙ ОРГАНИЗАЦИИ относительно профилактического осмотра, технического обслуживания и калибровки МЭ ИЗДЕЛИЯ, которые должны ими выполняться, включая периодичность такого обслуживания.
В инструкцию по эксплуатации необходимо включать сведения относительно безопасности работ при профилактическом техническом обслуживании, необходимом для обеспечения продолжительной и безопасной эксплуатации МЭ ИЗДЕЛИЯ.
Кроме того, инструкция по эксплуатации должна определять те части МЭ ИЗДЕЛИЯ, профилактический осмотр и техническое обслуживание которых должно выполняться ОБСЛУЖИВАЮЩИМ ПЕРСОНАЛОМ, включая периодичность проведения этих работ, но не обязательно должно быть подробное описание выполнения этого обслуживания.
Для МЭ ИЗДЕЛИЯ, содержащего аккумуляторы, которые не требуют технического обслуживания силами ОБСЛУЖИВАЮЩЕГО ПЕРСОНАЛА, в инструкцию по эксплуатации необходимо включать указания, гарантирующие адекватное обслуживание.
7.9.2.14 ПРИНАДЛЕЖНОСТИ, вспомогательные изделия, используемые материалы
В инструкцию по эксплуатации необходимо включать перечень ПРИНАДЛЕЖНОСТЕЙ, съемных частей и материалов, которые, как определил ИЗГОТОВИТЕЛЬ, предназначены для применения совместно с МЭ ИЗДЕЛИЕМ.
Если МЭ ИЗДЕЛИЕ предназначено для получения питания от другого изделия МЭ СИСТЕМЫ, то в инструкции по эксплуатации должно быть приведено достаточно полное описание последнего, чтобы надежно гарантировать соответствие требованиям настоящего стандарта (например, указание его номера, НОРМИРОВАННОГО напряжения, максимальной или минимальной мощности, класса защиты, режима работы - периодического или постоянного).
Примечание - То, что в первой и второй редакциях настоящего стандарта называлось "специальным источником питания", теперь рассматривается либо как другая часть одного и того же МЭ ИЗДЕЛИЯ, либо как другое изделие МЭ СИСТЕМЫ. Поэтому зарядное устройство аккумуляторов также должно рассматриваться либо как часть МЭ ИЗДЕЛИЯ, либо как отдельное изделие в составе МЭ СИСТЕМЫ.
7.9.2.15 Защита окружающей среды
В инструкцию по эксплуатации необходимо включать рекомендации относительно правильной утилизации отходов, остатков и т.д. МЭ ИЗДЕЛИЯ и ПРИНАДЛЕЖНОСТЕЙ в конце ОЖИДАЕМОГО СРОКА СЛУЖБЫ.
7.9.2.16 Ссылки на техническое описание
Инструкция по эксплуатации должна содержать сведения, указанные в
7.9.3, или ссылку, где указанный в
7.9.3 материал может быть найден (например, на руководство по обслуживанию).
7.9.2.17 МЭ ИЗДЕЛИЕ, эмитирующее излучение
Для МЭ ИЗДЕЛИЯ, эмитирующего излучение в медицинских целях, в соответствующих случаях в инструкции по эксплуатации необходимо указывать характер, тип, интенсивность и распределение этого излучения.
7.9.2.18 МЭ ИЗДЕЛИЕ и ПРИНАДЛЕЖНОСТИ, поставляемые стерильными
Инструкция по эксплуатации МЭ ИЗДЕЛИЯ и ПРИНАДЛЕЖНОСТЕЙ, поставляемых стерильными, должна содержать указание на факт стерилизации и метод стерилизации.
В инструкцию по эксплуатации необходимо включать необходимые указания для случая повреждения стерильной упаковки и, в случае необходимости, подробные сведения о соответствующих методах повторной стерилизации (см. также
7.9.2.12).
7.9.2.19* Уникальный идентификатор версии
Инструкция по эксплуатации должна содержать уникальный идентификатор версии, такой как дата ее выпуска.
Пример - Месяц или год.
Соответствие требованиям 7.9.2 проверяют рассмотрением инструкции по эксплуатации.
Техническое описание должно включать все данные, которые наиболее важны для безопасной эксплуатации, транспортирования и хранения МЭ ИЗДЕЛИЯ, а также средства или условия, необходимые для его монтажа и подготовки к эксплуатации. Оно должно содержать:
- допустимые условия внешней среды, включая условия транспортирования и хранения (см. также
7.2.17);
- все характеристики МЭ ИЗДЕЛИЯ, включая область(и) применения, точность и достоверность индицируемых значений или показаний, если применимо;
- все специальные требования к монтажу, например максимально допустимый полный импеданс ПИТАЮЩЕЙ СЕТИ;
Примечание 1 - Полный импеданс ПИТАЮЩЕЙ СЕТИ - сумма импеданса распределительной сети и импеданса источника питания.
- если для охлаждения используется жидкость, то допустимый диапазон значений давления и расхода на входе, а также химический состав охлаждающей жидкости;
- описание средств изоляции МЭ ИЗДЕЛИЯ от ПИТАЮЩЕЙ СЕТИ, если они не входят в состав МЭ ИЗДЕЛИЯ [см.
8.11.1 b)];
- описание средств контроля за уровнем масла в частично заполненных маслом МЭ ИЗДЕЛИЯХ или его частях (см.
15.4.9), если применимо;
- предупреждающие надписи, относящиеся к ОПАСНОСТЯМ, которые могут стать следствием неавторизованной модификации МЭ ИЗДЕЛИЯ, например предупреждения следующих типов:
- "ВНИМАНИЕ! Модификация изделия не допускается!".
- "ВНИМАНИЕ! Модификация этого изделия без разрешения изготовителя не допускается!".
- "ВНИМАНИЕ! При модификации изделия необходимо проведение соответствующих контроля и испытаний, гарантирующих длительную безопасную эксплуатацию изделия".
- информацию, относящуюся к ОСНОВНЫМ ФУНКЦИОНАЛЬНЫМ ХАРАКТЕРИСТИКАМ и любым необходимым периодическим испытаниям ОСНОВНЫХ ФУНКЦИОНАЛЬНЫХ ХАРАКТЕРИСТИК и ОСНОВНОЙ БЕЗОПАСНОСТИ, включая подробную информацию о средствах, методах и рекомендуемой периодичности испытаний.
Примечание 2 - Данную информацию получают непосредственно из ОСНОВНЫХ ФУНКЦИОНАЛЬНЫХ ХАРАКТЕРИСТИК, идентифицированных ИЗГОТОВИТЕЛЕМ в
4.3.
Если техническое описание не объединено с инструкцией по эксплуатации, то в него необходимо включить:
- все применимые классификации, указанные в
пункте 6, а также все предупреждающие надписи и ЗНАКИ БЕЗОПАСНОСТИ (вместе с их пояснениями), нанесенные на МЭ ИЗДЕЛИЕ;
- краткое описание МЭ ИЗДЕЛИЯ, принцип действия и наиболее важные физические и эксплуатационные характеристики и
- уникальный идентификатор версии, такой как дата ее выпуска
Примечание 3 - Техническое описание предназначено для ОТВЕТСТВЕННОЙ ОРГАНИЗАЦИИ и ОБСЛУЖИВАЮЩЕГО ПЕРСОНАЛА.
ИЗГОТОВИТЕЛЬ может указывать минимально необходимый уровень квалификации ОБСЛУЖИВАЮЩЕГО ПЕРСОНАЛА. В этом случае его необходимо отражать в техническом описании.
Примечание 4 - Некоторые контролирующие органы с соответствующим уровнем компетентности могут предъявлять дополнительные требования к квалификации ОБСЛУЖИВАЮЩЕГО ПЕРСОНАЛА.
7.9.3.2 Замена плавких предохранителей, ШНУРОВ ПИТАНИЯ и других частей
Техническое описание должно содержать, если применимо, следующие сведения:
- требуемые типы и все нормированные параметры плавких предохранителей, используемых в ПИТАЮЩЕЙ СЕТИ, внешней по отношению к МЭ ИЗДЕЛИЮ С ПОСТОЯННЫМ ПРИСОЕДИНЕНИЕМ К ПИТАЮЩЕЙ СЕТИ, если тип и нормированные параметры этих предохранителей невозможно определить из сведений о НОРМИРОВАННОМ потребляемом токе и режиме работы МЭ ИЗДЕЛИЯ;
- должен ли ШНУР ПИТАНИЯ заменяться ОБСЛУЖИВАЮЩИМ ПЕРСОНАЛОМ для МЭ ИЗДЕЛИЙ, имеющих несъемный ШНУР ПИТАНИЯ. Если да, то в этом случае должны быть инструкции по подсоединению и креплению этого ШНУРА ПИТАНИЯ таким образом, чтобы обеспечивалось выполнение требований
8.11.3;
- инструкции по замене взаимозаменяемых или съемных частей МЭ ИЗДЕЛИЯ, которые ИЗГОТОВИТЕЛЬ указал как заменяемые ОБСЛУЖИВАЮЩИМ ПЕРСОНАЛОМ, и
- в случае когда замена компонента может приводить к возникновению недопустимого РИСКА, должны быть соответствующие предупреждения, указывающие на характер ОПАСНОСТИ. Когда ИЗГОТОВИТЕЛЬ определяет, что какой-либо компонент подлежит замене ОБСЛУЖИВАЮЩИМ ПЕРСОНАЛОМ, необходимо привести все сведения для безопасной замены этого компонента.
7.9.3.3 Схемы электрические, перечень элементов и т.д.
В техническом описании необходимо указывать, что ИЗГОТОВИТЕЛЬ по запросу будет предоставлять электрические схемы, спецификации на компоненты, инструкции по калибровке и другие сведения, необходимые ОБСЛУЖИВАЮЩЕМУ ПЕРСОНАЛУ для замены тех частей МЭ ИЗДЕЛИЯ, которые определены ИЗГОТОВИТЕЛЕМ как заменяемые ОБСЛУЖИВАЮЩИМ ПЕРСОНАЛОМ.
7.9.3.4* Изоляция от сети
В техническом описании должны быть четко указаны все средства, используемые для обеспечения соответствия требованиям
8.11.1.
Соответствие требованию 7.9.3 настоящего стандарта проверяют рассмотрением технического описания.
8* Защита от ОПАСНОСТЕЙ поражения электрическим током
8.1 Основные принципы защиты от поражения электрическим током
Предельные значения, указанные в
8.4, не должны превышаться для ДОСТУПНЫХ ЧАСТЕЙ и РАБОЧИХ ЧАСТЕЙ МЭ ИЗДЕЛИЯ в НОРМАЛЬНОМ СОСТОЯНИИ или при УСЛОВИИ ЕДИНИЧНОГО НАРУШЕНИЯ. Для других ОПАСНЫХ СИТУАЦИЙ при УСЛОВИИ ЕДИНИЧНОГО НАРУШЕНИЯ см.
13.1.
a)* НОРМАЛЬНОЕ СОСТОЯНИЕ одновременно включает все следующее:
- наличие на любом СИГНАЛЬНОМ ВХОДЕ/ВЫХОДЕ напряжения или тока от другого электрического изделия, соединение с которым допускается ЭКСПЛУАТАЦИОННЫМИ ДОКУМЕНТАМИ, как это определено в
7.9, или, если ЭКСПЛУАТАЦИОННЫЕ ДОКУМЕНТЫ не содержат ограничений на такое другое электрическое изделие, то наличие МАКСИМАЛЬНОГО СЕТЕВОГО НАПРЯЖЕНИЯ согласно
8.5.3;
- изменение полярности при подключении проводов питания к ПИТАЮЩЕЙ СЕТИ МЭ ИЗДЕЛИЯ, имеющего СЕТЕВУЮ ВИЛКУ;
- короткое замыкание любой или всей изоляции, которая не соответствует требованиям
8.8;
- короткое замыкание любых или всех ПУТЕЙ УТЕЧКИ или ВОЗДУШНЫХ ЗАЗОРОВ, которые не соответствуют требованиям
8.9;
- разрыв любого или всех соединений с землей, которые не соответствуют требованиям
8.6, включая любое рабочее соединение с землей.
b)* УСЛОВИЕ ЕДИНИЧНОГО НАРУШЕНИЯ включает:
- короткое замыкание любой одной изоляции, которая соответствует требованиям к одному СРЕДСТВУ ЗАЩИТЫ, как это определено в
8.8;
Примечание - Это включает и короткое замыкание частей ДВОЙНОЙ ИЗОЛЯЦИИ, которая соответствует требованиям
8.8.
- короткое замыкание любого одного ПУТИ УТЕЧКИ или ВОЗДУШНОГО ЗАЗОРА, которые соответствуют требованиям к одному СРЕДСТВУ ЗАЩИТЫ, как это определено в
8.9;
- короткое замыкание и отсоединение любого компонента, кроме КОМПОНЕНТА С ВЫСОКОЙ СТЕПЕНЬЮ НАДЕЖНОСТИ, который соединен параллельно с изоляцией, ВОЗДУШНЫМ ЗАЗОРОМ или с ПУТЕМ УТЕЧКИ, за исключением случая, когда можно показать, что короткое замыкание не будет приводить к отказу данного компонента. См. также
4.8 и
4.9;
- разрыв любого одного ПРОВОДА ЗАЩИТНОГО ЗАЗЕМЛЕНИЯ или внутреннего СОЕДИНЕНИЯ ЗАЩИТНОГО ЗАЗЕМЛЕНИЯ, соответствующего требованиям
8.6; это требование не применяют к ПРОВОДУ ЗАЩИТНОГО ЗАЗЕМЛЕНИЯ МЭ ИЗДЕЛИЯ С ПОСТОЯННЫМ ПРИСОЕДИНЕНИЕМ К ПИТАЮЩЕЙ СЕТИ, вероятность разрыва которого считается пренебрежимо малой;
- разрыв любого одного провода питания, за исключением нулевого провода многофазного электропитания МЭ ИЗДЕЛИЯ или МЭ ИЗДЕЛИЯ С ПОСТОЯННЫМ ПРИСОЕДИНЕНИЕМ К ПИТАЮЩЕЙ СЕТИ;
- разрыв любого одного провода питания между частями МЭ ИЗДЕЛИЯ, находящимися в отдельных КОРПУСАХ, если это состояние может приводить к превышению допустимых предельных значений;
- непреднамеренное перемещение компонента (см.
8.10.1);
- случайное отсоединение проводов и соединителей, которое может приводить к возникновению ОПАСНОЙ СИТУАЦИИ. См. также
8.10.2.
Определение того, какие части считают ДОСТУПНЫМИ ЧАСТЯМИ, выполняют в соответствии с
5.9.
ТОКИ УТЕЧКИ измеряют в соответствии с
8.7.
8.2 Требования, предъявляемые к источникам питания
8.2.1 Присоединение к отдельному источнику питания
Если МЭ ИЗДЕЛИЕ предназначено для соединения с отдельным источником питания, а не с ПИТАЮЩЕЙ СЕТЬЮ, то либо этот отдельный источник питания необходимо рассматривать как часть МЭ ИЗДЕЛИЯ и применять все соответствующие требования настоящего стандарта, либо источник и МЭ ИЗДЕЛИЕ необходимо рассматривать как МЭ СИСТЕМУ. См. также
7.2.5,
7.9.2.14,
5.5 f) и
пункт 16.
Примечание - То, что в первой и второй редакциях настоящего стандарта именовалось как "специальный источник питания", теперь будет считаться другой частью того же самого МЭ ИЗДЕЛИЯ или другим электрическим изделием в МЭ СИСТЕМЕ.
Соответствие проверяют осмотром МЭ ИЗДЕЛИЯ и испытаниями согласно 5.5, перечисление f). Если предусмотрен специализированный отдельный источник питания, то проводят соответствующие испытания при присоединенном к нему МЭ ИЗДЕЛИИ. Если предусмотрен отдельный стандартный источник питания, то рассматривают спецификацию, приведенную в ЭКСПЛУАТАЦИОННЫХ ДОКУМЕНТАХ.
8.2.2 Присоединение к внешнему источнику питания постоянного тока
Если предусмотрено питание МЭ ИЗДЕЛИЯ от внешнего источника питания постоянного тока, то соединение с неправильной полярностью не должно приводить к возникновению ОПАСНОЙ СИТУАЦИИ, описанным в
13.1. При последующем подсоединении с правильной полярностью МЭ ИЗДЕЛИЕ должно обеспечивать ОСНОВНУЮ БЕЗОПАСНОСТЬ и ОСНОВНЫЕ ФУНКЦИОНАЛЬНЫЕ ХАРАКТЕРИСТИКИ.
Допускается использование защитных устройств, которые могут устанавливаться в исходное состояние любым лицом без использования ИНСТРУМЕНТА при условии, что после этого МЭ ИЗДЕЛИЯ возвращается к НОРМАЛЬНОМУ СОСТОЯНИЮ при сбросе.
Примечание 1 - См. также
11.8.
Примечание 2 - Внешним источником питания постоянного тока может быть ПИТАЮЩАЯ СЕТЬ или другое электрическое изделие. В последнем случае подобное сочетание, согласно
8.2.1, может считаться МЭ СИСТЕМОЙ.
8.3 Классификация РАБОЧИХ ЧАСТЕЙ
a)* РАБОЧАЯ ЧАСТЬ, которая определена в ЭКСПЛУАТАЦИОННЫХ ДОКУМЕНТАХ как пригодная для ПРЯМОГО ПРИМЕНЕНИЯ НА СЕРДЦЕ, должна быть РАБОЧЕЙ ЧАСТЬЮ ТИПА CF.
Примечание - См.
обоснование определения ПРЯМОЕ ПРИМЕНЕНИЕ НА СЕРДЦЕ (3.22) относительно РАБОЧИХ ЧАСТЕЙ, которые должны быть РАБОЧЕЙ ЧАСТЬЮ ТИПА CF. В случае кардиологических применений могут накладываться и другие ограничения.
Соответствие проверяют осмотром.
b)* РАБОЧАЯ ЧАСТЬ, которая содержит СОЕДИНЕНИЕ С ПАЦИЕНТОМ, предназначенное для передачи электрической энергии или электрофизиологических сигналов к ПАЦИЕНТУ или от него, должна быть РАБОЧЕЙ ЧАСТЬЮ ТИПА BF или РАБОЧЕЙ ЧАСТЬЮ ТИПА CF.
Соответствие проверяют осмотром.
c) РАБОЧАЯ ЧАСТЬ, не подпадающая под
определение a) или
b), должна быть РАБОЧЕЙ ЧАСТЬЮ ТИПА B, РАБОЧЕЙ ЧАСТЬЮ ТИПА BF или РАБОЧЕЙ ЧАСТЬЮ ТИПА CF.
Соответствие проверяют осмотром.
8.4 Ограничение напряжения, тока или энергии
8.4.1* СОЕДИНЕНИЯ С ПАЦИЕНТОМ, предназначенные для передачи тока
Предельные значения, указанные в
8.4.2, не относятся к токам, которые предназначены для физиологического воздействия на ПАЦИЕНТА при НОРМАЛЬНОЙ ЭКСПЛУАТАЦИИ.
8.4.2 ДОСТУПНЫЕ ЧАСТИ и РАБОЧИЕ ЧАСТИ
a) Токи, протекающие от СОЕДИНЕНИЙ С ПАЦИЕНТОМ, к ним или между ними, не должны превышать предельных значений, установленных для ТОКОВ УТЕЧКИ НА ПАЦИЕНТА и ДОПОЛНИТЕЛЬНЫХ ТОКОВ В ЦЕПИ ПАЦИЕНТА, указанных в
таблицах 3 и
4 и измеренных согласно
8.7.4.
Соответствие проверяют измерением согласно 8.7.4.
b)* ТОКИ УТЕЧКИ, протекающие от ДОСТУПНЫХ ЧАСТЕЙ, к ним или между ними, не должны превышать предельных значений, установленных для ТОКОВ УТЕЧКИ НА ДОСТУПНУЮ ЧАСТЬ, указанных в
8.7.3, перечисление c), и измеренных согласно
8.7.4.
Соответствие проверяют измерением согласно 8.7.4.
c)* предельные значения, указанные в
перечислении b), не применимы к нижеперечисленным частям, через которые может протекать ток, превышающий предельные значения для ТОКА УТЕЧКИ НА ДОСТУПНУЮ ЧАСТЬ, если вероятность их соединения с ПАЦИЕНТОМ непосредственно или через ОПЕРАТОРА незначительна при НОРМАЛЬНОЙ ЭКСПЛУАТАЦИИ и если в инструкции по эксплуатации даны указания ОПЕРАТОРУ одновременно не касаться ПАЦИЕНТА и этих частей:
- к доступным контактам соединителей;
- контактам держателей плавких предохранителей, которые могут становиться доступными при их замене;
- контактам ламповых патронов, которые могут становиться доступными после удаления лампы;
- частям МЭ ИЗДЕЛИЯ под СМОТРОВОЙ КРЫШКОЙ, которая может открываться без помощи ИНСТРУМЕНТА или при помощи ИНСТРУМЕНТА, если в инструкции по эксплуатации имеются указания любому ОПЕРАТОРУ, за исключением ОБСЛУЖИВАЮЩЕГО ПЕРСОНАЛА, по открытию соответствующей СМОТРОВОЙ КРЫШКИ.
Пример 1 - Кнопки с подсветкой.
Пример 2 - Индикаторные лампы.
Пример 3 - Перья самописца.
Пример 4 - Части вставных модулей.
Пример 5 - Аккумуляторы или батареи.
Напряжение на таких частях относительно земли или другой ДОСТУПНОЙ ЧАСТИ не должно превышать 42,4 В пикового значения переменного тока или 60 В постоянного тока в НОРМАЛЬНОМ СОСТОЯНИИ или при УСЛОВИИ ЕДИНИЧНОГО НАРУШЕНИЯ. Предельное значение напряжения 60 В относится к постоянному напряжению с пульсациями, размах которых не должен превышать 10%. В противном случае применимо предельное значение напряжения 42,4 В пикового значения. Мощность в течение более 60 с не должна превышать 240 В·А, или запасенная энергия не должна превышать 20 Дж при напряжениях 2 В или более.
Примечание 1 - При наличии напряжений, превышающих определенные в
8.4.2, перечисление c), применимы предельные значения для ТОКА УТЕЧКИ, указанные в
8.4.2, b).
Соответствие проверяют рассмотрением инструкции по эксплуатации и измерением.
Если МЭ ИЗДЕЛИЕ имеет соединители SIP/SOP или отдельные выходные соединители источника питания, измеряют напряжение всех проводящих ДОСТУПНЫХ ЧАСТЕЙ соединителей SIP/SOP или выходных соединителей питания на землю:
- соединяют резистор сопротивлением 10 кОм +/- 500 Ом (мощностью 8 Вт для измерений до 280 В эфф.) между контактом соединителя SIP/SOP (или другого выходного соединителя) и землей;
- подключают параллельно сопротивлению 10 кОм пиковый вольтметр или осциллограф для измерений напряжения.
Если измеренное напряжение меньше или равно 60 В постоянного тока или 42,4 В пикового переменного тока, последующее испытание на ТОК УТЕЧКИ не требуется.
Примечание 2 - Аналогичный метод применяется в МЭК 60950-1, 1.4.9.
Примечание 3 - Было выбрано значение сопротивления 10 кОм, поскольку это значение выше, чем сопротивление тела оператора (около 1 кОм), и ниже, чем ожидаемое сопротивление изоляционного барьера (приблизительно 1 МОм). К тому же в МЭК 60950-1:2005, 1.4.9 использован резистор сопротивлением 5 кОм и, следовательно, использование резистора сопротивлением 10 кОм обеспечивает большую безопасность.
Если измеренное напряжение превышает указанные уровни, то должен быть измерен ТОК УТЕЧКИ НА ДОСТУПНУЮ ЧАСТЬ от соединителя SIP/SOP на землю и от любых отдельных выходных соединителей источника питания на землю.
Измеряют ТОК УТЕЧКИ НА ДОСТУПНУЮ ЧАСТЬ, полученный от ПИТАЮЩЕЙ СЕТИ, применив ограничения, указанные в пункте 8.7.3 c), от соединителей, описанных выше:
- при НОРМАЛЬНОМ СОСТОЯНИИ, включая разомкнутый ПРОВОД РАБОЧЕГО ЗАЗЕМЛЕНИЯ (если применимо), и при
- УСЛОВИИ ЕДИНИЧНОГО НАРУШЕНИЯ [соответственно, разомкнутый нейтральный провод; разомкнутый провод ЗАЩИТНОГО ЗАЗЕМЛЕНИЯ (если применимо)].
Примечание 4 - Если цепи
SIP/SOP полностью изолированы от плавающей (не связанной с землей) ВТОРИЧНОЙ ЦЕПИ собственным изоляционным барьером, составляющим не менее 1 СЗО, в зависимости от СЕТЕВОГО НАПРЯЖЕНИЯ, т.е. устройством разделения в соответствии с
16.5, измерение ТОКА УТЕЧКИ НА ДОСТУПНУЮ ЧАСТЬ соединителя SIP/SOP к земле не требуется. В таких случаях достаточно оценить эффективность РАЗДЕЛИТЕЛЬНОГО УСТРОЙСТВА измерением в соответствии с
пунктом 8.7.4.7 c)
Примечание 5 - Для МЭ ИЗДЕЛИЯ КЛАССА I с ВТОРИЧНЫМИ ЦЕПЯМИ с привязкой к земле в НОРМАЛЬНОМ СОСТОЯНИИ ТОК УТЕЧКИ, полученный из СЕТИ ПИТАНИЯ, будет накладываться на ток, генерируемый вторичным напряжением. Однако ТОК УТЕЧКИ, полученный из СЕТИ ПИТАНИЯ, обычно будет равен ТОКУ УТЕЧКИ НА ДОСТУПНУЮ ЧАСТЬ, измеренному на частях, подключенных к ЗАЖИМУ ЗАЩИТНОГО ЗАЗЕМЛЕНИЯ, как в НОРМАЛЬНОМ СОСТОЯНИИ, так и в УСЛОВИИ ЕДИНИЧНОГО НАРУШЕНИЯ (разомкнутый нейтральный провод: разомкнутый ПРОВОД ЗАЩИТНОГО ЗАЗЕМЛЕНИЯ). При сомнениях измерение обычно можно выполнить, установив вольтметр только переменного тока или используя осциллограф или любой другой эквивалентный метод, чтобы гарантировать, что вторичное напряжение не повлияет на результат измерения.
d)* Предельные значения напряжения и энергии, указанные в
c), также относятся:
- к внутренним частям, за исключением контактов вилок, соединителей и розеток, которых может касаться испытательный штырь, показанный на
рисунке 8, вставляемый через отверстия в КОРПУСЕ и
- внутренним частям, которых может касаться металлический испытательный стержень диаметром

и длиной

, вставляемый через любое отверстие в верхней части КОРПУСА или через любое отверстие, предусмотренное для предварительной регулировки, выполняемой ОТВЕТСТВЕННОЙ ОРГАНИЗАЦИЕЙ при НОРМАЛЬНОЙ ЭКСПЛУАТАЦИИ с помощью ИНСТРУМЕНТА.
Размеры в миллиметрах
Рисунок 8 - Испытательный штырь [См. 8.4.2 d)]
Относительно измерения ПУТЕЙ УТЕЧКИ и ВОЗДУШНЫХ ЗАЗОРОВ через прорези или отверстия во внешних частях с помощью стандартного испытательного пальца см. также
8.9.4.
Соответствие проверяют введением испытательного штыря или испытательного стержня в соответствующие отверстия. Испытательный штырь вводят из всех возможных положений с минимальным усилием (не более 1 Н).
Испытательный стержень в случае возникновения сомнений вставляют в отверстия, предусмотренные для регулировки органов управления ОТВЕТСТВЕННОЙ ОРГАНИЗАЦИЕЙ при НОРМАЛЬНОЙ ЭКСПЛУАТАЦИИ, с усилием 10 Н.
Если в инструкциях по эксплуатации определено, что для этого должен использоваться специальный ИНСТРУМЕНТ, то испытание повторяют с этим ИНСТРУМЕНТОМ.
Испытательный стержень, свободно и вертикально подвешенный, вводят через любое отверстие в верхней крышке КОРПУСА.
e) Если СМОТРОВАЯ КРЫШКА может открываться без использования ИНСТРУМЕНТА и обеспечивать доступ к частям, находящимся под напряжениями выше значений, указанных в настоящем подпункте, но автоматически снимаемых при открывании СМОТРОВОЙ КРЫШКИ, то устройство (устройства), используемое для снятия напряжения, должно соответствовать требованиям
8.11.1 к сетевым изолирующим выключателям и оставаться действующим при УСЛОВИИ ЕДИНИЧНОГО НАРУШЕНИЯ. Для предотвращения срабатывания этого устройства необходимо применять ИНСТРУМЕНТ.
Соответствие проверяют осмотром.
8.4.3* МЭ ИЗДЕЛИЕ, предназначенное для соединения с источником питания с помощью вилки
МЭ ИЗДЕЛИЕ или его части, предназначенные для соединения с источником питания с помощью вилки, должны быть сконструированы так, чтобы через 1 с после отсоединения вилки напряжение между штырями вилки или между каждым штырем и КОРПУСОМ не превышало 60 В; если это значение будет превышено, то запасенный заряд не должен превышать 45 мкК.
Соответствие проверяют с помощью следующего испытания.
МЭ ИЗДЕЛИЕ работает при НОРМИРОВАННОМ напряжении или при верхнем значении НОРМИРОВАННОГО диапазона напряжений.
МЭ ИЗДЕЛИЕ отсоединяют от источника питания при положении любого выключателя во включенном и выключенном состояниях.
Либо МЭ ИЗДЕЛИЕ отсоединяют от источника питания посредством вилки, и в этом случае испытания выполняют многократно для получения максимального напряжения либо используют схему запуска для отсоединения в момент прохождения пикового значения напряжения питания.
Напряжение между штырями вилки, а также между любым штырем вилки и КОРПУСОМ измеряют через 1 с после отсоединения прибором, внутренний импеданс которого незначительно влияет на результаты измерений.
Примечание - Примером допустимого измерительного устройства является осциллограф со щупом, имеющий входное сопротивление (100 +/- 5) МОм и входную емкость (20 +/- 5) пФ.
Запасенный заряд может быть измерен или рассчитан любым подходящим методом.
При необходимости может использоваться постоянное напряжение со значением, равным пиковому НОРМИРОВАННОМУ значению напряжения ПИТАЮЩЕЙ СЕТИ.
8.4.4* Внутренние емкостные цепи
Проводящие части емкостных цепей, которые могут становиться доступными после отключения напряжения питания МЭ ИЗДЕЛИЯ и снятия непосредственно после этого смотровых крышек, как это предусмотрено при НОРМАЛЬНОЙ ЭКСПЛУАТАЦИИ, не должны иметь остаточное напряжение выше 60 В, или в случае превышения этого значения не должны иметь запасенный заряд более 45 мкК.
Если автоматический разряд конденсаторов практически нереализуем, а СМОТРОВЫЕ КРЫШКИ могут быть удалены только с помощью ИНСТРУМЕНТА, то предусматривают устройство для ручного разряда конденсаторов. При этом конденсатор (конденсаторы) или связанные с ним цепи необходимо маркировать символом МЭК 60417-5036 (2002-10) (см.
таблицу D.1, символ 24), а неавтоматическое устройство разряда конденсаторов - указывать в техническом описании.
Соответствие проверяют с помощью следующего испытания.
МЭ ИЗДЕЛИЕ устанавливают в режим работы при НОРМИРОВАННОМ напряжении и затем отключают напряжение питания. Все СМОТРОВЫЕ КРЫШКИ, предусмотренные при НОРМАЛЬНОЙ ЭКСПЛУАТАЦИИ, удаляют максимально быстро, после чего измеряют остаточное напряжение на любых доступных конденсаторах или цепях и рассчитывают запасенный заряд.
Если в техническом описании указано неавтоматическое устройство разряда конденсаторов, то его наличие и маркировку проверяют осмотром.
8.5.1* СРЕДСТВА ЗАЩИТЫ (СЗ)
8.5.1.1 Общие положения
МЭ ИЗДЕЛИЕ должно иметь два СРЕДСТВА ЗАЩИТЫ для предотвращения превышения предельных значений, указанных в
8.4, на РАБОЧИХ ЧАСТЯХ и других ДОСТУПНЫХ ЧАСТЯХ.
Каждое СРЕДСТВО ЗАЩИТЫ необходимо классифицировать в соответствии с частью (частями) МЭ ИЗДЕЛИЯ, которую (которые) оно защищает от превышения допустимых пределов. Это должно быть СРЕДСТВО ЗАЩИТЫ ПАЦИЕНТА, если оно защищает РАБОЧИЕ ЧАСТИ или детали, которые определены в соответствии с
4.6 как требующие соблюдения тех же требований, что и РАБОЧИЕ ЧАСТИ. В противном случае необходимо использовать требования либо к СЗП, либо к СЗО, как показано на
рисунке 40.
СЗ - СРЕДСТВО ЗАЩИТЫ; СЗП - СРЕДСТВО ЗАЩИТЫ ПАЦИЕНТА;
СЗО - СРЕДСТВО ЗАЩИТЫ ОПЕРАТОРА
Рисунок 40 - Определение СРЕДСТВ ЗАЩИТЫ ПАЦИЕНТА
и СРЕДСТВ ЗАЩИТЫ ОПЕРАТОРА
Покрытия лаком, эмалью, оксидирование и другие подобные защитные покрытия, так же как покрытия герметизирующими компаундами, которые могут размягчаться при температурах, имеющих место при эксплуатации (включая его стерилизацию), недопустимо рассматривать как СРЕДСТВА ЗАЩИТЫ.
Примечание - Покрытия и другие виды изоляции, которые предназначены для использования в качестве СРЕДСТВА ЗАЩИТЫ и которые соответствуют требованиям МЭК 60950-1:2005 или МЭК 62368-1:2018, могут быть использованы в качестве СРЕДСТВА ЗАЩИТЫ ОПЕРАТОРА, но не обязательно как СРЕДСТВО ЗАЩИТЫ ПАЦИЕНТА. Возможность использования таких СРЕДСТВ ЗАЩИТЫ ПАЦИЕНТА может быть оценена в ПРОЦЕССЕ МЕНЕДЖМЕНТА РИСКА.
Компоненты и проводные соединения, формирующие СРЕДСТВА ЗАЩИТЫ, должны соответствовать требованиям
8.10.
Любую изоляцию, ПУТЬ УТЕЧКИ, ВОЗДУШНЫЙ ЗАЗОР, компонент или соединение с землей, которые не соответствуют требованиям
8.5.1.2 и
8.5.1.3, недопустимо считать СРЕДСТВОМ ЗАЩИТЫ. Неисправность любых таких частей необходимо расценивать как НОРМАЛЬНОЕ СОСТОЯНИЕ.
Соответствие проверяют путем испытаний согласно 8.5.1.3.
8.5.1.2* СРЕДСТВА ЗАЩИТЫ ПАЦИЕНТА (СЗП)
Твердая изоляция, образующая СРЕДСТВО ЗАЩИТЫ ПАЦИЕНТА, должна выдерживать испытание на электрическую прочность, согласно
8.8, при испытательном напряжении, указанном в
таблице 6.
ПУТИ УТЕЧКИ и ВОЗДУШНЫЕ ЗАЗОРЫ, образующие СРЕДСТВА ЗАЩИТЫ ПАЦИЕНТА, должны соответствовать требованиям
таблицы 12.
Примечание 1 - Барьеры, обеспечивающие 2 СЗО со значениями ВОЗДУШНОГО ЗАЗОРА в соответствии с
таблицами 13 -
15 (включительно) или в соответствии с МЭК 60950-1:2005, МЭК 60950-1:2005/AMD1:2009 и МЭК 60950-1:2005/AMD2:2013, соответствуют требованиям для 1 СЗП в соответствии с
таблицей 12 для РАБОЧИХ НАПРЯЖЕНИЙ до 707 В постоянного тока, или 500 В переменного тока. При более высоких РАБОЧИХ НАПРЯЖЕНИЯХ 2 СЗО не обязательно обеспечивают 1 СЗП.
Барьеры, обеспечивающие УСИЛЕННУЮ ИЗОЛЯЦИЮ (2 СЗО) со значениями ВОЗДУШНОГО ЗАЗОРА в соответствии с МЭК 62368-1:2018 для РАБОЧИХ НАПРЯЖЕНИЙ до 354 В постоянного тока включительно/250 В переменного тока, соответствуют требованиям для 1 СЗП в соответствии с
таблицей 12. При более высоких РАБОЧИХ НАПРЯЖЕНИЯХ УСИЛЕННАЯ ИЗОЛЯЦИЯ (2 СЗО) не обязательно обеспечивает 1 СЗП.
Примечание 2 - Барьеры, обеспечивающие УСИЛЕННУЮ ИЗОЛЯЦИЮ (2 СЗО) с ПУТЯМИ УТЕЧКИ в соответствии с МЭК 62368-1:2018, (
таблицы 17 и
18) или МЭК 60950-1:2005, МЭК 60950-1:2005/AMD1:2009, МЭК 60950-1:2005/AMD2:2013 (таблица 2N) соответствуют требованиям для 1 СЗП в соответствии с
таблицей 12.
СОЕДИНЕНИЯ С ЗАЩИТНЫМ ЗАЗЕМЛЕНИЕМ, образующее СРЕДСТВО ЗАЩИТЫ ПАЦИЕНТА, должны соответствовать требованиям и подвергаться испытаниям согласно
8.6.
Конденсатор Y (только Y1 или Y2), отвечающий требованиям МЭК 60384-14, считают эквивалентом одного СРЕДСТВА ЗАЩИТЫ ПАЦИЕНТА. В случае если два конденсатора соединены последовательно, они должны быть идентичными по типу (либо оба Y1, либо оба Y2) и иметь одинаковую НОМИНАЛЬНУЮ емкость. Конденсатор(ы) должен(ы) удовлетворять требованиям к электрической прочности для типа защиты, для которого он(и) используется(ются) (т.е. одно или два СРЕДСТВА ЗАЩИТЫ ПАЦИЕНТА).
Если рабочее напряжение на барьере, образующем СРЕДСТВО ЗАЩИТЫ ПАЦИЕНТА, составляет менее 42,4 В переменного напряжения или 60 В постоянного напряжения, использование одного конденсатора Y1 допустимо для двух СРЕДСТВ ЗАЩИТЫ ПАЦИЕНТА.
Примечание 3 - При установке конденсаторов Y через барьеры необходимо учитывать требования к диэлектрической прочности. Например, для напряжений в диапазоне от 212 до 354 В испытывают два СРЕДСТВА ЗАЩИТЫ ПАЦИЕНТА при 4000 В переменного тока; поэтому используют конденсаторы Y1. Два последовательных конденсатора Y2 не выдержат этого напряжения, так как они рассчитаны на 1500 В переменного тока каждый. Для напряжений с пиковыми значениями ниже 212 В достаточно двух конденсаторов Y2, так как требование к диэлектрической прочности составляет 3000 В переменного тока.
Оптроны, соответствующие стандарту МЭК 60747-5-5:2007 или более поздней редакции, считают эквивалентными требованиям
8.8.2 и
8.9.3.
Применяют все следующие положения:
- ВОЗДУШНЫЙ ЗАЗОР снаружи оптрона;
- ПУТИ УТЕЧКИ по внешней стороне оптрона и
- диэлектрическую прочность оптрона.
Примечание 4 - Коэффициент 1,6 на испытательное напряжение изоляции используют только для испытаний на термоциклирование
(8.9.3), как и в других стандартах безопасности (например, МЭК 62368-1, МЭК 60950-1). Стандарт МЭК 60747-5-5 применяет различные методы испытаний. Поскольку соответствие стандарту МЭК 60747-5-5 считается эквивалентным испытанию на термоциклирование, коэффициент 1,6 не требуется. Это тот же подход, который используют в МЭК 62368-1:2018, 5.4.4.4.
Примечание 5 - Расстояние через изоляцию (0,4 мм) и испытания на термоциклирование не требуются, поскольку соблюдение стандартов компонентов учитывает РИСК проколов и теплового воздействия на изоляционный состав.
Соответствие проверяют путем испытаний в соответствии с 8.5.1.3.
8.5.1.3 СРЕДСТВА ЗАЩИТЫ ОПЕРАТОРА (СЗО)
Твердая изоляция, образующая СРЕДСТВА ЗАЩИТЫ ОПЕРАТОРА, должна:
- выдерживать испытание на электрическую прочность согласно
8.8 при испытательном напряжении, указанном в
таблице 6, или
- соответствовать требованиям МЭК 60950-1:2005, МЭК 60950-1:2005/AMD1:2009 и МЭК 60950-1:2005/AMD2:2013, предъявляемым к КООРДИНАЦИИ ИЗОЛЯЦИИ, или
- соответствовать требованиям МЭК 62368-1:2018 к КООРДИНАЦИИ ИЗОЛЯЦИИ.
ПУТИ УТЕЧКИ и ВОЗДУШНЫЕ ЗАЗОРЫ, образующие СРЕДСТВА ЗАЩИТЫ ОПЕРАТОРА, должны:
- соответствовать требованиям, указанным в
таблицах 13 -
16 (включительно) или
- соответствовать требованиям МЭК 60950-1:2005, МЭК 60950-1:2005/AMD1:2009 и МЭК 60950-1:2005/AMD2:2013, предъявляемым к КООРДИНАЦИИ ИЗОЛЯЦИИ, или
- соответствовать требованиям МЭК 62368-1:2018 к КООРДИНАЦИИ ИЗОЛЯЦИИ.
СОЕДИНЕНИЯ С ЗАЩИТНЫМ ЗАЗЕМЛЕНИЕМ, образующие СРЕДСТВА ЗАЩИТЫ ОПЕРАТОРА, должны:
- соответствовать требованиям
8.6, или
- соответствовать требованиям и подвергаться испытаниям согласно МЭК 60950-1:2005, МЭК 60950-1:2005/AMD1:2009 и МЭК 60950-1:2005/AMD2:2013, предъявляемым к защитному заземлению, или
- соответствовать требованиям МЭК 62368-1:2018 к защитному заземлению.
Конденсатор Y (только Y1 или Y2), отвечающий требованиям МЭК 60384-14, считают эквивалентом одного СРЕДСТВА ЗАЩИТЫ ОПЕРАТОРА. В случае если два конденсатора соединены последовательно, они должны быть идентичными по типу (либо оба Y1, либо оба Y2) и иметь одинаковую НОМИНАЛЬНУЮ емкость. Конденсатор(ы) должен(ы) удовлетворять требованиям к электрической прочности для типа защиты, для которой он(и) используется(ются) (то есть одно или два СРЕДСТВА ЗАЩИТЫ ОПЕРАТОРА). Конденсатор Y1 может использоваться для двух СРЕДСТВ ЗАЩИТЫ ОПЕРАТОРА.
Оптроны, соответствующие МЭК 60747-5-5:2007 или более поздней редакции, считают эквивалентными требованиям
8.8.2 и
8.9.3.
Применяют все следующие положения:
- ВОЗДУШНЫЙ ЗАЗОР снаружи оптрона;
- ПУТИ УТЕЧКИ по внешней стороне оптрона, и
- диэлектрическую прочность оптрона.
Примечание 1 - Коэффициент 1,6 на испытательное напряжение изоляции используют только для испытаний на термоциклирование
(8.9.3), как и в других стандартах безопасности (например, МЭК 62368-1, МЭК 60950-1). МЭК 60747-5-5 применяет различные методы испытаний. Поскольку соответствие МЭК 60747-5-5 считается эквивалентным испытанию на термоциклирование, коэффициент 1,6 не требуется. Это тот же подход, который используют в МЭК 62368-1:2018, 5.4.4.4.
Примечание 2 - Расстояние через изоляцию (0,4 мм) и испытания на термоциклирование не требуются, поскольку соблюдение стандартов компонентов учитывает РИСК проколов и теплового воздействия на изоляционный состав.
Соответствие проверяют исследованием конструкции и электрического монтажа МЭ ИЗДЕЛИЯ для определения точек, в которых изоляция, ПУТИ УТЕЧКИ, ВОЗДУШНЫЕ ЗАЗОРЫ, импедансы компонентов или СОЕДИНЕНИЯ С ЗАЩИТНЫМ ЗАЗЕМЛЕНИЕМ обеспечивают предотвращение появления на ДОСТУПНЫХ ЧАСТЯХ или РАБОЧИХ ЧАСТЯХ МЭ ИЗДЕЛИЯ значений, превышающих предельные по 8.4.
Примечание 3 - Такие точки обычно включают изоляцию между частями, потенциал которых отличается от потенциала земли, и ДОСТУПНЫМИ ЧАСТЯМИ или РАБОЧИМИ ЧАСТЯМИ, но могут также включать, например, изоляцию между плавающей цепью (типа F) и землей или другими цепями.
Обзор изолирующих путей приведен в приложении J.
Для каждой такой точки определяют:
- выдерживает ли твердая изоляция испытание на электрическую прочность согласно 8.8 или соответствуют ли СРЕДСТВА ЗАЩИТЫ ОПЕРАТОРА требованиям МЭК 60950-1:2005, МЭК 60950-1:2005/AMD1:2009, МЭК 60950-1:2005/AMD2:2013 или МЭК 62368-1:2018, предъявляемых к КООРДИНАЦИИ ИЗОЛЯЦИИ;
- соответствуют ли ПУТИ УТЕЧКИ и ВОЗДУШНЫЕ ЗАЗОРЫ требованиям 8.9 или соответствуют ли СРЕДСТВА ЗАЩИТЫ ОПЕРАТОРА требованиям МЭК 60950-1:2005, МЭК 60950-1:2005/AMD1:2009, МЭК 60950-1:2005/AMD2:2013 или МЭК 62368-1:2018, предъявляемым к КООРДИНАЦИИ ИЗОЛЯЦИИ;
- соответствуют ли компоненты, соединенные параллельно изоляции, ВОЗДУШНОМУ ЗАЗОРУ, или ПУТИ УТЕЧКИ - требованиям 4.8 и 8.10.1;
- соответствуют ли СОЕДИНЕНИЯ С ЗАЩИТНЫМ ЗАЗЕМЛЕНИЕМ требованиям 8.6 или соответствуют ли СРЕДСТВА ЗАЩИТЫ ОПЕРАТОРА требованиям МЭК 60950-1:2005, МЭК 60950-1:2005/AMD1:2009, МЭК 60950-1:2005/AMD2:2013 или МЭК 62368-1:2018, предъявляемым к защитному заземлению; и, следовательно, считать ли нарушение в этой точке НОРМАЛЬНЫМ СОСТОЯНИЕМ или УСЛОВИЕМ ЕДИНИЧНОГО НАРУШЕНИЯ.
РАБОЧЕЕ НАПРЯЖЕНИЕ определяют осмотром МЭ ИЗДЕЛИЯ, расчетами или измерением согласно 8.5.4.
Напряжение, ток или энергия, которые могут появляться между одной ДОСТУПНОЙ ЧАСТЬЮ или РАБОЧЕЙ ЧАСТЬЮ МЭ ИЗДЕЛИЯ и любой другой ДОСТУПНОЙ ЧАСТЬЮ, РАБОЧЕЙ ЧАСТЬЮ или землей в НОРМАЛЬНОМ СОСТОЯНИИ и при УСЛОВИИ ЕДИНИЧНОГО НАРУШЕНИЯ, определяют осмотром МЭ ИЗДЕЛИЯ или расчетами, или, в случае необходимости, - измерением при соответствующих условиях.
8.5.2 Разделение СОЕДИНЕНИЙ С ПАЦИЕНТОМ
8.5.2.1* РАБОЧАЯ ЧАСТЬ ТИПА F
СОЕДИНЕНИЯ С ПАЦИЕНТОМ любой РАБОЧЕЙ ЧАСТИ ТИПА F должны быть отделены от всех других частей, включая СОЕДИНЕНИЯ С ПАЦИЕНТОМ другой РАБОЧЕЙ ЧАСТИ, с помощью эквивалента одного СРЕДСТВА ЗАЩИТЫ ПАЦИЕНТА для РАБОЧЕГО НАПРЯЖЕНИЯ, равного МАКСИМАЛЬНОМУ СЕТЕВОМУ НАПРЯЖЕНИЮ. Они также должны соответствовать требованиям к допустимому ТОКУ УТЕЧКИ НА ПАЦИЕНТА при приложении напряжения, равного 110% от МАКСИМАЛЬНОГО СЕТЕВОГО НАПРЯЖЕНИЯ.
Одна РАБОЧАЯ ЧАСТЬ ТИПА F может выполнять много функций, и в этом случае разделение между такими функциями не требуется.
В отсутствие электрического разделения между СОЕДИНЕНИЯМИ С ПАЦИЕНТОМ для одной или разных функций (например, между электродом электрокардиографа и катетером для измерения давления) эти СОЕДИНЕНИЯ С ПАЦИЕНТОМ рассматривают как одну РАБОЧУЮ ЧАСТЬ.
Рассматривать ли много функций как одну РАБОЧУЮ ЧАСТЬ или как несколько РАБОЧИХ ЧАСТЕЙ, определяет ИЗГОТОВИТЕЛЬ.
Классификацию ТИП BF, ТИП CF или С ЗАЩИТОЙ ОТ РАЗРЯДА ДЕФИБРИЛЛЯТОРА применяют в целом к одной РАБОЧЕЙ ЧАСТИ.
Соответствие проверяют осмотром, испытаниями на ТОК УТЕЧКИ согласно 8.7.4, испытаниями на электрическую прочность изоляции согласно 8.8.3 и измерением соответствующих ПУТЕЙ УТЕЧКИ и ВОЗДУШНЫХ ЗАЗОРОВ.
Примечание - Средства разделения между РАБОЧЕЙ ЧАСТЬЮ ТИПА F и другими частями подвергают испытаниям как относительно МАКСИМАЛЬНОГО СЕТЕВОГО НАПРЯЖЕНИЯ, так и относительно напряжений в соответствующих цепях, как указано в
8.5.4. В зависимости от значения этих напряжений один из этих двух видов испытаний может оказаться более жестким.
Любое защитное устройство, включенное между СОЕДИНЕНИЯМИ С ПАЦИЕНТОМ РАБОЧЕЙ ЧАСТИ ТИПА F и КОРПУСОМ для обеспечения защиты от повышенных напряжений, не должно срабатывать при напряжении ниже 500 В (среднеквадратическое значение).
Соответствие проверяют измерением напряжения срабатывания защитного устройства.
8.5.2.2* РАБОЧАЯ ЧАСТЬ ТИПА B
СОЕДИНЕНИЯ С ПАЦИЕНТОМ РАБОЧЕЙ ЧАСТИ ТИПА B, которые не являются ЗАЗЕМЛЕННЫМИ С ЦЕЛЬЮ ЗАЩИТЫ, необходимо отделять одним СРЕДСТВОМ ЗАЩИТЫ ПАЦИЕНТА от металлических ДОСТУПНЫХ ЧАСТЕЙ, которые не являются ЗАЗЕМЛЕННЫМИ С ЦЕЛЬЮ ЗАЩИТЫ, за исключением следующих случаев:
- металлическая ДОСТУПНАЯ ЧАСТЬ физически соприкасается с РАБОЧЕЙ ЧАСТЬЮ и может считаться частью РАБОЧЕЙ ЧАСТИ;
- РИСК того, что металлическая ДОСТУПНАЯ ЧАСТЬ войдет в контакт с источником напряжения или ТОК УТЕЧКИ будет превышать допустимые пределы, достаточно низок. В этом случае испытание по
8.7.4.7 d) не применяют.
Соответствие проверяют осмотром, измерением ТОКА УТЕЧКИ согласно 8.7.4, испытанием электрической прочности изоляции согласно 8.8.3, измерением соответствующих ПУТЕЙ УТЕЧКИ и ВОЗДУШНЫХ ЗАЗОРОВ, а также рассмотрением ФАЙЛА МЕНЕДЖМЕНТА РИСКА.
8.5.2.3* Отведения ПАЦИЕНТА или кабели ПАЦИЕНТА
Любой соединитель, предназначенный для электрических соединений с отведением ПАЦИЕНТА, который:
- находится на конце отведения или кабеля, удаленном от ПАЦИЕНТА;
- содержит проводящую часть, которая электрически не отделена от всех СОЕДИНЕНИЙ С ПАЦИЕНТОМ одним СРЕДСТВОМ ЗАЩИТЫ ПАЦИЕНТА при РАБОЧЕМ НАПРЯЖЕНИИ, равном МАКСИМАЛЬНОМУ СЕТЕВОМУ НАПРЯЖЕНИЮ;
должен быть сконструирован так, чтобы названная часть не могла приходить в контакт с землей или, возможно, с опасным напряжением, когда СОЕДИНЕНИЯ С ПАЦИЕНТОМ находятся в контакте с ПАЦИЕНТОМ.
Примечание - Слова "названная часть" здесь относятся к "... проводящей части, которая электрически не отделена от всех СОЕДИНЕНИЙ С ПАЦИЕНТОМ..", приведенной в первом предложении настоящего подпункта.
В частности:
- названная часть не должна входить в контакт с плоской проводящей пластиной диаметром не менее 100 мм;
- ВОЗДУШНЫЙ ЗАЗОР между контактами соединителя и плоской поверхностью не должен быть менее 0,5 мм;
- если названную часть можно вставить в сетевую розетку, то она должна быть защищена от контакта с частями, находящимися под СЕТЕВЫМ НАПРЯЖЕНИЕМ, средствами изолирования, обеспечивающими ПУТЬ УТЕЧКИ не менее 1 мм, электрическую прочность 1500 В и выполнение требований
8.8.4.1;
- прямой нешарнирный испытательный палец с теми же размерами, что и у стандартного испытательного пальца, изображенного на
рисунке 6, не должен создавать электрический контакт с названной частью при его вводе в наименее благоприятном положении в доступные отверстия с усилием 10 Н, за исключением случая, когда ПРОЦЕСС МЕНЕДЖМЕНТА РИСКА указывает на отсутствие недопустимого РИСКА от контакта с объектами, кроме СЕТЕВОЙ РОЗЕТКИ и плоской поверхности.
Соответствие проверяют осмотром и соответствующими испытаниями.
8.5.3* МАКСИМАЛЬНОЕ СЕТЕВОЕ НАПРЯЖЕНИЕ
МАКСИМАЛЬНОЕ СЕТЕВОЕ НАПРЯЖЕНИЕ необходимо определять следующим образом:
- для ПИТАЮЩЕЙ СЕТИ однофазного или постоянного тока для питания МЭ ИЗДЕЛИЯ, включая МЭ ИЗДЕЛИЕ С ВНУТРЕННИМ ИСТОЧНИКОМ ПИТАНИЯ, которое также имеет средства подсоединения к ПИТАЮЩЕЙ СЕТИ, за МАКСИМАЛЬНОЕ СЕТЕВОЕ НАПРЯЖЕНИЕ принимают максимальное НОРМИРОВАННОЕ напряжение питания, но если оно меньше 100 В, то МАКСИМАЛЬНОЕ СЕТЕВОЕ НАПРЯЖЕНИЕ принимают равным 240 В;
- для ПИТАЮЩЕЙ СЕТИ многофазного тока за МАКСИМАЛЬНОЕ СЕТЕВОЕ НАПРЯЖЕНИЕ принимают максимальное НОРМИРОВАННОЕ фазовое напряжение относительно нулевого провода;
- для других МЭ ИЗДЕЛИЙ С ВНУТРЕННИМ ИСТОЧНИКОМ ПИТАНИЯ МАКСИМАЛЬНОЕ СЕТЕВОЕ НАПРЯЖЕНИЕ принимают равным 240 В.
8.5.4* РАБОЧЕЕ НАПРЯЖЕНИЕ
РАБОЧЕЕ НАПРЯЖЕНИЕ для каждого СРЕДСТВА ЗАЩИТЫ необходимо определять следующим образом:
- для измерения РАБОЧЕГО НАПРЯЖЕНИЯ все цепи должны быть подключены к земле, за исключением плавающих частей, обеспечивающих по крайней мере одно СРЕДСТВО ЗАЩИТЫ от заземления, и в этом случае наибольшее измеренное напряжение по обе стороны барьера является РАБОЧИМ НАПРЯЖЕНИЕМ (см.
рисунок 41);
--------------------------------
<a> для случая 1: плавающая цепь изолирована от земли одним СЗ по отношению к плавающему напряжению U2. РАБОЧИМ НАПРЯЖЕНИЕМ (Uw) сетевого барьера является наивысшее напряжение по одну из сторон барьера, то есть U1 или U2, что больше по величине;
<b> для случая 2: плавающая цепь, не изолированная от земли хотя бы одним СЗ по отношению к плавающему напряжению U2. Для измерения РАБОЧЕГО НАПРЯЖЕНИЯ (Uw) обе стороны сетевого барьера заземляют для получения повторяемых наихудших результатов.
Рисунок 41 - Измерение РАБОЧЕГО НАПРЯЖЕНИЯ
- входное напряжение питания МЭ ИЗДЕЛИЯ должно быть НОРМИРОВАННЫМ напряжением или напряжением в пределах НОРМИРОВАННОГО диапазона, при котором измеряемая величина имеет максимальное значение;
- для постоянных напряжений с наложенными пульсациями за РАБОЧЕЕ НАПРЯЖЕНИЕ принимают среднее значение, если размах пульсаций не будет превышать 10% от среднего значения, или пиковое напряжение, если размах пульсаций будет превышать 10% от среднего значения напряжения;
- РАБОЧЕЕ НАПРЯЖЕНИЕ для каждого СРЕДСТВА ЗАЩИТЫ, формирующего ДВОЙНУЮ ИЗОЛЯЦИЮ, принимают равным напряжению, которому в целом подвергается ДВОЙНАЯ ИЗОЛЯЦИЯ;
- для РАБОЧЕГО НАПРЯЖЕНИЯ в соединении с ПАЦИЕНТОМ, изолированном от земли, заземление ПАЦИЕНТА (преднамеренное или случайное) считают НОРМАЛЬНЫМ СОСТОЯНИЕМ;
- РАБОЧЕЕ НАПРЯЖЕНИЕ между СОЕДИНЕНИЯМИ С ПАЦИЕНТОМ для РАБОЧЕЙ ЧАСТИ ТИПА F и КОРПУСОМ принимают равным максимальному напряжению, приложенному к изоляции при НОРМАЛЬНОЙ ЭКСПЛУАТАЦИИ, включая заземление любой части РАБОЧЕЙ ЧАСТИ. См. также
8.5.2.1;
- для РАБОЧЕЙ ЧАСТИ С ЗАЩИТОЙ ОТ РАЗРЯДА ДЕФИБРИЛЛЯТОРА РАБОЧЕЕ НАПРЯЖЕНИЕ определяют без учета наличия напряжения дефибрилляции. См. также
8.5.5 и
8.9.1.15;
- в случае двигателей, снабженных конденсаторами, в которых резонансное напряжение может возникать между точкой соединения обмотки с конденсатором с одной стороны и любым зажимом для внешнего провода с другой стороны, РАБОЧЕЕ НАПРЯЖЕНИЕ принимают равным напряжению при резонансе.
8.5.5 РАБОЧАЯ ЧАСТЬ С ЗАЩИТОЙ ОТ РАЗРЯДА ДЕФИБРИЛЛЯТОРА
8.5.5.1* Защита от разряда дефибриллятора
Классификацию "РАБОЧАЯ ЧАСТЬ С ЗАЩИТОЙ ОТ РАЗРЯДА ДЕФИБРИЛЛЯТОРА" необходимо применять ко всей одной РАБОЧЕЙ ЧАСТИ.
Требования, предъявляемые к ПУТЯМ УТЕЧКИ и ВОЗДУШНЫМ ЗАЗОРАМ для РАБОЧЕЙ ЧАСТИ С ЗАЩИТОЙ ОТ РАЗРЯДА ДЕФИБРИЛЛЯТОРА, см. в
8.9.1.15.
Устройства, используемые для изоляции СОЕДИНЕНИЙ С ПАЦИЕНТОМ РАБОЧИХ ЧАСТЕЙ С ЗАЩИТОЙ ОТ РАЗРЯДА ДЕФИБРИЛЛЯТОРА от других частей МЭ ИЗДЕЛИЯ, должны быть сконструированы так, чтобы:
a) при разряде дефибриллятора на ПАЦИЕНТА, соединенного с РАБОЧЕЙ ЧАСТЬЮ С ЗАЩИТОЙ ОТ РАЗРЯДА ДЕФИБРИЛЛЯТОРА, опасная электрическая энергия, определяемая как пиковое напряжение, равное или превышающее 1 В, измеренное между точками Y
1 и Y
2 согласно
рисункам 9 и
10, не должна появляться:
- на КОРПУСЕ, включая соединители отведений ПАЦИЕНТА и кабели, когда они соединены с МЭ ИЗДЕЛИЕМ.
Примечание 1 - Эти требования не применяют к отведению РАБОЧЕЙ ЧАСТИ С ЗАЩИТОЙ ОТ РАЗРЯДА ДЕФИБРИЛЛЯТОРА или его соединителю, когда оно отсоединено от МЭ ИЗДЕЛИЯ;
- любом СИГНАЛЬНОМ ВХОДЕ/ВЫХОДЕ;
- металлической фольге, на которую устанавливается испытываемое МЭ ИЗДЕЛИЕ и которая имеет площадь не менее площади основания МЭ ИЗДЕЛИЯ;
- СОЕДИНЕНИЯХ С ПАЦИЕНТОМ для любой другой РАБОЧЕЙ ЧАСТИ (независимо от того, является ли она РАБОЧЕЙ ЧАСТЬЮ С ЗАЩИТОЙ ОТ РАЗРЯДА ДЕФИБРИЛЛЯТОРА или не является) или
- любом неиспользуемом или отключенном соединении испытываемой РАБОЧЕЙ ЧАСТИ или любой функционирующей РАБОЧЕЙ ЧАСТИ. НОСИМОЕ НА ТЕЛЕ МЭ ИЗДЕЛИЕ (например, монитор по Холтеру) освобождается от этого требования;
VT - испытательное напряжение; S - переключатель
испытательного напряжения; R1, R2 - резисторы с допуском
+/- 2% на напряжение не менее 2 кВ; RCL - токоограничивающий
резистор; D1, D2 - миниатюрные кремниевые диоды малых
сигналов
Все остальные компоненты имеют допуск +/- 5%
Рисунок 9 - Приложение испытательного напряжения
к соединенным вместе СОЕДИНЕНИЯМ С ПАЦИЕНТОМ РАБОЧЕЙ ЧАСТИ
С ЗАЩИТОЙ ОТ РАЗРЯДА ДЕФИБРИЛЛЯТОРА (см. 8.5.5.1)
VT - испытательное напряжение; S - переключатель для приложения испытательного напряжения;
R1, R2 - резисторы с допуском +/- 2% на напряжение не менее 2 кВ;
RCL - токоограничивающий резистор;
D1, D2 - миниатюрные кремниевые диоды для пропускания малых сигналов
Все остальные компоненты имеют допуск +/- 5%
Рисунок 10 - Приложение испытательного напряжения отдельно
к каждому СОЕДИНЕНИЮ С ПАЦИЕНТОМ РАБОЧЕЙ ЧАСТИ С ЗАЩИТОЙ
ОТ РАЗРЯДА ДЕФИБРИЛЛЯТОРА (см. 8.5.5.1)
b) после воздействия напряжения дефибриллятора и по прошествии необходимого времени восстановления, указанного в ЭКСПЛУАТАЦИОННЫХ ДОКУМЕНТАХ, МЭ ИЗДЕЛИЕ должно соответствовать требованиям настоящего стандарта и обеспечивать как ОСНОВНУЮ БЕЗОПАСНОСТЬ, так и работоспособность в соответствии с ОСНОВНЫМИ ФУНКЦИОНАЛЬНЫМИ ХАРАКТЕРИСТИКАМИ.
Соответствие проверяют с помощью следующих испытаний для каждой РАБОЧЕЙ ЧАСТИ С ЗАЩИТОЙ ОТ РАЗРЯДА ДЕФИБРИЛЛЯТОРА по очереди.
Синфазное испытание
Испытательное напряжение прикладывают ко всем СОЕДИНЕНИЯМ С ПАЦИЕНТОМ РАБОЧЕЙ ЧАСТИ С ЗАЩИТОЙ ОТ РАЗРЯДА ДЕФИБРИЛЛЯТОРА, соединенным вместе, за исключением ЗАЗЕМЛЕННЫХ С ЦЕЛЬЮ ЗАЩИТЫ или обеспечивающих РАБОЧЕЕ ЗАЗЕМЛЕНИЕ. Если РАБОЧАЯ ЧАСТЬ имеет несколько функций, то испытательное напряжение подается на все СОЕДИНЕНИЯ С ПАЦИЕНТОМ, относящиеся к выполнению одной функции, одновременно с отключением других функций.
Дифференциальное испытание
МЭ ИЗДЕЛИЕ соединяют с испытательной цепью согласно рисунку 10. Испытательное напряжение прикладывают к каждому СОЕДИНЕНИЮ С ПАЦИЕНТОМ РАБОЧЕЙ ЧАСТИ С ЗАЩИТОЙ ОТ РАЗРЯДА ДЕФИБРИЛЛЯТОРА по очереди, а все остальные СОЕДИНЕНИЯ С ПАЦИЕНТОМ той же самой РАБОЧЕЙ ЧАСТИ С ЗАЩИТОЙ ОТ РАЗРЯДА ДЕФИБРИЛЛЯТОРА соединяют с землей.
Примечание 2 - Дифференциальное испытание не проводят, если РАБОЧАЯ ЧАСТЬ содержит одно СОЕДИНЕНИЕ С ПАЦИЕНТОМ.
Испытание в дифференциальном режиме недопустимо проводить на РАБОЧЕЙ ЧАСТИ с несколькими СОЕДИНЕНИЯМИ С ПАЦИЕНТОМ, если, исходя из ПРЕДУСМОТРЕННОГО ПРИМЕНЕНИЯ, СОЕДИНЕНИЯ С ПАЦИЕНТОМ должны находиться полностью внутри тела и в непосредственной близости друг от друга, где можно предположить, что все они будут иметь одинаковый потенциал напряжения при дефибрилляции ПАЦИЕНТА.
В процессе вышеупомянутых испытаний:
- за исключением МЭ ИЗДЕЛИЙ С ПОСТОЯННЫМ ПРИСОЕДИНЕНИЕМ К ПИТАЮЩЕЙ СЕТИ, МЭ ИЗДЕЛИЯ следует проверять при соединении с ПРОВОДОМ ЗАЩИТНОГО ЗАЗЕМЛЕНИЯ и без такого соединения (т.е. следует проводить два отдельных испытания);
- изолированные поверхности РАБОЧИХ ЧАСТЕЙ следует покрывать металлической фольгой или, когда это допустимо, погружать в солевой раствор концентрацией 0,9%;
- любой внешний провод к ЗАЖИМУ РАБОЧЕГО ЗАЗЕМЛЕНИЯ должен быть удален;
- части МЭ ИЗДЕЛИЯ, указанные в 8.5.5.1 a), которые не являются ЗАЗЕМЛЕННЫМИ С ЦЕЛЬЮ ЗАЩИТЫ, следует поочередно соединять с устройством отображения;
- МЭ ИЗДЕЛИЕ соединено с ПИТАЮЩЕЙ СЕТЬЮ и работает в соответствии с инструкцией по эксплуатации.
После переключения ключа S в положение B измеряют пиковое напряжение между точками Y1 и Y2. Каждое испытание повторяют с изменением полярности VT.
По истечении времени восстановления, указанного в ЭКСПЛУАТАЦИОННЫХ ДОКУМЕНТАХ, определяют, что МЭ ИЗДЕЛИЕ продолжает обеспечивать ОСНОВНУЮ БЕЗОПАСНОСТЬ и работоспособность в соответствии с ОСНОВНЫМИ ФУНКЦИОНАЛЬНЫМИ ХАРАКТЕРИСТИКАМИ.
8.5.5.2 Испытание на уменьшение энергии
РАБОЧИЕ ЧАСТИ С ЗАЩИТОЙ ОТ РАЗРЯДА ДЕФИБРИЛЛЯТОРА или СОЕДИНЕНИЯ С ПАЦИЕНТОМ РАБОЧИХ ЧАСТЕЙ С ЗАЩИТОЙ ОТ РАЗРЯДА ДЕФИБРИЛЛЯТОРА должны включать такие средства, чтобы энергия дефибриллятора, выделяемая на нагрузке 100 Ом, составляла не менее 90% от энергии, выделяемой на этой нагрузке при отсоединенном МЭ ИЗДЕЛИИ.
Если при ПРЕДУСМОТРЕННОМ ПРИМЕНЕНИИ используется одна РАБОЧАЯ ЧАСТЬ, имеющая несколько СОЕДИНЕНИЙ С ПАЦИЕНТОМ, которые находятся в непосредственной близости друг от друга и полностью внутри тела, эти СОЕДИНЕНИЯ С ПАЦИЕНТОМ рассматривают как одно СОЕДИНЕНИЕ С ПАЦИЕНТОМ.
Соответствие проверяют с помощью следующего испытания.
Испытательная цепь показана на рисунке 11. Для этого испытания используют ПРИНАДЛЕЖНОСТИ, такие как кабели, электроды и датчики, которые рекомендованы в инструкции по эксплуатации (см. 7.9.2.14). Испытательное напряжение прикладывают к каждому СОЕДИНЕНИЮ С ПАЦИЕНТОМ или к каждой РАБОЧЕЙ ЧАСТИ по очереди, а все остальные СОЕДИНЕНИЯ С ПАЦИЕНТОМ той же самой РАБОЧЕЙ ЧАСТИ соединяют с землей (дифференциальный режим). Другие РАБОЧИЕ ЧАСТИ с ЗАЩИТОЙ ОТ ДЕФИБРИЛЛЯЦИИ, если они есть, испытывают отдельно, в свою очередь.
ПРОЦЕДУРА испытаний:
a) соединяют РАБОЧУЮ ЧАСТЬ или СОЕДИНЕНИЕ С ПАЦИЕНТОМ с испытательной цепью; детали, описанные в 8.5.5.1 a), соединяют с землей;
b) заряжают конденсатор C до постоянного напряжения 5 кВ при установке переключателя S в положение A;
c) разряжают конденсатор C, установив переключатель S в положение B, после чего измеряют энергию E1 на нагрузке 100 Ом;
d) отсоединяют испытываемое МЭ ИЗДЕЛИЕ от испытательной цепи и повторяют операции b) и c), измеряют энергию E2 на нагрузке 100 Ом;
e) проверяют, что энергия E1 составляет не менее 90% от энергии E2;
f) повторяют испытание с изменением полярности VT.
S - переключатель для приложения испытательной мощности;
A, B - положения переключателя; RCL - токоограничивающий резистор
Компоненты имеют допуск +/- 5%
Рисунок 11 - Приложение испытательного напряжения
для проверки энергии, выдаваемой
дефибриллятором (см. 8.5.5.2)
8.6* Защитное заземление, рабочее заземление и выравнивание потенциалов МЭ ИЗДЕЛИЯ
8.6.1* Применимость требований
Применяют требования
8.6.2 -
8.6.8 (включительно), за исключением случая, когда рассматриваемые части соответствуют требованиям и испытаниям согласно МЭК 60950-1:2005, МЭК 60950-1:2005/AMD1:2009 и МЭК 60950-1:2005/AMD2:2013 или МЭК 62368-1:2018 для защитного заземления и служат в качестве СРЕДСТВА ЗАЩИТЫ ОПЕРАТОРА, но не в качестве СРЕДСТВА ЗАЩИТЫ ПАЦИЕНТА.
8.6.2* ЗАЖИМ ЗАЩИТНОГО ЗАЗЕМЛЕНИЯ
ЗАЖИМ ЗАЩИТНОГО ЗАЗЕМЛЕНИЯ МЭ ИЗДЕЛИЯ должен быть пригоден для присоединения к внешней системе защитного заземления либо с помощью ПРОВОДА ЗАЩИТНОГО ЗАЗЕМЛЕНИЯ в ШНУРЕ ПИТАНИЯ и вилки (если имеется), либо с помощью ЗАКРЕПЛЕННОГО ПРОВОДА ЗАЩИТНОГО ЗАЗЕМЛЕНИЯ.
Средства крепления ЗАЖИМА ЗАЩИТНОГО ЗАЗЕМЛЕНИЯ МЭ ИЗДЕЛИЯ для ЗАКРЕПЛЕННЫХ проводов питания или ШНУРОВ ПИТАНИЯ должны соответствовать требованиям
8.11.4.3. Должна быть исключена возможность отсоединения средств крепления без использования ИНСТРУМЕНТА.
Винты для внутренних СОЕДИНЕНИЙ С ЗАЩИТНЫМ ЗАЗЕМЛЕНИЕМ должны быть полностью закрыты или защищены от случайного ослабления с внешней стороны МЭ ИЗДЕЛИЯ.
В случае когда соединение с питанием МЭ ИЗДЕЛИЯ обеспечивает ПРИБОРНАЯ ВИЛКА, контакт заземления ПРИБОРНОЙ ВИЛКИ необходимо рассматривать как ЗАЖИМ ЗАЩИТНОГО ЗАЗЕМЛЕНИЯ.
ЗАЖИМ ЗАЩИТНОГО ЗАЗЕМЛЕНИЯ не следует использовать для МЕХАНИЧЕСКОГО соединения различных частей МЭ ИЗДЕЛИЯ или крепления какого-либо компонента, не связанного с защитным или рабочим заземлением.
Соответствие проверяют осмотром конструкции и испытанием согласно 8.11.4.3.
8.6.3* Защитное заземление движущихся частей
СОЕДИНЕНИЕ С ЗАЩИТНЫМ ЗАЗЕМЛЕНИЕМ недопустимо использовать для движущихся частей, если только ИЗГОТОВИТЕЛЬ не докажет, что это соединение будет оставаться надежным в течение всего ОЖИДАЕМОГО СРОКА СЛУЖБЫ МЭ ИЗДЕЛИЯ.
Соответствие проверяют осмотром МЭ ИЗДЕЛИЯ и при необходимости - рассмотрением ФАЙЛА МЕНЕДЖМЕНТА РИСКА.
8.6.4 Импеданс и токонесущая способность
a)* СОЕДИНЕНИЯ С ЗАЩИТНЫМ ЗАЗЕМЛЕНИЕМ должны надежно выдерживать токи при нарушении без чрезмерного падения напряжения.
Для МЭ ИЗДЕЛИЯ С ПОСТОЯННЫМ ПРИСОЕДИНЕНИЕМ К ПИТАЮЩЕЙ СЕТИ импеданс между ЗАЖИМОМ ЗАЩИТНОГО ЗАЗЕМЛЕНИЯ и любой ЗАЗЕМЛЕННОЙ С ЦЕЛЬЮ ЗАЩИТЫ частью не должен превышать 100 мОм, за исключением случая, указанного в
8.6.4 b).
Для МЭ ИЗДЕЛИЯ с ПРИБОРНОЙ ВИЛКОЙ импеданс между контактом заземления в ПРИБОРНОЙ ВИЛКЕ и любой ЗАЗЕМЛЕННОЙ С ЦЕЛЬЮ ЗАЩИТЫ частью не должен превышать 100 мОм, за исключением случая, указанного в
8.6.4 b).
Для МЭ ИЗДЕЛИЯ с НЕСЪЕМНЫМ ШНУРОМ ПИТАНИЯ импеданс между контактом защитного заземления в СЕТЕВОЙ ВИЛКЕ и любой частью, ЗАЗЕМЛЕННОЙ С ЦЕЛЬЮ ЗАЩИТЫ, не должен превышать 200 мОм, за исключением случая, указанного в
8.6.4 b).
Кроме того, величина импеданса между защитным заземляющим контактом в СЕТЕВОЙ ВИЛКЕ любого СЪЕМНОГО ШНУРА ПИТАНИЯ, поставляемого или указанного ИЗГОТОВИТЕЛЕМ, при присоединении к МЭ ИЗДЕЛИЮ и любой части МЭ ИЗДЕЛИЯ, СОЕДИНЕННОЙ С ЗАЖИМОМ ЗАЩИТНОГО ЗАЗЕМЛЕНИЯ, не должна превышать 200 мОм, за исключением случаев, предусмотренных в
п. 8.6.4 b)
Испытания необходимо проводить с использованием СЪЕМНОГО ШНУРА ПИТАНИЯ, предоставленного или предусмотренного (длина и площадь поперечного сечения) ИЗГОТОВИТЕЛЕМ.
Соответствие проверяют с помощью следующего испытания.
Ток 25 А или ток в 1,5 раза превышающий максимальный НОРМИРОВАННЫЙ ток в соответствующей цепи в зависимости от того, какой ток больше (+/- 10%) от источника тока с частотой 50 или 60 Гц и с напряжением холостого хода, не превышающим 6 В, пропускают в течение 5 - 10 с через ЗАЖИМ ЗАЩИТНОГО ЗАЗЕМЛЕНИЯ или контакт защитного заземления ПРИБОРНОЙ ВИЛКИ, или контакт защитного заземления СЕТЕВОЙ ВИЛКИ и через каждую часть, ЗАЗЕМЛЕННУЮ С ЦЕЛЬЮ ЗАЩИТЫ.
Также может быть использована сеть постоянного тока.
Наивысший НОРМИРОВАННЫЙ ток - это НОРМИРОВАННЫЙ ток устройства защиты от перегрузки МЭ ИЗДЕЛИЯ, когда оно присутствует, для всех цепей, расположенных за устройством защиты от перегрузки по току. От ПИТАЮЩЕЙ СЕТИ до устройства защиты от перегрузки по току МЭ ИЗДЕЛИЯ самый высокий НОРМИРОВАННЫЙ ток - это НОРМИРОВАННЫЙ ток устройства защиты от перегрузки по току в электрооборудовании здания.
Примечание - Если в качестве СРЕДСТВА ЗАЩИТЫ используют защитное заземление, испытательный ток определяют в зависимости от места, где может возникнуть неисправность. Если предполагаемая неисправность находится в цепи питания сети до устройства защиты от перегрузки по току МЭ ИЗДЕЛИЯ, испытательный ток для этой части цепи защитного заземления определяется нормированным значением внешней защиты от перегрузки по току, включенной в инфраструктуру здания или указанной в ЭКСПЛУАТАЦИОННЫХ ДОКУМЕНТАХ (в 1,5 раза превышает нормированное значение прерывания внешней защиты от перегрузки по току). Если предполагаемая неисправность возникает в цепи питания после устройства защиты от перегрузки по току МЭ ИЗДЕЛИЯ, испытательный ток рассчитывают на основе нормированной защиты от перегрузки по току МЭ ИЗДЕЛИЯ (в 1,5 раза выше нормированного значения устройства защиты от перегрузки по току МЭ ИЗДЕЛИЯ). В любом случае минимальный испытательный ток составляет 25 А.
Импеданс определяют по току и измеренному падению напряжения между указанными частями.
В случае когда произведение указанного выше испытательного тока и суммарного импеданса (т.е. сумма измеренного импеданса, импеданса испытательных проводов и импеданса контактов) превышает 6 В, импеданс вначале измеряют при напряжении холостого хода, не превышающем 6 В.
Если измеренный импеданс находится в допустимых пределах, то либо измерения импеданса затем повторяют с использованием источника тока с напряжением холостого хода, достаточным, чтобы обеспечить указанный выше ток через суммарный импеданс, либо токонесущую способность соответствующих проводов защитного заземления и соединений с защитным заземлением подтверждают проверкой их поперечного сечения, которое должно быть не меньше поперечного сечения соответствующих токонесущих проводов.
b)* Допускается превышать указанные выше значения импедансов СОЕДИНЕНИЙ С ЗАЩИТНЫМ ЗАЗЕМЛЕНИЕМ, если соответствующие цепи имеют такие ограничения по току, что в случае короткого замыкания соответствующей изоляции значения допустимого ТОКА УТЕЧКИ НА ДОСТУПНУЮ ЧАСТЬ и ТОКА УТЕЧКИ НА ПАЦИЕНТА при УСЛОВИИ ЕДИНИЧНОГО НАРУШЕНИЯ не будут превышены.
Соответствие проверяют осмотром и при необходимости измерением ТОКА УТЕЧКИ при УСЛОВИИ ЕДИНИЧНОГО НАРУШЕНИЯ. Переходные токи, возникающие в течение первых 50 мс после короткого замыкания, не учитывают.
8.6.5 Поверхностные покрытия
С проводящих элементов МЭ ИЗДЕЛИЯ, поверхности которых покрыты материалом с низкой проводимостью, например краской, и электрический контакт между которыми существенно влияет на СОЕДИНЕНИЕ С ЗАЩИТНЫМ ЗАЗЕМЛЕНИЕМ, должны быть удалены покрытия в точке их контакта. Исключение составляет случай, когда исследование конструкции соединения и ПРОЦЕССА производства показывает, что требования к импедансу и токонесущей способности обеспечиваются без удаления поверхностных покрытий.
Соответствие проверяют осмотром.
8.6.6 Вилки и розетки
В случае когда соединение между ПИТАЮЩЕЙ СЕТЬЮ и МЭ ИЗДЕЛИЕМ или между отдельными частями МЭ ИЗДЕЛИЯ, проводимое любыми лицами, не являющимися ОБСЛУЖИВАЮЩИМ ПЕРСОНАЛОМ, выполнено в виде вилки и розетки, СОЕДИНЕНИЕ С ЗАЩИТНЫМ ЗАЗЕМЛЕНИЕМ должно осуществляться до, а прерывание после соответственно соединения и прерывания в цепи питания. Это требование относится также к взаимозаменяемым частям, ЗАЗЕМЛЕННЫМ С ЦЕЛЬЮ ЗАЩИТЫ.
Соответствие проверяют осмотром.
8.6.7* ПРОВОД ВЫРАВНИВАНИЯ ПОТЕНЦИАЛОВ
Если МЭ ИЗДЕЛИЕ имеет зажим для присоединения ПРОВОДА ВЫРАВНИВАНИЯ ПОТЕНЦИАЛОВ, то применимы следующие требования:
- зажим в МЭ ИЗДЕЛИИ должен быть доступен для ОПЕРАТОРА в любом положении МЭ ИЗДЕЛИЯ при НОРМАЛЬНОЙ ЭКСПЛУАТАЦИИ;
- необходимо избегать случайного отсоединения провода при НОРМАЛЬНОЙ ЭКСПЛУАТАЦИИ;
- зажим должен позволять осуществлять отсоединение провода без помощи ИНСТРУМЕНТА;
- зажим недопустимо использовать для СОЕДИНЕНИЯ С ЗАЩИТНЫМ ЗАЗЕМЛЕНИЕМ;
- инструкция по эксплуатации должна содержать информацию относительно назначения и использования ПРОВОДА ВЫРАВНИВАНИЯ ПОТЕНЦИАЛОВ вместе со ссылкой на требования настоящего стандарта для МЭ СИСТЕМ.
ШНУР ПИТАНИЯ не должен содержать ПРОВОД ВЫРАВНИВАНИЯ ПОТЕНЦИАЛОВ.
Соответствие проверяют осмотром.
8.6.8 ЗАЖИМ РАБОЧЕГО ЗАЗЕМЛЕНИЯ
ЗАЖИМ РАБОЧЕГО ЗАЗЕМЛЕНИЯ МЭ ИЗДЕЛИЯ недопустимо использовать для обеспечения СОЕДИНЕНИЯ С ЗАЩИТНЫМ ЗАЗЕМЛЕНИЕМ.
Соответствие проверяют осмотром.
8.6.9* МЭ ИЗДЕЛИЕ КЛАССА II
Если МЭ ИЗДЕЛИЕ КЛАССА II с изолированными внутренними экранами поставляют со ШНУРОМ ПИТАНИЯ с тремя проводами, то третий провод (соединенный с контактом защитного заземления в СЕТЕВОЙ ВИЛКЕ) следует использовать только как соединение рабочего заземления с КЛЕММОЙ РАБОЧЕГО ЗАЗЕМЛЕНИЯ этих экранов и он должен иметь изоляцию желтого и зеленого цветов. В этом случае в ЭКСПЛУАТАЦИОННЫХ ДОКУМЕНТАХ должно быть указано, что третий провод в ШНУРЕ ПИТАНИЯ является исключительно рабочим заземлением.
Изоляция между внутренними экранами, включая внутреннюю проводку, подключенную к ним, и ДОСТУПНЫМИ ЧАСТЯМИ должна обеспечивать два СРЕДСТВА ЗАЩИТЫ.
Соответствие проверяют осмотром МЭ ИЗДЕЛИЯ и измерением. Изоляцию проверяют в соответствии с 8.8.
8.7 ТОКИ УТЕЧКИ и ДОПОЛНИТЕЛЬНЫЕ ТОКИ В ЦЕПИ ПАЦИЕНТА
8.7.1 Общие требования
a) Электрическая изоляция, обеспечивающая защиту от поражения электрическим током, должна быть такого качества, чтобы протекающие через нее токи не превышали значений, указанных в
8.7.3.
b) Допустимые значения ТОКА УТЕЧКИ НА ЗЕМЛЮ, ТОКА УТЕЧКИ НА ДОСТУПНУЮ ЧАСТЬ, ТОКА УТЕЧКИ НА ПАЦИЕНТА и ДОПОЛНИТЕЛЬНОГО ТОКА В ЦЕПИ ПАЦИЕНТА применяют в любом сочетании следующих условий:
- при рабочей температуре и после предварительного воздействия повышенной влажности согласно
5.7;
- после любой требуемой ПРОЦЕДУРЫ стерилизации (см.
11.6.7);
- в НОРМАЛЬНОМ СОСТОЯНИИ и при УСЛОВИЯХ ЕДИНИЧНОГО НАРУШЕНИЯ, указанных в
8.7.2;
- в режиме ожидания и в режиме полного функционирования МЭ ИЗДЕЛИЯ и при любом положении каждого выключателя в СЕТЕВОЙ ЧАСТИ;
- при максимальной НОРМИРОВАННОЙ частоте питания;
- при напряжении питания, равном 110% от максимального НОРМИРОВАННОГО СЕТЕВОГО НАПРЯЖЕНИЯ.
8.7.2* УСЛОВИЯ ЕДИНИЧНОГО НАРУШЕНИЯ
Допустимые значения, приведенные в
8.7.3, применимы при УСЛОВИЯХ ЕДИНИЧНОГО НАРУШЕНИЯ, указанных в
8.1 b), за исключением случаев, когда:
- изоляция используется в сочетании с СОЕДИНЕНИЕМ С ЗАЩИТНЫМ ЗАЗЕМЛЕНИЕМ; короткое замыкание этой изоляции применяют только в ситуациях, указанных в
8.6.4 b);
- единственным УСЛОВИЕМ ЕДИНИЧНОГО НАРУШЕНИЯ для ТОКА УТЕЧКИ НА ЗЕМЛЮ является обрыв каждого провода питания поочередно;
- ТОКИ УТЕЧКИ и ДОПОЛНИТЕЛЬНЫЙ ТОК В ЦЕПИ ПАЦИЕНТА не измеряют при УСЛОВИИ ЕДИНИЧНОГО НАРУШЕНИЯ в виде короткого замыкания одной составной части ДВОЙНОЙ ИЗОЛЯЦИИ.
УСЛОВИЯ ЕДИНИЧНОГО НАРУШЕНИЯ недопустимо применять одновременно со специальными условиями испытаний при МАКСИМАЛЬНОМ СЕТЕВОМ НАПРЯЖЕНИИ на РАБОЧЕЙ ЧАСТИ [см.
8.7.4.7 b)] и на частях КОРПУСА, не являющихся ЗАЗЕМЛЕННЫМИ С ЦЕЛЬЮ ЗАЩИТЫ
[8.7.4.7 d)].
8.7.3* Допустимые значения
a) Допустимые значения тока, указанные в
8.7.3, перечисления b),
c) и
d), относятся к токам, протекающим в цепи, изображенной на
рисунке 12a, и измеряемым согласно этому
рисунку (или с помощью устройства с амплитудно-частотной характеристикой по току, согласно
рисунку 12 b). Эти значения применяют к постоянному и переменному токам, а также к току сложной формы. Если не оговорено иное, то эти значения являются значениями постоянного тока или среднеквадратическими значениями.
b) Допустимые значения ТОКОВ УТЕЧКИ НА ПАЦИЕНТА и ДОПОЛНИТЕЛЬНЫХ ТОКОВ В ЦЕПИ ПАЦИЕНТА указаны в
таблицах 3 и
4. Значения для переменного тока применяют к токам, имеющим частоту не менее 0,1 Гц.
c) Допустимые значения ТОКА УТЕЧКИ НА ДОСТУПНУЮ ЧАСТЬ составляют 100 мкА в НОРМАЛЬНОМ СОСТОЯНИИ и 500 мкА - при УСЛОВИИ ЕДИНИЧНОГО НАРУШЕНИЯ.
d) Допустимые значения ТОКА УТЕЧКИ НА ЗЕМЛЮ составляют 5 мА в НОРМАЛЬНОМ СОСТОЯНИИ и 10 мА при УСЛОВИИ ЕДИНИЧНОГО НАРУШЕНИЯ. Для МЭ ИЗДЕЛИЯ С ПОСТОЯННЫМ ПРИСОЕДИНЕНИЕМ К ПИТАЮЩЕЙ СЕТИ, соединенного с цепью питания, которая питает только данное МЭ ИЗДЕЛИЕ, допускаются большие значения ТОКА УТЕЧКИ НА ЗЕМЛЮ.
Примечание 1 - Местные нормы могут устанавливать предельные значения для токов в защитном заземлении электрооборудования помещений. См. также МЭК 60364-7-710
[10].
Примечание 2 - ТОК УТЕЧКИ НА ЗЕМЛЮ в НОРМАЛЬНОМ СОСТОЯНИИ может стать ТОКОМ УТЕЧКИ НА ДОСТУПНУЮ ЧАСТЬ в УСЛОВИИ ЕДИНИЧНОГО НАРУШЕНИЯ, если МЭ ИЗДЕЛИЕ является ИЗДЕЛИЕМ С ПОСТОЯННЫМ ПРИСОЕДИНЕНИЕМ К ПИТАЮЩЕЙ СЕТИ или защитное заземление недоступно снаружи МЭ ИЗДЕЛИЯ.
e) Кроме того, независимо от формы и частоты, ТОК УТЕЧКИ не должен превышать 10 мА среднеквадратического значения в НОРМАЛЬНОМ СОСТОЯНИИ или при УСЛОВИИ ЕДИНИЧНОГО НАРУШЕНИЯ, когда измерение проводят с помощью устройств без частотной коррекции, например, измерительное устройство, аналогичное показанному на
рисунке 12 a), но без
C1 и
R1.
f)* Допустимые значения ТОКОВ УТЕЧКИ, которые могут протекать в ПРОВОДЕ РАБОЧЕГО ЗАЗЕМЛЕНИЯ в МЭ ИЗДЕЛИЯХ без ПОСТОЯННОГО ПРИСОЕДИНЕНИЯ К ПИТАЮЩЕЙ СЕТИ, составляют 5 мА в НОРМАЛЬНОМ СОСТОЯНИИ и 10 мА в УСЛОВИИ ЕДИНИЧНОГО НАРУШЕНИЯ.
Примечание 3 -
Подпункт 16.6.1 содержит следующее требование: если МЭ ИЗДЕЛИЕ входит в состав МЭ СИСТЕМЫ, то значения ТОКОВ УТЕЧКИ НА ДОСТУПНУЮ ЧАСТЬ с любой части МЭ ИЗДЕЛИЯ не могут превышать 100 мкА в НОРМАЛЬНОМ СОСТОЯНИИ и 500 мкА в УСЛОВИИ ЕДИНИЧНОГО НАРУШЕНИЯ.
C1 = 0,015 мкФ +/- 5%
a) Измерительное устройство
b) Частотная характеристика
Примечание - Приведенные выше цепь и прибор для измерения напряжения на последующих рисунках заменяют символом

.
--------------------------------
<a> Безындуктивные компоненты.
<b> Сопротивление не менее 1 МОм и емкость не более 150 пФ.
<c> Z(f) - импеданс цепи, т.е. Vout/Iin на частоте f.
Рисунок 12 - Пример реализации измерительного устройства
и его частотная характеристика (см. 8.7.3)
Таблица 3*
Допустимые значения ТОКОВ УТЕЧКИ НА ПАЦИЕНТА
и ДОПОЛНИТЕЛЬНЫХ ТОКОВ В ЦЕПИ ПАЦИЕНТА в НОРМАЛЬНОМ
СОСТОЯНИИ и при УСЛОВИИ ЕДИНИЧНОГО НАРУШЕНИЯ
Ток | Описание | Ссылка | Измерительная цепь | Характеристика тока | Ток (мкА) в РАБОЧЕЙ ЧАСТИ |
ТИПА B | ТИПА BF | ТИПА CF |
NC | SFC | NC | SFC | NC | SFC |
ДОПОЛНИТЕЛЬНЫЙ ТОК В ЦЕПИ ПАЦИЕНТА | - | | | Постоянный | 10 | 50 | 10 | 50 | 10 | 50 |
Переменный | 100 | 500 | 100 | 500 | 10 | 50 |
ТОК УТЕЧКИ НА ПАЦИЕНТА | От СОЕДИНЕНИЯ С ПАЦИЕНТОМ к земле | | | Постоянный | 10 | 50 | 10 | 50 | 10 | 50 |
Переменный | 100 | 500 | 100 | 500 | 10 | 50 |
Вызван внешним напряжением на СИГНАЛЬНОМ ВХОДЕ/ВЫХОДЕ | | | Постоянный | 10 | 50 | 10 | 50 | 10 | 50 |
Переменный | 100 | 500 | 100 | 500 | 10 | 50 |
Полный ТОК УТЕЧКИ НА ПАЦИЕНТА <a> | С РАБОЧИМИ ЧАСТЯМИ одного типа, соединенными вместе | | | Постоянный | 50 | 100 | 50 | 100 | 50 | 100 |
Переменный | 500 | 1000 | 500 | 1000 | 50 | 100 |
Вызван внешним напряжением на СИГНАЛЬНОМ ВХОДЕ/ВЫХОДЕ | | | Постоянный | 50 | 100 | 50 | 100 | 50 | 100 |
Переменный | 500 | 1000 | 500 | 1000 | 50 | 100 |
NC - НОРМАЛЬНОЕ СОСТОЯНИЕ SFC - УСЛОВИЕ ЕДИНИЧНОГО НАРУШЕНИЯ Примечание 1 - Значения ТОКОВ УТЕЧКИ НА ЗЕМЛЮ см. в 8.7.3 d). Примечание 2 - Значения ТОКОВ УТЕЧКИ НА ДОСТУПНУЮ ЧАСТЬ см. в 8.7.3 c). -------------------------------- <a> Значения полного ТОКА УТЕЧКИ НА ПАЦИЕНТА применимы только к МЭ ИЗДЕЛИЯМ, имеющим несколько РАБОЧИХ ЧАСТЕЙ [см. 8.7.4.7 h)]. Для каждой одной РАБОЧЕЙ ЧАСТИ должны выполняться требования к ТОКУ УТЕЧКИ НА ПАЦИЕНТА. |
Таблица 4*
Допустимые значения ТОКОВ УТЕЧКИ НА ПАЦИЕНТА
при специальных условиях испытаний (см.
8.7.4.7)
Ток | | Ссылка | Измерительная цепь | Ток (мкА) в РАБОЧЕЙ ЧАСТИ |
ТИПА B | ТИПА BF | ТИПА CF |
ТОК УТЕЧКИ НА ПАЦИЕНТА | Вызван внешним напряжением на СОЕДИНЕНИИ С ПАЦИЕНТОМ для РАБОЧЕЙ ЧАСТИ ТИПА F | | | Не применимо | 5000 | 50 |
Вызван внешним напряжением на металлической ДОСТУПНОЙ ЧАСТИ, НЕЗАЗЕМЛЕННОЙ С ЦЕЛЬЮ ЗАЩИТЫ | | | 500 | 500 | |
Полный ТОК УТЕЧКИ НА ПАЦИЕНТА <b> | Вызван внешним напряжением на СОЕДИНЕНИИ С ПАЦИЕНТОМ для РАБОЧЕЙ ЧАСТИ ТИПА F | | | Не применимо | 5000 | 100 |
Вызван внешним напряжением на металлической ДОСТУПНОЙ ЧАСТИ, НЕЗАЗЕМЛЕННОЙ С ЦЕЛЬЮ ЗАЩИТЫ | | | 1000 | 1000 | |
<a> Условие, приведенное в таблице IV второй редакции как "СЕТЕВОЕ НАПРЯЖЕНИЕ на РАБОЧЕЙ ЧАСТИ" и рассматриваемое там как УСЛОВИЕ ЕДИНИЧНОГО НАРУШЕНИЯ, в настоящем стандарте рассматривают как специальное условие испытаний. Испытание с приложением МАКСИМАЛЬНОГО СЕТЕВОГО НАПРЯЖЕНИЯ к ДОСТУПНОЙ ЧАСТИ, НЕЗАЗЕМЛЕННОЙ С ЦЕЛЬЮ ЗАЩИТЫ, также является специальным условием испытаний, однако допустимые значения остаются такими же, как и при УСЛОВИИ ЕДИНИЧНОГО НАРУШЕНИЯ. См. также обоснования к 8.5.2.2 и 8.7.4.7 d). <b> Значения полного ТОКА УТЕЧКИ НА ПАЦИЕНТА применимы только к изделиям, имеющим несколько РАБОЧИХ ЧАСТЕЙ (см. 8.7.4.7 h). Для каждой одной РАБОЧЕЙ ЧАСТИ должны выполняться требования к ТОКУ УТЕЧКИ НА ПАЦИЕНТА. <c> Данное условие не применяют при испытании РАБОЧИХ ЧАСТЕЙ ТИПА CF, поскольку на них распространяются испытания с приложением МАКСИМАЛЬНОГО СЕТЕВОГО НАПРЯЖЕНИЯ к РАБОЧЕЙ ЧАСТИ. См. также обоснование к 8.7.4.7 d). |
8.7.4.1 Общие положения
Схемы испытаний для определения ТОКА УТЕЧКИ и ДОПОЛНИТЕЛЬНОГО ТОКА В ЦЕПИ ПАЦИЕНТА, на которые даются ссылки в 8.7.4.5 - 8.7.4.8 (см. рисунки 13 - 19 включительно), показаны как соответствующие ПРОЦЕДУРАМ испытаний, рассмотренным в этих подпунктах. Следует признать, что и другие схемы испытаний могут давать точные результаты. Однако если результаты испытаний близки к допускаемым значениям или имеются сомнения относительно достоверности результатов испытаний, то указанные схемы испытаний должны использоваться как арбитражные.
a) ТОК УТЕЧКИ НА ЗЕМЛЮ, ТОК УТЕЧКИ НА ДОСТУПНУЮ ЧАСТЬ, ТОК УТЕЧКИ НА ПАЦИЕНТА и ДОПОЛНИТЕЛЬНЫЙ ТОК В ЦЕПИ ПАЦИЕНТА измеряют после того, как температура МЭ ИЗДЕЛИЯ будет доведена до рабочей согласно требованиям 11.1.3 c).
b) В случае когда анализ компоновки цепей, компонентов и материалов МЭ ИЗДЕЛИЯ указывает на невозможность возникновения какой-либо ОПАСНОЙ СИТУАЦИИ, описанной в 13.1, число испытаний может быть сокращено.
Измерение проводят при всевозможных комбинациях положений переключателей S5, S10 и S12:
- при замкнутом положении переключателя S1 (НОРМАЛЬНОЕ СОСТОЯНИЕ);
- разомкнутом положении переключателя S1 (УСЛОВИЕ ЕДИНИЧНОГО НАРУШЕНИЯ).
Пример с измерительной цепью питания согласно
рисунку F.1.
Рисунок 13 - Схема измерения ТОКА УТЕЧКИ НА ЗЕМЛЮ МЭ ИЗДЕЛИЯ
КЛАССА I с РАБОЧЕЙ ЧАСТЬЮ или без нее (см.
8.7.4.5)
Измерение проводят (при замкнутом положении переключателя S7 для МЭ ИЗДЕЛИЯ КЛАССА I) при всевозможных комбинациях положений переключателей S1, S5, S9, S10 и S12.
Разомкнутый переключатель S1 - УСЛОВИЕ ЕДИНИЧНОГО НАРУШЕНИЯ.
Только для МЭ ИЗДЕЛИЙ КЛАССА I:
Измерение проводят при разомкнутом положении переключателя S7 (УСЛОВИЕ ЕДИНИЧНОГО НАРУШЕНИЯ) и при замкнутом положении переключателя S1 при всевозможных сочетаниях положений переключателей S5, S9, S10 и S12.
Для МЭ ИЗДЕЛИЙ КЛАССА II СОЕДИНЕНИЕ С ЗАЩИТНЫМ ЗАЗЕМЛЕНИЕМ и переключатель S7 не используют.
При необходимости используют трансформатор T
2 [см.
8.1 a)].
Пример с измерительной цепью питания согласно
рисунку F.1.
Рисунок 14 - Схема измерения ТОКА УТЕЧКИ НА ДОСТУПНУЮ ЧАСТЬ
Измерение проводят (при замкнутом положении переключателя S7 для МЭ ИЗДЕЛИЯ КЛАССА I) при всевозможных сочетаниях положений переключателей S1, S5, S10, S13 и S15.
Переключатель S1 в разомкнутом положении - УСЛОВИЕ ЕДИНИЧНОГО НАРУШЕНИЯ.
Только для изделий КЛАССА I:
Измерение проводят при разомкнутом положении переключателя S7 (УСЛОВИЕ ЕДИНИЧНОГО НАРУШЕНИЯ) и замкнутом положении переключателя S1 и при всевозможных комбинациях положений переключателей S5, S10, S13 и S15.
Для изделий КЛАССА II СОЕДИНЕНИЕ С ЗАЩИТНЫМ ЗАЗЕМЛЕНИЕМ и переключатель S7 не используют.
Пример с измерительной цепью питания согласно
рисунку F.1.
Рисунок 15 - Схема измерения ТОКА УТЕЧКИ НА ПАЦИЕНТА
от СОЕДИНЕНИЯ С ПАЦИЕНТОМ к земле [см.
8.7.4.7 a)]
Измерение проводят (при замкнутом положении переключателя S7 для МЭ ИЗДЕЛИЯ КЛАССА I) при S1 замкнутом и всевозможных сочетаниях положений переключателей S5, S9, S10 и S13.
Для изделий КЛАССА II СОЕДИНЕНИЕ С ЗАЩИТНЫМ ЗАЗЕМЛЕНИЕМ и переключатель S7 не используют.
Пример с измерительной цепью питания согласно
рисунку F.1.
Рисунок 16 - Схема измерения ТОКА УТЕЧКИ НА ПАЦИЕНТА
через СОЕДИНЕНИЕ(Я) С ПАЦИЕНТОМ РАБОЧЕЙ ЧАСТИ ТИПА F
к земле, вызванного внешним напряжением на СОЕДИНЕНИИ(ЯХ)
Измерение проводят (при замкнутом положении переключателя S7 для МЭ ИЗДЕЛИЯ КЛАССА I) при всевозможных сочетаниях положений переключателей S1, S5, S9, S10 и S13; разомкнутый переключатель S1 - УСЛОВИЕ ЕДИНИЧНОГО НАРУШЕНИЯ.
Только для изделий КЛАССА I:
Измерение проводят при разомкнутом положении переключателя S7 (УСЛОВИЕ ЕДИНИЧНОГО НАРУШЕНИЯ) и при замкнутом положении переключателя S1 и всевозможных сочетаниях положений переключателей S5, S9, S10 и S13.
Для изделий КЛАССА II СОЕДИНЕНИЕ С ЗАЩИТНЫМ ЗАЗЕМЛЕНИЕМ и переключатель S7 не используют.
Пример с измерительной цепью питания согласно
рисунку F.1.
Рисунок 17 - Схема измерения ТОКА УТЕЧКИ НА ПАЦИЕНТА
от СОЕДИНЕНИЯ(Й) С ПАЦИЕНТОМ к земле, вызванного внешним
напряжением на СИГНАЛЬНОМ ВХОДЕ/ВЫХОДЕ [см.
8.7.4.7 c)]
Измерение проводят при замкнутом положении переключателя S1 (и при замкнутом положении переключателя S7 для МЭ ИЗДЕЛИЯ КЛАССА I) при всевозможных сочетаниях положений переключателей S5, S9 и S10.
Для изделий КЛАССА II СОЕДИНЕНИЕ С ЗАЩИТНЫМ ЗАЗЕМЛЕНИЕМ и переключатель S7 не используют.
Пример с измерительной цепью питания согласно
рисунку F.1.
Рисунок 18 - Схема измерения ТОКА УТЕЧКИ НА ПАЦИЕНТА
от СОЕДИНЕНИЯ(Й) С ПАЦИЕНТОМ к земле, вызванного внешним
напряжением на металлической ДОСТУПНОЙ ЧАСТИ, НЕЗАЗЕМЛЕННОЙ
Измерение проводят (при замкнутом положении переключателя S7 для МЭ ИЗДЕЛИЯ КЛАССА I) при всевозможных сочетаниях положений переключателей S1, S5 и S10.
Разомкнутый переключатель S1 - УСЛОВИЕ ЕДИНИЧНОГО НАРУШЕНИЯ.
Только для изделий КЛАССА I:
Измерение проводят при разомкнутом положении переключателя S7 (УСЛОВИЕ ЕДИНИЧНОГО НАРУШЕНИЯ) и замкнутом положении переключателя S1 и при всевозможных сочетаниях положений переключателей S5 и S10.
Для изделий КЛАССА II СОЕДИНЕНИЕ С ЗАЩИТНЫМ ЗАЗЕМЛЕНИЕМ и переключатель S7 не используют.
Пример с измерительной цепью питания согласно
рисунку F.1.
Рисунок 19 - Схема измерения ДОПОЛНИТЕЛЬНОГО ТОКА В ЦЕПИ
Для определения положений переключателей S
1, S
5, S
7 и S
10 см.
рисунки 15,
16,
17 или
18.
Рисунок 20 - Схема измерения полного ТОКА УТЕЧКИ НА ПАЦИЕНТА
со всеми СОЕДИНЕНИЯМИ С ПАЦИЕНТОМ всех РАБОЧИХ ЧАСТЕЙ одного
и того же типа (РАБОЧИЕ ЧАСТИ ТИПОВ B, BF, CF), соединенными
Таблица 5
| КОРПУС МЭ ИЗДЕЛИЯ |
| Отдельный блок питания или другое электрическое изделие в МЭ СИСТЕМЕ, обеспечивающие питание МЭ ИЗДЕЛИЯ [см. 5.5 f) и приложение F] |
| СИГНАЛЬНЫЙ ВХОД/ВЫХОД, короткозамкнутый или нагруженный |
| СОЕДИНЕНИЯ С ПАЦИЕНТОМ |
| Металлическая ДОСТУПНАЯ ЧАСТЬ, НЕЗАЗЕМЛЕННАЯ С ЦЕЛЬЮ ЗАЩИТЫ. В случае измерения ТОКА УТЕЧКИ НА ПАЦИЕНТА для непроводящего КОРПУСА соединение заменяют металлической фольгой размером максимум 20x10 см, плотно прилегающей к КОРПУСУ или соответствующим частям КОРПУСА, и подключают к референтному заземлению |
| Цепь ПАЦИЕНТА |
| Металлическая пластина под непроводящим КОРПУСОМ, размеры которой соответствуют размерам горизонтальной проекции КОРПУСА, подключенная к референтному заземлению |
T1, T2 | Одно- или многофазные разделительные трансформаторы с достаточной номинальной мощностью и регулируемым выходным напряжением (см. также пояснения к 8.7.4.2 и 8.7.4.3.) |
V(1,2,3) | Вольтметр, измеряющий среднеквадратическое значение и имеющий (если это необходимо и возможно) один измеритель с переключателем |
S1, S2, S3 | Однополюсные переключатели, имитирующие обрыв провода питания, - УСЛОВИЕ ЕДИНИЧНОГО НАРУШЕНИЯ (см. приложение F) |
S5, S6 | Коммутирующие переключатели, предназначенные для изменения полярности СЕТЕВОГО НАПРЯЖЕНИЯ |
S7 | Однополюсный переключатель, имитирующий обрыв единственного ПРОВОДА ЗАЩИТНОГО ЗАЗЕМЛЕНИЯ к МЭ ИЗДЕЛИЮ (при УСЛОВИИ ЕДИНИЧНОГО НАРУШЕНИЯ) |
S8 | Однополюсный переключатель, имитирующий обрыв единственного ПРОВОДА ЗАЩИТНОГО ЗАЗЕМЛЕНИЯ к отдельному блоку питания или другому электрическому изделию в МЭ СИСТЕМЕ, обеспечивающих питание МЭ ИЗДЕЛИЯ, - УСЛОВИЕ ЕДИНИЧНОГО НАРУШЕНИЯ (см. рисунок F.5) |
S10 | Выключатель для соединения ЗАЖИМА РАБОЧЕГО ЗАЗЕМЛЕНИЯ с точкой заземления измерительной цепи питания |
S12 | Выключатель для соединения с точкой заземления измерительной цепи питания с СОЕДИНЕНИЕМ С ПАЦИЕНТОМ |
S13 | Выключатель для соединения с землей металлической ДОСТУПНОЙ ЧАСТИ, НЕЗАЗЕМЛЕННОЙ С ЦЕЛЬЮ ЗАЩИТЫ |
S14 | Выключатель для соединения/разъединения СОЕДИНЕНИЯ С ПАЦИЕНТОМ с землей |
S15 | Выключатель для соединения точкой заземления металлической пластины под непроводящим КОРПУСОМ |
P1 | Розетки, вилки или зажимы для подсоединения питания к МЭ ИЗДЕЛИЮ |
P2 | Розетки, вилки или зажимы для подсоединения к отдельному источнику питания или другому электрическому изделию в МЭ СИСТЕМЕ, которые обеспечивают питание МЭ ИЗДЕЛИЯ (см. рисунок F.5) |
ИУ | |
FE | ЗАЖИМ РАБОЧЕГО ЗАЗЕМЛЕНИЯ |
PE | ЗАЖИМ ЗАЩИТНОГО ЗАЗЕМЛЕНИЯ |
R | Импеданс для защиты цепи и лица, выполняющего испытание, достаточно низкий для токов, превышающих допустимые значения для ТОКА УТЕЧКИ, подлежащего измерению (опционально) |
----- | Дополнительное соединение |
| Опорное заземление (для измерения ТОКА УТЕЧКИ и ДОПОЛНИТЕЛЬНОГО ТОКА В ЦЕПИ ПАЦИЕНТА и для испытаний РАБОЧИХ ЧАСТЕЙ С ЗАЩИТОЙ ОТ РАЗРЯДА ДЕФИБРИЛЛЯТОРА, не соединенных с защитным заземлением ПИТАЮЩЕЙ СЕТИ) |
| Источник напряжения ПИТАЮЩЕЙ СЕТИ |
8.7.4.2* Измерительные цепи питания
a) Для МЭ ИЗДЕЛИЯ, предназначенного для подключения к ПИТАЮЩЕЙ СЕТИ:
МЭ ИЗДЕЛИЕ, предназначенное для подключения к ПИТАЮЩЕЙ СЕТИ, подключают к соответствующему источнику питания. Для однофазного МЭ ИЗДЕЛИЯ полярность питания обратима, и испытания проводят при обеих полярностях.
Примечание 1 - На
рисунках F.1 -
F.5 (включительно) представлены некоторые допустимые схемы устройств, которые не исчерпывают все возможные варианты, например питание от трехфазной сети с соединением треугольником. Дополнительные типы устройств см. в стандарте МЭК 60990.
b) Для МЭ ИЗДЕЛИЯ С ВНУТРЕННИМ ИСТОЧНИКОМ ПИТАНИЯ:
МЭ ИЗДЕЛИЕ С ВНУТРЕННИМ ИСТОЧНИКОМ ПИТАНИЯ тестируют без какого-либо подключения к измерительной цепи питания.
Примечание 2 - При испытаниях МЭ ИЗДЕЛИЯ С ВНУТРЕННИМ ИСТОЧНИКОМ ПИТАНИЯ не используют изолирующие трансформаторы T
1 или выключатели S
1 и S
5 (
рисунки 14 -
20). Однако МЭ ИЗДЕЛИЕ С ВНУТРЕННИМ ИСТОЧНИКОМ ПИТАНИЯ, которое также имеет средства подключения к ПИТАЮЩЕЙ СЕТИ, также должно быть протестировано в соответствии с перечислением выше - a), - для такого подключения.
8.7.4.3* Присоединение к измерительной цепи питания
a) МЭ ИЗДЕЛИЕ, снабженное ШНУРОМ ПИТАНИЯ, проверяют, используя этот шнур.
b) МЭ ИЗДЕЛИЕ с ПРИБОРНОЙ ВИЛКОЙ проверяют при его присоединении к измерительной цепи питания с помощью СЪЕМНОГО ШНУРА ПИТАНИЯ длиной 3 м или шнура длины и типа, указанных в инструкции по эксплуатации.
c) МЭ ИЗДЕЛИЕ С ПОСТОЯННЫМ ПРИСОЕДИНЕНИЕМ К ПИТАЮЩЕЙ СЕТИ проверяют при его присоединении к измерительной цепи питания с помощью проводов минимальной длины.
d) Порядок измерений:
1) РАБОЧИЕ ЧАСТИ, включая кабели ПАЦИЕНТА (при их наличии), помещают на изолирующую поверхность, имеющую диэлектрическую постоянную порядка 1 (например, вспененный полистирол), приблизительно на 200 мм выше заземленной металлической поверхности.
Примечание 1 - Измерительную цепь питания и измерительную цепь следует размещать как можно дальше от неэкранированных проводов источника питания. Необходимо избегать размещения МЭ ИЗДЕЛИЯ на или вблизи большой заземленной металлической поверхности.
Примечание 2 - В случае когда РАБОЧИЕ ЧАСТИ обладают такими характеристиками, что результаты испытаний могут зависеть от их размещения на изолирующей поверхности, испытания при необходимости повторяют для определения наименее благоприятного расположения.
2) Если разделительный трансформатор для измерения ТОКА УТЕЧКИ (например, при измерении ТОКА УТЕЧКИ МЭ ИЗДЕЛИЯ с высокой потребляемой мощностью) не используют, то референтное заземление измерительной цепи следует соединить с защитным заземлением ПИТАЮЩЕЙ СЕТИ.
8.7.4.4 Измерительное устройство (ИУ)
a) Измерительное устройство должно создавать нагрузку для источника ТОКА УТЕЧКИ или ДОПОЛНИТЕЛЬНОГО ТОКА В ЦЕПИ ПАЦИЕНТА с активным сопротивлением порядка 1000 Ом по постоянному току, переменному току и току сложной формы с частотой до 1 МГц включительно.
b) Определение тока или составляющих тока согласно 8.7.3 a) осуществляется автоматически, если измерительное устройство выполнено согласно рисунку 12 a) или по аналогичной схеме с той же частотной характеристикой. Это позволяет измерять полный вклад всех частотных составляющих при использовании одного прибора.
Если вероятно наличие токов или их составляющих с частотами, превышающими 1 кГц, и значениями превышающими предельное значение 10 мА, указанное в 8.7.3 e), то их следует измерять другими соответствующими средствами, например с помощью безындуктивного резистора 1 кОм и подходящего измерительного прибора.
c) Прибор для измерения напряжения, показанный на рисунке 12 a), должен иметь входное сопротивление не менее 1 МОм и входную емкость не более 150 пФ. Он должен измерять действительное среднеквадратическое значение напряжения для постоянного тока, переменного тока и тока сложной формы, имеющего компоненты на частотах от 0,1 Гц до 1 МГц включительно, с погрешностью измерения, не превышающей +/- 5% от измеряемого значения.
На шкале прибора может индицироваться ток, проходящий через измерительное устройство с автоматическим учетом составляющих с частотами, превышающими 1 кГц, с целью непосредственного сравнения показаний с предельными значениями, определенными в 8.7.3.
Эти требования могут быть ограничены диапазоном частоты с верхним пределом ниже 1 МГц, если может быть доказано (например, при помощи осциллографа), что частоты выше этого верхнего предела отсутствуют в измеряемом токе.
8.7.4.5* Измерение ТОКА УТЕЧКИ НА ЗЕМЛЮ и тока в соединении с рабочим заземлением
a) МЭ ИЗДЕЛИЕ КЛАССА I проверяют согласно рисунку 13. МЭ ИЗДЕЛИЕ КЛАССА II с соединением с рабочим заземлением в соответствии с 8.6.9 испытывают так, как если бы это было МЭ ИЗДЕЛИЕ КЛАССА I.
b) Если МЭ ИЗДЕЛИЕ имеет более одного ПРОВОДА ЗАЩИТНОГО ЗАЗЕМЛЕНИЯ (например, один провод, связанный с основным КОРПУСОМ, и один - связанный с отдельным блоком питания), то измеряемым током будет являться суммарный ток, который будет протекать в систему защитного заземления электрооборудования помещения.
c) Для ЗАКРЕПЛЕННОГО МЭ ИЗДЕЛИЯ, которое может иметь соединения с заземлением по металлоконструкциям здания, ИЗГОТОВИТЕЛЬ должен определить подходящую ПРОЦЕДУРУ испытаний и схему измерений ТОКА УТЕЧКИ НА ЗЕМЛЮ.
8.7.4.6* Измерение ТОКА УТЕЧКИ НА ДОСТУПНУЮ ЧАСТЬ
a) МЭ ИЗДЕЛИЕ проверяют согласно рисунку 14, используя соответствующую измерительную цепь питания.
С помощью ИУ измеряют ток между землей и любой частью КОРПУСА (КОРПУСОВ), НЕЗАЗЕМЛЕННОЙ С ЦЕЛЬЮ ЗАЩИТЫ.
С помощью ИУ измеряют ток между частями КОРПУСА (КОРПУСОВ), НЕЗАЗЕМЛЕННЫМИ С ЦЕЛЬЮ ЗАЩИТЫ.
При УСЛОВИИ ЕДИНИЧНОГО НАРУШЕНИЯ - обрыве любого одного ПРОВОДА ЗАЩИТНОГО ЗАЗЕМЛЕНИЯ [если применимо, см. 8.1 b)] - с помощью ИУ измеряют ток между землей и любой частью КОРПУСА (КОРПУСОВ), ЗАЗЕМЛЕННОЙ С ЦЕЛЬЮ ЗАЩИТЫ.
Примечание - Нет необходимости выполнять измерения от более чем одной части, ЗАЗЕМЛЕННОЙ С ЦЕЛЬЮ ЗАЩИТЫ.
Для МЭ ИЗДЕЛИЯ С ВНУТРЕННИМ ИСТОЧНИКОМ ПИТАНИЯ ТОК УТЕЧКИ НА ДОСТУПНУЮ ЧАСТЬ измеряют только между частями КОРПУСА, но не между КОРПУСОМ и землей, за исключением случая, указанного в 8.7.4.6 c).
b) Если МЭ ИЗДЕЛИЕ имеет КОРПУС или часть КОРПУСА, выполненные из изоляционного материала, то на КОРПУС или часть КОРПУСА накладывают металлическую фольгу максимальных размеров 20 x 10 см.
Металлическую фольгу перемещают, если это возможно, для определения максимального значения ТОКА УТЕЧКИ НА ДОСТУПНУЮ ЧАСТЬ. При этом металлическая фольга не должна касаться каких-либо металлических частей КОРПУСА, ЗАЗЕМЛЕННЫХ С ЦЕЛЬЮ ЗАЩИТЫ, однако металлические части КОРПУСА, НЕЗАЗЕМЛЕННЫЕ С ЦЕЛЬЮ ЗАЩИТЫ, могут покрываться (частично или полностью) металлической фольгой.
При измерении ТОКА УТЕЧКИ НА ДОСТУПНУЮ ЧАСТЬ при УСЛОВИИ ЕДИНИЧНОГО НАРУШЕНИЯ - обрыве ПРОВОДА ЗАЩИТНОГО ЗАЗЕМЛЕНИЯ - металлическая фольга должна вступать в контакт с частями КОРПУСА, ЗАЗЕМЛЕННЫМИ С ЦЕЛЬЮ ЗАЩИТЫ.
В случае когда поверхность КОРПУСА, которой может касаться ПАЦИЕНТ или ОПЕРАТОР, имеет площадь более 20 x 10 см, площадь фольги увеличивают в соответствии с площадью области контакта.
c) Для МЭ ИЗДЕЛИЯ с СИГНАЛЬНЫМ ВХОДОМ/ВЫХОДОМ при необходимости [см. 8.1 a)] проводят дополнительное испытание с использованием трансформатора T2.
Значение устанавливаемого на трансформаторе T2 напряжения составляет 110% от значения МАКСИМАЛЬНОГО СЕТЕВОГО НАПРЯЖЕНИЯ. При приложении внешнего напряжения используют наименее благоприятную конфигурацию контактов, определяемую по результатам испытаний или путем анализа цепей.
8.7.4.7 Измерение ТОКА УТЕЧКИ НА ПАЦИЕНТА
Для получения дополнительных пояснений см.
приложение K, содержащее упрощенные схемы для измерения ТОКА УТЕЧКИ НА ПАЦИЕНТА.
a) МЭ ИЗДЕЛИЕ с РАБОЧЕЙ ЧАСТЬЮ испытывают согласно схеме на рисунке 15.
КОРПУС из изоляционного материала устанавливают в любом положении, принятом при НОРМАЛЬНОЙ ЭКСПЛУАТАЦИИ, на плоскую металлическую заземленную поверхность с размерами, превышающими проекцию на нее КОРПУСА. Это не относится к РАБОЧЕЙ ЧАСТИ.
b)* МЭ ИЗДЕЛИЕ с РАБОЧЕЙ ЧАСТЬЮ ТИПА F дополнительно проверяют согласно рисунку 16.
СИГНАЛЬНЫЕ ВХОДЫ/ВЫХОДЫ соединяют с землей, если они до этого не были постоянно заземлены в МЭ ИЗДЕЛИИ.
Значение напряжения, которое должно устанавливаться на трансформаторе T2 (см. рисунок 16), выбирают равным 110% от значения МАКСИМАЛЬНОГО СЕТЕВОГО НАПРЯЖЕНИЯ.
Для этого измерения ДОСТУПНЫЕ МЕТАЛЛИЧЕСКИЕ ЧАСТИ МЭ ИЗДЕЛИЯ, НЕЗАЗЕМЛЕННЫЕ С ЦЕЛЬЮ ЗАЩИТЫ, включая СОЕДИНЕНИЯ С ПАЦИЕНТОМ других РАБОЧИХ ЧАСТЕЙ (при их наличии), соединяют с землей.
c)* МЭ ИЗДЕЛИЕ с РАБОЧЕЙ ЧАСТЬЮ и СИГНАЛЬНЫМ ВХОДОМ/ВЫХОДОМ, когда это необходимо [см. 8.1 a)], дополнительно проверяют согласно схеме на рисунке 17.
Значение напряжения, которое устанавливают на трансформаторе T2, выбирают равным 110% от значения МАКСИМАЛЬНОГО СЕТЕВОГО НАПРЯЖЕНИЯ. При приложении внешнего напряжения используют наименее благоприятную конфигурацию контактов, определяемую по результатам испытаний или путем анализа цепей.
d)* МЭ ИЗДЕЛИЕ с СОЕДИНЕНИЕМ С ПАЦИЕНТОМ РАБОЧЕЙ ЧАСТИ ТИПА B, НЕЗАЗЕМЛЕННОЙ С ЦЕЛЬЮ ЗАЩИТЫ, или с РАБОЧЕЙ ЧАСТЬЮ ТИПА BF и ДОСТУПНОЙ МЕТАЛЛИЧЕСКОЙ ЧАСТЬЮ, НЕЗАЗЕМЛЕННОЙ С ЦЕЛЬЮ ЗАЩИТЫ, дополнительно проверяют согласно схеме на рисунке 18.
Значение напряжения, которое устанавливают на трансформаторе T2, выбирают равным 110% от значения МАКСИМАЛЬНОГО СЕТЕВОГО НАПРЯЖЕНИЯ.
Испытание не проводят, если может быть доказана достаточность разделения частей или если РИСК приемлемо низок в соответствии с пунктом 8.5.2.2.
e) РАБОЧУЮ ЧАСТЬ, имеющую поверхность из изоляционного материала, проверяют с помощью металлической фольги согласно 8.7.4.6. Альтернативное решение состоит в погружении РАБОЧЕЙ ЧАСТИ в солевой раствор концентрацией 0,9%.
В случае когда поверхность РАБОЧЕЙ ЧАСТИ, предназначенная для контакта с ПАЦИЕНТОМ, имеет площадь более 20 x 10 см, площадь фольги должна быть увеличена в соответствии с площадью области контакта.
Такую металлическую фольгу или солевой раствор считают СОЕДИНЕНИЕМ С ПАЦИЕНТОМ только для испытываемой РАБОЧЕЙ ЧАСТИ.
f) В случае когда СОЕДИНЕНИЕ С ПАЦИЕНТОМ формируют с помощью контактной жидкости, ее заменяют солевым раствором концентрацией 0,9%, в который погружают электрод, считая его СОЕДИНЕНИЕМ С ПАЦИЕНТОМ для испытываемой РАБОЧЕЙ ЧАСТИ.
g) ТОК УТЕЧКИ НА ПАЦИЕНТА измеряют (см. также приложение E):
- для РАБОЧИХ ЧАСТЕЙ ТИПА B от всех СОЕДИНЕНИЙ С ПАЦИЕНТОМ, соединенных вместе;
- для РАБОЧИХ ЧАСТЕЙ ТИПА BF - от и ко всем СОЕДИНЕНИЯМ С ПАЦИЕНТОМ, выполняющим одну и ту же функцию, или соединенным вместе или при нагрузке, как при НОРМАЛЬНОЙ ЭКСПЛУАТАЦИИ;
- для РАБОЧИХ ЧАСТЕЙ ТИПА CF - поочередно от и к каждому СОЕДИНЕНИЮ С ПАЦИЕНТОМ.
Если в инструкции по эксплуатации предусмотрены разные съемные части РАБОЧЕЙ ЧАСТИ (например, провода, отведения и кабели и электроды ПАЦИЕНТА), то измерения ТОКА УТЕЧКИ НА ПАЦИЕНТА проводят с наименее благоприятной из съемных частей. См. также 7.9.2.14.
h)* полный ТОК УТЕЧКИ НА ПАЦИЕНТА измеряют от и ко всем СОЕДИНЕНИЯМ С ПАЦИЕНТОМ всех РАБОЧИХ ЧАСТЕЙ одного и того же типа (РАБОЧИХ ЧАСТЕЙ ТИПА B, РАБОЧИХ ЧАСТЕЙ ТИПА BF или РАБОЧИХ ЧАСТЕЙ ТИПА CF), соединенных вместе (см. рисунок 20). При необходимости перед проведением этого испытания рабочее заземление можно отсоединять.
Примечание - Измерение полного ТОКА УТЕЧКИ НА ПАЦИЕНТА для РАБОЧЕЙ ЧАСТИ ТИПА B необходимо только при наличии двух и более СОЕДИНЕНИЙ С ПАЦИЕНТОМ, выполняющих различные функции и непосредственно электрически не соединенных между собой.
i) Если СОЕДИНЕНИЯ С ПАЦИЕНТОМ РАБОЧЕЙ ЧАСТИ нагружают как при НОРМАЛЬНОЙ ЭКСПЛУАТАЦИИ, то измерительное устройство следует поочередно соединять с каждым СОЕДИНЕНИЕМ С ПАЦИЕНТОМ.
8.7.4.8 Измерение ДОПОЛНИТЕЛЬНОГО ТОКА В ЦЕПИ ПАЦИЕНТА
МЭ ИЗДЕЛИЕ с РАБОЧЕЙ ЧАСТЬЮ проверяют согласно схеме на рисунке 19, используя соответствующую измерительную цепь питания, за исключением случая, когда МЭ ИЗДЕЛИЕ имеет только одно СОЕДИНЕНИЕ С ПАЦИЕНТОМ.
ДОПОЛНИТЕЛЬНЫЙ ТОК В ЦЕПИ ПАЦИЕНТА измеряют между любым одним СОЕДИНЕНИЕМ С ПАЦИЕНТОМ и всеми другими СОЕДИНЕНИЯМИ С ПАЦИЕНТОМ, соединенными вместе или нагруженными как при НОРМАЛЬНОЙ ЭКСПЛУАТАЦИИ. См. также приложение E.
8.7.4.9* МЭ ИЗДЕЛИЕ с несколькими СОЕДИНЕНИЯМИ С ПАЦИЕНТОМ
МЭ ИЗДЕЛИЕ с несколькими СОЕДИНЕНИЯМИ С ПАЦИЕНТОМ исследуют для получения гарантий того, что ТОК УТЕЧКИ НА ПАЦИЕНТА и ДОПОЛНИТЕЛЬНЫЙ ТОК В ЦЕПИ ПАЦИЕНТА не будет превышать допустимых значений в НОРМАЛЬНОМ СОСТОЯНИИ, когда одно или более СОЕДИНЕНИЙ С ПАЦИЕНТОМ:
- отсоединены от ПАЦИЕНТА;
- отсоединены от ПАЦИЕНТА и заземлены.
Испытание проводят, если анализ схем МЭ ИЗДЕЛИЯ показывает, что ТОК УТЕЧКИ НА ПАЦИЕНТА или ДОПОЛНИТЕЛЬНЫЙ ТОК В ЦЕПИ ПАЦИЕНТА может превысить допустимые значения при указанных выше условиях. Выполняемые измерения ограничиваются представительным числом комбинаций.
Испытаниям необходимо подвергать только изоляцию, которая является СРЕДСТВОМ ЗАЩИТЫ, включая УСИЛЕННУЮ ИЗОЛЯЦИЮ.
Изоляция, образующая часть компонента, не требует испытаний при условии, что этот компонент соответствует требованиям
4.8.
Изоляция, образующая СРЕДСТВО ЗАЩИТЫ ОПЕРАТОРА, не требует испытаний согласно 8.8, если она соответствует требованиям и испытаниям согласно МЭК 60950-1:2005, МЭК 60950-1:2005/AMD1:2009 и МЭК 60950-1:2005/AMD2:2013 или МЭК 62368-1 для КООРДИНАЦИИ ИЗОЛЯЦИИ.
8.8.2* Расстояние сквозь твердую изоляцию или использование тонкого листового материала
Твердая изоляция, которая образует ДОПОЛНИТЕЛЬНУЮ ИЗОЛЯЦИЮ или УСИЛЕННУЮ ИЗОЛЯЦИЮ для ПИКОВОГО РАБОЧЕГО НАПРЯЖЕНИЯ, превышающего 71 В:
a) или должна иметь расстояние сквозь изоляцию не менее 0,4 мм;
b) или не должна составлять часть КОРПУСА и не подвергаться обработке или истиранию при НОРМАЛЬНОЙ ЭКСПЛУАТАЦИИ и содержать:
- по крайней мере два слоя материала, каждый из которых должен выдерживать соответствующее испытание на электрическую прочность, или
- три слоя материала, для которых любые сочетания из двух слоев должны выдерживать соответствующее испытание на электрическую прочность.
Соответствующее испытание на электрическую прочность одного или двух слоев изоляции является испытанием одного СРЕДСТВА ЗАЩИТЫ в случае ДОПОЛНИТЕЛЬНОЙ ИЗОЛЯЦИИ или испытанием двух СРЕДСТВ ЗАЩИТЫ - в случае УСИЛЕННОЙ ИЗОЛЯЦИИ соответственно.
Примечание 1 - Требования к минимальной толщине ОСНОВНОЙ ИЗОЛЯЦИИ, а также изоляции, рассчитанной на РАБОЧЕЕ НАПРЯЖЕНИЕ до 71 В, отсутствуют.
Примечание 2 - Требование, чтобы все слои изоляция выполнялись из одного и того же материала, не предъявляют.
Соответствие проверяют осмотром МЭ ИЗДЕЛИЯ, измерением толщины изоляции и испытанием ее на электрическую прочность согласно 8.8.3.
Для моточных компонентов, где между обмотками требуется ОСНОВНАЯ ИЗОЛЯЦИЯ, ДОПОЛНИТЕЛЬНАЯ ИЗОЛЯЦИЯ или УСИЛЕННАЯ ИЗОЛЯЦИЯ, обмотки необходимо разделять с помощью изолирующих прокладок, соответствующих требованиям
a) или
b) или обоим требованиям одновременно, за исключением случаев, когда используют одну из следующих конструкций проводов:
c) провода, имеющие твердую изоляцию (за исключением эмали на основе растворителя) и соответствующие вышеприведенному требованию
a);
d) провода, имеющие многослойную экструзионную или спирально намотанную изоляцию (когда все слои могут по отдельности испытываться на электрическую прочность), соответствующие вышеприведенному требованию
b) и выдерживающие испытания согласно
приложению L;
e) провода, имеющие многослойную экструзионную или спирально намотанную изоляцию (когда испытание может быть проведено только на конце провода) и выдерживающие испытания согласно
приложению L. Минимальное число конструктивных слоев, наносимых на проводник, должно быть следующим:
- для ОСНОВНОЙ ИЗОЛЯЦИИ - два намотанных слоя или один экструзионный слой;
- для ДОПОЛНИТЕЛЬНОЙ ИЗОЛЯЦИИ - два слоя, намотанные или экструзионные;
- для УСИЛЕННОЙ ИЗОЛЯЦИИ - три слоя, намотанные или экструзионные.
В
d) и
e) для изоляции, намотанной по спирали, для которой ПУТИ УТЕЧКИ между слоями меньше указанных в
таблице 12 или
16 (для
степени загрязнения 1) в зависимости от рассматриваемого типа изоляции, промежутки между слоями должны герметизироваться, например, клеевым соединением согласно
8.9.3.3. Испытательные напряжения при ТИПОВЫХ ИСПЫТАНИЯХ, согласно
L.3, увеличивают в 1,6 раза по сравнению с их нормальными значениями.
Примечание 3 - Один слой материала, обернутый с 50%-ным наложением, считают как два слоя.
В случае когда два изолированных провода или один неизолированный и один изолированный провода находятся в контакте в моточном компоненте, пересекаясь под углом 45° - 90° и подвергаясь усилиям при намотке, должна быть обеспечена защита от механических напряжений, например, с помощью физического разделения в виде изоляционной оплетки или листового материала либо использованием двух изоляционных слоев.
Законченный компонент должен проходить стандартные испытания на электрическую прочность при приложении соответствующих испытательных напряжений согласно
8.8.3.
Соответствие проверяют осмотром и измерением и, если это применимо, согласно приложению L. Однако испытания согласно приложению L не проводят, если документы на материал подтверждают соответствие требованиям.
8.8.3* Электрическая прочность изоляции
Электрическая прочность твердой электрической изоляции МЭ ИЗДЕЛИЯ должна быть такова, чтобы выдерживать испытательные напряжения, указанные в
таблице 6. Подвергаться испытанию должна только изоляция, выполняющая функции безопасности (см.
8.8.1).
Соответствие проверяют приложением испытательного напряжения, указанного в таблице 6, в течение 1 мин:
- сразу же после предварительного воздействия повышенной влажности (как описано в 5.7) при отключенном питании и
- после любой требуемой ПРОЦЕДУРЫ стерилизации МЭ ИЗДЕЛИЯ (см. 11.6.7, 7.9.2.12 и инструкцию по эксплуатации) при отключенном питании и
- после достижения установившейся рабочей температуры в течение испытания на нагрев согласно 11.1.1.
Первоначально прикладывают не более половины испытательного напряжения, а затем его постепенно в течение 10 с поднимают до полного значения и выдерживают в течение 1 мин, после чего напряжение постепенно понижают в течение 10 с до значения менее половины полного напряжения.
Условия испытаний:
a)* испытательное напряжение должно иметь такие форму и частоту, при которых напряженность электрического поля в изоляции по крайней мере была бы равной действующей при НОРМАЛЬНОЙ ЭКСПЛУАТАЦИИ. Форма и частота испытательного напряжения могут выбираться отличными от напряжения при НОРМАЛЬНОЙ ЭКСПЛУАТАЦИИ, если может быть доказано, что напряженность электрического поля в проверяемой изоляции не будет заниженной.
Если напряжение, действующее на соответствующую изоляцию при НОРМАЛЬНОЙ ЭКСПЛУАТАЦИИ, является переменным несинусоидальным, испытание может выполняться с использованием синусоидального испытательного напряжения частотой 60 или 50 Гц.
В другом варианте может использоваться постоянное испытательное напряжение, равное пиковому значению испытательного переменного напряжения.
Испытательное напряжение для РАБОЧЕГО НАПРЯЖЕНИЯ, действующего на изоляцию, должно быть больше или равно значению, указанному в таблице 6.
b) Во время испытания пробой изоляции считают отрицательным результатом испытаний. Считают, что пробой изоляции произошел, когда ток, появляющийся в результате приложения испытательного напряжения, начинает быстро и неконтролируемым образом увеличиваться, т.е. когда изоляция не способна ограничивать прохождение тока. Коронный разряд или одиночное искрение не считают пробоем изоляции.
c) Если проверка отдельной твердой изоляции невозможна, то необходимо проверять большую часть МЭ ИЗДЕЛИЯ или даже МЭ ИЗДЕЛИЕ целиком. В этом случае важно не подвергать перенапряжениям различные типы и уровни изоляции, принимая во внимание следующее:
- в случае когда КОРПУС или часть КОРПУСА выполнены из непроводящих материалов, следует накладывать металлическую фольгу. Необходимо принимать меры, чтобы на краях металлической фольги не происходило искрения. Если применимо, то металлическую фольгу следует перемещать так, чтобы можно было испытать все части поверхности;
- цепи с обеих сторон от испытываемой изоляции при испытании должны быть соединены или закорочены так, чтобы компоненты в этих цепях в процессе испытаний не подвергались действию напряженности электрического поля. Например, зажимы СЕТЕВОЙ ЧАСТИ, СИГНАЛЬНЫЕ ВХОДЫ/ВЫХОДЫ и СОЕДИНЕНИЯ С ПАЦИЕНТОМ (при их наличии) в процессе испытаний должны замыкаться накоротко;
- в случае когда испытываемая изоляция шунтирована конденсаторами (например, конденсаторами ВЧ-фильтра), при испытании они могут отсоединяться, если они сертифицированы согласно МЭК 60384-14.
Таблица 6
Испытательные напряжения для твердой изоляции, образующей
СРЕДСТВО ЗАЩИТЫ
Пиковое РАБОЧЕЕ НАПРЯЖЕНИЕ (U) Vпик | Пиковое РАБОЧЕЕ НАПРЯЖЕНИЕ (U) Vпост.тока | Испытательное напряжение переменного тока, В (среднеквадратическое значение) |
СРЕДСТВА ЗАЩИТЫ ОПЕРАТОРА | СРЕДСТВА ЗАЩИТЫ ПАЦИЕНТА |
Защита от СЕТЕВОЙ ЧАСТИ | Защита от ВТОРИЧНЫХ ЦЕПЕЙ | Защита от СЕТЕВОЙ ЧАСТИ | Защита от ВТОРИЧНЫХ ЦЕПЕЙ |
одно СЗО | два СЗО | одно СЗО | два СЗО | | два СЗП | одно СЗП | |
U < 42,4 | U < 60 | 1000 | 2000 | Не испытывают | Не испытывают | 1500 | 3000 | 500 | 1000 |
42,4 < U <= 71 | 60 < U <= 71 | 1000 | 2000 | | | 1500 | 3000 | 750 | 1500 |
71 < U <= 184 | 71 < U <= 184 | 1000 | 2000 | | | 1500 | 3000 | 1000 | 2000 |
184 < U <= 212 | 184 < U <= 212 | 1500 | 3000 | | | 1500 | 3 000 | 1000 | 2000 |
212 < U <= 354 | 212 < U <= 354 | 1500 | 3000 | | | 1500 | 4000 | 1500 | 3000 |
354 < U <= 848 | 354 < U <= 848 | | 3000 | | | | | | |
848 < U <= 1 414 | 848 < U <= 1414 | | 3000 | | | | | | |
1414 < U <= 10 000 | 1414 < U <= 10 000 | | | | | | | | |
10 000 < U <= 14 140 | 10 000 < U <= 14 140 | 1,06·U | 1,06·U | 1,06·U | 1,06·U | | | | |
U > 14 140 | U > 14 140 | При необходимости эти значения должны устанавливаться в частных стандартах |
Примечание 1 - При наличии барьера в соответствии: - с рисунком J.6 - используют столбец СРЕДСТВА ЗАЩИТЫ ПАЦИЕНТА - Защита от ВТОРИЧНОЙ ЦЕПИ - Два СЗП; Примечание 3 - Изоляция, удовлетворяющая требованиям к испытательному напряжению для усиленной изоляции при номинальном напряжении сети до 250 В включительно в соответствии с таблицей 27 МЭК 62368-1:2018, соответствует требованиям для 1 СЗП в соответствии с этой таблицей для пикового рабочего напряжения до 1293 В. При более высоких рабочих напряжениях изоляция не обязательно обеспечивает 1 СЗП. Изоляция, удовлетворяющая требованиям к испытательному напряжению для усиленной изоляции при номинальном напряжении сети от 250 до 600 В включительно в соответствии с таблицей 27 МЭК 62368-1:2018, соответствует требованиям для 1 СЗП в соответствии с этой таблицей для пикового рабочего напряжения до 2172 В. При более высоких рабочих напряжениях изоляция не обязательно обеспечивает 1 СЗП. |
Таблица 7
Испытательные напряжения для СРЕДСТВА ЗАЩИТЫ ОПЕРАТОРА
Испытательные напряжения, В (среднеквадратическое значение)
Пиковое РАБОЧЕЕ НАПРЯЖЕНИЕ (U), Vпик или Vпост.тока | Одно СЗО | Два СЗО |
34 | 500 | 800 |
35 | 507 | 811 |
36 | 513 | 821 |
38 | 526 | 842 |
40 | 539 | 863 |
42 | 551 | 882 |
44 | 564 | 902 |
46 | 575 | 920 |
48 | 587 | 939 |
50 | 598 | 957 |
52 | 609 | 974 |
54 | 620 | 991 |
56 | 630 | 1008 |
58 | 641 | 1025 |
60 | 651 | 1041 |
62 | 661 | 1057 |
64 | 670 | 1073 |
66 | 680 | 1088 |
68 | 690 | 1103 |
70 | 699 | 1118 |
72 | 708 | 1133 |
74 | 717 | 1147 |
76 | 726 | 1162 |
78 | 735 | 1176 |
80 | 744 | 1190 |
85 | 765 | 1224 |
90 | 785 | 1257 |
95 | 805 | 1288 |
100 | 825 | 1319 |
105 | 844 | 1350 |
110 | 862 | 1379 |
115 | 880 | 1408 |
120 | 897 | 1436 |
125 | 915 | 1463 |
130 | 931 | 1490 |
135 | 948 | 1517 |
140 | 964 | 1542 |
145 | 980 | 1568 |
150 | 995 | 1593 |
152 | 1000 | 1600 |
155 | 1000 | 1617 |
160 | 1000 | 1641 |
165 | 1000 | 1664 |
170 | 1000 | 1688 |
175 | 1000 | 1711 |
180 | 1000 | 1733 |
184 | 1000 | 1751 |
185 | 1097 | 1755 |
190 | 1111 | 1777 |
200 | 1137 | 1820 |
210 | 1163 | 1861 |
220 | 1189 | 1902 |
230 | 1214 | 1942 |
240 | 1238 | 1980 |
250 | 1261 | 2018 |
260 | 1285 | 2055 |
270 | 1307 | 2092 |
280 | 1330 | 2127 |
290 | 1351 | 2162 |
300 | 1373 | 2196 |
310 | 1394 | 2230 |
320 | 1414 | 2263 |
330 | 1435 | 2296 |
340 | 1455 | 2328 |
350 | 1474 | 2359 |
360 | 1494 | 2390 |
380 | 1532 | 2451 |
400 | 1569 | 2510 |
420 | 1605 | 2567 |
440 | 1640 | 2623 |
460 | 1674 | 2678 |
480 | 1707 | 2731 |
500 | 1740 | 2784 |
520 | 1772 | 2835 |
540 | 1803 | 2885 |
560 | 1834 | 2934 |
580 | 1864 | 2982 |
588 | 1875 | 3000 |
600 | 1893 | 3000 |
620 | 1922 | 3000 |
640 | 1951 | 3000 |
660 | 1979 | 3000 |
680 | 2006 | 3000 |
700 | 2034 | 3000 |
720 | 2060 | 3000 |
740 | 2087 | 3000 |
760 | 2113 | 3000 |
780 | 2138 | 3000 |
800 | 2164 | 3000 |
850 | 2225 | 3000 |
900 | 2285 | 3000 |
950 | 2343 | 3000 |
1000 | 2399 | 3000 |
1050 | 2454 | 3000 |
1100 | 2508 | 3000 |
1150 | 2560 | 3000 |
1200 | 2611 | 3000 |
1250 | 2661 | 3000 |
1300 | 2710 | 3000 |
1350 | 2758 | 3000 |
1400 | 2805 | 3000 |
1410 | 2814 | 3000 |
1450 | 2868 | 3000 |
1500 | 2934 | 3000 |
1550 | 3000 | 3000 |
1600 | 3065 | 3065 |
1650 | 3130 | 3130 |
1700 | 3194 | 3194 |
1750 | 3257 | 3257 |
1800 | 3320 | 3320 |
1900 | 3444 | 3444 |
2000 | 3566 | 3566 |
2100 | 3685 | 3685 |
2200 | 3803 | 3803 |
2300 | 3920 | 3920 |
2400 | 4034 | 4034 |
2500 | 4147 | 4147 |
2600 | 4259 | 4259 |
2700 | 4369 | 4369 |
2800 | 4478 | 4478 |
2900 | 4586 | 4586 |
3000 | 4693 | 4693 |
3100 | 4798 | 4798 |
3200 | 4902 | 4902 |
3300 | 5006 | 5006 |
3400 | 5108 | 5108 |
3500 | 5209 | 5209 |
3600 | 5309 | 5309 |
3800 | 5507 | 5507 |
4000 | 5702 | 5702 |
4200 | 5894 | 5894 |
4400 | 6082 | 6082 |
4600 | 6268 | 6268 |
4800 | 6452 | 6452 |
5000 | 6633 | 6633 |
5200 | 6811 | 6811 |
5400 | 6987 | 6987 |
5600 | 7162 | 7162 |
5800 | 7334 | 7334 |
6000 | 7504 | 7504 |
6200 | 7673 | 7673 |
6400 | 7840 | 7840 |
6600 | 8005 | 8005 |
6800 | 8168 | 8168 |
7000 | 8330 | 8330 |
7200 | 8491 | 8491 |
7400 | 8650 | 8650 |
7600 | 8807 | 8807 |
7800 | 8964 | 8964 |
8000 | 9119 | 9119 |
8200 | 9273 | 9273 |
8400 | 9425 | 9425 |
8600 | 9577 | 9577 |
8800 | 9727 | 9727 |
9000 | 9876 | 9876 |
9200 | 10 024 | 10 024 |
9400 | 10 171 | 10 171 |
9600 | 10 317 | 10 317 |
9800 | 10 463 | 10 463 |
10 000 | 10 607 | 10 607 |
8.8.4 Изоляция, за исключением изоляции проводов
8.8.4.1* Механическая прочность и теплостойкость изоляции
Теплостойкость должна сохраняться изоляцией всех типов, включая изолирующие перегородки, в течение всего ОЖИДАЕМОГО СРОКА СЛУЖБЫ МЭ ИЗДЕЛИЯ.
Соответствие проверяют осмотром МЭ ИЗДЕЛИЯ, рассмотрением конструкторской документации и, если необходимо, рассмотрением ФАЙЛА МЕНЕДЖМЕНТА РИСКА в сочетании с проведением следующих испытаний:
- на устойчивость к воздействию влаги и т.д. (см. 11.6);
- на электрическую прочность изоляции (см. 8.8.3);
- на механическую прочность изоляции (см. 15.3).
Теплостойкость устанавливают с помощью следующих испытаний, которые могут не выполняться при наличии удовлетворительных свидетельств соответствия требованиям.
a) Для частей КОРПУСА и других внешних изолирующих частей, повреждение которых может приводить к недопустимому РИСКУ, - испытанием методом вдавливания шарика:
КОРПУСА и другие изолирующие внешние части, кроме изоляции гибких шнуров и частей из керамических материалов, подвергают испытанию методом вдавливания шарика с помощью испытательной аппаратуры, показанной на рисунке 21. Поверхность испытываемой части должна быть приведена в горизонтальное положение, а стальной шарик диаметром 5 мм следует вдавливать в поверхность с усилием 20 Н. Испытание выполняют в камере тепла при температуре (75 +/- 2) °C, или при температуре, указанной в техническом описании (см. 7.9.3.1) +/- 2 °C, плюс прирост температуры соответствующей части изолирующего материала, измеренный во время испытаний согласно 11.1, из которых выбирают большее значение температуры.
Шарик удаляют по прошествии 1 ч и измеряют диаметр отпечатка от шарика. При диаметре отпечатка более 2 мм результаты испытаний признают отрицательными.
b) Для частей из изоляционного материала, поддерживающих неизолированные части СЕТЕВОЙ ЧАСТИ, повреждение которых может влиять на безопасность МЭ ИЗДЕЛИЯ, - методом вдавливания шарика:
Испытание выполняют согласно a), но при температуре (125 +/- 2) °C или при температуре, указанной в техническом описании +/- 2 °C (см. 7.9.3.1), плюс прирост температуры соответствующей части изоляционного материала, измеренный во время испытаний согласно 11.1, из которых выбирают большее значение температуры.
Испытание не проводят на частях из керамических материалов, изолирующих частях переключателей, крышках щеток и подобных устройств, а также на каркасах для намотки катушек, не используемых в качестве УСИЛЕННОЙ ИЗОЛЯЦИИ.
Примечание - Для ДОПОЛНИТЕЛЬНОЙ ИЗОЛЯЦИИ и УСИЛЕННОЙ ИЗОЛЯЦИИ, выполняемой из термопластических материалов, см. также
13.1.2.
Рисунок 21 - Устройство для испытания материалов методом
вдавливания шариком (см. 8.8.4.1)
8.8.4.2 Устойчивость к воздействию факторов внешней среды
Любые СРЕДСТВА ЗАЩИТЫ должны быть сконструированы и защищены таким образом, чтобы на характеристики изоляции и механическую прочность не могли влиять факторы внешней среды, включая отложения грязи или пыли, приводящие к износу частей МЭ ИЗДЕЛИЯ до такой степени, что ПУТИ УТЕЧКИ и ВОЗДУШНЫЕ ЗАЗОРЫ будут ниже значений, указанных в
8.9.
Недостаточно обожженный керамический материал, а также одни лишь изоляционные бусы не должны использоваться в качестве ДОПОЛНИТЕЛЬНОЙ ИЗОЛЯЦИИ или УСИЛЕННОЙ ИЗОЛЯЦИИ.
Изоляционный материал, в который встроены нагревательные элементы, считают одним СРЕДСТВОМ ЗАЩИТЫ, но он не должен использоваться как два СРЕДСТВА ЗАЩИТЫ.
Соответствие проверяют осмотром, измерением, а для натурального латексного каучука с помощью следующего испытания.
Части из натурального латексного каучука подвергают старению в среде кислорода, находящегося под давлением. Образцы свободно подвешивают в кислородном баллоне эффективной емкостью, в 10 раз превышающей объем образцов. Баллон заполняют техническим кислородом чистотой не менее 97% при давлении 2,1 МПа +/- 70 кПа.
Образцы сохраняют в баллоне при температуре (70 +/- 2) °C в течение 96 ч, после чего их вынимают из баллона и оставляют при комнатной температуре по крайней мере в течение 16 ч.
После испытания образцы исследуют. При выявлении невооруженным глазом трещин результаты испытаний признают отрицательными.
8.9* ПУТИ УТЕЧКИ и ВОЗДУШНЫЕ ЗАЗОРЫ
8.9.1.1 Общие положения
ПУТИ УТЕЧКИ и ВОЗДУШНЫЕ ЗАЗОРЫ в МЭ ИЗДЕЛИИ должны быть не менее:
- значений для одного СРЕДСТВА ЗАЩИТЫ ОПЕРАТОРА в соответствии с
таблицами 13,
14 и
16 для изоляции между участками СЕТЕВОЙ ЧАСТИ противоположной полярности на стороне ПИТАЮЩЕЙ СЕТИ любого сетевого предохранителя и АВТОМАТИЧЕСКОГО ВЫКЛЮЧАТЕЛЯ МАКСИМАЛЬНОГО ТОКА;
- значений в соответствии с
таблицами 12 -
16 (включительно) для изоляции, образующей, по меньшей мере, СРЕДСТВО ЗАЩИТЫ, за исключением случаев, указанных в
8.9.1.2 -
8.9.1.15. См также
8.9.2 -
8.9.4.
8.9.1.2 ПУТИ УТЕЧКИ и ВОЗДУШНЫЕ ЗАЗОРЫ, соответствующие требованиям МЭК 60950-1 или МЭК 62368-1
Значения, приведенные в
таблицах 12 -
16 (включительно), не применяют к ПУТЯМ УТЕЧКИ и ВОЗДУШНЫМ ЗАЗОРАМ, образующим СРЕДСТВА ЗАЩИТЫ ОПЕРАТОРА, которые соответствуют требованиям МЭК 60950-1 или МЭК 62368-1 для КООРДИНАЦИИ ИЗОЛЯЦИИ и используются в условиях (например, перенапряжение и степень загрязнения), при которых проверялось соответствие этим требованиям.
Оборудование/узлы/компоненты, соответствующие стандарту МЭК 62368-1:2018, разработанные специально для использования в сетях питания без переходных процессов, должны дополнительно соответствовать применимым требованиям
таблиц 13 -
16 (включительно).
8.9.1.3 ПУТИ УТЕЧКИ по стеклу, слюде, керамике и аналогичным материалам
Для ПУТЕЙ УТЕЧКИ по стеклу, слюде, керамике и другим неорганическим изоляционным материалам с аналогичными характеристиками указанное минимальное значение ВОЗДУШНОГО ЗАЗОРА должно считаться минимальным ПУТЕМ УТЕЧКИ.
8.9.1.4 Минимальный ПУТЬ УТЕЧКИ
Если минимальный ПУТЬ УТЕЧКИ, приведенный в
таблицах 12 -
16 (включительно), меньше применимого минимального ВОЗДУШНОГО ЗАЗОРА, то значение минимального ВОЗДУШНОГО ЗАЗОРА должно быть применено как минимальный ПУТЬ УТЕЧКИ.
8.9.1.5 МЭ ИЗДЕЛИЕ с НОРМИРОВАННЫМ назначением для работы на больших высотах над уровнем моря
Если иное не оговорено ИЗГОТОВИТЕЛЕМ, то МЭ ИЗДЕЛИЕ имеет НОРМИРОВАННОЕ назначение для работы на высотах до 2000 м над уровнем моря. В случае когда МЭ ИЗДЕЛИЕ предназначено для работы в среде с регулируемым давлением, например в самолете, рабочую высоту, соответствующую этому давлению воздуха, необходимо использовать для определения коэффициента по
таблице 8. Значение ВОЗДУШНОГО ЗАЗОРА умножают на этот коэффициент. ПУТЬ УТЕЧКИ не умножают на этот коэффициент, но он должен быть по крайней мере не меньше, чем корректированное значение ВОЗДУШНОГО ЗАЗОРА.
Таблица 8
Коэффициенты коррекции ВОЗДУШНЫХ ЗАЗОРОВ для высот до 5000 м
НОРМИРОВАННАЯ рабочая высота (a), м | Нормальное барометрическое давление, кПа | | Коэффициент для СЗП |
a <= 2000 | 80,0 | 1,00 | 1,00 |
2000 < a <= 3000 | 70,0 | 1,14 | 1,00 |
3000 < a <= 4000 | 62,0 | 1,29 | 1,14 |
4000 < a <= 5000 | 54,0 | 1,48 | 1,29 |
Примечание 1 - Коэффициенты для СРЕДСТВА ЗАЩИТЫ ОПЕРАТОРА соответствуют МЭК 60950-1:2005 и МЭК 62368-1:2018, который определяет ВОЗДУШНЫЕ ЗАЗОРЫ для высот до 2000 м. Примечание 2 - Коэффициенты для СРЕДСТВА ЗАЩИТЫ ПАЦИЕНТА соответствуют второй редакции МЭК 60601-1, которая определила ВОЗДУШНЫЕ ЗАЗОРЫ для высот до 3000 м. Примечание 3 - Коэффициенты для СЗО (столбец 3) заимствованы из МЭК 60664-1:2007. |
Если РАБОЧЕЕ НАПРЯЖЕНИЕ имеет значение, лежащее между данными
таблиц 12 -
16 (включительно), то:
- при определении ПУТЕЙ УТЕЧКИ допускается линейная интерполяция между двумя ближайшими значениями с округлением полученного значения до 0,1 мм;
- при определении ВОЗДУШНЫХ ЗАЗОРОВ для ПИКОВЫХ РАБОЧИХ НАПРЯЖЕНИЙ, превышающих 2800 В пикового значения или постоянного тока, допускается линейная интерполяция между двумя ближайшими значениями с округлением полученного значения до 0,1 мм;
- при определении ВОЗДУШНЫХ ЗАЗОРОВ для ПИКОВЫХ РАБОЧИХ НАПРЯЖЕНИЙ до 2800 В пикового значения или постоянного тока выбирают наибольшее из двух значений.
8.9.1.7 Классификация групп материалов
Классификация групп материалов приведена в
таблице 9.
Таблица 9
Классификация групп материалов
Группа материалов | Сравнительный индекс трекингостойкости СПС |
| 600 <= СПС |
| 400 <= СПС < 600 |
| 175 <= СПС < 400 |
| 100 <= СПС < 175 |
Группу материалов проверяют оценкой результатов испытаний материалов согласно МЭК 60112 с использованием 50 капель раствора A.
Если группа материала неизвестна, то ее принимают соответствующей
группе IIIb.
8.9.1.8 Классификация степеней загрязнения
Степени загрязнения классифицируют следующим образом:
- степень загрязнения 1 используют для описания микросреды, которую герметизируют для предотвращения появления пыли и влаги.
Примечание 1 - Пример такой микросреды - загерметизированный или законсервированный компонент или сборка;
- степень загрязнения 2 используют для описания микросреды, в которой происходит только непроводящее загрязнение, за исключением ожидаемой временной проводимости, вызванной конденсацией;
- степень загрязнения 3 используют для описания микросреды, которая подвергается проводящим загрязнениям или сухим непроводящим загрязнениям, которые могут стать проводящими из-за ожидаемой конденсации влаги;
- степень загрязнения 4 используют для описания микросреды, в которой имеет место постоянная проводимость из-за проводящей пыли, дождя или другой влаги.
Примечание 2 - Среда этого типа может иметь место внутри коллекторных двигателей, в которых образуется угольная пыль от щеток.
Степень загрязнения 4 не применяют для изоляции, обеспечивающей СРЕДСТВО ЗАЩИТЫ. Однако в случае когда изоляция между СЕТЕВОЙ ЧАСТЬЮ и землей может ставить безопасность под угрозу, необходимо предусмотреть, например, плановое техническое обслуживание для снижения степени загрязнения микросреды.
В
приложении M указаны меры, которые могут быть приняты для снижения степени загрязнения.
8.9.1.9 Классификация по категориям перенапряжения
Применимое значение СЕТЕВОГО ПЕРЕХОДНОГО НАПРЯЖЕНИЯ должно определяться по категориям перенапряжения согласно МЭК 60664-1 и используемому НОМИНАЛЬНОМУ СЕТЕВОМУ НАПРЯЖЕНИЮ переменного тока согласно данным
таблицы 10.
Таблица 10
СЕТЕВОЕ ПЕРЕХОДНОЕ НАПРЯЖЕНИЕ
НОМИНАЛЬНОЕ переменное напряжение ПИТАЮЩЕЙ СЕТИ между линейным и нулевым проводами до и включая, В (среднеквадратическое значение) | СЕТЕВОЕ ПЕРЕХОДНОЕ НАПРЯЖЕНИЕ, В (пиковое значение) |
Для категории перенапряжения |
| | | |
50 | 330 | 500 | 800 | 1500 |
100 | 500 | 800 | 1500 | 2500 |
| 800 | 1500 | 2500 | 4000 |
| 1500 | 2500 | 4000 | 6000 |
| 2500 | 4000 | 6000 | 8000 |
Примечание 1 - В Норвегии из-за используемой в ней информационной технологии системы распределения мощности напряжение ПИТАЮЩЕЙ СЕТИ переменного тока принято равным напряжению между линиями и останется равным 230 В в случае единственной неисправности заземления. Примечание 2 - В Японии значение СЕТЕВОГО ПЕРЕХОДНОГО НАПРЯЖЕНИЯ для НОМИНАЛЬНОГО переменного напряжения ПИТАЮЩЕЙ СЕТИ 100 В определяется с помощью столбцов, относящихся к НОМИНАЛЬНОМУ переменному напряжению ПИТАЮЩЕЙ СЕТИ, равному 150 В. -------------------------------- <a> Включая 120/208 или 120/240 В. <b> Включая 230/400 или 277/480 В. |
8.9.1.10 ВОЗДУШНЫЙ ЗАЗОР для СЕТЕВЫХ ЧАСТЕЙ
Для СЕТЕВЫХ ЧАСТЕЙ, работающих при НОРМИРОВАННЫХ СЕТЕВЫХ НАПРЯЖЕНИЯХ до 300 В, требуемый ВОЗДУШНЫЙ ЗАЗОР должен определяться с помощью данных
таблицы 13 для среднеквадратического или постоянного значения НОРМИРОВАННОГО СЕТЕВОГО НАПРЯЖЕНИЯ плюс дополнительный ВОЗДУШНЫЙ ЗАЗОР, указанный в
таблице 14 для ПИКОВОГО РАБОЧЕГО НАПРЯЖЕНИЯ.
8.9.1.11 Перенапряжение в ПИТАЮЩЕЙ СЕТИ
Данный стандарт распространяется на
категорию II по перенапряжению согласно МЭК 60664-1. Если МЭ ИЗДЕЛИЕ предназначено для использования в местах, где ПИТАЮЩАЯ СЕТЬ принадлежит к
категории III по перенапряжению, то значения, указанные в
таблицах 13 -
15 (включительно), будут неадекватными для зазоров, поэтому должны использоваться значения, приведенные в следующем столбце для СЕТЕВОГО ПЕРЕХОДНОГО НАПРЯЖЕНИЯ. Пока не предусмотрено, что защита ПАЦИЕНТА (см.
таблицу 12) потребуется для использования МЭ ИЗДЕЛИЯ при
категории III по перенапряжению в ПИТАЮЩЕЙ СЕТИ, но если это необходимо, то рекомендации по допускаемым значениям даны в
обосновании для 8.9 приложения A.
В случае когда ВТОРИЧНАЯ ЦЕПЬ заземлена или МЭ ИЗДЕЛИЕ является ИЗДЕЛИЕМ С ВНУТРЕННИМ ИСТОЧНИКОМ ПИТАНИЯ, применяют данные
таблицы 15.
В случае когда ВТОРИЧНАЯ ЦЕПЬ не заземлена и является вторичной по отношению к ПИТАЮЩЕЙ СЕТИ, на нее должны распространяться требования, предъявляемые к первичным цепям согласно данным
таблиц 13 и
14.
Если ВТОРИЧНАЯ ЦЕПЬ отделена от СЕТЕВОЙ ЧАСТИ с помощью функционально заземленного либо ЗАЗЕМЛЕННОГО С ЦЕЛЬЮ ЗАЩИТЫ металлического экрана или переходные напряжения во ВТОРИЧНОЙ ЦЕПИ оказываются ниже уровней, ожидаемых для
категории перенапряжения I (например, за счет ослабления при подсоединении компонентов типа конденсаторов между ВТОРИЧНОЙ ЦЕПЬЮ и землей), то применяют значения
таблицы 15.
Столбец с данными для цепей, не подвергающихся переходным перенапряжениям, применим:
- к ВТОРИЧНЫМ ЦЕПЯМ постоянного тока, которые надежно соединены с заземлением и имеют емкостной фильтр, который ограничивает размах пульсаций постоянного тока до 10%;
- цепям МЭ ИЗДЕЛИЙ С ВНУТРЕННИМ ИСТОЧНИКОМ ПИТАНИЯ; или
8.9.1.13 ПИКОВЫЕ РАБОЧИЕ НАПРЯЖЕНИЯ выше 1400 В пикового значения или значения постоянного тока
Значения, приведенные в
таблице 15 для ПИКОВЫХ РАБОЧИХ НАПРЯЖЕНИЙ выше 1400 В пикового значения или значения постоянного тока, не применяют, если выполняются все следующие условия:
- ВОЗДУШНЫЙ ЗАЗОР составляет не менее 5 мм;
- применяемая изоляция выдерживает испытание на электрическую прочность согласно
8.8.3 с использованием:
испытательного переменного напряжения, среднеквадратическое значение которого должно быть в 1,06 раза больше ПИКОВОГО РАБОЧЕГО НАПРЯЖЕНИЯ, или
испытательного постоянного напряжения, равного пиковому значению переменного испытательного напряжения, указанному выше;
и
- путь ВОЗДУШНОГО ЗАЗОРА частично или полностью проходит по воздуху или по поверхности изоляционного материала
группы I.
Если путь ВОЗДУШНОГО ЗАЗОРА также частично проходит по поверхности материала, который не относится к
группе I, то испытанию на электрическую прочность изоляции подвергают только часть (части) пути, проходящую по воздуху.
8.9.1.14 Минимальные ПУТИ УТЕЧКИ для двух СРЕДСТВ ЗАЩИТЫ ОПЕРАТОРА
Минимальные ПУТИ УТЕЧКИ для двух СРЕДСТВ ЗАЩИТЫ ОПЕРАТОРА получают путем удвоения значений, указанных в
таблице 16 для одного СРЕДСТВА ЗАЩИТЫ ОПЕРАТОРА.
8.9.1.15* ПУТИ УТЕЧКИ и ВОЗДУШНЫЕ ЗАЗОРЫ для РАБОЧИХ ЧАСТЕЙ С ЗАЩИТОЙ ОТ РАЗРЯДА ДЕФИБРИЛЛЯТОРА
ПУТИ УТЕЧКИ и ВОЗДУШНЫЕ ЗАЗОРЫ, необходимые для выполнения требований
8.5.5.1, предъявляемых к РАБОЧИМ ЧАСТЯМ С ЗАЩИТОЙ ОТ РАЗРЯДА ДЕФИБРИЛЛЯТОРА, должны быть не менее 4 мм.
| | ИС МЕГАНОРМ: примечание. Нумерация таблиц дана в соответствии с официальным текстом документа. | |
Таблица 12
Минимальные ПУТИ УТЕЧКИ и ВОЗДУШНЫЕ ЗАЗОРЫ,
обеспечивающие СРЕДСТВА ЗАЩИТЫ ПАЦИЕНТА
РАБОЧЕЕ НАПРЯЖЕНИЕ постоянного тока, В (до и включительно) | РАБОЧЕЕ НАПРЯЖЕНИЕ среднеквадратическое значение, В (до и включительно) | Расстояния, обеспечивающие одно СРЕДСТВО ЗАЩИТЫ ПАЦИЕНТА, мм | Расстояния, обеспечивающие два СРЕДСТВА ЗАЩИТЫ ПАЦИЕНТА, мм |
ПУТЬ УТЕЧКИ | ВОЗДУШНЫЙ ЗАЗОР | ПУТЬ УТЕЧКИ | ВОЗДУШНЫЙ ЗАЗОР |
| 12 | 1,7 | 0,8 | 3,4 | 1,6 |
43 | 30 | 2 | 1 | 4 | 2 |
85 | 60 | 2,3 | 1,2 | 4,6 | 2,4 |
177 | 125 | 3 | 1,6 | 6 | 3,2 |
| 250 | 4 | 2,5 | 8 | 5 |
| 400 | 6 | 3,5 | 12 | 7 |
| 500 | 8 | 4,5 | 16 | 9 |
934 | 660 | 10,5 | 6 | 21 | 12 |
1061 | 750 | 12 | 6,5 | 24 | 13 |
1414 | 1000 | 16 | 9 | 32 | 18 |
1768 | 1250 | 20 | 11,4 | 40 | 22,8 |
2263 | 1600 | 25 | 14,3 | 50 | 28,6 |
2828 | 2000 | 32 | 18,3 | 64 | 36,6 |
3535 | 2500 | 40 | 22,9 | 80 | 45,8 |
4525 | 3200 | 50 | 28,6 | 100 | 57,2 |
5656 | 4000 | 63 | 36,0 | 126 | 72,0 |
7070 | 5000 | 80 | 45,7 | 160 | 91,4 |
8909 | 6300 | 100 | 57,1 | 200 | 114,2 |
11 312 | 8000 | 125 | 71,4 | 250 | 142,8 |
14 140 | 10 000 | 160 | 91,4 | 320 | 182,8 |
Примечание 1 - Для СЗП значения ПУТЕЙ УТЕЧКИ и ВОЗДУШНОГО ЗАЗОРА основаны на значениях во второй редакции МЭК 60601-1 [74] и применяются независимо от степени загрязнения, категории перенапряжения и группы материалов. Примечание 2 - ПУТИ УТЕЧКИ и ВОЗДУШНЫЙ ЗАЗОР в этой таблице связаны со значениями РАБОЧЕГО НАПРЯЖЕНИЯ переменного или постоянного тока. Примечание 3 - Следует признать, что значения в этой таблице не учитывают формы сигналов с низким эффективным значением и высокими ПИКОВЫМИ РАБОЧИМИ НАПРЯЖЕНИЯМИ. Для конкретного случая импульсных блоков питания, использующихся как СЗП, используют измеренное эффективное значение напряжения в качестве РАБОЧЕГО НАПРЯЖЕНИЯ. Примечание 4 - Барьеры, обеспечивающие 2 СЗП в соответствии с таблицами 13 - 15 (включительно) или в соответствии с МЭК 60950-1:2005, МЭК 60950-1:2005/AMD1:2009 и МЭК 60950-1:2005/AMD2:2013, соответствуют требованиям для 1 СЗП в соответствии с этой таблицей для РАБОЧИХ НАПРЯЖЕНИЙ до 707 В постоянного тока/500 В переменного. При более высоких рабочих напряжениях 2 СЗО не обязательно обеспечивают 1 СЗП. Барьеры, обеспечивающие УСИЛЕННУЮ ИЗОЛЯЦИЮ (2 СЗО) в соответствии с МЭК 62368-1:2018, соответствуют требованиям, предъявляемым к 1 СЗП ДЛЯ РАБОЧИХ НАПРЯЖЕНИЙ до 354 В постоянного тока/250 В переменного, согласно этой таблице. При более высоких РАБОЧИХ НАПРЯЖЕНИЯХ УСИЛЕННАЯ ИЗОЛЯЦИЯ (2 СЗО) не обязательно обеспечивает 1 СЗП. |
Таблица 13
Минимальные ВОЗДУШНЫЕ ЗАЗОРЫ, обеспечивающие
СРЕДСТВА ЗАЩИТЫ ОПЕРАТОРА от СЕТЕВОЙ ЧАСТИ
ВОЗДУШНЫЕ ЗАЗОРЫ, мм
РАБОЧЕЕ НАПРЯЖЕНИЕ, В (до и включительно) | НОМИНАЛЬНОЕ СЕТЕВОЕ НАПРЯЖЕНИЕ <= 150 В (СЕТЕВОЕ ПЕРЕХОДНОЕ НАПРЯЖЕНИЕ 1 500 В) | 150 В < НОМИНАЛЬНОЕ СЕТЕВОЕ НАПРЯЖЕНИЕ <= 300 В (СЕТЕВОЕ ПЕРЕХОДНОЕ НАПРЯЖЕНИЕ 2500 В) | 300 В < НОМИНАЛЬНОЕ СЕТЕВОЕ НАПРЯЖЕНИЕ <= 600 В (СЕТЕВОЕ ПЕРЕХОДНОЕ НАПРЯЖЕНИЕ 4000 В) |
Напряжение пиковое или постоянное | Напряжение синусоидальное, среднеквадратическое значение | | | | |
Одно СЗО | Два СЗО | Одно СЗО | Два СЗО | Одно СЗО | Два СЗО | Одно СЗО | Два СЗО |
210 | 150 | 1,0 | 2,0 | 1,3 | 2,6 | 2,0 | 4,0 | 3,2 | 6,4 |
| 300 | Для одного СЗО 2,0, для двух СЗО 4,0 | 3,2 | 6,4 |
840 | 600 | Для одного СЗО 3,2, для двух СЗО 6,4 |
1400 | 1000 | Для одного СЗО 4,2, для двух СЗО 6,4 |
2800 | 2000 | Для одного или двух СЗО 8,4 |
7000 | 5000 | Для одного или двух СЗО 17,5 |
9800 | 7000 | Для одного или двух СЗО 25 |
14 000 | 10 000 | Для одного или двух СЗО 37 |
28 000 | 20 000 | Для одного или двух СЗО 80 |
ВОЗДУШНЫЕ ЗАЗОРЫ для РАБОЧИХ НАПРЯЖЕНИЙ со среднеквадратическим значением выше 20 кВ или значением 28 кВ постоянного тока при необходимости могут устанавливаться частными стандартами. Примечание - Значения ВОЗДУШНЫХ ЗАЗОРОВ зависят от пикового напряжения в цепи. Столбец в таблице со среднеквадратическими значениями напряжения относится к особому случаю напряжения, имеющего синусоидальную форму. |
Таблица 14
Дополнительные ВОЗДУШНЫЕ ЗАЗОРЫ для изоляции в СЕТЕВЫХ
ЧАСТЯХ при ПИКОВЫХ РАБОЧИХ НАПРЯЖЕНИЯХ, превышающих пиковое
значение НОМИНАЛЬНОГО СЕТЕВОГО НАПРЯЖЕНИЯ
<a> (см.
8.9.1.10)
НОМИНАЛЬНОЕ СЕТЕВОЕ НАПРЯЖЕНИЕ <= 150 В среднеквадратическое значение для переменного тока или 210 В для постоянного тока | 150 В среднеквадратическое значение для переменного тока или 210 В для постоянного тока < НОМИНАЛЬНОЕ СЕТЕВОЕ НАПРЯЖЕНИЕ <= 300 В среднеквадратическое значение для переменного тока или 420 В для постоянного тока | Дополнительный ВОЗДУШНЫЙ ЗАЗОР, мм |
| | | Одно СЗО | Два СЗО |
ПИКОВОЕ РАБОЧЕЕ НАПРЯЖЕНИЕ, В | ПИКОВОЕ РАБОЧЕЕ НАПРЯЖЕНИЕ, В | ПИКОВОЕ РАБОЧЕЕ НАПРЯЖЕНИЕ, В |
210 | 210 | 420 | 0,0 | 0,0 |
298 | 294 | 493 | 0,1 | 0,2 |
| 379 | 567 | 0,2 | 0,4 |
474 | 463 | 640 | 0,3 | 0,6 |
562 | 547 | 713 | 0,4 | 0,8 |
650 | 632 | 787 | 0,5 | 1,0 |
738 | 715 | 860 | 0,6 | 1,2 |
826 | 800 | 933 | 0,7 | 1,4 |
914 | | 1006 | 0,8 | 1,6 |
1002 | | 1080 | 0,9 | 1,8 |
1090 | | 1153 | 1,0 | 2,0 |
| | 1226 | 1,1 | 2,2 |
| | 1300 | 1,2 | 2,4 |
<a> При использовании данных таблицы следует выбрать соответствующий столбец со значениями для УСТАНОВЛЕННОГО СЕТЕВОГО НАПРЯЖЕНИЯ и степени загрязнения и в этом столбце выбрать строку для реального ПИКОВОГО РАБОЧЕГО НАПРЯЖЕНИЯ. К соответствующему значению требуемого дополнительного ВОЗДУШНОГО ЗАЗОРА (для одного или двух СРЕДСТВ ЗАЩИТЫ ОПЕРАТОРА) добавляют значение минимального ВОЗДУШНОГО ЗАЗОРА, указанного в таблице 13, для получения полного значения минимального ВОЗДУШНОГО ЗАЗОРА. Примечание - Для значений напряжения выше значений ПИКОВОГО РАБОЧЕГО НАПРЯЖЕНИЯ, приведенных в таблице, допускается линейная экстраполяция. |
Таблица 15
Минимальные ВОЗДУШНЫЕ ЗАЗОРЫ, обеспечивающие СРЕДСТВА ЗАЩИТЫ
ОПЕРАТОРА во ВТОРИЧНОЙ ЦЕПИ (см.
8.9.1.12)
ВОЗДУШНЫЙ ЗАЗОР, мм
РАБОЧЕЕ НАПРЯЖЕНИЕ, В (до и включительно) | Значение переходного напряжения для ВТОРИЧНОЙ ЦЕПИ <= 800 В (НОМИНАЛЬНОЕ СЕТЕВОЕ НАПРЯЖЕНИЕ <= 150 В) | Значение переходного напряжения для ВТОРИЧНОЙ ЦЕПИ <= 1500 В (150 В < НОМИНАЛЬНОЕ СЕТЕВОЕ НАПРЯЖЕНИЕ <= 300 В) | Значение переходного напряжения для ВТОРИЧНОЙ ЦЕПИ <= 2500 В (300 В < НОМИНАЛЬНОЕ СЕТЕВОЕ НАПРЯЖЕНИЕ <= 600 В) | Цепи, не подвергающиеся воздействию переходных перенапряжений |
Напряжение пиковое или постоянное | Напряжение, среднеквадратическое значение (синусоидальное) | | | | | | |
Одно СЗО | Два СЗО | Одно СЗО | Два СЗО | Одно СЗО | Два СЗО | Одно СЗО | Два СЗО | Одно СЗО | Два СЗО | Одно СЗО | Два СЗО |
71 | 50 | 0,7 | 1,4 | 1,3 | 2,6 | 1,0 | 2,0 | 1,3 | 2,6 | 2,0 | 4,0 | 0,4 | 0,8 |
140 | 100 | 0,7 | 1,4 | 1,3 | 2,6 | 1,0 | 2,0 | 1,3 | 2,6 | 2,0 | 4,0 | 0,7 | 1,4 |
210 | 150 | 0,9 | 1,8 | 1,3 | 2,6 | 1,0 | 2,0 | 1,3 | 2,6 | 2,0 | 4,0 | 0,7 | 1,4 |
280 | 200 | Для одного СЗО 1,4, для двух СЗО 2,8 | 2,0 | 4,0 | 1,1 | 2,2 |
420 | 300 | Для одного СЗО 1,9, для двух СЗО 3,8 | 2,0 | 4,0 | 1,4 | 2,8 |
700 | 500 | Для одного СЗО 2,5, для двух СЗО 5,0 |
840 | 600 | Для одного СЗО 3,2, для двух СЗО 5,0 |
1400 | 1000 | Для одного СЗО 4,2, для двух СЗО 5,0 |
2800 | 2000 | Для одного или двух СЗО 8,4, но см. 8.9.1.13 |
7000 | 5000 | Для одного или двух СЗО 17,5, но см. 8.9.1.13 |
9800 | 7000 | Для одного или двух СЗО 25, но см. 8.9.1.13 |
14 000 | 10 000 | Для одного или двух СЗО 37, но см. 8.9.1.13 |
28 000 | 20 000 | Для одного или двух СЗО 80, но см. 8.9.1.13 |
42 000 | 30 000 | Для одного или двух СЗО 130, но см. 8.9.1.13 |
Примечание - Значения ВОЗДУШНЫХ ЗАЗОРОВ зависят от пикового напряжения в цепи. Столбец в таблице со среднеквадратическими значениями напряжения относится к особому случаю напряжения, имеющего синусоидальную форму. |
Таблица 16
Минимальные ПУТИ УТЕЧКИ, обеспечивающие СРЕДСТВА ЗАЩИТЫ
ПУТИ УТЕЧКИ, мм
РАБОЧЕЕ НАПРЯЖЕНИЕ, В (среднеквадратическое значение для переменного или постоянного тока) | Расстояние для одного СРЕДСТВА ЗАЩИТЫ ОПЕРАТОРА |
| | |
Группа материалов | Группа материалов | Группа материалов |
| | | | | | |
25 | Используют значения ВОЗДУШНЫХ ЗАЗОРОВ из соответствующей таблицы | 0,5 | 0,5 | 0,5 | 1,3 | 1,3 | 1,3 |
50 | 0,6 | 0,9 | 1,2 | 1,5 | 1,7 | 1,9 |
100 | 0,7 | 1,0 | 1,4 | 1,8 | 2,0 | 2,2 |
125 | 0,8 | 1,1 | 1,5 | 1,9 | 2,1 | 2,4 |
150 | 0,8 | 1,1 | 1,6 | 2,0 | 2,2 | 2,5 |
200 | 1,0 | 1,4 | 2,0 | 2,5 | 2,8 | 3,2 |
250 | 1,3 | 1,8 | 2,5 | 3,2 | 3,6 | 4,0 |
300 | 1,6 | 2,2 | 3,2 | 4,0 | 4,5 | 5,0 |
400 | 2,0 | 2,8 | 4,0 | 5,0 | 5,6 | 6,3 |
600 | 3,2 | 4,5 | 6,3 | 8,0 | 9,6 | 10,0 |
800 | 4,0 | 5,6 | 8,0 | 10,0 | 11,0 | 12,5 |
1000 | 5,0 | 7,1 | 10,0 | 12,5 | 14,0 | 16,0 |
Примечание 1 - Минимальные ПУТИ УТЕЧКИ для двух СРЕДСТВ ЗАЩИТЫ ОПЕРАТОРА получают путем удвоения значений, приведенных в данной таблице. Примечание 2 - ПУТЬ УТЕЧКИ не должен быть меньше, чем необходимый воздушный зазор. См. 8.9.1.3. Примечание 3 - Для значений РАБОЧЕГО НАПРЯЖЕНИЯ, превышающих 1000 В, см. таблицу A.2. -------------------------------- <a> ПУТИ УТЕЧКИ, приведенные в данной таблице, применимы ко всем ситуациям. |
8.9.1.16 Проводящие поверхностные покрытия
При нанесении проводящих покрытий на неметаллические поверхности должно быть установлено, что отслаивание или шелушение не приводит к уменьшению какого-либо ВОЗДУШНОГО ЗАЗОРА или ПУТИ УТЕЧКИ.
Соответствие проверяется путем изучения конструкции и имеющихся данных. Если такие данные отсутствуют, соответствие проверяется с помощью применения соответствующего стандарта испытаний покрытий.
Примечание - Примеры стандартов испытаний покрытий включают ИСО 2409
[78], ИСО 4624
[79] и UL 746C
[82].
a)* Для изоляции в СЕТЕВОЙ ЧАСТИ между частями противоположной полярности минимальные ПУТИ УТЕЧКИ и ВОЗДУШНЫЕ ЗАЗОРЫ не требуется нормировать, если поочередное короткое замыкание одного из этих ПУТЕЙ УТЕЧКИ и ВОЗДУШНЫХ ЗАЗОРОВ не будет приводить к возникновению ОПАСНОЙ СИТУАЦИИ, описанной в
13.1.
b) Вклад в ПУТЬ УТЕЧКИ любого углубления или воздушного промежутка шириной менее минимального зазора (X) должен быть ограничен их шириной [см.
рисунки 23 -
31 (включительно)].
c) Если ВОЗДУШНЫЙ ЗАЗОР обеспечивает СРЕДСТВО ЗАЩИТЫ, то относительное расположение должно быть таким, чтобы соответствующие части были жесткими и формировались литьем, или же конструкция должна быть такой, чтобы не было уменьшения расстояний ниже нормированных значений при деформации или перемещении частей.
В случае когда ограниченное перемещение одной из соответствующих частей является нормальным или вероятным, это необходимо принимать во внимание при вычислении минимального ВОЗДУШНОГО ЗАЗОРА.
8.9.3* Пространства, заполняемые изолирующим компаундом
8.9.3.1 Общие положения
В случае когда расстояния между проводящими частями заполняют изолирующим компаундом, включая случаи, когда изоляция надежно соединяется с изолирующим компаундом так, что ВОЗДУШНЫЕ ЗАЗОРЫ и ПУТИ УТЕЧКИ отсутствуют, применяют лишь требования к твердой изоляции.
Примечание - Примеры такой обработки - заливка, герметизация и вакуумная пропитка компонентов или подсборок, которые обрабатываются вместе изолирующим компаундом, заполняющим пустоты; внутренняя изоляция между смежными дорожками на одном слое многослойной печатной платы.
Соответствие проверяют осмотром, измерением и испытанием образцов. Требования к ПУТЯМ УТЕЧКИ и ВОЗДУШНЫМ ЗАЗОРАМ не предъявляют, если образцы проходят циклическую термообработку, предварительную выдержку в камере влажности и испытание на электрическую прочность изоляции в соответствии с 8.9.3.2 и 8.9.3.4 или 8.9.3.3 и 8.9.3.4.
8.9.3.2 Изолирующий компаунд, формирующий твердую изоляцию между проводящими частями
В случаях когда изолирующий компаунд формирует твердую изоляцию между проводящими частями, проверяют только один законченный образец. Образец подвергают ПРОЦЕДУРЕ циклической термообработки в соответствии с 8.9.3.4 с последующей предварительной выдержкой в камере влажности согласно 5.7, но только в течение 48 ч с последующим испытанием на электрическую прочность изоляции согласно 8.8.3, но при испытательном напряжении, большем в 1,6 раз. Испытания затем сопровождают осмотром, включая разрезание образца, и измерением. Наличие трещин или пустот в изолирующем компаунде, которые могут нарушать однородность материала, считают отрицательным результатом испытаний.
8.9.3.3 Изолирующий компаунд, формирующий клеевое соединение с другими изолирующими частями
В случаях когда изолирующий компаунд формирует клеевое соединение с другими изолирующими частями, надежность соединения проверяют на трех образцах. При использовании обмоток из провода с эмалью на основе растворителя это испытание заменяют на испытание с помощью металлической фольги или нескольких витков неизолированного провода, накручиваемых вблизи места склейки. Эти три образца при этом проверяют следующим образом:
- один из образцов подвергают ПРОЦЕДУРЕ циклической термообработки согласно 8.9.3.4. Сразу же после последнего цикла при самой высокой температуре этот образец подвергают испытанию на электрическую прочность изоляции согласно 8.8.3, но при в 1,6 раз большем испытательном напряжении;
- другие два образца подвергают предварительной обработке в камере влажности согласно 5.7, но только в течение 48 ч, с последующим испытанием на электрическую прочность изоляции согласно 8.8.3, но при в 1,6 раз большем испытательном напряжении.
8.9.3.4 Циклическая термообработка
Образец подвергают 10 раз следующему циклу термообработки:
68 ч - при T1 +/- 2 °C;
1 ч - при (25 +/- 2) °C;
2 ч - при (0 +/- 2) °C;
не менее 1 ч - при (25 +/- 2) °C,
где T1 - наибольшее значение из следующих двух:
- максимальная температура соответствующей части, определенная согласно 11.1.1 плюс 10 °C, или
- плюс 85 °C.
Однако 10 °C не прибавляют, если температуру измеряют с помощью термопары.
Период времени, необходимый для перехода от одной температуры до другой, не устанавливают, однако допускают постепенный переход.
8.9.4* Измерение ПУТЕЙ УТЕЧКИ И ВОЗДУШНЫХ ЗАЗОРОВ
Соответствие требованию проверяют измерением с учетом правил, приведенных на рисунках 22 - 31 (включительно). На каждом рисунке пунктирная линия (-----
) означает ВОЗДУШНЫЙ ЗАЗОР, а область (
) - ПУТЬ УТЕЧКИ.
Минимальный размер (X) углублений, проходящих поперек ПУТИ УТЕЧКИ, на рисунках 23 - 25 и на рисунках 27 - 31 (включительно), считающихся СРЕДСТВАМИ ЗАЩИТЫ ОПЕРАТОРА, может быть скорректирован в зависимости от степени загрязнения, если минимальный ВОЗДУШНЫЙ ЗАЗОР составляет 3 мм или более. Минимальная ширина углубления составляет:
Если заданное минимальное значение ВОЗДУШНОГО ЗАЗОРА составляет менее 3 мм, минимальный размер (X) углублений, проходящих поперек ПУТИ УТЕЧКИ, должен быть меньше, чем:
- соответствующее значение, указанное в предыдущем абзаце, или
- одна треть от указанного минимального ВОЗДУШНОГО ЗАЗОРА.
Любой угол, включая угол менее 80°, следует соединять изолирующей линией X мм, перемещенной в наименее благоприятное положение (см. рисунок 25).
В случае когда расстояние поперек вершины составляет X мм или более, то кратчайшего ПУТИ УТЕЧКИ по воздуху не существует (см. рисунок 24).
ПУТИ УТЕЧКИ и ВОЗДУШНЫЕ ЗАЗОРЫ между частями, перемещающимися друг относительно друга, измеряют при их наименее благоприятных положениях.
Рассчитанный ПУТЬ УТЕЧКИ никогда не должен быть менее измеренного ВОЗДУШНОГО ЗАЗОРА.
Покрытия лаком, эмалью или оксидные покрытия в расчет не принимаются. Покрытия из любого изоляционного материала, однако, рассматривают как изоляцию, если это покрытие эквивалентно листу изоляционного материала равной толщины при аналогичных электрических, тепловых и механических свойствах.
Если ПУТИ УТЕЧКИ или ВОЗДУШНЫЕ ЗАЗОРЫ для одного или двух СРЕДСТВ ЗАЩИТЫ прерываются одной или несколькими "плавающими" проводящими частями, то к сумме всех отрезков применяют минимальные значения, указанные в таблицах 12 - 16 (включительно), за исключением отрезков длиной менее X мм, которые во внимание не принимают.
При наличии углублений, проходящих поперек ПУТИ УТЕЧКИ, стенку углубления учитывают как ПУТЬ УТЕЧКИ только в том случае, если ширина углубления превышает X мм (см. рисунок 24). Во всех остальных случаях углублением пренебрегают.
При наличии выступа на поверхности изоляции или в углублении ПУТЬ УТЕЧКИ измеряют по этому выступу, только если он расположен так, что пыль и влага не могут проникать в место соединения или углубление.
Для МЭ ИЗДЕЛИЯ, снабженного ПРИБОРНОЙ ВИЛКОЙ, измерения выполняют с соответствующим вставленным соединителем. Для других МЭ ИЗДЕЛИЙ, снабженных ШНУРАМИ ПИТАНИЯ, измерения выполняют с использованием проводов питания с максимальной площадью поперечного сечения, указанной ИЗГОТОВИТЕЛЕМ, а также без этих проводов.
Подвижные части устанавливают в наименее благоприятное положение; гайки и винты с некруглыми головками фиксируют также в наименее благоприятном положении.
ПУТИ УТЕЧКИ и ВОЗДУШНЫЕ ЗАЗОРЫ через прорези или отверстия во внешних частях измеряют с помощью стандартного испытательного пальца (см. рисунок 6). При необходимости к любой точке на неизолированном проводе и к внешней стороне металлического КОРПУСА прикладывают усилие для уменьшения ПУТЕЙ УТЕЧКИ и ВОЗДУШНЫХ ЗАЗОРОВ при проведении измерений.
Усилие прикладывают с помощью испытательного пальца с наконечником, показанном на рисунке 6; оно равно:
2 Н - для неизолированных проводов;
30 Н - для КОРПУСОВ.
ПУТЬ УТЕЧКИ и ВОЗДУШНЫЕ ЗАЗОРЫ измеряют, если это целесообразно, после применения испытательного крюка согласно 5.9.2.2.
| Условие: | Рассматриваемый путь проходит по плоской поверхности. |
Правило: | ПУТЬ УТЕЧКИ и ВОЗДУШНЫЙ ЗАЗОР измеряют непосредственно по поверхности. |
Рисунок 22 - ПУТЬ УТЕЧКИ и ВОЗДУШНЫЙ ЗАЗОР - Пример 1
| Условие: | Рассматриваемый путь проходит через углубление с параллельными или сходящимися стенками любой глубины и шириной менее X мм. |
Правило: | ПУТЬ УТЕЧКИ и ВОЗДУШНЫЙ ЗАЗОР измеряют непосредственно над углублением. |
Рисунок 23 - ПУТЬ УТЕЧКИ и ВОЗДУШНЫЙ ЗАЗОР - Пример 2
| Условие: | Рассматриваемый путь проходит через углубление с параллельными стенками произвольной глубины более X мм. |
Правило: | ВОЗДУШНЫЙ ЗАЗОР измеряют по линии визирования, а ПУТЬ УТЕЧКИ - по контуру углубления. |
Рисунок 24 - ПУТЬ УТЕЧКИ и ВОЗДУШНЫЙ ЗАЗОР - Пример 3
| Условие: | Рассматриваемый путь проходит через V-образное углубление с шириной более X мм и внутренним углом менее 80°. |
Правило: | ВОЗДУШНЫЙ ЗАЗОР измеряют по линии визирования, а ПУТЬ УТЕЧКИ - по контуру углубления, но с замыканием дна углубления связью шириной X мм. |
Рисунок 25 - ПУТЬ УТЕЧКИ и ВОЗДУШНЫЙ ЗАЗОР - Пример 4
| Условие: | Рассматриваемый путь проходит через выступ. |
Правило: | ВОЗДУШНЫЙ ЗАЗОР измеряют по кратчайшему расстоянию, проходящему через вершину выступа. ПУТЬ УТЕЧКИ измеряют по контуру выступа. |
Рисунок 26 - ПУТЬ УТЕЧКИ и ВОЗДУШНЫЙ ЗАЗОР - Пример 5
| Условие: | Рассматриваемый путь проходит через неклеенное соединение (см. 8.9.3) с равными углублениями шириной менее X мм с каждой стороны. |
Правило: | ПУТЬ УТЕЧКИ и ВОЗДУШНЫЙ ЗАЗОР измеряют по линии визирования. |
Рисунок 27 - ПУТЬ УТЕЧКИ и ВОЗДУШНЫЙ ЗАЗОР - Пример 6
| Условие: | Рассматриваемый путь проходит через неклеенное соединение (см. 8.9.3) с равными углублениями шириной более X мм с каждой стороны. |
Правило: | ВОЗДУШНЫЙ ЗАЗОР измеряют по линии визирования. ПУТЬ УТЕЧКИ измеряют по контуру углубления. |
Рисунок 28 - ПУТЬ УТЕЧКИ и ВОЗДУШНЫЙ ЗАЗОР - Пример 7
| Условие: | Рассматриваемый путь проходит через наклеенное соединение (см. 8.9.3) с углублением на одной стороне шириной менее X мм и углублением на другой стороне шириной не менее X мм. |
Правило: | ПУТЬ УТЕЧКИ и ВОЗДУШНЫЙ ЗАЗОР измеряют, как показано на рисунке. |
Рисунок 29 - ПУТЬ УТЕЧКИ и ВОЗДУШНЫЙ ЗАЗОР - Пример 8
| Условие: | Промежуток между головкой винта и стенкой углубления достаточно широк, чтобы принимать его во внимание. |
Правило: | ВОЗДУШНЫЙ ЗАЗОР измеряют по кратчайшему расстоянию до любой точки до головки винта. ПУТЬ УТЕЧКИ измеряют по контуру углубления. |
Рисунок 30 - ПУТЬ УТЕЧКИ и ВОЗДУШНЫЙ ЗАЗОР - Пример 9
| Условие: | Промежуток между головкой винта и стенкой углубления достаточно узок, чтобы принимать его во внимание. |
Правило: | ПУТЬ УТЕЧКИ измеряют по кратчайшему расстоянию от головки винта до любой точки стенки углубления, расстояние до которой равно X мм. ВОЗДУШНЫЙ ЗАЗОР измеряют по кратчайшему расстоянию до любой точки головки винта. |
Рисунок 31 - ПУТЬ УТЕЧКИ и ВОЗДУШНЫЙ ЗАЗОР - Пример 10
8.10 Компоненты и проводные соединения
8.10.1* Закрепление компонентов
Компоненты МЭ ИЗДЕЛИЯ, непредусмотренные перемещения которых могут приводить к недопустимому РИСКУ, должны быть надежно закреплены для предотвращения подобных перемещений.
Соответствие проверяют осмотром МЭ ИЗДЕЛИЯ и рассмотрением ФАЙЛА МЕНЕДЖМЕНТА РИСКА.
8.10.2* Закрепление проводных соединений
Провода и разъемы МЭ ИЗДЕЛИЯ должны закрепляться или изолироваться так, чтобы их случайное отсоединение не приводило к возникновению ОПАСНОЙ СИТУАЦИИ. Они не должны считаться соответствующим образом закрепленными, если при обрыве в месте их соединения и перемещении относительно места крепления возможно касание частей, приводящее к возникновению ОПАСНОЙ СИТУАЦИИ, описанной в
13.1.
Обрыв одного средства механического крепления следует рассматривать как УСЛОВИЕ ЕДИНИЧНОГО НАРУШЕНИЯ.
Скрученный многожильный кабель не должен пропаиваться, если он зафиксирован какими-либо зажимными устройствами, некачественный контакт которых может приводить к возникновению ОПАСНОЙ СИТУАЦИИ, описанной в
13.1.
Соответствие проверяют осмотром МЭ ИЗДЕЛИЯ.
8.10.3 Соединения между различными частями МЭ ИЗДЕЛИЯ
Гибкие шнуры, отсоединяемые без использования ИНСТРУМЕНТА, которые применяют для взаимного соединения различных частей МЭ ИЗДЕЛИЯ, должны быть оснащены такими соединительными устройствами, чтобы соответствие металлических ДОСТУПНЫХ ЧАСТЕЙ требованиям
8.4 не нарушалось из-за разъединения одного из средств соединения.
Соответствие проверяют осмотром МЭ ИЗДЕЛИЯ и при необходимости - его испытанием с использованием стандартного испытательного пальца согласно 5.9.2.1.
8.10.4* РУЧНЫЕ и ножные органы управления, соединяемые шнурами (см. также
15.4.7)
8.10.4.1 Ограничение рабочих напряжений
Соединяемые шнуром РУЧНЫЕ и ножные органы управления МЭ ИЗДЕЛИЯ и их соединительные шнуры должны содержать только провода и компоненты, работающие при напряжениях не более 42,4 В пикового значения переменного тока или 60 В постоянного тока в цепях, изолированных от СЕТЕВОЙ ЧАСТИ двумя СРЕДСТВАМИ ЗАЩИТЫ. Предельное значение для постоянного тока 60 В относится к току с размахом пульсации не более 10%, в противном случае применяют 42,4 В пикового значения переменного тока.
Соответствие проверяют осмотром МЭ ИЗДЕЛИЯ и при необходимости - измерением напряжений.
8.10.4.2 Соединительные шнуры
Соединение и закрепление обоих концов гибких шнуров ручных и ножных органов управления МЭ ИЗДЕЛИЯ должны отвечать требованиям, указанным в
8.11.3 для ШНУРОВ ПИТАНИЯ, если отсоединение проводов или короткое замыкание между ними может приводить к возникновению ОПАСНОЙ СИТУАЦИИ, описанной в
13.1. Это требование также относится и к другим РУЧНЫМ частям, если нарушение или обрыв одного или нескольких соединений может приводить к возникновению ОПАСНОЙ СИТУАЦИИ, описанной в
13.1.
Соответствие проверяют проведением испытаний согласно 8.11.3.
8.10.5* Механическая защита проводных соединений
a) Внутренние кабели и проводные соединения должны соответствующим образом защищаться от контакта с подвижной частью или от трения об острые углы и грани, если повреждение изоляции может приводить к возникновению ОПАСНОЙ СИТУАЦИИ, описанной в
13.1.
b) МЭ ИЗДЕЛИЕ должно быть сконструировано таким образом, чтобы проводные соединения, шнуры или компоненты не могли повреждаться при сборке или при открытии или закрытии СМОТРОВЫХ КРЫШЕК, если такое повреждение может приводить к возникновению ОПАСНОЙ СИТУАЦИИ, описанной в
13.1.
Соответствие проверяют осмотром и, когда это целесообразно, испытанием вручную.
8.10.6 Направляющие ролики для изолированных проводов
Направляющие ролики для изолированных проводов МЭ ИЗДЕЛИЯ должны быть сконструированы таким образом, чтобы подвижные изолированные провода при НОРМАЛЬНОЙ ЭКСПЛУАТАЦИИ не изгибались с радиусом, меньшим пятикратного значения внешнего диаметра провода.
Соответствие проверяют осмотром и измерением соответствующих размеров.
8.10.7* Изоляция внутренних проводных соединений
a) При потребности применения изолирующей трубки на внутренних проводных соединениях в МЭ ИЗДЕЛИИ ее необходимо соответствующим образом закрепить. Для этого можно использовать трубку, которую можно удалить лишь путем обрыва или разрезания, или трубку, закрепленную с обоих концов.
b) Внутри МЭ ИЗДЕЛИЯ оболочка гибкого шнура не должна применяться в качестве СРЕДСТВА ЗАЩИТЫ, если она подвергается механическим или тепловым воздействиям, выходящим за пределы ее НОРМИРОВАННЫХ характеристик.
c) Изолированные провода МЭ ИЗДЕЛИЯ, которые при НОРМАЛЬНОЙ ЭКСПЛУАТАЦИИ подвергаются действию температур, превышающих 70 °C, должны иметь изоляцию из термостойкого материала, если соответствие настоящему стандарту может нарушиться при ухудшении качества изоляции.
Соответствие проверяют осмотром МЭ ИЗДЕЛИЯ и при необходимости - специальными его испытаниями. Температуру определяют согласно 11.1.
8.11 СЕТЕВЫЕ ЧАСТИ, компоненты и монтаж
8.11.1 Отделение от ПИТАЮЩЕЙ СЕТИ
a)* МЭ ИЗДЕЛИЕ должно иметь средства для электрического отделения его цепей от всех полюсов ПИТАЮЩЕЙ СЕТИ одновременно.
МЭ ИЗДЕЛИЕ С ПОСТОЯННЫМ ПРИСОЕДИНЕНИЕМ к многофазной ПИТАЮЩЕЙ СЕТИ может оснащаться устройством, которое не будет прерывать нулевой провод при условии, что на месте монтажа в НОРМАЛЬНОМ СОСТОЯНИИ не ожидается, что напряжение на нулевом проводе будет превышать предельное значение, указанное в
8.4.2 c).
Для МЭ ИЗДЕЛИЯ С ПОСТОЯННЫМ ПРИСОЕДИНЕНИЕМ К ПИТАЮЩЕЙ СЕТИ средства, предназначенные для изолирования его электрических цепей от ПИТАЮЩЕЙ СЕТИ, должны иметь возможность блокировки в выключенном положении, если:
- повторное подключение приведет к возникновению ОПАСНОЙ СИТУАЦИИ или
- любой ОПЕРАТОР, включая ОБСЛУЖИВАЮЩИЙ ПЕРСОНАЛ, не имеет возможности наблюдать расположение изоляции из его предполагаемого положения.
Блокирующий механизм может находиться в переключателе ПИТАЮЩЕЙ СЕТИ, предоставленном ОТВЕТСТВЕННОЙ ОРГАНИЗАЦИЕЙ.
Требования к изолирующему устройству должны быть указаны в ЭКСПЛУАТАЦИОННЫХ ДОКУМЕНТАХ.
b) Устройства отделения либо должны быть частью МЭ ИЗДЕЛИЯ либо, если они внешние, должны быть указаны в техническом описании (см.
7.9.3.1).
c)* Выключатель ПИТАЮЩЕЙ СЕТИ, который используется для выполнения требований
8.11.1 a), должен соответствовать требованиям к ПУТЯМ УТЕЧКИ и ВОЗДУШНЫМ ЗАЗОРАМ, определенным в МЭК 61058-1 для СЕТЕВОГО ПЕРЕХОДНОГО НАПРЯЖЕНИЯ 4 кВ.
Примечание - В таблице 22 МЭК 61058-1:2000 приведены различные значения зазора между разомкнутыми контактами в зависимости от СЕТЕВОГО ПЕРЕХОДНОГО НАПРЯЖЕНИЯ, которое называется в этой таблице "номинальное импульсное выдерживаемое напряжение".
d) Выключатель ПИТАЮЩЕЙ СЕТИ не должен встраиваться в ШНУР ПИТАНИЯ или в любой другой внешний гибкий провод.
e) Приводные части выключателей ПИТАЮЩЕЙ СЕТИ, которые удовлетворяют требованиям
8.11.1 a), должны отвечать требованиям МЭК 60447.
f) В МЭ ИЗДЕЛИЯХ без ПОСТОЯННОГО ПРИСОЕДИНЕНИЯ К ПИТАЮЩЕЙ СЕТИ, не имеющих переключателя ПИТАЮЩЕЙ СЕТИ, подходящее вилочное устройство, используемое для отделения МЭ ИЗДЕЛИЯ от ПИТАЮЩЕЙ СЕТИ, должно соответствовать требованиям
8.11.1 a). Может использоваться ПРИБОРНЫЙ СОЕДИНИТЕЛЬ или гибкий шнур с СЕТЕВОЙ ВИЛКОЙ.
g) Плавкий предохранитель или полупроводниковый прибор не должен использоваться как средство отделения.
h)* МЭ ИЗДЕЛИЕ не должно иметь устройств, отключающих МЭ ИЗДЕЛИЕ от ПИТАЮЩЕЙ СЕТИ за счет короткого замыкания, в результате которого будут срабатывать устройства защиты от перегрузки.
i)* Любые части внутри КОРПУСА МЭ ИЗДЕЛИЯ с напряжением в цепях более 42,4 В пикового значения для переменного тока или 60 В постоянного тока, которые не могут быть отсоединены от питания с помощью всегда доступного внешнего выключателя или вилочного устройства, должны быть защищены от прикосновения дополнительным кожухом даже после снятия КОРПУСА или же в случае пространственного разделения частей они должны четко маркироваться как превышающие допустимые напряжения для частей, доступных для прикосновения. При этом использования символа ИСО 7000-0434 (см.
таблицу D.1, символ 10) недостаточно. Можно применять предупреждающую надпись на внешней стороне МЭ ИЗДЕЛИЯ.
Соответствие проверяют осмотром МЭ ИЗДЕЛИЯ.
Для части, которая не может отсоединяться от питания с помощью всегда доступного внешнего выключателя или вилочного устройства, соответствие этому требованию проверяют осмотром требуемого кожуха или предупреждающей надписи (при ее наличии) и при необходимости - применением стандартного испытательного пальца (см. рисунок 6).
8.11.2* МНОГОРОЗЕТОЧНЫЙ СЕТЕВОЙ СОЕДИНИТЕЛЬ
МНОГОРОЗЕТОЧНЫЙ СЕТЕВОЙ СОЕДИНИТЕЛЬ, который является неотъемлемой частью МЭ ИЗДЕЛИЯ, должен соответствовать требованиям
16.2 d), второй абзац, и
16.9.2.1.
Соответствие проверяют осмотром МЭ ИЗДЕЛИЯ.
8.11.3.1 Применение
К СЕТЕВОЙ ВИЛКЕ МЭ ИЗДЕЛИЯ не должно подсоединяться более одного ШНУРА ПИТАНИЯ.
Соответствие проверяют осмотром.
8.11.3.2 Типы
Любой ШНУР ПИТАНИЯ МЭ ИЗДЕЛИЯ должен быть не менее жестким, чем обычный гибкий шнур с резиновой оболочкой (МЭК 60245-1:2003, приложение A, обозначение 53) или обычный гибкий шнур с полихлорвиниловой оболочкой (МЭК 60227-1:1993, приложение A, обозначение 53).
ШНУР ПИТАНИЯ с поливинилхлоридной изоляцией не должен использоваться для МЭ ИЗДЕЛИЙ, имеющих внешние металлические части, температура которых выше 75 °C и которых при НОРМАЛЬНОЙ ЭКСПЛУАТАЦИИ может касаться шнур, за исключением случая, когда НОРМИРОВАННЫЕ характеристики шнура позволяют использовать его при этой температуре. См. также
таблицу 22.
Соответствие проверяют осмотром и измерением.
8.11.3.3 Площадь поперечного сечения жил проводов ШНУРА ПИТАНИЯ
НОМИНАЛЬНАЯ площадь поперечного сечения жил проводов любого ШНУРА ПИТАНИЯ МЭ ИЗДЕЛИЯ должна быть не меньше указанной в
таблице 17. Для МЭ ИЗДЕЛИЯ, использующего ШНУРЫ ПИТАНИЯ и работающего при токах, превышающих 63 А, применяются электрические правила, соответствующие юрисдикции, в которой будет использоваться МЭ ИЗДЕЛИЕ.
Соответствие проверяют осмотром МЭ ИЗДЕЛИЯ.
Таблица 17
НОМИНАЛЬНЫЕ значения площади поперечного сечения жил
проводов ШНУРА ПИТАНИЯ
НОРМИРОВАННЫЙ ток (I) МЭ ИЗДЕЛИЯ, А | НОМИНАЛЬНАЯ площадь поперечного сечения, мм2 (для меди) |
I <= 6 | 0,75 |
6 < I <= 10 | 1 |
10 < I <= 16 | 1,5 |
16 < I <= 25 | 2,5 |
25 < I <= 32 | 4 |
32 < I <= 40 | 6 |
40 < I <= 63 | 10 |
8.11.3.4* ПРИБОРНЫЕ СОЕДИНИТЕЛИ
ПРИБОРНЫЕ СОЕДИНИТЕЛИ, соответствующие требованиям МЭК 60320-1, считаются соответствующими требованиям
8.11.3.5 и
8.11.3.6.
Соответствие проверяют рассмотрением документации на наличие указания, что ПРИБОРНЫЙ СОЕДИНИТЕЛЬ соответствует требованиям МЭК 60320-1.
8.11.3.5* Закрепление шнура
a) Провода ШНУРА ПИТАНИЯ должны быть свободны от натяжения и скручивания; изоляция проводов должна быть защищена от истирания в месте ввода в МЭ ИЗДЕЛИЕ или ПРИБОРНУЮ РОЗЕТКУ устройством закрепления шнура.
b) Если полное нарушение изоляции ШНУРА ПИТАНИЯ может приводить к превышению предельных значений, указанных в
8.4 для ДОСТУПНЫХ ЧАСТЕЙ, НЕЗАЗЕМЛЕННЫХ С ЦЕЛЬЮ ЗАЩИТЫ, то закрепление ШНУРА ПИТАНИЯ необходимо выполнять:
- из изоляционного материала или
- из металла, изолированного от проводящих ДОСТУПНЫХ ЧАСТЕЙ, НЕЗАЗЕМЛЕННЫХ С ЦЕЛЬЮ ЗАЩИТЫ, СРЕДСТВОМ ЗАЩИТЫ, или
- из металла, снабженного изолирующей прокладкой, которая должна быть зафиксирована на устройстве крепления шнура, за исключением случая, когда шнур имеет гибкую втулку, являющуюся частью защиты шнура, указанной в
8.11.3.6, соответствующую требованиям для одного СРЕДСТВА ЗАЩИТЫ.
c) Крепление ШНУРА ПИТАНИЯ должно быть сконструировано таким образом, чтобы шнур не зажимался винтом, который непосредственно касался бы изоляции шнура.
d) Винты, используемые для замены ШНУРА ПИТАНИЯ, не должны служить для крепления каких-либо компонентов, кроме устройства закрепления шнура.
e) Провода ШНУРА ПИТАНИЯ необходимо располагать таким образом, чтобы при повреждении устройства крепления шнура ПРОВОД ЗАЩИТНОГО ЗАЗЕМЛЕНИЯ не подвергался натяжению, пока фазные провода соединены со своими зажимами.
f) Закрепление шнура должно предотвращать проталкивание ШНУРА ПИТАНИЯ в МЭ ИЗДЕЛИЕ или в ПРИБОРНУЮ РОЗЕТКУ.
Соответствие проверяют осмотром МЭ ИЗДЕЛИЯ и следующими испытаниями.
МЭ ИЗДЕЛИЕ, если оно предназначено для работы со ШНУРОМ ПИТАНИЯ, проверяют вместе со шнуром, поставляемым ИЗГОТОВИТЕЛЕМ.
Провода ШНУРА ПИТАНИЯ, если это возможно, отсоединяют от зажимов или от ПРИБОРНОЙ РОЗЕТКИ.
Шнур подвергают натяжению 25 раз, прилагаемому к оболочке, с силой, значения которой приведены в таблице 18. Натяжение прикладывают в наиболее неблагоприятном направлении без рывков, каждый раз в течение 1 с.
Сразу же после этого в течение 1 мин шнур подвергают действию вращающего момента, указанного в таблице 18.
Таблица 18
Испытание устройств закрепления шнура
Масса (m) МЭ ИЗДЕЛИЯ, кг | Сила натяжения, Н | Вращающий момент, Н·м |
m <= 1 | 30 | 0,1 |
1 < m <= 4 | 60 | 0,25 |
m > 4 | 100 | 0,35 |
Закрепление шнура, которое позволяет оболочке шнура перемещаться в продольном направлении более чем на 2 мм или концам проводов перемещаться на расстояние, превышающее 1 мм по отношению к их обычному положению при соединении, считают не прошедшим данное испытание.
Уменьшение ПУТЕЙ УТЕЧКИ и ВОЗДУШНЫХ ЗАЗОРОВ ниже значений, указанных в 8.9, считают отрицательным результатом данного испытания.
Проталкивают шнур в МЭ ИЗДЕЛИЕ или ПРИБОРНУЮ РОЗЕТКУ. Если шнур можно протолкнуть в МЭ ИЗДЕЛИЕ или ПРИБОРНУЮ РОЗЕТКУ до такой степени, что происходит повреждение шнура или внутренних частей, то результат данного испытания считают отрицательным.
8.11.3.6* Устройства для защиты шнура
ШНУРЫ ПИТАНИЯ, за исключением шнуров для СТАЦИОНАРНОГО МЭ ИЗДЕЛИЯ, должны быть защищены от чрезмерного изгиба вблизи входного отверстия изделия или ПРИБОРНОЙ РОЗЕТКИ посредством защитного устройства шнура из изоляционного материала или же посредством соответствующего выбора формы входного отверстия в МЭ ИЗДЕЛИИ.
Соответствие проверяют осмотром МЭ ИЗДЕЛИЯ и либо испытанием, описанным в МЭК 60335-1:2001, подпункт 25.14, либо с помощью следующего испытания. Устройство, которое выдерживает любое из указанных испытаний, считают соответствующим требованиям настоящего стандарта.
МЭ ИЗДЕЛИЕ, имеющее защитное устройство шнура или отверстие, размещают таким образом, чтобы ось этого защитного устройства в точке, где шнур отходит от него, составляла угол 45°, когда шнур не подвергается натяжению. После этого к свободному концу шнура подвешивают массу, равную 10·D2 г, где D - диаметр круглого шнура, для плоских шнуров - минимальный размер ШНУРА ПИТАНИЯ, в мм.
Если защитное устройство шнура выполнено из чувствительного к температуре материала, то испытание проводят при температуре (23 +/- 2) °C.
Плоские шнуры сгибают в плоскости наименьшего сопротивления.
Если радиус изгиба шнура сразу же после подвешивания массы в любом месте становится меньше 1,5·D, то защитное устройство шнура считают неудовлетворительным.
8.11.4 СЕТЕВОЕ ПРИСОЕДИНИТЕЛЬНОЕ УСТРОЙСТВО
8.11.4.1* Общие требования к СЕТЕВОМУ ПРИСОЕДИНИТЕЛЬНОМУ УСТРОЙСТВУ
МЭ ИЗДЕЛИЕ С ПОСТОЯННЫМ ПРИСОЕДИНЕНИЕМ К ПИТАЮЩЕЙ СЕТИ и МЭ ИЗДЕЛИЕ, имеющее несъемный ШНУР ПИТАНИЯ, который может заменяться ОБСЛУЖИВАЮЩИМ ПЕРСОНАЛОМ, должны оснащаться СЕТЕВЫМИ ПРИСОЕДИНИТЕЛЬНЫМИ УСТРОЙСТВАМИ, которые гарантируют надежное соединение.
Для фиксации проводов недостаточно одних зажимов, за исключением случаев, когда имеются перегородки, обеспечивающие в случае обрыва любого провода значения ПУТЕЙ УТЕЧКИ и ВОЗДУШНЫХ ЗАЗОРОВ, являющихся СРЕДСТВАМИ ЗАЩИТЫ не менее указанных в
8.9. См. также
8.10.2.
Зажимы компонентов можно использовать в качестве зажимов, предназначенных для подсоединения внешних проводов, если они соответствуют требованиям настоящего подпункта и маркированы согласно
7.3.7.
Винты и гайки, используемые для крепления внешних проводов, недопустимо использовать для крепления любого другого компонента, за исключением внутренних проводов, если последние располагаются так, что при подсоединении проводов питания их смещение маловероятно.
Соответствие проверяют осмотром МЭ ИЗДЕЛИЯ.
8.11.4.2 Размещение СЕТЕВЫХ ПРИСОЕДИНИТЕЛЬНЫХ УСТРОЙСТВ
a)* Для МЭ ИЗДЕЛИЙ со сменными гибкими шнурами, имеющих зажимы для подсоединения внешних шнуров или гибких ШНУРОВ ПИТАНИЯ, эти зажимы, а также ЗАЖИМЫ ЗАЩИТНОГО ЗАЗЕМЛЕНИЯ должны быть сгруппированы так, чтобы обеспечивалось удобство подсоединения.
Соответствие проверяют осмотром.
b) Для получения подробных сведений относительно присоединения ПРОВОДА ЗАЩИТНОГО ЗАЗЕМЛЕНИЯ см.
8.6.
c) Для получения подробных сведений относительно маркировки СЕТЕВЫХ ПРИСОЕДИНИТЕЛЬНЫХ УСТРОЙСТВ см.
7.3.
d) СЕТЕВЫЕ ПРИСОЕДИНИТЕЛЬНЫЕ УСТРОЙСТВА не должны быть доступны без использования ИНСТРУМЕНТА.
Соответствие проверяют осмотром.
e) СЕТЕВЫЕ ПРИСОЕДИНИТЕЛЬНЫЕ УСТРОЙСТВА необходимо располагать или ограждать таким образом, чтобы при высвобождении закрепленного многожильного скрученного провода вероятность короткого замыкания СРЕДСТВА ЗАЩИТЫ была мала.
Соответствие проверяют осмотром и, при необходимости, с помощью следующего испытания.
Конец гибкого провода, имеющего НОМИНАЛЬНУЮ площадь поперечного сечения, указанную в таблице 17, освобождают от изоляции на длине 8 мм.
Один провод из жгута оставляют свободным, а остальные провода фиксируют с помощью зажима.
Освобожденный провод сгибают в каждом возможном направлении, не стягивая изолирующую оболочку и не делая острые изгибы вокруг перегородок.
Возникновение контакта между свободным проводом и любой другой частью, приводящее к короткому замыканию СРЕДСТВА ЗАЩИТЫ, будет свидетельствовать об отрицательном результате испытаний.
8.11.4.3 Закрепление сетевых зажимов
Сетевые зажимы должны быть ЗАКРЕПЛЕННЫМИ таким образом, чтобы после затягивания или ослабления устройств закрепления проводов внутренние проводные соединения не подвергались механическим напряжениям, а ПУТИ УТЕЧКИ и ВОЗДУШНЫЕ ЗАЗОРЫ не уменьшались ниже значений, указанных в
8.9.
Соответствие проверяют осмотром МЭ ИЗДЕЛИЯ и измерением после 10-кратного закрепления/ослабления провода с максимальной площадью поперечного сечения.
8.11.4.4* Соединение с сетевыми зажимами
Зажимы с устройствами фиксации для съемного сменного гибкого шнура не должны требовать специальной подготовки проводов для их правильного присоединения. Зажимы должны быть сконструированы и располагаться так, чтобы провода не повреждались и не выскальзывали из мест их крепления в зажатом состоянии устройства фиксации. См. также
8.10.2.
Соответствие проверяют осмотром зажимов и проводов после испытания согласно 8.11.3.4.
8.11.4.5 Доступность соединений
Пространство внутри МЭ ИЗДЕЛИЯ, предусмотренное для ЗАКРЕПЛЕННЫХ проводных соединений или съемного сменного ШНУРА ПИТАНИЯ, должно быть достаточным для легкого ввода, соединения и установки крышек (при их наличии) без повреждения проводов или их изоляции. Также должна быть возможность проверки правильности соединения и размещения проводов до установки СМОТРОВОЙ КРЫШКИ. См. также
8.10.5.
Соответствие проверяют осмотром МЭ ИЗДЕЛИЯ и испытанием при сборке изделия.
8.11.5* Сетевые плавкие предохранители и АВТОМАТИЧЕСКИЕ ВЫКЛЮЧАТЕЛИ МАКСИМАЛЬНОГО ТОКА
Плавкий предохранитель или АВТОМАТИЧЕСКИЙ ВЫКЛЮЧАТЕЛЬ МАКСИМАЛЬНОГО ТОКА необходимо устанавливать в каждом проводе питания МЭ ИЗДЕЛИЯ КЛАССА I и МЭ ИЗДЕЛИЯ КЛАССА II, имеющего соединение с рабочим заземлением согласно
8.6.9, и по крайней мере в одном проводе питания однофазного МЭ ИЗДЕЛИЯ КЛАССА II, за исключением:
- в МЭ ИЗДЕЛИИ С ПОСТОЯННЫМ ПРИСОЕДИНЕНИЕМ К ПИТАЮЩЕЙ СЕТИ нулевой провод не должен быть защищен плавким предохранителем или выключателем максимального тока;
- если исследование показывает наличие двух СРЕДСТВ ЗАЩИТЫ между всеми частями противоположной полярности в СЕТЕВОЙ ЧАСТИ, а также между всеми частями СЕТЕВОЙ ЧАСТИ и землей, то плавкие предохранители или АВТОМАТИЧЕСКИЕ ВЫКЛЮЧАТЕЛИ МАКСИМАЛЬНОГО ТОКА можно не устанавливать. Эти требования к изоляции должны распространяться на все компоненты и в пределах любого компонента. Влияние короткого замыкания в других цепях должно быть ВЕРИФИЦИРОВАНО при принятии решения об исключении плавких предохранителей или АВТОМАТИЧЕСКИХ ВЫКЛЮЧАТЕЛЕЙ МАКСИМАЛЬНОГО ТОКА.
В ПРОВОД ЗАЩИТНОГО ЗАЗЕМЛЕНИЯ недопустимо устанавливать плавкий предохранитель или АВТОМАТИЧЕСКИЙ ВЫКЛЮЧАТЕЛЬ МАКСИМАЛЬНОГО ТОКА.
Защитные устройства должны иметь разрывную способность, основанную на ожиданиях ИЗГОТОВИТЕЛЯ относительно наибольшего тока защищаемой цепи и/или предполагаемого тока короткого замыкания.
Обоснование исключения плавких предохранителей или АВТОМАТИЧЕСКИХ ВЫКЛЮЧАТЕЛЕЙ МАКСИМАЛЬНОГО ТОКА должно быть задокументировано.
Соответствие проверяют осмотром МЭ ИЗДЕЛИЯ и рассмотрением документации ИЗГОТОВИТЕЛЯ.
8.11.6 Внутренние провода в СЕТЕВОЙ ЧАСТИ
a) Площадь поперечного сечения проводов в СЕТЕВОЙ ЧАСТИ между СЕТЕВЫМ ПРИСОЕДИНИТЕЛЬНЫМ УСТРОЙСТВОМ или ПРИБОРНОЙ ВИЛКОЙ и защитными устройствами должна быть не менее требуемой площади поперечного сечения жил в ШНУРЕ ПИТАНИЯ, как указано в
8.11.3.3.
Соответствие проверяют осмотром.
b) Площадь поперечного сечения других проводных соединений в СЕТЕВОЙ ЧАСТИ и размеры дорожек на печатных платах МЭ ИЗДЕЛИЯ должны быть достаточными для предотвращения возгорания в случае возможного возникновения аварийных токов.
В случае необходимости соответствие этому требованию проверяют путем подсоединения МЭ ИЗДЕЛИЯ к предназначенной ПИТАЮЩЕЙ СЕТИ, от которой, как ожидается, в случае нарушения в СЕТЕВОЙ ЧАСТИ при самом неблагоприятном случае может протекать ток короткого замыкания. Следовательно, пробой одной изоляции СЕТЕВОЙ ЧАСТИ должен имитироваться так, чтобы ток был наименее благоприятным. Возникновение любой ОПАСНОЙ СИТУАЦИИ, перечисленной в 13.1.2, будет свидетельствовать об отрицательном результате этой проверки.
9* Защита от МЕХАНИЧЕСКИХ ОПАСНОСТЕЙ, создаваемых МЭ ИЗДЕЛИЯМИ и МЭ СИСТЕМАМИ
9.1 МЕХАНИЧЕСКИЕ ОПАСНОСТИ, создаваемые МЭ ИЗДЕЛИЕМ
Для ознакомления с общими требованиями к конструкции и изготовлению МЭ ИЗДЕЛИЯ см.
пункт 4 и
подпункт 15.3.
В
таблице 19 указаны подпункты, которые относятся к МЕХАНИЧЕСКИМ ОПАСНОСТЯМ.
Таблица 19
Виды МЕХАНИЧЕСКИХ ОПАСНОСТЕЙ, на которые распространяются
требования данного пункта
Вид механической ОПАСНОСТИ | Соответствующий подпункт |
Сдавливание | |
Отсечение | |
Разрез или разрыв | |
Запутывание | |
Захват | |
Прокалывание или укалывание | |
Трение или сдирание | |
От выбрасываемых частей | |
Утечки жидкости под большим давлением | |
Падение | |
Неустойчивость | |
Удар | |
Перемещение и расположение ПАЦИЕНТА | |
Вибрация и шум | |
9.2* МЕХАНИЧЕСКИЕ ОПАСНОСТИ, связанные с движущимися частями
МЭ ИЗДЕЛИЕ с движущимися частями должно быть сконструировано таким образом, чтобы РИСКИ, связанные с этими движущимися частями, были уменьшены до допустимого уровня как при НОРМАЛЬНОЙ ЭКСПЛУАТАЦИИ, так и при разумно прогнозируемых отклонениях от НОРМАЛЬНОЙ ЭКСПЛУАТАЦИИ.
РИСК от контакта с движущимися частями должен быть уменьшен до допустимого уровня при помощи мер по УПРАВЛЕНИЮ РИСКОМ с учетом легкости доступа, функций МЭ ИЗДЕЛИЯ, формы этих частей, энергии и скорости перемещения, пользы для ПАЦИЕНТА.
ОСТАТОЧНЫЙ РИСК, связанный с движущимися частями, считают допустимым, если для МЭ ИЗДЕЛИЯ необходимо наблюдение для выполнения предусмотренных функций и были реализованы меры по УПРАВЛЕНИЮ РИСКОМ (например, предупреждения).
Примечание 1 - Требования к частям, подвергающимся износу, см. в
15.2.
Примечание 2 - См. также ИСО 14971:2019, подпункты 7.1 и 7.4.
9.2.2 ЗОНА ЗАХВАТА
Когда это выполнимо, МЭ ИЗДЕЛИЕ, имеющее ЗОНУ ЗАХВАТА, должно соответствовать одному или нескольким нижеприведенным требованиям:
- к промежуткам, указанным в
9.2.2.2, или
- безопасным расстояниям, указанным в
9.2.2.3, или
- ОГРАЖДЕНИЯМ и другим мерам по УПРАВЛЕНИЮ РИСКОМ, указанным в
9.2.2.4, или
- непрерывному воздействию, указанному в
9.2.2.5.
Если выполнение вышеупомянутых мер по УПРАВЛЕНИЮ РИСКОМ противоречит ПРЕДУСМОТРЕННОМУ ПРИМЕНЕНИЮ МЭ ИЗДЕЛИЯ или МЭ СИСТЕМЫ, то управление соответствующим движением должно соответствовать требованиям
9.2.2.6.
ЗОНУ ЗАХВАТА считают не представляющей МЕХАНИЧЕСКОЙ ОПАСНОСТИ, если промежутки в ЗОНЕ ЗАХВАТА имеют размеры, указанные в
таблице 20.
Примечание - В общем случае следует использовать значения промежутков для взрослых, однако в случае устройств, предназначенных исключительно для детей, должны применяться значения промежутков, указанные для них.
Таблица 20
Допустимые значения промежутков
<a>
Часть тела | Допустимый промежуток для взрослых <a>, мм | Допустимый промежуток для детей <a>, мм | Графическое обозначение |
Корпус | > 500 | > 500 | |
Голова | > 300 или < 120 | > 300 или < 60 | |
Нога | > 180 | > 180 | |
Стопа | > 120 или < 35 | > 120 или < 25 | |
Пальцы ноги | > 50 | > 50 | |
Рука | > 120 | > 120 | |
Кисть, запястье, кулак | > 100 | > 100 | |
Палец | > 25 или < 8 | > 25 или < 4 | |
<a> Значения, приведенные в этой таблице, соответствуют ИСО 13857:2008. |
9.2.2.3 Безопасные расстояния
ЗОНУ ЗАХВАТА считают не представляющей МЕХАНИЧЕСКОЙ ОПАСНОСТИ, если расстояния, разделяющие ОПЕРАТОРА, ПАЦИЕНТА и других лиц от ЗОН ЗАХВАТА, превышают значения, указанные в ИСО 13857:2008. Эти расстояния измеряют от ожидаемых позиций ОПЕРАТОРА, ПАЦИЕНТА и других лиц, находящихся вблизи МЭ ИЗДЕЛИЯ, как при НОРМАЛЬНОЙ ЭКСПЛУАТАЦИИ, так и при разумно прогнозируемых отклонениях от НОРМАЛЬНОЙ ЭКСПЛУАТАЦИИ.
9.2.2.4* ОГРАЖДЕНИЯ и другие меры по УПРАВЛЕНИЮ РИСКОМ
9.2.2.4.1 Доступ к ЗОНАМ ЗАХВАТА
ЗОНУ ЗАХВАТА считают не представляющей МЕХАНИЧЕСКОЙ ОПАСНОСТИ, если ОГРАЖДЕНИЯ или другие меры по УПРАВЛЕНИЮ РИСКОМ (например, электромеханические):
- имеют прочную конструкцию;
- их трудно обойти или сделать неработающими;
- они не вносят дополнительный недопустимый РИСК.
Примечание - Меры по УПРАВЛЕНИЮ РИСКОМ (например, электромеханические), рассматриваемые в данном подпункте, предназначены для включения в системы обнаружения конфликтов и предупреждения конфликтов, подобные системам, использующим фотобарьер(ы) или аналогичную(ые) систему(ы) управления с обратной связью.
Соответствие проверяют с помощью применимых испытаний КОРПУСОВ согласно 15.3.
9.2.2.4.2 ЗАКРЕПЛЕННЫЕ ОГРАЖДЕНИЯ
ЗАКРЕПЛЕННЫЕ ОГРАЖДЕНИЯ должны прочно крепиться на месте с помощью систем, которые не могут быть демонтированы без использования ИНСТРУМЕНТА.
Соответствие проверяют осмотром.
9.2.2.4.3 Подвижные ОГРАЖДЕНИЯ
Подвижные ОГРАЖДЕНИЯ, которые могут открываться без использования ИНСТРУМЕНТА, должны:
- оставаться прикрепленными к МЭ ИЗДЕЛИЮ при открытии ОГРАЖДЕНИЯ;
- быть связаны с устройством блокировки, предотвращающим начало перемещения частей, если ЗОНА ЗАХВАТА доступна, и останавливающим перемещение после открытия ОГРАЖДЕНИЯ;
- быть сконструированы таким образом, чтобы отсутствие или неисправность одного из их компонентов все равно предотвращали начало перемещения частей и останавливали его движущиеся части.
Соответствие проверяют осмотром МЭ ИЗДЕЛИЯ и путем проведения применимых испытаний.
9.2.2.4.4 Иные меры по УПРАВЛЕНИЮ РИСКОМ
Защитные устройства должны быть сконструированы и встроены в систему управления таким образом, чтобы движущиеся части не могли начинать движение, если они находятся в пределах досягаемости людей.
Другие меры УПРАВЛЕНИЯ РИСКОМ (например, электромеханические) необходимо разработать и включить в систему управления таким образом, чтобы выполнялось следующее:
- если МЭ ИЗДЕЛИЕ начинает двигаться и в ЗОНУ ЗАХВАТА попадает человек, то система должна остановиться, и
- если мера УПРАВЛЕНИЯ РИСКОМ была один раз нарушена, должна быть предусмотрена вторая мера УПРАВЛЕНИЯ РИСКОМ, например одно или несколько устройств аварийной остановки (см.
9.2.4), или в противном случае МЭ ИЗДЕЛИЯ должны быть безопасными при единичном нарушении (см.
4.7).
Соответствие проверяют при необходимости следующими способами:
- осмотром МЭ ИЗДЕЛИЙ;
- проверкой конструкции и схем;
- проведением любых применимых испытаний, включая, при необходимости, испытания в УСЛОВИЯХ ЕДИНИЧНОГО НАРУШЕНИЯ.
9.2.2.5* Непрерывное воздействие
В случае когда нецелесообразно делать ЗОНУ ЗАХВАТА недоступной, непрерывное воздействие можно использовать в качестве меры УПРАВЛЕНИЯ РИСКОМ.
ЗОНУ ЗАХВАТА считают не представляющей МЕХАНИЧЕСКОЙ ОПАСНОСТИ, если:
a) движение находится в поле зрения ОПЕРАТОРА;
Соответствие проверяют осмотром.
b) движение МЭ ИЗДЕЛИЯ или его частей возможно только при непрерывном воздействии ОПЕРАТОРОМ на органы управления до тех пор, пока ОПЕРАТОР не прекратит воздействие для предотвращения ВРЕДА.
Примечание - Движение с использованием ручного привода также считают соответствующим требованиям данного подпункта до тех пор, пока масса и скорость позволяют адекватно управлять положением частей без возникновения недопустимого РИСКА.
Соответствие проверяют осмотром.
c) в случае когда работа системы непрерывного воздействия прекращена в УСЛОВИИ ЕДИНИЧНОГО НАРУШЕНИЯ, должна быть предусмотрена вторая мера по УПРАВЛЕНИЮ РИСКОМ, например одно или несколько устройств аварийной остановки (см.
9.2.4), в противном случае МЭ ИЗДЕЛИЕ должно быть БЕЗОПАСНЫМ ПРИ ЕДИНИЧНОМ НАРУШЕНИИ.
Соответствие проверяются при необходимости следующими способами:
- осмотром МЭ ИЗДЕЛИЯ;
- проверкой конструкции и схем;
- проведением любых применимых испытаний, включая, при необходимости, испытания в рамках УСЛОВИЯ ЕДИНИЧНОГО НАРУШЕНИЯ.
9.2.2.6* Скорость движения (движений)
Скорость движения (движений), которая определяет положение частей МЭ ИЗДЕЛИЯ или ПАЦИЕНТА и может при контакте между ними приводить к возникновению недопустимого РИСКА, должна быть ограничена до такой степени, чтобы ОПЕРАТОР сохранял адекватное управление движением.
Перемещение частей МЭ ИЗДЕЛИЯ (тормозной путь) после активации органа управления остановкой движения не должно приводить к недопустимому РИСКУ.
Соответствие проверяют при необходимости следующими способами:
- проверкой оценки и расчетов выхода за пределы диапазона перемещений (пути торможения);
- иными испытаниями на соответствие.
Примечание - Оценка и расчет выхода за пределы диапазона перемещений (пути торможения) являются частью ФАЙЛА МЕНЕДЖМЕНТА РИСКА.
9.2.3* Прочие МЕХАНИЧЕСКИЕ ОПАСНОСТИ, связанные с движущимися частями
9.2.3.1 Непреднамеренное движение
Органы управления должны располагаться, углубляться или защищаться другими методами таким образом, чтобы исключалась их случайная активация, за исключением ситуации, когда для определенного ПАЦИЕНТА ПРОЦЕСС ПРОЕКТИРОВАНИЯ ЭКСПЛУАТАЦИОННОЙ ПРИГОДНОСТИ требует иного (например, в случае ПАЦИЕНТА с особыми потребностями) или активация не приводит к недопустимому РИСКУ.
Соответствие проверяют осмотром МЭ ИЗДЕЛИЯ и, если орган управления является частью ОСНОВНОЙ РАБОЧЕЙ ФУНКЦИИ, проверкой ФАЙЛА ПРОЕКТИРОВАНИЯ С УЧЕТОМ ЭКСПЛУАТАЦИОННОЙ ПРИГОДНОСТИ.
9.2.3.2 Ограничители избыточного хода
Выход частей МЭ ИЗДЕЛИЯ за пределы диапазона перемещений должен быть предотвращен. Необходимо предусмотреть ограничители хода или другие устройства остановки как основную меру ограничения подобных перемещений.
Указанные устройства должны иметь достаточную механическую прочность, чтобы выдерживать предназначенную нагрузку при НОРМАЛЬНОЙ ЭКСПЛУАТАЦИИ и при отклонениях от НОРМАЛЬНОЙ ЭКСПЛУАТАЦИИ, которые можно предвидеть в разумных пределах.
Соответствие проверяют осмотром МЭ ИЗДЕЛИЯ и проведением следующих испытаний:
МЭ ИЗДЕЛИЕ:
- нагружают РАБОЧЕЙ БЕЗОПАСНОЙ НАГРУЗКОЙ,
- убирают нагрузку или
- нагружают на любой промежуточный уровень, который может обеспечить результаты, соответствующие испытаниям в наихудших условиях.
Движущуюся часть следует приводить во взаимодействие с каждым ограничителем хода или другими механическими устройствами в соответствии с количеством циклов, рабочей скоростью и условиями испытаний, указанными в таблице 33. Ограничители хода или другие необходимые механические устройства должны быть способны выполнять свои предусмотренные функции после завершения испытания.
Таблица 33
Условия испытаний для ограничителя избыточного хода
Конструкция | Количество циклов | Условия испытания |
1. С механическим приводом: Не предусмотрена система ограничения диапазона <a> | 6000 | Эксплуатация на максимальной скорости |
2. С механическим приводом: Предусмотрена зависимая система(ы) ограничения диапазона <a>, <b> | 50 | Выключение всех переключателей одновременно и эксплуатация устройства на максимальной скорости |
3. С механическим приводом: Две или более независимых систем ограничения диапазона <a>, <b> | 1 | Выключение всех переключателей одновременно и эксплуатация устройства на максимальной скорости |
4. С ручным приводом или с ручным приводом и усилителем | 50 | Эксплуатация на любой скорости, включая обоснованно прогнозируемое неправильное применение |
<a> Система ограничения диапазона состоит из всех элементов, необходимых для остановки движения, например, она может состоять из (1) концевого выключателя, (2) схемы считывания и (3) связанного механического приводного устройства. <b> Чтобы быть независимой системой ограничения диапазона, каждая система, помимо критериев в примечании <a>, должна соответствовать следующим двум: 1. система способна самостоятельно отключать двигатель (двигатели); то есть цепь переключателя или контроллера двигателя прерывает ток ротора или статора двигателя, или оба, и 2. система содержит средство, с помощью которого ОПЕРАТОР может обнаружить неисправность одной системы ограничения диапазона. Это может быть звуковой, визуальный или другой различимый индикатор. |
9.2.4* Устройства аварийной остановки
В случае когда признано необходимым наличие одного или более устройств аварийной остановки, эти устройства должны соответствовать всем следующим требованиям:
a) устройство аварийной остановки снижает РИСК до допустимого уровня;
b) реакция ОПЕРАТОРА для приведения в действие устройства аварийной остановки может быть основана на предотвращении ВРЕДА;
c) орган включения устройства аварийной остановки легко доступен ОПЕРАТОРУ;
d) устройство аварийной остановки не является частью нормального функционирования МЭ ИЗДЕЛИЯ;
e) срабатывание устройства аварийной остановки не приводит к возникновению последующей МЕХАНИЧЕСКОЙ ОПАСНОСТИ, а также не мешает завершению операции, необходимой для устранения первичной ОПАСНОСТИ;
f) устройство аварийной остановки обеспечивает размыкание соответствующей цепи с полной нагрузкой с учетом возможных токов заблокированных двигателей и т.п.;
g) устройства остановки движений срабатывают в результате одного единственного воздействия;
h) устройство аварийной остановки имеет орган приведения в действие, окрашенный в красный цвет для легкой идентификации и надежного различения от любого другого органа управления;
i) орган для прерывания/активации механических движений маркируется либо в непосредственной близости от него, либо на нем самом символом МЭК 60417-5638 (2002-10) (см.
таблицу D.1, символ 18), либо надписью "STOP" (ОСТАНОВКА).
Примечание - Если этим органом является выключатель питания, то соответствия требованиям к подобной маркировке не требуется;
j) устройство аварийной остановки после его активации поддерживает МЭ ИЗДЕЛИЕ в заблокированном состоянии до выполнения требуемой операции, отличающейся от той, которая была необходима для приведения в действие данного устройства;
k) доказано, что устройство аварийной остановки пригодно для данного конкретного применения.
Соответствие проверяют осмотром МЭ ИЗДЕЛИЯ и рассмотрением ФАЙЛА МЕНЕДЖМЕНТА РИСКА, а также функциональными испытаниями.
9.2.5* Освобождение ПАЦИЕНТА от креплений
На случай выхода из строя МЭ ИЗДЕЛИЯ или прерывания питания (см.
11.8), срабатывания мер УПРАВЛЕНИЯ РИСКОМ или аварийной остановки должны быть предусмотрены средства для быстрого и безопасного освобождения ПАЦИЕНТА. Особое внимание должно быть обращено на следующее:
- необходимо предотвратить неконтролируемое или непредусмотренное движение МЭ ИЗДЕЛИЯ, которое может приводить к недопустимому РИСКУ;
- необходимо предотвратить ситуации, при которых ПАЦИЕНТ может подвергаться недопустимому РИСКУ из-за близости движущихся частей МЭ ИЗДЕЛИЯ, блокирования нормальных путей выхода или других ОПАСНОСТЕЙ;
- должны быть в наличии средства уменьшения РИСКА до допустимого уровня, возникающего после удаления уравновешивающих частей, когда другие части МЭ ИЗДЕЛИЯ могут двигаться опасным образом.
Соответствие проверяют осмотром МЭ ИЗДЕЛИЯ и рассмотрением ФАЙЛА МЕНЕДЖМЕНТА РИСКА, а также функциональными испытаниями.
9.3* МЕХАНИЧЕСКИЕ ОПАСНОСТИ, связанные с поверхностями, углами и кромками
В МЭ ИЗДЕЛИИ не должно быть шероховатых поверхностей, острых углов и кромок, способных нанести травму или ущерб здоровью, или они должны быть закрыты.
Особое внимание необходимо обращать на края фланцев или рам, а также на удаление заусенцев.
Соответствие проверяют осмотром МЭ ИЗДЕЛИЯ.
Примечание 1 - Если проведения проверки недостаточно для выявления острых кромок и неровностей, в соответствии с 9.3 проводят дополнительное функциональное испытание.
Примечание 2 - МЕХАНИЧЕСКАЯ ОПАСНОСТЬ, заключающаяся в острой кромке, может привести к повреждениям изоляции провода, что повлечет за собой возникновение электрической ОПАСНОСТИ. Это требование предназначено для охвата всех этих ОПАСНОСТЕЙ.
9.4* ОПАСНОСТИ, связанные с неустойчивостью
9.4.1 Общие положения
МЭ ИЗДЕЛИЯ и его части, за исключением ЗАКРЕПЛЕННЫХ, предназначенные для установки на горизонтальной поверхности при НОРМАЛЬНОЙ ЭКСПЛУАТАЦИИ, например на полу или на столе, не должны терять равновесия (опрокидываться) или начинать непредсказуемое движение.
Примечание - РУЧНЫЕ части ЗАКРЕПЛЕННЫХ МЭ ИЗДЕЛИЙ подлежат испытаниям.
Соответствие проверяют испытаниями согласно 9.4.2 - 9.4.4 (включительно). Каждое испытание выполняют отдельно.
9.4.2* Неустойчивость - потеря равновесия
9.4.2.1 Неустойчивость в положении транспортирования
МЭ ИЗДЕЛИЕ или его части не должны терять равновесия при их установке в любое положение транспортирования в процессе НОРМАЛЬНОЙ ЭКСПЛУАТАЦИИ на плоскости с углом наклона 10° относительно горизонтальной плоскости.
Примечание - Смысл термина "транспортирование" в данном подпункте состоит в перемещении МЭ ИЗДЕЛИЯ из одного помещения в другое при НОРМАЛЬНОЙ ЭКСПЛУАТАЦИИ.
Соответствие проверяют с помощью следующего испытания.
Перед испытанием МЭ ИЗДЕЛИЕ подготавливают в соответствии с ЭКСПЛУАТАЦИОННЫМИ ДОКУМЕНТАМИ (или, если это не указано в них, то в соответствии с 9.4.2.2). МЭ ИЗДЕЛИЕ или его части устанавливают на плоскость с углом наклона 10° относительно горизонтальной плоскости. Если МЭ ИЗДЕЛИЕ или его части теряют равновесие, то результат испытания считают отрицательным.
9.4.2.2 Неустойчивость в других положениях, исключая положение транспортирования
МЭ ИЗДЕЛИЕ или его части не должны терять равновесия при их установке в любое положение при НОРМАЛЬНОЙ ЭКСПЛУАТАЦИИ (за исключением положений, транспортирования) на плоскости с углом наклона 5° относительно горизонтальной плоскости.
Если МЭ ИЗДЕЛИЕ или его части теряют равновесие при их установке в любом положении, за исключением любых положений при транспортировании, в процессе НОРМАЛЬНОЙ ЭКСПЛУАТАЦИИ на плоскости с углом наклона 10° относительно горизонтальной плоскости, то на него необходимо наносить предупреждающую надпись о том, что транспортирование должно проводиться только при условиях, указанных в инструкции по эксплуатации или в маркировке на МЭ ИЗДЕЛИИ, с указанием ОСТАТОЧНОГО РИСКА, если МЭ ИЗДЕЛИЕ или его части теряют равновесие.
Примечание - Для ознакомления с требованиями к предупреждающим надписям см.
7.9.2.2.
Соответствие проверяют с помощью следующего испытания.
Перед проведением этого испытания МЭ ИЗДЕЛИЕ готовят следующим образом:
a) МЭ ИЗДЕЛИЕ комплектуют всеми требуемыми соединительными проводами ПАЦИЕНТА, ШНУРОМ ПИТАНИЯ и всеми межблочными соединительными шнурами. Устанавливают на нем съемные части, ПРИНАДЛЕЖНОСТИ и грузы, предусмотренные при НОРМАЛЬНОЙ ЭКСПЛУАТАЦИИ, в их наименее благоприятном сочетании;
b) МЭ ИЗДЕЛИЕ с ПРИБОРНОЙ ВИЛКОЙ комплектуют предусмотренным СЪЕМНЫМ ШНУРОМ ПИТАНИЯ;
c) соединительные провода ПАЦИЕНТА укладывают на наклонную плоскость в наименее благоприятном для устойчивости положении;
d) при наличии у МЭ ИЗДЕЛИЯ колес/роликов их временно фиксируют и при необходимости блокируют в наименее благоприятном положении;
e) дверцы, ящики, полки и т.п. устанавливают в наименее благоприятное положение и полностью нагружают или разгружают в зависимости от того, что наименее благоприятно, как это определено в ЭКСПЛУАТАЦИОННЫХ ДОКУМЕНТАХ при НОРМАЛЬНОЙ ЭКСПЛУАТАЦИИ;
f) МЭ ИЗДЕЛИЕ, имеющее контейнеры для жидкостей, проверяют с полностью или частично заполненными, или пустыми контейнерами в зависимости от того, что наименее благоприятно;
g) МЭ ИЗДЕЛИЕ не присоединяют к ПИТАЮЩЕЙ СЕТИ.
Поверхность для испытаний должна быть твердой и плоской (например, бетонный пол, покрытый напольным виниловым материалом толщиной 2 - 4 мм).
МЭ ИЗДЕЛИЕ или его части устанавливают на плоскость с углом наклона 10° к горизонтальной плоскости, или, при наличии предупреждающей надписи, проверяют содержание этой надписи, а МЭ ИЗДЕЛИЕ или его части устанавливают на плоскость с углом наклона 5° к горизонтальной плоскости. Если МЭ ИЗДЕЛИЕ или его части теряют равновесие, то результат испытаний считают отрицательным.
9.4.2.3 Неустойчивость при действии горизонтальных и вертикальных сил
a)* МЭ ИЗДЕЛИЕ или его части, имеющие массу 25 кг и более, отличное от ЗАКРЕПЛЕННОГО МЭ ИЗДЕЛИЯ, предназначенное для эксплуатации на полу, должно иметь нестираемую ЧЕТКО РАЗЛИЧИМУЮ маркировку, предупреждающую о РИСКЕ, например с использованием ЗНАКА БЕЗОПАСНОСТИ по ИСО 7010-P017 (см.
таблицу D.2, ЗНАК БЕЗОПАСНОСТИ 5), в противном случае МЭ ИЗДЕЛИЕ не должно выходить из равновесия при толкании, наклоне, опоре и т.д.
В случае если маркировка присутствует по причине возможной потери равновесия МЭ ИЗДЕЛИЕМ, маркировка должна быть видна в процессе НОРМАЛЬНОЙ ЭКСПЛУАТАЦИИ, но не на поверхностях, на которые происходит нажатие при НОРМАЛЬНОЙ ЭКСПЛУАТАЦИИ (например, поверхности с ручками).
Соответствие проверяют осмотром маркировки или с помощью следующего испытания.
Перед испытанием МЭ ИЗДЕЛИЕ готовят согласно 9.4.2.2. МЭ ИЗДЕЛИЕ устанавливают на горизонтальную плоскость и прикладывают к нему усилие, равное 15% его веса, но не более 150 Н в любом направлении, кроме направления, имеющего вертикальную составляющую. Если иное не указано в маркировке, то усилие прикладывают к любой точке МЭ ИЗДЕЛИЯ, но на высоте не более 1,5 м от уровня пола. МЭ ИЗДЕЛИЕ блокируют от проскальзывания на горизонтальной поверхности с помощью прикрепленного к полу препятствия высотой не более 20 мм. Если приложение испытательного усилия приводит к перемещению МЭ ИЗДЕЛИЯ в поперечном направлении, то следует увеличить высоту препятствия на такую минимальную величину, которая будет предотвращать поперечное перемещение. В случае если на МЭ ИЗДЕЛИИ отсутствует маркировка, выведение из равновесия не должно осуществляться.
b) МЭ ИЗДЕЛИЕ или его части, за исключением ЗАКРЕПЛЕННЫХ МЭ ИЗДЕЛИЙ, предназначенные для эксплуатации на полу или на столе, должны быть перманентно маркированы ЧЕТКО РАЗЛИЧИМЫМ предупреждением о существующем РИСКЕ, например с помощью ЗНАКА БЕЗОПАСНОСТИ в соответствии с ИСО 7010-P018 или ИСО 7010-P019 в соответствии с ситуацией (см.
таблицу D.2, ЗНАКИ БЕЗОПАСНОСТИ 6 и
7), или МЭ ИЗДЕЛИЕ не должно выводиться из состояния равновесия, если на него садятся или наступают.
Примечание - Требования, предъявляемые к опорным поверхностям для ПАЦИЕНТА, см. в
9.8.3.
В случае если маркировка присутствует по причине возможной потери равновесия МЭ ИЗДЕЛИЕМ, то маркировка должна быть видна в процессе возможной неправильной эксплуатации, если на изделие садятся или наступают.
Соответствие проверяют осмотром предусмотренной маркировки или с помощью следующего испытания.
Перед испытанием МЭ ИЗДЕЛИЕ готовят согласно 9.4.2.2. МЭ ИЗДЕЛИЕ устанавливают на горизонтальную плоскость и прикладывают направленное вниз усилие 800 Н в точке, где момент будет максимальным для каждой рабочей поверхности и высота этой точки от пола не превышает 1 м. Усилие не прикладывают к поверхностям, предназначенным для поддержки ПАЦИЕНТА, таким как сидение или опора для ног с минимальными размерами 20 x 20 см. МЭ ИЗДЕЛИЕ без маркировки не должно терять равновесие.
9.4.2.4.1 Общие положения
Использование для транспортирования ПЕРЕДВИЖНОГО МЭ ИЗДЕЛИЯ таких устройств, как, например, колеса и ролики, не должно приводить к недопустимому РИСКУ при его перемещении или парковке при НОРМАЛЬНОЙ ЭКСПЛУАТАЦИИ.
9.4.2.4.2 Усилие перемещения
Усилие, необходимое для перемещения ПЕРЕДВИЖНОГО МЭ ИЗДЕЛИЯ по твердой и плоской горизонтальной поверхности, не должно превышать 200 Н, за исключением случая, когда инструкция по эксплуатации содержит указание о необходимости использования более одного человека.
Соответствие проверяют установкой МЭ ИЗДЕЛИЯ на твердую ровную горизонтальную поверхность (например, на бетонный пол, покрытый напольным виниловым материалом толщиной 2 - 4 мм) и измерением усилия, необходимого для перемещения МЭ ИЗДЕЛИЯ со скоростью (0,4 +/- 0,1) м/с. Усилие прикладывают на высоте 1 м от пола или к самой высокой точке МЭ ИЗДЕЛИЯ, если его высота менее 1 м.
9.4.2.4.3* Перемещение через препятствие
ПЕРЕДВИЖНОЕ МЭ ИЗДЕЛИЕ массой более 45 кг должно преодолевать препятствие высотой 10 мм. Преодоление этого препятствия не должно приводить к потере равновесия.
Соответствие проверяют с помощью следующего испытания.
МЭ ИЗДЕЛИЕ устанавливают в положение транспортирования, указанное в ЭКСПЛУАТАЦИОННЫХ ДОКУМЕНТАХ, с каждой БЕЗОПАСНОЙ РАБОЧЕЙ НАГРУЗКОЙ на соответствующем месте. МЭ ИЗДЕЛИЕ перемещают как при НОРМАЛЬНОЙ ЭКСПЛУАТАЦИИ 10 раз через твердое вертикальное плоское препятствие, прикрепленное к полу. Препятствие должно иметь прямоугольное поперечное сечение с высотой (10 +/- 0,5) мм, шириной не менее 80 мм и с радиусом скругления (2 +/- 0,1) мм на верхних краях. Метод прохождения препятствия применяют в соответствии с инструкциями в ЭКСПЛУАТАЦИОННЫХ ДОКУМЕНТАХ, или, если инструкции отсутствуют, в соответствии со следующей методикой.
Все колеса и ролики должны наезжать на это препятствие со скоростью (0,8 +/- 0,1) м/с для ПЕРЕДВИЖНОГО МЭ ИЗДЕЛИЯ, перемещаемого вручную, а для ПЕРЕДВИЖНОГО МЭ ИЗДЕЛИЯ с механическим приводом от двигателя - с максимально допустимой скоростью. Ручное ПЕРЕДВИЖНОЕ МЭ ИЗДЕЛИЕ перемещается путем воздействия на рукоять.
Невозможность преодоления препятствия МЭ ИЗДЕЛИЕМ (например, из-за малого диаметра колеса) не допускается. Потерю равновесия считают отрицательным результатом испытаний. ОСНОВНАЯ БЕЗОПАСНОСТЬ и ОСНОВНЫЕ ФУНКЦИОНАЛЬНЫЕ ХАРАКТЕРИСТИКИ должны сохраняться.
Примечание - Примеры повреждений, которые могут влиять на ОСНОВНУЮ БЕЗОПАСНОСТЬ, включают уменьшение ПУТЕЙ УТЕЧКИ и ВОЗДУШНЫХ ЗАЗОРОВ ниже значений, указанных в
8.9, доступ к частям МЭ ИЗДЕЛИЯ, на которых превышены указанные в
8.4 предельные значения, или доступ к движущимся частям МЭ ИЗДЕЛИЯ, которые могут причинить ВРЕД.
Критериями оценки, которые могут оказаться полезными при определении того, будет ли это испытание приводить к потере ОСНОВНОЙ БЕЗОПАСНОСТИ, являются:
- испытание на электрическую прочность изоляции, указанное в
8.8.3, для оценки целостности изоляции, обеспечивающей СРЕДСТВА ЗАЩИТЫ;
- измерение ПУТЕЙ УТЕЧКИ или ВОЗДУШНЫХ ЗАЗОРОВ для сравнения их со значениями минимальных расстояний, указанных в
8.9. Небольшие дефекты, которые не могут отрицательно влиять на защиту от поражения электрическим током, или влажность обычно могут не приниматься в расчет.
9.4.3* Неустойчивость от нежелательных поперечных перемещений (включая скольжение)
9.4.3.1 Неустойчивость в транспортном положении
a) Тормоза ПЕРЕДВИЖНОГО МЭ ИЗДЕЛИЯ с механическим приводом от двигателя должны быть сконструированы таким образом, чтобы они приводились в действие только путем непрерывного воздействия на орган управления.
Соответствие проверяют осмотром.
b) ПЕРЕДВИЖНОЕ МЭ ИЗДЕЛИЕ необходимо оснастить устройствами (например, устройством блокировки), предназначенными для предотвращения любых нежелательных перемещений МЭ ИЗДЕЛИЯ или его частей при транспортировании.
Соответствие проверяют осмотром.
c)* ПЕРЕДВИЖНОЕ МЭ ИЗДЕЛИЕ необходимо снабдить блокировками колес или системой тормозов для предотвращения нежелательного перемещения при уклоне 10° в транспортном положении.
Соответствие проверяют с помощью следующего испытания.
Перед испытанием МЭ ИЗДЕЛИЕ готовят согласно 9.4.2.1. ПЕРЕДВИЖНОЕ МЭ ИЗДЕЛИЕ устанавливают в положение транспортирования (или в наименее благоприятное положение при НОРМАЛЬНОЙ ЭКСПЛУАТАЦИИ) с БЕЗОПАСНОЙ РАБОЧЕЙ НАГРУЗКОЙ на соответствующем месте и при приведенном в действие устройстве блокировки (например, тормозов) на твердую ровную поверхность с углом наклона 10° относительно горизонтальной плоскости. При наличии роликов их устанавливают в наименее благоприятное положение. После начального упругого перемещения, изменения зазоров и разворота роликов любое дальнейшее перемещение ПЕРЕДВИЖНОГО МЭ ИЗДЕЛИЯ на расстояние, превышающее 50 мм (относительно наклонной плоскости), считают отрицательным результатом испытаний.
9.4.3.2 Неустойчивость в других положениях, исключая положение транспортирования
a) ПЕРЕДВИЖНОЕ МЭ ИЗДЕЛИЕ необходимо снабдить блокировками колес или системой тормозов для предотвращения непредусмотренного перемещения по поверхности с углом наклона 5° в любом положении, исключая транспортное.
Соответствие проверяют с помощью следующего испытания.
Перед испытанием МЭ ИЗДЕЛИЕ готовят согласно 9.4.2.2. ПЕРЕДВИЖНОЕ МЭ ИЗДЕЛИЕ с БЕЗОПАСНОЙ РАБОЧЕЙ НАГРУЗКОЙ на соответствующем месте помещают на твердую плоскую поверхность с углом наклона 5° относительно горизонтальной плоскости с колесами в заблокированном или заторможенном состоянии. После начального упругого перемещения, изменения зазоров и разворота роликов любое дальнейшее перемещение МЭ ИЗДЕЛИЯ на расстояние, превышающее 50 мм (относительно наклонной плоскости), считают отрицательным результатом испытаний.
b) ПЕРЕДВИЖНОЕ МЭ ИЗДЕЛИЕ необходимо снабдить блокировками колес или системой тормозов для предотвращения нежелательного перемещения под воздействием боковых сил.
Соответствие проверяют с помощью следующего испытания.
Перед испытанием МЭ ИЗДЕЛИЕ готовят согласно 9.4.2.2. МЭ ИЗДЕЛИЕ с БЕЗОПАСНОЙ РАБОЧЕЙ НАГРУЗКОЙ в соответствующем месте помещают на горизонтальную плоскость и включают устройство блокировки (например, тормоза). При наличии роликов их устанавливают в наименее благоприятное положение. Усилие, равное 15% от веса ИЗДЕЛИЯ, но не превышающее 150 Н, прикладывают в любом направлении, кроме направления, имеющего вертикальную составляющую, к самой высокой точке МЭ ИЗДЕЛИЯ, но не выше 1,5 м от уровня пола и не приводя к нарушению равновесия. После начального упругого перемещения, изменения зазоров и разворота роликов любое дальнейшее перемещение МЭ ИЗДЕЛИЯ на расстояние, превышающее 50 мм (относительно горизонтальной плоскости), считают отрицательным результатом испытаний.
9.4.4 Ручки и другие устройства для ручной переноски
a) МЭ ИЗДЕЛИЕ или его часть (за исключением ПЕРЕНОСНЫХ МЭ ИЗДЕЛИЙ), имеющее массу более 20 кг, которые нужно поднимать при НОРМАЛЬНОЙ ЭКСПЛУАТАЦИИ или транспортировании, либо необходимо снабжать подходящими устройствами для ручной переноски (например, ручками, рымами и т.п.), либо в ЭКСПЛУАТАЦИОННЫХ ДОКУМЕНТАХ необходимо указывать места, за которые МЭ ИЗДЕЛИЕ может быть безопасно поднято, за исключением случая, когда способ ручной переноски очевиден и при этом не возникает недопустимый РИСК. Если в качестве средств подъема используют ручки, то их необходимо располагать таким образом, чтобы МЭ ИЗДЕЛИЕ или его часть могли переносить двое или более человек.
Соответствие проверяют взвешиванием (при необходимости) и осмотром МЭ ИЗДЕЛИЯ или его части или рассмотрением ЭКСПЛУАТАЦИОННЫХ ДОКУМЕНТОВ.
b) МЭ ИЗДЕЛИЕ, определенное ИЗГОТОВИТЕЛЕМ как ПЕРЕНОСНОЕ и имеющее массу более 20 кг, должно иметь одну или более ручек для переноски, расположенных таким образом, чтобы обеспечить переноску МЭ ИЗДЕЛИЯ двумя или более лицами.
Соответствие проверяют путем переноски МЭ ИЗДЕЛИЯ.
c) Ручки или захваты ПЕРЕНОСНОГО МЭ ИЗДЕЛИЯ должны выдерживать нагрузку при следующих испытаниях.
К ручкам и устройствам их крепления прикладывают усилие, в четыре раза большее веса МЭ ИЗДЕЛИЯ, в каждом направлении при НОРМАЛЬНОЙ ЭКСПЛУАТАЦИИ и транспортировании.
Если ПЕРЕНОСНОЕ МЭ ИЗДЕЛИЕ снабжено несколькими ручками, то усилие распределяют между этими ручками путем измерения распределения веса МЭ ИЗДЕЛИЯ между ручками (в процентах) в нормальном положении при переноске. Если ПЕРЕНОСНОЕ МЭ ИЗДЕЛИЕ снабжено несколькими ручками, но имеет такую конструкцию, что его можно переносить за одну ручку, то каждая ручка должна выдерживать полное усилие.
Усилие равномерно прикладывают к центральному участку ручки длиной 7 см, начиная с нулевого усилия, с постепенным его увеличением таким образом, чтобы полное испытательное усилие достигалось по истечении 5 - 10 с, и выдерживают в течение 1 мин.
Отламывание ручки от МЭ ИЗДЕЛИЯ, ее постоянная деформация, образование трещин или другие очевидные свидетельства ее повреждения считают отрицательным результатом испытаний.
9.5* ОПАСНОСТЬ, создаваемая выбрасываемыми частями
9.5.1 Защитные средства
В случае когда выбрасываемые части могут создавать недопустимый РИСК, МЭ ИЗДЕЛИЕ должно быть обеспечено средствами защиты от такого РИСКА.
Соответствие проверяют оценкой пригодности защитных средств и рассмотрением ФАЙЛА МЕНЕДЖМЕНТА РИСКА.
9.5.2 Электронно-лучевые трубки
Любая электронно-лучевая трубка должна соответствовать требованиям МЭК 60065:2001 (пункт 18) или МЭК 61965.
Соответствие проверяют ознакомлением с сертификатом соответствия или с помощью соответствующих испытаний согласно МЭК 60065:2001, пункт 18.
9.6 Акустическая энергия (включая инфра- и ультразвук) и вибрации
Конструкция МЭ ИЗДЕЛИЕ должна быть такой, чтобы воздействие акустической энергии и вибрации на организм человека не приводило к недопустимому РИСКУ.
Соответствие проверяют проведением испытаний в соответствии с 9.6.2 и 9.6.3 и, если это необходимо, рассмотрением ФАЙЛА МЕНЕДЖМЕНТА РИСКА (принимая во внимание слышимость звуковых сигналов тревоги и чувствительность ПАЦИЕНТА).
9.6.2* Акустическая энергия
9.6.2.1 Слышимая акустическая энергия
При НОРМАЛЬНОЙ ЭКСПЛУАТАЦИИ ПАЦИЕНТ, ОПЕРАТОР и другие лица не должны подвергаться воздействию акустической энергии от МЭ ИЗДЕЛИЯ, кроме звуков СИГНАЛОВ ТРЕВОГИ, превышающей нижеуказанные уровни:
- 80 дБA - для совокупной экспозиции в течение 24 ч за период 24 ч; поправка 3 дБA должна быть добавлена к этому значению при половинном значении указанной экспозиции за период 24 ч (например, для экспозиции в течение 12 ч за период 24 ч уровень должен быть равным 83 дБA);
- 140 дБC (пик) - для уровня звукового давления для импульсной или ударной акустической энергии (шума).
Примечание 1 - Допускается интерполяция или экстраполяция данных о времени экспозиции, выполняемая по следующей формуле: 80 - 10·log10 (h/24), в дБA, где h - совокупное время экспозиции за период 24 ч.
Примечание 2 - Поскольку ПАЦИЕНТЫ могут обладать более высокой чувствительностью к акустической энергии (шуму), может оказаться допустимым более низкий уровень. Необходимо также учитывать слуховое восприятие звуков СИГНАЛОВ ТРЕВОГИ. Всемирная организация здравоохранения рекомендовала принимать для детей максимальный уровень импульсной или ударной акустической энергии (шума) равным 120 дБ.
Примечание 3 - Если уровень по шкале A звукового давления будет превышать 80 дБA, то следует предпринимать меры защиты от шума.
Примечание 4 - Акустическая энергия, непосредственно связанная с ПРЕДУСМОТРЕННЫМ ПРИМЕНЕНИЕМ МЭ ИЗДЕЛИЙ или МЭ СИСТЕМ, исключается. См.
подпункты 1.1 и
7.2.13.
Соответствие проверяют измерением максимального по шкале A уровня звукового давления на минимальных расстояниях ПАЦИЕНТА, ОПЕРАТОРА и других лиц от источника акустической энергии (шума) при НОРМАЛЬНОЙ ЭКСПЛУАТАЦИИ и при необходимости - вычислением уровня по шкале A звукового давления, создаваемого МЭ ИЗДЕЛИЕМ, в соответствии с ИСО 3746 и ИСО 9614-1 или ИСО 61672-1.
При этом должны быть созданы следующие условия:
a) МЭ ИЗДЕЛИЕ должно работать при ситуации, наименее благоприятной при НОРМАЛЬНОМ СОСТОЯНИИ;
b) любые защитные устройства, предусмотренные или указанные в ЭКСПЛУАТАЦИОННЫХ ДОКУМЕНТАХ, в процессе звуковых измерений должны находиться на своих местах;
c) измерители уровня звукового давления, используемые при измерениях, должны соответствовать ИСО 61672-1 и ИСО 61672-2;
d) испытательное помещение должно быть квазиреверберационным и иметь твердый отражающий пол. Расстояние между любой стенкой этого помещения или другим объектом и поверхностью МЭ ИЗДЕЛИЯ не должно составлять менее 3 м.
e) Если измерение уровней звукового давления невозможно в испытательном помещении (например, для большого МЭ ИЗДЕЛИЯ С ПОСТОЯННЫМ ПРИСОЕДИНЕНИЕМ К ПИТАЮЩЕЙ СЕТИ), измерения могут быть проведены на месте.
9.6.2.2 Инфразвуковая и ультразвуковая энергия
Если применимо, ИЗГОТОВИТЕЛЬ должен рассматривать РИСКИ, связанные с воздействием инфразвука и ультразвука в ПРОЦЕССЕ МЕНЕДЖМЕНТА РИСКА.
Соответствие проверяют рассмотрением ФАЙЛА МЕНЕДЖМЕНТА РИСКА.
9.6.3* Вибрации, передаваемые на руки
За исключением вибраций, требуемых при ПРЕДУСМОТРЕННОМ ПРИМЕНЕНИИ МЭ ИЗДЕЛИЯ, должны быть средства защиты ПАЦИЕНТА, ОПЕРАТОРА и других лиц, если при НОРМАЛЬНОЙ ЭКСПЛУАТАЦИИ корректированное по частоте среднеквадратическое значение ускорения вибраций, передаваемых МЭ ИЗДЕЛИЕМ на руки, будет превышать нижеуказанные значения:
- 2,5 м/с2 в течение совокупного времени 8 ч за период 24 ч;
- допустимые ускорения для различных промежутков времени должны быть обратно пропорциональны квадратному корню из времени (например, допустимое ускорение в течение 2 ч должно составлять 5 м/с2).
Примечание - Допускается интерполяция или экстраполяция допустимых значений ускорений по следующей формуле:

, м/с
2, где
t - совокупное время экспозиции за период 24 ч.
Соответствие проверяют с помощью измерений в местах контакта МЭ ИЗДЕЛИЯ с руками ПАЦИЕНТА, ОПЕРАТОРА или других лиц. Измерения выполняют в соответствии с ИСО 5349-1.
9.7* Сосуды и части, находящиеся под пневматическим и гидравлическим давлением
9.7.1 Общие положения
Требования данного подпункта распространяются на находящиеся под давлением сосуды и части МЭ ИЗДЕЛИЯ, взрыв которых может приводить к недопустимому РИСКУ.
Части пневматической или гидравлической системы, используемые в качестве опорной системы, кроме того, должны соответствовать требованиям
9.8.
9.7.2 Пневматические и гидравлические части
Пневматические и гидравлические части МЭ ИЗДЕЛИЯ или ПРИНАДЛЕЖНОСТЕЙ необходимо конструировать таким образом, чтобы:
- сброс давления или вакуума не приводил к недопустимому РИСКУ;
- струя жидкости, вызываемая утечкой или неисправностью какого-либо компонента, не приводила к недопустимому РИСКУ;
- элементы МЭ ИЗДЕЛИЯ или ПРИНАДЛЕЖНОСТЕЙ, в особенности трубы и шланги, которые могут приводить к недопустимому РИСКУ, были защищены от вредных внешних воздействий;
- с резервуаров и аналогичных им сосудов (например, гидравлических или пневматических аккумуляторов), которые могут создавать недопустимый РИСК, автоматически снималось давление после отключения МЭ ИЗДЕЛИЯ от питания (например, путем отсоединения пневматического штепселя на соединителе, установленном на стене помещения). Если это невозможно, то необходимо предусмотреть средства изолирования (например, отключатели периферийных цепей) или местного снятия давления с резервуаров и аналогичных им сосудов с индикацией давления;
- все элементы, которые могут оставаться под давлением после изолирования МЭ ИЗДЕЛИЯ или ПРИНАДЛЕЖНОСТИ от питания и которые могут приводить к недопустимому РИСКУ, были снабжены четко идентифицируемыми предохранительными устройствами и предупреждающими ярлыками, указывающими на необходимость снятия давления с этих элементов перед любой установкой параметров или техническим обслуживанием МЭ ИЗДЕЛИЯ или ПРИНАДЛЕЖНОСТЕЙ.
Соответствие проверяют осмотром МЭ ИЗДЕЛИЯ и рассмотрением ФАЙЛА МЕНЕДЖМЕНТА РИСКА.
9.7.3 Исключено
9.7.4 Нормированное значение давления в частях МЭ ИЗДЕЛИЯ
МАКСИМАЛЬНО ДОПУСТИМОЕ РАБОЧЕЕ ДАВЛЕНИЕ части, за исключением допускаемых значений для предохранительных устройств согласно
9.7.7.
Соответствие проверяют рассмотрением данных о компонентах, предоставляемых ИЗГОТОВИТЕЛЕМ, осмотром МЭ ИЗДЕЛИЯ и, при необходимости, с помощью функциональных испытаний.
9.7.5* Сосуды под давлением
Сосуд под давлением должен выдерживать ГИДРАВЛИЧЕСКОЕ ИСПЫТАТЕЛЬНОЕ ДАВЛЕНИЕ при выполнении двух следующих условий:
- МАКСИМАЛЬНОЕ ДАВЛЕНИЕ В ИЗДЕЛИИ превышает 50 кПа;
- произведение МАКСИМАЛЬНОГО ДАВЛЕНИЯ В ИЗДЕЛИИ на объем превышает 200 кПа·л.
Соответствие проверяют с помощью следующих испытаний.
ГИДРАВЛИЧЕСКОЕ ИСПЫТАТЕЛЬНОЕ ДАВЛЕНИЕ равно МАКСИМАЛЬНОМУ ДАВЛЕНИЮ В ИЗДЕЛИИ, умноженному на коэффициент, определяемый по графику на рисунке 32.
Давление увеличивают постепенно до установленного испытательного значения и выдерживают в течение 1 мин. Образец, который подвергнется разрушению, постоянной (пластической) деформации или утечкам, считают не выдержавшим испытание. Утечку через прокладки в течение этого испытания не считают отрицательным результатом испытания, если она происходит при давлении выше 40% от установленного испытательного давления или при давлении выше МАКСИМАЛЬНОГО ДАВЛЕНИЯ В ИЗДЕЛИИ, выбирают большее из этих двух давлений.
Никакая утечка не допускается в сосудах давления, предназначенных для хранения ядовитых, воспламеняющихся или иных опасных веществ. Для других сосудов под давлением никакая утечка не допускается, если она будет приводить к недопустимому РИСКУ (например, к образованию струи жидкости под большим давлением).
В случае когда немаркированные сосуды под давлением и трубы (например, МЭ ИЗДЕЛИЙ, у которых отсутствует национальная сертификация) не могут быть подвергнуты гидравлической проверке, их целостность проверяют с помощью других испытаний, например пневматических, проводимых с использованием подходящей среды при том же испытательном давлении, что и при гидравлическом испытании.
Рисунок 32 - Зависимость коэффициента ГИДРАВЛИЧЕСКОГО
ИСПЫТАТЕЛЬНОГО ДАВЛЕНИЯ от МАКСИМАЛЬНОГО ДАВЛЕНИЯ В ИЗДЕЛИИ
(см. 9.7.5)
9.7.6 Регулятор давления
В МЭ ИЗДЕЛИИ, для которого, согласно
9.7.7, требуется предохранительное устройство, любой регулятор давления должен выдерживать 100 000 циклов работы при НОРМИРОВАННОЙ нагрузке и предотвращать превышение давления до уровня 90%, устанавливаемого на предохранительном устройстве, в любом состоянии при НОРМАЛЬНОЙ ЭКСПЛУАТАЦИИ.
Соответствие проверяют рассмотрением данных о компонентах, предоставляемых ИЗГОТОВИТЕЛЕМ, осмотром МЭ ИЗДЕЛИЯ и, при необходимости, с помощью функциональных испытаний.
Примечание - Если применимо, ИСО 10524-1:2018
[80] может быть подходящим стандартом на компоненты (см.
4.8).
9.7.7 Предохранительное устройство
МЭ ИЗДЕЛИЕ должно включать предохранительное устройство (устройства) в тех случаях, когда МАКСИМАЛЬНОЕ ДАВЛЕНИЕ В ИЗДЕЛИИ может быть тем или иным способом превышено.
Предохранительное устройство должно соответствовать всем нижеперечисленным требованиям:
a) присоединяться как можно ближе к сосудам под давлением или к частям системы, для защиты которых оно предназначено;
b) устанавливаться таким образом, чтобы оно оставалось легко доступным для осмотра, технического обслуживания и замены;
c) не допускать регулировки или отключения без помощи ИНСТРУМЕНТА;
d) иметь такое размещение и направление выпускных отверстий, чтобы выделяющиеся вещества не направлялись на человека;
e) иметь такие размещение и направление выпускных отверстий, чтобы выделяющиеся вещества не попадали на части МЭ ИЗДЕЛИЯ, что могло бы приводить к возникновению недопустимого РИСКА;
f) обладать достаточной пропускной способностью, гарантирующей, что давление не будет превышать МАКСИМАЛЬНОГО ДАВЛЕНИЯ В ИЗДЕЛИИ в системе, к которой это устройство присоединено, более чем на 10% в случае возникновения нарушения в системе регулирования давления питания;
g) не содержать перекрывающих клапанов между предохранительным устройством и частями, для защиты которых оно предназначено;
h) обеспечивать минимальное число рабочих циклов 100 000, за исключением разрывных мембран.
Соответствие проверяют рассмотрением данных о компонентах, предоставляемых ИЗГОТОВИТЕЛЕМ, осмотром МЭ ИЗДЕЛИЯ, рассмотрением ФАЙЛА МЕНЕДЖМЕНТА РИСКА и, при необходимости, с помощью функциональных испытаний.
9.7.8 НОРМИРОВАННОЕ максимальное давление питания
9.8* МЕХАНИЧЕСКИЕ ОПАСНОСТИ, связанные с опорными системами
В случаях когда части МЭ ИЗДЕЛИЯ сконструированы для того, чтобы выдерживать нагрузки или приводить в действие силовые механизмы, и если механическая неисправность может приводить к возникновению недопустимого РИСКА, то должны выполняться следующие требования:
- конструкция опор, подвесных систем или системы приведения в действие разработана с использованием данных
таблицы 21 и значения ПОЛНОЙ НАГРУЗКИ;
- средства присоединения ПРИНАДЛЕЖНОСТЕЙ сконструированы таким образом, чтобы исключать любую возможность неправильного присоединения, которое может приводить к недопустимому РИСКУ;
- АНАЛИЗ РИСКА опорных систем учитывает МЕХАНИЧЕСКИЕ ОПАСНОСТИ, появляющиеся в результате статического, динамического или вибрационного воздействия, приложения давления, основных и иных перемещений, температуры, окружающих условий, производственных и эксплуатационных факторов;
- при АНАЛИЗЕ РИСКА рассматривают все вероятные последствия неисправностей, такие как избыточная деформация, пластическая деформация, пластическое разрушение или хрупкий излом, неустойчивость (изгиб), коррозионное растрескивание, износ, ползучесть материала, истирание материала и остаточные напряжения, обусловленные производственными ПРОЦЕССАМИ, например механообработкой, сборкой, сваркой, термообработкой или нанесением покрытий;
- ЭКСПЛУАТАЦИОННЫЕ ДОКУМЕНТЫ содержат инструкцию по креплению механических конструкций к полу, стенам, потолку и т.д., требования к качеству материалов, используемых для соединений, а также перечень требуемых материалов. Кроме того, в них есть рекомендации по проверке качества поверхностей, к которым эти части будут крепиться.
9.8.2* КОЭФФИЦИЕНТ БЕЗОПАСНОСТИ
Опорные системы должны сохранять целостность конструкций в течение всего ОЖИДАЕМОГО СРОКА СЛУЖБЫ МЭ ИЗДЕЛИЯ.
КОЭФФИЦИЕНТЫ БЕЗОПАСНОСТИ должны быть не менее указанных в
таблице 21, за исключением случая, когда альтернативный метод обеспечивает целостность конструкций в течение всего ОЖИДАЕМОГО СРОКА СЛУЖБЫ МЭ ИЗДЕЛИЯ или опора - это подставка для ног, требования к которой приведены в
9.8.3.2 a).
Таблица 21
Определение КОЭФФИЦИЕНТОВ БЕЗОПАСНОСТИ
Ситуация | Минимальный КОЭФФИЦИЕНТ БЕЗОПАСНОСТИ <a> |
N | Часть системы | Относительное удлинение при разрыве | | |
| Части опорной системы, не подверженные износу | 5% или более Металлический материал <d> | 2,5 | 4 |
| Части опорной системы, не подверженные износу | Менее 5% Металлический материал <d> | 4 | 6 |
| Части опорной системы, подверженные износу <e> и не имеющие МЕХАНИЧЕСКОГО ЗАЩИТНОГО УСТРОЙСТВА | 5% или более Металлический материал <d> | 5 | 8 |
| Части опорной системы, подверженные износу <e> и не имеющие МЕХАНИЧЕСКОГО ЗАЩИТНОГО УСТРОЙСТВА | Менее 5% Металлический материал <d> | 8 | 12 |
| Части опорной системы, подверженные износу <e> и не имеющие МЕХАНИЧЕСКОГО ЗАЩИТНОГО УСТРОЙСТВО (или основную систему из нескольких опорных систем) | 5% или более Металлический материал <d> | 2,5 | 4 |
| Части опорной системы, подверженные износу <e> и имеющие МЕХАНИЧЕСКОЕ ЗАЩИТНОЕ УСТРОЙСТВО (или основную систему из нескольких опорных систем) | Менее 5% Металлический материал <d> | 4 | 6 |
| МЕХАНИЧЕСКОЕ ЗАЩИТНОЕ УСТРОЙСТВО (или вспомогательная система из нескольких опорных систем) | | 2,5 | 4 |
<a> КОЭФФИЦИЕНТ БЕЗОПАСНОСТИ предназначен для учета факторов, указанных в 15.3.7, т.е. воздействия окружающей среды, износа, коррозии, усталости или старения материалов. <b> Случай A - ПРЕДЕЛ ПРОЧНОСТИ ПРИ РАСТЯЖЕНИИ материала и все внешние силы определены количественно с достаточной точностью. <c> Случай B - ПРЕДЕЛ ПРОЧНОСТИ ПРИ РАСТЯЖЕНИИ и все внешние силы известны приблизительно и с недостаточной точностью, чтобы обоснованно определить КОЭФФИЦИЕНТ БЕЗОПАСНОСТИ для случая A. <e> Компонентами, подверженными износу, являются цепи, кабели (жгуты), ремни, винты, пружины, ходовые винты, пневматические или гидравлические шланги, прокладки или кольца пневматических или гидравлических поршней. |
Соответствие требованиям 9.8.1 и 9.8.2 проверяют осмотром МЭ ИЗДЕЛИЯ, рассмотрением ФАЙЛА МЕНЕДЖМЕНТА РИСКА и технических характеристик на используемые материалы и процесс их обработки.
Если для демонстрации соответствия требованиям 9.8.1 или 9.8.2 необходимы испытания, то в ходе испытания осуществляют постепенное приложение к испытываемой опорной системе испытательной нагрузки, равной ПОЛНОЙ НАГРУЗКЕ, умноженной на КОЭФФИЦИЕНТ БЕЗОПАСНОСТИ. При этом испытываемая опорная система должна оставаться в положении равновесия в течение 1 мин испытаний или не приводить к возникновению недопустимого РИСКА.
Примечание 1 - Может оказаться необходимым использование дополнительной опорной системы для поддержки испытываемой системы, но при этом не требуется столь высокий запас прочности; если, например, испытываемая система требует КОЭФФИЦИЕНТА БЕЗОПАСНОСТИ, равного 8, то поддерживающая ее опорная система может иметь КОЭФФИЦИЕНТ БЕЗОПАСНОСТИ, равный 4. Использование дополнительной опоры должно поясняться в протоколе испытаний.
Примечание 2 - Период времени в 1 мин, возможно, должен быть увеличен при использовании материалов, которые могут обладать повышенной ползучестью, таких как пластмассы или другие неметаллические материалы.
9.8.3* Прочность опорных или подвесных систем ПАЦИЕНТА или ОПЕРАТОРА
Части МЭ ИЗДЕЛИЯ, служащие для поддержки или иммобилизации ПАЦИЕНТА, необходимо конструировать и изготовлять таким образом, чтобы исключить недопустимый РИСК получения физических повреждений или случайного ослабления элементов фиксации.
БЕЗОПАСНАЯ РАБОЧАЯ НАГРУЗКА для МЭ ИЗДЕЛИЯ или его частей, служащих для опоры или подвешивания ПАЦИЕНТОВ или ОПЕРАТОРОВ, должна быть равна сумме массы ПАЦИЕНТОВ или массы ОПЕРАТОРОВ плюс массы ПРИНАДЛЕЖНОСТЕЙ, которые согласно указаниям ИЗГОТОВИТЕЛЯ должны опираться или подвешиваться на МЭ ИЗДЕЛИЕ или его части.
Если иное не оговорено ИЗГОТОВИТЕЛЕМ, то опорные и подвесные части для взрослых ПАЦИЕНТОВ или ОПЕРАТОРОВ необходимо рассчитывать, исходя из массы ПАЦИЕНТА или ОПЕРАТОРА минимум 135 кг, и ПРИНАДЛЕЖНОСТЕЙ - минимум 15 кг.
В случае когда ИЗГОТОВИТЕЛЬ предусматривает конкретную область применения (например, педиатрию), максимальная масса ПАЦИЕНТА, учитываемая в БЕЗОПАСНОЙ РАБОЧЕЙ НАГРУЗКЕ для МЭ ИЗДЕЛИЯ или его частей, служащих для опоры или подвешивания ПАЦИЕНТОВ, может быть снижена. Если максимально допустимое значение массы ПАЦИЕНТА принимают равным менее 135 кг, то это значение необходимо указывать в маркировке на МЭ ИЗДЕЛИИ и в ЭКСПЛУАТАЦИОННЫХ ДОКУМЕНТАХ. Если максимально допустимое значение массы ПАЦИЕНТА принимают равным более 135 кг, то это значение также необходимо указывать в ЭКСПЛУАТАЦИОННЫХ ДОКУМЕНТАХ.
Соответствие проверяют осмотром МЭ ИЗДЕЛИЯ (включая маркировку), рассмотрением ЭКСПЛУАТАЦИОННЫХ ДОКУМЕНТОВ, информации ИЗГОТОВИТЕЛЯ о компонентах, ФАЙЛА МЕНЕДЖМЕНТА РИСКА и, если необходимо, путем функциональных испытаний.
9.8.3.2* Статические усилия от нагрузок, создаваемых ПАЦИЕНТОМ или ОПЕРАТОРОМ
При анализе нагружающих усилий и моментов, действующих на опорные системы, часть БЕЗОПАСНОЙ РАБОЧЕЙ НАГРУЗКИ, соответствующую массе ПАЦИЕНТОВ или ОПЕРАТОРОВ, распределяют по опорной/подвесной поверхности аналогично распределению масс, существующему в организме человека (см. пример на
рисунке A.19).
Примечание 1 - Положение тела человека может изменяться в зависимости от конфигурации опорной/подвесной системы, поэтому нагрузка, действующая на различные части, также может изменяться, что должно приниматься во внимание.
При анализе нагружающих усилий и моментов, действующих на опорные системы, часть БЕЗОПАСНОЙ РАБОЧЕЙ НАГРУЗКИ, соответствующая массе ПРИНАДЛЕЖНОСТЕЙ, должна учитываться при их размещении, используемом при НОРМАЛЬНОЙ ЭКСПЛУАТАЦИИ, или, если оно не определено, то как в наименее благоприятном случае, допускаемом конфигурацией МЭ ИЗДЕЛИЯ или креплением ПРИНАДЛЕЖНОСТЕЙ на его опорных/подвесных частях.
a) Для подставки под ноги, предназначенной для временной опоры ПАЦИЕНТА или ОПЕРАТОРА в положении стоя, полную массу ПАЦИЕНТА или ОПЕРАТОРА считают распределенной по площади 0,1 м
2.
Соответствие проверяют осмотром МЭ ИЗДЕЛИЯ, рассмотрением технической документации на используемые материалы и их обработку, а также с помощью следующего испытания.
Перед выполнением этого испытания опорную/подвесную систему ПАЦИЕНТА приводят в горизонтальное состояние в наименее благоприятном при НОРМАЛЬНОЙ ЭКСПЛУАТАЦИИ положении МЭ ИЗДЕЛИЯ.
Массу, равную удвоенной массе в 135 кг или удвоенной предусмотренной нагрузке (в зависимости от того, какое из этих значений больше), прикладывают к подставке для ног площадью 0,1 м2 в течение 1 мин. После испытания подставку для ног и ее крепления, получившие повреждения или устойчивую деформацию с отклонением от нормы на более чем 5°, считают не выдержавшими это испытание. ОСНОВНАЯ БЕЗОПАСНОСТЬ и ОСНОВНЫЕ ФУНКЦИОНАЛЬНЫЕ ХАРАКТЕРИСТИКИ должны поддерживаться.
Примечание 2 - Примерами повреждений, которые могут повлиять на ОСНОВНУЮ БЕЗОПАСНОСТЬ, являются уменьшение ПУТИ УТЕЧКИ и ВОЗДУШНЫХ ЗАЗОРОВ ниже тех, которые указаны в
8.9, доступ к частям, которые превышают пределы, указанные в
8.4, или доступ к движущимся частям, которые могут нанести ВРЕД.
Критерии оценки, которые могут понадобиться при определении того, привело ли это испытание к потере ОСНОВНОЙ БЕЗОПАСНОСТИ, включают:
- испытание на электрическую прочность, как указано в
8.8.3, для оценки целостности твердой изоляции, обеспечивающей СРЕДСТВА ЗАЩИТЫ; а также
- измерение ПУТИ УТЕЧКИ или ВОЗДУШНЫХ ЗАЗОРОВ для сравнения значений с минимальными расстояниями, указанными в
8.9. Небольшие дефекты, которые не оказывают неблагоприятного воздействия на защиту от поражения электрическим током или влаги, обычно можно не учитывать.
b) Для опорной/подвесной части, на которой ПАЦИЕНТ или ОПЕРАТОР могут сидеть, деформация опорной поверхности под действием нагрузки, создаваемой ПАЦИЕНТОМ или ОПЕРАТОРОМ, не должна приводить к возникновению недопустимого РИСКА.
Соответствие проверяют осмотром МЭ ИЗДЕЛИЯ, рассмотрением технической документации на используемые материалы и их обработку, а также с помощью следующего испытания.
Перед выполнением этого испытания опорную/подвесную систему ориентируют горизонтально, в наименее благоприятном положении при НОРМАЛЬНОЙ ЭКСПЛУАТАЦИИ.
Массу, равную 60% от части БЕЗОПАСНОЙ РАБОЧЕЙ НАГРУЗКИ, создаваемой ПАЦИЕНТОМ или ОПЕРАТОРОМ и указанной в инструкции по эксплуатации, или массу как минимум 80 кг помещают на опорную/подвесную систему на расстоянии 60 мм от ее внешнего края на время не менее 1 мин. Любую необратимую деформацию опорной/подвесной системы с отклонением от нормы на более чем 5° считают отрицательным результатом испытания. ОСНОВНАЯ БЕЗОПАСНОСТЬ и ОСНОВНЫЕ ФУНКЦИОНАЛЬНЫЕ ХАРАКТЕРИСТИКИ должны поддерживаться.
Примечание 3 - Примерами повреждений, которые могут повлиять на ОСНОВНУЮ БЕЗОПАСНОСТЬ, являются уменьшение ПУТИ УТЕЧКИ и ВОЗДУШНЫХ ЗАЗОРОВ ниже тех, которые указаны в
8.9, доступ к частям, которые превышают пределы, указанные в
8.4, или доступ к движущимся частям, которые могут нанести ВРЕД.
Критерии оценки, которые могут понадобиться при определении того, привело ли это испытание к потере ОСНОВНОЙ БЕЗОПАСНОСТИ, включают:
- испытание на электрическую прочность, как указано в
8.8.3, для оценки целостности твердой изоляции, обеспечивающей СРЕДСТВА ЗАЩИТЫ; а также
- измерение ПУТИ УТЕЧКИ или ВОЗДУШНЫХ ЗАЗОРОВ для сравнения значений с минимальными расстояниями, указанными в
8.9. Небольшие дефекты, которые не оказывают неблагоприятного воздействия на защиту от поражения электрическим током или влаги, обычно можно не учитывать.
9.8.3.3* Динамические усилия от нагрузок, создаваемых ПАЦИЕНТОМ или ОПЕРАТОРОМ
В случае когда динамические усилия, возникающие при усаживании, вставании, манипуляциях с ПАЦИЕНТОМ, могут оказывать воздействие на части МЭ ИЗДЕЛИЯ, предназначенные для опоры/подвешивания ПАЦИЕНТА или ОПЕРАТОРА при НОРМАЛЬНОЙ ЭКСПЛУАТАЦИИ, МЭ ИЗДЕЛИЕ должно поддерживать ОСНОВНУЮ БЕЗОПАСНОСТЬ и ОСНОВНЫЕ ФУНКЦИОНАЛЬНЫЕ ХАРАКТЕРИСТИКИ.
Соответствие проверяют с помощью следующего испытания.
Перед выполнением этого испытания опорную/подвесную систему ориентируют горизонтально в наименее благоприятном положении при НОРМАЛЬНОЙ ЭКСПЛУАТАЦИИ.
Для опорной/подвесной поверхности, на которой ПАЦИЕНТ или ОПЕРАТОР могут сидеть, верхний отсек модуля верхней части тела, показанный на рисунке 33, нагружают соответствующей массой для достижения БЕЗОПАСНОЙ РАБОЧЕЙ НАГРУЗКИ, представляющей вес ПАЦИЕНТА или ОПЕРАТОРА, указанный в ЭКСПЛУАТАЦИОННЫХ ДОКУМЕНТАХ. Модуль верхней части тела с соответствующим весом роняют с высоты 150 мм над областью сидения. При этом должны поддерживаться ОСНОВНАЯ БЕЗОПАСНОСТЬ и ОСНОВНЫЕ ФУНКЦИОНАЛЬНЫЕ ХАРАКТЕРИСТИКИ.
Примечание - Примерами повреждений, которые могут повлиять на ОСНОВНУЮ БЕЗОПАСНОСТЬ, являются уменьшение ПУТИ УТЕЧКИ и ВОЗДУШНЫХ ЗАЗОРОВ ниже тех, которые указаны в
8.9, доступ к частям, которые превышают пределы, указанные в
8.4, или доступ к движущимся частям, которые могут нанести ВРЕД.
Критерии оценки, которые могут понадобиться при определении того, привело ли это испытание к потере ОСНОВНОЙ БЕЗОПАСНОСТИ, включают:
- испытание на электрическую прочность, как указано в
8.8.3, для оценки целостности твердой изоляции, обеспечивающей СРЕДСТВА ЗАЩИТЫ; а также
- измерение ПУТИ УТЕЧКИ или ВОЗДУШНЫХ ЗАЗОРОВ для сравнения значений с минимальными расстояниями, указанными в
8.9. Небольшие дефекты, которые не оказывают неблагоприятного воздействия на защиту от поражения электрическим током или влаги, обычно можно не учитывать.
Размеры в миллиметрах
Примечание - Верхний отсек модуля верхней части тела выполняют из дерева, металла или ему подобного материала. Отсек предназначен для сохранения соответствия массы человеческого тела, поэтому, как правило, его выполняют из материала с высокой плотностью (например, свинца). Нижнюю часть изготавливают из пенопласта. Коэффициент упругой деформации или последействия пенопласта (номинальные параметры ILD или IFD) не определен, поскольку при бросании больших масс свойства пены, возможно, не столь существенны. Форма пенопласта цилиндрическая, а не сферическая.
Рисунок 33 <1> - Модуль верхней части тела
--------------------------------
<1> На рисунке международного стандарта неверно указано положение центров дуг радиусом 400 мм. Центры дуг смещены на 250 мм влево и вправо по осевой линии от указанного положения.
9.8.4* Системы с МЕХАНИЧЕСКИМИ ЗАЩИТНЫМИ УСТРОЙСТВАМИ
9.8.4.1 Общие положения
a) МЕХАНИЧЕСКОЕ ЗАЩИТНОЕ УСТРОЙСТВО необходимо предусматривать в тех случаях, когда опорная система или любая из ее частей, подвергающиеся износу, обладают КОЭФФИЦИЕНТОМ БЕЗОПАСНОСТИ, равным или превышающим значения, приведенные в
строках 5 и
6 таблицы 21, но меньшим, чем в
строках 3 и
4 той же таблицы.
b) МЕХАНИЧЕСКОЕ ЗАЩИТНОЕ УСТРОЙСТВО должно:
- быть сконструировано на основе ПОЛНОЙ НАГРУЗКИ и с учетом БЕЗОПАСНОЙ РАБОЧЕЙ НАГРУЗКИ, если применимо;
- иметь КОЭФФИЦИЕНТЫ БЕЗОПАСНОСТИ для всех частей не меньше значений, приведенных в
строке 7 таблицы 21;
- приводиться в действие до того, как перемещение частей МЭ ИЗДЕЛИЯ приведет к недопустимому РИСКУ;
Соответствие проверяют при необходимости следующими способами:
- проверкой расчетов и оценок избыточного перемещения (тормозного пути от момента включения МЕХАНИЧЕСКОГО ЗАЩИТНОГО УСТРОЙСТВА до момента прекращения дальнейшего движения);
- иными функциональными испытаниями.
Примечание - Расчеты и оценка избыточного перемещения (тормозного пути от момента включения МЕХАНИЧЕСКОГО ЗАЩИТНОГО УСТРОЙСТВА до момента прекращения дальнейшего движения) являются частью ФАЙЛА МЕНЕДЖМЕНТА РИСКА.
9.8.4.2 Использование после срабатывания МЕХАНИЧЕСКОГО ЗАЩИТНОГО УСТРОЙСТВА
Если МЭ ИЗДЕЛИЕ можно использовать после выхода из строя подвесных средств и срабатывания МЕХАНИЧЕСКОГО ЗАЩИТНОГО УСТРОЙСТВА типа второго троса, жгута, цепей, ремней, то ОПЕРАТОРУ должно быть видно, что это МЕХАНИЧЕСКОЕ ЗАЩИТНОЕ УСТРОЙСТВО сработало.
Замену или восстановление МЕХАНИЧЕСКОГО ЗАЩИТНОГО УСТРОЙСТВА необходимо проводить с помощью ИНСТРУМЕНТА.
Соответствие проверяют осмотром МЭ ИЗДЕЛИЯ.
9.8.4.3 МЕХАНИЧЕСКОЕ ЗАЩИТНОЕ УСТРОЙСТВО для однократного срабатывания
Если МЕХАНИЧЕСКОЕ ЗАЩИТНОЕ УСТРОЙСТВО предназначено для однократного срабатывания, то к нему необходимо предъявлять следующие требования:
- дальнейшее использование МЭ ИЗДЕЛИЯ невозможно без замены этого МЕХАНИЧЕСКОГО ЗАЩИТНОГО УСТРОЙСТВА;
- в ЭКСПЛУАТАЦИОННЫХ ДОКУМЕНТАХ указывают, что сразу же после срабатывания МЕХАНИЧЕСКОГО ЗАЩИТНОГО УСТРОЙСТВА следует вызывать ОБСЛУЖИВАЮЩИЙ ПЕРСОНАЛ, а само МЕХАНИЧЕСКОЕ ЗАЩИТНОЕ УСТРОЙСТВО заменяют перед последующей эксплуатацией МЭ ИЗДЕЛИЯ;
- маркировку наносят вблизи МЕХАНИЧЕСКОГО ЗАЩИТНОГО УСТРОЙСТВА или таким образом, чтобы она воспринималась обслуживающим или ремонтным персоналом как явно относящаяся к МЕХАНИЧЕСКОМУ ЗАЩИТНОМУ УСТРОЙСТВУ
Примечание - См. также
15.3.7.
Соответствие проверяют следующим испытанием:
- осмотром МЭ ИЗДЕЛИЯ, рассмотрением ЭКСПЛУАТАЦИОННЫХ ДОКУМЕНТОВ и технической документации на используемые материалы и их обработку;
- отсоединением любыми удобными средствами цепей, кабелей (жгутов), ремней, винтов, пружин, ходовых винтов, пневматических или гидравлических шлангов, частей конструкции и т.п., используемых для поддержки нагрузки (с целью проверки МЕХАНИЧЕСКИХ ЗАЩИТНЫХ УСТРОЙСТВ), и прикладыванием максимальной нормальной нагрузки при падении массы из наименее благоприятного положения, допускаемого конструкцией МЭ ИЗДЕЛИЯ. Если система предназначена для поддержки ПАЦИЕНТА или ОПЕРАТОРА, то нагрузка должна включать БЕЗОПАСНУЮ РАБОЧУЮ НАГРУЗКУ, указанную в 9.8.3.1.
Любое повреждение МЕХАНИЧЕСКОГО ЗАЩИТНОГО УСТРОЙСТВА, которое приведет к невозможности выполнения его функций, считают отрицательным результатом этого испытания.
9.8.5 Системы без МЕХАНИЧЕСКИХ ЗАЩИТНЫХ УСТРОЙСТВ
МЕХАНИЧЕСКИХ ЗАЩИТНЫХ УСТРОЙСТВ не требуется, если:
- части опорной системы не подвергаются износу и обладают КОЭФФИЦИЕНТОМ БЕЗОПАСНОСТИ, равным или превышающим значения, указанные в
строках 1 и
2 таблицы 21, или
- части опорной системы подвергаются износу, но имеют КОЭФФИЦИЕНТ БЕЗОПАСНОСТИ, равный или превышающий значения, указанные в
строках 3 и
4 таблицы 21.
Соответствие проверяют осмотром МЭ ИЗДЕЛИЯ и рассмотрением проектной документации и ФАЙЛА МЕНЕДЖМЕНТА РИСКА.
10* Защита от ОПАСНОСТЕЙ воздействия нежелательного или чрезмерного излучения
10.1 Рентгеновское излучение
10.1.1* МЭ ИЗДЕЛИЕ, не предназначенное для рентгеновского излучения в диагностических или лечебных целях
Для МЭ ИЗДЕЛИЙ, не предназначенных для рентгеновского излучения в диагностических или лечебных целях, которые, однако, могут создавать ионизирующее излучение, мощность ВОЗДУШНОЙ КЕРМЫ не должно превышать 5 мкГр/ч на расстоянии 5 см от поверхности МЭ ИЗДЕЛИЯ с учетом фонового излучения.
Если ПРЕДУСМОТРЕННОЕ ПРИМЕНЕНИЕ МЭ ИЗДЕЛИЯ требует постоянной близости к ПАЦИЕНТУ, то суммарное ежегодное воздействие с учетом облучаемой части тела должно быть допустимым в соответствии с требованиями национальных правил и/или международных рекомендаций.
Примечание 1 - Значение мощности дозы приведено в документе ICRP 60
[39].
Примечание 2 - В государствах - членах CENELEC уровень ионизирующего излучения задается
Директивой ЕС 96/29/Euratom от 13 мая 1996 г. Эта
Директива требует, чтобы в любой точке на расстоянии 10 см от поверхности изделия мощность дозы не превышала 1 мкЗв/ч (или 0,1 мР/ч) с учетом уровня фонового излучения.
Соответствие проверяют с помощью следующего испытания.
Уровень радиации определяют с помощью дозиметра ионизирующего излучения ионизационно-камерного типа с эффективной площадью 10 см2 или измерительных приборов других типов, дающих эквивалентные результаты.
МЭ ИЗДЕЛИЕ устанавливают в режим работы, соответствующий наименее благоприятному НОРМИРОВАННОМУ СЕТЕВОМУ НАПРЯЖЕНИЮ, и при таком положении органов управления, которое обеспечивает создание излучения максимального уровня при поддержании МЭ ИЗДЕЛИЯ в режиме НОРМАЛЬНОЙ ЭКСПЛУАТАЦИИ.
Органы предварительной регулировки внутри МЭ ИЗДЕЛИЯ, не предназначенные для регулировки в течение ОЖИДАЕМОГО СРОКА СЛУЖБЫ МЭ ИЗДЕЛИЯ, при этом во внимание не принимают.
Измерения проводят на расстоянии 5 см от любой поверхности, к которой ОПЕРАТОРЫ, за исключением ОБСЛУЖИВАЮЩЕГО ПЕРСОНАЛА:
- могут получать доступ без помощи ИНСТРУМЕНТА;
- будут обеспечены средствами доступа или
- будут проинструктированы относительно доступа к ней независимо от того, необходим ли для этого ИНСТРУМЕНТ.
Любой результат измерений, превышающий мощность дозы 5 мкГр/ч, скорректированный с учетом фонового излучения, считают отрицательным результатом этого испытания.
Примечание 3 - ПРОЦЕДУРА этого испытания эквивалентна приведенной в приложении H МЭК 60950-1:2005 или п. 10.5.3 МЭК 62368-1:2018.
10.1.2 МЭ ИЗДЕЛИЕ, предназначенное для рентгеновского излучения в диагностических или лечебных целях
Непреднамеренное рентгеновское излучение от МЭ ИЗДЕЛИЙ, предназначенных для создания диагностического или терапевтического рентгеновского излучения, необходимо снизить, насколько это возможно, путем использования применимых частных и дополнительных стандартов или, при отсутствии этих стандартов, с помощью ПРОЦЕССА МЕНЕДЖМЕНТА РИСКА.
Для получения информации о преднамеренном рентгеновском излучении также см.
12.4.5.2 и
12.4.5.3.
Соответствие требованиям проверяют путем использования применимых частных и дополнительных стандартов или рассмотрением ФАЙЛА МЕНЕДЖМЕНТА РИСКА.
10.2 Альфа-, бета-, гамма-излучения, нейтронное излучение и излучения других частиц
Когда это применимо, в ПРОЦЕССЕ МЕНЕДЖМЕНТА РИСКА ИЗГОТОВИТЕЛЬ должен рассмотреть РИСКИ, связанные с альфа-, бета-, гамма-излучениями, нейтронным излучением и излучениями, создаваемыми другими частицами.
Соответствие проверяют рассмотрением ФАЙЛА МЕНЕДЖМЕНТА РИСКА.
10.3 Микроволновое излучение
Плотность энергии непреднамеренного микроволнового излучения на частотах от 1 до 100 ГГц не должна превышать 10 Вт/м2 в любой точке на расстоянии 50 мм от поверхности МЭ ИЗДЕЛИЙ при стандартных условиях проведения испытаний. Это требование не применяют к частям изделий, в которых микроволновое излучение распространяется намеренно, например в выходных портах волновода.
Примечание - Это требование эквивалентно требованию, указанному в подпункте 12.4 МЭК 61010-1:2001.
Соответствие проверяют путем анализа расчетов ИЗГОТОВИТЕЛЯ и, при необходимости, проведением следующего испытания.
МЭ ИЗДЕЛИЕ устанавливают в режим работы, соответствующий наименее благоприятному НОРМИРОВАННОМУ СЕТЕВОМУ НАПРЯЖЕНИЮ, и при таком положении органов управления, которое обеспечивает создание излучения максимального уровня при поддержании МЭ ИЗДЕЛИЯ в режиме НОРМАЛЬНОЙ ЭКСПЛУАТАЦИИ.
Органы предварительной регулировки внутри МЭ ИЗДЕЛИЯ, не предназначенные для регулировки в течение ОЖИДАЕМОГО СРОКА СЛУЖБЫ МЭ ИЗДЕЛИЯ, при этом во внимание не принимают.
Измерения проводят на расстоянии 50 мм от любой поверхности, к которой ОПЕРАТОРЫ, за исключением ОБСЛУЖИВАЮЩЕГО ПЕРСОНАЛА:
- могут получать доступ без помощи ИНСТРУМЕНТА;
- будут обеспечены средствами доступа или
- будут проинструктированы относительно доступа к ней независимо от того, необходим ли для этого ИНСТРУМЕНТ.
Любой результат измерений, превышающий 10 В/м2 при стандартных условиях испытания, считают отрицательным результатом этого испытания.
Для лазеров, включая лазерные диоды, которые создают или усиливают электромагнитное излучение в диапазоне длин волн от 180 нм до 1 мм, необходимо применять соответствующие требования МЭК 60825-1:2014. Если в изделиях используются лазерные световые барьеры или подобные изделия, они должны соответствовать требованиям стандарта МЭК 60825-1:2014.
Примечание - Для получения информации о лазерных изделиях, предназначенных для использования на людях или животных для хирургических, терапевтических, медицинских диагностических, косметических или ветеринарных целей, а также классифицированных как лазерное изделие класса 3b или 4 в соответствии с МЭК 60825-1:2014, см. также МЭК 60601-2-22
[59].
Соответствие проверяют с использованием соответствующих ПРОЦЕДУР МЭК 60825-1:2007.
10.5* Другие видимые электромагнитные излучения
Когда это применимо, в ПРОЦЕССЕ МЕНЕДЖМЕНТА РИСКА ИЗГОТОВИТЕЛЬ должен рассмотреть РИСКИ, связанные с видимым электромагнитным излучением, за исключением лазерного излучения (см.
10.4).
Соответствие проверяют рассмотрением ФАЙЛА МЕНЕДЖМЕНТА РИСКА.
10.6* Защита от инфракрасного излучения
Когда это применимо, в ПРОЦЕССЕ МЕНЕДЖМЕНТА РИСКА ИЗГОТОВИТЕЛЬ должен рассмотреть РИСКИ, связанные с инфракрасным излучением, за исключением лазерного излучения (см.
10.4).
Соответствие проверяют рассмотрением ФАЙЛА МЕНЕДЖМЕНТА РИСКА.
10.7* Защита от ультрафиолетового излучения
Когда это применимо, в ПРОЦЕССЕ МЕНЕДЖМЕНТА РИСКА ИЗГОТОВИТЕЛЬ должен рассмотреть РИСКИ, связанные с ультрафиолетовым излучением, за исключением лазерного излучения (см.
10.4).
Соответствие проверяют рассмотрением ФАЙЛА МЕНЕДЖМЕНТА РИСКА.
11 Защита от чрезмерных температур и других ОПАСНОСТЕЙ
11.1* Чрезмерные температуры в МЭ ИЗДЕЛИИ
11.1.1* Максимальная температура при НОРМАЛЬНОЙ ЭКСПЛУАТАЦИИ
В случае когда МЭ ИЗДЕЛИЕ при НОРМАЛЬНОЙ ЭКСПЛУАТАЦИИ работает в наименее благоприятных условиях, включая работу при максимальной температуре окружающей среды, определенной в техническом описании (см.
7.9.3.1), то:
- части МЭ ИЗДЕЛИЯ не должны нагреваться до температур, превышающих значения, приведенные в
таблицах 22 и
23.
Примечание - Также смотрите информацию в
пункте 13.1.2 при применении УСЛОВИЙ ЕДИНИЧНОГО НАРУШЕНИЯ;
- МЭ ИЗДЕЛИЕ не должно нагревать поверхности испытательного черного угла до температуры свыше 90 °C и
- ТЕРМОВЫКЛЮЧАТЕЛИ в НОРМАЛЬНОМ СОСТОЯНИИ не должны срабатывать.
Таблица 22
Допустимые максимальные температуры для частей МЭ ИЗДЕЛИЯ
Части МЭ ИЗДЕЛИЯ | Максимальная температура, °C |
Изоляция, включая изоляцию обмоток <a> | |
- материала класса A | 105 |
- материала класса E | 120 |
- материала класса B | 130 |
- материала класса F | 155 |
- материала класса H | 180 |
Части с маркировкой T | |
Прочие компоненты и материалы | |
Части, находящиеся в контакте с воспламеняющейся жидкостью с точкой возгорания T °C | T-25 |
Древесина | 90 |
<a> Классификация изоляционных материалов приведена в соответствии с МЭК 60085. При этом необходимо принимать во внимание любую несовместимость материалов в системе изолирования, которая может снижать максимальную температуру ниже пределов, указанных для отдельных изоляционных материалов. <b> T - маркировка относится к маркированной максимальной рабочей температуре. <c> Для определения соответствующих максимально допустимых температур для каждого материала и компонента необходимо учитывать их температурные характеристики. Каждый компонент необходимо применять в соответствии с его температурной характеристикой. В случае возникновения сомнений следует выполнить испытание на прочность с помощью вдавливаемого шарика согласно 8.8.4.1. |
Таблица 23
Допустимые максимальные температуры для ДОСТУПНЫХ
ЧАСТЕЙ, к которым можно прикоснуться
ДОСТУПНЫЕ ЧАСТИ | Максимальная температура <a>, °C |
Металл и жидкости | Стекло, фарфор, стекловидные материалы | Литой материал, пластмасса, резина, древесина |
Внешние поверхности ДОСТУПНЫХ ЧАСТЕЙ, к которым возможно прикосновение на время t | t < 1 с | 74 | 80 | 86 |
1 с <= t < 10 с | 56 | 66 | 71 |
10 с <= t < 1 мин | 51 | 56 | 60 |
1 мин <= t | 48 | 48 | 48 |
<a> Эти предельные значения температуры применимы для здоровой кожи взрослых, но не применимы в случае контакта большой области кожи (10% или более от полной поверхности тела) с нагретой поверхностью. Они также не применимы в случае контакта кожи более чем 10% поверхности головы. В последнем случае соответствующие предельные значения необходимо указывать и регистрировать в ФАЙЛЕ МЕНЕДЖМЕНТА РИСКА. |
Таблица 24
Допустимые максимальные температуры для РАБОЧИХ ЧАСТЕЙ
МЭ ИЗДЕЛИЯ, находящихся в контакте с кожей
РАБОЧИЕ ЧАСТИ МЭ ИЗДЕЛИЯ | Максимальная температура <a>, <b>, °C |
Металл и жидкости | Стекло, фарфор, стекловидные материалы | Литой материал, пластмасса, резина, древесина |
Длительность контакта РАБОЧЕЙ ЧАСТИ МЭ ИЗДЕЛИЯ с ПАЦИЕНТОМ, t | t < 1 мин | 51 | 56 | 60 |
1 мин <= t < 10 мин | 48 | 48 | 48 |
10 мин <= t | 43 | 43 | 43 |
<a> Эти предельные значения температуры применимы для здоровой кожи взрослых, но не применимы для случая контакта большой области кожи (10% или более от полной поверхности тела) с горячей поверхностью. Они также не применимы в случае контакта кожи более чем 10% поверхности головы. В последнем случае соответствующие предельные значения должны быть определены и зарегистрированы в ФАЙЛЕ МЕНЕДЖМЕНТА РИСКА. <b> В случае необходимости температура РАБОЧЕЙ ЧАСТИ может превышать предельные значения, указанные в таблице 24, чтобы обеспечить клинический эффект; ФАЙЛ МЕНЕДЖМЕНТА РИСКА должен содержать документацию, доказывающую, что конечный полезный эффект будет превышать любое увеличение РИСКА, связанное с повышением температуры. |
11.1.2* Температура РАБОЧИХ ЧАСТЕЙ
11.1.2.1 РАБОЧИЕ ЧАСТИ, предназначенные для передачи тепла ПАЦИЕНТУ
Температура (горячих или холодных поверхностей) или (когда это уместно) клинические эффекты от применения необходимо указывать и регистрировать в ФАЙЛЕ МЕНЕДЖМЕНТА РИСКА, а также указывать в инструкции по эксплуатации.
11.1.2.2* РАБОЧИЕ ЧАСТИ, не предназначенные для передачи тепла ПАЦИЕНТУ
Пределы, указанные в
таблице 24, необходимо применять как при НОРМАЛЬНОЙ ЭКСПЛУАТАЦИИ, так и в УСЛОВИИ ЕДИНИЧНОГО НАРУШЕНИЯ. Если температура поверхности РАБОЧЕЙ ЧАСТИ превышает 41 °C:
- максимальную температуру указывают в инструкции по применению;
- условия безопасной эксплуатации, например продолжительность или состояние ПАЦИЕНТА, указывают в инструкции по применению; а также
- клинические эффекты в отношении таких характеристик, как поверхность тела, зрелость ПАЦИЕНТОВ, принимаемые лекарства или поверхностное давление, определяют и указывают в ФАЙЛЕ МЕНЕДЖМЕНТА РИСКА.
Если значение в 41 °C не было превышено, то никакого обоснования не требуется.
Если анализы, задокументированные в ФАЙЛЕ МЕНЕДЖМЕНТА РИСКА, показывают, что работа МЭ ИЗДЕЛИЙ не влияет на температуру РАБОЧЕЙ ЧАСТИ, в том числе при УСЛОВИИ ЕДИНИЧНОГО НАРУШЕНИЯ, то измерение температуры РАБОЧЕЙ ЧАСТИ в соответствии с
11.1.3 не требуется.
Поверхности РАБОЧИХ ЧАСТЕЙ, охлажденные ниже температуры окружающей среды, также могут привести к возникновению недопустимого РИСКА, и их необходимо оценивать как часть ПРОЦЕССА МЕНЕДЖМЕНТА РИСКА.
В случае когда технические оценки ИЗГОТОВИТЕЛЯ указывают на то, что предельные значения температуры не могут быть превышены, никаких измерений не потребуется. Когда эти оценки показывают, что испытательный угол не будет оказывать влияние на результаты измерений, они могут не проводиться. Однако при этом в ФАЙЛЕ МЕНЕДЖМЕНТА РИСКА необходимо указывать основания для принятия этого решения. При использовании испытательного угла температура его поверхностей не должна превышать 90 °C.
Для ДОСТУПНЫХ ЧАСТЕЙ, которые могут быть доступны для прикосновения, а также для РАБОЧИХ ЧАСТЕЙ вероятность прикосновения и его продолжительность должны определяться и документироваться в ФАЙЛЕ МЕНЕДЖМЕНТА РИСКА.
Соответствие требованиям 11.1.1 и 11.1.2 проверяют рассмотрением ФАЙЛА МЕНЕДЖМЕНТА РИСКА и инструкции по эксплуатации, контролем работы МЭ ИЗДЕЛИЯ и измерением температуры следующим образом.
a) Расположение
1) МЭ ИЗДЕЛИЕ проверяют в положении(ях) НОРМАЛЬНОЙ ЭКСПЛУАТАЦИИ.
2) МЭ ИЗДЕЛИЕ помещают в испытательный угол, состоящий из двух перпендикулярно установленных фанерных стенок, пола и, если это необходимо, потолка, толщиной 20 мм, выкрашенных черной матовой краской. Линейные размеры испытательного угла должны составлять по крайней мере 115% от линейных размеров испытываемого МЭ ИЗДЕЛИЯ.
МЭ ИЗДЕЛИЕ помещают в испытательный угол следующим образом:
- МЭ ИЗДЕЛИЕ, предназначенное для эксплуатации на полу или на столе, помещают настолько близко к стенкам испытательного угла, насколько это возможно при НОРМАЛЬНОЙ ЭКСПЛУАТАЦИИ;
- МЭ ИЗДЕЛИЕ, предназначенное для крепления к стене, монтируют на одной из стенок испытательного угла настолько близко к другой стенке и полу, насколько это возможно при НОРМАЛЬНОЙ ЭКСПЛУАТАЦИИ;
- МЭ ИЗДЕЛИЕ, предназначенное для крепления к потолку, монтируют на потолке испытательного угла настолько близко к стенкам испытательного угла, насколько это возможно при НОРМАЛЬНОЙ ЭКСПЛУАТАЦИИ.
3) РУЧНОЕ МЭ ИЗДЕЛИЕ подвешивают в его нормальном положении в неподвижной воздушной среде.
4) МЭ ИЗДЕЛИЕ, предназначенное для встраивания в шкаф или нишу стены, монтируют согласно техническому описанию (см. 7.9.3.1), используя фанерные стенки толщиной 10 мм, окрашенные в черный матовый цвет и имитирующие стенки шкафа, если это указано в техническом описании, или толщиной 20 мм при имитации стен здания.
b) Питание
- МЭ ИЗДЕЛИЕ, содержащее нагревательные элементы, должно работать, как при НОРМАЛЬНОЙ ЭКСПЛУАТАЦИИ со всеми включенными нагревательными элементами, если только этому не препятствуют блокировки включения. Питающее напряжение должно составлять 110% от максимального НОРМИРОВАННОГО значения напряжения.
- МЭ ИЗДЕЛИЕ, содержащее двигатели, должно работать при нормальной нагрузке в нормальном РАБОЧЕМ ЦИКЛЕ и при наименее благоприятном питающем напряжении в диапазоне между 90% минимального НОРМИРОВАННОГО напряжения до 110% от максимального НОРМИРОВАННОГО напряжения.
- МЭ ИЗДЕЛИЕ, содержащее и двигатели, и нагревательные элементы, а также МЭ ИЗДЕЛИЯ других типов, проверяют как при напряжении, равном 110% от максимального НОРМИРОВАННОГО напряжения, так и при напряжении, равном 90% от минимального НОРМИРОВАННОГО напряжения.
- При раздельных испытаниях модулей схема испытаний должна моделировать наименее благоприятные условия, возникающие при НОРМАЛЬНОЙ ЭКСПЛУАТАЦИИ, которые могут влиять на результаты испытаний.
c) Температурная стабилизация
- Для МЭ ИЗДЕЛИЯ, не предназначенного для ПРОДОЛЖИТЕЛЬНОГО РЕЖИМА РАБОТЫ:
После работы в режиме ожидания до достижения ТЕМПЕРАТУРНОЙ СТАБИЛИЗАЦИИ МЭ ИЗДЕЛИЕ работает при НОРМАЛЬНОЙ ЭКСПЛУАТАЦИИ в циклическом режиме, пока снова не будет достигнута ТЕМПЕРАТУРНАЯ СТАБИЛИЗАЦИЯ или в течение 7 ч, в зависимости от того, какое время меньше. Периоды включения/выключения в цикле являются НОРМИРОВАННЫМИ периодами включения/выключения.
- Для МЭ ИЗДЕЛИЯ, предназначенного для ПРОДОЛЖИТЕЛЬНОГО РЕЖИМА РАБОТЫ:
МЭ ИЗДЕЛИЕ работает до достижения ТЕМПЕРАТУРНОЙ СТАБИЛИЗАЦИИ.
- Метод измерения сопротивления (для обмоток).
Повышение температуры медной обмотки рассчитывают по следующей формуле

,
где
- повышение температуры, °C;
R1 - сопротивление в начале испытания, Ом;
R2 - сопротивление в конце испытания, Ом;
T1 - комнатная температура в начале испытания, °C;
T2 - комнатная температура в конце испытания, °C.
В начале испытания обмотки должны находиться при комнатной температуре.
Примечание - При использовании метода измерения температуры по изменению сопротивления рекомендуется измерять сопротивление обмоток после отключения изделия и затем - с короткими интервалами для построения графика зависимости сопротивления от времени для определения значения в момент отключения.
- Использование термопары и других методов (для всех измерений):
Измерение выполняют с помощью устройств или датчиков, выбираемых и размещаемых таким образом, чтобы они незначительно влияли на температуру испытываемой части.
При использовании термопары для определения температуры обмоток предельные значения, указанные в таблице 22, должны быть уменьшены на 10 °C.
Температуру электрической изоляции, кроме изоляции обмоток, определяют на поверхности изоляции в местах, где ее повреждение может приводить к короткому замыканию, замыканию СРЕДСТВА ЗАЩИТЫ, замыканию по изоляции или уменьшению ПУТЕЙ УТЕЧКИ или ВОЗДУШНЫХ ЗАЗОРОВ ниже значений, указанных в 8.9 для изоляции различных типов.
Точка разделения жил многожильного шнура и место, где изолированные провода входят в ламповые патроны, - примеры мест, в которых возможно измерение температуры.
e) Критерии испытаний
В течение испытаний ТЕРМОВЫКЛЮЧАТЕЛИ должны находиться в рабочем состоянии и не должны срабатывать.
Максимальную температуру испытываемой части определяют, измеряя повышение ее температуры в конце испытаний и добавляя это значение к максимально допустимой температуре окружающей среды, указанной в техническом описании (см. 7.9.3.1). В случае когда терморегулирующие устройства делают этот метод недопустимым, альтернативные методы для измерения температуры обосновывают в ФАЙЛЕ МЕНЕДЖМЕНТА РИСКА.
11.1.4 ОГРАЖДЕНИЯ
ОГРАЖДЕНИЯ, предназначенные для предотвращения контакта с горячими или холодными доступными для прикосновения поверхностями МЭ ИЗДЕЛИЯ, необходимо удалять только при помощи ИНСТРУМЕНТА.
Соответствие проверяют осмотром.
11.2* Защита от возгорания
11.2.1* Прочность и жесткость, требуемые для предотвращения возгорания МЭ ИЗДЕЛИЯ
КОРПУСА должны обладать прочностью и жесткостью, необходимыми для предотвращения возгорания, которое может возникать в результате их полного или частичного разрушения из-за отклонений от НОРМАЛЬНОЙ ЭКСПЛУАТАЦИИ, которые можно предвидеть в разумных пределах.
Соответствие проверяют испытаниями на механическую прочность КОРПУСОВ (см. 15.3).
11.2.2* МЭ ИЗДЕЛИЯ и МЭ СИСТЕМЫ, используемые для работы в СРЕДАХ С ПОВЫШЕННЫМ СОДЕРЖАНИЕМ КИСЛОРОДА
11.2.2.1 РИСК возгорания в СРЕДАХ С ПОВЫШЕННЫМ СОДЕРЖАНИЕМ КИСЛОРОДА
В МЭ ИЗДЕЛИИ и МЭ СИСТЕМЕ РИСК возгорания в СРЕДЕ С ПОВЫШЕННЫМ СОДЕРЖАНИЕМ КИСЛОРОДА должен быть снижен до минимального уровня в НОРМАЛЬНОМ СОСТОЯНИИ или при УСЛОВИИ ЕДИНИЧНОГО НАРУШЕНИЯ (как определено в
11.2.3). Считают, что недопустимый РИСК возгорания возникает в СРЕДЕ С ПОВЫШЕННЫМ СОДЕРЖАНИЕМ КИСЛОРОДА, когда источник возгорания вступает в контакт с воспламеняющимся материалом и отсутствуют средства, ограничивающие распространение огня.
Примечание 1 - Для концентраций кислорода до 25% при давлении в 1 атм или парциальных давлениях до 27,5 кПа для более высоких атмосферных давлений считается, что требования в
13.1.1 являются достаточными.
a)* Считают, что источник возгорания существует в СРЕДЕ С ПОВЫШЕННЫМ СОДЕРЖАНИЕМ КИСЛОРОДА, когда в НОРМАЛЬНОМ СОСТОЯНИИ и при УСЛОВИЯХ ЕДИНИЧНОГО НАРУШЕНИЯ (включая напряжение и ток) выполняется любое из следующих условий:
1) температура материала повышается до его температуры воспламенения;
2) рост температуры может влиять на пайки или места паек, вызывая размыкание, короткое замыкание или другие повреждения, которые могут приводить к искрению или росту температуры материала до его температуры воспламенения;
3) трещины в частях, влияющих на безопасность, или изменение их внешней формы в результате воздействия температур более 300 °C или искр из-за перегрева [см. ниже
4) и
5)];
4) температуры частей или компонентов могут превышать 300 °C;
5) искры обеспечивают достаточную энергию для возгорания, превышающую предельные значения, указанные на
рисунках 35 -
37 (включительно).
Перечисления 4) и
5) относятся к наименее благоприятному случаю, когда окружающая среда на 100% состоит из кислорода, материал контакта [для
перечисления 5)] - припой, а горючий материал - хлопок. Доступные горючие материалы и концентрации кислорода следует принимать во внимание при применении этих особых требований. При отклонениях от этих наименее благоприятных предельных случаев (при более низких концентрациях кислорода или при меньшем количестве горючих материалов) они должны быть обоснованы и зарегистрированы в ФАЙЛЕ МЕНЕДЖМЕНТА РИСКА.
Для определения наличия источника возгорания в качестве испытания, альтернативного перечислению 5) в 11.2.2.1 a), может выполняться следующее испытание.
Сначала внутри МЭ ИЗДЕЛИЯ идентифицируют место (места) возможного возгорания из-за искрения, а затем - материал (материалы), между которыми могут возникать искры. Образцы того же материала затем используют для формирования контактных штырьков для испытательной аппаратуры (см. рисунок 34).
Другими параметрами для этого испытания являются концентрация кислорода, вид горючих материалов, электрические параметры (ток, напряжение, емкость, индуктивность или сопротивление). Эти параметры выбирают такими, чтобы они были наименее благоприятными для МЭ ИЗДЕЛИЯ.
Примечание 2 - Если МЭ ИЗДЕЛИЕ не содержит цепи, указанные на
рисунках 35 -
37 (включительно), то для определения возможности возгорания напряжение или ток могут быть установлены в три раза

значений, соответствующих наименее благоприятному случаю, а значения других параметров соответствуют наименее благоприятному случаю.
Два контактных штырька, выполненные из рассматриваемого материала, помещают напротив друг друга (см. рисунок 34). Один штырек должен быть диаметром 1 мм, другой - 3 мм. Электрический источник подсоединяют к штырькам согласно рисункам 35 - 37. Кусочек ваты помещают вблизи контактных поверхностей двух штырьков. Контакты постоянно обдувают кислородом через трубку со скоростью менее 0,5 м/с. Катод перемещают в направлении к аноду до замыкания контактов с последующим их разведением для создания зазора. Для принятия решения, что искры не приводят к возгоранию, требуется не менее 300 циклов. Если искры становятся слабее из-за снижения качества поверхностей электродов, то электроды очищают с помощью надфиля. Если вата становится черной из-за окисления, то ее заменяют. На рисунках 36 и 37 сопротивление используют для регулирования тока, протекающего через катушку индуктивности. Постоянную времени заряда конденсатора выбирают такой, чтобы сопротивление оказывало минимальное воздействие на энергию искры. Это требование проверяют визуальным осмотром без подсоединенного конденсатора или с закороченной катушкой индуктивности.
Определяют максимальное значение напряжения или тока при отсутствии возгорания. Безопасное предельное значение получают путем деления полученных значений предельного напряжения или тока на предельный коэффициент безопасности, равный 3.
Примечание 3 - Считается, что коэффициент безопасности учитывает неопределенность в экспериментах с искрами и изменчивость основных параметров, таких как давление, качество ваты или материала контактов.
Рисунок 34 - Установка для испытаний на возгорание от искр
(см. 11.2.2.1)
Рисунок 35 - Зависимость максимально допустимого тока
I
от максимально допустимого напряжения U, измеренная
для чисто резистивной цепи в СРЕДЕ С ПОВЫШЕННЫМ
СОДЕРЖАНИЕМ КИСЛОРОДА (см. 11.2.2.1)
Рисунок 36 - Зависимость максимально допустимого напряжения
U от емкости C, измеренная для емкостной цепи в СРЕДЕ
С ПОВЫШЕННЫМ СОДЕРЖАНИЕМ КИСЛОРОДА (см. 11.2.2.1)
Рисунок 37 - Зависимость максимально допустимого тока
I
от индуктивности L, измеренная для индуктивной цепи в СРЕДЕ
С ПОВЫШЕННЫМ СОДЕРЖАНИЕМ КИСЛОРОДА (см. 11.2.2.1)
b) Следующие конфигурации по отдельности или в подходящем сочетании (как это определено применением ПРОЦЕССА МЕНЕДЖМЕНТА РИСКА) считают обеспечивающими допустимый ОСТАТОЧНЫЙ РИСК возгорания в СРЕДЕ С ПОВЫШЕННЫМ СОДЕРЖАНИЕМ КИСЛОРОДА.
1) Электрические компоненты в отсеках со СРЕДОЙ С ПОВЫШЕННЫМ СОДЕРЖАНИЕМ КИСЛОРОДА должны получать питание от источников с ограниченными уровнями энергии, которые должны быть ниже тех, которые считают достаточными для возгорания [см.
11.2.2.1 a)].
Соответствие проверяют осмотром конструкции и измерением или расчетом мощности, энергии и температуры в НОРМАЛЬНОМ СОСТОЯНИИ и при УСЛОВИИ ЕДИНИЧНОГО НАРУШЕНИЯ (как это определено в 11.2.3).
Или
2)* Отсеки, содержащие части или компоненты, которые могут быть источниками возгорания [как это определено в
11.2.2.1 a)] только при УСЛОВИИ ЕДИНИЧНОГО НАРУШЕНИЯ (как это определено в
11.2.3) и в них может проникать кислород (например, из-за необнаруженной утечки), необходимо проветривать таким образом, чтобы концентрация кислорода не превышала 25%.
Соответствие проверяют с помощью следующего испытания.
Концентрацию кислорода измеряют в течение такого периода, в котором образуется самая высокая концентрация кислорода. Выбирают наименее благоприятные установки параметров. Условия утечки кислорода выбирают такими, чтобы утечка была минимально обнаруживаема ОПЕРАТОРОМ (например, из-за отказа функционирования устройств). Если концентрация кислорода превышает 25% при наличии частей или компонентов, которые могли бы стать источником возгорания, в том числе в момент поступления энергии, то результаты этого испытания должны считаться отрицательными.
Или
3)* Отсек, содержащий части или компоненты, которые могут стать источником возгорания [как это определено в
11.2.2.1 a)] только при УСЛОВИИ ЕДИНИЧНОГО НАРУШЕНИЯ (как это определено в
11.2.3), и разделенный с другим отсеком, содержащим СРЕДУ С ПОВЫШЕННЫМ СОДЕРЖАНИЕМ КИСЛОРОДА, путем герметизации всех его соединений и любых отверстий для кабелей, валов или других компонентов. Эффект возможных утечек и неисправностей при УСЛОВИИ ЕДИНИЧНОГО НАРУШЕНИЯ (как это определено в
11.2.3), который может приводить к возгоранию, должен быть проанализирован с помощью ОЦЕНКИ РИСКА для определения предельных интервалов технического обслуживания.
Соответствие проверяют визуальным осмотром и рассмотрением документации, предоставляемой ИЗГОТОВИТЕЛЕМ, включая ФАЙЛ МЕНЕДЖМЕНТА РИСКА.
Или
4) Электрические компоненты в отсеке, содержащем СРЕДУ С ПОВЫШЕННЫМ СОДЕРЖАНИЕМ КИСЛОРОДА, способные стать источником возгорания [как это определено в
11.2.2.1 a)] только при УСЛОВИИ ЕДИНИЧНОГО НАРУШЕНИЯ (как это определено в
11.2.3), должны быть заключены в корпус таким образом, чтобы возгорание происходило в пределах КОРПУСА, огонь быстро и самопроизвольно гасился и никакое опасное количество ядовитых газов не достигало ПАЦИЕНТА.
Соответствие проверяют путем инициализации возгорания в КОРПУСЕ. Если не будет очевидно, что ядовитые газы не будут достигать ПАЦИЕНТА, то эти газы должны подвергаться анализу.
11.2.2.2* Отверстия для выпуска СРЕДЫ С ПОВЫШЕННЫМ СОДЕРЖАНИЕМ КИСЛОРОДА
Отверстия для выпуска СРЕДЫ С ПОВЫШЕННЫМ СОДЕРЖАНИЕМ КИСЛОРОДА недопустимо располагать так, чтобы РИСК возгорания возникал из-за любого электрического компонента (если он способен создавать искру при НОРМАЛЬНОЙ ЭКСПЛУАТАЦИИ или при УСЛОВИИ ЕДИНИЧНОГО НАРУШЕНИЯ, как это определено в
11.2.3), установленного на внешней стороне МЭ ИЗДЕЛИЯ или МЭ СИСТЕМЫ. Считается, что РИСК возгорания является достаточно низким, если концентрация кислорода в непосредственной близости от электрического компонента не будет превышать 25% при наименее благоприятных условиях работы.
Соответствие проверяют осмотром.
11.2.2.3 Электрические соединения в СРЕДАХ С ПОВЫШЕННЫМ СОДЕРЖАНИЕМ КИСЛОРОДА
Электрические соединения в отсеке, содержащем СРЕДУ С ПОВЫШЕННЫМ СОДЕРЖАНИЕМ КИСЛОРОДА при НОРМАЛЬНОЙ ЭКСПЛУАТАЦИИ, не должны приводить к образованию искр из-за ослабления или обрыва этих соединений, за исключением случая, когда мощность и энергия ниже значений, определенных в
11.2.2.1 a) 5).
Предотвращение ослабления крепления или обрыва соединений обеспечивают нижеперечисленными или эквивалентными им способами:
- винтовые соединения необходимо защищать от ослабления в течение их использования путем лакировки, применения пружинных шайб или приложения достаточных закручивающих усилий;
- места спайки кабелей, обжимки проводников и разъемные соединения кабелей, выходящих из КОРПУСА, должны иметь дополнительные механические фиксаторы.
Соответствие проверяют визуальным осмотром.
11.2.3 УСЛОВИЯ ЕДИНИЧНОГО НАРУШЕНИЯ для МЭ ИЗДЕЛИЯ и МЭ СИСТЕМЫ при наличии СРЕД С ПОВЫШЕННЫМ СОДЕРЖАНИЕМ КИСЛОРОДА
- Повреждение системы вентиляции, сконструированной в соответствии с
11.2.2.1 b) 2).
- Повреждение перегородки, сконструированной в соответствии с
11.2.2.1 b) 3).
- Повреждение компонента, который может стать источником возгорания, как это определено в
11.2.2.1 a).
- Повреждение изоляции (будь то твердая изоляция, воздушный зазор или путь утечки), обеспечивающей по крайней мере одно СРЕДСТВО ЗАЩИТЫ ПАЦИЕНТА, но менее двух СРЕДСТВ ЗАЩИТЫ ПАЦИЕНТА (как это описано в
8.8 и
8.9), которое может создавать источник возгорания, как это определено в
11.2.2.1 a).
- Повреждение пневматического компонента, которое может приводить к утечке газа с повышенным содержанием кислорода.
11.3* Конструктивные требования к противопожарным КОРПУСАМ МЭ ИЗДЕЛИЙ
В данном подпункте приведены альтернативные средства достижения соответствия требованиям, связанным с ОПАСНЫМИ СИТУАЦИЯМИ и условиями нарушений, указанными в
13.1.2. Для этого следующие конструктивные требования должны быть выполнены или специально проанализированы в ФАЙЛЕ МЕНЕДЖМЕНТА РИСКА; если требования не выполнены, то должно быть дано специальное обоснование этому.
a) Изолированный провод и соединители в противопожарном КОРПУСЕ должны иметь классификацию воспламеняемости V-2 или лучше при испытании в соответствии с МЭК 60695-11-10 или быть изолированы ПВХ, ТФЭ, ПТФЭ, ФЭП, полихлоропреном или полиимидом.
Печатные платы и изолирующий материал, на котором смонтированы компоненты, должны иметь классификацию воспламеняемости V-2 или лучше в соответствии с МЭК 60695-11-10.
Соответствие проверяют рассмотрением данных об используемых материалах или выполнением V-испытаний, определенных в МЭК 60695-11-10, на трех образцах испытываемых частей. Образцами для испытаний могут быть:
1) вся часть целиком или
2) отдельные секции этих частей, включая области со стенками минимальной толщины и с любыми вентиляционными отверстиями.
Компоненты, сертифицированные в соответствии с МЭК 60695-11-10, испытывать не требуется.
b) Противопожарный КОРПУС должен отвечать следующим требованиям:
- не должно иметь никаких отверстий или
- в пределах, показанных на
рисунке 39, должно быть снабжено заградительными панелями (см.
рисунок 38), или
- должно быть выполнено из металлического листа, перфорированного согласно
таблице 25, или
- должно быть выполнено в виде металлического сетчатого экрана с ячейками размером не более 2 x 2 мм между их центрами и сеткой из проволоки диаметром не менее 0,45 мм.
2) Боковые стенки КОРПУСА в пределах сектора C (см.
рисунок 39):
- не должны иметь никаких отверстий или
- должны быть выполнены из металлического листа, перфорированного согласно
таблице 25, или
- должны быть выполнены в виде металлического сетчатого экрана с ячейками размером не более 2 x 2 мм между их центрами и сеткой из проволоки диаметром не менее 0,45 мм.
3) КОРПУС, любую заграждающую панель или противопожарную перегородку необходимо изготавливать из любого металла, за исключением магния, или из неметаллических материалов (за исключением конструкций, указанных в
таблице 25 и сетчатых конструкций), которые имеют в соответствии с МЭК 60695-11-10 классификацию воспламеняемости V-2 (или лучше) для ТРАНСПОРТИРУЕМОГО МЭ ИЗДЕЛИЯ, и V-1 (или лучше) - для ЗАКРЕПЛЕННОГО МЭ ИЗДЕЛИЯ или СТАЦИОНАРНОГО МЭ ИЗДЕЛИЯ.
КОРПУС, любая заграждающая панель или противопожарная перегородка должны обладать достаточной жесткостью.
Примечание - Другие конструктивные решения для отверстий в противопожарном КОРПУСЕ (например, решения для перегородок) могут быть приемлемыми, как и решения, предусмотренные в других стандартах. См.
первый абзац 11.3 в отношении МЕНЕДЖМЕНТА РИСКА.
Соответствие проверяют осмотром МЭ ИЗДЕЛИЯ. В случае возникновения сомнений проверяют соответствие требованию b) 3), в части классификации воспламеняемости - как в a).
Таблица 25
Допустимые размеры перфорации основания КОРПУСА
Минимальная толщина, мм | Максимальный диаметр отверстий, мм | Минимальное расстояние между центрами отверстий, мм |
0,66 | 1,14 | 1,70 (233 отверстия на площади 645 мм2) |
0,66 | 1,19 | 2,36 |
0,76 | 1,15 | 1,70 |
0,76 | 1,19 | 2,36 |
0,81 | 1,91 | 3,18 (72 отверстия на площади 645 мм2) |
0,89 | 1,90 | 3,18 |
0,91 | 1,60 | 2,77 |
0,91 | 1,98 | 3,18 |
1,00 | 1,60 | 2,77 |
1,00 | 2,00 | 3,00 |
Расстояние Y равно удвоенному расстоянию X, но не менее
25 мм
1 - заградительные панели (могут устанавливаться ниже
основания КОРПУСА); 2 - основание КОРПУСА
Рисунок 38 - Схема расположения заградительных панелей
(см. 11.3)
A - часть МЭ ИЗДЕЛИЯ или его компонент, которые считают
источником возгорания. Это может быть полный компонент
или часть МЭ ИЗДЕЛИЯ, если они не ограждены,
или неогражденная часть компонента, который частично закрыт
своим кожухом; B - проекция контура A на горизонтальную
плоскость; C - наклонная линия, которая ограничивает
минимальную площадь основания и сторон, которые должны быть
Эта линия проецируется под углом 5° к вертикали в каждой
точке вдоль периметра A и ориентируется так, чтобы очертить
максимальную площадь; D - минимальная площадь основания,
которое должно быть сконструировано в соответствии
Рисунок 39 - Площадь основания КОРПУСА согласно
11.3 b) 1);
см. 11.3
11.4* МЭ ИЗДЕЛИЯ и МЭ СИСТЕМЫ для эксплуатации с воспламеняющимися анестетиками
МЭ ИЗДЕЛИЕ, МЭ СИСТЕМА или их части, обозначенные в ЭКСПЛУАТАЦИОННЫХ ДОКУМЕНТАХ как предназначенные для работы в среде воспламеняющихся анестетиков (КАТЕГОРИЯ AP) или в среде воспламеняющихся анестетиков с оксидантами (КАТЕГОРИЯ APG), должны соответствовать применимым требованиям, указанным в
приложении G.
11.5* МЭ ИЗДЕЛИЯ и МЭ СИСТЕМЫ для эксплуатации с воспламеняющимися веществами
В ПРОЦЕССЕ МЕНЕДЖМЕНТА РИСКА ИЗГОТОВИТЕЛЬ должен рассмотреть возможность возгорания и связанные с ним отрицательные последствия.
Соответствие проверяют рассмотрением ФАЙЛА МЕНЕДЖМЕНТА РИСКА.
11.6 Перелив, расплескивание, утечка, проникание воды или твердых частиц, очистка, дезинфекция, стерилизация и совместимость с веществами, используемыми вместе с МЭ ИЗДЕЛИЕМ
11.6.1 Общие положения
Конструкция МЭ ИЗДЕЛИЯ и МЭ СИСТЕМЫ должна обеспечивать достаточную степень защиты от перелива, расплескивания, утечки, проникания воды или твердых частиц при очистке, дезинфекции, стерилизации, а также совместимость с веществами, используемыми вместе с МЭ ИЗДЕЛИЕМ.
11.6.2* Перелив в МЭ ИЗДЕЛИИ
Если МЭ ИЗДЕЛИЕ содержит резервуар или камеру для хранения жидкости, которые при НОРМАЛЬНОЙ ЭКСПЛУАТАЦИИ могут переполняться или переливаться, то переливающаяся из этого резервуара или камеры жидкость не должна увлажнять никакого СРЕДСТВА ЗАЩИТЫ, подверженного отрицательному воздействию этой жидкости, а также не должна приводить к утрате ОСНОВНОЙ БЕЗОПАСНОСТИ или ОСНОВНЫХ ФУНКЦИОНАЛЬНЫХ ХАРАКТЕРИСТИК.
Если максимальный уровень заполнения обозначен маркировкой на МЭ ИЗДЕЛИИ и дано предупреждение или уведомление об опасности, то при заполнении резервуара или камеры с жидкостью до его (ее) максимального значения емкости никакая ОПАСНАЯ СИТУАЦИЯ (как указано в
13.1) или недопустимый РИСК не должны возникать для ТРАНСПОРТИРУЕМОГО МЭ ИЗДЕЛИЯ, наклоненного под углом 10°, или для ПЕРЕДВИЖНОГО МЭ ИЗДЕЛИЯ, вес которого превышает 45 кг, если оно перемещается через порог, как описано в
9.4.2.4.3.
Если предупреждение или уведомление о безопасности в отношении максимального уровня заполнения отсутствует, то при заполнении резервуара или камеры с жидкостью на 15% выше максимального значения никакая ОПАСНАЯ СИТУАЦИЯ (как указано в
13.1) или недопустимый РИСК не должны возникать для ТРАНСПОРТИРУЕМОГО МЭ ИЗДЕЛИЯ, наклоненного под углом 10°, или для ПЕРЕДВИЖНОГО МЭ ИЗДЕЛИЯ, вес которого превышает 45 кг, если он перемещается через порог, как описано в
9.4.2.4.3.
Соответствие проверяют следующим образом.
Если на ТРАНСПОРТИРУЕМОМ МЭ ИЗДЕЛИИ нанесены предупреждение или уведомление об опасности в отношении перелива, то резервуар для жидкости заполняют до указанного максимального уровня.
Если на ТРАНСПОРТИРУЕМОМ МЭ ИЗДЕЛИИ отсутствуют предупреждение или уведомление об опасности в отношении перелива, то резервуар для жидкости заполняют полностью, а затем в течение 1 мин постепенно вливают дополнительный объем, соответствующий 15% от объема резервуара.
ТРАНСПОРТИРУЕМОЕ МЭ ИЗДЕЛИЕ затем наклоняют на угол 10° в наименее благоприятном направлении (направлениях), при необходимости - с повторным наполнением резервуара, начиная от положения при НОРМАЛЬНОЙ ЭКСПЛУАТАЦИИ.
ПЕРЕДВИЖНОЕ МЭ ИЗДЕЛИЕ, вес которого превышает 45 кг, перемещают через порог, как описано в 9.4.2.4.3.
После этих ПРОЦЕДУР МЭ ИЗДЕЛИЕ должно подвергаться испытаниям на электрическую прочность изоляции и ТОК УТЕЧКИ. При этом не должно быть выявлено никаких признаков увлажнения неизолированных электрических частей или электрической изоляции частей, которое может приводить к утрате ОСНОВНОЙ БЕЗОПАСНОСТИ или ОСНОВНЫХ ФУНКЦИОНАЛЬНЫХ ХАРАКТЕРИСТИК в НОРМАЛЬНОМ СОСТОЯНИИ или в комбинации с УСЛОВИЯМИ ЕДИНИЧНОГО НАРУШЕНИЯ (на основе визуального осмотра).
11.6.3* Расплескивание жидкостей на МЭ ИЗДЕЛИЕ и МЭ СИСТЕМЫ
МЭ ИЗДЕЛИЯ и МЭ СИСТЕМЫ, требующие работы с жидкостями при НОРМАЛЬНОЙ ЭКСПЛУАТАЦИИ, в том числе МЭ ИЗДЕЛИЯ или МЭ СИСТЕМЫ, используемые в условиях, где ПРОЦЕСС определяет расплескивание на МЭ ИЗДЕЛИЯ, должны иметь такую конструкцию, чтобы расплескивание не приводило к увлажнению таких частей, в результате которого могла бы произойти утрата ОСНОВНОЙ БЕЗОПАСНОСТИ или ОСНОВНЫХ ФУНКЦИОНАЛЬНЫХ ХАРАКТЕРИСТИК.
Соответствие проверяют рассмотрением ФАЙЛА МЕНЕДЖМЕНТА РИСКА, а также с помощью следующего испытания.
МЭ ИЗДЕЛИЕ устанавливают согласно 5.4 a). Определенное количество жидкости постоянно льют на верхнюю точку МЭ ИЗДЕЛИЯ. Тип жидкости, ее объем, продолжительность проливания и местоположение этой точки определяют АНАЛИЗОМ РИСКА. Условия испытаний, которые моделируют наихудший случай расплескивания, должны быть задокументированы в ФАЙЛЕ МЕНЕДЖМЕНТА РИСКА.
После этих ПРОЦЕДУР проводят испытания на электрическую прочность изоляции и ТОК УТЕЧКИ, а также проверяют наличие увлажнения неизолированных электрических частей или электрической изоляции частей, которое могло бы привести к утрате ОСНОВНОЙ БЕЗОПАСНОСТИ или ОСНОВНЫХ ФУНКЦИОНАЛЬНЫХ ХАРАКТЕРИСТИК в НОРМАЛЬНЫХ УСЛОВИЯХ или в комбинации с УСЛОВИЕМ ЕДИНИЧНОГО НАРУШЕНИЯ (на основе визуального осмотра).
11.6.5* Проникание воды или твердых частиц в МЭ ИЗДЕЛИЯ и МЭ СИСТЕМЫ
КОРПУСА МЭ ИЗДЕЛИЙ и МЭ СИСТЕМ, разработанные для обеспечения определенной степени защиты от вредного проникания в них воды или твердых частиц, должны иметь защиту в соответствии с классификацией, приведенной в МЭК 60529. См. также
7.2.9.
Соответствие проверяют с помощью испытаний согласно МЭК 60529 при установке МЭ ИЗДЕЛИЯ в наименее благоприятное положение при НОРМАЛЬНОЙ ЭКСПЛУАТАЦИИ, а также осмотром.
После испытаний по МЭК 60529 в МЭ ИЗДЕЛИИ не должно быть выявлено визуальным осмотром никаких признаков повреждения изоляции (или электрических компонентов), которое может привести к потере БАЗОВОЙ БЕЗОПАСНОСТИ или ОСНОВНЫХ ХАРАКТЕРИСТИК в НОРМАЛЬНОМ СОСТОЯНИИ при УСЛОВИИ ЕДИНИЧНОГО НАРУШЕНИЯ, а затем проводят испытания на электрическую прочность изоляции и ТОК УТЕЧКИ.
11.6.6 Очистка и дезинфекция МЭ ИЗДЕЛИЯ и МЭ СИСТЕМЫ
МЭ ИЗДЕЛИЕ, МЭ СИСТЕМА и их части, включая РАБОЧИЕ ЧАСТИ и ПРИНАДЛЕЖНОСТИ, должны выдерживать ПРОЦЕССЫ очистки или дезинфекции, указанные в инструкции по эксплуатации, без повреждений или снижения безопасности. См. также
7.9.2.12.
ИЗГОТОВИТЕЛЬ должен оценивать влияние многократных очисток/дезинфекций, как указано в инструкции по применению, в течение ОЖИДАЕМОГО СРОКА СЛУЖБЫ МЭ ИЗДЕЛИЯ, МЭ СИСТЕМЫ, их частей и ПРИНАДЛЕЖНОСТЕЙ и убедиться в том, что эти ПРОЦЕССЫ не приводят к утрате ОСНОВНОЙ БЕЗОПАСНОСТИ или ОСНОВНЫХ ФУНКЦИОНАЛЬНЫХ ХАРАКТЕРИСТИК.
В случае когда в соответствии с настоящим стандартом может быть осуществлена очистка или дезинфекция МЭ ИЗДЕЛИЯ, МЭ СИСТЕМЫ и их частей и ПРИНАДЛЕЖНОСТЕЙ, их очищают или дезинфицируют один раз в соответствии с заданными методами, включая выбор любых периодов охлаждения или просушки. После этих ПРОЦЕДУР МЭ ИЗДЕЛИЕ, его части или ПРИНАДЛЕЖНОСТИ не должны иметь никаких признаков повреждений (при визуальном осмотре), которые могут приводить к возникновению недопустимого РИСКА, а затем проводят испытания на электрическую прочность изоляции и ТОК УТЕЧКИ. Следует также рассмотреть ФАЙЛ МЕНЕДЖМЕНТА РИСКА и убедиться в том, что ИЗГОТОВИТЕЛЬ проанализировал последствия многократных очисток.
11.6.7 Стерилизация МЭ ИЗДЕЛИЯ и МЭ СИСТЕМЫ
МЭ ИЗДЕЛИЕ, МЭ СИСТЕМУ и их части или ПРИНАДЛЕЖНОСТИ, подлежащие стерилизации, необходимо оценивать и документировать согласно ИСО 11135-1, ИСО 11137-1 или ИСО 17665-1. См. также
7.9.2.12.
После этих ПРОЦЕДУР МЭ ИЗДЕЛИЕ, МЭ СИСТЕМА, его части или ПРИНАДЛЕЖНОСТИ не должны иметь никаких признаков повреждений (при визуальном осмотре), которые могут приводить к возникновению недопустимого РИСКА, а затем проводят испытания на электрическую прочность изоляции и ТОК УТЕЧКИ. Следует также рассмотреть ФАЙЛ МЕНЕДЖМЕНТА РИСКА.
11.6.8* Совместимость с веществами, используемыми вместе с МЭ ИЗДЕЛИЕМ
Если применимо, ИЗГОТОВИТЕЛЬ должен рассмотреть в ПРОЦЕССЕ МЕНЕДЖМЕНТА РИСКА РИСКИ, связанные с совместимостью с веществами, используемыми вместе с МЭ ИЗДЕЛИЕМ. Такие РИСКИ могут быть снижены путем применения соответствующего стандарта ИСО или МЭК (предоставление презумпции допустимого РИСКА, согласно
4.2), такого как ИСО 15001
[70], для компонентов, содержащих кислород под давлением, превышающем 50 кПа, или путем проведения собственных испытаний ИЗГОТОВИТЕЛЯ и принятия мер по УПРАВЛЕНИЮ РИСКОМ.
Соответствие проверяют рассмотрением ФАЙЛА МЕНЕДЖМЕНТА РИСКА.
11.7 Биологическая совместимость МЭ ИЗДЕЛИЯ и МЭ СИСТЕМЫ
МЭ ИЗДЕЛИЕ, МЭ СИСТЕМУ и их части или ПРИНАДЛЕЖНОСТИ, предназначенные для прямого или косвенного контакта с биологическими тканями, клетками или жидкостями организма, необходимо оценивать и документировать согласно рекомендациям и принципам, приведенным в серии стандартов ИСО 10993.
Соответствие проверяют рассмотрением информации, предоставляемой ИЗГОТОВИТЕЛЕМ.
11.8* Прерывание питания/ПИТАЮЩЕЙ СЕТИ МЭ ИЗДЕЛИЯ
Конструкция МЭ ИЗДЕЛИЯ должна быть такова, что прерывание и восстановление питания не будут приводить к утрате ОСНОВНОЙ БЕЗОПАСНОСТИ или ОСНОВНЫХ ФУНКЦИОНАЛЬНЫХ ХАРАКТЕРИСТИК.
Примечание - Это может потребовать испытаний при нескольких длительностях и состояниях МЭ ИЗДЕЛИЯ.
Соответствие проверяют путем прерывания и восстановления питания.
12* Точность органов управления и измерительных приборов и защита от опасных значений выходных характеристик
12.1 Точность органов управления и измерительных приборов
Если применимо, ИЗГОТОВИТЕЛЬ должен в ПРОЦЕССЕ МЕНЕДЖМЕНТА РИСКА рассмотреть РИСКИ, связанные с точностью органов управления и измерительных приборов.
Соответствие проверяют рассмотрением ФАЙЛА МЕНЕДЖМЕНТА РИСКА.
12.2 ЭКСПЛУАТАЦИОННАЯ ПРИГОДНОСТЬ МЭ ИЗДЕЛИЯ
ИЗГОТОВИТЕЛЬ должен рассмотреть РИСК(И), связанный(ые) с низкой ЭКСПЛУАТАЦИОННОЙ ПРИГОДНОСТЬЮ, включая те, которые связаны с идентификацией, маркировкой и документацией, посредством ПРОЦЕССА ПРОЕКТИРОВАНИЯ ЭКСПЛУАТАЦИОННОЙ ПРИГОДНОСТИ в соответствии с МЭК 60601 1-6:2010, МЭК 60601-1-6:2010/AMD1:2013 и МЭК 60601-1-6:2010/AMD2:2020.
Соответствие проверяют, как указано в МЭК 60601-1-6.
12.3 СИСТЕМЫ СИГНАЛИЗАЦИИ
В случае если ИЗГОТОВИТЕЛЬ внедрил СИСТЕМУ СИГНАЛИЗАЦИИ, данная система должна соответствовать МЭК 60601-1-8:2006, МЭК 60601-1-8:2010/AMD1:2012 и МЭК 60601-1-8:2006/AMD2:2020.
Соответствие проверяют, как указано в МЭК 60601-1-8.
12.4 Защита от опасных значений выходных характеристик
12.4.1* Намеренное превышение безопасных предельных значений
Если применимо, ИЗГОТОВИТЕЛЬ в ПРОЦЕССЕ МЕНЕДЖМЕНТА РИСКА должен рассмотреть РИСКИ, связанные с опасными значениями выходных характеристик, являющимися результатом преднамеренного превышения безопасных предельных значений.
Соответствие проверяют рассмотрением ФАЙЛА МЕНЕДЖМЕНТА РИСКА.
12.4.2 Индикация, относящаяся к безопасности
Если применимо, ИЗГОТОВИТЕЛЬ в ПРОЦЕССЕ МЕНЕДЖМЕНТА РИСКА должен рассмотреть необходимость индикации любых опасных значений выходных характеристик.
Пример 1 - Перед подачей энергии или веществ ПАЦИЕНТУ энергия, скорость или объем индицируются в количественной форме.
Пример 2 - Во время активации рентгеновского излучения мигает желтый световой индикатор.
Соответствие проверяют рассмотрением ФАЙЛА МЕНЕДЖМЕНТА РИСКА.
12.4.3* Случайная установка чрезмерных значений выходных характеристик
В случае когда МЭ ИЗДЕЛИЕ является многоцелевым, т.е. предназначенным для работы как при низких, так и при высоких значениях выходных характеристик для различных видов воздействий, ИЗГОТОВИТЕЛЬ в ПРОЦЕССЕ МЕНЕДЖМЕНТА РИСКА должен рассмотреть РИСКИ, связанные со случайной установкой чрезмерных значений выходных характеристик.
Соответствие проверяют рассмотрением ФАЙЛА МЕНЕДЖМЕНТА РИСКА.
12.4.4 Отклонение выходных характеристик от установленных значений
Если применимо, ИЗГОТОВИТЕЛЬ в ПРОЦЕССЕ МЕНЕДЖМЕНТА РИСКА должен рассмотреть РИСКИ, связанные с отклонением выходных характеристик от установленных значений.
Пример - РИСКИ, связанные с неправильной подачей энергии или веществ ПАЦИЕНТУ, можно рассматривать с учетом выдачи предупреждающих сигналов ОПЕРАТОРУ при любом существенном отклонении от установленного уровня энергии или подачи вещества.
Соответствие проверяют рассмотрением ФАЙЛА МЕНЕДЖМЕНТА РИСКА.
12.4.5 Излучение для диагностических или лечебных целей
12.4.5.1 Ограничения
Для МЭ ИЗДЕЛИЯ, предназначенного для излучения в диагностических или лечебных целях, должны быть приняты адекватные меры с целью защиты ПАЦИЕНТОВ, ОПЕРАТОРОВ, других лиц и находящихся вблизи от него высокочувствительных устройств от нежелательного или чрезмерного излучения, создаваемого этим МЭ ИЗДЕЛИЕМ.
Примечание - Уровень излучения, создаваемого МЭ ИЗДЕЛИЕМ, предназначенным для диагностики или лечения ПАЦИЕНТОВ при медицинском обследовании, может превышать предельные значения, обычно допустимые при обследованиях населения в целом.
Для гарантии радиационной безопасности требования, предельные значения и испытания на соответствие необходимо определять в частных стандартах.
12.4.5.2 Диагностические рентгеновские изделия
МЭ ИЗДЕЛИЯ и МЭ СИСТЕМЫ, предназначенные для генерации рентгеновского излучения в целях диагностической визуализации, должны соответствовать МЭК 60601-1-3.
Соответствие проверяют, как указано в МЭК 60601-1-3.
12.4.5.3 Радиотерапевтические изделия
Если применимо, ИЗГОТОВИТЕЛЬ в ПРОЦЕССЕ МЕНЕДЖМЕНТА РИСКА должен рассмотреть РИСКИ, связанные с применением радиотерапевтических изделий.
Соответствие проверяют рассмотрением ФАЙЛА МЕНЕДЖМЕНТА РИСКА.
12.4.5.4 Прочие МЭ ИЗДЕЛИЯ, создающие излучения для диагностических или лечебных целей
Если применимо, ИЗГОТОВИТЕЛЬ в ПРОЦЕССЕ МЕНЕДЖМЕНТА РИСКА, кроме диагностических рентгеновских и радиотерапевтических МЭ ИЗДЕЛИЙ, должен рассмотреть РИСКИ, связанные с МЭ ИЗДЕЛИЯМИ, предназначенными для излучения в диагностических или лечебных целях. См.
12.4.5.2 и
12.4.5.3.
Соответствие проверяют рассмотрением ФАЙЛА МЕНЕДЖМЕНТА РИСКА.
12.4.6 Акустическое давление для диагностических или лечебных целей
Если применимо, ИЗГОТОВИТЕЛЬ в ПРОЦЕССЕ МЕНЕДЖМЕНТА РИСКА должен рассмотреть РИСКИ, связанные с МЭ ИЗДЕЛИЯМИ, предназначенными для создания акустического давления для диагностических или лечебных целей.
Соответствие проверяют рассмотрением ФАЙЛА МЕНЕДЖМЕНТА РИСКА.
13* ОПАСНЫЕ СИТУАЦИИ и условия нарушения для МЭ ИЗДЕЛИЙ
13.1 Специальные ОПАСНЫЕ СИТУАЦИИ
При применении УСЛОВИЙ ЕДИНИЧНОГО НАРУШЕНИЯ согласно
4.7, перечисленных в
13.2, одного в данный момент времени, никакая из ОПАСНЫХ СИТУАЦИЙ, указанных в
13.1.2 -
13.1.4 (включительно), в МЭ ИЗДЕЛИИ не должна возникать.
Единственная в данный момент неисправность любого компонента, которая может приводить к возникновению ОПАСНОЙ СИТУАЦИИ, описана в
4.7.
13.1.2* Выделения, деформация КОРПУСА или превышение максимальной температуры
Не должны возникать следующие ОПАСНЫЕ СИТУАЦИИ:
- выделение пламени, расплавленного металла, ядовитых или воспламеняющихся веществ в опасных количествах;
- деформация КОРПУСА до такой степени, при которой нарушается соответствие
15.3.1;
- превышение допустимых значений температуры РАБОЧИХ ЧАСТЕЙ, указанных в
таблице 24 и измеренных согласно
11.1.3;
- превышение допустимых значений температуры ДОСТУПНЫХ ЧАСТЕЙ МЭ ИЗДЕЛИЯ с высокой вероятностью прикосновения, но не предназначенных для прикосновения при эксплуатации МЭ ИЗДЕЛИЯ, указанных в
таблице 34 и измеренных и откорректированных согласно
11.1.3;
- превышение допустимых значений температуры ДОСТУПНЫХ ЧАСТЕЙ МЭ ИЗДЕЛИЯ, предназначенных для прикосновения при эксплуатации МЭ ИЗДЕЛИЯ, указанных в
таблице 23;
- превышение допустимых значений температуры для "других компонентов и материалов", указанных в
таблице 22, умноженных на 1,5 за вычетом 12,5 °C. Предельные значения температуры для обмоток двигателей указаны в
таблицах 26,
27 и
31. Во всех других случаях применяют допустимые значения температуры, указанные в
таблице 22.
Температуру измеряют методом, описанным в
11.1.3.
Таблица 34
Допустимые значения температуры ДОСТУПНЫХ ЧАСТЕЙ с высокой
вероятностью прикосновения, но не предназначенных
для прикосновения при эксплуатации МЭ ИЗДЕЛИЯ
МЭ ИЗДЕЛИЕ и его части | Максимальная температура, °C |
Металл и жидкости | Стекло, фарфор, стекловидные материалы | Литой материал, пластмасса, резина | Древесина |
Внешние поверхности ДОСТУПНЫХ ЧАСТЕЙ, к которым возможно прикосновение на время менее 1 с | 80 | 90 | 104 | 150 |
УСЛОВИЯ ЕДИНИЧНОГО НАРУШЕНИЯ, указанные в
4.7,
8.1 b),
8.7.2 и
13.2.2, в отношении выделения пламени, расплавленного металла или воспламеняющихся веществ, не должны применяться к частям и компонентам:
- Конструкция цепи питания, которая ограничивает рассеиваемую мощность при УСЛОВИИ ЕДИНИЧНОГО НАРУШЕНИЯ до значения менее 15 Вт или рассеиваемую энергию до значения менее 900 Дж.
Соответствие проверяют путем подачи мощности 15 Вт от цепи питания в течение 1 мин. Если после этого цепь питания не сможет выдавать мощность 15 Вт, то эту цепь можно считать ограничивающей рассеяние мощности на уровне менее 15 Вт. Соответствие этому требованию проверяют также рассмотрением конструкторской документации.
Примечание 1 - Когда исследуемой частью цепи питания является батарея, предел рассеиваемой мощности учитывается непосредственно на выходных контактах цепи питания батареи даже перед внешним защитным устройством.
или
- Вторичные цепи которых отвечают всем следующим условиям:
- размещены на материале с воспламеняемостью класса V-1 в
соответствии с МЭК 60695-11-10 или выше;
- подключаются при напряжении 60 В постоянного тока или 42,2 В
пикового значения или меньше при НОРМАЛЬНЫХ УСЛОВИЯХ или УСЛОВИЯХ
ЕДИНИЧНОГО НАРУШЕНИЯ;
- имеют ограничение до 100 В·А или 6000 Дж в УСЛОВИЯХ ЕДИНИЧНОГО
НАРУШЕНИЯ;
- используется изоляция жил ПВХ, ТФЭ, ПТФЭ, ФЭП, а также из
полихлоропрена или полибромида.
Примечание 2 - Когда исследуемой частью цепи питания является батарея, предел рассеиваемой мощности учитывается непосредственно на выходных контактах цепи питания батареи даже перед внешним защитным устройством.
Соответствие требованиям проверяется следующим образом:
- путем извлечения 100 В·А от цепи питания в течение 5 с после приложения нагрузки, если защита осуществляется электронной схемой;
- путем извлечения 100 В·А от цепи питания в течение 60 с для термисторов или в других случаях.
Если по истечении указанного выше времени схема питания не может обеспечить 100 В·А, считается, что схема ограничивает рассеиваемую мощность менее чем 100 В·А. Также рассматривается соответствующая конструкторская документация.
или
- Если компонент представляет собой КОМПОНЕНТ С ВЫСОКОЙ СТЕПЕНЬЮ НАДЕЖНОСТИ, как описано в
4.9.
Соответствие проверяют путем оценки конструкторской документации.
или
- Которые полностью заключены в пожаробезопасный КОРПУС.
Соответствие проверяют рассмотрением и анализом конструкторской документации с целью подтверждения пожаробезопасности КОРПУСА согласно 11.3.
Примечание 3 - Испытания, проводимые согласно этому подпункту, выполняют в последовательности, указанной в
приложении B.
После испытаний настоящего пункта проводят проверку ТЕРМОВЫКЛЮЧАТЕЛЕЙ и АВТОМАТИЧЕСКИХ ВЫКЛЮЧАТЕЛЕЙ МАКСИМАЛЬНОГО ТОКА с целью определения того, что их установки не изменились (из-за нагрева, вибраций и других факторов) до такой степени, чтобы повлиять на их функцию безопасности.
13.1.3 Превышение предельных значений ТОКА УТЕЧКИ или напряжения
Не должны возникать следующие ОПАСНЫЕ СИТУАЦИИ:
- превышение предельных значений для ТОКА УТЕЧКИ при УСЛОВИИ ЕДИНИЧНОГО НАРУШЕНИЯ, указанном в
8.7.3;
- превышение предельных значений напряжения для ДОСТУПНЫХ ЧАСТЕЙ и РАБОЧИХ ЧАСТЕЙ, указанных в
8.4.2.
13.1.4 Специальные МЕХАНИЧЕСКИЕ ОПАСНОСТИ
Специальные МЕХАНИЧЕСКИЕ ОПАСНОСТИ см. в
9.1 -
9.8 (включительно).
13.2 УСЛОВИЯ ЕДИНИЧНОГО НАРУШЕНИЯ
13.2.1 Общие положения
При применении УСЛОВИЙ ЕДИНИЧНОГО НАРУШЕНИЯ, перечисленных в
13.2.2 -
13.2.13 (включительно), НОРМАЛЬНЫЕ СОСТОЯНИЯ, указанные в
8.1 a), также должны применяться в наименее благоприятном сочетании.
Если теплостойкость изоляции из термопластичных материалов, используемых в качестве ДОПОЛНИТЕЛЬНОЙ ИЗОЛЯЦИИ или УСИЛЕННОЙ ИЗОЛЯЦИИ, устанавливается путем проведения испытания давлением шарика в пункте 8.8.4.1, испытание проводится при температуре на 25 °C выше температуры изоляции, измеренной во время испытаний 13.2.2 - 13.2.13 (включительно).
13.2.2 Электрические УСЛОВИЯ ЕДИНИЧНОГО НАРУШЕНИЯ
Требования и испытания, связанные с этим УСЛОВИЕМ ЕДИНИЧНОГО НАРУШЕНИЯ, приведены в
8.1.
13.2.3 Перегрев трансформаторов в МЭ ИЗДЕЛИИ
Требования и испытания, связанные с этим УСЛОВИЕМ ЕДИНИЧНОГО НАРУШЕНИЯ, приведены в
15.5.
13.2.4 Неисправность ТЕРМОРЕГУЛЯТОРОВ
Требования и испытания, связанные с этим УСЛОВИЕМ ЕДИНИЧНОГО НАРУШЕНИЯ, приведены в
13.2.13, а в случаях перегрузки - в
15.4.2.
ТЕРМОРЕГУЛЯТОРЫ при этом замыкают накоротко или отсоединяют (в зависимости от того, какой случай наименее благоприятен).
13.2.5 Неисправность устройств ограничения температуры
Требования и испытания, связанные с этим УСЛОВИЕМ ЕДИНИЧНОГО НАРУШЕНИЯ, приведены в
13.2.13, а в случаях перегрузки - в
15.4.2.
ТЕРМОРЕГУЛЯТОРЫ при этом замыкают накоротко или отсоединяют (в зависимости от того, какой случай наименее благоприятен).
Конструкция МЭ ИЗДЕЛИЯ должна предотвращать возникновение недопустимого РИСКА, создаваемого утечкой жидкости при УСЛОВИИ ЕДИНИЧНОГО НАРУШЕНИЯ.
К герметизированным аккумуляторам это требование не применяют, поскольку при утечке вытекает лишь небольшой объем жидкости.
Для определения соответствующих условий испытаний МЭ ИЗДЕЛИЯ необходимо использовать ПРОЦЕСС МЕНЕДЖМЕНТА РИСКА.
Соответствие проверяют рассмотрением ФАЙЛА МЕНЕДЖМЕНТА РИСКА.
13.2.7 Неисправность системы охлаждения, которая может приводить к возникновению ОПАСНОЙ СИТУАЦИИ
МЭ ИЗДЕЛИЕ должно быть таким, чтобы оно оставалось БЕЗОПАСНЫМ ПРИ ЕДИНИЧНОМ НАРУШЕНИИ в случае неисправности системы охлаждения.
Неисправность системы охлаждения имитируют, например, путем:
- поочередной блокировки работы вентиляторов;
- перекрывания вентиляционных отверстий на верхней и боковых панелях КОРПУСА или размещением МЭ ИЗДЕЛИЯ напротив стен;
- блокировки работы фильтров;
- прерывания подачи охлаждающего вещества.
Превышение установленных в 13.1.2 предельных значений температуры считают отрицательным результатом испытания.
Соответствие проверяют с помощью применимых методов испытаний согласно 11.1.
13.2.8 Блокировка движущихся частей
МЭ ИЗДЕЛИЕ должно быть таким, чтобы оно оставалось БЕЗОПАСНЫМ ПРИ ЕДИНИЧНОМ НАРУШЕНИИ в случае заклинивания движущихся частей.
Движущиеся части МЭ ИЗДЕЛИЯ должны блокироваться в тех случаях, когда МЭ ИЗДЕЛИЕ:
- имеет движущиеся ДОСТУПНЫЕ ЧАСТИ и РАБОЧИЕ ЧАСТИ, которые могут заклиниваться, или
- способно работать без надзора персонала (включая МЭ ИЗДЕЛИЯ, имеющие автоматическое или дистанционное управление) или
- имеет один или несколько электродвигателей с моментом при заторможенном роторе, меньшим, чем момент при полной нагрузке.
Если МЭ ИЗДЕЛИЕ имеет несколько вышеуказанных движущихся частей, то в каждый момент времени должна блокироваться только одна его часть. Если при УСЛОВИИ ЕДИНИЧНОГО НАРУШЕНИЯ могут блокироваться несколько электродвигателей, то блокировка должна осуществляться одновременно. По поводу других критериев испытаний см. 13.2.10.
13.2.9* Обрыв и короткое замыкание конденсаторов электродвигателей
МЭ ИЗДЕЛИЕ должно быть таким, чтобы оно оставалось БЕЗОПАСНЫМ ПРИ ЕДИНИЧНОМ НАРУШЕНИИ в случае обрыва или короткого замыкания конденсаторов электродвигателей.
Соответствие проверяют с помощью следующего испытания.
Электродвигатели с конденсатором в цепи вспомогательной обмотки работают, согласно 13.2.10, с заторможенным ротором, с конденсатором, поочередно замкнутым или разомкнутым. Напряжение на конденсаторе измеряют с отсоединенной стороны (в разомкнутой цепи). Если измеренное напряжение превышает НОРМИРОВАННОЕ значение, то это будет свидетельствовать об отрицательном результате этого испытания.
Испытание при закороченном конденсаторе не проводят, если в двигателе установлен конденсатор, соответствующий требованиям МЭК 60252-1, и МЭ ИЗДЕЛИЕ не предназначено для работы без надзора персонала (включая МЭ ИЗДЕЛИЯ с автоматическим или дистанционным управлением).
По поводу других критериев испытаний см. 13.2.10.
13.2.10* Дополнительные критерии испытаний МЭ ИЗДЕЛИЯ с электродвигателем
Во время каждого испытания при УСЛОВИИ ЕДИНИЧНОГО НАРУШЕНИЯ, согласно 13.2.8 и 13.2.9 с учетом исключений, указанных в 13.1.2, МЭ ИЗДЕЛИЕ с электродвигателем работает, начиная с ХОЛОДНОГО СОСТОЯНИЯ при НОРМИРОВАННОМ напряжении питания или при верхнем предельном значении НОРМИРОВАННОГО диапазона напряжений в течение следующих промежутков времени:
- для РУЧНОГО МЭ ИЗДЕЛИЯ;
- МЭ ИЗДЕЛИЯ, при работе которого его выключатель необходимо держать рукой;
- МЭ ИЗДЕЛИЯ, которое при нагрузке необходимо держать рукой;
b)
5 мин - для остальных МЭ ИЗДЕЛИЙ, предназначенных только для работы под надзором персонала (работа под надзором исключает их использование в автоматическом или дистанционном режиме управления в отсутствие ОПЕРАТОРА);
c)
установленного на таймере, если таймер ограничивает продолжительность работы, для МЭ ИЗДЕЛИЙ, не указанных в перечислениях a) или b);
d) до установления ТЕМПЕРАТУРНОЙ СТАБИЛИЗАЦИИ для всех остальных МЭ ИЗДЕЛИЙ.
Температуру обмоток электродвигателя определяют в конце указанных испытательных периодов или в момент срабатывания плавких предохранителей, ТЕРМОВЫКЛЮЧАТЕЛЕЙ, защитных устройств электродвигателей и т.п.
Если температура превышает приведенное в таблице 26 предельное значение, то результат этого испытания считают отрицательным.
Таблица 26*
Предельные значения температуры обмоток электродвигателей
Температура, °C
Тип МЭ ИЗДЕЛИЯ | Класс изоляции |
A | B | E | F | H |
МЭ ИЗДЕЛИЯ, имеющие таймер и не предназначенные для работы без надзора персонала, а также испытываемые в течение 30 с или 5 мин | 200 | 225 | 215 | 240 | 260 |
Прочие МЭ ИЗДЕЛИЯ: |
- имеющие защитный импеданс, максимальное значение | 150 | 175 | 165 | 190 | 210 |
- имеющие защитные устройства, срабатывающие в первый час работы, максимальное значение | 200 | 225 | 215 | 240 | 260 |
- имеющие защитные устройства, срабатывающие после первого часа работы, максимальное значение | 175 | 200 | 190 | 215 | 235 |
- имеющие защитные устройства, срабатывающие после первого часа работы, среднее арифметическое | 150 | 175 | 165 | 190 | 210 |
Примечание - Предельные значения температуры, приведенные в данной таблице, заимствованы из МЭК 61010-1:2001 [22]. |
13.2.11 Неисправности компонентов МЭ ИЗДЕЛИЯ, работающих в СРЕДЕ С ПОВЫШЕННЫМ СОДЕРЖАНИЕМ КИСЛОРОДА
Требования и испытания, связанные с этими УСЛОВИЯМИ ЕДИНИЧНОГО НАРУШЕНИЯ, приведены в
11.2.2.
13.2.12 Неисправность частей, которая может приводить к появлению МЕХАНИЧЕСКОЙ ОПАСНОСТИ
Требования и испытания, связанные с этими УСЛОВИЯМИ ЕДИНИЧНОГО НАРУШЕНИЯ, приведены в
пункте 9 и
подпункте 15.3.
13.2.13.1* Общие условия испытаний на перегрузку
После проведения испытаний согласно
13.2.13.2 -
13.2.13.4 (включительно) испытуемое МЭ ИЗДЕЛИЕ при охлаждении в испытательной среде до температуры 3 °C должно оставаться безопасным.
Соответствие определяют осмотром МЭ ИЗДЕЛИЯ или с помощью соответствующих испытаний (таких как испытания на электрическую прочность изоляции электродвигателя согласно 8.8.3).
13.2.13.2 МЭ ИЗДЕЛИЕ с нагревательными элементами
a) МЭ ИЗДЕЛИЕ, имеющее нагревательные элементы, проверяют на соответствие требованиям следующим образом:
1) для МЭ ИЗДЕЛИЯ с термостатированием, имеющего нагревательные элементы и предназначенного для встраивания или работы без надзора персонала или же снабженного подключенным параллельно контактам ТЕРМОРЕГУЛЯТОРА конденсатором без плавкого предохранителя или аналогичного устройства, - с помощью испытаний согласно 13.2.13.2 b) и 13.2.13.2 c);
2) для МЭ ИЗДЕЛИЯ, имеющего нагревательные элементы с НОРМИРОВАННЫМ НЕПРОДОЛЖИТЕЛЬНЫМ РЕЖИМОМ РАБОТЫ, - с помощью испытаний согласно 13.2.13.2 b) и 13.2.13.2 c);
3) для остальных МЭ ИЗДЕЛИЙ, имеющих нагревательные элементы, - с помощью испытаний согласно 13.2.13.2 b).
Если для одного и того же МЭ ИЗДЕЛИЯ применимы несколько испытаний, то эти испытания выполняют последовательно.
Если при проведении любого испытания срабатывает НЕСАМОВОССТАНАВЛИВАЮЩИЙСЯ ТЕРМОВЫКЛЮЧАТЕЛЬ, отключается нагревательный элемент или намеренно ослабленная часть, или, если прерывается ток до наступления ТЕМПЕРАТУРНОЙ СТАБИЛИЗАЦИИ без возможности автоматического восстановления, то период нагрева заканчивают. Однако если прерывание происходит из-за отключения нагревательного элемента или намеренно ослабленной части, то испытания повторяют на втором образце. Отключение нагревательного элемента или намеренно ослабленной части во втором образце само по себе не означает несоответствия требованиям. Однако если второй образец не соответствует условиям, указанным в 13.1.2, то результаты испытаний считают отрицательными.
b) МЭ ИЗДЕЛИЕ, имеющее нагревательные элементы, проверяют при условиях, указанных в 11.1, но без адекватного рассеяния тепла при питающем напряжении 90% или 110% от НОРМИРОВАННОГО напряжения питания, в зависимости от того, какое значение напряжения наименее благоприятно.
Если срабатывает НЕСАМОВОССТАНАВЛИВАЮЩИЙСЯ ТЕРМОВЫКЛЮЧАТЕЛЬ или если по какой-либо причине происходит прерывание тока без возможности его восстановления до достижения ТЕМПЕРАТУРНОЙ СТАБИЛИЗАЦИИ, рабочий период нагрева считают законченным. Если прерывания тока не произошло, то МЭ ИЗДЕЛИЕ выключают после установления ТЕМПЕРАТУРНОЙ СТАБИЛИЗАЦИИ и охлаждают примерно до комнатной температуры.
Для МЭ ИЗДЕЛИЯ с НОРМИРОВАННЫМ НЕПРОДОЛЖИТЕЛЬНЫМ РЕЖИМОМ РАБОТЫ время этого испытания выбирают равным НОРМИРОВАННОМУ рабочему периоду.
c) Нагревающие части МЭ ИЗДЕЛИЯ испытывают при работе МЭ ИЗДЕЛИЯ в НОРМАЛЬНОМ СОСТОЯНИИ при напряжении питания 110% от НОРМИРОВАННОГО значения и согласно 11.1. При этом должны выполняться следующие условия испытаний:
1) отключают любой орган управления, кроме ТЕРМОВЫКЛЮЧАТЕЛЕЙ, предназначенный для ограничения температуры в НОРМАЛЬНОМ СОСТОЯНИИ;
2) поочередно отключают органы управления, если их в МЭ ИЗДЕЛИИ больше одного;
3) МЭ ИЗДЕЛИЕ работает при НОРМИРОВАННОМ РАБОЧЕМ ЦИКЛЕ до тех пор, пока не будет достигнута ТЕМПЕРАТУРНАЯ СТАБИЛИЗАЦИЯ, независимо от НОРМИРОВАННОГО времени работы.
13.2.13.3 МЭ ИЗДЕЛИЕ с электродвигателями
a) МЭ ИЗДЕЛИЕ, имеющее электродвигатели, проверяют для определения соответствия требованиям следующим образом.
1) Для части МЭ ИЗДЕЛИЯ, содержащей электродвигатели, соответствие проверяют с помощью применимых испытаний согласно 13.2.8 - 13.2.10 (включительно), 13.2.13.3 b), 13.2.13.3 c) и 13.2.13.4. Для электродвигателей, питающихся от цепей с напряжением, не превышающим 42,4 В пикового значения для переменного тока или 60 В для постоянного тока, в случае возникновения затруднений при проведении точных измерений температуры, обусловленных небольшими размерами или особенностями конструкции электродвигателей, допускается проведение следующего испытания вместо измерения температуры для определения соответствия требованиям 13.2.9 и 13.2.10:
Двигатель накрывают одним слоем марли, обладающей следующими свойствами:
- материал - отбеленный хлопок;
- площадь - 26 - 28 м2 на один кг массы и
- 13 нитей на 1 см в одном направлении и 11 нитей на 1 см в другом направлении.
Если происходит возгорание марли в течение испытания или после его окончания, то результат испытания считают отрицательным.
2) Для МЭ ИЗДЕЛИЯ, которое содержит также и нагревающие части, для получения наименее благоприятных условий испытание проводят при предписанном напряжении и при одновременной работе электродвигателя и нагревающей части.
3) Если для одного и того же МЭ ИЗДЕЛИЯ предусмотрено несколько испытаний, то их выполняют последовательно.
b) Электродвигатели проверяют на защиту от перегрузок, если они:
1) предназначены для дистанционного или автоматического управления (с помощью единственного устройства управления без дублирующей защиты) или
2) вполне вероятно могут использоваться в ПРОДОЛЖИТЕЛЬНОМ РЕЖИМЕ РАБОТЫ без надзора персонала.
Соответствие определяют при работе МЭ ИЗДЕЛИЯ при нормальной нагрузке и УСТАНОВЛЕННОМ напряжении питания или при максимальном значении диапазона НОРМИРОВАННОГО напряжения питания до достижения ТЕМПЕРАТУРНОЙ СТАБИЛИЗАЦИИ (см. 11.1.3).
Затем нагрузку увеличивают таким образом, чтобы ток ступенчато возрастал с соответствующими приращениями при сохранении первоначального значения напряжения питания.
После установления ТЕМПЕРАТУРНОЙ СТАБИЛИЗАЦИИ нагрузку вновь увеличивают до тех пор, пока не сработает устройство защиты от перегрузки или когда дальнейшее повышение температуры прекращается.
Температуру обмоток электродвигателя определяют в течение каждого периода ТЕМПЕРАТУРНОЙ СТАБИЛИЗАЦИИ. Если максимальное значение температуры превысит значения, указанные в таблице 27, то результат испытаний считают отрицательным.
Таблица 27
Максимальные значения установившейся температуры обмоток
электродвигателя
Класс изоляции | Максимальная температура, °C |
A | 140 |
B | 165 |
E | 155 |
F | 180 |
H | 200 |
Если нагрузку невозможно изменять ступенчато с соответствующими приращениями, то для выполнения испытаний электродвигатель следует удалить из МЭ ИЗДЕЛИЯ.
Испытание на перегрузку электродвигателей, питающихся от цепей с напряжением, не превышающим 42,4 В пикового значения переменного тока или 60 В постоянного тока проводят только в том случае, когда возможность возникновения перегрузки была установлена при осмотре или при анализе конструкции. Испытание не проводят, например, в случае когда схемы электронного привода электродвигателя обеспечивают точное поддержание постоянства тока.
c) МЭ ИЗДЕЛИЕ с трехфазными двигателями работают при нормальной нагрузке и при присоединении к трехфазной ПИТАЮЩЕЙ СЕТИ с одной отключенной фазой. Продолжительности работы выбирают согласно 13.2.10.
13.2.13.4* МЭ ИЗДЕЛИЯ с НОРМИРОВАННЫМ НЕПРОДОЛЖИТЕЛЬНЫМ РЕЖИМОМ РАБОТЫ
МЭ ИЗДЕЛИЯ с НОРМИРОВАННЫМ НЕПРОДОЛЖИТЕЛЬНЫМ РЕЖИМОМ РАБОТЫ за исключением:
- РУЧНЫХ МЭ ИЗДЕЛИЙ;
- МЭ ИЗДЕЛИЙ, при работе которых их выключатели необходимо держать рукой;
- МЭ ИЗДЕЛИЙ, которые при нагрузке необходимо держать рукой;
- МЭ ИЗДЕЛИЙ с таймерами (реле времени) и системой защиты
работают при нормальной нагрузке и НОРМИРОВАННОМ напряжении питания или при верхнем предельном значении диапазона НОРМИРОВАННЫХ напряжений питания до тех пор, пока их максимальная температура не увеличится более чем на 5 °C через 1 ч или до срабатывания любого защитного устройства.
Температуру обмоток электродвигателя определяют после установления ТЕМПЕРАТУРНОЙ СТАБИЛИЗАЦИИ или непосредственно перед срабатыванием защитного устройства. Если максимальное значение температуры превышает значения, указанные в 13.2.10, то результат испытаний считают отрицательным.
Если при НОРМАЛЬНОЙ ЭКСПЛУАТАЦИИ в МЭ ИЗДЕЛИИ срабатывает устройство сброса нагрузки, то испытание продолжают с МЭ ИЗДЕЛИЕМ, работающим на холостом ходу (без нагрузки).
14* Программируемые электрические медицинские системы (ПЭМС)
Требования
14.2 -
14.12 (включительно) должны применяться к ПЭМС, если:
- ни одна из ПРОГРАММИРУЕМЫХ ЭЛЕКТРОННЫХ ПОДСИСТЕМ (ПЭПС) не обеспечивает функциональность, необходимую для ОСНОВНОЙ БЕЗОПАСНОСТИ или ОСНОВНЫХ ФУНКЦИОНАЛЬНЫХ ХАРАКТЕРИСТИК, или
- применение МЕНЕДЖМЕНТА РИСКА, как описано в
4.2, показывает, что выход из строя любой ПЭПС не приводит к недопустимому РИСКУ.
Требования
14.3 применимы к любой ПЭМС, предназначенной для подключения к ИТ-СЕТИ, независимо от того, применяются ли требования, изложенные в
14.2 -
14.12.
Примечание 1 - Данный пункт требует, чтобы ПРОЦЕССУ следовали в течение всего ЖИЗНЕННОГО ЦИКЛА РАЗРАБОТКИ ПЭМС и чтобы была подготовлена ЗАПИСЬ об этом ПРОЦЕССЕ. Концепции МЕНЕДЖМЕНТА РИСКА и ЖИЗНЕННОГО ЦИКЛА РАЗРАБОТКИ ПЭМС могут служить основой для этого ПРОЦЕССА, однако поскольку ПРОЦЕСС МЕНЕДЖМЕНТА РИСКА уже требуется согласно настоящему стандарту, то в этом пункте будут определены лишь минимальные элементы ЖИЗНЕННОГО ЦИКЛА РАЗРАБОТКИ ПЭМС и только те дополнительные элементы, которые нужно рассматривать как часть ПРОЦЕССА МЕНЕДЖМЕНТА РИСКА (см.
4.2) для ПЭМС.
Примечание 2 - Если мера по УПРАВЛЕНИЮ РИСКОМ осуществляется в рамках ПЭПС, то необходимо применить требования пункта 14 для демонстрации того, что неисправность ПЭПС не приводит к недопустимому РИСКУ.
Примечание 3 - Установлено, что ИЗГОТОВИТЕЛЬ может не иметь возможности следовать всем ПРОЦЕССАМ, указанным в пункте 14 для каждого компонента ПЭМС - программного обеспечения неизвестного происхождения (ПОНП), подсистемы немедицинского назначения и заимствованного стандартного устройства. В этом случае ИЗГОТОВИТЕЛЬ должен уделить особое внимание необходимости дополнительных мероприятий для УПРАВЛЕНИЯ РИСКОМ. ПОНП определено в МЭК 62304:2006/AMD1:2015 как "программный элемент, который уже разработан и общедоступен, но не был предназначен для включения в состав медицинского изделия (также известен как "готовое программное обеспечение") или программное обеспечение, разработанное ранее, для которого недоступны требуемые ЗАПИСИ ПРОЦЕССОВ разработки".
Соответствие определяют рассмотрением всей требуемой документации и, когда это необходимо, оценкой требований 14.2 - 14.13 (включительно).
Примечание 4 - Эти оценки могут выполняться путем внутренней проверки.
Если требования
14.2 -
14.13 применяются, то требования, предусмотренные в подпункте 4.3, пунктах 5, 7, 8 и 9 МЭК 62304:2006 и МЭК 62304:2006/AMD1:2015, также необходимо применять к разработке или модификации программного обеспечения для каждого ПЭПС.
Соответствие определяют рассмотрением и оценкой в соответствии с требованиями подпункта 1.4 МЭК 62304:2006 и МЭК 62304:2006/AMD1:2015.
Примечание 5 - ПРОЦЕСС разработки программного обеспечения, необходимый для соответствия требованиям настоящего стандарта, не содержит постпроизводство, мониторинг и обслуживание, требуемые пунктом 6 МЭК 62304:2006 и МЭК 62304:2006/AMD1:2015.
Документы, требуемые в соответствии с пунктом 14, необходимо рассматривать, утверждать, выпускать и изменять в соответствии с документированной ПРОЦЕДУРОЙ управления документацией.
14.3* План МЕНЕДЖМЕНТА РИСКА
План МЕНЕДЖМЕНТА РИСКА, требуемый согласно
4.2.2, должен также включать ссылку на план ПРОВЕРКИ СООТВЕТСТВИЯ ПЭМС (см.
14.11).
14.4* ЖИЗНЕННЫЙ ЦИКЛ РАЗРАБОТКИ ПЭМС
ЖИЗНЕННЫЙ ЦИКЛ РАЗРАБОТКИ ПЭМС должен быть документально оформлен.
Примечание - В
пункте H.2 приведены более подробные сведения о ЖИЗНЕННОМ ЦИКЛЕ РАЗРАБОТКИ ПЭМС.
ЖИЗНЕННЫЙ ЦИКЛ РАЗРАБОТКИ ПЭМС должен состоять из набора определенных этапов.
На каждом этапе должны определяться работы, которые должны быть завершены, а также методы ВЕРИФИКАЦИИ, которые необходимо применять в отношении этих работ.
Каждую работу необходимо определять с указанием входных и выходных характеристик.
На каждом этапе должны определяться работы по МЕНЕДЖМЕНТУ РИСКА, которые необходимо завершить перед этим этапом.
ЖИЗНЕННЫЙ ЦИКЛ РАЗРАБОТКИ ПЭМС необходимо составлять для каждой разработки путем создания планов, в которых уточняются работы и этапы их выполнения.
ЖИЗНЕННЫЙ ЦИКЛ РАЗРАБОТКИ ПЭМС должен также включать требования к документации.
Когда это целесообразно, необходимо разрабатывать и поддерживать зарегистрированную систему решения проблем, возникающих на каждом этапе (и между ними) ЖИЗНЕННОГО ЦИКЛА РАЗРАБОТКИ ПЭМС.
В зависимости от типа изделия система решения проблем может:
- регистрироваться как часть ЖИЗНЕННОГО ЦИКЛА РАЗРАБОТКИ ПЭМС;
- позволять уведомлять о потенциальных или возникающих проблемах, затрагивающих ОСНОВНУЮ БЕЗОПАСНОСТЬ или ОСНОВНЫЕ ФУНКЦИОНАЛЬНЫЕ ХАРАКТЕРИСТИКИ ПЭМС;
- включать оценку каждой проблемы с точки зрения связанных с ней РИСКОВ;
- определять критерии завершения решения проблем;
- определять работы, которые необходимо выполнять для решения каждой проблемы.
14.6 ПРОЦЕСС МЕНЕДЖМЕНТА РИСКА
14.6.1* Идентификация известных и прогнозируемых ОПАСНОСТЕЙ
При составлении перечня известных или прогнозируемых ОПАСНОСТЕЙ ИЗГОТОВИТЕЛЬ должен учитывать те из них, которые связаны с программным обеспечением и особенностями аппаратных средств ПЭМС, включая связанные с совмещением ПЭМС с ИТ-СЕТЬЮ, компонентами сторонних изготовителей и стандартными подсистемами.
Примечание - В дополнение к материалу, приведенному в приложении C ИСО 14971:2019, перечень возможных причин возникновения ОПАСНОСТЕЙ, связанных с ПЭМС, может также содержать:
- наличие нежелательной обратной связи (физической и информационной), которая может включать некорректные входные данные, входные данные с параметрами, выходящими за пределы допустимого диапазона, противоречивые входные данные или входные данные, искаженные под действием электромагнитных помех;
- недоступность данных;
- недостаточную согласованность данных;
- некорректность данных;
- неправильную временную последовательность данных;
- непредусмотренные взаимодействия в рамках одной ПЭПС и между различными ПЭПС;
- неизвестные аспекты или качество программного обеспечения сторонних организаций;
- неизвестные аспекты или качество ПЭПС сторонних организаций;
- недостаточную защищенность данных, включая влияние на конфиденциальность данных, особенно их чувствительность к постороннему вмешательству и непредусмотренному взаимодействию с другими программами и вирусами;
- неисправность ИТ-СЕТИ, передающей характеристики, необходимые ПЭМС для достижения ОСНОВНОЙ БЕЗОПАСНОСТИ или ОСНОВНЫХ ФУНКЦИОНАЛЬНЫХ ХАРАКТЕРИСТИК. См. примеры в
H.7.2 приложения H.
14.6.2* УПРАВЛЕНИЕ РИСКОМ
Нижеследующие требования к ПЭМС дополняют требования
4.2.2.
Для выполнения каждого мероприятия по УПРАВЛЕНИЮ РИСКОМ необходимо выбирать и идентифицировать соответствующим образом обоснованные методы и ПРОЦЕДУРЫ. Эти методы и ПРОЦЕДУРЫ должны быть пригодны для гарантии того, что каждое мероприятие по УПРАВЛЕНИЮ РИСКОМ уменьшает идентифицированные РИСК(И) в достаточной степени.
14.7* Перечень требований
Для любой ПЭМС и каждой из ее подсистем (например, для ПЭПС) должен быть разработан и задокументирован перечень требований.
Примечание - Примеры структуры ПЭМС приведены в
H.1.
Перечень требований к системе или подсистеме должен включать и характеризовать все ОСНОВНЫЕ ФУНКЦИОНАЛЬНЫЕ ХАРАКТЕРИСТИКИ и все мероприятия по УПРАВЛЕНИЮ РИСКОМ, реализуемые в этой системе или подсистеме.
Для любой ПЭМС и каждой из ее подсистем должна быть определена структура, удовлетворяющая перечню требований.
Когда это целесообразно для снижения РИСКА до допустимого уровня, в требованиях к структуре ПЭМС необходимо использовать:
a) КОМПОНЕНТЫ С ВЫСОКОЙ СТЕПЕНЬЮ НАДЕЖНОСТИ;
b) устойчивые к отказам функции;
c) избыточность;
d) диверсификацию;
f) защищенную структуру, служащую, например, для ограничения представляющих потенциальную ОПАСНОСТЬ эффектов путем ограничения допускаемой выходной мощности или введения устройств, ограничивающих свободный ход исполнительных устройств.
Структура ПЭМС должна также учитывать:
g)* распределение мероприятий по УПРАВЛЕНИЮ РИСКОМ в подсистемах и компонентах ПЭМС.
Примечание - Подсистемы и компоненты включают датчики, исполнительные устройства, ПЭПС и интерфейсы;
h) режимы (состояния) отказов компонентов и их последствия;
i) неспецифические отказы;
j) систематические отказы;
k) период проведения испытания или диагностики;
l) ремонтопригодность;
m) защиту от прогнозируемых ошибок в применении;
n) если применимо, требования к ИТ-СЕТИ.
14.9* Проектирование и реализация ПЭМС
Когда это целесообразно, проектирование необходимо проводить для отдельных подсистем, каждая из которых должна иметь собственные требования к разработке и требования к испытаниям.
Пояснения относительно условий проектирования должны быть задокументированы.
Примечание - Для ознакомления с примерами условий проектирования см.
H.4 a).
ВЕРИФИКАЦИЯ требуется для всех функций, которые обеспечивают ОСНОВНУЮ БЕЗОПАСНОСТЬ, ОСНОВНЫЕ ФУНКЦИОНАЛЬНЫЕ ХАРАКТЕРИСТИКИ или УПРАВЛЕНИЕ РИСКОМ.
План ВЕРИФИКАЦИИ должен формироваться для указания способов проверки этих функций и включать:
- указания о том, на каком этапе (этапах) каждая функция должна проходить ВЕРИФИКАЦИЮ;
- выбор и документирование принципов, мероприятий, методов и соответствующего уровня независимости персонала, выполняющего ВЕРИФИКАЦИЮ;
- выбор и использование методов ВЕРИФИКАЦИИ;
- критерии ВЕРИФИКАЦИИ.
Примечание - Примеры методов и способов ВЕРИФИКАЦИИ:
- контрольные прогоны;
- выборочные проверки;
- статический анализ;
- динамический анализ;
- испытание по типу "белый ящик";
- испытание по типу "черный ящик";
- статистическое испытание.
ВЕРИФИКАЦИЮ необходимо выполнять в соответствии с планом ВЕРИФИКАЦИИ, а ее результаты - документировать.
14.11* ПРОВЕРКА СООТВЕТСТВИЯ (ВАЛИДАЦИЯ) ПЭМС
План ПРОВЕРКИ СООТВЕТСТВИЯ (ВАЛИДАЦИИ) ПЭМС должен включать проверку ОСНОВНОЙ БЕЗОПАСНОСТИ и ОСНОВНЫХ ФУНКЦИОНАЛЬНЫХ ХАРАКТЕРИСТИК.
Методы, используемые для ПРОВЕРКИ СООТВЕТСТВИЯ (ВАЛИДАЦИИ), должны быть задокументированы.
ПРОВЕРКУ СООТВЕТСТВИЯ (ВАЛИДАЦИЮ) ПЭМС необходимо выполнять в соответствии с планом ВАЛИДАЦИИ, а ее результаты - документировать.
Лицо, несущее основную ответственность за ПРОВЕРКУ СООТВЕТСТВИЯ (ВАЛИДАЦИЮ) ПЭМС, должно быть независимым от коллектива разработчиков ПЭМС. ИЗГОТОВИТЕЛЬ должен задокументировать обоснование уровня его независимости.
Никакой член коллектива разработчиков ПЭМС не должен нести ответственность за процесс ПРОВЕРКИ СООТВЕТСТВИЯ ПЭМС их собственного проекта.
Все профессиональные взаимодействия между членами коллектива, выполняющего работы по ПРОВЕРКЕ СООТВЕТСТВИЯ (ВАЛИДАЦИИ) ПЭМС, и членами коллектива разработчиков ПЭМС необходимо регистрировать в ФАЙЛЕ МЕНЕДЖМЕНТА РИСКА.
Если часть или весь существующий проект является модификацией более раннего проекта, то к нему следует либо применять требования всего настоящего пункта так, как если бы эта модификация была новым проектом, либо с помощью задокументированной ПРОЦЕДУРЫ модификации в процессе внесения изменений оценивать возможность дальнейшего использования предыдущей проектной документации.
В случае если происходит модификация программного обеспечения, требования, изложенные в
подпунктах 4.3 и
4.4, а также в пунктах 5, 7, 8 и 9 МЭК 62304:2006 и МЭК 62304:2006/AMD1:2015, также необходимо применять к модифицированному программному обеспечению.
14.13* ПЭМС, предназначенная для совмещения с ИТ-СЕТЬЮ
Если ПЭМС предназначена для совмещения с ИТ-СЕТЬЮ, которая не была валидирована ИЗГОТОВИТЕЛЕМ ПЭМС, то ИЗГОТОВИТЕЛЬ должен предоставить необходимые инструкции для выполнения такого соединения, включая следующие:
a) цель подключения ПЭМС к ИТ-СЕТИ;
b) необходимые характеристики ИТ-СЕТИ, совмещенной с ПЭМС;
c) необходимую конфигурацию ИТ-СЕТИ, совмещенной с ПЭМС;
d) технические характеристики сетевого подключения ПЭМС, включая спецификации защиты;
e) предполагаемый поток данных между ПЭМС, ИТ-СЕТЬЮ и другими устройствами в ИТ-СЕТИ и предполагаемую маршрутизацию через ИТ-СЕТЬ, а также
Примечание 1 - Это может включать аспекты эффективности и безопасности данных и системы в отношении ОСНОВНОЙ БЕЗОПАСНОСТИ и ОСНОВНЫХ ФУНКЦИОНАЛЬНЫХ ХАРАКТЕРИСТИК (см. также
пункт H.6 и МЭК 80001-1:2010).
f) перечень ОПАСНЫХ СИТУАЦИЙ, возникающих в результате неисправности ИТ-СЕТИ, с целью предоставления характеристик, необходимых для подключения ПЭМС к ИТ-СЕТИ.
Примечание 2 - Подключение ПЭМС к другому оборудованию для передачи данных создает двухузловую ИТ-СЕТЬ. Например, подключение ПЭМС к принтеру создает ИТ-СЕТЬ. Если ИЗГОТОВИТЕЛЬ проверил работу ПЭМС с принтером, созданную сеть будет контролировать ИЗГОТОВИТЕЛЬ.
Соответствие требованиям устанавливают путем проверки инструкций.
В ЭКСПЛУАТАЦИОННЫХ ДОКУМЕНТАХ ИЗГОТОВИТЕЛЬ должен дать указания ОТВЕТСТВЕННОЙ ОРГАНИЗАЦИИ касательно того, что:
- подключение ПЭМС к ИТ-СЕТИ, которая включает другие изделия, может привести к возникновению ранее не установленных РИСКОВ для ПАЦИЕНТОВ, ОПЕРАТОРОВ или третьих лиц;
- ОТВЕТСТВЕННОЙ ОРГАНИЗАЦИИ следует выявлять, анализировать, оценивать и контролировать эти РИСКИ.
Примечание 3 - МЭК 80001-1:2010 содержит рекомендации для ОТВЕТСТВЕННОЙ ОРГАНИЗАЦИИ для устранения этих РИСКОВ;
- последующие изменения в ИТ-СЕТИ могут вносить новые РИСКИ, и для них необходимо провести дополнительный анализ; а также
- изменения в ИТ-СЕТИ включают:
- изменения в конфигурации ИТ-СЕТИ;
- подключение дополнительных элементов к ИТ-СЕТИ;
- отключение элементов от ИТ-СЕТИ;
- обновление оборудования, подключенного к ИТ-СЕТИ, а также
- модернизацию оборудования, подключенного к ИТ-СЕТИ.
Соответствие проверяют рассмотрением ЭКСПЛУАТАЦИОННЫХ ДОКУМЕНТОВ.
15 Конструкция МЭ ИЗДЕЛИЯ
15.1* Расположение органов управления и индикаторов в МЭ ИЗДЕЛИИ
Когда это применимо, ИЗГОТОВИТЕЛЬ должен рассматривать РИСКИ, связанные с расположением органов управления и индикаторов МЭ ИЗДЕЛИЯ в ПРОЦЕССЕ ПРОЕКТИРОВАНИЯ ЭКСПЛУАТАЦИОННОЙ ПРИГОДНОСТИ. См.
12.2.
Соответствие проверяют, как указано в МЭК 60601-1-6:2010, МЭК 60601-1-6:2010/AMD1:2013 и МЭК 60601-1-6:2010/AMD2:2020.
15.2* Удобство обслуживания
Части МЭ ИЗДЕЛИЯ, подвергающиеся механическому износу, ухудшению электрических характеристик, влиянию окружающей среды, старению, которые могут приводить к возникновению недопустимого РИСКА, если их продолжают использовать без проверки в течение слишком длительного промежутка времени, должны быть доступными для осмотра, замены и технического обслуживания.
Части МЭ ИЗДЕЛИЯ, которые, возможно, подлежат замене или регулировке, необходимо располагать и закреплять таким образом, чтобы обеспечить удобство их осмотра, технического обслуживания, замены и регулирования без повреждений или побочных воздействий на близлежащие части или проводные соединения.
Соответствие проверяют осмотром частей МЭ ИЗДЕЛИЯ, упомянутых выше в этом подпункте, и проверкой их местоположения.
15.3 Механическая прочность
МЭ ИЗДЕЛИЕ или его части должны иметь достаточную механическую прочность, чтобы деформирующие напряжения или иные механические напряжения, возникающие при толчках, ударах, бросаниях и грубом обращении, не приводили к утрате ОСНОВНОЙ БЕЗОПАСНОСТИ или ОСНОВНЫХ ФУНКЦИОНАЛЬНЫХ ХАРАКТЕРИСТИК.
Соответствие проверяют путем проведения испытаний согласно таблице 28. Испытания не применяют к ручкам, рычагам, кнопкам, экранам электронно-лучевых трубок (см. 9.5.2), или к прозрачным или полупрозрачным крышкам индикаторных или измерительных устройств, если удаление ручки, рычага, кнопки или крышки не будет приводить к возникновению недопустимого РИСКА поражения электрическим током.
Примечание - Примеры неисправностей, которые могут повлиять на ОСНОВНУЮ БЕЗОПАСНОСТЬ, включают уменьшение ПУТЕЙ УТЕЧКИ и ВОЗДУШНЫХ ЗАЗОРОВ ниже заданных согласно
8.9 значений, доступ к частям, для которых превышаются предельные значения, указанные в
8.4, или доступ к движущимся частям, которые могут причинять ВРЕД.
Таблица 28
Применяемость испытаний на механическую прочность
ТИП МЭ ИЗДЕЛИЯ | ПРОВОДИМЫЕ ВИДЫ ИСПЫТАНИЙ |
РУЧНОЕ | |
|
На влияние остаточных механических напряжений (15.3.6) |
НОСИМОЕ НА ТЕЛЕ | |
|
|
На влияние остаточных механических напряжений (15.3.6) |
ПЕРЕНОСНОЕ | |
|
|
На влияние остаточных механических напряжений (15.3.6) |
ПЕРЕДВИЖНОЕ | |
|
|
На влияние остаточных механических напряжений (15.3.6) |
ЗАКРЕПЛЕННОЕ или СТАЦИОНАРНОЕ | |
|
На влияние остаточных механических напряжений (15.3.6) |
Критерии оценки, которые могут быть полезны в случаях, когда испытания привели к утрате ОСНОВНОЙ БЕЗОПАСНОСТИ, включают:
- испытание на электрическую прочность изоляции, проводимое согласно
8.8.3 для оценки целостности твердой ИЗОЛЯЦИИ, обеспечивающей СРЕДСТВА ЗАЩИТЫ;
- измерение ПУТЕЙ УТЕЧКИ или ВОЗДУШНЫХ ЗАЗОРОВ для сравнения полученных значений с минимальными расстояниями, определенными в
8.9. Небольшие сколы, которые не оказывают неблагоприятного воздействия на защиту от поражения электрическим током, или увлажнение обычно могут не приниматься во внимание.
15.3.2* Испытание давлением
КОРПУСА МЭ ИЗДЕЛИЙ должны иметь достаточную жесткость, обеспечивающую защиту от недопустимого РИСКА.
Соответствие проверяют с помощью следующего испытания.
Внешние части КОРПУСА подвергают действию постоянной силы (250 +/- 10) Н в течение 5 с с помощью подходящего испытательного устройства, обеспечивающего контакт с круглой плоской пластиной диаметром 30 мм в любой точке поверхности. Это испытание не проводят для основания КОРПУСА МЭ ИЗДЕЛИЯ, имеющего массу более 18 кг.
После этого испытания любое повреждение, приводящее к возникновению недопустимого РИСКА, считают отрицательным результатом этого испытания.
Примечание - См. критерии соответствия в
15.3.1.
КОРПУСА МЭ ИЗДЕЛИЙ должны иметь достаточную прочность, обеспечивающую защиту от недопустимого РИСКА при ударе.
Соответствие проверяют с помощью следующего испытания.
За исключением РУЧНЫХ МЭ ИЗДЕЛИЙ и частей МЭ ИЗДЕЛИЙ, которые являются РУЧНЫМИ, КОРПУСА и другие внешние изоляционные части, повреждение которых может приводить к возникновению недопустимого РИСКА, проверяют следующим образом.
Образец, представляющий собой весь КОРПУС или наименее укрепленную его часть, устанавливают в нормальное положение. Твердый гладкий стальной шар диаметром примерно 50 мм и массой (500 +/- 25) г однократно роняют с высоты 1,3 м на каждую соответствующую часть испытываемого образца.
Для испытания вертикальных поверхностей стальной шар подвешивают на шнуре и приводят в движение подобно маятнику для нанесения удара в горизонтальном направлении, однократно отпуская этот шар с высоты 1,3 м напротив каждой соответствующей части испытываемого образца.
Испытание не проводят для плоских индикаторных панелей, стеклянных пластин МЭ ИЗДЕЛИЙ (например, в сканирующих устройствах считывания с пленки) или для электронно-лучевых трубок (см. 9.5.2).
После этого испытания любое повреждение, которое может приводить к возникновению недопустимого РИСКА, считают отрицательным результатом этого испытания.
Примечание - См. критерии соответствия в
15.3.1.
15.3.4* Испытание на падение
15.3.4.1 РУЧНОЕ МЭ ИЗДЕЛИЕ
Свободное падение РУЧНОГО МЭ ИЗДЕЛИЯ, ПРИНАДЛЕЖНОСТЕЙ и частей МЭ ИЗДЕЛИЯ не должно приводить к возникновению недопустимого РИСКА.
Соответствие проверяют с помощью следующего испытания.
Образец, к которому приложена БЕЗОПАСНАЯ РАБОЧАЯ НАГРУЗКА, роняют один раз из трех различных положений, которые имеют место при НОРМАЛЬНОЙ ЭКСПЛУАТАЦИИ, с высоты, на которой МЭ ИЗДЕЛИЕ, ПРИНАДЛЕЖНОСТИ или части МЭ ИЗДЕЛИЯ используют согласно ЭКСПЛУАТАЦИОННОЙ ДОКУМЕНТАЦИИ, или с высоты 1 м в зависимости от того, какая высота больше, на плиту толщиной (50 +/- 5) мм из дерева твердой породы (плотностью более 600 кг/м3), уложенную на бетонное или любое другое прочное основание.
После этого испытания РУЧНОГО МЭ ИЗДЕЛИЯ, ПРИНАДЛЕЖНОСТИ или частей МЭ ИЗДЕЛИЯ не должно возникать недопустимого РИСКА.
15.3.4.2* ПЕРЕНОСНОЕ МЭ ИЗДЕЛИЕ
ПЕРЕНОСНОЕ МЭ ИЗДЕЛИЕ, ПРИНАДЛЕЖНОСТИ и части МЭ ИЗДЕЛИЯ должны выдерживать механические напряжения, вызванные свободным падением с высоты, указанной в
таблице 29, на твердую поверхность.
Соответствие проверяют с помощью следующего испытания.
Образец, к которому приложена БЕЗОПАСНАЯ РАБОЧАЯ НАГРУЗКА, поднимают на высоту, указанную в таблице 29, над плитой из твердого дерева (например, твердого дерева плотностью более 600 кг/м3) толщиной (50 +/- 5) мм, уложенную на бетонное или любое другое прочное основание. Размеры этой плиты не должны быть меньше размеров испытываемого образца. Образец трижды роняют из трех различных положений, которые обычно используют при НОРМАЛЬНОЙ ЭКСПЛУАТАЦИИ.
Таблица 29
Масса (m) ПЕРЕНОСНОГО МЭ ИЗДЕЛИЯ или его частей, кг | Высота падения, см |
m <= 10 | 5 |
10 < m <= 50 | 3 |
m > 50 | 2 |
После этого испытания любое повреждение, которое может приводить к возникновению недопустимого РИСКА, считают отрицательным результатом этого испытания.
Примечание - См. критерии соответствия в
15.3.1.
15.3.5* Испытание на грубое обращение
ПЕРЕДВИЖНОЕ МЭ ИЗДЕЛИЕ или части МЭ ИЗДЕЛИЯ, которые являются ПЕРЕДВИЖНЫМИ, должны выдерживать воздействия, вызванные грубым обращением и перемещением, и при этом не должен возникать недопустимый РИСК.
Соответствие проверяют с помощью следующего испытания.
Образец проверяют в положении транспортирования при любой БЕЗОПАСНОЙ РАБОЧЕЙ НАГРУЗКЕ и при наименее благоприятных условиях, допускаемых при НОРМАЛЬНОЙ ЭКСПЛУАТАЦИИ. Во время испытания должны быть приняты соответствующие меры предосторожности для предотвращения потери равновесия, вызванного грубым обращением в виде нагрузки и/или удара.
a) Удар о выступающую ступеньку
Образец толкают три раза в нормальном направлении, принятом при транспортировании, со скоростью (0,8 +/- 0,1) м/с, или для моторизованного ПЕРЕДВИЖНОГО МЭ ИЗДЕЛИЯ, способного поддерживать скорость на максимальном уровне, на плоское препятствие из твердой древесины с высотой (40 +/- 2) мм, которая должна быть жестко прикреплена к плоскому полу. Направление перемещения должно быть перпендикулярным передней поверхности препятствия. При этом не требуется, чтобы образец преодолевал препятствие (40 +/- 2) мм.
b) Удар при съезде на ступеньку
Образец толкают три раза в нормальном направлении, принятом при транспортировании, со скоростью (0,8 +/- 0,1) м/с, или для моторизованного ПЕРЕДВИЖНОГО МЭ ИЗДЕЛИЯ, способного поддерживать скорость на максимальном уровне так, чтобы он съехал на ступеньку, расположенную на глубине (40 +/- 2) мм и прикрепленную к жесткому основанию, например бетону. Направление перемещения должно быть перпендикулярным передней поверхности ступеньки.
Если при выполнении данного испытания какая-либо часть образца, кроме колес, приходит в соприкосновение со ступенькой перед тем, как колесо коснется ступеньки, то МЭ ИЗДЕЛИЕ следует продолжать толкать до тех пор, пока оно полностью не съедет на ступеньку.
c) Удар о дверную коробку
Образец толкают три раза в нормальном направлении со скоростью (0,8 +/- 0,1) м/с или в случае ПЕРЕДВИЖНОГО МЭ ИЗДЕЛИЯ с механическим приводом - с максимально поддерживаемой скоростью на вертикальное препятствие из твердой древесины шириной и толщиной (40 +/- 2) мм, которое должно быть прикреплено к вертикальной жесткой опоре, например к бетонной стене. Высота препятствия должна превышать высоту точек контакта МЭ ИЗДЕЛИЯ. Направление перемещения должно быть перпендикулярным передней поверхности препятствия.
После каждого испытания любое повреждение, которое может приводить к возникновению недопустимого РИСКА, считают отрицательным результатом этого испытания.
Примечание 1 - См. критерии соответствия в
15.3.1.
Примечание 2 - Нестабильность МЭ ИЗДЕЛИЯ, в случае когда МЭ ИЗДЕЛИЕ остается неповрежденным в результате грубого обращения в виде нагрузки и/или удара, оценивается в соответствии с
9.4.
15.3.6* Испытание на влияние остаточных механических напряжений
КОРПУСА из литых или прессованных термопластических материалов должны быть сконструированы таким образом, чтобы любая усадка или деформация из-за остаточных механических напряжений, вызываемых операциями литья или формовки, не приводили к возникновению недопустимого РИСКА.
Соответствие проверяют осмотром конструкции и анализом доступных данных или с помощью следующего испытания.
Один образец полностью собранного МЭ ИЗДЕЛИЯ или КОРПУС вместе с любой поддерживающей его конструкцией помещают в печь с циркуляцией воздуха и температурой, на 10 °C превышающей максимальную температуру, зарегистрированную на КОРПУСЕ при испытании согласно 11.1.3 (но не менее 70 °C), в течение 7 ч с последующим охлаждением до комнатной температуры.
Примечание - Относительную влажность в процессе выдержки не требуется поддерживать на определенном уровне.
Для большого МЭ ИЗДЕЛИЯ, для которого выдержка всего КОРПУСА нецелесообразна, допускается использование части КОРПУСА, репрезентативной для всей сборки по толщине и размерам, включая любые механические поддерживающие элементы.
Любое повреждение, которое может приводить к возникновению недопустимого РИСКА, считают отрицательным результатом этого испытания.
15.3.7* Воздействия факторов окружающей среды
При выборе и обработке материалов, используемых в конструкции МЭ ИЗДЕЛИЯ, должны приниматься во внимание ПРЕДУСМОТРЕННОЕ ПРИМЕНЕНИЕ, ОЖИДАЕМЫЙ СРОК СЛУЖБЫ, условия транспортирования и хранения.
Конструкция МЭ ИЗДЕЛИЯ должна быть такой, чтобы в течение его ОЖИДАЕМОГО СРОКА СЛУЖБЫ любая коррозия, старение, механический износ или деградация биологических материалов из-за влияния бактерий, растений, животных и т.п. не ухудшали его механические свойства настолько, что при этом возникает недопустимый РИСК. См. также
15.2.
Соответствие проверяют:
- осмотром МЭ ИЗДЕЛИЯ, рассмотрением ЭКСПЛУАТАЦИОННЫХ ДОКУМЕНТОВ и характеристик на используемые материалы и способы их обработки, указанные ИЗГОТОВИТЕЛЕМ;
- рассмотрением результатов соответствующих испытаний или расчетов ИЗГОТОВИТЕЛЯ.
15.4 Компоненты МЭ ИЗДЕЛИЙ и общая сборка
15.4.1 Конструкция соединителей
Конструкция электрических, гидравлических, пневматических и газовых соединителей МЭ ИЗДЕЛИЯ, предназначенных для присоединения без помощи ИНСТРУМЕНТА, должна исключать возможность их неправильного присоединения, которое может приводить к возникновению недопустимого РИСКА. В особенности это относится:
a) к вилкам для присоединения отведений ПАЦИЕНТА или кабелей ПАЦИЕНТА, которые должны иметь конструкцию, не позволяющую проводить присоединение к выходным гнездам того же самого МЭ ИЗДЕЛИЯ, предназначенным для выполнения других функций, если не будет доказано, что это не приводит к возникновению недопустимого РИСКА.
Соответствие проверяют рассмотрением отведений ПАЦИЕНТА, кабелей ПАЦИЕНТА, соединителей и розеток и, если отведения, кабели, соединители и розетки являются взаимосовместимыми, рассмотрением ФАЙЛА МЕНЕДЖМЕНТА РИСКА;
b) медицинским газовым соединителям МЭ ИЗДЕЛИЯ, предназначенным для подачи различных газов, которые при НОРМАЛЬНОЙ ЭКСПЛУАТАЦИИ не должны быть взаимозаменяемыми. См. также ИСО 407
[27].
Соответствие проверяют рассмотрением всех медицинских газовых соединителей.
15.4.2 Устройства управления температурой и защита от перегрузки
a) В МЭ ИЗДЕЛИИ не допускается применение ТЕРМОВЫКЛЮЧАТЕЛЕЙ и АВТОМАТИЧЕСКИХ ВЫКЛЮЧАТЕЛЕЙ МАКСИМАЛЬНОГО ТОКА с самовосстановлением, если самовосстановление этих устройств может привести к возникновению ОПАСНОЙ СИТУАЦИИ, описанной в
13.1.
Соответствие проверяют рассмотрением конструкторской документации и ФАЙЛА МЕНЕДЖМЕНТА РИСКА.
b) ТЕРМОВЫКЛЮЧАТЕЛИ с функцией безопасности, восстанавливаемые пайкой, которая может влиять на их рабочие параметры, недопустимо применять в МЭ ИЗДЕЛИИ.
Соответствие проверяют рассмотрением конструкторской документации.
c) Если неисправность ТЕРМОРЕГУЛЯТОРА в МЭ ИЗДЕЛИИ может привести к ОПАСНОЙ СИТУАЦИИ, описанной в
13.1, то дополнительно должен быть предусмотрен отдельный НЕСАМОВОССТАНАВЛИВАЮЩИЙСЯ ТЕРМОВЫКЛЮЧАТЕЛЬ. Температура срабатывания вспомогательного устройства должна находиться вне диапазона установок основного устройства (ТЕРМОРЕГУЛЯТОРА), но в пределах диапазона безопасных температур, определенного для выполнения предназначенной функции МЭ ИЗДЕЛИЯ.
Соответствие проверяют рассмотрением конструкторской документации и ФАЙЛА МЕНЕДЖМЕНТА РИСКА.
d) Прекращение функционирования МЭ ИЗДЕЛИЯ, вызванное срабатыванием ТЕРМОВЫКЛЮЧАТЕЛЯ или АВТОМАТИЧЕСКОГО ВЫКЛЮЧАТЕЛЯ МАКСИМАЛЬНОГО ТОКА, не должно приводить к утрате ОСНОВНЫХ ФУНКЦИОНАЛЬНЫХ ХАРАКТЕРИСТИК или к любым другим ОПАСНЫМ СИТУАЦИЯМ, описанным в
13.1.
Соответствие проверяют рассмотрением конструкторской документации и ФАЙЛА МЕНЕДЖМЕНТА РИСКА.
e) Конденсаторы или другие искрогасящие устройства в МЭ ИЗДЕЛИИ не должны включаться между контактами ТЕРМОВЫКЛЮЧАТЕЛЯ.
Соответствие проверяют осмотром МЭ ИЗДЕЛИЯ.
f) Использование ТЕРМОВЫКЛЮЧАТЕЛЯ или АВТОМАТИЧЕСКОГО ВЫКЛЮЧАТЕЛЯ МАКСИМАЛЬНОГО ТОКА не должно влиять на безопасность МЭ ИЗДЕЛИЯ.
Соответствие проверяют осмотром МЭ ИЗДЕЛИЯ и, если это применимо, с помощью следующих испытаний.
Проверяют положительные температурные коэффициенты устройств на соответствие МЭК 60730-1:2010 по применимым пунктам 15, 17, J.15 и J.17.
ТЕРМОВЫКЛЮЧАТЕЛИ и АВТОМАТИЧЕСКИЕ ВЫКЛЮЧАТЕЛИ МАКСИМАЛЬНОГО ТОКА проверяют при работе МЭ ИЗДЕЛИЯ при условиях, указанных в пункте 13.
Для САМОВОССТАНАВЛИВАЮЩИХСЯ ТЕРМОВЫКЛЮЧАТЕЛЕЙ и АВТОМАТИЧЕСКИХ ВЫКЛЮЧАТЕЛЕЙ МАКСИМАЛЬНОГО ТОКА с самовосстановлением, включая цепи, выполняющие эквивалентные им функции (за исключением устройств с положительным температурным коэффициентом), проводят 200 срабатываний, за исключением случаев, когда соответствие подтверждается стандартами МЭК на компоненты.
Для ТЕРМОВЫКЛЮЧАТЕЛЕЙ и АВТОМАТИЧЕСКИХ ВЫКЛЮЧАТЕЛЕЙ МАКСИМАЛЬНОГО ТОКА с ручным восстановлением проводят 10 срабатываний, если соответствие не подтверждается стандартами МЭК на компоненты (см. 4.5) или если ИЗГОТОВИТЕЛЬ не предоставил достаточно данных, свидетельствующих о надежности компонентов для выполнения связанных с безопасностью функций.
Устройства тепловой защиты могут проверяться отдельно от МЭ ИЗДЕЛИЯ в случаях, когда инженерные оценки докажут, что это не будет оказывать влияния на результаты испытаний.
g) МЭ ИЗДЕЛИЕ, содержащее заполняемый жидкостью контейнер с нагревательным устройством, должно снабжаться устройством защиты от перегрева в случае включения нагревателя при незаполненном контейнере. Перегрев не должен приводить к возникновению недопустимого РИСКА.
Соответствие проверяют контролем работы МЭ ИЗДЕЛИЯ с незаполненным контейнером до срабатывания устройства защиты.
h) В МЭ ИЗДЕЛИИ, содержащем трубчатые нагревательные элементы, должна быть защита от перегрева в обоих проводах, соединение которых с землей может приводить к перегреву.
Соответствие проверяют рассмотрением конструкторской документации и ФАЙЛА МЕНЕДЖМЕНТА РИСКА.
15.4.2.2 Установки температуры
В случае когда в МЭ ИЗДЕЛИИ предусмотрены устройства изменения установок температуры ТЕРМОРЕГУЛЯТОРОВ, эти установки должны четко индицироваться.
Соответствие проверяют осмотром.
15.4.3* Батареи и аккумуляторы
15.4.3.1 Отсеки для батарей и аккумуляторов
В МЭ ИЗДЕЛИИ отсеки для батарей и аккумуляторов, из которых при заряде или разряде могут выделяться газы, должны вентилироваться таким образом, чтобы отсутствовал недопустимый РИСК от накопления этих газов, а возможное возгорание было предотвращено.
Конструкция отсеков в МЭ ИЗДЕЛИИ должна предотвращать возможность случайного короткого замыкания, которое может приводить к возникновению ОПАСНЫХ СИТУАЦИЙ, описанных в
13.1.
Соответствие проверяют рассмотрением конструкторской документации и ФАЙЛА МЕНЕДЖМЕНТА РИСКА.
Если ОПАСНАЯ СИТУАЦИЯ может возникать из-за неправильного присоединения батареи и аккумулятора, то в МЭ ИЗДЕЛИИ должно быть предусмотрено устройство, исключающее установку при неправильной полярности соединения. См. также
7.3.3 и
8.2.2.
Соответствие проверяют осмотром МЭ ИЗДЕЛИЯ.
15.4.3.3 Защита от избыточного заряда аккумуляторов
В случае когда избыточный заряд любого аккумулятора в МЭ ИЗДЕЛИИ может приводить к возникновению недопустимого РИСКА, конструкция МЭ ИЗДЕЛИЯ должна предотвращать его.
Соответствие проверяют рассмотрением конструкторской документации.
15.4.3.4 Использование литиевых аккумуляторов и батарей
Первичные литиевые батареи должны соответствовать требованиям МЭК 60086-4. Литиевые аккумуляторные батареи - требованиям МЭК 62133 или МЭК 62133-2. См также
7.3.3.
Примечание - Батареи содержат как отдельные элементы, так и сборки элементов, т.е. и батарейные блоки.
Соответствие проверяют рассмотрением конструкторской документации на батарею или выполнением испытаний, предусмотренных МЭК 60086-4 для первичных литиевых батарей и МЭК 62133 или МЭК 62133-2 для литиевых аккумуляторных батарей.
15.4.3.5* Защита от чрезмерных токов и напряжений
ВНУТРЕННИЙ ИСТОЧНИК ПИТАНИЯ в МЭ ИЗДЕЛИИ должен быть снабжен защитным устройством с соответствующими НОРМИРОВАННЫМИ характеристиками для защиты от возгорания из-за чрезмерного тока, если площадь поперечного сечения и расположение внутренних проводных соединений или номинальные характеристики присоединенных компонентов в случае короткого замыкания могут приводить к возгоранию. Эти защитные устройства должны обладать достаточной разрывной мощностью для прерывания максимального тока при возникновении неисправности (включая ток короткого замыкания). Обоснование отсутствия плавких предохранителей или АВТОМАТИЧЕСКИХ ВЫКЛЮЧАТЕЛЕЙ МАКСИМАЛЬНОГО ТОКА должно быть задокументировано.
Испытание на короткое замыкание между положительным и отрицательным полюсами ВНУТРЕННЕГО ИСТОЧНИКА ПИТАНИЯ в зоне между выходными контактами ВНУТРЕННЕГО ИСТОЧНИКА ПИТАНИЯ и последующим устройством защиты можно не проводить, если предоставляются два СРЕДСТВА ЗАЩИТЫ ОПЕРАТОРА. Кроме того, испытание на короткое замыкание не должно приводить к возникновению какой-либо ОПАСНОЙ СИТУАЦИИ в
13.1.2.
Соответствие проверяют контролем наличия защитных средств и, если это необходимо, рассмотрением конструкторской документации. Кроме того, проводят испытание на короткое замыкание, при этом ни одна из ОПАСНЫХ СИТУАЦИЙ, описанных в 13.2, не должна произойти.
В случаях когда ОПЕРАТОР в его нормальной рабочей позиции не может определить готовность МЭ ИЗДЕЛИЯ к НОРМАЛЬНОЙ ЭКСПЛУАТАЦИИ, оно должно снабжаться световыми индикаторами такой готовности. Маркировки, указанной в
7.4.1, при этом недостаточно.
Если МЭ ИЗДЕЛИЕ способно работать в режиме ожидания или прогрева в течение более 15 с, то оно должно быть оснащено дополнительным световым индикатором, за исключением случая, когда эти режимы индицируются другими средствами, четко видными ОПЕРАТОРУ в его нормальной рабочей позиции.
Световые индикаторы необходимо устанавливать на МЭ ИЗДЕЛИЯ, имеющие в своем составе несветящиеся нагреватели, для индикации их включенного состояния, если отсутствие такой индикации может приводить к ОПАСНОЙ СИТУАЦИИ. Исключение составляет случай, когда включенное состояние индицируется другими средствами, четко видными ОПЕРАТОРУ в его нормальной рабочей позиции.
Примечание - Последнее не относится к нагреваемым перьям, используемым в самописцах.
Световые индикаторы необходимо устанавливать на МЭ ИЗДЕЛИИ для указания наличия выходной мощности, если случайное или продолжительное включение выходной цепи может приводить к возникновению ОПАСНОЙ СИТУАЦИИ.
Цвета световых индикаторов указаны в
7.8.1.
В МЭ ИЗДЕЛИИ, имеющем в своем составе устройство для заряда ВНУТРЕННЕГО ИСТОЧНИКА ПИТАНИЯ, должна быть визуальная индикация режима заряда.
Соответствие проверяют контролем наличия и функционирования устройств индикации, видимых ОПЕРАТОРУ в его нормальной рабочей позиции при НОРМАЛЬНОЙ ЭКСПЛУАТАЦИИ.
15.4.5 Предварительные уставки органов управления
Когда это применимо, ИЗГОТОВИТЕЛЬ должен рассматривать в ПРОЦЕССЕ МЕНЕДЖМЕНТА РИСКА РИСКИ, связанные с предварительными уставками органов управления.
Соответствие проверяют рассмотрением ФАЙЛА МЕНЕДЖМЕНТА РИСКА.
15.4.6 Приводные части органов управления МЭ ИЗДЕЛИЯ
15.4.6.1 Фиксация, предотвращение неправильной регулировки
a) Все приводные части органов управления МЭ ИЗДЕЛИЯ необходимо закреплять так, чтобы при НОРМАЛЬНОЙ ЭКСПЛУАТАЦИИ их нельзя было снять или ослабить.
b) Органы управления необходимо защищать так, чтобы показания по любой шкале всегда соответствовали положению этого органа управления.
c) Неправильное присоединение индикаторного устройства к соответствующему компоненту должно быть исключено конструкцией, если это устройство может сниматься без помощи ИНСТРУМЕНТА.
Соответствие проверяют осмотром МЭ ИЗДЕЛИЯ, а также с помощью следующих испытаний. Для поворотных органов управления вращающие моменты, указанные в таблице 30, прикладывают между ручкой управления и ее осью в течение не менее 2 с попеременно в каждом направлении. Испытание повторяют 10 раз.
Проворачивание ручки управления относительно ее оси считают отрицательным результатом этого испытания.
Если при НОРМАЛЬНОЙ ЭКСПЛУАТАЦИИ к органам управления необходимо приложение осевого усилия, то соответствие этому требованию настоящего стандарта проверяют приложением в течение 1 мин осевого усилия 60 Н для электрических компонентов и 100 Н - для других компонентов.
Таблица 30
Испытательные вращающие моменты для поворотных
органов управления
Диаметр захвата ( d) ручки управления <a>, мм | Вращающий момент, Н·м |
10 <= d < 23 | 1,0 |
23 <= d < 31 | 2,0 |
31 <= d < 41 | 3,0 |
41 <= d < 56 | 4,0 |
56 <= d <= 70 | 5,0 |
d > 70 | 6,0 |
<a> Диаметр захвата ( d) - это максимальная ширина ручки органа управления независимо от ее формы (например, ручки с указателем). |
15.4.6.2 Ограничители перемещений
На поворотных или подвижных частях органов управления МЭ ИЗДЕЛИЯ должны быть предусмотрены ограничители соответствующих механических перемещений, исключающие случайный переход от максимального значения параметра к минимальному и наоборот.
Соответствие проверяют осмотром МЭ ИЗДЕЛИЯ, а также с помощью ручных испытаний. Для поворотных органов управления вращающие моменты, указанные в таблице 30, прикладывают в течение не менее 2 с поочередно в каждом направлении. Испытание повторяют 10 раз.
Приложение осевого усилия к поворотным или перемещающимся частям органов управления МЭ ИЗДЕЛИЯ при НОРМАЛЬНОЙ ЭКСПЛУАТАЦИИ не должно приводить к непредвиденному изменению контролируемого параметра.
Соответствие этому требованию проверяют путем приложения осевого усилия 60 Н для электрических компонентов или усилия 100 Н для других компонентов в течение 1 мин.
15.4.7 Ручные и ножные органы управления, соединяемые шнурами (см. также
8.10.4)
15.4.7.1 Механическая прочность
a) РУЧНЫЕ органы управления МЭ ИЗДЕЛИЕМ должны соответствовать требованиям
15.3.4.1.
b) Ножные органы управления МЭ ИЗДЕЛИЕМ должны выдерживать вес взрослого человека.
Соответствие проверяют приложением к ножному органу управления в положении при НОРМАЛЬНОЙ ЭКСПЛУАТАЦИИ усилия 1350 Н в течение 1 мин. Усилие прикладывают к области диаметром 30 мм. При этом не должно быть никаких повреждений этого устройства, которые приводили бы к возникновению недопустимого РИСКА.
15.4.7.2 Случайное срабатывание МЭ ИЗДЕЛИЯ
РУЧНЫЕ и ножные органы управления не должны приводить к недопустимому РИСКУ из-за изменения установок вследствие случайного перемещения этих органов в ненормальное положение.
Соответствие проверяют поворотом органов управления во всевозможные ненормальные положения и помещения их в этих положениях на плоской поверхности. Любое непредусмотренное изменение установок, которое может приводить к возникновению недопустимого РИСКА, считают отрицательным результатом этого испытания.
15.4.7.3* Проникание жидкостей
a) Ножные органы управления МЭ ИЗДЕЛИЕМ должны относиться по крайней мере к классу IPX1 согласно МЭК 60529.
Соответствие проверяют с помощью испытаний согласно МЭК 60529.
b) КОРПУСА ножных органов управления МЭ ИЗДЕЛИЕМ, используемые, например, в реанимационных отделениях или операционных, в которых жидкость, вероятно, может находиться на уровне пола, и содержащие электрические цепи, должны относиться по крайней мере к классу IPX6 согласно МЭК 60529.
Соответствие проверяют рассмотрением ЭКСПЛУАТАЦИОННЫХ ДОКУМЕНТОВ, конструкторской документации, а также с помощью соответствующих испытаний согласно МЭК 60529.
15.4.8 Внутренние проводные соединения МЭ ИЗДЕЛИЯ
В МЭ ИЗДЕЛИИ недопустимо использовать алюминиевые провода с площадью поперечного сечения менее 16 мм2.
Соответствие проверяют осмотром МЭ ИЗДЕЛИЯ.
15.4.9 Контейнеры для масла
a) Контейнеры для масла в ПЕРЕНОСНОМ МЭ ИЗДЕЛИИ во избежание потери масла в любом положении МЭ ИЗДЕЛИЯ должны соответствующим образом герметизироваться. Конструкция контейнера должна быть рассчитана на расширение масла.
b) Контейнеры для масла в ПЕРЕДВИЖНОМ МЭ ИЗДЕЛИИ должны соответствующим образом герметизироваться во избежание потери масла в процессе перемещения, однако они могут быть снабжены предохранительным клапаном давления, который может срабатывать при НОРМАЛЬНОЙ ЭКСПЛУАТАЦИИ.
c) Частично загерметизированное заполненное маслом МЭ ИЗДЕЛИЕ или его части необходимо снабжать устройствами контроля за уровнем масла для обнаружения его утечки (см.
7.9.3.1).
Соответствие проверяют осмотром МЭ ИЗДЕЛИЯ, рассмотрением технического описания, а также испытанием вручную.
15.5* СЕТЕВЫЕ ТРАНСФОРМАТОРЫ МЭ ИЗДЕЛИЙ и трансформаторы, обеспечивающие разделение частей согласно 8.5
15.5.1 Перегрев
Трансформаторы МЭ ИЗДЕЛИЯ должны быть защищены от перегрева в случае возникновения короткого замыкания или перегрузки любой выходной обмотки.
Соответствие проверяют с помощью соответствующих испытаний согласно 15.5.1.2 и 15.5.1.3.
Каждую обмотку поочередно проверяют при наименее благоприятных значениях следующих параметров:
- напряжение на первичной обмотке поддерживается в диапазоне от 90% до 110% от НОРМИРОВАННОГО;
- НОРМИРОВАННАЯ частота на входе;
- нагрузка на других обмотках поддерживается в диапазоне от полного отсутствия нагрузки до нагрузки при НОРМАЛЬНОЙ ЭКСПЛУАТАЦИИ.
Закорачивание или соединение с резистивной нагрузкой (в зависимости от вида испытаний) проводят на концах обмоток или в первой точке, где при УСЛОВИИ ЕДИНИЧНОГО НАРУШЕНИЯ может происходить короткое замыкание.
Компоненты, предназначенные для предотвращения перегрева трансформатора при коротком замыкании или перегрузке, включают в испытания согласно 15.5.1.2 и 15.5.1.3 при условии, что:
- компонент обладает высокими характеристиками надежности;
- между выходными контактами преобразователя с КОМПОНЕНТОМ С ВЫСОКОЙ СТЕПЕНЬЮ НАДЕЖНОСТИ предусмотрены два СРЕДСТВА ЗАЩИТЫ ОПЕРАТОРА.
В процессе испытаний не должны происходить обрывы обмоток, не должны возникать никакие ОПАСНЫЕ СИТУАЦИИ, а максимальные температуры обмоток не должны превышать значения, указанные в таблице 31. После проведения испытаний на короткое замыкание и перегрузку трансформатор подвергают испытанию на электрическую прочность изоляции (согласно 8.8.3) между первичными и вторичными обмотками, между первичными обмотками и корпусом и между вторичными обмотками и корпусом. Испытания проводят при условиях, указанных в 11.1, либо на самом МЭ ИЗДЕЛИИ, либо на стенде при моделируемых условиях испытаний.
Таблица 31
Максимально допустимые значения температуры обмоток
трансформатора при их коротком замыкании и перегрузке
при температуре окружающей среды (25 +/- 5) °C
Части трансформатора | Максимальная температура, °C |
Обмотки и находящиеся с ними в контакте пластины сердечника, если изоляция обмоток выполнена из материала: | |
- класса A | 150 |
- класса B | 175 |
- класса E | 165 |
- класса F | 190 |
- класса H | 210 |
15.5.1.2 Испытание на короткое замыкание
Испытываемую выходную обмотку трансформатора замыкают накоротко. Испытание проводят до тех пор, пока не сработает защитное устройство или не будет достигнута ТЕМПЕРАТУРНАЯ СТАБИЛИЗАЦИЯ. Для трансформаторов, не испытанных при пятикратной частоте и пятикратном испытательном напряжении согласно 15.5.2 a) или при двукратной частоте и двукратном испытательном напряжении согласно 15.5.2 b) замыкание накоротко проводят непосредственно выходных обмоток.
15.5.1.3 Испытание на перегрузку
Обмотки с несколькими защитными устройствами могут потребовать нескольких испытаний на перегрузку для оценки наименее благоприятного случая нагрузки и срабатывания при НОРМАЛЬНОЙ ЭКСПЛУАТАЦИИ.
Испытание на перегрузку может быть проведено после уточняющих корректировок.
Если испытание на короткое замыкание завершается без срабатывания защитного устройства (из-за наличия токоограничивающей цепи), то испытание на перегрузку не требуется.
a) Это испытание проводят, если ток срабатывания защитного устройства не может быть определен путем анализа характеристик этого устройства. В противном случае проводят испытание b).
Испытываемую обмотку нагружают как при НОРМАЛЬНОЙ ЭКСПЛУАТАЦИИ до тех пор, пока не будет достигнута ТЕМПЕРАТУРНАЯ СТАБИЛИЗАЦИЯ. После этого нагрузку постепенно регулируют с соответствующими интервалами для получения минимального тока, при котором будет срабатывать защитное устройство. Каждая регулировка нагрузки должна проводиться по прошествии определенного промежутка времени, необходимого для достижения ТЕМПЕРАТУРНОЙ СТАБИЛИЗАЦИИ, а значения тока нагрузки и температуры должны регистрироваться.
Затем выполняют испытание согласно b).
b) Если защитное устройство, испытанное согласно a), находится вне трансформатора, то его шунтируют. Испытываемая обмотка нагружается в зависимости от типа защитного устройства следующим образом.
- Плавкий предохранитель, соответствующий МЭК 60127-1:
30 мин при испытательном токе, указанном в таблице 32.
Таблица 32
Значения испытательного тока для трансформаторов
Маркированное значение НОРМИРОВАННОГО тока I через защитный плавкий предохранитель, А | Отношение испытательного тока к НОРМИРОВАННОМУ току через защитный плавкий предохранитель |
I <= 4 | 2,1 |
4 < I <= 10 | 1,9 |
10 < I <= 25 | 1,75 |
I > 25 | 1,6 |
- Плавкий предохранитель, не соответствующий МЭК 60127-1:
30 мин при токе, указанном ИЗГОТОВИТЕЛЕМ плавкого предохранителя как ток срабатывания через 30 мин от момента начала его пропускания. Если такая характеристика не указана ИЗГОТОВИТЕЛЕМ, то пропускают ток согласно таблице 32 до достижения ТЕМПЕРАТУРНОЙ СТАБИЛИЗАЦИИ.
- Другие защитные устройства:
до достижения ТЕМПЕРАТУРНОЙ СТАБИЛИЗАЦИИ при токе чуть ниже того, который будет вызывать срабатывание устройства защиты при проведении испытания a).
Эту часть испытания на перегрузку заканчивают в определенное время или после срабатывания второго защитного устройства.
15.5.2* Электрическая прочность изоляции
Этот подпункт не применяют к трансформаторам, работающим на частоте выше 1 кгц, которые испытывают в соответствии с
8.8.3.
Обмотки трансформатора в МЭ ИЗДЕЛИИ должны иметь достаточную изоляцию для предотвращения внутренних коротких замыканий, которые могут приводить к перегреву и, следовательно, к возникновению ОПАСНОЙ СИТУАЦИИ.
Электрическая прочность изоляции между витками и слоями каждой обмотки трансформатора в МЭ ИЗДЕЛИИ, когда неисправность трансформатора может приводить к возникновению ОПАСНОЙ СИТУАЦИИ, должна быть такой, чтобы после предварительной обработки в камере влажности (см.
5.7) изоляция выдерживала следующие испытания.
a) Обмотки трансформатора, рассчитанные на НОРМИРОВАННОЕ напряжение не более 500 В или НОРМИРОВАННУЮ частоту не более 60 Гц, проверяют подачей на обмотку напряжения, в пять раз превышающего НОРМИРОВАННОЕ напряжение или верхний предел НОРМИРОВАННОГО диапазона напряжений для данной обмотки, и частотой, которая должна не менее чем в пять раз превышать НОРМИРОВАННУЮ частоту (где НОРМИРОВАННАЯ частота равна частоте входного напряжения при НОРМАЛЬНОЙ ЭКСПЛУАТАЦИИ трансформатора).
b) Обмотки трансформатора, рассчитанные на НОРМИРОВАННОЕ напряжение выше 500 В или НОРМИРОВАННУЮ частоту выше 60 Гц, проверяют подачей на обмотку напряжения, в два раза превышающего НОРМИРОВАННОЕ напряжение или верхний предел НОРМИРОВАННОГО диапазона напряжений для данной обмотки, и частотой, которая должна не менее чем в два раза превышать НОРМИРОВАННУЮ частоту (где НОРМИРОВАННАЯ частота равна частоте входного напряжения при НОРМАЛЬНОЙ ЭКСПЛУАТАЦИИ трансформатора).
В двух вышеуказанных случаях, однако, напряжение на один виток и слой изоляции для любой обмотки трансформатора должно быть таким, чтобы прикладываемое испытательное напряжение с максимальным НОРМИРОВАННЫМ значением не превышало испытательное напряжение, указанное в таблице 6 для одного СРЕДСТВА ЗАЩИТЫ, если НОРМИРОВАННОЕ напряжение этой обмотки рассматривают как РАБОЧЕЕ НАПРЯЖЕНИЕ. Если превышение имеет место, то испытательное напряжение на первичной обмотке должно быть соответственно снижено. Испытательную частоту можно изменять для получения в сердечнике магнитной индукции, существующей при НОРМАЛЬНОЙ ЭКСПЛУАТАЦИИ. В случае когда сердечник трансформатора изолирован ото всех внешних проводящих частей (как в большинстве тороидальных трансформаторов), соединения с сердечником, описанные ниже, могут не выполняться.
- Трехфазные трансформаторы можно проверять с помощью трехфазного испытательного устройства или путем проведения трех последовательных испытаний с помощью однофазного испытательного устройства.
- Значение испытательного напряжения, прикладываемого между сердечником и любым экраном, установленным между первичными и вторичными обмотками, выбирают в соответствии с характеристиками на данный трансформатор. Если первичная обмотка имеет обозначенную точку для присоединения к ней нулевого провода ПИТАЮЩЕЙ СЕТИ, то эту точку необходимо присоединить к сердечнику (а также к экрану при его наличии), кроме случаев, когда сердечник (и экран) предназначены для подсоединения к незаземленной части цепи. Для имитации такого режима сердечник (и экран) присоединяют к источнику питания, имеющему соответствующие напряжение и частоту относительно обозначенной точки соединения.
Если указанная выше точка не обозначена, то каждая сторона первичной обмотки должна поочередно присоединяться к сердечнику (а также к экрану при его наличии), кроме случая, когда сердечник (и экран) предназначены для соединения с незаземленной частью цепи.
Для имитации этого режима сердечник (и экран) поочередно подключают к источнику, имеющему соответствующие напряжение и частоту относительно каждой стороны первичной обмотки.
- В процессе испытания все обмотки, не предназначенные для присоединения к ПИТАЮЩЕЙ СЕТИ, оставляют без нагрузки (в разомкнутом состоянии). Обмотки, предназначенные для заземления в какой-либо точке или имеющие точку с потенциалом, близким к потенциалу земли, должны иметь эту точку, соединенную с сердечником, кроме случая, когда сердечник предназначен для подсоединения к незаземленной части цепи.
Для имитации этого режима сердечник подключают к источнику питания, имеющему соответствующие напряжение и частоту относительно этих обмоток.
- Первоначально прикладывают не более половины заданного напряжения, после чего в течение 10 с повышают напряжение до полного значения и на этом уровне выдерживают его в течение 1 мин, после чего плавно снижают и отключают.
- Испытания не проводят на резонансных частотах.
Соответствие проверяют следующим образом.
В процессе испытания любое перекрытие изоляции и пробой в любой ее части считают отрицательным результатом этого испытания. После этого испытания не должны выявляться какие-либо повреждения трансформатора.
Слабые коронные разряды не должны приниматься во внимание при условии их прекращения при временном снижении испытательного напряжения до уровня, превышающего РАБОЧЕЕ НАПРЯЖЕНИЕ, и разрядах, не вызывающих падения испытательного напряжения.
15.5.3* Конструкции трансформаторов, используемых для разделения частей согласно 8.5
Трансформаторы МЭ ИЗДЕЛИЙ, которые образуют СРЕДСТВА ЗАЩИТЫ согласно
8.5, должны соответствовать следующим требованиям:
- должны быть предусмотрены средства для предотвращения смещения концевых витков за пределы межобмоточной изоляции;
- если защитный заземленный экран содержит только один виток, он должен иметь изолированное перекрытие не менее 3 мм. Ширина экрана должна быть, по меньшей мере, равной длине осевой намотки первичной обмотки;
- выход проводов от внутренних обмоток кольцевых трансформаторов должен быть снабжен двойной оплеткой, соответствующей требованиям для двух СРЕДСТВ ЗАЩИТЫ, имеющей общую толщину стенки не менее 0,3 мм и выходящую на расстояние не менее 20 мм за пределы обмотки;
- изоляция между первичной и вторичной обмотками должна соответствовать
8.8.2;
- ПУТИ УТЕЧКИ И ВОЗДУШНЫЕ ЗАЗОРЫ должны соответствовать
8.9.4 со следующими исключениями:
- считается, что эмалированные или лакированные провода обмотки
добавляют 1 мм к ПУТЯМ УТЕЧКИ, указанным в
8.9.4 для СРЕДСТВ ЗАЩИТЫ
ПАЦИЕНТОВ;
- ПУТИ УТЕЧКИ измеряют через соединение между двумя частями
изолирующего барьера, за исключением случаев, когда:
- две части, образующие соединение, соединены теплоизоляцией или
другими аналогичными средствами в том месте, где это наиболее необходимо
или
- соединение полностью заполнено адгезивом в необходимых местах и
адгезив связывается с поверхностями изолирующего барьера так, что влажность
не попадает в соединение;
- считается, что ПУТИ УТЕЧКИ в опрессованных трансформаторах
отсутствуют, если нет пузырьков газа и толщина изоляции между
эмалированными или лакированными первичными и вторичными обмотками
составляет не менее 1 мм для опорного напряжения U, не превышающего 250 В,
и увеличивается пропорционально для более высокого опорного напряжения.
Соответствие проверяют путем осмотра конструкции трансформатора и измерения необходимых расстояний.
16.1* Общие требования к МЭ СИСТЕМАМ
Монтаж или последующая модификация МЭ СИСТЕМЫ не должны приводить к возникновению недопустимого РИСКА.
Необходимо рассматривать только те ОПАСНОСТИ, которые возникают в результате объединения различных изделий в МЭ СИСТЕМУ.
Примечание - ОТВЕТСТВЕННЫМ ОРГАНИЗАЦИЯМ напоминают, что сборка МЭ СИСТЕМ и их модификация в течение фактического срока службы требуют оценки соответствия требованиям настоящего стандарта.
МЭ СИСТЕМА должна обеспечивать:
- в пределах СРЕДЫ ПАЦИЕНТА - уровень безопасности, эквивалентный уровню для МЭ ИЗДЕЛИЯ, соответствующему требованиям настоящего стандарта;
- вне СРЕДЫ ПАЦИЕНТА - уровень безопасности, эквивалентный уровню для изделий, соответствующих требованиям распространяющихся на них стандартов безопасности МЭК и ИСО.
Испытания необходимо выполнять:
- в НОРМАЛЬНОМ СОСТОЯНИИ, если не оговорено иное;
- при условиях эксплуатации, определенных ИЗГОТОВИТЕЛЕМ МЭ СИСТЕМЫ.
Испытания на безопасность, которые уже были проведены на отдельных изделиях, составляющих данную МЭ СИСТЕМУ, согласно соответствующим стандартам, не должны повторяться.
ИЗГОТОВИТЕЛЬ МЭ СИСТЕМЫ, которая конфигурируется (реконфигурируется) ОТВЕТСТВЕННОЙ ОРГАНИЗАЦИЕЙ или ОПЕРАТОРОМ, может использовать методы МЕНЕДЖМЕНТА РИСКА для определения того, какие конфигурации приводят к максимальным РИСКАМ и какие средства необходимы для гарантии того, что МЭ СИСТЕМА в любой возможной конфигурации не будет приводить к возникновению недопустимого РИСКА.
Немедицинские изделия, используемые в составе МЭ СИСТЕМЫ, должны соответствовать требованиям распространяющихся на них стандартов безопасности МЭК или ИСО.
В составе МЭ СИСТЕМЫ недопустимо использовать изделия, в которых защита от поражения электрическим током обеспечивается только ОСНОВНОЙ ИЗОЛЯЦИЕЙ.
Соответствие проверяют рассмотрением соответствующих документов или сертификатов.
16.2* ЭКСПЛУАТАЦИОННЫЕ ДОКУМЕНТЫ МЭ СИСТЕМЫ
МЭ СИСТЕМЫ (включая модифицированные МЭ СИСТЕМЫ) необходимо поставлять вместе с документами, содержащими все необходимые для МЭ СИСТЕМЫ данные, чтобы эксплуатировать ее в соответствии с указаниями ИЗГОТОВИТЕЛЯ, а также адрес, по которому ОТВЕТСТВЕННАЯ ОРГАНИЗАЦИЯ может обращаться. ЭКСПЛУАТАЦИОННЫЕ ДОКУМЕНТЫ необходимо рассматривать в качестве части МЭ СИСТЕМЫ.
Примечание - ЭКСПЛУАТАЦИОННЫЕ ДОКУМЕНТЫ могут предоставляться в электронном виде, например в форме электронного файла или на компакт-диске, для тех МЭ СИСТЕМ, которые способны отображать и распечатывать эти документы.
Эти документы должны включать:
a) ЭКСПЛУАТАЦИОННЫЕ ДОКУМЕНТЫ на каждое МЭ ИЗДЕЛИЕ, которое поставляется ИЗГОТОВИТЕЛЕМ (см.
7.9);
b) ЭКСПЛУАТАЦИОННЫЕ ДОКУМЕНТЫ на каждое немедицинское изделие, которое поставляется ИЗГОТОВИТЕЛЕМ;
c) следующую информацию:
- характеристики МЭ СИСТЕМЫ, включая указания ИЗГОТОВИТЕЛЯ по ее эксплуатации, а также перечень всех изделий, формирующих МЭ СИСТЕМУ;
- инструкции по монтажу, сборке и модификации МЭ СИСТЕМЫ, гарантирующие длительное соответствие настоящему стандарту;
- инструкцию по очистке и, когда это применимо, инструкцию по дезинфекции и стерилизации каждого изделия или его части, формирующего(ей) часть МЭ СИСТЕМЫ (см.
11.6.6 и
11.6.7);
- дополнительные меры по обеспечению безопасности, которые должны применяться при монтаже МЭ СИСТЕМЫ;
- какие части МЭ СИСТЕМЫ пригодны для использования в пределах СРЕДЫ ПАЦИЕНТА;
- дополнительные меры, которые должны предприниматься при профилактическом обслуживании;
- при наличии МНОГОРОЗЕТОЧНОГО СЕТЕВОГО СОЕДИНИТЕЛЯ, являющегося отдельным изделием, - предупреждение о том, что он не должен находиться на полу;
- предупреждение о том, что дополнительный МНОГОРОЗЕТОЧНЫЙ СЕТЕВОЙ СОЕДИНИТЕЛЬ или удлинительный шнур не должен подсоединяться к МЭ СИСТЕМЕ;
- предупреждение о том, что соединять нужно только изделия, которые определены как часть МЭ СИСТЕМЫ или указаны как совместимые с МЭ СИСТЕМОЙ;
- максимально допустимую нагрузку на любой МНОГОРОЗЕТОЧНЫЙ СЕТЕВОЙ СОЕДИНИТЕЛЬ, используемый в МЭ СИСТЕМЕ;
- указание о том, что МНОГОРОЗЕТОЧНЫЕ СЕТЕВЫЕ СОЕДИНИТЕЛИ, поставляемые с МЭ СИСТЕМОЙ, должны использоваться только для питания изделий, входящих в состав МЭ СИСТЕМЫ;
- пояснение РИСКОВ, возникающих в результате подсоединения немедицинского изделия, которое поставляется в составе МЭ СИСТЕМЫ, непосредственно к настенной розетке, тогда как это немедицинское изделие предназначено для питания от МНОГОРОЗЕТОЧНОГО СЕТЕВОГО СОЕДИНИТЕЛЯ с разделительным трансформатором;
- пояснение РИСКОВ, возникающих в результате подсоединения любого изделия, которое не поставлялось как часть МЭ СИСТЕМЫ, к МНОГОРОЗЕТОЧНОМУ СЕТЕВОМУ СОЕДИНИТЕЛЮ;
- допустимые условия окружающей среды при эксплуатации МЭ СИСТЕМЫ, включая условия транспортирования и хранения;
- инструкции ОПЕРАТОРУ, чтобы он одновременно не касался частей, указанных в
16.4, и ПАЦИЕНТА;
d) рекомендации ОТВЕТСТВЕННОЙ ОРГАНИЗАЦИИ:
- по выполнению всех ПРОЦЕДУР регулировок, очистки, стерилизации и дезинфекции;
- относительно того, что сборка МЭ СИСТЕМЫ и ее модификация в течение фактического срока службы требуют оценки соответствия требованиям настоящего стандарта.
Соответствие проверяют рассмотрением ЭКСПЛУАТАЦИОННЫХ ДОКУМЕНТОВ МЭ СИСТЕМЫ.
Если МЭ ИЗДЕЛИЕ предназначено для питания от другого изделия МЭ СИСТЕМЫ, то в инструкции по эксплуатации должно быть указано это другое изделие для гарантии обеспечения соответствия требованиям настоящего стандарта (см.
4.10.1,
5.5 f) и
7.9.2.3). См. также
рисунок F.5.
Если МЭ СИСТЕМА:
- предназначена для получения питания от изолированного источника питания (ИИП) или от источника бесперебойного питания (ИБП) и
- может вызывать большие переходные токи при включении, выключении или во время работы,
то ИЗГОТОВИТЕЛЬ должен снизить такие переходные токи до допустимого уровня в соответствии с спецификациями ИИП или ИБП, с которыми МЭ СИСТЕМА может использоваться.
Если ИИП или ИБП не указаны, то фактический уровень переходного тока должен быть указан в техническом описании и инструкции по установке.
Соответствие проверяют осмотром МЭ СИСТЕМЫ.
Части немедицинского изделия в СРЕДЕ ПАЦИЕНТА, которых может касаться ОПЕРАТОР при стандартном техническом обслуживании, калибровке и т.д. после удаления крышек, соединителей и т.д. без помощи ИНСТРУМЕНТА, должны работать при напряжении, не превышающем указанного в
8.4.2 c), от источника, который электрически отделен от ПИТАЮЩЕЙ СЕТИ с помощью двух СРЕДСТВ ЗАЩИТЫ ОПЕРАТОРА (см.
8.5.1).
Соответствие проверяют осмотром.
16.5* РАЗДЕЛИТЕЛЬНЫЕ УСТРОЙСТВА
Если ФУНКЦИОНАЛЬНОЕ СОЕДИНЕНИЕ между МЭ ИЗДЕЛИЕМ и другими изделиями МЭ СИСТЕМЫ или другими системами может вызывать превышение допустимого ТОКА УТЕЧКИ, то необходимо применять меры обеспечения безопасности в виде РАЗДЕЛИТЕЛЬНЫХ УСТРОЙСТВ.
РАЗДЕЛИТЕЛЬНОЕ УСТРОЙСТВО должно иметь электрическую прочность изоляции, ПУТИ УТЕЧКИ и ВОЗДУШНЫЕ ЗАЗОРЫ, соответствующие одному СРЕДСТВУ ЗАЩИТЫ ОПЕРАТОРА, при максимальном напряжении, действующем в РАЗДЕЛИТЕЛЬНОМ УСТРОЙСТВЕ при условии возникновения неисправности.
РАБОЧИМ НАПРЯЖЕНИЕМ должно быть максимальное напряжение, действующее в РАЗДЕЛИТЕЛЬНОМ УСТРОЙСТВЕ, при условии возникновения неисправности, но не менее МАКСИМАЛЬНОГО СЕТЕВОГО НАПРЯЖЕНИЯ.
Примечание 1 - Для изделия КЛАССА I в отсутствие общего защитного заземления между защитным заземлением МЭ ИЗДЕЛИЯ и защитным заземлением других частей МЭ СИСТЕМЫ может возникать разность потенциалов.
Примечание 2 - Ситуации, которые могут требовать применения РАЗДЕЛИТЕЛЬНОГО УСТРОЙСТВА, включают ФУНКЦИОНАЛЬНЫЕ СОЕДИНЕНИЯ с системой экстренного вызова или с системой обработки данных.
Соответствие проверяют испытаниями согласно 8.8 и 8.9.
16.6.1 ТОК УТЕЧКИ НА ДОСТУПНУЮ ЧАСТЬ
В НОРМАЛЬНОМ СОСТОЯНИИ ТОК УТЕЧКИ НА ДОСТУПНУЮ ЧАСТЬ от частей или между частями МЭ СИСТЕМЫ в пределах СРЕДЫ ПАЦИЕНТА не должен превышать 100 мкА.
В случае обрыва ПРОВОДА ЗАЩИТНОГО ЗАЗЕМЛЕНИЯ любого изделия МЭ СИСТЕМЫ, кроме ИЗДЕЛИЯ С ПОСТОЯННЫМ ПРИСОЕДИНЕНИЕМ К ПИТАЮЩЕЙ СЕТИ, ТОК УТЕЧКИ НА ДОСТУПНУЮ ЧАСТЬ от частей или между частями МЭ СИСТЕМЫ в пределах СРЕДЫ ПАЦИЕНТА не должен превышать 500 мкА.
Примечание - В контексте данного подпункта ТОК УТЕЧКИ от доступных внешних поверхностей изделия также должен считаться ТОКОМ УТЕЧКИ НА ДОСТУПНУЮ ЧАСТЬ.
16.6.2 ТОК УТЕЧКИ НА ЗЕМЛЮ для МНОГОРОЗЕТОЧНОГО СЕТЕВОГО СОЕДИНИТЕЛЯ
Если МЭ СИСТЕМА или ее часть питается от МНОГОРОЗЕТОЧНОГО СЕТЕВОГО СОЕДИНИТЕЛЯ, то ток в ПРОВОДЕ ЗАЩИТНОГО ЗАЗЕМЛЕНИЯ этого соединителя не должен превышать 5 мА.
16.6.3* ТОК УТЕЧКИ НА ПАЦИЕНТА
ТОК УТЕЧКИ НА ПАЦИЕНТА и полный ТОК УТЕЧКИ НА ПАЦИЕНТА в МЭ СИСТЕМЕ в НОРМАЛЬНОМ СОСТОЯНИИ не должны превышать значений, указанных для МЭ ИЗДЕЛИЙ в
таблицах 3 и
4. См. также
8.7.3 и
16.1.
Полный ТОК УТЕЧКИ НА ПАЦИЕНТА можно измерять при монтаже МЭ СИСТЕМЫ.
Соответствие требованиям 16.6.1, 16.6.2 и 16.6.3 проверяют осмотром МЭ СИСТЕМЫ и измерением с помощью измерительного устройства, согласно 8.7.4.4.
16.6.4 Измерения
16.6.4.1 Общие условия испытаний МЭ СИСТЕМ
a) ТОК УТЕЧКИ НА ДОСТУПНУЮ ЧАСТЬ, ТОК УТЕЧКИ НА ПАЦИЕНТА, общий ТОК УТЕЧКИ ТОКА НА ПАЦИЕНТА и полный ТОК УТЕЧКИ НА ЗЕМЛЮ измеряют после того, как МЭ СИСТЕМА достигнет рабочей температуры следующим образом.
Режим работы МЭ СИСТЕМЫ:
- для МЭ СИСТЕМ, не предназначенных для ПРОДОЛЖИТЕЛЬНОГО РЕЖИМА РАБОТЫ.
После достижения ТЕМПЕРАТУРНОЙ СТАБИЛИЗАЦИИ в режиме ожидания МЭ СИСТЕМА работает в режиме НОРМАЛЬНОЙ ЭКСПЛУАТАЦИИ последовательными циклами до тех пор, пока снова не наступит ТЕМПЕРАТУРНАЯ СТАБИЛИЗАЦИЯ, или в течение 7 ч выбирают меньший интервал времени. Периодами "вкл." и "выкл." являются НОРМИРОВАННЫЕ периоды "вкл." и "выкл.";
- для МЭ СИСТЕМ, предназначенных для ПРОДОЛЖИТЕЛЬНОГО РЕЖИМА РАБОТЫ.
МЭ СИСТЕМА работает до достижения ТЕМПЕРАТУРНОЙ СТАБИЛИЗАЦИИ.
b) МЭ СИСТЕМУ соединяют с источником питания с напряжением, равным максимальному НОРМИРОВАННОМУ СЕТЕВОМУ НАПРЯЖЕНИЮ. Если характеристики МЭ СИСТЕМЫ могут быть должным образом измерены только после ее установки на рабочем месте ОТВЕТСТВЕННОЙ ОРГАНИЗАЦИИ до ее клинического использования, то МЭ СИСТЕМУ соединяют с местной ПИТАЮЩЕЙ СЕТЬЮ.
Примечание - В случае когда анализ компоновки схем и компонентов, а также материалов показывает невозможность возникновения какой-либо ОПАСНОСТИ, число испытаний может быть уменьшено.
16.6.4.2 Присоединение МЭ СИСТЕМЫ к измерительной цепи питания
a) МЭ СИСТЕМУ испытывают после ее сборки в соответствии с ее ЭКСПЛУАТАЦИОННЫМИ ДОКУМЕНТАМИ.
b) Схема измерений
Если для измерения ТОКА УТЕЧКИ разделительный трансформатор не используют (например, при измерении ТОКА УТЕЧКИ в МЭ СИСТЕМАХ с высокой потребляемой мощностью), то референтное заземление измерительной цепи соединяют с защитным заземлением ПИТАЮЩЕЙ СЕТИ.
Примечание 1 - Рекомендуется размещать измерительную цепь максимально далеко от неэкранированных силовых проводов питания и (если это не оговорено в следующих подпунктах) избегать размещения МЭ СИСТЕМЫ вблизи большой заземленной металлической поверхности или на ней.
Примечание 2 - Однако РАБОЧИЕ ЧАСТИ, включая кабели ПАЦИЕНТА (при их наличии), следует помещать на изолированную поверхность с диэлектрической постоянной, приблизительно равной 1 (например, на вспененный полистирол), и приблизительно на 200 мм выше заземленной металлической поверхности.
16.7* Защита от МЕХАНИЧЕСКИХ ОПАСНОСТЕЙ
При существовании МЕХАНИЧЕСКОЙ ОПАСНОСТИ МЭ СИСТЕМА должна соответствовать применимым требованиям
пункта 9.
Соответствие проверяют осмотром МЭ СИСТЕМЫ или с помощью применимых испытаний.
16.8 Прерывание питания МЭ СИСТЕМЫ
Конструкция МЭ СИСТЕМЫ должна быть такова, что прерывание и восстановление питания МЭ СИСТЕМЫ в целом или любой ее части не будет приводить к утрате ОСНОВНОЙ БЕЗОПАСНОСТИ или ОСНОВНЫХ ФУНКЦИОНАЛЬНЫХ ХАРАКТЕРИСТИК.
Соответствие проверяют путем поочередного прерывания и восстановления сетевых соединений и всех сетевых соединений одновременно.
16.9 Соединители и проводные соединения МЭ СИСТЕМЫ
16.9.1 Соединительные зажимы и разъемы
Техническое решение и конструкция электрических, гидравлических, пневматических и газовых соединительных зажимов и разъемов должны быть такими, чтобы предотвратить неправильное подключение разъемов, подключаемых без использования ИНСТРУМЕНТА, если это может вызвать недопустимый РИСК. В частности:
- конструкция вилок для присоединения отведений ПАЦИЕНТА или кабелей ПАЦИЕНТА должна быть такова, чтобы она исключала возможность их соединения с другими выходами той же самой МЭ СИСТЕМЫ, которые, вероятно, могут находиться в СРЕДЕ ПАЦИЕНТА, за исключением случая, когда может быть доказана невозможность возникновения недопустимого РИСКА.
Соответствие проверяют рассмотрением отведений ПАЦИЕНТА, кабелей ПАЦИЕНТА, соединителей и розеток и, если отведения, кабели, соединители и розетки являются взаимосовместимыми, рассмотрением ФАЙЛА МЕНЕДЖМЕНТА РИСКА;
- медицинские газовые соединители МЭ СИСТЕМЫ для различных газов, которые используют при НОРМАЛЬНОЙ ЭКСПЛУАТАЦИИ, не должны быть взаимозаменяемыми. См. также ИСО 407
[27].
Соответствие проверяют осмотром всех медицинских газовых соединителей.
16.9.2 СЕТЕВЫЕ ЧАСТИ, компоненты и монтаж
16.9.2.1* МНОГОРОЗЕТОЧНЫЙ СЕТЕВОЙ СОЕДИНИТЕЛЬ
a) МНОГОРОЗЕТОЧНЫЙ СЕТЕВОЙ СОЕДИНИТЕЛЬ должен:
- обеспечивать соединение только с помощью ИНСТРУМЕНТА (см.
рисунок I.1); или
- быть такого типа, который будет предотвращать соединение с СЕТЕВЫМИ ВИЛКАМИ, указанными в IEC/TR 60083, или
Соответствие проверяют осмотром МЭ СИСТЕМЫ.
b) МНОГОРОЗЕТОЧНЫЙ СЕТЕВОЙ СОЕДИНИТЕЛЬ:
- должен маркироваться ЗНАКОМ БЕЗОПАСНОСТИ ИСО 7010-W001 (см.
таблицу D.2, ЗНАК БЕЗОПАСНОСТИ 2) таким образом, чтобы он был заметен при НОРМАЛЬНОЙ ЭКСПЛУАТАЦИИ, и
- должен маркироваться либо отдельно, либо в сочетании с указанием
максимально допустимого тока или выходной мощности в амперах или
вольт-амперах, или
- должен маркироваться путем указания изделий или частей изделий,
которые могут быть безопасно присоединены;
- может быть либо отдельным изделием, либо встроенной частью МЭ ИЗДЕЛИЯ или немедицинского изделия.
Примечание - Маркировать каждый выход не требуется.
Соответствие проверяют осмотром МЭ СИСТЕМЫ.
c) МНОГОРОЗЕТОЧНЫЙ СЕТЕВОЙ СОЕДИНИТЕЛЬ должен соответствовать требованиям МЭК 60884-1, а также следующим дополнительным требованиям:
- ПУТИ УТЕЧКИ и ВОЗДУШНЫЕ ЗАЗОРЫ должны соответствовать
8.9;
- конструкция должна быть выполнена по КЛАССУ I, а ПРОВОД ЗАЩИТНОГО ЗАЗЕМЛЕНИЯ - соединяться с контактами заземления розеток;
- ЗАЖИМЫ ЗАЩИТНОГО ЗАЗЕМЛЕНИЯ и СОЕДИНЕНИЯ С ЗАЩИТНЫМ ЗАЗЕМЛЕНИЕМ должны соответствовать
8.6;
- КОРПУСА должны соответствовать
8.4.2 d);
- СЕТЕВЫЕ ПРИСОЕДИНИТЕЛЬНЫЕ УСТРОЙСТВА и проводные соединения должны соответствовать
8.11.4 по применимым требованиям;
- НОМИНАЛЫ компонентов не должны противоречить условиям их применения (см.
4.8);
- конструкция электрических соединителей, которые могут сниматься без помощи ИНСТРУМЕНТА, должна предотвращать неправильное соединение;
- требования к ШНУРУ ПИТАНИЯ - согласно
8.11.3.
d)* Если МНОГОРОЗЕТОЧНЫЙ СЕТЕВОЙ СОЕДИНИТЕЛЬ объединен с разделительным трансформатором, то предъявляют следующие дополнительные требования:
- разделительный трансформатор должен соответствовать настоящему стандарту. В качестве альтернативы разделительный трансформатор может соответствовать требованиям МЭК 61558-2-1, за исключением того, что требования к максимальной НОРМИРОВАННОЙ выходной мощности 1 кВ·А и степени защиты IPX4 не применимы.
Примечание 1 - Поскольку разделительный трансформатор не является СЕТЕВЫМ ТРАНСФОРМАТОРОМ, то для него не требуется более чем ОСНОВНАЯ ИЗОЛЯЦИЯ.
Примечание 2 - Ограничение выходной мощности не поясняется в МЭК 61558-2-1, а НОРМИРОВАННАЯ выходная мощность определяется плавким предохранителем установки и используемым кабелем электропитания, однако характеристики разделительного трансформатора необходимо тщательно выбирать с учетом изменений в токах нагрузки в МЭ СИСТЕМЕ, чтобы гарантировать сохранение напряжения в установленных пределах при его подаче на различные изделия МЭ СИСТЕМЫ;
- конструкция разделительного трансформатора должна соответствовать КЛАССУ I;
- степень защиты от проникания влаги должна быть согласно МЭК 60529;
- разделительный трансформатор в сборе необходимо маркировать в соответствии с требованиями
7.2 и
7.3;
- МНОГОРОЗЕТОЧНЫЙ СЕТЕВОЙ СОЕДИНИТЕЛЬ должен быть постоянно соединен с разделительным трансформатором либо его розетки должны быть такого типа, который не предусматривает соединение с СЕТЕВЫМИ ВИЛКАМИ любого вида, указанного в IEC/TR 60083 (см.
рисунки I.1 и
I.2).
Соответствие проверяют осмотром и испытаниями по применимым подпунктам настоящего стандарта.
16.9.2.2* СОЕДИНЕНИЯ С ЗАЩИТНЫМ ЗАЗЕМЛЕНИЕМ в МЭ СИСТЕМАХ
Для каждой части МЭ СИСТЕМЫ, использующей общую ПИТАЮЩУЮ СЕТЬ, импеданс и токонесущая способности общего защитного заземления МЭ СИСТЕМЫ должны соответствовать
8.6.4 при испытаниях МЭ СИСТЕМЫ как единого блока. В тех случаях, когда путь тока повреждения, вызванного токоведущей деталью, к ЗАЗЕМЛЕННОЙ С ЦЕЛЬЮ ЗАЩИТЫ части защищен только выключателем перегрузки по току ПИТАЮЩЕЙ СЕТИ (например, автоматическим выключателем или предохранителем), сопротивление защитного заземления этого пути не должно превышать 200 мОм.
Если путь тока повреждения, вызванного токоведущей частью, к ЗАЗЕМЛЕННОЙ С ЦЕЛЬЮ ЗАЩИТЫ части защищен дополнительными промежуточными выключателями или предохранителями с номинальным током 13 А или ниже, то достигается соответствие требованиям
8.6.4 b) и
8.7.2, первое перечисление, и сопротивление защитного заземления на этой части пути повреждения может превышать 200 мОм, но должно быть менее 400 мОм.
СОЕДИНЕНИЯ С ЗАЩИТНЫМ ЗАЗЕМЛЕНИЕМ должны выполняться так, чтобы удаление любого изделия в МЭ СИСТЕМЕ не приводило к отсоединению защитного заземления любой другой части МЭ СИСТЕМЫ без прерывания электропитания этой части.
Дополнительные ПРОВОДА ЗАЩИТНОГО ЗАЗЕМЛЕНИЯ должны отсоединяться только с помощью ИНСТРУМЕНТА.
Соответствие проверяют осмотром.
16.9.2.3 Защита проводов
Провода, соединяющие различные изделия в МЭ СИСТЕМЕ, должны быть защищены от механических повреждений.
Соответствие проверяют осмотром.
17* Электромагнитная совместимость МЭ ИЗДЕЛИЙ и МЭ СИСТЕМ
ИЗГОТОВИТЕЛЬ должен учитывать РИСКИ, связанные с ЭЛЕКТРОМАГНИТНЫМИ ВОЗМУЩЕНИЯМИ.
Соответствие проверяют, как указано в МЭК 60601-1-2:2014 и МЭК 60601-1-2:2014/AMD1:2020.
(справочное)
ОБЩИЕ ПОЛОЖЕНИЯ И ОБОСНОВАНИЯ
A.1 Общие положения
Требования к МЭ ИЗДЕЛИЯМ и МЭ СИСТЕМАМ отличаются от тех, которые предъявляют к другим видам электрических изделий из-за специфического взаимодействия между МЭ ИЗДЕЛИЕМ или МЭ СИСТЕМОЙ с ПАЦИЕНТОМ, ОПЕРАТОРОМ и их средой, наиболее важную роль в котором играют следующие факторы:
a) неспособность ПАЦИЕНТА или ОПЕРАТОРА определять наличие некоторых ОПАСНОСТЕЙ (таких как ионизирующее и неионизирующее излучение);
b) отсутствие нормальных реакций ПАЦИЕНТА, который может быть болен, находиться без сознания, под действием анестезирующих средств, в иммобилизованном состоянии и т.д.;
c) отсутствие нормальной защиты ПАЦИЕНТА от токов, протекающих по его коже, если нарушена ее целостность или она подверглась обработке для снижения сопротивления кожи;
d) поддержание или замещение жизненно важных функций организма, которые зависят от надежности МЭ ИЗДЕЛИЯ или МЭ СИСТЕМЫ;
e) одновременное подсоединение к ПАЦИЕНТУ нескольких частей МЭ ИЗДЕЛИЯ;
f) сочетание мощного МЭ ИЗДЕЛИЯ и высокочувствительного МЭ ИЗДЕЛИЯ часто в непредусмотренных сочетаниях;
g) присоединение электрических цепей либо непосредственно к телу человека с использованием контактов с кожей, либо путем введения зондов во внутренние органы;
h) условия, особенно в операционных, которые могут представлять собой влажность, испарение или ОПАСНОСТЬ возгорания или взрыва, вызываемых смесью воздуха с кислородом или закисью азота.
Если МЭ ИЗДЕЛИЕ используют с другим электрическим изделием для формирования МЭ СИСТЕМЫ, то предъявляют дополнительные требования, приведенные в
пункте 16. В некоторых случаях приводят ссылки на другие части настоящего стандарта. Если какой-либо пункт или подпункт будет относиться исключительно к определенному МЭ ИЗДЕЛИЮ, то об этом будут свидетельствовать наименование и содержание этого пункта или подпункта; в противном случае содержание данного пункта или подпункта будет относиться как к МЭ СИСТЕМАМ, так и к МЭ ИЗДЕЛИЯМ.
A.2 Безопасность МЭ ИЗДЕЛИЙ и МЭ СИСТЕМ
ОСНОВНАЯ БЕЗОПАСНОСТЬ и ОСНОВНЫЕ ФУНКЦИОНАЛЬНЫЕ ХАРАКТЕРИСТИКИ МЭ ИЗДЕЛИЯ и МЭ СИСТЕМЫ, согласно IEC/TR 60513
[12], является частью полной безопасности, включая безопасность МЭ ИЗДЕЛИЯ, безопасность установки, с которой МЭ ИЗДЕЛИЕ или МЭ СИСТЕМА соединены, а также безопасность применения.
ОСНОВНАЯ БЕЗОПАСНОСТЬ и ОСНОВНЫЕ ФУНКЦИОНАЛЬНЫЕ ХАРАКТЕРИСТИКИ МЭ ИЗДЕЛИЙ и МЭ СИСТЕМ необходимы для НОРМАЛЬНОЙ ЭКСПЛУАТАЦИИ, при разумно прогнозируемых отклонениях от нормальной эксплуатации, в НОРМАЛЬНОМ СОСТОЯНИИ и при УСЛОВИИ ЕДИНИЧНОГО НАРУШЕНИЯ. Надежность функционирования рассматривают как аспект безопасности для МЭ ИЗДЕЛИЯ жизнеобеспечения, а в случае прерывания обследования или лечения - как ОПАСНУЮ СИТУАЦИЮ для ПАЦИЕНТА.
Адекватные конструкция, компоновка и ЭКСПЛУАТАЦИОННЫЕ ДОКУМЕНТЫ, служащие для предотвращения ошибок при эксплуатации, также рассматривают в качестве дополнительных аспектов безопасности.
Меры безопасности будут считаться допустимыми, если они будут обеспечивать адекватную защиту без нежелательных ограничений нормального функционирования МЭ ИЗДЕЛИЯ или МЭ СИСТЕМЫ.
В общем случае предполагается, что МЭ ИЗДЕЛИЕ и МЭ СИСТЕМА эксплуатируются под контролем квалифицированных или лицензированных специалистов и что ОПЕРАТОР имеет достаточные навыки, необходимые для их специфического применения при работе согласно инструкции по эксплуатации.
Общая безопасность МЭ ИЗДЕЛИЯ может обеспечиваться:
- собственной безопасностью конструкции;
- защитными устройствами, находящимися в МЭ ИЗДЕЛИИ, или дополнительными защитными средствами типа экранов или защитной одежды;
- информацией, относящейся к безопасности, например содержащейся в инструкциях по эксплуатации, транспортированию, монтажу или размещению, соединению, вводу в эксплуатацию, расположению ОПЕРАТОРА и его/ее ассистентов относительно МЭ ИЗДЕЛИЯ в течение его эксплуатации.
A.3 Указания к третьей редакции стандарта
В настоящей редакции стандарта были удалены многие пункты и подпункты, содержавшиеся во второй редакции, например пункты и подпункты, помеченные как "Не использован". Однако те, которые были помечены как "Общие требования отсутствуют", были сохранены с тем, чтобы на них распространялись требования частных или дополнительных стандартов. При этом пометки "Общие требования отсутствуют" были заменены ссылками на ПРОЦЕСС МЕНЕДЖМЕНТА РИСКА, поскольку в отсутствие частного или дополнительного стандарта "общие требования" в третьей редакции связывают с применением МЕНЕДЖМЕНТА РИСКА.
При подготовке третьей редакции стандарты общей безопасности и рекомендации ИСО/МЭК были в максимально возможной степени учтены с точки зрения совместимости со специфическими взаимодействиями МЭ ИЗДЕЛИЯ или МЭ СИСТЕМЫ с ПАЦИЕНТОМ, ОПЕРАТОРОМ и их средой.
Форма третьей редакции была приведена в соответствие с основными требованиями Части 2 Директив ИСО/МЭК. Все пункты второй редакции, за исключением
пункта 1, были преобразованы в основные пункты, поскольку по новым правилам составления стандартов пункты отменены, а новая система нумерации позволяет вносить последующие изменения в тот или иной пункт, не изменяя нумерации других пунктов стандарта.
Нормативные ссылки были перенесены из приложения L второй редакции в
пункт 2. Справочные ссылки внесены в библиографический
перечень.
Определения пункта 3 были преобразованы в единый
перечень в алфавитном порядке по категориям, которые ранее становились все более и более сложными и менее интуитивно понятными. Предметный указатель был расширен для идентификации каждой страницы, на которой тот или иной термин используется в стандарте. Было введено множество новых терминов для поддержки новых или расширения прежних требований.
Общие требования к ПРОЦЕССУ МЕНЕДЖМЕНТА РИСКА указаны в
4.2.
Пункт 8 был значительно переработан для сведения воедино требований, касающихся электробезопасности. Требования, приведенные в
пункте 8, рассмотрены с точки зрения требований, предъявляемых к безопасности информационно-технологического (ИТ) оборудования, согласно МЭК 60950-1, и приведены в соответствие со специфическим взаимодействием МЭ ИЗДЕЛИЯ с ПАЦИЕНТОМ, ОПЕРАТОРОМ и их средой.
Пункт 9, посвященный защите от МЕХАНИЧЕСКИХ ОПАСНОСТЕЙ, был существенно пересмотрен для расширения номенклатуры возможных ОПАСНОСТЕЙ, которым МЭ ИЗДЕЛИЕ может подвергать ОПЕРАТОРА или ПАЦИЕНТА. Требования, связанные с механической прочностью МЭ ИЗДЕЛИЯ, подвергающегося испытаниям на давление, толчки, падение и грубое обращение, приведены в
15.3.
В настоящем стандарте вместо понятия "ошибки пользователя или иного лица" введено понятие "ЭКСПЛУАТАЦИОННАЯ ПРИГОДНОСТЬ" (см.
12.2).
Пункт 6 второй редакции, посвященный защите от ОПАСНОСТИ возгорания огнеопасных смесей воздуха с анестетиком, был перенесен в обязательное
приложение, которое до этого было лишь справочным, поскольку эти анестетики применялись достаточно редко. Однако, как показали отзывы Национальных комитетов, некоторые ИЗГОТОВИТЕЛИ все еще могут поставлять МЭ ИЗДЕЛИЯ для подобных применений.
Предельное значение температуры поверхности РАБОЧИХ ЧАСТЕЙ в
11.1.2.2, которые находятся в контакте с ПАЦИЕНТОМ в течение не менее 10 мин, было увеличено с 41 °C до 43 °C, однако ИЗГОТОВИТЕЛЬ все же должен указывать в ЭКСПЛУАТАЦИОННЫХ ДОКУМЕНТАХ факт превышения температурой РАБОЧЕЙ ЧАСТИ значения 41 °C.
Требования МЭК 60601-1-4
[14], предъявляемые к ПРОГРАММИРУЕМЫМ МЭ СИСТЕМАМ и упомянутые в 52.1 второй редакции, были включены в состав настоящего стандарта (в новый
пункт 14).
Требования МЭК 60601-1-1
[13], предъявляемые к МЭ СИСТЕМАМ, были включены в новый
пункт 16 настоящего стандарта.
A.4 Пояснения к отдельным пунктам и подпунктам настоящего стандарта
Ниже приведены пояснения к определенным пунктам и подпунктам настоящего стандарта, номера которых совпадают с приведенными в самом стандарте.
Область применения настоящего стандарта установлена ссылкой на определения для МЭ ИЗДЕЛИЯ и МЭ СИСТЕМЫ, которые четко определяют эту область применения и отличия от требований к электрическим изделиям других типов.
Изделия для лабораторной диагностики, соответствующие МЭК 61010-1
[22], не подпадают под действие настоящего стандарта, за исключением лабораторных изделий, введенных ИЗГОТОВИТЕЛЕМ в состав МЭ СИСТЕМЫ.
Настоящий стандарт не распространяется на активные имплантируемые медицинские устройства, подпадающие под действие ИСО 14708-1
[31], за исключением случая, когда ИСО 14708-1 требует соответствия МЭК 60601-1.
Настоящий стандарт не распространяется ни на какие иные электрические изделия, не подпадающие под определение МЭ ИЗДЕЛИЯ или МЭ СИСТЕМЫ.
Дополнительные стандарты - это документы, разработанные ТК 62 для расширения общего стандарта. Дополнительные стандарты делятся на две категории:
- стандарты, которые учитывают дополнительные требования к ОСНОВНОЙ БЕЗОПАСНОСТИ и ОСНОВНЫМ ФУНКЦИОНАЛЬНЫМ ХАРАКТЕРИСТИКАМ и являются общими для определенной подгруппы МЭ ИЗДЕЛИЙ. Например, Подкомитет 62B разработал МЭК 60601-1-3 на общие требования к защите от ионизирующего излучения в медицинском диагностическом рентгеновском оборудовании для того, чтобы эквивалентная доза для ПАЦИЕНТА, ОПЕРАТОРА и другого персонала могла поддерживаться на разумно низком уровне, или
- стандарты, которые учитывают дополнительные требования к ОСНОВНОЙ БЕЗОПАСНОСТИ и ОСНОВНЫМ ФУНКЦИОНАЛЬНЫМ ХАРАКТЕРИСТИКАМ, которые относятся к тем характеристикам МЭ ИЗДЕЛИЯ или МЭ СИСТЕМЫ, которые не подпадают под действие общего стандарта.
Требования двух дополнительных стандартов, разработанных для второй редакции МЭК 60601-1, были включены в настоящий стандарт, а именно:
- МЭК 60601-1-1:2000 Изделия медицинские электрические. Общие требования безопасности. Дополнительный стандарт. Требования безопасности к медицинским электрическим системам
- МЭК 60601-1-4:1996 Изделия медицинские электрические. Часть 1. Общие требования безопасности. 4. Дополнительный стандарт. Программируемые медицинские электрические системы и изменение 1 к нему (1999) <1>.
--------------------------------
<1> Существует объединенное издание 1.1 (2000), включающее IEC 60601-1-4:1996 и изменение 1 к нему (1999).
В то время как оба стандарта будут действовать до того, как все частные стандарты, основанные на второй редакции МЭК 60601-1, будут приведены в соответствие с настоящим стандартом, эти дополнительные стандарты не применяют, если применяют настоящий стандарт.
Дополнительные стандарты могут издаваться периодически, по мере необходимости. Пока эти стандарты не будут упоминаться в настоящем стандарте, они все еще будут устанавливать общие требования, которые целесообразно учитывать, если они применимы. Читателям рекомендуется обращаться к регистрам действующих на настоящее время международных стандартов, поддерживаемым их национальными органами по стандартизации, для ознакомления с тем, какие дополнительные стандарты уже опубликованы.
Частный стандарт может определять:
- пункты или подпункты настоящего стандарта, которые применяют без дополнений;
- пункты или подпункты (или их части) настоящего стандарта, которые не применяют;
- пункты или подпункты (или их части) настоящего стандарта, которые заменяют пункты или подпункты частного стандарта, или
- дополнительные пункты или подпункты.
Частный стандарт может содержать:
a) требования, которые приводят к повышению ОСНОВНОЙ БЕЗОПАСНОСТИ или улучшению ОСНОВНЫХ ФУНКЦИОНАЛЬНЫХ ХАРАКТЕРИСТИК;
b) требования, которые могут быть менее строгими, чем требования настоящего стандарта, если последние не могут быть выполнены, например, из-за выходной мощности МЭ ИЗДЕЛИЯ;
c) требования к функциональным характеристикам, надежности, интерфейсам и т.д.;
d) требования к точности рабочих данных, или
e) требования к расширению и ограничению параметров окружающей среды.
В этом
пункте приведен перечень документов, цитируемых в других обязательных пунктах настоящего стандарта, делая их обязательными для применения документами, однако соответствие этим документам требуется только для ссылок на обязательные требования настоящего стандарта. Например, если ссылка дана на определенный пункт, подпункт, таблицу или рисунок, то пользователь настоящего стандарта должен выполнять только требования этого пункта, подпункта, таблицы или рисунка настоящего стандарта.
Обновленные ссылки сделаны только для полного документа или для его основной части и только если было принято, что их можно будет использовать при всех последующих изменениях настоящего стандарта. Например, недатированная ссылка дана на МЭК 60529, поскольку предполагается, что ИЗГОТОВИТЕЛЬ всегда будет использовать последнюю редакцию этого стандарта для присвоения КОРПУСАМ IP-кодов.
Подразумевается, что недатированные ссылки включают все дополнения и редакции цитируемого документа.
Датированные ссылки сделаны в тех случаях, когда требования определенной редакции должны использоваться для удовлетворения требований настоящего стандарта. Последующие дополнения датированными ссылками или их пересмотры будут вводиться с помощью дополнений к этому стандарту.
Ссылки на определенные пункты, подпункты, таблицы и рисунки других документов - всегда датируемые.
Этот
пункт содержит определения для терминов, которые необходимы для понимания требований, представленных в настоящем стандарте. Многие из этих терминов позаимствованы из второй редакции, однако многие из них были добавлены при разработке новых или изменении прежних требований. Когда это было возможно, существовавшие в других стандартах требования заимствовались или модифицировались.
Кроме случаев, когда то или иное определение используется для пояснения других терминов, оно дается только тогда, когда термин встречается в тексте стандарта несколько раз.
Некоторые термины напечатаны ШРИФТОМ УМЕНЬШЕННОГО РАЗМЕРА для облегчения читателю их идентификации в стандарте. Обычно все слова применяют в их стандартном английском значении. Комитет предпринимал усилия к тому, чтобы избежать использования одного и того же слова и в качестве определенного термина, и в его привычном английском значении, хотя в ряде случаев это оказалось невозможным. Например, слово "процедура" использовалось как определенный термин в словосочетании, например, "ПРОЦЕДУРА запуска" (в смысле определенного способа выполнения запуска МЭ ИЗДЕЛИЯ или МЭ СИСТЕМЫ), а также в отношении ПАЦИЕНТА в соответствии с его общепринятым значением в английском языке (в смысле получения человеком или животным медицинской, хирургической или стоматологической помощи).
Части, чей контакт с ПАЦИЕНТОМ может представлять больше ОПАСНОСТЕЙ, чем другие части КОРПУСА. Поэтому к РАБОЧИМ ЧАСТЯМ предъявляют более жесткие требования, например к предельным значениям температуры и (согласно классификации типов РАБОЧИХ ЧАСТЕЙ B/BF/CF) - к ТОКАМ УТЕЧКИ.
Примечание - Некоторые другие ДОСТУПНЫЕ ЧАСТИ КОРПУСОВ МЭ ИЗДЕЛИЯ подвергают более жестким испытаниям, нежели КОРПУСА изделий других видов, поскольку ПАЦИЕНТ может касаться их или же ОПЕРАТОР может одновременно касаться этих КОРПУСОВ и ПАЦИЕНТА.
Для установления применимых требований необходимо различать РАБОЧИЕ ЧАСТИ и части, которые могут просто рассматриваться как КОРПУС.
Таким образом, обычно:
- лампа для инфракрасной терапии не будет иметь РАБОЧЕЙ ЧАСТИ, поскольку она не должна приводиться в непосредственный контакт с ПАЦИЕНТОМ;
- единственной частью рентгеновского стола, являющейся РАБОЧЕЙ ЧАСТЬЮ, является его верхняя крышка, на которой размещают ПАЦИЕНТА;
- аналогично в ЯМР-сканере единственной РАБОЧЕЙ ЧАСТЬЮ является стол, поддерживающий ПАЦИЕНТА.
Однако любая часть МЭ ИЗДЕЛИЯ, которая может случайно касаться находящегося без сознания анестезированного или иммобилизованного ПАЦИЕНТА, может создавать те же самые РИСКИ, что и РАБОЧАЯ ЧАСТЬ, которая обязательно должна находиться в контакте с ПАЦИЕНТОМ. Напротив, часть МЭ ИЗДЕЛИЯ, до которой может дотянуться активный ПАЦИЕНТ, может не представлять для него большего РИСКА, чем для ОПЕРАТОРА.
Определения, приведенные в первой и второй редакциях настоящего стандарта, оказались не в состоянии разрешить эти противоречия. Хотя второе дополнение ко второй редакции расширило это определение, включив в него части, которые могут приходить в контакт с ПАЦИЕНТОМ, новое определение не сняло указанных противоречий.
В настоящей редакции стандарта
подпункт 4.6 требует от ПРОЦЕССА МЕНЕДЖМЕНТА РИСКА идентифицировать те части (кроме РАБОЧИХ ЧАСТЕЙ), которые должны отвечать тем же самым требованиям, что и сами РАБОЧИЕ ЧАСТИ, и которые могут включать и части немедицинских ИЗДЕЛИЙ, находящихся в составе МЭ СИСТЕМЫ.
Частные стандарты должны четко идентифицировать РАБОЧИЕ ЧАСТИ в МЭ ИЗДЕЛИЯХ конкретных типов.
Для оценки того, какие части являются РАБОЧИМИ ЧАСТЯМИ и какие части являются СОЕДИНЕНИЯМИ С ПАЦИЕНТОМ, используют следующий ПРОЦЕСС (в указанной ниже последовательности операций).
a) Определяют, имеет ли МЭ ИЗДЕЛИЕ РАБОЧУЮ ЧАСТЬ, и при ее наличии идентифицируют ее протяженность (принимают решения, основанные на анализе неэлектрических характеристик).
b) В отсутствие РАБОЧЕЙ ЧАСТИ отсутствует и СОЕДИНЕНИЕ (СОЕДИНЕНИЯ) С ПАЦИЕНТОМ.
c) При наличии РАБОЧЕЙ ЧАСТИ может иметься одно или несколько СОЕДИНЕНИЙ С ПАЦИЕНТОМ. Даже если РАБОЧАЯ ЧАСТЬ не имеет каких-либо доступных проводящих частей, фольгу, прикладываемую в соответствии с
8.7.4.7 к МЭ ИЗДЕЛИЮ, необходимо считать одним СОЕДИНЕНИЕМ С ПАЦИЕНТОМ.
d) В случае когда проводящая часть РАБОЧЕЙ ЧАСТИ не находится в непосредственном контакте с ПАЦИЕНТОМ, но не отделена от него, в результате чего ток может протекать через эту часть на ПАЦИЕНТА или от него, ее нужно рассматривать как индивидуальное СОЕДИНЕНИЕ С ПАЦИЕНТОМ.
Примечание - Соответствующие требования к электрическому разделению связаны со СРЕДСТВАМИ ЗАЩИТЫ ПАЦИЕНТА.
РАБОЧАЯ ЧАСТЬ может выполнять одну или несколько функций, для каждой из которых может быть предусмотрено одно или несколько СОЕДИНЕНИЙ С ПАЦИЕНТОМ и которые могут представлять собой электроды для передачи тока, либо электрическое соединение является второстепенным, использующимся, например, для создания контура подачи интраваскулярной жидкости или поддержки ПАЦИЕНТА.
На
рисунках A.1 -
A.7 (включительно) приведены примеры способов, с помощью которых РАБОЧИЕ ЧАСТИ и СОЕДИНЕНИЯ С ПАЦИЕНТОМ идентифицируются для того, чтобы к ним могли быть применимы требования к ТОКУ УТЕЧКИ НА ПАЦИЕНТА и ДОПОЛНИТЕЛЬНОМУ ТОКУ В ЦЕПИ ПАЦИЕНТА в различных МЭ ИЗДЕЛИЯХ и МЭ СИСТЕМАХ.
На
рисунках A.1 и
A.2 показаны ЭКГ-монитор, кабель ПАЦИЕНТА, отведения ПАЦИЕНТА и ЭКГ-электроды. На этих рисунках:
- РАБОЧАЯ ЧАСТЬ включает электроды и те части отведений ПАЦИЕНТА или кабелей ПАЦИЕНТА, которые физически должны находиться в контакте с ПАЦИЕНТОМ при НОРМАЛЬНОЙ ЭКСПЛУАТАЦИИ;
- в ПРОЦЕССЕ МЕНЕДЖМЕНТА РИСКА могут идентифицироваться другие части отведения ПАЦИЕНТА или кабеля ПАЦИЕНТА, которые должны рассматриваться как РАБОЧИЕ ЧАСТИ из-за возможности возникновения их контакта с ПАЦИЕНТОМ;
- СОЕДИНЕНИЯ С ПАЦИЕНТОМ состоят из ЭКГ-электродов, которые являются любой частью РАБОЧЕЙ ЧАСТИ, выполняющей одну и ту же функцию.
Рисунок A.1 - Идентификация МЭ ИЗДЕЛИЯ, РАБОЧИХ ЧАСТЕЙ
и СОЕДИНЕНИЙ С ПАЦИЕНТОМ в ЭКГ-мониторе
На
рисунке A.2 показана изоляция, необходимая для РАБОЧЕЙ ЧАСТИ ТИПА F. Части, обведенные пунктирной линией, являются цепью ПАЦИЕНТА.
На
рисунке A.2 требуемая изоляция РАБОЧЕЙ ЧАСТИ содержит:
- одно СРЕДСТВО ЗАЩИТЫ ПАЦИЕНТА между землей и частями, обведенными пунктирной линией и находящимися под СЕТЕВЫМ НАПРЯЖЕНИЕМ;
- два СРЕДСТВА ЗАЩИТЫ ПАЦИЕНТА между заземлением и частями, обведенными пунктирной линией и находящимися под напряжением, создаваемым этими частями;
- два СРЕДСТВА ЗАЩИТЫ ПАЦИЕНТА между токонесущими частями (включая сетевые) и частями, обведенными пунктирной линией.
Рисунок A.2 - Пример сочетания изоляции РАБОЧЕЙ ЧАСТИ ТИПА F
с изоляцией МЭ ИЗДЕЛИЯ
На
рисунке A.3 показана РАБОЧАЯ ЧАСТЬ ТИПА F с изоляцией, входящей в состав датчика давления. Части, обведенные пунктирной линией, являются цепью ПАЦИЕНТА. На части, находящиеся вне пунктирной линии, распространяются требования, предъявляемые к РАБОЧИМ ЧАСТЯМ, которые определяют в ПРОЦЕССЕ МЕНЕДЖМЕНТА РИСКА.
Рисунок A.3 - Идентификация МЭ ИЗДЕЛИЯ, РАБОЧИХ ЧАСТЕЙ
и СОЕДИНЕНИЙ С ПАЦИЕНТОМ в мониторе ПАЦИЕНТА,
предназначенном для инвазивного мониторинга давления
На
рисунке A.4 показан монитор ПАЦИЕНТА, предназначенный для мониторинга ЭКГ и инвазивного давления. В этом примере:
- МЭ ИЗДЕЛИЕ включает ЭКГ-монитор, ЭКГ-кабель ПАЦИЕНТА, отведения ПАЦИЕНТА с электродами, а также датчик давления и жидкость, заполняющую соединительную трубку;
- РАБОЧАЯ ЧАСТЬ (РАБОЧИЕ ЧАСТИ) включает ЭКГ-электроды, а также те части кабеля ПАЦИЕНТА и отведения ПАЦИЕНТА, которые требуют физического контакта с ПАЦИЕНТОМ при НОРМАЛЬНОЙ ЭКСПЛУАТАЦИИ, а также жидкость, заполняющую соединительную трубку для контроля давления;
- в ПРОЦЕССЕ МЕНЕДЖМЕНТА РИСКА могут идентифицироваться другие части кабеля ПАЦИЕНТА, отведения ПАЦИЕНТА или датчика давления, которые должны считаться РАБОЧИМИ ЧАСТЯМИ из-за возможности возникновения их контакта с ПАЦИЕНТОМ;
- ЭКГ-СОЕДИНЕНИЯ С ПАЦИЕНТОМ состоят из ЭКГ-электродов;
- СОЕДИНЕНИЕ С ПАЦИЕНТОМ для контроля давления состоит из электропроводной жидкости в соединительной трубке. Для измерения ТОКА УТЕЧКИ НА ПАЦИЕНТА и ДОПОЛНИТЕЛЬНОГО ТОКА В ЦЕПИ ПАЦИЕНТА электрод вводят в электропроводную жидкость, считая ее единственным СОЕДИНЕНИЕМ С ПАЦИЕНТОМ;
- если СОЕДИНЕНИЕ С ПАЦИЕНТОМ, связанное с получением ЭКГ, электрически не разделено от СОЕДИНЕНИЯ С ПАЦИЕНТОМ, связанного с мониторингом давления, то их необходимо рассматривать как две функции одной и той же РАБОЧЕЙ ЧАСТИ;
- если СОЕДИНЕНИЕ С ПАЦИЕНТОМ, связанное с получением ЭКГ, электрически отделено от СОЕДИНЕНИЯ С ПАЦИЕНТОМ, связанного с мониторингом давления, то они должны рассматриваться как отдельные РАБОЧИЕ ЧАСТИ.
Рисунок A.4 - Идентификация МЭ ИЗДЕЛИЯ, РАБОЧИХ ЧАСТЕЙ
и СОЕДИНЕНИЙ С ПАЦИЕНТОМ в многофункциональном мониторе
ПАЦИЕНТА, предназначенном для инвазивного
мониторинга давления и ЭКГ
- которая состоит из источника рентгеновского излучения, рентгеновского стола и пристенного штатива, являющихся компонентами МЭ ИЗДЕЛИЯ. Другие части МЭ СИСТЕМЫ типа рентгеновского генератора и пульта ОПЕРАТОРА на рисунке не показаны;
- РАБОЧАЯ ЧАСТЬ (ЧАСТИ) которой включает верхнюю часть рентгеновского стола и переднюю часть пристенного штатива, поскольку они требуют физического контакта с ПАЦИЕНТОМ при НОРМАЛЬНОЙ ЭКСПЛУАТАЦИИ;
- в которой при применении МЕНЕДЖМЕНТА РИСКА могут идентифицироваться другие части узла рентгеновской трубки, рентгеновского стола и пристенного штатива, поскольку их можно рассматривать как РАБОЧИЕ ЧАСТИ из-за возможности возникновения их контакта с ПАЦИЕНТОМ;
- СОЕДИНЕНИЯ С ПАЦИЕНТОМ в которой состоят из проводящих частей этих РАБОЧИХ ЧАСТЕЙ, находящихся в электрическом контакте с ПАЦИЕНТОМ;
- ИЗГОТОВИТЕЛЬ которой может заявить о том, что рентгеновский стол и пристенный штатив выполняют различные функции для одной и той же РАБОЧЕЙ ЧАСТИ;
- и наоборот, ИЗГОТОВИТЕЛЬ которой может заявить о том, что рентгеновский стол и пристенный штатив являются различными РАБОЧИМИ ЧАСТЯМИ.
Рисунок A.5 - Идентификация РАБОЧИХ ЧАСТЕЙ и СОЕДИНЕНИЙ
С ПАЦИЕНТОМ в рентгеновской МЭ СИСТЕМЕ
На
рисунке A.6 показан чрескожный электронный стимулятор нервов (ЧЭСН), предназначенный для ношения на ремне ПАЦИЕНТА и соединенный с закрепленными на верхней части его руки электродами. В этом случае:
- МЭ ИЗДЕЛИЕ состоит из ЧЭСН-стимулятора, кабеля электродов и самих электродов;
- РАБОЧАЯ ЧАСТЬ включает электроды и те части проводов отведений, которые могут приходить в физический контакт с ПАЦИЕНТОМ при НОРМАЛЬНОЙ ЭКСПЛУАТАЦИИ;
- в ПРОЦЕССЕ МЕНЕДЖМЕНТА РИСКА корпус стимулятора и его крепление к поясу могут идентифицироваться как РАБОЧИЕ ЧАСТИ из-за возможности возникновения их контакта с ПАЦИЕНТОМ;
- СОЕДИНЕНИЯ С ПАЦИЕНТОМ состоят из электродов, которые выполняют различные функции с помощью одной и той же РАБОЧЕЙ ЧАСТИ.
Рисунок A.6 - Идентификация МЭ ИЗДЕЛИЯ, РАБОЧИХ ЧАСТЕЙ
и СОЕДИНЕНИЙ С ПАЦИЕНТОМ в чрескожном электронном
стимуляторе нервов (ЧЭСН), предназначенном для ношения
на поясе ПАЦИЕНТА и соединенном с электродами,
закрепленными на верхней части его руки
На
рисунке A.7 показано(а) МЭ ИЗДЕЛИЕ/МЭ СИСТЕМА для обработки ЭКГ, в которой:
- МЭ СИСТЕМА содержит ЭКГ-модуль, кабель ПАЦИЕНТА, отведения ПАЦИЕНТА и электроды, а также персональный компьютер и любые ПРИНАДЛЕЖНОСТИ к нему (на рисунке не показаны);
- ИЗГОТОВИТЕЛЬ может выбрать один из следующих вариантов:
- ЭКГ-модуль, кабель ПАЦИЕНТА, а также отведения ПАЦИЕНТА к нему и
электроды считать компонентами МЭ ИЗДЕЛИЯ, а персональный компьютер - нет.
В этом варианте МЭ ИЗДЕЛИЕ должно рассматриваться как МЭ СИСТЕМА,
- ЭКГ-модуль, кабель ПАЦИЕНТА, а также отведения ПАЦИЕНТА к нему и
электроды считать одним компонентом МЭ ИЗДЕЛИЯ, а персональный компьютер -
отдельным компонентом МЭ ИЗДЕЛИЯ. В этом варианте МЭ ИЗДЕЛИЕ также должно
рассматриваться как МЭ СИСТЕМА,
- ЭКГ-модуль, кабель ПАЦИЕНТА к нему и электроды вместе с
персональным компьютером считать единым объектом МЭ ИЗДЕЛИЯ, а не МЭ
СИСТЕМОЙ;
- РАБОЧАЯ ЧАСТЬ содержит электроды и те части кабеля ПАЦИЕНТА или отведения ПАЦИЕНТА, которые могут приходить в физический контакт с ПАЦИЕНТОМ при НОРМАЛЬНОЙ ЭКСПЛУАТАЦИИ;
- в ПРОЦЕССЕ МЕНЕДЖМЕНТА РИСКА могут идентифицироваться другие части кабеля ПАЦИЕНТА или отведения ПАЦИЕНТА, которые следует считать РАБОЧИМИ ЧАСТЯМИ из-за возможности возникновения их контакта с ПАЦИЕНТОМ;
- СОЕДИНЕНИЯ С ПАЦИЕНТОМ, состоящие из электродов и выполняющие различные функции с помощью одной и той же РАБОЧЕЙ ЧАСТИ.
Рисунок A.7 - Идентификация МЭ ИЗДЕЛИЯ или МЭ СИСТЕМЫ,
РАБОЧИХ ЧАСТЕЙ и СОЕДИНЕНИЙ С ПАЦИЕНТОМ в ЭКГ-модуле
с персональным компьютером
Подпункт 4.6, скорее всего, не применим к ДОСТУПНЫМ ЧАСТЯМ МЭ ИЗДЕЛИЯ, которые позиционируются согласно их ПРЕДУСМОТРЕННОМУ ПРИМЕНЕНИЮ таким образом, чтобы ПАЦИЕНТ мог коснуться их только преднамеренным движением. Это основано на предположении, что ПАЦИЕНТ может реагировать на отрицательные раздражители. Кроме того, такие ПАЦИЕНТЫ, вероятно, будут иметь контакт с оборудованием, не являющимся МЭ ИЗДЕЛИЕМ, таким как прикроватные светильники, персональные компьютеры, радиоприемники и т.д.
Это определение не распространяется на изоляцию, используемую исключительно для функциональных целей.
Термин ОСНОВНАЯ БЕЗОПАСНОСТЬ относится к устройствам, не наносящим ВРЕД при их эксплуатации.
ОСНОВНАЯ БЕЗОПАСНОСТЬ часто является пассивной формой защиты (например, путем введения электрического заземления или экранов для защиты от радиации).
ОСНОВНЫЕ ФУНКЦИОНАЛЬНЫЕ ХАРАКТЕРИСТИКИ в общем случае относятся к МЭ ИЗДЕЛИЯМ или МЭ СИСТЕМАМ, эксплуатируемым в соответствии с их назначением и не создающим ОПАСНОСТИ. Нарушение ОСНОВНОЙ ФУНКЦИОНАЛЬНОЙ ХАРАКТЕРИСТИКИ может проявляться либо в форме невозможности работы МЭ ИЗДЕЛИЯ или МЭ СИСТЕМЫ (например, невозможности выполнения функций жизнеобеспечения), либо в форме неправильного их функционирования (например, введения ПАЦИЕНТУ неправильной дозы).
В общем случае ОСНОВНАЯ БЕЗОПАСНОСТЬ связана с характеристиками изделия, которые не являются специфическими для данного устройства, а ОСНОВНЫЕ ФУНКЦИОНАЛЬНЫЕ ХАРАКТЕРИСТИКИ - с целым классом изделий (например, с классом дефибрилляторов, способных выдавать требуемый электрический разряд).
Хотя считается, что термины ОСНОВНАЯ БЕЗОПАСНОСТЬ и ОСНОВНЫЕ ФУНКЦИОНАЛЬНЫЕ ХАРАКТЕРИСТИКИ являются взаимоисключающими, существуют некоторые виды ОПАСНОСТЕЙ, которые могут одновременно касаться как ОСНОВНОЙ БЕЗОПАСНОСТИ, так и ОСНОВНЫХ ФУНКЦИОНАЛЬНЫХ ХАРАКТЕРИСТИК.
Зрение или остроту зрения можно проверить, читая таблицу Снеллена с расстояния 6 м. Аналогично зрение также можно проверить с помощью тестовой карты Ягера. Изучив большое число людей, врачи пришли к заключению, что "нормальный" человек должен видеть на разных расстояниях. Это и есть описание нормального зрения.
Понятие высокой степени надежности относится только к определенным характеристикам компонента, на которые возлагают особую надежду при обеспечении безопасности изделия. Подобные КОМПОНЕНТЫ С ВЫСОКОЙ СТЕПЕНЬЮ НАДЕЖНОСТИ следует указывать в ЭКСПЛУАТАЦИОННЫХ ДОКУМЕНТАХ, предоставляемых ИЗГОТОВИТЕЛЕМ (например, для целей технического обслуживания). См. также
пояснение к 4.9.
Если термины ПРОДОЛЖИТЕЛЬНЫЙ РЕЖИМ РАБОТЫ или НЕПРОДОЛЖИТЕЛЬНЫЙ РЕЖИМ РАБОТЫ используют по отношению к МЭ ИЗДЕЛИЮ, то части МЭ ИЗДЕЛИЯ могут иметь разные НОРМИРОВАННЫЕ режимы. Например, генератор для электрохирургического аппарата может иметь НОРМИРОВАННЫЙ ПРОДОЛЖИТЕЛЬНЫЙ РЕЖИМ РАБОТЫ, тогда как его РАБОЧАЯ ЧАСТЬ - НОРМИРОВАННЫЙ НЕПРОДОЛЖИТЕЛЬНЫЙ РЕЖИМ РАБОТЫ.
Подпункт 3.20 - РАБОЧАЯ ЧАСТЬ С ЗАЩИТОЙ ОТ РАЗРЯДА ДЕФИБРИЛЛЯТОРА
РАБОЧАЯ ЧАСТЬ С ЗАЩИТОЙ ОТ РАЗРЯДА ДЕФИБРИЛЛЯТОРА защищает только от разряда дефибрилляторов, отвечающих требованиям МЭК 60601-2-4
[15]. Дефибрилляторы с более высоким напряжением могут повреждать РАБОЧИЕ ЧАСТИ С ЗАЩИТОЙ ОТ РАЗРЯДА ДЕФИБРИЛЛЯТОРА.
На комплект шнуров распространяются требования МЭК 60320-1.
Различают РАБОЧИЕ ЧАСТИ, которые могут входить в прямой контакт с сердцем ПАЦИЕНТА и которые контактируют со всеми другими частями тела ПАЦИЕНТА. Желудочковая фибрилляция может вызываться намного меньшим током, протекающим через малую область контакта в месте, где провод или катетер находятся в непосредственном контакте с сердцем, чем ток, протекающий через какую-либо другую точку контакта на теле ПАЦИЕНТА или в нем.
ОСНОВНАЯ ИЗОЛЯЦИЯ и ДОПОЛНИТЕЛЬНАЯ ИЗОЛЯЦИЯ могут при необходимости испытываться раздельно.
В случае когда несколько слоев изоляции не могут испытываться по отдельности, систему изоляции считают обладающей УСИЛЕННОЙ ИЗОЛЯЦИЕЙ.
Термин "время активации (вкл.)" означает время при максимальной нагрузке, термин "время деактивации (выкл.)" означает, что изделие выключают либо оно переходит в ПРОДОЛЖИТЕЛЬНЫЙ РЕЖИМ РАБОТЫ.
КОРПУС МЭ ИЗДЕЛИЯ или его частей включает все ДОСТУПНЫЕ ЧАСТИ, кнопки, ручки, кабели, разъемы и т.п., а также любые ДОСТУПНЫЕ ЧАСТИ внешних соединений между другими отдельными частями.
Ранее в течение долгого времени считалось, что неправильно функционирующее МЭ ИЗДЕЛИЕ или МЭ СИСТЕМА может приводить к возникновению недопустимого РИСКА для ПАЦИЕНТОВ, ОПЕРАТОРОВ или других лиц. В настоящем стандарте понятие "безопасность" было расширено, теперь оно включает не только ОСНОВНУЮ БЕЗОПАСНОСТЬ, как это было в первой и второй редакциях настоящего стандарта, но и ОСНОВНЫЕ ФУНКЦИОНАЛЬНЫЕ ХАРАКТЕРИСТИКИ.
Для того чтобы использовать МЭ ИЗДЕЛИЕ или МЭ СИСТЕМУ согласно ПРЕДУСМОТРЕННОМУ ПРИМЕНЕНИЮ, необходимо выполнить определенные условия. Эти условия обычно задаются ИЗГОТОВИТЕЛЕМ, но могут быть определены настоящим стандартом, дополнительным стандартом или частным стандартом в семействе МЭК 60601.
Примеры ОСНОВНЫХ ФУНКЦИОНАЛЬНЫХ ХАРАКТЕРИСТИК:
- правильность ввода препарата с помощью шприца, если недостаточная точность выполнения этих функций может привести к недопустимому РИСКУ для ПАЦИЕНТА;
- способность электрокардиографа/монитора восстанавливаться после разряда дефибриллятора, если нарушение этой способности может приводить к неправильной реакции медицинского персонала и к возникновению недопустимого РИСКА для ПАЦИЕНТА;
- надлежащая работа устройства СИСТЕМЫ СИГНАЛИЗАЦИИ, установленного в палате интенсивной терапии или операционной, неправильная подача (или пропуск) СИГНАЛА ТРЕВОГИ которого может приводить к неправильной реакции медицинского персонала и к возникновению недопустимого РИСКА для ПАЦИЕНТА, или
- надлежащий вывод диагностической информации из МЭ ИЗДЕЛИЯ, которая, возможно, будет определять тактику лечения и при получении неправильной информации может приводить к возникновению недопустимого РИСКА для ПАЦИЕНТА.
Для целей настоящего стандарта функциональная характеристика, относящаяся к аспектам ОСНОВНОЙ БЕЗОПАСНОСТИ МЭ ИЗДЕЛИЙ, в частности функциональная характеристика ОСНОВНОЙ ИЗОЛЯЦИИ, не считается ОСНОВНОЙ ФУНКЦИОНАЛЬНОЙ ХАРАКТЕРИСТИКОЙ.
Ожидается, что в частных и дополнительных стандартах серии МЭК 60601 будут определены частные ОСНОВНЫЕ ФУНКЦИОНАЛЬНЫЕ ХАРАКТЕРИСТИКИ.
Термин ФУНКЦИОНАЛЬНОЕ СОЕДИНЕНИЕ используют и для упрощения определения МЭ СИСТЕМЫ. ФУНКЦИОНАЛЬНОЕ СОЕДИНЕНИЕ - это связь между компонентами МЭ СИСТЕМЫ, включая связи, которые можно использовать для подачи питания.
Выражение "или иное" подразумевает использование, например, механических, оптических или беспроводных соединений.
В МЭ ИЗДЕЛИИ соединения с рабочим заземлением могут выполняться с помощью ЗАЖИМА РАБОЧЕГО ЗАЗЕМЛЕНИЯ, доступного для ОПЕРАТОРА. В другом варианте настоящий стандарт также допускает выполнять рабочее заземление для МЭ ИЗДЕЛИЙ КЛАССА II с помощью провода зеленого и желтого цветов в ШНУРЕ ПИТАНИЯ. В этом случае частями, с которыми этот провод должен соединяться, не должны быть ДОСТУПНЫЕ ЧАСТИ (см.
8.6.9), от которых они должны быть изолированы.
Определение ВРЕДА основано на определении, приведенном в ИСО 14971, и изменено из-за того, что область применения МЭК 60601-1 включает и безопасность животных.
В рамках настоящего стандарта ОПАСНОСТЬ не будет приводить к причинению ВРЕДА до тех пор, пока последовательность событий или других обстоятельств (включая НОРМАЛЬНУЮ ЭКСПЛУАТАЦИЮ) не будет приводить к возникновению ОПАСНОЙ СИТУАЦИИ. В результате ПРОЦЕССА МЕНЕДЖМЕНТА РИСКА допустимость связанного РИСКА может оцениваться путем учета ТЯЖЕСТИ ОПАСНОСТИ и вероятности причинения ВРЕДА в результате возникновения этой ОПАСНОЙ СИТУАЦИИ (см.
рисунок A.8 - заимствованный рисунок C.1 ИСО 14971).
Примечание 1 - В зависимости от сложности МЭ ИЗДЕЛИЯ ОПАСНОСТЬ может привести к нескольким ОПАСНЫМ СИТУАЦИЯМ, и каждая ОПАСНАЯ СИТУАЦИЯ может привести к нескольким видам ВРЕДА.
Примечание 2 - Вероятность возникновения ВРЕДА (P) может состоять из отдельных значений P1 и P2.
Примечание 3 - Тонкие стрелки представляют собой элементы АНАЛИЗА РИСКА, толстые стрелки показывают, как ОПАСНОСТЬ может привести к причинению ВРЕДА.
Рисунок A.8 - Иллюстрация взаимодействия ОПАСНОСТИ,
последовательности событий, ОПАСНОЙ СИТУАЦИИ и ВРЕДА
Определение СЕТЕВОЙ ЧАСТИ необходимо для идентификации частей, к которым предъявляются особые требования. Определение, приведенное в первой и второй редакциях настоящего стандарта, зависело от другого термина - "проводящее соединение". По ходу разработки данной редакции трудности с применением этого термина стали очевидными, что потребовало пересмотра требований к нему. Затем потребность в этом термине отпала, но стало необходимо ввести новое определение СЕТЕВОЙ ЧАСТИ, в котором акцент был сделан на СРЕДСТВО ЗАЩИТЫ, которое электрически отделяет СЕТЕВУЮ ЧАСТЬ от других частей изделия.
Определение СЕТЕВОЙ ВИЛКИ необходимо для идентификации вилки, к которой предъявляются особые требования. Словосочетание "сетевая вилка" без его четкого определения может также распространяться и на другие соединители МЭ ИЗДЕЛИЯ, на которых имеется СЕТЕВОЕ НАПРЯЖЕНИЕ.
Некоторые требования и испытания настоящего стандарта связаны с вероятностью непреднамеренного попадания напряжения от внешнего источника на ПАЦИЕНТА или на некоторые части МЭ ИЗДЕЛИЯ. Фактическое значение такого напряжения неизвестно, но обычно его принято связывать с напряжением ПИТАЮЩЕЙ СЕТИ, действующим по месту эксплуатации МЭ ИЗДЕЛИЯ. См. также
пояснение к 8.5.3.
На ранних стадиях подготовки данной редакции во избежание повторения длинных формулировок был введен термин "эталонное (опорное) напряжение питания". В процессе анализа замечаний к раннему проекту стандарта, представленных Национальными комитетами, стала очевидной путаница между определенным термином "эталонное (опорное) напряжение питания" и неопределенным термином "эталонное (опорное) напряжение", который использовался в требованиях к испытаниям на электрическую прочность изоляции к ПУТЯМ УТЕЧКИ и ВОЗДУШНЫМ ЗАЗОРАМ.
Для прояснения требований термин "эталонное (опорное) напряжение питания" был заменен термином МАКСИМАЛЬНОЕ СЕТЕВОЕ НАПРЯЖЕНИЕ, а термин "эталонное (опорное) напряжение" - терминами РАБОЧЕЕ НАПРЯЖЕНИЕ и ПИКОВОЕ РАБОЧЕЕ НАПРЯЖЕНИЕ.
МАКСИМАЛЬНО ДОПУСТИМОЕ РАБОЧЕЕ ДАВЛЕНИЕ определяется компетентным специалистом с учетом исходных конструктивных технических требований, оценки изготовителя, текущего состояния сосуда и особенностей его эксплуатации.
В некоторых странах значение этого давления время от времени могло снижаться.
При разработке третьей редакции настоящего стандарта один из руководящих принципов был сделан менее обязательным, нежели используемый во второй редакции, особенно в отношении пунктов 17 и 20 второй редакции. Понятие СРЕДСТВА ЗАЩИТЫ было задумано как характеристика определенного вида объектов, таких как СОЕДИНЕНИЯ С ЗАЩИТНЫМ ЗАЗЕМЛЕНИЕМ, ОСНОВНАЯ ИЗОЛЯЦИЯ, ДОПОЛНИТЕЛЬНАЯ ИЗОЛЯЦИЯ, импедансы и т.д. Оно также распространяет обобщение на другие объекты, имеющие аналогичные наименования, но пока не предусмотренные или не реализованные на практике. Это согласованное понятие, связанное с общим требованием к МЭ ИЗДЕЛИЮ обладать двумя СРЕДСТВАМИ ЗАЩИТЫ и с принципом единичного нарушения, было сохранено в третьей редакции, что позволило реализовать непротиворечивый подход при разработке стандарта, не погружаясь в многословные предписывающие подпункты.
Указанное понятие также хорошо согласовывалось с решением о введении различий между защитой ПАЦИЕНТОВ и защитой ОПЕРАТОРОВ.
В некоторых замечаниях, представленных Национальными комитетами в процессе разработки данной редакции, предлагалось распространить это понятие на защиту от других ОПАСНОСТЕЙ помимо ОПАСНОСТИ поражения электрическим током, однако было решено, что это не будет оправдано с точки зрения получения дополнительных преимуществ.
Существующее определение МЭ ИЗДЕЛИЯ исключает многократные подсоединения к одной и той же конкретной ПИТАЮЩЕЙ СЕТИ, однако не исключает возможности использования различных соединителей к другим ПИТАЮЩИМ СЕТЯМ. Тем не менее одновременное подсоединение МЭ ИЗДЕЛИЯ к нескольким различным ПИТАЮЩИМ СЕТЯМ не допускается. Несмотря на возможность проектирования устройств, которые обладали бы способностью одновременного электрически безопасного присоединения к двум различным ПИТАЮЩИМ СЕТЯМ, возникающие при этом специфические ОПАСНЫЕ СИТУАЦИИ в настоящем стандарте не идентифицировались.
В настоящем стандарте применяется несколько терминов для описания МЭ ИЗДЕЛИЯ, ПРИНАДЛЕЖНОСТЕЙ и частей МЭ ИЗДЕЛИЯ. К ним относятся ЗАКРЕПЛЕННОЕ
(3.30), СТАЦИОНАРНОЕ
(3.118), ТРАНСПОРТИРУЕМОЕ
(3.130), ПЕРЕДВИЖНОЕ
(3.65), ПЕРЕНОСНОЕ
(3.85), РУЧНОЕ
(3.37) и НОСИМОЕ НА ТЕЛЕ
(3.144). Для того чтобы помочь разобраться в понимании взаимосвязи этих терминов, была разработана схема, представленная на
рисунке A.20.
Рисунок A.20 - Взаимосвязь терминов, используемых
для описания оборудования, ПРИНАДЛЕЖНОСТЕЙ
или деталей оборудования
Обычно ИЗГОТОВИТЕЛИ, ОТВЕТСТВЕННЫЕ ОРГАНИЗАЦИИ и ОПЕРАТОРЫ для соединения МЭ ИЗДЕЛИЯ с другим медицинским или немедицинским изделием используют МНОГОРОЗЕТОЧНЫЙ СЕТЕВОЙ СОЕДИНИТЕЛЬ. Включение подобных конфигураций в определение МЭ СИСТЕМЫ позволяет распространять на них соответствующие требования, предъявляемые к ОСНОВНОЙ БЕЗОПАСНОСТИ и ОСНОВНЫМ ФУНКЦИОНАЛЬНЫМ ХАРАКТЕРИСТИКАМ.
Для сведения к минимуму снижения уровня безопасности на подсоединение ВЫХОДНОЙ КОЛОДКИ к ПИТАЮЩЕЙ СЕТИ накладывают особые условия.
Подпункт 16.9.2.1 требует, чтобы конструкция МНОГОРОЗЕТОЧНОГО СЕТЕВОГО СОЕДИНИТЕЛЯ отвечала требованиям настоящего стандарта, предъявляемым к МЭ ИЗДЕЛИЮ.
ОБОЗНАЧЕНИЕ МОДЕЛИ ИЛИ ТИПА предназначено для установления связи между МЭ ИЗДЕЛИЕМ и коммерческими и техническими публикациями, ЭКСПЛУАТАЦИОННЫМИ ДОКУМЕНТАМИ, а также между отделяемыми частями МЭ ИЗДЕЛИЯ. Оно также важно для идентификации МЭ ИЗДЕЛИЯ или ПРИНАДЛЕЖНОСТИ в случае выдачи предупреждения об опасности или необходимости выполнения другого действия.
Определение согласно МЭК 60884-1.
Во второй редакции МЭК 60601-1-1
[13] были даны определения переносной многоместной розетки и вспомогательной сетевой розетки. В данной редакции эти определения были объединены.
Отдельную розетку, являющуюся частью изделия, также следует считать МНОГОРОЗЕТОЧНЫМ СЕТЕВЫМ СОЕДИНИТЕЛЕМ.
МНОГОРОЗЕТОЧНЫЙ СЕТЕВОЙ СОЕДИНИТЕЛЬ иногда оказывается необходимым, хотя и обладает достоинствами и недостатками, которые должны анализироваться для определения их баланса. МНОГОРОЗЕТОЧНЫЙ СЕТЕВОЙ СОЕДИНИТЕЛЬ может стать необходимым:
- для минимизации числа ШНУРОВ ПИТАНИЯ, лежащих на полу;
- использования всех изделий, необходимых для надлежащей диагностики и лечения, при недостаточном числе ЗАКРЕПЛЕННЫХ сетевых розеток;
- повышения подвижности изделий при их размещении на одной тележке;
- снижения различий в длинах проводных соединений по сравнению с теми, которые имеются у некоторых ЗАКРЕПЛЕННЫХ установок.
Использования МНОГОРОЗЕТОЧНОГО СЕТЕВОГО СОЕДИНИТЕЛЯ следует избегать в максимально возможной степени в тех случаях, когда:
- суммарные ТОКИ УТЕЧКИ НА ЗЕМЛЮ могут приводить:
- к чрезмерному ТОКУ УТЕЧКИ НА ЗЕМЛЮ в НОРМАЛЬНОМ СОСТОЯНИИ,
- чрезмерному ТОКУ УТЕЧКИ НА КОРПУС при УСЛОВИИ ЕДИНИЧНОГО НАРУШЕНИЯ,
возникающему при обрыве ПРОВОДА ЗАЩИТНОГО ЗАЗЕМЛЕНИЯ в кабеле питания
МНОГОРОЗЕТОЧНОГО СЕТЕВОГО СОЕДИНИТЕЛЯ;
- пригодность ПИТАЮЩЕЙ СЕТИ зависит от надежности единственной ЗАКРЕПЛЕННОЙ сетевой розетки;
- возможно полное прерывание электропитания, которое может требовать продолжительного времени установки для повторного включения всей МЭ СИСТЕМЫ;
- в электроустановке имеется только одно СОЕДИНЕНИЕ С ЗАЩИТНЫМ ЗАЗЕМЛЕНИЕМ, что менее надежно, чем непосредственное заземление каждой части МЭ СИСТЕМЫ;
- возрастает сопротивление защитного заземления.
Оптимальное решение состоит в монтаже достаточного числа ЗАКРЕПЛЕННЫХ сетевых штепсельных розеток в соответствии с действующими нормативами.
Определение термина "СЕТЕВЫЕ/ИНФОРМАЦИОННЫЕ СРЕДСТВА СВЯЗИ" было принято таким, чтобы оно не ограничивало технологию передачи данных, например только передачей электронных данных по проводам. Это определение должно охватывать и беспроводную электромагнитную, инфракрасную, оптическую и др. технологию передачи данных, а также любые другие перспективные способы связи.
ОПЕРАТОР определен как лицо, которое эксплуатирует изделие - МЭ ИЗДЕЛИЕ или любой компонент в составе МЭ СИСТЕМЫ. Этим лицом может быть:
- медицинский работник, использующий изделие для работы с ПАЦИЕНТОМ;
- сам ПАЦИЕНТ или непрофессионал, оказывающий ПАЦИЕНТУ медицинскую помощь на дому;
- лицо, которое использует изделие для компенсации утраченных функций или облегчения страданий от болезни, травм или потери трудоспособности, или
- лицо, которое монтирует, собирает, обслуживает или ремонтирует изделие.
Лица, которые монтируют, собирают, обслуживают или ремонтируют изделие, также упоминаются в настоящем стандарте как ОБСЛУЖИВАЮЩИЙ ПЕРСОНАЛ.
Многие требования настоящего стандарта были разработаны таким образом, чтобы ОБСЛУЖИВАЮЩИЙ ПЕРСОНАЛ подвергался тому же ОСТАТОЧНОМУ РИСКУ, что и лицо, эксплуатирующее изделие при его ПРЕДУСМОТРЕННОМ ПРИМЕНЕНИИ. Однако при этом предполагалось, что ОБСЛУЖИВАЮЩИЙ ПЕРСОНАЛ, нередко состоящий из инженеров или техников, обладает более высоким уровнем компетентности и при работе будет следовать техническому описанию. Предполагается также, что другие ОПЕРАТОРЫ могут обладать различными уровнями компетентности и при работе следовать инструкции по эксплуатации, поэтому в настоящем стандарте предполагается, что при определенных обстоятельствах безопасность ОБСЛУЖИВАЮЩЕГО ПЕРСОНАЛА будет частично зависеть от его знаний и обученности для принятия соответствующих мер при получении доступа к опасным частям МЭ ИЗДЕЛИЯ или МЭ СИСТЕМЫ. Считается, что область компетенции других ОПЕРАТОРОВ будет ограничена эксплуатацией МЭ ИЗДЕЛИЯ или МЭ СИСТЕМЫ, но не обязательно предотвращением РИСКОВ, которые могут возникать в процессе обслуживания.
При 25%-ной концентрации кислорода, согласно данным Национальной ассоциации пожарной безопасности NFPA 99
[42], повышение скорости горения бумажной полоски возрастает достаточно слабо (на 30%). Согласно NFPA 99
[42], при концентрации 23,5% среда считается насыщенной кислородом, что требует применения защитных средств, но допускает подобную концентрацию для барокамер при давлениях, превышающих 200 кПа. НАСА допускает концентрацию кислорода 25,9% в своих космических аппаратах многоразового использования (см. NFPA 53
[41]). UL 2601-1
[44] допускает использование концентрации кислорода 25% в качестве порогового значения. Образцы печатной платы на основе эпоксидной смолы сгорают неполностью при концентрациях кислорода 20,9% и 25,9% при длине горения 3 и 8,3 см, однако, согласно Rimanosky E.M. и др. (см. ASTM SPT 1267
[36]), они полностью сгорают при концентрации кислорода 30%.
При рассмотрении взаимосвязи между скоростью горения и содержанием кислорода на первый взгляд кажется естественным, что эта скорость будет пропорциональна общему количеству имеющегося в данном месте кислорода, объем которого определяется его парциальным давлением. Однако опыт показывает, что этот вывод верен только до известной степени. Рисунки C-1.2.2 (a) и (b), приведенные в NFPA 53:1999, и рисунок 3.3.14.4 в NFPA 99:2002 показывают, что повышение скорости горения бумажных полосок с ростом концентрации кислорода при фиксированном абсолютном давлении происходит более резко, чем повышение скорости их горения с ростом абсолютного давления при фиксированной концентрации кислорода. Граница между "полным сгоранием" и "частичным сгоранием" проходит при обоих условиях, по-видимому, при концентрации кислорода 14% при высоких давлениях независимо от абсолютного (и парциального) давления кислорода, поэтому для нахождения в безопасном диапазоне концентраций всегда в определении приводят два значения. Предельные значения концентрации гарантируют, что при давлениях, меньших 1 атм, вероятность возникновения опасности не возрастает. Предельные значения парциального давления гарантируют, что при более высоких давлениях (например, в барокамерах) ситуация будет оставаться безопасной.
ДОПОЛНИТЕЛЬНЫЙ ТОК В ЦЕПИ ПАЦИЕНТА - это ток, необходимый:
- для МЭ ИЗДЕЛИЯ с целью выполнения им предусмотренных функций, например отображения электрических импедансов, контроля дыхания путем регистрации изменений импеданса и т.д.;
- непрерывного контроля правильности функционирования МЭ ИЗДЕЛИЯ, например контактного импеданса электродов на ПАЦИЕНТЕ;
- функционирования МЭ ИЗДЕЛИЯ;
или он не предусмотрен для функционирования МЭ ИЗДЕЛИЯ. Пример этому - ток смещения в усилителе физиологических сигналов.
ДОПОЛНИТЕЛЬНЫЙ ТОК В ЦЕПИ ПАЦИЕНТА может выполнять какую-либо функцию (но не физиологическую) либо не выполнять никакой функции.
Одной из ОПАСНОСТЕЙ, связанных с применением СОЕДИНЕНИЙ С ПАЦИЕНТОМ, является возможность прохождения ТОКА УТЕЧКИ через ПАЦИЕНТА по СОЕДИНЕНИЯМ С ПАЦИЕНТОМ. Частные предельные значения устанавливают на значения этих токов как в НОРМАЛЬНОМ СОСТОЯНИИ, так и при различных условиях нарушений.
Примечание - Ток, протекающий через ПАЦИЕНТА между различными СОЕДИНЕНИЯМИ С ПАЦИЕНТОМ, называют ДОПОЛНИТЕЛЬНЫМ ТОКОМ В ЦЕПИ ПАЦИЕНТА. ТОК УТЕЧКИ, который проходит через ПАЦИЕНТА на заземление, называют ТОКОМ УТЕЧКИ НА ПАЦИЕНТА.
Определение СОЕДИНЕНИЕ С ПАЦИЕНТОМ необходимо для идентификации каждой отдельной части РАБОЧЕЙ ЧАСТИ, между которыми может протекать ДОПОЛНИТЕЛЬНЫЙ ТОК В ЦЕПИ ПАЦИЕНТА и от которых ТОК УТЕЧКИ НА ПАЦИЕНТА может проходить на заземленного ПАЦИЕНТА.
В ряде случаев могут понадобиться измерения ТОКА УТЕЧКИ НА ПАЦИЕНТА и ДОПОЛНИТЕЛЬНОГО ТОКА В ЦЕПИ ПАЦИЕНТА с целью определения того, какие части РАБОЧИХ ЧАСТЕЙ являются отдельными СОЕДИНЕНИЯМИ С ПАЦИЕНТОМ.
СОЕДИНЕНИЯ С ПАЦИЕНТОМ не всегда бывают доступными для прикосновения. Любые проводящие части РАБОЧЕЙ ЧАСТИ, входящие в электрический контакт с ПАЦИЕНТОМ, или те части, контакту которых препятствует только изоляция или воздушные промежутки, не выдерживающие испытаний на электрическую прочность изоляции или не отвечающие требованиям, предъявляемым к ВОЗДУШНЫМ ЗАЗОРАМ и ПУТЯМ УТЕЧКИ в данном стандарте, считаются СОЕДИНЕНИЯМИ С ПАЦИЕНТОМ. См. также
пояснение к 3.8.
Можно привести следующие примеры:
- верхняя часть стола, поддерживающая ПАЦИЕНТА, является РАБОЧЕЙ ЧАСТЬЮ. Листы стола не обеспечивают достаточную изоляцию, поэтому проводящая верхняя часть этого стола может считаться СОЕДИНЕНИЯМИ С ПАЦИЕНТОМ;
- устройство ввода или направляющая иглы для инфузии является РАБОЧЕЙ ЧАСТЬЮ. Проводящие части этой направляющей, электрически отделенные от способных проводить ток частей столба жидкости с недостаточной изоляцией, будут считаться СОЕДИНЕНИЯМИ С ПАЦИЕНТОМ.
В случае когда РАБОЧАЯ ЧАСТЬ имеет поверхность из изоляционного материала,
8.7.4.7 e) устанавливает, что проверку осуществляют с помощью солевого раствора или фольги. При этом она будет считаться СОЕДИНЕНИЕМ С ПАЦИЕНТОМ.
В рамках настоящего стандарта трудно определить размеры области, в которой должны проводиться диагностика, мониторинг или лечение. Размеры СРЕДЫ ПАЦИЕНТА, приведенные на
рисунке A.9, обоснованы лишь практикой.
Примечание - Размеры, указанные на рисунке, относятся к минимальной протяженности СРЕДЫ ПАЦИЕНТА в неограниченном пространстве.
Рисунок A.9 - Пример СРЕДЫ ПАЦИЕНТА
Данное определение было заимствовано из МЭК 60950-1:2005 (подпункт 1.2.9.8). Использование этого термина наряду с определенным термином РАБОЧЕЕ НАПРЯЖЕНИЕ должно упростить требования к КООРДИНАЦИИ ИЗОЛЯЦИИ (заимствованные из МЭК 60950-1) для понимания требований читателями, уже знакомыми с этим стандартом. См. также
пояснение к 3.56.
Термин "система изоляции" не подразумевает, что изоляция должна выполняться из однородного материала. Она может состоять из нескольких слоев, которые не могут быть проверены по отдельности как ДОПОЛНИТЕЛЬНАЯ или ОСНОВНАЯ ИЗОЛЯЦИЯ.
Данное определение основано на определении аналогичного термина в МЭК 60950-1:2005 (подпункт 1.2.8.5) и идентифицирует цепи, которые подвергаются меньшим перенапряжениям от переходных процессов, чем СЕТЕВАЯ ЧАСТЬ, и поэтому должны иметь меньшие значения напряжений и ВОЗДУШНЫХ ЗАЗОРОВ при испытаниях изоляции на электрическую прочность.
Сборка изделия в МЭ СИСТЕМУ может включать выполнение соединений, предназначенных для передачи энергии или сигналов. В обоих случаях необходимо выполнение одних и тех же требований к электрическому разделению.
Если СИГНАЛЬНЫЙ ВХОД/ВЫХОД служит для передачи электрических сигналов или неэлектрических сигналов, однако не имеет никаких соединений с проводящими частями другого изделия (например, по металлическому экрану оптоволоконного кабеля), то для выполнения требований настоящего стандарта может понадобиться соответствующее электрическое разделение с другими цепями. В другом варианте СИГНАЛЬНЫЙ ВХОД/ВЫХОД может не иметь никаких проводящих соединений; в этом случае он будет автоматически соответствовать требованиям ОСНОВНОЙ БЕЗОПАСНОСТИ в части электробезопасности.
Внешний источник постоянного тока (например, в машине скорой помощи) считают ПИТАЮЩЕЙ СЕТЬЮ. МЭ ИЗДЕЛИЕ, предназначенное для присоединения к подобному источнику, должно удовлетворять все требования, предъявляемые к запитываемым от сети МЭ ИЗДЕЛИЯМ. В прошлом некоторые МЭ ИЗДЕЛИЯ, предназначенные для питания от такого источника, имели непосредственное соединение между КОРПУСОМ и одной клеммой источника питания, возможно, находящейся под потенциалом земли. В случае обрыва соединения с этой стороны питания КОРПУС такого МЭ ИЗДЕЛИЯ принимает на себя потенциал источника питания, приводящий к превышению заданных предельных значений для ТОКОВ УТЕЧКИ НА ДОСТУПНУЮ ЧАСТЬ. В первой и второй редакциях настоящего стандарта возможность применения такого устройства исключалась, однако это не всегда находило понимание у пользователей стандарта, поэтому для разъяснений было добавлено пояснение этого требования.
РАБОЧИЕ ЧАСТИ ТИПА B обеспечивают самую низкую степень защиты ПАЦИЕНТА среди всех типов РАБОЧИХ ЧАСТЕЙ и непригодны для их ПРЯМОГО ПРИМЕНЕНИЯ НА СЕРДЦЕ.
СОЕДИНЕНИЕ (СОЕДИНЕНИЯ) С ПАЦИЕНТОМ для РАБОЧЕЙ ЧАСТИ ТИПА B может:
- иметь ЗАЩИТНОЕ ЗАЗЕМЛЕНИЕ;
- иметь соединение с заземлением, но без ЗАЩИТНОГО ЗАЗЕМЛЕНИЯ, или
- быть "плавающим", но без изоляции от заземления до такой степени, которая требовалась бы для РАБОЧЕЙ ЧАСТИ ТИПА BF.
РАБОЧИЕ ЧАСТИ ТИПА BF обеспечивают

степень защиты ПАЦИЕНТА, чем РАБОЧИЕ ЧАСТИ ТИПА B, что достигается путем изолирования СОЕДИНЕНИЙ С ПАЦИЕНТОМ от заземленных частей и других ДОСТУПНЫХ ЧАСТЕЙ МЭ ИЗДЕЛИЯ. Тем самым ограничивается величина тока, который может протекать через ПАЦИЕНТА при непредвиденном попадании напряжения от внешнего источника питания на ПАЦИЕНТА и, таким образом, между СОЕДИНЕНИЯМИ С ПАЦИЕНТОМ и заземлением. Однако они непригодны для ПРЯМОГО ПРИМЕНЕНИЯ НА СЕРДЦЕ.
РАБОЧИЕ ЧАСТИ ТИПА CF обеспечивают наивысшую степень защиты ПАЦИЕНТА, что достигается путем усиленного изолирования СОЕДИНЕНИЙ С ПАЦИЕНТОМ от заземленных частей и других ДОСТУПНЫХ ЧАСТЕЙ МЭ ИЗДЕЛИЯ, еще более ограничивающего величину тока, который может протекать через ПАЦИЕНТА. РАБОЧИЕ ЧАСТИ ТИПА CF пригодны для ПРЯМОГО ПРИМЕНЕНИЯ НА СЕРДЦЕ с точки зрения ТОКА УТЕЧКИ НА ПАЦИЕНТА, хотя они могут быть непригодными в других отношениях, например с точки зрения стерильности или биологической совместимости.
Данное определение заимствовано из МЭК 60950-1 (подпункт 1.2.9.6). Использование этого термина наряду с уже определенным термином ПИКОВОЕ РАБОЧЕЕ НАПРЯЖЕНИЕ должно упростить требования к КООРДИНАЦИИ ИЗОЛЯЦИИ (заимствованные из МЭК 60950-1) для понимания требований пользователями, уже знакомыми с этим стандартом. См. также
пояснение к 3.56.
СИГНАЛЫ ТРЕВОГИ генерируются только при наличии ТРЕВОЖНОЙ СИТУАЦИИ. Напротив, ИНФОРМАЦИОННЫЕ СИГНАЛЫ - это те, которые генерируются независимо от того, присутствует ТРЕВОЖНАЯ СИТУАЦИЯ или нет. Форма физиологического сигнала и связанная с ней числовая информация считаются информационными сигналами, поскольку они не зависят от ТРЕВОЖНОЙ СИТУАЦИИ. ИНФОРМАЦИОННЫЕ СИГНАЛЫ часто могут передавать ОПЕРАТОРУ информацию, которая является "тревожной", но сама по себе не является СИГНАЛОМ ТРЕВОГИ.
Пример 1 - Уменьшение высоты звукового информационного сигнала некоторых пульсоксиметров. Пониженный тон "настораживает" ОПЕРАТОРА, но сам по себе не является СИГНАЛОМ ТРЕВОГИ.
Пример 2 - Форма сигнала электрокардиографа, указывающая на фибрилляцию желудочков.
Пример 3 - Частота сердечных сокращений 20 ударов в минуту.
Максимальное давление, которому может подвергаться часть МЭ ИЗДЕЛИЯ в НОРМАЛЬНОМ СОСТОЯНИИ и в условиях единичного нарушения, определяется путем анализа и, при необходимости, измерений. Традиционно считалось, что это то, что является самым высоким из следующих значений:
- НОРМИРОВАННОЕ максимальное давление питания от внешнего источника;
- установленное значение давления в устройстве для сброса давления, входящем в комплект поставки, или
- максимальное давление, которое может быть создано источником давления, являющимся частью агрегата, если только давление не ограничено устройством для сброса давления.
НОРМИРОВАННОЕ максимальное давление питания указано на маркировке МЭ ИЗДЕЛИЯ
(7.2.18). Если максимальное номинальное давление источника основано на регуляторе при подаче, принимая во внимание неисправность регулятора, МАКСИМАЛЬНОЕ ДАВЛЕНИЕ В ИЗДЕЛИИ может соответствовать номинальному давлению регулятора на входном соединителе давления МЭ ИЗДЕЛИЯ (или указано в соответствии с требованиями монтажа) или номинальному давлению устройства сброса давления, предусмотренного в МЭ ИЗДЕЛИИ. Системы давления (или вакуума), как правило, непосредственно регулируют давление (или вакуум) с помощью регулятора давления и устройства для сброса давления. Давление с одной неисправностью становится давлением устройства сброса (неисправный регулятор). Электроника (или электромеханические схемы) может косвенно регулировать давление (или вакуум). Если давление поступает от насоса или компрессора, то регулирование может осуществляться приводом двигателя от силового преобразователя или инверторной системы. Если давление исходит от источника тепла, то принимают во внимание неисправности в системе электронного зажигания или контроля температуры. Как правило, устройство для сброса давления обеспечивает резервирование ограничения давления, купирующее электронные или электромеханические неисправности. В любом случае необходимо учитывать МАКСИМАЛЬНОЕ ДАВЛЕНИЕ В ИЗДЕЛИИ при УСЛОВИИ ЕДИНИЧНОГО НАРУШЕНИЯ.
При рассмотрении ОПАСНОЙ СИТУАЦИИ, в которой может возникнуть избыточное давление (или пониженное давление), проблема заключается в том, что разрыв/прорыв (или схлопование) детали может стать причиной ВРЕДА. Манометрическое давление наиболее непосредственно указывает на ОПАСНУЮ СИТУАЦИЮ взрыва (или схлопования), поскольку оно представляет собой разницу между внутренним абсолютным давлением и внешним абсолютным давлением. Гидравлическое испытание сосудов под давлением в
9.7.5 основано на максимальном манометрическом давлении оборудования. Компоненты под давлением обычно рассчитываются исходя из манометрического давления (например, кПа). Значение абсолютного давления может быть переведено в значение манометрического давления простой формулой:
Манометрическое давление = внутреннее абсолютное давление - внешнее (например, атмосферное) абсолютное давление.
ИЗГОТОВИТЕЛИ МЭ ИЗДЕЛИЯ обязаны указывать предполагаемые диапазоны абсолютного давления воздуха (температуры и влажности) для режимов транспортировки, хранения и эксплуатации. В случае оборудования для домашнего ухода необходимо указать дополнительный способ транспортировки и хранения между использованиями.
Подпункт 7.2.17 требует, чтобы эти диапазоны были указаны на транспортных контейнерах, а
подпункт 7.9.3.1 требует их в техническом описании, которое получают пользователи. Это дает людям диапазоны условий окружающей среды, которые проектировщики учитывали при выборе компонентов давления.
Подпункт 4.1 - Условия применения требований к МЭ ИЗДЕЛИЮ или МЭ СИСТЕМЕ
Условие применения МЕНЕДЖМЕНТА РИСКА к МЭ ИЗДЕЛИЯМ и МЭ СИСТЕМАМ включает и разумно прогнозируемую ненадлежащую эксплуатацию, которую ИЗГОТОВИТЕЛЬ будет идентифицировать в процессе АНАЛИЗА РИСКОВ (см.
4.2). Эта идентификация может содержать результаты, полученные при ПРОЕКТИРОВАНИИ ЭКСПЛУАТАЦИОННОЙ ПРИГОДНОСТИ.
Подпункт 4.2 - ПРОЦЕСС МЕНЕДЖМЕНТА РИСКА для МЭ ИЗДЕЛИЯ или МЭ СИСТЕМЫ
Изменение, внесенное в третью редакцию настоящего стандарта, состоит в том, что при определении минимальных требований к ОСНОВНОЙ БЕЗОПАСНОСТИ С УЧЕТОМ ОСНОВНЫХ ФУНКЦИОНАЛЬНЫХ ХАРАКТЕРИСТИК ставится условие оценки адекватности ПРОЦЕССА проектирования. Это условие дает соответствующую альтернативу лабораторным испытаниям с определенными критериями приемки/отбраковки (например, при оценке безопасности новых технологий). Применение этого принципа приводит к введению общего требования к выполнению элементов ПРОЦЕССА МЕНЕДЖМЕНТА РИСКА как к части, подтверждающей соответствие настоящему стандарту.
ИЗГОТОВИТЕЛЬ несет ответственность за то, что проектирование и изготовление МЭ ИЗДЕЛИЯ будут отвечать ПРЕДУСМОТРЕННОМУ ИСПОЛЬЗОВАНИЮ и что любые связанные с ним РИСКИ будут оставаться допустимыми при их соотнесении с получаемыми выгодами. ИСО 14971 определяет для ИЗГОТОВИТЕЛЯ ПРОЦЕДУРУ идентификации ОПАСНОСТЕЙ, связанных с МЭ ИЗДЕЛИЕМ или МЭ СИСТЕМОЙ и их ПРИНАДЛЕЖНОСТЯМИ, оценки и расчета РИСКОВ, связанных с этими ОПАСНОСТЯМИ, управления РИСКАМИ.
Область применения настоящего стандарта ограничивается рассмотрением типа МЭ ИЗДЕЛИЯ и МЭ СИСТЕМЫ; он не распространяется на мониторинг жизненного цикла. По этой причине мониторинг производства и постпроизводственной информации, а также планирование данного мониторинга, выполняемые в соответствии с ИСО 14971:2019, исключены из ПРОЦЕССА МЕНЕДЖМЕНТА РИСКА, описанного в настоящем стандарте. Также исключено требование ИСО 14971:2019 для периодического пересмотра пригодности ПРОЦЕССА МЕНЕДЖМЕНТА РИСКА.
Считается, что согласие с пунктами настоящего стандарта, в которых содержатся определенные поддающиеся проверке требования, снижает связанный РИСК (РИСКИ) до допустимого уровня.
ИЗГОТОВИТЕЛЬ МЭ СИСТЕМЫ выполняет указанные процедуры на системном уровне. ИЗГОТОВИТЕЛЬ оценивает РИСКИ, вытекающие из интеграции отдельных компонентов в единую систему. Эта оценка должна затрагивать все аспекты обмена информацией между всеми компонентами системы. Даже если эти компоненты не являются МЕДИЦИНСКИМИ ЭЛЕКТРИЧЕСКИМИ, необходимо рассматривать потенциальный РИСК, связанный с интеграцией этих компонентов в МЭ СИСТЕМУ. Дополнительные требования, возникающие при интеграции немедицинского изделия в МЭ СИСТЕМУ, изложены в
пункте 16, где рассмотрен метод оценки РИСКОВ, связанных с наличием в МЭ СИСТЕМЕ немедицинских изделий.
Необходимо отметить, что ИСО 14971 не требует наличия у ИЗГОТОВИТЕЛЯ официальной системы контроля качества.
Указанный ПРОЦЕСС МЕНЕДЖМЕНТА РИСКА заканчивается выпуском серии ЗАПИСЕЙ и других документов - ФАЙЛА МЕНЕДЖМЕНТА РИСКА. Соответствие ПРОЦЕССА МЕНЕДЖМЕНТА РИСКА проверяют путем анализа ФАЙЛА МЕНЕДЖМЕНТА РИСКА.
Во всех случаях ИЗГОТОВИТЕЛЯ необходимо считать специалистом по разрабатываемым устройствам и по ОПАСНОСТЯМ, связанным с их применением.
В случае, когда испытания на соответствие осуществляются путем просмотра или анализа ФАЙЛА МЕНЕДЖМЕНТА РИСКА, должны анализироваться только относящиеся к конкретному вопросу части ФАЙЛА МЕНЕДЖМЕНТ РИСКА, например расчеты ИЗГОТОВИТЕЛЯ, результаты испытаний или способ определения допустимости РИСКА.
В некоторых требованиях настоящего стандарта содержится термин "недопустимый РИСК", в других требованиях - термин "ОПАСНАЯ СИТУАЦИЯ". Отметим, что все недопустимые РИСКИ возникают из-за ОПАСНОЙ СИТУАЦИИ, однако не все ОПАСНЫЕ СИТУАЦИИ приводят к возникновению недопустимого РИСКА.
При принятии решения о том, какую фразу применять в конкретном требовании, следует пользоваться следующими правилами:
- Термин "допустимый РИСК" используется, если ИЗГОТОВИТЕЛЬ должен или может принимать решение касательно допустимости РИСКА. Это решение должно подтверждаться соответствующим обоснованием, таким как опыт, исторические данные и т.д.
- Термин "не ОПАСНАЯ СИТУАЦИЯ" используется, если ИЗГОТОВИТЕЛЬ должен показать (например, с помощью чертежа или технических данных), что воздействие ОПАСНОСТИ отсутствует или возможность нанесения ВРЕДА также отсутствует. В этих случаях единственное, что ИЗГОТОВИТЕЛЬ должен определить, это то, существует ли ОПАСНАЯ СИТУАЦИЯ; это необходимо определить независимо от допустимости РИСКА, возникшего в результате этой ОПАСНОЙ СИТУАЦИИ.
- Термин "отсутствие ОПАСНОСТИ" никогда не используется.
Ниже приведено руководство по использованию некоторых элементов ПРОЦЕССА МЕНЕДЖМЕНТА РИСКА в соответствии с ИСО 14971 в контексте МЭК 60601-1.
-
ПРЕДУСМОТРЕННОЕ ПРИМЕНЕНИЕ: ПРЕДУСМОТРЕННОЕ ПРИМЕНЕНИЕ определяется на самом высоком уровне МЭ ИЗДЕЛИЯ или МЭ СИСТЕМЫ и должно использоваться при идентификации ОПАСНОСТЕЙ или ОПАСНЫХ СИТУАЦИЙ, связанных с использованием МЭ ИЗДЕЛИЯ или МЭ СИСТЕМЫ. ПРЕДУСМОТРЕННОЕ ПРИМЕНЕНИЕ не используется (или очень редко используется) при оценке конкретных компонентов. Кроме того, ПРЕДУСМОТРЕННОЕ ПРИМЕНЕНИЕ является основным источником при определении того, какие аспекты клинических функций МЭ ИЗДЕЛИЯ или МЭ СИСТЕМЫ входят в ОСНОВНЫЕ ФУНКЦИОНАЛЬНЫЕ ХАРАКТЕРИСТИКИ в соответствии с
4.3.
-
Идентификация ОПАСНОСТИ: Настоящий стандарт и ИСО 14971 требуют идентификации всех ОПАСНОСТЕЙ и ОПАСНЫХ СИТУАЦИЙ, связанных с МЭ ИЗДЕЛИЕМ или МЭ СИСТЕМОЙ, независимо от того, указаны они в международном стандарте безопасности или нет (см.
4.2.2, примечание 1, и
4.2.3.2). Это касается НОРМАЛЬНОЙ ЭКСПЛУАТАЦИИ, обоснованно прогнозируемого неправильного применения и УСЛОВИЙ ЕДИНИЧНОГО НАРУШЕНИЯ. Однако если ОПАСНОСТИ или ОПАСНЫЕ СИТУАЦИИ, указанные в настоящем стандарте, не могут возникнуть для определенного МЭ ИЗДЕЛИЯ или МЭ СИСТЕМЫ, идентификация ОПАСНОСТИ должна выполняться только для того, чтобы документально подтвердить, что соответствующие требования настоящего стандарта не применяются. В этом случае дальнейшая ОЦЕНКА РИСКА или ВЕРИФИКАЦИЯ соответствия не требуются. Если же это требование применяется, то идентификация ОПАСНОСТИ не требуется (поскольку это уже сделано в стандарте). Например, для МЭ ИЗДЕЛИЯ без напряжения, способного создавать ТОК УТЕЧКИ, который превышает допустимые пределы, указанные в
8.4.2 c), не возникает ОПАСНОСТИ удара электрическим током.
- ОЦЕНКА РИСКА: РИСК оценивается два раза в ПРОЦЕССЕ МЕНЕДЖМЕНТА РИСКА - до и после реализации мер УПРАВЛЕНИЯ РИСКОМ. Оценка до реализации мер УПРАВЛЕНИЯ РИСКОМ применима к требованиям настоящего стандарта только для того, чтобы продемонстрировать, что сопутствующий РИСК является допустимым без применения требований. Однако если настоящий стандарт требует, чтобы РИСКИ, связанные с конкретными требованиями, оставались допустимыми или чтобы недопустимые РИСКИ не были связаны с определенными требованиями, соответствие проверяют рассмотрением ФАЙЛА МЕНЕДЖМЕНТА РИСКА для ОПАСНОСТЕЙ или ОПАСНЫХ СИТУАЦИЙ, связанных с этим требованием, и для ОБЪЕКТИВНОГО СВИДЕТЕЛЬСТВА (например, по расчетам, анализу или результатам испытаний ИЗГОТОВИТЕЛЯ), что соответствующие РИСКИ считаются допустимыми на основании критериев ИЗГОТОВИТЕЛЯ в отношении допустимости РИСКА. Эффективность мер УПРАВЛЕНИЯ РИСКОМ оценивается в соответствии с подпунктом 6.3 ИСО 14971:2019.
- Уменьшение РИСКА: если данный стандарт требует выполнения определенных мер УПРАВЛЕНИЯ РИСКОМ, то, чтобы гарантировать, что сопутствующий РИСК является допустимым, соответствие проверяют одним из следующих способов:
- убедившись в том, что определенные меры были выполнены; в этом
случае не требуется проведение МЕНЕДЖМЕНТА РИСКА и оценки ОСТАТОЧНОГО
РИСКА, поскольку предполагается, что РИСКИ будут снижены до допустимого
уровня благодаря наличию определенных мер (отвечающих объективным
требованиям настоящего стандарта), или
- путем рассмотрения ФАЙЛА МЕНЕДЖМЕНТА РИСКА для ОПАСНОСТЕЙ или
ОПАСНЫХ СИТУАЦИЙ, идентифицированных в требованиях, при отсутствии мер,
указанных в требованиях, и для ОБЪЕКТИВНОГО СВИДЕТЕЛЬСТВА (например,
по расчетам, анализу или результатам испытаний ИЗГОТОВИТЕЛЯ) того, что
соответствующие РИСКИ считаются допустимыми.
Подпункт 7.2.2 для съемных элементов и
подпункт 7.2.17 для защитной упаковки являются примерами того, где требуется специальная маркировка, за исключением случаев, когда не возникают недопустимые РИСКИ. Таким образом, либо должна быть обеспечена маркировка, либо РИСКИ в отсутствие этой маркировки должны быть оценены и считаться допустимыми. Другим примером является
15.4.1 a) для проектирования и конструирования соединительных разъемов.
-
Анализ РИСКА/выгоды: Анализ РИСКА/выгоды в соответствии с подпунктом 7.4 ИСО 14971:2019 необходим только тогда, когда ОСТАТОЧНЫЙ РИСК, связанный с определенной ОПАСНОСТЬЮ или ОПАСНОЙ СИТУАЦИЕЙ, остается недопустимым с использованием критериев допустимости РИСКА, записанных в плане МЕНЕДЖМЕНТА РИСКА, и если дальнейшее УПРАВЛЕНИЕ РИСКОМ является нецелесообразным. Такой анализ РИСКА/выгоды не требуется, если ОСТАТОЧНЫЕ РИСКИ считаются допустимыми или если МЭ ИЗДЕЛИЕ или МЭ СИСТЕМА соответствует определенным требованиям настоящего стандарта.
Подпункт 11.1.2 является одним из немногих примеров, когда необходим анализ РИСКА/выгоды при превышении предельных температур для достижения клинической цели (см.
таблицу 24, сноска <b>).
Во время первоначального АНАЛИЗА РИСКА ИЗГОТОВИТЕЛЬ определяет функциональные характеристики клинической(их) функции(й) МЭ ИЗДЕЛИЯ или МЭ СИСТЕМЫ, которая(ые) необходима(ы) для ПРЕДУСМОТРЕННОГО ПРИМЕНЕНИЯ. ИЗГОТОВИТЕЛЬ также определяет другие качественные и количественные характеристики, которые могут повлиять на безопасность МЭ ИЗДЕЛИЯ или МЭ СИСТЕМЫ.
Предельные технические характеристики, указанные ИЗГОТОВИТЕЛЕМ, могут находиться в рамках предусмотренного функционирования в условиях НОРМАЛЬНОЙ ЭКСПЛУАТАЦИИ и ЕДИНИЧНОГО НАРУШЕНИЯ, а также при отсутствии указанных характеристик.
ИЗГОТОВИТЕЛЬ определяет, приведет ли утрата функционала или неспособность функционировать в указанных пределах к РИСКУ для ПАЦИЕНТА. Оценка часто проводится с допущением, что рассматриваемый аспект функциональных характеристик утратился или ухудшился ниже указанных пределов (то есть P
1 на
рисунке A.8 составляет 100%). ИЗГОТОВИТЕЛЬ учитывает вероятность ОПАСНОЙ СИТУАЦИИ, приводящей к ВРЕДУ (P
2 на
рисунке A.8), а также ТЯЖЕСТЬ ВРЕДА. В некоторых случаях P
2 также может составлять 100%, и в этом случае оценка РИСКА полностью основана на ТЯЖЕСТИ ВРЕДА. При рассмотрении РИСКА, связанного с уровнем ухудшения функциональных характеристик, который может включать полную утрату, в анализе необходимо учитывать указанные в ЭКСПЛУАТАЦИОННЫХ ДОКУМЕНТАХ ожидаемые меры, которые могут восстановить некоторые или все характеристики, включая обслуживание МЭ ИЗДЕЛИЯ или МЭ СИСТЕМЫ, или восстановление части или всего медицинского обслуживания ПАЦИЕНТА с помощью вспомогательных мер медицинского обслуживания.
ИЗГОТОВИТЕЛЬ оценивает РИСК с использованием установленных критериев допустимости РИСКА. Если РИСК недопустим, то идентифицированные функциональные характеристики являются ОСНОВНЫМИ ФУНКЦИОНАЛЬНЫМИ ХАРАКТЕРИСТИКАМИ, так как для достижения допустимого уровня ОСТАТОЧНОГО РИСКА требуется снижение РИСКА.
После определения ОСНОВНЫХ ФУНКЦИОНАЛЬНЫХ ХАРАКТЕРИСТИК ИЗГОТОВИТЕЛЬ устанавливает меры по УПРАВЛЕНИЮ РИСКОМ, которые подходят для снижения РИСКА до допустимого уровня. При проведении анализа вариантов УПРАВЛЕНИЯ РИСКОМ ИЗГОТОВИТЕЛЬ должен следовать порядку приоритетности, указанному в ИСО 14971, а именно:
a) безопасность за счет конструкции;
b) защитные меры;
c) информация о безопасности.
Выбранные меры по УПРАВЛЕНИЮ РИСКОМ должны быть обоснованно осуществимыми и соответствовать общепринятой технологии. Например, теоретически возможно создать аппарат искусственной вентиляции легких для интенсивной терапии и реанимации, который будет продолжать функционировать в случае отказа одного компонента, но, учитывая общепринятую технологию, на практике это нецелесообразно. Поэтому ИЗГОТОВИТЕЛЬ может полагаться на защитную меру, такую как СИСТЕМА СИГНАЛИЗАЦИИ, чтобы предупредить ОПЕРАТОРА о неисправности и чтобы ОПЕРАТОР мог принять надлежащие и своевременные меры для предотвращения возникновения ВРЕДА. СИГНАЛ ТРЕВОГИ и необходимая подготовка ОПЕРАТОРА могут быть надлежащей мерой по УПРАВЛЕНИЮ РИСКОМ, чтобы снизить РИСК, возникающий вследствие утраты или ухудшения идентифицированных функциональных характеристик до соответствующего уровня, т.е. чтобы ОСТАТОЧНЫЙ РИСК являлся допустимым. Данные меры по УПРАВЛЕНИЮ РИСКОМ могут быть неотъемлемой частью определения ОСНОВНЫХ ФУНКЦИОНАЛЬНЫХ ХАРАКТЕРИСТИК.
Разумеется, мера по УПРАВЛЕНИЮ РИСКОМ должна быть достаточно независимой, чтобы состояние, которое приводит к утрате или ухудшению идентифицированных функциональных характеристик, не ухудшало эффективность меры по УПРАВЛЕНИЮ РИСКОМ. Это согласуется с двумя принципами СРЕДСТВ ЗАЩИТЫ, используемыми в серии МЭК 60601. Например, СИСТЕМА СИГНАЛИЗАЦИИ, предназначенная для предупреждения ОПЕРАТОРА о том, что ПИТАЮЩАЯ СЕТЬ была разомкнута, не может зависеть от ПИТАЮЩЕЙ СЕТИ как единственного источника питания. Если ПИТАЮЩАЯ СЕТЬ была разомкнута, то для питания СИСТЕМЫ СИГНАЛИЗАЦИИ может использоваться резервная батарея.
При УПРАВЛЕНИИ РИСКОМ время - это основной элемент. Если времени от начала события (размыкание ПИТАЮЩЕЙ СЕТИ) недостаточно, чтобы ОПЕРАТОР зарегистрировал ОПАСНУЮ СИТУАЦИЮ и предпринял соответствующие действия, чтобы предотвратить возникновение ВРЕДА, тогда только СИСТЕМА СИГНАЛИЗАЦИИ не будет эффективной мерой по УПРАВЛЕНИЮ РИСКОМ. Также может потребоваться резервный источник питания для поддержания работоспособности МЭ ИЗДЕЛИЯ в течение периода времени, достаточного для того, чтобы ОПЕРАТОР мог предпринять необходимые корректирующие действия.
Как и во всех аспектах ПРОЦЕССА МЕНЕДЖМЕНТА РИСКА, идентификация ОСНОВНЫХ ФУНКЦИОНАЛЬНЫХ ХАРАКТЕРИСТИК может быть итеративной. ИЗГОТОВИТЕЛЬ, возможно, должен будет пересмотреть процесс определения того, что является ОСНОВНЫМИ ФУНКЦИОНАЛЬНЫМИ ХАРАКТЕРИСТИКАМИ на протяжении жизненного цикла МЭ ИЗДЕЛИЯ или МЭ СИСТЕМЫ.
ОЖИДАЕМЫЙ СРОК СЛУЖБЫ - это временной период, в течение которого МЭ ИЗДЕЛИЕ или МЭ СИСТЕМА, как ожидается, остается пригодным(ой) для ПРЕДУСМОТРЕННОГО ПРИМЕНЕНИЯ. Также это период, когда все меры по УПРАВЛЕНИЮ РИСКОМ должны оставаться эффективными для обеспечения допустимого уровня РИСКОВ.
ОЖИДАЕМЫЙ СРОК СЛУЖБЫ должен определяться ИЗГОТОВИТЕЛЕМ в ПРОЦЕССЕ МЕНЕДЖМЕНТА РИСКА и быть предварительным условием для оценки соответствия многих требований настоящего стандарта, например содержащихся в
4.5,
4.7,
7.1.3,
8.6.3,
9.8.2 и
11.6.6.
В ЭКСПЛУАТАЦИОННЫХ ДОКУМЕНТАХ ИЗГОТОВИТЕЛЬ должен предоставлять информацию, необходимую для оценки ОТВЕТСТВЕННОЙ ОРГАНИЗАЦИЕЙ срока окончания жизненного цикла МЭ ИЗДЕЛИЯ. Эта информация должна включать не только его ОЖИДАЕМЫЙ СРОК СЛУЖБЫ, установленный ИЗГОТОВИТЕЛЕМ (например, исчисляемый в числе лет обслуживания или в числе применений), но и испытания, которые должны выполняться в ходе профилактического обслуживания, или другие критерии, которые могли бы позволить ОТВЕТСТВЕННОЙ ОРГАНИЗАЦИИ проводить оценку ОЖИДАЕМОГО СРОКА СЛУЖБЫ. Необходимость и соответствующий способ предоставления подобной информации должны рассматриваться в ПРОЦЕССЕ МЕНЕДЖМЕНТА РИСКА.
При определении ОЖИДАЕМОГО СРОКА СЛУЖБЫ ИЗГОТОВИТЕЛЬ должен предположить, что ОТВЕТСТВЕННАЯ ОРГАНИЗАЦИЯ будет следовать инструкциям ИЗГОТОВИТЕЛЯ для текущего обслуживания. См.
7.9.2.13.
Подпункт 4.5 - Альтернативные меры по УПРАВЛЕНИЮ РИСКОМ или методы испытаний МЭ ИЗДЕЛИЙ или МЭ СИСТЕМ
Данный
подпункт допускает использование альтернативных средств достижения безопасности теми средствами, которые указаны в настоящем стандарте. Это позволяет ИЗГОТОВИТЕЛЮ применять инновационные решения, которые являются безопасными и могут иметь другие преимущества, например более низкую стоимость или более высокую технологичность.
Поскольку нередко возникают трудности с определением уровня допустимости РИСКА для индивидуальной меры по УПРАВЛЕНИЮ РИСКОМ или метода испытаний, ИЗГОТОВИТЕЛЮ разрешается использовать научные данные, клинические заключения или сравнительные исследования в каждом конкретном случае для установления факта того, что ОСТАТОЧНЫЙ РИСК в результате применения альтернативных мер сохраняет допустимость.
Документация в ФАЙЛЕ МЕНЕДЖМЕНТА РИСКА должна отражать то, что ОСТАТОЧНЫЙ РИСК, достигнутый с применением альтернативных средств, остается допустимым и сопоставимым с указанным в настоящем стандарте. Сравнительные исследования должны учитывать научные исследования, указанные в настоящем стандарте и применимые к альтернативным средствам.
С Поправкой 2 настоящего стандарта применение требований к координации изоляции по МЭК 62368-1:2018 может использоваться в качестве СРЕДСТВА ЗАЩИТЫ ОПЕРАТОРА (СЗО) для узлов/компонентов, встроенных в МЭ ИЗДЕЛИЕ. Однако не все требования к защите ОПЕРАТОРА стандарта МЭК 62368-1:2018 были включены в Поправку 2. Были рассмотрены только пункт 8 и одно примечание в пункте 10. В оставшейся части этого документа решения по обеспечению безопасности в стандарте МЭК 62368-1:2018 не были учтены в Поправке 2. Эти вопросы будут рассмотрены в ходе разработки четвертой редакции настоящего стандарта.
Для узлов/компонентов, сертифицированных по МЭК 62368-1:2018, встроенных в МЭ ИЗДЕЛИЕ, применяются
пункты 7 и
9 -
15 настоящего стандарта, как указано. Если требование стандарта МЭК 62368-1:2018 связано с безопасностью ОПЕРАТОРА и противоречит частям
пункта 7 и
пунктам 9 -
15, его можно оценить в соответствии с подробными требованиями
подпункта 4.5.
Во всех случаях требования к СРЕДСТВАМ ЗАЩИТЫ ПАЦИЕНТОВ (СЗО) настоящего стандарта все еще необходимо применять.
Подпункт 4.6 - Части МЭ ИЗДЕЛИЯ или МЭ СИСТЕМЫ, находящиеся в контакте с ПАЦИЕНТОМ
Части, которые непроизвольно могут входить в контакт с ПАЦИЕНТОМ, находящимся без сознания, под наркозом или в иммобилизированном состоянии, могут создавать такие же РИСКИ, как и РАБОЧАЯ ЧАСТЬ, которая обязательно должна находиться в контакте с ПАЦИЕНТОМ. Однако части, до которых активный ПАЦИЕНТ может дотянуться и коснуться их, не могут создавать больший РИСК этому ПАЦИЕНТУ, чем ОПЕРАТОРУ.
Определение РАБОЧЕЙ ЧАСТИ, использовавшееся в первой и второй редакциях настоящего стандарта, было не в состоянии разрешить подобные противоречия. Второе дополнение ко второй редакции расширило это определение, включив в него части, которые могут входить в контакт с ПАЦИЕНТОМ, однако полностью не сняло имеющиеся противоречия.
Поскольку настоящий стандарт требует использования ПРОЦЕССА МЕНЕДЖМЕНТА РИСКА, то этот ПРОЦЕСС становится пригодным для установления того, должны ли на такие части распространяться требования к РАБОЧИМ ЧАСТЯМ.
Исключение требований к маркировке отражает мнение большей части национальных комитетов, высказанное при запросе в ходе разработки данной редакции, поскольку она только вводила бы в заблуждение ОПЕРАТОРОВ, если бы части, не предназначенные быть РАБОЧИМИ ЧАСТЯМИ, маркировались подобно им.
Части, идентифицированные как подчиняющиеся требованиям к РАБОЧИМ ЧАСТЯМ (за исключением маркировки), обычно контактируют с пациентом реже, чем РАБОЧИЕ ЧАСТИ; таким образом, преимущество электрического разделения цепей заземления будет меньше. Однако в некоторых случаях эти части, возможно, должны удовлетворять требованиям к ЧАСТЯМ РАБОЧИМ ТИПА BF или ЧАСТЯМ РАБОЧИМ ТИПА CF для обеспечения соответствующего уровня безопасности.
Требование о том, что МЭ ИЗДЕЛИЕ должно быть БЕЗОПАСНЫМ ПРИ ЕДИНИЧНОМ НАРУШЕНИИ, реально устанавливает более низкое предельное значение для вероятности причинения ВРЕДА от возникающей ОПАСНОСТИ. При достижении этой вероятности РИСК возникновения ОПАСНОСТИ считается допустимым. Во всех случаях, когда в данном обсуждении ссылаются на ТЯЖЕСТЬ ОПАСНОСТИ или вероятность конкретной ОПАСНОСТИ, необходимо обращаться к вероятности причинения ВРЕДА или его ТЯЖЕСТИ, вытекающей из этой ОПАСНОСТИ.
Концепция БЕЗОПАСНОГО ПРИ ЕДИНИЧНОМ НАРУШЕНИИ вытекает из принципа единичного нарушения, сформулированного в IEC/TR 60513
[12]. БЕЗОПАСНОЕ ПРИ ЕДИНИЧНОМ НАРУШЕНИИ - это характеристика МЭ ИЗДЕЛИЯ, которая гарантирует ОСНОВНУЮ БЕЗОПАСНОСТЬ в течение всего ОЖИДАЕМОГО СРОКА СЛУЖБЫ МЭ ИЗДЕЛИЯ. При большой ТЯЖЕСТИ причинения ВРЕДА с помощью ПРОЦЕССА МЕНЕДЖМЕНТА РИСКА можно прийти к выводу о том, что принцип единичного нарушения не обеспечивает получения допустимого РИСКА.
Вероятность одновременного возникновения двух единичных нарушений считают пренебрежимо малой при условии, что:
a) единичное нарушение приводит к срабатыванию защитного устройства (например, плавкого предохранителя, АВТОМАТИЧЕСКОГО ВЫКЛЮЧАТЕЛЯ МАКСИМАЛЬНОГО ТОКА, предохранительной защелки и т.д.), которое предотвращает возникновение ОПАСНОСТИ, или
b) единичное нарушение обнаруживается с помощью легко распознаваемого и заметного для ОПЕРАТОРА сигнала, или
c) единичное нарушение обнаруживается и исправляется при периодических осмотрах и техническом обслуживании, которые указаны в инструкции по эксплуатации. При этом остается конечная вероятность того, что второе нарушение может возникнуть перед следующим планируемым осмотром и циклом технического обслуживания. Как и в случае
a), для того чтобы вероятность этого двойного нарушения оставалась незначительной, вероятность каждого нарушения также должна быть достаточно низкой, поэтому частота осмотров и технического обслуживания должна быть высокой по отношению к ожидаемой вероятности возникновения нарушения. Чем больше интервал времени между осмотрами и циклами технического обслуживания, тем дольше одно УСЛОВИЕ ЕДИНИЧНОГО НАРУШЕНИЯ будет оставаться необнаруженным и неисправленным и тем выше будет вероятность возникновения второго нарушения. Таким образом, ИЗГОТОВИТЕЛЮ может потребоваться точное определение времени обнаружения нарушения по отношению к вероятности возникновения второго нарушения как части АНАЛИЗА РИСКОВ.
Возможные примеры для
a) -
c):
- УСИЛЕННАЯ или ДВОЙНАЯ ИЗОЛЯЦИЯ;
- МЭ ИЗДЕЛИЕ КЛАССА 1 в случае нарушения ОСНОВНОЙ ИЗОЛЯЦИИ;
- аномальное отображение данных, дефект в резервном тросе, создающий повышенный шум или трение;
- снижение качества гибкого ПРОВОДА ЗАЩИТНОГО ЗАЗЕМЛЕНИЯ, который был перемещен при НОРМАЛЬНОЙ ЭКСПЛУАТАЦИИ.
Резисторы, замыкающие СРЕДСТВА ЗАЩИТЫ
Резистор или группа последовательно подключенных резисторов (двух или более) могут замыкать одно или два СРЕДСТВА ЗАЩИТЫ (СЗО или СЗП) при соблюдении следующих условий:
- резистор или группа резисторов имеют номинальное напряжение в два раза больше РАБОЧЕГО НАПРЯЖЕНИЯ на СРЕДСТВАХ ЗАЩИТЫ;
- резистор или группа резисторов выдерживают испытания на электрическую прочность согласно
8.8.3, учитывая ожидаемое переходное напряжение, которое будет(ут) испытывать компонент(ы) во время НОРМАЛЬНОЙ ЭКСПЛУАТАЦИИ в течение ОЖИДАЕМОГО СРОКА СЛУЖБЫ;
- резистор или группа резисторов имеют номинальную мощность в два раза больше ожидаемой мощности при НОРМАЛЬНОЙ ЭКСПЛУАТАЦИИ;
- резистор или группа резисторов имеют такое значение сопротивления, что требования ТОКА УТЕЧКИ НА ДОСТУПНУЮ ЧАСТЬ, ТОКА УТЕЧКИ НА ПАЦИЕНТА и ДОПОЛНИТЕЛЬНОГО ТОКА В ЦЕПИ ПАЦИЕНТА не превышаются;
- резистор или группа резисторов имеют конструкцию, которая соответствует требованиям СРЕДСТВА ЗАЩИТЫ к соблюдению безопасных расстояний для ПУТИ УТЕЧКИ и ВОЗДУШНОГО ЗАЗОРА (для последовательного соединения необходимое разделение складывается из разделения на каждом компоненте, являющегося аддитивным);
- резистор или группа резисторов сконструированы таким образом, чтобы их индуктивность была низкая;
- резистор или группа резисторов имеют конструкцию, которая не может вызвать короткое замыкание, а также
- при использовании группы резисторов все они должны иметь одинаковое сопротивление, требования удвоения напряжения и мощности применяются к каждому компоненту на основе ожидаемого РАБОЧЕГО НАПРЯЖЕНИЯ через этот резистор при НОРМАЛЬНОЙ ЭКСПЛУАТАЦИИ.
Подпункт 4.9 - Использование в МЭ ИЗДЕЛИЯХ КОМПОНЕНТОВ С ВЫСОКОЙ СТЕПЕНЬЮ НАДЕЖНОСТИ
Первый этап при определении КОМПОНЕНТОВ С ВЫСОКОЙ СТЕПЕНЬЮ НАДЕЖНОСТИ должен состоять в проведении АНАЛИЗА РИСКА для нахождения тех характеристик, которые должны обеспечивать ОСНОВНУЮ БЕЗОПАСНОСТЬ или достижение ОСНОВНЫХ ФУНКЦИОНАЛЬНЫХ ХАРАКТЕРИСТИК, после чего можно будет отобрать соответствующий компонент. При этом может даваться ссылка на стандарты МЭК на компоненты.
ТИПОВЫЕ ИСПЫТАНИЯ КОМПОНЕНТОВ С ВЫСОКОЙ СТЕПЕНЬЮ НАДЕЖНОСТИ являются только частью требуемого определения их пригодности. Поскольку конкретный КОМПОНЕНТ С ВЫСОКОЙ СТЕПЕНЬЮ НАДЕЖНОСТИ должен функционировать в соответствии со своим назначением или при возможной ОПАСНОСТИ, должны приниматься во внимание такие дополнительные соображения, как:
- непрерывный надзор (контроль) как часть производственного ПРОЦЕССА, а также после полной сборки МЭ ИЗДЕЛИЯ;
- конкретные характеристики рассматриваемого устройства;
- результаты испытаний партии;
- калибровка;
- контроль дефектов изготовления;
- обслуживание;
- ОЖИДАЕМЫЙ СРОК СЛУЖБЫ изделия;
- использование соответствующих стандартов на компоненты;
- характеристики режимов нарушения (отказов);
- условия окружающей среды;
- прогнозируемое непредусмотренное функционирование изделия;
- взаимодействие с другим изделием.
На практике переменное напряжение можно считать синусоидальным, если любое мгновенное значение рассматриваемого напряжения не будет отличаться от соответствующих значений для идеального синусоидального напряжения более чем на +/- 5% от максимального значения этого напряжения.
Считается, что многофазная система является симметричной, если ни значения ее напряжений в обратной последовательности, ни величины ее напряжений в нулевой последовательности не превышают 2% от значения ее напряжений в прямой последовательности фаз.
Считается, что многофазная система является симметричной, если после ее запитки симметричным напряжением токи в системе будут симметричными, т.е. значения ее токов ни в обратной, ни в нулевой последовательности не превышают 2% от значения ее токов в прямой последовательности фаз.
Пункт 5 - Общие требования к испытаниям МЭ ИЗДЕЛИЯ
МЭ ИЗДЕЛИЕ может иметь несколько изолированных частей, компонентов (электрических и механических) и ряд конструктивных особенностей, нарушение которых не будет приводить к возникновению ОПАСНОСТИ для ПАЦИЕНТА, ОПЕРАТОРА или их среды даже при снижении характеристик МЭ ИЗДЕЛИЯ и выходе его из строя.
ПРОЦЕСС МЕНЕДЖМЕНТА РИСКА определяет средства УПРАВЛЕНИЯ РИСКОМ, которые необходимы для гарантии безопасности МЭ ИЗДЕЛИЯ.
Если иное не оговорено в настоящем стандарте, то эти испытания не должны проводиться повторно. В особенности это относится к испытаниям на электрическую прочность (пробой) изоляции, которые следует выполнять только на предприятии ИЗГОТОВИТЕЛЯ или в испытательных лабораториях.
Для гарантии того, что каждый индивидуально изготовленный компонент МЭ ИЗДЕЛИЯ соответствует настоящему стандарту, ИЗГОТОВИТЕЛЬ МЭ ИЗДЕЛИЯ или его сборщик должны при изготовлении или монтаже принимать такие меры, чтобы каждый компонент удовлетворял все требования, даже если он полностью не проверялся в процессе изготовления или монтажа.
Указанные меры могут принимать следующие формы:
a) анализ методов производства (для гарантии постоянно высокого качества выпускаемой продукции), если это качество связано с безопасностью;
b) оценка качества и полноты заводских (стандартных) испытаний, выполняемых на каждом произведенном компоненте;
c) заводские испытания, выполняемые на образце изделия, результаты которых будут подтверждать достаточный уровень надежности.
Заводские испытания не должны быть идентичны ТИПОВЫМ ИСПЫТАНИЯМ, но могут быть адаптированы к конкретным условиям производства и (возможно) способны создавать меньший РИСК снижения качества изоляции или других характеристик, важных для обеспечения ОСНОВНОЙ БЕЗОПАСНОСТИ и достижения ОСНОВНЫХ ФУНКЦИОНАЛЬНЫХ ХАРАКТЕРИСТИК.
Заводские испытания будут, конечно, ограничены заданием параметров (возможно, полученных по результатам ТИПОВЫХ ИСПЫТАНИЙ), характерных для наименее благоприятных ситуаций.
В зависимости от назначения МЭ ИЗДЕЛИЯ методы производства или испытания могут иметь отношение к допустимой изоляции СЕТЕВОЙ ЧАСТИ, СОЕДИНЕНИЙ С ПАЦИЕНТОМ, а также к изоляции или разделению этих частей.
Рекомендуемыми показателями при испытаниях являются ТОК УТЕЧКИ и электрическая прочность изоляции.
Когда это применимо, то целостность защитного заземления может стать основным испытываемым показателем.
Руководство по основным процедурам проведения испытаний, которое может использоваться с настоящим стандартом, приведено в IEC/TR 62354
[66].
В настоящем стандарте используются несколько терминов для описания условий нарушения, которые могут быть обнаружены. Они приведены ниже:
УСЛОВИЕ ЕДИНИЧНОГО НАРУШЕНИЯ
УСЛОВИЕ ЕДИНИЧНОГО НАРУШЕНИЯ определено в
подпункте 3.116 для описания условий, при которых "одно средство для снижения РИСКА имеет дефект" или "существует одно ненормальное условие". Возможные УСЛОВИЯ ЕДИНИЧНОГО НАРУШЕНИЯ перечислены в настоящем стандарте и могут влиять на проверяемые значения, такие как ПУТИ УТЕЧКИ, импедансы защитного заземления, ТОКИ УТЕЧКИ и т.д.
Неисправности, которые не приводят к УСЛОВИЮ ЕДИНИЧНОГО НАРУШЕНИЯ
По сравнению с УСЛОВИЯМИ ЕДИНИЧНОГО НАРУШЕНИЯ настоящий стандарт не содержит проверяемых требований для неисправностей, которые не приводят к УСЛОВИЮ ЕДИНИЧНОГО НАРУШЕНИЯ. Это означает, что настоящий стандарт не содержит указаний относительно того, насколько надежным является то, что неисправность может быть предотвращена.
Сочетание одновременных независимых неисправностей
Поскольку в настоящем стандарте отсутствуют надежные проверяемые требования для предотвращения неисправностей, все возможные одновременные неисправности следует рассматривать в соответствии с
4.7.
Если УСЛОВИЕ ЕДИНИЧНОГО НАРУШЕНИЯ остается необнаруженным (например, замыкание одного СРЕДСТВА ЗАЩИТЫ ОПЕРАТОРА), дальнейшие одновременные неисправности следует рассматривать в соответствии с
4.7.
Примечание - Дополнительные рекомендации см. в МЭК 60513:1994.
Наихудшими случаями одновременной неисправности являются те, которые приводят к наиболее опасным результатам. В стандарте указаны рекомендации относительно того, как избежать проведения всех возможных одновременных испытаний на неисправность, поскольку многие из них можно заменить на испытание при наихудших условиях.
Образец (или образцы) для ТИПОВОГО ИСПЫТАНИЯ должен быть репрезентативным для образцов, предоставляемых ОТВЕТСТВЕННОЙ ОРГАНИЗАЦИИ.
Согласно МЭК 60529 КОРПУС МЭ ИЗДЕЛИЯ, имеющий НОРМИРОВАННУЮ степень защиты IPX8, должен предотвращать при заявленных условиях попадание такого количества влаги (при ее наличии), которое может приводить к возникновению ОПАСНОСТИ.
Условия испытаний, а также допустимый объем и местоположение влаги должны определяться в частных стандартах. Если попадание какой-либо влаги не допускается (герметизированные КОРПУСА), то применения предварительной выдержки при определенной влажности не требуется.
Части, чувствительные к действию влажности, обычно используемые при контролируемых условиях эксплуатации и не влияющие на ОСНОВНУЮ БЕЗОПАСНОСТЬ и ОСНОВНЫЕ ФУНКЦИОНАЛЬНЫЕ ХАРАКТЕРИСТИКИ, не должны подвергаться подобному испытанию. Примеры: носители данных в компьютерных системах с высокой плотностью записи, дисководы и лентопротяжные механизмы и т.д.
Для предотвращения конденсации паров воды, возникающей при помещении МЭ ИЗДЕЛИЯ в камеру влажности, температура в этой камере должна быть равной (или немного ниже) температуре МЭ ИЗДЕЛИЯ при его введении в камеру. Во избежание необходимости использования системы температурной стабилизации воздуха в помещении вне камеры влажности температура воздуха в ней в течение обработки должна быть адаптирована к температуре внешнего воздуха в пределах от 20 °C до 32 °C и затем застабилизирована на начальном значении. Хотя влияние температуры в камере влажности на степень поглощения влаги общепризнано, но оно, как представляется, все же будет несущественно сказываться на результатах испытаний при значительной экономии средств.
Подпункт 5.9 - Определение РАБОЧИХ ЧАСТЕЙ и ДОСТУПНЫХ ЧАСТЕЙ
Предполагается, что, за исключением особых случаев, например устройств поддержки ПАЦИЕНТА и водяных кроватей, контакт с МЭ ИЗДЕЛИЕМ допускается осуществлять:
- с приложением металлической фольги размером 10 x 20 см (или менее, если общий размер МЭ ИЗДЕЛИЯ является достаточно малым) для имитации контакта одной рукой при измерении ТОКА УТЕЧКИ;
- применением испытательного пальца с ограничительной пластиной для имитации контакта одним пальцем, прямым или согнутым в естественном положении;
- сочетанием испытательного крюка и испытательного пальца для имитации края или щели, которые могут быть раздвинуты для последующего введения пальца руки.
СМОТРОВАЯ КРЫШКА - это часть КОРПУСА, которая может удаляться для получения доступа к частям электрического изделия с целью его регулировки, осмотра, замены компонентов или ремонта. Предполагается, что те части, которые могут удаляться без помощи ИНСТРУМЕНТА, предназначены для их замены любым ОПЕРАТОРОМ, а не только ОБСЛУЖИВАЮЩИМ ПЕРСОНАЛОМ, даже если это прямо не указано в инструкции по эксплуатации. ОПЕРАТОРЫ, не входящие в состав ОБСЛУЖИВАЮЩЕГО ПЕРСОНАЛА, могут быть недостаточно обученными и проверенными в применении безопасных методов, как ОБСЛУЖИВАЮЩИЙ ПЕРСОНАЛ, поэтому они должны принимать дополнительные меры безопасности для предотвращения случайных прикосновений к находящимся под опасным напряжением частям. Именно поэтому такие части, как, например, лампочки и плавкие предохранители с их держателями, которые могут сниматься без помощи ИНСТРУМЕНТА, должны удаляться после установления того, какие части под СМОТРОВОЙ КРЫШКОЙ следует считать ДОСТУПНЫМИ ЧАСТЯМИ.
Держатели плавких предохранителей, в которых плавкие вставки крепятся в колпачке, который может сниматься без помощи ИНСТРУМЕНТА, требуют особого внимания. Если плавкая вставка не вынимается после снятия колпачка, то ОПЕРАТОР может попытаться удалить ее, захватывая ее кончиками пальцев, а также вставлять новую плавкую вставку в держатель плавкого предохранителя без предварительной вставки в колпачок. Оба эти случая можно рассматривать как разумно предполагаемую ненадлежащую эксплуатацию и принимать во внимание при оценке того, какие части являются доступными.
Для получения дополнительной информации о держателях плавких предохранителей см. МЭК 60127-6
[7].
Пункт 6 - Классификация МЭ ИЗДЕЛИЙ и МЭ СИСТЕМ
МЭ ИЗДЕЛИЕ может быть классифицировано несколькими способами.
Термин "изделие класса III" используется в некоторых других стандартах для обозначения изделий, запитываемых от системы электропитания со сверхнизким безопасным напряжением. В настоящем стандарте этот термин формально не применяется. ОСНОВНАЯ БЕЗОПАСНОСТЬ изделий класса III в большой степени зависит от их установки и от других изделий класса III, присоединяемых к нему. Указанные факторы находятся вне контроля ОПЕРАТОРА и считаются недопустимыми для МЭ ИЗДЕЛИЯ. Кроме того, ограничения напряжения недостаточно для обеспечения безопасности ПАЦИЕНТА. По этим причинам настоящий стандарт не идентифицирует конструкции класса III.
Термины ПРОДОЛЖИТЕЛЬНЫЙ РЕЖИМ РАБОТЫ и НЕПРОДОЛЖИТЕЛЬНЫЙ РЕЖИМ РАБОТЫ распространяются на диапазон рабочих режимов фактически всех изделий. МЭ ИЗДЕЛИЕ, которое остается постоянно присоединенным к ПИТАЮЩЕЙ СЕТИ, но эксплуатируется лишь эпизодически, следует классифицировать как с НОРМИРОВАННЫМ НЕПРОДОЛЖИТЕЛЬНЫМ РЕЖИМОМ РАБОТЫ, также следует включать в ЭКСПЛУАТАЦИОННЫЕ ДОКУМЕНТЫ соответствующие указания относительно времен включения/выключения и наносить соответствующую маркировку на МЭ ИЗДЕЛИЕ (см.
7.2.11).
Подпункт 7.1.1 - ЭКСПЛУАТАЦИОННАЯ ПРИГОДНОСТЬ идентификации, маркировки и документации
Для обеспечения высокого качества разработки МЭ ИЗДЕЛИЯ его маркировка и ЭКСПЛУАТАЦИОННЫЕ ДОКУМЕНТЫ должны быть четкими, однозначными и сводящими к минимуму возможные ошибки при его эксплуатации. Поэтому и маркировку, и ЭКСПЛУАТАЦИОННЫЕ ДОКУМЕНТЫ следует подвергать такому же строгому анализу, как и другие элементы интерфейса ОПЕРАТОР - МЭ ИЗДЕЛИЕ.
Предполагается, что маркировка на МЭ ИЗДЕЛИИ будет ЧЕТКО РАЗЛИЧИМОЙ для ОПЕРАТОРА в пределах диапазона нормальных уровней освещенности мест, где МЭ ИЗДЕЛИЕ обычно эксплуатируется. Уровни освещенности, используемые при этом испытании, получены из следующих рекомендованных нормативов, применяемых при проектировании освещения внутренних помещений
[51]:
- 100 - 200 лк - для рабочих мест, где задания на зрительное восприятие выполняются эпизодически;
- 500 - 1000 лк - для рабочих мест, где задания на зрительное восприятие выполняются в небольшом объеме или где ведется чтение карандашных записей карандашом средней твердости;
- 1000 - 2000 лк - для рабочих мест, где задания на зрительное восприятие выполняются при низком контрасте или где проводится чтение карандашных записей карандашом высокой твердости или написанных на низкокачественной бумаге.
Если маркировка не будет заметна для ОПЕРАТОРА при ожидаемых условиях его работы, то это будет приводить к возникновению недопустимого РИСКА.
Понятие минимального угла разрешения (MAR) используется в визуальном методе измерения остроты зрения, разработанном в развитие давно применяемого метода шкалы Снеллена. Логарифм MAR для нормального зрения может рассчитываться исходя из шкалы Снеллена, т.е. log MAR = log(6/6) = 0.
Тест-карта Jaeger используется для определения ближнего зрения. N 6 соответствует чтению на расстоянии 0,87 м от лица.
Для проведения проверки остроты зрения рекомендуется использовать уровень освещенности 500 лк.
В аспекте рекомендуемого минимального размера шрифта читаемый размер шрифта является функцией расстояния чтения и полученного визуального угла изображения маркировки, представленного сетчатке глаза. Расчет угла зрения в угловых минутах содержится в ANSI/AAMI HE-75:2009
[71], подпункт 6.2.2.6.5, таблица 6.2. Используя минимально допустимый визуальный угол, равный 12 угловым минутам, размер шрифта 9 будет рекомендован для расстояния чтения 1 м и размер шрифта 6 - для типичного расстояния чтения 0,7 м.
Испытание на истирание маркировки выполняют с использованием дистиллированной воды, этанола 96% и изопропилового спирта.
96%-ный этанол числится в Европейской фармакопее как химическое соединение с формулой C2H6O (MW46.07).
Изопропиловый спирт числится в Европейской фармакопее как химическое соединение с формулой C3H8O (MW60.1).
Данный
подпункт относится к любому съемному компоненту, неправильная идентификация которого может приводить к возникновению ОПАСНОЙ СИТУАЦИИ. Например, расходные детали и материалы могут и должны идентифицироваться, хотя декоративные крышки этого не требуют.
Хотя ОБОЗНАЧЕНИЕ МОДЕЛИ ИЛИ ТИПА МЭ ИЗДЕЛИЯ обычно предполагает установление некоторых технических требований, но оно не может точно указывать на конструкцию МЭ ИЗДЕЛИЯ, включая прилагаемые к нему компоненты и материалы. В ОБОЗНАЧЕНИЕ МОДЕЛИ ИЛИ ТИПА вводится серийный номер, код или номер партии, которые могут быть использованы и для иных целей, таких как обеспечение прослеживаемости в случае, если ИЗГОТОВИТЕЛЬ должен предпринять корректирующие действия.
В программном обеспечении ПЭМС указывают возможность работы с его различными версиями. Идентификационные данные о программном обеспечении часто приводят в пользовательском интерфейсе, хотя это не всегда возможно, например когда программное обеспечение не имеет собственного пользовательского интерфейса. Идентификация программного обеспечения может потребовать применения специальных средств, поэтому данное требование допускает выполнять идентификацию только определенным лицам.
В ПРОЦЕССЕ МЕНЕДЖМЕНТА РИСКА МЭ ИЗДЕЛИЯ, если ИЗГОТОВИТЕЛЬ определяет, что получение информации в инструкции по эксплуатации является обязательным действием, необходимым для управления конкретным РИСКОМ на приемлемом уровне, то ЗНАК БЕЗОПАСНОСТИ ИСО 7010-M002 (2011-05) (см.
таблицу D.2, ЗНАК БЕЗОПАСНОСТИ 10) уведомляет ОПЕРАТОРА об этой необходимости. Другими словами, если для ОПЕРАТОРА способом избежать конкретного и неприемлемого РИСКА является только чтение (и понимание) инструкций по эксплуатации, то требуется ЗНАК БЕЗОПАСНОСТИ. Если ОПЕРАТОР не читает (и не понимает) эти инструкции по эксплуатации, УПРАВЛЕНИЕ РИСКАМИ неэффективно и существует неприемлемый РИСК.
ЗНАК БЕЗОПАСНОСТИ ИСО 7010-M002 не следует использовать для указания на то, что чтение инструкций по эксплуатации является обязательным действием для ознакомления с ОСТАТОЧНЫМ РИСКОМ.
ИЗГОТОВИТЕЛЬ должен использовать ПРОЦЕСС ПРОЕКТИРОВАНИЯ ЭКСПЛУАТАЦИОННОЙ ПРИГОДНОСТИ, чтобы определить, следует ли использовать ЗНАК БЕЗОПАСНОСТИ ИСО 7010-M002 в качестве эффективного средства управления РИСКОМ до приемлемого уровня. ЗНАК БЕЗОПАСНОСТИ должен быть размещен в месте, которое видно с предполагаемого положения ОПЕРАТОРА.
Не предполагается, что в каждом случае, когда инструкции по эксплуатации содержат предупреждения, МЭ ИЗДЕЛИЕ должно быть маркировано по стандарту ИСО 7010-M002 (т.е. инструкции по эксплуатации не используются в качестве основной меры УПРАВЛЕНИЯ РИСКОМ). Символ ИСО 7000-1641 (2004-01) (см.
таблицу D.1, символ 11) используется для указания на то, что при эксплуатации МЭ ИЗДЕЛИЯ следует учитывать инструкции по эксплуатации. Символ должен быть размещен в месте, близком к элементу управления, требующему ссылки на инструкции по эксплуатации. Этот символ также можно использовать для обозначения места, в котором хранятся инструкции по эксплуатации.
ОТВЕТСТВЕННЫЕ ОРГАНИЗАЦИИ и ОПЕРАТОРЫ должны иметь возможность идентифицировать ПРИНАДЛЕЖНОСТИ, чтобы знать, какие из них можно использовать без ущерба для ОСНОВНОЙ БЕЗОПАСНОСТИ или ОСНОВНЫХ ФУНКЦИОНАЛЬНЫХ ХАРАКТЕРИСТИК. Одной ССЫЛКИ НА МОДЕЛЬ ИЛИ ТИП МЭ ИЗДЕЛИЯ при этом недостаточно, поскольку различные ИЗГОТОВИТЕЛИ могут использовать одни и те же численные обозначения. Наименование, нанесенное на ПРИНАДЛЕЖНОСТЬ, может указывать ИЗГОТОВИТЕЛЯ данного МЭ ИЗДЕЛИЯ или же иметь иное обозначение.
Согласно второй редакции настоящего стандарта маркировка может наноситься либо непосредственно на РАБОЧУЮ ЧАСТЬ, либо рядом с точкой ее присоединения. Никакое место маркировки нельзя считать удовлетворяющим всем требованиям.
В случае когда провод, электрически не отделенный от СОЕДИНЕНИЙ С ПАЦИЕНТОМ, прокладывают до определенной точки внутри МЭ ИЗДЕЛИЯ, где имеется изолирующая перегородка, маркировка ТИП BF или ТИП CF, нанесенная на саму РАБОЧУЮ ЧАСТЬ, может вводить в заблуждение ОТВЕТСТВЕННУЮ ОРГАНИЗАЦИЮ или ОПЕРАТОРА относительно того, что изоляция уже непосредственно находится в РАБОЧЕЙ ЧАСТИ. Если, однако, классификация зависит от конкретно используемой РАБОЧЕЙ ЧАСТИ, то единственная маркировка в точке ее присоединения была бы неточной, а многократная маркировка только вводила бы в заблуждение.
Для РАБОЧИХ ЧАСТЕЙ С ЗАЩИТОЙ ОТ РАЗРЯДА ДЕФИБРИЛЛЯТОРА в случае, когда средство защиты от разряда кардиодефибриллятора частично находится в кабеле ПАЦИЕНТА, необходима выдача предупреждения ОПЕРАТОРУ о наличии неочевидных ОПАСНЫХ СИТУАЦИЙ, которые могут вызываться использованием непредусмотренного кабеля. К этим ОПАСНЫМ СИТУАЦИЯМ могут относиться снижение энергии дефибриллятора, выдаваемой на ПАЦИЕНТА, повреждение МЭ ИЗДЕЛИЯ с последующей утратой ОСНОВНЫХ ФУНКЦИОНАЛЬНЫХ ХАРАКТЕРИСТИК или поражение током ОПЕРАТОРА или других лиц.
Ниже приведены примеры маркировки плавких предохранителей согласно МЭК 60127-1:
- T 315L, 250 В;
- T 315mAL, 250 В;
- F 1,25H, 250 В;
- F 1,25AH, 250 В.
Скорость срабатывания плавких предохранителей согласно МЭК 60127-1 может маркироваться следующими буквами или цветовым кодом:
- сверхбыстрое срабатывание: FF или черный цвет;
- быстрое срабатывание: F или красный цвет;
- средняя задержка по времени срабатывания: M или желтый цвет;
- замедленное время срабатывания: T или синий цвет;
- продолжительное время срабатывания: TT или серый цвет.
ПЕРЕДВИЖНОЕ МЭ ИЗДЕЛИЕ предназначено для перевозки из одного места в другое с помощью имеющихся колес или эквивалентными средствами. Для обеспечения безопасности важно, чтобы ОПЕРАТОР знал об общей массе МЭ ИЗДЕЛИЯ с установленной БЕЗОПАСНОЙ РАБОЧЕЙ НАГРУЗКОЙ. Эта информация важна при перемещении МЭ ИЗДЕЛИЯ, а в случае тяжелого МЭ ИЗДЕЛИЯ необходимо понимать ограничения для любых мест, в которых МЭ ИЗДЕЛИЕ может использоваться. У МЭ ИЗДЕЛИЯ могут быть контейнеры, полки или ящики, которые могут иметь свои требования к максимальной нагрузке. Маркировка на МЭ ИЗДЕЛИИ должна быть достаточно различимой и отличной от любой маркировки на контейнерах, полках или ящиках для того, чтобы ОПЕРАТОР не был введен в заблуждение по поводу маркировки.
| | ИС МЕГАНОРМ: примечание. В официальном тексте документа, видимо, допущена опечатка: имеется в виду знак безопасности 3 таблицы D.2, а не таблицы D.3. | |
Части под ВЫСОКИМ НАПРЯЖЕНИЕМ МЭ ИЗДЕЛИЯ могут представлять существенную ОПАСНОСТЬ поражения электрическим током ОБСЛУЖИВАЮЩЕГО ПЕРСОНАЛА и иных лиц, которые могут привлекаться для проведения работ внутри МЭ ИЗДЕЛИЯ, присоединенного к электропитанию. Поскольку эти части находятся в КОРПУСЕ, РИСК от них может восприниматься как существенно меньший, чем от ВЫСОКОВОЛЬТНЫХ ПРИСОЕДИНИТЕЛЬНЫХ УСТРОЙСТВ, находящихся вне этого МЭ ИЗДЕЛИЯ. По этой причине допускается применение для маркировки символа "опасное напряжение" МЭК 60417-5036 (2002-10)
[74] (см.
таблицу D.1, символ 24) с целью информирования ОБСЛУЖИВАЮЩЕГО ПЕРСОНАЛА и иных лиц о возможном наличии опасных напряжений. При этом ИЗГОТОВИТЕЛЮ разрешается использовать ИСО 7010-W012 (см.
таблицу D.3, ЗНАК БЕЗОПАСНОСТИ 3). ПРОЦЕСС МЕНЕДЖМЕНТА РИСКА может устанавливать, что применение этого знака безопасности оптимально, если подвергаемый ОПАСНОСТИ персонал обладает минимальным уровнем обучения или может быть не информирован о наличии ВЫСОКОГО НАПРЯЖЕНИЯ.
Подпункт 7.3.4 - Плавкие предохранители, ТЕРМОВЫКЛЮЧАТЕЛИ и АВТОМАТИЧЕСКИЕ ВЫКЛЮЧАТЕЛИ МАКСИМАЛЬНОГО ТОКА
Настоящий стандарт не требует маркировки зажимов для внутренних СОЕДИНЕНИЙ С ЗАЩИТНЫМ ЗАЗЕМЛЕНИЕМ, но не исключает ее наличия.
Если для рычажного переключателя используется маркировка, то для обозначения его положений "ВКЛ" и "ВЫКЛ" следует использовать символы "ВКЛ" (

) и "ВЫКЛ" (

) (
символы 12 и
13 из таблицы D.1).
Для нажимной кнопки соответствующая маркировка будет зависеть от типа кнопки. Для нажимной кнопки с двумя фиксированными положениями следует использовать символ
(символ 14 из таблицы D.1), чтобы указать, что положения "ВКЛ" и "ВЫКЛ" стабильны.
Для нажимной кнопки без фиксации положения "ВКЛ" следует использовать символ
(символ 15 из таблицы D.1), чтобы указать, что сетевое питание подается только до тех пор, пока нажата кнопка. Как только кнопка отпускается, переключатель возвращается в стабильное положение "ВЫКЛ".
Различные положения переключателей, которые контролируют работу МЭ ИЗДЕЛИЯ или части МЭ ИЗДЕЛИЯ, но не контролируют питание сети МЭ ИЗДЕЛИЯ или части МЭ ИЗДЕЛИЯ, также должны быть промаркированы таким образом, чтобы состояние функции управления было четко указано. Можно использовать любые подходящие средства, включая цифры, буквы, световые индикаторы и т.д. Если маркировка включает символы, то символы "ВКЛ" части изделия (

) и "ВЫКЛ" части изделия (

) [
символы 16 и
17 из таблицы D.1] могут использоваться для указания положения его включения и выключения.
Переключатель или положение переключателя, с помощью которого МЭ ИЗДЕЛИЕ или часть МЭ ИЗДЕЛИЯ переходит в режим ожидания ("stand-by"), могут быть обозначены символом режима ожидания

)
[символ 29 из таблицы D.1]. Данный символ необходим в соответствии с МЭК 60950-1:2005 для обозначения режима ожидания оборудования информационной технологии, указанного в этом стандарте.
Для ознакомления с цветами световых индикаторов см. также МЭК 60073
[5].
Цвет сам по себе не должен использоваться для передачи важной информации. Рекомендуется применять другие средства передачи информации, такие как форма, местоположение, звук или маркировка.
Для информационных сигналов, таких как форма или числовой параметр, могут использоваться любые цвета, включая красный, желтый, голубой и зеленый, при условии, что они правильно воспринимаются как отличающиеся от тревожных огней с высоким, средним и низким приоритетом и как отличающиеся от красных, желтых и зеленых индикаторных огней.
Важно отличать СИГНАЛЫ ТРЕВОГИ С ВЫСОКИМ ПРИОРИТЕТОМ, СРЕДНИМ ПРИОРИТЕТОМ и НИЗКИМ ПРИОРИТЕТОМ от сигналов уведомления и предупреждения. Предупреждающий сигнал, постоянный (постоянный, не мигающий) красный свет, и уведомляющий сигнал, постоянный (постоянный, не мигающий) желтый свет, должны использоваться для условий, которые присутствуют ПРИ НОРМАЛЬНОЙ ЭКСПЛУАТАЦИИ. Предупреждающий сигнал предупреждает ОПЕРАТОРА об ОПАСНОЙ СИТУАЦИИ, которая может привести к смерти или серьезным травмам. Уведомляющий сигнал предупреждает ОПЕРАТОРА об ОПАСНОЙ СИТУАЦИИ, которая может привести к незначительной или средней травме или повреждению МЭ ИЗДЕЛИЯ. Таким образом, эти сигналы сродни ЗНАКАМ БЕЗОПАСНОСТИ или маркировке, которые постоянно указывают на предупреждения и предостережения. Как правило, эти индикаторы сопровождаются естественным языком, который объясняет ОПАСНОСТЬ или ОПАСНУЮ СИТУАЦИЮ. Примером может служить предупреждающий или уведомляющий световой сигнал, обозначающий горячую поверхность, к которой не следует прикасаться, или опасность открытия двери и риска воздействия радиации. В этих примерах ожидается, что горячая поверхность и излучение будут присутствовать во время НОРМАЛЬНОЙ ЭКСПЛУАТАЦИИ. Предупредительные и уведомляющие огни не требуют действий ОПЕРАТОРА (как того требует СИГНАЛ ТРЕВОГИ с ВЫСОКИМ или СРЕДНИМ ПРИОРИТЕТОМ) и изменения рабочего процесса, они просто требуют осведомленности. Кроме того, сигнальные и предупредительные огни считаются ИНФОРМАЦИОННЫМИ СИГНАЛАМИ и не сопровождаются СИГНАЛАМИ ТРЕВОГИ.
С другой стороны, СИГНАЛЫ ТРЕВОГИ С ВЫСОКИМ ПРИОРИТЕТОМ могут включать индикатор тревоги (мигающий красный свет в отличие от постоянного красного света) и могут сопровождаться соответствующим звуковым СИГНАЛОМ ТРЕВОГИ. Аналогично СИГНАЛ ТРЕВОГИ СРЕДНЕГО ПРИОРИТЕТА может включать индикатор тревоги (мигающий желтый свет в отличие от постоянного желтого света) и сопровождаться соответствующим звуковым СИГНАЛОМ ТРЕВОГИ. В любом случае требуются действия ОПЕРАТОРА и изменения в рабочем процессе.
Важно, чтобы МЭ ИЗДЕЛИЕ или МЭ СИСТЕМА неумышленно не использовались в области применения, для которых они не были предназначены ИЗГОТОВИТЕЛЕМ.
Процесс ПРОЕКТИРОВАНИЯ ЭКСПЛУАТАЦИОННОЙ ПРИГОДНОСТИ требует, чтобы ИЗГОТОВИТЕЛЬ разработал спецификацию использования, которая включает предусмотренные обстановки использования. ИЗГОТОВИТЕЛЬ должен предоставить сокращенную версию этой спецификации в ЭКСПЛУАТАЦИОННЫХ ДОКУМЕНТАХ. См.
12.2.
ОТВЕТСТВЕННЫЕ ОРГАНИЗАЦИИ и ОПЕРАТОРЫ часто имеют дело с МЭ ИЗДЕЛИЯМИ различных типов. Из-за сложности современных МЭ ИЗДЕЛИЙ инструкции по эксплуатации становятся важной частью самого МЭ ИЗДЕЛИЯ. Некоторая общность в структуре инструкций по эксплуатации может облегчать ОПЕРАТОРАМ быстрый поиск необходимого материала. Тем не менее из-за разнообразия МЭ ИЗДЕЛИЙ, подпадающих под действие настоящего стандарта, не существует единой формы инструкции по эксплуатации, применимой ко всем МЭ ИЗДЕЛИЯМ.
При рассмотрении того, что ПАЦИЕНТ может выступать в качестве ОПЕРАТОРА, ИЗГОТОВИТЕЛЬ должен учитывать, что уровень защиты, обеспечиваемый настоящим стандартом для ОПЕРАТОРА, может отличаться от уровня защиты для ПАЦИЕНТА. Например, допустимые уровни ТОКА УТЕЧКИ и доступные значения напряжения выше для ОПЕРАТОРА, чем для ПАЦИЕНТА. Вместо ТОКА УТЕЧКИ НА ПАЦИЕНТА можно применять ТОК УТЕЧКИ НА ДОСТУПНУЮ ЧАСТЬ. Кроме того, ОПЕРАТОР может иметь доступ к напряжениям до 42,4 Вэфф переменного тока или 60 В постоянного тока.
Другие условия для рассмотрения включают следующее:
- используется ли МЭ ИЗДЕЛИЕ под медицинским наблюдением или руководством?
- каково состояние здоровья ПАЦИЕНТА?
- какое лечение предоставляется ПАЦИЕНТУ?
- существуют ли особенности ЭКСПЛУАТАЦИОННОЙ ПРИГОДНОСТИ (см. МЭК 60601-1-6)?
| | ИС МЕГАНОРМ: примечание. В официальном тексте документа, видимо, допущена опечатка: имеется в виду п. [57] Библиографии, а не [55]. | |
- будет ли МЭ ИЗДЕЛИЕ использоваться в обстановке профессионального медицинского обслуживания, обстановке медицинского обслуживания на дому (см. МЭК 60601-1-11
[55]) или в обстановке служб неотложной медицинской помощи (см. МЭК 60601-1-12
[58])?
- имеет ли ПАЦИЕНТ доступ к инструкциям по применению?
- прошел ли ПАЦИЕНТ достаточную подготовку для того, чтобы выступать в качестве ОПЕРАТОРА?
Проблема языков, используемых для маркировки и в ЭКСПЛУАТАЦИОННЫХ ДОКУМЕНТАХ, пока не может быть решена Международной электротехнической комиссией. Даже требование, согласно которому маркировка и ЭКСПЛУАТАЦИОННЫЕ ДОКУМЕНТЫ должны выполняться на национальных языках, не может быть поддержано всеми странами - членами МЭК.
Для МЭ ИЗДЕЛИЯ КЛАССА 1, предусмотренного для работы от ПИТАЮЩЕЙ СЕТИ или ВНУТРЕННЕГО ИСТОЧНИКА ПИТАНИЯ, в инструкции по эксплуатации следует указывать на необходимость использования ВНУТРЕННЕГО ИСТОЧНИКА ПИТАНИЯ, если целостность ПРОВОДА ЗАЩИТНОГО ЗАЗЕМЛЕНИЯ или качество системы защитного заземления установки вызывает сомнение.
Инструкция по эксплуатации может содержать положение о том, что ИЗГОТОВИТЕЛЬ МЭ ИЗДЕЛИЯ или МЭ СИСТЕМЫ, их сборщик, монтажник или импортер будут считаться ответственными за ОСНОВНУЮ БЕЗОПАСНОСТЬ, надежность и характеристики МЭ ИЗДЕЛИЯ или МЭ СИСТЕМЫ только при условии, что:
- работы по сборке, расширению, повторной регулировке, модификации или ремонту МЭ ИЗДЕЛИЯ или МЭ СИСТЕМЫ будет выполнять только соответствующим образом обученный персонал;
- электроустановка в соответствующем помещении отвечает всем необходимым требованиям;
- МЭ ИЗДЕЛИЕ или МЭ СИСТЕМУ эксплуатируют в соответствии с инструкциями по их эксплуатации.
Вилка и розетка допустимы как средство изоляции от ПИТАЮЩЕЙ СЕТИ, удовлетворяющее требованиям
8.11.1 a), однако становятся непригодными, если к ним отсутствует реальный доступ.
ИЗГОТОВИТЕЛИ часто выпускают несколько версий инструкций по применению. ОТВЕТСТВЕННЫЕ ОРГАНИЗАЦИИ И ОПЕРАТОРЫ должны определить, являются ли инструкции по применению действующими на данный момент. Это особенно важно при работе с программным обеспечением ПЭМС, которое может быть обновлено в обстановке использования. Указание даты опубликования является широко распространенным методом идентификации версий документа. ИЗГОТОВИТЕЛЬ определяет, какой уровень детализации соответствует месяцу и году, которые являются общими для печатных материалов. Однако может потребоваться большая степень детализации, особенно для материалов, полученных электронным способом. ИЗГОТОВИТЕЛЬ при необходимости может указать номер редакции.
В соответствии с ПРЕДУСМОТРЕННЫМ ПРИМЕНЕНИЕМ МЭ ИЗДЕЛИЯ ИЗГОТОВИТЕЛЬ должен определить допустимые климатические условия, которые не будут приводить к возникновению ОПАСНОСТИ. На рассмотрение следует принимать следующие параметры окружающей среды:
- влажность;
- температуру;
- атмосферное давление;
- удары и вибрации;
- ультрафиолетовое излучение;
- температуру воды, используемой для охлаждения МЭ ИЗДЕЛИЯ;
- загрязнения.
В настоящем стандарте невозможно определить точность и погрешность этих факторов, которые указывают в частных стандартах.
Нижеупомянутые значения были приняты во второй редакции МЭК 60601-1 для указания диапазонов изменения параметров окружающей среды, в пределах которых МЭ ИЗДЕЛИЕ должно оставаться безопасным:
a) диапазон температуры окружающей среды: от 10 °C до 40 °C;
b) диапазон относительной влажности: от 30% до 75%;
c) диапазон атмосферного давления: от 70,0 до 106,0 кПа;
d) температура воды во входном патрубке охлаждаемого МЭ ИЗДЕЛИЯ: не выше 25 °C.
Указанные условия относились к случаю зданий без кондиционирования в климатических условиях с температурой окружающей среды, иногда достигающей 40 °C.
Согласно второй редакции МЭК 60601-1 МЭ ИЗДЕЛИЕ должно считаться безопасным, если оно эксплуатируется при вышеуказанных условиях, однако при этом оно должно оставаться полностью работоспособным при условиях, указанных ИЗГОТОВИТЕЛЕМ в ЭКСПЛУАТАЦИОННЫХ ДОКУМЕНТАХ.
В настоящем стандарте определены специфические условия для выполнения некоторых требований и испытаний.
В случае, когда условия отличаются от заданных, МЭ ИЗДЕЛИЕ должно оставаться безопасным и должным образом функционировать в диапазоне параметров окружающей среды, указанном ИЗГОТОВИТЕЛЕМ в ЭКСПЛУАТАЦИОННЫХ ДОКУМЕНТАХ.
Необходимо обратить внимание на всегда существовавшую проблему применения требования к температуре 40 °C в МЭ ИЗДЕЛИИ в случаях, когда его РАБОЧАЯ ЧАСТЬ должна работать при температурах, близких к предельному значению 41 °C.
Во второй редакции МЭК 60601-1 были определены следующие диапазоны параметров окружающей среды при транспортировании и хранении МЭ ИЗДЕЛИЯ, если иное не оговаривается ИЗГОТОВИТЕЛЕМ:
- диапазон температуры окружающей среды: от минус 40 °C до 70 °C;
- диапазон относительной влажности: от 10 до 100%, вплоть до конденсации водяных паров;
- диапазон атмосферного давления: от 50,0 до 106,0 кПа.
В изменении 2 ко второй редакции вышеупомянутый перечень был заменен требованием о том, что ИЗГОТОВИТЕЛЬ должен сам указывать допустимые условия транспортирования и хранения МЭ ИЗДЕЛИЯ, однако в отсутствие иной информации вышеприведенный перечень требований может служить полезной отправной точкой для определения допустимых предельных значений.
Информация относительно факторов внешней среды и числа ограничений, накладываемых на электротехнические изделия в пределах диапазона условий их транспортирования, хранения, монтажа и эксплуатации, может быть найдена в серии МЭК 60721
[18].
Для мощного МЭ ИЗДЕЛИЯ С ПОСТОЯННЫМ ПРИСОЕДИНЕНИЕМ К ПИТАЮЩЕЙ СЕТИ может оказаться необходимым контролировать перепады напряжения в установке потребителя для предотвращения поступления напряжения ниже минимального, вызываемого местными причинами. Этот контроль можно осуществлять путем определения требуемого полного импеданса ПИТАЮЩЕЙ СЕТИ.
ОБСЛУЖИВАЮЩИЙ ПЕРСОНАЛ должен знать, как изолировать МЭ ИЗДЕЛИЕ от ПИТАЮЩЕЙ СЕТИ, что не всегда очевидно, особенно если в СЕТЕВОЙ ЧАСТИ есть выключатель, не отвечающий требованиям
8.11.
Пункт 8 - Защита от ОПАСНОСТЕЙ поражения электрическим током
Фундаментальный принцип защиты от поражения электрическим током состоит в том, чтобы напряжение или ток, действующие между любой доступной поверхностью и любой другой доступной поверхностью или заземлением, были достаточно малы и не приводили к возникновению ОПАСНОЙ СИТУАЦИИ при всех возникающих ситуациях, включая НОРМАЛЬНОЕ СОСТОЯНИЕ и УСЛОВИЕ ЕДИНИЧНОГО НАРУШЕНИЯ.
Требования к обеспечению защиты формулировались различными способами в основных стандартах безопасности МЭК, в предыдущих редакциях настоящего стандарта, а также в других стандартах МЭК на изделия.
Для реализации указанного выше фундаментального принципа необходимо выполнение следующих требований:
a) части, которые являются "токонесущими" (как они были определены во второй редакции настоящего стандарта) или "опасными токонесущими" (как они были определены в некоторых других стандартах, например в МЭК 61140
[23] и МЭК 61010-1
[22]), должны быть недоступными (относительно проблем с идентификацией "токонесущих" частей см. ниже);
b) ДОСТУПНЫЕ ЧАСТИ и РАБОЧИЕ ЧАСТИ не должны быть "токонесущими"/"опасными токонесущими" частями.
Примечание - Термин "токонесущий" был введен во второй редакции настоящего стандарта как "состояние части МЭ ИЗДЕЛИЯ, которое после соединения с этой частью может приводить к возникновению тока, величина которого будет превышать допустимый ТОК УТЕЧКИ (указанный в подпункте 19.3) для рассматриваемой части и протекающий между этой частью и заземлением или между этой частью и ДОСТУПНОЙ ЧАСТЬЮ того же МЭ ИЗДЕЛИЯ".
Указанные выше два требования в принципе эквивалентны друг другу, однако в некоторых стандартах они предъявляются оба.
Эти требования, в свою очередь, подразумевают, что:
c) ДОСТУПНЫЕ ЧАСТИ и РАБОЧИЕ ЧАСТИ должны быть электрически разделены от определенных внутренних токонесущих частей: в общем случае для этого требуются два отдельных СРЕДСТВА ЗАЩИТЫ: одно - для электрического разделения в НОРМАЛЬНОМ СОСТОЯНИИ, другое - для сохранения ОСНОВНОЙ БЕЗОПАСНОСТИ при УСЛОВИИ ЕДИНИЧНОГО НАРУШЕНИЯ, и
d) ТОКИ УТЕЧКИ (и, возможно, также напряжения и мощности) не должны превышать допустимых предельных значений.
Большая часть стандартов содержит четкие требования, распространяющиеся на каждый из этих аспектов обеспечения защиты. Например, в первой и второй редакциях настоящего стандарта
требованию a) посвящен пункт 16,
требованиям b) и
d) - пункт 19,
требованию c) - пункты 17, 18 и 20.
Требование a) обычно формулируется как требование к КОРПУСАМ или перегородкам, необходимым для предотвращения контакта с внутренними опасными токонесущими частями, однако оно может быть переформулировано с точки зрения определения того, какие части МЭ ИЗДЕЛИЯ являются доступными. Так или иначе достаточность защиты с помощью КОРПУСОВ или перегородок определяют с помощью соответствующих испытательных пальцев и щупов.
Применение вышеупомянутого подхода к МЭ ИЗДЕЛИЮ создавало ряд трудностей. Предельные значения для напряжения и тока зависят от того, каким образом рассматриваемая часть (части) МЭ ИЗДЕЛИЯ может соединяться с ПАЦИЕНТОМ (если это вообще может происходить), например прикладываться непосредственно к сердцу пациента, непосредственно к другим частям его тела или косвенно - через ОПЕРАТОРА. Это приводило к трудностям в определении того, какие части МЭ ИЗДЕЛИЯ следует считать "токонесущими".
Определение "токонесущих" частей во второй редакции настоящего стандарта связывалось с допустимым ТОКОМ УТЕЧКИ, поэтому его трудно применять к тем внутренним частям МЭ ИЗДЕЛИЯ, для которых никакие предельные значения специфических ТОКОВ УТЕЧКИ не заданы.
Некоторые части МЭ ИЗДЕЛИЯ могут рассматриваться как "токонесущие" (в рамках определения второй редакции настоящего стандарта) для некоторых применений и в то же время как не "токонесущие" - для других применений. Например, внутренняя часть МЭ ИЗДЕЛИЯ, которая может быть источником тока, например, в 200 мкА, должна быть электрически отделена от всех ДОСТУПНЫХ ЧАСТЕЙ МЭ ИЗДЕЛИЯ, включая СОЕДИНЕНИЯ С ПАЦИЕНТОМ в НОРМАЛЬНОМ СОСТОЯНИИ.
Отделение от СОЕДИНЕНИЙ С ПАЦИЕНТОМ для РАБОЧИХ ЧАСТЕЙ ТИПА CF должно сохраняться при УСЛОВИИ ЕДИНИЧНОГО НАРУШЕНИЯ, поскольку ток 200 мкА от них недопустим, однако та же часть МЭ ИЗДЕЛИЯ может соединяться с другими ДОСТУПНЫМИ ЧАСТЯМИ МЭ ИЗДЕЛИЯ и СОЕДИНЕНИЙ С ПАЦИЕНТОМ при УСЛОВИИ ЕДИНИЧНОГО НАРУШЕНИЯ.
Таким образом, между указанной частью МЭ ИЗДЕЛИЯ и СОЕДИНЕНИЯМИ С ПАЦИЕНТОМ для РАБОЧИХ ЧАСТЕЙ ТИПА CF необходимо предусматривать два СРЕДСТВА ЗАЩИТЫ (ДВОЙНУЮ ИЗОЛЯЦИЮ или УСИЛЕННУЮ ИЗОЛЯЦИЮ), однако между этой частью МЭ ИЗДЕЛИЯ и другой его ДОСТУПНОЙ ЧАСТЬЮ допускается использовать лишь одно СРЕДСТВО ЗАЩИТЫ (например, только ОСНОВНУЮ ИЗОЛЯЦИЮ).
Кроме того, требования, определяющие необходимое электрическое разделение доступных и токонесущих частей МЭ ИЗДЕЛИЯ, не позволяют просто учитывать те части, которые не являются "токонесущими", но могут стать таковыми, например части "плавающих" цепей, которые становятся "токонесущими" при их соединении с другой частью той же цепи.
Рассмотрим для примера простую схему, изображенную на
рисунке A.10.
Рисунок A.10 - Пример "плавающей" цепи
РАБОЧАЯ ЧАСТЬ МЭ ИЗДЕЛИЯ имеет металлический КОРПУС без ЗАЩИТНОГО ЗАЗЕМЛЕНИЯ. При наличии прямого соединения с точкой A другой конец ВТОРИЧНОЙ ЦЕПИ становится "токонесущим", и даже первая редакция настоящего стандарта потребовала бы ДВОЙНОЙ ИЗОЛЯЦИИ или УСИЛЕННОЙ ИЗОЛЯЦИИ в точке B.
Если вместо этого имелось бы непосредственное соединение в точке B, то первая редакция потребовала бы только ОСНОВНОЙ ИЗОЛЯЦИИ в точке A; однако во второй редакции был добавлен подпункт 20.2 B-e, согласно которому в этом случае в точке A требуется ДВОЙНАЯ ИЗОЛЯЦИЯ или УСИЛЕННАЯ ИЗОЛЯЦИЯ.
Если, однако, в обеих точках, A и B, имеется определенная изоляция, то согласно определению второй редакции настоящего стандарта никакая часть ВТОРИЧНОЙ ЦЕПИ не будет "токонесущей", поскольку в этой редакции не были установлены какие-либо требования к этой изоляции, которая поэтому может быть минимальной. Немецкий Национальный комитет МЭК выявил эту проблему в 1993 г., только, к сожалению, слишком поздно для того, чтобы разрешить ее во втором (и последнем) дополнении ко второй редакции настоящего стандарта. Подход, принятый в настоящей редакции стандарта, теперь позволяет разрешить эту проблему.
Формулировка, предложенная в третьей редакции настоящего стандарта, должна:
1) определить, какие части необходимо считать ДОСТУПНЫМИ ЧАСТЯМИ (путем осмотра и при необходимости - с помощью соответствующих испытательных пальцев и зондов);
2) определить допустимые предельные значения напряжений/токов/мощностей в НОРМАЛЬНОМ СОСТОЯНИИ и при подходящем УСЛОВИИ ЕДИНИЧНОГО НАРУШЕНИЯ; эти предельные значения будут зависеть от всевозможных вариантов соединений с ПАЦИЕНТОМ или ОПЕРАТОРОМ;
3) определить, что НОРМАЛЬНОЕ СОСТОЯНИЕ содержит короткое замыкание через любую изоляцию, ВОЗДУШНЫЙ ЗАЗОР или ПУТЬ УТЕЧКИ, или импеданс, который не отвечает указанным требованиям к соответствующему РАБОЧЕМУ НАПРЯЖЕНИЮ и разрывает цепь любого соединения с заземлением, не отвечающего требованиям, предъявляемым к СОЕДИНЕНИЯМ С ЗАЩИТНЫМ ЗАЗЕМЛЕНИЕМ;
4) определить, что УСЛОВИЯ ЕДИНИЧНОГО НАРУШЕНИЯ содержат короткое замыкание через любую изоляцию, ВОЗДУШНЫЙ ЗАЗОР или ПУТЬ УТЕЧКИ, которые отвечают определенным требованиям к соответствующему РАБОЧЕМУ НАПРЯЖЕНИЮ, а также короткое замыкание в любом компоненте, который разрывает цепь любого соединения с заземлением, отвечающего требованиям, предъявляемым к СОЕДИНЕНИЯМ С ЗАЩИТНЫМ ЗАЗЕМЛЕНИЕМ.
В отличие от существующих стандартов МЭК предложенный подход позволяет исключить явные отдельные требования к специфическим средствам защиты. Возможно, этот подход мог бы избежать применения даже общего требования относительно двух СРЕДСТВ ЗАЩИТЫ, указанного в данном стандарте, однако рабочая группа пришла к мнению, что включение этого требования все же желательно.
В случае, когда требования второй редакции, в которой использовался термин "токонесущий", были сохранены, они все же были переформулированы таким образом, чтобы этот термин не применялся.
В общем случае защита обеспечивается сочетанием:
- ограничения напряжения или мощности или же использованием защитного заземления (см.
8.4 и
8.6);
- заключения в корпус или ограждения запитанных цепей (см.
5.9);
- изоляции допустимого качества и выбора конструкции МЭ ИЗДЕЛИЯ (см.
8.5).
Требования к электрической прочности изоляции включены для проверки качества изоляционных материалов, используемых в различных частях МЭ ИЗДЕЛИЯ.
Подпункт 8.1 - Основные принципы защиты от поражения электрическим током
Изоляция, не отвечающая требованиям
8.8, промежуток, меньший указанного в
8.9, и т.д. не могут считаться СРЕДСТВАМИ ЗАЩИТЫ, однако могут оказывать влияние на напряжения или ТОКИ УТЕЧКИ, возникающие на ДОСТУПНЫХ ЧАСТЯХ и РАБОЧИХ ЧАСТЯХ. По этим причинам необходимо проведение измерений на подобных частях (без их отсоединения или обхода, в зависимости от того, какой из этих вариантов наименее благоприятен).
Поскольку в общем случае требования к неразрывности сигнальных соединений отсутствуют, то обрыв провода рабочего заземления следует рассматривать как НОРМАЛЬНОЕ СОСТОЯНИЕ.
ТОКИ УТЕЧКИ обычно не измеряют при УСЛОВИИ ЕДИНИЧНОГО НАРУШЕНИЯ, возникающего в результате пробоя ОСНОВНОЙ ИЗОЛЯЦИИ в МЭ ИЗДЕЛИИ КЛАССА I, поскольку либо в этом случае ТОКИ УТЕЧКИ будут протекать лишь до момента срабатывания плавкого предохранителя или АВТОМАТИЧЕСКОГО ВЫКЛЮЧАТЕЛЯ МАКСИМАЛЬНОГО ТОКА, либо изолированный источник питания ограничит ТОКИ УТЕЧКИ до безопасных значений. В случаях, когда возникают сомнения относительно эффективности СОЕДИНЕНИЙ С ЗАЩИТНЫМ ЗАЗЕМЛЕНИЕМ МЭ ИЗДЕЛИЯ, см.
8.6.4 b), ТОКИ УТЕЧКИ следует измерять исключительно в момент короткого замыкания через ОСНОВНУЮ ИЗОЛЯЦИЮ.
В некоторых случаях условие короткого замыкания является наихудшим вариантом. Например, устройство защиты от перенапряжения, предназначенное для предохранения изоляции от пробоя, может выйти из строя при разрыве цепей, перестав тем самым выполнять свою защитную функцию и приводя к пробою изоляции. Установлено, что в большинстве случаев, относящихся к данному
подпункту, условие обрыва является излишним, однако для выбора компонентов, как было признано, условие обрыва является значимым режимом нарушения. Компоненты МЭ ИЗДЕЛИЯ также рассмотрены в
4.8.
Если бы МЭ ИЗДЕЛИЕ было конфигурировано в соответствии с
рисунком A.11, то обрыв соединения приводил бы к избыточному ТОКУ УТЕЧКИ НА КОРПУС, поэтому эту ситуацию, являющуюся одним из вариантов УСЛОВИЙ ЕДИНИЧНОГО НАРУШЕНИЯ, необходимо проанализировать.
Рисунок A.11 - Обрыв токонесущего провода между частями
МЭ ИЗДЕЛИЯ, находящимися в отдельных КОРПУСАХ
МЭ ИЗДЕЛИЕ, предназначенное для ПРЯМОГО ПРИМЕНЕНИЯ НА СЕРДЦЕ, имеющее одну или несколько РАБОЧИХ ЧАСТЕЙ ТИПА CF, может иметь одну или несколько дополнительных РАБОЧИХ ЧАСТЕЙ ТИПА BF или ТИПА B, которые могут применяться одновременно (см. также
7.2.10).
Аналогично МЭ ИЗДЕЛИЕ может иметь комбинацию РАБОЧИХ ЧАСТЕЙ ТИПА B и РАБОЧИХ ЧАСТЕЙ ТИПА BF.
Большинство частных стандартов, разработанных для тех видов МЭ ИЗДЕЛИЙ, которые имеют электроды ПАЦИЕНТА, требует, чтобы РАБОЧИЕ ЧАСТИ МЭ ИЗДЕЛИЯ были РАБОЧИМИ ЧАСТЯМИ ТИПА CF или BF. Для тех видов МЭ ИЗДЕЛИЙ, для которых частные стандарты отсутствуют, желательно включить это требование в настоящий стандарт, а не допускать того, чтобы РАБОЧИЕ ЧАСТИ МЭ ИЗДЕЛИЙ были РАБОЧИМИ ЧАСТЯМИ ТИПА B, которые на практике главным образом используют для ПАЦИЕНТОВ, которые поддерживаются МЭ ИЗДЕЛИЕМ (типа рентгеновских столов, а не электродов ПАЦИЕНТА).
Подпункт 8.4.1 - СОЕДИНЕНИЯ С ПАЦИЕНТОМ, предназначенные для передачи тока
Настоящий стандарт не определяет никаких предельных значений для токов, которые предназначены для оказания физиологического воздействия на ПАЦИЕНТА, однако частные стандарты могут делать это. Любые иные токи, протекающие между СОЕДИНЕНИЯМИ С ПАЦИЕНТОМ, не должны превышать предельных значений, определенных для ДОПОЛНИТЕЛЬНОГО ТОКА В ЦЕПИ ПАЦИЕНТА.
Предполагается, что ТОК УТЕЧКИ НА ДОСТУПНУЮ ЧАСТЬ может только случайно достигать ПАЦИЕНТА при его контакте, распространяясь по различным путям, включая путь через ОПЕРАТОРА. Предельные значения ТОКА УТЕЧКИ НА ДОСТУПНУЮ ЧАСТЬ поэтому будут относиться ко всем ДОСТУПНЫМ ЧАСТЯМ МЭ ИЗДЕЛИЯ, за исключением СОЕДИНЕНИЙ С ПАЦИЕНТОМ, на которые распространяются требования
8.4.2 a), и частей, которые соответствуют требованиям, указанным в
8.4.2 c).
Во второй редакции есть лишь малое или вообще никакого обоснования различий между МЭ ИЗДЕЛИЯМИ, имеющими снимаемые с помощью ИНСТРУМЕНТА кожухи и не имеющими их. Предельные значения были установлены в соответствии с МЭК 60950-1:2005, поскольку в МЭ СИСТЕМАХ обычно используют информационно-технологическое оборудование, а значения, приведенные в МЭК 60950-1:2005, не слишком отличаются от указанных во второй редакции настоящего стандарта (напряжения 60 В для постоянного тока совпадают, а максимальное напряжение 42,4 В не сильно отличается от среднеквадратического значения напряжения 25 В).
Существенно, что теперь защита ОПЕРАТОРА основывается на использовании МЭК 60950-1:2005, поэтому необходимо внедрять требования настоящего стандарта к защите. Ранее МЭК 60601-1 не устанавливал требований к защите от опасной мощности, однако существует определенный РИСК, обусловленный возгоранием, пожаром и разлетающимися частями МЭ ИЗДЕЛИЯ, который теперь необходимо учитывать, используя требования МЭК 60950-1:2005. Предельные значения были установлены много лет назад в стандарте МЭК 60950-1, а также в его предшественниках. Максимально допустимая мощность может превышать 240 В·А только в течение первых 60 с после контакта с ДОСТУПНОЙ ЧАСТЬЮ (например, в течение времени срабатывания ограничительной цепи в источнике питания и в течение времени, когда будет достигнут опасный уровень мощности).
Так же как для частей, которые в соответствии с
5.9 определены как ДОСТУПНЫЕ ЧАСТИ, электрический контакт с внутренними частями МЭ ИЗДЕЛИЯ, как предполагается, может осуществляться:
- карандашом или ручкой, имитируемыми с помощью направляемого испытательного штыря;
- ожерельем или кулоном, имитируемыми с помощью металлического штыря, подвешиваемого над отверстиями в верхней части кожуха;
- отверткой для регулировки органов управления ОПЕРАТОРОМ, имитируемой с помощью вставляемого металлического штыря.
Подпункт 8.4.3 - МЭ ИЗДЕЛИЕ, предназначенное для соединения с источником питания с помощью вилки
Предельное значение заряда 45 мкКл остается тем же, что и в МЭК 60335-1, которое основывается на предельном значении, указанном в МЭК 60479-1
[73], которое сопоставимо (хотя не точно эквивалентно) с предельным значением 100 нФ, указанным во второй редакции, поэтому нет причин более строгого разделения между штырьками фазы и заземления.
Предельные значения энергии были изменены с 2 мДж, указанных во второй редакции настоящего стандарта, до значения, аналогичного определенному в
предыдущем подпункте, поскольку оно безопасно для ОПЕРАТОРА и даже для ПАЦИЕНТА, который касается штырьков СЕТЕВОЙ ВИЛКИ, или лиц, которые открывают СМОТРОВУЮ КРЫШКУ для получения доступа к внутренним частям
МЭ ИЗДЕЛИЯ.
Два СРЕДСТВА ЗАЩИТЫ могут обеспечиваться несколькими способами, например:
1) отделением СОЕДИНЕНИЙ С ПАЦИЕНТОМ и других ДОСТУПНЫХ ЧАСТЕЙ от заземленных частей только с помощью ОСНОВНОЙ ИЗОЛЯЦИИ, но ЗАЗЕМЛЕННЫХ С ЦЕЛЬЮ ЗАЩИТЫ и имеющих такой низкий внутренний импеданс по отношению к заземлению, что ТОКИ УТЕЧКИ не превышают допустимые значения в НОРМАЛЬНОМ СОСТОЯНИИ и при УСЛОВИИ ЕДИНИЧНОГО НАРУШЕНИЯ;
2) отделением СОЕДИНЕНИЙ С ПАЦИЕНТОМ и других ДОСТУПНЫХ ЧАСТЕЙ от заземленных частей и от промежуточной ЗАЗЕМЛЕННОЙ С ЦЕЛЬЮ ЗАЩИТЫ металлической частью, которой может быть полностью закрытый металлический экран;
3) отделением СОЕДИНЕНИЙ С ПАЦИЕНТОМ и других ДОСТУПНЫХ ЧАСТЕЙ от заземленных частей с помощью ДВОЙНОЙ или УСИЛЕННОЙ ИЗОЛЯЦИИ;
4) предотвращением с помощью выбора импедансов компонентов протекания ТОКОВ УТЕЧКИ и ДОПОЛНИТЕЛЬНЫХ ТОКОВ В ЦЕПИ ПАЦИЕНТА, превышающих допустимые значения, на СОЕДИНЕНИЯ С ПАЦИЕНТОМ и другие ДОСТУПНЫЕ ЧАСТИ.
Обзор путей изоляции приведен в приложении J.
В предыдущих редакциях настоящего стандарта также признавалась возможность электрического разделения при помощи промежуточной цепи, ЗАЗЕМЛЕННОЙ С ЦЕЛЬЮ ЗАЩИТЫ, однако в общем случае это невозможно для всей цепи, которая должна соединяться через компонент с очень низким импедансом с ЗАЖИМОМ ЗАЩИТНОГО ЗАЗЕМЛЕНИЯ. Кроме того, если одна часть цепи заземлена, то другие части этой цепи могут находиться под потенциалом, отличающимся от потенциала земли, и поэтому должны дополнительно электрически отделяться от СОЕДИНЕНИЙ С ПАЦИЕНТОМ и других ДОСТУПНЫХ ЧАСТЕЙ.
Воздух может создавать (частично или полностью) ОСНОВНУЮ ИЗОЛЯЦИЮ или ДОПОЛНИТЕЛЬНУЮ ИЗОЛЯЦИЮ.
В общем случае применение ДВОЙНОЙ ИЗОЛЯЦИИ предпочтительнее, чем УСИЛЕННОЙ ИЗОЛЯЦИИ.
В первой редакции настоящего стандарта были определены многочисленные пары частей, между которыми требуется электрическое разделение, но их перечень оказался неполным. Он был расширен во втором издании, но все еще оставался неполным, например, с точки зрения, проиллюстрированной
рисунком A.10.
Обсуждение в рабочей группе на раннем этапе разработки настоящей редакции установило те испытываемые части, которые должны реально определять различные цепи внутри МЭ ИЗДЕЛИЯ и различные точки, в которых электрическое разделение может оказаться необходимым. В данной редакции эта ПРОЦЕДУРА определяется четко.
Различие между СРЕДСТВОМ ЗАЩИТЫ ОПЕРАТОРА и СРЕДСТВОМ ЗАЩИТЫ ПАЦИЕНТА было введено под воздействием озабоченности тем, что требования в предыдущих редакциях настоящего стандарта к испытаниям изоляции, ПУТЯМ УТЕЧКИ и ВОЗДУШНЫМ ЗАЗОРАМ оказались слишком строгими.
Многие МЭ СИСТЕМЫ содержат изделие, отвечающее требованиям МЭК 60950-1. Кроме того, многие виды МЭ ИЗДЕЛИЙ содержат части (например, устройства питания), которые первоначально разрабатывались для работы в изделиях, отвечающих требованиям МЭК 60950-1. Эти ситуации побудили некоторых экспертов и национальные комитеты предложить согласовать в максимально возможной степени требования настоящего стандарта с МЭК 60950-1.
Тем не менее испытательные напряжения и минимальные значения ПУТЕЙ УТЕЧКИ и ВОЗДУШНЫХ ЗАЗОРОВ, указанные в МЭК 60950-1:2005, МЭК 60950-1:2005/AMD1:2009 и МЭК 60950-1:2005/AMD2:2013, были заимствованы из МЭК 60664-1 и основаны на предположениях о возможных перенапряжениях в сети и в других цепях, в особенности - о частоте появления различных уровней перенапряжений. Согласно мнению экспертов рабочей группы, которые рассматривали соответствие этих требований МЭК 60664-1 или МЭК 60950-1 требованиям настоящего стандарта, РИСК временного пробоя изоляции может происходить с частотой примерно один раз в год.
Вероятность нахождения ОПЕРАТОРА в контакте с соответствующей частью и заземлением во время пробоя изоляции достаточно мала, так что ОСТАТОЧНЫЙ РИСК для МЭ СИСТЕМЫ, так же как и для информационно-технологического оборудования, остается допустимым. Однако вероятность нахождения ПАЦИЕНТА в контакте с РАБОЧЕЙ ЧАСТЬЮ и заземлением значительно выше. По этой причине рабочая группа приняла решение о том, что в тех случаях, когда это касается безопасности ПАЦИЕНТА, должен применяться верхний предел безопасности, однако при этом не было найдено надежного обоснования дополнительного предела, который мог быть применен к значениям, содержащимся в МЭК 60664-1. Поэтому во второй редакции настоящего стандарта были сохранены те же значения для СРЕДСТВ ЗАЩИТЫ ПАЦИЕНТА.
Для СРЕДСТВА ЗАЩИТЫ ПАЦИЕНТА настоящая редакция стандарта предоставляет ИЗГОТОВИТЕЛЮ три варианта (см.
рисунок 40). Один вариант связан с применением требований МЭК 60950-1 и идентификацией соответствующей категории установки и степени загрязнения. В другом варианте ИЗГОТОВИТЕЛЬ может применять значения, содержащиеся в таблицах, заимствованных из МЭК 60950-1, исходя из разумных предположений относительно категории установки и степени загрязнения. Третий вариант должен рассматривать СРЕДСТВО ЗАЩИТЫ ОПЕРАТОРА так, как если бы оно было СРЕДСТВОМ ЗАЩИТЫ ПАЦИЕНТА.
Изменение 2 расширило возможности СРЕДСТВ ЗАЩИТЫ ОПЕРАТОРА, включив в них применение требований стандарта МЭК 62368-1:2018, который заменяет стандарт МЭК 60950-1.
На основе подробного анализа различий в требованиях МЭК 62368-1:2018, МЭК 60950-1:2005, МЭК 60950-1:2005/AMD1:2009 и МЭК 60950-1:2005/AMD2:2013 и этого документа было определено, что для СЗО МЭК 62368-1:2018 можно использовать непосредственно в качестве альтернативы МЭК 60950-1:2005, МЭК 60950-1:2005/AMD1:2009 и МЭК 60950-1:2005/AMD2:2013. В нормативном тексте, где это необходимо, определены ограничения для уточнения различий между настоящим стандартом и МЭК 62368-1:2018, когда барьеры, обеспечивающие 2 СЗО, дополнительно используются для обеспечения 1 СЗП.
В процессе рассмотрения было определено, что существует два типичных сценария того, как оборудование, соответствующее стандарту МЭК 62368-1:2018, может быть включено в МЭ ИЗДЕЛИЕ. Эти сценарии описаны ниже в
таблице A.6. Смотрите также
пункт 16 для получения информации об использовании оборудования, соответствующего стандарту МЭК 62368-1:2018, в составе МЭ СИСТЕМЫ.
Таблица A.6
Типичные сценарии применения оборудования, соответствующего
МЭК 62368-1:2018 в МЭ ИЗДЕЛИЯХ
Сценарий | Описание | Примеры |
| Узлы/компоненты, соответствующие МЭК 62368-1:2018, встроены в МЭ ИЗДЕЛИЕ. В этом сценарии узлы/компоненты, соответствующие МЭК 62368-1:2018, полностью содержатся в корпусе МЭ ИЗДЕЛИЯ и доступны только с помощью инструмента (выходные части источника питания или разъемы переменного и постоянного тока могут быть доступны при соединениях SIP/SOP без использования инструмента). Узлы/компоненты, соответствующие стандарту МЭК 62368-1:2018, обычно рассматриваются как узлы/компоненты МЭ ИЗДЕЛИЯ и не могут использоваться отдельно | Внутренние источники питания, приводы оптических дисков, трансформаторы, сборки печатных плат процессоров, преобразователи постоянного тока в постоянный, преобразователи переменного тока в постоянный, модули связи Bluetooth |
| Оборудование/узлы, соответствующие МЭК 62368-1:2018, поставляются как часть МЭ ИЗДЕЛИЯ, но не встроены в МЭ ИЗДЕЛИЕ и легко доступны оператору и/или пациенту. Оборудование/узлы, соответствующие МЭК 62368-1:2018, поставляются с собственным корпусом и могут использоваться отдельно от МЭ ИЗДЕЛИЯ | Внешние/автономные источники питания, компьютеры, мониторы, принтеры, клавиатуры |
|

Анализ был сосредоточен на этих сценариях. Цель состояла в том, чтобы определить, будут ли необходимы какие-либо различия в применении требований стандарта МЭК 62368-1:2018 в зависимости от сценария использования.
В тех случаях, когда МЭК 62368-1:2018 был определен в качестве приемлемой альтернативы требованиям настоящего стандарта или МЭК 60950-1:2005, МЭК 60950-1:2005/AMD1:2009 и МЭК 60950-1:2005/AMD2:2013, никаких дополнительных обоснований не было написано.
В процессе рассмотрения были выявлены некоторые различия в терминологии между настоящим стандартом и МЭК 62368-1:2018. В частности, были пересмотрены определения тока касания и пикового рабочего напряжения. Хотя были отмечены различия, было установлено, что эти различия не оказали никакого технического влияния на использование стандарта МЭК 62368-1:2018, как указано в основной части настоящего стандарта.
Конденсаторы Y используют для снижения уровня ВЧ-помех путем обеспечения пути прохождения (с малым импедансом) токов высокой частоты на заземление. Их также используют для соединения ДВОЙНОЙ или УСИЛЕННОЙ ИЗОЛЯЦИИ как части средства подавления помех. Существует четыре типа конденсаторов: Y1, Y2, Y3 и Y4. Конденсаторы Y1 предназначены для трехфазного питания при РАБОЧИХ НАПРЯЖЕНИЯХ до 500 В переменного тока и выдерживают напряжение до 4000 В переменного тока. Конденсаторы Y2 предназначены для однофазного питания при РАБОЧИХ НАПРЯЖЕНИЯХ до 300 В переменного тока и выдерживают напряжение до 1500 В переменного тока. Конденсаторы Y3 аналогичны конденсаторам Y2, но рассчитаны на РАБОЧИЕ НАПРЯЖЕНИЯ до 250 В переменного тока. Конденсаторы Y4 предназначены для работы при низких сетевых напряжениях, рассчитаны на РАБОЧИЕ НАПРЯЖЕНИЯ до 150 В переменного тока и должны выдерживать напряжения до 1 000 В переменного тока. Эти конденсаторы определяют безопасность, поскольку они обеспечивают путь утечки на землю или через барьер. Они должны быть сертифицированы и контролируемы с помощью признанного испытательного центра (согласно МЭК 60384-14), который контролирует их изготовление.
ПУТИ УТЕЧКИ:
Подробный обзор требований к ПУТЯМ УТЕЧКИ от МЭК 62368-1:2018, МЭК 60950-1:2005 и настоящего стандарта подтвердил, что в требованиях не было существенных изменений и что 2 СЗО в соответствии с МЭК 62368-1:2018 обеспечат 1 СЗП в соответствии с настоящим документом.
При определении ПУТЕЙ УТЕЧКИ в соответствии с МЭК 62368-1:2018 всегда применяют наибольшее значение из МЭК 62368-1:2018, таблицы 17 или 18. Это разъяснено в тексте внизу стандарта МЭК 62368-1:2018, таблица 17.
ВОЗДУШНЫЙ ЗАЗОР:
Таблицы 13 и
14 были проанализированы, чтобы определить, где барьеры, обеспечивающие 2 СЗО, также удовлетворяли бы требованиям для 1 СЗП из
таблицы 12. На основе исторических обсуждений было высказано предположение, что 2 СЗО всегда будут также соответствовать требованиям для 1 СЗП в отношении требований к ВОЗДУШНОМУ ЗАЗОРУ; однако были выявлены ограничения, которые привели к добавлению
примечания 4 таблицы 12.
МЭК 60950-1:2005, таблица 2K и таблица 2L, и МЭК 62368-1:2018, таблицы 10 - 15, были оценены с той же целью и сопоставлены с
таблицей 12.
Этот обзор требований к ВОЗДУШНОМУ ЗАЗОРУ между
таблицей 12, МЭК 60950-1:2005, таблицей 2K и таблицей 2L, и МЭК 62368-1:2018, таблицами 10 - 14, выявил ограничения для случаев, когда 2 СЗО обеспечивают 1 СЗП. Это важно при оценке отделения от сети питания (обычно обеспечиваемого импульсным источником питания или аналогичным компонентом), поскольку барьер, обеспечивающий 2 СЗО, не всегда обеспечивает 1 СЗП, как в настоящее время требуется в этом документе. Дополнительная информация и
примеры приведены ниже.
Таблица 13 скопирована из МЭК 60950-1:2005, таблица 2K;
таблица 14 скопирована из МЭК 60950-1:2005, таблица 2L.
Значения, задокументированные в МЭК 62368-1:2018, основаны на подходе к значениям ВОЗДУШНОГО ЗАЗОРА, как указано в базовой публикации по безопасности МЭК 60664-1. Значения в настоящем стандарте не основаны на этом же подходе. Поскольку сфера применения поправки 2 является фиксированной, переоценка текущих требований к ВОЗДУШНОМУ ЗАЗОРУ не входит в сферу данного обзора. Однако ожидается, что этот обзор должен быть сделан в рамках четвертой редакции.
Результаты этого обзора показали, что требования к 2 СЗО в соответствии с
таблицами 13 и
14 или МЭК 60950-1:2005, таблицами 2K и 2L, будут соответствовать требованиям к 1 СЗП в соответствии с
таблицей 12 только до рабочего напряжения 707 В постоянного тока и 500 В
эфф (
строки 1 -
7 таблицы 12).
Требование для 2 СЗО из
таблицы 13 будет составлять 4,0 мм (
строка 2; основанное на напряжении 340 В
пик/240 В
эфф, в зависимости от НОМИНАЛЬНОГО СЕТЕВОГО НАПРЯЖЕНИЯ, см.
8.9.1.10) плюс 0,4 мм из
таблицы 14 (ПИКОВОЕ РАБОЧЕЕ НАПРЯЖЕНИЕ, которое должно составлять минимум 566 В;
строка 3), равное общему ВОЗДУШНОМУ ЗАЗОРУ 4,4 мм. Допущения:
категория перенапряжения II,
степень загрязнения 1,
2 и
3, высота 2000 м.
В этом примере минимальный ВОЗДУШНЫЙ ЗАЗОР должен быть не менее 4,4 мм, что соответствует требованию 2,5 мм из
строки 6 таблицы 12.
Требование для 2 СЗО из
таблицы 13 будет составлять 4,0 мм (
строка 2; основанное на пиковом напряжении 340 В
пик/240 В
эфф, в зависимости от НОМИНАЛЬНОГО СЕТЕВОГО НАПРЯЖЕНИЯ, см.
8.9.1.10) плюс 0,4 мм из
таблицы 14 (ПИКОВОЕ РАБОЧЕЕ НАПРЯЖЕНИЕ, которое должно составлять минимум 567 В
пик;
строка 3), равное общему воздушному зазору 4,4 мм. Допущения:
категория перенапряжения II,
степень загрязнения 1,
2 и
3, высота 2000 м.
В этом примере минимальный ВОЗДУШНЫЙ ЗАЗОР может составлять 4,4 мм, что не соответствует требованию 4,5 мм из
строки 7 таблицы 12.
Также было проведено сравнение между
таблицей 12 и МЭК 62368-1:2018, таблицами 10 - 14 (включительно). Это сравнение определило, что ДВОЙНАЯ ИЗОЛЯЦИЯ или УСИЛЕННАЯ ИЗОЛЯЦИЯ в соответствии с МЭК 62368-1:2018 (что эквивалентно 2 СЗО) будет соответствовать требованиям для 1 СЗП в соответствии с
таблицей 12 только до 354 В постоянного тока и 250 В
эфф включительно.
Таблица 12 и МЭК 62368-1:2018, таблицы 10 - 14 (включительно):
Требование к УСИЛЕННОЙ ИЗОЛЯЦИИ (2 СЗО) из МЭК 62368-1:2018 принимается как более высокое значение из значений, определенных в соответствии с
процедурой 1 или
процедурой 2:
Процедура 1: Предположим, что высота составляет 2000 м (коэффициент умножения для ВОЗДУШНЫХ ЗАЗОРОВ отсутствует)
- МЭК 62368-1:2018, таблица 10, возможно 2,54 мм (строка 9, на основе временного перенапряжения 2000 В);
степень загрязнения 2
- МЭК 62368-1:2018, таблица 11, возможно 0,14 мм (строка 1, на основе пикового напряжения 354 В);
степень загрязнения 2
- Наибольшее значение = 2,54 мм.
Процедура 2: Предположим, что высота 2000 м (коэффициент умножения для воздушных зазоров отсутствует);
степень загрязнения 2
- МЭК 62368-1:2018, таблица 14 возможно 3,0 мм (строка 10, на основе переходного напряжения сети 2500 В)
В качестве альтернативы
процедуре 2 значение из
процедуры 1 может быть использовано при дополнительном испытании на электрическую прочность в соответствии с МЭК 62368-1:2018, таблица 15.
В любом случае минимальный ВОЗДУШНЫЙ ЗАЗОР должен быть не менее 2,54 мм, что соответствует требованию 2,5 мм из
строки 5 таблицы 12.
Пример 4 (Неприемлемо): При питании импульсного источника от сети с напряжением 240 В
эфф с рабочим напряжением 251 В
эфф на барьере переключения потребуется 3,5 мм ВОЗДУШНОГО ЗАЗОРА на 1 СЗП в соответствии со
строкой 6 таблицы 12. Требование к усиленной изоляции (2 СЗО) принимается как более высокое значение значений, определенных в соответствии с МЭК 62368-1:2018,
Процедура 1 или
Процедура 2:
Процедура 1: Предположим, что высота составляет 2000 м (коэффициент умножения для воздушных зазоров отсутствует)
- МЭК 62368-1:2018, таблица 10, возможно 2,54 мм (строка 9, на основе временного перенапряжения 2000 В);
степень загрязнения 2
- МЭК 62368-1:2018, таблица 11, возможно 0,14 мм (строка 1, на основе пикового напряжения 355 В);
степень загрязнения 2
- Наибольшее значение = 2,54 мм.
Процедура 2: Предположим, что высота 2000 м (без коэффициента умножения для воздушных зазоров);
степень загрязнения 2
- МЭК 62368-1:2018, таблица 14, возможно 3,0 мм (строка 10, на основе переходного напряжения сети 2500 В)
В качестве альтернативы
Процедуре 2 значение из
Процедуры 1 может быть использовано при дополнительном испытании на электрическую прочность в соответствии с МЭК 62368-1:2018, таблица 15. В этом случае минимальный воздушный зазор может составлять 2,54 мм.
Дополнительная информация о различиях между методами определения требований к воздушному зазору между настоящим стандартом, МЭК 60950-1:2005 и МЭК 62368-1:2018:
Был выявлен ряд различий в методах определения требований к воздушному зазору между оцененными стандартами. Метод, указанный в МЭК 62368-1:2018, является более сложным, чем метод, используемый в соответствии с настоящим стандартом и МЭК 60950-1:2005. Эти различия были обсуждены с экспертами TC 108 (технический комитет по МЭК 60950-1:2005 и МЭК 62368-1:2018), чтобы подтвердить, что эти различия были правильно поняты экспертами из IEC/TC 62. Одно из отличий заключается в том, что РАБОЧЕЕ НАПРЯЖЕНИЕ (постоянного тока или эфф) используется для определения требований к ВОЗДУШНОМУ ЗАЗОРУ в соответствии с настоящим стандартом или МЭК 60950-1:2005. МЭК 62368-1:2018 вместо этого использует термин "напряжение", который может иметь три различных значения в зависимости от схемы. "Напряжение" может означать либо пиковое значение рабочего напряжения, переходное перенапряжение, либо временное перенапряжение - во всех случаях наибольшее значение этого "напряжения" используется для определения требования к ВОЗДУШНОМУ ЗАЗОРУ.
Технический комитет 108 IEC опубликовал технический отчет (IEC TR 62368-2
[77]), в котором объясняется этот процесс. Приведенная ниже выдержка предназначена для того, чтобы дать общий обзор того, как определяются требования к воздушному зазору в соответствии с МЭК 62368-1:2018.
Рисунок A.26 - Процедура определения требований к ВОЗДУШНОМУ
ЗАЗОРУ по IEC TR 62368-2:2019
[77], 5.4.2.1 (изменено)
Шаги 1 -
8, указанные на
рисунке A.26, были добавлены для облегчения приведенного ниже объяснения:
Процедура 1 (П1)
Шаг 1: Определяют пиковое рабочее напряжение (ПРН) для импульсного источника питания, подключенного к сети, это будет пиковое значение напряжения переключения, а не пиковое значение напряжения сети питания.
Шаг 2: МЭК 62368-1:2018, таблица 10, используется для определения требуемого ВОЗДУШНОГО ЗАЗОРА. Для оборудования, подключенного к сети, эта таблица всегда будет применима. При использовании этой таблицы в столбце "напряжение" используется временное перенапряжение (а не СЕТЕВОЕ НАПРЯЖЕНИЕ). МЭК 62368-1:2018, 5.4.2.2 определяет временное перенапряжение пикового напряжения 2000 В, которое следует использовать, если напряжение питающей сети не превышает 250 В (предполагается, что это означает 250 В
эфф). При СЕТЕВОМ НАПРЯЖЕНИИ выше 250 В и не более 600 В временное перенапряжение составляет 2500 В
пик. Используя эту информацию вместе со степенью загрязнения, МЭК 62368-1:2018, таблица 10, предоставляет значение для требуемого ВОЗДУШНОГО ЗАЗОРА.
Наибольшее значение из
шага 2 или
шага 3 записывают как требование.
Процедура 2 (П2)
Шаг 4: Определяют требуемое выдерживающее напряжение (ТВН). ТВН обусловлено схемой цепи питания и представляет собой либо переходное напряжение, переходное напряжение сети переменного тока, переходное напряжение сети постоянного тока, либо переходное напряжение внешней цепи. МЭК 62368-1:2018 содержит требования либо для определения этого напряжения на основе информации о цепи питания, либо для измерения этого напряжения. В качестве примера: схема ПИТАЮЩЕЙ СЕТИ, работающая при 240 В
эфф, будет использовать переходное напряжение переменного тока с пиковым напряжением 2500 В для
категории перенапряжения II (МЭК 62368-1:2018, таблица 12).
Шаг 5: Существует два способа выполнения процедуры 2,
метод A или
метод B:
Метод A: Применяют МЭК 62368-1:2018, таблица 14, чтобы определить значение ВОЗДУШНОГО ЗАЗОРА
(шаг 6), или
Метод B: Применяют МЭК 62368-1:2018, таблица 15, чтобы определить значение испытания на электрическую прочность, которое будет использоваться
(шаг 7).
Шаг 6: Берут значение ТВН, определенное на
шаге 4, и определяют необходимый ВОЗДУШНЫЙ ЗАЗОР по МЭК 62368-1:2018, таблица 14, используя ТВН вместе со степенью загрязнения. Пропускают
шаг 7.
Шаг 7: Используют МЭК 62368-1:2018, таблица 15, для определения испытательного напряжения на электрическую прочность с использованием ТВН, определенного на
шаге 4.
Важная особенность РАБОЧЕЙ ЧАСТИ ТИПА F - ее электрическое отделение от других частей МЭ ИЗДЕЛИЯ. В данном
подпункте указывается и количественно определяется необходимая степень этого разделения.
Многочисленные функции МЭ ИЗДЕЛИЯ можно рассматривать либо как его многочисленные РАБОЧИЕ ЧАСТИ (которые должны быть электрически отделены друг от друга одним СРЕДСТВОМ ЗАЩИТЫ ПАЦИЕНТА), либо как одну РАБОЧУЮ ЧАСТЬ. Выбор решения при этом остается за ИЗГОТОВИТЕЛЕМ и должен основываться на оценке РИСКА того, что заземление одного или нескольких СОЕДИНЕНИЙ С ПАЦИЕНТОМ для одной из функций может приводить к появлению чрезмерного ТОКА УТЕЧКИ через СОЕДИНЕНИЯ С ПАЦИЕНТОМ для другой функции в состоянии, при котором непредусмотренное напряжение от внешнего источника попадает на ПАЦИЕНТА.
Предельное значение напряжения 500 В (среднеквадратическое значение) для защитных устройств уже было определено в первой редакции настоящего стандарта. Первоначальное обоснование подобного выбора неизвестно, однако это напряжение соответствует максимальному НОРМИРОВАННОМУ напряжению, указанному в
4.10.
Это требование учитывает возможность того, что непредусмотренное напряжение от внешнего источника попадает на часть МЭ ИЗДЕЛИЯ и в отсутствие допустимого электрического разделения между указанной частью и СОЕДИНЕНИЯМИ С ПАЦИЕНТОМ может приводить к протеканию чрезмерного ТОКА УТЕЧКИ НА ПАЦИЕНТА.
Согласно пункту 17c) второй редакции настоящего стандарта это требование применимо ко всем РАБОЧИМ ЧАСТЯМ, но теперь больше не предъявляется в следующих случаях:
- для РАБОЧИХ ЧАСТЕЙ ТИПА F требования к изоляции согласно
8.5.2.1 также распространяются и на эту ситуацию; однако РАБОЧИЕ ЧАСТИ ТИПА BF требуют дополнительного испытания, указанного в
пояснении к 8.7.4.7 d);
- ОПАСНАЯ СИТУАЦИЯ не может развиться, если рассматриваемая часть МЭ ИЗДЕЛИЯ либо СОЕДИНЕНИЯ С ПАЦИЕНТОМ с РАБОЧЕЙ ЧАСТЬЮ ТИПА B ЗАЗЕМЛЕНЫ С ЦЕЛЬЮ ЗАЩИТЫ (обрыв СОЕДИНЕНИЯ С ЗАЩИТНЫМ ЗАЗЕМЛЕНИЕМ одновременно с появлением непредусмотренного напряжения будет расцениваться как условие двойного нарушения);
- если рассматриваемая часть МЭ ИЗДЕЛИЯ физически располагается рядом с РАБОЧЕЙ ЧАСТЬЮ (например, наконечник для бормашины), то это требование не предъявляют, если РИСК контакта с источником напряжения или появления ТОКА УТЕЧКИ, превышающего допустимые предельные значения, допустимо низок.
Есть два обстоятельства, которые требуют принятия мер предосторожности:
- во-первых, для РАБОЧИХ ЧАСТЕЙ ТИПА BF и РАБОЧИХ ЧАСТЕЙ ТИПА CF должна быть исключена возможность случайного соединения ПАЦИЕНТА с любым заземленным проводом, который может отсоединяться от МЭ ИЗДЕЛИЯ; даже для РАБОЧЕЙ ЧАСТИ ТИПА B непредусмотренное соединение с заземлением может оказывать отрицательное воздействие на работу МЭ ИЗДЕЛИЯ;
- во-вторых, для РАБОЧИХ ЧАСТЕЙ МЭ ИЗДЕЛИЯ всех типов должна быть исключена возможность случайного соединения ПАЦИЕНТА с такими частями МЭ ИЗДЕЛИЯ или другими проводящими частями вблизи него, через которые может проходить ТОК УТЕЧКИ, превышающий установленные предельные значения.
Крайним случаем последней ситуации является возникновение ОПАСНОСТИ непосредственного соединения с ПИТАЮЩЕЙ СЕТЬЮ, которое может происходить при подсоединении разъема ПАЦИЕНТА в сетевую розетку или в концевую розетку СЪЕМНОГО ШНУРА ПИТАНИЯ. Важно принять меры, чтобы воспрепятствовать возникновению подобной ситуации.
При определенных положениях ПАЦИЕНТА и ПРИБОРНЫХ РОЗЕТОК возникает возможность случайного подсоединения разъема ПАЦИЕНТА в сетевую розетку.
Такая возможность не может быть обоснованно исключена с помощью требования сделать одноштырьковые соединители достаточно больших размеров. Этот случай становится безопасным, если к соединителю ПАЦИЕНТА предъявлять требование защиты изоляцией, имеющей ПУТЬ УТЕЧКИ по крайней мере 1 мм и электрическую прочность не менее 1500 В. Последнее требование само по себе недостаточно, поскольку защита от напряжения 1500 В легко может обеспечиваться с помощью тонкой пластиковой пленки, которая не будет выдерживать ежедневного износа при подсоединении (возможно, даже многократном) в сетевую розетку. По этой причине очевидно, что изоляция также должна быть долговечной и прочной.
Формулировка этого требования была изменена по сравнению с использованной во второй редакции настоящего стандарта для того, чтобы избежать фраз типа "проводящее соединение", которые были исключены как термины. Это изменение было прямым результатом анализа замечаний, выданных национальными комитетами в процессе подготовки настоящей редакции.
Согласно пояснению, приведенному во второй редакции настоящего стандарта, испытание, в котором испытательный палец применяют с усилием 10 Н, было предназначено "для проверки прочности изоляционного материала". Теперь это требование снабжено ссылкой на
8.8.4.1.
В ответ на запрос один из национальных комитетов заявил, что это испытание является "механическим испытанием защитного покрытия посредством штыря", предлагая, чтобы испытание относилось лишь к одной определенной конструкции соединителя, в которой контакт окружен подвижными частями, позволяющими этому контакту сопрягаться с ответной частью этого же соединителя, но не с другими частями.
В процессе разработки настоящей редакции стандарта возник вопрос о том, должно ли это испытание распространяться только на однополюсные соединители, как во второй редакции настоящего стандарта, или должно относиться также и к многополюсным соединителям. Поскольку некоторые многополюсные соединители имеют ту же форму, что и одноштырьковые соединители, и поэтому также могут вставляться в ПРИБОРНУЮ РОЗЕТКУ, то к ним могут относиться те же соображения относительно адекватности изоляции. Однако стандартные общеупотребительные многополюсные соединители не могут вставляться в ПРИБОРНУЮ РОЗЕТКУ, поскольку они не выдержали бы это испытание из-за того, что испытательный палец может легко касаться контактов этих соединителей даже без приложения усилия 10 Н.
Последующий опрос национальных комитетов дал широкий спектр ответов с разумным согласием по некоторым вопросам, но при полном отсутствии согласия относительно того, должно ли это испытание распространяться на соединители всех типов или ограничиваться только однополюсными соединителями.
Данное испытание определенно следует применять к многополюсным соединителям, которые имеют такую форму и размеры, которые позволяют вставлять их в сетевую розетку. В этом случае РИСК остается таким же, как и для однополюсного соединителя.
Другая причина для применения этого испытания к некоторым многополюсным соединителям состоит в том, что испытание с использованием плоской пластины исчерпывающе не оценивает возможность контакта с проводящими частями в окрестности, из которой ТОК УТЕЧКИ, превышающий допустимые предельные значения, может протекать. Практически любой соединитель при падении или отсоединении от МЭ ИЗДЕЛИЯ может входить в контакт с любым объектом, помимо его ответной части. Однако РИСК этого будет зависеть от формы соединителя и ряда других обстоятельств, хотя в большинстве случаев этот РИСК будет незначительным. Например, стандартный соединитель D-типа, вероятно, будет вступать в контакт с заземленным элементом только в течение очень короткого времени, тогда как прямой штырь - в течение продолжительного времени. Однако даже длительный контакт с металлическим объектом может приводить к возникновению ОПАСНОЙ СИТУАЦИИ лишь в сочетании с неисправностью или нештатной ситуацией, которые позволяют чрезмерному току протекать через ПАЦИЕНТА. В любом случае РИСК подобной ситуации всегда намного меньше, чем РИСК, возникающий в случае контакта соединителя с сетевой розеткой. Требования настоящего стандарта должны быть сформулированы с точки зрения минимизации РИСКА для ПАЦИЕНТА при сохранении за ИЗГОТОВИТЕЛЕМ возможности широкого выбора соединителей.
Под "любым соединителем" должны подразумеваться многополюсные соединители, несколько соединителей и последовательно подключенные соединители.
Диаметр плоской проводящей пластины, равный 100 мм, не является определяющим и служит лишь для указания порядка величины плоской поверхности. Подходящим для испытаний может быть любой лист из проводящего материала больших размеров.
Некоторые требования и испытания в настоящем стандарте связаны с возможностью непреднамеренного попадания напряжения от внешнего источника на ПАЦИЕНТА или на некоторые части МЭ ИЗДЕЛИЯ. Реальное значение этого напряжения неизвестно, однако согласно второй редакции настоящего стандарта оно было принято равным максимальному НОРМИРОВАННОМУ СЕТЕВОМУ НАПРЯЖЕНИЮ или для МЭ ИЗДЕЛИЙ с многофазным питанием - фазному напряжению. Эти значения были выбраны исходя из разумного предположения о том, что в наименее благоприятном варианте реальное непредусмотренное внешнее напряжение вряд ли превысит напряжение ПИТАЮЩЕЙ СЕТИ в местах эксплуатации МЭ ИЗДЕЛИЯ и что МЭ ИЗДЕЛИЕ вряд ли будет использоваться в тех местах, где напряжение ПИТАЮЩЕЙ СЕТИ будет превышать максимальное НОРМИРОВАННОЕ СЕТЕВОЕ НАПРЯЖЕНИЕ. Для МЭ ИЗДЕЛИЯ С ВНУТРЕННИМ ИСТОЧНИКОМ ПИТАНИЯ указанное напряжение было принято равным 240 В, поскольку оно соответствует максимальному встречающемуся на практике фазному напряжению в местах эксплуатации МЭ ИЗДЕЛИЯ.
В ранних проектах настоящей редакции стандарта соответствующая формулировка относилась только к ПИТАЮЩЕЙ СЕТИ переменного тока, однако на эту неточность было указано в процессе анализа замечаний, подтвердившего, что эти требования не должны зависеть от того, является ли ПИТАЮЩАЯ СЕТЬ сетью переменного или постоянного тока. Кроме того, было выявлено следующее противоречие: если МЭ ИЗДЕЛИЕ предназначено для подсоединения к ПИТАЮЩЕЙ СЕТИ со сверхнизким напряжением (СНН), например с напряжением 12 В в санитарной машине, а не к любой другой ПИТАЮЩЕЙ СЕТИ с более высоким напряжением, то внешним напряжением, прикладываемым при испытаниях, должно быть только СНН. Подобное МЭ ИЗДЕЛИЕ, однако, может эксплуатироваться в местах, где имеется ПИТАЮЩАЯ СЕТЬ с более высоким напряжением. По этой причине формулировка данного
подпункта была отредактирована для устранения указанного противоречия.
Если МЭ ИЗДЕЛИЕ имеет максимальное НОРМИРОВАННОЕ напряжение питания менее 100 В, то оно обязательно должно эксплуатироваться в специальном месте, где имеется это питание, и в отсутствие сведений о наличии в этих местах иных источников питания. Поэтому внешнее напряжение, принимаемое при соответствующих испытаниях, принимают, как и для ВНУТРЕННЕГО ИСТОЧНИКА ПИТАНИЯ, равным 240 В.
Напряжения при испытаниях изоляции на электрическую прочность, указанные в
таблице 6, должны соответствовать изоляции, которую обычно подвергают воздействию непрерывного РАБОЧЕГО НАПРЯЖЕНИЯ, и переходным процессам с перенапряжениями.
РАБОЧЕЕ НАПРЯЖЕНИЕ для каждого СРЕДСТВА ЗАЩИТЫ, формирующего ДВОЙНУЮ ИЗОЛЯЦИЮ, равно напряжению, которому подвергается ДВОЙНАЯ ИЗОЛЯЦИЯ в целом, потому что любое СРЕДСТВО ЗАЩИТЫ может быть подвергнуто этому напряжению при выходе из строя другого СРЕДСТВА ЗАЩИТЫ.
Для РАБОЧИХ ЧАСТЕЙ С ЗАЩИТОЙ ОТ РАЗРЯДА ДЕФИБРИЛЛЯТОРА испытательное напряжение, устанавливаемое на основе РАБОЧЕГО НАПРЯЖЕНИЯ и равное максимальному напряжению дефибриллятора, было бы слишком высоким для изоляции, которая при НОРМАЛЬНОЙ ЭКСПЛУАТАЦИИ лишь изредка может подвергаться воздействию импульсов напряжения длительностью менее 1 с (без дополнительного перенапряжения).
Считается, что специальное испытание, описанное в
8.5.5, гарантирует достаточную защиту от импульсов дефибриллятора, поэтому никаких дополнительных испытаний на электрическую прочность изоляции не требуется.
В зависимости от режима работы дефибриллятора, связанного с его клиническим применением, он может соединяться с заземлением или по крайней мере иметь "привязку" к потенциалу земли.
Когда дефибриллятор подсоединяют к ПАЦИЕНТУ, ВЫСОКОЕ НАПРЯЖЕНИЕ может возникнуть либо между различными частями МЭ ИЗДЕЛИЯ, либо между соединенными между собой частями этого МЭ ИЗДЕЛИЯ и заземлением. ДОСТУПНЫЕ ЧАСТИ МЭ ИЗДЕЛИЯ должны быть соответствующим образом изолированы от СОЕДИНЕНИЙ С ПАЦИЕНТОМ или защищены любым иным способом. Изоляция СОЕДИНЕНИЙ С ПАЦИЕНТОМ не может быть защищена ограничивающими напряжение устройствами, рассчитанными на соединение с заземлением.
Маркировка РАБОЧЕЙ ЧАСТИ С ЗАЩИТОЙ ОТ РАЗРЯДА ДЕФИБРИЛЛЯТОРА указывает, что РАБОЧАЯ ЧАСТЬ МЭ ИЗДЕЛИЯ может безопасно присоединяться к ПАЦИЕНТУ, к которому применяют дефибриллятор, без отрицательного воздействия на последующее применение МЭ ИЗДЕЛИЯ.
Испытания должны гарантировать, что:
a) любые ДОСТУПНЫЕ ЧАСТИ МЭ ИЗДЕЛИЯ, кабели ПАЦИЕНТА, кабельные соединители и т.д., которые не соединены с ЗАЩИТНЫМ ЗАЗЕМЛЕНИЕМ, не будут передавать опасный уровень заряда или энергии импульса напряжения, выдаваемых дефибриллятором;
b) МЭ ИЗДЕЛИЕ продолжит свое функционирование (по крайней мере, с точки зрения ОСНОВНОЙ БЕЗОПАСНОСТИ с учетом ОСНОВНЫХ ФУНКЦИОНАЛЬНЫХ ХАРАКТЕРИСТИК) после окончания действия импульса напряжения дефибриллятора.
Требование и ПРОЦЕДУРА испытания относятся к "любому необходимому времени", установленному в ЭКСПЛУАТАЦИОННЫХ ДОКУМЕНТАХ, в которых не требуется указывать время восстановления, однако при этом МЭ ИЗДЕЛИЕ должно немедленно восстанавливать свою ОСНОВНУЮ БЕЗОПАСНОСТЬ с учетом ОСНОВНЫХ ФУНКЦИОНАЛЬНЫХ ХАРАКТЕРИСТИК.
Испытания проводят с МЭ ИЗДЕЛИЕМ, присоединенным к ПИТАЮЩЕЙ СЕТИ и работающим в соответствии с инструкцией по эксплуатации, поскольку это испытание связано не только с оценкой влияния энергии дефибриллятора на ОСНОВНУЮ БЕЗОПАСНОСТЬ, но и со способностью МЭ ИЗДЕЛИЯ обеспечивать ОСНОВНЫЕ ФУНКЦИОНАЛЬНЫЕ ХАРАКТЕРИСТИКИ после установленного времени восстановления.
НОРМАЛЬНАЯ ЭКСПЛУАТАЦИЯ включает ситуацию, при которой ПАЦИЕНТ подвергается воздействию дефибриллятора при подсоединенном к нему МЭ ИЗДЕЛИИ, а ОПЕРАТОР или другое лицо находится в контакте с КОРПУСОМ МЭ ИЗДЕЛИЯ. Возможность в этой ситуации возникновения УСЛОВИЯ ЕДИНИЧНОГО НАРУШЕНИЯ из-за дефектного СОЕДИНЕНИЯ С ЗАЩИТНЫМ ЗАЗЕМЛЕНИЕМ весьма маловероятна и поэтому не рассматривается. При этом, однако, обрыв соединений с рабочим заземлением более вероятен, поэтому МЭ ИЗДЕЛИЕ требует этих испытаний.
ТЯЖЕСТЬ поражения электрическим током, которое какое-либо лицо может получить при касании ДОСТУПНОЙ ЧАСТИ при разряде дефибриллятора, ограничена значением тока (соответствующего заряду 100 мкКл), который можно почувствовать и который может вызвать неприятные ощущения, но который, однако, не представляет ОПАСНОСТИ.
СИГНАЛЬНЫЕ ВХОДЫ/ВЫХОДЫ должны быть включены в испытания, поскольку в противном случае линии передачи сигнала на дистанцированное МЭ ИЗДЕЛИЕ могут переносить энергию, которая может представлять опасность.
Испытательные цепи, изображенные на
рисунках 9 и
10 настоящего стандарта, разработаны для упрощения испытаний благодаря объединению напряжения на испытательном сопротивлении (
R1).
Значение индуктивности
L в испытательных цепях, изображенных на
рисунках 9 и
10, выбирают с таким расчетом, чтобы обеспечить время нарастания меньше стандартного времени для адекватного испытания объединенных защитных средств.
Если МЭ ИЗДЕЛИЕ сконструировано в соответствии с
8.5.2.1 и
8.5.5.1, оно может иметь две разные функции в одной общей цепи РАБОЧЕЙ ЧАСТИ. Рассмотрим пример на
рисунке A.21. На этом примере ЭКГ и катетер для измерения артериального давления инвазивным способом (IBP) имеют одну общую цепь РАБОЧЕЙ ЧАСТИ. При реальном использовании в больнице иногда используется только одна функция (ЭКГ), в то время как другая функция катетера для измерения артериального давления инвазивным способом не подключена. Если к ПАЦИЕНТУ необходимо применить дефибрилляцию, существует вероятность того, что второй ОПЕРАТОР будет поражен электрическим током на неиспользуемых выходах катетера для измерения артериального давления инвазивным способом во время выбора правильных настроек в МЭ ИЗДЕЛИИ (например, на мониторе с несколькими параметрами). Следует отметить, что в общем случае напряжение 5 кВ может возникать на каждом отсоединенном соединителе, в котором нет надлежащим образом заглубленных контактов. Однако на практике вероятность нанесения ВРЕДА неиспользуемыми выходами РАБОЧЕЙ ЧАСТИ МЭ ИЗДЕЛИЯ намного выше по сравнению с любым соединителем адаптерных кабелей. Адаптерные кабели, как правило, не будут контактировать с ОПЕРАТОРОМ во время дефибрилляции, потому что перед дефибрилляцией появится команда "отойдите в сторону". Даже в случае, если отсоединенный кабель будет контактировать с ОПЕРАТОРОМ во время дефибрилляции, он, скорее всего, будет контактировать с изолированными пластиковыми частями, а не с их внутренними контактами.

Рисунок A.21 - Пример МЭ ИЗДЕЛИЯ с двумя различными
функциями в одной общей схеме РАБОЧЕЙ ЧАСТИ
Пояснения для импульсного испытательного напряжения
При приложении напряжения дефибрилляции к грудной клетке ПАЦИЕНТА через внешние прокладки (или через электроды дефибриллятора) ткани тела ПАЦИЕНТА вблизи этих прокладок и между ними будут представлять собой делитель напряжения.
Распределение напряжений может быть приближенно оценено с помощью трехмерной теории поля, но оно будет искажено из-за неоднородной локальной проводимости биотканей.
Если электрод другого компонента МЭ ИЗДЕЛИЯ прикладывают к ПАЦИЕНТУ вблизи области прокладок дефибриллятора, то напряжение на этом электроде будет зависеть от его положения, но в общем случае оно всегда будет меньше напряжения на нагрузке дефибриллятора.
К сожалению, невозможно сказать, насколько близко рассматриваемый электрод может находиться в этой области, включая место в непосредственной близости от одной из прокладок дефибриллятора. В отсутствие соответствующего частного стандарта требуется, чтобы этот электрод и МЭ ИЗДЕЛИЕ, с которым он соединен, были способны выдерживать полное напряжение, выдаваемое дефибриллятором, но не под нагрузкой, поскольку одна из прокладок дефибриллятора может не иметь надежного контакта с телом ПАЦИЕНТА.
По указанным причинам настоящий стандарт (в отсутствие соответствующего частного стандарта) устанавливает испытательное напряжение равным 5 кВ постоянного тока.
Применяя требования
подпункта 4.5, ИЗГОТОВИТЕЛЬ может использовать альтернативное средство защиты для рассмотрения РИСКА, на который распространяется настоящий стандарт, если ОСТАТОЧНЫЙ РИСК после применения дополнительного средства не будет превышать ОСТАТОЧНОГО РИСКА после применения требований настоящего стандарта. В зависимости от ПРЕДУСМОТРЕННОГО ПРИМЕНЕНИЯ МЭ ИЗДЕЛИЯ и положения РАБОЧИХ ЧАСТЕЙ на ПАЦИЕНТЕ ИЗГОТОВИТЕЛЬ может определить, что соответствующим является более низкое испытательное напряжение, если он сможет доказать, что выбранное испытательное напряжение является максимально возможным, появляющимся на РАБОЧЕЙ ЧАСТИ при приложении напряжения 5 кВ к грудной клетке ПАЦИЕНТА. Такие части МЭ ИЗДЕЛИЯ могут быть промаркированы и отнесены к классу РАБОЧИХ ЧАСТЕЙ С ЗАЩИТОЙ ОТ РАЗРЯДА ДЕФИБРИЛЛЯТОРА.
Подпункт 8.6 - Защитное заземление, рабочее заземление и выравнивание потенциалов МЭ ИЗДЕЛИЯ
Как правило, металлические ДОСТУПНЫЕ ЧАСТИ МЭ ИЗДЕЛИЯ КЛАССА I имеют ЗАЩИТНОЕ ЗАЗЕМЛЕНИЕ, однако они в соответствии с
8.5 могут электрически разделяться с помощью другого СРЕДСТВА ЗАЩИТЫ. Кроме того, некоторые металлические ДОСТУПНЫЕ ЧАСТИ могут быть случайно заземлены, но не с помощью СОЕДИНЕНИЯ С ЗАЩИТНЫМ ЗАЗЕМЛЕНИЕМ и не для функциональных целей. Например, часть МЭ ИЗДЕЛИЯ, которая не должна иметь ЗАЩИТНОГО ЗАЗЕМЛЕНИЯ, может находиться в контакте с другой частью, которая имеет его.
СОЕДИНЕНИЯ С ЗАЩИТНЫМ ЗАЗЕМЛЕНИЕМ, которые важны лишь с точки зрения обеспечения безопасности ОПЕРАТОРОВ, должны отвечать либо требованиям данного стандарта, либо требованиям МЭК 60950-1:2005, МЭК 60950-1:2005/AMD1:2009 и МЭК 60950-1:2005/AMD2:2013, однако во втором случае не будут приниматься во внимание СОЕДИНЕНИЯ С ЗАЩИТНЫМ ЗАЗЕМЛЕНИЕМ, которые важны для обеспечения безопасности и ОПЕРАТОРОВ, и ПАЦИЕНТОВ.
Эти требования предъявляют для обеспечения надежного соединения МЭ ИЗДЕЛИЯ с системой защитного заземления электроустановки.
Соединения с перемещающимися частями, выполненные с помощью скользящих контактов, гибких проводов или любыми другими средствами, больше, чем обычные ЗАКРЕПЛЕННЫЕ соединения, восприимчивы к износу в течение ОЖИДАЕМОГО СРОКА СЛУЖБЫ МЭ ИЗДЕЛИЯ. Поэтому их применение в качестве СОЕДИНЕНИЙ С ЗАЩИТНЫМ ЗАЗЕМЛЕНИЕМ допускается лишь в том случае, когда будет доказана их надежность.
СОЕДИНЕНИЯ С ЗАЩИТНЫМ ЗАЗЕМЛЕНИЕМ могут выполнять свои защитные функции лишь при условии, что они будут способны выдерживать ток короткого замыкания, возникающий в результате повреждения (пробоя) ОСНОВНОЙ ИЗОЛЯЦИИ.
Предполагается, что указанный ток должен иметь достаточную амплитуду для срабатывания защитных устройств в электрической установке (плавких предохранителей, автоматов защиты, прерывателей цепей для токов утечки и т.п.) за достаточно короткое время.
По этой причине необходимо проверять и импеданс, и токонесущую способность СОЕДИНЕНИЙ С ЗАЩИТНЫМ ЗАЗЕМЛЕНИЕМ.
Минимальное время пропускания испытательного тока необходимо для выявления любого перегрева частей соединений, обусловленного малым сечением проводников или ненадежным контактом, которые не могут быть обнаружены лишь при одном измерении сопротивления.
СОЕДИНЕНИЯ С ЗАЩИТНЫМ ЗАЗЕМЛЕНИЕМ могут иметь зоны с повышенным импедансом, например, из-за окисления материалов. Использование источника тока с неограничиваемым напряжением может препятствовать обнаружению таких зон из-за возможности их возгорания, поэтому импеданс должен определяться вначале с помощью источника с ограничиваемым напряжением.
Если это напряжение достаточно для пропускания указанного испытательного тока через соединения с полным импедансом, то это испытание будет служить и для проверки токонесущей способности соединений. В противном случае необходимо проведение дополнительного испытания либо с использованием более высокого напряжения, либо путем оценки площади поперечного сечения соединений при осмотре.
Если длинный (> 3 м) СЪЕМНЫЙ ШНУР ПИТАНИЯ поставляется, используется или к нему указаны требования, общее требование к величине импеданса, проводящего пути защитного заземления, равного 200 мОм, по-прежнему применимо. Ввиду указанного может потребоваться использование СЪЕМНОГО ШНУРА ПИТАНИЯ с проводниками большей площади поперечного сечения, чем заявленный в
8.11.3.3 минимум.
Если ИЗГОТОВИТЕЛЬ не поставляет/не указывает СЪЕМНЫЙ ШНУР ПИТАНИЯ, ОТВЕТСТВЕННАЯ ОРГАНИЗАЦИЯ должна учитывать ограничения, указанные в
пункте 8.6.4.
Ток короткого замыкания может ограничиваться относительно низким значением из-за импеданса соединений или характеристик источника питания, например, в случае, когда энергосистема не соединена с заземлением или соединена с ним через проводник с высоким импедансом (см.
рисунок A.13).
В этих случаях площадь поперечного сечения СОЕДИНЕНИЯ С ЗАЩИТНЫМ ЗАЗЕМЛЕНИЕМ может рассматриваться с точки зрения механических характеристик.
ZPE - импеданс СОЕДИНЕНИЯ С ЗАЩИТНЫМ ЗАЗЕМЛЕНИЕМ (Ом), превышающий предельное значение, указанное в
8.6.4 a);
IF - максимальный непрерывный ожидаемый ток короткого замыкания (А), протекающий в СОЕДИНЕНИИ С ЗАЩИТНЫМ ЗАЗЕМЛЕНИЕМ и вызываемый одиночным нарушением изоляции от земли;
Примечание - На рисунке показано МЭ ИЗДЕЛИЕ, имеющее основной КОРПУС и часть, размещенную в отдельном КОРПУСЕ, что иллюстрирует ситуацию, при которой импеданс СОЕДИНЕНИЯ С ЗАЩИТНЫМ ЗАЗЕМЛЕНИЕМ может превышать предельное значение, указанное в
8.6.4 a). Подобная ситуация, однако, может возникнуть и для МЭ ИЗДЕЛИЯ, заключенного в единый КОРПУС.
Рисунок A.13 - Допустимый импеданс защитного заземления
при ограниченном токе короткого замыкания
В большинстве стран в помещениях, предназначенных для медицинских целей, отсутствуют средства для присоединения съемного ПРОВОДА ВЫРАВНИВАНИЯ ПОТЕНЦИАЛОВ, поэтому настоящий стандарт не требует каких-либо средств для присоединения ПРОВОДА ВЫРАВНИВАНИЯ ПОТЕНЦИАЛОВ к МЭ ИЗДЕЛИЮ. Тем не менее при наличии у МЭ ИЗДЕЛИЯ таких средств для его эксплуатации в местах, где используют ПРОВОДА ВЫРАВНИВАНИЯ ПОТЕНЦИАЛОВ, они должны отвечать соответствующим требованиям.
Данное требование позволяет МЭ ИЗДЕЛИЮ КЛАССА II иметь соединение с защитным заземлением, осуществляемое исключительно по функциональным соображениям. Во избежание путаницы при монтаже это соединение следует выполнять проводом желто-зеленого цвета. Эта возможность не ухудшает степень защиты от поражения током.
Величина тока, протекающего через ПРОВОД РАБОЧЕГО ЗАЗЕМЛЕНИЯ, должна быть ограничена таким же образом, как ток в ПРОВОДЕ ЗАЩИТНОГО ЗАЗЕМЛЕНИЯ. Для предотвращения использования ПРОВОДА РАБОЧЕГО ЗАЗЕМЛЕНИЯ в качестве ПРОВОДА ЗАЩИТНОГО ЗАЗЕМЛЕНИЯ изоляция между внутренними экранами, включая внутреннюю проводку, подключенную к ним и ДОСТУПНЫМ ЧАСТЯМ, должна обеспечивать два СРЕДСТВА ЗАЩИТЫ.
Возможно, что короткое замыкание в одной части ДВОЙНОЙ ИЗОЛЯЦИИ будет приводить к росту ТОКА УТЕЧКИ примерно в два раза. В некоторых случаях испытание может оказаться трудновыполнимым, и поскольку допустимые значения для УСЛОВИЯ ЕДИНИЧНОГО НАРУШЕНИЯ в пять раз больше, чем при НОРМАЛЬНОМ СОСТОЯНИИ, то испытание не будет давать полезной информации.
Величина электрического тока, протекающего в теле человека или животного и способного вызывать определенную степень стимуляции, в большой степени зависит от характеристик тела, от пути, по которому ток проходит к телу, а также от частоты и продолжительности пропускаемого тока.
Токи низкой частоты, протекающие непосредственно к сердцу или через него, значительно повышают опасность вентрикулярной фибрилляции, а для токов средней или высокой частоты РИСК поражения электрическим током значительно ниже или вообще незначителен, хотя РИСК получения ожога остается.
Чувствительность тела человека или животного к электрическому току, зависящая от степени и характера контакта с МЭ ИЗДЕЛИЕМ, приводит к системе классификации, отражающей степень и качество защиты, обеспечиваемой РАБОЧИМИ ЧАСТЯМИ (классифицируемыми как РАБОЧИЕ ЧАСТИ ТИПА B, РАБОЧИЕ ЧАСТИ ТИПА BF и РАБОЧИЕ ЧАСТИ ТИПА CF). Первые две РАБОЧИЕ ЧАСТИ МЭ ИЗДЕЛИЯ в общем случае пригодны для таких применений, в которых имеется внешний или внутренний контакт с телом ПАЦИЕНТА, за исключением его сердца. РАБОЧИЕ ЧАСТИ ТИПА CF пригодны (с точки зрения ТОКА УТЕЧКИ) для ПРЯМОГО ПРИМЕНЕНИЯ НА СЕРДЦЕ.
В соответствии с этой классификацией были сформулированы требования к допустимому ТОКУ УТЕЧКИ. Отсутствие достаточных научных данных относительно чувствительности сердца человека к токам, вызывающим вентрикулярную фибрилляцию, все еще создает определенные проблемы.
Тем не менее публикация первой редакции этого стандарта в 1977 г. дала инженерам данные, позволяющие вести разработки МЭ ИЗДЕЛИЙ. Как оказалось, эти требования гарантировали достаточно низкий уровень РИСКА, не создавая слишком больших проблем для разработчиков.
Требования к ТОКУ УТЕЧКИ были сформулированы с учетом того, что:
- на вероятность возникновения вентрикулярной фибрилляции влияют и многие другие факторы помимо электрических параметров;
- значения допустимых ТОКОВ УТЕЧКИ при УСЛОВИИ ЕДИНИЧНОГО НАРУШЕНИЯ должны быть сопоставимы со считающимися безопасными (со статистической точки зрения) значениями тока, не создающими разработчикам МЭ ИЗДЕЛИЙ излишних трудностей;
- значения токов в НОРМАЛЬНОМ СОСТОЯНИИ должны обеспечивать безопасность во всех ситуациях, а также достаточно большой запас безопасности по сравнению с УСЛОВИЕМ ЕДИНИЧНОГО НАРУШЕНИЯ.
Процедура измерения ТОКОВ УТЕЧКИ разработана таким образом, чтобы использовать достаточно простые приборы, предотвращая ее различные интерпретации и указывая на возможность периодических проверок, выполняемых ОТВЕТСТВЕННОЙ ОРГАНИЗАЦИЕЙ.
При выборе допустимых ТОКОВ УТЕЧКИ и ДОПОЛНИТЕЛЬНЫХ ТОКОВ В ЦЕПИ ПАЦИЕНТА для переменного и постоянного токов сложных форм (с частотами до 1 кгц включительно) принимают во внимание следующие соображения.
a) В общем случае РИСК вентрикулярной фибрилляции или нарушения насосной функции сердца увеличивается с ростом значения или продолжительности (вплоть до нескольких секунд) тока, проходящего через сердце. Некоторые области сердца более чувствительны к току, чем другие, т.е. ток, вызывающий вентрикулярную фибрилляцию одной части сердца, может не оказывать никакого влияния на другие части сердца.
b) РИСК наиболее высок и приблизительно одинаков в диапазоне частот от 10 до 200 Гц. РИСК почти в пять раз ниже для постоянного тока и примерно в полтора раза - на частоте 1 кГц, выше которой РИСК быстро снижается
[45]. Однако для постоянного тока необходимо соблюдать более низкие пределы для предотвращения некроза тканей при длительном применении.
Значения, приведенные в
таблицах 3 и
4 настоящего стандарта, относятся к токам, измеренным с помощью измерительного устройства, показанного на
рисунке 12 a), которое позволяет автоматически корректировать спад чувствительности на более высоких частотах. ПИТАЮЩАЯ СЕТЬ с частотой 50 и 60 Гц находится в зоне повышенного РИСКА.
c) Хотя, как правило, требования в общем стандарте носят менее ограничительный характер, чем в частных стандартах, некоторые из допустимых значений, приведенных в
таблицах 3 и
4, были установлены на такие значения, что:
- они будут пригодны для большей части типов МЭ ИЗДЕЛИЙ;
- их можно применять к большей части типов МЭ ИЗДЕЛИЙ (существующих или планируемых), для которых частные стандарты пока отсутствуют.
ТОК УТЕЧКИ НА ЗЕМЛЮ
ТОК УТЕЧКИ НА ЗЕМЛЮ, протекающий через СОЕДИНЕНИЕ С ЗАЩИТНЫМ ЗАЗЕМЛЕНИЕМ, сам по себе не представляет ОПАСНОСТИ. ПАЦИЕНТА и ОПЕРАТОРА защищают путем задания допустимо низких значений ТОКА УТЕЧКИ НА ПАЦИЕНТА и ТОКА УТЕЧКИ НА КОРПУС в НОРМАЛЬНОМ СОСТОЯНИИ и при соответствующем УСЛОВИИ ЕДИНИЧНОГО НАРУШЕНИЯ, включая обрыв СОЕДИНЕНИЯ С ЗАЩИТНЫМ ЗАЗЕМЛЕНИЕМ. Однако чрезмерный ТОК УТЕЧКИ НА ЗЕМЛЮ может создавать проблемы для системы заземления электроустановки и любых автоматов защиты, срабатывающих от датчиков разбаланса токов.
См. также МЭК 60364-7-710
[10].
ТОК УТЕЧКИ НА ДОСТУПНУЮ ЧАСТЬ
Выбор предельных значений этого тока основывается на следующих соображениях.
d) ТОК УТЕЧКИ НА ДОСТУПНУЮ ЧАСТЬ МЭ ИЗДЕЛИЯ должен иметь постоянное значение независимо от типа (типов) РАБОЧИХ ЧАСТЕЙ, если таковые вообще имеются, поскольку даже МЭ ИЗДЕЛИЕ, которое само по себе не имеет РАБОЧЕЙ ЧАСТИ ТИПА CF, может быть использовано в ситуациях, при которых будут выполняться ПРОЦЕДУРЫ внутри сердца.
e) Хотя ТОК УТЕЧКИ НА ДОСТУПНУЮ ЧАСТЬ поступает от всех частей МЭ ИЗДЕЛИЯ, за исключением СОЕДИНЕНИЙ С ПАЦИЕНТОМ, за счет изменения контакта он может доходить до ПАЦИЕНТА по различным путям, включая путь через ОПЕРАТОРА.
f) Плотность тока, создаваемая на сердце током в 1 А, проникающим в грудную клетку, составляет 50 мкА/мм
2 [46], а плотность тока в сердце для тока 500 мкА (максимально допустимого значения при УСЛОВИИ ЕДИНИЧНОГО НАРУШЕНИЯ), проникающего в грудную клетку, составляет 0,025 мкА/мм
2, что значительно ниже указанного уровня.
g) Вероятность протекания ТОКА УТЕЧКИ НА ДОСТУПНУЮ ЧАСТЬ через сердце, вызывающего вентрикулярную фибрилляцию или нарушение насосной функции сердца.
Очевидно, что ТОК УТЕЧКИ НА ДОСТУПНУЮ ЧАСТЬ может достигать внутрисердечной области, если при работе с внутрисердечными электродами или заполненными жидкостью катетерами использовались пренебрегающие безопасностью ПРОЦЕДУРЫ. Указанные устройства всегда требуют работы с максимальной осторожностью и всегда в сухих резиновых перчатках. Последующий АНАЛИЗ РИСКА будет основываться на наиболее пессимистических предположениях о принимаемых мерах предосторожности.
Считается, что вероятность непосредственного контакта внутрисердечного устройства с КОРПУСОМ МЭ ИЗДЕЛИЯ достаточно низкая, возможно, в одном случае на 100 медицинских процедур. Считается, что вероятность непрямого контакта этого устройства через медицинский персонал несколько выше, например один случай на 10 медицинских процедур. Максимально допустимый ТОК УТЕЧКИ в НОРМАЛЬНОМ СОСТОЯНИИ составляет 100 мкА и сам по себе может приводить к вентрикулярной фибрилляции с вероятностью 0,05. Если принять вероятность непрямого контакта равной 0,1, то полная вероятность будет составлять 0,005. Хотя эта вероятность может выглядеть нежелательно высокой, следует учитывать, что при правильной работе с внутрисердечным устройством эта вероятность может быть снижена до вероятности механической стимуляции, равной 0,001.
Считается, что вероятность того, что ТОК УТЕЧКИ НА ДОСТУПНУЮ ЧАСТЬ будет возрастать до максимально допустимого уровня в 500 мкА (при УСЛОВИИ ЕДИНИЧНОГО НАРУШЕНИЯ), равна 0,1 для кардиологических отделений, в которых подобные ПРОЦЕДУРЫ выполняются недостаточно качественно. Вероятность протекания тока, вызывающего вентрикулярную фибрилляцию, принимают равной 1.
Вероятность случайного контакта непосредственно с КОРПУСОМ, как указывалось выше, принимают равной 0,01, что будет давать полную вероятность 0,001, равную только вероятности механической стимуляции.
Вероятность ТОКА УТЕЧКИ НА ДОСТУПНУЮ ЧАСТЬ при максимально допустимом уровне 500 мкА (при УСЛОВИИ ЕДИНИЧНОГО НАРУШЕНИЯ), проходящего на внутрисердечное устройство через медицинский персонал, равна 0,01 (0,1 - при УСЛОВИИ ЕДИНИЧНОГО НАРУШЕНИЯ; 0,1 - для вероятности случайного контакта). Поскольку вероятность появления этого тока, вызывающего вентрикулярную фибрилляцию, равна 1, то полная вероятность также будет равна 0,01. Снова эта вероятность оказывается высокой, однако она может быть сведена к вероятности механической стимуляции, равной 0,001, путем надлежащего проведения медицинских процедур.
h) Вероятность ТОКА УТЕЧКИ НА ДОСТУПНУЮ ЧАСТЬ, ощущаемого ПАЦИЕНТОМ.
Вероятность появления тока 500 мкА, ощущаемого ПАЦИЕНТОМ, равна 0,01 для мужчин и 0,014 - для женщин в случае использования зажимных электродов на неповрежденной коже [
45,
48]. Более высокая чувствительность существует для тока, проходящего через слизистые покровы или повреждения кожи
[48]. Поскольку распределение вероятности считается нормальным, то будет существовать вероятность того, что некоторые ПАЦИЕНТЫ все же будут ощущать достаточно малые токи. Сообщалось о том, что один пациент ощущал ток 4 мкА, проходящий через его слизистые покровы
[48].
ТОК УТЕЧКИ НА ПАЦИЕНТА
Допустимое значение ТОКА УТЕЧКИ НА ПАЦИЕНТА для МЭ ИЗДЕЛИЯ с РАБОЧИМИ ЧАСТЯМИ ТИПА CF в НОРМАЛЬНОМ СОСТОЯНИИ равно 10 мкА, а вероятность возникновения вентрикулярной фибрилляции или нарушения насосной функции сердца при его протекании через малые внутрисердечные области сердца составляет 0,002.
Отмечалось, что даже при нулевом токе механическая стимуляция может приводить к вентрикулярной фибрилляции
[50]. Предельное значение 10 мкА легко достижимо и несущественно увеличивает РИСК вентрикулярной фибрилляции при проведении внутрисердечных процедур.
Выбор максимального значения тока 50 мкА, допускаемого при УСЛОВИИ ЕДИНИЧНОГО НАРУШЕНИЯ для МЭ ИЗДЕЛИЯ с РАБОЧИМИ ЧАСТЯМИ ТИПА CF, основывается на значении тока, который, как было установлено, в клинических условиях обладает достаточно низкой вероятностью возникновения вентрикулярной фибрилляции или нарушения насосной функции сердца.
Для катетеров диаметром 1,25 - 2 мм, предназначенных для работы в контакте с миокардом, вероятность появления тока 50 мкА, вызывающего вентрикулярную фибрилляцию, составляет примерно 0,01 (см.
рисунок 14 и пояснения к нему). С катетерами с малой площадью поперечного сечения (0,22 и 0,93 мм
2), используемыми в ангиографии, связаны большие вероятности возникновения вентрикулярной фибрилляции или нарушения насосной функции сердца, если их вводят непосредственно в наиболее чувствительные области сердца.
Полная вероятность возникновения вентрикулярной фибрилляции, вызываемой ТОКОМ УТЕЧКИ НА ПАЦИЕНТА при УСЛОВИИ ЕДИНИЧНОГО НАРУШЕНИЯ, равна 0,001 (0,1 - для вероятности возникновения УСЛОВИЯ ЕДИНИЧНОГО НАРУШЕНИЯ, 0,01 - для вероятности возникновения тока 50 мкА, приводящего к вентрикулярной фибрилляции) и эквивалентна вероятности, имеющей место только при механической стимуляции.
Ток 50 мкА, допускаемый при УСЛОВИИ ЕДИНИЧНОГО НАРУШЕНИЯ, возможно, не способен создать плотность тока, достаточную ни для стимуляции нервно-мышечных тканей, ни для образования некроза (при использовании постоянного тока).
Для МЭ ИЗДЕЛИЯ с РАБОЧИМИ ЧАСТЯМИ ТИПА B и РАБОЧИМИ ЧАСТЯМИ ТИПА BF, для которых максимально допустимый ТОК УТЕЧКИ НА ПАЦИЕНТА при УСЛОВИИ ЕДИНИЧНОГО НАРУШЕНИЯ составляет 500 мкА, применимы те же пояснения, что и для ТОКА УТЕЧКИ НА КОРПУС, поскольку этот ток не будет непосредственно протекать через сердце.
Поскольку наличие заземляющего соединения с ПАЦИЕНТОМ является НОРМАЛЬНЫМ СОСТОЯНИЕМ, то не только ДОПОЛНИТЕЛЬНЫЙ ТОК В ЦЕПИ ПАЦИЕНТА, но и ТОК УТЕЧКИ НА ПАЦИЕНТА может протекать в течение длительного времени. Во избежание некроза тканей необходимо обеспечивать достаточно низкое значение постоянного тока независимо от класса РАБОЧЕЙ ЧАСТИ.
Попадание СЕТЕВОГО НАПРЯЖЕНИЯ от источника с низким импедансом на СОЕДИНЕНИЯ С ПАЦИЕНТОМ с РАБОЧЕЙ ЧАСТЬЮ ТИПА F может происходить лишь при двойном выходе из строя защитных средств в другом МЭ ИЗДЕЛИИ, также присоединенном к ПАЦИЕНТУ и отвечающем требованиям настоящего стандарта или другого стандарта МЭК, либо при единичном выходе из строя защитного средства в изделии, не отвечающем требованиям настоящего стандарта. Само по себе это условие чрезвычайно маловероятно при правильном ведении медицинской практики.
Тем не менее остается вероятность попадания меньшего напряжения или ТОКА УТЕЧКИ от источника, имеющего напряжение холостого хода, близкого к СЕТЕВОМУ НАПРЯЖЕНИЮ.
Поскольку основной особенностью безопасности МЭ ИЗДЕЛИЯ с РАБОЧЕЙ ЧАСТЬЮ ТИПА F является то, что ПАЦИЕНТА не заземляют путем соединения с МЭ ИЗДЕЛИЕМ, электрическое разделение РАБОЧЕЙ ЧАСТИ ТИПА F с заземлением может иметь минимально допустимое качество. Это обеспечивается удовлетворением требования к тому, что предельное значение ТОКА УТЕЧКИ НА ПАЦИЕНТА на его СОЕДИНЕНИЯХ С ПАЦИЕНТОМ не будет превышено даже при гипотетическом попадании напряжения (с максимальным значением на частоте питающей сети) на заземление в месте эксплуатации МЭ ИЗДЕЛИЯ.
Для РАБОЧИХ ЧАСТЕЙ ТИПА CF ТОК УТЕЧКИ НА ПАЦИЕНТА будет ограничен 50 мкА, который не будет превышать указанный ток при УСЛОВИИ ЕДИНИЧНОГО НАРУШЕНИЯ.
Для РАБОЧИХ ЧАСТЕЙ ТИПА BF максимальный ТОК УТЕЧКИ НА ПАЦИЕНТА при этих условиях будет составлять 5 мА. Даже если этот ток будет попадать на грудную клетку, то он будет создавать плотность тока на сердце всего лишь 0,25 мкА/мм2. Хотя этот ток будет очень хорошо ощущаться ПАЦИЕНТОМ, вероятность инцидента будет оставаться весьма низкой. РИСК проявления вредных физиологических эффектов также будет оставаться малым, а МАКСИМАЛЬНОЕ СЕТЕВОЕ НАПРЯЖЕНИЕ, используемое в этом испытании, будет относиться к наименее благоприятному случаю, скорее чрезвычайному, чем вероятному на практике.
Полный ТОК УТЕЧКИ НА ПАЦИЕНТА
Значения ТОКА УТЕЧКИ НА ПАЦИЕНТА в настоящем стандарте относятся к единственной функции РАБОЧЕЙ ЧАСТИ ТИПА B или РАБОЧЕЙ ЧАСТИ ТИПА BF, или к единственному СОЕДИНЕНИЮ С ПАЦИЕНТОМ РАБОЧЕЙ ЧАСТИ ТИПА CF. При наличии нескольких функций или нескольких РАБОЧИХ ЧАСТЕЙ полный ТОК УТЕЧКИ НА ПАЦИЕНТА может быть значительно выше и представлять собой векторную сумму отдельных ТОКОВ УТЕЧКИ НА ПАЦИЕНТА, поэтому необходимо задавать и предельные значения для полного ТОКА УТЕЧКИ НА ПАЦИЕНТА. Эти требования заимствованы из МЭК 60601-2-49
[16].
Настоящий стандарт не устанавливает число РАБОЧИХ ЧАСТЕЙ, присоединяемых к одному ПАЦИЕНТУ. Считается, что число РАБОЧИХ ЧАСТЕЙ, присоединяемых к одному ПАЦИЕНТУ, может составлять от одного до пяти.
Полный ТОК УТЕЧКИ НА ПАЦИЕНТА для РАБОЧИХ ЧАСТЕЙ ТИПА CF
Для РАБОЧИХ ЧАСТЕЙ ТИПА CF ТОК УТЕЧКИ НА ПАЦИЕНТА в НОРМАЛЬНОМ СОСТОЯНИИ должен быть равен 10 мкА.
При рассмотрении нескольких функций РАБОЧЕЙ ЧАСТИ ТИПА CF необходимо учитывать следующее.
i) Ток, входящий в сердце ПАЦИЕНТА, может распределяться по всем СОЕДИНЕНИЯМ С ПАЦИЕНТОМ и не проходить через одну и ту же малую чувствительную область сердца.
j) Число СОЕДИНЕНИЙ С ПАЦИЕНТОМ, непосредственно контактирующих с тканями сердца, вряд ли будет выше трех. Соответственно ТОК УТЕЧКИ, входящий в отдельную малую область сердца, оказывается менее 50 мкА и может составлять от 15 до 20 мкА для получения алгебраической суммы этих токов, равной 50 мкА. Вероятность вентрикулярной фибрилляции, как это было указано в пояснениях для ТОКА УТЕЧКИ НА ПАЦИЕНТА, примерно равна 0,003, даже если все СОЕДИНЕНИЯ С ПАЦИЕНТОМ находятся в непосредственной близости друг от друга. Это значение не слишком отличается от вероятности 0,002, принятой для единственной РАБОЧЕЙ ЧАСТИ, непосредственно контактирующей с сердцем.
k) ТОК УТЕЧКИ от РАБОЧИХ ЧАСТЕЙ МЭ ИЗДЕЛИЯ, находящихся на поверхности тела, протекает, определенным образом распределяясь по нему. Согласно пояснениям, приведенным для ТОКА УТЕЧКИ НА ПАЦИЕНТА, ток 5 мА, попадающий на грудную клетку, будет создавать плотность тока на сердце порядка 0,025 мкА/мм
2.
По этой причине ток 50 мкА для общего ТОКА УТЕЧКИ НА ПАЦИЕНТА можно считать допустимым в НОРМАЛЬНОМ СОСТОЯНИИ.
Для УСЛОВИЯ ЕДИНИЧНОГО НАРУШЕНИЯ ТОК УТЕЧКИ для РАБОЧЕЙ ЧАСТИ ТИПА CF был увеличен до 0,1 мА. В пояснениях, приведенных для ТОКОВ УТЕЧКИ НА ПАЦИЕНТА, вероятность возникновения вентрикулярной фибрилляции от тока, непосредственно входящего в сердце, принимается равной 0,07. Вероятность возникновения УСЛОВИЯ ЕДИНИЧНОГО НАРУШЕНИЯ при этом задавалась равной 0,1, однако эта оценка была сделана более 10 лет назад. Благодаря совершенствованию конструкции МЭ ИЗДЕЛИЙ, использованию более надежных компонентов, более качественных материалов, а также применению МЕНЕДЖМЕНТА РИСКА в соответствии с ИСО 14971 и связанных с ними средств, таких как основанная на АНАЛИЗЕ РИСКА оценка ОПАСНОСТИ, вероятность возникновения УСЛОВИЯ ЕДИНИЧНОГО НАРУШЕНИЯ теперь должна приниматься гораздо более низкой и составлять по крайней мере 0,02. Вероятность вентрикулярной фибрилляции, таким образом, будет равна произведению 0,07·0,02 или 0,0014, что близко к значению, принятому для единичной РАБОЧЕЙ ЧАСТИ ТИПА CF.
Полный ТОК УТЕЧКИ НА ПАЦИЕНТА для РАБОЧИХ ЧАСТЕЙ ТИПА BF
Полный ТОК УТЕЧКИ НА ПАЦИЕНТА был увеличен до 500 мкА в НОРМАЛЬНОМ СОСТОЯНИИ и до 1000 мкА - при УСЛОВИИ ЕДИНИЧНОГО НАРУШЕНИЯ. Как было пояснено в
k), плотность тока в области сердца при токе 5000 мкА весьма мала, поэтому не должно оставаться никаких опасений ни при работе в НОРМАЛЬНОМ СОСТОЯНИИ, ни при УСЛОВИИ ЕДИНИЧНОГО НАРУШЕНИЯ.
Полный ТОК УТЕЧКИ НА ПАЦИЕНТА, вызванный попаданием внешнего напряжения на СОЕДИНЕНИЕ С ПАЦИЕНТОМ
Для РАБОЧИХ ЧАСТЕЙ ТИПА CF предельное значение было увеличено до 100 мкА. В пояснениях, приведенных для ТОКА УТЕЧКИ НА ПАЦИЕНТА, указывалось, что вероятность нарушения защитного заземления у МЭ ИЗДЕЛИЯ КЛАССА I равна 0,1 и что вероятность неисправности одного СЗ не превышает 0,1, однако эти оценки были сделаны более 10 лет назад. Как пояснялось выше, эти вероятности должны быть намного ниже и составлять не более 0,02. Вероятность попадания СЕТЕВОГО НАПРЯЖЕНИЯ на ПАЦИЕНТА поэтому будет равна 0,02·0,02, или 0,0004, что ниже вероятности 0,001, принятой во второй редакции МЭК 60601-1.
ДОПОЛНИТЕЛЬНЫЙ ТОК В ЦЕПИ ПАЦИЕНТА
Выбор допустимых значений ДОПОЛНИТЕЛЬНОГО ТОКА В ЦЕПИ ПАЦИЕНТА основан на тех же соображениях, что и для ТОКА УТЕЧКИ НА ПАЦИЕНТА. Они будут применимы независимо от того, необходим ли ДОПОЛНИТЕЛЬНЫЙ ТОК В ЦЕПИ ПАЦИЕНТА для функционирования МЭ ИЗДЕЛИЯ (например, импедансного плетизмографа) или нет. Более низкие значения токов заданы для постоянного тока с целью предотвращения некрозов тканей при длительном применении МЭ ИЗДЕЛИЯ.

- стандартное отклонение
Примечание - Для интерпретации данных см. оригинальные работы Starmer
[53] и Watson
[54].
Рисунок A.14 - Вероятность возникновения вентрикулярной
фибрилляции
В работах Стармера (Starmer
[53]) и Уотсона (Watson
[54]) приведены данные относительно вентрикулярной фибрилляции, вызываемой токами частотой 60 и 50 Гц, приложенными непосредственно к сердцу пациентов, страдающих кардиологическими заболеваниями. График вероятности возникновения вентрикулярной фибрилляции был построен в зависимости от диаметра
D электрода и значения тока
I. Как было установлено, для электродов диаметром 1,25 и 2 мм и токов до 0,3 мА распределение вероятности оказалось нормальным, поэтому оно экстраполировалось для охвата значений, обычно используемых при оценке РИСКА ПАЦИЕНТА (значения, указанные на
рисунке A.14). Из этого экстраполированного графика видно, что:
- любое значение тока, даже малое, обладает определенной вероятностью возникновения вентрикулярной фибрилляции;
- обычно используемые значения тока обладают малой вероятностью, лежащей в диапазоне от ~0,002 до 0,01.
Поскольку возникновение вентрикулярной фибрилляции зависит от многих факторов (состояния ПАЦИЕНТА, вероятности притекания тока к наиболее чувствительной области миокарда, вероятности фибрилляции как функции тока или плотности тока, физиологических параметров, электрического поля и др.), то для определения вероятности возникновения РИСКА при многих состояниях целесообразно использовать статистические данные.
Тепловое действие ТОКОВ УТЕЧКИ
Ток 10 мА не дает никакого ощущения нагрева типичного СОЕДИНЕНИЯ С ПАЦИЕНТОМ при площади контакта порядка 1 см
2, однако ток в несколько раз больше указанного может приводить к ожогу. РИСК получения ожога зависит от силы тока, но не от его частоты, поэтому ток должен измеряться с помощью измерителя без частотной коррекции, аналогичного показанному на
рисунке 12 a), но без конденсатора
C1 и резистора
R1.
ТОКИ УТЕЧКИ могут протекать через ПРОВОД РАБОЧЕГО ЗАЗЕМЛЕНИЯ. Это может привести к неожиданному РИСКУ, если ИЗДЕЛИЕ ЭЛЕКТРИЧЕСКОЕ КЛАССА II совмещено с ИЗДЕЛИЕМ ЭЛЕКТРИЧЕСКИМ КЛАССА I или с заземленным токосъемником, например с помощью МСС. Несмотря на то, что верное применение "правил" для сборки МЭ СИСТЕМЫ позволяет устранить этот РИСК, вносимый РИСК может быть смягчен путем ограничения допустимого ТОКА УТЕЧКИ в ПРОВОДЕ РАБОЧЕГО ЗАЗЕМЛЕНИЯ.
Для получения правильных результатов при измерении ТОКА УТЕЧКИ существенно иметь в измерительной цепи общую контрольную точку, которая должна быть электрически связана со всеми частями этой цепи. Кроме того, измеренный ТОК УТЕЧКИ может различаться в зависимости от конкретной системы питания. Например, если МЭ ИЗДЕЛИЕ, предназначенное для присоединения к системе питания, одна фаза которой находится под потенциалом земли, вместо этого соединяется с системой питания, имеющей две симметричные фазы (такой, как, например, принятая в США система электропитания с напряжением 230 В), измеряемый ТОК УТЕЧКИ будет намного ниже, чем в наименее благоприятном случае. Если ПИТАЮЩАЯ СЕТЬ помещения, в котором проводятся измерения, не относится к наименее благоприятному случаю, то должна быть установлена специализированная цепь питания, которая может быть реализована с помощью разделительного трансформатора с соответствующей точкой во ВТОРИЧНОЙ ЦЕПИ, связанной с общей точкой. Точные и воспроизводимые результаты измерений ТОКА УТЕЧКИ могут также получаться и без использования разделительного трансформатора, однако они будут зависеть от качества ПИТАЮЩЕЙ СЕТИ, используемой при измерениях. Факторы, которые при этом необходимо принимать во внимание, - это переходные процессы, помехи и различия напряжений между нулевым проводом и заземлением измерительной цепи.
Символы заземления на
рисунках F.1 -
F.5 относятся к общей точке, которая не должна соединяться с защитным заземлением ПИТАЮЩЕЙ СЕТИ и поэтому может обеспечивать дополнительную защиту лица, выполняющего измерения.
Регулируемый трансформатор напряжения должен обеспечивать выдачу напряжения, равного 110% от НОРМИРОВАННОГО напряжения питания МЭ ИЗДЕЛИЯ. Хотя можно проводить испытание и с помощью СЕТЕВОГО НАПРЯЖЕНИЯ, обычно имеющегося в помещении для испытаний, и умножать измеренный ТОК УТЕЧКИ на соответствующий коэффициент, однако при этом не всегда можно получать те же результаты, что и с подачей 110% от НОРМИРОВАННОГО питающего напряжения, особенно в МЭ ИЗДЕЛИИ с импульсными источниками питания.
Выключатели S
1, или S
1 + S
2, или S
1 + S
2 + S
3, изображенные на
рисунках F.1 -
F.4, могут быть исключены, а отсоединение соответствующих проводов может осуществляться другими средствами.
Вместо однофазного или многофазного разделительного трансформатора с регулируемым выходным напряжением (напряжениями), показанного на
рисунках F.1 -
F.5, можно использовать сочетание разделительного трансформатора с набором выходных напряжений и автотрансформатора с регулируемым выходным напряжением.
Хотя маловероятно, что МЭ ИЗДЕЛИЕ будет эксплуатироваться при его размещении на или в заземленном металлическом рабочем месте, такое расположение предпочтительно для воспроизводимости результатов испытаний. Поэтому, как правило, следует принимать во внимание рекомендации, приведенные в
8.7.4.3 d) 1).
Поскольку кабели ПАЦИЕНТА могут иметь значительную емкость относительно земли (что может оказывать существенное влияние на результаты испытаний), то для получения воспроизводимых результатов перед испытаниями необходимо задавать их положение.
Разделительный трансформатор в измерительной цепи питания должен обеспечивать дополнительную защиту лица, проводящего измерения, и повышенную точность измерений ТОКА УТЕЧКИ, однако нет никакой необходимости в использовании этого трансформатора при измерении ТОКА УТЕЧКИ. В ряде случаев, например для МЭ ИЗДЕЛИЯ или МЭ СИСТЕМ с большой входной мощностью, применение разделительного трансформатора неоправданно. При измерении ТОКА УТЕЧКИ без разделительного трансформатора ИЗГОТОВИТЕЛЬ должен иметь в виду:
- возможность экстраполяции ТОКА УТЕЧКИ для напряжения, равного 110% от НОРМИРОВАННОГО напряжения питания;
- влияние токов, которые вызываются разностями напряжения между защитным заземлением и нулевым проводом питающей сети МЭ ИЗДЕЛИЯ или МЭ СИСТЕМ с несколькими СОЕДИНЕНИЯМИ С ЗАЩИТНЫМ ЗАЗЕМЛЕНИЕМ.
Измерения без разделительного трансформатора могут давать показания ТОКА УТЕЧКИ, превышающие таковые при использовании этого трансформатора.
Подпункт 8.7.4.5 - Измерение ТОКА УТЕЧКИ НА ЗЕМЛЮ и тока в СОЕДИНЕНИИ С РАБОЧИМ ЗАЗЕМЛЕНИЕМ
Измерительное устройство соответствует методу измерения, который принимает во внимание физиологические эффекты протекания тока через тело человека, включая его сердце, а также возможность контакта (с малым импедансом) СОЕДИНЕНИЯ С ПАЦИЕНТОМ с самим ПАЦИЕНТОМ. Хотя в МЭК 60990
[20] описаны некоторые измерительные устройства общего применения, однако ни одно из них непригодно для измерения ТОКА УТЕЧКИ НА ПАЦИЕНТА. Поскольку измерительное устройство, описанное во второй редакции настоящего стандарта, остается допустимым для этой цели, то целесообразно использовать одно и то же устройство для измерения всех ТОКОВ УТЕЧКИ, за исключением измерений токов или их компонентов на частотах выше 1 кГц (в зависимости от предельного значения тока 10 мА, указанного в
8.7.3 d).
В случае, когда металлическую фольгу необходимо прикладывать к КОРПУСУ, изготовленному из изоляционного материала, плотный контакт может достигаться путем прижатия фольги к изолирующему материалу с усилием порядка 5 кПа (или 0,5 Н/см2).
Данное испытание должно подтверждать, что электрическое разделение СОЕДИНЕНИЙ С ПАЦИЕНТОМ обеспечивает получение допустимого предельного значения ТОКА УТЕЧКИ НА ПАЦИЕНТА при наличии внешнего напряжения.
Если РАБОЧАЯ ЧАСТЬ может отсоединяться от МЭ ИЗДЕЛИЯ, то существует вероятность того, что его соединитель может прикасаться к заземленным объектам, однако на подобную ситуацию распространяется испытание согласно
8.5.2.3, а не
8.7.4.7 b), которое применимо к случаю измерения МЭ ИЗДЕЛИЯ вместе с его РАБОЧЕЙ ЧАСТЬЮ.
Металлическая фольга размером 20 x 10 см соответствует размеру руки человека. Для некоторых МЭ ИЗДЕЛИЙ площадь контакта выбирают большей; в этом случае размер фольги также может быть увеличен.
Некоторые из испытаний, указанных во второй редакции настоящего стандарта, связаны с возможным попаданием СЕТЕВОГО НАПРЯЖЕНИЯ на СИГНАЛЬНЫЙ ВХОД или на СИГНАЛЬНЫЙ ВЫХОД (которые, как это определено в данной редакции, теперь объединены в единый термин СИГНАЛЬНЫЙ ВХОД/ВЫХОД). Допускались различные исключения, однако в их отсутствие это условие расценивалось как УСЛОВИЕ ЕДИНИЧНОГО НАРУШЕНИЯ. Допущение, принятое в третьей редакции настоящего стандарта, состоит в том, что если ЭКСПЛУАТАЦИОННЫЕ ДОКУМЕНТЫ не содержат никаких ограничений на присоединение других изделий к СИГНАЛЬНОМУ ВХОДУ/ВЫХОДУ, то наличие МАКСИМАЛЬНОГО СЕТЕВОГО НАПРЯЖЕНИЯ следует рассматривать как НОРМАЛЬНОЕ СОСТОЯНИЕ.
Вместо разделительного трансформатора T
2 (рисунок 17) с регулируемым выходным напряжением (напряжениями) можно использовать сочетание разделительного трансформатора с набором выходных напряжений и автотрансформатора с регулируемым выходным напряжением.
Испытание с внешним напряжением, прикладываемым к незаземленным металлическим ДОСТУПНЫМ ЧАСТЯМ, отражает требование
8.5.2.2 к изоляции между этими частями и незаземленными СОЕДИНЕНИЯМИ С ПАЦИЕНТОМ с РАБОЧИМИ ЧАСТЯМИ ТИПА B.
Для РАБОЧИХ ЧАСТЕЙ ТИПА BF данное испытание проводят вместе с испытанием согласно
8.7.4.7 b) посредством испытания изоляции между СОЕДИНЕНИЯМИ С ПАЦИЕНТОМ и другими частями МЭ ИЗДЕЛИЯ (из-за того, что ТОК УТЕЧКИ НА ПАЦИЕНТА может не оставаться одним и тем же в этих двух ситуациях и при различных предельных значениях).
Вместо разделительного трансформатора T
2 (рисунок 18) с регулируемым выходным напряжением (напряжениями) можно использовать сочетание разделительного трансформатора с набором выходных напряжений и автотрансформатора с регулируемым выходным напряжением.
Необходимо принимать меры к тому, чтобы емкостное сопротивление измерительного устройства и его соединительных проводов относительно земли и тела пациента в МЭ ИЗДЕЛИИ поддерживалось на минимально возможном уровне.
Как было указано в
пояснениях к 8.7.3, попадание МАКСИМАЛЬНОГО СЕТЕВОГО НАПРЯЖЕНИЯ на ПАЦИЕНТА представляет собой наименее благоприятный случай, который скорее относится к аварийному, чем вероятному для практики, а допустимый ТОК УТЕЧКИ НА ПАЦИЕНТА для РАБОЧЕЙ ЧАСТИ ТИПА BF в этой ситуации будет равен 5 мА. Отмечалось, что попадание СЕТЕВОГО НАПРЯЖЕНИЯ на незаземленную ДОСТУПНУЮ ЧАСТЬ может приводить к протеканию ТОКА УТЕЧКИ НА ПАЦИЕНТА до 5 мА с СОЕДИНЕНИЙ С ПАЦИЕНТОМ с РАБОЧЕЙ ЧАСТЬЮ ТИПА BF, тогда как в той же самой ситуации для РАБОЧЕЙ ЧАСТИ ТИПА B (которая в общем случае обеспечивает более низкий уровень безопасности) допускается только ток 500 мкА. Для разрешения этого противоречия испытание согласно
8.7.4.7 d) с подачей напряжения, составляющего 110% от МАКСИМАЛЬНОГО СЕТЕВОГО НАПРЯЖЕНИЯ, на незаземленную ДОСТУПНУЮ ЧАСТЬ также следует проводить для РАБОЧИХ ЧАСТЕЙ ТИПА BF. При этом допустимый ТОК УТЕЧКИ НА ПАЦИЕНТА должен быть равен 500 мкА при УСЛОВИИ ЕДИНИЧНОГО НАРУШЕНИЯ.
Нет никакой необходимости в выполнении испытания согласно
8.7.4.7 d) для РАБОЧИХ ЧАСТЕЙ ТИПА CF, потому что для них применимо то же допустимое значение 50 мкА, что и для испытания согласно
8.7.4.7 b).
Данное требование является компромиссным между требованием проведения расширенного испытания, которое для большинства МЭ ИЗДЕЛИЙ не приводило бы к получению какой-либо полезной информации, и отсутствием определенного требования при рассмотрении этого РИСКА.
Большая часть РАБОЧИХ ЧАСТЕЙ ТИПА B заземлена, поэтому измерение согласно
8.7.4.7 g) (при СОЕДИНЕНИЯХ С ПАЦИЕНТОМ, выполняющих одну и ту же функцию и непосредственно соединенных вместе) будет давать тот же результат, что и при измерении согласно
8.7.4.7 h) - при СОЕДИНЕНИЯХ С ПАЦИЕНТОМ РАБОЧИХ ЧАСТЕЙ одного и того же типа. Если результаты этих измерений находятся в пределах, установленных для ТОКОВ УТЕЧКИ НА ПАЦИЕНТА, то они, конечно, будут лежать в пределах полного ТОКА УТЕЧКИ НА ПАЦИЕНТА. Однако могут иметься РАБОЧИЕ ЧАСТИ ТИПА B без непосредственного заземления, и в этом случае измеренные значения могут различаться.
Это требование было введено во втором дополнении ко второй редакции настоящего стандарта и относится к РИСКУ, который может возникать, например, для изделия, предназначенного для измерения физиологических сигналов, когда усилитель возбуждает один из электродов для снижения уровня синфазной помехи. Если один из чувствительных электродов отсоединен от ПАЦИЕНТА и получает большое напряжение на частоте сети, то усилитель может выдавать большой ток на ПАЦИЕНТА в попытке подавить эту помеху.
Данное требование является компромиссным между требованием проведения расширенного испытания, которое для большинства МЭ ИЗДЕЛИЙ не приводило бы к получению какой-либо полезной информации, и отсутствием определенного требования при рассмотрении этого РИСКА.
Впоследствии в МЭК 60601-2-49:2001
[16] был введен всесторонний набор испытаний, которые следует проводить для всех изделий в области применимости настоящего стандарта и включать измерение тока, именуемого в этом стандарте "ЧАСТИЧНЫМ ТОКОМ УТЕЧКИ" МЭ ИЗДЕЛИЯ. Это ток, протекающий между СОЕДИНЕНИЯМИ С ПАЦИЕНТОМ, выполняющими одну и ту же функцию, и СОЕДИНЕНИЯМИ С ПАЦИЕНТОМ, выполняющими другую функцию (функции), на которые распространяются требования настоящего стандарта, путем пересмотра определения ДОПОЛНИТЕЛЬНОГО ТОКА В ЦЕПИ ПАЦИЕНТА.
При обсуждении настоящего общего стандарта приводились соображения относительно объединения этих испытаний, однако было принято решение о том, что такое специфическое испытание должно быть включено в частные стандарты. Имеющие к ним отношение условия, например наличие СОЕДИНЕНИЙ С ПАЦИЕНТОМ, выполняющих одну и ту же функцию и подсоединенных к ПАЦИЕНТУ (когда СОЕДИНЕНИЯ С ПАЦИЕНТОМ, выполняющие различные функции, не используются), которые способны вступать в контакт с заземлением или другими объектами, могут возникать с многофункциональными мониторами ПАЦИЕНТА, но вряд ли с большинством других видов МЭ ИЗДЕЛИЙ.
Рисунок A.15, основанный на рисунке KK.101 в МЭК 60601-2-49:2001
[16], иллюстрирует измерение ТОКА УТЕЧКИ НА ПАЦИЕНТА с РАБОЧЕЙ ЧАСТИ ТИПА BF, выполняющей одну функцию, когда СОЕДИНЕНИЯ С ПАЦИЕНТОМ, выполняющие другую функцию для той же РАБОЧЕЙ ЧАСТИ и двух РАБОЧИХ ЧАСТЕЙ ТИПА CF, заземлены или находятся под "плавающим" потенциалом.
Все измерения проводят при замкнутом переключателе S14 и еще раз - при разомкнутом переключателе S14.
Рисунок A.15 - Пример цепи для измерения ТОКА УТЕЧКИ
НА ПАЦИЕНТА от СОЕДИНЕНИЯ С ПАЦИЕНТОМ на заземление
для МЭ ИЗДЕЛИЯ с несколькими СОЕДИНЕНИЯМИ С ПАЦИЕНТОМ
Следует принимать меры к тому, чтобы прикладываемое к УСИЛЕННОЙ ИЗОЛЯЦИИ напряжение не приводило к перегрузке ни одного СРЕДСТВА ЗАЩИТЫ в МЭ ИЗДЕЛИИ. При наличии нескольких путей прохождения тока между одними и теми же точками они могут при необходимости проверяться по отдельности. Ими могут быть, например, путь от СЕТЕВОЙ ЧАСТИ к СОЕДИНЕНИЮ С ПАЦИЕНТОМ, имеющему ОСНОВНУЮ ИЗОЛЯЦИЮ, а также СОЕДИНЕНИЕ С ЗАЩИТНЫМ ЗАЗЕМЛЕНИЕМ, а также через изоляцию СОЕДИНЕНИЙ С ПАЦИЕНТОМ, как того требует
8.5.2.1, и параллельный путь через УСИЛЕННУЮ ИЗОЛЯЦИЮ. Части МЭ ИЗДЕЛИЯ могут при необходимости разъединяться для испытаний УСИЛЕННОЙ ИЗОЛЯЦИИ без перегрузки отдельной изоляции СЕТЕВОЙ ЧАСТИ или СОЕДИНЕНИЙ С ПАЦИЕНТОМ.
Этого разъединения можно избежать, например, путем использования трансформатора с делителем напряжения и с точкой отвода, соединенной с сердечником, или с некоторыми другими точками для гарантии правильного распределения напряжения по фактической изоляции, или же при помощи двух правильно сфазированных испытательных трансформаторов.
Подпункт 8.8.2 - Расстояние сквозь твердую изоляцию или использование тонкого листового материала
Вторая редакция настоящего стандарта не содержит никаких ограничений на толщину твердой изоляции, кроме определенной в 57.9.4 e) для трансформаторов и при необходимости использования изоляции, на которую распространяются требования пункта 20 к толщине, которая будет выдерживать испытание на электрическую прочность изоляции. Достаточно тонкий слой изоляционного материала может выдерживать это испытание, но не может обеспечивать надежную изоляцию в течение ОЖИДАЕМОГО СРОКА СЛУЖБЫ всех выпускаемых компонентов.
В некоторых отзывах национальных комитетов, присланных в процессе разработки настоящей редакции стандарта, предлагалось ввести соответствующие требования, заимствованные из МЭК 60950-1, для устранения имеющихся упущений. Рабочие группы WG 14 (Испытания) и WG 16 (Электрические опасности) рекомендовали принять указанные предложения.
Эти требования содержались в МЭК 60950-1 в течение многих лет, не создавая проблем. Они не должны стать обременительными на практике для МЭ ИЗДЕЛИЯ. Действительно, большая часть МЭ ИЗДЕЛИЙ, разработанных в соответствии с предыдущими редакциями этого стандарта, отвечала им.
Введенные требования технически эквивалентны требованиям МЭК 60950-1:2005, однако их редакционная структура была изменена для внесения большей ясности следующим образом:
- МЭК 60950-1:2005 определяет общие требования к пути через изоляцию, за исключением случая напряжений до 71 В, чтобы подчеркнуть применение напряжения выше 71 В;
- в МЭК 60950-1:2005 установлены исключения из требований к путям через изоляцию, которые относятся к тонкому листовому материалу, и перенесены в другой подпункт, однако этот подпункт явно не относится к предельному напряжению 71 В. Это требование было уточнено для тонкого листового материала как альтернатива требованию к толщине изоляции при сохранении той же вводной формулировки;
- в МЭК 60950-1:2005 указано, что "изоляция тонкими листовыми материалами допускается при условии, что" будут выполняться определенные условия. Это требование было изменено на явное требование о том, что изоляция тонкими листовыми материалами должна удовлетворять этим условиям;
- МЭК 60950-1:2005 требует, чтобы изоляция тонкими листовыми материалами "использовалась в КОРПУСЕ изделия", однако в настоящем стандарте КОРПУС определен как включающий все внешние поверхности, в том числе поверхности кабелей, РАБОЧИЕ ЧАСТИ и т.д., поэтому предыдущее требование было переформулировано.
В других местах настоящего стандарта термины "ДОПОЛНИТЕЛЬНАЯ ИЗОЛЯЦИЯ" и "УСИЛЕННАЯ ИЗОЛЯЦИЯ" были главным образом заменены ссылками на СРЕДСТВО ЗАЩИТЫ, но здесь они были сохранены, поскольку, как и в МЭК 60950-1:2005, требования к пути через изоляцию и использованию тонкого листового материала относятся к ДОПОЛНИТЕЛЬНОЙ ИЗОЛЯЦИИ и к УСИЛЕННОЙ ИЗОЛЯЦИИ, а не к ОСНОВНОЙ ИЗОЛЯЦИИ. Таким образом, эти требования не предъявляют в тех случаях, когда ОСНОВНАЯ ИЗОЛЯЦИЯ как одно СРЕДСТВО ЗАЩИТЫ используется в сочетании с СОЕДИНЕНИЕМ С ЗАЩИТНЫМ ЗАЗЕМЛЕНИЕМ как с другим СРЕДСТВОМ ЗАЩИТЫ. В случае использования ДВОЙНОЙ ИЗОЛЯЦИИ эти требования предъявляют к любой составной части, считающейся ДОПОЛНИТЕЛЬНОЙ ИЗОЛЯЦИЕЙ.
Компоненты, разработанные для ограничения напряжения, по возможности должны быть отключены для приложения полного испытательного напряжения к испытываемой изоляции.
Целью данного испытания является проверка всей твердой изоляции при наименее благоприятных условиях после достижения МЭ ИЗДЕЛИЕМ рабочей температуры. Для нагревательных элементов наименее благоприятный случай будет иметь место при их нагреве в процессе измерений.
Указанные испытательные напряжения соответствуют только твердой изоляции. Промежутки (ПУТИ УТЕЧКИ и ВОЗДУШНЫЕ ЗАЗОРЫ) оценены в
8.9. МЭК 60664-1 содержит подробные сведения о методах электрических испытаний для определения допустимых промежутков с помощью импульсных методов испытаний на электрическую прочность диэлектриков, которые могут использоваться согласно МЭК 60950-1 с целью определения путей для СЗО, но не для СЗП. МЭК 60664-1 установил, что испытание на электрическую прочность изоляции типа 2U + 1000 В "неуместно для испытания зазоров".
Поскольку испытание на электрическую прочность изоляции проводят сразу же после предварительной выдержки МЭ ИЗДЕЛИЯ в камере влажности, то следует принимать соответствующие меры предосторожности для защиты персонала лаборатории.
В
таблице 6 значения, относящиеся к защите ОПЕРАТОРА, заимствованы из МЭК 60950-1:2005, а значения, относящиеся к защите ПАЦИЕНТА, - из второй редакции МЭК 60601-1. При формировании этой таблицы использовались три принципа:
- значения для СЗП всегда должны превышать значения для СЗО;
- сетевые цепи подвержены переходным процессам перенапряжения, подробно указанным в
таблице 10. Во ВТОРИЧНЫХ ЦЕПЯХ уровень переходных процессов перенапряжения по крайней мере на один порядок ниже, чем для сетевых цепей;
- значение испытательного напряжения будет определяться прежде всего напряжением переходных процессов в ПИТАЮЩЕЙ СЕТИ, которое обычно на несколько порядков превышает РАБОЧЕЕ НАПРЯЖЕНИЕ.
Для согласования со второй редакцией МЭК 60601-1 при изменении обычного РАБОЧЕГО НАПРЯЖЕНИЯ с 220 Вэфф до 240 Вэфф испытательное напряжение 4000 Вэфф было сохранено даже при учете того обстоятельства, что оно более чем вдвое превышает испытательное напряжение для одного СЗП. Однако каждое отдельное СЗП должно выдерживать испытательное напряжение не менее 1500 Вэфф.
Информация о включении требований МЭК 62368-1:2018 в изменение 2:
В соответствии с МЭК 62368-1:2018 минимальное требование к диэлектрической прочности для оборудования, работающего от сети, с напряжением питания от сети до 250 В
эфф включительно для УСИЛЕННОЙ ИЗОЛЯЦИИ (2 СЗО) составляет 4 кВ (МЭК 62368-1:2018, таблица 27).
Таблица 6 была проанализирована, и было определено, что РАБОЧЕЕ НАПРЯЖЕНИЕ (пиковое или постоянное) до 1 293 В требует испытания на диэлектрическую прочность, менее или равную 4 кВ
пик для 1 СЗП.
В соответствии с МЭК 62368-1:2018 минимальное требование к диэлектрической прочности для сетевого оборудования с напряжением питания от 250 до 600 В
эфф включительно для УСИЛЕННОЙ ИЗОЛЯЦИИ (2 СЗО) составляет 5 кВ (МЭК 62368-1:2018, таблица 27).
Таблица 6 была проанализирована, и было определено, что РАБОЧЕЕ НАПРЯЖЕНИЕ (пиковое или постоянное) до 2172 В требует испытания на диэлектрическую прочность, менее или равную 5 кВ
пик для 1 СЗП.
Для более высоких ПИКОВЫХ РАБОЧИХ НАПРЯЖЕНИЙ необходимо изучить информацию об оборудовании (узле/компоненте), которое было протестировано в соответствии с МЭК 62368-1:2018, чтобы определить, соответствует ли применяемое испытание на электрическую прочность [МЭК 62368-1:2018, таблицы 25 - 27 (включительно)] для усиленной изоляции минимальным требованиям из
таблицы 6, если требуется 1 СЗП.
Прямое сравнение требований настоящего стандарта и стандарта МЭК 62368-1:2018 по диэлектрической прочности (электрическая прочность - термин, используемый в стандарте МЭК 62368-1:2018) невозможно без знания базового "напряжения". "Напряжение" - это либо ожидаемое переходное напряжение (МЭК 62368-1:2018, таблица 25), либо пик рабочего напряжения и повторяющиеся пиковые напряжения (МЭК 62368-1:2018, таблица 26), либо временное перенапряжение (МЭК 62368-1:2018, таблица 27). Знание этих напряжений позволяет определить значения из каждой таблицы; применяемое требование - это наибольшее значение из трех таблиц, но для оборудования, подключенного к номинальной ПИТАЮЩЕЙ СЕТИ до 250 Вэфф включительно, минимальное испытательное напряжение будет составлять 4 кВпик, а для номинального напряжения сети питания выше 250 до 600 Вэфф включительно минимальное испытательное напряжение будет составлять 5 кВпик.
Испытательное напряжение может создаваться трансформатором, источником постоянного тока или трансформатором (трансформаторами) самого МЭ ИЗДЕЛИЯ. В последнем случае во избежание перегрева испытательное напряжение может иметь частоту, превышающую НОРМИРОВАННУЮ частоту МЭ ИЗДЕЛИЯ.
ПРОЦЕДУРА и продолжительность испытания РАБОЧИМ НАПРЯЖЕНИЕМ не ниже 1000 В для переменного тока или 1500 В постоянного или импульсного тока могут быть затем определены в частных стандартах.
Испытания, касающиеся воспламеняемости материалов, могут быть найдены в МЭК 60695-11-10.
Для МЭ ИЗДЕЛИЯ, предназначенного для работы от ПИТАЮЩЕЙ СЕТИ, требования к ВОЗДУШНОМУ ЗАЗОРУ и электрической прочности изоляции основаны на ожидаемых при переходных процессах перенапряжениях, которые могут переходить в МЭ ИЗДЕЛИЕ из ПИТАЮЩЕЙ СЕТИ. Согласно МЭК 60664-1 характеристики этих переходных процессов определяются стандартным напряжением питания и конфигурацией системы питания. Согласно МЭК 60664-1 переходные процессы разбиты на четыре категории, названные
категориями перенапряжения I -
IV (также известные как категории установок I - IV). В других местах настоящего стандарта принята
категория перенапряжения II.
Конструкции твердой изоляции и ВОЗДУШНЫХ ЗАЗОРОВ должны быть скоординированы таким способом, чтобы при возникновении переходного процесса с перенапряжением, превышающим предельное значение для перенапряжения
категории II, твердая изоляция выдерживала более высокие напряжения, чем ВОЗДУШНЫЕ ЗАЗОРЫ.
Значения, приведенные в
таблицах 13 -
15, соответствуют указанным в МЭК 60950-1:2005 для перенапряжений
категории II и СЕТЕВЫХ ЧАСТЕЙ МЭ ИЗДЕЛИЯ, а также для перенапряжений
категории I - для его ВТОРИЧНЫХ ЦЕПЕЙ. Если МЭ ИЗДЕЛИЕ предназначено для эксплуатации в местах, где в ПИТАЮЩЕЙ СЕТИ возможны перенапряжения
категории III или
IV, то приведенные в этих таблицах значения будут неприменимы.
Для изоляции между КОРПУСОМ и СОЕДИНЕНИЕМ С ПАЦИЕНТОМ с РАБОЧЕЙ ЧАСТЬЮ ТИПА F применимы особые правила.
1) В случае применения РАБОЧЕЙ ЧАСТИ ТИПА F, не имеющей различий по напряжению, изоляция между СОЕДИНЕНИЯМИ С ПАЦИЕНТОМ и КОРПУСОМ будет подвергаться воздействию только со стороны СЕТЕВОГО НАПРЯЖЕНИЯ при возникновении неисправности в другом изделии, присоединенном к ПАЦИЕНТУ.
Подобная ситуация возникает достаточно редко; кроме того, эта изоляция редко подвергается перенапряжению при переходных процессах, возникающих в СЕТЕВОЙ ЧАСТИ, поэтому необходимая изоляция между РАБОЧЕЙ ЧАСТЬЮ и КОРПУСОМ должна удовлетворять только требования, предъявляемые к ОСНОВНОЙ ИЗОЛЯЦИИ.
2) В случае применения РАБОЧЕЙ ЧАСТИ ТИПА F, содержащей различия по напряжению, подсоединение СОЕДИНЕНИЯ С ПАЦИЕНТОМ к заземлению через заземление ПАЦИЕНТА (в НОРМАЛЬНОМ СОСТОЯНИИ) будет подвергаться воздействию со стороны напряжения между другими частями МЭ ИЗДЕЛИЯ в пределах РАБОЧЕЙ ЧАСТИ и КОРПУСОМ МЭ ИЗДЕЛИЯ.
Поскольку это напряжение может появляться в НОРМАЛЬНОМ СОСТОЯНИИ, хотя и нечасто, соответствующая изоляция должна удовлетворять требования, предъявляемые к ДВОЙНОЙ ИЗОЛЯЦИИ или УСИЛЕННОЙ ИЗОЛЯЦИИ.
3) Применяемое значение должно быть максимальным из значений, определенных согласно
перечислениям 1) и
2).
В отсутствие доступных теоретических оценок было решено, что значения напряжений свыше 1000 В будут заимствованы из таблицы 7 МЭК 61010-1:2001
[22] для ПУТЕЙ УТЕЧКИ - из столбцов для группы материалов IIIa-b и степени загрязнения 3, которые коррелируют с существующими значениями, приведенными во второй редакции МЭК 60601-1 (или же немного более строгими). Значения ВОЗДУШНЫХ ЗАЗОРОВ оценивались на основе соотношений между путями утечки и промежутками для напряжений ниже 1000 В (среднеквадратическое значение), которые заимствованы из
таблицы 12 и приведены в
таблице A.1.
Таблица A.1
Значения ВОЗДУШНЫХ ЗАЗОРОВ и ПУТЕЙ УТЕЧКИ (заимствованные
РАБОЧЕЕ НАПРЯЖЕНИЕ (постоянного тока), В, не более | РАБОЧЕЕ НАПРЯЖЕНИЕ (среднеквадратическое значение), В, не более | Промежуток, обеспечивающий ОДНО СРЕДСТВО ЗАЩИТЫ ПАЦИЕНТА, мм | Промежуток, обеспечивающий ДВА СРЕДСТВА ЗАЩИТЫ ПАЦИЕНТА, мм |
ВОЗДУШНЫЙ ЗАЗОР | ПУТЬ УТЕЧКИ | ВОЗДУШНЫЙ ЗАЗОР | ПУТЬ УТЕЧКИ |
1500 | 1250 | 11,5 | 20 | 23,0 | 40 |
1920 | 1600 | 14,5 | 25 | 29,0 | 50 |
2400 | 2000 | 18,5 | 32 | 37,0 | 64 |
3000 | 2500 | 23,0 | 40 | 46,0 | 80 |
3840 | 3200 | 29,0 | 50 | 58,0 | 100 |
4800 | 4000 | 36,0 | 63 | 72,0 | 126 |
6000 | 5000 | 46,0 | 80 | 92,0 | 160 |
7560 | 6300 | 57,0 | 100 | 114,0 | 200 |
9600 | 8000 | 71,5 | 125 | 143,0 | 250 |
12 000 | 10 000 | 91,5 | 160 | 183,0 | 320 |
Таблица 16, приведенная во второй редакции МЭК 60601-1, была разбита на пять - на
таблицы 12 -
16 (включительно). Для согласования с данными таблиц, полученными из других стандартов типа МЭК 60950-1, коэффициент пересчета между переменным и постоянным напряжением был изменен с 1,2 до ~ 1,4. Это смягчение требований было принято как общий подход, принятый в других стандартах; оно предотвращает возникновение различий в ПУТЯХ УТЕЧКИ или ВОЗДУШНЫХ ЗАЗОРАХ в цепях, где имеется постоянное напряжение, выпрямленное из переменного напряжения.
В
таблице A.2 приведены значения ПУТЕЙ УТЕЧКИ для РАБОЧИХ НАПРЯЖЕНИЙ свыше 1000 В, заимствованные из МЭК 60664-1:2007 (таблицы F.4).
Таблица A.2
ПУТИ УТЕЧКИ, необходимые для предотвращения нарушений
в соответствии с МЭК 60664-1
РАБОЧЕЕ НАПРЯЖЕНИЕ, В (среднеквадратическое или постоянное значение) | Промежуток для одного СРЕДСТВА ЗАЩИТЫ ОПЕРАТОРА, мм |
Степень загрязнения |
| | |
для группы материалов | для группы материалов | для группы материалов |
| | | | | | |
1250 | Использование ВОЗДУШНОГО ЗАЗОРА из соответствующей таблицы | 6,3 | 9,0 | 12,5 | 16,0 | 18,0 | 20,0 |
1600 | 8,0 | 11,0 | 16,0 | 20,0 | 22,0 | 25,0 |
2000 | 10,0 | 14,0 | 20,0 | 25,0 | 28,0 | 32,0 |
2500 | 12,5 | 18,0 | 25,0 | 32,0 | 36,0 | 40,0 |
3200 | 16,0 | 22,0 | 32,0 | 40,0 | 45,0 | 50,0 |
4000 | 20,0 | 28,0 | 40,0 | 50,0 | 56,0 | 63,0 |
5000 | 25,0 | 36,0 | 50,0 | 63,0 | 71,0 | 80,0 |
6300 | 32,0 | 45,0 | 63,0 | 80,0 | 90,0 | 100,0 |
8000 | 40,0 | 56,0 | 80,0 | 100,0 | 110,0 | 125,0 |
10000 | 50,0 | 71,0 | 100,0 | 125,0 | 140,0 | 160,0 |
При выборе значений ПУТЕЙ УТЕЧКИ и ВОЗДУШНЫХ ЗАЗОРОВ необходимо помнить, что напряжение выражается в форме максимальных, постоянных и среднеквадратических значений, поэтому важно тщательно изучать данные таблиц.
В таблицах для СЗО приведены значения, заимствованные из МЭК 60950-1:2005 и основанные на следующих основных принципах, сформулированных в МЭК 60664-1:
- "Основой для определения ПУТИ УТЕЧКИ является установившееся среднеквадратическое значение напряжения, действующего через него";
- "ВОЗДУШНЫЕ ЗАЗОРЫ должны иметь такие размеры, чтобы они выдерживали требуемое импульсное напряжение", которое является "максимальным (пиковым) значением выдерживаемого напряжения".
Однако в таблицах для СЗП, заимствованных из второй редакции МЭК 60601-1, пути и зазоры были приведены со среднеквадратическим или постоянным значением напряжения.
Подпункт 8.9.1.2 - Пути утечки и воздушные зазоры с соблюдением МЭК 60950-1 или МЭК 62368-1
В ходе рассмотрения различий между требованиями настоящего стандарта и МЭК 62368-1:2018 был определен сценарий, в котором значения ВОЗДУШНОГО ЗАЗОРА, требуемые МЭК 62368-1:2018, могут быть значительно ниже значений, требуемых в настоящее время настоящим стандартом для СЗО. Было определено, что этот сценарий приведет к значениям ВОЗДУШНОГО ЗАЗОРА, которые слишком малы для МЭ ИЗДЕЛИЙ, и что узлы/компоненты, использующие эту конструкцию, не будут приемлемы в качестве части МЭ ИЗДЕЛИЯ.
Этот сценарий относится к узлам/компонентам, специально разработанным для использования с ПИТАЮЩЕЙ СЕТЬЮ, в которой отсутствуют переходные напряжения. Например, источник постоянного тока в машине скорой помощи, который используется для генерации напряжения питания 240 Вэфф (без переходных процессов). В этом примере, следуя требованиям стандарта МЭК 62368-1:2018, таблицы 10 и 14 (процедура 1 и процедура 2), требуемый воздушный зазор составит лишь 0,4 мм из-за характера питания (без переходных процессов).
МЭК 60601-1 применяет те же требования к ПИТАЮЩЕЙ СЕТИ независимо от наличия переходных перенапряжений в ПИТАЮЩЕЙ СЕТИ. В этом сценарии требование к ВОЗДУШНОМУ ЗАЗОРУ для 2 СЗО будет составлять 4,0 мм для первичных цепей
(таблица 13, строка 2). Учитывая большую разницу в требованиях, было определено, что узлы/компоненты, разработанные специально для использования в ПИТАЮЩЕЙ СЕТИ без переходных процессов, которые были оценены на соответствие только МЭК 62368-1:2018, не будут приемлемыми и дополнительно будут применяться требования
таблиц 12 -
16 (включительно).
Признано, что вероятность того, что узел/компонент будет разработан специально для этого применения, скорее всего, будет низкой. Кроме того, любой узел/компонент (например, источник питания), предназначенный для подключения к традиционной ПИТАЮЩЕЙ СЕТИ, будет соответствовать более высоким требованиям, основанным на переходном напряжении или временном перенапряжении, и будет приемлемым.
Интерполяция значений ПУТЕЙ УТЕЧКИ, но не ВОЗДУШНЫХ ЗАЗОРОВ допускается, за исключением значений для РАБОЧИХ НАПРЯЖЕНИЙ свыше 2 кВ (среднеквадратическое значение) или 2,8 кВ (постоянное значение). Этот подход в общих чертах совпадает с используемым в МЭК 60950-1 и МЭК 61010-1
[22].
Подпункт 8.9.1.15 - ПУТИ УТЕЧКИ и ВОЗДУШНЫЕ ЗАЗОРЫ для РАБОЧИХ ЧАСТЕЙ С ЗАЩИТОЙ ОТ РАЗРЯДА ДЕФИБРИЛЛЯТОРА
Согласно МЭК 60664-1:2007 (см. таблицу F.2) расстояния 4 мм достаточно для изоляции от импульсного напряжения 5 кВ малой длительности (менее 10 мс), которое обычно возникает при использовании дефибриллятора.
В зависимости от ПРЕДУСМОТРЕННОГО ПРИМЕНЕНИЯ МЭ ИЗДЕЛИЯ срабатывание плавкого предохранителя или АВТОМАТИЧЕСКОГО ВЫКЛЮЧАТЕЛЯ МАКСИМАЛЬНОГО ТОКА может создавать ОПАСНОСТЬ. Размыкание группового выключателя не допускается.
Подпункт 8.9.2 a) относится к случаю наличия на входе устройства защиты от экстратоков (до части цепи, для которой применимы требования данного
подпункта). Перед этим устройством все промежутки должны отвечать всем основным требованиям, предъявляемым к частям МЭ ИЗДЕЛИЯ, имеющим в пределах СЕТЕВОЙ ЧАСТИ противоположные полярности.
ПУТИ УТЕЧКИ измеряют через места соединений между двумя изолированными частями, за исключением клеевых соединений, т.е. которые:
- являются либо двумя частями, формирующими соединение с помощью термосварки или других аналогичных методов в наиболее ответственных местах МЭ ИЗДЕЛИЯ;
- являются соединением, в необходимых местах полностью заполненным клеем, и клеевым соединением с поверхностями изоляционного слоя для того, чтобы влага не просачивалась через места соединений.
Во второй редакции настоящего стандарта подписи к рисункам 43 - 45 относятся к упомянутым "неклеевым соединениям". Пример 7 на этих рисунках относился к 57.9.4 f) (второй штрих) "для описания клеевого соединения", но не указывал никаких других методов испытаний, кроме осмотра. В процессе подготовки настоящей редакции стандарта было предложено ввести соответствующие требования, заимствованные из МЭК 60950-1:2005, распространяющиеся на заливку компаундом.
Внесенные требования близки к требованиям, принятым за основу в МЭК 60950-1:2005, и распространяются на заливаемые компаундом, герметизирующие, клеевые и другие соединения. Для большей ясности формулировка этого требования была немного отредактирована по сравнению с МЭК 60950-1:2005, а сами требования были включены в
8.9, а не в
8.8, поскольку они определяют условия, которые позволяют исключать требования к ПУТЯМ УТЕЧКИ и ВОЗДУШНЫМ ЗАЗОРАМ, а не вводить дополнительные требования, относящиеся к твердой изоляции.
Следует в максимально возможной степени избегать узких промежутков, идущих вдоль направления возможного пути распространения тока и имеющих ширину в несколько десятых миллиметра, куда могут попадать грязь и влага.
Во многих случаях, очевидно, компоненты (например, малые компоненты, припаянные к печатной плате) и проводные соединения следует должным образом крепить без какого-либо обоснования в ФАЙЛЕ МЕНЕДЖМЕНТА РИСКА, однако при включении в него соответствующей информации она должна приниматься во внимание при оценке соответствия данным требованиям.
Общепринято, что на проводные соединения распространяются УСЛОВИЯ ЕДИНИЧНОГО НАРУШЕНИЯ. Проводные соединения, которые имеют только одно средство защиты, препятствующее ослабленному/оборванному проводу приводить к возникновению ОПАСНОЙ СИТУАЦИИ типа обрыва СОЕДИНЕНИЯ С ЗАЩИТНЫМ ЗАЗЕМЛЕНИЕМ или соединения со СРЕДСТВОМ ЗАЩИТЫ, считаются не соответствующими требованиям.
Примеры соединений, которые могут отвечать УСЛОВИЯМ ЕДИНИЧНОГО НАРУШЕНИЯ:
- двойной зажим как проводника, так и изоляции провода;
- механическая фиксация провода и спайка;
- механическая фиксация проводов и их ограничителей типа обмоток, зажимов, бандажей и т.д.;
- снижение натяжения проводов и механическая фиксация.
Соединяемые шнуром РУЧНЫЕ и ножные органы управления на практике находятся в жестких условиях. Данное требование гарантирует, что даже в наименее благоприятном случае полного разрушения КОРПУСОВ указанных органов управления они остаются безопасными для прикосновения, поскольку напряжения их цепей находятся в пределах, указанных в
8.4.2 c).
Нет никаких требований к необходимости какого-либо обоснования в ФАЙЛЕ МЕНЕДЖМЕНТА РИСКА механической защиты проводных соединений, однако при включении в него соответствующей информации она должна приниматься во внимание при оценке соответствия данному требованию.
Провода могут прокладываться в отдельных защитных оболочках определенного класса. В случаях, когда провода для цепей различных категорий должны прокладываться в общих шнурах, кабель-каналах, коробах или соединительных устройствах, их адекватное электрическое разделение должно реализовываться путем оценки изоляции проводов и установки достаточных ВОЗДУШНЫХ ЗАЗОРОВ и ПУТЕЙ УТЕЧКИ (согласно
8.9) между проводящими частями в соединительных устройствах.
Квалифицированные специалисты, например ОБСЛУЖИВАЮЩИЙ ПЕРСОНАЛ, которые должны иметь доступ к внутренней (возможно, представляющей ОПАСНОСТЬ) части МЭ ИЗДЕЛИЯ, должны быть обеспечены средством изоляции МЭ ИЗДЕЛИЯ от ПИТАЮЩЕЙ СЕТИ.
Сетевой выключатель, если он предусмотрен, также может служить в качестве рабочего выключателя для стандартного применения или же для отключения опасного выходного напряжения в аварийных ситуациях, однако он не обязательно должен выполнять эти функции, поскольку настоящий стандарт не устанавливает никаких общих требований к выключателю аварийного отключения.
Во второй редакции настоящего стандарта требование к минимальному зазору между контактами выключателей, обеспечивающему изоляцию от ПИТАЮЩЕЙ СЕТИ, было указано в МЭК 328, замененном МЭК 61058-1 в 1990 г. Первая редакция МЭК 61058-1 требовала зазора между контактами 3 мм, необходимого для полного отсоединения от ПИТАЮЩЕЙ СЕТИ. При этом никаких упоминаний о категории перенапряжений в нем сделано не было. В третьей редакции этого стандарта было введено понятие категорий перенапряжения согласно МЭК 60664-1. Для ПИТАЮЩЕЙ СЕТИ с напряжением 230 В для перенапряжения категории II таблица 22 МЭК 61058-1:2000 допускает минимальный зазор между контактами 1,5 мм. Хотя требования этого стандарта в общем случае распространяются на перенапряжения
категории II (см.
8.9.1.11), разумно сохранить требование к зазору 3 мм для ПИТАЮЩЕЙ СЕТИ напряжением 230 В для перенапряжения
категории III для всех выключателей, предназначенных для изоляции от ПИТАЮЩЕЙ СЕТИ. Это не только не противоречит требованию второй редакции МЭК 60601-1, но также согласуется с требованиями МЭК 60065 и МЭК 60950-1, которые требуют, чтобы минимальный зазор между контактами был равен 3 мм для выключателей, предназначенных для изоляции от ПИТАЮЩЕЙ СЕТИ.
Подобное защитное устройство, которое обеспечивает или не обеспечивает срабатывание устройства защиты от экстратоков, встроенного в МЭ ИЗДЕЛИЕ, вероятно, также может приводить к срабатыванию плавкого предохранителя или прерывателя цепи. Это блокирует подачу питания на другое МЭ ИЗДЕЛИЕ и, возможно, на систему обеспечения его работоспособности. Указанное устройство может также вызывать в МЭ ИЗДЕЛИИ нежелательные тепловые эффекты и, так или иначе, не будет служить надежным способом защиты от соответствующей ОПАСНОСТИ.
Частями, которые не могут отсоединяться от питания, могут быть, например, цепь для освещения помещения или цепь для дистанционного управления сетевым выключателем. Такие части могут стать доступными при открытии крышек, например, с целью технического обслуживания.
Пространственно отделенное устройство - это такое устройство, в котором доступные для обслуживания части расположены так, что ОБСЛУЖИВАЮЩИЙ ПЕРСОНАЛ вряд ли сможет прикасаться к частям, находящимся под напряжениями, которые превышают определенные в данном стандарте значения при выполнении требуемого обслуживания. При этом считается, что предупреждающее сообщение будет обеспечивать требуемую безопасность для ОБСЛУЖИВАЮЩЕГО ПЕРСОНАЛА.
Это требование уменьшает вероятность того, что подсоединение другого изделия будет приводить к чрезмерному ТОКУ УТЕЧКИ.
ШНУР ПИТАНИЯ, соединенный с ПРИБОРНЫМИ РОЗЕТКАМИ, подвергают таким же механическим напряжениям, что и НЕСЪЕМНЫЙ ШНУР ПИТАНИЯ. Если он не должным образом защищен от чрезмерного изгиба, то это может привести к возникновению ОПАСНОЙ СИТУАЦИИ.
Если шнур питания не должным образом защищен от избыточного натяжения и истирания, то будет сохраняться большая вероятность повреждения изоляции, являющейся СРЕДСТВОМ ЗАЩИТЫ МЭ ИЗДЕЛИЙ КЛАССА I, а также обрыва ПРОВОДА ЗАЩИТНОГО ЗАЗЕМЛЕНИЯ.
Если ШНУР ПИТАНИЯ недостаточно защищен от чрезмерного изгиба, то будет оставаться большая вероятность повреждения токонесущих проводников, приводящая к РИСКУ возгорания, а для МЭ ИЗДЕЛИЯ КЛАССА I - большая вероятность обрыва ПРОВОДА ЗАЩИТНОГО ЗАЗЕМЛЕНИЯ.
Описанное испытание на изгиб идентично приведенному в подпункте 3.2.8 МЭК 60950-1:2005. Вторая редакция МЭК 60601-1 включала формулировку: "Защиты, которые не выдерживают вышеупомянутого испытания, должны выдерживать испытания, указанные в МЭК 60335-1 (изменение 6, 1988, подпункт 25.10)". Эта альтернатива была сохранена, однако была дана ссылка на более позднюю редакцию МЭК 60335-1. Требование о проведении во всех случаях одного испытания с последующим проведением другого испытания, если МЭ ИЗДЕЛИЕ не выдерживает первого испытания, было изменено, чтобы дать возможность выполнения первым любого испытания, не делая никаких различий между ними.
Во избежание перегрева и минимизации РИСКА отсоединения сетевые зажимы должны обеспечивать соединение с достаточно низким сопротивлением. Надежное соединение может осуществляться с помощью винтов, гаек, паек, зажимов, хомутов для проводов или других эквивалентных устройств.
Использование устройств для зажима компонентов помимо клеммных коробок, предназначенных для присоединения внешних проводов, допускается только в особых случаях, при которых конфигурация зажимов (их доступность и четкость маркировки) отвечает требованиям настоящего стандарта. Зажимы для проводных соединений некоторых компонентов часто рассчитаны на применение в полевых условиях. Этими компонентами могут быть держатели плавких предохранителей, ЭМС-фильтры, выключатели, контакторы, монтажные планки, контроллеры двигателей и детекторы фаз, к каждому из которых провод может подсоединяться первым и которые поэтому должны устанавливаться в удобных для проводных соединений местах.
Естественно ожидать, что все зажимы для присоединения внешних шнуров или ШНУРОВ ПИТАНИЯ будут сгруппированы в одном месте, в противном случае может возрастать вероятность неправильного выполнения соединений.
Термин "специальная подготовка проводников" распространяется на процедуры спаивания жил проводов, использования монтажных лепестков для шнура и монтажных петель и т.д., выполняемые ОБСЛУЖИВАЮЩИМ ПЕРСОНАЛОМ (т.е. в полевых условиях), но не на процедуры изменения формы провода перед его вводом в зажим или скручивания витого провода для соединения концов проводов. Если подготовку проводов проводит ИЗГОТОВИТЕЛЬ, а гибкий шнур является единственной доступной сменной частью, то считается, что эта часть будет отвечать этому требованию.
Подпункт 8.11.5 - Сетевые плавкие предохранители и АВТОМАТИЧЕСКИЕ ВЫКЛЮЧАТЕЛИ МАКСИМАЛЬНОГО ТОКА
Установка в МЭ ИЗДЕЛИИ плавких предохранителей или АВТОМАТИЧЕСКИХ ВЫКЛЮЧАТЕЛЕЙ МАКСИМАЛЬНОГО ТОКА снижает РИСК того, что неисправность МЭ ИЗДЕЛИЯ будет приводить к срабатыванию защитного устройства, таким образом блокируя питание другого МЭ ИЗДЕЛИЯ, возможно, даже наиболее важной его части.
Очевидно, что спаивание в СОЕДИНЕНИИ С ЗАЩИТНЫМ ЗАЗЕМЛЕНИЕМ недопустимо.
Спайка нулевого провода в МЭ ИЗДЕЛИИ С ПОСТОЯННЫМ ПРИСОЕДИНЕНИЕМ К ПИТАЮЩЕЙ СЕТИ недопустима ни для каких целей, а в случае использования изделий с трехфазным питанием она может приводить к избыточной нагрузке на изоляцию при срабатывании плавкого предохранителя в неповрежденном линейном соединении. Однако при этом допускается применение АВТОМАТИЧЕСКОГО ВЫКЛЮЧАТЕЛЯ МАКСИМАЛЬНОГО ТОКА, который одновременно прерывает все соединения, включая нулевой провод.
Исключение случая, когда между всеми частями с противоположной полярностью (в пределах СЕТЕВОЙ ЧАСТИ) имеется ДВОЙНАЯ ИЗОЛЯЦИЯ или УСИЛЕННАЯ ИЗОЛЯЦИЯ, поддерживалось отзывами, присланными от национальных комитетов на запросы в процессе подготовки настоящей редакции. Оно может распространяться на случаи, когда установка плавкого предохранителя или АВТОМАТИЧЕСКОГО ВЫКЛЮЧАТЕЛЯ МАКСИМАЛЬНОГО ТОКА затруднительна, например в малогабаритном вставном источнике питания.
Пункт 9 - Защита от МЕХАНИЧЕСКИХ ОПАСНОСТЕЙ, создаваемых МЭ ИЗДЕЛИЯМИ и МЭ СИСТЕМАМИ
Требования
пункта 9 связаны с ОПАСНОСТЯМИ механического происхождения повреждений, вызываемых МЭ ИЗДЕЛИЕМ (ВРЕДА, причиняемого его движущимися частями, необработанными поверхностями, острыми гранями и углами, опрокидыванием, разлетающимися частями, вибрациями и шумом, а также поломкой креплений ПАЦИЕНТА и подвешенных частей МЭ ИЗДЕЛИЯ). Требования, связанные с ОПАСНОСТЯМИ повреждения или снижения качества МЭ ИЗДЕЛИЯ (его механической прочности), обобщены в
15.3.
МЭ ИЗДЕЛИЕ может становиться опасным из-за повреждения его частей или снижения их механической прочности в результате ударов, сдавливания, вибраций, проникновения твердых частиц, пыли, жидкостей, влаги и агрессивных газов, тепловых и динамических напряжений, коррозии, ослабления креплений перемещающихся частей или подвешенных масс, а также радиации.
Влияния механических перегрузок, разрушения или износа материалов можно избежать путем применения:
- средств, которые прерывают или делают безопасной эксплуатацию или электропитание МЭ ИЗДЕЛИЙ (например, плавких предохранителей, клапанов для снижения давления) при появлении перегрузки;
- средств, которые защищают или перехватывают разлетающиеся или падающие части МЭ ИЗДЕЛИЯ (что вызвано разрушением материала, его износом или перегрузкой), которые могут представлять МЕХАНИЧЕСКУЮ ОПАСНОСТЬ.
Защита против поломки креплений ПАЦИЕНТА и подвесок может быть обеспечена их резервированием или предоставлением захватывающих устройств.
Части МЭ ИЗДЕЛИЯ, которые предназначены для поддержки руками или размещения на кровати, должны быть достаточно прочными для того, чтобы выдерживать падение. Они могут подвергаться действию вибраций и ударов не только при транспортировании, но и при использовании в транспортных средствах.
Подпункт 9.2 - МЕХАНИЧЕСКИЕ ОПАСНОСТИ, связанные с движущимися частями
ОПЕРАТОРЫ, ПАЦИЕНТЫ и другие лица должны быть защищены от МЕХАНИЧЕСКИХ ОПАСНОСТЕЙ, что может достигаться множеством способов, например:
- обеспечением достаточного расстояния между этими лицами и источниками МЕХАНИЧЕСКОЙ ОПАСНОСТИ;
- ограничением доступа к областям, способным создавать МЕХАНИЧЕСКИЕ ОПАСНОСТИ;
- обеспечением заграждениями, механическими или немеханическими, между этими лицами и источниками МЕХАНИЧЕСКОЙ ОПАСНОСТИ;
- сокращением РИСКА, связанного с МЕХАНИЧЕСКИМИ ОПАСНОСТЯМИ;
- гарантией адекватного контроля ОПЕРАТОРОМ всех перемещений, способных создавать МЕХАНИЧЕСКУЮ ОПАСНОСТЬ;
- обеспечением дублирующих систем для того, чтобы достигаемый ОСТАТОЧНЫЙ РИСК оставался допустимым даже после выхода из строя исходной системы контроля.
При сделанной в данном
подпункте ссылке на РИСК для всех лиц, за исключением ПАЦИЕНТА или ОПЕРАТОРА, необходимо отметить, что около МЭ ИЗДЕЛИЯ могут находиться другие лица помимо ПАЦИЕНТА или ОПЕРАТОРА. В зависимости от вида МЭ ИЗДЕЛИЯ ими могут быть посетители, члены семьи ПАЦИЕНТА, а также неквалифицированный персонал.
Требования к движущимся частям основываются на требованиях, уже используемых в других стандартах и применимых к немедицинским изделиям и механизмам, однако с изменениями, учитывающими необходимость нахождения МЭ ИЗДЕЛИЯ в непосредственной близости от ПАЦИЕНТА или в контакте с ним.
Из-за разнообразия ситуаций в данном стандарте невозможно определить предупреждения, которые должны относиться к ОСТАТОЧНОМУ РИСКУ. В зависимости от применения и уровня ОСТАТОЧНОГО РИСКА может быть важно наносить предупреждающие надписи на изделие, однако допускается вносить предупреждения только в ЭКСПЛУАТАЦИОННЫЕ ДОКУМЕНТЫ.
Степень защиты, требуемая для КОРПУСОВ или ОГРАЖДЕНИЙ, защищающих движущиеся части МЭ ИЗДЕЛИЯ, зависит от его общей конструкции и ПРЕДУСМОТРЕННОГО ПРИМЕНЕНИЯ МЭ ИЗДЕЛИЯ. Факторы, которые должны приниматься во внимание при оценке допустимости движущихся частей МЭ ИЗДЕЛИЯ, включают степень этого перемещения, форму движущихся частей, вероятность возникновения случайного контакта, скорость перемещения и вероятность того, что пальцы, руки или одежда могут попадать между движущимися частями (например, в места зацепления зубчатых колес, касания лент передач шкивов или в места, где движущиеся части могут привести к сдавливанию или срезанию).
Эти факторы можно рассматривать с точки зрения как НОРМАЛЬНОЙ ЭКСПЛУАТАЦИИ и проведения каких-либо регулировок, так и замены любой ПРИНАДЛЕЖНОСТИ или присоединяемой части, возможно, включая их установку, поскольку при этом могут быть предусмотрены ОГРАЖДЕНИЯ, не являющиеся частью одного из компонентов СТАЦИОНАРНОГО изделия.
Могут рассматриваться ОГРАЖДЕНИЯ следующих видов:
- съемные только с помощью ИНСТРУМЕНТА;
- съемные, используемые для технического обслуживания и ремонта;
- прочные и жесткие;
- комплектные;
- создающие дополнительные ОПАСНОСТИ типа появления зоны защемления и необходимости дополнительной обработки при техническом обслуживании, например при очистке.
Системы контроля перемещений с ОПЕРАТОРОМ, задействованным в контуре обратной связи, должны работать в режиме непрерывной активации (например, мгновенного контакта или переключателя безопасности). При этом должны адекватно учитываться такие факторы, как скорость перемещения частей и визуальный контроль со стороны ОПЕРАТОРА.
При некоторых обстоятельствах для обеспечения надлежащего контроля со стороны ОПЕРАТОРА необходимо проведение его обучения и других квалификационных мероприятий. При этом может оказаться целесообразным использовать устройства блокировки, требующие активации для включения перемещений, например:
- выключатель с функцией разблокировки;
- выключатель с функцией разблокировки по отпечатку пальца;
- карточка с паролем.
При других обстоятельствах могут быть предусмотрены иные методы несистематического управления с использованием:
- органа управления с функцией разблокировки, делающей перемещение возможным;
- органов управления с "утопленными" исполнительными механизмами, которые способны предотвращать перемещение при непредумышленном попадании руки или ноги в эти механизмы.
Если ОПЕРАТОР может иметь доступ к опасным движущимся частям, то конструкция органов управления должна быть такой, чтобы она предотвращала доступ к ЗОНЕ ЗАХВАТА благодаря выбору расположения этих органов управления по отношению к ОПЕРАТОРУ, например системы управления с ее активацией двумя руками.
Для систем управления без непрерывной активации ОПЕРАТОРОМ может быть получено допустимое уменьшение РИСКОВ, однако при этом необходимо сравнить эти системы с другими вариантами защиты, указанными в
9.2.2.1.
Данный
пункт относится к электронным системам управления перемещениями. Для систем ручного управления перемещениями см. другие варианты защиты, указанные в
9.2.2.1.
Для некоторых МЭ ИЗДЕЛИЙ ОПАСНОСТИ, создаваемые их движущимися частями, будут неизбежными.
Подпункт 9.2.3 - Прочие МЕХАНИЧЕСКИЕ ОПАСНОСТИ, связанные с движущимися частями
Подпункт 9.2.2.1 относится к МЕХАНИЧЕСКИМ ОПАСНОСТЯМ, возникающим в ЗОНАХ ЗАХВАТА, однако перемещение может приводить и к возникновению других МЕХАНИЧЕСКИХ ОПАСНОСТЕЙ, например ударов, проколов и т.д.
Устройства аварийной остановки предназначены для предотвращения случайного повреждения путем блокировки или остановки перемещений частей МЭ ИЗДЕЛИЯ, в котором может иметься несколько подобных устройств, в том числе предназначенных для отсоединения МЭ ИЗДЕЛИЯ от электропитания. Устройства аварийного отключения не подпадают под действие требований данного
подпункта, если они не предназначены также для аварийной остановки и выполняют лишь одну из функций устройств аварийного отключения.
Это требование учитывает вероятность прерывания подачи на МЭ ИЗДЕЛИЕ электропитания, вызывающего непредусмотренные перемещения его частей и необходимость в этой ситуации снятия сжимающих усилий или выведения ПАЦИЕНТОВ из представляющих ОПАСНОСТЬ положений.
Подпункт 9.3 - МЕХАНИЧЕСКИЕ ОПАСНОСТИ, связанные с поверхностями, углами и кромками
РИСК, связанный с наличием острых углов, зависит от их положения и применения МЭ ИЗДЕЛИЯ, поэтому соответствие этому
подпункту проверяют осмотром МЭ ИЗДЕЛИЯ. В случае возникновения сомнений рекомендуется провести испытание для острых краев, описанное в UL 1439
[43].
Данный
подпункт применим к поверхностям, доступным в процессе НОРМАЛЬНОЙ ЭКСПЛУАТАЦИИ. Необходимо принимать меры для защиты ОБСЛУЖИВАЮЩЕГО ПЕРСОНАЛА или других внутренних систем в тех случаях, когда повреждение может приводить к возникновению недопустимого РИСКА (например, в гидравлических системах).
При НОРМАЛЬНОЙ ЭКСПЛУАТАЦИИ в процессе транспортирования многих типов МЭ ИЗДЕЛИЙ из одного рабочего помещения в другое они могут подвергаться различным воздействиям. В то время как требования настоящего стандарта направлены на учет только тех состояний, с которыми можно столкнуться на практике, в ПРОЦЕССЕ МЕНЕДЖМЕНТА РИСКА должны оцениваться как условия, при которых МЭ ИЗДЕЛИЕ будет эксплуатироваться, так и условия, которые могут влиять на ОСНОВНУЮ БЕЗОПАСНОСТЬ или ОСНОВНЫЕ ФУНКЦИОНАЛЬНЫЕ ХАРАКТЕРИСТИКИ.
В случае, когда неисправность будет сохраняться в процессе проведения этих испытаний, она может причинить ВРЕД ОПЕРАТОРУ, ПАЦИЕНТУ и другим лицам (например, из-за разрушения или падения) или приводить к невыполнению предъявляемых в настоящем стандарте к МЭ ИЗДЕЛИЮ требований ОСНОВНОЙ БЕЗОПАСНОСТИ (например, по воздействию опасных напряжений, сокращению ПУТЕЙ УТЕЧКИ или ВОЗДУШНЫХ ЗАЗОРОВ, или получению неявных повреждений в пожаробезопасных КОРПУСАХ) или к ухудшению ОСНОВНЫХ ФУНКЦИОНАЛЬНЫХ ХАРАКТЕРИСТИК, что может приводить к недопустимому РИСКУ.
Все МЭ ИЗДЕЛИЯ проходят испытания на потерю равновесия с помощью испытательных поверхностей с углом наклона 5° и 10° и толканием в соответствии с
9.4.2.1,
9.4.2.2,
9.4.2.3 a) и
b). В
9.4.3.1 a),
b) и
c) и
9.4.3.2 a) и
b) испытания проводят только для ПЕРЕДВИЖНОГО МЭ ИЗДЕЛИЯ, так как требования относятся к колесам и колесным тормозам.
Таблица A.3
Условия испытаний на неустойчивость
Предупреждающее сообщение при транспортировании | Условия испытаний при угле наклона испытательной поверхности |
10° | 5° |
Отсутствует | При всех положениях МЭ ИЗДЕЛИЯ | Не применимо (представлено испытаниями при угле наклона 10°) |
Имеется | Только в положении при транспортировании | Испытания должны проводиться при всех положениях МЭ ИЗДЕЛИЯ, кроме положения при транспортировании |
| |
В любом режиме НОРМАЛЬНОЙ ЭКСПЛУАТАЦИИ, включая режим транспортирования; испытания проводят при угле наклона плоскости 10° или 5° - при наличии предупреждения | Только в режиме транспортирования; испытания проводят при угле наклона плоскости 10° |
Рисунок A.16 - Условия испытаний на неустойчивость
Толкающее усилие, равное 15% от веса МЭ ИЗДЕЛИЯ или максимум 150 Н, было выбрано для того, чтобы представить возможное неправильное применение типичного МЭ ИЗДЕЛИЯ на основе данных от ИЗГОТОВИТЕЛЕЙ МЭ ИЗДЕЛИЙ. Считается, что использование маркировки для МЭ ИЗДЕЛИЯ, которое теряет равновесие при таком толкающем усилии, является преимуществом при оказании медицинской помощи, а при отсутствии маркировки комитет полагает, что РИСК будет допустимым, но ИЗГОТОВИТЕЛЬ должен определить его на основе своего анализа, который может включать исследования удобства использования, в том числе расположение маркировки.
Соответствие этому
подпункту требуется не только для того, чтобы избежать очевидного недопустимого РИСКА, но и главным образом чтобы гарантировать оперативность перемещения МЭ ИЗДЕЛИЯ как ОСНОВНОЙ ФУНКЦИОНАЛЬНОЙ ХАРАКТЕРИСТИКИ. ПЕРЕДВИЖНОЕ МЭ ИЗДЕЛИЕ определяется как оборудование, предназначенное для перемещения из одного места в другое.
Использование высоты препятствия, равной 10 мм, исходило из того, что высота кабелей составляет от 8 до 10 мм. Комитет подсчитал, что порог в лифте имеет в настоящее время высоту до 10 мм (например, 4 мм), а не до 20 мм. Дверные препятствия в больницах обычно отсутствуют.
Скорость при ручном управлении, равная 0,8 м/с, была выбрана из ожидаемого диапазона скоростей от 0,4 до 1,5 м/с в условиях НОРМАЛЬНОЙ ЭКСПЛУАТАЦИИ на основе данных, предоставленных ИЗГОТОВИТЕЛЯМИ МЭ ИЗДЕЛИЙ. Было принято, что скорость 0,8 м/с является самой представительной в условиях НОРМАЛЬНОЙ ЭКСПЛУАТАЦИИ и нормальной скорости ходьбы. Существует баланс между слишком медленной скоростью, при которой МЭ ИЗДЕЛИЕ не сможет переехать через препятствие, и слишком быстрой скоростью, при которой МЭ ИЗДЕЛИЕ станет неустойчивым. Для испытания была выбрана одна скорость, так как это было необходимо для воспроизводимости испытаний.
Некоторые ПЕРЕДВИЖНЫЕ МЭ ИЗДЕЛИЯ оснащены роликами для удобства, а не в качестве средства передвижения через препятствия или аналогичные преграды. Если ИЗГОТОВИТЕЛЬ четко указывает, что данное применение не предусмотрено, испытание на переезд через препятствие не должно проводиться. Оборудование, которое не требует проведения испытания на переезд через препятствие, включает тележки и медицинские столы с колесами для легкого перемещения при уборке пола или освобождения пространства.
Подпункт 9.4.3 - Неустойчивость от нежелательных поперечных перемещений (включая скольжение)
Проверочные испытания функциональности торможения позволяют оценить соответствие тормозной системы с учетом допустимости РИСКА. Критерии испытаний предполагают, что любое начальное упругое перемещение и последующее перемещение на расстояние до 50 мм являются допустимыми. В соответствии с
4.2, если такие перемещения определенной детали МЭ ИЗДЕЛИЯ и его ПРЕДУСМОТРЕННОЕ ПРИМЕНЕНИЕ кажутся неуместными, РИСК необходимо снизить дополнительными мерами по УПРАВЛЕНИЮ РИСКОМ.
Толкающее усилие торможения 15% или максимально 150 Н было выбрано для представления обоснованно предсказуемого неправильного использования типичного МЭ ИЗДЕЛИЯ на основе данных, предоставленных ИЗГОТОВИТЕЛЯМИ МЭ ИЗДЕЛИЯ.
Цель требований к торможению заключается в предоставлении обобщенного испытания для обобщенного МЭ ИЗДЕЛИЯ. Таким образом, критерии соответствия являются категоричными. Признано, что некоторые медленные нежелательные движения тележек с низкой массой (с небольшой инерцией) могут считаться допустимым РИСКОМ.
Принято, что для многих тележек с четырьмя колесами два тормоза являются разумной мерой по УПРАВЛЕНИЮ РИСКОМ для уменьшения нежелательного движения вследствие ненадлежащего торможения. Установка четырех тормозов на многих тележках не приведет к большему использованию тормозов, так как некоторые колеса будут, как правило, повернуты вне досягаемости.
Подпункт 4.5 всегда применим и позволяет ИЗГОТОВИТЕЛЯМ использовать альтернативные меры по УПРАВЛЕНИЮ РИСКОМ, варианты метода испытания или критерии соответствия испытания с обоснованием.
Твердая ровная поверхность, используемая при проведении этого испытания, должна имитировать наихудший случай ПРЕДУСМОТРЕННОГО ПРИМЕНЕНИЯ. Проскальзывание колес на твердой ровной поверхности рассматривается во вторую очередь. Если обнаружено проскальзывание колес, следует определить, являются ли поверхность для проведения испытания или материал колеса подходящими.
Подпункт 9.5 - ОПАСНОСТЬ, создаваемая выбрасываемыми частями
Разлетающиеся части - это части или их фрагменты МЭ ИЗДЕЛИЯ, например части разрушенного вакуумного дисплея, механических пружин, газового баллона, вращающегося махового колеса или взорвавшегося литиевого аккумулятора, которые могут выбрасываться при столкновениях, расширении и т.д.
Степень защиты от "разлетающихся частей" зависит от вероятности причинения ВРЕДА и его ТЯЖЕСТИ. Защитные средства могут включать КОРПУС, ограждения или электронные устройства (например, средства для защиты литиевого аккумулятора от избыточного тока зарядки).
Чрезмерный шум может вызывать усталость ОПЕРАТОРА, помехи при речевом общении и для звуковых предупреждающих сигналов или даже повреждать органы слуха. Предельные значения, установленные для предотвращения повреждения органов слуха, приведены в стандартах ИСО.
В помещениях, используемых для медицинских целей, для обеспечения комфорта для ПАЦИЕНТОВ и медицинского персонала необходимы намного более низкие предельные значения шума. Реальное воздействие шума, создаваемого МЭ ИЗДЕЛИЕМ, в большой степени зависит от акустических характеристик конкретного помещения, изоляции между помещениями и взаимодействия частей МЭ ИЗДЕЛИЯ.
Чрезмерный уровень вибрации может создавать дискомфорт у ПАЦИЕНТА, ОПЕРАТОРА и других лиц, а также приводить к поломке МЭ ИЗДЕЛИЯ или изменению его калибровок. Длительное воздействие вибрации может приводить к расстройствам сосудистой, нервной или суставной систем.
Большая часть МЭ ИЗДЕЛИЙ, на которые распространяются требования настоящего стандарта, подвергает ПАЦИЕНТА, ОПЕРАТОРА или других лиц незначительным уровням шума и вибраций. В ПРОЦЕССЕ МЕНЕДЖМЕНТА РИСКА необходимо четко идентифицировать случаи, требующие соответствующих измерений.
Приведенные в настоящем стандарте значения основаны на предотвращении возможности долговременного повреждения слухового аппарата. Значение, в настоящее время используемое во всем мире в качестве норматива, составляет 90 дБA (с отклонением 5 дБA), однако при последующих исследованиях оно было принято равным 85 дБA (с отклонением 3 дБA) в течение 8 ч за период 24 ч при удвоенном или половинном значении указанной экспозиции
[34].
Хотя критерии для вынесения суждения о том, считать ли шум вредно воздействующим, специально не сформулированы, их следует применять с учетом конкретной ситуации. Примерами такого воздействия являются градиентный шум ЯМР-томографа и импульсы литотриптора.
Пороговые значения для вибраций намного менее четкие, чем для акустической энергии (шума). Значение, принятое в настоящем стандарте, заимствовано из
Директивы Европейского парламента и Совета по выработке минимальных требований к здоровью и безопасности работников с точки зрения РИСКОВ, связанных с воздействием физических факторов (вибраций), - шестнадцатая отдельная Директива в статье 16 (1) Директивы 89/391/EEC. Это значение соответствует приблизительно 10%-ному уровню побледнения рук (показательного для неврологических нарушений) после восьми лет регулярного воздействия вибраций согласно ИСО 5349-1. Сложнее установить предельные значения для вибраций, действующих на все тело, поэтому в данном стандарте они не определены. Критические проявления типа болей в пояснице и других неблагоприятных воздействий вибрации на здоровье плохо поддаются измерениям, поэтому никакие стандарты относительно этих воздействий разработаны не были. Соответствующую информацию по этой тематике можно найти в таких стандартах, как ИСО 5805
[28] и ИСО 8041
[29].
Если какое-либо лицо подвергается вибрациям с различными уровнями ускорения за 24 ч, то допустимая совокупная экспозиция может определяться следующим образом. Рассмотрим сначала
таблицу A.4, где приведено допустимое время воздействия вибраций за 24 ч для каждого уровня ускорения.
Таблица A.4
Допустимое время воздействия вибрации
при различных уровнях ускорения
Допустимое время воздействия вибрации за 24 ч, ч | Ускорение, м/с2 |
1 | 7,07 |
2 | 5,00 |
3 | 4,08 |
4 | 3,54 |
5 | 3,16 |
6 | 2,89 |
7 | 2,67 |
8 | 2,50 |
9 | 2,36 |
12 | 2,04 |
16 | 1,77 |
24 | 1,44 |
Некоторые примеры допустимого воздействия вибраций приведены ниже.
Если какое-либо лицо подвергалось воздействию вибраций с ускорением 5 м/с2 в течение 1 ч (которое равно половинному значению ежедневно допустимого времени воздействия при этом ускорении) с последующим воздействием вибраций с ускорением 1,44 м/с2 в течение 12 ч (которое равно половинному значению ежедневно допустимого времени воздействия при этом ускорении), то суммарная экспозиция будет равна допустимому в течение 24 ч суммарному воздействию вибраций.
Если какое-либо лицо подвергалось воздействию вибраций с ускорением 4,08 м/с2 в течение 1 ч (которое равно 1/3 от ежедневно допустимого времени воздействия при этом ускорении) с последующим воздействием вибраций с ускорением 1,44 м/с2 в течение 8 ч (которое равно 1/3 от ежедневно допустимого времени воздействия при этом ускорении), то суммарная экспозиция будет равна допустимому в течение 24 ч суммарному воздействию вибраций.
Если какое-либо лицо подвергалось воздействию вибраций с ускорением 5 м/с2 в течение 1 ч (которое равно 1/3 от ежедневно допустимого времени воздействия при этом ускорении) с последующим воздействием вибраций с ускорением 2,04 м/с2 в течение 2 ч (которое равно 1/6 от ежедневно допустимого времени воздействия при этом ускорении), то суммарная экспозиция будет равна допустимому в течение 24 ч суммарному воздействию вибраций.
Для суммирования воздействий вибраций при каждом ускорении необходимо определить долю их ежедневной экспозиции путем деления реального времени воздействия при данном ускорении на допустимое время экспозиции (также для данного ускорения). Сумма парциальных значений экспозиций для каждого ускорения не должна превышать 1.
Подпункт 9.7 - Сосуды и части, находящиеся под пневматическим и гидравлическим давлением
Требования данного
подпункта не представляют собой сводку самых строгих национальных нормативов или стандартов.
В некоторых странах такие нормативы или стандарты применяются.
Тип рассматриваемых систем содержит пневматические, гидравлические и паровые системы создания давления и их комбинации, в которые могут входить или не входить находящиеся под давлением сосуды.
ОПАСНОСТИ
a) Механическое разрушение или поломка (ВРЕД: рваные и колотые раны)
Требования пункта 45 второй редакции настоящего стандарта, относящиеся к этой ОПАСНОСТИ, были перенесены в данный
подпункт и оставлены без изменений.
Требования были уточнены для указания того, что все части должны иметь МАКСИМАЛЬНОЕ ДАВЛЕНИЕ В ИЗДЕЛИИ, не превышающее давления в НОРМАЛЬНОМ СОСТОЯНИИ или при УСЛОВИИ ЕДИНИЧНОГО НАРУШЕНИЯ. В принципе должен иметься подходящий коэффициент запаса прочности между МАКСИМАЛЬНЫМ ДАВЛЕНИЕМ В ИЗДЕЛИИ и давлением разрыва, являющимся давлением, которому постоянно подвергается часть при пластической деформации или утечке. Требования промышленных стандартов на части МЭ ИЗДЕЛИЯ, подвергающиеся давлению, различаются, но указывают подходящие коэффициенты запаса прочности - 3
x, 4
x и иногда - 5
x (стандарты ИСО, ASME, SAE). Поскольку коэффициент запаса прочности может изменяться (в зависимости от факторов, связанных с конечным применением и РИСКОМ), считается недопустимым определять минимальное значение коэффициента запаса прочности при определении МАКСИМАЛЬНОГО ДАВЛЕНИЯ В ИЗДЕЛИИ, однако вместо этого оставлять его в декларации ИЗГОТОВИТЕЛЯ этой части. Предполагается, что декларации о МАКСИМАЛЬНОМ ДАВЛЕНИИ В ИЗДЕЛИИ будут основываться на признанных международных или национальных стандартах, поэтому оно будет ниже давлений разрыва по крайней мере в соответствии с множителем, равным коэффициенту давления, указанному на
рисунке 32 (3
x, сниженному после давления 1 МПа до 1,3
x после 30 МПа).
Для сосудов, в которых превышаются как предельное значение энергии (давление, умноженное на объем), так и максимальное предельное давление, требования должны предъявляться к испытаниям гидростатическим избыточным давлением, основанным на декларации о МАКСИМАЛЬНОМ ДАВЛЕНИИ В ИЗДЕЛИИ и множителе, равном коэффициенту давления, указанному на
рисунке 32 (3
x, сниженному после давления 1 МПа до 1,3
x после 30 МПа).
b) Потеря механической опоры (ВРЕД: сдавливание органов, колотые раны)
Требования были уточнены для определения тех компонентов системы создания давления (например, компонентов гидравлической подъемной системы), на целостность которой полагаются для снижения РИСКА, возникающего из-за потери опоры (поддержки). Эти компоненты должны соответствовать КОЭФФИЦИЕНТУ БЕЗОПАСНОСТИ, указанному в
9.8, который обычно принимают равным 4
x для частей, которые подвергаются износу, или 8
x - для частей МЭ ИЗДЕЛИЯ, которые подвергаются износу (случай B). Таким образом, части, подвергающиеся давлению, неисправность которых может приводить к механическому повреждению и потере опоры, должны иметь МАКСИМАЛЬНОЕ ДАВЛЕНИЕ В ИЗДЕЛИИ. Оно, в свою очередь, основано на максимальном давлении, возникающем при УСЛОВИИ ЕДИНИЧНОГО НАРУШЕНИЯ, и декларации ИЗГОТОВИТЕЛЯ для каждого компонента системы согласно
9.7, или на давлении, действующем в НОРМАЛЬНОМ СОСТОЯНИИ и при КОЭФФИЦИЕНТЕ БЕЗОПАСНОСТИ, выбираемом согласно
9.8.
c) Утечка токсичного газа или жидкости (ВРЕД: химическое или биологическое нарушение жизнедеятельности клеток организма)
Требования пункта 45 второй редакции настоящего стандарта, имеющие отношение к этой ОПАСНОСТИ, были перенесены в данный
подпункт и оставлены без изменений.
Требования были уточнены для указания того, что все части МЭ ИЗДЕЛИЯ должны иметь МАКСИМАЛЬНОЕ ДАВЛЕНИЕ В ИЗДЕЛИИ, основанное на давлении, возникающем при УСЛОВИИ ЕДИНИЧНОГО НАРУШЕНИЯ, и на декларации ИЗГОТОВИТЕЛЯ для каждого компонента системы.
d) Утечка огнеопасного газа или жидкости (ВРЕД: возникновение пожара, вызывающего ожоги или ущерб собственности)
Требования пункта 45 второй редакции настоящего стандарта, имеющие отношение к этой ОПАСНОСТИ, были перенесены в данный
подпункт и оставлены без изменений.
Требования были уточнены для указания того, что все части МЭ ИЗДЕЛИЯ должны иметь МАКСИМАЛЬНОЕ ДАВЛЕНИЕ В ИЗДЕЛИИ, основанное на давлении, возникающем при УСЛОВИИ ЕДИНИЧНОГО НАРУШЕНИЯ, и на декларации ИЗГОТОВИТЕЛЯ для каждого компонента системы.
Оксфордский словарь определяет сосуд под давлением как "контейнер, предназначенный для хранения материала при высоких давлениях". Это определение подразумевается настоящим стандартом.
Предполагается, что гидравлические испытания не требуются, если давление не превышает 50 кПа или если произведение давления и объема не превышает 200 кПа·л.
Коэффициенты запаса прочности, указываемые на
рисунке 32, выше обычно применяемых при испытаниях сосудов давления. Однако если применение других методов для проверки отсутствия в этих сосудах давления производственных дефектов или серьезного снижения качества, адекватности конструкции невозможно, то эти гидравлические испытания являются допустимыми.
Удаление ссылок на национальные нормативы из отредактированного текста позволяет избежать подчинения требований настоящего стандарта требованиям этих нормативов. МЭ ИЗДЕЛИЕ в ряде случаев должно отвечать тем и другим (или даже дополнительным) требованиям, предполагая, что местные нормативы, противоречащие настоящему стандарту, отсутствуют.
Гидравлическое испытание определено даже для пневматических сосудов, поскольку оно более безопасно для испытателей. При создании требуемого испытательного давления используемый газ сжимается, что приводит к большей концентрации запасаемой энергии в испытываемом сосуде, чем при его испытании гидравлическим методом. По обоим методам достигаются одинаковые испытательные давления, что и является целью подобных испытаний.
Подпункт 9.8 - МЕХАНИЧЕСКИЕ ОПАСНОСТИ, связанные с опорными системами
Термин "поддержка (опора)" принят для включения в него понятия "подвешивание", а нагрузка может быть связана с массами ПАЦИЕНТОВ, ОПЕРАТОРОВ и других лиц.
Опорные системы поддержки могут быть подразделены на следующие достаточно широкие категории:
- система подвешивания - это система, которая содержит гибкие или жесткие элементы, предназначенные для подвешивания масс, включая массы ПАЦИЕНТОВ и ОПЕРАТОРОВ при НОРМАЛЬНОЙ ЭКСПЛУАТАЦИИ;
- гибкие элементы включают веревки, кабели, цепи, ленты, полосы и пружины. Кроме того, гайка ходового винта считается подвергающейся износу для увеличения КОЭФФИЦИЕНТА БЕЗОПАСНОСТИ ПРИ РАСТЯЖЕНИИ;
- исполнительная система - система, содержащая такие элементы, как электрические, пневматические или гидравлические исполнительные устройства, двигатели, коробки передач, валы, подшипники, шкивы, ролики, главные приводы и направляющие;
- несущая конструкция - в общем случае это прочное устройство, которое может быть неподвижным или подвижным и которое обеспечивает поддержку МЭ ИЗДЕЛИЯ, внешних масс и, при необходимости, ПАЦИЕНТОВ и ОПЕРАТОРОВ.
КОЭФФИЦИЕНТ БЕЗОПАСНОСТИ ПРИ РАСТЯЖЕНИИ применяют для определения пределов безопасности конструкции после того, как будут сделаны все разумные допуски на рабочие условия, материалы, производственные характеристики и т.д.
При выборе из
таблицы 21 случая A или
B для применения
случая A необходимо убедиться в прочности материала, а также в правильном определении ПОЛНОЙ НАГРУЗКИ. Эта нагрузка состоит из "статического усилия" и "динамического усилия", причем статическое усилие обычно очевидно, тогда как динамическое усилие/нагрузка остаются в ряде случаев неопределенными. Если динамические и статические усилия известны, то КОЭФФИЦИЕНТ БЕЗОПАСНОСТИ ПРИ РАСТЯЖЕНИИ будет относиться к
случаю A, однако если динамические усилия (в отличие от статических) неизвестны, то КОЭФФИЦИЕНТ БЕЗОПАСНОСТИ ПРИ РАСТЯЖЕНИИ будет относиться к
случаю B.
Внешние усилия для поддержки ПАЦИЕНТА могут включать усилия, создаваемые применением технических средств при реанимации и т.д.
Удлинение на 5% при разрыве основано на ранее проведенных экспериментах с металлическими образцами, в частности со сталью и чугуном. Материалы с удлинением менее 5% при разрыве считаются хрупкими, их разрушение может приводить к серьезным последствиям, поэтому им должен соответствовать больший коэффициент запаса прочности.
Для неметаллических материалов:
- в случае когда отсутствуют какие-либо опытные данные и когда режим разрушения может приводить к серьезным последствиям, этот коэффициент удлинения считают достаточным, поэтому КОЭФФИЦИЕНТ БЕЗОПАСНОСТИ ПРИ РАСТЯЖЕНИИ будет считаться соответствующим;
- в случае когда опыт и испытания указывают на противоположное, удлинение при разрыве менее 5% может считаться более допустимым, чем более высокий КОЭФФИЦИЕНТ БЕЗОПАСНОСТИ ПРИ РАСТЯЖЕНИИ.
Например, столы ПАЦИЕНТА в рентгеновской/компьютерно-томографической/магниторезонансной системах часто изготавливают из пластмассовых материалов, ламинированных или усиленных углеродными волокнами/тканями или стеклотканью, поскольку эти столы должны быть оптимальными с точки зрения низкого поглощения рентгеновского излучения (эквивалентного поглощению в алюминии), совместимости по магниторезонансным характеристикам (низкому протонному отклику), а также прочности конструкции стола. Хотя эти пластмассовые материалы, усиленные углеродными волокнами/тканями, могут обладать удлинением при разрыве менее 5%, накопленные за многие годы знания, полученный опыт и контроль результатов клинического использования могут давать достаточные свидетельства того, что подходящая прочность конструкции стола ПАЦИЕНТА может обеспечиваться при применении КОЭФФИЦИЕНТА БЕЗОПАСНОСТИ ПРИ РАСТЯЖЕНИИ, взятом из
таблицы 21, для ситуации 1, но не для
ситуации 2.
К концу цикла своей жизни или цикла периодического технического обслуживания МЭ ИЗДЕЛИЕ должно сохранять свою структурную целостность.
Строка 1 в таблице 21 обычно соответствует ситуации, возникающей в конце жизненного цикла МЭ ИЗДЕЛИЯ или в конце цикла периодического технического обслуживания, поскольку износ уже больше во внимание не принимается.
Системы подвески и исполнительные системы должны обладать достаточно высоким КОЭФФИЦИЕНТОМ БЕЗОПАСНОСТИ ПРИ РАСТЯЖЕНИИ для снижения эффектов износа и усталости конструкций, ведущих к снижению их прочности.
Особое внимание должно уделяться креплению конструкций к полам, потолкам и т.д., которые подвергаются действию переменных усилий на растяжение.
Скрытый дефект - это дефект, который не выявляется в процессе изготовления, технического обслуживания или НОРМАЛЬНОЙ ЭКСПЛУАТАЦИИ МЭ ИЗДЕЛИЯ, но который может приводить к поломке его части и возникновению ОПАСНОСТИ. Примерами подобных дефектов могут служить высокие внутренние механические напряжения в термообработанных частях МЭ ИЗДЕЛИЯ (например, в пружинах), оборванные жилы кабеля и пористость литых изделий.
На
рисунке A.17 приведен пример оценки допустимого КОЭФФИЦИЕНТА БЕЗОПАСНОСТИ ПРИ РАСТЯЖЕНИИ с помощью
таблицы 21, а на
рисунке A.18 - пример определения конструкции и испытательных нагрузок. Эти примеры не претендуют на полный охват всех возможных ситуаций. Для отдельных конструкций эти КОЭФФИЦИЕНТЫ БЕЗОПАСНОСТИ ПРИ РАСТЯЖЕНИИ и проектные/испытательные нагрузки могут изменяться в зависимости от используемых материалов, их характеристик износа, условий нагружения и т.д.
Рисунок A.17 - Пример определения КОЭФФИЦИЕНТОВ БЕЗОПАСНОСТИ
Примечание - Указанная ПОЛНАЯ НАГРУЗКА основана на учете только статических усилий, поэтому для получения фактической полной нагрузки следует учитывать и динамические усилия.
Рисунок A.18 - Пример определения проектной
и испытательной нагрузок
Данный
подпункт сосредоточивает внимание на коэффициентах безопасности с той лишь целью, чтобы предложенный подход обеспечивал сохранение целостности конструкции МЭ ИЗДЕЛИЯ в течение всего его ОЖИДАЕМОГО СРОКА СЛУЖБЫ. В некоторых случаях можно ограничиваться выбором только КОЭФФИЦИЕНТА БЕЗОПАСНОСТИ ПРИ РАСТЯЖЕНИИ, а в других случаях можно принимать во внимание большее число факторов. Критерии соответствия могут удовлетворяться за счет МЕНЕДЖМЕНТА РИСКА, а не путем применения КОЭФФИЦИЕНТА БЕЗОПАСНОСТИ ПРИ РАСТЯЖЕНИИ. При использовании новых материалов или конструкций с усовершенствованным контролем механических напряжений применение КОЭФФИЦИЕНТА БЕЗОПАСНОСТИ ПРИ РАСТЯЖЕНИИ может оказаться ненужным.
Если предполагается, что характер разрушения части МЭ ИЗДЕЛИЯ не будет приводить к возникновению недопустимого РИСКА, то КОЭФФИЦИЕНТЫ БЕЗОПАСНОСТИ ПРИ РАСТЯЖЕНИИ, указанные в
таблице 21, не должны применяться. Например, для специализированных компонентов, таких как, например, подшипники, допускается использовать сведения о нагрузках и сроках их службы, предоставляемые их ИЗГОТОВИТЕЛЯМИ, не применяя КОЭФФИЦИЕНТЫ БЕЗОПАСНОСТИ ПРИ РАСТЯЖЕНИИ.
Гайка ходового винта, заведомо подвергающаяся высокой степени износа, как правило, намеренно изготавливается из более мягкого материала, нежели ходовой винт. Цель состоит в предъявлении общих требований к неспециализированным МЭ ИЗДЕЛИЯМ.
Более современная конструкция ходового винта может предполагать снижение трения по сравнению с классической конструкцией и может содержать несколько шарикоподшипников. Такие конструкции следует рассматривать как менее "подвергаемые износу", что предписывается в декларациях поставщика и ОЦЕНКЕ РИСКА ИЗГОТОВИТЕЛЯ.
Подпункт 4.5 применим всегда и позволяет ИЗГОТОВИТЕЛЯМ использовать с обоснованием альтернативные меры УПРАВЛЕНИЯ РИСКОМ или вариации метода испытаний или критериев соответствия требованиям.
Подпункт 9.8.3 - Прочность опорных или подвесных систем ПАЦИЕНТА или ОПЕРАТОРА
Данный
подпункт относится к усилиям, прикладываемым к опорным или подвешенным частям МЭ ИЗДЕЛИЯ, которые предназначены для поддержки или подвешивания массы, равной массе человеческого тела или его части, а также к ПРИНАДЛЕЖНОСТЯМ, используемым при поддержке или подвеске этих частей МЭ ИЗДЕЛИЯ. Для взрослых ПАЦИЕНТОВ или ОПЕРАТОРОВ масса в 135 кг типична для 99% населения. При оценках определенных категорий населения может использоваться большая или меньшая масса (например, в случае тучных пациентов или детей).
Подпункт 9.8.3.2 - Статические усилия от нагрузок, создаваемых ПАЦИЕНТОМ или ОПЕРАТОРОМ
Рисунок A.19 иллюстрирует схему распределения масс органов человека по опорным поверхностям, предназначенным для поддержки ПАЦИЕНТА.
Размеры в миллиметрах
Рисунок A.19 - Диаграмма распределения масс органов человека
по опорным поверхностям, предназначенным
для поддержки ПАЦИЕНТА
Диаграмма распределения масс органов тела человека является среднестатистической и основана на усредненных антропометрических показателях, поэтому она может быть различной для разных групп населения или возрастных категорий. Для людей, ведущих сидячий образ жизни и не испытывающих физических нагрузок, масса верхней части тела может составлять больший процент от общей массы тела.
Разнообразие МЭ ИЗДЕЛИЙ не позволяет в данном общем стандарте задавать нагрузку с большей точностью, которая может быть определена в частном стандарте с целью построения более адекватной диаграммы распределения масс или их положения в наименее благоприятных случаях, а не при динамических испытаниях.
Подставку под ноги проверяют дважды при нормальной нагрузке, а не при нагрузке, основанной на учете КОЭФФИЦИЕНТА БЕЗОПАСНОСТИ, взятого из
таблицы 21, поскольку она предназначена для поддержки ПАЦИЕНТА только в течение короткого промежутка времени.
Испытания с массой 80 кг, помещенной на расстоянии 60 мм от внешнего края, предназначены для моделирования центра тяжести ПАЦИЕНТА при сидении на крае опорной поверхности или прислонении к ней.
Во время испытаний статической нагрузки предполагается, что любая временная упругая деформация (во время проведения испытания) и постоянная упругая деформация (после проведения испытания) проверяются на наличие каких-либо негативных последствий для ОСНОВНОЙ БЕЗОПАСНОСТИ или ОСНОВНЫХ ФУНКЦИОНАЛЬНЫХ ХАРАКТЕРИСТИК.
Для испытания нагрузки на ступени комитет считает, что деформация на 5° обеспечит измеряемую величину, которая будет представлять собой допустимый предел. Двойной коэффициент нагрузки является аналогом, указанным во второй редакции МЭК 60601-1 и, по-видимому, представляет собой временную нагрузку, которую эти ступени испытывают в течение их срока службы.
Для испытания нагрузки на поверхности для сидения не указаны определенные линейные или угловые пределы. Цель состоит в том, чтобы оценить любые временные или постоянные упругие деформации для любых негативных последствий для ОСНОВНОЙ БЕЗОПАСНОСТИ или ОСНОВНЫХ ФУНКЦИОНАЛЬНЫХ ХАРАКТЕРИСТИК. Коэффициент нагрузки в 60% считается показательным для фактической нагрузки в положении сидя, если ноги свисают с края поверхности для сидения. Потеря функциональности не считается недопустимой, если она не связана с ОСНОВНЫМИ ФУНКЦИОНАЛЬНЫМИ ХАРАКТЕРИСТИКАМИ. Цель состоит в том, чтобы нанесение вреда не приводило к травмам людей или к утрате мер УПРАВЛЕНИЯ РИСКОМ. Поверхности, предназначенные для опоры в положении сидя и в других случаях для полной нагрузки пациента, также оценивают на соответствие с использованием соответствующего(их) коэффициента(ов) нагрузки, указанного(ых) в
9.8.2.
Подпункт 9.8.3.3 - Динамические усилия от нагрузок, создаваемых ПАЦИЕНТОМ или ОПЕРАТОРОМ
Общее динамическое испытание определяет общие ситуации, возникающие при присаживании или вставании человека.
Требование данного
подпункта относится к стоматологическим креслам, рентгеновским столам и другим подобным МЭ ИЗДЕЛИЯМ. При этом МЭ ИЗДЕЛИЕ следует устанавливать во все рабочие режимы и положения, при которых могут возникать создаваемые ПАЦИЕНТАМИ динамические нагрузки. Например, когда стол ПАЦИЕНТА помещается в рабочую зону компьютерного томографа (зону действия его магнитного поля), динамическое испытание не проводят, поскольку динамическая нагрузка, создаваемая ПАЦИЕНТОМ, оказывается незначительной.
Конструкция МЭ ИЗДЕЛИЯ должна выдерживать повторяющиеся усилия, учитывая соответствующие КОЭФФИЦИЕНТЫ БЕЗОПАСНОСТИ и результаты оценки усталости. Эти КОЭФФИЦИЕНТЫ БЕЗОПАСНОСТИ необходимы для оценки надежности изделий без проведения реальных испытаний.
Аппаратура для испытаний на нагрузку, создаваемую нижней частью тела человека (см.
рисунок 33), представляет собой устройство из пенопласта, позволяющее моделировать контакт МЭ ИЗДЕЛИЯ с этой частью тела ПАЦИЕНТА.
Назначение МЕХАНИЧЕСКОГО ЗАЩИТНОГО УСТРОЙСТВА состоит в предотвращении причинения ВРЕДА в случае неисправности первичного устройства поддержки, подверженного износу. Подобная неисправность будет рассматриваться как УСЛОВИЕ ЕДИНИЧНОГО НАРУШЕНИЯ, если это устройство имеет КОЭФФИЦИЕНТ БЕЗОПАСНОСТИ, соответствующий приведенному в
строках 5 и
6 таблицы 21. Для защиты от ВРЕДА, причиняемого при этом УСЛОВИИ ЕДИНИЧНОГО НАРУШЕНИЯ, МЕХАНИЧЕСКОЕ ЗАЩИТНОЕ УСТРОЙСТВО должно действовать в качестве резервного средства и иметь КОЭФФИЦИЕНТ БЕЗОПАСНОСТИ, указанный в
строке 7 таблицы 21. Считается оптимальным конструировать МЕХАНИЧЕСКИЕ ЗАЩИТНЫЕ УСТРОЙСТВА из нехрупких материалов, поэтому в
строке 7 отсутствует значение удлинения.
Для испытания МЕХАНИЧЕСКОГО ЗАЩИТНОГО УСТРОЙСТВА необходимо удалить первичное устройство поддержки, подверженное износу. Например, если первичным устройством поддержки является кабель, то он должен быть обрезан.
Пункт 10 - Защита от ОПАСНОСТЕЙ воздействия нежелательного или чрезмерного излучения
Излучение, создаваемое МЭ ИЗДЕЛИЕМ, может проявляться во всех известных физических формах. Требования к ОСНОВНОЙ БЕЗОПАСНОСТИ связаны с нежелательным излучением. Для защиты МЭ ИЗДЕЛИЯ и окружающей среды необходимо предпринимать определенные меры, поэтому следует стандартизировать методы определения уровней излучения.
Этот
пункт предназначен для определения уровней паразитного излучения (например, рассеянного излучения, создаваемого радиологическими изделиями) и побочного излучения (например, рентгеновского излучения, создаваемого электронно-лучевыми трубками). Требование к нежелательному или чрезмерному излучению, которым МЭ ИЗДЕЛИЕ может подвергать ПАЦИЕНТА, указано в
12.4.5.
Для ионизирующих излучений требования стандартов МЭК в целом соответствуют рекомендациям Международной комиссии по радиационной защите (МКРЗ), назначением которых является обеспечение проектировщиков и ОТВЕТСТВЕННОЙ ОРГАНИЗАЦИИ данными, пригодными для оперативного применения.
Оценка этих требований возможна только путем тщательного изучения методов эксплуатации и продолжительности работы МЭ ИЗДЕЛИЯ и расположения ОПЕРАТОРА и его помощников, поскольку применение условий, характерных для наименее благоприятного случая, может приводить к ситуациям, препятствующим постановке надлежащего диагноза или лечению.
Последние публикации МКРЗ также дают рекомендации ОПЕРАТОРУ о методах ограничения непреднамеренного облучения.
Подпункт 10.1.1 - МЭ ИЗДЕЛИЕ, не предназначенное для рентгеновского излучения в диагностических или лечебных целях
Паразитное рентгеновское излучение от таких компонентов, как видеодисплейные устройства - потенциальный источник проблем для МЭ ИЗДЕЛИЙ, их содержащих. В приложении H МЭК 60950-1:2005 описана хорошо зарекомендовавшая себя ПРОЦЕДУРА измерения паразитного излучения от информационно-технологического оборудования. Предельные значения в этом приложении основаны на рекомендациях МКРЗ 60
[39].
МЭК 62368-1:2018 заменяет МЭК 60950-1 и был включен в настоящий стандарт как часть Поправки 2. На основе анализа процедур испытаний и требований в соответствии с МЭК 60950-1:2005 и МЭК 62368-1:2018 было установлено, что существуют различия в процедурах измерения и критериях приемки. МЭК 62368-1:2018 добавляет дополнительное требование к измерениям при единичных неисправностях. Кроме того, МЭК 62368-1:2018 добавляет требование, чтобы изображения, созданные во время теста, были понятными (что определено). МЭК 62368-1:2018 не включает измерительную поверхность 50 мм зоны доступа ОПЕРАТОРА, которая указана в МЭК 60950-1:2005. Ограничения одинаковы между МЭК 60950-1:2005 и МЭК 62368-1:2018.
Другие нормативные ссылки на МЭК 60950-1 служат в качестве альтернативных средств обращения к другим пунктам стандарта, например к ПУТИ УТЕЧКИ и ВОЗДУШНОМУ ЗАЗОРУ. Пользователь настоящего стандарта не должен ссылаться на МЭК 60950-1, если ему не требуется использовать методы КООРДИНАЦИИ ИЗОЛЯЦИИ, описанные в данном стандарте.
В данном
подпункте указан предел плотности микроволновой энергии для уменьшения термической опасности для всех тканей тела. Предполагается, что соответствие можно определить с помощью инженерной оценки вместо проведения испытания, если очевидно, что плотность энергии излучения ниже предела, равного 10 Вт/м
2. Для определения соответствия можно использовать знания о спецификациях оборудования и инженерную оценку. Порог безопасности, равный 10 Вт/м
2, значительно превышает допустимый порог для применения в беспроводной связи, где применяются ограничения удельной мощности поглощения излучения (Вт/кг). Например, оборудование с генератором тактовых импульсов микропроцессора или приемо-передающими радиостанциями, такими как Wi-Fi
TM,

, GPS или сотовая связь, будет соответствовать этому пороговому значению, поскольку они соответствуют более строгим ограничениям на применимой полосе пропускания. Если уверенность в соответствии отсутствует, то следует провести подходящие измерения плотности энергии.
МЭК 60825-1:2014 применим к безопасности лазерных изделий, создающих лазерное излучение в диапазоне длин волн от 180 нм до 1 мм. Лазерное изделие может состоять из одного лазера с отдельным источником питания или без него или может содержать один или несколько лазеров в сложной оптической, электрической или механической системе.
Любое лазерное изделие освобождается от всех дополнительных требований МЭК 60825-1, если классификация изготовителя этого изделия показывает, что уровень излучения не превышает максимально допустимый уровень излучения класса 1 при всех условиях эксплуатации, обслуживания и неисправности.
В предыдущих редакциях МЭК 60825-1 светодиоды были включены в область применения данного стандарта, и они все еще могут быть включены в другие части серии МЭК 60825. Однако, с учетом разработки стандартов безопасности для ламп, безопасность оптического излучения светодиодов в целом может быть улучшена с помощью стандартов безопасности для ламп. Исключение светодиодов из области применения МЭК 60825-1 не исключает, что другие стандарты будут включать в область применения светодиоды, если они относятся к лазерам. МЭК 62471
[67] может применяться для определения класса группы риска светодиода или изделия, содержащего один или несколько светодиодов.
МЭК 62471
[67] содержит рекомендации по оценке фотобиологической безопасности ламп и ламповых систем, включая светильники. В частности, в нем указаны пределы воздействия, метод сравнительного измерения и схема классификации для оценки и контроля фотобиологической опасности от всех некогерентных широкополосных источников оптического излучения с электрическим питанием, включая светодиоды, но без лазеров, в диапазоне длин волн от 200 до 3000 нм. МЭК 62471 был первоначально составлен Международной комиссией по освещению в качестве стандарта CIE S 009:2002.
При необходимости МЭК 60601-2-57
[75] используется для МЭ ИЗДЕЛИЯ, включающего нелазерные источники света, предназначенные для создания невизуальных фотобиологических эффектов.
Задание предельных значений температуры необходимо для предотвращения ОПАСНЫХ СИТУАЦИЙ, возникающих в МЭ ИЗДЕЛИЯХ почти всех типов и связанных с быстрым старением изоляции, возникновением дискомфорта при прикосновении к МЭ ИЗДЕЛИЮ или при работе с ним, или возможностью получения ПАЦИЕНТАМИ травм при их контакте с частями МЭ ИЗДЕЛИЯ.
Части МЭ ИЗДЕЛИЯ могут вводиться в полости тела, обычно временно, но иногда и на постоянной основе.
Для контакта с ПАЦИЕНТОМ установлены специальные предельные значения температуры.
В
таблице 22 приведены предельные значения температуры для частей, которые могут влиять в целом на соответствие МЭ ИЗДЕЛИЯ настоящему стандарту, например на электрическую ОСНОВНУЮ БЕЗОПАСНОСТЬ.
Предполагается, что части МЭ ИЗДЕЛИЯ не должны проверяться в каждой из своих возможных конфигураций при НОРМАЛЬНОЙ ЭКСПЛУАТАЦИИ до тех пор, пока ИЗГОТОВИТЕЛЬ не определит наименее благоприятные условия эксплуатации, которые почти всегда будут связаны с максимально допустимой температурой окружающей среды и работой МЭ ИЗДЕЛИЯ в максимальном РАБОЧЕМ ЦИКЛЕ. Однако другие особенности конфигурации МЭ ИЗДЕЛИЯ (например, присоединение к нему ПРИНАДЛЕЖНОСТЕЙ) должны определяться его ИЗГОТОВИТЕЛЕМ и основываться на четком понимании конструкции МЭ ИЗДЕЛИЯ.
В
таблицах 23 и
24 указаны ОПАСНОСТИ, которые могут возникать в результате контакта человека с РАБОЧИМИ ЧАСТЯМИ МЭ ИЗДЕЛИЯ, имеющими повышенные температуры. Их выбор основан на заключении клиницистов, данных клинической литературы
[52] и экспериментов. Кроме того, значения температуры находятся в соответствии со значениями, установленными в Европейском нормативе EN 563
[38].
Несмотря на то, что максимальная температура поверхности РАБОЧЕЙ ЧАСТИ, по результатам указанных выше заключений, была повышена с 41 °C до 43 °C, некоторые клиницисты отмечали, что детям и пациентам некоторых других категорий с высокой степенью РИСКА может наноситься ВРЕД и от поверхностей, нагретых до температуры 43 °C.
В идеальном случае частные стандарты на МЭ ИЗДЕЛИЯ, предназначенные для ПАЦИЕНТОВ этих групп, должны содержать требования (где это необходимо) к более низким температурам контакта. При рассмотрении подобных случаев, для которых частные стандарты отсутствуют, рабочая группа пришла к мнению, что уведомления ОТВЕТСТВЕННОЙ ОРГАНИЗАЦИИ о повышении предельного значения температуры 41 °C, указанного во второй редакции настоящего стандарта, будет достаточным. Однако при этом новое предельное значение температуры 43 °C следует рассматривать как максимальное.
При измерении температуры РАБОЧЕЙ ЧАСТИ используемый метод испытаний должен моделировать конфигурацию, соответствующую наименее благоприятному случаю, с использованием реальной или имитируемой кожи человека. Определение этого наименее благоприятного случая следует проводить с учетом, возможно, таких аспектов, как температура тела, и того, укрыта ли чем-либо часть тела или сама РАБОЧАЯ ЧАСТЬ (например, одеялом). Имитируемым кожу человека материалом при этом может быть силиконовая резина.
Таблица A.5 может служить руководством для тех МЭ ИЗДЕЛИЙ, которые предназначены для создания низких температур в терапевтических целях или при операциях. Нормативные требования не были включены в настоящий стандарт, поскольку такие МЭ ИЗДЕЛИЯ встречаются достаточно редко.
Таблица A.5
Рекомендации по выбору поверхностных температур для МЭ
ИЗДЕЛИЯ, создающего низкие температуры (охлаждение)
для терапевтических целей или при операциях
МЭ ИЗДЕЛИЕ и его части | Минимальная температура <a>, °C |
Алюминий | Сталь |
Внешняя поверхность МЭ ИЗДЕЛИЯ и его частей, которых, возможно, будут касаться в течение времени " t" <b> | t < 1 с | - 20 | - 20 |
1 с <= t <= 10 с | - 10 | - 15 |
10 с <= t <= 20 с | - 2 | - 7 |
<a> Допустимые предельные значения минимальной температуры для внешних поверхностей, которых могут касаться ПАЦИЕНТ, ОПЕРАТОР и другие лица, основываются на предельных значениях замораживания (порога обморожения) для пальца, касающегося различных материалов. <b> Вероятность возникновения и продолжительности контакта должна определяться и регистрироваться в ФАЙЛЕ МЕНЕДЖМЕНТА РИСКА. |
Надлежащее использование термопар признано в других стандартах как обоснованный метод испытаний. Предельные значения температуры снижены с целью компенсации ошибок, которые могут возникать при конструировании и установке термопары.
В ходе разработки требований, содержащихся в
11.1.3, рабочая группа обсудила вопрос о целесообразности снижения максимально допустимой температуры поверхностей и РАБОЧИХ ЧАСТЕЙ на больших высотах. В ответ на этот вопрос тщательную оценку провел д-р Йоахим Коль, член-эксперт группы. Ниже приведены результаты этой оценки
(рисунок A.22).
Рисунок A.22 - Максимальная допустимая температура
поверхностей и РАБОЧИХ ЧАСТЕЙ на больших высотах
В оценке используются следующие переменные и символы:
T_touch - температура прикосновения на поверхности МЭ ИЗДЕЛИЯ;
DeltaT - разность температур прикосновения и окружающей среды;
R_thermal - коэффициент сопротивления теплопередачи испытуемой области МЭ ИЗДЕЛИЯ к окружающей среде;
Q - тепловая энергия;
dQ/dt - тепловой поток;
Pambient - давление окружающего воздуха;
alpha - коэффициент теплопередачи = dQ/dt / (DeltaT·area);
L - характерная длина области теплопередачи;
area - область охлаждения устройства;
lambda - теплопроводность;
eta - коэффициент динамической вязкости;
rho - плотность газа;
Nu - число Нуссельта;
Re - число Рейнольдса;
Gr - число Грасгофа;
sqrt - квадратный корень;
~ - пропорционально.
Оценка влияния высоты на теплопередачу:
Стандартное уравнение теплопередачи:
DeltaT = R_thermal·dQ/dt.
Для R_thermal можно оценить:
R_thermal ~ 1/Pambientm,
с показателем m = 0,6 ... 0,8, будем предполагать 1.
Уравнение о пропорциональности для 1/Pambientm:
Следовательно,
R_thermal ~ 1/alpha,
где коэффициент пропорциональности содержит геометрические данные.
Определение Nu:
Nu = alpha·L/lambda.
Результаты теоретических исследований:
Nu ~ Rem.
Коэффициент пропорциональности зависит от геометрии и от вида газа и способа обеспечения потока воздуха, но не от температуры, давления, плотности.
Показатель m определяется геометрией и способом обеспечения потока воздуха. Для свободной конвекции из-за температурного градиента Re рассчитывается следующим образом:
Re = sqrt (0,4·Gr).
Определение Gr сводится к:
Gr ~ (rho/eta)2.
Таким образом:
Re ~ rho/eta.
Это последнее соотношение справедливо и для принудительной конвекции.
Из общего уравнения состояния идеального газа можно увидеть, что:
rho ~ Pambient.
Lambda и eta не зависят от давления (согласно стандартным руководствам по физике). Объединение всего этого приводит к вышеуказанной пропорциональности между R_thermal и Pambient.
Для большей части окружающих сред, в которых эксплуатируется МЭ ИЗДЕЛИЕ, большую опасность представляют и иные источники "топлива", кроме обычно содержащихся непосредственно в МЭ ИЗДЕЛИИ. Требования, относящиеся к возгоранию, в данном стандарте направлены на предотвращение возгорания самого МЭ ИЗДЕЛИЯ от внешнего источника. По этой причине данные требования будут относиться к МЭ ИЗДЕЛИЯМ, которые содержат или эксплуатируют в СРЕДАХ С ПОВЫШЕННЫМ СОДЕРЖАНИЕМ КИСЛОРОДА. Эти требования необходимы для того, чтобы гарантировать изоляцию любого потенциального источника возгорания от СРЕД С ПОВЫШЕННЫМ СОДЕРЖАНИЕМ КИСЛОРОДА при НОРМАЛЬНОЙ ЭКСПЛУАТАЦИИ и УСЛОВИЯХ ЕДИНИЧНОГО НАРУШЕНИЯ МЭ ИЗДЕЛИЯ.
В случае когда МЭ ИЗДЕЛИЕ не эксплуатируется в подобных средах и при гарантии того, что предельные значения рабочих температур и требования к защите от перегрузки будут выполнены, оно должно считаться отвечающим требованиям к пожаробезопасности.
Для МЭ ИЗДЕЛИЙ, которые могут обладать достаточными источниками "топлива" (по сравнению с нормальными рабочими средами), дополнительные требования следует указывать в частных стандартах.
В отсутствие частного стандарта к подобным вопросам необходимо специально обращаться, применяя ПРОЦЕСС МЕНЕДЖМЕНТА РИСКА, требуемый согласно
4.2.
Подпункт 11.2.1 - Прочность и жесткость, требуемые для предотвращения возгорания МЭ ИЗДЕЛИЯ
По крайней мере все электрические части, которые могут приводить к ОПАСНЫМ СИТУАЦИЯМ, за исключением ШНУРОВ ПИТАНИЯ и других необходимых соединительных шнуров, должны заключаться в несгораемый материал.
Последнее не исключает использования внешнего покрытия внутренних поверхностей другим материалом, отвечающего вышеуказанным рекомендациям.
Для получения рекомендаций по оценке ОПАСНОСТЕЙ возгорания см. МЭК 60695-1-10
[17].
Подпункт 11.2.2 - МЭ ИЗДЕЛИЯ и МЭ СИСТЕМЫ, используемые для работы в СРЕДАХ С ПОВЫШЕННЫМ СОДЕРЖАНИЕМ КИСЛОРОДА
Даже при неогнеопасной смеси наличие СРЕДЫ С ПОВЫШЕННЫМ СОДЕРЖАНИЕМ КИСЛОРОДА увеличивает воспламеняемость многих ее компонентов. Сообщения о возгораниях МЭ ИЗДЕЛИЙ в СРЕДАХ С ПОВЫШЕННЫМ СОДЕРЖАНИЕМ КИСЛОРОДА редки, однако при их реальном возникновении в больницах они могут приводить к трагическим последствиям.
МЭ ИЗДЕЛИЕ, предназначенное для работы в СРЕДЕ С ПОВЫШЕННЫМ СОДЕРЖАНИЕМ КИСЛОРОДА, должно иметь конструкцию, минимизирующую вероятность как возгорания огнеопасных материалов, так и самовозгорания.
Когда это целесообразно, соответствующие требования следует указывать в частных стандартах.
Хлопок считается материалом с самой низкой температурой и энергией возгорания по сравнению с электронными компонентами; предполагается, что он может быть обнаружен во внутренней части устройства в виде пыли.
Выбор максимального предельного значения температуры поверхности основывается на минимальной температуре возгорания огнестойкого хлопка на электрической плитке в среде со 100%-ным содержанием кислорода, которая в NFPA 53
[41] определяется равной 310 °C. По этой причине было сделано предположение, что температура 300 °C является допустимым предельным значением для МЭ ИЗДЕЛИЯ, работающего в СРЕДАХ С ПОВЫШЕННЫМ СОДЕРЖАНИЕМ КИСЛОРОДА.
Указанный в тексте наименее благоприятный случай позволил установить в качестве предельных простые значения.
Значения температуры зажигания заимствованы из работ Kohl H.-J. и др., ASTM STP 1395
[37].
Данный
подпункт допускает использование в СРЕДАХ С ПОВЫШЕННЫМ СОДЕРЖАНИЕМ КИСЛОРОДА электронных схем только при условии ограничения мощности их питания. Для выполнения УСЛОВИЯ ЕДИНИЧНОГО НАРУШЕНИЯ открытых паяных соединений (которые могут давать вспышку) необходимо их ограничение по входному сопротивлению. По тем же причинам необходимо ограничение энергии в конденсаторах и индуктивности. В большинстве случаев ограничение температуры значением 300 °C, указанным в
4), является более строгим, чем эти. Для большинства малогабаритных компонентов, например развязывающих конденсаторов, или в случае когда неисправность компонента приводит к выделению максимальной мощности, отбираемой от источника, необходимо ограничивать ее на уровне порядка 1 Вт. ПРОЦЕДУРА нахождения необходимого значения такого ограничения мощности, чтобы значение температуры не превышало 300 °C, может состоять из следующих стадий:
- нахождения наименьшего компонента, который будет соответствовать источнику питания при УСЛОВИИ ЕДИНИЧНОГО НАРУШЕНИЯ;
- оценки его теплового сопротивления;
- расчета ограничения по мощности/тепловому сопротивлению при температуре 200 °C.
Этот
пункт относится к условию необнаруженной утечки кислорода. В соответствии с определением ЕДИНСТВЕННОЙ ЗАЩИТЫ ОТ НАРУШЕНИЯ такую утечку (поскольку она не обнаружена) следует рассматривать как НОРМАЛЬНОЕ СОСТОЯНИЕ (см.
4.7). Аналогично - только неисправность вентиляции, которая не обнаружена, следует рассматривать как НОРМАЛЬНОЕ СОСТОЯНИЕ. В случае когда конструкция системы вентиляции при НОРМАЛЬНОЙ ЭКСПЛУАТАЦИИ делает блокировку маловероятной, ее не следует принимать во внимание. Единственным способом нахождения максимальной скорости утечки, которую необходимо учитывать, является определение минимальной скорости утечки, которая еще может эффективно выявляться ОТВЕТСТВЕННОЙ ОРГАНИЗАЦИЕЙ.
Причиной возникновения ОПАСНОЙ СИТУАЦИИ является необнаруженная утечка, после которой будет возникать электрическая неисправность, приводящая к возгоранию. Временной интервал tc для проверки герметизации можно рассчитывать путем:
- оценки вероятности
pe по времени возникновения электрической неисправности, которая будет превышать значения, указанные в
11.2.2.1 a);
- оценки вероятности po по времени утечки кислорода;
- определения допустимой вероятности r опасных неисправностей по времени;
- вычисления значения tc = r/(0,5·pe·po).
О серьезных возгораниях кислорода сообщалось в случаях, когда источником возгорания был дефектный электрический соединитель, находившийся вблизи от выпускных патрубков для кислорода.
Подпункт 11.3 - Конструктивные требования к противопожарным КОРПУСАМ МЭ ИЗДЕЛИЙ
Требования к противопожарным КОРПУСАМ были включены в настоящий стандарт как альтернатива испытаниям при УСЛОВИЯХ ЕДИНИЧНОГО НАРУШЕНИЯ (т.е. с возгоранием и его последствиями, перечисленными в
пункте 13). При выполнении требований к огнестойкости КОРПУСА и содержащихся в нем материалов вероятность распространения пламени за пределы такого КОРПУСА считают минимальной. Если противопожарный КОРПУС является только частью МЭ ИЗДЕЛИЯ, то необходимо провести тщательный анализ с точки зрения существования надежного барьера, препятствующего распространению пламени.
МЭК 61010-1:2010
[22], подпункт 9.3.2, требует изоляции проводов при использовании внутри противопожарного КОРПУСА. Провода с уровнем огнестойкости VW-1 по UL 2556
[72] или эквивалентным считают соответствующими этому требованию. В случае сомнений провода проверяют в соответствии с применимыми требованиями МЭК 60332-1-2
[55] или МЭК 60332-2-2
[56]. Эти требования огнестойкости провода считают допустимыми для МЭ ИЗДЕЛИЯ и МЭ СИСТЕМ.
Подпункт 11.4 - МЭ ИЗДЕЛИЯ и МЭ СИСТЕМЫ для эксплуатации с воспламеняющимися анестетиками
Несмотря на то, что использование воспламеняющихся анестетиков происходит достаточно редко, в процессе разработки настоящего стандарта было установлено, что некоторые ИЗГОТОВИТЕЛИ все еще стремятся оценивать свои МЭ ИЗДЕЛИЯ как принадлежащие к КАТЕГОРИИ AP или к КАТЕГОРИИ APG. Для того чтобы сделать настоящую редакцию более удобной для применения (путем удаления редко используемого пункта по этому вопросу) и сохранить возможность использования ОЦЕНКИ КАТЕГОРИИ AP и КАТЕГОРИИ APG, относящиеся к этому вопросу материалы были перенесены в
приложение G, а в этом пункте стандарта сохранилась только краткая ссылка.
Заключительное определение того, следует ли МЭ ИЗДЕЛИЕ относить к НОРМИРОВАННОЙ КАТЕГОРИИ AP или к НОРМИРОВАННОЙ КАТЕГОРИИ APG, должно даваться ИЗГОТОВИТЕЛЕМ и основываться на ПРЕДУСМОТРЕННОМ ПРИМЕНЕНИИ МЭ ИЗДЕЛИЙ. Требования, предъявляемые к изделиям КАТЕГОРИИ AP и КАТЕГОРИИ APG, приведены в
приложении G (см. также
пояснения в приложении G).
Подпункт 11.5 - МЭ ИЗДЕЛИЯ и МЭ СИСТЕМЫ для эксплуатации с воспламеняющимися веществами
Несмотря на необходимость рассмотрения случаев, в которых МЭ ИЗДЕЛИЕ эксплуатируется в среде с опасными веществами (например, с некоторыми дезинфицирующими средствами) или в областях, где они обычно используются и где ИЗГОТОВИТЕЛЬ МЭ ИЗДЕЛИЯ не дал никаких специальных инструкций по обработке или по мерам предосторожности, разнообразие таких веществ, их летучесть, а также многие другие значимые факторы не позволяют выдавать какие-либо четкие рекомендации на этот счет. Единственным разумным решением в таких случаях является гарантия того, что ИЗГОТОВИТЕЛЬ рассмотрел и оценил возникающий РИСК.
Смесь паров огнеопасного дезинфицирующего или чистящего вещества с воздухом можно считать ВОСПЛАМЕНЯЮЩЕЙСЯ СМЕСЬЮ АНЕСТЕТИКА С ВОЗДУХОМ, подпадающей под действие национальных или местных нормативов.
Цель данного испытания состоит не только в оценке того, действительно ли жидкость может смачивать любые части МЭ ИЗДЕЛИЯ так, что это будет неблагоприятно сказываться на СРЕДСТВЕ ЗАЩИТЫ или будет приводить к возникновению ОПАСНОСТИ, но также и того, может ли аналогичное количество жидкости, которое способно и в других случаях выходить за пределы МЭ ИЗДЕЛИЯ и достигать тех же его частей (но, возможно, другим способом), неблагоприятно сказываться на СРЕДСТВЕ ЗАЩИТЫ или приводить к возникновению ОПАСНОСТИ. Результаты этого испытания следует оценивать с точки зрения реалистичности условий, при которых МЭ ИЗДЕЛИЕ будет эксплуатироваться.
Помимо МЭ ИЗДЕЛИЙ, которые требуют использования жидкостей, некоторые из них могут подвергаться расплескиванию жидкости при РАЗУМНО ПРОГНОЗИРУЕМОМ НЕПРЕДУСМОТРЕННОМ ПРИМЕНЕНИИ. В таких случаях расплескивание считается НОРМАЛЬНОЙ ЭКСПЛУАТАЦИЕЙ и связанные с ними РИСКИ рассматриваются в соответствии с требованиями этого
подпункта. Кроме того, как описано в
9.4.2, наклон ТРАНСПОРТИРУЕМОГО МЭ ИЗДЕЛИЯ на угол 10° считается НОРМАЛЬНОЙ ЭКСПЛУАТАЦИЕЙ. В таких случаях (так же, как и для МЭ ИЗДЕЛИЙ, требующих использования жидкостей) объемы и места возможного расплескивания могут сильно изменяться. Только с помощью надлежащей оценки испытываемого МЭ ИЗДЕЛИЯ можно определить адекватность применения этих требований, ответственность за выполнение которых несет ИЗГОТОВИТЕЛЬ. Результаты оценки должны предоставляться лицам, проводящим испытания (обычно в ФАЙЛЕ МЕНЕДЖМЕНТА РИСКА). Это требование может стать предметом соответствующих оценок разработчиками частных стандартов.
В соответствии с принципами, изложенными в МЭК 62366
[76], в которых указаны явные предупреждения или уведомления о безопасности (подтвержденные, как описано в МЭК 62366-1), игнорирование таких предупреждений или уведомлений о безопасности считается неправильным применением МЭ ИЗДЕЛИЯ, которое не входит в ответственность ИЗГОТОВИТЕЛЯ. Ввиду этого, если предоставляются подобные уведомления или предупреждения о безопасности, резервуар для жидкости заполняется только до предполагаемого уровня перед его наклоном на 10°. Там, где такие уведомления и предупреждения не указаны, резервуар для жидкости заполняется на 15% выше предполагаемого уровня.
Анализ НОРМАЛЬНОЙ ЭКСПЛУАТАЦИИ МЭ ИЗДЕЛИЯ должен обеспечивать адекватную оценку объема жидкости, которая может расплескиваться на него.
Считается, что утечка является УСЛОВИЕМ ЕДИНИЧНОГО НАРУШЕНИЯ.
Подпункт 11.6.5 - Проникание воды или твердых частиц в МЭ ИЗДЕЛИЯ и МЭ СИСТЕМЫ
Хотя маловероятно, что МЭ ИЗДЕЛИЕ имеет НОРМИРОВАННУЮ защиту от проникания пылевидных веществ, МЭК 60529 рассматривает подобную возможность. Проникание воды или любых пылевидных веществ в КОРПУС после испытаний в соответствии с классификацией согласно МЭК 60529 будет расцениваться как НОРМАЛЬНОЕ СОСТОЯНИЕ. Поэтому данное требование должно позволять оценивать возможность возникновения ОПАСНОЙ СИТУАЦИИ, связанной с поступлением в КОРПУС воды или пылевидных веществ в сочетании с возможным УСЛОВИЕМ ЕДИНИЧНОГО НАРУШЕНИЯ (например, обрывом СОЕДИНЕНИЯ С ЗАЩИТНЫМ ЗАЗЕМЛЕНИЕМ).
Подпункт 11.6.8 - Совместимость с веществами, используемыми вместе с МЭ ИЗДЕЛИЕМ
Конструкции МЭ ИЗДЕЛИЯ, его частей и ПРИНАДЛЕЖНОСТЕЙ должны быть такими, чтобы они могли безопасно использоваться вместе с веществами, с которыми они должны работать в контакте при НОРМАЛЬНОЙ ЭКСПЛУАТАЦИИ.
Когда это целесообразно, соответствующие требования следует включать в частные стандарты.
Прерывание питания может приводить к возникновению ОПАСНОЙ СИТУАЦИИ из-за потери функциональных возможностей МЭ ИЗДЕЛИЯ. Эта ОПАСНАЯ СИТУАЦИЯ рассмотрена в
7.9.2.4. Восстановление питания также может приводить к ОПАСНЫМ СИТУАЦИЯМ, например к непредусмотренной активации движущихся частей МЭ ИЗДЕЛИЯ или возобновлению опасных выходных воздействий. Эти потенциально ОПАСНЫЕ СИТУАЦИИ и продолжительность прерывания питания, которое может приводить к возникновению ОПАСНЫХ СИТУАЦИЙ, нужно рассматривать в ПРОЦЕССЕ МЕНЕДЖМЕНТА РИСКА.
МЭК 61000-4-11
[21] определяет общие и воспроизводимые условия при работе электрического и электронного изделий, когда в них наблюдаются падение напряжения, короткое замыкание и нестабильность напряжения. Уровень напряжения и продолжительность короткого замыкания указаны в таблице 5 МЭК 60601-1-2:2014 и МЭК 60601-1-2:2014/AMD1:2020. МЭК 60601-1-2 расценивает подобные короткие замыкания как НОРМАЛЬНОЕ СОСТОЯНИЕ.
Для МЭ ИЗДЕЛИЙ, в которых безопасность ПАЦИЕНТА зависит от непрерывности электропитания, в частных стандартах следует устанавливать требования к сигналам тревоги при прерывании питания или к другим мерам предосторожности.
Пункт 12 - Точность органов управления и измерительных приборов и защита от опасных значений выходных характеристик
МЭК 60601-1 служит руководством для разработки всех частных стандартов, поэтому в нем содержатся некоторые требования более общего характера, необходимые для достижения поставленной цели, и поэтому в
пункте 12 необходимо сформулировать некоторые общие требования.
Органы стандартизации, включая органы, не входящие в МЭК, приняли систему настоящей публикации МЭК для получения единственной и единообразной системы стандартов. В таких случаях особо важно в этом
пункте дать директивные указания.
В данном
пункте вводится понятие ЭКСПЛУАТАЦИОННОЙ ПРИГОДНОСТИ, которое было выбрано вместо обычно используемого термина "субъективная погрешность" или "ошибка пользователя", поскольку не все ошибки являются результатом ошибки или небрежности со стороны ОПЕРАТОРА МЭ ИЗДЕЛИЯ. Слишком часто ошибки при эксплуатации являются прямым следствием недостаточно качественной конструкции интерфейса, который вынуждает ОПЕРАТОРА принимать неправильные решения. Ошибки использования, вызванные неадекватной ЭКСПЛУАТАЦИОННОЙ ПРИГОДНОСТЬЮ, стали преобладающей причиной возникновения проблем. ПРОЦЕСС ПРОЕКТИРОВАНИЯ ЭКСПЛУАТАЦИОННОЙ ПРИГОДНОСТИ, описанный в МЭК 60601-1-6, предназначен для достижения разумной ЭКСПЛУАТАЦИОННОЙ ПРИГОДНОСТИ, которая, в свою очередь, необходима для минимизации ошибок эксплуатации и связанных с ними РИСКОВ.
Если диапазон регулировки МЭ ИЗДЕЛИЯ таков, что выдаваемые выходные характеристики в части этого диапазона будут существенно отличаться от не представляющих опасности характеристик, то должно быть предусмотрено средство, предотвращающее подобную установку регулировки (например, дополнительный резистор при установке регулировки или контур обхода устройства блокировки) или сигнализирующее ОПЕРАТОРУ о том, что выбранная установка превышает безопасное предельное значение.
Когда это целесообразно, соответствующие требования к безопасным уровням выходных характеристик следует устанавливать в частных стандартах.
Подпункт 12.4.3 - Случайная установка чрезмерных значений выходных характеристик
Защита от случайного выбора чрезмерных значений выходных характеристик может достигаться поэтапно с целью минимизации вероятности такого выбора (например, путем введения блокировок от умышленных действий или путем разделения выходных зажимов). При рассмотрении мер защиты необходимо учитывать человеческий фактор.
Пункт 13 - ОПАСНЫЕ СИТУАЦИИ и условия нарушения для МЭ ИЗДЕЛИЙ
МЭ ИЗДЕЛИЕ или его части могут создавать ОПАСНЫЕ СИТУАЦИИ из-за их неправильной работы или неисправного состояния, поэтому они должны быть исследованы. Если в данном
пункте идентифицируются определенные неисправные состояния, то
4.7 требует использования АНАЛИЗА РИСКА с целью идентификации других неисправностей, которые также должны быть проанализированы.
Несмотря на то, что разделение требований к ПУТЯМ УТЕЧКИ и ВОЗДУШНЫМ ЗАЗОРАМ и требований к изоляции подробно описано в
пункте 8, эти требования не должны рассматриваться как относящиеся только к РИСКАМ, связанным с электрическими ОПАСНОСТЯМИ. Кроме того, способность электрического тока вызывать фибрилляцию желудочков может также стать первопричиной повреждений, непосредственно не связанных с поражением электрическим током.
Примерами этих дополнительных ОПАСНОСТЕЙ, связанных с недостаточной или дефектной изоляцией или с коротким замыканием по физическому промежутку, используемому в качестве изоляции, могут служить искры, способные стать источником возгорания огнеопасных материалов (см.
пункт 11) или нарушения функционирования, приводящие к потере ОСНОВНЫХ ФУНКЦИОНАЛЬНЫХ ХАРАКТЕРИСТИК. В этих случаях соответствие требованиям
пункта 8 к изоляции всегда следует рассматривать как свидетельство того, что РИСКИ, возникающие в результате повреждения изоляции или промежутка, должным образом рассмотрены при оценке безопасности МЭ ИЗДЕЛИЯ.
Наконец, необходимо отметить, что требования к ПУТЯМ УТЕЧКИ и ВОЗДУШНЫМ ЗАЗОРАМ неприменимы к печатным платам, для которых не возникает никакого существенного РИСКА от нарушения или замыкания промежутков за счет загрязнений (при НОРМАЛЬНОЙ ЭКСПЛУАТАЦИИ или в ПРОЦЕССЕ производства) жидкостями или пылевидными веществами (см. также МЭК 60529). Считается, что для большинства применений промежутки, например, между дорожками на печатной плате и выводами компонентов не повреждаются. В случаях возникновения сомнений относительно повреждения промежутков (когда требования к ПУТИ УТЕЧКИ и ВОЗДУШНОМУ ЗАЗОРУ согласно
8.9 не выполнены) АНАЛИЗ РИСКА, выполненный ИЗГОТОВИТЕЛЕМ, должен оценить вероятность короткого замыкания через эти промежутки, но только через те, в которых короткое замыкание может непосредственно приводить к возникновению недопустимых РИСКОВ. В случае короткого замыкания через промежуток и повреждения изоляции, которые вряд ли могут приводить к возникновению недопустимых РИСКОВ, такой анализ не требуется.
Подпункт 13.1.2 - Выделения, деформация КОРПУСА или превышение максимальной температуры
Поступление непредусмотренных опасных мощностей или веществ к ПАЦИЕНТУ или в окружающую среду может рассматриваться в частных стандартах.
Опасные количества ядовитого или горючего газа зависят от типа газа, его концентрации, места испускания и т.д.
УСЛОВИЯ ЕДИНИЧНОГО НАРУШЕНИЯ, которые могут приводить к небольшому возгоранию, которое, однако, будет ограничиваться внутренним объемом КОРПУСА, являются допустимыми.
Примечание в пункте 13.1.2 относится к пределу в 15 Вт, когда исследуемой частью цепи питания является батарея. Оно предназначено для предупреждения читателя о том, что необходимо учитывать потенциально опасные энергии внутри батареи. Поэтому рассеиваемую мощность необходимо измерять непосредственно на выходных контактах батареи, независимо от каких-либо внешних средств защиты.
Было установлено, что уровень мощности (15 Вт), приведенный в первоначальной публикации данного стандарта, как и порог, ниже которого воспламенение не произойдет при нормальных концентрациях кислорода в окружающей среде, значительно ниже уровня, используемого в МЭК 61010-1
[22]. Первоначальное значение 15 Вт не было основано на каких-либо научных испытаниях или исследованиях, а было получено в результате "обычной практики" в некоторых сертификационных организациях (только в качестве отдельных несистематичных значений).
Тем не менее в МЭК 60950-1:2005 приведены различные уровни энергии, находящиеся в диапазоне от 100 до 150 В·А. Проще говоря, наименьшее из этих значений (100 В·А) с минимальными ограничениями в отношении конструкции использовалось в качестве альтернативы пределу 15 Вт (без ограничений в отношении конструкции), первоначально используемому в настоящем стандарте для МЭ ИЗДЕЛИЙ в целом.
Также можно считать, что непосредственное применение требований к электрическим цепям с ограниченной энергией в МЭК 60950-1:2005 гарантирует, что РИСК возникновения пожара был снижен до допустимого уровня при более высоких энергиях, чтобы продемонстрировать эквивалентную безопасность.
Поскольку объекты, на которых используются МЭ ИЗДЕЛИЯ, соответствующие настоящему стандарту, также будут содержать оборудование информационных технологий и такое оборудование может быть частью МЭ ИЗДЕЛИЙ или МЭ СИСТЕМ, было бы необоснованным требовать, чтобы МЭ ИЗДЕЛИЯ имели более высокий уровень защиты от воспламенения, чем другие изделия, используемые в одной и той же обстановке. Другие стандарты на конечную продукцию могут обеспечить альтернативные средства защиты от воспламенения.
Считается, что ограничение максимальной температуры РАБОЧИХ ЧАСТЕЙ в НОРМАЛЬНОМ СОСТОЯНИИ является допустимым, поскольку ее превышение, как известно, может приводить к причинению ВРЕДА из-за того, что ПАЦИЕНТ часто будет неспособен отстраниться от РАБОЧИХ ЧАСТЕЙ.
Ограничения, описанные в этом
подпункте, считаются достаточными, чтобы избежать длительного воздействия огня. Огонь не только опасен сам по себе, но и имеет побочные эффекты, такие как разрушение изоляционных барьеров или нарушение механической прочности. Этого нельзя учесть в вышеуказанных ограничениях. Поэтому ИЗГОТОВИТЕЛЬ при принятии решения должен принимать во внимание следующее:
- очевидно, что ограничение в 100 В·А не может гарантировать "полную защиту от воспламенения". Меньшие компоненты, такие как резисторы, полупроводники и т.д., могут подвергаться воздействию уровней мощности, которые могут привести к воспламенению. Однако стандарты, такие как МЭК 60950-1 и МЭК 61010-1, а также опыт показывают, что при возникновении таких ситуаций, если компоненты установлены на материале V-1, воспламенение маловероятно;
- воспламенение может разрушить изолирующие барьеры и открыть доступ к опасному напряжению. Изделие, разработанное в соответствии с требованиями этого
подпункта, необходимо все равно проверять, чтобы определить, будут ли нарушены такие барьеры и будут ли дополнительные соответствующие меры предосторожности зависеть от требований данного
подпункта.
Поскольку длительного воздействия огня не предполагается, механическая прочность считается сохраненной.
Интерпретационный лист 3 к МЭК 60601-1 (МЭК 60601-1:2005/ISH3:2013) допускает температуру поверхности до 105 °C при единичных неисправностях при некоторых обстоятельствах. Это не считается подходящим для всех типов материалов, например металла. Поэтому требования к максимальным температурам в условиях ЕДИНИЧНОГО НАРУШЕНИЯ для ДОСТУПНЫХ ЧАСТЕЙ частично основаны на современном стандарте МЭК 62368-1:2018.
Условия испытания отличаются в МЭК 62368-1:2018, где ограничения основаны на температуре окружающей среды 25 °C, а не на максимальной указанной температуре окружающей среды. С учетом обзора ИСО 13732-1:2006
[81], температурные ограничения, извлеченные из МЭК 62368-1:2018, должны применяться независимо от температуры окружающей среды, поскольку принятие более высоких температур поверхности может привести к потенциальной опасности ожога, что приведет к неприемлемому ВРЕДУ.
По той же причине предел для стекла, фарфора и стекловидного материала был установлен в настоящем стандарте на 90 °C (вместо 95 °C).
Подпункт 13.2.9 - Обрыв и короткое замыкание конденсаторов электродвигателей
При этом может приниматься во внимание эффект функционирования центробежных выключателей. Определяют состояние заторможенного ротора, поскольку некоторые конденсаторные электродвигатели способны или не способны начинать вращение, давая различные результаты. Напряжение на конденсаторе проверяют для гарантии того, что диэлектрик в нем не будет подвергаться механическим напряжениям, приводящим к накоплению опасных газов, включая водород.
Хотя короткое замыкание конденсатора или его размыкание является УСЛОВИЕМ ЕДИНИЧНОГО НАРУШЕНИЯ, а торможение ротора - также УСЛОВИЕМ ЕДИНИЧНОГО НАРУШЕНИЯ (см.
13.2.8), это должно расцениваться как ситуация, упомянутая в
4.7. Согласно этому
пункту, одно УСЛОВИЕ ЕДИНИЧНОГО НАРУШЕНИЯ может неизбежно приводить к другому УСЛОВИЮ ЕДИНИЧНОГО НАРУШЕНИЯ, и эти два нарушения будут рассматриваться как единственное УСЛОВИЕ ЕДИНИЧНОГО НАРУШЕНИЯ.
Предельные значения температуры обмоток электродвигателей в МЭ ИЗДЕЛИИ определяют после первого часа их работы как среднее арифметическое. Опыт испытательных станций показал, что температура МЭ ИЗДЕЛИЯ, не предназначенного для ПРОДОЛЖИТЕЛЬНОГО РЕЖИМА РАБОТЫ, может достигать значения, которое может временно отличаться от максимального значения, поэтому требуются пониженные предельные значения температуры. Значения, приведенные в
таблице 26, основаны на требованиях МЭК 60950-1:2005.
Испытание на твердость методом вдавливания шарика не предназначено для установления точных условий, возникающих при эксплуатации МЭ ИЗДЕЛИЯ. Испытания проводят при повышенных температурах для определения неизменности (достаточного запаса прочности) механических свойств изоляции. Принцип испытаний мало отличается от используемого при испытании на электрическую прочность изоляции, при котором ее подвергают гораздо более высоким напряжениям, чем при эксплуатации.
В случае когда для МЭ ИЗДЕЛИЯ или его части НОРМИРОВАН НЕПРОДОЛЖИТЕЛЬНЫЙ РЕЖИМ РАБОТЫ, но органы управления позволяют ОПЕРАТОРАМ оставлять его в работе (при медицинской или иной аварийной ситуации), ПРОДОЛЖИТЕЛЬНЫЙ РЕЖИМ РАБОТЫ МЭ ИЗДЕЛИЯ необходимо рассматривать как допустимое отклонение от предусмотренного применения. В случае когда безопасность зависит от отключения МЭ ИЗДЕЛИЯ или его частей после предписанного периода, следует принимать меры для гарантии того, что преднамеренные действия не потребуются.
Пункт 14 - Программируемые электрические медицинские системы (ПЭМС)
Компьютеры находят все более широкое применение в МЭ ИЗДЕЛИЯХ, нередко - в роли наиболее уязвимых с точки зрения безопасности компонентов. Использование компьютерных технологий повышает уровень сложности МЭ ИЗДЕЛИЙ. Эта сложность означает, что систематические неисправности могут выходить за практические пределы испытания. Соответственно этот
пункт не будет ограничиваться традиционным испытанием и измерением законченного МЭ ИЗДЕЛИЯ, но будет включать требования к ПРОЦЕССАМ, с помощью которых оно было изготовлено. Испытание готового изделия не является само по себе достаточным при рассмотрении безопасности ПРОГРАММИРУЕМЫХ МЕДИЦИНСКИХ ЭЛЕКТРИЧЕСКИХ СИСТЕМ.
По этим причинам данный
пункт требует установления и сопровождения ПРОЦЕССА с целью определения этих специфических элементов, оставляя за пользователем этого
пункта право детального определения способа реализации. Этот подход аналогичен принятому в стандартах серии ИСО 9000. Поскольку, как ожидается, пользователи данного
пункта обучены выполнению работ по идентификации, детальное рассмотрение может быть сведено к минимуму.
Несмотря на возможность повторения некоторых элементов ПРОЦЕССА, никакие специфические требования к нему включены не были, поскольку необходимость повторения ПРОЦЕССОВ или их частей индивидуальна для каждого устройства. Кроме того, потребность в таком повторении может возникать в результате более детального понимания результатов, получаемых при разработке ПРОЦЕССА.
Поскольку пользователи настоящего стандарта обязаны устанавливать, поддерживать и применять ПРОЦЕСС МЕНЕДЖМЕНТА РИСКА как часть работ по определению соответствия, этот
пункт устанавливает только те характеристики, которые уникальны для программируемых систем и которые должны считаться частью этого ПРОЦЕССА. Требования к разработке и модификации программного обеспечения медицинского изделия указаны в МЭК 62304. Требования МЭК 62304, применимые к разработке до ввода продукта в эксплуатацию, включены в качестве ссылки для программного обеспечения ПЭМС.
В МЭК 62304 существуют некоторые требования, которые применяются к обслуживанию программного обеспечения после того, как продукт был введен в эксплуатацию. Эти требования не были включены в ссылку на стандарт.
Эффективное применение
пункта 14 будет требовать, руководствуясь поставленной задачей, компетентности в следующих вопросах:
- в применении того или иного МЭ ИЗДЕЛИЯ с особым вниманием к вопросам безопасности;
- ПРОЦЕССЕ разработки МЭ ИЗДЕЛИЯ;
- методах гарантии безопасности;
- методах АНАЛИЗА РИСКА и УПРАВЛЕНИЯ РИСКОМ.
Предъявляемые требования были сведены к требованиям, которые наиболее существенны для обеспечения ОСНОВНОЙ БЕЗОПАСНОСТИ С УЧЕТОМ ОСНОВНЫХ ФУНКЦИОНАЛЬНЫХ ХАРАКТЕРИСТИК. Это было сделано с учетом обширных имеющихся и постоянно растущих литературных данных по методам программного обеспечения и ОЦЕНКИ РИСКА, а также быстрого развития этого направления.
Настоящий стандарт требует применения ПРОЦЕССА МЕНЕДЖМЕНТА РИСКА в соответствии с ИСО 14971. Это особенно важно для ПЭМС из-за трудности демонстрации правильности работы программного обеспечения или сложных аппаратных средств. Поэтому проектирование ПЭМС должно проводиться в рамках ПРОЦЕССА МЕНЕДЖМЕНТА РИСКА, в котором меры по УПРАВЛЕНИЮ РИСКОМ связаны с подлежащими контролю РИСКАМИ. Для программного обеспечения ПЭПС включены требования к безопасности программного обеспечения, содержащиеся в подпункте 4.3 МЭК 62304:2006 и МЭК 62304:2006/AMD1:2015, и требования МЕНЕДЖМЕНТА РИСКА к программному обеспечению из пункта 7 МЭК 62304:2006 и МЭК 62304:2006/AMD1:2015. Если применение МЕНЕДЖМЕНТА РИСКА показывает, что ПЭПС способна вносить свой вклад в развитие ОПАСНОЙ СИТУАЦИИ, а не связанные с программным обеспечением меры по УПРАВЛЕНИЮ РИСКОМ и не связанные с ПЭПС не могут снижать РИСК до допустимого уровня, то
пункт 14 будет требовать введения для ПЭМС МЕНЕДЖМЕНТА РИСКА и ПРОЦЕССОВ жизненного цикла.
ВЕРИФИКАЦИЯ требует, чтобы внутренняя оценка ИЗГОТОВИТЕЛЯ охватывала требования не только этого пункта, но и МЭК 62304, которые были включены в качестве ссылки.
Соответствие требованиям
пункта 14 оценивают путем анализа документации, получаемой в результате выполнения ПРОЦЕССОВ, требуемых в различных подпунктах.
Понятие оценки соответствия было введено в декларацию соответствия для того, чтобы делать возможным, когда это необходимо, применение других методов оценки, например внешней проверки (аудита). Таким образом, несмотря на отсутствие общих требований к ИЗГОТОВИТЕЛЮ, связанных с работой системы управления качеством в соответствии с ИСО 13485
[30], необходимо иметь некоторые характеристики такой системы. Одной из характеристик, обычно считающейся важной для эффективной работы системы управления качеством, является ПРОЦЕСС проверки и анализа, выполняемый в организации для подтверждения того, что она фактически выполняет собственные ПРОЦЕДУРЫ. Эти ПРОЦЕДУРЫ не связаны с любыми внешними оценками, которые могут выполняться для подтверждения соответствия со стандартами или нормативными требованиями. Поэтому в настоящем стандарте требуется, чтобы ИЗГОТОВИТЕЛЬ не только документировал некоторые аспекты ПРОЦЕССА проектирования, но и выполнял оценку для подтверждения выполнения требований данного
пункта.
Предполагаемый способ, с помощью которого может определяться соответствие требованиям, предъявляемым к ПРОЦЕССУ, - это проверка разработанной на каждом этапе ПРОЦЕССА документации. Если большинство требований
4.2 относится к наиболее ответственным компонентам жизненного цикла разработки программного обеспечения, то в
пункте 14 содержится описание нескольких дополнительных этапов ПРОЦЕССА, не требуемых
4.2. Необходимую для этих дополнительных этапов ПРОЦЕССА документацию (согласно
пункту 14) необходимо представлять в орган по сертификации для подтверждения выполнения этих этапов ПРОЦЕССА.
Поскольку в
пункте 14 рассматриваются только РИСКИ, связанные с ПЭМС, то эта документация является частью ФАЙЛ МЕНЕДЖМЕНТА РИСКА.
Поскольку соответствие требованиям
пункта 14 определяется осмотром и оценкой, подтверждающей разработку требуемой документации, то важны качество и достоверность этой документации. Подтверждение безопасности ПЭМС зависит от представляемой документации, поэтому необходима эффективная система обеспечения целостности документации и при наличии различных версий документов - идентификация применимости каждой версии программного обеспечения. По этой причине необходимо формировать, пересматривать и поддерживать документацию с помощью официальной системы управления документооборотом. Для облегчения ПРОЦЕССА оценки соответствия ИЗГОТОВИТЕЛИ должны гарантировать четкость и исчерпывающий характер документации.
Подпункт 4.2.2 требует, чтобы план МЕНЕДЖМЕНТА РИСКА подготавливался и поддерживался в ФАЙЛЕ МЕНЕДЖМЕНТА РИСКА.
Помимо элементов плана МЕНЕДЖМЕНТА РИСКА, требуемых
4.2.2, необходим и план ПРОВЕРКИ СООТВЕТСТВИЯ ПЭМС, поскольку она должна рассматриваться как необходимая часть разработки ПЭМС.
Задокументированный ЖИЗНЕННЫЙ ЦИКЛ РАЗРАБОТКИ ПЭМС обеспечивает рассмотрение вопросов безопасности в процессе разработки изделия, что важно для всех изделий, но жизненно важно для ПЭМС, поскольку безопасность ПЭМС не может быть повышена после ее разработки по следующим причинам:
a) реальные ПРОЦЕССЫ, используемые при проектировании ПЭМС, их качество и точность выбирают по результатам ОЦЕНКИ РИСКА. Если впоследствии будет обнаружено использование недопустимых ПРОЦЕССОВ или их неадекватные качество и точность, то разработка должна быть выполнена повторно с использованием скорректированных ПРОЦЕССОВ;
b) изменения, вносимые на последнем этапе ЖИЗНЕННОГО ЦИКЛА РАЗРАБОТКИ ПЭМС, вероятно, могут потребовать больших затрат как времени, так и средств, особенно когда требования к системе были некорректны или вообще отсутствовали. Построение системы также может сильно зависеть от изменений, вносимых на последних этапах проектирования, и нередко входит в отчет о безопасности, поэтому изменения на последних этапах проектирования могут потребовать существенных переделок для сохранения целостности компоновочного решения.
Структура
Жизненный цикл разработки дает основу, которая позволяет своевременно и систематически выполнять необходимые работы для обеспечения безопасности, не накладывая излишние ограничения, но при этом гарантируя выполнение всех этих работ. Жизненный цикл разработки должен предлагаться заранее. При этом допускается использовать различные модели цикла. В
пункте H.2 ЖИЗНЕННЫЕ ЦИКЛЫ РАЗРАБОТКИ ПЭМС рассматриваются более подробно. Пункты 5, 7, 8 и 9 МЭК 62304:2006 и МЭК 62304:2006/AMD1:2015 устанавливают ПРОЦЕССЫ, которые следует включать в цикл разработки программного обеспечения безопасных медицинских изделий.
Этапы проектирования и содержание работ
Требования к этапам и содержанию работ с указанием входных/выходных характеристик на каждом этапе проектирования должны гарантировать должное рассмотрение:
- всех работ,
- тех требований, которые должны быть выполнены перед началом работ,
- той работы, которую необходимо выполнить,
для ВЕРИФИКАЦИИ результатов работ.
Последовательность работ в этом цикле следует определять с помощью этапов, поскольку это будет обеспечивать ИЗГОТОВИТЕЛЮ максимальную гибкость разработки. Никаких требований не предъявляется как к числу и содержанию этих этапов, так и к последовательности выполнения всех этапов проектирования. В настоящем стандарте не используют термин "фазы" (хотя он был использован в МЭК 60601-1-4
[14]) во избежание его увязки или совпадения с используемым в фазовой модели.
В качественном жизненном цикле:
- необходимые работы должны определяться перед их выполнением;
- ПРОЦЕССЫ, используемые в этих работах, могут определяться по результатам МЕНЕДЖМЕНТА РИСКА;
- последовательность работ должна определяться с таким расчетом, чтобы гарантировать доступность необходимых входных данных перед началом каждой работы;
- должны определяться критерии для принятия решения об успешном завершении работы;
- финансовая отчетность должна быть упрощенной.
Эти работы определяют с помощью входных/выходных характеристик, поскольку они легко измеримы (если они существуют). ИЗГОТОВИТЕЛЬ несет ответственность за принятие решений относительно достижения намеченных этапов и разработки требуемой документации.
Для определения успешности завершения каждой работы следует определить критерии ее ВЕРИФИКАЦИИ, в процессе которой необходимо определить, были ли входные данные (характеристики) полностью, правильно и в соответствии с требуемым ПРОЦЕССОМ преобразованы в выходные данные (характеристики). При этом никаких требований к виду или объему ВЕРИФИКАЦИИ не предъявляется, за исключением ВЕРИФИКАЦИИ показателей УПРАВЛЕНИЯ РИСКОМ и ОСНОВНЫХ ФУНКЦИОНАЛЬНЫХ ХАРАКТЕРИСТИК (см.
14.10).
Когда это целесообразно, настоящий стандарт требует задокументированной системы разрешения возникающих проблем.
Проблемы могут возникать:
- с программным продуктом (изделием);
- в рамках ПРОЦЕССА;
- между ПРОЦЕССАМИ.
Примеры подобных проблем:
- противоречивость требований;
- неоднозначность требований;
- отсутствие технических условий (требований);
- ошибки кодировки;
- неправильная работа ПЭМС.
Система разрешения проблем (при их возникновении) необходима для гарантии контроля ее воздействия на ОПАСНОСТИ и соответствующие РИСКИ. Методы, специально создаваемые для разрешения данной проблемы, могут снижать выгоды, получаемые при использовании систематического подхода к жизненному циклу. Допустимым местом для документирования системы разрешения проблем является часть ЖИЗНЕННОГО ЦИКЛА РАЗРАБОТКИ ПЭМС.
У ПЭМС имеются дополнительные причины возникновения ОПАСНОСТЕЙ.
Поскольку на выбор ПРОЦЕДУР и средств, используемых ИЗГОТОВИТЕЛЕМ для разработки ПЭМС, будет влиять множество факторов, этот
подпункт требует, чтобы одним из этих факторов при их выборе было уменьшение РИСКА. Это необходимо для реализации показателей УПРАВЛЕНИЯ РИСКОМ, которые были разработаны с использованием ПРОЦЕДУР и средств, способных обеспечивать более качественное выполнение предназначенных функций, чем при использовании ПРОЦЕДУР и средств, обладающих неизвестным качеством.
Показатели УПРАВЛЕНИЯ РИСКОМ используют для контроля РИСКА идентифицированных ОПАСНОСТЕЙ. Требования к этим средствам, задокументированные в перечне, должны определять объем работ и способы их выполнения.
Подпункт 4.2 не предъявляет никаких требований к подобному перечню.
Поддающиеся проверке требования
Все требования, относящиеся как к функциям средств УПРАВЛЕНИЯ РИСКОМ, так и (возможно) к правильности их выполнения, должны поддаваться проверке. В общем случае количественная ВЕРИФИКАЦИЯ частоты нарушений для программного обеспечения нецелесообразна. ВЕРИФИКАЦИЯ качественного подхода должна подтверждаться с помощью соответствующих ПРОЦЕССОВ.
Идентифицируемые требования безопасности
Требование разграничения показателей УПРАВЛЕНИЯ РИСКОМ и ОСНОВНЫХ ФУНКЦИОНАЛЬНЫХ ХАРАКТЕРИСТИК необходимо для гарантии его исполнения или при необходимости - изменения ОСНОВНОЙ ФУНКЦИОНАЛЬНОЙ ХАРАКТЕРИСТИКИ или показателя УПРАВЛЕНИЯ РИСКОМ - для возможности оценки ОСТАТОЧНОГО РИСКА.
Разделение на компоненты
Примеры структуры ПЭМС приведены в
приложении H. Требования к применению показателей УПРАВЛЕНИЯ РИСКОМ должны определяться для ПЭМС и для любого ПЭПС, в которых применяются (или частично применяются) один или несколько подобных показателей, что может отражаться в одном или нескольких документах.
Технические требования к структуре ПЭМС в
4.2 не устанавливаются. Здесь были введены дополнительные требования к ПЭМС, поскольку:
- часто выбранная структура ПЭМС входит в показатели УПРАВЛЕНИЯ РИСКОМ, причем эти показатели для сложных систем, таких как ПЭМС, должны быть четко сформулированы;
- признано, что формулирование технических требований к структуре является необходимой частью ПРОЦЕССА разработки качественного программного обеспечения, предназначенного для ПЭМС.
Существует перечень особенностей структуры, которые могут, если это целесообразно, включаться в спецификацию требований. Этот перечень был составлен по той причине, что при определенных обстоятельствах одна или несколько этих особенностей могут быть использованы для контроля РИСКА возникновения ОПАСНОСТИ. Например, использование КОМПОНЕНТОВ С ВЫСОКОЙ СТЕПЕНЬЮ НАДЕЖНОСТИ будет эффективно предотвращать возникновение любого РИСКА, связанного с неисправностью этого компонента.
Разделение функциональных возможностей может оказаться полезным при наличии настоятельной потребности в строгой проверке безопасности ПЭМС.
Программное обеспечение (как встроенное, так и прикладное) четко разделяется на основное, неосновное и контрольное и используется таким образом, чтобы данные в этих частях программного обеспечения не создавали помех друг другу и разделяли между собой функции при выполнении программы. В отсутствие такого разделения между частями программного обеспечения все оно должно считаться основным, чтобы быть уверенным в том, что при анализе принята во внимание основная часть программного обеспечения.
Требования к отделению основных правил техники безопасности от неосновных включают ОЦЕНКУ РИСКА для полной системы, применяемые стратегии УПРАВЛЕНИЯ РИСКОМ, анализ физических ресурсов и анализ логических свойств (например, соединение управления и данных). В общем случае разделение должно при разработке и внедрении позволять отделять и изолировать связанные с безопасностью функциональные возможности от не связанных с ней. Этот ПРОЦЕСС может быть минимизирован или по крайней мере ограничен, а ВЕРИФИКАЦИЯ может потребоваться для гарантии того, что отделенные или пропущенные в основную часть программного обеспечения данные не будут влиять на определенные операции, обеспечивающие выполнение основных правил техники безопасности.
Разделение функциональных возможностей включает следующие этапы:
a) идентификацию основной, неосновной и контрольной частей программного обеспечения. Средства для подобной идентификации зависят от модульности кодов, языка программирования, структуры кода и других атрибутов спецификации;
b) описание интерфейсов между критическими и некритическими частями программного обеспечения, т.е.:
1) идентификацию данных или переменных, глобальных для основной и неосновной частей, модулей и т.д., идентифицированных на
этапе a);
2) идентификацию любых параметров, которыми обмениваются основные и неосновные части программного обеспечения, модуля и т.д., идентифицированных на
этапе a);
3) описание потока данных, переменных или параметров, идентифицированных на
этапах b) 1) и
b) 2);
4) описание метода, используемого для предотвращения повреждения данных, их перезаписи и других ошибок при обработке вышеупомянутых идентифицированных данных, переменных или параметров, которые могут влиять на основные характеристики безопасности;
c) проверку безошибочности разделения частей, которая может осуществляться с помощью функциональных и нагрузочных испытаний.
Существует перечень пунктов, которые будут принимать во внимание при выборе технических требований к структуре ПЭМС, поскольку каждый из них может влиять на ее выбор.
Необходимо указывать выбранные технические решения. Часто целесообразно разбивать ПЭМС на подсистемы. На
рисунке H.1 приведены примеры ПЭМС/ПЭПС-структур с различным числом разбиений ПЭМС, причинами которых могут быть следующие:
Поддержание управляемости подсистем
Чем проще система, тем легче ее понимание и, следовательно, легче ее проектирование и последующее обслуживание. При этом в окончательном варианте система будет более правильной и более легкой для испытаний. Стандарты на программирование должны устанавливать пределы сложности системы.
Структура системы
Структура системы может быть сделана логичной с точки зрения разделения систем. Например, при необходимости создания разнотипных систем они должны реализовываться как различные подсистемы.
Модульность системы
Модульность может облегчать условия реализации различных вариантов системы, обеспечивать многократное применение уже существующих, проверенных подсистем и расширение функциональных возможностей самой системы.
Физическое разделение системы на компоненты
Разумное физическое разделение системы на подсистемы облегчает диагностику и ремонт вышедших из строя аппаратных средств.
Разделение по технологии проектирования
Часто реализация аппаратной и программной частей изделия осуществляется различными инженерами, поэтому разделение системы на отдельные подсистемы позволит каждому разработчику работать независимо.
Полная система будет функционировать правильно, если каждая из ее подсистем будет соответствующим образом определена. Поэтому необходима разработка спецификации (технических требований) на каждую из подсистем, которая, как правило, должна содержать подробные требования к интерфейсу, а также подробные сведения о реализации подсистемы, например используемые алгоритмы.
Каждая подсистема для подтверждения правильности выполнения проектных требований должна подвергаться испытаниям, поэтому необходима разработка и технических требований к испытаниям каждой подсистемы.
Технические требования (спецификации) к разработке и испытаниям могут регистрироваться в любой форме, например в форме отдельных документов или объединенного большого документа. Технические требования к разработке и испытаниям для каждой из подсистем должны быть легко идентифицируемыми.
Примеры элементов среды проектирования приведены в
H.4 a). Эти элементы будут оказывать влияние на качество и правильность проектирования. Некоторые элементы будут идентифицироваться как соответствующим образом проверенные средства и ПРОЦЕДУРЫ (см.
14.6.2). Описательные данные относительно среды проектирования облегчают ВЕРИФИКАЦИЮ использованных и соответствующим образом проверенных средств и ПРОЦЕДУР.
Подпункт 4.2 требует ВЕРИФИКАЦИИ показателей УПРАВЛЕНИЯ РИСКОМ. Существуют следующие дополнительные требования к ПЭМС:
- необходимость проверки ОСНОВНЫХ ФУНКЦИОНАЛЬНЫХ ХАРАКТЕРИСТИК;
- наличие плана ВЕРИФИКАЦИИ.
Для ПЭМС существенны ОСНОВНЫЕ ФУНКЦИОНАЛЬНЫЕ ХАРАКТЕРИСТИКИ, поскольку для управления их функциями используют ПЭПС. Часто ОСНОВНЫЕ ФУНКЦИОНАЛЬНЫЕ ХАРАКТЕРИСТИКИ будут зависеть от правильно выполняемых функций ПЭМС.
Составление плана ВЕРИФИКАЦИИ, определяющего способ выполнения требований данного
пункта, предоставляется ИЗГОТОВИТЕЛЮ, что является оптимальным и более гибким подходом, чем определение способа проверки ПЭМС. ИЗГОТОВИТЕЛЬ несет ответственность за составление плана ВЕРИФИКАЦИИ, за его точность (полноту) и последующую реализацию.
Это требование должно содержать перечень запланированных работ, обеспечивающих точность ВЕРИФИКАЦИИ.
Заключительным этапом любого ЦИКЛА РАЗРАБОТКИ модели ПЭМС является ПРОВЕРКА СООТВЕТСТВИЯ ПЭМС, предназначенная для контроля правильности ее построения. ПРОВЕРКА СООТВЕТСТВИЯ важна для предотвращения возникновения непредусмотренных взаимосвязей между функциями, которые могут выявляться только в процессе этой проверки.
ПРОВЕРКА СООТВЕТСТВИЯ ПЭМС может включать испытания при использовании больших объемов данных, при повышенных нагрузках и механических напряжениях, на влияние человеческих факторов, на безопасность, на проверку технических характеристик, на отказ и т.д.
Во избежание конфликта интересов необходима независимость ПРОВЕРКИ СООТВЕТСТВИЯ, поскольку исходные положения проектировщика не должны влиять или ограничивать объем ПРОВЕРКИ СООТВЕТСТВИЯ ПЭМС. Примеры уровней независимости:
- уровень отдельного лица;
- уровень отдельного органа управления;
- уровень отдельной организации.
Обычно проект ПЭМС не является полностью новым, а частично или даже в значительной степени заимствованным из более раннего проекта (проектов). Однако можно рассматривать любой проект и как полностью новый и создавать отчет о МЕНЕДЖМЕНТЕ РИСКА, обосновывая соответствие проекта требованиям настоящего стандарта независимо от ранее представленной документации. Если, однако, отчет о МЕНЕДЖМЕНТЕ РИСКА действительно требует включения определенной информации из документации предыдущего проекта (проектов), то необходимо обосновать, что вся такая информация остается действующей, несмотря на изменения, внесенные в новый проект.
Многие лечебные учреждения в настоящее время используют МЭ ИЗДЕЛИЯ, присоединенные к внутрибольничным ИТ-СЕТЯМ, которые изначально устанавливались для оптимизации обработки деловой, экономической и технической информации, требующей оперативного электронного обмена данными. Сегодня эти ИТ-СЕТИ используют и для медицинских применений в пределах больницы, между различными больницами и на дому.
Первоначально использование сети ограничивалось лишь обменом лабораторными данными, теперь же существуют большие объемы данных, передаваемых по ИТ-СЕТЯМ, например медицинские изображения. Теперь у пользователя возникла потребность в получении информации "в реальном масштабе времени" (например, связанной с контролем по ИТ-СЕТИ работы роботов).
Дополнительные рекомендации по подключению ПЭМС к ИТ-СЕТИ приведены в
приложении H.
Подпункт 15.1 - Расположение органов управления и индикаторов в МЭ ИЗДЕЛИИ
Органы управления, измерители и индикаторные лампочки в МЭ ИЗДЕЛИИ, связанные с выполнением определенной функции, должны объединяться в одну группу.
Ожидается, что замена частей, подвергающихся механическому износу, электрической и экологической деградации или старению, будет легкой и проводиться (желательно) без помощи специальных ИНСТРУМЕНТОВ. Кроме того, демонтаж изношенных частей или частей, заменяемых профилактически, а также запасных частей не должен приводить к возникновению ОПАСНОЙ СИТУАЦИИ. Для этого необходимо разработать понятные инструкции по выполнению указанных работ и следовать им, не допуская создания какого-либо РИСКА из-за путаницы.
КОРПУСА должны иметь достаточную прочность, если они обеспечивают уровень защиты от внутренних движущихся частей МЭ ИЗДЕЛИЯ. Это требование согласовано с испытанием на воздействие силы, описанным в МЭК 60950-1:2005. Сила зависит от лица, работающего с МЭ ИЗДЕЛИЕМ, а не от веса самого МЭ ИЗДЕЛИЯ. В большинстве случаев считают разумным приложение силы 250 Н, однако могут иметь место случаи, когда при ОЦЕНКЕ РИСКА оказывается, что приложение усилия в 45 Н к области площадью 625 мм2 (как того требовала вторая редакция настоящего стандарта) будет оставаться допустимым методом ВЕРИФИКАЦИИ для определения допустимого уровня РИСКА. Например, ультразвуковые преобразователи и другие малогабаритные РАБОЧИЕ ЧАСТИ РУЧНЫХ МЭ ИЗДЕЛИЙ, которые сочетают необходимость обеспечения прочности и другие требования, связанные с эффективностью их работы и биологической совместимостью, имеют в течение многих лет утвержденные и постоянно контролируемые отметки по безопасности и эффективности, поэтому для их ВЕРИФИКАЦИИ можно использовать прежние испытания.
Внутренние компоненты не подвергаются испытанию на воздействие усилию согласно МЭК 60950-1, поскольку их прочность проверяют при испытаниях согласно
15.3.4 и
15.3.5.
Для предотвращения недопустимого РИСКА, возникающего при допустимом отклонении от надлежащего применения, КОРПУСА должны быть устойчивы к ударам. Энергия при испытании на удар имитирует случайное соударение МЭ ИЗДЕЛИЯ с предметом в руке проходящего мимо человека или с ручкой щетки при мытье пола. Испытательное оборудование было упрощено и приведено в соответствие с другими стандартами, содержащими требования к испытаниям КОРПУСА на удар, включая МЭК 60950-1.
В случае когда ИЗГОТОВИТЕЛЬ понимает, что требования данного
подпункта не приводят к снижению недопустимого РИСКА, обоснование этому должно регистрироваться в ФАЙЛЕ МЕНЕДЖМЕНТА РИСКА согласно
4.5 вместе с указанием о выполнении альтернативных требований. Например, ЗАКРЕПЛЕННОЕ МЭ ИЗДЕЛИЕ может иметь одну сторону КОРПУСА, защищенную полом, стеной или потолком. ИЗГОТОВИТЕЛЬ должен задокументировать оценку вероятности неправильного перемещения или установки МЭ ИЗДЕЛИЯ. ИЗГОТОВИТЕЛЬ также должен оценивать и определять посредством ПРОЦЕССА МЕНЕДЖМЕНТА РИСКА, какую устойчивость к удару защищенной стороны КОРПУСА необходимо гарантировать, чтобы никакие недопустимые РИСКИ не вызывались неисправностью, указанной в исходных требованиях данного
подпункта.
Испытания РУЧНОГО МЭ ИЗДЕЛИЯ или его переносимых частей отличаются от испытаний ПЕРЕНОСНОГО или ПЕРЕДВИЖНОГО МЭ ИЗДЕЛИЯ из-за различий в их практическом применении.
Поверхность деревянного щита для испытаний на падение плотностью более 600 кг/м3 позволяет выбирать самую обычную древесину, например, дуб, бук, березу, ясень или клен, которые имеют близкие плотности, тогда как древесина плотностью менее 600 кг/м3 (например, красное дерево, вяз, амбровое дерево, вишня) и мягкая древесина обладают сравнительно низкой твердостью.
Данное испытание, согласно
пояснению к 15.3.5, относится к режиму НОРМАЛЬНОЙ ЭКСПЛУАТАЦИИ и не предназначено для режима прогнозируемого неправильного функционирования. Для этого режима в настоящее время отсутствует испытание, непосредственно связанное со свободным падением шарика, однако испытание на прочность при ударе шариком согласно
15.3.3 все же будет характеризовать этот режим, хотя и косвенным образом. Как указано в
4.2, если в ПРОЦЕССЕ МЕНЕДЖМЕНТА РИСКА будет установлено, что допустимым является более надежное испытание, то необходимо выбирать именно его.
Вопреки общепринятому мнению, МЭ ИЗДЕЛИЕ может использоваться в жестких условиях эксплуатации. В случае чрезвычайных обстоятельств МЭ ИЗДЕЛИЕ может переноситься или перекатываться на тележках через пороги и в лифтах, подвергаясь ударам и вибрациям. Подобные условия могут фактически служить типичным примером НОРМАЛЬНОЙ ЭКСПЛУАТАЦИИ некоторых МЭ ИЗДЕЛИЙ. Столкновение с препятствиями рассматривают как обычное событие с весьма прогнозируемым неправильным функционированием, поскольку не все препятствия бывают четко обозначены и ОПЕРАТОР не всегда может вовремя остановить МЭ ИЗДЕЛИЕ при обнаружении препятствия.
Считается, что сочетание скорости 0,8 м/с с выбранным труднопреодолимым препятствием является наихудшим вариантом уровней энергии разрушения для обоснованно прогнозируемого неправильного применения. Цель проведения данного испытания - выявление рисков от повреждений, обусловленных разрушением вследствие грубого обращения. Отсутствие стойкости оценивается в
9.4.
Смысл выражения "в его нормальном направлении перемещения" подразумевает, что перемещение МЭ ИЗДЕЛИЯ в каком-либо направлении (направлениях), вероятно, будет совершаться с максимальной нормальной скоростью. В большинстве случаев такое перемещение происходит в прямом направлении. Некоторые МЭ ИЗДЕЛИЯ, например кровати, вероятно, будут перемещаться в прямом или обратном направлении с нормальной скоростью, поэтому испытания необходимо проводить для обоих направлений.
Многие ПРОЦЕССЫ горячего формования могут оставлять в пластмассах остаточные напряжения. Поскольку полимерные цепи соединяются посредством слабых сил Ван-дер-Ваальса, то эти остаточные напряжения могут приводить к образованию потоков вязкой жидкости (деформации). Повышенные температуры вызывают ослабление сил Ван-дер-Ваальса и увеличение скорости вязкого течения. Термопластические пластмассы с низкой температурой плавления, например на основе полиэтилена и полипропилена, более восприимчивы к деформациям при снятии механических напряжений, нежели полимеры с более высокой температурой плавления, например на основе поликарбоната и полиэфирамида.
Соответствие требованиям необходимо проверять, когда это возможно, путем анализа полимера. Эта ВЕРИФИКАЦИЯ должна включать задокументированное сравнение максимальной температуры, которую может иметь полимер при НОРМАЛЬНОЙ ЭКСПЛУАТАЦИИ, и рабочего диапазона температур, рекомендованного ИЗГОТОВИТЕЛЕМ полимера.
a) МЭ ИЗДЕЛИЕ часто эксплуатируется или хранится при условиях окружающей среды, которые, согласно декларации ИЗГОТОВИТЕЛЯ, находятся в пределах ПРЕДУСМОТРЕННОГО ПРИМЕНЕНИЯ МЭ ИЗДЕЛИЯ. В этих случаях возникновения никакой ОПАСНОСТИ не прогнозируется, однако условия окружающей среды могут отличаться от задекларированных, и тем не менее МЭ ИЗДЕЛИЕ, как ожидается, может оставаться безопасным. Для гарантии безопасности ОТВЕТСТВЕННАЯ ОРГАНИЗАЦИЯ должна проводить периодические осмотры и техническое обслуживание, предписанное ИЗГОТОВИТЕЛЕМ. Считается, что эти работы способны предотвратить любое снижение уровня безопасности, а также выявить любые признаки такого снижения, по которым необходимо разработать понятные инструкции по профилактическому обслуживанию и следовать им, не создавая какого-либо РИСКА из-за путаницы или пропуска связанных с опасностью признаков.
b) Ожидается, что замена частей, подвергающихся коррозии, старению, механическому износу и т.д., будет легкой и будет проводиться (что желательно) без помощи специальных ИНСТРУМЕНТОВ. Кроме того, демонтаж изношенной части или части, заменяемой профилактически, а также запасных частей не должен приводить к возникновению ОПАСНОСТИ, для чего необходимо разработать понятные инструкции по выполнению указанных работ и следовать им, не создавая какого-либо РИСКА из-за путаницы.
c) Следует учитывать коррозию металлических покрытий.
Если ОПАСНАЯ СИТУАЦИЯ может возникать в результате разрядки аккумуляторов, то должно быть предусмотрено устройство, предотвращающее возникновение этого состояния.
Когда это целесообразно, соответствующие требования должны быть определены в частном стандарте.
Подпункт 4.7 требует, чтобы МЭ ИЗДЕЛИЕ являлось БЕЗОПАСНЫМ ПРИ ЕДИНИЧНОМ НАРУШЕНИИ. Одной из возможных неисправностей может быть замыкание ПУТИ УТЕЧКИ между положительными и отрицательными клеммами ВНУТРЕННЕГО ИСТОЧНИКА ПИТАНИЯ в области между ВНУТРЕННИМ ИСТОЧНИКОМ ПИТАНИЯ и любым защитным устройством (см.
рисунок A.23).
Рисунок A.23 - Пример необходимых СРЕДСТВ ЗАЩИТЫ ОПЕРАТОРА
между клеммами ВНУТРЕННЕГО ИСТОЧНИКА ПИТАНИЯ
и последующим защитным устройством
Для проведения испытания на короткое замыкание необходимо продемонстрировать, что эта область является БЕЗОПАСНОЙ ПРИ ЕДИНИЧНОМ НАРУШЕНИИ, если не присутствуют два СРЕДСТВА ЗАЩИТЫ ОПЕРАТОРА. В этом случае испытание можно опустить.
Для ОПЕРАТОРА и ОБСЛУЖИВАЮЩЕГО ПЕРСОНАЛА важно определять функциональное состояние МЭ ИЗДЕЛИЯ. При НОРМАЛЬНОЙ ЭКСПЛУАТАЦИИ ОПЕРАТОР должен быть способен различать состояния ожидания и полной функциональной работоспособности МЭ ИЗДЕЛИЯ. Некоторые МЭ ИЗДЕЛИЯ имеют продолжительный период прогрева, а другие - режимы ожидания и заряда аккумуляторов.
Для МЭ ИЗДЕЛИЯ может представлять ОПАСНОСТЬ его оставление без надзора в недопустимом состоянии. Во избежание возникновения ОПАСНОСТИ ОБСЛУЖИВАЮЩИЙ ПЕРСОНАЛ должен быть способен определять включенное состояние МЭ ИЗДЕЛИЯ.
Прежнее требование класса IPX8 к педальному выключателю сводилось к требованию "большей защиты, чем класс IPX7". Принимая данное требование к классу IPX6 как минимальное, устанавливают определенный уровень защиты (при допущении более высоких уровней, когда это целесообразно).
Для изделий, эксплуатируемых на полу в местах, где жидкости обычно отсутствуют, устанавливают требование класса IPX1, поскольку, как считается, велика вероятность определенной степени увлажнения.
Подпункт 15.5 - СЕТЕВЫЕ ТРАНСФОРМАТОРЫ МЭ ИЗДЕЛИЙ и трансформаторы, обеспечивающие разделение частей согласно 8.5
Дополнение "и трансформаторы, обеспечивающие разделение частей согласно
8.5" к первоначальному заголовку подпункта "СЕТЕВЫЕ ТРАНСФОРМАТОРЫ" является намеренным. Испытания следует проводить в любое время при работающем трансформаторе для определения разделения частей между ОПЕРАТОРАМИ, ПАЦИЕНТАМИ и т.д. и ОПАСНОСТИ.
Корректировки в
15.5 несущественно изменяют уже используемые методы испытаний (включая методы, приведенные во второй редакции настоящего стандарта). Методы и требования были упрощены и теперь включают все различные типы защитных устройств, такие как резисторы с положительным температурным коэффициентом сопротивления, системы управления с обратной связью, первичные или вторичные устройства ограничения максимального тока и т.д. Те трансформаторы, которые не были испытаны пятикратной частотой и пятикратным напряжением согласно
15.5.2 для установления достаточности изоляции между витками обмоток, замыкаются накоротко на зажимах (предпочтительно вне трансформатора), чтобы убедиться, что повреждение изоляции не будет приводить к превышению температуры сверх допустимого.
Из-за трудностей, с которыми будут сталкиваться при попытке испытаний трансформаторов с НОРМИРОВАННЫМ режимом работы на высоких частотах (например, используемых при питании с переключаемыми режимами), также предусмотрены испытания на удвоенных частоте и напряжении. Вторая редакция настоящего стандарта предусматривала подобное испытание только для напряжений, превышающих 500 В.
Выходные обмотки трансформатора необходимо проверять поочередно, поскольку при условиях перегрузки одновременное испытание всех обмоток может приводить к срабатыванию устройств контроля перегрева, которые не будут срабатывать при перегрузке только одной обмотки. Перегрузка единственной выходной обмотки трансформатора весьма вероятна, поэтому подобное сочетание условий может считаться наименее благоприятным случаем.
Смысл требования к испытанию - это испытание при наименее благоприятном случае: почти всегда с предельной нагрузкой или вообще без нее. Такой наименее благоприятный случай может быть определен путем анализа конструкции трансформатора или после выполнения нескольких предварительных испытаний. В общем случае испытания при всевозможных состояниях для определения наименее благоприятного случая не требуются.
Предельные значения, указанные в
таблице 31, применимы при температуре окружающей среды 25 °C из-за нецелесообразности испытаний на перегрузки и короткое замыкание в термокамере.
Для предотвращения насыщения магнитопровода и возникновения соответствующих экстратоков необходимо пропорционально повышать частоту испытательного напряжения.
Предполагается, что электрическая изоляция между первичной обмоткой и другими обмотками, экранами и магнитопроводом СЕТЕВОГО ТРАНСФОРМАТОРА будет исследоваться в процессе испытаний на электрическую прочность изоляции, проводимых на собранном МЭ ИЗДЕЛИИ согласно
8.8.3, которые не требуют повторения.
Подпункт 15.5.3 - Конструкции трансформаторов, используемых для разделения частей согласно 8.5
Подпункт 5.12 МЭК 61558-1 содержит несоответствие, связанное с пересмотром серии стандартов 61558. При анализе пересмотренных стандартов МЭК 61558 было установлено, что ссылка на стандарт не приведет к снижению стоимости трансформаторов или предоставлению каких-либо других преимуществ, поскольку требования к зазору и диэлектрику МЭК 60601-1 необходимы для обеспечения СРЕДСТВА ЗАЩИТЫ ПАЦИЕНТА. По этой причине ссылка была удалена, а принципы второй редакции МЭК 60601-1 использовались со ссылкой на требования к зазору и диэлектрику из третьей редакции. В случае если необходимо лишь одно СРЕДСТВО ЗАЩИТЫ ОПЕРАТОРА, трансформаторы, сконструированные для использования в соответствии с требованиями МЭК 60950-1, следует считать допустимыми.
Кроме того, приложение U МЭК 60950-1:2005, МЭК 60950-1:2005/AMD1:2009 и МЭК 60950-1/AMD2:2013 содержит требования, касающиеся использования в трансформаторах обмоточного провода с тройной изоляцией вместо отдельного изолирующего слоя между обмотками (что, например, традиционно обеспечивается катушками). Трансформаторы, в которых использован этот метод разделения обмоток и отвечающие всем другим требованиям настоящего стандарта, в общем случае должны считаться обеспечивающими достаточный уровень ОСНОВНОЙ БЕЗОПАСНОСТИ.
В ходе оценки было отмечено, что трансформаторы, соответствующие стандарту МЭК 62368-1:2018, будут использовать FIW (полностью изолированный обмоточный провод) вместо TIW (обмоточный провод с тройной изоляцией). В результате сравнения было сочтено, что использование этого FIW приемлемо только для средств ЗАЩИТЫ ОПЕРАТОРА (СЗО). Использование FIW в качестве СРЕДСТВА ЗАЩИТЫ ПАЦИЕНТОВ (СЗП) требует дальнейшего изучения в ходе разработки четвертой редакции, прежде чем альтернативный метод тестирования, соответствующий требованиям к СЗП, может быть реализован в нормативном тексте
приложения L.
Сегодня все в большей степени МЭ ИЗДЕЛИЯ объединяются с другими частями изделия (которое, возможно, изначально не предназначалось для медицинского применения) с целью создания системы, в которой один или несколько компонентов будут находиться в контакте с ПАЦИЕНТОМ. В
пункте 16 приведены требования, гарантирующие безопасность ПАЦИЕНТУ, контактирующему с МЭ СИСТЕМОЙ.
Пункт 16 предназначен для использования ИЗГОТОВИТЕЛЯМИ комбинаций электрических изделий, которые могут включать один или несколько компонентов МЭ ИЗДЕЛИЯ. Подобное изделие может представлять собой либо отдельные изделия, либо заключаться в один КОРПУС (или их сочетание).
Требования
пункта 16 также предназначены для персонала учреждений, который будет собирать или адаптировать МЭ СИСТЕМЫ, поскольку при этих работах он будет, по существу, исполнять роль ИЗГОТОВИТЕЛЯ МЭ СИСТЕМЫ. В этом случае техническая экспертиза применения стандартов на разработку электрических изделий обязана подтвердить соответствие МЭ СИСТЕМЫ всем требованиям
пункта 16.
Все в большей степени в состав МЭ СИСТЕМ стали включать изделия, первоначально изготовленные для применения в других областях, не обязательно медицинских, и соединяемые друг с другом непосредственно или косвенным образом. МЭ ИЗДЕЛИЕ, отвечающее настоящему стандарту, может соединяться с другим изделием немедицинского назначения. Последнее может полностью отвечать требованиям стандартов по безопасности, применимым в соответствующих областях, однако не всегда - требованиям безопасности, предъявляемым к МЭ ИЗДЕЛИЯМ, и поэтому влияющим на безопасность всей МЭ СИСТЕМЫ в целом. По этой причине ИЗГОТОВИТЕЛЬ обязан применять МЕНЕДЖМЕНТ РИСКА к МЭ СИСТЕМЕ в целом. Одним из примеров возникновения дополнительной ОПАСНОСТИ является возникновение пожара (возможно, случайного) при эксплуатации МЭ СИСТЕМЫ, содержащей изделие немедицинского назначения в СРЕДЕ С ПОВЫШЕННЫМ СОДЕРЖАНИЕМ КИСЛОРОДА.
Электрическое изделие может располагаться либо в приспособленном для медицинских целей помещении (для диагностики, лечения или мониторинга состояния ПАЦИЕНТОВ), либо в помещении, не приспособленном для проведения медицинских мероприятий. В приспособленном для медицинских целей помещении электрическое изделие может размещаться либо снаружи, либо внутри него, определяя его как СРЕДУ ПАЦИЕНТА.
В медицинской практике возможны две ситуации.
одновременно работающие несколько МЭ ИЗДЕЛИЙ, т.е. различные МЭ ИЗДЕЛИЯ, одновременно соединенные с ПАЦИЕНТОМ, но не соединенные друг с другом. Такие МЭ ИЗДЕЛИЯ могут оказывать влияние друг на друга. Например, высокочастотный электрохирургический аппарат в операционной может влиять на монитор ПАЦИЕНТА.
Примечание - Помощь в определении этого случая может быть получена из инструкций по эксплуатации каждого МЭ ИЗДЕЛИЯ.
МЭ СИСТЕМЫ, состоящие из МЭ ИЗДЕЛИЯ и, возможно, также из изделия немедицинского назначения, соединенные постоянно или временно для достижения определенной цели, например постановки диагноза или лечения ПАЦИЕНТА. Примеры: МЭ СИСТЕМЫ рентгеновской диагностики, эндоскопы с видеокамерой, мониторы ПАЦИЕНТА, ультразвуковые системы с персональным компьютером, компьютерная томография или система ЯМР-визуализации.
Различные части подобной МЭ СИСТЕМЫ могут размещаться в пределах СРЕДЫ ПАЦИЕНТА или вне ее, но в приспособленном для медицинских целей помещении, или же части МЭ СИСТЕМЫ могут располагаться в приспособленном для медицинских целей помещении, содержащем, например, электрические распределительные системы и аппаратуру для обработки данных.
Основное требование безопасности для МЭ СИСТЕМ состоит в том, что их монтаж или последующая модификация не должны приводить к возникновению недопустимого РИСКА. Соответствие требованиям, накладываемым на МЭ СИСТЕМЫ в настоящем стандарте, подразумевает, что ОСТАТОЧНЫЙ РИСК будет считаться допустимым в отсутствие ОБЪЕКТИВНЫХ СВИДЕТЕЛЬСТВ обратного.
ИЗГОТОВИТЕЛЬ МЭ СИСТЕМ, конфигурация которых может быть изменена ОПЕРАТОРОМ или ОТВЕТСТВЕННОЙ ОРГАНИЗАЦИЕЙ, может потребовать предоставления информации относительно всех возможных сочетаний изделий, которые могут потребовать принятия необоснованных обязательств. Методы МЕНЕДЖМЕНТА РИСКА дают адекватные средства для определения сочетания изделий, создающих наибольшие РИСКИ, а также необходимых показателей, которые необходимо выбирать для обеспечения требуемого уровня безопасности. В результате испытание на соответствие может проводиться после полной сборки МЭ СИСТЕМЫ.
Соответствующей документацией, касающейся соответствия стандартам, может стать декларация соответствия ИЗГОТОВИТЕЛЯ или сертификат органа по испытаниям.
МЭ СИСТЕМЫ могут часто изменяться по структуре;
пункт 16 неприменим к модификациям отдельных изделий в МЭ СИСТЕМЕ.
Эксплуатационные документы для МЭ СИСТЕМЫ, предназначенной для ПРЯМОГО ПРИМЕНЕНИЯ НА СЕРДЦЕ, должны содержать такие сведения, как:
- необходимость использования резиновых перчаток;
- необходимость использования запорных кранов, изготовленных из изоляционного материала;
- минимальные расстояния между ПАЦИЕНТОМ и изделием, являющимся частью МЭ СИСТЕМЫ (СРЕДЫ ПАЦИЕНТА);
- инструкции по использованию МЭ ИЗДЕЛИЯ (например, катетера) в конкретной области медицинского применения.
По соображениям безопасности особое внимание должно уделяться различным уровням РИСКА, когда в СРЕДЕ ПАЦИЕНТА используются электроды или другие датчики (внешние и внутренние), включая прямые соединения с сердцем.
Возможные соединения с сердцем ПАЦИЕНТА должны поддерживаться в изолированном состоянии от изделия.
Предупреждение о недопустимости размещения МНОГОРОЗЕТОЧНОГО СЕТЕВОГО СОЕДИНИТЕЛЯ на полу необходимо для предотвращения попадания в него жидкостей и механических повреждений.
Кроме того, должны приниматься меры, гарантирующие, что после сборки или модификации МЭ СИСТЕМЫ, содержащей МНОГОРОЗЕТОЧНЫЙ СЕТЕВОЙ СОЕДИНИТЕЛЬ, она будет установлена таким образом, что будет предотвращено попадание в нее жидкостей и получение механических повреждений при НОРМАЛЬНОЙ ЭКСПЛУАТАЦИИ и транспортировании.
Соответствующие стандарты безопасности для изделий немедицинского назначения могут определять или требовать указания допустимых условий внешней среды. Для различных изделий МЭ СИСТЕМЫ эти условия должны задаваться так, чтобы при их работе в указанных диапазонах не могли возникать никакие ОПАСНЫЕ СИТУАЦИИ.
Это требование должно гарантировать безопасность согласно МЭК 60601-1 на уровне МЭ СИСТЕМЫ.
ОСНОВНАЯ БЕЗОПАСНОСТЬ после сборки должна поддерживаться с помощью одного или нескольких следующих устройств:
- встроенных в МЭ ИЗДЕЛИЕ устройств электрического разделения соответствующих цепей;
- РАЗДЕЛИТЕЛЬНЫХ УСТРОЙСТВ, поставляемых как ПРИНАДЛЕЖНОСТИ к МЭ ИЗДЕЛИЮ (см.
16.5);
- РАЗДЕЛИТЕЛЬНЫХ УСТРОЙСТВ, поставляемых как ПРИНАДЛЕЖНОСТИ к МЭ СИСТЕМЕ;
- разделительного трансформатора;
- дополнительных ПРОВОДОВ ЗАЩИТНОГО ЗАЗЕМЛЕНИЯ.
Изделие немедицинского назначения может обеспечивать МЭ ИЗДЕЛИЕ соответствующим электропитанием согласно
5.5 f),
7.9.2.14 и
8.2.1.
ОСНОВНАЯ БЕЗОПАСНОСТЬ некоторых МЭ ИЗДЕЛИЙ зависит от выполнения предварительного условия, что любые СИГНАЛЬНЫЕ ВХОДЫ/ВЫХОДЫ будут связаны только с изделием, которое предназначено исключительно для этой цели. В противном случае ТОКИ УТЕЧКИ в сигнальных кабелях могут возрастать до недопустимых значений.
ОПАСНЫЕ СИТУАЦИИ могут возникать в тех случаях, когда СИГНАЛЬНЫЕ ВХОДЫ/ВЫХОДЫ МЭ ИЗДЕЛИЯ соединяют с изделием, размещенным вне приспособленного для медицинских целей помещения (возможно, даже в другом здании) и поэтому соединенным с другим фидером питающей сети.
РАЗДЕЛИТЕЛЬНОЕ УСТРОЙСТВО позволяет предотвращать возникновение ОПАСНОЙ СИТУАЦИИ для ПАЦИЕНТА или ОПЕРАТОРА. Кроме того, включение РАЗДЕЛИТЕЛЬНОГО УСТРОЙСТВА позволяет избежать ОПАСНЫХ СИТУАЦИЙ, вызываемых неправильным функционированием изделия из-за возникновения нежелательных токов, протекающих по кабелям.
Потребность в РАЗДЕЛИТЕЛЬНОМ УСТРОЙСТВЕ зависит от конфигурации МЭ СИСТЕМЫ.
Соответствующие стандарты для некоторых изделий немедицинского назначения могут задавать предельные значения для ТОКА УТЕЧКИ НА ДОСТУПНУЮ ЧАСТЬ, которые будут превышать требуемые
пунктом 16; эти более высокие предельные значения допустимы только вне СРЕДЫ ПАЦИЕНТА. Важно уменьшить ТОК УТЕЧКИ НА ДОСТУПНУЮ ЧАСТЬ, когда изделие немедицинского назначения должно использоваться в СРЕДЕ ПАЦИЕНТА. Средства сокращения ТОКА УТЕЧКИ могут включать:
- дополнительные части, ЗАЗЕМЛЕННЫЕ С ЦЕЛЬЮ ЗАЩИТЫ;
- разделительный трансформатор;
- дополнительный непроводящий КОРПУС.
Соединение кабелей с корпусами соединителей является частью КОРПУСА, поэтому для него применимы предельные значения для ТОКА УТЕЧКИ в СРЕДЕ ПАЦИЕНТА, требуемые согласно
16.6.1.
Если МНОГОРОЗЕТОЧНЫЙ СЕТЕВОЙ СОЕДИНИТЕЛЬ используется без разделительного трансформатора, то обрыв защитного заземления в нем будет приводить к появлению ТОКА УТЕЧКИ НА КОРПУС, равного сумме отдельных ТОКОВ УТЕЧКИ НА ЗЕМЛЮ.
Для МЭ ИЗДЕЛИЯ максимально допустимые значения ТОКА УТЕЧКИ НА ПАЦИЕНТА и полного ТОКА УТЕЧКИ НА ПАЦИЕНТА (применимого для нескольких РАБОЧИХ ЧАСТЕЙ, соединенных с МЭ ИЗДЕЛИЕМ) приведены в
таблицах 3 и
4 (см. также
8.7.3). МЭ СИСТЕМА должна обеспечивать эквивалентный уровень безопасности, который предусмотрен для МЭ ИЗДЕЛИЯ, работающего в СРЕДЕ ПАЦИЕНТА (см.
16.1). По этой причине для ТОКА УТЕЧКИ НА ПАЦИЕНТА применимы те же максимальные и общие значения ТОКА УТЕЧКИ НА ПАЦИЕНТА, независимо от того, соединены РАБОЧИЕ ЧАСТИ с тем же элементом МЭ СИСТЕМЫ или нет. Последнее справедливо для работы МЭ СИСТЕМЫ в НОРМАЛЬНОМ СОСТОЯНИИ, поскольку концепция единичного нарушения неприменима к МЭ СИСТЕМЕ.
Сочетание изделия или РАБОЧИХ ЧАСТЕЙ, выполненное ОТВЕТСТВЕННОЙ ОРГАНИЗАЦИЕЙ или ОПЕРАТОРОМ, которое выпадает за рамки комбинаций, предусмотренных ИЗГОТОВИТЕЛЕМ, может приводить к возникновению ОПАСНЫХ СИТУАЦИЙ. Это предупреждение справедливо особенно в тех случаях, когда комбинации изделия используются для медицинских целей на одних тех же группах ПАЦИЕНТОВ, на которые не рассчитывал ИЗГОТОВИТЕЛЬ (ИЗГОТОВИТЕЛИ) для использования в таких комбинациях.
Внимание необходимо уделять влиянию прерываний, вызываемых непредусмотренными механическими перемещениями частей МЭ СИСТЕМЫ, снятию сжимающих усилий и безопасной эвакуации ПАЦИЕНТОВ из СРЕДЫ ПАЦИЕНТА при возникновении ОПАСНОЙ СИТУАЦИИ.
Во втором издании настоящего стандарта применялся термин "ВСПОМОГАТЕЛЬНЫЙ МНОГОРОЗЕТОЧНЫЙ СЕТЕВОЙ СОЕДИНИТЕЛЬ (ВСР)" для обозначения сетевой розетки, предназначенной для подачи сетевого питания на другое МЭ ИЗДЕЛИЕ или на другие отдельные его части. В системе дополнительных стандартов МЭК 60601-1-1
[13] был введен термин "ПОРТАТИВНЫЙ МНОГОРОЗЕТОЧНЫЙ СЕТЕВОЙ СОЕДИНИТЕЛЬ (ПМСС)". В настоящем стандарте эти два термина были объединены в новый термин "МНОГОРОЗЕТОЧНЫЙ СЕТЕВОЙ СОЕДИНИТЕЛЬ (МСС)". Подпункт 57.2 e) второй редакции настоящего стандарта требовал: конструкция ВСР должна быть такой, чтобы ее нельзя было спутать с СЕТЕВОЙ ВИЛКОЙ. Исключение допускалось только для автомобилей скорой помощи. С объединением этих двух терминов и изменением согласно
8.11.2, требующим от любого МСС на МЭ ИЗДЕЛИИ соблюдения требований
16.9.2.1, необходимость в его быстрой замене в чрезвычайной ситуации согласуется с потребностью ограничения ТОКА УТЕЧКИ.
Изменение функции СОЕДИНЕНИЯ С СЕТЬЮ для МЭ СИСТЕМЫ является опасной практикой и выходит за рамки данного пункта. Для ознакомления с полным описанием требований см.
16.2.
Чрезмерные ТОКИ УТЕЧКИ НА ДОСТУПНУЮ ЧАСТЬ могут протекать, если не ограничивать случайный доступ к дополнительным соединениям с изделием или не препятствовать им.
ТОК УТЕЧКИ НА ДОСТУПНУЮ ЧАСТЬ в МЭ СИСТЕМЕ при УСЛОВИИ ЕДИНИЧНОГО НАРУШЕНИЯ не должен превышать 500 мкА. Разделительный трансформатор может использоваться как средство для уменьшения этого тока, для чего достаточно применять разделительный трансформатор с ОСНОВНОЙ ИЗОЛЯЦИЕЙ. ДВОЙНАЯ или УСИЛЕННАЯ ИЗОЛЯЦИЯ, необходимая для разделительных трансформаторов, в данном случае не требуется.
Трансформаторы, обеспечивающие большую степень безопасности, например соответствующие требованиям МЭК 60601-1 или требованиям к изолирующим трансформаторам, содержащимся в других частях серии МЭК 61558, например МЭК 61558-2-4
[63] или МЭК 61558-2-23
[64], также допустимы.
Требования КЛАССА I к трансформатору в сборе необходимы для обеспечения соединенного изделия СОЕДИНЕНИЕМ С ЗАЩИТНЫМ ЗАЗЕМЛЕНИЕМ.
Контроль изоляции разделительного трансформатора не требуется. УСЛОВИЕ ЕДИНИЧНОГО НАРУШЕНИЯ может обнаруживаться при плановом техническом обслуживании, причем возникновение двух независимых УСЛОВИЙ ЕДИНИЧНОГО НАРУШЕНИЯ не должно вызывать особого беспокойства. Конструкция трансформатора может иметь или не иметь среднего отвода вторичной обмотки, ЗАЗЕМЛЕННОГО С ЦЕЛЬЮ ЗАЩИТЫ.
Все ПРОВОДА ЗАЩИТНОГО ЗАЗЕМЛЕНИЯ и ШНУРЫ СЕТЕВОГО ПИТАНИЯ должны прокладываться вместе.
Если при проектировании МЭ СИСТЕМЫ используется МНОГОРОЗЕТОЧНЫЙ СЕТЕВОЙ СОЕДИНИТЕЛЬ, то каждый отдельный элемент оборудования, подключенный к МНОГОРОЗЕТОЧНОМУ СЕТЕВОМУ СОЕДИНИТЕЛЮ, должен удовлетворять соответствующим требованиям, предъявляемым к МЭ ИЗДЕЛИЯМ и не МЭ ИЗДЕЛИЯМ. Полный импеданс защитного заземления при испытании в виде замкнутой системы в соответствии с
8.6.4 должен отвечать самым высоким требованиям, предъявляемым к импедансу в соответствии с
8.6.4. a) (т.е. не должен превышать 200 мОм). Обеспечение соответствия данным требованиям может потребовать таких мер для уменьшения защитного сопротивления заземления, как использование коротких шнуров питания в МЭ СИСТЕМЕ и использование системы ШНУРОВ ПИТАНИЯ большей площади поперечного сечения, чем это необходимо для обеспечения токовой нагрузки. Подключение МНОГОРОЗЕТОЧНЫХ СЕТЕВЫХ СОЕДИНИТЕЛЕЙ последовательно является недопустимым.
В конструкции некоторых МЭ СИСТЕМ путь тока неисправности от токоведущей части к поврежденному ЗАЩИТНОМУ ЗАЗЕМЛЕНИЮ защищен дополнительными промежуточными автоматическими выключателями или предохранителями. При условии, что такие промежуточные автоматические выключатели или предохранители имеют номинальный ток 13 А или ниже, общее сопротивление защитного заземления до 400 мОм является приемлемым.
При наличии неисправности между ПИТАЮЩЕЙ СЕТИ и ЗАЗЕМЛЕННЫМИ С ЦЕЛЬЮ ЗАЩИТЫ частями для определенных разрешенных конфигураций установки ПИТАЮЩЕЙ СЕТИ на заземленных токопроводящих ДОСТУПНЫХ ЧАСТЯХ в течение длительного времени может возникать напряжение касания, если сопротивление защитного заземления превышает 400 мОм, а предохранитель ПИТАЮЩЕЙ СЕТИ превышает 13 А.
Данные в МЭК 60479-1
[73] указывают на то, что такое напряжение касания (которое приводит к току касания) в сочетании с увеличенным временем отключения может привести к фибрилляции желудочков (см. рисунок 20 и таблицу 11 в МЭК 60479-1:2018).
В СРЕДЕ ПАЦИЕНТА важно ограничивать различия в потенциалах частей МЭ СИСТЕМЫ, поэтому правильное соединение с системой защитного заземления играет важную роль в ограничении этих различий. Кроме того, важно предотвращать обрыв этого защитного соединения в любой части МЭ СИСТЕМЫ.
- Возможно использование дополнительного защитного заземления, когда ТОК УТЕЧКИ НА ДОСТУПНУЮ ЧАСТЬ при УСЛОВИИ ЕДИНИЧНОГО НАРУШЕНИЯ будет превышать допустимые предельные значения.
- Дополнительного защитного заземления не требуется для МЭ ИЗДЕЛИЯ, отвечающего настоящему стандарту, однако в случае использования изделия немедицинского назначения оно будет предотвращать ТОКИ УТЕЧКИ НА ДОСТУПНУЮ ЧАСТЬ, превышающие предельно допустимые значения.
- Использование ИНСТРУМЕНТА для отсоединения СЕТЕВОЙ ВИЛКИ не требуется, поскольку СЕТЕВАЯ ВИЛКА будет отсоединять и сеть, и защитное заземление.
Пункт 17 - Электромагнитная совместимость МЭ ИЗДЕЛИЙ и МЭ СИСТЕМ
МЭК 60601-1-2 определяет испытательные уровни для определения электромагнитной устойчивости и сведения к минимуму воздействий внешнего электромагнитного поля на МЭ ИЗДЕЛИЕ и МЭ СИСТЕМУ, отвечающие настоящему стандарту. Он определяет предельные значения электромагнитного излучения для сведения к минимуму воздействия на другое изделие электромагнитных возмущений, которые могут создаваться (преднамеренно или неумышленно) МЭ ИЗДЕЛИЕМ и МЭ СИСТЕМОЙ. Он также определяет требования к идентификации, маркировке и документированию для того, чтобы ИЗГОТОВИТЕЛЬ МЭ ИЗДЕЛИЯ или МЭ СИСТЕМЫ предоставлял в ОТВЕТСТВЕННУЮ ОРГАНИЗАЦИЮ информацию, важную для определения пригодности МЭ ИЗДЕЛИЯ или МЭ СИСТЕМЫ к работе в данной электромагнитной обстановке. Это важно также для контроля электромагнитной обстановки, чтобы МЭ ИЗДЕЛИЕ или МЭ СИСТЕМА могли поддерживать ОСНОВНУЮ БЕЗОПАСНОСТЬ и обеспечивать свои ОСНОВНЫЕ ФУНКЦИОНАЛЬНЫЕ ХАРАКТЕРИСТИКИ, не нарушая работу другого изделия.
Требования к электромагнитному излучению необходимы для защиты:
- связи различных служб (например, полиции, пожарных и санитарных служб);
- других МЭ ИЗДЕЛИЙ и МЭ СИСТЕМ;
- изделий немедицинского назначения (например, компьютеров);
- телекоммуникаций (например, радиосвязи, телевидения, телефонии, радионавигационного оборудования).
И что еще более важно, требования к электромагнитной устойчивости необходимы для гарантии того, что МЭ ИЗДЕЛИЕ и МЭ СИСТЕМА будут обеспечивать ОСНОВНУЮ БЕЗОПАСНОСТЬ и продолжать обеспечивать их ОСНОВНЫЕ ФУНКЦИОНАЛЬНЫЕ ХАРАКТЕРИСТИКИ при возникновении электромагнитных возмущений, которым они могут подвергаться при НОРМАЛЬНОЙ ЭКСПЛУАТАЦИИ.
Пункт 6 второй редакции настоящего стандарта был перенесен в обязательное приложение, потому что воспламеняющиеся анестетики используются достаточно редко и, как ожидается, их применение вскоре полностью прекратится. Тем не менее, как также было признано, практическая медицина изменяется достаточно часто, и даже теперь некоторые ИЗГОТОВИТЕЛИ все еще желают поставлять МЭ ИЗДЕЛИЯ для таких применений. Для гарантии того, что содержащийся в пункте 6 материал, связанный с МЭ ИЗДЕЛИЯМИ КАТЕГОРИИ AP и КАТЕГОРИИ APG, будет оставаться доступным, и для повышения удобочитаемости стандарта для большинства пользователей он перенесен в
приложение G.
Самые острые несчастные случаи с воспламеняющимися анестетиками происходят тогда, когда использование их смесей с обычно применяемым кислородом приводит к наиболее быстрому возгоранию - состоянию, которое иногда называется "детонационным оптимумом". Наиболее опасный пример такого агента - циклопропан, тогда как обычно используемая смесь кислорода с эфиром намного менее опасна, чем эта точка оптимума.
Графики на
рисунках G.1 -
G.3 приводятся для облегчения проектирования цепей, которые отвечают требованиям к допустимым предельным значениям, установленным для КАТЕГОРИИ AP МЭ ИЗДЕЛИЙ, без испытаний на возгорание.
Экстраполяция данных на более высокие напряжения недопустима, поскольку условия возгорания газов изменяются при более высоких напряжениях. Предельное значение индуктивности введено из-за того, что высокие значения индуктивности в общем случае приводят к более высоким напряжениям.
Подпункт G.5.4 - Наружная вентиляция с внутренним избыточным давлением
Считается, что объем воздуха или инертного газа, выходящего из МЭ ИЗДЕЛИЯ в результате утечки, ограничивается таким образом, чтобы гигиеническое состояние предназначенного для медицинского применения помещения существенно не нарушалось.
Согласно
G.5.4 и
G.5.5, термин "enclosure" может означать либо КОРПУС (см.
3.26), либо отдельный отсек или коробку (кожух).
Это требование считается достаточным для предотвращения возгорания при НОРМАЛЬНОЙ ЭКСПЛУАТАЦИИ в течение нескольких часов, поскольку средние условия при НОРМАЛЬНОЙ ЭКСПЛУАТАЦИИ являются менее строгими.
Это требование не допускает ввода напряжений, превышающих разрешенные согласно
G.6.3. Такие напряжения могут возникать на проводе заземления.
Графики на
рисунках G.4 -
G.6 приводятся для облегчения проектирования цепей, которые отвечают требованиям к допустимым предельным значениям, установленным для КАТЕГОРИИ APG МЭ ИЗДЕЛИЯ, без испытаний на возгорание.
(справочное)
ПОСЛЕДОВАТЕЛЬНОСТЬ ИСПЫТАНИЙ
B.1 Общие положения
Испытания, если это возможно, должны выполняться в указанной ниже последовательности, если иное не оговорено в частных стандартах. См. также
5.8.
Тем не менее это не исключает возможности проведения испытания, которое, согласно предварительному осмотру, может вызывать повреждение.
Испытания на радиационные ОПАСНОСТИ в
пункте 10, биологическую совместимость в
11.7, ЭКСПЛУАТАЦИОННУЮ ПРИГОДНОСТЬ в
12.2, СИСТЕМЫ СИГНАЛИЗАЦИИ в
12.3, ПЭМС в
пункте 14 и электромагнитную совместимость в
пункте 17 могут выполняться независимо от проводимых испытаний в нижеследующей последовательности.
Испытания, указанные для МЭ СИСТЕМ в
пункте 16, должны выполняться в той же последовательности, что и для МЭ ИЗДЕЛИЯ.
B.2 ПРОЦЕСС МЕНЕДЖМЕНТА РИСКА для МЭ ИЗДЕЛИЙ или МЭ СИСТЕМ и ОСНОВНЫЕ ФУНКЦИОНАЛЬНЫЕ ХАРАКТЕРИСТИКИ
B.3 Общие требования
B.4 Классификация МЭ ИЗДЕЛИЙ и МЭ СИСТЕМ
B.5 Определение РАБОЧИХ ЧАСТЕЙ и ДОСТУПНЫХ ЧАСТЕЙ
B.6 Идентификация, маркировка и документирование МЭ ИЗДЕЛИЯ
B.7 Потребляемая мощность (силовой вход)
B.8 Ограничение напряжения, тока или энергии
B.9 Разделение частей
B.10 ПУТИ УТЕЧКИ и ВОЗДУШНЫЕ ЗАЗОРЫ
B.11 ОПАСНОСТИ, связанные с движущимися частями
B.12 ОПАСНОСТИ, связанные с поверхностями, углами и кромками
B.13 ЭКСПЛУАТАЦИОННАЯ ПРИГОДНОСТЬ
B.14 Точность органов управления и измерительных приборов и защита от опасных значений выходных характеристик
B.15 ОПАСНОСТИ, связанные с неустойчивостью
B.16 Шум, вибрация и акустическая энергия
B.17 Прерывание питания/ПИТАЮЩЕЙ СЕТИ МЭ ИЗДЕЛИЯ
B.18 Защитное заземление, рабочее заземление и выравнивание потенциалов МЭ ИЗДЕЛИЯ
B.19 Чрезмерные температуры в МЭ ИЗДЕЛИИ
B.20 ТОКИ УТЕЧКИ, ДОПОЛНИТЕЛЬНЫЕ ТОКИ В ЦЕПИ ПАЦИЕНТА и электрическая прочность изоляции при установившейся рабочей температуре
B.21 Предварительное воздействие влагой
B.22 ТОКИ УТЕЧКИ, ДОПОЛНИТЕЛЬНЫЕ ТОКИ В ЦЕПИ ПАЦИЕНТА и электрическая прочность изоляции после предварительного воздействия влаги при температуре окружающей среды в лаборатории
B.23 Защита от разряда дефибриллятора
B.24 ОПАСНОСТЬ, создаваемая выбрасываемыми частями
B.25 Сосуды и части, находящиеся под пневматическим и гидравлическим давлением
B.26 ОПАСНОСТИ, связанные с опорными системами
B.27 Механическая прочность
B.28 ОПАСНЫЕ СИТУАЦИИ и условия нарушения
B.29 СЕТЕВЫЕ ТРАНСФОРМАТОРЫ МЭ ИЗДЕЛИЙ и трансформаторы, обеспечивающие разделение частей согласно 8.5
B.30 Компоненты МЭ ИЗДЕЛИЙ и общая сборка
B.31 СЕТЕВЫЕ ЧАСТИ, компоненты и монтаж
B.32 Изоляция, за исключением изоляции проводов
B.33 Защита от возгорания и конструктивные требования к противопожарным КОРПУСАМ МЭ ИЗДЕЛИЙ
B.34 Перелив, расплескивание, утечка, проникание воды или твердых частиц, очистка, дезинфекция, стерилизация и совместимость с веществами, используемыми вместе с МЭ ИЗДЕЛИЕМ
B.35 КАТЕГОРИЯ AP и КАТЕГОРИЯ APG МЭ ИЗДЕЛИЙ
B.36 ПРОВЕРКА маркировки
(справочное)
РУКОВОДСТВО ПО МАРКИРОВКЕ И ТРЕБОВАНИЯ К НЕЙ
ДЛЯ МЭ ИЗДЕЛИЙ И МЭ СИСТЕМ
C.1 Маркировка на внешних поверхностях МЭ ИЗДЕЛИЙ, МЭ СИСТЕМ или их частей
Требования к маркировке на внешних поверхностях МЭ ИЗДЕЛИЯ и его частей приведены в
7.2.
Дополнительные требования к маркировке на внешних поверхностях МЭ ИЗДЕЛИЯ, МЭ СИСТЕМ и их частей приведены в подпунктах, указанных в
таблице C.1. Символы и ЗНАКИ БЕЗОПАСНОСТИ, используемые при маркировке на внешних поверхностях МЭ ИЗДЕЛИЯ, приведены в
приложении D.
Таблица C.1
Маркировка на внешних поверхностях МЭ ИЗДЕЛИЙ,
МЭ СИСТЕМ и их частей <1>
--------------------------------
<1> См.
7.2.1 для ознакомления с минимальными требованиями к маркировке МЭ ИЗДЕЛИЯ и его взаимозаменяемых частей.
Описание маркировки | Подпункт |
КАТЕГОРИЯ APG МЭ ИЗДЕЛИЙ: маркировка | |
КАТЕГОРИЯ AP МЭ ИЗДЕЛИЙ: маркировка | |
КАТЕГОРИИ AP и APG: маркировка основных частей | |
КАТЕГОРИИ AP и APG: маркировка остальных частей | |
Элементы системы сброса давления: предупреждение | |
Устройство экстренного останова: маркировка | |
Опасное напряжение: предупреждение | |
Масса ПАЦИЕНТА, если конструкция МЭ ИЗДЕЛИЯ рассчитана на массу менее 135 кг: маркировка | |
Перемещение частей МЭ ИЗДЕЛИЯ: предупреждение | |
МНОГОРОЗЕТОЧНЫЙ СЕТЕВОЙ СОЕДИНИТЕЛЬ: маркировка | |
Опрокидывание при транспортировке МЭ ИЗДЕЛИЯ: предупреждение | |
ЗАЖИМ ПРОВОДА ВЫРАВНИВАНИЯ ПОТЕНЦИАЛА: маркировка | |
Запрет на толкание, наклон, опору: предупреждение | |
Запрет на сидение или наступание: предупреждение | |
Резервуар или сосуд для хранения жидкости: маркировка ОПАСНОСТИ переполнения | |
МЕХАНИЧЕСКОЕ ЗАЩИТНОЕ УСТРОЙСТВО, предназначенное для однократного срабатывания: маркировка | |
Разделительный трансформатор в сборе: маркировка | |
Поверхности, на которых применение силы может приводить к РИСКУ опрокидывания МЭ ИЗДЕЛИЯ: маркировка | |
Условия транспортировки МЭ ИЗДЕЛИЯ: предупреждение | |
C.2 Маркировка на внутренних поверхностях МЭ ИЗДЕЛИЙ, МЭ СИСТЕМ и их частей
Требования к маркировке на внутренних поверхностях МЭ ИЗДЕЛИЙ, МЭ СИСТЕМ и их частей приведены в
7.3. Дополнительные требования к маркировке на внутренних поверхностях МЭ ИЗДЕЛИЙ, МЭ СИСТЕМ и их частей приведены в подпунктах, указанных в
таблице C.2. Символы, используемые при маркировке на внутренних поверхностях МЭ ИЗДЕЛИЙ, приведены в
приложении D.
Таблица C.2
Маркировка на внутренних поверхностях МЭ ИЗДЕЛИЙ,
МЭ СИСТЕМ и их частей
Описание маркировки | Подпункт |
Опасная энергия: маркировка конденсаторов или связанных с ними цепей | |
Опасное напряжение: маркировка частей МЭ ИЗДЕЛИЯ | |
СЕТЕВЫЕ ПРИСОЕДИНИТЕЛЬНЫЕ УСТРОЙСТВА: маркировка зажимов, кроме клеммных колодок | |
Маркировка сосудов и труб высокого давления: национальный знак сертификации | |
Узел разделительного трансформатора: маркировка | |
C.3 Маркировка органов управления и измерительных устройств
Требования к маркировке органов управления и измерительных устройств приведены в
7.4. Дополнительные требования к маркировке органов управления и измерительных устройств приведены в подпунктах, указанных в
таблице C.3.
Таблица C.3
Маркировка органов управления и измерительных устройств
Описание маркировки | Подпункт |
Органы управления: маркировка масштаба | |
Изменение установок температуры ТЕРМОРЕГУЛЯТОРОВ: четкость индикации | |
C.4 ЭКСПЛУАТАЦИОННЫЕ ДОКУМЕНТЫ, общие положения
Требования к общей информации, которую следует включать в ЭКСПЛУАТАЦИОННЫЕ ДОКУМЕНТЫ, приведены в
7.9.1. Дополнительные требования к ней приведены в подпунктах, указанных в
таблице C.4.
Таблица C.4
ЭКСПЛУАТАЦИОННЫЕ ДОКУМЕНТЫ, общие положения
Описание требования | Подпункт |
КАТЕГОРИЯ AP и КАТЕГОРИЯ APG МЭ ИЗДЕЛИЙ и их частей | |
МЭ ИЗДЕЛИЕ КЛАССА II с изолированным внутренним экраном: пояснение | |
Напряжение дефибриллятора: необходимое время восстановления | |
Закрепление конструкций на полу, стенах, потолке и т.д. | |
Неустойчивость МЭ ИЗДЕЛИЯ, исключая неустойчивость при транспортировании: размещение и загрузка через дверки, в ящики и на полках | |
ИТ-СЕТЬ: инструкции для подключения МЭ ИЗДЕЛИЯ | |
Изолирующие устройства: требования | |
Точки подъема: знаки | |
Масса ПАЦИЕНТА, если системы поддержки МЭ ИЗДЕЛИЯ рассчитаны на его массу - менее 135 кг | |
Масса ПАЦИЕНТА, если системы поддержки МЭ ИЗДЕЛИЯ рассчитаны на его массу - более 135 кг | |
МЕХАНИЧЕСКОЕ ЗАЩИТНОЕ УСТРОЙСТВО, предназначенное для однократного применения: инструкция для вызова ОБСЛУЖИВАЮЩЕГО ПЕРСОНАЛА | |
МЭ ИЗДЕЛИЕ: приложение БЕЗОПАСНОЙ РАБОЧЕЙ НАГРУЗКИ | |
МЭ СИСТЕМЫ: дополнительные требования | |
Шум: средства защиты | |
Преодоление препятствий: инструкция | |
Условия эксплуатации | |
C.5 ЭКСПЛУАТАЦИОННЫЕ ДОКУМЕНТЫ, инструкции по эксплуатации
Требования к информации, которая должна включаться в инструкцию по эксплуатации, приведены в
7.9.2. Дополнительные требования к этой информации приведены в подпунктах, указанных в
таблице C.5.
Таблица C.5
ЭКСПЛУАТАЦИОННЫЕ ДОКУМЕНТЫ, инструкции по эксплуатации
Описание требования | Подпункт |
ДОСТУПНЫЕ ЧАСТИ: инструкция, запрещающая одновременное прикосновение к ним и к ПАЦИЕНТУ | |
ДОСТУПНЫЕ ЧАСТИ: инструкция ОПЕРАТОРУ как открывать СМОТРОВУЮ КРЫШКУ | |
РАБОЧИЕ ЧАСТИ (горячие или холодные): температуры и клинические воздействия | |
РАБОЧИЕ ЧАСТИ, не предназначенные для нагрева ПАЦИЕНТА до температуры свыше 41 °C | |
ПРОЦЕССЫ очистки или дезинфекции: детализация | |
Эффект от множественных очисток/дезинфекций | |
Ножной переключатель (педаль), предназначенный для эксплуатации в помещениях, где возможно наличие жидкостей | |
Масса ПРИНАДЛЕЖНОСТЕЙ | |
МЭ СИСТЕМЫ: другое изделие, предназначенное для подачи питания на МЭ ИЗДЕЛИЕ | |
ПЕРЕДВИЖНОЕ МЭ ИЗДЕЛИЕ: требование к его перемещению силами нескольких человек | |
Подвижные части МЭ ИЗДЕЛИЯ: предупреждение | |
Зажим ПРОВОДА ВЫРАВНИВАНИЯ ПОТЕНЦИАЛА: информация относительно его назначения и использования | |
Резервуар или камера для хранения жидкости: информация относительно ОПАСНОСТИ переполнения | |
Условия транспортирования: предупреждение | |
C.6 ЭКСПЛУАТАЦИОННЫЕ ДОКУМЕНТЫ, техническое описание
Требования к информации, которая должна включаться в техническое описание, приведены в
7.9.3. Дополнительные требования к этой информации приведены в подпунктах, указанных в
таблице C.6.
Таблица C.6
ЭКСПЛУАТАЦИОННЫЕ ДОКУМЕНТЫ, техническое описание
Описание требования | Подпункт |
Внешние средства изоляции: описание | |
Большие величины переходного тока в МЭ СИСТЕМЕ: описание | |
Неавтоматическое разрядное устройство для разряда внутренних конденсаторов: технические требования | |
(справочное)
Символы часто наносятся на МЭ ИЗДЕЛИЕ. При этом предпочтение отдается словам, не имеющим языковых различий, что позволяет более легко понимать маркировку, или знакам, особенно когда их наносят на ограниченные области изделия. Новые и измененные символы и ЗНАКИ БЕЗОПАСНОСТИ вводились после второй публикации МЭК 60601-1, что требует внесения изменений в перечень утвержденных символов и ЗНАКОВ БЕЗОПАСНОСТИ для МЭ ИЗДЕЛИЙ.
Основное из этих изменений касается пересмотра
символа 24 таблицы D.1, который ранее формально использовался для индикации предупреждения, а также для информативной маркировки, например места присоединения ВЫСОКОГО НАПРЯЖЕНИЯ. Новый
ЗНАК БЕЗОПАСНОСТИ (3) в таблице D.2 был введен для выдачи предупреждения "Осторожно! Опасное напряжение!". В этом издании стандарта ЗНАКИ БЕЗОПАСНОСТИ из
таблицы D.2 наносят в тех местах, где они необходимы для предупреждений, тогда как символы
таблицы D.1 используют только для информирования.
Аналогично дело обстоит и с пересмотром использования символа 10 таблицы 10, который первоначально использовался для выдачи предупреждения "Внимание! Ознакомьтесь с эксплуатационными документами!". Теперь же этот символ можно применять для выдачи предупреждения. Новый
символ (11) в таблице D.1 был введен для выдачи предупреждения типа "Выполняйте инструкцию по эксплуатации". Кроме того, новый
ЗНАК БЕЗОПАСНОСТИ (10) в таблице D.2 был введен для маркировки МЭ ИЗДЕЛИЙ, в которых невыполнение инструкции по эксплуатации может приводить к возникновению РИСКА для ПАЦИЕНТА или ОПЕРАТОРА.
Единообразное использование этих символов и ЗНАКОВ БЕЗОПАСНОСТИ во всех областях применения (например, медицинских, потребительских и общетранспортировочных) позволяет облегчить ОПЕРАТОРАМ МЭ ИЗДЕЛИЯ ознакомление с их назначением, и наоборот, любое непоследовательное применение символов будет приводить к путанице и ошибкам, снижая безопасность.
МЭК 60878
[60] дает полезный полный перечень графических символов и ЗНАКОВ БЕЗОПАСНОСТИ, наносимых на электрическое изделие и используемых в медицинских изделиях, отвечающих требованиям стандартов ИСО и МЭК. См. также
7.5 и
7.6.
Для ознакомления с символами, не отвечающими требованиям МЭК 60878, обращайтесь в первую очередь к опубликованным символам ИСО и МЭК. Отметим, что при необходимости два или несколько символов могут группироваться для выражения их особого назначения и что, поддерживая важные коммуникативные характеристики основных знаков и символов, все же допускается определенная свобода в их графическом начертании. Выбор цветов символов не ограничивается, за исключением цвета фона AP- и APG-символов (см.
G.3). Цвета ЗНАКОВ БЕЗОПАСНОСТИ указаны в ИСО 3864-1.
В нижеприведенных таблицах приведены графические формы символов и знаков безопасности, а также их назначение (для справки).
Таблица D.1
N | Символ | Ссылка на стандарт | Назначение |
| | МЭК 60417-5032 | Переменный ток |
| | МЭК 60417-5032-1 | Трехфазный переменный ток |
| | МЭК 60417-5032-2 | Трехфазный переменный ток (с нейтральным проводом) |
| | МЭК 60417-5031 | Постоянный ток |
| | МЭК 60417-5033 | И постоянный и переменный ток |
| | МЭК 60417-5019 | Защитное заземление (земля) |
| | МЭК 60417-5017 | Заземление (земля) |
| | МЭК 60417-5021 | Эквипотенциальное заземление |
| | МЭК 60417-5172 | Изделие КЛАССА II |
| | ИСО 7000-0434A | Предупреждение В случае применения в качестве ЗНАКА БЕЗОПАСНОСТИ необходимо придерживаться требований ИСО 3864-1. |
| | ИСО 7000-1641 | Инструкция по эксплуатации |
| | ИСО 60417-5007 | Положение (состояние) "ВКЛ" электропитания |
| | МЭК 60417-5008 | Положение (состояние) "ВЫКЛ" электропитания |
| | МЭК 60417-5010 | Попеременное положение (состояние) "ВКЛ/ВЫКЛ" Примечание - Каждое положение (состояние) фиксируется |
| | МЭК 60417-5011 | Попеременное положение (состояние) "ВКЛ/ВЫКЛ" переключателя нажимного типа Примечание - Положение (состояние) "ВЫКЛ" фиксируется, тогда как положение (состояние) "ВКЛ" сохраняется только во время нажатия переключателя |
| | МЭК 60417-5264 | Положение (состояние) "ВКЛ" электропитания части изделия |
| | МЭК 60417-5265 | Положение (состояние) "ВЫКЛ" электропитания части изделия |
| | МЭК 60417-5638 | Экстренная остановка |
| | МЭК 60417-5840 | РАБОЧАЯ ЧАСТЬ ТИПА B Примечание - Подпункт 7.2.10 требует четкой дифференциации этого символа от символа 20, чтобы при применении он не создавал впечатление обведенного рамкой |
| | МЭК 60417-5333 | РАБОЧАЯ ЧАСТЬ ТИПА BF |
| | МЭК 60417-5335 | РАБОЧАЯ ЧАСТЬ ТИПА CF |
| | МЭК 60417-5331 | Изделие КАТЕГОРИИ AP |
| | МЭК 60417-5332 | Изделие КАТЕГОРИИ APG |
| | МЭК 60417-5036 | Опасное напряжение |
| | МЭК 60417-5841 | РАБОЧАЯ ЧАСТЬ ТИПА B с ЗАЩИТОЙ ОТ РАЗРЯДА ДЕФИБРИЛЛЯТОРА |
| | МЭК 60417-5334 | РАБОЧАЯ ЧАСТЬ ТИПА BF с ЗАЩИТОЙ ОТ РАЗРЯДА ДЕФИБРИЛЛЯТОРА |
| | МЭК 60417-5336 | РАБОЧАЯ ЧАСТЬ ТИПА CF с ЗАЩИТОЙ ОТ РАЗРЯДА ДЕФИБРИЛЛЯТОРА |
| | ИСО 7000-1051 | Запрет повторного использования |
| | МЭК 60417-5009 | Ожидание |
Таблица D.2
N | Знак | Ссылка на стандарт | Назначение |
| | ИСО 3864-1, рисунок 3 | Шаблон для создания предупреждающих знаков Примечание - Цвет фона: желтый; цвет обрамления треугольника: черный; цвет символа или надписи: черный |
| | ИСО 7010-W001 | Общий знак предупреждения |
| | ИСО 7010-W012 | Осторожно! Электричество! |
| | ИСО 7010-P001 и ИСО 3864-1, рисунок 1 | Общий знак запрета и Шаблон для создания запрещающих знаков Примечание - Цвет фона: белый; цвет обрамления круга: красный; цвет символа или надписи: черный |
| | ИСО 7010-P017 | Не толкать |
| | ИСО 7010-P018 | Не сидеть |
| | ИСО 7010-P019 | Не наступать на поверхность |
| | ИСО 3864-1, рисунок 2 | Шаблон для создания знака обязательных действий Примечание - Цвет фона: синий; цвет символа или надписи: белый |
| | ИСО 7010-M001 | Общий знак обязательных действий |
| | ИСО 7010-M002 | Обратиться к инструкции по эксплуатации Примечание - На МЭ ИЗДЕЛИИ "Выполнение инструкции по эксплуатации" |
Таблица D.3
N | Код | Ссылка на стандарт | Назначение |
| | МЭК 60445 | Точка соединения нулевого провода на изделии с ПОСТОЯННЫМ ПРИСОЕДИНЕНИЕМ К ПИТАЮЩЕЙ СЕТИ |
| | МЭК 60529 | N1 = | 0 | Без защиты |
1 | С защитой от попадания посторонних предметов диаметром не менее 50 мм |
2 | То же, диаметром не менее 12,5 мм |
3 | То же, диаметром не менее 2,5 мм |
4 | То же, диаметром не менее 1,0 мм |
5 | С защитой от попадания пыли |
6 | Пыленепроницаемое |
N2 = | 0 | Без защиты |
1 | С защитой от попадания вертикально падающих капель воды |
2 | С защитой от попадания вертикально падающих капель воды при наклоне КОРПУСА на 15° |
3 | С защитой от попадания аэрозолей воды |
4 | С защитой от попадания брызг воды |
5 | С защитой от попадания струй воды |
6 | С защитой от попадания мощных струй воды |
7 | С защитой от временного погружения в воду |
8 | С защитой от постоянного погружения в воду |
Примечание - Если подобной характеристической нумерации не требуется, то она заменяется буквой "X" (или буквами "XX", если обе нумерации исключаются) |
(справочное)
ПРИМЕРЫ ПРИСОЕДИНЕНИЯ ИЗМЕРИТЕЛЬНОГО УСТРОЙСТВА (ИУ)
ДЛЯ ИЗМЕРЕНИЯ ТОКА УТЕЧКИ НА ПАЦИЕНТА И ДОПОЛНИТЕЛЬНОГО
ТОКА В ЦЕПИ ПАЦИЕНТА
Рисунок E.1 - Схема присоединения измерительного устройства
к МЭ ИЗДЕЛИЮ с РАБОЧЕЙ ЧАСТЬЮ ТИПА B
Рисунок E.2 - Схема присоединения измерительного устройства
к МЭ ИЗДЕЛИЮ с РАБОЧЕЙ ЧАСТЬЮ ТИПА BF
Рисунок E.3 - Схема присоединения измерительного устройства
к МЭ ИЗДЕЛИЮ с РАБОЧЕЙ ЧАСТЬЮ ТИПА CF
Рисунок E.4 - Схема измерения ДОПОЛНИТЕЛЬНОГО ТОКА
В ЦЕПИ ПАЦИЕНТА
Рисунок E.5 - Схема нагрузки СОЕДИНЕНИЙ С ПАЦИЕНТОМ,
определяемая ИЗГОТОВИТЕЛЕМ
(справочное)
СПЕЦИАЛЬНЫЕ ИЗМЕРИТЕЛЬНЫЕ СХЕМЫ ПИТАНИЯ
Рисунок F.1 - Измерительная цепь несимметричного питания
(относительно земли) от ПИТАЮЩЕЙ СЕТИ (см.
8.7.4.2)
Рисунок F.2 - Измерительная цепь симметричного питания
(относительно земли) от ПИТАЮЩЕЙ СЕТИ (см.
8.7.4.2)
Рисунок F.3 - Измерительная цепь питания многофазного
МЭ ИЗДЕЛИЯ, предназначенного для присоединения
к многофазной ПИТАЮЩЕЙ СЕТИ (см.
8.7.4.2)
Рисунок F.4 - Измерительная цепь питания однофазного
МЭ ИЗДЕЛИЯ, предназначенного для присоединения
к многофазной ПИТАЮЩЕЙ СЕТИ (см.
8.7.4.2)
Рисунок F.5 - Измерительная цепь питания МЭ ИЗДЕЛИЯ,
имеющего отдельный блок питания или предназначенного
для питания от другого изделия, входящего
(обязательное)
ЗАЩИТА ОТ ОПАСНОСТЕЙ ВОЗГОРАНИЯ ВОСПЛАМЕНЯЮЩИХСЯ
СМЕСЕЙ АНЕСТЕТИКОВ
Примечание - Настоящее приложение заменяет пункт 6 второй редакции настоящего стандарта "Защита от ОПАСНОСТЕЙ возгорания воспламеняющихся смесей анестетиков".
G.1 Введение
G.1.1 Применимость требований
Если МЭ ИЗДЕЛИЕ эксплуатируют в местах, где применяют воспламеняющиеся анестетики или воспламеняющиеся вещества для дезинфекции или очистки кожи, то может существовать РИСК взрыва, если такие анестетики или вещества смешивают с воздухом или с кислородом, или с закисью азота.
Возгорание подобных смесей может вызываться искрами или контактом с частями МЭ ИЗДЕЛИЯ, имеющими высокую температуру поверхности.
В свою очередь, искры могут возникать в случае замыкания/размыкания контактов переключателей, соединителей, срабатывания плавких предохранителей или АВТОМАТИЧЕСКИХ ВЫКЛЮЧАТЕЛЕЙ МАКСИМАЛЬНОГО ТОКА и т.д.
В высоковольтных частях искры могут возникать в результате коронного разряда. Электростатические разряды также могут вызывать искры.
Вероятность возгорания этих смесей с анестетиками зависит от их концентрации, минимальной энергии возгорания, наличия частей с нагретыми поверхностями и энергии искрообразования.
G.1.2 Промышленное оборудование и промышленные компоненты
Конструктивные требования МЭК 60079-0 в общем случае не применимы к МЭ ИЗДЕЛИЯМ по следующим причинам:
a) они предусматривают размеры, массу или конструкцию, недопустимые по медицинским соображениям или непригодные для стерилизации;
b) в некоторых конструкциях возгорание может происходить внутри КОРПУСА, но не распространяться вне его. Подобные конструкции, которые по своему характеру могут считаться безопасными, будут недопустимыми в операционной, в которой непрерывность функционирования МЭ ИЗДЕЛИЯ весьма важна;
c) промышленные требования, предъявляемые к воспламеняющимся веществам при их смешивании с воздухом, недопустимы для смесей с кислородом или закисью азота, применяемыми в медицинской практике;
d) в медицинской практике воспламеняющиеся смеси с анестетиками применяют в относительно малых количествах.
Тем не менее некоторые конструкции, описанные в МЭК 60079-0, могут применяться для МЭ ИЗДЕЛИЙ КАТЕГОРИИ AP (см.
G.5.1).
G.1.3* Требования для МЭ ИЗДЕЛИЯ
В настоящем приложении местонахождение воспламеняющихся смесей анестетиков описано лишь настолько:
- насколько это необходимо для выбора конструкции МЭ ИЗДЕЛИЯ, как минимум для заданных условий выпуска или поглощения этих смесей;
- насколько это необходимо для размещения МЭ ИЗДЕЛИЯ согласно требованиям к электрооборудованию помещений стандартов серии МЭК 60364.
Рекомендации, предельные значения и испытания, рассмотренные в данном приложении, основаны на результатах статистического анализа, полученных из экспериментов с наиболее легко воспламеняющимися смесями паров эфира с воздухом и кислородом с использованием испытательной аппаратуры, описанной в
пункте G.7. Это оправдано, поскольку такие смеси обладают наименьшими температурами и энергиями возгорания.
В случае когда температуры или параметры цепей МЭ ИЗДЕЛИЯ, эксплуатируемого в средах ВОСПЛАМЕНЯЮЩИХСЯ СМЕСЕЙ АНЕСТЕТИКА С ВОЗДУХОМ, превышают допустимые предельные значения и искрообразования нельзя избежать, соответствующие части и цепи могут помещаться в КОРПУС с находящимся в нем под давлением инертным газом или чистым воздухом или в КОРПУС с ограниченной вентиляцией.
КОРПУСА с ограниченной вентиляцией задерживают формирование необходимой для возгорания концентрации огнеопасной смеси, поскольку предполагается, что использование МЭ ИЗДЕЛИЯ в ВОСПЛАМЕНЯЮЩЕЙСЯ СМЕСИ АНЕСТЕТИКА С ВОЗДУХОМ происходит после периода вентиляции, в течение которого такой концентрации уже не существует.
Для МЭ ИЗДЕЛИЯ, содержащего ВОСПЛАМЕНЯЮЩУЮСЯ СМЕСЬ АНЕСТЕТИКА С КИСЛОРОДОМ ИЛИ ЗАКИСЬЮ АЗОТА или эксплуатируемого в ней, рекомендации, предельные значения и испытания значительно более строгие.
Эти рекомендации применимы не только в НОРМАЛЬНОМ СОСТОЯНИИ, но и при УСЛОВИИ ЕДИНИЧНОГО НАРУШЕНИЯ согласно
4.7. Признают только два исключения из реального испытания на воспламеняемость: либо отсутствие искр и ограниченную температуру, либо ограниченную температуру и ограниченные параметры цепей.
G.2 Местонахождение и основные требования
G.2.1 Части МЭ ИЗДЕЛИЯ КАТЕГОРИИ APG
Части МЭ ИЗДЕЛИЯ КАТЕГОРИИ APG, в которых имеется ВОСПЛАМЕНЯЮЩАЯСЯ СМЕСЬ АНЕСТЕТИКА С ВОЗДУХОМ, должны быть МЭ ИЗДЕЛИЕМ КАТЕГОРИИ AP или APG и соответствовать требованиям
G.3,
G.4 и
G.5.
G.2.2 ВОСПЛАМЕНЯЮЩАЯСЯ СМЕСЬ АНЕСТЕТИКА С ВОЗДУХОМ
Если ВОСПЛАМЕНЯЮЩАЯСЯ СМЕСЬ АНЕСТЕТИКА С ВОЗДУХОМ возникает из-за утечки или выпуска из КОРПУСА ВОСПЛАМЕНЯЮЩЕЙСЯ СМЕСИ АНЕСТЕТИКА С КИСЛОРОДОМ или ЗАКИСЬЮ АЗОТА, то считается, что она содержится в объеме, окружающем место утечки или выпуска и находящемся на расстоянии от 5 до 25 см от этого места.
G.2.3 ВОСПЛАМЕНЯЮЩАЯСЯ СМЕСЬ АНЕСТЕТИКА С КИСЛОРОДОМ ИЛИ ЗАКИСЬЮ АЗОТА
ВОСПЛАМЕНЯЮЩАЯСЯ СМЕСЬ АНЕСТЕТИКА С КИСЛОРОДОМ ИЛИ ЗАКИСЬЮ АЗОТА может образовываться в полностью или частично закрытой части МЭ ИЗДЕЛИЯ, а также в дыхательном тракте ПАЦИЕНТА. Считается, что подобная смесь будет способна распространяться на расстояние 5 см от части КОРПУСА, в которой возникает утечка или выпуск смеси.
G.2.4 МЭ ИЗДЕЛИЕ, предназначенное для работы в ВОСПЛАМЕНЯЮЩЕЙСЯ СМЕСИ АНЕСТЕТИКА С ВОЗДУХОМ
МЭ ИЗДЕЛИЕ или его части, предназначенные для работы с ВОСПЛАМЕНЯЮЩЕЙСЯ СМЕСЬЮ АНЕСТЕТИКА С ВОЗДУХОМ (местонахождение указано в
G.2.2), должны быть МЭ ИЗДЕЛИЕМ КАТЕГОРИИ AP или APG и соответствовать требованиям
G.4 и
G.5.
G.2.5 МЭ ИЗДЕЛИЕ, предназначенное для работы с ВОСПЛАМЕНЯЮЩЕЙСЯ СМЕСЬЮ АНЕСТЕТИКА С КИСЛОРОДОМ ИЛИ ЗАКИСЬЮ АЗОТА
МЭ ИЗДЕЛИЕ или его части, предназначенные для работы с ВОСПЛАМЕНЯЮЩЕЙСЯ СМЕСЬЮ АНЕСТЕТИКА С КИСЛОРОДОМ ИЛИ ЗАКИСЬЮ АЗОТА (местонахождение указано в
G.2.2), должны быть МЭ ИЗДЕЛИЕМ КАТЕГОРИИ APG и соответствовать требованиям
G.4 и
G.6.
Соответствие требованиям G.2.4 и G.2.5 проверяют осмотром МЭ ИЗДЕЛИЯ, а также путем проведения соответствующих испытаний согласно G.3 - G.6.
Эти испытания проводят после применимых испытаний согласно 11.6.6 и 11.6.7.
G.3 Маркировка и ЭКСПЛУАТАЦИОННЫЕ ДОКУМЕНТЫ
G.3.1 Маркировка КАТЕГОРИИ APG
МЭ ИЗДЕЛИЕ КАТЕГОРИИ APG должно иметь на видном месте маркировку в виде зеленой полосы шириной не менее 2 см с печатными буквами "APG"; см. МЭК 60417-5332 (2002-10)
(символ 23 таблицы D.1). Длина этой полосы должна быть не менее 4 см, а размеры маркировки - максимально большими для каждого конкретного случая. Если подобная маркировка невозможна, то соответствующие сведения необходимо приводить в инструкции по эксплуатации.
Соответствие проверяют осмотром МЭ ИЗДЕЛИЯ, проведением испытаний и применением критериев 7.1.2 и 7.1.3.
G.3.2 Маркировка КАТЕГОРИИ AP
МЭ ИЗДЕЛИЕ КАТЕГОРИИ AP должно иметь на видном месте маркировку в виде зеленого кружка диаметром не менее 2 см с печатными буквами "AP"; см. МЭК 60417-5332 (2002-10)
(символ 22 таблицы D.1).
Размер маркировки должен быть максимально большим для каждого конкретного случая. Если подобная маркировка невозможна, то соответствующие сведения необходимо приводить в инструкции по эксплуатации.
Соответствие проверяют осмотром МЭ ИЗДЕЛИЯ, проведением испытаний и применением критериев 7.1.2 и 7.1.3.
G.3.3 Места нанесения маркировки
Маркировка согласно
G.3.1 и
G.3.2 должна наноситься на основную часть МЭ ИЗДЕЛИЯ, если эта часть относится к КАТЕГОРИЯМ AP и APG. Маркировка не должна дублироваться на съемных частях, которые могут использоваться только вместе с уже маркированным МЭ ИЗДЕЛИЕМ.
Соответствие проверяют осмотром.
G.3.4 ЭКСПЛУАТАЦИОННЫЕ ДОКУМЕНТЫ
ЭКСПЛУАТАЦИОННЫЕ ДОКУМЕНТЫ должны содержать обозначения, позволяющие ОТВЕТСТВЕННОЙ ОРГАНИЗАЦИИ определять части МЭ ИЗДЕЛИЯ (см.
G.3.5), относящиеся к КАТЕГОРИЯМ AP и APG.
Соответствие проверяют осмотром.
G.3.5 Маркировка в случае, когда только отдельные части МЭ ИЗДЕЛИЯ относятся к КАТЕГОРИИ AP или APG
В МЭ ИЗДЕЛИИ, в котором лишь его части относятся к КАТЕГОРИИ AP или APG, маркировка должна четко указывать, какие части относятся к КАТЕГОРИИ AP, а какие - к КАТЕГОРИИ APG.
Соответствие проверяют осмотром.
G.4 Общие требования к МЭ ИЗДЕЛИЯМ КАТЕГОРИЙ AP и APG
G.4.1 Электрические соединения
a) ПУТИ УТЕЧКИ и ВОЗДУШНЫЕ ЗАЗОРЫ между точками присоединения проводов ШНУРА ПИТАНИЯ должны соответствовать приведенным в
таблице 12 для одного СРЕДСТВА ЗАЩИТЫ ПАЦИЕНТА.
b) Все соединения, за исключением содержащихся в цепях, указанных в
G.5.3 и
G.6.3, должны быть защищены от случайного разъединения при НОРМАЛЬНОЙ ЭКСПЛУАТАЦИИ или же иметь такую конструкцию, которая обеспечивала бы соединение/разъединение только при помощи ИНСТРУМЕНТА.
c) МЭ ИЗДЕЛИЯ КАТЕГОРИЙ AP и APG не должны иметь СЪЕМНЫХ ШНУРОВ ПИТАНИЯ, за исключением случая, когда цепь соответствует требованиям
G.5.3 и
G.6.3.
Соответствие проверяют осмотром или измерениями.
G.4.2 Конструктивные элементы
a) Открывание КОРПУСА, обеспечивающего защиту от проникновения в МЭ ИЗДЕЛИЕ или в его части газов или паров, необходимо осуществлять только при помощи ИНСТРУМЕНТА.
Соответствие проверяют осмотром.
b) Для сведения к минимуму возможности возникновения дуги и искр из-за попадания в КОРПУС посторонних предметов необходимо выполнять следующие требования:
- верхние крышки КОРПУСОВ не должны иметь никаких отверстий; отверстия для органов управления в них допускаются только в тех случаях, когда эти отверстия будут закрываться ручками органов управления;
- отверстия в боковых крышках КОРПУСОВ должны иметь размеры, исключающие проникновение через них твердого цилиндрического предмета диаметром более 4 мм;
- отверстия в основании КОРПУСА должны иметь размеры, исключающие проникновение через них твердого цилиндрического предмета диаметром более 12 мм.
Соответствие проверяют с помощью цилиндрического испытательного штыря диаметром 4 мм - для боковых крышек КОРПУСА и с помощью испытательного штыря диаметром 12 мм - для основания КОРПУСА. Испытательный штырь, вводимый в КОРПУС во всевозможных направлениях без применения заметных усилий, не должен входить в него.
c) Если изоляция электрических проводников, обеспечивающая одно СРЕДСТВО ЗАЩИТЫ ПАЦИЕНТА, может касаться части МЭ ИЗДЕЛИЯ, содержащей ВОСПЛАМЕНЯЮЩУЮСЯ СМЕСЬ АНЕСТЕТИКА С КИСЛОРОДОМ ИЛИ ЗАКИСЬЮ АЗОТА, или воспламеняющиеся газы, или кислород, то короткое замыкание этих проводников между собой или одного из этих проводников с проводящей частью, содержащей газ или смесь, не должно вызывать нарушения целостности этой части, а также недопустимую температуру или другую ОПАСНУЮ СИТУАЦИЮ в этой части МЭ ИЗДЕЛИЯ; см.
G.6.3 a).
Соответствие проверяют осмотром. В случае появления сомнений проводят испытание на короткое замыкание (без воспламеняющихся газов) и по возможности измеряют температуру соответствующей части МЭ ИЗДЕЛИЯ. Испытание на короткое замыкание не требуется выполнять, если произведение напряжения разомкнутой цепи (в вольтах) и тока короткого замыкания (в амперах) не превышает 10.
G.4.3 Предотвращение электростатических зарядов
a) Необходимо предотвращать электростатические заряды в МЭ ИЗДЕЛИЯХ КАТЕГОРИЙ AP и APG принятием соответствующей комбинации мер, таких как:
- использование антистатических материалов с ограниченным электрическим сопротивлением, как это указано в
G.4.3 b);
- создание электропроводящих путей от МЭ ИЗДЕЛИЯ или его частей к системе защитного заземления или к системе выравнивания потенциала, или через колеса к антистатическому полу в помещении медицинского назначения.
b) Предельные значения электрического сопротивления шлангов для анестетиков, матрацев и укладок, шин колес и других элементов из антистатических материалов должны соответствовать требованиям ИСО 2882.
Соответствие допустимым предельным значениям сопротивления, приведенным в ИСО 2882, проверяют с помощью измерений, проводимых согласно ИСО 1853, ИСО 2878 и ИСО 23529.
G.4.4 Коронный разряд
Части и компоненты МЭ ИЗДЕЛИЯ, работающие при напряжениях свыше 2000 В переменного тока или свыше 2400 В постоянного тока, не закрытые КОРПУСОМ согласно
G.5.4 или
G.5.5, должны иметь конструкцию, предотвращающую образование коронного разряда.
Соответствие проверяют осмотром и измерением.
G.5 Требования и испытания для МЭ ИЗДЕЛИЙ, их частей и компонентов КАТЕГОРИИ AP
МЭ ИЗДЕЛИЯ, их части или компоненты при НОРМАЛЬНОЙ ЭКСПЛУАТАЦИИ и в НОРМАЛЬНОМ СОСТОЯНИИ не должны приводить к возгоранию ВОСПЛАМЕНЯЮЩИХСЯ СМЕСЕЙ АНЕСТЕТИКА С ВОЗДУХОМ.
МЭ ИЗДЕЛИЯ, их части или компоненты, соответствующие одному из
подпунктов G.5.2 -
G.5.5 (включительно), считают соответствующими требованиям настоящего подпункта.
МЭ ИЗДЕЛИЯ, их части или компоненты, соответствующие требованиям МЭК 60079-0 на КОРПУСА, находящиеся под избыточным давлением (МЭК 60079-2), на заполненные кварцевым песком КОРПУСА (МЭК 60079-5) или на изделия, погруженные в масло (МЭК 60079-6), а также требованиям настоящего стандарта (за исключением требований, содержащихся в
G.5.2 -
G.5.5), считают соответствующими требованиям, предъявляемым к МЭ ИЗДЕЛИЯМ КАТЕГОРИИ AP.
G.5.2 Предельные значения температуры
МЭ ИЗДЕЛИЯ, их части или компоненты, не образующие искр и не создающие при НОРМАЛЬНОЙ ЭКСПЛУАТАЦИИ и в НОРМАЛЬНОМ СОСТОЯНИИ температур поверхностей, контактирующих с газовыми смесями, превышающих 150 °C при ограниченной вертикальной конвекции или превышающих 200 °C при неограниченной вертикальной конвекции, считают соответствующими требованиям
G.5.1. Допустимые значения указаны для температуры окружающей среды 25 °C.
Рабочие температуры измеряют в процессе испытаний согласно 11.1.
G.5.3* Электрические цепи с низкой энергией
МЭ ИЗДЕЛИЯ, их части или компоненты, которые при НОРМАЛЬНОЙ ЭКСПЛУАТАЦИИ и в НОРМАЛЬНОМ СОСТОЯНИИ могут создавать искры (например, выключатели, реле, разъемные соединения, которые можно отсоединять без помощи ИНСТРУМЕНТА, включая соединения в МЭ ИЗДЕЛИИ, которые недостаточно защищены от разъединения, а также коллекторные двигатели), должны соответствовать требованиям, предъявляемым к температуре согласно
G.5.2. Кроме того, напряжение
Umax и ток
Imax, которые могут возникать в их цепях, с учетом емкости
Cmax и индуктивности
Lmax, должны соответствовать следующим неравенствам:
Imax <=
IzR для заданного напряжения
UzR, см.
рисунок G.1 и
Imax <=
IzL для заданной индуктивности
Lmax и
Umax <= 24 В, см.
рисунок G.3.
- Графики на
рисунках G.1 -
G.3 были получены с помощью испытательной аппаратуры
(рисунок G.7) для наиболее легко воспламеняемой смеси паров эфира с воздухом [для которой объемная концентрация эфира составляет (4,3 +/- 0,2)%] при вероятности возгорания (без коэффициента безопасности), равной 10
-3.
- Экстраполяция графика на
рисунке G.1 допускается для сочетания токов и соответствующих напряжений в пределах произведения
IzR·
UzR <= 50 Вт.
Экстраполяция для значений напряжения, превышающих 42 В, не допускается.
- Экстраполяция графика, приведенного на
рисунке G.2, допускается для сочетания емкостей и соответствующих напряжений, удовлетворяющих следующему неравенству:

.
Экстраполяция для значений напряжения, превышающих 242 В, не допускается.
Если эквивалентное сопротивление R не превышает 8000 Ом, то напряжение Umax дополнительно определяют исходя из фактического сопротивления R.
- Экстраполяция графика, приведенного на
рисунке G.3, допускается для сочетания токов и соответствующих индуктивностей, удовлетворяющих следующему неравенству:

.
Экстраполяция для значений индуктивности, превышающих 900 мГн, не допускается.
- За напряжение
Umax принимают максимальное напряжение питания, действующее в исследуемой цепи при искрящихся разомкнутых контактах, с учетом отклонений СЕТЕВОГО НАПРЯЖЕНИЯ, указанных в
4.10.
- За ток
Imax принимают максимальный ток, протекающий в исследуемой цепи при искрящем замкнутом контакте, с учетом отклонений СЕТЕВОГО НАПРЯЖЕНИЯ, допускаемых согласно
4.10.
- За емкость Cmax и индуктивность Lmax принимают значения, которыми обладает исследуемый компонент, создающий искрение в МЭ ИЗДЕЛИИ.
- В случае цепи переменного тока должны приниматься амплитудные значения напряжения.
- Для сложной цепи, содержащей несколько емкостей, индуктивностей и резисторов или их комбинаций, эквивалентную цепь рассчитывают с целью определения эквивалентной максимальной емкости, эквивалентной максимальной индуктивности и дополнительно эквивалентных значений Umax и Imax для постоянного тока либо амплитудных значений переменного тока.
Соответствие проверяют либо путем измерения температуры, определения значений Umax, Imax, R, Lmax и Cmax и применения графиков, приведенных на рисунках G.1 - G.3, либо путем анализа расчетных данных.
Рисунок G.1 - Зависимость максимально допустимого тока
IzR
от максимально допустимого напряжения UzR, измеренная
в чисто активной цепи, находящейся в наиболее
воспламеняющейся смеси паров эфира с воздухом
--------------------------------
<a> 8000 Ом или фактическое сопротивление, если R менее 8000 Ом.
Рисунок G.2 - Зависимость максимально допустимого напряжения
UzC от емкости Cmax, измеренная в емкостной цепи,
находящейся в наиболее воспламеняющейся смеси
паров эфира с воздухом
Рисунок G.3 - Зависимость максимально допустимого тока
IzL
от индуктивности Lmax, измеренная в индуктивной цепи,
находящейся в наиболее воспламеняющейся смеси
паров эфира с воздухом
G.5.4* Наружная вентиляция с внутренним избыточным давлением
В случае когда МЭ ИЗДЕЛИЕ, его части или компоненты заключены в КОРПУС, имеющий наружную вентиляцию посредством создания в нем избыточного давления, должны применяться следующие требования.
a) ВОСПЛАМЕНЯЮЩИЕСЯ СМЕСИ АНЕСТЕТИКА С ВОЗДУХОМ, которые могут проникнуть в КОРПУС МЭ ИЗДЕЛИЯ или в его части, должны удаляться посредством вентиляции до того, как будет включено электропитание. Проникновение этих смесей в процессе работы должно быть исключено путем создания в МЭ ИЗДЕЛИИ или в его части избыточного давления воздуха, не содержащего воспламеняющихся газов или паров, или физиологически допустимого инертного газа (например, азота).
b) Избыточное давление внутри КОРПУСА МЭ ИЗДЕЛИЯ в НОРМАЛЬНОМ СОСТОЯНИИ должно быть не менее 75 Па и поддерживаться в месте возможного возгорания даже в случае, когда воздух или инертный газ могут выходить через отверстия в КОРПУСЕ, необходимые для нормальной работы МЭ ИЗДЕЛИЯ или его части.
Включение МЭ ИЗДЕЛИЯ должно быть возможным только после того, как минимально необходимое избыточное давление будет поддерживаться в течение времени, достаточного для не менее чем пятикратного обмена воздуха или инертного газа в КОРПУСЕ. (Тем не менее МЭ ИЗДЕЛИЕ может включаться в любое время или многократно, если избыточное давление в нем поддерживается постоянно.)
c) Если избыточное давление в процессе работы МЭ ИЗДЕЛИЯ падает ниже 50 Па, то питание возможных источников возгорания должно автоматически отключаться. Это должно осуществляться с помощью таких средств, которые размещают в месте, где требования
G.4 не применяют или это место соответствует требованиям G.5.
d) Рабочая температура внешней поверхности КОРПУСА, внутри которого поддерживается избыточное давление в НОРМАЛЬНОМ СОСТОЯНИИ и при НОРМАЛЬНОЙ ЭКСПЛУАТАЦИИ, не должна превышать 150 °C. Измерение проводят при температуре окружающей среды 25 °C.
Соответствие требованиям G.5.4 a) - G.5.4 d) проверяют путем измерения температуры, давления и параметров потока, а также проверкой устройства для контроля давления.
G.5.5 КОРПУСА с ограниченной вентиляцией
МЭ ИЗДЕЛИЯ, их части или компоненты, заключенные в КОРПУС с ограниченной вентиляцией, должны соответствовать следующим требованиям.
a)* Конструкция КОРПУСОВ с ограниченной вентиляцией должна быть такой, чтобы образование внутри КОРПУСА ВОСПЛАМЕНЯЮЩЕЙСЯ СМЕСИ АНЕСТЕТИКА С ВОЗДУХОМ не происходило после нахождения КОРПУСА в этой смеси с высокой концентрацией в течение по крайней мере 30 мин, но в отсутствие разности наружного давления и давления внутри КОРПУСА.
b) Если требуемая герметичность КОРПУСА обеспечивается с помощью прокладок или уплотнений, то используемый для них материал должен быть устойчивым к старению.
Соответствие проверяют путем проведения испытания B-b согласно МЭК 60068-2-2 (пункт 15), при температуре (70 +/- 2) °C в течение 96 ч.
c) Если КОРПУС содержит входные отверстия для ввода гибких шнуров, то их газонепроницаемость должна обеспечиваться даже при механических напряжениях, возникающих при изгибе или натяжении шнуров. Шнуры должны быть снабжены соответствующими устройствами закрепления для ограничения этих напряжений (см.
8.11.3.5).
После завершения испытания согласно G.5.4 b), если применимо, создают внутреннее избыточное давление 400 Па и к каждому гибкому шнуру поочередно 30 раз прикладывают механическое натяжение с усилием, указанным в таблице G.1, в осевом направлении относительно входного отверстия для шнура, а также в наименее благоприятном перпендикулярном направлении, причем каждое натяжение шнура следует проводить без рывков в течение 1 с. По окончании данного испытания избыточное давление не должно уменьшиться ниже 200 Па.
Таблица G.1
Газонепроницаемость входных отверстий шнуров
Масса (m) МЭ ИЗДЕЛИЯ, кг | Натяжение, Н |
m <= 1 | 30 |
1 < m <= 4 | 60 |
m > 4 | 100 |
Если КОРПУС частей или компонентов МЭ ИЗДЕЛИЯ загерметизирован или выполнен газонепроницаемым и отсутствуют сомнения, что этот КОРПУС соответствует вышеупомянутому требованию, то КОРПУС проверяют только осмотром.
Рабочая температура внешней поверхности КОРПУСА не должна превышать 150 °C при температуре окружающей среды 25 °C. При этом также измеряют и установившуюся температуру КОРПУСА.
G.6 Требования и испытания для МЭ ИЗДЕЛИЙ, их частей и компонентов КАТЕГОРИИ APG
МЭ ИЗДЕЛИЕ, его части или компоненты не должны приводить к возгоранию ВОСПЛАМЕНЯЮЩЕЙСЯ СМЕСИ АНЕСТЕТИКА С КИСЛОРОДОМ ИЛИ ЗАКИСЬЮ АЗОТА. Это требование применяют как при НОРМАЛЬНОЙ ЭКСПЛУАТАЦИИ, так и при любом применимом УСЛОВИИ ЕДИНИЧНОГО НАРУШЕНИЯ, согласно
4.7.
МЭ ИЗДЕЛИЕ, его части или компоненты, которые не соответствуют требованиям G.6.3, проверяют путем испытания на ПРОДОЛЖИТЕЛЬНЫЙ РЕЖИМ РАБОТЫ в течение 10 мин в смеси эфира с кислородом (при объемной концентрации эфира (12,2 +/- 0,4)%) после достижения установившегося теплового режима, но не более чем через 3 ч после включения МЭ ИЗДЕЛИЯ
.
Части или компоненты МЭ ИЗДЕЛИЯ КАТЕГОРИИ APG, работающие в ВОСПЛАМЕНЯЮЩЕЙСЯ СМЕСИ АНЕСТЕТИКА С КИСЛОРОДОМ ИЛИ ЗАКИСЬЮ АЗОТА, должны питаться от источника, изолированного от земли с помощью изоляции, обеспечивающей по крайней мере одно СРЕДСТВО ЗАЩИТЫ ПАЦИЕНТА, а также изолированного от находящихся под напряжением частей изоляцией, обеспечивающей два СРЕДСТВА ЗАЩИТЫ ПАЦИЕНТА.
Соответствие проверяют анализом схем цепей и измерениями.
G.6.3* Температуры и цепи с низкой энергией
Считают, что МЭ ИЗДЕЛИЕ, его части или компоненты соответствуют требованиям
G.6.1 без проведения испытаний согласно
G.6.1, если при НОРМАЛЬНОЙ ЭКСПЛУАТАЦИИ, в НОРМАЛЬНОМ СОСТОЯНИИ и при УСЛОВИИ ЕДИНИЧНОГО НАРУШЕНИЯ (см.
4.7):
a) отсутствуют искры и температуры, превышающие 90 °C, или
b) температуры не превышают предельного значения 90 °C, МЭ ИЗДЕЛИЕ или его части содержат такие компоненты, которые при НОРМАЛЬНОЙ ЭКСПЛУАТАЦИИ, в НОРМАЛЬНОМ СОСТОЯНИИ, а также при применимых УСЛОВИЯХ ЕДИНИЧНОГО НАРУШЕНИЯ могут вызывать искрение, но напряжение Umax и ток Imax, которые могут возникнуть в их цепях с учетом емкости Cmax и индуктивности Lmax, соответствуют следующим неравенствам:
Umax <=
UzC для заданной емкости
Cmax, см.
рисунок G.5, так же как
Imax <=
IzR для заданного напряжения
UzR, см.
рисунок G.4, и
Imax <=
IzL для заданной индуктивности
Lmax и
Umax <= 24 В, см.
рисунок G.6.
- Графики на
рисунках G.4 -
G.6 были получены с помощью испытательной аппаратуры
(рисунок G.7) для наиболее легко воспламеняющейся смеси паров эфира с кислородом [объемная концентрация эфира (4,3 +/- 0,2)%] при вероятности возгорания 10
-3. Максимально допустимые значения тока
IzR (
см. рисунок G.4), напряжения
UzC (
см. рисунок G.5) и тока
IzL (
см. рисунок G.6) включают коэффициент безопасности 1,5.
- Экстраполяция графиков на
рисунках G.4 -
G.6 ограничена указанной на графиках областью.
- За напряжение
Umax принимают максимальное напряжение без нагрузки, существующее в исследуемой цепи, с учетом отклонений СЕТЕВОГО НАПРЯЖЕНИЯ, допускаемых согласно
4.10.
- За ток
Imax принимают максимальный ток, протекающий в испытываемой цепи, с учетом отклонений СЕТЕВОГО НАПРЯЖЕНИЯ, допускаемых согласно
4.10.
- Емкость Cmax и индуктивность Lmax имеют значения, которыми обладают компоненты соответствующей цепи.
- Если эквивалентное сопротивление
R, указанное на
рисунке G.5, не превышает 8000 Ом,
то напряжение Umax дополнительно определяют, исходя из фактического сопротивления
R.
- Если цепь запитана переменным током, то должны приниматься амплитудные значения напряжения.
- Для сложной цепи, содержащей несколько емкостей, индуктивностей и резисторов или их комбинаций, эквивалентную цепь рассчитывают с целью определения эквивалентной максимальной емкости, эквивалентной максимальной индуктивности и дополнительно - эквивалентных значений Umax и Imax, либо как значения для постоянного тока, либо как амплитудные значения для переменного тока.
- Если энергия, которая создается в цепи с индуктивностью или конденсатором, ограничивается с помощью ограничителей тока или напряжения, предотвращающих превышение предельных значений, указанных на
рисунках G.4 -
G.6, то должны применяться два независимых компонента так, чтобы требуемые ограничения по току или напряжению были обеспечены даже в случае нарушения (короткого замыкания или разрыва) в одном из этих компонентов.
Это требование не относится к трансформаторам, спроектированным и изготовленным в соответствии с настоящим стандартом, а также к токоограничивающим проволочным резисторам, которые защищены от разматывания оборвавшейся проволоки.
Соответствие проверяют осмотром, измерениями температуры, сравнением с расчетными данными или измерением напряжения Umax, тока Imax, сопротивления R, индуктивности Lmax и емкости Cmax, а также применением графиков, приведенных на рисунках G.4 - G.6.
Рисунок G.4 - Зависимость максимально допустимого тока
IZR
от максимально допустимого напряжения UZR, измеренная
в чисто активной цепи, находящейся в наиболее
воспламеняющейся смеси паров эфира с кислородом
--------------------------------
<a> 8000 Ом или фактическое сопротивление, если R < 8000 Ом.
Рисунок G.5 - Зависимость максимально допустимого напряжения
UzC от емкости Cmax, измеренная в емкостной цепи,
находящейся в наиболее воспламеняющейся смеси
паров эфира с кислородом
Рисунок G.6 - Зависимость максимально допустимого тока
IzL
от индуктивности Lmax, измеренная в индуктивной цепи,
находящейся в наиболее воспламеняющейся смеси
паров эфира с кислородом
G.6.4 Нагревательные элементы
МЭ ИЗДЕЛИЕ, его части или компоненты, которые служат для нагрева ВОСПЛАМЕНЯЮЩЕЙСЯ СМЕСИ АНЕСТЕТИКА С КИСЛОРОДОМ ИЛИ ЗАКИСЬЮ АЗОТА, должны снабжаться НЕСАМОВОССТАНАВЛИВАЮЩИМСЯ ТЕРМОВЫКЛЮЧАТЕЛЕМ, обеспечивающим дополнительную защиту от перегрева.
Соответствие проверяют испытанием согласно 15.4.2.1.
Токонесущие части нагревательных элементов не должны находиться в непосредственном контакте с ВОСПЛАМЕНЯЮЩЕЙСЯ СМЕСЬЮ АНЕСТЕТИКА С КИСЛОРОДОМ ИЛИ ЗАКИСЬЮ АЗОТА.
Соответствие проверяют осмотром.
G.7 Испытательный аппарат для воспламеняющихся смесей
Примечание - Формально приложение F второй редакции.
Испытательное устройство представляет собой камеру для возгорания смесей объемом не менее 250 см3, содержащую испытываемую газовую среду или смесь, а также контактное устройство (см. рисунок G.7), создающее искры при замыкании и размыкании контактов.
Контактное устройство содержит кадмиевый диск с двумя канавками, по которым скользит второй диск с четырьмя вольфрамовыми проволоками диаметром 0,2 мм. Свободная длина вольфрамовых проволок составляет 11 мм. Вал, с которым соединяются вольфрамовые проволоки, вращается со скоростью 80 мин-1. Вал, связанный с кадмиевым диском, вращается в противоположном направлении.
Отношение частоты вращения вала, связанного с проволоками, к частоте вращения другого вала равно 50:12.
Оба вала изолированы друг от друга и от рамы.
Камера возгорания должна выдерживать внутреннее избыточное давление 1,5 МПа.
С помощью контактного устройства испытываемая цепь замыкается или размыкается: при этом проверяют, будут ли искры при испытании поджигать газовую среду или смесь.
Размеры в миллиметрах
1 - пространство (камера) возгорания; 2 - кадмиевый диск;
3 - вольфрамовая проволока; 4 - вал диска с проволоками;
5 - вал диска с канавками
Рисунок G.7 - Испытательный аппарат
(справочное)
СТРУКТУРА ПЭМС, ЖИЗНЕННЫЙ ЦИКЛ РАЗРАБОТКИ ПЭМС
И ДОКУМЕНТИРОВАНИЕ
H.1 Примеры структур ПЭМС/ПЭПС
ПЭМС может быть очень простой частью МЭ ИЗДЕЛИЯ или сложной частью МЭ СИСТЕМЫ (или какое-либо промежуточное сочетание).
На
рисунке H.1 приведены некоторые возможные варианты ПЭМС.
На
рисунке H.1 a) изображена сложная система, распадающаяся на ряд основных подсистем, которые, в свою очередь, состоят из подсистем, включающих ПЭПС.
На
рисунке H.1 b) изображена менее сложная система, в которой отсутствует промежуточный основной уровень подсистемы, а ПЭПС является непосредственно подсистемой ПЭМС.
На
рисунке H.1 c) изображена ПЭМС самого простого исполнения, при котором ПЭМС и ПЭПС идентичны.
a) Пример сложной системы
b) Пример более простого исполнения
c) Пример самого простого исполнения
Рисунок H.1 - Примеры структур ПЭМС/ПЭПС
Структура ПЭМС крайне важна для реализации требований безопасности. Структура ПЭМС должна быть задокументирована и описывать как структуру ПЭМС, так и взаимосвязи между каждой ПЭПС и ПЭМС в целом. При описании структуры необходимо указывать:
- разделение ПЭМС на компоненты, особенно реализованные в каждой из ПЭПС и включающие компоненты программного обеспечения;
- функции, которые должны выполнять каждые ПЭПС и их компоненты (в том числе функции, связанные с безопасностью);
- интерфейсы между компонентами программного обеспечения;
- интерфейсы между компонентами программного обеспечения и компонентами, внешними по отношению к нему.
H.2 Модель ЖИЗНЕННОГО ЦИКЛА РАЗРАБОТКИ ПЭМС
Соответствие ПЭМС требованиям
пункта 14 настоящего стандарта требуется для определения ее ЦИКЛА РАЗРАБОТКИ и последующего отслеживания. При этом не требуется использование какого-либо специфического ЦИКЛА РАЗРАБОТКИ, однако необходимо, чтобы он имел некоторые признаки (атрибуты), см. требования в
14.4.
ЖИЗНЕННЫЙ ЦИКЛ РАЗРАБОТКИ ПЭМС является частью полного жизненного цикла изделия.
Рисунок H.2 иллюстрирует модель ЖИЗНЕННОГО ЦИКЛА РАЗРАБОТКИ ПЭМС, где показаны операции, сгруппированные по двум основным ПРОЦЕССАМ. Слева показан ПРОЦЕСС декомпозиции, справа - ПРОЦЕСС интеграции.
- многоуровневые операции разработки;
- для каждого уровня разработки - соответствующий уровень интеграции и ПРОВЕРКИ;
- интеграцию проверенных частей для формирования следующего, более высокого уровня;
- ПРОЦЕСС взаимодействия при разрешении разногласий.
Прямоугольники на схеме обозначают стандартные этапы работ, выполненных в ЖИЗНЕННОМ ЦИКЛЕ РАЗРАБОТКИ ПЭМС
Сплошные стрелки указывают стандартные результаты в начале и конце этапов
Пунктирные стрелки указывают результаты работ, вводимые в ФАЙЛ МЕНЕДЖМЕНТА РИСКА

Выход в ПРОЦЕСС разрешения проблем

Вход в ПРОЦЕСС разрешения проблем
Рисунок H.2 - МОДЕЛЬ ЖИЗНЕННОГО ЦИКЛА РАЗРАБОТКИ ПЭМС
Поскольку разработка разделена по требованиям, то выбираются стандартные функциональные блоки, структура и технология ПЭМС. ПРОЦЕСС декомпозиции заканчивается тогда, когда проектные данные позволят сформировать компоненты ПЭМС (пример проектных данных: принципиальные схемы и программный код). Компоненты после декомпозиции интегрируются вместе. ВЕРИФИКАЦИЮ проводят после интеграции компонентов для определения того, действительно ли реализация отвечает предъявляемым требованиям. При завершении ПРОЦЕССА интеграции выполняют ПРОВЕРКУ СООТВЕТСТВИЯ ПЭМС для определения того, действительно ли ПЭМС функционирует согласно своему назначению.
H.3 ПРОЦЕССЫ программного обеспечения
МЭК 62304 описывает процессы, которые должны быть включены в жизненный цикл разработки программного обеспечения для создания безопасного программного обеспечения для медицинского изделия.
H.4 Проектирование и реализация
В процессе применения модели ЖИЗНЕННОГО ЦИКЛА РАЗРАБОТКИ ПЭМС проектирование и реализация будут включать выбор:
a) проектной среды, например:
- методов разработки программного обеспечения;
- средств для системы автоматизированного проектирования ();
- языка программирования;
- аппаратных средств и платформ для разработки программного обеспечения;
- способов моделирования;
- стандартов на проектирование и программирование;
b) электронных компонентов;
c) зарезервированных аппаратных средств;
d) интерфейса "человек - ПЭМС";
e) источников питания;
f) экологических условий;
g) стороннего программного обеспечения;
h) вариантов организации сети.
Эти элементы среды проектирования могут быть охарактеризованы в общем случае и при определенном способе их использования: при проектировании и в ПРОЦЕССЕ реализации.
H.5 Документирование
Не применяется.
H.6 ПЭМС, предназначенная для включения в ИТ-СЕТЬ
H.6.1 Общие положения
В контексте настоящего стандарта информация, передаваемая по ИТ-СЕТИ, является информацией, предусмотренной ИЗГОТОВИТЕЛЕМ для передачи (т.е. не посредством незаконных действий неуполномоченных лиц).
H.6.2 Ответственность за системную интеграцию
МЭ ИЗДЕЛИЯ и МЭ СИСТЕМЫ должны иногда работать в составе ИТ-СЕТИ, что, вероятно, станет более частым в связи с ростом применения компьютеров для анализа клинических данных и контроля за лечением.
Иногда ИЗГОТОВИТЕЛЬ МЭ ИЗДЕЛИЯ будет разрабатывать его для работы по ИТ-СЕТИ с другим МЭ ИЗДЕЛИЕМ, однако нередко МЭ ИЗДЕЛИЯ не предназначены для работы со всеми другими МЭ ИЗДЕЛИЯМИ по ИТ-СЕТИ. Кто-то должен нести ответственность за то, чтобы отдельные МЭ ИЗДЕЛИЯ в ИТ-СЕТИ вместе работали удовлетворительно; другими словами, кто-то должен отвечать за разработку ИТ-СЕТИ.
Признано, что интегратор ИТ-СЕТИ должен соответствовать специфическим нормативным требованиям, для чего он должен иметь информацию о (об):
- назначении ИТ-СЕТИ, по которому она будет использоваться;
- требуемых функциональных характеристиках объединенной ИТ-СЕТИ;
- требуемой конфигурации ИТ-СЕТИ;
- ограничениях на допустимую степень расширения ИТ-СЕТИ;
- технических требованиях ко всем МЭ ИЗДЕЛИЯМ и другим изделиям, которые будут объединяться;
- функциональных характеристиках каждого МЭ ИЗДЕЛИЯ и другого изделия;
- информационных потоках в ИТ-СЕТИ и вокруг нее.
Эта информация не будет доступна отдельным ИЗГОТОВИТЕЛЯМ. По этой причине каждый ИЗГОТОВИТЕЛЬ не сможет исполнять роль интегратора ИТ-СЕТИ, который в любом случае должен быть единственным лицом или организацией, которое(ая) будет нести полную ответственность, неразделимую между несколькими ИЗГОТОВИТЕЛЯМИ. При этом ответственность ИЗГОТОВИТЕЛЯ будет ограничена лишь предоставлением требуемой информации относительно его изделия (см.
14.13).
Очевидно, что ОТВЕТСТВЕННАЯ ОРГАНИЗАЦИЯ может привлекать ИЗГОТОВИТЕЛЯ к объединению их МЭ ИЗДЕЛИЙ в свою ИТ-СЕТЬ. В этом случае ИТ-СЕТЬ в целом может стать МЭ СИСТЕМОЙ, ответственность за правильность объединения в систему будет нести ИЗГОТОВИТЕЛЬ. При этом система может регулироваться отдельно.
Интегратор ИТ-СЕТИ должен обладать компетентностью при оценке и анализе ОПАСНОСТЕЙ, которые могут возникать в результате объединения ИТ-СЕТИ и гарантировать сохранение ОСТАТОЧНЫХ РИСКОВ для отдельных ПЭМС.
Обычно интегратор ИТ-СЕТИ должен:
- планировать интеграцию любого МЭ ИЗДЕЛИЯ (или МЭ СИСТЕМЫ) и немедицинского изделия в соответствии с инструкциями, предоставляемыми различными ИЗГОТОВИТЕЛЯМИ;
- выполнять МЕНЕДЖМЕНТ РИСКА в объединенной ИТ-СЕТИ;
- передавать любые инструкции ИЗГОТОВИТЕЛЯ ОТВЕТСТВЕННОЙ ОРГАНИЗАЦИИ, где они требуются для безопасной работы объединенной ИТ-СЕТИ. Эти инструкции должны включать предупреждения относительно всех ОПАСНОСТЕЙ, возникающих при любом изменении конфигурации.
H.7 Анализ ИТ-СЕТЕЙ при проектировании ПЭМС
H.7.1 Обзор
С точки зрения ИЗГОТОВИТЕЛЯ ПЭМС, любой тип ИТ-СЕТИ является источником дополнительных ОПАСНЫХ СИТУАЦИЙ. В принципе любая ИТ-СЕТЬ, которая находится вне контроля ИЗГОТОВИТЕЛЯ ПЭМС, никогда не должна считаться на 100% надежной.
H.7.2 Причины возникновения ОПАСНЫХ СИТУАЦИЙ, исходящих от ИТ-СЕТЕЙ
В ИТ-СЕТЯХ вероятны следующие причины возникновения ОПАСНЫХ СИТУАЦИЙ:
- потеря данных;
- несоответствующий обмен данными;
- искажение данных;
- несоответствующая временная последовательность данных;
- непредвиденное получение данных;
- неправомочный доступ к данным.
В дополнение к приложению C стандарта ИСО 14971:2019 следует учитывать, что, по меньшей мере, следующие инициирующие события или обстоятельства могут привести к ОПАСНЫМ СИТУАЦИЯМ, связанным с ИТ-СЕТЯМИ:
- дистанционное обслуживание (внешний доступ к сети);
- операционная система (совместимость операционных систем);
- модификация/модернизация программного обеспечения (операционные системы, области применения и т.д.);
- совместимость интерфейсов (конфликт на уровне данных, форматы данных):
- по соединениям (модификации аппаратных средств, соединителям сети),
- по сетевым интерфейсным платам (совместимость),
- по сетевым протоколам (DICOM, HL7 и т.д.);
- структура/временная последовательность пакетных адресов;
- стандартная нагрузка/полоса частот сети;
- максимальная нагрузка сети;
- носитель данных (их долговечность и возможность перезаписи);
- безопасность (защита от вирусов, "червей", несанкционированного изменения или обновления программного обеспечения);
- максимально допустимое время отклика;
- допустимая частота отказов в сети;
- эксплуатационная готовность (плановое и внеплановое техническое обслуживание);
- несоответствие интерфейсов/форматов, приводящее к потере точности воспроизведения при передаче данных;
- разнородность структуры сети.
При определении характеристик, которые могут повлиять на безопасность, следует учитывать следующие вопросы:
a) разумно прогнозируемое непредусмотренное применение.
Совместимо ли присоединение к сети с ПРЕДУСМОТРЕННЫМ ПРИМЕНЕНИЕМ каждого ПЭМС?
b) Поток неправильных данных к каждому ПЭМС или от него.
Какие данные передаются по сети и с какими задачами они связаны? Каковы последствия отказа ИТ-СЕТЕЙ?
c) Отклонение от установленных функциональных характеристик любого ПЭМС.
Каковы функциональные характеристики ПЭМС и до какой степени они затрагивают ИТ-СЕТИ?
d) Неполное определение характеристик ИТ-СЕТЕЙ.
Полностью ли определены структура сети, ее конфигурация и параметры (например, открытая или закрытая конфигурация, полоса пропускания сети, протокол передачи)? Имеются ли какие-либо аварийные характеристики/понятия и каковы они?
e) Чрезмерная эксплуатация/нагрузка на ИТ-СЕТИ со стороны узлов сети.
Каковы запланированное число узлов сети и предполагаемая степень их загрузки? Достаточны ли ресурсы, чтобы удовлетворить потребности как самих ИТ-СЕТЕЙ, так и устройств, связанных с ними?
f) Ошибки при эксплуатации.
Какие навыки ОПЕРАТОРА необходимы для эффективной работы системы?
g) Несоответствующая организация управления
Изменяют ли периодически задания на обслуживание характеристики ИТ-СЕТЕЙ (например, после дистанционного доступа, модернизации или модификации)? Гарантирует ли ОТВЕТСТВЕННАЯ ОРГАНИЗАЦИЯ рассмотрение и утверждение модификации каждой ПЭМС?
h) Информация в ненадлежащем месте.
Достигают ли данные удобного и прогнозируемого пункта назначения? Будет ли это сопровождаться неправильными данными, которые могут вводить в заблуждение ОПЕРАТОРА или исказить требуемые данные? Указывается ли должным образом источник поступивших данных?
H.7.3 Не используется
H.7.4 Параметры ИТ-СЕТЕЙ
Использование ИТ-СЕТЕЙ для обмена данными между ПЭМС или между ПЭМС и другим информационным оборудованием требует знаний как относительно структуры ИТ-СЕТЕЙ, так и о ПРОЦЕССАХ/функциях, выполняемых в них. Это важно, поскольку ИЗГОТОВИТЕЛИ ПЭМС или ИТ-СЕТЕЙ должны выбрать конфигурацию своей продукции такой, чтобы они:
- отвечали всемирно признанным стандартам сети (Ethernet, Fast Ethernet, GigaBitEthernet, FDDI и т.д.) и эффективно использовали доступную полосу пропускания в соответствии со своим ПРЕДУСМОТРЕННЫМ ПРИМЕНЕНИЕМ;
- достигали своих оптимальных функциональных характеристик в области их применения.
В ряде случаев могут появляться такие сочетания различных установок конфигураций/параметров ИТ-СЕТЕЙ, которые оказываются не всегда совместимыми для различных узлов ИТ-СЕТЕЙ, даже несмотря на то, что они отвечают действующим международным стандартам.
Во избежание появляющейся при этом возможности нарушения работы ИТ-СЕТЕЙ (или, по крайней мере, сведения ее к минимуму) необходимо согласование минимального набора параметров, получаемых из соответствующих стандартов.
Рисунок H.4 содержит перечень параметров, который должен задаваться. Из-за быстрого развития технологии ИТ-СЕТЕЙ требования в этой таблице должны рассматриваться лишь в качестве отправной точки. Должно быть ясно, как эта таблица должна поддерживаться и кто должен нести ответственность за это.
Объекты | Описание | Значение/Примечание |
Прикладная и операционная система: |
Операционная система/Версия: | |
Сетевые протоколы: | |
Подробные данные о специальном протоколе прикладной программы/транспортном протоколе (при их использовании) |
HL7 | Версия HL 7 | |
Форматы используемых типов сообщений | |
Свободные поля (которые используются) | |
Порты | |
Протокол HL7 (нижний уровень TCP/IP) | |
Сервисные классы DICOM | A) Испытание: | Проверка | |
B) Передача: | Сохранение | |
Запрос/Поиск | |
C) Документирование: | Управление печатью | |
D) Организация: | Управление перечнем возможных операций | |
Выполненный шаг процедуры | |
E) Информация: | Уведомление об анализе содержимого | |
Обслуживание пациентов | |
Обязательство сохранности | |
Управление анализом компонентов | |
Управление результатами | |
F) Внешняя память: | Носитель для хранения данных | |
Объекты DICOM | Например, КОМПЬЮТЕРНОЕ РЕНТГЕНОВСКОЕ ИЗОБРАЖЕНИЕ | |
Прочие возможные объекты | |
Имя хост-компьютера DICOM | |
Запрашиваемое время DICOM AET | |
Время вызова DICOM AET | |
Запрашиваемый порт DICOM | |
Вызываемый порт DICOM | |
Подробные параметры в отношении нижних уровней протокола |
Сетевые данные | Физическое соединение | |
Параметры сетевой интерфейсной платы | |
Администрирование сети |
Номер порта подсоединяемого коммутатора/концентратора/маршрутизатора | | |
IP-адрес | | |
Маска подсети | |
Имя хост-узла | |
ИТ-домен | |
Активный каталог/LDAP-сервер | |
Устанавливаемый по умолчанию межсетевой интерфейс (с доступом через маршрутизатор) | |
Дистанционное управление |
Дистанционный контроль сети | | |
Соединение через модем | | |
IP-адрес для дистанционного обслуживания | | |
Прочие параметры | | |
| | ИС МЕГАНОРМ: примечание. Нумерация рисунков дана в соответствии с официальным текстом документа. | |
Рисунок H.4 - Пример параметров, которые могут потребоваться
для определения характеристик ИТ-СЕТЕЙ
(справочное)
НЕКОТОРЫЕ АСПЕКТЫ МЭ СИСТЕМ
I.1 Совместное использование МЭ ИЗДЕЛИЯ с изделием немедицинского назначения
I.1.1 Введение
В настоящем приложении приведена сводка ситуаций, которые могут возникать в различных медицинских учреждениях при совместном применении изделий медицинского и немедицинского назначения. Для простоты в каждой ситуации будут рассматриваться только два изделия (A и B).
I.1.2 Зоны в медицинском учреждении
В медицинском учреждении предусмотрены следующие зоны (см. также
таблицу I.1):
- СРЕДА ПАЦИЕНТА, как часть используемого по медицинскому назначению помещения;
- все используемые по медицинскому назначению помещения, за исключением СРЕДЫ ПАЦИЕНТА;
- все используемые не по медицинскому назначению помещения (т.е. помещения, не предназначенные для лечения, например офисы, склады и т.д.).
Защитное заземление может быть специализированным для каждой из трех вышеупомянутых зон.
Примечание - Между защитными заземлениями различных зон может возникать разность электрических потенциалов (V). В случае обрыва защитного заземления (условие нарушения) для изделия, находящегося в СРЕДЕ ПАЦИЕНТА, эта разность потенциалов может возникать на КОРПУСЕ изделия, приводя к ОПАСНОЙ СИТУАЦИИ для ОПЕРАТОРА или ПАЦИЕНТА, если ОПЕРАТОР одновременно будет касаться изделия и ПАЦИЕНТА, или для ПАЦИЕНТА, если РАБОЧАЯ ЧАСТЬ является ТИПОМ B.
I.1.3 Основные принципы
- ПАЦИЕНТЫ должны соединяться только с РАБОЧИМИ ЧАСТЯМИ МЭ ИЗДЕЛИЯ, соответствующего требованиям настоящего стандарта. Другие изделия должны соответствовать требованиям соответствующих стандартов МЭК и ИСО.
- При условии нарушения допустимый ТОК УТЕЧКИ НА ДОСТУПНУЮ ЧАСТЬ не должен превышать 500 мкА.
- Все изделия, отвечающие требованиям стандартов на безопасность (здесь обозначаемые как стандарты МЭК XXXXX), которые изначально не предназначены для медицинского применения, и находящиеся в СРЕДЕ ПАЦИЕНТА, требуют наличия средств для ограничения ТОКА УТЕЧКИ НА ДОСТУПНУЮ ЧАСТЬ, если он будет превышать значения, указанные в
16.6.1.
I.1.4 Примеры МЭ СИСТЕМ
1a: оба изделия A и B отвечают требованиям 16.6 МЭК 60601;
1b: оба изделия A и B отвечают требованиям МЭК 60601 и запитываются от МНОГОРОЗЕТОЧНОГО СЕТЕВОГО СОЕДИНИТЕЛЯ: при обрыве провода заземления в МНОГОРОЗЕТОЧНОМ СЕТЕВОМ СОЕДИНИТЕЛЕ ТОКИ УТЕЧКИ могут оказаться слишком велики;
1c: компонент A отвечает требованиям МЭК 60601, а компонент B - требованиям МЭК XXXXX при обрыве ПРОВОДА ЗАЩИТНОГО ЗАЗЕМЛЕНИЯ или эквивалентного ему провода в изделии B; при необходимости в изделие B следует вводить дополнительное защитное заземление или разделительный трансформатор;
1d: ситуация, аналогичная
1c, но с обоими изделиями, запитанными от МНОГОРОЗЕТОЧНОГО СЕТЕВОГО СОЕДИНИТЕЛЯ; по причинам, указанным в
1b и
1c, ТОКИ УТЕЧКИ могут оказаться слишком большими;
1e: изделие A запитывается от изделия B, причем изделие A отвечает требованиям МЭК 60601 и входит в состав изделия B, отвечающего требованиям МЭК XXXXX. При этом изделие B требует применения устройств питания, указанных ИЗГОТОВИТЕЛЕМ, и должно отвечать требованиям
16.3. При необходимости следует вводить в изделие B дополнительное защитное заземление или разделительный трансформатор;
1f: ситуация, аналогичная
1e, но с изделием A, не входящим в состав изделия B; см.
ситуацию 1e.
Примечание - Практические средства достижения соответствия, указанные в
таблице I.1, не следует считать исчерпывающими.
Таблица I.1
Некоторые иллюстративные примеры МЭ СИСТЕМ
Ситуация | Помещение медицинского назначения | Помещение немедицинского назначения | Примеры возможных случаев превышения ТОКАМИ УТЕЧКИ предельных значений | Практические меры достижения соответствия 16.5 при всех ситуациях |
В СРЕДЕ ПАЦИЕНТА | Вне СРЕДЫ ПАЦИЕНТА |
| 1a Изделия A и B являются МЭ ИЗДЕЛИЯМИ | | | | Несколько РАБОЧИХ ЧАСТЕЙ одного и того же типа могут вызывать превышение ТОКОМ УТЕЧКИ НА ПАЦИЕНТА предельных значений (см. примечание 1) | - Проверка общего ТОКА УТЕЧКИ НА ПАЦИЕНТА |
1b Изделия A и B являются МЭ ИЗДЕЛИЯМИ, запитываемыми от МНОГОРОЗЕТОЧНОГО СЕТЕВОГО СОЕДИНИТЕЛЯ | | | | Обрыв провода заземления в МНОГОРОЗЕТОЧНОМ СЕТЕВОМ СОЕДИНИТЕЛЕ (см. также 1a) | - Введение дополнительного СОЕДИНЕНИЯ С ЗАЩИТНЫМ ЗАЗЕМЛЕНИЕМ (для изделия A или B) или - Использование разделительного трансформатора |
1c Изделие A является МЭ ИЗДЕЛИЕМ, изделие B не является МЭ ИЗДЕЛИЕМ | | | | Большой ТОК УТЕЧКИ НА ДОСТУПНУЮ ЧАСТЬ в изделии B | - Введение дополнительного СОЕДИНЕНИЯ С ЗАЩИТНЫМ ЗАЗЕМЛЕНИЕМ (для изделия B) или - Использование разделительного трансформатора (для изделия B) |
| 1d Изделие A является МЭ ИЗДЕЛИЕМ, изделие B не является МЭ ИЗДЕЛИЕМ, запитываемым от МНОГОРОЗЕТОЧНОГО СЕТЕВОГО СОЕДИНИТЕЛЯ | | | | Обрыв провода заземления в МНОГОРОЗЕТОЧНОМ СЕТЕВОМ СОЕДИНИТЕЛЕ или большой ТОК УТЕЧКИ НА ДОСТУПНУЮ ЧАСТЬ в изделии B | - Введение дополнительного СОЕДИНЕНИЯ С ЗАЩИТНЫМ ЗАЗЕМЛЕНИЕМ (для изделия A или B) или - Использование разделительного трансформатора |
1e Изделие A является МЭ ИЗДЕЛИЕМ, запитываемым от определенного источника питания изделия B | | | | Большой ТОК УТЕЧКИ НА ДОСТУПНУЮ ЧАСТЬ в изделии B | - Введение дополнительного СОЕДИНЕНИЯ С ЗАЩИТНЫМ ЗАЗЕМЛЕНИЕМ (для изделия B) или - Использование разделительного трансформатора (для изделия B) |
1f Изделие A является МЭ ИЗДЕЛИЕМ, запитываемым от источника питания на МЭ ИЗДЕЛИЯ B | | | |
| 2a Изделия A и B являются МЭ ИЗДЕЛИЯМИ | | | Отсутствуют причины превышения ТОКОМ УТЕЧКИ предельных значений | - Отсутствует необходимость в принятии дополнительных мер |
2b Изделия A и B являются МЭ ИЗДЕЛИЯМИ, запитываемыми от МНОГОРОЗЕТОЧНОГО СЕТЕВОГО СОЕДИНИТЕЛЯ | | | Обрыв провода заземления в МНОГОРОЗЕТОЧНОМ СЕТЕВОМ СОЕДИНИТЕЛЕ | - Введение дополнительного СОЕДИНЕНИЯ С ЗАЩИТНЫМ ЗАЗЕМЛЕНИЕМ (для изделия A или B) или - Использование разделительного трансформатора |
2c Изделие A является МЭ ИЗДЕЛИЕМ, изделие B не является МЭ ИЗДЕЛИЕМ | | | | - Неприменение металлических корпусов разъемов или - Использование РАЗДЕЛИТЕЛЬНОГО УСТРОЙСТВА |
2d Изделие A является МЭ ИЗДЕЛИЕМ, изделие B не является МЭ ИЗДЕЛИЕМ, запитываемым от МНОГОРОЗЕТОЧНОГО СЕТЕВОГО СОЕДИНИТЕЛЯ | | | Обрыв провода заземления в СЕТЕВОЙ КОЛОДКЕ | - Введение дополнительного СОЕДИНЕНИЯ С ЗАЩИТНЫМ ЗАЗЕМЛЕНИЕМ (для изделия A или B) или - Использование разделительного трансформатора |
| 3a Изделия A и B являются МЭ ИЗДЕЛИЯМИ | | Отсутствуют причины превышения ТОКОМ УТЕЧКИ предельных значений | - Отсутствует необходимость в принятии дополнительных мер |
3b Изделие A является МЭ ИЗДЕЛИЕМ, изделие B не является МЭ ИЗДЕЛИЕМ | | | - Неприменение металлических корпусов разъемов или - Использование РАЗДЕЛИТЕЛЬНОГО УСТРОЙСТВА |
3c Изделие A является МЭ ИЗДЕЛИЕМ, изделие B является или не является МЭ ИЗДЕЛИЕМ | | a) Наличие разности потенциалов между СОЕДИНЕНИЯМИ С ЗАЩИТНЫМ ЗАЗЕМЛЕНИЕМ изделий A и B | - Введение дополнительного СОЕДИНЕНИЯ С ЗАЩИТНЫМ ЗАЗЕМЛЕНИЕМ (для изделия A) или - Использование РАЗДЕЛИТЕЛЬНОГО УСТРОЙСТВА, или - Неприменение металлических корпусов разъемов в СРЕДЕ ПАЦИЕНТА |
Примечание 1 - Отсутствуют причины превышения ТОКОМ УТЕЧКИ предельных значений. Примечание 2 - МЭК 60601: Изделия медицинские электрические, соответствующие МЭК 60601. Примечание 3 - МЭК XXXXX: Изделия немедицинского назначения, соответствующие определенным стандартам безопасности МЭК. Примечание 4 - Разделительный трансформатор: см. 16.9.2.1. Примечание 5 - Если изделие B находится вне СРЕДЫ ПАЦИЕНТА, а изделие A относится к КЛАССУ II и имеет доступные металлические части, соединенные с СОЕДИНЕНИЕМ С ЗАЩИТНЫМ ЗАЗЕМЛЕНИЕМ изделия B, то могут понадобиться дополнительные устройства защиты, например дополнительное защитное заземление для изделия B, разделительный трансформатор или РАЗДЕЛИТЕЛЬНОЕ УСТРОЙСТВО. |
I.2 Примеры применения МНОГОРОЗЕТОЧНОГО СЕТЕВОГО СОЕДИНИТЕЛЯ (МСС)
На
рисунке I.1 приведен пример конструкции МНОГОРОЗЕТОЧНОГО СЕТЕВОГО СОЕДИНИТЕЛЯ, на
рисунке I.2 - примеры ее соединения.
Рисунок I.1 - Пример конструкции МНОГОРОЗЕТОЧНОГО СЕТЕВОГО
СОЕДИНИТЕЛЯ (МСС), доступного только с помощью ИНСТРУМЕНТА
Рисунок I.2 - Примеры применения МНОГОРОЗЕТОЧНОГО
СЕТЕВОГО СОЕДИНИТЕЛЯ (МСС)
(справочное)
Рисунок J.1 - Пример изоляции 1
Рисунок J.2 - Пример изоляции 2
Рисунок J.3 - Пример изоляции 3
Рисунок J.4 - Пример изоляции 4
Рисунок J.5 - Пример изоляции 5
Рисунок J.6 - Пример изоляции 6
Примечание - РАБОЧИМ НАПРЯЖЕНИЕМ является МАКСИМАЛЬНОЕ СЕТЕВОЕ НАПРЯЖЕНИЕ.
Рисунок J.7 - Пример изоляции 7
(справочное)
УПРОЩЕННЫЕ СХЕМЫ ИЗМЕРЕНИЯ ТОКА УТЕЧКИ НА ПАЦИЕНТА
Рисунки K.2,
K.4 и
K.5 иллюстрируют специальные условия испытаний (см.
таблицу 4), которые не относятся ни к НОРМАЛЬНОМУ СОСТОЯНИЮ, ни к УСЛОВИЮ ЕДИНИЧНОГО НАРУШЕНИЯ.
ТИП РАБОЧЕЙ ЧАСТИ | Ток, мкА |
НОРМАЛЬНОЕ СОСТОЯНИЕ | УСЛОВИЕ ЕДИНИЧНОГО НАРУШЕНИЯ |
CF | 10 | 50 |
BF | 100 | 500 |
B | 100 | 500 |
Рисунок K.1 - МЭ ИЗДЕЛИЕ с КОРПУСОМ, выполненным
из изоляционного материала (упрощенный
рисунок 15);
Ток, мкА |
ТИП РАБОЧЕЙ ЧАСТИ | Специальные условия испытаний |
CF | 50 |
BF | 5000 |
B | - |
Рисунок K.2 - МЭ ИЗДЕЛИЕ с РАБОЧЕЙ ЧАСТЬЮ
ТИП РАБОЧЕЙ ЧАСТИ | Ток, мкА |
НОРМАЛЬНОЕ СОСТОЯНИЕ | УСЛОВИЕ ЕДИНИЧНОГО НАРУШЕНИЯ |
CF | 10 | 50 |
BF | 100 | 500 |
B | 100 | 500 |
Рисунок K.3 - МЭ ИЗДЕЛИЕ с РАБОЧЕЙ ЧАСТЬЮ и СИГНАЛЬНЫМ
Ток, мкА |
ТИП РАБОЧЕЙ ЧАСТИ | Специальные условия испытаний |
CF | - |
BF | - |
B | 500 |
Рисунок K.4 - МЭ ИЗДЕЛИЕ с СОЕДИНЕНИЕМ С ПАЦИЕНТОМ
посредством РАБОЧЕЙ ЧАСТИ ТИПА B, НЕ ЗАЗЕМЛЕННОЙ
Ток, мкА |
ТИП РАБОЧЕЙ ЧАСТИ | Специальные условия испытаний |
CF | - |
BF | 500 |
B | - |
Рисунок K.5 - МЭ ИЗДЕЛИЕ с СОЕДИНЕНИЕМ С ПАЦИЕНТОМ
посредством РАБОЧЕЙ ЧАСТИ ТИПА BF, НЕ ЗАЗЕМЛЕННОЙ
(обязательное)
ИЗОЛИРОВАННЫЕ ОБМОТОЧНЫЕ ПРОВОДА ДЛЯ ИСПОЛЬЗОВАНИЯ
БЕЗ МЕЖСЛОЙНОЙ ИЗОЛЯЦИИ
L.1 Введение
Настоящее приложение определяет требования к обмоточным проводам, изоляция которых может использоваться в качестве ОСНОВНОЙ ИЗОЛЯЦИИ, ДОПОЛНИТЕЛЬНОЙ ИЗОЛЯЦИИ, ДВОЙНОЙ ИЗОЛЯЦИИ или УСИЛЕННОЙ ИЗОЛЯЦИИ в моточных компонентах без межслойной изоляции.
Настоящее приложение распространяется на намоточные провода круглого сечения диаметром от 0,05 до 5 мм.
Для изолированных обмоточных проводов, используемых в качестве СРЕДСТВ ЗАЩИТЫ ОПЕРАТОРА (СЗО), приемлемым считается альтернативный метод испытаний в соответствии с МЭК 62368-1:2018, G.5.3.4.
L.2 Конструкция проводов
Если провод изолирован двумя или более обернутыми по спирали слоями ленты, то перекрытие слоев должно быть таким, чтобы надежно гарантировать непрерывность перекрытия лент при изготовлении моточных компонентов. Слои обернутой по спирали изоляции проводов должны быть достаточно прочно закреплены, чтобы сохранить требуемое перекрытие.
Если не оговорено иное, то провод должен подвергаться испытаниям согласно
L.3.1 -
L.3.4, выполняемым при температуре от 15 °C до 35 °C и относительной влажности от 45% до 75%.
L.3.1 Электрическая прочность изоляции
Испытательный образец готовят согласно МЭК 60851-5:2008, подпункт 4.4.1 (для витой пары). Затем его подвергают испытанию согласно 8.8.3 настоящего стандарта для соответствующего типа и числа СЗ. Испытательное напряжение должно по крайней мере вдвое превышать напряжение, указанное в таблицах 6 и 7 (см. 8.8.3), но не должно быть меньше:
- 3000 В - для ОСНОВНОЙ ИЗОЛЯЦИИ или ДОПОЛНИТЕЛЬНОЙ ИЗОЛЯЦИИ;
- 6000 В - для УСИЛЕННОЙ ИЗОЛЯЦИИ.
L.3.2 Гибкость и сцепление
Образец подвергают испытанию 8 согласно МЭК 60851-3:2009, подпункт 5.1.1, используя стержни диаметрами, указанными в таблице L.1. Затем его испытывают согласно 5.1.1.4 МЭК 60851-3:2009. Испытания по 8.8.3 настоящего стандарта для соответствующего типа и числа СЗ, но испытательное напряжение прикладывают между проводом и стержнем. Испытательное напряжение должно по крайней мере соответствовать напряжению, указанному в таблицах 6 и 7 (см. 8.8.3), но должно быть не менее:
- 1500 В - для ОСНОВНОЙ ИЗОЛЯЦИИ или ДОПОЛНИТЕЛЬНОЙ ИЗОЛЯЦИИ;
- 3000 В - для УСИЛЕННОЙ ИЗОЛЯЦИИ.
Таблица L.1
НОМИНАЛЬНЫЙ диаметр провода, мм | Диаметр стержня, мм +/- 0,2 мм |
0,05 - 0,34 | 4,0 |
0,35 - 0,49 | 6,0 |
0,50 - 0,74 | 8,0 |
0,75 - 2,49 | 10,0 |
2,50 - 5,00 | В 4 раза больше диаметра провода <a> |
<a> В соответствии с МЭК 60317-43 [9]. |
Усилие натяжения, которое должно прикладываться к проводу в процессе его намотки на стержень, рассчитывают исходя из диаметра провода и эквивалентного напряжения (118 +/- 11,8) МПа [или (118 +/- 11,8) Н/мм2].
L.3.3 Тепловой удар
Образец подвергают испытанию 9 согласно МЭК 60851-6, после чего испытывают на электрическую прочность изоляции согласно 8.8.3 настоящего стандарта для соответствующих типа и числа СЗ, но испытательное напряжение прикладывают между проводником и стержнем. При этом напряжение выбирают равным соответствующему напряжению, приведенному в таблицах 6 и 7 (см. 8.8.3), но оно должно быть не менее:
- 1500 В - для ОСНОВНОЙ ИЗОЛЯЦИИ или ДОПОЛНИТЕЛЬНОЙ ИЗОЛЯЦИИ;
- 3000 В - для УСИЛЕННОЙ ИЗОЛЯЦИИ.
Температуру термостата устанавливают в соответствии с температурным классом изоляции согласно таблице L.2.
Диаметр стержня и усилие натяжения, прикладываемое к проводу в процессе намотки на стержень, должны соответствовать приведенным в L.3.2.
Испытание на электрическую прочность изоляции проводят при комнатной температуре после удаления образца из термостата.
Таблица L.2
Температура термостата при испытаниях на термостойкость
Температурный класс | A (105) | E (120) | B (130) | F (155) | H (180) |
Температура термостата, °C +/- 5 °C | 200 | 215 | 225 | 240 | 260 |
L.3.4 Проверка электрической прочности изоляции после изгиба провода
Пять образцов подготавливают согласно L.3.2 и проверяют следующим образом. Каждый образец удаляют со стержня, помещают в контейнер так, чтобы он был окружен слоем металлической дроби толщиной не менее 5 мм. Концы проводника в образце во избежание пробоя должны быть достаточно длинными. Дробь должна быть диаметром не более 2 мм и выполнена из нержавеющей стали, никеля или никелированного железа. Дробь аккуратно засыпают в контейнер до тех пор, пока испытываемый образец не будет покрыт дробью слоем толщиной не менее 5 мм. Дробь следует периодически очищать с помощью подходящего растворителя (например, 1,1,1-трихлорэтана).
Примечание - Вышеупомянутая ПРОЦЕДУРА испытаний заимствована из МЭК 60851-5:1988 (вторая редакция с Изменением 1, подпункт 4.6.1.c), который отменен и поэтому не включен в четвертую редакцию стандарта МЭК 60601-1.
Испытательное напряжение выбирают равным по крайней мере напряжению, указанному в таблицах 6 и 7 (см. 8.8.3) для соответствующих типа и числа СЗ, но оно должно быть не менее:
- 1500 В - для ОСНОВНОЙ ИЗОЛЯЦИИ или ДОПОЛНИТЕЛЬНОЙ ИЗОЛЯЦИИ;
- 3000 В - для УСИЛЕННОЙ ИЗОЛЯЦИИ.
Испытательное напряжение прикладывают между дробью и проводником.
Диаметр стержня и усилие натяжения, прикладываемое к проводу в процессе намотки на стержень, выбирают согласно L.3.2.
L.4 Испытания в процессе изготовления
L.4.1 Общие положения
Изготовитель должен подвергать провод испытаниям на электрическую прочность изоляции в процессе изготовления согласно L.4.2 и L.4.3.
L.4.2 Приемо-сдаточные испытания
Испытательное напряжение при приемо-сдаточных испытаниях должно соответствовать указанному в таблицах 6 и 7 (см. 8.8.3) для соответствующих типа и числа СЗ, но оно должно быть не менее:
- 1500 В (среднеквадратическое значение) или 2100 В (пиковое значение) для ОСНОВНОЙ ИЗОЛЯЦИИ или ДОПОЛНИТЕЛЬНОЙ ИЗОЛЯЦИИ;
- 3000 В (среднеквадратическое значение) или 4200 В (пиковое значение) для УСИЛЕННОЙ ИЗОЛЯЦИИ.
L.4.3 Периодические испытания
Образцы витой пары испытывают в соответствии с МЭК
60851-5:2008, подпункт 4.4.1. Минимальное напряжение пробоя должно быть равно удвоенному напряжению, указанному в таблицах 6 и 7 (см. 8.8.3 настоящего стандарта) для соответствующих типа и числа СЗ, но оно должно быть не менее:
- 3000 В (среднеквадратическое значение) или 4200 В (пиковое значение) для ОСНОВНОЙ ИЗОЛЯЦИИ или ДОПОЛНИТЕЛЬНОЙ ИЗОЛЯЦИИ;
- 6000 В (среднеквадратическое значение) или 8400 В (пиковое значение) для УСИЛЕННОЙ ИЗОЛЯЦИИ.
(обязательное)
СНИЖЕНИЕ СТЕПЕНИ ЗАГРЯЗНЕНИЯ
В
таблице M.1 приведены дополнительные защитные меры, которые могут быть использованы для снижения степени загрязнения.
Таблица M.1
Снижение степени загрязнения внутренней среды путем
использования дополнительной защиты
Дополнительная защита | | |
КОРПУС класса IPX4 согласно МЭК 60529 | | |
КОРПУС класса IPX5 или IPX6 согласно МЭК 60529 | | |
КОРПУС класса IPX7 или IPX8 согласно МЭК 60529 | | |
Герметично закрытый КОРПУС | | |
Постоянный подогрев | | |
Помещение в оболочку | | |
Нанесение покрытия | | |
Примечание - Может быть осуществлено снижение степени загрязнения до степени 1, если оборудование изготовлено с низкой внутренней влажностью, а в инструкциях изготовителя указано, что после вскрытия КОРПУСА повторная сборка КОРПУСА осуществляется в среде с контролируемой влажностью или с использованием осушителя. |
(справочное)
СВЕДЕНИЯ О СООТВЕТСТВИИ ССЫЛОЧНЫХ МЕЖДУНАРОДНЫХ СТАНДАРТОВ
НАЦИОНАЛЬНЫМ И МЕЖГОСУДАРСТВЕННЫМ СТАНДАРТАМ
Таблица ДА.1
Обозначение ссылочного международного стандарта | Степень соответствия | Обозначение и наименование соответствующего национального, межгосударственного стандарта |
IEC 60065:2001, Amendment 1:2005 Amendment 2:2010 | IDT | ГОСТ IEC 60065-2013 "Аудио-, видео- и аналогичная электронная аппаратура. Требования безопасности" |
IEC 60068-2-2:2007 | IDT | ГОСТ Р МЭК 60068-2-2-2009 "Испытания на воздействие внешних факторов. Часть 2-2. Испытания. Испытание B: Сухое тепло" |
IEC 60079-0 | MOD | ГОСТ 31610.0-2019 (IEC 60079-0:2017) "Взрывоопасные среды. Часть 0. Оборудование. Общие требования" |
IEC 60079-2 | IDT | ГОСТ IEC 60079-2-2013 "Взрывоопасные среды. Часть 2. Оборудование с видом взрывозащиты "оболочки под избыточным давлением "p" |
IEC 60079-5 | MOD | ГОСТ 31610.5-2017 (IEC 60079-5-2012) "Взрывоопасные среды. Часть 5. Оборудование с видом взрывозащиты "кварцевое заполнение "q" |
IEC 60079-6 | IDT | ГОСТ 31610.6-2015/IEC 60079-6:2015 "Взрывоопасные среды. Часть 6. Оборудование с видом взрывозащиты "заполнение оболочки жидкостью "o" |
IEC 60083 | - | |
IEC 60085 | IDT | ГОСТ Р МЭК 60085-2011 "Электрическая изоляция. Классификация и обозначение по термическим свойствам" |
IEC 60086-4 | - | |
IEC 60112 | - | |
IEC 60127-1 | IDT | ГОСТ IEC 60127-1-2010 "Миниатюрные плавкие предохранители. Часть 1. Терминология для миниатюрных плавких предохранителей и общие требования к миниатюрным плавким вставкам" |
IEC 60227-1:2007 | IDT | ГОСТ IEC 60227-1-2011 "Кабели с поливинилхлоридной изоляцией на номинальное напряжение до 450/750 В включительно. Часть 1. Общие требования" |
IEC 60245-1:2003, Amendment 1:2007 | IDT | ГОСТ IEC 60245-1-2011 "Кабели с резиновой изоляцией на номинальное напряжение до 450/750 В включительно. Часть 1. Общие требования" |
IEC 60252-1 | IDT | ГОСТ IEC 60252-1-2011 "Конденсаторы для двигателей переменного тока. Часть 1. Общие положения. Рабочие характеристики, испытания и номинальные параметры. Требования безопасности. Руководство по установке и эксплуатации" |
IEC 60320-1 | MOD | ГОСТ 30851.1-2002 (МЭК 60320-1:1994) "Соединители электрические бытового и аналогичного назначения. Часть 1. Общие требования и методы испытаний" |
IEC 60335-1:2010 | IDT | ГОСТ IEC 60335-1-2015 "Бытовые и аналогичные электрические приборы. Безопасность. Часть 1. Общие требования" |
IEC 60364-4-41 | MOD | ГОСТ Р 50571.3-2009 (МЭК 60364-4-41:2005) "Электроустановки низковольтные. Часть 4-41. Требования для обеспечения безопасности. Защита от поражения электрическим током" |
IEC 60384-14:2005 | - | |
IEC 60417 | - | |
IEC 60445 | MOD | ГОСТ 33542-2015 (IEC 60445:2010) "Основополагающие принципы и принципы безопасности для интерфейса "человек-машина", выполнение и идентификация. Идентификация выводов оборудования, концов проводников и проводников" |
IEC 60447 | IDT | ГОСТ IEC 60447-2015 "Интерфейс "человек-машина". Основные принципы безопасности, маркировка и идентификация. Принципы включения" |
IEC 60529:1989, Amendment 1:1999 | IDT | ГОСТ 14254-2015 (IEC 60529:2013) "Степени защиты, обеспечиваемые оболочками (Код IP)" |
IEC 60601-1-2:2014, Amendment 1:2020 | - | |
IEC 60601-1-3:2008, Amendment 1:2013 | IDT | ГОСТ Р МЭК 60601-1-3-2013 "Изделия медицинские электрические. Часть 1-3. Общие требования безопасности с учетом основных функциональных характеристик. Дополнительный стандарт. Защита от излучения в диагностических рентгеновских аппаратах" |
IEC 60601-1-6:2010, Amendment 1:2013 Amendment 2:2020 | IDT | ГОСТ Р МЭК 60601-1-6-2014 "Изделия медицинские электрические. Часть 1-6. Общие требования безопасности с учетом основных функциональных характеристик. Дополнительный стандарт. Эксплуатационная пригодность" |
IEC 60601-1-8:2006, Amendment 1:2012 Amendment 2:2020 | IDT | ГОСТ IEC 60601-1-8-2022 "Изделия медицинские электрические. Часть 1-8. Общие требования безопасности с учетом основных функциональных характеристик. Дополнительный стандарт. Общие требования, испытания и руководящие указания по применению систем сигнализации медицинских электрических изделий и медицинских электрических систем" |
IEC 60664-1:2007 | IDT | ГОСТ Р МЭК 60664.1-2012 "Координация изоляции для оборудования в низковольтных системах. Часть 1. Принципы, требования и испытания" |
IEC 60695-11-10 | - | |
IEC 60730-1:2010 | - | |
IEC 60747-5-5:2007 | - | |
IEC 60825-1:2014 | - | |
IEC 60851-3:2009 | IDT | |
IEC 60851-5:2008 | IDT | |
IEC 60851-6:1996, Amendment 1:1997 | IDT | |
IEC 60884-1 | IDT | ГОСТ 30988.1-2020 (IEC 60884-1:2013) "Соединители электрические штепсельные бытового и аналогичного назначения. Часть 1. Общие требования и методы испытаний" |
IEC 60950-1:2005, Amendment 1:2009 Amendment 2:2013 | IDT | ГОСТ IEC 60950-1-2014 "Оборудование информационных технологий. Требования безопасности. Часть 1. Общие требования" |
IEC 61058-1:2000, Amendment 1:2001 Amendment 2:2007 | IDT | ГОСТ IEC 61058-1-2012 "Выключатели для электроприборов. Часть 1. Общие требования" |
IEC 61558-2-1 | - | |
IEC 61672-1 | - | |
IEC 61672-2 | - | |
IEC 61965 | - | |
IEC 62133 | - | |
IEC 62133-2 | IDT | ГОСТ Р МЭК 62133-2-2019 "Аккумуляторы и аккумуляторные батареи, содержащие щелочной или другие некислотные электролиты. Требования безопасности портативных герметичных аккумуляторов и батарей из них при портативном применении. Часть 2. Системы на основе лития" |
IEC 62304:2006, Amendment 1:2015 | IDT | |
IEC 62368-1:2018 | - | |
ISO 780 | - | |
ISO 1853 | - | |
ISO 2878 | - | |
ISO 2882 | - | |
ISO 3746 | IDT | ГОСТ Р ИСО 3746-2013 "Акустика. Определение уровней звуковой мощности и звуковой энергии источников шума по звуковому давлению. Ориентировочный метод с использованием измерительной поверхности над звукоотражающей плоскостью" |
ISO 3864-1:2002 | - | |
ISO 5349-1 | MOD | ГОСТ 31192.1-2004 (ИСО 5349-1:2001) "Вибрация. Измерение локальной вибрации и оценка ее воздействия на человека. Часть 1. Общие требования" |
ISO 7000 | - | |
ISO 7010:2019 | - | |
ISO 9614-1 | MOD | ГОСТ 30457-97 (ИСО 9614-1-93) "Акустика. Определение уровней звуковой мощности источников шума на основе интенсивности звука. Измерение в дискретных точках. Технический метод" |
| | ИС МЕГАНОРМ: примечание. В официальном тексте документа, видимо, допущена опечатка: имеется в виду ГОСТ ISO 10993-1-2021, а не ГОСТ Р ИСО 10993-1-2021. | |
|
ISO 10993-1 | IDT | ГОСТ Р ИСО 10993-1-2021 "Изделия медицинские. Оценка биологического действия медицинских изделий. Часть 1. Оценка и исследования в процессе менеджмента риска" |
ISO 10993-2 | IDT | ГОСТ Р ИСО 10993-2-2009 "Изделия медицинские. Оценка биологического действия медицинских изделий. Часть 2. Требования к обращению с животными" |
ISO 10993-3 | IDT | ГОСТ ISO 10993-3-2018 "Изделия медицинские. Оценка биологического действия медицинских изделий. Часть 3. Исследования генотоксичности, канцерогенности и токсического действия на репродуктивную функцию" |
ISO 10993-4 | IDT | ГОСТ ISO 10993-4-2020 "Изделия медицинские. Оценка биологического действия медицинских изделий. Часть 4. Исследования изделий, взаимодействующих с кровью" |
ISO 10993-5 | IDT | ГОСТ ISO 10993-5-2011 "Изделия медицинские. Оценка биологического действия медицинских изделий. Часть 5. Исследования на цитотоксичность: методы in vitro" |
ISO 10993-6 | IDT | ГОСТ ISO 10993-6-2021 "Изделия медицинские. Оценка биологического действия медицинских изделий. Часть 6. Исследования местного действия после имплантации" |
ISO 10993-7 | IDT | ГОСТ ISO 10993-7-2016 "Изделия медицинские. Оценка биологического действия медицинских изделий. Часть 7. Остаточное содержание этиленоксида после стерилизации" |
ISO 10993-9 | IDT | ГОСТ ISO 10993-9-2015 "Изделия медицинские. Оценка биологическая медицинских изделий. Часть 9. Основные принципы идентификации и количественного определения потенциальных продуктов деструкции" |
ISO 10993-10 | IDT | ГОСТ ISO 10993-10-2011 "Изделия медицинские. Оценка биологического действия медицинских изделий. Часть 10. Исследования раздражающего и сенсибилизирующего действия" |
ISO 10993-11:2017 | IDT | ГОСТ ISO 10993-11-2021 "Изделия медицинские. Оценка биологического действия медицинских изделий. Часть 11. Исследования общетоксического действия" |
ISO 10993-12 | IDT | ГОСТ ISO 10993-12-2015 "Изделия медицинские. Биологическая оценка медицинских изделий. Часть 12. Приготовление проб и стандартные образцы" |
ISO 10993-13 | IDT | ГОСТ ISO 10993-13-2016 "Изделия медицинские. Оценка биологического действия медицинских изделий. Часть 13. Идентификация и количественное определение продуктов деструкции полимерных медицинских изделий" |
ISO 10993-14 | IDT | ГОСТ ISO 10993-14-2011 "Изделия медицинские. Оценка биологического действия медицинских изделий. Часть 14. Идентификация и количественное определение продуктов деградации изделий из керамики" |
ISO 10993-15 | IDT | ГОСТ ISO 10993-15-2011 "Изделия медицинские. Оценка биологического действия медицинских изделий. Часть 15. Идентификация и количественное определение продуктов деградации изделий из металлов и сплавов" |
ISO 10993-16 | IDT | ГОСТ ISO 10993-16-2021 "Изделия медицинские. Оценка биологического действия медицинских изделий. Часть 16. Концепция токсикокинетических исследований продуктов деградации и выщелачиваемых веществ" |
ISO 10993-17 | IDT | ГОСТ ISO 10993-17-2011 "Изделия медицинские. Оценка биологического действия медицинских изделий. Часть 17. Установление пороговых значений для вымываемых веществ" |
ISO 10993-18 | IDT | ГОСТ ISO 10993-18-2011 "Изделия медицинские. Оценка биологического действия медицинских изделий. Часть 18. Исследование химических свойств материалов" |
ISO/TS 10993-19 | IDT | ГОСТ ISO/TS 10993-19-2011 "Изделия медицинские. Оценка биологического действия медицинских изделий. Часть 19. Исследования физико-химических, морфологических и топографических свойств материалов" |
ISO/TS 10993-20 | IDT | ГОСТ ISO/TS 10993-20-2011 "Изделия медицинские. Оценка биологического действия медицинских изделий. Часть 20. Принципы и методы исследования иммунотоксичности медицинских изделий" |
ISO/TR 10993-22 | IDT | ГОСТ ISO/TR 10993-22-2020 "Изделия медицинские. Оценка биологического действия медицинских изделий. Часть 22. Руководство по наноматериалам" |
ISO 10993-23:2021 | - | |
ISO/TR 10993-33 | IDT | ГОСТ ISO/TR 10993-33-2018 "Изделия медицинские. Оценка биологического действия медицинских изделий. Часть 33. Руководство по испытаниям на генотоксичность. Дополнение к ISO 10993-3" |
ISO 11135-1:2007 | - | |
ISO 11137-1:2006 | IDT | ГОСТ ISO 11137-1-2011 "Стерилизация медицинской продукции. Радиационная стерилизация. Часть 1. Требования к разработке, валидации и текущему контролю процесса стерилизации медицинских изделий" |
ISO 13857:2008 | IDT | ГОСТ ISO 13857-2012 "Безопасность машин. Безопасные расстояния для предохранения верхних и нижних конечностей от попадания в опасную зону" |
ISO 14971:2019 | IDT | |
ISO 15223-1:2016 | IDT | ГОСТ Р ИСО 15223-1-2020 "Изделия медицинские. Символы, применяемые при маркировании медицинских изделий, на этикетках и в сопроводительной документации. Часть 1. Основные требования" |
ISO 17665-1:2006 | IDT | ГОСТ Р ИСО 17665-1-2016 "Стерилизация медицинской продукции. Влажное тепло. Часть 1. Требования к разработке, валидации и текущему контролю процесса стерилизации медицинских изделий" |
ISO 23529 | IDT | ГОСТ ISO 23529-2020 "Резина. Общие методы приготовления и кондиционирования образцов для определения физических свойств" |
ISO 80000-1:2009 | - | |
<*> Соответствующий национальный, межгосударственный стандарт отсутствует. До его принятия рекомендуется использовать перевод на русский язык данного международного стандарта. Примечание - В настоящей таблице использованы следующие условные обозначения степени соответствия стандартов: - IDT - идентичные стандарты; - MOD - модифицированные стандарты. |
| IEC 60050-151:2001, International Electrotechnical Vocabulary (IEV) - Part 151: Electrical and magnetic devices |
[2] | IEC 60050-195:1998, International Electrotechnical Vocabulary (IEV) - Part 195: Earthing and protection against electric shock Amendment 1 (2001) |
[3] | IEC 60050-441:2001, International Electrotechnical Vocabulary (IEV) - Part 441: Switchgear, controlgear and fuses |
| IEC 60050-826:2004, International Electrotechnical Vocabulary (IEV) - Part 826: Electrical installations |
| IEC 60073, Basic and safety principles for man-machine interface, marking and identification - Coding principles for indication devices and actuators |
[6] | IEC 60086-1, Primary batteries - Part 1: General |
| IEC 60127-6, Miniature fuses - Part 6: Fuse holders for miniature fuse links |
| IEC 60309-1, Plugs, socket-outlets and couplers for industrial purposes - Part 1: General requirements |
| IEC 60317-43, Specifications for particular types of winding wires - Part 43: Aromatic polyimide tape wrapped round copper wire, class 240 |
| IEC 60364-7-710, Electrical installations of buildings - Part 7-710: Requirements for special installations or locations - Medical locations |
[11] | Исключено |
| IEC 60513:1994, Fundamental aspects of safety standards for medical electrical equipment |
| IEC 60601-1-1:2000, Medical electrical equipment - Part 1-1: General requirements for safety - Collateral standard: Safety requirements for medical electrical systems |
| IEC 60601-1-4:1996, Medical electrical equipment - Part 1: General requirements for safety - 4. Collateral standard: Programmable electrical medical systems Amendment 1 (1999) |
| IEC 60601-2-4, Medical electrical equipment - Part 2-4: Particular requirements for the safety of cardiac defibrillators |
| IEC 60601-2-49:2001, Medical electrical equipment - Part 2-49: Particular requirements for the safety of multifunction patient monitoring equipment |
| IEC 60695-1-10, Fire hazard testing - Part 1-10: Guidance for assessing the fire hazard of electrotechnical products - General guidelines |
| IEC 60721 (all parts), Classification of environmental conditions |
[19] | IEC 60788:2004, Medical electrical equipment - Glossary of defined terms |
| IEC 60990, Methods of measurement of touch current and protective conductor current |
| IEC 61000-4-11, Electromagnetic compatibility (EMC) - Part 4-11: Testing and measurement techniques - Voltage dips, short interruptions and voltage variations immunity tests |
| IEC 61010-1:2010, Safety requirements for electrical equipment for measurement, control, and laboratory use - Part 1: General requirements |
| IEC 61140:2001, Protection against electric shock - Common aspects for installation and equipment |
| IEC 61258, Guidelines for the development and use of medical electrical equipment educational materials |
| IEC 62079:2001, Preparation of instructions - Structuring, content and preparation |
[26] | IEC 80001-1:2010, Application of risk management for IT-networks incorporating medical devices - Part 1: Roles, responsibilities and activities |
| ISO 407, Small medical gas cylinders - Pin-index yoke-type valve connections |
| ISO 5805, Mechanical vibration and shock - Human exposure - Vocabulary |
| ISO 8041, Human response to vibration - Measuring instrumentation |
| ISO 13485, Medical devices - Quality management systems - Requirements for regulatory purposes |
| ISO 14708-1, Implants for surgery - Active implantable medical devices - General requirements for safety, marking and for information to be provided by the manufacturer |
[32] | IEV-DB:2002, International Electrotechnical Vocabulary |
[33] | ISO/IEC Guide 51:1999, Safety aspects - Guidelines for their inclusion in standards |
| ACGIH Threshold Limit Values and Biological Exposure Indices (2000 handbook) ISBN: 1-882417-36-4 |
[35] | ASTM STP 1262, Environmental Toxicology and Risk Assessment, 4th Volume, Editor(s): T.W. La Point, F.T. Price, E.E. Little, Published 1996, ISBN:0-8031-1998-4 |
| ASTM STP 1267, Flammability and Sensitivity of Materials in Oxygen-Enriched Atmospheres: 7th Volume, Editor(s): Janoff/Royals/Gunaji, Published 1996, ISBN:0-8031-2004-4 |
| ASTM STP 1395, Flammability and Sensitivity of Materials in Oxygen-Enriched Atmospheres, Ninth Volume, Editor(s): T.A. Steinberg; B.E. Newton; H.D. Beeson, Published 2000, ISBN:0-8031-2871-1 |
| EN 563, Safety of machinery - Temperatures of touchable surfaces - Ergonomic data to establish temperature limit values for hot surfaces |
| ICRP Publication 60:1990 Recommendations of the International Commission on Radiological Protection, Annals of the ICRP Volume 21/1-3, International Commission on Radiological Protection, 1992 |
[40] | MIL-HDBK-217:1995, Reliability prediction of electronic equipment |
| NFPA 53:1999, Recommended practice on materials, equipment and systems used in oxygen-enriched atmospheres |
| NFPA 99:2002, Standard for Health Care Facilities |
| UL 1439:1998, Test for sharpness of edges on equipment |
| UL 2601-1:1997, Medical Electrical Equipment, Part 1: General Requirements for Safety |
| DALZIEL C.F., LEE W.R. Re-evaluation of lethal electric currents. IEEE Transactions on Industry and General Applications, September/October 1968, Vol. 1 GA-4, No. 5 |
| DOLAN A.M., HORACEK B.M., RAUTAHARAJU P.M. Medical Instrumentation (abstract), January 12, 1953, 1978 |
[47] | GREEN H.L. Electrical Safety Symposium Report. Department of Health and Social Security, United Kingdom, October 1975 |
| KEESEY J.C. and LETCHER F.S. Human thresholds of electric shock at power transmission frequencies. Arch. Environ. Health, October 1970, Vol. 21 |
[49] | ROY O.Z. 60 Hz Ventricular fibrillation and rhythm thresholds and the non-pacing intracardiac catheter. Medical and Biological Engineering, March 1975 |
| RAFFERTY E.B., GREEN H.L., YACOUB M.H. Disturbances of heart rhythm produced by 50 Hz leakage currents in human subjects. Cardiovascular Research, March 1975, Vol. 9, No. 2, pp. 263 - 265 |
| SANDERS M.S. and McCORMICK E.J. Human Factors In Engineering and Design," 7th Ed., McGraw-Hill, Inc., ISBN 0-07-054901-X |
| SCHWARTZ S.I., SHIRES G.T., SPENCER F.C., STORER E.H. Principles of Surgery, 7th Ed., McGraw-Hill, Inc., ISBN 0-07-054256-2 |
| STARMER C.F. and WHALEN R.E. Current density and electrically induced ventricular fibrillation. Medical Instrumentation, January - February 1973, Vol. 7, No. 1 |
| WATSON A.B. and WRIGHT J.S. Electrical thresholds for ventricular fibrillation in man. Medical Journal of Australia, June 16, 1973 |
| IEC 60332-1-2, Tests on electric and optical fibre cables under fire conditions, Part 1-2: Test for vertical flame propagation for a single insulated wire or cable - Procedure for 1 kW pre-mixed flame |
| IEC 60332-2-2, Tests on electric and optical fibre cables under fire conditions - Part 2-2: Test for vertical flame propagation for a single small insulated wire or cable - Procedure for diffusion flame |
| IEC 60601-1-11, Medical electrical equipment - Part 1-11: General requirements for basic safety and essential performance - Collateral Standard: Requirements for medical electrical equipment and medical electrical systems used in the home healthcare environment |
| IEC 60601-1-12, Medical electrical equipment - Part 1-12: General requirements for basic safety and essential performance - Collateral Standard: Requirements for medical electrical equipment and medical electrical systems used in the emergency medical services environment |
| IEC 60601-2-22, Medical electrical equipment - Part 2-22: Particular requirements for basic safety and essential performance of surgical, cosmetic, therapeutic and diagnostic laser equipment |
| IEC 60878, Graphical symbols for electrical equipment in medical practice |
| IEC 61010 (all parts), Safety requirements for electrical equipment for measurement, control, and laboratory use |
[62] | IEC 61558-1, Safety of power transformers, power supplies, reactors and similar products - Part 1: General requirements and tests |
| IEC 61558-2-4, Safety of transformers, reactors, power supply units and similar products for supply voltages up to 1100 V - Part 2-4: Particular requirements and tests for isolating transformers and power supply units incorporating isolating transformers |
| IEC 61558-2-23, Safety of transformers, reactors, power supply units and combinations thereof - Part 2-23: Particular requirements and tests for transformers and power supply units for construction sites |
[65] | IEC 62353, Medical electrical equipment - Recurrent test and test after repair of medical electrical equipment |
| IEC/TR 62354, General testing procedures for medical electrical equipment |
| IEC 62471:2006, Photobiological safety of lamps and lamp systems |
| ISO 7396-1, Medical gas pipeline systems - Part 1: Pipeline systems for compressed medical gases and vacuum |
| ISO 14708 (all parts), Implants for surgery - Active implantable medical devices |
| ISO 15001, Anaesthetic and respiratory equipment - Compatibility with oxygen |
| ANSI/AAMI HE-75:2009, Human Factors Engineering - Design of Medical Devices |
| UL 2556:2007, UL Standard for Safety Wire and Cable Test Methods |
| IEC 60479-1:2018, Effects of current on human beings and livestock - Part 1: General aspects |
| IEC 60601-1:1988, Medical electrical equipment - Part 1: General requirements for safety Amendment 1:1991 Amendment 2:1995 |
| IEC 60601-2-57, Medical electrical equipment - Part 2-57: Particular requirements for the basic safety and essential performance of non-laser light source equipment intended for therapeutic, diagnostic, monitoring and cosmetic/aesthetic use |
| IEC 62366-1:2015, Medical devices - Part 1: Application of usability engineering to medical devices |
| IEC TR 62368-2:2019, Audio/video, information and communication technology equipment - Part 2: Explanatory information related to IEC 62368-1:2018 |
| ISO 2409, Paints and varnishes - Cross-cut test |
| ISO 4624, Paints and varnishes - Pull-off test for adhesion |
| ISO 10524-1:2018, Pressure regulators for use with medical gases - Part 1: Pressure regulators and pressure regulators with flow-metering devices |
| ISO 13732-1:2006, Ergonomics of the thermal environment - Methods for theassessment of human responses to contact with surfaces - Part 1: Hot surfaces |
| UL 746C, Standard for Polymeric Materials - Use in Electrical Equipment Evaluations |
Алфавитный указатель сокращений и аббревиатур
Сокращения, встречающиеся в МЭК 60601-1 | Сокращения, использованные в настоящем стандарте | Термин |
a.c. | - | Переменный ток |
AEL | - | Допустимый уровень излучения |
AMSO | ВСР | Вспомогательная сетевая розетка |
AP | - | Безопасное для работы в среде анестетиков |
APG | - | Безопасное для работы в среде газообразных анестетиков категории G |
CASE | - | Компьютеризированная система проектирования |
CAT | - | Компьютерная томография |
CRT | - | Электронно-лучевая трубка |
CTI | СПС | Сопоставительный показатель слежения |
d.c. | - | Постоянный ток |
DICOM | - | Стандарт цифровой визуализации и связи в медицине |
ELV | СНН | Сверхнизкое напряжение |
EUT | - | Испытываемое изделие |
FDDI | - | Интерфейс передачи данных по оптоволокну |
FMEA | - | Анализ характера и последствий отказов |
HL7 | - | Уровень здоровья 7 |
IBP | - | Катетер для измерения артериального давления инвазивным способом |
ICRP | МКРЗ | Международная комиссия по радиологической защите |
IEV | - | Международный электротехнический словарь |
IP | - | Международные требования в отношении защиты оболочками МЭК 60529 или интернет-протокол в отношении СЕТЕВЫХ/ИНФОРМАЦИОННЫХ СРЕДСТВ СВЯЗИ |
IPS | - | Изолированный источник питания |
IT | ИТ | Информационные технологии |
KPaG | - | Килопаскаль манометрический |
LDAP | - | Облегченный протокол доступа к каталогу |
LED | - | Светоизлучающий диод |
MAR | - | Минимальная разрешающая способность по углу |
MD | ИУ | Измерительное устройство, см. 8.7.4.4 |
ME | МЭ | ИЗДЕЛИЕ ЭЛЕКТРИЧЕСКОЕ МЕДИЦИНСКОЕ, см. 3.63 и 3.64 |
MOOP | СЗО | СРЕДСТВО ЗАЩИТЫ ОПЕРАТОРА, см. 3.58 |
MOP | СЗ | СРЕДСТВО ЗАЩИТЫ, см. 3.60 |
MOPP | СЗП | СРЕДСТВО ЗАЩИТЫ ПАЦИЕНТА, см. 3.59 |
MPSO | ПМСС | Портативный МНОГОРОЗЕТОЧНЫЙ СЕТЕВОЙ СОЕДИНИТЕЛЬ |
MSO | МСС | МНОГОРОЗЕТОЧНЫЙ СЕТЕВОЙ СОЕДИНИТЕЛЬ, см. 3.67 |
OTS | - | Готовый программный продукт (изделие) |
PEMS | ПЭМС | ПРОГРАММИРУЕМАЯ ЭЛЕКТРИЧЕСКАЯ МЕДИЦИНСКАЯ СИСТЕМА, см. 3.90 |
PESS | ПЭПС | ПРОГРАММИРУЕМАЯ ЭЛЕКТРОННАЯ ПОДСИСТЕМА, см. 3.91 |
PTC | - | Устройство с положительным температурным коэффициентом |
PTFE | - | Политетрафторэтилен |
PVC | - | Поливинилхлорид |
RFID | - | Идентификация с применением радиочастотных приборов |
r.m.s. | эфф | Среднеквадратическое значение |
SAR | - | Удельная мощность поглощения излучения |
SELV | - | Малое по условиям безопасности напряжение |
SI | - | Международная система единиц (СИ) |
SIP/SOP | - | СИГНАЛЬНЫЙ ВХОД/ВЫХОД, см. 3.115 |
TCP | - | Протокол управления передачей данных |
TENS | ЧЭСН | Чрескожный электрический стимулятор нервов |
TFE | - | Тетрафторэтилен |
UPS | ИБП | Блок бесперебойного питания |
VDU | - | Устройство визуального отображения |
V-x | - | Классификация воспламеняемости в соответствии с МЭК 60695-11-10 |
Алфавитный указатель терминов на русском языке
АНАЛИЗ РИСКА ............................................................................................ | |
БЕЗОПАСНОЕ ПРИ ЕДИНИЧНОМ НАРУШЕНИИ ............................... | |
БЕЗОПАСНОСТЬ ОСНОВНАЯ ................................................................... | |
ВЕРИФИКАЦИЯ ............................................................................................ | |
ВИЛКА ПРИБОРНАЯ ................................................................................... | |
ВИЛКА СЕТЕВАЯ ......................................................................................... | |
ВОЗМУЩЕНИЕ ЭЛЕКТРОМАГНИТНОЕ ............................................... | |
ВРЕД ................................................................................................................. | |
ВХОД/ВЫХОД СИГНАЛЬНЫЙ; SIP/SOP ................................................ | |
ВЫКЛЮЧАТЕЛЬ МАКСИМАЛЬНОГО ТОКА АВТОМАТИЧЕСКИЙ ... | |
ДАВЛЕНИЕ ИСПЫТАТЕЛЬНОЕ ГИДРАВЛИЧЕСКОЕ ....................... | |
ДАВЛЕНИЕ МАКСИМАЛЬНОЕ ............................................................... | |
ДАВЛЕНИЕ РАБОЧЕЕ МАКСИМАЛЬНО ДОПУСТИМОЕ ............... | |
ДОКУМЕНТ ЭКСПЛУАТАЦИОННЫЙ .................................................. | |
ЗАЖИМ ЗАЩИТНОГО ЗАЗЕМЛЕНИЯ .................................................. | |
ЗАЖИМ РАБОЧЕГО ЗАЗЕМЛЕНИЯ ....................................................... | |
ЗАЗЕМЛЕННАЯ С ЦЕЛЬЮ ЗАЩИТЫ .................................................... | |
ЗАЗОР ВОЗДУШНЫЙ .................................................................................. | |
ЗАКРЕПЛЕННОЕ .......................................................................................... | |
ЗАПИСЬ .......................................................................................................... | |
ЗНАК БЕЗОПАСНОСТИ .............................................................................. | |
(значение) НОМИНАЛЬНОЕ ...................................................................... | |
(значение) НОРМИРОВАННОЕ .................................................................. | |
ЗОНА ЗАХВАТА ............................................................................................. | |
ИЗГОТОВИТЕЛЬ ........................................................................................... | |
ИЗДЕЛИЕ МЕДИЦИНСКОЕ ЭЛЕКТРИЧЕСКОЕ; МЭ ИЗДЕЛИЕ ...... | |
ИЗДЕЛИЕ С ВНУТРЕННИМ ИСТОЧНИКОМ ПИТАНИЯ ................... | |
ИЗДЕЛИЕ С ПОСТОЯННЫМ ПРИСОЕДИНЕНИЕМ К ПИТАЮЩЕЙ СЕТИ ................................................................................................................ | |
ИЗОЛЯЦИЯ ДВОЙНАЯ .............................................................................. | |
ИЗОЛЯЦИЯ ДОПОЛНИТЕЛЬНАЯ .......................................................... | |
ИЗОЛЯЦИЯ ОСНОВНАЯ ........................................................................... | |
ИЗОЛЯЦИЯ УСИЛЕННАЯ ........................................................................ | |
ИНСТРУМЕНТ .............................................................................................. | |
ИСПЫТАНИЕ ТИПОВОЕ ........................................................................... | |
ИСТОЧНИК ПИТАНИЯ ВНУТРЕННИЙ ................................................. | |
ИТ-СЕТЬ ......................................................................................................... | |
КАТЕГОРИЯ AP ............................................................................................ | |
КАТЕГОРИЯ APG ......................................................................................... | |
КЕРМА ВОЗДУШНАЯ ................................................................................ | |
КЛАСС I ......................................................................................................... | |
КЛАСС II ....................................................................................................... | |
КОМПОНЕНТ С ВЫСОКОЙ СТЕПЕНЬЮ НАДЕЖНОСТИ ............. | |
КООРДИНАЦИЯ ИЗОЛЯЦИИ .................................................................. | |
КОРПУС ......................................................................................................... | |
КОЭФФИЦИЕНТ БЕЗОПАСНОСТИ (ЗАПАС ПРОЧНОСТИ) ПРИ РАСТЯЖЕНИИ ............................................................................................. | |
КРЫШКА СМОТРОВАЯ ........................................................................... | |
МЕНЕДЖМЕНТ РИСКА ............................................................................ | |
НАГРУЗКА БЕЗОПАСНАЯ РАБОЧАЯ ................................................... | |
НАГРУЗКА ПОЛНАЯ .................................................................................. | |
НАПРЯЖЕНИЕ ВЫСОКОЕ ....................................................................... | |
НАПРЯЖЕНИЕ МАКСИМАЛЬНОЕ СЕТЕВОЕ .................................... | |
НАПРЯЖЕНИЕ РАБОЧЕЕ ......................................................................... | |
НАПРЯЖЕНИЕ РАБОЧЕЕ ПИКОВОЕ .................................................... | |
НАПРЯЖЕНИЕ СЕТЕВОЕ .......................................................................... | |
НАПРЯЖЕНИЕ СЕТЕВОЕ ПЕРЕХОДНОЕ .............................................. | |
НОСИМОЕ НА ТЕЛЕ ................................................................................... | |
ОБОЗНАЧЕНИЕ МОДЕЛИ ИЛИ ТИПА .................................................. | |
ОГРАЖДЕНИЕ .............................................................................................. | |
ОПАСНОСТЬ ................................................................................................. | |
ОПАСНОСТЬ МЕХАНИЧЕСКАЯ ............................................................. | |
ОПЕРАТОР ..................................................................................................... | |
ОРГАНИЗАЦИЯ ОТВЕТСТВЕННАЯ ........................................................ | |
ОЦЕНИВАНИЕ РИСКА ............................................................................... | |
ОЦЕНКА РИСКА .......................................................................................... | |
ПАЦИЕНТ ...................................................................................................... | |
ПЕРЕДВИЖНОЕ ........................................................................................... | |
ПЕРЕНОСНОЕ ............................................................................................... | |
ПЕРСОНАЛ ОБСЛУЖИВАЮЩИЙ ......................................................... | |
ПОДСИСТЕМА ЭЛЕКТРОННАЯ ПРОГРАММИРУЕМАЯ; ПЭПС .... | |
ПРАВИЛЬНО УСТАНОВЛЕННОЕ ........................................................... | |
ПРЕДЕЛ ПРОЧНОСТИ ПРИ РАСТЯЖЕНИИ ......................................... | |
ПРИГОДНОСТЬ ЭКСПЛУАТАЦИОННАЯ ............................................. | |
ПРИМЕНЕНИЕ НА СЕРДЦЕ ПРЯМОЕ .................................................... | |
ПРИМЕНЕНИЕ ПРЕДУСМОТРЕННОЕ/НАЗНАЧЕНИЕ ПРЕДУСМОТРЕННОЕ ................................................................................. | |
ПРИНАДЛЕЖНОСТЬ ................................................................................... | |
ПРИОРИТЕТ ВЫСОКИЙ ............................................................................. | |
ПРИОРИТЕТ НИЗКИЙ ................................................................................. | |
ПРИОРИТЕТ СРЕДНИЙ ............................................................................... | |
ПРОВЕРКА СООТВЕТСТВИЯ (ВАЛИДАЦИЯ) ПЭМС ......................... | |
ПРОВОД ВЫРАВНИВАНИЯ ПОТЕНЦИАЛА ......................................... | |
ПРОВОД ЗАЩИТНОГО ЗАЗЕМЛЕНИЯ ................................................... | |
ПРОВОД РАБОЧЕГО ЗАЗЕМЛЕНИЯ ....................................................... | |
ПРОЕКТИРОВАНИЕ ЭКСПЛУАТАЦИОННОЙ ПРИГОДНОСТИ ...... | |
ПРОЦЕДУРА ................................................................................................... | |
ПРОЦЕСС ........................................................................................................ | |
ПУТЬ УТЕЧКИ .............................................................................................. | |
РЕЖИМ РАБОТЫ ПРОДОЛЖИТЕЛЬНЫЙ ............................................ | |
РИСК ................................................................................................................. | |
РИСК ОСТАТОЧНЫЙ .................................................................................. | |
РОЗЕТКА ПРИБОРНАЯ ............................................................................... | |
РУЧНОЕ ........................................................................................................... | |
СВИДЕТЕЛЬСТВО ОБЪЕКТИВНОЕ ........................................................ | |
СЕТЬ ПИТАЮЩАЯ ....................................................................................... | |
СИГНАЛ ИНФОРМАЦИОННЫЙ .............................................................. | |
СИГНАЛ ТРЕВОГИ ....................................................................................... | |
СИСТЕМА МЕДИЦИНСКАЯ ЭЛЕКТРИЧЕСКАЯ; МЭ СИСТЕМА .... | |
СИСТЕМА МЕДИЦИНСКАЯ ЭЛЕКТРИЧЕСКАЯ ПРОГРАММИРУЕМАЯ; ПЭМС ................................................................ | |
СИСТЕМА СИГНАЛИЗАЦИИ .................................................................... | |
СИТУАЦИЯ ОПАСНАЯ ............................................................................... | |
СИТУАЦИЯ ТРЕВОЖНАЯ .......................................................................... | |
СМЕСЬ АНЕСТЕТИКА С ВОЗДУХОМ ВОСПЛАМЕНЯЮЩАЯСЯ ... | |
СМЕСЬ АНЕСТЕТИКА С КИСЛОРОДОМ ИЛИ ЗАКИСЬЮ АЗОТА ВОСПЛАМЕНЯЮЩАЯСЯ ......................................................................... | |
СОЕДИНЕНИЕ С ЗАЩИТНЫМ ЗАЗЕМЛЕНИЕМ ................................. | |
СОЕДИНЕНИЕ С ПАЦИЕНТОМ ................................................................ | |
СОЕДИНЕНИЕ ФУНКЦИОНАЛЬНОЕ ..................................................... | |
СОЕДИНИТЕЛЬ ПРИБОРНЫЙ .................................................................. | |
СОЕДИНИТЕЛЬ СЕТЕВОЙ МНОГОРОЗЕТОЧНЫЙ; МСС ................. | |
СОСТОЯНИЕ НОРМАЛЬНОЕ .................................................................... | |
СОСТОЯНИЕ ХОЛОДНОЕ .......................................................................... | |
СРЕДА ПАЦИЕНТА ....................................................................................... | |
СРЕДА С ПОВЫШЕННЫМ СОДЕРЖАНИЕМ КИСЛОРОДА ............ | |
СРЕДСТВА ЗАЩИТЫ; СЗ ............................................................................ | |
СРЕДСТВА ЗАЩИТЫ ОПЕРАТОРА; СЗО ................................................ | |
СРЕДСТВА ЗАЩИТЫ ПАЦИЕНТА; СЗП ................................................. | |
СРЕДСТВА СВЯЗИ СЕТЕВЫЕ/ИНФОРМАЦИОННЫЕ ........................ | |
СРОК СЛУЖБЫ ОЖИДАЕМЫЙ .............................................................. | |
СТАБИЛИЗАЦИЯ ТЕМПЕРАТУРНАЯ ..................................................... | |
СТАЦИОНАРНОЕ .......................................................................................... | |
ТЕРМОВЫКЛЮЧАТЕЛЬ ............................................................................ | |
ТЕРМОВЫКЛЮЧАТЕЛЬ САМОВОССТАНАВЛИВАЮЩИЙСЯ ..... | |
ТЕРМОРЕГУЛЯТОР ...................................................................................... | |
ТОК В ЦЕПИ ПАЦИЕНТА ДОПОЛНИТЕЛЬНЫЙ .................................. | |
ТОК УТЕЧКИ .................................................................................................. | |
ТОК УТЕЧКИ НА ДОСТУПНУЮ ЧАСТЬ ................................................ | |
ТОК УТЕЧКИ НА ЗЕМЛЮ .......................................................................... | |
ТОК УТЕЧКИ НА ПАЦИЕНТА ................................................................... | |
ТРАНСПОРТИРУЕМОЕ ................................................................................ | |
ТРАНСФОРМАТОР СЕТЕВОЙ .................................................................... | |
ТЯЖЕСТЬ ........................................................................................................ | |
УПРАВЛЕНИЕ РИСКОМ ............................................................................. | |
УСЛОВИЕ ЕДИНИЧНОГО НАРУШЕНИЯ .............................................. | |
УСТРОЙСТВО МЕХАНИЧЕСКОЕ ЗАЩИТНОЕ .................................... | |
УСТРОЙСТВО ПРИСОЕДИНИТЕЛЬНОЕ ................................................ | |
УСТРОЙСТВО РАЗДЕЛИТЕЛЬНОЕ .......................................................... | |
УСТРОЙСТВО СЕТЕВОЕ ПРИСОЕДИНИТЕЛЬНОЕ ............................. | |
ФАЙЛ МЕНЕДЖМЕНТА РИСКА ............................................................... | |
ФАЙЛ ПРОЕКТИРОВАНИЯ С УЧЕТОМ ЭКСПЛУАТАЦИОННОЙ ПРИГОДНОСТИ ............................................................................................. | |
ФУНКЦИЯ РАБОЧАЯ ОСНОВНАЯ ......................................................... | |
ХАРАКТЕРИСТИКИ ОСНОВНЫЕ ФУНКЦИОНАЛЬНЫЕ ................. | |
ЦЕПЬ ВТОРИЧНАЯ ...................................................................................... | |
ЦИКЛ РАБОЧИЙ ........................................................................................... | |
ЦИКЛ РАЗРАБОТКИ ПЭМС ЖИЗНЕННЫЙ .......................................... | |
ЧАСТЬ ДОСТУПНАЯ ................................................................................... | |
ЧАСТЬ РАБОЧАЯ ......................................................................................... | |
ЧАСТЬ РАБОЧАЯ С ЗАЩИТОЙ ОТ РАЗРЯДА ДЕФИБРИЛЛЯТОРА ... | |
ЧАСТЬ РАБОЧАЯ ТИПА B ......................................................................... | |
ЧАСТЬ РАБОЧАЯ ТИПА BF ....................................................................... | |
ЧАСТЬ РАБОЧАЯ ТИПА CF ....................................................................... | |
ЧАСТЬ РАБОЧАЯ ТИПА F ИЗОЛИРОВАННАЯ ("ПЛАВАЮЩАЯ"), ЧАСТЬ РАБОЧАЯ ТИПА F ......................................................................... | |
ЧАСТЬ СЕТЕВАЯ ......................................................................................... | |
ЧЕТКО РАЗЛИЧИМАЯ ............................................................................... | |
ШНУР ПИТАНИЯ ......................................................................................... | |
ШНУР ПИТАНИЯ СЪЕМНЫЙ .................................................................. | |
ЭКСПЛУАТАЦИЯ НОРМАЛЬНАЯ .......................................................... | |
УДК 615.47:006.354 | |
Ключевые слова: медицинское электрическое изделие, медицинская электрическая система, безопасность, основные функциональные характеристики, испытание, риск |