Главная // Актуальные документы // ГОСТ (Государственный стандарт)СПРАВКА
Источник публикации
М.: Стандартинформ, 2018
Примечание к документу
Документ
введен в действие с 1 марта 2019 года.
Название документа
"ГОСТ IEC 60851-5-2017. Межгосударственный стандарт. Провода обмоточные. Методы испытаний. Часть 5. Электрические свойства"
(введен в действие Приказом Росстандарта от 25.09.2018 N 645-ст)
"ГОСТ IEC 60851-5-2017. Межгосударственный стандарт. Провода обмоточные. Методы испытаний. Часть 5. Электрические свойства"
(введен в действие Приказом Росстандарта от 25.09.2018 N 645-ст)
агентства по техническому
регулированию и метрологии
от 25 сентября 2018 г. N 645-ст
МЕЖГОСУДАРСТВЕННЫЙ СТАНДАРТ
ПРОВОДА ОБМОТОЧНЫЕ
МЕТОДЫ ИСПЫТАНИЙ
ЧАСТЬ 5
ЭЛЕКТРИЧЕСКИЕ СВОЙСТВА
Winding wires. Test methods. Part 5.
Electrical properties
(IEC 60851-5:2011, IDT)
ГОСТ IEC 60851-5-2017
Дата введения
1 марта 2019 года
Цели, основные принципы и основной порядок проведения работ по межгосударственной стандартизации установлены в
ГОСТ 1.0-2015 "Межгосударственная система стандартизации. Основные положения" и
ГОСТ 1.2-2015 "Межгосударственная система стандартизации. Стандарты межгосударственные, правила и рекомендации по межгосударственной стандартизации. Правила разработки, принятия, обновления и отмены"
1 ПОДГОТОВЛЕН Открытым акционерным обществом "Всероссийский научно-исследовательский, проектно-конструкторский и технологический институт кабельной промышленности" (ОАО "ВНИИКП") на основе собственного перевода на русский язык англоязычной версии международного стандарта, указанного в
пункте 5
2 ВНЕСЕН Межгосударственным техническим комитетом по стандартизации МТК 46 "Кабельные изделия"
3 ПРИНЯТ Межгосударственным советом по стандартизации, метрологии и сертификации (протокол от 30 ноября 2017 г. N 52)
За принятие проголосовали:
Краткое наименование страны по МК (ИСО 3166) 004-97 | Код страны по МК (ИСО 3166) 004-97 | Сокращенное наименование национального органа по стандартизации |
Киргизия | KG | Кыргызстандарт |
Россия | RU | Росстандарт |
Узбекистан | UZ | Узстандарт |
Украина | UA | Минэкономразвития Украины |
4
Приказом Федерального агентства по техническому регулированию и метрологии от 25 сентября 2018 г. N 645-ст межгосударственный стандарт ГОСТ IEC 60851-5-2017 введен в действие в качестве национального стандарта Российской Федерации с 1 марта 2019 г.
5 Настоящий стандарт идентичен международному стандарту IEC 60851-5:2011 "Провода обмоточные. Методы испытаний. Часть 5. Электрические свойства" ("Winding wires - Test methods - Part 5: Electrical properties", IDT).
Международный стандарт IEC 60851-5:2011 разработан Техническим комитетом TC 55 "Обмоточные провода" Международной электротехнической комиссии (IEC).
Международный стандарт IEC 60851-5:2011 введен взамен IEC 60851-5:2008.
При применении настоящего стандарта рекомендуется использовать вместо ссылочных международных стандартов соответствующие им межгосударственные стандарты, сведения о которых приведены в дополнительном
приложении ДА
7 Некоторые элементы настоящего стандарта могут быть объектом патентного права. IEC не несет ответственности за установление подлинности каких-либо или всех таких патентных прав
Информация об изменениях к настоящему стандарту публикуется в ежегодном информационном указателе "Национальные стандарты", а текст изменений и поправок - в ежемесячном информационном указателе "Национальные стандарты". В случае пересмотра (замены) или отмены настоящего стандарта соответствующее уведомление будет опубликовано в ежемесячном информационном указателе "Национальные стандарты". Соответствующая информация, уведомление и тексты размещаются также в информационной системе общего пользования - на официальном сайте Федерального агентства по техническому регулированию и метрологии в сети Интернет (www.gost.ru)
Настоящий стандарт входит в серию стандартов на изолированные провода, используемые для обмоток электрооборудования. Серия состоит из трех групп:
a) обмоточные провода - методы испытаний (IEC 60851);
b) стандарты или технические условия на конкретные типы обмоточных проводов (IEC 60317);
c) упаковка обмоточных проводов (IEC 60264).
Настоящий стандарт устанавливает требования к методам испытаний обмоточных проводов (далее - проводов) для определения их электрических свойств. Стандарт устанавливает следующие методы испытаний:
- испытание 5 - электрическое сопротивление;
- испытание 13 - пробивное напряжение;
- испытание 14 - число точечных повреждений;
- испытание 19 - тангенс угла диэлектрических потерь;
- испытание 23 - испытание по обнаружению микротрещин.
Определения, общие указания по проведению испытаний и полный перечень методов испытаний обмоточных проводов приведены в IEC 60851-1.
В настоящем стандарте использована нормативная ссылка на следующий международный стандарт:
IEC 60851-1, Winding wires - Test methods - Part 1: General (Провода обмоточные. Методы испытаний. Часть 1. Общие положения)
3 Испытание 5. Электрическое сопротивление
Электрическое сопротивление - это сопротивление провода постоянному току при температуре 20 °C на длине 1 м.
Погрешность применяемого метода не должна превышать 0,5%.
Для проводов пучковой скрутки используют отрезок длиной до 10 м включительно, концы которого перед измерением сопротивления должны быть спаяны. Если измерение сопротивления применяют для определения количества оборванных проволок, испытывают отрезок провода пучковой скрутки длиной 10 м.
Если измерение сопротивления Rt, Ом, проводят при температуре t, отличной от 20 °C, то сопротивление R20 при температуре 20 °C определяют по формуле

(1)
где

- температурный коэффициент, К
-1;
t - фактическая температура во время измерения, °C.
В диапазоне температур 15 °C - 25 °C температурный коэффициент (

) принимают равным:
- для меди - 3,96·10-3 К-1;
- для алюминия - 4,07·10-3 К-1.
Проводят одно измерение. Фиксируют электрическое сопротивление.
4 Испытание 13. Пробивное напряжение
Испытательное (пробивное) напряжение - это напряжение переменного тока номинальной частотой 50 или 60 Гц. Испытательное напряжение повышают от нуля с постоянной скоростью в соответствии с таблицей 1.
Таблица 1
Скорость подъема испытательного напряжения
Испытательное напряжение, В | Скорость подъема, В/с |
До 500 включ. | 20 |
Св. 500 до 2500 включ. | 100 |
Св. 2500 | 500 |
4.2 Испытательное оборудование
Используют следующее оборудование:
- испытательный трансформатор номинальной мощностью не менее 500 В·А, обеспечивающий напряжение переменного тока с достаточно устойчивой синусоидальной формой волны при проведении испытаний, с амплитудным фактором

(1,34 - 1,48) и обеспечивающий при токе 5 мА падение напряжения не более 2%;
- устройство фиксации пробоя, которое срабатывает при прохождении тока 5 мА и более;
- устройство, обеспечивающее подъем испытательного напряжения с установленной постоянной скоростью;
- термостат с принудительной циркуляцией воздуха;
- полированный металлический цилиндр диаметром (25 +/- 1) мм, установленный горизонтально
(рисунок 1) и присоединенный к одному из выводов источника напряжения питания;
- устройство
(рисунок 2), с использованием которого скручивают два отрезка провода на длине 125 мм;
- полоски металлической фольги шириной 6 мм и клейкую ленту шириной 12 мм;
- контейнер с дробью из нержавеющей или никелированной стали. Диаметр дроби должен быть не более 2 мм. Дробь периодически очищают соответствующими средствами;
- металлическую оправку диаметром (50 +/- 2) мм;
- металлическую оправку диаметром (25 +/- 1) мм;
- металлическую оправку диаметром (80 +/- 3) мм.
4.3 Круглые эмалированные провода
4.3.1 Провода типов 1 - 3 с жилой номинальным диаметром до 0,100 мм включительно
Испытание проводят на цилиндре диаметром (25 +/- 1) мм.
Конец образца провода с удаленной изоляцией присоединяют к верхнему зажиму в соответствии с
рисунком 1 и наматывают одним витком вокруг цилиндра. Для плотного прилегания образца к цилиндру к нижнему концу провода прикладывают усилие в соответствии с
таблицей 2.1.
Испытательное напряжение прикладывают в соответствии с
4.1 между жилой провода и цилиндром.
Испытание проводят при комнатной температуре на пяти образцах. Фиксируют пять отдельных значений.
1 - образец; 2 - изоляционный материал; 3 - верхний зажим;
4 - цилиндр; 5 - испытательное напряжение
Рисунок 1 - Расположение цилиндра и образца
при испытании пробивным напряжением
Таблица 2.1
Усилие, прикладываемое к проводу
Номинальный диаметр жилы, мм | Усилие, Н |
До 0,018 включ. | 0,013 |
Св. 0,018 до 0,020 включ. | 0,015 |
" 0,020 " 0,022 " | 0,020 |
" 0,022 " 0,025 " | 0,025 |
" 0,025 " 0,028 " | 0,030 |
" 0,028 " 0,032 " | 0,040 |
" 0,032 " 0,036 " | 0,050 |
" 0,036 " 0,040 " | 0,060 |
" 0,040 " 0,045 " | 0,080 |
" 0,045 " 0,050 " | 0,100 |
" 0,050 " 0,056 " | 0,120 |
" 0,056 " 0,063 " | 0,150 |
" 0,063 " 0,071 " | 0,200 |
" 0,071 " 0,080 " | 0,250 |
" 0,080 " 0,090 " | 0,300 |
" 0,090 " 0,100 " | 0,400 |
4.3.2 Провода типов FIW3 - FIW9 с жилой номинальным диаметром до 1,600 мм включительно
Испытание проводят на цилиндре диаметром, указанным в
таблице 2.2.
Конец образца провода в виде прямого отрезка с удаленной изоляцией присоединяют к верхнему зажиму в соответствии с
рисунком 1 и затем наматывают одним витком вокруг цилиндра. Для плотного прилегания образца к цилиндру к нижнему концу провода прикладывают усилие в соответствии с
таблицей 2.2.
Испытательное напряжение прикладывают в соответствии с
4.1 между жилой провода и цилиндром. Испытание проводят при комнатной температуре.
Испытание проводят на пяти образцах. Фиксируют пять отдельных значений.
Таблица 2.2
Усилие, прикладываемое к проводу, и диаметр цилиндра
Номинальный диаметр жилы, мм | Усилие, Н | Диаметр испытательного цилиндра, мм |
До 0,040 включ. | 0,080 | 25 +/- 1 |
Св. 0,040 до 0,045 включ. | 0,100 | 25 +/- 1 |
" 0,045 " 0,050 " | 0,130 | 25 +/- 1 |
" 0,050 " 0,056 " | 0,160 | 25 +/- 1 |
" 0,056 " 0,063 " | 0,200 | 25 +/- 1 |
" 0,063 " 0,071 " | 0,260 | 25 +/- 1 |
" 0,071 " 0,080 " | 0,330 | 25 +/- 1 |
" 0,080 " 0,090 " | 0,400 | 25 +/- 1 |
" 0,090 " 0,100 " | 0,500 | 25 +/- 1 |
" 0,100 " 0,160 " | 0,600 | 25 +/- 1 |
" 0,160 " 0,250 " | 0,850 | 25 +/- 1 |
" 0,250 " 0,355 " | 1,700 | 25 +/- 1 |
" 0,355 " 0,500 " | 3,400 | 25 +/- 1 |
" 0,500 " 0,710 " | 7,000 | 50 +/- 2 |
" 0,710 " 1,060 " | 13,500 | 50 +/- 2 |
" 1,060 " 1,400 " | 27,000 | 80 +/- 3 |
" 1,400 " 1,600 " | 54,000 | 80 +/- 3 |
4.4 Круглые эмалированные провода с жилой номинальным диаметром свыше 0,100 до 2,500 мм включительно типов 1 -
3
4.4.1 Испытание при комнатной температуре
Образец провода в виде прямого отрезка длиной примерно 400 мм с удаленной с обоих концов изоляцией складывают пополам и скручивают на длине (125 +/- 5) мм с использованием устройства, приведенного на
рисунке 2. Концы провода должны быть соединены. Усилие, прикладываемое к проводу во время скручивания, и число кручений указаны в
таблице 3. Петлю на конце скрученного участка образца разрезают в двух местах, чтобы обеспечить максимальное расстояние между образовавшимися концами. При раздвижении двух концов провода следует избегать резких перегибов или повреждения изоляции.
Испытательное напряжение прикладывают в соответствии с
4.1 между жилами проводов.
Испытание проводят на пяти образцах. Фиксируют пять отдельных значений.
1 - неподвижная распорка; 2 - вращающийся крюк-распорка;
3 - образец
Рисунок 2 - Устройство для скручивания образца
для испытания пробивным напряжением
Таблица 3
Усилие, прикладываемое к проводу, и число кручений
Номинальный диаметр жилы, мм | Усилие, Н | Число кручений |
Св. 0,100 до 0,250 включ. | 0,85 | 33 |
" 0,250 " 0,355 " | 1,70 | 23 |
" 0,355 до 0,500 " | 3,40 | 16 |
" 0,500 " 0,710 " | 7,00 | 12 |
" 0,710 " 1,060 " | 13,50 | 8 |
" 1,060 " 1,400 " | 27,00 | 6 |
" 1,400 " 2,000 " | 54,00 | 4 |
" 2,000 " 2,500 " | 108,00 | 3 |
4.4.2 Испытание при повышенной температуре
Образец провода, подготовленный в соответствии с
4.4.1, помещают в термостат, предварительно нагретый до установленной температуры испытания с предельными отклонениями +/- 3 °C. Испытательное напряжение прикладывают в соответствии с
4.1 между жилами провода не менее чем через 15 мин после выдержки образца в термостате. Испытание должно быть проведено не более чем за 30 мин.
Испытание проводят на пяти образцах. Фиксируют пять отдельных значений.
4.5 Круглые провода с жилой номинальным диаметром свыше 2,500 мм
4.5.1 Испытание при комнатной температуре
Образец провода в виде прямого отрезка достаточной длины, с одного конца которого удалена изоляция, изгибают вокруг оправки, как показано на
рисунке 3. Диаметр оправки должен быть (50 +/- 2) мм.
1 - образец в виде изогнутого провода; 2 - металлическая
дробь диаметром не более 2 мм; 3 - контейнер
Рисунок 3 - U-образный образец для испытания
пробивным напряжением (образец в контейнере с дробью)
Образец помещают в контейнер так, чтобы толщина слоя дроби, окружающей его, составляла не менее 5 мм. Концы образца должны быть достаточной длины во избежание короткого замыкания.
Контейнер постепенно заполняют дробью до тех пор, пока образец не покроется слоем дроби толщиной 90 мм. Диаметр дроби должен быть не более 2 мм; можно применять дробь из нержавеющей или никелированной стали, а также никеля. Дробь периодически очищают соответствующим растворителем, например 1,1,1-трихлор-этаном.
Испытательное напряжение прикладывают в соответствии с
4.1 между жилой и дробью.
Примечание - По согласованию между заказчиком и изготовителем испытание можно проводить на образце, погруженном в масло. Марка применяемого масла должна соответствовать IEC 60296
<*> или должна быть согласована между заказчиком и изготовителем.
Испытание проводят на пяти образцах. Фиксируют пять отдельных значений.
4.5.2 Испытание при повышенной температуре
Образец, подготовленный в соответствии с
4.5.1, помещают в термостат, предварительно нагретый до установленной температуры испытания с предельными отклонениями +/- 3 °C. Дробь и контейнер предварительно нагревают в термостате при температуре испытания и оставляют там во время загрузки испытуемого образца. Процесс загрузки испытуемого образца проводят очень осторожно во избежание повреждения образца.
Испытательное напряжение прикладывают в соответствии с
4.1 между жилой и дробью не менее чем через 15 мин после помещения образца в термостат. Испытание должно быть проведено не более чем за 30 мин.
Температуру следует поддерживать с предельными отклонениями +/- 3 °C.
Испытание проводят на пяти образцах. Фиксируют пять отдельных значений.
4.6 Круглые провода с волокнистой изоляцией
4.6.1 Испытание при комнатной температуре
Образец провода в виде прямого отрезка достаточной длины, с одного конца которого удалена изоляция, навивают десятью витками вокруг оправки, как показано на
рисунке 4. Диаметр оправки должен быть:
- (25 +/- 1) мм - для проводов с жилой номинальным диаметром до 2,500 мм включительно;
- (50 +/- 2) мм - для проводов с жилой номинальным диаметром свыше 2,500 мм.
Образец помещают в контейнер, как показано на
рисунке 4, так чтобы толщина слоя дроби, окружающей его, составляла не менее 5 мм. Минимальное расстояние между соседними витками должно быть 2,5 мм. Концы образца должны быть достаточной длины во избежание короткого замыкания.
Контейнер постепенно заполняют дробью до тех пор, пока образец не покроется слоем дроби толщиной 90 мм. Диаметр металлической дроби должен быть не более 2 мм; можно применять дробь из нержавеющей или никелированной стали, а также никеля. Дробь очищают один раз в год.
Испытательное напряжение прикладывают в соответствии с
4.1 между жилой и дробью.
Примечание - По согласованию между заказчиком и изготовителем испытание можно проводить на образце, погруженном в масло. Марка применяемого масла должна соответствовать IEC 60296
<*> или должна быть согласована между заказчиком и изготовителем.
--------------------------------
Испытание проводят на пяти образцах. Фиксируют пять отдельных значений.
4.6.2 Испытание при повышенной температуре
Образец, подготовленный в соответствии с
4.6.1, помещают в термостат, предварительно нагретый до установленной температуры испытания с предельными отклонениями +/- 3 °C. Дробь и контейнер предварительно нагревают в термостате при температуре испытания и оставляют там во время загрузки испытуемого образца. Процесс загрузки испытуемого образца проводят очень осторожно во избежание повреждения образца. Испытательное напряжение прикладывают в соответствии с
4.1 между жилой и дробью не менее чем через 15 мин после помещения образца в термостат. Испытание должно быть проведено не более чем за 30 мин.
Температуру следует поддерживать с предельными отклонениями +/- 3 °C.
Испытание проводят на пяти образцах. Фиксируют пять отдельных значений.
1 - образец в виде изогнутого провода; 2 - металлическая
дробь диаметром не более 2 мм; 3 - контейнер
Рисунок 4 - Образец для испытания пробивным напряжением
4.7 Прямоугольные провода
4.7.1 Испытание при комнатной температуре
Образец провода в виде прямого отрезка длиной примерно 350 мм, с одного конца которого удалена изоляция, изгибают широкой стороной вокруг оправки, как показано на
рисунке 3. Диаметр оправки должен быть:
- (25 +/- 1) мм - для проводов с жилой номинальной толщиной до 2,500 мм включительно;
- (50 +/- 2) мм - для проводов с жилой номинальной толщиной свыше 2,500 мм.
Образец помещают в контейнер так, чтобы толщина слоя дроби, окружающей его, составляла не менее 5 мм. Концы образца должны быть достаточной длины во избежание короткого замыкания.
Контейнер постепенно заполняют дробью до тех пор, пока образец не покроется слоем дроби толщиной 90 мм. Диаметр металлической дроби должен быть не более 2 мм; можно применять дробь из нержавеющей или никелированной стали, а также никеля. Дробь периодически очищают.
Испытательное напряжение прикладывают в соответствии с
4.1 между жилой провода и дробью.
Примечание - По согласованию между заказчиком и изготовителем испытание можно проводить на образце, погруженном в масло. Марка применяемого масла должна соответствовать IEC 60296
<*> или должна быть согласована между заказчиком и изготовителем.
--------------------------------
Испытание проводят на пяти образцах. Фиксируют пять отдельных значений.
4.7.2 Испытание при повышенной температуре
Образец, подготовленный в соответствии с
4.7.1, помещают в термостат, предварительно нагретый до установленной температуры испытания с предельными отклонениями +/- 3 °C. Дробь и контейнер предварительно нагревают в термостате при температуре испытания и оставляют там во время загрузки испытуемого образца. Процесс загрузки испытуемого образца проводят очень осторожно во избежание повреждения образца. Испытательное напряжение прикладывают в соответствии с
4.1 между жилой и дробью не менее чем через 15 мин после помещения образца в термостат. Испытание должно быть проведено не более чем за 30 мин.
Температуру следует поддерживать с предельными отклонениями +/- 3 °C.
Испытание проводят на пяти образцах. Фиксируют пять отдельных значений.
5 Испытание 14. Число точечных повреждений (для эмалированных круглых проводов и круглых проводов с пленочной изоляцией)
Целостность изоляции выражается числом точечных повреждений на проводе определенной длины, зафиксированных электрическим испытательным устройством.
5.2 Точечные повреждения при низком напряжении (для проводов с жилой номинальным диаметром до 0,050 мм включительно типов 1 -
3)
Образец провода длиной (30 +/- 1) м протягивают со скоростью (275 +/- 25) мм/с между двумя фетровыми пластинами, погруженными в электролитический раствор сернокислого натрия Na
2SO
4 в воде (концентрация - 30 г/л); при этом между жилой провода и раствором, соединенными в электрическую цепь, прикладывают испытательное напряжение постоянного тока (50 +/- 3) В при разомкнутой цепи, как показано на
рисунке 5. Усилие, прикладываемое к проводу, должно быть не более 0,03 Н. Точечные повреждения фиксируют соответствующим реле со счетчиком. Счетчик должен срабатывать при сопротивлении изоляции провода менее 10 кОм в течение не менее 0,04 с. Счетчик не должен срабатывать при сопротивлении 15 кОм и более. Цепь для определения повреждений должна работать со скоростью срабатывания (5 +/- 1) мс, обеспечивая регистрацию с частотой (500 +/- 25) повреждений в минуту при протягивании провода без изоляции.
Проводят одно испытание. Фиксируют число точечных повреждений на длине провода 30 м.
1 - провод; 2 - фетровые пластины; 3 - ванна
с раствором электролита; 4 - источник постоянного тока;
5 - реле; 6, 7 - резистор, 50 кОм; 8 - счетчик;
9 - сигнальная лампа; 10 - отдающая катушка
с проводом; 11 - приемная катушка
Рисунок 5 - Схема установки для определения
числа точечных повреждений при низком напряжении
5.3 Точечные повреждения при высоком напряжении для автономного режима (для проводов с жилой номинальным диаметром свыше 0,050 до 1,600 мм включительно типов 1 - 3 и свыше 0,035 до 1,600 мм включительно типов FIW3 - FIW9, относящихся к типу 3)
5.3.1 Принцип
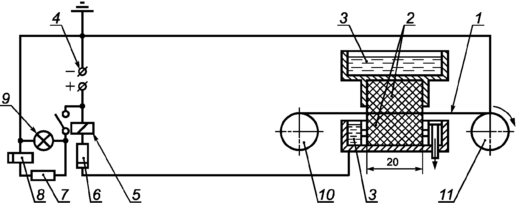
Образец провода с заземленной жилой протягивают с постоянной скоростью через электрод с U-образной канавкой или через графитовый щеточный электрод. Испытательное напряжение постоянного тока прикладывают между электродом и землей. Повреждения изоляции провода фиксируют и регистрируют счетчиком. Определяют число повреждений провода на длине 30 м.
5.3.2 Испытательное оборудование
Используют следующее оборудование:
- источник высокого напряжения, обеспечивающий равномерную подачу устойчивого напряжения постоянного тока с содержанием пульсаций не более 5%, регулируемого от 350 до 3000 В при разомкнутой цепи, с током короткого замыкания (25 +/- 5) мкА при любом значении испытательного напряжения и падением напряжения не более чем на 75% при сопротивлении повреждения 50 МОм;
- устройство, предназначенное для выявления повреждений, которое срабатывает при токе, указанном в
таблице 4, со скоростью срабатывания (5 +/- 1) мс, и имеющее счетчик повреждений, обеспечивающий регистрацию с частотой (500 +/- 25) повреждений в минуту при испытании провода без изоляции;
Таблица 4
Ток срабатывания при точечных повреждениях
при высоком напряжении для автономного режима
Испытательное напряжение постоянного тока, В | Ток срабатывания при повреждении, мкА | Испытательное напряжение постоянного тока, В | Ток срабатывания при повреждении, мкА |
3000 | 16 | 1000 | 8 |
2500 | 14 | 750 | 7 |
2000 | 12 | 500 | 6 |
1500 | 10 | 350 | 5 |
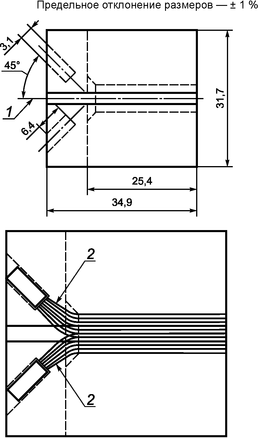
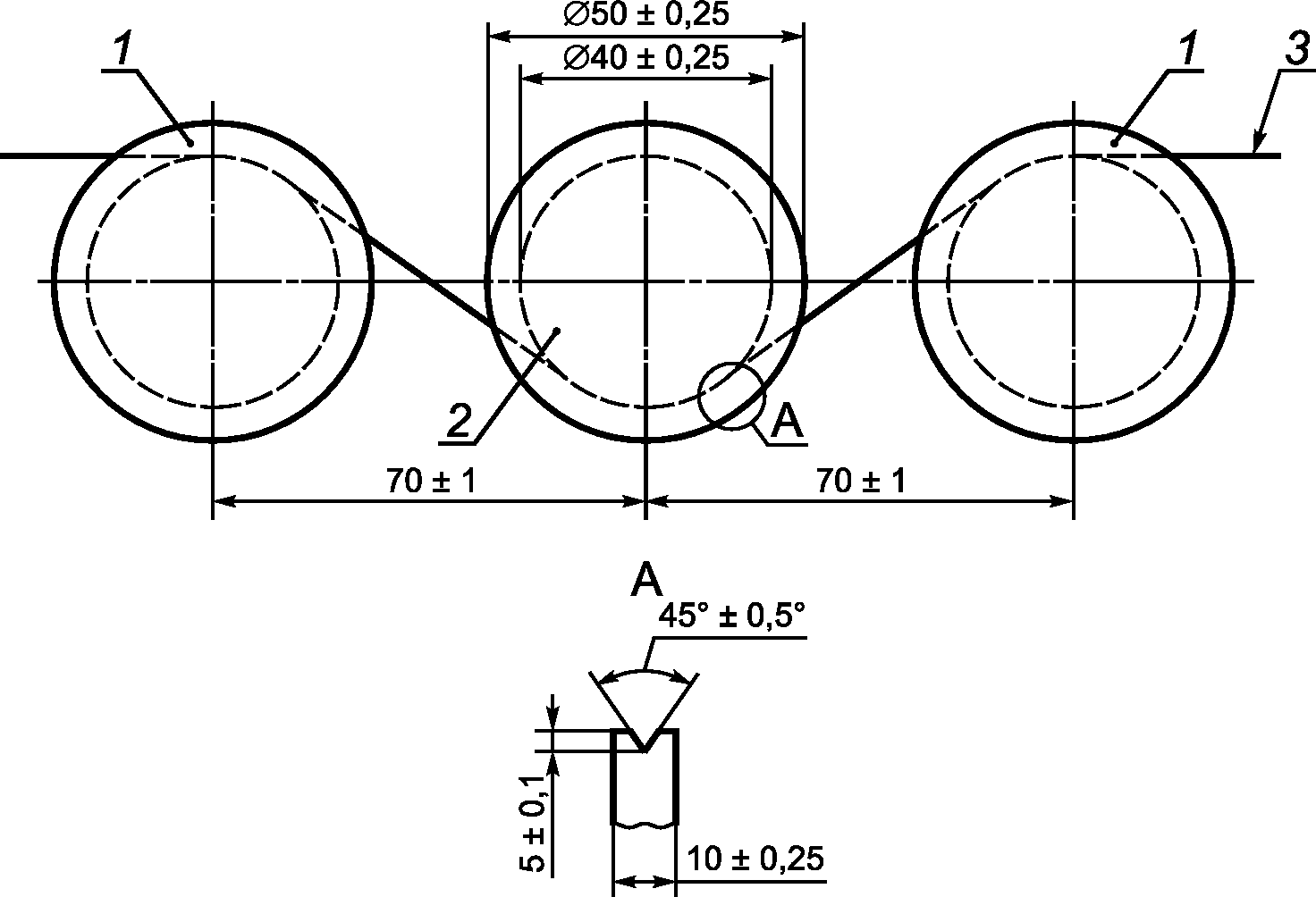
- высоковольтный электрод в виде двух роликов в соответствии с
рисунком 6. Ролики должны быть из нержавеющей стали и обеспечивать контакт с проводом на длине приблизительно 25 мм на каждом ролике;
1 - направляющий ролик; 2 - образец провода; 3 - электрод;
4 - длина (25 +/- 0,25) мм, на которой провод имеет
контакт с каждым роликом
Рисунок 6 - Точечные повреждения при высоком напряжении
постоянного тока. Ролики для провода с жилой
диаметром от 0,050 до 0,250 мм
- высоковольтный электрод в виде ролика в соответствии с
рисунком 7. Ролик должен быть из нержавеющей стали и обеспечивать контакт с проводом на длине 25 - 30 мм;
1 - направляющий ролик; 2 - электрод; 3 - образец провода
Рисунок 7 - Размеры роликов и их расположение
для проводов с жилой диаметром от 0,250 до 1,600 мм
- щеточный электрод из графитового волокна в соответствии с
рисунком 8, сконструированный таким образом, чтобы проводящие щетки полностью окружали провода и контактировали с поверхностью провода на длине (25 +/- 2,5) мм (см.
рисунок 6). При чрезмерном износе или накоплении инородного материала щеточный электрод из графитового волокна должен быть осмотрен, очищен или заменен. Щеточный электрод из графитового волокна должен быть электрически изолирован на время испытания во избежание ошибочных показаний для указанных напряжений;
- направляющие заземленные ролики, имеющие наружный диаметр (50 +/- 0,25) мм и диаметр по дну канавки (40 +/- 0,25) мм и находящиеся на расстоянии (140 +/- 2) мм друг от друга;
- гасящий резистор сопротивлением 4,7 МОм +/- 10%, установленный в высоковольтной цепи.
Примечание - Изоляция высоковольтного электрода от земли должна иметь высокое удельное сопротивление, быть негигроскопичной, на ее поверхности не должны образовываться следы токов утечки, она должна легко очищаться; кроме того, конструкционные зазоры должны выдерживать постоянное напряжение 3000 В. На высоковольтный вывод экран не устанавливают, так как в процессе включения и подсчета пробоев требуется минимальная емкость на землю. Приводной электродвигатель должен быть бесколлекторного типа и иметь достаточную мощность для поддержания требуемой скорости протягивания провода диаметром до 1,600 мм.
5.3.3 Проведение испытания
Образец провода длиной (30 +/- 1) м протягивают со скоростью (275 +/- 25) мм/с по ролику высоковольтного электрода или через графитовый щеточный электрод, установленный между заземленными направляющими роликами, при этом жила провода и электрод соединены в электрическую цепь. Испытательное напряжение постоянного тока при разомкнутой цепи устанавливают в соответствии с
таблицами 5.1 и
5.2 с предельными отклонениями +/- 5% при положительной полярности по отношению к заземленной жиле провода.
Отдельные волоски диаметром 5 - 8 мкм
a - Схема блока крепления одинарного щеточного
электрода из графитового волокна
1 - направление провода; 2 - блок крепления щетки;
3 - одинарная графитовая щетка
Отдельные волоски диаметром 5 - 8 мкм
b - Схема блока крепления двойного щеточного
электрода из графитового волокна
1 - направление провода; 2 - двойная графитовая щетка
Рисунок 8 - Схема блока крепления одинарного
или двойного щеточного электрода из графитового волокна
Таблица 5.1
Испытательное напряжение при проведении испытания
на число точечных повреждений при высоком напряжении
для автономного режима для проводов типов 1 - 3
Материал жилы | Номинальный диаметр жилы, мм | Напряжение постоянного тока, В |
Тип 1 | Тип 2 | Тип 3 |
Медь | Св. 0,050 до 0,125 включ. | 350 | 500 | 750 |
" 0,125 " 0,250 " | 500 | 750 | 1000 |
" 0,250 " 0,500 " | 750 | 1000 | 1500 |
" 0,500 " 1,600 " | 1000 | 1500 | 2000 |
Алюминий | Св. 0,400 до 1,600 включ. | 500 | 1500 | - |
Таблица 5.2
Испытательное напряжение при проведении испытания
на число точечных повреждений при высоком напряжении
для автономного режима для проводов
типов FIW3 - FIW9 соответствующих типов
Материал жилы | Номинальный диаметр жилы, мм | Испытательное напряжение постоянного тока, В |
Тип FIW3 | Тип FIW4 | Тип FIW5 | Тип FIW6 | Тип FIW7 | Тип FIW8 | Тип FIW9 |
Медь | Св. 0,035 до 0,050 включ. | 750 | 750 | 1000 | 2000 | 2000 | 2000 | - |
" 0,050 " 0,053 " | 750 | 750 | 1000 | 2000 | 2000 | 2000 | - |
" 0,053 " 0,063 " | 750 | 750 | 1000 | 2000 | 2000 | 3000 | - |
" 0,063 " 0,085 " | 750 | 1000 | 2000 | 2000 | 2000 | 3000 | 3000 |
" 0,085 " 0,095 " | 750 | 1000 | 2000 | 2000 | 3000 | 3000 | 3000 |
" 0,095 " 0,118 " | 750 | 1000 | 2000 | 2000 | 3000 | 3000 | 3000 |
" 0,118 " 0,125 " | 1000 | 2000 | 2000 | 3000 | 3000 | 3000 | 3000 |
" 0,125 " 0,170 " | 1000 | 2000 | 2000 | 3000 | 3000 | 3000 | 3000 |
" 0,170 " 0,190 " | 1000 | 2000 | 2000 | 3000 | 3000 | 3000 | 3000 |
" 0,190 " 0,250 " | 2000 | 2000 | 2000 | 3000 | 3000 | 3000 | 3000 |
" 0,250 " 0,300 " | 2000 | 2000 | 2000 | 3000 | 3000 | 3000 | 3000 |
" 0,300 " 0,375 " | 2000 | 3000 | 3000 | 3000 | 3000 | 3000 | 3000 |
" 0,375 " 0,425 " | 2000 | 3000 | 3000 | 3000 | 3000 | 3000 | - |
" 0,425 " 0,500 " | 2000 | 3000 | 3000 | 3000 | 3000 | - | - |
" 0,500 " 0,600 " | 2000 | 3000 | 3000 | 3000 | 3000 | - | - |
" 0,600 " 0,750 " | 3000 | 3000 | 3000 | 3000 | 3000 | - | - |
" 0,750 " 1,060 " | 3000 | 3000 | 3000 | 3000 | - | - | - |
" 1,060 " 1,600 " | 3000 | 3000 | 3000 | - | - | - | - |
Алюминий | Св. 0,400 до 1,600 включ. | - | - | - | - | - | - | - |
5.3.4 Результат
Проводят одно испытание. Фиксируют число точечных повреждений на длине провода 30 м.
5.4 Точечные повреждения при высоком напряжении, определяемые в процессе производства провода (для проводов с жилой номинальным диаметром свыше 0,035 до 1,600 мм включительно типов FIW3 - FIW9)
5.4.1 Принцип
В процессе нанесения эмали и непосредственно перед намоткой провода на отдающий барабан или катушку провод протягивают через электрод с U-образной канавкой или через графитовый щеточный электрод. Испытательное напряжение постоянного тока прикладывают между электродом и землей. Жила провода постоянно соединена с землей. Длину провода, протянутого через электрод, и число точечных повреждений регистрируют счетчиком.
5.4.2 Испытательное оборудование
Используют следующее оборудование:
- источник высокого напряжения, обеспечивающий равномерную подачу устойчивого напряжения постоянного тока с содержанием пульсаций не более 5%, регулируемого от 350 до 3000 В при разомкнутой цепи, с током короткого замыкания (25 +/- 5) мкА при любом значении испытательного напряжения и падением напряжения не более чем на 75% при сопротивлении повреждения 50 МОм;
- устройство, предназначенное для выявления повреждений, которое срабатывает при токе, указанном в таблице 6, со скоростью срабатывания <= 1,5 мс;
Таблица 6
Токи срабатывания при высоком напряжении при точечных
повреждениях, определяемых в процессе производства провода
Испытательное напряжение постоянного тока, В | Ток срабатывания при повреждении, мкА |
3000 | 18 |
2000 | 14 |
1000 | 10 |
750 | 9 |
- высоковольтный электрод в виде ролика, графитовый щеточный электрод или электрод другой формы, изготовленный из проводящего материала и обеспечивающий контакт с проводом на участке, позволяющем обеспечить время контакта не менее 2,25 мс (например, >= 25 мм при скорости протягивания провода <= 667 м/мин);
- гасящий резистор сопротивлением 4,7 МОм +/- 10%, установленный в высоковольтной цепи.
Примечание - Изоляция электрода от земли должна иметь высокое удельное сопротивление, быть негигроскопичной, на ее поверхности не должны образовываться следы токов утечки, она должна легко очищаться; кроме того, конструкционные зазоры должны выдерживать постоянное напряжение 3000 В. На высоковольтный вывод экран не устанавливают, так как в процессе включения и подсчета пробоев требуется минимальная емкость на землю.
5.4.3 Проведение испытания
Эмалированный провод протягивают непрерывно со скоростью нанесения эмали на эмалировочной машине по ролику высоковольтного электрода, графитовому щеточному электроду или электроду другой формы, установленному перед отдающим барабаном или катушкой, при этом жила провода и электрод соединены в электрическую цепь. Испытательное напряжение постоянного тока при разомкнутой цепи устанавливают в соответствии с
таблицей 7 с предельными отклонениями +/- 5% при положительной полярности по отношению к заземленной жиле провода.
Таблица 7
Испытательное напряжение при проведении испытания
на число точечных повреждений при высоком напряжении,
определяемых в процессе производства провода
Материал жилы | Номинальный диаметр жилы, мм | Испытательное напряжение постоянного тока, В |
Тип FIW3 | Тип FIW4 | Тип FIW5 | Тип FIW6 | Тип FIW7 | Тип FIW8 | Тип FIW9 |
Медь | Св. 0,035 до 0,050 включ. | 750 | 750 | 1000 | 2000 | 2000 | 2000 | 3000 |
" 0,050 " 0,053 " | 750 | 750 | 1000 | 2000 | 2000 | 2000 | 3000 |
" 0,053 " 0,063 " | 750 | 750 | 1000 | 2000 | 2000 | 3000 | 3000 |
" 0,063 " 0,085 " | 750 | 1000 | 2000 | 2000 | 2000 | 3000 | 3000 |
" 0,085 " 0,095 " | 750 | 1000 | 2000 | 2000 | 3000 | 3000 | 3000 |
" 0,095 " 0,118 " | 750 | 1000 | 2000 | 2000 | 3000 | 3000 | 3000 |
" 0,118 " 0,125 " | 1000 | 2000 | 2000 | 3000 | 3000 | 3000 | 3000 |
" 0,125 " 0,170 " | 1000 | 2000 | 2000 | 3000 | 3000 | 3000 | 3000 |
" 0,170 " 0,190 " | 1000 | 2000 | 3000 | 3000 | 3000 | 3000 | 3000 |
" 0,190 " 0,250 " | 2000 | 2000 | 3000 | 3000 | 3000 | 3000 | 3000 |
" 0,250 " 0,300 " | 2000 | 2000 | 3000 | 3000 | 3000 | 3000 | 3000 |
" 0,300 " 0,375 " | 2000 | 3000 | 3000 | 3000 | 3000 | 3000 | 3000 |
" 0,375 " 0,425 " | 2000 | 3000 | 3000 | 3000 | 3000 | 3000 | - |
" 0,425 " 0,500 " | 2000 | 3000 | 3000 | 3000 | 3000 | - | - |
" 0,500 " 0,600 " | 2000 | 3000 | 3000 | 3000 | 3000 | - | - |
" 0,600 " 0,750 " | 3000 | 3000 | 3000 | 3000 | 3000 | - | - |
" 0,750 " 1,060 " | 3000 | 3000 | 3000 | 3000 | - | - | - |
" 1,060 " 1,600 " | 3000 | 3000 | 3000 | - | - | - | - |
Алюминий | Св. 0,400 до 1,600 включ. | - | - | - | - | - | - | - |
5.4.4 Результат
Фиксируют непрерывную длину провода, намотанного на отдающий барабан или катушку и число точечных повреждений на этой длине провода.
6 Испытание 19. Тангенс угла диэлектрических потерь (для эмалированных проводов и проводов пучковой скрутки)
Образец провода рассматривают как конденсатор, диэлектриком которого является изоляция провода, жила является первым электродом, а проводящая среда - вторым электродом. Конденсатор включают в цепь, работающую на заданной частоте, и измеряют емкость и сопротивление для определения тангенса угла диэлектрических потерь.
6.2 Испытательное оборудование
Применяют следующее оборудование:
- измеритель импеданса, работающий на частоте, установленной в нормативном документе или технической документации на провод конкретного типа, и обеспечивающий погрешность не более +/- 1% при измерении, основанном на емкости образца при заданной частоте;
- генератор, имеющий на выходе синусоидальное напряжение частотой, установленной в нормативном документе или технической документации на провод конкретного типа.
Метод испытания A:
- металлическую ванну (см.
рисунок 9), содержащую соответствующий жидкий металл (сплав) и имеющую систему нагрева, поддерживающую заданную температуру с предельными отклонениями +/- 1 °C.
1 - разъем; 2 - изоляционная вставка;
3 - металлическая ванна; 4 - образец; 5 - электрод;
6 - контактный зажим для жилы; 7 - изолированный зажим
Рисунок 9 - Устройство электрода при измерении
тангенса угла диэлектрических потерь
Метод испытания B:
- два металлических блока, имеющих систему нагрева, поддерживающую заданную температуру с предельными отклонениями +/- 1 °C;
- проводящий состав.
6.3.1 Испытания в металлической ванне
Образец провода в виде прямого отрезка изгибают U-образно и опускают в металлическую ванну в соответствии с
рисунком 9.
6.3.2 Испытания с применением проводящего состава
6.3.2.1 Круглые эмалированные провода с жилой номинальным диаметром до 0,100 мм включительно
Образец провода в виде прямого отрезка длиной (100 +/- 5) мм навивают на прямой отрезок неизолированной медной проволоки диаметром 1 - 2 мм, а затем кисточкой наносят на образец проводящий состав, например водную дисперсию графита, и высушивают, например, в течение 30 мин при температуре 100 °C в термостате с принудительной циркуляцией воздуха.
6.3.2.2 Круглые эмалированные провода с жилой номинальным диаметром свыше 0,100 мм и прямоугольные эмалированные провода
Образец провода в виде прямого отрезка длиной примерно 150 мм покрывают проводящим составом, например слоем водной дисперсии графита, который наносят на провод кисточкой. Толщина этого слоя должна быть (100 +/- 5) мм. Образец высушивают, например, в течение 30 мин при температуре 100 °C в термостате с принудительной циркуляцией воздуха.
Метод испытания A. Образец по
6.3.1 погружают в металлическую ванну, как показано на
рисунке 9.
Метод испытания B. Образец по
6.3.2 помещают между двумя металлическими блоками.
Образец соединяют с измерителем импеданса и выдерживают до достижения заданной температуры испытания. После этого с использованием измерителя импеданса определяют тангенс угла диэлектрических потерь.
Испытание проводят на одном образце. Фиксируют тангенс угла диэлектрических потерь, частоту и температуру испытания.
7 Испытание 23. Испытание по обнаружению микротрещин
Назначение настоящего испытания - обнаружение дефектов изоляции после выдержки ее в солевом растворе. Цель настоящего испытания аналогична цели испытания по определению точечных повреждений при высоком напряжении по
5.3.
Для проводов с жилой номинальным диаметром менее 0,07 мм отбирают образец провода длиной примерно 1,5 м, а для проводов с жилой номинальным диаметром, равным 0,07 мм и более, - длиной примерно 6 м.
Для проводов с жилой номинальным диаметром менее 0,07 мм образцу провода на длине (1,00 +/- 0,05) м придают круглую форму диаметром (100 +/- 50) мм.
Для проводов с жилой номинальным диаметром 0,07 мм и более образцу провода на длине (5,0 +/- 0,2) м придают круглую форму диаметром (300 +/- 100) мм.
Образец выдерживают в термостате с принудительной циркуляцией воздуха в течение 10 мин при температуре (125 +/- 3) °C (см.
примечание 1), если в нормативном документе или технической документации на провод конкретного типа не указано иное.
После указанной тепловой обработки, без излишних изгибов и натяжения (см.
примечание 2), образец охлаждают до комнатной температуры и затем погружают в электролитический раствор хлористого натрия (концентрация 2 г/л) с добавлением соответствующего количества спиртового раствора фенолфталеина (концентрация 30 г/л) для получения более четких признаков наличия микротрещин (обычно в виде розовых струйных образований в растворе); при этом между жилой провода и раствором, соединенными в электрическую цепь, прикладывают испытательное напряжение (12 +/- 2) В постоянного тока в разомкнутой цепи.
Напряжение прикладывают в течение 1 мин, используя образец в качестве отрицательного электрода по отношению к раствору, и во избежание чрезмерного нагрева ток короткого замыкания ограничивают 500 мА.
Фиксируют число микротрещин, видимых при внешнем осмотре.
Примечания
1 Без тепловой обработки результаты могут быть недостоверными.
2 Деформация провода может привести к дополнительному образованию микротрещин в электролитическом растворе.
3 Поскольку настоящее испытание проводят в водном растворе, могут быть получены недостоверные результаты при испытании проводов с изоляцией из эмали определенных типов, на которой в воде образуется сетка волосяных трещин.
(обязательное)
МЕТОДЫ ОПРЕДЕЛЕНИЯ КОЭФФИЦИЕНТА ДИЭЛЕКТРИЧЕСКИХ ПОТЕРЬ
А.1 Тангенс дельта. Точка пересечения
Существует несколько методов определения этого параметра. В настоящем приложении в качестве примеров приведены следующие.
Принцип испытания. Образец эмалированного провода рассматривается как конденсатор, жила которого является одним электродом, а слой высушенной графитовой пленки или ванна с жидким металлом - другим электродом. Температуру образца повышают с контролируемой постоянной скоростью, фиксируют значения коэффициента диэлектрических потерь (
d) и строят график зависимости коэффициента диэлектрических потерь (

) от температуры. Анализ кривой позволяет определить значение температуры, которая непосредственно связана со степенью спекания эмалевой пленки.
Применяют альтернативные методы, при которых образец с высокой температурой охлаждают до более низкой температуры.
А.2 Методы испытаний
А.2.1 Метод A
А.2.1.1 Использование жидкого металлического сплава при повышении температуры
Используют электронный мост, позволяющий непосредственно определить значение d.
Образец эмалированного провода протирают мягкой тканью и закрепляют в держателе. Образец провода с держателем погружают в ванну с жидким металлом, предварительно отрегулированную до исходной низкой температуры. Образец подсоединяют к мосту, используя токопроводящую жилу в качестве одного электрода, а жидкий металл - в качестве другого. Температуру ванны повышают с постоянной скоростью от температуры окружающей среды до температуры, обеспечивающей получение четко выраженной кривой. Регулярно регистрируют значения

и температуры, а результаты наносят на график с линейной осью для температуры и логарифмической или линейной осью для

. Поскольку показания могут меняться очень быстро, предпочтительно использование автоматического записывающего устройства или компьютерной системы. Использование автоматической записи позволяет проводить испытание с более интенсивным повышением температуры, хотя следует принять особые меры для обеспечения того, чтобы между показанием и фактической температурой не было значительного расхождения. Применяемое оборудование, повышение температуры и интерпретация результатов должны быть согласованы между заказчиком и изготовителем.
А.2.1.2 Использование жидкого металлического сплава при понижении температуры
Используют электронный мост, позволяющий непосредственно определить значение d.
Образец эмалированного провода протирают мягкой тканью и закрепляют в держателе. Образец провода с держателем погружают на 30 с в ванну с жидким металлом, предварительно отрегулированную до исходной высокой температуры. Затем образец извлекают из ванны и встряхивают с целью удаления остатков жидкого металла, охлаждают в течение приблизительно 10 с при комнатной температуре, затем снова погружают в ванну. Образец подсоединяют к мосту, используя токопроводящую жилу в качестве одного электрода, а жидкий металл - в качестве другого. Температуру ванны понижают с постоянной скоростью до температуры, обеспечивающей получение четко выраженной кривой зависимости коэффициента диэлектрических потерь от температуры. Проводят одно испытание.
Регулярно регистрируют значения

и температуры, а результаты наносят на график с линейной осью
X для температуры и логарифмической или линейной осью
Y для коэффициента диэлектрических потерь (

). Поскольку показания могут меняться очень быстро, предпочтительно использование автоматического записывающего устройства или компьютерной системы. Использование автоматической записи позволяет проводить испытание с более интенсивным повышением температуры, хотя следует принять особые меры для обеспечения того, чтобы между показанием и фактической температурой не было значительного расхождения. Применяемое оборудование, повышение температуры и интерпретация результатов должны быть согласованы между заказчиком и изготовителем.
Примечание - Наибольшее значение температуры жидкого металла в ванне, при которой образец провода погружают в ванну, и значения

, наносимые на кривую, зависят от типа изоляции и температуры стеклования (

) эмали. Это можно определить методом предварительного испытания эмали неизвестного провода.
А.2.2 Метод B - Использование покрытия из проводящей пленки
Используют электронный мост, позволяющий непосредственно определить значение d.
Образец подсоединяют к мосту, используя токопроводящую жилу в качестве одного электрода, а графитовое покрытие - в качестве другого.
Температуру образца с графитовым покрытием повышают с постоянной скоростью от температуры окружающей среды до температуры, обеспечивающей получение четко выраженной кривой. Показания температуры снимают датчиком, находящимся в контакте с образцом. Положение датчика температуры и способ контакта могут оказывать влияние на показания; кроме того, неодинаковые результаты могут давать разные приборы. Регулярно регистрируют значения

и температуры, а результаты наносят на график с линейной осью для температуры и логарифмической или линейной осью для

. Поскольку показания могут меняться очень быстро, предпочтительно использование автоматического записывающего устройства или компьютерной системы. Использование автоматической записи позволяет проводить испытание с более интенсивным повышением температуры, хотя следует принять особые меры для обеспечения того, чтобы между показанием и фактической температурой не было значительного расхождения. Применяемое оборудование, повышение температуры и интерпретация результатов должны быть согласованы между заказчиком и изготовителем.
А.3 Интерпретация результатов
А.3.1 Общие положения
На полученном графике кривая

может быть представлена двумя способами, приведенными на
рисунках А.1 и
А.2.
Значение
d может быть представлено на линейной или на логарифмической оси
Y. Для этих двух методов определение значения

проводят двумя способами. При представлении результатов должно быть указано, какой метод был использован. Следующие графики приведены только для понимания этих методов, а не для установления каких-либо специальных требований, предъявляемых к материалам.
А.3.2 Линейный метод
Проводят касательную к самой крутой части первого подъема кривой зависимости

от температуры. Горизонтальную линию проводят через точку на кривой, соответствующую температуре, согласованной между заказчиком и изготовителем. Определяют температуру, соответствующую точке пересечения этой линии с вышеуказанной касательной. Это значение представляют как

.
Рисунок А.1 - Пример линейного метода для опорного покрытия
А.3.3 Логарифмический метод
Рисунок А.2 - Пример логарифмического метода
для опорного покрытия
В случае повышения температуры проводят две горизонтальные линии от оси Y на уровне значений, согласованных между заказчиком и изготовителем. Затем через точки пересечения этих линий и кривой проводят линию и продолжают ее до пересечения с горизонтальной линией, проведенной на уровне минимального значения на кривой.
Определяют температуру, соответствующую последней указанной точке пересечения. Это значение представляют как

.
(справочное)
СВЕДЕНИЯ О СООТВЕТСТВИИ ССЫЛОЧНЫХ МЕЖДУНАРОДНЫХ
СТАНДАРТОВ МЕЖГОСУДАРСТВЕННЫМ СТАНДАРТАМ
Таблица ДА.1
Обозначение ссылочного международного стандарта | Степень соответствия | Обозначение и наименование соответствующего межгосударственного стандарта |
IEC 60851-1 | IDT | |
Примечание - В настоящей таблице использовано следующее условное обозначение степени соответствия стандартов: - IDT - идентичные стандарты. |