Главная // Актуальные документы // ГОСТ Р (Государственный стандарт)СПРАВКА
Источник публикации
М.: ФГБУ "Институт стандартизации", 2023
Примечание к документу
Документ
введен в действие с 01.12.2023.
Название документа
"ГОСТ Р 70862-2023. Национальный стандарт Российской Федерации. Петля, державка петли и упоры крышек люков полувагонов. Общие технические условия"
(утв. и введен в действие Приказом Росстандарта от 23.08.2023 N 711-ст)
"ГОСТ Р 70862-2023. Национальный стандарт Российской Федерации. Петля, державка петли и упоры крышек люков полувагонов. Общие технические условия"
(утв. и введен в действие Приказом Росстандарта от 23.08.2023 N 711-ст)
Утвержден и введен в действие
по техническому регулированию
и метрологии
от 23 августа 2023 г. N 711-ст
НАЦИОНАЛЬНЫЙ СТАНДАРТ РОССИЙСКОЙ ФЕДЕРАЦИИ
ПЕТЛЯ, ДЕРЖАВКА ПЕТЛИ И УПОРЫ КРЫШЕК ЛЮКОВ ПОЛУВАГОНОВ
ОБЩИЕ ТЕХНИЧЕСКИЕ УСЛОВИЯ
Loop, loop holder and stops of the freight gondola
car hatch covers. General specifications
ГОСТ Р 70862-2023
Дата введения
1 декабря 2023 года
1 РАЗРАБОТАН Обществом с ограниченной ответственностью "Уральское конструкторское бюро вагоностроения" (ООО "УКБВ")
2 ВНЕСЕН Техническим комитетом по стандартизации ТК 045 "Железнодорожный транспорт"
3 УТВЕРЖДЕН И ВВЕДЕН В ДЕЙСТВИЕ
Приказом Федерального агентства по техническому регулированию и метрологии от 23 августа 2023 г. N 711-ст
4 ВВЕДЕН ВПЕРВЫЕ
Правила применения настоящего стандарта установлены в статье 26 Федерального закона от 29 июня 2015 г. N 162-ФЗ "О стандартизации в Российской Федерации". Информация об изменениях к настоящему стандарту публикуется в ежегодном (по состоянию на 1 января текущего года) информационном указателе "Национальные стандарты", а официальный текст изменений и поправок - в ежемесячном информационном указателе "Национальные стандарты". В случае пересмотра (замены) или отмены настоящего стандарта соответствующее уведомление будет опубликовано в ближайшем выпуске ежемесячного информационного указателя "Национальные стандарты". Соответствующая информация, уведомление и тексты размещаются также в информационной системе общего пользования - на официальном сайте Федерального агентства по техническому регулированию и метрологии в сети Интернет (www.rst.gov.ru)
Настоящий стандарт распространяется на петлю, державку петли и упоры крышек люков полувагонов с разгрузочными люками в полу.
Настоящий стандарт не распространяется на литые упоры крышек люков.
В настоящем стандарте использованы нормативные ссылки на следующие стандарты:
ГОСТ 8.051 Государственная система обеспечения единства измерений. Погрешности, допускаемые при измерении линейных размеров до 500 мм
ГОСТ 8.549 Государственная система обеспечения единства измерений. Погрешности, допускаемые при измерении линейных размеров до 500 мм с неуказанными допусками
ГОСТ 15.309-98 Система разработки и постановки продукции на производство. Испытания и приемка выпускаемой продукции. Основные положения
ГОСТ 15.902 Система разработки и постановки продукции на производство. Железнодорожный подвижной состав. Порядок разработки и постановки на производство
ГОСТ 6996 Сварные соединения. Методы определения механических свойств
ГОСТ 7409 Вагоны грузовые. Требования к лакокрасочным покрытиям и противокоррозионной защите и методы их контроля
ГОСТ 7505 Поковки стальные штампованные. Допуски, припуски и кузнечные напуски
ГОСТ 8479 Поковки из конструкционной углеродистой и легированной стали. Общие технические условия
ГОСТ 9454 Металлы. Метод испытания на ударный изгиб при пониженных, комнатной и повышенных температурах
ГОСТ 15150-69 Машины, приборы и другие технические изделия. Исполнения для различных климатических районов. Категории, условия эксплуатации, хранения и транспортирования в части воздействия климатических факторов внешней среды
ГОСТ 19903 Прокат листовой горячекатаный. Сортамент
ГОСТ 19281 Прокат повышенной прочности. Общие технические условия
ГОСТ 24297 Верификация закупленной продукции. Организация проведения и методы контроля
ГОСТ 32192 Надежность в железнодорожной технике. Основные понятия. Термины и определения
ГОСТ 33211-2014 Вагоны грузовые. Требования к прочности и динамическим качествам
ГОСТ 33788-2016 Вагоны грузовые и пассажирские. Методы испытаний на прочность и динамические качества
ГОСТ 34937 Соединения заклепочные для железнодорожных вагонов. Технические требования
ГОСТ 33976 Соединения сварные в стальных конструкциях железнодорожного подвижного состава. Требования к проектированию, выполнению и контролю качества
ГОСТ Р 8.568 Государственная система обеспечения единства измерений. Аттестация испытательного оборудования. Основные положения
ГОСТ Р 50779.12-2021 Статистические методы. Статистический контроль качества. Методы случайного отбора выборок штучной продукции
Примечание - При пользовании настоящим стандартом целесообразно проверить действие ссылочных стандартов в информационной системе общего пользования - на официальном сайте Федерального агентства по техническому регулированию и метрологии в сети Интернет или по ежегодному информационному указателю "Национальные стандарты", который опубликован по состоянию на 1 января текущего года, и по выпускам ежемесячного информационного указателя "Национальные стандарты" за текущий год. Если заменен ссылочный стандарт, на который дана недатированная ссылка, то рекомендуется использовать действующую версию этого стандарта с учетом всех внесенных в данную версию изменений. Если заменен ссылочный стандарт, на который дана датированная ссылка, то рекомендуется использовать версию этого стандарта с указанным выше годом утверждения (принятия). Если после утверждения настоящего стандарта в ссылочный стандарт, на который дана датированная ссылка, внесено изменение, затрагивающее положение, на которое дана ссылка, то это положение рекомендуется применять без учета данного изменения. Если ссылочный стандарт отменен без замены, то положение, в котором дана ссылка на него, рекомендуется применять в части, не затрагивающей эту ссылку.
В настоящем стандарте применены термины по
ГОСТ 32192, а также следующие термины с соответствующими определениями:
3.1 упор крышки люка: Составная часть (деталь или сборочная единица) рамы кузова, предназначенная для ограничения углового перемещения крышки люка при открывании.
3.2 петля крышки люка: Составная часть (деталь или сборочная единица) крышки люка, предназначенная для шарнирного соединения с державкой петли крышки люка.
3.3 державка петли крышки люка: Составная часть (деталь или сборочная единица) или сборочная единица рамы кузова, предназначенная для шарнирного соединения с петлей крышки люка.
3.4
изготовитель: Предприятие (организация, объединение), осуществляющее выпуск продукции. |
4 Классификация, основные параметры и размеры
4.1 Конструктивные исполнения упоров крышек люков
4.1.1 Типы, конструктивные исполнения, основные параметры и размеры упоров крышек люков приведены в
таблице 1 и на
рисунках 1 и
2.
Таблица 1
Типы, конструктивные исполнения и размеры
упоров крышек люков
Линейные размеры в миллиметрах
Тип упоров крышек люков | Конструктивное исполнение | Значение размера |
Л | | | | |
1 | 01 | 350 | 44,5 | 50 | 82°30' | 52° |
02 | 350 | 46,0 | 46 | 90° | 61° |
03 | 400 | 46,0 | 46 | 90° | 57° |
04 | 400 | 46,0 | 48 | 86° | 52° |
05 | 460 | 46,0 | 46 | 90° | 52° |
2 | 01 | 390 | 44,5 | 50 | 82°30' | 52° |
02 | 390 | 46,0 | 46 | 90° | 61° |
03 | 440 | 46,0 | 45 | 90° | 57° |
04 | 440 | 46,0 | 48 | 86° | 52° |
05 | 500 | 46,0 | 46 | 90° | 52° |
<*> Допускается изготовление всех типов упоров исполнений 02, 03, 05 с размерами И, К, равными 50 мм. <**> Допускается изготовление всех типов упоров исполнений 01, 04 с углом  , равным 90°, и соответствующим изменением угла  . |
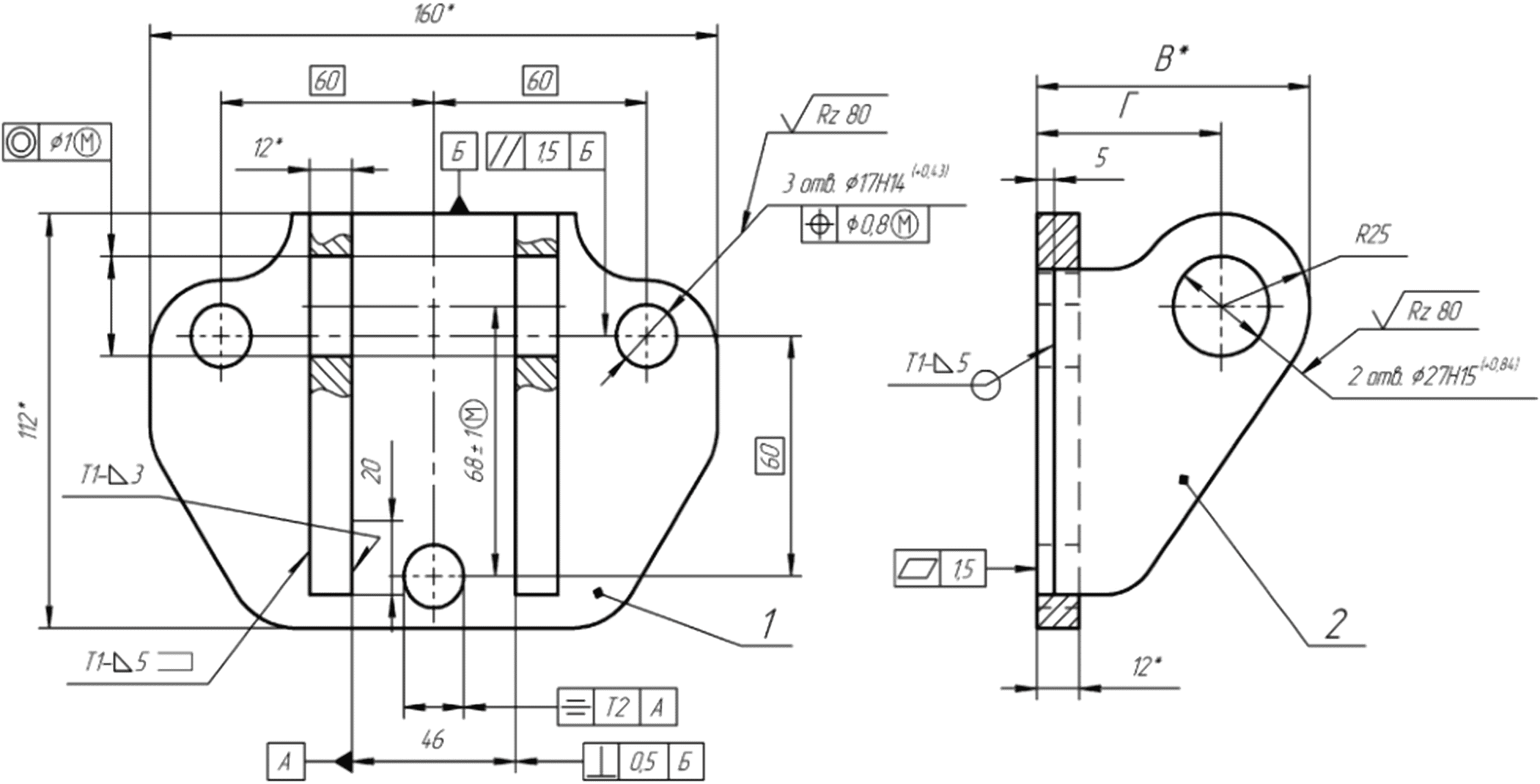
--------------------------------
<*> Размер для справок.
Рисунок 1 - Упоры крышек люков, тип 1
--------------------------------
<*> Размер для справок.
Рисунок 2 - Упоры крышек люков, тип 2
4.1.2 Порядок формирования условного обозначения упоров крышек люков:
Упор крышки люка

ГОСТ Р 70862-2023,
где 1 - тип упора (1, 2);
2 - конструктивное исполнение (01, 02, 03, 04, 05).
Пример условного обозначения упора крышки люка, тип 2, конструктивное исполнение 01:
Упор крышки люка 2-01 ГОСТ Р 70862-2023.
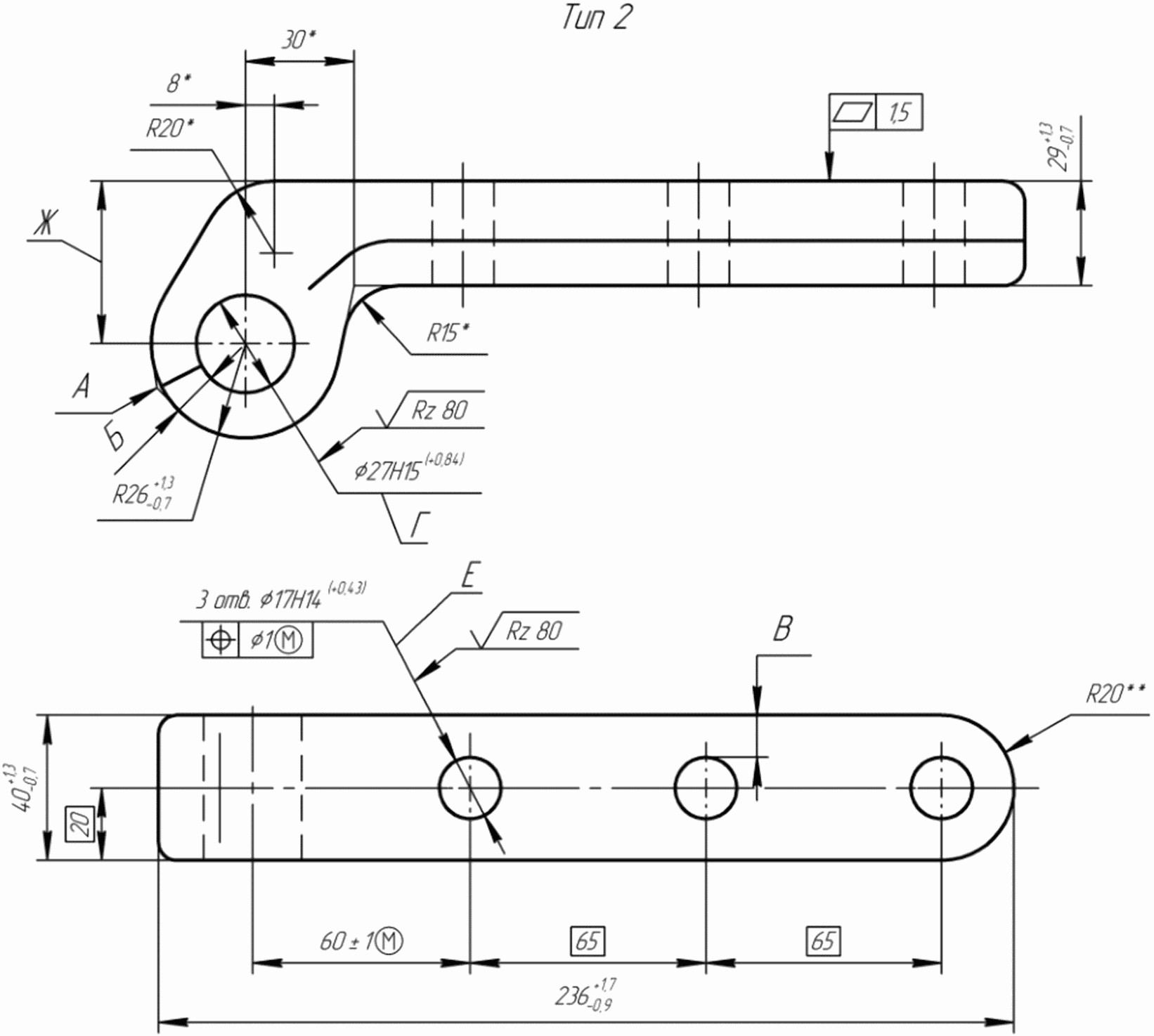
4.2 Конструктивные исполнения петли крышки люка
4.2.1 Типы, конструктивные исполнения, основные параметры и размеры петли крышки люка приведены на
рисунках 3 и
4.
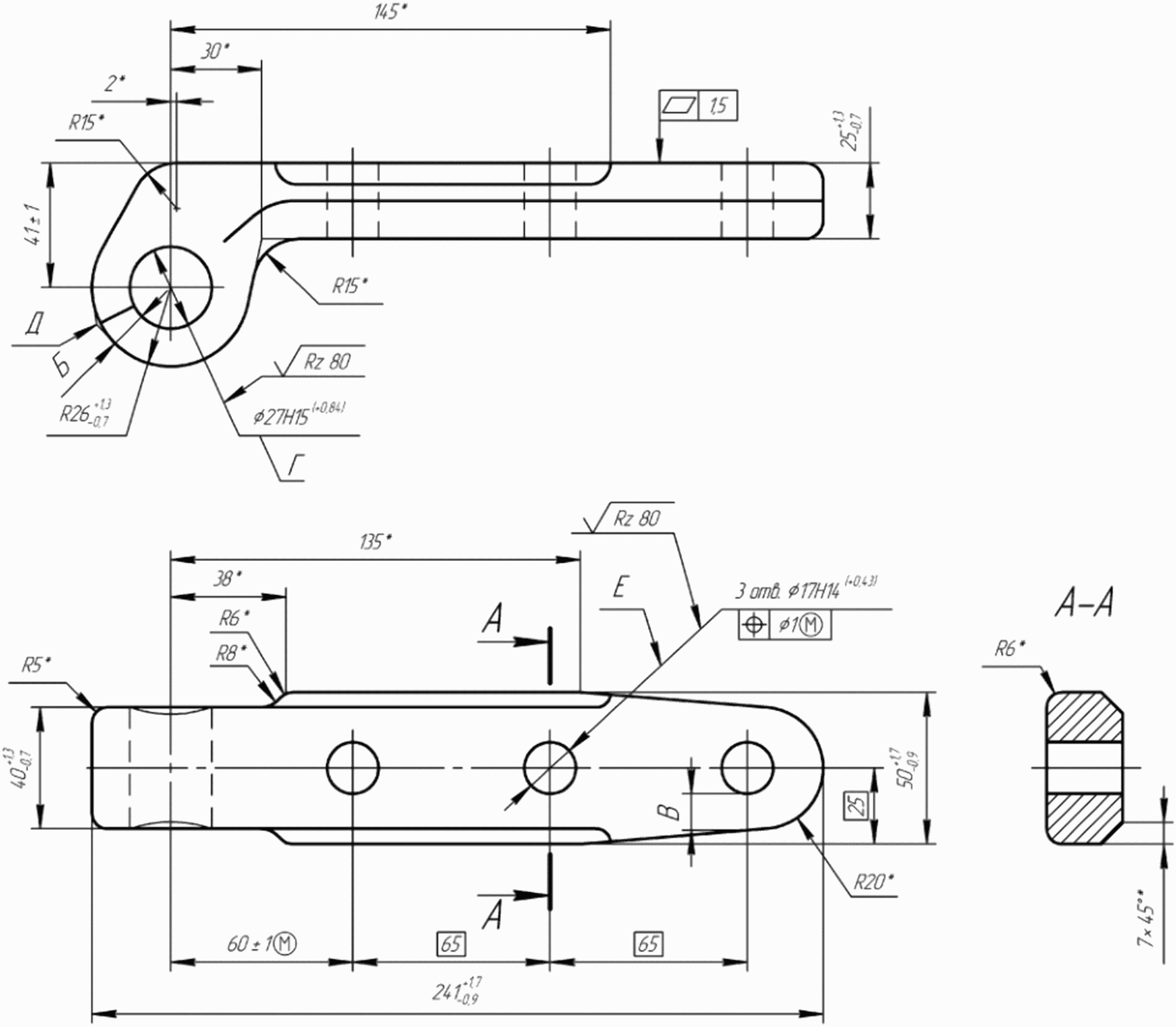
--------------------------------
<*> Размеры, обеспечиваемые инструментом.
Рисунок 3 - Петля крышки люка, тип 1
Конструктивное исполнение | Значение размера, мм |
Ж |
01 | 45 +/- 1 |
02 | 41 +/- 1 |
--------------------------------
<*> Размеры, обеспечиваемые инструментом.
<**> Размер для справок.
Рисунок 4 - Петля крышки люка, тип 2
4.2.2 Порядок формирования условного обозначения петли крышки люка:
Петля

ГОСТ Р 70862-2023,
где 1 - тип петли крышки люка (1, 2);
2 - конструктивное исполнение [01, 02 (при наличии)].
Пример условного обозначения петли крышки люка, тип 1:
Петля 1 ГОСТ Р 70862-2023.
Пример условного обозначения петли крышки люка, тип 2, конструктивное исполнение 02:
Петля 2-02 ГОСТ Р 70862-2023.
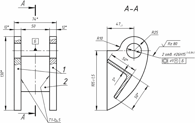
4.3 Конструктивные исполнения державки петли крышки люка
4.3.1 Типы, конструктивные исполнения, основные параметры и размеры державки петли крышки люка, изготавливаемой методом штамповки, приведены на
рисунках 5 и
6, сварной конструкции - на
рисунках 7 -
10, конструкции, соединяемые заклепками, - на
рисунке 11.
Конструктивное исполнение | Значение размера, мм |
Г | Д |
01 | 46,5 +/- 1 | |
02 | 43 +/- 1 | 43 +/- 1 |
--------------------------------
<*> Размеры для справок.
Рисунок 5 - Державка петли крышки люка, тип 1
Конструктивное исполнение | Значение размера, мм |
| Д |
01 | 65 | 40 +/- 1 |
02 | 75 | 50 +/- 1 |
03 | 85 | 60 +/- 1 |
04 | 95 | 70 +/- 1 |
05 | 105 | 80 +/- 1 |
Примечания
1 - Допускается размер В выполнять равным 45 мм.
2 - <*> Размеры для справок.
Рисунок 6 - Державка петли крышки люка, тип 2
--------------------------------
<*> Размеры для справок.
1, 2 - ребро; 3 - планка
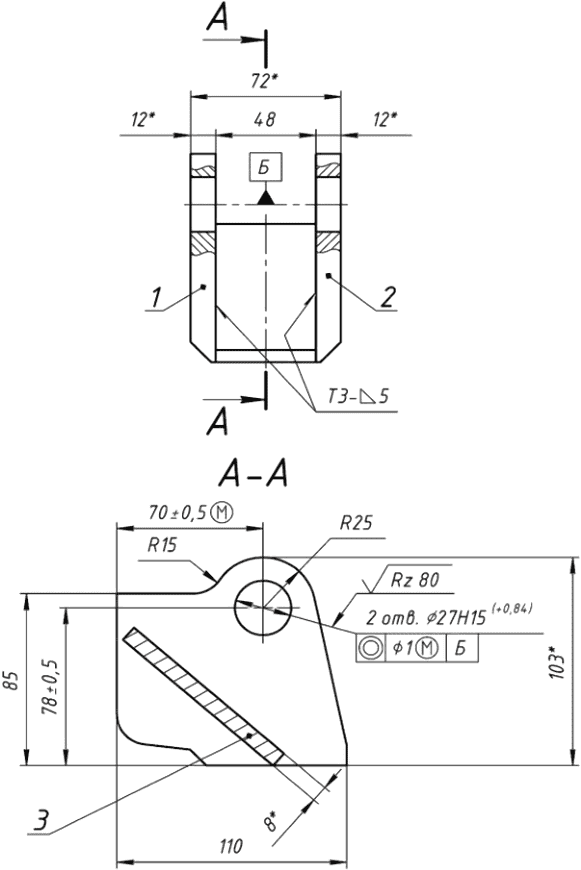
Рисунок 7 - Державка петли крышки люка, тип 3
--------------------------------
<*> Размеры для справок.
1, 2 - державка; 3 - планка
Рисунок 8 - Державка петли крышки люка, тип 4
Конструктивное исполнение | Значение размера, мм |
| Г |
01 | 65 | 40 +/- 1 |
02 | 75 | 50 +/- 1 |
03 | 85 | 60 +/- 1 |
04 | 95 | 70 +/- 1 |
05 | 105 | 80 +/- 1 |
--------------------------------
1 - основание; 2 - ухо
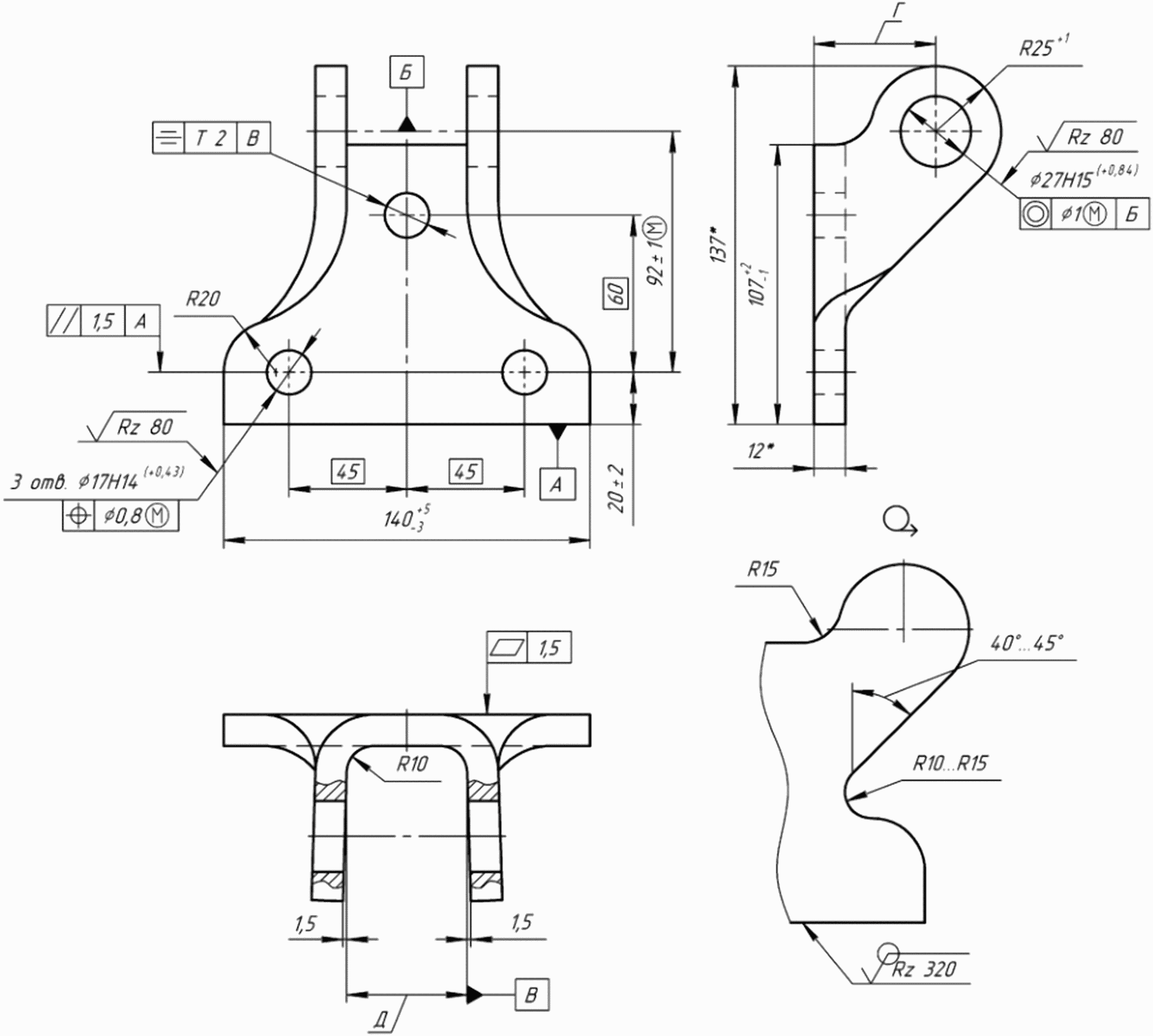
Рисунок 9 - Державка петли крышки люка, тип 5
--------------------------------
<*> Размеры для справок.
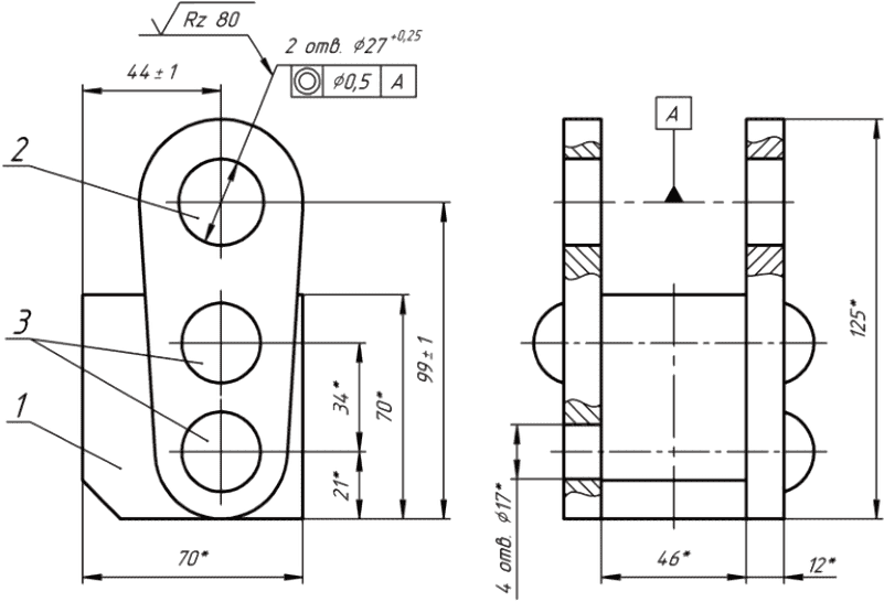
1 - петля; 2 - ребро
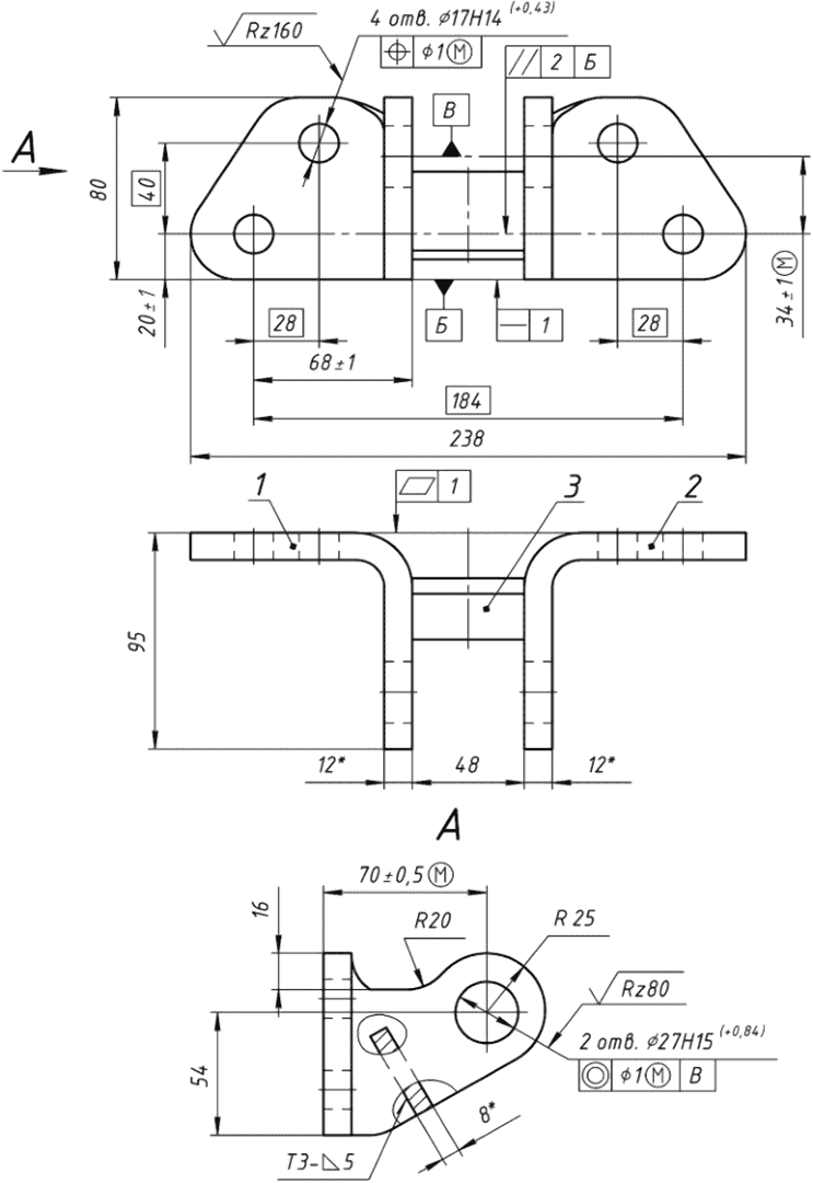
Рисунок 10 - Державка петли крышки люка, тип 6
--------------------------------
<*> Размеры для справок.
1 - кронштейн; 2 - державка; 3 - заклепка
Рисунок 11 - Державка петли крышки люка, тип 7
4.3.2 Порядок формирования условного обозначения державки петли крышки люка:
Державка

ГОСТ Р 70862-2023,
где 1 - тип державки петли крышки люка;
2 - конструктивное исполнение [01, 02, 03, 04, 05 (при наличии)];
3 - способ изготовления (Ш, С, К):
- штампованная - Ш,
- сварная - С,
- клепаная - К.
Пример условного обозначения державки петли крышки люка, тип 1, штампованная Ш:
Державка 1 Ш ГОСТ Р 70862-2023.
Пример условного обозначения державки петли крышки люка, тип 5, конструктивное исполнение 02, сварная С:
Державка 5-02 С ГОСТ Р 70862-2023.
5.1 Общие требования
5.1.1 Петля, державка петли и упоры крышек люков должны соответствовать климатическому исполнению УХЛ1 по
ГОСТ 15150 с обеспечением работоспособного состояния в диапазоне рабочих температур от минус 60 °C до плюс 50 °C.
5.1.2 Петля, державка петли и упоры крышек люков должны обладать прочностью в соответствии с требованиями ГОСТ 33211-2014 (
пункты 4.3.13,
4.3.17).
5.1.3 Наличие зарезов, острых кромок, заусенцев на петле, державке петли и упорах крышек люков не допускается. Зарезы должны быть сглажены, острые кромки притуплены, заусенцы удалены.
Примечание - Под заусенцем понимается дефект поверхности, представляющий собой острый выступ в виде гребня.
5.1.4 Детали и сборочные единицы, изготавливаемые из проката методом гибки или штамповки, не должны иметь трещин и надрывов.
5.1.5 При выполнении элементов конструкции методом сварки из листового проката проектирование, подготовка деталей к сварке, выполнение сварочных работ, качество сварных соединений, методы их контроля и исправление дефектов сварных соединений - по
ГОСТ 33976.
5.1.6 Заклепочные соединения - в соответствии с требованиями
ГОСТ 34937.
5.2 Требования к упорам крышек люков
5.2.1 Упоры крышек люков (
рисунки 1 и
2) должны изготавливаться методом штамповки.
5.2.2 Допуск плоскостности поверхности С - 1,5 мм.
5.2.3 Допуск перпендикулярности поверхности П относительно поверхности М - 4 мм.
5.2.4 Неуказанные внутренние радиусы сгибов - не более 15 мм.
5.2.5 Неуказанные предельные отклонения размеров должны быть указаны в конструкторской документации.
5.2.6 Смещение выштамповки относительно оси детали - не более 5 мм.
5.2.7 Допускается:
- в местах гиба естественное утонение;
- естественная утяжка кромок;
- наплыв металла по радиусу Т;
- в местах гиба на полках следы от штампа;
- размер Р выполнять на участке Ж;
- исправление сваркой надрывов на гофрах длиной не более 30 мм по технологии изготовителя;
- не контролировать недооформление сечений упора на участке Н, кроме размеров Р и Е, контроль которых осуществляется на участке Ф.
5.3 Требования к петле крышки люка
5.3.1 Петли крышек люков (
рисунки 3 и
4) должны изготавливаться методом горячей штамповки.
5.3.2 Требования к поковкам - группа I по
ГОСТ 8479.
5.3.3 Неуказанные предельные отклонения размеров по
ГОСТ 7505, класс точности - Т4, при пламенном нагреве - класс точности Т5, группа стали - М1, степень сложности - С2.
5.3.4 Штамповочный уклон - не более 7° в тело детали.
5.3.5 Поперечное смещение по линии разъема штампа - не более 1 мм, продольное - не более 1,5 мм.
5.3.6 Заусенцы по периметру разъема штампа - не более 1,2 мм, в месте Д
(рисунок 3) и в месте А
(рисунок 4) - не более 2 мм. При этом острые заусенцы должны быть притуплены.
В зоне расположения отверстия Г заусенцы не допускаются.
5.3.7 Размеры перемычек: Б - не менее 10 мм, В - не менее 9,5 мм.
5.3.8 Неуказанные радиусы скруглений - не более 5 мм.
5.3.9 На необрабатываемых поверхностях деталей не допускаются местные дефекты, выводящие размеры деталей за пределы допусков.
Допускается зачистка поверхностных дефектов, не выводящая размеры детали за минусовые допуски на размеры.
5.3.10 Допускается изготовление петель крышек люков из листового проката по
ГОСТ 19903.
5.3.11 Допускается отверстия Е выполнять совместно с сопрягаемыми деталями крышки люка.
5.4 Требования к державке петли крышки люка
5.4.1 Державки петель типов 1 и 2 (
рисунки 5 и
6) должны изготавливаться методом штамповки с учетом следующих требований:
- утонение металла в местах гиба - не более 20% номинальной толщины;
- утяжка кромок по контуру деталей после гиба - не более 3 мм;
- скалывание - не более 1,5 мм.
Примечание - Под утяжкой понимается дефект кромки детали в виде отклонения от установленного контура детали.
5.4.2 Державки петель типов 3 - 6 (
рисунки 7 -
10) должны изготавливаться с применением сварных соединений деталей.
Державки петель типа 7
(рисунок 11) должны изготавливаться с применением заклепочных соединений деталей.
5.4.3 Рисунки не определяют конструкцию державок в целом. Неуказанные размеры, предельные отклонения, допуски формы и расположения поверхностей должны быть указаны в конструкторской документации.
5.4.4 Допускается отверстия под заклепки диаметром 17 мм пробивать с предельными отклонениями по Н16, при этом точность размеров отверстий следует контролировать со стороны входа пуансона.
5.5 Требования к материалам
5.5.1 Для изготовления петель, державок петель и упоров крышек люков рекомендуется применять горячекатаный прокат по
ГОСТ 19281. Для элементов конструкций, подлежащих соединению сваркой, - применять прокат с обеспечением гарантии свариваемости.
5.5.2 Допускается применение стали других марок и классов прочности при условии выполнения требований настоящего стандарта.
5.6 Требования надежности
5.6.1 Критериями предельного состояния, по достижении которых деталь подлежит восстановлению, являются:
- для упора крышки люка - наличие трещин не более 80 мм;
- для петли крышки люка - износ более 3 мм отверстий под валик диаметром 27 мм (d > 30 мм);
- для державки петли крышки люка - износ более 3 мм отверстий под валик диаметром 27 мм (d > 30 мм).
5.6.2 Критериями предельного состояния, по достижении которых деталь подлежит списанию, являются:
- для упора крышки люка - трещина длиной 80 мм и более, излом;
- для петли крышки люка - наличие трещин и излома;
- для державки петли крышки люка - наличие трещин и излома.
5.7.1 Петли, державки петель и упоры крышек люков не подлежат клеймению.
Для изделий, являющихся самостоятельной поставкой, отметку о приемке службой технического контроля необходимо выполнять в сопроводительных документах о качестве изделий.
5.7.2 По требованию заказчика на изделия, являющиеся объектом самостоятельной поставки, наносят следующую маркировку:
- наименование изготовителя и/или его товарный знак (при наличии);
- условное обозначение изделия и/или обозначение в соответствии с конструкторской документацией;
- две последние цифры года изготовления (арабскими цифрами).
Маркировка должна сохраняться в течение всего срока эксплуатации изделия.
Знаки маркировки наносят ударным способом или способом давления. Маркировку размещают на поверхности изделий, в зонах, установленных в конструкторской документации; высота знаков маркировки составляет от 8 до 18 мм в зависимости от конструкции изделий.
5.8 Требования к покрытиям и консервации
Способ защиты петли, державки петли и упоров крышек люков от коррозии должен быть установлен в конструкторской или технологической документации.
Подготовку поверхности к окрашиванию и окрашивание следует проводить по
ГОСТ 7409.
Лакокрасочное покрытие петли, державки петли и упоров крышек люков, являющихся объектом самостоятельной поставки, указывают в конструкторской документации и в договоре на поставку.
При самостоятельной поставке каждую партию сопровождают документом с указанием:
- наименования продукции и обозначения основного конструкторского документа;
- наименования изготовителя и его реквизитов;
- количества деталей в партии;
- материала;
- даты изготовления изделий;
- отметки о приемке, подтверждающей качество изделий;
- сведений о способах утилизации.
Форму документа устанавливает изготовитель.
6.1 Общие положения
6.1.1 Для контроля соответствия петли, державки петли и упоров крышек люков требованиям настоящего стандарта проводят приемо-сдаточные, периодические и типовые испытания в соответствии с
ГОСТ 15.309, приемочные и квалификационные испытания - по
ГОСТ 15.902.
6.1.2 Типовые испытания проводят в соответствии с правилами, установленными ГОСТ 15.309-98
(приложение А). Типовые испытания проводят по утвержденной программе. Решение о проведении типовых испытаний принимает изготовитель по согласованию с держателем подлинника конструкторской документации.
6.1.3 Виды испытаний, контролируемые показатели и методы контроля приведены в
таблице 2.
Таблица 2
Виды испытаний, контролируемые показатели и методы контроля
Наименование показателя | Вид испытаний | Структурный элемент стандарта |
Приемо-сдаточные | Периодические | Приемочные | технических требований | методов контроля |
Климатическое исполнение | - | + | + | | |
Проверка прочности | - | - | + | | |
Размеры и требования к поверхностям и формам | + | + | + | | |
Требования к покрытиям и консервации <*> | + | - | - | | |
Применяемые материалы | + | + | + | | |
Маркировка | + | - | + | | |
<*> Контролируется при самостоятельной поставке согласно договору. Примечание - Знак "+" означает необходимость проведения испытаний и проверок, знак "-" - отсутствие необходимости проведения испытаний и проверок. |
6.2 Приемо-сдаточные испытания
6.2.1 Приемо-сдаточные испытания проводят в соответствии с
6.2.2 -
6.2.5.
6.2.2 К приемо-сдаточным испытаниям петли, державки петель и упоры крышек люков предъявляют партиями. За партию для изделий, изготовляемых методом штамповки, принимают изделия одной партии металлопроката; для изделий, изготовляемых с применением сварки, - изделия одной смены. Число петель, державок петель и упоров крышек люков в партии не ограничено. Результаты приемо-сдаточных испытаний оформляют в соответствии с ГОСТ 15.309-98
(подраздел 6.6).
При приемо-сдаточных испытаниях контролируют:
- применяемые материалы по
5.5 для каждой партии материала;
- маркировку по
5.7.2 (при необходимости) для каждой партии в объеме 1%;
- покрытие и консервацию для каждой партии в объеме 1%.
6.2.3 Контроль качества сварных соединений по
5.1.5 выполняют при производственном контроле на всех этапах изготовления сварных конструкций по
7.11.
6.2.4 При получении отрицательного результата контроля маркировки по
5.7.2, покрытий и консервации по
5.8 партию возвращают на проверку каждой детали и доработку.
6.2.5 При получении отрицательного результата контроля размеров по
4.1,
4.2,
4.3 и контроля требований к поверхностям и формам по
5.1.3,
5.1.4,
5.2,
5.3 и
5.4 партию возвращают на проверку каждой детали и доработку или бракуют. При этом производство должно быть приостановлено до выявления и устранения причин отрицательных результатов контроля.
6.2.6 После доработки по
6.2.4,
6.2.5 изделия подлежат повторным приемо-сдаточным испытаниям.
6.3 Периодические испытания
6.3.1 Для подтверждения стабильности качества и возможности продолжения выпуска изделий проводят периодические испытания не реже одного раза в пять лет на деталях в количестве не менее трех штук.
6.3.2 Периодические испытания проводят на изделиях, выдержавших приемо-сдаточные испытания.
6.3.3 При периодических испытаниях контролируют применяемые материалы по
5.5 для каждой партии материала.
6.3.4 Отбор образцов для периодических испытаний проводят методом отбора с применением случайных чисел по ГОСТ Р 50779.12-2021
(подраздел 5.2) из числа деталей, изготовленных за период по
6.3.1.
6.4 Приемочные и квалификационные испытания
6.4.1 Приемочные и квалификационные испытания петель, державок петель и упоров крышек люков проводят по утвержденным программам, разработанным в соответствии с
ГОСТ 15.902. Количество опытных образцов для приемочных испытаний и образцов для квалификационных испытаний - не менее пяти изделий.
Примечание - При необходимости в программе испытаний количество изделий можно увеличить в зависимости от сложности изделия.
6.4.2 Квалификационные испытания рекомендуется проводить в объеме периодических испытаний. Окончательный перечень контролируемых требований указывают в программе испытаний.
6.4.3 Приемочным и квалификационным испытаниям подвергают петли, державки петель и упоры крышек люков, прошедшие приемо-сдаточные испытания.
7.1 Испытания проводят в помещениях, обеспечивающих нормальные климатические условия испытаний по ГОСТ 15150-69
(подраздел 3.15). Условия размещения средств измерений должны соответствовать их паспортным данным.
7.2 Работы по подготовке и проведению испытаний проводят с соблюдением требований безопасности и охраны труда по ГОСТ 33788-2016
(раздел 11).
7.3 Средства измерений должны быть поверены и/или откалиброваны, испытательное оборудование - аттестовано в соответствии с
[1] и
ГОСТ Р 8.568.
Средства допускового контроля подлежат метрологическому обеспечению в порядке, установленном их владельцем.
7.4 Выполнение требования к покрытиям и консервации по
5.8 контролируют визуально.
7.5 Размеры и выполнение требования к поверхностям и формам по
4.1,
4.2,
4.3,
5.1.3,
5.1.4,
5.2,
5.3 и
5.4 контролируют применением средств измерений и средств допускового контроля.
Применяемые средства контроля размеров должны обеспечивать погрешность измерений по
ГОСТ 8.051 и
ГОСТ 8.549.
7.6 Материалы по
5.5 контролируют при входном контроле в соответствии с
ГОСТ 24297 по сертификатам качества на каждую партию материала (при необходимости - заводскими лабораторными испытаниями), а также при анализе конструкторской документации.
7.7 Маркировку по
5.7 контролируют визуально.
7.8 Комплектность по
5.9 контролируют визуально.
7.9 Климатическое исполнение по
5.1.1 подтверждают:
- анализом конструкторской документации на изделия;
- проверкой показателя ударной вязкости сталей при температуре не выше минус 60 °C, из которых изготовлены изделия по сертификатам качества на материал, или путем испытаний по
ГОСТ 9454,
ГОСТ 6996.
7.10 Прочность петли, державки петель и упоров крышек люков подтверждают путем выполнения расчетов в соответствии с
ГОСТ 33211, испытаниями в соответствии с
ГОСТ 33788.
7.11 Качество сварных соединений по
5.1.5 контролируют в соответствии с
ГОСТ 33976.
7.12 Качество заклепочных соединений по
5.1.6 контролируют в соответствии с
ГОСТ 34937.
8 Транспортирование и хранение
8.1 Условия транспортирования и хранения петель, державок петель и упоров крышек люков - по 8 (ОЖ3) (см.
ГОСТ 15150-69).
8.2 При транспортировке и хранении должны быть приняты меры защиты изделий от механических повреждений.
9 Указания по эксплуатации
Петли, державки петель и упоры крышек люков должны эксплуатироваться, ремонтироваться и утилизироваться в соответствии с требованиями эксплуатационной и ремонтной документации разработчика конструкторской документации на полувагон, в составе которого предусмотрено их использование.
10.1 Изготовитель гарантирует соответствие петель, державок петель и упоров крышек люков требованиям настоящего стандарта при соблюдении правил эксплуатации, транспортирования и хранения (
разделы 8 и
9).
10.2 Гарантийный срок устанавливается до первого планового ремонта вагона, в составе которого предусмотрено использование изделий.
[1] Федеральный
закон от 26 июня 2008 г. N 102-ФЗ "Об обеспечении единства измерений"
УДК 629.4:006.354 | |
Ключевые слова: упоры крышек люков, петля крышки люка, державка петли крышки люка, технические требования, методы контроля |