Главная // Актуальные документы // ГОСТ Р (Государственный стандарт)СПРАВКА
Источник публикации
М.: Стандартинформ, 2019
Примечание к документу
Документ
введен в действие с 01.01.2015.
Название документа
"ГОСТ Р 55997-2014. Национальный стандарт Российской Федерации. Конденсат газовый стабильный, широкая фракция легких углеводородов, сжиженные углеводородные газы. Определение метанола методом газовой хроматографии"
(утв. и введен в действие Приказом Росстандарта от 16.04.2014 N 357-ст)
"ГОСТ Р 55997-2014. Национальный стандарт Российской Федерации. Конденсат газовый стабильный, широкая фракция легких углеводородов, сжиженные углеводородные газы. Определение метанола методом газовой хроматографии"
(утв. и введен в действие Приказом Росстандарта от 16.04.2014 N 357-ст)
Утвержден и введен в действие
по техническому регулированию
и метрологии
от 16 апреля 2014 г. N 357-ст
НАЦИОНАЛЬНЫЙ СТАНДАРТ РОССИЙСКОЙ ФЕДЕРАЦИИ
КОНДЕНСАТ ГАЗОВЫЙ СТАБИЛЬНЫЙ, ШИРОКАЯ ФРАКЦИЯ ЛЕГКИХ
УГЛЕВОДОРОДОВ, СЖИЖЕННЫЕ УГЛЕВОДОРОДНЫЕ ГАЗЫ
ОПРЕДЕЛЕНИЕ МЕТАНОЛА МЕТОДОМ ГАЗОВОЙ ХРОМАТОГРАФИИ
Stable gas condensate, wide fraction of light hydrocarbons,
liquefied petroleum gases. Determination of methanol by gas
chromatography method
ГОСТ Р 55997-2014
Дата введения
1 января 2015 года
1 РАЗРАБОТАН Открытым акционерным обществом "Газпром" и Обществом с ограниченной ответственностью "Научно-исследовательский институт природных газов и газовых технологий" - Газпром ВНИИГАЗ (ООО "Газпром ВНИИГАЗ")
2 ВНЕСЕН Техническим комитетом по стандартизации ТК 52 "Природный и сжиженные газы"
3 УТВЕРЖДЕН И ВВЕДЕН В ДЕЙСТВИЕ
Приказом Федерального агентства по техническому регулированию и метрологии от 16 апреля 2014 г. N 357-ст
4 ВВЕДЕН ВПЕРВЫЕ
5 ПЕРЕИЗДАНИЕ. Октябрь 2019 г.
Правила применения настоящего стандарта установлены в статье 26 Федерального закона от 29 июня 2015 г. N 162-ФЗ "О стандартизации в Российской Федерации". Информация об изменениях к настоящему стандарту публикуется в ежегодном (по состоянию на 1 января текущего года) информационном указателе "Национальные стандарты", а официальный текст изменений и поправок - в ежемесячном информационном указателе "Национальные стандарты". В случае пересмотра (замены) или отмены настоящего стандарта соответствующее уведомление будет опубликовано в ближайшем выпуске ежемесячного информационного указателя "Национальные стандарты". Соответствующая информация, уведомление и тексты размещаются также в информационной системе общего пользования - на официальном сайте Федерального агентства по техническому регулированию и метрологии в сети Интернет (www.gost.ru)
Настоящий стандарт устанавливает определение массовой доли метанола в стабильном газовом конденсате (КГС), широкой фракции легких углеводородов (ШФЛУ), сжиженных углеводородных газах (СУГ) методом газовой хроматографии. Настоящий стандарт можно использовать для определения метанола в бензинах, керосинах и других нефтепродуктах.
Диапазон определения массовой доли метанола - от 0,0001% до 1,5%.
Настоящий метод можно использовать для определения более высоких значений массовой доли метанола в жидких углеводородных продуктах с использованием процедуры разбавления.
В настоящем стандарте использованы нормативные ссылки на следующие стандарты:
ГОСТ 12.1.005 Система стандартов безопасности труда. Общие санитарно-гигиенические требования к воздуху рабочей зоны
ГОСТ 12.1.007 Система стандартов безопасности труда. Вредные вещества. Классификация и общие требования безопасности
ГОСТ 1770 (ИСО 1042-83, ИСО 4788-80) Посуда мерная лабораторная стеклянная. Цилиндры, мензурки, колбы, пробирки. Общие технические условия
ГОСТ 2517 Нефть и нефтепродукты. Методы отбора проб
ГОСТ 2603 Реактивы. Ацетон. Технические условия
ГОСТ 3022 Водород технический. Технические условия
ГОСТ 3900 Нефть и нефтепродукты. Методы определения плотности
ГОСТ 6709 Вода дистиллированная. Технические условия
ГОСТ 6995 Реактивы. Метанол-яд. Технические условия
ГОСТ 8981 Эфиры этиловый и нормальный бутиловый уксусной кислоты технические. Технические условия
ГОСТ 9147 Посуда и оборудование лабораторные фарфоровые. Технические условия
ГОСТ 9293 (ИСО 2435-73) Азот газообразный и жидкий. Технические условия
ГОСТ 10146 Ткани фильтровальные из стеклянных крученых комплексных нитей. Технические условия
ГОСТ 14921 Газы углеводородные сжиженные. Методы отбора проб
ГОСТ 17433 Промышленная чистота. Сжатый воздух. Классы загрязненности
ГОСТ 18300 Спирт этиловый ректификованный технический. Технические условия <1>
--------------------------------
ГОСТ 25336 Посуда и оборудование лабораторные стеклянные. Типы, основные параметры и размеры
ГОСТ 26703 Хроматографы аналитические газовые. Общие технические требования и методы испытаний
ГОСТ 29169 (ИСО 648-77) Посуда лабораторная стеклянная. Пипетки с одной отметкой
ГОСТ 29227 (ИСО 835-1-81) Посуда лабораторная стеклянная. Пипетки градуированные. Часть 1. Общие требования
ГОСТ Р ИСО 5725-6 Точность (правильность и прецизионность) методов и результатов измерений. Часть 6. Использование значений точности на практике
ГОСТ Р 50779.42 (ИСО 8258-91) Статистические методы. Контрольные карты Шухарта
ГОСТ Р 52714 Бензины автомобильные. Определение индивидуального и группового углеводородного состава методом капиллярной газовой хроматографии
ГОСТ Р 53228 Весы неавтоматического действия. Часть 1. Метрологические и технические требования. Испытания
Примечание - При пользовании настоящим стандартом целесообразно проверить действие ссылочных стандартов в информационной системе общего пользования - на официальном сайте Федерального агентства по техническому регулированию и метрологии в сети Интернет или по ежегодному информационному указателю "Национальные стандарты", который опубликован по состоянию на 1 января текущего года, и по выпускам ежемесячного информационного указателя "Национальные стандарты" за текущий год. Если заменен ссылочный стандарт, на который дана недатированная ссылка, то рекомендуется использовать действующую версию этого стандарта с учетом всех внесенных в данную версию изменений. Если заменен ссылочный стандарт, на который дана датированная ссылка, то рекомендуется использовать версию этого стандарта с указанным выше годом утверждения (принятия). Если после утверждения настоящего стандарта в ссылочный стандарт, на который дана датированная ссылка, внесено изменение, затрагивающее положение, на которое дана ссылка, то это положение рекомендуется применять без учета данного изменения. Если ссылочный стандарт отменен без замены, то положение, в котором дана ссылка на него, рекомендуется применять в части, не затрагивающей эту ссылку.
В настоящем стандарте применены следующие термины с соответствующими определениями:
3.1
газовый конденсат: Жидкая смесь, состоящая из парафиновых, нафтеновых и ароматических углеводородов широкого фракционного состава, содержащая примеси неуглеводородных компонентов, получаемая в результате разделения газоконденсатной смеси. |
3.2
стабильный газовый конденсат: Газовый конденсат, получаемый путем очистки нестабильного газового конденсата от примесей и выделения из него углеводородов C1 - C4, отвечающий требованиям соответствующего нормативного документа. |
3.3
широкая фракция легких углеводородов; ШФЛУ: Углеводородная смесь, состоящая из пропана, бутанов и пентанов с примесями метана, этана, гексанов и более тяжелых компонентов, получаемая в процессе переработки нестабильного газового конденсата и стабилизации нефти. |
3.4
сжиженные углеводородные газы; СУГ: Сжиженные углеводородные смеси пропана, пропилена, бутанов и бутенов с примесями углеводородных и неуглеводородных компонентов, получаемые путем переработки природного газа и нефти, применяемые в качестве моторного топлива, для коммунально-бытового и промышленного потребления, отвечающие требованиям соответствующего нормативного документа. |
Сущность метода заключается в экстракции метанола из пробы водой и последующем анализе экстракта методом газовой хроматографии. Массовую концентрацию метанола в экстракте вычисляют методом абсолютной градуировки по площади пика выходного сигнала.
Предостережение - Пробы СУГ и ШФЛУ находятся под повышенным давлением, поэтому при работе с ними следует соблюдать осторожность.
5 Условия выполнения измерений
5.1 Измерения проводят при:
- температуре окружающей среды (20 +/- 5) °C;
- относительной влажности окружающей среды от 30% до 80%;
- атмосферном давлении - от 80,0 до 106,7 кПа (от 630 мм рт. ст. до 800 мм рт. ст.);
- напряжении переменного тока

;
- частоте переменного тока (50 +/- 1) Гц;
- отсутствии механических воздействий, внешних электрических и магнитных полей, влияющих на работу аппаратуры;
- отсутствии агрессивных газов и паров.
5.2 Условия выполнения хроматографических измерений - по
ГОСТ 26703.
5.3 Монтаж электрических и газовых линий и подготовку аппаратуры к измерениям осуществляют в соответствии с инструкцией изготовителя.
Линии подачи газа-носителя, водорода и воздуха должны быть изготовлены из инертных материалов, предпочтительно из нержавеющей стали.
5.4 При настройке хроматографа для обеспечения надежности результатов определения массовой доли метанола проверяют разрешение двух соседних пиков [пика метанола (компонент A) и наиболее близко расположенного к нему на хроматограмме пика углеводорода (компонент B)]. Разрешение
RAB двух соседних пиков вычисляют по формуле, приведенной в стандарте
[1]:

, (1)
где

- время удерживания компонента A, мин;

- время удерживания компонента B, мин;

- ширина основания пика A, мин;

- ширина основания пика B, мин.
Разрешение двух соседних пиков должно быть не менее 1,0.
6.1 Отбор проб КГС (дистиллятов, бензина, керосина) - по
ГОСТ 2517.
6.2 Пробы ШФЛУ и СУГ отбирают по
ГОСТ 14921 в пробоотборники типа ПГО вместимостью 400 см
3.
6.2.1 Перед отбором проб ШФЛУ и СУГ пробоотборник очищают от остатков предыдущей пробы растворителем [петролейным эфиром
(7.2.21) или гексаном
(7.2.22)], объем которого равен приблизительно половине объема пробоотборника, интенсивно встряхивают 3 - 5 мин и удаляют растворитель. Затем пробоотборник продувают 2 - 3 мин сжатым воздухом
(7.2.17) или азотом
(7.2.18), при этом выпускной вентиль должен быть расположен внизу. Пробоотборник взвешивают с точностью до 0,01 г. Допускается определять массу пустого пробоотборника после слива пробы и очистки пробоотборника.
6.2.2 Взвешивают пробоотборник с пробой ШФЛУ или СУГ и вычисляют массу пробы с точностью до 0,01 г. Затем вычисляют массу пробы, которую необходимо слить (от 40% до 60% отобранной пробы или приблизительно от 80 до 120 г). Слив пробы проводят по ГОСТ 14921,
приложение А. Если из пробоотборника удалили менее 40% отобранной пробы, процедуру слива повторяют. Если удалили более 60% отобранной пробы, повторяют процедуру отбора пробы по 6.2.
Если определить массу пробы в месте отбора не представляется возможным, допускается сливать от 40% до 60% пробы, основываясь на опыте оператора, с последующим взвешиванием пробоотборника в лаборатории. Этот способ не является предпочтительным.
6.3 Контейнер с пробой хранят в прохладном месте не более 10 сут.
7 Средства измерений, материалы и реактивы
7.1 Основные средства измерений и материалы
7.1.1 Газовый хроматограф, оснащенный:
а) блоком управления хроматографом;
б) пламенно-ионизационным детектором с пределом детектирования по углероду не более 2·10-12 г/с;
в) подогреваемым до 150 °C шестиходовым краном;
г) термостатом с программируемым регулированием скорости повышения температуры, обеспечивающим поддержание заданной температуры с погрешностью не более 0,1 °C;
д) программным обеспечением для сбора, обработки и хранения хроматографической информации.
7.1.2 Насадочные колонки из нержавеющей стали или стекла длиной 0,3 и 2,0 м (предколонка и основная колонка), внутренним диаметром 2 - 3 мм.
7.1.3 Полимерные адсорбенты: Hayesep Q, Porapak QS фракции 0,15 - 0,18 мм (80 - 100 меш) или полисорб-1 фракции 0,25 - 0,50 мм.
7.1.4 Государственный стандартный образец (ГСО) метанола в воде N 8461-2003 (1,0 мг/см
3).
7.2 Вспомогательные средства измерений, материалы и реактивы
7.2.1 Установка для экстракции метанола, состоящая из:
а) баллона с газообразным гелием;
б) редуктора высокого давления с рабочим давлением 2,7 или 9,0 МПа;
в) пробоотборника по
ГОСТ 14921 типа ПГО вместимостью 100 см
3.
7.2.2 Весы лабораторные по
ГОСТ Р 53228 высокого и среднего классов точности, с наибольшим пределом взвешивания 0,2 и 5 кг соответственно.
7.2.4 Микрошприц типа МШ-10 или фирмы "Hamilton" вместимостью 10 мм3.
7.2.5 Колбы мерные вместимостью 50, 100 см
3 по
ГОСТ 1770.
7.2.6 Цилиндры мерные вместимостью 10, 100 см
3 исполнения 1 или 3 по
ГОСТ 1770.
7.2.8 Флаконы стеклянные медицинские вместимостью 40 см
3 по
[2] с навинчивающимися крышками с высверленным отверстием диаметром 2 мм, оснащенными прокладками из силиконовой резины.
7.2.9 Расходомер с мыльной пленкой (вместимость бюретки от 15 до 50 см3), ротаметр или электронный регулятор расхода газа с погрешностью измерений не более +/- 1%.
7.2.10 Посуда лабораторная стеклянная по
ГОСТ 25336.
7.2.11 Посуда лабораторная фарфоровая по
ГОСТ 9147.
7.2.12 Шкаф сушильный, обеспечивающий поддержание температуры (150 +/- 5) °C.
7.2.14 Вакуумный насос номинальной производительностью 1,9/2,2 м3/ч и предельным разрежением 8 кПа.
7.2.15 Гелий очищенный газообразный марки А с содержанием гелия не менее 99,99% по
[3].
7.2.19 Универсальный встряхиватель (шейкер) типа ЛАБ-ПУ-01.
7.2.20 Набор сит "Физприбор" или аналогичного типа.
7.2.21 Петролейный эфир 40/70 квалификации х.ч. по
[5].
7.2.22 Гексан квалификации х.ч. по
[6].
7.2.23 Этилацетат технический квалификации х.ч. по
ГОСТ 8981.
7.2.24 Ацетон квалификации ч.д.а. или ч. по
ГОСТ 2603.
7.2.26 Спирт метиловый квалификации х.ч. свежеперегнанный по
ГОСТ 6995.
7.2.27 Спирт этиловый ректификованный технический высшего сорта по
ГОСТ 18300.
7.2.28 Ткань из стекловолокна по
ГОСТ 10146, промытая гексаном и ацетоном.
Примечание - Допускается использовать другие вспомогательные средства измерений, устройства и материалы, технические характеристики которых не уступают указанным, если их применение не ухудшает метрологических характеристик метода. Допускается использование генераторов водорода и азота для получения чистых газов, соответствующих требованиям
7.2.
8.1.1 Экстракция метанола водой из проб широкой фракции легких углеводородов (ШФЛУ) и сжиженных углеводородных газов (СУГ)
8.1.1.1 Взвешивают пробоотборник с пробой ШФЛУ или СУГ с точностью до 0,01 г. Массу пробы ШФЛУ или СУГ mпр, г, определяют по разности масс пробоотборника с пробой и пустого пробоотборника mо с точностью до 0,01 г.
8.1.1.2 В пустой пробоотборник типа ПГО по
7.2.1 вносят 20 - 50 см
3 воды по
7.2.25 одним из двух способов.
Способ 1 - Пробоотборник устанавливают горизонтально, открывают оба его вентиля и с помощью пипетки вносят 20 - 50 см3 воды. Затем оба вентиля пробоотборника закрывают.
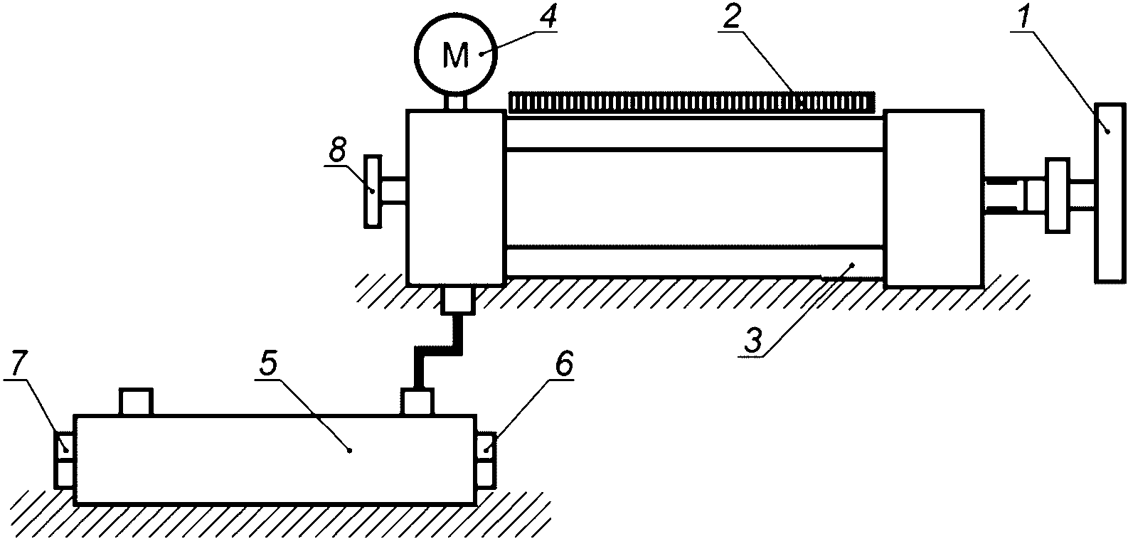
Способ 2 - Пробоотборник устанавливают горизонтально, один из вентилей (далее - входной вентиль) подсоединяют к гидравлическому прессу по схеме, приведенной на
рисунке 1. При закрытых вентилях пробоотборника
6 и
7 открывают вентиль
8 гидравлического пресса и заполняют гидроцилиндр
3 дистиллированной водой в соответствии с инструкцией изготовителя.
Затем закрывают вентиль 8, открывают входной вентиль 6 пробоотборника 5 и вращением маховика 1 по ходу часовой стрелки вводят в пробоотборник 20 - 50 см3 воды. После этого входной вентиль 6 пробоотборника закрывают.
1 - маховик; 2 - измерительная линейка; 3 - гидроцилиндр;
4 - манометр; 5 - пробоотборник; 6 - входной вентиль
пробоотборника; 7 - выходной вентиль пробоотборника;
8 - вентиль гидравлического пресса
Рисунок 1 - Схема подачи воды в пробоотборник
с помощью гидравлического пресса
8.1.1.3 Подачу воды в пробоотборник с пробой ШФЛУ или СУГ можно выполнить по
8.1.1.4 или
8.1.1.5.
8.1.1.4 Верхний штуцер пробоотборника
5 с водой
(рисунок 2) присоединяют к вентилю баллона
1 с гелием через редуктор
3 с двумя манометрами, контролирующими давление в баллоне и рабочее (на выходе редуктора) давление газа. Нижний штуцер пробоотборника
5 подсоединяют к пробоотборнику
8 с пробой ШФЛУ или СУГ.
Открывают вентиль баллона 1 с гелием, устанавливают давление на выходном манометре редуктора 3, превышающее давление в пробоотборнике 8 с пробой СУГ или ШФЛУ на 0,3 - 0,5 МПа (обычно для проб СУГ достаточно давления 1,5 МПа, для проб ШФЛУ - 1,0 МПа). Последовательно открывают верхний 4 и нижний 6 вентили пробоотборника 5. Открывают верхний запорный вентиль 7 пробоотборника 8 с пробой. При этом давление на выходном манометре должно оставаться постоянным. За счет разницы давлений вода из пробоотборника 5 перемещается в пробоотборник 8 с пробой ШФЛУ или СУГ в течение 30 - 60 с. После этого закрывают вентиль 2 баллона с гелием, верхний запорный вентиль 7 пробоотборника 8, закрывают запорные вентили 4 и 6 пробоотборника 5. Затем отсоединяют пробоотборник 8, содержащий пробу СУГ или ШФЛУ с водой, от пробоотборника 5; пробоотборник 5 отсоединяют от баллона с гелием.
1 - баллон с гелием; 2 - вентиль на баллоне с гелием;
3 - редуктор; 4, 6 - верхний и нижний вентили пробоотборника
с водой; 5 - пробоотборник с водой; 7, 9 - верхний и нижний
вентили пробоотборника с пробой; 8 - пробоотборник с пробой
СУГ или ШФЛУ
Рисунок 2 - Схема установки для экстракции метанола по
7.2.1
8.1.1.5 Допускается вводить воду в пробоотборник с пробой из гидравлического пресса по следующей процедуре. Гидроцилиндр
3 пресса
(рисунок 1) заполняют дистиллированной водой по
8.1.1.2 (способ 2). Пробоотборник устанавливают горизонтально, один из его вентилей (далее - входной вентиль) подсоединяют к гидравлическому прессу по схеме, приведенной на
рисунке 2. При закрытых вентилях (входном
6 и выходном
7) пробоотборника
5 вращением маховика
1 ручного пресса против хода часовой стрелки устанавливают давление на выходном манометре
4, превышающее давление в пробоотборнике
5 с пробой СУГ или ШФЛУ на 0,3 - 0,5 МПа. Затем открывают входной вентиль
6 пробоотборника
5 и подают в него 20 - 50 см
3 воды перемещением штока ручного пресса вращением маховика
1 по ходу часовой стрелки. Объем воды контролируют по измерительной линейке
2 (рисунок 2). Закрывают входной вентиль
6 пробоотборника
5, снижают давление в гидроцилиндре пресса до 0,1 МПа и отсоединяют пробоотборник
5. Этот способ не является предпочтительным.
8.1.1.6 Взвешивают пробоотборник с пробой и водой с точностью до 0,01 г. Встряхивают пробоотборник вручную или шейкером в течение 10 - 15 мин, затем закрепляют в вертикальном положении и дают отстояться содержимому в течение 1 - 2 мин. Осторожно приоткрывают сначала верхний вентиль пробоотборника
8, затем нижний вентиль и сливают приблизительно 15 - 40 см
3 водного экстракта в пластиковую емкость. Затем экстракт переносят в стеклянный флакон по
7.2.8 и плотно закрывают навинчивающейся крышкой.
8.1.1.7 Определяют массу воды, использованную для экстракции метанола из пробы ШФЛУ или СУГ, mв, г, по разности масс пробоотборника с пробой и водой и пробоотборника с пробой.
8.1.2 Экстракция метанола водой из стабильного газового конденсата
8.1.2.1 В делительную воронку вместимостью 250 или 500 см3 пипеткой вносят 100 - 250 см3 конденсата, затем пипеткой добавляют дистиллированную воду в объемном соотношении 1:10 (10 - 25 см3 соответственно). Делительную воронку герметично закрывают пробкой и встряхивают в течение 10 мин, придерживая пробку одной рукой, кран на спускной трубке - другой. Пробку периодически приоткрывают. Затем делительную воронку укрепляют в штативе, приоткрывают пробку и оставляют на 2 - 5 мин для разделения слоев.
8.1.2.2 Затем переносят часть водного экстракта в стеклянный флакон по
7.2.8 и плотно закрывают навинчивающейся крышкой.
8.2 Определение содержания метанола
8.2.1 Анализ водного экстракта, полученного по
8.1, проводят с использованием газового хроматографа, оборудованного насадочными колонками (см.
рисунок 3), и пламенно-ионизационным детектором (ПИД).
а)
б)
Рисунок 3 - Схема прямой (а) и обратной (б) продувки
предколонки газового хроматографа
8.2.2 Подготовка и установка хроматографических колонок
8.2.2.1 Для проведения анализа предпочтительно использовать хроматографические колонки, заполненные адсорбентом в заводских условиях.
8.2.2.2 Можно использовать хроматографические колонки, подготовленные по следующей процедуре.
Адсорбент по
7.1.3 отсеивают, отбирают фракцию 0,25 - 0,50 мм (0,15 - 0,18 мм), переносят ее на воронку типа ВФ или ВФО, промывают ацетоном и этиловым спиртом. Объем каждого растворителя в 3 - 5 раз превышает объем адсорбента. Для удаления остатков ацетона и спирта воронку на 5 мин подсоединяют к водоструйному насосу. Затем адсорбент насыпают тонким слоем на фильтровальную бумагу и помещают в вытяжной шкаф до удаления запаха растворителя.
Хроматографическую колонку по
7.1.2 промывают последовательно водой, ацетоном, гексаном, затем 2 - 3 мин продувают потоком чистого сухого воздуха или инертного газа.
Для заполнения колонки адсорбентом один конец закрывают тампоном из стекловолокна (получают из стеклоткани) и подсоединяют к вакуумному насосу. С помощью маленькой воронки в колонку небольшими порциями вносят адсорбент и уплотняют легким постукиванием или вибрацией. После заполнения колонки адсорбентом постепенно повышают давление до атмосферного и закрывают другой конец колонки тампоном из стекловолокна.
Примечание - Можно использовать другой способ заполнения колонки адсорбентом, обеспечивающий ее однородную набивку.
8.2.2.3 Заполненную колонку устанавливают в термостат хроматографа и, не присоединяя ее к детектору, кондиционируют в потоке газа-носителя с расходом 30 см
3/мин, повышая температуру термостата со скоростью 5 - 10 °C/мин до 220 °C - 230 °C. При этой температуре колонку выдерживают 8 - 10 ч, затем охлаждают до температуры окружающей среды и соединяют с детектором. Проверяют герметичность газовой линии и регистрируют нулевую линию в рабочем режиме (см.
таблицу 1).
Таблица 1
Условия градуировки хроматографа и проведения анализа
Параметр | Значение |
Длина колонки, м | 2 |
Длина предколонки, м | 0,3 |
Внутренний диаметр колонки, мм | 2 - 3 |
Газ-носитель | Гелий |
Объемный расход газа-носителя, см3/мин | 30 |
Соотношение объемных расходов газа-носителя и водорода | 1:1 |
Соотношение объемных расходов водорода и воздуха | 1:10 |
Начальная температура термостата колонок, °C (время выдерживания, мин) | 140 (5) |
Скорость нагрева термостата колонок, °C/мин | 15 - 25 |
Конечная температура термостата колонок, °C | 200 - 210 |
Температура испарителя, °C | 200 |
Температура детектора, °C | 250 |
Время обратной продувки предколонки, мин | 4 - 6 |
Объем пробы, мм3 | 2 |
Примечание - Условия градуировки и проведения анализа могут изменяться в зависимости от адсорбента и модели хроматографа. Для обеспечения требуемого хроматографического разделения пиков метанола и примесей углеводородов может потребоваться дополнительная оптимизация данных условий. |
8.2.2.4 При получении стабильной нулевой линии определяют разрешающую способность колонки по
5.4. Колонка готова к работе, если разрешение пиков метанола и углеводорода, наиболее близко расположенного к нему на хроматограмме, не менее 1,0.
Вывод хроматографа на рабочий режим осуществляют в соответствии с техническим описанием и инструкцией по эксплуатации.
8.2.3 Регенерация хроматографических колонок
8.2.3.1 Регенерацию колонок проводят:
- при превышении значения уровня шумов нулевой линии, приведенного в методике поверки;
- при значении разрешающей способности менее 1,0 для пиков метанола и углеводорода, наиболее близко расположенного к нему на хроматограмме.
8.2.3.2 Регенерацию хроматографических колонок проводят, не снимая с хроматографа. Для этого отсоединяют основную колонку от детектора и кондиционируют ее в потоке газа-носителя по
8.2.2.3.
8.2.4 Градуировка хроматографа
8.2.4.1 Градуировку хроматографа и определение массовой доли метанола в пробах КГС, ШФЛУ и СУГ проводят в режиме программирования температуры термостата колонки при условиях, приведенных в
таблице 1.
8.2.4.2 Приготовление градуировочных растворов
Для приготовления градуировочных растворов используют стандартный раствор метанола в воде по
7.1.4 (концентрация 1000 мкг/см
3) или рабочий раствор метанола с концентрацией приблизительно 500 мкг/см
3.
Рабочий раствор метанола готовят следующим образом. В мерную колбу вместимостью 100 см
3 помещают 10 см
3 дистиллированной воды и взвешивают с точностью до 0,0001 г. Затем в колбу с помощью микрошприца вносят примерно 50 мг метанола (приблизительно 63 мм
3) по
7.2.26 и взвешивают с точностью до 0,0001 г. Объем полученного раствора доводят до метки дистиллированной водой и тщательно перемешивают. Вычисляют концентрацию метанола в рабочем растворе.
Готовят пять градуировочных растворов. В мерную колбу вместимостью 100 см
3 помещают соответствующий объем рабочего раствора метанола или ГСО по
таблице 2, доводят объем раствора до метки дистиллированной водой и тщательно перемешивают.
Таблица 2
Градуировочные растворы метанола
Параметр | 1 | 2 | 3 | 4 | |
Объем ГСО с концентрацией 1000 мкг/см3, см3 | 0,5 | 2,5 | 10,0 | 15,0 | 20,0 |
Объем рабочего раствора метанола с концентрацией 500 мкг/см3, см3 | 1,0 | 5,0 | 20,0 | 30,0 | 40,0 |
Концентрация метанола, мг/дм3 | 5,0 | 25,0 | 100,0 | 150,0 | 200,0 |
Рабочий раствор и градуировочные растворы хранят в холодильнике не более 7 сут.
8.2.4.3 Определение градуировочных коэффициентов
Микрошприцем вводят в испаритель прибора три раза по 2 мм
3 каждого градуировочного раствора и хроматографируют в условиях, приведенных в
таблице 1.
Градуировочный коэффициент для i-го раствора метанола Ki, мг/(дм3 единицы счета), вычисляют по формуле

, (2)
где

- массовая концентрация метанола в
i-м растворе, мг/дм
3;
S - площадь пика метанола, единицы счета.
Градуировочный коэффициент для каждого i-го раствора Kсрi вычисляют как среднеарифметическое значение результатов трех определений и записывают с точностью до 0,0001.
Вычисляют относительный размах RK полученных значений градуировочных коэффициентов метанола по формуле

, (3)
где Kср max и Kср min - максимальное и минимальное значения градуировочных коэффициентов метанола.
Среднеарифметическое значение градуировочного коэффициента метанола Kср вычисляют по формуле

(4)
где n - число градуировочных растворов.
Значение градуировочного коэффициента считают приемлемым, если величина относительного размаха RK не превышает 9%. Если RK превышает 9%, измерения прекращают, выясняют причины нестабильности показаний хроматографа и принимают меры по их устранению.
Значение градуировочного коэффициента
Kср проверяют еженедельно по результатам анализа одного из градуировочных растворов. Полученную при этом хроматограмму обсчитывают с использованием текущего значения градуировочного коэффициента. Полученное значение массовой концентрации градуировочного раствора не должно отличаться от значения, приведенного в
таблице 2, более чем на 5% отн. Полную процедуру вычисления градуировочного коэффициента проводят по мере необходимости, но не реже одного раза в месяц. Выполнение данной процедуры обязательно при замене хроматографической колонки, детектора и изменении режима работы хроматографа.
8.2.5 Проведение хроматографического анализа
| | ИС МЕГАНОРМ: примечание. Здесь и далее в официальном тексте документа, видимо, допущена опечатка: п. 8.3.3 отсутствует. | |
8.2.5.1 Для определения содержания метанола микрошприцем вводят в испаритель прибора 2 мм
3 водного экстракта проб ШФЛУ или СУГ
(8.2.1) или водного экстракта проб КГС
(8.2.2) и хроматографируют по 8.3.3 (см.
таблицу 1). Анализ проводят, применяя обратную продувку предколонки потоком газа-носителя после регистрации пика метанола (см.
рисунок 1). Каждый экстракт анализируют не менее двух раз.
Типовые хроматограммы водных экстрактов метанола из проб СУГ (ШФЛУ) и КГС представлены на
рисунках 4 и
5 соответственно.
Рисунок 4 - Типовая хроматограмма водного экстракта
метанола из пробы СУГ (ШФЛУ)
Рисунок 5 - Типовая хроматограмма водного экстракта
метанола из пробы КГС
8.2.5.2 По полученным хроматограммам определяют площадь пика метанола и вычисляют его массовую концентрацию в водном экстракте
YВЭ, мг/дм
3, по формуле
YВЭ = Kср·S, (5)
где Kср - градуировочный коэффициент метанола, мг/(дм3 единицы счета), по 8.3.3;
S - площадь пика метанола, единицы счета.
8.2.5.3 Если полученное значение концентрации метанола в водном экстракте превышает значение концентрации метанола в градуировочном
растворе 5 (см. таблицу 2) более чем в два раза, повторяют анализ экстракта после его разбавления водой в 5 - 50 раз.
9.1 Вычисление содержания метанола в СУГ (ШФЛУ)
9.1.1 Массовую концентрацию метанола в пробе СУГ (ШФЛУ) Y, мг/г, вычисляют по формуле

, (6)
где
YВЭ - массовая концентрация метанола в водном экстракте пробы СУГ (ШФЛУ), мг/дм
3, по
8.2.5.2;
VВ - объем воды, добавленный в пробоотборник с пробой СУГ (ШФЛУ) для экстракции метанола, см3;
mпр - масса пробы СУГ (ШФЛУ) в пробоотборнике, г;
1000 - коэффициент пересчета сантиметров кубических в дециметры кубические.
9.1.2 Массовую долю метанола в пробе СУГ (ШФЛУ) X, %, вычисляют по формуле

, (7)
где
Y - массовая концентрация метанола в пробе СУГ (ШФЛУ), мг/г, по
формуле (6);
1000 - коэффициент пересчета миллиграммов в граммы.
9.2 Вычисление содержания метанола в КГС и других нефтепродуктах
9.2.1 Массовую концентрацию метанола в КГС или других нефтепродуктах, мг/дм3, вычисляют по формуле

, (8)
| | ИС МЕГАНОРМ: примечание. В официальном тексте документа, видимо, допущена опечатка: п. 8.3.4 отсутствует. | |
где YВЭ - массовая концентрация метанола в водном экстракте пробы КГС или других нефтепродуктов, мг/дм3, по 8.3.4;
VВ - объем воды, использованный для экстракции метанола из анализируемой пробы, см3;
VКГС - объем пробы КГС или других нефтепродуктов, см3.
9.2.2 Массовую долю метанола в пробе КГС XКГС, %, вычисляют по формуле

, (9)
где
YКГС - массовая концентрация метанола в КГС или других нефтепродуктах, мг/дм
3, по
формуле (8);

- плотность КГС или других нефтепродуктов при 20 °C, г/дм
3, по
ГОСТ 3900 или стандартам
[7],
[8];
1000 - коэффициент пересчета миллиграммов в граммы.
9.2.3 При наличии в анализируемой пробе ароматических углеводородов с числом атомов углерода от 6 до 10 необходимо вносить поправку на содержание метанола. Значение поправки зависит от массовой концентрации ароматических углеводородов в пробе и числа содержащихся в них атомов углерода и может варьироваться от нуля до 30% отн.
Примечания
1 Необходимость внесения поправки обусловлена негативным влиянием ароматических углеводородов на экстракцию метанола водой. Максимальное негативное влияние оказывает бензол. Влияние ароматических углеводородов с числом атомов углерода больше 10 незначительно, и его можно не учитывать.
2 Содержание ароматических углеводородов в СУГ и ШФЛУ настолько мало, что им можно пренебречь.
3 Для вычисления поправки в анализируемых пробах необходимо установить содержание индивидуальных ароматических углеводородов с числом атомов углерода от 6 до 10 (или групп ароматических углеводородов с равным числом атомов углерода), например по
ГОСТ Р 52714.
9.2.3.1 Среднее число атомов углерода в ароматических соединениях, содержащихся в пробе, вычисляют по формуле

, (10)
где Б - содержание бензола, % масс.;
Т - содержание толуола, % масс.;
K - общее содержание ароматических соединений C8 (ксилолов и этилбензола, % масс.);
C - общее содержание ароматических соединений C9, % масс.;
Z - общее содержание ароматических соединений C6 - C10 в пробе, % масс.
9.2.3.2 Поправочный коэффициент Kэ вычисляют по формуле

, (11)
где P - общее содержание неароматических соединений в пробе (100 - Z), % масс.;
Z - общее содержание ароматических соединений C6 - C10 в пробе, % масс.;
KZ - коэффициент, учитывающий влияние ароматических соединений на экстракцию метанола, определяют по
рисунку 6.
Рисунок 6 - Зависимость коэффициента
KZ от среднего числа
атомов углерода в ароматических соединениях, присутствующих
в пробе
9.2.3.3 Массовую долю метанола в пробе

, %, скорректированную на содержание ароматических соединений, вычисляют по формуле

, (12)
где
XКГС - массовая доля метанола в пробе, %, вычисленная по
формуле (9);
10 Метрологические характеристики
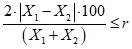
10.1 За результат измерения массовой доли метанола в пробе КГС, ШФЛУ, СУГ или других нефтепродуктов X принимают среднеарифметическое значение результатов двух параллельных определений, если выполняется условие

, (13)
где X1, X2 - результаты параллельных определений массовой доли метанола в пробе КГС, ШФЛУ, СУГ или других нефтепродуктов, %;
r - значение предела повторяемости, %, по
таблице 3.
При проведении анализа в соответствии с настоящим методом значения метрологических характеристик результатов измерений не должны превышать значений, приведенных в
таблице 3.
Таблица 3
Метрологические характеристики результатов определения
массовой доли метанола, %, в пробе КГС, ШФЛУ, СУГ
или других нефтепродуктов
Диапазон измерений массовой доли метанола в пробе КГС, ШФЛУ или СУГ, % | Показатель точности (границы относительной погрешности)  , %, при P = 0,95 | Показатель повторяемости (относительное среднеквадратическое отклонение повторяемости)  , % | Показатель воспроизводимости (относительное среднеквадратическое отклонение воспроизводимости)  , % | Предел повторяемости r, % отн., P = 0,95, n = 2 |
От 0,00010 до 0,0010 включ. | 35 - 6670·X | 6 - 2220·X | 14 - 4440·X | 18 - 6670·X |
Св. 0,0010 до 0,05 включ. | 28 - 160·X | 4 - 40·X | 10 - 80·X | 11 - 110·X |
Св. 0,05 до 1,5 включ. | 20 - 2,8·X | 2 - 0,2·X | 6 - 0,6·X | 5,5 - 0,6·X |
Примечание - X - среднеарифметическое значение результатов параллельных определений. |
10.2 Если условие по
формуле (13) не выполняется, проводят еще одно определение по
8.2.5. За результат измерений принимают среднеарифметическое значение результатов трех параллельных определений, если выполняется условие

, (14)
где Xmax, Xmin - максимальное и минимальное значения результатов трех параллельных определений массовой доли метанола в пробе КГС, ШФЛУ, СУГ или других нефтепродуктов, %;
CR0,95 - значение критического диапазона для уровня вероятности P = 0,95 и n результатов определений, вычисляемое по формуле

, (15)
здесь
f(
n) - коэффициент критического диапазона
f(
n) = 3,3 для
n = 3 по
ГОСТ Р ИСО 5725-6;

- показатель повторяемости определения массовой доли метанола в пробе КГС, ШФЛУ, СУГ или других нефтепродуктов - по
таблице 3.
Если условие по
формуле (14) не выполняется, выясняют причины превышения критического диапазона
CR0,95, устраняют их и повторяют измерения по
8.2.
10.3 Результат анализа представляют в виде

(массовая доля метанола, %, при
P = 0,95), где
X - среднеарифметическое значение результатов
n определений, признанных приемлемыми;

- границы относительной погрешности, %, по
таблице 3.
10.4 Если массовая доля метанола менее нижней границы диапазона измерений, записывают: "массовая доля метанола менее ___ %" (указывают нижнюю границу диапазона измерений метанола в пробе КГС, ШФЛУ, СУГ или других нефтепродуктов).
11 Контроль качества результатов измерений
11.1 Контроль качества результатов измерений - по
ГОСТ Р ИСО 5725-6 с использованием контроля стабильности среднеквадратического (стандартного) отклонения промежуточной прецизионности и показателя правильности. Стабильность результатов измерений проверяют с использованием контрольных карт Шухарта по
ГОСТ Р 50779.42 или другим способом в соответствии с
рекомендациями [9].
11.2 Стабильность результатов измерений периодически контролируют. Рекомендуется устанавливать контролируемый период таким образом, чтобы количество результатов контрольных измерений находилось в интервале от 20 до 30.
11.3 При получении неудовлетворительных результатов контрольных измерений, например при превышении предела действия или регулярном превышении предела предупреждения, выясняют причины отклонений, в том числе заменяют используемые реактивы и проверяют качество работы оператора.
12 Проверка приемлемости результатов измерений, полученных в условиях воспроизводимости
12.1 Приемлемость результатов измерений в условиях воспроизводимости проверяют при оценке совместимости результатов, полученных при проведении сличительных испытаний.
12.2 Для проверки приемлемости результатов измерений в условиях воспроизводимости используют специально отобранные пробы.
12.3 Приемлемость результатов анализа, полученных в двух лабораториях, оценивают сравнением разности этих результатов с критической разностью CD0,95 по формуле
Xср1 - Xср2 <= CD0,95, (16)
где Xср1, Xср2 - среднеарифметические значения массовой доли метанола, %, в пробе КГС, ШФЛУ, СУГ или других нефтепродуктов, полученные в первой и второй лабораториях;
CD0,95 - значение критической разности для массовой доли метанола, %, вычисляемое по формуле

, (17)
где

,

- показатели повторяемости и воспроизводимости, %, приведенные в
таблице 3;
n1, n2 - число единичных результатов (параллельных определений) в первой и второй лабораториях;
Xср1,2 - среднеарифметическое значение массовой доли метанола в КГС, ШФЛУ, СУГ или других нефтепродуктах, %, вычисляемое по формуле

. (18)
13 Требования безопасности
13.1 Углеводороды, входящие в состав КГС, ШФЛУ и СУГ, по токсикологической характеристике относят к веществам класса опасности 4, а метанол - к токсичным веществам класса опасности 3 в соответствии с
ГОСТ 12.1.007.
13.1.1 Пары КГС, ШФЛУ и СУГ оказывают вредное воздействие на центральную нервную систему, вызывают раздражение кожного покрова, слизистых оболочек глаз и верхних дыхательных путей.
13.1.2 СУГ, попадая на тело человека, вызывают обморожение, напоминающее ожог.
13.1.3 Метанол обладает политропным действием с преимущественным воздействием на нервную систему, печень и почки. Обладает выраженным кумулятивным эффектом. Представляет опасность, вплоть до смертельного исхода, при проглатывании. Правила работы с метанолом приведены в санитарных
правилах [10].
13.2 ПДК углеводородов алифатических предельных C
2 - C
10 (в пересчете на углерод) - 900/300 мг/м
3 (максимальная разовая/среднесменная). ПДК метанола в воздухе рабочей зоны - 5 мг/м
3 по
ГОСТ 12.1.005 и гигиеническим
нормативам [11].
| ИСО 6975:1997 | Газ природный. Расширенный анализ. Метод газовой хроматографии |
ISO 6975:1997 | (Natural gas - Extended analysis - Gas-chromatographic method) |
| ОСТ 64-2-71-80 | Банки и флаконы из стекломассы с винтовой горловиной. Типы и размеры |
| ТУ 0271-135-31323949-2005 | Гелий газообразный (сжатый). Технические условия |
| ТУ 301-07-27-91 | Водород газообразный высокой чистоты. Технические условия |
| ТУ 6-02-1244-83 | Петролейный эфир |
| ТУ 6-09-3375-78 | Гексан "чистый" |
| АСТМ Д 4052-96 | Стандартный метод определения плотности и относительной плотности жидкостей цифровым плотномером |
ASTM D 4052-96 | (Standard test method for density and relative density of liquids by digital density meter) |
| АСТМ Д 5002-99 | Стандартный метод определения плотности и относительной плотности сырой нефти цифровым анализатором плотности |
ASTM D 5002-99 | (Standard test method for density and relative density of crude oils by digital density analyzer) |
| Рекомендации по межгосударственной стандартизации РМГ 76-2004 | Государственная система обеспечения единства измерений. Внутренний контроль качества результатов количественного химического анализа |
| Общие санитарные правила при работе с метанолом от 18 июля 1986 г. N 4132-86 |
| | Предельно допустимые концентрации (ПДК) вредных веществ в воздухе рабочей зоны |
УДК 661.715:543.544.33:006.354 | |
Ключевые слова: стабильный газовый конденсат, широкая фракция легких углеводородов, сжиженные углеводородные газы, определение метанола, метод газовой хроматографии |