Главная // Актуальные документы // ГОСТ Р (Государственный стандарт)СПРАВКА
Источник публикации
М.: ФГБУ "Институт стандартизации", 2023
Примечание к документу
Документ
введен в действие с 01.12.2023.
Название документа
"ГОСТ Р 52082-2023. Национальный стандарт Российской Федерации. Изоляторы полимерные опорные наружной установки на напряжение 3 - 750 кВ. Общие технические условия"
(утв. и введен в действие Приказом Росстандарта от 27.10.2023 N 1261-ст)
"ГОСТ Р 52082-2023. Национальный стандарт Российской Федерации. Изоляторы полимерные опорные наружной установки на напряжение 3 - 750 кВ. Общие технические условия"
(утв. и введен в действие Приказом Росстандарта от 27.10.2023 N 1261-ст)
Утвержден и введен в действие
агентства по техническому
регулированию и метрологии
от 27 октября 2023 г. N 1261-ст
НАЦИОНАЛЬНЫЙ СТАНДАРТ РОССИЙСКОЙ ФЕДЕРАЦИИ
ИЗОЛЯТОРЫ ПОЛИМЕРНЫЕ ОПОРНЫЕ НАРУЖНОЙ УСТАНОВКИ
НА НАПРЯЖЕНИЕ 3 - 750 кВ
ОБЩИЕ ТЕХНИЧЕСКИЕ УСЛОВИЯ
Support polymeric outdoor insulators for voltage
3 - 750 kV. General specifications
ГОСТ Р 52082-2023
Дата введения
1 декабря 2023 года
1 РАЗРАБОТАН Ассоциацией разработчиков, производителей и поставщиков изоляционных устройств и материалов, арматуры и защитных устройств для электрических сетей "Электросетьизоляция" (Ассоциация "Электросетьизоляция")
2 ВНЕСЕН Техническим комитетом по стандартизации ТК 016 "Электроэнергетика"
3 УТВЕРЖДЕН И ВВЕДЕН В ДЕЙСТВИЕ
Приказом Федерального агентства по техническому регулированию и метрологии от 27 октября 2023 г. N 1261-ст
Правила применения настоящего стандарта установлены в статье 26 Федерального закона от 29 июня 2015 г. N 162-ФЗ "О стандартизации в Российской Федерации". Информация об изменениях к настоящему стандарту публикуется в ежегодном (по состоянию на 1 января текущего года) информационном указателе "Национальные стандарты", а официальный текст изменений и поправок - в ежемесячном информационном указателе "Национальные стандарты". В случае пересмотра (замены) или отмены настоящего стандарта соответствующее уведомление будет опубликовано в ближайшем выпуске ежемесячного информационного указателя "Национальные стандарты". Соответствующая информация, уведомление и тексты размещаются также в информационной системе общего пользования - на официальном сайте Федерального агентства по техническому регулированию и метрологии в сети Интернет (www.rst.gov.ru)
Настоящий стандарт распространяется на полимерные опорные изоляторы наружной установки с кремнийорганической защитной оболочкой (далее - изоляторы), предназначенные для изоляции и крепления токоведущих частей в электрических аппаратах, распределительных устройствах электрических станций и подстанций переменного тока напряжением 3 - 750 кВ частотой 50 и 60 Гц, расположенных на высоте до 1000 м над уровнем моря в районах со степенью загрязнения I - IV по
ГОСТ 9920, а также - на воздушных линиях электропередачи переменного тока для крепления технологических спусков, соединительных муфт и в системах плавки гололеда.
В настоящем стандарте использованы нормативные ссылки на следующие стандарты:
ГОСТ 9.307 Единая система защиты от коррозии и старения. Покрытия цинковые горячие. Общие требования и методы контроля
ГОСТ 12.2.007.0 Система стандартов безопасности труда. Изделия электротехнические. Общие требования безопасности
ГОСТ 12.2.007.3 Система стандартов безопасности труда. Электротехнические устройства на напряжение свыше 1000 В. Требования безопасности
ГОСТ 982 Масла трансформаторные. Технические условия
ГОСТ 1033 Смазка солидол жировой. Технические условия
ГОСТ 1516.2 Электрооборудование и электроустановки переменного тока на напряжение 3 кВ и выше. Общие методы испытаний электрической прочности изоляции
ГОСТ 2991 Ящики дощатые неразборные для грузов массой до 500 кг. Общие технические условия
ГОСТ 5959 Ящики из листовых древесных материалов неразборные для грузов массой до 200 кг. Общие технические условия
ГОСТ 6267 Смазка ЦИАТИМ-201. Технические условия
ГОСТ 6433.3 Материалы электроизоляционные твердые. Методы определения электрической прочности при переменном (частоты 50 Гц) и постоянном напряжении
ГОСТ 9142 Ящики из гофрированного картона. Общие технические условия
ГОСТ 9396 Ящики деревянные многооборотные. Общие технические условия
ГОСТ 9920 (МЭК 694-80, МЭК 815-86) Электроустановки переменного тока на напряжение от 3 до 750 кВ. Длина пути утечки внешней изоляции
ГОСТ 10390 Электрооборудование на напряжение свыше 3 кВ. Методы испытаний внешней изоляции в загрязненном состоянии
ГОСТ 15150 Машины, приборы и другие технические изделия. Исполнения для различных климатических районов. Категории, условия эксплуатации, хранения и транспортирования в части воздействия климатических факторов внешней среды
ГОСТ 15543.1 Изделия электротехнические и другие технические изделия. Общие требования в части стойкости к климатическим внешним воздействующим факторам
ГОСТ 15846 Продукция, отправляемая в районы Крайнего Севера и приравненные к ним местности. Упаковка, маркировка, транспортирование и хранение
ГОСТ 17512 Электрооборудование и электроустановки на напряжение 3 кВ и выше. Методы измерения при испытаниях высоким напряжением
ГОСТ 18251 Лента клеевая на бумажной основе. Технические условия
ГОСТ 20074 Электрооборудование и электроустановки. Метод измерения характеристик частичных разрядов
ГОСТ 20419 Материалы керамические электротехнические. Классификация и технические требования
ГОСТ 20477 Лента полиэтиленовая с липким слоем. Технические условия
ГОСТ 22261 Средства измерений электрических и магнитных величин. Общие технические условия
ГОСТ 23216 Изделия электротехнические. Хранение, транспортирование, временная противокоррозионная защита, упаковка. Общие требования и методы испытаний
ГОСТ 23706 (МЭК 51-6-84) Приборы аналоговые показывающие электроизмерительные прямого действия и вспомогательные части к ним. Часть 6. Особые требования к омметрам (приборам для измерения полного сопротивления) и приборам для измерения активной проводимости
ГОСТ 24054 Изделия машиностроения и приборостроения. Методы испытаний на герметичность. Общие требования
ГОСТ 25073 Изоляторы керамические опорные на напряжение свыше 1000 В для работы на открытом воздухе. Типы, основные параметры и размеры
ГОСТ 26093 Изоляторы керамические. Методы испытаний
ГОСТ 26196 (МЭК 437-73) Изоляторы. Метод измерения индустриальных радиопомех
ГОСТ 28210 (МЭК 68-2-17-78) Основные методы испытаний на воздействие внешних факторов. Часть 2. Испытания. Испытание Q: Герметичность
ГОСТ 28779 (МЭК 707-81) Материалы электроизоляционные твердые. Методы определения воспламеняемости под воздействием источника зажигания
ГОСТ OIML R 76-1 Государственная система обеспечения единства измерений. Весы неавтоматического действия. Часть 1. Метрологические и технические требования. Испытания
ГОСТ Р 9.316 Единая система защиты от коррозии и старения. Покрытия термодиффузные цинковые. Общие требования и методы контроля
| | ИС МЕГАНОРМ: примечание. В официальном тексте документа, видимо, допущена опечатка: стандарт "Система разработки и постановки продукции на производство. Испытания и приемка выпускаемой продукции. Основные положения" имеет номер ГОСТ 15.309, а не ГОСТ Р 15.309. | |
ГОСТ Р 15.309 Система разработки и постановки продукции на производство. Испытания и приемка выпускаемой продукции. Основные положения
ГОСТ Р 50779.12 Статистический контроль качества. Методы случайного отбора выборок штучной продукции
ГОСТ Р 51177 Арматура линейная. Общие технические требования
ГОСТ Р 51369 Методы испытаний на стойкость к климатическим внешним воздействующим факторам машин, приборов и других технических изделий. Испытания на воздействие влажности
ГОСТ Р 55194 Электрооборудование и электроустановки переменного тока на напряжение от 1 до 750 кВ. Общие методы испытаний электрической прочности изоляции
ГОСТ Р 55195 Электрооборудование и электроустановки переменного тока на напряжение от 1 до 750 кВ. Требования к электрической прочности изоляции
Примечание - При пользовании настоящим стандартом целесообразно проверить действие ссылочных стандартов в информационной системе общего пользования - на официальном сайте Федерального агентства по техническому регулированию и метрологии в сети Интернет или по ежегодному информационному указателю "Национальные стандарты", который опубликован по состоянию на 1 января текущего года, и по выпускам ежемесячного информационного указателя "Национальные стандарты" за текущий год. Если заменен ссылочный стандарт, на который дана недатированная ссылка, то рекомендуется использовать действующую версию этого стандарта с учетом всех внесенных в данную версию изменений. Если заменен ссылочный стандарт, на который дана датированная ссылка, то рекомендуется использовать версию этого стандарта с указанным выше годом утверждения (принятия). Если после утверждения настоящего стандарта в ссылочный стандарт, на который дана датированная ссылка, внесено изменение, затрагивающее положение, на которое дана ссылка, то это положение рекомендуется применять без учета данного изменения. Если ссылочный стандарт отменен без замены, то положение, в котором дана ссылка на него, рекомендуется применять в части, не затрагивающей эту ссылку.
В настоящем стандарте применены следующие термины с соответствующими определениями:
3.1 адгезия: Значение силы отрыва (отслаивания, сдвига) защитной оболочки от изоляционного тела.
3.2 арматура изолятора: Фланцы (оконцеватели) и экранная арматура.
3.3 воспламеняемость: Способность материала гореть с образованием пламени.
3.4 вспучивание: Локальное или протяженное увеличение диаметра защитной оболочки с отслаиванием ее от изоляционного тела.
3.5 защитная оболочка: Оболочка, защищающая изоляционное тело от атмосферных воздействий и обеспечивающая необходимую длину пути утечки внешней изоляции.
3.6 изоляционная часть: Элемент, несущий механическую и электрическую нагрузки и состоящий из изоляционного тела, как правило, покрытого снаружи защитной оболочкой.
3.7 изоляционное тело: Стержень, труба, изготавливаемые из композитного изоляционного материала, как правило, стеклопластика (смолы, армированной стекловолокнами), или монолитная отливка из полимерных материалов.
3.8 контрольные испытания: Дополнительные испытания, позволяющие выявить повреждения, полученные при предыдущих испытаниях (воздействиях).
3.9 критические электрические повреждения: Трек общей длиной 1/3 длины пути утечки изолятора (или более 10 см), электрическая эрозия или трещины глубиной свыше 30% минимальной толщины защитной оболочки, вспучивание и отслаивание защитной оболочки или пробой.
3.10 макет (изолятора): Изолятор, изготовленный из тех же материалов и в тех же технологических условиях, что и изоляторы контролируемой партии, отличающийся только уменьшенной длиной изоляционной части при сохранении ее конфигурации.
Примечание - Минимальная длина макета - 0,5 м.
3.11 механическое повреждение: Пластическая деформация, разрушение ребер, нарушение целостности, вспучивание, отслаивание защитной оболочки, пластическая деформация фланцев, деформация или сползание экранов.
3.12 механическое разрушение: Полная потеря механической прочности; появление при испытаниях внутренних (не видимых снаружи) повреждений, сопровождающихся треском и остановкой (снижением) показаний измерительного прибора.
3.13 модификация изоляторов: Изменения в конструктивном исполнении изоляторов, связанные с изменением присоединительных и габаритных размеров, изменением конфигурации изоляционной части, изменением типа материала, технологии изготовления, изменением значения нормированного испытательного напряжения грозового импульса или других нормированных показателей, не указываемых в обозначении типа изолятора.
3.14 нормированная механическая разрушающая сила: Нормированное значение (не менее) изгибающей, крутящей, сжимающей или растягивающей силы, которую изолятор должен выдерживать без механических повреждений и разрушений.
3.15 облой: Часть изоляционного материала защитной оболочки, выступающая над ее поверхностью по линии разъема формы.
3.16 отказ изолятора: Механическое разрушение и/или критическое электрическое повреждение изолятора, приводящее к потере его работоспособности.
3.17 отслаивание: Отсутствие адгезии между изоляционным телом и защитной оболочкой.
3.18 пластическая (необратимая остаточная) деформация: Невозвращение свободного конца изолятора в первоначальное положение после снятия механической силы (изгиб или кручение).
3.19 поверхность раздела: Поверхность между соприкасающимися элементами изолятора (изоляционное тело и защитная оболочка, изоляционное тело и фланцы, защитная оболочка и фланцы и т.п.).
3.20 полимерные материалы: Материалы, целиком состоящие из полимера, либо композиционные материалы - многокомпонентные материалы, состоящие из полимерной основы (матрицы), армированной наполнителями, обладающими высокой прочностью, жесткостью, негорючестью и другими свойствами, придающими композиционному материалу необходимые эксплуатационные качества, недостижимые в случае применения полимера, не содержащего наполнителей.
3.21 полимерный опорный изолятор: Электротехническое устройство, используемое для крепления токоведущих частей в распределительных устройствах, состоящее из изоляционной части, выполненной из полимерных материалов, и металлической арматуры.
3.22 пробой: Неполный или полный электрический разряд внутри изоляционной части (в полости трубчатого изоляционного тела, в материале изоляционного тела или по границам раздела изоляционного тела и защитной оболочки).
3.23 прогиб: Перемещение свободного конца изолятора относительно его оси под действием внешней механической силы при отсутствии пластической деформации.
3.24 пузырь: Воздушное включение в изоляционной части.
3.25 раковина: Выемка на поверхности защитной оболочки, обусловленная, как правило, недостатками технологии изготовления изоляторов.
3.26 ребро изолятора: Кольцевой или винтовой выступ на теле изолятора, предназначенный для увеличения длины пути утечки с целью повышения электрических характеристик изолятора.
Примечание - Ребро кольцевой формы известно также как юбка изолятора.
3.27 свободный конец: Незакрепленный при испытаниях конец изолятора, к которому прикладывается механическая сила.
3.28 скол: Механическое разрушение части ребра защитной оболочки.
3.29 степень загрязнения: Характеристика, отражающая степень влияния загрязненности атмосферы на работу изоляции электроустановок.
3.30 существенные электрические повреждения: Трещины, местная электрическая эрозия, трек общей длиной более 0,1 длины пути утечки изолятора (или более 3 см).
3.31 трек: Невосстанавливаемая проводящая электрический ток науглероженная дорожка (побег), вызванная разрушением поверхности защитной оболочки током утечки и электрическими разрядами.
3.32 трекингоэрозионная стойкость: Устойчивость изолятора к образованию треков и электрической эрозии на поверхности изоляционной части или по границам раздела полимерных материалов изоляционной части.
3.33 угол закручивания: Угол, на который поворачивается относительно своей оси свободный конец изолятора под воздействием приложенного к нему крутящего момента.
3.34 чистый изолятор: Изолятор, на наружной поверхности изоляционной части которого отсутствуют жировые и иные загрязнения.
3.35 эксцентриситет оси изолятора: Отклонение оси изолятора от номинального положения, измеряемое на уровне плоскости верхнего фланца в миллиметрах.
3.36 электрическая эрозия: Непроводящее электрический ток разрушение поверхности защитной оболочки, происходящее в результате утраты материала, вызванной токами утечки и электрическими разрядами.
Примечание - По характеру эрозионного разрушения различают равномерную и местную (пятнами, сквозную и подповерхностную) эрозию.
4 Классификация, основные параметры и размеры
4.1 Тип изолятора определяется видом конструкции, материалом защитной оболочки, классом напряжения, нормированной механической разрушающей силой на изгиб, максимальной степенью загрязнения, при которой может применяться изолятор, габаритными и присоединительными размерами, климатическим исполнением и категорией размещения.
4.2 Условное обозначение типа изолятора состоит из букв и цифр, которые означают:
О - опорный;
С, Т, Л и др. - стержневое, трубчатое, литое и другое исполнение изоляционного тела;
К - материал защитной оболочки - кремнийорганическая композиция;
20 - 110; 20 - 220 и т.д. - значение нормированной механической разрушающей силы на изгиб в кН; и (после тире), класс напряжения, кВ;
А, Б и т.д. - индекс модификации изолятора;
xxxx - модификация присоединительных размеров;
1 - 4 - максимальная степень загрязнения, соответствующая I - IV степени загрязнения по
ГОСТ 9920, при которой может применяться изолятор;
1 - категория размещения по
ГОСТ 15150 - для эксплуатации на открытом воздухе.
Пример условного обозначения опорного изолятора стержневого исполнения с защитной оболочкой из кремнийорганической композиции с нормированной механической разрушающей силой на изгиб 5 кН, на класс напряжения 110 кВ, модификации А, для работы в районах со степенью загрязнения II по
ГОСТ 9920, климатического исполнения УХЛ, категории размещения 1 по
ГОСТ 15150 при заказе и в нормативной документации:
ОСК 5-110-А-2 УХЛ1 _____________ (обозначение нормативного документа)
То же, трубчатого исполнения с защитной оболочкой из кремнийорганической композиции с нормированной механической разрушающей силой на изгиб 10 кН на класс напряжения 35 кВ, модификации Б, для работы в районах со степенью загрязнения III по
ГОСТ 9920, климатического исполнения У, категории размещения 1 по
ГОСТ 15150 при заказе и в нормативной документации:
ОТК 10-35-Б-3 У1 _____________ (обозначение нормативного документа)
4.3 Основные параметры, размеры и предельные отклонения от них, масса изоляторов должны быть указаны в технических условиях и конструкторской документации на изоляторы конкретных типов.
Изоляторы должны иметь габаритные и установочные размеры в соответствии с ГОСТ 25073.
4.4 Длина пути утечки изоляторов должна соответствовать
ГОСТ 9920.
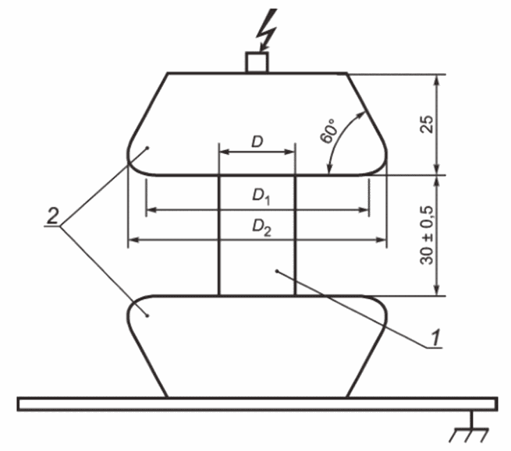
4.5 Максимальные значения допусков на параллельность торцевых поверхностей фланцев, эксцентриситет оси изолятора, а также на угловое отклонение крепежных отверстий фланцев изоляторов должны составлять:
а) параллельность, измеряемая на диаметре 250 мм:
- для H не более 1000 мм - 0,5 мм;
- для H свыше 1000 мм - 0,0005H мм, где H - высота изолятора, мм;
б) эксцентриситет - 2(1 + 0,001H), мм, где H - высота изолятора, мм;
в) угловое отклонение - 2° по (против) часовой стрелке(и), но не более 3 мм.
5 Общие технические требования
Изоляторы следует изготавливать в соответствии с требованиями настоящего стандарта, технических условий и конструкторской документацией на изоляторы конкретных типов.
5.1 Требования назначения
5.1.1 Механическая разрушающая сила на изгиб, приложенная к свободному концу изолятора, при нормальных атмосферных условиях должна быть не ниже значения нормированной механической разрушающей силы, указанного в технических условиях на изолятор, которое следует выбирать из ряда: 2; 3; 4; 5; 6; 8; 10; 12,5; 16; 20; 30 кН.
5.1.2 Механический разрушающий крутящий момент, приложенный к свободному концу изолятора при нормальных атмосферных условиях должен быть не ниже значения, нормированного механического разрушающего крутящего момента, указанного в технических условиях на изолятор, которое следует выбирать из ряда: 0,1; 0,2; 0,3; 0,6; 0,8; 1,0; 1,2; 1,5; 1,8; 2,0; 2,5; 3,5; 4,0; 5,0; 10,0; 20,0 кН·м.
5.1.3 Механическая разрушающая сила на растяжение или сжатие при нормальных атмосферных условиях для изоляторов, работающих при указанных нагрузках, должна быть не ниже нормированных значений, указанных в технических условиях на изоляторы конкретного типа.
5.1.4 Изоляторы должны выдерживать без механических повреждений в течение 1 мин воздействие испытательной силы на изгиб, равной 50% от нормированной механической разрушающей силы на изгиб. При воздействии этой нагрузки прогиб изоляторов не должен превышать значений, указанных в технических условиях на изоляторы конкретного типа.
5.1.5 Изоляторы, работающие на кручение, должны выдерживать без механических повреждений в течение не менее 1 мин воздействие испытательного крутящего момента, равного 30% от нормированного механического разрушающего крутящего момента. Угол закручивания изоляторов при воздействии этой нагрузки не должен превышать значений, указанных в технических условиях на изоляторы конкретного типа.
5.1.6 Изоляторы должны выдерживать без механических повреждений в течение не менее 1 мин воздействие испытательной силы на растяжение, равной 50% от нормированной механической разрушающей силы на растяжение, установленной в технических условиях на изоляторы, но не менее 10 кН.
5.1.7 Прогиб изоляторов при приложении к ним изгибающей силы, равной 60% от нормированной механической разрушающей изгибающей силы, при нормальных атмосферных условиях должен быть не менее нормированного значения, указанного в технических условиях на изоляторы конкретного типа. Угол закручивания изоляторов, работающих на кручение, при приложении к ним крутящего момента, равного 40% от нормированного механического разрушающего крутящего момента, при нормальных атмосферных условиях необходимо указывать в технических условиях на изоляторы конкретного типа. Указанные нагрузки изоляторы должны выдерживать без механических повреждений.
5.1.8 Значения номинальных напряжений (классов напряжения) следует выбирать из ряда: 3; 6; 10; 15; 20; 24; 35; 110; 150; 220; 330; 500; 750 кВ.
5.1.9 Электрические испытательные напряжения изоляторов в сухом состоянии и под дождем должны соответствовать значениям, приведенным в
таблице 1.
Таблица 1
Нормированные значения электрических испытательных
напряжений изоляторов
В киловольтах
Класс напряжения | Испытательное напряжение полного грозового импульса | Испытательное переменное кратковременное напряжение | 50%-ное разрядное переменное напряжение при искусственном загрязнении |
в сухом состоянии | под дождем |
3 | 40 | 24 | 10 | 5 |
6 | 60 | 32 | 20 | 8 |
10 | 75 | 42 | 28 | 13 |
15 | 95 | 55 | 38 | 20 |
20 | 125 | 65 | 50 | 26 |
24 | 150 | 75 | 60 | 32 |
35 | 190 | 95 | 80 | 42 |
110 | 450 | 230 | 230 | 110 |
150 | 650 | 300 | 300 | 150 |
220 | 950 | 440 | 440 | 220 |
330 | 1175 | 510 | - | 315 |
500 | 1550 | 680 | - | 460 |
750 | 2100 | 950 | - | 685 |
5.1.10 Пятидесятипроцентное разрядное переменное напряжение изоляторов при искусственном загрязнении и увлажнении их поверхности должно быть не менее нормированного значения, указанного в
таблице 1, при удельной поверхностной проводимости слоя загрязнения, указанной в
таблице 2, в зависимости от степени загрязнения по
ГОСТ 9920 в районе применения изоляторов.
Таблица 2
Нормированная удельная поверхностная проводимость слоя
загрязнения при испытании электрической прочности изоляторов
в условиях загрязнения и увлажнения в зависимости от степени
Степень загрязнения | I | II | III | IV |
Удельная поверхностная проводимость, мкСм, не менее | 5 +/- 1 | 10 +/- 2 | 20 +/- 3 | 30 +/- 5 |
5.1.11 На изоляторах классов напряжения 110 - 750 кВ при напряжении, составляющем

от наибольшего рабочего напряжения
Uн.р по
ГОСТ Р 55195, видимая корона должна отсутствовать.
5.1.12 На изоляторах классов напряжения 3 - 35 кВ при напряжении 1,1
Uн.р и классов напряжения 110 - 750 кВ при напряжении

уровень радиопомех не должен превышать 54 дБ (500 мкВ).
5.2 Требования стойкости к внешним воздействующим факторам
5.2.1 Изоляторы должны быть устойчивыми к воздействию климатических факторов внешней среды, и их следует изготавливать в климатических исполнениях У и УХЛ, категории размещения 1 по
ГОСТ 15150. Номинальные значения климатических факторов - по
ГОСТ 15543.1 и
ГОСТ 15150.
5.2.2 Изоляторы исполнения У при охлаждении до температуры минус (45 +/- 2) °C и при нагреве до (55 +/- 2) °C, изоляторы исполнения УХЛ при охлаждении до температуры минус (60 +/- 2) °C и при нагреве до (55 +/- 2) °C должны выдерживать без механических повреждений воздействие нормированной механической разрушающей изгибающей силы.
5.2.3 Изоляторы исполнения У при охлаждении до температуры минус (45 +/- 2) °C и при нагреве до (55 +/- 2) °C, изоляторы исполнения УХЛ при охлаждении до температуры минус (60 +/- 2) °C и при нагреве до (55 +/- 2) °C должны выдерживать без механических повреждений воздействие нормированного механического разрушающего крутящего момента.
5.2.4 Изоляторы исполнения У должны быть термомеханически прочными при температуре от минус (50 +/- 2) °C до плюс (50 +/- 2) °C при воздействии изгибающей силы, равной 60% нормированной механической разрушающей изгибающей силы. Изоляторы исполнения УХЛ должны быть термомеханически прочными при температуре от минус (60 +/- 2) °C до плюс (50 +/- 2) °C при воздействии изгибающей силы, равной 60% нормированной механической разрушающей изгибающей силы.
5.2.5 Изоляторы должны быть трекингоэрозионностойкими.
5.2.6 Изоляторы должны быть дугостойки в режимах испытаний, указанных в
таблице 3.
Таблица 3
Параметры испытаний на дугостойкость
Класс напряжения, кВ | Количество испытуемых изоляторов, шт. | Количество испытаний на каждом изоляторе | Ток дуги, кА | Длительность воздействия, с |
3 | - | - | - | - |
6 - 35 | 3 | 2 | 5,0 +/- 0,5 | 0,5 +/- 0,02 |
110 - 750 | 3 | 2 | 20,0 +/- 1,5 | 0,2 +/- 0,01 |
5.2.7 Испытания на надежность изоляторов при воздействиях, имитирующих климатические, механические и электрические эксплуатационные нагрузки, рекомендуется проводить согласно методике, приведенной в
приложении А настоящего стандарта. По требованию потребителя необходимость проведения испытаний на надежность должна быть указана в технических условиях на изоляторы конкретного типа.
5.3 Требования к конструкции и составным частям
5.3.1 Изоляторы класса напряжения до 35 кВ включительно, у которых длина кратчайшего пути пробоя через изоляционный материал составляет меньше половины внешнего разрядного расстояния между металлической арматурой, должны иметь пробивное напряжение не менее нормированного значения, указанного в технических условиях на изоляторы конкретного типа.
5.3.2 Уровень частичных разрядов в изоляторах классов напряжения 3 - 35 кВ при напряжении 1,1
Uн.р не должен превышать 10
-11 Кл и 2·10
-11 Кл - для изоляторов классов напряжения 110 - 750 кВ при напряжении

.
5.3.3 Изоляторы должны быть стойкими к проникновению воды.
5.3.4 Изоляторы должны быть стойкими к диффузии воды в изоляционное тело.
5.3.5 Изоляторы должны быть стойкими к проникновению красящей жидкости в изоляционное тело.
5.3.6 Адгезия защитной оболочки к изоляционному телу должна быть при испытаниях методом отрыва не менее 150 Н/см
2, методом сдвига - не менее 200 Н/см
2, методом отслаивания - не менее 10 Н/см.
5.3.7 Защитная оболочка изолятора должна быть отлита непосредственно на изоляционном теле. Для изоляторов на номинальное напряжение до 35 кВ включительно допускается приклеивание или отливка ребер на предварительно обрезиненное методом литья или экструзии изоляционное тело. Поверхность защитной оболочки изоляторов должна быть гладкой без пузырей, раковин, сколов глубиной более 1 мм и площадью более 25 мм
2, трещин, вспучивания, облоя, выступающего над поверхностью более чем на 1 мм, вкрапления гранул красителя и других материалов. Не допускается наличие щелей между защитной оболочкой и фланцами, отслоения защитной оболочки от фланцев.
5.3.8 Гидрофобность защитной оболочки должна соответствовать классу 1 или 2
(приложение Б).
5.3.9 Арматура изоляторов должна соответствовать
ГОСТ Р 51177. Конструкция фланцев изоляторов и экранов не должна иметь углублений, приводящих к скапливанию воды. Острые кромки и заусенцы не допускаются.
5.3.10 Качество антикоррозионного защитного покрытия арматуры должно соответствовать
ГОСТ 9.307,
ГОСТ Р 9.316. Антикоррозионное защитное покрытие должно быть рассчитано на полный срок эксплуатации изоляторов. При горячем цинковом покрытии арматуры из черных сплавов толщина цинкового покрытия должна быть не менее 70 мкм, при термодиффузионном - не менее 45 мкм. На арматуру из нержавеющей стали защитное покрытие может не наноситься.
5.3.11 Электрическая прочность изоляционного тела при переменном напряжении вдоль оси изолятора, а для трубчатых - вдоль и поперек оси изолятора должна быть не менее 40 кВ/см (при испытаниях на образцах высотой или толщиной - при испытании труб поперек волокон - 10 мм).
5.3.12 Напряжение погасания частичных разрядов в материале изоляционного тела вдоль оси изолятора должно быть не менее 20 кВ на образце высотой 1 см.
5.3.13 Изоляторы, имеющие трубчатое изоляционное тело, внутренняя полость которого заполнена газовой изоляционной средой под давлением выше 0,05 МПа, должны выдерживать испытание двукратным рабочим давлением в течение 5 мин без повреждений.
5.3.14 Изоляторы, имеющие трубчатое изоляционное тело, внутренняя полость которого заполнена газовой изоляционной средой под давлением выше 0,05 МПа, должны выдерживать испытание на герметичность.
5.3.15 Для изоляторов, имеющих трубчатое изоляционное тело, внутренняя полость которого заполнена газовой изоляционной средой под давлением выше 0,05 МПа, скорость утечки изоляционного газа не должна превышать объемную долю 0,75% в год.
5.3.16 Изоляторы, имеющие трубчатое изоляционное тело, внутренняя полость которого заполнена газовой изоляционной средой под давлением выше 0,05 МПа, должны выдерживать воздействие четырехкратным гидравлическим рабочим давлением в течение 5 мин без разрушения и утечек воды.
5.3.17 Изоляторы, имеющие трубчатое изоляционное тело, внутренняя полость которого не заполнена газовой изоляционной средой под давлением или другой изоляцией (жидкой или твердой), должны выдерживать испытание напряжением промышленной частоты при воздействии инея с последующим его оттаиванием в условиях разгерметизации внутренней полости.
5.4 Требования к надежности
5.4.1 Показатели, определяющие надежность изолятора в эксплуатации:
- интенсивность (среднегодовой уровень) отказов.
Интенсивность отказов A выбирают из ряда: 0,000001; 0,000005; 0,00001; 0,00005; 0,0001 1/год;
- вероятность безотказной работы.
Вероятность безотказной работы P вычисляют по формуле
P(t) = 1 - At, (1)
где t - время с начала эксплуатации, год.
Нормированное значение A должно быть указано в технических условиях на изолятор конкретного типа в зависимости от условий эксплуатации.
5.4.2 Гамма-процентный срок службы изоляторов с вероятностью 0,996 - не менее 40 лет.
5.5.1 Маркировка должна быть нанесена на видном месте изолятора способом, обеспечивающим ее сохранность в течение всего срока эксплуатации, и должна содержать:
- условное обозначение типа изолятора;
- наименование или товарный знак изготовителя;
- год изготовления (две последние цифры);
- заводской номер изолятора (для изоляторов классов напряжения 110 кВ и выше - обязательно, для изоляторов классов напряжения 3 - 35 кВ - рекомендуется).
5.5.2 Место нанесения маркировки устанавливают в конструкторской документации на изоляторы конкретного типа.
5.5.3 Транспортную маркировку необходимо выполнять по
ГОСТ 14192 с нанесением манипуляционного знака "Хрупкое. Осторожно".
5.6 Комплектность
В комплект поставки должны входить:
- изолятор (партия изоляторов);
- паспорт на каждый изолятор классов напряжения 110 - 750 кВ или на каждую партию изоляторов классов напряжения до 35 кВ включительно, отправляемую в один адрес;
- руководство по эксплуатации;
- сертификат качества и/или свидетельство о приемке на партию изоляторов, поставляемых в один адрес.
5.7 Упаковка
5.7.1 Изоляторы должны быть упакованы в деревянную тару по
ГОСТ 9396,
ГОСТ 2991. Допускается упаковка изоляторов в ящики из листовых древесных материалов по
ГОСТ 5959, при этом для изоляторов классов напряжения 110 кВ и выше тара должна быть индивидуальной. Изоляторы классов напряжения до 35 кВ включительно допускается упаковывать в картонную тару по
ГОСТ 9142.
Сочетание категории упаковки с исполнением по прочности должно соответствовать

по
ГОСТ 23216.
5.7.2 Сочетание вида транспортной тары с типом внутренней упаковки выбирают по
ГОСТ 23216 в зависимости от условий транспортирования и хранения.
5.7.3 Изоляторы внутри упаковки должны быть закреплены таким образом, чтобы при транспортировании и хранении обеспечить сохранность изоляционной части и экранной арматуры. Изоляционные части изоляторов не должны соприкасаться с арматурой других изоляторов.
5.7.4 Консервацию резьбы арматуры изоляторов выполняют солидолом по
ГОСТ 1033. Допускается применение смазки ЦИАТИМ-201 по
ГОСТ 6267 для изоляторов всех климатических исполнений. Консервацию резьбы арматуры из алюминиевых сплавов допускается не выполнять.
5.7.5 Эксплуатационную и сопроводительную документацию следует вложить в герметичный двойной пакет из полиэтиленовой пленки толщиной не менее 0,1 мм. Пакет с документацией размещают внутри ящика. Ящик, в который вложена документация, должен быть помечен.
6 Требования безопасности
Изоляторы должны быть стойкими к воспламеняемости. Класс воспламеняемости материала защитной оболочки должен быть не ниже FV(ПВ)0 по
ГОСТ 28779.
| | ИС МЕГАНОРМ: примечание. В официальном тексте документа, видимо, допущена опечатка: имеется в виду ГОСТ 15.309, а не ГОСТ Р 15.309. | |
Для проверки соответствия изоляторов требованиям настоящего стандарта в соответствии с
ГОСТ Р 15.309 устанавливают следующие виды испытаний: приемо-сдаточные, квалификационные (приемочные), периодические, типовые.
7.1 Приемо-сдаточные испытания
7.1.1 Изоляторы предъявляют к приемке партиями. Партия должна состоять из изоляторов одного типа, изготовленных на одном предприятии в одинаковых технологических условиях из одной партии исходного сырья и сопровождаемых одним документом о качестве.
Объем партии должен быть от 10 до 1000 штук. Допускается контролировать партии с меньшим объемом.
Отбор изоляторов в выборку осуществляют по
ГОСТ Р 50779.12 методом отбора "вслепую".
7.1.2 Приемо-сдаточные испытания каждой партии следует проводить по показателям и в объеме, указанным в
таблицах 4 и
5.
Таблица 4
Программа приемо-сдаточных испытаний
Наименование показателя | Объем выборки | Номер пункта настоящего стандарта | Дополнительное указание |
технических требований | методов испытаний |
1 Качество поверхности, соответствие маркировки | 100% | | | - |
2 Масса, габаритные и присоединительные размеры, соответствие расположения арматуры | | | | - |
3 Качество и толщина антикоррозионного покрытия арматуры | | | | - |
4 Испытательная сила на растяжение или кручение в течение 1 мин | 100% | | | Используется только один вид нагрузки |
5 Определение уровня частичных разрядов | 100% | | | - |
6 Испытательное переменное кратковременное напряжение в сухом состоянии | 100% | | | Только для изоляторов классов напряжения до 35 кВ включительно |
7 Стойкость к двукратному рабочему давлению | 100% | | | Только для трубчатых изоляторов, с газовой изоляционной средой под давлением |
8 Герметичность внутренней полости | 100% | | |
9 Адгезия оболочки к изоляционному телу | 1 шт. | | | - |
10 Стойкость к проникновению красящей жидкости | 1 шт. | | | - |
11 Стойкость к проникновению воды | 1 шт. | | | - |
12 Разрушающая сила на изгиб | 1 шт. | | | - |
13 Разрушающий крутящий момент | 1 шт. | | | Только для изоляторов, работающих на кручение (по требованию потребителя) |
14 Разрушающая сила на растяжение | 1 шт. | | | Только для изоляторов, работающих на растяжение (по требованию потребителя) |
15 Разрушающая сила на сжатие | 1 шт. | | | Только для изоляторов, работающих на сжатие (по требованию потребителя) |
Таблица 5
Определение объема выборки в зависимости
от объема партии
В штуках
Объем партии изоляторов | Объем выборки, не менее |
От 10 до 100 включ. | 2 |
От 101 до 500 включ. | 3 |
Св. 500 до 1000 включ. | 4 |
7.1.3 При сплошных испытаниях по
пунктам 1,
5 -
8 таблицы 4 годные изоляторы принимают, дефектные - бракуют.
7.1.4 Если при выборочных испытаниях по
пунктам 2,
3 таблицы 4 обнаружится хотя бы один дефектный изолятор, то испытания повторяют по плану сплошного контроля по тому показателю, по которому обнаружился дефектный изолятор, при этом годные изоляторы принимают, дефектные - бракуют.
7.1.5 При сплошных испытаниях по
пункту 4 таблицы 4 партию изоляторов принимают, если не обнаружено ни одного дефектного изолятора. Если обнаружен хотя бы один дефектный изолятор, партию бракуют.
7.1.6 При выборочных испытаниях по
пунктам 9 -
15 таблицы 4 партию изоляторов принимают, если не обнаружено ни одного дефектного изолятора.
7.1.7 При получении удовлетворительных результатов испытаний на всех изоляторах первой выборки партию принимают.
7.1.8 При получении неудовлетворительных результатов испытаний хотя бы на одном изоляторе первой выборки по какому-либо показателю проводят повторные испытания по этому показателю на удвоенной выборке изоляторов, отобранной от той же партии. При получении удовлетворительных результатов испытаний на всех изоляторах второй выборки партию принимают. При получении неудовлетворительных результатов испытаний хотя бы на одном изоляторе второй выборки партию бракуют.
7.1.10 Результаты приемо-сдаточных испытаний должны быть оформлены протоколом.
7.2 Квалификационные (приемочные) испытания
7.2.1 Квалификационные испытания следует проводить на установочной серии или первой промышленной партии изоляторов с целью оценки готовности изготовителя к выпуску изоляторов, соответствующих в полном объеме требованиям настоящего стандарта и технических условий на конкретный тип изолятора. Допускается засчитывать в качестве квалификационных испытаний результаты приемочных испытаний, полученные на опытных образцах, если изоляторы изготовлены по освоенной в серийном производстве технологии.
7.2.2 Квалификационные (приемочные) испытания необходимо проводить по показателям, в объеме и последовательности согласно
таблице 6.
Таблица 6
Программа квалификационных (приемочных)
и периодических испытаний
Наименование показателя | Количество образцов при испытаниях | Номер раздела, пункта настоящего стандарта | Дополнительное указание |
квалификационных (приемочных) | периодических | технических требований | методов испытаний |
1 Качество и конструкция защитной оболочки, соответствие маркировки | | | | | - |
2 Масса, габаритные и присоединительные размеры, соответствие расположения арматуры | | | | | - |
| | | | | - |
4 Качество и толщина антикоррозионного покрытия арматуры | | | | | - |
5 Испытательная сила на изгиб в течение 1 мин. Контроль прогиба при изгибе. Контроль отсутствия пластической деформации при изгибе | | | | | - |
6 Отсутствие видимой короны | | - | | | Для изоляторов классов напряжения 110 - 750 кВ |
| | - | | | - |
8 Определение уровня частичных разрядов | | | | | - |
9 Испытательное напряжение полного грозового импульса | | - | | | - |
10 Испытательное переменное кратковременное напряжение в сухом состоянии | | - | | | - |
11 Испытательное переменное кратковременное напряжение под дождем | | - | | | Для изоляторов классов напряжения 3 - 220 кВ |
12 50%-ное разрядное переменное напряжение при искусственном загрязнении | | - | | | - |
13 Пробивное напряжение | | | | | Только для изоляторов класса напряжения до 35 кВ <**> |
14 Трекингоэрозионная стойкость | | - | | | - |
15 Испытательный крутящий момент в течение 1 мин. Контроль угла закручивания. Контроль отсутствия пластической деформации при кручении | | - | | | - |
16 Угол закручивания при 40% нормированного разрушающего крутящего момента | | | | | - |
17 Испытательный крутящий момент при различных температурах | | - | | | - |
18 Разрушающий крутящий момент | | | | | - |
| | | | | - |
20 Прогиб при 60%-ной нормированной разрушающей силе на изгиб | | | | | - |
21 Испытательная сила на изгиб при различных температурах | | - | | | - |
22 Разрушающая сила на изгиб | | | | | - |
23 Разрушающая сила на растяжение | | | | | Только для изоляторов, работающих на растяжение (по требованию потребителя) |
24 Разрушающая сила на сжатие | | | | | Только для изоляторов, работающих на сжатие (по требованию потребителя) |
25 Термомеханическая прочность | | | | | - |
26 Стойкость к проникновению воды | | | | | - |
27 Стойкость к воспламеняемости | Пять образцов материала защитной оболочки | - | | | - |
28 Электрическая прочность изоляционного тела | 10 образцов от изолятора, испытанного по пункту 2 | 10 образцов от изолятора, испытанного по пункту 2 | | | - |
29 Адгезия оболочки к изоляционному телу | Пять образцов от изолятора, испытанного по пункту 2 | Пять образцов от изолятора, испытанного по пункту 2 | | | - |
30 Надежность под действием эксплуатационных и климатических факторов | | - | | | - |
31 Стойкость к проникновению красящей жидкости | 10 образцов от изолятора, испытанного по пункту 2 | 10 образцов от изолятора, испытанного по пункту 2 | | | - |
32 Дугостойкость | | - | | | - |
33 Диффузия воды | Шесть образцов от изолятора, испытанного по пункту 2 | Шесть образцов от изолятора, испытанного по пункту 2 | | | - |
34 Напряжение погасания частичных разрядов в материале изоляционного тела | Пять образцов от изолятора, испытанного по пункту 2 | - | | | - |
| | - | | | Только для трубчатых изоляторов, с газовой изоляционной средой под давлением |
36 Стойкость к воздействию четырехкратного рабочего давления | | - | | |
37 Стойкость к воздействию инея с последующим его оттаиванием в условиях разгерметизации внутренней полости | | - | | | Только для трубчатых изоляторов, с газовой изоляционной средой без давления |
<*> Количество изоляторов для испытаний, указанное без скобок - минимальное, в скобках - максимальное в зависимости от требований, указанных в графе "Дополнительное указание". <**> Испытание проводят для изоляторов напряжением до 35 кВ, у которых длина кратчайшего пути пробоя через изоляционный материал составляет меньше половины внешнего разрядного расстояния между металлической арматурой. |
7.2.3 Отбор образцов в выборку выполняют по
7.1.1 из партии изоляторов, прошедших приемо-сдаточные испытания.
7.2.4 В случае предъявления на испытания изоляторов нескольких типов (модификаций) допускается засчитывать испытание, проведенное на изоляторе одного типа (модификации) для изолятора другого типа (модификации), если конструктивное отличие этого изолятора от испытанного не может влиять на результаты испытаний в отрицательную сторону. В этом случае испытанный изолятор является типопредставителем группы изоляторов, предъявленных на испытания. Обоснование выбора типопредставителей должно быть приведено в акте отбора образцов и/или в протоколе квалификационных (приемочных) испытаний.
7.2.5 Результаты квалификационных (приемочных) испытаний считают положительными, если изоляторы выдержали испытания по всем пунктам программы испытаний.
7.2.6 Результаты квалификационных (приемочных) испытаний должны быть оформлены протоколом.
7.3 Периодические испытания
7.3.1 Периодические испытания проводят для подтверждения технологической стабильности производства и возможности продолжения серийного выпуска продукции по существующей технологической и конструкторской документации. Периодичность проведения испытаний должна быть указана в технических условиях на изоляторы.
7.3.2 Периодические испытания следует проводить на изоляторах, отобранных от партии, прошедшей приемо-сдаточные испытания. Объем изоляторов в выборку - по
7.1.1.
7.3.3 Периодические испытания необходимо проводить по показателям в объеме и последовательности в соответствии с
таблицей 6.
7.3.4 Изоляторы считают выдержавшими периодические испытания, если по всем показателям получены удовлетворительные результаты испытаний.
Если обнаружен хотя бы один дефектный изолятор, проводят повторный контроль на удвоенной выборке изоляторов по тому показателю, по которому получен неудовлетворительный результат испытаний. По результатам контроля второй выборки изоляторы считают выдержавшими периодические испытания, если не обнаружено ни одного дефектного изолятора. При получении неудовлетворительных результатов повторных испытаний хотя бы на одном изоляторе приемку и отгрузку изоляторов приостанавливают до выяснения причин неудовлетворительных результатов испытаний. Периодические испытания возобновляют на изоляторах, изготовленных после внедрения в производство мероприятий, направленных на устранение выявленных результатами испытаний дефектов.
Устранение дефектов продолжают до тех пор, пока периодические испытания не дадут положительных результатов.
7.3.5 Результаты периодических испытаний должны быть оформлены протоколом. Копии протоколов предоставляют потребителю по его требованию.
7.4 Типовые испытания
7.4.1 Типовые испытания следует проводить с целью оценки эффективности и целесообразности предлагаемых изменений, вносимых в конструкцию изоляторов, рецептуру материалов или в технологический процесс их изготовления, которые могут повлиять на технические характеристики изоляторов или на соблюдение условий охраны окружающей среды.
7.4.2 Типовые испытания необходимо проводить по программе, составленной изготовителем изоляторов, по показателям, указанным в
таблице 6. Объем испытаний должен быть достаточным для оценки влияния внесенных изменений на характеристики изоляторов.
7.4.3 Результаты типовых испытаний считают удовлетворительными, если при испытаниях не обнаружено ни одного дефектного изолятора. При получении удовлетворительных результатов типовых испытаний предлагаемые изменения вносят в конструкторскую или технологическую документацию в установленном порядке.
7.4.4 При получении неудовлетворительных результатов типовых испытаний предлагаемые изменения в конструкторскую или технологическую документацию не вносят.
7.4.5 Результаты типовых испытаний должны быть оформлены протоколом. Копии протоколов предоставляют потребителю по его требованию.
8.1 Электрические испытания
8.1.1 Установки для испытания переменным напряжением в сухом состоянии и под дождем, напряжением грозового импульса должны соответствовать требованиям
ГОСТ Р 55194.
Испытательные установки для определения разрядных напряжений в загрязненном и увлажненном состоянии и параметров слоя загрязнения изоляторов должны соответствовать требованиям
ГОСТ 10390.
Установка для испытаний импульсным напряжением с крутым фронтом должна создавать импульс, амплитудное значение которого обеспечивает перекрытие изоляторов на фронте импульса; при этом разрядное напряжение Up должно быть не менее 0,3 и не более 0,9 от амплитудного значения соответствующего полного грозового импульса. Крутизну фронта K при испытании изоляторов вычисляют по формуле
K = Up/Tc, (2)
где
Tc - предразрядное время, определяемое в соответствии с
ГОСТ Р 55194 и составляющее не менее 1000 кВ/мкс.
При измерении электрических напряжений следует применять приборы, обеспечивающие контроль параметров по
ГОСТ 22261. Измерение высокого напряжения при испытаниях необходимо выполнять по
ГОСТ 17512.
Общие условия испытаний, нормальные атмосферные условия, поправки на них, требования к форме кривых испытательных напряжений, процессу дождевания и измерению параметров дождя, температуры и удельного сопротивления воды должны соответствовать
ГОСТ Р 55194, поправки на атмосферное давление при испытании в загрязненном и увлажненном состоянии - по
ГОСТ 10390.
8.1.2 Отобранные для испытания изоляторы должны быть чистыми, сухими и иметь температуру, равную температуре помещения (окружающей среды), в котором проводят испытания. Изоляторы при испытании должны быть укомплектованы экранной арматурой согласно конструкторской документации. Испытания переменным напряжением в загрязненном и увлажненном состоянии изоляторов, предназначенных для работы в районах со степенью загрязнения III и IV по
ГОСТ 9920, допускается проводить без экранной арматуры. Испытания импульсами с крутым фронтом проводят без экранной арматуры.
8.1.3 При испытаниях по определению электрической прочности изоляторы необходимо устанавливать в положении, соответствующем рабочему. Рабочее положение изоляторов должно быть указано в технических условиях на изоляторы конкретного типа.
8.1.4 При электрических испытаниях изоляторы следует устанавливать в центре металлической плиты, ширина которой должна быть не менее диаметра или ширины установочной части (фланца) изоляторов, длина - не менее двойной высоты изоляторов, высота установки плиты над уровнем пола - (1,0 +/- 0,1) м. К верхнему фланцу изоляторов перпендикулярно продольной стороне плиты в горизонтальной плоскости должен быть прикреплен макет токоведущего провода. Концы провода должны выступать не менее чем на 1 м от каждой стороны изоляторов. Диаметр провода должен составлять от 1,5% до 2,0% высоты изоляторов, но быть не менее 12 мм. Испытательное напряжение прикладывают к проводу, нижний фланец заземляют.
8.1.5 Проверку электрической прочности изоляторов переменным напряжением под дождем и напряжением грозового импульса следует выполнять в соответствии с требованиями
ГОСТ Р 55194.
Испытания переменным напряжением в сухом состоянии должны проводиться приложением к изолятору нормированного испытательного напряжения с выдержкой его в течение 5 мин. Напряжение должно прикладываться к изолятору с произвольной скоростью до 1/3 нормированного (например, толчком), затем повышаться со скоростью около 2% нормированного значения в секунду. При достижении нормированного значения и выдержки напряжение должно быть быстро снижено до нуля.
Изоляторы считают выдержавшими испытания, если они удовлетворяют требованиям настоящего стандарта и не произошло их существенных или критических электрических повреждений.
8.1.6 Испытания изоляторов переменным напряжением при искусственном загрязнении и увлажнении следует выполнять по
ГОСТ 10390 с использованием метода предварительного загрязнения и увлажнения. Приложение напряжения необходимо выполнять способом ПД, ПТД - длительное приложение испытательного напряжения и увлажнения (предпочтительный способ), либо способом ПТ - приложение толчком испытательного напряжения к предварительно увлажненным изоляторам. Для определения значения 50%-ного разрядного напряжения при нормированном значении испытательной удельной поверхностной проводимости рекомендуется получить зависимость 50%-ного разрядного напряжения от удельной поверхностной проводимости в области ее заданного нормированного значения.
Дополнительные указания по подготовке и проведению испытаний изоляторов, предназначенных для работы в районах со степенью загрязнения III и IV по
ГОСТ 9920, способами ПД и ПТД по
ГОСТ 10390 приведены в
приложении В. Испытания изоляторов, предназначенных для работы в районах со степенью загрязнения III и IV по
ГОСТ 9920, допускается проводить без имитации ошиновки и подножника.
Изоляторы считают выдержавшими испытания, если значение полученного 50%-ного разрядного напряжения при испытательной поверхностной проводимости
(таблица 2) не менее нормированного в
таблице 1, и при этом не произошло их существенных и критических электрических повреждений.
8.1.7 Испытания импульсами напряжения с крутым фронтом следует выполнять приложением по 25 импульсов положительной и отрицательной полярности, амплитудное значение которых должно обеспечивать перекрытие изолятора фронтальной частью импульса с крутизной не менее 1000 кВ/мкс.
При испытаниях изоляторы могут находиться как в вертикальном, так и в горизонтальном положениях в условиях, исключающих разряд между частями изоляторов и проводниками, находящимися под напряжением, на посторонние предметы.
Соединение фланцев изоляторов с источником импульсов напряжения и землей следует выполнять малоиндуктивными проводниками (например, в виде медной или латунной полосы шириной около 20 мм и толщиной не более 1 мм), сечение которых должно обеспечивать отсутствие на проводниках импульсной короны.
Изоляторы на напряжение 110 кВ и выше рекомендуется испытывать по частям. При этом электроды должны устанавливать на изоляционные части испытуемого образца на расстоянии не более 500 мм друг от друга.
Испытательное напряжение следует прикладывать к двум соседним электродам или между арматурой изолятора и ближайшим электродом. Каждую часть изолятора подвергают воздействию 25 импульсов положительной и отрицательной полярности. Каждый импульс должен обеспечивать перекрытие (пробой) между электродами.
Изоляторы считают выдержавшими испытания, если не произошло их существенных или критических электрических повреждений.
8.1.8 Среднее разрядное переменное напряжение при плавном подъеме в сухом состоянии и под дождем, 50%-ные разрядные напряжения грозового импульса необходимо определять и рассчитывать по
ГОСТ Р 55194. Среднее разрядное переменное напряжение при плавном подъеме в сухом состоянии используется для определения значения испытательного выдерживаемого в течение 30 мин переменного напряжения при проведении контрольных испытаний на трекингоэрозионную стойкость, термомеханическую прочность и испытаний на проникновение воды.
8.1.9 Испытания выдерживаемым в течение 30 мин переменным напряжением следует выполнять приложением к испытуемым изоляторам напряжения, которое составляет 80% от среднего разрядного напряжения при плавном подъеме в сухом состоянии, предварительно определенного по
8.1.8. Подъем напряжения до заданного значения допускается проводить с любой скоростью.
Изоляторы считают выдержавшими испытания, если не произошло их существенных или критических электрических повреждений, и если перегрев поверхности защитной оболочки, измеренный любым инструментальным способом сразу после снятия напряжения, в различных местах по длине изоляторов не превышает 20 °C по отношению к температуре окружающего воздуха.
8.1.10 Испытания изоляторов на отсутствие видимой короны следует выполнять в соответствии с требованиями
ГОСТ 1516.2.
8.1.11 Испытания изоляторов на пробой переменным напряжением необходимо проводить в баках (резервуарах), наполненных трансформаторным маслом или изоляционной средой с удельным объемным сопротивлением (1 - 5)·10
7 Ом·м. Размеры бака (резервуара) должны быть таковы, чтобы расстояние от фланцев изоляторов до стенок бака обеспечивало отсутствие электрического пробоя среды в процессе испытания. Удельное объемное электрическое сопротивление среды, заключенной в стеклянную трубку произвольных размеров, следует измерять мегомметром на 500 - 1000 В по
ГОСТ 23706. Перед испытаниями изоляционная среда в баке должна быть тщательно перемешана в течение 10 мин. Испытуемые изоляторы с закрепленными электродами (высоковольтными и заземленными) необходимо опустить в бак (изоляционную среду) не более чем за 10 мин до подачи высокого напряжения с общей выдержкой в среде не более 20 мин. Скорость подъема напряжения до 75% от нормированного значения может быть произвольной. Время подъема напряжения от 75% до 100% должно быть от 10 до 15 с. Не изменяя скорости подъема напряжения, изоляторы доводят до пробоя или до напряжения, не менее чем в 1,2 раза превышающего нормированное значение.
8.1.12 Определение уровня частичных разрядов необходимо выполнять по
ГОСТ 20074 приложением переменного напряжения, предварительное значение которого длительностью 10 с должно быть равно 1,3
Uн.р для изоляторов классов напряжения 3 - 35 кВ и 1,05
Uн.р для изоляторов классов напряжения 110 - 750 кВ. Затем напряжение без отключения должно быть снижено до значения, равного 1,1
Uн.р для изоляторов классов напряжения 3 - 35 кВ и

для изоляторов классов напряжения 110 - 750 кВ, и выдержано в течение 60 с. При этом следует выполнять измерение уровня частичных разрядов. Изоляторы считают выдержавшими испытания, если уровень частичных разрядов не превышает нормированных значений.
8.1.13 Испытание напряжением промышленной частоты при воздействии инея с последующим его оттаиванием выполняют для изоляторов, имеющих трубчатое изоляционное тело, внутренняя полость которого не заполнена газовой изоляционной средой под давлением или другой изоляционной средой, жидкой или твердой, т.е. для изоляторов, единственной изоляцией внутренней полости которых является воздух или другой газ с давлением, отличным от атмосферного не более чем на 0,05 МПа. Испытание выполняют с целью определения влияния росы или инея, выпавших на внутренней поверхности трубчатого изоляционного тела при разгерметизации изолятора или диффузионного проникновения влаги сквозь стенку изоляционного тела или уплотнение в течение срока эксплуатации, на способность изоляторов выдерживать нормированные напряжения. Испытание следует выполнять методом 206-1 по
ГОСТ Р 51369.
Перед проведением испытаний внутренняя воздушная полость изоляторов должна быть разгерметизирована для обеспечения сообщения с наружной атмосферой, например, способом демонтажа уплотнительных пластин или с отверстиями в них, размером не менее 10 см2. Допускается проведение испытаний изоляторов классов напряжения 110 кВ и выше на макетах. В этом случае величину испытательного напряжения необходимо снизить пропорционально отношению длины изоляционной части макета и изолятора. Испытания допускается проводить на изоляторах без экранной арматуры.
Изолятор помещают в камеру, температуру в которой устанавливают минус (25 +/- 3) °C, и выдерживают в течение 2 ч.
Изолятор извлекают из камеры, помещают в нормальные климатические условия испытаний, и в течение 15 мин после извлечения из камеры подают на него электрическое напряжение, значение которого должно соответствовать
таблице 7. Изолятор выдерживают под электрическим напряжением в течение не менее 2 ч после полного оттаивания инея на наружной поверхности изоляции.
Таблица 7
Нормированные испытательные напряжения
в условиях выпадения инея
В киловольтах
Класс напряжения | 3 | 6 | 10 | 15 | 20 | 24 | 35 | 110 | 150 | 220 | 330 | 500 | 750 |
Испытательное напряжение | 5 | 7 | 10 | 15 | 20 | 24 | 33 | 80 | 110 | 160 | 230 | 335 | 505 |
Изолятор считают выдержавшим испытание, если при выдержке под электрическим напряжением не произошло пробоя или перекрытия, а на внутренней поверхности трубы не обнаружены электрические повреждения.
8.2 Испытания на трекингоэрозионную стойкость
8.2.1 Определение трекингоэрозионной стойкости следует выполнять в испытательной камере, снабженной вводом высокого напряжения и устройствами для создания увлажнения проводящей влагой и высокой влажности воздуха в рабочем объеме камеры. Камера должна быть таких размеров, чтобы расстояние от испытуемых изоляторов до ее стенок было не менее половины длины изоляторов, но не менее 1,2 м (для изоляторов классов напряжения 3 - 35 кВ не менее 0,6 м).
При испытании применяют трансформатор, обеспечивающий в момент бросков тока утечки в установившемся режиме испытаний снижение напряжения на испытуемых изоляторах не более чем на 10%.
8.2.2 К изоляторам необходимо прикладывать испытательное напряжение в соответствии с
таблицей 8, которое должно быть неизменным в течение всего времени испытаний. Допускается проведение испытаний изоляторов классов напряжения 110 - 750 кВ на макетах. В этом случае значение испытательного напряжения должно быть снижено пропорционально отношению длины изоляционной части макета и изолятора. Испытания допускается проводить на изоляторах без экранной арматуры.
Таблица 8
Нормированное испытательное напряжение при определении
трекингоэрозионной стойкости
В киловольтах
Класс напряжения | Испытательное напряжение | Класс напряжения | Испытательное напряжение |
3 | 3 | 110 | 80 |
6 | 5 | 150 | 110 |
10 | 8 | 220 | 160 |
15 | 12 | 330 | 230 |
20 | 16 | 500 | 335 |
24 | 20 | 750 | 500 |
35 | 26 | - | - |
8.2.3 Испытания на трекингоэрозионную стойкость могут проводиться методом увлажнения раствором CaCl
2 (8.2.4) или методом соленого тумана
(8.2.5).
8.2.4 Определение трекингоэрозионной стойкости изоляторов методом увлажнения раствором CaCl
2 следует выполнять распылением водного раствора CaCl
2 на изоляционную поверхность изолятора при массовой концентрации раствора 250 г/л.
Во время испытания влажность воздуха в камере должна быть не менее 90%. С этой целью в камеру периодически должен поступать слабый туман (пар).
Испытательное напряжение необходимо прикладывать к изоляторам ступенями примерно по 20% от требуемого значения. Длительность выдержки на каждой ступени должна составлять не менее 3 мин.
При ослаблении частичных разрядов на поверхности изоляторов должно быть проведено дополнительное увлажнение изоляторов раствором CaCl
2 с отключением напряжения на время не более 5 мин. Ослабление разрядов следует оценивать визуально или по уменьшению количества электричества более чем на 30% в течение 1 ч измерений по сравнению с таким же предшествующим временем
(8.2.6). В любом случае дополнительное увлажнение необходимо проводить не позднее чем через 8 ч после предыдущего увлажнения.
Длительность испытаний зависит от степени загрязнения района эксплуатации изоляторов и должна составлять:
200 ч - для степеней загрязнения I и II по
ГОСТ 9920;
500 ч - для степеней загрязнения III и IV по
ГОСТ 9920.
Допускается перерыв в проведении испытаний длительностью не более 24 ч при условии поддержания относительной влажности воздуха в испытательной камере не менее 80%.
8.2.5 Определение трекингоэрозионной стойкости методом соленого тумана следует выполнять в камере соленого тумана (см.
[1]) при минимальной длительности испытаний 1000 ч.
8.2.6 Через каждые 8 ч испытаний, а также после их окончания необходимо проводить осмотры изоляторов со снятием напряжения. При осмотрах следует отмечать состояние поверхности изоляторов и фиксировать имеющиеся повреждения. Длительность перерыва, необходимого для осмотра изоляторов и технологической переподготовки испытательной установки, не должна превышать 1 ч.
При испытаниях в качестве дополнительной меры контроля степени загрязнения рекомендуется непрерывно регистрировать количество электричества, протекшее по поверхности испытуемых изоляторов за время испытаний. Для этой цели могут быть использованы специальные приборы (кулонометры). Допускается вместо измерения количества электричества выполнять непрерывную регистрацию (например, при помощи осциллографов или самопишущих приборов) токов утечки по поверхности испытуемых изоляторов.
8.2.7 Перекрытие изоляторов во время испытаний не является бракующим фактором. Наличие двух и более перекрытий свидетельствует, как правило, о несоответствии условий увлажнения и загрязнения нормированным значениям. В этом случае для продолжения испытаний следует откорректировать степень загрязнения и увлажнения испытуемых изоляторов.
8.2.8 После испытаний в камере на сухих изоляторах должны быть проведены контрольные испытания в следующей последовательности:
- определение среднего разрядного напряжения при плавном подъеме
(8.1.8);
- приложение испытательного переменного напряжения в течение 30 мин
(8.1.9).
8.2.9 Изоляторы считают выдержавшими испытания, если:
- после испытаний в камере не отмечено их критических электрических повреждений;
- изоляторы успешно выдержали контрольные испытания.
8.3 Испытания по определению уровня радиопомех
8.3.1 Испытательные установки для определения уровня радиопомех должны соответствовать требованиям
ГОСТ 26196.
8.3.2 Испытания следует выполнять по
ГОСТ 26196. Изоляторы считают выдержавшими испытания, если уровень радиопомех не превышает нормированного настоящим стандартом значения.
8.4 Испытания на дугостойкость
Испытания изоляторов на дугостойкость проводятся в соответствии с методикой, приведенной в
приложении Г.
8.5 Механические испытания
8.5.1 Оборудование для механических испытаний должно обеспечивать изгибающую, скручивающую, сжимающую и растягивающую силу в пределах двукратного значения нормированной механической разрушающей силы изоляторов. Погрешность измерения механической силы не должна быть более 2,5%.
8.5.2 Испытания при приложении механической силы проводят:
- приложением 50% от нормированной разрушающей изгибающей силы или 30% от нормированного разрушающего крутящего момента при нормальных атмосферных условиях в течение 60 с;
- приложением нормированного значения разрушающей изгибающей силы или крутящего момента при различных температурах без доведения изоляторов до разрушения;
- приложением нормированного значения разрушающей изгибающей (сжимающей, растягивающей) силы или крутящего момента при нормальных атмосферных условиях с доведением изоляторов до разрушения;
- приложением 60% от нормированной разрушающей изгибающей силы или 40% от нормированного разрушающего крутящего момента при нормальных атмосферных условиях с измерением деформации.
8.5.3 Испытания следует выполнять через 5 - 7 суток после изготовления изоляторов или по истечении времени, установленного технической документацией изготовителя.
8.5.4 Для испытаний на изгиб нижний фланец изоляторов необходимо крепить неподвижно к основанию или к неподвижной части испытательной установки, которые не должны деформироваться при приложении силы к изоляторам. В плоскости торца верхнего фланца изоляторов подсоединяют подвижную часть испытательной установки, обеспечивающей приложение изгибающей силы перпендикулярно оси изоляторов так, чтобы были исключены растягивающие, сжимающие и крутящие нагрузки.
8.5.5 Для испытаний на кручение изоляторы следует крепить так же, как при испытаниях на изгиб
(8.5.4). К верхнему фланцу изоляторов подсоединяют подвижную часть испытательной установки, обеспечивающей приложение скручивающей силы в плоскости, перпендикулярной оси изоляторов так, чтобы были исключены изгибающие, растягивающие и сжимающие нагрузки.
8.5.6 Для испытаний на растяжение (сжатие) изоляторы необходимо крепить так же, как при испытаниях на изгиб
(8.5.4). К верхнему фланцу изоляторов подсоединяют подвижную часть испытательной установки, обеспечивающей приложение испытательной силы в направлении оси изоляторов так, чтобы были исключены изгибающие и крутящие нагрузки.
8.5.7 Измерение прогиба, остаточной деформации (линейного отклонения свободного конца изоляторов) и угла закручивания (кругового смещения реперной точки, нанесенной на верхний фланец изоляторов) может быть выполнено любым измерительным устройством, обеспечивающим точность измерения отклонения 0,1 мм и угла закручивания - 1'.
8.5.8 Перед определением прогиба, остаточной деформации и угла закручивания при изгибе и кручении к изоляторам должна быть приложена заданная в технических условиях на изоляторы конкретного типа механическая сила (соответственно на изгиб и кручение), повышаемая с любой скоростью, позволяющей отслеживать ее изменение до заданного значения, и затем плавно снижена до нуля. После этого все индикаторы, фиксирующие деформации, должны быть выставлены в "ноль".
8.5.9 Одноминутные испытания изгибающей силой (крутящим моментом) проводят однократным приложением к изоляторам нормируемой силы. Силу повышают с любой скоростью до достижения 50% нормируемого значения. Выше 50% силу повышают плавно со скоростью, при которой требуемое значение будет достигнуто не ранее чем через 10 с. После выдержки в течение 1 мин силу плавно снижают до нуля за время от 2 до 5 с. В процессе временной выдержки силы выполняют измерение прогиба (угла закручивания) свободного конца изоляторов, а после снижения силы до нуля определяют величину остаточной деформации. Испытания необходимо выполнять при нормальных атмосферных условиях.
Изоляторы считают выдержавшими испытания, если:
- не произошло механических повреждений или разрушений;
- прогиб (угол закручивания) изоляторов не превышает значения, указанного в технических условиях на изоляторы конкретного типа;
- через 5 мин после снятия силы не отмечается остаточной деформации.
8.5.10 Одноминутные испытания растягивающей силой проводят однократным приложением к изоляторам испытательной силы, равной 50% от нормированной разрушающей силы, но не менее 10 кН. Силу повышают с любой скоростью до достижения 50% нормируемого значения испытательной силы. Выше 50% силу повышают плавно со скоростью, при которой требуемое значение будет достигнуто не ранее чем через 10 с. После выдержки в течение 60 с силу плавно снижают до нуля за время от 2 до 5 с. Испытания следует выполнять при нормальных атмосферных условиях.
Изоляторы считают выдержавшими испытания, если не произошло механических повреждений или разрушений изоляторов.
8.5.11 Испытания изоляторов нормированной механической разрушающей силой на изгиб и кручение при минусовых и плюсовых температурах необходимо проводить на изоляторах, предварительно выдержанных не менее 4 ч в камере холода или термокамере при заданной температуре (по
ГОСТ 26093). Изоляторы должны быть испытаны за время не более 5 мин с момента извлечения их из камеры. Испытания изоляторов на напряжение 110 кВ и выше могут быть проведены на макетах. При этом механическая изгибающая сила должна быть скорректирована пропорционально отношению высоты изолятора и макета по условию сохранения значения изгибающего момента на уровне плоскости закрепленного фланца.
Испытания выполняют при минимальной, максимальной температурах и при нормальных условиях в любой последовательности.
Испытательную изгибающую силу к изоляторам классов напряжения 3 - 20 кВ прикладывают двукратно в противоположных направлениях с выдержкой в каждом положении в течение (30 +/- 5) с. К изоляторам классов напряжения 35 кВ и выше изгибающую силу прикладывают четырехкратно при повороте изоляторов после каждого нагружения на угол 90 +/- 5 ° с выдержкой в каждом положении в течение (30 +/- 5) с. Испытательный крутящий момент к изоляторам всех классов напряжения прикладывают двукратно в противоположных направлениях с выдержкой в каждом положении в течение (30 +/- 5) с.
При первом приложении силы ее значение должно быть равно нормированному значению механической разрушающей силы. При последующих приложениях силу уменьшают до 90% от нормированного значения. Скорость приложения силы - согласно
8.5.9.
Изоляторы считают выдержавшими испытания, если по окончании всех воздействий не произошло их механических повреждений.
8.5.12 При определении механической разрушающей силы (изгиб, кручение, растяжение, сжатие) силу необходимо повышать в соответствии с
8.5.9 с продолжением подъема до разрушения изоляторов. Допускается не доводить изоляторы до разрушения, если при достижении значения силы, равной 1,1 от нормируемой разрушающей силы изолятор не разрушился.
Изоляторы считают выдержавшими испытания, если они выдержали нормированную разрушающую силу без разрушений. При необходимости получения дополнительной информации о механической прочности изоляторов должна быть рассчитана механическая разрушающая сила. В качестве расчетной разрушающей силы принимают среднее значение, полученное на всех испытанных изоляторах.
8.5.13 При испытаниях изоляторов на прогиб при нормированных значениях изгибающей силы или крутящего момента силу к изоляторам следует прикладывать двукратно в противоположных направлениях. Скорость приложения силы до нормированного значения - согласно
8.5.9. После временной выдержки при этом значении силу плавно снижают до нуля за время 2 - 5 с. Временная выдержка при нормированном значении силы должна составлять (30 +/- 5) с. В процессе временной выдержки необходимо выполнить измерение прогиба (угла закручивания) свободного конца изоляторов. После снижения силы до нуля следует определять прогиб (угол закручивания) изоляторов.
Испытания следует выполнять при нормальных атмосферных условиях.
Изоляторы считают выдержавшими испытания, если:
- не произошло механических повреждений;
- прогиб (угол закручивания) изоляторов не превышает значения, указанного в технических условиях на изоляторы конкретного типа;
- через 5 мин после снятия силы не отмечают остаточной деформации.
8.6 Испытания на термомеханическую прочность и на проникновение воды
8.6.1 Испытания на термомеханическую прочность и на проникновение воды изоляторов классов напряжений 110 кВ и выше могут быть проведены на макетах. При этом механическая изгибающая сила должна быть скорректирована пропорционально отношению высоты изолятора и макета по условию сохранения значения изгибающего момента на уровне плоскости закрепленного фланца.
8.6.2 Испытательное оборудование для определения термомеханической прочности должно обеспечивать заданную механическую силу, максимальную и минимальную температуры окружающей среды и выдержку каждой из этих температур в течение каждого температурного цикла.
8.6.3 Перед началом термомеханических испытаний для каждого испытуемого изолятора необходимо определить среднее разрядное переменное напряжение при плавном подъеме в сухом состоянии
(8.1.8).
8.6.4 Испытания следует выполнять воздействием на изоляторы четырех 24-часовых циклов охлаждения и нагрева от минус (60 +/- 2) °C до плюс (50 +/- 2) °C для изоляторов исполнения УХЛ и от минус (45 +/- 2) °C до плюс (50 +/- 2) °C для изоляторов исполнения У с одновременным приложением механической силы на изгиб, равной 60% нормированной механической разрушающей силы на изгиб, которая должна оставаться постоянной в течение каждого цикла испытаний. Минимальная и максимальная температура окружающей среды в пределах каждого цикла должны быть выдержаны не менее 8 ч.
Испытательную механическую силу необходимо прикладывать к изоляторам перед началом каждого цикла температурного воздействия при комнатной температуре и полностью снимать в конце цикла.
Режим циклов испытаний на термомеханическую прочность приведен в
приложении Д.
После завершения четвертого цикла испытаний необходимо выполнить осмотр изоляторов.
Изоляторы считают выдержавшими испытания, если:
- при осмотре не обнаружено механических повреждений;
- изоляторы выдержали последующие испытания на проникновение воды.
8.6.5 Испытания на проникновение воды следует проводить на изоляторах, прошедших испытания на термомеханическую прочность, путем погружения их на 42 ч в емкость с кипящей деминерализованной водой, в которую добавлено 0,1% (по массе) NaCl. После кипячения образцы необходимо оставить в емкости до охлаждения воды примерно до 50 °C и выдерживать при этой температуре до начала контрольных испытаний. Контрольные испытания следует проводить в течение 48 ч после окончания кипячения в следующей последовательности:
- прикладывают к каждому изолятору импульсы напряжения с крутым фронтом;
- определяют на каждом изоляторе среднее разрядное переменное напряжение при плавном подъеме в сухом состоянии;
- прикладывают к каждому изолятору в течение 30 мин испытательное напряжение промышленной частоты, равное 80% среднего разрядного напряжения.
Изоляторы считают выдержавшими испытания, если:
- после кипячения при осмотре не выявлено механических повреждений;
- при контрольных электрических испытаниях не произошло электрических повреждений защитной оболочки или пробоя;
- среднее разрядное переменное напряжение каждого изолятора при плавном подъеме в сухом состоянии составляет не менее 90% от значения, определенного перед испытаниями на термомеханическую прочность.
8.6.6 При приемо-сдаточных испытаниях допускается проводить испытания на проникновение воды без предварительных термомеханических испытаний. При этом контрольные испытания состоят из определения уровня частичных разрядов и разрушающей силы на изгиб.
Изоляторы считают выдержавшими приемо-сдаточные испытания на проникновение воды, если:
- после кипячения при визуальном осмотре не выявлено механических повреждений;
- уровень частичных разрядов не превышает нормируемого значения
(5.3.2);
- разрушающая механическая нагрузка на изгиб не ниже нормированной разрушающей нагрузки
(5.1.1).
8.7 Испытания на стойкость к воспламеняемости
Определение воспламеняемости следует проводить на образцах материала защитной оболочки толщиной (3,0 +/- 0,2) мм по
ГОСТ 28779.
Изоляторы считают выдержавшими испытание, если образцы, изготовленные из того же материала, что и защитная оболочка изоляторов, соответствуют требованиям
раздела 6.
8.8 Проверка размеров и массы
8.8.1 Измерения геометрических размеров необходимо выполнять при помощи любого измерительного инструмента или предельными шаблонами с погрешностью измерения не более 20% допуска на размеры испытуемого изолятора.
8.8.2 Проверку соответствия параллельности торцевых поверхностей фланцев, эксцентриситета оси изолятора, углового отклонения крепежных отверстий фланцев нормированным значениям осуществляют по методике, приведенной в
приложении Е.
8.8.3 Длину пути утечки изоляционной части следует измерять по
ГОСТ 9920 при помощи клейкой ленты на тканевой или бумажной основе и измерительного инструмента. Допустимая погрешность измерения - согласно
8.8.1.
8.8.4 Массу изоляторов необходимо определять на весах для статического взвешивания класса "средний" по
ГОСТ OIML R 76-1.
8.8.5 Изоляторы считают выдержавшими испытания, если их масса, размеры и отклонения от номинальных размеров соответствуют нормируемым значениям
4.3 настоящего стандарта.
8.9 Проверка качества поверхности и границ раздела
8.9.1 Методика определения класса гидрофобности приведена в
приложении Б. Изоляторы считают выдержавшими испытание, если класс гидрофобности соответствует нормируемому настоящим стандартом значению.
8.9.2 Проверку конструкции защитной оболочки, маркировки, качества поверхности защитной оболочки и антикоррозионного защитного покрытия арматуры изоляторов следует проводить осмотром при нормальном освещении без применения увеличительных стекол, микроскопов и т.д. Изоляторы считают выдержавшими испытания, если конструкция защитной оболочки, маркировка, качество поверхности защитной оболочки и антикоррозионного защитного покрытия арматуры удовлетворяют нормируемым настоящим стандартом требованиям. При невозможности однозначного определения конструкции защитной оболочки визуальным осмотром допускается срезать элементы защитной оболочки с изоляционного тела с целью их визуального осмотра после любого из разрушающих испытаний.
8.9.3 Качество соединения арматуры с изоляционной частью необходимо проверять осмотром, и оно должно соответствовать требованиям конструкторской документации и настоящего стандарта
(5.3.7).
8.9.4 Для измерения толщины антикоррозионного покрытия следует применять магнитные, электромагнитные или другие приборы, обеспечивающие измерение толщины покрытия с погрешностью не более 10% и сохранность защитного покрытия арматуры изолятора. Качество оцинкованной поверхности необходимо определять внешним осмотром. Число измерений на оцинкованной поверхности должно быть равно 10. Изоляторы считают выдержавшими испытания, если среднее арифметическое значение толщины цинкового покрытия не менее нормированного значения, а внешний вид покрытия удовлетворяет требованиям
ГОСТ 9.307 и
ГОСТ Р 9.316.
8.9.5 Определение адгезии защитной оболочки к изоляционному телу следует выполнять одним из трех методов (отрыва, сдвига, отслаивания), рассмотренных в
8.9.5.2 -
8.9.5.4.
8.9.5.1 Испытания по каждому из методов следует выполнять на пяти образцах (дисках, кольцах), полученных разрезанием изолятора дисковой алмазной пилой перпендикулярно его оси. Толщина образцов h должна быть равна (10,0 +/- 0,5) мм. Образцы необходимо вырезать из различных частей изолятора по его высоте. Для определения адгезии методом отрыва образцы должны быть вырезаны с захватом ребра, а методами отслаивания и сдвига - без захвата ребра.
8.9.5.2 Для определения адгезии методом отрыва на каждом образце делают вырезы по ребру до поверхности изоляционного тела с удалением участков ребра на некотором расстоянии от изоляционного тела таким образом, чтобы на образце осталось от четырех до восьми полных лепестков с углом раскрытия примерно 30°. Рекомендуемые размеры основания лепестка
h и
L указаны в
приложении Ж,
рисунок Ж.1. На каждом образце последовательно нужно выполнить отрыв всех лепестков. Отрыв лепестков может быть осуществлен при помощи любого разрывного устройства, имеющего погрешность измерения растягивающей силы не выше +/- 2 Н. После отрыва каждого лепестка определяют фактическую площадь сечения отрыва (разрыва) с погрешностью измерения размеров сечения не более +/- 0,5 мм. Адгезию защитной оболочки к изоляционному телу определяют как значение силы отрыва лепестка, отнесенное к площади его отрыва (Н/см
2). Полученные результаты силы отрыва должны быть усреднены. В случае существенного (в несколько раз) разброса значений силы отрыва лепестков одного образца минимальное и максимальное значения силы отрыва при усреднении не учитывают. Полученные результаты усредняют по всем образцам.
8.9.5.3 Для определения адгезии методом сдвига образцы должны быть поочередно уложены на стальное кольцо с уступом (приложение Ж,
рисунок Ж.2), после чего выполняют выдавливание изоляционного тела измеряемой силой до его сдвига относительно защитной оболочки. Погрешности измерения диаметра и толщины изоляционного тела должны быть не выше +/- 0,5 мм.
Адгезию защитной оболочки к изоляционному телу определяют как значение силы сдвига, отнесенное к площади поверхности сопряжения защитной оболочки с изоляционным телом, и измеряют в ньютонах на квадратный сантиметр (Н/см2).
Полученные результаты усредняют по всем образцам.
8.9.5.4 Для определения адгезии методом отслаивания на каждом образце необходимо сделать поперечный разрез защитной оболочки до поверхности изоляционного тела и вручную выполнить отслаивание оболочки на длину, обеспечивающую возможность механического захвата и тяжения оболочки (приложение Ж,
рисунок Ж.3). При этом образец снабжают механически прочной центральной осью вращения (образец либо сверлят по центру, либо в него вставляют диск с осью вращения), и он должен без усилий вращаться относительно оси. Образец следует закрепить осью вращения к неподвижной части разрывной машины (устройства), а отслоенную часть оболочки крепить к подвижной части машины таким образом, чтобы при ее натяжении угол между отслаиваемой частью оболочки и изоляционным телом составлял 90° +/- 5°. После окончания испытаний на каждом образце необходимо определить фактическую ширину полосы отслаиваемой оболочки с погрешностью не выше +/- 0,5 мм. Погрешность измерения силы тяжения должна быть не выше +/- 2 Н. Адгезию защитной оболочки к изоляционному телу определяют как среднее значение силы отслаивания, отнесенное к фактической ширине отрываемой полосы оболочки (Н/см). Полученные результаты усредняют по всем образцам.
8.9.5.5 Изоляторы считают выдержавшими испытания, если средние значения силы, полученные в соответствии с
8.9.5.2 -
8.9.5.4, не ниже нормируемых настоящим стандартом значений.
8.9.6 Испытание на проникновение красящей жидкости следует проводить на образцах длиной (10,0 +/- 0,5) мм, полученных путем разреза изолятора перпендикулярно к его оси. Срезы должны быть чистыми и параллельными. Поверхности среза должны быть зашлифованы мелкозернистой абразивной шкуркой. Из изолятора необходимо вырезать не менее 10 образцов. Каждый образец следует вертикально установить на слой стальных или стеклянных шариков (диаметром от 1 до 2 мм) или на плетеную металлическую или синтетическую сетку (с размером ячеек от 1 до 2 мм), расположенных в стеклянной емкости. В емкость заливают 1%-ный спиртовой раствор фуксина (1 г фуксина на 100 г этанола), уровень которого должен быть на 2 - 3 мм выше верхнего края шариков (сетки). При наличии капиллярности раствор будет подниматься вверх по образцу.
Изоляторы считают выдержавшими испытания, если время подъема красителя до верхнего среза стеклопластика, в том числе по границе раздела "стеклопластик - защитная оболочка", определяемое визуально, составляет не менее 15 мин.
8.9.7 Испытания на диффузию воды следует проводить на образцах длиной (30,0 +/- 0,5) мм, полученных путем разреза изоляторов перпендикулярно к оси стержня. Срезы должны быть чистыми и параллельными. Поверхности среза необходимо зашлифовать мелкозернистой абразивной шкуркой. Из каждого испытуемого изолятора следует вырезать не менее шести образцов. Непосредственно перед испытанием поверхности образцов необходимо очистить изопропиловым спиртом и высушить фильтровальной бумагой.
Образцы следует прокипятить в стеклянной емкости в течение (100,0 +/- 0,5) ч в деминерализованной воде с добавкой 0,1% (по массе) NaCl. В одной емкости допускается кипятить образцы, нарезанные только из изолятора конкретного типа. Конструкция емкости должна предусматривать постоянство концентрации раствора соли, например, с помощью конденсационной трубки. Пример такой емкости приведен в
приложении И. После кипячения образцы необходимо поместить не менее чем на 15 мин в другую стеклянную емкость, заполненную водопроводной водой при температуре окружающей среды.
В течение 3 ч после извлечения образцов из емкости с кипящей водой необходимо провести испытания под напряжением. Непосредственно перед испытанием образцы следует извлечь из стеклянной емкости и их поверхности просушить фильтровальной бумагой.
Испытания образцов необходимо проводить на воздухе между плоскими электродами из нержавеющей стали или латуни, размер плоской части которых превышает размер испытуемого образца не менее чем на 25 мм, и имеющими закругление по краям радиусом не менее 7 мм. Электроды должны быть чистыми и не иметь раковин, образованных электрической дугой. Пример таких электродов приведен в
приложении И.
Испытательное напряжение следует поднимать до 12 кВ со скоростью примерно 1 кВ/с. При 12 кВ напряжение следует выдерживать неизменным в течение 1 мин. Изоляторы считают выдержавшими испытания, если:
- при подъеме напряжения и его выдержке не наблюдалось пробоя или перекрытия образцов по поверхности;
- ток утечки не превышал 1 мА (действующее значение).
8.9.8 Испытание материала изоляционного тела на электрическую прочность в направлении вдоль оси изолятора проводят на десяти образцах длиной (10,0 +/- 0,5) мм, полученных путем разреза изолятора перпендикулярно к его оси. Отрезку образцов выполняют алмазным кругом с размером зерна от 200 до 400 мкм при скорости резания от 20 до 50 м/с и при скорости подачи от 2 до 5 мм/с, избегая появления трещин, расщеплений концов, отслаиваний. Образцы с дефектами, полученными при отрезке, к испытаниям не допускают. Срезы должны быть чистыми и параллельными.
Для изоляторов, имеющих стержневое или трубчатое изоляционное тело больших диаметров, образцы могут быть разрезаны параллельно оси изолятора для получения образцов меньших размеров, полностью помещаемых между электродами.
Поверхности среза необходимо зашлифовать мелкозернистой абразивной шкуркой с зернистостью не более 50 мкм до устранения видимых следов резки.
Образцы очищают от грязи и масел фильтровальной бумагой, смоченной в этиловом или изопропиловом спирте, ворсинки и пыль удаляют сухой кисточкой.
Перед испытанием образцы нормализуют, для чего образцы помещают в термостат и в течение 3 ч температуру поднимают от комнатной до (105 +/- 2) °C. Образцы выдерживают при температуре (105 +/- 2) °C в течение 2 ч, после чего, не открывая дверцы термостата, непрерывно понижают температуру до комнатной.
Длину каждого образца измеряют с точностью до 0,1 мм.
Испытания проводят в ячейке с трансформаторным маслом по
ГОСТ 982.
Для проведения испытаний используют электроды, подготовленные в соответствии с
8.9.7. Контакт электродов с образцом осуществляется легким поджатием электрода к торцам образа.
Испытания проводят при плавном подъеме напряжения со скоростью примерно 2 кВ/с до пробоя.
Электрическую прочность одного образца вычисляют как отношение напряжения пробоя (действующее значение) к высоте образца, измеренной с точностью до 0,1 мм. За результат испытания принимают среднее арифметическое десяти измерений.
Изоляторы считают выдержавшими испытание, если среднее арифметическое значение электрической прочности не менее нормируемого настоящим стандартом значения, а минимальное значение - отличается от среднего не более чем на 15%.
Проверку электрической прочности трубчатого изоляционного тела поперек волокон определяют по
ГОСТ 6433.3 с цилиндрическими электродами из фольги на образцах труб с фактической толщиной стенки. Трубы с толщиной стенки более 10 мм должны быть обработаны механически до получения толщины стенки (10,0 +/- 0,5) мм. За результат испытания принимают среднее арифметическое пяти измерений. Изоляторы считают выдержавшими испытание, если среднее арифметическое значение электрической прочности труб не менее нормируемого настоящим стандартом значения, а минимальное значение - отличается от среднего не более чем на 15%.
8.9.9 Испытание на погасание частичных разрядов в материале изоляционного тела проводят на пяти образцах изоляционного тела, изготовленных и нормализованных согласно
8.9.8. После нормализации торцы образцов, примыкающие к электродам, должны быть покрыты тонким слоем токопроводящей смазки.
Подготовленный образец помещают между плоскими электродами диаметром не менее 200 мм. Электроды прижимаются к образцу с усилием.
Переменное напряжение промышленной частоты, прилагаемое к образцу, увеличивают до тех пор, пока не появятся высокочастотные разряды в образце. Напряжение, прилагаемое к образцу, снижают до значения, при котором прекращаются разряды. Это напряжение принимают за напряжение погасания частичных разрядов. Изолятор считается выдержавшим испытание, если напряжение погасания частичных разрядов удовлетворяет требованиям настоящего стандарта.
8.9.10 Испытание двукратным рабочим давлением изоляторов, имеющих трубчатое изоляционное тело, внутренняя полость которых в эксплуатации заполнена газовой изоляционной средой под давлением выше 0,05 МПа, проводят на целых изоляторах при нормальных условиях окружающей среды. Изоляторы, состоящие из нескольких герметичных частей, могут быть испытаны по частям.
Полый изолятор подвергают воздействию внутреннего гидравлического или газового (например, SF6, гелием) испытательного давления, равного двукратному рабочему давлению, указанному в технических условиях на изолятор, в течение 5 мин.
Изолятор считают прошедшим испытание, если после снятия испытательного давления не обнаружено механических повреждений или разрушений и отсутствует утечка воды в случае, если изолятор испытывался водой (см.
[2]).
8.9.11 Испытание на герметичность изоляторов, имеющих трубчатое изоляционное тело, внутренняя полость которых в эксплуатации заполнена газовой изоляционной средой под давлением выше 0,05 МПа, проводят на целых изоляторах при нормальных условиях окружающей среды. Изоляторы, состоящие из нескольких герметичных частей, могут быть испытаны по частям.
Изолятор заполняют любым используемым в лаборатории индикаторным газом, например, гелием. Давление газа должно соответствовать рабочему давлению, значение которого необходимо указать в технических условиях на изолятор и поддерживать в течение не менее 5 мин.
Герметичность границ раздела между изоляционной частью и металлическими фланцами проверяют в местах наиболее вероятных утечек в местах уплотнений в течение всего времени выдержки любым доступным способом, например, масс-спектрометрическим методом щупа по
ГОСТ 24054.
Изолятор считают выдержавшим испытание, если в течение 5 мин не обнаружены утечки газа (см.
[2]).
Примечание - По соглашению между изготовителем изолятора и изготовителем оборудования, в котором применяется изолятор, может быть принят другой критерий приемки, что должно быть отражено в технических условиях на изолятор.
8.9.12 Испытание на скорость утечки газа изоляторов, имеющих трубчатое изоляционное тело, внутренняя полость которых в эксплуатации заполнена газовой изоляционной средой под давлением выше 0,05 МПа, может проводиться на макетах для изоляторов классов напряжения 110 кВ и выше.
По соображениям безопасности перед началом испытаний испытуемый образец подвергают воздействию двукратным рабочим давлением по
8.9.10 в течение 5 мин.
Изолятор, заполненный газом под рабочим давлением, значение которого должно быть указано в технических условиях на изолятор, помещают в корпус с минимальным объемом. Схематично пример оборудования приведен в
приложении К. В качестве газа может быть использован любой подходящий газ, например SF
6 или гелий, анализатором которого оборудована испытательная установка.
Утечку газа из испытуемого образца в окружающую оболочку измеряют с помощью анализатора - измерителя утечки. Скорость утечки рассчитывают по ГОСТ 28210 и указывают в объемной доле в процентах в год. Изоляторы выдерживают в оболочке в течение времени, достаточного для достоверного определения скорости утечки газа.
Изоляторы считают выдержавшими испытание, если скорость утечки газа не превышает объемную долю 0,75% в год (см.
[2]).
8.9.13 Испытание четырехкратным рабочим давлением изоляторов, имеющих трубчатое изоляционное тело, внутренняя полость которых в эксплуатации заполнена газовой изоляционной средой под давлением выше 0,05 МПа, выполняют при нормальных условиях окружающей среды. Испытания изоляторов классов напряжения 110 кВ и выше могут быть проведены на макетах.
Внутреннюю полость изолятора заполняют водой. Давление воды плавно увеличивают от нуля до четырехкратного рабочего давления, указанного в технических условиях на изолятор, и выдерживают в течение 5 мин.
Изолятор считают выдержавшим испытание, если через 5 мин не происходит разрушения изолятора и отсутствует утечка воды из изолятора (см.
[2]).
8.10 Испытание на надежность при воздействиях, имитирующих климатические, механические и электрические эксплуатационные нагрузки
Испытание на надежность при воздействиях, имитирующих климатические, механические и электрические эксплуатационные нагрузки, рекомендуется проводить в случаях применения при производстве изоляторов новых материалов и технологий, не проверенных опытом эксплуатации.
8.11 Проверка показателей надежности
8.11.1 Интенсивность отказов необходимо подтверждать исходя из опыта эксплуатации изоляторов. По требованию потребителя изготовитель должен документально подтвердить, что фактическая интенсивность отказов изоляторов по его вине не превышает нормированного значения (например, на основании сведений об отгрузке и рекламационных материалов для изоляторов конкретных типов).
8.11.2 Показатели надежности следует оценить по распределению отказов изоляторов во времени в процессе эксплуатации путем аппроксимации фактического числа отказов по годам эксплуатации по нарастающему итогу (не менее чем за шесть лет) функцией вероятности безотказной работы.
8.11.3 Изоляторы считают выдержавшими испытания, если показатели их надежности соответствуют требованиям настоящего стандарта и технических условий.
9 Указания по эксплуатации
9.1 Транспортирование и хранение
9.1.1 Условия транспортирования изоляторов в части воздействия механических факторов - по группе Л и С
ГОСТ 23216.
9.1.2 Условия транспортирования изоляторов в части воздействия климатических факторов - по группе 8
ГОСТ 15150 для изоляторов исполнения У и УХЛ.
9.1.3 Транспортирование изоляторов может осуществляться всеми видами крытого транспорта в соответствии с действующими правилами перевозок.
9.1.4 Транспортирование изоляторов в районы Крайнего Севера и труднодоступные районы следует проводить в соответствии с
ГОСТ 15846.
9.1.5 Условия хранения изоляторов исполнения У и УХЛ в части воздействия климатических факторов - по группам 3, 4, 5
ГОСТ 15150.
Условия хранения также могут быть по группам 7 и 9
ГОСТ 15150.
При хранении по группам 3 и 4 допускается хранить изоляторы в упаковке изготовителя. При хранении по группам 5, 7, 9 изоляторы необходимо распаковать.
9.1.6 Срок сохраняемости по
ГОСТ 23216 - не более трех лет.
9.2 Требования по контролю состояния изоляторов во время эксплуатации
Периодичность контроля изоляторов во время эксплуатации, контролируемые показатели, методы контроля и критерии приемки, а также требования к диагностике технического состояния изоляторов должны быть указаны в эксплуатационной документации.
9.3 Требования охраны окружающей среды
Требования по утилизации изоляторов должны быть указаны в эксплуатационной документации.
10.1 Изготовитель гарантирует соответствие изоляторов требованиям настоящего стандарта в течение всего срока службы при соблюдении условий транспортирования, хранения и эксплуатации, приведенных в руководстве по эксплуатации на изоляторы конкретных типов.
Претензии потребителя принимают к рассмотрению только при наличии выданного изготовителем паспорта на отгрузочную партию изоляторов.
10.2 Гарантийный срок службы изоляторов - не менее пяти лет со дня ввода в эксплуатацию, но не более семи лет с момента их отгрузки потребителю.
10.3 В течение гарантийного срока изготовитель осуществляет безвозмездную замену изоляторов, как разрушенных (поврежденных), так и внешне исправных, относительно которых установлено нарушение требований настоящего стандарта (в том числе с помощью методов неразрушающего контроля качества изоляторов при монтаже и в эксплуатации).
(рекомендуемое)
МЕТОДИКА ИСПЫТАНИЙ НА НАДЕЖНОСТЬ ПРИ ВОЗДЕЙСТВИЯХ,
ИМИТИРУЮЩИХ КЛИМАТИЧЕСКИЕ, МЕХАНИЧЕСКИЕ И ЭЛЕКТРИЧЕСКИЕ
ЭКСПЛУАТАЦИОННЫЕ НАГРУЗКИ
Объем выборки для испытаний - 10 изоляторов, отобранных из трех партий, прошедших приемо-сдаточные испытания. Комплектование выборки - по
ГОСТ Р 50779.12.
Изоляторы необходимо последовательно подвергать испытательным воздействиям согласно
А.1 -
А.10.
А.1 Предварительные испытания
А.1.1 Изоляторы помещают на 10 сут в воду температурой (30 +/- 5) °C.
А.1.2 К изоляторам прикладывают следующие нагрузки в циклической последовательности:
- ультрафиолетовое излучение (моделирование солнечной радиации, рекомендуемое воздействие);
- нагрев в сухом состоянии до температуры 80 °C;
- нагрев в воде до температуры 80 °C;
- высокая (не менее 90%) влажность (пар) в сочетании с наибольшим рабочим напряжением промышленной частоты.
Длительность воздействия каждой нагрузки должна составлять около 8 ч. Всего каждый изолятор следует подвергать не менее чем двум циклам воздействия (примерная длительность испытаний - 64 ч). Перерыв между приложениями различных нагрузок не должен превышать 1 ч.
А.2 Изоляторы необходимо испытывать шестью циклами медленного изменения температуры с интервалами от минус (50 +/- 2) °C до плюс (50 +/- 2) °C. Методика испытаний должна соответствовать
ГОСТ 26093.
А.3 Изоляторы следует испытывать однократно прилагаемой механической нагрузкой на кручение, равной не менее 70% от нормированного разрушающего момента при кручении.
А.4 Изоляторы необходимо испытывать шестью циклами резких изменений температуры с перепадом температуры не менее 70 °C. Испытания изоляторов на термоудар следует выполнять в соответствии с требованиями
ГОСТ 26093.
А.5 Изоляторы необходимо испытывать однократно прилагаемой механической изгибающей нагрузкой, равной не менее 70% от нормированной разрушающей нагрузки.
А.6 Изоляторы следует испытывать повторно в следующей последовательности:
А.2,
А.5,
А.4,
А.3.
А.7 Изоляторы должны выдерживать в течение 30 мин испытательное переменное напряжение, составляющее не менее 80% от среднего разрядного переменного напряжения в сухом состоянии.
А.8 Изоляторы (5 шт.) необходимо испытывать разрушающей силой на изгиб.
А.9 Изоляторы (5 шт.) следует испытывать разрушающей силой на растяжение или сжатие, в зависимости от того, какой вид нагрузки нормируется для изолятора.
А.10 Изоляторы считают выдержавшими испытания, если в ходе испытания ни один изолятор не был поврежден, а при испытаниях по
А.8 и
А.9 разрушения произошли при нагрузках, не менее нормированных.
В технически обоснованных случаях испытания изоляторов на надежность целесообразно выполнять по специальной программе, согласованной с потребителем. Рекомендуется включать в состав испытаний на надежность определение показателей снижения механической прочности изоляторов после длительной эксплуатации.
(обязательное)
МЕТОДИКИ ОПРЕДЕЛЕНИЯ КЛАССА ГИДРОФОБНОСТИ ЗАЩИТНОЙ ОБОЛОЧКИ
Приведено два метода измерения гидрофобности поверхности изолятора: метод распыления и метод краевого угла. Выбор используемого метода оценки гидрофобности согласовывается с потребителем.
Б.1 Метод распыления
Б.1.1 Оборудование
Необходимое оборудование - это устройство, которое может производить мелкодисперсный туман, например, обычная бутылка с пульверизатором, наполненная водой. Вода не должна содержать примесей, моющих средств, растворителей и т.д., которые могут влиять на поверхностное натяжение воды. Можно использовать водопроводную воду высокого качества. Если есть какие-либо сомнения относительно качества воды, следует использовать деионизированную или дистиллированную воду.
Б.1.2 Проведение испытания
Поверхность чистого изолятора площадью от 50 до 100 см2 необходимо увлажнить с помощью распылителя воды (пульверизатора), дающего мелкие капли в виде тумана. При увлажнении пульверизатор необходимо разместить на расстоянии (20 +/- 10) см от изолятора. Опрыскивание следует выполнять в течение временного интервала продолжительностью от 10 до 20 с до стадии, когда вода начинает капать с края ребер (юбок) изолятора. Оценку гидрофобности следует проводить через 10 с после завершения распыления.
На каждом изоляторе оценку гидрофобности следует выполнять в девяти точках (по три точки в верхней, средней и нижней частях по высоте изолятора).
Б.1.3 Оценка
Всего в соответствии с предлагаемой классификацией устанавливают семь классов гидрофобности. Класс 1 соответствует полной гидрофобности (водоотталкиваемости) поверхности защитной оболочки, класс 7 - полной гидрофильности (смачиваемости) этой поверхности.
Для оценки класса гидрофобности используются два визуальных критерия:
а) форма капель;
б) процентная доля смачиваемой поверхности.
Оценку классов гидрофобности необходимо выполнять по усредненным результатам наблюдений искусственно увлажненной поверхности в разных точках изоляторов с использованием типовых фотографий
(рисунок Б.1), описание которых приведено в
таблице Б.1.
| |
а) Класс 1 | б) Класс 2 |
| |
в) Класс 3 | г) Класс 4 |
| |
д) Класс 5 | е) Класс 6 |
Рисунок Б.1 - Примеры поверхностей с классом
гидрофобности от 1 до 6
Б.2 Метод контактного угла
Б.2.1 Общее
Метод контактного угла представляет собой измерение, которое включает оценку контактного (краевого) угла, образующегося между краем одиночной капли воды и поверхностью твердого материала в момент движения фронта капли по поверхности (динамический контактный угол).
Образцы для испытаний, вырезанные из изолятора, должны быть как можно более плоскими, а их размеры должны позволять нанесение не менее трех капель на отдельные участки поверхности, прилегающие друг к другу. Измеряемая поверхность должна быть чистой.
Используемая вода не должна содержать примесей, влияющих на поверхностное натяжение воды (например, поверхностно-активные вещества, растворители, масляные остатки и т.д.). Подходит деионизированная вода.
Рекомендуемый объем капли - 50 мкл. Для шероховатых поверхностей может понадобиться капля более крупного объема. Чтобы ограничить возможное влияние размера капли воды, объем должен быть как можно более постоянным при сравнении различных образцов. Могут использоваться объемы капли в диапазоне от 5 до 50 мкл. Малые объемы капель имеют преимущество в том, что на контактный угол меньше влияет сила тяжести. С другой стороны, для шероховатых поверхностей и других поверхностей, которые могут иметь большие контактные углы натекания и малые углы оттекания, слишком малый объем капли делает измерение динамических краевых углов очень сложным. Маленький объем капли также более чувствителен к испарению, что может повлиять на измерение. Объем оптимальной капли, таким образом, может зависеть от типа поверхности, температуры и влажности окружающей среды.
Измерение краевых углов должно быть выполнено в течение минуты после нанесения капли на поверхность. Это особенно важно при высокой температуре окружающей среды и низкой относительной влажности, которые увеличивают скорость испарения капли. Если измерение проводится в камере с насыщенным водяным паром, влияние испарения устраняется.
Б.2.2 Оборудование
Существует различное оборудование для измерения краевых углов. Наиболее простое измерение производится с помощью увеличительного прибора с градуированной сеткой (гониометра), закрепленного на раме со шприцем для нанесения капли на испытуемый образец. Другой метод включает увеличение капли с помощью светового проектора (за каплей) и проецирование изображения капли на градуированный фон. Может применяться оборудование, включающее камеру, дисплей и компьютер для анализа измерений.
Б.2.3 Измерение краевого угла оттекания на горизонтальной поверхности
Оценка гидрофобности поверхности производится путем измерения краевого угла оттекания

, как наиболее точно отражающего гидрофобные свойства поверхности. Измерение должно быть выполнено на горизонтальной плоскости путем забора воды из капли с помощью шприца со шкалой (см.
рисунок Б.2) в момент отступления фронта жидкости. Измерение

должно быть выполнено с обеих проецируемых сторон капли. На каждом изоляторе оценку гидрофобности следует выполнять в девяти точках (по три точки в верхней, средней и нижней частях по высоте изолятора).
Рисунок Б.2 - Определение угла оттекания

на плоской
поверхности при изъятии воды из капли
Капиллярную пипетку шприца рекомендуется держать погруженной в каплю во время всего измерения, чтобы избежать вибраций и искажений капли, которые в противном случае могут повлиять на результат.
Б.2.4 Измерение краевого угла оттекания на наклонной поверхности
Измерение краевого угла оттекания

на наклонной поверхности проводится в момент начала движения капли по поверхности при постепенном плавном наклоне этой поверхности (см.
рисунок Б.3). На каждом изоляторе оценку гидрофобности следует выполнять в девяти точках (по три точки в верхней, средней и нижней частях по высоте изолятора).
Рисунок Б.3 - Определение угла оттекания

на наклонной
плоскости в момент начала движения капли
Б.2.5 Оценка
Оценку гидрофобности необходимо выполнять по усредненным результатам измерений краевого угла оттекания

в разных точках изоляторов с последующим сравнением результатов с критериями, приведенными в
таблице Б.1.
Таблица Б.1
Критерии для классификации гидрофобности
защитной оболочки изоляторов
Характеристика гидрофобности | Класс гидрофобности | Критерии по методу распыления | Критерии по методу контактного угла |
Гидрофобная поверхность | 1 | Образуются только отдельные капли. Их форма, если смотреть перпендикулярно к поверхности, практически круглая | |
2 | Образуются только отдельные капли. Большая часть поверхности покрыта каплями, форма которых, если смотреть перпендикулярно к поверхности, все еще правильная, но отклоняется от круглой формы |
Промежуточная поверхность | 3 | Образуются только отдельные капли. Большая часть поверхности покрыта каплями неправильной формы | |
4 | Наблюдаются как отдельные капли, так и водяные дорожки или участки с водяной пленкой. Менее 10% наблюдаемой площади покрыто водяными дорожками или водяной пленкой |
5 | Наблюдаются как отдельные капли, так и водяные дорожки или участки с водяной пленкой. Более 10%, но менее 90% наблюдаемой площади покрыто водяными дорожками или водяной пленкой |
Гидрофильная поверхность | 6 | Более 90%, но менее 100% наблюдаемой площади покрыто водяными дорожками или водяной пленкой (т.е. небольшие несмоченные участки/пятна/следы все же наблюдаются) | |
7 | Сплошная водяная пленка на всей поверхности изолятора (полная смачиваемость) |
Примечание - Приведенные методики гармонизированы с методами оценки гидрофобности, содержащимися в [3]. |
(обязательное)
ДОПОЛНИТЕЛЬНЫЕ УКАЗАНИЯ ПО ПРОВЕДЕНИЮ ИСПЫТАНИЙ
ПРИ ИСКУССТВЕННОМ ЗАГРЯЗНЕНИИ И УВЛАЖНЕНИИ
(ПРИЛОЖЕНИЕ НАПРЯЖЕНИЯ СПОСОБАМИ ПД И ПТД ПО ГОСТ 10390)
В.1 В качестве загрязняющего вещества необходимо применять следующий состав:
- 250 г керамической массы (нейтральное вещество);
- 1000 г проточной воды;
- необходимое для обеспечения заданного значения поверхностной проводимости количество поваренной соли (NaCl) промышленной чистоты.
При этом следует применять только керамическую массу, используемую при изготовлении фарфоровых изоляторов (материал керамический электротехнический, подгруппа 110 - 120 по
ГОСТ 20419).
Для приготовления водной суспензии загрязняющего вещества следует применять воду с удельной электрической проводимостью не более 500 мкСм·см-1 при температуре 20 °C. Если проводимость проточной воды выше 500 мкСм·см-1, рекомендуется использовать деминерализованную воду.
Для получения требуемой степени загрязнения предварительно следует определить значение электрической проводимости приготовленной суспензии и затем загрязнить изолятор или его часть. Необходимое значение электрической проводимости достигают регулированием количества соли в суспензии.
В.2 Изоляторы, предназначенные для испытаний, до нанесения слоя загрязнения необходимо тщательно очистить от грязи и жира. После очистки изоляторы следует обмыть струей водопроводной воды и высушить.
Если после нанесения слоя загрязнения на изоляторе наблюдается пятнистость, поверхность изолятора необходимо снова обмыть и очистить. Затем необходимо выполнить одно или несколько повторных загрязнений, каждое из которых должно быть вновь смыто. Если после такой процедуры на поверхности изолятора будет получен сплошной (равномерный) слой, можно приступить к испытаниям. Как правило, достаточно повторить загрязнение и смыв два-три раза, чтобы получить поверхность изолятора, готовую к практически равномерному загрязнению.
В случае если после указанных процедур не удается достигнуть равномерного слоя загрязнения, чистую сухую поверхность изолятора следует протереть порошком, приготовленным из керамической массы. Затем проводят загрязнение изолятора по
В.3.
В.3 Изоляторы необходимо покрыть слоем искусственного загрязнения способом распыления водной суспензии загрязняющего вещества на поверхность изолятора, предварительно подготовленную в соответствии с
В.2.
Направление сопла распылителя следует отрегулировать так, чтобы обеспечить достаточно равномерный слой на всей поверхности изолятора. Необходимая плотность загрязнения на изоляторе может быть получена путем послойных нанесений загрязнения.
Средняя поверхностная плотность загрязнения, выражаемая в миллиграммах сухого вещества на квадратный сантиметр поверхности, для изоляторов, одновременно проходящих испытания, должна составлять (3,0 +/- 0,6) мг/см2.
Равномерность слоя загрязнения в пределах каждого изолятора должна быть такова, чтобы поверхностная плотность слоя загрязнения в любом месте поверхности не отличалась от среднего значения более чем на +/- 25%.
Поверхностную плотность загрязнения

определяют путем деления массы загрязняющего вещества, мг, счищенного с определенной части поверхности испытуемого изолятора, на площадь очищенной поверхности, см
2.
В.4 Степень загрязнения испытуемого изолятора определяют удельной поверхностной проводимостью, измеренной на испытуемом (приложение напряжения способом ПТД) или контрольном изоляторе (приложение напряжения способом ПД), находящемся в одинаковых условиях с испытуемым.
Поверхностную проводимость изоляторов G вычисляют по формуле
G = I/U, (В.1)
где U - значение приложенного к изолятору напряжения;
I - значение тока утечки на испытуемом или контрольном изоляторе (см.
В.4.1,
В.4.2).
Удельную поверхностную проводимость следует определять путем умножения значения поверхностной проводимости слоя загрязнения на коэффициент формы изолятора, определяемый по
ГОСТ 10390.
Удельную поверхностную проводимость слоя загрязнения необходимо привести к температуре 20 °C по
ГОСТ 10390.
При использовании не менее пяти контрольных изоляторов общее число измерений удельной поверхностной проводимости

должно быть не менее десяти, т.е. на каждом контрольном изоляторе допускается проводить не более двух отдельных измерений.
Изоляторы считают имеющими одинаковую степень загрязнения, если их удельная поверхностная проводимость составляет

, где

- нормированное значение для испытаний.
В.4.1 При использовании контрольных изоляторов (способ ПД) общее число измерений

должно быть не менее десяти, при этом на каждом контрольном изоляторе допускается проводить не более двух отдельных измерений

.
Определение проводимости слоя загрязнения необходимо проводить на контрольных изоляторах во время их непрерывного увлажнения до состояния насыщения и повторять с целью определения максимального измеренного значения. Каждое измерение проводимости слоя загрязнения следует проводить путем приложения к изолятору напряжения, составляющего около 5 кВ (эффективное значение) на метр длины пути утечки, и измерения тока, протекающего через увлажненный слой. При этом напряжение следует прикладывать толчком, а ток утечки измерять в течение начальных полупериодов, когда не наблюдается изменения его значения и формы (амплитуды и синусоидальности).
В.4.2 При использовании испытуемых изоляторов (способ ПТД) их поверхностную проводимость определяют путем приложения толчком (в момент насыщения влагой слоя загрязнения) испытательного напряжения, составляющего (0,8 - 1,2) от 50%-ного разрядного напряжения, и измерения тока утечки в течение не более 0,1 с после приложения напряжения (до начала резкого изменения его амплитуды и синусоидальности).
В.5 Испытуемый изолятор следует увлажнить при помощи генератора тумана (пара), который обеспечивает равномерное распределение тумана по всей поверхности изолятора.
Испытания необходимо проводить в заполняемой туманом (паром) испытательной камере или на открытой испытательной площадке при увлажнении восходящим потоком пара. В последнем случае для ограничения объема воздуха вокруг испытуемого изолятора и поддержания стабильности увлажнения может быть использован тент из полиэтиленовой пленки.
При проведении испытаний начальная температура изолятора не должна отличаться от температуры окружающей среды более чем на +/- 5 °C. Температура окружающего воздуха при испытаниях должна быть от 5 °C до 30 °C.
При установке испытуемого изолятора на открытой площадке туман следует вырабатывать в виде пара путем нагревания воды в парогенераторе и подавать к изолятору с малой скоростью через сопла большого диаметра. Сопла необходимо разместить под испытуемым изолятором на уровне пола, на расстоянии не менее 1,5 м от испытуемого объекта. Не допускается осуществлять подачу пара на изолятор, сопла следует установить на некотором расстоянии от оси изолятора и равномерно расположить вокруг него. Испытуемый изолятор необходимо увлажнять так, чтобы видимый туман окружал его возможно более равномерно.
Стабильность увлажнения от опыта к опыту при проведении испытаний следует контролировать характером изменения поверхностной проводимости во времени. В период отработки методики испытания необходимо получить эталонную кривую изменения проводимости слоя загрязнения во времени при непрерывном увлажнении испытуемого изолятора с заданной степенью загрязнения. При проведении испытаний необходимо контролировать изменение проводимости слоя загрязнения во времени и сравнивать с эталонной кривой. Для обеспечения совпадения измеренной кривой с эталонной необходимо регулировать расход подачи пара или направление струй пара вокруг испытуемого изолятора.
Генерирование тумана вокруг испытуемого изолятора следует производить до конца каждого отдельного испытания с постоянным устойчивым расходом, о чем можно судить по контролю давления пара.
В.6 При испытании способом ПД изолятор с сухим слоем загрязнения, подготовленный к испытанию в соответствии с
В.2 и
В.3, необходимо поместить в испытательную камеру или на испытательную площадку не ранее чем через 24 ч и не позднее 36 ч после загрязнения.
Один и тот же изолятор, загрязненный методом предварительного загрязнения, следует испытывать (увлажнять) один раз, за исключением увлажнения при измерении удельной поверхностной проводимости. Для следующего приложения напряжения (увлажнения) необходимо использовать другой изолятор с той же степенью загрязнения. Допускается проводить повторное испытание на одном изоляторе без смены слоя загрязнения, если после предыдущего воздействия напряжения (увлажнения) визуально не отмечено разрушения слоя загрязнения и удельная поверхностная проводимость, измеренная перед очередным приложением напряжения, отличается не более чем на 10% от значения, измеренного перед первым приложением напряжения.
Расход подачи пара должен быть достаточно высоким и устойчивым, чтобы проводимость слоя загрязнения достигла своего максимального значения через 8 - 15 мин с начала генерирования пара. Максимальное значение проводимости слоя загрязнения, измеренное при испытании, должно соответствовать заданному значению удельной поверхностной проводимости.
(обязательное)
МЕТОДИКА ИСПЫТАНИЙ НА ДУГОСТОЙКОСТЬ
Г.1 Испытания проводят на сухих и чистых изоляторах, совместно со штатной экранной (дугозащитной) арматурой, если она входит в состав изолятора, согласно документации изготовителя.
Г.2 Испытания проводят воздействием дуги переменного тока в закрытой камере или на открытом воздухе. Напряжение питания дуги (напряжение холостого хода источника) должно обеспечивать устойчивое горение дуги. При испытаниях на открытом воздухе скорость ветра не должна превышать 5 м/с.
Г.3 При испытаниях изоляторы должны находиться в вертикальном положении и должны быть снабжены макетом токопровода.
Г.4 Для проведения испытаний опорные изоляторы нижним фланцем должны быть закреплены на токопроводящей опоре, изолированной от земли
(рисунок Г.1). Механическая сила, равная 20% от нормированной механической разрушающей силы на изгиб, должна быть приложена к верхнему фланцу посредством изоляционной тяги.
1 - шина подвода тока; 2 - токопроводящая опора; 3 - шина
отвода тока; 4 - изоляционная подставка;
P - направление нагрузки
Рисунок Г.1 - Схема крепления опорного изолятора и монтажа
токопроводящих и токоотводящих шин при проведении испытаний
Г.5 Способ крепления изоляторов и макета токопровода должен обеспечивать симметричный подвод и отвод тока, и невозможность перехода дуги на посторонние предметы. Токоподводящая опора должна иметь диаметр, не выходящий за габариты нижнего фланца изолятора. Подвод тока должен осуществляться шинами. Сечение и способ крепления шин к арматуре изоляторов должны обеспечивать их надежную работу при горении дуги.
Г.6 Инициирование дуги должно производиться шунтированием участков изоляторов длиной 300 - 350 мм проволокой диаметром 0,1 - 0,3 мм (в случае возникновения проблем при зажигании дуги можно использовать плавкий провод большего диаметра до 1 мм2) с переходом проволоки на противоположную сторону. Изоляторы классов напряжения 6 - 35 кВ должны шунтироваться полностью. Проволока должна закрепляться на защитной оболочке закручиванием вокруг изолятора (переход на противоположную сторону) в промежутках между ребрами и должна касаться краев ребер. Концы проволоки должны крепиться к фланцам изоляторов, а при наличии экранной арматуры проходить через нее. В случае испытания изолятора с минимальным разрядным расстоянием менее 400 мм должен быть обеспечен минимум один переход на противоположную сторону. На средней части испытуемого изолятора следует выполнить переход проволоки на противоположную сторону с учетом вышеуказанной длины шунтируемых участков.
Г.7 Концы проволоки должны крепиться:
- при помощи ленты полиэтиленовой с липким слоем по
ГОСТ 20477 или ленты клеевой на бумажной основе по
ГОСТ 18251;
- у верхнего изолятора за верхний фланец исключая образование замкнутой петли (полный оборот вокруг элемента);
- у нижнего за нижний фланец исключая образование замкнутой петли (полный оборот вокруг элемента);
- при наличии экранной арматуры проволока должна проходить через нее с касанием.
Г.8 Для одиночного изолятора способ крепления идентичен группе изоляторов.
Г.9 Проверка параметров испытательной установки проводится на закороченных токоподводящих шинах. При проведении наладочных опытов регистрируется действующее значение нормируемого тока на токоподводящих шинах. Наибольшее мгновенное значение тока должно быть не более чем в 1,8 раз больше, чем действующее значение периодической составляющей.
После проверки характеристик испытательного стенда снимается закоротка.
Г.10 Испытательный ток должен быть постоянным в течение времени горения дуги. Во время горения дуги допускаются следующие отклонения от заданного значения:
- максимальные значения тока дуги не должны отклоняться от заданного значения более, чем на плюс 20%;
- при времени горения дуги более 0,02 с допускается выходить за пределы вышеуказанного допуска в течение не более 20% общего времени дуги.
Г.11 В любом случае произведение действительного тока дуги и времени дуги должно быть в пределах +/- 10% произведения заданных значений тока и продолжительности дугового разряда.
Г.12 Режимы полимерных опорных изоляторов приведены в
таблице Г.1.
Таблица Г.1
Режимы испытания на дугостойкость
Класс напряжения, кВ | Количество испытуемых изоляторов, шт. | Количество испытаний на каждом изоляторе | Ток дуги, кА | Длительность воздействия, с |
3 | - | - | - | - |
6 - 35 | 3 | 2 | 5,0 +/- 0,5 | 0,5 +/- 0,02 |
110 - 750 | 3 | 2 | 20,0 +/- 1,5 | 0,2 +/- 0,01 |
Г.13 После каждого воздействия дуги должны проводиться осмотр изоляторов и регистрация повреждений с фотофиксацией.
Г.14 После основных испытаний должны быть проведены контрольные испытания в следующей последовательности:
а) После испытания на дугостойкость должно быть проведено испытание разрядным напряжением промышленной частоты в сухом состоянии согласно
ГОСТ 1516.2. Значение среднего разрядного напряжения должно быть не менее 85% от среднего разрядного напряжения, определенного на таких же изоляторах, не подвергавшихся испытанию на стойкость к воздействию силовой электрической дуги. Испытания должны проводиться на изоляторах в том виде и состоянии, в котором они находятся непосредственно после испытания на дугостойкость. Испытания контрольных образцов, не подвергавшихся испытанию на стойкость к воздействию силовой электрической дуги, могут быть проведены как до испытаний на дугостойкость, так и одновременно с испытаниями образцов, подвергавшихся воздействию силовой электрической дуги.
Изоляторы дополнительно испытывают в течение 30 мин приложением испытательного напряжения, равного 80% от среднего разрядного напряжения после испытаний на дугостойкость.
б) Приложение механической разрушающей изгибающей силы, равной 80% от нормированной изгибающей силы в течение одной минуты.
Погрешность измерений механической силы должна быть в пределах +/- 3%.
Испытательную нагрузку быстро, но плавно повышают до значения, равного 75% от нормированного значения для данного испытания, затем плавно повышают до нормируемого значения (скорость подъема не менее 15 с, но и не более 45 с) и выдерживают одну минуту, после чего нагрузка снимается.
Г.15 Изоляторы считают выдержавшими испытания, если:
- успешно выдержали контрольные испытания;
- соответствуют критериям оценки в соответствии с
таблицей Г.2.
Таблица Г.2
Критерии приемки опорных изоляторов
Критерии или проводимое испытание | Критерии оценки |
Разъединение, разрушение изолятора во время испытания | Не допускается |
Разрушение юбок или ребер, оплавление оцинкованных поверхностей стальной или чугунной арматуры, оплавление алюминиевой арматуры | Допускается |
Обнажение сердечника | Не допускается |
Приложение механической разрушающей изгибающей силы, равной 80% от нормированной разрушающей изгибающей силы, в течение одной минуты | Отсутствие разрушения |
Электрический пробой | Пробой не допускается <*> |
<*> Неполный или полный электрический разряд внутри изоляционной части или по границам раздела изоляционного тела и защитной оболочки. |
Г.16 Распространять результаты испытаний на изоляторы допускается в соответствии с критериями, указанными в
таблице Г.3.
Таблица Г.3
Критерии распространения и выбора типопредставителей
Класс напряжения | Критерии распространения и выбора типопредставителей |
6 - 35 | Распространение результатов испытаний на изоляторы допускается в следующих случаях: а) на изоляторы с однотипной конструкцией (одинаковая технология изготовления, одинаковый материал, в том числе изоляционной части, одинаковый способ закрепления арматуры изолятора); б) по механической нагрузке - на изоляторы того же класса или большего класса; в) по строительной высоте - на изоляторы той же строительной высоты, либо меньшей строительной высоты; г) по классу напряжения - на изоляторы того же класса напряжения, либо меньшего; д) по форме, диаметру и количеству ребер, ограничений по распространению нет. Один типопредставитель для группы 6 - 35 кВ - с большей строительной высотой и меньшей разрушающей нагрузкой и максимального класса напряжения, и распространением на все остальные; е) в случае отрицательных результатов испытаний распространение по условиям перечислений а) - д) настоящей таблицы допускается при положительных повторных испытаниях ранее предъявленной к испытаниям марки изолятора и положительных испытаниях изолятора следующей группы по механической нагрузке с максимальной строительной высотой |
110 - 750 | Распространение результатов испытаний на изоляторы допускается в следующих случаях: а) на изоляторы с однотипной конструкцией (одинаковая технология изготовления, одинаковый материал, в том числе изоляционной части, одинаковый способ закрепления арматуры изолятора); б) по механической нагрузке - на изоляторы того же класса или большего класса; в) по строительной высоте - на изоляторы той же строительной высоты, либо большей строительной высоты; г) по классу напряжения - на изолятор того же класса напряжения или выше; д) по форме, диаметру и количеству ребер ограничений по распространению нет. Один типопредставитель для группы 110 - 750 кВ - наименьшего класса напряжения, наименьшей строительной высоты, наименьшей механической нагрузки, и распространением на все остальные. Допускается испытание на макетах с пересчетом прилагаемой механической нагрузки и распространением результатов испытаний согласно перечислениям а) - г) настоящей таблицы; е) в случае отрицательных результатов испытаний распространение по условиям перечислений а) - д) настоящей таблицы допускается при положительных повторных испытаниях ранее предъявленной к испытаниям марки изолятора и положительных испытаниях изолятора следующей группы по механической нагрузке с минимальной строительной высотой. При сборной конструкции допускается перезачет результатов испытаний элементов (модулей) при их идентичности (изменение экранной/дугогасящей арматуры исключает возможность распространения). Если входящий в состав сборной конструкции элемент относится к классу напряжения 6 - 35 кВ, то он должен быть испытан на параметры класса напряжения сборной конструкции |
(обязательное)
РЕЖИМ ЦИКЛОВ ИСПЫТАНИЙ НА ТЕРМОМЕХАНИЧЕСКУЮ ПРОЧНОСТЬ
Рисунок Д.1 - Режим циклов испытаний
на термомеханическую прочность
(рекомендуемое)
МЕТОДИКА ИЗМЕРЕНИЙ ПАРАЛЛЕЛЬНОСТИ
ТОРЦЕВЫХ ПОВЕРХНОСТЕЙ ФЛАНЦЕВ, ЭКСЦЕНТРИСИТЕТА ОСИ ИЗОЛЯТОРА
И УГЛОВОГО ОТКЛОНЕНИЯ КРЕПЕЖНЫХ ОТВЕРСТИЙ ФЛАНЦЕВ
Е.1 Измерение параллельности торцевых поверхностей фланцев изолятора
Е.1.1 Изолятор необходимо установить вертикально и центрировать на жесткой вращающейся опоре (опорной плите) при помощи призматических винтов и гаек и промежуточной плоскопараллельной плиты (см.
рисунки Е.1 и
Е.3).
p - отклонение от горизонтальной оси изолятора;
c - отклонение от вертикальной оси изолятора;
e - эксцентриситет оси изолятора; h - высота изолятора
Е.1.2 По центру верхнего торца изолятора призматическими винтами и гайками на крепежных отверстиях необходимо фиксировать плоскопараллельную плиту и установить измерительный прибор A (индикатор часового типа с ценой деления 0,1 мм).
Е.1.3 При вращении изолятора вокруг собственной оси отмечают наибольшее и наименьшее показания индикатора на диаметре (250 +/- 3) мм, разницу между этими показаниями считают отклонением от параллельности верхней и нижней плоскостей фланцев изолятора. Допускается проверку отклонения параллельности торцевых поверхностей изоляторов выполнять другими методами, обеспечивающими необходимую точность измерений.
Е.2 Измерение эксцентриситета оси изолятора
Е.2.2 По центру верхнего торца изолятора призматическими винтами и гайками на крепежных отверстиях необходимо фиксировать плоскопараллельную плиту и установить измерительный прибор B (индикатор часового типа с ценой деления не более 0,1 мм).
Е.2.3 При вращении изолятора на опорной плите считывают показания прибора B. Записывают минимальное и максимальное значения прибора. Разница между полученными значениями равна c. Эксцентриситетом оси изолятора фланцев опорного изолятора считают половину разности между показаниями прибора e = 0,5c.
Е.2.4 В случае сомнений в верности полученного значения эксцентриситета испытание следует повторить, перевернув изолятор и определив эксцентриситет для перевернутого положения.
В этом случае эксцентриситет рассчитывают как среднее значение данных, полученных для разных положений изолятора.
Е.3 Измерение углового отклонения крепежных отверстий фланцев
Е.3.1 Изолятор следует установить горизонтально, например, на призматические опоры (см.
рисунок Е.2), с возможностью плавного поворота вокруг оси.
1 - электронный уровень; 2 - центровочные штыри
Примечание - При измерении по
методам Е.1 и
Е.2 необходимо убедиться, что обеспечена правильность центровки окружности крепежных отверстий изолятора относительно оси вращения плиты. С этой целью следует использовать все четыре крепежных отверстия, установив в них призматические винты и гайки (например, как на
рисунке Е.3).
Е.3.2 В резьбовые крепежные отверстия изолятора необходимо ввернуть центровочные штыри - винты с хорошо обработанными цилиндрическими хвостовиками (см.
рисунок Е.2).
Е.3.3 В безрезьбовые крепежные отверстия изолятора закрепляют призматические болты и гайки (см.
рисунок Е.3) с хорошо обработанными цилиндрическими хвостовиками.
Е.3.4 С одного из торцов изолятора должен быть установлен на центровочные штыри электронный уровень; плавно поворачивая изолятор, следует привести уровень примерно в горизонтальное положение и зафиксировать изолятор неподвижно. Показания на уровне необходимо обнулить.
Е.3.5 Следует перенести уровень, не переворачивая его в пространстве на центровочные штыри противоположного торца изолятора. Показание уровня является угловым отклонением крепежных отверстий фланцев

.
Е.3.6 Линейное значение углового отклонения крепежных отверстий фланцев s рассчитывается по формуле

(Е.1)
где D - диаметр расположения центров крепежных отверстий, мм.
(обязательное)
ЭСКИЗЫ ОБРАЗЦОВ ДЛЯ ОПРЕДЕЛЕНИЯ АДГЕЗИИ ЗАЩИТНОЙ ОБОЛОЧКИ
К ИЗОЛЯЦИОННОМУ ТЕЛУ
Ж.1 Образец изолятора и пример механического зажима для захвата лепестка ребра при испытаниях методом отрыва приведен на
рисунке Ж.1.
Примечание - L = 5 - 10 мм; h = (10 +/- 0,5) мм.

- угол раскрытия лепестка;
F - сила;
1 - отверстия
для стягивающих болтов; 2 - механический зажим;
3 - изоляционное тело; 4 - лепесток ребра защитной оболочки
Ж.2 Образец изолятора и приспособления для испытаний методом сдвига приведен на
рисунке Ж.2.
F - сила; 1 - пуансон; 2 - изоляционное тело;
3 - защитная оболочка; 4 - упор (матрица)
Ж.3 Образец изолятора для испытаний методом отслаивания приведен на
рисунке Ж.3.
F - сила; 1 - защитная оболочка;
2 - изоляционное тело; 3 - ось вращения
(рекомендуемое)
ЭСКИЗЫ ОБОРУДОВАНИЯ ДЛЯ ПРОВЕДЕНИЯ ИСПЫТАНИЯ
НА ДИФФУЗИЮ ВОДЫ
1 - зона конденсации; 2 - конденсационная трубка;
3 - образцы; 4 - нагреватель с регулятором
Эскиз электродов для проведения высоковольтных испытаний после кипячения приведен на
рисунке И.2.
Примечание - D1 >= (D + 25) мм; D2 >= (D1 + 14) мм.
1 - образец; 2 - электроды
(рекомендуемое)
ПРИМЕР ОБОРУДОВАНИЯ ДЛЯ ПРОВЕДЕНИЯ ИСПЫТАНИЯ НА ОПРЕДЕЛЕНИЕ
СКОРОСТИ УТЕЧКИ ГАЗА
Эскиз оборудования для определения скорости утечки газа из полости изоляторов, работающих под давлением, приведен на
рисунке К.1 (см.
[2]).
1 - герметичная камера; 2 - изолятор, заполненный газом
под давлением; 3 - вентилятор; 4 - датчик газоанализатора
| МЭК 62217:2012 | Изоляторы полимерные высоковольтные для внутреннего и наружного применения. Общие определения, методы испытаний и критерии приемки |
| МЭК 61462:2007 | Изоляторы композитные полые. Изоляторы герметизированные и негерметизированные для электрооборудования с номинальным напряжением более 1000 В. Определения, методы испытаний, критерии приемки и рекомендации по проектированию |
| IEC/TS 62073:2016 | Руководство по измерению гидрофобности поверхностей изоляторов. Техническая спецификация |
УДК 621.315.623:678.5:006.354 | |
Ключевые слова: изоляторы полимерные опорные, технические требования, правила приемки, методы испытаний, термомеханическая прочность, гидрофобность, диффузия воды, пробивное напряжение, разрушающий момент, разрушающая сила, дугостойкость |