Главная // Актуальные документы // Акт (форма)СПРАВКА
Источник публикации
М.: ФГБУ "Институт стандартизации", 2023
Примечание к документу
Текст данного документа приведен с учетом
поправки, опубликованной в "ИУС", N 4, 2024.
Документ
вводится в действие с 01.01.2025 с правом досрочного применения.
Название документа
"ГОСТ 35011-2023. Межгосударственный стандарт. Газ природный сжиженный. Руководство по отбору проб"
(введен в действие Приказом Росстандарта от 24.10.2023 N 1220-ст)
"ГОСТ 35011-2023. Межгосударственный стандарт. Газ природный сжиженный. Руководство по отбору проб"
(введен в действие Приказом Росстандарта от 24.10.2023 N 1220-ст)
агентства по техническому
регулированию и метрологии
от 24 октября 2023 г. N 1220-ст
МЕЖГОСУДАРСТВЕННЫЙ СТАНДАРТ
ГАЗ ПРИРОДНЫЙ СЖИЖЕННЫЙ
РУКОВОДСТВО ПО ОТБОРУ ПРОБ
Liquefied natural gas. Sampling guidelines
(ISO 8943:2007, NEQ)
(EN 12838:2000, NEQ)
ГОСТ 35011-2023
Дата введения
1 января 2025 года
с правом досрочного применения
Цели, основные принципы и общие правила проведения работ по межгосударственной стандартизации установлены
ГОСТ 1.0 "Межгосударственная система стандартизации. Основные положения" и
ГОСТ 1.2 "Межгосударственная система стандартизации. Стандарты межгосударственные, правила и рекомендации по межгосударственной стандартизации. Правила разработки, принятия, обновления и отмены"
1 РАЗРАБОТАН Обществом с ограниченной ответственностью "Научно-исследовательский институт природных газов и газовых технологий - Газпром ВНИИГАЗ" (ООО "Газпром ВНИИГАЗ")
2 ВНЕСЕН Межгосударственным техническим комитетом по стандартизации МТК 52 "Природный и сжиженные газы"
3 ПРИНЯТ Межгосударственным советом по стандартизации, метрологии и сертификации (протокол от 25 сентября 2023 г. N 165-П)
За принятие проголосовали:
Краткое наименование страны по МК (ИСО 3166) 004-97 | Код страны по МК (ИСО 3166) 004-97 | Сокращенное наименование национального органа по стандартизации |
Армения | AM | ЗАО "Национальный орган по стандартизации и метрологии" Республики Армения |
Беларусь | BY | Госстандарт Республики Беларусь |
Киргизия | KG | Кыргызстандарт |
Россия | RU | Росстандарт |
Таджикистан | TJ | Таджикстандарт |
Узбекистан | UZ | Узстандарт |
4
Приказом Федерального агентства по техническому регулированию и метрологии от 24 октября 2023 г. N 1220-ст межгосударственный стандарт ГОСТ 35011-2023 введен в действие в качестве национального стандарта Российской Федерации с 1 января 2025 г. с правом досрочного применения
5 В настоящем стандарте учтены основные нормативные положения следующих международного и европейского стандартов:
- ISO 8943:2007 "Охлажденные легкие углеводородные жидкости. Отбор проб сжиженного природного газа. Непрерывный и периодический методы" ("Refrigerated light hydrocarbon fluids - Sampling of liquefied natural gas - Continuous and intermittent methods", NEQ);
- EN 12838:2000 "Установки и оборудование для сжиженного природного газа. Проверка работоспособности систем отбора проб" ("Installations and equipment for liquefied natural gas - Suitability testing of LNG sampling systems", NEQ)
6 ВВЕДЕН ВПЕРВЫЕ
Информация о введении в действие (прекращении действия) настоящего стандарта и изменений к нему на территории указанных выше государств публикуется в указателях национальных стандартов, издаваемых в этих государствах, а также в сети Интернет на сайтах соответствующих национальных органов по стандартизации.
В случае пересмотра, изменения или отмены настоящего стандарта соответствующая информация будет опубликована на официальном интернет-сайте Межгосударственного совета по стандартизации, метрологии и сертификации в каталоге "Межгосударственные стандарты"
Для хранящегося в транспортировочных емкостях сжиженного природного газа (СПГ) существует общая практика определения энергосодержания. Общее энергосодержание количества СПГ, содержащегося в замкнутых транспортировочных емкостях, определяется объемом жидкости, плотностью жидкости и удельной теплотой сгорания поставляемого СПГ.
Знание компонентного состава СПГ необходимо для вычисления плотности и удельной теплоты сгорания СПГ. Следовательно, правильность выполнения процедур отбора проб, обеспечивающая представительность отобранных проб СПГ, является необходимым условием для высокой точности последующего определения компонентного состава СПГ.
Показатели качества и физико-химические свойства СПГ необходимо контролировать с целью обеспечения безопасности его производства, транспортирования и использования, а также безопасности персонала, установок, оборудования и технологической инфраструктуры в целом. Кроме того, энергосодержание СПГ, зависящее от компонентного состава СПГ, необходимо контролировать для проведения коммерческих расчетов.
СПГ является многокомпонентной смесью легких углеводородов с азотом, а также с примесями других углеводородных и неуглеводородных компонентов. Метан является основным компонентом СПГ. Концентрации неосновных компонентов СПГ меняются в зависимости от источника исходного сжижаемого природного газа, предварительной очистки, самого процесса сжижения газа и условий хранения СПГ.
В настоящем стандарте представлены требования к процедурам, оборудованию, материалам, применяемым при отборе проб СПГ, а также к проектированию, расположению, эксплуатации и обслуживанию пробоотборных систем для периодического и непрерывного отбора проб СПГ, гарантирующих представительность проб СПГ количеству продукции, на которое они распространяются.
1.1 Настоящий стандарт распространяется на сжиженный природный газ (СПГ), поступающий с установок сжижения, а также поставляемый для дальнейшего хранения, транспортирования и использования.
1.2 Настоящий стандарт устанавливает требования к процедурам, оборудованию и материалам для отбора проб СПГ, обеспечивающие представительность отобранных проб количеству СПГ, на которое они распространяются.
В настоящем стандарте использованы нормативные ссылки на следующие межгосударственные стандарты:
ГОСТ 12.1.005 Система стандартов безопасности труда. Общие санитарно-гигиенические требования к воздуху рабочей зоны
ГОСТ 12.1.007 Система стандартов безопасности труда. Вредные вещества. Классификация и общие требования безопасности
ГОСТ 12.1.044 (ИСО 4589-84) Система стандартов безопасности труда. Пожаровзрывоопасность веществ и материалов. Номенклатура показателей и методы их определения
ГОСТ 17.2.3.02 <1> Правила установления допустимых выбросов загрязняющих веществ промышленными предприятиями
--------------------------------
<1> В Российской Федерации действует
ГОСТ Р 58577-2019 "Правила установления нормативов допустимых выбросов загрязняющих веществ проектируемыми и действующими хозяйствующими субъектами и методы определения этих нормативов".
ГОСТ 5632 Нержавеющие стали и сплавы коррозионно-стойкие, жаростойкие и жаропрочные. Марки
ГОСТ 9293 (ИСО 2435-73) Азот газообразный и жидкий. Технические условия
ГОСТ 10157 Аргон газообразный и жидкий. Технические условия
ГОСТ 14254 (IEC 60529:2013) Степени защиты, обеспечиваемые оболочками (Код IP)
ГОСТ 15150 Машины, приборы и другие технические изделия. Исполнения для различных климатических районов. Категории, условия эксплуатации, хранения и транспортирования в части воздействия климатических факторов внешней среды
ГОСТ 19433 Грузы опасные. Классификация и маркировка
ГОСТ 31369 (ISO 6976:2016) Газ природный. Вычисление теплоты сгорания, плотности, относительной плотности и числа Воббе на основе компонентного состава
ГОСТ 31370 (ИСО 10715:1997) Газ природный. Руководство по отбору проб
ГОСТ 31371.7 Газ природный. Определение состава методом газовой хроматографии с оценкой неопределенности. Часть 7. Методика измерений молярной доли компонентов
ГОСТ 31610.20-1 (ISO/IEC 80079-20-1:2017) Взрывоопасные среды. Часть 20-1. Характеристики веществ для классификации газа и пара. Методы испытаний и данные
ГОСТ 34895 (ISO 14532:2014) Газ природный. Качество. Термины и определения
Примечание - При пользовании настоящим стандартом целесообразно проверить действие ссылочных стандартов и классификаторов на официальном интернет-сайте Межгосударственного совета по стандартизации, метрологии и сертификации (www.easc.by) или по указателям национальных стандартов, издаваемым в государствах, указанных в предисловии, или на официальных сайтах соответствующих национальных органов по стандартизации. Если на документ дана недатированная ссылка, то следует использовать документ, действующий на текущий момент, с учетом всех внесенных в него изменений. Если заменен ссылочный документ, на который дана датированная ссылка, то следует использовать указанную версию этого документа. Если после принятия настоящего стандарта в ссылочный документ, на который дана датированная ссылка, внесено изменение, затрагивающее положение, на которое дана ссылка, то это положение применяется без учета данного изменения. Если ссылочный документ отменен без замены, то положение, в котором дана ссылка на него, применяется в части, не затрагивающей эту ссылку.
В настоящем стандарте применены термины по
ГОСТ 31370,
ГОСТ 34895, а также следующие термины с соответствующими определениями:
3.1 аккумулятор пробы РСПГ: Емкость, входящая в состав устройства для регазификации и отбора проб СПГ, предназначенная для поглощения пульсаций давления и гомогенизации регазифицированного СПГ.
3.2 барботаж: Процедура насыщения гидрозатворной жидкости в газгольдере регазифицированным СПГ с целью уменьшения влияния гидрозатворной жидкости на компонентный состав газовой пробы.
3.3 газ сравнения: Газ, с характеристиками которого сравнивают характеристики газа, отобранного с помощью испытуемой пробоотборной системы.
3.4 газгольдер пробы РСПГ: Емкость, предназначенная для сбора и накопления количества регазифицированного СПГ, требуемого для выполнения анализа.
Примечание - В зависимости от конструкции различают газгольдеры без гидрозатвора (как правило, оснащенные гибкой резиновой мембраной сжатия/растяжения) и с гидрозатвором.
3.5 гидрозатворная жидкость: Вода или иная жидкость, используемая в газгольдере пробы регазифицированного СПГ с гидрозатвором для исключения контакта газовой пробы с атмосферой.
3.6 испаритель пробы СПГ: Приспособление, предназначенное для полной регазификации пробы СПГ, поступающей из пробоотборной линии СПГ.
3.7 косвенный отбор пробы: Отбор пробы сжиженного природного газа при отсутствии прямого соединения между точкой отбора пробы и средством измерений.
Примечание - Косвенный отбор пробы заключается в отборе пробы СПГ в пробоотборный контейнер или концентрировании пробы целевого(ых) компонента(ов) в специальном устройстве - концентраторе.
3.8 непрерывный отбор проб СПГ: Постоянный отбор проб из потока СПГ с последующей его регазификацией и накоплением в газгольдере для получения интегральной пробы регазифицированного СПГ.
3.9 отбор пробы: Процедура получения представительной пробы сжиженного природного газа, выполняемая в соответствии с требованиями соответствующего документа по стандартизации.
3.10 переохлаждение: Понижение температуры СПГ ниже точки кипения при данном давлении.
3.11 переохлажденный СПГ: Сжиженный природный газ, температура которого ниже точки кипения при данном давлении.
3.12 периодический отбор проб СПГ: Отбор точечных проб из потока СПГ или РСПГ с равномерными интервалами времени или из равных объемов потока.
3.13 пробоотборная линия: Приспособление, предназначенное для передачи представительной пробы сжиженного природного газа от пробоотборного устройства в средство измерений, пробоотборный контейнер, концентратор или другие элементы пробоотборной системы.
3.14 пробоотборная система: Совокупность приспособлений, используемых для передачи представительной пробы сжиженного природного газа из точки отбора пробы в средство измерений, пробоотборный контейнер или концентратор.
Примечание - В состав пробоотборной системы, как правило, входят пробоотборное устройство, пробоотборная линия и необходимая арматура.
3.15 пробоотборное устройство: Приспособление, используемое для передачи представительной пробы сжиженного природного газа из точки отбора пробы в пробоотборную линию.
Примечание - В состав пробоотборного устройства входят, как правило, пробоотборный зонд, запорный вентиль или шаровой кран, а также при необходимости могут использоваться отдельные элементы системы пробоподготовки.
3.16 пробоотборный контейнер постоянного давления (с подвижным поршнем): Металлическая емкость, используемая, как правило, для точечного или накопительного отбора проб газов и жидкостей, в которой имеется движущийся поршень, отделяющий пробу от буферного газа, при этом давление по обе стороны поршня одинаково.
3.17 прямой отбор пробы: Отбор пробы сжиженного природного газа при наличии прямого соединения между точкой отбора пробы и средством измерений.
3.18 регазифицированный сжиженный природный газ; РСПГ: Сжиженный природный газ, переведенный в газообразное состояние путем подвода к нему необходимого количества теплоты.
3.19 сжиженный природный газ: Природный газ, переведенный после специальной подготовки в жидкое состояние с целью его транспортирования, хранения и использования.
3.20 система пробоподготовки: Совокупность приспособлений, используемых для придания пробе сжиженного природного газа качеств, необходимых для корректного измерения его компонентного состава и физико-химических свойств без нарушения представительности отобранной пробы.
3.21 средство измерений; СИ: Устройство, используемое для выполнения измерений, в том числе в сочетании с одним или несколькими дополнительными устройствами.
3.22 степень переохлаждения СПГ: Количество теплоты, которое требуется подвести к одному килограмму переохлажденного СПГ для нагрева его до температуры кипения при данном давлении.
3.23 точечная проба: Проба сжиженного природного газа известного объема, отобранная в определенный момент времени в определенном месте отбора проб.
3.24 устройство для регазификации и отбора проб СПГ (пробоотборное устройство): Комплекс приспособлений, включающий пробоотборный зонд, запорный вентиль, испаритель, а также необходимую арматуру, теплоизоляцию и средства измерений, предназначенный для подачи представительной пробы СПГ из точки отбора в пробоотборную линию, а также для ее регазификации.
4 Требования безопасности
4.1 СПГ является криогенной жидкостью, состоящей преимущественно из метана, имеющей, как правило, при нормальном давлении температуру от минус 154 °C до 170 °C в зависимости от компонентного состава СПГ. При попадании на незащищенные участки тела человека СПГ испаряется и вызывает ожоги (обморожение) кожи.
4.2 СПГ является малотоксичным пожаровзрывоопасным продуктом. По токсикологической характеристике СПГ является веществом четвертого класса опасности по
ГОСТ 12.1.007.
4.3 Пары СПГ не оказывают токсического действия на организм человека, но при высоких концентрациях могут вызывать удушье, связанное со снижением объемной доли кислорода в воздухе ниже 16,0%.
4.4 Пары СПГ образуют с воздухом взрывоопасные смеси. Концентрационные пределы воспламенения паров СПГ в смеси с воздухом, выраженные в процентах объемной доли метана: нижний - 4,4%, верхний - 17,0% по
ГОСТ 31610.20-1.
4.5 Подгруппа оборудования и температурный класс для паров СПГ - IIА и T1 по
ГОСТ 31610.20-1.
4.6 По классификации
ГОСТ 19433 СПГ относят к опасным грузам класса 2.
4.7 При проливе СПГ и загорании его паров необходимо применять средства порошкового пожаротушения. При загорании небольших количеств СПГ используют порошковые огнетушители, песок, асбестовое полотно. Воду для тушения СПГ использовать не допускается. Использование воды возможно лишь для создания водяной завесы с целью защиты окружающих объектов от теплового воздействия пламени.
4.9 Температура самовоспламенения паров СПГ (по метану) равна 600 °C по
ГОСТ 31610.20-1.
4.10 Максимальное давление взрыва смеси паров СПГ с воздухом, находящейся при стандартных условиях определения, равно 0,72 МПа (по метану). Скорость нарастания давления взрыва паров СПГ определяют по
ГОСТ 12.1.044.
4.11 При работе с СПГ необходимо учитывать предельно допустимые концентрации вредных веществ в воздухе рабочей зоны, установленные
ГОСТ 12.1.005.
4.12 При отборе проб СПГ необходимо соблюдать требования национального законодательства и нормативных документов государств, принявших настоящий стандарт, касающиеся вопросов безопасности.
4.13 В настоящем стандарте не приведены все возможные требования безопасности, связанные с его применением. При отборе проб СПГ пользователям настоящего стандарта следует руководствоваться национальными требованиями промышленной и пожарной безопасности, а также соответствующими требованиями безопасности, действующими в организации. При необходимости расширения и конкретизации указанных выше требований в организации могут быть разработаны специальные требования или инструкции, применительно к данному виду работ, не противоречащие перечисленным выше национальным и локальным документам.
5 Требования охраны окружающей среды
5.1 Правила установления допустимых выбросов загрязняющих веществ в атмосферу, в том числе компонентов СПГ, - по
ГОСТ 17.2.3.02.
5.2 При отборе проб СПГ необходимо соблюдать требования национального законодательства и нормативных документов государств, принявших настоящий стандарт, касающиеся вопросов охраны окружающей среды.
5.3 В настоящем стандарте не приведены все возможные требования охраны окружающей среды, связанные с его применением.
6 Требования к квалификации персонала
6.1 Все операции, предусмотренные настоящим стандартом, проводят лица, изучившие эксплуатационную документацию используемого оборудования и средств измерений (СИ), а также требования настоящего стандарта.
6.2 Лица, осуществляющие операции по отбору проб СПГ, должны пройти обязательный инструктаж по охране труда и промышленной безопасности, а также иметь допуск к работе с пожаровзрывоопасными веществами, криогенными жидкостями и оборудованием, работающим под избыточным давлением.
7 Общие требования к отбору проб
7.1 Пробоотборные линии, заполняемые СПГ до его регазификации, необходимо обеспечить теплоизоляцией, исключающей теплопритоки извне в целях недопущения частичного или полного испарения пробы СПГ.
7.2 Поскольку внезапный нагрев СПГ может привести к резкому нарастанию давления в пробоотборной системе и, в крайнем случае, разрыву пробоотборных линий или их соединений, пробоотборная система должна быть оборудована предохранительными сбросными клапанами.
7.3 При отборе проб СПГ необходимо визуально убедиться в отсутствии следов коррозии, нарушений структурной целостности оборудования, соединений между пробоотборными линиями и элементами пробоотборной системы. Затем следует проверить герметичность всех соединений между пробоотборными линиями и элементами пробоотборной системы, используя подходящие средства поиска течи (мыльный раствор, течеискатель, тепловизор и т.п.).
7.4 Для проведения непрерывного отбора проб СПГ допускается использовать газгольдеры пробы РСПГ с эластичной мембраной, подвижным поршнем, гидрозатвором или иной конструкции с аналогичными свойствами.
7.5 При использовании газгольдера с гидрозатвором перед началом отбора проб гидрозатвор необходимо подвергнуть барботажу РСПГ.
7.6 При использовании газгольдера с гидрозатвором для предотвращения вероятности загрязнения пробы РСПГ атмосферными газами ее подают в пробоотборник сразу после отбора в газгольдер.
7.7 При использовании газгольдера пробы РСПГ без гидрозатвора перед началом отбора проб необходимо удостовериться в отсутствии перетоков газа между внутренними и внешними отсеками внутри газгольдера, поддерживая вакуум во внутреннем отсеке газгольдера пробы РСПГ, с одновременным поддержанием давления газа во внешнем отсеке газгольдера.
7.8 При использовании газгольдера пробы РСПГ без гидрозатвора перед началом отбора проб внешний отсек газгольдера, содержащий газовую пробу, необходимо очистить от остаточных газов. Непосредственно перед началом отбора проб следует поддерживать вакуум во внешнем отсеке.
7.9 При необходимости использования компрессора для подачи газовой пробы в пробоотборник во избежание изменения компонентного состава пробы следует использовать компрессор безмасляного типа.
7.10 Отбор проб СПГ проводят из потока СПГ в течение всего периода:
- работы установки сжижения природного газа;
- подачи СПГ в емкость или хранилище;
- отгрузки СПГ на транспортные средства;
- подачи СПГ на установку регазификации;
- иных процессов передачи СПГ потребителям или на хранение.
7.11 При периодическом отборе проб СПГ необходимо отбирать не менее трех точечных проб. При этом необходимо равномерно распределить число проб на весь период перекачки стабильного потока СПГ.
Примечания
1 При отгрузке СПГ потребителю из малотоннажных установок, в которых отсутствует стационарная пробоотборная система, или при кратковременной отгрузке в криогенные автоцистерны допускается проводить отбор единичной точечной пробы в средней части (второй трети) периода отгрузки.
2 Допускается проводить отбор точечных проб СПГ непосредственно из криогенных автоцистерн (изотермических контейнеров) при наличии технической возможности.
7.12 Отбор проб СПГ для анализа вне зависимости от способа отбора проводят в период времени, в течение которого массовый расход СПГ достаточно стабилен, исключая начальное повышение расхода и его уменьшение перед остановкой, как показано на
рисунке 1.
W - массовый расход СПГ; t - время подачи СПГ; 1 - момент
начала подачи СПГ; 2 - период отбора проб СПГ; 3 - момент
окончания подачи СПГ
Рисунок 1 - Зависимость массового расхода СПГ от времени
при подаче СПГ
7.13 При резком изменении массового расхода СПГ или давления в подающей линии СПГ отбор проб СПГ необходимо прервать до стабилизации указанных величин.
8 Требования к средствам измерений, вспомогательному оборудованию и материалам
8.1 Материалы всех пробоотборных линий, элементов пробоотборной системы, соединений, уплотнений, вентилей, клапанов, емкостей, вспомогательного оборудования и пробоотборников должны быть химически инертны к компонентам СПГ и не сорбировать их на своей поверхности.
8.2 При подборе материалов необходимо учитывать все возможные факторы опасности, возникающие при работе с СПГ, а именно:
- резкое повышение давления;
- экстремально низкую (криогенную) температуру (в линиях до испарителя);
- коррозионное или механическое разрушение оборудования.
8.3 В качестве пробоотборных линий используют трубки из нержавеющей стали марок (6 - 42) 12Х18Н10Т, (6 - 24) 08Х18Н10Т или (6 - 18) 08Х16Н11М3 по
ГОСТ 5632 или других материалов, аналогичных по свойствам, инертных к компонентам СПГ и не сорбирующих их. Диаметр и длину пробоотборных линий по возможности минимизируют.
8.4 Все используемое при отборе проб СПГ вспомогательное оборудование, а также соединительные элементы и уплотнения между элементами пробоотборной системы, контактирующие с СПГ, должны быть изготовлены из нержавеющей стали марок, указанных в
8.3, из фторопласта по
ГОСТ 10007 или других материалов, аналогичных им по свойствам, химически инертных к компонентам СПГ и не сорбирующих их.
8.5 Площадь внутренней поверхности змеевика теплообменника испарителя пробы СПГ подбирают таким образом, чтобы она была достаточной для подвода необходимого количества теплоты, требуемой для регазификации всего объема СПГ, направляемого на анализ.
8.6 Конструкция испарителя должна обеспечивать полную регазификацию всего объема СПГ, поступившего в пробоотборную систему, за период отбора пробы. Примеры конструкций испарителей пробы СПГ приведены в
приложении А.
8.7 Регулятор давления регазифицированного СПГ располагают на выходе из аккумулятора РСПГ.
8.8 Максимальная пропускная способность регулятора давления РСПГ должна быть не менее максимального потока на выходе из испарителя пробы СПГ.
8.9 Пробоотборные линии, элементы пробоотборной системы и арматуру, расположенные по потоку выше испарителя, поддерживают в переохлажденном состоянии при помощи соответствующей тепловой изоляции во избежание неконтролируемой регазификации пробы СПГ. Возможно применение следующих типов изоляции:
- экранно-вакуумной;
- вакуумно-порошковой (с перлитовым песком);
- многослойной с использованием пенополиуретана (ППУ) или вспененного синтетического каучука.
8.10 Максимально допустимую длину пробоотборной линии от пробоотборного зонда до испарителя
Lmax, м, вычисляют по формуле

(1)
где W - массовый расход пробы СПГ, кг/ч;

- степень переохлаждения СПГ на выходе пробоотборного зонда, Дж/кг (определение степени переохлаждения СПГ допускается проводить в соответствии с
приложением Б);
3600 - коэффициент для пересчета единиц времени (часов в секунды), с/ч;
q - теплоприток от внешней среды, приходящийся на единицу длины пробоотборной линии, Вт/м (пример вычисления приведен в
приложении Б).
8.11 Аккумулятор РСПГ, применяемый для сглаживания пульсаций давления РСПГ, располагают по потоку непосредственно после испарителя. Внутренний объем аккумулятора РСПГ должен составлять не менее 2,0 дм3.
8.12 Вместимость газгольдера пробы РСПГ должна превышать сумму объема, требуемого для заполнения газового пробоотборника (пробоотборников), и дополнительного объема, необходимого для продувки пробоотборной линии от газгольдера пробы РСПГ до газового пробоотборника.
8.13 Для отбора проб РСПГ применяют двухвентильные металлические или металлокомпозитные пробоотборники, а также пробоотборники постоянного давления (с подвижным поршнем), выполненные в соответствии с
приложением В.
8.14 Вместимость газового пробоотборника выбирают достаточной для того, чтобы объем содержащегося в пробоотборнике РСПГ был больше, чем требуется для определения компонентного состава или физико-химических свойств пробы.
8.15 Все используемые при отборе проб СИ должны иметь климатическое исполнение для соответствующего условиям эксплуатации макроклиматического района по
ГОСТ 15150.
8.16 Используемые СИ должны быть обеспечены защитной оболочкой корпуса для соответствующих внешних воздействий по
ГОСТ 14254.
8.17 Корпус или отдельные блоки используемого СИ, находящиеся во взрывоопасной зоне, должны иметь взрывобезопасный уровень взрывозащиты согласно требованиям
[1] с соответствующей маркировкой взрывозащиты.
8.18 Все операции по выполнению измерений необходимо выполнять согласно руководству по эксплуатации СИ с учетом требований настоящего стандарта.
8.19 При выполнении отбора проб СПГ используют следующие СИ и вспомогательное оборудование:
- СИ давления для измерения рабочего давления РСПГ с классом точности не ниже 2,5;
- СИ объемного расхода РСПГ, обеспечивающие измерение расхода, требуемого для работы пробоотборного устройства с допускаемой погрешностью в пределах +/- 4% от верхнего предела измерений;
- СИ температуры, обеспечивающие измерение температуры РСПГ и СПГ в пробоотборных линиях в соответствующих диапазонах рабочих температур с допускаемой погрешностью в пределах +/- 0,5 °C;
- СИ температуры, обеспечивающие измерение температуры окружающего воздуха в месте отбора проб с допускаемой погрешностью в пределах +/- 0,5 °C;
- регулятор давления (редуктор) газа, рассчитанный на рабочий диапазон давлений РСПГ с запасом по давлению не менее 25% от максимального давления.
8.20 Внешние условия, влияющие на работу используемых СИ, не должны превышать допустимых пределов, указанных в их эксплуатационной документации.
Примечание - Допускается использовать другие СИ, вспомогательное оборудование и материалы, не уступающие по своим метрологическим и техническим характеристикам СИ, вспомогательному оборудованию и материалам, перечисленным выше.
8.21 Все средства измерений должны проходить государственную поверку или калибровку (градуировку) с периодичностью, указанной в паспортах на СИ или эксплуатационных документах.
9 Организация точки отбора проб
9.1 Точку отбора проб располагают на участке трубопровода с постоянным потоком СПГ.
9.2 Пробоотборный зонд располагают в тех точках трубопровода, где СПГ находится в условиях переохлаждения. Пример проверки соответствия состояния СПГ условиям переохлаждения приведен в
приложении Б.
9.3 Пробоотборный зонд устанавливают под прямым углом к оси трубопровода СПГ (способы расположения пробоотборных зондов приведены в
приложении Г) (см.
[2]).
9.4 Пробоотборный зонд может заканчиваться прямым патрубком или иметь срезанное под углом входное отверстие. В качестве зонда также допускается использовать трубку Пито с отверстием, направленным навстречу потоку СПГ.
9.5 Входное отверстие пробоотборного зонда размещают на расстоянии не более 1/3 внутреннего радиуса трубопровода от оси трубопровода (центра потока) СПГ.
9.6 При слиянии нескольких трубопроводов, пробоотборный зонд располагают после манифольда (при его наличии). В отсутствие манифольда пробоотборные зонды устанавливают на каждую линию трубопровода.
9.7 Во избежание нагрева СПГ пробоотборный зонд, пробоотборные линии и арматуру до испарителя необходимо располагать компактно, по возможности минимизируя длину пробоотборных линий.
10 Проведение отбора проб
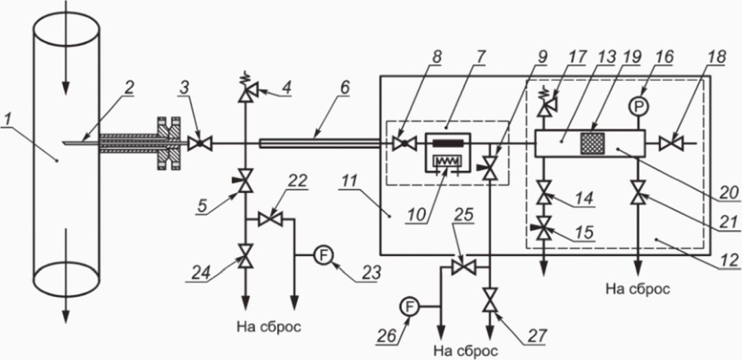
10.1 Отбор проб сжиженного природного газа без регазификации
10.1.1 Периодический отбор проб СПГ без регазификации проводят в криогенные пробоотборники, в состав которых входит устройство дозирования и регазификации СПГ.
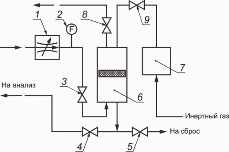
10.1.2 Принципиальная схема устройства для проведения периодического отбора проб СПГ без регазификации приведена на
рисунке 2.
1 - трубопровод СПГ; 2 - пробоотборный зонд;
3, 14 - запорные вентили; 4, 17 - предохранительные клапаны;
5 - сбросной вентиль; 6 - гибкий пробоотборный шланг;
7 - устройство дозирования СПГ; 8 - входной вентиль
дозирующего устройства; 9 - выходной вентиль дозирующего
устройства; 10 - дозирующая трубка с подогревом;
11 - криогенный пробоотборник для отбора проб СПГ
с последующей регазификацией; 12 - пробоотборник постоянного
давления (с подвижным поршнем), входящий в состав
криогенного пробоотборника; 13 - рабочая камера;
15 - вентиль тонкой регулировки расхода; 16 - показывающий
манометр; 18 - вентиль подачи буферного газа; 19 - подвижный
поршень; 20 - буферная камера; 21 - вентиль сброса буферного
газа; 22, 24, 25, 27 - вентили; 23, 26 - СИ объемного
расхода газа
Рисунок 2 - Принципиальная схема устройства для проведения
периодического отбора проб СПГ без регазификации
10.1.3 Перед отбором проб СПГ проводят проверку и подготовку криогенного пробоотборника
11 в соответствии с его руководством по эксплуатации.
10.1.4 Присоединяют криогенный пробоотборник
11 к пробоотборному устройству посредством гибкого пробоотборного шланга
6 в соответствии с
рисунком 2.
10.1.5 В начальном состоянии все вентили, изображенные на
рисунке 2, находятся в закрытом положении. Подвижный поршень
19 пробоотборника постоянного давления
12 находится в крайнем положении, соответствующем "нулевому" объему заполнения его пробоотборной камеры
13.
10.1.6 Сначала полностью открывают запорный вентиль 3, а затем, полностью открывая вентиль 22 и плавно приоткрывая сбросной вентиль 5, быстро устанавливают начальное значение объемного расхода РСПГ не менее 5,0 дм3/мин для того, чтобы захолодить и промыть потоком жидкого СПГ пробоотборное устройство. Расход определяют по показаниям СИ (индикатора) расхода 23. Вентиль 24 при этом закрыт. Непосредственно после установления расхода РСПГ сначала полностью открывают вентиль 24 и затем закрывают вентиль 22.
10.1.7 По мере захолаживания линий пробоотборного устройства, на выходе из сбросной трубки после вентиля 24 будут появляться капли СПГ.
10.1.8 Процесс захолаживания пробоотборного устройства считают законченным, когда на выходе сбросной трубки после вентиля 24 появится непрерывная струя СПГ.
10.1.9 После завершения захолаживания промывают пробоотборное устройство СПГ еще в течение 1 мин, после чего закрывают вентиль 5 и открывают входной вентиль 8 дозирующего устройства 10.
10.1.10 Плавно приоткрывая выходной вентиль 9 дозирующего устройства 10 и вентиль 25, устанавливают начальное значение объемного расхода РСПГ в пределах от 1 до 5 дм3/мин при помощи СИ или индикатора расхода 26 для того, чтобы захолодить и промыть потоком СПГ дозирующее устройство. Вентиль 27 при этом закрыт. Непосредственно после установления расхода РСПГ сначала полностью открывают вентиль 27 и затем закрывают вентиль 25.
10.1.11 По мере захолаживания линий дозирующего устройства, на выходе из сбросной трубки после вентиля 27 будут появляться капли СПГ.
10.1.12 Процесс захолаживания дозирующего устройства 10 считают законченным, когда на выходе сбросной трубки после вентиля 27 появится непрерывная струя СПГ.
10.1.13 После завершения захолаживания промывают дозирующее устройство 10 потоком СПГ еще в течение 1 мин, после чего закрывают сначала вентиль 9, а затем вентиль 8.
10.1.14 После этого закрывают запорный вентиль 3 и полностью сбрасывают оставшийся СПГ из пробоотборной системы через сбросной вентиль 5 до полного прекращения выхода жидкости и газа, отсоединяют гибкий пробоотборный шланг 6 от пробоотборного устройства и доставляют криогенный пробоотборник 11 в лабораторное помещение для выполнения анализов.
Примечание - По мере нагрева дозирующего устройства 10, СПГ будет регазифицироваться и поступать в пробоотборную камеру 13 пробоотборника постоянного давления 12, при этом поршень 19 начнет сдвигаться от "нулевого положения", что будет заметно по смещению магнитного индикатора положения поршня.
10.1.15 Криогенный пробоотборник 11 выдерживают в лабораторном помещении до достижения им температуры окружающей среды, что определяют по прекращению увеличения давления на манометре 16 или с помощью индикатора температуры (при его наличии в составе пробоотборника).
10.1.16 РСПГ на анализ отбирают из пробоотборника постоянного давления
12, полностью открывая запорный вентиль
14 и регулируя объемный расход вентилем тонкой регулировки
15.
Примечания
1 Давление буферного газа (гелия) в камере буферного газа пробоотборника постоянного давления 12 необходимо подбирать таким, чтобы давление исследуемого РСПГ в пробоотборной камере было не ниже 0,25 МПа, но не выше давления, указанного производителем криогенного пробоотборника 11.
2 При отличии значений объемного расхода и времени промывки, перечисленных в
10.1, от значений объемного расхода и времени промывки, указанных в документации на применяемое оборудование, руководствуются значениями, приведенными в документации на данное оборудование.
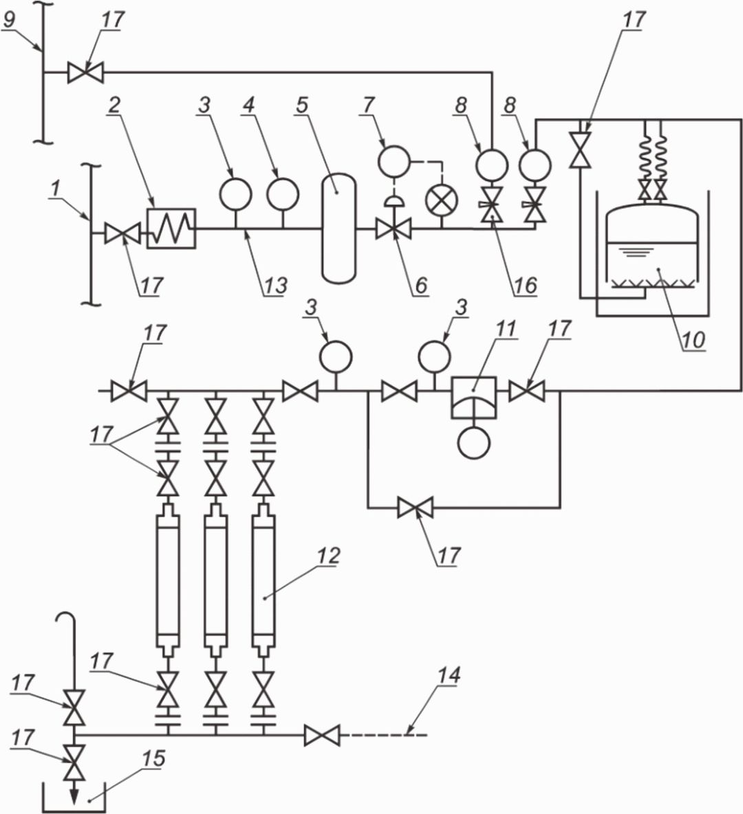
10.2 Отбор проб сжиженного природного газа с регазификацией
10.2.1 Проведение регазификации сжиженного природного газа
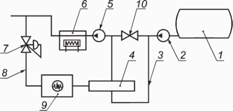
10.2.1.1 Принципиальная схема устройства для регазификации СПГ и отбора проб приведена на
рисунке 3. Детальные схемы различных вариантов установок для регазификации и отбора проб СПГ приведены в
приложении Д.
1 - трубопровод СПГ; 2 - пробоотборный зонд; 3 - запорный
вентиль; 4, 9, 15 - регулирующие вентили; 5 - испаритель;
6 - нагревательный элемент; 7 - СИ давления;
8 - СИ температуры; 10 - предохранительный клапан;
11 - аккумулятор; 12 - регулятор давления; 13 - сбросной
вентиль; 14 - СИ расхода
Рисунок 3 - Схема устройства для регазификации СПГ
и отбора проб
10.2.1.2 Сжиженный природный газ через пробоотборный зонд
2 поступает в испаритель
5. Необходимо поддерживать температуру РСПГ после испарителя
5 не ниже 20 °C.
10.2.1.3 Заполнение пробоотборных линий до испарителя включительно требуется проводить согласно эксплуатационной документации конкретных применяемых пробоотборного устройства и испарителя.
10.2.1.4 Абсолютное давление РСПГ после испарителя поддерживают в интервале значений от 0,25 до 1,00 МПа.
10.2.1.5 Значение объемного расхода, подаваемого в испаритель СПГ, обеспечивающее отбор пробы РСПГ и постоянный поток его через сбросной вентиль
13, устанавливают регулирующим вентилем
4.
10.2.1.6 Перед проведением отбора проб устройство для регазификации и отбора проб СПГ необходимо продуть РСПГ через сбросной вентиль 13 в течение 20 мин с объемным расходом не менее 5,0 дм3/мин.
Примечание - Допускается при необходимости уменьшать время продувки устройства для регазификации и отбора проб СПГ, пропорционально увеличивая объемный расход РСПГ для продувки, если это предусмотрено конструкцией и эксплуатационной документацией применяемой пробоотборной системы.
10.2.1.7 На период отбора проб устанавливают постоянный поток РСПГ через сбросной вентиль 13 с объемным расходом не менее 1,0 дм3/мин.
10.2.1.8 С целью уменьшения объема пробоотборной линии, отбор пробы РСПГ для определения массовой концентрации серосодержащих соединений или водяных паров необходимо проводить через вентиль 9.
10.2.1.9 Для определения компонентного состава РСПГ методом газовой хроматографии пробу РСПГ отбирают через вентиль
15. Отбор проб РСПГ в этом случае допускается проводить непрерывным (по
10.2.2) или периодическим (по
10.2.3) методами.
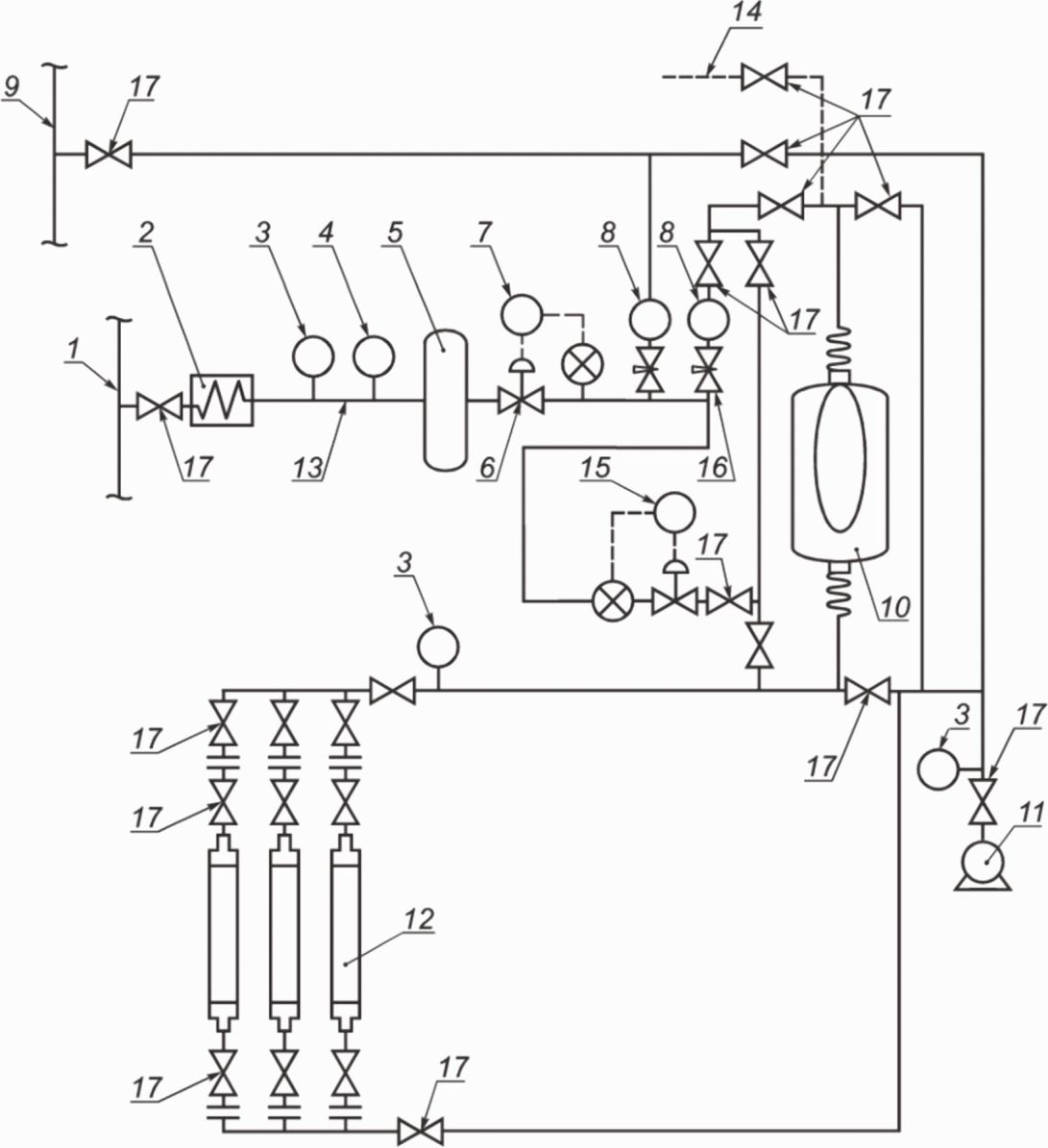
10.2.2 Проведение непрерывного отбора проб регазифицированного сжиженного природного газа
10.2.2.1 Пробу РСПГ через вентиль
15 (см.
рисунок 3) подают на вход вспомогательного блока непрерывного отбора пробы РСПГ.
10.2.2.2 Принципиальная схема вспомогательного блока непрерывного отбора пробы РСПГ приведена на
рисунке 4.
1 - регулятор расхода; 2 - СИ объемного расхода;
3, 4, 5, 8, 9 - вентили; 6 - газгольдер с подвижным поршнем;
7 - блок управления поршнем газгольдера
Рисунок 4 - Схема вспомогательного блока непрерывного отбора
пробы регазифицированного сжиженного природного газа
10.2.2.3 Перед подсоединением блока непрерывного отбора проб к устройству для регазификации СПГ требуется перевести поршень газгольдера
6 в крайнее нижнее положение, приоткрывая вентиль
9 при открытом вентиле
5 и закрытых вентилях
3,
4 и
8. После достижения поршнем крайнего нижнего положения необходимо закрыть вентиль
9 и открыть вентиль
8.
10.2.2.4 После этого подсоединяют блок непрерывного отбора проб к устройству для регазификации СПГ. Открывают вентиль
3 и при помощи регулятора расхода
1 устанавливают объемный расход РСПГ не менее 5,0 дм
3/мин.
10.2.2.5 Затем пробоотборные линии и газгольдер продувают РСПГ в течение 10 мин, при этом поршень газгольдера может смещаться из нижнего положения.
10.2.2.6 После завершения продувки пробоотборных линий и газгольдера поршень необходимо снова перевести в нижнее положение, для чего закрывают вентиль
8 и приоткрывают вентиль
9.
10.2.2.7 Далее при закрытых вентилях 5, 9 и открытом вентиле 8 приступают к заполнению газгольдера.
10.2.2.8 После окончания отбора пробы в газгольдер закрывают вентили 3 и 8.
10.2.2.9 Проба РСПГ из газгольдера может быть подана непосредственно на потоковый газовый хроматограф или отобрана в пробоотборник. Для этого требуется открыть вентили
4 и
9.
10.2.2.10 Для подачи пробы РСПГ из газгольдера необходимо создать давление буферного газа над поршнем, превышающее давление пробы РСПГ.
10.2.2.11 Заполнение пробоотборника проводят по
ГОСТ 31370 до установления в нем абсолютного давления РСПГ не менее 0,25 МПа.
10.2.3 Проведение периодического отбора проб регазифицированного сжиженного природного газа
10.2.3.1 При периодическом отборе пробу РСПГ через вентиль
15 (см.
рисунок 3) подают либо на потоковый газовый хроматограф, либо в пробоотборник.
10.2.3.2 Заполнение пробоотборника проводят по
10.2.2.11.
11 Прослеживаемость отобранной пробы
Вся необходимая информация об отобранной пробе СПГ должна быть внесена в акт отбора пробы. Исключение составляет прямой отбор проб на потоковые СИ.
Акт отбора пробы составляют в произвольной форме, при этом он должен содержать следующую обязательную информацию:
- обозначение настоящего стандарта;
- заводской/серийный номер пробоотборника (при косвенном отборе проб);
- объем, тип и материал пробоотборника;
- наименование источника пробы, указание точки и/или места отбора пробы;
- дату и время отбора пробы;
- продолжительность периода отбора проб (по возможности);
- температуру и давление СПГ в точке отбора;
- продолжительность устойчивого режима подачи СПГ;
- массовый и/или объемный расход СПГ в поперечном сечении трубопровода, в котором располагается точка отбора пробы СПГ;
- продолжительность барботажа при использовании газгольдера с гидрозатвором;
- должность, подпись и расшифровку подписи лица, ответственного за проведение отбора проб.
Примечание - В примечаниях к акту отбора проб допускается отражать дополнительную информацию, а также какие-либо особенности условий отбора пробы или события, случившиеся за время отбора проб, которые могут повлиять на прослеживаемость пробы, результат испытаний или его интерпретацию, а также описание дополнительных действий при отборе проб СПГ, не оговоренных в настоящем стандарте.
Рекомендуемая форма акта отбора пробы СПГ приведена в
приложении Е.
12 Проверка работоспособности пробоотборной системы
Проверку работоспособности пробоотборной системы проводят для выявления и учета вклада погрешности отбора проб в общую погрешность измерения компонентного состава или физико-химических свойств СПГ.
Проверку работоспособности пробоотборной системы проводят совместно с СИ (газовым хроматографом), предназначенным для определения компонентного состава СПГ, и выполняют с применением испытательного стенда.
Периодичность, случаи проведения проверки работоспособности системы отбора проб, оформление результатов проверки указывают в документации на конкретную установку или в отдельном документе.
12.2 Описание испытательного стенда
12.2.1 Принципиальная схема испытательного стенда приведена на
рисунке 5.
1 - резервуар для хранения СПГ; 2 - первичный насос;
3 - испытательная петля (контур); 4 - проверяемая
пробоотборная система; 5 - насос высокого давления;
6 - испаритель СПГ; 7 - редуктор давления; 8 - пробоотборная
линия РСПГ, полученного в сверхкритических условиях (газа
сравнения); 9 - газовый хроматограф; 10 - отсечной вентиль
Рисунок 5 - Принципиальная схема испытательного стенда
12.2.2 Точность пробоотборной системы СПГ определяют путем сравнения значений плотности и высшей теплоты сгорания РСПГ, отобранного на выходе проверяемой пробоотборной системы и тех же значений, вычисленных на основе компонентного состава СПГ, регазифицированного в сверхкритических условиях. Полученный в сверхкритических условиях РСПГ считают газом сравнения и принимают в качестве образцового.
Примечание - Сверхкритический процесс регазификации СПГ устраняет риск образования двухфазной газожидкостной системы в процессе преобразования СПГ в природный газ. Компонентный состав получающегося газа сравнения, таким образом, остается неизменным в процессе регазификации. Термодинамические условия для преобразования СПГ в РСПГ следует вычислять по конкретному компонентному составу газа.
12.2.3 Испытательный стенд должен состоять из следующих элементов:
- блока регазификации, состоящего из одного резервуара хранения СПГ, одного первичного насоса, одного насоса высокого давления и одного испарителя;
- испытательной петли (контура) низкого давления, включающей проверяемую пробоотборную систему СПГ;
- пробоотборной линии для подачи на газовый хроматограф газа сравнения от точки отбора проб, расположенной после испарителя;
- пробоотборной линии между пробоотборной системой и газовым хроматографом (при периодическом отборе проб).
Примечание - Для гарантированного предотвращения конденсации в пробоотборной линии газа сравнения от пробоотборной системы до газового хроматографа следует предпринять все необходимые меры (обогрев и термоизоляцию).
12.3 Требования к выполнению измерений
12.3.1 Для оценки испытательного стенда измеряют и регистрируют следующие показатели:
- давление и температуру СПГ вблизи проверяемой пробоотборной системы;
- давление РСПГ на выходе испарителя высокого давления;
- объемный расход РСПГ через испаритель высокого давления;
- температуру природного газа вблизи точки отбора пробы газа сравнения;
- компонентный состав газа сравнения, определенный по
ГОСТ 31371.7.
Примечание - Для определения компонентного состава РСПГ, отобранного на выходе проверяемой пробоотборной системы, и газа сравнения рекомендуется применять газовые хроматографы, в конфигурации которых реализована обратная продувка высококипящих углеводородов и время цикла единичного измерения у которых составляет не более 12 мин.
12.3.2 Схема расположения средств измерений на испытательном стенде приведена на
рисунке 6.
1, 3 - СИ давления; 2, 4 - термометры сопротивления;
5 - расходомер; 6 - газовый хроматограф
Рисунок 6 - Схема расположения средств измерений
на испытательном стенде
12.3.3 Для оценки пробоотборной системы при реализации непрерывного отбора проб СПГ измеряют и регистрируют следующие показатели:
- температуру и объемный расход РСПГ на выходе из испарителя пробоотборной системы;
- давление и объемный расход РСПГ во время заполнения газгольдера;
- давление и объемный расход РСПГ во время заполнения пробоотборника;
- компонентный состав РСПГ в пробоотборниках, измеренный с помощью того же газового хроматографа, который ранее использовался для анализа компонентного состава газа сравнения.
12.3.4 Схема расположения средств измерений в испытуемой пробоотборной системе при реализации непрерывного отбора проб приведена на
рисунке 7.
1 - термометр сопротивления; 2, 4, 6 - расходомеры;
3, 5 - СИ давления; 7 - газовый хроматограф
Рисунок 7 - Схема расположения средств измерений
в испытуемой пробоотборной системе при реализации
непрерывного отбора проб
12.3.5 Для оценки пробоотборной системы при реализации периодического отбора проб СПГ измеряют и регистрируют следующие показатели:
- температуру и давление РСПГ на выходе из испарителя пробоотборной системы;
- объемный расход РСПГ, проходящего через пробоотборную линию;
- компонентный состав РСПГ, испаренного в пробоотборной системе СПГ, по той же методике испытаний и с помощью того же газового хроматографа, который ранее использовался для анализа компонентного состава газа сравнения.
12.3.6 Схема расположения средств измерений в испытуемой пробоотборной системе при реализации периодического отбора проб приведена на
рисунке 8.
1 - термометр сопротивления; 2 - СИ давления;
3 - расходомер; 4 - газовый хроматограф
Рисунок 8 - Схема расположения средств измерений
в испытуемой пробоотборной системе при реализации
периодического отбора проб
12.4 Испытания пробоотборной системы сжиженного природного газа на работоспособность
12.4.1 Испытание на работоспособность пробоотборной системы проводят только при соблюдении следующих требований:
- количество выполненных измерений компонентного состава газа сравнения должно быть не менее 40;
- при испытаниях пробоотборной системы, реализующей непрерывный отбор проб СПГ, время заполнения газгольдера должно соответствовать времени, требуемому для определения компонентного состава газа сравнения; кроме того, число выполненных определений компонентного состава газа, находящегося в каждом пробоотборнике, должно быть не менее 6;
- при испытаниях пробоотборной системы, реализующей периодический отбор проб СПГ, число измерений РСПГ, выходящего из пробоотборной системы, должно быть равно числу измерений газа сравнения; данные измерения выполняют попеременно на отобранной пробе РСПГ и отобранном газе сравнения.
12.4.2 Испытания на работоспособность пробоотборной системы должны быть выполнены в следующем порядке:
а) запуск блока регазификации;
б) запуск проверяемой пробоотборной системы после достижения блоком регазификации устойчивого сверхкритического состояния;
в) отбор пробы газа сравнения и СПГ, который выполняют по следующей процедуре:
1) измерение и регистрация физических свойств (давление, температура, объемный расход) характеризующих поток в линиях СПГ и природного газа;
2) определение компонентного состава газа сравнения.
Примечание - При испытаниях пробоотборной системы, реализующей периодический отбор проб СПГ, следует выполнять определения компонентного состава проб СПГ, при испытаниях пробоотборной системы, реализующей непрерывный отбор проб СПГ, - заполнять газгольдер;
г) закрытие блока регазификации СПГ;
д) при испытаниях пробоотборной системы, реализующей непрерывный отбор проб СПГ, - заполнение пробоотборников для последующего определения компонентного состава проб газа.
12.4.3 Работоспособность пробоотборной системы оценивают путем вычисления точности определения физико-химических свойств, например, теплоты сгорания, плотности газа и плотности СПГ, полученных по данным определений компонентного состава газа, выполненных на газовом хроматографе, соединенным с проверяемой пробоотборной системой.
12.4.4 Высшую теплоту сгорания
HS и плотность газа

вычисляют в соответствии с
ГОСТ 31369. Вычисление плотности СПГ

- см.
[3].
12.4.5 Во время испытания пробоотборной системы определяют зависимости физико-химических свойств,
X (
HS,

или

) от времени по результатам хроматографического анализа газа сравнения путем вычисления констант уравнения регрессии в соответствии с методом наименьших квадратов:
- случайной погрешности

, каждого значения
Xref, полученного для единичного измерения газа;
- случайной погрешности
, среднего значения

газа сравнения.
В
приложении Ж приведен метод вычисления точности испытательного стенда.
12.4.6 Испытательный стенд оценивают как прошедший испытания на работоспособность, если он соответствует следующим требованиям:
- 
;
- 
;
-
.
12.4.7 Точность испытуемой пробоотборной системы, реализующей непрерывный отбор проб, определяют путем вычисления следующих значений для каждого индивидуального газового анализа, выполняемого на испытуемой пробоотборной системе:
- отклонения

между значением рассматриваемого физико-химического свойства, полученным по данным каждого определения компонентного состава и обозначаемым индексом
i, для газа, содержавшегося в пробоотборнике, и средним значением того же самого свойства, полученным по данным измерения компонентного состава газа сравнения;
- случайной погрешности ER,X физико-химического свойства X;
- систематической погрешности
ES,X физико-химического свойства, статистическая значимость которой должна быть проверена с учетом
[4] <1>.
--------------------------------
<1> В Российской Федерации действует
ГОСТ Р 50779.21-2004 "Статистические методы. Правила определения и методы расчета статистических характеристик по выборочным данным. Часть 1. Нормальное распределение".
В
приложении И приведен метод вычисления точности испытуемой пробоотборной системы при реализации непрерывного отбора проб.
12.4.8 При определении точности пробоотборной системы, реализующей периодический отбор проб, во всех вычислениях учитывают время, соответствующее моменту, когда анализируемая проба газа проходит точку отбора проб.
12.4.9 Точность проверяемой пробоотборной системы, реализующей периодический отбор проб, определяют вычислением следующих значений для каждого i-го измерения, выполненного на испытуемой пробоотборной системе:
- отклонения

между значением рассматриваемого физико-химического свойства и значением, полученным из уравнения регрессии для газа сравнения в момент отбора пробы газа в точке отбора проб испытуемой пробоотборной системы;
- случайной погрешности ER,X физико-химического свойства X;
- систематической погрешности
ES,X физико-химического свойства, статистическая значимость которой должна быть проверена с учетом
[4].
В
приложении К приведен метод вычисления определения точности проверяемой пробоотборной системы.
12.5 Критерии работоспособности для испытуемой пробоотборной системы сжиженного природного газа
Испытуемую пробоотборную систему признают работоспособной, если она соответствует требованиям к какому-либо из типов, приведенных в
таблице 1.
Таблица 1
Критерии работоспособности для испытуемой
пробоотборной системы
Тип | Физико-химическое свойство (единицы) | Пробоотборная система |
Непрерывный отбор | Периодический отбор |
Максимальная случайная погрешность | Допустимые границы систематической погрешности | Максимальная случайная погрешность | Допустимые границы систематической погрешности |
A | HS, кДж/кг | 9,0 | Не значима | 54 | Не значима |
 , кг/м 3 | 3,0·10-4 | 18·10-4 |
 , кг/м 3 | 0,15 | 0,90 |
B | HS, кДж/кг | 18 | +/- 11 | 1,1·102 | +/- 11 |
 , кг/м 3 | 6,0·10-4 | +/- 5,0·10-4 | 36·10-4 | +/- 5,0·10-4 |
 , кг/м 3 | 0,30 | +/- 0,20 | 1,8 | +/- 0,20 |
Результаты испытаний пробоотборной системы СПГ должны быть зафиксированы в отчете и содержать следующую информацию:
а) наименование испытуемого объекта;
б) дату проведения испытаний;
в) наименование изготовителя проверяемой пробоотборной системы;
г) детальное описание испытуемой пробоотборной системы СПГ посредством включения перечня технических данных:
1) специфического давления;
2) температуры;
3) расхода при номинальных рабочих условиях;
д) технические листы данных для всех измерительных и регистрирующих устройств, а также свидетельства об их последней поверке или калибровке (градуировке);
е) детальную процедуру, следующую за градуировкой, описанную в терминах подготовки, запуска и использования проверяемой пробоотборной системы;
ж) измерения, проведенные во время работы испытательного стенда и во время испытаний пробоотборной системы (см.
12.3);
и) измерения компонентного состава газа сравнения;
к) измерения компонентного состава газа, проведенные на испытуемой пробоотборной системе;
л) значения точности испытательного стенда;
м) значения случайных и систематических погрешностей для следующих физико-химических свойств:
1) высшей теплоты сгорания HS;
2) плотности газа

;
3) плотности СПГ

;
н) тип проверяемой пробоотборной системы.
(справочное)
ПРИМЕРЫ РАЗЛИЧНЫХ КОНСТРУКЦИЙ ИСПАРИТЕЛЕЙ
СЖИЖЕННОГО ПРИРОДНОГО ГАЗА
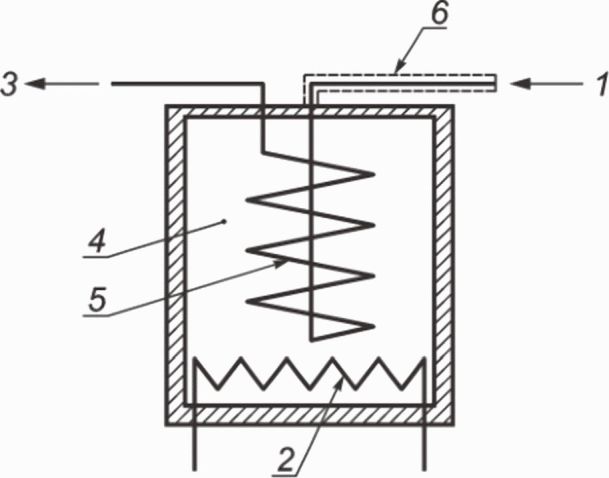
Примеры различных конструкций испарителей СПГ приведены на
рисунках А.1 и
А.2.
1 - вход СПГ; 2 - вход горячей воды (пара); 3 - вода;
4 - змеевик; 5 - выход воды; 6 - выход РСПГ; 7 - изоляция
Рисунок А.1 - Испаритель СПГ с водяным
или паровым подогревом
1 - вход СПГ; 2 - электронагреватель; 3 - выход РСПГ;
4 - вода; 5 - змеевик; 6 - изоляция
Рисунок А.2 - Испаритель СПГ с электрическим подогревом
(справочное)
ПРИМЕР ПРОВЕРКИ СООТВЕТСТВИЯ СОСТОЯНИЯ
СЖИЖЕННОГО ПРИРОДНОГО ГАЗА УСЛОВИЯМ ПЕРЕОХЛАЖДЕНИЯ
Таблица Б.1
Исходные данные для вычисления степени переохлаждения СПГ
Наименование показателя, единица измерений | Значение показателя |
Параметры пробоотборной линии |
Наружный диаметр, мм | 13,8 |
Внутренний диаметр, мм | 7,8 |
Длина, м | 3,0 |
Толщина изоляции, мм | 80 |
Теплопроводность материала изоляции, Вт/(м·К) | 0,0187 |
Внешний диаметр изоляции, м | 0,1738 |
Внутренний диаметр изоляции, м | 0,0138 |
Параметры СПГ в точке отбора проб |
Абсолютное давление, кПа | 250 |
Температура, К | 113 |
Плотность, кг/м3 | 421 |
Массовый расход пробы СПГ, кг/ч | 20 |
Температура окружающей среды, К | 293,15 |
Поверхностный коэффициент теплопередачи, Вт/(м2·К) | 8,14 |
Падение давления на участке от пробоотборного зонда до вентиля перед испарителем, кПа | 50 |
Б.2 Вычисление степени переохлаждения СПГ, находящегося при условиях, указанных в
таблице Б.1, проводят с использованием диаграммы фазового состояния СПГ (см.
рисунок Б.1).
1 - степень переохлаждения, Вт; 2 - падение давления, кПа;
3 - линия насыщения; 4 - увеличение энтальпии в пробе СПГ,
вызванное теплопоглощением пробоотборной линии, Дж/кг;

- точка отбора пробы;

- вход испарителя пробы СПГ
Рисунок Б.1 - Диаграмма зависимости давления от энтальпии
насыщенной жидкости
Б.3 Величину теплопритока, приходящегося на 1 м пробоотборной линии q, Вт/м, вычисляют по формуле

(Б.1)
где 3,14159 - округленное значение числа

;
Tокр - температура окружающей среды (см.
таблицу Б.1), К;
ha - поверхностный коэффициент теплопередачи (см.
таблицу Б.1), Вт/(м
2·К);
k - теплопроводность материала изоляции (см.
таблицу Б.1) Вт/(м·К);
Подставляя значения величин в
формулу (Б.1), получают значение
q, равное 24,8 Вт/м.
Примечание - Значения теплопроводности материалов изоляции приведены в справочниках физико-химических величин. Поверхностный коэффициент теплопередачи допускается вычислять любым общепринятым в теплотехнике методом.
Б.4 Величину теплопритока от внешней среды к пробоотборной линии Q, Вт, вычисляют по формуле
Q = q·L, (Б.2)
где
L - длина пробоотборной линии (см.
таблицу Б.1), м.
Б.5 Увеличение энтальпии в пробе СПГ

, Дж/кг, вызванное теплопоглощением пробоотборной линии, вычисляют по формуле

(Б.3)
где
W - массовый расход пробы СПГ, кг/ч (см.
таблицу Б.1).
Таким образом, получают значение

, равное 4460 Дж/кг.
Поскольку повышение энтальпии (теплосодержания) менее, чем степень переохлаждения, испарение СПГ в пробоотборной линии не происходит.
(обязательное)
ТЕХНИЧЕСКОЕ ОПИСАНИЕ ПРОБООТБОРНИКА ПОСТОЯННОГО ДАВЛЕНИЯ
(С ПОДВИЖНЫМ ПОРШНЕМ)
В.1 Общая информация
Пробоотборник постоянного давления с подвижным поршнем (далее - пробоотборник) используют, как правило, для периодического отбора проб газов и жидкостей (в том числе газонасыщенных). Схема устройства пробоотборника приведена на
рисунке В.1. Давление в пробоотборнике во время хранения пробы и ее подачи в СИ поддерживают постоянным. Пробоотборник имеет свободно передвигающийся поршень, который делит пробоотборник на две отдельных камеры:
- рабочую для приема пробы;
- буферную для наполнения буферным газом.
1 - штуцер сброса пробы; 2 - крепежная шпилька;
3 - магнитный указатель положения поршня; 4 - плавающий
поршень; 5 - транспортировочная ручка; 6 - штуцер сброса
буферного газа; 7, 9 - защитные предохранительные клапаны;
8 - штуцер подачи пробы; 10 - штуцер подачи буферного газа;
11 - рабочая камера; 12 - буферная камера
Рисунок В.1 - Схема устройства пробоотборника постоянного
давления с подвижным поршнем
По обеим сторонам от поршня давление одинаково. Пробоотборник состоит из цилиндра, выполненного из нержавеющей стали, и оборудован с обоих концов игольчатыми вентилями из нержавеющей стали.
Пробоотборник включает также следующие конструктивные элементы:
- индикатор положения поршня, например магнитный указатель, поршневой шток или его аналог, используемый для определения объема образца с целью максимального заполнения пробоотборника;
- манометр;
- защитный предохранительный клапан (разрывную мембрану) с каждого конца пробоотборника для защиты от перегрузок по давлению вследствие полного заполнения пробоотборника или температурного расширения вещества пробы.
Пробоотборник в соответствии с его конструкцией должен выдерживать рабочее давление рабочей среды на конечной стадии его изготовления, а также легко подвергаться процедурам продувки и очистки.
В.2 Технические требования
Пробоотборник должен быть выполнен из нержавеющей стали, отполированной с внутренней стороны. Пробоотборник должен закрываться двумя съемными крышками на концах для доступа при процедурах чистки и обслуживанию движущегося поршня. Торцевые крышки должны иметь соответствующие отверстия для вентилей, манометров и устройств аварийного сброса давления (защитных предохранительных клапанов). Материал уплотнений и колец должен быть химически стоек к компонентам отбираемой пробы и растворителя, используемого для промывки пробоотборника.
На практике, как правило, применяют пробоотборники со следующими техническими характеристиками:
- рабочей температурой в диапазоне от минус 40 °C до плюс 40 °C;
- рабочим давлением в диапазоне от 0,03 до 8,0 МПа (изб.);
- объемом пробоотборника в диапазоне от 0,5 до 2,0 дм3.
При проведении испытаний пробоотборника на герметичность пробным давлением коэффициент запаса по давлению должен составлять не менее 1,5 от значения рабочего давления. Периодичность проведения испытаний пробоотборника на герметичность устанавливают в документации организации, эксплуатирующей пробоотборник.
Примечание - Допускается применение пробоотборников со значениями технических характеристик в более широких диапазонах, при наличии письменного согласования с производителем указанного типа пробоотборников.
В.3 Процедура заполнения пробоотборника
Пробоотборник используют, как правило, для пропорционального отбора проб. В этом случае параметры автоматического пробоотборника или компрессора отбора пробы выбирают таким образом, чтобы дозы пробы отбирались со скоростью, обеспечивающей равномерное заполнение пробоотборника в течение всего периода, выделенного для отбора представительной пробы.
Два соединительных штуцера пробоотборника обозначают как "вход пробы" и "продувка" со стороны рабочей камеры и "предварительное заполнение" со стороны буферной камеры. Предварительное заполнение пробоотборника со стороны буферной камеры осуществляют автоматической системой заполнения пробоотборника буферным газом. В качестве буферного газа используют аргон по
ГОСТ 10157, азот по
ГОСТ 9293 или любой аналогичный по свойствам инертный газ.
Примечание - Система предварительного заполнения обеспечивает минимальное изменение давления в пробоотборнике во время отбора пробы.
После указанных выше действий подсоединяют соединительный штуцер пробоотборника, обозначенный "проба" и "продувка", к порту компрессора газовой пробы. После чего открывают впускной вентиль пробоотборника и начинают цикл продувки.
Примечание - Если пробоотборник не оборудован вентилем продувки, для очистки системы от содержимого допускается использовать трехходовой кран.
После окончания цикла продувки пробоотборника начинают цикл отбора пробы. Пробоотборник должен заполняться за определенное число вводов. Во время отбора проб контролируют уровень заполнения всех пробоотборников. После наполнения пробоотборника его отсоединяют от системы заполнения.
Чтобы свести к минимуму вероятность попадания буферного газа в рабочую камеру для пробы, рекомендуется стравливать давление из буферной камеры.
Вентили пробоотборника предварительно должны быть проверены на наличие утечек обмыливанием или погружением в воду.
По завершении анализа газ из пробоотборника выпускают через входной вентиль в безопасной зоне, при этом под давлением буферного газа поршень пробоотборника передвигается в конечное положение (пробоотборник готов для отбора новой пробы).
(справочное)
ПРИМЕРЫ СПОСОБОВ РАСПОЛОЖЕНИЯ И РАЗНОВИДНОСТЕЙ
ПРОБООТБОРНЫХ ЗОНДОВ
Примеры расположения пробоотборных зондов в трубопроводе СПГ приведены на
рисунках Г.1 и
Г.2.
1 - трубопровод СПГ; 2 - пробоотборный зонд
Рисунок Г.1 - Варианты расположения пробоотборного зонда
на трубопроводе СПГ
1 - трубопровод СПГ; 2 - пробоотборный зонд; 3 - линия
вакуума; 4 - изолирующая рубашка
Рисунок Г.2 - Варианты расположения пробоотборного зонда
с трубками Пито на трубопроводе СПГ
(справочное)
ДЛЯ ОТБОРА ПРОБ СЖИЖЕННОГО ПРИРОДНОГО ГАЗА
Примеры пробоотборных схем, применяемых на практике, приведены на
рисунках Д.1 -
Д.3.
1 - трубопровод СПГ; 2 - испаритель пробы СПГ; 3 - манометр;
4 - термометр; 5 - аккумулятор; 6 - регулятор давления;
7 - управляющее СИ давления; 8 - расходомер; 9 - линия газа;
10 - газгольдер пробы с гидрозатвором; 11 - компрессор
для подачи пробы газа; 12 - газовый пробоотборник;
13 - пробоотборная трубка; 14 - водопровод; 15 - слив воды;
16 - игольчатый вентиль; 17 - вентиль
Рисунок Д.1 - Пример схемы непрерывного отбора проб СПГ
с компрессором и газгольдером с гидрозатвором
1 - трубопровод СПГ; 2 - испаритель пробы СПГ; 3 - манометр;
4 - термометр; 5 - аккумулятор; 6 - регулятор давления;
7 - управляющее СИ давления; 8 - расходомер; 9 - линия газа;
10 - газгольдер без гидрозатвора; 11 - вакуумный насос;
12 - газовый пробоотборник; 13 - пробоотборная линия;
14 - инертная газовая линия (для сжатого газа внутреннего
слоя газгольдера); 15 - управляющее СИ потока;
16 - игольчатый вентиль; 17 - вентиль
Рисунок Д.2 - Пример схемы непрерывного отбора проб СПГ
с газгольдером без гидрозатвора
1 - трубопровод СПГ; 2 - испаритель пробы СПГ; 3 - манометр;
4 - термометр; 5 - аккумулятор; 6 - пробоотборный зонд;
7 - капилляр; 8 - расходомер; 9 - линия газа низкого
давления; 10 - газовый компрессор; 11 - предохранительная
мембрана; 12 - пробоотборник постоянного давления
(с подвижным поршнем); 13 - линия отбора проб; 14 - питание
воздухом; 15 - СИ уровня; 16 - игольчатый вентиль;
17 - вентиль; 18 - соленоидный клапан; 19 - СИ давления;
20 - нагреватель; 21 - фильтр пробы; 22 - калибровочный газ;
23 - газовый хроматограф; 24 - сброс; 25 - потоковый газовый
хроматограф; 26 - система автозагрузки
Рисунок Д.3 - Пример схемы периодического отбора проб СПГ
с пробоотборниками постоянного давления
(справочное)
РЕКОМЕНДУЕМАЯ ФОРМА АКТА ОТБОРА ПРОБЫ
СЖИЖЕННОГО ПРИРОДНОГО ГАЗА
___________________________________________________________________________
наименование организации, проводившей отбор пробы
АКТ N _______________
отбора пробы сжиженного природного газа в соответствии
с ГОСТ 35011-2023
Номер пробоотборника (серийный или заводской) _____________________________
Объем, тип и материал пробоотборника ______________________________________
Наименование объекта, на котором проведен отбор проб ______________________
___________________________________________________________________________
Место отбора пробы (линия, точка или др.) _________________________________
Дата и время отбора пробы _________________________________________________
Продолжительность периода отбора пробы ____________________________________
Температура СПГ в точке отбора пробы, К (°C) ______________________________
Температура окружающей среды, °C __________________________________________
Давление СПГ в точке отбора пробы, МПа ____________________________________
Продолжительность устойчивого режима подачи СПГ ___________________________
Расход СПГ в точке отбора пробы, кг/ч _____________________________________
Примечания ________________________________________________________________
___________________________________________________________________________
Оператор отбора пробы (указывают при наличии возможности):
_____________________ ___________________ ________________________
(должность) (подпись) (инициалы, фамилия)
Ответственный за проведение отбора пробы:
_____________________ ___________________ ________________________
(должность) (подпись) (инициалы, фамилия)
Внимание
1 Акт отбора пробы составляют на каждый пробоотборник.
2 Содержимое пробоотборника без соответствующего акта отбора пробы анализу не подлежит.
(справочное)
МЕТОД ВЫЧИСЛЕНИЯ ТОЧНОСТИ ИСПЫТАТЕЛЬНОГО СТЕНДА
Ж.1 Средние значения физико-химических свойств, полученные на основе компонентного состава газа сравнения
Для каждого исследуемого физико-химического свойства газа сравнения используют следующую процедуру.
Дано:

- значение физико-химического свойства, вычисленное на основе компонентного состава
i-й пробы газа сравнения в момент времени
.
Ж.2 Вычисление зависимости физико-химического свойства газа сравнения от времени
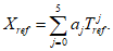
Вычисляют зависимость от времени значения физико-химического свойства X, полученного на основе компонентного состава газа сравнения. Данная зависимость представляет собой полиномиальное уравнение 5-й степени, оптимизированное методом наименьших квадратов, вида

(Ж.1)
Также вычисляют соответствующее остаточное стандартное отклонение

по формуле

(Ж.2)
где

- значение физико-химического свойства
i-й пробы газа сравнения, вычисленное по
формуле (Ж.1) в момент времени
.
Ж.3 Среднее значение физико-химического свойства газа сравнения
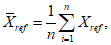
Среднее значение физико-химического свойства

вычисляют по формуле

(Ж.3)
где n - число проб.
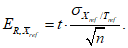
Ж.4 Случайная погрешность значения физико-химического свойства газа сравнения
Случайную погрешность

для каждого значения физико-химического свойства газа сравнения, полученного на основе компонентного состава, вычисляют по формуле

(Ж.4)
где t - переменная Стьюдента при доверительной вероятности 95% (t = 2,02 для числа образцов - 40).
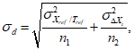
Ж.5 Случайная погрешность всех значений физико-химических свойств газа сравнения
Случайную погрешность

всех значений физико-химического свойства газа сравнения вычисляют по формуле

(Ж.5)
Ж.6 Пример вычислений
Ж.6.1 Пример 40 экспериментальных значений приведен в
таблице Ж.1.
Таблица Ж.1
Экспериментальные результаты
Номер измерения | Время отбора Tref, 1/100 ч | Значение физико-химического свойства Xref, (  , кг/м 3) | Номер измерения | Время отбора Tref, 1/100 ч | Значение физико-химического свойства Xref, (  , кг/м 3) |
1 | 16,11 | 454,11 | 4 | 92,81 | 454,10 |
2 | 41,11 | 454,13 | 5 | 119,44 | 454,12 |
3 | 67,78 | 454,10 | 6 | 144,44 | 454,11 |
Окончание таблицы Ж.1
Номер измерения | Время отбора Tref, 1/100 ч | Значение физико-химического свойства Xref, (  , кг/м 3) | Номер измерения | Время отбора Tref, 1/100 ч | Значение физико-химического свойства Xref, (  , кг/м 3) |
7 | 171,11 | 454,10 | 24 | 611,11 | 454,18 |
8 | 196,11 | 454,10 | 25 | 636,11 | 454,17 |
9 | 222,78 | 454,11 | 26 | 662,78 | 454,18 |
10 | 247,78 | 454,09 | 27 | 687,78 | 454,20 |
11 | 274,44 | 454,12 | 28 | 714,44 | 454,21 |
12 | 299,44 | 454,10 | 29 | 739,44 | 454,26 |
13 | 326,11 | 454,11 | 30 | 766,11 | 454,27 |
14 | 351,11 | 454,09 | 31 | 791,11 | 454,26 |
15 | 377,78 | 454,10 | 32 | 817,78 | 454,28 |
16 | 402,78 | 454,10 | 33 | 842,78 | 454,31 |
17 | 429,44 | 454,09 | 34 | 869,44 | 454,31 |
18 | 456,11 | 454,11 | 35 | 894,44 | 454,34 |
19 | 481,11 | 454,10 | 36 | 921,11 | 454,38 |
20 | 507,78 | 454,12 | 37 | 946,11 | 454,38 |
21 | 532,78 | 454,13 | 38 | 972,78 | 454,43 |
22 | 559,44 | 454,13 | 39 | 997,78 | 454,48 |
23 | 584,44 | 454,13 | 40 | 1024,4 | 454,53 |
Ж.6.2 Зависимость физико-химических свойств от времени
Значения коэффициентов
aj полиномиального
уравнения (Ж.1), оптимизированные по методу наименьших квадратов, представлены в
таблице Ж.2.
Таблица Ж.2
Значения коэффициентов полиномиального уравнения
Коэффициент | Значение | Коэффициент | Значение |
a0 | 454,06 | a3 | 3,01694·10-8 |
a1 | 1,53661·10-3 | a4 | -3,3052·10-11 |
a2 | -1,12785·10-5 | a5 | 1,3064·10-14 |
Значение соответствующего остаточного стандартного отклонения

составит 1,80·10
-2 кг/м
3.
Среднее значение физико-химического свойства газа сравнения

составит 454,192 кг/м
3.
Случайная погрешность значения физико-химического свойства газа сравнения

составит 3,64·10
-2 кг/м
3.
Случайная погрешность всех значений физико-химического свойства газа сравнения

составит 5,75·10
-3 кг/м
3.
(справочное)
МЕТОД ВЫЧИСЛЕНИЯ ТОЧНОСТИ ПРОБООТБОРНОЙ СИСТЕМЫ
ПРИ РЕАЛИЗАЦИИ НЕПРЕРЫВНОГО ОТБОРА ПРОБ
И.1 Отклонение значения физико-химического свойства РСПГ, полученного на испытуемой пробоотборной системе, от значения физико-химического свойства газа сравнения
Для каждого исследуемого физико-химического свойства применяют следующую процедуру.
Исходные данные:
-

- значение физико-химического свойства, вычисленное на основе компонентного состава
i-й пробы РСПГ;
Для каждого измерения, выполненного на испытуемой пробоотборной системе, отклонение

вычисляют по формуле

(И.1)
И.2 Случайная погрешность испытуемой пробоотборной системы
Случайную погрешность ER,X для каждого измерения, выполненного на испытуемой пробоотборной системе, вычисляют по формуле

(И.2)
где t - переменная Стьюдента при доверительной вероятности 95%, например, t = 2,571 для шести измерений;

- стандартное отклонение, связанное с отклонениями

.
И.3 Систематическая погрешность испытуемой пробоотборной системы
Систематическую погрешность ES,X испытуемой пробоотборной системы вычисляют по формуле

(И.3)
где

- среднее значение отклонений

.
И.4 Статистическое исследование систематической погрешности
Чтобы определить, является ли вышеупомянутая систематическая погрешность значимой, выполняют статистический тест на основе сравнения двух средних значений известной дисперсии - см.
[4].
Дисперсии, связанные с физико-химическими свойствами, соответственно обозначают

и

.
Предположение о незначащей систематической погрешности отклоняется, если выполняется условие

(И.4)
где

для доверительной вероятности 95%

;

(И.5)
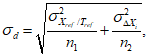
n1 и n2 - число измерений, выполненных соответственно на газе сравнения и испытуемой пробоотборной системе.
И.5 Пример вычисления
И.5.1 Среднее значение физико-химических свойств
Среднее значение физико-химических свойств газа сравнения

составляет 454,192 кг/м
3 (см.
Ж.6.2).
Отклонения значений физико-химического свойства
X, полученных на основе компонентного состава РСПГ на тестируемой пробоотборной системе, от среднего значения данного свойства газа сравнения, приведены в
таблице И.1.
Номер пробы | Отклонение  |
1 | -1,10 |
2 | -1,13 |
3 | -1,12 |
4 | -1,14 |
5 | -1,14 |
6 | -1,12 |
И.5.2 Случайная погрешность испытуемой пробоотборной системы ER,X

.

.
ER,X = 2,571·0,01517 = 3,90·10-2 кг/м3.
И.5.3 Систематическая погрешность испытуемой пробоотборной системы ES,X

.
ES,X = -1,125 кг/м3.
И.5.4 Статистическое исследование систематической погрешности

.
n1 = 40.
n2 = 6.

.

.

.
Следовательно, систематическая погрешность физико-химического свойства X статистически значима.
(справочное)
МЕТОД ВЫЧИСЛЕНИЯ ТОЧНОСТИ ПРОБООТБОРНОЙ СИСТЕМЫ
ПРИ РЕАЛИЗАЦИИ ПЕРИОДИЧЕСКОГО ОТБОРА ПРОБ
К.1 Вычисление уравнения регрессии газа сравнения
Уравнение изменения физико-химического свойства
X во времени, полученное на основе компонентного состава газа сравнения, и соответствующее остаточное стандартное отклонение вычисляют в соответствии с
приложением Ж.
К.2 Отклонение физико-химического свойства X от уравнения регрессии
В качестве исходных данных используют

- значения физико-химического свойства, вычисленные на основе компонентного состава
i-й пробы, отобранной с помощью испытуемой пробоотборной системы в момент времени

.
Отклонение

для каждого измерения, выполняемого с помощью испытуемой пробоотборной системы, вычисляют с использованием выражения

(К.1)
где

(К.2)
К.3 Случайная погрешность тестируемой пробоотборной системы
Случайную погрешность ER,X каждого измерения, выполняемого на тестируемой системе, вычисляют по формуле

(К.3)
где

- стандартное отклонение, связанное с отклонениями

.
К.4 Систематическая погрешность тестируемой пробоотборной системы
Систематическую погрешность ES,X тестируемой пробоотборной системы выражают формулой

(К.4)
где

- среднее значение отклонений

.
К.5 Статистическое исследование на систематическую погрешность
С целью определения, является ли вышеуказанная систематическая погрешность значимой, проводят статистический тест на основе сравнения двух средних значений с известной дисперсией - см.
[4].
Дисперсии, связанные с физико-химическими свойствами, обозначают соответственно

и

.
Предполагают, что систематическая погрешность значима, если соблюдается условие

(К.5)
где

равно 1,96 для доверительной вероятности 95% (

;

(К.6)
n1 и n2 - количество измерений, выполненных соответственно на газе сравнения и испытуемой пробоотборной системе.
К.6 Пример вычислений
К.6.1 Пример 40 экспериментальных значений приведен в
таблице К.1.
Таблица К.1
Экспериментальные результаты
Номер измерения | Время отбора  , 1/100 ч | Значение физико-химического свойства  , (  , кг/м 3) | Номер измерения | Время отбора  , 1/100 ч | Значение физико-химического свойства  , (  , кг/м 3) |
1 | 0,00 | 456,58 | 21 | 516,67 | 453,99 |
2 | 25,00 | 453,93 | 22 | 543,33 | 454,01 |
3 | 51,67 | 454,16 | 23 | 568,33 | 454,22 |
4 | 76,70 | 454,21 | 24 | 595,00 | 454,18 |
5 | 103,33 | 454,22 | 25 | 620,00 | 454,28 |
6 | 128,33 | 454,26 | 26 | 646,67 | 454,36 |
7 | 155,00 | 454,35 | 27 | 671,67 | 454,27 |
8 | 180,00 | 453,96 | 28 | 698,33 | 454,22 |
9 | 206,67 | 453,88 | 29 | 723,33 | 454,40 |
10 | 231,67 | 453,87 | 30 | 750,00 | 454,23 |
11 | 258,33 | 454,51 | 31 | 775,00 | 454,14 |
12 | 283,33 | 453,86 | 32 | 801,67 | 454,17 |
13 | 310,00 | 453,94 | 33 | 826,67 | 454,50 |
14 | 335,00 | 454,23 | 34 | 853,33 | 454,13 |
15 | 361,67 | 454,21 | 35 | 878,33 | 454,30 |
16 | 386,67 | 454,23 | 36 | 905,00 | 454,39 |
17 | 413,33 | 454,15 | 37 | 930,00 | 454,44 |
18 | 440,00 | 454,12 | 38 | 956,67 | 454,52 |
19 | 465,00 | 453,95 | 39 | 981,67 | 454,59 |
20 | 491,67 | 454,02 | 40 | 1008,30 | 454,58 |
К.6.2 Отклонения 40 экспериментальных значений приведены в
таблице К.2.
Таблица К.2
Номер измерения | | Номер измерения | | Номер измерения | | Номер измерения | |
1 | 2,50 | 11 | 0,42 | 21 | -0,15 | 31 | -0,12 |
2 | -0,28 | 12 | -0,22 | 22 | -0,14 | 32 | -0,10 |
3 | 0,04 | 13 | -0,14 | 23 | 0,06 | 33 | 0,22 |
4 | 0,08 | 14 | 0,15 | 24 | 0,00 | 34 | -0,17 |
5 | 0,09 | 15 | 0,13 | 25 | 0,09 | 35 | -0,02 |
6 | 0,14 | 16 | 0,14 | 26 | 0,16 | 36 | 0,04 |
7 | 0,23 | 17 | 0,05 | 27 | 0,06 | 37 | 0,05 |
8 | -0,15 | 18 | 0,02 | 28 | 0,00 | 38 | 0,08 |
9 | -0,22 | 19 | -0,16 | 29 | 0,17 | 39 | 0,10 |
10 | -0,22 | 20 | -0,11 | 30 | -0,02 | 40 | 0,01 |
К.6.3 Случайная погрешность испытуемой пробоотборной системы

.
ER,X = 8,256·10-1 кг/м3.
К.6.4 Систематическая погрешность испытуемой пробоотборной системы

.
ES,X = 7,025·10-2 кг/м3.
К.6.5 Статистическое исследование систематической погрешности
n1 = 40; n2 = 40.
n1 = n2 = n.
или
где n - число измерений, выполненных на газе сравнения и испытуемой пробоотборной системе.

.

.

.
Следовательно, систематическая погрешность физико-химического свойства X статистически не значима.
| Технический регламент Таможенного союза | О безопасности оборудования для работы во взрывоопасных средах |
| LNG Custody Transfer Handbook - 6-th edition - GIIGNL - 2021 - 194 pp. [Руководство по отгрузке СПГ потребителям - 6-е изд. - МГИСПГ (Международная группа импортеров СПГ) - 2021 - 194 с.] |
| ISO 6578:2017 | Refrigerated hydrocarbon liquids - Static measurement - Calculation procedure (Жидкости углеводородные охлажденные. Статическое измерение. Методика расчета) |
| ISO 2854:1976 | Statistical interpretation of data - Techniques of estimation and tests relating to means and variances (Статистическая обработка данных. Методы оценки и проверки гипотез о средних значениях и дисперсиях) |
УДК 665.725:543.05:006.354 | | NEQ |
Ключевые слова: сжиженный природный газ, отбор проб, работоспособность, пробоотборная система, периодический отбор проб, непрерывный отбор проб |