Главная // Актуальные документы // Акт (форма)СПРАВКА
Источник публикации
В данном виде документ опубликован не был.
Первоначальный текст документа опубликован в издании
М.: Стандартинформ, 2013.
Информацию о публикации документов, создающих данную редакцию, см. в справке к этим документам.
Примечание к документу
Отдельные положения данного документа включены в
Перечень стандартов, в результате применения которых на добровольной основе обеспечивается соблюдение требований технического
регламента Таможенного союза "О безопасности машин и оборудования" (ТР ТС 010/2011) и в
Перечень стандартов, содержащих правила и методы исследований (испытаний) и измерений, в том числе правила отбора образцов, необходимые для применения и исполнения требований технического
регламента Таможенного союза "О безопасности машин и оборудования" (ТР ТС 010/2011) и осуществления оценки (подтверждения) соответствия продукции (
Решение комиссии Таможенного союза от 18.10.2011 N 823).
О применении данного документа см.
п. 3 Приказа Росстандарта от 03.04.2014 N 305-ст.
Документ целиком включен в
Перечень стандартов, в результате применения которых на добровольной основе обеспечивается соблюдение требований технического
регламента Таможенного союза "О безопасности оборудования, работающего под избыточным давлением" (ТР ТС 032/2013);
раздел 8 документа включен в
Перечень стандартов, содержащих правила и методы исследований (испытаний) и измерений, в том числе правила отбора образцов, необходимые для применения и исполнения требований технического
регламента Таможенного союза "О безопасности оборудования, работающего под избыточным давлением" (ТР ТС 032/2013) и осуществления оценки (подтверждения) соответствия продукции (
Решение Коллегии Евразийской экономической комиссии от 25.02.2014 N 22).
Текст данного документа приведен с учетом
поправки, опубликованной в "ИУС", N 7, 2018.
Изменение N 1, утв.
Приказом Росстандарта от 07.02.2018 N 58-ст, введено в действие с 1 августа 2018 года.
Название документа
"ГОСТ Р 55019-2012. Национальный стандарт Российской Федерации. Арматура трубопроводная. Сильфоны многослойные металлические. Общие технические условия"
(утв. и введен в действие Приказом Росстандарта от 24.09.2012 N 410-ст)
(ред. от 07.02.2018)
"ГОСТ Р 55019-2012. Национальный стандарт Российской Федерации. Арматура трубопроводная. Сильфоны многослойные металлические. Общие технические условия"
(утв. и введен в действие Приказом Росстандарта от 24.09.2012 N 410-ст)
(ред. от 07.02.2018)
Утвержден и введен в действие
агентства по техническому
регулированию и метрологии
от 24 сентября 2012 г. N 410-ст
НАЦИОНАЛЬНЫЙ СТАНДАРТ РОССИЙСКОЙ ФЕДЕРАЦИИ
АРМАТУРА ТРУБОПРОВОДНАЯ
СИЛЬФОНЫ МНОГОСЛОЙНЫЕ МЕТАЛЛИЧЕСКИЕ
ОБЩИЕ ТЕХНИЧЕСКИЕ УСЛОВИЯ
Pipeline valves. Multiplayer metal bellows.
General specifications
ГОСТ Р 55019-2012
| | Список изменяющих документов Росстандарта от 07.02.2018 N 58-ст) | |
ОКП 36 9572
Дата введения
1 мая 2013 года
Цели и принципы стандартизации в Российской Федерации установлены Федеральным
законом от 27 декабря 2002 г. N 184-ФЗ "О техническом регулировании", а правила применения национальных стандартов Российской Федерации -
ГОСТ Р 1.0-2004 "Стандартизация в Российской Федерации. Основные положения".
1. Разработан Закрытым акционерным обществом "Научно-производственная фирма "Центральное конструкторское бюро арматуростроения" (ЗАО "НПФ "ЦКБА").
2. Внесен Техническим комитетом по стандартизации ТК 259 "Трубопроводная арматура и сильфоны".
3. Утвержден и введен в действие
Приказом Федерального агентства по техническому регулированию и метрологии от 24 сентября 2012 г. N 410-ст.
4. Введен впервые.
Информация об изменениях к настоящему стандарту публикуется в ежегодно издаваемом информационном указателе "Национальные стандарты", а текст изменений и поправок - в ежемесячно издаваемых информационных указателях "Национальные стандарты". В случае пересмотра (замены) или отмены настоящего стандарта соответствующее уведомление будет опубликовано в ежемесячно издаваемом информационном указателе "Национальные стандарты". Соответствующая информация, уведомление и тексты размещаются также в информационной системе общего пользования - на официальном сайте Федерального агентства по техническому регулированию и метрологии в сети Интернет.
Настоящий стандарт распространяется на сильфоны многослойные металлические (далее - сильфоны), предназначенные в качестве герметизирующих, чувствительных или силовых элементов трубопроводной арматуры и других технических устройств при температуре от минус 260 °C до плюс 550 °C. Сильфоны применяются во всех отраслях промышленности, в т.ч. в атомной энергетике, в судостроении и в военной технике.
(в ред.
Изменения N 1, утв. Приказом Росстандарта от 07.02.2018 N 58-ст)
Положения настоящего стандарта применяются с учетом порядка и правил установления требований и проведения испытаний, действующих у заказчиков и потребителей сильфонов.
В настоящем стандарте использованы нормативные ссылки на следующие стандарты:
ГОСТ Р 15.301-2016. Система разработки и постановки продукции на производство. Продукция производственно-технического назначения. Порядок разработки и постановки продукции на производство
(в ред.
Изменения N 1, утв. Приказом Росстандарта от 07.02.2018 N 58-ст)
(в ред.
Изменения N 1, утв. Приказом Росстандарта от 07.02.2018 N 58-ст)
(в ред.
Изменения N 1, утв. Приказом Росстандарта от 07.02.2018 N 58-ст)
ГОСТ Р 53228-2008. Весы неавтоматического действия. Часть 1. Метрологические и технические требования. Испытания
(в ред.
Изменения N 1, утв. Приказом Росстандарта от 07.02.2018 N 58-ст)
ГОСТ 2.124-2014 Единая система конструкторской документации. Порядок применения покупных изделий
(ссылка введена
Изменением N 1, утв. Приказом Росстандарта от 07.02.2018 N 58-ст)
ГОСТ 9.014-78. Единая система защиты от коррозии и старения. Временная противокоррозионная защита изделий. Общие требования
ГОСТ 12.2.003-91. Система стандартов безопасности труда. Оборудование производственное. Общие требования безопасности
ГОСТ 15.309-98. Система разработки и постановки продукции на производство. Испытания и приемка выпускаемой продукции. Основные положения
ГОСТ 27.310-95. Надежность в технике. Анализ видов, последствий и критичности отказов. Основные положения
ГОСТ 166-89 (ИСО 3599-76). Штангенциркули. Технические условия
(в ред.
Изменения N 1, утв. Приказом Росстандарта от 07.02.2018 N 58-ст)
ГОСТ 356-80. Арматура и детали трубопроводов. Давления номинальные пробные и рабочие. Ряды
ГОСТ 515-77. Бумага упаковочная битумированная и дегтевая. Технические условия
ГОСТ 577-68. Индикаторы часового типа с ценой деления 0,01 мм. Технические условия
(в ред.
Изменения N 1, утв. Приказом Росстандарта от 07.02.2018 N 58-ст)
ГОСТ 2405-88. Манометры, вакуумметры, мановакуумметры, напоромеры, тягомеры и тягонапоромеры. Общие технические условия
ГОСТ 2991-85. Ящики дощатые неразборные для грузов массой до 500 кг. Общие технические условия
ГОСТ 4986-79. Лента холоднокатаная из коррозионно-стойкой и жаростойкой стали. Технические условия
ГОСТ 5582-75. Прокат тонколистовой коррозионно-стойкий, жаростойкий и жаропрочный. Технические условия
ГОСТ 5583-78 (ИСО 2046-73). Кислород газообразный технический и медицинский. Технические условия
ГОСТ 5632-72. Стали высоколегированные и сплавы коррозионно-стойкие, жаростойкие и жаропрочные. Марки <1>
(в ред.
Изменения N 1, утв. Приказом Росстандарта от 07.02.2018 N 58-ст)
--------------------------------
<1> Восстановлен на территории РФ на период с 01.01.2016 до 31.12.2020 для применения на объектах использования атомной энергии.
(сноска введена
Изменением N 1, утв. Приказом Росстандарта от 07.02.2018 N 58-ст)
ГОСТ 5632-2014 Легированные нержавеющие стали и сплавы коррозионно-стойкие, жаростойкие и жаропрочные. Марки
(ссылка введена
Изменением N 1, утв. Приказом Росстандарта от 07.02.2018 N 58-ст)
ГОСТ 5959-80. Ящики из листовых древесных материалов неразборные для грузов массой до 200 кг. Общие технические условия
(в ред.
Изменения N 1, утв. Приказом Росстандарта от 07.02.2018 N 58-ст)
ГОСТ 6032-2017 (ISO 3651-1:1998, ISO 3651-2:1998) Стали и сплавы коррозионно-стойкие. Методы испытаний на стойкость против межкристаллитной коррозии
(в ред.
Изменения N 1, утв. Приказом Росстандарта от 07.02.2018 N 58-ст)
ГОСТ 6221-90. Аммиак безводный сжиженный. Технические условия
ГОСТ 6331-78. Кислород жидкий технический и медицинский. Технические условия
ГОСТ 6457-66. Масла МК-8. Технические условия
ГОСТ 8050-85. Двуокись углерода газообразная и жидкая. Технические условия
ГОСТ 8502-93. Дифторхлорметан (хладон 22). Технические условия
ГОСТ 9968-86. Метилен хлористый технический. Технические условия
ГОСТ 10219-77. Ксенон. Технические условия
ГОСТ 10227-86. Топлива для реактивных двигателей. Технические условия
ГОСТ 10498-82. Трубы бесшовные особотонкостенные из коррозионно-стойкой стали. Технические условия
ГОСТ 10733-98. Часы наручные и карманные механические. Общие технические условия
ГОСТ 12308-2013. Топлива термостабильные Т-6 и Т-8В для реактивных двигателей. Технические условия
(в ред.
Изменения N 1, утв. Приказом Росстандарта от 07.02.2018 N 58-ст)
ГОСТ 15150-69. Машины, приборы и другие технические изделия. Исполнения для различных климатических районов. Категории, условия эксплуатации, хранения и транспортирования в части воздействия климатических факторов внешней среды
ГОСТ 15899-93. 1,1,2,2-тетрафтордибромэтан (хладон 114В2). Технические условия
ГОСТ 17433-80. Промышленная чистота. Сжатый воздух. Классы загрязненности
ГОСТ 19212-87. Дифтордихлорметан (хладон 12). Технические условия
(в ред.
Изменения N 1, утв. Приказом Росстандарта от 07.02.2018 N 58-ст)
ГОСТ 21557-83. Втулки и кольца соединительные для металлических сильфонов. Общие технические условия
(в ред.
Изменения N 1, утв. Приказом Росстандарта от 07.02.2018 N 58-ст)
ГОСТ 22743-85. Сильфоны. Термины, определения и буквенные обозначения
ГОСТ 24297-2013 Верификация закупленной продукции. Организация проведения и методы контроля
(в ред.
Изменения N 1, утв. Приказом Росстандарта от 07.02.2018 N 58-ст)
ГОСТ 28498-90. Термометры жидкостные стеклянные. Общие технические требования. Методы испытаний.
Примечание. При пользовании настоящим стандартом целесообразно проверить действие ссылочных стандартов в информационной системе общего пользования - на официальном сайте Федерального агентства по техническому регулированию и метрологии в сети Интернет или по ежегодно издаваемому информационному указателю "Национальные стандарты", который опубликован по состоянию на 1 января текущего года, и по соответствующим ежемесячно издаваемым информационным указателям, опубликованным в текущем году. Если ссылочный стандарт заменен (изменен), то при пользовании настоящим стандартом следует руководствоваться заменяющим (измененным) стандартом. Если ссылочный стандарт отменен без замены, то положение, в котором дана ссылка на него, применяется в части, не затрагивающей эту ссылку.
3. Термины, определения, сокращения и обозначения
3.1. Термины и определения
В настоящем стандарте применены термины по
ГОСТ 27.002,
ГОСТ 24856, ГОСТ 22743, а также следующие термины с соответствующими определениями:
(в ред.
Изменения N 1, утв. Приказом Росстандарта от 07.02.2018 N 58-ст)
3.1.1. Сильфон: упругая многослойная гофрированная металлическая оболочка, применяемая в качестве герметизирующего, чувствительного или силового элемента и сохраняющая прочность и плотность при многоцикловых деформациях сжатия, растяжения под воздействием внутреннего или внешнего давления, температуры и механических нагружений.
3.1.2. Гофр сильфона: элемент сильфона, расположенный между соседними впадинами.
3.1.3. Бортик сильфона: концевая часть сильфона, предназначенная для его присоединения.
3.1.4. Жесткость сильфона: величина нагрузки, которую следует приложить к сильфону, чтобы вызвать единичное перемещение торцов сильфона.
3.1.5. Эффективная площадь сильфона: величина, характеризующая способность сильфона преобразовать давление в усилие.
3.2. Сокращения и обозначения
В настоящем стандарте применены следующие сокращения и обозначения:
АС - атомная станция;
НД - нормативная документация;
КД - конструкторская документация;
ОТК - отдел технического контроля или другое подразделение изготовителя, осуществляющее контроль качества и приемку продукции;
ПСИ - приемо-сдаточные испытания;
ПИ - периодические испытания;
ПМ - программа и методика испытаний;
ТД - технологическая документация;
ТП - технологический процесс;
ТУ - технические условия;

(

,

) - наружное рабочее давление;

- внутреннее рабочее давление;

- пробное наружное давление;
T (

,

) - температура рабочей среды;

- жесткость сильфона;
D - наружный диаметр сильфона;

- диаметр сильфона по впадинам гофров;

- эффективная площадь сильфона;

- наружный диаметр трубы-заготовки и наружный диаметр бортика сильфона;

- длина сильфона;
L - длина гофрированной части сильфона;
B - коэффициент зависимости среднего полного ресурса;
P - вероятность безотказной работы;

- назначенный ресурс;
l - длина бортика сильфона;

- длина бортика сильфона с впадиной;
a - толщина выступа гофра сильфона;
t - шаг гофрировки сильфона;
n - число гофров;

- толщина слоя;
z - число слоев;
q - доверительная вероятность;
k - коэффициент запаса;
r - допустимое число отказов;
h - число опрессовок;

- рабочий ход сильфона;

- стандартное отклонение (среднеквадратическое несмещенное отклонение).
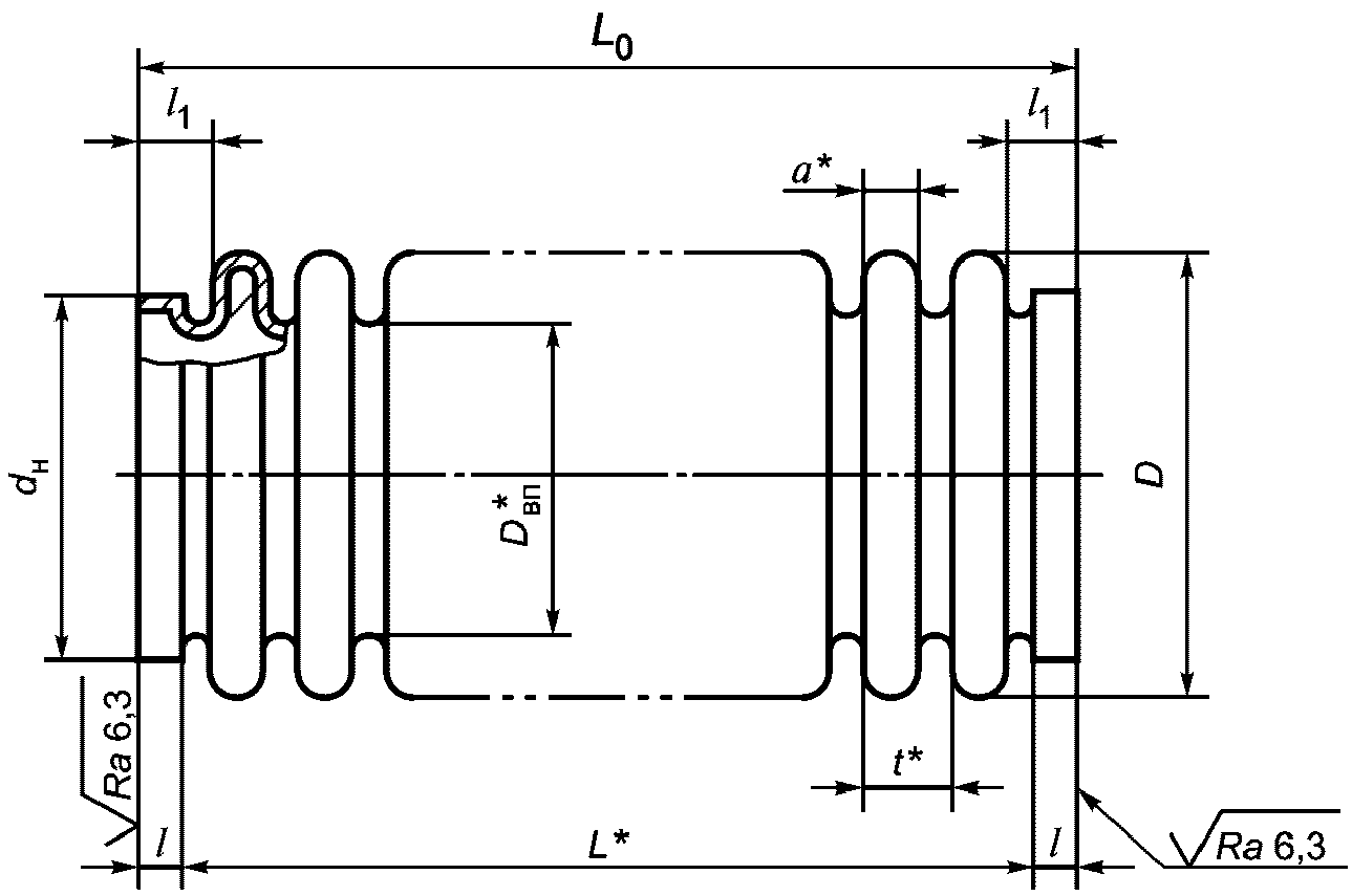
4. Классификация, основные параметры и размеры
4.1. Классификация сильфонов по основным параметрам и размерам приведена в
таблицах 1 -
7 и на рисунке 1.
Росстандарта от 07.02.2018 N 58-ст)
--------------------------------
* Размеры для справок.
Примечание. При изготовлении контролируют размер l или

в зависимости от принятой технологии.
Рисунок 1. Сильфон многослойный металлический
4.3. Сильфоны, основные параметры и размеры которых приведены в
таблицах 3,
4 и
7, при новом проектировании или модернизации трубопроводной арматуры применять не допускается.
4.5. При заказе сильфонов необходимо указывать: наружный диаметр
D, число гофров
n, толщину слоя
s0, число слоев
z, марку материала, номер таблицы (
2,
4,
5,
6,
7 по настоящему стандарту), нормативный документ (
ГОСТ Р 55019 и/или ТУ).
Если в стандартном обозначении не указана марка стали, то сильфоны изготавливают из сталей марок 08Х18Н10Т, 12Х18Н10Т или 06Х18Н10Т.
В обозначении сильфонов по
таблицам 3 и
4 с числом слоев z, отмеченных знаком "*", после числа слоев добавляют букву А.
Пример условного обозначения сильфона с наружным диаметром D = 28 мм, с числом гофров n = 10, толщиной слоя s0 = 0,17 мм, с числом слоев z = 6, изготовленного из коррозионно-стойкой стали марки 08Х18Н10Т по ГОСТ 5632, с параметрами по таблице 2:
Сильфон 28-10-0,17x6-08Х18Н10Т-2 ГОСТ Р 55019-2012
(п. 4.5 в ред.
Изменения N 1, утв. Приказом Росстандарта от 07.02.2018 N 58-ст)
4.6. Расчетные значения эффективной площади и массы сильфонов приведены в
Приложении Б.
4.7. Зависимость ресурса сильфона от сочетания рабочих параметров при температуре 350 °C приведена в
Приложении В.
4.8. Зависимость ресурса сильфона от рабочей температуры приведена в
Приложении Г.
Таблица 1
Основные размеры сильфонов
Размеры в миллиметрах
D h17 | Число гофров n | Число слоев z | | L  | | t | a | l  | | Труба-заготовка |
| Толщина слоя  |
Номин. | Пред. откл. |
16 | 6 | 2 | 22 | 10 | 10 | 1,6 | 1,2 | 6 | 6,4 | 11 | +/- 0,10 | 0,16 +/- 0,03 |
8 | 25 | 13 |
10 | 28 | 16 |
12 | 32 | 20 |
16 | 38 | 26 |
20 | 44 | 32 |
18 | 6 | 3 | 27 | 15 | 12 | 2,3 | 1,5 | 6,8 | 13 |
4 | 29 | 17 | 2,7 | 2,0 | 6,7 |
8 | 3 | 31 | 19 | 2,3 | 1,5 | 6,8 |
4 | 34 | 22 | 2,7 | 2,0 | 6,7 |
10 | 3 | 36 | 24 | 2,3 | 1,5 | 6,8 |
4 | 40 | 28 | 2,7 | 2,0 | 6,7 |
12 | 3 | 41 | 29 | 2,3 | 1,5 | 6,8 |
4 | 45 | 33 | 2,7 | 2,0 | 6,7 |
16 | 3 | 50 | 38 | 2,3 | 1,5 | 6,8 |
4 | 56 | 44 | 2,7 | 2,0 | 6,7 |
20 | 3 | 59 | 47 | 2,3 | 1,5 | 6,8 |
4 | 67 | 55 | 2,7 | 2,0 | 6,7 |
22 | 6 | 2 | 33 | 21 | 14,5 | 3,4 | 2,4 | 7,0 | 16 | +/- 0,15 |
3 |
4 | 34 | 22 | 3,5 | 2,6 | 6,9 |
5 | 37 | 25 | 3,9 | 2,7 | 7,2 |
8 | 2 | 40 | 28 | 3,4 | 2,4 | 7,0 |
3 |
4 | 41 | 29 | 3,5 | 2,6 | 6,9 |
5 | 44 | 32 | 3,9 | 2,7 | 7,2 |
10 | 2 | 47 | 35 | 3,4 | 2,4 | 7,0 |
3 |
4 | 48 | 36 | 3,5 | 2,6 | 6,9 |
5 | 52 | 40 | 3,9 | 2,7 | 7,2 |
12 | 2 | 54 | 42 | 3,4 | 2,4 | 7,0 |
3 |
4 | 56 | 44 | 3,5 | 2,6 | 6,9 |
5 | 60 | 48 | 3,9 | 2,7 | 7,2 |
16 | 2 | 68 | 56 | 3,4 | 2,4 | 7,0 |
3 |
4 | 70 | 58 | 3,5 | 2,6 | 6,9 |
5 | 75 | 63 | 3,9 | 2,7 | 7,2 |
20 | 2 | 81 | 69 | 3,4 | 2,4 | 7,0 |
3 |
4 | 84 | 72 | 3,5 | 2,6 | 6,9 |
5 | 91 | 79 | 3,9 | 2,7 | 7,2 |
Продолжение таблицы 1
Размеры в миллиметрах
D h17 | Число гофров n | Число слоев z | | L  | | t | a | l  | | Труба-заготовка |
| Толщина слоя  |
Номин. | Пред. откл. |
28 | 4 | 2 | 28 | 16 | 18,5 | 3,8 | 3,0 | 6 | 6,8 | 20 | +/- 0,15 | 0,17 +/- 0,03 |
3 |
4 | 3,9 | 6,9 |
5 |
6 | 29 | 17 | 4,0 | 7,0 |
7 | 30 | 18 | 4,3 | 3,3 |
8 | 2 | 43 | 31 | 3,8 | 3,0 | 6,8 |
3 |
4 | 44 | 32 | 3,9 | 6,9 |
5 |
6 | 45 | 33 | 4,0 | 7,0 |
7 | 47 | 35 | 4,3 | 3,3 |
10 | 2 | 51 | 39 | 3,8 | 3,0 | 6,8 |
3 |
4 | 52 | 40 | 3,9 | 6,9 |
5 |
6 | 53 | 41 | 4,0 | 7,0 |
7 | 56 | 44 | 4,3 | 3,3 |
12 | 2 | 58 | 46 | 3,8 | 3,0 | 6,8 |
3 |
4 | 60 | 48 | 3,9 | 6,9 |
5 |
6 | 61 | 49 | 4,0 | 7,0 |
7 | 65 | 53 | 4,3 | 3,3 |
16 | 2 | 74 | 62 | 3,8 | 3,0 | 6,8 |
3 |
4 | 75 | 63 | 3,9 | 6,9 |
5 | 3,9 | 3,0 |
6 | 77 | 65 | 4,0 | 7,0 |
7 | 82 | 70 | 4,3 | 3,3 |
20 | 2 | 89 | 77 | 3,8 | 3,0 | 6,8 |
3 |
4 | 91 | 79 | 3,9 | 6,9 |
5 |
6 | 93 | 81 | 4,0 | 7,0 |
7 | 99 | 87 | 4,3 | 3,3 |
25 | 2 | 108 | 96 | 3,8 | 3,0 | 6,8 |
3 |
4 | 110 | 98 | 3,9 | 6,9 |
5 |
6 | 113 | 101 | 4,0 | 7,0 |
7 | 121 | 109 | 4,3 | 3,3 |
Продолжение таблицы 1
Размеры в миллиметрах
D h17 | Число гофров n | Число слоев z | | L  | | t | a | l  | | Труба-заготовка |
| Толщина слоя  |
Номин. | Пред. откл. |
38 | 8 | 2 | 57 | 45 | 26 | 5,5 | 4,5 | 6 | 7,0 | 28 | +/- 0,15 | 0,21 +/- 0,03 |
3 |
4 |
5 | 58 | 46 | 5,6 | 7,1 |
6 | 59 | 47 | 5,8 | 4,8 | 7,0 |
8 | 62 | 50 | 6,1 | 4,9 | 7,2 |
10 | 2 | 68 | 56 | 5,5 | 4,5 | 7,0 |
3 |
4 |
5 | 69 | 57 | 5,6 | 7,1 |
6 | 71 | 59 | 5,8 | 4,8 | 7,0 |
8 | 74 | 62 | 6,1 | 4,9 | 7,2 |
12 | 2 | 78 | 66 | 5,5 | 4,5 | 7,0 |
3 |
4 |
5 | 80 | 68 | 5,6 | 7,1 |
6 | 82 | 70 | 5,8 | 4,8 | 7,0 |
8 | 87 | 75 | 6,1 | 4,9 | 7,2 |
16 | 2 | 101 | 89 | 5,5 | 4,5 | 7,0 |
3 |
4 |
5 | 103 | 91 | 5,6 | 7,1 |
6 | 106 | 94 | 5,8 | 4,8 | 7,0 |
8 | 111 | 99 | 6,1 | 4,9 | 7,2 |
20 | 2 | 123 | 111 | 5,5 | 4,5 | 7,0 |
3 |
4 |
5 | 125 | 113 | 5,6 | 7,1 |
6 | 129 | 117 | 5,8 | 4,8 | 7,0 |
8 | 135 | 123 | 6,1 | 4,9 | 7,2 |
48 | 8 | 2 | 55 | 43 | 36 | 5,1 | 3,5 | 7,6 | 38 | +0,38 -0,19 | 0,20 +/- 0,03 |
4 |
6 |
8 | 63 | 51 | 6,2 | 4,6 |
10 | 70 | 58 | 7,0 | 5,4 |
12 | 82 | 64 | 7,8 | 5,8 | 9 | 11,0 |
10 | 2 | 65 | 53 | 5,1 | 3,5 | 6 | 7,6 |
4 |
6 |
8 | 76 | 64 | 6,2 | 4,6 |
10 | 84 | 72 | 7,0 | 5,4 |
12 | 98 | 80 | 7,8 | 5,8 | 9 | 11,0 |
Продолжение таблицы 1
Размеры в миллиметрах
D h17 | Число гофров n | Число слоев z | | L  | | t | a | l  | | Труба-заготовка |
| Толщина слоя  |
Номин. | Пред. откл. |
48 | 12 | 2 | 75 | 63 | 36 | 5,1 | 3,5 | 6 | 7,6 | 38 | +0,38 -0,19 | 0,20 +/- 0,03 |
4 |
6 |
8 | 88 | 76 | 6,2 | 4,6 |
10 | 98 | 86 | 7,0 | 5,4 |
12 | 114 | 96 | 7,8 | 5,8 | 9 | 11,0 |
16 | 2 | 97 | 85 | 5,1 | 3,5 | 6 | 7,6 |
4 |
6 |
8 | 113 | 101 | 6,2 | 4,6 |
10 | 128 | 116 | 7,0 | 5,4 |
12 | 145 | 127 | 7,8 | 5,8 | 9 | 11,0 |
20 | 2 | 116 | 104 | 5,1 | 3,5 | 6 | 7,6 |
4 |
6 |
8 | 138 | 126 | 6,2 | 4,6 |
10 | 154 | 142 | 7,0 | 5,4 |
12 | 176 | 158 | 7,8 | 5,8 | 9 | 11,0 |
65 | 4 | 2 | 45 | 33 | 46 | 7,6 | 5,7 | 6 | 7,9 | 48 | +0,48 -0,24 |
4 |
6 |
8 | 51 | 39 | 9,0 | 6,8 | 8,2 |
10 | 9,2 | 8,4 |
12 | 58 | 40 | 9,5 | 7,2 | 9 | 11,3 |
6 | 2 | 60 | 48 | 7,6 | 5,7 | 6 | 7,9 |
4 |
6 |
8 | 68 | 56 | 9,0 | 6,8 | 8,2 |
10 | 70 | 58 | 9,2 | 8,4 |
12 | 77 | 59 | 9,5 | 7,2 | 9 | 11,3 |
8 | 2 | 75 | 63 | 7,6 | 5,7 | 6 | 7,9 |
4 |
6 |
8 | 86 | 74 | 9,0 | 6,8 | 8,2 |
10 | 88 | 76 | 9,2 | 8,4 |
12 | 96 | 78 | 9,5 | 7,2 | 9 | 11,3 |
10 | 2 | 90 | 7,6 | 5,7 | 6 | 7,9 |
4 |
6 |
8 | 104 | 92 | 9,0 | 6,8 | 8,2 |
10 | 107 | 95 | 9,2 | 8,4 |
12 | 115 | 97 | 9,5 | 7,2 | 9 | 11,3 |
Продолжение таблицы 1
Размеры в миллиметрах
D h17 | Число гофров n | Число слоев z | | L  | | t | a | l  | | Труба-заготовка |
| Толщина слоя  |
Номин. | Пред. откл. |
65 | 12 | 2 | 104 | 92 | 46 | 7,6 | 5,7 | 6 | 7,9 | 48 | +0,48 -0,24 | 0,20 +/- 0,03 |
4 |
6 | 105 | 93 |
8 | 122 | 110 | 9,0 | 6,8 | 8,2 |
10 | 124 | 112 | 9,2 | 8,4 |
12 | 132 | 114 | 9,5 | 7,2 | 9 | 11,3 |
16 | 2 | 136 | 124 | 7,6 | 5,7 | 6 | 7,9 |
4 |
6 |
8 | 158 | 146 | 9,0 | 6,8 | 8,2 |
10 | 162 | 150 | 9,2 | 8,4 |
12 | 172 | 154 | 9,5 | 7,2 | 9 | 11,3 |
20 | 2 | 167 | 155 | 7,6 | 5,7 | 6 | 7,9 |
4 |
6 |
8 | 194 | 182 | 9,0 | 6,8 | 8,2 |
10 | 198 | 186 | 9,2 | 8,4 |
12 | 210 | 192 | 9,5 | 7,2 | 9 | 11,3 |
75 | 4 | 2 | 40 | 28 | 56 | 6,5 | 4,5 | 6 | 8,0 | 60 | +/- 0,50 |
3 |
6 |
6 | 2 | 53 | 41 |
3 |
6 |
8 | 2 | 66 | 54 |
3 |
6 |
10 | 2 | 79 | 67 |
3 |
6 |
12 | 2 | 92 | 80 |
3 |
6 |
16 | 2 | 118 | 106 |
3 |
6 |
95 | 4 | 2 | 46 | 30 | 73 | 7,0 | 4,9 | 8 | 10,1 | 76 | 0,25 +/- 0,03 |
3 |
4 | 50 | 34 | 8,0 | 5,9 |
6 |
8 | 54 | 38 | 9,0 | 7,0 | 10,0 |
10 | 56 | 40 | 9,5 | 7,5 |
Продолжение таблицы 1
Размеры в миллиметрах
D h17 | Число гофров n | Число слоев z | | L  | | t | a | l  | | Труба-заготовка |
| Толщина слоя  |
Номин. | Пред. откл. |
95 | 6 | 2 | 60 | 44 | 73 | 7,0 | 4,9 | 8 | 10,1 | 76 | +/- 0,50 | 0,25 +/- 0,03 |
3 |
4 | 66 | 50 | 8,0 | 5,9 |
6 |
8 | 72 | 56 | 9,0 | 7,0 | 10,0 |
10 | 75 | 59 | 9,5 | 7,5 |
8 | 2 | 74 | 58 | 7,0 | 4,9 | 10,1 |
3 |
4 | 82 | 66 | 8,0 | 5,9 |
6 |
8 | 90 | 74 | 9,0 | 7,0 | 10,0 |
10 | 94 | 78 | 9,5 | 7,5 |
10 | 2 | 88 | 72 | 7,0 | 4,9 | 10,1 |
3 |
4 | 98 | 82 |
6 | 8,0 | 5,9 |
8 | 108 | 92 | 9,0 | 7,0 | 10,0 |
10 | 114 | 98 | 9,5 | 7,5 |
12 | 2 | 102 | 86 | 7,0 | 4,9 | 10,1 |
3 |
4 | 114 | 98 | 8,0 | 5,9 |
6 |
8 | 126 | 110 | 9,0 | 7,0 | 10,0 |
10 | 132 | 116 | 9,5 | 7,5 |
16 | 2 | 130 | 114 | 7,0 | 4,9 | 10,1 |
3 |
4 | 146 | 130 | 8,0 | 5,9 |
6 |
8 | 162 | 146 | 9,0 | 7,0 | 10,0 |
10 | 170 | 154 | 9,5 | 7,5 |
20 | 2 | 158 | 142 | 7,0 | 4,9 | 10,1 |
3 |
4 | 178 | 162 | 8,0 | 5,9 |
6 |
8 | 198 | 182 | 9,0 | 7,0 | 10,0 |
10 | 208 | 192 | 9,5 | 7,5 |
125 | 4 | 2 | 75 | 55 | 92 | 12,5 | 7,4 | 10 | 15,1 | 96 | +0,70 -0,35 | 0,30 +/- 0,03 |
3 |
4 |
6 | 8,0 | 14,5 |
8 | 8,5 | 14,0 |
Окончание таблицы 1
Размеры в миллиметрах
D h17 | Число гофров n | Число слоев z | | L  | | t | a | l  | | Труба-заготовка |
| Толщина слоя  |
Номин. | Пред. откл. |
125 | 6 | 2 | 100 | 80 | 92 | 12,5 | 7,4 | 10 | 15,1 | 96 | +0,70 -0,35 | 0,30 +/- 0,03 |
3 |
4 |
6 | 8,0 | 14,5 |
8 | 8,5 | 14,0 |
8 | 2 | 125 | 105 | | | 7,4 | | 15,1 |
3 |
4 |
6 | 8,0 | 14,5 |
8 | 8,5 | 14,0 |
10 | 2 | 150 | 130 | 7,4 | 15,1 |
3 |
4 |
6 | 8,0 | 14,5 |
8 | 8,5 | 14,0 |
12 | 2 | 175 | 155 | 7,4 | 15,1 |
3 |
4 |
6 | 8,0 | 14,5 |
8 | 8,5 | 14,0 |
(в ред. Изменения N 1, утв. Приказом Росстандарта от 07.02.2018 N 58-ст) |
| 14 | 8 | 200 | 180 | 92 | 12,5 | 8,5 | 10 | 14 | | | |
(позиция введена Изменением N 1, утв. Приказом Росстандарта от 07.02.2018 N 58-ст) |
190 | 8 | 2 | 163 | 143 | 145 | 17,2 | 12,2 | 10 | 15,0 | 150 | +0,80 -0,40 | |
3 |
4 |
Примечания 1 h17, +/- IT17/2, +/- IT15/2 - предельные отклонения размеров. 2 Допускается изготовление сильфонов диаметром 28 и 38 мм с толщиной слоя 0,16 +/- 0,03 и 0,20 +/- 0,03 мм соответственно, без изменения основных параметров применения сильфонов, указанных в таблице 2. |
(примечания в ред. Изменения N 1, утв. Приказом Росстандарта от 07.02.2018 N 58-ст) |
Таблица 2
Основные параметры сильфонов
(для сильфонов с основными размерами по
таблице 1)
D, мм | Число гофров n | Толщина слоя  , мм | Число слоев z | Жесткость  , кН/м | Давление наружное, МПа | Рабочий ход (сжатие)  , мм | T, °C | Назначенный ресурс, циклы |
рабочее  | рабочее  | пробное  | при  | при  |
16 | 6 | 0,16 | 2 | 90 | 10,0 | 12,0 | 15,0 | 0,7 | 350 | 5000 | 3000 |
8 | 67 | 1,0 |
10 | 55 | 1,2 |
12 | 46 | 1,5 |
16 | 34 | 2,0 |
20 | 28 | 2,5 |
18 | 6 | 3 | 150 | 12,0 | 16,0 | 20,0 | 0,7 |
4 | 200 | 16,0 | 20,0 | 25,0 |
8 | 3 | 112 | 12,0 | 16,0 | 20,0 | 1,0 |
4 | 150 | 16,0 | 20,0 | 25,0 |
10 | 3 | 90 | 12,0 | 16,0 | 20,0 | 1,2 |
4 | 150 | 16,0 | 20,0 | 25,0 |
(в ред. Изменения N 1, утв. Приказом Росстандарта от 07.02.2018 N 58-ст) |
Продолжение таблицы 2
D, мм | Число гофров n | Толщина слоя  , мм | Число слоев z | Жесткость  , кН/м | Давление наружное, МПа | Рабочий ход (сжатие)  , мм | T, °C | Назначенный ресурс, циклы |
рабочее  | рабочее  | пробное  | при  | при  |
18 | 12 | 0,16 | 3 | 75 | 12,0 | 16,0 | 20,0 | 1,5 | 350 | 5000 | 3000 |
4 | 101 | 16,0 | 20,0 | 25,0 |
16 | 3 | 56 | 12,0 | 16,0 | 20,0 | 2,0 |
4 | 100 | 16,0 | 20,0 | 25,0 |
20 | 3 | 45 | 12,0 | 16,0 | 20,0 | 2,5 |
4 | 61 | 16,0 | 20,0 | 25,0 |
22 | 6 | 2 | 56 | 4,0 | 6,0 | 8,0 | 4000 |
3 | 88 | 8,0 | 10,0 | 12,0 |
4 | 108 | 12,5 | 16,0 | 20,0 |
5 | 193 | 16,0 | 20,0 | 25,0 |
8 | 2 | 40 | 4,0 | 6,0 | 8,0 | 3,0 |
3 | 67 | 8,0 | 10,0 | 12,0 |
4 | 80 | 12,5 | 16,0 | 20,0 |
5 | 103 | 16,0 | 20,0 | 25,0 |
10 | 2 | 34 | 4,0 | 6,0 | 8,0 | 3,7 |
3 | 53 | 8,0 | 10,0 | 12,5 |
4 | 64 | 12,5 | 16,0 | 20,0 |
5 | 120 | 16,0 | 20,0 | 25,0 |
12 | 2 | 28 | 4,0 | 6,0 | 8,0 | 4,5 |
3 | 44 | 8,0 | 10,0 | 12,5 |
4 | 54 | 12,5 | 16,0 | 20,0 |
5 | 69 | 16,0 | 20,0 | 25,0 |
16 | 2 | 22 | 4,0 | 6,0 | 8,0 | 6,0 |
3 | 33 | 8,0 | 10,0 | 12,5 |
4 | 40 | 12,5 | 16,0 | 20,0 |
5 | 52 | 16,0 | 20,0 | 25,0 |
20 | 2 | 22 | 4,0 | 6,0 | 8,0 | 7,5 |
3 | 27 | 8,0 | 10,0 | 12,5 |
4 | 32 | 12,5 | 16,0 | 20,0 |
5 | 41 | 16,0 | 20,0 | 25,0 |
28 | 4 | 0,17 | 2 | 95 | 2,5 | 3,0 | 3,8 | 2,4 | 3000 |
3 | 120 | 6,4 | 8,0 | 10,0 |
4 | 240 | 10,0 | 12,0 | 15,0 | 1,9 |
5 | 290 | 12,5 | 16,0 | 20,0 |
6 | 350 | 16,0 | 20,0 | 28,0 | 1,5 |
7 | 500 | 20,0 | 25,0 | 31,25 |
(в ред. Изменения N 1, утв. Приказом Росстандарта от 07.02.2018 N 58-ст) |
Продолжение таблицы 2
D, мм | Число гофров n | Толщина слоя  , мм | Число слоев z | Жесткость  , кН/м | Давление наружное, МПа | Рабочий ход (сжатие)  , мм | T, °C | Назначенный ресурс, циклы |
рабочее  | рабочее  | пробное  | при  | при  |
28 | 8 | 0,17 | 2 | 48 | 2,5 | 3,0 | 3,8 | 4,8 | 350 | 5000 | 3000 |
3 | 63 | 6,4 | 8,0 | 10,0 |
4 | 120 | 10,0 | 12,0 | 15,0 | 3,8 |
5 | 145 | 12,5 | 16,0 | 20,0 |
6 | 175 | 16,0 | 20,0 | 28,0 | 3,0 |
7 | 210 | 20,0 | 25,0 | 31,25 |
10 | 2 | 38 | 2,5 | 3,0 | 3,8 | 6,0 |
3 | 50 | 6,4 | 8,0 | 10,0 |
4 | 97 | 10,0 | 12,0 | 15,0 | 4,7 |
5 | 120 | 12,5 | 16,0 | 20,0 |
6 | 140 | 16,0 | 20,0 | 28,0 | 3,7 |
7 | 240 | 20,0 | 25,0 | 31,25 |
12 | 2 | 32 | 2,5 | 3,0 | 3,8 | 7,2 |
3 | 67 | 6,4 | 8,0 | 10,0 |
4 | 80 | 10,0 | 12,0 | 15,0 | 5,7 |
5 | 97 | 12,5 | 16,0 | 20,0 |
6 | 117 | 16,0 | 20,0 | 28,0 | 4,5 |
7 | 160 | 20,0 | 25,0 | 31,25 |
16 | 2 | 24 | 2,5 | 3,0 | 3,8 | 9,6 |
3 | 32 | 6,4 | 8,0 | 10,0 |
4 | 60 | 10,0 | 12,0 | 15,0 | 7,6 |
5 | 72 | 12,5 | 16,0 | 20,0 |
6 | 88 | 16,0 | 20,0 | 28,0 | 6,0 |
7 | 90 | 20,0 | 25,0 | 31,25 |
20 | 2 | 19 | 2,5 | 3,0 | 3,8 | 12,0 |
3 | 25 | 6,4 | 8,0 | 10,0 |
4 | 48 | 10,0 | 12,0 | 15,0 | 9,5 |
5 | 58 | 12,5 | 16,0 | 20,0 |
6 | 70 | 16,0 | 20,0 | 28,0 | 7,5 |
7 | 114 | 20,0 | 25,0 | 31,25 |
25 | 2 | 16 | 2,5 | 3,0 | 3,8 | 15,0 |
3 | 21 | 6,4 | 8,0 | 10,0 |
4 | 35 | 10,0 | 12,0 | 15,0 | 11,9 |
5 | 47 | 12,5 | 16,0 | 20,0 |
6 | 56 | 16,0 | 20,0 | 28,0 | 9,4 |
7 | 108 | 20,0 | 25,0 | 31,25 |
(в ред. Изменения N 1, утв. Приказом Росстандарта от 07.02.2018 N 58-ст) |
Продолжение таблицы 2
D, мм | Число гофров n | Толщина слоя  , мм | Число слоев z | Жесткость  , кН/м | Давление наружное, МПа | Рабочий ход (сжатие)  , мм | T, °C | Назначенный ресурс, циклы |
рабочее  | рабочее  | пробное  | при  | при  |
38 | 8 | 0,21 | 2 | 60 | 2,5 | 3,0 | 3,8 | 4,8 | 350 | 5000 | 3000 |
3 | 82 | 4,0 | 6,0 | 7,5 | 4000 |
4 | 125 | 6,4 | 8,0 | 10,0 |
5 | 139 | 10,0 | 12,0 | 15,0 | 4,0 | 3000 |
6 | 180 | 16,0 | 20,0 | 28,0 |
8 | 300 | 20,0 | 25,0 | 31,25 |
10 | 2 | 48 | 2,5 | 3,0 | 3,8 | 6,0 |
3 | 65 | 4,0 | 6,0 | 7,5 | 4000 |
4 | 100 | 6,4 | 8,0 | 10,0 |
5 | 111 | 10,0 | 12,0 | 15,0 | 5,0 | 3000 |
6 | 140 | 16,0 | 20,0 | 28,0 |
8 | 220 | 20,0 | 25,0 | 31,25 |
12 | 2 | 40 | 2,5 | 3,0 | 3,8 | 7,2 |
3 | 54 | 4,0 | 6,0 | 7,5 | 4000 |
4 | 84 | 6,4 | 8,0 | 10,0 |
5 | 93 | 10,0 | 12,0 | 15,0 | 6,0 | 3000 |
6 | 120 | 16,0 | 20,0 | 28,0 |
8 | 180 | 20,0 | 25,0 | 31,25 |
16 | 2 | 30 | 2,5 | 3,0 | 3,8 | 9,6 |
3 | 40 | 4,0 | 6,0 | 7,5 | 4000 |
4 | 63 | 6,4 | 8,0 | 10,0 |
5 | 69 | 10,0 | 12,0 | 15,0 | 8,0 | 3000 |
6 | 90 | 16,0 | 20,0 | 28,0 |
8 | 130 | 20,0 | 25,0 | 31,25 |
20 | 2 | 24 | 2,5 | 3,0 | 3,8 | 12,0 |
3 | 33 | 4,0 | 6,0 | 7,5 | 4000 |
4 | 50 | 6,4 | 8,0 | 10,0 |
5 | 56 | 10,0 | 12,0 | 15,0 | 3000 |
6 | 72 | 16,0 | 20,0 | 28,0 | 10,0 |
8 | 120 | 20,0 | 25,0 | 31,25 |
48 | 8 | 0,20 | 2 | 55 | 2,5 | 3,0 | 3,8 | 6,8 | 4000 |
4 | 162 | 4,0 | 6,0 | 7,5 | 6,0 |
6 | 250 | 6,4 | 8,0 | 10,0 | 5,2 | 3000 |
8 | 420 | 10,0 | 12,0 | 15,0 |
10 | 650 | 16,0 | 20,0 | 28,0 |
12 | 625 | 20,0 | 25,0 | 31,25 | 5,0 |
Продолжение таблицы 2
D, мм | Число гофров n | Толщина слоя  , мм | Число слоев z | Жесткость  , кН/м | Давление наружное, МПа | Рабочий ход (сжатие)  , мм | T, °C | Назначенный ресурс, циклы |
рабочее  | рабочее  | пробное  | при  | при  |
48 | 10 | 0,20 | 2 | 44 | 2,5 | 3,0 | 3,8 | 8,5 | 350 | 5000 | 4000 |
4 | 130 | 4,0 | 6,0 | 7,5 | 7,5 |
6 | 200 | 6,4 | 8,0 | 10,0 | 6,5 | 3000 |
8 | 336 | 10,0 | 12,0 | 15,0 |
10 | 550 | 16,0 | 20,0 | 28,0 |
12 | 500 | 20,0 | 25,0 | 31,25 | 6,2 |
12 | 2 | 37 | 2,5 | 3,0 | 3,8 | 10,2 | 4000 |
4 | 108 | 4,0 | 6,0 | 7,5 | 9,0 |
6 | 167 | 6,4 | 8,0 | 10,0 | 7,8 | 3000 |
8 | 280 | 10,0 | 12,0 | 15,0 |
10 | 460 | 16,0 | 20,0 | 28,0 |
12 | 417 | 20,0 | 25,0 | 31,25 | 7,5 |
16 | 2 | 24 | 2,5 | 3,0 | 3,8 | 13,6 | 4000 |
4 | 50 | 4,0 | 6,0 | 7,5 | 12,0 |
6 | 140 | 6,4 | 8,0 | 10,0 | 10,4 | 3000 |
8 | 240 | 10,0 | 12,0 | 15,0 |
10 | 260 | 16,0 | 20,0 | 28,0 |
12 | 312 | 20,0 | 25,0 | 31,25 | 10,0 |
20 | 2 | 22 | 2,5 | 3,0 | 3,8 | 17,0 | 4000 |
4 | 65 | 4,0 | 6,0 | 7,5 | 15,0 |
6 | 112 | 6,4 | 8,0 | 10,0 | 13,0 | 3000 |
8 | 192 | 10,0 | 12,0 | 15,0 |
10 | 240 | 16,0 | 20,0 | 28,0 |
12 | 250 | 20,0 | 25,0 | 31,25 | 12,5 |
65 | 4 | 2 | 45 | 1,6 | 2,0 | 2,5 | 5,0 |
4 | 110 | 3,5 | 4,0 | 5,25 | 4,0 |
6 | 170 | 6,4 | 8,0 | 10,0 | 4000 |
8 | 200 | 10,0 | 12,0 | 15,0 | 3,4 |
10 | 300 | 12,5 | 14,5 | 19,0 | 3000 |
12 | 363 | 16,0 | 20,0 | 25,0 | 3,2 |
6 | 2 | 38 | 1,6 | 2,0 | 2,5 | 7,5 |
4 | 74 | 3,5 | 4,0 | 5,25 | 6,0 |
6 | 112 | 6,4 | 8,0 | 10,0 | 4000 |
8 | 134 | 10,0 | 12,0 | 15,0 | 5,1 |
10 | 200 | 12,5 | 14,5 | 19,0 | 3000 |
12 | 241 | 16,0 | 20,0 | 25,0 | 4,8 |
(в ред. Изменения N 1, утв. Приказом Росстандарта от 07.02.2018 N 58-ст) |
Продолжение таблицы 2
D, мм | Число гофров n | Толщина слоя  , мм | Число слоев z | Жесткость  , кН/м | Давление наружное, МПа | Рабочий ход (сжатие)  , мм | T, °C | Назначенный ресурс, циклы |
рабочее  | рабочее  | пробное  | при  | при  |
65 | 8 | 0,20 | 2 | 24 | 1,6 | 2,0 | 2,5 | 10,0 | 350 | 5000 | 3000 |
4 | 55 | 3,5 | 4,0 | 5,25 | 8,0 |
6 | 84 | 6,4 | 8,0 | 10,0 | 4000 |
8 | 100 | 10,0 | 12,0 | 15,0 | 6,8 |
10 | 150 | 12,5 | 14,5 | 19,0 | 3000 |
12 | 180 | 16,0 | 20,0 | 25,0 | 6,4 |
10 | 2 | 22 | 1,6 | 2,0 | 2,5 | 12,5 |
4 | 44 | 3,5 | 4,0 | 5,25 | 10,0 |
6 | 67 | 6,4 | 8,0 | 10,0 | 4000 |
8 | 80 | 10,0 | 12,0 | 15,0 | 8,5 |
10 | 120 | 12,5 | 14,5 | 19,0 | 3000 |
12 | 145 | 16,0 | 20,0 | 25,0 | 8,0 |
12 | 2 | 15 | 1,6 | 2,0 | 2,5 | 15,0 |
4 | 37 | 3,5 | 4,0 | 5,25 | 12,0 |
6 | 56 | 6,4 | 8,0 | 10,0 | 4000 |
8 | 67 | 10,0 | 12,0 | 15,0 | 10,2 |
10 | 100 | 12,5 | 14,5 | 19,0 | 3000 |
12 | 120 | 16,0 | 20,0 | 25,0 | 9,6 |
16 | 2 | 12 | 1,6 | 2,0 | 2,5 | 20,0 |
4 | 28 | 3,5 | 4,0 | 5,25 | 16,0 |
6 | 42 | 6,4 | 8,0 | 10,0 | 4000 |
8 | 50 | 10,0 | 12,0 | 15,0 | 13,6 |
10 | 75 | 12,5 | 14,5 | 19,0 | 3000 |
12 | 90 | 16,0 | 20,0 | 25,0 | 12,8 |
20 | 2 | 18 | 1,6 | 2,0 | 2,5 | 25,0 |
4 | 22 | 3,5 | 4,0 | 5,25 | 20,0 |
6 | 34 | 6,4 | 8,0 | 10,0 | 4000 |
8 | 40 | 10,0 | 12,0 | 15,0 | 17,0 |
10 | 60 | 12,5 | 14,5 | 19,0 | 3000 |
12 | 73 | 16,0 | 20,0 | 25,0 | 16,0 |
75 | 4 | 2 | 63 | 1,0 | 1,2 | 1,5 | 5,0 |
3 | 75 | 1,6 | 2,0 | 2,5 |
6 | 125 | 4,0 | 5,0 | 6,4 |
6 | 2 | 42 | 1,0 | 1,2 | 1,5 | 7,5 |
3 | 50 | 1,6 | 2,0 | 2,5 |
6 | 83 | 4,0 | 5,0 | 6,4 |
(в ред. Изменения N 1, утв. Приказом Росстандарта от 07.02.2018 N 58-ст) |
Продолжение таблицы 2
D, мм | Число гофров n | Толщина слоя  , мм | Число слоев z | Жесткость  , кН/м | Давление наружное, МПа | Рабочий ход (сжатие)  , мм | T, °C | Назначенный ресурс, циклы |
рабочее  | рабочее  | пробное  | при  | при  |
75 | 8 | 0,20 | 2 | 31 | 1,0 | 1,2 | 1,5 | 10,0 | 350 | 5000 | 3000 |
3 | 38 | 1,6 | 2,0 | 2,5 |
6 | 100 | 4,0 | 5,0 | 6,4 |
10 | 2 | 25 | 1,0 | 1,2 | 1,5 | 12,5 |
3 | 30 | 1,6 | 2,0 | 2,5 |
6 | 50 | 4,0 | 5,0 | 6,4 |
12 | 2 | 21 | 1,0 | 1,2 | 1,5 | 15,0 |
3 | 25 | 1,6 | 2,0 | 2,5 |
6 | 42 | 4,0 | 5,0 | 6,4 |
16 | 2 | 12 | 1,0 | 1,2 | 1,5 | 20,0 |
3 | 19 | 1,6 | 2,0 | 2,5 |
6 | 40 | 4,0 | 5,0 | 6,4 |
95 | 4 | 0,25 | 2 | 122 | 1,0 | 1,2 | 1,5 | 6,5 |
3 | 150 | 1,25 | 1,6 | 2,0 |
4 | 188 | 2,0 | 2,5 | 3,2 | 6,0 | 4000 |
6 | 276 | 4,0 | 5,0 | 6,4 | 5,4 |
8 | 380 | 6,4 | 8,0 | 10,0 | 3000 |
10 | 500 | 10,0 | 12,0 | 15,0 | 3,6 |
6 | 2 | 81 | 1,0 | 1,2 | 1,5 | 9,8 |
3 | 100 | 1,25 | 1,6 | 2,0 |
4 | 125 | 2,0 | 2,5 | 3,2 | 9,0 |
6 | 184 | 4,0 | 5,0 | 6,4 | 8,1 |
8 | 253 | 6,4 | 8,0 | 10,0 |
10 | 334 | 10,0 | 12,0 | 15,0 | 5,4 |
8 | 2 | 61 | 1,0 | 1,2 | 1,5 | 13,0 |
3 | 75 | 1,25 | 1,6 | 2,0 |
4 | 75 | 2,00 | 2,5 | 3,2 | 12,0 | 4000 |
6 | 138 | 4,00 | 5,0 | 6,4 | 10,8 |
8 | 190 | 6,40 | 8,0 | 10,0 | 3000 |
10 | 250 | 10,00 | 12,0 | 15,0 | 7,2 |
10 | 2 | 49 | 1,00 | 1,2 | 1,5 | 16,2 |
3 | 60 | 1,25 | 1,6 | 2,0 |
4 | 60 | 2,00 | 2,5 | 3,0 | 15,0 | 4000 |
6 | 110 | 4,00 | 5,0 | 6,4 | 13,5 |
8 | 150 | 6,40 | 8,0 | 10,0 | 3000 |
10 | 200 | 10,00 | 12,0 | 15,0 | 9,0 |
(в ред. Изменения N 1, утв. Приказом Росстандарта от 07.02.2018 N 58-ст) |
Продолжение таблицы 2
D, мм | Число гофров n | Толщина слоя  , мм | Число слоев z | Жесткость  , кН/м | Давление наружное, МПа | Рабочий ход (сжатие)  , мм | T, °C | Назначенный ресурс, циклы |
рабочее  | рабочее  | пробное  | при  | при  |
95 | 12 | 0,25 | 2 | 41 | 1,00 | 1,2 | 1,5 | 19,5 | 350 | 5000 | 3000 |
3 | 50 | 1,25 | 1,6 | 2,0 |
4 | 63 | 2,00 | 2,5 | 3,2 | 18,0 | 4000 |
6 | 92 | 4,00 | 5,0 | 6,4 | 16,2 |
8 | 125 | 6,40 | 8,0 | 10,0 | 3000 |
10 | 167 | 10,00 | 12,0 | 15,0 | 10,8 |
16 | 2 | 30 | 1,00 | 1,2 | 1,5 | 26,0 |
3 | 37 | 1,25 | 1,6 | 2,0 |
4 | 47 | 2,00 | 2,5 | 3,2 | 24,0 | 4000 |
6 | 69 | 4,00 | 5,0 | 6,4 | 21,6 |
8 | 94 | 6,40 | 8,0 | 10,0 | 3000 |
10 | 125 | 10,0 | 12,0 | 15,0 | 14,4 |
20 | 2 | 24 | 1,00 | 1,2 | 1,5 | 32,5 |
3 | 30 | 1,25 | 1,6 | 2,0 |
4 | 38 | 2,00 | 2,5 | 3,2 | 30,0 | 4000 |
6 | 55 | 4,00 | 5,0 | 6,4 | 27,0 |
8 | 75 | 6,40 | 8,0 | 10,0 | 3000 |
10 | 100 | 10,00 | 12,0 | 15,0 | 18,0 |
125 | 4 | 0,30 | 2 | 70 | 0,80 | 1,0 | 1,25 | 13,3 |
3 | 102 | 1,25 | 1,6 | 2,0 |
4 | 120 | 1,60 | 2,0 | 2,5 |
6 | 166 | 2,50 | 3,0 | 4,0 |
8 | 240 | 4,00 | 5,0 | 6,25 |
6 | 2 | 45 | 0,80 | 1,0 | 1,25 | 20,0 |
3 | 68 | 1,25 | 1,6 | 2,0 |
4 | 80 | 1,60 | 2,0 | 2,5 |
6 | 110 | 2,50 | 3,0 | 4,0 |
8 | 160 | 4,00 | 5,0 | 6,25 |
8 | 2 | 35 | 0,80 | 1,0 | 1,25 | 26,6 |
3 | 51 | 1,25 | 1,6 | 2,0 |
4 | 60 | 1,60 | 2,0 | 2,5 |
6 | 83 | 2,50 | 3,0 | 4,0 |
8 | 120 | 4,00 | 5,0 | 6,25 |
10 | 2 | 30 | 0,80 | 1,0 | 1,25 | 33,3 |
3 | 41 | 1,25 | 1,6 | 2,0 |
4 | 48 | 1,60 | 2,0 | 2,5 |
(в ред. Изменения N 1, утв. Приказом Росстандарта от 07.02.2018 N 58-ст) |
Окончание таблицы 2
D, мм | Число гофров n | Толщина слоя  , мм | Число слоев z | Жесткость  , кН/м | Давление наружное, МПа | Рабочий ход (сжатие)  , мм | T, °C | Назначенный ресурс, циклы |
рабочее  | рабочее  | пробное  | при  | при  |
125 | 10 | 0,30 | 6 | 66 | 2,50 | 3,0 | 4,0 | 33,3 | 350 | 5000 | 3000 |
8 | 96 | 4,00 | 5,0 | 6,25 |
12 | 2 | 22 | 0,80 | 1,0 | 1,25 | 40,0 |
3 | 34 | 1,25 | 1,6 | 2,0 |
4 | 40 | 1,60 | 2,0 | 2,5 |
6 | 55 | 2,50 | 3,0 | 4,00 |
8 | 80 | 4,00 | 5,0 | 6,25 |
14 | 0,30 | 8 | 46 | 4,00 | 5,00 | 6,25 | 46,6 |
(позиция введена Изменением N 1, утв. Приказом Росстандарта от 07.02.2018 N 58-ст) |
190 | 8 | | 2 | 30 | 0,5 | 0,6 | 0,75 | 30,0 | | | |
3 | 42 | 0,80 | 1,0 | 1,25 |
4 | 55 | 1,25 | 1,5 | 1,9 |
Примечание. Для сильфонов, применяемых при температуре от 350 °C до 550 °C, наружные рабочие давления  и  принимают в соответствии с ГОСТ 356. |
Таблица 3
Основные размеры сильфонов (для сильфонов
Размеры в миллиметрах
D h17 | Число гофров n | Число слоев z | | L  | | t | a | l  | | Труба-заготовка |
| Толщина слоя  |
Номин. | Пред. откл. |
27 +/- 1 | 4 | 6 | 30 | 18 | 18,5 | 4,0 | 3,0 | 6 | 7,0 | 20 | +/- 0,15 | 0,17 +/- 0,03 |
28 | 16 | 3,8 | 6,8 | 0,14 +/- 0,03 |
9 | 3 | 47 | 35 |
6 |
0,17 +/- 0,03 |
49 | 37 | 4,0 | 7,0 |
10 | 3 | 51 | 39 | 3,8 | 6,8 |
5 | 0,14 +/- 0,03 |
12 | 2 | 59 | 47 | 0,17 +/- 0,03 |
3 |
13 | 6 | 62 | 50 | 0,14 +/- 0,03 |
65 | 53 | 4,0 | 7,0 | 0,17 +/- 0,03 |
14 | 7 | 73 | 61 | 4,3 | 3,3 |
16 | 3 | 74 | 62 | 3,8 | 3,0 | 6,8 |
6 | 77 | 65 | 4,0 | 7,0 |
7 | 82 | 70 | 4,3 | 3,3 |
20 | 6 | 93 | 81 | 4,0 | 3,0 |
Продолжение таблицы 3
Размеры в миллиметрах
D h17 | Число гофров n | Число слоев z | | L  | | t | a | l  | | Труба-заготовка |
| Толщина слоя  |
Номин. | Пред. откл. |
38 +/- 1,5 | 6 | 6 | 46 | 34 | 26,0 | 5,5 | 4,5 | 6 | 7,0 | 28 | +/- 0,15 | 0,21 +/- 0,03 |
13 | 85 | 73 |
18 | 3 | 112 | 100 |
6 |
8 | 125 | 113 | 6,2 | 4,7 | 7,5 |
48 +/- 1,5 | 13 | 10 | 105 | 93 | 36,5 | 7,0 | 5,4 | 7,6 | 38 | +0,38 -0,19 | 0,20 +/- 0,03 |
16 | 3 | 95 | 83 | 36,0 | 5,1 | 3,5 |
5 |
18 | 10 | 140 | 128 | 36,5 | 7,0 | 5,4 |
63 +/- 2 | 4 | 2 | 50 | 38 | 46,0 | 9,0 | 7,0 | 8,0 | 48 | +0,48 -0,24 |
6 | 68 | 56 | 6,8 | 8,2 |
8 |
10 |
8 | 2 | 86 | 74 | 7,0 | 8,0 |
10 | 2 | 104 | 92 |
4 |
4* | 90 | 78 | 7,6 | 5,7 | 7,9 |
5 | 104 | 92 | 9,0 | 7,0 | 8,0 |
8 | 104 | 6,8 | 8,2 |
12 | 4 | 122 | 110 | 7,0 | 8,0 |
4* | 105 | 93 | 7,6 | 5,7 | 7,9 |
6 |
10 | 125 | 113 | 9,2 | 6,8 | 8,4 |
16 | 4 | 158 | 146 | 9,0 | 7,0 | 8,0 |
10 | 162 | 150 | 9,2 | 6,8 | 8,4 |
20 | 2 | 194 | 182 | 9,0 | 7,0 | 8,0 |
10 | 199 | 187 | 9,2 | 6,8 | 8,4 |
73 +/- 2 | 3 | 6 | 34 | 22 | 56,0 | 6,5 | 4,5 | 8,0 | 60 | +/- 0,50 |
7 | 60 | 48 |
8 | 66 | 54 |
10 | 79 | 67 |
13 | 99 | 87 |
0,16 +/- 0,03 |
5 |
16 | 6 | 118 | 106 | 0,20 +/- 0,03 |
(в ред. Изменения N 1, утв. Приказом Росстандарта от 07.02.2018 N 58-ст) |
Окончание таблицы 3
Размеры в миллиметрах
D h17 | Число гофров n | Число слоев z | | L  | | t | a | l  | | Труба-заготовка |
| Толщина слоя  |
Номин. | Пред. откл. |
92 +/- 2 | 8 | 6 | 82 | 66 | 73 | 8,0 | 5,9 | 8 | 10,1 | 76 | +/- 0,50 | 0,25 +/- 0,03 |
9 | 90 | 74 |
11 | 4 | 106 | 90 | 0,20 +/- 0,03 |
5 |
15 | 4 | 138 | 122 | 0,25 +/- 0,03 |
6 |
18 | 162 | 146 |
20 | 2 | 178 | 162 |
10 | 208 | 192 | 9,5 | 7,3 | 10,2 |
126 +/- 2 | 6 | 6 | 100 | 80 | 92 | 12,5 | 8,0 | 10 | 14,5 | 96 | +0,70 -0,35 | 0,30 +/- 0,03 |
8 |
12 | 4 | 175 | 155 | 7,4 | 15,1 |
6 |
8 | 8,0 | 14,5 |
(в ред. Изменения N 1, утв. Приказом Росстандарта от 07.02.2018 N 58-ст) |
<*> В обозначении сильфонов с числом слоев z, отмеченных знаком "*", после числа слоев добавляют букву А. |
Примечания 1. Сильфоны типоразмеров 27-9-0,17 x 6; 27-13-0,17 x 6; 38-6-0,21 x 6; 38-13-0,21 x 6; 38-18-0,21 x 6 и 38-18-0,21 x 8 должны быть изготовлены по рисунку 1 без зазора между бортиком и гофром. 2.  ,  - предельные отклонения размеров. |
(в ред. Изменения N 1, утв. Приказом Росстандарта от 07.02.2018 N 58-ст) |
3. Допускается изготовление сильфонов диаметром 38 мм с толщиной слоя 0,20 +/- 0,03 мм без изменения основных параметров применения сильфонов, указанных в таблице 4. |
(примечание 3 введено Изменением N 1, утв. Приказом Росстандарта от 07.02.2018 N 58-ст) |
(в ред.
Изменения N 1, утв. Приказом Росстандарта от 07.02.2018 N 58-ст)
Таблица 4
Основные параметры сильфонов (для сильфонов
D, мм | Число гофров n | Толщина слоя  , мм | Число слоев z | Жесткость  , кН/м | Давление наружное, МПа | Рабочий ход (сжатие)  , мм | T, °C | Назначенный ресурс  , циклы |
макс. | миним. | рабочее  | пробное  |
27 | 4 | 0,17 | 6 | 420 | 140 | 20,0 | 25,0 | 1,5 | 350 | 3000 |
0,14 | 435 | 145 | 2,0 | 450 | 1500 |
9 | 3 | 75 | 25 | 3,0 | 3,8 | 7,0 | 350 |
6 | 225 | 75 | 20,0 | 25,0 | 4,0 | 3000 |
0,17 | 285 | 95 |
10 | 3 | 120 | 40 | 4,0 | 5,0 | 5,0 | 450 |
0,14 | 5 | 16,0 | 20,0 | 4,5 | 1500 |
12 | 0,17 | 2 | 50 | 10 | 2,5 | 3,2 | 7,0 | 5000 |
3 | 105 | 35 | 4,0 | 5,0 | 6,0 |
13 | 6 | 195 | 65 | 20,0 | 25,0 | 350 | 3000 |
0,14 | 150 | 50 |
(в ред. Изменения N 1, утв. Приказом Росстандарта от 07.02.2018 N 58-ст) |
Продолжение таблицы 4
D, мм | Число гофров n | Толщина слоя  , мм | Число слоев z | Жесткость  , кН/м | Давление наружное, МПа | Рабочий ход (сжатие)  , мм | T, °C | Назначенный ресурс  , циклы |
макс. | миним. | рабочее  | пробное  |
27 | 14 | 0,17 | 7 | 222 | 74 | 25,0 | 31,25 | 4,5 | 350 | 3000 |
16 | 3 | 72 | 24 | 4,0 | 5,0 | 8,0 | 450 | 5000 |
6 | 180 | 60 | 20,0 | 25,0 | 6,0 | 350 | 3000 |
7 | 25,0 | 31,25 | 7,0 |
20 | 6 | 120 | 40 | 20,0 | 25,0 | 8,0 |
38 | 6 | 0,21 | 585 | 195 | 4,0 |
13 | 270 | 90 | 8,0 |
18 | 3 | 57 | 19 | 5,0 | 6,25 | 12,0 | 450 | 5000 |
6 | 225 | 75 | 20,0 | 25,0 | 9,0 | 350 | 3000 |
8 | 195 | 65 | 25,0 | 31,25 | 8,0 |
48 | 13 | 0,20 | 10 | 450 | 100 | 20,0 | 25,0 | 10,0 |
16 | 3 | 70 | 15 | 4,0 | 5,0 | 16,0 | 450 | 5000 |
5 | 90 | 30 | 7,0 | 8,75 | 12,0 |
18 | 10 | 435 | 115 | 20,0 | 25,0 | 12,0 | 350 | 3000 |
63 | 4 | 2 | 195 | 65 | 2,0 | 2,5 | 6,0 | 450 | 5000 |
6 | 130 | 30 | 9,0 |
8 | 198 | 66 | 8,8 | 11,0 | 7,5 | 420 | 2000 |
10 | 255 | 85 | 20,0 | 25,0 | 6,0 | 350 | 3000 |
8 | 2 | 70 | 20 | 2,0 | 2,5 | 12,0 | 450 | 5000 |
10 | 75 | 25 |
4 | 65 | 20 | 4,0 | 5,0 | 15,0 |
4* | 90 | 15 | 6000 |
5 | 112 | 38 | 5,0 | 6,25 | 5000 |
8 | 120 | 40 | 14,0 | 17,5 | 12,5 | 1500 |
12 | 4 | 60 | 20 | 4,0 | 5,0 | 18,0 | 6000 |
4* | 60 | 9,0 |
6 | 90 | 25 | 8,0 | 10,0 | 12,0 | 350 | 3000 |
10 | 135 | 45 | 20,0 | 25,0 |
16 | 4 | 80 | 20 | 4,0 | 5,0 | 26,0 |
10 | 120 | 40 | 20,0 | 25,0 | 16,0 | 1500 |
20 | 2 | 12 | 4 | 2,0 | 2,5 | 30,0 | 3000 |
10 | 120 | 40 | 20,0 | 25,0 | 20,0 |
73 | 3 | 6 | 648 | 216 | 5,0 | 6,25 | 3,0 | 450 |
7 | 273 | 91 | 5,5 | 7,0 | 6,0 | 350 | 5000 |
8 | 240 | 80 | 5,0 | 6,25 | 8,0 | 3000 |
(в ред. Изменения N 1, утв. Приказом Росстандарта от 07.02.2018 N 58-ст) |
Окончание таблицы 4
D, мм | Число гофров n | Толщина слоя  , мм | Число слоев z | Жесткость  , кН/м | Давление наружное, МПа | Рабочий ход (сжатие)  , мм | T, °C | Назначенный ресурс  , циклы |
макс. | миним. | рабочее  | пробное  |
73 | 10 | 0,20 | 6 | 192 | 64 | 5,5 | 7,0 | 10,0 | 350 | 5000 |
13 | 165 | 50 | 5,0 | 6,25 | 15,0 | 450 | 3000 |
0,16 |
5 | 45 | 10 | 3,5 | 4,5 | 12,0 | 5000 |
16 | 0,20 | 6 | 120 | 30 | 5,5 | 7,0 | 20,0 | 3000 |
92 | 8 | 0,25 | 206,5 | 69,5 | 6,0 | 7,5 | 10,0 | 350 | 5000 |
9 | 189 | 63 | 12,0 | 420 | 3000 |
11 | 0,20 | 4 | 108 | 27 | 2,5 | 3,2 | 15,0 | 450 |
5 | 135 | 35 | 3,5 | 4,5 | 1500 |
15 | 0,25 | 4 | 150 | 30 | 2,5 | 3,2 | 25,0 |
6 | 120 | 40 | 6,0 | 7,5 | 20,0 | 3000 |
18 | 109 | 36 | 26,0 | 350 |
20 | 2 | 34,5 | 11,5 | 1,6 | 2,0 | 27,0 |
10 | 215 | 65 | 12,0 | 15,0 | 18,0 |
126 | 6 | 0,30 | 6 | 165 | 55 | 3,2 | 4,0 | 20,0 |
8 | 192 | 64 | 4,5 | 5,7 |
12 | 4 | 60 | 20 | 2,2 | 2,75 | 40,0 |
6 | 82,5 | 27,5 | 3,2 | 4,0 |
8 | 96 | 32 | 4,5 | 5,7 |
(в ред. Изменения N 1, утв. Приказом Росстандарта от 07.02.2018 N 58-ст) |
<*> В обозначении сильфонов с числом слоев z, отмеченных знаком "*", после числа слоев добавляют букву А. |
Таблица 5
Основные параметры сильфонов
(для сильфонов с основными размерами по
таблице 1,
D, мм | Число гофров n | Толщина слоя  , мм | Число слоев z | Жесткость  , кН/м | Пробное наружное давление  , МПа | Рабочее наружное давление  , МПа | Рабочий ход (сжатие)  , мм | Температура  , °C | Рабочее наружное давление  , МПа | Рабочий ход (сжатие)  , мм | Температура  , °C | Назначенный ресурс  , циклы |
16 | 6 | 0,16 | 2 | 90 | 15,0 | 10,0 | 0,8 | 200 | 12,0 | 0,7 | 350 | 3000 |
8 | 67 | 1,1 | 1,0 |
10 | 55 | 1,3 | 1,2 |
12 | 46 | 1,6 | 1,5 |
16 | 34 | 2,2 | 2,0 |
20 | 28 | 2,7 | 2,5 |
18 | 6 | 3 | 150 | 20,0 | 12,0 | 0,8 | 16,0 | 0,7 |
4 | 200 | 25,0 | 16,0 | 20,0 |
8 | 3 | 112 | 20,0 | 12,0 | 1,1 | 16,0 | 1,0 |
4 | 150 | 25,0 | 16,0 | 20,0 |
10 | 3 | 90 | 20,0 | 12,0 | 1,3 | 16,0 | 1,2 |
4 | 122 | 25,0 | 16,0 | 20,0 |
12 | 3 | 75 | 20,0 | 12,0 | 1,6 | 16,0 | 1,5 |
4 | 101 | 25,0 | 16,0 | 20,0 |
16 | 3 | 56 | 20,0 | 12,0 | 2,2 | 16,0 | 2,0 |
4 | 100 | 25,0 | 16,0 | 20,0 |
20 | 3 | 45 | 20,0 | 12,0 | 2,7 | 16,0 | 2,5 |
4 | 61 | 25,0 | 16,0 | 20,0 |
22 | 6 | 2 | 56 | 8,0 | 3,0 | 3,0 | 6,0 | 1,8 | 4000 |
4,0 | 2,1 |
3 | 88 | 12,0 | 8,0 | 10,0 |
4 | 108 | 20,0 | 12,5 | 1,8 | 16,0 | 1,6 |
20,0 |
5 | 193 | 25,0 | 16,0 |
10,0 | 2,4 | - | - |
(в ред. Изменения N 1, утв. Приказом Росстандарта от 07.02.2018 N 58-ст) |
Продолжение таблицы 5
D, мм | Число гофров n | Толщина слоя  , мм | Число слоев z | Жесткость  , кН/м | Пробное наружное давление  , МПа | Рабочее наружное давление  , МПа | Рабочий ход (сжатие)  , мм | Температура  , °C | Рабочее наружное давление  , МПа | Рабочий ход (сжатие)  , мм | Температура  , °C | Назначенный ресурс  , циклы |
22 | 8 | 0,16 | 2 | 40 | 8,0 | 3,00 | 4,0 | 200 | 6,0 | 2,4 | 350 | 4000 |
4,00 | 2,8 |
3 | 67 | 12,0 | 8,00 | 10,0 |
4 | 80 | 20,0 | 12,5 | 2,4 | 16,0 | 2,2 |
5 | 103 | 25,0 | 16,0 | 20,0 |
10,0 | 3,2 |
10 | 2 | 34 | 8,0 | 3,0 | 5,0 | - | - |
4,0 | 3,5 | 6,0 | 3,0 |
3 | 53 | 12,0 | 8,0 | 10,0 |
4 | 64 | 20,0 | 12,5 | 3,0 | 16,0 | 2,7 |
5 | 120 | 25,0 | 16,0 | 20,0 |
10,0 | 4,0 |
12 | 2 | 28 | 8,0 | 3,0 | 6,0 | - | - |
4,0 | 4,2 | 6,0 | 3,6 |
3 | 44 | 12,0 | 8,0 | 10,0 |
4 | 54 | 20,0 | 12,5 | 3,6 | 16,0 | 3,3 |
5 | 69 | 25,0 | 16,0 | 20,0 |
10,0 | 4,8 |
16 | 2 | 22 | 8,0 | 3,0 | 8,0 | 6,0 | 4,8 |
4,0 | 5,6 |
3 | 33 | 12,0 | 8,0 | 10,0 |
4 | 40 | 20,0 | 12,5 | 4,8 | 16,0 | 4,4 |
5 | 52 | 25,0 | 16,0 | 20,0 |
10,0 | 6,4 |
(в ред. Изменения N 1, утв. Приказом Росстандарта от 07.02.2018 N 58-ст) |
Продолжение таблицы 5
D, мм | Число гофров n | Толщина слоя  , мм | Число слоев z | Жесткость  , кН/м | Пробное наружное давление  , МПа | Рабочее наружное давление  , МПа | Рабочий ход (сжатие)  , мм | Температура  , °C | Рабочее наружное давление  , МПа | Рабочий ход (сжатие)  , мм | Температура  , °C | Назначенный ресурс  , циклы |
22 | 20 | 0,16 | 2 | 22 | 8,0 | 3,0 | 10,0 | 200 | 6,0 | 6,0 | 350 | 4000 |
4,0 | 7,0 |
3 | 27 | 12,5 | 8,0 | 10,0 |
4 | 32 | 20,0 | 12,5 | 6,0 | 16,0 | 5,5 |
5 | 41 | 25,0 | 16,0 | 20,0 |
10,0 | 8,0 |
28 | 4 | 0,17 | 2 | 95 | 3,8 | 2,5 | 2,6 | 3,0 | 2,2 | 3000 |
3 | 120 | 10,0 | 6,4 | 8,0 |
4 | 240 | 15,0 | 10,0 | 1,9 | 12,0 | 1,8 |
5 | 290 | 20,0 | 12,5 | 1,5 | 16,0 | 1,4 |
6 | 350 | 25,0 | 16,0 | 1,4 | 20,0 | 1,2 |
7 | 676 | 30,0 | 20,0 | 25,0 |
8 | 2 | 48 | 3,8 | 2,5 | 5,2 | 3,0 | 4,4 |
3 | 63 | 10,0 | 6,4 | 8,0 |
4 | 120 | 15,0 | 10,0 | 3,8 | 12,0 | 3,5 |
5 | 145 | 20,0 | 12,5 | 3,0 | 16,0 | 2,8 |
6 | 175 | 25,0 | 16,0 | 2,8 | 20,0 | 2,4 |
7 | 210 | 30,0 | 20,0 | 25,0 |
10 | 2 | 38 | 3,8 | 2,5 | 6,5 | 3,0 | 5,5 |
3 | 50 | 10,0 | 6,4 | 8,0 |
4 | 97 | 15,0 | 10,0 | 4,7 | 12,0 | 4,3 |
5 | 120 | 20,0 | 12,5 | 3,7 | 16,0 | 3,5 |
6 | 140 | 25,0 | 16,0 | 3,5 | 20,0 | 3,0 |
7 | 240 | 10,0 | 20,0 | 25,0 |
(в ред. Изменения N 1, утв. Приказом Росстандарта от 07.02.2018 N 58-ст) |
Продолжение таблицы 5
D, мм | Число гофров n | Толщина слоя  , мм | Число слоев z | Жесткость  , кН/м | Пробное наружное давление  , МПа | Рабочее наружное давление  , МПа | Рабочий ход (сжатие)  , мм | Температура  , °C | Рабочее наружное давление  , МПа | Рабочий ход (сжатие)  , мм | Температура  , °C | Назначенный ресурс  , циклы |
28 | 12 | 0,17 | 2 | 32 | 3,8 | 2,5 | 7,8 | 200 | 3,0 | 6,6 | 350 | 3000 |
3 | 67 | 10,0 | 6,4 | 8,0 |
4 | 80 | 15,0 | 10,0 | 5,7 | 12,0 | 5,2 |
5 | 97 | 20,0 | 12,5 | 4,5 | 16,0 | 4,2 |
6 | 117 | 25,0 | 16,0 | 4,2 | 20,0 | 3,6 |
7 | 160 | 30,0 | 20,0 | 25,0 |
16 | 2 | 24 | 3,8 | 2,5 | 10,4 | 3,0 | 8,8 |
3* | 32 | 10,0 | 6,4 | 8,0 |
4 | 60 | 15,0 | 10,0 | 7,6 | 12,0 | 7,0 |
5 | 72 | 20,0 | 12,5 | 6,0 | 16,0 | 5,6 |
6* | 88 | 25,0 | 16,0 | 5,6 | 20,0 | 4,8 |
7 | 90 | 30,0 | 20,0 | 25,0 |
20 | 2 | 19 | 3,8 | 2,5 | 13,0 | 3,0 | 11,0 |
3 | 25 | 10,0 | 6,4 | 8,0 |
4 | 48 | 15,0 | 10,0 | 9,4 | 12,0 | 8,6 |
5 | 58 | 20,0 | 12,5 | 8,4 | 16,0 | 7,0 |
6 | 70 | 25,0 | - | - | 20,0 | 9,0 | 1500 |
16,0 | 8,0 | 7,0** | 3000 |
7 | 114 | 30,0 | 20,0 | 7,0 | 25,0 | 6,0 |
25 | 2 | 16 | 3,8 | 2,50 | 16,2 | 3,0 | 13,7 |
3 | 21 | 10,0 | 6,4 | 8,0 |
4 | 35 | 15,0 | 10,0 | 11,8 | 12,0 | 10,9 |
5 | 47 | 20,0 | 12,5 | 9,3 | 16,0 | 8,7 |
6 | 56 | 25,0 | 16,0 | 8,7 | 20,0 | 7,5 |
7 | 108 | 30,0 | 20,0 | 25,0 |
(в ред. Изменения N 1, утв. Приказом Росстандарта от 07.02.2018 N 58-ст) |
Продолжение таблицы 5
D, мм | Число гофров n | Толщина слоя  , мм | Число слоев z | Жесткость  , кН/м | Пробное наружное давление  , МПа | Рабочее наружное давление  , МПа | Рабочий ход (сжатие)  , мм | Температура  , °C | Рабочее наружное давление  , МПа | Рабочий ход (сжатие)  , мм | Температура  , °C | Назначенный ресурс  , циклы |
38 | 8 | 0,21 | 2 | 60 | 3,8 | 2,5 | 5,6 | 200 | 3,0 | 4,8 | 350 | 3000 |
3 | 82 | 7,5 | 4,0 | 6,0 | 4000 |
4 | 125 | 10,0 | 6,4 | 8,0 |
5 | 139 | 15,0 | 10,0 | 3,6 | 12,0 | 3,2 | 3000 |
6 | 180 | 25,0 | 16,0 | 20,0 |
8 | 300 | 30,0 | 20,0 | 25,0 |
10 | 2 | 48 | 3,8 | 2,5 | 7,0 | 3,0 | 6,0 |
3 | 65 | 7,5 | 4,0 | 6,0 | 4000 |
4 | 100 | 10,0 | 6,4 | 8,0 |
5 | 111 | 15,0 | 10,0 | 4,5 | 12,0 | 4,0 | 3000 |
6 | 140 | 25,0 | 16,0 | 20,0 |
8 | 220 | 30,0 | 20,0 | 25,0 |
12 | 2 | 40 | 3,8 | 2,5 | 8,4 | 3,0 | 7,2 |
3 | 54 | 7,5 | 4,0 | 10,0 | - | - | 1500 |
8,4 | 6,0 | 7,2 | 4000 |
4 | 84 | 10,0 | 6,4 | 8,0 |
12,0 | 8,0 | 12,0 | - | - | 1500 |
5 | 93 | 15,0 | 10,0 | 5,4 | 12,0 | 4,8 |
6 | 120 | 25,0 | 16,0 | 20,0 | 3000 |
8 | 180 | 30,0 | 20,0 | 5,4 | 25,0 |
16 | 2 | 30 | 3,8 | 2,5 | 11,2 | 3,0 | 9,6 |
3* | 40 | 7,5 | 1,2 | 17,0 | - | 1500 |
4,0 | 15,0 |
11,2 | 6,0 | 3000 |
4 | 63 | 10,0 | 6,4 | 8,0 | 4000 |
Продолжение таблицы 5
D, мм | Число гофров n | Толщина слоя  , мм | Число слоев z | Жесткость  , кН/м | Пробное наружное давление  , МПа | Рабочее наружное давление  , МПа | Рабочий ход (сжатие)  , мм | Температура  , °C | Рабочее наружное давление  , МПа | Рабочий ход (сжатие)  , мм | Температура  , °C | Назначенный ресурс  , циклы |
38 | 16 | 0,21 | 5 | 69 | 15,0 | 10,0 | 7,2 | 200 | 12,0 | 6,4 | 350 | 3000 |
6 | 90 | 25,0 | 16,0 | 10,0 | - | - | 1500 |
7,2 | 20,0 | 6,4 | 3000 |
8* | 130 | 30,0 | 20,0 | 25,0 |
35,0 | 25,0 | 7,0 | - | - | 1500 |
20 | 2 | 24 | 3,8 | 2,5 | 14,0 | 3,0 | 12,0 | 3000 |
3 | 33 | 7,5 | 4,0 | 6,0 | 4000 |
4 | 50 | 10,0 | 6,4 | 8,0** |
- | - | 5,0 | 16,0 | 500 |
5 | 56 | 15,0 | 10,0 | 9,0 | 12,0 | 8,0** | 3000 |
6 | 72 | 25,0 | 16,0 | 20,0 | 10,0 | 1500 |
8 | 120 | 30,0 | 20,0 | 25,0 | 8,0 | 3000 |
35,0 | 25,0 | - | - | 1500 |
48 | 8 | 0,20 | 2 | 55 | 3,8 | 2,5 | 6,8 | 3,0 | 6,0 | 4000 |
4 | 162 | 7,5 | 4,0 | 6,0 |
6 | 250 | 10,0 | 6,4 | 5,2 | 8,0 | 4,8 | 3000 |
8 | 420 | 15,0 | 10,0 | 12,0 |
10 | 650 | 25,0 | 16,0 | 20,0 |
12 | 625 | 30,0 | 20,0 | 4,8 | 25,0 | 4,0 |
10 | 2 | 44 | 3,8 | 2,5 | 8,5 | 3,0 | 7,5 | 4000 |
15,0 | - | - | 1500 |
4 | 130 | 7,5 | 4,0 | 8,5 | 6,0 | 7,5 | 4000 |
10,0 | - | - | 3000 |
5,0 | 13,0 | - | - | 1500 |
Продолжение таблицы 5
D, мм | Число гофров n | Толщина слоя  , мм | Число слоев z | Жесткость  , кН/м | Пробное наружное давление  , МПа | Рабочее наружное давление  , МПа | Рабочий ход (сжатие)  , мм | Температура  , °C | Рабочее наружное давление  , МПа | Рабочий ход (сжатие)  , мм | Температура  , °C | Назначенный ресурс  , циклы |
48 | 10 | 0,20 | 6 | 200 | 10,0 | 6,4 | 6,5 | 200 | 8,0 | 6,0 | 350 | 3000 |
8 | 336 | 15,0 | 10,0 | 12,0 |
10 | 550 | 25,0 | 16,0 | 20,0 |
12 | 500 | 30,0 | 20,0 | 6,0 | 25,0 | 5,0 |
12 | 2 | 37 | 3,8 | 2,5 | 10,2 | 3,0 | 9,0 | 4000 |
4 | 108 | 7,5 | 4,0 | 6,0 |
6 | 167 | 10,0 | 6,4 | 7,8 | 8,0 | 7,2 | 3000 |
8 | 280 | 15,0 | 10,0 | 12,0 |
10 | 426 | 25,0 | 16,0 | 8,0 | 20,0** |
8,5 | 8,0 |
12 | 417 | 30,0 | 20,0 | 7,2 | 25,0 | 6,0 |
16 | 2 | 24 | 3,8 | 2,5 | 13,6 | 3,0 | 12,0 | 4000 |
4 | 50 | 7,5 | 4,0 | 6,0 |
5,0 | 20,0 | - | - | 1500 |
6 | 140 | 10,0 | 6,4 | 10,4 | 8,0 | 9,6 | 3000 |
8 | 240 | 15,0 | 10,0 | 12,0 |
10 | 260 | 25,0 | 16,0 | 20,0 |
12 | 312 | 30,0 | 20,0 | 9,6 | 25,0 | 8,0 |
20 | 2 | 22 | 3,8 | 2,5 | 17,0 | 3,0 | 15,0 | 4000 |
4 | 65 | 7,5 | 4,0 | 6,0 |
6 | 112 | 10,0 | 6,4 | 13,0 | 8,0 | 12,0 | 3000 |
8 | 192 | 15,0 | 10,0 | 12,0 |
10 | 240 | 25,0 | 16,0 | 20,0** |
6,4 | 15,0 |
12 | 250 | 30,0 | 20,0 | 12,0 | 25,0 | 10,0 |
(в ред. Изменения N 1, утв. Приказом Росстандарта от 07.02.2018 N 58-ст) |
Продолжение таблицы 5
D, мм | Число гофров n | Толщина слоя  , мм | Число слоев z | Жесткость  , кН/м | Пробное наружное давление  , МПа | Рабочее наружное давление  , МПа | Рабочий ход (сжатие)  , мм | Температура  , °C | Рабочее наружное давление  , МПа | Рабочий ход (сжатие)  , мм | Температура  , °C | Назначенный ресурс  , циклы |
65 | 4 | 0,20 | 2 | 45 | 2,0 | 1,6 | 4,6 | 200 | 2,0 | 4,0 | 350 | 3000 |
4 | 110 | 5,0 | 3,5 | 3,6 | 4,0 | 3,2 |
6 | 170 | 10,0 | 6,4 | 8,0 | 4000 |
8 | 200 | 15,0 | 10,0 | 3,2 | 12,0 | 2,8 |
10 | 300 | 19,0 | 12,5 | 14,5 | 3000 |
12 | 363 | 25,0 | 16,0 | 2,8 | 20,0 | 2,4 |
6 | 2 | 38 | 2,0 | 1,6 | 6,9 | 2,0 | 6,0 |
4 | 74 | 5,0 | 3,5 | 5,4 | 4,0 | 4,8 |
6 | 112 | 10,0 | 6,4 | 8,0 | 4000 |
8 | 134 | 15,0 | 10,0 | 4,8 | 12,0 | 4,2 |
10 | 200 | 19,0 | 12,5 | 14,5 | 3000 |
12 | 241 | 25,0 | 16,0 | 4,2 | 20,0 | 3,6 |
8 | 2 | 20 | 2,0 | 1,6 | 9,2 | 2,0 | 8,0 |
4 | 55 | 5,0 | 3,5 | 7,2 | 4,0 | 6,4 |
6 | 84 | 10,0 | 6,4 | 8,0 | 4000 |
8 | 100 | 15,0 | 10,0 | 6,4 | 12,0 | 5,6 |
10 | 150 | 19,0 | 12,5 | 14,5 | 3000 |
12 | 180 | 25,0 | 16,0 | 5,6 | 20,0 | 4,8 |
10 | 2 | 22 | 2,0 | 1,6 | 11,5 | 2,0 | 10,0 |
4 | 44 | 5,0 | 3,5 | 9,0 | 4,0 | 8,0 |
6 | 67 | 10,0 | 6,4 | 9,0 | 8,0 | 8,0 | 4000 |
8 | 80 | 15,0 | 10,0 | 8,0 | 12,0 | 7,0 |
10 | 120 | 19,0 | 12,5 | 14,5 | 3000 |
12 | 145 | 25,0 | 16,0 | 7,0 | 20,0 | 6,0 |
Продолжение таблицы 5
D, мм | Число гофров n | Толщина слоя  , мм | Число слоев z | Жесткость  , кН/м | Пробное наружное давление  , МПа | Рабочее наружное давление  , МПа | Рабочий ход (сжатие)  , мм | Температура  , °C | Рабочее наружное давление  , МПа | Рабочий ход (сжатие)  , мм | Температура  , °C | Назначенный ресурс  , циклы |
65 | 12 | 0,20 | 2 | 15 | 2,0 | 1,6 | 13,8 | 200 | 2,0 | 12,0 | 350 | 3000 |
4 | 37 | 5,0 | 3,5 | 10,8 | 4,0 | 9,6 |
6 | 56 | 10,0 | 6,4 | 8,0 | 4000 |
8 | 67 | 15,0 | 10,0 | 9,6 | 12,0 | 8,4 |
10 | 100 | 19,0 | 12,5 | 14,5 | 3000 |
12 | 120 | 25,0 | 16,0 | 8,4 | 20,0 | 7,2 |
16 | 2 | 12 | 2,0 | 1,6 | 18,4 | 2,0 | 16,0 |
4 | 28 | 5,0 | 3,5 | 14,4 | 4,0 | 12,8 |
6* | 42 | 10,0 | 6,4 | 8,0 |
8 | 50 | 15,0 | 10,0 | 12,8 | 12,0 | 11,2 | 4000 |
10* | 75 | 19,0 | 12,5 | 14,5 | 3000 |
12* | 90 | 25,0 | 16,0 | 11,2 | 20,0 | 9,6 |
20 | 2 | 18 | 2,0 | 1,6 | 23,0 | 2,0 | 20,0 |
4 | 22 | 5,0 | 3,5 | 18,0 | 4,0 | 16,0 |
6 | 34 | 10,0 | 6,4 | 8,0 | 4000 |
8 | 40 | 15,0 | 10,0 | 16,0 | 12,0 | 14,0 |
10 | 60 | 19,0 | 12,5 | 14,5 | 3000 |
12 | 73 | 25,0 | 16,0 | 14,0 | 20,0 | 12,0 |
75 | 4 | 2 | 63 | 1,6 | 1,0 | 5,8 | 1,2 | 5,0 |
3 | 75 | 2,5 | 1,6 | 2,0 |
6 | 125 | 6,4 | 4,0 | 5,0 |
6 | 2 | 42 | 1,6 | 1,0 | 8,7 | 1,2 | 7,5 |
3 | 50 | 2,5 | 1,6 | 2,0 |
6 | 83 | 6,4 | 4,0 | 5,0 |
(в ред. Изменения N 1, утв. Приказом Росстандарта от 07.02.2018 N 58-ст) |
Продолжение таблицы 5
D, мм | Число гофров n | Толщина слоя  , мм | Число слоев z | Жесткость  , кН/м | Пробное наружное давление  , МПа | Рабочее наружное давление  , МПа | Рабочий ход (сжатие)  , мм | Температура  , °C | Рабочее наружное давление  , МПа | Рабочий ход (сжатие)  , мм | Температура  , °C | Назначенный ресурс  , циклы |
75 | 8 | 0,20 | 2 | 31 | 1,6 | 1,0 | 11,6 | 200 | 1,2 | 10,0 | 350 | 3000 |
3 | 38 | 2,5 | 1,6 | 2,0 |
6 | 100 | 6,4 | 4,0 | 5,0 |
10 | 2 | 25 | 1,6 | 1,0 | 14,5 | 1,2 | 12,5 |
3 | 30 | 2,5 | 1,6 | 2,0 |
6 | 50 | 6,4 | 4,0 | 5,0 |
12 | 2 | 21 | 1,6 | 1,0 | 17,4 | 1,2 | 15,0 |
3 | 25 | 2,5 | 1,6 | 2,0 |
6 | 42 | 6,4 | 4,0 | 5,0 |
16 | 2 | 12 | 1,6 | 1,0 | 23,2 | 1,2 | 20,0 |
3 | 19 | 2,5 | 1,6 | 2,0 |
6 | 40 | 6,4 | 4,0 | 5,0 |
95 | 4 | 0,25 | 2 | 122 | 1,5 | 1,0 | 6,8 | 1,2 | 6,0 |
3 | 150 | 2,0 | 1,25 | 1,6 |
4 | 188 | 3,0 | 2,0 | 2,5 | 4000 |
6 | 276 | 6,4 | 4,0 | 6,2 | 5,0 | 5,4 |
8 | 380 | 10,0 | 6,4 | 5,6 | 8,0 | 4,8 | 3000 |
10 | 500 | 15,0 | 10,0 | 3,6 | 12,0 | 3,2 |
6 | 2 | 81 | 1,5 | 1,0 | 10,2 | 1,2 | 9,0 |
3 | 100 | 2,0 | 1,25 | 1,6 |
4 | 125 | 3,0 | 2,0 | 2,5 | 4000 |
6 | 184 | 6,4 | 4,0 | 9,3 | 5,0 | 8,1 |
8 | 253 | 10,0 | 6,4 | 8,4 | 8,0 | 7,2 | 3000 |
10 | 334 | 15,0 | 10,0 | 5,4 | 12,0 | 4,8 |
(в ред. Изменения N 1, утв. Приказом Росстандарта от 07.02.2018 N 58-ст) |
Продолжение таблицы 5
D, мм | Число гофров n | Толщина слоя  , мм | Число слоев z | Жесткость  , кН/м | Пробное наружное давление  , МПа | Рабочее наружное давление  , МПа | Рабочий ход (сжатие)  , мм | Температура  , °C | Рабочее наружное давление  , МПа | Рабочий ход (сжатие)  , мм | Температура  , °C | Назначенный ресурс  , циклы |
95 | 8 | 0,25 | 2 | 61 | 1,5 | 1,0 | 13,6 | 200 | 1,2 | 12,0 | 350 | 3000 |
3 | 75 | 2,0 | 1,25 | 1,6 |
4 | 3,0 | 2,0 | 2,5 | 4000 |
6 | 138 | 6,4 | 4,0 | 12,4 | 5,0 | 10,8 |
8 | 190 | 10,0 | 6,4 | 11,2 | 8,0 | 9,6 | 3000 |
10 | 250 | 15,0 | 10,0 | 7,2 | 12,0 | 6,4 |
10 | 2 | 49 | 1,5 | 1,0 | 17,0 | 1,2 | 15,0 |
3 | 60 | 2,0 | 1,25 | 1,6 |
4 | 3,0 | 2,0 | 2,5 | 4000 |
6 | 110 | 6,4 | 4,0 | 15,5 | 5,0 | 13,5 |
8 | 150 | 10,0 | 6,4 | 14,0 | 8,0 | 12,0 | 3000 |
10 | 200 | 15,0 | 10,0 | 8,4 | 12,0 | 8,0 |
12 | 2 | 41 | 1,5 | 1,0 | 20,4 | 1,2 | 18,0 |
3 | 50 | 2,0 | 1,25 | 1,6 |
4 | 63 | 3,0 | 2,0 | 2,5 |
6 | 92 | 6,4 | 4,0 | 18,6 | 5,0 | 16,2 |
8 | 125 | 10,0 | 6,4 | 16,8 | 8,0 | 14,4 | 4000 |
10 | 167 | 15,0 | 10,0 | 11,2 | 12,0 | 9,6 |
16 | 2 | 30 | 1,5 | 1,0 | 27,2 | 1,2 | 24,0 |
3 | 37 | 2,0 | 1,25 | 1,6 |
4 | 47 | 3,0 | 2,0 | 2,5 |
6 | 69 | 6,4 | 4,0 | 24,8 | 5,0 | 21,6 |
8 | 94 | 10,0 | 6,4 | 22,4 | 8,0 | 19,2 | 3000 |
10 | 125 | 15,0 | 10,0 | 15,0 | 12,0 | 12,8 |
(в ред. Изменения N 1, утв. Приказом Росстандарта от 07.02.2018 N 58-ст) |
Продолжение таблицы 5
D, мм | Число гофров n | Толщина слоя  , мм | Число слоев z | Жесткость  , кН/м | Пробное наружное давление  , МПа | Рабочее наружное давление  , МПа | Рабочий ход (сжатие)  , мм | Температура  , °C | Рабочее наружное давление  , МПа | Рабочий ход (сжатие)  , мм | Температура  , °C | Назначенный ресурс  , циклы |
95 | 20 | 0,25 | 2 | 24 | 1,5 | 1,0 | 34,0 | 200 | 1,2 | 30,0 | 350 | 3000 |
3 | 30 | 2,0 | 1,25 | 1,6 |
4 | 38 | 3,0 | 2,0 | 2,5 | 4000 |
6 | 55 | 6,4 | 4,0 | 31,0 | 5,0 | 27,0 |
8 | 75 | 10,0 | 6,4 | 28,0 | 8,0 | 24,0 | 3000 |
10 | 100 | 15,0 | 10,0 | 18,7 | 12,0 | 16,0 |
125 | 4 | 0,30 | 2 | 70 | 1,0 | 0,6 | 13,3 | 0,8 | 12,8 |
3 | 102 | 2,0 | 1,25 | 1,6 |
4 | 120 | 2,4 | 1,6 | 2,0 |
6 | 166 | 4,0 | 2,5 | 3,0 |
8 | 240 | 6,0 | 4,0 | 12,8 | 5,0 | 12,0 |
6 | 2 | 45 | 1,0 | 0,6 | 20,0 | 0,8 | 19,2 |
3 | 68 | 2,0 | 1,25 | 1,6 |
4 | 80 | 2,4 | 1,6 | 2,0 |
6 | 110 | 4,0 | 2,5 | 3,0 |
8 | 160 | 6,0 | 4,0 | 19,2 | 5,0 | 18,0 |
8 | 2 | 35 | 1,0 | 0,6 | 26,6 | 0,8 | 25,6 |
3 | 51 | 2,0 | 1,25 | 1,6 |
4 | 60 | 2,4 | 1,6 | 2,0 |
6 | 83 | 4,0 | 2,5 | 3,0** |
6 | 83 | 6,8 | - | - | 5,0 | 16,0 | 500 |
8 | 120 | 6,0 | 4,0 | 25,6 | 24,0 | 3000 |
10 | 2 | 30 | 1,0 | 0,6 | 33,3 | 0,8 | 32,0 |
3 | 41 | 2,0 | 1,25 | 1,6 |
4 | 48 | 2,4 | 1,6 | 2,0 |
6* | 66 | 4,0 | 2,5 | 3,0 |
Окончание таблицы 5
D, мм | Число гофров n | Толщина слоя  , мм | Число слоев z | Жесткость  , кН/м | Пробное наружное давление  , МПа | Рабочее наружное давление  , МПа | Рабочий ход (сжатие)  , мм | Температура  , °C | Рабочее наружное давление  , МПа | Рабочий ход (сжатие)  , мм | Температура  , °C | Назначенный ресурс  , циклы |
125 | 10 | 0,30 | 8 | 96 | 6,0 | 4,0 | 32,0 | 200 | 5,0 | 30,0 | 350 | 3000 |
12 | 2 | 22 | 1,0 | 0,6 | 40,0 | 0,8 | 38,4 |
3 | 34 | 2,0 | 1,25 | 1,6 |
4 | 40 | 2,4 | 1,6 | 2,0 |
6 | 55 | 4,0 | 2,5 | 3,0 |
8 | 80 | 6,0 | 4,0 | 38,4 | 5,0 | 36,0 |
190 | 8 | 2 | 30 | 0,75 | 0,5 | 30,0 | 0,6 | 28,0 |
3 | 42 | 1,25 | 0,8 | 1,0 |
4 | 55 | 1,9 | 1,25 | 1,5 |
2,2 | 1,5 | 40,0 | - | - | 1500 |
Примечания 1. Для сильфонов, применяемых при температуре от 350 °C до 550 °C, рабочие наружные давления  и  принимают в соответствии с ГОСТ 356. 2. Для сильфонов, отмеченных знаком "*", предъявляют специальные требования к вероятности безотказной работы в соответствии с 2) перечисления г) 5.2.4. 3. Для сильфонов, имеющих несколько сочетаний параметров, испытания на назначенный ресурс проводят на параметрах, отмеченных знаком "**". |
Таблица 6
Основные параметры сильфонов
(для сильфонов с основными размерами по
таблице 1,
D, мм | Число гофров n | Толщина слоя  , мм | Число слоев z | Жесткость  , кН/м | Пробное наружное давление  , МПа | Рабочее наружное давление  , МПа | Рабочий ход (сжатие)  , мм | Температура T, °C | Назначенный ресурс  , циклы | Вероятность безотказной работы  |
38 | 20 | 0,20 | 4 | 50 | 15,0 | 7,5 | 10 | 550 | 3000 | 0,98 |
48 | 12 | 6 | 84 | 13,7 | 9,0 | 8 | 500 | 0,99 |
10 | 260 | 25,0 | 10,0 | 1500 | 0,98 |
16 | 6 | 63 | 11,5 | 9,0 | 14 | 500 | 0,95 |
95 | 12 | 0,25 | 10 | 167 | 15,0 | 10,0 | 10 | 1500 | 0,98 |
16 | 125 | 15 |
20 | 8 | 75 | 10,0 | 8,5 | 22 | 0,96 |
Таблица 7
Основные параметры сильфонов
(для сильфонов с основными размерами по
таблице 3,
D, мм | Число гофров n | Толщина слоя  , мм | Число слоев z | Жесткость  , кН/м | Пробное наружное давление  , МПа | Рабочее наружное давление  , МПа | Рабочий ход (сжатие)  , мм | Температура  , °C | Вероятность безотказной работы  | Назначенный ресурс  , циклы | Рабочее наружное давление  , МПа | Рабочий ход (сжатие)  , мм | Температура  , °C | Вероятность безотказной работы  | Назначенный ресурс  , циклы |
макс. | миним. |
27 | 4 | 0,14 | 6 | 435 | 145 | 25,0 | - | - | 200 | 0,95 | 3000 | 20,0 | 2,0 | 450 | 0,85 | 1500 |
0,17 | 420 | 140 | 1,5 | 350 | 0,90 | 3000 |
9 | 0,14 | 3 | 75 | 25 | 4,5 | 3,0 | 7,0 | 3,0 | 7,0 | 0,85 | 1500 |
8,0* | 1500 | - | - | 350 | 0,85 |
6 | 225 | 75 | 25,0 | 8,0 | 6,0 | 3000 | 20,0 | 4,0 |
0,17 | 285 | 95 | 3000 |
11,0 | 4,0* | 50 | 0,99 | 500 | - | - |
10 | 3 | 120 | 40 | 7,5 | 5,0 | 6,0 | 200 | 0,95 | 3000 | 4,0 | 5,0 | 450 |
0,14 | 5 | 20,0 | - | - | 16,0 | 4,5 | 1500 |
12 | 0,17 | 2 | 50 | 10 | 4,5 | 3,0 | 9,0 | 2,5 | 7,0 | 0,90 | 5000 |
3 | 105 | 35 | 7,5 | 5,0 | 4,0 | 6,0 |
1,2 | 7,0* | 50 | 0,98 | 6000 |
75 | 25 | 2,8 | 8,0* | 0,90 | 5000 |
13 | 0,14 | 6 | 150 | 50 | 25,0 | - | - | 200 | 0,95 | 3000 | 20,0 | 350 | 0,85 | 1500 |
0,17 | 195 | 65 | 8,0 | 7,0 | 3000 |
14 | 7 | 222 | 74 | 35,0 | 25,0 | 4,5 | 4,5 | 0,90 |
6,0* | 50 | 1000 |
16 | 3 | 72 | 24 | 5,0 | - | - | 200 | 3000 | 4,0 | 8,0 | 450 | 5000 |
6 | 180 | 60 | 25,0 | 8,0 | 8,0 | 20,0 | 6,0 | 350 | 3000 |
7 | 35,0 | 25,0 | 5,0 | 7,0 |
20 | 6 | 120 | 40 | 30,0 | 8,0 | 9,0 | 8,0 |
20,0 | 6,5* | 40 |
38 | 6 | 0,21 | 585 | 195 | 25,0 | - | - | 200 | 3,5 | 0,80 |
13 | 270 | 90 | 16,0 | 8,0 | | 8,0 |
(в ред. Изменения N 1, утв. Приказом Росстандарта от 07.02.2018 N 58-ст) |
Продолжение таблицы 7
D, мм | Число гофров n | Толщина слоя  , мм | Число слоев z | Жесткость  , кН/м | Пробное наружное давление  , МПа | Рабочее наружное давление  , МПа | Рабочий ход (сжатие)  , мм | Температура  , °C | Вероятность безотказной работы  | Назначенный ресурс  , циклы | Рабочее наружное давление  , МПа | Рабочий ход (сжатие)  , мм | Температура  , °C | Вероятность безотказной работы  | Назначенный ресурс  , циклы |
макс. | миним. |
38 | 18 | 0,21 | 3 | 57 | 19 | 6,25 | - | - | 200 | 0,95 | 3000 | 5,0 | 12,0 | 450 | 0,85 | 5000 |
6 | 225 | 75 | 25,0 | 16,0 | 9,0 | 20,0 | 9,0 | 350 | 0,90 | 3000 |
8 | 195 | 65 | 35,0 | 25,0 | 8,0 | 5000 |
48 | 13 | 0,20 | 10 | 450 | 100 | 25,0 | - | - | 10,0 | 0,80 | 3000 |
16 | 3 | 70 | 15 | 5,0 | 4,0 | 16,0 | 450 | 0,85 | 5000 |
5 | 90 | 30 | 8,75 | 7,0 | 12,0 |
18 | 10 | 435 | 115 | 30,0 | 20,0 | 350 | 0,95 | 3000 |
63 | 4 | 2 | 195 | 65 | 2,0 | 2,0 | 6,0 | 450 | 0,85 | 5000 |
6 | 130 | 30 | 9,0 |
8 | 198 | 66 | 11,0 | 8,8 | 7,5 | 420 | 0,90 | 2000 |
10 | 255 | 85 | 25,0 | 20,0 | 6,0 | 350 | 0,80 | 3000 |
8 | 2 | 70 | 20 | 2,0 | 2,0 | 12,0 | 450 | 0,85 | 5000 |
75 | 25 | 1,7 | 20,0 | 15,0 |
10 | 30 | 9 | 0,9* | 0,6 | 8,0 | 50 | 0,90 | 5000 | - |
4 | 65 | 20 | 5,0 | 3,0 | 20,0 | 200 | 0,95 | 3000 | 4,0 | 6000 |
4* | 90 | 15 |
5 | 112 | 38 | 6,3 | - | - | 5,0 | 0,90 | 5000 |
8 | 120 | 40 | 15,0 | 10,0 | 11,0 | 14,0 | 12,5 | 0,85 | 1500 |
12 | 4 | 60 | 20 | 6,0 | 4,0 | 16,0 | 50 | 4,0 | 18,0 | 6000 |
4* | 60 | 9 | 3,0 | 20,0 | 200 |
6 | 90 | 25 | 10,0 | - | - | - | 8,0 | 12,0 | 350 | 0,90 | 3000 |
10 | 135 | 45 | 25,0 | 20,0 | 0,80 |
16 | 4 | 80 | 20 | 5,0 | 20,0 | 12,0* | 50 | 4,0 | 26,0 |
10 | 120 | 40 | 25,0 | - | - | - | 20,0 | 16,0 | 0,85 | 1500 |
(в ред. Изменения N 1, утв. Приказом Росстандарта от 07.02.2018 N 58-ст) |
Продолжение таблицы 7
D, мм | Число гофров n | Толщина слоя  , мм | Число слоев z | Жесткость  , кН/м | Пробное наружное давление  , МПа | Рабочее наружное давление  , МПа | Рабочий ход (сжатие)  , мм | Температура  , °C | Вероятность безотказной работы  | Назначенный ресурс  , циклы | Рабочее наружное давление  , МПа | Рабочий ход (сжатие)  , мм | Температура  , °C | Вероятность безотказной работы  | Назначенный ресурс  , циклы |
макс. | миним. |
63 | 20 | 0,20 | 2 | 12 | 4 | 2,0 | 1,7 | 30,0 | 200 | 0,95 | 3000 | 2,0 | 30,0 | 350 | 0,90 | 3000 |
0,1* | 25,0 | 50 | 5000 | - | - | - |
10 | 120 | 40 | 25,0 | - | - | 200 | 3000 | 20,0 | 20,0 | 0,80 |
73 | 3 | 6 | 648 | 216 | 7,0 | 4,0 | 3,0 | 5,0 | 3,0 | 450 | 0,85 |
7 | 273 | 91 | - | - | 5,5 | 6,0 | 350 | 5000 |
8 | 240 | 80 | 4,0 | 10,0 | 5,0 | 8,0 | 0,90 | 3000 |
10 | 192 | 64 | - | - | 5,5 | 10,0 | 0,85 | 5000 |
13 | 165 | 55 | 4,0 | 16,0 | 5,0 | 15,0 | 450 | 3000 |
0,16 | 5 | 45 | 10 | 4,5 | 3,0 | 15,0 | 3,5 | 12,0 | 5000 |
16 | 0,20 | 6 | 120 | 30 | 7,5 | - | - | 5,5 | 21,0 | 3000 |
92 | 8 | 0,25 | 206,5 | 69,5 | 5,0 | 10,0 | 350 | 5000 |
9 | 189 | 63 | 6,0 | 12,0 | 420 | 0,90 | 3000 |
11 | 0,20 | 4 | 108 | 27 | 3,0 | 2,0 | 27,0 | 2,5 | 15,0 | 450 | 0,85 | 1500 |
5 | 135 | 35 | 4,5 | 3,0 | 25,0 | 3,5 |
15 | 0,25 | 4 | 150 | 30 | 1,0* | 140 | 5000 | - | - |
3,0 | 30,0 | 200 | 3000 | 2,5 | 25,0 |
6 | 120 | 40 | 7,5 | 4,0* | 24,0 | 50 | 5000 | - | - |
4,5 | 27,0 | 200 | 3000 | 6,0 | 20,0 |
18 | 109 | 37 | 6,3 | 4,0* | 28,0 | 50 | 5,0 | 26,0 | 350 | 0,90 | 3000 |
20 | 2 | 34,5 | 11,5 | 2,0 | - | - | - | 1,6 | 27,0 |
10 | 215 | 65 | 15,0 | 12,0 | 18,0 | 0,80 |
126 | 6 | 0,30 | 6 | 165 | 55 | 4,2 | 2,8 | 20,0 | 200 | 3,2 | 20,0 | 0,90 |
8 | 192 | 64 | 6,0 | 4,0 | 4,5 | 0,85 |
(в ред. Изменения N 1, утв. Приказом Росстандарта от 07.02.2018 N 58-ст) |
Окончание таблицы 7
D, мм | Число гофров n | Толщина слоя  , мм | Число слоев z | Жесткость  , кН/м | Пробное наружное давление  , МПа | Рабочее наружное давление  , МПа | Рабочий ход (сжатие)  , мм | Температура  , °C | Вероятность безотказной работы  | Назначенный ресурс  , циклы | Рабочее наружное давление  , МПа | Рабочий ход (сжатие)  , мм | Температура  , °C | Вероятность безотказной работы  | Назначенный ресурс  , циклы |
макс. | миним. |
126 | 12 | 0,30 | 4 | 60 | 20 | 2,8 | 1,0* | 40,0 | 50 | 0,95 | 5000 | - | - | 350 | - | 3000 |
1,9 | 200 | 3000 | 2,2 | 40,0 | 0,90 |
6 | 82,5 | 27,5 | 4,2 | 2,5* | 50 | 0,99 | 5000 | - |
2,8 | 200 | 0,95 | 3000 | 3,2** |
- | - | - | - | 2,5 | 465 | 0,98 | 1500 |
8 | 96 | 32 | 6,0 | 4,0 | 200 | 0,95 | 3000 | 4,5 | 350 | 0,85 | 3000 |
Примечания 1. Сильфоны из гарантийных протоколов применения отмечены знаком "*". 2. Для сильфонов, имеющих несколько сочетаний параметров, испытания на назначенный ресурс проводят на параметрах, отмеченных знаком "**". |
5. Технические требования
5.1. Основные показатели и характеристики
5.1.1. Основные показатели и характеристики сильфонов должны соответствовать требованиям настоящего стандарта. По согласованию с заказчиком к сильфонам могут предъявляться специальные дополнительные требования, которые должны быть приведены в ТУ.
Значения жесткости сильфонов, приведенные в
таблицах 2,
4 -
6, - с предельными отклонениями +/- 50% от номинальных значений.
Допускается поставка сильфонов с другими номинальными значениями жесткости, а также с меньшим или большим предельным отклонением значения жесткости - по согласованию между изготовителем и заказчиком.
(п. 5.1.2 в ред.
Изменения N 1, утв. Приказом Росстандарта от 07.02.2018 N 58-ст)
5.1.3. Допускается изготовление сильфонов с числом гофров, числом слоев, толщиной слоя, отличными от приведенных в
таблицах 2,
4 -
7. Основные параметры и размеры таких сильфонов приводят в ТУ.
Абзац исключен с 1 августа 2018 года. -
Изменение N 1, утв. Приказом Росстандарта от 07.02.2018 N 58-ст.
Для сильфонов с измененным числом гофров:
- размер
L0 и рабочий ход рассчитывают в соответствии с
Приложением Д;
(в ред.
Изменения N 1, утв. Приказом Росстандарта от 07.02.2018 N 58-ст)
- давления наружные пробное

, рабочие

,

и размеры

, D, a, t принимают равными соответствующим значениям для сильфонов по
таблицам 1 -
7, имеющих одинаковые толщину слоя и число слоев.
5.1.3а. Сильфон рекомендуется применять при работе на сжатие. Допускается работа на сжатие с частичным растяжением. При этом растяжение должно составлять не более 50% рабочего хода

, указанного в
таблицах 2 и
4, а сжатие - не более величины

. Суммарный ход не должен превышать величину

.
(п. 5.1.3а введен
Изменением N 1, утв. Приказом Росстандарта от 07.02.2018 N 58-ст)
5.1.3б. Допускается применять сильфоны на внутреннее рабочее давление Pвн:
Pвн = Pр при L0 <= D,
Pвн = 0,3Pр при L0 > D.
(п. 5.1.3б введен
Изменением N 1, утв. Приказом Росстандарта от 07.02.2018 N 58-ст)
5.1.3в. При изменении конструкции сильфона (числа гофров, числа и толщины слоев), параметров применения сильфона (давления, температуры, рабочего хода), в том числе при использовании сильфона на внутреннее давление и в режиме "растяжение-сжатие", изготовитель должен провести приемочные испытания с целью определения характеристик сильфона и подтверждения показателей надежности и безопасности (вероятность безотказной работы и назначенный ресурс). Испытания проводят по методике изготовителя, утвержденной в установленном порядке, с учетом требований настоящего стандарта.
Допускается приемочные испытания сильфонов или часть их проводить в составе изделия, для которого он предназначен, с учетом конструктивных особенностей применения.
Основные параметры и размеры сильфонов приводят в ТУ.
По требованию заказчика по результатам испытаний оформляют протокол разрешения применения покупного изделия по
ГОСТ 2.124.
(п. 5.1.3в введен
Изменением N 1, утв. Приказом Росстандарта от 07.02.2018 N 58-ст)
5.1.4. Сильфон должен быть прочным и герметичным. Наружный слой сильфона должен быть герметичным (сплошным). Контроль герметичности внутреннего слоя - по требованию заказчика.
(в ред.
Изменения N 1, утв. Приказом Росстандарта от 07.02.2018 N 58-ст)
5.1.5. Сильфон должен выдерживать количество опрессовок пробным давлением в течение назначенного срока службы - в соответствии с требованиями заказчика, но не более 40.
5.1.6. Толщина слоя трубы-заготовки должна соответствовать
таблицам 1 и
3. Разностенность труб-заготовок не должна превышать значений поля допуска на толщину слоя, указанного в
таблицах 1 и
3.
5.1.7. Наружная и внутренняя поверхности сильфонов должны быть гладкими и чистыми, без плен, трещин, расслоений, пузырей, раковин, окалины и поверхностной коррозии.
На наружной и внутренней поверхности сильфонов не должно быть более, чем у контрольных образцов:
- следов от разъема пресс-форм и вытравленной окалины;
- засветленных мест, возникающих при контакте инструмента с поверхностью сильфона;
- перекоса гофров и неравномерности шага;
- точечных и продольных (по всей длине сильфона) вздутий слоев при сборке их в многослойные оболочки;
- рисок, забоин, отпечатков от инородных тел, вмятин, деформации гофров.
Утверждение контрольных образцов осуществляется в порядке, принятом у изготовителя. Рекомендуемый перечень контрольных образцов приведен в
Приложении Е.
5.2. Показатели надежности и показатели безопасности
5.2.1. Показатели надежности и показатели безопасности должны соответствовать требованиям настоящего стандарта или ТУ.
5.2.2. Показатели надежности и показатели безопасности сильфонов должны обеспечивать выполнение соответствующих требований по надежности и безопасности трубопроводной арматуры и технических устройств, комплектуемых сильфонами.
5.2.3. Сильфоны относятся к классу неремонтируемых и невосстанавливаемых изделий с назначенной продолжительностью эксплуатации.
Показатель сохраняемости - средний срок сохраняемости сильфонов при хранении их в условиях, установленных настоящим стандартом, - не менее 20 лет.
5.2.4. Показатели безопасности:
- назначенный ресурс:
б) в часах:
1) сильфонов для арматуры АС - не менее 320000 ч;
- назначенный срок службы:
а) сильфонов для арматуры АС - 40 лет;
в) остальных сильфонов - 25 лет;
- вероятность безотказной работы сильфонов должна обеспечивать соответствующие требования по надежности и безопасности арматуры в течение назначенного ресурса (назначенного срока службы) и при доверительной вероятности 0,95 составлять:
а) сильфонов для арматуры АС - не менее 0,99;
1) не менее 0,98 на параметрах, указанных в
таблице 5, в течение назначенного ресурса;
2) не менее 0,997 за каждый период непрерывной работы сильфонов в течение 5000 ч с наработкой 250 циклов при доверительной вероятности q = 0,95 (кроме отмеченных знаками "*");
3) не менее 0,99 - сильфонов, отмеченных знаками "*", при назначенном ресурсе 3000 циклов, а при назначенном ресурсе 300 циклов за каждый период непрерывной работы 6000 ч - не менее 0,999 при доверительной вероятности q = 0,95;
е) сильфонов по
таблице 7 - не менее приведенной в
таблице 7 (при доверительной вероятности 0,9).
Зависимость вероятности безотказной работы

от искомой наработки

сильфонов, имеющих

, 3000, 4000, 5000 циклов, приведена в
Приложении Ж.
5.2.5. Сильфоны имеют один критический отказ - разгерметизация наружной полости сильфона относительно внутренней.
5.2.6. Критерий предельного состояния по отношению к критическому отказу - разрушение отдельных слоев сильфона.
5.2.7. При необходимости, определяемой заказчиком, по согласованию с изготовителем могут быть установлены более высокие показатели надежности и показатели безопасности, с уточнением конкретных параметров применения сильфонов и подтверждением оценкой вероятности безотказной работы, обеспечиваемой ТП изготовления сильфонов, действующим на предприятии-изготовителе (в соответствии с
8.10.4.5 -
8.10.4.11).
(в ред.
Изменения N 1, утв. Приказом Росстандарта от 07.02.2018 N 58-ст)
5.3. Требования к материалам
5.3.1. Сильфоны должны изготовляться из коррозионно-стойких сталей марок 08Х18Н10Т, 12Х18Н10Т, 10Х17Н13М2Т, 10Х17Н13М3Т по
ГОСТ 5632, марки 06Х18Н10Т по
ГОСТ 10498. Применение сталей AISI 321, 1.4541 DIN 17440 (1.4541 DIN EN 10088) допускается при содержании никеля не более 11%. Для изготовления сильфонов для арматуры АС применение импортных материалов должно осуществляться в установленном порядке.
Примечание. Массовая доля углерода в стали марки 12Х18Н10Т не должна быть более 0,1%.
(примечание введено
Изменением N 1, утв. Приказом Росстандарта от 07.02.2018 N 58-ст)
5.3.2. Бесшовные или сварные трубы-заготовки для сильфонов должны изготовляться:
- из листа по
ГОСТ 5582 с состоянием материала и качеством поверхности Н1, ПН1, М2а или М3а;
- из ленты по
ГОСТ 4986 с обработкой и качеством поверхности ПН1, ПН2 или М3;
- из бесшовных особотонкостенных труб по
ГОСТ 10498;
- из тонкостенных многослойных труб особо высокой точности, поставляемых специализированными предприятиями, по нормативной документации, утвержденной в установленном порядке. При поставке каждой партии труб необходимо проводить межслойную контрольную проверку на отсутствие загрязненности.
Для изготовления сильфонов допускается применять ленту, лист и трубу по нормативной документации, утвержденной в установленном порядке.
5.3.3. Качество и свойства материала труб-заготовок должны удовлетворять требованиям соответствующих стандартов и должны быть подтверждены сертификатами предприятий-поставщиков.
5.3.4. Предприятие - изготовитель сильфонов должно осуществлять входной контроль качества материала труб-заготовок по
ГОСТ 24297 на соответствие требованиям стандартов по ТД.
5.3.5. Материал каждой плавки для изготовления труб-заготовок, при наличии требований КД, должен обладать стойкостью к межкристаллитной коррозии по
ГОСТ 6032, что должно быть отражено в сертификате на материал или подтверждено испытаниями у изготовителя сильфона.
5.4. Комплектность
5.4.1. В комплект поставки сильфона должны входить:
- сильфон (партия сильфонов);
- паспорт на сильфон (партию сильфонов).
5.4.2. Паспорт должен удостоверять соответствие сильфонов требованиям настоящего стандарта и/или ТУ.
Паспорт должен содержать:
- наименование предприятия-изготовителя;
- условное обозначение сильфонов;
- номер партии;
- марку материала;
- номер сертификата на материал;
- количество сильфонов в партии;
- дату выпуска;
- данные о приемо-сдаточных испытаниях;
- отметку о принятии партии сильфонов ОТК;
- заключение представителя заказчика (при его участии в приемке);
- знак обращения на рынке (для сильфонов, подлежащих подтверждению соответствия).
Рекомендуемая форма
паспорта приведена в Приложении И.
5.4.3. По требованию заказчиков и НД объектов, для которых поставляются сильфоны, в комплект поставки включаются дополнительные документы (например, план качества - для применения сильфонов в арматуре АС, сертификат на материал).
5.5.1. Маркировку сильфонов изготовитель наносит на бирку, прикрепляемую к сильфону (партии сильфонов) и изготовляемую из материала, обладающего необходимой прочностью при нанесении маркировки, при транспортировании и хранении сильфонов.
Состав маркировки:
- товарный знак или наименование изготовителя;
- условное обозначение сильфона;
- номер партии;
- число сильфонов;
- марка материала;
- номер плавки;
- НД на изготовление и поставку (стандарт, ТУ);
- номер паспорта;
- номер сертификата на материал;
- дата изготовления;
- знак обращения на рынке (для сильфонов, подлежащих подтверждению соответствия).
5.5.2. Маркировка должна быть разборчивой в течение всего срока хранения.
5.6.1. Каждый сильфон должен быть завернут в гофрированный картон по
ГОСТ Р 52901.
5.6.2. Сильфоны должны быть уложены рядами в деревянные ящики, изготовленные по
ГОСТ 5959,
ГОСТ 2991. Ящики должны быть выстланы внутри упаковочной битумированной и дегтевой бумагой по
ГОСТ 515. Между рядами должен быть проложен слой гофрированного картона по
ГОСТ Р 52901.
Вариант внутренней упаковки ВУ-1, вариант временной противокоррозионной защиты ВЗ-0 - по
ГОСТ 9.014.
Укладка сильфонов должна быть плотной, исключающей возможность перемещения при погрузочно-разгрузочных работах и транспортировании.
Допускается упаковывать в один ящик сильфоны различных типоразмеров с их обязательным разделением.
В каждый ящик должен быть вложен упаковочный лист (рекомендуемая форма приведена в
Приложении К), содержащий следующие данные:
- наименование предприятия-изготовителя;
- условное обозначение и число сильфонов;
- фамилию или номер контролера и упаковщика;
- номер ящика;
- дату изготовления сильфонов.
5.6.3. При условии обеспечения сохранности сильфонов при погрузочно-разгрузочных работах, транспортировании и хранении допускаются другие виды и способы упаковки, предусмотренные ТУ и КД.
5.6.4. Транспортная маркировка - по
ГОСТ 14192 и КД на упаковку.
На ящике должны быть нанесены основные и дополнительные надписи, предупредительные знаки: "Хрупкое. Осторожно", "Беречь от влаги", "Открывать здесь". Масса ящика с сильфонами не должна превышать 50 кг.
6. Требования безопасности
6.1. Запрещается применение сильфонов:
- с поврежденной поверхностью;
- без паспорта на данную партию;
- в составе арматуры, применяемой в технологических линиях с параметрами, значения которых одновременно превышают указанные в
таблицах 2,
4 -
7.
6.2. В случае необходимости применения сильфона на параметрах, расширяющих область его применения, а также при необходимости доработки сильфона для установки в разрабатываемом объекте применение возможно после проведения комплекса работ и испытаний по подтверждению показателей надежности и показателей безопасности. Работы проводят и согласовывают в порядке, установленном
ГОСТ 2.124, или корректировкой (разработкой) ТУ с соответствующими исполнениями сильфонов.
(в ред.
Изменения N 1, утв. Приказом Росстандарта от 07.02.2018 N 58-ст)
7.1. Общие положения
7.1.1. Изготовленные сильфоны до их отгрузки подлежат приемке в целях удостоверения их годности для использования в соответствии с требованиями, установленными в настоящем стандарте или ТУ.
7.1.2. Для контроля качества и приемки сильфонов устанавливают следующие основные категории испытаний:
- квалификационные;
- предъявительские (для сильфонов по
таблицам 5 -
7 - по требованию заказчика);
- приемо-сдаточные;
- периодические;
- типовые.
7.1.3. Порядок проведения испытаний всех категорий, приемка и оформление результатов испытаний должны соответствовать требованиям настоящего стандарта и/или ТУ (ПМ) с учетом требований
ГОСТ Р 15.301 (для квалификационных испытаний),
ГОСТ 15.309 (для приемо-сдаточных, периодических и типовых испытаний) и требований заказчика.
(в ред.
Изменения N 1, утв. Приказом Росстандарта от 07.02.2018 N 58-ст)
Предъявительские испытания сильфонов проводит ОТК предприятия-изготовителя перед предъявлением их для приемки представителем заказчика.
7.1.4. Сильфоны для приемки предъявляют партиями.
Партия должна состоять из сильфонов одного типоразмера, изготовленных по одному технологическому процессу из материала одной марки, запущенных в производство одновременно и одновременно предъявляемых на испытание (приемку).
7.1.5. Объем проверяемых параметров и число сильфонов, подлежащих контролю, приведены в таблице 8. Последовательность проверяемых параметров устанавливают в ПМ и ТУ.
Таблица 8
Росстандарта от 07.02.2018 N 58-ст)
Проверяемый параметр | Номера пунктов | Объем контроля и испытаний сильфонов |
технических требований | методов контроля | предъявительских | приемо-сдаточных | периодических |
Качество поверхности | | | 100% | Не менее 10% партии | Не менее 8 шт. |
Основные размеры | | |
Жесткость | | | Не менее 30% партии |
Прочность | | | 3% <*> партии, но не менее 2 и не более 5 шт. |
Герметичность наружного слоя | | |
Герметичность | | |
Опрессовки | | |
Назначенный ресурс | | | - |
Стабильность технологического процесса | | | - | Не менее 8 шт. При оценке ВБР - совместно с результатами ресурсных испытаний при ПСИ и ПИ за контролируемый период |
Вероятность безотказной работы | | | - |
Маркировка | | | - | Каждый сильфон (каждая партия) | - |
Упаковка | | | - | После упаковки | - |
Примечания 1 Контроль по параметрам "прочность", "герметичность", "герметичность наружного слоя", "опрессовки", "назначенный ресурс" проводят на одной выборке после приварки к сильфонам (с двух сторон) комплекта соединительных (концевых) деталей по ГОСТ 21557 или по КД изготовителя сильфонов. После проведения этих испытаний сильфоны подлежат списанию. 2 Испытание на прочность и опрессовки допускается совмещать. 3 Контроль по параметру "опрессовки" не проводят при отсутствии требований заказчика к количеству опрессовок. 4 При заказе сильфонной сборки с соединительными (концевыми) деталями объем контроля по параметрам "герметичность наружного слоя" и "герметичность" при предъявительских и приемо-сдаточных испытаниях сильфонов - по требованию заказчика. |
7.2. Приемо-сдаточные испытания (ПСИ)
7.2.1. ПСИ проводят в целях контроля соответствия сильфонов требованиям настоящего стандарта, а также контрольным образцам.
7.2.2. ПСИ проводит служба ОТК изготовителя (поставщика). При наличии в договоре на поставку соответствующего требования в ПСИ участвует представитель заказчика.
(п. 7.2.2 в ред.
Изменения N 1, утв. Приказом Росстандарта от 07.02.2018 N 58-ст)
7.2.3. При положительных результатах испытаний ОТК изготовителя (поставщика) оформляет паспорт на принятую продукцию с заключением, свидетельствующим о соответствии сильфонов требованиям настоящего стандарта, ТУ и их приемке.
7.2.4. Если при испытаниях будут обнаружены сильфоны, не соответствующие требованиям настоящего стандарта, то всю партию сильфонов возвращают для выявления причин несоответствия, проведения мероприятий по их устранению, определения возможности исправления брака (устранение дефектов или исключение дефектных сильфонов) и повторного предъявления. При невозможности (нецелесообразности) устранения дефектов (исключения дефектных сильфонов) всю партию сильфонов окончательно бракуют и изолируют.
Повторные испытания проводят в полном объеме ПСИ, установленных в настоящем стандарте. Партию сильфонов, не выдержавшую повторные ПСИ, бракуют и изолируют.
7.3. Периодические испытания (ПИ)
7.3.1. ПИ проводят для периодической проверки качества сильфонов и стабильности технологического процесса в целях подтверждения возможности продолжения их изготовления и приемки по действующей ТД. (Рекомендации по проведению ПИ см. в
[2]).
7.3.2. ПИ проводит предприятие-изготовитель (поставщик) в соответствии с требованиями ПМ не реже одного раза в три года на не менее чем восьми сильфонах, выдержавших ПСИ. ПМ разрабатывает предприятие - изготовитель (поставщик) сильфонов.
7.3.3. ПИ подвергают сильфоны, являющиеся представителями одной группы. Обязательными условиями формирования группы являются изготовление сильфонов:
- по одному технологическому процессу;
- из одной марки материала;
- в одних и тех же производственных подразделениях;
- на оборудовании класса точности, предусмотренного ТП;
- персоналом требуемой квалификации.
В ПМ ПИ, утвержденной в установленном порядке (или ТУ), изготовителем могут быть предусмотрены дополнительные условия формирования группы (например, диапазон наружных диаметров, числа слоев, числа гофров), в том числе изготовляемых по различным ТУ при соблюдении всех условий формирования группы.
Результаты испытаний распространяют на все типоразмеры сильфонов, входящих в одну группу.
7.3.4. При получении положительных результатов ПИ качество сильфонов контролируемого периода (от предшествующих ПИ) считают подтвержденным по показателям, проверяемым в составе ПИ, также считают подтвержденной возможность дальнейшего изготовления и приемки продукции (по той же документации, по которой изготовлены сильфоны) до получения результатов очередных периодических испытаний.
7.3.5. При получении отрицательных результатов ПИ в соответствии с
ГОСТ 15.309 приемку и отгрузку принятых сильфонов приостанавливают до выявления причин возникновения дефектов, их устранения и получения положительных результатов повторных ПИ.
7.3.6. Повторные ПИ проводят в полном объеме на доработанных (или вновь изготовленных) сильфонах после выполнения мероприятий по устранению дефектов. Партию сильфонов, не выдержавшую повторные ПИ, бракуют и изолируют.
7.3.7. Проведение плановых ПИ может быть перенесено на один год, но не более двух раз подряд, с продлением срока действия результатов предыдущих испытаний на четвертый (пятый) год.
Решение о переносе очередных плановых испытаний принимает комиссия по проведению ПИ при соблюдении следующих условий:
- положительные результаты ПСИ, подтверждающие назначенный ресурс серийно выпускавшихся сильфонов одной группы, на основании оформленных протоколов ПСИ;
- стабильность ТП изготовления сильфонов;
- отсутствие рекламаций.
Документами, подтверждающими стабильность ТП изготовления сильфонов, являются:
а) справка ОТК, подтверждающая отсутствие рекламаций и возвратов;
б) акты проверки НД и ТД, подтверждающие отсутствие извещений об изменениях в документации на изготовление и поставку сильфонов, либо акт проверки эффективности внесенных изменений типовыми испытаниями;
в) акты результатов периодических проверок оборудования и оснастки на технологическую точность, подтверждающие их соответствие требованиям паспортов;
г) протоколы аттестации персонала, участвующего в производственном процессе изготовления, контроля и испытаний, подтверждающие требуемую квалификацию.
7.4. Оформление результатов испытаний
7.4.1. Результаты предъявительских испытаний сильфонов оформляют протоколом испытаний по форме
Приложения Л.
7.4.2. Результаты ПСИ сильфонов оформляют протоколом испытаний по форме
Приложения М или в другом документе контроля по форме, принятой у изготовителя (поставщика), или отражают в журнале испытаний.
7.4.3. Результаты ПИ сильфонов оформляют актом по форме
Приложения Н. К акту должны быть приложены протоколы результатов проведенных испытаний и проверок, подписанные лицами, проводившими испытания и проверки по форме
Приложения П.
| | Раздел 8 содержит правила и методы исследований (испытаний) и измерений, в том числе правила отбора образцов, необходимые для применения и исполнения требований технического регламента Таможенного союза "О безопасности оборудования, работающего под избыточным давлением" (ТР ТС 032/2013) и осуществления оценки (подтверждения) соответствия продукции (Решение Коллегии Евразийской экономической комиссии от 25.02.2014 N 22). | |
8.1. Методы контроля и испытаний сильфонов должны соответствовать требованиям настоящего стандарта или ТУ.
8.2. Качество поверхности сильфона проверяется при визуальном контроле сравнением с контрольными образцами.
8.3. Контроль конструкции и основных геометрических размеров сильфона проводят сличением с
рисунком 1 и измерением размеров с помощью измерительного инструмента, обеспечивающего необходимую точность.
8.4. Контроль жесткости сильфона должен проводиться сжатием его силой, действующей вдоль оси. Значение жесткости определяют как отношение осевого усилия к величине вызванного им хода. Жесткость должна контролироваться при сжатии сильфона в пределах от 0,3 до 0,6 рабочего хода.
8.5. Испытания сильфона на прочность проводят на стенде воздействием на сильфон водой (или воздухом, или инертным газом) наружным давлением

, указанным в
таблицах 2,
4 -
7. Продолжительность выдержки сильфонов под давлением от 3 до 7 мин. Протечки испытательной среды во внутреннюю полость сильфона и падение давления при отключенной магистрали не допускаются. При испытаниях сильфон должен быть предохранен от растяжения и сжатия. Деформация гофров не должна быть более, чем у контрольного образца.
8.6. Испытания на герметичность наружного слоя сильфона проводят на стенде воздействием на сильфон воздухом наружным давлением для данного типоразмера сильфона
Pр1 или
Pр2.
Испытания на герметичность внутреннего слоя сильфона проводят на стенде воздействием на сильфон воздухом внутренним давлением, равным 0,1 МПа.
Выдержка под давлением должна быть не менее 3 мин.
После сброса давления сильфон погружают в емкость с водой. Признаком негерметичности является:
- наружного слоя - систематическое отделение от поверхности сильфона пузырьков воздуха;
- внутреннего слоя - систематическое выделение из внутренней полости сильфона пузырьков воздуха.
Допускается испытания на герметичность наружного слоя сильфона проводить воздействием на сильфон воздухом наружным давлением, равным 0,1 МПа.
Испытания на герметичность наружного слоя допускается совмещать с испытаниями воздухом на прочность.
(п. 8.6 в ред.
Изменения N 1, утв. Приказом Росстандарта от 07.02.2018 N 58-ст)
8.7. Испытания сильфона на герметичность проводят масс-спектрометрическим способом обдува гелием при остаточном абсолютном давлении внутри сильфона не более 0,665 Па

.
Сильфон перед испытанием на герметичность должен быть подвергнут сушке при температуре от 100 °C до 300 °C. Режим сушки устанавливают в соответствии с ТД предприятия - изготовителя сильфонов. Испытания на герметичность должны контролироваться гелиевым течеискателем. Пороговая чувствительность систем контроля герметичности должна быть от

до

(от

до

).
Допускается проверять герметичность другими способами, обеспечивающими контроль качества сильфонов.
8.8. Опрессовки сильфона, при наличии требований заказчика, должны проводиться пробным давлением в ходе ресурсных испытаний при подтверждении назначенного ресурса (при ПСИ) и вероятности безотказной работы (при ПИ). Опрессовки проводят на специальном стенде для испытаний в специальной оснастке, предохраняющей сильфон от растяжения и сжатия. Число опрессовок h - в соответствии с
5.1.5. Режим опрессовок сильфонов приведен в таблице 9.
Таблица 9
Режим опрессовок
Опрессовки | Число опрессовок | Параметры опрессовок |
Температура, °C | Давление | Время выдержки, мин |
До начала наработки ресурса | 0,5h | 20 |  по таблице 2 в соответствии с типоразмером сильфона | Не менее 3 |
После наработки ресурса | 0,5h |
8.9. Исключен с 1 августа 2018 года. -
Изменение N 1, утв. Приказом Росстандарта от 07.02.2018 N 58-ст.
8.10. Ресурсные испытания
8.10.1. Ресурсные испытания, выборки при ПСИ проводят с целью оценки качества каждой партии серийно изготовленных сильфонов.
Ресурсные испытания, выборки при ПИ проводят в целях оценки ВБР и стабильности технологического процесса изготовления сильфонов, характеризуемого средним ресурсом сильфона и разбросом результатов (стандартным отклонением).
Ресурсные испытания при ПСИ (подтверждение назначенного ресурса по
таблицам 2,
4 -
7) и при ПИ (подтверждение ВБР) проводят рабочей средой (воздух или азот):
- при наружном давлении
Pр2, рабочем ходе и температуре, указанных в
таблицах 2 и
5 для сильфонов с основными размерами по
таблице 1;
- при наружном давлении
Pр, рабочем ходе и температуре, указанных в
таблице 6 для сильфонов с основными размерами по
таблице 1;
- при наружном давлении
Pр, рабочем ходе и температуре, указанных в
таблице 4 для сильфонов с основными размерами по
таблице 3;
- при наружном давлении
Pр2, рабочем ходе и температуре, указанных в
таблице 7 для сильфонов с основными размерами по
таблице 3.
При ПСИ испытания проводят до наработки kTр.н., где k - коэффициент запаса, оговоренный в программе ПСИ. Рекомендуемые значения коэффициента запаса:
- 1,2 - если заказчик не оговаривает число опрессовок;
- 2 - если заказчик оговаривает число опрессовок.
Испытания считают положительными, если все сильфоны выборки отработали не менее kTр.н.. При отказе сильфона в интервале от 1,0Tр.н. до 1,2Tр.н. (для сильфонов с коэффициентом запаса 1,2) результаты испытаний также являются положительными, но требуют проведения анализа технологического процесса в целях выявления причины снижения ресурса.
При ПИ испытания проводят до разрушения либо до наработки 5Tр.н.. При отказе сильфона в интервале от 1,0Tр.н. до 1,2Tр.н. (для сильфонов с коэффициентом запаса 1,2) результаты испытаний также являются положительными, но требуют проведения анализа технологического процесса в целях выявления причины снижения ресурса.
Полученные положительные результаты испытаний используют при оценке ВБР в соответствии с
8.10.4.
(п. 8.10.1 в ред.
Изменения N 1, утв. Приказом Росстандарта от 07.02.2018 N 58-ст)
8.10.2. Оценка стабильности технологического процесса
Значения средней наработки сильфонов до отказа и стандартного отклонения определяют исходя из нормального закона распределения.
(в ред.
Изменения N 1, утв. Приказом Росстандарта от 07.02.2018 N 58-ст)
Расчет средней наработки до отказа проводят по формуле

, (1)
где

- наработка i-го сильфона;
n - число сильфонов (n = 8).
Расчет стандартного отклонения проводят по формуле

. (2)
8.10.3. Полученные результаты сравнивают с соответствующими значениями средней наработки и стандартного отклонения предыдущих ПИ.
В случае выявления устойчивого снижения (на 15% и более) средней наработки до отказа или изменения в большую сторону (на 20% и более) среднего квадратичного отклонения (что свидетельствует о наличии отклонений в реализации технологического процесса) должны быть приняты меры к выявлению причин этих отклонений и их устранению.
(в ред.
Изменения N 1, утв. Приказом Росстандарта от 07.02.2018 N 58-ст)
8.10.4. Вероятность безотказной работы сильфона
8.10.4.1. Вероятность безотказной работы сильфона, указанная в настоящем стандарте, может подтверждаться:
- расчетом по результатам ресурсных испытаний;
- результатами оценки действующих на предприятии ТП и системы качества в части обеспечения ими требуемой вероятности.
8.10.4.2. Расчет вероятности безотказной работы в течение назначенного ресурса (срока службы) проводят по результатам всех ресурсных испытаний сильфонов одной группы (ПСИ и ПИ) в соответствии с методическими указаниями
[1] по формуле (3):

, (3)
где

- интенсивность отказов;

- назначенный ресурс сильфона.
В расчет принимают только отказы, произошедшие до достижения

, и отказы, по которым не принимались меры технологического характера по их недопущению.
8.10.4.3.

, рассчитанная по результатам обработки данных ПСИ и ПИ за контролируемый период, при недостаточном количестве результатов испытаний, необходимых для подтверждения

, является факультативной величиной и не является препятствием для поставки продукции.
8.10.4.4. Число сильфонов, необходимое для подтверждения вероятности безотказной работы в течение назначенного ресурса по результатам ресурсных испытаний (ПСИ и ПИ) при отсутствии отказов и доверительной вероятности, равной 0,95, рассчитанное в соответствии с требованиями методических указаний
[1], приведено в таблице 10.
Таблица 10
Число сильфонов, необходимое для подтверждения вероятности
безотказной работы
Вероятность безотказной работы  | Число сильфонов n, необходимое для подтверждения вероятности безотказной работы в течение назначенного ресурса  |
0,8 | 14 |
0,85 | 19 |
0,9 | 29 |
0,95 | 59 |
0,96 | 74 |
0,98 | 149 |
0,99 | 299 |
0,999 | 2999 |
0,9999 | 29998 |
8.10.4.5. В случае если подтверждение испытаниями высоких значений вероятности безотказной работы в течение назначенного ресурса практически невозможно (экономически и технически нецелесообразно из-за большого количества сильфонов, которые необходимо подвергнуть ресурсным испытаниям на рабочих параметрах), вероятность безотказной работы должна подтверждаться оценкой вероятности безотказной работы, обеспечиваемой ТП изготовления сильфонов, действующим на предприятии-изготовителе.
8.10.4.6. Основу метода оценки составляют положения
ГОСТ 27.310, определяемые как анализ видов и последствий критических отказов, регламентирующие, что вероятность безотказной работы изделия зависит от вероятности возникновения не допускаемых НД отклонений свойств и характеристик изделия и вероятности необнаружения этих отклонений при техническом контроле.
8.10.4.7. Оценку ТП осуществляет изготовитель или по согласованию с ним представитель заказчика, экспертная организация или разработчик сильфона, имеющие необходимую квалификацию, опыт работы, знающие конструкцию сильфона, НД на изготовление и поставку сильфона, ТП изготовления сильфона.
8.10.4.8. Методика оценки вероятности безотказной работы сильфонов, обеспечиваемой ТП изготовления сильфонов

, - в соответствии с действующей НД (рекомендуемая методика приведена в
[3]).
8.10.4.9. Результат оценки ТП изготовления сильфонов считают положительным, если

и отрицательным, если

.
8.10.4.10. При отрицательном результате оценки ТП изготовления сильфонов проводят анализ ТП в целях его доработки или доработки конструкции сильфона.
8.10.4.11. По результатам оценки обеспечения ТП заданных требований к вероятности безотказной работы сильфонов оформляют заключение с выводом об обеспечении (необеспечении) требований НД ТП изготовления.
В заключении при необходимости указывают рекомендации по внесению необходимых изменений в ТП и/или конструкцию сильфона в целях повышения расчетных значений вероятности безотказной работы.
8.10.4.12. Основанием для пересмотра результатов оценки вероятности безотказной работы, обеспечиваемой ТП, является:
а) перерыв в изготовлении сильфонов данной группы, превышающий принятый срок плановой периодичности, при возобновлении серийного производства;
б) наличие рекламаций и претензий потребителя в период между плановыми периодическими испытаниями;
в) более трех возвратов сильфонов ОТК изготовителя (поставщика), свидетельствующих о нестабильности ТП изготовления сильфонов.
8.11. Метрологическое обеспечение испытаний
8.11.1. Средства измерения и контроля, стенды и испытательные средства, используемые при испытаниях, должны соответствовать паспортам или другим техническим документам, содержащим основные параметры этого оборудования, и иметь поверочное клеймо или свидетельство, удостоверяющее соответствие установленному уровню точности.
8.11.2. Стенд для испытания сильфонов должен обеспечивать:
- ход сильфона (от 0,7 до 40 мм);
- настройку установочной длины сильфона L0;
(в ред.
Изменения N 1, утв. Приказом Росстандарта от 07.02.2018 N 58-ст)
- частоту срабатывания до 120 циклов в минуту;
- контроль давления испытательной среды;
- измерение температуры испытательной среды;
- отсчет и фиксацию числа циклов срабатывания.
Погрешность средств измерения:
- хода сильфона - +/- 0,1 мм;
- давления - +/- 1,5%;
- температуры - +/- 10 °C.
8.11.3. Перечень испытательного оборудования, средств измерения и контроля приведен в
Приложении Р.
8.12. Контроль маркировки проводят внешним осмотром. Знаки маркировки должны быть четкими и разборчивыми.
8.13. Контроль упаковки проводят внешним осмотром и проверкой сопроводительной документации.
8.14. Требования безопасности при проведении испытаний сильфонов
8.14.1. К проведению испытаний допускается персонал, имеющий соответствующую квалификацию и прошедший специальное (теоретическое, производственное) обучение по технике безопасности.
8.14.2. Лица, занятые в испытаниях, должны быть проинструктированы согласно инструкции по безопасности, действующей на предприятии-изготовителе, ПМ сильфонов и
ГОСТ 12.2.063.
(в ред.
Изменения N 1, утв. Приказом Росстандарта от 07.02.2018 N 58-ст)
8.14.3. Персонал, проводящий испытания, должен:
- знать устройство испытательных стендов (далее - стенды), на которых проводят испытания, знать ТП испытаний;
- пройти инструктаж по технике безопасности.
8.14.4. Персонал и оборудование должны быть аттестованы для проведения работ по изготовлению и испытанию сильфонов.
8.14.5. Требования безопасности к стендам, испытательному оборудованию, измерительным средствам и приборам - в соответствии с
ГОСТ 12.2.003.
8.14.6. Испытания следует проводить с соблюдением правил, изложенных в утвержденной инструкции по технике безопасности при работе на стендах.
9. Транспортирование и хранение
9.1. Транспортирование
Транспортирование упакованных сильфонов проводят всеми видами транспортных средств при условии защиты сильфонов от механических повреждений и воздействий влаги, паров кислот и щелочей.
Сильфоны хранят в упаковке в соответствии с требованиями
4.6 в закрытых хранилищах с температурой воздуха от минус 50 °C до плюс 40 °C, среднегодовое значение относительной влажности воздуха 80% при 15 °C.
Хранение должно соответствовать условиям 1 (Л) и 2 (С) по
ГОСТ 15150 при отсутствии воздействия паров кислот и щелочей и 3 (Ж) по
ГОСТ 15150 при температуре от минус 50 °C до плюс 50 °C при отсутствии воздействия паров кислот и щелочей, а также при отсутствии постоянного или периодического контакта сильфонов с влажными парами морской воды.
10. Указания по эксплуатации
10.1. Для соединения сильфонов с сопрягаемыми деталями в трубопроводной арматуре используют соединительные концевые детали - втулки и кольца по ГОСТ 21557 или по КД (с присоединительными размерами по ГОСТ 21557). Втулки и кольца изготовляют из тех же марок материалов, что и сильфоны, и, при наличии требований КД, подвергают контролю стойкости к межкристаллитной коррозии.
(в ред.
Изменения N 1, утв. Приказом Росстандарта от 07.02.2018 N 58-ст)
При требовании стойкости сварного соединения сильфонной сборки, выполненного без присадки, к межкристаллитной коррозии в соответствии с
ГОСТ 6032:
- при содержании углерода 0,08% и менее в материале сильфона и концевых деталей за результаты испытаний сварного соединения засчитывают результаты испытаний материала основного металла;
- при содержании углерода более 0,08% в материале сильфона или концевых деталей контрольные сварные соединения для испытаний изготовляют из материала тех же плавок, что и в контролируемом соединении.
10.2. Изготовление, приварку соединительных концевых деталей к сильфонам и контроль качества сварных соединений проводит потребитель сильфонов в соответствии с требованиями КД и НД, действующих на предприятии.
Приварку концевых деталей к сильфонам проводят аргонодуговой сваркой неплавящимся (вольфрамовым) электродом методом оплавления элементов сопрягаемых деталей.
Допускается применять другие виды сварки, не ухудшающие коррозионной стойкости и работоспособности сильфонов.
Приварку концевых деталей к сильфону следует выполнять по аттестованной технологии, обеспечивающей защиту сильфона от перегрева.
(абзац введен
Изменением N 1, утв. Приказом Росстандарта от 07.02.2018 N 58-ст)
10.3. По согласованию между изготовителем, потребителем и заказчиком концевые детали, необходимые для формообразования и/или последующей установки сильфонов в изделие, поставляют в количестве:
- для сильфонов по
таблицам 1 -
4 - в соответствии с условиями договора на поставку;
- для сильфонов по
таблицам 5 -
7 - на 16% больше требуемого в спецификации изделия. При заказе малых партий сильфонов (до 50 шт.) дополнительно изготовляют 14 комплектов концевых деталей. В этом случае приварку концевых деталей и контроль сварных соединений проводит изготовитель сильфонов по действующей на предприятии ТД.
Документацию на дополнительно поставляемые концевые детали представляют в соответствии с требованиями ГОСТ 21557.
10.4. Размер установочного места под сильфон при установке его в изделие не должен превышать значений размера

, указанных в
таблицах 1,
3, с предельным отклонением по Н16.
10.5. При заказе сильфонной сборки со стандартными концевыми деталями (по ГОСТ 21557) или нестандартными концевыми деталями указывают обозначение КД на эту сильфонную сборку.
(п. 10.5 в ред.
Изменения N 1, утв. Приказом Росстандарта от 07.02.2018 N 58-ст)
Пример условного обозначения сильфона 28-10-0,17 x 6
с соединительными наружными втулками и внутренними кольцами
типа 1 по ГОСТ 21557 с двух сторон:
Сильфон 28-10-0,17 x 6-1,1 ГОСТ Р 55019-2012
10.6. Дополнительно к маркировке, указанной в
5.5.1, маркировку сильфонов с концевыми деталями по ГОСТ 21557 наносят на поверхность наружных втулок и колец.
10.7. Исключен с 1 августа 2018 года. -
Изменение N 1, утв. Приказом Росстандарта от 07.02.2018 N 58-ст.
10.8. При применении сильфонной сборки с двумя или более сильфонами, установленными последовательно, без ограничения рабочего хода, разброс жесткости между ними не должен превышать 10%.
10.9. Конструкция изделия, в котором применен сильфон, должна обеспечивать сохранность сильфона от механических повреждений и воздействия сред, вызывающих ускоренное старение материала при монтаже и эксплуатации.
10.10. В процессе эксплуатации сильфона в составе изделия необходимо вести регистрацию циклов срабатывания изделия и отражать в его паспорте.
Примечание. Цикл - сжатие сильфона на величину рабочего хода от длины

(установочная длина), указанной в
таблице 1, и возврат его в установочную длину.
11. Гарантии изготовителя (поставщика)
11.1. Изготовитель (поставщик) должен гарантировать соответствие сильфонов требованиям настоящего стандарта, ТУ и КД при соблюдении условий транспортирования, хранения и эксплуатации.
11.2. Гарантийные обязательства (гарантийный срок хранения, гарантийный срок эксплуатации, гарантийная наработка) должны указываться в ТУ и/или в контракте на поставку и в паспорте.
Рекомендуемые гарантийные обязательства:
- гарантийный срок хранения сильфонов (при хранении в соответствии с
9.2) - 20 лет в условиях 1 (Л) и 2 (С) и 12,5 лет в условиях 3 (Ж) с момента изготовления;
- гарантийный срок эксплуатации сильфонов по
таблицам 5 -
7 - 25 лет со дня ввода в эксплуатацию при продолжительности контакта со средами по
Приложению А;
- гарантийный срок эксплуатации сильфонов по
таблицам 1 -
4 - 25 лет, если иное не указано в договоре на конкретную поставку сильфонов;
- гарантийная наработка сильфонов равна назначенному ресурсу в пределах гарантийного срока эксплуатации.
(обязательное)
ПРОДОЛЖИТЕЛЬНОСТЬ КОНТАКТА СИЛЬФОНОВ С РАБОЧИМИ СРЕДАМИ
Таблица А.1
Продолжительность контакта сильфонов с рабочими средами
Среда | Документ на поставку | Рабочая температура, К (°C) | Продолжительность контакта со средой |
Амил | По НД на эти среды | От 223 (минус 50) до 323 (плюс 50) | 17 лет |
Меланж-1 |
Гептил |
Продукт 0 30 |
Самин |
Хладон 12 | | От 193 (минус 80) до 423 (плюс 150) | 10 лет |
423 (плюс 150) | 10000 ч |
Хладон 22 | | От 173 (минус 100) до 423 (плюс 150) | 10 лет |
423 (плюс 150) | 10000 ч |
Хладон 30 | | От 193 (минус 100) до 333 (плюс 60) | 10 лет |
Хладон 114В2 | ГОСТ 15899 | От 193 (минус 80) до 323 (плюс 50) |
Аммиак | | От 203 (минус 70) до 423 (плюс 150) |
(в ред. Изменения N 1, утв. Приказом Росстандарта от 07.02.2018 N 58-ст) |
Винил | По НД на среду | От 73 (минус 200) до 423 (плюс 150) | 17 лет |
От 13 (минус 260) до 73 (минус 200) | 5 лет |
Оксид | | От 73 (минус 200) до 423 (плюс 150) | 10 лет |
| От 13 (минус 260) до 73 (минус 200) | 5 лет |
Продукт 100 | По НД на среду | От 73 (минус 200) до 423 (плюс 150) | 17 лет |
От 13 (минус 260) до 73 (минус 200) | 5 лет |
Дистиллят | | До 373 (плюс 100) | 20 лет |
Бидистиллят | От 373 (плюс 100) до 598 (плюс 325) |
Жидкость охлаждающая, низкозамерзающая марки 40 (антифриз 40) | | От 233 (минус 40) до 373 (плюс 100) | 17 лет |
Жидкость охлаждающая, низкозамерзающая марки 65 (антифриз 65) | От 208 (минус 65) до 373 (плюс 100) |
Углекислый газ | | От 243 (минус 30) до 333 (плюс 60) | 17 лет |
Продолжение таблицы А.1
Среда | Документ на поставку | Рабочая температура, К (°C) | Продолжительность контакта со средой |
Масла типа: | | От 263 (минус 10) до 343 (плюс 70) | 20 лет |
Турбинные МК-8 | ГОСТ 6457 |
МК-3 | |
4Т | По НД на эти среды |
Авиационные МС 20 и МК-22 | |
Индустриальные ИС-20 | |
Топлива типа: | | От 233 (минус 40) до 328 (плюс 55) | 10 лет |
Т-1, ТС-1 | |
Т-2 | |
Т-6 | |
РТ | |
ДЛ, ДЗ, ДА, ДС | По НД |
Бензин | | От 233 (минус 40) до 353 (плюс 80) |
Воздух | |
Ксенон | ГОСТ 10219 | От 223 (минус 50) до 328 (плюс 55) | 15 лет |
Продукт 030 ВК | По НД на эти среды | От 223 (минус 50) до 323 (плюс 50) | 17 лет |
Нафтил | 4 года |
Атин | 17 лет |
(в ред. Изменения N 1, утв. Приказом Росстандарта от 07.02.2018 N 58-ст) |
Хладон 11 | | От 173 (минус 100) до 323 (плюс 50) | |
До 423 (плюс 150) | 2 года |
Хладон 13 | От 173 (минус 100) до 423 (плюс 150) | 10 лет |
(в ред. Изменения N 1, утв. Приказом Росстандарта от 07.02.2018 N 58-ст) |
Хладон 13 В1 | | От 233 (минус 40) до 313 (плюс 40) | 10 лет |
ЛЗТК-2 ЛЗТК-4 ЛЗТК-5 | От 223 (минус 50) до 323 (плюс 50) | 10 лет |
Продукт 16 | От 73 (минус 200) до 423 (плюс 150) | 17 лет |
От 13 (минус 260) до 73 (минус 200) | 5 лет |
Синтин | От 223 (минус 50) до 323 (плюс 50) |
Амидол (гидразин) | 5 лет |
Нитрин | 10 лет |
(в ред. Изменения N 1, утв. Приказом Росстандарта от 07.02.2018 N 58-ст) |
Масла типа: АУ; АУП; Б-3В | | От 263 (минус 10) до 343 (плюс 70) | 20 лет |
Топлива типа: Т-8; Продукт ТМ (185) | От 263 (минус 10) до 328 (плюс 55) |
Специальная среда | До 738 (плюс 465) |
(в ред. Изменения N 1, утв. Приказом Росстандарта от 07.02.2018 N 58-ст) |
Продукт ПМС-1,5р | | От 278 (плюс 5) до 343 (плюс 70) | 17 лет |
Окончание таблицы А.1
Среда | Документ на поставку | Рабочая температура, К (°C) | Продолжительность контакта со средой |
Гидравлические жидкости: ПГВ; ФНГЖ-1 | По НД на эти среды | От 233 (минус 40) до 343 (плюс 70) | 17 лет |
Воздух | От 233 (минус 40) до 353 (плюс 80) | 10 лет |
Жидкость | От 223 (минус 50) до 328 (плюс 55) |
Раствор дезактивации типа СФ-3К | От 263 (минус 10) до 323 (плюс 50) | 60000 ч |
15%-ный водный раствор МЭЭДА | До 383 (плюс 110) |
Воздух с парами амила до 100%-ного насыщения и при аварии с морской водой в течение 24 часов за 10 лет | От 223 (минус 50) до 323 (плюс 50) | 17 лет |
Азот с парами гептила до 100%-ного насыщения и при аварии контакт с морской водой в течение 24 часов за 10 лет |
Воздух с парами 030 ВК | От 223 (минус 50) до 323 (плюс 50) |
Разбавленные: | 3 года |
- меланж 27И |
- меланж 27Ич |
- меланж 20Ф |
- амил, атил любой концентрации |
Вода питательная | От 373 (плюс 100) до 598 (плюс 325) | 20 лет |
Котловая |
Пресная вода |
Пароводородная смесь |
Пар | до 743 (плюс 470) |
Конденсат | до 378 (плюс 105) |
33%-ный раствор нитрата натрия | От 223 (минус 50) до 323 (плюс 50) | 17 лет |
28%-ный раствор нитрата натрия |
Среды системы регенерации (углекислый газ, водород и их смеси): | От 273 (0) до 353 (плюс 80) | 10 лет |
углекислый газ и примеси: |
углеводородов - 120 г/мм3, |
аммиака - до 1 г/мм3, |
сероводорода - до 1 г/мм3, |
хладона - до 12 г/мм3, |
углекислый газ со следами паров |
15%-ного водного раствора МЭЭДА, |
компрессорного масла и щелочи до 1 мг/м3; |
водород и примеси: |
содержание в водороде щелочи (KOH) до 1 мг/м3, |
водород с примесями компрессорного масла до 1 мг/м3 |
(в ред. Изменения N 1, утв. Приказом Росстандарта от 07.02.2018 N 58-ст) |
(справочное)
РАСЧЕТНЫЕ ЗНАЧЕНИЯ ЭФФЕКТИВНОЙ ПЛОЩАДИ И МАССЫ СИЛЬФОНОВ
Таблица Б.1
Расчетные значения эффективной площади и массы сильфонов
D, мм | Эффективная площадь  , см 2 | Число слоев z | Число гофров n | Масса 100 шт., кг |
16 | 1,33 | 2 | 6 | 0,37 |
8 | 0,49 |
10 | 0,61 |
12 | 0,78 |
16 | 0,98 |
20 | 1,22 |
18 | 1,77 | 3 | 6 | 0,68 |
8 | 0,90 |
10 | 1,13 |
12 | 1,38 |
16 | 1,80 |
20 | 2,25 |
4 | 6 | 0,92 |
8 | 1,22 |
10 | 1,53 |
12 | 1,84 |
16 | 2,40 |
20 | 3,00 |
22 | 2,61 | 2 | 6 | 0,74 |
8 | 1,07 |
10 | 1,28 |
12 | 1,50 |
16 | 1,98 |
20 | 2,46 |
3 | 6 | 1,11 |
8 | 1,61 |
10 | 1,92 |
12 | 2,25 |
16 | 2,97 |
20 | 3,69 |
4 | 6 | 1,50 |
8 | 2,15 |
10 | 2,56 |
12 | 3,00 |
16 | 3,96 |
20 | 4,92 |
5 | 6 | 1,90 |
8 | 2,69 |
10 | 3,23 |
Продолжение таблицы Б.1
D, мм | Эффективная площадь  , см 2 | Число слоев z | Число гофров n | Масса 100 шт., кг |
22 | 2,61 | 5 | 12 | 3,79 |
16 | 4,98 |
20 | 6,16 |
28 | 4,24 | 2 | 4 | 0,82 |
8 | 1,65 |
10 | 2,06 |
12 | 2,48 |
16 | 3,30 |
20 | 4,12 |
25 | 5,16 |
3 | 4 | 1,23 |
8 | 2,47 |
10 | 3,09 |
12 | 3,72 |
16 | 4,95 |
20 | 6,18 |
25 | 7,74 |
4 | 4 | 1,64 |
8 | 3,30 |
10 | 4,12 |
12 | 4,96 |
16 | 6,61 |
20 | 8,23 |
25 | 10,32 |
5 | 4 | 2,04 |
8 | 3,79 |
10 | 5,15 |
12 | 6,20 |
16 | 8,27 |
20 | 10,33 |
25 | 12,92 |
6 | 4 | 2,48 |
8 | 4,96 |
10 | 6,20 |
12 | 7,44 |
16 | 9,92 |
20 | 12,40 |
25 | 15,50 |
7 | 4 | 2,87 |
8 | 5,78 |
10 | 7,21 |
12 | 8,68 |
16 | 11,55 |
20 | 14,42 |
25 | 18,06 |
Продолжение таблицы Б.1
D, мм | Эффективная площадь  , см 2 | Число слоев z | Число гофров n | Масса 100 шт., кг |
38 | 8,04 | 2 | 8 | 3,58 |
10 | 4,50 |
12 | 5,17 |
16 | 6,79 |
20 | 8,41 |
3 | 8 | 5,37 |
10 | 6,70 |
12 | 7,82 |
16 | 10,27 |
20 | 12,71 |
4 | 8 | 7,18 |
10 | 9,00 |
12 | 10,34 |
16 | 13,58 |
20 | 16,82 |
5 | 8 | 10,95 |
10 | 13,74 |
12 | 15,09 |
16 | 18,36 |
20 | 23,60 |
6 | 8 | 13,11 |
10 | 16,48 |
12 | 18,56 |
16 | 22,04 |
20 | 28,36 |
8 | 8 | 17,52 |
10 | 21,98 |
12 | 24,15 |
16 | 29,38 |
20 | 37,76 |
48 | 13,85 | 2 | 8 | 5,21 |
10 | 6,79 |
12 | 7,74 |
16 | 9,95 |
20 | 12,32 |
4 | 8 | 10,27 |
10 | 12,64 |
12 | 15,32 |
16 | 19,75 |
20 | 24,49 |
6 | 8 | 15,32 |
10 | 15,80 |
12 | 22,75 |
16 | 29,30 |
20 | 36,34 |
Продолжение таблицы Б.1
D, мм | Эффективная площадь  , см 2 | Число слоев z | Число гофров n | Масса 100 шт., кг |
48 | 13,85 | 8 | 8 | 20,42 |
10 | 21,06 |
12 | 30,30 |
16 | 39,10 |
20 | 48,40 |
10 | 8 | 27,09 |
10 | 33,33 |
12 | 38,53 |
16 | 52,11 |
20 | 62,48 |
12 | 8 | 32,30 |
10 | 40,12 |
12 | 46,27 |
16 | 62,06 |
20 | 74,80 |
65 | 24,18 | 2 | 4 | 4,89 |
6 | 7,07 |
8 | 9,24 |
10 | 11,37 |
12 | 14,06 |
16 | 17,93 |
20 | 22,27 |
4 | 4 | 9,71 |
6 | 13,19 |
8 | 18,32 |
10 | 22,67 |
12 | 27,88 |
16 | 37,83 |
20 | 44,16 |
6 | 4 | 13,74 |
6 | 19,59 |
8 | 25,58 |
10 | 31,62 |
12 | 37,60 |
16 | 47,49 |
20 | 54,97 |
8 | 4 | 20,61 |
6 | 29,78 |
8 | 39,02 |
10 | 48,19 |
12 | 57,35 |
16 | 76,31 |
20 | 94,87 |
10 | 4 | 25,51 |
6 | 35,31 |
Продолжение таблицы Б.1
D, мм | Эффективная площадь  , см 2 | Число слоев z | Число гофров n | Масса 100 шт., кг |
65 | 24,18 | 10 | 8 | 48,34 |
10 | 59,72 |
12 | 71,10 |
16 | 93,22 |
20 | 117,39 |
12 | 4 | 30,40 |
6 | 42,38 |
8 | 57,58 |
10 | 71,09 |
12 | 85,16 |
16 | 111,15 |
20 | 139,66 |
75 | 33,68 | 2 | 4 | 7,10 |
6 | 10,13 |
8 | 13,30 |
10 | 16,30 |
12 | 19,50 |
16 | 26,10 |
3 | 4 | 10,60 |
6 | 15,20 |
8 | 19,90 |
10 | 24,50 |
12 | 29,20 |
16 | 39,10 |
6 | 4 | 21,20 |
6 | 30,40 |
8 | 39,80 |
10 | 49,00 |
12 | 58,30 |
16 | 77,80 |
95 | 55,39 | 2 | 4 | 8,70 |
6 | 13,10 |
8 | 18,10 |
10 | 21,80 |
12 | 26,90 |
16 | 34,90 |
20 | 42,30 |
3 | 4 | 13,10 |
6 | 19,70 |
8 | 27,10 |
10 | 32,70 |
12 | 40,30 |
16 | 52,30 |
20 | 63,40 |
Продолжение таблицы Б.1
D, мм | Эффективная площадь  , см 2 | Число слоев z | Число гофров n | Масса 100 шт., кг |
95 | 55,39 | 4 | 4 | 17,50 |
6 | 26,20 |
8 | 36,10 |
10 | 43,60 |
12 | 53,70 |
16 | 68,30 |
20 | 84,50 |
6 | 4 | 27,00 |
6 | 40,30 |
8 | 53,72 |
10 | 66,80 |
12 | 79,30 |
16 | 104,20 |
20 | 128,10 |
8 | 4 | 34,90 |
6 | 52,32 |
8 | 69,76 |
10 | 87,50 |
12 | 104,20 |
16 | 137,50 |
20 | 170,00 |
10 | 4 | 45,00 |
6 | 67,00 |
8 | 89,20 |
10 | 109,80 |
12 | 130,30 |
16 | 171,40 |
20 | 212,50 |
125 | 92,41 | 2 | 4 | 28,30 |
6 | 45,50 |
8 | 56,70 |
10 | 67,90 |
12 | 79,13 |
3 | 4 | 42,50 |
6 | 68,25 |
8 | 85,05 |
10 | 101,90 |
12 | 118,70 |
4 | 4 | 56,70 |
6 | 91,00 |
8 | 113,40 |
10 | 135,80 |
12 | 158,20 |
6 | 4 | 74,70 |
6 | 118,00 |
Окончание таблицы Б.1
D, мм | Эффективная площадь  , см 2 | Число слоев z | Число гофров n | Масса 100 шт., кг |
125 | 92,41 | 6 | 8 | 136,70 |
10 | 182,20 |
12 | 224,00 |
8 | 4 | 116,20 |
6 | 174,50 |
8 | 232,40 |
10 | 290,30 |
12 | 348,30 |
190 | 220,24 | 8 | 2 | 106,00 |
3 | 159,00 |
4 | 212,00 |
Примечание. Расчетные значения эффективной площади сильфонов, определяемые по формуле  , находят в интервале, обусловленном предельными отклонениями значений D и  по таблице 1. |
(в ред.
Изменения N 1, утв. Приказом Росстандарта от 07.02.2018 N 58-ст)
Таблица Б.2
Расчетные значения эффективной площади и массы сильфонов
D, мм | Эффективная площадь  , см 2 | Число слоев z | Число гофров n | Масса 100 шт., кг |
27 | 3,97 | 2 | 12 | 2,17 |
3 | 9 | 2,78 |
10 | 3,09 |
12 | 3,72 |
16 | 4,95 |
5 | 10 | 5,17 |
6 | 4 | 2,48 |
9 | 5,58 |
13 | 8,04 |
16 | 9,92 |
20 | 12,40 |
6 | 4 | 2,17 |
9 | 4,88 |
13 | 7,02 |
7 | 14 | 10,05 |
16 | 11,50 |
38 | 7,70 | 3 | 18 | 12,10 |
6 | 6 | 9,83 |
13 | 20,10 |
18 | 25,50 |
8 | 18 | 30,40 |
48 | 13,50 | 3 | 16 | 14,90 |
5 | 24,80 |
Окончание таблицы Б.2
D, мм | Эффективная площадь  , см 2 | Число слоев z | Число гофров n | Масса 100 шт., кг |
48 | 13,50 | 10 | 13 | 41,75 |
18 | 56,20 |
63 | 22,95 | 2 | 4 | 4,80 |
6 | 6,95 |
8 | 9,07 |
10 | 11,25 |
20 | 21,90 |
4 | 10 | 22,30 |
12 | 27,40 |
5 | 10 | 27,80 |
6 | 12 | 36,95 |
8 | 6 | 31,20 |
10 | 47,35 |
10 | 6 | 34,64 |
12 | 69,95 |
16 | 92,40 |
20 | 115,00 |
73 | 32,28 | 5 | 13 | 52,70 |
6 | 3 | 15,90 |
7 | 34,80 |
8 | 39,80 |
10 | 49,00 |
13 | 63,20 |
16 | 77,80 |
92 | 52,78 | 2 | 20 | 41,80 |
4 | 11 | 48,80 |
15 | 63,40 |
5 | 11 | 61,80 |
6 | 8 | 53,00 |
9 | 63,00 |
15 | 99,25 |
18 | 119,20 |
10 | 20 | 210,00 |
126 | 93,27 | 4 | 12 | 158,20 |
6 | 6 | 118,00 |
12 | 224,0 |
8 | 6 | 174,5 |
12 | 348,30 |
Примечание. Расчетные значения эффективной площади сильфонов, определяемые по формуле  , находят в интервале, обусловленном предельными отклонениями значений D и  по таблице 1. |
(справочное)
ЗАВИСИМОСТЬ РЕСУРСА СИЛЬФОНОВ ОТ СОЧЕТАНИЯ
РАБОЧИХ ПАРАМЕТРОВ ДЛЯ ТЕМПЕРАТУРЫ 350 °C

- искомый рабочий ход сильфона;

- рабочий ход

- искомое рабочее давление;

- рабочее давление
Рисунок В.1
(справочное)
ЗАВИСИМОСТЬ РЕСУРСА СИЛЬФОНА ОТ РАБОЧЕЙ ТЕМПЕРАТУРЫ

- ресурс при искомой температуре,

- ресурс при температуре 293 К (20 °C)
Рисунок Г.1
(обязательное)
РАСЧЕТ РАЗМЕРА

И РАБОЧЕГО ХОДА СИЛЬФОНА
С ИЗМЕНЕННЫМ ЧИСЛОМ ГОФРОВ
Д.1. Размер

, мм, сильфона с измененным числом гофров рассчитывают по формуле

, (Д.1)
где

- длина базового сильфона, мм;

- разность в числе гофров искомого и базового сильфонов;

- шаг базового сильфона.
Д.2. Рабочий ход

, мм, сильфона с измененным числом гофров рассчитывают по формуле

, (Д.2)
где

- рабочий ход базового сильфона;
n - измененное число гофров;

- число гофров базового сильфона.
Примечание. Под базовым понимают сильфон одного наружного диаметра, толщины слоя, числа слоев с искомым сильфоном.
(рекомендуемое)
ПЕРЕЧЕНЬ КОНТРОЛЬНЫХ ОБРАЗЦОВ
Качество поверхности сильфона проверяют при визуальном контроле сравнением с контрольными образцами следующих видов:
1) контрольный образец N 1 - внешнего вида на следы от разъема пресс-форм;
2) контрольный образец N 2 - внешнего вида на засветленные места, возникающие при контакте инструмента с поверхностью сильфона;
3) контрольный образец N 3 - внешнего вида на перекос гофров и неравномерность шага;
4) контрольный образец N 4 - внешнего вида на точечные и продольные (по всей длине сильфона) вздутия слоев при сборке их в многослойные оболочки;
5) контрольный образец N 5 - внешнего вида на риски, забоины, отпечатки от инородных тел, вмятины;
6) контрольный образец N 6 - внешнего вида на деформацию гофров;
7) контрольный образец N 7 - внешнего вида сварного шва сильфона после формования.
(справочное)
ЗАВИСИМОСТЬ ВЕРОЯТНОСТИ БЕЗОТКАЗНОЙ РАБОТЫ
ОТ ИСКОМОЙ НАРАБОТКИ
Вероятность безотказной работы

в течение искомой наработки

при известном значении вероятности безотказной работы

в течение назначенного ресурса

определяют по формуле
Пример расчета

для

и

при

, равном 1500, 3000, 4000 и 5000 циклов, приведен в таблице Ж.1.
Таблица Ж.1
Значения вероятности безотказной работы

от искомой наработки

при

и

Искомая наработка  , циклы | Вероятность безотказной работы  при  , циклы |
1500 | 3000 | 4000 | 5000 |
| | | | | | |
100 | 0,998 | 0,999 | 0,996 | 0,999 | 0,997 | 0,999 | 0,998 |
250 | 0,996 | 0,998 | 0,991 | 0,998 | 0,993 | 0,998 | 0,993 |
500 | 0,993 | 0,996 | 0,982 | 0,997 | 0,987 | 0,997 | 0,989 |
1000 | 0,986 | 0,993 | 0,965 | 0,994 | 0,974 | 0,996 | 0,977 |
1500 | 0,980 | 0,990 | 0,948 | 0,992 | 0,961 | 0,993 | 0,968 |
2000 | - | 0,986 | 0,932 | 0,989 | 0,948 | 0,991 | 0,957 |
2500 | - | 0,983 | 0,916 | 0,987 | 0,936 | 0,990 | 0,948 |
3000 | - | 0,980 | 0,90 | 0,984 | 0,923 | 0,987 | 0,939 |
4000 | - | - | - | 0,980 | 0,90 | 0,983 | 0,918 |
5000 | - | - | - | - | - | 0,980 | 0,90 |
(рекомендуемое)
ФОРМА ПАСПОРТА
СИЛЬФОН МНОГОСЛОЙНЫЙ МЕТАЛЛИЧЕСКИЙ
────────────────────────────────────────────
(обозначение паспорта)
Сведения о разрешительных документах (сертификаты, декларации,
лицензии и др.) с номерами и сроками действия
1. ОСНОВНЫЕ СВЕДЕНИЯ ОБ ИЗДЕЛИИ
Наименование изделия | Сильфон многослойный металлический |
Обозначение изделия | |
Документ на изготовление и поставку | ГОСТ Р 55019-2012 ТУ....... |
Изготовитель (поставщик) | |
Количество, шт. | |
Номер партии | |
Дата изготовления (поставки) | |
Назначение | В качестве разделителя сред, уплотнительного элемента в трубопроводной арматуре |
2. ОСНОВНЫЕ ТЕХНИЧЕСКИЕ ДАННЫЕ
Наименование параметра | Показатель |
Марка материала | |
Наружный диаметр, мм | |
Наружное рабочее давление, МПа | |
Наружное пробное давление, МПа | |
Максимальная температура, °C | |
Жесткость, кН/м | |
Назначенный ресурс, циклы | |
3. ДАННЫЕ ПРИЕМО-СДАТОЧНЫХ ИСПЫТАНИЙ
Контролируемый параметр | Сильфоны, подлежащие контролю, % | Результаты контроля |
Качество поверхности | 10 | |
Основные размеры | 10 | |
Жесткость, кН/м | 10 | |
Прочность | 3 (5) от партии, но не менее 2 и не более 5 шт. | |
Герметичность наружного слоя | |
Герметичность | |
Назначенный ресурс, циклы | |
Маркировка | Каждый сильфон (каждая партия) | |
Упаковка | Каждая партия | |
4. ГАРАНТИИ ИЗГОТОВИТЕЛЯ (ПОСТАВЩИКА)
Изготовитель (поставщик) гарантирует работоспособность сильфонов при
соблюдении потребителем условий эксплуатации, транспортирования и хранения.
Гарантийный срок хранения сильфонов в упаковке в закрытых хранилищах с
температурой воздуха от минус 50 °C до плюс 40 °C, среднегодовом значении
относительной влажности воздуха 80% при 15 °C в условиях 1 (Л) и 2 (С) по
ГОСТ 15150 при отсутствии воздействия паров кислот и щелочей - ..... лет со
дня изготовления.
Гарантийный срок эксплуатации - ....... лет со дня ввода сильфонов в
эксплуатацию.
Гарантийная наработка сильфонов при температуре ..... °C - ..... циклов
в пределах гарантийного срока эксплуатации.
5. СВИДЕТЕЛЬСТВО ОБ УПАКОВЫВАНИИ
____________________________ _______________ N _________________
(наименование изделия) (обозначение) (заводской номер)
Упакован(а) ___________________________________________________________
(наименование или код изготовителя)
согласно требованиям, предусмотренным в действующей технической
документации.
______________ ________________ _____________________
(должность) (личная подпись) (расшифровка подписи)
_____________________
(год, месяц, число)
6. СВИДЕТЕЛЬСТВО О ПРИЕМКЕ
____________________________ ________________ N _________________
( наименование изделия) (обозначение) (заводской номер)
изготовлен(а) и принят(а) в соответствии с требованиями
ГОСТ Р 55019-2012, действующей технической документацией и признан(а)
годным(ой) для эксплуатации.
Начальник ОТК
м.п. __________________ __________________________
(личная подпись) (расшифровка подписи)
_____________________
(год, месяц, число)
---------------------------------------------------------------------------
Руководитель
предприятия
м.п. __________________ __________________________
(личная подпись) (расшифровка подписи)
_____________________
(год, месяц, число)
Заказчик
(при наличии)
м.п. __________________ __________________________
(личная подпись) (расшифровка подписи)
_____________________
(год, месяц, число)
(справочное)
ФОРМА УПАКОВОЧНОГО ЛИСТА
____________________________________________________
(наименование предприятия-изготовителя)
Упаковочный лист N _______
В данный ящик упакованы следующие сильфоны:
Условное обозначение | Номер заводской партии | Число, шт. | Марка материала | Номер плавки | НД на изготовление и поставку | Номер паспорта | Номер сертификата на материал |
| | | | | | | |
(рекомендуемое)
ФОРМА ПРОТОКОЛА ПРЕДЪЯВИТЕЛЬСКИХ ИСПЫТАНИЙ СИЛЬФОНОВ
Росстандарта от 07.02.2018 N 58-ст)
предъявительских испытаний сильфонов
_______________________________________
(условное обозначение сильфона, НД)
Результаты предъявительских испытаний приведены в таблице 1
Таблица 1
Контролируемый параметр | Объем контролируемых сильфонов, % от партии | Результаты испытаний | Подпись представителя ОТК или лица, проводившего контроль |
Качество поверхности | 100 | | |
Основные размеры, мм | | |
Жесткость, кН/м | 30 | | |
Прочность | | | |
Герметичность наружного слоя | | |
Герметичность | | |
Назначенный ресурс, циклы | | |
ЗАКЛЮЧЕНИЕ
Сильфоны ______________________ N партии _______ в количестве _____ шт.
(условное обозначение)
соответствуют требованиям ГОСТ Р 55019-2012 и могут быть предъявлены
представителю заказчика или использованы по назначению.
Сильфоны ______________________ N партии _______ в количестве _____ шт.
(условное обозначение)
не соответствуют требованиям ГОСТ Р 55019-2012 и подлежат возврату
цеху-изготовителю.
Начальник ОТК __________________ ___________________ _______________
(подпись) (инициалы, фамилия) (дата)
Начальник цеха __________________ ___________________ _______________
(подпись) (инициалы, фамилия) (дата)
Представитель заказчика ___________ ___________________ ___________
(подпись) (инициалы, фамилия) (дата)
(рекомендуемое)
ФОРМА ПРОТОКОЛА ПРИЕМО-СДАТОЧНЫХ ИСПЫТАНИЙ СИЛЬФОНОВ
приемо-сдаточных испытаний сильфонов __________________________________
(условное обозначение сильфона, НД)
Результаты приемо-сдаточных испытаний приведены в таблице 1
Таблица 1
Контролируемый параметр | Сильфоны, подлежащие контролю, % | Результаты испытаний | Подпись начальника ОТК (представителя заказчика) |
Качество поверхности | 10 | | |
Основные размеры | 10 | | |
Жесткость, кН/м | 10 | | |
Прочность | 3 (5) от партии, но не менее 2 и не более 5 шт. | | |
Герметичность наружного слоя | | |
Герметичность | | |
Назначенный ресурс, циклы | | |
ЗАКЛЮЧЕНИЕ
Сильфоны __________________________ N партии ____________ соответствуют
(условное обозначение)
требованиям ГОСТ Р 55019-2012, приняты и годны.
Сильфоны __________________________ N партии _________ не соответствуют
(условное обозначение)
требованиям ГОСТ Р 55019-2012 и подлежат возврату.
Начальник ОТК _______________ ____________________________ _____________
(подпись) (инициалы, фамилия) (дата)
(рекомендуемое)
ФОРМА АКТА О РЕЗУЛЬТАТАХ ПЕРИОДИЧЕСКИХ ИСПЫТАНИЙ СИЛЬФОНОВ
УТВЕРЖДАЮ
_______________________________________
(должность, подпись, инициалы, фамилия)
о результатах периодических испытаний сильфонов
__________________________________________ за N ____________, изготовленных
(наименование или шифр сильфона)
предприятием _____________________________
(условное обозначение)
Данные результаты периодических испытаний распространяются на сильфоны
(партии), выпускаемые до _______ или на сильфоны (партии) _________________
___________________________________________________________________________
(число сильфонов (партий) или их заводские номера)
__________________________________
(месяц, год)
Начало испытаний Окончание испытаний
"_____" _______________ 20 г. "_____" ___________ 20 г.
Место проведения испытаний ________________________________________________
1. Цели испытаний _________________________________________________________
___________________________________________________________________________
2. Результаты испытаний ___________________________________________________
(положительные или отрицательные результаты
___________________________________________________________________________
в целом; при отрицательных результатах перечисляют выявленные дефекты
___________________________________________________________________________
или делают ссылку на перечень дефектов)
3. Заключение _____________________________________________________________
[выдержали или не выдержали сильфоны (партии)
___________________________________________________________________________
периодические испытания]
4. Предложения ____________________________________________________________
___________________________________________________________________________
5. Основание: Протокол периодических испытаний N __________________________
от "______" ____________ 20 г.
Представитель Председатель комиссии:
_______________________________________ ____________________________
(наименование надзорного органа (должность)
или заказчика)
_______________________________________ ____________________________
(должность, подпись, инициалы, фамилия) (подпись, инициалы, фамилия)
"______" _____________ 20____ г. "_____" ___________ 20____ г.
Члены комиссии:
_______________________________
(подпись, инициалы, фамилия)
_______________________________
(подпись, инициалы, фамилия)
_______________________________
(подпись, инициалы, фамилия)
(рекомендуемое)
ФОРМА ПРОТОКОЛА ПЕРИОДИЧЕСКИХ ИСПЫТАНИЙ СИЛЬФОНОВ
периодических испытаний сильфонов ______________________ ___________
(условное обозначение (ГОСТ, ТУ)
по НД)
Место проведения испытаний ________________________________________
1. Проверка технической документации
Таблица 1
Перечень проверяемых документов
Наименование документа | Результаты проверки |
Акт об отборе сильфонов для ПИ | |
Протокол и акт результатов предыдущих ПИ | |
Заключение по результатам оценки вероятности безотказной работы, обеспечиваемой технологическим процессом (при наличии) | |
Паспорт | |
Программа и методика испытаний | |
Документ на изготовление и поставку сильфона (ГОСТ, ОСТ, ТУ, КД) | |
Информация за контролируемый период, в т.ч.: | |
а) данные о количестве возвратов ОТК, надзорного органа или заказчика, претензий и рекламаций, а также мероприятия, направленные на устранение причин, их вызвавших | |
б) результаты проверок оборудования на технологическую точность | |
в) сведения о стабильности уровня квалификации работников, участвующих в процессе изготовления и контроля | |
г) документы о допуске в производство сильфонов, изготовленных с отступлением от требований нормативной или технической документации, а также мероприятия, направленные на устранение причин, их вызвавших | |
д) акты проверки соблюдения технологической дисциплины | |
е) результаты проведения периодического авторского надзора за состоянием и соблюдением требований конструкторской и технологической документации | |
Сертификат на материал сильфона | |
Акт об устранении дефектов и вторичной проверке сильфонов ранее возвращенной партии (при повторном предъявлении) | |
2. Измерительный контроль
Таблица 2
Результаты измерительного контроля
основных характеристик сильфона
Номер сильфона | N гофра | Наружный диаметр D, мм | Ширина гофра a, мм | Шаг сильфона t, мм | Длина гофрированной части L, мм | Дата и подпись ОТК |
Фактическое значение | Среднее значение | Фактическое значение | Среднее значение | Фактическое значение | Среднее значение |
Параметр по НД | | | | | | |
1 | | | | | | | | | |
| | | |
| | | |
2 | | | | | | | | | |
| | | |
| | | |
3 | | | | | | | | | |
| | | |
| | | |
4 | | | | | | | | | |
| | | |
| | | |
5 | | | | | | | | | |
| | | |
| | | |
6 | | | | | | | | | |
| | | |
| | | |
7 | | | | | | | | | |
| | | |
| | | |
8 | | | | | | | | | |
| | | |
| | | |
3. Визуальный контроль
Таблица 3
Результаты визуального контроля
Номер сильфона | Требования к параметру | Результаты визуального контроля | Дата и подпись ОТК |
1 | Соответствие требованиям НД и контрольным образцам | | |
2 | | |
3 | | |
4 | | |
5 | | |
6 | | |
7 | | |
8 | | |
4. Контроль жесткости
Таблица 4
Результаты замера жесткости
Номер сильфона | Ход сильфона, мм | Усилие сжатия, кН | Жесткость  , кН/м | Дата и подпись ответственного исполнителя |
1 | | | | |
2 | | | | |
3 | | | | |
4 | | | | |
5 | | | | |
6 | | | | |
7 | | | | |
8 | | | | |
5. Испытания на прочность и герметичность наружного слоя
Таблица 5
Результаты испытания на прочность и герметичность
наружного слоя
Номер сильфона | Пробное давление, МПа | Время выдержки | Среда | Данные испытаний | Дата и подпись ответственного исполнителя |
1 | | | | | |
2 | | | | | |
3 | | | | | |
4 | | | | | |
5 | | | | | |
6 | | | | | |
7 | | | | | |
8 | | | | | |
6. Испытания на герметичность относительно внешней среды
Таблица 6
Результаты испытания на герметичность
относительно внешней среды
Номер сильфона | Остаточное абсолютное давление, Па, не более | Среда | Данные испытаний | Дата и подпись ответственного исполнителя |
1 | 0,665 | Обдув гелием | | |
2 | | |
3 | | |
4 | | |
5 | | |
6 | | |
7 | | |
8 | | |
7. Ресурсные испытания
Таблица 7
Результаты ресурсных испытаний
Номер сильфона | Рабочее давление, МПа | Ход сильфона, мм | Среда | Результаты испытаний | Дата и подпись ответственного исполнителя |
Число циклов | Номер диаграммы |
1 | | | | | | |
2 | | | | | | |
3 | | | | | | |
4 | | | | | | |
5 | | | | | | |
6 | | | | | | |
7 | | | | | | |
8 | | | | | | |
Представитель Председатель комиссии:
______________________________________________ _________________________
(наименование надзорного органа или заказчика) (должность)
______________________________________________ _________________________
(должность, подпись, инициалы, фамилия) (должность, инициалы,
фамилия)
"____" _____________ 20____ г. "____" ____________ 20____ г.
Члены комиссии:
_________________________________
(подпись, инициалы, фамилия)
_________________________________
(подпись, инициалы, фамилия)
_________________________________
(подпись, инициалы, фамилия)
(справочное)
ИСПЫТАТЕЛЬНОГО ОБОРУДОВАНИЯ, СРЕДСТВ ИЗМЕРЕНИЯ И КОНТРОЛЯ
При проведении испытаний применяют следующее оборудование, средства измерения и контроля:
1) прибор для измерения жесткости МИП-100;
2) стенд для испытания на прочность и герметичность;
3) стенд для испытания на герметичность (вакуумную плотность);
4) гелиевый течеискатель ПТИ-7А;
5) стенд для испытаний на циклическую прочность;
6) манометры класса точности 1,5 по
ГОСТ 2405;
8) штангенциркуль ШЦ-1 - 125 - 0,1; ШЦ-II - 250 - 0,1 по
ГОСТ 166;
9) контрольные образцы качества поверхности сильфона;
10) весы для статического взвешивания по
ГОСТ Р 53228 среднего класса точности;
11) автоматический самопишущий потенциометр;
13) шкаф сушильный;
14) часы по ГОСТ 10733.
Примечание. Допускается применять другое оборудование, обеспечивающее заданные параметры испытаний, и другие средства измерения, обеспечивающие заданную точность.
| | Методические указания. Надежность в технике. Методы оценки показателей надежности по экспериментальным данным |
| СТ ЦКБА 039-2010 | Арматура трубопроводная. Периодические испытания сильфонов. Общие требования (разработчик - ЗАО "НПФ "ЦКБА") |
| СТ ЦКБА 049-2010 | Арматура трубопроводная. Обеспечение безотказности при изготовлении (разработчик - ЗАО "НПФ "ЦКБА"). |