Скачать Серия 1.811.1-4 Выпуск 1. Материалы для проектирования. Технические условия. Рабочие чертежи

Дата актуализации: 01.01.2021

Серия 1.811.1-4

Выпуск 1. Материалы для проектирования. Технические условия. Рабочие чертежи

Обозначение: Серия 1.811.1-4
Обозначение англ: Series 1.811.1-4
Статус:не определен законодательством
Название рус.:Выпуск 1. Материалы для проектирования. Технические условия. Рабочие чертежи
Дата добавления в базу:01.09.2013
Дата актуализации:01.01.2021
Дата введения:01.01.1989
Дата окончания срока действия:30.06.2003
Область применения:Сваи предназначены под типовые конструкции железобетонных трехшарнирных рам по серии 1.822.1-2/82 однопролетных сельскохозяйственных зданий с пролетами 12, 18 и 21 м. При наличии технологических каналов глубиной более 1 м расстояние их от ствола сваи должно быть не менее 1,5 м.
Оглавление:1.811.1-4-ПЗ Пояснительная записка
1.811.1-4-НИ Номенклатура
1.811.1-4-01 Узел опирания рамы на консоль сваи
1.811.1-4-02 Ключ для подбора свай двутаврового сечения для песка средней крупности (l=0,55)
1.811.1-4-03 Ключ для подбора свай двутаврового сечения для песка мелкого (l=0,55)
1.811.1-4-04 Ключ для подбора свай двутаврового сечения для песка пылеватого (l=0,7)
1.811.1-4-05 Ключ для подбора свай двутаврового сечения для пылевато-глинистого грунта (J=0,2)
1.811.1-4-06 Ключ для подбора свай двутаврового сечения для пылевато-глинистого грунта (J=0,4)
1.811.1-4-07 Ключ для подбора свай двутаврового сечения для пылевато-глинистого грунта (J=0,6)
1.811.1-4-08 Ключ для подбора свай двутаврового сечения для просадочного грунта (l=0,85)
1.811.1-4-09 Ключ для подбора свай двутаврового сечения для просадочного грунта (l=0,97)
1.811.1-4-ТУ Технические условия
1.811.1-4-1Ф4 Свая С2Т40-
1.811.1-4-2Ф4 Свая С2Т50-, С2Т60-
1.811.1-4-10 Свая С2Т40-, Сборочный чертеж
1.811.1-4-11 Свая С2Т50-, Сборочный чертеж
1.811.1-4-12 Свая С2Т60-, Сборочный чертеж
1.811.1-4-13 Каркас КП1-1…КП1-13
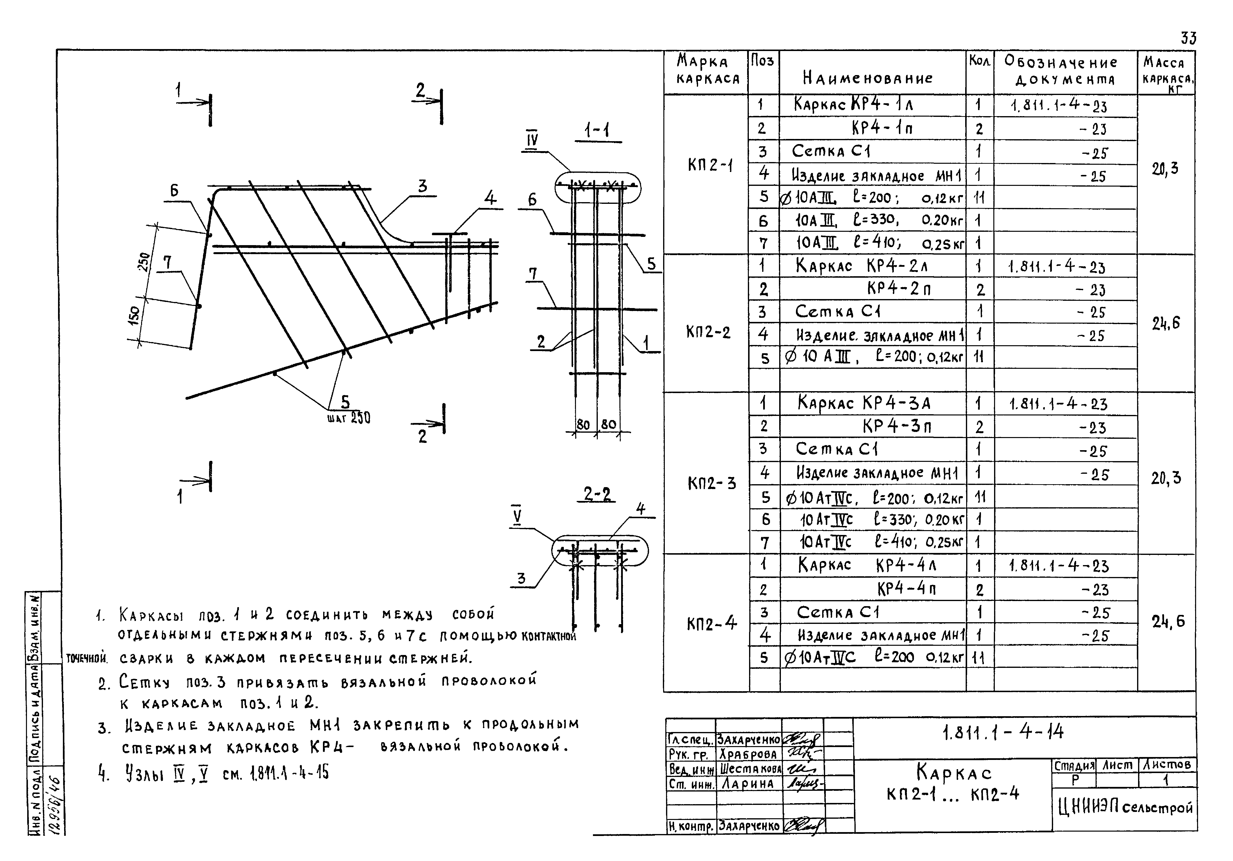
1.811.1-4-14 Каркас КП2-1…КП2-4
1.811.1-4-15 Каркас КП2-5, КП2-6
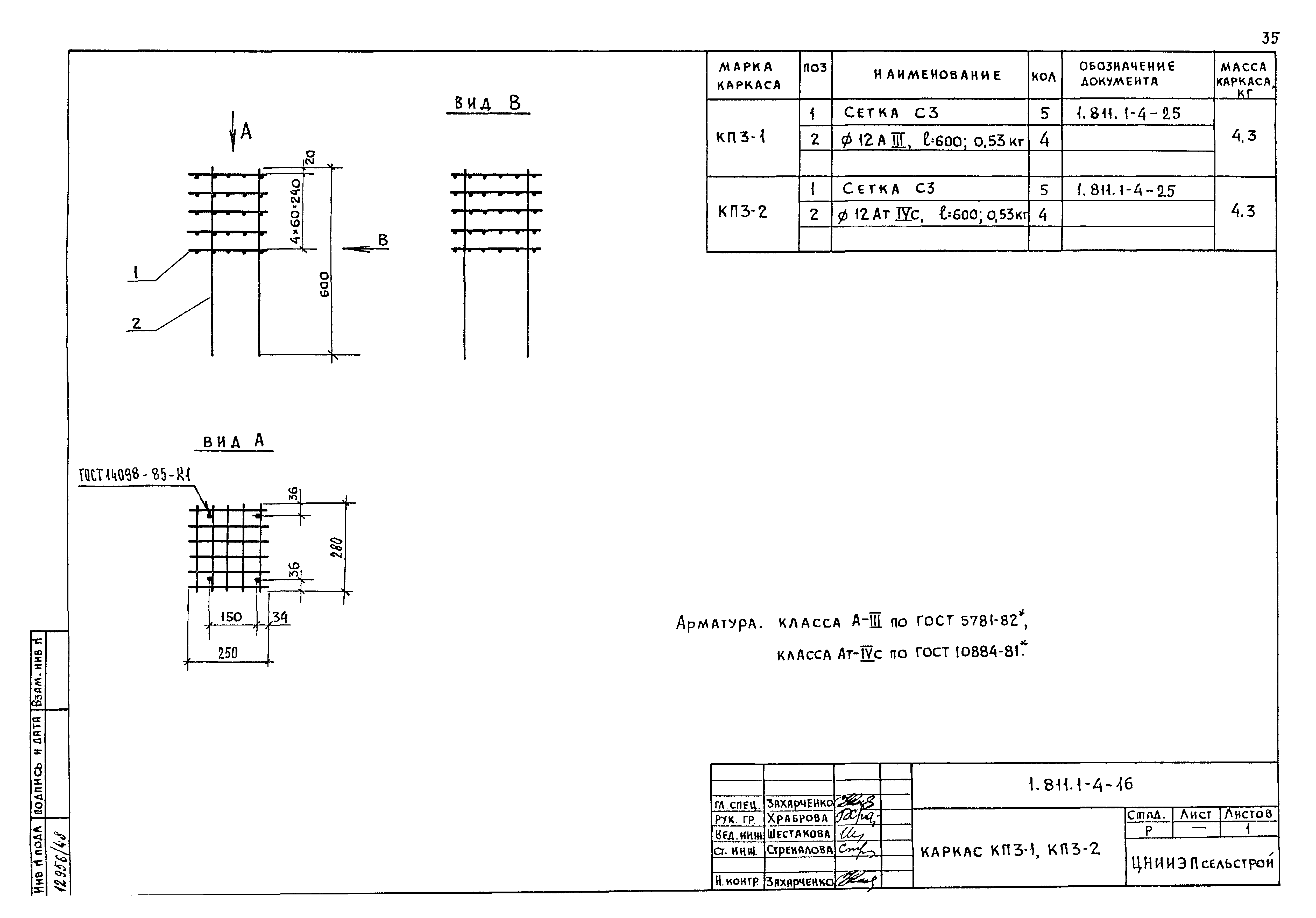
1.811.1-4-16 Каркас КП3-1, КП3-2
1.811.1-4-17 Каркас КР1-1…КР1-5
1.811.1-4-18 Каркас КР1-6…КР1-10
1.811.1-4-19 Каркас КР1-11…КР1-13
1.811.1-4-20 Каркас КР2-1…КР2-12
1.811.1-4-21 Каркас КР3-1…КР3-4
1.811.1-4-22 Каркас КР3-5…КР3-8
1.811.1-4-23 Каркас КР4-1…КР4-4
1.811.1-4-24 Каркас КР4-5…КР4-6
1.811.1-4-25 Сетка С1, С2, С3. Изделие закладное МН1
1.811.1-4-РС Ведомость расхода стали
Разработан: НИИЖБ
НИИОСП им. Герсеванова Госстроя России
ЦНИИЭП сельстрой Министерства сельского строительства СССР
Утверждён:08.07.1988 Госагропром СССР (USSR Gosagroprom 4)
Нормативные ссылки:
Серия 1.811.1-4Серия 1.811.1-4Серия 1.811.1-4Серия 1.811.1-4Серия 1.811.1-4Серия 1.811.1-4Серия 1.811.1-4Серия 1.811.1-4Серия 1.811.1-4Серия 1.811.1-4Серия 1.811.1-4Серия 1.811.1-4Серия 1.811.1-4Серия 1.811.1-4Серия 1.811.1-4Серия 1.811.1-4Серия 1.811.1-4Серия 1.811.1-4Серия 1.811.1-4Серия 1.811.1-4Серия 1.811.1-4Серия 1.811.1-4Серия 1.811.1-4Серия 1.811.1-4Серия 1.811.1-4Серия 1.811.1-4Серия 1.811.1-4Серия 1.811.1-4Серия 1.811.1-4Серия 1.811.1-4Серия 1.811.1-4Серия 1.811.1-4Серия 1.811.1-4Серия 1.811.1-4Серия 1.811.1-4Серия 1.811.1-4Серия 1.811.1-4Серия 1.811.1-4Серия 1.811.1-4Серия 1.811.1-4Серия 1.811.1-4Серия 1.811.1-4Серия 1.811.1-4Серия 1.811.1-4Серия 1.811.1-4Серия 1.811.1-4