Скачать Серия 1.411.1-6 Выпуск 0. Материалы для проектированияДата актуализации: 01.01.2021
|
| Обозначение: | Серия 1.411.1-6 |
| Обозначение англ: | Series 1.411.1-6 |
| Статус: | не определен законодательством |
| Название рус.: | Выпуск 0. Материалы для проектирования |
| Дата добавления в базу: | 01.09.2013 |
| Дата актуализации: | 01.01.2021 |
| Дата введения: | 07.09.1992 |
| Дата окончания срока действия: | 30.06.2003 |
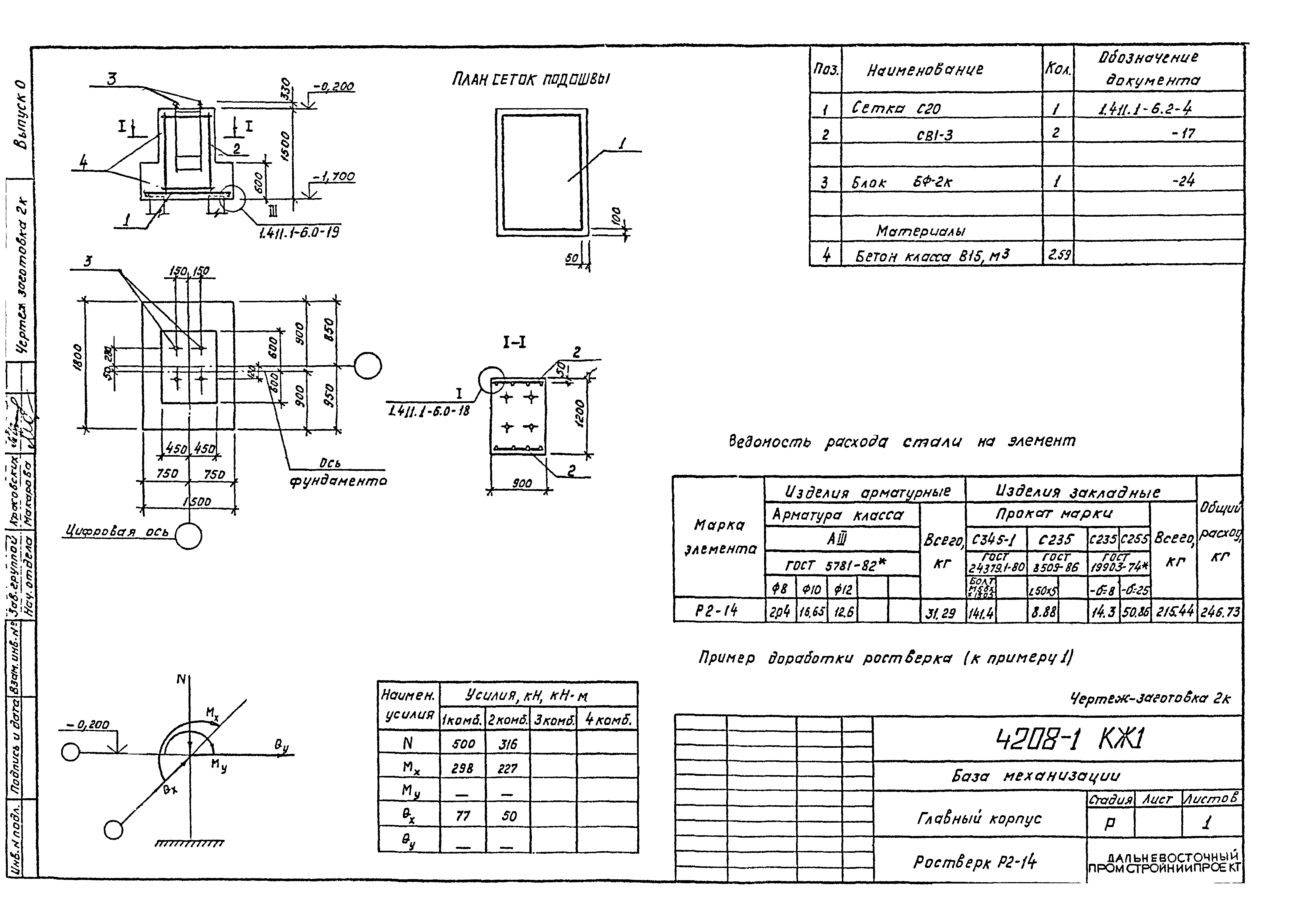
| Область применения: | Серия 1.411.1-6 содержит проектную документацию на фундаменты монолитные свайные под стальные колонны и рамы одноэтажных промышленных зданий из легких металлических конструкций комплектной поставки (ЛМК КП) |
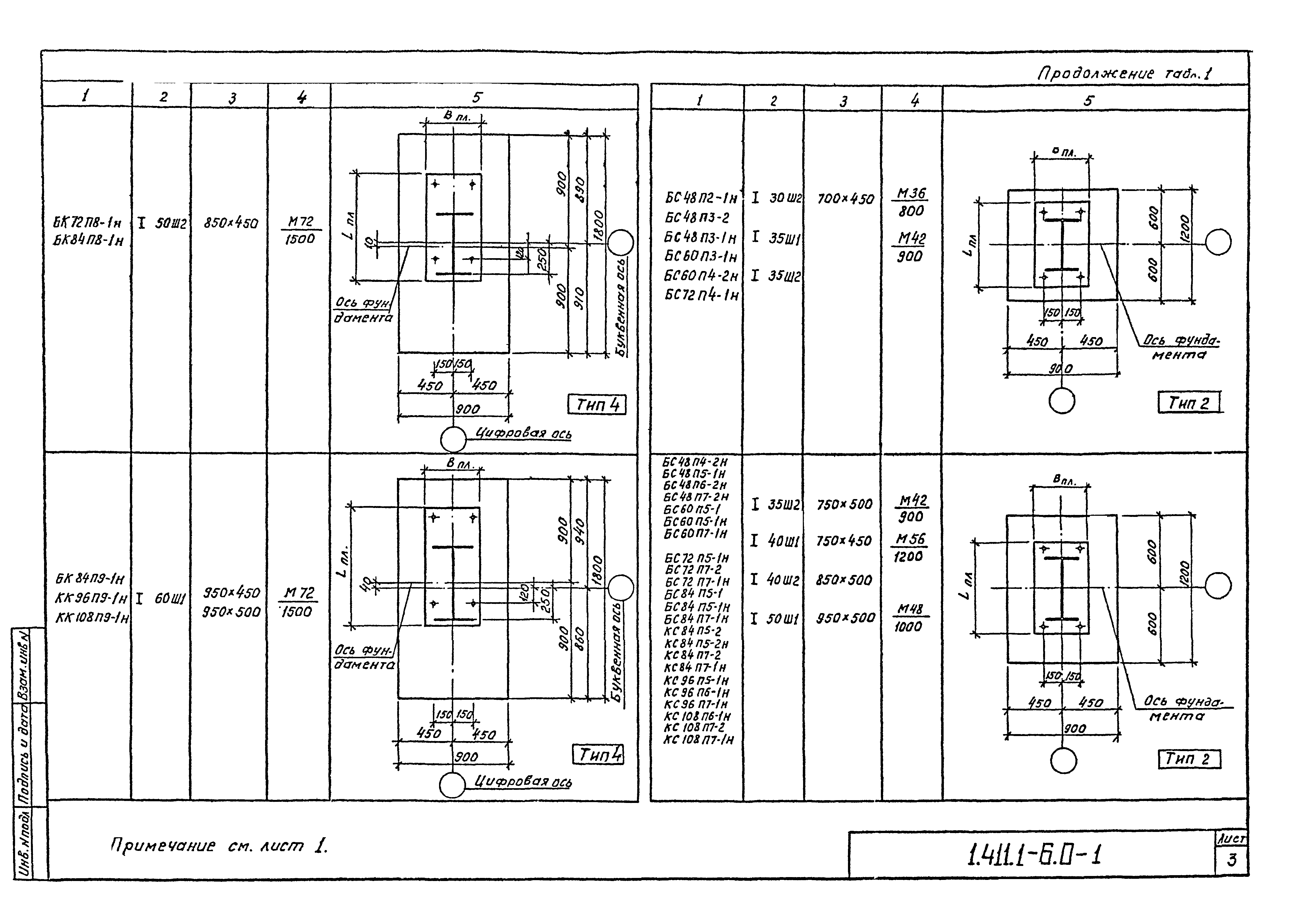
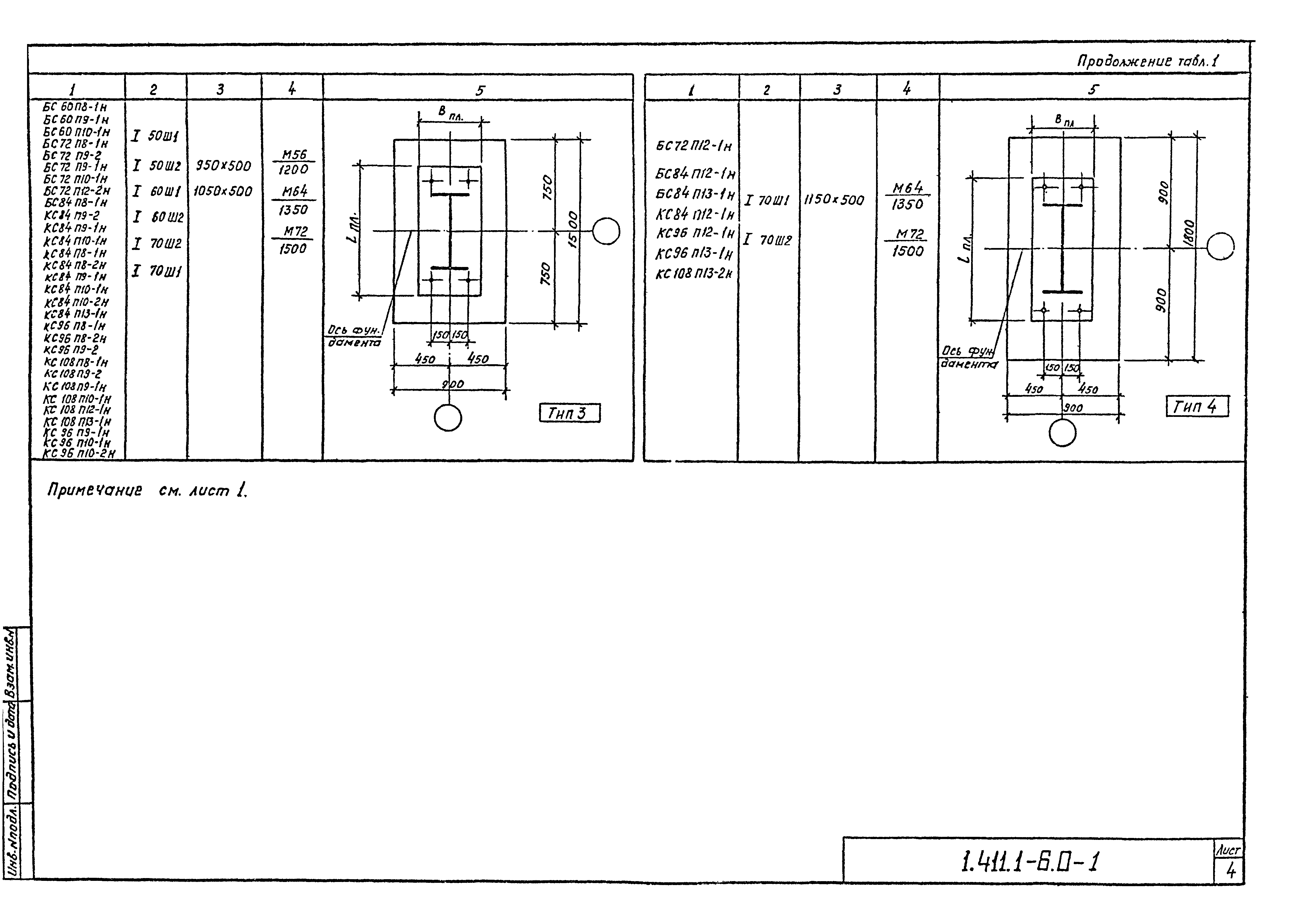
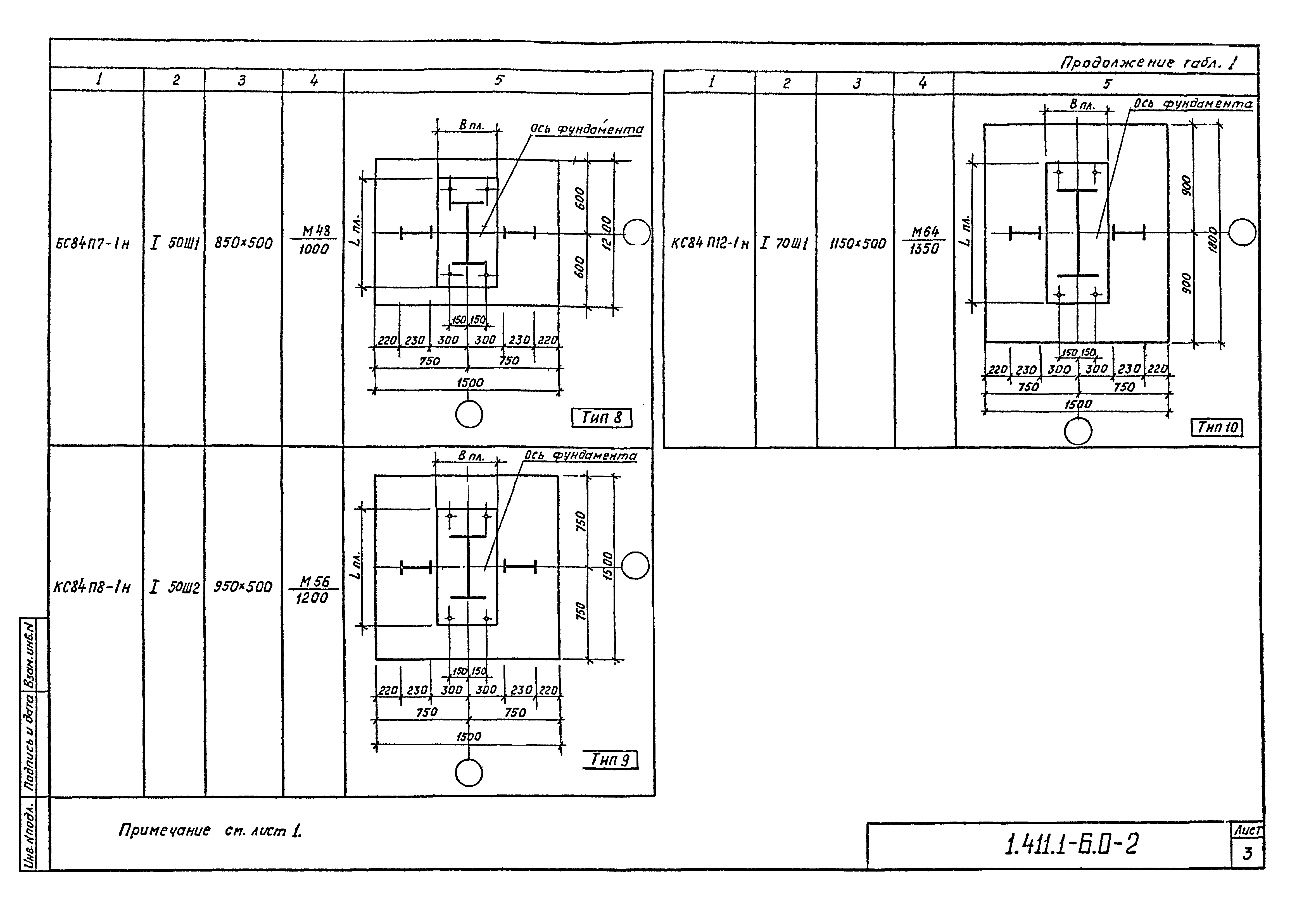
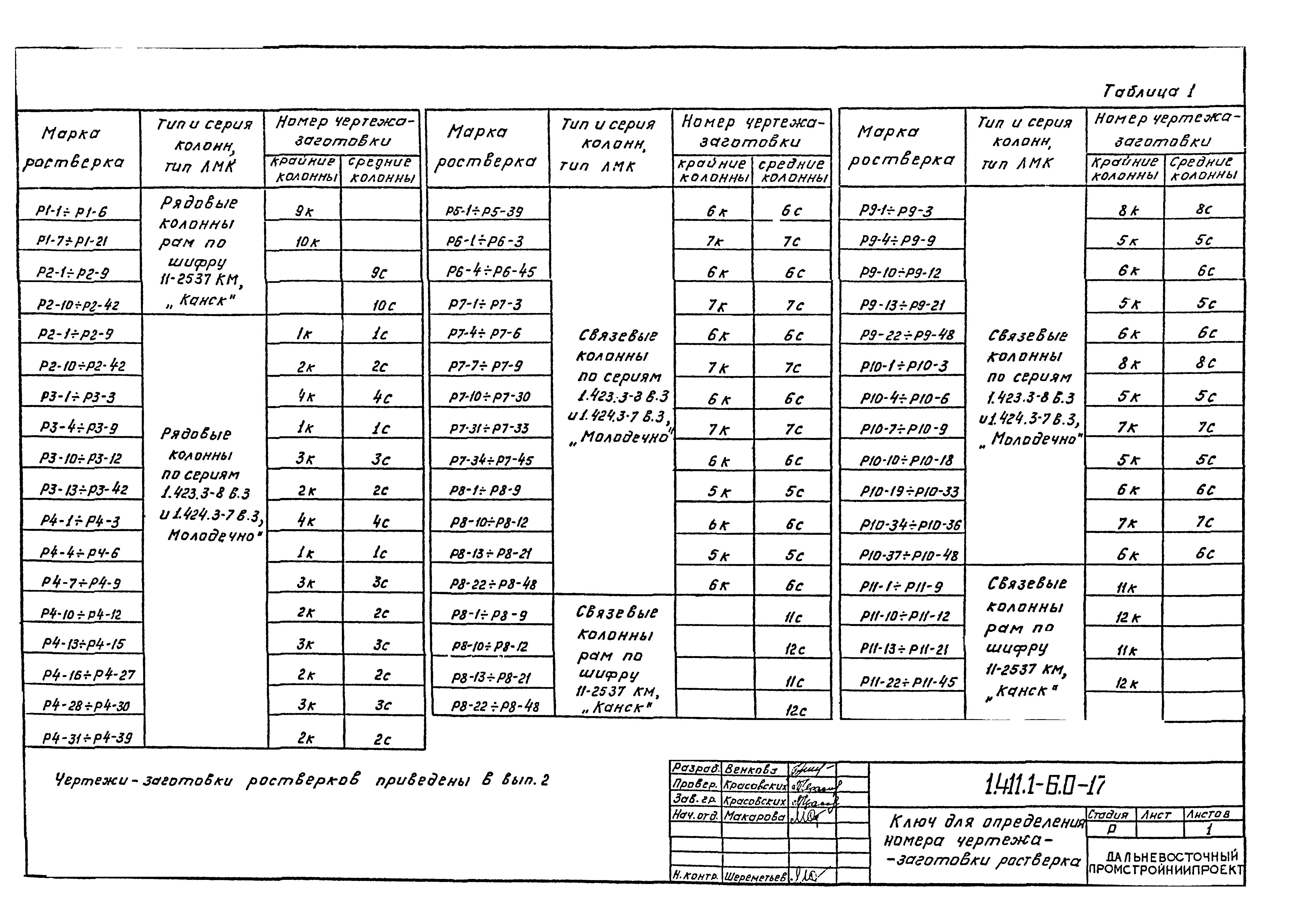
| Оглавление: | 1.411.1.-6.3-ПЗ Пояснительная записка 1.411.1.-6.3-СМ Графики для определения марки куста свай 1.411.1.-6.3-1 Унифицированные габариты подколонников для рядовых колонн по сериям 1.423.3-8 в.3; 1.424.3.7 в.3 1.411.1.-6.3-2 Примеры подколонников под связевые колонны по сериям 1.423.3-8 в.3; 1.424.3.7 в.3 1.411.1.-6.3-3 Унифицированные габариты подколонников для колонн каркасов по шифру 11-2537 КМ 1.411.1.-6.3-4 Планы кустов свай сечением 300х300 мм 1.411.1.-6.3-5 Планы кустов свай сечением 350х350 мм 1.411.1.-6.3-6 Ростверки под рядовые колонны с подколонником тип 1 1.411.1.-6.3-7 Ростверки под рядовые колонны с подколонником тип 2 1.411.1.-6.3-8 Ростверки под рядовые колонны с подколонником тип 3 1.411.1.-6.3-9 Ростверки под рядовые колонны с подколонником тип 4 1.411.1.-6.3-10 Ростверки под рядовые колонны с подколонником тип 5 1.411.1.-6.3-11 Ростверки под рядовые колонны с подколонником тип 6 1.411.1.-6.3-12 Ростверки под рядовые колонны с подколонником тип 7 1.411.1.-6.3-13 Ростверки под рядовые колонны с подколонником тип 8 1.411.1.-6.3-14 Ростверки под рядовые колонны с подколонником тип 9 1.411.1.-6.3-15 Ростверки под рядовые колонны с подколонником тип 10 1.411.1.-6.3-16 Ростверки под рядовые колонны с подколонником тип 11 1.411.1.-6.3-17 Ключ для определения номера чертежа-заготовки ростверка 1.411.1.-6.3-18 Схемы армирования рядовых и связевых ростверков 1.411.1.-6.3-19 Схема армирования плиты ростверка 1.411.1.-6.3-20 Схема сборки сеток в пространственный каркас в связевых ростверках 1.411.1.-6.3-21 Ключ для определения марки сеток по ГОСТ 23279-85 1.411.1.-6.3-22 Графики проверки несущей способности сплошного бетонного сечения по низу подколонника 1.411.1.-6.3-23 Графики подбора вертикальной арматуры в сплошном сечении по низу подколонника 1.411.1.-6.3-24 Ключ для подбора марок сеток вертикального армирования подколонников 1.411.1.-6.3-25 Таблицы проверки бетонного сечения подколонника на смятие под опорными плитами колонн 1.411.1.-6.3-26 Блок фундаментных болтов для колонн по сериям 1.423.3-8 в.3 и 1.424.3-7 в.3 1.411.1.-6.3-27 Схемы монолитных набетонок под фундаментные балки |
| Разработан: | Дальневосточный Промстройниипроект Минстроя СССР |
| Утверждён: | 13.04.1992 Концерн РосВостокстрой |
| Нормативные ссылки: |
|














































































