Скачать Серия 1.424.3-7 Выпуск 3. Колонны для зданий с применением несущих конструкций покрытий типа Молодечно и ЦНИИСК высотой от 8,4 до 10,8 м с мостовыми электрическими опорными кранами общего назначения грузоподъемностью до 20 т. Чертежи КМДата актуализации: 01.01.2021
|
| Обозначение: | Серия 1.424.3-7 |
| Обозначение англ: | Series 1.424.3-7 |
| Статус: | не определен законодательством |
| Название рус.: | Выпуск 3. Колонны для зданий с применением несущих конструкций покрытий типа "Молодечно" и "ЦНИИСК" высотой от 8,4 до 10,8 м с мостовыми электрическими опорными кранами общего назначения грузоподъемностью до 20 т. Чертежи КМ |
| Дата добавления в базу: | 01.09.2013 |
| Дата актуализации: | 01.01.2021 |
| Дата введения: | 01.05.1986 |
| Дата окончания срока действия: | 30.06.2003 |
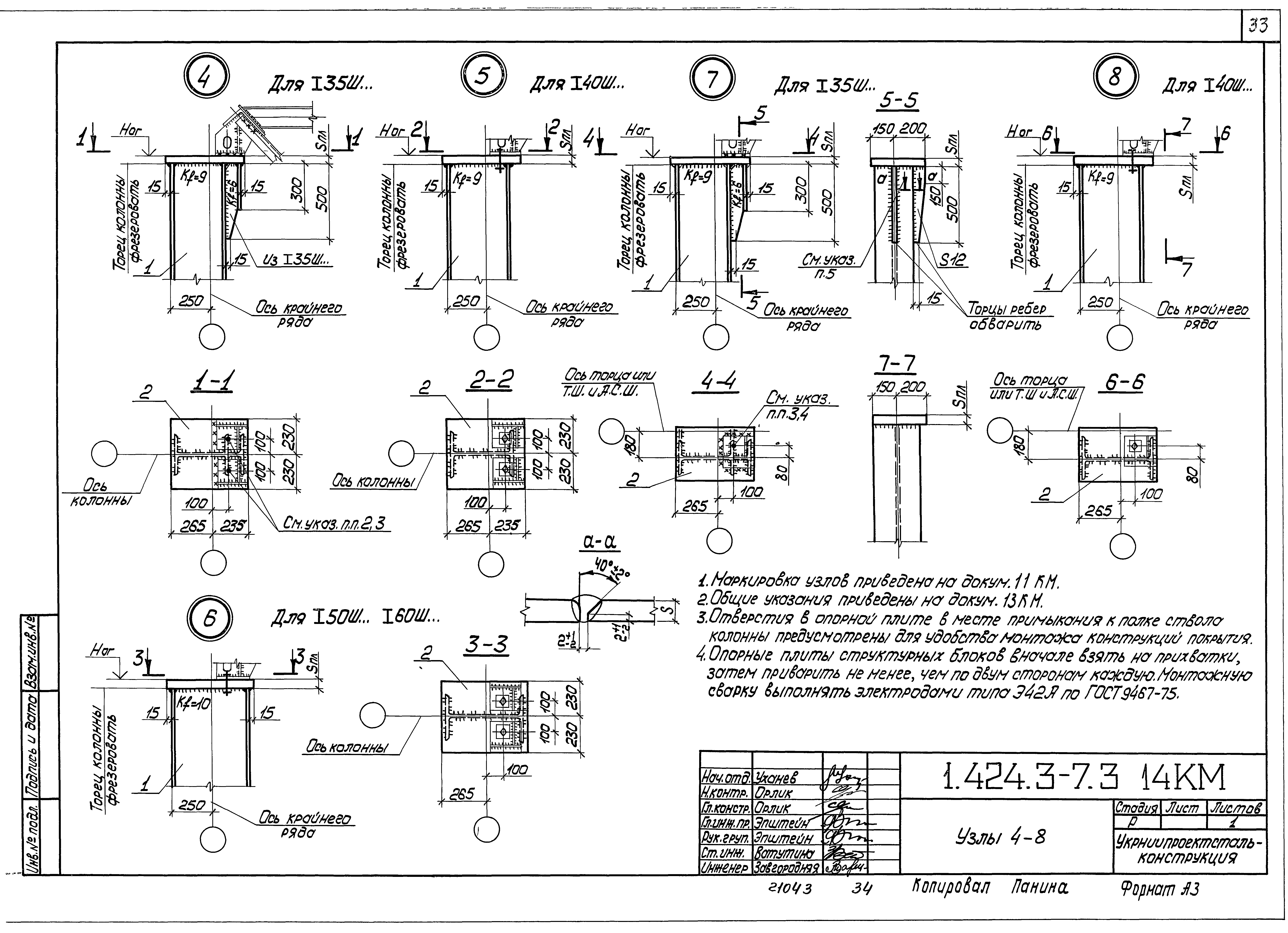
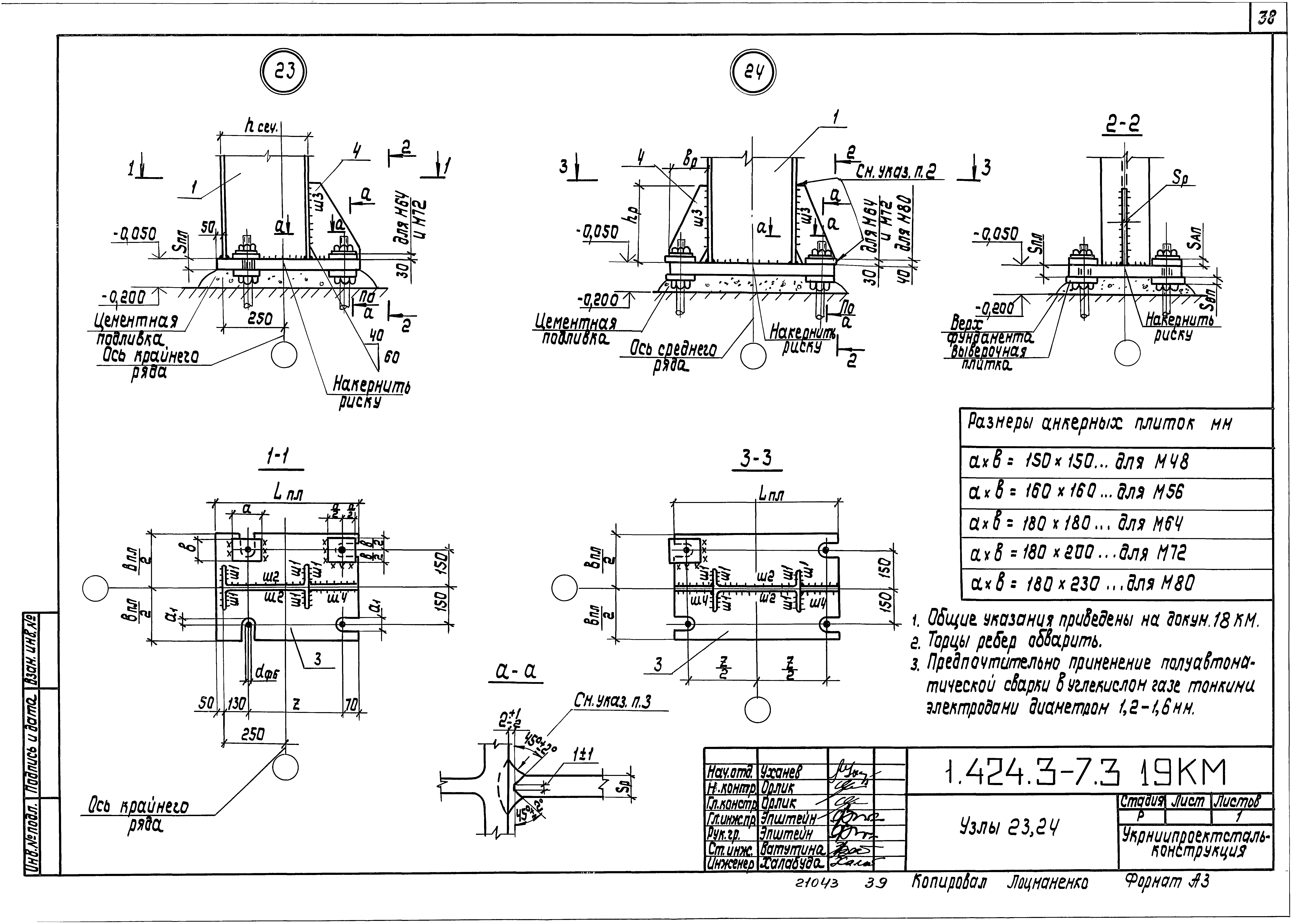
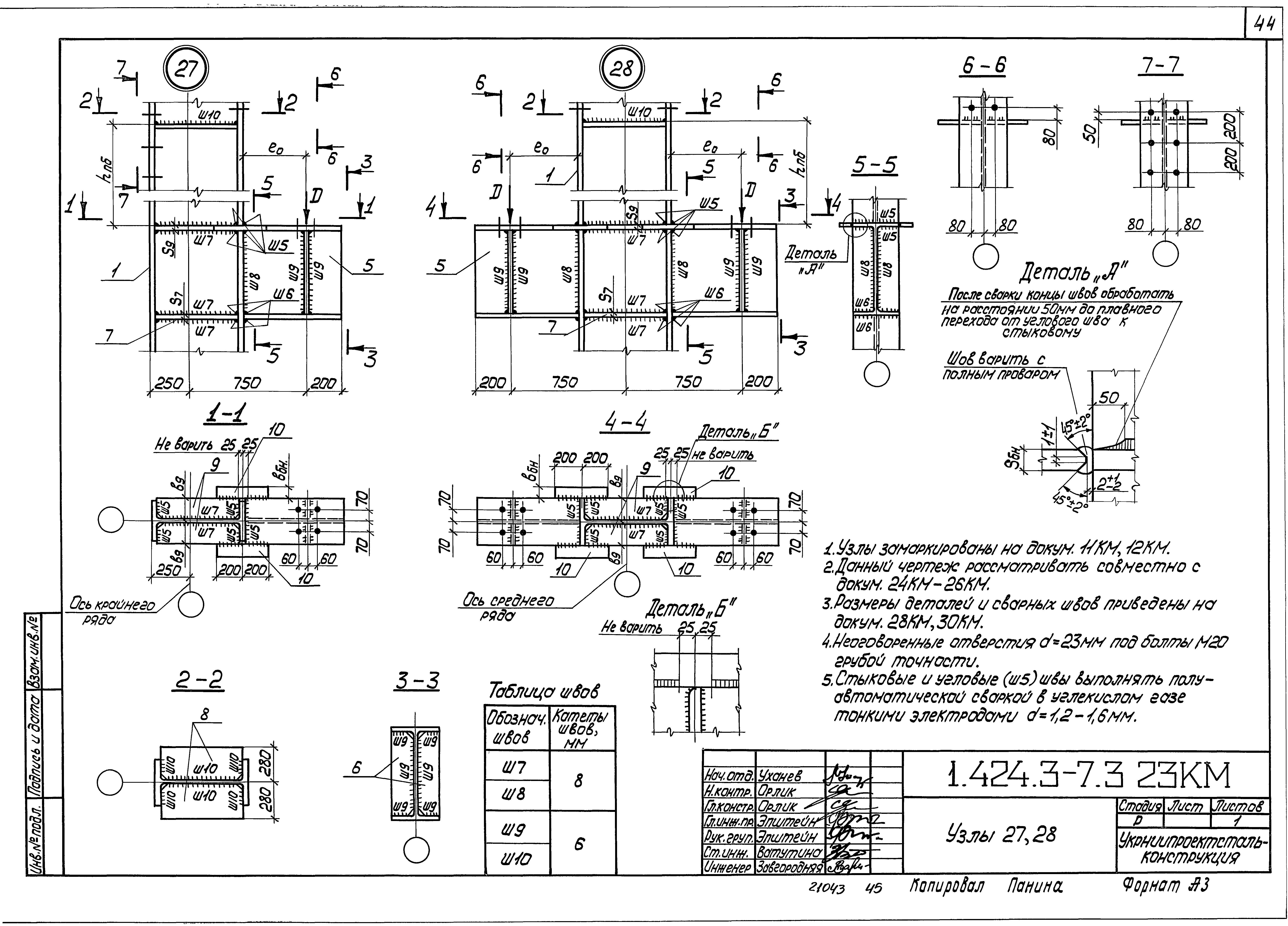
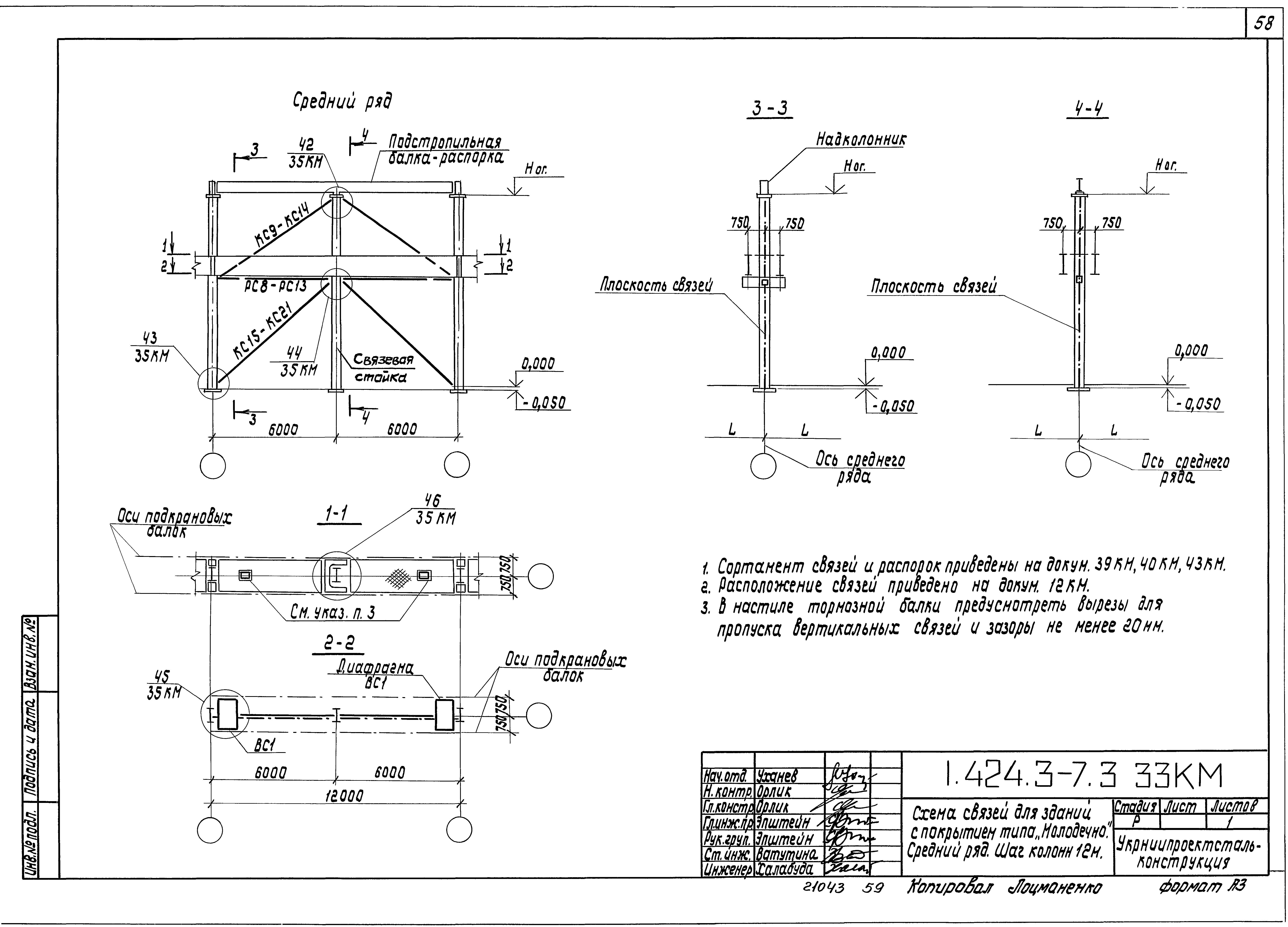
| Оглавление: | 1.424.3-7.3-00ПЗКМ Пояснительная записка 1.424.3-7.3-01КМ Таблицы расчета поперечной рамы для определения усилий в колоннах 1.424.3-7.3-02КМ Нагрузки на фундаменты связевых колонн продольных рам 1.424.3-7.3-03КМ Пример подбора марок рядовых колонн 1.424.3-7.3-04КМ Номенклатура колонн 1.424.3-7.3-05КМ Сортамент и геометрические характеристики сечений стволов колонн 1.424.3-7.3-06КМ Ключ подбора марок колонн зданий высотой 8,4 м 1.424.3-7.3-07КМ Ключ подбора марок колонн зданий высотой 9,6 м 1.424.3-7.3-08КМ Ключ подбора марок колонн зданий высотой 10,8 м 1.424.3-7.3-09КМ Габаритная схема колонн. Шаг колонн 12 м 1.424.3-7.3-10КМ Габаритная схема колонн. Шаг колонн 6 м 1.424.3-7.3-11КМ Схема расположения колонн и связей для зданий с покрытием типа "ЦНИИСК" 1.424.3-7.3-12КМ Схема расположения колонн и связей для зданий с покрытием типа "Молодечно" 1.424.3-7.3-13КМ Узлы 1-3 1.424.3-7.3-14КМ Узлы 4-8 1.424.3-7.3-15КМ Узлы 9-12 1.424.3-7.3-16КМ Узлы 13-16 1.424.3-7.3-17КМ Узлы 17-20 1.424.3-7.3-18КМ Узлы 21,22 1.424.3-7.3-19КМ Узлы 23,24 1.424.3-7.3-20КМ Узлы 25,26 1.424.3-7.3-21КМ Размеры деталей и сварных швов баз колонн крайнего ряда 1.424.3-7.3-22КМ Размеры деталей и сварных швов баз колонн среднего ряда 1.424.3-7.3-23КМ Узлы 27,28 1.424.3-7.3-24КМ Таблица выбора сечений подкрановых консолей 1.424.3-7.3-25КМ Расчетные вертикальные нагрузки на подкрановые консоли 1.424.3-7.3-26КМ Варианты примыкания подкрановых консолей к стволу колонн. Сортамент боковых накладок 1.424.3-7.3-27КМ Колонна крайняя, рядовая и торцевая 1.424.3-7.3-28КМ Размеры деталей и сварных швов крайних колонн 1.424.3-7.3-29КМ Колонна средняя, рядовая и торцевая 1.424.3-7.3-30КМ Размеры деталей и сварных швов средних колонн 1.424.3-7.3-31КМ Схема связей для зданий с покрытием типа "ЦНИИСК". Шаг колонн 12 м 1.424.3-7.3-32КМ Схема связей для зданий с покрытием типа "Молодечно". Крайний ряд. Шаг колонн 6 м 1.424.3-7.3-33КМ Схема связей для зданий с покрытием типа "Молодечно". Средний ряд. Шаг колонн 12 м 1.424.3-7.3-34КМ Крепление связей для зданий с покрытием типа "ЦНИИСК". Узлы 29-37 1.424.3-7.3-35КМ Крепление связей для зданий с покрытием типа "Молодечно". Узлы 38-46 1.424.3-7.3-36КМ Крепление баз колонн на горизонтальные воздействия 1.424.3-7.3-37КМ Сортамент надкрановых связей для зданий с покрытием типа "ЦНИИСК". Шаг колонн 12м 1.424.3-7.3-38КМ Сортамент подкрановых связей для зданий с покрытием типа "ЦНИИСК". Шаг колонн 12м 1.424.3-7.3-39КМ Сортамент надкрановых связей для зданий с покрытием типа "Молодечно". Средний ряд. Шаг колонн 12м 1.424.3-7.3-40КМ Сортамент подкрановых связей для зданий с покрытием типа "Молодечно". Средний ряд. Шаг колонн 12м 1.424.3-7.3-41КМ Сортамент надкрановых связей для зданий с покрытием типа "Молодечно". Крайний ряд. Шаг колонн 6 м 1.424.3-7.3-42КМ Сортамент подкрановых связей для зданий с покрытием типа "Молодечно". Крайний ряд. Шаг колонн 6 м 1.424.3-7.3-43КМ Сортамент распорок для зданий с покрытием типа "Молодечно". Шаг колонн 12 и 6 м 1.424.3-7.3-44КМ Сортамент распорок для зданий с покрытием типа "ЦНИИСК". Шаг колонн 12 м 1.424.3-7.3-45КМ Сортамент подстропильных балок-распорок для зданий с покрытием типа "Молодечно" 1.424.3-7.3-46КМ Подстропильная балка-распорка для зданий с покрытием типа "Молодечно" 1.424.3-7.3-47КМ Размеры деталей и сварных швов подстропильных балок-распорок 1.424.3-7.3-48КМ Сортамент связевых стоек для зданий с покрытием типа "Молодечно" 1.424.3-7.3-49КМ Связевая стойка для зданий с покрытием типа "Молодечно" 1.424.3-7.3-50КМ Размеры деталей и сварных швов связевых стоек для зданий с покрытием типа "Молодечно" 1.424.3-7.3-51КМ Спецификация стали колонн 1.424.3-7.3-52КМ Спецификация стали надкрановых связей и распорок для зданий с покрытием типа "ЦНИИСК" 1.424.3-7.3-53КМ Спецификация стали подкрановых связей для зданий с покрытием типа "ЦНИИСК" 1.424.3-7.3-54КМ Спецификация стали надкрановых связей для зданий с покрытием типа "Молодечно". Средний ряд. Шаг колонн 12м 1.424.3-7.3-55КМ Спецификация стали подкрановых связей для зданий с покрытием типа "Молодечно". Средний ряд. Шаг колонн 12м 1.424.3-7.3-56КМ Спецификация стали надкрановых связей для зданий с покрытием типа "Молодечно". Крайний ряд. Шаг колонн 6м 1.424.3-7.3-57КМ Спецификация стали подкрановых связей для зданий с покрытием типа "Молодечно". Шаг колонн 6м 1.424.3-7.3-58КМ Спецификация стали распорок и вставок 1.424.3-7.3-59КМ Спецификация стали распорок для зданий с покрытием типа "ЦНИИСК". Шаг колонн 12м 1.424.3-7.3-60КМ Спецификация стали подстропильных балок-распорок для зданий с покрытием типа "Молодечно". 1.424.3-7.3-61КМ Спецификация стали связевых стоек для зданий с покрытием типа "Молодечно" 1.424.3-7.3-62КМ Блок фундаментных болтов |
| Разработан: | Укрниипроектстальконструкция Гипроспецлегконструкция |
| Утверждён: | 27.12.1985 Госстрой СССР (Государственный комитет Совета Министров СССР по делам строительства) (USSR Gosstroy АЧ-66) |
| Заменяет собой: |

















































































































