Скачать ГОСТ 32289-2013 Плиты древесно-стружечные, облицованные пленками на основе термореактивных полимеров. Технические условия

Дата актуализации: 01.01.2021

ГОСТ 32289-2013

Плиты древесно-стружечные, облицованные пленками на основе термореактивных полимеров. Технические условия

Обозначение: ГОСТ 32289-2013
Обозначение англ: GOST 32289-2013
Статус:введен впервые
Название рус.:Плиты древесно-стружечные, облицованные пленками на основе термореактивных полимеров. Технические условия
Название англ.:Wood particleboards, laminated with paper impregnated with thermosetting resins
Дата добавления в базу:01.10.2014
Дата актуализации:01.01.2021
Дата введения:01.07.2014
Область применения:Стандарт распространяется на древесно-стружечные плиты, облицованные пленками на основе термореактивных полимеров и предназначенные для производства мебели и других товаров народного потребления, использования в качестве конструкционных отделочных мате-риалов в машиностроении и радиоприборостроении, в условиях, защищенных от увлажнения. Положения стандарта распространяются на плиты, выпускаемые и применяемые предприятиями (организациями) любых форм собственности, а также индивидуальными изготовителями.
Оглавление:1 Область применения
2 Нормативные ссылки
3 Размеры и классификация
4 Технические требования
5 Требования безопасности и охрана окружающей среды
6 Правила приемки
7 Методы контроля
8 Транспортирование и хранение
9 Гарантии изготовителя
Приложение А (обязательное) Применение древесно-стружечных плит, облицованных пленками на основе термореактивных полимеров, различных классов эмиссии формальдегида
Приложение Б (обязательное) Перечень типовых дефектов покрытий деталей мебели
Приложение В (обязательное) Определение гидротермической стойкости покрытия
Приложение Г (обязательное) Определение стойкости покрытия к повышенной температуре воздуха
Приложение Д (обязательное) Определение термической стойкости покрытия
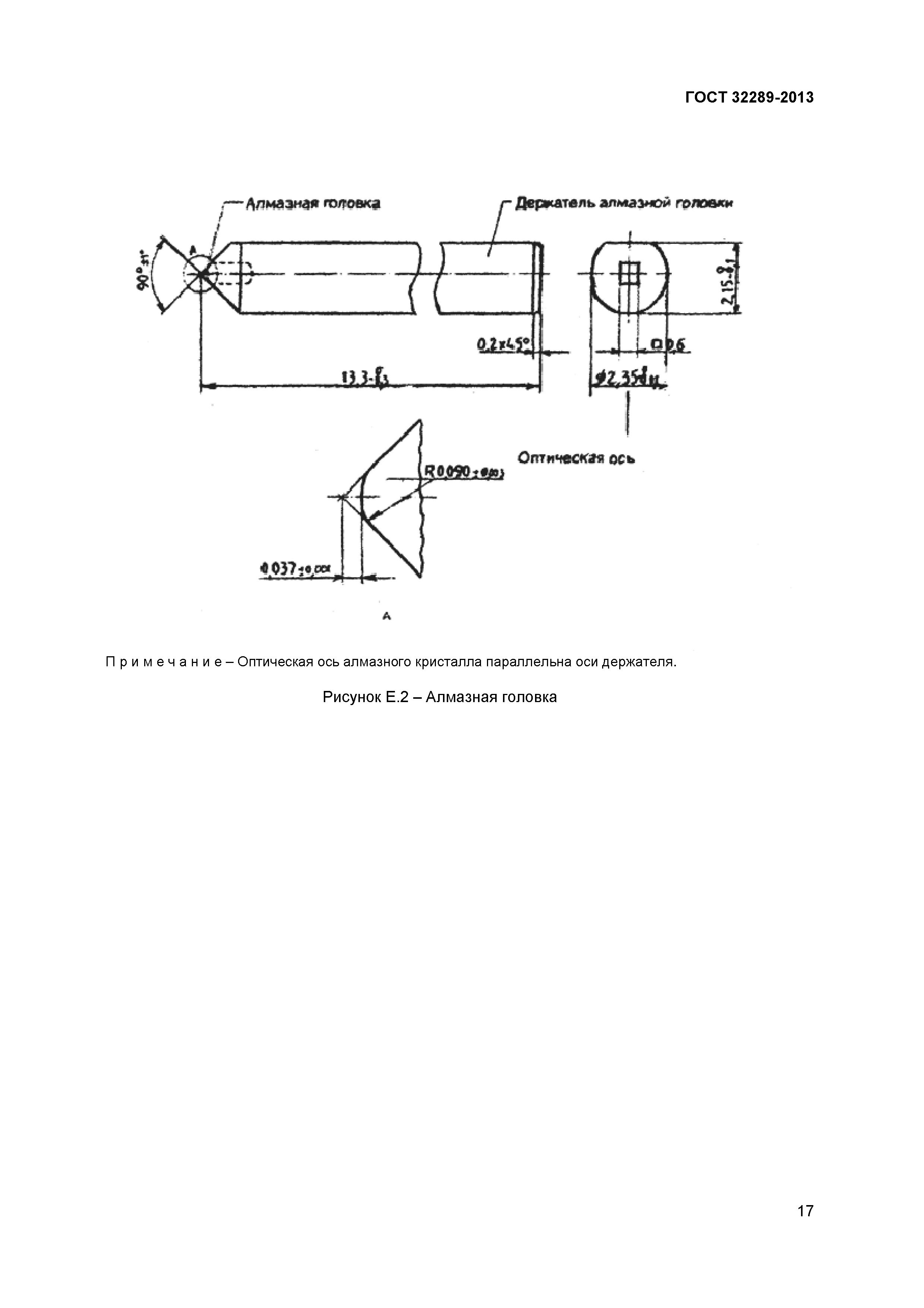
Приложение Е (рекомендуемое) Определение твердости защитно-декоративного покрытия
Разработан: ФГУП ВНИЦ СМВ
Утверждён:28.08.2013 Межгосударственный Совет по стандартизации, метрологии и сертификации (Inter-Governmental Council on Standardization, Metrology, and Certification 58-П)
09.10.2013 Федеральное агентство по техническому регулированию и метрологии (1140-ст)
Издан: Стандартинформ (2014 г. )
Нормативные ссылки:
ГОСТ 32289-2013ГОСТ 32289-2013ГОСТ 32289-2013ГОСТ 32289-2013ГОСТ 32289-2013ГОСТ 32289-2013ГОСТ 32289-2013ГОСТ 32289-2013ГОСТ 32289-2013ГОСТ 32289-2013ГОСТ 32289-2013ГОСТ 32289-2013ГОСТ 32289-2013ГОСТ 32289-2013ГОСТ 32289-2013ГОСТ 32289-2013ГОСТ 32289-2013ГОСТ 32289-2013ГОСТ 32289-2013ГОСТ 32289-2013ГОСТ 32289-2013ГОСТ 32289-2013ГОСТ 32289-2013