Petroleum paraffin waxes. Specifications

МЕЖГОСУДАРСТВЕННЫЙ СТАНДАРТ

ПАРАФИНЫ НЕФТЯНЫЕ ТВЕРДЫЕ

Технические условия

Petroleum paraffin waxes. Specifications

ГОСТ
23683-89

Дата введения 01.01.91

Настоящий стандарт распространяется на очищенные твердые нефтяные парафины кристаллического строения, получаемые из дистиллятного сырья и предназначенные для применения в различных отраслях промышленности.

Обязательные требования к качеству продукции изложены в п. 1.3, разделах 2, 3.

(Измененная редакция, Изм. № 1).

1. ТЕХНИЧЕСКИЕ ТРЕБОВАНИЯ

1.1. Твердые парафины должны изготовляться в соответствии с требованиями настоящего стандарта из сырья и по технологии, утвержденным в установленном порядке.

1.2. Марки

1.2.1. По степени очистки твердые нефтяные парафины подразделяют на высокоочищенные и очищенные.

1.2.2. Марки твердых парафинов устанавливают в зависимости от степени очистки и области применения:

П-1 - высокоочищенный парафин, применяется при изготовлении тары и упаковочных материалов жесткой конструкции, клеев и расплавов, имеющих соприкосновение с пищевыми продуктами и применяемых при повышенных температурах, при изготовлении косметических препаратов и в фармацевтической промышленности;

П-2 - высокоочищенный парафин, применяется для покрытия и пропитки гибкой упаковки пищевых продуктов, сохраняющей эластичность при пониженных температурах, а также в качестве компонентов сплавов для покрытия деревянных, бетонных, металлических емкостей, предназначенных для хранения пищевых продуктов; в производстве различных восковых составов, изделий медицинской техники и косметических препаратов;

В2, В3, В4, В5 - высокоочищенные парафины, предназначены для использования в различных отраслях промышленности, предъявляющих особые требования к чистоте изделий, в частности марка В2 может применяться для изготовления резинотехнических изделий;

Т-1, Т-2, Т-3, С - очищенные парафины технического назначения, предназначены для использования, как правило, в качестве сырьевых материалов в различных отраслях промышленности:

Т-1 - применяется для изготовления товаров бытовой химии, в частности свечей, и в других отраслях народного хозяйства;

Т-2 - применяется для использования в химической, нефтехимической промышленности и в других отраслях народного хозяйства;

Т-3 - применяется для пропитки и покрытий технических сортов бумаги, картона, текстиля, деревянных и металлических поверхностей; допускается применение в нефтехимической промышленности;

С - применяется в нефтехимической промышленности для производства синтетических жирных кислот.

1.3. Характеристики

1.3.1. По физико-химическим показателям парафины должны соответствовать требованиям и нормам, указанным в табл. 1.

1.3.2. Требования безопасности

1.3.2.1. Твердые нефтяные парафины являются горючими веществами с температурой вспышки не ниже 160 °С, температурой самовоспламенения не ниже 300 °С.

1.3.2.2. Твердые парафины относятся к 4-му классу опасности по ГОСТ 12.1.007, предельно допустимая концентрация паров углеводородов расплавленного парафина в воздухе рабочей зоны составляет 300 мг/м3 в пересчете на углерод.

1.3.2.3. В производственных помещениях должна быть приточно-вытяжная вентиляция для снижения концентрации вредных веществ.

1.3.2.4. Твердые парафины пожароопасны. В помещении для хранения и эксплуатации парафинов запрещается обращение с открытым огнем: искусственное освещение должно быть во взрывобезопасном исполнении.

Таблица 1

Наименование показателя

Норма для марки

П-1

ОКП

02 5511 0111

П-2

ОКП

02 5511 0121

B2

ОКП

02 5511 0221

B3

ОКП

02 5511 0231

B4

ОКП

02 5511 0241

B5

ОКП

02 5511 0251

1. Внешний вид

Кристаллическая масса белого цвета

2. Температура плавления, °С

Не ниже 54,0

Не ниже 52,0

52,0 - 54,0

54,0 - 56,0

56,0 - 58,0

58,0 - 62,0

3. Массовая доля масла, %, не более

0,45

0,80

0,45

0,45

0,45

0,45

4. Цвет, условные марки, не более

3

4

3

3

3

3

5. Запах

Отсутствие

6. Содержание бенз-a-пирена

Отсутствие

-

-

-

-

7. Пенетрация иглой при 25 °С, единицы, не более

-

-

16

14

13

12

8. Фракционный состав:

 

 

 

 

 

 

5 % выкипает при температуре, °С, не ниже

-

-

-

-

-

-

до 400 °С перегоняется, %, не менее

-

-

-

-

-

-

до 425 °С перегоняется, %, не менее

-

-

-

-

-

-

97 % перегоняется, °С, не выше

-

-

-

-

-

-

9. Температура вспышки, определяемая в закрытом тигле, °С, не ниже

-

-

-

-

-

-

10. Массовая доля серы, %, не более

Отсутствие

-

-

-

-

11. Массовая доля воды, %, не более

Отсутствие

12. Содержание механических примесей

»

13. Содержание фенола

Отсутствие

-

-

-

-

14. Содержание фурфурола

Отсутствие

-

-

-

-

15. Содержание водорастворимых кислот и щелочей

Отсутствие

Продолжение таблицы 1

Наименование показателя

Норма для марки

Метод испытания

Т-1

ОКП

02 5511 0311

Т-2

ОКП

02 5511 0312

T-3

ОКП

02 5511 0313

С

ОКП

02 5511 0321

1. Внешний вид

Кристаллическая масса белого цвета, допускаются оттенки серого или желтого

Визуально

2. Температура плавления, °С

52,0 - 58,0

52,0 - 56,0

50,0 - 56,0

45,0 - 52,0

По ГОСТ 4255-для высокоочищенных, по п. 3.2 настоящего стандарта - для очищенных

3. Массовая доля масла, %, не более

1,80

2,30

3,00

2,20

По ГОСТ 9090

4. Цвет, условные марки, не более

11

12

12

12

По ГОСТ 25337

5. Запах

-

-

-

-

По п. 3.3

6. Содержание бенз-a-пирена

-

-

-

-

По п. 3.4

7. Пенетрация иглой при 25 °С, единицы, не более

-

-

-

-

По ГОСТ 25771

8. Фракционный состав:

 

 

 

 

По ГОСТ 10120

5 % выкипает при температуре, °С, не ниже

-

-

-

320

 

до 400 °С перегоняется, %, не менее

-

-

-

60

 

до 425 °С перегоняется, %, не менее

-

-

-

80

 

97 % перегоняется, °С, не выше

-

-

-

460

 

9. Температура вспышки, определяемая в закрытом тигле, °С, не ниже

-

-

-

160

По ГОСТ 6356

10. Массовая доля серы, %, не более

-

-

-

0,05

По ГОСТ 1437

11. Массовая доля воды, %, не более

-

-

0,2

0,2

По ГОСТ 2477

12. Содержание механических примесей

Отсутствие

 

По ГОСТ 6370

13. Содержание фенола

-

-

-

Отсутствие

По ГОСТ 1057

14. Содержание фурфурола

-

-

-

»

По ГОСТ 1520

15. Содержание водорастворимых кислот и щелочей

Отсутствие

-

»

По ГОСТ 6307

Примечание. Содержание фенола и фурфурола определяют только для парафинов, получаемых из рафинатов фенольной и фурфурольной очистки.

1.3.2.5. При загорании парафинов при малом очаге пожара применяют следующие средства пожаротушения: огнетушители марки ОХП-10, сухой песок, кошму; при значительном очаге пожара - пенные огнетушительные установки.

1.3.2.6. При сливно-наливных операциях необходимо применять меры по защите от действия статического электричества. Аппараты, емкости, трубопроводы, сливные, наливные и перекачивающие устройства должны быть заземлены.

1.3.2.7. При разливе расплавленного парафина на открытой площадке по истечении некоторого времени необходимо тщательно удалить застывшую массу и место разлива засыпать песком.

1.3.2.8. При работе с парафинами необходимо применять индивидуальные средства защиты в соответствии с типовыми отраслевыми правилами, утвержденными в установленном порядке.

1.3.2.9. При работе с расплавленным парафином следует соблюдать необходимые меры предосторожности, так как попадание расплавленного парафина на кожные покровы может вызвать ожог.

1.4. Маркировка

Маркировка твердых нефтяных парафинов - по ГОСТ 1510.

1.5. Упаковка

Упаковка твердых нефтяных парафинов - по ГОСТ 1510 со следующими дополнениями:

твердые нефтяные парафины массой 25 кг упаковывают в ящики из гофрированного картона по утвержденному нормативному документу; массой 50 кг - в четырехслойные бумажные мешки марок ПМ или НМ по ГОСТ 2226.

2. ПРИЕМКА

2.1. Парафин принимают партиями. Партией считают любое количество твердого парафина, изготовленного в ходе непрерывного технологического процесса, однородного по составу и показателям качества, сопровождаемого одним документом о качестве, содержащим данные в соответствии с ГОСТ 1510.

2.2. Объем выборки - по ГОСТ 2517.

2.3. При получении неудовлетворительных результатов испытаний хотя бы по одному из показателей проводят повторные испытания пробы от той же выборки. Результаты повторных испытаний распространяются на всю партию.

2.4. Температуру вспышки (таблица 1, п. 9), содержание фенола (таблица 1, п. 13) и фурфурола (таблица 1, п. 14) определяют периодически, один раз в месяц.

2.5. При получении неудовлетворительных результатов периодических испытаний изготовитель переводит испытания по данному показателю в категорию приемосдаточных до получения положительных результатов не менее чем на трех партиях подряд.

3. МЕТОДЫ ИСПЫТАНИЙ

3.1. Пробу парафинов отбирают по ГОСТ 2517. Масса объединенной пробы - 2 кг.

3.2. Определение температуры плавления

3.2.1. Аппаратура и посуда

Пробирка стеклянная со сферическим дном, внутренним диаметром (30 ± 1) мм и высотой (130 ± 5) мм.

Термометр ртутный типа ТН-5 по ГОСТ 400.

Баня водяная или электрическая плитка закрытого типа.

Стакан В-1-50 ТС по ГОСТ 25336.

3.2.2. Проведение испытания

Пробу парафина расплавляют в стеклянном стакане, нагревая его на водяной бане или электрической плитке закрытого типа, не допуская местных перегревов. Шарик термометра погружают в расплавленный парафин. Затем термометр вынимают из парафина и укрепляют в пробирке корковой пробкой. Пробирку с термометром нагревают на водяной бане до тех пор, пока капля парафина на термометре не расплавится. Затем пробирку с термометром охлаждают на воздухе, переводя ее все время из вертикального положения в наклонное.

Температуру, при которой капля парафина затвердевает на шарике термометра, принимают за температуру плавления парафина. За результат испытания принимают среднеарифметическое значение результатов двух параллельных определений, допускаемые расхождения между которыми не должны превышать 0,2 °С.

3.3. Определение запаха

3.3.1. Аппаратура

Формочка прямоугольная или с наклонными стенками из любого некорродирующего материала размером 60´80´25 мм.

Баня водяная.

Нож.

3.3.2. Проведение испытания

Около 100 г парафина, расплавленного на водяной бане, заливают в формочку и дают ему затвердеть. Затем парафин вынимают из формочки и ножом снимают 5 - 10 г стружки, которая не должна иметь четко выраженного запаха.

3.3.3. Метод определения запаха для экспортных парафинов

3.3.3.1. Аппаратура, материалы

Скребок (нож или любой острый инструмент), который легко очищается.

Склянки с широким горлышком и крышками вместимостью 250 см3 (только для альтернативных испытаний).

Бумага для сбора стружки, не имеющая запаха.

3.3.3.2. Группа испытателей

В группу испытателей по определению запаха входят не менее пяти человек.

При подборе членов испытательной группы учитывают совпадение индивидуальной оценки члена группы с истинной характеристикой и личное постоянство в оценках запахов. Метод подбора членов испытательной группы приведен в приложении А.

Примечание. Для определения запаха нельзя привлекать членов группы с респираторными заболеваниями.

3.3.3.3. Испытуемый образец

Образец представляет собой при комнатной температуре кусок парафина, из которого можно получить примерно 100 г стружки.

Каждый член группы испытателей должен оценить приблизительно 10 г тонких парафиновых стружек, полученных из образца.

3.3.3.4. Проведение испытания

3.3.3.4.1. Соскабливают с поверхности образца прилипшие инородные частицы и стряхивают их. С помощью чистого резака готовят испытуемые образцы, настругав поперек образца примерно по 10 г парафина на бумагу, не имеющую запаха. Для каждого члена группы готовят по одному образцу.

Примечание. Испытание проводят в комнате, не имеющей запаха. Следует избегать низкой влажности, так как это может вызвать трудности в восприятии запаха.

3.3.3.4.2. Каждый испытатель оценивает запах парафиновых стружек, приблизив ноздри как можно ближе к ним и вдохнув воздух.

Примечание. Если оценка запаха будет повторяться, то это означает, что интенсивность запаха снижается из-за усталости обоняния или утери образцом летучих компонентов, или того и другого.

3.3.3.4.3. Альтернативную процедуру проводят следующим образом: сразу после получения стружек помещают их в чистые склянки без запаха и накрывают крышками.

Готовят по одной склянке для каждого образца на каждого испытателя. Запах оценивают через 15 - 60 мин после получения образца, снимая крышку со склянки, приближая ноздри к горлышку и слегка втягивая воздух.

3.3.3.4.4. Числовую характеристику запаха записывают, как показано в табл. 2. Она должна соответствовать интенсивности запаха.

Испытатели не должны обсуждать результат, пока все испытания не будут завершены. Отдельные члены группы не должны оценивать более трех образцов и должны иметь перерывы не менее 15 мин между каждой серией.

Таблица 2

Шкала интенсивности запаха

Числовая характеристика

Описание запаха

0

Отсутствие

1

Легкий

2

Умеренный

3

Сильный

4

Очень сильный

3.3.3.5. Расчет

3.3.3.5.1. Расчет проводят с точностью до 0,5 среднего значения характеристик, данных образцу членами группы. Если любая отдельная характеристика отличается от средней более, чем на 1, повторяют испытания на оценку запаха этого образца всеми членами группы. Если и во втором испытании отдельные результаты будут отличаться от среднего значения более, чем на 1, необходимо отказаться от этих результатов и вывести вновь среднее значение.

3.3.3.5.2. Средняя характеристика, выведенная по результатам испытания всей группой, будет считаться характеристикой запаха образца по настоящему стандарту.

3.3.3 - 3.3.3.5.2. (Введены дополнительно, Изм. № 1).

3.4. Определение содержания бенз-a-пирена

3.4.1. Сущность метода

Метод заключается в экстрагировании из парафинов масел и ароматических углеводородов н-октаном и фотографировании спектра флуоресценции этого экстракта при температуре кипения жидкого азота. Для определения содержания бенз-a-пирена полученный спектр сравнивают со спектром н-октанового раствора бенз-a-пирена 1×10-10 г/см3, снятым при тех же условиях.

3.4.2. Аппаратура и реактивы

Спектрограф типа ИСП-51 с комплектом принадлежностей для получения спектров комбинационного рассеяния.

Конденсоры стеклянные с фокусным расстоянием 75 - 100 мм и ртутно-кварцевые лампы типа ПРК-2, ПРК-2М и ПРК-4. Допускается применять лампы типа ДРШ-500 и ДКСШ-1000.

Кожух металлический для защиты от ультрафиолетового излучения, представляющий собой цилиндрическую коробку со съемной крышкой, высотой 300 мм, диаметром 100 - 120 мм. В боковой поверхности цилиндра прорезано продольное выходное отверстие 90´40 мм для луча; у выхода из отверстия - держатели для светофильтра. Внутри кожуха должно быть приспособление для укрепления лампы в вертикальном положении.

Светофильтр типа УФС-2 или УФС-3, или УФС-6.

Рельс металлический длиной 500 мм.

Вентилятор бытовой настольный по ГОСТ 7402.

Часы-будильники механические по ГОСТ 3145 для выполнения фотографических работ.

Лупа 5 по ГОСТ 25706.

Щиток ШЛ из органического стекла для защиты глаз и лица при работе с жидким азотом.

Пробка корковая, соответствующая по размерам внутреннему диаметру прозрачного сосуда Дьюара с двумя отверстиями: отверстие I диаметром 16 мм, с центром на расстоянии 15 мм от края пробирки, и отверстие II - диаметром около 5 мм для выхода испаряющегося азота.

Сосуд Дьюара металлический АСД-15 (для хранения жидкого азота) вместимостью 15 дм3.

Сосуд Дьюара из прозрачного молибденового стекла внутренним диаметром 50 - 100 мм, высотой 200 - 250 мм.

Сосуд Дьюара стеклянный вместимостью 500 см3.

Посуда мерная лабораторная стеклянная по ГОСТ 1770:

колбы 2-100-2 и 2-250-2;

цилиндры измерительные 1-50 и 1-500.

Пипетки 1-1-1, 2-1-1 по ГОСТ 29169 и 2-1-5 по ГОСТ 29227.

Пробирки стеклянные П1-14-120 ХС по ГОСТ 25336.

Промывалка лабораторная.

Воронка В-56-80 ХС по ГОСТ 25336.

Бенз-a-пирен, раствор в н-октане 1×10-10 г/см3.

н-Октан, х.ч., нефлуоресцирующий.

Азот жидкий технический по ГОСТ 9293.

Вода дистиллированная по ГОСТ 6709.

Метол по ГОСТ 25664.

Гидрохинон по ГОСТ 19627.

Сульфит натрия безводный по ГОСТ 5644.

Калий бромистый по ГОСТ 4160.

Сода кальцинированная техническая по ГОСТ 5100.

Натрия тиосульфат кристаллический по ГОСТ 244.

Калий сернистокислый пиро.

Пленка для флюорографии РФ-3.

Кюветы фотографические.

Рамка металлическая для поддержания пленки в кассете (черт. 1).

Металлическая рамка

Черт. 1

Две пластинки из материала типа гетинакса или текстолита размерами 88´36´0,8 мм и 88´64´1 мм (служат для укрепления пленки в кассете).

Весы аналитические с погрешностью взвешивания не более 0,0002 г и верхним пределом взвешивания 200 г.

3.4.3. Подготовка к испытанию

3.4.3.1. Приготовление растворов бенз-a-пирена в н-октане

В бюксе взвешивают 0,025 г бенз-a-пирена с погрешностью не более 0,0002 г (Осторожно: канцерогенное вещество!), затем при помощи воронки его количественно переносят в мерную колбу вместимостью 250 см3, ополаскивая бюксу н-октаном. Навеску бенз-a-пирена растворяют в н-октане и доводят объем раствора в колбе до метки.

Полученный раствор бенз-a-пирена 1×10-4 г/см3 (раствор А) разбавляют в 100 раз. Для этого отмеривают 1 см3 раствора А пипеткой вместимостью 1 см3, переносят в мерную колбу вместимостью 100 см3 и, доливая н-октан до метки, получают раствор 1×10-6 г/см3 (раствор Б).

Разбавляя описанным выше способом раствор Б в 100 раз, получают раствор 1×10-8 г/см3 (раствор В), из которого аналогичным разбавлением получают раствор бенз-a-пирена в н-октане концентрацией 1×10-10 г/см3 (раствор сравнения).

Приготовленные растворы необходимо хранить в плотно закрытой стеклянной посуде в темном месте при температуре не выше 25 °С. Пробки сосудов с растворами заливают парафином.

3.4.3.2. Приготовление фотореактивов

Для приготовления проявителя необходимо иметь два водных раствора:

Раствор 1.

Метол - 2,5 г.

Гидрохинон - 5,0 г.

Сульфит натрия - 40,0 г.

Бромистый калий - 2,0 г.

Реактивы растворяют в указанном порядке в дистиллированной воде. Общий объем раствора доводят в мерном цилиндре до 500 см3.

Раствор должен быть прозрачным. При потемнении раствора при хранении его следует заменить свежеприготовленным.

Раствор 2.

76,0 г кальцинированной воды растворяют в дистиллированной воде и доводят общий объем до 500 см3.

Проявитель готовят перед началом работы: одна часть раствора 1, две части воды и одна часть раствора 2.

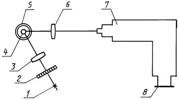
Принципиальная схема установки

1 - источник возбуждения люминесценции; 2 - светофильтр; 3 - конденсор (F = 75 - 100 мм);
4 - пробирка с экстрактом или раствором сравнения бенз-a-пирена; 5 - прозрачный сосуд Дьюара с жидким азотом;
6 - конденсор (F = 94 мм), фокусирующий люминесцентное излучение на щель спектрографа;
7 - спектрограф с камерой (F = 120 мм); 8 - кассета с фотопленкой

Черт. 2

Для приготовления закрепителя 200,0 г тиосульфата натрия и 20,0 г пиросернистокислого калия растворяют в воде при 40 °С и доводят общий объем до 500 см3.

Приготовленные растворы необходимо хранить в закрытых склянках из темного стекла с притертой пробкой.

Для приготовления фотореактивов необходимо использовать дистиллированную воду.

3.4.3.3. Сборка установки

Схема установки приведена на черт. 2.

По схеме собирают установку и подготавливают ее к испытанию. На спектрографе устанавливают камеру с фокусным расстоянием F = 120 мм.

Юстируют прибор в соответствии с инструкцией по эксплуатации спектрографа типа ИСП-51.

Барабан длин волн устанавливают на деление 6,9. Устанавливают на рельсе спектрографа конденсор 6 на расстоянии около 18,5 см от щели спектрографа.

Прозрачный стеклянный сосуд Дьюара укрепляют на лапке штатива Бунзена (на железную лапку предварительно надевают резиновые трубки для предохранения сосуда) и устанавливают над рельсом спектрографа так, чтобы его ось находилась в вертикальной плоскости, проходящей через главную оптическую ось прибора. При этом верхний край сосуда Дьюара должен находиться над рельсом на высоте (34 ± 2) см.

Сосуд Дьюара закрывают корковой пробкой с отверстиями, поворачивая ее так, чтобы центр отверстия для пробирки находился на вертикальной плоскости, проходящей через главную оптическую ось спектрографа.

Центр конденсора 6 и нижняя часть пробирки должны быть на главной оптической оси спектрографа. Расстояние от оси пробирки до центра конденсора 6 - 18,5 см.

Дополнительный рельс устанавливают под углом 60 °С к рельсу спектрографа и укрепляют на нем в стойке лампу типа ПРК-2 с кожухом в вертикальном положении. Расстояние от лампы до оси пробирки - (33 ± 2) см.

Вентилятор устанавливают так, чтобы поток воздуха охлаждал кожух лампы и стеклянный сосуд Дьюара с азотом.

Конденсор 3 устанавливают в стойке на дополнительном рельсе так, чтобы свет от источника фокусировался на пробирке с образцом. Центр выходного отверстия кожуха лампы и нижняя часть пробирки должны находиться на главной оптической оси конденсора 3.

При применении лампы типа ПРК-2 питание ее осуществляется от сети 220 В через распределительную доску ЭПС-109, имеющуюся в комплекте спектрографа.

3.4.3.4. Подготовка установки

В полностью затемненном помещении кассету заряжают пленкой. Для этого металлическую рамку (черт. 1) помещают в нижнюю часть кассеты (центральным углублением вверх). Отрезают пленку по размеру пластинки 88´36 мм и помещают пленку в углубление металлической рамки эмульсией вниз, накладывая сверху пластинку.

На первую пластинку накладывают вторую пластинку из гетинакса размером 88´64 мм, закрывают кассету и устанавливают ее на спектрографе.

Ртутно-кварцевую лампу включают за 15 мин до начала испытания, одновременно включают вентилятор для ее охлаждения. Проверяют правильность сборки установки по черт. 2.

3.4.4. Проведение испытания

В чистую пробирку взвешивают с погрешностью не более 0,01 г стружку парафина массой 1,0 г, снятую не менее чем с трех-четырех различных мест образца, и заливают 4 см3 н-октана.

Пробирку встряхивают в руке при 20 - 22 °С в течение 10 мин и после отстаивания экстракт масел и ароматических углеводородов в н-октане отделяют от осевшего парафина декантацией в чистую пробирку.

В другую такую же пробирку с помощью пипетки с грушей отбирают 3 см3 раствора сравнения бенз-a-пирена 1×10-10 г/см3.

Прозрачный сосуд Дьюара 5 (черт. 2) наполняют жидким азотом, применяя в качестве промежуточной емкости стеклянный сосуд Дьюара вместимостью 500 см3.

Перед началом работы с жидким азотом работающий должен защитить глаза и лицо защитным щитком.

Пробирку с раствором сравнения бенз-a-пирена устанавливают в сосуд Дьюара с помощью корковой пробки так, чтобы верхний край пробирки выступал над краем сосуда Дьюара, и закрепляют ее в лапке штатива Бунзена.

Устанавливают на спектрографе щель 0,1 мм, диафрагму Гартмана на деление 4, кассету на деление 25. Открывают задвижку кассеты. После замерзания раствора в пробирке (прекращение бурного кипения азота) открывают затвор спектрографа и фотографируют в течение 10 мин в затемненном помещении спектр люминесценции раствора сравнения. Время экспозиции устанавливают по часам для фотографических работ. Затем закрывают затвор и передвигают кассету на 2,5 деления вниз.

Пробирку с раствором сравнения вынимают из сосуда Дьюара, закрепляют на ее месте пробирку с н-октановым экстрактом из парафина и фотографируют спектр люминесценции экстракта при тех же условиях. После окончания съемки спектров кассету закрывают. Проявляют пленку в течение 3 мин при температуре 20 - 25 °С, промывают водой и помещают на 10 мин в закрепитель. Затем тщательно промывают пленку в проточной и затем в дистиллированной воде и высушивают при комнатной температуре.

Визуально с помощью лупы в проходящем дневном или электрическом свете сравнивают полученные на пленке спектры раствора сравнения бенз-a-пирена и испытуемого экстракта.

Спектры можно рассматривать также и при помощи печатоскопа.

Образец парафина считают выдержавшим испытание, если в спектре парафинового экстракта наиболее интенсивная линия бенз-a-пирена 4030А° (черт. 3, спектр 3), равна или слабее по интенсивности соответствующей линии в спектре раствора сравнения бенз-a-пирена (черт. 3, спектр 2).

Спектр 1 приведен для удобства нахождения аналитической линии бенз-a-пирена 4030А°. Для каждого образца проводят не менее двух параллельных определений.

1 - спектр ртути от лампы типа ПРК-2; 2 - спектр люминесценции раствора бенз-a-пирена концентрацией 1×10-10 г/см3;
3 - спектр люминесценции экстракта из образца парафина марки П-1

Черт. 3

4. ТРАНСПОРТИРОВАНИЕ И ХРАНЕНИЕ

4.1. Транспортирование и хранение твердых нефтяных парафинов - по ГОСТ 1510. При транспортировании твердых нефтяных парафинов указывается класс опасности 9, подкласс 2.1 по ГОСТ 19433.

5. ГАРАНТИИ ИЗГОТОВИТЕЛЯ

5.1. Изготовитель гарантирует соответствие твердых нефтяных парафинов требованиям настоящего стандарта при соблюдении условий транспортирования и хранения.

5.2. Гарантийный срок хранения парафинов марок П - один год со дня изготовления, парафинов остальных марок - два года со дня изготовления.

ПРИЛОЖЕНИЕ А

Обязательное

МЕТОД ПОДБОРА ИСПЫТАТЕЛЕЙ

А.1. Содержание

А.1.1. Предполагаемые испытатели могут быть подвергнуты проверке следующим способом:

а) на совпадение с истинной характеристикой;

б) на индивидуальность восприятия.

А.2. Способ проведения испытания

А.2.1. Выбирают четыре образца парафина с легким запахом различной интенсивности. Обычно для проверки 8 - 10 испытателей требуется 2 кг образца парафина. Подготовку образцов к испытанию проводят, как изложено в п. 3.3.3.4.1.

Каждый из испытателей должен охарактеризовать образцы парафина в алфавитном порядке в зависимости от интенсивности запаха. Характеристики должны делаться 1 раз в день до тех пор, пока не будет получено 8 - 10 характеристик каждого образца каждым членом группы. Парафинам каждый день присваивают новые кодовые номера. Номера испытателей должны проставляться против истинных характеристик парафина следующим образом: 4 балла даются образцу каждый раз, когда он появляется на первом месте; 3 балла - на втором; 2 балла - на третьем, 1 балл - на четвертом месте.

А.2.2. Сумма баллов, полученная каждым образцом по завершении программы испытаний, будет считаться его истинной характеристикой.

А.2.3. Способности предполагаемого испытателя определяют следующим образом: для каждого образца из истинной характеристики запаха вычитают такое число баллов, на которое этот образец отстоит от истинной оценки.

Например, если 4 образца парафина располагаются по оценке, данной всей группой, в порядке А, В, С, D, а отдельный испытатель расположил их в порядке В С A D, тогда В будет отставать на 1 балл, С - на 1 балл, А - на 2, D находится на прежнем месте. Предполагаемый испытатель отстал на 4 балла.

Максимальное число баллов, на которое может отставать образец - 8 баллов. Тогда общий счет предполагаемого испытателя составит 50 баллов:

балл =

где R - балл при обратном групповом порядке (максимальная ошибка);

L - действительное количество баллов при сравнении с групповым порядком.

Окончательное число баллов отдельного испытателя - среднеарифметическое значение всех его ежедневных результатов.

А.3. Индивидуальное восприятие

А.3.1. Индивидуальность восприятия оценивается, как и число баллов, в п. А.2.3, за исключением того, что ежедневные характеристики должны сравниваться с собственными характеристиками испытателя.

А.4. Среднее количество баллов

Компетентный испытатель должен получить около 70 баллов в каждом тесте.

ПРИЛОЖЕНИЕ А. (Введено дополнительно, Изм. № 1).

 

ИНФОРМАЦИОННЫЕ ДАННЫЕ

1. РАЗРАБОТАН И ВНЕСЕН Министерством нефтеперерабатывающей и нефтехимической промышленности СССР

РАЗРАБОТЧИКИ

Ю.И. Липерт, Ю.М. Фадеев, В.Г. Шумовский, С.П. Соколова

2. УТВЕРЖДЕН И ВВЕДЕН В ДЕЙСТВИЕ Постановлением Государственного комитета СССР по управлению качеством продукции и стандартам от 25.12.89 № 4099

Изменение № 1 принято Межгосударственным советом по стандартизации, метрологии и сертификации (протокол № 11 от 25.04.97)

За принятие изменения проголосовали:

Наименование государства

Наименование национального органа по стандартизации

Азербайджанская Республика

Азгосстандарт

Республика Армения

Армгосстандарт

Республика Беларусь

Госстандарт Беларуси

Республика Казахстан

Госстандарт Республики Казахстан

Республика Молдова

Молдовастандарт

Российская Федерация

Госстандарт России

Республика Таджикистан

Таджикгосстандарт

Туркменистан

Главная государственная инспекция Туркменистана

Республика Узбекистан

Узгосстандарт

Украина

Госстандарт Украины

3. ВЗАМЕН ГОСТ 23683-79

4. ССЫЛОЧНЫЕ НОРМАТИВНО-ТЕХНИЧЕСКИЕ ДОКУМЕНТЫ

Обозначение НТД, на который дана ссылка

Номер пункта

Обозначение НТД, на который дана ссылка

Номер пункта

ГОСТ 244-76

3.4.2

ГОСТ 6356-75

1.3.1

ГОСТ 400-80

3.2.1

ГОСТ 6370-83

1.3.1

ГОСТ 1057-88

1.3.1

ГОСТ 6709-72

3.4.2

ГОСТ 1437-75

1.3.1

ГОСТ 7402-84

3.4.2

ГОСТ 1510-84

1.4; 1.5; 2.1; 4.1

ГОСТ 9090-2000

1.3.1

ГОСТ 1520-84

1.3.1

ГОСТ 9293-74

3.4.2

ГОСТ 1770-74

3.4.2

ГОСТ 10120-71

1.3.1

ГОСТ 2226-88

1.4

ГОСТ 19433-88

4.1

ГОСТ 2517-85

2.2; 3.1

ГОСТ 19627-74

3.4.2

ГОСТ 3145-84

3.4.2

ГОСТ 25336-82

3.2.1; 3.4.2

ГОСТ 4160-74

3.4.2

ГОСТ 25337-82

1.3.1

ГОСТ 4255-75

1.3.1

ГОСТ 25664-83

3.4.2

ГОСТ 5100-85

3.4.2

ГОСТ 25706-83

3.4.2

ГОСТ 5644-75

3.4.2

ГОСТ 25771-83

1.3.1

ГОСТ 6307-75

1.3.1

ГОСТ 29169-91

3.4.2

 

 

ГОСТ 29227-91

3.4.2

5. Ограничение срока действия снято по протоколу № 5-94 Межгосударственного совета по стандартизации, метрологии и сертификации (ИУС 11-12-94)

6. ИЗДАНИЕ (март 2007 г.) с Изменением № 1, утвержденным в октябре 1997 г. (ИУС 1-98)

 

СОДЕРЖАНИЕ

1. Технические требования. 1

2. Приемка. 4

3. Методы испытаний. 4

4. Транспортирование и хранение. 11

5. Гарантии изготовителя. 11

Приложение А Метод подбора испытателей. 11

Информационные данные. 12